Molex Technologies MC3000NA Compenser User Manual 20380000 01 gb
Novero Dabendorf GmbH Compenser 20380000 01 gb
Contents
- 1. UserMan
- 2. UserMan1 rev
- 3. UserMan2 rev
UserMan

TM
203 8000 0.01
Compenser™
Installation Manual
01049 ACC

-2-
TM
RAYTEL LLC
a Nevada Limited Liability Company
711 Eighth Avenue, Suite G
San Diego, CA 92101, USA
T: +1 619 234-5929
F: +1 619 234-5853
www.raytel-llc.com
Sales, Service and Support Office:
8820 Kenamar Drive, Suite 506
San Diego, CA 92121, USA
T: +1 858 566-2170
F: +1 858 566-2179
sales@raytel-llc.com
support@raytel-llc.com

-3-
Compenser™ Table of Contents
Table of Contents
Introduction ....................................................................................... 4
RF Radiation Exposure ...................................................................... 4
Parts List ............................................................................................ 5
Safety Precautions ............................................................................ 6
Functional Description...................................................................... 8
Principle of Operation.......................................................................... 8
Installation Guide.............................................................................. 9
Required Accessory Items and Tools.................................................. 9
Getting Started.................................................................................... 9
Selecting the Mounting Position ....................................................... 10
Preparations ...................................................................................... 11
Installation ......................................................................................... 12
Operating the COMPENSER™ ....................................................... 13
Declaration of Conformity.............................................................. 14
Support ............................................................................................ 14
Warranty .......................................................................................... 14
Changes ........................................................................................... 14
Drilling Template.............................................................................. 15

-4-
Compenser™Introduction
Welcome
Thank you very much for purchasing the Compenser™ from RAYTEL LLC.
The COMPENSER™ provides optimum transmission and reception in your
vehicle when using an external vehicle antenna. Furthermore it improves the
operation of your mobile phone in conjunction with the use of a hands-free
device.
Introduction
This installation manual for the COMPENSER™ contains all necessary
information required to install the COMPENSER™ into your car. The
COMPENSER™ has been designed for easy installation, however Raytel
recommends strongly to have the system installed by a professional installer.
Raytel's Limited Warranty is void unless installed by a qualified professional
installer. Please visit our website www.raytel-llc.com for a listing of Raytel's
qualified professional installers near you.
RF Radiation Exposure
The external antenna used for this mobile transmitter
must provide a separation distance of at least 20 cm
from all persons and must not be co-located or
operating in conjunction with any other antenna or
transmitter.
The maximum allowed output power is 3 Watt and
the maximum gain of the antennas to be used is 0 dBi.

-5-
Compenser™ Parts List
Parts List
The packing unit should include the following items:
Compenser™
Cable for Connection to Hands-Free-Car Kit (5m/16.5ft.)
Adapter for Connection to Antenna (10cm/4 in)
Power Supply Cable (3 Wires with a Plug)
4 Fixing Screws
• Installation Manual
• Installation Report
• Registration and Warranty Card
• RAYTEL LLC Limited Warranty Policy
Figure 1
➀
➁
➂
➃
➄

-6-
Compenser™Safety Precautions
Safety Precautions
Improper Installation:
The installation of the COMPENSER™ requires special knowledge, abilities
and tools. Improper installation may cause damage to the unit or to the
vehicle! We therefore strongly recommend having the installation done by a
professional installer.
Personal Injury:
Inappropriate places for the installation of the COMPENSER™ may cause
personal injury in accidents or may disable the safety equipment of the
vehicle! Note the directions in the chapter Installation! When removing
coverings or dashboard parts, sharp tools may cause personal injuries or
material damage. Use adequate tools and remove parts carefully. Don't nick,
cut or pull existing car wiring harnesses.
Damage to Insulation of Wires:
Damaged insulation on any wire of the existing vehicle wiring or the wiring of
the COMPENSER™ system may cause damage to the unit, damage to the
electrical system of the vehicle, and may cause short circuiting and fire. All
wires should not be pinched or nicked and should be properly fixed to avoid
any tensile stress or possible damage by chafing!
Damage by Polarity Reversal or Short-Circuit:
Incorrectly connected wires may cause a polarity reversal or short-circuit. This
will result in severe damage to the equipment. It is essential to disconnect
the car battery before beginning the electrical installation of the
COMPENSER™!
THE RAYTEL LLC LIMITED WARRANTY IS VOID UNLESS
THE COMPENSER™ IS INSTALLED BY A QUALIFIED
PROFESSIONAL INSTALLER.

-7-
Compenser™ Safety Precautions
Damage of Car Components:
Drilling holes or using self-tapping screws when mounting the
COMPENSER™ may cause damage to important vehicle components or to
the wiring.
Make sure there is enough space left behind drilling holes and screws!
Effects on the Car's Electrical System:
Although the COMPENSER™ has been designed for minimum radiation
levels, improper installation of components of the system may influence the
electronic equipment of the vehicle. Please note the instructions in the
vehicle's owner's manual!
Damage Caused by Wrong Replacement Parts or Accessories:
Please visit Raytel's website www.raytel-llc.com for further information on
replacement and accessory parts!
Proper Use:
The COMPENSER™ is to be used in cars only with a mobile phone that
works in the GSM850 / GSM1900 MHz bands.
Never spill liquid of any kind on this product.
Do not disassemble this product. Take it to a qualified service center when
service is required.

-8-
Compenser™Functional Description
Functional Description
The COMPENSER™ is a bi-directional transmitting and receiving booster which
compensates for all cable and plug losses which occur in the signal path
between the mobile phone and the external antenna. This provides optimum
call quality through optimized transmitting and receiving characteristics.
The COMPENSER™ is ready for operation when the vehicle's ignition is turned
on. When there is no telephone call in progress, only the two receiving
amplifiers are active. During a telephone call the two transmitting amplifiers are
also active. The COMPENSER™ continues to be operational for approx. 2 hours
after turning off the ignition. Only after the end of this time the COMPENSER™
switches off completely (standby); this allows continued use during short stops.
In the standby mode the power consumption is minimal (< 0.1 mA), thereby
sparing the car battery. When the ignition is turned on again, the
COMPENSER™ is active again.
The timer function can be put out of operation by wiring the ignition connection
to the permanent plus (fig. 3, terminal 30, +). The COMPENSER™ is always on
then (CAUTION! This means constant power consumption and use of the car
battery!)
Principle of operation
Figure 2

-9-
Compenser™ Installation Guide
Installation Guide
The following installation instructions are not meant to be a guide for self
installation, rather than a supporting document for the professional installer.
Should you decide to install the COMPENSER™ yourself, which will void the
RAYTEL LLC Limited Warranty, please read and follow the installation
instructions very carefully and strictly observe all safety precautions.
Required Accessory Items and Tools
To perform the actual installation, the following tools are required:
~ Philips Screwdriver PH 1
~ Universal Pliers
~ Side-Cutting Pliers
~ Variable Speed Hand Drill
~ 3.2 mm Drill Bit (Metal)
~ 9 mm Wrench
~ Multimeter or Test Lamp
~ Vehicle Specific Tools for Removing Coverings
~ Wire Straps
~ 3 cable connector clamps
Getting Started
Before you start with the installation of the COMPENSER™ make sure that all
parts as listed in the Parts List are present. In order to fully operate the
COMPENSER™ you will need the following additional parts and accessories,
which are available through Raytel's authorized distributors and dealers:
• Mobile Phone Antenna: An external mobile phone antenna is required for
operating the COMPENSER™.
Improper Installation: The installation of the
COMPENSER™ requires special knowledge, abilities and
tools. Improper installation may cause damage to the unit
or to the vehicle! We therefore strongly recommend
having the installation done by a professional installer.

-10-
Compenser™Installation Guide
Raytel recommends the use of its Mobile Phone Antenna which will fit to the
antenna cable adapter of the COMPENSER™. Should you decide to use an
existing mobile phone antenna of another brand, you may have to use an
Antenna Adapter.
After having checked and made available all above mentioned required parts for
the installation of the COMPENSER™, you should look at the vehicle's owner's
manual for the following items:
• The vehicle's main available power source should be nominal 12 VDC with
minus connected to ground.
The COMPENSER™ operates between 11 VDC and 15 VDC.
Selecting the Mounting Position
Incorrect installation
Incorrect installation can cause damage to the appliance or vehicle. Special
knowledge and skills are required to install the COMPENSER™. We
recommend you to have it installed by a specialized workshop.
The COMPENSER™ should preferably be installed in the vehicle's trunk, as
near as possible to the external mobile phone antenna. It is not permissible to
install it in the engine compartment.
Personal Injury: Inappropriate places for the installation of
the COMPENSER™ may cause personal injury in
accidents or may disable the safety equipment of the
vehicle! When removing coverings or dashboard parts,
sharp tools may cause personal injuries or material
damage. Use adequate tools and remove parts carefully.
Don't nick, cut or pull existing car wiring harnesses.
Damage of Car Components: Drilling holes or using self
tapping screws when mounting the COMPENSER™ may
cause damage to important vehicle components or to the
wiring. Make sure there is enough space left behind
drilling holes and screws!

-11-
Compenser™ Installation Guide
The COMPENSER™ may only be opened by authorized specialized workshops.
The guarantee is void if opened by any other person. If you require service,
please ask your specialized dealer or contact our customer and product support
department.
Preparations
First decide on where to install the COMPENSER™, taking into consideration
the safety criteria, and fitting it as close as possible to the antenna.
Now decide on the connection points for permanent plus (terminal 30, +),
grounding (terminal 31, -) and ignition / switched plus (terminal 15, ignition). The
connection points permanent plus and ignition must be fused here. The
following fuses may be used:
• permanent plus: fuses 2 A to 5 A
• Ignition: fuses 2 A to 5 A
Put out the 3 copper wires, red, brown and blue, with cross-section 0.75 mm².
The 3 wires are assigned as follows:
• red: permanent plus
• brown: ground
• blue: ignition / switched plus lead
You need cable connectors for connecting the 3 copper wires to the equivalent
cables of the car wiring harness.
If the external mobile phone antenna already has an RF-cable, shorten the cable
to the necessary length and crimp an FME cable jack on the open end.
If possible do not use antennas with RF cable RG 174 and suchlike as these lead
to increased losses particularly with GSM 1900.
Have a size 3.2mm drill ready to bore the mounting holes. The last page of this
installation manual shows a drilling template for punch-marking the mounting
holes.
It is important to use the provided cable set to comply
with FCC rules concerning Maximum Permissible
Exposure Safety limits.
The cable between COMPENSER™ and antenna must be at
least 3.3ft (1m). Please use an omnidirectional 0dBi antenna.

-12-
Compenser™Installation Guide
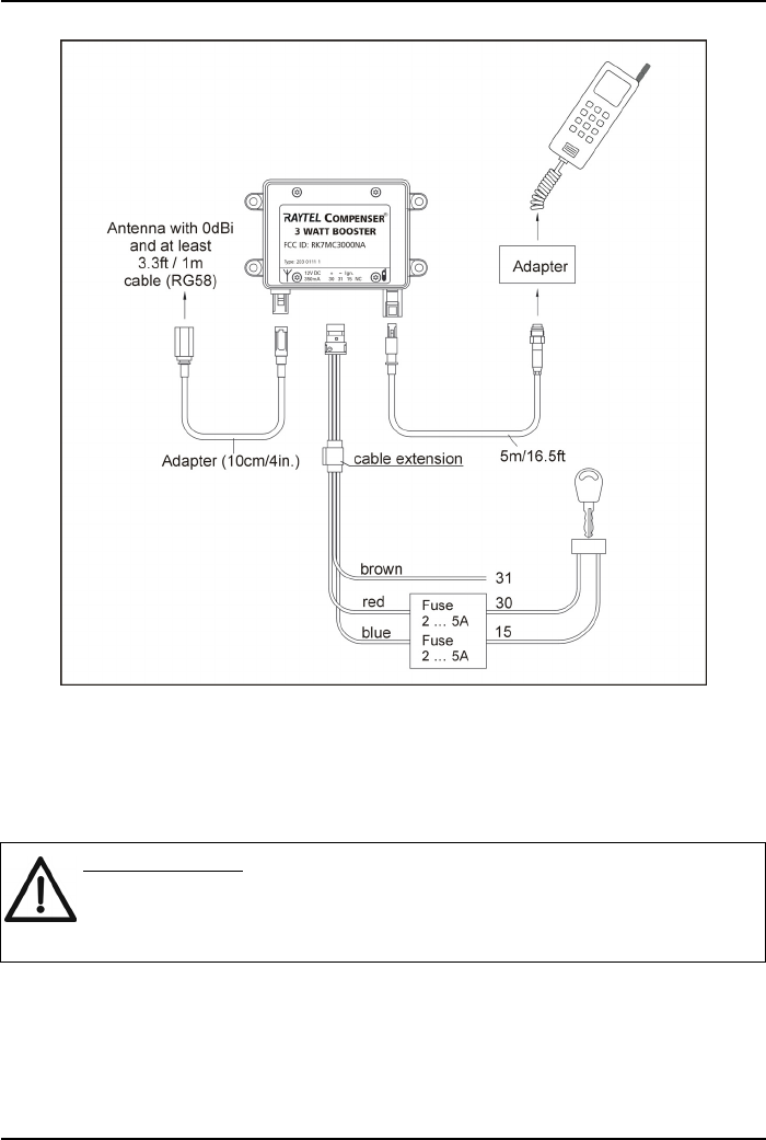
Figure 3
Installation
Disconnecting the minus pole in the car battery
The minus pole in the car battery must always be disconnected during work on
terminals in the vehicle's electrical system. It is recommended to disconnect
the minus pole during the entire installation.
Risk of injury: Unsuitable installation locations can cause
injuries during a traffic accident or render safety devices
ineffective. Do not install the COMPENSER™ in the
airbag's action area.

-13-
Compenser™ Operating the COMPENSER™
The COMPENSER™ will be installed as shown in Figure 3.
First lay the (5m/16.5ft) RF cable type RG58, inserted between the mobile
phone holder / hands-free kit and the COMPENSER™. Tighten the plug on both
sides torque : 1 Nm/0.7ft./lb.. The telephone connection ( ) on the
COMPENSER™ is to be used for this purpose.
Then plug the adapter (10cm/4in. RF cable) to the antenna connection on the
COMPENSER™ ( ).
Lay the individually prepared antenna cable between the COMPENSER™ and
the mobile telephone antenna and tighten the FME plug (torque: 1 Nm/0.7ft./lb.).
Now lay the three power supply wires between the COMPENSER™ and the
connection points. Connect them to the cable extension and see to it that you
match the colors. Then first clamp the ground wire (brown) at the defined
terminal connection point (terminal 31), then the permanent plus wire (red) at
the defined terminal connection point (terminal 30) and finally the ignition wire
(blue) at the defined terminal connection point (terminal 15).
During this work on the terminals the car battery's minus pole must be
disconnected.
Next connect the power supply cable's connector (female multipoint) to the
COMPENSER™'s connector (pin panel). There must be an audible "click" when
the plug snaps in. Finally screw on the COMPENSER™ with the four sheet-
metal screws included and connect the minus cable to the car battery again.
Operating the COMPENSER™
Make sure the ignition is off and then use a voltmeter at the point of connection
between the connection cable and the extension wires to check if the
permanent plus is connected correctly.
In the event of a polarity reversal, correct the wiring. The COMPENSER™ is
protected against polarity reversal; it will not be damaged in any way.
Turn on the ignition and check at the point of connection between the
connection cable and the extension wires if the ignition wiring is connected
correctly (+12 V between blue and brown).
Set up a mobile phone connection and check if the connection works perfectly.

-14-
Compenser™Declaration of Conformity
Declaration of Conformity
This device complies with part 15 of the FCC rules.
Operation is subject to the following two conditions:
(1) this device may not cause harmful interference, and
(2) this device must accept any interference received, including
interference that may cause undesired operation.
Support
Customer support and product assistance is available by e-mail:
support@raytel-llc.com.
If you would like to speak to a Raytel customer support representative,
please call on weekdays between 9 am and 5 pm pacific time Raytel's hotline:
(858) 566-2170. One of our customer support representatives will be glad to
assist you. Be prepared to answer the following questions: which type of
mobile phone you are using with your Compenser™, who installed the
Compenser™ and when was it installed.
Warranty
Please refer to the separately attached RAYTEL LLC Limited Warranty.
Changes
As a result of technical progress all information and illustrations of this
Installation Manual are subject to modification. RAYTEL LLC reserves all rights
to changes to the product. Reprinting and reproduction, in part or in full, of this
Installation Manual is not permitted without express written consent.

-15-
Compenser™ Drilling Template
Drilling Template

TM
Visit us at www.raytel-llc.com
© RAYTEL LLC. All rights reserved. RAYTEL™ and Tellphone™ are trademarks of RAYTEL LLC.
Compenser
™
is a Registered Trademark of Funkwerk Dabendorf GmbH.
Printed in Germany. Issue 01/04