Motorola Solutions 92FT1627 Mobile Transmitter User Manual 92C58 B InstallWarnings
Motorola Solutions, Inc. Mobile Transmitter 92C58 B InstallWarnings
Contents
- 1. Users Manual
- 2. users Manual (revised)
- 3. Installation Manual
- 4. Antenna Installation Instructions
Installation Manual

i
Section1
Radio Installation
Table of Contents
Chapter 1.1
Safety Information
SAFE AND EFFICIENT OPERATION OF MOTOROLA TWO-WAY RADIOS ............. 1.1-1
EXPOSURE TO RADIO FREQUENCY ENERGY............................................................. 1.1-1
PORTABLE RADIO OPERATION AND EME EXPOSURE ............................................. 1.1-1
ELECTROMAGNETIC INTERFERENCE/COMPATIBILITY.......................................... 1.1-2
OPERATIONAL WARNINGS ............................................................................................. 1.1-2
OPERATIONAL CAUTIONS............................................................................................... 1.1-2
MOBILE RADIO OPERATION AND EME EXPOSURE .................................................. 1.1-3
ANTENNA INSTALLATION .............................................................................................. 1.1-3
Chapter 1.2
Introduction
1.2.1 General Information .......................................................................................1.2-4
1.2.2 Plan the Installation........................................................................................1.2-4
Chapter 1.3
DC Power Cable Installation
1.3.1 Planning the Power Cable Installation ...........................................................1.3-5
1.3.2 Power Cable Installation Procedure...............................................................1.3-5
Chapter 1.4
Trunnion Installation
1.4.1 Planning the Mounting Trunnion Installation..................................................1.4-8
1.4.2 Trunnion Installation Procedure.....................................................................1.4-8
1.4.3 Control Head Mounting Position ....................................................................1.4-9
Chapter 1.5
Antenna Installation
1.5.1 Mobile Radio Operation and EME Exposure ...............................................1.5-10
1.5.2 Selecting an Antenna Site............................................................................1.5-10
1.5.3 Mobile Antennas.............................................................................1.5-10
1.5.4 Fixed Site Antennas .......................................................................1.5-11
1.5.5 Antenna Installation Procedure....................................................................1.5-11
1.5.6 Completing the Installation...........................................................................1.5-12

ii
Chapter 1.6
Installation Options
1.6.1 Radio Mounting in Dashboard......................................................................1.6-14
1.6.2 External Speaker Installation........................................................................1.6-15
1.6.3 Remote Control Head Installation.................................................................1.6-16
1.6.3.1 Removing the Front Housing ..........................................................1.6-16
1.6.3.2 Assembling the Remote Front Housing ..........................................1.6-16
1.6.3.3 Assembling the Remote Back Housing...........................................1.6-16
1.6.3.4 Installing the Remote Control Head................................................1.6-16
Chapter 1.7
Accessory Connections
1.7.1 Accessory Connector Pin Functions.............................................................1.7-18
1.7.2 Connection Plan for Accessories..................................................................1.7-20

A
6881092C58-O
General:
The following installation suggestions and test procedures are recommended for vehicles with electronic anti-
lock/anti-skid brakes. Refer to your vehicle service manual for your vehicle’s braking system, or contact your
dealer directly.
INSTALLATION WARNINGS:
Disruption of the anti-skid/anti-lock braking system by the radio transmitter may result in
unexpected vehicle motion.
Motorola recommends the following radio installation precautions and vehicle braking
system test procedures to ensure that the radio, when transmitting, does not interfere with
the operation of the vehicle braking system.
INSTALLATION PRECAUTIONS:
1. Always provide as much distance as possible between the braking modulator unit and the radio, the radio
antenna, and associated transmission line. Before installing the radio, determine the location of the brak-
ing modulator unit in the vehicle. Depending on the make and model of the vehicle, the braking modulator
unit may be located in the trunk, under the dashboard, in the engine compartment, or in some other cargo
area. If you cannot determine the location of the braking modulator unit, refer to the vehicle service man-
ual or contact a dealer for the particular make of the vehicle.
2. If the braking modular unit is located on the left side of the vehicle, install the radio on the right side of the
vehicle, and conversely.
3. Route all radio wiring, including the antenna transmission line, as far away as possible from the braking
modular unit and associated braking system wiring.
4. Never activate the radio transmitter while the vehicle is in motion and the vehicle trunk lid is open.
BRAKING SYSTEM TESTS:
Be sure the following vehicle testing is done in an isolated area. The following procedure checks for the most
common types of interference that may be caused by a radio transmitter to vehicle braking system:
1. Run the vehicle engine at idle speed and set the vehicle transmission selector to PARK. Release the brake
pedal completely and key the radio transmitter. While NOT speaking into the microphone, verify that there
are no unusual effects (visual or audible) to the vehicle lights, or other electrical equipment and accesso-
ries.
2. Repeat Step 1, except do so while speaking into the microphone.
3. Press the vehicle brake pedal slightly; just enough to illuminate the vehicle brake light(s). Then repeat
Steps 1 and 2.
4. Press the vehicle brake pedal firmly and repeat Steps 1 and 2.
5. Ensure that there is a minimum of two vehicle lengths between the front of the vehicle and any object in
the vehicle’s forward path. Then, set the vehicle transmission selector to DRIVE. Press the brake pedal
just far enough to stop the vehicle motion completely. Key the radio transmitter. Verify that the vehicle does
not start to move while NOT speaking into the microphone.
6. Repeat Step 5, except do so while speaking into the microphone.
7. Release the brake pedal completely and accelerate the vehicle to a speed between 15 and 25 miles (25
and 40 kilometers) per hour. Ensure that a minimum of two vehicle lengths is maintained between the front
of the vehicle and any object in the vehicle’s forward path. Have another person key the radio transmitter,
and verify that the vehicle can be braked normally to a moderate stop while NOT speaking into the micro-
phone.
8. Repeat Step 7, except do so while speaking into the microphone.
9. Release the brake pedal completely and accelerate the vehicle to a speed of 20 miles (30 kilometers) per
hour. Ensure that a minimum of two vehicle lengths is maintained between the front of the vehicle and any
object in the vehicle’s forward path. Have another person key the radio transmitter, and verify that the vehi-
cle can be braked properly to a sudden (panic) stop while NOT speaking into the microphone.
10. Repeat Step 9, except do so while speaking into the microphone.
11. Repeat Steps 9 and 10, except use a vehicle speed of 30 miles (50 kilometers) per hour.
!
WARNING

B
6881092C58-O
For
radios installed in vehicles fuelled by liquefied petroleum gas, refer to the (U. S.)
National Fire Protection Association standard, NFPA 58, for storage, handling, and/or
container information.
For a copy of the LP-gas standard, NFPA 58, contact the National fire Protection Association,
One Battery Park, Quincy, MA,.
!
WARNING

1.1-1
Chapter 1.1
Safety Information
Read this information before using your radio.
SAFE AND EFFICIENT OPERATION OF MOTOROLA TWO-WAY RADIOS
This document provides information and instructions for the safe and efficient operation of Motorola
Portable and Mobile Two-Way Radios. The information provided in this document supersedes the
general safety information contained in user guides published prior to 1 January 1998.
For information regarding radio use in hazardous areas, please refer to the Factory Mutual (FM)
approval manual supplement.
EXPOSURE TO RADIO FREQUENCY ENERGY
Your Motorola Two-Way Radio, which generates and radiates radio frequency (RF) electromagnetic
energy (EME), is designed to comply with the following National and International Standards and
Guidelines regarding exposure of human beings to radio frequency electromagnetic energy:
●
Federal Communications Commission Report and Order No. FCC 96-326 (August 1996)
●
American National Standards Institute (C95.1 - 1992)
●
National Council on Radiation Protection and Measurements (NCRP-1986)
●
International Commission on Non-Ionizing Radiation Protection (ICNRP- 1986)
●
European Committee for Electrotechnical Standardization (CENELEC):
To assure optimal radio performance and to ensure that your exposure to radio frequency
electromagnetic energy is within the guidelines in the above standards, always adhere to the following
procedures:
PORTABLE RADIO OPERATION AND EME EXPOSURE
●
When transmitting with a portable radio, hold radio in a vertical position
with the microphone 2.5 to 5.0 centimeters (one to two inches) away from
the mouth. Keep antenna at least 2.5 centimeters (one inch) from your
head or body when transmitting.
●
If you wear a portable two-way radio on your body, ensure that the antenna
is at least 2.5 centimeters (one inch) from the body when transmitting.
- ENV 50166-1 1995 E Human exposure to electromagnetic fields Low
frequency (0 Hz to 10 kHz)
- ENV 50166-2 1995 E Human exposure to electromagnetic fields High
frequency (10 kHz to 300 GHz)
- Proceedings of SC211/B
1996 “Safety Considerations for Human Exposure to
EMFs from Mobile Telecommunication Equipment
(MTE) in the Frequency Range 30MHz - 6 GHz.”
(EMF - Electro-Magnetic Fields)
2.5 to 5.0 cm
(1 to 2 in.)

1.1-2
ELECTROMAGNETIC INTERFERENCE/COMPATIBILITY
●
To avoid electromagnetic interference and/or compatibility conflicts, turn off your radio in any facility
where posted notices instruct you to do so. Hospital or health facilities may be using equipment that
is sensitive to external RF energy.
●
When instructed to do so, turn off your radio when on board an aircraft. Any use of a radio must be
in accordance with airline regulations or crew instructions.
OPERATIONAL WARNINGS
Vehicles with an air bag
Potentially explosive atmospheres
Batteries
Blasting caps and areas
OPERATIONAL CAUTIONS
Damaged antennas
NOTE
Nearly every electronic device is susceptible to electromagnetic interference (EMI) if inade-
quately shielded, designed, or alternately configured for electromagnetic compatibility.
WARNING: Do not place a portable radio in the area over an air bag or in the air bag deploy-
ment area. Air bags inflate with great force. If a portable radio is placed in the air bag deploy-
ment area and the air bag inflates, the radio may be propelled with great force and cause
serious injury to occupants of vehicle.
WARNING: Turn off your Two-Way radio when you are in any area with a potentially explosive
atmosphere, unless it is a radio type especially qualified for use in such areas (e.g. FM or
Cenelec approved). Sparks in a potentially explosive atmosphere can cause an explosion or
fire resulting in bodily injury or even death.
WARNING: Do not replace or recharge batteries in a potentially explosive atmosphere. Con-
tact sparking may occur while installing or removing batteries and cause an explosion.
WARNING:
To avoid possible interference with blasting operations, turn off your radio when you are
near electrical blasting caps. In a “
blasting area
” or in areas posted “
turn off two-way radio
”, obey all
signs and instructions.
NOTE
The areas with potentially explosive atmospheres referred to above include fuelling areas such as:
below decks on boats; fuel or chemical transfer or storage facilities; areas where the air contains
chemicals or particles, such as grain, dust or metal powders; and any other area where you would
normally be advised to turn off your vehicle engine. Areas with potentially explosive atmospheres
are often but not always posted.
CAUTION: Do not use any portable two-way radio that has a damaged antenna. If a damaged
antenna comes into contact with your skin, a minor burn can result.
!
!
!
!
!

1.1-3
Batteries
MOBILE RADIO OPERATION AND EME EXPOSURE
To assure optimal radio performance and that human exposure to radio frequency electromagnetic
energy is within the guidelines referenced in this document, transmit
only
when people outside the
vehicle are at least the minimum distance away from a properly installed, externally-mounted
antenna.
The table below lists the minimum distance for several different ranges of rated radio power.
ANTENNA INSTALLATION
MOBILE ANTENNAS
Recommended mobile antenna installations are limited to metal body vehicles at the center of the
roof and center of the trunk deck locations.
The antenna installation must additionally be in accordance with:
a. The requirements of the antenna manufacturer/supplier
b. Instructions in the Radio Installation Manual
FIXED SITE ANTENNAS
Mobile radio equipment is sometimes installed at a fixed location and operated as a control station or
as a fixed unit. In such cases the antenna installation must comply with the following requirements in
order to assure optimal performance and make sure human exposure to radio frequency
electromagnetic energy is within the guidelines set forth in the above standards:
●
The antenna must be mounted outside the building.
●
Mount the antenna on a tower if at all possible.
●
If the antenna is to be mounted on a building, then it must be mounted on the roof.
●
As with all fixed site antenna installations, it is the responsibility of the licensee to manage the site in
accordance with applicable regulatory requirements and may require additional compliance actions,
such as site survey measurements, signage, and site access restrictions in order to insure that
exposure limits are not exceeded.
CAUTION: All batteries can cause property damage and/or bodily injury such as burns if a
conductive material such as jewelry, keys or beaded chains touch exposed terminals. The
conductive material may complete an electrical circuit (short circuit) and become quite hot.
Exercise care in handling any charged battery, particularly when placing it inside a pocket,
purse or other container with metal objects.
Table 1.1-1: Rated Power and Distance
Rated Power of Vehicle-Installed
Mobile Two-Way Radio Minimum Distance from
Transmitting Antenna
7 to 15 Watts 1 Foot (30.5 Centimeters)
16 to 50 Watts 2 Feet (61 Centimeters)
More than 50 Watts 3 Feet (91.5 Centimeters)
!

1.2-4 General Information
Chapter 1.2
Introduction
1.2.1 General Information
There are two methods of installing your mobile radio:
1. The standard radio package contains a direct mounting trunnion and power cables.
2. Some models may be mounted in the car radio cut-out (using the required GLN7320 mounting kit,
per ISO7736).
An accessory connector on the rear of the radio (see Figure
1.5-1) enables you to attach different
accessories required for the installation.
A ten-pin telephone type connector on the front control head panel (see Figure 1.5-2) provides for the
connection of various types of microphones.
1.2.2 Plan the Installation
1. Mount the radio horizontally near the driver, so the driver can easily view, access, and operate the
controls and accessories.
2. Ensure that the location is not exposed to dirt and moisture.
3. Verify that there will be sufficient space around the mobile unit for air flow and installation.
4. Check that there is enough routing space for the power cable connector and the antenna coaxial
cable.
5. Plan the best place to run connections to minimize pinching, crushing, and overheating of wires
and cables.
NOTE In a vehicle with an airbag, make sure that the mounting location of the mobile radio,
or of any radio accessory, is not in the deployment path of the air bag.

Planning the Power Cable Installation 1.3-5
Chapter 1.3
DC Power Cable Installation
1.3.1 Planning the Power Cable Installation
The 10 foot (3 meter) DC power cable shipped with the radio should be long enough to be installed in
most vehicles. Take the following precautions before you begin:
●
Whenever possible, avoid routing the cable above the catalytic converter.
●
Use grommets whenever a cable has to pass through a hole in a metal panel.
The following table lists power cables available for this radio:
1.3.2 Power Cable Installation Procedure
Begin the power cable installation as follows:
1. Determine a routing plan, keeping in mind where the radio is to be mounted.
2. Locate an existing hole with grommet in the vehicle fire wall, or use a 3/8-inch (9.5 mm) bit to drill
an access hole in the fire wall. Install a grommet with a 3/16-inch (4.9 mm) inside diameter into
the hole to protect the power cable.
3. From inside the vehicle, feed the red and black leads (without the lugs attached) through the
access hole and into the engine compartment. (See Figure 1.3-1)
CAUTION: This radio must be operated only in negative ground electrical systems.
Operating the radio on a positive ground system will cause the cable fuse to short-circuit.
Check the vehicle ground polarity before you begin the installation.
Table 1.3-1: Power Cables
Number Description Rating
HKN4137 12V Low power cable to battery 1-25W; 15A fuse; 14 AWG 3m
HKN4191 High Power Cable to battery 25-45W; 20A fuse; 12 AWG 3m
CAUTION: Improper handling with the power cable may cause shortages to ground. Ensure
that during radio installation the power cable fuse is removed."
CAUTION: Be very careful not to damage existing wires.
!
!
!

1.3-6 Power Cable Installation Procedure
4. Connect the black lead of the power cable to the nearest vehicle chassis ground point (using the
provided ring lug if necessary). Shorten the black lead to remove any excess cable. (See Figure
1.3-2.)
5. Place the fuse holder close to the battery. Ensure that it is not near any hot engine component.
Mount the fuse holder using its mounting hole and dress the wires as required.
6. Insert the stripped end of the red lead of the fuse holder into the ring lug hole and crimp it.
Connect the fuse holder red adapter lead plug to the mating receptacle on the red lead of the
power cable. (See Figure 1.3-2.)
7. Connect the power cable black lead directly to the vehicle chassis ground.
8. Connect the red lead ring lug from the fuse holder to the positive (+) battery terminal. Make sure
the adapter cable is connected to the main power cable red lead.
9. Carefully check that all connections are proper. Insert the fuse into the fuse holder and close the
cover. (See Figure 1.3-2.)
Figure 1.3-1. Power Cable Routing into the Engine Compartment
NOTE Locate a good vehicle ground point. The vehicle frame provides the best ground.
Optimum radio performance can only be achieved with a very low resistance ground
connection. Verify that the connections between the battery negative terminal,
vehicle chassis, and engine block have low resistance.
NOTE Failure to mount the red lead of the power cable kit directly to the battery may result
in severe alternator whine interference.
Black Lead
Red Lead
Firewall
Grommet
Engine Compartment
To Radio
FL08302460

Power Cable Installation Procedure 1.3-7
Figure 1.3-2. Power Cable Assembly
Fuse
Cover
Red Lead
Red Lead
Mounting
Hole
Molded In-Line
Fuse Holder
To Vehicle
Chassis Ground
Engine
Compartment To Battery (+)
Adapter
Firewall
Red Lead
Black Lead
Ring
Lugs
FL08302470

1.4-8 Planning the Mounting Trunnion Installation
Chapter 1.4
Trunnion Installation
1.4.1 Planning the Mounting Trunnion Installation
The standard mounting trunnion allows the radio to be mounted to a variety of surfaces.
1. Ensure the surface can support the weight of the radio.
2. Although the trunnion can be mounted to a plastic dashboard, it is recommended that the
mounting screws be located so they penetrate the supporting metal frame of the dashboard.
1.4.2 Trunnion Installation Procedure
1. Select either the transmission hump or an open underneath portion of the dash to mount your
radio. (See Figure 1.5-2.) When mounting the trunnion on the transmission hump, be careful that
the transmission housing is not affected.
2. Use the trunnion mounting bracket as a template to mark the hole positions on the mounting
surface. Use the innermost three holes for a curved mounting surface, such as the transmission
hump, and the three outermost holes for a flat surface such as under the dash.
3. Center-punch the spots you marked and use a 5/32-inch (4 mm) bit to drill a hole at each location.
4. Secure the trunnion mounting bracket to the mounting surface with the three self-tapping screws
provided. (See Figure 1.5-2.)
5. Slide the radio into the trunnion. Secure the radio with the two thumb screws provided. (See
Figure 1.4-1.)
NOTE For Low Band radios only: Motorola recommends the use of a Three-point Mounting
Trunnion (Motorola part number RLN4774).
Figure 1.4-1. Radio into Trunnion
Thumb
Screw
Thumb
Screw
Trunnion

Control Head Mounting Position 1.4-9
1.4.3 Control Head Mounting Position
The control head is designed to be removed from the housing and turned to any position within a 180°
radius. This provides multiple mounting options for the radio. For example, the radio may be mounted
on either side of the vehicle transmission tunnel to facilitate the safest and most ergonomically ideal
position. The control head may then be turned to provide the most convenient access.
To reposition the control head:
1. Insert a small flat blade screwdriver, or similar instrument, in the recess between the control head
and the radio housing.
2. Press until the control head releases. Repeat the process on the opposite side of the radio.
3. Pull the control head away while ensuring that the flex connector remains attached.
4. Rotate the control head, and fold the flex circuit to align it to the new position.
5. Push the control head into the housing until the protruding tabs snap into place.
CAUTION: The contact surface of the flex circuit should be facing the printed circuit board.
!

1.5-10 Mobile Radio Operation and EME Exposure
Chapter 1.5
Antenna Installation
1.5.1 Mobile Radio Operation and EME Exposure
Observe the following caution and electromagnetic energy exposure (EME) statements when
installing antennas:
To assure optimal radio performance and that human exposure to radio frequency electromagnetic
energy is within the guidelines referenced in this document, transmit
only
when people outside the
vehicle are at least the minimum distance away from a properly installed, externally-mounted
antenna.
The table below lists the minimum distance for several different ranges of rated radio power.
1.5.2 Selecting an Antenna Site
1.5.3 Mobile Antennas
Recommended mobile antenna installations are limited to metal body vehicles at the center of the
roof and center of the trunk deck locations.
1. Install the vehicle antenna
external
to the vehicle and in accordance with:
a. The requirements of the antenna manufacturer/supplier
b. Instructions in the radio installation manual.
2. The best mounting location for the antenna is in the center of a large, flat conductive surface. In
almost all vehicles, mounting the antenna in the center of the roof will satisfy these requirements.
A good alternate location is in the center of the trunk lid. If you use the trunk lid, ensure that the
trunk lid is grounded by connecting grounding straps between the trunk lid and the vehicle
chassis.
3. Ensure the antenna cable can be easily routed to the radio. Ensure that the antenna cable is
routed separately and not in parallel to any other vehicle wiring or mobile radio cable wiring.
CAUTION: Use caution when installing antennas with mobile radio equipment using
transmitter power in excess of 7 Watts.
NOTE For low-power mobile radios (7 Watts, or less), there are no antenna type or
installation restrictions.
Table 1.5-1: Rated Power and Distance
Rated Power of Vehicle-Installed
Mobile Two-Way Radio Minimum Distance from
Transmitting Antenna
7 to 15 Watts 1 Foot (30.5 Centimeters)
16 to 50 Watts 2 Feet (61 Centimeters)
More than 50 Watts 3 Feet (91.5 Centimeters)
!

Antenna Installation Procedure 1.5-11
4. Check the antenna location for any electrical interference.
5. If the vehicle is equipped with an electronic anti-lock braking system (ABS), and the antenna will
be trunked mounted, then install the antenna on the side opposite to the braking modulator box.
This minimizes radio interference to the modulator box from the radio.
6. Make sure the mobile radio antenna is installed at least one foot (30.48 cm) away from any other
antenna on the vehicle.
1.5.4 Fixed Site Antennas
Mobile radio equipment is sometimes installed at a fixed location and operated as a control station or
as a fixed unit. In such cases the antenna installation must comply with the following requirements in
order to assure optimal performance and make sure human exposure to radio frequency
electromagnetic energy is within the guidelines set forth in the above standards:
●
The antenna must be mounted outside the building.
●
Mount the antenna on a tower if at all possible.
●
If the antenna is to be mounted on a building, then it must be mounted on the roof.
●
As with all fixed site antenna installations, it is the responsibility of the licensee to manage the site in
accordance with applicable regulatory requirements and may require additional compliance actions,
such as site survey measurements, signage, and site access restrictions in order to insure that
exposure limits are not exceeded.
1.5.5 Antenna Installation Procedure
1. Mount the antenna according to the instructions provided with the antenna kit. Run the coaxial
cable to the radio mounting location. If necessary, cut off the excess cable and install the cable
connector.
2. Connect the antenna cable connector to the radio antenna connector on the rear of the radio.
(See Figure 1.5-1.)
NOTE Any two metal pieces rubbing against each other (such as seat springs, shift levers,
trunk and hood lids, exhaust pipes, etc.) in close proximity to the antenna can cause
severe receiver interference.
Figure 1.5-1. Connections to the Back of Radio
Antenna
Connector To Battery
+ via Fuse
F1 (red)
Power
Connector Vehicle
Chassis
Ground
(black)
Accessory
Connector
FL0830249O

1.5-12 Completing the Installation
1.5.6 Completing the Installation
1. Mount the microphone clip to a convenient spot near your radio.
2. Your microphone has a telephone-type connector at the end of its cord. Plug the microphone into
the control head connector.
3. To complete your radio installation, plug the power cable into the radio power connector. (See
Figure 1.5-1.)

Completing the Installation 1.5-13
Figure 1.5-2. Transmission Hump Mounting (Top) and Below Dash Mounting (Bottom)
Tab
BELOW DASH MOUNTING
Mounting Surface
Mounting
Surface
Tab
Thumb Screw
(2)
TRANSMISSION HUMP MOUNTING
Tab
Thumb Screw
(2)
Sheet Metal
Screws
Trunnion Mounting
Bracket
Trunnion Mounting Bracket
FL0830250O
1.84"
(46mm)
2.92"
(73mm) 2.92"
(73mm)
1.84"
(46mm)
1.12"
(28mm)

1.6-14 Radio Mounting in Dashboard
Chapter 1.6
Installation Options
1.6.1 Radio Mounting in Dashboard
To install the radio in an automotive dashboard:
1. Open the radio cutout in the dashboard and, if necessary, enlarge it to the dimensions shown in
Figure 1.6-1.
2. Insert the mounting frame into the cutout and bend the six tabs (see Figure 1.6-2) to hold it in
place. Press the bezel onto the mounting frame.
3. Slide the radio into the mounting frame.
4. Make the necessary connections to the radio for power, antenna, and accessory connector as
shown in Figure 1.5-1.
Figure 1.6-1. Mounting the radio into the dashboard
Bezel
Mounting
Frame
175mm
180mm
52mm
FL08302510
(7-1/4")
(7")
(2")

External Speaker Installation 1.6-15
1.6.2 External Speaker Installation
1. Remove the speaker from the trunnion bracket by loosening the two wing screws.
2. Choose a place to mount the speaker.
3. Use the trunnion bracket as a template to mark the locations of the three mounting holes.
4. Centerpunch and drill a 5/32-inch (4 mm) diameter hole at each location.
5. Mount the trunnion bracket with the screws supplied. (See Figure 1.6-3.)
6. Insert the speaker into the trunnion bracket and tighten the two wing screws.
7. Insert the external speaker accessory plug into the accessory connector of the radio.
Figure 1.6-2. Mounting Frame Detail
Figure 1.6-3. Mounting the Speaker Under the Dashboard
Tabs (6)
Mounting Frame
FL0830252O
Dashboard
Firewall
Trunnion Bracket
To
Firewall
Mounting
or
Dashboard
Firewall
10-16 x 5/8''
Self-Tapping
Screw
0.157'' (0.399cm)
Diameter
Trunnion
Bracket
Console or Floor
FL0830253O

1.6-16 Remote Control Head Installation
1.6.3 Remote Control Head Installation
1.6.3.1Removing the Front Housing
1. Remove the Control Head from the Transceiver by inserting the dismantling tool (Motorola part
number 6686119B01) in the recess between the Control Head and the Transceiver (see
Figure1.6-4).
2. Split the Control Head into Front and Back housings by inserting the dismantling tool in the recess
between them.
3. Remove the flex from the Control Head PCB only.
1.6.3.2Assembling the Remote Front Housing
1. Connect the flex from the Transceiver to the Remote Front PCB.
2. Press the Remote Front Housing onto the Transceiver chassis until the four chassis tabs snap into
place.
1.6.3.3Assembling the Remote Back Housing
1. Connect the flex from the Remote Back to the Control Head PCB connector
(the connector flex was removed in 1.6.3.1.3 above).
2. Align the speaker with the speaker support.
3. Press the Control Head onto the Remote Back Housing until ALL the tabs snap into place (four
tabs on the RLN4801, six on the RLN4802).
1.6.3.4Installing the Remote Control Head
1. Position the Remote Mount Bracket in the desired location and mark the positions of the mounting
holes
2. Centerpunch the marked spots and drill 4mm holes at each spot.
3. Fix the Remote Mount Bracket in position using the supplied screws.
4. Route the Remote Cable (Table 1.6-1:) as required, feeding it through the bracket
(a 20mm hole is required for the cable plug).
5. Push the cable plug into the Remote Front and Back Housing until it snaps into place.
6. Snap the assembly into the bracket.
7. Adjust the assembly as required then fix it in position with the wing screws supplied.\
NOTE 1. To minimize cosmetic damage disassemble from the bottom side,
(label side).
2. The Controlhead Back Housing is not required for remote mounting.
NOTE For correct orientation of the flex, align the ‘O’ on the flex with the ‘O’ on the PCB.

Remote Control Head Installation 1.6-17
Figure 1.6-4. Remote Front and Back Housings
Table 1.6-1: Associated Components
Item Description Part Number
1,8 Flex (two per kit) 8486127B01
2,9 Remote PCB (two per kit) GLN7362A
3 Transceiver Front Housing 1564270B01
4 Cable Kit 3M
Cable Kit 5M
Cable Kit 7M
RKN4077
RKN4078
RKN4079
5 Wing screws 0305760W02
6 Remote Bracket 0764275B01
7 Remote Back Housing Primary 1564268B01
Remote Back Housing Practical/Versatile 1564269B01
O-Ring Controlhead 3202620Y01
1
2
3
4
5
7
8
9
6
FL0830254O

1.7-18 Accessory Connector Pin Functions
Chapter 1.7
Accessory Connections
1.7.1 Accessory Connector Pin Functions
This section gives a description of the accessory connector pin functions.
CAUTION: The accessory connections shown are not compatible to some other models of Motorola radios.
Check the appropriate accessory or technical manual for further information.
Table 1.7-1: Connector Pin Functions
Pin Function Description
1 External
Speaker - Speaker - and Speaker + (Pin 16) are used to connect an external speaker. The audio
PA is a bridge amplifier with a minimum load resistance of 3.2 ohms (Ω). The internal
speaker can be disabled by removing the control head. Disconnect the internal
speaker and assemble the control head back to the radio.
2 External Mic
Audio External or Emergency Mic depends on dealer programming. This microphone signal
is independent of the microphone signal on the microphone connector. The nominal
input level is 80mV for 60% deviation. The DC impedance is 660 ohms and the AC
impedance is 560.
3 Digital In 1 This is a digital input only and the primary use for this pin is external PTT.
(See Note 1).
4 Digital Out 2 This is a digital output only and the primary use for this pin is as an external alarm out-
put (See Note 3).
5 Flat_TX_Audio
(NPD Data Out) This input is intended for injecting signals into the transmit path that should not be fil-
tered; for example, the analog output of a modem.
The nominal input level is 150mVrms for 60% deviation. The impedance is greater
than 25kohms.
6 Digital In 3 This is a digital input only. Function depends on dealer programming. (See Note 4).
7 Ground Used as ground for both analog and digital signals
8 Digital In/Out 4 This is a digital input/output depending on dealer programming. (See Note 1, 2).
9 Digital In 5 with
Wakeup Emer-
gency
This is a digital input only. Emergency can be enabled via the CPS. To activate, this
line must be connected to ground; this will turn on the radio. The CPS details which
functions may be assigned to this pin by the codeplug.
10 Ignition Detect Connecting this line to the ignition line of the vehicle will automatically turn the radio on
when the ignition of the vehicle is turned on.
11 Receiver Audio There are two possible outputs: (1) Discriminator Audio; and (2) Continuous filtered
RX audio. The nominal output level for Discriminator Audio is 330m Vrms at 60% devi-
ation and for Filtered Audio 600m Vrms at 60% deviation at 1kHz. Function depends
on dealer programming.
12 Digital In/Out 7 This digital input/output function depends on dealer programming.
!

Accessory Connector Pin Functions 1.7-19
13 Switched
Battery Voltage This voltage is available when the radio is switched on. The maximum current is 1A.
14 Digital In/Out 8 This is a digital input/output depending on dealer programming. (See Note 1, 2).
15 RSSI This is an analog output which indicates the strength of the received signal.
16 External
Speaker + Positive output of radio’s audio PA (see Pin 1).
17 Bus + This pin is used for flashing and for programming the radio.
18 Boot Control To enter Boot Mode this line must be connected to ground when the radio is switched
on.
19 Reserved Reserved.
20 Reserved Reserved.
Note 1: Digital Input
4.7 kΩ Internal Pull Up Resistor to +5V.
Maximum Input Voltage accepted as Low = 0.6V
Minimum Input Voltage accepted as High = 3.0V
Note 2: Digital Output
4.7kΩ Internal Pull Up Resistor to +5V
Maximum Current when Output Low = 10mA
Maximum Voltage when Output Low = 0.5V @ 10mA
Note 3: High Current Digital Output
4.7kΩ Internal Pull Up Resistor to continuous B+
Maximum Current when Output Low = 200mA
Maximum Voltage when Output Low = 1.7V @200mA
Note 4: Digital Input
10kohms Internal Pull Up Resistor to +5V
Maximum Input Voltage accepted as Low = 0.6V
Minimum Input Voltage accepted as High = 3V
Table 1.7-1: Connector Pin Functions
Pin Function Description

1.7-20 Connection Plan for Accessories
1.7.2 Connection Plan for Accessories
CAUTION: The accessory connections shown are not compatible to some other models of
Motorola radios. Check the appropriate accessory or technical manual for further
information.
CAUTION: DO NOT short pin 16 or 1 on the accessory connector to ground; this may damage the
radio.
Figure 1.7-1. Accessory Connector
CAUTION: Ensure correct position of the accessory connector.
!
4
86
85 +12V
+12V
4
86
85
Alternative
Alternative
Alarm
Relay
Alarm
Relay
87
87
30
30
+12V
+12V
!
Antenna
Connector To Battery
+ via Fuse
F1 (red)
Power
Connector Vehicle
Chassis
Ground
(black)
Accessory
Connector
!

i
Section 2
Reducing Noise Interference in
Mobile Two-Way Radio Installations
Chapter 2.1
Introduction
2.1.1 Noise Sources................................................................................................2.1-1
2.1.2 Radiated Noise ..............................................................................................2.1-1
2.1.3 Conducted Noise ...........................................................................................2.1-2
2.1.4 Induced Noise ................................................................................................2.1-2
Chapter 2.2
Operation of a Conventional Ignition System
2.2.1 Introduction ....................................................................................................2.2-3
2.2.2 Sources of Ignition Interference .....................................................................2.2-3
Chapter 2.3
Detection of Noise Sources
2.3.1 Noise Detection Procedure ............................................................................2.3-5
2.3.2 Sources of Noise............................................................................................2.3-7
Chapter 2.4
Noise Reduction Techniques
2.4.1 General ..........................................................................................................2.4-8
2.4.2 Ignition System Interference .......................................................................... 2.4-8
2.4.2.1 Engine Maintenance and Tune-Up...................................................2.4-8
2.4.2.2 Available Noise Reduction Kits......................................................... 2.4-8
2.4.2.3 Ignition Coil Interference................................................................... 2.4-9
2.4.2.4 Distributor Interference.....................................................................2.4-9
2.4.2.5 Battery Connections .........................................................................2.4-9
2.4.3 Alternator/Generator Whine .........................................................................2.4-10
2.4.4 Voltage Regulator Noise ..............................................................................2.4-11
2.4.5 Hood and Trunk Lid Noise ........................................................................... 2.4-11
2.4.6 Other Electrical Noises ................................................................................2.4-12
2.4.7 Wheel Static................................................................................................. 2.4-12
2.4.8 Ground Bonding........................................................................................... 2.4-12

Noise Sources 2.1-1
Chapter 2.1
Introduction
Electrical noise generated by the electrical system of a vehicle, as well as local ambient noise, can
interfere with normal operation of mobile radios. Satisfactory operation of a mobile radio may require
slight or heavy noise reduction, depending upon the relative strength of the radio signal, and upon the
ability of the radio to reject undesired noise. These requirements vary from one vehicle to another,
depending upon the vehicle type and required coverage area. When operating in a strong signal area,
a certain amount of noise interference can be tolerated. In weak signal areas, however, noise
reduction becomes very important. As a rule of thumb, noise levels create greatest interference in the
25-50MHz band and reduce with increasing frequency.
Before attempting any noise reduction procedures, determine the noise source(s). Then, follow a
logical, systematic method of elimination until the interference is eliminated or reduced to an
acceptable level.
Care and patience must be exercised in locating and eliminating noise sources. There may be several
sources of noise, each slightly stronger or weaker than the other. Elimination of one source may seem
ineffective because another noise source remains active at a barely discernible difference in level.
Consult a service manual for the vehicle to determine what noise reduction provisions the
manufacturer applies when AM, AM/FM, or CB radios are installed as original equipment. These
radios are also subject to electrical noise interference, and the manufacturer may install noise
suppression components only upon those vehicles which require radio equipment at the time of
manufacture. These noise suppression components should be added in any first attempt to suppress
noise.
2.1.1 Noise Sources
The three major noise sources affecting mobile radio systems are: (1) radiated noise, (2) conducted
noise, and (3) induced noise. (See Figure 2.1-1 for typical vehicular noise sources.)
2.1.2 Radiated Noise
Radiated noise enters the radio through the antenna along with the desired signal and can block or
degrade desired communication. It can be generated by power lines, fluorescent lights, or by
electrical discharges from static build-up, ignition systems, or electrical motors. Radiated noise is the
most common cause of mobile radio interference.
When a spark discharge or arc takes place through air, energy is radiated at frequencies from a few
kilohertz to hundreds of megahertz. This spurious radiation may have some energy radiated at a
frequency near or even identical to the desired radio signal. The standard receiver may be unable to
distinguish between the two signals (desired and noise). Therefore they both enter the receiver,
resulting in degradation of the desired signal.
CAUTION: Do not add interference elimination equipment to vehicles equipped with
electronic ignition systems before obtaining advice from the vehicle manufacturer. Addition
of some noise suppression components may interfere with proper operation of electronic
ignition systems and could seriously damage them.
!

2.1-2 Conducted Noise
It is impractical to prevent all arcing in the standard vehicle electrical system. In an 8-cylinder engine
running at 2,000 RPM, arcing occurs across the spark plugs at a rate of 8,000 sparks per minute or
133 sparks per second. Electrical motors and generators also produce arcs.
2.1.3 Conducted Noise
Conducted noise enters the radio through the points where the radio is attached to the vehicle’s
electrical system such as battery cables, ignition switch, chassis ground etc. It can be generated by
electrical transients, electrical motors, poor grounding points, or inadequate electrical system filtering
(from alternators, generators, voltage regulators, or weak batteries). Conducted noise can degrade
both transmit and receive performance of a mobile radio.
2.1.4 Induced Noise
Induced noise enters the radio through the proximity of radio wiring to other wiring in the vehicle.
Electrical currents through the standard vehicular wiring can induce undesirable noise signals into the
radio cabling. Communication is degraded simply because the wiring provides a transformer-type
coupling action without any actual physical connection. Induced noise can degrade both transmit and
receive performance of a mobile radio.
Figure 2.1-1. Noise Sources
Spark Plugs
Idle Stop
Solenoid
FL0830260-O
Spark Plug
Wires
Alternator or
Generator
Voltage
Regulator Distributor Ignition
Coil
Wheel Static
Electric Fuel Pump
Antenna Ground
or Location
Radiated Noise Pick-up
Inadequate Terminal
or Fuse Block Filtering Windshield Wiper Motor
Heater Air Conditioner Blower
Electric Windows Motors
Hood Static
Power Seat Motor

Introduction 2.2-3
Chapter 2.2
Operation of a Conventional Ignition System
2.2.1 Introduction
To effectively reduce ignition interference in a vehicle, it is well to understand the operation of an
automobile ignition system.
Ignition is necessary in a gasoline engine to ignite the gasoline vapor and the air mixture in its
cylinders. The system is made up of the battery, distributor, breaker points, coil, condenser, and spark
plugs. The battery is the only electrical source of power in an automobile, so the lower battery voltage
must be stepped up to the high voltage necessary to arc across the spark plug electrodes. This arc
ignites the gas mixture.
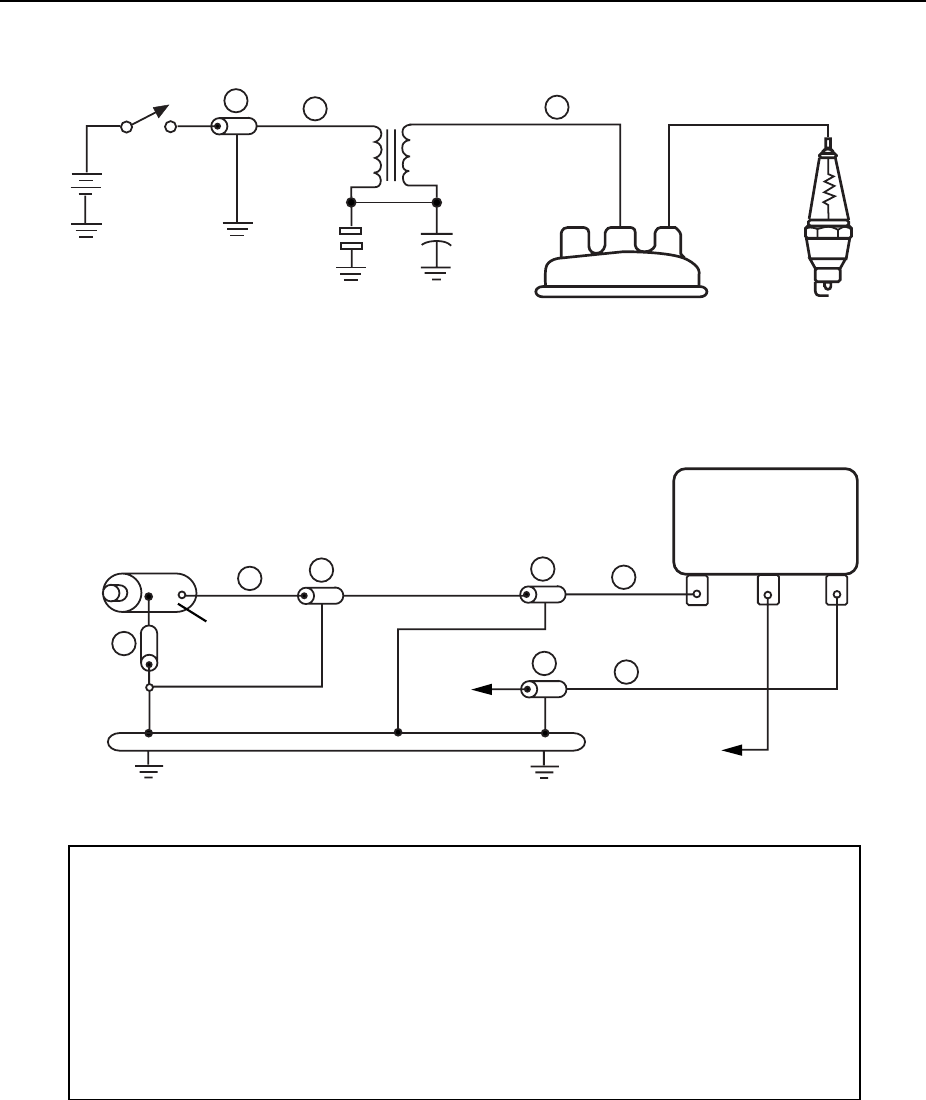
2.2.2 Sources of Ignition Interference
In the conventional ignition system (Figure 2.2-1) a mechanical circuit breaker (the cam and points in
the distributor) opens the primary circuit of the ignition coil, and high voltage is developed at the
secondary. This high voltage is synchronized and applied to each spark plug by the distributor.
Figure 2.2-1. Typical Vehicular Ignition System, Simplified Schematic Diagram
HV Lead
Distributor
Spark plug leads
Spark
Plugs
Ignition
Coil
Condenser
Cam
Breaker
Points
Ignition
Switch
Battery
Ignition
Coil
Condenser
Stray
Capacitance
Cam
Breaker
Points
Ignition
Switch
Battery
Rotor Gap
Lead Inductance
Spark Plug Gap
FL0830261-O

2.2-4 Sources of Ignition Interference
The battery is connected to the primary winding of the coil through the ignition switch. The primary
circuit is returned to the battery through the breaker points, which are bypassed by the condenser.
The points are normally closed. As the cam shaft is rotated by the engine, its lobes or corners open
and close the points in proper synchronization with the piston in each cylinder.
With the ignition switch on and the breaker points closed, coil primary current builds up at a rate
determined by the coil inductance.
When the breaker points open, primary current decreases and, by self-induction, an electromotive
force is induced in the primary which is many times greater than the battery voltage. The high voltage
inducted in the coil secondary causes a spark across the distributor rotor-to-spark plug wire gap and
then across the spark plug gap for a short interval of time when the breaker points open. The
condenser reduces arcing of the points.
The secondary circuit of the ignition coil, including the distributor rotor gap and the spark gap, is the
main source of ignition interference. The lead inductance and stray capacitance provide a tuned
circuit. Because the discharge of the circuit is through a low resistance (ionized spark gap), the circuit
tends to oscillate. The frequency and amplitude of oscillation vary as current changes in the spark
gap.

Noise Detection Procedure 2.3-5
Chapter 2.3
Detection of Noise Sources
2.3.1 Noise Detection Procedure
Detection of offending noise sources is the heart of noise suppression because, after the noise
source is identified, the solution becomes obvious. A logical methodical procedure is basic to the
effective noise suppression.
Use your available equipment to best advantage. A pick-up loop, about one inch in diameter, can be
connected to a portable CB radio or a mobile radio being operated at a frequency similar to the
installed radio frequency but from an isolated supply voltage. The pick-up loop can be moved
throughout the vehicle with the radio used as a radiated noise detector. Be sure the pick-up loop has
sufficient insulation to prevent the input of the radio from coming into direct contact with high voltage
points in the vehicle ignition system.
A non-polarized bypass capacitor, which has alligator clips firmly attached, can be used on a trial-
and-error basis to locate wiring which needs additional filtering. Keep capacitor lead lengths short for
best suppression. Ceramic disc capacitors are not as suitable or effective as automotive coaxial
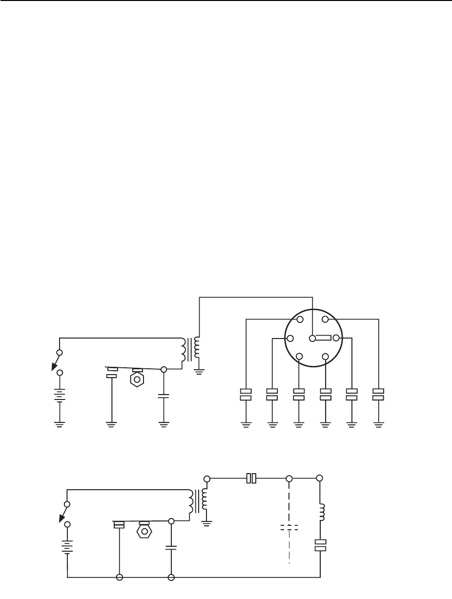
capacitors. (See Figures 2.3-1 and 2.3-2 for part numbers.)
Figure 2.3-1. TLN8845 Noise Reduction Kit for Alternator-Equipped Vehicles
Ignition
Switch
Battery
Ignition
Coil
Distributor
Breaker
Points
Resistive Wire
(Note 2)
Resistor
Spark Plugs
(Note 2)
Notes:
1. Noise reduction can only be achieved if components are grounded properly.
2. Items not supplied in kit. See auto parts dealer.
1
23
FL0830262-O
Reference Quantity Motorola Description
Number Part Number
1 1 1V839913 Lead & Lug Assembly
2 1 8C82571B02 Capacitor, Coaxial (0.1µF, 100V)
3 1 30A502396 Ignition Coil Suppressor Cable
- 1 1V80782A52 Hood Wipers (2) and Mounting
Hardware Kit (not illustrated).

2.3-6 Noise Detection Procedure
Figure 2.3-2. TLN6252 Noise Reduction Kit for Generator-Equipped Vehicles
Generator
Ignition
Switch
Battery
Ignition
Coil
Distributor
Breaker
Points
Resistive Wire
(Note 2)
Resistor
Spark Plugs
(Note 2)
Armature
Field
Common Ground
To
Battery
To
Generator
Field
Voltage Regulator
ARM FLD BAT
Notes:
1. Noise reduction can only be achieved if components are grounded properly.
Be sure that all the capacitors and the generator filed suppressor assembly are
grounded properly. This may require bonding straps for proper bypass
capacitor effectiveness.
2. Items not supplied in kit. See auto parts dealer.
FL0830263-O
1
2
3
4
5
6
1
41
4
Reference Quantity Motorola Description
Number Part Number
1 3 1V839913 Lead & Lug Assembly
2 1 1V80700A88 Lead & Lug Assembly
3 1 8C82571B02 Capacitor, Coaxial (0.1µF, 100V)
4 3 8C82571B01 Capacitor, Coaxial (0.5µF, 100V)
5 1 1V80700A89 Generator Field Suppressor Assembly
6 1 30A502396 Ignition Coil Suppressor Cable
- 1 1V80700A91 Hood Wipers (2) and Mounting
Hardware Kit (not illustrated).

Sources of Noise 2.3-7
2.3.2 Sources of Noise
Some interference is due to geographic location. This interference does not need to be eliminated
since it is possible for the vehicle to be moved away from the interfering noise source. Noise from
power lines, fluorescent lights, and other vehicles (emitting high levels of radiated noise) are
examples of noise which depends upon location. Make certain that you are not attempting to
suppress noise in a vehicle while it is in a noisy location. If you suspect that your location is noisy,
simply turn off everything in the vehicle except the radio and listen to the remaining ambient noise. If
the noise level is objectionable, you may have to noise suppress the vehicle during a less noisy time
of day or in a different, quieter location.
Check the installed radio for conducted and inducted noise by using an unmodulated signal generator
to supply a clean RF signal through a coaxial cable directly to the antenna connector on the radio set.
This should prevent radiated noise from entering the receiver and masking conducted and induced
noise. Make certain that the signal generator is not microphonic and is placed away from the noise of
the engine and exhaust.
Operate the controls for fans, blowers, power windows, headlamps, turn signals, windshield wipers,
and other electrical accessories. Listen for the presence of noise in the received radio signal. This will
allow the source of the interference to be determined. Some noise sources cannot be turned on and
off at will. These sources will need to be attacked piecemeal on a trial and error basis: alternator
whine, voltage regulators, electric fuel pump, and other possible sources. Remember that induced
noise can result from radio wiring being too close to other vehicle wiring. This problem is most easily
solved by proper cable routing at the time of installation.
Radiated noise must be attacked after conducted and induced noise has been satisfactorily
suppressed. The vehicle ignition system is usually the primary source of this interference. Antenna
placement can be critical in some installations. Remember that static discharge generates static or
radiated noise and will probably be generated only when the vehicle is in motion.
Since radiated noise interference is most noticeable in weak signal areas, it is suggested that
suppression be finalized while listening to a weak “on frequency” signal. (The squelch should be
“open” so that even marginal signals can be heard.)

2.4-8 General
Chapter 2.4
Noise Reduction Techniques
2.4.1 General
There are three basic ways to suppress noise. The first is the addition of resistance in circuits subject
to ringing. This method is used for the ignition coil HV cable, spark plug wires, and spark plugs. The
second is to filter noise from low voltage wiring using coaxial bypass capacitors. The third is to control
static charge build-up using wipers for movable parts such as automobile hoods and trunk lids, or
flexible bonding leads for fixed members. Static in wheels may also be controlled using collector rings.
Applications of each of these techniques are discussed below.
The vehicle manufacturer’s service manual also may provide noise suppression information which is
valuable in any first attempt at noise suppression.
2.4.2 Ignition System Interference
2.4.2.1 Engine Maintenance and Tune-Up
The most important step in reducing ignition noise is insuring that the engine is in proper tune. Pay
particular attention to the following points if the noise interference from the ignition system is severe:
1. Be sure the spark plugs distributor points, and condenser are in good condition.
2. Be sure ignition timing is properly adjusted.
3. Be sure the distributor cap and rotor are in good condition. They should be replaced at least every
30,000 miles.
4. Be sure that spark plug wires make good, solid contact at each end and are routed as far as
possible from low voltage leads.
5. Many late-model automobiles are equipped with a shield over the distributor points. Check to see
that this shield is properly positioned and securely attached.
2.4.2.2 Available Noise Reduction Kits
Motorola offers two noise reduction kits: Model TLN8845 for alternator-equipped vehicles; Model
TLN6252 for generator-equipped vehicles. These kits are for suppression of noise in the primary and
secondary of the ignition coil and for bleeding of static charges on the hood. The TLN6252 also is
used to suppress noise from the generator and voltage regulator. Figures 2.3-1 and 2.3-2 show the
contents of the kits and their usage.
Motorola also offers wheel static collectors (Motorola Part No. 1K534254-regular type and 1K563173-
small type). Use of these items are described in section “2.4.7 Wheel Static” on page 12.
Most auto parts dealers can supply 0.05 µF bypass capacitors (condensers), resistive ignition wires,
and resistor spark plugs. The type of spark suppression used in noise reduction should always be in
accordance with the recommendations of the vehicle manufacturer, that is, if spark plugs are to be
replaced with built-in suppressor types, they should be in the proper heat ranges and thread sizes for
the particular engine. In each ignition system, there is a maximum amount of resistance that may be
connected between the distributor and a spark plug. If resistance-type ignition wire is used, the length
of each wire must be limited so that its resistance does not exceed the allowable maximum.

Ignition System Interference 2.4-9
2.4.2.3 Ignition Coil Interference
This type of interference is characterized by a popping sound which is most noticeable when the
engine is running slowly. To suppress the noise, connect a 0.1 µF coaxial capacitor (Motorola Part No.
8C82571B02) from the battery side of the ignition coil to vehicle ground (see Figure 2.4-1). This keeps
the distributor noise from being conducted through the battery lead into the electrical system of the
vehicle. Note that some electronic ignition systems do not route the battery lead to the ignition coil;
proper operation of the ignition system can be impaired if the ”input” terminal is bypassed.
2.4.2.4 Distributor Interference
This type of interference is characterized by popping sounds which are present at all engine speeds.
It is caused by sparking between the rotor and the distributor cap inserts as the rotor turns. To
suppress this noise, use resistance ignition wire to connect the ignition coil to the distributor cap.
2.4.2.5 Battery Connections
The radio set power cable can pick up noise generated in the vehicle. This can be minimized by
connecting the power cable directly to the battery instead of the fuse block. The battery acts like a
large capacitor (about one Farad for a 50 amp/hour battery), which bypasses induced noise. The
battery ground lead should be securely bonded to the vehicle frame. Undesirable parallel ground
currents can be minimized by using the vehicle frame as a common ground point. If ignition switch
control of the radio is desired, the radio power leads may be connected to the battery through a relay
which is controlled by the ignition switch.
Figure 2.4-1. Ignition Coil Noise Suppression
Step 3.
Connect wire lead to capacitor
using lockwasher and nut.
Step 1.
Mount Capacitor
(0.1µF Coaxial Type)
to vehicle chassis
using lockwasher
and self-tapping screw.
Step 2.
Disconnect wire (dashed)
from battery post and
connect to capacitor using
lockwasher and nut.
Step 4.
Connect capacitor
lead to battery post. From distributor
Distributor Post
Battery Post
FL0830264-O

2.4-10 Alternator/Generator Whine
2.4.3 Alternator/Generator Whine
This type of interference is characterized by a high-pitched whine which varies with engine speed. A
0.5 µF coaxial capacitor (Motorola Part No. 8C82571B01) can be used to bypass the whine. For
generators, the capacitors is connected in the armature lead. Never use a capacitor in the field lead.
Use the field suppressor assembly supplied in the TLN6252 Noise Reduction Kit. For alternators, the
capacitor is connected in the lead to the battery post (see Figure 2.4-2 and 2.4-3).
Figure 2.4-2. Generator Whine Suppression
Figure 2.4-3. Alternator Whine Suppression
Step 1.
Mount Capacitor
(0.5µF Coaxial Type)
under generator ground screw.
Step 3.
Connect wire lead to capacitor
using lockwasher and nut.
Step 4.
Connect capacitor
lead to armature post.
Caution:
Do not connect
capacitor to field teminal.
Step 2.
Disconnect wire (dashed)
from armature post and
connect to capacitor using
lockwasher and nut.
FL0830310-O
Step 1.
Mount Capacitor to
(0.5µF Coaxial Type)
under alternator
ground screw.
Step 2.
Disconnect wire from
battery post and connect
to capacitor using
lockwasher and nut.
Step 3.
Connect wire lead to capacitor
using lockwasher and nut.
Step 4.
Connect capacitor
lead to battery post.
Caution:
Do not connect
capacitor to field terminal.
FL0830311-O

Voltage Regulator Noise 2.4-11
2.4.4 Voltage Regulator Noise
This type of interference is characterized by erratic popping noises which change only slightly with
changes in engine speed. The noise is generated by arcing in the vibrating breaker contacts of the
voltage regulator. It can be suppressed by connecting a 0.5 µF coaxial capacitor (Motorola Part No.
8C82571B01) in the battery and armature leads of the voltage regulator (see Figure 2.4-4).
2.4.5 Hood and Trunk Lid Noise
This type of noise is characterized by irregular popping sounds. It is caused by friction in poorly
bonded automobile hoods or trunk lids. This friction causes static electricity to build up until arcing
occurs. This type of noise is suppressed using a Motorola Hood Wipers and Mounting Hardware Kit
(part of TLN8845 or TLN6252 Noise Reduction Kits) which provides electrical bonding of the hood or
trunk to the vehicle body while permitting them to be opened.
CAUTION: Disconnect the battery ground terminal before attempting to connect components
to the voltage regulator.
Figure 2.4-4. Voltage Regulator Noise Suppression
!
FL0830265-O
Step 1.
Mount Capacitor
(0.5µF Coaxial Type)
to vehicle chassis
using lockwasher and
self-tapping screw.
Vehicle
Step 2.
Disconnect wire (dashed)
from battery post and
connect to capacitor
using lockwasher and nut.
Step 3.
Add lead from battery
post to capacitor using
lockwasher and nut.
Armature
A coaxial capacitor can
be added here, if required.
Battery
Post

2.4-12 Other Electrical Noises
2.4.6 Other Electrical Noises
Other elements of the electrical system which can generate noise are listed below. These can be
suppressed by connecting a 0.5 µF bypass capacitor between the noise source and ground.
1. Ammeter-to-battery lead
2. Gauges (oil, fuel, temperature)
3. Ignition Switch
4. Lamp bulbs (headlamps, tail lamps, dome lamps, etc.)
5. Accessory wiring (electrical fuel pump, electric windshield wipers, heater fan motor, window
openers, etc.)
2.4.7 Wheel Static
Road friction can cause static build-up on the front wheels. Suppress noise from this source using
wheel static collector rings (Motorola Part No. 1K534254 regular type - 1K653173 small type).
2.4.8 Ground Bonding
If a vehicle is not properly bonded to ground, static charges can increase. This increase can cause
noise from electrical arcing. This type of noise is suppressed by bonding the part using one-inch wide
ground straps (keep them as short as possible). Some common points where bonding may be helpful
are listed below (see Figure 2.4-5).
A. From engine block to the firewall.
B. From engine block to vehicle frame at points where the engine is shock-mounted.
C. From the battery ground terminal to the vehicle body.
D. From top of front wheel “A” frames to chassis, particularly in cases where rubber-mounted
members are used.
Figure 2.4-5. Ground Bonding
Battery
Firewall
Chassis
Fender
Well
Front Wheel
"A" Frame
B
A
C
DD
FL0830266-O

Ground Bonding 2.4-13