Motorola Solutions 92FT7113 MC-EDGE UHF Range 1, Edge Sensor Gateway User Manual Manual
Motorola Solutions, Inc. MC-EDGE UHF Range 1, Edge Sensor Gateway Manual
Contents
- 1. Manual
- 2. RF Safety Manual
Manual

Mission Critical
MC-EDGE
Owner’s Manual

Contact Us
Motorola Solution Support Center
The Solution Support Center (SSC) is the primary Motorola Solutions support contact. Call:
1. Before any software reload.
2. To confirm troubleshooting results and analysis before removing and replacing a Field Replaceable
Unit (FRU) and Field Replaceable Entity (FRE) to repair the system.
For...
Phone
United States Calls
800-221-7144
International Calls
302-444-9800
North America Parts Organization
For assistance in ordering replacement parts or identifying a part number, contact the Motorola Parts
organization. Your first response when troubleshooting your system is to call the Motorola SSC.
For...
Phone
Phone Orders
800-422-4210 (US and Canada Orders)
For help identifying an item or part number, select
choice 3 from the menu.
302-444-9842 (International Orders)
Includes help for identifying an item or part number
and for translation as needed.
Fax Orders
800-622-6210 (US and Canada Orders)
Comments
Send questions and comments regarding user documentation
to documentation@motorolasolutions.com.
Provide the following information when reporting a documentation error:
3. The document title and part number
4. The page number with the error
5. A description of the error
We welcome your feedback on this and other Motorola manuals. To take a short, confidential
survey on Motorola Customer Documentation, go to docsurvey.motorolasolutions.com or scan the
following QR code with your mobile device to access the survey.
Latest Manual Versions
You can verify the latest version of this manual at https://businessonline.motorolasolutions.com
2 Send Feedback

Contact Us
Copyrights
The Motorola products described in this document might include copyrighted Motorola computer
programs. Laws in the United States and other countries preserve for Motorola certain exclusive rights
for copyrighted computer programs. Accordingly, any copyrighted Motorola computer programs
contained in the Motorola products described in this document might not be copied or reproduced in
any manner without the express written permission of Motorola.
© 2018 Motorola Solutions, Inc. All Rights Reserved
No part of this document might be reproduced, transmitted, stored in a retrieval system, or
translated into any language or computer language, in any form or by any means, without the prior
written permission of Motorola Solutions, Inc.
Furthermore, the purchase of Motorola products shall not be deemed to grant either directly or by
implication, estoppel or otherwise, any license under the copyrights, patents or patent applications
of Motorola, except for the normal non-exclusive, royalty-free license to use that arises by operation
of law in the sale of a product.
Disclaimer
Note that certain features, facilities, and capabilities described in this document might not be
applicable to or licensed for use on a particular system, or might be dependent upon the
characteristics of a particular mobile subscriber unit or configuration of certain parameters. Please
refer to your Motorola contact for further information.
Trademarks
MOTOROLA, MOTO, MOTOROLA SOLUTIONS, and the Stylized M Logo are trademarks or
registered trademarks of Motorola Trademark Holdings, LLC and are used under license. All
other trademarks are the property of their respective owners.
European Union (EU) Waste of Electrical and Electronic Equipment
(WEEE) directive
The European Union's WEEE directive requires that products sold into EU countries must have
the crossed out trash bin label on the product (or the package in some cases).
As defined by the WEEE directive, this cross-out trash bin label means that customers and
end-users in EU countries should not dispose of electronic and electrical equipment or accessories
in household waste.
Customers or end-users in EU countries should contact their local equipment supplier representative
or service centre for information about the waste collection system in their country.
Send Feedback 3

Contact Us
FCC Information
This device complies with Part 15 of the FCC rules:
Operation is subjected of the following two conditions:
(1) This device may not cause harmful interference, and (2) This device must accept any
interference received, including interference that may cause undesired operation.
The user is cautioned that changes or modifications not expressly approved by the
manufacturer could void the user's authority to operate the equipment.
FCC ID and IC of radio units:
Radio
FCC ID
IC
APX4000 VHF
AZ492FT1112
109U-92FT7112
APX4000 UHF R1
AZ492FT7113
109U-92FT7113
APX4000 UHF R2
AZ492FT7114
109U-92FT7114
APX4000 700/800
AZ492FT7115
109U-92FT7115
APX4000 900
AZ492FT7116
109U-92FT7116
LTE Band 4 and Band 13
N7NHL7588
2417C-HL7588
LoRa Module
SQG-1001
3147A-1001
Important Safety Information
ATTENTION!
This radio is restricted to occupational use only to satisfy FCC RF energy exposure
requirements.
Before using this product, read the RF energy awareness information and operating instructions
in the Product Safety and RF Exposure booklet enclosed with your radio (Motorola Publication
part number 6802988C84-B to ensure compliance with RF energy exposure limits.
Notice to Users (FCC and Industry Canada)
This device complies with Part 15 of the FCC rules and Industry Canada's license-exempt RSS's
per the following conditions:
• This device may not cause harmful interference.
• This device must accept any interference received, including interference that may cause
undesired operation.
• Changes or modifications made to this device, not expressly approved by Motorola, could void
the authority of the user to operate this equipment.
“Under Industry Canada regulations, this radio transmitter may only operate using an antenna of
a type and maximum (or lesser) gain approved for the transmitter by Industry Canada. To reduce
potential radio interference to other users, the antenna type and its gain should be so chosen
that the equivalent isotropically radiated power (e.i.r.p.) is not more than that necessary for
successful communication”
Send Feedback 5

This radio transmitter has been approved by Industry Canada to operate with Motorola-approved
antenna with the maximum permissible gain and required antenna impedance for each antenna
type indicated. Antenna types not included in this list, having a gain greater than the maximum
gain indicated for that type, are strictly prohibited for use with this device.
This device complies with part 15 of the FCC Rules. Operation is subject to the following two
conditions: (1) This device may not cause harmful interference, and (2) this device must accept
any interference received, including interference that may cause undesired operation.
Industry Canada Compliance Statement
This Class B digital apparatus complies with Canadian ICES-003
Avis de conformité à la réglementation d'Industrie Canada
Cet appareil numérique de la classe B est conforme à la norme NMB-003 du Canada.
6 Send Feedback

Contact Us
Contents
Contact Us 1
Motorola Solution Support Center 2
North America Parts Organization 2
Comments 2
Latest Manual Versions 2
Copyrights 2
Disclaimer 3
Trademarks 3
European Union (EU) Waste of Electrical and Electronic Equipment (WEEE) directive 3
Document History 4
FCC Information 5
List of Figures 11
List of Tables 15
List of Procedures 19
Glossary 23
About MC-EDGE 26
What is Covered in This Manual 26
Helpful Background Information 26
Related Information 26
MC-EDGE Description 27
General Description 29
MC-EDGE Construction 29
Inputs and Outputs (I/Os) 29
Built-in Radios 29
LoRaWAN software upgradeable 29
LTE Verizon Bands Software Upgradeable 30
Communication Interfaces 30
Memory 32
CPU Real Time Clock (RTC) 32
MC-EDGE Components 32
MC-EDGE CPU 35
CPU Pushbutton 36
CPU LEDs 36
Send Feedback 7

I/O Expansion Modules 38
MC-EDGE I/O Module LEDs 40
MC-EDGE Input Module I/O Arrangement 43
MC-EDGE Output Module I/O Arrangement 43
MC-EDGE Mixed I/O Module Arrangement 44
MC-EDGE I/O Module Terminal Block Connectors 45
MC-EDGE Hardware Test 45
MC-EDGE Antennas 45
MC-EDGE External Power Supply or Battery 46
MC-EDGE External Devices 47
Disposal of Components 48
MC-EDGE Installation 49
General 49
Mounting the MC-EDGE on a DIN Rail 50
Connecting an I/O Expansion Module to the MC-EDGE CPU 52
Connecting an I/O Expansion Module to another I/O Expansion Module 54
MC-EDGE Power and Ground Connections 54
Connecting the MC-EDGE to Power and Ground 55
Connecting MC-EDGE Data Cables 58
Connecting MC-EDGE I/Os 58
Bundling MC-EDGE Cables 59
Extracting Terminal Block Connectors from the I/O Module 60
Adding an Optional SD Card 61
Connecting Antennas to the MC-EDGE 62
Replacing the MC-EDGE DC Power Cable Fuse 64
Optional Auxiliary Radios and Installation Kits 65
MC-EDGE Supported Radio Types 65
Installation Kits for MC-EDGE Auxiliary Radios 65
MTM5200, MOTOTRBO XPR 5350 and APX 6500 Radio 66
Installation Kits 66
Installing the Mobile Radio Installation Kits 66
Configuration and Programming for the ASTRO APX 4000/APX 6500 Radio 69
Configuring the RTU Port Type for the APX 4000/APX 6500 Radio 69
RTU Port Type Advanced Parameter Configuration (for APX 4000/APX 6500 Radio) 70
IP Conversion Table for the APX 4000/APX 6500 Radio 70
APX 4000/APX 6500 Radio Programming using CPS 71
Connecting the APX 4000/APX 6500 Radio 71
Disassembing the APX 6500 Radio 71
Programming the APX Radio 72
8 Send Feedback

Contact Us
Infrastructure Configuration for the APX 6500 Radio 73
ASTRO APX 6500Li Options for MC-EDGE 73
Appendix A: MC-EDGE Specifications 75
MC-EDGE General Specifications 75
MC-EDGE Input Module Specifications 80
MC-EDGE Output Module Specifications 82
MC-EDGE Mixed I/O Module Specifications 83
MC-EDGE Regulatory Specifications 84
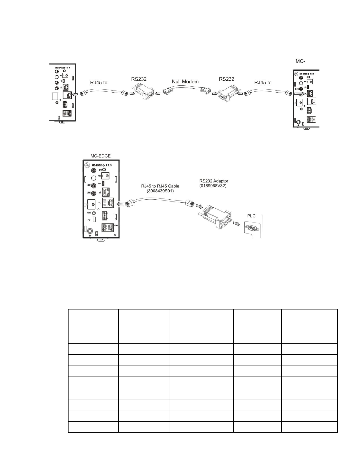
Appendix B: Cables and Adaptors 85
General 85
Connection to a Computer via RS232 85
Connection to a Modem via RS232 86
Connection to a PLC/RTU/FEP via RS232 87
Connection to a PLC/RTU/FEP via RS485 89
Connection to a Computer (Ethernet) 90
Connection to a Computer (USB OTG) 90
MC-EDGE CPU to MC-EDGE I/O Expansion Module Connection 90
Appendix C: MC-EDGE I/O References 92
Input /Mixed IO Module Block Diagram 92
Digital Output Circuit Diagrams 93
Analog Output Circuit Diagram 93
Output Module Block Diagram 94
Digital Output Circuit Diagrams 96
Analog Output Circuit Diagram 96
Appendix D: MC-EDGE External Connector Pin Outs 100
MC-EDGE CPU LAN Port Connector 100
MC-EDGE CPU RS232 Port Connector 100
MC-EDGE CPU RS485 Port Connector 101
MC-EDGE CPU I/O Connector 101
MC-EDGE CPU RJ50 Connector 101
MC-EDGE Input Module RJ50 Connector 102
MC-EDGE Input Module DI Connector 103
MC-EDGE Input Module AI Connector 104
MC-EDGE Output Module RJ50 Connector 105
MC-EDGE Output Module DO Connector 106
Appendix E: MC-EDGE Field Replacement Units 110
MC-EDGE Field Replacement Units and Parts 110
Send Feedback 9

List of Figures
Figure 1 MC-EDGE Unit with Two I/O Expansion Modules with Covers. 15
Figure 2 MC-EDGE Unit with two I/O Expansion Modules without Front Panel Covers. 16
Figure 3 MC-EDGE CPU– General View with and without Side. 20
Figure 4 MC-EDGE – Front View.. 20
Figure 5 CPU Front Panel LEDs. 21
Figure 6 MC-EDGE Input Expansion Module. 23
Figure 7 MC-EDGE Output Expansion Module. 24
Figure 8 MIXED IO Module. 24
Figure 9 MC-EDGE Input Module I/O Arrangement 28
Figure 10 MC-EDGE Output Module I/O Arrangement 29
Figure 11 Dimensions of MC-EDGE Unit 35
Figure 12 Plastic Tab in the MC-EDGE Unit 37
Figure 13 Hooking the MC-EDGE Unit onto the DIN Rail 37
Figure 14 Hooking the MC-EDGE Unit with I/O Expansion Module onto the DIN Rail 38
Figure 15 MC-EDGE CPU Side Cover 38
Figure 16 MC-EDGE CPU Connection to I/O Expansion Module. 39
Figure 17 MC-EDGE I/O Expansion Module Connection to I/O Expansion Module. 40
Figure 18 MC-EDGE DC Power Cable with Fuse. 41
Figure 19 MC-EDGE Power and Ground Connections. 42
Figure 20 MC-EDGE with I/O Expansion Power and Ground Connections. 42
Figure 21 MC-EDGE I/O Module with TB Connector 44
Figure 22 MC-EDGE Cables in Plastic Fastener 45
Figure 23 TB Extractor on TB.. 46
Figure 24 MC-EDGE CPU SD Cover 47
Figure 25 Outdoors Installation of MC-EDGE Antennas. 48
Figure 26 MTM5200, MOTOTRBO XPR 5350 and APX 6500 Radio Installation Kit Bracket Assembly 51
Figure 27 MTM5200, MOTOTRBO XPR 5350 and APX 6500 Radio Installation Kit Bracket Assembly on
DIN Rail 52
Figure 28 APX 6500 Radio on DIN Rail 52
Figure 29 XPR 5350 Radio on DIN Rail 53
Figure 30 MTM5200 Radio on DIN Rail 53
Figure 31 RTU Site Configuration for MDLC over ASTRO APX Radio – Advanced Parameters. 54
Figure 32 MC-EDGE RJ45 RS232 connector 68
Figure 33 Computer-RS232 Connectivity. 69
Figure 34 RS232- Modem Connectivity. 70
Figure 35 RS232-RTU/FEP Connectivity. 71
10 Send Feedback

Contact Us
Figure 36 RS232-PLC Connectivity. 71
Figure 37 RS485- PLC/RTU/FEP Connectivity. 72
Figure 38 B-6 MC-EDGE CPU to MC-EDGE I/O Expansion Module Connectivity. 74
Figure 39 12 DI/8 AI – Input module 7 DI/4 AI – Mixed IO module. 75
Figure 40 Digital Output Circuit Diagrams. 76
Figure 41 Analog Output Circuit Diagram.. 76
Figure 42 Output Module Block Diagram.. 77
Figure 43 Digital Output Circuit Diagrams. 78
Figure 44 Analog Output Circuit Diagram.. 78
Figure 45 MC-EDGE Input Module RJ50 Connector 83
List of Procedures
Procedure 1. Mounting the MC-EDGE on a DIN Rail 38
Procedure 2. Connecting an I/O Expansion Module to the MC-EDGE CPU 39
Procedure 3. Connecting an I/O Expansion Module to another I/O Expansion Module 41
Procedure 4. Connecting the MC-EDGE to Power and Ground 42
Procedure 5. Connecting the MC-EDGE Data Cables 44
Procedure 6. Connecting the MC-EDGE I/Os 44
Procedure 7. Bundling the MC-EDGE Cables 45
Procedure 8. Extracting the TB Connector from the I/O Module 46
Procedure 9. Adding an Optional SD Card 47
Procedure 10. Replacing the MC-EDGE DC Power Cable Fuse 49
Procedure 11. Installing the Mobile Radio Installation Kits 52
Procedure 12. Making the Bracket Smaller for MOTOTRBO XPR 5350 and MTM5200 Radios 55
Procedure 13. Mounting the Mobile Radio Power Supply for MC-EDGE 56
Procedure 14. Installing the APX 4000 Radio Installation Kit 58
Procedure 15. Installing the XPR 7350/80 Radio Installation Kit 60
Procedure 16. Configuring the MC-EDGE Port for the APX 4000/APX 6500 Radio 63
Procedure 17. Configuring the Advanced Parameters of the MC-EDGE Port for the ASTRO APX Radio64
Procedure 18. Connecting the APX 4000/APX 6500 Radio to the CPS 65
Procedure 19. Disassembling the APX 4000 Radio 65
Procedure 20. Disassembling the APX 6500 Radio 66
Procedure 21. Programming the APX Radio Settings 66
Procedure 22. Configuring the MC-EDGE Port for the XPR 5350 MOTOTRBO Digital Radio 68
Send Feedback 11

Procedure 23. Connecting the XPR 5350 MotoTRBO Digital Radio to the CPS 70
Procedure 24. Connecting the XPR 5350 MotoTRBO Digital Radio to the CPS 70
Procedure 25. Disassembling the XPR 5350 MOTOTRBO Digital Radio from the MC-EDGE Unit 70
Procedure 26. Programming the MOTOTRBO Digital Radio 71
Procedure 27. How to Configure the MC-EDGE Port for the MotoTrbo Connect Plus RadioPart 1: FIU
Configuration to XRT Gateway 72
Procedure 28. How to Modify the Default Advanced Port Parameters for MotoTrbo Connect Plus Radio75
Procedure 29. How to Connect the MotoTrbo Connect Plus Radio to the CPS 77
Procedure 30. How to Disassemble the MotoTrbo Connect Plus Radio from the MC-EDGE Metal Chassis
78
Procedure 31. Configuring the MC-EDGE Port for the XPR 5350 MOTOTRBO Digital Radio 80
Procedure 32. Configuring the Advanced Parameters of the MC-EDGE Port for the ASTRO APX Radio82
Procedure 33. Configuring the MC-EDGE Port for the MTM5200 Radio
12 Send Feedback

Contact Us
Glossary
ACE Advanced Control Equipment
AI Analog Input
AO Analog Output
AWG American Wire Gauge
DFM Direct Frequency Modulation
DI Digital (Discrete) Input
DO Digital (Discrete) Output
DPSK Differential Phase Shift Keying
EPP Environmentally Preferred Product
ESD Electrostatic Discharge
EU European Union
FCC Federal Communication Commission
FEP Front End Processor
FPGA Field Programmable Gate Array
FSK Frequency Shift Keying
GND Ground
GPS Global Positioning Satellite
HW Hardware
IC Industry Canada
IEC International Electrotechnical Commission
IO (I/O) Input/Output
IP Internet Protocol
LAN Local Area Network
LED Light Emitting Diode
NEMA National Electrical Manufacturers Association (issues enclosure standards)
NC Normally Closed
NO Normally Open
OTG On-The-Go (USB port as host or device)
PC Personal Computer
PPS Parts per Second
RAM Random Access Memory
RF Radio Frequency
RTU Remote Terminal Unit
RX Receive
SCADA Supervisory Control and Data Acquisition
DRAM Dynamic Random Access Memory
SW Software
UHF Ultra High Frequency
USB Universal Serial Bus
VHF Very High Frequency
WLAN Wireless Local Area Netwo
Send Feedback 13

About MC-EDGE
This manual provides functional overview and procedures for the MC-EDGE.
What is Covered in This Manual
This manual contains the following sections:
Helpful Background Information
Motorola Solutions offers various courses designed to assist in learning about the system.
For information, go to http://www.motorolasolutions.com/training to view the current course
offerings and technology paths.
Related Information
Unless otherwise specified, the Motorola documents listed here are available from Motorola
Online at http://businessonline.motorolasolutions.com. If you are new to Motorola Online,
follow the on-screen instructions to sign up for an account. To access Public Safety LTE
infrastructure manuals, select Resource Center → Product Information → Manuals →
MC-IOT and select the appropriate release. The Resource Center also provides a Search
function.
Additional informaton can be found in the below link
https://code.motorolasolutions.com/iiot/MCEDGE
Customers outside of the Americas can contact Motorola Solutions for the documentation
listed here.
14 Send Feedback

Contact Us
MC-EDGE Description
The IoT Mission Critical EDGE is a part of MSI mission critical IoT portfolio which provides
an ecosystem for IoT developers, integrators and users to build out an IoT base solutions
The MC EDGE is an highly secured communication agnostic versatile IoT Gateway which
uses LoRaWAN for Wireless Sensor Connectivity, extensive Physical I/O suite of
interfaces.
The MC EDGE provides a suite of tools for edge analytics creation and data manipulation
creation which varies from easy /intuitive Codeless web based tools to an highly
suffictated C based SDK. The MC EDGE utilize an inherited LTE CAT- 4 and ASTRO
(P25) connectivity capabilities
This solution is targeting two main markets: Mission critical with public safety oriented
solution e.g. smart early warning, Safe city , Perimeter security etc. and critical
infrastructure e.g. Smart water and electricity management
On the mission critical side, Highly secured mission critical IoT ecosystem will create a
major differentiation points as well as migration path between LMR to PS LTE
infrastructure. On the Critical infrastructure side, Communication agnosticism , Highly
reliable Industrial GW will provide a market differentiation and superiority
Figure 1. MC-EDGE Unit with Two I/O Expansion Modules with Covers
Send Feedback 15

Figure 2. MC-EDGE Unit with two I/O Expansion Modules without Front Panel Covers
General Description
MC-EDGE Construction
Each MC-EDGE module is enclosed in a compact protective plastic housing. The CPU
front panel provides easy access to connectors, ports and antennas. The I/O module front
panel includes terminal block connectors for sensor/device wire connection.
The MC-EDGE is mounted on a DIN rail, in a customer-supplied plastic or metal enclosure.
For more information on mounting the unit and for enclosure requirements, see
MC-EDGE Installation.
For the unit dimensions and weight, see Appendix A: MC-EDGE Specifications.
Inputs and Outputs (I/Os)
The MC-EDGE CPU module includes three Digital Inputs (DI) and one Digital Output (DO). In
addition, up to two Input/Output (I/O) expansion modules can be added to the MC-EDGE
CPU .
For details on the CPU and expansion module I/O specifications, see Appendix A:
MC-EDGE Specifications.
For details on the I/O expansion modules, see I/O Expansion Modules.
16 Send Feedback

Contact Us
Built-in Radios
The MC-EDGE unit includes the following set of communication radios:
LoRaWAN software upgradeable (Future option Hardware ready)
LoRa (Low power Radio) for customers that are seeking to deploy Internet of Things (IoT)
applications fast in areas where large distances are involved, yet low capacity is needed.
Wireless Sensors Network Class 1, 8 Channels at freq range of 902 to 928 MHz
LoRa has several benefits and characteristics as detailed below:
1. Long range enables solutions such as smart city applications.
2. Low power means long battery life for devices.
3. Low bandwidth makes it ideal for practical IoT deployments with less data and/or with
data transmissions.
4. Low(er) connectivity costs.
5. Wireless, easy to set up and fast deployment.
6. Security: a layer of security for the network and one for the application with AES
encryption knowing the concerns and security risks regarding IoT.
7. Fully bi-directional communication.
8. Open alliance and an open standard.
ASTRO P25
● 700/800
● VHF
● UHF R1
● UHF R2
● 900
LTE Verizon Bands Software Upgradeable
● LTE Air Prime HL7588
● B4 and B13 per 3GPP
Communication Interfaces
The MC-EDGE unit includes the following set of communication interfaces, for MDLC
communication (between the FEP-RTU and RTU-RTU) and for non-MDLC communication
(general communication with the FEP or RTU.)
1. USB1 Console port (device)
2. MDLC Communication via radio: ASTRO APX IV&D, LAN Ethernet 10/100 Mb/s port
(ETH1)
3. Ethernet communication (MDLC and non-MDLC)
4. Non-MDLC MODBUS communication: SCADA Center slave, PLC master/slave
5. User defined communication: user application/user device
Send Feedback 17

6. Configurable RS232 or RS485 serial port (SI1/UART1)
7. Cellular, General PPP connection (MDLC and non-MDLC)
Certified with the following modems: Siarra wireless -AirLINK FXT edge, Maxon
– Intelimax, Telit- Gate Tel GT-HE910-EUD
Other similar cellular modems can be used with MC-EDGE.
NOTICE: It is the user’s responsibility to validate operation of any other
modem.
8. Serial data modem communication: MDS SD 4710 modem (MDLC and non- MDLC)
9. External null modem communication: Westremo (MDLC and non-MDLC)
10. Communication via radio: TETRA MTM5200 radio (MDLC and non-MDLC)
11. Serial RS232 communication (MDLC and non-MDLC)
12. Serial RS485 multidrop communication (MDLC and non-MDLC)
13. Non-MDLC MODBUS communication: SCADA Center slave, PLC master/slave
14. Time synchronization via GPS
15. User defined communication: user application/user device
16. USB 2.0 Host port (USB4)
17. MDLC communication via radio: ASTRO APX IV&D. The following additional port can
be added to the CPU on an optional plug-in board:
18. the following connector enables the connection of an MC-EDGE CPU to an
MC-EDGE I/O expansion module. For information, see MC-EDGE I/O
Expansion Modules
.
19. RJ50 I/O expansion connector
Memory
The MC-EDGE unit includes the following memory:
1. 256 MB FLASH memory/at least 32 MB available for user data
2. 256 MB LPDDR DRAM/32 MB available for user data
3. Micro SD Card slot, up to 32 GB (card not supplied). In security systems used for
CRYPTR module
CPU Real Time Clock (RTC)
The MC-EDGE CPU includes a low drift RTC. The date and time are retained using an
on-board rechargeable lithium battery.
The CPU date and time can be set using the Web browser-based Easy Configurator tool
or the STS. The CPU can also be synchronized with other RTUs in the system, using the
system clock, or via GPS, using a PPS signal connected to the DCD line of the RS232
port.
MC-EDGE Components
The table below lists the components which can be included in the MC-EDGE.
18 Send Feedback

Contact Us
Table 1. MC-EDGE Components
Component
Function
Notes
CPU
Communicates with the control
center, RTUs and other devices
via the communication ports.
See MC-EDGE CPU
.
115/230 VAC to 12VDC
power supply or
115/230 VAC to 24VDC
power supply
Converts the main AC power
source to the voltages required
by the unit/radio.
See MC-EDGE
External
Power
Supply
.
I/O expansion module (up to
two modules per CPU)
Matches between the MC-EDGE
and signals of various types/levels.
Interfaces between the
MC-EDGE and the process
signals.
See MC-EDGE I/O
Expansion Modules
.
Terminal blocks (TB)
Connects the signals to the
I/O modules.
See MC-EDGE I/O
Expansion Modules
.
RS232 cable + adaptor
(FKN0022)
Connects devices to RS232 port
See Appendix B:
Cables and Adaptors
.
RS485 cable (FKN0030
#CB000207A01)
Connects devices to RS485 port
See Appendix B:
Cables and Adaptors
External DC power cable
(FKN0033 #CB000170A01)
Connects CPU to external
power supply
See Appendix B:
Cables and Adaptors
.
MTM5200 data cable
(FKN0027)
Connects MTM5200 radio to CPU.
See MC-EDGE Radio
Types and Installation
Kits
.
APX 6500 data cable
(FKN0035)
Connects APX 6500 radio to CPU.
See MC-EDGE Radio
Types and Installation
Kits
.
Ground cable (FKN0034
#30009286001)
Connects modules to ground.
Expansion module cable
(FHN0065 #30013144001)
Connects CPU to I/O expansion
module, and I/O expansion module
to I/O expansion module.
See Appendix B:
Cables and Adaptors
.
Send Feedback 19

MC-EDGE CPU
The MC-EDGE CPU controls all components attached to the unit. It includes a plug-in
board with either APX4000 + LTE modem + LoWan or APX4000 + LTE modem
Figure 3 provides a general view of the MC-EDGE CPU.
Figure 3. MC-EDGE CPU– General View with and without Side Cover
The MC-EDGE CPU panel includes status, user, power and communication port LEDs, a
pushbutton, communication ports, antenna and ground connectors, and I/O connectors. Figure
4 shows the front view of the CPU.
Figure 4. MC-EDGE – Front View
20 Send Feedback

Contact Us
CPU Pushbutton
The pushbutton on the MC-EDGE CPU front panel has several functions:
1. LED activation – Hold the pushbutton pressed for one second to activate the LEDs
for a preconfigured period of time.
2. Status indications - Press the pushbutton for three seconds to toggle between LED
pages (see MC-EDGE CPU LEDs
).
3. Note : Please be aware Press button more than 10 Sec cause restart to the RTU
MicroControllers (CPU+I/O)
CPU LEDs
The MC-EDGE CPU front panel includes a power LED, status LEDs for onboard DIs/DO, and
status LEDs on the communication ports. Some of the LEDs are single color (green) and
some are bicolor LEDs (red or green). The LEDs are used to indicate various situations.
Figure 5. CPU Front Panel LEDs
By default, the CPU LEDs provide power, error, sleep mode, and DO status indications.
Table 1-2 details the default display of the CPU LEDs (Page 0).
To see DI status indications, press the pushbutton for three seconds, to toggle to Page 1.
Table 1-3 details the additional Page 1 CPU LEDs functionality. To toggle back to Page 0,
press the pushbutton for again for three seconds.
Send Feedback 21

Table 2. CPU LEDs – Page 0 (Default Display)
LED Name
Description
Status
Power/Error LED
Off - Unit is powered off.
Steady Green - Unit is powered on.
Steady Red - Unit is powered on with errors in the
Error Logger.
Fast Blinking Green (once per second) - Unit is in
boot state.
Medium Blinking Red or Green (once every 10
seconds)
-Low input voltage fault state, when the
processor is off.
Slow Blinking Red or Green (once every 30-90
seconds)
-Unit is in sleep mode.
1
DO Status
Reset state: The LED is off.
Set state: The LED is on (green).
2
Not in Use
N/A
3
Not in Use
N/A
Table 3. CPU LEDs - Page 1 (DI Display)
LED Name
Description
Status
Power/Error LED
Fast Blinking Green (once in every 2 seconds) -
Unit is powered on in Page 1.
Fast Blinking Red (once in every 2 seconds) -
Unit is powered on with errors in the Error
Logger.
1
DI1 Status
Green - A powered-on DI is On (high from 6-30V).
Off - DI is Off (low 0–3 V).
2
DI2 Status
Green - A powered-on DI is On (high from 6-30V).
Off - DI is Off (low 0–3 V).
3
DI3 Status
Green - A powered-on DI is On (high from 6-30V).
Off - DI is Off (low 0–3 V).
Table 4. CPU Port LEDs
Description
Status
22 Send Feedback

Contact Us
Ethernet 10/100 port LED
Green - Unit is connected to Ethernet.
Green Blinking – Transmitting/receiving data
RS232/RS485 Port (UART1)
LEDs
Green - Transmitting data
Yellow - Receiving data
I/O Expansion Modules
The MC-EDGE RTU can include up to I/O expansion modules. Four I/O module types are
available:
1. Input module with mixed 12 DI and 8 AI 4-20mA
2. Input module with mixed 12 DI and 8 AI 0-5V
3. Output module with mixed 8 DO and 2 AO
4. Mixed IO module with 7 DI 6DO 4 AI 1 AO
The I/O modules are attached in a daisy-chain, with the first module attached to the CPU,
and the next module attached to the first. A cable with two RJ50 connectors is used to
connect the I/O module to the CPU or to another I/O module.
Each I/O module includes a power LED, a link LED (future use), individual I/O status
LEDs, and an array of I/O connectors.
An I/O module can only be added/removed to/from an MC-EDGE unit when the power to
the unit is off.
For detailed specifications of each I/O expansion module, see Appendix A:
General Specifications
.
Figure 6 depicts the Input expansion module without a cover and with a cover.
Figure 7 depicts the Output expansion module without a cover and with a cover.
Figure 8 depicts the Mixed I/O expansion module without a cover and with a cover
Send Feedback 23

Contact Us
Figure 8. 1-8 MIXED IO Module
General View Front View with Cover
MC-EDGE I/O Module LEDs
The I/O module LEDs are used to indicate module and I/O status. LED indications are
arranged according to the pins in the connectors.
The Input module has one LED indication for each I/O. The Output module has two LED
indications for each DO and one LED indication for each AO. See Table 1-5, Table 1-6,
and
Table 1-7
for LED functionality of the modules.
The Mixed IO Module has Two LED indications for each DO and one LED indication for AO one
LED indication for each input.
Table 5. Input Module LEDs
LED Name
Description
Status
Power LED
Off – I/O module is powered off.
Steady Green – I/O module is powered on.
Fast Blinking Green (once per second) – I/O
module is in boot state.
Link LED
Green – Proper Communication with Main CPU
Red - No Communication with Main CPU.
DI1-DI12
DI Status
Green - A powered-on DI is On (high from 6-30V).
Off - DI is Off (low 0-3V).
AI1 - AI8
AI Status
Green - AI value is in range (0-20mA, 4-20mA, or
0-5V).
Send Feedback 25

Red - AI value is not in range.
Table 6. Output Module LEDs
LED Name
Description
Status
Power LED
Off – I/O module is powered off.
Steady Green – I/O module is powered on.
Fast Blinking Green (once per second) – I/O
module is in boot state.
Link LED
Green – Proper Communication with Main CPU
Red - No Communication with Main CPU.
NC1/NO1 -
NC4/NO4
EE DO
Relay
Status
Default (non-operated) state:
The NC# LED is on (green). The NO# LED is off.
The NC# (normally closed) pin is connected to the
COM# pin.
Operate state:
The NC# LED is off. The NO# LED is on.
The NO# (normally open) pin is connected to the
COM# pin.
R1-r/R1-s
- R8-r/r8-s
ML DO
Relay Status
Reset state:
The R#_r LED is on (green). The R#_s LED is off.
The R#_r pin is connected to the COM# pin.
Set state:
The R#_r LED is off. The R#_s LED is on (green).
The R#_s pin is connected to the COM# pin.
NOTICE: The ML relay can be configured via
software to preserve or reset the DO status at
startup.
AOv1/2,
AOi1/2
AO Status
Green - AO is active.
Off - AO is not active.
Table 7 Mixed IO Module LEDs
LED Name
Description
Status
Power LED
Off – I/O module is powered off.
Steady Green – I/O module is powered on.
Fast Blinking Green (once per second) – I/O
module is in boot state.
Link LED
Green – Proper Communication with Main CPU
Red - No Communication with Main CPU.
26 Send Feedback

Contact Us
NC2/NO2
–
NC3/NO3
NC5/NO5
NC6/NO6
EE DO
Relay
Status
Default (non-operated) state:
The NC# LED is on (green). The NO# LED is
off. The NC# (normally closed) pin is
connected to the COM# pin.
Operate state:
The NC# LED is off. The NO# LED is on.
The NO# (normally open) pin is connected to the
COM# pin.
R1-r/R1-s
-R4-r/r4-
s
ML DO
Relay Status
Reset state:
The R#_r LED is on (green). The R#_s LED is
off. The R#_r pin is connected to the COM# pin.
Set state:
The R#_r LED is off. The R#_s LED is on
(green). The R#_s pin is connected to the COM#
pin.
NOTICE: The ML relay can be configured
via software to preserve or reset the DO status
at startup.
DI1-DI12
DI Status
Green - A powered-on DI is On (high from 6-30V).
Off - DI is Off (low 0-3V).
AI1 – AI4
AI Status
Green - AI value is in range (0-20mA, 4-20mA, or
0-5V).
Red - AI value is not in range.
Send Feedback 27

MC-EDGE Input Module I/O Arrangement
In the Input module, the upper 20 pins belong to the 12 Digital Inputs (DI). DIs are arranged
in groups of three pins, e.g. DI1:COM1-2:DI2. Each group is isolated one from the other and
has its own COM pin. PGNDDI pins must be connected to protected ground (ground
screw).
The lower 20 pins of the Input module belong to the 8 Analog Inputs (AI). AIs are arranged
in couples with positive and negative pins. Each AI channel is isolated from the other and
isolated from the logic circuit. PGNDAI pins must be connected to protected ground (ground
screw). AIs are calibrated in the factory.
Figure 9. MC-EDGE Input Module I/O Arrangement
For details on AI calibration, see the "MC-EDGE Hardware Test" section of the MC-EDGE
Easy Configurator User Guide
.
MC-EDGE Output Module I/O Arrangement
In the Output module, the upper pins belong to the 8 Digital Outputs. The first four DOs
are Electrically Energized (EE). The EE DOs are arranged in groups of three pins per
relay, e.g. NC1:COM1:NO1. The second four DOs are Magnetically Latched (ML). The
ML DOs are arranged in groups of three pins per relay, e.g. R5-r:COM5:R5-s. Each
group is isolated from the other and has its own PGNDDO pin. PGNDDO pins must be
connected to protected ground (ground screw).
The lower pins of the Output module belong to the 2 Analog Outputs (AO). The AOs are
arranged in groups of three pins, e.g. AOv1+:AO1-:AOi1+.
5. AOv1+:AO1- and AOv2+:AO2- are Voltage output pins.
6. AOi1+:AO1- and AOi2+:AO2- are current output pins.
The PGNDAO pins must be connected to protected ground (ground screw). The AOs are
calibrated in the factory.
28 Send Feedback

Contact Us
Figure 10. MC-EDGE Output Module I/O Arrangement
For details on AO calibration, see "MC-EDGE Hardware Test" section of the MC-EDGE Easy
Configurator User Guide
.
For pin table details and I/O module block diagrams, see Appendix C: MC-EDGE I/O
References.
MC-EDGE Mixed I/O Module Arrangement
In the Mixed module the upper pins belong to the 6 Digital outputs
DO’s 1 & 4 are Magnetically Latched (ML). The ML DOs are arranged in groups of three pins
per relay, e.g. R4-r:COM4:R4-s. Each group is isolated from the other and has its own
PGNDDO pin. PGNDDO pins must be connected to protected ground (ground screw).
DO’s2-3-5-6 are Electrically Energized (EE) .
The EE DOs are arranged in groups of two pins per relay, e.g. COM2:NO2
There are 4 AI inputs located in the Middle of the module AIx+ - AIx-
The 1 AO voltage or current are located on the bottom of the module AOV+, AOI+, AO-
Send Feedback 29

Contact Us
MC-EDGE I/O Module Terminal Block Connectors
Each I/O module is equipped with a set of two terminal block (TB) connectors (5 mm
pitch), with 20 pins each. Each TB connector has a fixed female side on the module and
two male plugs for the sensor/device wire connection. The TB male side (#FHN0061A) is
screw type for up to 2mm (12 AWG) wire. See MC-EDGE Installation
chapter for details on
connecting MC-EDGE I/Os.
A TB extractor tool (FKN0024A) is provided for easy removal of TBs. See MC-EDGE
Installation
chapter for details on extracting the TB connectors from the module.
MC-EDGE Hardware Test
The MC-EDGE unit can be tested using the Web browser-based MC-EDGE Easy
Configurator tool. The tests include retrieving general information, performing I/O
operations, setting power management profiles, testing LEDs, and testing service mode. In
addition, the user ‘C’ application can call system services to retrieve information from the
main board and to set the main board DO.
For more information, see "MC-EDGE Hardware Test" section of the MC-EDGE Easy
Configurator User Guide.
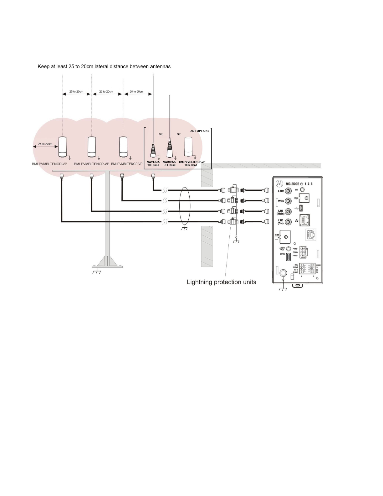
MC-EDGE Antennas
Only the approved antenna listed below can be used with the MC-EDGE.
1. BMLPVMBLTENGP-VP: MLPV Low-Profile Vertical Antenna for 698-960 MHz,
1710-2700 MHz
2. MWV1365S: WIDEBAND VHF NO TUNE ANTENNA for 132-174 MHz
3. MWU4002S: Wideband No Tune UHF ANT Antennas for 380-520 MHZ
4. MC-EDGE Models, Options and Accessories
MC-EDGE Ordering available options
The following MC-EDGE models and options are available:
1. F0016A - MC-EDGE CPU module
2. F0043A - ACE1100 FEP (VA00154AA)
3. VA00007AA /FLN0050A - 12DI/8AI 20mA module
4. VA00047AA /FLN0051A - 12DI/8AI 5V module
5. VA00008AA /FLN0052A - 8DO/2AO 10V, 20mA module
6. VA00598AA/FLN0116A - 7 DI 6DO 4 AI 1 AO module
7. FLN0100A – APX 6500Li Installation Kit
8. VA00710AA - APX4000 VHF FOR MC-EDGE
9. VA007111AA - APX4000 UHF R1 FOR MC-EDGE
10. VA00712AA - APX4000 UHF R2 FOR MC-EDGE
11. VA00713AA - APX4000 700/800 FOR MC-EDGE
12. VA00714AA - APX4000 900 FOR MC-EDGE
Send Feedback 31

13. VA00715AA - LTE VERIZON USA/CANADA MODEM FOR MC-EDGE
14. VA00726AA - LORA 902 - 928 MHZ USA/CANADA MODEM FOR MC-EDGE
(Future Option)
15. MC-EDGE I/O configuration available options
The following configurations are available for MC-EDGE systems:
1. MC-EDGE CPU only (F0016A)
2. MC-EDGE CPU + 12DI/8AI (20mA or 5V) module
3. MC-EDGE CPU + two 12DI/8AI (20mA or 5V) modules
4. MC-EDGE CPU + 12DI/8AI (20mA or 5V) module+ 8DO/2AO module
5. MC-EDGE CPU + 8DO/2AO module
6. MC-EDGE CPU + two 8DO/2AO modules
7. MC-EDGE CPU + Mixed IO module
8. MC-EDGE CPU + two Mixed IO modules
9. MC-EDGE CPU + Mixed IO module+2DI/8AI (20mA or 5V) module
10. MC-EDGE CPU + Mixed IO module+8DO/2AO module
MC-EDGE I/O accessories options
The following accessories are available for MC-EDGE systems:
1. VA00015AA/FHN0054A - DIN Rail 26 CM
2. FHN0057A - DIN Rail Stopper
3. FHN0058A - CPU Cable Cover
4. FHN0059A - I/O Module Cable Cover
5. FHN0060A - SD Cover
6. FHN0061A - Terminal Block Male 10 PIN 5MM
7. FHN0062A - Terminal Block Male 3 PIN 5 MM
8. FHN0063A - Terminal Block Male 2 PIN 5 MM
9. FHN0064A - Terminal Block Male 4 PIN 3.5MM
10. FHN0065 - RJ50 I/O Module Cable
11. FKN0022 - RS232 Data Cable Adaptor
12. VA00153AA/FKN0024A - Terminal Block Connector Extractor
13. FKN0030 - RS485 Port 120 OHM Termination Cable
14. VA00155AA/FKN0033 - DC Power Cable
The full list of MC-EDGE options and accessories are listed in the MC-EDGE System
Planner.
MC-EDGE External Power Supply or Battery
32 Send Feedback

Contact Us
The MC-EDGE can be ordered with an external AC/DC power supply. These are drop
ship items that are provided with the MC-EDGE unit. The following power supplies are
available:
1. Lambda Electronics DPP120-12-1 AC power supply 12VDC/10A, 120W, 90-264VAC
(mounted on DIN rail) DC output
2. Artesyn ADN5-24-1PM-C AC power supply 24VDC/5A, 120W, 85-264VAC (mounted
on DIN rail) DC output, Limited temp. -25 - +70
Alternatively, a customer- supplied AC/DC power supply or DC power source (DC/DC
converter or battery) can be used. See the MC-EDGE input voltage and power
consumption specifications in Appendix A: MC-EDGE Specifications
.)
MC-EDGE External Devices
The following external devices have been tested and certified as compatible with
the MC-EDGE:
1. Serial data modem (Data radio): MDS SD Series
2. Cellular/general PPP: Siarra wireless - AirLink FXT edge, Maxson – intelimax, Telit-
Gate Tel GT-HE910-EUD
3. External/Null modem: Westremo TD36
4. Astro ( IV&D) radio: APX 4000, APX 6500
5. MOTOTRBO radio: XPR 5350/80, XPR 7350/80
6. SanDisk Cruzer Blade (SDZ50-032G) and SanDisk Cruzer Blade (SDZ50-004G)
7. GPS Receiver: NMEA-0183
Send Feedback 33

Other similar devices can be used with MC-EDGE.
NOTICE: It is the user’s responsibility to validate compatibility of any other
devices.
CAUTION: Do not remove a
storage device from the USB
Host port while the
MC-EDGE unit is in sleep
mode.
MISES EN GARDE: Ne retirez pas
un périphérique de stockage du
port hôte USB alors que l'unité
MC-EDGE est en mode veille
Disposal of Components
All components of the MC-EDGE should be properly disposed of, in accordance with
local regulatory standards and laws.
MC-EDGE Installation
General
The MC-EDGE is shipped from the factory ready for mounting on a wall or in a customer's
enclosure.
WARNING:
AVERTISSEMENT:
Installation of the MC-EDGE should be
done only by authorized and qualified
service personnel in accordance with the
US National Electrical Code. Only UL
Listed parts and components will be used
for installation. Use UL Listed devices
having an environmental rating equal to
or better than the enclosure rating to
close all unfilled openings.
L'installation de l'unité MC-EDGE doit être
effectuée exclusivement par le personnel de
service autorisé et qualifié, conformément
au code national de l'électricité des États-
Unis. Seuls des pièces et composants
identifiés UL seront utilisés pour
l'installation. Utiliser des appareils identifiés
UL dont l'indice de protection
environnementale est égal ou supérieur à
l'indice de protection du boîtier pour fermer
toutes les ouvertures non couvertes.
If the installation involves high-voltage
connections, technicians must be
specifically qualified to handle high
voltage.
Dans les cas où l'installation comporterait
des connexions haute tension, les
techniciens doivent être spécialement
qualifiés pour travailler avec cette haute
tension.
34 Send Feedback

Contact Us
INSTALLATION CODES
This device must be installed according
to the latest version of the country's
national electrical codes. For North
America, equipment must be installed in
accordance to the applicable
requirements in the US National Electrical
Code and the Canadian Electrical Code.
CODES D'INSTALLATION
Cet appareil doit être installé conformément
à la plus récente version des codes
nationaux de l'électricité du pays. En
Amérique du Nord, l'équipement doit être
installé conformément aux exigences en
vigueur dans le code national de l'électricité
des États-Unis et le Code canadien de
l'électricité.
INTERCONNECTION OF UNITS
Cables for connecting RS232 and
Ethernet Interfaces to the unit must be
UL-certified type DP-1 or DP-2. (Note-
when residing in a non LPS circuit.)
INTERCONNEXION DES UNITÉS
Les câbles pour la connexion des interfaces
RS232 et Ethernet à l'unité doivent être
certifiés UL type DP-1 ou DP-2. (Remarque-
dans un circuit non LPS.)
Do not remove the SD card when the unit
is energized.
Ne pas retirer la carte SD lorsque l'unité est
sous tension.
OVERCURRENT PROTECTION
A readily accessible 2-pole Listed branch
circuit overcurrent protective device
rated 20 A must be incorporated in the
building wiring.
PROTECTION CONTRE LA SURINTENSITÉ
Un appareil de protection contre les
surintensités dans le circuit de dérivation,
de 20 A et à deux pôles, doit être intégré
dans le câblage de l'édifice.
CAUTION: If the MC-EDGE is subject to
high levels of shock or vibration, you
must take suitable measures to reduce
the acceleration or amplitude. We
recommend that you install the MC-EDGE
on vibration-damping materials (for
example, rubber-metal anti-vibration
mountings).
MISES EN GARDE: Si le module
MC-EDGE est soumis à des niveaux
élevés de chocs ou de vibrations, vous
devez prendre des mesures adéquates pour
en réduire l'accélération ou l'amplitude.
Nous vous recommandons d'installer le
module MC-EDGE sur une surface qui
atténue les vibrations (sur un support de
métal et caoutchouc antivibration, par
exemple).
Ethernet LAN, RS485 and I/O cables can
be a maximum length of 100m.
Câbles Ethernet LAN, RS485 et E/S peuvent
avoir un maximum de 100 mètres.
Mounting the MC-EDGE on a DIN Rail
The MC-EDGE is mounted on a customer-supplied 35 cm DIN rail, which can be installed
either on a wall or in a plastic or metal enclosure.
Figure 11 shows the dimensions of the unit. Allow an additional 5 cm (2") (in W, H) and 10
cm (4") (in D) around the unit. When mounted in an enclosure, allow an additional 6 cm (2.4")
(in W, H) and 7 cm (2.75") (in D) around the enclosure.
Send Feedback 35

Contact Us
Procedure 1. Mounting the MC-EDGE on a DIN Rail
1. Slide the supplied plastic tab at the back of the unit all the way down to the bottom of
the unit. See Figure 12. If the MC-EDGE unit includes one or more I/O expansion
modules, repeat this step for all I/O expansion modules.
Figure 12. Plastic Tab in the MC-EDGE Unit
2. Lift the MC-EDGE unit and hang onto the DIN rail, using the hooks in the back of the
unit. See Figure 13.
Figure 13. Hooking the MC-EDGE Unit onto the DIN Rail
3. Slide the plastic tab upwards, until it locks against the DIN rail. See Figure 13. If the
MC-EDGE unit includes one or more I/O expansion modules, repeat this step for all
Send Feedback 37

I/O expansion modules. See Figure 14.
Figure 14. Hooking the MC-EDGE Unit with I/O Expansion Module onto the DIN Rail
4. (Optional) Clip two stoppers onto the DIN rail, one to the left and one to the right of
the unit to keep the unit in place. Tighten the built in screws.
5. Connect the data cables to the unit. See Connecting MC-EDGE Data Cables.
6. Connect the I/O sensors. See Connecting MC-EDGE I/Os
.
7. Bundle the cables and attach them to the fastener on the module. See Bundling
MC-EDGE Cables
.
8. Insert the four legs of the front cover into the matching grooves on the front of each
module and slide the cover down.
Connecting an I/O Expansion Module to the MC-EDGE CPU
The I/O expansion modules must be connected to the MC-EDGE CPU before mounting the
unit on the DIN rail. Follow the procedure below to connect an I/O expansion module to the
MC-EDGE CPU.
Procedure 2. Connecting an I/O Expansion Module to the MC-EDGE CPU
1. Insert a narrow tool (e.g. flat screwdriver) into the groove of the side cover on the
right side of the MC-EDGE CPU and remove the cover.
38 Send Feedback

3. Click the other end of the I/O 10-pin connector cable into the RJ50 connector on the
left side of the I/O expansion module. See Figure 16.
4. With the front of the modules facing you, press the CPU and I/O expansion modules
together while sliding the bolts on the I/O expansion module into the slots on the
CPU. Be careful not to pinch the cable between the modules.
5. Press the I/O expansion module slightly back and the CPU module slightly forward
until they click.
Connecting an I/O Expansion Module to another I/O Expansion
Module
Follow the procedure below to connect more than one I/O expansion module to the
MC-EDGE unit.
Procedure 3. Connecting an I/O Expansion Module to another I/O Expansion Module
1. Remove the cover from the right side of the MC-EDGE I/O expansion module.
2. Click the 90º bent end of the 10-pin I/O connector cable into the RJ50 connector on
the right side of the leftmost I/O expansion module. See Figure 17.
Figure 17. MC-EDGE I/O Expansion Module Connection to I/O Expansion Module
3. Click the other end of the I/O 10-pin connector cable into the RJ50 connector on the
left side of the next I/O expansion module. See Figure 17.
4. Press the two I/O expansion modules together while sliding the bolts on the rightmost
module into the slots on right side of leftmost module. Be careful not to pinch the
cable between the modules.
5. Press the rightmost module slightly back and the leftmost module slightly forward
until they click.
40 Send Feedback

Contact Us
MC-EDGE Power and Ground Connections
All internal electrical connections are performed in the factory and supplied with the
RTU. During installation, only the main power and ground must be connected.
The procedures for the main power, ground and battery connections are provided below.
WARNING: The power and
ground connections should be
performed only by qualified and
authorized service personnel. All power
and ground connections must be in
accordance with local standards and
laws.
AVERTISSEMENT: Les connexions
d'alimentation et de mise à la masse doivent
uniquement être effectuées par un
personnel de service qualifié et autorisé.
Toutes les connexions d'alimentation et de
mise à la masse doivent être conformes aux
normes et aux lois
locales.
NOTICE: Make sure that the ground cable is long enough to reach the
grounding point, but as short as possible. The wire gauge of the ground
wire in the cable must be 6 AWG.
Only a single wire can be connected to a contact in the Terminal Block
connector. Wire size for the CPU Power connector must be AWG 12.
Connecting the MC-EDGE to Power and Ground
Follow the procedure below to connect the MC-EDGE unit to power and ground. See
Figure 2- 9 and Figure 2-10.
Procedure 4. Connecting the MC-EDGE to Power and Ground
1. Once the MC-EDGE unit (including any I/O expansion modules) is installed on the
DIN rail, mount the power supply (not supplied) nearby.
2. Connect one end of the DC power cable (FKN0033) to the 9-30 VDC power supply
(red to + and black to -).
NOTICE: The DC power cable includes a 5A fuse.
Figure 18. MC-EDGE DC Power Cable with Fuse
Send Feedback 41

3. Connect the other end of the power cable to the DC power connector on the front
panel of the MC-EDGE unit.
4. Connect the yellow wire from the power cable to the grounding screw on the front
panel of the MC-EDGE unit.
5. Connect the protective ground cable (optional FKN0034) between the grounding
screw on the unit (CPU or I/O expansion module) (ground screw nuts torque 4 LB-IN)
to the grounding point outside of the enclosure. In an MC-EDGE unit with I/O
expansion, all grounding strips should be connected to a common grounding point.
6. Bundle the cables as described in Bundling MC-EDGE Cables
.
7. Connect the power supply power cable (AC power cable is not supplied).
42 Send Feedback

Connecting MC-EDGE Data Cables
Follow the procedure below to connect the data cables to the MC-EDGE RTU ports.
Procedure 5. Connecting the MC-EDGE Data Cables
1. Connect the data cable(s) (RS232, RS485, LAN) from the MC-EDGE CPU to the
appropriate device(s). For details, see Appendix B: Cables and Adaptors
.
2. Bundle and attach the cable(s) to the fastener on the CPU module, as described in
Bundling MC-EDGE Cables
.
Connecting MC-EDGE I/Os
Follow the procedure below to connect a user-supplied I/O sensors/device to the
MC-EDGE RTU I/O modules.
NOTICE: Only a single wire can be connected to a contact in the TB
connector. Wire size for the CPU I/O connectors can be AWG
16,18,20,22,24,30. Wire size for the I/O expansion module
connectors can be AWG 12,14,16,18,20,22,24,26. Wire size for the
PGND in must be AWG 12.
Procedure 6. Connecting the MC-EDGE I/Os
1. Using a small flat screwdriver, loosen the screws on the TB connector (#FHN0061A).
Insert the exposed wire tips from the I/O sensors/devices. Tighten the screws (torque
2 LB-IN).
2. Line the TB connector up to the corresponding connector on the I/O module and
press it forward into the module, as shown in Figure 22. Then press downwards to
lock.
44 Send Feedback

Contact Us
Figure 22. MC-EDGE I/O Module with TB Connector
3. Bundle and attach the I/O cables to the fastener on the I/O module, as described in
Bundling MC-EDGE Cables
.
Bundling MC-EDGE Cables
All MC-EDGE cables must be bundled in a tear-off cable tie for strain relief at the bottom of
the module’s front panel. Follow the procedure below to bundle the MC-EDGE cables.
Procedure 7. Bundling the MC-EDGE Cables
4. Once all cables are connected to the module, collect all cables in one or more
tear-off cable tie(s) (not supplied). See Figure 23.
5. Thread the cable tie through the plastic fastener at the bottom of the front panel. See
Figure 24.
Send Feedback 45

Figure 23. MC-EDGE Cables in Plastic Fastener
6. Slide the pointed tip of the cable tie through the head and pull tightly.
7. Snip off the extra plastic at the end of the tie.
Extracting Terminal Block Connectors from the I/O Module
Follow the procedure below to extract the TB connector from an MC-EDGE I/O module.
Procedure 8. Extracting the TB Connector from the I/O Module
8. Lift and remove the cover of the I/O module to expose the TB connectors. (See I/O
module with and without cover in Figure 3.)
9. Position the TB extractor to the right of the preferred TB connector, and fit the curved
tip behind the TB. (See Figure 24)
10. Press down on the TB extractor and rotate counter clockwise, and then rotate
clockwise to extract the TB connector from the I/O module.
46 Send Feedback

Contact Us
Figure 24. TB Extractor on TB
Adding an Optional SD Card
Follow the procedure below to add an optional SD card (not supplied) to an MC-EDGE CPU.
Procedure 9. Adding an Optional SD Card
1. Using a Phillips screwdriver, loosen the screw on the SD cover (torque 2 LB-IN). See
Figure 25.
2. Gentle pull the screw outwards, on its axis, to remove the SD cover.
Send Feedback 47

Figure 25. MC-EDGE CPU SD Cover
Connecting Antennas to the MC-EDGE
Once the MC-EDGE unit is installed, install the supplied antennas and connect the
antenna cable connectors on the front panel of the MC-EDGE unit.
Before installing the antennas, read the installation instructions provided with each
antenna installation kit.
NOTICE: Before installing the antennas, refer to RF Energy Exposure
Training and Product Safety Information for Fixed Site Infrastructure
Installed as Fixed Site Stations guide P.N: MN004607A01-A
To install the MC-EDGE, refer to Figure 26.
48 Send Feedback

Replacing the MC-EDGE DC Power Cable Fuse
Follow the procedure below to replace the fuse on the MC-EDGE DC power cable
(FKN0033).
Procedure 10. Replacing the MC-EDGE DC Power Cable Fuse
1. Remove the faulty 5A fuse from the fuse holder. See Figure 18.
2. Plug the new 5A fuse (# 6580283E03) into the fuse holder.
50 Send Feedback

Contact Us
Optional Auxiliary Radios and Installation
Kits
MC-EDGE Supported Radio Types
The MC-EDGE RTU supports a set of radios. See Table 8.
The APX™ and MOTOTRBO™ radios are connected to the USB OTG port. The TETRA
radio and the modems are connected to an RS232 port. For information on configuring CPU
ports for various radios/modems, see the MC-EDGE Easy Configurator User Guide
.
All the radios listed below are external radios and should be operated according to their
specifications. For complete radio specifications such as modulations, standards, Tx power
output, Rx sensitivity, supply voltage, and power consumption, see the specific radio owner’s
manual.
Table 8. MC-EDGE Auxiliary Radios
Description
Nomenclature
Band
APX™ 6500Li P25 Mobile
Radio, 136-174 MHz, 10-
50W
M25KSS9PW1 N VHF
136-174 MHz
APX™ 6500Li P25 Mobile
Radio, 380-470 MHz, 10-
40W
M25QSS9PW1 N UHF R1
380-470 MHz
APX™ 6500Li P25 Mobile
Radio, 450-520 MHz, 10-
45W
M25SSS9PW1 N UHF R2
450-520 MHz
APX™ 6500Li P25 Mobile
Radio,764-870 MHz, 10-35W
M25URS9PW1 N 7/800M
764-870 MHz
Installation Kits for MC-EDGE Auxiliary Radios
The following radio installation kits enable the user to install a radio in the MC-EDGE RTU.
Table 9. Installation Kits for MC-EDGE Auxiliary Radios
Radios
Option/Kit
APX™ 6500Li
FLN0100A
TETRA MTM5200
FLN0043A
Send Feedback 51

For instructions on mounting the radio near the MC-EDGE unit, see the relevant installation
instructions below.
NOTICE: A Torx screwdriver is required for the installation kits.
MTM5200, MOTOTRBO XPR 5350 and APX 6500 Radio
Installation Kits
The MTM5200, MOTOTRBO XPR 5350 and APX 6500 radio installation kits (MC-EDGE
options FLN0043A, FLN0093A, VA00245AA and FLN0100A) enables the user to install the
MTM5200, MOTOTRBO XPR 5350 and APX 6500 radios near the ACE100 RTU.
The following hardware and firmware are required:
1. MC-EDGE firmware 1.00 and above
2. ACE3600 System Tools Suite (STS) version 18.50 and above
The FLN0043A, FLN0093A, FLN0115A, FLN0100A installation kits include brackets,
cables, and screws.
Note the MTM5200 works with the RS232 cable and RJ45 to DB9 adaptor (FKN022A).
This is not the same adaptor that is used with the ACE3600.
Installing the Mobile Radio Installation Kits
Follow the procedure below to install the MTM5200, MOTOTRBO XPR 5350 and APX
6500 radio installation kits (FLN0093A, VA00245AA, FLN0042A, and FLN0100A).
Procedure 11. Installing the Mobile Radio Installation Kits
1. For the MOTOTRBO XPR 5350 and MTM5200 radios, adjust the bracket size. See
Making the Bracket Smaller for MOTOTRBO XPR 5350 and MTM5200 Radios.
2. Place the bracket assembly (see Figure 3-1) on the DIN rail with the bracket hooked
over the top of the DIN rail (see Figure 3-2.)
Figure 27. MTM5200, MOTOTRBO XPR 5350 and APX 6500 Radio Installation Kit Bracket Assembly
52 Send Feedback

Contact Us
Figure 28. MTM5200, MOTOTRBO XPR 5350 and APX 6500 Radio Installation Kit Bracket Assembly on
DIN Rail
3. Push the back bracket up to lock the bracket assembly on the DIN rail.
4. Using a Torx T8 screwdriver, tighten the four screws in the bracket (See Figure 28).
5. Connect the data cable (FKN0027 9-pin connector for MTM5200, FKN0026 26-pin
connector for XPR 5350 – digital mode, CB000344A01 26-pin connector for XPR
5350 – Connect Plus mode, and FKN0035 26-pin connector for APX 6500) to the
Accessory connector on the back of the XPR 5350/ APX 6500 radio, or on the front
of the MTM5200.
6. Connect the DC power cable (FKN0036) to the Power connector on the radio.
7. Put the radio into the bracket assembly, lining up the holes on the sides of the radio
with holes on the side of the bracket (see holes in Figure 27 ).
8. For the APX 6500 radio, using an Allen wrench, screw in the four supplied screws, to
attach the radio to the bracket assembly. See Figure 29.
9. For the MTM5200 and MOTOTRBO XPR 5350 radios, manually screw in the two
supplied wing screws, to attach the radio to the bracket assembly. See Figure 30 and
Figure 31.
Send Feedback 53

Contact Us
Figure 31. MTM5200 Radio on DIN Rail
10. (Optional) Clip two stoppers (see Figure 3-3, Figure 3-4, Figure 3-5) onto the DIN rail,
one to the left and one to the right of the radio, to keep the radio in place. Tighten the
built in screws.
11. Connect the communication cable to the MC-EDGE CPU module port configured for
the radio (USB for APX 6500 and XPR 5350, or RS232 for MTM5200). See
Configuring the RTU Port Type for the APX 4000/APX 6500
Radio below.
12. Connect the antenna cable/antenna according to the radio instructions.
Before operating the radio, the MC-EDGE RTU port must be configured for the radio, and
the radio may need to be programmed using the appropriate CPS.
Configuration and Programming for the ASTRO APX 4000/APX
6500 Radio
To enable MDLC communication using the APX 4000/APX 6500 radio in an
MC-EDGE-only system, configure the port via Web browser. See the “Configuring
Communication in an MC-EDGE RTU” section of the MC-EDGE Easy Configurator User
Guide
. To configure the radio in a mixed system, see the procedure below.
Configuring the RTU Port Type for the APX 4000/APX 6500 Radio
Procedure 16. Configuring the MC-EDGE Port for the APX 4000/APX 6500 Radio
1. In the ACE3600 STS click on the preferred site, and open the site view.
2. In the Port Tab, click on the USB port through which the RTU will communicate with
the APX 6500 radio.
3. Confirm that the port parameters and data speed are as shown in the screen below.
4. Define preferred links.
Send Feedback 55

5. Save the changes.
RTU Port Type Advanced Parameter Configuration (for APX 4000/APX
6500 Radio)
Figure 44. RTU Site Configuration for MDLC over ASTRO APX Radio – Advanced Parameters
Generally no other changes are required to Advanced Physical or Link Layer parameters. For
information on these parameters, see the “MDLC over IP” chapter of the ACE3600 STS
Advanced Features
manual.
Procedure 17. Configuring the Advanced Parameters of the MC-EDGE Port for the ASTRO APX Radio
1. If any changes are required, click on the appropriate screen in the Port Tab.
2. Change the settings as necessary.
NOTICE: The Default Group ID Address should be left 000.000.000.
The actual values will be read by the RTU from the radio upon
connection.
3. Save any changes.
4. Save the project.
5. Download the site configuration to the MC-EDGE RTU.
IP Conversion Table for the APX 4000/APX 6500 Radio
Prepare an IP conversion table if the RTU must communicate with another RTU or an IP
Gateway. In the IP conversion table, specify the IP address of each RTU port (site ID +
link ID). This IP address is assigned by the infrastructure operator.
Note that an IP address is obtained from the radio once it is connected to the RTU port over
56 Send Feedback

Contact Us
USB. The IP address obtained from the radio is not the real IP address set by the
infrastructure, but rather a dummy address. This dummy is configured in the radio via the
CPS Mobile Computer IP address parameter (by default 192.168.128.2).
When device LINxL level 0 is retrieved using the MC-EDGE STS Software Diagnostics
tool, the IP Address displayed is this dummy address and not the actual IP address
assigned by the infrastructure operator.
It is recommended to create two IP conversion tables:
1. The first is downloaded to the FIU or IP Gateway on the LAN and includes the site
and IP information for each RTU.
2. The second is downloaded to all RTUs which are connected to the infrastructure with
ASTRO IV&D radios, and includes the site and IP information for the FIU and IP
Gateway.
For detailed instructions on preparing the IP conversion table, refer to the “MDLC over
IP Communication” chapter of the ACE3600 STS Advanced Features
manual.
APX 4000/APX 6500 Radio Programming using CPS
The APX 4000/APX 6500 radio is programmed for MC-EDGE in the factory and is ready
for digital ASTRO IV&D trunked communication. For user programming of site-specific
parameters, the radio should be brought to the Motorola Service Center.
Connecting the APX 4000/APX 6500 Radio
To program the APX 4000/APX 6500 radio with Customer Programming Software (CPS), the
radio must be connected to a PC.
Procedure 18. Connecting the APX 4000/APX 6500 Radio to the CPS
1. Connect one end of the programming cable (PMKN4012B for APX 4000, HKN6184C
for APX 6500) to the Accessory connector on the radio. The HKN6184C
programming cable is not supplied and must be ordered separately.
2. Connect the other end to the USB port of a PC on which the ASTRO CPS software
(RVN4185) is installed.
Disassembing the APX 6500 Radio
If the APX 6500 radio is to be programmed at an authorized laboratory, disassemble the
radio from the MC-EDGE unit as follows:
Procedure 20. Disassembling the APX 6500 Radio
1. Disconnect the antenna cable from the Antenna connector on the APX 6500 radio.
2. Disconnect the DC power cable (FKN0036) from the Power connector on the radio.
3. Disconnect the connector of the data cable (FKN0035) from the Accessory connector
on the radio.
4. Using an Allen wrench, unscrew the four screws which attach the radio to the bracket
assembly. See Figure 3-3.
5. Remove the radio from the DIN rail.
6. Take the radio to a laboratory to be programmed as described in CPS Programming
Send Feedback 57

Settings below.
Programming the APX Radio
Follow the procedure below to change the APX 4000/APX 6500 radio settings for
ASTRO IV&D trunking using the CPS.
Procedure 21. Programming the APX Radio Settings
1. Open the codeplug in the CPS (either by reading the radio or by opening the already
saved codeplug).
2. In the navigation pane extend the Codeplug Configuration tree and select the ‘Radio
Wide’.
3. In the ‘Features’ section set the ‘Ignition Switch’ to ‘Soft Power Off’.
4. Extend the ‘Radio Ergonomics Configuration’ branch, select the ‘Radio Ergonomics
Wide’ and in the ‘Advanced’ section enable the ‘Last selected Channel Per Zone
Enable’ option.
5. Extend the ‘Data Configuration’ branch and select the ‘Data Wide’.
6. In the ‘NAT List’ section, add an entry to the NAT List (the Plus sign):
7. The ‘WAN port’ should be set to the MDLC over IP port number (e.g. 2002).
8. The ‘LAN port’ should be set to the MDLC over IP port number (e.g. 2002).
9. The ‘Static NAT IP Address’ should be set to the Peer IP Address (e.g.
192.168.128.2).
10. Under the ‘Data configuration’ branch, extend the ‘Data Profile’ branch and select
‘Profile 1’.
11. In the ‘General’ section, set the ‘Data Profile Type’ to ‘Trunking’.
12. In the ‘General’ section, disable the ‘RX Voice Interrupts Data’ option.
13. In the ‘Features’ section, enable the ‘Terminal Data’ option.
14. Extend the ‘Trunking configuration’ branch, then extend the ‘Trunking System’ branch
and select the ‘Trk Sys 1’.
15. In the ‘General’ section:
16. Set the ‘System Type’ to ‘ASTRO 25’. If the proper system key was loaded, the
System Key field should already be enabled.
17. Set the ‘System ID’, ‘Home WACN ID’ and ‘Unit ID’ to values obtained from the radio
system administrator.
18. Set the ‘Coverage Type’ to ‘SmartZone’.
19. Select ‘Profile 1’ in the ‘Data Profile Selection’ option box.
20. In the ‘Control Channels’ section, enter the control channels with which the data
subscriber should be able to affiliate. Consult your radio system administrator for the
list of control channels.
21. In the ‘ASTRO 25 Channel ID’ section, enable at least the first channel.
22. Under the ‘Trunking configuration’ branch, extend the ‘Trunking Personality’ branch
58 Send Feedback

Contact Us
and select the ‘Trk Per 1’.
23. In the Talkgroup section, set the radio talkgroup ID value in hexadecimal. Consult
your radio system administrator for the talkgroup information.
24. Extend the ‘Zone Channel Assignment’ branch and select the ‘1-Zone 1’.
25. In the ‘Zone section’, set the Zone to the preferred zone name (e.g. ZONE1).
26. In the ‘Channels’ section,
27. Add the amount of needed channels - Consult your radio system administrator for the
talkgroup information.
28. Set the ‘Channel name’ which will be displayed on the radio screen (if the radio is
Model II or III).
29. Select the ‘Channel Type’ as Trk in each channel
30. Select the ‘Personality’ of that channel (if you have more than one trunking
personality configurations).
31. Specify the ‘Trunking Talkgroup’ of each channel.
32. Select File -> Save to save changes to the radio.
33. Select File -> Write Device to download the configuration to the radio.
Infrastructure Configuration for the APX 6500 Radio
In order for the MC-EDGE RTU to communicate over the ASTRO IV&D infrastructure
using the APX 6500 digital radio, the infrastructure must be properly configured using the
UCM (User Configuration Manager) tool.
NOTICE: If configuring a border router or any firewall within the CEN
(Customer Enterprise network), make sure that the MC-EDGE’s
MDLC over IP UDP port number 2002 is enabled for inbound and
outbound messages.
In the UCM Radio User Data Settings tab, be sure to set the IP
address as Static, to enable Generate ICMP and Source Address
Checking, and the Ready timer set to 10 seconds.
Set the “Ignore Affiliation Inactivity Timeout” setting to Enabled.
ASTRO APX 6500Li Options for MC-EDGE
All of the following options should be ordered with the APX 6500Li Radio:
Table 10. ASTRO APX 6500Li Options for MC-EDGE
Option Name
Option Number
ADD: NO SPEAKER NEEDED APEX
G142AD
ADD: O5 CONTROL HEAD
G442AJ
ADD: APX CONTROL HEAD SOFTWARE
G444AE
ADD: DASH MOUNT
G66AM
ADD: NO RF ANT NEEDED
G89AC
ADD: NO MICROPHONE NEEDED
G90AC
Send Feedback 59

Contact Us
Appendix A: MC-EDGE Specifications
MC-EDGE General Specifications
Table 14. MC-EDGE General Specifications
Attribute
Specifications
CPU MODULE
Processor
Frequency
TI Sitara Cortex A8 AM3356 microprocessor
600 MHz (default), 300 MHz in Low Power mode configuration
ON-BOARD RADIOS
LoRaWAN (Future Option)
- Wireless Sensors Network Class 1, 8 Channels
- Radio Chipset: SX1301 & SX1257
- Freq range: 902 to 928 MHz
- RX Sensitivity: Up to -140dBM
- Max RF Output: +27dBm
- External Network Server - Optional
- Clear LoRa – Optional
APX4000
Land Mobile Radio ASTRO P25
700/800:
- Tx Bands: 763-776,793-806 MHz / 806-825,851-870 MHz
- Rx Bands: 763-776 MHz / 851-870 MHz
- C.Spacing: 25/12.5 KHz
-RF OutPut Power: 1-3 W
- Rx Sensitivity (12dB SINAD):0.250uV
VHF:
- Tx /Rx Bands: 136-174Mhz
- C. Spacing: 30/25/12.5 KHz
- RF OutPut Power: 1-5 W
- Rx Sensitivity (12dB SINAD):0.216uV
UHF R1,R2:
- Tx Bands: 380-470,480-520 Mhz
- Rx Bands: 340-470,450-520 MHz
- C.Spacing: 25/12.5 KHz
-RF OutPut Power: 1-5 W
- Rx Sensitivity (12dB SINAD):0.234uV 900 MHz:
- Rx /Tx Bands: 896-902,935-941MHz
- C.Spacing: 12.5 KHz
Send Feedback 61

-RF OutPut Power: 1-2.5 W
- Rx Sensitivity (12dB SINAD):0.236uV
LTE
LTE Air Prime HL7588
B4 B13 per 3GPP
Table 11.Supported Bands
RF Band
Transmit Band
(Tx)
Receive Band
(Rx)
Maximum
Output Power
LTE B4
1710 to 1755
MHz
2110 to 2155
MHz
22.5 dBm (+/-
2dBm) Class
3bis
LTE B13
777 to 787 MHz
746 to 756 MHz
22.5 dBm (+/-
2dBm) Class
3bis
Sim Interface
● 1.8V/3.3V support
● Conforms with ETSI UICC Specifications
● SIM/USIM support
Table 13.Table Conducted RX Sensitivity (dBm)
Frequency Band
Primary
(Typical)
Secondary
(Typical)
SIMO
(Typical)
LTE B4
Full RB; BW:
20 MHz*
-94.5
-94.5
-97.5
LTE B13
Full RB; BW:
10 MHz*
-97.5
-98.5
-101.5
* Sensitivity values scale with bandwidth: x_MHz_Sensitivity = 10 MHz_Sensitivity – 10*log (10
MHz/x_MHz)
MEMORY
Flash
DDR
Micro SD Card Slot
Optional user-supplied
flash drive
256 MB, at least 32 MB available for user data
256 MB LPDDR memory, at least 32 MB available for user data
Micro SD Card Slot for user logging or CRYPTR
Up to 32 GB on Sandisk Cruzer Blade (SDZ50-032G) or 4GB on
Sandisk Cruzer Blade (SDZ50-004G) (not supplied)
CPU
SITARA TI AM3356 Cortex A8 microprocessor
Clock: 600 MHz (default), 300 MHz (low power)
62 Send Feedback

Contact Us
Operating System
Linux (Kernel version 4.9)
Real Time Clock
Hardware clock with year, month, date, day, hour, minute, and second
supported.
Internal Backup Battery
The backup battery can maintain the RTC for at least 30 days@ +25ºC,
when main power is disconnected.
Real Time Clock (RTC)
±20ppm@25C or 2sec per day (24hours) @ 25C
±0.04ppm/(0C)2
POWER IN
Hardware clock with year, month, date, day, hour, minute, and second
Leap years support
RTC crystal accuracy: max. ±20ppm@25 ºC
RTC crystal drift: ± 0.04ppm/ ºC
RTC Internal Backup Battery – Backup for at least 30 days @ 25 ºC
Input Voltage
9-30 V DC
Power In Connector
5mm pitch, Maximum 12 AWG
Power Consumption
CPU module All Radio Off: max. 300mA / typ. 150mA @ 12V (w/o SD card
and USB)
CPU module All Radio On: max. 450mA / typ. 250mA @ 12V (w/o SD card
and USB)
Input module: max. 180mA / typ. 100mA @ 12V
Output module: max. 450mA / typ.250mA @ 12VMixed IO module: Max
194.4mA@12V/Typical 64mA@12V
Sleep mode: typical 5.5 mA @12V
Attribute
Specifications
ENVIRONMENTAL
Physical Dimensions
7.6 cm (W) x 15.9 cm (H) x 11.8 cm (D) (3" x 6.3" x 4.7" ) (WxHxD)
The depth of the unit including the front cover is 14.59 cm (5.74"). The
depth to the tip of the grounding screw is 13.73 cm (5.41").
Weight
Approx. 0.5 Kg
DIN Rail
Maximum thickness 1.0 mm
Minimum length 26 cm
Operating Temperature
-30 ºC to +60 ºC (-4 ºF to 122 ºF)
Storage Temperature
-55 ºC to +85 ºC (-67 ºF to 185 ºF)
Operating Humidity
5% to 95% RH @ 50 ºC for 8 hours without condensation.
For an uncontrolled humidity environment, it is recommended to use an
enclosure
Housing Sealing
IP30
Mechanical Vibrations
EIA/TIA 603 Base station, Sinusoidal 0.07mm @ 10-30 Hz,
0.035 mm @ 30-60 Hz
Send Feedback 63

Operating Altitude
-400 to +4000 meter (-1312 to + 13120 ft)
Communication Ports
Serial RS232/RS485 port (configurable)
- RS-232 up to 115.2 Kb/s
-RS485 up to 460.8 Kb/s
USB ports:
-USB 2.0 On-the-Go
-USB 2.0 Host
Ethernet port :
-10/100 Mb/s
Optional plug-in ports with two RS232 ports:
-Up to 115.2 Kb/s 2 isolated (2500V)
CPU ON-BOARD I/OS
Digital Inputs
Total Number of Inputs
3 DI Wet inputs
DI Fast Counter Input
Mode
Max 2.0 kHz (minimum pulse width 250 µS)
Max. DC Input Voltage
30V DC
“ON” DC Voltage Range
+6 to 30V DC
“OFF” DC Voltage Range
0 to +3V DC
Input Current
Max 8 mA@30V DC
DI Isolation to CPU
2500 V
Digital Output
Total Number of Outputs
1 Magnetically Latched (ML)
DO Max. Contact Ratings
2A@30VDC or 0.6A@30VAC
DO Isolation
1500V
Maximum Number of I/O
Expansion Modules
2
PROTOCOL SUPPORT
MDLC
MODBUS Master
MODBUS Slave
Serial/Ethernet/USB
Serial/Ethernet
Serial/Ethernet
64 Send Feedback

Contact Us
CONFIGURATION &
PROGRAMMING TOOLS
ACE3600 STS
CodeSys Programmer
‘C’Programming SDK
Configuration (Mixed System only)
IEC61131-3 compliant application
‘C’ Language API
Time Synchronization
NTP, MDLC
Ext. GPS/GLONASS, NMEA-0183, 1PPS, RS232
Security
HTTPS, SSL, SSH
MC-EDGE Input Module Specifications
The MC-EDGE input module (mixed DI/AI) specifications are listed below.
Table A-2 MC-EDGE Input Module Specifications
Attribute
Specifications
Total Number of Inputs
12 DI wet inputs
8 AI: 0-20 mA (4-20 mA), 0-5 VDC differential inputs
Digital Inputs
DI Fast Counter Input Mode
Frequency
Max 2.0 kHz (minimum pulse width 250 µS)
Max. DC Input Voltage
30V DC
“ON” DC Voltage Range
+6 to 30V DC
“OFF” DC Voltage Range
0 to +3V DC
Analog Input
Input Current
Max 8 mA@30V DC
DI De-bouncing Filter
10, 20, 30, 40, 50 msec
Diagnostic LEDs
Status LED per each input
User Connection
2 Terminal Blocks, with maximum 12 AWG
DI Isolation to CPU
2500 V
Analog Inputs
A/D resolution
16 bit (including sign)
AI Accuracy
± 0.1% of full scale
AI Temperature Drift
±25PPM/C
AI Smoothing
User configurable
AI Scaling
User configurable (positive range only)
Send Feedback 65

AI Fast sampling
User configurable: No filtering – 10 samples /sec
60 Hz filtering – 7.5 samples /sec
50 Hz filtering –6.25 samples /sec
Impedance
Voltage channels - range 0 -5 V, 200K input impedance or
Current channels - range 0 -20 mA, 250 Ω input impedance
Physical Dimensions
7.6 cm (W) x 15.9 cm (H) x 11.8 cm (D) (3" x 6.3" x 4.7" ) (WxHxD)
The depth of the unit including the front cover is 14.59 cm (5.74"). The
depth to the tip of the grounding screw is 13.73 cm (5.41").
Weight
0.82 Kg (1.64 Lb)
MC-EDGE Output Module Specifications
The MC-EDGE output (mixed DO/AO) module specifications are listed below.
Table A-3 MC-EDGE Output Module Specifications
Attribute
Specifications
Total Number of Outputs
8 DO: 4 ML/4 EE Form C (SPDT)
2 AO: current (0-20 mA) or voltage (0-10 V)
Digital Outputs
DO Frequency
Max 10 Hz
DO Max. Contact Ratings
2A@30VDC or 0.6A@30VAC
DO Isolation
1500V
Analog Output
Output Arrangement
0-20 mA or 0-10 V DC voltage; no isolation between channels
D to A Resolution
12 bit
AO Accuracy
±0.1% of full scale @ 25 ºC
AO Temperature Stability
±0.5% of full scale @ all range
AO Internal Settling Time
1mS
AO Load
Voltage: >1K Ω
Current: <1K Ω
Output Protection
Voltage output: short circuit current, max. 35mA Current
output: No-load voltage max. 31V DC
User Connection
2 Terminal Blocks, with maximum 12 AWG
Isolation to CPU
1.5 kV between output and module logic
Physical Dimensions
7.6 cm (W) x 15.9 cm (H) x 11.8 cm (D) (3" x 6.3" x 4.7" ) (WxHxD)
The depth of the unit including the front cover is 14.59 cm (5.74"). The
depth to the tip of the grounding screw is 13.73 cm (5.41").
Weight
approx. 0.5 Kg (1.64 Lb)
Power Consumption Output module: max 450 mA @12V/typical 250 mA @12V
66 Send Feedback

MC-EDGE Mixed I/O Module Specifications
Table A-4 MC-EDGE Output Module Specifications
Attribute
Specifications
Total Number of Outputs
6 DO: 2 ML/4 EE Form C (SPDT)
1 AO: current (0-20 mA) or voltage (0-10 V)
Digital Outputs
DO Frequency
Max 10 Hz
DO Max. Contact Ratings
2A@30VDC or 0.6A@30VAC
DO Isolation
1500V
Analog Output
Output Arrangement
0-20 mA or 0-10 V DC voltage; no isolation between channels
D to A Resolution
12 bit
AO Accuracy
±0.1% of full scale @ 25 ºC
AO Temperature Stability
±0.5% of full scale @ all range
AO Internal Settling Time
1mS
AO Load
Voltage: >1K Ω
Current: <1K Ω
Output Protection
Voltage output: short circuit current, max. 35mA Current
output: No-load voltage max. 31V DC
User Connection
2 Terminal Blocks, with maximum 12 AWG
Isolation to CPU
1.5 kV between output and module logic
Total Number of Inputs
7 DI wet inputs
4 AI: 0-20 mA (4-20 mA)
Digital Inputs
DI Fast Counter Input
Mode Frequency
Max 2.0 kHz (minimum pulse width 250 µS)
Max. DC Input Voltage
30V DC
“ON” DC Voltage Range
+6 to 30V DC
“OFF” DC Voltage
Range
0 to +3V DC
Analog Input
Input Current
Max 8 mA@30V DC
DI De-bouncing Filter
10, 20, 30, 40, 50 msec
Diagnostic LEDs
Status LED per each input
User Connection
2 Terminal Blocks, with maximum 12 AWG
DI Isolation to CPU
2500 V
68 Send Feedback

Contact Us
Analog Inputs
A/D resolution
16 bit (including sign)
AI Accuracy
± 0.1% of full scale
AI Temperature Drift
±25PPM/C
AI Smoothing
User configurable
AI Scaling
User configurable (positive range only)
AI Fast sampling
User configurable: No filtering – 10 samples /sec 60 Hz
filtering – 7.5 samples /sec
50 Hz filtering –6.25 samples /sec
Impedance
Voltage channels - range 0 -5 V, 200K input impedance or
Current channels - range 0 -20 mA, 250 Ω input
impedance
Physical Dimensions
7.6 cm (W) x 15.9 cm (H) x 11.8 cm (D) (3" x 6.3" x 4.7" ) (WxHxD)
The depth of the unit including the front cover is 14.59 cm (5.74"). The depth
to the tip of the grounding screw is 13.73 cm (5.41").
Weight
approx. 0.5 Kg (1.64 Lb)
Power Consumption all
on
194.4mA@12V
Power Consumption Idle
64mA@12V
MC-EDGE Regulatory Specifications
The MC-EDGE regulatory specifications are listed below.
Table A-6 MC-EDGE Regulatory Specifications
Standard
Specification
Safety
UL 60950-1 (UL listed)
EN60950-1
Emission
CFR 47 FCC part 15, subpart B (class A)
Housing Sealing
IP30
Send Feedback 69

Appendix B: Cables and Adaptors
General
This appendix provides the information required for connecting an MC-EDGE RTU
and ACE1100 FEP to various interfaces, as detailed below:
1. Connection to a computer via RS232
2. Connection to a modem via RS232
3. Connection to a PLC/RTU/FEP via RS232
4. Connection to a PLC/RTU/FEP via RS485
5. Connection to a computer via Ethernet
6. Connection to a computer via USB
7. MC-EDGE CPU to MC-EDGE I/O Expansion Module Connection
NOTICE: On the MC-EDGE RJ45 RS232 connector, the numbering
of the pins is different than the ACE3600, as shown in Figure 61. Pin
8-1 are left to right. Therefore, only original Motorola MC-EDGE
cables should be used.
Figure 61 MC-EDGE RJ45 RS232 connector
For information on connecting the MC-EDGE to a radio via USB or RS232, see
MC-EDGE Radio Types and Installation Kits
.
Connection to a Computer via RS232
Use this connection to configure an MC-EDGE mixed system using the ACE3600 STS.
To connect the unit’s RS232 serial port to a computer, use the RS232 data cable
(FKN0022), which includes an RJ45-to-RJ45 cable (3008439S01) and an adaptor
(0189968V32) with a male 9-pin, D-type connector. Add a null modem cable
(female-to-female) which is not provided. See Figure 62.
NOTICE: The FKN0022 adaptor is not the same adaptor that is used
with the ACE3600.
70 Send Feedback

Contact Us
Figure 62. Computer-RS232 Connectivity
The unit port is defined as an MDLC protocol port.
The signals that appear on the male 9-pin D-type connector are according to the
RS232 standard. See the following table.
Table 15. RS232-Computer Connection Pin Out
8-pin
Connector (on
RTU)
RS232 Adaptor
(0189968V32)
9-pin D-type
Null Modem 9- pin
Female (No flow
control)
9-pin Male (on
Computer/
Terminal)
7 (Rx) ←
2
3
3 (Tx)
8 (Tx) →
3
2
2 (Rx)
4 (DCD) ←
1
NC
7 (RTS)
1 (DTR) →
4
NC
8 (CTS)
2 (NC)
NC (not
connected)
NC
6 (DSR)
5 (GND)
5
5
5 (GND)
6 (CTS) ←
8
NC
4 (DTR)
3 (RTS) →
7
NC
1 (DCD)
NC
NC
9 (RI)
Connection to a Modem via RS232
Use this connection to communicate from an MC-EDGE unit over a modem.
To connect the unit’s RS232 serial port to a modem, use the RS232 data cable
(FKN0022), which includes an RJ45-to-RJ45 cable (3008439S01) and an adaptor
(0189968V32) with a male 9-pin, D-type connector. See Figure 63.
Send Feedback 71

Figure 63. RS232- Modem Connectivity
The unit port is defined as an MDLC protocol port.
The signals that appear on the male 9-pin D-type connector are according to the
RS232 standard. See the following table.
Figure 64. RS232-Modem Connection Pin Out
8-pin Connector (on RTU)
RS232
Adaptor (0189968V32)
9-pin D-type
9-pin Female (on
Modem)
7 (Rx) ←
2
2 (Rx)
8 (Tx) →
3
3 (Tx)
4 (DCD) ←
1
1 (DCD)
1 (DTR) →
4
4 (DTR)
2 (NC)
NC
6 (DSR)
5 (GND)
5
5 (GND)
6 (CTS) ←
8
8 (CTS)
3 (RTS) →
7
7 (RTS)
NC
9 (RI)
Connection to a PLC/RTU/FEP via RS232
To connect the unit’s RS232 serial port to a PLC/RTU/FEP, connect an RS232 data cable
(FKN0022), which includes an RJ45-to-RJ45 cable (3008439S01) and an adaptor
(0189968V32) with a male 9-pin, D-type connector, to each unit. Add a null modem cable
(female-to-female), which is not provided, between the two data cables. See Figure 65.
72 Send Feedback

Contact Us
Figure 65. RS232-RTU/FEP Connectivity
Figure 66. RS232-PLC Connectivity
The unit port is defined as an MDLC protocol port. For RS232-RTU/FEP connectivity, the port
is defined as RTU-to-RTU with no flow control. Both null modem cables are supported, with
or without flow control, because the FEP or RTU ignore these signals.
The signals that appear on the male 9-pin D-type connector are according to the RS232
standard. See the following tables.
Table 16. RS232-PLC/RTU/FEP Connection Pin Out without Flow Control
8- pin
Connector
(on RTU)
RS232
Adaptor
(0189968V32)
9-pin D-type
Null Modem
9-pin Female
(No Flow Control)
RS232
Adaptor
(0189968V32)
9-pin D-type
8-pin
Connector (on
RTU/FEP)
7 (Rx) ←
2
3
3
8 (Tx)
8 (Tx) →
3
2
2
7 (Rx)
4 (DCD) ←
1
NC
1
4 (DCD)
1 (DTR) →
4
NC
4
1 (DTR)
2 (NC)
NC
NC
NC
2 (NC)
5 (GND)
5
5
5
5 (GND)
6 (CTS) ←
8
NC
8
6 (CTS)
3 (RTS) →
7
NC
7
3 (RTS)
Send Feedback 73

NC
NC
NC
Table 17. RS232-PLC/RTU/FEP Connection Pin Out with Partial Flow Control
8- pin
Connector
(on RTU)
RS232
Adaptor
(0189968V32)
9-pin D-type
Null Modem
9-pin Female
(with Partial Flow
Control)
RS232
Adaptor
(0189968V32)
9-pin D-type
8-pin
Connector
(on RTU/FEP)
7 (Rx) ←
2
3
3
8 (Tx)
8 (Tx) →
3
2
2
7 (Rx)
4 (DCD) ←
1
NC
1
4 (DCD)
1 (DTR) →
4
NC
4
1 (DTR)
2 (NC)
NC
NC
NC
2 (NC)
5 (GND)
5
5
5
5 (GND)
6 (CTS) ←
8
7
7
3 (RTS)
3 (RTS) →
7
8
8
6 (CTS)
NC
NC
NC
Connection to a PLC/RTU/FEP via RS485
To connect the unit’s RS485 serial port to a PLC/RTU/FEP, use the RS485
adaptor cable (FKN0030A) which ends with a female 9-pin, D-type connector.
Table 18. RS485- PLC/RTU/FEP Connectivity
The unit port is defined as an MDLC protocol port.
The signals that appear on the female 9-pin D-type connector are according to
the RS485 standard with internal 120 Ω resistance. See the following table.
Table 19. RS485-PLC/RTU/FEP Connection Pin Out
8-pin Connector (on RTU)
9-pin Female on Adaptor Cable (CB000207A01)
1 (Tx/RX+) ←
3 (Tx/RX+)
2 (NC)
1 (NC)
3 (NC)
2 (NC)
4 (NC)
4 (NC)
5 (GND)
5 (GND)
6 (NC)
6 (NC)
74 Send Feedback

Contact Us
7 (NC)
8 (NC)
8 (Tx/RX-) ←
7 (Tx/RX-)
Connection to a Computer (Ethernet)
Use this connection to configure an MC-EDGE mixed system using the ACE3600 STS
or to configure an MC-EDGE system using the MC-EDGE Easy Configurator.
To connect the RTU LAN port to a computer via Ethernet, use a standard Ethernet cable.
In the Google Chrome™ web browser, on your computer, enter the allocated IP address
of the TCP/IP port of the RTU/FEP.
If the PC/laptop does not have an appropriate local area connection for accessing the
unit, do the following:
1. In Control Panel -> Network and Internet -> Network Connections, select a TCP/IP
connection and click Properties.
2. If your PC/laptop is connected to the USB OTG port, click Use the following IP
address and enter https://192.168.9.10. This is the address allocated to a PC/laptop
communicating with the USB OTG part.
3. To use a dynamically allocated IP address, click Obtain an IP address
automatically.
4. If you are prompted that the site’s security certificate is not trusted, click Proceed
anyway.
Connection to a Computer (USB OTG)
Use this connection to configure an MC-EDGE mixed system using the ACE3600 STS
or to configure an MC-EDGE system using the MC-EDGE Easy Configurator.
To connect the RTU USB OTG (as device) port to a computer, use a USB 2.0 cable
with a Micro-B connector.
In the Google Chrome™ web browser on your computer, enter the IP address of the USB
OTG port of the RTU/FEP, https://192.168.9.9.
5. In Control Panel -> Network and Internet -> Network Connections, select a TCP/IP
connection and click Properties.
6. If your PC/laptop is connected to the USB OTG port, click Use the following IP
address and enter https://192.168.9.10. This is the address allocated to a PC/laptop
communicating with the USB OTG part.
7. To use a dynamically allocated IP address, click Obtain an IP address
automatically.
8. If you are prompted that the site’s security certificate is not trusted, click Proceed
anyway.
MC-EDGE CPU to MC-EDGE I/O Expansion Module Connection
To connect the MC-EDGE CPU to an MC-EDGE I/O expansion module, or to connect one
MC-EDGE I/O expansion module to another MC-EDGE I/O expansion module, use the 26
AWG RJ50 cable (#30013144001.)
Send Feedback 75

I/O Connection Charts
I/O Expansion Inputs I/O Expansion Outputs
Pin
Function
Pin
Function
Pin
Function
Pin
Function
Connector P3
Connector P3
1
DI1
11
DI7
1
NC1
11
R5-r NC
2
COM1-2
12
COM7-8
2
COM1
12
COM5
3
DI2
13
DI8
3
NO1
13
R5-s NO
4
DI3
14
DI9
4
NC2
14
R6-r NC
5
COM3-4
15
COM9-10
5
COM2
15
COM6
6
DI4
16
DI10
6
NO2
16
R6-s NO
7
DI5
17
DI11
7
NC3
17
R7-r NC
8
COM5-6
18
COM11-12
8
COM3
18
COM7
9
DI6
19
DI12
9
NO3
19
R7-s NO
10
PGNDDI
20
PGNDDI
10
PGNDDO
30
PGNDDO
Connector P4
Connector P4
11
AI1+
31
AI5+
11
NC4
31
R8-r NC
12
AI1-
32
AI5-
12
COM4
32
COM8
13
AI2+
33
AI6+
13
NO4
33
R8-s
14
AI2-
34
AI6-
14
PGNDDO
34
PGNDDO
15
AI3+
35
AI7+
15
NC
35
NC
16
AI3-
36
AI7-
16
PGNDAO
36
PGNDAO
17
AI4+
37
AI8+
17
AOv1+
37
AOv2+
18
AI4-
38
AI8-
18
AO1-
38
AO2-
19
PGNDAI
39
NC
19
AOi1+
39
AOi2+
20
PGNDAI
40
NC
20
NC
40
NC
82 Send Feedback

Contact Us
I/O Expansion Mixed IO
Pin
Function
Pin
Function
Connector P3
1
R1-r
11
R4-r
2
COM1
12
COM4
3
R1-s
13
R4-s
4
NO2
14
NO5
5
COM2
15
COM5
6
NO3
16
NO6
7
COM3
17
COM6
8
PGNDDO
18
PGNDAI
9
AI1+
19
AI3+
10
AI1-
20
AI3-
Connector P4
11
AI2+
31
AI4+
12
AI2-
32
AI4-
13
VDRY
33
DI4
14
COMDRY
34
DI5
15
DI1
35
DI6
16
DI2
36
COMDI
17
DI3
37
DI7
18
NC
38
PDNDDI
19
AOV+
39
AOI+
20
AO-
40
PGNDAO
Send Feedback 83

Appendix D: MC-EDGE External
Connector Pin Outs
MC-EDGE CPU LAN Port Connector
The table below lists the pin out for the LAN (ETH1) port connector on the MC-EDGE
CPU module.
Table 22. out for the LAN (ETH1) port connector on the MC-EDGE CPU module
Pin
Direction
Description
Max Voltage
Operational Current
1
OUT
TX +
100Base-T: 1.05V
differential 10Base-T:
2.8V differential
100Base-T: 10mA
10Base-T: 30mA
2
OUT
TX -
3
IN
RX +
NA
NA
4
NC
NC
5
NC
NC
6
IN
RX-
NA
NA
7
NC
NC
8
NC
NC
MC-EDGE CPU RS232 Port Connector
The table below lists the pin out for the RS232 port connector on the MC-EDGE CPU
module.
NOTICE: On the MC-EDGE RS232 port connector, the numbering of
the pins is the opposite of that of the ACE3600 RS232 port connector.
Table 23. Pin out for the RS232 port connector on the MC-EDGE CPU module
Pin
Direction
Description
Max Voltage
Operational Current
1
OUT
TX
±5.4V
2mA
2
IN
RX
±12V
4mA
3
IN
CTS
±12V
4mA
4
GND
GND
5
IN
CD
±12V
4mA
6
OUT
RTS
±5.4V
2mA
7
NC
NC
8
OUT
DTR/RS485
±5.4V
2mA
84 Send Feedback

Contact Us
MC-EDGE CPU RS485 Port Connector
The table below lists the pin out for the RS485 port connector on the MC-EDGE CPU
module.
Table 24. Pin out for the RS485 port connector on the MC-EDGE CPU module
Pin
Direction
Description
Max Voltage
Operational Current
1
OUT
TX+
2V differential
30mA (on 60ohm
resistor)
2
NC
NC
3
NC
NC
4
NC
NC
5
NC
NC
6
NC
NC
7
NC
NC
8
OUT
TX-
2V differential
30mA
MC-EDGE CPU I/O Connector
The table below lists the pin out for the I/O connector on the MC-EDGE CPU module.
Table 25. pin out for the I/O connector on the MC-EDGE CPU module
Pin
Direction
Description
Max Voltage
Max Current
1
I/O
R1-S
30VDC
60VDC
30VAC
2A @ 30VDC
0.6A @ 60VDC
0.6A @ 30VAC
2
I/O
COM1
3
I/O
R1-S
4
PGNDDI
PGNDi
5
IN
COM-DI
-/+30VDC
11mA
6
IN
DI 1
-/+30VDC
11mA
7
IN
DI 2
-/+30VDC
11mA
8
IN
DI 3
-/+30VDC
11mA
MC-EDGE CPU RJ50 Connector
Send Feedback 85

The table below lists the pin out for the RJ50 connector on the MC-EDGE CPU module.
Table 29. Pin out for the RJ50 connector on the MC-EDGE CPU module
Pin
Direction
Description
Max Voltage
Operational Current
1
GND
GND
2
GND
GND
3
GND
GND
4, 5
I/O
CANH, CANL
3V differential
50mA
6
OUT
Config
3.6V
0.33mA
7
NC
NC
8
PWR
PWR
30V
1A @12V
(2 I/O expansion)
9
PWR
PWR
30V
10
PWR
PWR
30V
MC-EDGE Input Module RJ50 Connector
Figure 73. MC-EDGE Input Module RJ50 Connector
The table below lists the pin out for the P1 RJ50 Power/CAN connector on the right side of
the MC-EDGE Input module.
Table 30. Pin out for the P1 RJ50 Power/CAN connector on the right side of the MC-EDGE Input module
Pin
Direction
Description
Max Voltage
Max Current
1
GND
Vin Ret
30V
1.5A
2
GND
Vin Ret
30V
1.5A
3
GND
Vin Ret
30V
1.5A
4
Bidirectiona
l
CANL
5V
NA
5
Bidirectiona
l
CANH
5V
NA
6
OUT/Ope
n Drain
Config Out
5V
NA
7
NC
NC
86 Send Feedback

Contact Us
8
Supply
Vin
30V
1.5A
9
Supply
Vin
30V
1.5A
10
Supply
Vin
30V
1.5A
The table below lists the pin out for the P2 RJ50 Power/CAN connector on the left side of
the MC-EDGE Input module.
Table 31. Pin out for the P2 RJ50 Power/CAN connector on the left side of the MC-EDGE Input module
Pin
Direction
Description
Max Voltage
Max Current
1
GND
Vin Ret
30V
1.5A
2
GND
Vin Ret
30V
1.5A
3
GND
Vin Ret
30V
1.5A
4
Bidirectiona
l
CANL
5V
NA
5
Bidirectiona
l
CANH
5V
NA
6
IN
Config In
5V
NA
7
NC
NC
8
Supply
Vin
30V
1.5A
9
Supply
Vin
30V
1.5A
10
Supply
Vin
30V
1.5A
MC-EDGE Input Module DI Connector
The table below lists the pin out for the P3 TB Digital Input connector on the MC-EDGE Input
module.
Table 32. pin out for the P3 TB Digital Input connector on the MC-EDGE Input module
Pin
Direction
Description
Max Voltage
Max Current
1
IN
DI1_1
±30V
11mA
2
IN
DI1_2/DI2_2
±30V
11mA
3
IN
DI2_1
±30V
11mA
4
IN
DI3_1
±30V
11mA
5
IN
DI3_2/DI4_2
±30V
11mA
6
IN
DI4_1
±30V
11mA
7
IN
DI5_1
±30V
11mA
8
IN
DI5_2/DI6_2
±30V
11mA
9
IN
DI6_1
±30V
11mA
10
PGNDDI
PGND1
N/A
N/A
Send Feedback 87

21
IN
DI7_1
±30V
11mA
22
IN
DI7_2/DI8_2
±30V
11mA
23
IN
DI8_1
±30V
11mA
24
IN
DI9_1
±30V
11mA
25
IN
DI9_2/DI10_2
±30V
11mA
26
IN
DI0_1
±30V
11mA
27
IN
DI11_1
±30V
11mA
28
IN
DI11_2/DI12_2
±30V
11mA
29
IN
DI12_1
±30V
11mA
30
PGNDDI
PGND1
N/A
N/A
MC-EDGE Input Module AI Connector
The table below lists the pin out for the P4 TB Analog Input connector on the MC-EDGE Input
module.
Table 33. pin out for the P4 TB Analog Input connector on the MC-EDGE Input module
Pin
Direction
Description
Max Voltage
Max Current
11
IN
AN1_1
±7V
30mA
12
IN
AN1_2
±7V
30mA
13
IN
AN2_1
±7V
30mA
14
IN
AN2_2
±7V
30mA
15
IN
AN3_1
±7V
30mA
16
IN
AN3_2
±7V
30mA
17
IN
AN4_1
±7V
30mA
18
IN
AN4_2
±7V
30mA
19
PGNDAI
PGND2
N/A
N/A
20
PGNDAI
PGND2
N/A
N/A
31
IN
AN5_1
±7V
30mA
32
IN
AN5_2
±7V
30mA
33
IN
AN6_1
±7V
30mA
34
IN
AN6_2
±7V
30mA
35
IN
AN7_1
±7V
30mA
36
IN
AN7_2
±7V
30mA
37
IN
AN8_1
±7V
30mA
38
IN
AN8_2
±7V
30mA
39
NC
NC
88 Send Feedback

Contact Us
40
NC
NC
MC-EDGE Output Module RJ50 Connector
The table below lists the pin out for the P1 RJ50 Power/CAN connector on the right side of
the MC-EDGE Output module.
Table 34. Pin out for the P1 RJ50 Power/CAN connector on the right side of the MC-EDGE Output
module
Pin
Direction
Description
Max Voltage
Max Current
1
GND
GND
1.7A
2
GND
GND
1.7A
3
GND
GND
1.7A
4
I/O
CAN+
3.3V
NA
5
I/O
CAN-
3.3V
NA
6
OUT
Config
3.6V
NA
7
NC
NC
8
PWR
PWR
30V
1.7A
9
PWR
PWR
30V
1.7A
10
PWR
PWR
30V
1.7A
The table below lists the pin out for the P2 RJ50 Power/CAN connector on the left side of the
MC-EDGE Output module.
Table 35. Pin out for the P2 RJ50 Power/CAN connector on the left side of the MC-EDGE Output module
Pin
Direction
Description
Max Voltage
Max Current
1
GND
GND
1.7A
2
GND
GND
1.7A
3
GND
GND
1.7A
4
I/O
CANL
3.3V
N/A
5
I/O
CANH
3.3V
N/A
6
IN
Config
3.6V
N/A
7
NC
NC
8
PWR
PWR
30V
1.7A
Send Feedback 89

9
PWR
PWR
30V
1.7A
10
PWR
PWR
30V
1.7A
MC-EDGE Output Module DO Connector
The table below lists the pin out for the P3 TB Digital Output connector on the
MC-EDGE Output module.
Table 36. Pin out for the P3 TB Digital Output connector on the MC-EDGE Output module
Pin
Direction
Description
Max Voltage
Max Current
1
I/O
NC1
30VDC
60VDC
30VAC
2A @ 30VDC
0.6A @ 60VDC
0.6A @ 30VAC
2
I/O
COM1
3
I/O
NO1
4
I/O
NC2
5
I/O
COM2
6
I/O
NO2
7
I/O
NC3
8
I/O
COM3
9
I/O
NO3
10
PGNDDO
PGNDDO
N/A
N/A
21
I/O
R5-R
30VDC
60VDC
30VAC
2A @ 30VDC
0.6A @ 60VDC
0.6A @ 30VAC
22
I/O
COM5
23
I/O
R5-S
24
I/O
R6-R
25
I/O
COM6
26
I/O
R6-S
27
I/O
R7-R
28
I/O
COM7
29
I/O
R7-S
30
PGNDDO
PGNDDO
N/A
N/A
MC-EDGE Output Module DO/AO Connector
The table below lists the pin out for the P4 TB Digital Output/Analog Output connector on
the MC-EDGE Output module.
Table 37. Pin out for the P4 TB Digital Output/Analog Output connector on the MC-EDGE Output module
Pin
Direction
Description
Max Voltage
Max Current
90 Send Feedback

Contact Us
11
I/O
NC4
30VDC
60VDC
30VAC
2A @ 30VDC
0.6A @ 60VDC
0.6A @ 30VAC
12
I/O
COM4
13
I/O
NO4
14
PGNDDO
PGNDDO
N/A
N/A
15
NC
NC
16
PGNDAO
PGNDAO
N/A
N/A
17
OUT
AO1V+
11V
45mA
18
OUT
AORet
0
45mA
19
OUT
AO1I+
30V
25Ma
20
NC
NC
31
I/O
R8-R
30VDC
60VDC
30VAC
2A @ 30VDC
0.6A @ 60VDC
0.6A @ 30VAC
32
I/O
COM8
33
I/O
R8-S
34
PGNDDO
PGNDDO
N/A
N/A
35
NC
NC
36
PGNDAO
PGNDAO
N/A
N/A
37
OUT
AO2V+
11V
45mA
38
OUT
AORet
0
45mA
39
OUT
AO2I+
30V
25mA
40
NC
NC
MC-EDGE Mixed Module Connector
The table below lists the pin out for the MC-EDGE Mixed Module Connector
Table 38. Pin out for the MC-EDGE Mixed Module Connector
Pin
Direction
Description
Max Voltage
Max Current
1
I/O
R1-r
30VDC
60VDC
30VAC
2A @ 30VDC
0.6A @ 60VDC
0.6A @ 30VAC
2
I/O
COM1
3
I/O
R1-s
4
I/O
NO2
5
I/O
COM2
6
I/O
NO3
7
I/O
COM3
8
I/O
PGNDDO
9
IN
AI1+
±7V
30mA
Send Feedback 91

10
IN
AI1-
±7V
30mA
21
I/O
R4-r
30VDC
60VDC
30VAC
2A @ 30VDC
0.6A @ 60VDC
0.6A @ 30VAC
22
I/O
COM4
23
I/O
R4-r
24
I/O
NO5
25
I/O
COM5
26
I/O
NO6
27
I/O
COM6
28
PGNDAI
PGNDAI
N/A
N/A
29
IN
AI3+
±7V
30mA
30
IN
AI3+
±7V
30mA
11
IN
AI2+
±7V
30mA
12
IN
AI2+
±7V
30mA
13
O
VDRY
NA
NA
14
O
COMDRY
NA
NA
15
IN
DI1
±30V
11mA
16
IN
DI2
±30V
11mA
17
IN
DI3
±30V
11mA
18
NC
19
OUT
AOV+
11V
45mA
20
OUT
AO-
0
45mA
31
IN
AI4+
±7V
30mA
32
IN
AI4+
±7V
30mA
33
IN
DI4
±30V
11mA
34
IN
DI5
±30V
11mA
35
IN
DI6
±30V
11mA
36
IN
COMDI
±30V
11mA
37
IN
DI7
±30V
11mA
38
PDNDDI
PDNDDI
NA
NA
39
OUT
AOI+
30V
25mA
40
PGNDAO
PGNDAO
NA
NA
92 Send Feedback

Appendix E: MC-EDGE Field
Replacement Units
MC-EDGE Field Replacement Units and Parts
The table below lists the accessories and field replacement units for the MC-EDGE RTU
model (F0016A) and ACE1100 FEP/IRM1100 (F0043A).
Table 39. MC-EDGE Field Replacement Units and Parts
Kit #
Name
FKN0022
RS-232 DATA CABLE
FKN0024A
TERMINAL BLOCK CONNECTOR EXTRACTOR
FKN0027
MTM5200 DATA CABLE
FKN0030
RS-485 PORT 120 OHM TERMINATION CABLE
FKN0033
DC POWER CABLE
FKN0034
GROUND CABLE
FLN0050A
12DI/8AI MODULE 0-20MA
FLN0051A
12DI/8AI MODULE 0-5V
FLN0052A
8DO/2AO MODULE 0-20MA, 0-10V
FLN0116A
7DI/6DO/4AI/1AO MODULE 0-20mA
FHN0054A
DIN RAIL 26 CM
FHN0056A
DIN RAIL 42 CM
FHN0057A
DIN RAIL STOPPER
FHN0058A
CPU CABLE COVER
FHN0059A
I/O MODULE CABLE COVER
FHN0060A
SD COVER
FHN0061A
TERMINAL BLOCK MALE 10 PIN 5MM
FHN0062A
TERMINAL BLOCK MALE 3 PIN 5 MM
FHN0063A
TERMINAL BLOCK MALE 2 PIN 5 MM
FHN0064A
TERMINAL BLOCK MALE 4 PIN 3.5MM
FHN0065
RJ50 I/O MODULE CABLE
FLN0100A
APX 6500 INSTALLATION KIT
94 Send Feedback
















