Motorola Portable Radio Ep450 Users Manual EP450_BS
EP450 Basic service manual HKLN4215A EP450 Basic service manual HKLN4215A
Manual-Motorola-EP45.. Manual-Motorola-EP450-serv
EP450 to the manual 24dbac8f-ec22-4f1f-94fe-a20d53ab9a33
2015-01-23
: Motorola Motorola-Motorola-Portable-Radio-Ep450-Users-Manual-272047 motorola-motorola-portable-radio-ep450-users-manual-272047 motorola pdf
Open the PDF directly: View PDF
.
Page Count: 91

MOTOROLA, The Stylized M logo are trademarks of Motorola, Inc.
All other product or service names are the property of their respective owners.
© 2003 Motorola, Inc. All rights reserved. Printed in U.S.A.
HKLN4215A
HKLN4215A
EP450™
Portable Radio
Basic Service Manual

EP450 Portable Radio
Basic Service Manual
VHF 146-174 MHz
UHF 403-440 MHz
UHF 438-470 MHz
UHF 465-495 MHz
Motorola, Inc.
1301 E. Algonquin Road
Schaumburg, IL 60196 HKLN4215A

ii
Foreword
This manual is intended for use by service technicians familiar with similar types of equipment. It contains
service information required for the equipment described and is current as of the printing date. Changes which
occur after the printing date may be incorporated by a complete Manual revision or alternatively as additions.
Product Safety and RF Exposure Compliance
ATTENTION!
This radio is restricted to occupational use only to satisfy FCC RF energy exposure requirements.
Before using this product, read the RF energy awareness information and operating instructions in the
Product Safety and RF Exposure booklet enclosed with your radio (Motorola Publication part number
68P81095C98) to ensure compliance with RF energy exposure limits.
For a list of Motorola-approved antennas, batteries, and other accessories, visit the following web site which
lists approved accessories: http://www.motorola.com/cgiss/index.shtml.
Computer Software Copyrights
The Motorola products described in this manual may include copyrighted Motorola computer programs stored
in semiconductor memories or other media. Laws in the United States and other countries preserve for
Motorola certain exclusive rights for copyrighted computer programs, including, but not limited to, the
exclusive right to copy or reproduce in any form the copyrighted computer program. Accordingly, any
copyrighted Motorola computer programs contained in the Motorola products described in this manual may
not be copied, reproduced, modified, reverse-engineered, or distributed in any manner without the express
written permission of Motorola. Furthermore, the purchase of Motorola products shall not be deemed to grant
either directly or by implication, estoppel, or otherwise, any license under the copyrights, patents or patent
applications of Motorola, except for the normal non-exclusive license to use that arises by operation of law in
the sale of a product.
Document Copyrights
No duplication or distribution of this document or any portion thereof shall take place without the express
written permission of Motorola. No part of this manual may be reproduced, distributed, or transmitted in any
form or by any means, electronic or mechanical, for any purpose without the express written permission of
Motorola.
Disclaimer
The information in this document is carefully examined, and is believed to be entirely reliable. However, no
responsibility is assumed for inaccuracies. Furthermore, Motorola reserves the right to make changes to any
products herein to improve readability, function, or design. Motorola does not assume any liability arising out
of the applications or use of any product or circuit described herein; nor does it cover any license under its
patent rights nor the rights of others.
MOTOROLA, and the Stylized M logo are trademarks of Motorola, Inc.
All other product or service names are the property of their respective owners.
© 2003 Motorola, Inc. All rights reserved. Printed in U.S.A.
Note: Before operating or testing these units, please read the Product Safety and RF Exposure
Compliance section.
Note:
Before using this product, read the operating instructions for safe usage contained in the
Product Safety and RF Exposure booklet enclosed with your radio.
!
C
a u t i o
n

Table of Contents iii
HKLN4215A December 3, 2003
Table of Contents
Foreword .....................................................................................................................................................ii
Product Safety and RF Exposure Compliance............................................................................................ii
Computer Software Copyrights ...................................................................................................................ii
Document Copyrights..................................................................................................................................ii
Disclaimer....................................................................................................................................................ii
List of Figures ...............................................................................................vi
List of Tables ...............................................................................................viii
Chapter 1 Model Charts and Test Specifications .............................. 1-1
1.1 Radio Model Information................................................................................................................ 1-1
1.2 Model Chart for VHF 146-174 MHz ............................................................................................... 1-2
1.3 Non-Display Model ........................................................................................................................ 1-3
1.4 Model Chart for UHF 403-440 MHz............................................................................................... 1-4
1.5 Model Chart for UHF 438-470 MHz............................................................................................... 1-5
1.6 Model Chart for UHF 465-495 MHz............................................................................................... 1-6
1.7 Display Model ................................................................................................................................ 1-7
1.8 MIL Standards ............................................................................................................................... 1-8
Chapter 2 Theory Of Operation ........................................................... 2-1
2.1 Introduction.................................................................................................................................... 2-1
2.2 Major Assemblies .......................................................................................................................... 2-1
2.2.1 Receiver............................................................................................................................ 2-1
2.2.2 Transmitter........................................................................................................................ 2-2
Chapter 3 Test Equipment, Service Aids, and Service Tools........... 3-1
3.1 Test Equipment.............................................................................................................................. 3-1
3.2 Service Aids................................................................................................................................... 3-2
Chapter 4 Performance Checks .......................................................... 4-1
4.1 General .......................................................................................................................................... 4-1
4.2 Power-Up Self Test........................................................................................................................ 4-1
4.3 RF Test Mode ................................................................................................................................ 4-2
Chapter 5 Radio Alignment Procedures............................................. 5-1
5.1 Introduction.................................................................................................................................... 5-1
5.2 CPS Programming Setup .............................................................................................................. 5-1
5.3 Radio Tuning Setup....................................................................................................................... 5-2
5.3.1 Initial Test Equipment Control Settings............................................................................. 5-3
5.4 Transmitter Alignment Options ...................................................................................................... 5-3
5.4.1 Reference Oscillator Warp................................................................................................ 5-3
5.4.2 Modulation Balance Attenuation....................................................................................... 5-4

iv Table of Contents
December 3, 2003 HKLN4215A
5.4.3 Transmit Power Tuning.....................................................................................................5-5
5.4.3.1 To Perform Transmit High Power Tuning, do the following: .............................. 5-6
5.4.3.2 To Perform Transmit Low Power Tuning, do the following: ..............................5-6
5.4.4 VCO Attenuation...............................................................................................................5-7
5.4.4.1 VCO Attenuation 25 kHz....................................................................................5-7
5.4.4.2 VCO Attenuation 12.5 kHz.................................................................................5-8
5.4.4.3 VCO Attenuation 20 kHz....................................................................................5-8
5.4.5 DTMF Deviation Tuning ....................................................................................................5-9
5.4.6 MDC-1200 Deviation Tuning...........................................................................................5-10
5.5 Receiver Tuning...........................................................................................................................5-10
5.5.1 Rated Volume Tuning .....................................................................................................5-11
5.5.2 Squelch Tuning...............................................................................................................5-12
5.5.2.1 Manual Squelch Tuning ...................................................................................5-12
5.5.2.2 Auto Tune ........................................................................................................5-13
5.5.3 RSSI System Level Tuning .............................................................................................5-13
5.5.4 RSSI Display Tuning.......................................................................................................5-14
5.6 Utilities .........................................................................................................................................5-14
5.6.1 Program Serial No. .........................................................................................................5-14
5.6.2 Temp Comp Data Read ..................................................................................................5-14
5.6.3 Temp Comp Data Write ..................................................................................................5-14
5.7 Radio-to-Radio Cloning................................................................................................................5-14
Chapter 6 Display Model Disassembly and Re-assembly ................ 6-1
6.1 Introduction ....................................................................................................................................6-1
6.2 Preventive Maintenance ................................................................................................................6-1
6.2.1 Inspection..........................................................................................................................6-1
6.2.2 Cleaning Procedures ........................................................................................................6-1
6.3 Safe Handling of CMOS and LDMOS Devices..............................................................................6-2
6.4 Disassembling and Re-assembling the Radio — General............................................................. 6-3
6.4.1 Radio Disassembly — Detailed ........................................................................................6-3
6.4.1.1 Front Cover From Chassis Disassembly ...........................................................6-3
6.4.1.2 Dust Cover Disassembly....................................................................................6-6
6.4.1.3 Speaker and Microphone Disassembly ............................................................. 6-6
6.4.1.4 Keyboard Removal ............................................................................................6-7
6.4.1.5 PTT Disassembly............................................................................................... 6-7
6.4.1.6 Chassis Disassembly.........................................................................................6-8
6.4.2 Radio Re-assembly - Detailed .......................................................................................... 6-9
6.4.2.1 Dust Cover Re-assembly...................................................................................6-9
6.4.2.2 Microphone and Speaker Re-assembly.............................................................6-9
6.4.2.3 Keypad and LCD/Keyboard Re-assembly .......................................................6-11
6.4.2.4 Keyboard Retainer Re-assembly.....................................................................6-12
6.4.2.5 Chassis Assembly/Re-assembly......................................................................6-12
6.4.2.6 Chassis and Front Cover Re-assembly ...........................................................6-13
6.4.2.7 PTT Re-assembly ............................................................................................6-15
6.5 Mechanical View and Parts List ...................................................................................................6-16
6.5.1 EP450 Display Model Exploded View and Parts List......................................................6-16
Chapter 7 Non-Display Model Disassembly and Re-assembly ........ 7-1
7.1 Introduction ....................................................................................................................................7-1
7.2 Preventive Maintenance ................................................................................................................7-1
7.2.1 Inspection..........................................................................................................................7-1

Table of Contents v
HKLN4215A December 3, 2003
7.2.2 Cleaning Procedures ........................................................................................................7-1
7.3 Safe Handling of CMOS and LDMOS Devices.............................................................................. 7-2
7.4 Disassembling and Re-assembling the Radio — General............................................................. 7-3
7.4.1 Radio Disassembly — Detailed ........................................................................................ 7-3
7.4.1.1 Front Cover From Chassis Disassembly ........................................................... 7-3
7.4.1.2 Dust Cover Disassembly ................................................................................... 7-5
7.4.1.3 Speaker and Microphone Disassembly ............................................................. 7-6
7.4.1.4 PTT Disassembly............................................................................................... 7-6
7.4.2 Chassis Disassembly........................................................................................................7-7
7.4.3 Radio Re-assembly - Detailed .......................................................................................... 7-8
7.4.3.1 Dust Cover Re-assembly................................................................................... 7-8
7.4.3.2 Microphone and Speaker Re-assembly............................................................. 7-8
7.4.3.3 Chassis Assembly/Re-assembly ....................................................................... 7-9
7.4.3.4 Chassis and Front Cover Re-assembly........................................................... 7-10
7.4.3.5 PTT Re-assembly............................................................................................ 7-11
7.5 Mechanical View and Parts List................................................................................................... 7-13
7.5.1 EP450 Non-Display Exploded View and Parts List......................................................... 7-13
Chapter 8 Troubleshooting Tables ..................................................... 8-1
8.1 Power-Up Error Codes .................................................................................................................. 8-1
8.2 Operational Error Codes................................................................................................................ 8-1
8.3 Troubleshooting Table for Receiver............................................................................................... 8-2
8.4 Troubleshooting Table for Transmitter........................................................................................... 8-3
Appendix A Accessories.........................................................................A-1
Appendix B Warranty, Service Support, and Replacement Parts .......B-1
1.1 Scope of Manual............................................................................................................................ 1-1
1.2 Warranty ........................................................................................................................................ 1-1
1.2.1 Warranty Period and Return Instructions.......................................................................... 1-1
1.2.2 After Warranty Period ....................................................................................................... 1-1
1.3 Replacement Parts Ordering ......................................................................................................... 1-1
1.3.1 Basic Ordering Information ............................................................................................... 1-1
1.3.2 Motorola Online ................................................................................................................ 1-2
1.3.3 Mail Orders ....................................................................................................................... 1-2
1.3.4 Telephone Orders............................................................................................................. 1-2
1.3.5 Fax Orders........................................................................................................................ 1-2
1.3.6 Parts Identification ............................................................................................................ 1-2
1.4 Technical Support.......................................................................................................................... 1-3
Glossary......................................................................................................G-1

vi Table of Contents
December 3, 2003 HKLN4215A
List of Figures
Figure 2-1. Major Assemblies Block Diagram.....................................................................................2-1
Figure 2-2. Transceiver Block Diagram ..............................................................................................2-2
Figure 3-1. Programming/Test Cable.................................................................................................. 3-4
Figure 3-2. Wiring of the Connectors..................................................................................................3-4
Figure 4-1. Radio Tuning Setup..........................................................................................................4-1
Figure 4-2. Side Button Locations.......................................................................................................4-2
Figure 5-1. CPS Programming Setup .................................................................................................5-1
Figure 5-2. Radio Tuning Setup..........................................................................................................5-2
Figure 5-3. Reference Oscillator Warp Window..................................................................................5-3
Figure 5-4. Modulation Balance Window ............................................................................................5-4
Figure 5-5. Transmit Power Window (High Power).............................................................................5-5
Figure 5-6. VCO Attenuation Window (12.5 kHz) ...............................................................................5-7
Figure 5-7. DTMF Deviation Tuning Window......................................................................................5-9
Figure 5-8. MDC-1200 Deviation Tuning Window ............................................................................5-10
Figure 5-9. Rated Volume Tuning Window.......................................................................................5-11
Figure 5-10. Squelch Tuning Window.................................................................................................5-12
Figure 5-11. RSSI Tuning ...................................................................................................................5-13
Figure 5-12. Side Button Locations.....................................................................................................5-15
Figure 6-1. Battery Removal...............................................................................................................6-3
Figure 6-2. Antenna and Knob Removal.............................................................................................6-4
Figure 6-3. Chassis Removal.............................................................................................................. 6-4
Figure 6-4. Keyboard Flex Connection ...............................................................................................6-5
Figure 6-5. Microphone and Speaker Connections ............................................................................6-5
Figure 6-6. Dust Cover Disassembly ..................................................................................................6-6
Figure 6-7. Removal Speaker-Microphone Assembly ........................................................................6-6
Figure 6-8. Keypad Removal .............................................................................................................. 6-7
Figure 6-9. PTT Removal....................................................................................................................6-8
Figure 6-10. Removal of Main Board from Chassis..............................................................................6-8
Figure 6-11. Dust Cap Re-assembly.....................................................................................................6-9
Figure 6-12. Microphone Re-assembly...............................................................................................6-10
Figure 6-13. Speaker Re-assembly ....................................................................................................6-10
Figure 6-14. Keypad Re-assembly .....................................................................................................6-11
Figure 6-15. LCD/Keypad Board Re-assembly...................................................................................6-11
Figure 6-16. Keyboard Retainer Re-assembly.................................................................................... 6-12
Figure 6-17. Main Board onto Chassis Re-assembly .........................................................................6-13
Figure 6-18. Microphone and Speaker Wires Re-assembly ...............................................................6-14
Figure 6-19. Keyboard Flex Cable Connection...................................................................................6-14
Figure 6-20. Fastening the Chassis....................................................................................................6-15
Figure 6-21. PTT Re-assembly...........................................................................................................6-15
Figure 6-22. EP450 Full Keypad Radio Exploded View...................................................................... 6-16
Figure 7-1. Battery Removal...............................................................................................................7-3
Figure 7-2. Antenna and Knob Removal.............................................................................................7-4
Figure 7-3. Chassis Removal.............................................................................................................. 7-4
Figure 7-4. Microphone and Speaker Connections ............................................................................7-5
Figure 7-5. Dust Cover Disassembly ..................................................................................................7-5
Figure 7-6. Removal Speaker-Microphone Assembly ........................................................................7-6
Figure 7-7. PTT Removal....................................................................................................................7-7
Figure 7-8. Removal of Main Board from Chassis..............................................................................7-7
Figure 7-9. Dust Cap Re-assembly.....................................................................................................7-8
Figure 7-10. Microphone Re-assembly.................................................................................................7-8

Table of Contents vii
HKLN4215A December 3, 2003
Figure 7-11. Speaker Re-assembly...................................................................................................... 7-9
Figure 7-12. Installation of Main Board onto Chassis......................................................................... 7-10
Figure 7-13. Microphone and Speaker Wires Re-assembly............................................................... 7-11
Figure 7-14. Fastening the Chassis.................................................................................................... 7-11
Figure 7-15. PTT Re-assembly........................................................................................................... 7-12
Figure 7-16. EP450 Non-Display Radio Exploded View..................................................................... 7-13

viii Table of Contents
December 3, 2003 HKLN4215A
List of Tables
Table 1-1. Radio Model Number (Example: LAH65KDC9AA2AN).................................................... 1-1
Table 1-2. MIL STDS 810 C, D, E, and F: Applicable to UHF and VHF Specifications.....................1-8
Table 3-1. Recommended Test Equipment.......................................................................................3-1
Table 3-2. Service Aids...................................................................................................................... 3-2
Table 3-3. Recommended Service Tools ..........................................................................................3-2
Table 4-1. Initial Equipment Control Settings ....................................................................................4-2
Table 4-2. Test Environments............................................................................................................4-3
Table 4-3. Test Channel Spacing ......................................................................................................4-3
Table 4-4. Test Frequencies..............................................................................................................4-4
Table 4-5. Receiver Performance Checks.........................................................................................4-4
Table 4-6. Transmitter Performance Checks.....................................................................................4-5
Table 5-1. Initial Equipment Control Settings ....................................................................................5-3
Table 5-2. Reference Oscillator Specifications..................................................................................5-4
Table 5-3. Transmit High/Low Power Level.......................................................................................5-6
Table 5-4. Deviation Specifications ..................................................................................................5-8
Table 5-5. Squelch Deviation Values...............................................................................................5-12
Table 8-1. Power-Up Error Code Display ..........................................................................................8-1
Table 8-2. Operational Error Code Display........................................................................................8-1
Table 8-3. Receiver Troubleshooting Table.......................................................................................8-2
Table 8-4. Transmitter Troubleshooting Table...................................................................................8-3
Related Publications
E-Series Detailed Service Manual........................................................................HKLN4216
E-Series Interactive User CD ...............................................................................HKLN4212

Chapter 1 Model Charts and Test Specifications
1.1 Radio Model Information
The model number and serial number are located on a label attached to the back of your radio. You
can determine the RF output power, frequency band, protocols, and physical packages. The example
below shows one portable radio model number and its specific characteristics.
Table 1-1. Radio Model Number (Example: LAH65KDC9AA2AN)
Type of
Unit Model
Series Freq.
Band Power
Level Physical
Packages
Channel
Spacing Protocol Feature
Level Model
Revision Model
Package
LA H 65 K
VHF
(146-174
MHz)
Q
(403-440
MHz)
R
UHF
(438-470
MHz)
S
UHF
(465-495
MHz)
D
4 W or
5 W
C
Non
Display
H
Full
Display
9
Pro-
gramma-
ble
AA
Conven-
tional
2
16 CH
4
64 CH
AN
LA = Motorola Internal Use
H = Portable

December 3, 2003 HKLN4215A
1-2 Model Charts and Test Specifications: Model Chart for VHF 146-174 MHz
1.2 Model Chart for VHF 146-174 MHz
EP450, VHF, 146-174 MHz
Model Description
LAH65KDC9AA2AN EP450, 146-174 MHz, 5 W, 16 Ch. Non-Display Model
LAH65KDH9AA4AN EP450, 146-174 MHz, 5 W, 64 Ch. Display Model
Item Description
XPMUD1857_ EP450, 146-174 MHz, 5 W, 16 Ch. Non-Display Model
X PMUD1859_ EP450, 146-174 MHz, 5 W, 64 Ch. Display Model
X X PMLD4222_ EP450, Back Cover Kit. 146-174 MHz
X PMLN4601_ Non-Display, Front Housing Kit, 16 Ch.
XPMLN4603_ Full Display, Front Housing Kit, 64 Ch.
X X NNTN4496_R Ni-Cd Battery, 1100 mAH
X X NNTN4497_R Li-Ion Battery, 1800 mAH
X X NNTN4851_ NiMH Battery, 1400 mAH
X X NNTN4970 Slim Li-Ion Battery, 1600 mAH
X X WPLN4138_R Rapid 90-Min. Desktop Charger w/US Plug
X X WPLN4139_R Rapid 90-Min. Desktop Charger w/Euro Plug
X X WPLN4142_R Rapid 90-Min. Desktop Charger w/Argentina Plug
X X WPLN4140_R Rapid 90-Min. Desktop Charger w/UK Plug
X X RLN5644 2.5" Belt Clip
X X NAD6502_R Antenna, 146-174 MHz, 14cm
X X HKLN4212 E-Series Interactive User CD
X = Indicates compatibility with model(s)

VHF Test Specifications 1-3
1.3 VHF Test Specifications
General Transmitter
Receiver
Specifications subject to change without notice. All
electrical specifications and methods refer to EIA/TIA
603 standards.
VHF
Channel Capacity: 16 or 64 Channels
Power Supply: 7.5 Volts ±20%
Dimensions (HxWxD)
with Battery:
High Capacity Li-Ion 130.5mm x 62mm x 45mm
(5.12" x 2.44" x 1.77")
Weight: with Battery:
High Capacity Li-Ion 397g (14.0 oz.)
Average Battery Life
@ (5-5-90* Duty
Cycle):
High Capacity Li-Ion 17 hr low power/
12 hr high power
Model Number: LAH65KDC9AA2_N,
LAH65KDH9AA4_N
Frequency Range: 146-174 MHz
Channel Spacing: 12.5/20/25 kHz
Temperature Range: -30° to 60°C
Frequency Stability: ±2.5 ppm
FCC ABZ99FT3045
*5% receive; 5% transmit; 90% standby.
VHF
RF Output
Li-Ion @ 7.5 V: Low
1 W High
5 W
Frequency: 146-174 MHz
Channel Spacing: 12.5/20/25 kHz
Spurious/Harmonics: -36 dBm < 1 GHz
-30 dBm > 1 GHz
FM Noise: -40 dB (12.5 kHz)
-45 dB (25 kHz)
Modulation Limitation: ±2.5 kHz @ 12.5 kHz/
±5 kHz @ 25 kHz
Audio Response:
(from 6 dB/oct.
Pre-emphasis, 300 to
3000 Hz)
+1 to -3 dB
Audio Distortion:
@ 1000 Hz, 60%
Rated Max. Dev.
3%
VHF
12.5 kHz VHF
25kHz
Channel Spacing: 12.5/20/25 kHz
Sensitivity
12 dB EIA SINAD: 0.25 µV (typical)
Adjacent Channel
Selectivity: -60 dB -70 dB
Intermodulation: -70 dB
Freq. Stability
(-30°C to +60°C): 0.00025%
Spur Rejection: -75 dB
Image and 1/2 I-F
Rejection: -70 dB
Audio Output
@ <5% Distortion: 500 mW into 24Ω

December 3, 2003 HKLN4215A
1-4 Model Charts and Test Specifications: Model Chart for UHF 403-440 MHz
1.4 Model Chart for UHF 403-440 MHz
EP450, UHF, 403-440 MHz
Model Description
LAH65QDC9AA2AN EP450, 403-440 MHz, 4 W, 16 Ch. Non-Display Model
LAH65QDH9AA4AN EP450, 403-440 MHz, 4 W, 64 Ch. Display Model
Item Description
XPMUE1972_ EP450, 403-440 MHz, 4 W, 16 Ch. Non-Display Model
X PMUE1974_ EP450, 403-440 MHz, 4 W, 64 Ch. Display Model
X X PMLE4288_ EP450, Back Cover Kit. 403-440 MHz
X PMLN4601_ Non-Keypad, Front Housing Kit, 16 Ch.
XPMLN4603_ Full Keypad, Front Housing Kit, 64 Ch.
X X NNTN4496_R Ni-Cd Battery, 1100 mAH
X X NNTN4497_R Li-Ion Battery, 1800 mAH
X X NNTN4851_ NiMH Battery, 1400 mAH
X X NNTN4970 Slim Li-Ion Battery, 1600 mAH
X X WPLN4138_R Rapid 90-Min. Desktop Charger w/US Plug
X X WPLN4139_R Rapid 90-Min. Desktop Charger w/Euro Plug
X X WPLN4142_R Rapid 90-Min. Desktop Charger w/Argentina Plug
X X WPLN4140_R Rapid 90-Min. Desktop Charger w/UK Plug
X X RLN5644 2.5” Belt Clip
X X NAE6483_R Antenna, 403-520 MHz, Whip
X X HKLN4212 E-Series Interactive User CD
X = Indicates compatibility with model(s)

HKLN4215A December 3, 2003
Model Charts and Test Specifications: Model Chart for UHF 438-470 MHz 1-5
1.5 Model Chart for UHF 438-470 MHz
EP450, UHF, 438-470 MHz
Model Description
LAH65RDC9AA2AN EP450, 438-470 MHz, 4 W, 16 Ch. Non-Display Model
LAH65RDH9AA4AN EP450, 438-470 MHz, 4 W, 64 Ch. Display Model
Item Description
XPMUE1966_ EP450, 438-470 MHz, 4 W, 16 Ch. Non-Display Model
X PMUE1968_ EP450, 438-470 MHz, 4 W, 64 Ch. Display Model
X X PMLE4283_ EP450, Back Cover Kit. 438-470 MHz
X PMLN4601_ Non-Display, Front Housing Kit, 16 Ch.
XPMLN4603_ Display, Front Housing Kit, 64 Ch.
X X NNTN4496_R Ni-Cd Battery, 1100 mAH
X X NNTN4497_R Li-Ion Battery, 1800 mAH
X X NNTN4851_ NiMH Battery, 1400 mAH
X X NNTN4970 Slim Li-Ion Battery, 1600 mAH
X X WPLN4138_R Rapid 90-Min. Desktop Charger w/US Plug
X X WPLN4139_R Rapid 90-Min. Desktop Charger w/Euro Plug
X X WPLN4142_R Rapid 90-Min. Desktop Charger w/Argentina Plug
X X WPLN4140_R Rapid 90-Min. Desktop Charger w/UK Plug
X X RLN5644 2.5" Belt Clip
X X NAE6483_R Antenna, 403-520 MHz, Whip
X X HKLN4212 E-Series Interactive User CD
X = Indicates compatibility with model(s)

December 3, 2003 HKLN4215A
1-6 Model Charts and Test Specifications: Model Chart for UHF 465-495 MHz
1.6 Model Chart for UHF 465-495 MHz
EP450, UHF, 465-495 MHz
Model Description
LAH65SDC9AA2AN EP450, 465-495 MHz, 4 W, 16 Ch. Non-Display Model
LAH65SDH9AA4AN EP450, 465-495 MHz, 4 W, 64 Ch. Display Model
Item Description
XPMUE1978_ EP450, 465-495 MHz, 4 W, 16 Ch. Non-Display Model
X PMUE1980_ EP450, 465-495 MHz, 4 W, 64 Ch. Display Model
X X PMLE4284_ EP450, Back Cover Kit. 465-495 MHz (1/4W)
X PMLN4601_ Non-Display, Front Housing Kit, 16 Ch.
XPMLN4603_ Display, Front Housing Kit, 64 Ch.
X X NNTN4496_R Ni-Cd Battery, 1100 mAH
X X NNTN4497_R Li-Ion Battery, 1800 mAH
X X NNTN4851_ NiMH Battery, 1400 mAH
X X NNTN4970 Slim Li-Ion Battery, 1600 mAH
X X WPLN4138_R Rapid 90-Min. Desktop Charger w/US Plug
X X WPLN4139_R Rapid 90-Min. Desktop Charger w/Euro Plug
X X WPLN4142_R Rapid 90-Min. Desktop Charger w/Argentina Plug
X X WPLN4140_R Rapid 90-Min. Desktop Charger w/UK Plug
X X RLN5644 2.5” Belt Clip
X X NAE6483_R Antenna, 403-520 MHz, Whip
X X HKLN4212 E-Series Interactive User CD
X = Indicates compatibility with model(s)

UHF Test Specifications 1-7
1.7 UHF Test Specifications
General Transmitter
Receiver
Specifications subject to change without notice. All
electrical specifications and methods refer to EIA/TIA
603 standards.
UHF
Channel Capacity: 16 or 64 Channels
Power Supply: 7.5 Volts ±20%
Dimensions (HxWxD)
with Battery:
High Capacity Li-Ion 130.5mm x 62mm x 45mm
(5.12" x 2.44" x 1.77")
Weight: with Battery:
High Capacity Li-Ion 397g (14.0 oz.)
Average Battery Life
@ (5-5-90* Duty
Cycle):
High Capacity Li-Ion 17 hr low power/
12 hr high power
Model Numbers: LAH65QDC9AA2_N
LAH65QDH9AA4_N
LAH65RDC9AA2_N
LAH65RDH9AA4_N
LAH65SDC9AA2_N
LAH65SDH9AA4_N
Modulation Limitation: ±2.5 kHz @ 12.5 kHz/
±5 kHz @ 25 kHz
Channel Spacing: 12.5/20/25 kHz
Temperature Range: -30° to 60°C
Frequency Stability: ±2.5 ppm
FCC ABZ99FT4057 403-440MHz
ABZ99FT4056 438-470MHz
ABZ99FT4058 465-495MHz
*5% receive; 5% transmit; 90% standby.
UHF
RF Output
Li-Ion @ 7.5 V: Low
1 W High
4 W
Frequency: 403-440 MHz
438-470 MHz
465-495 MHz
Channel Spacing: 12.5/20/25 kHz
Freq. Stability:
(-30°C to +60°C) 0.00025%
Spurious/Harmonics: -36 dBm < 1 GHz
-30 dBm > 1 GHz
FM Noise: -40 dB (12.5 kHz)
-45 dB (25 kHz)
Audio Response:
(from 6 dB/oct. Pre-
emphasis, 300 to
3000 Hz)
+1 to -3 dB
Audio Distortion:
@ 1000 Hz, 60%
Rated Max. Dev.
<3%
UHF
12.5 kHz UHF
25kHz
Channel Spacing: 12.5/20/25 kHz
Frequency: 403-440 MHz
438-470 MHz
465-495 MHz
Sensitivity
12 dB EIA SINAD: 0.25 µV (typical)
Adjacent Channel
Selectivity: -60 dB -70 dB
Intermodulation: -70 dB
Freq. Stability
(-30°C to +60°C): 0.00025%
Spur Rejection: -75 dB
Image and 1/2 I-F
Rejection: -70 dB
Audio Output
@ <5% Distortion: 500 mW into 24Ω

December 3, 2003 HKLN4215A
1-8 Model Charts and Test Specifications: MIL Standards
1.8 MIL Standards
Table 1-2. MIL STDS 810 C, D, E, and F: Applicable to UHF and VHF Specifications (8.2 and 8.4)
Military Standards 810 C, D, E, & F: Parameters/Methods/Procedures
810C 810D 810E 810F
Applicable
MIL-STD Methods Procedures Methods Procedures Methods Procedures Methods Procedures
Low
Pressure
500.1 1500.2 2500.3 2500.4 1
High Temper-
ature
501.1 1,2 501.2 1,2 501.3 1,2 501.4 1,2
Low
Temperature
502.1 1502.2 1,2 502.3 1,2 502.4 1,2
Temperature
Shock
503.1 1 503.2 1 503.3 1 503.4 1
Solar Radia-
tion
505.1 1505.2 1505.3 1505.4 1
Rain 506.1 1,2 506.2 1,2 506.3 1,2 506.4 1
Humidity 507.1 2507.2 2,3 507.3 2,3 507.4 3
Salt Fog 509.1 1 509.2 1 509.3 1 509.4 1
Dust 510.1 1510.2 1510.3 1510.4 1
Vibration 514.2 8,10 514.3 1 514.4 1 514.5 1
Shock 516.2 1,2,5 516.3 1,4 516.4 1,4 516.5 1

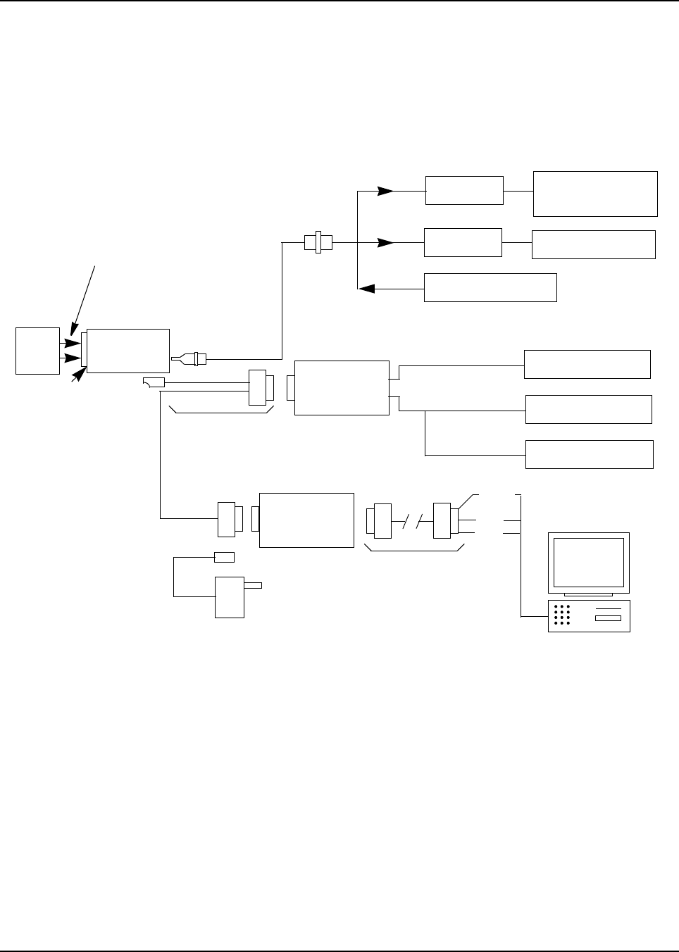
Chapter 2 Theory Of Operation
2.1 Introduction
This chapter provides a basic theory of operation for the radio components.
2.2 Major Assemblies
• Transceiver Board – contains all transmit, receive, and audio circuitry.
• Display (Display models only) – 8 characters (14 segments star burst) and 10 icons with back-
lighting, liquid-crystal display (LCD).
Keypad Board (Display models only) –
Display model: a 2-button menu keypad with 2-way navigation button, and a 3 x 4 alphanumeric
keypad.
Transceiver Board (Figure 2-1).
2.2.1 Receiver
Incoming RF signals from the antenna are first routed through the harmonic filter and antenna
switch, part of the transmitter circuitry, before being applied to the receiver front end. The receiver
front end consists of a preselector filter, RF amplifier, interstage filter, and a double-balanced first
mixer (Figure 2-2).
The mixer output is applied to a diplexer network which matches the 44.85 MHz IF signal to the
crystal filter, and terminates the mixer into 50 ohms at all other frequencies.
The receiver back-end is a dual conversion design. High IF selectivity is provided by a 4-pole
fundamental mode 44.85 MHz crystal filter. The output is matched to an IF amplifier stage. The
output of the IF amplifier is applied to the input of the receiver IFIC.
Figure 2-1. Major Assemblies Block Diagram
A
ntenna
M140
Transceiver
Board Board
Battery J301
J491
J470
J460
Spkr
Mic
Keypad
J2
3
2
2
28 J1 Display

December 3, 2003 HKLN4215A
2-2 Theory Of Operation: Major Assemblies
The IFIC is a low-voltage monolithic FM IF system incorporating a mixer/oscillator, two limiting IF
amplifiers, quadrature detector, logarithmic received signal strength indicator (RSSI), voltage
regulator and audio, and RSSI Op Amps. The second LO frequency, 44.395 MHz, is determined by a
crystal oscillator. The second mixer converts the 44.85 MHz high IF frequency to 455 kHz.
Additional IF selectivity is provided by two ceramic filters. The first ceramic filter is a 4-pole filter used
between the second mixer and IF amp. The second ceramic filter is a 6-pole filter and is used
between the IF amp and the limiter input. For the second ceramic filter, a wider filter is used for 20/25
kHz channel spacing, and a narrower filter is used for 12.5 kHz channels.
A ceramic resonator provides phases vs. frequency characteristic required by the quadrature
detector, with 90 degree phase shift occurring at 455 kHz. The output of the IFIC is the recovered
audio signal which is fed to the audio IC for amplification and signal conditioning. The output of the
audio IC is injecting into the audio PA which drives the 24 Ohm speaker.
2.2.2 Transmitter
• When the radio is transmitting, microphone audio is passed through the audio IC, where pre-
emphasis and low-pass (splatter) filtering are done. The output of the audio IC is used to modu-
late the TX VCO, which creates the modulated carrier. The modulated carrier is then amplified
by the pre-driver and power amplifier circuit, which transmits the signal under dynamic power
control
Figure 2-2. Transceiver Block Diagram
Crystal
Filter
Filter
Filter
Filter
Mixer
IF Amp
VCOBIC
Loop
Filter
Rx VCO
Circuit
Tx VCO
Circuit
Ref. Osc.
Rx Out
Tx Out
Audio IC
Mic
Audio PA
Spkr
Predriver
Switch
T/R
Rx
Tx Module
PA
Demodulator
Recovered Audio
R
SSI
Ceramic
Resonator
Cer Fltr
Switching 4E
6E
6G
BW_SEL
Preselector
Frac N
Mod
Power
Cntr
Harmoni
c
LNA
Image
IF IC

Chapter 3 Test Equipment, Service Aids, and
Service Tools
3.1 Test Equipment
Table 3-1 lists test equipment required to service the EP450 Radios.
Table 3-1. Recommended Test Equipment
Motorola Part No. Description Characteristics Application
R2600 series System analyzer This item will substitute for
items with an asterisk (*) Frequency/deviation meter and
signal generator for wide-range
troubleshooting and alignment
*R1074 Fluke 87 digital multi-
meter True RMS metering,
200 kHz frequency
counter, 32-segment bar
graph with backlit display
Digital voltmeter is recom-
mended for AC/DC voltage and
current measurements
Fluke 85 RF probe 500 MHz, 30 VAC max Use with Fluke 87 digital multi-
meter for RF voltage measure-
ments.
*R1377 AC voltmeter 1 mV to 300 mV, 10 mega-
ohm input impedance Audio voltage measurements
R1611 Dual channel
100 MHz oscillo-
scope (Agillent)
Two-channel, 100 MHz
bandwidth, 200 M sample
rate/sec, 2 MB memory/
channel
Waveform measurements
S1339 RF millivolt meter 100 µV to 3V RF, 10 kHz to
1 GHz frequency range RF level measurements
*R1013 or
*R1370
SINAD meter or
SINAD meter with
RMS
Without RMS audio volt-
meter or
With RMS audio voltmeter
Receiver sensitivity measure-
ments

December 3, 2003 HKLN4215A
3-2 Test Equipment, Service Aids, and Service Tools: Service Aids
3.2 Service Aids
Table 3-2 lists service aids recommended for working on the EP450 Radios. While all of these items
are available from Motorola, most are standard shop equipment items, and any equivalent item
capable of the same performance may be substituted for the item listed.
Table 3-2. Service Aids
Motorola Part
No. Description Application
RLN4460 Portable Test Set Enables connection to the audio/accessory jack.
Allows switching for radio testing.
RLN4510 Battery Interface Regulates DC current and voltage between radio and
power supply.
RVN4195 Customer Programming Soft-
ware and Tuner Software on
CD ROM
Program customer option and channel data.
AAPMKN4004 Programming Test Cable Connects radio to RIB (RLN4008).
AAPMKN4003 Radio to Radio Cloning Cable Allows a radio to be duplicated from a master radio by
transferring programmed data from the master radio to
the other.
RLN4008 Radio Interface Box Enables communications between the radio and the
computer’s serial communications adapter.
5886564Z01 RF Adaptor Adapts radio’s antenna port to BNC cabling of test
equipment.
0180305K08 Shop Battery Eliminator Interconnects radio to power supply.
HSN9412 Wall-Mounted Power Supply Used to supply power to the RIB (120 VAC).
3080369B71 or
3080369B72 Computer Interface Cable Use B72 for the IBM PC AT or newer (9-pin serial
port). Use B71 for older models (25-pin serial port).
Connects the computer’s serial communications
adapter to the RIB (PLN4008).
6686533Z01 Knob Remover/Chassis Opener Used to remove the front cover assembly.
HKN9216 IBM Computer Interface Cable Connection from computer to RIB.
8180384N65 Housing Eliminator Allows testing of the radio outside of the housing.
RLN5583 Flashing Adapter Flashing/CPS cable for authorized service centers.
Table 3-3. Recommended Service Tools
Motorola Part
No. Description Application
RSX4043 TORX screwdriver Tighten and remove chassis screws
6680387A70 T6 TORX bit Removable TORX screwdriver bit
R1453 Digital readout solder station Digitally controlled soldering iron
RLN4062 Hot air workstation, 120 V Tool for hot air soldering/desoldering of surface
mounted integrated circuits

HKLN4215A December 3, 2003
Test Equipment, Service Aids, and Service Tools: Service Aids 3-3
0180386A78 Illuminated magnifying glass with
lens attachment Illumination and magnification of components
0180302E51 Master lens system
0180386A82 Anti-static grounding kit Used during all radio assembly and disassembly pro-
cedures
6684253C72 Straight prober
6680384A98 Brush
1010041A86 Solder (RMA type), 63/67,
0.5mm diameter, 1 lb. spool
0180303E45 SMD tool kit (included with
R1319A)
R1319 ChipMaster (110 V) Surface mount removal and assembly of surface
mounted integrated circuits and/or rework station
shields. Includes 5 nozzles.
R1321 ChipMaster (220 V)
ChipMaster Nozzles:
6680332E83 PLCC-28* nozzle
Soldering and Un-soldering IC’s
6680332E82 PLCC-44* nozzle
6680332E94 PLCC-52 nozzle
6680332E96 PLCC-84 nozzle
6680334E67 QFP-160 nozzle
6680333E46 SOL-18 nozzle
6680332E84 SOIC-20 nozzle
6680332E87 SOL-20J nozzle
6680333E45 SOL-24 nozzle
6680333E55 TSOP-64 nozzle
* Included with ChipMaster packages
Table 3-3. Recommended Service Tools (Continued)
Motorola Part
No. Description Application

December 3, 2003 HKLN4215A
3-4 Test Equipment, Service Aids, and Service Tools: Service Aids
Programming/Test Cable
Figure 3-1. Programming/Test Cable
Figure 3-2. Wiring of the Connectors
25 POSITION
FEMALE CONNECTOR
25 POSITION
MALE CONNECTOR
36.0”
CABLE
36.0”
CABLE
P1
P2 P3
P2
25 pin Male D Connector
Components molded inside
1
5
24
7
20
8
15
16
9
47
ohm
33K
+
1UF,16V 5%
Orange
Blue
White
Spiral
Yellow
P1
2.5mm stereo and
3.5mm
1
2
5
3
4
3.5mm Tip
(Speaker +)
3.5mm
Sleeve
2.5mm Tip
(Microphone)
2.5mm
2.5mm
Center
P3
25 pin Female
D Connector
1
15
4
11
1
2
3
4
5
3.5mm mono
2.5mm stereo
To Test Box
To Test Box

Chapter 4 Performance Checks
4.1 General
These radios meet published specifications through their manufacturing process by utilizing high-
accuracy laboratory-quality test equipment. The recommended field service equipment is as accurate
as the manufacturing equipment with few exceptions. This accuracy must be maintained in
compliance with the manufacturer’s recommended calibration schedule.
4.2 Power-Up Self Test
Applying power to the radio by using the on/off volume control, starts a self-test routine which checks
the RAM, EEPROM hardware and EEPROM checksum. Pressing and holding SB1 while turning on
the radio causes the self-test routine to check for the ROM checksum as well. If these checks are
successfully completed, the radio will generate the Self-Test Pass Tone. If the self-test is not
successful, a Self-Test Fail Tone is heard.
Figure 4-1. Radio Tuning Setup
Service Monitor or
Counter
Wattmeter
Audio Generator
Sinad Meter
AC Voltmeter
30 dB Pad
30 dB Pad
Battery
Eliminator
Power
Supply Audio In Tx
Rx
Receive
Transmit
RF Generator
BNC
RF Adaptor
5886564Z01
RIB
RLN4008
RIB Power Supply
RLN4460
Test Box
Rx
Gnd
Data
Tx Data
Radio
Computer Interface
Cable
Program/Test Cable
AAPMKN4004
RLN5410
Power Cable

December 3, 2003 HKLN4215A
4-2 Performance Checks: RF Test Mode
Supply voltage can be connected from the battery eliminator. The equipment required for alignment
procedures is connected as shown in the Radio Performance Checks Setup diagram (Figure 4-1).
Initial equipment control settings should be as indicated in Table 4-1 and should be the same for all
performance checks and tuner alignment procedures.
4.3 RF Test Mode
When the EP450 radio is operating in its normal environment, the radio's microcomputer controls the
RF channel selection, transmitter key-up, and receiver muting, according to the customer code plug
configuration. However, when the unit is on the bench for testing, alignment, or repair, it must be
removed from its normal environment using a special routine, called RF TEST MODE. This mode
allows bench testing of the radio at various test frequencies across the entire band, at both high and
low transmit power (if applicable), at various channel spacings, and with different coded or carrier
squelch types. Any customer specific programming in the radio will not be changed or affected by use
of the RF Test Mode.
Figure 4-2. Side Button Locations
Table 4-1. Initial Equipment Control Settings
Service Monitor Test Set Power Supply
Monitor Mode: Power Monitor Spkr set: C Voltage: 7.5 Vdc
RF Attenuation: -70 Spkr/load:
Load DC on/standby:
Standby
AM, CW, FM: FM PTT: OFF Volt Range: 10 V
Oscilloscope Source: Mod
Oscilloscope Horiz: 1 0 mSec/Div
Oscilloscope Vert: 2.5kHz/Div
Oscilloscope Trig: Auto
Monitor Image: Hi
Monitor BW: Nar
Monitor Squelch: mid CW
Monitor Vol: 1/4 CW
Current: 2.5 A
P1 P2
123
456
789
*
0 #
Side Button 1
Side Button 2

HKLN4215A December 3, 2003
Performance Checks: RF Test Mode 4-3
To enter test mode:
1. Turn the radio on.
Within ten seconds after the self test is complete (self test tone is heard), press SB2 (Side Button 2 in
Figure 4-2) five times in succession. If the self test complete tone is not heard, see Error Codes
information in Chapter 8. Entry into the test mode is indicated by a positive indicator tone followed by
a good key chirp (GKC). Upon entering test mode, the radio is in the carrier squelch mode.
2. Press SB1 (Side Button 1) and scroll through and access test environments as shown in
Table 4-2.
3. Press SB2 and scroll through the channel spacing available as shown in Table 4-3.
4. Turn the channel selector knob to change the test channel for that environment as shown in Table 4-4.
5. Press the PTT on a test channel to cause the radio to transmit at the test frequency for the channel.
Table 4-2. Test Environments
No. of
Beeps Description Function
1
GKC* Carrier Squelch RX: unsquelch if carrier detected
TX: mic audio
1
BKC* Tone Private-Line RX: unsquelch if carrier and tone (192.8 Hz) detected
TX: mic audio + tone (192.8 Hz)
2
BKC Digital Private-Line RX: unsquelch if carrier and digital code (131) detected
TX: mic audio + digital code (131)
3
BKC Dual-Tone Multiple
Frequency RX: unsquelch if carrier detected
TX: selected DTMF tone pair
5
BKC Unsquelch Open RX: constant unsquelch
TX: mic audio
9
BKC High-Speed Signal-
ing RX: unsquelch if carrier detected
TX: 1500 Hz tone
* “BKC” means Bad Key Chirp (low-pitched tone), “GKC” means Good Key Chirp (high-pitched
only).
Table 4-3. Test Channel Spacing
No. of BKC Channel Spacing
125 kHz
2 12.5 kHz
320 kHz

December 3, 2003 HKLN4215A
4-4 Performance Checks: RF Test Mode
Table 4-4. Test Frequencies
Channel Selector
Switch Position Test Channel VHF R2
(MHz) UHF R1
(MHz) UHF R2
(MHz) UHF R3
(MHz)
1 Low Power
8 High Power TX#1 or #8
RX#1 or #8 146.625 403.625 438.625 465.625
2 Low Power
9 High Power TX#2 or #9
RX#2 or #9 150.775 409.775 443.775 470.775
3 Low Power
10 High Power TX#3 or #10
RX#3 or #10 155.275 415.275 448.275 475.275
4 Low Power
11 High Power TX#4 or #11
RX#4 or #11 160.125 421.125 454.125 480.125
5 Low Power
12 High Power TX#5 or #12
RX#5 or #12 164.475 427.475 459.475 485.475
6 Low Power
13 High Power TX#6 or #13
RX#6 or #13 169.475 433.475 464.475 490.475
7 Low Power
14 High Power TX#7 or #14
RX#7 or #14 173.875 439.875 469.875 494.875
Table 4-5. Receiver Performance Checks
Test Name Communications Analyzer Radio Test Set Comments
Reference
Frequency Mode: PWR MON
4th channel test frequency*
Monitor: Frequency error
Input at RF In/Out
*. See Table 4-4
TEST MODE,
Test Channel 4
carrier squelch
output at
antenna
PTT to continu-
ous (during the
performance
check)
Frequency error to be
±200 Hz VHF
±500 Hz UHF
Rated Audio Mode: GEN
Output level: 1.0m V RF
4th channel test frequency*
Mod: 1 kHz tone at
3 kHz deviation
Monitor: DVM: AC Volts
TEST MODE
Test Channel 4
carrier squelch
PTT to OFF
(center), meter
selector to Audio
PA
Set volume control to
3.24Vrms
Distortion As above, except to distortion As above As above Distortion <5.0%
Sensitivity
(SINAD) As above, except SINAD,
lower the RF level for 12 dB
SINAD.
As above PTT to OFF
(center) RF input to be <0.30
µV (0.25 µV typical).
Noise
Squelch
Threshold
(only radios
with conven-
tional system
need to be
tested)
RF level set to 1 mV RF As above PTT to OFF
(center), meter
selection to
Audio PA, spkr/
load to speaker
Set volume control to
3.24 Vrms
As above, except change fre-
quency to a conventional sys-
tem. Raise RF level from zero
until radio unsquelches.
out of TEST
MODE; select
a conventional
system
As above Unsquelch to occur at
<0.25 µV.
Preferred SINAD =
6-9 dB

HKLN4215A December 3, 2003
Performance Checks: RF Test Mode 4-5
Table 4-6. Transmitter Performance Checks
Test Name Communications Analyzer Radio Test Set Comments
Reference
Frequency Mode: PWR MON
4th channel test frequency*
Monitor: Frequency error
Input at RF In/Out
*. See Table 4-4
TEST MODE,
Test Channel 4
carrier squelch
Output at
antenna
PTT to continu-
ous (during the
performance
check)
Frequency error to be
±200 Hz VHF
±500 Hz UHF
Power RF As above As above As above Refer to Maintenance
Specifications
Voice
Modulation Mode: PWR MON
4th channel test frequency*
atten to -70, input to RF In/
Out
Monitor: DVM, AC Volts
Set 1 kHz Mod Out level for
0.025 Vrms at test set,
80m Vrms at AC/DC test set
jack
As above As above, meter
selector to mic Deviation:
VHF, UHF
≥ 4.0 kHz but ≤ 5.0 kHz
(25 kHz Ch Sp).
Voice
Modulation
(internal)
Mode: PWR MON
4th channel test frequency*
atten to -70, input to RF In/
Out
TEST MODE,
Test Channel 4
carrier squelch
Output at
antenna
Remove modula-
tion input Press PTT switch on
radio. Say “four” loudly
into the radio mic.
Measure deviation:
VHF, UHF
≥ 4.0 kHz but ≤ 5.0 kHz
(25 kHz Ch Sp)
DTMF
Modulation As above,
4th channel test frequency*
TEST MODE,
Test Channel 4
DTMF
Output at
antenna
As above Deviation:
VHF, UHF ≥ 3.05 kHz
but ≤ 3.45 kHz
(25 kHz Ch Sp)
PL/DPL
Modulation As above
4th channel test frequency*
BW to narrow
TEST MODE,
Test Channel 4
TPL
DPL
As above Deviation:
VHF, UHF ≥ 500Hz
but ≤ 1000 Hz
(25 kHz Ch Sp).

December 3, 2003 HKLN4215A
Notes:
4-6 Performance Checks: RF Test Mode

Chapter 5 Radio Alignment Procedures
5.1 Introduction
This chapter provides an overview of the Commercial Series Customer Programming Software (CPS)
and the Global Tuner as designed for use in a Windows® 98/NT4/2000/ME/XP environment. Both
cover all the functions of the traditional Radio Service Software (RSS) package.
They are both available in the CPS Tuner (CD ROM) Kit (RVN4195).
5.2 CPS Programming Setup
Refer to online help files for the CPS Programming procedures. (See Figure 5-1 for CPS
Programming Setup).
Figure 5-1. CPS Programming Setup
RIB
RLN4008
RIB Power Supply
RLN4460
Test Box
Rx
Gnd
Data
Tx Data
Radio
Battery
Computer Interface
Cable
Program/
AAPMKN4004
Test Cable

December 3, 2003 HKLN4215A
5-2 Radio Alignment Procedures: Radio Tuning Setup
5.3 Radio Tuning Setup
A Windows 98/NT4/2000/ME/XP PC (personal computer) and Global Tuner are required to tune the
radio. To perform the tuning procedures, the radio must be connected to the PC, RIB (Radio Interface
Box) and Universal Test Set as shown in Figure 5-2 below. Refer to online help files for the tuning
procedures.
Figure 5-2. Radio Tuning Setup
Service Monitor or
Counter
Wattmeter
Audio Generator
Sinad Meter
AC Voltmeter
30 dB Pad
30 dB Pad
Battery
Eliminator
Power
Supply Audio In Tx
Rx
Receive
Transmit
RF Generator
BNC
RF Adaptor
5886564Z01
RIB
RLN4008
RIB Power Supply
RLN4460
Test Box
Rx
Gnd
Data
Tx Data
Radio
Computer Interface
Cable
Program/Test Cable
AAPMKN4004
RLN5410
Power Cable

HKLN4215A December 3, 2003
Radio Alignment Procedures: Transmitter Alignment Options 5-3
5.3.1 Initial Test Equipment Control Settings
The initial test equipment control settings are listed in Table 5-1.
5.4 Transmitter Alignment Options
5.4.1 Reference Oscillator Warp
This is an important operation which affects all deviation values such as DTMF, MDC-1200 Signaling
etc. The frequency will drift if not warped properly. Perform this operation prior to all other transmit
tuning operations in order to minimize heating and because of the impact of warp on signaling
operations.
Table 5-1. Initial Equipment Control Settings
Service Monitor Test Set Power Supply
Monitor Mode: Power Monitor Speaker set: A Voltage: 13.2 Vdc
RF Attenuation: -70 Speaker/load:
Speaker DC on/standby:
Standby
AM, CW, FM: FM PTT: OFF Volt Range: 20 V
Oscilloscope Source: Mod
Oscilloscope Horizontal: 10 mSec/Div
Oscilloscope Vertical: 2.5 kHz/Div
Oscilloscope Trigger: Auto
Monitor Image: Hi
Monitor BW: Nar
Monitor Squelch: mid CW
Monitor Volume: 1/4 CW
Current: 20 A
Note: When checking the RF power output of the radio with a test set, always use a pad of
at least 30 dB attached to the radio end of the RF cable. This will avoid an RF
mismatch and ensure a stable RF reading that will not change with varying lengths of
connecting cable.
Figure 5-3. Reference Oscillator Warp Window

December 3, 2003 HKLN4215A
5-4 Radio Alignment Procedures: Transmitter Alignment Options
1. Under Tx Align menu, select Reference Oscillator Warp (Figure 5-3).
2. There is only 1 frequency point shown which is always the last non-0 transmit frequency point,
which will normally be F7.
3. Click on the slider thumb and press PTT Toggle to key up the radio at the corresponding fre-
quency point.
4. Monitor the transmit frequency.
5. Adjust the slider, spin or edit control (press ENTER to confirm selection/send a softpot value) until
the frequency is as close as possible to the indicated transmit frequency. (Refer to Table 5-2).
6. Dekey the radio by pressing PTT Toggle.
7. Program the warp value into the radio by pressing the Program button.
8. Exit the Reference Oscillator Warp function.
5.4.2 Modulation Balance Attenuation
Table 5-2. Reference Oscillator Specifications
RF Band Target
VHF (146-174) ±174 Hz
UHF Band 1 (403-440) ±440 Hz
UHF Band 2 (438-470) ±470 Hz
UHF Band 3 (465-495) ±495 Hz
Note: When using test box RLN4460:
• Inject the signal into the radio via the METER IN terminal and
• Set the METER IN selector switch to “VOL”.
• Inject the signal into the radio via the AUDIO IN terminal.
• Set the METER OUT toggle switch to the “MIC PORT” position
• Set the METER OUT selector switch to “MIC”.
Figure 5-4. Modulation Balance Window

HKLN4215A December 3, 2003
Radio Alignment Procedures: Transmitter Alignment Options 5-5
Compensation alignment balances the modulation sensitivity of the VCO and reference modulation
(synthesizer low frequency port) lines. The compensation algorithm is critical to the operation of
signaling schemes that have very low frequency components (Digital Private-Line) and could result in
distorted waveforms if improperly adjusted. To perform Modulation Balance tuning, follow the
following steps.
1. Under the Tx Align menu, select Mod Balance Attn (Figure 5-4).
2. Begin with the lowest frequency (i.e. the first frequency point from the top). Pressing PTT Toggle
without selecting any slider control at the corresponding frequency point will key the radio up at
the first frequency point.
3. Inject 80 Hz at an amplitude of 1.78 V.
4. Record the deviation obtained. Typical values should range from [(1.70-2.30 kHz. Modulation is
only tuned in the 25 kHz channel spacing mode.
5. Inject 3 kHz. Set the amplitude to 1.5 V.
6. Change the modulation balance attenuation setting until the Tx deviation is as recorded in step 4.
7. Inject 80 Hz at an amplitude of 1.78 V.
8. Check the deviation again. If the Tx deviation changes, record the reading and repeat steps 5-8
until the Tx deviation remains the same.
9. Press PTT Toggle to dekey the radio. Choose the next frequency, key up and repeat steps 3 to 8
until all seven tuning points are done.
10. Program the softpot value by pressing the Program button.
11. Exit the Modulation Balance Function.
5.4.3 Transmit Power Tuning
Note: The maximum available power level given in the table below must not be exceeded.
There are separate alignment procedures for High and Low power.
Note: When checking the RF power output of the radio with a test set, always use a pad of
at least 30 dB attached to the radio end of the RF cable. This will avoid an RF
mismatch and ensure a stable RF reading that will not change with varying lengths of
connecting cable
Figure 5-5. Transmit Power Window (High Power)

December 3, 2003 HKLN4215A
5-6 Radio Alignment Procedures: Transmitter Alignment Options
5.4.3.1 To Perform Transmit High Power Tuning, do the following:
1. Under the Tx Align menu, select Transmit Power, then select High (Figure 5-5).
2. Press PTT Toggle. This will key the radio up at 1st test frequency (F1).
3. Adjust the high power level to be as defined by Table 5-3. Move the slider/spin control or keying in
values in the edit control (press ENTER to confirm your selection after typing in the softpot value).
4. Press PTT Toggle to dekey the radio, go to the next frequency point by selecting the slider, typing
in the edit control box (press ENTER to confirm selection after typing in the softpot value) or tog-
gling the softpot value using the spin control.
5. Press PTT Toggle again to key up the radio at the selected frequency point.
6. Repeat steps 3-5 for the remaining test frequencies (F2-7)
7. Press Program to store the softpot values into the radio’s codeplug.
8. Exit the Transmit High Power function.
9. If the radio uses only high power channels, proceed to adjust modulation. If low power channels
are used, perform Transmit Low Power Tuning as defined.
5.4.3.2 To Perform Transmit Low Power Tuning, do the following: -
1. Under the Tx Align menu, select Transmit Power, and then select Low.
2. Press PTT Toggle. This will key the radio up at 1st test frequency (F1).
3. Adjust the power level to be as defined by country power level specifications by moving the
slider/spin control or keying in values in the edit control (press ENTER to confirm your selection
after typing in the softpot value).
4. Press PTT Toggle to dekey the radio, go to the next frequency point by selecting the slider, typing
in the edit control box (press ENTER to confirm your selection) or toggling the softpot value using
the spin control.
5. Press PTT Toggle again to key up the radio at the selected frequency point.
6. Repeat steps 3-5 for the remaining test frequencies (F2-F7).
7. Press Program to store the softpot values into the radio’s codeplug.
8. Exit the Transmit Low Power function.
Table 5-3. Transmit High/Low Power Level
RF Band (MHz) Model Number High Power(W) Low Power (W)
16 Channel VHF 146-174 H65KDC9AA2AN 5.2-5.5 1.1-1.3
64 Channel VHF 146-174 H65KDH9AA4AN 5.2-5.5 1.1-1.3
16 Channel UHF 1 403-440 H65QDC9AA2AN 4.2-4.5 1.1-1.3
64 Channel UHF 1 403-440 H65QDH9AA4AN 4.2-4.5 1.1-1.3
16 Channel UHF 2 438-470 H65RDC9AA2AN 4.2-4.5 1.1-1.3
64 Channel UHF 2 438-470 H65RDH9AA4AN 4.2-4.5 1.1-1.3
16 Channel UHF 3 465-495 H65SDC9AA2AN 4.2-4.5 1.1-1.3
64 Channel UHF 3 465-495 H65SDH9AA4AN 4.2-4.5 1.1-1.3

HKLN4215A December 3, 2003
Radio Alignment Procedures: Transmitter Alignment Options 5-7
5.4.4 VCO Attenuation
5.4.4.1 VCO Attenuation 25 kHz
1. Under the Tx Align menu, select VCO Attenuation 25 kHz (Figure 5-6).
2. Begin with the lowest frequency. Select the thumb of the slider at the lowest frequency point and
then press the PTT Toggle button to key up the radio at the corresponding frequency point. The
spin control can also be toggled via its up/down arrow buttons. The softpot value can also be
typed into the edit control (press ENTER to confirm your selection/send a softpot value).
3. Inject 1 kHz at an appropriate level until 2.3 V rms is measured at the AC/DC METER (radio
input) if using test box RLN4460.
4. Record the deviation obtained.
5. Adjust the slider; adjust the spin control or key in softpot values (press ENTER to confirm) for the
frequency point until the deviation is within the range specified in Table 5-4.
6. Dekey the radio (Press the PTT Toggle button). Choose the next frequency, key up and repeat
steps 3 to 6 until all seven tuning points are done.
Note: Modulation Balance Tuning must be done first. The Transmit Deviation Limit softpot
sets the maximum deviation of the carrier. Tuning is performed for all (12.5 kHz, 20
kHz and 25 kHz) channel bandwidths. Tuning for 25 kHz channels must be done first
for all frequency points. Tuning for 12.5 and 20 kHz channels determines only the off-
set to the previously tuned deviation for 25 kHz tuning channel spacing. For 12.5, and
20kHz channels, only the last non-0 transmit frequency point (normally F7) is used
for tuning. The 30 kHz channel bandwidths that use 5.0 kHz maximum system devia-
tion are covered by the 25 kHz tuning.
When using test box RLN4460:
• Set the METER OUT toggle switch to the “MIC PORT” position
• Set the METER OUT selector switch to “MIC”.
• Inject a 1 kHz tone with the levels given below for each radio model to AUDIO IN.
• Measure the level at the radio input at the AC/DC meter.
Figure 5-6. VCO Attenuation Window (12.5 kHz)

December 3, 2003 HKLN4215A
5-8 Radio Alignment Procedures: Transmitter Alignment Options
7. Program the softpot value by pressing the Program button.
8. Exit the VCO Attn. 25 kHz function.
5.4.4.2 VCO Attenuation 12.5 kHz
1. Under the Tx Align menu, select VCO Attenuation 12.5 kHz.
2. Press PTT Toggle to key up the radio at the last non-0 transmit frequency point (normally F7).
3. Inject 1 kHz at an appropriate level until 2.3 V rms is measured at the AC/DC METER (radio
input) if using test box RLN4460.
4. Record the deviation obtained.
5. Adjust the slider, adjust the spin control or key in softpot values (press ENTER to confirm) for the
frequency point until the deviation is within the range specified in Table 5-4.
6. Press PTT Toggle to dekey the radio.
7. Program the softpot value by pressing the Program button.
8. Exit the VCO Attenuation 12.5 kHz function.
5.4.4.3 VCO Attenuation 20 kHz
1. Under the Tx Align menu, select VCO Attenuation 20 kHz.
2. Press PTT Toggle to key up the radio at the last non-0 transmit frequency point (normally F7).
3. Inject 1 kHz: at an appropriate level until 2.3V rms is measured at the AC/DC METER (radio
input) if using test box RLN4460.
4. Record the deviation obtained.
5. Adjust the slider; adjust the spin control or key in softpot values (press ENTER to confirm) for the
frequency point until the deviation is within the range specified in Table 5-4.
6. Press PTT Toggle to dekey the radio.
7. Program the softpot value by pressing the Program button.
8. Exit the VCO Attn. 20 kHz function.
Table 5-4. Deviation Specifications
Note: Tuning of Modulation Balance Attenuation and VCO Attenuation for 25 kHz channel
bandwidth must be done first.
Note: Tuning of Modulation Balance Attn. and VCO Attn. for 25 kHz channel bandwidth
must be done first.
Band Channel Spacing Deviation (kHz)
UHF/VHF 25 kHz 4.40 - 4.60
UHF/VHF 12.5 kHz 2.20 - 2.30
UHF/VHF 20 kHz 3.40 - 3.60

HKLN4215A December 3, 2003
Radio Alignment Procedures: Transmitter Alignment Options 5-9
5.4.5 DTMF Deviation Tuning
This tuning option controls the Dual Tone Multi-Frequency deviation. Please note that Modulation
Balancing and VCO Attenuation have to be performed prior to this tuning operation. Not doing so
will result in the wrong deviation value being obtained while tuning the DTMF.
1. Under Tx Align, select DTMF Deviation (Figure 5-7).
2. Press PTT Toggle to key the radio. Monitor the deviation obtained.
3. Adjust the slider, spin or edit control (press ENTER to confirm your selection/send a softpot value)
until a deviation of 3.1-3.4 kHz is obtained.
4. Press PTT Toggle again to dekey the radio.
5. Program the softpot value into the radio by pressing Program.
6. Exit the DTMF Deviation function.
Figure 5-7. DTMF Deviation Tuning Window

December 3, 2003 HKLN4215A
5-10 Radio Alignment Procedures: Receiver Tuning
5.4.6 MDC-1200 Deviation Tuning
This tuning option controls the MDC-1200 Signaling deviation. Please note that Modulation Balancing
and VCO Attenuation have to be performed prior to this tuning operation. Not doing so will result in
the wrong deviation value being obtained while tuning this feature.
1. Under the Tx Align, select MDC-1200 Signaling (Figure 5-8).
2. Press PTT Toggle to key the radio up. Monitor the deviation obtained.
3. Adjust the slider, spin or edit control (press ENTER to confirm the selection/send a softpot value)
until a deviation of 3.3-3.7 kHz is obtained.
4. Press PTT Toggle again to dekey the radio.
5. Program the softpot value into the radio by pressing the Program.
6. Exit the MDC-1200 Deviation function.
5.5 Receiver Tuning
The following sub-sections contain the procedures to tune the radio receiver. These procedures
include:
• Rated Volume
• Squelch Tuning Front End Filter Tuning
Figure 5-8. MDC-1200 Deviation Tuning Window

HKLN4215A December 3, 2003
Radio Alignment Procedures: Receiver Tuning 5-11
5.5.1 Rated Volume Tuning
Perform the rated volume tuning procedure as follows:
1. Under the Rx Align menu, select Rated Volume (Figure 5-9).
2. Inject a -47 dBm RF signal modulated with 1 kHz tone at 3 KHz (for 25 kHz channel spacing).
3. Adjust the softpot value by using the slider, keying in the edit box (press ENTER to confirm the
selection or send a softpot value), or via the spin controls. Repeat this until 500 mW (3.24 V)
audio power is obtained. Rated Audio tuning is only done for 25 kHz channel spacing.
4. Press Program to commit the softpot value into the radio.
5. Exit the rated volume tuning function.
Note: When using test box RLN4460, the received audio output is taken from the AC/DC
METER OUT terminals with the METER OUT rotary switch set to RX. The rated audio
tuning procedure automatically configures the radio for 25 KHz. This means that a
3 kHz (for 25 kHz channel spacing) deviation must always be used, irrespective of the
radio channel bandwidth.
Figure 5-9. Rated Volume Tuning Window

December 3, 2003 HKLN4215A
5-12 Radio Alignment Procedures: Receiver Tuning
5.5.2 Squelch Tuning
5.5.2.1 Manual Squelch Tuning
Perform the squelch tuning procedure as follows:
1. Under the Rx Align menu, select Squelch Attenuation. Select Squelch Attenuation 12.5 kHz
or Squelch Attenuation 25 kHz Channel Spacing variations (Figure 5-10).
2.
Apply an RF signal modulated with a 1 kHz tone at 60% rated deviation listed in
Table 5-5
for cur-
rent frequency point (F1 being the first) of 10 dB SINAD. That is, adjust the reference signal level
until 10 dB SINAD is obtained at the SINAD meter. Squelch tuning can either be done manually
(see Manual Squelch Tuning for procedure) or by Auto Squelch (see Manual Squelch Tuning for pro-
cedure). To obtain 10 dB, unmute the radio first by dragging the corresponding slider value to 1.
Note: 1. Squelch tuning can only be accomplished after reference oscillator warping.
2. When using the test box RLN4460, the received audio output is taken from the AC/
DC METER OUT terminals with the METER OUT rotary switch set to RX. It is recom-
mended that Rated Volume Tuning be performed so the correct 10 dB SINAD level can
be obtained.
3. This tuning method is performed for multiple squelch tuning channels and multiple
channel spacings.
Figure 5-10. Squelch Tuning Window
Table 5-5. Squelch Deviation Values
Channel Spacing Rated System Deviation Signal Generator Deviation
25 kHz 5.0 kHz 3.0 kHz
12.5 kHz 2.5 kHz 1.5 kHz
20 kHz 4.0 kHz 2.4 kHz

HKLN4215A December 3, 2003
Radio Alignment Procedures: Receiver Tuning 5-13
3. Set softpot to its maximum value to mute the radio.
4. Adjust the softpot value by using the slider, keying in the edit box or using the spin controls. Press
ENTER to confirm the selection or use the spin controls. Do this until the radio is totally unmuted.
Verify the squelch closing by inputting a signal level of 4 dB lower than that of the 10 dB SINAD
level.
5. Repeat Steps 2 through 4 of Manual Squelch Tuning, for frequency points F2-F7.
6. Press Program to commit the softpot values into the radio.
7. Exit the Squelch Tuning function.
5.5.2.2 Auto Tune
When you press the Auto Tune button, the radio automatically returns an optimum squelch value.
After you press the button, the radio may need time to produce an optimal setting for the squelch
attenuation. The following steps describe the auto tune process:
1. Select current frequency point (F1 being the first), then press Auto Tune.
2. Repeat Steps 3-4 of the Manual Squelch Tuning section for frequency points F2-F7.
5.5.3 RSSI System Level Tuning
1. Under the Rx Align menu, select RSSI Tuning (Figure 5-11).
2. Inject an on channel signal to the radio at -47 dBm at the frequency listed. Modulate the signal
with a 1 kHz tone at 60% deviation (3 kHz) to verify that the radio is receiving the desired fre-
quency. RSSI tuning is only done at 25 kHz channel spacing.
3. Change the level to the defined dBm level in the softpot box. (-115 dBm or -105 dBm).
4. Press the Update button for the soft spot to be tuned to the RSSI value correlating to the applied
level. The programmed RSSI value will be displayed.
Note: Proceed with caution since this procedure automatically programs the softpot value
into your radio.
Note: Auto Tune will automatically update your radio’s codeplug. Please be careful when
using it.
Figure 5-11. RSSI Tuning

December 3, 2003 HKLN4215A
5-14 Radio Alignment Procedures: Utilities
5. Adjust the input level to reflect the next soft spot value. Repeat steps 3 and 4 to tune the next
value.
5.5.4 RSSI Display Tuning
1. Under the Rx Align menu, select RSSI Display Tuning.
2. Inject an on channel signal to the radio at -47 dBm at the frequency listed. Modulated the signal
with a 1 kHz tone at 60% deviation (3 kHz) to verify the radio is receiving the desired frequency.
RSSI tuning is only done at 25 kHz channel spacing.
3. Change the level to that which is needed to produce 12 SINAD (approximately -119 dBm).
4. Press the Update button for the soft spot to be tuned to the RSSI value correlating to the applied
level. The programmed RSSI value will be displayed.
5. Adjust the input level to -90 dBm.
6. Press the Update button for the soft spot to be tuned to the RSSI value correlating to the applied
level. The programmed RSSI value will be displayed.
5.6 Utilities
5.6.1 Program Serial No.
The Program Serial No. option under the Utilities heading allow the radio serial number to be
programmed. However, the serial number of a particular radio can only be programmed if it was
originally blank. If the serial number of the radio was not blank, then access to the screen will be
denied.
5.7 Radio-to-Radio Cloning
1. Cloning is the process of copying the content of one radio (source radio) into another radio (desti-
nation radio). Radio content refers to system-type features such as frequency, squelch type
options, trunking, etc.
Radio functionality inherent in one radio cannot be cloned to another radio that does not contain the
same functionality. Tuning and alignment information are not transferable and are not affected by
cloning.
1. Signaling Identification Numbers (IDs) are duplicated in the cloning process. Unique IDs may be
assigned with the CPS.
Note: The source radio’s serial number cannot be blank.
Note: Unsuccessful cloning attempts generates a continuous tone and may be an
indication that the destination radio’s codeplug is corrupted.

HKLN4215A December 3, 2003
Radio Alignment Procedures: Radio-to-Radio Cloning 5-15
Procedure:
1. Turn source and target radios off.
2. Connect cloning cable (AAPMKN4003) to the side connector of both radios.
3. Turn on the destination radio.
4. Press and hold the two side buttons at the same time on the source radio and then power up the
source radio (Figure 5-12). Both radios produce a “clone-entry” tone.
5. Release both side buttons, 1 and 2.
6. When cloning is completed, the source radio produce’s a “clone-exit” tone and both the source
and destination radios reset.
7. Turn both radios off.
8. Disconnect the cloning cable from both radios and turn them on for normal operation.
Figure 5-12. Side Button Locations
P1 P2
123
456
789
*
0 #
Side Button 1
Side Button 2

December 3, 2003 HKLN4215A
Notes:
5-16 Radio Alignment Procedures: Radio-to-Radio Cloning

Chapter 6 Display Model Disassembly and
Re-assembly
6.1 Introduction
This section provides details about the following:
• Preventive maintenance (inspection and cleaning)
• Safe handling of CMOS and LDMOS devices
• Disassembly and re-assembly of the radio
• Repair procedures and techniques
6.2 Preventive Maintenance
The radios do not require a scheduled preventive maintenance program; however, yearly verification
of technical parameters and periodic visual inspection and cleaning is recommended.
6.2.1 Inspection
Check that the external surfaces of the radio are clean, and that all external controls and switches are
functional. It is not recommended to inspect the interior electronic circuitry.
6.2.2 Cleaning Procedures
The following procedures describe the recommended cleaning agents and the methods to be used
when cleaning the external and internal surfaces of the radio. External surfaces include the front
cover, housing assembly and battery case. These surfaces should be cleaned whenever a periodic
visual inspection reveals the presence of smudges, grease, and/or grime.
The only recommended agent for cleaning the external radio surfaces is a 0.5% solution of a mild
dishwashing detergent in water. The only factory recommended liquid for cleaning the printed circuit
boards and their components is isopropyl alcohol (70% by volume).
Cleaning External Plastic Surfaces
Apply the 0.5% detergent-water solution sparingly with a stiff, non-metallic, short-bristled brush to
work all loose dirt away from the radio. Use a soft, absorbent, lintless cloth or tissue to remove the
solution and dry the radio. Make sure that no water remains entrapped near the connectors, cracks, or
crevices.
Note: Internal surfaces should be cleaned only when the radio is disassembled for service or
repair.
CAUTION: The effects of certain chemicals and their vapors can have harmful results on certain plas-
tics. Avoid using aerosol sprays, tuner cleaners, and other chemicals.
!

December 3, 2003 HKLN4215A
6-2 Display Model Disassembly and Re-assembly: Safe Handling of CMOS and LDMOS Devices
Cleaning Internal Circuit Boards and Components
Isopropyl alcohol (70%) may be applied with a stiff, non-metallic, short-bristled brush to dislodge
embedded or caked materials located in hard-to-reach areas. The brush stroke should direct the
dislodged material out and away from the inside of the radio. Make sure that controls or tunable
components are not soaked with alcohol. Do not use high-pressure air to hasten the drying process
since this could cause the liquid to collect in unwanted places. After completing the cleaning process,
use a soft, absorbent, lintless cloth to dry the area. Do not brush or apply any isopropyl alcohol to the
frame, front cover, or back cover.
6.3 Safe Handling of CMOS and LDMOS Devices
Complementary metal-oxide semiconductor (CMOS) devices are used in this family of radios, and are
susceptible to damage by electrostatic or high voltage charges. Damage can be latent, resulting in
failures occurring weeks or months later. Therefore, special precautions must be taken to prevent
device damage during disassembly, troubleshooting, and repair.
Handling precautions are mandatory for CMOS circuits and are especially important in low humidity
conditions. DO NOT attempt to disassemble the radio without first referring to the following CAUTION
statement.
Note: Always use a fresh supply of alcohol and a clean container to prevent contamination by
dissolved material (from previous usage).
CAUTION: This radio contains static-sensitive devices. Do not open the radio unless you are properly
grounded. Take the following precautions when working on this unit:
• Store and transport all CMOS devices in conductive material so that all exposed
leads are shorted together. Do not insert CMOS devices into conventional plastic
“snow” trays used for storage and transportation of other semiconductor devices.
• Ground the working surface of the service bench to protect the CMOS device. We
recommend using the Motorola Static Protection Assembly (part number
0180386A82), which includes a wrist strap, two ground cords, a table mat, and a
floor mat.
• Wear a conductive wrist strap in series with a 100k resistor to ground. (Replacement
wrist straps that connect to the bench top covering are Motorola part number RSX-
4015.)
• Do not wear nylon clothing while handling CMOS devices.
• Do not insert or remove CMOS devices with power applied. Check all power
supplies used for testing CMOS devices to be certain that there are no voltage
transients present.
• When straightening CMOS pins, provide ground straps for the apparatus used.
• When soldering, use a grounded soldering iron.
• If at all possible, handle CMOS devices by the package and not by the leads. Prior to
touching the unit, touch an electrical ground to remove any static charge that you
may have accumulated. The package and substrate may be electrically common. If
so, the reaction of a discharge to the case would cause the same damage as
touching the leads.
!

HKLN4215A December 3, 2003
Display Model Disassembly and Re-assembly: Disassembling and Re-assembling the Radio — General 6-3
6.4 Disassembling and Re-assembling the Radio — General
Since these radios may be disassembled and re-assembled with the use of only four (board to casting)
screws, it is important to pay particular attention to the snaps and tabs, and how parts align with each other.
The following tools are required for disassembling the radio (see 3.2 for a list of service aids):
• Knob remover/chassis opener
• Penknife-size screwdriver
• TORX™ T6 screwdriver
• Scribe
If a unit requires more complete testing or service than is customarily performed at the basic level,
send this unit to a Motorola Authorized Service Center. See Appendix B for a list of authorized service
centers.
The following disassembly procedures should be performed only if necessary:
• Chassis Disassembly
• Speaker Disassembly
• PTT Disassembly
6.4.1 Radio Disassembly — Detailed
6.4.1.1 Front Cover From Chassis Disassembly
1. Turn off the radio.
2. Remove the battery (Figure 6-1):
a. Slide the battery latch into the unlock position. Disengage by pushing downward and
holding the latch towards the front of the radio.
b. With the battery latch disengaged, slide the battery down from the top of the radio about
1/2 in. Once the battery is free from the battery rails, lift it directly away from the radio.
c. Remove the battery from the radio.
Figure 6-1. Battery Removal
Battery Latch
Lock Unlock

December 3, 2003 HKLN4215A
6-4 Display Model Disassembly and Re-assembly: Disassembling and Re-assembling the Radio — General
3. Remove the antenna.
4. Pry off the volume and channel selector knobs from their shafts using the knob removal/chassis
opener tool (Motorola part # 6686533Z01). (Figure 6-2.)
5. Separate the chassis from the front housing assembly by using the knob remover/chassis opener
too. Place the broad side of the opener into the slots located at the base of the radio (Figure 6-3).
Press the handle on the opener downwards. This pressing action forces the thin inner plastic wall
toward the base of the radio, releasing the two chassis base tabs..
6. Pull the chassis assembly out of the front cover only until the volume and channel selectors shaft
just clear the top of the case. (Figure 6-4).
Figure 6-2. Antenna and Knob Removal
Note: Both knobs slide on and off. However the knobs are designed to fit very tightly on the shaft.
Figure 6-3. Chassis Removal
CAUTION: Marring the front cover O-ring sealing area will prevent the radio from sealing properly. If the
O-ring is damaged, replace it with a new one.
Radio Chassis
Knob Remover/
Chassis Opener
!

HKLN4215A December 3, 2003
Display Model Disassembly and Re-assembly: Disassembling and Re-assembling the Radio — General 6-5
7. Rotate the bottom of the chassis up about 20° to disconnect the keyboard flex cable connector.
Push down 2 end tabs to release flex connector at the bottom of the chassis.
8. Rotate the chassis counterclockwise out of the housing and position next to the housing. Take
care not to damage the speaker and microphone wires that are still connected to the chassis
(Figure 6-5).
9. Unplug the speaker wire assembly from the 2-pin connector on the chassis.
10. Unplug the microphone wire assembly from the socket on the chassis.
11. Move the chassis away from the housing and place on a clean work surface.
Note: The speaker wire assembly microphone wire assembly and keypad flex cable connector
connecting the front housing assembly and the chassis prevent the two units from being
completely separated
Figure 6-4. Keyboard Flex Connection
Figure 6-5. Microphone and Speaker Connections
Radio Chassis
Flex Connector
Speaker Connector
Microphone
Connector

December 3, 2003 HKLN4215A
6-6 Display Model Disassembly and Re-assembly: Disassembling and Re-assembling the Radio — General
6.4.1.2 Dust Cover Disassembly
1. Gently pry the top of the dust cover away from the body of the radio. (See Figure 6-6).
2. Rotate the dust cover 90° in a counterclockwise direction to allow the key to be removed.
3. Separate the dust cover away from the body of the radio. The dust cover key is fragile; apply only
light pressure to the key while removing the dust cover.
Figure 6-6. Dust Cover Disassembly
6.4.1.3 Speaker and Microphone Disassembly
1. Remove the screw from the speaker retainer using a T6 Torx screwdriver (Figure 6-7.
2. Lift the retainer off the speaker, sliding end of retainer out of corner slot on the housing.
3. Lift the speaker out from the front housing.
4. Carefully lift microphone assembly out of housing.
Note: The speaker is held in place with a retainer bracket. Be careful not to damage the speaker
when removing the retainer bracket.
Figure 6-7. Removal Speaker-Microphone Assembly
c. Separate dust
b. Rotate dust cover 90° to
a. Pry dust cover from body.
key
allow key to be removed. cover from body.
Retainer Bracket
Radio Housing
Speaker
Speaker Connector
M
icrophone Connector
Microphone

HKLN4215A December 3, 2003
Display Model Disassembly and Re-assembly: Disassembling and Re-assembling the Radio — General 6-7
6.4.1.4 Keyboard Removal
1. Carefully pry the four keypad retainer locking tabs free from the housing use a scribe.
2. Lift the keypad retainer up from the bottom and slide the top tabs out.
3. Slide keypad retainer out of chassis carefully to prevent damage to flex cable.
4. Lift LCD keypad board out of housing (Figure 6-8).
5. Lift keypad out of housing.
6.4.1.5 PTT Disassembly
1. If required, the PTT (Figure 6-9 can be disassembly using a small screwdriver, as follows:
a. Insert the tip of a small screwdriver underneath the PTT and unsnap the top tab.
b. Pry the PTT away from the radio housing.
c. Inspect the two hooks. If bent or broken, the PTT must be replaced.
d. Remove the PTT seal.
Note: Use care when removing the keypad retainer to prevent damage to the keyboard flex cable.
CAUTION: Refer to the CMOS CAUTION paragraph (6.3) before removing the main board. Be sure to
use Electrostatic Discharge protection when handling circuit boards.
Figure 6-8. Keypad Removal
!
Keypad
Keypad Retainer
Flex Cable
Keypad Board

December 3, 2003 HKLN4215A
6-8 Display Model Disassembly and Re-assembly: Disassembling and Re-assembling the Radio — General
6.4.1.6 Chassis Disassembly
1. Remove the O-ring.
2. Use a Torx™ screwdriver with a T6 bit to remove the four screws (Figure 6-10) holding the main
board to the chassis.
.
3. The audio jack shroud can be removed from the main board.
Figure 6-9. PTT Removal
CAUTION: Refer to the CMOS CAUTION paragraph (see 3.3) before removing the main board. Be sure
to use Electrostatic Discharge protection when handling circuit boards.
Figure 6-10. Removal of Main Board from Chassis
Flat Blade
Screwdriver
PTT Seal
Tab
Tab
Hooks
!
Main Board
Radio Chassis
Audio Jack Shroud
O-Ring

HKLN4215A December 3, 2003
Display Model Disassembly and Re-assembly: Disassembling and Re-assembling the Radio — General 6-9
4. Lift the main board from the chassis (Figure 6-10).
5. Remove the battery contact seal.
6.4.2 Radio Re-assembly - Detailed
6.4.2.1 Dust Cover Re-assembly
1. Insert the tail of the dust cap into the bottom hole of the audio jacks housing opening
(Figure 6-11).
2. Press the dust cap until the tail is fully into the hole.
3. Twist the dust cap counter-clockwise until the cap is seated properly onto the recess.
4. Press the cap again to ensure it fully covers the opening for the audio jack.
.
6.4.2.2 Microphone and Speaker Re-assembly
1. Check that the mic and speaker felts are in position and not damaged. If damaged replace felts.
2. Insert the microphone sub-assembly into the microphone boot.
3. 3. Insert the Boot and microphone sub-assembly into the microphone recess in the housing and
route wires as shown in Figure 6-12.
Note: Make sure the dust cap is placed between the keypad retainer mounting post and the side
wall of the radio.
Figure 6-11. Dust Cap Re-assembly
12 34

December 3, 2003 HKLN4215A
6-10 Display Model Disassembly and Re-assembly: Disassembling and Re-assembling the Radio — General
4. Locate the speaker tab and align it with the tab opening in the front housing (Figure 6-13).
5. Insert the speaker tab into the speaker recess in the housing. Ensure the speaker is seated flush
in the housing.
6. Insert one end of the speaker retainer into the slot in the front housing (See Figure 6-13).
7. Install the retainer screw using a T6 Torx screwdriver. Torque to 2.3 - 2.5 lb/in.
Figure 6-12. Microphone Re-assembly
Note: Make sure the speaker and microphone wires are routed tightly between the speaker basket
and the housing post.
Figure 6-13. Speaker Re-assembly
Note: When fastening the speaker retainer screw, make sure the wires are out of the way to pre-
vent pinching by the retainer.
Microphone
Boot
Microphone Recess
Microphone Position
Speaker Retainer
Speaker
Front Housing Slot
Tab Opening
Speaker Tab

HKLN4215A December 3, 2003
Display Model Disassembly and Re-assembly: Disassembling and Re-assembling the Radio — General 6-11
6.4.2.3 Keypad and LCD/Keyboard Re-assembly
1. Attach the flex cable from the LCD module to the keyboard, if not already attached (Figure 6-15).
2. Remove protective mylar from window and from keypad, if present.
3. Install the new keypad into the housing. Use the two housing posts for keypad alignment
(Figure 6-14).
4. Remove mylar from LCD if present.
5. Install the LCD/Keypad sub-assembly into the housing (Figure 6-15).
Figure 6-14. Keypad Re-assembly
CAUTION: Make sure the microphone and speaker wires are not trapped under the LCD module.
Figure 6-15. LCD/Keypad Board Re-assembly
Full Keypad
Housing Posts
!
Flex Cable from LCD Module
Flex Cable to Main PC Board

December 3, 2003 HKLN4215A
6-12 Display Model Disassembly and Re-assembly: Disassembling and Re-assembling the Radio — General
6. Attach the flex cable into the connector on the keypad board, if not already connected.
7. Bend the flex cable as shown (Figure 6-15)
6.4.2.4 Keyboard Retainer Re-assembly
1. Insert the flex cable through the slot at the bottom of the keyboard retainer (Figure 6-16).
2. Insert the two top tabs of the keyboard retainer into the two tab retainers located on each side of
the speaker in the front housing (Figure 6-16).
3. Press the four keypad retainer locking tabs into the housing.
4. Push the speaker and microphone wires into the top left hand corner of the housing.
6.4.2.5 Chassis Assembly/Re-assembly
1. Replace the battery contact seal (if necessary) surrounding the battery contact (Figure 6-17).
2. Remove the old Interface Pad from the chassis by scraping off the pad and adhesive with a
straight razor. Use rubbing alcohol and a cloth to completely remove the adhesive from the chas-
sis surface. With the chassis clean and dry, add a new Interface Pad to the chassis.
3. Place the main circuit board straight down on top of the chassis with the frequency and volume
switches facing down (Figure 6-17).
4. Use the T6 Torx screwdriver to fasten the screws holding the main board to the chassis. Tighten
to 3.7 - 3.9 in/lb.
5. Replace the O-ring by positioning it in the top groove by the volume/frequency switches. Stretch
the O-ring to place it into the retaining groove at the bottom end of the chassis.
6. Check that the O-ring is not twisted and being held by the top and bottom chassis groves.
Figure 6-16. Keyboard Retainer Re-assembly
Note: Be sure the battery contact seal protrudes through the chassis and is not pinched under the
chassis.

HKLN4215A December 3, 2003
Display Model Disassembly and Re-assembly: Disassembling and Re-assembling the Radio — General 6-13
.
6.4.2.6 Chassis and Front Cover Re-assembly
1. Dress and connect the speaker wires..
a. Connect the speaker wire assembly into the 2-pin connector on the main board and
bend the wires at the board connector so the wires are positioned toward the top of the
radio (Figure 6-18).
b. Connect the microphone wire assembly into the two hole socket on the main board and
bend the wires at the board connector so the wires are positioned toward the top of the
radio (Figure 6-18).
c. Slide the audio jack shroud onto accessory connector (Figure 6-17).
Figure 6-17. Main Board onto Chassis Re-assembly
Note: Care should be taken when dressing the speaker and microphone wires to avoid pinching
them between the speaker magnet and shield, or between the accessory connector and
housing.
Note: Ensure that the plug orientation is correct with the exposed pins in the wire casing facing
upward and fully plugged in.
Main Board
Radio Chassis
Flex Cable Connector
Battery Contact Seal
Interface Pad
Frequency &
Volume Switches
Audio Jack Shroud
(Replace after Plugging
in Speaker and Mic)
O-Ring

December 3, 2003 HKLN4215A
6-14 Display Model Disassembly and Re-assembly: Disassembling and Re-assembling the Radio — General
2. Position the radio (Figure 6-19), and reconnect the flex connector from the keyboard into the con-
nector located on the bottom of the main board, pushing up the 2 end tabs.
3. Slide the volume potentiometer and frequency switch shafts into their respective holes in the front
cover. Look through the accessory connector opening to make certain that the wires are not
pinched, between shroud and housing.
4. Push the topside of the board chassis upward until it touches the housing end. Before snapping
the board into the housing, perform the following checks:
a. Open the dust cap and ensure the wires are not pinched between the shroud and housing.
b. Ensure the O-ring is seated in the groove.
c. Ensure that the bottom side of the dust cap is fully pressed into the housing before the
snapping the board into place.
Figure 6-18. Microphone and Speaker Wires Re-assembly
Figure 6-19. Keyboard Flex Cable Connection
Speaker Connector
Microphone
Connector
Shroud
Flex Cable Connector
Radio Chassis
End Tabs

HKLN4215A December 3, 2003
Display Model Disassembly and Re-assembly: Disassembling and Re-assembling the Radio — General 6-15
5. Snap chassis assembly completely into the top of the front cover (Figure 6-20) until it settles in
place.
6. Make sure the 0-ring is properly seated. If the O-ring seal is pinched, separate the chassis from
the housing using the knob removal/chassis opener and dress O-ring properly.
7. Snap the bottom of the chassis into the front cover.
8. Check that O-ring is visible at the corners.
9. After closing the radio, verify that the O-ring is not visible; if visible, re-assemble properly.
10. Re-assemble the knobs, antenna, and battery.
6.4.2.7 PTT Re-assembly
1. Place the PTT seal over the ridge around the top hole. Press down to seat the seal around the
ridge.
2. Place the bottom tab in the slot inside the front housing PTT opening. Slightly slide down the PTT
and bow it by placing one finger under the middle of the PTT, so that the top tab can be aligned
and inserted into the top slot (Figure 6-21a).
3. Press the PTT assembly against the front cover opening (Figure 6-21b).
Figure 6-20. Fastening the Chassis
Figure 6-21. PTT Re-assembly
Radio Chassis
a. Place bottom tab into bottom slot.
Place top tab into top slot. b. Push down on PTT toward bottom
of radio so hooks do not get crushed.

December 3, 2003 HKLN4215A
6-16 Display Model Disassembly and Re-assembly: Mechanical View and Parts List
6.5 Mechanical View and Parts List
6.5.1 EP450 Display Exploded View and Parts List
Figure 6-22. EP450 Display Radio Exploded View
1
28
29
31
32
33 2
3
4
5
6
7
8
9
10 11 12 13 14 15 16
17 18
19
2
0
21
22
23
24
25
26
27
30

Mechanical View and Parts List 6-17
Item Motorola
Part
Number Description
1See Section 6 Antenna
2 3680530Z02 Knob, Frequency
31386440Z01
1386440Z02 Escutcheon, Top; 4 Ch.
Escutcheon, Top; 16 Ch.
4 5886627Z01 Antenna Adaptor/Seal
(Optional)
51586391Z03 Housing, Full, with Lens
6 3586621Z01 Speaker, Felt
73886489Z01 PTT, Rubber
8 4586439Z01 PTT, Plastic
95085738Z08 Speaker
10 4286620Z01 Retainer Speaker
11 3586621Z02 Felt, Microphone
12 0780608V01 Boot, Microphone
13 5085880L01 Microphone
14 5104949J16 Display, LCD Module
15 0104017J18 Keypad Board Assy
16 1586437Z01 Shroud, Audio Jack
17 3286431Z02 Seal, Main O-ring
18 7586436Z01 Pad, PA Interface
19 2786389Z01 Chassis
20 3286435Z01 Seal, Battery Contact Block
21 0304726J05 Screws, Chassis; 4 Used
22 4286648Z01 Plate, Retainer
23 0909059E19 Connector, 28-pin
24 0986632Z02 9 Pin Connector
25 7586654Z03 Keypad, Full
26 5586445Z02 Latch Assembly
27 4105944K01 Spring, Latch; 2 Used
28 3886441Z01 Cap, Dust
29 3286432Z01 Seal, Control Shaft
30 0386434Z01 Screw, Speaker Retainer
31 3386443Z01 Label, Escutcheon Seal
32 6186446Z02 Lightpipe
33 3680529Z01 Knob, Volume
NON-REFERENCED ITEMS
3386625Z01 Nameplate, Motorola
Nameplate, EP450
Item Motorola
Part
Number Description

December 3, 2003 HKLN4215A
Notes:
6-18 Display Model Disassembly and Re-assembly: Mechanical View and Parts List

Chapter 7 Non-Display Model Disassembly and
Re-assembly
7.1 Introduction
This section provides details about the following:
• Preventive maintenance (inspection and cleaning)
• Safe handling of CMOS and LDMOS devices
• Disassembly and re-assembly of the radio
• Repair procedures and techniques
7.2 Preventive Maintenance
The radios do not require a scheduled preventive maintenance program; however, periodic visual
inspection and cleaning is recommended.
7.2.1 Inspection
Check that the external surfaces of the radio are clean, and that all external controls and switches are
functional. It is not recommended to inspect the interior electronic circuitry.
7.2.2 Cleaning Procedures
The following procedures describe the recommended cleaning agents and the methods to be used
when cleaning the external and internal surfaces of the radio. External surfaces include the front
cover, housing assembly and battery case. These surfaces should be cleaned whenever a periodic
visual inspection reveals the presence of smudges, grease, and/or grime.
The only recommended agent for cleaning the external radio surfaces is a 0.5% solution of a mild
dishwashing detergent in water. The only factory recommended liquid for cleaning the printed circuit
boards and their components is isopropyl alcohol (70% by volume).
Cleaning External Plastic Surfaces
Apply the 0.5% detergent-water solution sparingly with a stiff, non-metallic, short-bristled brush to
work all loose dirt away from the radio. Use a soft, absorbent, lintless cloth or tissue to remove the
solution and dry the radio. Make sure that no water remains entrapped near the connectors, cracks, or
crevices.
Note: Internal surfaces should be cleaned only when the radio is disassembled for service
or repair.
CAUTION: The effects of certain chemicals and their vapors can have harmful results on certain plas-
tics. Avoid using aerosol sprays, tuner cleaners, and other chemicals.
!

December 3, 2003 HKLN4215A
7-2 Non-Display Model Disassembly and Re-assembly: Safe Handling of CMOS and LDMOS Devices
Cleaning Internal Circuit Boards and Components
Isopropyl alcohol (70%) may be applied with a stiff, non-metallic, short-bristled brush to dislodge
embedded or caked materials located in hard-to-reach areas. The brush stroke should direct the
dislodged material out and away from the inside of the radio. Make sure that controls or tunable
components are not soaked with alcohol. Do not use high-pressure air to hasten the drying process
since this could cause the liquid to collect in unwanted places. After completing the cleaning process,
use a soft, absorbent, lintless cloth to dry the area. Do not brush or apply any isopropyl alcohol to the
frame, front cover, or back cover.
7.3 Safe Handling of CMOS and LDMOS Devices
Complementary metal-oxide semiconductor (CMOS) devices are used in this family of radios, and are
susceptible to damage by electrostatic or high voltage charges. Damage can be latent, resulting in
failures occurring weeks or months later. Therefore, special precautions must be taken to prevent
device damage during disassembly, troubleshooting, and repair.
Handling precautions are mandatory for CMOS circuits and are especially important in low humidity
conditions. DO NOT attempt to disassemble the radio without first referring to the following CAUTION
statement.
Note: Always use a fresh supply of alcohol and a clean container to prevent contamination by
dissolved material (from previous usage).
CAUTION: This radio contains static-sensitive devices. Do not open the radio unless you are properly
grounded. Take the following precautions when working on this unit:
• Store and transport all CMOS devices in conductive material so that all exposed
leads are shorted together. Do not insert CMOS devices into conventional plastic
“snow” trays used for storage and transportation of other semiconductor devices.
• Ground the working surface of the service bench to protect the CMOS device. We
recommend using the Motorola Static Protection Assembly (part number
0180386A82), which includes a wrist strap, two ground cords, a table mat, and a
floor mat.
• Wear a conductive wrist strap in series with a 100k resistor to ground. (Replacement
wrist straps that connect to the bench top covering are Motorola part number RSX-
4015.)
• Do not wear nylon clothing while handling CMOS devices.
• Do not insert or remove CMOS devices with power applied. Check all power
supplies used for testing CMOS devices to be certain that there are no voltage
transients present.
• When straightening CMOS pins, provide ground straps for the apparatus used.
• When soldering, use a grounded soldering iron.
• If at all possible, handle CMOS devices by the package and not by the leads. Prior to
touching the unit, touch an electrical ground to remove any static charge that you
may have accumulated. The package and substrate may be electrically common. If
so, the reaction of a discharge to the case would cause the same damage as
touching the leads.
!

HKLN4215A December 3, 2003
Non-Display Model Disassembly and Re-assembly: Disassembling and Re-assembling the Radio — General 7-3
7.4 Disassembling and Re-assembling the Radio — General
Since these radios may be disassembled and re-assembled with the use of only four (board to
casting) screws, it is important to pay particular attention to the snaps and tabs, and how parts align
with each other.
The following tools are required for disassembling the radio (see 3.2 for a list of service aids):
• knob remover/chassis opener
• penknife-size screwdriver
• TORX™ T6 screwdriver
If a unit requires more complete testing or service than is customarily performed at the basic level,
send this unit to a Motorola Authorized Service Center. See Appendix B for a list of authorized service
centers.
The following disassembly procedures should be performed only if necessary:
• Chassis Disassembly
• Speaker Disassembly
• PTT Disassembly
7.4.1 Radio Disassembly — Detailed
7.4.1.1 Front Cover From Chassis Disassembly
1. Turn off the radio
2. Remove the battery (Figure 7-1):
a. Slide the battery latch into the unlock position. Disengage by pushing downward and
holding the latch towards the front of the radio.
b. With the battery latch disengaged, slide the battery down from the top of the radio about
1/2 in. Once the battery is free from the battery rails, lift it directly away from the radio.
c. Remove the battery from the radio.
Figure 7-1. Battery Removal
Battery Latch
Lock Unlock

December 3, 2003 HKLN4215A
7-4 Non-Display Model Disassembly and Re-assembly: Disassembling and Re-assembling the Radio — General
3. Remove the antenna.
4. Pry off the volume and channel selector knobs from their shafts using the knob removal/chassis
opener tool (Motorola part # 6686533Z01). (Figure 7-2)
5. Separate the chassis from the front housing assembly by using the knob remover/chassis opener
too. Place the broad side of the opener into the slots located at the base of the radio (Figure 7-3).
Press the handle on the opener downwards. This pressing action forces the thin inner plastic wall
toward the base of the radio, releasing the two chassis base tabs..
Figure 7-2. Antenna and Knob Removal
Note: Both knobs slide on and off. However the knobs are designed to fit very tightly on the shaft.
Figure 7-3. Chassis Removal
CAUTION: Marring the front cover O-ring sealing area will prevent the radio from sealing properly. If the
O-ring is damaged, replace it with a new one.
Note: The speaker wire assembly microphone wire assembly and keypad ribbon connector con-
necting the front housing assembly and the chassis prevent the two units from being com-
pletely separated
Radio Chassis
Knob Remover/
Chassis Opener
!

HKLN4215A December 3, 2003
Non-Display Model Disassembly and Re-assembly: Disassembling and Re-assembling the Radio — General 7-5
6. Pull the chassis assembly out of the front cover only until the volume and channel selectors shaft
just clear the top of the case. (Figure 7-4).
Rotate the chassis counterclockwise out of the housing and position next to the housing. Take care
not to damage the speaker and microphone wires that are still connected to the chassis (Figure 7-4).
7. Unplug the speaker wire assembly from the 2-pin connector on the chassis.
8. Unplug the microphone wire assembly from the socket on the chassis.
9. Move the chassis away from the housing and place on a clean work surface.
7.4.1.2 Dust Cover Disassembly
1. Gently pry the top of the dust cover away from the body of the radio. (See Figure 7-5).
2. Rotate the dust cover 90° in a counterclockwise direction to allow the key to be removed.
3. Separate the dust cover away from the body of the radio. The dust cover key is fragile; apply only
light pressure to the key while removing the dust cover.
Figure 7-5. Dust Cover Disassembly
Figure 7-4. Microphone and Speaker Connections
Speaker Connector
Microphone
Connector
Shroud
key
c. Separate dust
cover from body.
b. Rotate dust cover 90° to
a. Pry dust cover from body. allow key to be removed.

December 3, 2003 HKLN4215A
7-6 Non-Display Model Disassembly and Re-assembly: Disassembling and Re-assembling the Radio — General
7.4.1.3 Speaker and Microphone Disassembly
1. Remove the screw from the speaker retainer using a T6 Torx screwdriver (Figure 7-6).
2. Lift the retainer off the speaker, sliding end of retainer out of corner slot on the housing.
3. Lift the speaker out from the front housing.
4. Carefully lift microphone assembly out of housing.
7.4.1.4 PTT Disassembly
1. If required, the PTT (Figure 7-7) can be disassembly using a small screwdriver, as follows:
a. Insert the tip of a small screwdriver underneath the PTT and unsnap the top tab.
b. Pry the PTT away from the radio housing.
c. Inspect the two hooks. If bent or broken, the PTT must be replaced.
d. Remove the PTT seal.
Note: The speaker is held in place with a retainer bracket. Be careful not to damage the speaker
when removing the retainer bracket.
Figure 7-6. Removal Speaker-Microphone Assembly
Retainer Bracket
Radio Housing
Speaker
Wire Connector
Microphone Assembly

HKLN4215A December 3, 2003
Non-Display Model Disassembly and Re-assembly: Disassembling and Re-assembling the Radio — General 7-7
7.4.2 Chassis Disassembly
1. Remove the O-ring.
2. Use a Torx™ screwdriver with a T6 bit to remove the four screws (Figure 7-8) holding the main
board to the chassis.
3. The audio jack shroud can be removed from the main board.
4. Lift the main board from the chassis.
5. Remove the battery contact seal.
Figure 7-7. PTT Removal
CAUTION: Refer to the CMOS CAUTION paragraph (7.3) before removing the main board. Be sure to
use Electrostatic Discharge protection when handling circuit boards.
Figure 7-8. Removal of Main Board from Chassis
Flat Blade
Screwdriver
PTT Seal
Tab
Tab
Hooks
!
Main Board
Radio Chassis
Audio Jack Shroud
O-Ring

December 3, 2003 HKLN4215A
7-8 Non-Display Model Disassembly and Re-assembly: Disassembling and Re-assembling the Radio — General
7.4.3 Radio Re-assembly - Detailed
7.4.3.1 Dust Cover Re-assembly
1. Insert the tail of the dust cap into the bottom hole of the audio jacks housing opening (Figure 7-9).
2. Press the dust cap until the tail is fully into the hole.
3. Twist the dust cap counter-clockwise until the cap is seated properly onto the recess.
4. Press the cap again to ensure it fully covers the opening for the audio jack.
7.4.3.2 Microphone and Speaker Re-assembly
1. Check that the speaker felt is in position and is not damaged. If damaged replace felt.
2. Insert the microphone sub-assembly into the microphone boot.
3. Insert the Boot and microphone sub-assembly into the microphone recess in the housing and
route the wires as shown in Figure 7-10.
4. Locate the speaker tab and align it with the tab opening in the front housing (Figure 7-11).
5. Insert the speaker tab into the speaker recess in the housing. Ensure the speaker is seated flush
in the housing
Figure 7-9. Dust Cap Re-assembly
Figure 7-10. Microphone Re-assembly
12 34
Microphone
Boot
Microphone Recess
Microphone Position

HKLN4215A December 3, 2003
Non-Display Model Disassembly and Re-assembly: Disassembling and Re-assembling the Radio — General 7-9
.
6. Insert one end of the speaker retainer into the slot in the front housing (See Figure 7-11)..
7. Install the retainer screw using a T6 Torx screwdriver. Torque to 2.3 - 2.5 lb/in.
7.4.3.3 Chassis Assembly/Re-assembly
1. Replace the battery contact seal (if necessary) surrounding the battery contact (Figure 7-12).
2. Remove the old Interface Pad from the chassis by scraping off the pad and adhesive with a
straight razor. Use rubbing alcohol and a cloth to completely remove the adhesive from the chas-
sis surface. With the chassis clean and dry, add a new Interface Pad to the chassis.
3. Place the main circuit board straight down on top of the chassis with the frequency and volume
switches facing down.
4. Use the T6 Torx screwdriver to fasten the screws holding the main board to the chassis. Tighten
to 3.7 - 3.9 in/lb.
5. Replace the O-ring by positioning it in the top groove by the volume/frequency switches. Stretch
the O-ring to place it into the retaining groove at the bottom end of the chassis.
6. Check that the O-ring is not twisted and is being held by the top and bottom chassis groves.
7. Replace the audio jack shroud.
Note: Make sure the speaker and microphone wires are routed tightly between the speaker basket
and the housing post
Figure 7-11. Speaker Re-assembly
Note: When fastening the speaker retainer screw, make sure the wires are out of the way to pre-
vent pinching by the retainer.
Note: Be sure the battery contact seal protrudes through the chassis and is not pinched under the
chassis.
Speaker Retainer
Speaker
Front Housing Slot
Speaker Tab
Tab Opening

December 3, 2003 HKLN4215A
7-10 Non-Display Model Disassembly and Re-assembly: Disassembling and Re-assembling the Radio — General
.
7.4.3.4 Chassis and Front Cover Re-assembly
8. Dress and connect the speaker wires.
a. Connect the speaker wire assembly into the 10-pin connector on the main board and
bend the wires at the board connector so the wires are positioned toward the top of the
radio (Figure 7-13).
b. Connect the microphone wire assembly into the two hole socket on the main board and
bend the wires at the board connector so the wires are positioned toward the top of the
radio (Figure 7-13).
c. Slide the audio jack shroud onto accessory connector (Figure 7-12).
9. Slide the volume potentiometer and frequency switch shafts into their respective holes in the front
cover. Look through the accessory connector opening to make certain that the wires are not
pinched.
10. Push the topside of the board chassis upward until it touches the housing end. Before snapping
the board into the housing, perform the following checks.:
a. Open the dust cap and ensure the wires are not pinched between the shroud and housing.
b. Ensure the O-ring is seated in the groove.
11. c. Ensure that the bottom side of the dust cap is fully pressed into the housing before the snap-
ping the board into place
.
Figure 7-12. Installation of Main Board onto Chassis
Note: Care should be taken when dressing the speaker and microphone wires to avoid pinching
them between the speaker magnet and shield, or between the accessory connector and
housing.
Note: Ensure that the plug orientation is correct with the exposed pins in the wire casing facing
upward and fully plugged in.
Main Board
Radio Chassis
Battery Contact Seal
Interface Pad
Frequency &
Volume Switches
Audio Jack Shroud
(Replace after Plugging
in Speaker and Mic)
O-ring

HKLN4215A December 3, 2003
Non-Display Model Disassembly and Re-assembly: Disassembling and Re-assembling the Radio — General 7-11
12. Snap chassis assembly completely into the top of the front cover (Figure 7-14) until it settles in
place.
13. Make sure the O-ring is properly seated. If the O-ring seal is pinched, separate the chassis from
the housing using the knob removal/chassis opener and dress O-ring properly.
14. Snap the bottom of the chassis into the front cover.
15. Check that O-ring is visible at the corners.
16. After closing the radio, verify that the O-ring is not visible; if visible, re-assemble properly.
17. Re-assemble the knobs, antenna, and battery.
7.4.3.5 PTT Re-assembly
1. Place the PTT seal over the ridge around the top hole. Press down to seat the seal around the
ridge.
2. Place the bottom tab in the slot inside the front housing PTT opening. Slightly slide down the PTT
and bow it by placing one finger under the middle of the PTT, so that the top tab can be aligned
and inserted into the top slot (Figure 7-15a).
Figure 7-13. Microphone and Speaker Wires Re-assembly
Figure 7-14. Fastening the Chassis
Speaker Connector
Microphone
Connector
Shroud
Radio Chassis

December 3, 2003 HKLN4215A
7-12 Non-Display Model Disassembly and Re-assembly: Disassembling and Re-assembling the Radio — General
3. Press the PTT assembly against the front cover opening (Figure 7-15b).
Figure 7-15. PTT Re-assembly
a. Place bottom tab into bottom slot.
Place top tab into top slot. b. Push down on PTT toward bottom
of radio so hooks do not get crushed.

HKLN4215A December 3, 2003
Non-Display Model Disassembly and Re-assembly: Mechanical View and Parts List 7-13
7.5 Mechanical View and Parts List
7.5.1 EP450 Non-Display Exploded View and Parts List
Figure 7-16. EP450 Non-Display Radio Exploded View
1
22
23
26 2
3
4
5
6
7
8
9
10 11 12 13
14 15
16
1
7
18
19
20
24
25
21
30

7-14 Mechanical View and Parts List
Item Motorola
Part
Number Description
1See Section 6 Antenna
2 3680530Z02 Knob, Frequency
31386440Z02 Escutcheon, Top; 16 Ch.
4 5886627Z01 Antenna Adaptor / Seal
51586391Z01 Housing, ELP+, Plain
6 3586621Z01 Felt, Speaker
73886489Z01 PTT, Rubber
8 4586439Z01 PTT, Plastic
95085738Z08 Speaker
10 4286620Z01 Retainer, Speaker
11 3586621Z02 Felt, Microphone
12 0780608V01 Boot, Microphone
13 5085880L01 Microphone
14 3286431Z02 Seal, Main O-ring
15 7586436Z01 Pad, PA Interface
16 2786389Z01 Chassis
17 3286435Z01 Seal, Battery Contact Block
18 0304726J05 Screws, Chassis; 4 Used
19 1586437Z01 Shroud, Audio Jack
20 5586445Z02 Latch Assembly
21 4105944K01 Spring, Latch; 2 Used
22 3886441Z01 Cap, Dust
23 3286432Z01 Seal, Control Shaft
24 3386443Z01 Label, Escutcheon Seal
25 6186446Z02 Lightpipe
26 3680529Z01 Knob, Volume
27 0386434Z01 Screw, Speaker Retainer
NON-REFERENCED ITEMS
3386625Z01 Nameplate, Motorola
Nameplate, EP450

Chapter 8 Troubleshooting Tables
8.1 Power-Up Error Codes
During radio power-up, the radio performs dynamic tests to determine if the radio is working properly.
Problems detected during these tests are presented as an error code on the radio’s display. The
presence of an error code should prompt a user that a problem exists and that a service technician
should be contacted. Use Table 8-1 to aid in understanding particular operational error codes.
8.2 Operational Error Codes
During radio operation, the radio performs dynamic tests to determine if the radio is working properly.
Problems detected during these tests are presented as an error code on the radio’s display. The
presence of an error code should prompt a user that a problem exists and that a service technician
should be contacted. Use Table 8-2 to aid in understanding particular operational error codes.
Table 8-1. Power-Up Error Code Display
Error Code Possible Causes Corrective Action
RAM ERR RAM Test Failure Retest radio by turning if off and tuning it on again. If
message reoccurs, replace main board or send radio to
depot.
ROM ERR ROM checksum is wrong Reprogram FLASH memory and retest. If message reoc-
curs, replace main board or send radio to depot.
EPRM ERR EEPROM Hardware Error –
Codeplug structure mismatch
or non-existence of code-
plug or,
EEPROM Checksum Error –
Codeplug checksum is
wrong
Reprogram codeplug with correct codeplug and retest. If
message reoccurs, replace main board or send radio to
depot.
Table 8-2. Operational Error Code Display
Error Code Possible Causes Corrective Action
SYN UNLK Synthesizer Out-of-Lock Verify codeplug and reprogram if necessary. If message
reoccurs, replace main board or send radio to depot.

December 3, 2003 HKLN4215A
8-2 Troubleshooting Tables: Troubleshooting Table for Receiver
8.3 Troubleshooting Table for Receiver
Table Table 8-3 lists the possible causes of, and corrections for, receiver problems.
Table 8-3. Receiver Troubleshooting Table
Symptom Possible Causes Corrective or Test
(Measurements at Room Temperature)
Radio Dead; Display Does
Not Turn On 1. Dead Battery. Replace with charged battery.
2. Blown Fuse Send radio to depot.
3. On/Off Switch
4. Regulators
5. Regulator fault
Radio Dead; Display Turns
On Transceiver Board Send radio to depot.
No Receive Audio, or
Receiver Does Not Unmute Programming 1. Does the transmitted signal match the receiver configu-
ration (PL, DPL, etc.)?
2. With the monitor function enabled, can the radio be
unmuted?
Audio Distorted or Not Loud
Enough Synthesizer Not On Fre-
quency Check synthesizer frequency by measuring the transmit-
ter frequency; realign it off by more than ±150 Hz (VHF),
±500 Hz (UHF)
RF Sensitivity Poor 1. Synthesizer Not on Fre-
quency Check synthesizer frequency by measuring the transmit-
ter frequency; realign it off by more than ±150 Hz (VHF),
±500 Hz (UHF)
2. Antenna Switch/Connec-
tor Send radio to depot.
3. Receiver Front End Tun-
ing Check RF front-end tuning for optimum sensitivity using
the tuner.
Radio Will Not Turn Off Transceiver Board Send radio to depot.

HKLN4215A December 3, 2003
Troubleshooting Tables: Troubleshooting Table for Transmitter 8-3
8.4 Troubleshooting Table for Transmitter
Table Table 8-4 lists the possible causes of, and corrections for, transmitter problems.
Table 8-4. Transmitter Troubleshooting Table
Symptom Possible Causes Corrective or Test
(Measurements at Room Temperature)
No RF Power Out 1. Tx Power Level or Fre-
quency Check Tx power level and frequency programming (from
tuner).
2. No Injection To Power
Amplifier Send radio to depot.
Antenna Switch/Connector
No Modulation; Distortion
Modulation 1. Programming Check deviation and compensation settings using the
tuner.
2. Transceiver Board Send radio to depot.
Bad Microphone Sensitivity 1. Check Deviation and
Compensation Realign if necessary.
2. Microphone Send radio to depot.
No/Low Signaling (PL, DPL,
MDC) 1. Programming Check programming.
2. Transceiver Board Send radio to depot.
Cannot Set Deviation
Balance RF Board Send radio to depot.

December 3, 2003 HKLN4215A
Notes:
8-4 Troubleshooting Tables: Troubleshooting Table for Transmitter

Appendix A Accessories
Antennas
NAD6502_R VHF Heliflex Antenna 14cm (146-174 MHz)
HAD9742 VHF Stubby Antenna, 9cm (146-162 MHz)
HAD9743 VHF Stubby Antenna, 9cm (162-174 MHz)
NAE6522_R UHF Heliflex Stubby Antenna 9cm (438-470 MHz)
NAE6483_R Flexible Whip Antenna (403-520 MHz)
8505816K26 UHF Heliflex Stubby (470-520 MHz)
Carrying Accessories
RLN5498 Hard Leather Case, Full DTMF with Belt Loop
RLN5496 Hard Leather Case, Full DTMF with 3 inch Swivel Belt Loop
RLN5497 Hard Leather Case, Full DTMF (attaches to D-Shaped Rings on case)
RLN5644 2.5 inch Spring Action Belt Clip
NTN5243 Shoulder Strap for Hard Leather Cases (attaches to D-Shaped Rings on
case)
HLN9985 Waterproof Bag
RLN5383 Nylon Case with Belt Loop Non-Display models
HLN9701 Leather Case with Belt Loop
RLN5384 Leather Case with 2-1/2 inch Swivel Belt Loop Non-Display models
RLN5385 Leather Case with 3 inch Swivel Belt Loop Non-Display models
Chargers
WPLN4137 Desktop Rapid Charger Base Only w/NA LA Manual
WPLN4138_R Rapid 90-Min. Desktop Charger w/US plug
WPLN4139_R Rapid 90-Min. Desktop Charger w/Euro plug
WPLN4142_R Rapid 90-Min. Desktop Charger w/Argentina plug
WPLN4140_R Rapid 90-Min. Desktop Charger w/UK plug
WPLN4161 Rapid 90-Min. Multi-Unit Charger w/US plug
WPLN4162 Rapid 90-Min. Multi-Unit Charger w/Euro plug
WPLN4163 Rapid 90-Min. Multi-Unit Charger w/UK plug
WPLN4164 Rapid 90-Min. Multi-Unit Charger w/Argentina plug
Batteries
NNTN4496_R High Capacity Ni-Cd, 1100 mAH
NNTN4497_R Ultra High Capacity Li-lon, 1800 mAH
NNTN4851_R High Capacity NiMH, 1400 mAH
NNTN4970 High Capacity Li-Ion, 1600 mAH

December 3, 2003 HKLN4215A
A-2 Accessories
Audio Accessories
HMN9752 Earpiece with Volume Control, 1-Wire (plastic earloop) (Beige)
HMN9727 Earpiece without Volume Control, 1-Wire (plastic earloop) (Beige)
RLN4894 Earpiece without Volume Control, 1-Wire (plastic earloop) (Black)
HMN9754 Earpiece with Microphone & PTT Combined, 2-Wire (Beige)
RLN4895 Earpiece with Microphone & PTT Combined, 2-Wire (Black)
RLN5198_P Earpiece with Microphone & PTT Combined (Black) including Low Noise Kit,
2-Wire Surveillance Kit w/Clear Comfortable Acoustic Tube
(includes NTN8371)
BDN6720 Flexible Ear Receiver (RX only)
PMLN4443 Flexible Ear Receiver with Microphone & PTT Combined
HMN9036 Earbud with Microphone & PTT Combined, 2-Wire (Black)
PMLN4294 Earbud with Microphone & PTT Combined
PMLN4442 Earbud with Microphone & PTT Combined
HLN9132 Earbud Single Wire Receive Only (Black)
NTN8370 Extreme Noise Kit
5080384T72 Replacement Noise Attenuating Plug for NTN8370
NTN8371 Low Noise Kit
RLN4760 Small Custom Clear Earpiece, Right Ear
RLN4763 Small Custom Clear Earpiece, Left Ear
RLN4761 Medium Custom Clear Earpiece, Right Ear
RLN4764 Medium Custom Clear Earpiece, Left Ear
RLN4762 Large Custom Clear Earpiece, Right Ear
RLN4765 Large Custom Clear Earpiece, Left Ear
BDN6646 Standard 95 dB Ear Microphone with PTT Interface Module
BDN6706 Standard 95 dB Ear Microphone with VOX & PTT Interface Module
0180358B38 Ring PTT Switch for Ear Microphone System
0180300E83 Body PTT Switch for Ear Microphone System
RLN5500 Accessory Retainer
RLN5317 2-Wire Comfort Earpiece wMic & PTT (Beige)
RLN5318 2-Wire Comfort Earpiece w/Mic & PTT (Black)
TDN9327 Portable Radio Hanger
TDN9373 Portable Radio Hanger
Headsets
RLN5411 Ultra-Lite Breeze Behind the Head Headset
PMMN4001 Ultra-Lite Earset with Mic and PTT
HMN9013 Lightweight Headset w/o In-line PTT
RMN4016 Lightweight Headset with In-line PTT
RLN5238 Lightweight Headset with In-line PTT, NFL Style
HMN9021 Medium Weight Over the Head Dual Muff Headset
HMN9022 Medium Weight Behind the Head Dual Muff Headset

HKLN4215A December 3, 2003
Accessories A-3
BDN6647 Medium Weight Single Speaker Headset
BDN6648 Heavy Duty Dual Muff Headset with Noise Canceling Microphone
5080371E66 Replacement Ear Pad for BDN6647
RMN5015 Heavy Duty Dual Muff Racing Headset
(requires RKN4090 Headset Adapter Cable)
REX4648 Ear Pad and Windscreen Kit
RKN4090 Adapter Cable for use with RMN5015 Racing Headset
RMN4051 2-Way Hard Hat Mount, Black, Noise Reduction Rating (22db)
(requires RKN4094 Adapter Cable)
RMN4055 Receive-Only Headband Style Headset with 3.5mm Right Angle Plug
HLN9133 VOX Adapter Kit (for use with Headsets only)
RKN4094 In-Line PTT Adapter for use with headsets RMN4051, RMN4052, and
RMN4053 only)
PMLN4445 Ultra-Light Headset with Boom Microphone
Remote Speaker Microphones
HMN9030 Remote Speaker Microphone
RLN4904 Mic Jacket for HMN9030 Remote Speaker Microphone
HKN9094 Replacement Cord for HMN9030
PMMN4008 Remote Speaker Microphone
Manuals
HKLN4212 E-Series User Guide
HKLN4215 E-Series Basic Service Manual
HKLN4216 E-Series Detailed Service Manual

December 3, 2003 HKLN4215A
A-4 Accessories

Appendix B Warranty, Service Support, and
Replacement Parts
1.1 Scope of Manual
This manual is intended for use by service technicians familiar with similar types of equipment. It
contains service information required for the equipment described and is current as of the printing
date. Changes which occur after the printing date may be incorporated by a complete Manual revision
or alternatively as additions.
1.2 Warranty
Motorola offers long term support for its products. This support includes full exchange and/or repair of
the product during the warranty period, and service/ repair or spare parts support out of warranty. Any
“return for exchange” or “return for repair” by an authorized Motorola Dealer must be accompanied by
a Warranty Claim Form. Warranty Claim Forms are obtained by contacting an Authorized Motorola
Dealer.
1.2.1 Warranty Period and Return Instructions
The terms and conditions of warranty are defined fully in the Motorola Dealer, Distributor, or Reseller
contract. These conditions may change from time to time and the following notes are for guidance
purposes only.
In instances where the product is covered under a “return for replacement” or “return for repair”
warranty, a check of the product should be performed prior to shipping the unit back to Motorola. This
is to ensure that the product has been correctly programmed or has not been subjected to damage
outside the terms of the warranty.
1.2.2 After Warranty Period
After the Warranty period, Motorola continues to support its products in two ways.
1. Motorola's Radio Products Services Division (RPSD)* offers a repair service to both end users
and dealers at competitive prices.
2. Radio Products Services Division (RPSD) supplies individual parts and modules that can be pur-
chased by dealers who are technically capable of performing fault analysis and repair.
* The Radio Products Services Division (RPSD) was formerly knows as the Accessories and
Aftermarket Division (AAD)
1.3 Replacement Parts Ordering
1.3.1 Basic Ordering Information
When ordering replacement parts or equipment information, the complete identification number
should be included. This applied to all components, kits, and chassis. If the component part number is
not known, the order should include the number of the chassis or kit of which it is a part, a sufficient
description of the desired component to identify it.
Notes: Before operating or testing these units, please read the Product Safety and RF Exposure
Compliance section in the front of this manual.

December 3, 2003 HKLN4215A
Appendix B-2 Warranty, Service Support, and Replacement Parts: Replacement Parts Ordering
1.3.2 Motorola Online
Motorola online users can access our on-line catalog at:
https://businessonline.motorola.com
1.3.3 Mail Orders
Send written orders to the following addresses:
1.3.4 Telephone Orders
Radio Products Services Division (RPSD)*
(United States and Canada)
7:00 AM to 7:00 PM (Central Standard Time)
Monday through Friday (Chicago, U.S.A.)
1-800-422-4210
1-847-538-8023 (International Orders)
1.3.5 Fax Orders
Radio Products Services Division (RPSD)
(United States and Canada)
1-800-622-6210
1-847-576-3023 (International)
USFGMD
(Federal Government Orders)
1-800-526-8641 (For Parts and Equipment Purchased Orders)
1.3.6 Parts Identification
Radio Products Services Division (RPSD)
(United States and Canada)
1-800-422-4210, menu 3
1-847-538-0021(International) (voice)
* The Radio Products Services Division (RPSD) was formerly known as the Accessories and
Aftermarket Division (AAD)
International Orders:
Motorola, Inc.
Customer Care and Services
Division*
Attention: Order Processing
2200 Galvin Dr.
Elgin, IL 60123
U.S.A.

HKLN4215A December 3, 2003
Warranty, Service Support, and Replacement Parts: Technical Support Appendix B-3
1.4 Technical Support
Technical support is available to assist the dealer/distributor in resolving any malfunction which may
be encountered. Initial contact should be by telephone wherever possible. When contacting Motorola
Technical Support (“contact us” MOL at https://businessonline.motorola.com), be prepared to provide
the product model number and the unit’s serial number.
Motorola de Colombia Service Center
Carrera 7 No. 71-52
Torre B, Piso 13
Oficina 1301
Bogotá – Colombia
1-571-376-6990
Motorola de Mexico Service Center
Bosques de Alisos #125
Col. Bosques de las Lomas
CP 05120 Mexico D. F.
1-525-257-6700

December 3, 2003 HKLN4215A
Appendix B-4 Warranty, Service Support, and Replacement Parts: Technical Support

Glossary of Terms
Term Definition
ALC Automatic Level Control: a circuit in the transmit RF path that controls RF power
amplifier output, provides leveling over frequency and voltage, and protects
against high VSWR (voltage standing wave ratio).
ASFIC Audio Signalling Filter Integrated Circuit
BKC Bad Key Chirp
CD Compact Disk
CMP Compression
CPS Customer Programming Software
CSQ Carrier Squelch
DTMF Dual-Tone Multifrequency
DPL Digital Private-Line™
EEPROM Electronically Erasable/Programmable Read-Only Memory: used by the radio to
store its personality
Firmware Software, or a software/hardware combination of computer programs and data,
with a fixed logic configuration stores in a read-only memory. Information cannot
be altered or reprogrammed.
FGU Frequency Generation Unit
GaAs Gallium Arsenide: a type of crystalline material used in some semiconductors.
GKC Good Key Chirp
ISW Inbound Signalling Word: data transmitted on the control channel from a sub-
scriber unit to the central control unit.
LH DATA Longhorn Data: a bidirectional 0-5V, RS-232 line protocol that uses the micro-
controller’s integrated RS-232 asynchronous serial communications interface
(SCI) peripheral.
LLE Low Level Expander: slight amount of volume expansion; used to improve the
signal to noise ratio.
MCU Micro Controller Unit
MRTI Motorola Radio-Telephone Interconnect: a system that provides a repeater con-
nection to the Public Switched Telephone Network (PSTN). The MRTI allows the
radio to access the telephone network when the proper access code is received.
OMPAC Over-Molded Pad-Array Carrier: a Motorola custom package, distinguished by
the presence of solder balls on the bottom pads.
PC Board Printed Circuit Board
PL Private-Line® tone squelch: a continuous sub-audible tone that is transmitted
along with the carrier.

December 3, 2003 HKLN4215A
G-2
PLL Phase-Locked Loop: a circuit in which an oscillator is kept in phase with a refer-
ence, usually after passing through a frequency divider.
PTT Push-To-Talk: the switch located on the left side of the radio; when pressed,
causes the radio to transmit.
RAM Random Access Memory: the radio’s RAM is loaded with a copy of the EEPROM
data.
Registers Short-term data-storage circuits within the microcontroller.
RESET Reset line: an input to the microcontroller that restarts execution.
RF PA Radio Frequency Power Amplifier
RIB Radio Interface Box
ROM Read Only Memory
RSSI Received Signal-Strength Indicator: a dc voltage proportional to the received RF
signal strength.
RPT/TA Repeater/Talk Around
Softpot A computer-adjustable electronic attenuator
Software Computer programs, procedures, rules, documentation, and data pertaining to
the operation of a system.
SPI (clock and data
lines) Serial Peripheral Interface: how the microcontroller communicates to modules
and ICs through the CLOCK and DATA lines.
Squelch Muting of audio circuits when received signal levels fall below a pre-determined
value.
Standby Mode An operating mode whereby the radio is muted but still continues to receive data
TOT Time-Out Timer: a timer that limits the length of a transmission.
TPL Tone Private-line
µC Microcontroller
UHF Ultra High Frequency
µP Microprocessor
VCO Voltage-Controlled Oscillator: an oscillator whereby the frequency of oscillation
can be varied by changing a control voltage.
VCOBIC Voltage-Controlled Oscillator Buffer Integrated Circuit
VHF Very High Frequency
VSWR Voltage Standing Wave Ratio
Term Definition