Moyer Diebel 401 Htn Users Manual
401-LT to the manual 8bbdc24a-caa7-4ebd-a41e-e899c8f334b7
2015-02-09
: Moyer-Diebel Moyer-Diebel-401-Htn-Users-Manual-557798 moyer-diebel-401-htn-users-manual-557798 moyer-diebel pdf
Open the PDF directly: View PDF .
Page Count: 51

Simply Engineered Better
Technical Manual
Undercounter
Dishwasher
Model
401-HT
401-HTN
401-LT
Manual P/N 0509604 REV. G
February, 2003
2674 N. Service Road
Jordan Station, Ontario, Canada L0R 1S0
Moyer Diebel, Ltd. Fax: 905/562-4618905/562-4195
Machine Serial No.

Complete the information below so it will be available for quick reference.
Model Number __________________________ Serial Number________________________
Voltage and Phase ______________________________________________________________
Moyer Diebel Parts Distributor _______________________________ Phone _____________
(if applicable)
_____________________________________________________________________________
Moyer Diebel Service Agency ________________________________ Phone _____________
_____________________________________________________________________________
Moyer Diebel Service:
Moyer Diebel Limited U.S. For Export Customers
Phone: 1-905-562-4195 1-336-661-1992
1-800-263-5798 1-800-228-8350
Fax: 1-905-562-4618 1-336-661-1660
NOTE: When calling to order parts, be sure to have the model number, serial number, voltage,
and phase of your machine, along with your customer account number.
COPYRIGHT © 2003 by Moyer Diebel

Revision History
Revision Revised Serial Number Comments
Date Pages Effectivity
02/28/97 All 7791 Issue of manual and replacement parts lists.
09/09/98 27 7791 Changed booster tank part number.
09/09/98 29 7791 Changed item 15 hose part number.
02/28/00 40, 41, 42, 43 7791 Revised electrical schematic.
07/21/00 17, 23, 37 7791 Revised part numbers.
08/22/01 21 — Revised part numbers.
12/12/01 27 — Revised fill hose part number.
11/04/02 17 — Revised part number for front panel.
11/04/02 23 — Revised part number for pump assembly.
11/04/02 37 — Revised part number for control cabinet.
2/5/03 37 — Revised part number 108391 to 113622.
REVISIONS

THIS PAGE
INTENTIONALLY
LEFT BLANK

CONTENTS
CONTENTS
Page
INTRODUCTION....................................................................................................................................... 1
WARRANTY.............................................................................................................................................. 2
GENERAL .................................................................................................................................................. 3
INSTALLATION........................................................................................................................................ 5
Unpacking ............................................................................................................................................ 5
Electrical Connections.......................................................................................................................... 5
Plumbing Connections ......................................................................................................................... 6
Detergent .............................................................................................................................................. 6
Rinse-Aid ............................................................................................................................................. 6
Chemical Sanitizer ............................................................................................................................... 6
Completing Installation........................................................................................................................ 7
OPERATION .............................................................................................................................................. 8
Operation Summary ............................................................................................................................. 8
Operation Procedures ........................................................................................................................... 8
MAINTENANCE........................................................................................................................................ 10
Cleaning Schedule................................................................................................................................ 10
Deliming............................................................................................................................................... 11
Deliming Process.................................................................................................................................. 11
Maintenance Schedule.......................................................................................................................... 12
TROUBLESHOOTING .............................................................................................................................. 13
REPLACEMENT PARTS........................................................................................................................... 15
ELECTRICAL DIAGRAMS ...................................................................................................................... 39
TIMER CHARTS AND DIAGRAMS........................................................................................................ 44
LIST OF FIGURES
Figure 1—Track and Panel Assembly......................................................................................................... 16
Figure 2—Door and Switch Assembly........................................................................................................ 18
Figure 3—Tank/Drain Assembly ................................................................................................................ 20
Figure 4—Pump Assembly ......................................................................................................................... 22
Figure 5—Wash System Assembly............................................................................................................. 24
Figure 6—Booster Assembly and Water Inlet Piping (HT Only)............................................................... 26
Figure 7—Water Inlet Piping (HTN, LT Only) .......................................................................................... 28
Figure 8—Fill System ................................................................................................................................. 30

CONTENTS
Figure 9—Detergent Pump Assembly......................................................................................................... 32
Figure 10—Sanitizer/Rinse-Aid Pump Assembly....................................................................................... 34
Figure 11—Control Panel Assembly........................................................................................................... 36
Figure 12—Electrical Diagram, 401-HT..................................................................................................... 40
Figure 13—Electrical Diagram, 401-HTN.................................................................................................. 41
Figure 14—Electrical Diagram, 401-LT ..................................................................................................... 42
Figure 15—Electrical Diagram, 401-HT (50 Hz) ....................................................................................... 43
Figure 16—Timer Chart and Diagram, 401-HT, HTN ............................................................................... 44
Figure 17—Timer Chart and Diagram, 401-LT.......................................................................................... 45

1
INTRODUCTION
INTRODUCTION
Welcome to Moyer Diebel.
Thank you for choosing Moyer Diebel and for allowing us to take care of your dishwashing
needs.
This manual covers several models. Model numbers are shown on the front cover.
Your machine has been completely assembled, inspected, and thoroughly tested at our factory to
eliminate problems at installation before it was shipped to your installation site. This manual
provides:
•Warranty information
•Installation and operation procedures
•Maintenance instructions
•Troubleshooting guide
•Replacement parts lists.
Complete and return your warranty registration card as soon as possible.
Moyer Diebel constantly improves its products; therefore, specifications contained in this
manual may have changed.
For your protection, factory authorized parts should always be used.
Replacement parts may be ordered from your Moyer Diebel authorized parts distributor or
service agency. When ordering parts, supply the model number, serial number, voltage and phase
of your machine, the part number, part description, and quantity.

2
WARRANTY
LIMITED WARRANTY
Champion Industries/Moyer Diebel Limited, P.O. Box 4183, Winston-Salem, North Carolina 27115, and P. O. Box 301, 2674
North Service Road, Jordan Station, Ontario, Canada L0R 1S0 warrants machines, and parts, as set out below.
Warranty of Machines: Champion Industries/Moyer Diebel Limited warrants all new machines of its manufacture bearing
the name “Champion” or "Moyer Diebel" and installed within the United States and Canada to be free from defects in
material and workmanship for a period of one (1) year after the date of installation or fifteen (15) months after the date of
shipment by Champion/Moyer Diebel, whichever occurs first. [See below for special provisions relating to Model Series DF
and SW.] The warranty registration card must be returned to Champion/Moyer Diebel within ten (10) days after installation.
If warranty card is not returned to Champion/Moyer Diebel within such period, the warranty will expire after one year from
the date of shipment.
Champion/Moyer Diebel will not assume any responsibility for extra costs for installation in any area where there are
jurisdictional problems with local trades or unions.
If a defect in workmanship or material is found to exist within the warranty period, Champion/Moyer Diebel, at its election,
will either repair or replace the defective machine or accept return of the machine for full credit; provided, however, as to
Model Series DF and SW, Champion/Moyer Diebel's obligation with respect to labor associated with any repairs shall end
(a) 120 days after shipment, or (b) 90 days after installation, whichever occurs first. In the event that Champion/Moyer
Diebel elects to repair, the labor and work to be performed in connection with the warranty shall be done during regular
working hours by a Champion/Moyer Diebel authorized service technician. Defective parts become the property of
Champion/Moyer Diebel. Use of replacement parts not authorized by Champion/Moyer Diebel will relieve Champion/
Moyer Diebel of all further liability in connection with its warranty. In no event will Champion/Moyer Diebel's warranty
obligation exceed Champion/Moyer Diebel's charge for the machine. The following are not covered by Champion/Moyer
Diebel's warranty:
a. Lighting of gas pilots or burners.
b. Cleaning of gas lines.
c. Replacement of fuses or resetting of overload breakers.
d. Adjustment of thermostats.
e. Adjustment of clutches.
f. Opening or closing of utility supply valves or switching of electrical supply current.
g. Adjustments to chemical dispensing equipment.
h. Cleaning of valves, strainers, screens, nozzles, or spray pipes.
i. Performance of regular maintenance and cleaning as outlined in operator’s guide.
j. Damages resulting from water conditions, accidents, alterations, improper use, abuse,
tampering, improper installation, or failure to follow maintenance and operation procedures.
Examples of the defects not covered by warranty include, but are not limited to: (1) Damage to the exterior or interior finish
as a result of the above, (2) Use with utility service other than that designated on the rating plate, (3) Improper connection to
utility service, (4) Inadequate or excessive water pressure, (5) Corrosion from chemicals dispensed in excess of recom-
mended concentrations, (6) Failure of electrical components due to connection of chemical dispensing equipment installed
by others, (7) Leaks or damage resulting from such leaks caused by the installer, including those at machine table connec-
tions or by connection of chemical dispensing equipment installed by others, (8) Failure to comply with local building
codes, (9) Damage caused by labor dispute.
Warranty of Parts: Champion/Moyer Diebel warrants all new machine parts produced or authorized by Champion/Moyer
Diebel to be free from defects in material and workmanship for a period of 90 days from date of invoice. If any defect in
material and workmanship is found to exist within the warranty period Champion/Moyer Diebel will replace the defective
part without charge.
DISCLAIMER OF WARRANTIES AND LIMITATIONS OF LIABILITY. CHAMPION/MOYER DIEBEL'S
WARRANTY IS ONLY TO THE EXTENT REFLECTED ABOVE. CHAMPION/MOYER DIEBEL MAKES NO
OTHER WARRANTIES, EXPRESS OR IMPLIED, INCLUDING, BUT NOT LIMITED TO, ANY WARRANTY OF
MERCHANTABILITY, OR FITNESS OF PURPOSE. CHAMPION/MOYER DIEBEL SHALL NOT BE LIABLE
FOR INCIDENTAL OR CONSEQUENTIAL DAMAGES. THE REMEDIES SET OUT ABOVE ARE THE EXCLU-
SIVE REMEDIES FOR ANY DEFECTS FOUND TO EXIST IN CHAMPION/MOYER DIEBEL DISHWASHING
MACHINES AND CHAMPION/MOYER DIEBEL PARTS, AND ALL OTHER REMEDIES ARE EXCLUDED,
INCLUDING ANY LIABILITY FOR INCIDENTALS OR CONSEQUENTIAL DAMAGES.
Champion/Moyer Diebel does not authorize any other person, including persons who deal in Champion/Moyer Diebel
dishwashing machines, to change this warranty or create any other obligation in connection with Champion/Moyer Diebel
Dishwashing Machines.
rev. 8699

3
GENERAL
GENERAL
This manual covers the Moyer Diebel 401 undercounter dishwashing machine. This machine
is fully automatic and is equipped with a 1/2 H.P. pump motor. All models are available for
mounting directly to the floor or on optional stands (see accessories listed on page 4).
Standard equipment includes:
-Automatic tank fill -Wash/rinse arm
-Common utility connections -Two dish racks (peg and flat)
-120 Volt control circuit -Exclusive vent design for
-Convenient, easy to use controls venting of condensation
-Door latch activated start switch -Stainless steel heavy-gauge construction
-Pumped drain (to 3 ft/1m) (vertical)
This series of dishwashers is available in the following models:
Model Numbers
401-HT, 401-HTN, 401-LT
• The 401-HT model is a high temperature (82°C/180°F rinse) sanitizing model with booster.
• The 401-HTN model is a high temperature (82°C/180°F rinse) sanitizing model without
booster.
• The 401-LT model is a low temperature (60°C/140°F rinse) sanitizing model for use with
5.25% or 8.4% sodium hypochlorite solution (chlorine bleach) as a sanitizing agent. The
rinse aid pump is optional.
Options
•Kit 512 - Detergent pump (P/N 0709624)
•Kit 504 - Top and side panels (P/N 0708756)
•Kit 505 - Top panel only (P/N 0708744)
•Kit 506 - Left side panel only (P/N 0708745)
•Kit 507 - Right side panel only (P/N 0708746)
•Kit 508 - Rinse aid pump kit (P/N 0708754)
•Kit 510 - Extended reach pumped drain kit (P/N 0708766)
•Kit 511 - 30°C/70°F temperature rise booster (P/N 0708753)
(for 49°C/110°F supply water).

4
GENERAL
Accessories
•17RS - 17" rack stand (raises working height and adds rack storage)
•17T - 17" cabinet (raises working height and adds storage)
•CST - Combination sink/table (scraping and sorting station)
•101285 - Dish Rack (Peg Rack)
•101273 - Silverware Rack (Flat Bottom Rack)
Electrical Power Requirements
Booster Machine Power Requirement
Model Voltage Rise Full Load Amp (125% Service Factor)
401-LT 115/60/1 N/A 9 15
401-HTN 115/60/1 N/A 9 15
401-HT 208/60/1 40 33 42
401-HT 240/60/1 40 37 47
401-HT 208/60/1 70 45 57
401-HT 240/60/1 70 51 64
NOTE:
208-230V/60Hz/1PH electrical supply service must be a 3-wire plus ground for connection
as shown.
—3-Wire Plus Ground Diagram
115v
115v
L1L2NG
208-230
00036

5
INSTALLATION
INSTALLATION
Unpacking
WARNING:
Care should be taken when lifting the machine to prevent damage.
1. Immediately after unpacking your machine, inspect for any shipping damage. If damage is
found, save the packing material and contact the carrier immediately.
2. Remove the dishwasher from the skid. Adjust the feet if required, then move the machine to
its permanent location.
3. Level the machine (if required) by placing a level on the top of the machine and adjusting
the feet. Level the machine front-to-back and side-to-side.
CAUTION:
After locating your machine, the installation must meet local health codes. An example may
be to seal your machine to the floor using a good grade of silicone sealant.
Electrical Connections
WARNING:
Electrical and grounding connections must comply with the National Electrical Code
and/or Local Electrical Codes.
WARNING:
When working on the dishwasher, disconnect the electric service and tag it to indicate work
is being done on that circuit.
1. The electrician should compare the electrical specifications on the machine electrical rating
label (located on the lower left front panel) to the electrical power supply before connecting
the machine to the incoming service at a fused disconnect switch.
NOTE:
The 208-240V/60Hz/1PH electrical supply service for this machine must be a
3-wire plus ground service.
2. On the 208V-240V models, a terminal block is provided on the left front side of the
machine (located behind the front panel) for electrical service connections. A fused
disconnect switch or circuit breaker (supplied by user) is required to protect each power
supply circuit.
3. On 115V models, your machine is already equipped with a 4-foot power cord and plug
suitable for 115V-15A service.
!
!
!
!

INSTALLATION
6
Plumbing Connections
CAUTION:
Plumbing connections must comply with local sanitary and plumbing codes.
Water Connections
1. Connect the hot water supply (60°C/ 140°F Min) to the 1/2" I.D. fill hose provided. The fill
solenoid valve is equipped with a flow control that will accept water pressures from 172
kPa/25 psi to 665 kPa/95 psi.
2. Install a manual shut-off valve with 3/4" garden hose connection in the water supply line
close to the machine to accommodate installation and servicing the machine. The shut-off
valve should be the same size or larger than the supply line.
3. The fill solenoid valve is equipped with a built-in strainer to protect from particles in the
water supply.
Drain Connections
1. All Models are supplied with a flexible 5/8" I.D. drain hose, which must be connected to a
1-1/2" drain using a wye (Y) fitting close to the machine.
Detergent/Chemicals
Use a qualified detergent/chemical supplier for your detergent, rinse aid, and chemical
sanitizer needs.
1. Your machine may be fitted with an optional liquid detergent dispensing pump. Insert the
labeled detergent pickup tube into the detergent container. The pickup tube has a strainer on
the end to prevent crystallized chemical from clogging the supply lines.
2. The cycle timer located in the main control cabinet is equipped with adjustable cams for the
chemical dispensing pump(s). The cams control the length of time that the pumps operate.
A qualified person may adjust the cam settings if necessary. Refer to the timer chart
diagram(s) at the end of the manual for timer cam locations. Factory time settings are only
approximate. Have your chemical supplier check the concentration and make the necessary
adjustments.
NOTE:
A nonchlorinated detergent is recommended for your dishwasher.
Rinse Aid
1. An optional rinse aid pump may be added for all models. Insert the labeled Rinse Aid
pickup tube into the rinse aid container. Contact your chemical supplier for adjustment to
ensure proper dosage.
Chemical Sanitizer
1. Model 401-LT is supplied with chemical sanitizer dispensing pump. Using a 5.25% or 8.4%
sodium hypochlorite solution, insert the labeled Chemical Sanitizer pickup tube into the
chemical sanitizer container. Have your chemical supplier set chemical dosage according to
local code.
2. Contact your chemical supplier for adjustment of the chemical sanitizer to ensure proper
dosage.
!

INSTALLATION
7
Completing Installation
1. Remove any foreign material from inside the machine.
2. Center the scrap screen over the sump opening.
3. Prime the booster using the following procedure (if applicable).
CAUTION:
To prime the booster, the following procedure must be followed AFTER the electrical
and plumbing connections have been made and water has been turned on.
a. Open the dishwasher door.
b. Make sure the On-Fill/Off-Drain switch is in the Off-Drain position.
c. Push the Detergent/Rinse prime switch “down” to the Rinse position.
d. Hold the prime switch in the Rinse position until you observe water entering the wash
tank. The water inlet port is on the lower right side of the tank interior.
e. Release the switch. You have completed the booster priming process.
WARNING:
Failure to prime the booster may cause damage to the booster
elements and other electrical components and will void the
warranty.
4. Check the machine for water leaks by depressing the ON/FILL switch on the front panel,
then close and latch the door. This allows the tank to automatically fill by using the rinse
cycle. Check for leaks.
5. Open the door and check the water level. The water level should be 1/2" over the scrap
screen.
6. Depress the OFF/DRAIN switch, close and latch the door to drain the machine. This allows
the machine to complete the 105-second wash and drain cycle. Check the drain plumbing
for leaks or kinks in drain hose.
7. Replace the front panel. Installation is now complete.
!
!
IN
CYCLE
OFF
DRAIN
ON
FILL DET
RINSE
00034

8
OPERATION
OPERATION
Operation Summary (See Timer Chart in back of manual)
The following is a summary of your Undercounter Dishwashing Machine operating cycle:
1. The cycle begins when you close and latch the door.
2. The green cycle lamp lights and the wash pump starts.
3. The pump runs during the wash cycle for approximately 80 seconds.
4. The wash pump stops, and the drain valve is opened.
5. After a 2-3 second pause, the pump drain cycle begins and continues for approximately 30
seconds.
6. After a 2-3 second pause, the fill valve opens, and the pump starts for the rinse cycle.
7. Within approximately 25 seconds, the rinse cycle is complete. The pump stops, the green
cycle lamp turns off, and the cycle is complete.
8. Open the door and remove the rack of clean ware. The door must remain open for 5
seconds to allow the timer to reset before starting another cycle.
Daily Operation Procedures
The operation of your dishwasher will be more efficient when these procedures are followed:
1. Check that the spray arm and scrap screen are in place.
2. Close and latch the door. Push the ON/FILL switch to the ON position. The tank will begin
filling with water. This procedure is followed only when the tank is empty.
3. When the tank is full, check the wash tank temperature gauge. Minimum wash temperatures
are:
• 401-HT, 401-HTN - 66°C/150°F.
• 401-LT - 60°C/140°F.
CAUTION:
If the wash water temperature falls below the minimums listed
above, you must run an empty cycle to refill with fresh hot water.
4. Scrap and preflush all items to be washed, and load the items into the rack. DO NOT
OVERLOAD the rack. Wash only one layer of silverware in a rack.
5. Open the door and insert the rack into the machine.
6. Close and latch the door. This will start the wash cycle. The green cycle lamp located on the
front control panel will light. This lamp will remain on until the entire wash and rinse cycle
are completed.
!

9
OPERATION
NOTE:
The machine may be stopped at any time by opening the door. When restarted, the cycle
does not start over. It will continue from the point at which it was interrupted.
7. Check the rinse temperature during the final rinse (120 seconds into cycle). The rinse
temperature must be 82°C/180°F minimum for models 401-HT and 401-HTN and
60°C/140°F for model 401-LT.
8. The pump will automatically stop and the green cycle light will turn off indicating the cycle
is completed.
9. Open the door and remove the rack.
10. Repeat steps 4-9 for additional cycles. Machine operation is automatic.
11. CLEAN the scrap screen after every meal period. During heavy usage, the scrap screen
should be cleaned more frequently.
CAUTION:
Poor machine performance and/or damage to the machine can occur if the scrap
screen becomes clogged with soil or waste particles.
12. To drain water out of the tank at the end of each day. Flip OFF/DRAIN switch to DRAIN
position. Close and latch door. Machine will drain completely in approximately 105
seconds.
CAUTION:
DO NOT LEAVE WATER IN THE TANK OVERNIGHT. Water left in the tank
overnight will allow harmful chemicals to deteriorate the tank.
!
!

10
MAINTENANCE
MAINTENANCE
The efficiency and life of your machine is increased by regularly scheduled preventive
maintenance. A well maintained machine gives better results and service. An investment of a few
minutes of daily maintenance will be worthwhile.
The best maintenance you can provide is to keep your machine clean. Components that are not
regularly cleaned and flushed will clog and become inoperative.
Intervals shown in the following schedules represent an average length of time between
necessary maintenance. Maintenance intervals should be shortened whenever your machine is
faced with abnormal working conditions, hard water, or multiple shift operations.
Cleaning Schedule
•Daily-Every 8 Hours
1. Depress the OFF/DRAIN switch to OFF and close and latch the door to drain the
tank.
2. Open the door and remove the lower spray arm by unscrewing the knurled fastener.
3. Remove the scrap screen carefully to keep soil or waste particles from falling into the
sump. Remove any material caught in pump intake.
4. Clean inside the tank with clean water. Backflush the scrap screen until it is clean. Do
not strike the screen against solid objects.
5. Clean the wash arm to remove any debris from spray openings. Do not strike the spray
arm against solid objects.
6. Reinstall the scrap screen and spray arm.
7. Leave the door open overnight to allow drying.
8. Report any unusual conditions to your supervisor.
•Meal Periods
1. Clean the scrap screen after every meal period and more frequently during heavy
usage. Do not allow the scrap screen to become clogged with soil or waste particles.

11
MAINTENANCE
Deliming
Your dishwasher should be delimed regularly as required. This will depend on the mineral
content of your water.
Inspect your machine interior for lime deposits. If deliming is required, a deliming agent should
be used for best results.
If you have the chemical sanitizing model (401-LT), carefully follow the following procedure
before deliming:
DANGER:
Deliming solution or other acids must not come in contact with household bleach (sodium
hypochlorite) or any chemicals containing chlorine, iodine, bromine, or fluorine. Mixing
will cause hazardous gases to form. Skin contact with deliming solutions can cause severe
irritation and possible chemical burns. Consult your chemical supplier for specific safety
precautions.
1. Remove the sanitizer tube from the container. Place the tube into a container of hot water.
2. Depress and hold the SANITIZER prime switch (located on the front panel) until all
sanitizer has been purged from the hoses.
3. Close the door and depress the door latch. Complete two operating cycles to purge the
machine of all sanitizer.
Deliming Procedure
Complete the following procedure to delime your machine:
1. Add the delime chemical to wash the tank (per chemical supplier specifications).
2. Close and latch the door.
3. The dishwasher will complete a regular cycle.
4. Check the deliming results and repeat if necessary per the chemical supplier’s
specifications.
5. Operate the dishwasher for at least four complete cycles to purge the machine of any
deliming chemicals.
6. For chemical sanitizing Model 401-LT, re-prime sanitizer chemical line and run an
additional cycle to flush any excess sanitizer from machine.
7. Drain the dishwasher. Deliming is complete.
!

12
MAINTENANCE
Maintenance Schedule
• As Required
1. Check the temperature gauge reading.
2. Check the chemical supplies and refill as necessary.
• Weekly
1. Inspect all water lines for leaks and tighten them at joints if required.
2. Clean all detergent residue from the exterior of the machine.
3. Check the drain for leaks.
4. Remove and closely inspect the spray arm for blockage.
5. Check for damage to the scrap screen. Ineffective screening can cause wash system
failures, or poor washing results.
6. Clean the detergent, sanitizer, and rinse aid supply tubes (if equipped). Complete the
following procedure:
a. Remove the detergent, sanitizer, and rinse aid pick-up tube(s) from the
container(s). Place the tube(s) into a container of hot water.
b. Ensure ON/OFF switch is in the ON position depress and hold the DET prime
switch (located on the front panel) until clear water enters the tank through the
fill air gap (located on the right side of the tank).
c. If your machine is equipped with a sanitizer and/or rinse aid pump, follow the
same procedure by pressing the SANITIZER and/or the RINSE AID prime
switch until clear water enters the tank through the fill air gap.
d. When completed, remove the pickup tubes from the hot water and reinsert them
into the correct chemical containers. Repeat the priming procedures to ensure
that chemicals have filled the tubes for the next operating period.
e. Run a complete cycle to flush chemicals from the tank.

13
TROUBLESHOOTING
TROUBLESHOOTING
Before determining any specific cause of a breakdown or abnormal operation of your dishwasher,
check that:
1. Power supply is turned on. All switches are ON.
2. Wash arm is clean.
3. Scrap screen is properly positioned and clean.
4. Thermostat is at the correct setting.
5. Sanitizer, detergent, and rinse additive dispensers (if equipped) are adequately filled.
6. All plumbing valves are open and drain hose is not kinked.
If a problem still exists, use the following table for troubleshooting.
CONDITION CAUSE SOLUTION
Machine will not start Door not closed and latched. . . . . . . . Make sure door is fully latched
Main switch off, or unit unplugged . . Check disconnect or plug into outlet
Low or no water Main water supply is turned off . . . . Turn on house water supply
Water level setting low. . . . . . . . . . . . Adjust water level
Chemical not feeding No chemical in container . . . . . . . . . . Replace or fill container
Feed tubes to/from chemical . . . . . . . Clear obstruction and flush
pump clogged with hot water
Screen on feed tube clogged. . . . . . . . Clean and replace
Tubing kinked or split . . . . . . . . . . . . Straighten or replace tubing
Water temperature Incoming water temperature. . . . . . . . Raise house supply temperature to
is low when in use at machine too low 60°C/140°F for all machines
Insufficient pumped spray Clogged spray arm . . . . . . . . . . . . . . . Clean
pressure Scrap screen full. . . . . . . . . . . . . . . . . Must be kept clean and in place
Low final rinse temperature Low incoming water. . . . . . . . . . . . . . Check the booster - be sure the
temperature thermostat is set to maintain 66°C/180°F
temperature (401-LT is 60°C/140°F)
(Check all valves to be
sure they are clean and operating)
Poor washing results Detergent dispenser not . . . . . . . . . . . Contact service agent
operating properly
Insufficient detergents . . . . . . . . . . . . Check dosage
Check and fill
Contact detergent supplier
Detergent setting too low . . . . . . . . . Contact detergent supplier
Wash water temperature too low . . . . See above booster temperatures, run cycle
Wash arm clogged . . . . . . . . . . . . . . . Clean wash arm
Improperly scraped dishes . . . . . . . . . Check scraping procedures
Ware being improperly. . . . . . . . . . . . Use proper racks - do not overload
placed in rack racks
Improperly cleaned . . . . . . . . . . . . . . Unclog wash arm to maintain
equipment proper pressure and flow conditions
No water in wash well Opening door prior. . . . . . . . . . . . . . . Close and latch door. Wait for green light
to cycle completion to go out before opening door.
Water supply is turned off . . . . . . . . . Turn on supply
No water in wash tank Door not latched. . . . . . . . . . . . . . . . . Latch door
after activating the Wait for wash tank to fill
ON/FILL switch

THIS PAGE
INTENTIONALLY
LEFT BLANK

15
REPLACEMENT PARTS
REPLACEMENT
PARTS

16
REPLACEMENT PARTS
12
12
12
11
10
00050
96
5
4
3
7
2
1
8
Figure 1 — Track and Panel Assembly

17
REPLACEMENT PARTS
TRACK AND PANEL ASSEMBLY
Fig. 1 Part Description Qty
Item No. No.
1 0508751 Screw, 10-32 x 1-1/2" Lg. Truss Head ....................................... 2
20309572 Front Panel ................................................................................. 1
3 0501413 Screw, 10-32 x 3/8" Lg. Round Head......................................... 2
4 0501415 Screw, 10-32 x 5/8" Lg. Round Head......................................... 4
50308632 Track, RH ................................................................................... 1
60308631 Track, LH ................................................................................... 1
7 0708647 Cover, Vent................................................................................. 2
80308736 Panel, LH Side ........................................................................... 1
90308734 Panel, Rear ................................................................................ 1
10 0308737 Panel, RH Side .......................................................................... 1
11 0308735 Panel, Top .................................................................................. 1
12 0501412 Screw, 10-32 x 3/8" Lg. Truss Head .......................................... 10

18
REPLACEMENT PARTS
1
2
3
5
78
9
10
11
12
13 14
15
16
17
18
15
1
6
4
1
00020
Figure 2 — Door and Switch Assembly

19
REPLACEMENT PARTS
DOOR AND SWITCH ASSEMBLY
Fig. 2 Part Description Qty
Item No. No.
1 0501412 Screw, 10-32 x 3/8" Truss Head................................................. 6
20308596 Plate, Door Latch........................................................................ 1
30308597 Handle, Door Latch.................................................................... 1
40508721 Retaining Ring, Plunger............................................................. 1
50709462 Assembly, Door Catch (Includes items 4, 6).............................. 1
60509436 Plunger, Door Catch................................................................... 1
70508545 Gasket, Steam............................................................................. 2
8 104883 Screw, Round Head (6-32 x 3/8") .............................................. 2
90709431 Plate, Door Switch...................................................................... 1
10 111090 Switch, Door Magnetic Reed ..................................................... 1
11 0508544 Gasket, Upper Door.................................................................... 1
12 0508543 Gasket, Side Door ...................................................................... 2
13 0501539 Nut, Plain 1/4-20 ........................................................................ 2
14 0503715 Spring, Door Hinge .................................................................... 2
15 0501421 Bolt, 1/4-20 x 1-1/4" Hex Head ................................................. 4
16 0708564 Arm, Door Hinge........................................................................ 2
17 0501501 Washer, Lock 1/4" Split ............................................................. 2
18 0708527 Door............................................................................................ 1
-0508555 Wiring, Harness, Door Switch ................................................... 1
-0708526 Door Assy. (includes items 1-6, 18)

20
REPLACEMENT PARTS
THERMOMETER
(CALLED OUT IN
CONTROL BOX)
TO PUMP
10
11
9
8
11
7
6
5
12
TO DRAIN
1
4
3
2
00037
Figure 3 — Tank/Drain Assembly

21
REPLACEMENT PARTS
TANK/DRAIN ASSEMBLY
Fig. 3 Part Description Qty
Item No. No.
10508628 Scrap Screen............................................................................... 1
2201029 Locknut, 1/2 NPT Nickel-Plated................................................ 1
30501836 O-Ring, Thermometer................................................................ 2
40508872 Adapter, Thermometer ............................................................... 1
50501539 Nut, Plain 1/4-20 ........................................................................ 2
60501501 Washer, Lock, 1/4" Split............................................................. 2
70308611 Support, Drain Valve.................................................................. 1
80306618 Valve, Drain................................................................................ 1
9 0501418 Screw, 1/4-20 x 1/2" Lg. Round Head ....................................... 2
10 0507265 Hose, 5/8
" ID x
7/8
" OD PVC Braided (3 ft.)
.............................. 2
11 0510082 Clamp, hose................................................................................ 2
12 0509302 Hose 5/8" ID x 1" OD Braided PVC.......................................... 1

22
REPLACEMENT PARTS
TANK
BOTTOM
12
14
13
11
10
9
8
7
6
5
4
23
1
00005
Figure 4 — Pump Assembly

23
REPLACEMENT PARTS
PUMP ASSEMBLY
Fig. 4 Part Description Qty
Item No. No.
10508542 Spindle, Lower Wash Arm ......................................................... 1
2 0501431 Screw, 8-32 x 1-1/8" Round Head.............................................. 4
3 0501425 Screw, 8-32 x 5/8" Round Head................................................. 4
4 0502742 Housing, Top (No Hole)............................................................. 1
5 0502741 Diffuser....................................................................................... 1
6 0502704 Impeller ...................................................................................... 1
70502746 Adapter Plate, Suction................................................................ 1
80502745 Plate, Drain lnlet......................................................................... 1
9 0502703 O-ring ......................................................................................... 1
10 0502744 Propeller/Rotating Seal Assembly ............................................. 1
11 0502743 Mounting Plate/Seal Assembly (Includes Item 10).................... 1
12 0501881 Gasket, Pump ............................................................................. 1
13 0508665 Screw, 10-32 x 5/8" Hex Washer Head...................................... 8
14 0508570 Washer, Sealing Teflon............................................................... 8
*- 0508973 Pump/Motor Assembly (50/60 Hz, 220V) (Export machines) .. 1
*- 0710072 Pump/Motor Assembly (50/60 Hz (115V)................................. 1
-107966 Nut, Grip 10-32, SST (Not Shown) (For mounting Item 1)....... 1
* Motor not available as a separate repair part

TANK BOTTOM
PUMP
4
3
2
1
00038
24
REPLACEMENT PARTS
Figure 5 — Wash System Assembly

25
REPLACEMENT PARTS
WASH SYSTEM ASSEMBLY
Fig. 5 Part Description Qty
Item No. No.
10501563 Screw, #8 x 3/8" (Sheet Metal) Truss Head ............................... 4
20501684 Nut, Spray Arm Lock................................................................. 1
30705049 Wash Arm, Lower ...................................................................... 1
4 0508540 Bushing, Lower Wash Arm........................................................ 1

26
REPLACEMENT PARTS
8
7
THERMOSTAT
(CALLED OUT
IN CONTROL BOX)
TO FILL SYSTEM
10
2
12
3
4
5
6
9
11
12
13
14 16
15
17 19
18 20
9
21
21
22
23
00040
24
Figure 6 — Booster Assembly and Water Inlet Piping
(HT Only)

27
REPLACEMENT PARTS
BOOSTER ASSEMBLY AND WATER INLET PIPING
(HT ONLY)
Fig. 6 Part Description Qty.
Item No. No.
1 0509214 Hose, 1/2" I.D............................................................................. 3 ft.
20503679 Clamp, hose................................................................................ 2
3 0502653 Elbow, 3/8 MPT X1/2 Hose x 90°.............................................. 1
4 0508840 Bushing, reducing 3/4 NPT x 3/8 NPT Brass ............................ 1
5108954 Nut, grip 6-32 w/nylon insert..................................................... 2
6110562 Thermostat, high limit................................................................ 1
70509607 Tank, booster (tank only) ........................................................... 1
8 0501419 Bolt (1/4-20 x 1/2" Hex Hd)....................................................... 2
90501501 Washer, lock 1/4 split ................................................................. 2
10 0509526 Hose 1/2” x 7’ ............................................................................ 1
11 0502618 Coupler, 3/8 MPT x 1/2.............................................................. 1
12 0504952 Valve, solenoid (3/8 NPT).......................................................... 1
13 0502811 Repair kit, 3/8" valve.................................................................. 1
14 0505235 Coil, 115V 3/8" valve................................................................. 1
15 0504958 Flow washer, 3/8" valve ............................................................. 1
16 0509606 Elbow, reducing 1/2 MPT x 3/8 MPT 90° ................................. 1
17 0508817 Plug, pipe 1/8"............................................................................ 1
18 109985 O ring, gasket ............................................................................. 1
*19 111233 Heater element, 9KW (70° rise) 208/230V 1PH
(existing 70° rise) ....................................................................... 1
*19 0708753 Conversion Kit 410° to 70° Rise................................................ AR
20 111235 Heater element, 6KW (40° rise) 208/230V 1PH........................ 1
21 0501539 Nut, plain 1/4-20 ........................................................................ 6
22 107908 Cover, heater element................................................................. 1
23 0503718 Foot, adjustable .......................................................................... 4
24 100171 Bushing, reducing face 3/4" to 1/2" Brass (not shown) ............. 1
* When converting machine contact factory with serial number. Kit is supplied with new data
plate for machine. Factory will supply jumper settings for element at time of installation.

28
REPLACEMENT PARTS
Figure 7 — Water Inlet Piping
(HTN, LT Only)
1
2
3
5
6
11
12
13
14
15
14
10
7
8
9
2
2WATER
CONNECTIO
N
TO FILL
4
00049

29
REPLACEMENT PARTS
WATER INLET PIPING
(HTN, LT ONLY)
Fig. 7 Part Description Qty
Item No. No.
10503718 Foot, adjustable .......................................................................... 4
20503679 Clamp, hose................................................................................ 3
30502665 Hose, 1/2" I.D. clear braided (LT Only)..................................... 3 ft.
40509214 Hose, 1/2" I.D. white (HTN Only)............................................. 3 ft.
5 0502653 Elbow, 3/8 MPT x 1/2" Hose x 90° Brass.................................. 1
60504952 Valve, solenoid (3/8NPT)........................................................... 1
70502811 Repair kit, 3/8" valve.................................................................. 1
8 0505235 Coil, 115V 3/8" valve................................................................. 1
9 0504958 Flow washer, 3/8" valve ............................................................. 1
10 0501501 Washer, lock 1/4" split................................................................ 2
11 0501419 Bolt, 1/4-20 x1/2" Hex Hd ......................................................... 2
12 0300203 Clamp, valve support.................................................................. 1
13 0502618 Coupling, 3/8 MPT x 3/4" hose barb ......................................... 1
14 0505320 Washer, hose............................................................................... 2
15 0509526 Hose, coupled............................................................................. 1

30
REPLACEMENT PARTS
4
3
7
6
4
5
2
3
4
32
4
1
8
Beginning with S/N 5733 & Above
From Detergent Pump
(See Corresponding Pump For Hose)
From
Sanitizer
Rinse-aid
Pumps
RH Side
of Tank From Top of
Booster or
From Fill Valve
00039
Figure 8 — Fill System

31
REPLACEMENT PARTS
FILL SYSTEM
Fig. 8 Part Description Qty
Item No. No.
10502665 Hose, 1/2" I.D. Clear Braided (HTN, LT).................................. A/R
20501518 Tie Wrap, Hose........................................................................... 2
3106090 Bracket, Tie Wrap....................................................................... 2
4107966 Nut, Grip, 10-32 w/Nylon Insert................................................ 8
50509048 Gasket, Inlet Chute..................................................................... 1
60508867 Inlet Chute.................................................................................. 1
70501519 Tie Wrap, Chemical Hose .......................................................... 3
80509214 Hose, Fill 1/2" I.D. (White)........................................................ 3 ft.

32
REPLACEMENT PARTS
TO DETERGENT
SUPPLY
21
20
19
16
17
22
18 22
16
11
10
9
13
12
8
7
6
4
3
2
1
5
TO FILL
ASSY
15
14
00022
Figure 9 — Detergent Pump Assembly (optional)

33
REPLACEMENT PARTS
DETERGENT PUMP ASSEMBLY (OPTIONAL)
Fig. 9 Part Description Qty
Item No. No.
1 0503757 Motor, Pump............................................................................... 1
20308637 Bracket, Detergent Pump (except LT)........................................ 1
30308610 Bracket, Detergent/Sanitizer Pumps (LT) .................................. 1
4 N/A Screw, M4 x 35mm Hex Head ................................................... 4
5 0501412 Screw, 10-32 x 3/8" Lg. Truss Head .......................................... 2
6 N/A Housing, Pump........................................................................... 1
70501497 Washer, Lock #8 Split ................................................................ 2
8 0504822 Screw,8-32 x 1/2" Lg. Pan Head ................................................ 2
9 0501425 Screw, 8-32 x 5/8" Round Head................................................. 2
10 N/A Screw, Set M6 x 8mm ................................................................ 1
11 N/A Rotor Assembly.......................................................................... 1
12 108194 Hose, Pump ................................................................................ 1
13 N/A Cover, Pump Housing ................................................................ 1
14 N/A Washer, Flat M4 ......................................................................... 4
15 N/A Nut, Wing M4............................................................................. 4
16 0501519 Tie Wrap, Hose........................................................................... 2
17 0502667 Hose, Detergent, 1/4" I.D. PVC (Clear)..................................... A/R
18 0502644 Elbow, 1/4" O.D. x 90° Barbed.................................................. 2
19 0503695 Label, Detergent......................................................................... 1
20 0306363 Tube, Pick-Up ............................................................................ 1
21 0501869 Strainer, Pick-Up Tube............................................................... 1
22 0501519 Tie Wrap, Hose........................................................................... 2
-109829 Pump Head Assy. (includes items 4, 6, 10-15)
-0708559 Pump/Motor Assy. (includes items 1, 2, 4, 6-16, 18)

34
REPLACEMENT PARTS
TO CHEMICAL SUPPLY
14
13
12
11
10
10
15
9
8
7
6
5
2
3
1
4
DETERGENT
PUMP (SEE FIG. 9)
TO FILL
SYSTEM
00002
Figure 10 — Sanitizer/(Optional) Rinse-Aid Pump Assembly

35
REPLACEMENT PARTS
SANITIZER/(OPTIONAL) RINSE-AID PUMP ASSEMBLY
LT
Fig. 10 Part Description Qty
Item No. No.
1 0503756 Motor, Pump............................................................................... 1
20308610 Bracket, Detergent/Rinse Pump (Optional)................................ 1
30308697 Bracket, Sanitizer Pump............................................................. 1
4 0501412 Screw, 10-32 x 3/8" Lg. Truss Head .......................................... 2
50501497 Washer, Lock #8 Split ................................................................ 4
6 0504822 Screw, 8-32 x 1/2" Lg. Pan Head ............................................... 4
70707142 Rotor Assy.................................................................................. 1
80706635 Element Tube Assy (45cc/min).................................................. 1
9 0506589 Screw, 6-32 x 7/8" Lg. Pan Head ............................................... 2
10 0502666 Hose, 1/8" I.D. PVC (Clear)....................................................... A/R
11 0503694 Label, Sanitizer........................................................................... 1
12 0505483 Label, Rinse-Aid (Optional)....................................................... 1
13 0306363 Tube, Pick-Up ............................................................................ 1
14 0501869 Strainer, Pick-up Tube................................................................ 1
15 0501519 Tie Wrap, Hose........................................................................... 2
-0708561 Detergent Pump Assy. (HT & LT) (Optional)............................ 1
(lncludes Detergent Pump and Items 2, 5-9)
-0708754 Rinse-Aid Pump Assy. (Optional)
(Includes Items 1,3, 5-10, 12-15)

L1
L2
T2
T1
SL
UP
1
2
5
4
3
67
822
23
15 16 18 19
20
21
17
9
10
11
12
13 14
21
00033
36
REPLACEMENT PARTS
Figure 11 — Control Panel Assembly

37
REPLACEMENT PARTS
CONTROL PANEL ASSEMBLY
Fig. 11 Part Description Qty.
Item No. No.
*1 0708538 Timer assy (HT, HTN) (Includes items 2-5) .............................. 1
*1 0708590 Timer assy (LT only) (Includes items 2-5)................................. 1
2 0504956 Motor, timer................................................................................ 1
3 0501379 Switch, timer .............................................................................. A/R
4 0308644 Bracket, timer support................................................................ 1
5 0503701 Bearing, timer............................................................................. 1
6111703 Contactor, 2 pole 50A, 240V (401 HT only) (Booster) ............. 1
7 0508974 Relay, motor start (220V, 50Hz) .................................................
1
-
0509642
Relay
, motor start (220V, 60Hz) ..............
.................................. 1
8 0509428 Relay
, door safety switch (15A, 120V
AC coil).......................... 1
9 0501403 Screw (10-32 x 3/4 Rd Hd) ........................................................ 1
10 0501493 Washer, lock (#10 ext. tooth) ..................................................... 1
11 0501472 Washer, flat (#10 Brass) ............................................................. 2
12 0501533 Nut, plain (10-32 Brass)............................................................. 2
13 0503749 Board, terminal........................................................................... 1
14 0310330 Bracket, thermostat (401 HT only) ............................................ 1
15 109069 Thermostat, booster (401 HT only)............................................ 1
16 113622 Thermometer, 4 ft. Gas Filled (Replaces 108391) ..................... 1
17 0508551 Lamp, green................................................................................ 1
18 0501361 Switch, rocker (DPDT) .............................................................. 1
19 0501369 Switch, rocker (Spring return).................................................... 1
20 0509568 Label, switch, overlay ................................................................ 1
20 0509626 French label, switch overlay....................................................... 1
21 0501412 Screw (10-32 x 3/8" Truss Hd)................................................... 4
22 0309579 Panel (sheet metal only) ............................................................ 1
23 0504951 Block, terminal (3pole) (220V/50Hz)
........................................
1
-
109064
Transformer (Not Shown) (220V/50Hz)
....................................
1
-
106402
Block, fuse 600V
, 30A (Not Shown) (220V/50Hz)....................
1
-
107289
Fuse, 2.5 Amp, 250VAC (Not Shown) (220V/50Hz)................. 2
-
0308967
Box, transformer (220V/50Hz)
...............................................
1
-
0509645
Harness, Control Panel
(220V/50Hz)................................
1
-
107369
Contactor 25 FLA 2p 120V (Not Shown)(220V/50Hz).............. 1
- 0501358 Relay, motor start (115V, 50/60Hz)
............................................ 1

38
THIS PAGE
INTENTIONALLY
LEFT BLANK

39
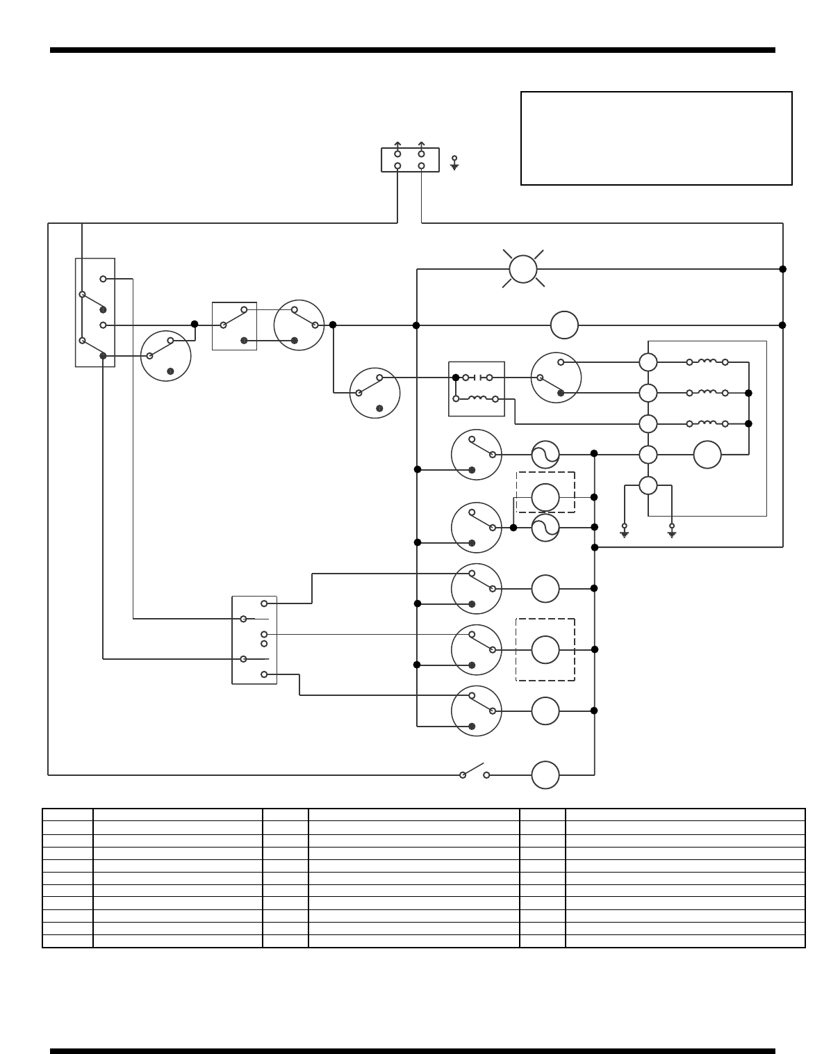
ELECTRICAL SCHEMATICS
ELECTRICAL
SCHEMATICS

40
ELECTRICAL SCHEMATICS
5
CAM 3
NC
34
4
5
CAM 8
NC
32
5
NO
35
4
NO
NC
NC 35
50
START CW
START CCW
MAIN
TP
CAM 4 D V
BHTR BOOSTER HEATER
BLK BLACK
BLU BLUE
CAM 1 HOMING
CAM 2 PUMP MOTOR
CAM 3 PUMP MOTOR REVERSING
CAM 4 DRAIN
CAM 5 FILL
CAM 6 RINSE
CAM 7 DETERGENT
CAM 8 CYCLE
CLT CYCLE ON LIGHT
PSDR PRIME SWITCH DETERGENT, RINSE
ICR RELAY
DDS DOOR SAFETY SWITCH
RM RINSE MOTOR (IF USED)
SRC CURRENT OPERATED START RELAY COIL
SS SERVICE SWITCH
TM TIMER MOTOR
TP THERMAL PROTECTOR
WHT WHITE
WHTR WATER HEATER
WTS WATER THERMOSTAT
CT CONTACTOR
CTC CONTACTOR COIL
DM DETERGENT MOTOR
DP DRAIN PUMP (IF USED)
DS DOOR SWITCH
DV DRAIN VALVE
EC/D EXTENDED CYCLE/DELIME
FV FILL VALVE
GND GROUND
GRN GREEN
HTLS HIGH LIMIT THERMOSTAT
MSW MAIN SWITCH ON/FILL OFF/DRAIN
17
8
17
16 16
8
8
22
CAM 6
NC
NO RM
(IF USED)
21
CAM 7
NO
NC
NC
DM
3
DSS
5
3
17
16
PSDR
26
CAM 2
NC
8NO
25
99
6
7
1CR
NO
NC CAM 1
NC
NO
33
8
NO 1
19
20
20
NO
NC
CAM 5
DP
F V
(IF USED)
12
NO
SRC
3WHT
3
GND
3
5
GND
GRN
4
15
DRAIN
14
BLK
3
RED
2
/RINSE
WASH
13
CLT
BLU
33
TM
1CR
3
3
3
TO CUSTOMER DISCONNECT SWITCH
MSW
NO 4
2
1
CUSTOMER TO SUPPLY RATED
VOLTAGE/PHASE/Hz, AS SPECIFIED
PER ORDER, TO DISCONNECT SWITCH.
ALL POWER SUPPLIED TO EACH CONNECTION
POINT MUST COMPLY WITH ALL LOCAL
ELECTRICAL CODES.
BHTR
CTC
2
4
1
2
3
BOOSTER TANK
28
WTS 30
29
1
NC
NO
CT
NC NO
NEUTRAL115V
230V
GND
31
HLTS 31
33
3
00041
M
SL
Figure 12 — Electrical Diagram, 401-HT

41
ELECTRICAL SCHEMATICS
BLK BLACK
BLU BLUE
CAM 1 HOMING
CAM 2 PUMP MOTOR
CAM 3 PUMP MOTOR REVERSING
CAM 4 DRAIN
CAM 5 FILL
CAM 6 RINSE
CAM 7 SANITIZER
CAM 8 DETERGENT
CAM 9 CYCLE
CLT CYCLE ON LIGHT
DM DETERGENT MOTOR
DP DRAIN PUMP (IF USED)
RL RELAY
DV DRAIN VALVE
FV FILL VALVE
GND GROUND
GRN GREEN
HTLS HIGH LIMIT THERMOSTAT
MSW MAIN SWITCH ON/FILL OFF/DRAIN
PSDR PRIME SWITCH DETERGENT, RINSE
CUSTOMER TO SUPPLY RATED
VOLTAGE/PHASE/Hz, AS SPECIFIED
PER ORDER, TO DISCONNECT SWITCH.
ALL POWER SUPPLIED TO EACH CONNECTION
POINT MUST COMPLY WITH ALL LOCAL
ELECTRICAL CODES.
00044
PSS PRIME SWITCH SANITIZER
ICR RELAY
DSS REED SWITCH
RM RINSE MOTOR (IF USED)
SRC CURRENT OPERATED START RELAY COIL
SM SANITIZER MOTOR
TM TIMER MOTOR
TP THERMAL PROTECTOR
WHT WHITE
WHTR WATER HEATER
WTS WATER THERMOSTAT
Figure 13 — Electrical Diagram, 401-HTN

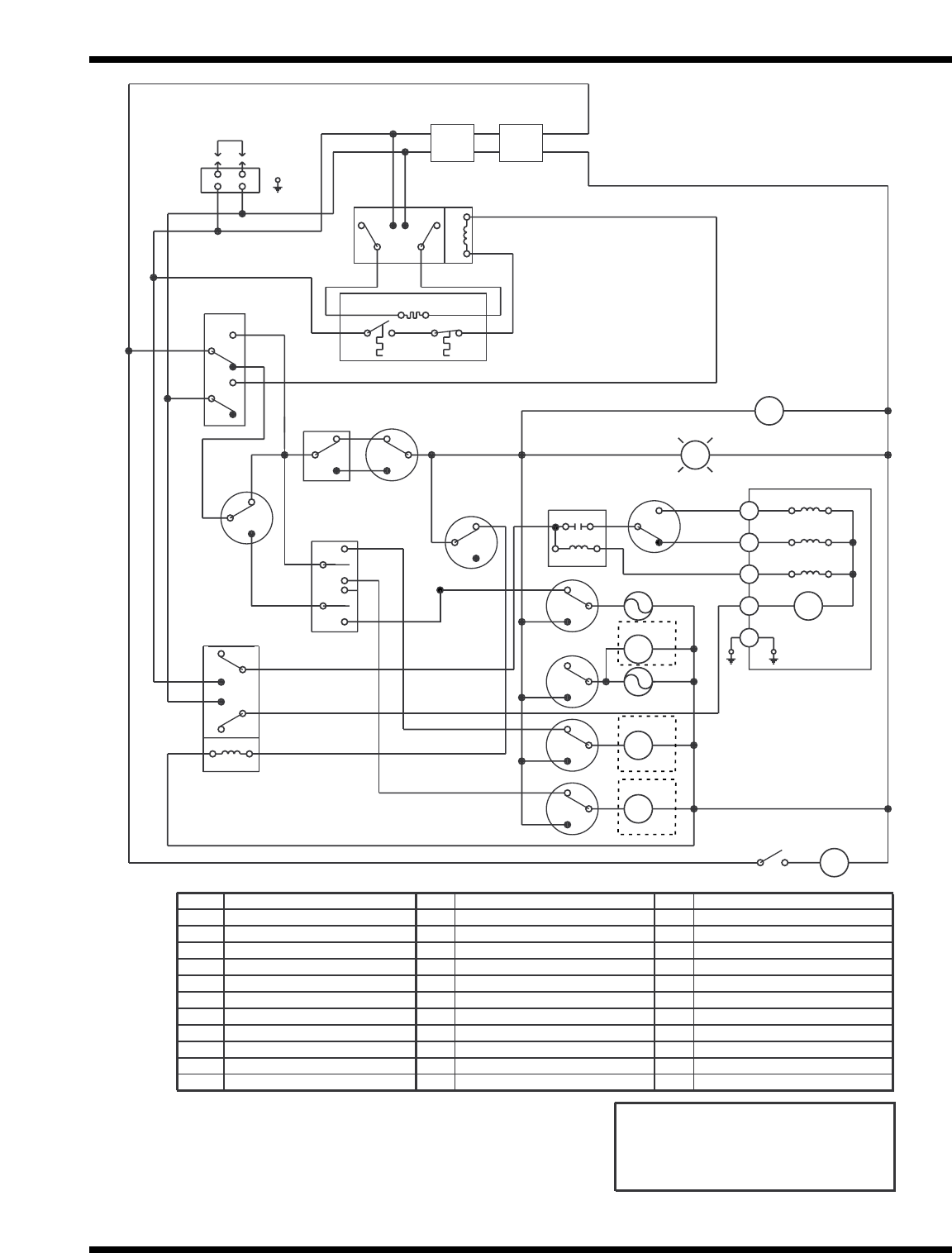
42
ELECTRICAL SCHEMATICS
NC
CAM 3
1
BLK BLACK
BLU BLUE
CAM 1 HOMING
CAM 2 PUMP MOTOR
CAM 3 PUMP MOTOR REVERSING
CAM 4 DRAIN
CAM 5 FILL
CAM 6 RINSE
CAM 7 SANITIZER
CAM 8 DETERGENT
CAM 9 CYCLE
8
8
NC
NC
NO
8
8
8
CAM 9
5
NC
NO
4
NC
1CR
NO
NO
8CAM 2
NC
8
NC7 CAM 1
6NO
9
8
PSS PRIME SWITCH SANITIZER
ICR RELAY
DSS REED SWITCH
RM RINSE MOTOR (IF USED)
SRC CURRENT OPERATED START RELAY COIL
SM SANITIZER MOTOR
TM TIMER MOTOR
TP THERMAL PROTECTOR
WHT WHITE
WHTR WATER HEATER
WTS WATER THERMOSTAT
2
23
50
DSS
CAM 7
NC
1CR
SM
22
18 NO
CAM 6
17
NC
NO (IF USED)
RM
2
2
CAM 8NC
16 NO 21 DM
20
CAM 4
NO
NC
NC
D V
20
(IF USED)
DP
2
2
GRN
2
GND
25
GND
14
13
CAM 5
NO
F V
19
9SRC NO
12
8TM
WHT
BLK
RED
15
24
3
DRAIN 2
TP
MAIN
START CCW
BLU
/RINSE
WASH
1START CW
2
CLT CYCLE ON LIGHT
DM DETERGENT MOTOR
DP DRAIN PUMP (IF USED)
RL RELAY
DV DRAIN VALVE
FV FILL VALVE
GND GROUND
GRN GREEN
HTLS HIGH LIMIT THERMOSTAT
MSW MAIN SWITCH ON/FILL OFF/DRAIN
PSDR PRIME SWITCH DETERGENT, RINSE
TO CUSTOMER RECEPTACLE
115V 60Hz
MSW
1
NO
1
12
8CLT
GND
2
WHT
BLK
PSS
34
17
4PSDR 16
CUSTOMER TO SUPPLY RATED
VOLTAGE/PHASE/Hz, AS SPECIFIED
PER ORDER, TO DISCONNECT SWITCH.
ALL POWER SUPPLIED TO EACH CONNECTION
POINT MUST COMPLY WITH ALL LOCAL
ELECTRICAL CODES.
00045
LS
M
Figure 14 — Electrical Diagram, 401-LT

43
ELECTRICAL SCHEMATICS
TO CUSTOMER DISCONNECT SWITCH
230V
115 VAC
COIL
GND
2
21
1
1
12
2
15
3
4
4
6
7
4
1
3
3
40
41
99
16
17
16 16
8
33
550
3
5
4
3
1
2
3
3
341
8
17
3
40
41
17
19
15
33
3
3
3
33
31
30
31
29
28
14
13
12
22
21
20
20
26
25
Cam 7
1CR
DSS
GND
GND
CLT
SRC
TP
TM
GRN
WHT
BLK
RED
DRAIN
Wash/
Rinse BLU
Main
Start CCW
Start CW
DM
DP
RM
DV
FV
(If used)
(If used)
Cam 4
Cam 5
Cam 3
Cam 6
5
5
5
MSW
NO
NO NO
NC NC
NO
NO
HLTS
WTS
CT
FUSE XFMR 115 VAC
CTC
BOOSTER TANK
BHTR
NO
NC
NC
NC
NC
NC
NC
NC
NO
NC
NO
NC
NO
NC
NO
NC
NO
NC
NO
NO
NO
NO
Cam 8
Cam 1
Cam 2
NC
35
33
35
34
2
PSDR
2
1CR
8
40 9 LS
M
8
88
(If used)
MSW MAIN SWITCH On/Fill- Off/Drain
BHTR BOOSTER HEATER
CTC CONTACTOR COIL
CT CONTACTOR
SS SERVICE SWITCH
PSDR Prime Switch, Detergent/Rinse
DS DOOR SWITCH
GRN GREEN
BLU BLUE
WHT WHITE
BLK BLACK
GND GROUND
FV FILL VALVE
DP DRAIN PUMP (IF USED)
DV DRAIN VALVE
DM DETERGENT MOTOR RM RINSE MOTOR (IF USED)
WHTR WATER HEATER
HTLS HIGH LIMIT THERMOSTAT WTS WATER THERMOSTAT
TP THERMAL PROTECTOR
SRC Current Operated Start Relay
TM TIMER MOTOR
CAM 8 CYCLE
CAM 7 DETERGENT
CAM 6 RINSE
CAM 5 FILL
CAM 4 DRAIN
CAM 3 PUMP MOTOR REVERSING
CAM 2 PUMP MOTOR
CAM 1 HOMING
CLT CYCLE ON LIGHT
1CR RELAY
DDS DOOR SAFETY SWITCH
0509643B CUSTOMER TO SUPPLY RATED VOLTAGE/
PHASE/HZ, AS SPECIFIED PER ORDER, TO
DISCONNECT SWITCH. ALL POWER SUPPLIED
TO EACH CONNECTION POINT MUST
COMPLY WITH ALL LOCAL ELECTRICAL CODES.
00048
25
25
Figure 15 — Electrical Diagram, 401-HT (50 Hz)

44
ELECTRICAL SCHEMATICS
Figure 16 —- Electrical Diagram, 401-HT, HTN
010 20 30 40 50 60 70 80 90 100 110 120 130 140
TIME IN SECSCAM
1
2
2
3
4
5
6
7
8
WASH PUMP
WASH PUMP
WASH PUMP
REVERSING CAM
DRAIN VALVE
FILL VALVE
RINSE
DETERGENT
AUTO-FILL
HOMING
CAM
PUMP
DRAIN
PUMP
TIMING CHART 401-HT
150
FORWARD=WASH
REVERSE=DRAIN
DRAIN PUMP
OPTIONAL
TIMER ASSEMBLY 401-HT
SYNCHRON
87654321
TIMER MOTOR
LOCKING SCREW
TIMER
SWITCH
DETAIL
N
CN
O
COM.
00042

45
TIMING CHARTS
Figure 17 —Timer Chart and Diagram, 401-LT
TIMING CHART 401-LT
9
010 20 30 40 50 60 70 80 90 100 110 120 130 140
TIME IN SECSCAM
1
2
2
3
4
5
6
7
8
WASH PUMP
WASH PUMP
WASH PUMP
REVERSING CAM
DRAIN VALVE
FILL VALVE
RINSE
DETERGENT
AUTO-FILL
HOMING
CAM
PUMP
DRAIN
PUMP
SANITIZER
PUMP
150
FORWARD=WASH
REVERSE=DRAIN
DRAIN PUMP
TIMER ASSEMBLY 401-LT
SYNCHRON
8
97654321
TIMER MOTOR
LOCKING SCREW
TIMER
SWITCH
DETAIL
N
CN
O
COM.
00043