Mtd Ym Cultivator Users Manual YM120 Cult 21B 120R000
YM CULTIVATOR to the manual 41ec2bf7-eac7-a374-a59d-fa6fff8ab2cb
2015-02-04
: Mtd Mtd-Ym-Cultivator-Users-Manual-373702 mtd-ym-cultivator-users-manual-373702 mtd pdf
Open the PDF directly: View PDF
.
Page Count: 2

Item Part No. Description
1791-182059 Air Cleaner/Muffler Cover Assembly
(includes 2 & 41)
2791-180350 Air Cleaner Filter
3791-180351 Carburetor Mounting Screw Assembly
4791-180226 Wavey Washer
5791-182160 Choke Lever Assembly (includes 6)
6791-182161 Choke Knob and Screw
7791-182162 Choke Lever and Plate (includes 4 & 5)
8791-182875 Carburetor Assembly (includes 9 & 21)
9791-610675 Carburetor Gasket
10 791-181860 Carb Mount Screw
11 791-181801 Primer and Hose Assembly
12 753-1196 Carb Mount Assembly (includes 10 & 15)
13 791-684451 Reed Assembly
14 791-182790 Power Shaft Assembly
15 753-1208 Carburetor Mount Gasket
16 791-182791 Crank Case Service Assembly
(includes 10, 14 & 24)
17 791-612134 Rear Mounting Pad
18 753-04306 Fuel Tank Assembly (includes 19-21)
19 753-04084 Fuel Cap Assembly
20 791-181168 Fuel Return Line
21 791-682039 Fuel Line Assembly
22 791-145308 Front Mounting Pad
23 791-683065 Shroud Assembly
24 791-181861 Shroud Screw
25 791-182064 Shroud Extension and Stand
26 791-182736 Flywheel Assembly
27 791-181065 Spacer
28 753-04232 Recoil Pulley Assembly
29 791-613102 Recoil Spring
30 791-181441 Pulley Retainer Assembly
31 791-611061 Rope Guide
32 791-180317 Fuel Tank Guard Assembly
33. 791-181079 Pull Handle
34. 791-613103 Rope
35. 791-181912 Housing Screw
Item Part No. Description
36 791-182776 Starter Housing Assembly
(includes items 28-31, 33-35 & 41)
37 791-182368 Clutch Washer
38 791-182369 Clutch Rotor Assembly
39 791-153592 Clutch Drum Assembly
40 791-180098 Clutch Cover Assembly (includes 41)
41 791-181345 Clutch Cover Screw
42 791-153597 Upper Clamp Assembly
43 791-181937 Module Assembly
44 791-181580 Wire Lead
45 791-610311 Spark Plug
46 753-04159 Exhaust Gasket
47 791-182174 Muffler Assembly (includes 46 & 48)
48 791-182464 Muffler Mounting Bolt Assembly
49 753-1206 Cylinder Assembly (includes 51 & 52)
50 753-1207 Piston and Rod Assembly
51 753-1197 Cylinder Gasket
52 791-182723 Cylinder Bolt
*753-04134 Engine Gasket Kit
*791-180090 O.E.M. Carburetor Repair Kit
*791-180091 Gasket-Diaphragm Repair Kit
*753-1209 Piston Ring
*753-1210 Short Block Assembly
(includes 10, 24, 14, 15, 45, 49-52)
*791-181599 Clutch Springs (Qty. 2)
*not shown
41
12
38
10
12
34
5
7
6
11
13
14
15
50
51
20
52 22
17 18
19
21
37 38
39
40
4241
32
33
26
27 28 30
41
34
36 35
30
25
44
29
43
49
45
46
47
48
24
31
23
9
Issued 12/02
ENGINE PARTS - MODEL YM CULTIVATOR
2-CYCLE GAS CULTIVATOR
PPN 21B-120R000
16

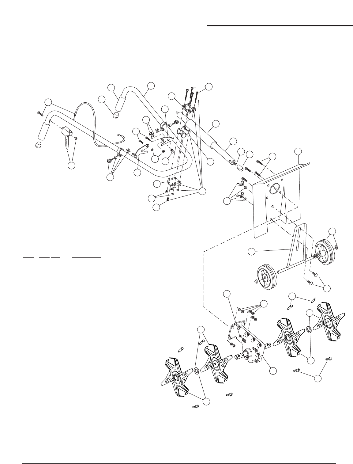
Item Part No. Description
1791-181573 Throttle Trigger and Cable Assembly
2791-180942 Handle Bar w/Clamp Assemblies (includes 3-5)
3791-612831 Grip
4791-612021 Tube Closure
5791-181503 Clamp Assembly
6791-147501 Engine Bracket Mounting Hardware
7791-181574 Engine Mount Bracket, R.H.
8791-181504 Engine Mount Bracket, L.H.
9791-682035 Switch Assembly
10 791-683295 Handle Bracket Assembly(includes 11-16)
11 791-181811 Screw
12 791-181812 Upper Handle Clamp
13 791-181813 Middle Handle Clamp
14 791-181814 Lower Handle Clamp
15 791-181815 Nut
16 791-145569 Anti-Rotation Screw
17 791-181575 Grip
18 791-180943 Drive Shaft Housing Assembly
19 791-181577 Flexible Drive Shaft
20 791-181578 Retainer Sleeve (includes 21)
21 791-180288 Sleeve Retainer Bolt
22 791-147467 Wheel Bracket Mounting Hardware
23 791-182781 Guard
24 791-181579 Guard Mounting Hardware
25 791-180320 Wheel Bracket Assembly
26 791-180944 Wheel Assembly
27 791-147473 Tine Fastener Assembly
28 791-182729 Tine Assembly (Left Outer or Right Inner)
29 791-182730 Tine Assembly (Left Inner or Right Outer)
30 791-147474 Gear Box Assembly
*not shown
ENGINE PARTS - MODEL YM CULTIVATOR
2-CYCLE GAS CULTIVATOR
PPN 21B-120R000
14
32
1
57
6
9
6
8
12
9
10
15
14
16
13
11
17
18
19 20
22
24 23
25
26
22
27
24
21
28
29
30 27
29
28
Issued 12/02