Multi Tech Systems 92U03G23710 GSM Modems User Manual User Guide
Multi Tech Systems Inc GSM Modems User Guide
User Guide

SocketModem™ GSM/GPRS
Embedded Data/Fax Wireless Modem
MTSMC-G-F1 – Global GSM/GPRS Class 10, 900/1800 MHz
MTSMC-G-F2 – Global GSM/GPRS Class 10, 850/1900 MHz
Developer’s Guide

Global SocketModem GSM/GPRS Developer’s Guide
MTSMC-G-F1 – GSM/GPRS Class 10, 900/1800 MHz
MTSMC-G-F2 – GSM/GPRS Class 10, 850/1900 MHz
PN S000297A, Version A
Copyright
This publication may not be reproduced, in whole or in part, without prior expressed written permission
from Multi-Tech Systems, Inc. All rights reserved.
Copyright © 2003, by Multi-Tech Systems, Inc.
Multi-Tech Systems, Inc. makes no representations or warranties with respect to the contents hereof and
specifically disclaims any implied warranties of merchantability or fitness for any particular purpose.
Furthermore, Multi-Tech Systems, Inc. reserves the right to revise this publication and to make changes
from time to time in the content hereof without obligation of Multi-Tech Systems, Inc. to notify any person
or organization of such revisions or changes.
Revisions
Revision Level Date Description
A06/09/03 Initial release.
Patents
This device covered by the following patent: 5,673,268
Trademarks
Multi-Tech Trademarks: SocketModem, Multi-Tech, and the Multi-Tech logo.
All other products and technologies are the trademarks or registered trademarks of their respective
holders.
World Headquarters
Multi-Tech Systems, Inc.
2205 Woodale Drive
Mounds View, Minnesota 55112
Phone: 763-785-3500 or 800-328-9717
Fax: 763-785-9874
Technical Support
Country By Email By Phone
France: support@multitech.fr (33) 1-64 61 09 81
India: support@multitechindia.com 91 (124) 6340778
U.K.: support@multitech.co.uk (44) 118 959 7774
U.S. and Canada: oemsales@multitech.com (800) 972-2439
Rest of the World: oemsales@multitech.com (763) 717-5863
Internet Address: http://www.multitech.com

Table of Contents
3
Table of Contents
CHAPTER 1 – PRODUCT DESCRIPTION AND SPECIFICATIONS..........................................................4
PRODUCT DESCRIPTION ............................................................................................................................... 4
APPLICATIONS..............................................................................................................................................4
PRODUCT FEATURES.................................................................................................................................... 5
FEATURE DETAILS........................................................................................................................................5
DEVELOPER’S KIT ........................................................................................................................................5
TECHNICAL SPECIFICATIONS.........................................................................................................................6
RELATED MANUALS...................................................................................................................................... 6
ADDITIONAL INFORMATION............................................................................................................................6
CHAPTER 2 – MECHANICAL SPECIFICATIONS ......................................................................................7
PHYSICAL DIMENSIONS................................................................................................................................. 7
PIN CONFIGURATIONS ..................................................................................................................................8
Pin Descriptions...................................................................................................................................... 8
CHAPTER 3 – ELECTRICAL CHARACTERISTICS ...................................................................................9
I/O ELECTRICAL CHARACTERISTICS .............................................................................................................. 9
POWER CONSUMPTION.................................................................................................................................9
SIM INTERFACE ELECTRICAL CHARACTERISTICS ......................................................................................... 10
HANDLING PRECAUTIONS ...........................................................................................................................10
CHAPTER 4 – SOCKETMODEM INTERFACES.......................................................................................11
FLASHING LED ..........................................................................................................................................11
SIM INTERFACE .........................................................................................................................................11
RF INTERFACE........................................................................................................................................... 12
RF Connector .......................................................................................................................................12
RF Performances.................................................................................................................................. 12
Receiver Features ................................................................................................................................ 12
Transmitter Features ............................................................................................................................ 12
CHAPTER 5 – SOCKETMODEM TEST BOARD ......................................................................................13
SERIAL TEST/DEMO BOARD COMPONENTS..................................................................................................13
SERIAL TEST/DEMO BOARD BLOCK DIAGRAM ..............................................................................................14
CHAPTER 6 – APPLICATION CONSIDERATIONS..................................................................................15
GENERAL GUIDELINES FOR THE USE OF THE SOCKETMODEM.......................................................................15
Hardware and RF ................................................................................................................................. 15
The Antenna .........................................................................................................................................15
Soldering and Cleaning the SocketModem ..........................................................................................15
FIRMWARE UPGRADE .................................................................................................................................15
INITIAL CONFIGURATION USING MOBILE PHONETOOLS.................................................................................15
APPENDIX A – SAFETY PRECAUTIONS & REGULATORY STANDARDS COMPLIANCE.................. 16
SAFETY PRECAUTIONS ...............................................................................................................................16
RF Safety..............................................................................................................................................16
General Safety...................................................................................................................................... 17
General Safety Standards ....................................................................................................................18
RF Exposures.......................................................................................................................................18
Instructions to OEMs ............................................................................................................................18
REGULATORY STANDARDS COMPLIANCE ..................................................................................................... 19
GSM compliance ..................................................................................................................................19
APPENDIX B – SOURCES FOR PERIPHERAL DEVICES ......................................................................20
GSM ANTENNA.......................................................................................................................................... 20
APPENDIX C – AT COMMAND LIST ........................................................................................................ 21
APPENDIX D – ACRONYMS AND ABBREVIATIONS .............................................................................25
INDEX .........................................................................................................................................................26

Chapter 1 – Product Description and Specifications
4
Chapter 1 – Product Description and
Specifications
Product Description
The Multi-Tech SocketModem GSM/GPRS is a complete, ready-to-integrate, embedded wireless modem.
Designed for global use, it offers standards-based multi-band GSM/GPRS Class 10. The SocketModem
GSM/GPRS is based on industry-standard open interfaces and utilizes the same form factor as the
SocketModem, SocketModem IP, or SocketEthernet IP modules from Multi-Tech.
Multi-Tech’s Wireless SocketModem GSM/GPRS
Product Description Region
MTSMC-G-F1 GMS/GPRS Class 10, 900/1800 MHz Global
MTSMC-G-F2 GMS/GPRS Class 10, 850/1900 MHz Global
Applications
The GSM/GPRS SocketModems are used to integrate wireless data and fax communications into
numerous embedded applications. They are targeted at applications that periodically need to send or
receive data over a wireless network and are ideal solutions for:
· Appliances
· ATM terminals
· Automotive
· Data collection
· Gas pumps
· Industrial and medical remote monitoring systems
· Remote diagnostics
· Remote metering
· Security systems
· Vending/gaming machines
· Other devices requiring wireless connectivity

Chapter 1 – Product Description and Specifications
5
Product Features
· GPRS Class 10
· Dual-band 850/1900 or 900/1800 GSM/GPRS
· GSM Class 1 and Class 2 Group 3 FAX
· Short Message Services features including text and PDU, point to point, cell broadcast
· 14.4K GSM circuit switched data
· MMCX antenna connector and SIM socket
· Serial interface supports DTE speeds to 115.2K
· AT command compatible*
· V.42bis data compression
· ME + SIM phone book management
· Fixed dialing number
· SIM Toolkit Class 2
· SIM, network and service provider locks
· Real time clock
· Alarm management
· UCS2 character set management
*AT Commands - AT commands for this product are published in a separate document available on the
Developer’s Kit system CD or from Multi-Tech. For a copy of this document, contact OEM Sales at
oemsales@multitech.com or call (800) 972-2439.
Feature Details
Integration Reduces Space, Power, and Cost – The SocketModem CDMA integrates the controller,
RF transceiver, and antenna interface in one module. This integration requires low power and low
real estate, and it provides an overall reduction in costs.
Reduces Development Time – The SocketModem GSM/GPRS can make your existing and next
generation device, machine, or system communication-ready without requiring significant hardware
changes to its design. This complete, ready-to-integrate wireless SocketModem allows you to
enhance your product while you focus on developing its core features.
Short Message Services – The SocketModem GSM/GPRS offers SMS features such as text and
PDU, point-to-point (MT/MO), and cell broadcast.
Management Features – The SocketModem GSM/GPRS provides advanced management features
that include: phone book management, fixed dialing number, real time clock, and alarm management.
Industry-standard Modem Commands – The SocketModem GSM/GPRS provides industry-
standard AT-style commands for ease of integration into your existing software application.
SocketModem Pin-Out – The SocketModem GSM/GPRS interfaces easily with existing products
through a standard serial communication channel. The complete on-board RF transceiver interfaces
with an antenna for direct connection to wireless SMS, circuit-switched dial-up, or packet data
networks. The SocketModem also includes an onboard LED to display network status. The
SocketModem is a Data Terminal Equipment (DTE) device with serial asynchronous protocol support.
The serial DTE channel is capable of transfer speeds to 115.2K bps and can be interfaced directly to
a UART or microcontroller.
Developer’s Kit
The SocketModem GSM/GPRS Developer’s Kit allows you to plug in the SocketModem and use it for
testing, programming, and evaluation. The kit includes:
· one development board with RS-232 DB-25 connector
· universal power supply
· antenna
· RS-232 cable

Chapter 1 – Product Description and Specifications
6
Technical Specifications
The SocketModem GSM/GPRS meets the following specifications:
Fax Compatibility GSM Class 1 and Class 2 Group 3 Fax
Weight 1 oz (26 g)
Dimensions 3.1” w x 1.4” h x 0.5” d
(8.0 cm x 3.5 cm x 1.2 cm)
Power Requirements 5 VDC; 400mA Average, 2A Peak
Operating Environment -20° to +55° C
Storage Temperature -30° to +85° C
Certifications CE Mark
EMC: FCC Part 2, 15, 22, 24, EN 55022 & EN55024
Safety: UL 60950, EN 60950
Cleaning No cleaning/washing due to the manufacturing process used to
produce this product
Related Manuals
AT commands for this product are published in a separate document available on the Developer’s Kit
system CD or from Multi-Tech. Multi-Tech manuals and other resources are available on the Multi-Tech
Web page at http://www.multitech.com.
Additional Information
European Telecommunications Standards Institute (ETSI) - Contact the ETSI at:
650, route des Lucioles
06921 Sophia-Antipolis Cedex
France
Tel: +33 (0)4 92 94 42 00
Fax: +33 (0)4 93 65 47 16
http://www.etsi.org
Global Engineering Documents manages a collection of more than one million documents from over 460
organizations worldwide:
http://global.ihs.com
Phone: 800-854-7179
Fax: 303-792-2192
The ITU is the leading publisher of telecommunication technology, regulatory and standard information,
with over 4,000 titles in printed form, on CD-ROM and online at:
http://www.itu.int/publications/ .

Chapter 2 – Mechanical Specifications
7
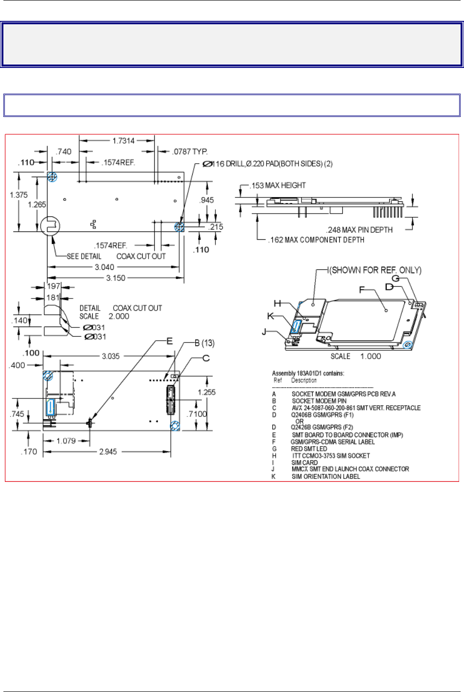
Chapter 2 – Mechanical Specifications
Physical Dimensions
SocketModem GSM/GPRS Mechanical Drawing

Chapter 2 – Mechanical Specifications
8
Pin Configurations
The SocketModem GSM/GPRS uses a 13-pin interface.
SocketModem Pins - Top View
Pin Descriptions
Pin # Signal
Name I/O
Type Description
24 -RESET I/O Reset. This signal is used to force a reset procedure by providing low level during
at least 500µs. This signal is considered an emergency reset only. A reset
procedure is already driven by an internal hardware during the power-up
sequence.
This signal can also be used to provide a reset to an external device. It then acts
as an output. If no external reset is necessary, this input can be left open. If used
(emergency reset), it has to be driven by an open collector or an open drain.
26, 41, 63 GND Ground
33 –RTS I Request to Send. The –RTS signal is used for hardware flow control.
34 –RXD O Received Data. The modem uses the –RXD line to send received data to the
DTE and to send modem responses to the DTE.
35 –TXD I Transmitted Data. The DTE uses the –TXD line to send data to the modem or to
transmit commands to the modem.
36 –RI O Ring Indicate. –RI output ON (low) indicates the presence of an ON segment of a
ring signal.
37 –DSR O Data Set Ready. The –DSR indicates modem status to the DTE. –DSR OFF
(high) indicates that the DTE is to disregard all signals appearing on the
interchange circuits except Ring Indicator (–RI). It reflects the status of the local
data set and does not indicate an actual link with any remote data equipment.
38 –CTS O Clear To Send. –CTS is controlled by the modem to indicate whether or not the
modem is ready to transmit data. –CTS ON, indicates to the DTE that signals
presented on TXD will be transmitted. –CTS OFF indicates to the DTE that it
should not transfer data across the interface on TXD.
39 –DCD O Data Carrier Detect. –DCD output is ON (low) when a data connection is
established.
40 –DTR I Data Terminal Ready (Active Low). The –DTR input is turned ON (low) by the
DTE when the DTE is ready to transmit or receive data. –DTR ON prepares the
modem to be connected, and, once connected, maintains the connection.
–DTR OFF places the modem in the disconnect state.
61 VCC PWR +5V

Chapter 3 – Electrical Characteristics
9
Chapter 3 – Electrical Characteristics
Electrical characteristics for the 5V Serial SocketModem are presented in this chapter.
I/O Electrical Characteristics
5 Vdc Characteristics (TA = -20° C to 55° C; VDD = 5 V ± 0.25 V) VDDMAX = 5.25 V
Digital Inputs
–DTR (40), –TXD (35), –RTS (33), –RESET (24)
Input High
Min 3.675 V
Input Low
Max 1.4 V
Digital Outputs
–DCD (39), –CTS (38), –DSR (37), –RI (36), –RXD (34) Output High
Min. 4 V Output Low
Max 0.4 V Current
Drive: 2 ma
Digital Input Capacitance 5 PF
Power Consumption
Power Consumption in OFF Mode
Conditions INOM IMAX
Overall Consumption Off 5 mA 10 mA
Power Consumption in EGSM/GPRS 900 MHz and GSM/GPRS 850 MHz Mode
Conditions INOM IMAX
+5V During TX bursts @PcI5 1.7 A peak 2.0 A peak
+5V During RX bursts 75 mA peak 80 mA peak
+5V Average 1 Rx/1Tx @PcI5 270 mA 370 mA
+5V Average 1 Rx/1Tx @PcI8 180 mA 200 mA
+5V Average Idle Mode 100 mA 300 mA
+5V Average 1 GPRS CI 10 (3Rx/2Tx) @PcI5 540 mA 640 mA
+5V Average 1 GPRS CI 10 (3Rx/2Tx) @PcI8 360 mA 400 mA
+5V Average 1 Idle Mode 2.2 mA 3 mA
Power Control Level: PcI5=2W typ.; PcI8=0,5W typ.
Power Consumption in GSM/GPRS 1800 & 1900 MHz Modes
Conditions INOM IMAX
+5V During TX bursts @PcI0 1.3 A peak 1.7 A peak
+5V During RX bursts 75 mA peak 80 mA peak
+5V Average 1 Rx/1Tx @PcI0 240 mA 270 mA
+5V Average 1 Rx/1Tx @PcI3 150 mA 180 mA
+5V Average Idle Mode 100 mA 300 mA
+5V Average 1 GPRS CI 10 (3Rx/2Tx) @PcI0 480 mA 540 mA
+5V Average 1 GPRS CI 10 (3Rx/2Tx) @PcI3 300 mA 360 mA
+5V Average 1 Idle Mode 2.2 mA 3 mA
Power Control Level: PcI0=1W typ.; PcI3=0,25W typ.

Chapter 3 – Electrical Characteristics
10
SIM Interface Electrical Characteristics
SIM Interface Electrical Characteristics
This information is repeated in the next chapter under the SIM Interface section.
Parameter Conditions Min Typ Max Unit
SIMDATA VIH IIH = +/- 20mA0.7xSIMVCC V
SIMDATA VIL IIL = 1 mA 0.3xSIMVCC V
SIMRST,
SIMDATA
SIMCLK VOH
Source current
= 20mA
SIMVCC – 0.1V V
SIMRST,
SIMDATA
SIMCLK VOL
Sink current
= -200mA
0.1
SIMVCC Output Voltage ISIMVCC <= 6mA 2.70 2.80 2.85 V
SIMCLK
Rise/Fall Time
Loaded with 30pF 50 ns
SIMRST,
SIMDATA
Rise/Fall Time
Loaded with 30pF 1 ms
SIMCLK
Frequency
Loaded with 30pF 3.25 MHz
Handling Precautions
All devices must be handled with certain precautions to avoid damage due to the accumulation of static
charge. Although input protection circuitry has been incorporated into the devices to minimize the effect of
this static buildup, proper precautions should be taken to avoid exposure to electrostatic discharge during
handling and mounting.

Chapter 4 - SocketModem Interfaces
11
Chapter 4 – SocketModem Interfaces
This chapter describes the SocketModem interfaces.
· Flashing LED
· SIM Interface
· RF Interface
Flashing LED
The flashing LED signal is used to indicate the working mode of the SocketModem.
LED and SocketModem Status
Signal SocketModem Status
OFF Download mode or switched OFF>
Continuously lit Switched ON (not registered on the network)ON
Flashing Switched ON (registered on the network)
SIM Interface
The internal SIM interface of the SocketModem supports 3V SIMs only.
Note: This interface is fully compliant with GSM 11.11 recommendations concerning the SIM functionality.
Five Signals Are Available
SIMVCC: SIM power supply.
SIMRST: reset.
SIMCLK: clock.
SIMDATA: I/O port.
SIMPRES1 SIM card detect.

Chapter 4 - SocketModem Interfaces
12
RF Interface
The impedance is 50 Ohms nominal.
RF Connector
The RF connector is MMCX standard type. An antenna can be directly connected through the mating
connector or using a small adapter.
RF Performances
RF performances are compliant with the ETSI recommendation 05.05 and 11.10.
The main parameters are:
Receiver Features
· EGSM Sensitivity : < -104 dBm
· GSM 1800/GSM 1900 Sensitivity : < -102 dBm
· Selectivity @ 200 kHz : > +9 dBc
· Selectivity @ 400 kHz : > +41 dBc
· Dynamic range : 62 dB
· Intermodulation : > -43 dBm
· Co-channel rejection : + 9 dBc
Transmitter Features
· Maximum output power (EGSM) : 33 dBm +/- 2 dB
· Maximum output power (DCS/PCS) : 30 dBm +/- 2 dB
· Minimum output power (EGSM): 5 dBm +/- 5 dB
· Minimum output power (DCS/PCS): 0 dBm +/- 5 dB
· H2 level : < -30 dBm
· H3 level : < -30 dBm
· Noise in 925 - 935 MHz : < -67 dBm
· Noise in 935 - 960 MHz : < -79 dBm
· Noise in 1805 - 1880 MHz : < -71 dBm
· Phase error at peak power : < 5 ° RMS
· Frequency error : +/- 0.1 ppm max

Chapter 5 – SocketModem Test Board
13
Chapter 5 – SocketModem Test Board
Serial Test/Demo Board Components

Chapter 5 – SocketModem Test Board
14
Serial Test/Demo Board Block Diagram
Block Diagram for the SocketModem GSM/GPRS

Chapter 6 – Application Considerations
15
Chapter 6 – Application
Considerations
General Guidelines for the Use of the SocketModem
Hardware and RF
· Ground plane: Multi-Tech recommends having a common ground plane for analog, digital, and
RF grounds.
· ESD protection on serial link.
· Possible spurious emission radiated by the application to the RF receiver in the receiver band
The Antenna
The antenna sub-system and integration in the application is a major issue. It is a major issue in the
choice of the antenna cable (type, length, performances, thermal resistance, etc.)
These elements could affect GSM performances such as sensitivity and emitted power.
The antenna should be isolated as much as possible from the digital circuitry including the interface
signals.
Multi-Tech recommends shielding the terminal. On terminals including the antenna, a poor shielding could
dramatically affect the sensitivity of the terminal. Subsequently, the power emitted through the antenna
could affect the application.
Soldering and Cleaning the SocketModem
The pins of the SocketModem may be hand soldered or wave soldered. If wave soldered, the temperature
on the top of the SocketModem must not exceed 100° C.
There should be no solvent or water washing of the SocketModem.
Do not use a hot air gun on the SocketModem.
Firmware Upgrade
The SocketModem firmware is stored in flash memory, and it can easily be upgraded. Contact the factory
for details.
Initial Configuration Using Mobile PhoneTools
For initial configuration of your wireless device, Multi-Tech offers a Windows-based mobile PhoneTools
application.
To load Mobile PhoneTools, click the Mobile PhoneTools icon on the system CD and follow the on-screen
prompts.

Appendix A – Safety Precautions and Regulatory Standards Compliance
16
Appendix A – Safety Precautions &
Regulatory Standards Compliance
Safety Precautions
IMPORTANT!
FOR THE EFFICIENT AND SAFE OPERATION
OF YOUR GSM INTEGRATED MODEM READ
THIS INFORMATION BEFORE USE.
RF Safety
General
Your SocketModem is based on the GSM standard for cellular technology. The GSM standard is spread
all over the world. It covers Europe, Asia, and some parts of America and Africa. This is the most used
telecommunication standard. Your modem is actually a low power radio transmitter and receiver. It sends
out and receives radio frequency energy. When you use your SocketModem integrated modem, the
cellular system, which handles your calls controls both the radio frequency and the power level of your
cellular modem.
Exposure to RF Energy
There has been some public concern about possible health effects of using GSM modems. Although
research on health effects from RF energy has focused on the current RF technology for many years,
scientists have begun research regarding newer radio technologies, such as GSM. After existing research
had been reviewed, and after compliance to all applicable safety standards had been tested, it has been
concluded that the product was fitted for use. If you are concerned about exposure to RF energy there
are things you can do to minimize exposure. Obviously, limiting the duration of your calls will reduce your
exposure to RF energy. In addition, you can reduce RF exposure by operating your cellular modem
efficiently by following the below guidelines.
Efficient Modem Operation
For your modem to operate at the lowest power level, consistent with satisfactory call quality :
· If your modem has an extendible antenna, extend it fully. Some models allow you to place a call
with the antenna retracted. However your modem operates more efficiently with the antenna fully
extended.
· Do not hold the antenna when the modem is IN USE. Holding the antenna affects call quality and
may cause the modem to operate at a higher power level than needed.
Antenna Care and Replacement
Do not use the modem with a damaged antenna. If a damaged antenna comes into contact with the skin,
a minor burn may result. Replace a damaged antenna immediately. Consult your manual to see if you
may change the antenna yourself. If so, use only a manufacturer-approved antenna. Otherwise, have
your antenna repaired by a qualified technician. Use only the supplied or approved antenna.
Unauthorized antennas, modifications, or attachments could damage the modem and may contravene
local RF emission regulations or invalidate type approval.

Appendix A – Safety Precautions and Regulatory Standards Compliance
17
General Safety
Driving
Check the laws and the regulations regarding the use of cellular devices in the area where you have to
drive as you must comply with these laws and regulations. When using your modem while driving, please
give full attention to driving. Pull off the road and park before making or answering a call if driving
conditions so require.
Electronic Devices
Most electronic equipment, for example in hospitals and motor vehicles, is shielded from RF energy.
However, RF energy may affect some improperly shielded electronic equipment.
Vehicle Electronic Equipment
Check your vehicle manufacturer representative to determine if any on-board electronic equipment is
adequately shielded from RF energy.
Medical Electronic Equipment
Consult the manufacturer of any personal medical devices (such as pacemakers, hearing aids, etc.) to
determine if they are adequately shielded from external RF energy. Turn your modem OFF in health care
facilities when any regulations posted in the area instruct you to do so. Hospitals or health care facilities
may be using RF monitoring equipment.
Aircraft
Turn your modem OFF before boarding any aircraft.
· Use it on the ground only with crew permission.
· Do not use it in the air.
To prevent possible interference with aircraft systems, Federal Aviation Administration (FAA) regulations
require you to have permission from a crew member to use your modem while the aircraft is on the
ground. To prevent interference with cellular systems, local RF regulations prohibit using your modem
while airborne.
Children
Do not allow children to play with your modem. It is not a toy. Children could hurt themselves or others (by
poking themselves or others in the eye with the antenna, for example). Children could damage the
modem or make calls that increase your modem bills.
Blasting Areas
To avoid interfering with blasting operations, turn your unit OFF when in a “blasting area” or in areas
posted “turn off two-way radio”. Construction crews often use remote control RF devices to set off
explosives.
Potentially Explosive Atmospheres
Turn your modem OFF when in any area with a potentially explosive atmosphere. It is rare, but your
modem or its accessories could generate sparks. Sparks in such areas could cause an explosion or fire
resulting in bodily injuries or even death. Areas with a potentially explosive atmosphere are often, but not
always, clearly marked. They include fueling areas such as gas stations; below deck on boats; fuel or
chemical transfer or storage facilities; and areas where the air contains chemicals or particles, such as
grain, dust, or metal powders. Do not transport or store flammable gas, liquid, or explosives, in the
compartment of your vehicle, which contains your modem or accessories. Before using your modem in a
vehicle powered by liquefied petroleum gas (such as propane or butane) ensure that the vehicle complies
with the relevant fire and safety regulations of the country in which the vehicle is to be used.

Appendix A – Safety Precautions and Regulatory Standards Compliance
18
General Safety Standards
THIS WIRELESS SOCKETMODEM COMPLIES WITH ALL APPLICABLE RF SAFETY STANDARDS.
This cellular modem meets the standards and recommendations for the protection of public exposure to
RF electromagnetic energy that have been established by governmental bodies and other qualified
organizations, such as the following:
· Directives of the European Community,
· Directorate General V in Matters of Radio Frequency Electromagnetic Energy
RF Exposures
Pursuant to 47 CFR § 24.52 of the FCC Rules and Regulations, personal communications services (PCS)
equipment is subject to the radio frequency radiation exposure requirements specified in § 1.1307(b), §
2.1091 and § 2.1093 as appropriate.
The Multi-Tech SocketModem is a GSM (PCS 1900) terminal which operates in the US licensed PCS
frequency spectrum. The device transmits over the 1850-1910 MHz band and receives over the 1930-
1990 MHz Band. Multi-Tech Systems, Inc. certifies that it has determined that the Modem complies with
the RF hazard requirements applicable to broadband PCS equipment operating under the authority of 47
CFR Part 24, Subpart E of the FCC Rules and Regulations. This determination is dependent upon
installation, operation, and use of the equipment in accordance with all instructions provided.
The modem is designed for and intended to be used in fixed and mobile applications. "Fixed" means that
the device is physically secured at one location and is not able to be easily moved to another location.
"Mobile" means that the device is designed to be used in other than fixed locations and generally in such
a way that a separation distance of at least 20 cm is normally maintained between the transmitter's
antenna and the body of the user or nearby persons. The Modem is not designed for or intended to be
used in portable applications (within 20 cm of the body of the user) and such uses are strictly prohibited.
To ensure that the unit complies with current FCC regulations limiting both maximum RF output power
and human exposure to radio frequency radiation, a separation distance of at least 20 cm must be
maintained between the unit's antenna and the body of the user and any nearby persons at all times and
in all applications and uses. Additionally, in mobile applications, maximum antenna gain must not exceed
3 dBi (to comply with Section 24.232(b) and is limited to 7 dBi for fixed applications. Finally, the tune-up
procedure for the O9EM2113 ensures that the maximum RF output power of the device does not exceed
30.0 dBm within the variations that can be expected due to quantity production and testing on a statistical
basis.
Instructions to OEMs
The Multi-Tech product manual includes specific warnings and cautions in order to ensure that OEMs are
aware of their responsibilities, with regards to RF exposure compliance, for products into which the
modem is integrated. With this guidance, the OEM will be able to incorporate into their documentation the
necessary operating conditions and warnings.
OEMs need to provide a manual with the ‘’final’’ product that clearly states the operating requirements
and conditions and that these must be observed to ensure compliance with current FCC RF exposure
requirements / MPE limits (see the “RF Exposures” section above). This will enable the OEM to generate
(and provide the end-user with) the appropriate operating instructions, warnings and cautions, and/or
markings for their product.

Appendix A – Safety Precautions and Regulatory Standards Compliance
19
Regulatory Standards Compliance
GSM compliance
The SocketModem is in compliance with reference regulations: TBR 19, TBR 20, TBR 31, TBR 32.
CE Label
The Wireless SocketModem is CE compliant, which implies that the modem is in conformity with the
European Community directives and it bears the CE label.

Appendix B – Sources for Peripheral Devices
20
Appendix B – Sources for Peripheral
Devices
GSM Antenna
The integrated modem antenna connector is a MMCX connector. The MMCX connector incorporates a
'Snap On' latching action in order to make the connection easier with an excellent RF performance. An
additional advantage is its small physical size, which is 50% of the standard MCX connector.
This type of connector is suitable for the standard ranges of flexible and semi-rigid cables. The
characteristic impedance of the MMCX coaxial connector is 50 ohm. The antenna manufacturer must
guarantee that the antenna will be working according to the radio characteristics presented in the table
below.
Radio Characteristics
GSM 850 EGSM 900 GSM 1800 GSM 1900
Frequency RX 869 to 894 MHz 925 to 960 MHz 1805 to 1880 MHz 1930 to 1990 MHz
Frequency TX 824 to 849 MHz 880 to 915 MHz 1710 to 1785 MHz 1850 to 1910 MHz
RF Power
Stand
2W at 12.5% duty
cycle
2W at 12.5%
duty cycle
1W at 12.5% duty
cycle
1W at 12.5% duty
cycle
Impedance 50 ohms
VSWR <2
Typical
Radiated Gain
0 dBi on azimuth plane
MMCX Plug
The SocketModem requires an MMCX plug to connect to an antenna.
MMCX Connector Example (right angle type)
Antenna
An antenna with matting connector can be ordered, for example, from:
IMS Connectors Systems GMBH
http://www.imscs.com/
MMCX / SMA Adapter
A small MMCX / SMA adapter can be ordered, for example, from:
Amphenol
http://www.amphenol.com/
Order No: 908-31100

Appendix C – AT Commands
21
Appendix C – AT Command List
For comprehensive information about AT Commands, please read the AT Commands Reference Manual.
AT Command List
General Commands
+CGMI Manufacturer Identification
+CGMM Request Model Identification
+CGMR Request Revision Identification
+CGSN Product Serial Number
+CSCS Select TE Character Set
+CIMI Request IMSI
+CCID Card Identification
+GCAP Capabilities List
A/ Repeat Last Command
+CPOF Power Off
+CFUN Set Phone Functionality
+CPAS Phone Activity Status
+CMEE Report Mobile Equipment Errors
+CKPD Keypad Control
+CCLK Clock management
+CALA Alarm management
Call Control Commands
D Dial command
H Hang-up Command
A Answer a Call
+CEER Extended Error Report
+VTD, +VTS DTMF Signals
ATDL Redial Last Telephone Number
AT%Dn Automatic Dialing (or SMS send) with DTR
ATSO Automatic Answer
+CICB Incoming Call Bearer
+VGR, +VGT Gain Control
+CMUT Microphone Mute Control
+SPEAKER Speaker and Microphone Selection
+ECHO Echo Cancellation
+SIDET Side Tone Modification
+VIP Initialize Voice Parameters
+CSNS Single Numbering Scheme
Network Service Commands
+CSQ Signal Quality
+COPS Operator Selection
+CREG Network Registration
+WOPN Read Operator Name
+CPOL Preferred Operator List

Appendix C – AT Commands
22
AT Command List (continued)
Security Commands
+CPIN Enter PIN
+CPIN2 Enter PIN2
+CPINC PIN Remaining Attempt Number
+CLCK Facility Lock
+CPWD Change Password
Phone Book Commands
+CPBS Select Phone Book Memory Storage
+CPBR Read Phone Book Entries
+CPBF Find Phone Book Entries
+CPBW White Phone Book Entry
+CPBP Phone Book Phone Search
+CPBN Move Action in Phone Book
+CNUM Subscriber Number
+WAIP Avoid Phone Book Init
Short Message Commands
+CSMS Select Message Service
+CNMA New Message Acknowledgement
+CPMS Preferred Message Storage
+CMGF Preferred Message Format
+CSAS Save Settings
+CRES Restore Settings
+CSDH Show Text Mode parameters
+CNMI New Message Indication
+CMGR Read Message
+CMGL List Message
+CMGS Send Message
+CMGW Write Message to Memory
+CMSS Send Message from Storage
+CSMP Set Text Mode Parameters
+CMGD Delete Message
+CSCA Service Center Address
+CSCB Select Cell Broadcast Message Types
+WCBM Cell Broadcast Message Identifiers
+WMSC Message Status Modification
+WMGO Message Overwriting

Appendix C – AT Commands
23
AT Command List (continued)
Supplementary Services Commands
+CCFC Call Forwarding
+CLCK Call Barring
+CPWD Modify SS Password
+CCWA Call Waiting
+CLIR Calling Line Identification Restriction
+CLIP Calling Line Identification Presentation
+COLP Connected Line Identification Presentation
+CAOC Advice Of Charge
+CACM Accumulated Call Meter
+CAMM Accumulated Call Meter Maximum
+CPUC Price Per Unit and Currency Table
+CHLD Call Related Supplementary Services
+CLCC List Current Calls
+CSSN Supplementary Service Notifications
+CUSD Unstructured Supplementary Service Data
+CCUG Closed User Group
Data Commands
+CBST Bearer Type Selection
+FCLASS Select Mode
+CR Service Reporting Control
+CRC Cellular Result Codes
+ILRR DTE-DCE Local Rate Reporting
+CRLP Radio Link Protocol Parameters
+DOPT Others Radio Link Parameters
%C Select Data Compression
+DS V42 bis Data Compression
+DR V42 bis Data Compression Report
\N Select Data Error Correcting Mode
Fax Commands
+FTM Transmit Speed
+FRM Receive Speed
+FTH HDLC Transmit Speed
+FRH HDLC Receive Speed
+FTS Stop Transmission and Wait
+FRS Receive Silence
Fax Class 2 Commands
+FDT Transmit Data
+FDR Receive Data
+FET Transmit Page Punctuation
+FPTS Page Transfer Status Parameters
+FK Terminate Session
+FBOR Page Transfer Bit Order
+FBUF Buffer Size Report
+FCQ Copy Quality Checking
+FCR Capability to Receive
+FDIS Current Sessions Parameters
+FDCC DCE Capabilities Parameters
+FLID Local ID String
+FPHCTO Page Transfer Timeout Parameter

Appendix C – AT Commands
24
AT Command List (continued)
V24 - V25 Commands
+IPR Fixed DTE Rate
+ICF DTE-DCE Character Framing
+IFC DTE-DCE Local Flow Control
&C Set DCD Signal
&D Set DTR Signal
&S Set DSR Signal
O Back to Online Mode
Q Result Code Suppression
V DCE Response Format
Z Default Configuration
&W Save Configuration
&T Auto-Tests
EEcho
&F Restore Factory Settings
&V Display Configuration
I Request Identification Information
SIM Toolkit Commands
+STSF SIM Toolkit Set Facilities
+STIN SIM Toolkit Indication
+STGI SIM Toolkit Get Information
+STCR SIM Toolkit Control Response
+STGR SIM Toolkit Give Response
Specific AT Commands
+CCED Cell Environment Description
+CCED Automatic RxLev Indication
+WIND General Indications
+ADC Analog Digital Converters Measurements
+CMER Mobile Equipment Event Reporting
+WLPR Read Language Preference
+WLPW Write Language Preference
+WIOR Read GPIO Value
+WIOW Write GPIO Value
+WAC Abort Command
+WTONE Play Tone
+WDTMF Play DTMF Tone
+WDWL Downloading
+WVR Voice Rate
+WDR Data Rate
+WHWV Hardware Version
+WDOP Date Of Production
+WSVG Select Voice Gain
+WSTR Status Request
+WSCAN Scan
+WRIM Ring Indicator Mode
+W32K Power saving mode

Appendix D – Acronyms and Abbreviations
25
Appendix D – Acronyms and
Abbreviations
ADC – Analog Digital Converter
ASIC – Application Specific Integrated Circuit
BCCH – Broadcast Control Channel
CE – Communauté Européenne
CLK – Clock
CTS – Clear To send
dB – decibel
DCD – Data Carrier Detect
DCE – Data Circuit Terminating Equipment
DSR – Data Set Ready
DTE – Data Terminal Equipment
DTR – Data Terminated Ready
EFR – Enhanced Full Rate
EGSM – Extended GSM
EMC – Electromagnetic Conformity
EN – Enable
ETSI – European Telecommunications Standards Institute
FAC – Final Assembly Code
FR – Full-Rate
FTA – Full Type Approval
GND – Ground
GPIO – General Purpose Input Output
GPRS – General Packet Radio Service
GSM – Global System for Mobile Communication
HR – Half-Rate
IMEI – International Mobile Equipment Identity
MO – Mobile Originated
MT – Mobile Terminated
OEM – Original Equipment Manufacturer
PDA – Personal Digital Assistant
PCB – Printed Circuit Board
PRES – Presence
RI – Ring Indicator
RTS – Request To Send
SIM – Subscriber Identity Module
SMD – Surface Mounted Design
SMS – Short Message Service
TAC – Type Approval Code
TDMA – Time Code Multiple Access
TE – Terminal Equipment
VSWR – Voltage Standing Wave Ratio
WAP – Wireless Application Protocol

Index
26
Index
Advice Of Charge, 23
aircraft and safety, 17
analog, 25
antenna, 12, 15, 16, 20
antenna cable, 15
applications, 4
AT Commands, 21
AT commands documentation, 5, 6
blasting areas and safety, 17
Block Diagram, 14
Call Barring, 23
Call Forwarding, 23
Call Waiting, 23
CE, 19, 25
Cell Broadcast, 22
children and safety, 17
Cleaning the SocketModem, 15
Closed User Group, 23
Data Carrier Detect, 25
dB, 12, 25
DCS, 12
Developer’s Kit, 5
driving safety, 17
EFR, 25
Electrical characteristics, 9
electronic devices and safety, 17
ESD protection, 15
ETSI, 12, 25
explosive atmospheres and safety, 17
Exposure to RF Energy, 16
flashing LED, 11
FR, 25
gain, 18
GND, 25
GPIO, 25
GPIO Read, 24
GPIO Write, 24
GPRS, 25
GSM, 11, 12, 20, 25
GSM Compliance, 19
Hardware and RF, 15
HR, 25
initial configuration, 15
Instructions to OEMs, 18
Mechanical Drawing, 7
medical electronic equipment and safety, 17
MMCX (Miniature Micro Connector), 12, 20
MO, 25
MT, 25
operating conditions, 18
PCB, 25
PCS, 12, 18
PhoneTools, 15
Pin Descriptions, 8
power, 12, 15, 16
Power Consumption, 9
Product Description, 4
radio, 16, 20
Radio Characteristics, 20
RF, 20
RF Connector, 12
RF Exposures, 18
RF Interface, 12
RF Performances, 12
RF safety, 16
safety, 16
Safety Standards, 18
Serial Test/Demo Board Components, 13
SIM, 24, 25
SIM Interface, 11
SIM Interface Electrical Characteristics, 10
SIM Toolkit, 24
SIMCLK, 10, 11
SIMDATA, 10, 11
SIMPRES1, 11
SIMRST, 10, 11
SIMVCC, 10, 11
SMS, 25
Soldering the SocketModem, 15
Specifications
technical, 6
Technical specifications, 6
vehicle electronic equipment and safety, 17
WAP, 25