Multi Tech Systems 92U10E06831 Wireless CDMA Modem User Manual Universal Socket Hardware Guide
Multi Tech Systems Inc Wireless CDMA Modem Universal Socket Hardware Guide
User Manual

Universal Socket Connectivity
Embedded Device Networking Solutions
Hardware Guide for Developers
Preliminary
Confidential

Copyright and Technical Support
Multi-Tech Systems, Inc. Universal Socket Hardware Guide for Developers (S000342M) 2
Universal Socket Connectivity
Hardware Guide for Developers, PN S000342L, Version L
For the following products (The list indicates base models for each product. See each product chapter product build
options):
Cellular SocketModems
SocketModem® Cell – GPRS (MTSMC-G2, MTSMC-G2-V)
SocketModem® iCell – GPRS (MTSMC-G2-IP, MTSMC-G2-GP)
SocketModem® Cell – CDMA 1xRTT (MTSMC-C1, MTSMC-C1-V)
SocketModem® iCell – CDMA 1xRTT (MTSMC-C1-IP, MTSMC-C1-GP)
SocketModem® EDGE – (MTSMC-E1 and other build options)
Socket Modem® Cell – HSPA (MTSMC-H4 – USB)
Socket Modem® iCell – HSPA (MTSMC-H4 – IP and GP build options)
Socket Modem® Cell – EV-DO (MTSMC-EV2 – USB)
Socket Modem® iCell – EV-DO (MTSMC-EV2 – IP and GP build options)
Analog SocketModems
SocketModem® – MT9234SMI and other build options
SocketModem® – MT5692SMI and other build options
SocketModem® – MT2492SMI and other build options
Embedded Device Servers
SocketModem IP® – MT100SEM-IP and other build options
SocketWireless® Wi-Fi® – MT810SWM-IP and other build options
SocketWireless® Bluetooth® – MTS2BTSMI and other build options
Copyright
This publication may not be reproduced, in whole or in part, without prior expressed written permission from Multi-Tech
Systems, Inc. All rights reserved.
Copyright © 2004-10 by Multi-Tech Systems, Inc.
Multi-Tech Systems, Inc. makes no representations or warranties with respect to the contents hereof and specifically disclaim
any implied warranties of merchantability or fitness for any particular purpose. Furthermore, Multi-Tech Systems, Inc.
reserves the right to revise this publication and to make changes from time to time in the content hereof without obligation of
Multi-Tech Systems, Inc. to notify any person or organization of such revisions or changes.
Trademarks
Trademarks and Registered Trademarks of Multi-Tech Systems, Inc. are SocketModem, SocketWireless, SocketEthernet
IP, and the Multi-Tech logo.
Microsoft and Windows are trademarks or registered trademarks of Microsoft Corporation in the United States and other
countries. Bluetooth is a registered trademark of the Bluetooth SIG, Inc. Wi-Fi is a registered trademark of the Wi-Fi Alliance.
Contacting Multi-Tech Support
Multi-Tech Online Support Portal https://support.multitech.com
In order to better serve our customers, manage support requests and shorten resolution times, we have created the online
web portal allowing you to submit questions regarding Multi-Tech products directly to our technical support team. Get
answers to your most complex questions, ranging from implementation, troubleshooting, product configuration, firmware
upgrades and much more.
To create an account and submit a Support Case on the Portal, visit https://support.multitech.com
Knowledge Base and Support Services: www.multitech.com/en_US/SUPPORT
The Knowledge Base provides immediate answers to your questions and gives you access to support resolutions for all
Multi-Tech products. Visit our support area on the website for other support services.
Technical Support
Country By Email By Phone
Europe, Middle East, Africa: support@multitech.co.uk +(44) 118 959 7774
U.S., Canada, all others: support@multitech.com (800) 972-2439 or (763) 717-5863
Warranty
Warranty information can found at: http://www.multitech.com/en_US/COMPANY/Policies/warranty/
World Headquarters
Multi-Tech Systems, Inc.
2205 Woodale Drive
Mounds View, Minnesota 55112
Phone: 763-785-3500 or 800-328-9717; Fax: 763-785-9874
Internet Address: http://www.multitech.com
Preliminary
Confidential

Revision Notes
Multi-Tech Systems, Inc. Universal Socket Hardware Guide for Developers (S000342M) 3
Revision Notes
Rev. Date Description
J.2 07/30/09
• Updated Mechanical Drawings for SocketModem Cell & iCell (MTSMC-G2 & G2-IP)
• Changed the title of two Mechanical Drawings in Chapter 1
J.3 08/28/09
• Updated Mechanical Drawings for SocketModem GPRS (MTSMC-G2)
• Added new Mechanical Drawings for SocketModem CDMA ( MTSMC-C) & HSDPA MTSMC-H
J.4 10/15/09
• Added GPS section to G2 chapter (added the power draw table for G2 for GPS)
• Brought back the chapter covering the SocketModem MT2456SMI-22.
K 11/18/09
• New chapters for new products: SocketModem MT5692SMI, Device Server MT810SWM-IP, and
SocketModem EDGE (MTSMC-E1)
• Deleted chapters SocketModem MT5656SMI, MT5656SMI-IP, and MT2456SMI-22
• Added Sleep Mode Power Draw statistics for the SocketModem MT9234SMI
• Added new Mechanical Drawings for SocketModem HSDPA and SocketModem CDMA
• Updated the Power Requirements for the MT2492SMI and MT5692SMI (10/16/09)
• Added GPS to SocketModem Cell/SocketModem iCell (MTSMC-G2) and GPS power draw
• Reorganized Chapter 1 – general information, cellular information, and analog information.
• Added Japan's Standards statement
• Updated Mechanical Drawings in Chapter 1
• New Developer Board Block Diagram with antenna system added
L 03/12/10
• Added new CDMA-C1 chapter (replaces CDMA chapter)
• Added Multi-Tech Technical Support using the Web Portal (see Copyright & Tech Support page)
• Updated Universal Developer Kit contents
• Added CDMA Specifications in Chapter 1
• Added Mag Mount Dual Band antennas and GPS antennas available from Multi-Tech
• Added Mechanical Drawings: MT9234SMI, MT5692SMI, MT2492SMI, MT100SEM-IP, Bluetooth
• Updated G2-GP power draw statistics
• Updated the LED Interface Signals for G2
• Removed Loopback test references from MT9234SMI and MT5692SMI chapters
• Added Important note about Tooling Holes and Mounting Hardware
• Moved the CDMA Terminology and Acronyms chapter the CDMA AT Commands manual
• Moved the GPS section into Chapter 1
• Removed "Features" from Technical Specifications
• Enhanced the Antenna Section in Chapter 1
• Updated Bluetooth power draw statistics
L.1 03/19/10 Changed three C1 Mechanical Drawings (-V, -IP, -GP)
04/15/10 Added a note in Chapter 1 that not all products include all pins as shown in the Chapter 1 graphic
and users should see the specific mechanical drawings for each product.
M 06/04/10
• New products: Socket Modem® Cell and iCell – HSPA, Socket Modem® Cell and iCell – EV-DO
• Change operating temperature for MT100SEM-IP from 0
°
C – +70
°
C to -40
°
C to +85
°
C.
• Add baud rate switches to the MTSMC-C1
• Removed the first bulleting point from the "Maintenance of Your Cellular Device" section which
suggested that the device not be exposed to temperatures above a certain limit. Temperature is
covered in each product's technical specifications
• Add "full duplex over dial-up or 2-wire leased lines" to SocketModem MT9234SMI modes of
operation
Preliminary
Confidential

Table of Contents
Multi-Tech Systems, Inc. Universal Socket Hardware Guide for Developers (S000342M) 4
Table of Contents
Part 1 Universal Socket Connectivity ........................................................................................ 9
Chapter 1 – Universal Socket Connectivity ...................................................................................... 10
Multi-Tech Embedded Solutions ................................................................................................................ 10
Universal Socket Connectivity Features ................................................................................................. 10
The Universal Socket Design ................................................................................................................. 10
Universal Developer Kit Contents ........................................................................................................... 11
AT Commands for All Embedded Products Are Included on the Developer Kit CD ................................ 11
Universal Socket Pin Out ............................................................................................................................ 12
Universal Pin Descriptions ...................................................................................................................... 12
Design Considerations ................................................................................................................................ 16
Noise Suppression Design Considerations ............................................................................................ 16
PC Board Layout Guidelines .................................................................................................................. 16
MTSMC Tooling Holes and Mounting Hardware .................................................................................... 16
Electromagnetic Interference (EMI) Considerations ............................................................................... 17
Electrostatic Discharge Control .............................................................................................................. 17
Phone Line Warning Statement for the Developer Board ....................................................................... 17
SocketModem Developer Board ................................................................................................................. 18
Board Components ................................................................................................................................. 19
Jumpers and Corresponding Signals ...................................................................................................... 19
SocketModem Developer Board Block Diagram ..................................................................................... 20
Developer Board Schematics ................................................................................................................. 21
Developer Board Schematics ................................................................................................................. 22
Developer Board Schematics ................................................................................................................. 23
Developer Board Schematics ................................................................................................................. 24
Developer Board Schematics ................................................................................................................. 25
Upgrading Firmware .................................................................................................................................... 26
XMODEM Serial Port for Firmware Upgrade .......................................................................................... 27
Multi-Tech Systems, Inc. Flash Programming Protocol .......................................................................... 28
Cellular Information ..................................................................................................................................... 31
Antenna System for Cellular Devices ..................................................................................................... 31
FCC Requirements for the Antenna ....................................................................................................... 31
Antenna Specifications ........................................................................................................................... 31
Coax Cables Specifications .................................................................................................................... 34
Global Positioning System (GPS) ........................................................................................................... 37
Account Activation for Cellular Devices .................................................................................................. 38
Cellular Approvals and Labeling Requirements ...................................................................................... 38
Analog Information ...................................................................................................................................... 40
Recommended Parts for Analog SocketModems ................................................................................... 40
Analog Labeling Requirements ............................................................................................................... 41
Safety Notices and Warnings ..................................................................................................................... 44
Cellular Safety ........................................................................................................................................ 44
Analog Telecom Safety Warnings .......................................................................................................... 45
Telecom Approvals for Analog Modems ................................................................................................. 46
Regulatory Compliance Statements .......................................................................................................... 47
Country/Region-Specific Statements ...................................................................................................... 47
Waste Electrical and Electronic Equipment Statement ........................................................................... 52
Restriction of the Use of Hazardous Substances (RoHS) ...................................................................... 53
Information on HS/TS Substances According to Chinese Standards in English ..................................... 54
Information on HS/TS Substances According to Chinese Standards in Chinese ................................... 55
Part 2 Cellular SocketModems ................................................................................................. 56
Chapter 2 – SocketModem® Cell & SocketModem® iCell GPRS (MTSMC-G2) ............................... 57
Introduction .................................................................................................................................................. 57
Product Build Options and Ordering Information ..................................................................................... 57
AT Commands Reference Guides .............................................................................................................. 57
Technical Specifications ............................................................................................................................. 58
Preliminary
Confidential

Table of Contents
Multi-Tech Systems, Inc. Universal Socket Hardware Guide for Developers (S000342M) 5
MTSMC Tooling Holes and Mounting Hardware ....................................................................................... 59
Mechanical Drawings – Basic Build ........................................................................................................... 60
Mechanical Drawings – Voice Build ........................................................................................................... 61
Mechanical Drawings – IP Build ................................................................................................................. 62
Mechanical Drawings – GPS Build ............................................................................................................. 63
DC Electrical Characteristics ...................................................................................................................... 64
Power Measurements .................................................................................................................................. 64
Application Notes ........................................................................................................................................ 65
LED Interface .......................................................................................................................................... 65
RF Performances ................................................................................................................................... 65
RF Connection and Antenna .................................................................................................................. 65
Microphone Inputs .................................................................................................................................. 65
Changing the Quad Band ....................................................................................................................... 66
Chapter 3 – SocketModem® Cell and SocketModem iCell CDMA 1xRTT (MTSMC-C1) ................ 67
Introduction .................................................................................................................................................. 67
Product Build Options and Ordering Information ..................................................................................... 67
AT Commands Reference Guides .............................................................................................................. 68
Technical Specifications ............................................................................................................................. 69
MTSMC Tooling Holes and Mounting Hardware ....................................................................................... 70
Mechanical Drawings – Basic Build ........................................................................................................... 71
Mechanical Drawings – Voice Build ........................................................................................................... 72
Mechanical Drawings – IP Build ................................................................................................................. 73
Mechanical Drawings – GPS Build ............................................................................................................. 74
DC Electrical Characteristics ...................................................................................................................... 75
Power Measurements .................................................................................................................................. 75
Application Notes ........................................................................................................................................ 76
LED Interface .......................................................................................................................................... 76
RF Interface ............................................................................................................................................ 76
RF Connection and Antenna .................................................................................................................. 76
Baud Rate Switches on the SocketModem iCell ..................................................................................... 77
Chapter 4 – SocketModem® EDGE (MTSMC-E1) .............................................................................. 78
Introduction .................................................................................................................................................. 78
Product Build Options and Ordering Information ..................................................................................... 78
AT Commands Reference Guide ................................................................................................................ 78
Technical Specifications ............................................................................................................................. 79
Mechanical Drawings – Basic Build ........................................................................................................... 80
Mechanical Drawings – Voice Build ........................................................................................................... 81
DC Electrical Characteristics ...................................................................................................................... 82
Power Measurements .................................................................................................................................. 82
Application Notes ........................................................................................................................................ 83
RF Performances ................................................................................................................................... 83
RF Connection and Antenna .................................................................................................................. 83
Audio Interface – Electrical Characteristics ............................................................................................ 83
Microphone Inputs .................................................................................................................................. 83
Chapter 5 – SocketModem® Cell and iCell – HSPA (MTSMC-H4) ................................................... 84
Introduction .................................................................................................................................................. 84
Product Build Options and Ordering Information ..................................................................................... 84
AT Commands Reference Guide ................................................................................................................ 84
Technical Specifications ............................................................................................................................. 85
MTSMC Tooling Holes and Mounting Hardware ....................................................................................... 86
Mechanical Drawings – Basic and IP Builds – New One Needed ............................................................ 87
Mechanical Drawings – USB Build – New One Needed ............................................................................ 87
DC Electrical Characteristics ...................................................................................................................... 88
Electrical Specifications (from Rodney's Specs) ...................................................................................... 88
Preliminary
Confidential

Table of Contents
Multi-Tech Systems, Inc. Universal Socket Hardware Guide for Developers (S000342M) 6
Pin-Out Specifications (from Rodney's specs) ......................................................................................... 89
Power Measurements (from Tom Fix) ........................................................................................................ 90
Application Notes ........................................................................................................................................ 92
LED Interface from Rodney ................................................................................................................... 92
RF Performances ................................................................................................................................... 92
RF Specifications from Sierra doc .......................................................................................................... 93
Reliability from Rick's MRD ver. 03......................................................................................................... 94
RF Connection and Antenna .................................................................................................................. 94
Configuring the HSDPA Modem on Linux SLAX 6 ................................................................................. 95
Baud Rate Switches on the SocketModem iCell ..................................................................................... 96
Chapter 6 – SocketModem Cell and iCell – EV-DO (MTSMC-EV2) ................................................ 97
Introduction .................................................................................................................................................. 97
Product Build Options and Ordering Information ..................................................................................... 97
AT Commands Reference Guide ................................................................................................................ 98
Technical Specifications ............................................................................................................................. 99
MTSMC Tooling Holes and Mounting Hardware ..................................................................................... 100
Mechanical Drawings – Basic Build ......................................................................................................... 101
Mechanical Drawings – IP Build ............................................................................................................... 101
Mechanical Drawings – GPS Build ........................................................................................................... 101
DC Electrical Characteristics .................................................................................................................... 102
Electrical Specifications (from Rodney's specs) .................................................................................... 102
Absolute Maximum Rating: ...................................................................................................................... 102
Pin-Out Specifications (from Rodney's specs) ....................................................................................... 103
Power Measurements ................................................................................................................................ 104
Application Notes ...................................................................................................................................... 105
LED Interface from Rodney ................................................................................................................. 105
RF Interface .......................................................................................................................................... 105
Reliability (from Rodney's specs) ......................................................................................................... 106
RF Connection and Antenna ................................................................................................................ 106
Baud Rate Switches on the SocketModem iCell ................................................................................... 107
Part 3 Analog SocketModems ................................................................................................ 108
Chapter 7 – SocketModem® (MT9234SMI) ......................................................................................109
Introduction ................................................................................................................................................ 109
Product Build Options and Ordering Information ................................................................................... 109
AT Commands Reference Guide .............................................................................................................. 109
Technical Specifications ........................................................................................................................... 110
Mechanical Drawings – Basic and HV Builds ......................................................................................... 111
Mechanical Drawings – Parallel Builds .................................................................................................... 112
DC Electrical Characteristics .................................................................................................................... 113
Power Measurements ................................................................................................................................ 114
Parallel Timing Requirements .................................................................................................................. 115
SocketModem Parallel Interface Internal Registers ................................................................................ 116
Application Notes ...................................................................................................................................... 123
Tip and Ring Interface .......................................................................................................................... 123
Chapter 8 – SocketModem® (MT5692SMI) ......................................................................................124
Introduction ................................................................................................................................................ 124
Product Build Options and Ordering Information ................................................................................... 124
AT Commands Reference Guide .............................................................................................................. 125
Technical Specifications ........................................................................................................................... 126
Mechanical Drawings – Basic Builds ....................................................................................................... 127
Mechanical Drawings − IP Builds ............................................................................................................. 128
Mechanical Drawings – No LEDS 3.3V Builds ......................................................................................... 129
Mechanical Drawings – Voice Builds ....................................................................................................... 130
Mechanical Drawings – Parallel Builds .................................................................................................... 131
Preliminary
Confidential

Table of Contents
Multi-Tech Systems, Inc. Universal Socket Hardware Guide for Developers (S000342M) 7
Operating Conditions ................................................................................................................................ 132
Absolute Maximum Rating ........................................................................................................................ 132
DC Electrical Characteristics .................................................................................................................... 132
Power Measurements ................................................................................................................................ 133
Parallel Host Bus Timing Table ................................................................................................................ 134
SocketModem Parallel Interface ............................................................................................................... 135
Register Functional Definitions ................................................................................................................ 136
Application Notes ...................................................................................................................................... 145
Tip and Ring Interface .......................................................................................................................... 145
Microphone and Speaker ..................................................................................................................... 146
Chapter 9 – SocketModem® (MT2492SMI) ......................................................................................148
Introduction ................................................................................................................................................ 148
Product Build Options and Ordering Information ................................................................................... 148
AT Commands Reference Guide .............................................................................................................. 148
Technical Specifications ........................................................................................................................... 149
Mechanical Drawings – All Builds ............................................................................................................ 150
DC Electrical Characteristics .................................................................................................................... 151
Power Measurements ................................................................................................................................ 151
Application Notes ...................................................................................................................................... 152
Tip and Ring Interface .......................................................................................................................... 152
Part 4 Embedded Device Servers .......................................................................................... 153
Chapter 10 – SocketEthernet IP® (MT100SEM-IP) ..........................................................................154
Introduction ................................................................................................................................................ 154
Product Build Options and Ordering Information ................................................................................... 154
AT Commands Reference Guide .............................................................................................................. 154
Technical Specifications ........................................................................................................................... 155
Mechanical Drawings – All Builds ............................................................................................................ 156
DC Electrical Characteristics .................................................................................................................... 157
Power Measurements ................................................................................................................................ 157
Application Notes ...................................................................................................................................... 158
Ethernet Interface – Non-Isolated Design ............................................................................................. 158
Ethernet Interface – Isolated Design .................................................................................................... 158
Recommended Parts ............................................................................................................................ 158
The Windows-Based Auto-Discovery Manager .................................................................................... 160
Chapter 11 – SocketWireless® Wi-Fi® (MT810SWM-IP) .................................................................162
Introduction ................................................................................................................................................ 162
Product Build Options and Ordering Information ................................................................................... 162
AT Commands Reference Guide .............................................................................................................. 162
Technical Specifications ........................................................................................................................... 163
Mechanical Drawings – Basic Build ......................................................................................................... 164
Mechanical Drawings – 3.3V Build ........................................................................................................... 165
Operating Conditions ................................................................................................................................ 166
Absolute Maximum Rating ........................................................................................................................ 166
DC Electrical Characteristics .................................................................................................................... 166
Power Measurements ................................................................................................................................ 166
Application Notes ...................................................................................................................................... 167
Default Power Up Settings ................................................................................................................... 167
Regulatory Requirements for the Wi-Fi Antenna .................................................................................. 168
Chapter 12 – SocketWireless® Bluetooth® (MTS2BTSMI) .............................................................169
Introduction ................................................................................................................................................ 169
Notes about Byte Gaps and Data Latency ............................................................................................... 169
Product Build Options and Ordering Information ................................................................................... 169
AT Commands Reference Guide .............................................................................................................. 169
Preliminary
Confidential

Table of Contents
Multi-Tech Systems, Inc. Universal Socket Hardware Guide for Developers (S000342M) 8
Technical Specifications ........................................................................................................................... 170
Mechanical Drawing – Basic Build and 3.3V Build ................................................................................. 171
DC Electrical Characteristics .................................................................................................................... 172
Power Measurements ................................................................................................................................ 172
Application Notes ...................................................................................................................................... 173
Default Power Up Settings ................................................................................................................... 173
Example of a Master Discovery/Connection Sequence ........................................................................ 174
Example of a Slave Command Sequence ............................................................................................ 174
Disabling Flow Control Using AT Commands ....................................................................................... 175
Other Examples .................................................................................................................................... 175
Changing Configuration ........................................................................................................................ 175
Index ..........................................................................................................................................................176
Preliminary
Confidential

Part 1 − Universal Socket Connectivity
Multi-Tech Systems, Inc. Universal Socket Hardware Guide for Developers (S000342M) 9
Part 1
Universal Socket Connectivity
Chapter 1 – Universal Socket Connectivity
Preliminary
Confidential

Part 1 − Universal Socket Connectivity Chapter 1 – Universal Socket Connectivity
Multi-Tech Systems, Inc. Universal Socket Hardware Guide for Developers (S000342M) 10
Chapter 1 – Universal Socket
Connectivity
Multi-Tech Embedded Solutions
Multi-Tech’s embedded device networking solutions instantly add communication ability to your existing or new product with
minimal engineering effort giving you an edge on your competition while accelerating your time-to-market. Our universal
socket family of embedded solutions is designed around a flexible comm-port architecture to provide analog dial-up, cellular,
Wi-Fi or Bluetooth® cellular, or Ethernet socket connectivity with interchangeable socket devices. This means you can utilize
one system design and populate it with your preferred connectivity option giving you flexibility and a seamless migration path
to future technologies.
Universal Socket Connectivity Features
• Flexible comm-port architecture
• Interchangeable socket devices
• Cost-effective system design
• Easy migration to future technologies
• Complete global compliance
The Universal Socket Design
Each pin on a SocketModem corresponds to a particular function. The universal socket design provides a
universal location for each function pin. This allows each SocketModem to be used in a common board.
Preliminary
Confidential

Part 1 − Universal Socket Connectivity Chapter 1 – Universal Socket Connectivity
Multi-Tech Systems, Inc. Universal Socket Hardware Guide for Developers (S000342M) 11
Universal Developer Kit Contents
Products described in this guide can be used to develop and evaluate your products and applications using the
MTSMI-UDK (Universal Developer Kit).
• Developer Board: One MTSMI-UDK Developer Board
• Power Supply: One 100-240V 9V-1.7A power supply with removable blades:
♦ One US blade/plug
♦ One EURO blade/plug
♦ One UK blade/plug
• Cables
♦ One RS-232 DB9F-DB25M serial cable
♦ One RJ-11 phone cable
♦ One RJ-45 Ethernet cable
♦ One 1.5 meter USB cable
• Antenna Cables
♦ One SMA-to-MMCX antenna cable (for cellular antennas)
♦ Two SMA-to-UFL antenna cables (one for select cellular antennas and one for GPS antennas)
♦ One RSMA-to-MMCX antenna cable (for Bluetooth antennas)
♦ One RSMA-to-UFL antenna cable (for Wi-Fi antennas)
• Antennas
♦ One quad band antenna 850/1900/900/1800 (for cellular modems)
♦ One 2.4GHz, ½ WAVE antenna with reverse polarity (for Bluetooth and Wi-Fi devices)
♦ One GPS antenna
• Modem Activation Customer Notices
♦ Aeris
♦ GSM
♦ Sprint
♦ Verizon
• One Universal Socket Connectivity Developer CD
• One Promotional Screwdriver
AT Commands for All Embedded Products Are
Included on the Developer Kit CD
AT Commands
Multi-Tech provides Reference Guides for each SocketModem's AT commands. These reference guides are
available on the CD included in the Developer Kit. They are also available by email at
mailto: oemsales@multitech.com
or by using the Developer Guide Request Form on Multi-Tech's Web site.
Fax Commands for Analog Modems
Fax Commands are included in the AT Command Reference Guide when applicable to the product. They are
available on the CD included in the Developer Kit.
Note: Fax Commands supported by product:
• SocketModem MT9234SMI supports all Class 1 and Class 2 commands (Class 1, 1.0, 2, 2.0/2.1)
• SocketModem MT5692SMI supports Class 1 & 1.0
Preliminary
Confidential

Part 1 − Universal Socket Connectivity Chapter 1 – Universal Socket Connectivity
Multi-Tech Systems, Inc. Universal Socket Hardware Guide for Developers (S000342M) 12
Universal Socket Pin Out
Top View – Universal SocketModem Pin Out
Important Note:
Not all products include all pins as shown above and listed below. See the Mechanical Drawings section in each
product chapter for the pins used by that product.
Universal Pin Descriptions
Pin Signal
Name
In
/
Out Description
1 Tip I/O
Tip Signal from Telco. Tip connection to the phone line (RJ-11 Pin 4). The
SocketModem is Tip/Ring polarity insensitive.
2 Ring I/O
Ring Signal from Telco. Ring connection to the phone line (RJ-11 Pin 3). The
SocketModem is Tip/Ring polarity insensitive.
3 Safety
Void
NA Safety Clearance. 2.5 mm is required between TNV circuits and SELV circuits.
4 TX+ O
Transmit Outputs (TX+ and TX-). Differential transmit outputs for Ethernet and ISDN.
5 TX- O
Transmit Outputs (TX+ and TX-). Differential transmit outputs for Ethernet and ISDN.
6 RX- I Receive Inputs. Differential receive input pins for Ethernet. Dummy pin for
MT810SWM-IP.
7 RX+ I Receive Inputs. Differential receive input pins for Ethernet.
8 Safety
Void
NA Safety Clearance. 2.5 mm is required between TNV circuits and SELV circuits.
9 Dummy
Dummy pin for EDGE.
11 TCLK O
Transmit Data Sync Clock. TX synchronous data clock for ISDN sync data mode.
12 RCLK O
Receive Data Sync Clock. RX synchronous data clock for ISDN sync data mode.
22 MIC+ I
Microphone positive input. See microphone sections in GPRS, CDMA, EDGE
chapters.
23 MIC- I
Microphone negative input. See microphone sections in GPRS, CDMA, EDGE
chapters.
Preliminary
Confidential

Part 1 − Universal Socket Connectivity Chapter 1 – Universal Socket Connectivity
Multi-Tech Systems, Inc. Universal Socket Hardware Guide for Developers (S000342M) 13
Pin Signal
Name
In/Out Description
24 –RESET* I Device Reset (with pull-up). The active low –RESET input resets the device logic
and returns the configuration of the device to the original factory default values or
"stored values" in the NVRAM. –RESET is tied to VCC through a time-constant
circuit for “Power-on-Reset” functionality. The SocketModem is ready to accept
commands after a fixed amount of time (“X” Time) after power-on or reset.
Model Time Constant "X" Time Minimum Reset Pulse*
MTSMC-G2 250 ms 6 seconds 100us
MTSMC-C1 250 ms 3-15 seconds 500us
MTSMC-E1 250 ms 3-15 seconds 500us
MTSMC-H 250 ms 10 seconds 100us
MT9234SMI 400 ms 6 seconds 100us
MT5692SMI 250 ms 6 seconds 100us
MT2492SMI 250 ms 6 seconds 100us
MT100SEM-IP 250 ms 6 seconds 100us
MT810SWM-IP 250 ms 6 seconds 100us
MTS2BTSMI 250 ms 6 seconds 100us
*The SocketModem device may respond to a shorter reset pulse.
Reset Line Interface for the MT5692SMI. The modem’s reset line employs a 10K
pull up resistor. If an open collector driver is to be used, run that output to the
modem only and use a separate driver for other embedded components. The
modem’s reset signal may also be driven by a circuit that both sinks and sources
current if desired. It is also important to note that these modems do not require an
external reset. They have their own internal reset circuitry and voltage monitor and
will function correctly even if the reset input is open.
Reset GPRS and CDMA (MTSMC-G2 and MTSMC-C1). This signal is used to
force a reset procedure by providing low level during reset of at least 500us. The
signal is considered an emergency reset only. A reset procedure is already driven
by internal hardware during the power-up sequence. If no external reset is
necessary, this input can be left open. If used (emergency reset), it has to be driven
by an open collector or an open drain.
Reset EDGE with pull-up (MTSMC-E1). The active low –RESET input resets the
device logic and returns the configuration of the device to the original factory default
values of "stored values" in the NVRAM. The SocketModem is ready to accept
commands after a fixed amount of time after power-on or reset.
25 USB_VBUS I USB Voltage Sense. Senses the voltage level of the USB to determine if the bus is
available.
26 GND GND
Logic Ground.
27 USB_DP I/O
USB Data Positive. Positive pin of the USB data pair.
28 USB_DN I/O
USB Data Negative. Negative pin of the USB data pair.
29 LED DCD O DCD (Active High). Output from 74LCX14 with a 1000 Ohms resistor in series.
SocketWireless Bluetooth (MTS2BTSMI): When lit, indicates a connection. No
series resistor.
30 LED RX O RX (Active High). Output from 74LCX14 with a 1000 Ohms resistor in series.
SocketWireless Bluetooth (MTS2BTSMI): No series resistor.
31 LED DTR O DTR (Active High). Output from 74LCX14 with a 1000 Ohms resistor in series.
SocketWireless Bluetooth (MTS2BTSMI): No series resistor.
32 LED TX O TX (Active High). Output from 74LCX14 with a 1000 Ohms resistor in series.
SocketWireless Bluetooth (MTS2BTSMI): No series resistor.
33 –RTS I
Request to Send (Active Low). –RTS is controlled by the DTE to indicated
whether or not the DTE is ready to receive data. –RTS ON (low) indicates that the
DTE is ready to receive data from the modem on RXD. –RTS OFF indicates to the
SocketModem that it should not transfer data on the RXD.
In the command state, the modem ignores –RTS.
Note: When the –RTS pin is not in use, it should be tied low.
* RESET – A Design Consideration: Allowing the host processor to control the RESET line of the SocketModem provides
the benefit of allowing the host to reset the device in the event of a failure to respond normally. Resetting the SocketModem
will return it to a known functional state.
Preliminary
Confidential

Part 1 − Universal Socket Connectivity Chapter 1 – Universal Socket Connectivity
Multi-Tech Systems, Inc. Universal Socket Hardware Guide for Developers (S000342M) 14
Pin Signal
Name
In/Out Description
34 –RXD O
Received Data. The SocketModem uses the RXD line to send data to the DTE and
to send SocketModem responses to the DTE. In command mode, –RXD data
presents the SocketModem responses to the DTE. SocketModem responses take
priority over incoming data when the two signals are in competition for –RXD. When
no data is transmitted, the signal is held in mark condition.
35 –TXD I
Transmitted Data. The DTE uses the –TXD line to send data to the SocketModem
for transmission or to transmit commands to the SocketModem. The DTE holds this
circuit in mark state when no data is being transmitted or during intervals between
characters.
36 –RI
O RING (Active Low). Incoming ring signal from phone.
Ring Indicate. –RI output ON (low) indicates the presence of an ON segment of a
ring signal on the telephone line. The modem will not go off-hook when –RI is active;
the modem waits for –RI to go inactive before going off-hook.
SocketWireless Bluetooth (MTS2BTSMI). Strobes 1/sec for slave indication.
37 –DSR O Data Set Ready (Active Low). –DSR indicates SocketModem status to the DTE. –
DSR OFF (high) indicates that the DTE is to disregard all signals appearing on the
interchange circuits except Ring Indicator (–RI). It reflects the status of the local
data set and does not indicate an actual link with any remote data equipment.
38 –CTS O
Clear to Send (Active Low). –CTS is controlled by the SocketModem to indicate
whether or not the SocketModem is ready to transmit data. –CTS ON indicates to
the DTE that signals on TXD will be transmitted. –CTS OFF indicates to the DTE
that it should not transfer data on TXD.
39 –DCD O
Data Carrier Detect (Active Low). –DCD output is ON (low) when a data
connection is established and the SocketModem is ready to send/receive data.
40 –DTR
I Data Terminal Ready (Active Low). The –DTR input is turned ON (low) when the
DTE is ready to communicate. –DTR ON prepares the modem to be connected, and,
once connected, maintains the connection. –DTR OFF places the modem in the
disconnect state under control of the &Dn and &Qn commands.
Note: When the –DTR pin is not in use, it should be tied low.
41 GND GND
Logic Ground.
42 SPK- O
Cellula
r
GPRS, CDMA, and EDGE. Negative analog speaker output.
43 SPK+ O
Cellula
r
GPRS, CDMA, and EDGE. Positive analog speaker output.
48 GPIO I/O
General Purpose Input/Output. User-configurable input or output pin.
49 GPIO I/O
General Purpose Input/Output. User-configurable input or output pin.
50 GPIO I/O
General Purpose Input/Output. User-configurable input or output pin.
51 GPIO I/O
General Purpose Input/Output. User-configurable input or output pin.
56 –LED
FDX
O LED Full Duplex (Active Low). LED Output. During normal operation, this pin lights
the FDX LED to indicate a full duplex mode.
57 –LED
ACT
O LED Active (Active Low). LED Output. During normal operation, this pin lights the
Activity LED when transmitting or receiving. It flashes at a rate of 50ms high and
50ms low when active.
58 –
LEDLINK
O LED LIN
K
(Active Low). LED Output. During normal operation, this pin lights the
LINK LED to indicate a good link is detected.
Pin 58 LED Mode Operating Status
Note: Pin 58 may or may not be available on some EDGE/GPRS/CDMA SocketModems currently
shipping.
Of
f
Subscriber Carrier Mode is OFF or running in SLEEP mode or
Alarm mode.
600 ms ON / 600ms OFF No SIM card inserted or no PIN entered, or network search in
progress, or ongoing user authentication, or network login in
progress.
75 ms ON / 75 ms OFF / 75 ms ON
3 s OFF
Flashing or Blinking
One or more EDGE/GPRS/CDMA contexts activated.
Indicates EDGE/GPRS/CDMA data transfer: When a transfer is
in progress, the LED goes on within 1 second after data
packets were exchanged. Flash duration is approximately 0.5 s.
ON Depending on type of call:
Voice Call: Connected to remote party.
Data Call: Connected to remote party or exchange of
parameters while setting up or disconnecting a call.
Preliminary
Confidential

Part 1 − Universal Socket Connectivity Chapter 1 – Universal Socket Connectivity
Multi-Tech Systems, Inc. Universal Socket Hardware Guide for Developers (S000342M) 15
Pin Signal
Name
In/Out Description
59 –LEDCOL O
LED Collision (Active Low). LED Output. During normal operation, this pin lights
the COL LED to indicate a collision. It flashes at 50ms high and 50ms low when
active.
60 –LEDSPD O
LED Speed (Active Low). LED Output. During normal operation, this pin lights the
SPEED LED to indicate 100Mbps is selected.
61 VCC PWR
DC Input Powe
r
. 3.3V or 5VDC power, depending upon the build.
62 MICV I
Single-Ended Microphone. Single-ended microphone input for dial-up
SocketModem speakerphone and TAM functions.
63 AGND GND
Analog Ground. Analog ground is tied common with DGND on the SocketModem.
To minimize potential ground noise issues, connect audio circuit return to AGND.
64 SPKR O
Speake
r
. Dual purpose output for call progress signals or speakerphone functions.
Call Progress signaling on MT5692SMI and MT2492SMI is a square wave output
that can be optionally connected to a low-cost single-ended speaker; e.g., a
sounducer or an analog speaker circuit.
Call progress on the MT9234SMI is an analog output.
Speakerphone Output on the MT5692SMI is under the control of +FCLASS. This
is a single-ended analog output. SPKR is tied directly to the CODEC. One side of a
differential AC output coupled through a 6.8K ohm resistor and capacitor.
Preliminary
Confidential

Part 1 − Universal Socket Connectivity Chapter 1 – Universal Socket Connectivity
Multi-Tech Systems, Inc. Universal Socket Hardware Guide for Developers (S000342M) 16
Design Considerations
Noise Suppression Design Considerations
Engineering noise-suppression practices must be adhered to when designing a printed circuit board (PCB)
containing the SocketModem. Suppression of noise is essential to the proper operation and performance of the
modem itself and for surrounding equipment.
Two aspects of noise in an OEM board design containing the SocketModem must be considered: on-board/off-
board generated noise that can affect digital signal processing. Both on-board and off-board generated noise
that is coupled on-board can affect interface signal levels and quality. Of particular concern is noise in frequency
ranges affecting modem performance.
On-board generated electromagnetic interference (EMI) noise that can be radiated or conducted off-board is a
separate, but equally important, concern. This type of noise can affect the operation of surrounding equipment.
Most local government agencies have stringent certification requirements that must be met for use in specific
environments.
Proper PC board layout (component placement, signal routing, trace thickness and geometry, etc.) component
selection (composition, value, and tolerance), interface connections, and shielding are required for the board
design to achieve desired modem performance and to attain EMI certification.
Other aspects of proper noise-suppression engineering practices are beyond the scope of this designer guide.
The designer should consult noise suppression techniques described in technical publications and journals,
electronics and electrical engineering text books, and component supplier application notes.
PC Board Layout Guidelines
In a 4-layer design, provide adequate ground plane covering the entire board. In 4-layer designs, power and
ground are typically on the inner layers. All power and ground traces should be 0.05 inches wide.
The recommended hole size for the SocketModem pins is 0.036 in. +/-0.003 in. in diameter. Spacers can be
used to hold the SocketModem vertically in place during the wave solder process.
All creepages and clearances for the SocketModem have been designed to meet requirements of safety
standards EN60950 or EN60601. The requirements are based on a working voltage of 125V or 250V. When the
recommended DAA* circuit interface is implemented in a third party design, all creepage and clearance
requirements must be strictly followed in order to meet safety standards. The third party safety design must be
evaluated by the appropriate national agency per the required specification.
User accessible areas: Based on where the third party design is to be marketed, sold, or used, it may be
necessary to provide an insulating cover over all TNV exposed areas. Consult with the recognized safety
agency to determine the requirements.
Note: Even if the recommended design considerations are followed, there are no guarantees that a particular
system will comply with all the necessary regulatory requirements. It is imperative that specific designs be
completely evaluated by a qualified/recognized agency.
*DAA stands for Data Access Arrangement. DAA is the telephone line interface of the SocketModem.
Important
MTSMC Tooling Holes and Mounting Hardware
It is recommended that nylon hardware be used if the SocketModems are to be mounted using the two tooling
holes due to possible traces and vias around the tooling holes. #4 or M2/M3 hardware should be used for
mounting. This applies to the following cellular SocketModems:
SocketModem Cell & SocketModem iCell GPRS (MTSMC-G2)
SocketModem® Cell and SocketModem iCell CDMA 1xRTT (MTSMC-C1)
SocketModem® HSDPA (MTSMC-H)
Note: See the Mechanical Drawings for these SocketModems.
Preliminary
Confidential

Part 1 − Universal Socket Connectivity Chapter 1 – Universal Socket Connectivity
Multi-Tech Systems, Inc. Universal Socket Hardware Guide for Developers (S000342M) 17
Electromagnetic Interference (EMI)
Considerations
The following guidelines are offered specifically to help minimize EMI generation. Some of these guidelines are
the same as, or similar to, the general guidelines but are mentioned again to reinforce their importance. In order
to minimize the contribution of the SocketModem-based design to EMI, the designer must understand the major
sources of EMI and how to reduce them to acceptable levels.
1. Keep traces carrying high frequency signals as short as possible.
2. Provide a good ground plane or grid. In some cases, a multilayer board may be required with full layers
for ground and power distribution.
3. Decouple power from ground with decoupling capacitors as close to the SocketModem power pins as
possible.
4. Eliminate ground loops, which are unexpected current return paths to the power source and ground.
5. Decouple the telephone line cables at the telephone line jacks. Typically, use a combination of series
inductors, common mode chokes, and shunt capacitors. Methods to decouple telephone lines are
similar to decoupling power lines; however, telephone line decoupling may be more difficult and
deserves additional attention. A commonly used design aid is to place footprints for these components
and populate as necessary during performance/EMI testing and certification.
6. Decouple the power cord at the power cord interface with decoupling capacitors. Methods to decouple
power lines are similar to decoupling telephone lines.
7. Locate high frequency circuits in a separate area to minimize capacitive coupling to other circuits.
8. Locate cables and connectors so as to avoid coupling from high frequency circuits.
9. Lay out the highest frequency signal traces next to the ground grid.
10. If a multilayer board design is used, make no cuts in the ground or power planes and be sure the
ground plane covers all traces.
11. Minimize the number of through-hole connections on traces carrying high frequency signals.
12. Avoid right angle turns on high frequency traces. Forty-five degree corners are good; however, radius
turns are better.
13. On 2-layer boards with no ground grid, provide a shadow ground trace on the opposite side of the
board to traces carrying high frequency signals. This will be effective as a high frequency ground return
if it is three times the width of the signal traces.
14. Distribute high frequency signals continuously on a single trace rather than several traces radiating
from one point.
Electrostatic Discharge Control
All electronic devices should be handled with certain precautions to avoid damage due to the accumulation of
static charge.
See the ANSI/ESD Association Standard (ANSI/ESD S20.20-1999) – a document “for the Development of an
Electrostatic Discharge Control for Protection of Electrical and Electronic Parts, Assemblies and Equipment.”
This document covers ESD Control Program Administrative Requirements, ESD Training, ESD Control Program
Plan Technical Requirements (grounding/bonding systems, personnel grooming, protected areas, packaging,
marking, equipment, and handling), and Sensitivity Testing.
Multi-Tech Systems, Inc. strives to follow all of these recommendations. Input protection circuitry has been
incorporated into the Multi-Tech devices to minimize the effect of this static buildup, proper precautions should
be taken to avoid exposure to electrostatic discharge during handling.
Multi-Tech uses and recommends that others use anti-static boxes that create a faraday cage (packaging
designed to exclude electromagnetic fields). Multi-Tech recommends that you use our packaging when
returning a product and when you ship your products to your customers.
Phone Line Warning Statement for the Developer
Board
Use extreme caution when the phone line is installed due to live energized components. In fact, do not touch
any components on the board while the phone line is installed.
In addition, the phone line should be detached when making modifications to or servicing the developer board.
Preliminary
Confidential

Part 1 − Universal Socket Connectivity Chapter 1 – Universal Socket Connectivity
Multi-Tech Systems, Inc. Universal Socket Hardware Guide for Developers (S000342M) 18
SocketModem Developer Board
This developer board drawing shows the major board components for all SocketModems.
Board Revision B
See the next page for description of Board Components
Preliminary
Confidential

Part 1 − Universal Socket Connectivity Chapter 1 – Universal Socket Connectivity
Multi-Tech Systems, Inc. Universal Socket Hardware Guide for Developers (S000342M) 19
Board Components
Jumpe
r
Description
JP1 Mutes the speaker. Default positions are 1 and 2 (speaker is not muted).
JP2 Ties the TX and RX clock lines together. Default positions are 1 and 2 (transmit and receive
clock act independently).
JP3 Sets the data rate. NORMAL sets the data rate at 250kbps.
H.S. (high speed serial communications) sets the data rate at 1Mbps.
JP4 Testing interface (debugging) for the RS-232 signals.
JP5 JP5 acts as a replacement for pin 45 when pin 45 is used for another function.
JP7 Testing interface (debugging) for the serial TTL signals.
JP9 JP9 is the 5V / 3.3V regulator. The factory default operating voltage is 3.3V.
Warning – Be sure that the 5V / 3.3V jumper is set to match the requirements of your
SocketModem. If this jumper is set incorrectly, damage to the SocketModem and/or the
Test/Demo card could result.
Caution – Use only the provided Multi-Tech Systems, Inc. transformer with the Test/Demo
board. Use of any other power source will void the warranty and will likely damage the
Test/Demo board and the SocketModem. The transformer connector is keyed to prevent
improper connection to the Test/Demo board.
JP12 JP12 allows you to select either the internal 5V regulator (INT 5V) or to choose EXT 5V. For
the EXT 5V, you can use your own external 5V power source and plug it into J7.
JP13 Set either 5V or 3.3V for USB_VBUS line (supplied by the VCC of the USB jack).
JP14 Internal testing.
JP15 JP15 disconnects pin 45 from SLP with JP5 (the RS-232 driver sleep mode).
JP16 JTAG header.
JP17 Mosquito header. If used to debug the SocketModem while using the USB port, then the JP14
would have to be removed to disconnect USB_VBUS.
JP18 Power feed for area where SocketModems are placed (J24).
JP19 & JP20 Debugging probes.
JP25 & JP26 Ground lug.
S4 Set the switch block to the product being used.
S5 Reset
Jumpers and Corresponding Signals
J4 and J7
10 PWR
8 CTS
6 DSR
4 DTR
2 RXD
9 RI
7 RTS
5 GND
3 TXD
1 DCD
J2 and J13
2 RXC 1 TXC
JP10 JP11
TX Term RX Term
Preliminary
Confidential

Part 1 − Universal Socket Connectivity Chapter 1 – Universal Socket Connectivity
Multi-Tech Systems, Inc. Universal Socket Hardware Guide for Developers (S000342M) 20
SocketModem Developer Board Block Diagram
Preliminary
Confidential

Part 1 − Universal Socket Connectivity Chapter 1 – Universal Socket Connectivity
Multi-Tech Systems, Inc. Universal Socket Hardware Guide for Developers (S000342M) 21
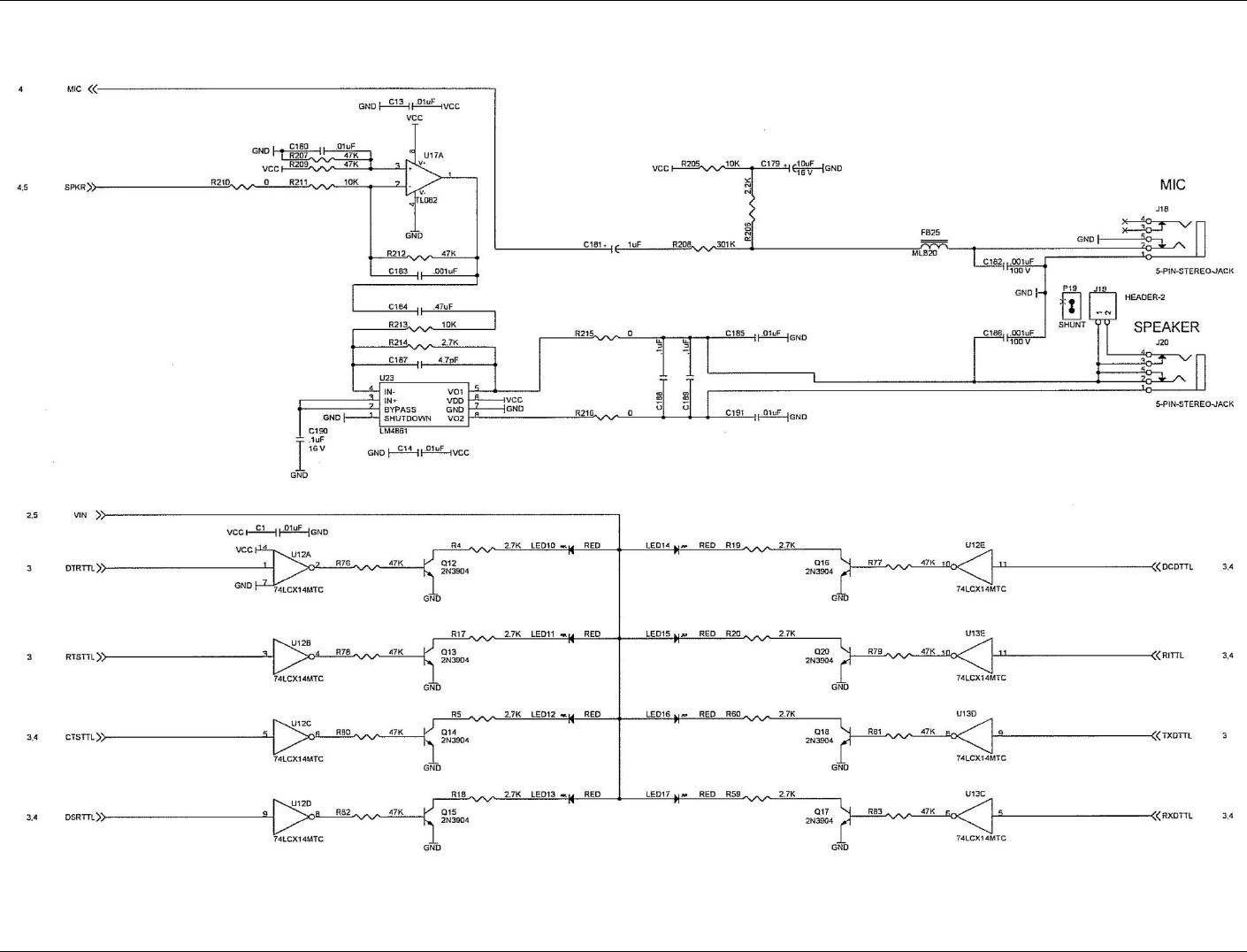
Developer Board Schematics
Board Revision B
Preliminary
Confidential

Part 1 − Universal Socket Connectivity Chapter 1 – Universal Socket Connectivity
Multi-Tech Systems, Inc. Universal Socket Hardware Guide for Developers (S000342M) 22
Developer Board Schematics
Board Revision B
Preliminary
Confidential

Part 1 − Universal Socket Connectivity Chapter 1 – Universal Socket Connectivity
Multi-Tech Systems, Inc. Universal Socket Hardware Guide for Developers (S000342M) 23
Developer Board Schematics
Board Revision B
Preliminary
Confidential

Part 1 − Universal Socket Connectivity Chapter 1 – Universal Socket Connectivity
Multi-Tech Systems, Inc. Universal Socket Hardware Guide for Developers (S000342M) 24
Developer Board Schematics
Board Revision B
Preliminary
Confidential

Part 1 − Universal Socket Connectivity Chapter 1 – Universal Socket Connectivity
Multi-Tech Systems, Inc. Universal Socket Hardware Guide for Developers (S000342M) 25
Developer Board Schematics
Board Revision B
Preliminary
Confidential

Part 1 − Universal Socket Connectivity Chapter 1 – Universal Socket Connectivity
Multi-Tech Systems, Inc. Universal Socket Hardware Guide for Developers (S000342M) 26
Upgrading Firmware
Your modem is controlled by semi-permanent firmware, which is stored in flash memory. Multi-Tech's firmware is nonvolatile;
that is, it remains stored in memory when the modem is turned off and can be upgraded as new features are added.
Multi-Tech's Flash Wizard can be downloaded from Multi-Tech’s FTP site and is available on CD. Use this Flash Wizard for
upgrading your firmware.
The following table shows you which products support the Flash Wizard. The SocketWireless Wi-Fi (MT810SWM-IP) uses the
XMODEM Upgrade feature. Directions for using XMODEM are included on the next page.
Cellular SocketModems
For all Cellular SocketModems Do not use the Flash Wizard for the cellular modems. Contact
Multi-Tech for cellular modem firmware upgrade directions.
Analog SocketModems
SocketModem MT9234SMI Flash Wizard Software for Windows®, Mac OSX, and Linux can
use ASCII upload via terminal emulator.
SocketModem MT5692SMI and
SocketModem MT5692SMI-IP
Flash Wizard Software for Windows®, Mac OSX, and Linux can
use ASCII upload via terminal emulator.
SocketModem MT2492SMI No Flash Upgrade.
Embedded Device Servers
SocketEthernet IP MT100SEM-IP Flash Wizard Software for Windows®, Mac OSX, and Linux can
use ASCII upload via terminal emulator.
SocketWireless Wi-Fi MT810SWM-IP XMODEM serial port upgrade. See the next page for information
about using the XMODEM upgrade.
SocketWireless Bluetooth MTS2BTSMI Do not use the Flash Wizard with the SocketWireless Bluetooth.
Contact Multi-Tech for cellular modem firmware upgrade
directions.
Flash Wizard Software for Windows®: ftp://ftp.multitech.com/utilities/flashwizard/3000
Flash Wizard Software for Linux: http://mtflashwiz.sourceforge.net/
Preliminary
Confidential

Part 1 − Universal Socket Connectivity Chapter 1 – Universal Socket Connectivity
Multi-Tech Systems, Inc. Universal Socket Hardware Guide for Developers (S000342M) 27
XMODEM Serial Port for Firmware Upgrade
Note: This upgrade procedure applies only to the MT810SWM-IP and the older product MTXCSEM.
The IP communications device, for example, contains a 2 MB flash wherein the boot image, the firmware and
configuration files are stored in a compressed format. The flash can easily be upgraded both locally as well as
remotely.
Serial Port Upgrade
The modem can be upgraded locally through the serial port using the upload feature of serial applications.
Serial Port Configuration
The default serial port parameters should be:
Data length – 8 bits
Parity – None
Stop bits – 1
Baud-rate of the serial port to which the communications device is connected should be set to 115200 bps
for proper operation.
Example of a Serial Flash Upgrade
Following steps explain the procedure to upgrade a flash using the serial COM port (serial flash upgrade).
Connect the communications device to a PC COM Port.
• Open an application through which we can access the serial device (e.g., Meterm, zoc, hyperterm).
• Reboot the communications device.
• Wait for the boot message and prompt “press d to download” to appear.
• Press d when prompted.
• Select the XMODEM Protocol from the Terminal application.
• Choose a file to be uploaded.
• Perform a file upload.
The communications device reboots and will be up after a few seconds (10-15 seconds).
Caution: Refrain from powering off the device during flash upgrade.
Preliminary
Confidential

Part 1 − Universal Socket Connectivity Chapter 1 – Universal Socket Connectivity
Multi-Tech Systems, Inc. Universal Socket Hardware Guide for Developers (S000342M) 28
Multi-Tech Systems, Inc. Flash Programming
Protocol
This information is provided exclusively for the users of Multi-Tech Systems, Inc. SocketModems, specifically the
MT9234SMI.
Multi-Tech Systems, Inc. SocketModem owners have the right to use, modify, and incorporate this code into other
products provided they include the Multi-Tech Systems, Inc. notice and the associated copyright notice with any
such product.
Copyright (C) Multi-Tech Systems, Inc. 1995
All Right Reserved
The flash programming protocol is provided "AS IS” without warranty.
Important: When interacting with the boot code, it is possible to make the modem inoperable.
Use extreme caution.
Programming the Modem
There are two ways to start flash programming a modem. It can be programmed
1. From “AT” mode
2. When the modem powers up.
The following table shows how a modem is programmed.
DTE Modem Comments
AT*FS\r This effectively “restarts” the modem so that it enters the boot code.
Handshake Sequence
M’s Many M’s are sent (10 milliseconds apart) at 19200 baud.
This is where the handshake starts if the modem is just powered up.
U U is sent at 19200 baud if M’s are received within 100 milliseconds of
power up. If the M’s are not received within 100 milliseconds, then
the modem starts up normally. If the AT*FS command is used, then
you have 1 second (1000mS) to perform the handshake.
D Sent at 19200 baud.
M M if can receive at 9600/19200/38400/57600/115200
I|J|K|L|M I if modem will be programmed at 9600
J if modem will be programmed at 19200
K if modem will be programmed at 38400
L if modem will be programmed at 57600
M if modem will be programmed at 115200
\r\nOK\r\n Modem is ready to be programmed
Program Sequence:
DTE Modem Comments
ATFLP\r Request to the modem to program
G Modem is ready for next program packet
[Length
High]
High byte of data packet length
[Length Low] Low byte of data packet length
Packet lengths can be up to 4096 bytes in size for most boot code
versions
[Address
High]
High byte of program address
[Address
Middle]
Middle byte of program address
[Address
Low]
Low byte of program address
Addresses are 3 byte values with a range of 00000h-FFFFFh
[Data Bytes] These are the data bytes to be programmed at the address specified
above. They must be the same number of bytes as specified above.
[Checksum] This checksum is generated by exclusive ORing together all of the
Data Bytes (do not include the Length or Address bytes in that
calculation).
\nOK\r\n
\nERROR\r\n
If bytes are programmed and verified.
If verify fails or checksum is bad.
Retry the block 3 times on an ERROR.
….
….
More of the above sequence until all the data bytes have been sent
to the modem.
ATFLEND\r This ends programming and restarts the modem.
Preliminary
Confidential

Part 1 − Universal Socket Connectivity Chapter 1 – Universal Socket Connectivity
Multi-Tech Systems, Inc. Universal Socket Hardware Guide for Developers (S000342M) 29
Other Supported Boot Code Commands
2.1 ATI0 - returns 000 or 247 for ISDN
2.2 ATI1 - returns boot code version number MM.mmn where
MM = unique code for each different platform that has boot code
mm = version number of boot code
n = version letter of the boot code
Examples: 2.05e, 2.12d, 35.15
ATI4- Boot code date and time.
Other Programming Concerns
1. The packets sent to the modem must be presorted by address and aligned on 128 byte boundaries (i.e., each
packet must start on an address that is a multiple of 128).
2. The packets should also be a minimum of 128 bytes with the non-programmed bytes set to the hex value of FF.
3. The packets sent to the modem must not span a 4K boundary (i.e., start the packet before it and go over the
boundary in the middle of the packet).
4. The 10-millisecond delay between M’s at the beginning of the handshake is so that the modem can sync up to
the start bit. If the M’s are sent one right after another, a data bit might be mistaken as a start bit.
5. Multi-Tech firmware files are in Intel Hex Format and must be read in and formatted into 128-4096 byte blocks
before being sent to the modem.
Information about the Intel Hex Format
An Intel Format Hex File is a text file consisting of “records”, one per line, that start with a “:” character and include
only digits 0-9 and letters A-F. There are three different record types: Extended Address Records, Data Records,
and End of File Records.
Data records contain the actual data that is to be programmed into a device. The address contained in the data
record needs to be combined with an extended address (by adding the extended address shifted four bits left to the
data record address) to determine the actual programming address for the data. If no extended address record is
before a given data record in the file, then the extended address value is assumed to be zero.
Data Record
Char Pos Field Type
V
alue Description
1 Record Start “:”
2-3 Data Byte Count “NN” Maximum value is FF (which is 255 data bytes).
Typical is 20h which causes the hex record to fit in 80
columns.
4-7 Address “XXXX” Lower 16 bits of 20 bit address, most significant byte
first. This must be added to Extended Address left
shifted four bits.
8-9 Record Type “00” Data Record
10+N Data Bytes “YY..YY
”
The data bytes in hex. Each byte is two characters.
NN+1,2 Checksum “ZZ” Zero minus the two’s complement addition of all data
hex values.
NN+3,4 End of Line “\r\n” Carriage Return followed by a Line Feed
Example Data Record in Intel Format
:2000A0005BB66DDBB66CD8B060C183060D1B366DDBB66DDBB76FDFBF7EFDFBF6EDDBB66DD4
Preliminary
Confidential

Part 1 − Universal Socket Connectivity Chapter 1 – Universal Socket Connectivity
Multi-Tech Systems, Inc. Universal Socket Hardware Guide for Developers (S000342M) 30
Extended Address Record
Char
Pos
Field Type
V
alue Description
1 Record Start “:”
2-3 Data Byte Count “02” Always 2 bytes for this record type
4-7 Address “0000” Not used for this record type (must be zero)
8-9 Record Type “02” Extended Address Record
10-13 Extended Address “EEEE” Top 16 bits of 20 bit address, most significant byte first
14-15 Checksum “ZZ” Zero minus the two’s complement addition of all data hex values
16-17 End of Line “\r\n” Carriage Return followed by a Line Feed
Example Extended Address Record in Intel Format :020000021000EC
End of File Record
Char
Pos
Field Type
V
alue Description
1 Record Start “:”
2-3 Data Byte Count “00” Always 2 bytes for this record type
4-7 Address “0000” Transfer Address (usually be zero)
8-9 Record Type “01” End of File Record
10-11 Checksum “ZZ” Zero minus the two’s complement addition of all data hex values
12-13 End of Line “\r\n” Carriage Return followed by a Line Feed
Example End of File in Intel Format :00000001FF
Preliminary
Confidential

Part 1 − Universal Socket Connectivity Chapter 1 – Universal Socket Connectivity
Multi-Tech Systems, Inc. Universal Socket Hardware Guide for Developers (S000342M) 31
Cellular Information
Antenna System for Cellular Devices
The cellular/wireless performance is completely dependent on the implementation and antenna design. The
integration of the antenna system into the product is a critical part of the design process; therefore, it is essential to
consider it early so the performance is not compromised. If changes are made to the certified antenna system of the
SocketModem, then recertification will be required by specific network carriers such as Sprint. The Antenna System
is defined as the UFL connection point from the SocketModem to the specified cable specifications and specified
antenna specifications.
FCC Requirements for the Antenna
The antenna gain, including cable loss, for the radio you are incorporating into your product design must not exceed
the requirements at 850 MHz and 1900 MHz as specified by the FCC grant for mobile operations and fixed mounted
operations as defined in 2.1091 and 1.1307 of the FCC rules for satisfying RF exposure compliance. The antenna
used for transmitting must be installed to provide a separation distance of at least 20cm from all persons and must
not transmit simultaneously with any other antenna transmitters. User and installers must be provided with antenna
installation instructions and transmitter operating conditions to satisfying RF exposure compliance.
Antenna Specifications
CDMA RF Specifications
CDMA 800 CDMA 1900
Frequency RX 869 to 894 MHz 1930 to 1990 MHz
Frequency TX 824 to 849 MHz 1850 to 1910 MHz
CDMA Antenna Requirements/Specifications
Frequency Range 824 – 894 MHz / 1850 – 1990 MHz
Impedance 50 Ohms
VSWR VSWR shall not exceed 2.0:1 at any point across the bands of operation
Typical Radiated Gain 2 dBi on azimuth plane
Radiation Omni-directional
Polarization Vertical
Antenna Loss Free space not to exceed -3dB
TRP/TIS The total radiated power (TRP) at the antenna shall be no less than
+21/20 dBm for PCS/CELL channels respectively, and the total isotropic
sensitivity (TIS) at the antenna shall be no less than -104/104 dBm for
PCS/CELL channels respectively.
PTCRB Requirements for the Antenna
There cannot be any alteration to the authorized antenna system. The antenna system must maintain the same
specifications. The antenna must be the same type, with similar in-band and out-of-band radiation patterns.
GSM/EGSM RF Specifications
GSM 850 EGSM 900 GSM 1800 GSM 1900
Frequency RX 869 to 894 MHz 925 to 960 MHz 1805 to 1880 MHz 1930 to 1990 MHz
Frequency TX 824 to 849 MHz 880 to 915 MHz 1710 to 1785 MHz 1850 to 1910 MHz
Preliminary
Confidential

Part 1 − Universal Socket Connectivity Chapter 1 – Universal Socket Connectivity
Multi-Tech Systems, Inc. Universal Socket Hardware Guide for Developers (S000342M) 32
GSM Antenna Requirements/Specifications
Frequency Range 824 – 960 MHz / 1710 – 1990 MHz
Impedance 50 Ohms
VSWR VSWR shall not exceed 2.0:1 at any point across the bands of operation
Typical Radiated Gain 2 dBi on azimuth plane
Radiation Omni-directional
Polarization Vertical
Antenna Loss Free space not to exceed -3db
TRP/TIS Including cable loss the total radiate power (TRP) at the antenna shall be
no less than +22/24.5 dBm for 850/1900 MHz respectively, and the total
isotropic sensitivity (TIS) at the antenna shall be no less than -99/101.5
dBm for 850/1900 MHz respectively.
HSDPA / UMTS RF Specifications
Bands I, II,
V
UMTS 850 Band
V
UMTS 1900 Band II UMTS 2100 Band I
Frequency RX 869 to 894 MHz 1930 to 1990 MHz 2110 to 2170 MHZ
Frequency TX 824 to 849 MHz 1850 to 1910 MHz 1920 to 1980 MHZ
HSDPA / UMTS Antenna Requirements/Specifications
Frequency Range 824 – 960 MHz / 1710 – 1990 MHz / 1920 – 2170 MHz
Impedance 50 Ohms
V
SWR VSWR shall not exceed 2.0:1 at any point across the bands of operation
Typical Radiated Gain 2 dBi on azimuth plane
Radiation Omni-directional
Polarization Vertical
Antenna loss Free space not to exceed -3db
TRP/TIS Including cable loss the total radiate power (TRP) at the antenna shall be
no less than +22/24.5 dBm for 850/1900/ MHz respectively, and the total
isotropic sensitivity (TIS) at the antenna shall be no less than -99/101.5
dBm for 850/1900 MHz respectively. Note: 2100MHz is not used by the
North America carriers.
GPS (Global Positioning) RF Specifications
GPS L1
Frequency RX 1575.42
LNA Bias Voltage 5V
LNA Current Consumption 40mA Max
GPS Antenna Requirements/Specifications
Frequency 1575MHz
Impedance 50 Ohms
V
SWR 1.5db
Input voltage 3.0V +/- 0.3V
GPS TIS The total isotropic sensitivity (TIS) at the antenna shall be no less than
-147 dBm
Preliminary
Confidential

Part 1 − Universal Socket Connectivity Chapter 1 – Universal Socket Connectivity
Multi-Tech Systems, Inc. Universal Socket Hardware Guide for Developers (S000342M) 33
Wi-Fi RF Specifications
IEEE 802.11 b/g
Frequency 2.4000 to 2.4835 GHz
Modulation OFDM & DSSS
Receiver Sensitivity -88dBm @11Mbps
-72dBm @54Mbps
Means Transmit Output Power 14.5dBm for 802.11b
14dBm for 802.11g
Range Up to 100 meters in free space
Wi-Fi Antenna Requirements/Specifications
Frequency Range 2.4000 to 2.4835 GHz
Impedance 50 Ohms
VSWR 1.5dB
Typical Radiated Gain 5 dBi on azimuth plane
Radiation Omni-directional
Antenna Loss Free space not to exceed -3dB
TRP/TIS The total radiated power (TRP) at the antenna shall be no less than
+10 dBm for OFDM/DSSS, 11Mbps, free space and the total isotropic
sensitivity (TIS) at the antenna shall be no less than -85dBm for
OFDM/DSSS, 11Mbps, free space.
Bluetooth RF Specifications
IEEE 802.11 b/g
Frequency 2402 to 2480 MHz
Modulation FHSS & GFSK
Number of Channels 79
Channel Intervals 1MHz
Receiver Sensitivity -83dBm typical
Transmit Rate 721kbps
Means Transmit Output Power 12dBm maximum
Range Up to 100 meters in free space
Bluetooth Antenna Requirements/Specifications
Frequency Range 2402 to 2480 MHz
Impedance 50 Ohms
V
SWR 1.5dB
Typical Radiated Gain 2 dBi on azimuth plane
Radiation Omni-directional
Antenna Loss Free space not to exceed -3dB
Preliminary
Confidential

Part 1 − Universal Socket Connectivity Chapter 1 – Universal Socket Connectivity
Multi-Tech Systems, Inc. Universal Socket Hardware Guide for Developers (S000342M) 34
Coax Cables Specifications
SMA-to-MMCX and RSMA-to-MMCX Coax Cable
The SMA-to-MMCX cable is included in the Developer Kit for use with SocketModem EDGE (MTSMC-E1).
The RSMA-to-MMCX cable is included in the Developer Kit for use with SocketWireless Bluetooth
(MTS2BTSMI).
Coax Cable Specifications
Cable Type Coax Cable
Attenuation <1.0db
Connector Impedance 50 Ohms
Maximum Cable Length 16" (40 cm)
An optional antenna cable (SMA-to-MMCX) can be ordered from Multi-Tech Systems, Inc.
Part Number Description
CASMA-MMCX-1 SMA-to-MMCX Coax Cable (Single Pack)
CASMA-MMCX-10 SMA-to-MMCX Coax cable (Ten Pack)
CARSMA-MMCX-1 Reverse SMA-to-MMCX Coax Cable (Single Pack)
CARSMA-MMCX-10 Reverse SMA-to-MMCX Coax Cable (Ten Pack)
SMA-to-MMCX Connector
An antenna with an SMA connector may be directly connected to a SocketModem GPRS/CDMA
through a mating MMCX-to-SMA connector.
SMA-to-MMCX Connector Available from Amphenol
Amphenol
http://www.amphenol.com/
Order No: 908-31100
Preliminary
Confidential

Part 1 − Universal Socket Connectivity Chapter 1 – Universal Socket Connectivity
Multi-Tech Systems, Inc. Universal Socket Hardware Guide for Developers (S000342M) 35
SMA-to-UFL and RSMA-to-UFL Coax Cables
One SMA-to-UFL cable is included in the Developer Kit for use with all cellular modems that have a UFL
antenna connector.
A second SMA-to-UFL cable is included in the Developer Kit for use with products that include an optional GPS
receiver.
One RSMA-to-UFL cable is included in the Developer Kit for use with the SocketWireless Wi-Fi
(MT810SWM-IP).
Coax Cable Specifications
Cable Type Coaxial Cable
Attenuation <1.0db
Connector Impedance 50 ohm
Maximum Cable Length 16" (40 cm)
Optional antenna cables can be ordered from Multi-Tech Systems, Inc.
Part Number Description
CASMA-UFL-1 SMA-to-UFL Coax Cable (Single Pack)
CASMA-UFL-10 SMA-to-UFL Coax Cable (Ten Pack)
CARSMA-UFL-1 RSMA-to-UFL Coax Cable (Single Pack)
CARSMA-UFL-10 RSMA-to-UFL Coax Cable (Ten Pack)
Preliminary
Confidential

Part 1 − Universal Socket Connectivity Chapter 1 – Universal Socket Connectivity
Multi-Tech Systems, Inc. Universal Socket Hardware Guide for Developers (S000342M) 36
Antennas Available from Multi-Tech
Quad Band Description Qty Part Number
Hinged Right Angle 800/900/1800/1900 MHz Cellular Antenna, 7.5" 1 ANQB-1HRA
Hinged Right Angle 800/900/1800/1900 MHz Cellular Antenna, 7.5" 10 ANQB-10HRA
Hinged Right Angle 800/900/1800/1900 MHz Cellular Antenna, 7.5" 50 ANQB-50HRA
Dual Band Description Qty Part Number
Hinged Right Angle 900/1800 MHz Cellular Antenna, 4" 1 ANF1-1HRA
Hinged Right Angle 900/1800 MHz Cellular Antenna, 4" 10 ANF1-10HRA
Hinged Right Angle 900/1800 MHz Cellular Antenna, 4" 50 ANF1-50HRA
Hinged Right Angle 800/1900 MHz Cellular Antenna, 4" 1 ANCF2-1HRA
Hinged Right Angle 800/1900 MHz Cellular Antenna, 4" 10 ANCF2-10HRA
Hinged Right Angle 800/1900 MHz Cellular Antenna, 4" 50 ANCF2-50HRA
Bluetooth and Wi-Fi Description Qty Part Number
Hinged 2.4 MHz Bluetooth / Wi-Fi Antenna, 4" 1 ANBT-1
Hinged 2.4 MHz Bluetooth / Wi-Fi Antenna, 4" 10 ANBT-10
Mag Mount Dual Band Description Qty Part Number
Mag Mount 900/1800 MHz 1/2 Wave Cellular Antenna, 12.5" 1 ANF1-1MMHW
Mag Mount 900/1800 MHz 1/2 Wave Cellular Antenna, 12.5" 10 ANF1-10MMHW
Mag Mount 900/1800 MHz 1/2 Wave Cellular Antenna, 12.5" 50 ANF1-50MMHW
Mag Mount 900/1800 MHz 1/4 Wave Cellular Antenna, 4" 1 ANF1-1MMQW
Mag Mount 900/1800 MHz 1/4 Wave Cellular Antenna, 4" 10 ANF1-10MMQW
Mag Mount 900/1800 MHz 1/4 Wave Cellular Antenna, 4" 50 ANF1-50MMQW
Mag Mount 850/1900 MHz 1/2 Wave Cellular Antenna, 12.5" 1 ANCF2-1MMHW
Mag Mount 850/1900 MHz 1/2 Wave Cellular Antenna, 12.5" 10 ANCF2-10MMHW
Mag Mount 850/1900 MHz 1/2 Wave Cellular Antenna, 12.5" 50 ANCF2-50MMHW
Mag Mount 850/1900 MHz 1/4 Wave Cellular Antenna, 4" 1 ANCF2-1MMQW
Mag Mount 850/1900 MHz 1/4 Wave Cellular Antenna, 4" 10 ANCF2-10MMQW
Mag Mount 850/1900 MHz 1/4 Wave Cellular Antenna, 4" 50 ANCF2-50MMQW
GPS Description Qty Part Number
Mag Mount GPS Antenna, 5 Meter Cable 1 ANGPS-1MM
Mag Mount GPS Antenna, 5 Meter Cable 10 ANGPS-10MM
Additional Source of Wi-Fi Antenna
Wi-Fi antennas can be ordered from the following manufacturer:
Aristotle Enterprises http://www.aristotle.com.tw/
Part Number Description
RFA-02-5-F7M3 2.4 GHz 5dBi Swi-Reverse-F Antenna
Other Sources for Bluetooth Antennas
Bluetooth antennas can be ordered from the following manufacturers. For the manufacturers listed without
specific part numbers, be sure to select the antenna that meets the requirements/specifications.
http://nearson.com (part number: S131AH-2450S)
http://www.ead-ltd.com
http://www.centurion.com
http://www.mobilemark.com
http://www.woken.com.tw/
Approved Antenna Cable Parts
GC Protronics: 20930C
Samtec: ASP-116785-01
The Coax Cable is an RG-178/U
Preliminary
Confidential

Part 1 − Universal Socket Connectivity Chapter 1 – Universal Socket Connectivity
Multi-Tech Systems, Inc. Universal Socket Hardware Guide for Developers (S000342M) 37
Global Positioning System (GPS)
This information applies only to the SocketModem Cell & iCell GPRS with GPS (MTSMC-G2-GP) and the
SocketModem® Cell and SocketModem iCell CDMA 1xRTT with GPS (MTSMC-C1-GP)
Technical Specifications
Receiver Type L1 Frequency
GPS C/A code
SBAS Capable
51 Channel Acquisitions
14 Channel Tracking
Accuracy Position 2.5m CEP
Velocity 0.1m/sec
Timing 300ns
Open Sky TTFF Hot start 1 second
Cold start 29 seconds average
Reacquisition < 1s
Sensitivity Tracking 161dBm
Update Rate 1Hz standard
Dynamics 4G
Operational Limits Altitude < 18,000m or Velocity < 515m/s
Datum Default WGS-84
Interface UART
Protocol NMEA-0183 V3.01, GGA, GLL, GSA, GSV, RMC, VTG
Features
• Tests 8 million time-frequency hypothesis per sec
• Open sky cold start – 29 second
• Signal detection better than -161dBm
• Reacquisition sensitivity – 155dBm
• Accuracy 2.5m CEP
• Multipath detection and suppression
• Supports active or passive antenna
Underwriters Laboratories Required Global Positioning System (GPS)
Statement
Note the following information required by Underwriters Laboratories:
Underwriters Laboratories, Inc. (“UL”) has not tested the performance or reliability of the Global Positioning
System (“GPS”) hardware, operating software or other aspects of this product. UL has only tested for fire,
shock or casualties as outlined in UL’s Standard(s) for Safety.UL60950-1 Certification does not cover the
performance or reliability of the GPS hardware and GPS operating software. UL MAKES NO
REPRESENTATIONS, WARRANTIES OR CERTIFICATIONS WHATSOEVER REGARDING THE
PERFORMANCE OR RELIABILITY OF ANY GPS RELATED FUNCTIONS OF THIS PRODUCT.
Preliminary
Confidential

Part 1 − Universal Socket Connectivity Chapter 1 – Universal Socket Connectivity
Multi-Tech Systems, Inc. Universal Socket Hardware Guide for Developers (S000342M) 38
Account Activation for Cellular Devices
Pre-Configured Multi-Tech Products
Some Multi-Tech cellular modems have been pre-configured to operate on a specific cellular network, such as Sprint
and Verizon.
However, before you can begin to use the modem, you must set up a cellular data account with your cellular network
provider. Then, follow the activation procedures covered on the Activation Notices available from Multi-Tech.
Cellular Approvals and Labeling Requirements
Approvals and Certification
The Multi-Tech SocketModem is Industry and/or Carrier Approved as an End Product modem. In most cases, when
integrated and used with an antenna system that was part of the Multi-Tech modem certification, no additional
approvals or certifications are required (however, CDMA has a few exceptions) for the device you develop as long
as the following are met:
• PTCRB Requirements:
The antenna system cannot be altered.
• Model Identification:
IMPORTANT
When the cellular carrier asks you to provide the modem's model identification,
give the Multi-Tech cellular model identification, not the identification of the host device model.
See the label example below.
The Multi-Tech model identification allows the carrier to verify the modem as one of its approved models.
This information is located on the modem's label.
The Following Is an Example of an End Product GPRS Label:
Host Device Model
Identification
Multi-Tech
SocketModem Model
Identification
IMEI
(International Mobile
Equipment Identity)
Preliminary
Confidential

Part 1 − Universal Socket Connectivity Chapter 1 – Universal Socket Connectivity
Multi-Tech Systems, Inc. Universal Socket Hardware Guide for Developers (S000342M) 39
The Following Is an Example of a CDMA-C1 SocketModem Label:
Note: The label is shown larger than actual size.
Multi-Tech Model Identification
Multi-Tech Ordering Part Number
MEID:
Mobile Equipment Identifier in
Hexadecimal Format
• Other Information the Cellular Carrier Asks You to Provide:
For CDMA SocketModems: The modem's MEID (Mobile Equipment Identifier) written in hexadecimal
format is printed under the barcode on the modem.
For GSM SocketModems: The modem's 15-character IMEI (International Mobile Equipment Identity)
number is printed on the modem's label.
Preliminary
Confidential

Part 1 − Universal Socket Connectivity Chapter 1 – Universal Socket Connectivity
Multi-Tech Systems, Inc. Universal Socket Hardware Guide for Developers (S000342M) 40
Analog Information
Recommended Parts for Analog SocketModems
Disclaimer: Multi-Tech Systems makes no warranty claims for vendor product recommendations listed below. Other
vendor products may or may not operate satisfactorily. Multi-Tech System’s recommended vendor products only indicate
that the product has been tested in controlled conditions and were found to perform satisfactorily.
Surface mount ferrites are used on T&R (Tip and Ring) to mitigate emission levels out the RJ-11 cable. 220pF capacitors
are also used on T&R to reduce the common mode emissions that may be present in certain systems. See the Tip and
Ring drawings in each analog SocketModem chapter.
The ferrite and capacitors also aid in reducing the effects of transients that may be present on the line.
Note: These parts are RoHS compliant.
Recommended Ferrite (SMT)
Manufacturer – Associated Component Technology (ACT) Part # CBZ1206-202-30-LF
Manufacturer – Murata Erie Part # BLM31AJ601SN1L
Recommended Ferrite (Thru-Hole)
Manufacturer – Associated Component Technology (ACT) Part # WB2-2.OT
Recommended Capacitor (SMT)
Manufacturer – NOVACAP Part # ES2211N221K502NXT
Manufacturer – Murata Erie Part # GA355DR7GC221KY02L
Recommended Capacitor (Thru-Hole)
Manufacturer – Ever Grace Electronic Industrials Part # YP221K2EA7PS-8.0
Manufacturer – Murata Erie Part # DE2B3KH221KA3B
Note: Capacitors used on T&R must have the Y2 safety rating.
Recommended RJ-11 Connector
Manufacturer – Full Rise Electronic Co. Part # E5964-00P045
Recommended Sidactor
Manufacturer – RayChem / Tyco Electronics Part # TVB400MSC-L
Manufacturer – ST Microelectronics Part# SMPMC-400
Recommended Poly Switch Thermal Fuse (SMT)
Manufacturer – RayChem / Tyco Electronics Part # TS600-170F
Recommended Poly Switch Thermal Fuse (Thru-Hole)
Manufacturer – RayChem (Tyco Electronics) Part# TRF600-150
Note: The Fuse & Sidactor are required in order to comply with UL60950 for protection against over-voltages from power
line cross. Fuse can be reset type.
Common Mode Choke
Manufacturer – TDK Part # ZJYS51R5-2PT-01
Recommended Transceiver
Manufacturer – Analog Devices Part # ADM207EARZ
SIP Connector
Manufacturer – Neltron Industrial Co. (http://www.neltron.com.tw/) Part #2209S-XXG
4-Pin 2.0mm SIP Socket (2 Each)
10-Pin 2.0mm SIP Socket (2 Each)
Telecom
The RJ-11 connector must meet FCC Part 68 requirements. Refer to FCC Part 68 section 68.500 subpart F for connector
specifications. A self-healing fuse is used in series with line to help prevent damage to the DAA circuit. This fuse is
required in order to meet compliance regulations.
Note: See Application Notes at the end of each SocketModem chapter.
Preliminary
Confidential

Part 1 − Universal Socket Connectivity Chapter 1 – Universal Socket Connectivity
Multi-Tech Systems, Inc. Universal Socket Hardware Guide for Developers (S000342M) 41
Analog Labeling Requirements
United States Labeling Requirements (for Dial-Up Modems)
Telecom does not apply to all products. For example, this is not applicable for the SocketModem GPRS and
CDMA products.
Approved terminal equipment and approved protective circuitry shall prominently display the following
information using the format shown below:
• Responsible party
• Product Identification
• Equipment Code
• Ringer Equivalence
• Ringer Type
• Indication that the product meets the requirements of FCC Part 68
The information required by the first five items shall correspond to the records in the ACTA (America's Carriers
Telecommunications Association) database of approved equipment. The required information shall be encoded
in the following format:
US: AAAEQ##TXXX
Where:
US: Is a fixed field that indicates the equipment meets all requirements of 47 CFR Part 68, including the
requirements published by ACTA (America's Carriers Telecommunications Association).
AAA is the responsible party’s Grantee Code obtained previously from the FCC’s Common Carrier Bureau or
currently from ACTA.
EQ Is an Equipment Code indicating to the Service Provider any special signal handling or billing requirements.
The Equipment codes are listed in Annex A (normative).
## is the Ringer Equivalence Number without a decimal point (e.g. REN of 1.0 = 10, REN of 0.3 = 03). In the
case of a “Z” ringer, ZZ shall appear. In the case of approved equipment without a network interface and
equipment not connecting to circuits with analog ringing supplied then “NA” shall appear.
T is the ringer type letter associated with the Ringer Equivalence Number, in accordance with the technical
requirements. In the case of approved equipment without a network interface and equipment not connecting to
circuits with analog ringing supplied, the letter “N” shall appear.
XXX Is a product identifier, unique when combined with the responsible party’s Grantee Code, of at least one
and up to nine alphanumeric characters (including one or more dashes (-) if desired. A dash shall not appear as
the first or last character nor shall the identifier consist entirely of dashes). The responsible party shall define
this identifier.
Label Physical Characteristics
The information required above shall be permanently affixed and legible without magnification. It may be
etched, engraved, stamped, indelibly printed, or otherwise permanently marked. Alternatively, the required
information may be permanently marked on a nameplate of metal, plastic or other material fastened to the
enclosure by welding, riveting or with a permanent adhesive. Such a nameplate shall be able to last for the
expected lifetime of the equipment and shall not be readily detachable.
Labeling Continuity and Changes
The labeling content and format requirements in effect when a product was approved shall be effective for
the life of the product. The labeling content and format requirements in effect at approval shall also continue
to be effective for modified products. However, the responsible party shall have the option of conforming a
product's labeling to current content and format requirements at any time.
Other Label Requirements
The label shall be placed in one of the following locations in a location where it can be found after
installation:
• on an outside surface
• inside a readily available access door or panel
• on another readily accessible surface
For example, the label should not be placed on the rear of a permanently wall-mounted device in a manner
such that it is not readily accessible.
Preliminary
Confidential

Part 1 − Universal Socket Connectivity Chapter 1 – Universal Socket Connectivity
Multi-Tech Systems, Inc. Universal Socket Hardware Guide for Developers (S000342M) 42
Canadian Labeling Requirements (for Dial-Up Modems)
The following requirements are established under section 69.3 of the Telecommunications Act for purposes of
section 5 of the Telecommunications Apparatus Regulations.
Registered equipment shall bear the following identifying marks, and the Declaring Party shall ensure that these
marks are permanently affixed to the equipment:
(a) The registration number — Specifications of this mark are given in the document: Self-Marking of the
Certification/Registration Number on Terminal Equipment — Application Procedure and Agreement; and
(b) The model identification number under which the product was registered.
A statement of compliance with Industry Canada requirements, such as the one given below, shall accompany
each unit of equipment whether registered under this procedure or previously certified:
"This product meets the applicable Industry Canada technical specifications"
For terminal equipment intended for connection to loop-start or ground-start interfaces, the Ringer Equivalence
Number (REN) must be calculated as per Section 1.8 of CS-03, Part I. A REN higher than that determined may
be assigned by manufacturers to allow for production variations. The REN must be marked on the terminal
equipment itself or added to the note below. A note similar to the following shall accompany each unit of
equipment whether registered under this procedure or previously certified:
"The Ringer Equivalence Number is an indication of the maximum number of devices allowed to be
connected to a telephone interface. The termination on an interface may consist of any combination of
devices subject only to the requirement that the sum of the RENs of all the devices does not exceed
five".
Pursuant to section 69.3 of the Telecommunications Act, certified or self-declared TE will bear a valid identifying
certification number or registration number. The marking of the certification or registration number on the
product shall be as follows:
(a) TAC holder/DP will be responsible for permanently affixing the certification/registration number on the TE.
The certification/registration number (see example below) identifies Certified or self-declared TE to the
public, representatives of the telecommunications common carriers, the Department, and other interested
parties. The letter height must be no less than 1.5 mm and the letters must be legible without magnification.
(b) For integrated devices, e.g. a modem or one that is intended to become a sub-assembly of host equipment
e.g. a data terminal, computer etc. that are designed to interface directly with the network, the
certification/registration number shall be affixed to the integrated device itself.
(c) The certification/registration number for a packaged TE will denote that the total package has been
registered. However, the marking will normally be placed on that unit of the package which connects to the
network; e.g., in a PBX the marking will be placed on the common equipment which connects to the
network, rather than on plug-in components which may be added later. The Terminal Equipment List will
show the common equipment but not the standard station apparatus or any proprietary station apparatus.
(d) The marking format of the certification/registration number is as follows:
IC: XXXXXX-YYYYYYYY
Where:
• The letters "IC" have no other meaning or purpose than to identify the Industry Canada
certification/registration number, and
• “XXXXXX-YYYYYYYY” is the certification/registration number; “XXXXXX” is the Company Number¹ (CN);
it consists of up to six alphanumeric characters (A-Z, 0-9) assigned by Industry Canada; and
“YYYYYYYY” is the Unique Product Number (UPN); it consists of up to eight alphanumeric characters (A-
Z, 0-9) assigned by the applicant. Other characters, (such as & # *-) may not be used. Alphabetic
characters must be capitalized.
¹ Note: The Company Number of registered equipment ends with an alphabetic character.
(e) Certification Numbers granted prior to the implementation of the above marking format are grandfathered.
(i) For previously certified TE, the self-marking format shall consist of the old certification number
preceded by “IC:” For example, if the certification number is “123 1234 A”, then the self-mark would
read “IC: 123 1234 A”.
(ii) For a new model that is registered to a family of previously certified TE, the self-marking format shall
be: IC: XXXXXX-ZZZZZZZZ
Where:
• “XXXXXX” is the Company Number, as in (d) above; and
• “ZZZZZZZZ” is either the old certification number minus the old company number, or a new Unique
Product Number assigned by the applicant. For example, if a new model is registered to the family of
products with certification number “123 1234 A”, and that the Company Number for the registration is
“123A”, then the self-mark for this new model would read “IC: 123A-1234 A”. If the applicant decides to
replace “1234 A” with a new UPN, say “5678", then the self-mark would read “IC: 123A-5678".
Preliminary
Confidential

Part 1 − Universal Socket Connectivity Chapter 1 – Universal Socket Connectivity
Multi-Tech Systems, Inc. Universal Socket Hardware Guide for Developers (S000342M) 43
Label Examples for Analog SocketModems
Note: These do not apply to the Cellular GPRS and CDMA products.
Serial Label
This label shows the
modem model (M/N),
build option (B/O),
date of manufacture
(DOM), serial number,
and North America
and European Union
regulatory information.
This is an example of
Regulatory Label
which is available from
Multi-Tech by request.
Preliminary
Confidential

Part 1 − Universal Socket Connectivity Chapter 1 – Universal Socket Connectivity
Multi-Tech Systems, Inc. Universal Socket Hardware Guide for Developers (S000342M) 44
Safety Notices and Warnings
Note to OEMs: The following safety statements may be used in the documentation of your final product
applications.
Cellular Safety
General Safety
The modem is designed for and intended to be used in fixed and mobile applications. “Fixed” means that
the device is physically secured at one location and is not able to be easily moved to another location.
“Mobile” means that the device is designed to be used in other than fixed locations.
RF Safety
The remote modems are cellular telephones devices. It is important to follow any special regulations
regarding the use of radio equipment due in particular to the possibility of Radio Frequency (RF)
interference.
Caution: A separation distance of at least 20 cm must be maintained between the modem transmitter’s
antenna and the body of the user or nearby persons. The modem is not designed for or intended to be used
in portable applications within 20 cm of the body of the user. In particular, if using a Yagi antenna, it must
be in a location that prevents public exposure to the radiation limits being exceeded. Check your local
standards regarding safe distances, etc.
• Cellular modems in an ATM in, for example, a hospital environment and any other place where medical
equipment may be in use, may be a hazard. This statement also applies to inadequately protected
personal medical devices such as hearing aids and pacemakers.
• Operation of a cellular modem close to other electronic equipment may also cause interference if the
equipment is inadequately protected. Observe any warning signs and manufacturers’ recommendations.
• The modems must not be operated around gasoline or diesel-fuel.
RF Interference Safety
It is important to follow any special regulations regarding the use of radio equipment due in particular to the
possibility of radio frequency, RF, interference. Please follow the safety advice given below carefully.
• Switch OFF your Cellular MultiModem when in an aircraft. The use of cellular telephones in an aircraft
may endanger the operation of the aircraft, disrupt the cellular network and is illegal. Failure to observe
this instruction may lead to suspension or denial of cellular telephone services to the offender, or legal
action or both.
• Switch OFF your Cellular MultiModem when around gasoline or diesel-fuel pumps and before filling your
vehicle with fuel.
• Switch OFF your cellular device in hospitals and any other place where medical equipment may be in
use.
• Respect restrictions on the use of radio equipment in fuel depots, chemical plants or where blasting
operations are in progress.
• There may be a hazard associated with the operation of your cellular device close to inadequately
protected personal medical devices such as hearing aids and pacemakers. Consult the manufacturers of
the medical device to determine if it is adequately protected.
• Operation of your cellular device close to other electronic equipment may also cause interference if the
equipment is inadequately protected. Observe any warning signs and manufacturers’ recommendations.
Vehicle Safety
• Do not use your cellular device while driving.
• Respect national regulations on the use of cellular telephones in vehicles. Road safety always comes
first.
• If incorrectly installed in a vehicle, the operation of a cellular telephone could interfere with the correct
functioning of vehicle electronics. To avoid such problems, be sure that qualified personnel have
performed the installation. Verification of the protection of vehicle electronics should be part of the
installation.
• The use of an alert device to operate a vehicle’s lights or horn on public roads is not permitted.
Preliminary
Confidential

Part 1 − Universal Socket Connectivity Chapter 1 – Universal Socket Connectivity
Multi-Tech Systems, Inc. Universal Socket Hardware Guide for Developers (S000342M) 45
Maintenance of Your Cellular Device
Your cellular device is the product of advanced engineering, design, and craftsmanship and should be
treated with care. The suggestions below will help you to enjoy this product for many years.
• Do not expose the cellular device to any extreme environment where the temperature is above 50ºC or
humidity is above 90% noncondensing.
• Do not attempt to disassemble the cellular device. There are no user serviceable parts inside.
• Do not expose the cellular device to water, rain, or spilled beverages. It is not waterproof.
• Do not place the cellular device alongside computer discs, credit or travel cards, or other magnetic
media. The phone may affect the information contained on discs or cards.
• The use of accessories not authorized by Multi-Tech or not compliant with Multi-Tech's accessory
specifications may invalidate the warranty of the cellular device.
• In the unlikely event of a fault in the cellular device, contact Multi-Tech Tech Support.
Your Responsibility
This cellular device is your responsibility. Please treat it with care respecting all local regulations. It is not a
toy. Therefore, keep it in a safe place at all times and out of the reach of children.
Try to remember your Unlock and PIN codes. Become familiar with and use the security features to block
unauthorized use and theft.
Analog Telecom Safety Warnings
1. Never install telephone wiring during a lightning storm.
2. Never install a telephone jack in wet locations unless the jack is specifically designed for wet locations.
3. This product is to be used with UL and cUL listed computers.
4. Never touch uninsulated telephone wires or terminals unless the telephone line has been disconnected at
the network interface.
5. Use caution when installing or modifying telephone lines.
6. Avoid using a telephone during an electrical storm. There may be a remote risk of electrical shock from
lightning.
7. Do not use a telephone in the vicinity of a gas leak.
8. To reduce the risk of fire, use only 26 AWG or larger telecommunication line cord.
9. This product must be disconnected from its power source and telephone network interface when servicing.
Preliminary
Confidential

Part 1 − Universal Socket Connectivity Chapter 1 – Universal Socket Connectivity
Multi-Tech Systems, Inc. Universal Socket Hardware Guide for Developers (S000342M) 46
Telecom Approvals for Analog Modems
Multi-Tech's Analog Global* SocketModems are designed and approved for connection to the public switched
telephone network in more than 50 countries or regions worldwide. Multi-Tech's SocketModems have been
approved as host independent, which means our certification efforts can be transferred directly to your end product
with proper labeling on the OEM equipment. Multi-Tech supports our approvals by supplying our customers with
supporting documentation and offering a compliance label with country or regional approval logos and approval
numbers to be attached to an end product.
The following is a list of countries or regions that Multi-Tech completes testing and obtains** certification test reports
or certificates at or near the initial release of the product. After the initial release, the product may be tested and
certified for other countries or regions. Check the Multi-Tech Systems, Inc. Web site at
http://www.multitech.com/products/info/approvals/smi.asp or contact Multi-Tech at oemsales@multitech.com to
obtain a current list of approvals for the SocketModem.
Countries or Regions
Argentina France Liechtenstein Singapore
Australia Germany Lithuania Slovakia Republic
Austria Greece Luxembourg Slovenia
Belgium Hong Kong, S.A.R. of China Malta South Africa
Bulgaria Hungary Mexico Spain
Canada Iceland Netherlands Sweden
Chile Indonesia New Zealand Switzerland
China Ireland Norway Taiwan
Cyprus Israel Philippines Thailand
Czech Republic Italy Poland Turkey
Denmark Japan Portugal United Kingdom
Estonia Korea Romania United States
Finland Latvia Russia
The above list is our target set of countries or regions in which the global* SocketModems are approved. Many
of the approvals are completed at the time the product is released to market; whereas, others may take
additional months to complete the approval.
* Refer to each chapter for Product Ordering Information identifying the modem as Global or Regional.
** Some countries or regions have special import requirements that require us to facilitate additional
paperwork application in partner with our customers. Contact Technical Support or Multi-Tech at
oemsales@multitech.com for more information.
Note:
Setting Country/Regional Codes – Country or Regional Codes are usually set through AT Commands.
See each product’s AT Command guide.
Preliminary
Confidential

Part 1 − Universal Socket Connectivity Chapter 1 – Universal Socket Connectivity
Multi-Tech Systems, Inc. Universal Socket Hardware Guide for Developers (S000342M) 47
Regulatory Compliance Statements
Country/Region-Specific Statements
EMC, Safety, and R&TTE Directive Compliance
The CE mark is affixed to this product to confirm compliance with the following European Community Directives:
Council Directive 2004/108/EC of 15 December 2004 on the approximation of the laws of Member States
relating to electromagnetic compatibility;
and
Council Directive 2006/95/EC of 12 December 2006 on the harmonization of the laws of Member States
relating to electrical equipment designed for use within certain voltage limits;
and
Council Directive 1999/5/EC of 9 March 1999 on radio equipment and telecommunications terminal
equipment and the mutual recognition of their conformity.
International Modem Restrictions
Some dialing and answering defaults and restrictions may vary for international modems. Changing settings
may cause a modem to become non-compliant with national telecom requirements in specific countries. Also
note that some software packages may have features or lack restrictions that may cause the modem to become
non-compliant.
EMC Requirements for the United States
47 CFR – FCC Part 15 Regulation
This equipment has been tested and found to comply with the limits for a Class B digital device, pursuant to
47 CFR – FCC Part 15 regulations. The stated limits in this regulation are designed to provide reasonable
protection against harmful interference in a residential environment. This equipment generates, uses, and can
radiate radio frequency energy, and if not installed and used in accordance with the instructions, may cause
harmful interference to radio communications. However, there is no guarantee that interference will not occur in
a particular installation. If this equipment does cause harmful interference to radio or television reception, which
can be determined by turning the equipment off and on, the user is encouraged to try to correct the interference
by one or more of the following measures:
• Reorient or relocate the receiving antenna.
• Increase the separation between the equipment and receiver.
• Plug the equipment into an outlet on a circuit different from that to which the receiver is connected.
• Consult the dealer or an experienced radio/TV technician for help.
This device complies with 47 CFR – FCC Part 15 rules. Operation of this device is subject to the following
conditions:
(1) This device may not cause harmful interference, and
(2) This device must accept any interference that may cause undesired operation.
Warning: Changes or modifications to this unit not expressly approved by the party responsible for compliance
could void the user’s authority to operate the equipment.
EMC Requirements for Industry Canada
This Class B digital apparatus meets all requirements of the Canadian Interference-Causing Equipment
Regulations.
Cet appareil numérique de la classe B respecte toutes les exigences du Reglement Canadien sur le matériel
brouilleur.
Preliminary
Confidential

Part 1 − Universal Socket Connectivity Chapter 1 – Universal Socket Connectivity
Multi-Tech Systems, Inc. Universal Socket Hardware Guide for Developers (S000342M) 48
47 CFR Part 68 Telecom
1. This equipment complies with Part 68 of the 47 CFR rules and the requirements adopted by the ACTA.
Located on this equipment is a label that contains, among other information, the registration number
and ringer equivalence number (REN) for this equipment or a product identifier in the format:
For current products is US:AAAEQ##Txxxx.
For legacy products is AU7USA-xxxxx-xx-x.
If requested, this number must be provided to the telephone company.
2. A plug and jack used to connect this equipment to the premises wiring and telephone network must
comply with the applicable 47 CFR Part 68 rules and requirements adopted by the ACTA. It’s
designed to be connected to a compatible modular jack that is also compliant.
3. The ringer equivalence number (REN) is used to determine the number of devices that may be
connected to a telephone line. Excessive RENs on a telephone line may result in the devices not
ringing in response to an incoming call. In most but not all areas, the sum of RENs should not exceed
five (5.0). To be certain of the number of devices that may be connected to a line, as determined by
the total RENs, contact the local telephone company. For products approved after July 23, 2001, the
REN for this product is part of the product identifier that has the format US:AAAEQ##Txxxx. The
digits represented by ## are the REN without a decimal point (e.g., 03 is a REN of 0.3). For earlier
products, the REN is separately shown on the label.
4. If this equipment causes harm to the telephone network, the telephone company will notify you in
advance that temporary discontinuance of service may be required. But if advance notice isn't
practical, the telephone company will notify the customer as soon as possible. Also, you will be
advised of your right to file a complaint with the FCC if you believe it is necessary.
5. The telephone company may make changes in its facilities, equipment, operations or procedures that
could affect the operation of the equipment. If this happens, the telephone company will provide
advance notice in order for you to make necessary modifications to maintain uninterrupted service.
6. If trouble is experienced with this equipment, please contact Multi-Tech Systems, Inc. at the address
shown below for details of how to have the repairs made. If the equipment is causing harm to the
telephone network, the telephone company may request that you disconnect the equipment until the
problem is resolved.
7. Connection to party line service is subject to state tariffs. Contact the state public utility commission,
public service commission or corporation commission for information.
8. No repairs are to be made by you. Repairs are to be made only by Multi-Tech Systems or its
licensees. Unauthorized repairs void registration and warranty.
9. If your home has specially wired alarm equipment connected to the telephone line, ensure the
installation of this equipment does not disable your alarm equipment.
If you have questions about what will disable alarm equipment, consult your telephone company or a
qualified installer.
10. Connection to party line service is subject to state tariffs. Contact the state public utility commission,
public service commission or corporation commission for information.
11. This equipment is hearing aid compatible.
12. Manufacturing Information on telecommunications device (modem):
Manufacturer: Multi-Tech Systems, Inc.
Trade Name: Socket Modem SocketModem SocketModem
Model Number: MT9234SMI MT5692SMI MT2492SMI
Registration No: US:AU7MM01BMT9234SMI US:AU7MM01BMT5692SMI US:AU7MM01B2492SMI
Ringer Equivalence: 0.1B
Modular Jack (USOC): RJ11C or RJ11W (single line)
Service Center in USA: Multi-Tech Systems, Inc.
2205 Woodale Drive
Mounds View, MN 55112 U.S.A.
(763) 785-3500
(763) 785-9874 Fax
Preliminary
Confidential

Part 1 − Universal Socket Connectivity Chapter 1 – Universal Socket Connectivity
Multi-Tech Systems, Inc. Universal Socket Hardware Guide for Developers (S000342M) 49
New Zealand Telecom Warning Notice
1. The grant of a Telepermit for any item of terminal equipment indicates only that Telecom has accepted that
the item complies with minimum conditions for connection to its network. It indicates no endorsement of the
product by Telecom, nor does it provide any sort of warranty. Above all, it provides no assurance that any
item will work correctly in all respects with another item of Telepermitted equipment of a different make or
model, nor does it imply that any product is compatible with all of Telecom’s network services.
This equipment is not capable under all operating conditions of correct operating conditions of correct
operation at the higher speed which it is designated. 33.6 kbps and 56 kbps connections are likely to be
restricted to lower bit rates when connected to some PSTN implementations. Telecom will accept no
responsibility should difficulties arise in such circumstances.
2. Immediately disconnect this equipment should it become physically damaged, and arrange for its disposal
or repair.
3. This modem shall not be used in any manner which could constitute a nuisance to other Telecom
customers.
4. This device is equipped with pulse dialing, while the Telecom standard is DTMF tone dialing. There is no
guarantee that Telecom lines will always continue to support pulse dialing.
Use of pulse dialing, when this equipment is connected to the same line as other equipment, may give rise
to 'bell tinkle' or noise and may also cause a false answer condition. Should such problems occur, the user
should NOT contact the Telecom Faults Service.
The preferred method of dialing is to use DTMF tones, as this is faster than pulse (decadic) dialing and is
readily available on almost all New Zealand telephone exchanges.
5. Warning Notice: No '111' or other calls can be made from this device during a mains power failure.
6. This equipment may not provide for the effective hand-over of a call to another device connected to the
same line.
7. Some parameters required for compliance with Telecom’s Telepermit requirements are dependent on the
equipment (PC) associated with this device. The associated equipment shall be set to operate within the
following limits for compliance with Telecom’s Specifications:
For repeat calls to the same number:
• There shall be no more than 10 call attempts to the same number within any 30 minute period for
any single manual call initiation, and
• The equipment shall go on-hook for a period of not less than 30 seconds between the end of one
attempt and the beginning of the next attempt.
For automatic calls to different numbers:
• The equipment shall be set to ensure that automatic calls to different numbers are spaced such
that there is no less than 5 seconds between the end of one call attempt and the beginning of
another.
8. For correct operation, total of the RN’s of all devices connected to a single line at any time should not
exceed 5.
South African Statement
This modem must be used in conjunction with an approved surge protection device.
Thailand Approval for MT9234SMI and the MT5692SMI
This telecom device conforms to NTC* requirements.
*NTC is the National Telecommunications Commission, Thailand’s telecommunications regulator.
“เครื่องโทรคมนาคมและอุปกรณนี้ มีความสอดคลองตามขอกําหนดของ กทช.”
Preliminary
Confidential

Part 1 − Universal Socket Connectivity Chapter 1 – Universal Socket Connectivity
Multi-Tech Systems, Inc. Universal Socket Hardware Guide for Developers (S000342M) 50
Brazil Approval for the MT9234SMI
This product has been homologated by ANATEL. This product meets the applied technical requirements in
accordance with the procedures regulated by ANATEL. Reference of homologation of this product can be
viewed in ANATEL web page: http://www.anatel.gov.br
Brazil Bar Code for MT9234SMI
Brazil Certification
A special phone cable is required for regulatory compliance.
Um cabo especial para telefone é requerido para a conformidade regulatória.
Preliminary
Confidential

Part 1 − Universal Socket Connectivity Chapter 1 – Universal Socket Connectivity
Multi-Tech Systems, Inc. Universal Socket Hardware Guide for Developers (S000342M) 51
Japan Requirements
These devices conform to (JATE) Japan Approval Institute for Telecommunications Equipment:
MT5692SMI – JATE Approval A09-0123001
MT9234SMI – JATE Approval AD06-0220001
Important Note: SocketModems are approved for product development in Japan only if they are removable
from the manufactured product. The SocketModem must not be soldered into place.
Japan requires that your manufactured product documentation include SocketModem installation and removal
instructions as well as connection to the PSTN network. The following text provides general steps to follow.
Installation of the SocketModem into Your Manufactured Product
1. If applicable, disconnect any power cord and peripherals you may have attached to your manufactured
product.
2. Place the SocketModem on the board of your product. Be sure to match the pins on the SocketModem with
the correct orientation on your board.
3. Be sure that the SocketModem is securely fastened to board so that it cannot come loose while handling or
during shipping. Some examples of fasteners include nylon screws, tie wraps, etc. Remember that you
cannot solder the SocketModem in place.
4. Put the cover on your product and connect the power and peripherals.
Removal of the SocketModem from Your Manufactured Product
1. Back up the current configuration of your manufactured product if you want to save it.
2. Record any information not stored in the configuration that you may want to reference.
3. Disconnect any power cord and peripherals from your manufactured product.
4. Remove the cover from your product.
5. To remove the SocketModem, gently lift the SocketModem upwards while holding the board in place.
Connecting to the PSTN Network
For connection to a PSTN network, see the Tip and Ring Interface section in each analog SocketModem
chapter.
Other Countries
The above country-specific examples do not cover all countries with specific regulations; they have been
included to show you how each country may differ. If you have trouble determining your own country's
requirements, check with Multi-Tech's Technical Support for assistance.
Preliminary
Confidential

Part 1 − Universal Socket Connectivity Chapter 1 – Universal Socket Connectivity
Multi-Tech Systems, Inc. Universal Socket Hardware Guide for Developers (S000342M) 52
Waste Electrical and Electronic Equipment
Statement
Note to OEMs: The statement is included for your information and may be used in the
documentation of your final product applications.
WEEE Directive
The WEEE directive places an obligation on EU-based manufacturers, distributors, retailers, and importers to take-
back electronics products at the end of their useful life. A sister Directive, ROHS (Restriction of Hazardous
Substances) complements the WEEE Directive by banning the presence of specific hazardous substances in the
products at the design phase. The WEEE Directive covers all Multi-Tech products imported into the EU as of August
13, 2005. EU-based manufacturers, distributors, retailers and importers are obliged to finance the costs of recovery
from municipal collection points, reuse, and recycling of specified percentages per the WEEE requirements.
Instructions for Disposal of WEEE by Users in the European Union
The symbol shown below is on the product or on its packaging, which indicates that this product must not be
disposed of with other waste. Instead, it is the user’s responsibility to dispose of their waste equipment by handing it
over to a designated collection point for the recycling of waste electrical and electronic equipment. The separate
collection and recycling of your waste equipment at the time of disposal will help to conserve natural resources and
ensure that it is recycled in a manner that protects human health and the environment. For more information about
where you can drop off your waste equipment for recycling, please contact your local city office, your household
waste disposal service or where you purchased the product.
July, 2005
Preliminary
Confidential

Part 1 − Universal Socket Connectivity Chapter 1 – Universal Socket Connectivity
Multi-Tech Systems, Inc. Universal Socket Hardware Guide for Developers (S000342M) 53
Restriction of the Use of Hazardous Substances
(RoHS)
Multi-Tech Systems, Inc.
Certificate of Compliance
2002/95/EC
Multi-Tech Systems Inc. confirms that its embedded products now comply with the chemical concentration limitations
set forth in the directive 2002/95/EC of the European Parliament (Restriction Of the use of certain Hazardous
Substances in electrical and electronic equipment - RoHS)
These Multi-Tech Systems, Inc. products do not contain the following banned chemicals:
Lead, [Pb] < 1000 PPM
Mercury, [Hg] < 1000 PPM
Hexavalent Chromium, [Cr+6] < 1000 PPM
Cadmium, [Cd] < 100 PPM
Polybrominated Biphenyl, [PBB] < 1000 PPM
Polybrominated Diphenyl Ether, [PBDE] < 1000 PPM
Moisture Sensitivity Level (MSL) =1
Maximum Soldering temperature = 260C (wave only)
Notes:
1. Lead usage in some components is exempted by the following RoHS annex; therefore, higher lead
concentration would be found in some SocketModems (>1000ppm).
a. Lead in high melting temperature type solders (i.e., tin-lead solder alloys containing more than
85% lead).
b. Lead in electronic ceramic parts (e.g., piezoelectronic devices).
2. Moisture Sensitivity Level (MSL) – Analysis is based on the components/material used on the board.
Preliminary
Confidential

Part 1 − Universal Socket Connectivity Chapter 1 – Universal Socket Connectivity
Multi-Tech Systems, Inc. Universal Socket Hardware Guide for Developers (S000342M) 54
Information on HS/TS Substances According to
Chinese Standards in English
In accordance with China’s Administrative Measures on the Control of Pollution Caused by Electronic
Information Products (EIP) # 39, also known as China RoHS, the following information is provided regarding
the names and concentration levels of Toxic Substances (TS) or Hazardous Substances (HS) which may be
contained in Multi-Tech Systems Inc. products relative to the EIP standards set by China’s Ministry of
Information Industry (MII).
Name of the
Component
Hazardous/Toxic Substance/Elements
Lead
(PB)
Mercury
(Hg)
Cadmium
(CD)
Hexavalent
Chromium
(CR6+)
Polybrominated
Biphenyl (PBB)
Polybrominated
Diphenyl Ether
(PBDE)
Printed Circuit Boards O O O O O O
Resistors X O O O O O
Capacitors X O O O O O
Ferrite Beads O O O O O O
Relays/Opticals O O O O O O
ICs O O O O O O
Diodes/ Transistors O O O O O O
Oscillators and Crystals X O O O O O
Regulator O O O O O O
Voltage Sensor O O O O O O
Transformer O O O O O O
Speaker O O O O O O
Connectors O O O O O O
LEDs O O O O O O
Screws, Nuts, and other
Hardware
X O O O O O
ac-dc Power Supplies O O O O O O
Software /
Documentation CDs
O O O O O O
Booklets and Paperwork O O O O O O
Chassis O O O O O O
X Represents that the concentration of such hazardous/toxic substance in all the
units of homogeneous material of such component is higher than the SJ/Txxx-
2006 Requirements for Concentration Limits.
O Represents that no such substances are used or that the concentration is within
the aforementioned limits.
Preliminary
Confidential

Part 1 − Universal Socket Connectivity Chapter 1 – Universal Socket Connectivity
Multi-Tech Systems, Inc. Universal Socket Hardware Guide for Developers (S000342M) 55
Information on HS/TS Substances According to
Chinese Standards in Chinese
依照中国标准的有毒有害物质信息
根据中华人民共和国信息产业部 (MII) 制定的电子信息产品 (EIP)
标准-中华人民共和国《电子信息产品污染控制管理办法》(第 39 号),也称作中国
RoHS,下表列出了 Multi-Tech Systems, Inc. 产品中可能含有的有毒物质 (TS) 或有害物质 (HS)
的名称及含量水平方面的信息。
成分名称
有害/有毒物质/元素
铅
(PB)
汞
(Hg)
镉
(CD)
六价铬
(CR6+)
多溴联苯
(PBB)
多溴二苯醚
(PBDE)
印刷电路板 O O O O O O
电阻器 X O O O O O
电容器 X O O O O O
铁氧体磁环 O O O O O O
继电器/光学部件 O O O O O O
IC O O O O O O
二极管/晶体管 O O O O O O
振荡器和晶振 X O O O O O
调节器 O O O O O O
电压传感器 O O O O O O
变压器 O O O O O O
扬声器 O O O O O O
连接器 O O O O O O
LED O O O O O O
螺丝、螺母以及其它
五金件
X O O O O O
交流-直流电源 O O O O O O
软件/文档 CD O O O O O O
手册和纸页 O O O O O O
底盘 O O O O O O
X 表示所有使用类似材料的设备中有害/有毒物质的含量水平高于 SJ/Txxx-2006 限量要求。
O 表示不含该物质或者该物质的含量水平在上述限量要求之内。
Preliminary
Confidential

PART 2 – Cellular SocketModems
Multi-Tech Systems, Inc. Universal Socket Hardware Guide for Developers (S000342M) 56
Part 2
Cellular SocketModems
Chapter 2 – SocketModem Cell and iCell (GPRS)
Chapter 3 – SocketModem Cell and iCell (CDMA 1xRTT)
Chapter 4 – SocketModem EDGE
Chapter 5 – SocketModem HSDPA
Preliminary
Confidential

PART 2 – Cellular SocketModems Chapter 2 – SocketModem Cell & SocketModem iCell GPRS
Multi-Tech Systems, Inc. Universal Socket Hardware Guide for Developers (S000342M) 57
Chapter 2 – SocketModem® Cell &
SocketModem® iCell GPRS (MTSMC-G2)
Introduction
The MTSMC-G2 is a serial to cellular quad-band GPRS SocketModem. It is a complete, ready-to-integrate SocketModem that
offers standards-based multi-band GSM/GPRS Class 10 performance. It is based on industry-standard open interfaces and
utilizes Multi-Tech’s universal socket design. The SocketModem is available with the Multi-Tech's Universal IP™ stack to
bring embedded Internet connectivity to any device.
Notes about Activation:
• These units are shipped without network activation.
• To connect to the cellular network, you will have to establish a cellular account. See the Cellular Activation
procedures on separate sheets included with the Developer Kit and available on the Developer Kit CD.
Product Build Options and Ordering Information
Product Description Region Order This
Product
3
MTSMC-G2 Quad-band SocketModem Cell GPRS US Default
MTSMC-G2-ED Quad-band SocketModem Cell GPRS EU Default
MTSMC-G2-V Quad-band SocketModem Cell GPRS with Voice US Default
MTSMC-G2-V-ED Quad-band SocketModem Cell GPRS with Voice EU Default
MTSMC-G2-IP Quad-band SocketModem iCell GPRS with Universal IP US Default
MTSMC-G2-IP-ED Quad-band SocketModem iCell GPRS with Universal IP EU Default
MTSMC-G2-GP Quad-band SocketModem Cell GPRS with GPS with Universal IP US Default
MTSMC-G2-GP-ED Quad-band SocketModem Cell GPRS with GPS with Universal IP EU Default
Developer Kit
MTSMI-UDK Universal Developer Kit Global
How to Read the Product Codes in the Table Above:
G2 GPRS
GP Dedicated GPS Receiver
ED European Default (900/1800 MHz)
V Voice (microphone and speaker)
IP Universal IP™ Stack
UDK Universal Developer Kit
Note: US Default is 850/1900 MHZ
Other Product Codes:
The complete product code may end in .Rx. For example, MTSMC-G2.Rx.
“R” indicates product revision. “x” is the revision number.
Note: All products can be ordered in single packs or 50-packs. Single pack product codes end in SP.
AT Commands Reference Guides
Products AT Commands Reference Guide Title & Document Number Fax Commands
V
oice Commands
SocketModem Cell
(MTSMC-G2 and
MTSMC-G2-V )
GPRS AT Commands for Multi-Tech G2 Cellular Modems
(S000463x)
AT Commands for Multi-Tech G2 Cellular Modems with IP
Connectivity (S000469x)
NA For G2-V (Voice)
build only
SocketModem iCell
(MTSMC-G2-IP &
MTSMC-G2-GP)
GPRS AT Commands for Multi-Tech G2 Cellular Modems
(S000463x)
Universal IP Commands (S000457x)
NA For G2-V (Voice)
build only
Preliminary
Confidential

PART 2 – Cellular SocketModems Chapter 2 – SocketModem Cell & SocketModem iCell GPRS
Multi-Tech Systems, Inc. Universal Socket Hardware Guide for Developers (S000342M) 58
Technical Specifications
The SocketModem Cell and SocketModem iCell (MTSMC-G2) meet the following specifications:
Category Description
Standards GPRS Class 10
Frequency Bands Quad-band GSM/EGPRS 850/900/1800/1900 MHz
Serial/Data Speed Serial interface supports DTE speeds up to 921.6K
IP interface supports DTE speeds at the fixed rate of 115.2
Packet data up to 85.6K bps
Circuit-switched data (GPRS) up to 14.4K bps transparent and non-transparent
Supports data rates of 921600, 460800, 230400, 115200 bps
Data Format 10 bit Serial Asynchronous
Data Error Correction MNP2
Data Compression V.42bis
Weight 1 oz. (28 g)
Size 3.15" x 1.375" (80.010 mm x 34.925 mm)
Operating Temperature -40° C to +85° C
Storage Temperature -40 °C to +85°C
Humidity 10% to 90%
Input Power 5VDC
Operating Voltage Supply Range: VCC
Maximum: 5.5
Voltage at Any Signal Pin Minimum: GND
Maximum: VCC
Antenna Connector Surface mount UFL (one for cellular and one for GPS)
SIM Holder Standard 1.8V and 3V SIM holder
IP Protocols Supported MTSMC-G2, MTSMC-G2-V
DNS Resolve, FTP client, LCP, PPP (dial-out),TCP socket, UDP socket, PAP &
CHAP authentication
MTSMC-G2-IP, MTSMC-G2-GP
DNS Client, FTP Client, ICMP (Ping), POP3 Client, SMTP Client, TCP Client &
Server, UDP Client & Server, IP, PPP (dial-out) with PAP & CHAP authentication
M2M Applications MTSMC-G2-IP, MTSMC-G2-GP
Automatic connect/reconnect, device monitor, modem emulation, Ping & TCP keep
alive, wake-up on caller ID, wake-up on ring, GPS tracking (GP model only)
Compliance EMC Compliance
FCC Part 15
EN55022
EN55024
Radio Compliance
FCC Part 22
FCC Part 24
RSS 132
RSS 133
EN 301 511
EN 301 489-1
EN 301 489-7
AS/ACIF S042.1
AS/ACIF S042.3
Safety Compliance
UL 60950-1
cUL 60950-1
IEC 60950-1
AS/NZS 60950-1
Network Compliance
PTCRB
Warranty Two years
Note: The radio's performance may be affected at the temperature extremes. This is considered normal. The radio is
designed to automatically fallback in class and reduces transmitter power to avoid damage to the radio. There is no single
cause for this function. Rather, it is the result of an interaction of several factors, such as the ambient temperature, the
operating mode and the transmit power.
Preliminary
Confidential

PART 2 – Cellular SocketModems Chapter 2 – SocketModem Cell & SocketModem iCell GPRS
Multi-Tech Systems, Inc. Universal Socket Hardware Guide for Developers (S000342M) 59
Important
MTSMC Tooling Holes and Mounting Hardware
It is recommended that nylon hardware be used if the SocketModems are to be mounted using the two tooling holes
due to possible traces and vias around the tooling holes. #4 or M2/M3 hardware should be used for mounting. This
applies to the following cellular SocketModems:
SocketModem Cell & SocketModem iCell GPRS (MTSMC-G2)
SocketModem® Cell and SocketModem iCell CDMA 1xRTT (MTSMC-C1)
SocketModem® HSDPA (MTSMC-H)
Note: See the Mechanical Drawings for MTSMC-G2 on the following four pages.
Preliminary
Confidential

PART 2 – Cellular SocketModems Chapter 2 – SocketModem Cell & SocketModem iCell GPRS
Multi-Tech Systems, Inc. Universal Socket Hardware Guide for Developers (S000342M) 60
Mechanical Drawings – Basic Build
Preliminary
Confidential

PART 2 – Cellular SocketModems Chapter 2 – SocketModem Cell & SocketModem iCell GPRS
Multi-Tech Systems, Inc. Universal Socket Hardware Guide for Developers (S000342M) 61
Mechanical Drawings – Voice Build
Preliminary
Confidential

PART 2 – Cellular SocketModems Chapter 2 – SocketModem Cell & SocketModem iCell GPRS
Multi-Tech Systems, Inc. Universal Socket Hardware Guide for Developers (S000342M) 62
Mechanical Drawings – IP Build
Preliminary
Confidential

PART 2 – Cellular SocketModems Chapter 2 – SocketModem Cell & SocketModem iCell GPRS
Multi-Tech Systems, Inc. Universal Socket Hardware Guide for Developers (S000342M) 63
Mechanical Drawings – GPS Build
Preliminary
Confidential

PART 2 – Cellular SocketModems Chapter 2 – SocketModem Cell & SocketModem iCell GPRS
Multi-Tech Systems, Inc. Universal Socket Hardware Guide for Developers (S000342M) 64
DC Electrical Characteristics
Units: Volts
5V DC Characteristics (VDD = 5V ± 0.25V) VDDMAX = 5.25V
Parameter Minimum Maximum
Digital Signal Input Low Level
–DTR (40), –TXD (35), –RTS (33)
GND 0.8
Digital Signal Input High Level
–DTR (40), –TXD (35), –RTS (33)
2 Vcc
Digital Signal Output Low Level
–DCD (39), –CTS (38), –DSR (37), –RI (36), –RXD (34)
0.4
Digital Signal Output High Level
–DCD (39), –CTS (38), –DSR (37), –RI (36), –RXD (34)
3.84
Reset (Low Active) Input Low Level
–Reset (24)
0.8
Reset (Low Active) Input High Level
–Reset (24)
2
Digital Input Capacitance 14pF
Power Measurements
Basic and Voice Builds, MTSMC-G2 and MTSMC-G2-V, Measured Power* at Input Voltage 5.00
Sleep Mode Typical Maximum Peak
Current (AMPS) 0.049 0.113 0.24 1.10
Watts 0.245 0.564 1.195
IP Build, MTSMC-G2-IP, Measured Power* at Input Voltage 5.00
Sleep Mode Typical Maximum Peak
Current (AMPS) 0.080 0.135 0.280 1.250
Watts 0.382 0.664 1.358
Note: Current Peak = 1500mA maximum during Tx burst.
GP Build, MTSMC-G2-GP (for GPS,) Measured Power* at Input Voltage 5.00
Sleep Mode Typical Maximum Peak
Current (AMPS) 0.132 0.212 0.355 1.500
Watts 0.653 1.043 1.732
* Multi-Tech Systems, Inc. recommends that the customer incorporate a 10% buffer into their power source when
determining product load.
Preliminary
Confidential

PART 2 – Cellular SocketModems Chapter 2 – SocketModem Cell & SocketModem iCell GPRS
Multi-Tech Systems, Inc. Universal Socket Hardware Guide for Developers (S000342M) 65
Application Notes
LED Interface
The LED signal is used to indicate the working status of the SocketModem.
LED 1 – Link Status – Available for G2, G2-V, G2-IP, and G2-GP Builds
LED 1 Signal Link Status LED
OFF Download mode or switched OFF
ON Continuously lit Switched ON (not registered on the network)
Blinking Switched ON (registered on the network)
LED 2 – Heartbeat LED – Available for G2-IP and G2-GP Builds
LED 2 Signal Heartbeat LED
OFF The unit is not functioning
Blinking The unit is functioning
RF Performances
RF performances are compliant with the ETSI recommendation 05.05 and 11.10.
Note: The following statistics are subject to change due to pending test results.
The main parameters are:
Receiver Features
• EGSM Sensitivity : < -104 dBm
• GSM 1800/GSM 1900 Sensitivity : < -102 dBm
• Selectivity @ 200 kHz : > +9 dBc
• Selectivity @ 400 kHz : > +41 dBc
• Dynamic range : 62 dB
• Intermodulation : > -43 dBm
• Co-channel rejection : + 9 dBc
Transmitter Features
• Maximum output power (EGSM) : 33 dBm ± 2 dB
• Maximum output power (DCS/PCS) : 30 dBm ± 2 dB
• Minimum output power (EGSM): 5 dBm ± 5 dB
• Minimum output power (DCS/PCS): 0 dBm ± 5 dB
• H2 level : < -30 dBm
• H3 level : < -30 dBm
• Noise in 925 - 935 MHz : < -67 dBm
• Noise in 935 - 960 MHz : < -79 dBm
• Noise in 1805 - 1880 MHz : < -71 dBm
• Phase error at peak power : < 5 ° RMS
• Frequency error : ± 0.1 ppm max
RF Connection and Antenna
The RF connector on the SocketModem GPRS is a UFL standard type. See Chapter 1 for Antenna System details.
Microphone Inputs
Note: For Voice Build Only.
The MIC inputs are differential ones. They already include the convenient biasing for an electret microphone (0.5 mA
and 2 Volts). This electret microphone can be directly connected on these inputs. The impedance of the microphone
has to be around 2K. These inputs are the standard ones for a handset design.
The gain of the MIC inputs is internally adjusted. The gain can be tuned from 30dB to 51dB. The connection to the
microphone is direct.
MIC2N
MIC2P
C1
C1 = 22pF to 100 pF
33 pF recommended
Preliminary
Confidential

PART 2 – Cellular SocketModems Chapter 2 – SocketModem Cell & SocketModem iCell GPRS
Multi-Tech Systems, Inc. Universal Socket Hardware Guide for Developers (S000342M) 66
Changing the Quad Band
If for any reason, such as moving the modem from one geographical area to another, you want to change the band,
you can accomplish this by using the +WMBS AT Command.
Steps for Changing the GSM Band
Use a terminal application such as HyperTerminal for entering the AT Command.
1. To open HyperTerminal, click Start. Then select Programs > Accessories > Communications. Then
click HyperTerminal.
2. When the command window opens, type AT+WMBS=<Band><Param>. Press Enter.
• For <Band>, enter the option you desire:
4 = Dual-band mode 850/1900MHz
5 = Dual-band mode 900/1800MHz
• For <Param>, enter the option you desire:
0 = Modem must be reset in order to use the specified band(s). This is the default.
1 = Modem restarts immediately using the specified band(s).
Example: AT+WMBS=4,0. Press Enter.
Preliminary
Confidential

PART 2 – Cellular SocketModems Chapter 3 – SocketModem Cell & SocketModem iCell CDMA 1xRTT
Multi-Tech Systems, Inc. Universal Socket Hardware Guide for Developers (S000342M) 67
Chapter 3 – SocketModem® Cell and
SocketModem iCell CDMA 1xRTT
(MTSMC-C1)
Introduction
SocketModem Cell – The Multi-Tech SocketModem Cell cellular modem is a complete, ready-to-integrate communications
device that offers standards-based dual-band CDMA 1xRTT performance. This quick-to-market communications device
allows developers to add cellular communication to products with a minimum of development time and expense. The
SocketModem Cell cellular modem is based on industry-standard open interfaces and utilizes Multi-Tech’s Universal Socket
design.
SocketModem iCell – The Multi-Tech SocketModem iCell intelligent cellular modem is a complete, ready-to-integrate
communications device that offers standards-based dual-band CDMA 1xRTT performance. This quick-to-market
communications device allows developers to add cellular communication and GPS tracking to products with a minimum of
development time and expense. The intelligence of the embedded Universal IP™ stack allows for automatic/persistent
connectivity for mission critical applications and enhanced M2M functionality. The SocketModem iCell intelligent cellular
modem is based on industry-standard open interfaces and utilizes Multi-Tech’s Universal Socket design.
Notes about Activation:
• These units are shipped without network activation.
• To connect to the cellular network, you will have to establish a cellular account. See the Cellular Activation
procedures in a separate document included with your Developer Kit and available on the Developer Kit CD.
Product Build Options and Ordering Information
Product Description Region Order This
Product
3
BUILDS FOR SOCKETMODEMS USING SPRINT SERVICES
MTSMC-C1-N2 SocketModem Cell 800/1900 MHz CDMA 1xRTT – Sprint – Data only USA
MTSMC-C1-V-N2 SocketModem Cell 800/1900 MHz CDMA 1xRTT – Sprint – Data/Voice USA
MTSMC-C1-GP-N2 SocketModem iCell 800/1900 MHz CDMA 1xRTT – Sprint – with GPS USA
MTSMC-C1-IP-N2 SocketModem iCell 800/1900 MHz CDMA 1xRTT – Sprint – with Universal IP USA
BUILDS FOR SOCKETMODEMS USING VERIZON SERVICES
MTSMC-C1-N3 SocketModem Cell 800/1900 MHz CDMA 1xRTT – Verizon – Data Only USA
MTSMC-C1-V-N3 SocketModem Cell 800/1900 MHz CDMA 1xRTT – Verizon – Data/Voice USA
MTSMC-C1-GP-N3 SocketModem iCell 800/1900 MHz CDMA 1xRTT – Verizon – with GPS USA
MTSMC-C1-IP-N3 SocketModem iCell 800/1900 MHz CDMA 1xRTT – Verizon – with Universal IP USA
BUILDS FOR SOCKETMODEMS USING AERIS SERVICES
MTSMC-C1-N16 SocketModem Cell 800/1900 MHz CDMA 1xRTT – Aeris – Data Only USA
MTSMC-C1-V-N16 SocketModem Cell 800/1900 MHz CDMA 1xRTT – Aeris – Data/Voice USA
MTSMC-C1-GP-N16 SocketModem iCell 800/1900 MHz CDMA 1xRTT – Aeris – with GPS USA
MTSMC-C1-IP-N16 SocketModem iCell 800/1900 MHz CDMA 1xRTT – Aeris – with Universal IP USA
Developer Kit
MTSMI-UDK Universal Developer Kit Global
How to Read the Product Codes in the Table Above:
C1 CDMA
V Voice (Microphone and Speaker)
GP Dedicated GPS Receiver
IP Universal IP™ Stack
N2 Sprint USA
N3 Verizon USA
N16 Aeris USA
UDK Universal Developer Kit
Other Product Codes:
The complete product code may end in .Rx. For example, MTSMC-C1-N3.Rx.
“R” indicates product revision. “x” is the revision number.
Preliminary
Confidential

PART 2 – Cellular SocketModems Chapter 3 – SocketModem Cell & SocketModem iCell CDMA 1xRTT
Multi-Tech Systems, Inc. Universal Socket Hardware Guide for Developers (S000342M) 68
AT Commands Reference Guides
Products AT Commands Reference Guide Title and
Document Product Number
Fax Commands Voice Commands
SocketModem Cell CDMA
(MTSMC-C1, MTSMC-C1-V)
CDMA C1 AT Commands Reference Guide
(S000478A)
NA Included in
S000478x – Voice
commands apply to
Voice builds only
SocketModem iCell CDM
A
(MTSMC-C1-IP, MTSMC-C1-GP)
CDMA C1 AT Commands Reference Guide
(S000478A)
Universal IP Commands (S000457x)
NA NA
Preliminary
Confidential

PART 2 – Cellular SocketModems Chapter 3 – SocketModem Cell & SocketModem iCell CDMA 1xRTT
Multi-Tech Systems, Inc. Universal Socket Hardware Guide for Developers (S000342M) 69
Technical Specifications
The SocketModem Cell and SocketModem iCell CDMA (MTSMC-C1) meet the following specifications:
Category Description
Standard CDMA2000 1xRTT
Frequency Bands Dual-band 800/1900 MHz CDMA
Serial/Data Speed Serial interface supporting DTE speeds to 230K
Packet data up to 153.6K bps forward and reverse
Circuit-switched data up to 14.4K bps
Data Format Asynchronous, transparent and non-transparent
Weight 1.2 oz. (34 g)
Dimensions 3.15" (80.010mm) x 1.375 (34.925mm)
Operating Temperature -30° to +70° C
Storage Temperature -40° to +85° C
Humidity 20% to 90% (non-condensing)
Operating Voltage 5VDC
Antenna Connector Surface mount UFL (one for cellular and one for GPS)
IP Protocols Supported MTSMC-C1, MTSMC-C1-
V
DNS Resolve, FTP client, LCP, PPP (dial-out),TCP socket, UDP socket, PAP
& CHAP authentication
MTSMC-C1-IP, MTSMC-C1-GP
DNS Client, FTP Client, ICMP (Ping), POP3 Client, SMTP Client, TCP Client &
Server, UDP Client & Server, IP, PPP (dial-out) with PAP & CHAP
authentication
M2M Applications MTSMC-C1-IP, MTSMC-C1-GP
Automatic connect/reconnect, device monitor, modem emulation, Ping & TCP
keep alive, wake-up on caller ID, wake-up on ring, GPS tracking (GP model
only)
Compliance EMC
FCC Part 15 Class B, 22, 24
IC: RSS 129, 132, 133
EN 55022
Safety
UL 60950-1
cUL 60950-1
IEC 60950-1
Network
CDG 1 & 2
Warranty 2 years
Note: The radio's performance may be affected at the temperature extremes. This is considered normal. The radio is
designed to automatically fallback in class and reduces transmitter power to avoid damage to the radio. There is no single
cause for this function. Rather, it is the result of an interaction of several factors, such as the ambient temperature, the
operating mode and the transmit power.
Preliminary
Confidential

PART 2 – Cellular SocketModems Chapter 3 – SocketModem Cell & SocketModem iCell CDMA 1xRTT
Multi-Tech Systems, Inc. Universal Socket Hardware Guide for Developers (S000342M) 70
Important
MTSMC Tooling Holes and Mounting Hardware
It is recommended that nylon hardware be used if the SocketModems are to be mounted using the two tooling holes
due to possible traces and vias around the tooling holes. #4 or M2/M3 hardware should be used for mounting. This
applies to the following cellular SocketModems:
SocketModem Cell & SocketModem iCell GPRS (MTSMC-G2)
SocketModem® Cell and SocketModem iCell CDMA 1xRTT (MTSMC-C1)
SocketModem® HSDPA (MTSMC-H)
Note: See the Mechanical Drawings for MTSMC-C1 on the following four pages.
Preliminary
Confidential

PART 2 – Cellular SocketModems Chapter 3 – SocketModem Cell & SocketModem iCell CDMA 1xRTT
Multi-Tech Systems, Inc. Universal Socket Hardware Guide for Developers (S000342M) 71
Mechanical Drawings – Basic Build
Preliminary
Confidential

PART 2 – Cellular SocketModems Chapter 3 – SocketModem Cell & SocketModem iCell CDMA 1xRTT
Multi-Tech Systems, Inc. Universal Socket Hardware Guide for Developers (S000342M) 72
Mechanical Drawings – Voice Build
Preliminary
Confidential

PART 2 – Cellular SocketModems Chapter 3 – SocketModem Cell & SocketModem iCell CDMA 1xRTT
Multi-Tech Systems, Inc. Universal Socket Hardware Guide for Developers (S000342M) 73
Mechanical Drawings – IP Build
Preliminary
Confidential

PART 2 – Cellular SocketModems Chapter 3 – SocketModem Cell & SocketModem iCell CDMA 1xRTT
Multi-Tech Systems, Inc. Universal Socket Hardware Guide for Developers (S000342M) 74
Mechanical Drawings – GPS Build
Preliminary
Confidential

PART 2 – Cellular SocketModems Chapter 3 – SocketModem Cell & SocketModem iCell CDMA 1xRTT
Multi-Tech Systems, Inc. Universal Socket Hardware Guide for Developers (S000342M) 75
DC Electrical Characteristics
5VDC Characteristics (VDD = 5V ± 0.5V) VDDMAX = 5.5V
Digital Inputs
–DTR (40), –TXD (35), –RTS (33)
Input High
Min 2.0V
Input Low
Max 0.8V
–
RESET Input High
Min 2.0V
Input Low
Max 0.8V
Digital Outputs
–DCD (39), –CTS (38), –DSR (37), –RI (36), –RXD (34)
Output High
Min 3.8V
Output Low
Max 0.55V
Current Drive:
4mA
Digital Input Capacitance
10 pF
Power Measurements
Basic Build and Voice Build (MTSMC-C1 and MTSMC-C1-V) Measured Power* at Input Voltage 5.00
Input Voltage = 5.0
Volts
Sleep
Mode Typical Maximum
Current (AMPS) 0.010 0.150 0.585
Watts 0.050 0.747 2.884
IP Build (MTSMC-C1-IP) Measured Power* at Input Voltage 5.00
Input Voltage = 5.0
Volts
Sleep
Mode Typical Maximum
Current (AMPS) 0.040 0.185 0.560
Watts 0.199 0.919 2.766
GPS Build (MTSMC-C1-GP) Measured Power* at Input Voltage 5.00
Input Voltage = 5.0
Volts
Sleep
Mode Typical Maximum
Current (AMPS) 0.130 0.270 0.650
Watts 0.646 1.339 3.205
* Multi-Tech Systems, Inc. recommends that the customer incorporate a 10% buffer into their power source when
determining product load.
Preliminary
Confidential

PART 2 – Cellular SocketModems Chapter 3 – SocketModem Cell & SocketModem iCell CDMA 1xRTT
Multi-Tech Systems, Inc. Universal Socket Hardware Guide for Developers (S000342M) 76
Application Notes
LED Interface
The LED signal is used to indicate the working status of the SocketModem.
LED 1 – Link Status – Available for C1, C1-V, C1-IP, and C1-GP Builds
LED 1 Signal Link Status LED
OFF The unit is in download mode or switched OFF
ON Continuously lit Switched ON (not registered on the network)
Blinking Switched ON (registered on the network)
LED 2 – Heartbeat LED – Available for C1-IP and C1-GP Builds
LED 2 Signal Heartbeat LED
OFF The unit is not functioning
Blinking The unit is functioning
LED 3 – Signal Strength LED – Available for C1-IP and C1-GP Builds
LED 3 Signal Signal Strength LED
OFF No signal
Blinking The faster the LED blinks, the stronger the signal
RF Interface
Radio Characteristics
CDMA 800 CDMA 1900
Frequency RX 869 to 894 MHz 1930 to 1990 MHz
Frequency TX 824 to 849 MHz 1850 to 1910 MHz
Impedance 50 ohms
V
SWR <2
Typical Radiated Gain 0 dBi in at least one direction
Output Powe
r
.25W in CDMA
RF Connection and Antenna
The RF connector on the SocketModem is an UFL standard type. See Chapter 1 for Antenna System details.
Preliminary
Confidential

PART 2 – Cellular SocketModems Chapter 3 – SocketModem Cell & SocketModem iCell CDMA 1xRTT
Multi-Tech Systems, Inc. Universal Socket Hardware Guide for Developers (S000342M) 77
Baud Rate Switches on the SocketModem iCell
Note: For the serial model only. From Dustin
MTSMC-H4 SocketModem Baud Rate Dip Switch Settings
ON
921600
• • • •
1 2 3 4
ON
•
460800 • • •
1 2 3 4
ON
•
230400
• • •
1 2 3 4
ON
• •
115200
• •
1 2 3 4
ON
•
57600
• • •
1 2 3 4
ON
• •
38400
• •
1 2 3 4
ON
• •
19200
•
•
1 2 3 4
ON
• • •
9600
•
1 2 3 4
ON
• +IPR/USB
enable
• • •
1 2 3 4
ON
• • • •
+IPR
Default
1 2 3 4
Preliminary
Confidential

PART 2 – Cellular SocketModems Chapter 4 – SocketModem EDGE
Multi-Tech Systems, Inc. Universal Socket Hardware Guide for Developers (S000342M) 78
Chapter 4 – SocketModem® EDGE
(MTSMC-E1)
Introduction
The Multi-Tech SocketModem EDGE embedded cellular modem delivers some of the fastest cellular data speeds by utilizing
EDGE technology. It allows users to connect to the Internet and send and receive data up to three times faster than possible
with an ordinary GSM/GPRS network making it ideal for highly data-intensive applications. Based on industry-standard open
interfaces, the SocketModem EDGE cellular modem is equipped with quad-band GSM, which means it can be used
worldwide on all existing GSM networks.
Product Build Options and Ordering Information
Product Description Region Order This Product
3
MTSMC-E1 SocketModem Quad Band EDGE Class 12 – 5V Global
MTSMC-E1-V SocketModem Quad Band EDGE Class 12 w/Voice – 5V Global
MTSMI-UDK Universal Developer Kit Global
How to Read the Product Codes in the Table Above:
E1 EDGE
V Voice (Microphone and Speaker)
UDK Universal Developer Kit
Other Product Codes:
The complete product code may end in .Rx. For example, MTSMC-E1.Rx
“R” indicates product revision. “x” is the revision number.
AT Commands Reference Guide
Product Reference Guides Title and Document Product
Number
Fax Commands Voice Commands
SocketModem EDGE
(MTSMC-E and E1)
SocketModem EDGE
AT Commands Reference Guide (S000371x)
NA Included in S000371x
Preliminary
Confidential

PART 2 – Cellular SocketModems Chapter 4 – SocketModem EDGE
Multi-Tech Systems, Inc. Universal Socket Hardware Guide for Developers (S000342M) 79
Technical Specifications
The SocketModem EDGE (MTSMC- E1) cellular modem meets the following specifications:
Category Description
Standards EDGE: E-GPRS Class 12
GPRS: GPRS Class 12
Data Speed Packet Data rates up to 240K bps (modulation & coding scheme, MCS 1-9, Mobile station
Class B)
Circuit-switched data up to 14.4 bps non-transparent mode, asynchronous
Serial Speed Serial interface supporting DTE speeds to 460K bps
Band Frequency Quad-band 850/900/1800/1900 MHz
Connectors Antenna: MMCX
SIM: Standard 1.8V or 3V SIM receptacle
IP Protocols Supported TCP, UDP, DNS, FTP, SMTP, POP3, HTTP
Operating Voltage 5VDC
Operating Temperature -30° to +70° C
Storage Environment -40° to +85° C
Humidity 20% to 90% non-condensing
Physical Dimensions 2.541" L x 1.375" W
64.541mm L x 34.92 mm W
For maximum component heights top and bottom, see the Mechanical Drawings on the next
two pages.
Weight 1 oz. (0.028 kg.)
Compliance EMC Compliance
FCC Part 2, 15, 22, 24
EN 55022
EN 55024
Radio Compliance
FCC Part 22
FCC Part 24
RSS 132
RSS 133
EN 301 511
EN 301 489-1
EN 301 489-7
AS/ACIF S042.1
AS/ACIF S042.3
Safety Compliance
UL 60950-1
cUL 60950-1
IEC 60950-1
AS/NZS 60950:2000
Network Compliance
PTCRB
Warranty 2 years
Note: The radio's performance may be affected at the temperature extremes. This is considered normal. The radio is
designed to automatically fallback in class and reduces transmitter power to avoid damage to the radio. There is no single
cause for this function. Rather, it is the result of an interaction of several factors, such as the ambient temperature, the
operating mode and the transmit power.
Preliminary
Confidential

PART 2 – Cellular SocketModems Chapter 4 – SocketModem EDGE
Multi-Tech Systems, Inc. Universal Socket Hardware Guide for Developers (S000342M) 80
Mechanical Drawings – Basic Build
Preliminary
Confidential

PART 2 – Cellular SocketModems Chapter 4 – SocketModem EDGE
Multi-Tech Systems, Inc. Universal Socket Hardware Guide for Developers (S000342M) 81
Mechanical Drawings – Voice Build
Preliminary
Confidential

PART 2 – Cellular SocketModems Chapter 4 – SocketModem EDGE
Multi-Tech Systems, Inc. Universal Socket Hardware Guide for Developers (S000342M) 82
DC Electrical Characteristics
Operating Conditions
5 Volts
Parameter Minimum Maximum
Supply Range - Vcc 4.75 5.25
Absolute Maximum Rating
Parameter Minimum Maximum
Voltage at Any Signal Pin 0 5
DC Electrical Characteristics
Units (Volts)
Parameter Minimum Maximum
Digital Signal Input Low Level 0 0.8
Digital Signal Input High Level 2 5
Digital Signal Output Low Level 0 0.33
Digital Signal Output High Level 3.84 5
Reset (Low Active) Input Low 0 1.14
Reset (Low Active) Input High 2.7 5
Digital Input Capacitance 10pF
Power Measurements
MTSMC-E1 and MTSMC-E1-V Measured Power* at Input Voltage 5.00
Sleep Mode Typical Maximum Peak
Current (AMPS) 0.010 0.128 0.675 1.500
Watts 0.050 0.64 3.2
* Multi-Tech Systems, Inc. recommends that the customer incorporate a 10% buffer into their power source when
determining product load.
Preliminary
Confidential

PART 2 – Cellular SocketModems Chapter 4 – SocketModem EDGE
Multi-Tech Systems, Inc. Universal Socket Hardware Guide for Developers (S000342M) 83
Application Notes
RF Performances
RF performances are compliant with the ETSI recommendation 05.05 and 11.10.
The main parameters are:
Receiver Features
• EGSM Sensitivity : < -108 dBm
• GSM 1800/GSM 1900 Sensitivity : < -107 dBm
• Selectivity @ 200 kHz : > +9 dBc
• Selectivity @ 400 kHz : > +41 dBc
• Dynamic range : 62 dB
• Intermodulation : > -43 dBm
• Co-channel rejection : + 9 dBc
Transmitter Features
• Maximum output power (EGSM) : 24 dBm +/- 2 dB
• Maximum output power (DCS/PCS) : 30 dBm +/- 2 dB
• Minimum output power (EGSM): 5 dBm +/- 5 dB
• Minimum output power (DCS/PCS): 0 dBm +/- 5 dB
• H2 level : < -30 dBm
• H3 level : < -30 dBm
• Noise in 925 - 935 MHz : < -67 dBm
• Noise in 935 - 960 MHz : < -79 dBm
• Noise in 1805 - 1880 MHz : < -71 dBm
• Phase error at peak power : < 5 ° RMS
• Frequency error : +/- 0.1 ppm max
RF Connection and Antenna
The RF connector on the SocketModem is an MMCX standard type. See Chapter 1 for Antenna System details.
Audio Interface – Electrical Characteristics
Speaker Output
Differential speaker output capable of driving 8 ohm load. 1.0945 Vpp (differential) typical.
Microphone Input
Balanced microphone input: full scale input 1.1 Vpp.
Microphone Inputs
The MIC inputs are differential ones. They already include the convenient biasing for an electret microphone (0,5 mA
and 2 Volts). This electret microphone can be directly connected on these inputs. The impedance of the microphone
has to be around 2K. These inputs are the standard ones for a handset design.
The gain of the MIC inputs is internally adjusted. The gain can be tuned from 30dB to 51dB. The connection to the
microphone is direct.
MIC2N
MIC2P
C1
C1 = 22pF to 100 pF
33 pF recommended
Preliminary
Confidential

PART 2 – Cellular SocketModems Chapter 5 – SocketModem Cell and iCell – HSPA
Multi-Tech Systems, Inc. Universal Socket Hardware Guide for Developers (S000342M) 84
Chapter 5 – SocketModem® Cell and
iCell – HSPA (MTSMC-H4)
Introduction
The Multi-Tech SocketModem Cell and iCell HSDPA embedded cellular modem delivers some of the fastest cellular data
speeds by utilizing HSPA technology. These modems allow users to connect to the Internet and send and receive data
faster than possible with an ordinary GSM/GPRS network making it ideal for highly data-intensive applications. Based on
industry-standard open interfaces, the SocketModem cellular modem is equipped with quad-band, high-speed RS232
technology, which means it can be used worldwide on all existing GSM networks. In addition, it utilizes Multi-Tech's
universal socket design. This SocketModem uses the Sierra MC8790 3G mini PCI Express module supporting HSPA
networks.
Product Build Options and Ordering Information
Product Description Region Order This Product
3
MTSMC-H4-IP SocketModem® iCell – HSPA
7.2 Down / 5.76 Up – 850/900/1900/2100
Universal IP – Serial
AT&T / Bell / Telus / Euro
Global
MTSMC-H4-GP SocketModem® iCell – HSPA
7.2 Down / 5.76 Up – 850/900/1900/2100
GPS / Universal IP – Serial
AT&T / Bell / Telus / Euro
Global
MTSMC-H4-MI-IP SocketModem® iCell – HSPA
7.2 Down / 5.76 Up – 850/900/1900/2100
Universal IP – USB
AT&T / Bell / Telus / Euro
Global
MTSMC-H4-MI-GP SocketModem® iCell – HSPA
7.2 Down / 5.76 Up – 850/900/1900/2100
GPS / Universal IP – USB+Serial+GPIO
AT&T / Bell / Telus / Euro
Global
MTSMC-H4-U SocketModem® Cell – HSPA
7.2 Down / 5.76 Up – 850/900/1900/2100
Native USB direct from the module
AT&T / Bell / Telus / Euro
MTSMI-UDK Universal Developer Kit Global
How to Read the Product Codes in the Table Above:
H4 HSPA (High-Speed Uplink and Downlink Packet Access)
IP Universal IP™ Stack
GP Dedicated GPS Receiver
MI Multiple Interface
U USB
UDK Universal Developer Kit
Other Product Codes:
The complete product code may end in .Rx. For example, MTSMC-H4-IP.Rx.
“R” indicates product revision. “x” is the revision number.
AT Commands Reference Guide
For Product Reference Guides Title and Document Product
Number
Fax
Commands
Voice
Commands
SocketModem Cell HSP
A
(MTSMC-H4)
SocketModem Cell and iCell HSPA AT Commands
Reference Guide (S000483x)
NA NA
SocketModem iCell HSP
A
(MTSMC-H4-IP and GP
SocketModem Cell and iCell HSPA AT Commands
Reference Guide (S000483x) and
Universal IP Commands (S000457x)
NA
NA
NA
NA
Preliminary
Confidential

PART 2 – Cellular SocketModems Chapter 5 – SocketModem Cell and iCell – HSPA
Multi-Tech Systems, Inc. Universal Socket Hardware Guide for Developers (S000342M) 85
Technical Specifications
The SocketModem Cell and iCell HSPA (MTSMC- H4) cellular modems meet the following specifications:
Category Description
Standards High Speed Packet Access (HSPA)
GPRS CS1-CS4 (GPRS is General Packet Radio Service)
EDGE MCSI-MCS9 (EDGE is Enhanced Data Rates for Global Evolution)
Circuit-Switched (CS) domain data service based on UMTS and GSM (UMTS is
Universal Mobile Telecommunications System and GSM is Global System for
Mobile Communications)
SMS is based on CS/Packet-Switched (PS) domain of GSM and WCDMA
USB Interface is CDC-ACM compliant (Models with native USB support are not CDC-
ACM compliant)
Data Speeds HSDPA data service of up to 7.2 Mbps
HSUPA data service of up to 5.76 Mbps
UMTS PS domain data service of up to 384 kbps
EDGE packet data service of up to 236.8 kbps
GPRS packet data service of up to 85.6 kbps
Frequency Bands GSM/GPRS/EDGE Quad-band: 850/900/1800/1900
HSUPA / HSDPA / UMTS Triple-band: 2100/1900/850 MHz MHz with Rx diversity
Power Supply 5VDC ± 10% ?? ± 10% was not included in the specs
Dimensions 3.15" x 1.375" (80.010 mm x 34.925 mm)
Weight ????
SMS Point-to-Point messaging
Mobile-Terminated SMS
Mobile-Originated SMS
USB Interface USB 2.0 full speed (12Mbit/s) ????
Serial Modem Interface 8-wire modem interface with status and control lines, unbalanced, asynchronous. ????
Ports 4 GPIO ports
Connectors Antenna: All models have surface mount UFL antenna connectors.
Standard and Rx diversity antennas are also supported.
GPS models support the GPS antenna.
SIM: Standard 1.8 / 3V SIM receptacle
Operating Temperatures Minimum -30° C Typical -25° C Maximum +60° C Sierra data sheet
Reduced RF performance: +60° C to +70° C Sierra data sheet
Storage Environment -40° to +85° C ???
Humidity 20% to 90% non-condensing ???
Compliance Certifications: CE Mark, R&TTE
Safety Certifications:
UL 60950-1
EN 60950-1
cUL60950-1
IEC60950-1
EMC Approvals:
FCC Part 15
Radio Compliance:
FCC Part 22, 24
RSS 132, 133
EN301 489-1
EN301 489-7
EN301 511
Network: PTCRB
Telecom:
PTCRB
GCF
AT&T, Bell Mobility, Telus
Warranty 2 years
Note: The radio's performance may be affected at the temperature extremes. This is considered normal. The radio is
designed to automatically fallback in class and reduces transmitter power to avoid damage to the radio. There is no single
cause for this function. Rather, it is the result of an interaction of several factors, such as the ambient temperature, the
operating mode and the transmit power.
Preliminary
Confidential

PART 2 – Cellular SocketModems Chapter 5 – SocketModem Cell and iCell – HSPA
Multi-Tech Systems, Inc. Universal Socket Hardware Guide for Developers (S000342M) 86
Important
MTSMC Tooling Holes and Mounting Hardware
It is recommended that nylon hardware be used if the SocketModems are to be mounted using the two tooling holes
due to possible traces and vias around the tooling holes. #4 or M2/M3 hardware should be used for mounting. This
applies to the following cellular SocketModems:
SocketModem Cell & SocketModem iCell GPRS (MTSMC-G2)
SocketModem® Cell and SocketModem iCell CDMA 1xRTT (MTSMC-C1)
SocketModem® HSDPA (MTSMC-H4)
Note: See the Mechanical Drawings for MTSMC-H4 on the following three pages.
Preliminary
Confidential

PART 2 – Cellular SocketModems Chapter 5 – SocketModem Cell and iCell – HSPA
Multi-Tech Systems, Inc. Universal Socket Hardware Guide for Developers (S000342M) 87
Mechanical Drawings – Basic and IP Builds – New One
Needed
Mechanical Drawings – USB Build – New One Needed
Mechanical Drawings – GPS Build –- New One Needed
Preliminary
Confidential

PART 2 – Cellular SocketModems Chapter 5 – SocketModem Cell and iCell – HSPA
Multi-Tech Systems, Inc. Universal Socket Hardware Guide for Developers (S000342M) 88
DC Electrical Characteristics
I/O DC Characteristics
5VDC Characteristics (VDD = 5V ± 0.25V) VDDMAX = 5.25V
Digital Inputs
–DTR (40), –TXD (35), –RTS (33)
Input High
Min 2.0V
Input Low
Max 0.8V
–
RESET Input High
Min 2.0V
Input Low
Max 0.8V
Digital Outputs
–DCD (39), –CTS (38), –DSR (37), –RI (36), –RXD (34)
Output High
Min 3.8V
Output Low
Max 0.55V
Current Drive
4mA
Digital Input Capacitance 10 pF
Electrical Specifications (from Rodney's Specs)
Pin Signal Name VIL VIH VOL VOH
Min Max Min Max Min Max Min Max
J18 SPI SPCK -- -- -- -- 0.3 2.9
J19 SPI MISO -0.3 0.7 2.0 5.5 -- -- -- --
J20 SPI MOSI -- -- -- -- 0.3 2.9
J21 SPI CS -- -- -- -- 0.3 2.9
J24 ~RESET 0.8 2.0 -- -- -- --
J25 USB VBUS -0.3 0.8 2.0 8.7 -- -- -- --
J26 GND -- -- -- -- -- -- -- --
J27 USB DP 0.8 2 0.3 2.8
J28 USB DM 0.8 2 0.3 2.8
J33 ~RTS -0.3 0.8 2.0 5.5 -- -- -- --
J34 ~RXD -- -- -- -- 0.26 3.98
J35 ~TXD -0.3 0.8 2.0 5.5 -- -- -- --
J36 ~RI -- -- -- -- 0.55 3.8
J37 ~DSR -- -- -- -- 0.26 3.98
J38 ~CTS -- -- -- -- 0.26 3.98
J39 ~DCD -- -- -- -- 0.26 3.98
J40 ~DTR -0.3 0.8 2.0 5.5 -- -- -- --
J41 GND -- -- -- -- -- -- -- --
J48 GPIO0 -0.3 0.8 2.0 5.5 0.4 2.9
J49 GPIO1 -0.3 0.8 2.0 5.5 0.4 2.9
J50 GPIO2 -0.3 0.8 2.0 5.5 0.4 2.9
J51 GPIO3 -0.3 0.8 2.0 5.5 0.4 2.9
J55 HEARTBEAT -- -- -- -- 0.4 2.9
J58 ~LED LINK -- -- -- -- 0 0.45 2.85 3.3
J61 VCC -- -- -- -- -- -- -- --
J63 GND -- -- -- -- -- -- -- --
*Note: Unspecified per AT91SAM7X256 datasheet. AT91SAM7X256 dependent.
Absolute Maximum Rating:
VCC Voltage (Survival) -0.3V to +6.0V
Preliminary
Confidential

PART 2 – Cellular SocketModems Chapter 5 – SocketModem Cell and iCell – HSPA
Multi-Tech Systems, Inc. Universal Socket Hardware Guide for Developers (S000342M) 89
Pin-Out Specifications (from Rodney's specs)
Pin Signal Name Logic Level
Voltage* I/O Description
J18 SPI SPCK 3.3 O SPI clock signal
J19 SPI MISO 3.3 I SPI master-in/slave-out
J20 SPI MOSI 3.3 O SPI master-out/slave-in
J21 SPI CS 3.3 O SPI chip select
J24 ~RESET 3.3 – 5.0 I Device reset (active low)
J25 USB VBUS 3.3 – 5.0 I USB power supply input
J26 GND GND GND Ground
J27 USB DP 3.3 I/O USB data
J28 USB DM 3.3 I/O USB data
J33 ~RTS 3.3 – 5.0 I Request to send (active low)
J34 ~RXD (3.3) / 5.0 O Received data (active low)
J35 ~TXD 3.3 – 5.0 I Transmitted data (active low)
J36 ~RI (3.3) / 5.0 O Ring indicator (active low)
J37 ~DSR (3.3) / 5.0 O Data set ready (active low)
J38 ~CTS (3.3) / 5.0 O Clear to send (active low)
J39 ~DCD (3.3) / 5.0 O Data carrier detect (active low)
J40 ~DTR 3.3 – 5.0 I Data terminal ready (active low)
J41 GND GND GND Ground
J48 GPIO0 3.3 I/O User configurable general purpose I/O
J49 GPIO1 3.3 I/O User configurable general purpose I/O
J50 GPIO2 3.3 I/O User configurable general purpose I/O
J51 GPIO3 3.3 I/O User configurable general purpose I/O
J55 HEARTBEAT 3.3 O Heartbeat from processor
J58 ~LED LINK 3.3 O Link status (active low, can sink up to 150mA)
J61 VCC 5.0 PWR DC input power
J63 GND GND GND Ground
*Note: A hyphen (-) indicates a range of acceptable logic levels, whereas a slash (/) indicates a build option for one or
the other. Values in parenthesis are unlikely to be used.
Serial Model Pin Out
24, 26, 33-41, 61, 63
Included models: MTSMC-H4-IP, MTSMC-H4-GP
USB + Serial + GPIO + GPS Data Pin Out
With current PCB: 24-28, 33-41, 48-51, 58, 61, 63
With next PCB rev: 16-17, 22-28, 33-43, 48-51, 58, 61, 63+ New GPS data pin
Included models: MTSMC-MI-H4-IP, MTSMC-MI-H4-GP
Note: The current revision PCB will not accommodate the following pins: 22-23, 42-43 and the new GPS
data pins 16-17. The Universal Socket Developer Guide shall highlight the fact that while these pins are not
present upon product launch they will be present on the next HW release. They must make design
considerations even if they have no plans on using those pins.
USB Only Pin Out
24-28, 41, 61, 63 (7-levels for internal use may include additional pins)
Included models: MTSMC-U-H4
Preliminary
Confidential

PART 2 – Cellular SocketModems Chapter 5 – SocketModem Cell and iCell – HSPA
Multi-Tech Systems, Inc. Universal Socket Hardware Guide for Developers (S000342M) 90
Power Measurements (from Tom Fix)
Power Draw for the MTSMC-H4
Basic Build (MTSMC-H4) Measured Power* at Input Voltage 5.00
HSDPA
Input Voltage =
5.0 Volts
Sleep
Mode Typical Maximum
Measured Volts 4.95 4.93 4.91
Current (AMPS) 0.21 0.62 1.04
5.00 Watts 1.02 3.03 5.08
GSM850
Input Voltage =
5.0 Volts
Sleep
Mode Typical Maximum
Measured Volts 4.95 4.94 4.93
Current (AMPS) 0.20 0.30 0.70
5.00 Watts 1.00 1.48 3.47
GSM850 Peak Current (AMPS) = 1.75
IP Build (MTSMC-H4-IP) Measured Power* at Input Voltage 5.00
Input Voltage =
5.0 Volts
Sleep
Mode Typical Maximum
Measured Volts
Current (AMPS)
Watts
GPS Build (MTSMC-H4-GP) Measured Power* at Input Voltage 5.00
Input Voltage =
5.0 Volts
Sleep
Mode Typical Maximum
Measured Volts
Current (AMPS)
Watts
Data Mode Power* Consumption
GPRS Power Consumption in EGSM/GPRS 900 MHz and GSM/GRPS 850 MHz
V
oltage Conditions INOM IMAX
+5V During TX bursts @ 2W 1.8 A 2.9 A
+5V Average Class 8 375mA
+5V Average Class 10 540mA
+5V Average idle mode 40mA
GPRS Power* Consumption in GSM/GRPS 1800 MHz and GSM/GRPS 1900 MHz
V
oltage Conditions INOM IMAX
+5V During TX bursts @ 1W 1.5 A 2.1 A
+5V Average Class 8 325mA
+5V Average Class 10 430mA
+5V Average idle mode 40mA
Preliminary
Confidential

PART 2 – Cellular SocketModems Chapter 5 – SocketModem Cell and iCell – HSPA
Multi-Tech Systems, Inc. Universal Socket Hardware Guide for Developers (S000342M) 91
EGPRS Power* Consumption in EGRPS 900 MHz and EGRPS 850 MHz
V
oltage Conditions INOM IMAX
+5V During TX bursts @ 2W 1.8 A 2.9 A
+5V Average Class 8 315mA
+5V Average Class 10 410mA
+5V Average idle mode 40mA
EGPRS Power* Consumption in EGRPS 1800 MHz and EGRPS 1900 MHz
V
oltage Conditions INOM IMAX
+5V During TX bursts @ 2W 1.8 A 2.9 A
+5V Average Class 8 290mA
+5V Average Class 10 355mA
+5V Average idle mode 40mA
WCDMA Power* Consumption
V
oltage Conditions INOM IMAX
+5V UMTS Data transfer Band I @+10dBm 390mA
+5V HSDPA Data transfer Band I @+10dBm 450mA
+5V UMTS Data transfer Band I @+23dBm 750mA 820mA1
+5V HSDPA Data transfer Band I @+23dBm 775mA 850mA1
+5V UMTS Data transfer Band II @+10dBm 455mA
+5V HSDPA Data transfer Band II @+10dBm 500mA
+5V UMTS Data transfer Band II @+23dBm 810mA 930mA1
+5V HSDPA Data transfer Band II @+23dBm 850mA 930mA1
+5V UMTS Data transfer Band V @+10dBm 390mA
+5V HSDPA Data transfer Band V @+10dBm 420mA
+5V UMTS Data transfer Band V @+23dBm 620mA 790mA1
+5V HSDPA Data transfer Band V @+23dBm 640mA 820mA1
1 Under total mismatch conditions at antenna connector.
* Multi-Tech Systems, Inc. recommends that the customer incorporate a 10% buffer into their power source when
determining product load.
Preliminary
Confidential

PART 2 – Cellular SocketModems Chapter 5 – SocketModem Cell and iCell – HSPA
Multi-Tech Systems, Inc. Universal Socket Hardware Guide for Developers (S000342M) 92
Application Notes
LED Interface from Rodney
The LED signal is used to indicate the working status of the SocketModem.
LED 1 – Heartbeat LED – Available for -IP and -GP Builds
LED 1 Signal Heartbeat LED
OFF The unit is not functioning
Blinking The unit is functioning
LED 2 – Link Status – Available for All Builds
LED 2 Signal Link Status LED
OFF No power to the unit
Continuously Lit Powered and connected, but not transmitting or receiving
Slow Blink (~0.2 Hz) Powered and searching for a connection
Faster Blink (~3 Hz) Transmitting or receiving
LED 3 – Signal Strength – Available for -IP and -GP Builds
LED 3 Signal Signal Strength LED
OFF No signal
Blinking The faster the LED blinks, the stronger the signal
LED 4 – GPS Status – Available for -GP Build
LED 4 Signal GPS Status LED
OFF No power to the unit
Continuously Lit Satellite not acquired
Blinking Satellite acquired
RF Performances
RF performances are compliant with the ETSI recommendation 05.05 and 11.10.
The main parameters are:
Receiver Features
• EGSM Sensitivity: < -108 dBm
• GSM 1800/GSM 1900 Sensitivity: < -107 dBm
• Selectivity @ 200 kHz: > +9 dBc
• Selectivity @ 400 kHz: > +41 dBc
• Dynamic range: 62 dB
• Intermodulation: > -43 dBm
• Co-channel rejection: + 9 dBc
Transmitter Features
• Maximum output power (EGSM): 24 dBm +/- 2 dB
• Maximum output power (DCS/PCS): 30 dBm +/- 2 dB
• Minimum output power (EGSM): 5 dBm +/- 5 dB
• Minimum output power (DCS/PCS): 0 dBm +/- 5 dB
• H2 level: < -30 dBm
• H3 level: < -30 dBm
• Noise in 925 - 935 MHz: < -67 dBm
• Noise in 935 - 960 MHz: < -79 dBm
• Noise in 1805 - 1880 MHz: < -71 dBm
• Phase error at peak power: < 5 ° RMS
• Frequency error: +/- 0.1 ppm max
Preliminary
Confidential

PART 2 – Cellular SocketModems Chapter 5 – SocketModem Cell and iCell – HSPA
Multi-Tech Systems, Inc. Universal Socket Hardware Guide for Developers (S000342M) 93
Frequency Bands Supported (from Sierra doc)
WCDMA Frequency Band Support1
Band Frequencies
Band I
WCDMA 2100
Tx: 1920 – 1980 MHz
Rx: 2110 – 2170 MHz
Band II
WCDMA 1900
Tx: 1850 – 1910 MHz
Rx: 1930 – 1990 MHz
Band V
WCDMA 850
Tx: 824 – 849 MHz
Rx: 869 – 894 MHz
Band VI
WCDMA 800
Tx: 830 – 840 MHz
Rx: 875 – 885 MHz
1WCDMA channel spacing is 5 MHz, but this can be adjusted to optimize performance in a particular deployment
scenario.
GSM Frequency Band Support
Band Frequencies
GSM 850 Tx: 824 – 849 MHz
Rx: 869 – 894 MHz
EGSM 900 Tx: 800 – 915 MHz
Rx: 925 – 960 MHz
GSM 1800 Tx: 1700 – 1785 MHz
Rx: 1805 – 1880 MHz
GSM 1900 Tx: 1850 – 1910 MHz
Rx: 1930 – 1990 MHz
GPS Frequency Band Support
Band Frequencies
GPS 1575.42 MHz
Preliminary
Confidential

PART 2 – Cellular SocketModems Chapter 5 – SocketModem Cell and iCell – HSPA
Multi-Tech Systems, Inc. Universal Socket Hardware Guide for Developers (S000342M) 94
Reliability from Rick's MRD ver. 03
Test Standard Description Test Location
Hot Dwell – 16 hr EN60068-2-2 Functionally test product at upper temperature limit for 16
hours. Test Bb
Multi-Tech
Cold Dwell – 16 hr EN60068-2-1 Functionally test product at lower temperature limit for 16
hours. Test Ab
Multi-Tech
Temperature
Cycling
EN60068-2-14 Test Nb. Gradual Change Multi-Tech
Radio Breakpoint The highest temperature at which the radio functions before
the product fails.
Multi-Tech
Vibration (Sine) SAE J1455 Cab mounted, 1.04G overall rms level, X,Y,Z axes 60
minute duration each axis. 10-500hz sweep
Outside Lab
Vibration (Random) SAE J1455 Cab mounted, Transverse axis plot, X,Y,Z axes 60 minute
duration each axis. 10-500hz sweep
Outside Lab
Drop Test SAE J1455 Handling drop, 1 meter height, unpackaged Multi-Tech
Power Cycle Test 1000 on/off power cycles or 24 hour duration Multi-Tech
4-Corners Test Verify product operates at four points.
High Temp Limit with max voltage limit
High Temp Limit with min voltage limit
Low temp limit with max voltage limit
Low temp limit with min voltage limit
Multi-Tech
Cold Start Test One hour dwell at 0C, then power-up and test. One hour
dwell at –10C, then power-up and test. Repeated until
lowest power-up temperature reached.
Multi-Tech
Power Draw Measure the power consumption of each version of this
product.
Multi-Tech
MTBF Report Calculate the sum of the individual part failure rates that
make up the product
Multi-Tech
RF Connection and Antenna
The RF connector on the SocketModem is an UFL standard type. See Chapter 1 for Antenna System details.
Preliminary
Confidential

PART 2 – Cellular SocketModems Chapter 5 – SocketModem Cell and iCell – HSPA
Multi-Tech Systems, Inc. Universal Socket Hardware Guide for Developers (S000342M) 95
Configuring the HSDPA Modem on Linux SLAX 6
All recent distributions of Linux Kernel v2.6 or higher and CDC_ACM USB will work well with the HSPDA modem.
Follow procedure outlined here using the HSDPA on Linux SLAX 6, an efficient live distribution you can install on a
USB stick. See www.slax.org.
1. Set the HSDPA in modem mode so that it can be enumerated automatically:
AT^SUSB="Startup","Mdm"
AT^SMSO
2. Boot SLAX
3. Plug the USB cable into the PC
4. Enable enumeration in a terminal:
modprobe usbserial vendor=0x0681 product=0x0047
5. Make sure that the modem was enumerated
ls -la /dev/ttyUSB*
The response should be: /dev/ttyUSB0
6. Launch KPPP&
7. Create a new account with AT&T:
Dial *99***1#
8. Create a new modem
HC25
Modem device: /dev/ttyUSB0
Flow control: None
Line Termination: CR
Connection Speed: 921600
9. Add modem commands to the initialization string; i.e., ATZ and AT+CGDCONT=1,"IP","isp.cingular"
10. Enter PAP authentication
Login and enter password as usual
Preliminary
Confidential

PART 2 – Cellular SocketModems Chapter 5 – SocketModem Cell and iCell – HSPA
Multi-Tech Systems, Inc. Universal Socket Hardware Guide for Developers (S000342M) 96
Baud Rate Switches on the SocketModem iCell
Note: For the serial model only. From Dustin
MTSMC-H4 SocketModem Baud Rate Dip Switch Settings
ON
921600
• • • •
1 2 3 4
ON
•
460800 • • •
1 2 3 4
ON
•
230400
• • •
1 2 3 4
ON
• •
115200
• •
1 2 3 4
ON
•
57600
• • •
1 2 3 4
ON
• •
38400
• •
1 2 3 4
ON
• •
19200
•
•
1 2 3 4
ON
• • •
9600
•
1 2 3 4
ON
• +IPR/USB
enable
• • •
1 2 3 4
ON
• • • •
+IPR
Default
1 2 3 4
Preliminary
Confidential

PART 2 – Cellular SocketModems Chapter 6 – SocketModem Cell and iCell – EV-DO
Multi-Tech Systems, Inc. Universal Socket Hardware Guide for Developers (S000342M) 97
Chapter 6 – SocketModem Cell and
iCell – EV-DO (MTSMC-EV2)
Introduction
The Multi-Tech SocketModem Cell and iCell – EV-DO embedded cellular modems are 3G modules supporting CDMA
EV-DO Rev A and below. Based on industry-standard open interfaces, the SocketModem cellular modems are equipped
with dual-band 800/1900 MHz bands with Receive Diversity support on both bands. In addition, these SocketModems
utilize Multi-Tech's universal socket design. This SocketModem uses the Sierra MC5728 3G PCI Express module
supporting CDMA networks including Verizon, Sprint, and Aeris.
Product Build Options and Ordering Information
Product Description Region Order this Product
3
MTSMC-EV2-IP-N2 SocketModem® iCell – EV-DO Rev. A
Universal IP – Sprint – Serial
Global
MTSMC-EV2-GP-N2 SocketModem® iCell – EV-DO Rev. A
GPS/ Universal IP – Sprint – Serial
Global
MTSMC-EV2-MI-IP-N2 SocketModem® iCell – EV-DO Rev. A
Universal IP – Sprint – USB+Serial+GPIO
Global
MTSMC-EV2-MI-GP-N2 SocketModem® iCell – EV-DO Rev. A
GPS/ Universal IP – Sprint – USB+Serial+GPIO
Global
MTSMC-EV2-IP-N3 SocketModem® iCell – EV-DO Rev. A
Universal IP – Verizon – Serial
Global
MTSMC-EV2-GP-N3 SocketModem® iCell – EV-DO Rev. A
GPS/ Universal IP – Verizon – Serial
Global
MTSMC-EV2-MI-IP-N3 SocketModem® iCell – EV-DO Rev. A
Universal IP – Verizon – USB+Serial+GPIO
Global
MTSMC-EV2-MI-GP-N3 SocketModem® iCell – EV-DO Rev. A
GPS/ Universal IP – Verizon – USB+Serial+GPIO
Global
MTSMC-EV2-IP-N16 SocketModem® iCell – EV-DO Rev. A
Universal IP – Aeris – Serial
Global
MTSMC-EV2-GP-N16 SocketModem® iCell – EV-DO Rev. A
GPS/ Universal IP – Aeris – Serial
Global
MTSMC-EV2-MI-IP-N16 SocketModem® iCell – EV-DO Rev. A
Universal IP – Aeris – USB+Serial+GPIO
Global
MTSMC-EV2-MI-GP-N16 SocketModem® iCell – EV-DO Rev. A
GPS/ Universal IP – Aeris – USB+Serial+GPIO
Global
MTSMC-EV2-U-N2 SocketModem® Cell – EV-DO Rev. A
Native USB from the module – Sprint
Global
MTSMC-EV2-U-N3 SocketModem® Cell – EV-DO Rev. A
Native USB from the module – Verizon
Global
MTSMC-EV2-U-N16 SocketModem® Cell – EV-DO Rev. A
Native USB from the module – Aeris
Global
MTSMI-UDK Universal Developer Kit Global
How to Read the Product Codes in the Table Above:
EV2 CDMA EV-DO Rev. A
IP Universal IP™ Stack
GP Dedicated GPS Receiver
MI Multiple Interface
U USB
N2 Sprint
N3 Verizon
N16 Aeris
UDK Universal Developer Kit
Other Product Codes:
The complete product code may end in .Rx. For example, MTSMC-EV2-IP.Rx.
“R” indicates product revision. “x” is the revision number.
Preliminary
Confidential

PART 2 – Cellular SocketModems Chapter 6 – SocketModem Cell and iCell – EV-DO
Multi-Tech Systems, Inc. Universal Socket Hardware Guide for Developers (S000342M) 98
AT Commands Reference Guide
Product Reference Guides Title and Document Product Number Fax
Commands
Voice
Commands
SocketModem
Cell and iCell – EV-DO
(MTSMC-EV2)
SocketModem Cell and iCell – EV-DO Rev. A – AT
Commands Reference Guide (S000482x)
NA NA
SocketModem
Cell and iCell – EV-DO
(MTSMC-EV2-IP, -GP)
SocketModem Cell and iCell – EV-DO Rev. A – AT
Commands Reference Guide (S000482x)
and
Universal IP Commands (S000457x)
NA NA
Preliminary
Confidential

PART 2 – Cellular SocketModems Chapter 6 – SocketModem Cell and iCell – EV-DO
Multi-Tech Systems, Inc. Universal Socket Hardware Guide for Developers (S000342M) 99
Technical Specifications
The SocketModem Cell and SocketModem iCell EV-DO (MTSMC-EV2) meet the following specifications:
Category Description
Standard CDMA2000 1xRTT
EV-DO Rev. A (backward compatible to EV-DO Rev. 0 and CDMA 1x networks)
SMS is based on CS/Packet-Switched (PS) domain of GSM and WCDMA
USB Interface is CDC-ACM compliant (Models with native USB support are not
CDC-ACM compliant)
Data Speed Serial interface supporting DTE speeds to 230K
Peak downlink speeds up to 3.1 Mbps
Peak uplink speeds up to 1.8 Mbps
IS-95 Circuit-switched data up to 14.4K bps
Frequency Bands Dual-band 800/1900 MHz bands with Receive Diversity support on both bands
Power Supply 5VDC
Dimensions 3.15" x 1.375" (80.010 mm x 34.925 mm)
Weight ????
SMS Point-to-Point messaging
Mobile-Terminated SMS
Mobile-Originated SMS
USB Interface USB 2.0 full speed (12 Mbit/s) ?????
Serial Modem Interface Asynchronous, transparent and non-transparent ????
Ports 4 GPIO ports
Antenna Connector Surface mount UFL. Standard and Rx diversity are supported as well as GPS on
models that support the GPS feature.
Operating Temperature -30° to +60° C
Reduced RF performance: +60° to +75° C
Storage Temperature -40° to +85° C ??????
Humidity 20% to 90% (non-condensing) ?????
Operating Voltage 5VDC
IP Protocols Supported MTSMC-C1, MTSMC-C1-
V
DNS Resolve, FTP client, LCP, PPP (dial-out),TCP socket, UDP socket, PAP &
CHAP authentication
MTSMC-C1-IP, MTSMC-C1-GP
DNS Client, FTP Client, ICMP (Ping), POP3 Client, SMTP Client, TCP Client &
Server, UDP Client & Server, IP, PPP (dial-out) with PAP & CHAP authentication
M2M Applications MTSMC-C1-IP, MTSMC-C1-GP
Automatic connect/reconnect, device monitor, modem emulation, Ping & TCP
keep alive, wake-up on caller ID, wake-up on ring, GPS tracking (GP model only)
Compliance North American List
EMC
FCC Part 15, 22, 24
IC: RSS 129, 132, 133
EN 55022
Safety
UL 60950-1
cUL 60950-1
IEC 60950-1
Telecom
CDG 1&2, Sprint, Verizon, Aeris
Warranty 2 years
Note: The radio's performance may be affected at the temperature extremes. This is considered normal. The radio is
designed to automatically fallback in class and reduces transmitter power to avoid damage to the radio. There is no single
cause for this function. Rather, it is the result of an interaction of several factors, such as the ambient temperature, the
operating mode and the transmit power.
Preliminary
Confidential

PART 2 – Cellular SocketModems Chapter 6 – SocketModem Cell and iCell – EV-DO
Multi-Tech Systems, Inc. Universal Socket Hardware Guide for Developers (S000342M) 100
Important
MTSMC Tooling Holes and Mounting Hardware
It is recommended that nylon hardware be used if the SocketModems are to be mounted using the two tooling holes
due to possible traces and vias around the tooling holes. #4 or M2/M3 hardware should be used for mounting. This
applies to the following cellular SocketModems:
SocketModem Cell & SocketModem iCell GPRS (MTSMC-G2)
SocketModem® Cell and SocketModem iCell CDMA 1xRTT (MTSMC-C1)
SocketModem® HSDPA (MTSMC-H4)
Note: See the Mechanical Drawings for MTSMC-EV-DO on the following three pages.
Preliminary
Confidential

PART 2 – Cellular SocketModems Chapter 6 – SocketModem Cell and iCell – EV-DO
Multi-Tech Systems, Inc. Universal Socket Hardware Guide for Developers (S000342M) 101
Mechanical Drawings – Basic Build
Mechanical Drawings – IP Build
Mechanical Drawings – GPS Build
Preliminary
Confidential

PART 2 – Cellular SocketModems Chapter 6 – SocketModem Cell and iCell – EV-DO
Multi-Tech Systems, Inc. Universal Socket Hardware Guide for Developers (S000342M) 102
DC Electrical Characteristics
5VDC Characteristics (VDD = 5V ± 0.5V) VDDMAX = 5.5V
Digital Inputs
–DTR (40), –TXD (35), –RTS (33)
Input High
Min 2.0V
Input Low
Max 0.8V
–
RESET Input High
Min 2.0V
Input Low
Max 0.8V
Digital Outputs
–DCD (39), –CTS (38), –DSR (37), –RI (36), –RXD (34)
Output High
Min 3.8V
Output Low
Max 0.55V
Current Drive:
4mA
Digital Input Capacitance
10 pF
Electrical Specifications (from Rodney's specs)
Pin Signal Name VIL VIH VOL VOH
Min Max Min Max Min Max Min Max
J18 SPI SPCK -- -- -- -- 0.3 2.9
J19 SPI MISO -0.3 0.7 2.0 5.5 -- -- -- --
J20 SPI MOSI -- -- -- -- 0.3 2.9
J21 SPI CS -- -- -- -- 0.3 2.9
J24 ~RESET 0.8 2.0 -- -- -- --
J25 USB VBUS -0.3 0.8 2.0 8.7 -- -- -- --
J26 GND -- -- -- -- -- -- -- --
J27 USB DP 0.8 2 0.3 2.8
J28 USB DM 0.8 2 0.3 2.8
J33 ~RTS -0.3 0.8 2.0 5.5 -- -- -- --
J34 ~RXD -- -- -- -- 0.26 3.98
J35 ~TXD -0.3 0.8 2.0 5.5 -- -- -- --
J36 ~RI -- -- -- -- 0.55 3.8
J37 ~DSR -- -- -- -- 0.26 3.98
J38 ~CTS -- -- -- -- 0.26 3.98
J39 ~DCD -- -- -- -- 0.26 3.98
J40 ~DTR -0.3 0.8 2.0 5.5 -- -- -- --
J41 GND -- -- -- -- -- -- -- --
J44 PCM OUT -- -- -- -- 0 0.45
2.2 2.7
J45 PCM IN 0 0.91 1.7 2.9 -- -- -- --
J46 PCM SYNC -- -- -- -- 0 0.45
2.2 2.7
J47 PCM CLK -- -- -- -- 0 0.45
2.2 2.7
J48 GPIO0 -0.3 0.8 2.0 5.5 0.4 2.9
J49 GPIO1 -0.3 0.8 2.0 5.5 0.4 2.9
J50 GPIO2 -0.3 0.8 2.0 5.5 0.4 2.9
J51 GPIO3 -0.3 0.8 2.0 5.5 0.4 2.9
J55 HEARTBEAT -- -- -- -- 0.4 2.9
J58 ~LED LINK -- -- -- -- 0 0.45
2.85 3.3
J61 VCC -- -- -- -- -- -- -- --
J63 GND -- -- -- -- -- -- -- --
*Note: Unspecified per AT91SAM7X256 datasheet. AT91SAM7X256 dependent.
Absolute Maximum Rating:
VCC Voltage (Survival) -0.3V to +6.0V
Preliminary
Confidential

PART 2 – Cellular SocketModems Chapter 6 – SocketModem Cell and iCell – EV-DO
Multi-Tech Systems, Inc. Universal Socket Hardware Guide for Developers (S000342M) 103
Pin-Out Specifications (from Rodney's specs)
Pin Signal Name Logic Level
Voltage* I/O Description
J18 SPI SPCK 3.3 O SPI clock signal
J19 SPI MISO 3.3 I SPI master-in/slave-out
J20 SPI MOSI 3.3 O SPI master-out/slave-in
J21 SPI CS 3.3 O SPI chip select
J24 ~RESET 3.3 – 5.0 I Device reset (active low)
J25 USB VBUS 3.3 – 5.0 I USB power supply input
J26 GND GND GND Ground
J27 USB DP 3.3 I/O USB data
J28 USB DM 3.3 I/O USB data
J33 ~RTS 3.3 – 5.0 I Request to send (active low)
J34 ~RXD (3.3) / 5.0 O Received data (active low)
J35 ~TXD 3.3 – 5.0 I Transmitted data (active low)
J36 ~RI (3.3) / 5.0 O Ring indicator (active low)
J37 ~DSR (3.3) / 5.0 O Data set ready (active low)
J38 ~CTS (3.3) / 5.0 O Clear to send (active low)
J39 ~DCD (3.3) / 5.0 O Data carrier detect (active low)
J40 ~DTR 3.3 – 5.0 I Data terminal ready (active low)
J41 GND GND GND Ground
J44 PCM OUT 2.6 O PCM data output
J45 PCM IN 2.6 I PCM data input
J46 PCM SYNC 2.6 O PCM frame synchronization
J47 PCM CLK 2.6 O PCM clock
J48 GPIO0 3.3 I/O User configurable general purpose I/O
J49 GPIO1 3.3 I/O User configurable general purpose I/O
J50 GPIO2 3.3 I/O User configurable general purpose I/O
J51 GPIO3 3.3 I/O User configurable general purpose I/O
J55 HEARTBEAT 3.3 O Heartbeat from processor
J58 ~LED LINK 3.3 O Link status (active low, can sink up to 150mA)
J61 VCC 5.0 PWR DC input power
J63 GND GND GND Ground
*Note: A hyphen (-) indicates a range of acceptable logic levels, whereas a slash (/) indicates a build option for one or
the other. Values in parenthesis are unlikely to be used.
Serial Model Pin Out
24, 26, 33-41, 61, 63
Included models: MTSMC-EV2-IP-N2, MTSMC-EV2-IP-N3, MTSMC-EV2-IP-N16, MTSMC-EV2-GP-
N2, MTSMC-EV2-GP-N3, MTSMC-EV2-GP-N16
USB + Serial + GPIO + GPS Data Pin Out
With current PCB: 24-28, 33-41, 48-51, 58, 61, 63
With next PCB rev: 16-17, 22-28, 33-43, 48-51, 58, 61, 63+ New GPS data pin
Included models: MTSMC-EV2-MI-IP-N2, MTSMC-EV2-MI-IP-N3, MTSMC-EV2-MI-IP-N16, MTSMC-
EV2-MI-GP-N2, MTSMC-EV2-MI-GP-N3, MTSMC-EV2-MI-GP-N16
Note: The current revision PCB will not accommodate the following pins: 22-23, 42-43 and the new GPS
data pins 16-17. The Universal Socket Developer Guide shall highlight the fact that while these pins are
not present upon product launch they will be present on the next HW release. They must make design
considerations even if they have no plans on using those pins.
USB Only Pin Out
24-28, 41, 61, 63 (7-levels for internal use may include additional pins)
Included models: MTSMC-EV2-U-N2, MTSMC-EV2-U-N3, MTSMC-EV2-U-N16
Preliminary
Confidential

PART 2 – Cellular SocketModems Chapter 6 – SocketModem Cell and iCell – EV-DO
Multi-Tech Systems, Inc. Universal Socket Hardware Guide for Developers (S000342M) 104
Power Measurements
Basic Build (MTSMC-EV2) Measured Power* at Input Voltage 5.00
Input Voltage =
5.0 Volts
Sleep
Mode Typical Maximum
Measured Volts 4.95 4.94 4.92
Current (AMPS) 0.125 0.315 0.875
5.00 Watts 0.62 1.56 4.31
IP Build (MTSMC-EV2-IP) Measured Power* at Input Voltage 5.00
Input Voltage =
5.0 Volts
Sleep
Mode Typical Maximum
Current (AMPS)
Watts
GPS Build (MTSMC-EV2-GP) Measured Power* at Input Voltage 5.00
Input Voltage =
5.0 Volts
Sleep
Mode Typical Maximum
Current (AMPS)
Watts
* Multi-Tech Systems, Inc. recommends that the customer incorporate a 10% buffer into their power source when
determining product load.
Preliminary
Confidential

PART 2 – Cellular SocketModems Chapter 6 – SocketModem Cell and iCell – EV-DO
Multi-Tech Systems, Inc. Universal Socket Hardware Guide for Developers (S000342M) 105
Application Notes
LED Interface from Rodney
The LED signal is used to indicate the working status of the SocketModem.
LED 1 – Heartbeat LED – Available for -IP and -GP Builds
LED 1 Signal Heartbeat LED
OFF The unit is not functioning
Blinking The unit is functioning
LED 2 – Link Status – Available for All Builds
LED 2 Signal Link Status LED
OFF No power to the unit
Continuously Lit Powered and connected, but not transmitting or receiving
Slow Blink (~0.2 Hz) Powered and searching for a connection
Faster Blink (~3 Hz) Transmitting or receiving
LED 3 – Signal Strength – Available for -IP and -GP Builds
LED 3 Signal Signal Strength LED
OFF No signal
Blinking The faster the LED blinks, the stronger the signal
LED 4 – GPS Status – Available for -GP Build
LED 4 Signal GPS Status LED
OFF No power to the unit
Continuously Lit Satellite not acquired
Blinking Satellite acquired
RF Interface
Radio Characteristics
CDMA 800 CDMA 1900
Frequency RX 869 to 894 MHz 1930 to 1990 MHz
Frequency TX 824 to 849 MHz 1850 to 1910 MHz
Impedance 50 ohms
V
SWR <2
Typical Radiated Gain 0 dBi in at least one direction
Output Powe
r
.25W in CDMA
Preliminary
Confidential

PART 2 – Cellular SocketModems Chapter 6 – SocketModem Cell and iCell – EV-DO
Multi-Tech Systems, Inc. Universal Socket Hardware Guide for Developers (S000342M) 106
Reliability (from Rodney's specs)
Test Standard Description Test Location
Hot Dwell – 16 hr EN60068-2-2 Functionally test product at upper temperature limit for 16
hours. Test Bb
Multi-Tech
Cold Dwell – 16 hr EN60068-2-1 Functionally test product at lower temperature limit for 16
hours. Test Ab
Multi-Tech
Temperature
Cycling
EN60068-2-14 Test Nb. Gradual Change Multi-Tech
Radio Breakpoint The highest temperature at which the radio functions
before the product fails.
Multi-Tech
Vibration (Sine) SAE J1455 Cab mounted, 1.04G overall rms level, X,Y,Z axes 60
minute duration each axis. 10-500hz sweep
Outside Lab
Vibration (Random) SAE J1455 Cab mounted, Transverse axis plot, X,Y,Z axes 60 minute
duration each axis. 10-500hz sweep
Outside Lab
Drop Test SAE J1455 Handling drop, 1 meter height, unpackaged Multi-Tech
Power Cycle Test 1000 on/off power cycles or 24 hour duration Multi-Tech
4-Corners Test Verify product operates at four points.
High Temp Limit with max voltage limit
High Temp Limit with min voltage limit
Low temp limit with max voltage limit
Low temp limit with min voltage limit
Multi-Tech
Cold Start Test One hour dwell at 0C, then power-up and test. One hour
dwell at –10C, then power-up and test. Repeated until
lowest power-up temperature reached.
Multi-Tech
Power Draw Measure the power consumption of each version of this
product
Multi-Tech
MTBF Report Calculate the sum of the individual part failure rates that
make up the product
Multi-Tech
RF Connection and Antenna
The RF connector on the SocketModem is an UFL standard type. See Chapter 1 for Antenna System details.
Preliminary
Confidential

PART 2 – Cellular SocketModems Chapter 6 – SocketModem Cell and iCell – EV-DO
Multi-Tech Systems, Inc. Universal Socket Hardware Guide for Developers (S000342M) 107
Baud Rate Switches on the SocketModem iCell
Note: For the serial model only. From Dustin
MTSMC-EV2 SocketModem Baud Rate Dip Switch Settings
ON
921600
• • • •
1 2 3 4
ON
•
460800 • • •
1 2 3 4
ON
•
230400
• • •
1 2 3 4
ON
• •
115200
• •
1 2 3 4
ON
•
57600
• • •
1 2 3 4
ON
• •
38400
• •
1 2 3 4
ON
• •
19200
•
•
1 2 3 4
ON
• • •
9600
•
1 2 3 4
ON
• +IPR/USB
enable
• • •
1 2 3 4
ON
• • • •
+IPR
Default
1 2 3 4
Preliminary
Confidential

PART 3 – Analog SocketModems
Multi-Tech Systems, Inc. Universal Socket Hardware Guide for Developers (S000342M) 108
Part 3
Analog SocketModems
Chapter 7 – SocketModem (MT9234SMI)
Chapter 8 – SocketModem (MT5692SMI)
Chapter 9 – SocketModem (MT2492SMI)
Preliminary
Confidential

PART 3 – Analog SocketModems Chapter 7 – SocketModem (MT9234SMI)
Multi-Tech Systems, Inc. Universal Socket Hardware Guide for Developers (S000342M) 109
Chapter 7 – SocketModem® (MT9234SMI)
Introduction
Multi-Tech’s SocketModem creates communication-ready devices by integrating data/fax/voice functionality into a single
product design. The SocketModem is a space-efficient (1" × 2.5"), embedded modem that provides V.92/56K communication.
The complete, ready-to-integrate modem dramatically reduces development time and costs for system designers.
The MT9234SMI SocketModems are used for integrating data and fax communications. They are single-port modems that
integrate the controller, DSP, and DAA in a 1" x 2.5" form factor and communicate to a host controller via an asynchronous
serial interface.
Product Build Options and Ordering Information
Product Description Region Order this
Product
3
MT9234SMI
MT9234SMI-92 V.92 Serial Data, V.34 Fax, 5V Global
MT9234SMI-L-92 V.92 Serial Data, V.34 Fax, 3.3V Global
MT9234SMI-P-92 V.92 Parallel Data, V.34 Fax, 5V Global
MT9234SMI-P-L-92 V.92 Parallel Data, V.34 Fax, 3.3V Global
MT9234SMI-HV-92 V.92 Serial Data, V.34 Fax, High Voltage, 5V Global
MT9234SMI-P-HV-92 V.92 Parallel Data, V.34 Fax, High Voltage, 5V Global
Telecom Label
MT9234SMI-LS MT9234SMI – Global Regulatory Label Global
Developer Kits
MTSMI-UDK Universal Developer Kit Global
MTSMI-P-UDK SocketModem Parallel Developer Kit Global
How to Read the Product Codes in the Table Above:
92 V.92/56K data rate
HV High Voltage 2KV Dielectric Isolation (EN60601)
L 3.3V
P Parallel interface
LS Telecom Label
UDK Universal Developer Kit
Other Product Codes:
The complete product code may end in .Rx. For example, MT9234SMI-92.Rx.
“R” indicates product revision. “x” is the revision number.
AT Commands Reference Guide
Product Reference Guides Title and Document
Product Number
Fax Commands Voice Commands
SocketModem
(MT9234SMI)
MT9234SMI AT Commands Reference
Guide (S000434x)
See separate Fax Guides:
Class 1: S000262x
Class 2 S000239x
Included in S000434x
Preliminary
Confidential

PART 3 – Analog SocketModems Chapter 7 – SocketModem (MT9234SMI)
Multi-Tech Systems, Inc. Universal Socket Hardware Guide for Developers (S000342M) 110
Technical Specifications
The SocketModem (MT9234SMI) meets the following specifications:
Category Description
Data Standards V.92, V.34 enhanced, V.34, V.32bis, V.32, V.22bis, V.22; Bell 212A and Bell 103
Data Format Serial, or 8-bit parallel interface, asynchronous
Character Format 10 bit or 11 bit
Serial/Data Speeds Serial port data rates adjustable to 300, 1200, 2400, 4800, 9600, 19200, 38400,
57600, 115200, and 230400 bps
Client-to-Client Data Rates 33600, 31200, 28800, 26400, 24000, 21600, 19200, 16800, 14400, 12000, 9600,
7200, 4800, 2400, 1200, 0-300 bps
Data Error Correction (ECM) V.44; V.42 (LAPM, MNP 2-4)
Data Compression V.42bis, MNP 5
Fax Compatibility V.17, V.29/V.27/V.21, V.34
Fax Class Class 1 &1.0 – All builds
Class 2, 2.0/2.1 – All builds
Fax Compression MH, MR, MMR
Fax Error Correction Mode ECM
Modes of Operation Fax online modes; full duplex over dial-up or 2-wire leased lines; data mode;
command mode; online command mode; V.54 test mode
Weight 0.6 oz. (0.017 kg.)
Operating Temperature -40° to +85° C
Storage Temperature -40° to +85° C
Humidity 20% to 90% (non-condensing)
Operating Voltage 3.3V and 5V
Power Measurements 3.3V
Typical: 122mA (0.40W @ 3.3VDC)
Maximum: 136mA (0.49W @ 3.6VDC)
Sleep Mode: 90mA to 95mA (.297W to .3135W @ 3.3VDC)
5V
Typical: 125mA (0.62W @ 5VDC)
Maximum: 138mA (0.72W @ 5.25VDC)
Sleep Mode: 92mA (0.44W @ 5VDC)
Note: Multi-Tech Systems, Inc. recommends that the customer incorporate a 10%
buffer into their power source when determining product load.
Transmit Level - 11 dBm (varies by country setting)
Receiver Sensitivity - 43 dBm under worst-case conditions
DAA Isolation
1.5Kv r.m.s. or 2121 VDC at working voltage of 250VAC
2Kv r.m.s. or 2828 VDC at working voltage of 125VAC
Flow Control XON/XOFF (software), RTS/CTS (hardware)
Command Buffe
r
60 characters
Telephony / TAM TAM: S-101 AT+V commands (no CODEC for speakers/microphone interface)
Compliance Safety Certifications
UL 60950
cUL 60950
EN 60950
AS/NZS 60950:2000
CCC
Safety Certifications for HV Builds
UL 60601-1
EN 60601-1
EMC Approvals
FCC Part 15
Canadian EMC
EN 55022
EN 55024
GB4943, GB9254
Warranty 2 years
Preliminary
Confidential

PART 3 – Analog SocketModems Chapter 7 – SocketModem (MT9234SMI)
Multi-Tech Systems, Inc. Universal Socket Hardware Guide for Developers (S000342M) 111
Mechanical Drawings – Basic and HV Builds
Preliminary
Confidential

PART 3 – Analog SocketModems Chapter 7 – SocketModem (MT9234SMI)
Multi-Tech Systems, Inc. Universal Socket Hardware Guide for Developers (S000342M) 112
Mechanical Drawings – Parallel Builds
Preliminary
Confidential

PART 3 – Analog SocketModems Chapter 7 – SocketModem (MT9234SMI)
Multi-Tech Systems, Inc. Universal Socket Hardware Guide for Developers (S000342M) 113
DC Electrical Characteristics
5V Serial – Standard (SMI) and Medical Device (SMI-HV) Build Options
5VDC Characteristics (VDD = 5V ± 0.25V) VDDMAX = 5.25V
Digital Inputs
–DTR (40), –TXD (35), –RTS (33)
Input High
Min 2.52V
Input Low
Max .9V
–Reset (24) Input High
Min 2.52V
Input Low
Max 0.3V
Digital Outputs
–DCD (39), –CTS (38), –DSR (37),
–RI (36), –RXD (34)
Output
High
Min 2.3V
Output Low
Max 0.4V
Current Drive
2mA
Digital Input Capacitance 5 pF
5V Parallel – Standard (SMI) and Medical Device (SMI-HV) Build Options
5VDC Characteristics (VDD = 5V ± 0.25V) VDDMAX = 5.25V
Digital Inputs
–DS (40)
Input High
Min 2.52V
Input Low
Max 0.9V
Digital Inputs (hysteresis input buffer)
A0 (31), A1 (25), A2 (34),
–WR (32), –RD (33)
Input High
Min 2.52V
Input Low
Max 0.9V
Digital Input / Output
Output buffer can source 12 mA at 0.4 V
DO (37), D1 (38), D2 (29), D3 (39), D4 (35), D5
(36), D6 (41), D7 (27)
Input High
Min 2.52V
Input Low
Max 0.9V
Digital Output
INT (30)
Output High
Min 2.3V
Output Low
Max 0.4V
Current Drive
2mA
Digital Input Capacitance 5 pF
3.3V Serial – Industrial Temperature (SMI-L) Build Option
3.3VDC Characteristics (VDD = 3.3V ± 0.3V) VDDMAX = 3.6V
Digital Inputs
–DTR (40), –TXD (35), –RTS (33)
Input High
Min 2.52V
Input Low
Max 0.9V
–Reset (24) Input High
Min 2.52V
Input Low
Max 0.3V
Digital Outputs
–DCD (39), –CTS (38), –DSR (37), –RI (36),
–RXD (34)
Output High
Min. 2.3V
Output Low
Max 0.4V
Current Drive
2mA
Digital Input Capacitance 5 pF
3.3V Parallel – Industrial Temperature (SMI-L) Build Options
3.3VDC Characteristics (VDD = 3.3V ± 0.3V) VDDMAX = 3.6V
Digital Inputs
–DS (40)
Input High
Min 2.52V
Input Low
Max 0.9V
Digital Inputs (hysteresis input buffer)
A0 (31), A1 (25), A2 (34), –WR (32), –RD (33)
Input High
Min 2.52V
Input Low
Max 0.9V
Digital Input/Output
Output buffer can source 12 mA at 0.4 V
DO (37), D1 (38), D2 (29), D3 (39), D4 (35), D5 (36),
D6 (41), D7 (27)
Input High
Min 2.52V
Input Low
Max 0.9V
Digital Output
INT (30)
Output High
Min 2.3V
Output Low
Max 0.4V
Current Drive
2mA
Digital Input Capacitance 5 pF
Preliminary
Confidential

PART 3 – Analog SocketModems Chapter 7 – SocketModem (MT9234SMI)
Multi-Tech Systems, Inc. Universal Socket Hardware Guide for Developers (S000342M) 114
Power Measurements
MT9234SMI-L 3.3 Volt Power* Measurements:
Input Voltage = 3.3
Volts
Sleep
Mode Typical Maximum
Current (AMPS) 0.081 0.114 0.122
Watts 0.264 0.373 0.397
MT9234SMI 5 Volt Power* Measurements:
Input Voltage = 5.0
Volts
Sleep
Mode Typical Maximum
Current(AMPS) 0.082 0.116 0.122
Watts 0.409 0.579 0.606
MT9234SMI-P (Parallel Build) 3.3 Volt Power* Measurements:
Input Voltage = 3.3
Volts
Sleep
Mode Typical Maximum
Current(AMPS) 0.079 0.112 0.116
Watts 0.260 0.366 0.378
MT9234SMI-P (Parallel Build) 5 Volt Power* Measurements:
Input Voltage = 5.0
Volts
Sleep
Mode Typical Maximum
Current(AMPS) 0.079 0.114 0.119
Watts 0.394 0.567 0.589
*Note: Multi-Tech Systems, Inc. recommends that the customer incorporate a 10% buffer into their power source when
determining product load.
Preliminary
Confidential

PART 3 – Analog SocketModems Chapter 7 – SocketModem (MT9234SMI)
Multi-Tech Systems, Inc. Universal Socket Hardware Guide for Developers (S000342M) 115
Parallel Timing Requirements
Timing Requirements for Parallel Write
Paramete
r
Min Max Unit
–DS to –WR Setup (low to low) 10 - ns
A0, A1, A2 to –WR Setup (valid to low) 15 - ns
–WR Pulse Width (low to high) 40 - ns
D0–D7 to –WR Setup (valid to high) 30 - ns
–WR to –DS hold (high to high) 0 - ns
–WR to A0–A2 Hold (high to invalid) 0 - ns
–WR to D0–D7 Hold (high to invalid) 0 - ns
–WR interaccess (high to low)
Non-MIMIC Accesses
MIMIC Accesses
10
110
-
-
ns
ns
Timing Requirements for Parallel Read
Paramete
r
Min Max Unit
–DS to –RD Setup (low to low) 10 - ns
A0, A1, A2 to –RD Setup (valid to low) 15 - ns
–RD Pulse Width (low to high) 40 - ns
–RD to –DS hold (high to high) 0 - ns
–RD to A0–A2 Hold (high to invalid) 0 - ns
–WR interaccess (high to low)
Non-MIMIC Accesses
MIMIC Accesses
10
110
-
-
ns
ns
Preliminary
Confidential

PART 3 – Analog SocketModems Chapter 7 – SocketModem (MT9234SMI)
Multi-Tech Systems, Inc. Universal Socket Hardware Guide for Developers (S000342M) 116
SocketModem Parallel Interface Internal Registers
The SocketModem parallel interface is a mimic of a 16C550A UART. It is similar to the MIMIC interface used in the Zilog
Z80189. The SocketModem mimic (MMM) takes advantage of this standard interface while replacing the serial to parallel data
transfer with a less complicated parallel to parallel data transfer.
The MMM interface controls an 8-bit parallel data transfer which is typically interrupt driven. Interrupts usually indicate one or
both of two conditions: (1) the receive (RX) FIFO has either reached a trigger level or time-out condition and needs to be
emptied and/or (2) the transmit (TX) FIFO is empty and waiting for more data from the Host. An interrupt can also be
triggered by a change in the modem status register (i.e., loss of carrier) or by the occurrence of errors in the line status
register (overrun, parity, framing, break detect).
In addition to the receive and transmit FIFOs, there are twelve other control/status registers called the MMM register set
which can be accessed through this interface.
Overview
SocketModem MIMIC (MMM) Operation
Data flow through MMM is bi-directional. Simultaneously, data can flow from the host through the transmit FIFO
to the SocketModem controller, and data can flow from SocketModem controller through the receive FIFO to the
Host. In the receive path, 8-bit data is asynchronously received (from the SocketModem controller) by the
receive FIFO where it is stored along with associated three error bits. The error bits must arrive (via a
SocketModem controller I/O write to MMM shadow line status register) prior to receiving the actual data bits.
The error bits are then temporarily stored so they may be written, with associated data bits, to the 11-bit wide
RX FIFO.
After every data write, the RX FIFO write pointer is incremented. RX FIFO trigger levels, data ready signal, and
time-out counter are checked to see if a Host-interrupt needs to be sent. The data ready signal will be activated
and MMM sits poised to accept another data word.
We highly recommend the host should read the MMM IIR register to determine the type of interrupt. Then it
might check bit 7 of the LSR to see if there are any errors in the data currently residing in the receive FIFO.
Finally, it will (1) alternately read a data word through the RX FIFO read pointer and the error bits via the MMM
LSR until the FIFO is empty, or (2) read successive data words (knowing there were no errors in the FIFO) until
the trigger count is met.
A similar sequence occurs when data flows in the other direction (from host through transmit FIFO), except
there is no error bit manipulation/checking involved.
FIFO Operation
The 16-byte transmit and receive data FIFOs are enabled by the FIFO Control Register (FCR) bit-0. You
can set the receive trigger level via FCR bits 6/7. The receiver FIFO section includes a time-out function to
ensure data is delivered to the external host. An interrupt is generated whenever the Receive Holding
Register (RHR) has not been read following the loading of a character or the receive trigger level has been
reached.
Receive (RX) FIFO
The RX FIFO can be configured to be 16 words deep and 11 bits wide. Each word in the RX FIFO consists
of 8 data bits and 3 error bits. The RX block of the MMM contains read and write pointers and status flag
circuitry that need only to be presented with data (for input), reset, read/write control signals, and read/write
clock signals. The RX block of the MMM internally manages the FIFO register file and pointers, and it
provides simultaneous read/write capability (no contention problems).
The RX block of the MMM provides data (for output), FIFO full flag, FIFO empty flag, and an almost full flag
which uses an associated predefined trigger level (obtained from the MMM FCR control register) to signal
when the trigger level has been met. Four possible trigger levels may be selected by programming bits 6-7
of the FCR control register.
Preliminary
Confidential

PART 3 – Analog SocketModems Chapter 7 – SocketModem (MT9234SMI)
Multi-Tech Systems, Inc. Universal Socket Hardware Guide for Developers (S000342M) 117
A typical (interrupt driven) write to the RX block is a two-step process. The MMM micro-controller must first
write the 3 error bits to a shadow MMM LSR status register. Next, the micro-controller writes the data to
the RX FIFO and during this write operation, the 3 error bits are directly loaded from the LSR shadow
register into the bits 8-10 of the selected (11 bit-wide) FIFO register. These error bits represent the parity
error, framing error, and break interrupt signals associated with each data work transmission into the
receive FIFO. When the receive FIFO is read, these error bits are loaded directly into bits 2-4 of the MMM
LSR register.
A2 A1 A0 Register Name Register Description Host Access
0
0
0
0
0
0
1
1
1
1
0
0
0
1
1
1
0
0
1
1
0
0
1
0
0
1
0
1
0
1
RBR
THR
IER
IIR
FCR
LCR
MCR
LSR
MSR
SCR
Receive Buffer (RX FIFO)
Transmit Holding (TX FIFO)
Interrupt Enable
Interrupt Identification
FIFO Control
Line Control
Modem Control
Line Status
Modem Status
Scratch pad
DLAB = 0 R only
DLAB = 0 W only
DLAB = 0 R/W
DLAB = X R only
DLAB = X W only
DLAB = X R/W
DLAB = 0 R/W
DLAB = X R only
DLAB = X R only
DLAB = 0 R/W
0
0
1
1
0
0
1
0
0
1
1
0
DLL
DLM
DLX
MCX
LSB of Divisor Latch
MSB of Divisor Latch
Divisor Latch
Status/Control
DLAB = 1 R/W
DLAB = 1 R/W
DLAB = 1 R/W
DLAB = 1 R/W
Note 1* The General Register set is accessible only when DS is a logic 0.
Note 2* The Baud Rate register set is accessible only when DS is a logic 0 and LCR bit-7 is a logic 1.
Time Out Interrupts
The interrupts are enabled by IER bits 0-3. Care must be taken when handling these interrupts. Following a
reset the transmitter interrupt is enabled, the SocketModem will issue an interrupt to indicate that transmit
holding register is empty. This interrupt must be serviced prior to continuing operations.
The LSR register provides the current singular highest priority interrupt only. A condition can exist where a
higher priority interrupt may mask the lower priority interrupt(s). Only after servicing the higher pending
interrupt will the lower priority interrupt(s) be reflected in the status register. Servicing the interrupt without
investigating further interrupt conditions can result in data errors. When two interrupt conditions have the
same priority, it is important to service these interrupts correctly.
Receive Data Ready and Receive Time Out have the same interrupt priority (when enabled by IER bit-3).
The receiver issues an interrupt after the number of characters received have reached the programmed
trigger level. In this case the MMM FIFO may hold more characters than the programmed trigger level.
Following the removal of a data byte, the user should recheck LSR bit-0 for additional characters. A
Receive Time Out will not occur if the receive FIFO is empty. The time out counter is reset at the center of
each stop bit received or each time the receive holding register (RHR) is read.
Preliminary
Confidential

PART 3 – Analog SocketModems Chapter 7 – SocketModem (MT9234SMI)
Multi-Tech Systems, Inc. Universal Socket Hardware Guide for Developers (S000342M) 118
Register Functional Definitions
The following table delineates the assigned bit functions for the twelve internal registers. The assigned bit functions are
more fully defined in the following paragraphs.
Internal Registers
A2 A1 A0 Registe
r
[Default]
Note *3
BIT-7 BIT-6 BIT-5 BIT-4 BIT-3 BIT-2 BIT-1 BIT-0
General Register Set: Note 1*
0 0 0 RBR [XX] Bit-7 Bit-6 Bit-5 Bit-4 Bit-3 Bit-2 Bit-1 Bit-0
0 0 0 THR [XX] Bit-7 Bit-6 Bit-5 Bit-4 Bit-3 Bit-2 Bit-1 Bit-0
0 0 1 IER [00] 0 0 0 0 Modem
Status
Interrupt
Receive
Line
Status
interrupt
Transmit
Holding
Register
interrupt
Receive
Holding
Register
interrupt
0 1 0 IIR [XX] FIFO
enable
FIFO
enable
0 0 Interrupt
ID
Interrupt
ID
Interrupt
ID
Interrupt
Pending
0 1 0 FCR [00] RX
Trigger
(MSB)
RX
trigger
(LSB)
Detect
change
in FCR
TX FIFO
overrun
bit
DMA
mode
select
XMIT
FIFO
reset
RCVR
FIFO
reset
FIFO
enable
0 1 1 LCR [00] Divisor
latch
access
(DLAB)
Set
break
Stick
parity
Even
parity
Parity
enable
0 Word
length
bit-1
Word
length
bit-0
1 0 0 MCR [00] 0 0 0 Loop
back
INT
enable
OUT 1 -RTS -DTR
1 0 1 LSR [60] RX
FIFO
data
error
TX
empty
THR
empty
THR
Empty
Break
interrupt
Framing
error
Parity
error
Overrun
error
Receive
data
ready
1 1 0 MSR [X0] CD RI
DSR
CTS Delta
-CD
Delta
-RI
Delta
-DSR
Delta
-CTS
1 1 1 SCR [FF] Bit-7 Bit-6 Bit-5 Bit-4 Bit-3 Bit-2 Bit-1 Bit-0
Special Register Set: Note *2
0 0 0 DLL [00] Bit-7 Bit-6 Bit-5 Bit-4 Bit-3 Bit-2 Bit-1 Bit-0
0 0 1 DLM [00] Bit-7 Bit-6 Bit-5 Bit-4 Bit-3 Bit-2 Bit-1 Bit-0
Notes: 1* The General Register set is accessible only when DS is a logic 0.
2* The Baud Rate register set is accessible only when DS is a logic 0 and LCR bit-7 is a logic 1.
3* The value between the square brackets represents the register's initialized HEX value, X = N/A.
Preliminary
Confidential

PART 3 – Analog SocketModems Chapter 7 – SocketModem (MT9234SMI)
Multi-Tech Systems, Inc. Universal Socket Hardware Guide for Developers (S000342M) 119
RBR – Receive Buffer (RX FIFO)
All eight bits are used for receive channel data (host read/data in; host write/data out). The three error bits per
byte are copied into bits 2, 3, and 4 of the LSR during each host I/O read; therefore, they are available for
monitoring on a per-byte basis.
THR – Transmit Holding Register (TX FIFO)
All eight bits are used for transmit channel data (host write/data out; host read/data in).
IER – Interrupt Enable
Bits 4–7: Reserved and will always read 0.
Bits 0-3: Set by host software only and cleared by software control or host reset.
Bit 3: Enables modem status IRQ. If bits 0–3 of the MSR are set and this bit is set to 1 (enabled), a host
interrupt is generated.
Bit 2: Enables receive line status IRQ. If bits 1–4 (overrun, parity, framing, break errors) of the LSR are set
and this bit is set to a logic 1, a host interrupt is generated.
Bit 1: Enables transmit holding register IRQ. If bit 5 (transmit holding register empty) of the LSR is set and
this bit is set to a 1, a host interrupt is generated.
Bit 0: Enables received data available IRQ. If bit 0 (data ready) of the LSR is set and this bit is set to a 1, a
host interrupt is generated.
IIR – Interrupt Identification (Read Only)
Bits 6–7: (FIFO enabled bits). These bits will read a 1 if FIFO mode is enabled and the 16450 enable bit is 0
(no force of 16450 mode).
Bits 4–5: Reserved and always read a 0.
Bits 1–3: Interrupt ID bits.
Bit 0: Interrupt pending. If logic 0 (in default mode), an interrupt is pending.
When the host accesses IIR, the contents of the register are frozen. Any new interrupts will be recorded, but not
acknowledged during the IIR access. This requires buffering bits (0–3, 6–7) during IIR reads.
Interrupt Sources and Reset Control Table
Bit 3 Bit 2 Bit 1 Priority Interrupt Source Interrupt Reset Control
0 1 1 Highest Overrun, parity, framing, error
or break detect bits set by
SocketModem Controller
Reading the LSR
0 1 0 2n
d
Received data trigger level
RX FIFO drops below trigger
level
1 1 0 2n
d
Receiver time-out with data in
RX FIFO
Read RX FIFO
0 0 1 3r
d
TX holding register empty Writing to TX holding
register or reading IIR when
TX holding register is source
of error
0 0 0 4
th
MODEM status: CTS, DSR, RI
or DCD
Reading the MSR
Preliminary
Confidential

PART 3 – Analog SocketModems Chapter 7 – SocketModem (MT9234SMI)
Multi-Tech Systems, Inc. Universal Socket Hardware Guide for Developers (S000342M) 120
FCR – FIFO Control
Bits 6–7: Used to determine RX FIFO trigger levels.
Bit 5: Used to detect a change in the FCR.
Bit 4: TX FIFO overrun bit.
Bit 3: DMA mode select. If bit 3 is a 0, the 16450 mode is enabled which does only single-byte transfers.
When bit 3 is a 1, it enables a multiple byte (FIFO mode) data transfer.
Bit 2: TX FIFO reset. This will cause TX FIFO pointer logic to be reset (any data in TX FIFO will be lost).
This bit is self clearing; however, a shadow bit exists that is cleared only when read by the host, thus
allowing the host to monitor a FIFO reset.
Bit 1: RX FIFO reset. This will cause RX FIFO pointer logic to be reset (any data in RX FIFO will be lost).
This bit is self clearing; however, a shadow bit exists that is cleared only when read by the host, thus
allowing the host to monitor a FIFO reset.
Bit 0: FIFO enable. The host writes this bit to logic 1 to put the block in FIFO mode. This bit must be a 1
when writing other bits in this register or they will not be programmed. When this bit changes state,
any data in the FIFOs or the RBR and THR registers will be lost and any pending interrupts are
cleared.
Bit 7 Bit 6 16 Deep FIFO Trigger Levels (# of bytes) Default
0 0 1
0 1 4
1 0 8
1 1 14
LCR – Line Control
Bit 7: Divisor latch access bit. This bit allows the host, access to the divisor latch. Under normal
circumstances, the bit is set to 0 (provides access to the RX and TX FIFOs at address 0). If the
bit is set to 1, access to transmitter, receiver, interrupt enable, and modem control registers is
disabled. In this case, when an access is made to address 0, the divisor latch least (DLL)
significant byte is accessed. Address 1 accesses the most significant byte (DLM). Address 7
accesses the DLX divisor latch register. Address 4 accesses the MCX status/control register.
Bit 6: Used to denote a host-generated set break condition.
Bits 0,1,3,4,5: Used only in parity bit generation for the 7 bit data byte case. Bits 0 and 1 are used for word
length select (b0 = 0 and b1 = 1 is used for 7 bit data). Bit 3 is parity enable. Bit 4 is even parity
select. Bit 5 is stick parity.
MCR – Modem Control
Bits 5–7: Reserved, and will always be 0.
Bit 3: Controls the signal used to 3-state the host interrupt. If 0, then an active-low L33xV output will
be set to 0, and this signal will be used to 3-state the host interrupt output pin.
Bits 0–2: Reserved.
Bit 2: OUT1.
Bit 1: Request to Send (RTS).
Bit 0: Data terminal ready (DTR).
Preliminary
Confidential

PART 3 – Analog SocketModems Chapter 7 – SocketModem (MT9234SMI)
Multi-Tech Systems, Inc. Universal Socket Hardware Guide for Developers (S000342M) 121
LSR – Line Status
Bit 7: Error in RX FIFO. This bit is always set to 1 if at least one data byte in the RX FIFO has an
error. This will clear when there are no more errors in the RX FIFO.
Bit 6: Transmitter empty. This bit is the same as LSR bit 5 (THRE) in MMM
Bit 5: Transmitter holding register empty. This bit is set to 1 when either the transmitter holding
register has been read (emptied) by the micro-controller (16450 mode) or the TX FIFO is empty
(16550 mode). This bit is set to 0 when either the THR or the TX FIFO becomes not empty in
16450 mode. In 16550 mode, it is set to 0 only after the trigger level has been met since the
last occurrence of TX FIFO empty. If the transmitter timer is enabled, a shadow bit exists which
delays the timer setting this bit to 1. When reading this bit, the micro-controller will not see the
delay. Both shadow and register bits are cleared when the host writes to the THR or TX FIFO in
16450 mode. The trigger level must be reached to clear the bit in 16550 (FIFO) mode.
Bits 2–4: Used for parity error, framing error, and break detect. These bits are written, indirectly, by the
micro-controller as follows: The bits are first written to the shadow bit locations when the micro-
controller write accesses the LSR. When the next character is written to the receive buffer
(RBR) or the RX FIFO, the data in the shadow bits is then copied to the RBR (16450 mode) or
RX FIFO (16550 mode). In FIFO mode, bits become available to the host when the data byte
associated with the bits is next to be read. In FIFO mode, with successive reads of the receiver,
the status bits will be set if an error occurs on any byte. Once the micro-controller writes to the
RBR or RX FIFO, the shadow bits are auto cleared. The register bits are updated with each host
read.
Bit 1: Overrun error. This bit is set if the micro-controller makes a second write to RBR before the host
reads data in the buffer (16450 mode) or with a full RX FIFO (16550 mode). No data will be
transferred to the RX FIFO under these circumstances. This bit is reset when the host reads the
LSR.
Bit 0: Data ready bit. This bit is set to 1 when received data is available, either in the RX FIFO (16550
mode) or the RBR (16450 mode). This bit is set immediately upon the micro-controller writing
data to the RBR or FIFO if the receive timer is not enabled, but it is delayed by the timer interval
if the receive timer is enabled. For micro-controller read access, a shadow bit exists so that the
micro-controller does not see the delay that the host sees. Both bits are cleared to logic 0
immediately upon reading all data in either RBR or RX FIFO.
MSR – Modem Status
Bits 4 through 7 of the MSR can also take on the MCR bits 0 through 3 value when in MCR loop mode (i.e. when
MCR b4 = 1). The transfer of bits in loop back has a null modem twist (i.e. MCR b0 goes to MSR b5 and MCR
b1goes to MSR b4).
Bit 7: Data carrier detect (DCD) bit.
Bit 6: Ring indicator (RI) bit.
Bit 5: Data set ready (DSR) bit.
Bit 4: Clear to send (CTS) bit.
Bit 3: Delta data carrier detect pin. This bit is set to a 1 whenever the data carrier detect bit changes
state. It is reset when the host reads the modem status register.
Bit 2: Trailing edge ring indicator bit. This bit is set to 1 on the falling edge of the ring indicator bit. It is
reset when the host reads the modem status register.
Bit 1: Delta data set ready bit. This bit is set to 1 whenever the data set ready changes state. It is
reset when the host reads the modem status register.
Bit 0: Delta clear to send bit. This bit is a one whenever the clear to send bit changes state. It is reset
when the host reads the modem status register.
Preliminary
Confidential

PART 3 – Analog SocketModems Chapter 7 – SocketModem (MT9234SMI)
Multi-Tech Systems, Inc. Universal Socket Hardware Guide for Developers (S000342M) 122
SCR – Scratch
The host programmer uses this register for temporary data storage.
DLL – Divisor Latch (LSByte)
This register contains low-order byte for the 16-bit clock divider. It is kept to maintain register set compatibility with
the 16C550A interface. However, it is not used for clock generation since MMM does not require the generation of a
real baud clock.
DLM – Divisor Latch (MSByte)
This register contains high-order byte for the 16-bit clock divider. It is kept to maintain register set compatibility with
the 16C550A interface. However, it is not used for clock generation, since MMM does not require the generation of a
real baud clock.
Programming the Baud Rate Generator Registers DLM (MSB) and DLL (LSB) provides a user capability for selecting
the desired final baud rate. The example in the Table below shows the selectable baud rates available when using a
1.8432 MHz external clock input.
BAUD RATE GENERATOR PROGRAMMING TABLE
Baud
Rate
16 x Clock Divisor (Decimal) DLM Value (HEX) DLL Value (HEX)
110
300
600
1200
2400
4800
9600
19.2K
38.4K
57.6K
115.2K
1047
384
192
96
48
24
12
6
3
2
1
04
01
00
00
00
00
00
00
00
00
00
17
80
C0
60
30
18
0C
06
03
02
01
Preliminary
Confidential

PART 3 – Analog SocketModems Chapter 7 – SocketModem (MT9234SMI)
Multi-Tech Systems, Inc. Universal Socket Hardware Guide for Developers (S000342M) 123
Application Notes
Tip and Ring Interface
OEM Motherboard
Filtering and Surge Protection Options
See Design Considerations and Recommended Parts in Chapter 1.
Recommended Uses for Filtering Options
• Enhanced Surge Protection with RJ-11 Filtering
Use this option when additional lightning protection may be needed.
• Alternate Common Mode with RJ-11 Filtering
Use this option when your design has common mode emission issues.
Preliminary
Confidential

PART 3 – Analog SocketModems Chapter 8 – SocketModem (MT5692SMI)
Multi-Tech Systems, Inc. Universal Socket Hardware Guide for Developers (S000342M) 124
Chapter 8 – SocketModem® (MT5692SMI)
Introduction
This chapter covers the SocketModem® MT5692SMI and its various builds: serial, parallel, voice. The serial build option can
be ordered with or without IP functionality.
The Multi-Tech SocketModem creates communication-ready devices by integrating data/fax/voice functionality into a single
product design. The SocketModem is a space-efficient (1" × 2.5"), embedded modem that provides V.92 or V.34/33.6K data
communication. The complete, ready-to-integrate modem dramatically reduces development time and costs for system
designers.
The MT5692SMI SocketModem is a standard 64-pin modem used for integrating data communications.
• It is a single-port modem that integrates the controller, DSP, and DAA in a 1" x 2.5" form factor and communicates to
a host controller via an asynchronous serial interface.
• It is available with an 8-bit parallel interface.
The SocketModem IP, MT5692SMI-IP, embedded modem creates Internet-ready devices by integrating modem functionality
and a complete TCP/IP protocol stack into a single, universal socket design. This embedded modem sends and receives data
via e-mail, HTTP, or socket interfaces. It also complies with telecom requirements globally allowing for worldwide shipments.
Product Build Options and Ordering Information
Product Description Region Order this
Product
3
MT5692SMI
Serial Builds
MT5692SMI-34 V.34 Serial Data / V.17 Fax, 5V Global
MT5692SMI-L-34 V.34 Serial Data / V.17 Fax, 3.3V Global
MT5692SMI-92 V.92 Serial Data / V.17 Fax, 5V Global
MT5692SMI-L-92 V.92 Serial Data / V.17 Fax, 3.3V Global
MT5692SMI-X-L-92 V.92 Serial Data / V.17 Fax, 3.3V (excludes LED pins) Global
IP Builds
MT5692SMI-IP-92 V.92 Serial Data-Only 5V Global
MT5692SMI-IP-L-92 V.92 Serial Data-Only, 3.3V Global
Voice Builds
MT5692SMI-V-34 V.34 Serial Data / V.17 Fax / Voice, 5V Global
MT5692SMI-V-92 V.92 Serial Data / V.17 Fax / Voice, 5V Global
Parallel Builds
MT5692SMI-P-34 V.34 Parallel Data / V.17 Fax, 5V Global
MT5692SMI-P-L-34 V.34 Parallel Data / V.17, 3.3V Global
MT5692SMI-P-92 V.92 Parallel Data / V.17 Fax, 5V Global
MT5692SMI-P-L-92 V.92 Parallel Data / V.17 Fax, 3.3V Global
Developer Kits
MTSMI-UDK SocketModem Serial Developer Kit Global
MTSMI-P-UDK SocketModem Parallel Developer Kit Global
How to Read the Product Codes in the Above Table:
34 V.34 data rate
92 V.92/56K data rate
L 3.3V power input (default is 5V)
P Parallel interface (default is serial)
V Voice (Microphone and Speaker)
X Excludes LED pins
IP Universal IP™ Stack
UDK Universal Developer Kit
Other Product Codes:
The complete product code may end in .Rx. For example, MT5692SMI-V-34.Rx.
“R” indicates product revision. “x” is the revision number.
Preliminary
Confidential

PART 3 – Analog SocketModems Chapter 8 – SocketModem (MT5692SMI)
Multi-Tech Systems, Inc. Universal Socket Hardware Guide for Developers (S000342M) 125
AT Commands Reference Guide
Product Reference Guides Title and Document Product
Number
Fax Commands Voice Commands
SocketModem
(MT5692SMI)
MT5692SMI AT Commands Reference Guide
(S000468x)
Included in S000468x Included in S000468x
SocketModem
(MT5692SMI-IP)
Universal IP AT Commands Reference Guide
(S000457x)
NA NA
Preliminary
Confidential

PART 3 – Analog SocketModems Chapter 8 – SocketModem (MT5692SMI)
Multi-Tech Systems, Inc. Universal Socket Hardware Guide for Developers (S000342M) 126
Technical Specifications
The MT5692SMI SocketModems meet the following specifications:
Category Description
Data Standards V.92, V.34, V.32bis, V.32, V.23, V.23 half-duplex, V.23 reverse, V.22bis, V.22bis Fast
Connect, V.22, V.21, Bell 212A/Bell 103, V.29 FastPOS, V.80 Synchronous Access Mode
(V.80 not for IP build)
Data Format All Builds: Serial, asynchronous
Parallel Build: 8-bit parallel interface
Character Format 10 bit
Serial/Data Speeds All Builds Except IP: Supports DTE speeds up to 230.4K bps, autobaud up to 115.2K bps
For IP Build: Supports DTE speeds up to 921.6K bps,
Client-to-Client Data
Rates
33600, 31200, 28800, 26400, 24000, 21600, 19200, 16800, 14400, 12000, 9600, 7200,
4800, 2400, 1200, 0-300 bps
Data Error Correction V.42 LAPM and MNP 2–4
Data Compression V.44, V.42bis, MNP 5
Fax Compatibility All Builds Except IP: V.17, V.29, V.27ter, V.21 channel 2
Fax Class All Builds Except IP: Class 1, Class 1.0
Modes of Operation Full duplex over dial-up lines; data mode, command mode, online command mode
Size 2.54" (64.541 mm) x 1.045" (26.543 mm)
Weight 0.6 oz. (0.017 kg.)
Operating Temperature -40º to +85° C
Storage Temperature -40º to +85° C
Humidity 20% to 90% (non-condensing)
Operating Voltage 3.3V or 5V
Note: Voice modules are available with 5V only
Transmit Level -12 dBm (varies by country)
Receiver Sensitivity -43 dBm under worst-case conditions
DAA Isolation 1.5Kv r.m.s. or 2121 VDC at working voltage of 250VAC
Flow Control All Builds Except IP: XON/XOFF (software), RTS/CTS (hardware)
Command Buffe
r
60 characters
Telephony/TAM All Builds Except Voice:
V.253 commands
8 kHz sample rate
Concurrent DTMF, distinctive ring, and "Bell Core Type 1" Caller ID
8-bit μ-law and A-law PCM coding
Supports PCM Encoding:
2-bit and 4-bit ADPCM, 8-bit and 16-bit linear PCM, and 4-bit IMA coding
Voice Build:
Voice build has a microphone for speakerphone function
Internet Protocols For IP Build Only:
Internet Protocols Supported: Dial-in PPP, DNS, FTP, ICMP,IP, LCP, PPP, SMTP,
SNTP, TCP, UDP Socket
Authentication Protocols: CHAP, Dial-up Script, PAP
Compliance EMC Compliance
FCC Part 15 (Class B)
ICES-003 (Class B)
EN 55022 (Class B)
EN 55024
Safety Compliance
UL 60950-1
cUL 60950-1
EN 60950-1
AS/NZS 60950:2000
Telecom
47 CFR Part 68
CS-03
R&TTE
A-Tick (Other countries included per the Modem Globalization Guide)
Warranty 2 years
Preliminary
Confidential

PART 3 – Analog SocketModems Chapter 8 – SocketModem (MT5692SMI)
Multi-Tech Systems, Inc. Universal Socket Hardware Guide for Developers (S000342M) 127
Mechanical Drawings – Basic Builds
Preliminary
Confidential

PART 3 – Analog SocketModems Chapter 8 – SocketModem (MT5692SMI)
Multi-Tech Systems, Inc. Universal Socket Hardware Guide for Developers (S000342M) 128
Mechanical Drawings
−
IP Builds
Preliminary
Confidential

PART 3 – Analog SocketModems Chapter 8 – SocketModem (MT5692SMI)
Multi-Tech Systems, Inc. Universal Socket Hardware Guide for Developers (S000342M) 129
Mechanical Drawings – No LEDS 3.3V Builds
Preliminary
Confidential

PART 3 – Analog SocketModems Chapter 8 – SocketModem (MT5692SMI)
Multi-Tech Systems, Inc. Universal Socket Hardware Guide for Developers (S000342M) 130
Mechanical Drawings – Voice Builds
Preliminary
Confidential

PART 3 – Analog SocketModems Chapter 8 – SocketModem (MT5692SMI)
Multi-Tech Systems, Inc. Universal Socket Hardware Guide for Developers (S000342M) 131
Mechanical Drawings – Parallel Builds
Preliminary
Confidential

PART 3 – Analog SocketModems Chapter 8 – SocketModem (MT5692SMI)
Multi-Tech Systems, Inc. Universal Socket Hardware Guide for Developers (S000342M) 132
Operating Conditions
Paramete
r
Minimum Maximum
5V Supply Range
–
V
cc 4.5V 5.5V
3.3V Supply Range
–
V
cc 3.135V 3.465V
Absolute Maximum Rating
Paramete
r
Minimum Maximum
V
oltage at Any Signal Pin GND -0.3V Vcc +3.3V
DC Electrical Characteristics
5V SocketModem
5VDC Characteristics (VDD = 5V ± 0.25V) VDDMAX = 5.25V
Paramete
r
Minimum Maximum
Input Low Level
–DS (40)
-0.3V
0.8V
Input High Level
A0 (31), A1 (25), –WR (32), –RD (33)
2.2V Vcc
Output Low Level
DO (37), D1 (38), D2 (29), D3 (39), D4 (35), D5 (36), D6 (41), D7 (27)
NA 0.4V
Output High Level
INT (30)
2.4V NA
Digital Input Capacitance
–
50pF
3.3 V SocketModem
3.3VDC Characteristics (VDD = 3.3V ± 0.3V) VDDMAX = 3.6V
Paramete
r
Minimum Maximum
Input Low Level
–DS (40)
-0.3V
0.8V
Input High Level
A0 (31), A1 (25), A2 (34), –WR (32), –RD (33)
2V Vcc
Output Low Level
DO (37), D1 (38), D2 (29), D3 (39), D4 (35), D5 (36), D6 (41), D7 (27)
2 mA, Z INT = 120 Ω
NA 0.4V
Output High Level
INT (30)
2 mA, Z INT = 120 Ω
2V NA
Digital Input Capacitance
–
50pF
Preliminary
Confidential

PART 3 – Analog SocketModems Chapter 8 – SocketModem (MT5692SMI)
Multi-Tech Systems, Inc. Universal Socket Hardware Guide for Developers (S000342M) 133
Power Measurements
MT5692SMI (Serial Build) Power Measurements* at 3.3V and 5V
MT5692SMI-IP (IP Build) Power Measurements* at 3.3V and 5V
Input Voltage: 3.3V
Sleep Mode Typical Maximum
Current (AMPS) 0.047 0.101 0.112
Watts 0.151 0.316 0.349
Input Voltage: 5V
Sleep Mode Typical Maximum
Current (AMPS) 0.052 0.109 0.121
Watts 0.256 0.528 0.583
MT5692SMI –V (Voice Build) Power Measurements* at 5V
Note: The voice build is not available in 3.3V.
Input Voltage: 5V
Sleep Mode Typical Maximum
Current (AMPS) 0.016 0.076 0.089
Watts 0.080 0.380 0.445
MT5692SMI-P (Parallel Build) Power Measurements* at 3.3V and 5V
Input Voltage: 3.3V
Sleep Mode Typical Maximum
Measured Voltage 3.30 3.29 3.29
Current (AMPS) 0.015 0.072 0.081
Watts 0.051 0.236 0.267
Input Voltage: 5V
Sleep Mode Typical Maximum
Measured Voltage 4.91 4.86 4.84
Current (AMPS) with 5V 0.014 0.069 0.079
Watts 0.068 0.334 0.380
*Note: Multi-Tech Systems, Inc. recommends that the customer incorporate a 10% buffer into their power source when
determining product load.
Input Voltage: 3.3V
Sleep Mode Typical Maximum
Current (AMPS) 0.014 0.069 0.080
Watts 0.046 0.216 0.249
Input Voltage: 5V
Sleep Mode Typical Maximum
Current (AMPS) 0.018 0.074 0.088
Watts 0.089 0.359 0.425
Preliminary
Confidential

PART 3 – Analog SocketModems Chapter 8 – SocketModem (MT5692SMI)
Multi-Tech Systems, Inc. Universal Socket Hardware Guide for Developers (S000342M) 134
Parallel Host Bus Timing Table
Symbol Paramete
r
Min Max Units
READ (See Notes)
t
AS Address Setup 5 - ns
t
AH Address Hold 5 - ns
t
CS Chip Select Setup 5 - ns
t
CH Chip Select Hold 0 - ns
t
RD RD Strobe Width 77 - ns
t
DD Read Data Delay 10 25 ns
t
DRH Read Data Hold 5 - ns
WRITE (See Notes)
t
AS Address Setup 5 - ns
t
AH Address Hold 5 - ns
t
CS Chip Select Setup 0 - ns
t
CH Chip Select Hold 10 - ns
t
WT WT Strobe Width 15 - ns
t
DS Write Data Setup (see Note 4) 15 20 ns
t
DWH Write Data Hold (see Note 5) 5 - ns
Notes:
1. When the host executes consecutive Rx FIFO reads, a minimum delay of 2 times the internal CPU clock
cycle plus 15 ns (85.86 ns at 28.224 MHz) is required from the falling edge of RD to the falling edge of the
next Host Rx FIFO RD clock.
2. When the host executes consecutive Tx FIFO writes, a minimum delay of 2 times the internal CPU clock
cycle plus 15 ns (85.86 ns at 28.224 MHz) is required from the falling edge of WT to the falling edge of the
next Host Tx FIFO WT clock.
3. tRD' tWT = tCYC + 15 ns.
4. tDS is measured from the point at which both CS and WT are active.
5. tDWH is measured from the point at which either CS and WT become active.
6. Clock Frequency = 1.8432 MHz clock.
Parallel Host Bus – Read Parallel Host Bus - Write
Preliminary
Confidential

PART 3 – Analog SocketModems Chapter 8 – SocketModem (MT5692SMI)
Multi-Tech Systems, Inc. Universal Socket Hardware Guide for Developers (S000342M) 135
SocketModem Parallel Interface
The modem supports a 16550A interface in parallel interface versions. The 16550A interface can operate in FIFO mode or
non-FIFO mode. Non-FIFO mode is the same as the 16450-interface operation. FIFO mode’s unique operations are
described in this chapter.
Overview
The modem emulates the 16450/16550A interface and includes both a 16-byte receiver data first-in first-out buffer
(RX FIFO) and a 16-byte transmit data first-in first-out buffer (TX FIFO).
FIFO Mode Selected
When FIFO mode is selected in the FIFO Control Register (FCR0 = 1), both FIFOs are operative. Furthermore,
when FIFO mode is selected, DMA operation of the FIFO can also be selected (FCR3 = 1).
FIFO Mode Not Selected
When FIFO mode is not selected, operation is restricted to a 16450-interface operation.
Receive Data
Received Data is read by the host from the Receiver Buffer (RX Buffer). The RX Buffer corresponds to the
Receiver Buffer Register in a 16550A device. In FIFO mode, the RX FIFO operates transparently behind the RX
Buffer. Interface operation is described with reference to the RX Buffer in FIFO and non-FIFO modes.
Transmit Data
Transmit Data is loaded by the host into the Transmit Buffer (TX Buffer). The TX Buffer corresponds to the
Transmit Holding Register in a 16550A device. In FIFO mode, the TX FIFO operates transparently behind the
TX Buffer. Interface operation is described with reference to the TX Buffer in both FIFO and non-FIFO modes.
Receiver FIFO Interrupt Operation
Receiver Data Available Interrupt
When the FIFO mode is enabled (FCR0 = 1) and receiver interrupt (RX Data Available) is enabled (IER0 =
1), receiver interrupt operation is as follows:
1. The Receiver Data Available Flag (LSR0) is set as soon as a received data character is available in the
RX FIFO. LSR0 is cleared when RX FIFO is empty.
2. The Receiver Data Available Interrupt code (IIR0-IIR4 = 4h) is set whenever the number of received
data bytes in the RX FIFO reaches the trigger level specified by FCR6-FCR7 bits. It is cleared
whenever the number of received data bytes in the RX FIFO drops below the trigger level specified by
FCR6-FCR7 bits.
3. The HINT interrupt is asserted whenever the number of received data bytes in the RX FIFO reaches
the trigger level specified by FCR6-FCR7 bits. HINT interrupt is de-asserted when the number of
received data bytes in the RX FIFO drops below the trigger level specified by FCR6-FCR7 bits.
Receiver Character Timeout Interrupts
When the FIFO mode is enabled (FCR0 = 1) and receiver interrupt (Receiver Data Available) is enabled
(IER0 = 1), receiver character timeout interrupt operation is as follows:
1. A Receiver character timeout interrupt code (IIR0-IIR3 = Ch) is set if at least one received character is
in the RX FIFO, the most recent received serial character was longer than four continuous character
times ago (if 2 stop bits are specified, the second stop bit is included in this time period), and the most
recent host read of the RX FIFO was longer than four continuous character times ago.
Transmitter FIFO Interrupt Operation
Transmitter Empty Interrupt
When the FIFO mode is enabled (FCR0 = 1) and transmitter interrupt (TX Buffer Empty) is enabled (IER0
=1), transmitter interrupt operation is as follows:
1. The TX Buffer Empty interrupt code (IIR0-IIR3 = 2h) will occur when the TX Buffer is empty. It is
cleared when the TX Buffer is written to (1 to 16 characters) or the IIR is read.
2. The TX Buffer Empty indications will be delayed 1 character time minus the last stop bit time whenever
the following occur: THRE = 1 and there have not been at least two bytes at the same time in the TX
FIFO Buffer since the last setting of THRE was set. The first transmitter interrupt after setting FCR0 will
be immediate.
Preliminary
Confidential

PART 3 – Analog SocketModems Chapter 8 – SocketModem (MT5692SMI)
Multi-Tech Systems, Inc. Universal Socket Hardware Guide for Developers (S000342M) 136
Register Functional Definitions
The following table delineates the assigned bit functions for the twelve internal registers. The assigned bit functions are more
fully defined in the following paragraphs.
Internal Registers
Register
No.
Register
Name
BIT No.
7 6 5 4 3 2 1 0
7 Scratch Register
(SCR) Scratch Register
6 Modem Status
Register (MSR)
Data
Carrier
Detect
(DCD)
Ring
Indicator
(RI)
Data Set
Ready
(DSR)
Clear to
Send
CTS)
Delta Data
Carrier
Detect
(DDCD)
Trailing
E
dge of Ring
Indicator
(TERI)
Delta Data
Set Ready
(DDSR)
Delta Clear
to Send
(DCTS)
5 Line Status
Register (LSR)
RX FIFO
Error
Transmitter
Empty
(TEMT)
Transmitter
Buffer
Register
Empty
(THRE)
Break
Interrupt
(BI)
Framing
Error
(FE)
Parity
Error
(PE)
Overrun
Error
(OE)
Receiver
Data
Ready
(DR)
4 Modem Control
Register (MCR)
0 0 0 0 Out 2 Out 1 Request
to Send
(RTS)
Data
Terminal
Ready
(DTR)
3 Line Control
Register (LCR)
Divisor
Latch
Access Bit
(DLAB)
Set
Break
Stick
Parity
Even
Parity
Select
(EPS)
Parity
Enable
(PEN)
Number
of Stop
Bits
(STB)
Word
Length
Select
Bit 1
(WLS1)
Word
Length
Select
Bit 0
(WLSO)
2 Interrupt Identify
Register (IIR)
(Read Only)
FIFOs
Enabled
FIFOs
Enabled
0 0 Pending
Interrupt ID
Bit 2
Pending
Interrupt ID
Bit 1
Pending
Interrupt ID
Bit 0
“0” if
Interrupt
Pending
2 FIFO Control
Register (FCR)
(Write Only)
Receiver
Trigger
MSB
Receiver
Trigger
LSB
Reserved Reserved DMA
Mode
Select
TX FIFO
Reset
RX FIFO
Reset
FIFO
Enable
1
(DLAB = 0)
Interrupt Enable
Register (IER)
0 0 0 0 Enable
Modem
Status
Interrupt
(EDSSI)
Enable
Receiver
Line Status
Interrupt
(ELSI)
Enable
Transmitter
Holding
Register
Empty
Interrupt
(ETBEI)
Enable
Received
Data
Available
Interrupt
(ERBFI)
0
(DLAB = 0)
Transmitter Buffer
Register
(THR)
Transmitter FIFO Buffer Register (Write Only)
0
(DLAB = 0)
Receiver Buffer
Register (RBR)
Receiver FIFO Buffer Register (Read Only)
1
(DLAB = 1)
Divisor Latch MSB
Register (DLM)
Divisor Latch MSB
0
(DLAB = 1)
Divisor Latch LSB
Register (DLL)
Divisor Latch LSB
Preliminary
Confidential

PART 3 – Analog SocketModems Chapter 8 – SocketModem (MT5692SMI)
Multi-Tech Systems, Inc. Universal Socket Hardware Guide for Developers (S000342M) 137
IER – Interrupt Enable Register
(Addr = 1, DLAB = 0)
The IER enables five types of interrupts that can separately assert the HINT output signal (See the Interrupt Sources
and Reset Control table in the IIR section of this chapter). A selected interrupt can be enabled by setting the
corresponding enable bit to a 1, or disabled by setting the corresponding enable bit to a 0. Disabling an interrupt in
the IER prohibits setting the corresponding indication in the IIR and assertion of HINT. Disabling all interrupts
(resetting IER0 – IER3 to a 0) inhibits setting of any Interrupt Identifier Register (IIR) bits and inhibits assertion of the
HINT output. All other system functions operate normally, including the setting of the Line Status Register (LSR) and
the Modem Status Register (MSR).
The IER enables five types of interrupts that can separately assert the HINT output signal. A selected interrupt can
be enabled by setting the corresponding enable bit to a 1, or disabled by setting the corresponding enable bit to a 0.
Disabling an interrupt in the IER prohibits setting the corresponding indication in the IIR and assertion of HINT.
Disabling all interrupts (resetting IER0 - IER3 to a 0) inhibits setting of any Interrupt Identifier Register (IIR) bits and
inhibits assertion of the HINT output. All other system functions operate normally, including the setting of the Line
Status Register (LSR) and the Modem Status Register (MSR).
Bits 7-4 Not used.
Always 0.
Bit 3 Enable Modem Status Interrupt (EDSSI).
This bit, when a 1, enables assertion of the HINT output whenever the Delta CTS (MSR0), Delta DSR
(MSR1), Delta TER (MSR2), or Delta DCD (MSR3) bit in the Modem Status Register (MSR) is a 1.
This bit, when a 0, disables assertion of HINT due to setting of any of these four MSR bits.
Bit 2 Enable Receiver Line Status Interrupt (ELSI).
This bit, when a 1, enables assertion of the HINT output whenever the Overrun Error (LSR1), Parity
Error (LSR2), Framing Error (LSR3), or Break Interrupt (LSR4) receiver status bit in the Line Status
Register (LSR) changes state. This bit, when a 0, disables assertion of HINT due to change of the
receiver LSR bits 1-4.
Bit 1 Enable Transmitter Holding Register Empty Interrupt (ETBEI).
This bit, when a 1, enables assertion of the HINT output when the Transmitter Empty bit in the Line
Status Register (LSR5) is a 1.This bit, when a 0, disables assertion of HINT due to LSR5.
Bit 0 Enable Receiver Data Available Interrupt (ERBFI) and Character Timeout in FIFO Mode.
This bit, when a 1, enables assertion of the HINT output when the Receiver Data Ready bit in the Line
Status Register (LSR0) is a1 or character timeout occurs in the FIFO mode. This bit, when a 0,
disables assertion of HINT due to the LSR0 or character timeout.
Preliminary
Confidential

PART 3 – Analog SocketModems Chapter 8 – SocketModem (MT5692SMI)
Multi-Tech Systems, Inc. Universal Socket Hardware Guide for Developers (S000342M) 138
FCR – FIFO Control Register
(Addr = 2, Write Only)
The FCR is a write-only register used to enable FIFO mode, clear the RX FIFO and TX FIFO, enable DMA mode,
and set the RX FIFO trigger level.
Bits 7-6 RX FIFO Trigger Level
FCR7 and FCR6 set the trigger level for the RX FIFO (Receiver Data Available) interrupt.
FCR7 FCR6 RX FIFO Trigger Level (Bytes)
0 0 01
0 1 04
1 0 08
1 1 14
Bits 5, 4 Not used
Bit 3 DMA Mode Select
When FIFO mode is selected (FCR0 = 1), FCR3 selects non-DMA operation (FCR3 = 0) or DMA
operation (FCR3 = 1). When FIFO mode is not selected (FCR0 = 0), this bit is not used (the
modem operates in non-DMA mode in 16450 operation).
DMA Operation in FIFO Mode
RXRDY will be asserted with the number of characters in the RX FIFO us equal to or greater
than the value in the RX FIFO Trigger Level (IIR0-IIR3 = 4h) or the received character
timeout (IIRO-IIR3 = Ch) has occurred. RXTDY will go inactive when there are no more
characters in the RX FIFO.
TXRDY will be asserted when there are one or more empty (unfilled) locations in the TX
FIFO. TXRDY will go inactive when the TX FIFO is completely full.
Non-DMA Operation in FIFO Mode
RXRDY will be asserted when there are one or more characters in the RX FIFO. RXRDY
will go inactive when there are no more characters in the RX FIFO.
TXRDY will be asserted when there are no characters in the TX FIFO. TXRDY will go
inactive when the character is loaded into the TX FIFO Buffer.
Bit 2 TX FIFO Reset
When FCR2 is a 1, all bytes in the TX FIFO are cleared. This bit is cleared automatically by the
modem.
Bit 1 RX FIFO Reset
When FCR1 is a 1, all bytes in the RX FIFO are cleared. This bit is cleared automatically by the
modem.
Bit 0 FIFO Enable
When FCR0 is a 0, 16450 mode is selected and all bits are cleared in both FIFOs. When FCR0
is a 1, FIFO mode (16550A) is selected and both FIFOs are enabled. FCR0 must be a 1 when
other bits in the FCR are written or they will not be acted upon.
Preliminary
Confidential

PART 3 – Analog SocketModems Chapter 8 – SocketModem (MT5692SMI)
Multi-Tech Systems, Inc. Universal Socket Hardware Guide for Developers (S000342M) 139
IIR – Interrupt Identifier Register
(Addr = 2)
The Interrupt Identifier Register (IIR) identifies the existence and type of up to five prioritized pending interrupts.
Four priority levels are set to assist interrupt processing in the host. The four levels, in order of decreasing priority,
are Highest: Receiver Line Status, 2: Receiver Data Available or Receiver Character Timeout. 3: TX Buffer Empty,
and 4: Modem Status.
When the IIR is accessed, the modem freezes all interrupts and indicates the highest priority interrupt pending to
the host. Any change occurring in interrupt conditions are not indicated until this access is complete.
Bits 7-6 FIFO Mode
These two bits copy FCR0.
Bits 5-4 Not Used
Always 0.
Bits 3-1 Highest Priority Pending Interrupt
These three bits identify the highest priority pending interrupt (Table below). Bit 3 is
applicable only when FIFO mode is selected; otherwise, bit 3 is a 0.
Bit 0 Interrupt Pending
When this bit is a 0, an interrupt is pending; IIR bits 1-3 can be used to determine the source
of the interrupt. When this bit is a 1, an interrupt is not pending
Interrupt Sources and Reset Control Table
Interrupt Identification Registe
r
Interrupt Set and Reset Functions
Bit 3
(Note 1)
Bit 2 Bit 1 Bit 0 Priority
Level
Interrupt Type Interrupt Source Interrupt Reset
Control
0 0 0 1 — None None —
0 1 1 0 Highest Receiver Line
Status
Overrun Error (OE)
(LSR1),
Parity Error (PE)
(LSR2),
Framing Error (FE)
(LSR3),
or Break Interrupt (BI)
(LSR4)
Reading the LSR
0 1 0 0 2 Received Data
Available
Received Data
Available (LSR0)
or RX FIFO Trigger
Level (FCR6-FCR7)
Reached1
Reading the RX
Buffer or the RX
FIFO drops below
the Trigger Level
1 1 0 0 2 Character Timeout
Indication1
The RX FIFO
contains at least 1
character and no
characters have
been removed from
or input to the RX
FIFO during the last
4 character times.
Reading the RX
Buffer
0 0 1 0 3 TX Buffer Empty TX Buffer Empty Reading the IIR or
writing to the TX
Buffer
0 0 0 0 4 Modem Status Delta CTS (DCTS)
(MSR0),
Delta DSR (DDST)
(MSR1),
Trailing Edge Ring
Indicator (TERI)
(MSR3), or Delta
DCD (DCD) (MSR4)
Reading the MSR
Note: 1. FIFO Mode only.
Preliminary
Confidential

PART 3 – Analog SocketModems Chapter 8 – SocketModem (MT5692SMI)
Multi-Tech Systems, Inc. Universal Socket Hardware Guide for Developers (S000342M) 140
LCR – Line Control Register
(Addr = 3)
The Line Control Register (LCR) specifies the format of the asynchronous data communications exchange.
Bit 7 Divisor Latch Access Bit (DLAB)
This bit must be set to a 1 to access the Divisor Latch Registers during a read or write operation.
It must be reset to a 0 to access the Receiver Buffer, the Transmitter Buffer, or the Interrupt
Enable Register.
Bit 6 Set Break
When bit 6 is a 1, the Transmit data is forced to the break condition, i.e., space (0) is sent. When
bit 6 is a 0, break is not sent. The Set Break bit acts only on the Transmit data and has no effect
on the serial in logic.
Bit 5 Stick Parity
When Parity is enabled (LCR3 = 1) and stick parity is selected (LCR5 = 1), the parity bit is
transmitted and checked by the receiver as a 0 if even parity is selected (LCR4 – 1) or a 1 if odd
parity is selected (LCR4 = 0). When the stick parity is not selected (LCR3 = 0), parity is transmit
and checked as determined by the LCR3 and LCR4 bits.
Bit 4 Even Parity Select (EPS)
When parity is enabled (LCR3 = 1) and stick parity is not selected (LCR5 = 0), the number of 1s
transmitted or checked by the receiver in the data word bits and parity bit is either even (LCR4 =
1) or odd (LCR4 = 0).
Bit 3 Enable Parity (PEN)
When bit 3 is a 1, a parity bit is generated in the serial out (transmit) data stream and checked in
the serial in (receive) data stream as determined by the LCR4 and LCR5 bits. The parity bit is
located between the last data bit and the first stop bit.
Bit 2 Number of Stop GBITS (STB)
This bit specifies the number of stop bits in each serial out character. If bit 2 is a 0, one stop bit is
generated regardless of word length. If bit 2 is a 1 and 5-bit word length is selected, one and
one-half stop bits are generated. If bit 2 is a 1 and 6-, 7-, or 8-bit word length is selected, two
stop bits are generated. The serial in logic checks the first stop bit only, regardless of the number
of stop bits selected.
Bit 1-0 Word Length Select (WLS0 and WLS1)
These two bits specify the number of bits in each serial in or serial out character. The encoding
of bits 0 and 1 is:
Bit 1 Bit 0 Word Length
0 0 5 Bits (Not supported)
0 1 6 Bits (Not supported)
1 0 7 Bits
1 1 8 Bits
Preliminary
Confidential

PART 3 – Analog SocketModems Chapter 8 – SocketModem (MT5692SMI)
Multi-Tech Systems, Inc. Universal Socket Hardware Guide for Developers (S000342M) 141
MCR – Modem Control Register
(Addr = 4)
The Modem Control Register (MCR) controls the interface with modem or data set.
Bit 7-5 Not used
Always 0
Bit 3 Output 2
When this bit is a 1, HINT is enabled. When this bit is a 0, HINT is in the high impedance state.
Bit 2 Output 1
Reserved.
Bit 1 Request to Send (RTS)
This bit controls the Request to Send (RTS) function. When this bit is a 1, RTS is on. When this
bit is a 0, RTS is off.
Bit 0 Data Terminal Ready (DTR)
This bit controls the Data Terminal Ready (DTR) function. When this bit is a 1, DTR is on. When
this bit is a 0, DTR is off.
Preliminary
Confidential

PART 3 – Analog SocketModems Chapter 8 – SocketModem (MT5692SMI)
Multi-Tech Systems, Inc. Universal Socket Hardware Guide for Developers (S000342M) 142
LSR – Line Status Register
(Addr = 5)
This 8-bit register provides status information to the host concerning data transfer
Bit 7 RX FIFO Erro
r
In the 16450 mode, this bit is not used and is always 0.
In the FIFO mode, this bit is set if there are one or more characters in the RX FIFO with parity
error, framing error, or break indication detected. This bit is reset to a 0 when the host reads the
LSR and note of the above conditions exist in the RX FIFO.
Bit 6 Transmitter Empty (TEMT)
This bit is set to a 1 whenever the TX Buffer (THR) and equivalent of the Transmitter Shift
Register (TRS) are both empty. It is reset to a 0 whenever either the THR or the equivalent of the
TSR contains a character.
In the FIFO mode, this bit is set to a 1 whenever the TX FIFO and the equivalent of the TSR are
both empty
Bit 5 Transmitter Holding Register Empty (THRE) [TX Buffer Empty]
This bit, when set, indicates that the TX Buffer is empty and the modem can accept a new
character for transmission. In addition, this bit causes the modem to issue an interrupt to the host
when the Transmit Holding Register Empty Interrupt Enable bit (IIR1) is set to 1. The THRE bit is
set to a 1 when a character is transferred from the TX Buffer. The bit is reset to 0 when a byte is
written into the TX Buffer by the host.
In the FIFO mode, this bit is set when the TX FIFO is empty; it is cleared when at least one byte
is in the TX FIFO.
Bit 4 Break Interrupt (BI)
This bit is set to a 1 whenever the received data input is a space (logic 0) for longer than two full
word lengths plus 3 bits. The BI is reset when the host reads the LSR.
Bit 3 Framing Error (FE)
This bit indicates that the received character did not have a valid stop bit. The FE bit is set to a 1
whenever the stop bit following the last data bit or parity bit is detected as a logic o (space). The
FE bit is reset to a 0 when the host reads the LSR.
In the FIFO mode, the error indication is associated with the particular character in the FIFO it
applies to. The FE bit set to a 1 when this character is loaded into the RX Buffer.
Bit 2 Parity Error (PE)
This bit indicates that the received data character in the RX Buffer does not have the correct
even or odd parity, as selected by the Even Parity Select bit (LCR4) and the Stick Parity bit
(LCR5). The PE bit is reset to a 0 when the host reads the LSR.
In the FIFO mode, the error indication is associated with the particular character in the FIFO it
applies to. The PE bit set to a 1 when this character is loaded into the RX Buffer.
Bit 1 Overrun Error (OE)
This bit is set to a 1 whenever received data is loaded into the RX Buffer before the host has
read the previous data from the RX Buffer. The OE is reset to a 0 when the host reads the LSR.
In the FIFO mode, if data continues to fill beyond the trigger level, an overrun condition will occur
only if the RX FIFO is full and the next character has been completely received.
Bit 0 Receiver Data Ready (DR)
This bit is set to a 1 whenever a complete incoming character has been received and transferred
into the RX Buffer. The DR bit is reset to a 0 when the host reads the RX Buffer.
In the FIFO mode, the DR bit is set when the number of received data bytes in the RX FIFO
equals or exceeds the trigger level specified in the FCR0-FCR1.
Preliminary
Confidential

PART 3 – Analog SocketModems Chapter 8 – SocketModem (MT5692SMI)
Multi-Tech Systems, Inc. Universal Socket Hardware Guide for Developers (S000342M) 143
MSR – Modem Status Register
(Addr = 6)
The Modem Status Register (MSR) reports current state and change information of the modem. Bits 4-7 supply
current state and bits 0-3 supply change information. The change bits are set to a 1 whenever a control input from
the modem changes state from the last MSR read by the host. Bits 0-3 are reset to 0 when the host reads the
MSR or upon reset.
Whenever bits 0, 1, 2, or 3 are set to a 1, a Modem Status Interrupt (IIR0-IIR3 = 0) is generated.
Bit 7 Data Carrier Detect (DCD)
This bit indicates the logic state of the DCH# (RLSD#) output.
Bit 6 Ring Indicator (RI)
This bit indicates the logic state of the RI# output.
Bit 5 Data Set Ready (DSR)
This bit indicates the logic state of the DSR# output.
Bit 4 Clear to Send (CTS)
This bit indicates the logic state of the CTS# output.
Bit 3 Delta Data Carrier Detect (DDCD)
This bit is set to a 1 when the DCD bit changes state since the host last read the MSR.
Bit 2 Trailing Edge of Ring Indicator (TERI)
This bit is set to a 1 when the RI bit changes from a 1 to a 0 state since the host last read the
MSR.
Bit 1 Delta Data Set Ready (DDSR)
This bit is set to a 1 when the DSR bit has changed since the host last read the MSR.
Bit 0 Delta Clear to Send (DCTS)
This bit is set to a 1 when the CTS bit has changed since the MSR the host last read the MSR.
RBX – RX Buffer (Receiver Buffer Register)
(Addr = 0, DLAB = 0)
The RX Buffer (RBR) is a read-only register at location 0 (with DLAB = 0). Bit 0 is the least significant bit of the data
and is the first bit received.
THR – TX Buffer (Transmitter Holding Register)
(Addr = 0, DLAB = 0)
The TX Buffer (THR) is a write-only register at address 0 when DLAB = 0. Bit 0 is the least significant bit and the first
bit sent.
Preliminary
Confidential

PART 3 – Analog SocketModems Chapter 8 – SocketModem (MT5692SMI)
Multi-Tech Systems, Inc. Universal Socket Hardware Guide for Developers (S000342M) 144
SCR – Scratch Register
(Addr = 7)
The Scratchpad Register is a read-write register at location 7. This register is not used by the modem and can be
used by the host for temporary storage.
Divisor Registers
(Addr = 0 and 1, DLAB = 1)
The Divisor Latch LS (least significant byte) and Divisor Latch MS (most significant byte) are two read-write
registers at locations 0 and 1 when DLAB = 1, respectively.
The baud rate is selected by loading each divisor latch with the appropriate hex value.
Programmable values corresponding to the desired baud rate are listed in Table on following page.
Divisor Latch (Hex)
Divisor (Decimal) Baud Rate MS LS
06 00 1536 75
04 17 1047 110
03 00 768 150
01 80 384 300
00 C0 192 600
00 60 96 1200
00 30 48 2400
00 18 24 4800
00 0C 12 9600
00 06 6 19200
00 04 4 28800
00 03 3 38400
00 02 2 57600
00 01 1 115600
00 00 NA 230400
Programmable Baud Rates
Preliminary
Confidential

PART 3 – Analog SocketModems Chapter 8 – SocketModem (MT5692SMI)
Multi-Tech Systems, Inc. Universal Socket Hardware Guide for Developers (S000342M) 145
Application Notes
Tip and Ring Interface
OEM Motherboard
Filtering and Surge Protection Options
See Design Considerations and Recommended Parts in Chapter 1.
Recommended Uses for Filtering Options
• Enhanced Surge Protection with RJ-11 Filtering
Use this option when additional lightning protection may be needed.
• Alternate Common Mode with RJ-11 Filtering
Use this option when your design has common mode emission issues.
Preliminary
Confidential

PART 3 – Analog SocketModems Chapter 8 – SocketModem (MT5692SMI)
Multi-Tech Systems, Inc. Universal Socket Hardware Guide for Developers (S000342M) 146
Microphone and Speaker
Note: Applies to the MT5692SMI Voice only.
Microphone Input Option
Speaker Output Option 1
Speaker Output Option 2
Differences between Speaker 1 Example and Speaker 2 Example
Speaker 1 does not have an amplifier while Speaker 2 does.
Preliminary
Confidential

PART 3 – Analog SocketModems Chapter 8 – SocketModem (MT5692SMI)
Multi-Tech Systems, Inc. Universal Socket Hardware Guide for Developers (S000342M) 147
Specifications for the Microphone Input
Impedance >70K ohms
AC Input Voltage Range 1.1V P-P
Reference Voltage 1.35V
Specifications for the Speaker Output from the Codec
Minimum Load 300 Ω
Maximum Capacitive Load 0.01 uF
Output Impedance 10 Ω
AC Output Voltage Range 1.4V P-P
Reference voltage +1.35 VDC
DC Offset Voltage ± 20 mV
Speaker Output
The speaker output from the codec is coupled to the speaker pin (64) through a 1uF cap and a 33 ohm
resistor. The speaker pin is shared with the call progress monitor which is a digital I/O pin on the DSP that is
coupled to the speaker pin through a 1uF and 3.9K.
Preliminary
Confidential

PART 3 – Analog SocketModems Chapter 9 – SocketModem (MT2492SMI)
Multi-Tech Systems, Inc. Universal Socket Hardware Guide for Developers (S000342M) 148
Chapter 9 – SocketModem® (MT2492SMI)
Introduction
The Multi-Tech SocketModem MT2492SMI-xx utilizes the LSI CVxx Controller Based Modem Devices and the LSI CSP104
Silicon Direct Access Arrangement (DAA) to form a 2-chip complete embedded modem. This solution includes a DSP data
pump, modem controller, on-chip RAM and ROM, codec, DAA, analog output, and 24.576 MHz clock input.
The modem accepts standard modem AT commands and provides connect rates up to 56 Kbps full-duplex over the Public
Switched Telephone Network (PSTN) and features a complete set of modem protocols including all ITU-T standard formats
up to V.92.
To provide the most flexibility, the CVxx modem system-side device provides numerous additional features for embedded
modem applications. It includes call progress monitoring through standard result codes, error correction, data compression,
autobaud, and fast connect modes. In addition, because the CVxx modem integrates the DAA, analog features (such as line-
in use and over current detection) are included.
This device is ideal for embedded modem applications due to its simple host interface, small board space, and low power
consumption.
Product Build Options and Ordering Information
Product Description Region Order this Product
3
MT2492SMI-92 V.92 Serial Data 5V Regional
MT2492SMI-34 V.34 Serial Data 5V Regional
MT2492SMI-22 V.22bis Serial Data 5V Regional
MT2492SMI-L-92 V.92 Serial Data 3.3V Regional
MT2492SMI-L-34 V.34 Serial Data 3.3V Regional
MT2492SMI-L-22 V.22bis Serial Data 3.3V Regional
Telecom Label
MT2492SMI-LS MT2492SMI-Regulatory Label Regional
Developer Kit
MTSMI-UDK Universal Developer Kit Regional
How to Read the Product Codes in the Table Above:
92 V.92/56K data rate
34 V.34/33.6K data rate
22 V.22bis data rate
L 3.3 Volt Build
LS Telecom Label
UDK Universal Developer Kit
Other Product Codes:
The complete product code may end in .Rx. For example, MT2492SMI-92.Rx.
“R” indicates product revision. “x” is the revision number.
AT Commands Reference Guide
Product Reference Guides Title and Document
Product Number
Fax Commands Voice Commands
SocketModem
(MT2492SMI)
SocketModem MT2492SMI AT Commands
Reference Guide (S000435x)
NA NA
Preliminary
Confidential

PART 3 – Analog SocketModems Chapter 9 – SocketModem (MT2492SMI)
Multi-Tech Systems, Inc. Universal Socket Hardware Guide for Developers (S000342M) 149
Technical Specifications
The SocketModem (MT2492SMI) meets the following specifications:
Category Description
Data Standards V.92, V.90, V.34, V.29, V.22bis, V.22, V.23, V.21; Bell 212A & Bell 103
Data Format Serial, asynchronous
Character Format 10 bit
Serial/Data Speeds Serial port data rates adjustable to 300, 1200, 2400, 4800, 9600, 19,200,
38,400, 57,600, and 115,200
Client-to-Client Data Rates 33,600, 31,200, 28,800, 26,400, 24,000, 21,600, 19,200, 16,800 bps
14,400, 12,000, 9600, 7200, 4800 bps
2400, 1200, 0-300 bps
Data Error Correction V.42 (LAP-M or MNP 2–4)
Data Compression V.42bis, MNP 5
Modes of Operation Full duplex over dial-up lines; data mode, command mode, and online command
mode
Weight 0.6 oz. (0.017 kg.)
Operating Temperature 0 to +70° C
Storage Temperature -10° to +85° C
Humidity 20% to 90% (non-condensing)
Operating Voltage Typical: 3.3VDC ± 5%; Absolute Maximum Supply Voltage: 3.6VDC
Typical: 5VDC ± 5%; Absolute Maximum Supply Voltage: 5.25VDC
Power Measurements See Power Measurements table in this chapter.
Transmit Sensitivity -12 dBm (varies by country)
Receiver Sensitivity -40 dBm (-43 dBm under worst case conditions)
DAA Isolation 1.5Kv r.m.s. or 2121 VDC at working voltage of 250VAC
Flow Control XON/XOFF (software), RTS/CTS (hardware)
Command Buffer 50 characters
Compliance Safety Certifications
UL/cUL 60950-1
EN 60950-1
EMC Approvals
FCC Part 15 (Class B)
Canadian EMC (Class B)
EN 55022 (Class B)
EN 55024
Warranty 2 years
Preliminary
Confidential

PART 3 – Analog SocketModems Chapter 9 – SocketModem (MT2492SMI)
Multi-Tech Systems, Inc. Universal Socket Hardware Guide for Developers (S000342M) 150
Mechanical Drawings – All Builds
Preliminary
Confidential

PART 3 – Analog SocketModems Chapter 9 – SocketModem (MT2492SMI)
Multi-Tech Systems, Inc. Universal Socket Hardware Guide for Developers (S000342M) 151
DC Electrical Characteristics
3.3V Serial SocketModem
3.3VDC Characteristics (VDD = 3.3V ± 0.3V) VDDMAX = 3.6V
Inputs Input High Input Low
–DTR (40), –TXD (35), –RTS (33), –RESET (24) Min 2.0V Max 0.8V
Outputs Output High Output Low
–DCD (39), –CTS (38), –DSR (37), –RI (36), –RXD (34)
2mA, Z INT = 120 Ω
Min 2.4V Max 0.4V
Digital Input Capacitance
50pF
5V Serial SocketModem
5VDC Characteristics (VDD = 5V ± 0.25V) VDDMAX = 5.25V
Inputs Input High Input Low
–DTR (40), –TXD (35), –RTS (33), –RESET (24) Min 2.0V Max 0.8V
Outputs Output High Output Low
–DCD (39), –CTS (38), –DSR (37), –RI (36), –RXD (34)
2mA, Z INT = 120 Ω
Min 2.4V Max 0.4V
Digital Input Capacitance
50pF
Power Measurements
MT2492SMI Measured Power* at Input Voltage 3.3
Typical Maximum
Current (AMPS) 86mA 96mA
Watts .283W at 3.3VDC .345W at 3.6VDC
MT2492SMI Measured Power* at Input Voltage 5.00
Typical Maximum
Current (AMPS) 88.5mA 88.5mA
Watts .442W at 5VDC .442W at 5.25VDC
* Multi-Tech Systems, Inc. recommends that the customer incorporate a 10% buffer into their power source when
determining product load.
Preliminary
Confidential

PART 3 – Analog SocketModems Chapter 9 – SocketModem (MT2492SMI)
Multi-Tech Systems, Inc. Universal Socket Hardware Guide for Developers (S000342M) 152
Application Notes
Tip and Ring Interface
OEM Motherboard
Filtering and Surge Protection Options
See Design Considerations and Recommended Parts in Chapter 1.
Recommended Uses for Filtering Options
• Enhanced Surge Protection with RJ-11 Filtering
Use this option when additional lightning protection may be needed.
• Alternate Common Mode with RJ-11 Filtering
Use this option when your design has common mode emission issues.
Preliminary
Confidential

PART 4 – Embedded Device Servers
Multi-Tech Systems, Inc. Universal Socket Hardware Guide for Developers (S000342M) 153
Part 4
Embedded Device Servers
Chapter 10 – SocketEthernet IP (MT100SEM-IP)
Chapter 11 – SocketWireless Wi-Fi (MT810SWM-IP)
Chapter 12 – SocketWireless Bluetooth (MTS2BTSMI)
Preliminary
Confidential

PART 4 – Embedded Device Servers Chapter 10 – SocketEthernet IP (MT100SEM-IP)
Multi-Tech Systems, Inc. Universal Socket Hardware Guide for Developers (S000342M) 154
Chapter 10 – SocketEthernet IP®
(MT100SEM-IP)
Introduction
The SocketEthernet IP® (MT100SEM-IP) device server connects serial devices to an IP network for remote monitoring,
control and configuration. The space efficient communications device (1” x 2.5”) integrates Multi-Tech's Universal IP™
protocol stack and a serial-to-Ethernet interface into a single, universal socket design. The SocketEthernet IP can make your
existing and next generation device, machine or system, IP-ready while you focus on developing its core features.
Product Build Options and Ordering Information
Product Description Region Order this
Product
3
MT100SEM-IP
MT100SEM-IP Embedded Serial-to-Ethernet Device Server with Universal IP™ – 5V Global
MT100SEM-L-IP Embedded Serial-to-Ethernet Device Server with Universal IP™ – 3.3V Global
MT100SEM-L-HV-IP Embedded Serial-to-Ethernet Device Server with High Voltage
Dielectric Isolation (EN60601) and Universal IP™ – 3.3V
Global
Developer Kit
MTSMI-UDK Universal Developer Kit Global
How to Read the Product Codes in the Table Above:
IP Universal IP™ Stack
L 3.3 Volt
HV High Voltage Dielectric Isolation (EN60601)
UDK Universal Developer Kit
Other Product Codes:
The complete product code may end in .Rx. For example, MT100SEM-L-IP.Rx
“R” indicates product revision. “x” is the revision number.
AT Commands Reference Guide
Product Reference Guides Title and Document Product
Number
Fax
Commands
Voice
Commands
Serial-to-Serial Device Server
(MT100SEM-IP)
Multi-Tech Universal IP AT Commands (S000457x) NA NA
Preliminary
Confidential

PART 4 – Embedded Device Servers Chapter 10 – SocketEthernet IP (MT100SEM-IP)
Multi-Tech Systems, Inc. Universal Socket Hardware Guide for Developers (S000342M) 155
Technical Specifications
The SocketEthernet IP (MT100SEM-IP) meets the following specifications:
Category Description
Interfaces 10/100BaseT Ethernet, Asynchronous Serial
Serial Character Format 8N1 (Data, Parity, and Stop bits are configurable)
Serial/Data Speeds 300 to 921600 bps
Ethernet Data Speeds 10MB or 100MB
Physical Description 2.541" L × 1.045" W × 0.680" H; 0.6 oz.
(6.45 cm × 2.65 cm × 1.7 cm; 0.017 kg.)
Operating Temperature -40° C to +85° C
Storage Temperature -40° C to +85° C
Humidity 20% to 90% (non-condensing)
Operating Voltage 5VDC or 3.3VDC
Power Measurements See the Power Measurements table.
Flow Control RTS/CTS (hardware)
Network Protocols
Supported
ARP, DHCP client, DNS client, FTP, ICMP (ping), IP, POP3, SMTP, TCP, Telnet
server, UDP
Management Serial
Telnet
Web-based configuration
Compliance Safety Certifications
UL 60950
cUL 60950
EN 60950
AS/NZS 60950:2000
Safety Certifications for High Voltage Build
UL 60601-1
EN 60601-1
EMC Approvals
FCC Part 15 Class B
Canada Class B
EN 55022 Class B
EN 55024
Warranty 2 years
Preliminary
Confidential

PART 4 – Embedded Device Servers Chapter 10 – SocketEthernet IP (MT100SEM-IP)
Multi-Tech Systems, Inc. Universal Socket Hardware Guide for Developers (S000342M) 156
Mechanical Drawings – All Builds
Preliminary
Confidential

PART 4 – Embedded Device Servers Chapter 10 – SocketEthernet IP (MT100SEM-IP)
Multi-Tech Systems, Inc. Universal Socket Hardware Guide for Developers (S000342M) 157
DC Electrical Characteristics
3.3V Serial
3.3VDC Characteristics (VDD = 3.3V ± 0.3V) VDDMAX = 3.6V
Paramete
r
Minimum Maximum
Input Low Level
–DTR (40), –TXD (35), –RTS (33), –RESET (24)
Note: These inputs are 5 volt tolerant
-0.3V
0.8V
Input High Level
–DTR (40), –TXD (35), –RTS (33), –RESET (24)
Note: These inputs are 5 volt tolerant
Min
2.52V
VDD
Output Low Level
–DCD (39), –CTS (38), –DSR (37), –RI (36), –RXD (34)
NA 0.4V Current Drive
2mA
Output High Level
–DCD (39), –CTS (38), –DSR (37), –RI (36), –RXD (34)
Min. 2.3V NA Current Drive
2mA
Digital Input Capacitance
–
5 pF
5V Serial
5VDC Characteristics (VDD = 5V ± 0.25V) VDDMAX = 5.25V
Paramete
r
Minimum Maximum
Input Low Level
–DTR (40), –TXD (35), –RTS (33), –RESET (24)
-0.3V 0.8V
Input High Level
–DTR (40), –TXD (35), –RTS (33), –RESET (24)
2.52V VDD
Output Low Level
–DCD (39), –CTS (38), –DSR (37), –RI (36), –RXD (34)
NA 0.4V Current Drive
2mA
Output High Level
–DCD (39), –CTS (38), –DSR (37), –RI (36), –RXD (34)
2.3V NA Current Drive
2mA
Digital Input Capacitance
–
5 pF
Power Measurements
MT100SEM-IP Measured Power* at Input Voltage 5.00
Sleep Mode Typical Maximum
Current (AMPS) 0.187 0.187 0.194
Watts 0.935 0.935 .97
MT100SEM-IP Measured Power* at Input Voltage 3.3
Sleep Mode Typical Maximum
Current (AMPS) NA 0.137 0.168
Watts NA 0.411 0.504
* Multi-Tech Systems, Inc. recommends that the customer incorporate a 10% buffer into their power source when
determining product load.
Preliminary
Confidential

PART 4 – Embedded Device Servers Chapter 10 – SocketEthernet IP (MT100SEM-IP)
Multi-Tech Systems, Inc. Universal Socket Hardware Guide for Developers (S000342M) 158
Application Notes
LED Interface
The LED signal is used to indicate the working status of the SocketModem.
LED 1 – Heartbeat LED
LED 1 Signal Heartbeat LED
Blinking The unit is functioning normally
Off or solid light The unit is not functioning normally
Ethernet Interface – Non-Isolated Design
Note: VREF stands for Power in this drawing.
Ethernet Interface – Isolated Design
Isolated Design Application Note
The MT100SEM-L-HV-IP was designed to meet Basic Isolation at 240Vac according to the international medical
directive for safety (EN60601-1). The recommended components for an isolated design comply with the same
standard.
Recommended Parts
Recommended Capacitors for a Non-Isolated Design:
Manufacturer – NIC Components Corp.
Part Number – NMC0603NPO150J50TRPF
Preliminary
Confidential

PART 4 – Embedded Device Servers Chapter 10 – SocketEthernet IP (MT100SEM-IP)
Multi-Tech Systems, Inc. Universal Socket Hardware Guide for Developers (S000342M) 159
Recommended Safety Rated Capacitors for an Isolated Design: The recommended capacitors are Y2 rated and
meet supplementary isolation at 240Vac along with the required creepages and clearances.
Manufacture – NOVACAP
Part Number – ES2211N(value)K502NXT
Recommended Resistor: The resistors are 75 ohms 1/8 watt.
Recommended Ethernet Modular Jack: The recommended jack is an eight contact, eight position, unshielded
and ungrounded connector that will maintain the need isolation and spacing requirements. A shielded and
grounded connector may be used, but special consideration must be made for the isolation and spacing
requirements.
Manufacture – Stewart Connector Systems
Part Number – SS-6488-NF-K1
Note: These SocketEthernet parts are RoHS compliant.
Preliminary
Confidential

PART 4 – Embedded Device Servers Chapter 10 – SocketEthernet IP (MT100SEM-IP)
Multi-Tech Systems, Inc. Universal Socket Hardware Guide for Developers (S000342M) 160
The Windows-Based Auto-Discovery Manager
The Auto-Discovery Manager is a mechanism for remotely monitoring the Universal IP functioning. It also provides
support for configuring several key parameters, such as DHCP Status (enable/disable), IP Address, and the Host
Name of an MT100SEM-IP.
The Auto-Discovery mechanism is utilized by running a Windows-based Server Application that can
monitor/configure the MT100SEM-IP. Communication between the MT100SEM-IP and the Windows-based Server is
through MAC level broadcasts on a configured UDP port.
Two Ways to Use Auto Discovery: Auto-Discovery can be performed by using AT Commands (see the Universal
IP AT Commands Reference Guide – included on the Universal Kit CD) or by using the Auto-Discover Manager
Software (also included on the Universal Kit CD).
Auto-Discovery Manager Software
The Auto-Discovery Manager is composed of two components:
• The Client Component – The Client component periodically broadcasts its current configuration over
the network.
• The Server Component – The Server component receives the broadcasts from the client.
Client Component
The Auto-Discovery Client component is integrated with MT100SEM-IP. It broadcasts its current configuration
over the network on a specific UDP SERVER-PORT. By default the SERVER-PORT is set to 1020. The
configuration parameters broadcast are
• Version details
• MAC Address
• Static IP Address
• DHCP Status
• DHCP Assigned IP Address
• Host Name
• Broadcast interval
• Port number on which the client listens
Server Component
The Server component listens on the SERVER-PORT. It receives the broadcasts from the client and updates
the list of configuration parameters. This list can be viewed by the administrator through the User Interface:
The List of Entries
Detailed Information about a
Selected Entry
Log Files will display here
Preliminary
Confidential

PART 4 – Embedded Device Servers Chapter 10 – SocketEthernet IP (MT100SEM-IP)
Multi-Tech Systems, Inc. Universal Socket Hardware Guide for Developers (S000342M) 161
How to View the Detailed Information
New entries are appended to the list shown on the screen above. Only the first ten entries are displayed on
the screen. However the administrator can scroll down to view more entries. Clicking on an entry displays
the detailed information about that entry.
How to Edit the List and Make the Changes Permanent
1. Double-click on the entry you wish to edit.
2. After clicking the desired entry, a new dialog box displays showing the current configuration.
3. Enter the new parameters and click the SET button. The server sends the modified parameters to the
client.
Upon receiving the broadcast from the Server, the Client validates the packet. The Client determines
whether the packet is destined for its own MAC Address. If so, it sets the modified parameters that are
different from its current configuration, and the it broadcast the newly configured parameters.
The Client Status is set to Active upon the receipt of a broadcast packet.
The Client Status is made Inactive if there is no request from the client for a stipulated period.
(3 * periodic timer value).
How to Set the Parameters to the Previous Configuration
When the RESET button is clicked, the parameters are set to the defaults received. In other words, RESET
is similar to UNDO (it sets the modifications to the previous ones).
Saving the Log
The logs can be saved to a file. They are spooled into the third part of the window in the main dialog box. To save
the log: Select File > Save Log As.
Preliminary
Confidential

Part 4 – Embedded Device Servers Chapter 11 – SocketWireless Wi-Fi (MT810SWM-IP)
Multi-Tech Systems, Inc. Universal Socket Hardware Guide for Developers (S000342M) 162
Chapter 11 – SocketWireless® Wi-Fi®
(MT810SWM-IP)
Introduction
The SocketWireless® Wi-Fi® device server connects serial devices to an IP network via 802.11b/g cellular networking. It
enables you to build cellular networking into virtually any device allowing for remote monitoring, control and configuration. The
space efficient communications device (1” x 2.5”) integrates a complete TCP/IP protocol stack. It can make your existing and
next generation device, machine or system, IP-ready while you focus on developing its core features.
Product Build Options and Ordering Information
Product Description Region Order this Product
3
MT810SWM-IP 802.11b/g Wi-Fi Device Server with IP, 5V Regional
MT810SWM-L-IP 802.11b/g Wi-Fi Device Server with IP, 3.3V Regional
Developer Kit
MTSMI-UDK Universal Developer Kit Regional
How to Read the Product Codes in the Table Above:
IP Universal IP™ Stack
L 3.3V
UDK Universal Developer Kit
Other Product Codes:
The complete product code may end in .Rx. For example, MT810SWM-IP.Rx
“R” indicates product revision. “x” is the revision number.
AT Commands Reference Guide
Multi-Tech Systems, Inc. provides documentation of AT Commands for each embedded module. These AT Command
Reference Guides are available on the CD included in the Developer Kit and are also available by request. Send an email to
oemsales@multitech.com to request the copy you desire.
Product Reference Guides Title and Document
Product Number
Fax
Commands
Voice
Commands
SocketWireless Wi-Fi Device Server
(MT810SWM-IP)
Multi-Tech's Universal IP AT Command
Reference Guide (S000457x)
NA NA
Preliminary
Confidential

Part 4 – Embedded Device Servers Chapter 11 – SocketWireless Wi-Fi (MT810SWM-IP)
Multi-Tech Systems, Inc. Universal Socket Hardware Guide for Developers (S000342M) 163
Technical Specifications
The SocketWireless Wi-Fi meets the following specifications:
Category Description
Cellular Specifications
WLAN Standard IEEE 802.11b/g Wi-Fi
Frequency Range 2.400 to 2.484 GHz
Data Rate 1, 2, 5.5, 6, 9, 11, 12, 18, 24, 36, 48 & 54Mbps
Maximum Transmit Powe
r
15 dBm
Receiver Sensitivity -82 dBm (with PER < 8%)
Security 64/128 bit WEP, WPA-PSK, WPA2, WPA2-PSK
Mode Ad Hoc, Infrastructure
Antenna Connecto
r
UFL
Serial Interface
Data Format Serial, asynchronous
Data Rate Software selectable: 1200 bps to 921.6K bps
Data Bits 7 or 8 data bits, 0 or 1 stop bits
Parity Odd, even, none
Flow Control RTS/CTS (Hardware), None
Network Protocol Support
Protocols Supported ARP, DHCP Client, DNS Client, FTP Client, ICMP (PING), IP, POP3 Client,
SMTP Client, TCP Client & Server, UDP Client & Server
Power Requirements*
Supply Voltage 3.3VDC or 5VDC
Power Usage See Power Measurements section later in this chapter
Environmental
Operating Temperature -30° to +70° C
Storage Temperature -40° to +85° C
Humidity 20% to 90% (non-condensing)
Physical Description
Dimensions 2.541" L x 1.045" W x 0.680" H
(6.45 cm x 2.65 cm x 1.7 cm)
Weight 0.6 oz. (0.017 kg.)
Certifications, Approvals, Warranty
Compliance Safety Certifications
UL 60950-1
cUL 60950-1
IEC 60950-1
EMC Certifications
FCC Part 15 Subpart C
Canada RSS-210
EN 300 328
EN 301 489-17
Warranty Two years
Preliminary
Confidential

Part 4 – Embedded Device Servers Chapter 11 – SocketWireless Wi-Fi (MT810SWM-IP)
Multi-Tech Systems, Inc. Universal Socket Hardware Guide for Developers (S000342M) 164
Mechanical Drawings – Basic Build
Preliminary
Confidential

Part 4 – Embedded Device Servers Chapter 11 – SocketWireless Wi-Fi (MT810SWM-IP)
Multi-Tech Systems, Inc. Universal Socket Hardware Guide for Developers (S000342M) 165
Mechanical Drawings – 3.3V Build
Preliminary
Confidential

Part 4 – Embedded Device Servers Chapter 11 – SocketWireless Wi-Fi (MT810SWM-IP)
Multi-Tech Systems, Inc. Universal Socket Hardware Guide for Developers (S000342M) 166
Operating Conditions
In Volts
Parameter Minimum Maximum
Supply Range -
V
cc 3.3V = 3.15 3.3V = 3.45
5V = 4.75 5V = 5.25
Absolute Maximum Rating
Parameter Minimum Maximum
Voltage at any signal pin GND - 0.3V Vcc + 0.3V
DC Electrical Characteristics
For 5V and 3.3V
Units (Volts)
Parameter Minimum Maximum
Digital Signal Input Low Level GND 0.8V
Digital Signal Input High Level 2.0V Vcc
Digital Signal Output Low Level NA 0.4V
Digital Signal Output High Level 2.4V NA
Reset (Low Active) Input Low GND 0.8V
Reset (Low Active) Input High 2.0V Vcc
Digital Input Capacitance 5pf
Power Measurements
MT810SWM-IP Measured Power* at Input Voltage: 3.3 Volts
Idle Typical Maximum
Current (AMPS) 0.057 0.180 0.260
Watts 0.182 0.531 0.764
MT810SWM-IP Measured Power* at Input Voltage: 5.00 Volts
Idle Typical Maximum
Current (AMPS) 0.056 0.193 0.260
Watts 0.274 0.897 1.196
* Multi-Tech Systems, Inc. recommends that the customer incorporate a 10% buffer into their power source when
determining product load.
Preliminary
Confidential

Part 4 – Embedded Device Servers Chapter 11 – SocketWireless Wi-Fi (MT810SWM-IP)
Multi-Tech Systems, Inc. Universal Socket Hardware Guide for Developers (S000342M) 167
Application Notes
LED Interface
The LED signal is used to indicate the working status of the SocketModem.
LED 1 – Heartbeat LED
LED 1 Signal Heartbeat LED
Blinking The unit is functioning normally
Off or solid light The unit is not functioning normally
Default Power Up Settings
Baud Rate = 115200 bps
Data Bits = 8 bits
Parity = None
Stop bits = 1 bit
Hardware Flow Control RTS/CTS = Disabled
Note:
See Chapter 1 for Antenna System details. Note that the cable for the Wi-Fi SocketModem has a reverse polarity
SMA plug.
Preliminary
Confidential

Part 4 – Embedded Device Servers Chapter 11 – SocketWireless Wi-Fi (MT810SWM-IP)
Multi-Tech Systems, Inc. Universal Socket Hardware Guide for Developers (S000342M) 168
Regulatory Requirements for the Wi-Fi Antenna
This section covers how to use the modular transmitter in order to maintain the modular transmitter approval and RF
exposure compliance.
Conditions to Satisfy Modular Transmitter Approval
This device is intended only for use by OEM integrators under the following 3 conditions:
1. The antenna must be installed such that 20 cm is maintained between the antenna and the end
user for all installations.
2. The transmitter module may not be located with any other transmitter or antenna.
3. The communications device is approved using the FCC "unlicensed modular transmitter approval"
method. Therefore, the communication device must only be used with the originally approved
antennas.
As long as the 3 conditions above are met, further transmitter testing will not be required. However, the
OEM integrator is still responsible for testing their end-product for any additional compliance requirements
with this communication device installed (for example, digital device emissions, PC peripheral
requirements, etc.)
IMPORTANT NOTE: In the event that any of these conditions CANNOT be met (for example certain laptop
configurations, location with another transmitter, or use of a different type antenna), then the FCC
authorization for the communications device is no longer considered valid and the FCC ID CANNOT be
used on the final product. In these circumstances, the OEM integrator will be responsible for re-evaluating
the end product (including the transmitter) and obtaining a separate FCC authorization.
RF Exposure Statements Developers Must Include in the User Manual for End Users
The user manual for consumers must include the following information in a prominent location:
IMPORTANT NOTE: To comply with FCC RF safety exposure limits, the antenna used for this transmitter
must be installed to provide a separation distance of at least 20 cm from all persons and must not be
located or operating in conjunction with any other antenna or transmitter.
Regulatory Requirements for End Product Labelling
Suggested End Product Labeling
This transmitter module is authorized only for use in devices where the antenna may be installed in such a
way that 20 cm may be maintained between the antenna and the users (for example access points, routers,
cellular ASDL modems, and similar equipment). The final end product must be labeled in a visible area on
the exterior of the enclosure with the following or similar text: "Contains TX FCC ID: AU792U07B06821".
FCC & IC Information to Consumers
The user manual for the consumer must contain the statements required by the following FCC and IC
regulations: 47 C.F.R. 15.19(a)(3), 15.21, 15.101 and RSS-Gen Issue 2 dated June 2007, Sections 7.1.4
and 7.1.5.
Additional Information That Must Be Provided to OEM Integrators
The end user should NOT be provided any instructions on how to remove or install the modular transmitter.
Preliminary
Confidential

PART 4 – Embedded Device Servers Chapter 12 – SocketWireless Bluetooth (MTS2BTSMI)
Multi-Tech Systems, Inc. Universal Socket Hardware Guide for Developers (S000342M) 169
Chapter 12 – SocketWireless®
Bluetooth® (MTS2BTSMI)
Introduction
The Multi-Tech Systems, Inc. SocketWireless® with Bluetooth®-enabled technology allows developers to establish cellular
networks using a special set of AT commands. The SocketWireless with Bluetooth technology makes the cable-replacement
transition to cellular networks seamless and easy.
This chapter explains how to establish Bluetooth communication between two serial devices for data applications in a point-
to-point network. Bluetooth-enabled devices create communication-ready devices by integrating data functionality into a
single, universal socket design. This complete, ready-to-integrate device dramatically reduces development time and costs for
system designers.
Notes about Byte Gaps and Data Latency
Because of the way Bluetooth is designed and operates, random byte gaps of 5 ms to 20 ms are common. Packet size
will vary from transmission to transmission.
Although the serial band frequency operates up to 920K bps, effective data throughput in fast streaming mode is
approximately 200K bps. Effective data throughput in regular data mode is 60K bps. The reason for the slower speed
in regular mode is due to the AT parser, which looks at each character for ASCII valid command scripts in the regular
mode's data stream.
The SocketWireless RX has very limited buffering, so if you do not use hardware flow control and are transmitting
further distances, you will quickly overflow the 50 byte buffer because of RF retransmissions, etc.
When a Bluetooth connection is made, the SocketWireless device goes into regular data mode per the power-up
factory default settings. This enables the user to configure the SocketWireless settings remotely via a remote RF
Bluetooth connection. Basically, you can setup the SocketWireless device so no commands are required to be sent
from the embedded side of the device. This allows seamless interfacing with legacy systems without the need to
modify the host device
Product Build Options and Ordering Information
Product Description Region Order this Product
3
MTS2BTSMI Embedded Serial-to-Bluetooth, C1, 5V Global
MTS2BTSMI-L Embedded Serial-to-Bluetooth, C1, 3.3V Global
Developer Kit
MTSMI-UDK Universal Developer Kit Global
How to Read the Product Codes in the Table Above:
C1 Class 1 Bluetooth
L 3.3V
UDK Universal Developer Kit
Other Product Codes:
The complete product code may end in .Rx. For example, MTS2BTSMI-L.R2.
“R” indicates product revision. “x” is the revision number.
AT Commands Reference Guide
Product Reference Guides Title and Document
Product Number
Fax Commands Voice Commands
SocketWireless Bluetooth
(MTS2BTSMI)
SocketWireless Bluetooth AT Commands
Reference Guide (S000360x)
NA NA
Preliminary
Confidential

PART 4 – Embedded Device Servers Chapter 12 – SocketWireless Bluetooth (MTS2BTSMI)
Multi-Tech Systems, Inc. Universal Socket Hardware Guide for Developers (S000342M) 170
Technical Specifications
The SocketWireless Bluetooth (MTS2BTSMI) meets the following specifications:
Category Description
Standard Class 1 Bluetooth V2.0 compliant
Note: For Bluetooth protocol V2.0, the circuit board I/O pin 7 now controls flow control.
In V1.2, circuit board I/O pin 3 controlled flow control. V2.0 now supports multipoint
connections.
Frequency Range 2402 to 2480 MHz (2.402 to 2.480 GHz)
Data Format For Serial Interface - Asynchronous
Serial Speeds Supports speeds from 1200 bps to 920K bps
Flow Control Hardware
Output Level (Class 1) 20dBm maximum
Modes of Operation Inquiry, Idle, Data, Fast Data, Park, Sniff, Command, Master, Slave
Device Profiles Serial Port (SPP), Dial-up Network (DUN)
Buffer Serial 50 bytes
RF 50-byte RX buffer
Weight 0.6 oz. (0.017 kg.)
Power Measurements See Power Measurements table later in this chapter.
Operating Temperature -40° to +70° C
Storage Temperature -40° to +85° C
Humidity 20% to 90% (non-condensing)
Operating Voltage 5VDC or 3.3VDC
Minimum and Maximum Voltage: 3.3VDC ± 0.1V & < 10mVp-p noise
5VDC ± 0.1V & < 10mVp-p noise
Compliance Safety Certifications:
UL 60950
cUL 60950
EN 60950
AS/NZS 60950:2000
EMC Approvals:
FCC Part 15.247:2004 (subpart C)
EN 301 489-1 V1.4.1 (2002-08)
Warranty Two years
Preliminary
Confidential

PART 4 – Embedded Device Servers Chapter 12 – SocketWireless Bluetooth (MTS2BTSMI)
Multi-Tech Systems, Inc. Universal Socket Hardware Guide for Developers (S000342M) 171
Mechanical Drawing – Basic Build and 3.3V Build
Preliminary
Confidential

PART 4 – Embedded Device Servers Chapter 12 – SocketWireless Bluetooth (MTS2BTSMI)
Multi-Tech Systems, Inc. Universal Socket Hardware Guide for Developers (S000342M) 172
DC Electrical Characteristics
5V Serial SocketWireless
5VDC Characteristics (VDD = 5V ± 0.25V) VDDMAX = 5.25V
Inputs Input High Input Low
–DTR (40), –TXD (35), –RTS (33) Min 2.0V Max 0.8V
–RESET (24) Min 2.0V Max 0.8V
Input Capacitance 15 pF
Outputs Output High Output Low Current Drive
–DCD (39), –CTS (38), –RI (36),
–RXD (34)
Min 4V / 2.4V Max 0.5V / 0.5V (5V / 3.3V) 3.2mA,
7.0mA for TXD
3.3V Serial SocketWireless
3.3VDC Characteristics (VDD = 3.3V ± 0.3V) VDDMAX = 3.6V
Inputs Input High Input Low
–DTR (40), –TXD (35), –RTS (33) Min 2.0V Max 0.8V
–RESET (24) Min 2.0V Max 0.8V
Input Capacitance 15 pF
Outputs Output High Output Low Current Drive
–DCD (39), –CTS (38), –RI (36),
–RXD (34)
Min 2.4V Max 0.5V / 0.5V (5V / 3.3V) 3.2mA,
7.0mA for TXD
Power Measurements
Power* Measurement at 3.3 Voltage
Idle Master
Unconnected
Master
Connected
Fast
Data
Master
Inquiry
(Maximum)
Deep
Sleep
Mode
Slave
Unconnected
Slave
Connected
Current (AMPS) 1.5mA 1.5mA 6mA 21mA 68mA 70µA 45mA 21mA
Power* Measurement at 5.00 Voltage
Idle Master
Connected
Fast
Data
Master
Inquiry
(Maximum)
Current (AMPS) 1.6mA 7mA 38mA 74mA
Note: These power measurements were taken with no LEDs connected.
Driving an LED through 330 ohm resistor to GND draws an additional 4mA on 5V for each LED.
* Multi-Tech Systems, Inc. recommends that the customer incorporate a 10% buffer into their power source when
determining product load.
Preliminary
Confidential

PART 4 – Embedded Device Servers Chapter 12 – SocketWireless Bluetooth (MTS2BTSMI)
Multi-Tech Systems, Inc. Universal Socket Hardware Guide for Developers (S000342M) 173
Application Notes
Antenna
See Chapter 1 for Antenna System details. Note that the cable for the Wi-Fi SocketModem has a reverse polarity
SMA plug.
Default Power Up Settings
AT Command Response Form = Long Form
Bluetooth Service Profile = Serial Port Profile {SPP}
Device Role = Slave
Baud Rate = 9600bps
Data Bits = 8 bits
Parity = None
Stop bits = 1 bit
Hardware Flow Control RTS/CTS = Enabled
Power Mode = Never go into deep sleep mode
Country Code = North America and Europe
Name of Device (local name) = SocketWireless
My Radio Status = 1,0 {slave, disconnected}
Service Name = COM0
Power up default ATSW24 settings = 0,0,0,0 {long response, no authentication, no auto SCO connect, no minor}
Power up default ATSW25 settings = 0,1,0,0 {slave, data, allow data to pass, SPP}
Major & Minor Class Of Device (COD) = 00000000 {undefined}
Security PIN and Encryption Disabled
Default PIN = “default” caps sensitive so do not use any capital letters
Important Security PIN Note:
Do not forget your PIN. Write it down. If you forget it, there is no way it can be retrieved from the device
or the software. You will have to buy a new SocketWireless Bluetooth and start over.
Page Scan Interval = 0x400 {2560msec.}
Page Scan Window = 0x200 {11msec.}
Inquiry Scan Interval = 0x400 {2560msec.}
Inquiry Scan Window = 0x200 {11msec.}
Timeout Connection Parameters
Inquiry = 60 seconds
Slave Connect = 60 seconds
Master Connect = 60 seconds
ATDM idle mode = 60 seconds
ATDM Master Mode = indefinitely (need to perform ATUCL to cancel last command)
Timeout for loss of Bluetooth connection = 4 seconds
Preliminary
Confidential

PART 4 – Embedded Device Servers Chapter 12 – SocketWireless Bluetooth (MTS2BTSMI)
Multi-Tech Systems, Inc. Universal Socket Hardware Guide for Developers (S000342M) 174
Example of a Master Discovery/Connection
Sequence
From Power Up and No Connection
1. Verify local device is Master in Data Mode.
Sent: ATSi,7 <cr>
Reply: <cr_lf>1,1,0,0<cr_lf>
2. If not Master, set to Master and Data Mode.
Sent: ATSW25,1,1,0,0 <cr>
Reply: <cr_lf>OK<cr_lf>
3. Perform an Inquiry to obtain BT Address (unless it is already known).
Sent: ATUCL<cr> // Clears radio state and places in Idle Mode
Reply: <cr_lf>OK<cr_lf>
Sent: ATDI,1,00000000 {Class of Device}<cr> // Looks for only one Bluetooth device
Reply: <cr_lf>00A0961F2023,00000104,Socket Wireless<cr_lf>
<cr_lf>DONE<cr_lf>
4. Perform a Master Connect over SPP using the BT Address.
Sent: ATDM, 00A0961F2023,1101<cr> // SPP connection
Reply: <cr_lf>CONNECT,00A0961F008F <cr_lf> // Returns Slave BT address radios is in Data Mode
5. Place radio into Fast Data Mode.
Sent: ATMF<cr> // Places radio in Fast Data Mode
Reply: <cr_lf>OK<cr_lf>
6. Send Data.
Note: When sending commands from the Slave when the Slave connects in Fast Data Mode (ATSW25/or issuing
ATMF). All valid AT commands are sent through the Slaves UART will be interpreted and responded by the Master
radio as if it was the local Slave radio. Basically in this configuration from the Slave end you can obtain status and
configure from the remote Master radio. This is a unique feature that may be useful in some applications but can
confuse the user if you think you are talking to the local Slave UART.
To Get Out of Data Mode and Check Status:
1. Delay at least 50 milliseconds; this could be less or more.
2. Get into Command Mode.
Sent: +++<cr> // Default escape sequence of characters
Reply: <cr_lf>OK<cr_lf>
3. Check Status
Sent: AT<cr>
Reply: <cr_lf>OK<cr_lf>
4. Or send any AT Command example:
Sent: ATSI,0<cr>
Reply: <cr_lf>SocketWireless AT<cr_lf>
Example of a Slave Command Sequence
From Power Up:
1. Check and verify Communication to Slave.
Sent: AT<cr>
Reply: <cr_lf>OK<cr_lf>
2. Get information on Slave Bluetooth address.
Sent: ATSi,1<cr>
Reply: 12-digit address
<cr_lf>OK<cr_lf>
3. Set Slave to automatically connect in Fast Data Mode on Bluetooth connection.
Sent: ATSW25,0,0,0,0 <cr>
Reply: <cr_lf>OK<cr_lf>
4. Either cycle power or send ATURST.
Note: This command sequence assumes the radio is in factory default in which it automatically comes up and is
connectable as a Slave from a Master request.
Preliminary
Confidential

PART 4 – Embedded Device Servers Chapter 12 – SocketWireless Bluetooth (MTS2BTSMI)
Multi-Tech Systems, Inc. Universal Socket Hardware Guide for Developers (S000342M) 175
Disabling Flow Control Using AT Commands
Protocol Change:
For Bluetooth protocol V2.0, the circuit board I/O pin 7 now controls flow control.
Previous Protocol V1.2 New Protocol V2.0
ATSW22,3,x,x ATSW22,7,x,x
ATSW23,3,x,x ATSW23,7,x,x
Disabling Flow Control Using Protocol V.2.0
Using a terminal screen with flow control enabled, issue commands to turn off flow control.
Sent: ATSW22,7,1,0 <cr> // Set PIO7 as output and do not store in flash
Reply: OK<cr_lf>
Sent: ATSW23,7,1,0<cr> // Set PIO7 output high and do not store in flash
Reply: OK<cr_lf>
To store the setting in flash:
Sent: ATSW22,7,1,1<cr> // Set PIO7 as output and store in flash
Reply: OK<cr_lf>
Sent: ATSW23,7,1,1<cr> // Set PIO7 output high and store in flash
Reply: OK<cr_lf>
Now you can communicate with the Bluetooth device with flow control turned off.
Other Examples
See the Bluetooth AT Commands Reference Guide for other examples:
• Multipoint Example Using the SocketWireless MTS2BTSMI or the Bluetooth Adapter MT2BTA – One Slave
and Four Master Devices.
• Multipoint Example Using the SocketWireless MTS2BTSMI or the Bluetooth Adapter MT2BTA – One
Master and Four Slave Devices.
• Repeater Example Using the SocketWireless MTS2BTSMI or the Bluetooth Adapter MT2BTA.
Changing Configuration
Parameters, such as the Bluetooth Name, Service Name, Class of Device, and Serial Port settings can be viewed
and configured. This can be done locally through the serial port UART or from a remote Bluetooth RF link. To
configure the SocketWireless Bluetooth device, the device must be in command mode by issuing +++.
You can use the developer board and the RS-232 cable to connect to a PC and pass ASCII characters through the
terminal to the SocketWireless Bluetooth device. The communications settings should match the settings used when
the SocketWireless Bluetooth device connects. For example, the defaults are:
9600bps
8 bits
No Parity
1 stop bit
Hardware flow control enabled.
Once you change these parameters, you have the option to store them permanently in the non-volatile memory. Run
your favorite terminal emulator, HyperTerminal, or other program.
• Type AT on your screen and follow it with a carriage return <cr_lf>. You should see "OK" returned to you.
This will verify that your cable and communications settings are correct. When the SocketWireless device is
not connected to another Bluetooth device, you can type the AT commands directly into the
SocketWireless' UART; e.g., you do not have to type +++ to change from data mode to command mode.
• Now you can enter any of the AT commands discussed in the following sections. Follow these commands
by <cr_lf>. Valid commands will return an "OK" or a valid response. Invalid commands will reply ERROR.
• To return to data mode, type ATMD. You can now pass or receive data from a remote connected Bluetooth
device.
Notes:
• If you change communications parameter settings, remember to change your terminal or emulator
communications settings to correspond to the newly created parameter settings.
• AT commands will not echo back to the terminal.
Preliminary
Confidential

Index
Multi-Tech Systems, Inc. Universal Socket Hardware Guide for Developers (S000342M) 176
Index
A
Activation procedures .................................................... 38
Antenna Connector ........................................................ 34
AT Commands Reference Guides
SocketEthernet IP (MT100SEM-IP) .......................... 154
SocketModem (MT2492SMI) .................................... 148
SocketModem (MT5692SMI) .................................... 125
SocketModem (MT9234SMI) .............................. 98, 109
SocketModem Cell & iCell CDMA (MTSMC-C1) ........ 68
SocketModem Cell & iCell GPRS (MTSMC-G2) ........ 57
SocketModem EDGE (MTSMC-E and E1) ................. 78
SocketModem HSDPA (MTSMC-H4) ......................... 84
SocketWireless Bluetooth (MTS2BTSMI) ................. 168
SocketWireless Wi-Fi (MT810SWM-IP).................... 161
Auto-Discovery Manager ............................................. 159
B
Baud Rate Switches for iCell C1 .................................... 77
Block Diagram ................................................................ 20
Bluetooth Antenna Specifications .................................. 33
Bluetooth Changing Configurations ............................. 174
Bluetooth Example of a Master Discovery/Connection
Sequence ................................................................. 173
Bluetooth Example of a Slave Command Sequence ... 173
Bluetooth RF Specifications ........................................... 33
Bluetooth technology ................................................... 168
Board Components ........................................................ 19
Brazil Regulatory Statement .......................................... 50
C
CDMA Antenna Specifications ....................................... 31
CDMA RF Specifications ............................................... 31
Cellular Approvals .......................................................... 38
China RoHS ............................................................. 54, 55
Coax Cable Specifications ....................................... 34, 35
Connectivity Features .................................................... 10
Country/Regional Codes ................................................ 46
D
DC Electrical Characteristics
SocketEthernet IP (MT100SEM-IP) .......................... 157
SocketModem (MT2492SMI) .................................... 151
SocketModem (MT5692SMI) .................................... 132
SocketModem (MT9234SMI) .................................... 113
SocketModem Cell & iCell CDMA (MTSMC-C1) ........ 75
SocketModem Cell & iCell GPRS (MTSMC-G2) ........ 64
SocketModem EDGE (MTSMC-E1) ........................... 82
SocketModem HSDPA (MTSMC-H) ........................... 88
SocketWireless Bluetooth (MTS2BTSMI) ................. 171
Default Power Up Settings for Bluetooth ...................... 172
Default Power Up Settings for MT810SWM-IP ............ 166
Design Considerations ................................................... 16
Developer Board ............................................................ 18
Developer Board Schematics ................. 21, 22, 23, 24, 25
E
Electromagnetic Interference Considerations ................. 17
Electrostatic Discharge Control ...................................... 17
EMC Requirements for Industry Canada ........................ 47
EMC, Safety, and R&TTE Directive Compliance ............ 47
EV2 Reliability .............................................................. 106
F
Fax Commands Reference Guides ................................ 11
FCC Part 15 Regulation ................................................. 47
FCC Part 68 Regulation ................................................. 48
Firmware Upgrade .......................................................... 26
Flash Programming Protocol .......................................... 28
Flash Upgrade ................................................................ 26
Flash Upgrade Example ................................................. 27
G
GPS Antenna Specifications........................................... 32
GPS Features ................................................................. 37
GPS RF Specifications ................................................... 32
GPS Technical Specifications ......................................... 37
GSM RF Specifications .................................................. 31
H
Handling Precautions related to electrostatic discharge
control ......................................................................... 17
HSDPA on Linux ............................................................. 95
HSDPA/UMTS Antenna Specifications ........................... 32
HSDPA/UMTS RF Specifications ................................... 32
I
Internal Registers ......................................................... 118
International Modem Restrictions ................................... 47
Interrupt Sources and Reset Control Table
MT5692SMI .............................................................. 139
SocketModem (MT9234SMI) .................................... 119
J
Japan Regulatory Statements ........................................ 51
Jumper – 5V / 3.3V ......................................................... 19
L
Label Example .......................................................... 38, 39
Label Example for Analog SocketModems ..................... 43
Labeling Requirements ................................................... 41
Labeling Your Product .................................................... 41
LED Interface
SocketModem CDMA (MTSMC-C1) ........................... 76
Preliminary
Confidential

Index
Multi-Tech Systems, Inc. Universal Socket Hardware Guide for Developers (S000342M) 177
M
Maintenance of Your Modem ......................................... 45
Mechanical Drawings
SocketEthernet IP (MT100SEM-IP) .......................... 156
SocketModem (MT2492SMI) .................................... 150
SocketModem (MT5692SMI) .... 127, 128, 129, 130, 131
SocketModem (MT9234SMI) ............................ 111, 112
SocketModem Cell & iCell CDMA (MTSMC-C1) . 71, 72,
73, 74, 101
SocketModem Cell GPRS (MTSMC-G2) ........ 60, 61, 63
SocketModem EDGE (MTSMC-E1) ..................... 80, 81
SocketModem HSDPA (MTSMC-H) ........................... 87
SocketModem iCell GPRS (MTSMC-G2) ................... 62
SocketWireless Bluetooth (MTS2BTSMI) ................. 170
SocketWireless Wi-Fi (MT810SWM-IP).................... 163
SocketWireless Wi-Fi (MT810SWM-L-IP) ................ 164
Microphone and Speaker for SocketModem MT5692SMI
................................................................................. 147
Microphone Input for EDGE ........................................... 83
Microphone Inputs for MTSMC-G2 ................................ 65
N
New Zealand Telecom Warning Notice .......................... 49
O
Other Countries – Regulatory Statement ....................... 51
P
Parallel Interface
SocketModem (MT5692SMI) .................................... 135
SocketModem (MT9234SMI) .................................... 116
Parallel Interface Register Table
SocketModem (MT5692SMI) .................................... 136
SocketModem (MT9234SMI) .................................... 118
Parallel Timing Requirements
SocketModem (MT5692SMI) .................................... 134
SocketModem (MT9234SMI) .................................... 115
Parts ............................................................................ 158
Parts for Analog SocketModems .................................... 40
PC Board Layout Guidelines .......................................... 16
Power Measurements
SocketEthernet IP (MT100SEM-IP) .......................... 157
SocketModem (MT2492SMI) .................................... 151
SocketModem (MT5692SMI) .................................... 133
SocketModem (MT9234SMI) .................................... 110
SocketModem Cell & iCell GPRS (MTSMC-G2) ........ 64
SocketModem EDGE (MTSMC-E1) ........................... 82
SocketWireless Bluetooth (MTS2BTSMI) ................. 171
Product Ordering Information
SocketEthernet IP (MT100SEM-IP) .......................... 154
SocketModem (MT2492SMI) .................................... 148
SocketModem (MT5692SMI) .................................... 124
SocketModem (MT9234SMI) .................................... 109
SocketModem (MTSMC-EV2) .................................... 97
SocketModem Cell & iCell CDMA (MTSMC-C1) ........ 67
SocketModem Cell & iCell GPRS (MTSMC-G2) ........ 57
SocketModem EDGE (MTSMC-E1) ........................... 78
SocketWireless Bluetooth (MTS2BTSMI) ................. 168
SocketWireless Wi-Fi (MT810SWM-IP) .................... 161
Programmable Baud Rates Table
SocketModem (MT5692SMI) .................................... 144
SocketModem (MT9234SMI) .................................... 122
R
Receiver Features for EDGE .......................................... 83
Receiver Features for HSDPA ........................................ 92
Reset .............................................................................. 13
RF Interface
MTSMC-G2 ................................................................. 65
SocketModem CDMA (MTSMC-C1) ........................... 76
SocketModem EDGE (MTSMC-E1) ............................ 83
RF Safety ....................................................................... 44
RoHS Compliance .......................................................... 53
S
Safety Warning Telecom ................................................ 45
South African Regulatory Statement .............................. 49
Speaker Output for EDGE .............................................. 83
Stereo jack feed jumper .................................................. 19
Switch Block ................................................................... 19
T
Technical Specifications
SocketEthernet IP (MT100SEM-IP) .......................... 155
SocketModem (MT2492SMI) .................................... 149
SocketModem (MT5692SMI) .................................... 126
SocketModem (MT9234SMI) .................................... 110
SocketModem Cell & iCell CDMA (MTSMC-C1) ... 69, 99
SocketModem Cell & iCell GPRS (MTSMC-G2) ......... 58
SocketModem EDGE (MTSMC-E1) ............................ 79
SocketModem HSDPA (MTSMC-H4) ......................... 85
SocketWireless Bluetooth (MTS2BTSMI) ................. 169
SocketWireless Wi-Fi (MT810SWM-IP) .................... 162
Telecom Approvals ......................................................... 46
Thailand Regulatory Statement ...................................... 49
Tip and Ring Interface
SocketModem (MT5692SMI) .................................... 145
SocketModem (MT9234SMI) .................................... 123
Transmitter Features for EDGE ...................................... 83
Transmitter Features for HSDPA .................................... 92
U
Universal Developer Kit contents .................................... 11
Universal Pin Descriptions .............................................. 12
Universal Socket Design ................................................ 10
W
WEEE Directive .............................................................. 52
Wi-Fi Antenna Specifications .......................................... 33
WI-Fi RF Specifications .................................................. 33
X
XMODEM Serial Port Upgrade ....................................... 27
Preliminary
Confidential