Multiquip Aufsitz Flgelgltter Hhxd5 Users Manual
HHXD5 to the manual f08e2f3e-c2c8-47a6-9177-373176449f8e
2015-02-09
: Multiquip Multiquip-Aufsitz-Flgelgltter-Hhxd5-Users-Manual-558348 multiquip-aufsitz-flgelgltter-hhxd5-users-manual-558348 multiquip pdf
Open the PDF directly: View PDF
.
Page Count: 54

BETRIEBSHANDBUCH
DIESES HANDBUCH IST STETS AM GERÄT MITZUFÜHREN.
Die letzte Version dieser Veröffentlichung
finden Sie auf unserer Website:
www.multiquip.com
SERIE
MODELL HHXD5
AUFSITZ-FLÜGELGLÄTTER
(B & S VANGUARD DM 950 DT DIESELMOTOR)
Version Nr. 2 (04.05.12)

SEITE 2 — HHXD5-AUFSITZ-FLÜGELGLÄTTER • BETRIEBSHANDBUCH — VERSION NR. 2 (04.05.12)
GESUNDHEITSRISIKEN
Auspuffabgase, einige ihrer Bestand-
teile, sowie der durch Sandstrahlen,
Sägen, Schleifen, Bohren und weitere
Bautätigkeiten erzeugte Staub enthalten
chemische Stoffe, die bekanntermaßen
zu Krebs, Geburtsfehlern oder anderen
Schädigungen der Fortpflanzungsfä-
higkeit führen. Zu diesen Chemikalien
gehören:
• Blei aus bleihaltigen Farben
• Kristallines Siliciumdioxid
• Zement und weitere
Mauerwerksprodukte
• Arsen und Chrom aus chemisch
behandeltem Holz
Das durch diese Stoffe entstehende Ge-
sundheitsrisiko hängt von der Häufigkeit
ab, mit der diese Art von Tätigkeit ausge-
übt wird. Um die Exposition gegenüber
diesen Stoffen zu verringern: STETS
in gut belüfteten Räumen mit zugelas-
sener Sicherheitsausrüstung arbeiten,
beispielsweise mit speziell zur Filterung
von Mikropartikeln entwickelten Staub-
masken.
Warnung (US-Bundesstaat Kalifornien)
WARNUNG

HHXD5-AUFSITZ-FLÜGELGLÄTTER • BETRIEBSHANDBUCH — VERSION NR. 2 (04.05.12) — SEITE 3
SILIKOSE-/ATEMWEGSWARNUNGEN
SILIKOSEWARNUNG GEFAHREN FÜR DIE ATEMWEGE
Das Schleifen/Schneiden/Bohren von und in Mauerwerk,
Beton, Metall und anderen Werkstoffen, zu deren
Bestandteilen Siliciumdioxid gehört, kann Staub oder
Sprühnebel erzeugen, die kristallines Siliciumdioxid
enthalten. Siliciumdioxid ist ein Grundbestandteil von
Sand, Quarz, Ziegelton, Granit und vielen anderen
Mineralien und Gesteinsarten. Das wiederholte Einatmen
schwebender kristalliner Siliciumdioxidpartikel und/oder
das Einatmen großer Mengen dieser Substanz kann
schwere oder tödliche Erkrankungen der Atemwege
verursachen, u. a. Silikose (Quarzstaublunge). Außerdem
hat der US-Bundesstaat Kalifornien und einige andere
Behörden einatembares kristallines Siliciumdioxid
als eine bekanntermaßen Krebs erregende Substanz
ausgewiesen. Beim Schneiden dieser Werkstoffe müssen
stets die oben genannten Maßnahmen zum Schutz der
Atemwege getroffen werden.
Das Schleifen/Schneiden/Bohren von und in Mauerwerk,
Beton, Metall und anderen Werkstoffen kann Staub,
Sprühnebel und Dämpfe erzeugen, die Chemikalien
enthalten, die bekanntermaßen schwere oder tödliche
Verletzungen oder Erkrankungen verursachen, z. B.
Erkrankungen der Atemwege, Krebs, Geburtsfehler
und Zeugungsunfähigkeit. Wenn die Risiken in
Verbindung mit dem Prozess und/oder den zu
schneidenden Werkstoffen oder die Zusammensetzung
des jeweils benutzten Werkzeugs nicht bekannt sind,
das Sicherheitsdatenblatt lesen und/oder an den
Arbeitgeber, den Hersteller/Lieferanten des Werkstoffs,
Regierungsbehörden wie OSHA und NIOSH (in den
USA) wenden und andere Informationsquellen zu
Gefahrstoffen konsultieren. So hat beispielsweise der
US-Bundesstaat Kalifornien und einige andere Behörden
Listen mit Substanzen veröffentlicht, die bekanntermaßen
Krebs, fortpflanzungsgefährdende Toxizität oder andere
schädliche Wirkungen verursachen.
Staub, Sprühnebel und Dämpfe müssen nach
Möglichkeit kontrolliert werden. Diesbezüglich bewährte
Arbeitspraktiken und die Empfehlungen der Hersteller
oder Lieferanten, der US-Behörden OSHA/NIOSH
und von einschlägigen Berufs- und Handelsverbänden
beachten. Zur Staubunterdrückung sollte Wasser
verwendet werden, wenn ein Nassschneiden praktisch
möglich ist. Wenn die mit dem Einatmen von Staub,
Sprühnebel und Dämpfen verbundenen Gefahren nicht
ausgeschaltet werden können, müssen der Bediener
und alle umstehenden Personen jederzeit ein von
NIOSH/MSHA für die jeweils verwendeten Werkstoffe
genehmigtes Atemschutzgerät tragen.
WARNUNG WARNUNG

SEITE 4 — HHXD5-AUFSITZ-FLÜGELGLÄTTER • BETRIEBSHANDBUCH — VERSION NR. 2 (04.05.12)
INHALTSVERZEICHNIS
HHXD5-Aufsitz-Flügelglätter
Gesundheitsrisiken .................................................. 2
Silikose-/Atemwegswarnungen ................................ 3
Inhaltsverzeichnis .................................................... 4
Schulungs-Kontrollliste ............................................ 6
Tägliche Kontrollliste für die Inbetriebnahme .......... 7
Sicherheitshinweise ............................................ 8-13
Abmessungen / Technische Daten ................... 14-15
Allgemeine Informationen ...................................... 16
Bedienelemente und Anzeigen ......................... 17-19
Motorkomponenten (Diesel) .................................. 20
Einrichtung ............................................................ 21
Kontrolle ................................................................ 22
Betrieb .............................................................. 23-25
Wartung ........................................................... 26-44
Außerdienststellung des Flügelglätters ................. 45
Kraftstoffkreislauf ................................................... 46
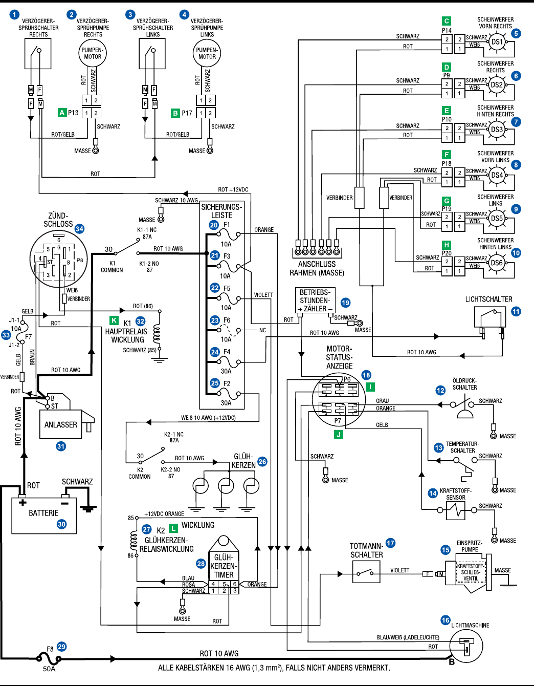
Schaltplan (Motor) ............................................ 48-49
Fehlerbehebung................................................ 50-53
HINWEIS
Änderungen der Technischen Daten und Teilenummern
vorbehalten.

HHXD5-AUFSITZ-FLÜGELGLÄTTER • BETRIEBSHANDBUCH — VERSION NR. 2 (04.05.12) — SEITE 5
NOTIZEN

SEITE 6 — HHXD5-AUFSITZ-FLÜGELGLÄTTER • BETRIEBSHANDBUCH — VERSION NR. 2 (04.05.12)
SCHULUNGS-KONTROLLLISTE
SCHULUNGS-KONTROLLLISTE
Diese Kontrollliste beinhaltet einige der Mindestanforderungen für die Wartung und den Betrieb der Maschine. Diese Kontrollliste
kann herausgetrennt und kopiert werden. Diese Kontrollliste zur Schulung neuer Benutzer oder zum Nachschlagen für erfahrenere
Benutzer verwenden.
Schulungs-Kontrollliste
Nr. Beschreibung OK? Datum
1 Betriebshandbuch vollständig lesen
2Aufbau des Geräts, Position der Komponenten,
Prüfen der Motor- und Hydraulikölstände
3 Kraftstoffsystem, Vorgehensweise zum Tanken
4 Betrieb der Sprühfunktion und der Scheinwerfer
5Funktion der Bedienelemente (Gerät
abgeschaltet)
6Sicherheitseinrichtungen, Funktion des
Totmannschalters
7 Not-Aus-Verfahren
8Anlassen des Geräts, Vorwärmen, Starterklappe
(Choke)
9 Maschine an Ort und Stelle halten
10 Manövrieren
11 Regeln der Flügelstellung
12 Flügelstellung angleichen (Twin-Pitch™)
13 Betonglätttechniken
14 Ausschalten des Geräts
15 Heben des Geräts (Hebeösen)
16 Transport und Lagerung des Geräts

HHXD5-AUFSITZ-FLÜGELGLÄTTER • BETRIEBSHANDBUCH — VERSION NR. 2 (04.05.12) — SEITE 7
TÄGLICHE KONTROLLLISTE FÜR DIE INBETRIEBNAHME
Tägliche Kontrollliste für die Inbetriebnahme
1 Motorölstand
2 Hydraulikölstand
3 Kühlmittelfüllstand
4 Zustand der Flügel
5 Flügelverstellung
6 Funktion des Totmannschalters
7 Funktion der Lenkung

SEITE 8 — HHXD5-AUFSITZ-FLÜGELGLÄTTER • BETRIEBSHANDBUCH — VERSION NR. 2 (04.05.12)
SICHERHEITSHINWEISE
Das Gerät nicht betreiben oder warten ohne das gesamte
Handbuch gelesen zu haben. Die Sicherheitshinweise sind
beim Betrieb dieses Geräts stets zu befolgen.
Unzureichendes Studium und Verständnis der
Sicherheitshinweise und Betriebsanweisungen
kann zu Verletzungen an sich selbst und
anderen führen.
SICHERHEITSHINWEISE
Die vier unten gezeigten Sicherheitshinweise informieren über
Gefahren, die zu Verletzungen an sich selbst und anderen
führen können. Die Sicherheitshinweise informieren genau
über den Grad des für den Bediener bestehenden Risikos. Sie
werden von einem der folgenden Wörter eingeleitet: GEFAHR,
WARNUNG, ACHTUNG oder HINWEIS.
SICHERHEITSSYMBOLE
GEFAHR
Weist auf eine Gefahrensituation hin, die bei
Nichtbeachtung zu SCHWEREN VERLETZUNGEN
oder zum TOD FÜHRT.
WARNUNG
Weist auf eine Gefahrensituation hin, die bei
Nichtbeachtung zu SCHWEREN VERLETZUNGEN
oder zum TOD führen KANN.
ACHTUNG
Weist auf eine Gefahrensituation hin, die bei Nichtbeach-
tung zu LEICHTEN oder MITTELSCHWEREN VERLET-
ZUNGEN führen KANN.
HINWEIS
Hinweise zu Vorgehensweisen, keine Verletzungsgefahr.
Auf mögliche Probleme beim Betrieb dieses Geräts wird mit
Gefahrensymbolen hingewiesen, die in diesem Handbuch
zusammen mit den Sicherheitshinweisen dargestellt sind.
Lebensgefährliche Abgase
Explosionsgefahr durch
Kraftstoff
Verbrennungsgefahr
Rotierende Teile
Symbol Art der Gefahr
Unter Druck stehende
Flüssigkeiten
Verletzung durch
Hydraulikflüssigkeiit

HHXD5-AUFSITZ-FLÜGELGLÄTTER • BETRIEBSHANDBUCH — VERSION NR. 2 (04.05.12) — SEITE 9
SICHERHEITSHINWEISE
ALLGEMEINE SICHERHEIT
ACHTUNG
Dieses Gerät NIE ohne geeignete Schutzbekleidung,
Schutzbrille, Atemschutz, Gehörschutz, Stahlkappenschuhe
und weitere entsprechend den geltenden Vorschriften
erforderliche Schutzelemente betreiben.
Keinen Schmuck oder lockere Kleidungsstücke tragen, die
an Bedienelementen oder beweglichen Teilen hängen
bleiben und zu schweren Verletzungen führen könnten.
Dieses Gerät NIE bei fühlbarer Beeinträchti-
gung durch Müdigkeit, Krankheit oder unter
Medikamenteneinfl uss betreiben.
Dieses Gerät NIE unter Einfl uss von Drogen
oder Alkohol betreiben.
Von der zu bearbeitenden Fläche STETS alle Fremdkörper,
Werkzeuge usw. entfernen, da diese für den Betrieb des
Geräts gefährlich sind.
Während das Gerät in Betrieb ist, darf sich nur der Fahrer
auf der zu bearbeitenden Fläche befi nden.
Das Gerät NICHT für andere als den bestimmungsgemäßen
Einsatzzweck verwenden.
HINWEIS
Dieses Gerät darf nur von qualifi zierten und geschulten
Personen betrieben werden, die mindestens 18 Jahre alt
sind.
Typenschild, Betriebs- und Sicherheitshinweise ersetzen,
sobald sie unleserlich werden.
Der Hersteller haftet nicht für Unfälle, die durch
Änderungen am Gerät hervorgerufen werden. Bei nicht
genehmigten Änderungen am Gerät erlöschen sämtliche
Garantieansprüche.
KEINE
Zusatz- oder Anbaukomponenten verwenden, die
nicht von Multiquip für dieses Gerät empfohlen werden.
Andernfalls kann es zur Beschädigung des Geräts oder zu
Verletzungen des Benutzers kommen.
IMMER die Position des nächstgelegenen
Feuerlöschers in Erfahrung bringen.
IMMER die Position des nächstgelegenen
Ersthilfesatzes in Erfahrung bringen.
IMMER die Position des nächstgelegenen Telefons in
Erfahrung bringen oder ein Telefon am Arbeitsort
bereithalten. Die Rufnummern des
Rettungsdienstes,
der Feuerwehr und des nächstgelegenen Arztes
kennen. Diese können im Notfall von großer Wichtigkeit
sein.

SEITE 10 — HHXD5-AUFSITZ-FLÜGELGLÄTTER • BETRIEBSHANDBUCH — VERSION NR. 2 (04.05.12)
SICHERHEITSHINWEISE
SICHERHEIT DES FLÜGELGLÄTTERS
GEFAHR
Motorabgase enthalten giftiges Kohlenmonoxid. Dieses
farb- und geruchlose Gas kann beim Einatmen zum Tode
führen.
Der Motor des Geräts benötigt einen ausreichenden Zu-
strom an Kühlluft. Die Maschine NICHT in umschlossenen
oder beengten Bereichen be-
trieben, in denen eine unge-
hinderte Luftströmung nicht
gewährleistet ist. Unzurei-
chende Luftströmung verur-
sacht Verletzungen sowie
schwere Maschinen- und
Motorschäden.
Das Gerät NIE in explosiven Umgebungen
oder in der Nähe von brennbaren Materialien
betreiben. Eine Explosion oder ein Brand
könnte schwere Verletzungen oder den Tod
verursachen.
WARNUNG
Hydrauliklecks NIE mit der Hand suchen.
Verwenden Sie ein Stück Holz oder Karton.
In die Haut eingetretene Hydraulikfl üssigkeit
sofort von einem fachkundigen Arzt behandeln
lassen, da dies sonst zu schweren
Verletzungen und zum Tod führen kann.
Beim Betrieb des Glätters STETS fern von sich
drehenden oder bewegten Teilen bleiben.
KEINERLEI Sicherheitsausrüstungen
deaktivieren. Diese Ausrüstungen dienen dem Schutz
des Fahrers. Das Deaktivieren dieser Ausrüstungen
kann zu schweren Verletzungen und zum Tod führen.
Bei Deaktivierung einer dieser Ausrüstungen erlöschen
sämtliche Garantieansprüche.
ACHTUNG
NIEMALS Passagiere während des Betriebs auf dem
Glätter mitnehmen.
NIEMALS Komponenten an einem laufenden Gerät
schmieren oder warten.
NIEMALS Hände oder Füße innerhalb der Schutzringe
positionieren, während das Gerät angelassen oder
betrieben wird.
HINWEIS
STETS
den ordnungsgemäßen Betriebszustand des Geräts
gewährleisten.
Beschädigungen am Gerät sofort beheben und beschädigte
Komponenten ersetzen.
Nicht verwendete Geräte STETS
ordnungsgemäß lagern.
Das Gerät ist an einem sauberen, trockenen Ort außer
Reichweite von Kindern und Unbefugten zu lagern.
Auf der Website der Association of Equipment
Manufacturers (AEM) – www.aem.org – kann gegen
eine Gebühr eine Sicherheitsanleitung für das Betriebs-
und Wartungspersonal von motorisierten Betonglättern
bezogen werden.
BESTELLFORMULAR PT-160.
SICHERHEIT DES MOTORS
WARNUNG
Bei laufendem Motor NICHT in den Motorraum fassen.
Den Motor NICHT mit abgenommenen Hitzeschilden
laufen lassen.
Finger, Hände, Haare und Kleidung von
allen bewegten Teilen entfernt halten, um
Verletzungen zu vermeiden.
Den Kühlerverschluss NICHT öffnen, solange der Motor
heiß ist. Unter hohem Druck stehendes, siedendes Wasser
kann aus dem Kühler strömen und Personen in der
Umgebung des Geräts schwer verbrühen.
Den Kühlmittelablassverschluss NICHT
öffnen, solange der Motor heiß ist. Heißes
Wasser kann aus dem Kühlmittelbehälter
strömen und Personen in der Umgebung des
Geräts schwer verbrühen.
Die Motorölablassschraube NICHT öffnen, solange der
Motor heiß ist. Heißes Öl kann aus dem Ölbehälter strömen
und Personen in der Umgebung des Geräts schwer
verbrühen.
ACHTUNG
Den heißen Auspuffkrümmer, Auspufftopf
oder Zylinder NICHT berühren. Diese
Komponenten vor Wartungsarbeiten am
Gerät abkühlen lassen.

HHXD5-AUFSITZ-FLÜGELGLÄTTER • BETRIEBSHANDBUCH — VERSION NR. 2 (04.05.12) — SEITE 11
SICHERHEITSHINWEISE
HINWEIS
Den Motor NICHT ohne oder mit verschmutztem Luftfi lter
laufen lassen. Es kann sonst zu schweren Motorschäden
kommen. Den Luftfilter zur Vermeidung von
Funktionsstörungen des Motors regelmäßig warten.
Die Werkseinstellungen für Motor und
Drehzahlwächter NICHT manipulieren. Ein
Betrieb oberhalb der maximal zulässigen
Drehzahl kann Motor-/Maschinenschäden
verursachen.
SICHERHEIT BEIM UMGANG MIT KRAFTSTOFF
GEFAHR
Den Motor NICHT in der Nähe von ausgelaufenem Kraftstoff
oder brennbaren Flüssigkeiten anlassen. Kraftstoff ist sehr
leicht entflammbar und Kraftstoffdämpfe können bei
Entzündung zu Explosionen führen.
STETS in einem gut durchlüfteten Raum abseits von
Funken und offenen Flammen tanken.
Bei der Arbeit mit entfl ammbaren Flüssigkeiten STETS
äußerst vorsichtig vorgehen.
NICHT mit laufendem oder heißem Motor tanken.
Den Tank NICHT überbefüllen, da sich verschütteter
Kraftstoff bei Kontakt mit heißen Motorkomonenten oder
durch Funken aus dem Zündsystem entzünden könnte.
Kraftstoff in geeigneten Behältern in gut durchlüfteten
Räumen abseits von Funken und Flammen lagern.
Kraftstoff NICHT als Reinigungsmittel verwenden.
In der Umgebung des Geräts NICHT rauchen.
Kraftstoffdämpfe oder auf einem heißen
Motor verschütteter Kraftstoff könnten einen
Brand oder eine Explosion verursachen.
SICHERHEIT IM UMGANG MIT DER BATTERIE
GEFAHR
Die Batterie NICHT fallen lassen. Sie könnte explodieren.
Die Batterie STETS von offenen Flammen,
Funken, brennenden Zigaretten usw. entfernt
halten. Die Batterie enthält brennbare Gase
und Flüssigkeiten. Wenn diese Gase und
Flüssigkeiten mit einer Flamme oder einem
Funken in Kontakt kommen, kann es zu einer
Explosion kommen.
WARNUNG
Zur Vermeidung von Augenschäden beim
Umgang mit Batterien STETS eine Schutzbrille
tragen. Die Batterie enthält Säuren, die Haut
und Augen verletzen können.
Zum Tragen der Batterie gut schützende
Handschuhe verwenden.
Sicherstellen, dass die Batterie STETS aufgeladen ist.
Wenn die Batterie nicht geladen ist, können sich brennbare
Gase entwickeln.
Die Batterie NICHT aufl aden, wenn sie eingefroren ist.
Sie könnte sonst explodieren. Eine eingefrorene Batterie
zunächst auf mindestens 16 °C aufwärmen.
Die Batterie STETS in einer gut gelüfteten Umgebung
aufl aden, um das Risiko einer gefährlichen Konzentration
brennbarer Gase zu vermeiden.
Wenn die Batterieflüssigkeit (verdünnte
Schwefelsäure) mit der Kleidung oder der
Haut in Berührung kommt, diese sofort mit
reichlich Wasser abspülen.
Wenn die Batteriefl üssigkeit (verdünnte Schwefelsäure) mit
den Augen
in Berührung kommt, diese sofort mit reichlich
Wasser ausspülen. Anschließend den nächstgelegenen
Arzt bzw. das nächstgelegene Krankenhaus aufsuchen
und sich in medizinische Behandlung begeben.
ACHTUNG
Vor jeglichen Wartungsarbeiten am Gerät STETS
den
NEGATIVEN Batteriepol abklemmen.
Batteriekabel STETS
in gutem Zustand halten. Abgenutzte
Kabel reparieren oder ersetzen.

SEITE 12 — HHXD5-AUFSITZ-FLÜGELGLÄTTER • BETRIEBSHANDBUCH — VERSION NR. 2 (04.05.12)
SICHERHEITSHINWEISE
SICHERHEIT BEIM TRANSPORT
ACHTUNG
Personen oder Tiere dürfen sich NICHT
unter schwebenden Lasten aufhalten.
Aufsitzglätter sind sehr schwer
und schwierig zu transportieren.
Angemessene Verfahren zum Heben
schwerer Gegenstände anwenden und
NICHT versuchen, den Glätter an den Schutzringen
anzuheben.
HINWEIS
Die einfachste Methode zum Anheben des Glätters ist die
Verwendung der am Rahmen angeschweißten Hebeösen.
Diese Hebeösen befinden sich links und rechts des
Fahrersitzes.
An diesen Hebeösen kann ein Riemen oder eine Kette
befestigt werden, mit denen ein Gabelstapler oder Kran
den Glätter auf eine Betonfl äche heben bzw. von dieser
herunterheben kann. Riemen bzw. Kette sowie das
Hebezeug müssen eine Tragkraft von mindestens 1000
kg besitzen.
Den Glätter NICHT mit montierten Glättscheiben
transportieren, es sei denn, vom Hersteller für diese
Transportart zugelassene Sicherheitsbefestigungen
werden verwendet.
Den Glätter mit montierten Glättscheiben NICHT höher als
90 cm über den Boden anheben.
Vor dem Heben den ordnungsgemäßen Zustand der
Hebeösen prüfen.
Stets die ordnungsgemäße Befestigung der Hebeösen am
Kran oder Hebezeug überprüfen.
Den Motor vor dem Transport STETS abstellen.
Das Gerät NICHT mit laufendem Motor anheben.
Den Tankdeckel fest anziehen und den Kraftstoffhahn
schließen, um ein Verschütten von Kraftstoff zu
verhindern.
Ein geeignetes Hubseil (Metall oder Textil) mit ausreichender
Tragkraft verwenden.
Gerät NICHT höher heben als erforderlich.
Gerät beim Transport STETS sicher verzurren.
SICHERHEIT BEIM TRANSPORT AUF
ANHÄNGERN
ACHTUNG
Vor einem Anhängertransport des Glätters
sicherstellen, dass alle geltenden
Vorschriften eingehalten werden.
Um das Unfallrisiko beim Transport der
Maschine auf öffentlichen Straßen zu reduzieren,
STETS
sicherstellen, dass das Zugfahrzeug und der Anhänger, der
das Gerät trägt, in einem guten Betriebszustand sind.
Den Motor vor dem Transport STETS abstellen.
Sicherstellen, dass die Anhängerkupplung des
Zugfahrzeugs mindestens für das zulässige Gesamtgewicht
des Anhängers zugelassen ist.
Die Anhängerkupplung STETS auf Verschleiß prüfen.
Nie
einen Anhänger mit defekter Anhängerkupplung, Ketten usw.
ziehen.
Den Reifenluftdruck sowohl des Zugfahrzeugs als auch
des Anhängers überprüfen.
Die Reifen des Anhängers
auf mindestens 3,4 bar aufpumpen (kalt).
Außerdem
den Verschleiß des Reifenprofi ls an beiden Fahrzeugen
prüfen.
STETS sicherstellen, dass der Anhänger mit einer
Sicherheitskette ausgerüstet ist.
Die Sicherheitskette des Anhängers STETS
ordnungsgemäß
am Zugfahrzeug befestigen.
STETS
sicherstellen, dass Blinker, Rückfahrscheinwerfer
und Bremslichter von Zugfahrzeug und Anhänger
angeschlossen sind und korrekt funktionieren.
Laut geltenden Vorschriften ist Folgendes erforderlich:
• Elektrische Bremse anschließen und Funktion prüfen.
• Lose Stromkabel mit Kabelbindern in Kabelhalterung
befestigen.
Die Höchstgeschwindigkeit beim Straßentransport eines
Anhängers beträgt 80 km/h, sofern kein anderer Wert
zugelassen ist. Außerhalb von befestigten Straßen sollten
abhängig vom Gelände 25 km/h nicht überschritten
werden.

HHXD5-AUFSITZ-FLÜGELGLÄTTER • BETRIEBSHANDBUCH — VERSION NR. 2 (04.05.12) — SEITE 13
SICHERHEITSHINWEISE
Ruckartiges Anhalten und Anfahren vermeiden. Der
Anhänger könnte sonst rutschen oder sich querstellen.
Ein ruckfreies, sanftes Anhalten und Anfahren ermöglicht
ein sicheres Ziehen.
Scharfe Kurvenfahrten vermeiden, damit der Anhänger
nicht ins Wanken gerät.
Der Anhänger sollte beim Ziehen jederzeit waagerecht
positioniert sein.
Das Stützrad des Anhängers für die Fahrt in der oberen
Position sichern.
Bremsklötze an den Rädern des geparkten Anhängers
anlegen, um ein Wegrollen zu verhindern.
Unterlegklötze unter die Stoßfänger des geparkten
Anhängers legen, um ein Kippen zu verhindern.
Den geparkten Anhänger mit dem Stützrad waagerecht
ausrichten.
UMWELTASPEKTE
HINWEIS
Gefahrenstoffe sauber entsorgen. Dazu
gehören unter anderem Altöl, Kraftstoff und
Kraftstofffi lter.
Gefahrenstoffe NICHT in Lebensmittel- oder Kunststoff-
behältern entsorgen.
Abfallstoffe, Öl oder Kraftstoff NICHT direkt auf den
Erdboden, in die Kanalisation oder in Wasserwege
schütten.

SEITE 14 — HHXD5-AUFSITZ-FLÜGELGLÄTTER • BETRIEBSHANDBUCH — VERSION NR. 2 (04.05.12)
ABMESSUNGEN / TECHNISCHE DATEN
Abb. 1. Abmessungen HHX
Tabelle 1. HHX – Technische Daten
KENNWERT HHXD5 (VANGUARD)
A - Länge (cm) 249
B - Breite (cm) 127
C - Höhe (cm) 137,2
Gewicht (kg) Betrieb 658
Gewicht (kg) Versand 692
Geschwindigkeit der Flügelspitzen (m/s) 7,24
Kraftstofftank (Liter) 34
Rotordrehzahl (U/min) 40 bis 170
Bahnweite (cm) 231
Hydrauliköl 4 Whiteman Teilenr. 10139 oder ISO 68 AWMV
C-HÖHE

HHXD5-AUFSITZ-FLÜGELGLÄTTER • BETRIEBSHANDBUCH — VERSION NR. 2 (04.05.12) — SEITE 15
TECHNISCHE DATEN
HINWEISE:
1. Schalldruckpegel und Schallleistungspegel sind bewertete Größen nach ISO 226:2003 (ANSI S1.4-1981). Sie werden unter Betriebsbedingungen
gemessen, die die reproduzierbarsten, höchsten Schallwerte ergeben. Unter Normalbedingungen variiert die Geräuschentwicklung abhängig
vom bearbeiteten Untergrund.
2. Der angegebene Vibrationspegel ist die Vektorsumme der quadratischen Mittelwerte der Amplituden jeder Achse für einen auf 8 Stunden
normierten Expositionszeitraum. Die Messung erfolgt unter Betriebsbedingungen, die die reproduzierbarsten, höchsten Werte gemäß den
für das Gerät geltenden Normen ergeben.
3. Gemäß EU-Richtlinie 2002/44/EU beträgt der Tages-Auslösewert für Ganzkörpervibrationen 0,5 m/s2 ∑A(8). Der Tages-Expositionsgrenzwert
beträgt 1,15 m/s2 ∑A(8).
Tabelle 2. Schallemissionen und Vibrationen
Garantierter Schalldruckpegel auf dem
Fahrersitz nach ISO 11201:2010 98
Garantierter Schallleistungspegel
nach ISO 3744:2010 in dB(A) 120
Ganzkörpervibrationen nach ISO 2631-1:1997+A1:2010
in m/s2 ∑A(8) 0,06
Tabelle 3. HHXD5-Motor – Technische Daten
Modell Vanguard DM950DT
Art Diesel, mit Turboladung
Zylinder 3
Hubraum 953 cm³
Leistung (max. Abgabeleistung) 31 PS (21,1 kW) bei 3600 U/min
Bohrung und Hub 72 mm x 78 mm
Max. Drehmoment (intermittierend) 72,1 Nm bei 2400 U/min
Kompressionsverhältnis 24,8
Kühlsystem Wasserkühlung
Ölvolumen des Motors 3 Liter
3,3 Liter mit Austausch des Ölfilters
Schmiersystem Druckschmierung mit Schraubfilter
Kraftstofftank 34 Liter
Einspritzsystem Direkteinspritzung
Stirnradgetriebe, Ölvolumen gesamt 4,26 Liter
ISO 22O AGMA GR 5EP
Kraftstoff Dieselkraftstoff - Nr. 2-D (ASTM D975), Cetanzahl mind. 40
Anlassersystem Elektrischer 12-V-Anlasser mit Glühkerze
Leergewicht 89 kg
Abmessungen (L x B x H) 452,6 mm x 447,6 mm x 538 mm

SEITE 16 — HHXD5-AUFSITZ-FLÜGELGLÄTTER • BETRIEBSHANDBUCH — VERSION NR. 2 (04.05.12)
ALLGEMEINE INFORMATIONEN
EINFÜHRUNG ZUM HHX-AUFSITZ-
FLÜGELGLÄTTER
Der HHX-Aufsitz-Flügelglätter ist zum Abziehen und Glätten
von Betonflächen vorgesehen.
Gehen Sie um den Glätter herum und identifizieren Sie
die wichtigsten Komponenten wie Motor, Flügel, Luftfilter,
Kraftstoffsystem, Kraftstoffhahn, Zündschloss usw. Achten Sie
darauf, dass sich stets die richtige Schmiermittelmenge in Motor
und Getriebe sowie die richtige Hydraulikflüssigkeitsmenge
im Hydrauliktank befindet.
Lesen Sie alle Sicherheitshinweise sorgfältig.
Sicherheitshinweise befinden sich an verschiedenen Stellen
dieses Handbuchs und am Gerät. Sorgen Sie dafür, dass alle
Sicherheitshinweise in einem guten, leicht lesbaren Zustand
sind. Die Fahrer müssen in Betrieb und Wartung des Glätters
gründlich geschult sein.
Greifen Sie die Lenkhebel und bewegen Sie sie hin und her.
Achten Sie darauf, wie sich dabei Getriebe und Rahmen
bewegen.
Machen Sie sich mit dem Pedal zur Steuerung von Motor-
bzw. Rotordrehzahl vertraut. Sehen Sie sich den Haupt-
Antriebsstrang an. Beachten Sie den Zustand der Riemen.
So müssen die Riemen aussehen, wenn sie ordnungsgemäß
justiert sind.
Testen Sie den Flügelglätter vor dem ersten Einsatz auf
einer ebenen, nassen, bereits geglätteten Betonfläche. Dies
gibt Ihnen Sicherheit beim Betrieb des Glätters und macht
Sie mit den Bedienelementen und Anzeigen des Glätters
vertraut. Darüber hinaus lernen Sie, wie sich der Glätter unter
tatsächlichen Einsatzbedingungen verhält.
HHXD5-MOTOR
Der HHXD5-Aufsitz-Flügelglätter ist mit einem
flüssigkeitsgekühlten 31-PS-Vanguard-Diesel-Motor (23
kW) ausgerüstet. Detaillierte Anweisungen zum Betrieb
des Motors entnehmen Sie bitte dem Motorhandbuch. Das
Motorhandbuch ist Teil des Lieferumfangs des Flügelglätters.
Wenden Sie sich bei Verlust des Originalhandbuchs bitte an
den nächstgelegenen Multiquip-Händler.
FLÜGEL
Die Flügel des Aufsitz-Flügelglätters glätten den Beton, indem
sie auf der Oberfläche rotieren. Es existieren Kombinationsflügel
(Breite 251 oder 203 mm) und Glättflügel (Breite 152 mm). Dieser
HHX-Flügelglätter ist mit fünf Flügeln pro Rotor ausgestattet.
Diese sind in gleichmäßigem Abstand radial angeordnet und
mit einer sternförmigen Nabe an der vertikalen Antriebswelle
befestigt.
GETRIEBE
Der HHX-Flügelglätter verfügt über zwei separate Getriebe
in robusten Aluminiumgussgehäusen.
Das Getriebegehäuse besitzt ein um 50 % höheres Ölvolumen
als Konkurrenzprodukte. Dies ermöglicht eine intensivere
Schmierung kritischer Elemente.
HYDRAULISCHE LENKUNG
Zwei links und rechts des Fahrersitzes angeordnete Hand-
Lenkhebel dienen zum Lenken des Glätters. Die Lenkhebel
sind mit den drei hydraulischen Lenkzylindern im Inneren
des Gerätes verbunden. Eine genaue Beschreibung der
Lenkung des Glätters mittels der Lenkhebel finden Sie in
der Lenkübersicht (Tabelle 4) im Abschnitt „Betrieb“ dieses
Handbuchs.
GLEICHLAUFGELENKE
Die Gleichlaufgelenke gewährleisten eine effiziente
Kraftübertragung auf die Antriebswelle und die schlupffreie
Synchronisation der Getriebe.
SCHULUNG
Zur Schulung bitte die „SCHULUNGS-KONTROLLLISTE“
am Beginn dieses Handbuchs verwenden. Diese Kontrollliste
stellt eine Gliederung für erfahrene Benutzer dar, anhand
derer neue Benutzer geschult werden können.
Zur Anordnung der Bedienelemente, Anzeigen und zu
wartenden Komponenten siehe Abb. 2, 3 und 4. Jedes
Bedienelement kann mehr als eine Funktion haben.

HHXD5-AUFSITZ-FLÜGELGLÄTTER • BETRIEBSHANDBUCH — VERSION NR. 2 (04.05.12) — SEITE 17
BEDIENELEMENTE UND ANZEIGEN
Abb. 2. HHXD5 - Bedienelemente und Anzeigen (Vorderseite)
9
9
8
5
7
6
2
4
4
3
14
15 16
1
13 12
11
35
35
10
1. Sitz — Sitzplatz des Fahrers. Motor startet nur, wenn
Fahrer sitzt. Sitz für Fahrerkomfort nach vorn und hinten
verstellbar.
2. Lenkhebel (rechts) — bewegt Gerät nach vorn, hinten,
links oder rechts.
3. Frontgitter — abnehmen, um zur linken Motorseite und
anderen Innenkomponenten zu gelangen.
4. Flügelstellungsregler — zur separaten Regelung der
Flügelstellung der Glätterrotoren.
5. Betriebsstundenanzeige — zeigt die Betriebsstunden
des Geräts bzw. des Motors an.
6. Lenkhebel (rechts) — bewegt Gerät nach vorn, hinten,
links oder rechts. Weitere Informationen siehe Seite 24.
7. Scheinwerferschalter — schaltet die vier
Halogenscheinwerfer ein. Scheinwerfer verbessern die
Sichtverhältnisse bei Innenarbeiten.
8. Zündschloss — mit eingeführtem Zündschlüssel im
Uhrzeigersinn drehen, um den Motor zu starten.
9. Scheinwerfer — 12 V Halogen, 4 vorn, 2 hinten.
10. Rechtes Schutzgitter — abnehmen, um zum Kühler zu
gelangen und um die rechte Konsole für Wartungsarbeiten
zu öffnen.
11. Linkes Schutzgitter — abnehmen, um zur Batterie zu
gelangen und um die linke Konsole für Wartungsarbeiten
zu öffnen.
12. Linke Konsole — für Wartungsarbeiten aufklappen.
13. Rechte Konsole — für Wartungsarbeiten aufklappen.
14. Bypass-Anzeige — in die Hydraulikleitung integrierte
Sichtanzeige, direkt über dem Bypass-Filter. Bei Anzeige
im roten Bereich wird der Filter umgangen (Bypass).
15. Hydraulik-Bypass-Filter — filtert in Bypass-Situationen
Fremdkörper aus dem Hydrauliksystem.
16. Magnetischer Ablassverschluss — zum Ablassen des
Hydrauliköls aus dem Hydrauliksystem.

SEITE 18 — HHXD5-AUFSITZ-FLÜGELGLÄTTER • BETRIEBSHANDBUCH — VERSION NR. 2 (04.05.12)
BEDIENELEMENTE UND ANZEIGEN
Abb. 3. HHXD5 - Bedienelemente und Anzeigen (Rückseite)
17
18
19
19
35
35
29
21
22
28
24
30
23
20
25 26 27
17. Hinteres Gitter — abnehmen, um Wartungsarbeiten
an der rechten Motorseite und internen Komponenten
vorzunehmen.
18. Totmannschalter — schaltet den Motor ab, wenn der
Fahrer nicht auf dem Sitz sitzt.
19. Hebeösen — rechts und links am Hauptrahmen. Zum
Heben des Flügelglätters auf eine Betonfläche.
20. Rechter Rotor — mit Nabenstern, Flügelarmen, Flügeln,
Verschleißplatte, Druckring usw.
21. Linker Rotor — mit Nabenstern, Flügelarmen, Flügeln,
Verschleißplatte, Druckring usw.
22. Kraftstoffeinfüllverschluss — zum Tanken öffnen.
23. Motorölmessstab — zur Anzeige des Motorölstandes.
Öl nach Bedarf auffüllen.
24. Ölfilter — filtert das Motoröl.
25. Ölmeldeleuchte — leuchtet bei niedrigem Öldruck rot.
26. Wassertemperaturleuchte — leuchtet bei erhöhter
Wassertemperatur rot.
27. Ladezustandsleuchte — leuchtet bei Ladeproblemen
des Elektriksystems rot auf.
28. Auspuff — leitet die Abgase durch den Schalldämpfer
und durch das hintere Schutzgitter ins Freie.
29. Luftfilterbaugruppe — verhindert das Eindringen
von Schmutz und anderen Fremdkörpern in das
Kraftstoffsystem. Verschlussriegel auf dem Kanister
anheben, um den Filtereinsatz zu erreichen.
30. Dokumentenbehälter — zum Schutz und zur
Aufbewahrung des Betriebshandbuchs.

HHXD5-AUFSITZ-FLÜGELGLÄTTER • BETRIEBSHANDBUCH — VERSION NR. 2 (04.05.12) — SEITE 19
BEDIENELEMENTE UND ANZEIGEN
Abb. 4. HHXD5 Bedienelemente und Anzeigen (Konsolen geöffnet)
38
43
39
37
42
36
41
32
33
35
35
35
31
34
23
40
44
31. Kühler/Einfüllverschluss — enthält Kühlmittel oder
Wasser zum Aufrechterhalten der erforderlichen
Betriebstemperatur des Motors. Verschluss abnehmen,
um Wasser oder Frostschutzmittel hinzuzufügen.
32. Rotordrehzahlpedal — leichter Pedaldruck bewirkt
eine niedrige Rotordrehzahl, Durchdrücken des Pedals
beschleunigt auf Höchstdrehzahl.
33. Überlaufgefäß — füllt bei niedrigem Füllstand des
Kühlers Kühlmittel nach. Bis zur Markierung auf dem
Gefäß befüllen.
34. Motoröleinfüllverschluss — abnehmen, um Motoröl
nachzufüllen.
35. Konsolensicherungsschrauben (4 Positionen) — zum
Öffnen der Konsole lösen.
36. Kupplung und Riemen — Riemengetriebe zur
Kraftübertragung vom Motor zu den Getrieben.
37. Ersatzriemenhalter — enthält einen Ersatzriemen zum
komfortablen Riemenwechsel.
38. Batterie — versorgt die Elektrik mit 12 V Gleichspannung.
39. Rechte Konsole — zwei Schrauben lösen, um Konsole
für Wartungsarbeiten zu öffnen.
40. Linke Konsole — zwei Schrauben lösen, um Konsole
für Wartungsarbeiten zu öffnen.
41. Verzögerer-Einfüllverschluss — öffnen, um Verzögerer
hinzuzufügen.
42. Entlastungstank — Einfüllpunkt für Hydraulikflüssigkeit
43. Prüfanschluss Hydraulikdruck — zum Anschluss des
Prüfmanometers zur Messung des Hydraulikdrucks im
Betrieb
44. Verzögerer-Sprühschalter — an beiden Lenkhebeln.
Bei Betätigung fließt Betonverzögerer durch die
Sprühdüse.
Dieser Abschnitt ist eine erste Einführung in den Betrieb des
Aufsitz-Flügelglätters und nicht als vollständige Anleitung
zur Betonglättung anzusehen. Allen Benutzern (Anfängern
und Fortgeschrittenen) wird die Lektüre der Veröffentlichung
„Slabs on Grade“ des American Concrete Institute, Detroit
Michigan dringend empfohlen.

SEITE 20 — HHXD5-AUFSITZ-FLÜGELGLÄTTER • BETRIEBSHANDBUCH — VERSION NR. 2 (04.05.12)
MOTORKOMPONENTEN (DIESEL)
Abb. 5. Motorkomponenten (Dieselmotor)
5
3
4
6
7
8
99
10 2
1
12
11
15
17
18
16
14
13
Im Folgenden sind die Hauptkomponenten des Motors zur
Information aufgeführt (Abb. 5). Genaue Anweisungen zu
Betrieb und Wartung finden Sie im Motorhandbuch des
Herstellers. Der abgebildete Motor ist ein Briggs-&-Stratton-
Vanguard-Dieselmotor.
1. Kraftstofffilter — verhindert das Eindringen von Schmutz
und anderen Fremdkörpern in das Einspritzsystem.
2. Ölfilter — verhindert das Eindringen von Schmutz und
anderen Fremdkörpern in das Motoröl.
3. Ölmessstab — herausziehen, um Füllstand und Zustand
des Öls im Kurbelgehäuse zu prüfen. Zugänglich nach
Anheben des Sitzes.
4. Einspritzpumpe — fördert Kraftstoff mit konstantem
Druck zu den Einspritzdüsen.
5. Schwungrad — zum Anschluss des Hydraulikmotors.
6. Einspritzdüsen — spritzen den Kraftstoff in die
Verbrennungskammern.
7. Kühlmitteltemperaturgeber — misst die
Kühlmitteltemperatur.
8. Drehzahlverstellhebel — begrenzt die Motordrehzahl
(Leerlauf hoch oder niedrig) über einen mit dem
Einspritzsystem verknüpften Drehzahlregler.
9. Ölablass — zum Ablassen des Motoröls. Altöl und Ölfilter
immer umweltgerecht entsorgen. Altöl darf NICHT auf den
Erdboden oder in die Kanalisation fließen.
10. Luftfilter — verhindert das Eindringen von Schmutz und
anderen Fremdkörpern in das Einspritzsystem.
11. Lüfter — fördert Frischluft zum Kühler.
12. Kühlmitteleinlass — fördert Kühlmittel über den
Kühler.
13. Öleinfüllverschluss — abnehmen, um Motoröl
nachzufüllen.
14. Turbolader — liefert zusätzliche Leistung im Vergleich
zu selbstansaugenden Motoren.
15. Elektrischer Anlasser — startet den Motor, wenn der
Zündschlüssel auf die „Start“-Position gedreht wird.
16. Generator — versorgt das Elektriksystem mit Strom und
lädt die Batterie.
17. Riemenspannschrauben — herausdrehen, um den
Lüfterriemen zu spannen.
18. Lüfterriemen — bei Zerfransen oder Verschleiß ersetzen.
WARNUNG
Motorkomponenten können starke Hitze
erzeugen. Diese Bereiche NICHT bei
laufendem Motor sowie unmittelbar nach
dem Betrieb berühren, um Verbrennungen zu
vermeiden. Den Motor NIE anlassen, wenn
der Abgasschalldämpfer demontiert ist.

HHXD5-AUFSITZ-FLÜGELGLÄTTER • BETRIEBSHANDBUCH — VERSION NR. 2 (04.05.12) — SEITE 21
EINRICHTUNG
ANWEISUNGEN ZUR ERST-EINRICHTUNG DES
FLÜGELGLÄTTERS
Dieser Abschnitt soll den Benutzer beim Vorbereiten eines
NEUEN Flügelglätters unterstützen. Ist der Glätter bereits
zusammengebaut (Sitze, Griffe, Knöpfe und Batterie), kann
dieser Abschnitt übersprungen werden.
Dieser Whiteman-Aufsitz-Flügelglätter wurde vor dem
Verpacken und dem Versand werkseitig in Betrieb genommen
und geprüft. Sollten Probleme auftreten, bitten wir um
Benachrichtigung.
VORBEREITEN DER BATTERIE
Dieser Glätter wurde mit einer geladenen Nassbatterie
geliefert. Unter Umständen muss die Batterie nach den
Anweisungen des Herstellers für kurze Zeit geladen
werden.
Beim Einbau der Batterie in den Glätter sicherstellen, dass die
Batterie gut im Batteriekasten sitzt und die Klemmen richtig
angeschlossen sind. Das positive Kabel (üblicherweise rot)
wird an den "+"-Pol der Batterie angeschlossen. Das negative
Kabel (üblicherweise schwarz) wird an den "-"-Pol der Batterie
angeschlossen. Zuerst das positive Kabel am Pluspol der
Batterie, dann das negative Kabel am Minuspol der Batterie
anschließen. Den Kunststoffdeckel des Batteriekastens
schließen und den Batteriebehälter sichern.
HINWEIS
Der neue Aufsitz-Flügelglätter darf nicht in Betrieb
genommen werden, bevor alle Einrichtungsschritte
durchgeführt wurden. Diese Einrichtungsschritte müssen
nur nach Erhalt eines NEUEN Flügelglätters ausgeführt
werden.
HINWEIS
Der Sitz des HHX-Flügelglätters ist wie bei Kraftfahrzeugen
auf Schienen montiert. Er kann über den Hebel vorne
unter der Sitzfläche nach vorne und hinten verschoben
werden.
Abb. 6. Orientierung der Batteriekabel
GEFAHR
Bei Arbeiten an der Batterie alle vom Batteriehersteller
angegebenen Sicherheitsvorkehrungen einhalten.
Entflammbares, explosives Gas (erzeugt
beim Laden oder während des Betriebs
Wasserstoff). Eine anhaltend gute Lüftung
des Bereichs um die Batterie gewährleisten
und die Batterie von Feuerquellen fernhal-
ten.
Batterieflüssigkeit enthält ätzende, giftige
Chemikalien (verdünnte Schwefelsäure).
Kontakt mit Augen und Haut vermeiden.
Elektrische Kurzschlüsse können
Stromschläge und Brände verursachen.
Batterie vor dem Überprüfen der Elektrik
abklemmen. Zum Testen des Ladezustands
niemals Funken an den Batteriepolen
erzeugen.
HINWEIS
STETS sicherstellen, dass die Batteriekabel ordnungsgemäß
an die Batterieklemmen angeschlossen sind. Das ROTE
Kabel wird an den Pluspol der Batterie, das SCHWARZE
Kabel an den Minuspol der Batterie angeschlossen.
ACHTUNG
Bei Arbeiten an der Batterie alle vom Batteriehersteller
angegebenen Sicherheitsvorkehrungen einhalten.
Weitere spezielle Sicherheitsinformationen siehe Seite
dieses Handbuchs.
1
2

SEITE 22 — HHXD5-AUFSITZ-FLÜGELGLÄTTER • BETRIEBSHANDBUCH — VERSION NR. 2 (04.05.12)
KONTROLLE
Dieser Abschnitt soll den Fahrer bei der Erst-Inbetriebnahme
des HHX unterstützen. Das sorgfältige Studium dieses
Abschnitts ist äußerst wichtig, bevor versucht wird, den Glätter
zu verwenden. Bevor dieser Abschnitt nicht vollständig
verstanden wurde, darf der Aufsitz-Flügelglätter NICHT
betrieben werden.
Zur Anordnung der in diesem Handbuch beschriebenen
Bedienelemente und Anzeigen, siehe Abb. 2, 3 und 4.
MOTORÖLSTAND
1. Sitz nach vorn heben (kippen), um den
Messstab zu erreichen.
2. Motorölmessstab aus der Halterung ziehen.
3. Feststellen, ob der Motorölstand niedrig ist
(Abb. 7) und ggf. die entsprechende Ölmenge
bis zum normalen Ölstand auffüllen (empfohlene
Viskositätsklassen siehe Tabelle 5).
Abb. 7. Motorölmessstab
GETRIEBEÖLSTAND
1. Den Getriebeölstand beider Getriebe am
Sichtfenster an der Rückseite des jeweiligen
Getriebes prüfen, siehe Abb. 8.
WARNUNG
Mangelndes Verständnis der Funktionsweise des HHX
kann zu ernsthafter Beschädigung des Geräts oder zu
Verletzungen führen.
ACHTUNG
Motoröl NICHT überfüllen. Der Ölstand darf die obere
Markierung nicht überschreiten.
MAX
MIN
2. Der korrekte Ölstand des Getriebes liegt auf der Mitte
des Sichtfensters (Abb. 8). Das Getriebe fasst 3,8 Liter
Öl. Zum Nachfüllen die Öleinfüllschraube auf der
Getriebeoberseite herausdrehen und ISO 220 A GMA
GR 5 EP Öl einfüllen.
Abb. 8. Ölschrauben am Getriebe
KRAFTSTOFF
Zum Prüfen des Kraftstofffüllstandes die Anzeige an der
Seite des Kraftstofftanks verwenden. Bei niedrigem Füllstand
sauberen Dieselkraftstoff nachfüllen.
HYDRAULIKFLÜSSIGKEITSFILTER
Um festzustellen, ob der Hydraulikflüssigkeitsfilter
ausgetauscht werden muss, die Anzeige über dem
Hydraulikflüssigkeitsfilter unterhalb der Fußplattform prüfen.
Bei Anzeige im roten Bereich wird der Filter umgangen und
muss ausgetauscht werden.
WARNUNG
Mit Kraftstoff vorsichtig umgehen. Motorkraftstoffe
sind leicht entflammbar und sind bei unsachgemäßem
Umgang gefährlich. NICHT RAUCHEN während des
Tankens. Den Flügelglätter nicht bei heißem oder
laufendem Motor betanken.
WARNUNG
Den Flügelglätter nie über längere Zeiträume mit Kraftstoff
im Tank lagern. Den Kraftstoff in einen geeigneten
Behälter entleeren. Dazu den Hahn unten am Tank öffnen.
Verschütteten Kraftstoff sofort reinigen.

HHXD5-AUFSITZ-FLÜGELGLÄTTER • BETRIEBSHANDBUCH — VERSION NR. 2 (04.05.12) — SEITE 23
BETRIEB
ANLASSEN DES MOTORS
1. Einen Fuß auf die Plattform des Glätters setzen, sich am
Rahmen (NICHT AN DEN BEDIENARMEN) festhalten
und auf den Glätter steigen. Auf dem Fahrersitz Platz
nehmen.
Abb. 9. Pedal zur Rotordrehzahlsteuerung
2. Das Pedal (Abb. 9) steuert die Rotor- und Motordrehzahl.
Die Pedalposition bestimmt die Rotordrehzahl. Eine
niedrige Rotordrehzahl wird bei leichtem Pedaldruck
erzielt. Die maximale Rotordrehzahl wird beim Durchtreten
des Pedals erreicht.
HINWEIS
Der HHX ist mit einem Totmannschalter ausgerüstet, der
sicherstellt, dass der Motor nur angelassen werden kann,
wenn ein Fahrer auf dem Fahrersitz sitzt. Das Gewicht
des Fahrers betätigt einen elektrischen Schalter, der das
Anlassen des Motors freischaltet.
WARNUNG
Den Totmannschalter NIE deaktivieren oder abklemmen.
Er dient der Sicherheit des Fahrers. Ein Deaktivieren,
Abklemmen oder unsachgemäße Wartung kann zu
Verletzungen führen.
HINWEIS
Der Totmannschalter sollte stets zum Abschalten des
Motors verwenden werden. Damit wird die korrekte
Funktionsweise des Schalters zum Schutz des Fahrers
geprüft. Den Zündschlüssel nach dem Abschalten des
Geräts in die AUS-Position drehen, da sich die Batterie
sonst entladen könnte.
3. Den Fuß noch NICHT auf das Pedal setzen. Bei kaltem
Motor die Starterklappe betätigen (Choke), den Motor
jedoch unter allen Umständen im Leerlauf starten (ohne
Berühren des Pedals).
4. Den Zündschlüssel in das Zündschloss einführen.
5. Den Zündschlüssel im Uhrzeigersinn auf die Startposition
drehen. Die Öl- und Ladezustandsleuchten (Abb. 10)
sollten leuchten.
.
Abb. 10. Öl- und Ladezustandsleuchten
6. Zündschlüssel bis zum Anschlag im Uhrzeigersinn drehen
und Startgeräusch des Motors abwarten. Zündschlüssel
nach Start des Motors loslassen.
7. Startet der Motor nicht auf diese Weise, das mitgelieferte
Motorhandbuch konsultieren.
8. Den Totmannschalter durch kurzes Aufstehen prüfen.
Der unter dem Sitz befindliche Schalter muss den Motor
abschalten. Falls der Totmannschalter den Motor nicht
abschaltet, den Motor mit dem Zündschlüssel abschalten
und den Totmannschalter reparieren. Mögliche Probleme
siehe Tabelle „Problembehebung“.
HINWEIS
Die Meldeleuchten ÖL und LADUNG leuchten auf,
wenn der Zündschlüssel auf Position EIN steht, OHNE
dass der Motor läuft. Den Zündschlüssel bei KALTEM
Wetter entgegen dem Uhrzeigersinn auf die Position
VORWÄRMEN drehen und dort halten, bis die Vorwärm-
Meldeleuchte erlischt. Anschließend den Zündschlüssel
im Uhrzeigersinn auf die Startposition drehen. Bei sehr
kaltem Wetter können zwei bis drei Vorwärmzyklen
erforderlich sein.

SEITE 24 — HHXD5-AUFSITZ-FLÜGELGLÄTTER • BETRIEBSHANDBUCH — VERSION NR. 2 (04.05.12)
9. Diesen Abschnitt mehrmals lesen, um den Anlassvorgang
zu verinnerlichen.
10. Den Motor 3-5 Minuten im Leerlauf laufen lassen. Bei
Verwendung der Starterklappe (Choke), diese in die
geöffnete Position drücken, sobald der Motor gleichmäßig
läuft.
LENKUNG
Die Lenkung des HHX-Aufsitz-Flügelglätters erfolgt über zwei
links und rechts des Fahrersitzes angeordnete Lenkhebel
(Abb. 11). Tabelle 4 zeigt die verschiedenen Richtungspositionen
der Lenkhebel und deren Auswirkung auf das Gerät.
1. Rechten und linken Lenkhebel nach vorne drücken, siehe
Abb. 11.
Abb. 11. Linker und rechter Lenkhebel
2. Mit dem rechten Fuß schnell die rechte Pedale bis
zur Hälfte durchtreten. Der Flügelglätter fährt in
Vorwärtsrichtung an. Bringen Sie beide Lenkhebel zurück
in die Mittelstellung, um die Vorwärtsfahrt zu stoppen.
Nehmen Sie dann den Fuß vom rechten Pedal.
3. Das Halten des Geräts auf der Stelle üben, dabei die
Rotordrehzahl erhöhen. Nach Erreichen von etwa 75 %
der maximalen Rotordrehzahl bewegen sich die Flügel
mit der erforderlichen Glättgeschwindigkeit. Es kann
schwierig sein, die Maschine auf der Stelle zu halten. Das
Stationärhalten des Flügelglätters ist eine gute Übung
für den Einsatz.
HINWEIS
Alle Angaben zur Bedienung der Lenkhebel beziehen
sich auf die Position des sitzenden Fahrers.
4. Das Manövrieren des Flügelglätters mithilfe der
Informationen in Tabelle 4 üben. Versuchen, dabei
kontrollierte Bewegungen auszuführen, wie beim
tatsächlichen Glätten einer Betonoberfläche. Das Fahren
entlang von Kanten und das Abfahren großer Bereiche
üben.
5. Versuchen, die Flügelstellung zu regeln. Dies kann
nach Belieben bei angehaltenem oder fahrendem
Glätter erfolgen. Die Funktion von Zusatzausrüstung wie
Verzögerer-Sprüheinrichtung und Scheinwerfern testen,
falls vorhanden.
6. Den linken und rechten Lenkhebel nach hinten ziehen
und Schritte 3 bis 6 mit der Rückwärtsbewegung
wiederholen.
Tabelle 4. Lenkhebel - Richtungssteuerung
BETRIEB

HHXD5-AUFSITZ-FLÜGELGLÄTTER • BETRIEBSHANDBUCH — VERSION NR. 2 (04.05.12) — SEITE 25
BETRIEB
Flügelstellung
Manchmal kann es erforderlich sein, die Flügelstellung
beider Rotoren einander anzugleichen. Dies ist zum Beispiel
der Fall, wenn die unterschiedliche Flügelstellung zu einem
sichtbaren Unterschied bei der Oberflächenqualität zwischen
beiden Seiten oder zu Schwierigkeiten bei der Steuerung des
Geräts führt. Dies ist auf die Kontaktfläche mit dem Beton
zurückzuführen (der Rotor mit der größeren Kontaktfläche
neigt stärker zum "Kleben" am Beton).
Angleichen der Flügelstellung beider Rotoren
Bei Flügelglättern mit gekoppelter Regelung der Flügelstellung
(Twin Pitch™) kann eine "Synchronisierung" beider Rotoren
erforderlich werden. Dazu die folgenden Schritte ausführen
(siehe Abb. 12):
1. Flügelstellgriff auf einer der beiden Seiten anheben.
Dies entkoppelt die betreffende Seite vom Twin-PitchTM-
System.
2. Flügelstellung an die der Gegenseite anpassen.
3. Stellgriff nach unten drücken, um die Twin-PitchTM-
Kopplung wieder zu aktivieren.
ACHTUNG
Beim Drehen der Stellgriffe keine zu hohe Kraft
aufwenden, da sonst die Kabel beschädigt werden. Wenn
das Kabel anfängt, sich zu verdrehen, bedeutet dies,
dass entweder der maximale Anstellwinkel erreicht ist,
oder dass die Seite durch Betonreste, Fremdkörper oder
Korrosion blockiert ist.
Abb. 12. Flügelstellungsregler

SEITE 26 — HHXD5-AUFSITZ-FLÜGELGLÄTTER • BETRIEBSHANDBUCH — VERSION NR. 2 (04.05.12)
WARTUNG
WARTUNG
Bei Wartungsarbeiten am Glätter bzw. am Motor alle zu Beginn
dieses Handbuchs aufgeführten Sicherheitshinweise befolgen.
Den Wartungsplan und eine Anleitung zur Fehlerbehebung
für den Motor bitte dem mitgelieferten Motorhandbuch
entnehmen.
Zu Beginn des Buchs befindet sich eine „Tägliche Kontrollliste
für die Inbetriebnahme“. Diese für den täglichen Gebrauch
kopieren.
.
WARTUNGSPLAN
Täglich (8 – 10 Stunden)
1. Schmutz und Öl gründlich von Motor und Steuerbereich
entfernen. Auf Austritt von Öl oder Kühlflüssigkeit prüfen.
2. Flüssigkeitsstände in Motor und Getriebe prüfen, nach
Bedarf auffüllen. Luftfilter prüfen. Siehe Abschnitt zur
Wartung des Luftfilters.
Wöchentlich (30-40 Stunden)
1. Flügelarme, Druckring und Lenkgelenke nachschmieren.
2. Glättflügel falls nötig ersetzen.
3. Motorluftfilter prüfen und falls nötig reinigen oder ersetzen
(siehe folgender Abschnitt zur Wartung des Luftfilters).
4. Motoröl und Filter falls nötig wechseln (siehe folgender
Abschnitt zu Öl und Filter).
WARNUNG
Unbeabsichtigtes Anlassen kann zu schweren
Verletzungen und zum Tod führen.
Den EIN/AUS-Schalter STETS auf OFF
(AUS) stellen.
Vor Wartungsarbeiten das Zündkabel
abklemmen und erden und das negative
Batteriekabel von der Batterie abklemmen.
5. Alle Verbindungselemente prüfen und falls nötig
anziehen.
Monatlich (100-150 Stunden)
1. Flügelarme und Druckring ausbauen, reinigen, wieder
einbauen und schmieren. Flügelarme justieren.
2. Getriebeschmiermittel nach den ersten 100
Betriebsstunden wechseln, anschließend alle 500-600
Betriebsstunden.
3. Antriebsriemen auf übermäßige Abnutzung prüfen.
4. Motoröl und Filter falls nötig wechseln, siehe
Motorhandbuch.
Jährlich (500-600 Stunden)
1. Flügelarmbuchsen, Druckringbuchsen, Wellendichtringe
und Keilriemen prüfen. Falls nötig ersetzen.
2. Flügelstellkabel auf Verschleiß prüfen.
3. Getriebeschmiermittel wechseln.
4. Rotordrehzahl prüfen und justieren.
5. Kraftstofffilterelement wechseln.
Tabelle 5. Öldiagramm
WARNUNG
Bestimmte Wartungs- oder Einstellungsarbeiten am Gerät
erfordern Spezialkenntnisse. Versuche, solche Arbeiten
ohne die notwendigen Kenntnisse durchzuführen, können
zur Beschädigung des Geräts oder zu Verletzungen
führen. Im Zweifelsfall den Händler zurate ziehen.

HHXD5-AUFSITZ-FLÜGELGLÄTTER • BETRIEBSHANDBUCH — VERSION NR. 2 (04.05.12) — SEITE 27
WARTUNG
Luftfilter (täglich)
Der Briggs-&-Stratton-Vanguard-Motor ist mit einem
austauschbaren, hochdichten Papierluftfilterelement
ausgestattet. Den Luftfilter täglich bzw. vor dem Anlassen des
Motors prüfen. Größere Schmutzablagerungen und
Fremdkörper beseitigen und lose oder beschädigte
Komponenten instand setzen (Abb. 13).
Abb. 13. Luftfilter
1. Deckelschnallen (4) löse und Deckel (3) abnehmen.
2. Kartusche (2) aus Luftfilterkörper (1) entnehmen.
3. Zum Reinigen der Kartusche sanft mit einem
Schraubendrehergriff auf das Ende klopfen. Sehr
verschmutzte oder beschädigte Kartuschen ersetzen.
4. Luftfilterdeckel sorgfältig reinigen.
5. Kartusche in Luftfilterkörper einsetzen.
6. Deckel aufsetzen und mit den Schnallen verschließen.
Wechseln von Motoröl und Filter
1. Motoröl und Filter nach den ersten 5 Betriebsstunden
wechseln, anschließend alle 6 Monate bzw. 150
Betriebsstunden.
2. Öleinfüllverschluss öffnen und das Kurbelgehäuse mit
einem Öl der in Tabelle 5 empfohlenen Viskositätsklasse
HINWEIS
Der Betrieb des Motors mit losen oder beschädigten
Luftfilterkomponenten kann zum Eintreten ungefilterter
Luft in den Motor und damit zu vorzeitigem Verschleiß
und Fehlfunktionen führen.
befüllen. Nur hochwertiges detergierendes Öl der
Kategorien CF oder CF-4 verwenden. Bis zur
oberen Markierung des Ölmessstabs einfüllen. Nicht
überfüllen.
3. Das Ölvolumen des Kurbelgehäuses beträgt bei
Austausch des Ölfilters 3,3 Liter.
Ölfilter (300 Betriebsstunden)
1. Den Motorölfilter (Abb. 14) bei jedem zweiten Ölwechsel
bzw. nach 300 Betriebsstunden wechseln. Die genaue
Vorgehensweise bitte dem Motorhandbuch entnehmen.
Abb. 14. Austausch des Ölfilters
2. Die Dichtung (Abb. 14) des neuen Ölfilters mit sauberem
Motoröl benetzen.
Kraftstofffilter
Den Kraftstofffilter (Abb. 15) alle 800 Betriebsstunden
wechseln. Die genaue Vorgehensweise bitte dem
Motorhandbuch entnehmen.
Abb. 15. Kraftstofffilter
2
3
5
1
4

SEITE 28 — HHXD5-AUFSITZ-FLÜGELGLÄTTER • BETRIEBSHANDBUCH — VERSION NR. 2 (04.05.12)
WARTUNG
Öl-/Wasserabscheider
Das Wasser aus dem Boden des Kraftstofffilters ablassen:
Dazu den Ablassstopfen lösen und das Wasser herauslaufen
lassen. Die genaue Vorgehensweise bitte dem Motorhandbuch
entnehmen.
Öl- und Kraftstoffleitungen
1. Die Öl- und Kraftstoffleitungen und -anschlüsse
regelmäßig auf Lecks und Beschädigungen prüfen. Falls
erforderlich instand setzen oder austauschen.
2. Die Öl- und Kraftstoffleitungen alle zwei Jahre
austauschen, um die Funktionsfähigkeit und Biegsamkeit
aufrechtzuerhalten.
Kühler/Kühlsystem
1. Die Kühlerlamellen prüfen und reinigen.
2. Das Kühlwasser prüfen.
3. Kühlerschläuche auf Ermüdung und Risse prüfen.
4. Dichtung des Kühlerverschlusses prüfen.
WARNUNG
Heißes Kühlmittel kann zu schweren Verbrennungen
führen. Den Verschluss NICHT öffnen, wenn der Kühler
HEISS ist.
Batterie-/Ladesystem
1. Batteriekontakte auf Korrosion prüfen und reinigen.
2. Batterieflüssigkeit prüfen, Füllstand zwischen der auf
der Batterie gekennzeichneten Ober- und Untergrenze
gewährleisten. Batterie nie mit mangelnder Flüssigkeit
einsetzen oder aufladen.
3. Nie versuchen, eine eingefrorene Batterie aufzuladen.
Es kann zu einer Explosion kommen, wenn die Batterie
nicht aufgetaut ist.
4. Den Minuspol ( - ) der Batterie zur Lagerung abklemmen.
Wird das Gerät bei Umgebungstemperaturen von unter
-15 °C aufbewahrt, die Batterie entfernen und an einem
warmen, trockenen Ort lagern.
Langzeitlagerung
Die Batterie entfernen.
Kraftstoff aus dem Tank ablassen.
Außenflächen mit einem in sauberes Öl getränkten Tuch
reinigen.
Gerät mit einer Kunststoffplane abdecken und in
einem trockenen und staubfreien Raum ohne direkte
Sonneneinstrahlung aufbewahren.
Motoreinstellung
Spezielle Informationen zur Motoreinstellung bitte dem
Motorhandbuch entnehmen.
ACHTUNG
Den Flügelglätter nie über längere Zeiträume mit Kraftstoff
im Tank lagern. Verschütteten Kraftstoff sofort reinigen.
HINWEIS
Den Wartungsplan und eine Anleitung zur Fehlerbehebung
für den Motor bitte dem mitgelieferten Motorhandbuch
entnehmen.
ACHTUNG
Die Batteriekabel vor allen Wartungsarbeiten am
Flügelglätter STETS abklemmen.
GEFAHR
Bei Arbeiten an der Batterie alle vom Batteriehersteller
angegebenen Sicherheitsvorkehrungen einhalten.
Entflammbares, explosives Gas (erzeugt beim
Laden oder während des Betriebs Wasser-
stoff). Eine anhaltend gute Lüftung des Be-
reichs um die Batterie gewährleisten und die
Batterie von Feuerquellen fernhalten.
Batterieflüssigkeit enthält ätzende, giftige
Chemikalien (verdünnte Schwefelsäure).
Kontakt mit Augen und Haut vermeiden.
Elektrische Kurzschlüsse können Strom-
schläge und Brände verursachen. Batterie
vor dem Überprüfen der Elektrik abklemmen.
Zum Testen des Ladezustands niemals Fun-
ken an den Batteriepolen erzeugen.

HHXD5-AUFSITZ-FLÜGELGLÄTTER • BETRIEBSHANDBUCH — VERSION NR. 2 (04.05.12) — SEITE 29
WARTUNG (ALTE KUPPLUNGSBAUART)
Prüfen des Antriebsriemens
Der Antriebsriemen ist auszutauschen, sobald
Abnutzungsspuren erkennbar werden. Einen gebrauchten
Riemen unter keinen Umständen wiederverwenden! Eine
übermäßige Abnutzung des Riemens ist durch Ausfransen,
Quietschen im Betrieb sowie Rauchentwicklung oder Geruch
nach verbranntem Gummi erkennbar.
Unter normalen Betriebsbedingungen beträgt die
Betriebsdauer eines Antriebsriemens etwa 150 h. Erreicht
der Antriebsriemen Ihres Flügelglätters diese Betriebsdauer
wegen stärkerer Abnutzung nicht, die Ausrichtung und den
Abstand der Riemenscheiben prüfen.
Zur Untersuchung des Antriebsriemens das linke Schutzgitter
abnehmen, die linke Konsole öffnen und eine Sichtprüfung
des Riemens auf Beschädigung oder übermäßige Abnutzung
vornehmen. Abgenutzte oder beschädigte Antriebsriemen
ersetzen.
Demontage des Antriebsriemens
Den vorhandenen Antriebsriemen intakt lassen und erst
im angegebenen Arbeitsschritt zerschneiden.
Der Motor bleibt bei dieser Vorgehensweise an Ort und
Stelle. Es ist nicht erforderlich, den Motor zum Austausch
des Antriebsriemens zu verschieben.
HINWEIS
Dieser Abschnitt soll Benutzer bei der Wartung von
Getrieben mit alten Comet-Kupplungen unterstützen.
WARNUNG
Hände oder Werkzeuge bei laufendem Motor
und geöffneter Schutzabdeckung NICHT in
den Riemenbereich einführen. Finger, Hände,
Haare und Kleidung von allen beweglichen
Teilen entfernt halten, um Verletzungen zu
vermeiden.
WARNUNG
Den gesamten Flügelglätter vor dieser Arbeit
abkühlen lassen.
Legen Sie das im Dokumentenbehälter enthaltene
Kupplungsdemontagewerkzeug, Teilenr. 23294, bereit
(Abb. 16).
Ein Holzstück (20 mm x 80 mm) kann verwendet werden,
um die untere Riemenscheibe beim Abnehmen bzw.
Auflegen des Riemens geöffnet zu halten.
Abb. 16. Demontagewerkzeug für
obere Kupplung (Primärriemenscheibe)
Abb. 17. Antriebsriemen, Riemenhalter und
Riemenscheiben
1. Linkes Schutzgitter abnehmen und linke Konsole
öffnen (siehe Abb. 4), um zum Antriebsriemen, Ersatz-
Antriebsriemen und zu den Riemenscheiben zu gelangen
(Abb. 17). Riemen zusammendrücken (Abb. 18) und
nach oben ziehen. Dies drückt die beiden Seiten der
unteren Riemenscheibe auseinander.

SEITE 30 — HHXD5-AUFSITZ-FLÜGELGLÄTTER • BETRIEBSHANDBUCH — VERSION NR. 2 (04.05.12)
WARTUNG (ALTE KUPPLUNGSBAUART)
Abb. 18. Spreizen der unteren Riemenscheibe
2. Durch Einsetzen eines Holzstücks zwischen der
beweglichen und der festen Kegelscheibe der unteren
Riemenscheibe können diese zur Montage des neuen
Antriebsriemens offen gehalten werden, siehe Abb. 19.
Abb. 19. Untere Riemenscheibe geöffnet halten
3. Den Antriebsriemen DURCHSCHNEIDEN, falls er nicht
wiederverwendet wird (empfohlen). Alle Riemenreste
von den Riemenscheiben entfernen.
Montage des Antriebsriemens (Verwendung eines
neuen Antriebsriemens)
Der HHX ist mit einem Ersatzriemenhalter ausgestattet. Dieser
ist auf der Innenseite der Plattform zwischen Kupplung und
Batterie montiert. Sicherstellen, dass im Ersatzriemenhalter
IMMER ein Riemen vorhanden ist, bevor der Glätter zur
Bearbeitung auf eine Betonfläche gestellt wird.
Falls der Antriebsriemen ausfällt, kann er rasch vor Ort durch
den Ersatzantriebsriemen ersetzt werden, um den Betrieb mit
dem Glätter fortzusetzen.
1. Bei Bedarf in den Anweisungen zur Demontage des
Antriebsriemens nachlesen. Sicherstellen, dass der
alte Riemen restlos von den Riemenscheiben entfernt
wurde.
2. Die beiden Befestigungsschrauben des Ersatzriemen-
halters lösen (Abb. 20). Dadurch kann der Riemen für die
Montage frei bewegt werden. Eine Verunreinigung des Er-
satzriemens durch Schmierfett oder Schmutz vermeiden.
3. Die 5/8"-Schraube von der oberen Riemenscheibe lösen.
Das Schwungrad mithilfe eines breiten Schraubendrehers
oder Nageleisens an Ort und Stelle halten.
4. Das Schwungrad weiterhin festhalten (s. oben) und das
Demontage-Spezialwerkzeug (Abb. 16) in die obere
Kupplung einschrauben, bis sich die Taperlock-Verbin-
dung löst. Die Riemenscheibe von der Welle abziehen.
5. Den Ersatzriemen zunächst in die untere Riemenscheibe
einlegen (die Riemenscheibe ggf. mit einem Holzstück
geöffnet halten).
6. Die andere Riemenschlinge in die Rille der oberen
Riemenscheibe einlegen und die Riemenscheibe zurück
auf den Kegelsitz der Welle schieben.
7. Gewindesicherung (Loctite Blue 246) auf die 5/8"-Siche-
rungsschraube auftragen. Schraube in Riemenscheibe
einschrauben und festziehen.
8. Den Ersatzriemenhalter und die Riemenschutzabdeckung
wieder anbringen.
9. Vor der nächsten Verwendung des Glätters einen neuen
Ersatzriemen anbringen. Siehe „Anbringen eines neuen
Ersatzriemens“.
Abb. 20. Montage des Antriebsriemens

HHXD5-AUFSITZ-FLÜGELGLÄTTER • BETRIEBSHANDBUCH — VERSION NR. 2 (04.05.12) — SEITE 31
WARTUNG (ALTE KUPPLUNGSBAUART)
Anbringen eines neuen Ersatzriemens
Zum Anbringen eines neuen Ersatzriemens muss das Gleich-
laufgelenk vom linken Getriebe entfernt werden, siehe Abb. 21.
1. Den Glätter auf geeigneten Stützen abstellen und alle
Sicherheitsvorkehrungen treffen.
2. Linkes Schutzgitter abnehmen und linke Konsole öffnen.
3. Die drei Schrauben entfernen, mit denen das
Gleichlaufgelenk an der linken Getriebekupplung
befestigt ist.
4. Nachdem das Gleichlaufgelenk vom linken Getriebe
gelöst wurde, das Gleichlaufgelenk nach innen schieben,
damit zwischen Getriebe und Gleichlaufgelenk eine Lücke
entsteht (Abb. 21). Den Ersatzriemen zwischen der Getrie-
bekupplung und dem Gleichlaufgelenk einschieben. Darauf
achten, dass der Ersatzriemen nicht mit Schmierfett oder
Öl verunreinigt wird, wenn er zwischen Gleichlaufgelenk
und Getriebekupplung durchgeführt wird.
5. Den Ersatzriemen im Riemenhalter platzieren. Den
Riemenhalter an der Innenseite des linken Getriebes
befestigen.
6. Die drei Schrauben zur Befestigung des Gleichlaufgelenks
an der linken Getriebekupplung anbringen.
Abb. 21. Anbringen eines neuen Ersatzriemens
HINWEIS
Das Gleichlaufgelenk muss von der linken
Getriebekupplung gelöst werden. Dazu müssen die
drei Befestigungsschrauben des Gleichlaufgelenks am
Getriebe gelöst werden.
Der HHX-Glätter ist mit einer CVT-Kupplung ausgestattet,
die das Drehmoment auf das linke und rechte Getriebe
überträgt.
Die Funktion der CVT-Kupplung (CVT = stufenloses Getriebe)
ist die automatische Bereitstellung des richtigen Drehmoments
unter allen Lastbedingungen des Glätters. Auf diese Weise
kann der Glätter sowohl das benötigte Drehmoment für die
Arbeit mit Glättscheiben als auch die hohe Rotordrehzahl für
das Polieren von Beton bereitstellen.
Die Primär- und Sekundärriemenscheiben mit verschiebbaren
Kegelscheibenhälften (Abb. 22) sind über einen Keilriemen
verbunden.
Abb. 22. CVT-Kupplung mit verstellbaren
Primär- und Sekundärriemenscheiben
Durch Fliehkraftwirkung (Abb. 23 und 24) auf die Kegelscheiben
wird in der Primärriemenscheibe eine Riemenpressung erzeugt.
Dies entspricht einer automatischen Kupplungsfunktion.
Abb. 23. Primärriemenscheibe (Fliehkraft)
Die Fliehkraft drückt die Rollenarme (siehe Abb. 24) gegen die
Stützglocke. Dies schiebt die bewegliche Kegelscheibe gegen
die feste Kegelscheibe und presst den Riemen zusammen.

SEITE 32 — HHXD5-AUFSITZ-FLÜGELGLÄTTER • BETRIEBSHANDBUCH — VERSION NR. 2 (04.05.12)
WARTUNG (ALTE KUPPLUNGSBAUART)
Abb. 24. Wirkungsweise der Riemenscheiben
Die verstellbaren Riemenscheiben besitzen jeweils eine
bewegliche und eine feste Kegelscheibe. Die bewegliche
Kegelscheibe der Primärriemenscheibe wird durch gewichts-
und federbelastete Rollenarme verschoben, die sich abhängig
von der Motordrehzahl positionieren. Die bewegliche
Kegelscheibe der Sekundärriemenscheibe wird durch eine
Feder und die Riemenspannung verschoben (Abb. 25).
Abb. 25. Primärriemenscheibe mit
Fliehkraftkupplung
Funktionsweise (Abb. 26).
Zustand A:
• Motor im Leerlauf
• Primärriemenscheibe: klein
• Sekundärriemenscheibe: groß
• Riemen: locker und stationär
Zustand B:
• Motor beschleunigt
• Primärriemenscheibe: klein aber größer werdend
• Sekundärriemenscheibe: groß aber kleiner werdend
• Riemen: Spannung steigt
Zustand C:
• hohe Motordrehzahl
• Primärriemenscheibe: groß
• Sekundärriemenscheibe: klein
• Riemen: gespannt
Abb. 26. Zustände des Riemengetriebes
A B C
1
2
345

HHXD5-AUFSITZ-FLÜGELGLÄTTER • BETRIEBSHANDBUCH — VERSION NR. 2 (04.05.12) — SEITE 33
WARTUNG (ALTE KUPPLUNGSBAUART)
Kupplung
Dieses Kupplungssystem bietet ein hohes Übersetzungs-
verhältnis zum Anfahren (= niedriger Gang), ein niedriges
Übersetzungsverhältnis (= hoher Gang) für den Betrieb mit
hohen Drehzahlen sowie beliebige Zwischenstufen.
Dies bedeutet, dass zum Anlaufenlassen der Flügel/
Glättscheiben kein Vollgas erforderlich ist. Das Gerät kann
langsam auf die gewünschte Drehzahl gebracht werden.
Die drehmomentgesteuerte Kupplung der Riemenscheibe
(Abb. 27) verwendet eine Feder und ein Kurvenstück. Die
optimale Leistung wird bei der richtigen Wechselwirkung
zwischen der Feder der Sekundärriemenscheibe und dem
Steigungswinkel des Kurvenstücks erzielt.
Abb. 27. Feder und Kurvenstück der
Riemenscheibe
HINWEIS
Ist ein Austausch der Kupplung erforderlich, den Kupplungs-Austausch-Bausatz, Teilenr. 23447 verwenden, um zum neuen
Multi-Clutch-System zu wechseln. Die neue Antriebsbaugruppe ist gemäß Anweisungsblatt, Teilenr. 23448, zu installieren
(im Lieferumfang des Kupplungs-Austausch-Bausatzes enthalten).
Die alte Comet-Kupplung ist nicht mehr erhältlich. Multi-Clutch-Komponenten sind nicht mit dem alten Hoffco-Comet-
Antriebssystem austauschbar. Das Hoffco-Comet-CVT-System muss ersetzt werden, um die Kompatibilität mit dem neuen
System zu gewährleisten.

SEITE 34 — HHXD5-AUFSITZ-FLÜGELGLÄTTER • BETRIEBSHANDBUCH — VERSION NR. 2 (04.05.12)
WARTUNG (NEUE KUPPLUNGSBAUART)
PRÜFEN DES ANTRIEBSRIEMENS
Der Antriebsriemen ist auszutauschen, sobald
Abnutzungsspuren erkennbar werden. Einen gebrauchten
Riemen unter keinen Umständen wiederverwenden! Eine
übermäßige Abnutzung des Riemens ist durch Ausfransen,
Quietschen im Betrieb sowie Rauchentwicklung oder Geruch
nach verbranntem Gummi erkennbar.
Zur Untersuchung des Antriebsriemens die Schutzabdeckung
abnehmen und eine Sichtprüfung des Riemens auf
Beschädigung oder übermäßige Abnutzung vornehmen.
Abgenutzte oder beschädigte Antriebsriemen ersetzen.
VERMESSUNG DES ANTRIEBSRIEMENS
Die korrekte Ausrichtung des Riemens garantiert eine lange
Lebensdauer dieser neuen Riemenbaugruppe.
HINWEIS
Dieser Abschnitt soll Benutzer bei der Wartung
von Getrieben mit neuen Multi-Clutch-Kupplungen
unterstützen.
WARNUNG
KEINE Hände oder Werkzeuge bei laufendem
Motor und geöffneter Schutzabdeckung in
den Riemenbereich einführen. Finger, Hände,
Haare und Kleidung von allen beweglichen
Teilen entfernt halten, um Verletzungen zu
vermeiden.
WARNUNG
Die Schutzabdeckung des Keilriemens
NICHT abnehmen, bevor der Schalldämpfer
abgekühlt ist. Den gesamten Flügelglätter vor
dieser Arbeit abkühlen lassen.
Die Kupplung schaltet fehlerhaft, wenn die Riemenbreite 29
mm unterschreitet. Den CVT-Riemen alle 100 Betriebsstunden
vermessen, um die Einhaltung der Breitentoleranz zu
gewährleisten, siehe Abb. 28.
Abb. 28. Vermessung des Antriebsriemens
DEMONTAGE DES ANTRIEBSRIEMENS
1. Linkes Schutzgitter abnehmen und linke Konsole öffnen
(siehe Abb. 4), um zum Antriebsriemen und zu den
Riemenscheiben zu gelangen (Abb. 29).
Abb. 29. Antriebsriemen, Riemenhalter
und Riemenscheiben

HHXD5-AUFSITZ-FLÜGELGLÄTTER • BETRIEBSHANDBUCH — VERSION NR. 2 (04.05.12) — SEITE 35
WARTUNG (NEUE KUPPLUNGSBAUART)
2. Das linke Gleichlaufgelenk vom linken Getriebe und vom
Flansch der unteren Riemenscheibe lösen. siehe Abb. 30.
Abb. 30. Ausbauen des linken
Gleichlaufgelenks
3. Den Antriebsriemen ZERSCHNEIDEN, falls er nicht
wiederverwendet werden soll (empfohlen). Alle
Riemenreste von den Riemenscheiben entfernen.
MONTAGE DES ANTRIEBSRIEMENS
1. Neuen CVT-Riemen auf die untere Riemenscheibe
setzen. Den Riemen zusammendrücken (Abb. 31) und
nach oben und in Richtung des Hecks ziehen. Dies
drückt die beiden Seiten der unteren Riemenscheibe
auseinander.
Abb. 31. Untere Riemenscheibe geöffnet halten
2. Die freie Schlinge des CVT-Riemens in die Rille der
oberen Riemenscheibe legen.
Abb. 32. Auflegen des Riemens auf die obere
Riemenscheibe
3. Linkes Gleichlaufgelenk wieder auf das linke Getriebe
und den Flansch der unteren Riemenscheibe montieren,
siehe Abb. 30.

SEITE 36 — HHXD5-AUFSITZ-FLÜGELGLÄTTER • BETRIEBSHANDBUCH — VERSION NR. 2 (04.05.12)
FUNKTIONSWEISE
Das Multi-Clutch-Getriebe funktioniert weitgehend wie ein
herkömmliches CVT-Getriebe. Bei steigender Motordrehzahl
schließt die Primärkupplung, wodurch der Riemen auf der
Primärkegelscheibe nach außen gedrückt wird. Das Schließen
der Primärkupplung bewirkt über den Riemen außerdem die
Öffnung der Sekundärkegelscheibe. Das Öffnen und Schließen
dieser Kegelscheiben erzeugt eine stufenlose Änderung der
Übersetzung (CVT/Continuously Variable Transmission)
Der Riemenschutz wird im Multi-Clutch-Getriebe durch die
Verwendung mehrerer Fliehkraftkupplungen erreicht. Bei den
meisten CVT-Getrieben hängt der Riemen bei Leerlauf des
Motors durch, während die Kegelscheiben weiter laufen und
den Riemen abnutzen.
In diesen Systemen muss der Riemen zudem auch im
stationären Zustand während der Anlaufphase von den
Kegelscheiben zusammengedrückt werden. Der Schlupf
zwischen Kegelscheiben und Riemen bewirkt eine unnötige
Abnutzung des Riemens. Bei den herkömmlichen CVT-
Getrieben wird der Riemen also sowohl bei Leerlauf des
Motors als auch während der Anlaufphase der angetriebenen
Ausrüstung abgenutzt. Dies ist beim Multi-Clutch-Getriebe
anders.
Das Multi-Clutch-Getriebe nutzt zwei Fliehkraftkupplungen
(das Anlauf-Kupplungssystem), um die Kegelscheiben der
Primärseite anzutreiben. Dies bedeutet, dass der Riemen
im Leerlauf zwischen den Kegelscheiben gespannt bleibt,
wobei Riemen als auch Kegelscheiben im stationären Zustand
verbleiben. Dies verhindert die Abnutzung des Riemens im
Leerlauf sowie in der Anlaufphase und bewirkt zudem einen
zusätzlichen Riemenschutz.
Die Fliehkraftkupplungen (Anlaufkupplungen) wirken
darüber hinaus als Überlastschutz. Wenn ein zu hohes
Drehmoment auf den Riemen übertragen werden soll,
können die Fliehkraftkupplungen durchrutschen, bevor die
Belastungsgrenze des Riemens erreicht wird. Bevor der
Riemen bei Überlast auf den Kegelscheiben durchrutscht,
drehen anstatt dessen zuerst die Fliehkraftkupplungen durch,
was eine Beschädigung des Riemens verhindert.
WARTUNG (NEUE KUPPLUNGSBAUART)

HHXD5-AUFSITZ-FLÜGELGLÄTTER • BETRIEBSHANDBUCH — VERSION NR. 2 (04.05.12) — SEITE 37
WARTUNG
Flügelstellung
Angleichen der Flügelstellung beider Rotoren
Manchmal kann es erforderlich sein, die Flügelstellung
beider Rotoren einander anzugleichen. Dies ist zum Beispiel
der Fall, wenn die unterschiedliche Flügelstellung zu einem
sichtbaren Unterschied bei der Oberflächenqualität zwischen
beiden Seiten oder zu Schwierigkeiten bei der Steuerung des
Geräts führt. Dies ist auf die Kontaktfläche mit dem Beton
zurückzuführen (der Rotor mit der größeren Kontaktfläche
neigt stärker zum "Kleben" am Beton).
Separate Regelung
Bei Flügelglättern mit separater Regelung der Flügelstellung
erfolgt die Einstellung für jeden Rotor separat. Der Fahrer
muss ständig beide Flügelstellungsregler anpassen.
Gekoppelte Regelung - Twin PitchTM
Bei Flügelglättern mit gekoppelter Regelung der Flügelstellung
(Twin Pitch™) kann eine "Synchronisierung" beider Rotoren
erforderlich werden. Dazu die folgenden Schritte ausführen
(siehe Abb. 33):
1. Flügelstellgriff auf einer der beiden Seiten anheben.
Dies entkoppelt die betreffende Seite vom Twin-Pitch-
System.
2. Flügelstellung an die der Gegenseite anpassen.
3. Stellgriff nach unten drücken, um die Twin-Pitch-Kopplung
wieder zu aktivieren.
ACHTUNG
Beim Drehen der Stellgriffe keine zu hohe Kraft
aufwenden, da sonst die Kabel beschädigt werden. Wenn
das Kabel anfängt, sich zu verdrehen, bedeutet dies,
dass entweder der maximale Anstellwinkel erreicht ist,
oder dass die Seite durch Betonreste, Fremdkörper oder
Korrosion blockiert ist.
Abb. 33. Flügelstellungsregler
Verfahren zum Justieren der Flügelstellung
Die Justierung der Flügelstellung erfolgt durch Einstellen der
Schraube (Abb. 34) am Flügelarmfinger. Diese Schraube ist der
Kontaktpunkt des Flügelarms mit der unteren Verschleißplatte
auf dem Druckring. Ziel der Justierung ist eine gleichmäßige
Flügelstellung und Oberflächenqualität.
Bei folgenden Anzeichen für ungleichmäßigen Flügelverschleiß
sollte eine Justierung vorgenommen werden:
völliger Verschleiß eines der Flügel, während die anderen
in gutem Zustand sind
wahrnehmbares Schwanken oder Stöße des Geräts im
Einsatz

SEITE 38 — HHXD5-AUFSITZ-FLÜGELGLÄTTER • BETRIEBSHANDBUCH — VERSION NR. 2 (04.05.12)
WARTUNG
Auf- und Abschwingen der Schutzringe relativ zum
Erdboden bei laufendem Gerät
Vor- und Zurückschwingen der Flügelstellungsregler
Abb. 34. Justierschraube für Flügelstellung
Die leichteste und zum gleichmäßigsten Ergebnis führende
Methode zur Justierung der Flügelarmfinger ist die
Verwendung der Flügelarm-Justiervorrichtung (Teilenr.
9177). Sie wird mit allen erforderlichen Komponenten zur
sachgemäßen Ausführung des Verfahrens und einer Anleitung
zur Verwendung der Vorrichtung geliefert.
Ist eine sofortige Justierung erforderlich, jedoch keine
Flügelarm-Justiervorrichtung verfügbar, kann eine
provisorische Justierung erfolgen. Dazu den stärker
beanspruchten Flügel identifizieren und die entsprechende
Schraube einstellen.
Eine bessere Methode zum Identifizieren der zu justierenden
Flügel ist es, das Gerät auf eine bekanntermaßen EBENE
Fläche (Stahlplatte) zu platzieren und die Flügel so flach wie
möglich zu stellen. Die Justierschrauben müssen die untere
Verschleißplatte am Nabenstern leicht berühren. Berührt eine
von ihnen die Platte nicht, ist eine Justierung erforderlich.
Die höher herausstehenden Schrauben soweit wie die nicht
berührende Schraube einschrauben, oder die zu niedrige
Schraube auf die Höhe der anderen herausdrehen. Falls
möglich, die zu niedrige Schraube auf die Höhe der anderen
herausdrehen. Dies ist die schnellste Methode, sie funktioniert
jedoch nicht immer. Nach der Justierung prüfen, ob sich die
Flügel korrekt einstellen lassen.
Falsch justierte Flügel können oft nicht völlig flach gestellt
werden. Dies kann auftreten, wenn die Justierschrauben zu
weit herausgeschraubt sind. Bei zu weit eingeschraubten
Justierschrauben können die Flügel hingegen bei Polierarbeiten
nicht schräg genug angestellt werden.
Ist das Polierergebnis nach dem Justieren nicht
zufriedenstellend, Flügel, Flügelarme und Flügelarmbuchsen
auf richtige Einstellung, Verschleiß oder Beschädigung prüfen.
Siehe folgende Abschnitte.
Austausch der Flügel
Es wird empfohlen, ALLE Flügel des Gerätes gleichzeitig
zu wechseln. Werden nur einzelne Flügel ausgetauscht,
glättet das Gerät nicht mehr gleichmäßig und bewegt sich
möglicherweise schaukelnd oder ruckartig.
1. Das Gerät auf eine ebene, waagerechte Oberfläche
stellen. Die Flügelstellung so flach wie möglich regeln. Die
Orientierung des Flügels auf dem Flügelarm beachten.
Dies ist bei Aufsitzglättern wichtig, da beide Rotoren
gegeneinander rotieren. Das Gerät anheben und Blöcke
unter den Hauptschutzring schieben, um es in dieser
Position zu halten.
2. Schrauben und Sicherungsscheiben vom Flügelarm
lösen und Flügel abnehmen.
3. Betonreste und Fremdkörper vom Flügelarm
abschaben, um den präzisen Sitz des neuen Flügels zu
gewährleisten.
4. Neuen Flügel unter Beachtung der korrekten Orientierung
zur Drehrichtung aufsetzen.
5. Schrauben und Sicherungsscheiben montieren.
6. Schritte 2-5 für die verbleibenden Flügel wiederholen.
Einstellen der Steuerung
Die Steuerung ist nur von qualifizierten Servicetechnikern
einzustellen. Anweisungen zum Einstellen der Steuerung des
HHXD5 siehe MQ-Whiteman-Serviceheft Nr. 200925
Reinigung
Darauf achten, dass kein Beton auf dem Flügelglätter
aushärtet. Jeglichen Beton nach dem Einsatz mit Wasser
abspülen. Dabei kein Wasser auf den heißen Motor oder
Auspufftopf spritzen. Beton, der begonnen hat auszuhärten,
ggf. mit einem alten Malerpinsel oder Besen lockern.

HHXD5-AUFSITZ-FLÜGELGLÄTTER • BETRIEBSHANDBUCH — VERSION NR. 2 (04.05.12) — SEITE 39
WARTUNG
WARTUNG DER FLÜGELARME
Gehen Sie wie folgt vor, um Flügelarme zu prüfen und zu justieren.
Eine Prüfung auf verschlissene oder beschädigte Komponen-
ten ist insbesondere dann erforderlich, wenn der Flügelglätter
schlecht glättet oder häufig gewartet werden muss.
Achten Sie auf folgende Probleme, die durch eine schlechte
Ausrichtung des Flügelarms, abgenutzte Flügelarmbuchsen
oder verbogene Flügelarme verursacht werden können.
ungleichmäßiger Flügelverschleiß, völliger Verschleiß eines
der Flügel, während die anderen in gutem Zustand sind
wahrnehmbares Schwanken oder Stöße des Geräts im
Einsatz
Auf- und Abschwingen der Schutzringe relativ zum
Erdboden bei laufendem Gerät
1. Den Flügelglätter auf eine EBENE, WAAGERECHTE
Fläche stellen.
Eine waagerechte, saubere Fläche ist wichtig, um das Gerät
zu untersuchen. Alle Bodenunebenheiten oder Fremdkörper
unter den Glättflügeln verfälschen die wahrgenommene
Einstellsituation. Im Idealfall sollte eine 1,5 x 1,5 m große und
ca. 20 mm dicke EBENE Stahlplatte für den Test verwendet
werden.
2. Die Flügelstellung so flach wie möglich regeln. Die
Justierschrauben müssen die untere Verschleißplatte am
Nabenstern leicht berühren. Berührt eine von ihnen die
Platte nicht, ist eine Justierung erforderlich (Abb. 35).
Abb. 35 zeigt schlecht ausgerichtete oder verbogene Flügelar-
me bzw. abgenutzte Flügelarmbuchsen. Prüfen, ob die Justier-
schrauben die untere Verschleißplatte leicht berühren (max.
2,5 mm Spiel). Alle Justierschrauben müssen den gleichen
Abstand von der unteren Verschleißplatte besitzen.
Abb. 35. Falsche Ausrichtung des Nabensterns
Abb. 36 zeigt die korrekte Ausrichtung des Nabensterns
(Werkszustand).
Abb. 36. Korrekte Ausrichtung des Nabensterns
Demontage des Nabensterns
Die Nabenbaugruppe wie folgt von der Antriebswelle lösen:
1. Identifizieren Sie die Vierkantstellschraube mit Kegelspitze
(Abb. 37) und die zugehörige Kontermutter seitlich an der
Nabenbaugruppe.
Abb. 37. Demontage von Nabenstern/Getriebe

SEITE 40 — HHXD5-AUFSITZ-FLÜGELGLÄTTER • BETRIEBSHANDBUCH — VERSION NR. 2 (04.05.12)
WARTUNG
2. Kontermutter und Vierkantstellschraube mit Kegelspitze
lösen.
3. Oberteil des Flügelglätters vorsichtig von der
Nabenbaugruppe abheben. Die Nabenbaugruppe ggf.
durch einen leichten Schlag mit einem Gummihammer
von der Hauptantriebswelle lösen.
Demontage der Glättflügel
Glättflügel durch Entfernen der drei Sechskantschrauben
(Abb. 38) vom Flügelarm demontieren. Flügel aufbewahren.
Abb. 38. Glättflügel
Demontage der Flügelarme
1. Die Befestigungselemente zwischen Stabilisatorring und
Flügelarm demontieren (Abb. 39).
2. Am Nabenstern sind die Flügelarme jeweils mit einer
Sechskantschraube (Schmiernippel) und einem Spannstift
befestigt. Beide vom Nabenstern demontieren (Abb. 40).
3. Flügelarm aus Nabenstern herausziehen.
Abb. 39. Stabilisatorring
Abb. 40. Demontage von Spannstift und
Schmiernippel
4. Kommt der Flügelarmeinsatz (Bronzebuchse) mit dem
Flügelarm zusammen heraus, die Buchse vom Flügelarm
lösen und sicher aufbewahren. Bleibt die Buchse im
Nabenstern stecken, diese vorsichtig herausziehen.
5. Die bronzene Flügelarmbuchse (Abb. 41) untersuchen
und falls nötig reinigen. Unrunde oder abgenutzte
Buchsen ersetzen.
Abb. 41. Bronzebuchsen
6. Betonablagerungen von allen sechs Seiten des
Flügelarms mit der Drahtbürste entfernen. Dies bei allen
Armen durchführen.

HHXD5-AUFSITZ-FLÜGELGLÄTTER • BETRIEBSHANDBUCH — VERSION NR. 2 (04.05.12) — SEITE 41
WARTUNG
Prüfen der Geradheit der Flügelarme
Flügelarme können durch unsanften Transport beschädigt
werden (beispielsweise Herabfallen auf den Untergrund)
oder im Einsatz beim Auffahren auf überstehende Rohre,
Schalungs- oder Bewehrungselemente. Verbogene Flügelarme
beeinträchtigen die ruhige, gleichmäßige Drehung des Rotors.
Bei Verdacht auf verbogene Flügelarme die Ebenheit wie folgt
prüfen, siehe Abb. 42 und 43:
Abb. 42. Flügelarm
1. Flügelarm auf eine dicke, völlig ebene Stahl- oder
Granitplatte legen und die Ebenheit aller sechs Seiten
des Flügelarms prüfen.
2. Zum Prüfen der sechs Seiten des Flügelarms
(Sechskantabschnitt) eine 0,004"-Fühlerlehre (0,1 mm)
verwenden: Diese darf an keiner Stelle zwischen die
aufliegende Flügelarmfläche und die Prüffläche passen
(Abb. 43).
Abb. 43. Prüfen der Ebenheit der Flügelarme
3. Anschließend den Spalt zwischen dem zylindrischen
Abschnitt des Flügelarms und der Prüffläche prüfen,
während jeweils eine der Sechskantflächen aufliegt.
Legen Sie nacheinander jede der Sechskantflächen auf
und prüfen Sie den Spalt am zylindrischen Abschnitt mit
einer 0,005"-Fühlerlehre (0,127 mm). Der Spalt zwischen
dem zylindrischen Flügelarmabschnitt und der Prüffläche
muss an jeder Stelle gleich groß sein.
4. Unebene oder verbogene Flügelarme ersetzen.
Justieren der Flügelarme
Abb. 44 zeigt die Flügelarm-Justiervorrichtung. Die Flügelarme
werden nacheinander in die Vorrichtung gespannt, dort wird
die Justierschraube jedes Flügelarms so eingestellt, dass
sie den Anschlag an der Vorrichtung berührt. Somit werden
alle Flügelarme gleich voreingestellt, was eine ebene und
gleichmäßige Flügelstellung ermöglicht.
1. Die Flügelarm-Justiervorrichtung (Teilenr. 9177)
bereitstellen.
Abb. 44. Flügelarm-Justiervorrichtung,
Seitenansicht
2. Schwenkarm der Vorrichtung in korrekte Position (oben
oder unten) entsprechend Drehrichtung des Flügelarms
bringen, siehe Abb. 45.
Abb. 45. Vorbereiten der Justiervorrichtung

SEITE 42 — HHXD5-AUFSITZ-FLÜGELGLÄTTER • BETRIEBSHANDBUCH — VERSION NR. 2 (04.05.12)
WARTUNG
3. Die Klemmschrauben der Vorrichtung etwas herausdrehen
und den Flügelarm in die Aufnahme legen, Abb. 46. Die
Flügelbefestigungsbohrungen im Flügelarm ggf. mit
einem dünnen Blech abdecken. Die Justierschraube
am Flügelarm gegenüber der Justierschraube an der
Vorrichtung (Anschlag) positionieren.
Abb. 46. Komponenten der Flügelarm-
Justiervorrichtung
4. Klemmschrauben zum Einspannen des Flügelarms mit
Innensechskantschlüssel anziehen.
5. Justierabstand (siehe Abb. 44) für den ersten Flügelarm
einstellen. Die restlichen Flügelarme werden auf diesen
Abstand eingestellt.
6. Kontermutter am Flügelarmfinger lösen und
Justierschraube des Flügelarms so einstellen, dass sie
die Justierschraube der Vorrichtung nicht ganz berührt
(0,01" = 0,25 mm).
7. Nach Erreichen der korrekten Einstellung die Kontermutter
am Flügelarmfinger festziehen.
8. Klemmschrauben der Justiervorrichtung lösen und
Flügelarm entnehmen.
9. Schritte für die restlichen Flügelarme wiederholen.
HINWEIS
Für Arme mit Drehrichtung IM UHRZEIGERSINN
muss sich der Schwenkarm der Vorrichtung in der
OBEREN Position befinden (A in Abb. 45). Für Arme mit
Drehrichtung ENTGEGEN DEM UHRZEIGERSINN muss
sich der Schwenkarm der Vorrichtung in der UNTEREN
Position befinden (B in Abb. 45).
Wiederzusammenbau
1. Obere und untere Verschleißplatte sowie Druckring
reinigen und überprüfen. Die gesamte Nabenbaugruppe
überprüfen. Betonablagerungen und Rost mit der
Drahtbürste entfernen. Beschädigte oder unrunde
Nabenkomponenten austauschen.
2. Sicherstellen, dass die bronzenen Flügelarmbuchsen
nicht beschädigt oder unrund sind. Die Buchsen falls
erforderlich reinigen. Beschädigte oder abgenutzte
Buchsen ersetzen.
3. Bronzebuchse auf Flügelarm aufsetzen.
4. Schritte 2-3 für jeden Flügelarm wiederholen.
5. Sicherstellen, dass der Federspanner richtig positioniert
ist und auf den Flügelarm drückt.
6. Alle Flügelarme mit zugehörigen Flügelarmfingern und
aufgesetzten Bronzebuchsen in Nabenstern einsetzen.
Die Schmieröffnungen der Bronzebuchsen dabei
genau unter den Schmiernippeln des Nabensterns
positionieren.
7. Flügelarme durch Anziehen der Sechskantschrauben mit
Schmiernippel sowie der Kontermuttern befestigen.
8. Flügel auf Flügelarme montieren.
9. Stabilisatorring auf Nabenbaugruppe montieren.
10. Alle Schmierstellen (Schmiernippel) mit hochwertigem
Lithium-12-Schmierfett der NLGI-Konsistenzklasse 2
schmieren.
Anbringen von Glättscheiben an den Glättflügeln
Diese runden Scheiben, gelegentlich auch als „Teller“
bezeichnet, werden an den Flügelarmen befestigt und
ermöglichen ein frühzeitiges Befahren nassen Betons sowie
einen leichten Übergang von nassen auf trockene Bereiche.
Sie eignen sich darüber hinaus besonders für das Einbringen
von voluminösen Zuschlagstoffen und Oberflächenhärtern.
WARNUNG
Absturzgefahr beim Heben. Den Flügelglätter
NIE mit montierten Glättscheiben heben.
WARNUNG
Glättscheiben STETS auf der Arbeitsfläche oder einer
angrenzenden Fläche gleicher Höhe montieren. Den
Flügelglätter NIE mit montierten Glättscheiben anheben.

HHXD5-AUFSITZ-FLÜGELGLÄTTER • BETRIEBSHANDBUCH — VERSION NR. 2 (04.05.12) — SEITE 43
WARTUNG
Montage der Glättscheiben an den Glättflügeln siehe Abb. 47.
Abb. 47. Glättscheibenmontage mit Z-Clip
1. Das Gerät gerade so weit anheben, dass die Glättscheibe
unter die Flügel geschoben werden kann. Gerät so auf
die Glättscheibe absenken, dass sich die Flügel neben
den Z-Clips befinden.
2. Flügel unter die Z-Clips drehen. Dabei darauf achten,
dass sich die Flügel in die Betriebsrichtung des Geräts
drehen, die Flügel ggf. mithilfe des Motors in die richtige
Lage drehen.
3. Die Flügelhalterungen mit den Halteknöpfen am
entfernteren Ende der Z-Clips befestigen, siehe Abb.
42.
4. Vor Wiederinbetriebnahme des Geräts sicherstellen,
dass die Flügelkanten sicher unter den Z-Clips befestigt
sind und dass die Halterungen über die Kanten der
Flügelarme gespannt sind.
Hydraulischer Lenkdruck
Viele Hydraulikprobleme sind auf niedrige Flüssigkeitsstände
zurückzuführen. Vor der Untersuchung auf andere Probleme
daher sicherstellen, dass der Hydraulikflüssigkeitstank
ausreichend gefüllt ist.
WARNUNG
Hydrauliklecks NIE mit der Hand suchen. Verwenden
Sie ein Stück Holz oder Karton. In die Haut eingetretene
Hydraulikflüssigkeit sofort von einem fachkundigen
Arzt behandeln lassen, da dies sonst zu schweren
Verletzungen und zum Tod führen kann.
Überprüfen des Lenkdrucks
1. Die linke Abdeckung abnehmen und das Prüfmanometer
(20 - 40 bar) auf den Diagnose-Schnellanschluss des
linken Lenkventils stecken, siehe Abb. 48.
2. Korrekten Füllstand der Hydraulikflüssigkeit prüfen.
3. Motor anlassen und Gerät warmlaufen lassen.
4. Gashebel auf VOLLE Motordrehzahl stellen.
5. Druckwert ablesen und aufzeichnen.
Interpretation des gemessenen Druckwertes
ACHTUNG
Dieses Verfahren erfordert zwei oder mehr Personen.
Der Flügelglätter muss angelassen und dabei auf der
Stelle gehalten werden. Sollte es schwer sein, ihn
stationär zu halten, kann der Flügelglätter auch auf 2
bis 3 Pflöcke oder andere unbewegliche Gegenstände
platziert werden.
WARNUNG
Der Lade-/Lenkdruck muss STETS zwischen 10 bar und
20 bar liegen. Zu hohe Drücke können zu Leckagen, zu
niedrige Drücke zur Beschädigung des Geräts führen.

SEITE 44 — HHXD5-AUFSITZ-FLÜGELGLÄTTER • BETRIEBSHANDBUCH — VERSION NR. 2 (04.05.12)
WARTUNG
Abb. 48. Prüfen des Lenkdrucks
Die Werkseinstellung für das linke Lenkventil beträgt 16 bar
(230 PSI). Manche Fahrer bevorzugen jedoch eine reaktivere
Steuerung (höherer Druck erforderlich, max. 20 bar (300
PSI)) oder aber eine „weichere“ Steuerung (niedrigerer Druck
erforderlich, mind. 10 bar (150 PSI)).
3000
5000
bar
psi
4000
200
250
300
50
100
150
1000
2000
WIKA
Einstellen des Lenkdrucks
Abb. 49. Einstellen des Lenkdrucks
Achtung: Der Flügelglätter muss beim Prüfen des Drucks
während der Anlaufphase auf der Stelle gehalten werden.
1. Frontgitter abnehmen.
2. Die Kontermutter am Servo-Sicherheitsventil lösen (Abb.
49).
3. Den Lenkdruck mithilfe eines Innensechskantschlüssels
auf den gewünschten Wert einstellen (10 - 20 bar /
150 - 300 PSI). Siehe Verfahren zum Einstellen des
Lenkdrucks.
4. Kontermutter wieder festziehen.
5. Druckmesser entfernen und Schutzgitter wieder
anbringen.

HHXD5-AUFSITZ-FLÜGELGLÄTTER • BETRIEBSHANDBUCH — VERSION NR. 2 (04.05.12) — SEITE 45
AUSSERDIENSTSTELLUNG DES FLÜGELGLÄTTERS
Die Außerdienststellung ist ein kontrolliertes Verfahren zur
Stilllegung von nicht mehr nutzbaren Geräten. Falls das
Gerät aufgrund von Verschleiß oder Beschädigung ein nicht
akzeptables und irreparables Sicherheitsrisiko darstellt
oder nicht mehr kostengünstig betrieben werden kann, ist
es außer Dienst zu stellen (zu demontieren). Dazu ist das
folgende Verfahren anzuwenden:
1. Alle Flüssigkeiten entleeren. Dazu gehören
beispielsweise Öl, Dieselkraftstoff, Hydrauliköl und
Frostschutzmittel. Diese sind in Übereinstimmung mit
den geltenden Vorschriften zu entsorgen. Sie dürfen in
keinem Fall auf den Boden, in die Kanalisation oder
Abwasserleitungen gegossen werden.
2. Die Batterie entfernen und sachgerecht entsorgen,
um das Bleirecycling zu gewährleisten. Bei der
Handhabung von schwefelsäurehaltigen Batterien die
entsprechenden Sicherheitsvorkehrungen beachten
(siehe Seite 11).
3. Die verbleibenden Komponenten können zur weiteren
Demontage zu einem Schrottplatz oder einer
Metallrecyclinganlage verbracht werden.

SEITE 46 — HHXD5-AUFSITZ-FLÜGELGLÄTTER • BETRIEBSHANDBUCH — VERSION NR. 2 (04.05.12)
KRAFTSTOFFKREISLAUF

HHXD5-AUFSITZ-FLÜGELGLÄTTER • BETRIEBSHANDBUCH — VERSION NR. 2 (04.05.12) — SEITE 47
NOTIZEN

SEITE 48 — HHXD5-AUFSITZ-FLÜGELGLÄTTER • BETRIEBSHANDBUCH — VERSION NR. 2 (04.05.12)
SCHALTPLAN (MOTOR)

HHXD5-AUFSITZ-FLÜGELGLÄTTER • BETRIEBSHANDBUCH — VERSION NR. 2 (04.05.12) — SEITE 49
SCHALTPLAN (MOTOR)

SEITE 50 — HHXD5-AUFSITZ-FLÜGELGLÄTTER • BETRIEBSHANDBUCH — VERSION NR. 2 (04.05.12)
FEHLERSUCHE
Fehlerbehebung (Aufsitz-Flügelglätter)
Symptom Mögliches Problem Lösung
Motor läuft unruhig oder gar nicht.
Totmannschalter defekt? Prüfen, ob der Totmannschalter funktioniert, wenn der
Fahrer sitzt. Schalter falls nötig ersetzen.
Kraftstoff?
Das Kraftstoffsystem prüfen. Sicherstellen, dass
Kraftstoff zum Motor gelangt. Kraftstofffi lter auf
Verstopfung prüfen.
Zündung? Prüfen, ob Zündkontakt mit Spannung versorgt wird und
korrekt funktioniert.
Totmannschalter funktioniert nicht.
Kontaktprobleme? Schalter ersetzen.
Lose Leitungsverbindungen? Leitungen prüfen. Bei Bedarf ersetzen.
Sonstige Probleme? Das Motorhandbuch zurate ziehen.
Glätter hüpft, walzt den Beton oder hinterlässt
Kreiselspuren im Beton.
Flügel?
Flügel auf Zustand und übermäßige Abnutzung
prüfen. Glättfl ügel sollten mindesten 50 mm,
Kombinationsfl ügel mindestens 89 mm breit sein
(Vorder- bis Hinterkante). Die Flügelhinterkante muss
gerade und parallel zum Flügelarm sein.
Justierung der Flügelstellung?
Durch Messung am Nabenstern prüfen, ob
der Anstellwinkel für alle Flügel gleich ist. Zur
Höheneinstellung der Flügelarme ist eine
Justiervorrichtung für den Baustelleneinsatz verfügbar
(Ersatzteilabteilung kontaktieren).
Verbogene Flügelarme? Die Nabenbaugruppe auf verbogene Flügelarme prüfen.
Arm auch bei nur leichtem Verzug sofort ersetzen.
Flügelarmbuchsen?
Festen Sitz der Flügelarmbuchsen prüfen. Die
Flügelarme dazu nach oben und unten bewegen.
Schwenkt die Armspitze dabei um mehr als 3,2 mm
aus, sind die Buchsen zu ersetzen. Alle Buchsen sind
gleichzeitig zu ersetzen.
Druckring?
Die Ebenheit des Druckrings durch Drehen auf dem
Nabenstern prüfen. Bei Abweichungen von mehr als 0,5
mm den Druckring ersetzen.
Druckringbuchse?
Den Druckring auf dem Nabenstern hin- und
herbewegen. Die Druckringbuchse ersetzen, wenn am
Außendurchmesser des Druckrings mehr als 1,6 mm
Spiel besteht.
Druckringlager abgenutzt? Prüfen, ob sich das Druckringlager leichtgängig dreht.
Falls nötig ersetzen.
Gerät schwankt im Betrieb.
Hauptwelle?
Die Hauptwelle der Getriebeeinheit auf Geradheit
prüfen. Die Hauptwelle muss gerade laufen, mit einer
maximalen Rundheitsabweichung von 0,08 mm am
Nabensitz.
Gabel?
Prüfen, ob beide Arme der Gabel gleich stark gegen
den Verschleißdeckel drücken. Gabel nach Bedarf
ersetzen.
Flügelstellung?
Prüfen, ob alle Flügel den gleichen Anstellwinkel
besitzen. Nach Bedarf gemäß Beschreibung im
Abschnitt „Wartung“ dieses Handbuchs justieren.

HHXD5-AUFSITZ-FLÜGELGLÄTTER • BETRIEBSHANDBUCH — VERSION NR. 2 (04.05.12) — SEITE 51
FEHLERSUCHE
Fehlerbehebung (Aufsitz-Flügelglätter) - Fortsetzung
Symptom Mögliches Problem Lösung
Scheinwerfer (Option) funktionieren nicht.
Anschluss?
Alle elektrischen Verbindungen im
Scheinwerferstromkreis prüfen. Kabel auf Zustand und
Kurzschlüsse prüfen. Defekte Kabel und Komponenten
sofort ersetzen.
Scheinwerfer?
Wenn an der Lampenfassung bei betätigtem
Scheinwerferschalter 12 Volt Gleichspannung anliegen,
ohne dass der Scheinwerfer funktioniert, die Glühlampe
ersetzen.
Defekter Schalter?
Die elektrische Durchgängigkeit des
Scheinwerferschalters prüfen. Defekten Schalter
ersetzen.
Defekte Sicherung? Die Sicherung prüfen. Defekte Sicherung ersetzen.
Verzögerer-Sprühmechanismus (Option)
funktioniert nicht.
Verzögerer? Füllstand des Verzögerertanks prüfen. Tank nach Bedarf
auffüllen.
Anschluss?
Alle elektrischen Verbindungen im
Sprühpumpenstromkreis prüfen. Kabel auf Zustand und
Kurzschlüsse prüfen. Defekte Kabel und Komponenten
sofort ersetzen.
Defekter Schalter?
Die elektrische Durchgängigkeit des linken und
rechten Sprühschalters (Handhebel) prüfen. Defekten
Sprühschalter ersetzen.
Sprühpumpe defekt?
Wenn am Pumpenanschluss bei betätigtem
Sprühschalter 12 Volt Gleichspannung anliegen, ohne
dass die Pumpe funktioniert, die Sprühpumpe ersetzen.
Defekte Sicherung? Die Sicherung prüfen. Defekte Sicherung ersetzen.
Lenkung reagiert schlecht.
Rotordrehzahl schlecht justiert? Siehe Abschnitt zur Justierung der Rotordrehzahl.
Drehzapfen? Ungehinderte Bewegung der Hydraulikstellmotoren
gewährleisten.
Hydraulikdruck? Prüfen, ob der korrekte Hydraulikdruck vorliegt. Siehe
Abschnitt zum Prüfen des Hydraulikdrucks.
Unbequeme Arbeitsposition. Sitz für Fahrer eingestellt? Sitz mit Hebel vorne unter der Sitzfl äche einstellen.
Verbindung am Twin-Pitch-Flügelstellungsregler
funktioniert nicht.
Defekte Komponenten am
Flügelstellungsregler?
Alle Komponenten des Flügelstellungsreglers prüfen.
Alle defekten Komponenten sofort ersetzen.
Defektes Flügelstellkabel? Flügelstellkabel prüfen. Defektes Kabel ersetzen.
Kupplung rutscht oder reagiert träge auf
Änderungen der Motordrehzahl.
Abgenutzte Riemen? Riemen ersetzen.
Kupplung schlecht justiert. Kupplung, wie im Abschnitt „Wartung“ dieses
Handbuchs beschrieben, justieren.
Abgenutzte oder defekte
Kupplungskomponenten? Komponenten nach Bedarf ersetzen.
Abgenutzte Lager im Getriebe?
Primärwelle mit der Hand drehen. Falls schwergängig,
Lager von Primär- und Sekundärwelle prüfen. Bei Bedarf
ersetzen.
Abgenutzte oder gebrochene
Getriebeverzahnungen?
Primärwelle drehen und prüfen, ob sich die
Getriebewelle mitdreht. Schnecke und Schneckenrad
gemeinsam ersetzen.

SEITE 52 — HHXD5-AUFSITZ-FLÜGELGLÄTTER • BETRIEBSHANDBUCH — VERSION NR. 2 (04.05.12)
FEHLERSUCHE
Fehlerbehebung (Motor)
Symptom Mögliches Problem Lösung
Motor läuft nicht oder nur verzögert an,
obwohl der Motor gedreht werden kann.
Kraftstoff erreicht Einspritzpumpe nicht? Tanken. Kraftstoffsystem vollständig prüfen.
Kraftstoffpumpe defekt? Kraftstoffpumpe ersetzen.
Kraftstofffi lter verstopft? Kraftstofffi lter ersetzen und Tank reinigen.
Defekte Kraftstoffl eitung? Kraftstoffl eitung ersetzen oder reparieren.
Zu geringe Verdichtung?
Kolben, Zylinder und Ventile prüfen. Gemäß
Motorreparaturhandbuch einstellen bzw.
reparieren.
Kraftstoffpumpe funktioniert nicht korrekt? Kraftstoffpumpe ersetzen oder reparieren.
Öldruck zu niedrig? Motoröldruck prüfen.
Anlasstemperatur zu niedrig? Die Anweisungen zum Kaltstart befolgen,
geeignete Ölviskosität gewährleisten.
Batterie defekt? Batterie laden oder austauschen.
Luft oder Wasser im Kraftstoffsystem? Sorgfältig auf lose Anschlüsse der
Kraftstoffl eitung, Hutmutter usw. prüfen.
Motor startet bei niedrigen Temperaturen
nicht.
Motoröl zu dickfl üssig?
Kurbelgehäuse mit einem den niedrigen
Temperaturen angepassten Motoröl neu
befüllen.
Batterie defekt? Batterie austauschen.
Motor zündet, stoppt jedoch bei Loslassen
des Zündschlüssels.
Kraftstofffi lter verstopft? Kraftstofffi lter ersetzen.
Kraftstoffl eitung verstopft? Kraftstoffsystem vollständig prüfen.
Kraftstoffpumpe defekt? Kraftstoffpumpe ersetzen.
Motor geht im normalen Betrieb von allein
aus.
Kraftstofftank leer? Tanken.
Kraftstofffi lter verstopft? Kraftstofffi lter ersetzen.
Kraftstoffpumpe defekt? Kraftstoffpumpe ersetzen.
Der mechanische Öldrucksensor stoppt das
Gerät wegen niedrigen Ölstands?
Öl nachfüllen. Öldrucksensor falls nötig
ersetzen.
Geringe Motorleistung und Drehzahl.
Kraftstofftank leer? Kraftstofffi lter ersetzen.
Kraftstofffi lter verstopft? Kraftstofffi lter ersetzen.
Kraftstofftankentlüftung unzureichend? Ausreichende Tankentlüftung gewährleisten.
Undichte Rohrverbindungen? Rohrverschrauben prüfen und ggf. mit
Dichtband abdichten und festziehen.
Geschwindigkeitssteuerhebel bleibt nicht in
der gewählten Position? Abhilfemaßnahmen siehe Motorhandbuch.
Motorölstand zu hoch? Korrekten Motorölstand sicherstellen.
Einspritzpumpe abgenutzt?
Nur Dieselkraftstoff Typ 2-D (ASTM-
Klassifi zierung) verwenden.
Einspritzpumpenelement und
Druckventilbaugruppe prüfen und falls nötig
ersetzen.

HHXD5-AUFSITZ-FLÜGELGLÄTTER • BETRIEBSHANDBUCH — VERSION NR. 2 (04.05.12) — SEITE 53
FEHLERSUCHE
Fehlerbehebung (Motor) - Fortsetzung
Symptom Mögliches Problem Lösung
Geringe Motorleistung und Drehzahl,
schwarze Abgase
Luftfi lter verstopft? Luftfi lter säubern oder austauschen.
Falsches Ventilspiel? Ventile gemäß Motorspezifi kation einstellen.
Fehlfunktion an Einspritzdüse? Siehe Motorhandbuch
Überhitzung des Motors
Zu viel Öl im Kurbelgehäuse? Motoröl bis zur oberen Markierung am
Messstab ablassen.
Luftkühlsystem verstopft/verschmutzt? Luftkühlsystem und Kühlrippen reinigen.
Kühlerriemen gerissen oder verlängert? Riemen wechseln oder Riemenspannung
nachstellen.
Nicht genügend Kühlfl üssigkeit? Kühlfl üssigkeit nachfüllen.
Kühlrippen/Kühlstruktur mit Schmutz
verstopft? Kühlrippen/Kühlstruktur gründlich reinigen.
Lüfter, Kühler oder Kühlerverschluss defekt? Defekte Komponente ersetzen.
Thermostat defekt? Thermostat prüfen und falls nötig ersetzen.
Kopfdichtung defekt oder Wasserverlust? Komponenten ersetzen.

BETRIEBSHANDBUCH
Ihr Händler:
SO ERHALTEN SIE HILFE
BEIM ANRUF BITTE
MODELL- UND SERIENNUMMER BEREITHALTEN
© COPYRIGHT 2012, MULTIQUIP INC.
Multiquip Inc, das MQ-Logo und das Whiteman-Logo sind registrierte Marken von Multiquip Inc. und dürfen ohne schriftliche Genehmigung nicht verwendet, vervielfältigt oder modifi ziert
werden. Alle anderen Marken sind im Besitz ihrer jeweiligen Eigentümer und ihre Verwendung wurde genehmigt.
Dieses Handbuch MUSS
der Maschine jederzeit beiliegen. Dieses Handbuch wird als ständiger Bestandteil der Maschine betrachtet und muss der Maschine bei einem Verkauf beiliegen.
Die in dieser Publikation enthaltenen Informationen und technischen Daten waren zum Zeitpunkt der Drucklegung in Kraft. Die Abbildungen, Beschreibungen, Verweise und technischen
Daten dieses Handbuchs sind lediglich als unverbindliche Richtlinien und als nicht bindend zu betrachten. Multiquip Inc. behält sich das Recht vor, die in diesem Handbuch veröffentlichten
technischen Daten, Bauweisen oder Informationen jederzeit ohne Ankündigung und ohne Verpfl ichtung zu ändern.
USA
Multiquip-Konzernzentrale MQ Ersatzteilabteilung
18910 Wilmington Ave.
Carson, CA 90746
Kontakt: mq@multiquip.com
Tel: +1-800-421-1244
Fax: +1-310-537-3927
+1-800-427-1244
+1-310-537-3700
Fax: +1-800-672-7877
Fax: +1-310-637-3284
Service-Abteilung Garantieabteilung
+1-800-421-1244
+1-310-537-3700
Fax: +1-310-537-4259 +1-800-421-1244
+1-310-537-3700
Fax: +1-310-943-2249
Technische Unterstützung
+1-800-478-1244 Fax: +1-310-943-2238
MEXIKO GROSSBRITANNIEN
MQ Cipsa Multiquip (UK) Ltd. Zentrale
Carr. Fed. Mexico-Puebla KM 126.5
Momoxpan, Cholula, Puebla 72760 Mexico
Kontakt: pmastretta@cipsa.com.mx
Tel: +52-222-225-9900
Fax: +52-222-285-0420
Unit 2, Northpoint Industrial Estate,
Global Lane,
Dukinfi eld, Cheshire SK16 4UJ
Kontakt: sales@multiquip.co.uk
Tel: +44-161-339-2223
Fax: +44-161-339-3226
KANADA
Multiquip
4110 Industriel Boul.
Laval, Quebec, Canada H7L 6V3
Kontakt: jmartin@multiquip.com
Tel: +1-450-625-2244
Tel: +1-877-963-4411
Fax: +1-450-625-8664