Multiquip Mq Power Whisperwatt 60 Hz Generator Dca 100Ssvu Users Manual Rev 0.pmd
MQ Power Whisperwatt 60 Hz Generator DCA-100SSVU Generators_portable_whisperwatt_DCA100SSVU_rev_0_manual_DataId_19082_Version_1
DCA-100SSVU to the manual d6e91941-c562-4f96-bcf0-bae06917250f
2015-02-09
: Multiquip Multiquip-Mq-Power-Whisperwatt-60-Hz-Generator-Dca-100Ssvu-Users-Manual-558513 multiquip-mq-power-whisperwatt-60-hz-generator-dca-100ssvu-users-manual-558513 multiquip pdf
Open the PDF directly: View PDF
.
Page Count: 90

PARTS AND OPERATION MANUAL
OPERATION AND PARTS MANUAL
Revision #0 (11/05/07)
THIS MANUAL MUST ACCOMPANY
THE EQUIPMENT AT ALL TIMES.
WHISPERWATTTM SERIES
MODEL DCA-100SSVU
60 Hz GENERATOR
PARTS LIST NO. M3870300704F

PAGE 2 — DCA-100SSVU— OPERATION AND PARTS MANUAL — REV. #0 (11/05/07)

DCA-100SSVU— OPERATION AND PARTS MANUAL — REV. #0 (11/05/07) — PAGE 3
1
© COPYRIGHT 2007, MULTIQUIP INC.
MQ Power Inc, Ultra-Silent series, and the MQ Power logo are registered trademarks of Multiquip Inc. and may not be used,
reproduced, or altered without written permission. All other trademarks are the property of thier respective owners and used with
permission.
This manual MUST accompany the equipment at all times. This manual is considered a permanent part of the equipment and
should remain with the unit if resold.
The information and specifications included in this publication were in effect at the time of approval for printing. Illustrations are
based on the
DCA-100SSVU WHISPERWATT AC Generator
. Multiquip Inc. reserves the right to discontinue or change specifications,
design or the information published in this publication at any time without notice and without incurring any obligations.
To find the latest revision of this
publication, visit our website at:
www.mqpower.com
HERE'S HOW TO GET HELP
PLEASE HAVE THE MODEL AND SERIAL
NUMBER
ON-HAND
WHEN CALLING
MQ POWER CORPORATE OFFICE
18910 Wilmington Ave. 800-421-1244
Carson, CA 90746
FAX:
310-632-2656
Email: mqpower@multiquip.com
Internet: www.mqpower.com
PARTS DEPARTMENT
800-427-1244
FAX:
800-672-7877
310-537-3700
FAX:
310-637-3284
SERVICE DEPARTMENT
800-835-2551
FAX:
310-638-8046
310-537-3700
TECHNICAL ASSISTANCE
800-835-2551
FAX:
310-638-8046
WARRANTY DEPARTMENT
800-835-2551,
EXT.
279
FAX:
310-638-8046
310-537-3700,
EXT.
279

PAGE 4 — DCA-100SSVU— OPERATION AND PARTS MANUAL — REV. #0 (11/05/07)
TABLE OF CONTENTS
Specification and part
number are subject to
change without notice.
NOTE
MQ POWER DCA-100SSVUMQ POWER DCA-100SSVU
MQ POWER DCA-100SSVUMQ POWER DCA-100SSVU
MQ POWER DCA-100SSVU
WHISPERWHISPER
WHISPERWHISPER
WHISPERWW
WW
WAA
AA
ATTTT
TTTT
TTTMTM
TMTM
TM
GENERATORGENERATOR
GENERATORGENERATOR
GENERATOR
California Proposition 65 Warning ..................................... 2
Here's How To Get Help .................................................... 3
Table Of Contents ............................................................. 4
Parts Ordering Procedures ............................................... 5
Specifications ................................................................... 6
Dimensions (Top, Side, Front) ........................................... 7
Safety Message Alert Symbols .................................... 8-9
Rules for Safe Operation ........................................... 10-13
Generator Decals ....................................................... 14-15
Installation ................................................................. 16-17
General Information ........................................................ 18
Major Components ......................................................... 19
Generator Control Panel ................................................. 21
Engine Operating Panel ............................................. 22-23
Output Terminal Panel Familiarization ........................ 24-26
Load Application ............................................................. 27
Generator Outputs .......................................................... 28
Gauge Reading ............................................................... 29
Output Terminal Panel Connections ........................... 30-31
Pre-Setup .................................................................. 32-35
Generator Start-up Procedure (Manual) ..................... 36-37
Generator Start-up Procedure (Auto Mode) .................... 38
Generator Shut-Down Procedure .................................... 39
Maintenance (Engine) ................................................ 40-41
Jacket Water Heater/battery Charger (Option) ................ 42
Maintenance (Trailer) ................................................. 43-46
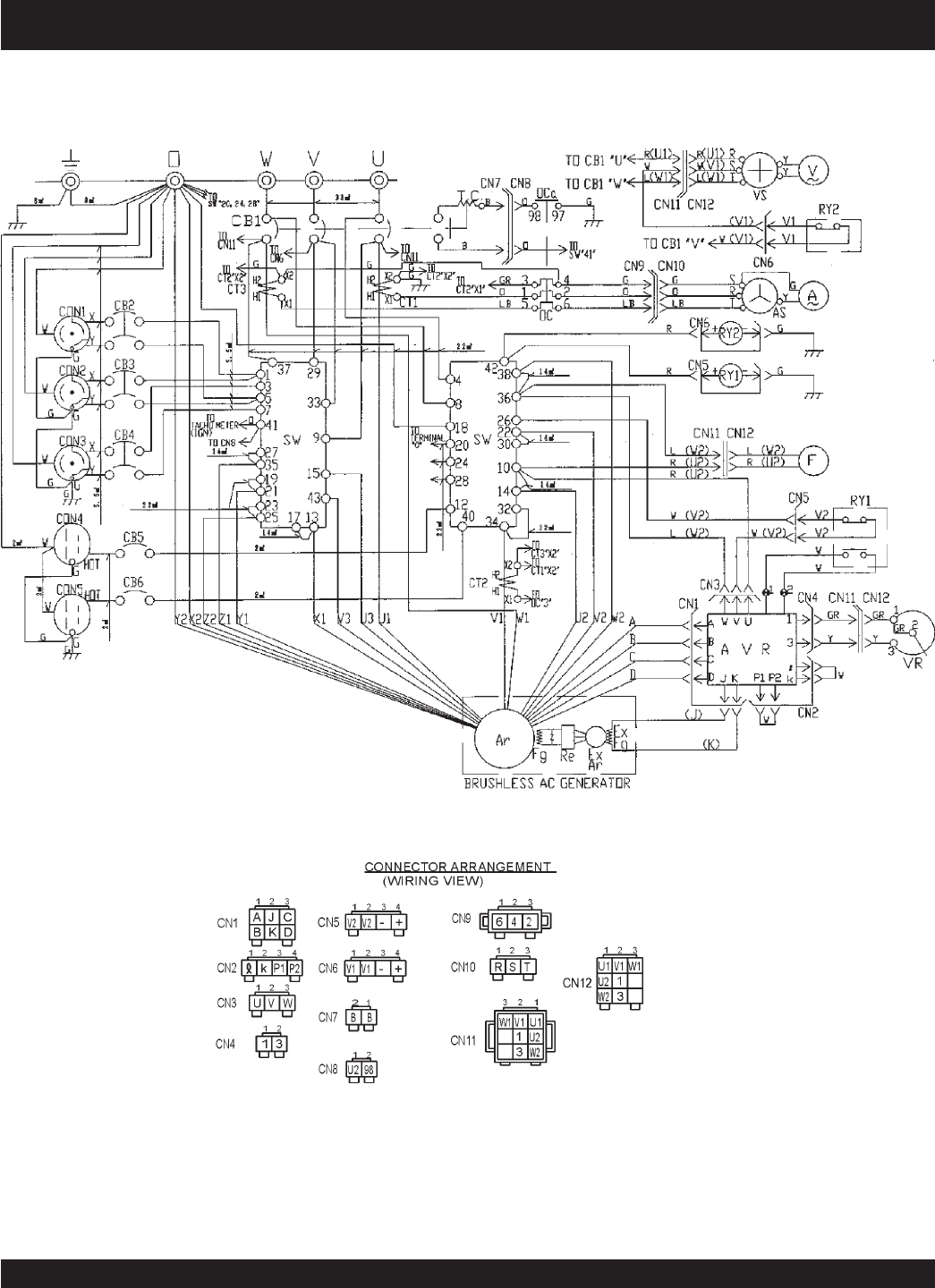
Trailer Wiring Diagram ..................................................... 47
Generator Wiring Diagram ............................................... 48
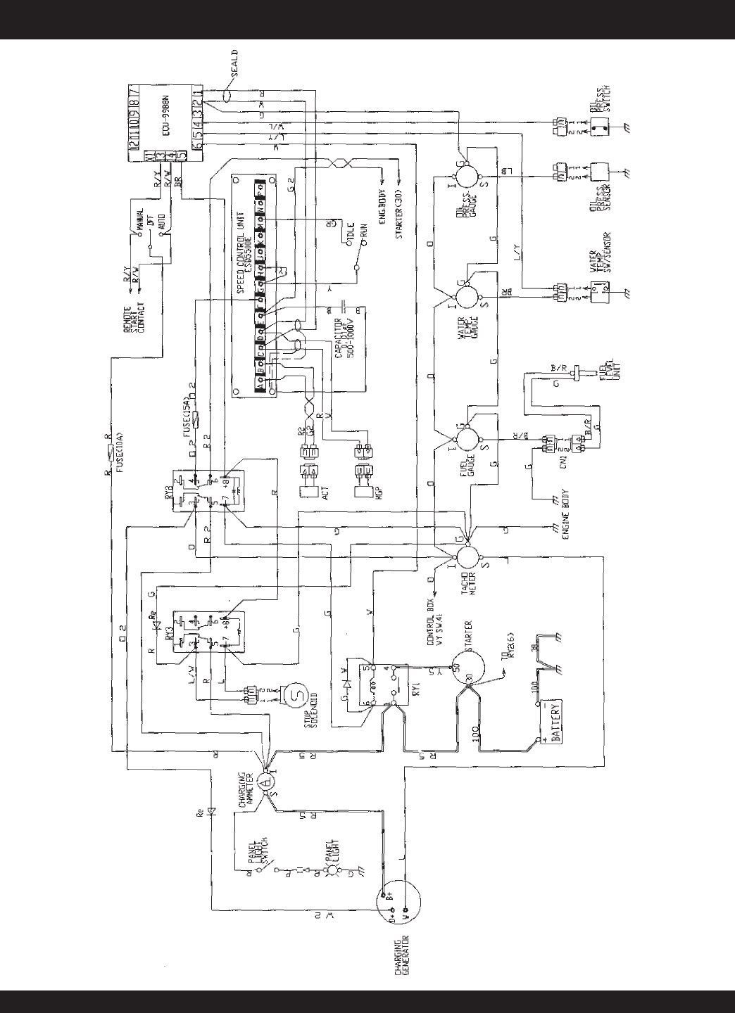
Engine Wiring Diagram ................................................... 49
Generator Troubleshooting .............................................. 50
Engine Controller Troubleshooting ................................... 51
Explanation of Code in Remarks Column ....................... 52
Suggested Spare Parts .................................................. 53
Generator Assembly .................................................. 54-55
Engine Operating Panel Assembly ............................ 56-57
Control Box Assembly (S/N 7800129 and Below) ..... 58-61
Control Box Assembly (S/N 7800130 and Above) ..... 62-65
Engine and Radiator Assembly ................................. 66-67
Output Terminal Assembly ......................................... 68-69
Actuator Assembly .................................................... 70-71
Battery Assembly ...................................................... 72-73
Muffler Assembly ...................................................... 74-75
Fuel Tank Assembly .................................................. 76-77
Enclosure Assembly ................................................. 78-81
Rubber Seals Assembly ............................................ 82-83
Nameplate and Decals .............................................. 84-87
Terms and Condition of Sale — Parts ............................ 88
COMPONENT DRACOMPONENT DRA
COMPONENT DRACOMPONENT DRA
COMPONENT DRAWINGSWINGS
WINGSWINGS
WINGS

DCA-100SSVU— OPERATION AND PARTS MANUAL — REV. #0 (11/05/07) — PAGE 5
1
MQPOWER
A Division of Multiquip Inc.
POST OFFICE BOX 6254
CARSON, CA 90749
310-537-3700 • 800-421-1244
FAX: 310-632-2656
E-MAIL: mqpower@multiquip.com
INTERNET: www.mqpower.com
When ordering parts,
please supply the following information:
❒❒
❒❒
❒Dealer account number
❒❒
❒❒
❒Dealer name and address
❒❒
❒❒
❒Shipping address (if different than billing address)
❒❒
❒❒
❒Return fax number
❒❒
❒❒
❒Applicable model number
❒❒
❒❒
❒Quantity, part number and description of each part
❒❒
❒❒
❒Specify preferred method of shipment:
✓FedEx or UPS Ground
✓FedEx or UPS Second Day or Third Day
✓FedEx or UPS Next Day
✓Federal Express Priority One
✓DHL
✓Tr uck
Note: Unless otherwise indicated by customer, all
orders are treated as “Standard Orders”, and will
ship within 24 hours. We will make every effort to
ship “Air Shipments” the same day that the order is
received, if prior to 2PM west coast time. “Stock
Orders” must be so noted on fax or web forms.
Extra Discounts!
All parts orders which include complete part numbers and
are received by our automated web parts order system, or
by fax qualify for the following extra discounts:
Ordered Standard Stock orders
via orders ($750 list and above)
Fax 3% 10%
Web 5% 10%
Special freight allowances
when you order 10 or more
line items via Web or Fax!**
FedEx Ground Service
at no charge for freight
No other allowances on freight shipped by any other carrier.
**Common nuts, bolts and washers (all items under $1.00
list price) do not count towards the 10+ line items.
Place Your Parts Order Via Web or Fax
For Even More Savings!
(Domestic USA Dealers Only)
NOTE: DISCOUNTS ARE SUBJECT TO CHANGE
Here’s how to get help...
Please have the model and serial number
on hand when calling.
MQ POWER CORPORATE OFFICE
18910 Wilmington Ave. 800-421-1244
Carson, CA 90746
FAX:
310-632-2656
Email: mqpower@multiquip.com
Internet: www.mqpower.com
PARTS DEPARTMENT
800-427-1244
FAX:
800-672-7877
310-537-3700
FAX:
310-637-3284
SERVICE DEPARTMENT
800-835-2551
FAX:
310-638-8046
310-537-3700
TECHNICAL ASSISTANCE
800-835-2551
FAX:
310-638-8046
WARRANTY DEPARTMENT
800-835-2551,
EXT.
279
FAX:
310-638-8046
310-537-3700,
EXT.
279
Direct TOLL-FREE access
to our Parts Department:
Toll-free nationwide — 800-427-1244
Toll-free FAX — 800-6-PARTS-7 (800/672-7877)
PARTS ORDERING PROCEDURES

PAGE 6 — DCA-100SSVU— OPERATION AND PARTS MANUAL — REV. #0 (11/05/07)
DCA-100SSVU — SPECIFICATIONS
snoitacificepSrotareneG.1elbaT
ledoMUVSS001-ACD
epyT ,detalitnevfles,dleifgnivloveR
rotarenegsuonorhcnysepytdetcetorpnepo
noitcennoCeruta
mrA gaZgiZ/lartueNhtiwratS
esahP 3
tuptuOybdnatS )WK88(AVK011
tuptuOemirP )WK08(AVK001
Ø1—egatloV V772dna,452,
042,931,721,021
Ø3—egatloV V084dna,044,614,042,022,802
ycneuqerF zH06
deepS mpr0081
rotcaFrewoP 8.0
thgieWyrD )
.gk038,1(.sbl530,4
thgieWteW ).gk021,2(.sbl576,4
snoitacificepSenignE.2elbaT
ledoM EG025DATATNEPOVLOV
epyT degrahc-obrut,noitcejnitcerid,delooc-retaw,elcyc4
srednilyCfo.oN srednilyc4
e
kortSxeroB )mm031xmm801(.ni21.5x.ni52.4
tnemecalpsiD )sretil67.4(.ni.uc092
gnitratS CDV21cirtcelE
yticapaCt
nalooC )sretil7.91(.lag2.5
yticapaCliOebuL )sretil31(.lag4.3
epyTleuF leuFleseiD2#
yticapaCknaTleuF )sretil0
42(.lag36
noitpmusnoCleuF tarh/)L8.22(.lag20.6 daollluf
yrettaB HA821-V21

DCA-100SSVU— OPERATION AND PARTS MANUAL — REV. #0 (11/05/07) — PAGE 7
1
DCA-100SSVU — DIMENSIONS (TOP, SIDE AND FRONT)
Figure 1. Dimensions
SNOISNEMID.3ELBAT
ecnerefeR
retteL ).mm(.tfnoisnemiDretteLecnerefeR).mm(.tfnoisnemiD
A).mm087(.ni17.03F ).mm050,3(.ni80.021
B).mm0
87(.ni17.03G ).mm004,1(.ni21.55
C).mm050,1(.ni43.14H ).mm001,1(.ni13.34
D).mm079(.ni91.83
E).mm050,1(.ni43.14

PAGE 8 — DCA-100SSVU— OPERATION AND PARTS MANUAL — REV. #0 (11/05/07)
This Owner's Manual has been
developed to provide complete
instructions for the safe and
efficient operation of the
MQ Power
Model DCA-100SSVU
Whisperwatt™ Generator.
Before using this generator, ensure that the operating
individual has read and understands all instructions in
this manual.
Safety precautions should be followed at all times when
operating this equipment. Failure to read and understand the
Safety Messages and Operating Instructions could result in
injury to yourself and others.
FOR YOUR SAFETY AND THE SAFETY OF OTHERS! HAZARD SYMBOLS
Potential hazards associated with the operation of this
equipment will be referenced with "
Hazard Symbols
" which
appear throughout this manual, and will be referenced in
conjunction with Safety "
Message Alert Symbols
".
NOTE
DCA-100SSVU — SAFETY MESSAGE ALERT SYMBOLS
SAFETY MESSAGE ALERT SYMBOLS
The three (3) Safety Messages shown below will inform you
about potential hazards that could injure you or others. The
Safety Messages specifically address the level of exposure
to the operator, and are preceded by one of three words:
DANGER, WARNING, or CAUTION.
You WILL be KILLED or SERIOUSLY injured if you
do not follow directions.
You COULD be KILLED or SERIOUSLY injured if
you do not follow directions.
You CAN be injured if you do not follow directions
Gasoline engine exhaust gases contain
poisonous carbon monoxide. This gas is
colorless and odorless, and can cause
DEATH
if inhaled. NEVER operate this
equipment in a confined area or enclosed structure that
does not provide ample free flow air.
Gasoline
is extremely flammable, and
its vapors can cause an explosion if
ignited. DO NOT start the engine near
spilled fuel or combustible fluids.
DO NOT fill the fuel tank while the engine
is running or hot.
DO NOT overfill tank, since spilled fuel could ignite if it
comes into contact with hot engine parts or sparks from
the ignition system. Store fuel in approved containers, in
well-ventilated areas and away from sparks and flames.
NEVER use fuel as a cleaning agent.
Engine components can generate extreme
heat. To prevent burns, DO NOT touch these
areas while the engine is running or
immediately after operations. NEVER
operate the engine with heat shields or heat
guards removed.
WARNING
DANGER
CAUTION
WARNING - LETHAL EXHAUST GASES
WARNING - BURN HAZARDS
WARNING - EXPLOSIVE FUEL
During operation of this generator, there
exists the possibility of
electrocution,
electrical shock or burn,
which can cause
severe bodily harm
or even
DEATH!
DANGER - ELECTROCUTION HAZARDS

DCA-100SSVU— OPERATION AND PARTS MANUAL — REV. #0 (11/05/07) — PAGE 9
1
DCA-100SSVU — SAFETY MESSAGE ALERT SYMBOLS
ALWAYS place the engine ON/OFF
switch (MPEC) in the OFF/RESET
position when the generator is not in use.
ALWAYS wear approved
respiratory
protection.
ALWAYS wear approved
eye
and
hearing
protection.
Other important messages are provided throughout this
manual to help prevent damage to your generator, other
property, or the surrounding environment.
This generator, other property, or
the surrounding environment
could be damaged if you do not
follow instructions.
NOTE
NEVER tamper with the factory settings
of the engine governor or settings.
Personal injury and damage to the engine
or equipment can result if operating in
speed ranges above maximum allowable.
CAUTION - OVER-SPEED CONDITIONS
CAUTION - ACCIDENTAL STARTING
CAUTION - RESPIRATORY HAZARDS
CAUTION - SIGHT AND HEARING HAZARDS
CAUTION - EQUIPMENT DAMAGE MESSAGES
NEVER operate equipment with covers,
or guards removed. Keep
fingers
,
hands
,
hair
and clothing away from all moving
parts to prevent injury.
WARNING - ROTATING PARTS

PAGE 10 — DCA-100SSVU— OPERATION AND PARTS MANUAL — REV. #0 (11/05/07)
DCA-100SSVU — RULES FOR SAFE OPERATION
The following safety guidelines should always be used when
operating the
DCA-100SSVU Whisperwatt™ AC Generator.
General Safety:
■
DO NOT operate or service this
equipment before reading this entire
manual.
The operator MUST BE familiar with proper safety
precautions and operations techniques before using
generator.
■
This equipment should not be operated by persons under
18 years of age.
■
NEVER operate this equipment without proper protective
clothing, shatterproof glasses, steel-toed boots and other
protective devices required by the job.
■
NEVER operate this equipment when not
feeling well due to fatigue, illness or taking
medicine.
■
NEVER operate this equipment under the influence or
drugs or alcohol.
Failure to follow instructions in this manual may lead to
serious injury
or even
DEATH
! This equipment is to be
operated by trained and qualified personnel only! This
equipment is for industrial use only.
DANGER - READ THIS MANUAL!
■
ALWAYS check the machine for loosened threads or bolts
before starting.
■
NEVER operate the generator in an explosive atmosphere
or near combustible materials. An explosion or fire could
result causing severe
bodily harm or even death.
■
NEVER touch the hot exhaust manifold, muffler
or cylinder. Allow these parts to cool before
servicing engine or generator.
■
High Temperatures – Allow the engine
to cool before performing service and
maintenance functions. Contact with
hot!
components can cause serious
burns.
■
The engine of this generator requires an adequate free
flow of cooling air.
NEVER
operate the generator in any
enclosed or narrow area where free flow of the air is
restricted. If the air flow is
restricted it will cause serious
damage to the generator or
engine and may cause injury
to people. The generator
engine gives off DEADLY
carbon monoxide gas.
■
DO NOT place hands or fingers inside generator engine
compartment when engine is running.
■
NEVER run engine without air filter. Severe engine damage
may occur.
■
DO NOT leave the generator running in the
manual mode
unattended.
■
Refer to the
VOLVO Engine Owner's Manual
for engine
technical questions or information.
■
ALWAYS store equipment properly when it is not being
used. Equipment should be stored in a clean, dry location
out of the reach of children.
■
NEVER use accessories or attachments, which are not
recommended by MQ Power for this equipment. Damage
to the equipment and/or injury to user may result.
■
Manufacturer does not assume responsibility for any
accident due to equipment modifications. Unauthorized
equipment modification will void all warranties.
■
Whenever necessary, replace nameplate, operation and
safety decals when they become difficult read.

DCA-100SSVU— OPERATION AND PARTS MANUAL — REV. #0 (11/05/07) — PAGE 11
1
DCA-100SSVU — RULES FOR SAFE OPERATION
POWER
CORD
(POWER ON)
WET
HANDS
During operation of this generator, there
exists the possibility of
electrocution,
electrical shock or burn,
which can cause
severe bodily harm
or even
DEATH!
To avoid these hazards:
NEVER use damaged or worn cables when connecting
equipment to the generator. Make sure power connecting
cables are securely connected to the generator’s output
terminals, insufficient tightening of the terminal connections
may cause damage to the generator
and electrical shock.
NEVER grab or touch a live power
cord with wet hands.
NEVER touch output terminals
during operation. This is extremely
dangerous. ALWAYS stop the
machine and place the circuit
breaker in the OFF position when
contact with the output terminals is
required.
Backfeed to a utility system can
cause
electrocution
and or property
damage. DO NOT connect to any
building's electrical system except
through an approved device or after
building main switch is opened.
ALWAYS have a licensed electrician
perform the installation
DANGER - ELECTROCUTION HAZARDS
Generator Grounding
To guard against electrical shock and possible damage to
the equipment, it is important to provide a good EARTH
ground.
Article 250 (Grounding) of the
National Electrical Code
(NEC) provides guide lines for proper grounding and specifies
that the cable ground shall be connected to the grounding
system of the building as close to the point of cable entry
as practical.
The following safety recommendations should also be
followed:
■
ALWAYS make sure generator is properly grounded.
■
NEVER use gas piping as an electrical ground.
■
ALWAYS make sure that electrical circuits are properly
grounded
per the
National Electrical Code
(NEC) and
local codes before operating generator. Severe
injury
or
DEATH!
by electrocution can result from operating an
ungrounded generator.
■
ALWAYS be sure to use the ground terminal (green wire)
when connecting a load to the U,V, and W output
terminal lugs.
Electrical Safety
■
ALWAYS have a qualified electrician perform the
generator wiring installation.
■
ALWAYS make sure generator installation is accordance
with the
National Electrical Code
(NEC) and local codes
before operating generator.
■
NEVER use a defective or frayed power cable. Check
the cable for cuts in the insulation.
■
NEVER use a extension cord that is frayed or damaged
where the insulation has been cut.
■
ALWAYS make certain that proper extension cord has
been selected for the job. See Table 6.
■
NEVER power cables or cords
lay in wate
r.
■
NEVER
stand in water
while AC power from the generator
is being transfer to a load.

PAGE 12 — DCA-100SSVU— OPERATION AND PARTS MANUAL — REV. #0 (11/05/07)
DCA-100SSVU — RULES FOR SAFE OPERATION
Battery Safety
Use the following guidelines when handling the battery:
■
The battery contains acids that can
cause injury to the eyes and skin. To
avoid eye irritation,
always
wear safety
glasses.
■
Use well insulated gloves when picking up the battery.
Maintenance Safety
■
The electrical voltage required to operate the generator
can cause severe injury or even death through physical
contact with live circuits.
Turn all circuit breakers OFF
before performing maintenance on the generator.
■
NEVER lubricate components or attempt service on a
running machine.
■
ALWAYS disconnect the
NEGATIVE battery terminal
before performing service on the generator.
■
Follow all Battery Safety Guidelines listed in this manual
when handleing or servicing the generator.
■
ALWAYS allow the machine a proper amount of time to
cool before servicing.
■
Keep the machinery in proper running condition.
■
Fix damage to the machine immediately and always
replace broken parts.
■
ALWAYS service air cleaner frequently to prevent engine
malfunction.
To prevent burns, DO NOT touch or open any of the below
mentioned components while the engine is
running or immediately after operations.
Always allow sufficient time for the engine
and generator to cool before performing
maintenance.
■
Radiator Cap - Removing the radiator cap while the
engine is hot will result in high pressurized, boiling water
to gush out of the radiator, causing severe scalding to
any persons in the general area of the generator.
■
Coolant Drain Plug - Removing the coolant drain plug
while the engine is hot will result in hot coolant gushing
out of the coolant drain plug, therefore causing severe
scalding to any persons in the general area of the
generator.
■
Engine Oil Drain Plug - Removing the engine oil drain
plug while the engine is hot will result in hot oil gushing
out of the oil drain plug, therefore causing severe
scalding to any persons in the general area of the
generator.
WARNING - BURN HAZARDS
■■
■■
■
ALWAYS keep the battery charged. If the battery is not
charged a buildup of combustible gas will occur.
■■
■■
■
ALWAYS keep battery charging and cables in good working
condition. Repair or replace all worn cables.
■■
■■
■
ALWAYS recharge the battery in an vented air
environment, to avoid risk of a dangerous concentration
of combustible gases.
■■
■■
■
In case the battery liquid (dilute sulfuric acid) comes in
contact with
clothing or skin
, rinse skin or clothing
immediately with plenty of water.
■■
■■
■
In case the battery liquid (dilute sulfuric acid) comes in
contact with your
EYES
, rinse eyes immediately with
plenty of water and contact the nearest doctor or hospital
to seek medical attention.
The risk of an explosion exists when performing service
on the battery. To avoid
severe injury
or
DEATH:
■■
■■
■
DO NOT drop the battery. There
is the possibility of risk that the
battery may explode.
■■
■■
■
DO NOT expose the battery to
open flames, sparks, cigarettes
etc. The battery contains combustible gases and liquids.
If these gases and liquids come in contact with a flame
or spark, an explosion could occur.
DANGER - EXPLOSION HAZARDS

DCA-100SSVU— OPERATION AND PARTS MANUAL — REV. #0 (11/05/07) — PAGE 13
1
Emergencies
■
ALWAYS know the location of the
nearest
fire extinguisher
.
■
ALWAYS know the location of the
nearest and
first aid kit
.
■
ALWAYS know the location of the
nearest phone or
keep a phone on
the job site,
in case of emergencies.
■
ALWAYS have easy access to the phone
numbers of the nearest
Ambulance
,
Doctor
and
Fire Department
. This information will
be invaluable in the case of an emergency.
DCA-100SSVU — RULES FOR SAFE OPERATION
Check with your local county or state safety towing
regulations, in addition to meeting
Department of
Transportation
(DOT)
Safety Towing Regulations
, before
towing your generator.
CAUTION - FOLLOW TOWING REGULATIONS
■
The maximum speed for highway towing is 55 MPH
unless posted otherwise. Recommended off-road towing
is not to exceed 15 MPH or less depending on type of
terrain.
■
Place
chock blocks
underneath wheel to prevent rolling,
while parked.
■
Use the trailer’s swivel jack to adjust the trailer height to
a level position while parked.
■
Avoid sudden stops and starts. This can cause skidding,
or jack-knifing. Smooth, gradual starts and stops will
improve towing.
■
Avoid sharp turns.
■
Trailer should be adjusted to a level position at all times
when towing.
■
Raise and lock trailer wheel stand in up position when
transporting.
■
The maximum speed for highway towing is 55 MPH
unless posted otherwise. Recommended off-road towing
is not to exceed 15 MPH or less depending on type of
terrain.
■
Place
support blocks
underneath the trailer’s bumper to
prevent tipping, while parked.
■
Avoid sharp turns to prevent rolling.
■
DO NOT transport generator with fuel in tank.
Towing & Transporting Safety
To reduce the possibility of an accident while transporting
the generator on public roads, always make sure the trailer
that supports the generator and the towing vehicle are in
good operating condition and both units are mechanically
sound.
The following list of safety precautions should be followed
when towing your generator:
■
ALWAYS shutdown engine before transporting.
■
Tighten both fuel tank caps securely.
■
If generator is mounted on a trailer, make sure trailer
complies with all local and state safety transportation
laws. Follow the listed
Towing & Transporting Safety
guidelines for basic towing techniques.
■
Make sure the hitch and coupling of the towing vehicle
are rated equal to, or greater than the trailer "gross vehicle
weight rating.”
■
ALWAYS inspect the hitch and coupling for wear. NEVER
tow a trailer with defective hitches, couplings, chains etc.
■
Check the tire air pressure on both towing vehicle and
trailer.
Trailer tires should be inflated to 50 psi cold.
Also check the tire tread wear on both vehicles.
■
ALWAYS make sure the trailer is equipped with a "Safety
Chain".
■
ALWAYS attach trailer’s safety chains to towing vehicle
properly.
■
ALWAYS make sure the vehicle and trailer directional,
backup, brake, and trailer lights are connected and
working properly.
■
DOT Requirements include the following:
z
Connect and test electric brake operation.
z
Secure portable power cables in cable tray with tie
wraps.

PAGE 14 — DCA-100SSVU— OPERATION AND PARTS MANUAL — REV. #0 (11/05/07)
The DCA-100SSVU generator is equipped with a number of safety decals (Figures 2 & 3). These decals are provided for
operator safety and maintenance information. The illustration below and on the preceding page show the decals as they
appear on the machine. Should any of these decals become unreadable, replacements can be obtained from your dealer.
DCA-100SSVU — GENERATOR DECALS
Figure 2. Generator Decals

DCA-100SSVU— OPERATION AND PARTS MANUAL — REV. #0 (11/05/07) — PAGE 15
1
DCA-100SSVU — GENERATOR DECALS
Figure 3. Generator Decals (Cont inued)

PAGE 16 — DCA-100SSVU— OPERATION AND PARTS MANUAL — REV. #0 (11/05/07)
Figure 4. Typical Generator Grounding Application
DCA-100SSVU — INSTALLATION

DCA-100SSVU— OPERATION AND PARTS MANUAL — REV. #0 (11/05/07) — PAGE 17
1
Outdoor Installation
Install the generator in a area that is free of debris,
bystanders, and overhead obstructions. Make sure the
generator is on secure level ground so that it cannot slide or
shift around. Also install the generator in a manner so that
the exhaust will not be discharged in the direction of nearby
homes.
The installation site must be relatively free from moisture
and dust. All electrical equipment should be protected from
excessive moisture. Failure to do will result in deterioration
of the insulation and will result in short circuits and grounding.
Foreign materials such as dust, sand, lint and abrasive
materials have a tendency to cause excessive wear to
engine and alternator parts.
Generator Grounding
To guard against electrical shock and possible damage to
the equipment, it is important to provide a good EARTH
ground.
Article 250 (Grounding) of the National Electrical Code (NEC)
provides guide lines for proper grounding and specifies that
the cable ground shall be connected to the grounding system
of the building as close to the point of cable entry as
practical.
NEC articles 250-64(b) and 250-66 set the following
grounding requirements:
1. Use one of the following wire types to connect the
generator to earth ground.
a. Copper - 10 AWG (5.3 mm2) or larger.
b. Aluminum - 8 AWG (8.4 mm2) or larger.
2. When grounding the generator (Figure 4) connect the
ground cable between the lock washer and the nut on
the generator and tighten the nut fully. Connect the other
end of the ground cable to earth ground.
3. NEC article 250-52(c) specifies that the earth ground
rod should be buried aminimum of 8 ft. into the ground.
When connecting the generator
to any buildings electrical
system ALWAYS consult with
a licensed electrician.
DCA-100SSVU — INSTALLATION
NOTE
Indoor Installation
Exhaust gases from diesel engines are extremely poisonous.
Whenever an engine is installed indoors the exhaust fumes
must be vented to the outside. The engine should be installed
at least two feet from any outside wall. Using an exhaust
pipe which is too long or too small can cause excessive
back pressure which will cause the engine to heat excessively
and possibly burn the valves.
Mounting
The generator must be mounted on a solid foundation (such
as concrete) and set firmly on the foundation to isolate
vibration of the generator when it is running. The generator
must set at least 6 inches above the floor or grade level (in
accordance to NFPA 110, Chapter 5-4.1). DO NOT remove
the metal skids on the bottom of the generator. They are to
resist damage to the bottom of the generator and to maintain
alignment.
Pay close attention to ventilation when operating the
generator inside tunnels and caves. The engine exhaust
contains noxious elements. Engine exhaust must be routed
to a ventilated area.
CAUTION - EXHAUST HAZARD

PAGE 18 — DCA-100SSVU— OPERATION AND PARTS MANUAL — REV. #0 (11/05/07)
DCA-100SSVU — GENERAL INFORMATION
DCA-100SSVU Whisperwatt™ Series Familiarization
Generator
The MQ Power Model DCA-100SSVU is a 80 kW
generator
(Figure 5) that is designed as a high quality portable (requires
a trailer for transport) power source for telecom sites, lighting
facilities, power tools, submersible pumps and other industrial
and construction machinery.
Engine Operating Panel
The “Engine Operating Panel” is provided with the following:
■■
■■
■
Tachometer
■■
■■
■
Water Temperature Gauge
■■
■■
■
Oil Pressure Gauge
■■
■■
■
Charging Ammeter Gauge
■■
■■
■
Fuel Level Gauge
■■
■■
■
Engine Speed Switch
■■
■■
■
Panel Light/Panel Light Switch
■■
■■
■
Auto ON/OFF Engine Controller (MPEC)
Generator Control Panel
The “Generator Control Panel” is provided with the following:
■■
■■
■
Frequency Meter (Hz)
■■
■■
■
AC Ammeter (Amps)
■■
■■
■
AC Voltmeter (Volts)
■■
■■
■
Ammeter Change-Over Switch
■■
■■
■
Voltmeter Change-Over Switch
■■
■■
■
Voltage Regulator
■■
■■
■
3-Pole, 250 amp Main Circuit Breaker
■■
■■
■
“Control Box” (located behind the Gen. Control Panel)
■■
■■
■
Automatic Voltage Regulator
■■
■■
■
Current Transformer
■■
■■
■
Over-Current Relay
■■
■■
■
Voltage Rectifer
■■
■■
■
Starter Relay
■■
■■
■
Engine Controller (Computer Controlled)
■■
■■
■
Voltage Selector Switch
Output Terminal Panel
The “Output Terminal Panel” is provided with the following:
■■
■■
■
Three 120/240V output receptacles (CS-6369), 50A
■■
■■
■
Three auxilliary circuit breakers, 50A
■■
■■
■
Two 120V output receptacles (GFCI), 20A
■■
■■
■
Two GFCI circuit breakers, 20A
■■
■■
■
Five output terminal lugs (3Ø power)
■■
■■
■
Battery Charger (Optional)
■■
■■
■
Water Heater (Optional)
Open Delta Excitation System
The DCA-100SSVU generator is equipped with the state of
the art "
Open-Delta
" excitation system. The open delta
system consist of an electrically independent winding wound
among stationary windings of the AC output section.
There are four connections of the open delta A, B, C and D.
During steady state loads, the power from the voltage regulator
is supplied from the parallel connections of A to B, A to D,
and C to D. These three phases of the voltage input to the
voltage regulator are then rectified and are the excitation
current for the exciter section.
When a heavy load, such as a motor starting or a short
circuit occurs, the automatic voltage regulator (AVR)
switches the configuration of the open delta to the series
connection of B to C. This has the effect of adding the voltages
of each phase to provide higher excitation to the exciter
section and thus better voltage response during the
application of heavy loads.
The connections of the AVR to the AC output windings are
for sensing only. No power is required from these windings.
The open-delta design provides virtually unlimited excitation
current, offering maximum motor starting capabilities. The
excitation does not have a "
fixed ceiling
" and responds
according the demands of the required load.
Engine
The DCA-100SSVU is powered by a 6 cylinder, water cooled,
direct injection, turbocharged
VOLVO Model PENTA
TAD520GE Diesel Engine
. This engine is designed to meet
every performance requirement for the generator. Reference
Table 1 for engine specifications.
In keeping with MQ Power's policy of constantly improving
its products, the specifications quoted herein are subject to
change without prior notice.
Electric Governor System
The electric governor system controls the RPMs of the en-
gine. When the engine demand increases or decreases, the
governor system regulates the frequency variation to ±.25%.
Extension Cables
When electric power is to be provided to various tools or
loads at some distance from the generator, extension cords
are normally used. Cables should be sized to allow for
distance in length and amperage so that the voltage drop
between the generator and point of use (load) is held to a
minimum. Use the cable selection chart (Table 6) as a guide
for selecting proper extension cable size.

DCA-100SSVU— OPERATION AND PARTS MANUAL — REV. #0 (11/05/07) — PAGE 19
1
DCA-100SSVU — MAJOR COMPONENTS
Figure 5. Major Components
4elbaT. stnenopmoCrojaMrotareneG
.ONMETINOITPIRCSED
1ylbmessAretliFriA
2ylbmessAhctiwSrotceleSegatloV
3ylbmessAretliFriA
4ylbmessArotareneG
5regr
ahCyrettaB/retaeHretaWtekcaJ
)noitpO(ylbmessA
6ylbmessAselcatpeceRtuptuO
7ylbmessAenignE
8ylbmessAyrettaB
9ylb
messAknaTleuF
01ylbmessArekaerBtiucriC
11ylbmessAlenaPlortnoCrotareneG
21ylbmessAlenaPlortnoCenignE

PAGE 20 — DCA-100SSVU— OPERATION AND PARTS MANUAL — REV. #0 (11/05/07)
NOTE PAGE

DCA-100SSVU— OPERATION AND PARTS MANUAL — REV. #0 (11/05/07) — PAGE 21
1
DCA-100SSVU — GENERATOR CONTROL PANEL
The definitions below describe the controls and functions of
the DCA-100SSVU
Generator Control Panel
(Figure 6).
1. Frequency Meter – Indicates the output frequency in
hertz (Hz). Normally 60 Hz.
2. AC Ammeter – Indicates the amount of current the load
is drawing from the generator per leg selected by the
ammeter phase-selector switch.
3. AC Voltmeter – Indicates the output voltage present at
the
U,V, and W Output Terminal Lugs
.
4. Voltage Regulator Control – Allows ±15% manual
adjustment of the generator’s output voltage.
5. Ammeter Change-Over Switch – This switch allows
the AC ammeter to indicate the current flowing to the
load connected to any phase of the output terminals, or
to be switched off. This switch does not effect the
generator output in any fashion, it is for current reading
only.
6. Voltmeter Change-Over Switch – This switch allows
the AC voltmeter to indicate phase to phase voltage
between any two phases of the output terminals or to
be switched off.
7. Main Circuit Breaker – This three-pole, 250A main
breaker is provided to protect the the
U,V, and W Output
Terminal Lugs
from overload.
Located behind the generator control panel is the
Generator
Control Box
. This box contains some of the necessary
electronic components required to make the generator
function.
The Control Box is equipped with the following major
components:
■■
■■
■
Over-Current Relay
■■
■■
■
Voltage Rectifer (AVR)
■■
■■
■
Starter Relay
■■
■■
■
Current Transformer
■■
■■
■
Voltage Selector Switch
■■
■■
■
Three Phase Circuit Breaker
Figure 6. Generator Control Panel
Remember the
overcurrent
relay
monitors the current
flowing from the
U,V, and W
Output Terminal Lugs
to the
load.
In the event of a short circuit or over current condition, it will
automatically trip the 250 amp main breaker.
To restore power to the
Output Terminal Panel
, press the
reset
button on the overcurrent relay and place the
main
circuit breaker in the
closed
position (ON).
NOTE

PAGE 22 — DCA-100SSVU— OPERATION AND PARTS MANUAL — REV. #0 (11/05/07)
Figure 7. Engine Operating Panel
DCA-100SSVU — ENGINE OPERATING PANEL

DCA-100SSVU— OPERATION AND PARTS MANUAL — REV. #0 (11/05/07) — PAGE 23
1
DCA-100SSVU — ENGINE OPERATING PANEL
The definitions below describe the controls and functions of
the DCA-100SSVU
Engine Operating Panel
(Figure 7).
1. Panel Light – Normally used in dark areas or at night
time. When activated, panel lights will illuminate. When
the generator is not in use be sure to turn the panel
light switch to the OFF position.
2. Panel Light Switch – When activated will turn on control
panel light.
3. Oil Pressure Gauge – During normal operation this
gauge be should read between 44 to 73 psi. (303~503
kPa). When starting the generator the oil pressure may
read a little higher, but after the engine warms up the oil
pressure should return to the correct pressure range.
4. Water Temperature Gauge – During normal operation
this gauge be should read between 165° and 203°F.
5. Charging Ammeter Gauge – Indicates the current
being supplied by the engine’s alternator which provides
current for generator’s control circuits and battery
charging system.
6. Fuel Gauge - Indicates amount of diesel fuel available.
7. Tachometer – Indicates engine speed in RPM’s for 60
Hz operation. This meter should indicate 1800 RPM’s
when the rated load is applied. In addition a built in hour
meter will record the number of operational hours that
the generator has been in use.
8. Engine Speed Switch – This switch controls the speed
of the engine (low/high).
A. MPEC Control Switch – This switch controls the
running of the unit. If this switch is set to the
OFF/RESET position, the unit will not run. When this
switch is set to the MANUAL position, the generator
will start immediately.
If the generator is to be connected to a building’s AC
power source via an automatic transfer switch
(isolation), place the switch in the AUTO position. In
this position, should an outage occur, the automatic
transfer switch (ATS) will start the generator
automatically via the generator’s auto-start contacts
connected to the ATS’s start contacts. Please refer to
your ATS installation manual for further instructions for
the correct installation of the auto-start contacts of the
generator to the ATS.
B. Low Oil Pressure – Indicates the engine pressure has
fallen below 15 psi. The oil pressure is detected using
variable resistive values from the oil pressure sending
unit. This is considered a
major
fault.
C. High Coolant Temperature – Indicates the engine
temperature has exceeded 239
°
F. The engine
temperature is detected using variable resistive values
from the temperature sending unit. This is considered
a
major
fault.
D. Overcrank Shutdown – Indicates the unit has
attempted to start a pre- programmed number of times,
and has failed to start. The number of cycles and
duration are programmable. It is pre-set at 3 cycles
with a 10 second duration. This is considered a
major
fault.
E. Overspeed Shutdown – Indicates the engine is running
at an unsafe speed. This is considered a
major
fault.
F. Engine Running – Indicates that engine is running at
a safe operating speed.
If the engine does not engage (start) by the third attempt,
the engine will be shutdown by the engine controller’s
Over
Crank Protection
mode. If the engine engages at a speed
(RPM's) that is not safe, the controller will shutdown the
engine by initializing the
Over Speed Protection
mode.
Also the engine controller will shut down the engine in the
event of low oil pressure, high coolant temperature, low
coolant level, and loss of magnetic pickup. These conditions
can be observed by monitoring the LED status indicators on
the front of the controller module.
9. Auto On/Off Engine Controller (MPEC) –
This controller has a vertical row of status LED's (inset),
that when lit, indicate that an engine malfunction (fault)
has been detected. When a fault has been detected the
engine controller will evaluate the fault and all major
faults will shutdown the generator. During
cranking
cycle
, The MPEC will attempt to crank the engine for
10 seconds before disengaging.

PAGE 24 — DCA-100SSVU— OPERATION AND PARTS MANUAL — REV. #0 (11/05/07)
Output Terminal Familiarization
The “
Output Terminal Panel
” (Figure 8) is provided with the
following:
■■
■■
■
Three (3) 120/240V output receptacles @ 50 amp
■■
■■
■
Three (3) Circuit Breakers @ 50 amps
■■
■■
■
Two (2) 120V GFCI receptacles @ 20 amp
■■
■■
■
Two (2) GFCI Circuit Breakers @ 20 amps
■■
■■
■
Five (5) Output Terminal Lugs ( U, V, W, O, Ground)
Output Terminal Panel
The
Output Terminal Panel
(Figure 8) shown below is located
on the right-hand side (left from control panel) of the generator.
Lift up on the cover to gain access to receptacles and terminal
lugs.
NOTE Terminal legs “O” and “Ground”
are considered
bonded grounds
.
Figure 8. Output Terminal Panel
DCA-100SSVU — OUTPUT TERMINAL PANEL FAMILIARIZATION

DCA-100SSVU— OPERATION AND PARTS MANUAL — REV. #0 (11/05/07) — PAGE 25
1
100 VAC GFCI Receptacles
There are two 120 VAC, 20 amp GFCI (Duplex Nema 5-20R)
recepacles provided on the output terminal panel. These
receptacles can be accessed in any
voltage selector switch
position. Each receptacle is protected by a 20 amp circuit
breaker. These breakers are located directly above the GFCI
receptacles. Remember the load output (current) of both
GFCI receptacles is dependent on the load requirements of
the U, V, and W output terminal lugs.
Pressing the
reset
button resets the GFCI receptacle after
being tripped. Pressing the
Test Button
(See Figure 9) in
the center of the receptacle will check the GFCI function.
Both receptacles should be tested at least once a month.
Figure 9. G.F.C.I. Receptacle
Each auxilliary receptacle is protected by a 50 amp circuit
breaker. These breakers are located directly above the GFCI
receptacles. Remember the load output (current) on all three
receptacles is dependent on the load requirements of the
Output Terminal Lugs
.
Turn the
voltage regulator control knob
(Figure 11) on the
control panel to obtain the desired voltage. Turning the knob
clockwise will
increase
the voltage, turning the knob counter-
clockwise will
decrease
the voltage.
Figure 10. 120/240V Twist-Lock
Auxiliary Receptacles
DCA-100SSVU — OUTPUT TERMINAL PANEL FAMILIARIZATION
Twist Lock Dual Voltage 120/240 VAC Receptacles
There are three 120/240V, 50 amp auxilliary twist-lock
(CS-6369) recepacles (Figure 10) provided on the output
terminal panel.These receptacles can
only
be accessed
when the voltage selector switch is placed in the
single-
phase 240/120 position.
Figure 11. Voltage Regulator Control Knob
Figure 12. Plastic Face Plate (Output Terminal Lugs)
Removing the Plastic Face Plate (Hard Wire Hookup Panel)
The
Output Terminal Lugs
are protected by a plastic face
plate cover (Figure 12). Un-screw the securing bolts and lift
the plastic terminal cover to gain access to the terminal
enclosure.
After the load wires have been securely attached to the
terminal lugs, reinstall the plastic face plate.

PAGE 26 — DCA-100SSVU— OPERATION AND PARTS MANUAL — REV. #0 (11/05/07)
Figure 13. Connecting Loads
Connecting Loads
Loads can be connected to the generator by the
Ouput
Terminal Lugs
or the convenience receptacles (Figure 13).
Make sure to read the operation manual before attempting
to connect a load to the generator.
To protect the output terminals from overload, a
3-pole, 250A
main
circuit breaker is provided. Make sure to
switch ALL circuit breakers to the OFF position prior to
starting the engine.
DCA-100SSVU — OUTPUT TERMINAL PANEL FAMILIARIZATION
Over Current Relay
An
over current relay
(Figure 14) is connected to the main
circuit breaker. In the event of an overload, both the circuit
breaker and the over current relay may trip. If the circuit
breaker can not be reset, the
reset button
on the over cur-
rent relay must be pressed. The over current relay is lo-
cated in the control box.
Figure 14. Over Current Relay

DCA-100SSVU— OPERATION AND PARTS MANUAL — REV. #0 (11/05/07) — PAGE 27
1
DCA-100SSVU — LOAD APPLICATION
Single Phase Load
Always be sure to check the nameplate on the generator
and equipment to insure the wattage, amperage,
frequency
,
and voltage requirements are satisfactorily supplied by the
generator for operating the equipment.
Generally, the wattage listed on the nameplate of the
equipment is its rated output. Equipment may require 130—
150% more wattage than the rating on the nameplate, as
the wattage is influenced by the efficiency, power factor and
starting system of the equipment.
Motors and motor-driven
equipment draw much greater
current for starting than during
operation.
When connecting ordinary power tools, a capacity of up to
the generating set’s rated output (kW) multiplied by 0.8 can
be used.
If wattage is not given on the
equipment's name plate,
approximate wattage may be
determined by multiplying
nameplate voltage by the
nameplate amperage.
The power factor of this generator is 0.8. See Table 5 below
when connecting loads.
If 3Ø load (kVA) is not given on
the equipment nameplate,
approximate 3Ø load output
maybe determined by multiplying
voltage by amperage by 1.732.
■■
■■
■
When connecting a resistance load such as an
incandescent lamp or electric heater, a capacity of up to
the generating set’s rated output (kW) can be used.
■■
■■
■
When connecting a fluorescent or mercury lamp, a
capacity of up to the generating set’s rated output (kW)
multiplied by 0.6 can be used.
■■
■■
■
When connecting an electric drill or other power tools,
pay close attention to the required starting current
capacity.
NOTE
WATTS = VOLTAGE x AMPERAGE
Three Phase Load
When calculating the power requirements for 3-phase power
use the following equation:
NOTE
An inadequate size connecting cable which cannot carry the
required load can cause a voltage drop which can burn out
the appliance or tool and overheat the cable. See Table 6.
NOTE
Before connecting this generator to any building’s electrical
system, a
licensed
electrician
must install an
isolation
(transfer)
switch
. Serious damage to the building’s
electrical system may occur without this transfer switch.
DANGER - ELECTRICAL SYSTEM HAZARDS
daoLyBrotcaFrewoP.5elbaT
daoLfOepyTrotcaFrewoP
srotomnoitcudniesahp-elgniS57.0-4.0
tnecsednacni,sretaehcirtcelE
spmal 0.1
spmalyrucre
m,spmaltnecseroulF9.0-4.0
noitacinummoc,secivedcinortcelE
tnempiuqe 0.1
slootrewopnommoC8.0
)noitarepOesahPelgniS,zH06(noitceleSelbaC.6elbaT
nitnerruC
serepmA
sttaWnIdaoLhtgneLelbaCelbawollAmumixaM
001tA
stloV
002tA
stloV eriW01#eriW21#eriW41#eriW61#
5.20
03006.tf0001.tf006.tf573.tf052
50060021.tf005.tf003.tf002.tf521
5.70090081.tf053.tf002.tf521.tf001
0100210042.tf052.tf051.tf00
1
5100810063.tf051.tf001.tf56
0200420084.tf521.tf57.tf05
.egatlovwolmorftlusernacegamadtnempiuqE:NOITUAC

PAGE 28 — DCA-100SSVU— OPERATION AND PARTS MANUAL — REV. #0 (11/05/07)
GFCI Receptacle Load Capability
The load capability of the GFCI receptacles is directly re-
lated to the voltage being supplied at either the output termi-
nals or the 2 twist lock auxiliary receptacles.
Tables 9 and 10 show what amount of current is available at
the GFCI receptacles when the output terminals and twist
lock receptacles are in use. Be careful that your load does
not to exceed the available current capability at the recep-
tacles.
Voltage Selector Switch
The
voltage selector
switch (Figure 16) is located above
the output terminal panel’s
Hard Wire Hook-up Panel
. It
has been provided for ease of voltage selection.
Voltage Selector Switch Locking Button
The voltage selector switch has a locking button to protect
the generator and load from being switched while the engine
is running. To lock the voltage selector switch,
press
and
hold
the
red button
located at the bottom of the switch.
Figure 16. Voltage Selector Switch
DCA-100SSVU — GENERATOR OUTPUTS
Generator Amperage
Table 8 describes the generator’s current output capability
for both 1Ø-phase and 3Ø phase applications.
Generator Output Voltages
A wide range of voltages are available to supply voltage for
many different applications. Voltages are selected by using
the
voltage selector
switch (Figure 16). To obtain some of
the voltages as listed in Table 7 (see below) will require a
fine adjustment using the
voltage regulator
(VR)
control
knob
located on the control panel.
NEVER change the position of the
voltage
selector switch
while the engine is running. ALWAYS place circuit breaker
in the open position before selecting voltage.
CAUTION - CHANGING VOLTAGES
elbaliavAsegatloV.7elbaT
esahPeerhT
)elbahctiwS( V802V022V042V614V044V084
esahPelgniS
)elbahctiwS( V021V721V931V042V452V772
1.9elbaT ØytilibapaCdaoLelcatpeceRICFG
esUniWK
)9636SC(kcoL-tsiwT
daoLelbaliavA
)spmA(tnerruC
V021/042Ø1 AMENxelpuDICFG
V021R02-5
7.750
5.65elcatpecerrepspma5
3.55elcatpecerrepspma01
1.45elcatpecerrepspma51
9.25elcatpecerrepspma02
3.01elbaT
Ø
ytilibapaCdaoLelcatpeceRICFG
esUniAVK
)slanimreTOWVU(
daoLelbaliavA
)spmA(tnerruC
V084/042Ø3 AMENxelpuDICFG
V021R02-5
0010
8.59elcatpecerrep
spma5
7.19elcatpecerrepspma01
5.78elcatpecerrepspma51
4.38elcatpecerrepspma02
spmAmumixaMrotareneG.8elbaT
ledoMUVSS001ACD
egatloVdetaRspmAmumixaM
esahPelgniS
tloV021 )eriw4(spma2.222
esah
PelgniS
tloV042 )eriw4(spma1.111
esahPeerhT
tloV042 spma142
esahPeerhT
tloV084 spma021

DCA-100SSVU— OPERATION AND PARTS MANUAL — REV. #0 (11/05/07) — PAGE 29
1
DCA-100SSVU — GAUGE READING
How to Read the Output Terminal Gauges.
The gauges and selector switches on the control panel
DO NOT effect the generator output. They are provided to
help observe how much power is being supplied at the
Output terminals lugs
.
Before taking a reading off either gauge, set the
Voltage
Selector Switch
(Figure 17) to the position which produces
the required voltage (For example, for 3Ø 240V,
choose the center 3Ø 240/
139V position on the volt-
age selector switch.)
Figure 17. Voltage
Selector Switch 240/
139V Three Phase
Position
Figure 18. AC Voltmeter
Change-Over Switch
Figure 19. AC Voltmeter Gauge
For 3Ø 208V/1Ø,120V, place
the Voltage Selector Switch
in the 3 Phase 340/139
position.
Figure 21. AC Ammeter
(Amp reading on U lug)
Figure 20. AC Ammeter
Change-Over Switch
Reading Voltage
To determine the voltage between two terminal lugs, set the
AC Voltmeter Change-Over
Switch
to the appropriate
setting (Figure 18) to activate the
AC Voltmeter Gauge
(Figure 19) and read the available voltage between the two
lugs.
For example, to measure the voltage between the W and U
terminal lugs, set the
AC Voltmeter Change-Over Switch
to W-U and read the
AC Voltmeter Gauge
.
NOTE
Reading Amperage
To determine the amperage at a terminal lug, set the
AC Ammeter Change-Over
Switch
to the appropriate
setting (Figure 20) to activate the
AC Ammeter Gauge
(Figure 21) and read the available amperage at the terminal
lug.
For example, to measure the amperage at the U
terminal lug, set the
AC Ammeter Change-Over Switch
to
U and read the AC Ammeter Gauge.
The
ammeter
gauge will only
show a reading when the
Output Terminal Lugs
are
connected to a load and in use.
NOTE

PAGE 30 — DCA-100SSVU— OPERATION AND PARTS MANUAL — REV. #0 (11/05/07)
Figure 22. Voltage Selector Switch 240/139V
Three-Phase Position
DCA-100SSVU — OUTPUT TERMINAL PANEL CONNECTIONS
UVWO Terminal Output Voltages
Various output voltages can be obtained using the
Output
Terminal Lugs
.. The voltages at the terminals are depen-
dent on the position of the
Voltage Selector Switch
and the
adjustment of the
Voltage Regulator Control Knob
.
Remember the voltage selector switch determines the
range
of the output voltage. The voltage regulator (VR) allows the
user to increase or decrease the selected voltage.
3Ø 240/139 Output Terminal Lug Voltages
1. Place the voltage selector switch in the 3Ø 240/139
position as shown in (Figure 22).
Figure 23. Output Terminal Lugs
240/139V Three Phase Connections
2. Connect the load wires to the
Output Terminal Lugs
as
shown in (Figure 23).
3. Turn the voltage regulator knob (Figure 24) clockwise to
increase voltage output, turn counterclockwise to
decrease voltage output.
3Ø 208V/1Ø120V Output Terminal Lug Voltages
1. Place the voltage selector switch in the 3Ø 240/139
position as shown in Figure 25.
Figure 24. Voltage Regulator Knob (139V/240V)
Use this position for
3Ø-208 or 1Ø120V.
2. Connect the load wires to the
Output Terminal Lugs
as
shown in Figure 26.
NOTE
To achieve a 3Ø 208V output
the voltage selector switch
must be in the 3Ø-240/139
position and the voltage
regulator must be adjusted to
208V.
Figure 26. Output Terminal Lugs
3Ø-208V/120V Connections
Figure 25. Voltage Selector
Switch 3Ø-208V/1Ø-120V
Three-Phase Position
3. Turn the voltage regulator knob (Figure 25) clockwise to
increase voltage output, turn counterclockwise to
decrease voltage output.

DCA-100SSVU— OPERATION AND PARTS MANUAL — REV. #0 (11/05/07) — PAGE 31
1
Figure 28. Output Terminal Lugs
480/277V Three Phase Connections
2. Connect the load wires to the
Output Terminal Lugs
as
shown in Figure 28.
Figure 30. Output Terminal Lugs
1Ø-240V/120V Connections
DCA-100SSVU — OUTPUT TERMINAL PANEL CONNECTIONS
O
UVW
480V
BLACK RED BLUE
480V
277V
480V
277V
WHITE GREEN
277V
GROUND CONNECTION
BE USED
AT ALL TIMES
MUST
O
UVW
240V 120V
BLACK RED BLUE
120V
WHITE GREEN
NOT USED
GROUND CONNECTION
BE USED
AT ALL TIMES
MUST
Figure 27. Voltage Selector Switch 480/277V
Three-Phase Position
3Ø 480/277 Output Terminal Lug Voltages
1. Place the voltage selector switch in the 3Ø 480/277
position as shown in Figure 27.
3. Turn the voltage regulator knob (Figure 24) clockwise to
increase voltage output, turn counterclockwise to
decrease voltage output.
1Ø 240V/120V Output Terminal Lug Voltages
1. Place the voltage selector switch in the 1Ø 240/120
position as shown in Figure 29.
2. Connect the load wires to the
Output Terminal Lugs
as
shown in (Figure 30).
Figure 29. Voltage Selector Switch 240/120V
Single-Phase Position
3. Turn the voltage regulator knob (Figure 24) clockwise to
increase voltage output, turn counterclockwise to
decrease voltage output.

PAGE 32 — DCA-100SSVU— OPERATION AND PARTS MANUAL — REV. #0 (11/05/07)
DCA-100SSVU — SETUP
Figure 30. Engine Oil Dipstick
When checking the engine oil, be sure to check if the oil is
clean. If the oil is not clean, drain the oil by removing the oil
drain plug, and refill with the specified amount of oil as outlined
in the Volvo Engine Owner's Manual. Oil should be warm
before draining.
Other types of motor oils may be substituted if they meet
the following requirements:
■■
■■
■
API Service Classification CC/SC
■■
■■
■
API Service Classification CC/SD
■■
■■
■
API Service Classification CC/SE
■■
■■
■
API Service Classification CC/SF
Circuit Breakers
To protect the generator from an overload, a 3-pole, 250 amp,
main
circuit breaker is provided to protect the
U,V, and W
Output Terminals
from overload. In addition two single-pole,
20 amp
GFCI
circuit breakers are provided to protect the
GFCI receptacles from overload. Three 50 amp
load
circuit
breakers have also been provided to protect the auxiliary
receptacles from overload. Make sure to switch ALL circuit
breakers to the OFF position prior to starting the engine.
Lubrication Oil
Fill the engine crankcase with lubricating oil through the filler
hole, but DO NOT overfill. Make sure the generator is level.
and verify that the oil level is maintained between the two
notches (Figure 30) on the dipstick. See Table 9 for proper
selection of engine oil.
Figure 31. Internal Fuel Tank System
Refilling the Fuel System
Fuel Check
This generator has an internal fuel tank located inside the
trailer frame and may also be equipped with an environmental
fuel tank (Figure 31).
ALWAYS
fill the fuel tanks with clean
fresh
#2 diesel fuel.
DO NOT fill the fuel tanks beyond their
capacities.
Pay attention to the fuel tank capacity when replenishing
fuel.The fuel tank cap must be closed tightly after filling.
Handle fuel in a safety container. If the container does not
have a spout, use a funnel. Wipe up any spilled fuel
immediately.
ONLY properly trained personel who have read and
understand this section should refill the fuel tank system.
CAUTION - REFUELING THE GENERATOR
Fuel spillage on a
hot
engine can cause a
fire
or
explosion
.
If fuel spillage occurs, wipe up the spilled fuel completely
to prevent fire hazards. NEVER smoke around or near the
generator.
DANGER - EXPLOSION/FIRE HAZARDS

DCA-100SSVU— OPERATION AND PARTS MANUAL — REV. #0 (11/05/07) — PAGE 33
1
DCA-100SSVU — SETUP
Refueling Procedure:
1. Level Tanks – Make sure fuel cells are level with the
ground. Failure to do so will cause fuel to spill from the
tank before reaching full capacity (Figure 32).
Figure 32. Only Fill on Level Ground
ONLY! use
#2 diesel fuel
when
refueling.
NOTE
3. NEVER overfill fuel tank – It is important to read the
fuel gauge when filling trailer fuel tank. DO NOT wait for
fuel to rise in filler neck (Figure 34).
Figure 34. Full Fuel Tank
Figure 35. Fuel Expansion
3. Open cabinet doors on the “right side” of the generator
(from generator control panel position). Remove fuel cap
and fill tank (Figure 33).
Figure 33. Fueling the Generator
ALWAYS
place trailer on firm level ground before refueling
to prevent spilling and maximize the amount of fuel that
can be pumped into the tank.
CAUTION - REFUELING THE GENERATOR
Diesel fuel and its vapors are dangerous
to your health and the surrounding
environment. Avoid skin contact and/or
inhaling fumes.
WARNING - RESPIRATORY HAZARDS
DO NOT OVER-FILL fuel system. Leave room for fuel
expansion. Fuel expands when heated (Figure 35).
CAUTION - REFUELING THE GENERATOR

PAGE 34 — DCA-100SSVU— OPERATION AND PARTS MANUAL — REV. #0 (11/05/07)
Coolant (Antifreeze/Summer Coolant/Water)
VOLVO recommends VOLVO antifreeze/summer coolant for
use in their engines, which can be purchased in concentrate
(and mixed with 50% demineralized water) or pre-diluted.
See the VOLVO Engine Owner's Manual for further details.
Day-to-day addition of coolant is done from the recovery
tank. When adding coolant to the radiator, DO NOT remove
the radiator cap until the unit has completely cooled. See
Table 12 for engine, radiator, and recovery tank coolant
capacities. Make sure the coolant level in the recovery tank
is always between the "H" and the "L" markings.
Operation Freezing Weather
When operating in freezing weather, be certain the proper
amount of antifreeze (Table 13) has been added.
Cleaning the Radiator
The engine may overheat if the radiator fins become
overloaded with dust or debris. Periodically clean the radiator
fins with compressed air. Cleaning inside the machine is
dangerous, so clean only with the engine turned off and the
negative
battery terminal disconnected.
Air Cleaner
Periodic cleaning/replacement is necessary. Inspect it in
accordance with the VOLVO Engine Owner's Manual.
Fan Belt Tension
A slack fan belt may contribute to overheating, or to
insufficient charging of the battery. Inspect the fan belt for
damage and wear and adjust it in accordance with the VOLVO
Engine Owner's Manual.
The fan belt tension is proper if the fan belt bends 10 to 15
mm (Figure 36) when depressed with the thumb as shown
below.
Figure 36. Fan Belt Tension
DCA-100SSVU — SETUP
When the antifreeze is mixed with
water, the antifreeze mixing ratio
must be
less than 50%.
NOTE
If adding coolant/antifreeze mix to the
radiator, DO NOT remove the radiator cap
until the unit has completely cooled. The
possibility of
hot!
coolant exists which
can cause severe burns.
WARNING - BURN HAZARDS
NEVER place hands near
the belts or fan while the
generator set is running.
CAUTION - ROTATING PARTS
ezeerF-itnA.31elbaT
serutarepmeTgnitarepO
%loV
ezeerF-itnA
tnioPgnizeerF
C°F°
0573-43-
yticapaCtnalooC.21elbaT
rotaidaRdnaenignE)sretil7.91(.laG2.5
knaTevreseR)sretil9.1(strauQ2

DCA-100SSVU— OPERATION AND PARTS MANUAL — REV. #0 (11/05/07) — PAGE 35
1
DCA-100SSVU — SETUP
When connecting battery do the following:
1. NEVER connect the battery cables to the battery
terminals when the
MPEC Control Switch
is in either
the MANUAL position. ALWAYS make sure that the
MPEC
Control Switch
is in the OFF/RESET position when
connecting the battery.
2. Place a small amount of battery terminal treatment
compound around both battery terminals. This will ensure
a good connection and will help prevent corrosion around
the battery terminals.
Figure 37. Battery Connections
ALWAYS
disconnect the negative terminal FIRST and
reconnect negative terminal LAST.
Inadequate battery connections may cause poor starting
of the generator, and create other malfunctions.
Alternator
The polarity of the alternator is negative grounding type. When
an inverted circuit connection takes place, the circuit will be
in short circuit instantaneously resulting the alternator failure.
DO NOT put water directly on the alternator. Entry of water
into the alternator can cause corrision and damage the
alternator.
Wiring
Inspect the entire generator for bad or worn electrical wiring
or connections. If any wiring or connections are exposed
(insulation missing) replace wiring immediately.
Piping and Hose Connection
Inspect all piping, oil hose, and fuel hose connections for
wear and tightness. Tighten all hose clamps and check hoses
for leaks.
If any hose (
fuel
or
oil
) lines are defective replace them
immediately.
If the battery cable is connected
incorrectly, electrical damage to the
generator will occur. Pay close
attention to the polarity of the
battery when connecting the
battery.
NOTE
Battery
This unit is of negative ground DO NOT connect in reverse.
Always maintain battery fluid level between the specified
marks. Battery life will be shortened, if the fluid level are not
properly maintained. Add only distilled water when
replenishment is necessary.
DO NOT over fill. Check to see whether the battery cables
are loose. Poor contact may result in poor starting or
malfunctions.
Always
keep the terminals firmly tightened.
Coating the terminals with an approved battery terminal
treatment compound. Replace battery with only
recommended type battery. The battery type used in this
generator is BCI Group 27.
The battery is sufficiently charged if the specific gravity of
the battery fluid is 1.28 (at 68° F). If the specific gravity
should fall to 1.245 or lower, it indicates that the battery is
dead and needs to be recharged or replaced.
Before charging the battery with an external electric source,
be sure to disconnect the battery cables.
Battery Cable Installation
ALWAYS be sure the battery cables (Figure 37) are properly
connected to the battery terminals as shown below. The Red
Cable is connected to the positive terminal of the battery,
and the Black Cable is connected to the negative terminal
of the battery.
CAUTION - BATTERY SERVICING SAFETY
CAUTION - BATTERY SERVICING SAFETY

PAGE 36 — DCA-100SSVU— OPERATION AND PARTS MANUAL — REV. #0 (11/05/07)
4. Verify that the Engine Running
status LED on the MPEC unit
(Figure 44) is ON (lit) after the
engine has been started.
Figure 44. Engine Running LED (ON)
Manual Start-up
Procedure
Figure 42. MPEC Control Switch
(Manual Position)
DCA-100SSVU — GENERATOR START-UP PROCEDURE (MANUAL)
The engine's exhaust contains harmful emissions.
ALWAYS have adequate ventilation when operating
.
Direct exhaust away from nearby personnel.
Before Starting
Figure 39. Engine Enclosure Doors
1. Place the
main, G.F.C.I.,
and
aux.
circuit breakers
(Figure 38) in the OFF position prior to starting the engine.
Figure 38. Main, Aux. and GFCI
Circuit Breakers (OFF)
2. Make sure the the
voltage change-over board
has
been configured for the desired output voltage.
3. Connect the load to the
receptacles
or
the
output
terminal lugs
as shown in Figure 13. These load
connection points can be found on the output terminal
panel and the output terminal panel’s hard wire hookup
panel.
4. The output terminal lugs are protected by a plastic cover.
Remove this cover to gain access to the terminals.
Tighten terminal nuts securely to prevent load wires from
slipping out.
5. Close all engine enclosure doors (Figure 39).
CAUTION - LETHAL EXHAUST HAZARD
3. Once the engine starts, let it engine run for 1-2 minutes.
Listen for any abnormal noises. If any abnormalities
exists shutdown the engine and correct the problem.
If the engine is running smoothly, place the engine
speed switch (Figure 43) in the “
HIGH
” (up) position.
2. Once the engine glow plugs have been warmed, place
the
MPEC Control Switch
in the MANUAL position to
start the engine (Figure 42).
Figure 41. Engine Speed Switch (Low)
Figure 43. Engine Speed Switch (High)
NEVER!
manually start the engine with the
main
,
GFCI
or
auxiliary
circuit breakers in the ON (closed) position.
WARNING - STARTING THE GENERATOR
1. Place the engine speed switch (Figure 41) in the “
LOW
”
(down) position.

DCA-100SSVU— OPERATION AND PARTS MANUAL — REV. #0 (11/05/07) — PAGE 37
1
DCA-100SSVU — GENERATOR START-UP PROCEDURE (MANUAL)
Figure 47. Voltage Adjust Control Knob
Figure 48. Ammeter
(No Load)
7. The ammeter (Figure 48) will
indicate
zero amps
with no load
applied. When a load is applied, the
ammeter will indicate the amount of
current that the load is drawing from
the generator.
6. The generator's AC-voltmeter (Figure 47) will display the
generator’s output in VOLTS. If the voltage is not within
the specified tolerance, use the voltage adjustment
control knob (Figure 47) to increase or decrease the
desired voltage.
Figure 46. Voltmeter
Figure 45. Frequency Meter (Hz)
5. The generator's frequency meter (Figure 45) should be
displaying the 60 cycle output frequency in HERTZ.
Figure 51. Engine
Tachometer Gauge
10. The
tachometer gauge
(Figure 51)
will indicate the speed of the engine
when the generator is operating.
Under normal operating conditions
this speed is approximately 1800
RPM’s.
9. The
coolant temperature gauge
(Figure 50) will indicate the
coolant temperature. Under
normal operating conditions the
coolant temperature should be
between 165~203 °F (74~95 °C),
Green Zone
.
Figure 50. Coolant
Temperature Gauge
8. The engine oil pressure gauge
(Figure 49) will indicate the oil
pressure of the engine. Under
normal operating conditions the oil
pressure is approximately 44 to 73
psi. (303~503 kPa). When starting
the genera Figure 49. Oil
Pressure Gauge
Figure 52. Main, Aux. and GFCI
Circuit Breakers (ON)
11. Place the
main
,
GFCI
, and
aux
. circuit breakers in the
ON position (Figure 52).
12. Observe the generator's ammeter
(Figure 53) and verify it reads the
anticipated amount of current with
respect to the load. The ammeter
will only display a current reading if
a load is in use. Figure 53. Ammeter
(Load)
13. The generator will run until manually stopped or an
abnormal condition occurs.

PAGE 38 — DCA-100SSVU— OPERATION AND PARTS MANUAL — REV. #0 (11/05/07)
1. Perform steps 1 through 5 in the
Before Starting
section.
2. Place the
engine speed switch
(Figure 54) in the HIGH
position
4. Continue operating the generator as outlined in the
Manual Start-up
Procedure
(start at step 5).
Figure 55. MPEC Control Switch (AUTO)
When the generator is set in the
AUTO mode, the generator will
automically start
in the event of
comercial power falling below a
prescribed level by means of a
contact closure that is generated
automatically by a transfer switch.
NOTE
Starting (Auto Mode)
Before connecting this generator to any
building’s electrical system, a
licensed
electrician
must install an
isolation
(transfer)
switch
. Serious damage to the
building’s electrical system may occur
without this transfer switch.
DANGER - ELECTRICAL SYSTEM HAZARDS
When connecting the generator to a isolation (transfer)
switch, ALWAYS have power applied to the generator's
internal battery charger. This will ensure that the engine
will not fail due to a dead battery.
CAUTION - BACKUP GENERATOR USE
When running the generator in the AUTO mode, remember
the generator can start up at any time without warning.
NEVER attempt to perform any maintenance when the
generator is in the auto mode.
WARNING - AUTO MODE MAINTENANCE
DCA-100SSVU — GENERATOR START-UP PROCEDURE (AUTO MODE)
When starting generator in AUTO mode use the "
Manual
Start-up" procedure except where noted (see below).
CAUTION - ENGINE SPEED SWITCH
The
Engine Speed Switch
must be set to the “High”
position when running in the
Auto-Start
mode. Failing to
set the switch in the proper position can result in damage
to your generator when it turns on.
3. Place the
MPEC Control Switch
(Figure 55) in the AUTO
position
Figure 54. Engine Speed Switch (High)

DCA-100SSVU— OPERATION AND PARTS MANUAL — REV. #0 (11/05/07) — PAGE 39
1
Normal Shutdown Procedure
To shutdown the generator use the following procedure:
1. Place both the MAIN, GFCI and LOAD circuit breakers
as shown in Figure 38 to the OFF position.
2. Place the engine speed switch (Figure 56) in the “
LOW
”
(down) position.
Figure 57. MPEC Control Switch (Off/Reset)
5. Verify that the
all
status LED on the MPEC display
are OFF (not lit).
6. Remove all loads from the generator.
7. Inspect entire generator for any damage or loosening of
components that may have occured during operation.
Emergency Shutdown Procedure
1. Place the
MPEC Control Switch
switch (Figure 57) to
the OFF/RESET position.
2. To shut-down the engine in the event of an emergency,
switch the
MAIN
,
GFCI
and
LOAD
(Figure 38) circuit
breakers to OFF position.
DCA-100SSVU — GENERATOR SHUT-DOWN PROCEDURES
3. Let the engine cool by running it at low speed for 3-5
minutes with no load applied.
4. Place the
MPEC Control Switch
(Figure 57) to the
OFF/RESET position.
Figure 56. Engine Speed Switch (Low)
NEVER stop the engine suddenly except in an emergency.
WARNING -
SHUTTING DOWN THE GENERATOR

PAGE 40 — DCA-100SSVU— OPERATION AND PARTS MANUAL — REV. #0 (11/05/07)
DCA-100SSVU — MAINTENANCE
Service Daily
If the engine is operating in very
dusty
or
dry grass
conditions, a clogged air cleaner will result. This can lead to
a loss of power, excessive carbon buildup in the combustion
chamber and high fuel consumption. Change air cleaner
more
frequently
if these conditions exists.
Fuel Addition
Add diesel fuel (the grade may vary according to season
and locations).
Removing Water from the Fuel Tank
After prolonged use, water and other impurities accumulate
in the bottom of the tank. Occasionally inspect the fuel
tank for water contamination and drain the contents if
required.
During cold weather, the more empty volume inside the
tank, the easier it is for water to condense. This can be
reduced by keeping the tank full with diesel fuel.
General Inspection
Prior to each use, the generator should be cleaned and
inspected for deficiencies. Check for loose, missing or
damaged nuts, bolts or other fasteners. Also check for fuel,
oil, and coolant leaks. Use Table 14 as a general maintenance
guideline Engine Side (Refer to the Engine Instruction
Manual)
Air Cleaner
Every 250 hours: Remove air cleaner element and clean the
heavy duty paper element with light spray of compressed
air. Replace the air cleaner as needed.
Air Cleaner with Dust Indicator
This indicator is attached to the air cleaner. When the air
cleaner element is clogged, air intake restriction becomes
greater and the dust indicator signal shows RED meaning
the element needs changing or service. After changing the
air element, press the dust indicator button to reset the
indicator.
ECNANETNIAM/NOITCEPSNI.41ELBAT
srH01
YLIAD srH052 srH005 srH0001
ENIGNE
sleveLdiulFenignEkcehC X
renaelCriAkcehC X
leveLdicAyrettaBkcehC X
noitidnoCtleBnaFkcehC X
skaeLrofkcehC X
straPfogninesooLrofkcehC X
*retliFdnaliOenignEecalpeR
1
X
retliFriAnaelC X
lwoBrotarepeSretaW/retliFleuFkcehC X
edistuOdnaedisnI,tinUnaelC X
retliFleuFegnahC X
*leveLnoitcetorPtnalooCkcehCdnarotaidaRnaelC
2
X
*tnemelEretliFriAecalpeR
3
X
*spmalCdnasesoHllakcehC
4
X
knaTleuFfoedisnInaelC X
ROTARENEG
smhoM3revOecnatsiseRnoitalusnIerusaeM X
gniraeBtroppuSraeRrotoRkcehC X
.ylnoemittsrif,sruoh001taretliffnalioenigneecalpeR1*
.tnaloocenigneehtegrahcerot")S'ACS(sevitaddAtnalooClatnemelppuS"ddA2*
H.ni52(mm526fomuccavaswohsrotacidninoitcirtsernehwtnemeleretlifriayramirpecalpeR3*
2
.)0
htiw,toofrephcni2/1atsaeltasiesohybolbehtfoepolsehttahterusne,decalperebotsdeenesohybwolbfI4*
.lioro/d
naerutsiomtcellocdluoctahtspidrosgason

DCA-100SSVU— OPERATION AND PARTS MANUAL — REV. #0 (11/05/07) — PAGE 41
1
DCA-100SSVU — MAINTENANCE
Generator Storage
For longe term storage of the generator the following is
recommended:
Fill the fuel tank completely. Treat with a fuel stabilizer
if necessary.
Completely drain the oil from the crankcase and refill if
necessary with fresh oil.
Clean the entire generator, internal and external.
Cover the generating set and store in a clean, dry place.
Disconnect the battery.
Make sure engine coolant is at proper level.
If generator is mounted on a trailer, jack trailer up and
place on blocks so tires do not touch the ground or block
and completely remove the tires.
Flushing Out Radiator and Replacing Coolant
Open both cocks located at the crankcase side and at
the lower part of the radiator and drain coolant. Open the
radiator cap while draining. Remove the overflow tank
and drain.
Check hoses for softening and kinks. Check clamps for
signs of leakage.
Flush the radiator by running clean tap water through
radiator until signs of rust and dirt are removed. DO NOT
clean radiator core with any objects, such as a
screwdriver.
Tighten both cocks and replace the overflow tank.
Replace with coolant as recommended by the engine
manufaturer.
Close radiator cap tightly.
Air Removal
If air enters the fuel injection system of a diesel engine,
starting becomes impossible. After running out of fuel, or
after disassembling the fuel system, bleed the system
according to the following procedure. See the
VOLVO Engine
Manual
for details.
To restart after running out of fuel, turn the switch to the
“ON” position for 15-30 seconds. Try again, if needed. This
unit is equipped with an automatic air bleeding system.
Check Oil Level
Check the crankcase oil level prior to each use, or when the
fuel tank is filled. Insufficient oil may cause severe damage
to the engine. Make sure the generator is level. The oil level
must be between the two notches on the dipstick as shown
in Figure 31.
Replacing Oil Filter
Remove the old oil filter.
Apply a film of oil to the gasket on the new oil filter.
Install the new oil filter.
After the oil cartridge has been replaced, the engine oil
will drop slightly. Run the engine for a while and check
for leaks before adding more oil if needed. Clean
excessive oil from engine.
Allow engine to
cool
when flushing out
radiator. Flushing the radiator while hot
could cause serious burns from water or
steam.
WARNING - BURN HAZARDS
Replacing Fuel Filter
Replace the fuel filter cartridge with new one every 500
hours or so.
Loosen the drain plug at the lower top of the fuel filter.
Drain the fuel in the fuel body together with the mixed
water. DO NOT spill the fuel during disassembly.
Vent any air.
Cleaning the Fuel Strainer
Clean the fuel strainer if it contains dust or water. Remove
dust or water in the strainer cap and wash it in gasoline.
Securely fasten the fuel strainer cap so that fuel will not
leak. Check the fuel strainer every 200 hours of operation or
once a month.

PAGE 42 — DCA-100SSVU— OPERATION AND PARTS MANUAL — REV. #0 (11/05/07)
DCA-100SSVU — MAINTENANCE
To ensure adequate starting
capability, always have power
applied to the generator's
internal battery charger
.
NOTE
Figure 56. Battery Charger &
Jacket Water Heater Power Connections
Jacket Water Heater and Internal Battery Charger
120 VAC Input Receptacles (OPTIONAL)
This generator can be optionally equipped with two 120 VAC,
20 amp input receptacles located on the output terminal
panel.
The purpose of these receptacles is to provide power via
commercial power to the
jacket water heater
and
internal
battery charger
.
These receptacles will ONLY function when commercial
power has been supplied to them (Figure 58). To apply
commercial power to these receptacles, a power cord of
adequate size will be required (See Table 6).
When using the generator in
hot
climates there is no reason
to apply power to jacket water heater. However, if the
generator will be used in
cold
climates it is always a good
idea to apply power to the jacket water heater at all times. To
apply power to the jacket water heater simply apply power to
the jacket water heater receptacle via commercial power
using an power cord of adequate size.
If the generator will be used daily, the battery should normally
not require charging. If the generator will be idle (not used)
for long periods of time, apply power to the battery charger
receptacle via commercial power using an power cord of
adequate size.

DCA-100SSVU— OPERATION AND PARTS MANUAL — REV. #0 (11/05/07) — PAGE 43
1
DCA-100SSVU — TRAILER MAINTENANCE
8. Tire Size - Indicates the diameter of the tire in inches
(10,12,14, etc.), and the width in millimeters
(175,185,205, etc.). The tire diameter must match the
diameter of the tire rim.
9. Tire Ply - The tire ply (layers) number is rated in letters;
2-ply,4-ply,6-ply, etc.
10. Wheel Hub - The wheel hub is connected to the trailer’s
axle.
11. Tire Rim - Tires mounted on a tire rim. The tire rim must
match the size of the tire.
12. Lug Nuts - Used to secure the wheel to the wheel hub.
Always use a torque wrench to tighten down the lug
nuts. See Table 16 and Figure 59 for lug nut tightening
and sequence.
13. Axle - Indicates the maximum weight the axle can sup-
port in pounds, and the diameter of the axle expressed
in inches. Please note that some trailers have a double
axle. This will be shown as 2-6000 lbs., meaning two
axles with a total weight capacity of 6000 pounds.
14. Suspension - Protects the trailer chassis from shocks
transmitted through the wheels. Types of suspension
used are leaf, Q-flex, and air ride.
15. Electrical - Electrical connectors (looms) are provided
with the trailer so the brake lights and turn signals can
be connected to the towing vehicle.
16. Application - Indicates which units can be employed
on a particular trailer.
Trailer Maintenance
This section is intended to provide the user with generic
trailer service and maintenance information. The service and
maintenance guidelines referenced in this section refer to a
wide range of trailers.
Remember periodic inspection of the trailer will ensure safe
towing of the generator and will prevent personal injury and
damage to the equipment.
The definitions below describe some of the major components
of a typical trailer that would be used with the DCA-100SSVU
Whisperwatt
™
Generator.
1. Fuel Cell - Provides an adequate amount of fuel for the
equipment in use. Fuel cells must be empty when trans-
porting equipment.
2. Braking System - System employed in stopping the
trailer. Typical braking systems are electric, surge, hy-
draulic, hydraulic-surge and air.
3. GVWR- Gross Vehicle Weight Rating (GVWR) is the
maximum number of pounds the trailer can carry, in-
cluding the fuel cell (empty).
4. Frame Length - Measurement is from the ball hitch to
the rear bumper (reflector).
5. Frame Width - Measurement is from fender to fender
6. Jack Stand - Trailer support device with maximum pound
requirement from the tongue of the trailer.
7. Coupler - Type of hitch used on the trailer for towing.

PAGE 44 — DCA-100SSVU— OPERATION AND PARTS MANUAL — REV. #0 (11/05/07)
DCA-100SSVU — TRAILER MAINTENANCE
Hydraulic Surge Brakes
Hydraulic surge brakes (Figure 59) should not require any
special attention with the exception of routine maintenance
such as shoe and lining replacement. Brake lines should be
periodically checked for cracks, kinks, or blockage.
Figure 59. Hydraulic Brake Components
Brakes
Trailer brakes should be inspected the
first 200 miles
of
operation. This will allow the brake shoes and drums to seat
properly. After the first 200 mile interval, inspect the brakes
every 3,000 miles
. If driving over rough terrain, inspect the
brakes more frequently.
Figure 59 displays the major hydraulic surge brake
components that will require inspection and maintenance.
Please inspect these components as required using steps 1
through 8 and Table 15 as listed below:
Brake Adjustment
1. Place the trailer on jack stands. Make sure the jack
stands are placed on secure level ground.
2. Check the wheel and drum for free rotation.
3. Remove the adjusting hole cover from the adjusting slot
at the bottom brake backing plate.
4. With a screwdriver or standard adjusting tool, rotate the
star wheel of the adjuster assembly to expand the brake
shoes.
5. Adjust the brake shoes outward until the pressure of the
lining against the wheel drum makes the wheel difficult
to turn.
6. Adjust, rotate the star wheel in the opposite direction
until the wheel rotates freely with slight lining drag.
7. Replace the adjusting hole cover and lower the trailer to
the ground.
8. Repeat steps 1 through 7 on the remaining brakes.
Actuator
Hydraulic surge braking requires the installation of an actuator
at the tongue of the trailer. Remember the
surge
or
push
of
the trailer toward the tow vehicle automatically synchronizes
the trailer brakes with the tow vehicle brakes. As the trailer
pushes against the tow vehicle the actuator telescopes
together and applies force to the master cylinder, supplying
hydraulic pressure to the trailer brakes.
Periodically check and test the surge “
actuator
” to make
sure that it is functioning correctly. Never use an undersize
actuator.
gnitoohselbuorTekarBciluardyH.51elbaT
motpmyS esuaCelbissoP noituloS
sekarBoN?deknikronekorbenilekarB.ecalperroriapeR
otlluPsekarBrosekarBkaeW
ediSenO
?dezalggninileka
rB.ecalperrohsinrubeR
?dedaolrevoreliarT.thgiewtcerroC
?devoorgroderocssmurdekarB.ecalperroenihcaM
?tcerroc
erusserperiT.yllauqeseritllaetalfnI
?elxaemasehtnodehctamnuseriT.serithctaM
sekarBgnikcoL ?nekorbrotneb,es
oolstnenopmocekarB.stnenopmocecalpeR
?dnuor-fo-tuosmurdekarB.ecalpeR
sekarBysioN ?detacirbulmetsyS.etacirbu
L
?tcerrocstnenopmocekarB.tcerrocdnaecalpeR
sekarBgniggarD
tonrotcerrocnissenkcihtgninilekarB
?yltcerrocde
tsujda
dnaseohswenllatsnI
.sgninil
?diulftcerrocrodiulfekarbhguonE straprebburecalpeR
.diulf4todhtiwllif

DCA-100SSVU— OPERATION AND PARTS MANUAL — REV. #0 (11/05/07) — PAGE 45
1
Tires/Wheels/Lug Nuts
Tires and wheels are a very important and critical
components of the trailer. When specifying or replacing the
trailer wheels it is important the wheels, tires, and axle are
properly matched.
Tire Wear/Inflation
Tire inflation pressure is the most important factor in tire life.
Pressure should be checked cold before operation DO NOT
bleed air from tires when they are
hot!
. Check inflation
pressure weekly during use to insure the maximum tire life
and tread wear.
Table 16 (Tire Wear Troubleshooting) will help pinpoint the
causes and solutions of tire wear problems.
Suspension
The
leaf suspension
springs and associated components
(Figure 60) should be visually inspected every 6,000 miles
for signs of excessive wear, elongation of bolt holes, and
loosening of fasteners. Replace all damaged parts
(suspension) immediately. Torqued suspension components
as detailed in Table 17.
Figure 60. Major Suspension Components
DCA-100SSVU — TRAILER MAINTENANCE
DO NOT attempt to repair or modify a wheel. DO NOT
install in inner tube to correct a leak through the rim. If the
rim is cracked, the air pressure in the inner
tube may cause pieces of the rim to
explode (break off) with great force and
cause serious eye or bodily injury.
CAUTION - REPAIRING TRAILER WHEELS
ALWAYS
wear safety glasses when
removing or installing force fitted parts.
Failure to comply may result in serious
injury.
CAUTION - EYESIGHT HAZARD
stnemeriuqeReuqroTnoisnepsuS.71elbaT
metI ).sbL-.tF(euqroT
TLOB-U"8/353-XAM03-NIM
TLOB-U"61/706-XAM54-NIM
TLOB-U"2/106-XAM54-NIM
SHACKLE BOLT
SPRING EYE BOLT
SNUG FIT ONLY
.
PARTS MUST ROTATE FREELY
.
LOCKING NUTS OR COTTER PINS ARE PROVIDED
TO RETAIN NUT
-
BOLT ASSEMBLY
.
SHOULDER TYPE
SHACKLE BOLT
05-XAM03-NIM

PAGE 46 — DCA-100SSVU— OPERATION AND PARTS MANUAL — REV. #0 (11/05/07)
NEVER
use an pneumatic air
gun to tighten wheel lug nuts.
Figure 61. Wheel Lug Nuts
Tightening Sequence
DCA-100SSVU — TRAILER MAINTENANCE
NOTE
Lug Nut Torque Requirements
It is extremely important to apply and maintain proper wheel
mounting torque on the trailer. Be sure to use only the
fasteners matched to the cone angle of the wheel. Proper
procedure for attachment of the wheels is as follows:
1. Start all wheel lug nuts by hand.
2. Torque all lug nuts in sequence (see Figure 61). DO NOT
torque the wheel lug nuts all the way down. Tighten each
lug nut in 3 separate passes as defined by Table 18.
3. After first road use, retorque all lug nuts in sequence.
Check all wheel lug nuts periodically.
stnemeriuqeReuqroTeriT.81elbaT
eziSleehWssaPtsriF
SBL-TF
ssaPdnoceS
SBL-TF
ssaPdrihT
SBL-TF
"2152-0204-5356-05
"3
152-0204-5356-05
"4152-0206-05021-09
"5152-0206-05021-09
"6152-0206-05021-09

DCA-100SSVU— OPERATION AND PARTS MANUAL — REV. #0 (11/05/07) — PAGE 47
1
DCA-100SSVU — TRAILER WIRING DIAGRAM
Figure 62. Trailer/Towing Vehicle Wiring Diagram

PAGE 48 — DCA-100SSVU— OPERATION AND PARTS MANUAL — REV. #0 (11/05/07)
DCA-100SSVU — GENERATOR WIRING DIAGRAM
Figure 63. Generator Wiring Diagram

DCA-100SSVU— OPERATION AND PARTS MANUAL — REV. #0 (11/05/07) — PAGE 49
1
DCA-100SSVU — ENGINE WIRING DIAGRAM
Figure 64. Engine Wiring Diagram

PAGE 50 — DCA-100SSVU— OPERATION AND PARTS MANUAL — REV. #0 (11/05/07)
Practically all breakdowns can be prevented by proper handling and maintenance inspections, but in the event of a
breakdown, use Table 19 shown below for diagnosis of the Generator. If the problem cannot be remedied, consult our
company's business office or service plant.
DCA-100SSVU — TROUBLESHOOTING (GENERATOR)
GNITOOHSELBUORTROTARENEG.91ELBAT
MOTPMYS MELBORPELBISSOP NOITULOS
tuptuOegatloVoN ?evitcefedretemtloVCA .retemtlovagnisuegatlovtuptuokcehC
?esoolnoitcennocgniriwsI .riaperdnagniriwkcehC
?evitcefedRVAsI .yrassecenfiecalpeR
?reifitceRgnitatoRevitcefeD .ecalperdnakcehC
?dleiFreticxEevitcefeD 1NCnoK&Jssorcasmho3.71rofkcehC
tuptuOegatloVwoL ?tcerrocdeepsenignesI ."hgiH"otrevelelttorhtenignenruT
?esoolsnoitcennocgniriwsI .riaperdnagniriwkcehC
?RVAevitcefeD .yrassecenfiecalpeR
tuptuOegatloVhgiH ?esoolsnoitcennocgniriwsI .riaperdnagniriwkcehC
?RVAevitcefeD .yrassecenfiecalpeR
deppirTrekaerBtiucriC ?daolnitiucriCtrohS .riaperdnadaolkcehC
?tnerrucrevO .ecuderdnastnemeriuqerdaolmrifnoC
?rekaerbtiucricevitcefeD .ecalperdnakcehC
?detautcayaleRtnerrucrevO .ecalperdnatnemeriuqerdaolmrifnoC

DCA-100SSVU— OPERATION AND PARTS MANUAL — REV. #0 (11/05/07) — PAGE 51
1
DCA-100SSVU — TROUBLESHOOTING (ENGINE CONTROLLER)
Practically all breakdowns can be prevented by proper handling and maintenance inspections, but in the event of a
breakdown, use Table 20 (Engine Controller Troubleshooting) as a basic guideline for troubleshooting the Microprocessor
Engine Controller unit (MPEC). If the problem cannot be remedied, consult our company's business office or service plant.
)CEPM(GNITOOHSELBUORTRELLORTNOCENIGNE.02ELBAT
MOTPMYS MELBORPELBISSOP NOITULOS
sithgilerusserpliowoL
.no
?levelliowoL.levelliolliF
?eruliaftinugnidneserusserpliO .tinugnidneseru
sserplioecalpeR
?rellortnoCninoitnuflamyaledemiT.relaedotrefeR
?detrohseriW.eriwriaper/tcepsnI
sithgilleve
ltnaloocwoL
)dellatsnIyllanoitpO(.no
?leveltnaloocwoL.leveltnalooclliF
?eruliaftinugnidneS .tinugnidneseca
lpeR
?egatlovyrettabwoL .yrettabegrahc/ecalpeR
erutrepmettnaloochgiH
.nosithgil
?tcerrocninoisnettlebnaF .t
lebnafecalper/nethgiT
?rotaidarhguorhtnoitalucrictonsiwolfriA .llirgrotaidarriaper/naelC
?neposrooD.srood
esolC
?gnikaeltsuahxE .trapytluafrosteksagriaper/ecalpeR
?dedaolrevogniebrotareneG.daolecuder/kcehC
?eruli
aftatsomrehT.tatsomrehtecalpeR
?dekcolbekatniriA.sekatniriallaraelC
?eruliafhctiwserutarepmeT .hctiwseruta
repmetecalpeR
.nosithgilknarcrevO
?leuFwolrooN.levelleuflliF
?detarbilacebotsdeenrellortnoC.relaedotrefeR
.
nosithgildeepsrevO
?hgihootdeepsenigneMPR.MPRtsujdA
?detsujdaebotsdeenrotautcaronrevoG .rotautcaronrevogt
sujdA
?detsujdaebotsdeenrellortnocronrevoG .rellortnocronrevogtsujdA
?detarbilacebotsdeenrellortnoCenign
E.relaedotrefeR
ro)s(thgilUPMfossoL
.no
?tnemtsujdafotuopukcipcitengaM .pukcipcitengamtsujdA
?ytridpukcipci
tengaM .pukcipcitengamnaelC

PAGE 52 — DCA-100SSVU— OPERATION AND PARTS MANUAL — REV. #0 (11/05/07)
DCA-100SSVU — EXPLANATION OF CODE IN REMARKS COLUMN
N
OTE
When ordering a part that has more
than one item number listed, check
the remarks column for help in
determining the proper part to order.
QTY. Column
Numbers Used - Item quantity can be indicated by a number,
a blank entry, or A/R.
A/R (As Required) is generally used for hoses or other parts
that are sold in bulk and cut to length.
A blank entry generally indicates that the item is not sold
separately. Other entries will be clarified in the “Remarks”
Column.
REMARKS Column
Some of the most common notes found in the “Remarks”
Column are listed below. Other additional notes needed to
describe the item can also be shown.
Assembly/Kit
- All items on the parts list with the same unique
symbol will be included when this item is purchased.
Indicated by:
“INCLUDES ITEMS W/(unique symbol)”
Serial Number Break
- Used to list an effective serial number
range where a particular part is used.
Indicated by:
“S/N XXXXX AND BELOW”
“S/N XXXX AND ABOVE”
“S/N XXXX TO S/N XXX”
Specific Model Number Use
- Indicates that the part is used
only with the specific model number or model number variant
listed. It can also be used to show a part is NOT used on a
specific model or model number variant.
Indicated by:
“XXXXX ONLY”
“NOT USED ON XXXX”
“Make/Obtain Locally”
- Indicates that the part can be
purchased at any hardware shop or made out of available
items. Examples include battery cables, shims, and certain
washers and nuts.
“Not Sold Separately”
- Indicates that an item cannot be
purchased as a separate item and is either part of an
assembly/kit that can be purchased, or is not available for
sale through Multiquip.
The following section explains the different symbols and remarks
used in the Parts section of this manual. Use the help numbers
found on the back page of the manual if there are any questions.
NO. Column
Unique Symbols - All items with same unique symbol
(*, #, +, %, or >) in the number column belong to the same
assembly or kit, which is indicated by a note in the “Remarks”
column.
Duplicate Item Numbers - Duplicate numbers indicate
multiple part numbers are in effect for the same general item,
such as different size saw blade guards in use or a part that
has been updated on newer versions of the same machine.
PART NO. Column
Numbers Used - Part numbers can be indicated by a number,
a blank entry, or TBD.
TBD (To Be Determined) is generally used to show a part
that has not been assigned a formal part number at time of
publication.
A blank entry generally indicates that the item is not sold
separately or is not sold by Multiquip. Other entries will be
clarified in the “Remarks” Column.
Sample Parts List:
NO. PART NO. PART NAME QTY.REMARKS
1 12345 BOLT ....................... 1 .... INCLUDES ITEMS W/*
2*WASHER, 1/4 IN. ...........
NOT SOLD SEPARATELY
2*12347 WASHER, 3/8 IN. .... 1....
MQ-45T ONLY
3 12348 HOSE .................... A/R .. MAKE LOCALLY
4 12349 BEARING ................ 1 .... S/N 2345B AND ABOVE
The contents and part numbers listed in the parts section are
subject to change
without notice
. Multiquip does not
guarantee the availibility of the parts listed.

DCA-100SSVU— OPERATION AND PARTS MANUAL — REV. #0 (11/05/07) — PAGE 53
1
DCA-100SSVU — SUGGESTED SPARE PARTS
Part number on this Suggested Spare Parts list
may supercede/replace the P/N shown in the text
pages of this book.
NOTE
DCA-100SSVU WHISPER WATTGENRATOR
W/VOLVO PENTA TAD520GE DIESEL ENGINE
1 TO 3 UNITS
Qty.P/N Description
1 ......... V20412278 .......... HOSE, RADIATOR UPPER
1 ......... V20412279 .......... HOSE, RADIATOR LOWER
1 ......... V20412329 .......... RADIATOR CAP
1 ......... 0605505070 ........ FUEL CAP
1 ......... V20405794 .......... ALTERNATOR 12 VDC
2 ......... V978515 .............. V-BELT, ALTERNATOR
2 ......... V978750 .............. V-BELT, FUEL PUMP
1 ......... V20405779 .......... MONITOR, OIL PRESSURE
1 ......... V20405778 .......... SENSOR, OIL PRESSURE
1 ......... V20543720 .......... TEMP SENSOR UNIT
1 ......... V20412270 .......... SENSOR, TEMPERATURE
6 ......... V20549350 .......... FILTER, FUEL CARTRIDGE
6 ......... V8159975 ............ FILTER, WATER SEPARATOR
6 ......... V3831236 ............ FILTER, OIL CARTRIDGE
3 ......... V3840033 ............ FILTER, AIR (ELEMENT)
1 ......... 0601808803 ........ CIRCUIT BREAKER, 1P, 120V @ 20A
1 ......... 0601808804 ........ CIRCUIT BREAKER, 2P, 250V @ 50A
2 ......... LY2DUS12VDC .. RELAY

PAGE 54 — DCA-100SSVU— OPERATION AND PARTS MANUAL — REV. #0 (11/05/07)
DCA-100SSVU — GENERATOR ASSY.
GENERATOR ASSY.

DCA-100SSVU— OPERATION AND PARTS MANUAL — REV. #0 (11/05/07) — PAGE 55
1
DCA-100SSVU — GENERATOR ASSY.
GENERATOR ASSY.
NO PART NO PART NAME QTY.REMARK
1 C0110000202 ROTOR ASSY. ........................... 1 .................... INCLUDES ITEMS W/*
1-1*FIELD ASSY. 1
1-2*8101070033 FAN 1
1-3*8101611004 COUPLING DISK 5
1-4*8101015003 BALANCING PLATE .................. 1 .................... PURCHASE ITEM 1-14 AS A SET
1-5*0012110030 HEX HEAD BOLT 8
1-6*0042510000 WASHER, LOCK 8
1-7*8101026013 SET PLATE, RECTIFIER ........... 1 .................... PURCHASE ITEM 1-14 AS A SET
1-8*0601821349 RECTIFIER, PT 3610 2
1-9*0601822601 SURGE ABSORBER 1
1-10*8001020004 INSULATOR WASHER 1
1-11*8001020504 INSULATOR WASHER 1
1-12*0010110020 HEX HEAD BOLT 4
1-13*0040010000 WASHER, LOCK 4
1-14*0601000209 BALANCING WEIGHT KIT 1
1-15*0071906311 BEARING, 6311DDU C3 1
2 C0130200003 STATOR ASSY. 1
3 0845041804 GROMMET 2
4 8101315202 END BRACKET 1
5 8101350013 FIELD ASSY. EXCITER 1
6 0012110070 HEX HEAD BOLT 4
7 0042610000 WASHER, LOCK 4
8 0041210000 WASHER, FLAT 4
9 0010110035 HEX HEAD BOLT 6
10 0040010000 SPRING WASHER 6
11 0041210000 WASHER, FLAT 6
12 8101310014 COVER, BEARING 1
13 8131312014 GASKET, BEARING 1
14 8101333003 COVER, END BRACKET 1
15 0017106012 HEX HEAD BOLT 10
16 8101333003 COVER, END BRACKET 1
17 0010106030 HEX HEAD BOLT 2
18 0040006000 WASHER, LOCK 2
19 0041206000 PLAIN WASHER 2
20 M2163400003 COUPLING RING 1
21 0012110040 HEX HEAD BOLT 8
22 0042610000 WASHER, LOCK 8
23 0070506306 BEARING 1
24 0012810030 HEX HEAD BOLT 8
25 0012810030 HEX HEAD BOLT 12
26 8111332014 COVER, FAN 1
27 0600815000 NUT 1
28 0605000061 RUBBER SUSPENSION 2
29 0030016000 HEX NUT 2
29A 0040016000 WASHER, LOCK 2

PAGE 56 — DCA-100SSVU— OPERATION AND PARTS MANUAL — REV. #0 (11/05/07)
DCA-100SSVU— ENGINE OPERATING PANEL ASSY.
ENGINE OPERATING PANEL ASSY.

DCA-100SSVU— OPERATION AND PARTS MANUAL — REV. #0 (11/05/07) — PAGE 57
1
DCA-100SSVU— ENGINE OPERATING PANEL ASSY.
ENGINE OPERATING PANEL ASSY.
NO PART NO PART NAME QTY.REMARKS
1 0602202545 CONTROLLER, ECU-9988N 1
2 0601831340 SWITCH 1
3 0601831395 ENGINE SPEED SWITCH 1
4 0602120096 TACHOMETER 1
5 0602122097 OIL PRESSURE GAUGE 1
6 0602123094 WATER TEMPERATURE GAUGE 1
7 0602121080 CHARGING AMMETER 1
8 0602125090 FUEL GAUGE 1
9 0601810141 PANEL LIGHT 1
10 0601831330 SWITCH, PANEL LIGHT 1
11 M3351100004 ENGINE OPERATING PANEL ........................... 1 ............. S/N 7800130 AND ABOVE
12 0017106040 HEX HEAD BOLT .............................................. 2 ............. S/N 7800130 AND ABOVE
13 0027105010 MACHINE SCREW ........................................... 4 ............. S/N 7800130 AND ABOVE
14 M3223100004 STOPPER ......................................................... 1 ............. S/N 7800130 AND ABOVE
15 0027105010 MACHINE SCREW ........................................... 2 ............. S/N 7800130 AND ABOVE
16 M3357200702 WIRE HARNESS, ENGINE ............................... 1 ............. S/N 7800001~7800129
17 M3357201412 WIRE HARNESS, ENGINE ............................... 1 ............. S/N 7800130 AND ABOVE
18 0601802149 FUSE, 10A 1
19 0601806671 FUSE, 15A 1

PAGE 58 — DCA-100SSVU— OPERATION AND PARTS MANUAL — REV. #0 (11/05/07)
DCA-100SSVU— CONTROL BOX ASSY. (S/N 78000001~78000129)
CONTROL BOX ASSY. (S/N 7800001~7800129)

DCA-100SSVU— OPERATION AND PARTS MANUAL — REV. #0 (11/05/07) — PAGE 59
1
DCA-100SSVU— CONTROL BOX ASSY. (S/N 78000001~78000129)
CONTROL BOX ASSY. (S/N 7800001~7800129)
NO PART NO PART NAME QTY.REMARKS
1 M321300602 CONTROL BOX ............................................. 1 ................. S/N 7800001~7800129
2 0601808822 CIRCUIT BREAKER, 3P 250A 1
3 0021005080 MACHINE SCREW 4
4 0601823863 RELAY UNIT 2
5 0027104016 MACHINE SCREW 4
6 0601820671 AUTOMATIC VOLTAGE REGULATOR 1
7 0027105016 MACHINE SCREW 4
8 0601806118 CURRENT TRANSFORMER, 200:5A ............ 3 ................. S/N 7800001~7800129
9 0027106016 MACHINE SCREW 6
10 0601820845 OVER CURRENT RELAY .............................. 1 ................. S/N 7800001~7800057
10 0601820847 OVER CURRENT RELAY .............................. 1 ................. S/N 7800058~7800129
11 0601820846 OVER CURRENT RELAY .............................. 1 ................. S/N 7800001~7800057
11 0601820848 OVER CURRENT RELAY .............................. 1 ................. S/N 7800058~7800129
12 0027104016 MACHINE SCREW 2
13 0207004000 HEX NUT 2
14 0601826158 CAPACITOR, 0.01uF 1
15 M3213500013 CONTROL BOX COVER 1
16 0016906016 HEX HEAD BOLT 4
17 M3923100004 SELECTOR SWITCH .................................... 1 ................. S/N 7800001~7800129
17A S2BG411 KNOB-HANDLE, BLACK
18 M3276600004 SPACER 8
19 M3213600003 SWITCH BRACKET ...................................... 1 ................. S/N 7800001~7800129
20 0330000295 EDGING ........................................................ 2 ................. S/N 7800001~7800129
21 M3260500004 SWITCH BOARD 1
22 0021104015 MACHINE SCREW ....................................... 4 ................. S/N 7800001~7800129
22A 0207004000 HEX NUT 4
22B 0040004000 WASHER, LOCK 4
22C 0041204000 WASHER, FLAT 4
20 0330000295 EDGING ........................................................ 2 ................. S/N 7800001~7800129
23 0016906016 HEX HEAD BOLT .......................................... 6 ................. S/N 7800001~7800129
24 M3213600104 SWITCH COVER ........................................... 1 ................. S/N 7800001~7800129
25 0016906016 HEX HEAD BOLT .......................................... 4 ................. S/N 7800001~7800129
26 0016906016 HEX HEAD BOLT ........................................ 10 ................. S/N 7800001~7800129
27 M3223000203 CONTROL PANEL 1
28 0601807641 FREQUENCY METER, 45~65Hz 240V 1
29 0601808988 AC AMMETER, 0~200A/400A 1
30 0601801040 CHANGE-OVER SWITCH, AMMETER 1
31 0601806859 AC VOLTMETER, 0~600V 1
32 0601801041 CHANGE-OVER SWITCH, VOLTMETER 1
33 0601840073 RHEOSTAT (VR) 2W 1K OHM 1
34 0601840121 KNOB 1
35 M1223100004 STOPPER 1
36 0027105016 MACHINE SCREW 2
37 0027105016 MACHINE SCREW 4

PAGE 60 — DCA-100SSVU— OPERATION AND PARTS MANUAL — REV. #0 (11/05/07)
CONTROL BOX ASSY. (CONT.
S/N 7800001~7800129)
DCA-100SSVU— CONTROL BOX ASSY. (S/N 78000001~78000129)

DCA-100SSVU— OPERATION AND PARTS MANUAL — REV. #0 (11/05/07) — PAGE 61
1
DCA-100SSVU— CONTROL BOX ASSY. (S/N 78000001~78000129)
CONTROL BOX ASSY. (CONT.
S/N 7800001~7800129)
NO PART NO PART NAME QTY.REMARKS
38 M9220100004 SET SCREW 1
39 0080200007 SNAP RING 1
40 0601826031 RELAY, DC12V 1
41 0027104016 MACHINE SCREW 2
42 0601823240 RECTIFIER, DE4503 ........................................ 2 ............. S/N 7800001~7800002
42 0601823240 RECTIFIER, DE4503 ........................................ 3 ............. S/N 7800003~7800129
43 0027104030 MACHINE SCREW ........................................... 1 ............. S/N 7800001~7800002
43 0027104040 MACHINE SCREW ........................................... 1 ............. S/N 7800003~7800129
44 LY2DUS12VDC RELAY 1 REPLACES P/N 0601827656
44A 0601823109 RELAY BASE, PTF08A-E 1
4B 0601824400 RELAY CLIP, PYCA1 2
45 0601823768 RELAY, LY-2 DC12V 1
45A 0601823109 RELAY BASE, PTF08-E 1
45B 0601824400 RELAY CLIP, PYCA1 2
46 0027104020 MACHINE SCREW 4
47 0602202568 SPEED CONTROL UNIT 1
48 0027105016 MACHINE SCREW 4
49 0602120475 SPEED SENSOR 1
50 0016906020 HEX HEAD BOLT 1
51 M3246701304 WIRE HARNESS GENERATOR ........................ 1 ............. S/N 7800000~7800129
52 V20405778 OIL PRESSURE SENSOR 1
53 V20412270 SENSOR TEMPERATURE 1

PAGE 62 — DCA-100SSVU— OPERATION AND PARTS MANUAL — REV. #0 (11/05/07)
DCA-100SSVU— CONTROL BOX ASSY. (S/N 78000130 AND ABOVE)
CONTROL BOX ASSY. (S/N 7800130~AND ABOVE)

DCA-100SSVU— OPERATION AND PARTS MANUAL — REV. #0 (11/05/07) — PAGE 63
1
CONTROL BOX ASSY. (S/N 7800130~AND ABOVE)
NO PART NO PART NAME QTY.REMARKS
1 M321300902 CONTROL BOX ................................................. 1 ............. S/N 7800130~7800214
1 M321300912 CONTROL BOX ................................................. 1 ............. S/N 7800215 AND ABOVE
2 0601808822 CIRCUIT BREAKER, 3P 250A 1
3 0021005080 MACHINE SCREW 4
4 0601823863 RELAY UNIT 2
5 0027104016 MACHINE SCREW 4
6 0601820671 AUTOMATIC VOLTAGE REULATOR 1
7 0027105016 MACHINE SCREW 4
8 0601806118 CURRENT TRANSFORMER, 200:5A ................ 3 ............. S/N 7800130~7800214
8 0601801124 CURRENT TRANSFORMER, 200:5A ................ 3 ............. S/N 7800215 AND ABOVE
9 0027106020 MACHINE SCREW ........................................... 6 ............. REPLACES P/N 0027106016
10 0601820847 OVER CURRENT RELAY .................................. 1 ............. S/N 7800130 AND ABOVE
11 0601820848 OVER CURRENT RELAY .................................. 1 ............. S/N 7800130 AND ABOVE
12 0027104016 MACHINE SCREW 2
13 0207004000 HEX NUT 2
14 0601826158 CAPACITOR, 0.01uF 1
15 M3213500213 CONTROL BOX COVER ................................... 1 ............. S/N 7800130 AND ABOVE
16 0016906016 HEX HEAD BOLT 5
17 M3270100404 SELECTOR SWITCH ........................................ 1 ............. S/N 7800130~AND ABOVE
17A S2BG411 KNOB-HANDLE, BLACK
17B M3550002304 DECAL, SELECTOR SWITCH NUMBER .......... 1 ............. S/N 7800195~AND ABOVE
17C M3550002404 DECAL, SELECTOR SWITCH NUMBER .......... 1 ............. S/N 7800195~AND ABOVE
18 M3276600004 SPACER 8
19 M3213600903 SWITCH BRACKET .......................................... 1 ............. S/N 7800130~7800194
19 M3213601504 SWITCH BRACKET .......................................... 1 ............. S/N 7800195~AND ABOVE
20 0330000295 EDGING ............................................................ 2 ............. S/N 7800130~7800194
21 M3260500004 SWITCH BOARD 1
22 0021104015 MACHINE SCREW ........................................... 4 ............. S/N 7800130~7800194
22 0021104040 MACHINE SCREW ........................................... 4 ............. S/N 7800195~AND ABOVE
22A 0207004000 HEX NUT .......................................................... 4 ............. S/N 7800195~AND ABOVE
22B 0040004000 WASHER, LOCK ............................................... 4 ............. S/N 7800195~AND ABOVE
22C 0041204000 WASHER, PLAIN .............................................. 4
20 0330000295 EDGING ............................................................ 2 ............. S/N 7800001~7800194
23 0016906016 HEX HEAD BOLT .............................................. 8 ............. S/N 7800130~7800194
23 0016906016 HEX HEAD BOLT .............................................. 6 ............. S/N 7800195~AND ABOVE
24 M3213601004 SWITCH COVER ............................................... 1 ............. S/N 7800130~7800194
24 M3213601704 SWITCH COVER ............................................... 1 ............. S/N 7800195~AND ABOVE
24-1 0228800210 SEAL RUBBER ................................................. 1 ............. S/N 7800195~AND ABOVE
24-2 0228800120 SEAL RUBBER ................................................. 1 ............. S/N 7800195~AND ABOVE
24-3 0317700180 SEAL RUBBER ................................................. 1 ............. S/N 7800195~AND ABOVE
25 0016906016 HEX HEAD BOLT .............................................. 4 ............. S/N 7800001~7800129
DCA-100SSVU— CONTROL BOX ASSY. (S/N 78000130 AND ABOVE)

PAGE 64 — DCA-100SSVU— OPERATION AND PARTS MANUAL — REV. #0 (11/05/07)
DCA-100SSVU— CONTROL BOX ASSY. (S/N 78000130 AND ABOVE)
CONTROL BOX ASSY. (CONT.
S/N 7800130~AND ABOVE)

DCA-100SSVU— OPERATION AND PARTS MANUAL — REV. #0 (11/05/07) — PAGE 65
1
DCA-100SSVU— CONTROL BOX ASSY. (S/N 78000130 AND ABOVE)
CONTROL BOX ASSY. (CONT.
S/N 7800130~AND ABOVE)
NO PART NO PART NAME QTY.REMARKS
26 0016906016 HEX HEAD BOLT .............................................15 ............. S/N 7800130~AND ABOVE
27 M3223000203 CONTROL PANEL 1
28 0601807641 FREQUENCY METER, 45~65Hz 240V 1
29 0601808988 AC AMMETER, 0~200A/400A 1
30 0601801040 CHANGE-OVER SWITCH, AMMETER 1
31 0601806859 AC VOLTMETER, 0~600V 1
32 0601801041 CHANGE-OVER SWITCH, VOLTMETER 1
33 0601840073 RHEOSTAT (VR) 2W 1K OHM 1
34 0601840121 KNOB 1
35 M1223100004 STOPPER 1
36 0027105016 MACHINE SCREW 2
37 0027105016 MACHINE SCREW 4
38 M9220100004 SET SCREW 1
39 0080200007 SNAP RING 1
40 0601826031 RELAY, DC12V 1
41 0027104016 MACHINE SCREW 2
42 0601823240 RECTIFIER, DE4503 ........................................ 3 ............. S/N 7800130~AND ABOVE
43 0027104040 MACHINE SCREW ........................................... 1 ............. S/N 7800130~AND ABOVE
44 0601827656 RELAY, LY-2D DC12V 1
44A PTF08A RELAY BASE .................................................... 1 .............. REPLACES P/N 0601823109
44B PYCA1 RELAY CLIP...................................................... 2 .............. REPLACES P/N 0601824400
45 LY2DUS12VDC RELAY, .............................................................. 1 .............. REPLACES P/N 0601823768
45A PTF08A RELAY BASE .................................................... 1 .............. REPLACES P/N 0601823109
45B PYCA1 RELAY CLIP...................................................... 2 .............. REPLACES P/N 0601824400
46 0027104020 MACHINE SCREW 4
47 0602202568 SPEED CONTROL UNIT 1
48 0027105016 MACHINE SCREW 4
49 0602120475 SPEED SENSOR 1
50 0016906020 HEX HEAD BOLT 1
51 M3260500204 SET PANEL ....................................................... 1 ............. S/N 7800130~AND ABOVE
52 0016906016 HEX HEAD BOLT .............................................. 4 ............. S/N 7800130~AND ABOVE
53-1 0330000180 EDGING ............................................................ 2 ............. S/N 7800130~AND ABOVE
53-2 0330000240 EDGING ............................................................ 1 ............. S/N 7800130~AND ABOVE
53-3 0330000065 EDGING ............................................................ 2 ............. S/N 7800195~AND ABOVE
54 M3213601604 SWITCH BRACKET .......................................... 1 ............. S/N 7800195~AND ABOVE
54-1 0330000225 EDGING ............................................................ 2 ............. S/N 7800195~AND ABOVE
55 0027104016 MACHINE SCREW ........................................... 4 ............. S/N 7800195~AND ABOVE
55A 02070004000 HEX NUT .......................................................... 4 ............. S/N 7800195~AND ABOVE
56 M3246701304 WIRE HARNESS GENERATOR ........................ 1 ............. S/N 7800130~7800194
57 M3246701324 WIRE HARNESS GENERATOR ........................ 1 ............. S/N 7800195~AND ABOVE
58 V20405778 OIL PRESSURE SENSOR 1
59 V20412270 SENSOR TEMPERATURE 1

PAGE 66 — DCA-100SSVU— OPERATION AND PARTS MANUAL — REV. #0 (11/05/07)
DCA-100SSVU— ENGINE AND RADIATOR ASSY.
ENGINE AND RADIATOR ASSY.

DCA-100SSVU— OPERATION AND PARTS MANUAL — REV. #0 (11/05/07) — PAGE 67
1
DCA-100SSVU— ENGINE AND RADIATOR ASSY.
ENGINE AND RADIATOR ASSY.
NO PART NO PART NAME QTY.REMARKS
1 M3923200044 ENGINE & RADIATOR SET .............................. 1 ............. TAD520GE
1-1 V3840033 ELEMENT, AIR CLEANER ................................ 1 ............. REPLACES P/N 0602046622
1-2 V3831236 CARTRIDGE, OIL FILTER ................................ 1 ............. REPLACES P/N 0602041277
1-3 V20549350 CARTRIDGE, FUEL FILTER ............................. 1 ............. REPLACES P/N 0602042560
2 M3303200204 ENGINE FOOT 1
3 M3303200304 ENGINE FOOT 1
4 0012112040 HEX HEAD BOLT 4
5 0030312000 HEX NUT 4
6 0042512000 WASHER, LOCK 4
7 0605000450 RUBBER SUSPENSION 2
8 0030012000 HEX NUT 2
9 0040012000 WASHER, LOCK 2
10 M3310201104 RADIATOR BRACKET 2
11 0016908020 HEX HEAD BOLT 4
12 M3310200814 SEAL BRACKET 1
13 0283202350 SEAL RUBBER 1
14 0222900510 SEAL RUBBER 2
15 0016906020 HEX HEAD BOLT 6
16 0602022563 ADAPTER 1
17 0802022561 90 DEG. ELBOW 1
18 0803306590 CONNECTOR 1
19 0603300285 ROCKNUT 1
20 0605511395 VALVE 1
21 0603306395 HOSE JOINT 1
22 0802021070 CAP 1
23 0269200800 DRAIN HOSE 1
24 M3310600104 DRAIN JOINT 1
25 0199800800 DRAIN HOSE 1
26 0193101200 OVER FLOW HOSE 1
27 V978515 V-BELT ALTERNATOR 1
28 V20405794 ALTERNATOR 1
29 V978750 V-BELT, FUEL PUMP 1
30 V20412278 HOSE RADIATOR, UPPER 1
31 V20412279 HOSE RADIATOR 1
32 V20405779 MONITOR, OIL PRESSURE 1
33 V20543720 TEMPERATURE SENSOR UNIT 1

PAGE 68 — DCA-100SSVU— OPERATION AND PARTS MANUAL — REV. #0 (11/05/07)
DCA-100SSVU— OUTPUT TERMINAL ASSY.
OUTPUT TERMINAL ASSY.
THE SERIAL NUMBER MAY BE REQUIRED.
ADD THE FOLLOWING DIGITS AFTER THE PART
NUMBER WHEN ORDERING ANY PAINTED PANEL TO
INDICATE COLOR OF UNIT:
1-ORANGE 5-BLACK
2-WHITE 6-CATERPILLAR YELLOW
3-SPECTRUM GREY 7-CATO GOLD
4-SUNBELT GREEN 8-RED

DCA-100SSVU— OPERATION AND PARTS MANUAL — REV. #0 (11/05/07) — PAGE 69
1
DCA-100SSVU— OUTPUT TERMINAL ASSY.
OUTPUT TERMINAL ASSY.
NO PART NO PART NAME QTY.REMARKS
1 M3230700003 TERMINAL PANEL 1
2 M9220100304 OUTPUT TERMINAL BOLT 5
3 M9220100404 TIE BOLT 5
4 0039316000 HEX NUT 10
5 0040016000 WASHER, LOCK 15
6 0041416000 WASHER, FLAT 20
7 0016908035 HEX HEAD BOLT 5
8 M3238100103 TERMINAL COVER 1
9 M3236100104 OUTPUT WINDOW 1
10 0606010040 HINGE 2
11 0027103010 MACHINE SCREW 4
11A 0030003000 HEX NUT 4
11B 0041203000 WASHER, FLAT 4
12 0027103010 MACHINE SCREW 4
12A 0030003000 HEX NUT 4
13 0016906020 HEX HEAD BOLT 2
14 0016906016 HEX HEAD BOLT 4
15 M3236400004 CABLE OUTLET COVER 1
16 M3236300004 SUPPORTER, CABLE OUTLET COVER 1
17 0016906020 HEX HEAD BOLT 6
18 0601808803 CIRCUIT BREAKER, 120V,1P 20A 2
19 0601808804 CIRCUIT BREAKER, 250V, 2P 50A 3
20 M1260700304 BREAKER FITTING COVER 1
20-1 0222100150 CUSHION RUBBER 1
21 0016906020 HEX HEAD BOLT 2
22 0601812598 RECEPTACLE, 125V 20A X 2 2
23 0601812538 RECEPTACLE, CS6369 250V 50A 2
24 0027104016 MACHINE SCREW 10
24A 0207004000 HEX NUT 10
25 M3236100213 TERMINAL COVER 1
26 0010112045 HEX HEAD BOLT 2
27 0041212000 PLAIN WASHER 2
28 M9310200004 STAY RUBBER 2
29 0030012000 HEX NUT 2
30 0603306775 BIND PLUG 2
31 0027104016 MACHINE SCREW 4
32 0601815194 TERMINAL 1
33 0027104016 MACHINE SCREW 2

PAGE 70 — DCA-100SSVU— OPERATION AND PARTS MANUAL — REV. #0 (11/05/07)
DCA-100SSVU — ACTUATOR ASSY.
ACTUATOR ASSY.

DCA-100SSVU— OPERATION AND PARTS MANUAL — REV. #0 (11/05/07) — PAGE 71
1
DCA-100SSVU — ACTUATOR ASSY.
ACTUATOR ASSY.
NO PART NO PART NAME QTY.REMARKS
1 0602150070 ACTUATOR 1
2 M3354200004 ACTUATOR BRACKET 1
3 0021108020 FLAT HEAD SCREW 2
4 0014208035 HEX SOCKET HEAD CAP SCREW 1
4A 0030008000 HEX NUT 1
4B 0040008000 WASHER, LOCK 1
4C 0041208000 WASHER, FLAT 2
5 0014208035 HEX SOCKET HEAD CAP SCREW 1
5A 0041208000 WASHER, FLAT 1
6 M3354300404 THROTTLE THREAD 1
7 0602180290 ROD END 2
8 0038202000 HEX NUT 2
9 M3351800004 COLLAR 1
10 0041208000 PLAIN WASHER 3
11 0010106040 HEX HEAD BOLT 1
12 0030006000 HEX NUT 2
13 0041206000 WASHER, FLAT 3
14 0017106025 HEX HEAD BOLT 1

PAGE 72 — DCA-100SSVU— OPERATION AND PARTS MANUAL — REV. #0 (11/05/07)
DCA-100SSVU— BATTERY ASSY.
BATTERY ASSY.

DCA-100SSVU— OPERATION AND PARTS MANUAL — REV. #0 (11/05/07) — PAGE 73
1
DCA-100SSVU— BATTERY ASSY.
BATTERY ASSY.
NO PART NO PART NAME QTY.REMARKS
1 0602220196 BATTERY 1
2 M9310500404 BATTERY SHEET 1
3 M9103000504 BATTERY BAND 1
4 0602220921 BATTERY BOLT SET 2
5 0040006000 SPRING WASHER 2
6 M3346900804 BATTERY CABLE 1
7 M3346900604 BATTERY CABLE 1
8 CABLE .............................................................. 1 ............. MAKE LOCALLY
9 0017112025 HEX HEAD BOLT 1
9A 0040512000 TOOTHED WASHER 1
10 0017110020 HEX HEAD BOLT 1
10A 0040510000 TOOTHED WASHER 1

PAGE 74 — DCA-100SSVU— OPERATION AND PARTS MANUAL — REV. #0 (11/05/07)
DCA-100SSVU— MUFFLER ASSY.
MUFFLER ASSY.

DCA-100SSVU— OPERATION AND PARTS MANUAL — REV. #0 (11/05/07) — PAGE 75
1
DCA-100SSVU— MUFFLER ASSY.
MUFFLER ASSY.
NO PART NO PART NAME QTY.REMARKS
1 0602300167 MUFFLER 1
2 0016910025 HEX HEAD BOLT 4
3 M3333000713 EXHAUST PIPE ................................................ 1 ............. S/N 7800001~7800012
3 M333000733 EXHAUST PIPE ................................................ 1 ............. S/N 7800013 AND ABOVE
4 0602320198 GASKET 1
5 M3333200004 GASKET 1
6 0017110040 HEX HEAD BOLT 4
7 0017110040 HEX HEAD BOLT 4
8 M3330400304 COVER 1
9 M3330400403 BRACKET 1
10 0016908020 HEX HEAD BOLT 4
11 0602326061 U-BOLT SET 1

PAGE 76 — DCA-100SSVU— OPERATION AND PARTS MANUAL — REV. #0 (11/05/07)
DCA-100SSVU— FUEL TANK ASSY.
FUEL TANK ASSY.

DCA-100SSVU— OPERATION AND PARTS MANUAL — REV. #0 (11/05/07) — PAGE 77
1
DCA-100SSVU— FUEL TANK ASSY.
FUEL TANK ASSY.
NO PART NO PART NAME QTY.REMARKS
1 M3363001002 FUEL TANK 1
1-1 0605505070 CAP, FUEL TANK 1
2 M3363200204 TANK BAND 2
3 M9310500104 SUPPORTER SHEET 4
4 0016908020 HEX HEAD BOLT 2
5 0207308000 HEX NUT 2
6 0222100660 RUBBER SHEET 2
7 M9200000003 DRAIN JOINT 1
8 M9200200004 DRAIN BOLT 1
9 0150000018 O RING 1
10 0016906020 HEX HEAD BOLT 2
11 M1363400104 DRAIN HOSE 1
12 0605515198 HOSE BAND 2
13 0602042266 WATER SEPARATOR 1
13A 0602042766 ELEMENT 1
14 0017110040 HEX HEAD BOLT 2
15 0602022567 90 DEG. ELBOW 2
16 0602022980 SWIVEL 2
18 0191401250 SUCTION HOSE ............................................... 1 ............. S/N 7800081 AND BELOW
18 0191401050 SUCTION HOSE ............................................... 1 ............. S/N 7800082 AND ABOVE
19 0191400770 SUCTION HOSE 1
20 0191302900 RETURN HOSE 1
21 0605515198 HOSE BAND ..................................................... 4 ............. S/N 7800081 AND BELOW
21 0605515198 HOSE BAND ..................................................... 6 ............. S/N 7800082 AND ABOVE
22 0605515109 HOSE BAND 2
23 0602023200 FUEL HAND PUMP ............................................ 1 ............. S/N 7800082 AND ABOVE
24 0017106045 HEX HEAD BOLT ............................................... 2 ............. S/N 7800082 AND ABOVE
24A 0207006000 HEX NUT ........................................................... 2 ............. S/N 7800082 AND ABOVE
25 0191400135 SUCTION HOSE ................................................ 1 ............. S/N 7800082 AND ABOVE

PAGE 78 — DCA-100SSVU— OPERATION AND PARTS MANUAL — REV. #0 (11/05/07)
DCA-100SSVU— ENCLOSURE ASSY.
ENCLOSURE ASSY.
THE SERIAL NUMBER MAY BE REQUIRED.
ADD THE FOLLOWING DIGITS AFTER THE PART
NUMBER WHEN ORDERING ANY PAINTED PANEL TO
INDICATE COLOR OF UNIT:
1-ORANGE 5-BLACK
2-WHITE 6-CATERPILLAR YELLOW
3-SPECTRUM GREY 7-CATO GOLD
4-SUNBELT GREEN 8-RED

DCA-100SSVU— OPERATION AND PARTS MANUAL — REV. #0 (11/05/07) — PAGE 79
1
DCA-100SSVU— ENCLOSURE ASSY.
ENCLOSURE ASSY.
NO PART NO PART NAME QTY.REMARKS
1 M3413001612 BASE 1
2 M1413400004 UNDER COVER 1
3 0016908020 HEX HEAD BOLT 2
4 M3423001012 FRONT FRAME 1
4A M3493105713 ACOUSTIC SHEET 1
5 0016910025 HEX HEAD BOLT 6
6 M3423200104 COVER, FRONT FRAME 1
6A M3493100304 ACOUSTIC SHEET 1
7 0016908020 HEX HEAD BOLT .......................................... 14 ............... S/N 7800001~7800099
7 0019208020 HEX HEAD BOLT .......................................... 14 ............... S/N 7800100 AND ABOVE
8 M3433000712 CENTER FRAME 1
8A M3493200004 ACOUSTIC SHEET 1
9 0010114040 HEX HEAD BOLT 12
9A 0030014000 HEX NUT 12
9B 0040014000 WASHER, LOCK 24
9C 0041214000 WASHER, FLAT 24
10 M344300212 REAR FRAME................................................. 1 ............... S/N 7800001~7800129
10 M3443001002 REAR FRAME................................................. 1 ............... S/N 7800130 AND ABOVE
10A M3493300204 ACOUSTIC SHEET 1
11 0016910025 HEX HEAD BOLT 4
11A 0040510000 TOOTHED WASHER 1
12 M3443300203 REAR COVER 1
13 M3443300903 DUCT, REAR COVER 2
13A M3493302603 ACOUSTIC SHEET 1
14 0207006000 HEX NUT 12
15 0016908020 HEX HEAD BOLT .......................................... 10 ............... S/N 7800001~7800099
15 0019208020 HEX HEAD BOLT .......................................... 10 ............... S/N 7800100 AND ABOVE
16 M3443200113 REAR DOOR 1
17 M3443600104 WINDOW PLATE 1
18 0207306000 HEX NUT 10
18A 0041206000 WASHER, FLAT 10
19 M9113000002 DOOR HANDLE ASSY. 1
20 0021806016 MACHINE SCREW 4
20A 0030006000 HEX NUT 4
21 M9110100204 HINGE 2
21A M9116100004 WASHER 2
22 0016908020 HEX HEAD BOLT ............................................ 3 ............... S/N 7800001~7800099
22 0019208020 HEX HEAD BOLT ............................................ 3 ............... S/N 7800100 AND ABOVE
23 M9310000004 BLIND PLUG 2
24 M3463100603 ROOF PANEL .................................................. 1 ............... S/N 7800001~7800214
24 M3463100613 ROOF PANEL .................................................. 1 ............... S/N 7800215 AND ABOVE
24A M3493502703 ACOUSTIC SHEET 1
25 M3463200403 ROOF PANEL 1
25A M3493502803 ACOUSTIC SHEET 1

PAGE 80 — DCA-100SSVU— OPERATION AND PARTS MANUAL — REV. #0 (11/05/07)
DCA-100SSVU— ENCLOSURE ASSY. (CONT.)
ENCLOSURE ASSY. (CONT.)
THE SERIAL NUMBER MAY BE REQUIRED.
ADD THE FOLLOWING DIGITS AFTER THE PART
NUMBER WHEN ORDERING ANY PAINTED PANEL TO
INDICATE COLOR OF UNIT:
1-ORANGE 5-BLACK
2-WHITE 6-CATERPILLAR YELLOW
3-SPECTRUM GREY 7-CATO GOLD
4-SUNBELT GREEN 8-RED

DCA-100SSVU— OPERATION AND PARTS MANUAL — REV. #0 (11/05/07) — PAGE 81
1
DCA-100SSVU— ENCLOSURE ASSY. (CONT.)
ENCLOSURE ASSY. (CONT.)
NO PART NO PART NAME QTY.REMARKS
26 M3463500404 OVER COVER, FRONT FRAME 1
27 0016908020 HEX HEAD BOLT .......................................... 37 ............... S/N 7800001~7800099
27 0019208020 HEX HEAD BOLT .......................................... 37 ............... S/N 7800100 AND ABOVE
28 M9310000103 BONNET CAP ................................................. 1 ............... S/N 7800001~7800214
29 M1483600204 CHAIN ASSY .................................................. 2 ............... S/N 7800001~7800214
30 M3453200512 SPLASHER PANEL 1
30A M3493411904 ACOUSTIC SHEET 1
31 0016908055 HEX HEAD BOLT ............................................ 4 ............... S/N 7800001~7800099
31 0019208055 HEX HEAD BOLT ............................................ 4 ............... S/N 7800100 AND ABOVE
32 M3453001813 HEX HEAD BOLT 2
33 M3453001813 SIDE DOOR 1
33A M3493411414 ACOUSTIC SHEET 1
34 M3453002403 SIDE DOOR 1
34A M3493411414 ACOUSTIC SHEET 1
35 M3453002003 SIDE DOOR 1
35A M3493411604 ACOUSTIC SHEET 1
36 M3453002113 SIDE DOOR 1
36A M3493411714 ACOUSTIC SHEET 1
37 M3453302103 DUCT 1
37A M3493411314 ACOUSTIC SHEET 1
38 M3453302003 DUCT 1
39 M3453301903 DUCT 1
39A M3493411514 ACOUSTIC SHEET 1
40 M3453302203 DUCT 1
40A M3493411814 ACOUSTIC SHEET 1
41 0207006000 HEX NUT 34
42 0016906016 HEX HEAD BOLT 5
43 M9113000002 DOOR HANDLE ASSY. 4
44 0021806016 MACHINE SCREW 16
44A 0030006000 HEX NUT 16
45 M3453700314 GUTTER 1
46 0016906016 HEX HEAD BOLT ............................................ 2 ............... S/N 7800001~7800099
46 0019206016 HEX HEAD BOLT ............................................ 2 ............... S/N 7800100 AND ABOVE
47 M9110100204 HINGE 4
47A M9116100004 WASHER 4
48 M9110100304 HINGE 4
48A M9116100004 WASHER 4
49 0016908020 HEX HEAD BOLT ............................................ 9 ............... S/N 7800001~7800099
49 0019208020 HEX HEAD BOLT ............................................ 9 ............... S/N 7800100 AND ABOVE
50 0601850097 STOPPER 8
51 0027208025 MACHINE SCREW 8
52 M9310000004 BLIND PLUG 8
53 0016908020 HEX HEAD BOLT 1
53A 0040508000 TOOTHED WASHER 1
54 M1465400104 COVER ............................................................ 1 ............... S/N 7800215 AND ABOVE
55 0019208020 HEX HEAD BOLT ............................................ 2 ............... S/N 7800215 AND ABOVE

PAGE 82 — DCA-100SSVU— OPERATION AND PARTS MANUAL — REV. #0 (11/05/07)
DCA-100SSVU— RUBBER SEALS ASSY.
RUBBER SEALS ASSY.

DCA-100SSVU— OPERATION AND PARTS MANUAL — REV. #0 (11/05/07) — PAGE 83
1
DCA-100SSVU— RUBBER SEALS ASSY.
RUBBER SEALS ASSY.
NO PART NO PART NAME QTY.REMARKS
1 0228900785 SEAL RUBBER 3
2 0229200725 SEAL RUBBER 1
3 0228901020 SEAL RUBBER 2
4 0228900990 SEAL RUBBER 4
5 0228901060 SEAL RUBBER 4
6 0228900470 SEAL RUBBER 2
7 0229201100 SEAL RUBBER 4
8 0229201040 SEAL RUBBER 1
9 0228800630 SEAL RUBBER 1
10 0228800970 SEAL RUBBER 2
11 0228800590 SEAL RUBBER 1
12 0228100665 SEAL RUBBER 1
13 0228100370 SEAL RUBBER 1
14 0228100300 SEAL RUBBER 1
15 0228100365 SEAL RUBBER 1
16 0228100280 SEAL RUBBER 1
17 0228100070 SEAL RUBBER 1

PAGE 84 — DCA-100SSVU— OPERATION AND PARTS MANUAL — REV. #0 (11/05/07)
DCA-100SSVU— NAMEPLATE AND DECALS ASSY.
NAMEPLATE AND DECALS ASSY.

DCA-100SSVU— OPERATION AND PARTS MANUAL — REV. #0 (11/05/07) — PAGE 85
1
DCA-100SSVU— NAMEPLATE AND DECALS ASSY.
NAMEPLATE AND DECALS ASSY.
NAMEPLATE AND DECALS ASSY.
NO PART NO PART NAME QTY.REMARKS
1-1 M3552000403 DECAL; OPERATING PROCEDURES ................... 1 .................... M35200040
1-2 M9520100304 DECAL; SAFETY INSTRUCTIONS ........................ 1 .................... M92010030
1-3 M9520100603 DECAL; CAUTION .................................................. 2 .................... M92010060
CONTROL PANEL, BOX & OPERATING PANEL GROUP
2-1 M3550001403 DECAL; CONTROL PANEL .................................... 1 .................... M35000140
2-2 M9520000104 PLATE; AMMETER CHANGE-OVER SWITCH ...... 1 .................... M92000010
2-3 M9520000204 PLATE; VOLTMETER CHANGE-OVER SWITCH ... 1 .................... M92000020
2-4 M9520100004 DECAL; WARNING ELECTRIC SHOCK HAZARD . 1 .................... M92010000
2-5 M9520100204 DECAL; CAUTION .................................................. 1 .................... M92010020A
2-6 M9520200104 DECAL; OVER CURRENT RELAY ......................... 1 .................... M92020010
M9520200404 DECAL; OVER CURRENT RELAY ......................... 1 .................... M92020040
2-7 M3550001503 DECAL; OPERATING PANEL ................................. 1 .................... M35000150
ENGINE & RADIATOR GROUP
3-1 M9500000004 DECAL; OIL DRAIN PLUG ..................................... 1 .................... M90000000
3-2 M9500100004 DECAL; WATER ...................................................... 1 .................... M90010000
3-3 M9503000004 DECAL; WARNING MOVING PARTS ..................... 2 .................... M90300000
3-4 M9503000103 DECAL; WATER * OIL CHECK ............................... 1 .................... M90300010
3-5 M9503100004 DECAL; WARNING HOT COOLANT ....................... 1 .................... M90310000
3-6 M9510100004 DECAL; CAUTION HOT PARTS ............................. 1 .................... M91010000
OUTPUT TERMINAL GROUP
4-1 M1550000204 DECAL; NOTE ........................................................ 1 .................... M15000020
4-2 M1550000703 DECAL; RECEPTACLE & CIRCUIT BREAKER ..... 1 .................... M15000070
4-3 M3550000304 DECAL; NOTE ........................................................ 1 .................... M35000030
4-4 M9520000004 DECAL; GROUND .................................................. 1 .................... M92000000
4-5 M9520000504 DECAL; START CONTACT ..................................... 1 .................... M92000050
4-6 M9520100004 DECAL; WARNING ELECT. SHOCK HAZARD ....... 1 .................... M92010000
4-7 M9520100404 DECAL; DANGER HIGH VOLTAGE ........................ 1 .................... M92010040
4-8 M9520100503 DECAL; WARNING ................................................. 1 .................... M92010050
4-9 M9520200003 DECAL; OUTPUT TERMINAL ................................ 1 .................... M92020000
BATTERY GROUP
5-1 M9500300004 DECAL; - ................................................................ 1 .................... M90030000
5-2 M9500300104 DECAL; + ............................................................... 1 .................... M90030010
5-3 M9510100403 DECAL; CAUTION .................................................. 1 .................... M91010040

PAGE 86 — DCA-100SSVU— OPERATION AND PARTS MANUAL — REV. #0 (11/05/07)
DCA-100SSVU— NAMEPLATE AND DECALS ASSY.
NAMEPLATE AND DECALS ASSY.

DCA-100SSVU— OPERATION AND PARTS MANUAL — REV. #0 (11/05/07) — PAGE 87
1
DCA-100SSVU— NAMEPLATE AND DECALS ASSY.
NAMEPLATE AND DECALS ASSY.
NO PART NO PART NAME QTY.REMARKS
MUFFLER GROUP
6-1 M9503200004 DECAL; WARNING ENGINE EXHAUST ................. 1 .................... M90320000
FUEL TANK GROUP
7-1 M9500500004 DECAL; DIESEL FUEL .......................................... 1 .................... M90050000
7-2 M9500500104 DECAL; FUEL DRAIN PLUG .................................. 1 .................... M90050010
ENCLOSURE GROUP
8-1 M9510200002 DECAL; MQ ............................................................ 1 .................... M91020000
8-2 0600500090 EMBLEM 1
9-2A 0021106015 MACHINE SCREW 2
8-3 M3560100003 STRIPE 1
8-4 M3560100103 STRIPE 2
8-5 M3560101904 STRIPE 2
8-6 M3560100404 STRIPE 2
8-7 M3560101704 STRIPE 1
8-8 M3560101804 STRIPE 1
8-9 M3560100604 STRIPE 2

PAGE 88 — DCA-100SSVU— OPERATION AND PARTS MANUAL — REV. #0 (11/05/07)
TERMS AND CONDITIONS OF SALE — PARTS
PAYMENT TERMS
Terms of payment for parts are net 10 days.
FREIGHT POLICY
All parts orders will be shipped collect or
prepaid with the charges added to the invoice.
All shipments are F.O.B. point of origin.
Multiquip’s responsibility ceases when a signed
manifest has been obtained from the carrier,
and any claim for shortage or damage must be
settled between the consignee and the carrier.
MINIMUM ORDER
The minimum charge for orders from Multiquip
is $15.00 net. Customers will be asked for
instructions regarding handling of orders not
meeting this requirement.
RETURNED GOODS POLICY
Return shipments will be accepted and credit
will be allowed, subject to the following provi-
sions:
1. A Returned Material Authorization must
be approved by Multiquip prior to ship-
ment.
2. To obtain a Return Material Authorization,
a list must be provided to Multiquip Parts
Sales that defines item numbers, quanti-
ties, and descriptions of the items to be
returned.
a. The parts numbers and descriptions
must match the current parts price
list.
b. The list must be typed or computer
generated.
c. The list must state the reason(s) for
the return.
d. The list must reference the sales
order(s) or invoice(s) under which the
items were originally purchased.
e. The list must include the name and
phone number of the person request-
ing the RMA.
3. A copy of the Return Material Authoriza-
tion must accompany the return shipment.
4. Freight is at the sender’s expense. All
parts must be returned freight prepaid to
Multiquip’s designated receiving point.
5. Parts must be in new and resalable con-
dition, in the original Multiquip package (if
any), and with Multiquip part numbers
clearly marked.
6. The following items are not returnable:
a. Obsolete parts. (If an item is in the
price book and shows as being
replaced by another item, it is
obsolete.)
b. Any parts with a limited shelf life
(such as gaskets, seals, “O” rings,
and other rubber parts) that were pur-
chased more than six months prior to
the return date.
c. Any line item with an extended dealer
net price of less than $5.00.
d. Special order items.
e. Electrical components.
f. Paint, chemicals, and lubricants.
g. Decals and paper products.
h. Items purchased in kits.
7. The sender will be notified of any
material received that is not acceptable.
8. Such material will be held for five
working days from notification, pending
instructions. If a reply is not received
within five days, the material will be re-
turned to the sender at his expense.
9. Credit on returned parts will be issued at
dealer net price at time of the original
purchase, less a 15% restocking charge.
10. In cases where an item is accepted, for
which the original purchase document
can not be determined, the price will be
based on the list price that was effective
twelve months prior to the RMA date.
11. Credit issued will be applied to future
purchases only.
PRICING AND REBATES
Prices are subject to change without prior
notice. Price changes are effective on a spe-
cific date and all orders received on or after that
date will be billed at the revised price. Rebates
for price declines and added charges for price
increases will not be made for stock on hand at
the time of any price change.
Multiquip reserves the right to quote and sell
direct to Government agencies, and to Original
Equipment Manufacturer accounts who use
our products as integral parts of their own
products.
SPECIAL EXPEDITING SERVICE
A $35.00 surcharge will be added to the invoice
for special handling including bus shipments,
insured parcel post or in cases where Multiquip
must personally deliver the parts to the carrier.
LIMITATIONS OF SELLER’S LIABILITY
Multiquip shall not be liable here under for
damages in excess of the purchase price of the
item with respect to which damages are claimed,
and in no event shall Multiquip be liable for loss
of profit or good will or for any other special,
consequential or incidental damages.
LIMITATION OF WARRANTIES
No warranties, express or implied, are made in
connection with the sale of parts or trade
accessories nor as to any engine not manufac-
tured by Multiquip. Such warranties made in
connection with the sale of new, complete units
are made exclusively by a statement of war-
ranty packaged with such units, and Multiquip
neither assumes not authorizes any person to
assume for it any other obligation or liability
whatever in connection with the sale of its
products. Apart from such written statement of
warranty, there are no warranties, express,
implied or statutory, which extend beyond the
description of the products on the face hereof.
Effective: October 1, 2002

DCA-100SSVU— OPERATION AND PARTS MANUAL — REV. #0 (11/05/07) — PAGE 89
1
NOTE PAGE

PARTS AND OPERATION MANUAL
OPERATION AND PARTS MANUAL
Your Local Dealer is:
MQ POWER
A Division of Multiquip Inc.
POST OFFICE BOX 6254
CARSON, CA 90749
310-537-3700 • 800-421-1244
FAX: 310-632-2656
E-mail: mqpower@multiquip.com
Internet: www.mqpower.com
Manufactured for Multiquip Inc.
by
DENYO CO., LTD, JAPAN
HERE'S HOW TO GET HELP
PLEASE HAVE THE MODEL AND SERIAL
NUMBER
ON-HAND
WHEN CALLING
MQ POWER CORPORATE OFFICE
18910 Wilmington Ave. 800-421-1244
Carson, CA 90746
FAX:
310-632-2656
Email: mqpower@multiquip.com
Internet: www.mqpower.com
PARTS DEPARTMENT
800-427-1244
FAX:
800-672-7877
310-537-3700
FAX:
310-637-3284
SERVICE DEPARTMENT
800-835-2551
FAX:
310-638-8046
310-537-3700
TECHNICAL ASSISTANCE
800-835-2551
FAX:
310-638-8046
WARRANTY DEPARTMENT
800-835-2551,
EXT.
279
FAX:
310-638-8046
310-537-3700,
EXT.
279