Multiquip Mq Power Whisperwatt Generator Dca 60Ss12 Users Manual
DCA-60SS12 to the manual 792cbb98-6d46-4486-b42c-8ab0775adb2e
2015-02-09
: Multiquip Multiquip-Mq-Power-Whisperwatt-Generator-Dca-60Ss12-Users-Manual-558525 multiquip-mq-power-whisperwatt-generator-dca-60ss12-users-manual-558525 multiquip pdf
Open the PDF directly: View PDF
.
Page Count: 164 [warning: Documents this large are best viewed by clicking the View PDF Link!]

© COPYRIGHT 2001, MULTIQUIP INC.
PARTS AND OPERATION MANUAL
MULTIQUIP INC. PARTS DEPARTMENT:
18910 WILMINGTON AVE. 800-427-1244
CARSON, CALIFORNIA 90746 FAX: 800-672-7877
310-537-3700
SERVICE DEPARTMENT:
800-421-1244 800-835-2551
FAX: 310-537-3927 FAX: 310-638-8046
E-mail:mq@multiquip.com • www:multiquip.com
PARTS AND OPERATION MANUAL
MQ POWER
DCA-60SSI2
WHISPERWATT
TM
GENERATOR
PARTS LIST NO. 8081500G
REV. #3 (09/15/01)

PAGE 2 — DCA-60SSI2 — PARTS AND OPERATION MANUAL — REV. #3 (09/15/01)

DCA-60SSI2 — PARTS AND OPERATION MANUAL— REV. #3 (09/15/01) — PAGE 3
HERE'S HOW TO GET HELP
PLEASE HAVE THE MODEL AND SERIAL NUMBER
ON-HAND WHEN CALLING
PP
PP
PARAR
ARAR
ARTS DEPTS DEP
TS DEPTS DEP
TS DEP
ARAR
ARAR
ARTMENTTMENT
TMENTTMENT
TMENT
800/427-1244 or 310/537-3700
FAX: 800/672-7877 or 310/637-3284
SERSER
SERSER
SERVICE DEPVICE DEP
VICE DEPVICE DEP
VICE DEPARAR
ARAR
ARTMENTTMENT
TMENTTMENT
TMENT
800/835-2551 or 310/537-3700
FAX: 310/638-8046
WW
WW
WARRANTY DEPARRANTY DEP
ARRANTY DEPARRANTY DEP
ARRANTY DEPARAR
ARAR
ARTMENTTMENT
TMENTTMENT
TMENT
800/835-2551 or 310/537-3700
FAX: 310/638-8046
MAINMAIN
MAINMAIN
MAIN
800/421-1244 or 310/537-3700
FAX: 310/537-3927

PAGE 4 — DCA-60SSI2 — PARTS AND OPERATION MANUAL — REV. #3 (09/15/01)
TABLE OF CONTENTS
Here's How To Get Help ........................................... 3
Table Of Contents .................................................... 4
Parts Ordering Procedures ...................................... 5
Rules for Safe Operation ......................................... 6-9
Towing and Transportation ....................................... 10
Trailer Safety Guidelines .......................................... 11-17
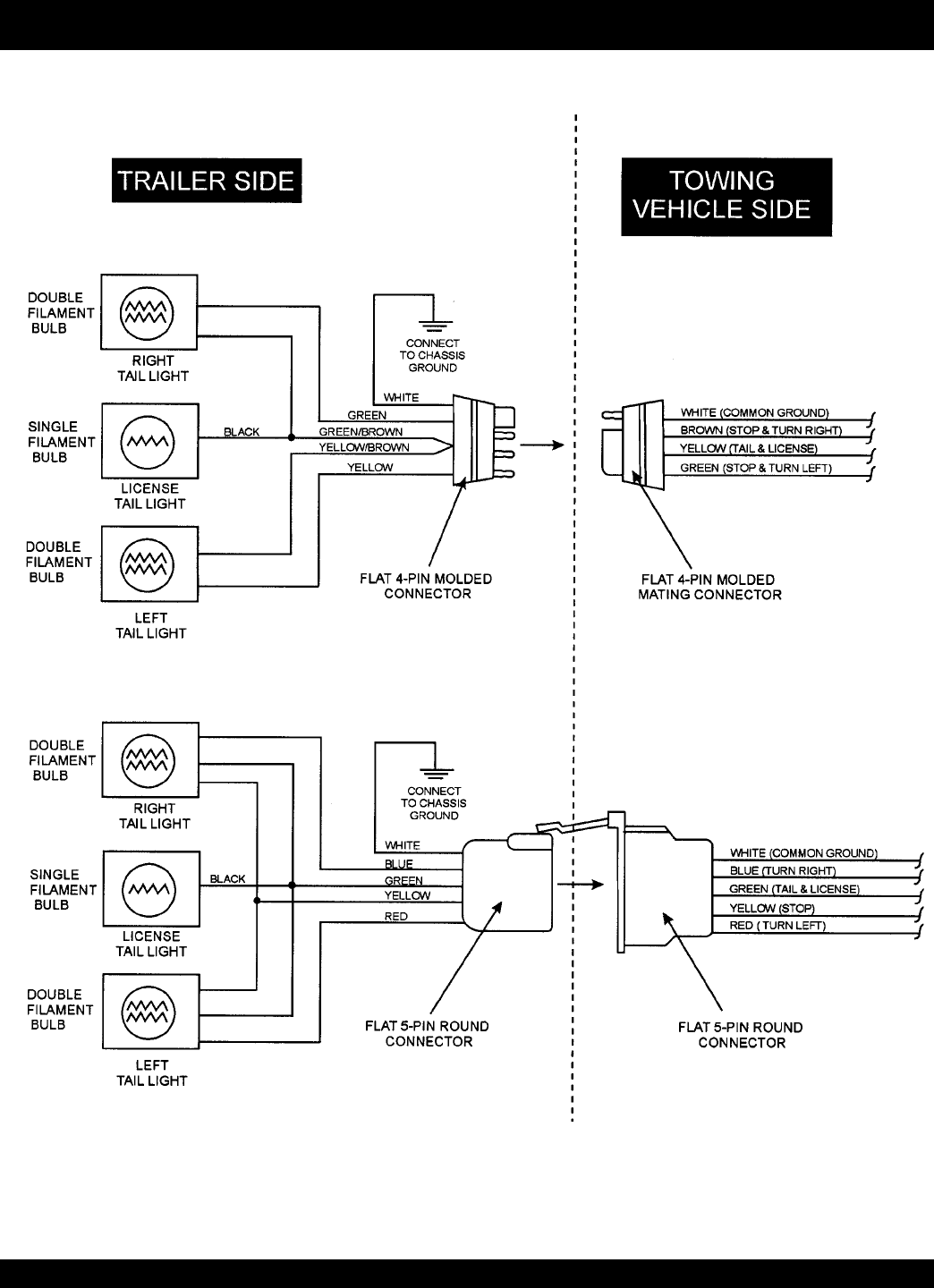
Trailer Wiring Diagram .............................................. 18
Electric Brake Troubleshooting ................................ 19
Hydraulic Brake Troubleshooting .............................. 20
Operation Decals ..................................................... 21-22
DCA -60SSI2 Specifications ................................... 23
General Information ................................................. 24
Major Components .................................................. 55
Dimensions .............................................................. 26
Control Panel Descriptions ...................................... 28-29
Engine Operating Panel Descriptions ...................... 30-31
Output Terminal Panel Descriptions ......................... 32-33
Output Amperage Setup .......................................... 34-35
Output Voltage Setup............................................... 36-39
Installation ............................................................... 40-41
Pre Set-up ............................................................... 42-45
Load Application ...................................................... 46
Generator Start-up Procedure ................................. 47-49
Generator Shut-down Procedure .............................. 50
Maintenance ............................................................ 52-55
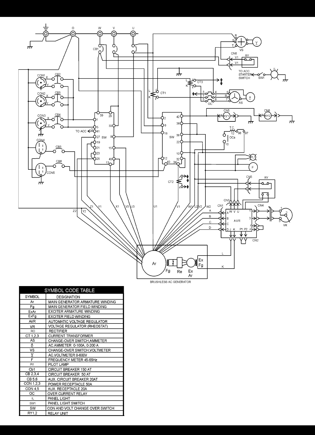
Generator Wiring Diagram ........................................ 56
Engine Wiring Diagram ............................................ 57
Engine Troubleshooting ............................................ 58-59
Generator/Engine Troubleshooting ........................... 60
Explanation of Codes in Remarks Column .............. 62
Suggested Spare Parts ........................................... 63
MQ POWER DCA-60SSI2
AC GENERATOR
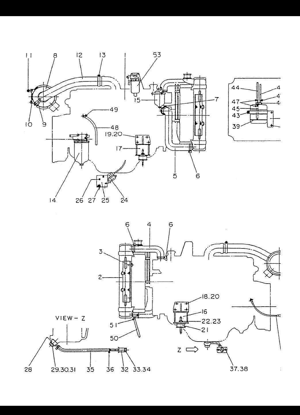
Generator Assembly ................................................ 64-65
Control Box Assembly ............................................. 66-67
Engine & Radiator Assembly................................... 68-71
Engine Operating Panel Assembly .......................... 72-75
Battery Assembly .................................................... 76-77
Muffler Assembly .................................................... 78-79
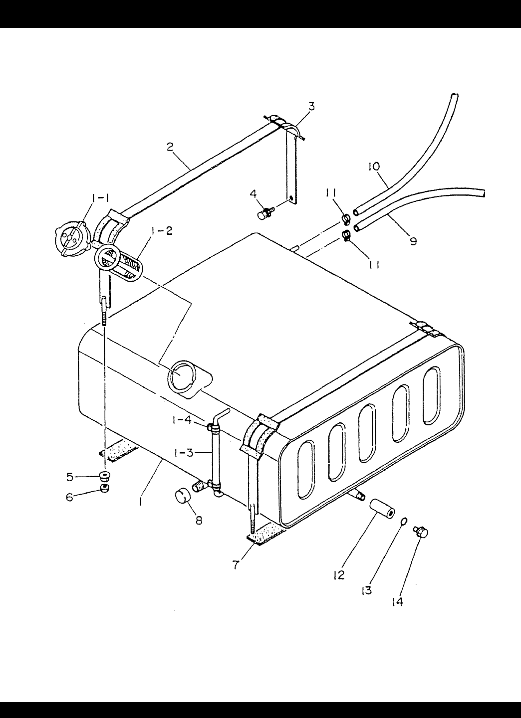
Fuel Tank Assembly ................................................ 80-81
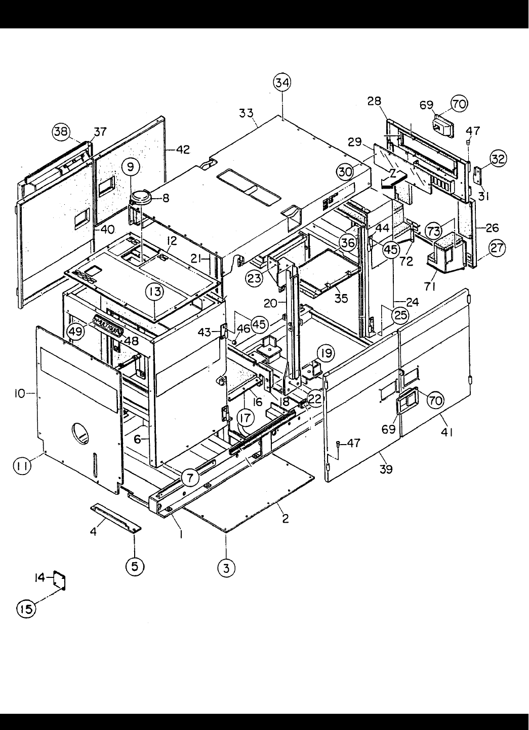
Enclosure Assembly ............................................... 82-85
Rubber Seal Assembly ............................................ 86-87
Name Plate And Decals .......................................... 88-89
ISUZU 6BG1 ENGINE
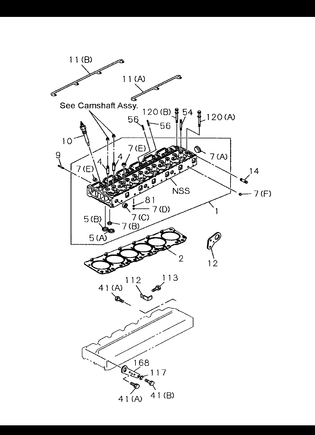
Cylinder Head Cover Assembly ............................ 90-91
Cylinder Head Assembly ...................................... 92-93
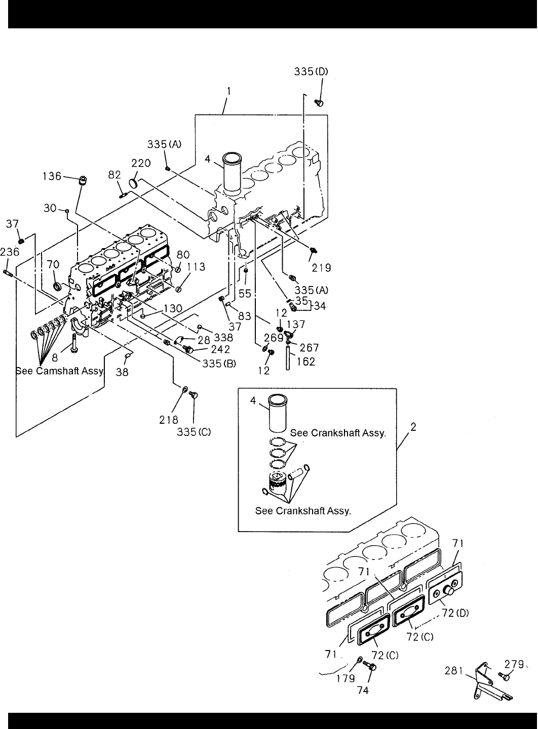
Cylinder Block Assembly ..................................... 94-97
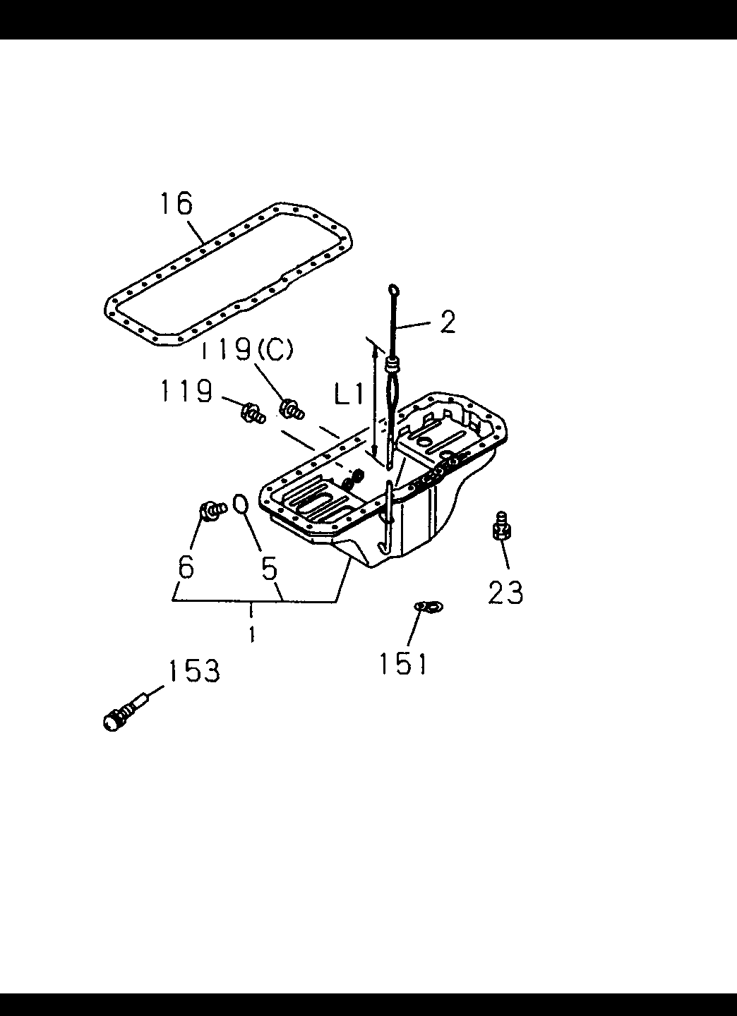
Oil Pan and Level Gauge Assembly ..................... 98-99
Camshaft and Valve Assembly............................. 100-101
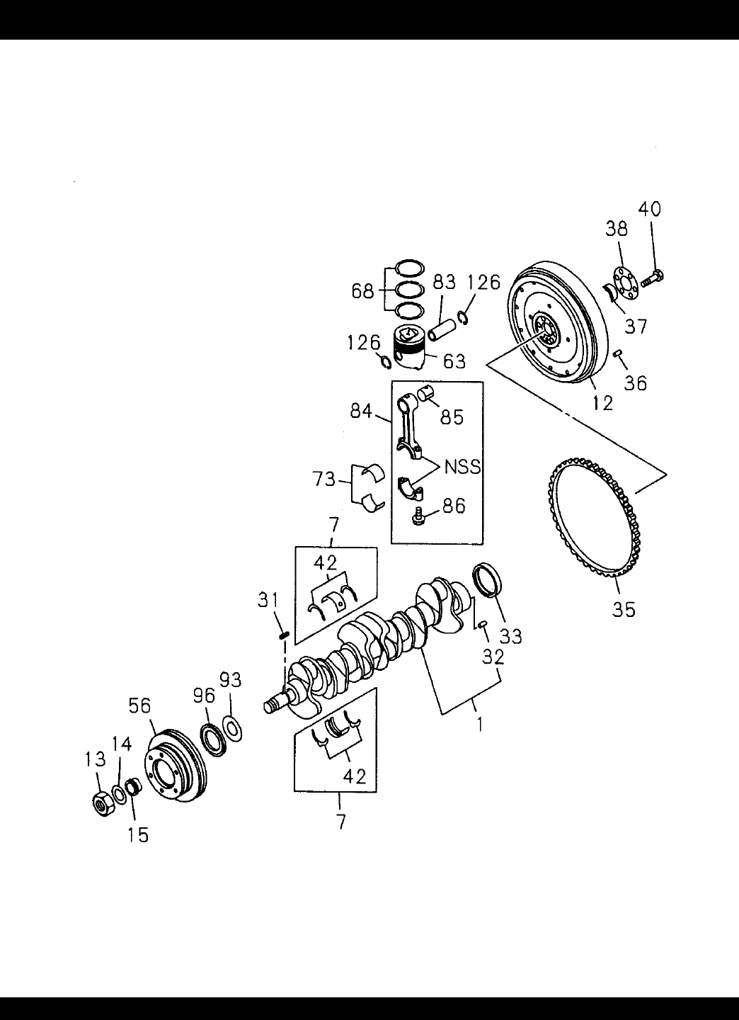
Crankshaft Piston and Flywheel Assembly .......... 102-103
Timing Gear and Flywheel Housing Assembly ..... 104-105
Inlet Manifold Assembly ....................................... 106-107
Exhaust Manifold Assembly ................................. 108-109
Ventilation Assembly ............................................ 110-111
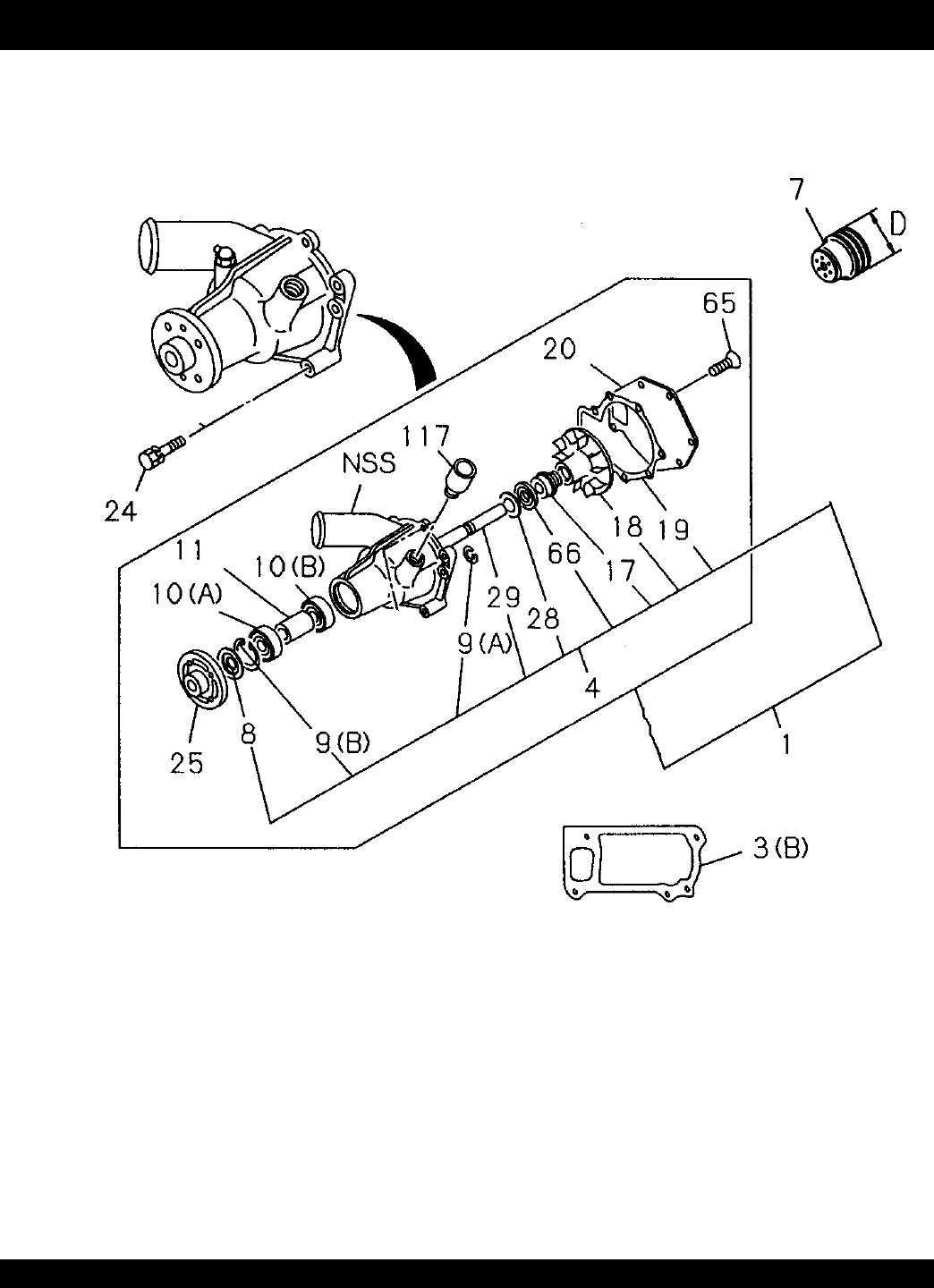
Water Pump and Corrosion Resistor Assembly .... 112-113
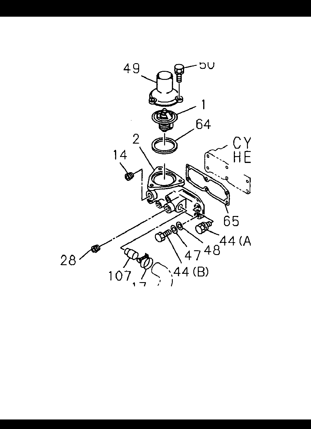
Thermostat and Housing Assembly ..................... 114-115
Engine Water Piping Assembly ............................. 116-117
Fan and Fan Belt Assembly ................................. 118-119
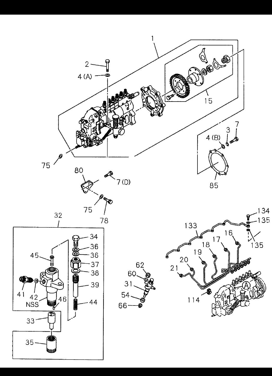
Fuel Injection Assembly ....................................... 120-121
Fuel Filter and Bracket Assembly ........................ 122-123
Fuel Pump and Pipe Assembly ............................ 124-125
Oil Cooler and Oil Filter Assembly ....................... 126-127
Oil Pump and Oil Strainer Assembly .................... 128-129
Oil and Vacuum Piping Assembly ........................ 130-131
Electrical Control Assembly ................................. 132-133
Starter Components Assembly ............................ 134-135
Alternator Components Assembly ........................ 136-137
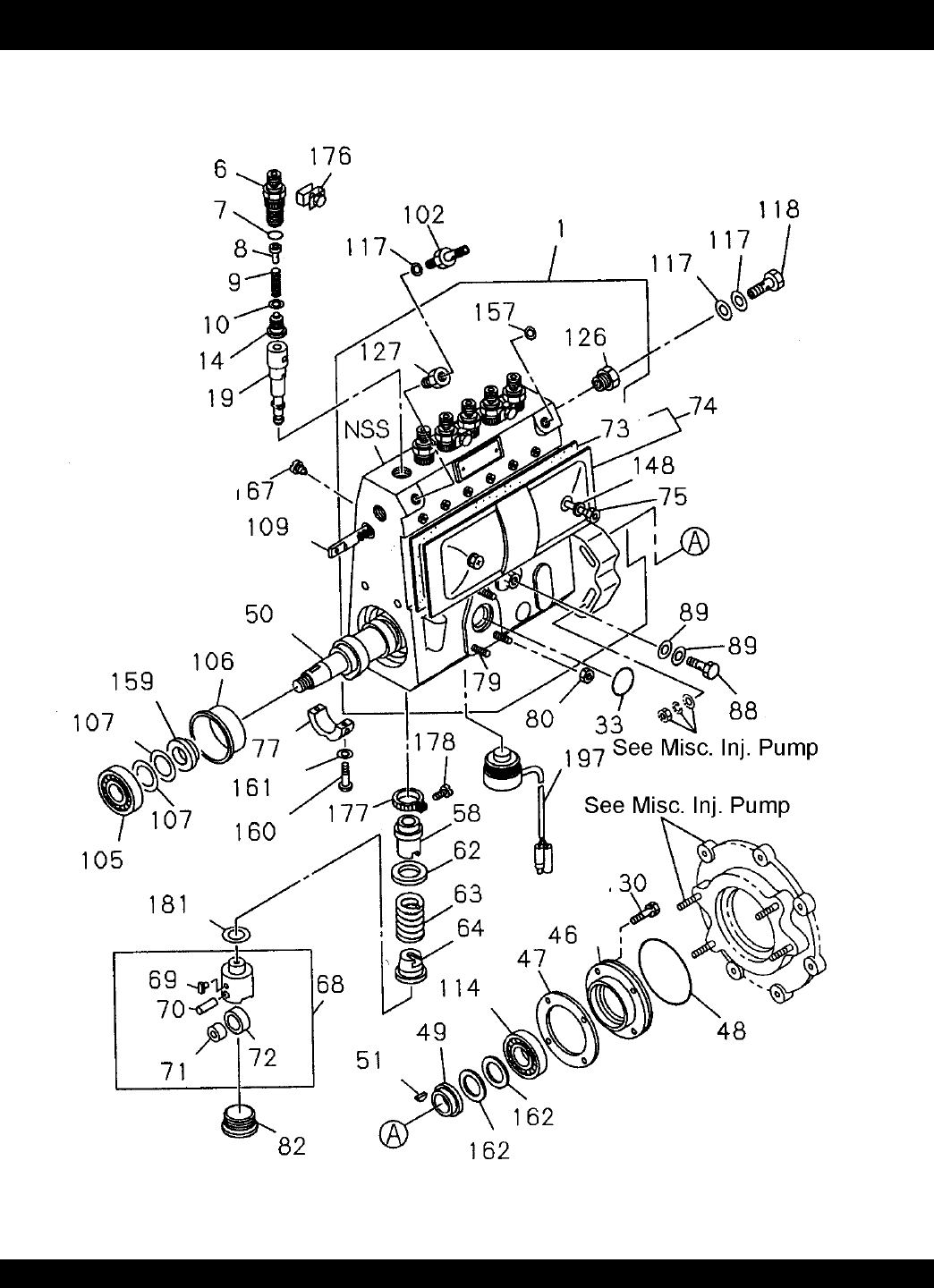
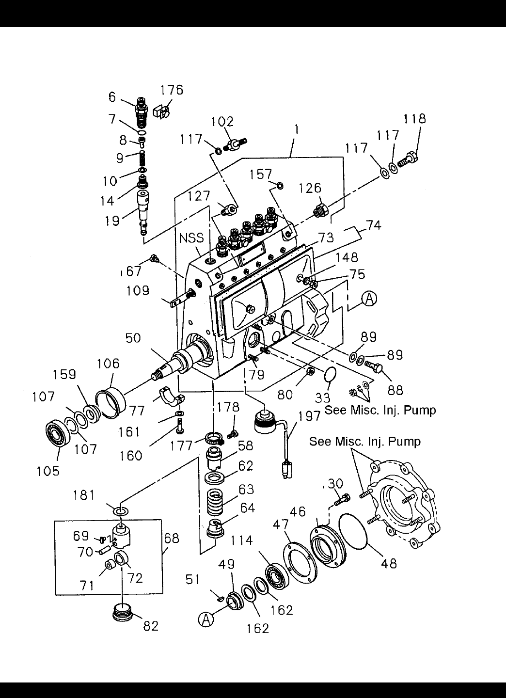
Injection Pump Components Assembly ............... 138-141
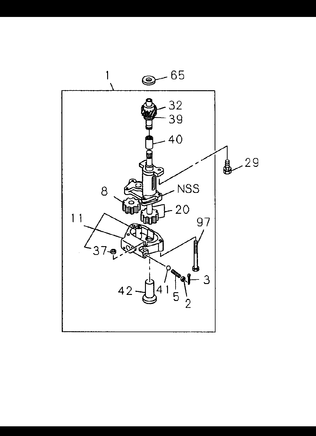
Governor Components Assembly ......................... 142-145
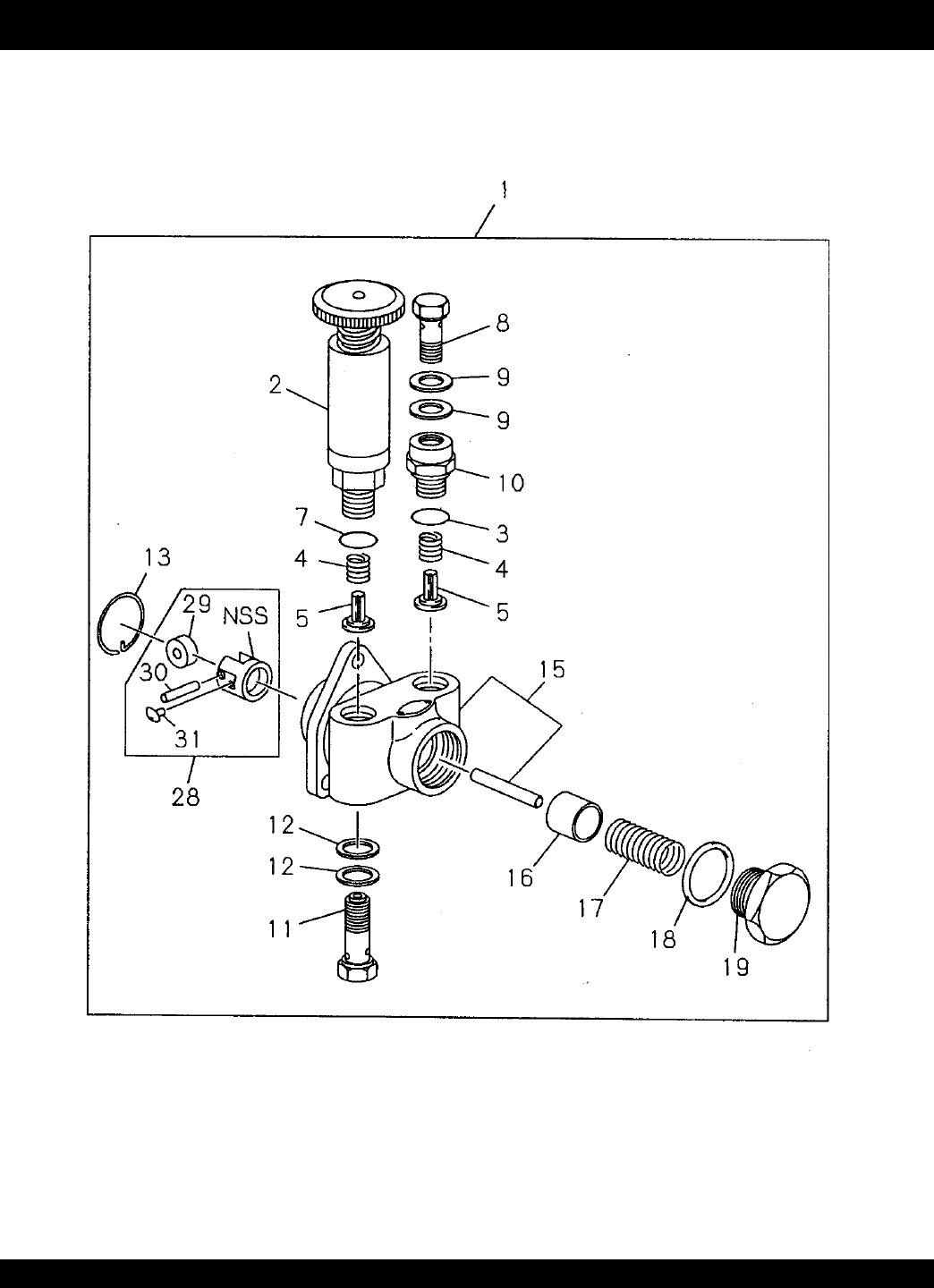
Feed Pump Assembly .......................................... 146-147
Misc. Injection Pump Assembly ........................... 148-149
Coupling Assembly............................................... 150-151
Water Sedimenter Assembly ................................ 152-153
Switch and Relay Assembly ................................. 154-155
Terms and Condition of Sale — Parts .................. 156
NOTE
Specification and part numberSpecification and part number
Specification and part numberSpecification and part number
Specification and part number
are subject to change withoutare subject to change without
are subject to change withoutare subject to change without
are subject to change without
noticenotice
noticenotice
notice..
..
.

DCA-60SSI2 — PARTS AND OPERATION MANUAL— REV. #3 (09/15/01) — PAGE 5
PARTS ORDERING PROCEDURES
Get special freight allowances
when you order 10 or more
line items via FAX!**
■
UPS Ground Service at no charge for freight
■
PS Third Day Service at one-half of actual freight cost
No other allowances on freight shipped by any other carrier.
**Common nuts, bolts and washers (all items under $1.00 list price)
do not count towards the 10+ line items.
*DISCOUNTS ARE SUBJECT TO CHANGE*
Fax order discount and UPS special programs revised June 1, 1995
For faxed orders only
UPS
Special
Earn Extra Discounts when
you order by FAX!
All parts orders which include complete part numbers
and are received by fax qualify for the following extra
discounts:
Number of
line items ordered Additional Discount
1-9 items 3%
10+ items** 5%
Now! Direct TOLL-FREE access
to our Parts Department!
Toll-free nationwide:
800-421-1244
Toll-free FAX:
800/6-PARTS-7 • 800-672-7877
■Dealer account number
■Dealer name and address
■Shipping address (if different than billing address)
■Return fax number
■Applicable model number
■Quantity, part number and description of each part
■Specify preferred method of shipment:
•UPS Ground
•UPS Second Day or Third Day*
•UPS Next Day*
•Federal Express Priority One (please provide us with your Federal
Express account number)*
•Airborne Express*
•Truck or parcel post
*Normally shipped the same day the order is received, if prior to 2PM west coast time.
Extra Fax Discount
for Domestic USA
Dealers Only

PAGE 6 — DCA-60SSI2 — PARTS AND OPERATION MANUAL — REV. #3 (09/15/01)
RULES FOR SAFE OPERATION
■
NEVER touch the hot exhaust
manifold, muffler or cylinder. Allow
these parts to cool before servicing
engine or generator.
■
The engine of this generator requires an adequate free
flow of cooling air. Never operate the generator in any
enclosed or narrow area where free flow of the air is
restricted. If the air flow is restricted it will cause serious
damage to the generator or engine and may cause injury
to people. The generator engine gives off DEADLY carbon
monoxide gas.
■
High Temperatures – Allow the engine to cool before
adding fuel or performing service and maintenance
functions. Contact with
hot
components can cause serious
burns.
Failure to follow instructions in this manual
may lead to serious injury or even death!
This equipment is to be operated by trained
and qualified personnel only! This equipment
is for industrial use only.
The following safety guidelines should always be used when
operating the DCA-60SSI2 portable generator:
GENERAL SAFETY
■
DO NOT operate or service this equipment before
reading this entire manual.
■
This equipment should not be operated by
persons under 18 years of age.
■
NEVER operate this equipment without proper
protective clothing, shatterproof glasses, steel-
toed boots and other protective devices
required by the job.
■
NEVER operate this equipment when not feeling
well due to fatigue, illness or taking medicine.
■
NEVER operate this equipment under the
influence or drugs or alcohol.
■
NEVER use accessories or attachments, which are not
recommended by MQ Power for this equipment. Damage
to the equipment and/or injury to user may result.
■
Manufacturer does not assume responsibility for any
accident due to equipment modifications.
■
Whenever necessary, replace nameplate, operation and
safety decals when they become difficult read.
■
Always check the machine for loosened threads or bolts
before starting.
CAUTION
:
■
Always use extreme caution when
working with flammable liquids. When
refueling, stop the engine and allow it
to cool. DO NOT smoke around or near
the machine. Fire or explosion could
result from fuel vapors, or if fuel is spilled
on a hot engine.
■
NEVER operate the generator in an
explosive atmosphere or near combustible
materials. An explosion or fire could result
causing severe
bodily harm or even
death.
■
Topping-off to filler port is
dangerous, as it tends to spill fuel.
■
Always refuel in a well-ventilated area,
away from sparks and open flames.
CAUTION:

DCA-60SSI2 — PARTS AND OPERATION MANUAL— REV. #3 (09/15/01) — PAGE 7
RULES FOR SAFE OPERATION
CAUTION
:
■
Backfeed to a utility system can cause electrocution and/
or property damage. Do not connect to any building's
electrical system except through an approved device or
after building main switch is opened.
Never use damaged or worn cables when
connecting power tools or equipment to the
generator. Make sure power connecting
cables are securely connected to the
generator’s output terminals, insufficient
tightening of the terminal connections may
cause damage to the generator and
electrical shock.
CAUTION
:
DO NOT touch or open any of the below
mentioned components while the
generator is running. Always allow
sufficient time for the engine and generator
to cool before performing maintenance.
Radiator
1. Radiator Cap - Removing the radiator cap while the
engine is hot will result in high pressurized, boiling water
to gush out of the radiator, causing severe scalding to
any persons in the general area of the generator.
2. Coolant Drain Plug - Removing the coolant drain plug
while the engine is hot will result in hot coolant to gush
out of the coolant drain plug, therefore causing severe
scalding to any persons in the general area of the
generator.
3. Engine Oil Drain Plug - Removing the engine oil drain
plug while the engine is hot will result in hot oil to gush
out of the oil drain plug, therefore causing severe
scalding to any persons in the general area of the
generator.
CAUTION
:
CAUTION
:
■
NEVER touch output terminals during operation. This is
extremely dangerous.
Always stop the machine when
contact with the output terminals is required.

PAGE 8 — DCA-60SSI2 — PARTS AND OPERATION MANUAL — REV. #3 (09/15/01)
RULES FOR SAFE OPERATION
■
NEVER Run engine without air filter. Severe engine
damage may occur.
■
Always service air cleaner frequently to prevent carburetor
malfunction.
■
Always disconnect the battery before performing service
on the generator.
■
Always be sure the operator is familiar with proper safety
precaution s and operations techniques before using
generator.
■
Always store equipment properly when not in use.
Equipment should be stored in a clean, dry location out of
the reach of children.
■
DO NOT leave the generator running in the manual mode
unattended.
■
DO NOT allow unauthorized people to operate this
equipment.
■
Always read, understand, and follow procedures in
Operator’s Manual before attempting to operate equipment.
■
Refer to the
Isuzu Engine Owner's Manual Isuzu Engine Owner's Manual
Isuzu Engine Owner's Manual Isuzu Engine Owner's Manual
Isuzu Engine Owner's Manual
for engine
technical questions or information.
Loading and Unloading (Crane)
■
Before lifting, make sure the generator's lifting hook is
secure and that there is no apparent damage to the
generator itself (loose screws, nuts and bolts). If any
part is loose or damaged, please take corrective action
before lifting.
■
Always drain fuel prior to lifting.
■
Always make sure crane or lifting device has been
properly secured to the hook of guard frame on generator.
■
NEVER lift the machine while the engine is running.
■
Use adequate lifting cable (wire or rope) of sufficient
strength.
■
When lifting the generator, always use the balanced
center-point suspension hook and lift straight upwards.
■
NEVER allow any person or animal to stand underneath
the machine while lifting.
■
When loading the generator on a truck, be sure to use
the front and back frame bars as a means to secure the
generator during transport.
Battery
Never over fill the battery with water above
the upper limit.
CAUTION
:
The battery contains acids that can cause injury to the eyes
and skin. To avoid eye irritation, always wear safety glasses.
Use well insulated gloves when picking up the battery. Use
the following guidelines when handling the battery:
1. DO NOT drop the battery. There is the possibility of risk
that the battery may explode.
2. DO NOT expose the battery to open flames, sparks,
cigarettes etc. The battery contains combustible gases
and liquids. If these gases and liquids come in contact
with a flame or spark, an explosion could occur.
3. Always keep the battery charged. If the battery is not
charged a buildup of combustible gas will occur.
4. Always keep battery charging and booster cables in good
working condition. Repair or replace all worn cables.
5. Always recharge the battery in an open air environment,
to avoid risk of a dangerous concentration of combustible
gases.
6. In case the battery liquid (dilute sulfuric acid) comes in
contact with
clothing or skinclothing or skin
clothing or skinclothing or skin
clothing or skin
, rinse skin or clothing
immediately with plenty of water.
7. In case the battery liquid (dilute sulfuric acid) comes in
contact with your eyes, rinse eyes immediately with
plenty of water, then contact the nearest doctor or hospital,
and seek medical attention.

DCA-60SSI2 — PARTS AND OPERATION MANUAL— REV. #3 (09/15/01) — PAGE 9
Transporting
■
Always shutdown engine before transporting.
■
Tighten fuel tank cap securely.
■
Drain fuel when transporting generator over long distances
or bad roads.
■
Always tie-down the generator during transportation by
securing the generator.
■
If generator is mounted on a trailer, make sure trailer
complies with all local and state safety transportation
laws. See page 10 for basic towing procedures.
Emergencies
■
Always know the location of the nearest
fire extinguisherfire extinguisher
fire extinguisherfire extinguisher
fire extinguisher
and
first aid kitfirst aid kit
first aid kitfirst aid kit
first aid kit
. Know the location of the nearest telephone.
Also know the phone numbers of the nearest
ambulanceambulance
ambulanceambulance
ambulance
,
doctordoctor
doctordoctor
doctor
and
fire departmentfire department
fire departmentfire department
fire department
.
RULES FOR SAFE OPERATION
Maintenance Safety
■
NEVER lubricate components or attempt service on a
running machine.
■
Always allow the machine a proper amount of time to
cool before servicing.
■
Keep the machinery in proper running condition.
■
Fix damage to the machine immediately and always
replace broken parts.
■
Dispose of hazardous waste properly. Examples of
potentially hazardous waste are used motor oil, coolant,
fuel, and fuel filters.
■
DO NOT use plastic containers to dispose of hazardous
waste.
■
DO NOT pour waste, oil, coolant or fuel directly onto the
ground, down a drain or into any water source.

PAGE 10 — DCA-60SSI2 — PARTS AND OPERATION MANUAL — REV. #3 (09/15/01)
To reduce the possibility of an accident
while transporting the generator on public roads, always
make sure the trailer (Figure 1) that supports the generator
and the towing vehicle are in good operating condition and
both units are mechanically sound.
The following list of suggestions should be used when towing
your generator:
CAUTION :
Towing Safety Precautions
Check with your county or state safety
towing regulations department before towing
your generator.
■
Make sure the hitch and coupling of the towing vehicle
are rated equal to, or greater than the trailer "gross vehicle
weight rating" (GVWR).
■
ALWAYS inspect the hitch and coupling for wear. NEVER
tow a trailer with defective hitches, couplings, chains
etc.
■
Check the tire air pressure on both towing vehicle and
trailer. Also check the tire tread wear on both vehicles.
■
ALWAYS make sure the trailer is equipped with a "Safety
Chain".
DCA-60SSI2 — TOWING RULES FOR SAFE OPERATION
■
ALWAYS attach trailer’s safety chain to bumper of towing
vehicle.
■
ALWAYS make sure the vehicle and trailer directional,
backup, brake, and trailer lights are connected and
working properly.
■
The maximum speed for highway towing is 45 MPH
unless posted otherwise. Recommended off-road towing
is not to exceed 10 MPH or less depending on type of
terrain.
■
Place
chocked blocks
underneath wheel to prevent
rolling, while parked.
■
Place
support blocks
underneath the trailer’s bumper to
prevent tipping, while parked.
■
Use the trailer’s hand winch to adjust the height of the
trailer, then insert locking pin to lock wheel stand in place,
while parked.
■
Avoid sudden stops and starts. This can cause skidding,
or jack-knifing. Smooth, gradual starts and stops will
improve gas milage.
■
Avoid sharp turns to prevent rolling.
■
Remove wheel stand when transporting.
■
DO NOT transport generator with fuel in tank.
Figure 1. Generator with Trailer

DCA-60SSI2 — PARTS AND OPERATION MANUAL— REV. #3 (09/15/01) — PAGE 11
Explanation of Chart:
This section is to provide the user with trailer service and
maintenance information. The service and maintenance
guidelines referenced in this section apply a wide range of
trailers. Remember periodic inspection of the trailer will en-
sure safe towing of the equipment and will prevent damage
to the equipment and personal injury.
It is the purpose of this section to cover the major mainte-
nance components of the trailer. The following trailer com-
ponents will be discussed in this section:
Brakes
Tires
Lug Nut Torquing
Suspension
Electrical
Brake Troubleshooting Tables
Use the following definitions with reading Table 1.
1. Fuel Cell - Provides an adequate amount of fuel for the
equipment in use. Fuel cells must be empty when trans-
porting equipment.
2. Braking System - System employed in stopping the
trailer. Typical braking systems are electric, surge, hy-
draulic, hydraulic-surge and air.
3. GVWR- Gross Vehicle Weight Rating (GVWR), is the
maximum number of pounds the trailer can carry, in-
cluding the fuel cell (empty).
DCA-60SSIU — TRAILER-SAFETY GUIDELINES
4. Frame Length - This measurement is from the ball
hitch to the rear bumper (reflector).
5. Frame Width - This measurement is from fender to
fender.
6. Jack Stand - Trailer support device with maximum
pound requirement from the tongue of the trailer.
7. Coupler - Type of hitch used on the trailer for towing.
8. Tire Size - Indicates the diameter of the tire in inches
(10,12,14, etc.), and the width in millimeters
(175,185,205, etc.). The tire diameter must match the
diameter of the tire rim.
9. Tire Ply - The tire ply (layers) number is rated in letters;
2-ply,4-ply,6-ply, etc.
10. Wheel Hub - The wheel hub is connected to the trailer’s
axle.
11. Tire Rim - Tires mounted on a tire rim. The tire rim must
match the size of the tire.
12. Lug Nuts - Used to secure the wheel to the wheel hub.
Always use a torque wrench to tighten down the lug
nuts. See Table 4 and Figure 5 or lug nut tightening and
sequence.
13. Axle - Indicates the maximum weight the axle can sup-
port in pounds, and the diameter of the axle expressed
in inches (see Table 3). Please not that some trailers
have a double axle. This will be shown as 2-6000 lbs.,
meaning two axles with a total weight capacity of 6000
pounds.
14. Suspension - Protects the trailer chassis from shocks
transmitted through the wheels. Types of suspension
used are leaf, Q-flex, and air ride.
15. Electrical - Electrical connectors (looms) are provided
with the trailer so the brake lights and turn signals can
be connected to the towing vehicle.
16. Application - Indicates which units can be employed
on a particular trailer.
CAUTION:
ALWAYS make sure the trailer is in good
operating condition. Check the tires for
proper inflation and wear. Also check the
wheel lug nuts for proper tightness.

PAGE 12 — DCA-60SSI2 — PARTS AND OPERATION MANUAL — REV. #3 (09/15/01)
snoitacificepS.1elbaT
LEDOM NOITACILPPA LEUF
LLEC
EKARB
METSYS
RWVG EMARF
HTGNEL
EMARF
HTDIW
KCAJ
DNATS
W01-RLRT ,522WDS
003WLT,052WGS
ONONSBL0091"69"05.BL008
LEEHWTLITLLUF
01-RLRT ,21GLT,01ACD
51-ACD
ONONSBL0091"69"05.BL008
LEEHWTLITLLUF
FX01-RLRT ,21-GLT,01ACD
003-WLT,51ACD
LAG25ONSBL0091"69"05.BL008
LEEHWTLITLLUF
W522-RLRT ,SREDLEW
SS0007AD
ONONSBL0022"58"24.BL008
LEEHWTLITLLUF
004WLB-RLRT 004-WLBONCIRTCELESBL0072"451TSAM/W
"421O/W
"55
)LLAT"87(
.BL008
LEEHWTLITLLUF
X05-RLRT 52-ACDONONSBL0072"421"55.BL008
LEEHWTLITLLUF
FX05-RLRT 52-ACDLAG14ONSBL0072"421"55.BL008
LEEHWTLITLLUF
W07-RLRT 07,06-,54-ACDONEGRUSSBL0007"681"77.BL0002
DAPTALF
X07-RLRT 07,06-,54-ACDTPOEGRUSSBL0007"831"66.BL0002
DAPTALF
FX07-RLRT 07,06-,54-ACDLAG35EGRUSSBL0007"831"66.BL0002
DAPTALF
FX001-RLRT 521,001-ACDLAG051EGRUSCILUARDYHSBL0007"091"67.BL0002
DAPTALF
521/58-RLRT ,001,58-ACD
521
LAG541CILUARDYHSBL00001"681"77.BL0002
DAPTALF
FX051-RLRT 081,051-ACDLAG002EGRUSCILUARDYHSBL06111"402"48.BL0005
DAPTALF
FX022-RLRT 022-ACDLAG052EGRUSCILUARDYHSBL00041"222"38.BL0005
DAPTALF
FX003-RLRT 003-ACDLAG052EGRUSCILUARDYHSBL00081"832"38.BL0005
DAPTALF
FX004-RLRT 004-ACDLAG053CIRTCELESBL00081"832"38.BL0005
DAPTALF
FX006-RLRT 008,006-ACDLAG055RIASBL00003"483"69.BL0005
DAPTALF
XS008-RLRT 008,006-ACDLAG055RIASBL00003"483"69.BL0005
DAPTALF
DCA-60SSIU —TRAILER-SPECIFICATIONS

DCA-60SSI2 — PARTS AND OPERATION MANUAL— REV. #3 (09/15/01) — PAGE 13
)t'noC(snoitacificepS.1elbaT
LEDOM RELPUOC SERIT SLEEHW ELXA SBUH NOISNEPSUS LACIRTCELE
W01-RLRT SSALCLLAB"2
ELBATSUJDA2
C31-571"05.4X"312X2#0022GUL5FAEL3/WMOOLERIW4
TALFELOP4
01-RLRT SSALCLLAB"2
ELBATSUJDA2
C31-571"5.4X"312X2#0022GUL5FAEL3TALFELOP4
FX01-RLRT SSALCLLAB"2
ELBATSUJDA2
C31-571"5.4X"312X2#0022GUL5FAEL3TALFELOP4
W522-RLRT SSALCLLAB"2
ELBATSUJDA2
B31-571"5.4X312X2#0022GUL5XELFQTALFELOP4
WLB-RLRT
004
SSALCLLAB"2
ELBATSUJDA2
C31-571"5.4X312X2#0022GUL5FAEL3TALFELOP4
X05-RLRT SSALCLLAB"2CRL31-87B"05.4X"31.sbl0053
"8/3-2
GUL5FAEL4REBBURELOP4
TALF
FX05-RLRT SSALCLLAB"2CRL31-87B"05.4X"31.sbl0053
"8/3-2
GUL5FAEL4REBBURELOP4
TALF
W07-RLRT SSALCLLAB"2
ELBATSUJDA"3
C41-502
)4(SAIB
"5X"41.sbl0053
"3
GUL5FAEL5REBBURELOP4
TALF
X07-RLRT SSALCLLAB"2
ELBATSUJDA"3
C41-502
)4(SAIB
"5X"41sbl0053
"3
GUL5FAEL5REBBURELOP4
TALF
FX07-RLRT SSALCLLAB"2
ELBATSUJDA"3
C41-502
)4(SAIB
"5X"41.sbl0053
"3
GUL5FAEL5REBBURELOP4
TALF
FX001-RLRT 6/5-2ELBATSUJDA
EYE"3TPO
C51-502
)4(SAIB
"5.5X"41sbl0053
"3
GUL5FAEL5MOOLERIW4
521/58-RLRT 6/5-2ELBATSUJDA
EYE"3TPO
D51R57/522TS
)4(LAIDAR
"6x"41sbl0006-)2(GUL6FAEL7MOOLERIW4
FX051-RLRT EYELLAB"3E61-057
)4(SAIB
"7X"61sbl0006-)2(GUL8FAEL7MOOLERIW4
FX022-RLRT EYE"3
ELBATSUJDA
E61R58/532TS
)4(LAIDAR
"7X"61sbl0007-)2(GUL8XELFQMOOLERIW4
FX003-RLRT EYE"3
ELBATSUJDA
E61R58/532TS
)6(LAIDAR
"7X"61sbl0006-)2(GUL8XELFQMOOLERIW4
FX004-RLRT EYE"3
ELBATSUJDA
E61R58/532TS
)6(LAIDAR
"7X"61.sbl0007-)3(GUL8XELFQMOOLERIW4
FX006-RLRT LEEHWHT5H5.71R57/512TS
)8(LAIDAR
"7X"61sbl00001-)3(GUL8FAEL7MOOLERIW6
RA008-RLRT LEEHWHT5H5.71R57/512TS
)8(LAIDAR
"7X"61sbl00001-)3(GUL8EDIR-RIAMOOLERIW6
DCA-60SSIU —TRAILER-SPECIFICATIONS

PAGE 14 — DCA-60SSI2 — PARTS AND OPERATION MANUAL — REV. #3 (09/15/01)
DCA-60SSIU —TRAILER SAFETY GUIDELINES
Brakes
If your trailer has a braking system, the brakes should be
inspected the first 200 miles of operation. This will allow
the brake shoes and drums to seat properly. After the first
200 mile interval, inspect the brakes every 3,000 miles. If
driving over rough terrain, inspect the brakes more
frequently.
Electric Brakes
Electrically actuated brakes (Figure 2) are similar to
hydraulic brakes. The basic difference is that hydraulic
brakes are actuated by an electromagnet.
Listed below are some of the advantages that electric
brakes have over hydraulic brakes:
Brake system can be manually adjusted to provide
the corrected braking capability for varying road and
load conditions
Brake system can be modulated to provide more or
less braking force, thus easing the brake load on the
towing vehicle
Brake system has very little lag time between the time
the vehicle’s brakes are actuated and the trailer’s brakes
are actuated
Brake system can provide an independent emergency
brake system
Remember in order to properly synchronize the tow vehicle’s
braking to the trailer’s braking, can only be accomplished
by road testing. Brake lockup, grabbiness or harshness is
due to lack of synchronization between the tow vehicle
and the trailer being towed or under-adjusted brakes.
Before any brake synchronizations adjustments can be
made, the trailer brakes should be burnished-in by applying
the brakes 20-30 times with approximately a 20 m.p.h.
decrease in speed, e.g. 40 m.p.h. to 20 m.p.h. Allow ample
time for brakes to cool between application. This allows
the brake shoes to slightly be seated into the brake drum
surface.
Figure 2 displays the major electric brake components that
will require inspection and maintenance. Please inspect
these components as required.
Electric Brake Adjustment
1. Place the trailer on jack stands. Make sure the jack
stands are placed on secure level ground.
2. Check the wheel and drum for free rotation.
3. Remove the adjusting hole cover from the adjusting
slot at the bottom brake backing plate.
4. With a screwdriver or standard adjusting tool, rotate
the star wheel of the adjuster assembly to expand the
brake shoes.
5. Adjust the brake shoes outward until the pressure of
the lining against the wheel drum makes the wheel
difficult to turn.
6. Rotate the star wheel in the opposite direction until the
wheel rotates freely with slight lining drag.
7. Replace the adjusting hole cover and lower the trailer
to the ground.
8. Repeat steps 1 through 6 on the remaining brakes.

DCA-60SSI2 — PARTS AND OPERATION MANUAL— REV. #3 (09/15/01) — PAGE 15
DCA-60SSIU — TRAILER SAFETY GUIDELINES
Hydraulic/Air/Surge Brakes
Hydraulic brakes (Figure 3) should not require any special
attention with the exception of routine maintenance such
as shoe and lining replacement. These brakes can be
adjusted in the same manner as electric brakes. Brake
lines should be periodically checked for cracks, kinks, or
blockage.
Figure 3 below displays the major hydraulic/air/surge brake
components that will require inspection and maintenance.
Please inspect these components as required using steps
1 through 6 as referenced in the electric brake adjustments
section.
Figure 2. Electrical Brake Components
Figure 3. Hydraulic Brake Components

PAGE 16 — DCA-60SSI2 — PARTS AND OPERATION MANUAL — REV. #3 (09/15/01)
Tires/Wheels/Lug Nuts
Tires and wheels are a very important and critical
components of the trailer. When specifying or replacing the
trailer wheels it is important the wheels, tires, and axle are
properly matched.
CAUTION:
DO NOT attempt to repair or modify a
wheel. DO NOT install in inner tube to
correct a leak through the rim. If the rim
is cracked, the
air pressure in
the inner tube
may cause pieces of the rim to
explode (break off) with great force
and cause serious eye or bodily
injury.
Tire Wear/Inflation
Tire inflation pressure is the most important factor in tire life.
Pressure should be checked cold before operation DO NOT
bleed air from tires when they are hot. Check inflation
pressure weekly during use to insure the maximum tire life
and tread wear.
Table 2 (Tire Wear Troubleshooting) will help pinpoint the
causes and solutions of tire wear problems.
CAUTION:
NOTE
ALWAYS wear safety glasses when removing
or installing force fitted parts. Failure to comply
may result in serious injury.
Suspension
The leaf suspension springs and associated components
(Figure 4) should be visually inspected every 6,000 miles for
signs of excessive wear, elongation of bolt holes, and
loosening of fasteners. Replace all damaged parts
(suspension) immediately. Torqued suspension components
as detailed in Table 3.
DCA-60SSIU — TRAILER SAFETY GUIDELINES
Figure 4. Major Suspension Components

DCA-60SSI2 — PARTS AND OPERATION MANUAL— REV. #3 (09/15/01) — PAGE 17
stnemeriuqeReuqroTnoisnepsuS.3elbaT
metI ).sbL-.tF(euqroT
TLOB-U"8/353-XAM03-NIM
TLOB-U"61/706-XAM54-NIM
TLOB-U"2/106-XAM54-NIM
SHACKLE BOLT
SPRING EYE BOLT
SNUG FIT ONLY.PARTS MUST ROTATE FREELY.
LOCKING NUTS OR COTTER PINS ARE PROVIDED TO
RETAIN NUT-BOLT ASSEMBLY.
SHOULDER TYPE
SHACKLE BOLT
05-XAM03-NIM
stnemeriuqeReuqroTeriT.4elbaT
eziSleehWssaPtsriF
SBL-TF
ssaPdnoceS
SBL-TF
ssaPdrihT
SBL-TF
"2152-0204-5356-05
"3152-0204-5356-05
"4152-0206-05021-09
"5152-0206-05021-09
"6152-0206-05021-09
Lug Nut Torque Requirements
It is extremely important to apply and maintain proper wheel
mounting torque on the trailer. Be sure to use only the
fasteners matched to the cone angle of the wheel. Proper
procedure for attachment of the wheels is as follows:
1. Start all wheel lug nuts by hand.
2. Torque all lug nuts in sequence. See Figure 5. DO NOT
torque the wheel lug nuts all the way down. Tighten
each lug nut in 3 separate passes as defined by Table 4.
3. After first road use, retorque all lug nuts in sequence.
Check all wheel lug nuts periodically.
NOTE
NEVER use an pneumatic air gun to
tighten wheel lug nuts.
DCA-60SSIU —TRAILER SAFETY GUIDELINES
Figure 5. Wheel Lug Nuts Tightening Sequence

PAGE 18 — DCA-60SSI2 — PARTS AND OPERATION MANUAL — REV. #3 (09/15/01)
NOTE:
LIGHTS ARE ORIENTED FROM THE DRIVER’S SEAT
DCA-60SSIU —TRAILER-WIRING DIAGRAM

DCA-60SSI2 — PARTS AND OPERATION MANUAL— REV. #3 (09/15/01) — PAGE 19
gnitoohselbuorTekarBcirtcelE.5elbaT
motpmyS esuaCelbissoP noituloS
sekarBtnettimretnIrosekarBoN?seriwnekorbrostiucricnepoynA.tcerrocdnadniF
?stiucrictrohsynA.tcerrocdnadniF
?rellortnocytluaF.tcerrocdnatseT
?snoitcennocesoolynA.riaperdnadniF
?eruceseriwdnuorG.erucesdnadniF
otlluPsekarBrosekarBkaeW
ediSenO
?sgninilrostengamnolioroesaerG.ecalperronaelC
?dedorrocsnoitcennoCesuactcerrocdnanaelC
.noisorrocfo
?devoorgroderocssmurdekarB.ecalperroenihcaM
?dezinorhcnyssekarB.tcerroC
sekarBgnikcoL?nekorbrotneb,esoolstnenopmocekarB.stnenopmocecalpeR
?dnuor-fo-tuosmurdekarB.ecalpeR
sekarBysioN?detacirbulmetsyS.etacirbuL
?tcerrocstnenopmocekarB.tcerrocdnaecalpeR
sekarBgniggarD?detsujdaleehwehtfosgniraeB.tsujdA
DCA-60SSIU —TRAILER-BRAKE TROUBLESHOOTING

PAGE 20 — DCA-60SSI2 — PARTS AND OPERATION MANUAL — REV. #3 (09/15/01)
gnitoohselbuorTekarBciluardyH.6elbaT
motpmyS esuaCelbissoP noituloS
sekarBoN?deknikronekorbenilekarB.ecalperroriapeR
otlluPsekarBrosekarBkaeW
ediSenO
?dezalggninilekarB.ecalperrohsinrubeR
?dedaolrevoreliarT.thgiewtcerroC
?devoorgroderocssmurdekarB.ecalperroenihcaM
?tcerrocerusserperiT.yllauqeseritllaetalfnI
?elxaemasehtnodehctamnuseriT.serithctaM
sekarBgnikcoL?nekorbrotneb,esoolstnenopmocekarB.stnenopmocecalpeR
?dnuor-fo-tuosmurdekarB.ecalpeR
sekarBysioN?detacirbulmetsyS.etacirbuL
?tcerrocstnenopmocekarB.tcerrocdnaecalpeR
sekarBgniggarDthgirnirotcerrocssenkcihtgninilekarB
?noitisopgnorw
dnaseohswenllatsnI
.sgninil
?diulftcerrocrodiulfekarbhguonEstraprebburecalpeR
.diulf4todhtiwllif
DCA-60SSIU —TRAILER-BRAKE TROUBLESHOOTING

DCA-60SSI2 — PARTS AND OPERATION MANUAL— REV. #3 (09/15/01) — PAGE 21
DCA-60SSI2 — GENERATOR DECALS
The DCA -100SSJU generator is wquipped with a number of safety decals. These decals are provided for operator safety
and maintenance information. The illustration below and on the preceding pages show the decals as they appear on the
machine. Should any of these decals become unreadable, replacements can be obtained from your dealer.

PAGE 22 — DCA-60SSI2 — PARTS AND OPERATION MANUAL — REV. #3 (09/15/01)
DCA-60SSI2 — GENERATOR DECALS

DCA-60SSI2 — PARTS AND OPERATION MANUAL— REV. #3 (09/15/01) — PAGE 23
DCA-60SSI2 — SPECIFICATIONS
snoitacificepS.7elbaT
snoitacificepSrotareneG
ledoM2ISS06-ACD
epyT rotarenegsuonorhcnysepytdetcetorpnepo,detalitnevfles,dleifgnivloveR
noitcennoCerutamrA
lartueNhtiwratSgaZgiZ
esahP3 elgniS
tuptuOybdnatS)WK6.75(AVK27WK5.14
tuptuOemirP)WK84(AVK06WK6.43
egatloVV084roV042V021/042
ycneuqerFzH06
deepSmpr0081
rotcaFrewoP8.01
rewoPCA.xuAzH06,esahPelgniS
egatloVV021
tuptuO)2xWK4.2(WK8.4
snoitacificepSenignE
ledoM1GB6-AUZUSI
epyTnoitcejnitcerid,delooc-retaw,elcyC4
srednilyCfo.oNsrednilyc6
ekortSxeroB )mm521xmm501(.ni9.4x.ni1.4
tuptuOdetaRmpr0081/PH77
tnemecalpsiD)cc4946(.ni.uc693
gnitratScirtcelE
yticapaCtnalooC)sretil5.92(.lag8.7
yticapaCliOebuL)sretil3.91(.lag1.5
noitpmusnoCleuF
tarh/)L9.41(.lag9.3
daollluf
tarh/)L4.11(.lag0.3
daol4/3
tarh/)L1.9(.lag4.2
daol2/1
tarh/)L2.7(.lag9.1
daol4/1
yrettaB2xHA001-V21
leuFleuFleseiD2#

PAGE 24 — DCA-60SSI2 — PARTS AND OPERATION MANUAL — REV. #3 (09/15/01)
DCA-60SSI2 — GENERAL INFORMATION
DCA-60SSI2 FAMILIARIZATION
Generator
The MQ Power Model DCA-60SSI2 is a 48 kW
genergener
genergener
generatorator
atorator
ator
that is designed as a high quality portable (requires a trailer
for transport) power source for telecom sites, lighting
facilities, power tools, submersible pumps and other
industrial and construction machinery.
Engine Operating Panel
The “Engine Operating Panel” is provided with the following:
z
Tachometer
z
Water Temperature Gauge
z
Oil Pressure Gauge
z
Charging Ammeter Gauge
z
Engine Throttle Lever
z
Panel Light
z
Panel Light Switch
z
Oil Pressure and WaterTemp. Indicator lights
Generator Control Panel
The “Generator Control Panel” is provided with the following:
z
Output Voltage Adjustment Knob
z
Frequency Meter (Hz)
z
AC Ammeter (Amps)
z
AC Voltmeter (Volts)
z
Ammeter Change-Over Switch
z
Voltmeter Change-Over Switch
Output Terminal Panel
The “Output Terminal Panel” is provided with the following:
z
Three 120/240V output receptacles, 50 amp
z
Two 120V input receptacles, 20 amp
z
3 Load Circuit Breakers 240V @50 amps
z
2 Load GFCI Circuit Breakers 120V@ 20amps
Control Box
The “Control Box” is provided with the following:
z
Main Circuit Breaker 150 amps
z
Over-Current Relay
Engine
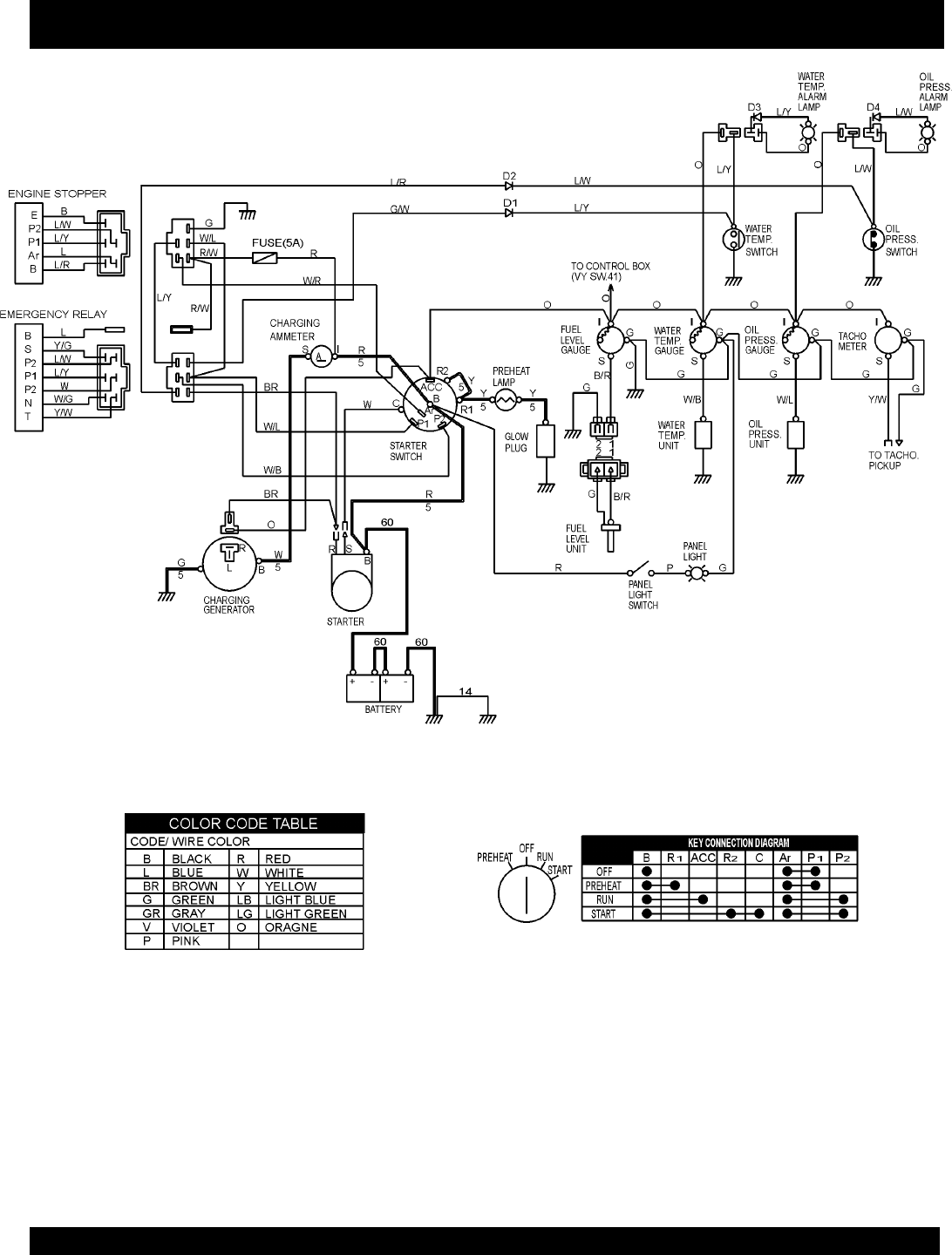
The DCA-60SSI2 is powered by a 4 cycle, water cooled,
Isuzu A-6BG1
diesel diesel
diesel diesel
diesel
engine. This engine is designed to
meet every performance requirement for the generator.
Reference Table 1, page13 for engine specifications.
In keeping with Multiquip's policy of constantly improving
its products, the specifications quoted herein are subject to
change without prior notice.
The basic controls and indicators for the DCA-60SSI2
generator are addressed on the following pages.
Mechanical Governor System
The mechanical governor system control the RPM of the
engine. When the engine demands increase or decrease,
the mechanical governor system regulates the frequency
variation to ±1.5%. The electronic governor option in-
creases frequency variation to ±.25%.
Open Delta Excitation System
The DCA-60SSI2 generator is equipped with the state of
the art "
Open-DeltaOpen-Delta
Open-DeltaOpen-Delta
Open-Delta
" excitation system. The open delta
system consist of an electrically independent winding wound
among stationary windings of the AC output section.
There are four leads: A, B, C and D. During light loads, the
power to the
AA
AA
Automatic utomatic
utomatic utomatic
utomatic
VV
VV
Voltage Regulator oltage Regulator
oltage Regulator oltage Regulator
oltage Regulator
(AVR) is supplied
from the leads parallel connections of B&C. When loads
increase, the AVR switches and accepts power from leads
A&D. The output of leads A&D increase proportionally with
load. This of adding the voltages to each phase provides
better voltage response during heavy loads.
The connections of the AVR to the AC output windings are
for sensing only. No power is required from these windings.
The open-delta design provides virtually unlimited excitation
current, offering maximum motor starting capabilities. The
excitation does not have a "
fixed ceilingfixed ceiling
fixed ceilingfixed ceiling
fixed ceiling
" and responds
according the demands of the required load.

DCA-60SSI2 — PARTS AND OPERATION MANUAL— REV. #3 (09/15/01) — PAGE 25
DCA-60SSI2 — MAJOR COMPONENTS
Figure 6. Major Components

PAGE 26 — DCA-60SSI2 — PARTS AND OPERATION MANUAL — REV. #3 (09/15/01)
DCA-60SSI2 — DIMENSIONS (TOP, SIDE AND FRONT)
Figure 7. Dimensions

DCA-60SSI2 — PARTS AND OPERATION MANUAL— REV. #3 (09/15/01) — PAGE 27
NOTE PAGE

PAGE 28 — DCA-60SSI2 — PARTS AND OPERATION MANUAL — REV. #3 (09/15/01)
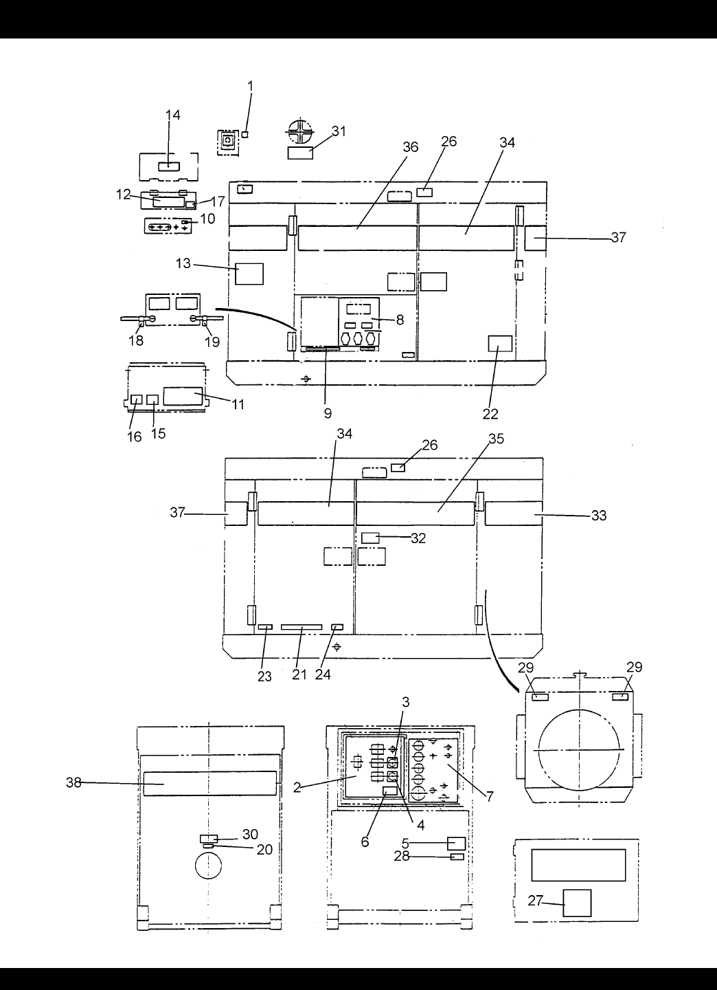
DCA-60SSI2 — CONTROL PANEL
Figure 8. Control Panel

DCA-60SSI2 — PARTS AND OPERATION MANUAL— REV. #3 (09/15/01) — PAGE 29
DCA-60SSI2 — CONTROL PANEL
The definitions below describe the controls and functions of
the DCA-60SSI2 "
Control Panel Control Panel
Control Panel Control Panel
Control Panel
" (Figure 8).
1. Frequency Meter – Indicates the output frequency in
hertz (Hz). Normally 60 Hz ±1 Hz .
2. AC Ammeter – Indicates the amount of current the
load is drawing from the generator.
3. ACVoltmeter – Indicates the single phase output
voltage present at the UNV terminals.
4. Pilot Lamp - This lamp indicates the load is not properly
set. Readjust the load, or use the voltmeter change-
over switch to adjust phase position.
5. Main Circuit Breaker – This three-pole, 150 amp main
breaker is provided to protect the UNV voltage output
terminals from overload.
6. Voltmeter Change-Over Switch – This switch allows
the AC voltmeter to indicate phase to phase voltage
between any two phases of the output terminals or to
be switched off.
7. Ammeter Change-Over Switch – This switch allows
the AC ammeter to indicate the current flowing to the
load connected to any phase of the output terminals, or
to be switched off.
8. Voltage Regulator Control – Allows manual
adjustment of the generator’s output voltage.

PAGE 30 — DCA-60SSI2 — PARTS AND OPERATION MANUAL — REV. #3 (09/15/01)
DCA-60SSI2 — ENGINE OPERATING PANEL
Figure 9. Engine Operating Panel

DCA-60SSI2 — PARTS AND OPERATION MANUAL— REV. #3 (09/15/01) — PAGE 31
The definitions below describe the controls and functions of
the DCA-60SSI2 "
Engine Operating Panel Engine Operating Panel
Engine Operating Panel Engine Operating Panel
Engine Operating Panel
" (Figure 9).
1. Oil Pressure Gauge – Normal operation should be about
25 psi. When starting the generator the oil pressure
may read a bit higher, but after the engine warms up
the oil pressure should return to normal.
2. Panel light - Normally used in dark places or at night.
When activated, panel will luminate. When the generator
is not in use, turn the panel light switch to the ‘OFF’
position.
3. Water Temperature Gauge – During normal operation
this gauge be should read between 165o to 215o.
DCA-60SSI2 — ENGINE OPERATING PANEL
4. Charging Ammeter Gauge – Indicates the current
being supplied by the engine’s alternator which provides
current for generator’s control circuits and battery
charging system.
5. Indicator Lights - These lights indicate if the oil
pressure or water temperature is at dangerous levels
and will shut off the engine. The oil pressure indicator
will initially light at start-up, but will go off once the
pressure rises.
6. Panel light switch- When activiated, will turn on control
panel light.
7. Lamp Check Switch - This is used to check the
indicator lights. Turn on the engine, then press this to
check the bulbs. If they don’t light, replace the bulbs.
8. Engine Throttle Lever - Pull or push this lever to change
the speed of the engine when a load is applied.
9. Pre-Heat Indicator – Under cold conditions, turn the
starter key to preheat. Once the indicator lights, the
engine is ready to start.
10. Starter Switch - Turn this to start, stop, and preheat
the engine.
11. Tachometer – Indicates engine speed in RPM’s for 60
Hz operation. This meter should indicate 1800 RPM’s
when the engine is at full speed and a load is applied.
In addition, a built in hour meter will record the number
of operational hours that the generator has been in use.

PAGE 32 — DCA-60SSI2 — PARTS AND OPERATION MANUAL — REV. #3 (09/15/01)
DCA-60SSIU — OUTPUT TERMINAL PANEL
Output Terminal Panel
The output control panel is located on the rear (control panel)
end of the generator. The UNV lugs are protected by a face
plate cover that can be secured in the close position by a
pad lock.
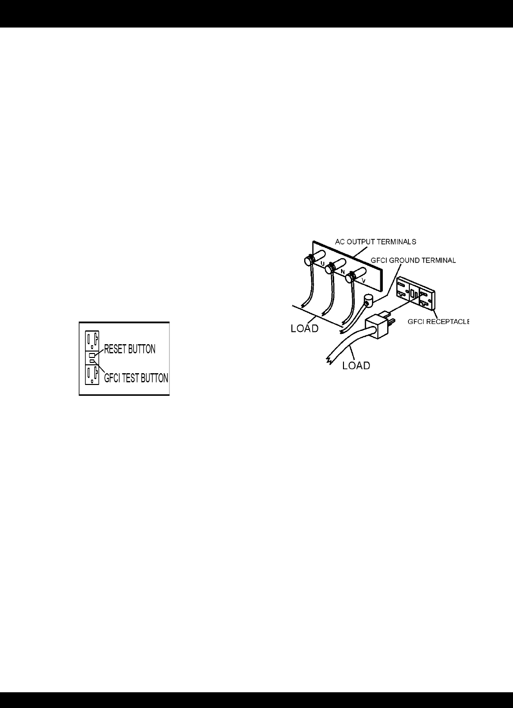
120 Volt Receptacle
One GFCI Duplex NEMA 5-20R (120V, 20 Amp) receptacle
is located on the output terminal. This receptacle can be
used anytime the generator is in operation. The receptacle
is controlled by the circuit breaker located on the control
panel.
The reset button will reset the receptacle after being tripped.
Pressing the :Test Button” (Figure 8) in the center of this
receptacle will check the GFCI function. The receptacle
should be tested at least once a month.
Figure 10. GFCI Test Button
Connecting Load
Loads can be connected to the generator by the UVWO lugs or
the duplex receptacles. (See figure 3). Make sure to read the
operation manual before attempting to connect a load to the
generator.
Maximum Output
The entire load connected to the UVWO lugs, all four slots in
the duplex receptacles, and the must not exceed 52.8 kW in
standby or 48 kW in prime output.
Generator Grounding
Make sure to ground the generator in EVERY application
prior to connecting a load. Generators are NOT grounded
just because they are mounted on trailers or other vehicles
that are on rubber tires.
Twist Lock Dual Voltage Receptacles - To use these
receptacles, place the voltage selector switch in the single
phase 240/120 voltage position and adjust the output
voltage to 240 volts with the voltage regulator on the
Control Panel (Figure 8, page 28). Place the voltmeter
change-over switch to the U-W position and the ammeter
change-over switch to the U or W to read the output.
Circuit Breakers
To protect the generator from an overload, a 3-pole, 150 amp,
main main
main main
main
circuit breaker is provided to protect the UVWO output
terminals from overload. In addition two single-pole, 20 amp
GFCIGFCI
GFCIGFCI
GFCI
circuit breakers are provided to protect the GFCI
receptacles from overload. Three 50 amp
loadload
loadload
load
circuit
breakers have also been provided to protect the load side of
the generator from overload. Make sure to switch
ALLALL
ALLALL
ALL
circuit
breakers to the "OFF" position prior to starting the engine.
Generator Grounding
Make sure the generator is properly grounded before
applying load. Generators are NOT considered grounded
when mounted on a trailer.
Figure 11. Load Application

DCA-60SSI2 — PARTS AND OPERATION MANUAL— REV. #3 (09/15/01) — PAGE 33
DCA-60SSIU — OUTPUT TERMINAL VOLTAGE SELECTION
DCA-60SSIU
Legs O and Ground are
considered Bonded Grounds.
NOTE
Figure 12. Output Panel Location

PAGE 34 — DCA-60SSI2 — PARTS AND OPERATION MANUAL — REV. #3 (09/15/01)
elbaliavAegatloV.8elbaT
esahP3
)elbahctiwS( TLOV802TLOV022TLOV042TLOV614TLOV044TLOV084
esahPelgniS
)elbahctiwS( TLOV021TLOV721TLOV931TLOV042TLOV452TLOV772
Output Terminal Panel Available Voltages
A wide range of voltages are available to supply load to
many different applications. Voltages may be selected by
using the voltage selector switch and depending how you
hookup your hard wire connection to the generator. To obtain
some of the voltages listed, fine adjustment with the voltage
regulator on the control panel is necessary. See Table 8 for
available voltages the generator will supply.
CAUTION :
NEVER switch Voltage Selector Switch
position while the engine is engaged.
Voltage Selector Switch Locking Button
The voltage selector switch has a locking button to protect
the generator and generator load from being switched while
the engine is running. To lock the voltage selector switch,
press in the red button located on the voltage selector switch,
and use a pad lock to hold it into this position.
spmAmumixaM.9elbaT
detaR
egatloV spmAmumixaM
esahPelgniS
tloV021 )eriw4(spma3.331
esahPelgniS
tloV042 )eriw4(spma7.66
esahPeerhT
tloV042 spma441
esahPeerhT
tloV084 spma27
Maximum Amps
Table 9 shows the maximum amps the generator will pro-
vide. Do not exceed the maximum amps listed.
Over Current Relay
An over current relay is connected to the circuit breaker.
During an over current situation, both the circuit breaker and
the over current relay will trip. If the circuit breaker can not
be reset, the reset button on the over current relay must be
pressed. The over current relay is located inside the control
box.
DCA-60SSIU — OUTPUT AMPERAGE SETUP

DCA-60SSI2 — PARTS AND OPERATION MANUAL— REV. #3 (09/15/01) — PAGE 35
Receptacle Use
When the UVWO terminals are providing power, the recep-
tacle power availability will decrease.
How To Read The Output Terminal Gauges.
The gauges (Figure 15 and 17) and change-over switches
on the control panel DO NOT effect the generator output.
They are to help observe how much power is being supplied
at the UVWO legs.
When the voltage selector switch is in the 240/120V posi-
tion (Figure 13), place the AC voltmeter change-over switch
to the W-U position (Figure 14) and the AC ammeter change-
over switch to the U or W position (Figure 16) to read the
output on the selected leg.
Figure 13. Voltage Selector Switch 240/120V Single
Phase Position
Figure 14 and 15. AC Voltmeter Change-over switch
and Voltmeter Gauge
Figure 16 and 17. AC Ammeter Change-over Switch
and Ammeter Gauge
When using plural single phase
voltages, make sure to balance
the load on each of the single
phase legs.
NOTE
DCA-60SSIU — OUTPUT AMPERAGE SETUP

PAGE 36 — DCA-60SSI2 — PARTS AND OPERATION MANUAL — REV. #3 (09/15/01)
240/120V Hard Wire Hookup
With the voltage selector set and locked at ‘single phase
240/120’ and using single phase 120 volts, the generator
will provide three legs available with 100 amps each on three
different circuits (Figure 18).
480/240V Hard Wire Hookup
With the voltage selector set and locked at ‘3 phase 480/
277’ (Figure 19) and using the 3-phase 240 hookup, it will
provide one circuit available at 108 amps with any two wires
plus the ground (Figure 20).
When using the 3-phase 480 volts hookup, it will provide
one circuit available at 50 amps with all three wires plus
ground.
Figure 19. Voltage Selector Switch 480/277V Three Phase
Position
Figure 18. Hard Wire Hookup at 240/120V Position
Figure 20. Hard Wire Hookup at 480/240V Position
DCA-60SSIU — OUTPUT VOLTAGE SETUP

DCA-60SSI2 — PARTS AND OPERATION MANUAL— REV. #3 (09/15/01) — PAGE 37
Voltage Selector Switch- 3 Phase 480/277V Position
The following are additional voltages available when the volt-
age selector switch is in the ‘3 phase 480/277V’ position.
3 Phase, 480V, 440V, or 416 Volt
This setting can provide 3-phase power at 480, 440, or 416
volts. After hooking up the hard wires to the lugs as shown
in Figure 22, 480 volts can be obtained with the voltage
regulator knob turned toward maximum; 440 volts can be
obtained with the voltage regulator knob is turned down; and
416 volts can be obtained with the voltage regulator knob is
at the lowest setting.
Single Phase: 480V, 440V, or 416 Volt
This setting can provide single phase power at 480, 440, or
416 volts. After hooking up the hard wires to the lugs as
shown in Figure 23, 480 volts can be obtained with the volt-
age regulator knob turned toward maximum; 440 volts can
be obtained with the voltage regulator knob is turned down;
and 416 volts can be obtained with the voltage regulator
knob is at the lowest setting.
Single Phase: 277V, 254V, or 240V
This setting can provide single phase power at 277, 254, or
240 volts. After hooking up the hard wires to the lugs as
shown in Figure 24, 277 volts can be obtained with the volt-
age regulator knob turned toward maximum; 254 volts can
be obtained with the voltage regulator knob is turned down;
and 240 volts can be obtained with the voltage regulator
knob is at the lowest setting.
Figure 22. Hard Wire Hookup for Three Phase 480V, 440V, or
416V
Figure 24. Hard Wire Hookup for Single Phase 277V, 254V,
or 240V
Figure 23. Hard Wire Hookup for Single Phase 480V, 440V,
or 416V
Figure 21. Voltage Regulator Knob
DCA-60SSIU — OUTPUT VOLTAGE SETUP

PAGE 38 — DCA-60SSI2 — PARTS AND OPERATION MANUAL — REV. #3 (09/15/01)
Voltage Selector Switch- 3 Phase 240/139V Position
The following are additional voltages available when the volt-
age selector switch is in the ‘3 phase 240/139V’ position.
3 Phase, 240V, 220V, or 208 Volt
This setting can provide 3-phase power at 240, 220, or 208
volts. After hooking up the hard wires to the lugs as shown
in Figure 26, 240 volts can be obtained with the voltage
regulator knob turned toward maximum; 220 volts can be
obtained with the voltage regulator knob is turned down; and
208 volts can be obtained with the voltage regulator knob is
at the lowest setting.
Single Phase: 240V, 220V, or 208 Volt
This setting can provide single phase power at 240, 220, or
208 volts. After hooking up the hard wires to the lugs as
shown in Figure 27, 240 volts can be obtained with the volt-
age regulator knob turned toward maximum; 220 volts can
be obtained with the voltage regulator knob is turned down;
and 208 volts can be obtained with the voltage regulator
knob is at the lowest setting.
Single Phase: 139V, 127V, or 120V
This setting can provide single phase power at 139, 127, or
120 volts. After hooking up the hard wires to the lugs as
shown in Figure 28, 139 volts can be obtained with the volt-
age regulator knob turned toward maximum; 127 volts can
be obtained with the voltage regulator knob is turned down;
and 120 volts can be obtained with the voltage regulator
knob is at the lowest setting.
Figure 25. Voltage Selector Switch 240/139V Three Phase
Position
Figure 26. Hard Wire Hookup for Three Phase 240V, 220V, or
208V
Figure 27. Hard Wire Hookup for Single Phase 240V, 220V,
or 208V
Figure 28. Hard Wire Hookup for Single Phase 139V, 127V,
or 120V
DCA-60SSIU — OUTPUT VOLTAGE SETUP

DCA-60SSI2 — PARTS AND OPERATION MANUAL— REV. #3 (09/15/01) — PAGE 39
Voltage Selector Switch- Single Phase 240/120V
Position
The following are additional voltages available when the volt-
age selector switch is in the ‘single phase 240/120V’ posi-
tion.
Single Phase, 240 Volt
This setting can provide single phase power at 240 volts.
After hooking up the hard wires to the lugs as shown in
Figure 30, 240 volts can be obtained with the voltage regula-
tor knob turned to fine tune.
Single Phase: 120 Volt
This setting can provide single phase power at 120 volts.
After hooking up the hard wires to the lugs as shown in
Figure 31, 120 volts can be obtained with the voltage regula-
tor knob turned to fine tune.
Figure 29. Voltage Selector Switch 240/120V Single Phase
Position
Figure 30. Hard Wire Hookup for Single Phase 240 volt
Figure 31. Hard Wire Hookup for Single Phase, 120 volt
DCA-60SSIU — OUTPUT VOLTAGE SETUP

PAGE 40 — DCA-60SSI2 — PARTS AND OPERATION MANUAL — REV. #3 (09/15/01)
CAUTION
:
An electric shock may happen when
vibrators are used. Pay close attention to
handling when operating vibrators and
always use rubber boots and gloves to
insulate the body from electrical shock.
Generator Grounding
To guard against electrical shock and possible damage to
the equipment, it is important to provide a good EARTH
ground.
Article 250 (Grounding) of the National Electrical Code (NEC)
provides guide lines for proper grounding and specifies that
the cable ground shall be connected to the grounding system
of the building as close to the point of cable entry as
practical.
NEC articles 25064(b) a and 250-66 set the following
grounding requirements:
1. Use one of the following wire types to connect the
generator to earth ground.
a. Copper - 10 AWG (5.3 mm2) or larger.
b. Aluminum - 8 AWG (8.4 mm2) or larger.
2. When grounding the generator (Figure 32) connect the
ground cable between the lock washer and the nut on
the generator and tighten the nut fully. Connect the other
end of the ground cable to earth ground.
3. NEC article 250-52(c) specifies that the earth ground
rod should be buried a minimum of 8 ft. into the ground.
DCA-60SSI2 — INSTALLATION
NOTE
When connecting the generator to any buildings
electrical system ALWAYS consult with a licensed
electrician.
Outdoor Installation
Install the generator in a location where it will not be exposed
to rain or sunshine. Make sure the generator is on secure
level ground so that it cannot slide or shift around. Also
install the generator in a manner so that the exhaust will not
be discharged in the direction of nearby homes.
The installation site must be relatively free from moisture
and dust. All electrical equipment should be protected from
excessive moisture. Failure to do will result in deterioration
of the insulation and will result in short circuits and grounding.
Foreign materials such as dust, sand, lint and abrasive
materials have a tendency to cause excessive wear to
engine and alternator parts.
CAUTION :
Pay close attention to ventilation when
operating the generator inside tunnels and
caves. The engine exhaust contains
noxious elements. Engine exhaust must
be routed to a ventilated area.
Indoor Installation
Exhaust gases from diesel engines are extremely poisonous.
Whenever an engine is installed indoors the exhaust fumes
must be vented to the outside. The engine should be installed
at least two feet from any outside wall. Using an exhaust
pipe which is too long or too small can cause excessive
back pressure which will cause the engine to heat
excessively and possibly burn the valves.
Mounting
The generator must be mounted on a solid foundation (such
as concrete) and set firmly on the foundation to isolate
vibration of the generator when it is running. The generator
must set at least 6 inches above the floor or grade level (in
accordance to NFPA 110, Chapter 5-4.1). DO NOT remove
the metal skids on the bottom of the generator. They are to
resist damage to the bottom of the generator and to maintain
alignment.

DCA-60SSI2 — PARTS AND OPERATION MANUAL— REV. #3 (09/15/01) — PAGE 41
Figure 32. Typical Generator Grounding Application
DCA-60SSI2 — INSTALLATION

PAGE 42 — DCA-60SSI2 — PARTS AND OPERATION MANUAL — REV. #3 (09/15/01)
General Inspection Prior to Operation
The DCA-60SSI2 generator has been thoroughly inspected
and accepted prior to shipment from the factory. However,
be sure to check for damaged parts or components, or loose
nuts and bolts, which could have occurred in transit.
Extension Cable
When electric power is to be provided to various tools or
loads at some distance from the generator, extension
cords are normally used. Cables should be sized to allow
for distance in length and amperage so that the voltage
drop between the generator and point of use (load) is held
to a minimum. Use the Cable Selection Guide (Table 10)
as a guide for selecting proper cable size.
Circuit Breakers
To protect the generator from an overload, a 3-pole, 150 amp,
main main
main main
main
circuit breaker is provided to protect the UNV output
terminals from overload. In addition two single-pole, 20 amp
GFCIGFCI
GFCIGFCI
GFCI
circuit breakers are provided to protect the GFCI
receptacles from overload. Three 50 amp
loadload
loadload
load
circuit breakers
have also been provided to protect the load side of the
generator from overload. Make sure to switch
ALLALL
ALLALL
ALL
circuit
breakers to the "OFF" position prior to starting the engine.
DCA-60SSI2 — PRE-SETUP
)noitarepOesahPelgniS,zH06(noitceleSelbaC.01elbaT
nitnerruC
serepmA
sttaWnIdaoLhtgneLelbaCelbawollAmumixaM
021tA
stloV
042tA
stloV eriW01#eriW21#eriW41#eriW61#
5.2003006.tf0001.tf006.tf573.tf052
50060021.tf005.tf003.tf002.tf521
5.70090081.tf053.tf002.tf521.tf001
0100210042.tf052.tf051.tf001
5100810063.tf051.tf001.tf56
0200420084.tf521.tf57.tf05
.egatlovwolmorftlusernacegamadtnempiuqE:NOITUAC
ALWAYS consult with a licensed
electrician for correct extension
cord wire size.
NOTE

DCA-60SSI2 — PARTS AND OPERATION MANUAL— REV. #3 (09/15/01) — PAGE 43
Lubrication Oil
Fill the engine crankcase with lubricating oil through the filler
hole, but do not overfill. Make sure the generator is level.
With the dipstick inserted all the way, but without being screw
into the filler hole, verify that the oil level is maintained
between the two notches (Figure 33) on the dipstick. See
Table 11 for proper selection of engine oil.
Fuel
Fill the fuel tank with clean and fresh
diesel fuel.diesel fuel.
diesel fuel.diesel fuel.
diesel fuel.
DO NOT
fill the tank beyond capacity.
Pay attention to the fuel tank capacity when replenishing
fuel. Refer to the fuel tank capacity listed on page 23,
Specification Table 7.
The fuel tank cap must be closed tightly after filling. Handle
fuel in a safety container. If the container does not have a
spout, use a funnel. Wipe up any spilled fuel immediately.
DCA-60SSI2 — PRE-SETUP
Figure 33. Engine Oil Dipstick
When checking the engine oil, be sure to check if the oil is
clean and viscous. If the oil is not clean, drain the oil by
removing the oil drain plug, and refill with the specified amount
of oil as outlined in the Isuzu Engine Owner's Manual.
liOrotoMdednemmoceR.11elbaT
egnaRerutarepmeTliOepyT
F°32~F°401
)C°5-~C°04( 03EAS
F°5~F°32
)C°51-~C°5-( 03-W01EASro02EAS
)°51-(C°5woleB03-W01EASroW01EAS
CAUTION
:
Never fill the fuel tank while the engine is
running or in the dark. Diesel spillage on
a hot engine can cause a fire or
explosion. If diesel spillage occurs, wipe
up the spilled diesel completely to
prevent fire hazards.
Coolant
Use only drinkable tap water. If hard water or water with
many impurities is used, the inside of the engine and radiator
may become coated with deposits and cooling efficiency
will be reduced.
An anticorrosion additive added to the water will help prevent
deposits and corrosion in the cooling system. See the engine
manual for further details.

PAGE 44 — DCA-60SSI2 — PARTS AND OPERATION MANUAL — REV. #3 (09/15/01)
DCA-60SSIU — PRE-SETUP
Day-to-day addition of coolant is done from the reserve tank.
When adding coolant to the radiator, DO NOT remove the
radiator cap until the unit has completely cooled. See Table
12. for engine, radiator, and reserve tank coolant capacities.
Make sure the coolant level in the reserve tank is always
between the "H" and the "L" markings.
CAUTION :
When adding coolant or antifreeze to the
radiator, do not remove the radiator cap
until the unit has completely cooled.
yticapaCtnalooC.21elbaT
rotaidaRdnaenignE)retiL5.92(.laG8.7
knaTevreseR)retiL2(.laG59.
Operation in Freezing Weather
When operating in freezing weather, be certain the proper
amount of antifreeze (Table 13) has been added.
serutarepmeTgnitarepOezeerF-itnA.31elbaT
%loV ezeerF-itnA
tnioPgnizeerFtnioPgnilioB
C°F°C°F°
0442-21-601222
0573-43-801622
When the antifreeze is mixed withWhen the antifreeze is mixed with
When the antifreeze is mixed withWhen the antifreeze is mixed with
When the antifreeze is mixed with
ww
ww
waterater
aterater
ater, the antifreez, the antifreez
, the antifreez, the antifreez
, the antifreeze mixing re mixing r
e mixing re mixing r
e mixing ratio matio m
atio matio m
atio mustust
ustust
ust
be less than 50%.be less than 50%.
be less than 50%.be less than 50%.
be less than 50%.
NOTE
Cleaning the Outer Radiator
The engine may overheat if the radiator fins become
overloaded with dust or debris. Periodically clean the radiator
fins with compressed air. Cleaning inside the radiator is
dangerous, so clean only with the engine turned off and the
battery disconnected.
Air Cleaner
Periodic cleaning/replacement is necessary. Inspect it in
accordance with the Isuzu Engine Owner's Manual.
Fan Belt Tension
A slack fan belt may contribute to overheating, or to
insufficient charging of the battery. Inspect the fan belt for
damage and wear and adjust it in accordance with the Isuzu
Engine Owner's Manual.
The fan belt tension is proper if the fan belt bends 10 to 15
mm (Figure 34) when depressed with the thumb as shown
below. Never place hands near the belts or fan while the
generator is running.
Figure 34. Fan Belt Tension
Never place hands near the belts or fan
while the generator set is running.
CAUTION :
Adjusting Fan Belt
If the fan belt does not have the 10 to 15 mm defection
follow the procedure below to adjust:
Loosen the alternator adjusting plate and alternator mounding
bolt.
Pivot the alternator at the mounting bolt toward the engine
left or right until the belt reflects the proper tension.
Tighten the mounting bolt and the adjusting bolt.

DCA-60SSI2 — PARTS AND OPERATION MANUAL— REV. #3 (09/15/01) — PAGE 45
DCA-60SSIU — PRE-SETUP
Battery Cable Installation
ALWAYS be sure the battery cables (Figure 35) are properly
connected to the battery terminals as shown below. The
REDRED
REDRED
RED
cable is connected to the positive terminal of the battery,
and the BLACK cable is connected to the negative terminal
of the battery.
CAUTION :
When connecting battery do the following:
1. DO NOT connect the battery cables to the battery
terminals when the key is in the ignition and is set in
'START' mode. ALWAYS remove the key from the
ignition and the ignition switch is in the OFF position
when connecting the battery.
2. Place a small amount of grease around both battery
terminals. This will ensure a good connection and will
help prevent corrosion around the battery terminals.
CAUTION :
Inadequate battery connections may
cause poor starting of the generator, and
create other malfunctions.
Wiring
Inspect the entire generator for bad or worn electrical wiring
or connections. If any wiring or connections are exposed
(insulation missing) replace wiring immediately.
Piping and Hose Connection
Inspect all piping, oil hose, and fuel hose connections for
wear and tightness. Tighten all hose clamps and check hoses
for leaks.
If any hose (fuel or oil) lines are defective replace them
immediately.
Figure 35. Battery Connections
If the battery cable is connected
incorrectly, damage to the generator will
occur. Pay close attention to the polarity
of the battery when connecting the
battery.
Battery
This unit is of negative ground. DO NOT connect in reverse.
Always maintain battery fluid level between the specified
marks. Battery life will be shortened, if the fluid level is not
properly maintained. Add only distilled water when
replenishment is necessary. DO NOT over fill.
The battery is sufficiently charged if the specific gravity of
the battery fluid is 1.28 (at 68° F). If the specific gravity
should fall to 1.245 or lower, it indicates that the battery is
dead and needs to be recharged or replaced.
Check to see whether the battery cables are loose. Poor
contact may result in poor starting or malfunctions. Always
keep the terminals firmly tightened. Coating the terminals
with a thin film of grease will help to inhibit corrosion.
Alternator
The polarity of the alternator is negative grounding type.
When an inverted circuit connection takes place, the circuit
will be in short circuit instantaneously resulting the alternator
failure.
Do not put water directly on the alternator. Entry of water
into the alternator leads an electrolyte corrosion causing an
alternator failure.
Before charging the battery with an external electric source,
be sure to disconnect the battery cables.

PAGE 46 — DCA-60SSI2 — PARTS AND OPERATION MANUAL — REV. #3 (09/15/01)
DCA-60SSI2 — LOAD APPLICATION
Single Phase Load
Always be sure to check the nameplate on the generator
and equipment to insure the wattage, amperage and
frequency requirements are satisfactorily supplied by the
generator for operating the equipment.
Generally, the wattage listed on the nameplate of the
equipment is its rated output. Equipment may require 130—
150% more wattage than the rating on the nameplate, as
the wattage is influenced by the efficiency, power factor and
starting system of the equipment.
When the voltage selector switch is in single phase (240/
120V position), place the AC voltmeter change-over switch
to the U-W position and the AC ammeter change over-switch
to the U or W position to read the ouput.
Motors and motor-driven equipment draw
much greater current for starting than
during operation.
An inadequate size connecting cable which cannot carry
the required load can cause a voltage drop which can burn
out the appliance or tool and overheat the cable.
z
When connecting a resistance load such as an
incandescent lamp or electric heater, a capacity of up
to the generating set’s rated output (kW) can be used.
z
When connecting a fluorescent or mercury lamp, a
capacity of up to the generating set’s rated output (kW)
multiplied by 0.6 can be used.
z
When connecting an electric drill or other power tools,
pay close attention to the required starting current
capacity.
If wattage is not available on the equipment, approximate
wattage may be determined by mulitplying the nameplate
voltage by the nameplate amperage for three-phase:
WATTS =1.732 x VOLTAGE x AMPERAGE
daoLyBrotcaFrewoP.41elbaT
daoLfOepyTrotcaFrewoP
srotomnoitcudniesahp-elgniS57.0-4.0
tnecsednacni,sretaehcirtcelE spmal 0.1
spmalyrucrem,spmaltnecseroulF9.0-4.0
noitacinummoc,secivedcinortcelE tnempiuqe 0.1
slootrewopnommoC8.0
NOTE
If wattage is not given on the
equipment's name plate, approximate
wattage may be determined by
multiplying nameplate voltage by the
nameplate amperage.
WATTS = VOLTAGE x AMPERAGE
The power factor of this generator is 1.0. See Table 14.
below when connecting loads. Before connecting this generator to any
building’s electrical system, a licensed
electrician must install an isolation
(transfer) switch. Serious injury or death
may result without this transfer switch.
CAUTION:
Three Phase Load
When calculating the power requirements for 3-phase power
use the following equation:
CAUTION
:
NOTE
If output (kVA) is not given on the
equipment nameplate, approximate
output may be determined by
multiplying voltage by amperage by

DCA-60SSI2 — PARTS AND OPERATION MANUAL— REV. #3 (09/15/01) — PAGE 47
WARNING:
Before Starting
Engine
1. Check the lubricating oil level prior to starting the engine.
Make sure the generator is level. The oil level must be
maintained between two notches on the dipstick.
2. When there is not enough lubricating oil, fill the crankcase
with high grade motor oil. Use a high quality detergent
oil classified CC or higher (See Table 11 on page 43).
3. Check the coolant level in the radiator and subtank.
Replenish with antifreeze as necessary. Always maintain
the coolant level between the FULL and LOW markings
on the coolant container. Be sure that the radiator cap is
fastened securely.
4. Check the fuel level on the fuel gauge. If fuel is low, fill
the fuel tank with clean fresh unleaded automotive diesel.
If diesel spillage occurs, completely wipe up the spilled
fuel immediately.
Before Starting
Generator and Control Panel
CAUTION:
1. Be sure to disconnect the
electrical load and switch the
main, load main, load
main, load main, load
main, load
and
G.FG.F
G.FG.F
G.F
.C.C
.C.C
.C.I..I.
.I..I.
.I.
circuit breakers (Figure 12) to the “OFF” position prior to
starting the engine.
NEVER start the engine with the
main,main,
main,main,
main,
GFCI GFCI
GFCI GFCI
GFCI
or
loadload
loadload
load
circuit breakers
in the ON position.
The engine's exhaust contains harmful
emissions.
ALAL
ALAL
ALWW
WW
WAA
AA
AYS YS
YS YS
YS
ventilate the
exhaust when operating inside tunnels,
excavations or buildings. Direct exhaust
away from nearby personnel.
Figure 36. Main, GFCI and
Load Circuit Breakers
DCA-60SSI2 — GENERATOR START-UP PROCEDURE
2. Connect the load to the UVW terminals as shown in
Figure 37. These terminals can be found on the output
terminal panel, (see page 22 Figure 6). To gain access
to the output terminals lift the UVW cover. Tighten
terminal nuts securely to prevent load wires from slipping
out.
Figure 37. UVW Terminal Lugs (Load)
NEGATIVE
POSTIVE
BATTERY
3. Connect the negative battery cable (BLACK) to the
negative post on the battery (Figure 38).
Figure 38. Battery Connections

PAGE 48 — DCA-60SSI2 — PARTS AND OPERATION MANUAL — REV. #3 (09/15/01)
10. The generator's frequency meter (Figure 45) displays
the 60 cycle output frequency in HERTZ.
Figure 46. Voltage Meter (Volts)
11. The generator's voltage meter (Figure 46) displays the
120 VAC in VOLTS. If the voltage is not within the
specified frequency tolerance, use the voltage
adjustment control knob (Figure 47) to increase or
decrease the desired voltage.
Figure 40. Voltage Selection Switch
4. Close all engine enclosure doors (Figure 39).
Figure 39. Engine Enclosure Doors
DCA-60SSI2 — GENERATOR START-UP PROCEDURE
5. Check the voltage selection switch (Figure 40) is
at the desired voltage.
6. Check to see if the engine throttle lever (Figure
41) is pushed in.
7. Turn the starter switch to ‘PREHEAT’ (Figure 42)
until the indicator light turns on. The oil pressure
indicator light will initially turn on, but should turn off
once the pressure rises.
8. Once the preheat indicator lights, turn the key to
‘START’ (Figure 43). After the engine cranks,
release the key to ‘RUN’.
Figure 41. Engine Throttle Lever
Figure 42. Key Switch (Preheat)
Figure 43. Starter Switch (Start)
Figure 45. Frequency Meter (Hz)
9. Pull the engine throttle lever and turn left until the
lever sets on the knob (Figure 44).
Figure 44. Engine Throttle Lever (Up)

DCA-60SSI2 — PARTS AND OPERATION MANUAL— REV. #3 (09/15/01) — PAGE 49
A
0
40
60
75
20
Figure 48. Ammeter (No Load)
Figure 47. Voltage Adjust Control
Knob
12. The ammeter (Figure 48) will indicate zero amps with no
load applied. When a load is applied, this meter will
indicate the amount of current that the load is drawing
from the generator’s alternator.
Figure 52. Engine Tachometer
DCA-60SSI2 — GENERATOR START-UP PROCEDURE
13. The engine oil pressure gauge (Figure 49) will indicate
the oil pressure (kg/ cm2) of the engine. Under normal
operating conditions the oil pressure is approximately
25 psi.
14. The coolant temperature gauge (Figure 50) will indicate
the coolant temperature. Under normal operating
conditions the coolant temperature is between 165 and
215 degrees fahrenheit.
WATER TEMP
Figure 50. Coolant Temperature Gauge
Figure 49. Oil Pressure Gauge
16. The tachometer (Figure 52) will indicate the speed of
the engine when the generator is operating. Under normal
operating conditions this speed is approximately 1800
RPM’s.
18. Observe the generator's ammeter (Figure 54) and verify
it reads the anticipated amount of current with respect
to the load. The ammeter will only display a current
reading if the load is in use.
19. The generator will run until manually stopped or an
abnormal condition occurs.
Figure 53. Main and GFCI Circuit Breakers
Figure 54. Ammeter (Load)
A
0
40
60
75
20
17. Turn the MAIN, GFCI and LOAD circuit breakers to
their ON position (Figure 53).
15. The charging ammeter (Figure 51) will indicate if the
battery is properly charged.
Figure 51. Charging Ammeter

PAGE 50 — DCA-60SSI2 — PARTS AND OPERATION MANUAL — REV. #3 (09/15/01)
1. To stop the engine in the event of an emergency, switch
the MAIN, GFCI and LOAD circuit breakers to ‘OFF’
position.
2. Turn the key switch to ‘STOP’.
EMERGENCY STOP
ENGINE SHUTDOWN
To shutdown the generator, use the following procedure:
1. Switch both the MAIN, GFCI and LOAD circuit breakers
(Figure 55)to the “OFF” position.
2. Turn to the right and press in the engine throttle lever
(Figure 56).
3. Let the engine cool by running it for 3-5 minutes with no
load applied.
4. Turn the key switch to ‘STOP’’ (Figure 57).
5. Remove the load from the UVW terminal strip.
Figure 55. Main, GFCI and Load
circuit breakers
Figure 56. Engine Throttle Lever
DCA-60SSI2 — GENERATOR SHUT-DOWN PROCEDURE
Figure 57. Key Switch (OFF)

DCA-60SSI2 — PARTS AND OPERATION MANUAL— REV. #3 (09/15/01) — PAGE 51
NOTE PAGE

PAGE 52 — DCA-60SSI2 — PARTS AND OPERATION MANUAL — REV. #3 (09/15/01)
DCA-60SSIU — MAINTENANCE
General Inspection
Prior to each use, the generator should be cleaned and
inspected for deficiencies. Check for loose, missing or
damaged nuts, bolts or other fasteners. Also check for fuel,
oil, and coolant leaks.
Engine Side (Refer to the Engine Instruction Manual)
Air Cleaner
Every 50 hours: Remove air cleaner element and clean heavy
duty paper element with kerosene, or foam element with
liquid detergent and hot water. Wrap foam element in a cloth
and squeeze dry. For heavy duty paper element, wipe
excess kerosene with towel.
The air cleaner is equipped with an indicator. After the dirty
air cleaner has been replaced, press the dust indicator button
to reset the indicator.
Fuel Addition
Add diesel fuel (the grade may vary according to season
and locations). Always pour through the mesh filter.
Removing Water from the Fuel Tank
After prolonged use, water and other impurities accumulate
in the bottom of the tank. Occasionally remove the drain
cock and drain the contents. During cold weather, the more
empty volume inside the tank, the easier it is for water to
condense. This can be reduced by keeping the tank full as
much as possible.
Air Removal
If air enters the fuel injection system of a diesel engine,
starting becomes impossible. After running out of fuel, or
after disassembling the fuel system, bleed the system
according to the following procedure.
To restart after running out of fuel, turn the switch to the
“ON” position for 15-30 seconds. Try again, if needed. This
unit is equipped with an automatic air bleeding system.
Service Daily
If the engine is operating in very dusty or dry grass
conditions, a clogged air cleaner will result. This can lead to
a loss of power, excessive carbon buildup in the combustion
chamber in high fuel consumption.
Cleaning the Fuel Strainer
Clean the fuel strainer if it contains dust or water. Remove
dust or water in the strainer cap and wash it in gasoline.
Securely fasten the fuel strainer cap so that fuel will not
leak. Check the fuel strainer every 200 hours of operation or
once a month.
Check Oil Level
Check the crankcase oil level prior to each use, or when the
fuel tank is filled. Insufficient oil may cause severe damage
to the engine. Make sure the generator is level. The oil level
must be between the two notches on the dipstick as shown
in Figure 32, page 43.
Replacing Oil Filter
1. Detach the oil filter cartridge with a filter wrench.
2. Apply a film of oil to the gasket for the cartridge.
3. Screw in the cartridge by hand. When the gasket is in
contact with the seal surface, tighten the cartridge one
or two more times by hand.
4. After the oil cartridge has been replaced, the engine oil
will drop slightly. Run the engine for a while and check
for leaks before adding more oil if needed. Clean
excessive oil from engine.
Replacing Fuel Filter
1. Replace the fuel filter cartridge with new one every 400
hours or so.
2. Apply fuel oil thinly over the gasket and hand-tighten
the cartridge into position.
3. Vent any air.
4. Fuel Injection Nozzle
5. Use an injection nozzle tester to check the static injection
starting pressure and the fuel spray conditions.
6. Abnormal fuel consumption will lead to a lowered output
and blackish exhaust smoke. The required injection
starting pressure should be 14.7MPa (150kg/cm2,
2130psi).

DCA-60SSI2 — PARTS AND OPERATION MANUAL— REV. #3 (09/15/01) — PAGE 53
DCA-60SSIU — MAINTENANCE
CAUTION :
Allow engine to cool when flushing out
radiator. Flushing the radiator while hot will
damage radiator.
Feed Pump Strainer Cleaning
The strainer is incorporated in the feed pump inlet side joint
bolt. Clean the strainer with compressed air and rinse it in
the fuel oil.
Flushing Out Radiator and Replacing Coolant
1. Open both cocks located at the crankcase side and at
the lower part of the radiator and drain coolant. Open
the radiator cap while draining. Remove the overflow
tank and drain.
2. Check hoses for softening and kinks. Check clamps for
signs of leakage.
3. Flush the radiator by running clean tap water through
radiator until signs of rust and dirt are removed. DO
NOT clean radiator core with any objects, such as a
screwdriver.
4. Tighten both cocks and replace the overflow tank.
5. Replace with coolant (see page 44, Table 14 for mixture).
6. Close radiator cap tightly.

PAGE 54 — DCA-60SSI2 — PARTS AND OPERATION MANUAL — REV. #3 (09/15/01)
DCA-60SSIU — MAINTENANCE
Figure 58. Valve Adjustment
Valve Clearance Check
1. In order to bring No. 1 or No. 4 cylinder to top dead center
in the compression stroke, align the notched line on the
crank pulley with TDC mark on the timing gear case
cover.
2. Do the adjustment on the circle marked valves in the
below table where No. 1 cylinder is at the center in the
compression stroke.
3. After adjustment started from either piston top center,
turn the crankshaft 360o to align the notched line with
the TDC mark to do the adjustment again on the
remaining valve. See Table 16 and Figure 55 for valve
arrangement.
Injection Timing Check and Adjustment
1. Bring No. cylinder to the top dead center on the
compression stroke.
2. Turn the crankshaft pulley clockwise (viewed at engine
front) and align the notched line on the crank pulley with
the TDC mark on the timing gear case cover.
3. Remove the timing check hole cover at the front of
injection pump to check the alignment between the
pointer “a” on the injection pump gear lock plate and the
projected area mark “b” on the timing gear case.
4. If “a” and “b” are in alignment, the timing is set correctly.
If not, follow nos. 1-3 until the “a” and “b” are aligned.
5. Reversely turn the crankshaft pulley counterclockwise
viewed at the engine front about 30o crank angle.
6. Remove No. 1 injection pipe from the engine.
7. Remove the injection pump No. 1 delivery valve holder,
delivery valve and spring and reinstall the delivery valve
holder on the original place.
8. Delivery valve holder tightening torque:
39~44Nm(29~33lbft.)
9. Slowly turn the crankshaft pulley clockwise and at the
same time continue to feed the fuel with pumping the
Feed pump. When the fuel stop to flow out from No. 1
delivery valve holder, stop pumping.
10. Observe and make sure which mark (injection starting
angle line) on the timing gear case cover is aligning with
the notched line on the crank pulley.
11. The timing line shows the injection starting crank angle
of the engine.
12. The injection starting crank angle should be at the 14o
timing mark.
tnemtsudAevlaV.51elbaT
)tsuahxE=E;telnI=I(
.oNrednilyC1234
tnemegnarrAevlaV IEIEIEIE
pottasi1.oNnehW
ehtniretnecdaed
ekotsnoisserpmoc
XXX X
pottasi4.oNnehW
ehtniretnecdaed
ekortsnoisserpmoc
OO OO
NOTE:
Take necessary precautions to prevent dust and
foreign particles in the pump interior when timing
adjustments are made.

DCA-60SSI2 — PARTS AND OPERATION MANUAL— REV. #3 (09/15/01) — PAGE 55
Generator Storage
For storage of the generator for over 30 days, the following
is required:
y
Fill the fuel tank completely.
y
Completely drain the oil from the crankcase and refill
with fresh oil.
y
Clean all external parts of the generator with a cloth.
y
Cover the generating set and store in a clean, dry place.
DCA-60SSIU — MAINTENANCE
ECNANETNIAM/NOITCEPSNI
srH01
YLIAD srH052 srH005 srH0001
ENIGNE
sleveLdiulFenignEkcehC X
renaelCriAkcehC X
leveLdicAyrettaBkcehC X
noitidnoCtleBnaFkcehC X
skaeLrofkcehC X
straPfogninesooLrofkcehC X
*retliFdnaliOenignEecalpeR
1
X
retliFriAnaelC X
knaTleuFfomottoBniarD X
edistuOdnaedisnI,tinUnaelC X
*retliFleuFegnahC
2
X
noitcetorPtnalooCkcehCdnarotaidaRnaelC
leveL
X
tnemelEretliFriAecalpeR X
rotsiseRnoisorroCegnahC X
spmalCdnasesoHllakcehC X
knaTleuFfoedisnInaelC X
ROTARENEG
smhoM3revOecnatsiseRnoitalusnIerusaeM X
*
1
.ylnoemittsrif,sruoh001taretliffnalioenigneecalpeR
*
2
.ylnoemittsrif,sruoH052taretlifleufecalpeR

PAGE 56 — DCA-60SSI2 — PARTS AND OPERATION MANUAL — REV. #3 (09/15/01)
DCA-60SSI2 — GENERATOR WIRING DIAGRAM

DCA-60SSI2 — PARTS AND OPERATION MANUAL— REV. #3 (09/15/01) — PAGE 57
DCA-60SSI2 — ENGINE WIRING DIAGRAM

PAGE 58 — DCA-60SSI2 — PARTS AND OPERATION MANUAL — REV. #3 (09/15/01)
DCA-60SSI2 — TROUBLESHOOTING (ENGINE)
Practically all breakdowns can be prevented by proper
handling and maintenance inspections, but in the event of a
breakdown, use the tables shown for
diagnosis based on the Engine Troubleshooting (Table 16). If
the problem cannot be remedied, consult our company's
business office or service plant.
GNITOOHSELBUORTENIGNE.61ELBAT
MOTPMYS MELBORPELBISSOP NOITULOS
.tratstonseodenignE
?leufoN .leufhsinelpeR
?metsysleufehtniriA .metsysdeelB
?metsysleufehtniretaW .knatleufmorfretawevomeR
?deggolcepipleuF .epipleufnaelC
?deggolcretlifleuF .retlifleufegnahcronaelC
leuffoytisocsivhgihylevissecxE
?erutarepmetwoltalioenignero .lioenigneroleufdeificepsehtesU
?rebmunenatecwolhtiwleuF .leufdeificepsehtesU
noitcejniesooloteudkaelleuF
?tungniniaterepip .tunnethgiT
?gnimitnoitcejnitcerrocnI .tsujdA
?nrowtfahsmacleuF .ecalpeR
?deggolcelzzonnoitcejnI .elzzonnoitcejninaelC
?gninoitcnuflampmupnoitcejnI .ecalperroriapeR
,tfahsmac,tfahsknarcfoeruzieS
?gniraebrorenilrednilyc,notsip .ecalperroriapeR
?rednilycmorfkaelnoisserpmoC dnagulpwolg,tlobdaehrednilycnethgit,teksagdaehecalpeR
.redlohelzzon
?gnimitevlavreporpmI .raeggnimitecalperrotcerroC
?nrowrenildnagnirnotsiP .ecalpeR
?ecnaraelcevlavevissecxE .tsujdA
.nurtonseodretratS
?gninoitcnuflamretratS .ecalperroriapeR
?detcennocsidgniriW .gniriwtcennoC

DCA-60SSI2 — PARTS AND OPERATION MANUAL— REV. #3 (09/15/01) — PAGE 59
DCA-60SSI2 — TROUBLESHOOTING (ENGINE)
)DEUNITNOC(GNITOOHSELBUORTENIGNE.61ELBAT
MOTPMYS MELBORPELBISSOP NOITULOS
.htoomstonsinoituloverenignE
?ytridrodeggolcretlifleuF .egnahcronaelC
?deggolcrenaelcriA .egnahcronaelC
noitcejniesooloteudkaelleuF
?tungniniaterepip .tunnethgiT
?gninoitcnuflampmupnoitcejnI .ecalperroriapeR
gninepoelzzontcerrocnI
?erusserp .tsujdA
rokcutselzzonnoitcejnI
?deggolc .ecalperroriapeR
?deggolcepipwolfrevoleuF .naelC
?gninoitcnuflamronrevoG .riapeR
sagtsuahxeeulbroetihwrehtiE
.devresbosi
?lioenigneevissecxE .leveldeificepsehtotecudeR
ronrowrenildnagnirnotsiP
?kcuts .ecalperroriapeR
?gnimitnoitcejnitcerrocnI .tsujdA
?noisserpmoctneicifeD .ecnaraelcpottsujdA
tsuahxeyargkradrokcalbrehtiE
.devresbosisag
?daolrevO .daolehtnesseL
?desuleufedargwoL .leufdeificepsehtesU
?deggolcretlifleuF .egnahcronaelC
?deggolcrenaelcriA .egnahcronaelC
?noitcejnielzzontneicifeD .elzzonehtecalperroriapeR
.tuptuotneicifeD
?gnimitnoitcejnitcerrocnI .tsujdA
otmeesstrapgnivoms'enignE
?gnizieseb .ecalperroriapeR
?noitcejnileufnevenU .pmupnoitcejniehtecalperroriapeR
?noitcejnielzzontneicifeD .elzzonehtecalperroriapeR
?kaelnoisserpmoC dnagulpwolg,tlobdaehrednilycnethgit,teksagdaehecalpeR
.redlohelzzon

PAGE 60 — DCA-60SSI2 — PARTS AND OPERATION MANUAL — REV. #3 (09/15/01)
GNITOOHSELBUORTROTARENEG.71ELBAT
MOTPMYS MELBORPELBISSOP NOITULOS
tuptuOegatloVoN ?evitcefedretemtloVCA .retemtlovagnisuegatlovtuptuokcehC
?esoolnoitcennocgniriwsI .riaperdnagniriwkcehC
?evitcefedRVAsI .yrassecenfiecalpeR
?reifitceRgnitatoRevitcefeD .ecalperdnakcehC
tuptuOegatloVwoL ?tcerrocdeepsenignesI ."hgiH"otrevelelttorhtenignenruT
?esoolsnoitcennocgniriwsI .riaperdnagniriwkcehC
?RVAevitcefeD .yrassecenfiecalpeR
tuptuOegatloVhgiH ?esoolsnoitcennocgniriwsI .riaperdnagniriwkcehC
?RVAevitcefeD .yrassecenfiecalpeR
deppirTrekaerBtiucriC ?daolnitiucriCtrohS .riaperdnadaolkcehC
?tnerrucrevO .ecuderdnastnemeriuqerdaolmrifnoC
?rekaerbtiucricevitcefeD .ecalperdnakcehC
?detautcayaleRtnerrucrevO .ecalperdnatnemeriuqerdaolmrifnoC
Practically all breakdowns can be prevented by proper handling and maintenance inspections, but in the event of a
breakdown, use the tables shown for diagnosis based on the Engine and Radiator Troubleshooting (Table 7). If the problem
cannot be remedied, consult our company's business office or service plant.
DCA-60SSI2 — TROUBLESHOOTING (GENERATOR/ENGINE)

DCA-60SSI2 — PARTS AND OPERATION MANUAL— REV. #3 (09/15/01) — PAGE 61
NOTE PAGE

PAGE 62 — DCA-60SSI2 — PARTS AND OPERATION MANUAL — REV. #3 (09/15/01)
How to read the marks and remarks used in this parts
book.
Items Found In the “Remarks” Column
Serial Numbers-Where indicated, this indicates a serial
number range (inclusive) where a particular part is used.
Model Number-Where indicated, this shows that the
corresponding part is utilized only with this specific model
number or model number variant.
Items Found In the “Items Number” Column
All parts with same symbol in the number column, *, #,
+, or %, belong to the same assembly or kit.
Note: If more than one of the same reference number is
listed, the last one listed indicates newest (or latest)
part available.
EXPLANATION OF CODE IN REMARKS COLUMN

DCA-60SSI2 — PARTS AND OPERATION MANUAL— REV. #3 (09/15/01) — PAGE 63
DCA-60SSI2 DCA-60SSI2
DCA-60SSI2 DCA-60SSI2
DCA-60SSI2 W/ISUZU 6BG1 DIESEL ENGINEW/ISUZU 6BG1 DIESEL ENGINE
W/ISUZU 6BG1 DIESEL ENGINEW/ISUZU 6BG1 DIESEL ENGINE
W/ISUZU 6BG1 DIESEL ENGINE
1 1
1 1
1 TT
TT
TO 3 UNITSO 3 UNITS
O 3 UNITSO 3 UNITS
O 3 UNITS
DCA-60SSI2 — SUGGESTED SPARE PARTS
NOTE
Part number on this Suggested Spare
Parts list may supercede/replace the
P/N shown in the text pages of this
book.
Qty.P/N Description
1 ......... 0601805869 ......... CIRCUIT BREAKER
1 ......... 0601820671 ......... AUTOMATIC VOLTAGE REGULATOR
1 ......... 0601840073 ......... RHEOSTAT VOLTAGE REGULATOR
1 ......... 0601840121 ......... KNOB REHOSTAT
1 ......... 0602013901 ......... RADIATOR HOSE, UPPER
1 ......... 0602013160 ......... RADIATOR HOSE, LOWER
5 ......... 1878100753 ......... OIL FILTER
5 ......... X132400240 ........ FUEL FILTER
5 ......... 0602040193 ......... ELEMENT, AIR
1 ......... 0602122200 ......... UNIT OIL PRESSURE
1 ......... 0602123204 ......... UNIT WATER PRESSURE
1 ......... 0601810244 ......... BULB, ALARM LAMP
1 ......... 0601808507 ......... TRANSDUCER WATT METER
1 ......... 8972322520 ......... FAN BELT
1 ......... 1823100080 ......... STARTER SWITCH
3 ......... KEYISUZUF ........ KEY, STARTER SWITCH

PAGE 64 — DCA-60SSI2 — PARTS AND OPERATION MANUAL — REV. #3 (09/15/01)
DCA-60SSI2 --- GENERATOR ASSY.
GENERATOR ASSY.

DCA-60SSI2 — PARTS AND OPERATION MANUAL— REV. #3 (09/15/01) — PAGE 65
NO. PART NO.ITEM QTY.REMARKS
DCA-60SSI2 --- GENERATOR ASSY.
GENERATOR ASSY.
1 8081000302 ROTOR ASSY. ................................ 1 ........... UP TO S/N3621172
1 8081000312 ROTOR ASSY. ................................ 1 ........... FROM S/N3621173~
1-1 FIELD ASSY. 1
1-2 8051070003 FAN 1
1-3 0010310030 HEX. HEAD BOLT ........................... 8 ........... UP TO S/N3621172
0012110035 HEX. HEAD BOLT ........................... 8 ........... S/N3621173~
1-4 030210250 LOCK WASHER .............................. 8 ........... REPLACES 0042510000
1-5 8041611004 COUPLING DISK 4
1-6 8041015003 BALANCING PLATE 1
1-7 0010310025 HEX. HEAD BOLT ........................... 6 ........... REPLACES 0010310025
1-8 0042610000 LOCK WASHER 6
1-6 8001026013 SET PLATE RECTUFER 1
1-10 0601821349 RECTIFIER ..................................... 2 ............ PT3610
1-11 0601822601 SURGER ABSORBER .................... 1 ............ ERZM14JK621A
1-12 8001020004 INSULATOR WASHER 1
1-13 8001020504 INSULATOR WASHER 1
1-14 0010108020 LOCK WASHER 4
1-15 0040008000 LOCK WASHER 4
1-16 0601000209 BALANCING WEIGHT KIT 1
1-17 0070806309 BEARING ........................................ 1 ........... 6309DU;UP TO S/N3621172
1-17 0071906310 BEARING ........................................ 1 ........... 6310DDU; S/N3621173~
2 8051614003 COUPLING RING 1
3 8051653004 REAMER BOLT 2
4 012010030 HEX. HEAD BOLT ........................... 7 ........... REPLACES 0012110030
5 0042510000 LOCK WASHER .............................. 9 ........... REPLACES 0042510000
6 8081340503 STRATOR ASSY. 1
7 0845041904 GROMMET 2
8 8041315202 END BRACKET .............................. 1 ........... UP TO S/N362172
8 8041315202 END BRACKET .............................. 1 ........... S/N362173~
9 8041350013 FIELD ASSY. EXCITER 1
10 0010308065 HEX. HEAD BOLT 4
11 0042608000 LOCK WASHER 4
12 031108160 PLAIN WASHER ............................. 6 ........... REPLACES 0041208000
13 0010108025 HEX. HEAD BOLT 6
14 0040008000 LOCK WASHER 6
15 0041208000 PLAIN WASHER 6
16 0601000003 WAVE WASHER .............................. 1 ........... BWW6309; UP TO S/N3621172
17 8041310014 COVER, BEARING ......................... 1 ........... UP TO S/N3621172
8041310024 COVER, BEARING ......................... 1 ........... S/N3621173~
18 8041312004 GASKET, BEARING ....................... 1 ........... UP TO S/N3621173
8041310014 GASKET, BEARING ....................... 1 ........... S/N3621173~

PAGE 66 — DCA-60SSI2 — PARTS AND OPERATION MANUAL — REV. #3 (09/15/01)
DCA-60SSI2 --- GENERATOR ASSY.
GENERATOR ASSY.

DCA-60SSI2 — PARTS AND OPERATION MANUAL— REV. #3 (09/15/01) — PAGE 67
19 8041331014 COVER, END BRACKET 1
20 0105050616 HEX. HEAD BOLT ........................... 8 ........... REPLACES 0017106012
21 8001333003 COVER, END BRACKET 1
22 0010106030 HEX. HEAD BOLT 2
23 0040006000 LOCK WASHER 2
24 952404470 PLAIN WASHER ............................ 2 ........... REPLACES 0041206000
25 015091025 HEX. HEAD BOLT ........................... 6 ........... REPLACES 0010310025
26 030210250 LOCK WASHER .............................. 6 ........... REPLACES 0042510000
27 8051332003 COVER, FAN................................... 1 ........... UP TO S/N3621172
8051332014 COVER, FAN................................... 1 ........... S/N3621173~
28 0605000010 RUBBER SUSPENSION
29 0030012000 HEX. NUT 4
0040012000 LOCK WASHER 4
NO. PART NO.ITEM QTY.REMARKS
DCA-60SSI2 --- GENERATOR ASSY.
GENERATOR ASSY.

PAGE 68 — DCA-60SSI2 — PARTS AND OPERATION MANUAL — REV. #3 (09/15/01)
DCA-60SSI2 --- CONTROL BOX ASSY.
CONTROL BOX ASSY.

DCA-60SSI2 — PARTS AND OPERATION MANUAL— REV. #3 (09/15/01) — PAGE 69
NO. PART NO.ITEM QTY.REMARKS
DCA-60SSI2 --- CONTROL BOX ASSY.
CONTROL BOX ASSY.
1 8081812502 CONTROL BOX ............................................ 1 ....... UP TO S/N3646800
B4214000002 CONTROL BOX ............................................ 1 ....... S/N3646801~
2 0601801143 CURRENT TRANSFORMER, AMMETER ..... 3 ....... CT-3.5MR 100/5A
3 0027104010 MACHINE SCREW 6
4 0601823860 RELAY UNIT ................................................. 2 ....... MSA9013
5 0027104016 MACHINE SCREW 4
6 0601820628 AUTOMATIC VOLTAGE REGULATOR ........... 1 ....... NTA5A2D; UP TO S/N3656070
0601820671 AUTOMATIC VOLTAGE REGULATOR ........... 1 ....... NTA5A2DB; S/N3656071~
7 0027105012 MACHINE SCREW 4
8 0601820853 OVER CURRENT RELAY ............................. 1 ....... THK20KP; UP TO S/N3656070
0601820892 OVER CURRENT RELAY ............................. 1 ....... THN20HZKP; S/N3656071~
9 0027104016 MACHINE SCREW 4
10 0602200405 EMERGENCY RELAY .................................. 1 ....... ISUZU 1825500730
11 0027106016 MACHINE SCREW 4
12 0601823706 RELAY .......................................................... 1 ....... HE1AAHE1112 DC24V
13 0027104016 MACHINE SCREW 2
14 0601805352 CIRCUIT BREAKER ..................................... 1 ....... KM203150AT; UP TO S/N3646800
14 0601805869 CIRCUIT BREAKER ..................................... 1 ....... NY203A 150AT; S/N3646801~
15 0021004020 MACHINE SCREW 4
0040004000 LOCK WASHER 4
031104080 PLAIN WASHER ........................................... 4 ....... REPLACES 0041204000
16 M1923100004 SELECTOR SWITCH .................................... 1 ....... REPLACES 8010153104
17 0020004010 MACHINE SCREW ....................................... 4 ....... REPLACES 0021104010
18 8051839504 BRACKET, SELECTOR SWITCH 1
19 0021003010 MACHINE SCREW 4
20 0017106016 HEX. HEAD BOLT 2
020106050 HEX. NUT ..................................................... 2 ....... REPLACES 0030006000
21 7451822503 CONTROL PANEL ......................................... 1 ....... UP TO /SN3646800
7451822513 CONTROL PANEL ......................................... 1 ....... S/N36463801~
22 0601800460 FREQUENCY METER .................................. 1 ....... PAK60 220V 45~65Hz
23 0601800784 AC AMMETER .............................................. 1 ....... PSK60 0~100A -~200A
24 0601801040 CHANGE-OVER SWITCH, AMMETER ......... 1 ....... SL2AS
25 0601800212 AC VOLTMETER ........................................... 1 ....... REPLACES 0601800217 PCK60 0~600V
26 0601801041 CHANGE-OVER SWITCH, VOLTMETER ...... 1 ....... SL2VS
27 0601810072 PILOT LAMP ................................................. 1 ....... LP132DC 220V
0601810261 BULB ............................................................. 1 ....... T13
28 0601840073 VOLTAGE REGULATOR ................................ 1 ....... RA20A2SE102BJ 2W 1k OHM
29 0601840121 KNOB 1

PAGE 70 — DCA-60SSI2 — PARTS AND OPERATION MANUAL — REV. #3 (09/15/01)
DCA-60SSI2 --- CONTROL BOX ASSY.
CONTROL BOX ASSY.

DCA-60SSI2 — PARTS AND OPERATION MANUAL— REV. #3 (09/15/01) — PAGE 71
NO. PART NO.ITEM QTY.REMARKS
DCA-60SSI2 --- CONTROL BOX ASSY.
CONTROL BOX ASSY.
30 3331824003 STOPPER, CONTROL PANEL 1
31 0027105016 MACHINE SCREW 2
0030005000 HEX. NUT 2
32 0805001304 SET SCREW ................................................. 2 ....... UP TO S/N3655377
0845056404 SET SCREW ................................................. 2 ....... S/N3655378~
33 031108160 PLAIN WASHER ........................................... 2 ....... REPLACES 0041208000
34 020108060 HEX. NUT ..................................................... 2 ....... REPLACES 0030008000
35 0027105010 MACHINE SCREW 4
36 8081814503 COVER 1
37 0017106016 HEX. HEAD BOLT 11
38 8081814604 SIDE PANEL 1
39 0017106016 HEX. HEAD BOLT 4
40 011208025 HEX. HEAD BOLT ......................................... 4 ....... REPLACES 0017108025

PAGE 72 — DCA-60SSI2 — PARTS AND OPERATION MANUAL — REV. #3 (09/15/01)
DCA-60SSI2 ENGINE AND RADIATOR ASSY.
ENGINE AND RADIATOR ASSY.

DCA-60SSI2 — PARTS AND OPERATION MANUAL— REV. #3 (09/15/01) — PAGE 73
DCA-60SSI2 ENGINE AND RADIATOR ASSY.
NO. PART NO.ITEM QTY.REMARKS
ENGINE AND RADIATOR ASSY.
1 0602000100 ENGINE ........................................... 1 ......... ISUZU 6BD1; UP TO S/N3656070
B4924200114 ENGINE ........................................... 1 ......... ISUZU A6BD1; S/N3656071~
2 0602010802 RADIATOR ....................................... 1 ......... H190110000
3 0017108020 HEX. HEAD BOLT 6
4 0602013901 RADIATOR HOSE ............................ 1 ......... B400008
5 0602013160 RADIATOR HOSE ............................ 1 ......... B400007
6 0602014302 HOSE BAND 3
7 06020143303 HOSE BAND 1
8 0602040090 AIR CLEANER ................................. 1 ......... FWG088006
0602040193 ELEMENT, AIR CLEANER ............... 1 ......... P104972
9 0602040690 DUST INDICATOR ............................ 1 ......... RBX002252
10 0602040598 BAND, AIR CLEANER ..................... 2 ......... AAH008263
11 0017108020 HEX. HEAD BOLT 4
12 7452032303 HOSE, AIR CLEANER 1
13 0605515008 HOSE BAND 2
14 0602041106 ELEMENT, OIL FILTER ................... 1 ......... 1878100751
15 0602042106 ELEMENT, FUEL FILTER ................ 1 ......... 988511911;UP TO S/N3656070
X132400240 ELEMENT, FUEL FILTER ................ 1 ......... S/N3656071~; REPLACES 1132400791
16 3345112403 ENGINE FOOT 1
17 3345112503 ENGINE FOT 1
18 0010710025 HEX. HEAD BOLT 7
19 0030610000 HEX. NUT 1
20 0040010000 LOCK WASHER 8
21 060500009 RUBBER SUSPENSON 4
22 0040012000 LOCK WASHER 4
23 0030112000 HEX. NUT 4
24 1819001931 ENGINE STEOPPER ...................... 1 ......... REPLACES 0602210803 & 1819000161
25 7452215104 BRACKET, ENGINE STOPPER 1
26 0027106016 MACHIEN SCREW 3
27 00171080220 HEX. HEA BOLT 2

PAGE 74 — DCA-60SSI2 — PARTS AND OPERATION MANUAL — REV. #3 (09/15/01)
DCA-60SSI2 ENGINE AND RADIATOR ASSY.
ENGINE AND RADIATOR ASSY.

DCA-60SSI2 — PARTS AND OPERATION MANUAL— REV. #3 (09/15/01) — PAGE 75
DCA-60SSI2 ENGINE AND RADIATOR ASSY.
ENGINE AND RADIATOR ASSY.
28 74522051104 DRIAN JOINT 1
29 0805013704 PACKING, OIL PAN SIDE 1
30 0805014204 PACKING 1
31 3362054104 JOINT BOLT 1
32 3362051003 DRIAN GOINT 1
33 0802024004 PACKING 1
34 0802010204 PLUG1
35 7452053104 DRINAG HOSE 1
36 0605515158 HOSE BAND 2
37 0017108020 HEX. HEAD BOLT 2
38 0030008000 HEX. NUT 2
39 0845031303 RESERVE TANK 1
40 0802081104 CAP, RESERVE TANK 1
41 7452082504 BRAKET, RESERVE TANK 1
42 0017108020 HEX. HEAD BOLT 2
43 0017106025 HEX. HEAD BOLT 1
44 0199500470 HOSE 1
45 0199500175 HOSE 1
46 0193602000 HOSE 1
47 0605515013 HOSE BAND 4
48 0193100950 HOSE 1
49 0605515007 HOSE BAND 1
50 0193800850 HOSE 1
51 0605515019 HOSE BAND 1
52 7452220404 EARTH CABLE 1
53 8970209410 FILTER ............................................. 1 ......... REPLACES 9581541441
NO. PART NO.ITEM QTY.REMARKS

PAGE 76 — DCA-60SSI2 — PARTS AND OPERATION MANUAL — REV. #3 (09/15/01)
ENGINE OPERATING PANEL ASSY.
DCA-60SSI2 --- ENGINE OPERATING PANEL ASSY.

DCA-60SSI2 — PARTS AND OPERATION MANUAL— REV. #3 (09/15/01) — PAGE 77
ENGINE OPERATING PANEL ASSY.
DCA-60SSI2 --- ENGINE OPERATING PANEL ASSY.
NO. PART NO.ITEM QTY.REMARKS
1 7452111103 OPERATING PANEL 1
2 7452142014 SLIDE BAR 1
3 0601840190 KNOB ............................................... 1 ......... REPLACES 0805012904
4 020108060 HEX. NUT ........................................ 1 ......... REPLACES 0036003000
5 7452140504 BRACKET, GOVERNOR ROD 1
6 020108060 HEX. NUT ........................................ 2 ......... REPLACES 0030008000
7 0605010503 SNAP PIN 1
8 1823100080 STARTER SWITCH .......................... 1 ......... REPLACES 06021000004
KEYISUZUF KEY, STARTER SWITCH 1
9 1814020031 PREHEAT LAMP .............................. 1 ......... REPLACES 9825300430
10 0602120054 TACHOMETER................................. 1 ......... 25000KX4110
11 0602120154 CABLE, TACHOMETER ................... 1 ......... 621000KA6710L=1150
12 0602122060 OIL PRESSURE GAUGE ................. 1 ......... 4200KX1410
13 0602122200 UNIT, OIL PRESSURE ..................... 1 ......... 53000AC0101
14 0131300000 STREET SOCKET ........................... 1 ......... UP TO S/N3623457
14 9099022380 STREET SOCKET ........................... 1 ......... S/N3623458~; REPLACES 0603306350
15 0602123061 WATER TEMPERATURE GAUGE .... 1 ......... 51400KA1200
16 0602123204 UNIT, WATER TEMPERATURE ........ 1 ......... 41400KA1200
17 0602121052 CHARGING AMMETER GAUGE ..... 1 ......... 43000KV0300
18 0602103091 ALARM LAMP .................................. 2 ......... REPLACES 0602103090
0601810244 BULB 2
19 0601830420 SWITCH, LAMP CHECK .................. 1 ......... SB61A
20 0601810120 PANEL LIGHT .................................. 1 ......... DL31000
0601810214 BULB ................................................ 1 ......... REPLACES 0601810201
21 0040520000 TOOTHED LOCK WASHER 1
22 0601830710 SWITCH, PANEL LIGHT .................. 1 ......... S301T
23 011008040 HEX. HEAD BOLT ............................ 2 ......... REPLACES 0010008040
0040008000 LOCK WASHER 2
031108160 PLAIN WASHER ............................... 2......... REPLACES 0041208000
24 011008020 HEX. HEAD BOLT ............................. 2......... REPLACES 0017108020
25 8085312103 SUPPORT LEG 1
26 0017110025 HEX.HEAD BOLT 2
27 011208025 HEX. HEAD BOLT ............................ 2 ......... REPLACES 0017108025
020108060 HEX. NUT ........................................ 2 ......... REPLACES 0030008000
28 7452183004 LINK, GOVERNOR ROD 1
29 0105091025 HEX. HEAD BOLT ............................ 1 ......... REPLACES 0010010025
30 031110160 PLAIN WASHER .............................. 2 ......... REPLACES 0041210000
31 020310080 HEX. NUT ........................................ 1 ......... REPLACES 0030010000
32 7452182014 GOVERNOR ROD 1
33 7452152004 GOVERNOR ROD 1
34 0602180106 BALL JOINT 2
35 020108060 HEX. NUT ........................................ 2 ......... REPLACES 0030008000

PAGE 78 — DCA-60SSI2 — PARTS AND OPERATION MANUAL — REV. #3 (09/15/01)
ENGINE OPERATING PANEL ASSY.
DCA-60SSI2 --- ENGINE OPERATING PANEL ASSY.

DCA-60SSI2 — PARTS AND OPERATION MANUAL— REV. #3 (09/15/01) — PAGE 79
36 0602180108 BALL JOINT 1
37 020106050 HEX. NUT ........................................ 3 ......... REPLACES 0030006000
38 952404470 PLAIN WASHER .............................. 1 ......... REPLACES 0041206000
39 8111860103 SET BOARD, OUPUT TERMINAL 1
40 0801830204 OUTPUT TERMINAL 5
41 0801830704 HEX. HEAD BOLT 5
42 0039312000 HEX. NUT 10
43 0040012000 LOCK WASHER 15
44 0041412000 PLAIN WASHER 20
45 011208030 HEX. HEAD BOLT ............................ 5 ......... REPLACES 0017108030
46 8081865504 COVER, OUTPUT TERMINAL 1
47 0605010051 HINGE 2
48 0027103016 MACHINE SCREW 12
0207003000 HEX. NUT 6
49 0017106016 HEX. HEAD BOLT 2
50 0601811034 RECEPTACLE .................................. 2 ......... REPLACES 0601812565; CS6369 250V 50A;
51 0601811030 RECEPTACLE .................................. 2 ......... UP TO S/N3627236; 5-20R 125V0 20A
0601812598 RECEPTACLE .................................. 1 ......... S/N3627237~;GF53 OEM 125V 20A
52 0027103010 MACHINE SCREW 10
0207003000 HEX. NUT ...................................... 10 ......... REPLACES 0030003000
S8413 PLAIN WASHER ............................ 10 ......... REPLACES 0041203000
53 0601805306 CIRCUIT BREAKER ........................ 2 ......... UP TO S/N3627236; KM51 265V 40A
0601804887 CIRCUIT BREAKER ........................ 2 ......... S/N3627237~;REPLACES 0601805313
KM51 265V 20A
54 0601805840 CIRCUIT BREAKER ........................ 3 ......... KM52 265V 50A
55 8081816303 BRACKET, CIRCUIT BREAKER 1
0222100200 RUBBER SHEET 1
56 0017106016 HEX. HEAD BOLT 2
57 8085182004 RUBBER COVER 1
59 011206020 HEX. HEAD BOLT ............................ 6 ......... REPLACES 0017106020
60 8081865303 COVER, RECEPTACLE 1
61 12212045 HEX. HEAD BOLT ............................ 2 ......... REPLACES 0010012045
62 031112230 PLAIN WASHER .............................. 4 ......... REPLACES 0041612000
63 0805009804 RUBBER WASHER 2
64 0030012000 HEX. NUT 2
65 0601820015 RECTIFER ....................................... 4 ......... IS2762
66 0601802133 FUSE ............................................... 1 ......... 5A
67 0601851780 GROMMET ...................................... 2 ......... S/N3700638~
ENGINE OPERATING PANEL ASSY.
DCA-60SSI2 --- ENGINE OPERATING PANEL ASSY.
NO. PART NO.ITEM QTY.REMARKS

PAGE 80 — DCA-60SSI2 — PARTS AND OPERATION MANUAL — REV. #3 (09/15/01)
DCA-60SSI2 --- BATTERY ASSY.
BATTERY ASSY.

DCA-60SSI2 — PARTS AND OPERATION MANUAL— REV. #3 (09/15/01) — PAGE 81
NO. PART NO.ITEM QTY.REMARKS
DCA-60SSI2 --- BATTERY ASSY.
BATTERY ASSY.
1 0168409541 BATTERY ......................................... 2 ......... 95E41R
2 0805003904 BATTERY SHEET 2
3 0805004004 BATTERY BAND 2
4 0805002904 BATTERY BOLT 4
5 031108160 PLAIN WASHER .............................. 4 ......... REPLACES 0041208000
6 0040008000 LOCK WASHER 4
7 0037808000 WING NUT 4
8 0215260065 BATTERY CABLE 1
9 0211160180 BATTERY CABLE 1
10 0215860100 BATTERY CABLE 1
11 0602220310 TERMINAL ASSY (+) 2
020800800 WING NUT 2
12 0602220311 TERMINAL ASSY (-) 2
0208008000 WING NUT 2
13 0845040414 TERMINAL CAP 2
14 0845041304 TERMINAL CAP 2

PAGE 82 — DCA-60SSI2 — PARTS AND OPERATION MANUAL — REV. #3 (09/15/01)
DCA-60SSI2 --- MUFFLER ASSY.
MUFFLER ASSY.

DCA-60SSI2 — PARTS AND OPERATION MANUAL— REV. #3 (09/15/01) — PAGE 83
NO. PART NO.ITEM QTY.REMARKS
DCA-60SSI2 --- MUFFLER ASSY.
MUFFLER ASSY.
1 8082330303 EXHAUST PIPE 1
2 1141450690 GASKET .......................................... 1 ......... REPLACES 9221160010
3 9091103100 HEX. NUT ........................................ 6 ......... REPLACES 9091103100
4 3802311122 MUFFLER 1
5 012210020 HEX. HEAD BOLT ............................ 4 ......... REPLACES 0017110020
6 7452330303 EXHAUST PIPE 1
7 B4334200404 GASKET 1
8 011008035 HEX. HEAD BOLT ............................ 4 ......... REPLACES 0010108035
9 031108160 PLAIN WASHER .............................. 4 ......... REPLACES 0041208000
10 0040008000 LOCK WASHER 4
11 0030008000 HEX. NUT 4
12 1382320003 PIPE BAND 1
13 011208030 HEX. HEAD BOLT ............................ 1 ......... REPLACES 0010008030
14 031108160 PLAIN WASHER .............................. 1 ......... REPLACES 0041208000
15 020108060 HEX. NUT ........................................ 1 ......... REPLACES 0030008000
16 3342354104 COVER 1
17 3342354004 COVER 2
18 3342328104 PIPE CLAMPER 1
19 031108160 PLAIN WASHER .............................. 2 ......... REPLACES 0041208000
20 020108060 HEX. NUT ........................................ 4 ......... REPLACES 0030008000
21 3342359004 COVER SHEET 2
22 011208025 HEX. HEAD BOLT ............................ 4 ......... REPLACES 0017108025

PAGE 84 — DCA-60SSI2 — PARTS AND OPERATION MANUAL — REV. #3 (09/15/01)
DCA-60SSI2 --- FUEL TANK ASSY.
FUEL TANK ASSY.

DCA-60SSI2 — PARTS AND OPERATION MANUAL— REV. #3 (09/15/01) — PAGE 85
NO. PART NO.ITEM QTY.REMARKS
DCA-60SSI2 --- FUEL TANK ASSY.
FUEL TANK ASSY.
1 7455510303 FUEL TANK 1
1-1 0810105004 CAP, FUEL TANK 1
1-2 0810105400 FUEL FILTER 1
1-3 0193100255 FUEL GAUGE HOSE 1
1-4 0605515079 HOSE BAND 2
2 7455523304 TANK BAND 2
3 0805003414 PAD, TANK BAND 4
4 011008020 HEX. HEAD BOLT ............................ 2 ......... REPLACES 0017108020
5 0207008000 HEX. NUT ........................................ 2 ......... REPLACES 0207008000
6 020108060 HEX. NUT ........................................ 2 ......... REPLACES 0030008000
7 0222100200 TANK SHEET 4
8 0131906000 CAP 1
9 0191301150 SUCTION HOSE 1
10 0191300670 RETURN HOSE 1
11 0605515109 HOSE BAND 4
12 0845032204 DRAIN JOINT .................................. 1 ......... UP TO S/N3653118
0845047504 DRAIN JOINT .................................. 1 ......... S/N3653119~
13 0150000018 O RING 1
14 0802011104 PLUG 1

PAGE 86 — DCA-60SSI2 — PARTS AND OPERATION MANUAL — REV. #3 (09/15/01)
ENCLOSURE ASSY.
DCA-60SSI2 --- ENCLOSURE ASSY.
5 -BLACK
6 -CATERPILLAR YELLOW
7 -CATO GOLD
8 -RED
THE SERIAL NUMBER MAY BE REQUIRED.
ADD THE FOLLOWING DIGITS AFTER THE PART NUMBER
WHEN ORDERING ANY PAINTED PANEL TO
INDICATE COLOR OF UNIT:
1-ORANGE
2-WHITE
3 -SPECTRUM GRAY
4 -SUNBELT GREEN
UP TO S/N3656070

DCA-60SSI2 — PARTS AND OPERATION MANUAL— REV. #3 (09/15/01) — PAGE 87
NO. PART NO.ITEM QTY.REMARKS
ENCLOSURE ASSY.
DCA-60SSI2 --- ENCLOSURE ASSY.
1 7455111112 BASE 1
2 7455116004 FLOOR PANLE 1
3 0017108020 HEX. HEAD BOLT 12
4 7455116504 COVER 1
5 0017108020 HEX.HEAD BOLT 2
6 7455121012 FRONT FRAME ................................... 1 ............ UP TO S/N3656070
7455121022 FRONT FRAME ................................... 1 ............ S/N3656071~
7455109203 ACOUSTIC SHEET 1
7 0017108020 HEX. HEAD BOLT 6
8 0800251201 FILLER COVER 1
9 0027106016 MACHINE SCREW 2
10 7455125503 COVER, FRONT FRAME 1
7455109304 ACOUSTIC SHET 1
11 0017108020 HEX. HEAD BOLT 16
12 7455125304 COVER, FRONT FRAME 1
13 00171080220 HEX. HEAD BOLT 12
14 3385155104 COVER ................................................. 2 ............ UP TO S/N3656070
15 0017106020 HEX. HEAD BOLT ................................ 8 ............ UP TO S/N3656070
16 7455125104 COVER, FRONT FRAME 1
7455109404 ACOUSTIC SHEET 1
17 0017108020 HEX. HEAD BOLT 4
18 7455125704 COVER, FRONT FRAME 1
7455109504 ACOUSTIC SHEET 1
19 0017108020 HEX. HEAD BOLT 4
20 7455132013 CENTER FRAME ................................. 1 ............UP TO S/N3656070
B4434300003 CENTER FRAME ................................. 1 ............S/N3656071~
21 7455132213 CENTER FRAME ................................. 1 ............UP TO S/N3656070
B4434300103 CENTER FRAME ................................. 1 ............S/N3656071~
22 0010114040 HEX. HEAD BOLT ................................ 8 ............ UP TO S/N3656070
0030014000 HEX. NUT ............................................. 8 ............ UP TO S/N3656070
0040014000 LOCK WASHER ................................... 8 ............UP TO S/N3656070
0041214000 PLAIN WASHER ................................... 16 ..........UP TO S/N3656070
22 0010124040 HEX. HEAD BOLT ................................ 8 ............ S/N3656071~
0030014000 HEX. NUT ............................................. 1 ............ S/N3656071~
0040014000 LOCK WASHER ................................... 8 ............S/N3656071~
0041214000 PLAIN WASHER ................................... 9 ............ S/N3656071~
23 0010112030 HEX. HEAD BOLT 10
0040012000 LOCK WASHER 10
0041212000 PLAIN WASHER 10
24 7455141122 REAR FRAME ...................................... 1 ............UP TO S/N3656070
B4444000102 REAR FRAME ...................................... 1 ............S/N3656071 TO 3700637
B4444000112 REAR FRAME ...................................... 1 ............S/N3700638~
7455109603 ACOUSTIC SHEET 1
25 0017108020 HEX. HEAD BOLT 4
26 7455155003 COVER, REAR FRAME ....................... 1 ............ UP TO S/N3656070
B4444300203 COVER, REAR FRAME ....................... 1 ............ S/N3656071~
7455109713 ACOUSTIC SHEET 1

PAGE 88 — DCA-60SSI2 — PARTS AND OPERATION MANUAL — REV. #3 (09/15/01)
ENCLOSURE ASSY.
DCA-60SSI2 --- ENCLOSURE ASSY.
5 -BLACK
6 -CATERPILLAR YELLOW
7 -CATO GOLD
8 -RED
THE SERIAL NUMBER MAY BE REQUIRED.
ADD THE FOLLOWING DIGITS AFTER THE PART NUMBER
WHEN ORDERING ANY PAINTED PANEL TO
INDICATE COLOR OF UNIT:
1-ORANGE
2-WHITE
3 -SPECTRUM GRAY
4 -SUNBELT GREEN
UP TO S/N3656070

DCA-60SSI2 — PARTS AND OPERATION MANUAL— REV. #3 (09/15/01) — PAGE 89
ENCLOSURE ASSY.
DCA-60SSI2 --- ENCLOSURE ASSY.
NO. PART NO.ITEM QTY.REMARKS
27 0010108040 HEX. HEAD BOLT 8
0040008000 LOCK WASHER 8
0041208000 PLAIN WASHER 8
28 7455143113 DOOR, REAR FRAME ......................... 1 ............UP TO S/N3656070
B4444200203 DOOR, REAR FRAME ......................... 1 ............S/N3656071 TO 3700637
B4444200213 DOOR, REAR FRAME ......................... 1 ............S/N3700638~
29 3805147104 WINDOW PLATE 1
30 0021006020 MACHINE SCREW 6
0030006000 HEX. NUT 6
0040006000 LOCK WASHER 6
0041206000 PLAIN WASHER 6
31 0845028303 HINGE .................................................. 2 ............ UP TO S/N3656070
0845047204 HINGE .................................................. 2 ............S/N656071~
32 0017108025 HEX. HEAD BOLT 4
33 7455161012 ROOF PANEL 1
7455109803 ACOUSTIC SHEET 1
34 0017108020 HEX. HEAD BOLT 16
35 7455165004 GUIDE PANEL, AIR 2
7455109904 ACOUSTIC SHEET 2
36 0017108020 HEX. HEAD BOLT 8
37 8085181202 SPLASHER PANEL .............................. 1 ............UP TO S/N3627236
8085181212 SPLASHER PANEL .............................. 1 ............S/N3627237 TO 3700637
8085181222 SPLASHER PANEL .............................. 1 ............S/N3700638~
38 0010108055 HEX. HEAD BOLT 6
0040008000 LOCK WASHER 6
0041208000 PLAIN WASHER 6
39 7455171413 SIDE DOOR ......................................... 1 ............ UP TO S/N3656070
B4454000703 SIDE DOOR ......................................... 1 ............S/N3656071 TO 3700637
B4454000713 SIDE DOOR ......................................... 1 ............ S/N3700638~
7455105104 ACOUSTIC SHEET ............................. 1 ............UP TO S/N3656070
B4494100104 ACOUSTIC SHEET ............................. 1 ............S/N3656071~
40 7455171513 SIDE DOOR ......................................... 1 ............ UP TO S/N3656070
B4454000803 SIDE DOOR ......................................... 1 ............S/N3656071 TO 3700637
B4454000813 SIDE DOOR ......................................... 1 ............ S/N3700638~
7455105204 ACOUSTIC SHEET ............................. 1 ............UP TO S/N3656070
B4494100204 ACOUSTIC SHEET ............................. 1 ............S/N3656071~
41 7455171613 SIDE DOOR ......................................... 1 ............ UP TO S/N3656070
B4454000903 SIDE DOOR ......................................... 1 ............S/N3656071 TO 3700637
B4454000913 SIDE DOOR ......................................... 1 ............ S/N3700638~
7455105304 ACOUSTIC SHEET ............................. 1 ............UP TO S/N3656070
B4494300204 ACOUSTIC SHEET ............................. 1 ............S/N3656071~
42 7455171723 SIDE DOOR ......................................... 1 ............ UP TO S/N3656070
B4454001003 SIDE DOOR ......................................... 1 ............S/N3656071 TO 3700637
B4454001013 SIDE DOOR ......................................... 1 ............ S/N3700638~
7455105414 ACOUSTIC SHEET ............................. 1 ............UP TO S/N3656070
B4494300304 ACOUSTIC SHEET ............................. 1 ............S/N3656071~

PAGE 90 — DCA-60SSI2 — PARTS AND OPERATION MANUAL — REV. #3 (09/15/01)
ENCLOSURE ASSY.
DCA-60SSI2 --- ENCLOSURE ASSY.
UP TO S/N3656070

DCA-60SSI2 — PARTS AND OPERATION MANUAL— REV. #3 (09/15/01) — PAGE 91
ENCLOSURE ASSY.
DCA-60SSI2 --- ENCLOSURE ASSY.
NO. PART NO.ITEM QTY.REMARKS
43 0845028203 HINGE .................................................. 4 ............ UP TO S/N3656070
0845046904 HINGE .................................................. 4 ............S/N3656071~
44 0845028304 HINGE .................................................. 4 ............ UP TO S/N3656070
0845047004 HINGE .................................................. 4 ............S/N3656071~
45 0017108025 HEX. HEAD BOLT 16
0601850097 RUBBER CUSHION 8
47 0845031504 CAP 10
48 6360510003 EMBLEM ............................................... 2 ............UP TO S/N3660480
0600500090 EMBLEM ............................................... 2 ............ S/N3660481~
49 0021106020 MACHINE SCREW 4
69 0825007362 DOOR HANDLE................................... 5 ............S/N3656071~
70 0221806015 MACHINE SCREW .............................. 20 ..........S/N3656071~
71 B4444800004 DUCT ................................................... 1 ............S/N3656071~
7455109713 ACOUSTIC SHEET 1
72 B4444800104 DUCT ................................................... 1 ............S/N3656071~
7455109713 ACOUSTIC SHEET 1
73 0207006000 HEX. NUT ............................................. 10 ..........S/N3656071~

PAGE 92 — DCA-60SSI2 — PARTS AND OPERATION MANUAL — REV. #3 (09/15/01)
DCA-60SSI2 --- RUBBER SEAL ASSY.
RUBBER SEAL ASSY.

DCA-60SSI2 — PARTS AND OPERATION MANUAL— REV. #3 (09/15/01) — PAGE 93
NO. PART NO.ITEM QTY.REMARKS
DCA-60SSI2 --- RUBBER SEAL ASSY.
RUBBER SEAL ASSY. UP TO S/N3656070
57 7455104104 RUBBER SEAL 2
58 7455104204 RUBBER SEAL 2
59 7455104304 RUBBER SEAL 3
60 7455104404 RUBBER SEAL 1
61 7455104514 RUBBER SEAL 1
62 7455104614 RUBBER SEAL 1
63 7455104714 RUBBER SEAL 1
64 7455104804 RUBBER SEAL 2
65 7455104904 RUBBER SEAL 2
66 0225100365 RUBBER SEAL 1
67 0220100365 RUBBER SEAL 1
68 0220200750 RUBBER SEAL 2
57 0229200668 RUBBER SEAL 2
58 0228900665 RUBBER SEAL 1
59 0228900890 RUBBER SEAL 3
60 0228900890 RUBBER SEAL 1
61 0228900555 RUBBER SEAL 1
62 0228800335 RUBBER SEAL 1
63 0228900555 RUBBER SEAL 1
64 0228901465 RUBBER SEAL 1
65 0229200900 RUBBER SEAL 2
66 0228800365 RUBBER SEAL 1
67 0228800325 RUBBER SEAL 1
68 0228800780 RUBBER SEAL 2
74 0278100120 RUBBER SEAL .................................... 2 ............ SN3700638~
75 0228100560 RUBBER SEAL .................................... 1 ............ S/N3700638~
76 0228900670 RUBBER SEAL .................................... 2 ............ S/N3700638~
NO. PART NO.ITEM QTY.REMARKS
RUBBER SEAL ASSY. S/N3656071~

PAGE 94 — DCA-60SSI2 — PARTS AND OPERATION MANUAL — REV. #3 (09/15/01)
DCA-60SSI2 --- DECALS
DECAL ASSY.

DCA-60SSI2 — PARTS AND OPERATION MANUAL— REV. #3 (09/15/01) — PAGE 95
NO. PART NO.ITEM QTY.REMARKS
DCA-60SSI2 --- DECALS
DECAL ASSY.
1 B9521100504 DECAL; CAUTION ....................................................... 1 ....... B92110050
2 B4551005902 DECAL; CONTROL PANEL ........................................ 1 ....... B45100590
3 0800520904 PLATE; AMMETER CHANGE-OVER SWITCH .......... 1 ....... N2438
4 0800520804 PLATE; VOLTAGE CHANGE-OVER SWITCH ........... 1 ....... N2439
5 B9521100404 DECAL; SAFETY INSTRUCTION .............................. 1 ....... B92110040
6 B9531100604 DECAL; WARNING ..................................................... 1 ....... B93110060
7 3340670002 DECAL; OPERATING PANEL ..................................... 1 ....... S2361A
8 8050670113 DECAL; RECEPTABLE & CIRCUIT BREAKER .......... 1 ....... S3349A
9 B1551001604 DECAL; NOTE ............................................................. 1 ....... B15100160
10 0840614104 DECAL; GROUND MARK ........................................... 1 ....... S2635
11 0840619904 DECAL; CAUTION ....................................................... 1 ....... S2731
12 0840627103 DECAL; CABLE JOINING ........................................... 1 ....... S3245
13 8080670514 DECAL; CAUTION ....................................................... 1 ....... S3696B
14 B9531100604 DECAL; WARNING ELECTRIC SHOCK HAZARD .... 1 ....... B93110060
15 B9511100404 DECAL; WARNING ELECTRIC SHOCK HAZARD .... 1 ....... B91110040
16 B9531100504 DECAL; WARNING ELECTRIC SHOCK HAZARD .... 1 ....... B93110050
17 B9511100304 DECAL; WARNING ..................................................... 1 ....... B91110030
18 0800689404 DECAL; + ..................................................................... 1 ....... S2090
19 0800689504 DECAL; - ...................................................................... 1 ....... S2091
20 1320620904 DECAL; DIESEL FUEL ................................................ 1 ....... S1756
21 1320610603 DECAL; WATER, OIL .................................................. 1 ....... S1760
22 6360610304 DECAL; WATER .......................................................... 1 ....... S1880
23 6360620004 DECAL; FUEL DRAIN PLUG ...................................... 1 ....... S1883
24 6360620204 DECAL; OIL DRAIN PLUG .......................................... 1 ....... S1885
25 0840627304 DECAL; WARNING ..................................................... 1 ....... S3247
26 1320621504 DECAL; SUPPORT HOOK ......................................... 2 ....... S2257
27 0840625902 DECAL; MQ ................................................................. 1 ....... S3057
28 B9504200004 DECAL; WARNING ENGINE EXHAUST .................... 1 ....... B90420000
29 B9504000404 DECAL; WARNING MOVING PARTS ......................... 2 ....... M90400040
30 B9504500004 DECAL; WARNING DIESEL FUEL ............................. 1 ....... B90450000
31 B9504100104 DECAL; WARNING HOT COOLANT ......................... 1 ....... B90410010
32 B9504000304 DECAL; CAUTION HOT PARTS ................................. 1 ....... B90400030
33 7450630703 STRIPE ........................................................................ 1 ....... REPLACES B4561100103
34 7450631104 STRIPE ........................................................................ 2 ....... UP TO S/N3656070
B4561100403 STRIPE ........................................................................ 2 ....... S/N3656071~
35 7450631304 STRIPE, LEFT SIDE ................................................... 1 ....... UP TO S/N3656070
B4561100503 STRIPE ........................................................................ 1 ....... S/N3656071~
36 7450631504 STRIPE, RIGHT SIDE ................................................. 1 ....... UP TO SN3656070
B4561100604 STRIPE ........................................................................ 1 ....... S/N3656071~
37 7450630904 STRIPE ........................................................................ 2 ....... UP TO S/N3656070
B4561100304 STRIPE ........................................................................ 2 ....... S/N3656071~
38 7450630303 STRIPE ........................................................................ 1 ....... UP TO S/N3656070
B4561100003 STRIPE ........................................................................ 1 ....... S/N3656071~
50 7450630303 STRIPE ........................................................................ 1 ....... UP TO S/N3656070

PAGE 96 — DCA-60SSI2 — PARTS AND OPERATION MANUAL — REV. #3 (09/15/01)
CYLINDER HEAD COVER ASSY.
ISUZU 6BG1 — CYLINDER HEAD COVER ASSY.

DCA-60SSI2 — PARTS AND OPERATION MANUAL— REV. #3 (09/15/01) — PAGE 97
ISUZU 6BG1 — CYLINDER HEAD COVER ASSY.
EA1013
CYLINDER HEAD COVER ASSY.
NO PART NO PART NAME QTY.REMARKS
1 1111803500 CYLINDER HEAD COVER 1
27 9111790300 GASKET 4
68 9111791050 CAP NUT WASHER 4
69 1111730550 GASKET 1
75 8943401920 NUT 4

PAGE 98 — DCA-60SSI2 — PARTS AND OPERATION MANUAL — REV. #3 (09/15/01)
ISUZU 6BG1 — CYLINDER HEAD ASSY.
CYLINDER HEAD ASSY.

DCA-60SSI2 — PARTS AND OPERATION MANUAL— REV. #3 (09/15/01) — PAGE 99
ISUZU 6BG1 — CYLINDER HEAD ASSY.
CYLINDER HEAD ASSY.
NO PART NO PART NAME QTY.REMARKS
1 1111106142 CYLINDER HEAD ASSY. .................. 1 ........ INCL. ITEMS W/*
2 1111411960 GASKET 1
4* 5117210010 VALVE GUIDE 12
5A* 1117150540 INLET SEAT 6
5B* 1117110430 EXHAUST SEAT 6
7A* 1096000051 SEALING CUP, OD=45 1
7B* 9111291280 SEALING CUP, OD=20 3
7C* 5112190150 SEALING CUP, OD=32 3
7D* 5096000130 SEALING CUP, OD=12.3 6
7E* 1096000160 SEALING CUP, OD=25 5
7F 9111296010 SEALING CUP, OD=12.5 5
9 9041108250 STUD, M8X25 L=37 3
10 1825130430 GLOW PLUG ..................................... 6 ........ REPLACES 9825139289
11A 5197320011 CONNECTOR, L=236 1
11B 5197320021 CONNECTOR, L=354 1
12 9117776221 HANGER 1
14 9096300260 STUD, M8X86 L=99 12
41A 0286810200 BOLT, M10X20 FLANGE 3
41B 0208014250 BOLT, M14X25 1
54 9098301630 STUD, M8X83 L=96 4
56 1093000180 STUD, M8X40 L=58 12
81* 9096600340 PLUG, OD=11.9 6
112 9099167550 CLIP 1
113 0280806100 BOLT, M6X10 FLANGE 1
117 9091505140 WASHER 1
120A 1090701010 BOLT, M12X113 20
120B 1090701000 BOLT, M12X100 6
168 5117770551 HANGER 1

PAGE 100 — DCA-60SSI2 — PARTS AND OPERATION MANUAL — REV. #3 (09/15/01)
ISUZU 6BG1 — CYLINDER BLOCK ASSY.
CYLINDER BLOCK ASSY.

DCA-60SSI2 — PARTS AND OPERATION MANUAL— REV. #3 (09/15/01) — PAGE 101
ISUZU 6BG1 — CYLINDER BLOCK ASSY.
CYLINDER BLOCK ASSY.
NO. PART NO. PART NAME QTY.REMARKS
1 1112103408 CYLINDER BLOCK 1 .......... INCL. ITEMS W/*
2 1878116900 LINER, GRADE=1 ................................................. 6 .......... UP TO DEC. 98; INCL. ITEMS W/#
1878119420 LINER, GRADE=1 ................................................. 6 .......... FROM JAN. 99~
1878116910 LINER, GRADE=2 ................................................. 6 .......... UP TO DEC. 98
1878119430 LINER, GRADE=2 ................................................. 6 .......... FROM JAN. 99~
1878116920 LINER, GRADE=3 ................................................. 6 .......... UP TO DEC. 98
1878119440 LINER, GRADE=3 ................................................. 6 .......... FROM JAN. 99~
1878116930 LINER, GRADE=4 ................................................. 6 .......... UP TO DEC. 98
1878119450 LINER, GRADE=4 ................................................. 6 .......... FROM JAN. 99~
4*# 1112612480 LINER, OD GRD=1 ID GRD=AX ........................... 6 .......... UP TO DEC. 98
1112613820 LINER, OD GRD=1 ID GRD=AX ........................... 6 .......... FROM JAN. 99~
1112612490 LINER, OD GRD=1 ID GRD=CX ........................... 6 .......... UP TO DEC. 98
1112613830 LINER, OD GRD=1 ID GRD=CX ........................... 6 .......... FROM JAN. 99~
1112612500 LINER, OD GRD=2 ID GRD=AX ........................... 6 .......... UP TO DEC. 98
1112613840 LINER, OD GRD=2 ID GRD=AX ........................... 6 .......... FROM JAN. 99~
1112612510 LINER, OD GRD=2 ID GRD=CX ........................... 6 .......... UP TO DEC. 98
1112613850 LINER, OD GRD=2 ID GRD=CX ........................... 6 .......... FROM JAN. 99~
1112612520 LINER, OD GRD=3 ID GRD=AX ........................... 6 .......... UP TO DEC. 98
1112613860 LINER, OD GRD=3 ID GRD=AX ........................... 6 .......... FROM JAN. 99~
1112612530 LINER, OD GRD=3 ID GRD=CX ........................... 6 .......... UP TO DEC. 98
1112613870 LINER, OD GRD=3 ID GRD=CX ........................... 6 .......... FROM JAN. 99~
1112612540 LINER, OD GRD=4 ID GRD=AX ........................... 6 .......... UP TO DEC. 98
1112613880 LINER, OD GRD=4 ID GRD=AX ........................... 6 .......... FROM JAN. 99~
1112612550 LINER, OD GRD=4 ID GRD=CX ........................... 6 .......... UP TO DEC. 98
1112613890 LINER, OD GRD=4 ID GRD=CX ........................... 6 .......... FROM JAN. 99~
8* 1090004691 BOLT, M16X119 14
12 1096660360 CONNECTOR 1
28 1112191630 COVER 1
30 8941480790 PIN, OD=16 2
34 8970233390 VALVE 1
35 5096230350 GASKET 1
37 1096050681 PLUG 2
38 1097400780 PIN, OD=10 L=50 1
55 1096050660 PLUG, PT 3/8 T=8.0 1
70* 1096000520 SEALING CUP, OD=60 2
71 8943673681 GASKET 3
72C 8970285250 COVER 2
72D 9112916051 COVER 1
74 8943675301 BOLT, M8X56 FLANGE 6
80* 1096000121 CUP, OD=32 3
82 5093000231 STUD, M14X44 L=65 1
83 9081510180 PIN, OD=10 L=18 2

PAGE 102 — DCA-60SSI2 — PARTS AND OPERATION MANUAL — REV. #3 (09/15/01)
ISUZU 6BG1 — CYLINDER BLOCK ASSY.
CYLINDER BLOCK ASSY.

DCA-60SSI2 — PARTS AND OPERATION MANUAL— REV. #3 (09/15/01) — PAGE 103
ISUZU 6BG1 — CYLINDER BLOCK ASSY.
NO. PART NO. PART NAME QTY.REMARKS
CYLINDER BLOCK ASSY.
113* 5112190140 CUP, OD=28 2
130* 5112570011 DOWEL 1
136 9112246021 BUSHING 1
137 1096800240 DRAIN COCK 1
162 9099147010 HOSE, L=900 S.B. L=10000 1
179 9095720080 GASKET 6
218 9095714120 GASKET ................................................................ 1 .......... UP TO MAR. 98
9095720140 GASKET ................................................................ 1 .......... FROM APR. 98~
219 5096540130 NIPPLE 1
220 9098600190 PLUG 1
236 1093000530 STUD, M10X18.5 L=33 1
242 0286808200 BOLT, M8X20 FLANGE 2
267 8970157540 CLIP 1
269 1096301150 GASKET 1
279 0286810200 BOLT, M10X20 FLANGE 2
281 5197890030 BRACKET 1
335A 5096050180 PLUG, RIGHT SIDE 8
335B 1096050791 PLUG, LEFT SIDE 1
335C 9992023140 PLUG, LEFT SIDE 1
335D 9992023120 PLUG, RIGHT SIDE 1
338 5111290030 SEALING CUP, OD=15.6 1

PAGE 104 — DCA-60SSI2 — PARTS AND OPERATION MANUAL — REV. #3 (09/15/01)
ISUZU 6BG1 — OIL PAN AND LEVEL GAUGE ASSY.
OIL PAN AND LEVEL GAUGE ASSY.

DCA-60SSI2 — PARTS AND OPERATION MANUAL— REV. #3 (09/15/01) — PAGE 105
ISUZU 6BG1 — OIL PAN AND LEVEL GAUGE ASSY.
OIL PAN AND LEVEL GAUGE ASSY.
NO. PART NO. PART NAME QTY.REMARKS
1 1113604421 OIL PAN ASSY. ............................................... 1 .......... INCL. ITEMS W/*
2 1117602000 GAUGE 1
5* 1096230570 GASKET 1
6* 9096620120 PLUG 1
16 1113671000 GASKET 1
23 0500408180 BOLT, M8X12 W/LOCK WASHER 32
119C 9992023240 PLUG, M24X12 1
9992023160 PLUG; M16X12 1
120 9095714240 GASKET, ID=24.5 1
9095714160 GASKET, ID=16.5 1
151 9112290700 CLIP 1
153 9831514320 THERMOMETER 1

PAGE 106 — DCA-60SSI2 — PARTS AND OPERATION MANUAL — REV. #3 (09/15/01)
ISUZU 6BG1 — CAMSHAFT AND VALVE ASSY.
CAMSHAFT AND VALVE ASSY.

DCA-60SSI2 — PARTS AND OPERATION MANUAL— REV. #3 (09/15/01) — PAGE 107
ISUZU 6BG1 — CAMSHAFT AND VALVE ASSY.
CAMSHAFT AND VALVE ASSY.
NO. PART NO. PART NAME QTY.REMARKS
1 1125140050 CAMSHAFT 1
4 1125510830 VALVE, INLET 6
5 1125520251 VALVE, EXHAUST 6
7 9920614280 BOLT, M14X28 1
8 9098518503 WASHER, ID=14.5 1
9 1125220162 GEAR, Z=50 1
10 9116810150 THRUST PLATE 1
11 0500408250 BOLT, M8X25 W/LOCK WASHER 2
14 9080307130 KEY 1
37A 9116110480 METAL 1
37B 9116130350 METAL 5
51 9091800190 SNAP RING 1
53 1126210621 ROCKER ARM SHAFT 1
55 9126260050 PLUG 2
58 5126280120 BRACKET 1
65 5126560060 SPLIT COLLAR 24
68 1125610990 VALVE SPRING 12
71A 8941145790 SPRING SEAT 12
71B 5125630010 SPRING SEAT 12
72 1125690150 SEAL 12
75A 1090005670 BOLT, M8X65 8
75B 9096021480 BOLT, M8X65 1
76 9098514300 WASHER 9
78 1126111180 ROCKER ARM 12
81 9126160420 SCREW 12
83 9091115080 ADJ. SCREW LOCK NUT 12
84 9126281050 BRACKET 6
88 1125750360 PUSH ROD 12
89 5125710032 TAPPET VALVE 12
93 1094001160 NUT 4
94 9095814300 WASHER 4
95 1095803350 SPRING 5
100 5096230600 GASKET 1
103 9091505100 WASHER 2
107 9125310300 SHAFT 1
111 5125350011 COLLAR 1
112 8941339373 GEAR 1
207 0108110550 BOLT, M10X55 2

PAGE 108 — DCA-60SSI2 — PARTS AND OPERATION MANUAL — REV. #3 (09/15/01)
ISUZU 6BG1 — CRANKSHAFT, PISTON AND FLYWHEEL ASSY.
CRANKSHAFT, PISTON AND FLYWHEEL ASSY.

DCA-60SSI2 — PARTS AND OPERATION MANUAL— REV. #3 (09/15/01) — PAGE 109
ISUZU 6BG1 — CRANKSHAFT, PISTON AND FLYWHEEL ASSY.
CRANKSHAFT, PISTON AND FLYWHEEL ASSY.
NO PART NO PART NAME QTY.REMARKS
1 1123104480 CRANKSHAFT ............................ 1 ........ INCL. ITEMS W/*
7 1115100742 METAL KIT ................................. 1 ........ INCL. ITEMS W/#
12 5123310642 FLYWHEEL 1
13 9098401071 NUT 1
14 9098514310 WASHER 1
15 9123790450 BUSHING 1
28 8971379101 GEAR, Z=25 1
31 5097380010 FEATHER KEY 1
32* 9081512200 PIN 1
33 5123190032 RING 1
35 9123336070 GEAR, Z=129 1
37 1098002140 BEARING 1
38 5123360081 WASHER 1
40 9098013340 BOLT 6
42# 1116800012 WASHER 2
56 5123712092 PULLEY, 2-GROOVE 1
63 1121117690 PISTON, STD. GRD=AX 6
1121117700 PISTON, STD. GRD=CX 6
68 1121211011 RING SET 6
73 9122716080 METAL SET 6
83 9122116040 PISTON PIN 6
84 1122301041 CONNECTOR ARM ASSY. ......... 6 ........ INCL. ITEMS W/%
85% 1122510270 BUSHING 6
86% 1122350271 BOLT, M20X49.5 12
93 1123620031 THROWER 1
96 5123620031 DUST THROWER 1
126 8941075751 SNAP RING 12

PAGE 110 — DCA-60SSI2 — PARTS AND OPERATION MANUAL — REV. #3 (09/15/01)
ISUZU 6BG1 — TIMING GEAR AND FLYWHEEL HOUSING ASSY.
TIMING GEAR AND FLYWHEEL HOUSING ASSY.

DCA-60SSI2 — PARTS AND OPERATION MANUAL— REV. #3 (09/15/01) — PAGE 111
ISUZU 6BG1 — TIMING GEAR AND FLYWHEEL HOUSING ASSY.
TIMING GEAR AND FLYWHEEL HOUSING ASSY.
NO. PART NO. PART NAME QTY.REMARKS
1 5113110113 TIMING GEAR CASE 1
2 8943213304 FLYWHEEL HOUSING 1
32 8943706710 GASKET 1
35 1096254380 SEAL 1
36 0280808450 BOLT, M8X45 FLANGE 2
0286808200 BOLT, M8X20 FLANGE 4
38 9081510180 PIN, OD=10 L=18 1
49 8970222160 GASKET 1
54 1113210790 COVER 1
57 5113210090 TIMING COVER 2
58 0280806120 BOLT, M6X12 FLANGE 4
62A 0286808250 BOLT, M8X25 FLANGE 7
62B 0280808500 BOLT, M8X50 FLANGE 5
65 8970276011 GASKET 2
86 9839101012 ELBOW 1
93 1096234650 GASKET 1
175 1096254391 SEAL 1
178 8943218380 PLUG 1
205 0911602140 NUT 1
211 0500408250 BOLT, M8X25 W/LOCK WASHER .. 7 ........... REPLACES 0288914450
224 9944112350 STUD, M12X35 L=53 3
252 0286808200 BOLT, M8X20 FLANGE 2
275 5113270090 POINTER 1
297 9095714160 GASKET 1
298 9992023160 PLUG 1

PAGE 112 — DCA-60SSI2 — PARTS AND OPERATION MANUAL — REV. #3 (09/15/01)
ISUZU 6BG1 — INLET MANIFOLD ASSY.
INLET MANIFOLD ASSY.

DCA-60SSI2 — PARTS AND OPERATION MANUAL— REV. #3 (09/15/01) — PAGE 113
ISUZU 6BG1 — INLET MANIFOLD ASSY.
INLET MANIFOLD ASSY.
NO. PART NO. PART NAME QTY.REMARKS
1 1141121842 INLET MANIFOLD 1
7 1141150610 GASKET 1
10A 1141150590 GASKET 1
10B 1096370610 GASKET 1
13 0501408280 BOLT, M8X28 ................................. 9 ........... W/LOCK AND PLAIN WASHER
20A 9091104080 NUT. M8 3
20B 0911501080 NUT, M8 FLANGE 3
22 9091505080 LOCK WASHER 3
23 9091605080 PLAIN WASHER 3
27 9040108200 STUD, M8X20 L=36 3
27A 9040108450 STUD, M8X45 L=61 3
32 9044110250 STUD, M10X25 L=40 2
50G 1141123150 PIPE 1
50I 1141126310 PIPE 1
54 9091505100 LOCK WASHER 2
55 9091104100 NUT 2
94 0500406300 BOLT, M6X30 ................................. 1 ........... W/LOCK WASHER
159 8941640270 PIPE 1
168 1154192151 CLIP 1
225A 9044110280 STUD, M10X28 L=43 2
225B 5093000290 STUD, M10X18 L=33 2
231 1154192162 STAY 1

PAGE 114 — DCA-60SSI2 — PARTS AND OPERATION MANUAL — REV. #3 (09/15/01)
ISUZU 6BG1 — EXHAUST MANIFOLD ASSY.
EXHAUST MANIFOLD ASSY.

DCA-60SSI2 — PARTS AND OPERATION MANUAL— REV. #3 (09/15/01) — PAGE 115
ISUZU 6BG1 — EXHAUST MANIFOLD ASSY.
EXHAUST MANIFOLD ASSY.
NO. PART NO. PART NAME QTY.REMARKS
1A 9141412761 EXHAUST MANIFOLD 1
1B 9141418030 EXHAUST MANIFOLD 1
2C 1141451140 GASKET ............................................. 6 ............. UP TO MAR. 99
2A 8944046100 GASKET ............................................. 3 ............. FROM APR. 99~
16 9044110300 STUD, M10X30 L=45 3
18 9098445650 NUT 12
155 9141496530 RING 3

PAGE 116 — DCA-60SSI2 — PARTS AND OPERATION MANUAL — REV. #3 (09/15/01)
ISUZU 6BG1 — VENTILATION ASSY.
VENTILATION ASSY.

DCA-60SSI2 — PARTS AND OPERATION MANUAL— REV. #3 (09/15/01) — PAGE 117
ISUZU 6BG1 — VENTILATION ASSY.
VENTILATION ASSY.
NO. PART NO. PART NAME QTY.REMARKS
23 1093607520 HOSE, L=240 1
24 1097070841 CLIP, ID=20 2
141 8941101110 DIAPHRAGM ASSY. 1
142 1143620020 COVER 1
143 9934905100 SCREW, M5X10 PANHEAD 6

PAGE 118 — DCA-60SSI2 — PARTS AND OPERATION MANUAL — REV. #3 (09/15/01)
ISUZU 6BG1 — WATER PUMP AND CORROSION RESISTOR ASSY.
WATER PUMP AND CORROSION RESISTOR ASSY.

DCA-60SSI2 — PARTS AND OPERATION MANUAL— REV. #3 (09/15/01) — PAGE 119
ISUZU 6BG1 — WATER PUMP AND CORROSION RESISTOR ASSY.
WATER PUMP AND CORROSION RESISTOR ASSY.
NO. PART NO. PART NAME QTY.REMARKS
1 1136500180 PUMP ASSY ........................ 1 ..................... INCL. ITEMS W/*
3 8943706610 GASKET 1
4* 1878112530 REPAIR KIT .......................... 1 ..................... INCL. ITEMS W/#
7 5136410381 PULLEY, 2-GROOVE, D=173 1 ..................... UP TO MAR. 99
1136411870 PULLEY, 2-GROOVE, D=173 1 ..................... FROM APR. 99~
8*# 5136390010 THROWER 1
9A*# 9099521430 SNAP RING 1
9B* 9091801520 SNAP RING 1
10A* 5098000510 BEARING 1
10B* 5098000500 BEARING 1
11* 5136340020 SPACER 1
17*# 5136200062 SEAL UNIT 1
18*# 9136218020 IMPELLER 1
19*# 9136136130 GASKET 1
20* 9136128020 COVER 1
24* 0280810700 BOLT, M10X70 FLANGE 1
0280810500 BOLT, M10X50 2
0286810350 BOLT, M10X35 1
25* 5136420072 CENTER 1
28*# 1095030700 WASHER 1
29*# 1136310740 SHAFT 1
65* 9030908200 SCREW 3
66*# 5096250550 SEAL 1
117* 1096601192 CONNECTOR 1

PAGE 120 — DCA-60SSI2 — PARTS AND OPERATION MANUAL — REV. #3 (09/15/01)
THERMOSTAT AND HOUSING ASSY.
ISUZU 6BG1 — THERMOSTAT AND HOUSING ASSY.

DCA-60SSI2 — PARTS AND OPERATION MANUAL— REV. #3 (09/15/01) — PAGE 121
ISUZU 6BG1 — THERMOSTAT AND HOUSING ASSY.
THERMOSTAT AND HOUSING ASSY.
NO. PART NO. PART NAME QTY.REMARKS
1 1137700700 THERMOSTAT 1
2 5137160260 HOUSING 1
14 9096640050 PLUG, PT 3/4 1
17 5097040460 CLIP 2
28 9096620340 HEATER PLUG, M25 1
44A 0286810350 BOLT, M10X35 3
44B 0108060950 BOLT, M10X95 3
47 9091505100 LOCK WASHER 3
48 9091605100 PLAIN WASHER 3
49 1137130370 PIPE 1
50 0501408250 BOLT, M8X25 ............................ 3 ................ W/LOCK AND PLAIN WASHER
64 1137430160 GASKET 1
65 113740130 GASKET 1
107 5137210152 PIPE 1

PAGE 122 — DCA-60SSI2 — PARTS AND OPERATION MANUAL — REV. #3 (09/15/01)
ISUZU 6BG1 — ENGINE WATER PIPING ASSY.
ENGINE WATER PIPING ASSY.

DCA-60SSI2 — PARTS AND OPERATION MANUAL— REV. #3 (09/15/01) — PAGE 123
ISUZU 6BG1 — ENGINE WATER PIPING ASSY.
ENGINE WATER PIPING ASSY.
NO. PART NO. PART NAME QTY.REMARKS
132 8971380860 HOSE 1

PAGE 124 — DCA-60SSI2 — PARTS AND OPERATION MANUAL — REV. #3 (09/15/01)
ISUZU 6BG1 — FAN AND FAN BELT ASSY.
FAN AND FAN BELT ASSY.

DCA-60SSI2 — PARTS AND OPERATION MANUAL— REV. #3 (09/15/01) — PAGE 125
ISUZU 6BG1 — FAN AND FAN BELT ASSY.
FAN AND FAN BELT ASSY.
NO. PART NO. PART NAME QTY.REMARKS
1 8944838971 FAN, D=550-7 BLOW 1
16 9091647080 PLAIN WASHER 4
24 1090440730 BOLT 4
36 1136712260 BELT, L=1246 2 PIECE SET 1
38A 8944340750 SPACER, T=51.7 1
38G 1136420470 SPACER, T=61 1
68 9091505120 LOCK WASHER 1
69 9091607120 PLAIN WASHER 2
70 9991104120 NUT 1
71 1090091141 BOLT, M10X155 1
80 1136741181 ADJ. PLATE 1
81 1136741610 SLIDING PIECE 1
86 0286810250 ADJ. BOLT, M10X25 FLANGE 1
110 9034906100 SCREW, M6X10 2
122 9091505080 LOCK WASHER 4

PAGE 126 — DCA-60SSI2 — PARTS AND OPERATION MANUAL — REV. #3 (09/15/01)
ISUZU 6BG1 — FUEL INJECTION ASSY.
FUEL INJECTION ASSY.

DCA-60SSI2 — PARTS AND OPERATION MANUAL— REV. #3 (09/15/01) — PAGE 127
ISUZU 6BG1 — FUEL INJECTION ASSY.
FUEL INJECTION ASSY.
NO. PART NO. PART NAME QTY.REMARKS
1 1156032880 FUEL INJ. PUMP ASSY. ........... 1 ................ INCL. ITEMS W/*
2 0108108750 BOLT, M8X75 4
3 9091505080 LOCK WASHER 7
4A 9098519340 WASHER 4
4B 9091605080 WASHER 7
7C 0108108600 BOLT, M8X60 ............................ 7 ................ REPLACES 0108058600
7D 0500410250 BOLT, M10X25 ........................... 1 ................ W/LOCK WASHER
15* 1157801720 COUPLING ASSY. 1
16 1154151831 PIPE, INJ. NO. 1 1
17 1154151841 PIPE, INJ. NO. 2 1
18 1154151851 PIPE, INJ. NO. 3 1
19 1154151861 PIPE, INJ. NO. 4 1
20 1154151871 PIPE, INJ. NO. 5 1
21 1154151881 PIPE, INJ. NO. 6 1
31 1153002912 NOZZLE ASSY. 6
32 8970161471 HOLDER ASSY. ........................ 6 ................ INCL. ITEMS W/#
33 5153110270 NOZZLE 6
34# 1096750371 BOLT 6
35# 1153320170 NUT 6
36# 1096300820 GASKET, ID=8 OD=13.2 12
37# 5153320060 NUT 6
38# 5153390600 GASKET 6
39# 8941695030 SCREW 6
41# 8943203080 CONNECTOR 6
42# 5153390030 GASKET 6
44# 5153430050 SPRING 6
45# 8941695020 PUSH ROD 6
46# 9153470030 PIN 12
54 9153390510 COVER 6
60 9091505080 LOCK WASHER 12
62 9091104080 NUT 12
66 5153150030 GASKET 6
75 9091607100 PLAIN WASHER 3
78 0500410200 BOLT, M10X20 ........................... 2 ................ W/PLAIN WASHER
80 1197511200 BRACKET 1
85 8943706750 GASKET 1
114 9154196120 CLIP 6
133 1154124711 PIPE 1
134 1096750371 BOLT 1
135 1096300820 GASKET, ID=8.2 OD=13.2 2

PAGE 128 — DCA-60SSI2 — PARTS AND OPERATION MANUAL — REV. #3 (09/15/01)
ISUZU 6BG1 — FUEL FILTER AND BRACKET ASSY.
FUEL FILTER AND BRACKET ASSY.

DCA-60SSI2 — PARTS AND OPERATION MANUAL— REV. #3 (09/15/01) — PAGE 129
ISUZU 6BG1 — FUEL FILTER AND BRACKET ASSY.
FUEL FILTER AND BRACKET ASSY.
NO. PART NO. PART NAME QTY.REMARKS
1 1132007011 FUEL FILTER ASSY. ................. 1 ................ INiICL. ITEMS W/*
21* 1132121080 COVER 1
29* 1132600470 VALVE 1
30* 1096300850 GASKET 2
58* 1132400691 ELEMENT 1
62 9091104100 NUT 2
63 9091505100 LOCK WASHER 2
64 9091605100 PLAIN WASHER 2
72 9091105100 NUT, M10 2
99 9091505100 LOCK WASHER 2

PAGE 130 — DCA-60SSI2 — PARTS AND OPERATION MANUAL — REV. #3 (09/15/01)
ISUZU 6BG1 — FUEL PUMP AND PIPE ASSY.
FUEL PUMP AND PIPE ASSY.

DCA-60SSI2 — PARTS AND OPERATION MANUAL— REV. #3 (09/15/01) — PAGE 131
ISUZU 6BG1 — FUEL PUMP AND PIPE ASSY.
FUEL PUMP AND PIPE ASSY.
NO. PART NO. PART NAME QTY.REMARKS
107 1154142940 PIPE 1
108 1096750860 BOLT 1
110 1096300850 GASKET 2
111A 5097091030 CLIP, W/TUBE L=48 3
111C 5097091040 CLIP, W/OUT TUBE L=45 3
112 1096750860 BOLTM14X27 1
115 1096300850 GASKET, ID=14.2 OD=19.2 2
119 1154142950 PIPE 1
123 1154142962 PIPE 1
124 1094680021 NUT 1
126 0500406300 BOLT M6X30 ............................. 2 ................ W/LOCK WASHER
145 9095245550 CLIP, ID=6 1
150 1096300850 GASKET, ID=14.2 OD=19.2 2
212 1132600011 OVERFLOW VALVE 1
216 0500406300 BOLT, M6X30 ............................ 1 ................ W/ LOCK WASHER
217 1096300850 GASKET, ID=14.2 OD=19.2 1

PAGE 132 — DCA-60SSI2 — PARTS AND OPERATION MANUAL — REV. #3 (09/15/01)
ISUZU 6BG1 — OIL COOLER AND OIL FILTER ASSY.
OIL COOLER AND OIL FILTER ASSY.

DCA-60SSI2 — PARTS AND OPERATION MANUAL— REV. #3 (09/15/01) — PAGE 133
ISUZU 6BG1 — OIL COOLER AND OIL FILTER ASSY.
OIL COOLER AND OIL FILTER ASSY.
NO. PART NO. PART NAME QTY.REMARKS
2 1878100752 OIL FILTER ELEMENT ............. 1 ................ INCL. ITEMS W/%
76A 9098009281 BOLTM10X145 2
76B 0286810350 BOLT, M10X35 2
102 1217002491 OIL COOLER ASSY. ................. 1 ................ INCL. ITEMS W/*
103A 8942059861 BOLT, M8X65 1
103B 0501408450 BOLT, M8X65 .......................... 10 ................ W/LOCK AND PLAIN WASHER
103C 0501408280 BOLT. M8X28 ........................... 15 ................ W/LOCK AND PLAIN WASHER
103D 1090300910 BOLT, M8X20 ............................ 2 ................ W/PLAIN WASHER
107 9091605080 PLAIN WASHER 3
110* 1112810281 BODY 1
111* 1112820180 CORE 1
115* 9091114100 NUT 4
116* 9091645100 PLAIN WASHER 4
189* 9132630100 PLUG 1
190* 9095622150 GASKET 1
191* 5095800920 BYPASS SPRING 1
192* 5112880010 BYPASS VALVE 1
196 5096050170 PLUG 2
265# 5132110100 BODY 1
281# 5132120212 COVER 1
284# 1132310420 BOLT 1
288# 109000105 PLUG, M10 1
290A%# 9099203110 GASKET 1
290B%# 9099206940 GASKET, ID=15.5 1
290C%# 1096230550 GASKET, ID=9.8 1
292 9099412830 SPRING 1
293 9132390250 SEAT 1
297 9098621610 PLUG 1
307 5132600061 VALVE 1
309 1096231630 GASKET 1
321 8943706700 GASKET 1
328 8941486171 BOLT 1
331 9091605100 PLAIN WASHER 2
333 9095720100 GASKET, ID=10.2 OD=19 2
410 1096231630 GASKET 1
444* 1112820140 GASKET 2
469 112820200 GASKET 1
496 5132000726 OIL FILTER ASSY. .................... 1 ................ INCL. ITEMS W/#

PAGE 134 — DCA-60SSI2 — PARTS AND OPERATION MANUAL — REV. #3 (09/15/01)
ISUZU 6BG1 — OIL PUMP AND OIL STRAINER ASSY.
OIL PUMP AND OIL STRAINER ASSY.

DCA-60SSI2 — PARTS AND OPERATION MANUAL— REV. #3 (09/15/01) — PAGE 135
ISUZU 6BG1 — OIL PUMP AND OIL STRAINER ASSY.
OIL PUMP AND OIL STRAINER ASSY.
NO. PART NO. PART NAME QTY.REMARKS
1 1131002770 OIL PUMP ASSY. ...................... 1 ................. INCL. ITEMS W/*
2* 5131650040 SEAT 1
3* 9081140300 PIN 1
5* 5095800980 SPRING 1
8* 5131250010 GEAR 1
11* 1131130470 COVER ASSY. 1
20* 5131210050 GEAR 1
29 0286810250 BOLT, M10X25 FLANGE 2
32* 1131280180 PINION 1
37* 1131190030 DOWEL 1
39* 9131190100 COLLAR 1
40* 1131230160 COUPLING 1
41* 5098430030 BALL 1
42* 1131401160 STRAINER 1
65 9131190100 COLLAR 1
97* 1090440470 BOLT, M8X60 4

PAGE 136 — DCA-60SSI2 — PARTS AND OPERATION MANUAL — REV. #3 (09/15/01)
ISUZU 6BG1 — OIL AND VACUUM PIPING ASSY.
OIL AND VACUUM PIPING ASSY.

DCA-60SSI2 — PARTS AND OPERATION MANUAL— REV. #3 (09/15/01) — PAGE 137
ISUZU 6BG1 — OIL AND VACUUM PIPING ASSY.
OIL AND VACUUM PIPING ASSY.
NO. PART NO. PART NAME QTY.REMARKS
1 5133112050 PIPE ....................................... 1 ................... INCL. ITEMS W/*
2 1096750770 BOLT, M10X21 1
37 5133111190 PIPE 1
40 0286808400 BOLT, M8X40 FLANGE 4
47A 9099211880 GASKET, ID=18 2
47B 1096234620 GASKET, ID=22.8 2
62 1133115322 PIPE 1
110 9098440220 NUT 1
117 1096300830 GASKET, ID=10.2 2
134* 9099171051 CLIP 1
143 0280808400 BOLT, M8X40 FLANGE 4
277# 1117500241 CAP 1
278 9099129760 HOSE 1
279 9099155531 CLIP 2
430 9091505080 LOCK WASHER 1
434 9091104080 NUT 1
448 1117402011 FILLER ................................... 1 ................... INCL. ITEMS W/#

PAGE 138 — DCA-60SSI2 — PARTS AND OPERATION MANUAL — REV. #3 (09/15/01)
ISUZU 6BG1 — ELECTRICAL CONTROL ASSY.
ELECTRICAL CONTROL ASSY.

DCA-60SSI2 — PARTS AND OPERATION MANUAL— REV. #3 (09/15/01) — PAGE 139
ISUZU 6BG1 — ELECTRICAL CONTROL ASSY.
ELECTRICAL CONTROL ASSY.
NO. PART NO. PART NAME QTY.REMARKS
1 1811001911 STARTER ASSY. 1
2 1812003650 GENERATOR ASSY. 1
7 9991104120 NUT 3
16 1090001331 BOLT, M14X135 1
17 9091605140 PLAIN WASHER 1
18 9091505140 LOCK WASHER 1
23 9991104140 NUT 1
26A 0280810250 BOLT, M10X25 FLANGE 1
26C 0286810350 BOLT, M10X35 2
38 9825300430 RESISTOR 1
56A 5831510030 SWITCH ................................... 1 .................. INCL. ITEMS W/*
56D* 9827200690 SWITCH 1
88* 9099022380 ADAPTER 1
89 8971256010 SWITCH 1
252 1197190362 COVER 1
292 9091505120 LOCK WASHER 3
293 9829322110 CABLE 1
488 1819001931 STOPPER 1

PAGE 140 — DCA-60SSI2 — PARTS AND OPERATION MANUAL — REV. #3 (09/15/01)
ISUZU 6BG1 — STARTER COMP. ASSY.
STARTER COMP. ASSY.

DCA-60SSI2 — PARTS AND OPERATION MANUAL— REV. #3 (09/15/01) — PAGE 141
ISUZU 6BG1 — STARTER COMP. ASSY.
STARTER COMP. ASSY.
NO. PART NO. PART NAME QTY.REMARKS
1 1811293640 SEAL KIT ........................................ 1 .................. INCL. ITEMS W/1
2 1811230250 CASE .............................................. 1 .................. INCL. ITEMS W/%
3% 1811293970 METAL 1
4 5811291420 COVER 1
5 5811291440 CLIP 2
6 5811291450 STOPPER 1
8 1811130260 BRACKET 1
9& 1811293860 BEARING 1
10 1811230240 SHAFT ........................................... 1 .................. INCL. ITEMS W/&
11A 5811291600 WASHER 1
11B 5811291590 WASHER 2
11C 5811291580 WASHER 1
12 1811130730 BRACKET 1
15 1811160440 WIRE 1
16 1811210370 ARMATURE ................................... 1 .................. INCL. ITEMS W/#
17A# 1811293950 BEARING ....................................... 1 .................. UP TO MAR. 95
5811291550 BEARING ....................................... 1 .................. FROM APR. 95~
17B# 1811293850 BEARING ....................................... 1 .................. UP TO MAR. 95
1811291960 BEARING ....................................... 1 .................. FROM APR. 95~
18 5811291560 WASHER 2
19 1811293960 COIL 1
20* 1811160420 BRUSH, + 2
21* 1811170140 SPRING 2
22* 1811180360 HOLDER 1
23* 1811150620 COVER 1
27A 1811293870 BOLT 3
27B 5811292140 BOLT 2
28 1811270310 LEVER 1
29 1811291850 PIN 1
30 5811291470 PLATE 1
31 5811510360 SWITCH 1
50* 1811160430 BRUSH, - 2
54 5811220160 CLUTCH 1
57 1811150610 COVER ASSY. ................................ 1 .................. INCL. ITEMS W/*
59 5811291500 TERMINAL 1
60 5811291460 PLUNGER 1
61 5811291480 CONTACT 1
62 9821161400 BUSHING 1
63 5811180190 HOLDER 1
64A 9821161420 WASHER 1
64B 5811291510 WASHER 2
65 5811291490 RING 2
77 1812291140 WASHER 2
78 1811293840 TERMINAL 1
80 1811291840 NUT 1
86 1825530230 RELAY ............................................ 1 .................. UP TO MAR. 95
1825530370 RELAY ............................................ 1 .................. FROM APR. 95~

PAGE 142 — DCA-60SSI2 — PARTS AND OPERATION MANUAL — REV. #3 (09/15/01)
ISUZU 6BG1 — ALTERNATOR COMP. ASSY.
ALTERNATOR COMP. ASSY.

DCA-60SSI2 — PARTS AND OPERATION MANUAL— REV. #3 (09/15/01) — PAGE 143
ISUZU 6BG1 — ALTERNATOR COMP. ASSY.
ALTERNATOR COMP. ASSY.
NO. PART NO. PART NAME QTY.REMARKS
1 1812142290 REAR COVER 1 .................. INCL. ITEMS W/#
2 1812210720 ROTOR 1
3T 1812292250 BEARING 1
3U 8941730540 BEARING 1
5 1812170620 HOLDER 1
6# 1812700070 REGULATOR ASSY. 1
10# 1812170690 RECTIFIER 1
11# 1812142240 COVER 1
12 9822158670 KEY 1
13 1812293830 GASKET 2
14B 1812295270 COLLAR 1
14C 1812295430 COLLAR 1
15H 1812295130 RETAINER 1
15F 1812293760 RETAINER 1
15I 1812295260 RETAINER 1
15L 8941730600 RETAINER 1
17 1812130670 FRONT COVER 1
19 1812220550 PULLEY 1
20 1812230090 FAN 1
22 1812110900 STATOR 1
33# 1812295560 WIRE 1
49# 8941730610 BUSHING 1
57 1812295440 COVER 1
62 1812291220 CLIP 1
69 1812295160 CLIP 1

PAGE 144 — DCA-60SSI2 — PARTS AND OPERATION MANUAL — REV. #3 (09/15/01)
ISUZU 6BG1 — INJ. PUMP COMP. ASSY.
INJ. PUMP COMP. ASSY.

DCA-60SSI2 — PARTS AND OPERATION MANUAL— REV. #3 (09/15/01) — PAGE 145
ISUZU 6BG1 — INJ. PUMP COMP. ASSY.
INJ. PUMP COMP. ASSY.
NO. PART NO. PART NAME QTY.REMARKS
1 5156110250 HOUSING ............................................ 1 .................... INCL. ITEMS W/*
6* 5156440170 HOLDER 6
7* 1096230520 GASKET 6
8* 5156290450 STOPPER 6
9* 5156430010 SPRING 6
10* 1156490010 GASKET 6
14* 5156410010 VALVE 6
19* 1156310690 PLUNGER ASSY. 6
33 1096230130 GASKET 1
46 1156192430 COVER 1
48 5156191560 GASKET 14
49 9812250470 RING 1
50* 5156210250 CAMSHAFT 1
51 5196190490 KEY 1
62 9812350150 SEAT 6
63 5156430090 SPRING 6
64 9812350210 SET 6
68 9812212230 TAPPET ............................................... 6 .................... INCL. ITEMS W/#
69# 5156190410 GUIDE 6
70# 9812222200 PIN 6
71# 1156290010 BUSHING 6
72# 1156220030 ROLLER 6
73*% 1157299600 GASKET 1
74 1156120500 COVER ................................................ 1 .................... INCL. ITEMS W/%
75* 1156190030 SCREW 2
77 1156190330 BEARING 1
79* 9812151150 STUD 3
80 8941711100 NUT 3
82 5156191360 PLUG 6
88 1156190920 BOLT 1
89 1157190930 GASKET 2
105 9000906770 BEARING, NSK 1
5098000380 BEARING, NTN 1
107 5156290150 SHIM ................................................. AR .................... T=0.10
5156290160 SHIM ................................................. AR .................... T=0.12
5156290170 SHIM ................................................. AR .................... T=0.14
5156290180 SHIM ................................................. AR .................... T=0.16
5156290190 SHIM ................................................. AR .................... T=0.18
5156290200 SHIM ................................................. AR .................... T=0.50
5156290380 SHIM ................................................. AR .................... T=1.00
9812250330 SHIM ................................................. AR .................... T=0.30
5156190390 SHIM ................................................. AR .................... T=0.70
5156290900 SHIM ................................................. AR .................... T=1.40
1156390880 SHIM ................................................. AR .................... T=2.40
109* 5156370030 RACK 1
114 5098000380 BEARING, NTN 1
9000906770 BEARING, NSK 1
117 1096300850 GASKET, ID=14.2 OD=19.2 2
118 1157590110 BOLT 1
126* 9812350170 ADAPTER 1
127* 5156190440 ADAPTER 1
130 9019006140 SCREW, M6X14 ................................... 4 .................... W/LOCK WASHER
148* 9812151440 GASKET 2
115 1156190240 BOLT 1

PAGE 146 — DCA-60SSI2 — PARTS AND OPERATION MANUAL — REV. #3 (09/15/01)
ISUZU 6BG1 — INJ. PUMP COMP. ASSY.
INJ. PUMP COMP. ASSY.

DCA-60SSI2 — PARTS AND OPERATION MANUAL— REV. #3 (09/15/01) — PAGE 147
ISUZU 6BG1 — INJ. PUMP COMP. ASSY.
NJ. PUMP COMP. ASSY.
NO. PART NO. PART NAME QTY.REMARKS
157* 8941445880 GASKET 1
159 9812250470 RING 1
160 9884100660 SCREW 2
161 9812250430 GASKET 2
162 5156290150 SHIM ................................................. AR .................... T=0.10
5156290160 SHIM ................................................. AR .................... T=0.12
5156290170 SHIM ................................................. AR .................... T=0.14
5156290180 SHIM ................................................. AR .................... T=0.16
5156290190 SHIM ................................................. AR .................... T=0.18
5156290200 SHIM ................................................. AR .................... T=0.50
5156290380 SHIM ................................................. AR .................... T=1.00
9812250330 SHIM ................................................. AR .................... T=0.30
5156190390 SHIM ................................................. AR .................... T=0.70
5156290900 SHIM ................................................. AR .................... T=1.40
1156390880 SHIM ................................................. AR .................... T=2.40
167* 1156390030 BOLT 1
176 5156250010 PLATE 3
177 9812250570 PINION 6
178 9812350030 SCREW 6
181 5156190340 SHIM ................................................. AR .................... T=0.30
5156190350 SHIM ................................................. AR .................... T=0.40
5156190360 SHIM ................................................. AR .................... T=0.50
5156190010 SHIM ................................................. AR .................... T=0.60
5156190020 SHIM ................................................. AR .................... T=0.70
5156190030 SHIM ................................................. AR .................... T=0.80
5156190040 SHIM ................................................. AR .................... T=0.90
5156190050 SHIM ................................................. AR .................... T=1.00
5156190070 SHIM ................................................. AR .................... T=1.10
5156190080 SHIM ................................................. AR .................... T=1.20
5156190090 SHIM ................................................. AR .................... T=1.30
5156190100 SHIM ................................................. AR .................... T=1.40
5156190110 SHIM ................................................. AR .................... T=0.55
5156190120 SHIM ................................................. AR .................... T=0.65
5156190130 SHIM ................................................. AR .................... T=0.75
5156190150 SHIM ................................................. AR .................... T=0.85
9812350420 SHIM ................................................. AR .................... T=0.95
9812350430 SHIM ................................................. AR .................... T=1.05
9812350440 SHIM ................................................. AR .................... T=1.15
9812350450 SHIM ................................................. AR .................... T=1.25
5156191060 SHIM ................................................. AR .................... T=1.50
5156191070 SHIM ................................................. AR .................... T=1.60
5156190250 SHIM ................................................. AR .................... T=0.20
5156190260 SHIM ................................................. AR .................... T=0.25
5156190270 SHIM ................................................. AR .................... T=0.35
5156190370 SHIM ................................................. AR .................... T=0.45
5156191080 SHIM ................................................. AR .................... T=1.35
5156191090 SHIM ................................................. AR .................... T=1.45
5156191100 SHIM ................................................. AR .................... T=1.55

PAGE 148 — DCA-60SSI2 — PARTS AND OPERATION MANUAL — REV. #3 (09/15/01)
ISUZU 6BG1 — GOVERNOR COMP. ASSY.
GOVERNOR COMP. ASSY.

DCA-60SSI2 — PARTS AND OPERATION MANUAL— REV. #3 (09/15/01) — PAGE 149
ISUZU 6BG1 — GOVERNOR COMP. ASSY.
GOVERNOR COMP. ASSY.
NO. PART NO. PART NAME QTY.REMARKS
1 1157300480 GOVERNOR ASSY. ....................1 ...................... INCL. ITEMS W/*
2* 5157210040 HOUSING 1
3* 5157290270 BOLT, M6X15 6
4* 8913253970 PLATE 1
5* 1157290010 GASKET 1
7* 5157210220 COVER ........................................1 ...................... INCL. ITEMS W/#
8H* 5157290540 BOLT 2
8I* 5157290330 BOLT 4
11* 1157290020 GASKET 1
12* 1157220210 FLYWEIGHT ASSY. 1
13* 5196190490 KEY, 16MM 1
15* 5157290340 LOCK WASHER 1
16* 9813250860 NUT 1
17* 9813250880 SHIM ............................................AR ................... T=0.20
9813255510 SHIM ............................................ AR ................... T=0.40
9813255520 SHIM ............................................ AR ................... T=0.60
9813255530 SHIM ............................................ AR ................... T=1.00
5157292860 SHIM ............................................ AR ................... T=0.50
5157292870 SHIM ............................................ AR ................... T=1.50
1157298910 SHIM ............................................ AR ................... T=2.00
1157298920 SHIM ............................................ AR ................... T=3.00
1157298930 SHIM ............................................ AR ................... T=4.00
18* 5157190080 SLEEVE 1
21* 5157250330 LEVER ASSY. 1
23* 1157250110 LING 1
24* 9813222350 SPRING 1
25* 9091854040 SNAP RING 1
28* 5157250420 LEVER 1
34* 1157232120 SPRING 1
37* 8970267520 LEVER ASSY. 1
40* 1157291010 SCREW 1
41* 8944707560 SPRING CAPSULE 1
43* 9008130230 NUT 1
45* 1157256680 LEVER ASSY. 1
59* 1157210230 COVER 1
60Q* 1156192820 BOLT 2
60S* 5157291670 BOLT 1
63* 9813919070 GASKET 1
71* 5157230880 SPRING 1
78* 1157254490 LEVER 1
79* 1157292940 SHIM ............................................AR ................... T=0.20
1157292950 SHIM ............................................ AR ................... T=0.25
1157292960 SHIM ............................................ AR ................... T=0.30
1157292970 SHIM ............................................ AR ................... T=0.35
1157292980 SHIM ............................................ AR ................... T=0.40
1157292990 SHIM ............................................ AR ................... T=0.50
83* 9813919060 SEAL 1
86*# 9813254290 BUSHING 1
87* 9019006160 BOLT 1

PAGE 150 — DCA-60SSI2 — PARTS AND OPERATION MANUAL — REV. #3 (09/15/01)
ISUZU 6BG1 — GOVERNOR COMP. ASSY.
GOVERNOR COMP. ASSY.

DCA-60SSI2 — PARTS AND OPERATION MANUAL— REV. #3 (09/15/01) — PAGE 151
ISUZU 6BG1 — GOVERNOR COMP. ASSY.
GOVERNOR COMP. ASSY.
NO. PART NO. PART NAME QTY.REMARKS
90* 5157291230 SCREW 1
918* 8944278480 SPRING CAPSULE 1
93S* 9844100270 NUT 1
93T* 1157790580 NUT 1
93U* 1157790400 NUT 1
93V* 1157296890 NUT 1
94* 1157795020 SCREW 1
96* 5157290530 PLUG 2
99* 9813250620 PIN 1
101* 8941445880 GASKET 2
103* 1157290920 NUT 1
104* 8971796700 CAP 1
105* 1157259210 LEVER 1
106* 9813250300 KEY, 13MM 1
107* 9813254880 WASHER AR
108* 1157293010 COLLAR 1
109* 1157290990 SHIM 1
9813251730 SHIM AR
110* 1157290980 SEAL 1
111G* 8970242390 BUSHING 1
111H* 8970242400 BUSHING 1
112* 9813212050 GASKET 2
113* 9091854150 RING 2
158* 9813252100 CAP 1
145* 1157795650 CAP 1
150F* 9813150650 ADAPTER 1
150G* 1157795670 ADAPTER 1
151* 9019008180 BOLT, M8X18 .............................. 1 ...................... W/LOCK WASHER
154* 1157795620 BOLT 1
156* 1835794920 WASHER 1
160* 1157290150 GASKET 1
161* 1157290380 PLUG 1
196* 1157791910 BRACKET 1
253* 1157296360 LIMITER 1
352* 1157795640 CAP NUT 1
429* 5157290990 GASKET 2

PAGE 152 — DCA-60SSI2 — PARTS AND OPERATION MANUAL — REV. #3 (09/15/01)
ISUZU 6BG1 —FEED PUMP ASSY.
FEED PUMP ASSY.

DCA-60SSI2 — PARTS AND OPERATION MANUAL— REV. #3 (09/15/01) — PAGE 153
ISUZU 6BG1 — FEED PUMP ASSY.
FEED PUMP ASSY.
NO. PART NO. PART NAME QTY.REMARKS
1 1157501620 PUMP ASSY. .................................. 1 .................. INCL. ITEMS W/*
2* 1157610060 PUMP 1
3* 1196230160 GASKET 1
4* 9813517020 VALVE SPRING 2
5* 1157550020 PUMP VALVE 2
7* 1196230160 GASKET 2
10* 1157590030 ADAPTER 1
11* 1096750630 BOLT 1
12* 1096300850 GASKET 2
13* 9813550250 SNAP RING 2
15* 5157510120 HOUSING 1
16* 9813512050 PISTON 1
17* 9813513020 SPRING 1
18* 9813550350 GASKET 1
19* 8941711850 PLUG 1
28* 5157540010 TAPPET ASSY. 1
29* 9813514030 ROLLER 1
30* 9813514100 PIN 1
31* 1157590020 GUIDE 2

PAGE 154 — DCA-60SSI2 — PARTS AND OPERATION MANUAL — REV. #3 (09/15/01)
ISUZU 6BG1 — MISC. INJECTION PUMP ASSY.
MISC. INJECTION PUMP ASSY.

DCA-60SSI2 — PARTS AND OPERATION MANUAL— REV. #3 (09/15/01) — PAGE 155
ISUZU 6BG1 — MISC. INJECTION PUMP ASSY.
MISC. INJECTION PUMP ASSY.
NO. PART NO. PART NAME QTY.REMARKS
2 1197510490 BRACKET ................................. 1 ................ INCL. ITEM W/*
3* 9041010300 STUD 4
8 9091645100 PLAIN WASHER 4
9 9091506100 LOCK WASHER 4
10 5156390020 NUT 4

PAGE 156 — DCA-60SSI2 — PARTS AND OPERATION MANUAL — REV. #3 (09/15/01)
ISUZU 6BG1 — COUPLING ASSY,
COUPLING ASSY.

DCA-60SSI2 — PARTS AND OPERATION MANUAL— REV. #3 (09/15/01) — PAGE 157
ISUZU 6BG1 — COUPLING ASSY.
COUPLING ASSY.
NO. PART NO. PART NAME QTY.REMARKS
1 5157810030 COUPLING 1
2 9096620070 BOLT 1
3 9884105020 NUT 1
4 1156192470 PLATE 1
5 5156190480 WASHER 1
27 1125240150 GEAR 1
30 8944575170 BOLT 6

PAGE 158 — DCA-60SSI2 — PARTS AND OPERATION MANUAL — REV. #3 (09/15/01)
ISUZU 6BG1 — WATER SEDIMENTER ASSY.
WATER SEDIMENTER ASSY.

DCA-60SSI2 — PARTS AND OPERATION MANUAL— REV. #3 (09/15/01) — PAGE 159
ISUZU 6BG1 — WATER SEDIMENTER ASSY.
WATER SEDIMENTER ASSY.
NO. PART NO. PART NAME QTY.REMARKS
1 1132008410 FUEL SEDIMENTER ................. 1 ................. INCL. ITEMS W/*
4* 5132120591 COVER 1
5* 5096230700 GASKET 1
7* 5132190200 PLUG 1
9* 5096300240 GASKET 1
19 1197550921 BRACKET 1
20 0280808250 BOLT, M8X25 FLANGE 2
33*# 8944163770 WASHER 1
34* 8944537460 PLUG ......................................... 1 ................ INCL. ITEMS W/#
36* 5132190221 RING 1
38* 5132190210 FLOAT 1
44 5154112231 PIPE 1
45 1096750860 BOLT, M14X27 2
46 1096300850 GASKET 4
47 1154143741 PIPE 1
56* 1132112110 CASE 1

PAGE 160 — DCA-60SSI2 — PARTS AND OPERATION MANUAL — REV. #3 (09/15/01)
ISUZU 6BG1 — SWITCH AND RELAY ASSY.
SWITCH AND RELAY ASSY.

DCA-60SSI2 — PARTS AND OPERATION MANUAL— REV. #3 (09/15/01) — PAGE 161
ISUZU 6BG1 — SWITCH AND RELAY ASSY.
SWITCH AND RELAY ASSY.
NO. PART NO. PART NAME QTY.REMARKS
4 1858886780 LABEL, ENGINE MAINT. 1
63 1823100080 SWITCH ASSY. 1
244 1823200010 BATTERY SWITCH 1
417 1825500732 EMERGENCY RELAY 1S

PAGE 162 — DCA-60SSI2 — PARTS AND OPERATION MANUAL — REV. #3 (09/15/01)
PAYMENT TERMS
Terms of payment for parts are net 10 days.
FREIGHT POLICY
All parts orders will be shipped collect or
prepaid with the charges added to the invoice.
All shipments are F.O.B. point of origin.
Multiquip’s responsibility ceases when a
signed manifest has been obtained from the
carrier, and any claim for shortage or damage
must be settled between the consignee and the
carrier.
MINIMUM ORDER
The minimum charge for orders from Multiquip
is $15.00 net. Customers will be asked for
instructions regarding handling of orders not
meeting this requirement.
RETURNED GOODS POLICY
Return shipments will be accepted and credit
will be allowed, subject to the following
provisions:
1. A Returned Material Authorization must
be approved by Multiquip prior to shipment.
2. To obtain a Return Material Authorization,
a list must be provided to Multiquip Parts
Sales that defines item numbers,
quantities, and descriptions of the items
to be returned.
a. The parts numbers and descriptions
must match the current parts price
list.
b. The list must be typed or computer
generated.
c. The list must state the reason(s) for
the return.
d. The list must reference the sales
order(s) or invoice(s) under which
the items were originally purchased.
e. The list must include the name and
phone number of the person
requesting the RMA.
3. A copy of the Return Material
Authorization must accompany the return
shipment.
PRICING AND REBATES
Prices are subject to change without prior
notice. Price changes are effective on a specific
date and all orders received on or after that date
will be billed at the revised price. Rebates for
price declines and added charges for price
increases will not be made for stock on hand
at the time of any price change.
Multiquip reserves the right to quote and sell
direct to Government agencies, and to Original
Equipment Manufacturer accounts who use
our products as integral parts of their own
products.
SPECIAL EXPEDITING SERVICE
A $20.00 to $50.00 surcharge will be added to
the invoice for special handling including bus
shipments, insured parcel post or in cases
where Multiquip must personally deliver the
parts to the carrier.
LIMITATIONS OF SELLER’S LIABILITY
Multiquip shall not be liable here under for
damages in excess of the purchase price of the
item with respect to which damages are
claimed, and in no event shall Multiquip be
liable for loss of profit or good will or for any
other special, consequential or incidental
damages.
LIMITATION OF WARRANTIES
No warranties, express or implied, are made
in connection with the sale of parts or trade
accessories nor as to any engine not
manufactured by Multiquip. Such warranties
made in connection with the sale of new,
complete units are made exclusively by a
statement of warranty packaged with such
units, and Multiquip neither assumes not
authorizes any person to assume for it any
other obligation or liability whatever in
connection with the sale of its products. A part
from such written statement of warranty, there
are no warranties, express, implied or statutory,
which extend beyond the description of the
products on the face hereof.
4. Freight is at the sender’s expense. All
parts must be returned freight prepaid to
Multiquip’s designated receiving point.
5. Parts must be in new and resalable
condition, in the original Multiquip package
(if any), and with Muiltiquip part numbers
clearly marked.
6. The following items are not returnable:
a. Obsolete parts. (If an item is listed
in the parts price book as being
replaced by another item, it is
obsolete.)
b. Any parts with a limited shelf life
(such as gaskets, seals, “O” rings,
and other rubber parts) that were
purchased more than six months
prior to the return date.
c. Any line item with an extended dealer
net price of less than $5.00.
d. Special order items.
e. Electrical components.
f. Paint, chemicals, and lubricants.
g. Decals and paper products.
h. Items purchased in kits.
7. The sender will be notified of any material
received that is not acceptable.
8. Such material will be held for 5 working
days from notification, pending
instructions. If a reply is not received
within 5 days, the material will be returned
to the sender at his expense.
9. Credit on returned parts will be issued at
dealer net price at time of the original
purchase, less a 15% restocking charge.
10. In cases where an item is accepted for
which the original purchase document
can not be determined, the price will be
based on the list price that was effective
twelve months prior to the RMA date.
11. Credit issued will be applied to future
purchases only.
Effective: July 1, 2000 TERMS AND CONDITIONS OF SALE — PART S

DCA-60SSI2 — PARTS AND OPERATION MANUAL— REV. #3 (09/15/01) — PAGE 163
NOTE PAGE

© COPYRIGHT 2001, MULTIQUIP INC.
PARTS AND OPERATION MANUAL
MULTIQUIP INC. PARTS DEPARTMENT:
18910 WILMINGTON AVE. 800-427-1244
CARSON, CALIFORNIA 90746 FAX: 800-672-7877
310-537-3700
SERVICE DEPARTMENT:
800-421-1244 800-835-2551
FAX: 310-537-3927 FAX: 310-638-8046
E-mail:mq@multiquip.com • www:multiquip.com
PARTS AND OPERATION MANUAL
HERE'S HOW TO GET HELP
PLEASE HAVE THE MODEL AND SERIAL NUMBER
ON-HAND WHEN CALLING
PP
PP
PARAR
ARAR
ARTS DEPTS DEP
TS DEPTS DEP
TS DEP
ARAR
ARAR
ARTMENTTMENT
TMENTTMENT
TMENT
800/427-1244 or 310/537-3700
FAX: 800/672-7877 or 310/637-3284
SERSER
SERSER
SERVICE DEPVICE DEP
VICE DEPVICE DEP
VICE DEPARAR
ARAR
ARTMENTTMENT
TMENTTMENT
TMENT
800/835-2551 or 310/537-3700
FAX: 310/638-8046
WW
WW
WARRANTY DEPARRANTY DEP
ARRANTY DEPARRANTY DEP
ARRANTY DEPARAR
ARAR
ARTMENTTMENT
TMENTTMENT
TMENT
800/835-2551 or 310/537-3700
FAX: 310/638-8046
MAINMAIN
MAINMAIN
MAIN
800/421-1244 or 310/537-3700
FAX: 310/537-3927