Multiquip Portable Generator Dca20Spxu2 Users Manual
Multiquip Portable Generator DCA20spxu2 Generators_portable_whisperwatt_DCA20SPXU2_Servpro_rev_0_ops_parts_manual_DataId_273678_Version_1
DCA20SPXU2 to the manual d18f1a67-32de-4614-a993-2660e5f24df2
2015-02-09
: Multiquip Multiquip-Multiquip-Portable-Generator-Dca20Spxu2-Users-Manual-558548 multiquip-multiquip-portable-generator-dca20spxu2-users-manual-558548 multiquip pdf
Open the PDF directly: View PDF
.
Page Count: 102 [warning: Documents this large are best viewed by clicking the View PDF Link!]

SERVPROR
THIS MANUAL MUST ACCOMPANY THE EQUIPMENT AT ALL TIMES.
Revision #0 (09/23/13)
OperatiOn and parts Manual
®
WHISPERWATT™ SERIES
MODEL DCA20SPXU2
60HZ GENERATOR
(ISUZU BV-4LE2 DIESEL ENGINE)
PARTS LIST NO. M1870301404
NOTICE
This generator is manufactured for SERVPRO® by
Multiquip, Inc.

PAGE 2 — DCA20SPXU2 SERVPRO®
PROPOSITION 65 WARNING
Diesel engine exhaust and some of

DCA20SPXU2 SERVPRO®
If you believe that your vehicle has a defect that could cause a crash or could
cause injury or death, you should immediately inform the National Highway
Traffic Safety Administration (NHTSA) in addition to notifying Multiquip at
1-800-421-1244.
If NHTSA receives similar complaints, it may open an investigation, and if it
finds that a safety defect exists in a group of vehicles, it may order a recall and
remedy campaign. However, NHTSA cannot become involved in individual
problems between you, your dealer, or Multiquip.
To contact NHTSA, you may either call the Vehicle Safety Hotline toll-free at
1-888-327-4236 (TTY: 1-800-424-9153), go to http://www.nhtsa.dot.gov; or
write to:
Administrator
NHTSA
1200 New Jersey Avenue S.E.
Washington, DC 20590
You can also obtain information about motor vehicle safety from
http://www.safecar.gov.
REPORTING SAFETY DEFECTS

PAGE 4 — DCA20SPXU2 SERVPRO®
TABLE OF CONTENTS
DCA20SPXU2 60Hz Generator
Proposition 65 Warning ........................................... 2
Reporting Safety Defects ......................................... 3
Table Of Contents .................................................... 4
Parts Ordering Procedures ...................................... 5
Safety Information .............................................. 6-11
Specifications ........................................................ 12
Dimensions ............................................................ 13
Installation ............................................................. 14
Installation ............................................................. 15
General Information ............................................... 16
Generator Major Components ............................... 17
Trailer Major Components ..................................... 18
Generator Control Panel ........................................ 19
Engine Control Panel ........................................ 20-21
Output Terminal Panel Familiarization .............. 22-24
Load Application/Generator Output ....................... 25
Output Terminal Panel Connections ...................... 26
Inspection/Setup ............................................... 27-30
Generator Start-Up Procedure (Manual) ......... 31-32
Generator Shut-Down Procedures ................... 33-34
Maintenance ..................................................... 35-38
Trailer Maintenance .......................................... 39-40
Trailer Guidelines .............................................. 41-55
Generator Wiring Diagram ..................................... 56
Engine Wiring Diagram .......................................... 57
Jacket Water Heater Wiring Diagram ..................... 58
Troubleshooting (Generator) .................................. 59
Troubleshooting (Engine) .................................. 60-61
Explanation Of Code In Remarks Column............. 62
Suggested Spare Parts ......................................... 63
Component Drawings
Generator Assembly ......................................... 64-65
Control Box Assembly. ...................................... 66-69
Engine And Radiator Assembly ........................ 70-73
Output Terminal Assembly ................................ 74-75
Battery Assembly.............................................. 76-77
Muffler Assembly .............................................. 78-79
Fuel Tank Assembly (Internal) ......................... 80-81
Fuel Tank Assembly (Trailer Mounted) ............ 82-83
Trailer Assembly ............................................. 84-85
Battery Charger Assembly ............................... 86-87
Jacket Water Heater Assembly ........................ 88-89
Enclosure Assembly ......................................... 90-93
Rubber Seals Assembly ................................... 94-95
Nameplate And Decals ................................... 96-97
Terms And Conditions Of Sale — Parts ................ 98
Servpro® Warranty/RMA ........................................ 99

DCA20SPXU2 SERVPRO®
PARTS ORDERING PROCEDURES
www.multiquip.com
Ordering parts has never been easier!
Choose from three easy options:
When ordering parts, please supply:
❒
❒
❒
❒
❒
❒
❒
✓ UPS/Fed Ex ✓ DHL
■ Priority One ✓ Tr uck
■ Ground
■ Next Day
■ Second/Third Day
If you have an MQ Account, to obtain a Username
and Password, E-mail us at:
To obtain an MQ Account, contact your
District Sales Manager for more information.
Order parts on-line using Multiquip’s SmartEquip website!
■ View Parts Diagrams
■ Order Parts
■ Print Specifi cation Information
Note: Discounts Are Subject To Change
Goto www.multiquip.com and click on
Order Parts to log in and save!
Use the internet and qualify for a
on Standard orders for all orders which include
complete part numbers.*
All customers are welcome to order parts via Fax.
1-800-6-PARTS-7 (800-672-7877)
Fax your order in and qualify for a
on Standard orders for all orders which include
complete part numbers.*
1-800-427-1244
International Customers should contact
their local Multiquip Representatives for
Parts Ordering information.
Contact your local Multiquip Dealer for
parts or call 800-427-1244 for help in
locating a dealer near you.
Note: Discounts Are Subject To Change
Effective:
January 1st
, 2006
NOTICE
All orders are treated as Standard Orders and will
ship the same day if received prior to 3PM PST.

PAGE 6 — DCA20SPXU2 SERVPRO®
SAFETY INFORMATION
Do not operate or service the equipment before reading the
entire manual. Safety precautions should be followed at all
times when operating this equipment. Failure to read and
understand the safety messages and operating instructions
could result in injury to yourself and others.
The four safety messages shown below will inform you
about potential hazards that could injure you or others. The
safety messages specifi cally address the level of exposure
to the operator and are preceded by one of four words:
or
Indicates a hazardous situation which, if not avoided,
result in or
Indicates a hazardous situation which, if not avoided,
result in or
Indicates a hazardous situation which, if not avoided,
result in or
NOTICE
Addresses practices not related to personal injury.
Potential hazards associated with the operation of this
equipment will be referenced with hazard symbols which
may appear throughout this manual in conjunction with
safety messages.

DCA20SPXU2 SERVPRO®
SAFETY INFORMATION
operate this equipment without proper protective
clothing, shatterproof glasses, respiratory protection,
hearing protection, steel-toed boots and other protective
devices required by the job or city and state regulations.
operate this equipment when not
feeling well due to fatigue, illness or when
under medication.
operate this equipment under the infl uence of
drugs or alcohol.
check the equipment for loosened threads or
bolts before starting.
use the equipment for any purpose other than
its intended purposes or applications.
NOTICE
This equipment should only be operated by trained and
qualifi ed personnel 18 years of age and older.
Whenever necessary, replace nameplate, operation and
safety decals when they become diffi cult read.
Manufacturer does not assume responsibility for any
accident due to equipment modifi cations. Unauthorized
equipment modifi cation will void all warranties.
use accessories or attachments that are not
recommended by MQ Power for this equipment. Damage
to the equipment and/or injury to user may result.
know the location of the nearest
know the location of the nearest
know the location of the nearest
phone or
Also, know the
phone numbers of the nearest
and
This information will be invaluable in
the case of an emergency.
operate the equipment in an explosive
atmosphere or near combustible materials. An
explosion or fi re could result causing severe
disconnect any
These devices are intended for operator safety.
Disconnection of these devices can cause severe injury,
bodily harm or even death. Disconnection of any of these
devices will void all warranties.
lubricate components or attempt service on a
running machine.
NOTICE
ensure generator is on level ground before use.
keep the machine in proper running condition.
Fix damage to machine and replace any broken parts
immediately.
store equipment properly when it is not being
used. Equipment should be stored in a clean, dry location
out of the reach of children and unauthorized personnel

PAGE 8 — DCA20SPXU2 SERVPRO®
SAFETY INFORMATION
The engine fuel exhaust gases contain poisonous carbon
monoxide. This gas is colorless and odorless, and can
cause death if inhaled.
The engine of this equipment
requires an adequate free
fl ow of cooling air.
operate this equipment in
any enclosed or narrow area
where free fl ow of the air is
restricted. If the air fl ow is
restricted it will cause injury to people and property and
serious damage to the equipment or engine.
place hands or fingers inside engine
compartment when engine is running.
operate the engine with heat shields or
guards removed.
Keep fi ngers, hands hair and clothing away
from all moving parts to prevent injury.
remove the radiator cap while the
engine is hot. High pressure boiling water
will gush out of the radiator and severely
scald any persons in the general area of
the generator.
remove the coolant drain plug while the engine
is hot. Hot coolant will gush out of the coolant tank and
severely scald any persons in the general area of the
generator.
remove the engine oil drain plug while the
engine is hot. Hot oil will gush out of the oil tank and
severely scald any persons in the general area of the
generator.
touch the hot exhaust manifold,
muffl er or cylinder. Allow these parts to cool
before servicing equipment.
NOTICE
run engine without an air fi lter or with a dirty air
fi lter. Severe engine damage may occur. Service air fi lter
frequently to prevent engine malfunction.
tamper with the factory settings
of the engine or engine governor. Damage
to the engine or equipment can result
if operating in speed ranges above the
maximum allowable.
Wet stacking is a common problem with diesel engines
which are operated for extended periods with light or
no load applied. When a diesel engine operates without
suffi cient load (less than 40% of the rated output), it will
not operate at its optimum temperature. This will allow
unburned fuel to accumulate in the exhaust system,
which can foul the fuel injectors, engine valves and
exhaust system, including turbochargers, and reduce
the operating performance.
In order for a diesel engine to operate at peak effi ciency,
it must be able to provide fuel and air in the proper ratio
and at a high enough engine temperature for the engine
to completely burn all of the fuel.
Wet stacking does not usually cause any permanent
damage and can be alleviated if additional load is
applied to relieve the condition. It can reduce the system
performance and increase maintenance. Applying an
increasing load over a period of time until the excess
fuel is burned off and the system capacity is reached
usually can repair the condition. This can take several
hours to burn off the accumulated unburned fuel.
State Health Safety Codes and Public Resources
Codes specify that in certain locations, spark arresters
must be used on internal combustion engines that use
hydrocarbon fuels. A spark arrester is a device designed
to prevent accidental discharge of sparks or fl ames
from the engine exhaust. Spark arresters are qualifi ed
and rated by the United States Forest Service for this
purpose. In order to comply with local laws regarding
spark arresters, consult the engine distributor or the
local Health and Safety Administrator.

DCA20SPXU2 SERVPRO®
SAFETY INFORMATION
start the engine near spilled fuel or combustible
fl uids. Diesel fuel is extremely fl ammable and its vapors
can cause an explosion if ignited.
refuel in a well-ventilated area, away from
sparks and open fl ames.
use extreme caution when working with
liquids.
fi ll the fuel tank while the engine is running
or hot.
overfi ll tank, since spilled fuel could ignite if it
comes into contact with hot engine parts or sparks from
the ignition system.
Store fuel in appropriate containers, in well-ventilated
areas and away from sparks and fl ames.
use fuel as a cleaning agent.
smoke around or near the
equipment. Fire or explosion could result
from fuel vapors or if fuel is spilled on a
hot engine.
Check with your local county or state safety
towing regulations, in addition to meeting
Department of Transportation (DOT)
Safety Towing Regulations, before towing
your generator.
Refer to MQ Power trailer manual for additional safety
information.
In order to reduce the possibility of an accident while
transporting the generator on public roads,
make sure the trailer that supports the generator and
the towing vehicle are mechanically sound and in good
operating condition.
shutdown engine before transporting
Make sure the hitch and coupling of the towing vehicle
are rated equal to, or greater than the trailer “gross
vehicle weight rating.”
inspect the hitch and coupling for wear.
tow a trailer with defective hitches, couplings, chains, etc.
Check the tire air pressure on both towing vehicle and
trailer.
Trailer tires should be infl ated to 50 psi cold.
Also check the tire tread wear on both vehicles.
make sure the trailer is equipped with a
properly
attach trailer’s safety chains to towing
vehicle.
make sure the vehicle and trailer directional,
backup, brake and trailer lights are connected and
working properly.
DOT Requirements include the following:
•Connectandtestelectricbrakeoperation.
•Secureportablepowercablesincabletraywith tie
wraps.
The maximum speed for highway towing is
unless
posted otherwise. Recommended off-road towing is not to
exceed or less depending on type of terrain.
Avoid sudden stops and starts. This can cause skidding,
or jack-knifi ng. Smooth, gradual starts and stops will
improve towing.
Avoid sharp turns to prevent rolling.
Trailer should be adjusted to a level position at all times
when towing.
Raise and lock trailer wheel stand in up position when
towing.
Place chock blocks underneath wheel to prevent
rolling
while parked.
Place
underneath the trailer’s bumper
to prevent tipping while parked.
Use the trailer’s swivel jack to adjust the trailer height to
a level position while parked.

®
SAFETY INFORMATION
touch output terminals during
operation. Contact with output terminals
during operation can cause electrocution,
The electrical voltage required to
operate the generator can cause severe
injury or even death through physical contact with live
circuits. Turn generator and all circuit breakers OFF
before performing maintenance on the generator or
making contact with output terminals.
insert any objects into the output
receptacles during operation. This is
extremely dangerous. The possibility exists
of
Backfeed to a utility system can cause
electrocution and/or property damage.
connect the generator to a
building’s electrical system without
a transfer switch or other approved
device. All installations should be
performed by a in accordance with
all applicable laws and electrical codes. Failure to do so
could result in electrical shock or burn, causing
let power cords or cables
while AC power from the
generator is being transferred to a load.
use or worn cables or cords when
connecting equipment to generator. Inspect for cuts in
the insulation.
grab or touch a live power
cord or cable with wet hands. The
possibility exists of
Make sure power cables are securely connected to the
generator’s output receptacles. Incorrect connections
may cause electrical shock and damage to the
generator.
NOTICE
make certain that proper power or extension
cord has been selected for the job. See Cable Selection
Chart in this manual.
make sure that electrical circuits are properly
grounded to a suitable earth ground (ground rod) per
the National Electrical Code (NEC) and local codes
before operating generator.
electrocution
can result from operating an ungrounded
generator.
use gas piping as an electrical ground.
drop the battery. There is a possibility that the
battery will explode.
expose the battery to open fl ames,
sparks, cigarettes, etc. The battery contains
combustible gases and liquids. If these
gases and liquids come into contact with a
fl ame or spark, an explosion could occur.
wear safety glasses when
handling the battery to avoid eye irritation.
The battery contains acids that can cause
injury to the eyes and skin.
Use well-insulated gloves when picking up the battery.
keep the battery charged. If the battery is not
charged, combustible gas will build up.
recharge the battery in a well-ventilated
environment to avoid the risk of a dangerous concentration
of combustible gasses.

DCA20SPXU2 SERVPRO®
SAFETY INFORMATION
If the battery liquid (dilute sulfuric acid) comes into
contact with , rinse skin or clothing
immediately with plenty of water.
If the battery liquid (dilute sulfuric acid) comes into
contact with , rinse eyes immediately with plenty
of water and contact the nearest doctor or hospital to
seek medical attention.
disconnect the
before performing service on the generator.
keep battery cables in good working condition.
Repair or replace all worn cables.
NOTICE
Decommissioning is a controlled process used to safely
retire a piece of equipment that is no longer serviceable.
If the equipment poses an unacceptable and unrepairable
safety risk due to wear or damage or is no longer cost
effective to maintain (beyond life-cycle reliability) and is to
be decommissioned (demolition and dismantlement),be
sure to follow rules below.
pour waste or oil directly onto the ground, down
a drain or into any water source.
Contact your country's Department of
Public Works or recycling agency in your
area and arrange for proper disposal of
any electrical components, waste or oil
associated with this equipment.
When the life cycle of this equipment is over, remove
battery and bring to appropriate facility for lead
reclamation. Use safety precautions when handling
batteries that contain sulfuric acid.
When the life cycle of this equipment is over, it is
recommended that the trowel frame and all other metal
parts be sent to a recycling center.
Metal recycling involves the collection of metal from
discarded products and its transformation into raw
materials to use in manufacturing a new product.
Recyclers and manufacturers alike promote the process
of recycling metal. Using a metal recycling center
promotes energy cost savings.
NOTICE
The gasoline engine used in this equipment has been
designed to reduce harmful levels of carbon monoxide
(CO), hydrocarbons (HC) and nitrogen oxides (NOx)
contained in diesel exhaust emissions.
This engine has been certifi ed to meet US EPA Evaporative
emissions requirements in the installed confi guration.
Attempting to modify or make adjustments to the engine
emission system by unauthorized personnel without proper
training could damage the equipment or create an unsafe
condition.
Additionally, modifying the fuel system may adversely affect
evaporative emissions, resulting in fi nes or other penalties.
The emission control label is an integral part of the emission
system and is strictly controlled by regulations.
The label must remain with the engine for its entire life.
If a replacement emission label is needed, please contact
your authorized engine distributor.

®
DCA-20SPXU2
Revolving field, self ventilated, open protected type synchronous generator
Series
Single-Phase 3-Wire
22 kW (27.5 kVA)
20 kW (25.0 kVA)
Voltage 120/240V
60 Hz
1800 rpm
Power Factor 1.0
Single Phase, 60 Hz
63
1,412 lbs. (640 kg.)
2,012 lbs. (913 kg.)
ISUZU BV-4LE2 Tier 4i
4 cycle, water-cooled, direct injection, turbo-charged
4 cylinders
3.34 in. x 3.77 in. (85 mm x 96 mm)
133 cu. in. (2,179 cc)
34.3 HP/1800 RPM
Starting Electric
Coolant Capacity 1.74 gal. (6.6 liters)
2.25 gal. (8.5 liters)
#2 Diesel Fuel, Low Sulfur Diesel Fuel Only
17 gal. (65 liters - Internal) 41 gal (155 liters External)
1.66 gal. (6.3 L)/hr at 1.21 gal. (4.6 L)/hr at
0.85 gal. (3.2 L)/hr at 0.58 gal. (2.2 L)/hr at
Battery 12V 53Ah x 1
TRLR50XF
2,700 lbs. (1,225 kg)
3,500 lbs. (1,588)
Single/Leaf Spring
1,360 lbs. (617 kg ea.)
Wheel Bolt Pattern 5 Lug on 4.5 in.
1,000 lbs. (454 kg) Lift Capacity
Adjustable 2"or 2-5/16" Ball and 3" Pintle Eye
DOT approved Tail, Stop, Turn, License Lights
Weight 510 lbs. (231.5 kg) No Fuel/801 lbs. (363.6 kg) With Fuel
SPECIFICATIONS

DCA20SPXU2 SERVPRO®
DIMENSIONS
Denyo
FRONT VIEW
H
G
F
AE
C
B
D
TOP VIEW
SIDE VIEW
20
SERVPROR
Like it never even happened.
R
SERVPRO
R
Figure 1. Dimensions
A 21.06 in. (535 mm.) F 72.83 in. (1,850 mm.)
B 21.06 in. (535 mm.) G 39.37 in. (1,000 mm.)
C 24.21 in. (615 mm.) H 29.53 in. (750 mm.)
D 26.38 in. (670 mm.)
E 25.00 in. (635 mm.)

®
INSTALLATION
Figure 2. Typical Generator Grounding Application
8’ (MINIMUM)
GROUND ROD FOR
EARTH GROUND.
CONNECT TO BUILDING
GROUND IF
APPLICABLE
GENERATOR
GROUND LUG
GROUND CABLE
REFERENCE
NEC 250-83 (C)

DCA20SPXU2 SERVPRO®
INSTALLATION
Install the generator in a area that is free of debris,
bystanders, and overhead obstructions. Make sure the
generator is on secure level ground so that it cannot slide
or shift around. Also install the generator in a manner so
that the exhaust will not be discharged in the direction of
nearby homes.
The installation site must be relatively free from moisture
and dust. All electrical equipment should be protected from
excessive moisture. Failure to do will result in deterioration
of the insulation and will result in short circuits and
grounding.
Foreign materials such as dust, sand, lint and abrasive
materials have a tendency to cause excessive wear to
engine and alternator parts.
Exhaust gases from diesel engines are extremely
poisonous. Whenever an engine is installed indoors the
exhaust fumes must be vented to the outside. The engine
should be installed at least two feet from any outside wall.
Using an exhaust pipe which is too long or too small can
cause excessive back pressure which will cause the engine
to heat excessively and possibly burn the valves.
The generator must be mounted on a solid foundation (such
as concrete) and set firmly on the foundation to isolate
vibration of the generator when it is running. The generator
must set at least 6 inches above the floor or grade level (in
accordance to NFPA 110, Chapter 5-4.1). remove
the metal skids on the bottom of the generator. They are
to resist damage to the bottom of the generator and to
maintain alignment.
Pay close attention to ventilation when operating the
generator inside tunnels and caves. The engine exhaust
contains noxious elements. Engine exhaust must be
routed to a ventilated area.
To guard against electrical shock and possible damage to
the equipment, it is important to provide a good
ground (Figure 2).
Article 250 (Grounding) of the National Electrical Code
(NEC) provides guide lines for proper grounding and
specifies that the cable ground shall be connected to the
grounding system of the building as close to the point of
cable entry as practical.
NEC articles 250-64(b) and 250-66 set the following
grounding requirements:
1. Use one of the following wire types to connect the
generator to earth ground.
a. Copper - 8 AWG (5.3 mm2) or larger.
b. Aluminum - 6 AWG (8.4 mm2) or larger.
2. When grounding the generator (Figure 2) connect the
ground cable between the lock washer and the nut on
the generator and tighten the nut fully. Connect the
other end of the ground cable to earth ground.
3. NEC article 250-52(c) specifies that the earth ground rod
should be buried a minimum of 8 ft. into the ground.
NOTICE
When connecting the generator to any buildings
electrical system consult with a licensed
electrician.

®
The MQ Power Model DCA20SPXU2 generator (Figure 3)
is a high quality portable (requires a trailer for transport)
power source for telecom sites, lighting facilities, power
tools, submersible pumps and other industrial and
construction machinery.
Panel Light
Panel Light Switch
Fuel Filter Water Level Alarm Lamp
Auto ON/OFF Engine Controller (MPEC) Switch
Fuel Guage
Oil Pressure Gauge
Water Temperature Guage
Tachometer Guage
Charging Ammeter Guage
The “Generator Control Panel” is provided with the following:
Frequency Meter (Hz)
AC Ammeter (Amps)
AC Voltmeter (Volts)
Ammeter Change-Over Switch
Voltage Regulator
3-Pole, 90 amp Main Circuit Breaker
“Control Box” (located behind the Gen. Control Panel)
•Automatic Voltage Regulator
•Current Transformer
•Over-Current Relay
•Starter Relay
The “Output Terminal Panel” is provided with the following:
Two 120/240V output receptacles (CS-6369), 50A
Two auxilliary circuit breakers, (for CS-6369), 50A
Two 120V output receptacles (GFCI), 20A
Two GFCI circuit breakers, 20A
Four output terminal lugs (1Ø power)
Battery Charger (Optional)
Water Heater (Optional)
Battery Charger
Jacket Water Heater
Fuel Filter/Water Separator
Emergency Stop Switch
This generator is equipped with the state of the art
Delta” excitation system. The open delta system consist
of an electrically independent winding wound among
stationary windings of the AC output section.
There are four connections of the open delta A, B, C and
D. During steady state loads, the power from the voltage
regulator is supplied from the parallel connections of A to
B, A to D, and C to D. These three phases of the voltage
input to the voltage regulator are then rectified and are the
excitation current for the exciter section.
When a heavy load, such as a motor starting or a short
circuit occurs, the automatic voltage regulator (AVR)
switches the configuration of the open delta to the series
connection of B to C. This has the effect of adding the
voltages of each phase to provide higher excitation to the
exciter section and thus better voltage response during the
application of heavy loads.
The connections of the AVR to the AC output windings are
for sensing only. No power is required from these windings.
The open-delta design provides virtually unlimited excitation
current, offering maximum motor starting capabilities. The
excitation does not have a and responds
according the demands of the required load.
This generator is powered by a 4 cylinder, water cooled,
direct injection, Izuzu Model BV-4LE2 diesel engine.
This engine is designed to meet every performance
requirement for the generator. Reference Table 2 for engine
specifications.
In keeping with MQ Power’s policy of constantly improving
its products, the specifications quoted herein are subject
to change without prior notice.
The electric governor system controls the RPMs of the engine.
When the engine demand increases or decreases, the
governor system regulates the frequency variation to ±.25%.
When electric power is to be provided to various tools or
loads at some distance from the generator, extension cords
are normally used. Cables should be sized to allow for
distance in length and amperage so that the voltage drop
between the generator and point of use (load) is held to
a minimum. Use the cable selection chart (Table 6) as a
guide for selecting proper extension cable size.
GENERAL INFORMATION

DCA20SPXU2 SERVPRO®
GENERATOR MAJOR COMPONENTS
AUTO MANUAL
OFF/RESET
LOW OILPRESSURE
HIGH COOLANTTEMPERATURE
OVERCRANK
OVERSPEED
ENGINE RUNNING
MOOOOO-20001Q
11
UOV
UOV
56
Like it never even happened. R
SERVPROR
SENS
Like it never even happened. R
1
2
3
4
8
7
9
10
13
12
14
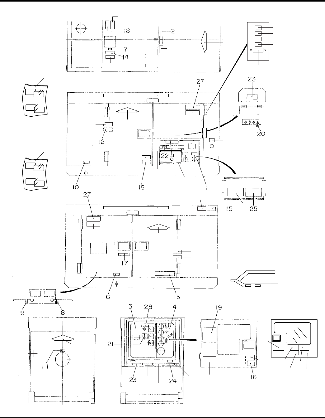
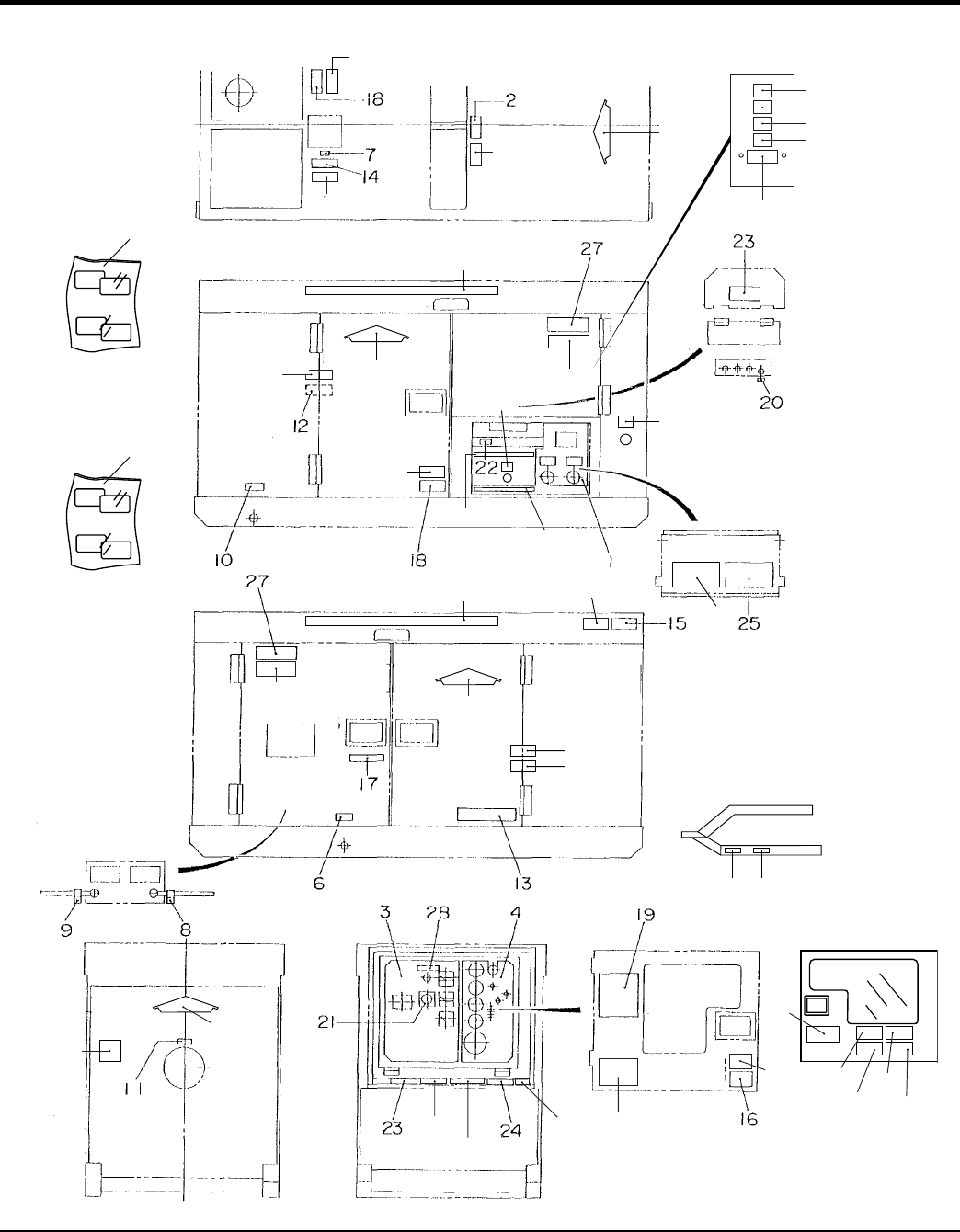
Figure 3. Major Components
1 Battery Charger
2Output Terminal Lugs
3 Output Receptacles Assembly
4 Jacket Water Heater Assembly
5 Muffler Assembly
6 Air Filter Assembly
7 Generator Assembly
8 Emergency Stop Switch Assembly
9 Engine/Radiator Assembly
10 Fuel Tank Assembly
11 Circuit Breaker Assembly
12 Engine Control Panel Assembly
13 Battery Assembly
14 Generator Control Panel Assembly

®
TRAILER MAJOR COMPONENTS
Figure 4. Trailer Components
1
2
3
4
5
6
7
8
9
10
Figure 4 shows the location of the trailer components. The
function of each component is described below:
1. — This generator may have an
external trailer mounted fuel tank. Remove fuel tank cap
to add fresh clean No. 2 diesel fuel. External fuel tank
capacity is 41 gallons (155 liters).
2. — Use this jackstand to support the
tongue when attaching the generator to a towing vehicle
3. — Attach the trailer's 2-inch coupler
to the towing vehicle. Use only the specified ball diameter
as indicated on your coupler. Use of any other ball
diameter will create an extremely dangerous condition
which can result in separation of the coupler and ball
or ball failure.
4. — Always attach safety chains to the
towing vehicle. use the trailer with the safety
chain unattached. Make sure safety chains are crossed
when towing.
5. — There are two amber reflectors
located on the side of the trailer. These reflectors provide
better visibility in dark conditions.
6. — This trailer uses a ST175-80D13 LR-C size tire.
Replace with only recommended tire size. use
the trailer with bad or worn tires.
7. — Place blocks (not included as part
of the generator package) under each trailer wheel to
prevent rolling.
8. — Before towing the generator, make
sure that this light is operational and is working correctly.
use the trailer if this light is inoperative.
9. — This light illuminates the license plate.
Whenever towing of the generator is required, make sure
this light is operational.
10. — Before towing the generator, make
sure that this light is operational and is working correctly.
use the trailer if this light is inoperative.

DCA20SPXU2 SERVPRO®
GENERATOR CONTROL PANEL
Figure 5. Generator Control Panel
A
V
HZ
OFF
W
U
V
DECREASE
INCREASE
AUTO MANUAL
OFF/RESET
LOW OIL PRESSURE
HIGH COOLANT TEMPERATURE
OVERCRANK
OVERSPEED
ENGINE RUNNING
MOOOOO-20001Q
RPM
03000
20001000
1
2
3
4
5
6
The definitions below describe the controls and functions
of the Generator Control Panel (Figure 5).
1. —This three-pole, 90A main
breaker is provided to protect the the U,O, and V Output
Terminal Lugs from overload.
2. Voltage Regulator Control — Allows ±15% manual
adjustment of the generator’s output voltage.
3. — This switch allows
the AC ammeter to indicate the current flowing to the
load connected to any phase of the output terminals,
or to be switched off. This switch does not effect the
generator output in any fashion, it is for current reading
only.
4. — Indicates the output frequency
in hertz (Hz). Normally 60 Hz.
5. — Indicates the amount of current the
load is drawing from the generator per leg selected by
the ammeter phase-selector switch.
6. — Indicates the output voltage present
at the U,O, and V Output Terminal Lugs.
Located behind the generator control panel is the Generator
Control Box. This box contains some of the necessary
electronic components required to make the generator
function.
The Control Box is equipped with the following major
components:
Over-Current Relay
Automatic Voltage Regulator (AVR)
Starter Relay
Current Transformer
Engine Controller

PAGE 20 — DCA20SPXU2 SERVPRO®
Figure 6. Engine Control Panel
A
V
HZ
OFF
W
U
V
DECREASE
INCREASE
RPM
03000
20001000
1
2
3
4
5
6
7
8
9
AUTO MANUAL
OFF/RESET
LOW OIL PRESSURE
HIGHCOOLANT TEMPERATURE
OVERCRANK
OVERSPEED
ENGINE RUNNING
MOOOOO-20001Q
ENGINE CONTROL PANEL

DCA20SPXU2 SERVPRO®
ENGINE CONTROL PANEL
The definitions below describe the controls and functions
of the Engine Control Panel (Figure 6).
1. — During normal operation this
gauge should read between 35 to 65 psi. (241~448 kPa).
When starting the generator the oil pressure may read a
little higher, but after the engine warms up the oil pressure
should return to the correct pressure range.
2. — During normal operation this
gauge be should read between 180°~221°F (82°~105°C)
3. — Indicates the current
being supplied by the engine’s alternator which provides
current for generator’s control circuits and battery
charging system.
4. Fuel Gauge — Indicates amount of diesel fuel available.
5. — Indicates engine speed in RPM’s for 60
Hz operation. This meter should indicate 1800 RPM’s
when the rated load is applied. In addition a built in hour
meter will record the number of operational hours that
the generator has been in use.
6. — Normally used in dark areas or at night
time. When activated, panel lights will illuminate. When
the generator is not in use be sure to turn the panel light
switch to the OFF position.
7. — When activated will turn on control
panel light.
8. — This lamp will
illuminate when water in the fuel filter has reached an
abnormal level.
9.
— This controller
has a vertical row of status LED's
(inset), that when lit, indicate
that an engine malfunction (fault)
has been detected. When a fault
has been detected the engine
controller will evaluate the fault
and all major faults will shutdown
the generator. During cranking
cycle, the ECU will attempt to crank the engine for 10
seconds before disengaging.
If the engine does not engage (start) by the third
attempt, the engine will be shutdown by the engine
controller’s Over Crank Protection mode. If the engine
engages at a speed (RPM's) that is not safe, the
controller will shutdown the engine by initializing the
Over Speed Protection mode.
Also the engine controller will shut down the engine in
the event of low oil pressure, high coolant temperature,
low coolant level, and loss of magnetic pickup. These
conditions can be observed by monitoring the LED
status indicators on the front of the controller module.
A. — This switch controls the
running of the unit. If this switch is set to the OFF/
RESET position, the unit will not run. When this switch
is set to the manual position, the generator will start
immediately.
If the generator is to be connected to a building’s
AC power source via an automatic transfer switch
(isolation), place the switch in the AUTO position. In this
position, should an outage occur, the automatic transfer
switch (ATS) will start the generator automatically
via the generator’s auto-start contacts connected to
the ATS’s start contacts. Please refer to your ATS
installation manual for further instructions for the
correct installation of the auto-start contacts of the
generator to the ATS.
B. — Indicates the engine pressure
has fallen below 15 psi (103 kPa). The oil pressure is
detected using variable resistive values from the oil
pressure sending unit. This is considered a major fault.
C. — Indicates the engine
temperature has exceeded 230°F (110°C). The engine
temperature is detected using variable resistive values
from the temperature sending unit. This is considered
a major fault.
D. — Indicates the unit has
attempted to start a pre- programmed number of
times, and has failed to start. The number of cycles and
duration are programmable. It is pre-set at 3 cycles with
a 10 second duration. This is considered a major fault.
E. — Indicates the engine is
running at an unsafe speed. This is considered a
major fault.
F. Engine Running — Indicates that engine is running
at a safe operating speed.

PAGE 22 — DCA20SPXU2 SERVPRO®
OUTPUT TERMINAL PANEL FAMILIARIZATION
The Output Terminal Panel (Figure 7) shown below is
located on the right-hand side (left from control panel) of
the generator. Lift the terminal cover to gain access to
receptacles and circuit breakers.
NOTICE
Terminal legs “O” and “Ground” are considered bonded
grounds.
The “Output Terminal Panel ” (Figure 7) is provided with
the following:
Two 120/240V output receptacles @ 50 amp
Two Circuit Breakers @ 50 amps
Two 120V GFCI receptacles @ 20 amp
Two GFCI Circuit Breakers @ 20 amps
Four Output Terminal Lugs (U, O, V, and Ground)
AUX. POWER RECEPTACLES
120/240V, 50 AMPS
120 VAC, 20 AMP
GFCI RECEPTACLES
Y
X
W
CS-6369
TWIST-LOCK
CIRCUIT BREAKERS
FOR GFCI RECEPTACLES
RECEPTACLE
AND
CIRCUIT BREAKER
PANEL
ACCESS DOOR
LIFT TO OPEN
HARD WIRE
HOOKUP PANEL
UOV
BLACK RED
WHITE GREEN
SINGLE PHASE
240 -120 VAC
OUTPUT TERMINALS
NEUTRAL
TERMINAL
GROUND
TERMINAL
CIRCUIT BREAKERS
FOR CS-6369 TWIST
LOCK RECEPTACLES
Like it never even happened.
R
SERVPRO
R
Figure 7. Output Terminal Panel

DCA20SPXU2 SERVPRO®
OUTPUT TERMINAL PANEL FAMILIARIZATION
There are two 120 VAC, 20 amp GFCI (Duplex Nema
5-20R) receptacles provided on the output terminal panel.
These receptacles can be accessed in
position. Each receptacle is protected by a
20 amp circuit breaker. These breakers are located directly
above the GFCI receptacles. Remember the load output
(current) of both GFCI receptacles is dependent on the load
requirements of the U, O, and V output terminal lugs.
Pressing the button resets the GFCI receptacle after
being tripped. Pressing the (See Figure 8) in
the center of the receptacle will check the GFCI function.
Both receptacles should be tested at least once a month.
Figure 8. G.F.C.I. Receptacle
There are two 120/240V, 50 amp auxiliary twist-lock (CS-
6369) receptacles (Figure 9) provided on the output
terminal panel.
Figure 9. 120/240V Twist-Lock Auxiliary
Receptacles
Each auxiliary receptacle is protected by a 50 amp circuit
breaker. These breakers are located directly above the
GFCI receptacles. Remember the load output (current) on
all three receptacles is dependent on the load requirements
of the
Turn the (Figure 10) on
the control panel to obtain the desired voltage. Turning the
knob clockwise will the voltage, turning the knob
counter-clockwise will the voltage.
Figure 10. Voltage Regulator Control Knob
The Output Terminal Lugs are protected by a plastic
face plate cover (Figure 11). Un-screw the securing bolts
and lift the plastic terminal cover to gain access to the
terminal enclosure.
After the load wires have been securely attached to the
terminal lugs, reinstall the plastic face plate.
Figure 11. Plastic Face Plate (Output Terminal Lugs)

PAGE 24 — DCA20SPXU2 SERVPRO®
OUTPUT TERMINAL PANEL FAMILIARIZATION
Loads can be connected to the generator by the Output
or the convenience receptacles (Figure 12).
Make sure to read the operation manual before attempting
to connect a load to the generator.
To protect the output terminals from overload, a 3-pole,
90A circuit breaker is provided. Make sure to switch
circuit breakers to the OFF position prior to starting
the engine.
Figure 12. Connecting Loads
An (Figure 13) is connected to the main
circuit breaker. In the event of an overload, both the circuit
breaker and the over current relay may trip. If the circuit
breaker can not be reset, the on the over
current relay must be pressed. The over current relay is
located in the control box.
Figure 13. Over Current Relay
NOTICE
When connecting a load to the generator
make sure the load has an ON/OFF switch.
use the circuit breakers on the generator as a method
of turning the load ON and OFF.
.

DCA20SPXU2 SERVPRO®
LOAD APPLICATION/GENERATOR OUTPUT
Always be sure to check the nameplate on the generator
and equipment to insure the wattage, amperage, frequency,
and voltage requirements are satisfactorily supplied by the
generator for operating the equipment.
Generally, the wattage listed on the nameplate of the
equipment is its rated output. Equipment may require
130—150% more wattage than the rating on the nameplate,
as the wattage is influenced by the efficiency, power factor
and starting system of the equipment.
WATTS = VOLTAGE x AMPERAGE
The power factor of this generator is 0.8. See Table 6 below
when connecting loads.
Current
in
At 200
2.5 300 600 1000 ft. 600 ft. 375 ft. 250 ft.
5 600 1200 500 ft. 300 ft. 200 ft. 125 ft.
7.5 900 1800 350 ft. 200 ft. 125 ft. 100 ft.
10 1200 2400 250 ft. 150 ft. 100 ft.
15 1800 3600 150 ft. 100 ft. 65 ft.
20 2400 4800 125 ft. 75 ft. 50 ft.
CAUTION: Equipment damage can result from low voltage
NOTICE
If wattage is not given on the equipment’s name plate,
approximate wattage may be determined by multiplying
nameplate voltage by the nameplate amperage.
Power Factor
Single-phase induction motors 0.4-0.75
Electric heaters, incandescent lamps 1.0
Fluorescent lamps, mercury lamps 0.4-0.9
Electronic devices, communication
equipment 1.0
Common power tools 0.8
An inadequate size connecting cable which cannot carry the
required load can cause a voltage drop which can burn out
the appliance or tool and overheat the cable. See Table 7
When connecting a resistance load such as an
incandescent lamp or electric heater, a capacity of up
to the generating set’s rated output (kW) can be used.
When connecting a fluorescent or mercury lamp, a
capacity of up to the generating set’s rated output (kW)
multiplied by 0.6 can be used.
When connecting an electric drill or other power tools,
pay close attention to the required starting current
capacity.
When connecting ordinary power tools, a capacity of up to
the generating set’s rated output (kW) multiplied by 0.8 can
be used.
Table 8 shows the amps the generator can
provide. exceed the maximum amps as listed.
NOTICE
Motors and motor-driven equipment draw much greater
current for starting than during operation.
Before connecting this generator to any building’s
electrical system, a must install
an . Serious damage to
the building’s electrical system may occur without this
transfer switch.
1Ø 120 Volt 83 X 2 amps (4 wire)
1Ø 240 Volt 83 amps (4 wire)

PAGE 26 — DCA20SPXU2 SERVPRO®
OUTPUT TERMINAL PANEL CONNECTIONS
240/120V outout voltages can be obtained using the output
terminal lugs.
The voltage regulator (VR), Figure 15 allows the user to
increase or decrease the selected voltage.
1. Connect the load wires to the output terminal lugs as
shown in Figure 14.
Figure 14. Output Terminal Lugs
1Ø-240 Volt Connections
2. Turn the voltage regulator knob (Figure 15) clockwise
to increase voltage output, turn counterclockwise to
decrease voltage output. Use voltage regulator
adjustment knob whenever fine tuning of the output
voltage is required.
Figure 15. Voltage Regulator Knob
1. Connect the load wires to the output terminal lugs as
shown in Figure 16.
Figure 16. Output Terminal Lugs
1Ø-120 Volt Connections
2. Turn the voltage regulator knob (Figure 15) clockwise
to increase voltage output, turn counterclockwise to
decrease voltage output.
NOTICE
make sure that the connections to the UVO
terminal lugs are and tight. The possibility of
arcing exists, that could cause a fire.

DCA20SPXU2 SERVPRO®
INSPECTION/SETUP
To protect the generator from an overload, a 3-pole, 90
amp, main circuit breaker is provided to protect the U,O
from overload. In addition two
single-pole, 20 amp circuit breakers are provided to
protect the GFCI receptacles from overload. Two 50 amp
circuit breakers have also been provided to protect the
auxiliary receptacles from overload. Make sure to switch
circuit breakers to the OFF position prior to starting
the engine.
Fill the engine crankcase with lubricating oil through the
filler hole, but overfill. Make sure the generator is
level and verify that the oil level is maintained between the
two notches (Figure 17) on the dipstick. See Table 9 for
proper selection of engine oil.
Figure 17. Engine Oil Dipstick
When checking the engine oil, be sure to check if the oil is
clean. If the oil is not clean, drain the oil by removing the
oil drain plug, and refill with the specified amount of oil as
outlined in the . Oil should
be warm before draining.
Other types of motor oils may be substituted if they meet
the following requirements:
API Service Classification CC/SC
API Service Classification CC/SD
API Service Classification CC/SE
API Service Classification CC/SF
This generator has an internal fuel tank located inside
the trailer frame and may also be equipped with an
environmental fuel tank (Figure 18). fill the fuel
tanks with clean fresh fill the fuel
tanks beyond their capacities.
Pay attention to the fuel tank capacity when replenishing
fuel. The fuel tank cap must be closed tightly after filling.
Handle fuel in a safety container. If the container does not
have a spout, use a funnel. Wipe up any spilled fuel
immediately.
Figure 18. Trailer Fuel Tank
Fuel spillage on a hot engine can cause
a fire or . If fuel spillage occurs,
wipe up the spilled fuel completely to
prevent fire hazards. smoke
around or near the generator.
who have read
and understand this section should refill the fuel tank
system.
Like it never even happened.
SERVPRO
EXTERNAL
FUEL TANK
FILLER NECK
INTERNAL
FUEL TANK
R
R

PAGE 28 — DCA20SPXU2 SERVPRO®
INSPECTION/SETUP
1. — Make sure fuel cells are level with the
ground. Failure to do so will cause fuel to spill from the
tank before reaching full capacity (Figure 19).
Figure 19. Only Fill on Level Ground
and its vapors are dangerous
to your health and the surrounding
environment. Avoid skin contact and/or
inhaling fumes.
place trailer on firm level ground before
refueling to prevent spilling and maximize the amount
of fuel that can be pumped into the tank.
Level Ground
Unlevel Ground
=
Level Ground
Unlevel Ground
DO NOT fill on
unlevel ground
!
!
Like it never even happened.
R
SERVPRO
R
NOTICE
use when refueling.
2. Remove fuel cap from filler neck and fill fuel tank
(Figure 20).
3. — It is important to read the
fuel gauge when filling trailer fuel tank. wait
for fuel to rise in filler neck (Figure 20).
Figure 20. Full Fuel Tank
Figure 21. Fuel Expansion
ISUZU recommends antifreeze/summer coolant for use in their
engines, which can be purchased in concentrate (and mixed
with 50% demineralized water) or pre-diluted. See the
for further details.
fuel system. Leave room for fuel
expansion. Fuel expands when heated (Figure 21).
If adding coolant/antifreeze mix to the
radiator, remove the radiator cap
until the unit has completely cooled. The
possibility of coolant exists which can
cause severe burns.

DCA20SPXU2 SERVPRO®
Day-to-day addition of coolant is done from the recovery
tank. When adding coolant to the radiator, remove
the radiator cap until the unit has completely cooled. See
Table 10 for engine, radiator, and recovery tank coolant
capacities. Make sure the coolant level in the recovery tank
is always between the “H” and the “L” markings.
When operating in freezing weather, be certain the proper
amount of antifreeze (Table 11) has been added.
The engine may overheat if the radiator fins become
overloaded with dust or debris. Periodically clean the
radiator fins with compressed air. Cleaning inside the
machine is dangerous, so clean only with the engine turned
off and the battery terminal disconnected.
Periodic cleaning/replacement is necessary. Inspect it in
accordance with the .
A slack fan belt may contribute to overheating, or to
insufficient charging of the battery. Inspect the fan belt for
Coolant Capacity
Engine and Radiator 1.74 gal (606 liters)
Reserve Tank 0.26 gal. (1 liter)
Vol %
Anti-
Freeze
Freezing Point Boiling Point
°C °F °C °F
50 -37 -34 108 226
NOTICE
When the antifreeze is mixed with water, the antifreeze
mixing ratio less than 50%.
damage and wear and adjust it in accordance with the
The fan belt tension is proper if the fan belt bends 10 to 15
mm (Figure 22) when depressed with the thumb as shown
below.
Figure 22. Fan Belt Tension
This unit is of negative ground connect in reverse.
Always maintain battery fluid level between the specified
marks. Battery life will be shortened, if the fluid level are
not properly maintained. Add only distilled water when
replenishment is necessary.
over fill. Check to see whether the battery
cables are loose. Poor contact may result in poor starting
or malfunctions. keep the terminals firmly
tightened. Coating the terminals with an approved battery
terminal treatment compound. Replace battery with only
recommended type battery.
The battery is sufficiently charged if the specific gravity
of the battery fluid is 1.28 (at 68° F). If the specific gravity
should fall to 1.245 or lower, it indicates that the battery is
dead and needs to be recharged or replaced.
Before charging the battery with an external electric source,
be sure to disconnect the battery cables.
NEVER place hands near the belts or fan
while the generator set is running.
INSPECTION/SETUP

®
be sure the battery cables (Figure 23) are
properly connected to the battery terminals as shown below.
The is connected to the positive terminal of the
battery, and the is connected to the negative
terminal of the battery.
Figure 23. Battery Connections
When connecting battery do the following:
1. connect the battery cables to the battery
terminals when the Control Power Switch is in the
position. make sure that the Control
Power Switch is in the OFF position when connecting
the battery.
2. Place a small amount of battery terminal treatment
compound around both battery terminals. This will
ensure a good connection and will help prevent
corrosion around the battery terminals.
disconnect the negative terminal and
reconnect negative terminal .
NOTICE
If the battery cable is connected incorrectly, electrical
damage to the generator will occur. Pay close attention to
the polarity of the battery when connecting the battery.
Inadequate battery connections may cause poor
starting of the generator, and create other malfunctions.
The polarity of the alternator is negative grounding type.
When an inverted circuit connection takes place, the
circuit will be in short circuit instantaneously resulting the
alternator failure.
put water directly on the alternator. Entry of water
into the alternator can cause corrosion and damage the
alternator.
Inspect the entire generator for bad or worn electrical wiring
or connections. If any wiring or connections are exposed
(insulation missing) replace wiring immediately.
Inspect all piping, oil hose, and fuel hose connections for
wear and tightness. Tighten all hose clamps and check
hoses for leaks.
If any hose () lines are defective replace them
immediately.
INSPECTION/SETUP

DCA20SPXU2 SERVPRO®
GENERATOR START-UP PROCEDURE (MANUAL)
1. Place the circuit breakers
(Figure 24) in the OFF position prior to starting the
engine.
Figure 24. Main, Aux. and GFCI
Circuit Breakers (OFF)
2. Connect the load to the or the output
as shown in Figure 12. These load
connection points can be found on the output terminal
panel and the output terminal panel’s hard wire hookup
panel.
3. Tighten terminal nuts securely to prevent load wires
from slipping out.
4. Close all engine enclosure doors (Figure 25).
Figure 25. Engine Enclosure Doors
The engine’s exhaust contains harmful emissions.
Direct exhaust away from nearby personnel.
manually start the engine with the
or auxiliary circuit breakers in the (closed) position.
INCORRECT
CORRECT
1. Place the in the
position to start the engine (Figure 26) position.
Figure 26. MPEC Control Switch
(Manual Position)
2. Verify that the engine running status LED on the
MPEC module (Figure 27) is lit (ON) after the engine
has started
Figure 27. Engine Running (LED ON)
3. The generator’s frequency meter (Figure 28) should
be displaying the 60 cycle output frequency in
Figure 28. Frequency Meter
4. The generator’s AC-voltmeter (Figure 29) will display
the generator’s output in
Figure 29. Voltmeter
AUT
O
MANUAL
OFF/RESET
AUTO MANUAL
OFF/RESET
LOW OIL PRESSURE
HIGHCOOLANT TEMPERATURE
OVERCRANK
OVERSPEED
ENGINE RUNNING
MOOOOO-20001Q
Hz
V

®
5. If the voltage is not within the specified tolerance use
the voltage adjustment control knob (Figure 30) to
increase or decrease the desired voltage.
Figure 30. Voltage Adjust Control Knob
6. The ammeter (Figure 31) will indicate with
no load applied. When a load is applied, the ammeter
will indicate the amount of current that the load is
drawing from the generator.
Figure 31. Ammeter (No Load)
7. The engine oil pressure gauge (Figure 32) will indicate
the oil pressure of the engine. Under normal operating
conditions the oil pressure is approximately 35 to 65
psi. (241~448 kPa).
Figure 32. Oil Pressure Gauge
8. The (Figure 33) will
indicate the coolant temperature. Under normal
operating conditions the coolant temperature should
be between 180°~221°F (82°~105°C) ().
Figure 33. Coolant Temperature Gauge
9. The (Figure 34) will indicate the
speed of the engine when the generator is operating.
INCREASE
DECREASE
A
50 75
100
0
25
123456
bar
OIL
PRESS
psi
DATCON
150 180
240
100
130
40 C
WATER
TEMP
DATCON
60 80
110
F
Under normal operating conditions this speed is
approximately 1800 RPM’s.
Figure 34. Engine Tachometer Gauge
10. Place the circuit breakers
(Figure 35) in the position.
.
Figure 35. Main, Aux. and GFCI
Circuit Breakers (ON)
11. Observe the generator’s ammeter (Figure 36) and
verify it reads the anticipated amount of current with
respect to the load. The ammeter will only display a
current reading if a load is in use.
Figure 36. Ammeter (Load)
12. The generator will run until manually stopped or an
abnormal condition occurs.
20
25
3010
40
TACH
HOURS
RPMX100
8
1
10
0
35
5
15
00 0 04
A
GENERATOR START-UP PROCEDURE (MANUAL)

DCA20SPXU2 SERVPRO®
GENERATOR SHUT-DOWN PROCEDURES
Before connecting this generator to any
building’s electrical system, a
electrician must install an
Serious damage to
the building’s electrical system may occur
without this transfer switch.
NOTICE
When connecting the generator to a isolation (transfer)
switch, have power applied to the generator’s
internal battery charger. This will ensure that the engine
will not fail due to a dead battery
NOTICE
When the MPEC control switch is placed in the
mode, the generator will in the
event of commercial power falling below a prescribed
level by means of a contact closure that is generated
automatically by a transfer switch.
In this position (, should an outage occur, the
automatic transfer switch (ATS) will start the generator
automatically via the generator's auto-start contacts
connected to the ATS's start contacts.
Please refer to your ATS installation manual for further
instructions for the correct installation of the auto-start
contacts of the generator to the ATS.
When running the generator in the mode,
remember the generator can start up at any time without
warning. attempt to perform any maintenance
when the generator is in the auto mode.
1. Place the (Figure 37) in the
position.
Figure 37. MPEC Control Switch (AUTO)
2. Continue operating the generator as outlined in the
Manual Start-up procedure (start at step 2).
AUTO
MANUAL
OFF/RESET

®
To shutdown the generator, use the following procedure:
1. Place the circuit breakers
(Figure 38) in the OFF position.
Figure 38. Main, Aux. and GFCI
Circuit Breakers (OFF)
2. Let the engine cool by running it at low speed for 3-5
minutes with no load applied.
stop the engine suddenly except in an
emergency.
GENERATOR SHUT-DOWN PROCEDURES
3. Place the (Figure 39) to the
position.
Figure 39. MPEC Control Switch (Off/Reset)
4. Verify that all the status LEDs on the MPEC display
are OFF (not lit).
5. Remove all loads from the generator.
6. Inspect entire generator for any damage or loosening of
components that may have occurred during operation.
1. Place the circuit breakers
(Figure 38) in the OFF position.
AUTO
MANUAL
OFF/RESET

DCA20SPXU2 SERVPRO®
*1 Replace engine oil and filter at 100 hours, first time only.
*2 Add “Supplemental Coolant Additives (SCA’S)” to recharge the engine coolant.
*3 Replace primary air filter element when restriction indicator shows a vacuum of 625 mm (25 in. H20).
*4 If blowby hose needs to be replaced, ensure that the slope of the blowby hose is at least a 1/2 inch per foot,
with no sags or dips that could collect moisture and/or oil.
Engine
Check Engine Fluid Levels X
Check Air Cleaner X
Check Battery Acid Level X
Check Fan Belt Condition X
Check for Leaks X
Check for Loosening of Parts X
Replace Engine Oil and Filter * 1X
Clean Air Filter X
Check Fuel Filter/Water Separator Bowl X
Clean Unit, Inside and Outside X
Change Fuel Filter X
Clean Radiator and Check Coolant Protection Level*2X
Replace Air Filter Element * 3X
Check all Hoses and Clamps * 4X
Clean Inside of Fuel Tank X
Generator Measure Insulation Resistance Over 3M ohms X
Check Rotor Rear Support Bearing X
MAINTENANCE
Prior to each use, the generator should be cleaned and
inspected for deficiencies. Check for loose, missing or
damaged nuts, bolts or other fasteners. Also check for
fuel, oil, and coolant leaks. Use Table 12 as a general
maintenance guideline (Refer to the Engine
Instruction Manual)
Every 250 hours: Remove air cleaner element (Figure 40)
and clean the heavy duty paper element with light spray of
compressed air. Replace the air cleaner as needed.
This indicator (Figure 40) is attached to the air cleaner.
When the air cleaner element is clogged, air intake
restriction becomes greater and the dust indicator signal
shows RED meaning the element needs changing or
service. After changing the air element, press the dust
indicator button to reset the indicator.
Figure 40. Air Cleaner/Indicator
NOTICE
The air filter should not be changed until the indicator
reads “RED”. Dispose of old air filter. It may not be
cleaned or reused.

®
MAINTENANCE
If the engine is operating in very or
conditions, a clogged air cleaner will result. This can lead to
a loss of power, excessive carbon buildup in the combustion
chamber and high fuel consumption. Change air cleaner
more if these conditions exists.
Add diesel fuel (the grade may vary according to season
and locations).
After prolonged use, water and other impurities accumulate
in the bottom of the tank. Occasionally inspect the fuel
tank for water contamination and drain the contents if
required.
During cold weather, the more empty volume inside the
tank, the easier it is for water to condense. This can be
reduced by keeping the tank full with diesel fuel.
If necessary, drain the fuel inside the fuel tank completely.
Using a spray washer (Figure 41) wash out any deposits
or debris that have accumulated inside the fuel tank.
Figure 41. Fuel Tank Cleaning
In addition to cleaning the fuel tank, the following
components should be inspected for wear:
— look for signs of wear or
deformity due to contact with oil. Replace the rubber
suspension if necessary.
— inspect nylon and rubber hoses for signs
of wear, deterioration and hardening.
— inspect the fuel tank lining for signs
of excessive amounts of oil or other foreign matter.
Replacing Fuel Filter
Replace the fuel filter cartridge with new one every 500
hours or so.
Loosen the drain plug at the lower top of the fuel filter.
Drain the fuel in the fuel body together with the mixed
water. spill the fuel during disassembly.
Vent any air
If air enters the fuel injection system of a diesel engine,
starting becomes impossible. After running out of fuel,
or after disassembling the fuel system, bleed the system
according to the following procedure. See the
for details.
To restart after running out of fuel, turn the switch to the
position for 15-30 seconds. Try again, if needed.

DCA20SPXU2 SERVPRO®
Check the crankcase oil level prior to each use, or when the
fuel tank is filled. Insufficient oil may cause severe damage
to the engine. Make sure the generator is level. The oil level
must be between the two notches on the dipstick as shown
in Figure 17 .
Replacing Oil Filter
Remove the old oil filter.
Apply a film of oil to the gasket on the new oil filter.
Install the new oil filter.
After the oil cartridge has been replaced, the engine oil
will drop slightly. Run the engine for a while and check for
leaks before adding more oil if needed. Clean excessive
oil from engine.
Open both cocks located at the crankcase side and at
the lower part of the radiator and drain coolant. Open
the radiator cap while draining. Remove the overflow
tank and drain.
Check hoses for softening and kinks. Check clamps for
signs of leakage.
Tighten both cocks and replace the overflow tank.
Replace with coolant as recommended by the engine
manufacturer.
Close radiator cap tightly.
Flush the radiator by running clean tap water through
radiator until signs of rust and dirt are removed. DO
clean radiator core with any objects, such as a
screwdriver.
Allow engine to cool when flushing out
radiator. Flushing the radiator while hot
could cause serious burns from water or
steam.
The radiator (Figure 42) should be sprayed (cleaned) with
a high pressure washer when excessive amounts of dirt
and debris have accumulated on the cooling fins or tube.
When using a high pressure washer, stand at least 5 feet
(1.5 meters) away from the radiator to prevent damage to
the fins and tube.
Figure 42. Radiator Cleaning
For long term storage of the generator the following is
recommended:
Drain the fuel tank completely. Treat with a fuel stabilizer
if necessary.
Completely drain the oil from the crankcase and refill if
necessary with fresh oil.
Clean the entire generator, internal and external.
Cover the generating set and store in a clean, dry place.
Disconnect the battery.
Make sure engine coolant is at proper level.
If generator is mounted on a trailer, jack trailer up and
place on blocks so tires do not touch the ground or block
and completely remove the tires.
MAINTENANCE

®
MAINTENANCE
This generator can be optionally equipped with a single
120 VAC, 15 amp input receptacle (Figure 43) located on
the output terminal panel.
The purpose of this receptacle is to provide power via
commercial power to the jacket water heater and internal
battery charger (Figure 44).
The receptacle will function when commercial power
has been supplied to it. To apply commercial power to the
receptacle, a power cord of adequate size will be required
(See Table 7).
When using the generator in hot climates there is no
reason to apply power to jacket water heater. However, if
the generator will be used in climates it is always a
good idea to apply power to the jacket water heater at all
times. To apply power to the jacket water heater simply
apply power to the jacket water heater receptacle via
commercial power using an power cord of adequate size.
Figure 43. Battery Charger and Jacket Water
Heater Power Connections
CONNECT TO
EXTERNAL
120 VAC POWER
SOURCE
REFERENCE TABLE 7
FOR PROPER SIZE
EXTENSION CORD
BATTERY CHARGER/
JACKET WATER HEATER
120 VAC INPUT
RECEPTACLE
OUTPUT TERMINAL
PANEL ASSEMBLY
If the generator will be used daily, the battery should
normally not require charging. If the generator will be idle
(not used) for long periods of time, apply power to the
battery charger receptacle via commercial power using a
power cord of adequate size.
Figure 44. Jacket Water Heater/Battery Charger
NOTICE
To ensure adequate starting capability, always have
power applied to the generator's internal battery
charger.
BATTERY CHARGER
JACKET WATER HEA
TER
DC AMPERES
BATTERYCHARGER/
JACKET
WATER HEATER
120 VAC INPUT
RECEPTACLE
OUTPUT TERMINAL
PANEL ASSEMBLY

DCA20SPXU2 SERVPRO®
TRAILER MAINTENANCE
The following trailer maintenance guidelines are intended
to assist the operator in preventive maintenance.
Your trailer may be equipped with an adjustable channel
(Figure 45) that allows the coupler to be raised or lowered
to a desired height. Periodically check the channel bolts
for damage or loosening.
Figure 45. Adjustable Channel
Wheel bearings (Figure 46) must be inspected and
lubricated once a year or 12,000 miles to insure safe
operation of your trailer.
If trailer wheel bearings are immersed in water, they must
be replaced.
NOTICE
When replacing channel mounting hardware (nuts,
bolts and washers), substitute substandard
hardware. Pay close attention to bolt length and grade.
use manufacturer's recommended parts
when replacing channel mounting hardware.
2" or 2-5/16" BALL
COUPLER
ADJUSTABLE
CHANNEL
5/8" FLAT
WASHER
5/8" X 11" X 5"
BOLT
5/8"
NYLOC
NUT
ADJUSTABLE
CHANNEL
5/8" FLAT
WASHER
5/8"
NYLOC
NUT
5/8" X 11" X 5"
BOLT
3" PINTLE EYE
RING
If trailer wheels are under water for a long period of
time, wheel bearings may fail. If this is the case, service
wheel bearings immediately.
The possibility exists of the wheels falling off causing
equipment damage and severe bodily harm even death!
If the trailer has not been used for an extended amount
of time, have the bearings inspected and packed more
frequently, at least every six months and prior to use.
Follow the steps below to disassemble the wheel hub and
service the wheel bearings. See Figure 46.
Figure 46. Wheel Hub Components
After removing the dust cap, cotter pin, spindle nut and
spindle washer, remove the hub to inspect the bearings
for wear and damage.
Replace bearings that have flat spots on rollers, broken
roller cages, rust or pitting. Always replace bearings
and cups in sets. The inner and outer bearings are to
be replaced at the same time.
Replace seals that have nicks, tears or wear.
Lubricate the bearings with a high quality EP-2
automotive wheel bearing grease.
Every time the wheel hub is removed and the bearings are
reassembled, follow the steps below to check the wheel
bearings for free running and adjust.
Turn the hub slowly, by hand, while tightening the spindle
nut until you can no longer turn the hub by hand.
Loosen the spindle nut just until you are able to turn it
(the spindle nut) by hand. Do not turn the hub while the
spindle nut is loose.
Install a new cotter pin through the spindle nut and axle.
Check the adjustments. Both the hub and the spindle nut
should be able to move freely (the spindle nut motion
will be limited by the cotter pin).
WHEEL
HUB
BEARING
CUP
BEARING
CUP
BEARING
BEARING
OIL
SEAL
SPINDLE
NUT
SPINDLE
WASHER
COTTER
PIN
DUST
CAP
LUG
NUT

PAGE 40 — DCA20SPXU2 SERVPRO®
TRAILER MAINTENANCE
crawl under the trailer unless it is on firm
and level ground and resting on properly placed and
secured jackstands.
The possibility exists of the trailer falling thus causing
equipment damage and severe bodily harm even death!
When performing trailer inspection and maintenance
activities, you must jack up the trailer using jacks and
jackstands.
When jacking and using jackstands, place them so
as to clear wiring, brake lines, and suspension parts
(i.e., springs, torsion bars). Place jacks and jackstands
inside of the perimeter strip on the supporting structure
to which the axles are attached.
Improper weld repair will lead to early failure of the
trailer structure and can cause serious injury or death.
repair cracked or broken welds unless you
have a certified welder perform the repair. If not, have
the welds repaired by your dealer.
If the trailer is involved in an accident, have it inspected
immediately by qualified personnel. In addition, the
trailer should be inspected annually for signs of wear
or deformations.
The leaf suspension springs and associated components
(Figure 47) should be visually inspected every 6,000
miles for signs of excessive wear, elongation of bolt holes,
and loosening of fasteners. Replace all damaged parts
(suspension) immediately
Figure 47. Leaf Suspension Components
U-BOLT
LEAF
SUSPENSIO
N
TIE PLATE
AXLE
U-BOLT
LOCKING
NUT
FRONT
HANGER BOLT
FRONT
HANGER NUT
HANGER SUPPORT
BRACKET IS WELDED
TO FRAME
Worn or broken suspension parts can cause loss of
control, damage to equipment and severe bodily injury,
even death!
Check suspension regularly.

DCA20SPXU2 SERVPRO®
TRAILER GUIDELINES
The following guidelines are intended to assist the operator
in the operation and handling of a trailer.
Safety precautions should be followed at all times when
operating a trailer. Failure to read, understand and follow
the safety guidelines could result in injury to yourself and
others. Loss of control of the trailer or tow vehicle can result
in death or serious injury.
Driving too fast for the conditions (maximum speed when
towing a trailer is 55 mph).
Overloading the trailer or loading the trailer unevenly.
Trailer improperly coupled to the hitch.
No braking on trailer.
Not maintaining proper tire pressure.
Not keeping lug nuts tight.
Not properly maintaining the trailer structure.
Ensure machine is towed level to tow vehicle.
Recheck the load tiedowns to make sure the load will
not shift during towing.
Before towing, check coupling, safety chain, safety
brake, tires, wheels and lights.
Check the lug nuts or bolts for tightness.
Check coupler tightness after towing 50 miles.
Use your mirrors to verify that you have room to change
lanes or pull into traffi c.
Use your turn signals well in advance. Allow plenty of
stopping space for your trailer and tow vehicle.
Allow plenty of stopping space for your trailer and tow
vehicle.
drive so fast that the trailer begins to sway
due to speed.
Allow plenty of room for passing. A rule of thumb is that
the passing distance with a trailer is 4 times the passing
distance without the trailer.
Shift your automatic transmission into a lower gear for
city driving.
use lower gears for climbing and descending
grades.
ride the brakes while descending grades, they
may get so hot that they stop working. Then you will
potentially have a runaway tow vehicle and trailer.
To conserve fuel, don’t use full throttle to climb a hill.
Instead, build speed on the approach.
Slow down for bumps in the road. Take your foot off the
brake when crossing the bump.
brake while in a curve unless absolutely
necessary. Instead, slow down before you enter the
curve and power through the curve. This way, the towing
vehicle remains in charge.
apply the brakes to correct extreme trailer
swaying. Continued pulling of the trailer, and even slight
acceleration, will provide a stabilizing force.
Anticipate the trailer “swaying.” Swaying is the trailer
reaction to the air pressure wave caused by passing
trucks and buses. Continued pulling of the trailer provides
a stabilizing force to correct swaying. DO NOT apply the
brakes to correct trailer swaying.
Use lower gear when driving down steep or long grades.
Use the engine and transmission as a brake. Do not
ride the brakes, as they can overheat and become
ineffective.
Be aware of your trailer height, especially when
approaching roofed areas and around trees.
Make regular stops, about once each hour. Confi rm
that:
•Coupler is secure to the hitch and is locked.
•Electrical connectors are secure.
•There is appropriate slack in the safety chains.
•
There is appropriate slack in the breakaway switch
pullpin cable.
•Tires are not visibly low on pressure.

PAGE 42 — DCA20SPXU2 SERVPRO®
TRAILER GUIDELINES
When towing a trailer, you will have decreased acceleration,
increased stopping distance, and increased turning radius
(which means you must make wider turns to keep from
hitting curbs, vehicles, and anything else that is on the
inside corner). In addition, you will need a longer distance
to pass, due to slower acceleration and increased length.
Be alert for slippery conditions. You are more likely to be
affected by slippery road surfaces when driving a tow
vehicle with a trailer, than driving a tow vehicle without
a trailer.
Check rearview mirrors frequently to observe the trailer
and traffi c.
drive faster than what is safe.
Follow all of the safety precautions and instructions in
this manual to ensure safety of persons, equipment, and
satisfactory life of the trailer. Always use an adequate tow
vehicle and hitch. If the vehicle or hitch is not properly
selected and matched to the Gross Vehicle Weight Rating
(GVWR) of your trailer, you can cause an accident that
could lead to death or serious injury.
If you already have a tow vehicle, know your vehicle tow
rating and make certain the trailer’s rated capacity is less
than or equal to the tow vehicle’s rated towing capacity. If
you already have (or plan to buy) a trailer, make certain
that the tow rating of the tow vehicle is equal to or greater
than that of the trailer.
The trailer VIN tag contains the critical safetyinformation
Driving too fast for severe road conditions can result in
loss of control and cause death or serious injury.
Decrease your speed as road, weather, and lighting
conditions deteriorate.
Always check for local trailer tow speed limits in your
area.
Do not transport people on the trailer. The transport of
people puts their lives at risk and may be illegal.
for the use of your trailer. Again, be sure your hitch and tow
vehicle are rated for the Gross Vehicle Weight Rating of
your trailer.
Proper selection and condition of the coupler and hitch
are essential to safely towing your trailer. A loss of
coupling may result in death or serious injury.
• Be sure the hitch load rating is equal to or greater
than the load rating of the coupler.
• Be sure the hitch size matches the coupler size.
• Observe the hitch for wear, corrosion and cracks
before coupling. Replace worn, corroded or cracked
hitch components before coupling the trailer to the
tow vehicle.
• Be sure the hitch components are tight before
coupling the trailer to the tow vehicle.
An improperly coupled trailer can result in death or
serious injury.
move the trailer until:
• The coupler is secured and locked to hitch.
• The safety chains are secured to the tow vehicle.
• The trailer jack(s) are fully retracted.
tow the trailer on the road until:
• Tires and wheels are checked.
• The trailer brakes are checked.
• The breakaway switch is connected to the tow vehicle.
• The load is secured to the trailer.
• The trailer lights are connected and checked.
Use of a hitch with a load rating less than the load rating
of the trailer can result in loss of control and may lead
to death or serious injury.
Use of a tow vehicle with a towing capacity less than
the load rating of the trailer can result in loss of control,
and may lead to death or serious injury.
Be sure your hitch and tow vehicle are rated for the
Gross Vehicle Weight Rating of your trailer.

DCA20SPXU2 SERVPRO®
Be sure that the brakes and all of the lights on your trailer
are functioning properly before towing your trailer. Check
the trailer taillights by turning on your tow vehicle headlights.
Check the trailer brake lights by having someone step on
the tow vehicle brake pedal while you look at trailer lights.
Do the same thing to check the turn signal lights. See Trailer
Wiring Diagram section in this manual.
Standard mirrors usually do not provide adequate visibility
for viewing traffi c to the sides and rear of a towed trailer.
You must provide mirrors that allow you to safely observe
approaching traffi c.
Driving a vehicle with a trailer in tow is vastly different
from driving the same vehicle without a trailer in tow.
Acceleration, maneuverability and braking are all diminished
with a trailer in tow.
It takes longer to get up to speed, you need more room to
turn and pass, and more distance to stop when towing a
trailer. You will need to spend time adjusting to the different
feel and maneuverability of the tow vehicle with a loaded
trailer.
Because of the signifi cant differences in all aspects of
maneuverability when towing a trailer, the hazards and risks
of injury are also much greater than when driving without
a trailer. You are responsible for keeping your vehicle and
trailer in control, and for all the damage that is caused if
you lose control of your vehicle and trailer.
As you did when learning to drive an automobile, fi nd
an open area with little or no traffi c for your fi rst practice
trailering. Of course, before you start towing the trailer, you
must follow all of the instructions for inspection, testing,
loading and coupling. Also, before you start towing, adjust
the mirrors so you can see the trailer as well as the area
to the rear of it.
Improper electrical connection between the tow vehicle
and the trailer will result in inoperable lights and can
lead to collision.
Before each tow, check that the tail lights, brake lights
and turn signals work.
Drive slowly at fi rst, 5 mph or so, and turn the wheel to
get the feel of how the tow vehicle and trailer combination
responds. Next, make some right and left hand turns.
Watch in your side mirrors to see how the trailer follows
the tow vehicle. Turning with a trailer attached requires
more room.
Stop the rig a few times from speeds no greater than
10 mph. If your trailer is equipped with brakes, try using
different combinations of trailer brake and tow vehicle brake.
Note the effect that the trailer brakes have when they are
the only brakes used. When properly adjusted, the trailer
brakes will come on just before the tow vehicle brakes.
It will take practice to learn how to back up a tow vehicle
with a trailer attached. Take it slow. Before backing up, get
out of the tow vehicle and look behind the trailer to make
sure that there are no obstacles.
Some drivers place their hands at the bottom of the steering
wheel, and while the tow vehicle is in reverse, “think” of the
hands as being on the top of the wheel. When the hands
move to the right (counterclockwise, as you would do to
turn the tow vehicle to the left when moving forward), the
rear of the trailer moves to the right. Conversely, rotating
the steering wheel clockwise with your hands at the bottom
of the wheel will move the rear of the trailer to the left while
backing up.
If you are towing a bumper hitch rig, be careful not to allow
the trailer to turn too much because it will hit the rear of the
tow vehicle. To straighten the rig, either pull forward or turn
the steering wheel in the opposite direction.
Figure A below is a sample of the Vehicle Identifi cation
Number (VIN) Tag which is typically located on the left front
of the trailer. See Figure B for location.
Figure A. Vehicle VIN Tag
TRAILER GUIDELINES

PAGE 44 — DCA20SPXU2 SERVPRO®
Figure B. VIN Tag Location
The trailer VIN Tag contains the following critical safety
information for the use of your trailer.
GAWR
: The maximum gross weight that an axle cansupport.
It is the lowest of axle, wheel, or tire rating.
Usually, the tire or wheel rating is lower than the axle rating,
and determines GAWR.
GVWR
: The maximum allowable gross weight of the trailer
and its contents. The gross weight of the trailer includes
the weight of the trailer and all of the items within it. GVWR
is sometimes referred to as GTWR (Gross Trailer Weight
Rating), or MGTW (Maximum Gross Trailer Weight). GVWR,
GTWR and MGTW are all the same rating.
The sum total of the GAWR for all trailer axles may be less
than the GVWR for the trailer, because some of the trailer
load is to be carried by the tow vehicle, rather than by the
trailer axle(s). The total weight of the cargo and trailer must
not exceed the GVWR, and the load on an axle must not
exceed its GAWR.
: The tire pressure (psi) measured when cold.
: The Vehicle Identifi cation Number.
: Some information that comes with the
trailer (such as the Manufacturer’s Statement of Origin)
is not a reliable source for “empty” or “net” weight. The
shipping documents list average or standard weights and
your trailer may be equipped with options.
VIN TAG
VIN TAG
To determine the “empty” or “net” weight of your trailer,
weigh it on an axle scale. To fi nd the weight of the trailer
using an axle scale, you must know the axle weights of
your tow vehicle without the trailer coupled. Some of the
trailer weight will be transferred from the trailer to the tow
vehicle axles, and an axle scale weighs all axles, including
the tow vehicle axles.
The towing hitch attached to your tow vehicle must have a
capacity equal to or greater than the load rating of the trailer
you intend to tow. The hitch capacity must also be matched
to the tow vehicle capacity. Your vehicle dealer can provide
and install the proper hitch on your tow vehicle.
Sway bars, shock absorbers, heavy duty springs, heavy
duty tires and other suspension components may be
required to suffi ciently tow the trailer and pump.
The size of the trailer that is being towed and your state
law regulations determine the size of the mirrors. However,
some states prohibit extended mirrors on a tow vehicle,
except while a trailer is actually being towed. In this
situation, detachable extended mirrors are necessary.
Check with your dealer or the appropriate state agency
for mirror requirements.
A Heavy Duty Flasher is an electrical component that may
be required when your trailer turn signal lights are attached
to the tow vehicle fl asher circuit.
An Electrical Connector connects the lights on the trailer
to the lights on the towing vehicle.
It is wise to carry these warning devices even if you are
not towing a trailer. It is particularly important to have these
when towing a trailer because the hazard fl ashers of your
towing vehicle will not operate for as long a period of time
when the battery is running both the trailer lights and tow
vehicle lights.
TRAILER GUIDELINES

DCA20SPXU2 SERVPRO®
If the coupler connection comes loose, the safety chains
can keep the trailer attached to the tow vehicle. With
properly rigged safety chains, it is possible to keep the
tongue of the trailer from digging into the road pavement,
even if the coupler-to-hitch connection comes apart.
A device on the trailer that is used to raise and lower the
coupler. The jack is sometimes called the “landing gear” or
the “tongue jack”.
Two types of coupler used with the trailer are discussed
below.
Ball Hitch Coupler
Pintel Eye Coupler
A ball hitch coupler (Figure C) connects to a ball that is
located on or under the rear bumper of tow vehicle. This
system of coupling a trailer to a tow vehicle is sometimes
referred to as “bumper pull.”
A ball hitch trailer may be fi tted with a tongue jack that can
raise and lower the coupler. The tongue jack is mounted to
the A-frame (front or tongue) part of the trailer. By rotating
the jack handle clockwise, the jack will extend and raise
the tongue of the trailer.
Figure C. Ball Hitch Coupler
Before each tow, coat the ball with a thin layer of automotive
bearing grease to reduce wear and ensure proper operation.
Check the locking device that secures the coupler to the
ball for proper operation.
If you see or feel evidence of wear, such as fl at spots,
deformations, pitting or corrosion, on the ball or coupler,
immediately have your dealer inspect them to determine
the proper action to prevent possible failure of the ball and
coupler system. All bent or broken coupler parts must be
replaced before towing the trailer.
The coupler handle lever must be able to rotate freely and
automatically snap into the latched position. Oil the pivot
points, sliding surfaces, and spring ends with SAE 30W
motor oil. Keep the ball socket and latch mechanism clean.
Dirt or contamination can prevent proper operation of the
latching mechanism.
The load rating of the coupler and the necessary ball size
are listed on the trailer tongue. You must provide a hitch and
ball for your tow vehicle where the load rating of the hitch
and ball is equal to or greater than that of your trailer.
Also, the ball size must be the same as the coupler size. If
the hitch ball is too small, too large, is underrated, is loose
or is worn, the trailer can come loose from the tow vehicle
and may cause death or serious injury.
THE TOW VEHICLE, HITCH AND BALL MUST HAVE A
RATED TOWING CAPACITY EQUAL TO OR GREATER
THAN THE TRAILER
. IT IS ESSENTIAL THAT THE HITCH BALL BE
OF THE SAME SIZE AS THE COUPLER.
The ball size and load rating (capacity) are marked on the
ball. Hitch capacity is marked on the hitch.
Coupler-to-hitch mismatch can result in uncoupling,
leading to death or serious injury.
Be sure the LOAD RATING of the hitch ball is equal or
greater than the load rating of the coupler.
Be sure the SIZE of the hitch ball matches the size of
the ball coupler.
TRAILER GUIDELINES

PAGE 46 — DCA20SPXU2 SERVPRO®
Rock the ball to make sure it is tightened to the hitch,
and visually check that the hitch ball nut is solid against
the lock washer and hitch frame.
Wipe the inside and outside of the coupler. Clean and
visually inspect it for cracks and deformations. Feel the
inside of the coupler for worn spots and pits.
Be sure the coupler is secured tightly to the tongue of the
trailer. All coupler fasteners must be visibly solid against
the trailer frame.
The bottom surface of the coupler must be above the top
of the hitch ball. Use the tongue jackstand to support
the trailer tongue. Wood or concrete blocks may also
be used.
Lubricate the hitch ball and the inside of the coupler with
a thin layer of automotive bearing grease.
Slowly back up the tow vehicle so that the hitch ball is
near or aligned under the coupler.
Using the jackstand at the front of trailer (tongue), turn
the jackstand crank handle to raise the trailer. If the ball
coupler does not line up with the hitch ball, adjust the
position of the tow vehicle.
Open the coupler locking mechanism. Ball couplers have
a locking mechanism with an internal moving piece and
an outside handle. In the open position, the coupler is
able to drop fully onto the hitch ball.
A worn, cracked or corroded hitch ball can fail while
towing and may result in death or serious injury.
Before coupling trailer, inspect the hitch ball for wear,
corrosion and cracks.
Replace worn or damaged hitch ball.
A loose hitchball nut can result in uncoupling, leading
to death or serious injury.
Be sure the hitch ball is tight to the hitch before coupling
the trailer.
Lower the trailer (Figure D) until the coupler fully engages
the hitch ball.
Figure D. Ball Hitch Coupling Mechanism
Engage the coupler locking mechanism. In the engaged
position, the locking mechanism securely holds the
coupler to the hitch ball.
Insert a pin or lock through the hole in the locking
mechanism.
Be sure the coupler is all the way on the hitch ball and
the locking mechanism is engaged. A properly engaged
locking mechanism will allow the coupler to raise the rear
of the tow vehicle. Using the trailer jackstand, verify that
you can raise the rear of the tow vehicle by 1 inch after
the coupler is locked to the hitch.
Lower the trailer so that its entire tongue weight is held
by the hitch.
Raise the jackstand to a height where it will not interfere
with the road.
If the coupler cannot be secured to the hitch ball, do not
tow the trailer. Call your dealer for assistance. Lower the
trailer so that its entire tongue weight is held by the hitch and
continue retracting the jack to its fully retracted position.
2-INCH
TRAILER
COUPLER
2-INCH
BALL
TOW
VEHICLE
NOTICE
Overloading can damage the tongue jack.
use the tongue jack to raise the tow vehicle more than
one inch.
TRAILER GUIDELINES

DCA20SPXU2 SERVPRO®
Visually inspect the safety chains and hooks for wear or
damage. Replace worn or damaged safety chains and
hooks before towing.
Attach the safety chains so that they:
•Cross underneath the coupler. See Figure E.
Figure E. Attaching Safety Chain (Ball Hitch)
•Loop around a frame member of the tow vehicle or holes
provided in the hitch system (DO NOT attach them to
an interchangeable part of the hitch assembly).
•Have enough slack to permit tight turns, but not be
close to the road surface, so if the trailer uncouples, the
safety chains can hold the tongue up above the road
.
Connect the trailer lights to the tow vehicle’s electrical
system using the electric connectors at the front of the
trailer (tongue). Refer to the wiring diagram shown in the
trailer wiring diagram section of this manual. Before towing
the trailer check for the following:
Running lights (turn on tow vehicle headlights).
Brake Lights (step on tow vehicle brake pedal).
CROSS BOTH
SAFETY CHAINS
IMPORTANT!
TRAILER
TONGUE
SAFETY CHAIN
MASTER LINK
TOW
VEHICLE
Improper rigging of the safety chains can result in
loss of control of the trailer and tow vehicle, leading
to death or serious injury, if the trailer uncouples from
the tow vehicle.
• Fasten chains to frame of tow vehicle. DO NOT fasten
chains to any part of the hitch unless the hitch has
holes or loops specifi cally for that purpose.
• Cross chains underneath hitch and coupler with
enough slack to permit turning and to hold tongue
up, if the trailer comes loose.
Backup Lights (place tow vehicle gear shift in reverse).
Turn Signals (activate tow vehicle directional signal
lever).
Follow these steps to uncouple ball hitch from tow
vehicle:
Block trailer tires to prevent the trailer from rolling, before
jacking the trailer up.
Disconnect the electrical connector.
Disconnect the breakaway brake switch cable. Promptly
replace the pullpin in the switchbox.
Before extending jackstand, make certain the ground
surface below the jackstand foot will support the tongue
load.
Rotate the jackstand handle (or crank) clockwise. This
will slowly extend the jack and transfer the weight of the
trailer tongue to the jack.
Improper electrical connection between the tow vehicle
and the trailer will result in inoperable lights and electric
brakes, and can lead to collision.
Before each tow:
• Check that the taillights, brake lights and turn signals
work.
• Check that the electric brakes work by operating the
brake controller inside the tow vehicle.
TRAILER GUIDELINES

PAGE 48 — DCA20SPXU2 SERVPRO®
A pintle eye coupler (Figure F) connects to a pintle-hook
hitch that is located on or under the rear bumper of the tow
vehicle. This system of coupling a trailer to a tow vehicle is
sometimes referred to as a “lunette eye, tow ring or G.I.
hitch.”
Figure F. Pintle Hitch Coupler
A pintle hitch trailer may be fi tted with a tongue jackstand
that can raise and lower the coupler. The tongue jack is
mounted to the A-frame (front or tongue) part of the trailer.
By rotating the jack handle clockwise, the jack will extend
and raise the tongue of the trailer.
The load rating of the coupler and the necessary pintle
hitch size are listed on the trailer tongue. You must provide
a pintle hitch and pintle coupler for your tow vehicle, where
the load rating of the pintle hitch and pintle coupler is equal
to or greater than that of your trailer.
Also, the pintle hitch size must be the same as the pintle
coupler size. If the hitch is too small, too large, underrated,
loose or worn, the trailer can come loose from the tow
vehicle, and may cause death or serious injury.
Before each tow, check the locking device that secures the
coupler to the pintle hook assembly.
The pintle hook lever must be able to operate freely and
automatically snap into place into the latched position.
Lightly oil the pivot points and sliding surfaces with SAE30W
motor oil to prevent rust and help ensure proper operation
of the latching mechanism.
If you see or feel evidence of wear, such as fl at spots,
deformations, pitting or corrosion, on the pintle hook or
coupler, immediately have your dealer inspect them to
determine the proper action to prevent possible failure of
the ball andcoupler system. All bent or broken coupler parts
must be replaced before towing the trailer.
THE TOW VEHICLE, PINTLE HITCH AND PINTLE
COUPLER MUST HAVE A RATED TOWING CAPACITY
EQUAL TO OR GREATER THAN THE TRAILER
.
IT IS ESSENTIAL THAT THE PINTLE HITCH BE OF THE
SAME SIZE AS THE PINTLE COUPLER.
The coupler size and load rating (capacity) are marked on
the coupler. Hitch capacity is marked on the hitch.
Rock the pintle eye coupler to make sure it is secured
tightly to the hitch.
Wipe the inside and outside of the pintle coupler. Clean
and inspect it visually for cracks and deformations. Feel
the inside of the coupler for worn spots and pits.
Be sure the coupler is secured tightly to the tongue of the
trailer. All coupler fasteners must be visibly solid against
the trailer frame.
Coupler-to-hitch mismatch can result in uncoupling,
leading to death or serious injury.
Be sure the LOAD RATING of the pintle hitch hook is
equal or greater than the load rating of the pintle eye
coupler.
Be sure the SIZE of the pintle hitch hook matches the
size of the pintle eye coupler.
A worn, cracked or corroded pintle hitch hook can fail
while towing, and may result in death or serious injury.
Before coupling trailer, inspect the pintle hitch hook for
wear, corrosion and cracks.
Replace worn or damaged pintle hitch hook.
TRAILER GUIDELINES

DCA20SPXU2 SERVPRO®
Raise the bottom surface of the coupler to be above the
top of the pintle hitch hook. Use the tongue jackstand
to support the trailer tongue. Wood or concrete blocks
may also be used.
Slowly back up the tow vehicle so that the pintle
hitch hook is near or aligned under the pintle eye ring
coupler.
Using the jackstand at the front of trailer (tongue), turn
the jackstand crank handle to raise the trailer. If the pintle
eye coupler does not line up with the pintle hitch hook,
adjust the position of the tow vehicle.
OPEN the pintle hook locking mechanism (Figure G).
Place the hook inside the eye coupler. CLOSE the pintle
hook mechanism.
Figure G. Attaching Safety Chain (Pintle Hitch)
Insert a pin or lock through the hole in the locking
mechanism.
Be sure the pintle hook is inserted completely through
the eye ring and the locking mechanism is engaged.
A properly engaged locking mechanism will allow the
coupler to raise the rear of the tow vehicle. Using the
trailer jack, test to see that you can raise the rear of the
tow vehicle by1-inch after the coupler is locked to the
hitch.
A defective pintle hitch not properly fastened can result
in uncoupling, leading to death or serious injury.
Be sure the pintle hook is securly tighten to the tow
vehicle before coupling the trailer.
TRAILER
TONGUE
SAFETY
CHAIN
MASTER
LINK
TOW
VEHICLE
CROSS BOTH
SAFETY CHAINS
IMPORTANT!
PINTLE
HOOK
PINTLE
RING “EYE”
SAFETY
CHAIN
Lower the trailer so that its entire tongue weight is held
by the hitch.
Raise the jackstand to a height where it will not interfere
with the road.
Trailer tires and wheels are more likely to fail than car tires
and wheels because they carry a heavier load. Therefore,
it is essential to inspect the trailer tires before each tow.
If a tire has a bald spot, bulge, cuts, is showing any cords,
or is cracked, replace the tire before towing. If a tire has
uneven tread wear, take the trailer to a dealer service
center for diagnosis.
Uneven tread wear can be caused by tire imbalance, axle
misalignment or incorrect infl ation.
Tires with too little tread will not provide adequate tracking
on wet roadways and can result in loss of control, leading
to death or serious injury.
Improper tire pressure causes an unstable trailer and
can result in a tire blowout and loss of control. Therefore,
before each tow you must also check the tire pressure. Tire
pressure must be checked when tires are cold.
Allow 3 hours cool-down after driving as much as 1 mile at
40 mph before checking tire pressure. Trailer tires will be
infl ated to higher pressures than passenger vehicle tires.
Since trailer wheels and lug nuts (or bolts) are subjected
to greater side loads than automobile wheels, they are
more prone to loosen. Before each tow, check to make
sure they are tight.
The proper tightness (torque) for lug nuts is listed in the
lug nut tightening section of this manual. Use a torque
wrench to tighten the lug nuts. If you do not have a torque
TRAILER GUIDELINES

®
wrench, use a lug wrench (from your tow vehicle) and
tighten the nuts as much as you can. Then have a service
garage or trailer dealer tighten the lug nuts to the proper
torque.
Lug nuts are also prone to loosen after first being
assembled. When driving a new trailer (or after wheels
have been remounted), check to make sure they are tight
after the fi rst 10, 25 and 50 miles of driving and before
each tow thereafter.
Failure to perform this check can result in a wheel parting
from the trailer and a crash, leading to death or serious
injury.
Determining the load limits of a trailer includes more than
understanding the load limits of the tires alone. On all
trailers there is a Federal certifi cation/VIN label that is
located on the forward half of the left (road) side of the unit.
Metal creep between the wheel rim and lug nuts will
cause rim to loosen and could result in a wheel coming
off, leading to death or serious injury.
Tighten lug nuts before each tow.
Lug nuts are prone to loosen after initial installation,
which can lead to death or serious injury.
Check lug nuts for tightness on a new trailer or when
wheel(s) have been remounted after the fi rst 10, 25
and 50 miles of driving.
Improper lug nut torque can cause a wheel parting from
the trailer, leading to death or serious injury.
Be sure lug nuts are tight before each tow.
Improper tire pressure can result in a blowout and loss
of control, which can lead to death or serious injury.
Be sure tires are infl ated to pressure indicated on side
wall before towing trailer.
This certifi cation/VIN label will indicate the trailer’s Gross
Vehicle Weight Rating (GVWR). This is the most weight
the fully loaded trailer can weigh. It will also provide the
Gross Axle Weight Rating (GAWR). This is the most a the
axle can weigh.
There is a vehicle placard (Figure H) located in the same
location as the certifi cation label described above. This
placard provides tire and loading information. In addition,
this placard will show a statement regarding maximum
cargo capacity.
Figure H. Trailer Tire Placard
If additional work items (hoses, tools, clamps etc.) are
going to be added to the trailer, be sure they are distributed
evenly to prevent overloading front to back and side to side.
Heavy items should be placed low and as close to the axle
positions as reasonable. Too many items on one side may
overload a tire.
Excessive loads and/or underinfl ation cause tire overloading
and, as a result, abnormal tire fl exing occurs. This situation
can generate an excessive amount of heat within the tire.
Excessive heat may lead to tire failure. It is the air pressure
that enables a tire to support the load, so proper infl ation
is critical. The proper air pressure may be found on the
certifi cation/VIN label and/or on the Tire and Loading
Information placard. This value should never exceed the
maximum cold infl ation pressure stamped on the tire.
Perform the following steps to determine the load limit of
your trailer.
Locate the statement, “The weight of cargo should never
exceed XXX kg or XXX lbs.,” on your vehicle’s Tire and
Loading Information placard (Figure I). This value equals
the available amount of equipment load capacity.
The weight of cargo should never exceed XXX kg. Or XXX lbs.
TIRE
FRONT
REAR
SPARE
SIZE
COLD TIRE PRESSURE
TIRE AND LOADING INFORMATION
SEE OWNER’S
MANUAL FOR
ADDITIONAL
INFORMATION
TRAILER GUIDELINES

DCA20SPXU2 SERVPRO®
Determine the weight of the equipment being loaded
on the tow vehicle. That weight may not safely exceed
the available equipment load capacity. The trailer’s Tire
Information Placard is attached adjacent to or near the
trailer’s VIN (Certifi cation) label at the left front of the trailer
(See Figure I).
Locate the statement, “The combined weight of occupants
and cargo should never exceed XXX lbs.,” on your vehicle’s
placard.
Determine the combined weight of the driver and
passengers who will be riding in your vehicle.
Subtract the combined weight of the driver and passengers
from XXX kilograms or XXX pounds.
The resulting fi gure equals the available amount of cargo
and luggage capacity. For example, if the “XXX” amount
equals 1400 lbs. and there will be fi ve 150 lb. passengers
in your vehicle, the amount of available cargo and luggage
capacity is 650 lbs. (1400-750 (5 x 150) = 650 lbs.).
Determine the combined weight of luggage and cargo
being loaded on the vehicle. That weight may not safely
exceed the available cargo and luggage capacity calculated
in Step 4.
If your vehicle will be towing a trailer, load from your trailer
will be transferred to your vehicle. Consult the tow vehicle’s
manual to determine how this weight transfer reduces the
available cargo and luggage capacity of your vehicle.
Studies of tire safety show that maintaining proper tire
pressure, observing tire and vehicle load limits (not carrying
more weight in your vehicle than your tires or vehicle can
safely handle), avoiding road hazards and inspecting tires
for cuts, slashes and other irregularities are the most
important things you can do to avoid tire failure, such as
tread separation or blowout and fl at tires. These actions,
along with other care and maintenance activities, can
also:
Improve vehicle handling.
Help protect you and others from avoidable breakdowns
and accidents.
Improve fuel economy.
Increase the tire life.
Use the information contained in this section to make tire
safety a regular part of your vehicle maintenance routine.
Recognize that the time you spend is minimal compared
with the inconvenience and safety consequences of a fl at
tire or other tire failure.
Federal law requires tire manufacturers to place standardized
information on the sidewall of all tires (Figure I). This
information identifies and describes the fundamental
characteristics of the tire and also provides a tire
identifi cation number for safety standard certifi cation and
in case of a recall.
Figure I. Standard Tire Sidewall Information
P: The “P” indicates the tire is for passenger vehicles.
: This three-digit number gives the width in
millimeters of the tire from sidewall edge to sidewall edge.
In general, the larger the number, the wider the tire.
: This two-digit number, known as the aspect
ratio, gives the tire’s ratio of height to width. Numbers of
70 or lower indicate a short sidewall for improved steering
response and better overall handling on dry pavement.
P
: The “R” stands for radial. Radial ply construction of tires
has been the industry standard for the past 20 years.
TRAILER GUIDELINES

®
: This two-digit number is the wheel or rim
diameter in inches. If you change your wheel size, you
will have to purchase new tires to match the new wheel
diameter.
: This two- or three-digit number is the tire’s
load index. It is a measurement of how much weight each
tire can support. You may fi nd this information in your
owner’s manual. If not, contact a local tire dealer.
Note:
You may not fi nd this information on all tires because it is
not required by law.
: The “M+S” or “M/S” indicates that the tire has
some mud and snow capability. Most radial tires have
these markings; hence, they have some mud and snow
capability.
: The speed rating denotes the speed at
which a tire is designed to be driven for extended periods
of time. The ratings range from 99 miles per hour (mph) to
186 mph. These ratings are listed in Table A. Note: You may
not fi nd this information on all tires because it is not required
by law.
: This begins with the
letters “DOT” and indicates that the tire meets all federal
standards. The next two numbers or letters are the plant
code where it was manufactured, and the last four numbers
represent the week and year the tire was built. For example,
the numbers 3197 means the 31st week of 1997. The other
numbers are marketing codes used at the manufacturer’s
discretion. This information is used to contact consumers
if a tire defect requires a recall.
: The number of
plies indicates the number of layers of rubber-coated fabric
Q 99 mph
R 106 mph
S 112 mph
T 118 mph
U 124 mph
H 130 mph
V 149 mph
W 168* mph
Y 186* mph
in the tire. In general, the greater the number of plies, the
more weight a tire can support. Tire manufacturers also
must indicate the materials in the tire, which include steel,
nylon, polyester, and others.
: This number indicates the
maximum load in kilograms and pounds that can be carried
by the tire.
: This number
is the greatest amount of air pressure that should ever be
put in the tire under normal driving conditions.
: This number indicates the tire’s
wear rate. The higher the treadwear number is, the longer
it should take for the tread to wear down. For example, a
tire graded 400 should last twice as long as a tire graded
200.
This letter indicates a tire’s ability to stop
on wet pavement. A higher graded tire should allow you
to stop your car on wet roads in a shorter distance than a
tire with a lower grade. Traction is graded from highest to
lowest as “AA”,”A”, “B”, and “C”.
This letter indicates a tire’s
resistance to heat. The temperature grade is for a tire that
is infl ated properly and not overloaded. Excessive speed,
underinfl ation or excessive loading, either separately or
in combination, can cause heat build-up and possible tire
failure. From highest to lowest, a tire’s resistance to heat
is graded as “A”, “B”, or “C”.
Refer to Figure J for additional tire information for light
trucks.
Figure J. UTQGS Tire Information
TRAILER GUIDELINES

DCA20SPXU2 SERVPRO®
Tires for light trucks have other markings besides those
found on the sidewalls of passenger tires.
: The “LT” indicates the tire is for light trucks or trailers.
: An “ST” is an indication the tire is for trailer use only.
kg (lbs) at kPa (psi) Cold: This information
indicates the maximum load and tire pressure when the tire
is used as a dual, that is, when four tires are put on each
rear axle (a total of six or more tires on the vehicle).
kg (lbs) at kPa (psi) Cold: This information
indicates the maximum load and tire pressure when the tire
is used as a single.
: This information identifi es the tire’s load-
carrying capabilities and its infl ation limits.
Slow down if you have to go over a pothole or other
object in the road.
run over curbs or other foreign objects in the
roadway, and try not to strike the curb when parking.
Check tire infl ation pressure weekly during use to insure
the maximum tire life and tread wear.
bleed air from tires when they are hot.
Inspect tires for uneven wear patterns on the tread,
cracks, foreign objects, or other signs of wear or
trauma.
Remove bits of glass and foreign objects wedged in
the tread.
Make sure your tire valves have valve caps.
check tire pressure on tow vehicle and trailer
before towing. Check tire pressure at least once a
month.
overload tow vehicle. Check the tire information
and loading placard for safe allowable tire loading
conditions.
The proper repair of a punctured tire requires a plug for the
hole and a patch for the area inside the tire that surrounds
the puncture hole. Punctures through the tread can be
repaired if they are not too large, but punctures to the
sidewall should not be repaired. Tires must be removed
from the rim to be properly inspected before being plugged
and patched.
Replace the tire before towing the trailer if the tire treads
have less than 1/16 inch depth or the telltale bands are
visible. Check infl ation pressure weekly during use to insure
the maximum tire life and tread wear. A bubble, cut or bulge
in a side wall can result in a tire blowout. Inspect both side
walls of each tire for any bubble, cut or bulge; and replace
a damaged tire before towing the trailer.
Table B below will help pinpoint the causes and solutions
of tire wear problems.
Wear Pattern Solution
Center Wear Over infl ation. Adjust pressure to particular
load per tire manufacturer.
Edge Wear Under infl ation. Adjust pressure to particular
load per tire manufacturer.
Side Wear Loss of camber
or overloading.
Make sure load does not
exceed axle rating.
Align wheels.
Toe Wear Incorrect toe-in. Align wheels.
Cupping Out-of-balance. Check bearing adjustment
and balance tires.
Flat Spots Wheel lockup and
tire skidding.
Avoid sudden stops when
possible and adjust brakes.
ALWAYS wear safety glasses when
removing or installing force fi tted parts. DO
attempt to repair or modify a wheel.
DO NOT install an inner-tube to correct a
leak through through the rim. If the rim is
cracked, the air pressure in the inner tube may cause
pieces of the rim to explode (break off) with great force
and cause serious eye or bodily injury.
TRAILER GUIDELINES

®
If the trailer has been struck, or impacted, on or near the
wheels, or if the trailer has struck a curb, inspect the rims for
damage (i.e. being out of round); and replace any damaged
wheel. Inspect the wheels for damage every year, even if
no obvious impact has occurred.
A loose, worn or damaged wheel bearing is the most
common cause of brakes that grab.
To check wheel bearings, jack trailer and check wheels
for side-to-side looseness. If the wheels are loose, or spin
with a wobble, the bearings must be serviced or replaced.
Check infl ation pressure weekly during use to insure the
maximum tire life and tread wear. Most trailer axles are
built with sealed bearings that are not serviceable. Sealed
bearings must be replaced as complete units.
It is extremely important to apply and maintain proper wheel
mounting torque on the trailer. Be sure to use only the
fasteners matched to the cone angle of the wheel. Proper
procedure for attachment of the wheels is as follows:
1.
Start all wheel lug nuts by hand.
2.
Torque all lug nuts in sequence. See Figure K. DO
NOT torque the wheel lug nuts all the way down.
Tighten each lug nut in 3 separate passes as defi ned
by Table C.
Lug nuts are prone to loosen after initial installation,
which can lead to death or serious injury. Check all
wheel lug nuts periodically.
3. Check to see if the lug nuts are tight after the fi rst 10,
25 and 50 miles of driving and before each tow
thereafter
Figure K.
Wheel Lug Nuts Tightening Sequence
Before each tow, check the trailer taillights, stoplights, turn
signals and any clearance lights for proper operation.
Replace any broken or burned-out lamps as necessary.
Check the wire harness for cuts, fraying or other damage.
If it needs replacing, contact your dealer.
12" 20-25 35-40 50-65
13" 20-25 35-40 50-65
14" 20-25 50-60 90-120
15" 20-25 50-60 90-120
16" 20-25 50-60 90-120
Improper operating taillights, stoplights and turn signals
can cause collisions.
Check all lights before each tow.
NOTICE
use an pneumatic air gun to tighten wheel
lug nuts.
Over-tightening lug nuts will result in breaking the studs
or permanently deforming the mounting stud holes in
the wheels.
TRAILER GUIDELINES

DCA20SPXU2 SERVPRO®
Figure L. Trailer to Tow Vehicle Wiring Diagram
TRAILER GUIDELINES

®
GENERATOR WIRING DIAGRAM
Ar
Fg
ExAr
ExFg
AVR
VR
Re
AS
Re1
R1
CT 1,2
F
A
V
MAIN GENERATOR ARMATURE WINDING
MAIN GENERATOR FIELD WINDING
EXCITER ARMATURE WINDING
EXCITER FIELD WINDING
RECTIFIER
AUTOMATIC VOLTAGE REGULATOR
VOLTAGE REGULATOR (RHEOSTAT)
CURRENT TRANSFORMER
CHANGE-OVER SWITCH,AMMETER
AC.AMMETER
AC.VOLTMETER
FREQUENCY METER
CIRCUIT BREAKER
CIRCUIT BREAKER
CIRCUIT BREAKER
RECEPTACLE
RECEPTACLE
RESISTOR
RECTIFIER
RELAY UNIT
CB2,3
CON1, 2
2
1
CN1
CN4
AJ C
DKB 3
3
1
2
CONNECTER ARRANGEMENT
(WIRING VIEW)
1
2
CN7
JE
1. With no designation use KIV1 : 1.25 mm
lead of designated color.
2
Notice:
J, K
SYMBOL
DESIGNATION
32
1
UV
CN3
2
1
CN8
EJ
32
1
RST
CN10
3
1
V
U
1
234
CN12
2
3
CN5
CJ A
BKD
1
CN11
3
2
4
31VU
1
B
L
G
V
P
R
W
Y
O
BR
GR
LB
LG
WIRE COLOR
BLACK
BLUE
BROWN
GREEN
GRAY
VIOLET
PINK
ORANGE
LIGHT GREEN
LIGHT BLUE
YELLOW
WHITE
RED
WIRE COLOR
COLOR CODE
CON3,4
CB4,5
CB1
1

DCA20SPXU2 SERVPRO®
ENGINE WIRING DIAGRAM
B
L
G
V
P
R
W
Y
O
BR
GR
LB
LG
WIRE COLOR
BLACK
BLUE
BROWN
GREEN
GRAY
VIOLET
PINK
ORANGE
LIGHT GREEN
LIGHT BLUE
YELLOW
WHITE
RED
WIRE COLOR
COLOR CODE
EMERGENCY STOP
SWITCH
BR R

®
JACKET WATER HEATER WIRING DIAGRAM
NEMA 5-15, 15A, 120 VAC, P/N EE6176 (HBL5278C/HUBBLE RECEPTACLE).
BLACK 14 AWG.
LINE (L)120VAC INPUT
WHITE 14 AWG.
NEUTRAL (N)
GREEN 14 AWG.
GROUND (G)
NOTES:
1
2RECEPTACLE IS MOUNTED ON OUTPUT TERMINAL PANEL ASSY.
20 AMP, 5-20R RECEPTACLE, P/N EE6131 (HBL5369C/HUBBLE RECEPTACLE).
3
GROUND
120 VAC
4
CORD, CAROL 3/C 14 AWG., P/N EE56557.
BLOCK HEATER
(P/N 44558)
120 VAC INPUT, INSERT EXTERNAL
POWER CORD HERE.
3
12
4
HEATING
ELEMENT
TEMP.
SWITCH

DCA20SPXU2 SERVPRO®
TROUBLESHOOTING (GENERATOR)
Practically all breakdowns can be prevented by proper handling and maintenance inspections, but in the event of a breakdown,
use the table shown below and on the preeceding pages for diagnosis of the generator and engine. If the problem cannot
be remedied, consult our company’s business office or service center.
Solution
Voltage Output Weak
AC Voltmeter defective? Check output voltage using a voltmeter.
Is wiring connection loose? Check wiring and repair.
Is AVR defective? Replace if necessary.
Defective Rotating Rectifi er? Check and replace.
Defective Exciter Field? Check for approximately 17.3 ohms
across J & K on CN1
Low Voltage Output
Is engine speed correct? Turn engine throttle lever to “High”.
Is wiring connections loose? Check wiring and repair.
Defective AVR? Replace if necessary.
High Voltage Output Is wiring connections loose? Check wiring and repair.
Defective AVR? Replace if necessary.

PAGE 60 — DCA20SPXU2 SERVPRO®
TROUBLESHOOTING (ENGINE)
Solution
Engine will not start or start is delayed,
although engine can be turned over.
No Fuel reaching injection pump? Add fuel. Check entire fuel system.
Defective fuel pump? Replace fuel pump.
Fuel fi lter clogged? Replace fuel fi lter and clean tank.
Faulty fuel supply line? Replace or repair fuel line.
Compression too low? Check piston, cylinder and valves. Adjust or
repair per engine repair manual.
Fuel pump not working correctly? Repair or replace fuel pump.
Oil pressure too low? Check engine oil pressure.
Low starting temperature limit exceeded? Comply with cold starting instructions and
proper oil viscosity.
Defective battery? Charge or replace battery.
Air or water mixed in fuel system? Check carefully for loosened fuel line
coupling, loose cap nut, etc.
At low temperatures engine will not start. Engine oil too thick? Refi ll engine crankcase with correct type of
oil for winter environment.
Defective battery? Replace battery.
Engine fi res but stops soon as starter is
switched off.
Fuel fi lter blocked? Replace fuel fi lter.
Fuel supply blocked? Check the entire fuel system.
Defective fuel pump? Replace fuel pump.
Engine stops by itself during normal
operation.
Fuel tank empty? Add fuel.
Fuel fi lter blocked? Replace fuel fi lter.
Defective fuel pump? Replace fuel pump.
Mechanical oil pressure shutdown sensor
stops the engine due to low oil?
Add oil. Replace low oil shutdown sensor if
necessary.
Low engine power, output and speed.
Fuel tank empty? Replace fuel fi lter.
Fuel fi lter clogged? Replace fuel fi lter.
Fuel tank venting is inadequate? Ensure that tank is adequately vented.
Leaks at pipe unions? Check threaded pipe unions tape and tighten
unions a required.
Speed control lever does not remain in
selected position? See engine manual for corrective action.
Engine oil level too full? Correct engine oil level.
Injection pump wear?
Use No. 2-D diesel fuel only. Check the fuel
injection pump element and delivery valve
assembly and replace as necessary.

DCA20SPXU2 SERVPRO®
Solution
Low engine power output and low speed,
black exhaust smoke.
Air fi lter blocked? Clean or replace air fi lter.
Incorrect valve clearances? Adjust valves per engine specifi cation.
Malfunction at injector? See engine manual.
Engine overheats.
Too much oil in engine crankcase? Drain off engine oil down to uppermark on
dipstick.
Entire cooling air system contaminated/
blocked?
Clean cooling air system and cooling fi n
areas.
Fan belt broken or elongated? Change belt or adjust belt tension.
Coolant insuffi cient? Replenish coolant.
Radiator net or radiator fi n clogged with dust? Clean net or fi n carefully.
Fan, radiator, or radiator cap defective? Replace defective part.
Thermostat defective? Check thermostat and replace if necessary.
Head gasket defective or water leakage? Replace parts.
TROUBLESHOOTING (ENGINE — CONTINUED)

PAGE 62 — DCA20SPXU2 SERVPRO®
EXPLANATION OF CODE IN REMARKS COLUMN
The following section explains the different symbols and
remarks used in the Parts section of this manual. Use the
help numbers found on the back page of the manual if there
are any questions.
1 12345 BOLT
.....................1 .....INCLUDES ITEMS W/%
2% WASHER, 1/4 IN.
..........NOT SOLD SEPARATELY
2% 12347 WASHER, 3/8 IN.
..1 .....MQ-45T ONLY
3 12348 HOSE
..................A/R ...MAKE LOCALLY
4 12349 BEARING
..............1 .....S/N 2345B AND ABOVE
— All items with same unique
symbol
(@, #, +, %, or >) in the number column belong to the
same assembly or kit, which is indicated by a note in the
“Remarks” column.
— Duplicate numbers indicate
multiple part numbers, which are in effect for the same
general item, such as different size saw blade guards in
use or a part that has been updated on newer versions
of the same machine.
— Part numbers can be indicated by a
number, a blank entry, or TBD.
TBD (To Be Determined) is generally used to show a
part that has not been assigned a formal part number
at the time of publication.
A blank entry generally indicates that the item is not sold
separately or is not sold by Multiquip. Other entries will
be clarifi ed in the “Remarks” Column.
NOTICE
The contents and part numbers listed in the parts
section are subject to change without notice. Multiquip
does not guarantee the availability of the parts listed.
NOTICE
When ordering a part that has more than one item
number listed, check the remarks column for help in
determining the proper part to order.
— Item quantity can be indicated by a
number, a blank entry, or A/R.
A/R (As Required) is generally used for hoses or other
parts that are sold in bulk and cut to length.
A blank entry generally indicates that the item is not sold
separately. Other entries will be clarifi ed in the “Remarks”
Column.
Some of the most common notes found in the “Remarks”
Column are listed below. Other additional notes needed
to describe the item can also be shown.
— All items on the parts list with the
same unique symbol will be included when this item is
purchased.
Indicated by:
“INCLUDES ITEMS W/(unique symbol)”
— Used to list an effective serial
number range where a particular part is used.
Indicated by:
“S/N XXXXX AND BELOW”
“S/N XXXX AND ABOVE”
“S/N XXXX TO S/N XXX”
— Indicates that the part
is used only with the specifi c model number or model
number variant listed. It can also be used to show a
part is NOT used on a specifi c model or model number
variant.
Indicated by:
“XXXXX ONLY”
“NOT USED ON XXXX”
— Indicates that the part can
be purchased at any hardware shop or made out of
available items. Examples include battery cables, shims,
and certain washers and nuts.
— Indicates that an item cannot
be purchased as a separate item and is either part of an
assembly/kit that can be purchased, or is not available
for sale through Multiquip.

DCA20SPXU2 SERVPRO®
SUGGESTED SPARE PARTS
5............8943142633 ..........CARTRIDGE , OIL FILTER
1............M1310500803 .......HOSE, RADIATOR UPPER
1............M1310500903 .......HOSE, RADIATOR LOWER
1............0602011079 ..........RADIATOR CAP
1............0605505070 ..........FUEL CAP
1............0602122272 ..........UNIT, OIL PRESSURE
1............0602123275 .........UNIT, WATER TEMPERATURE
6............8980374810 ..........FILTER, FUEL CARTRIDGE
6............8944370220 ..........REPAIR KIT, FUEL PUMP
6............RR12P .................. FILTER ELEMENT, 30 MICRON (RACOR OPTION)
3............0602046611 ..........FILTER, AIR (ELEMENT)
1............0601870440 ..........CIRCUIT BREAKER, 1P, 120V @ 20A
1............0601870441 ..........CIRCUIT BREAKER, 2P, 250V @ 50A
1............LY2DUS12VDC ....RELAY
1............8972606490 ..........FAN BELT
1............0601820626 ..........AUTOMATIC VOLTAGE REGULATOR
1............1601840073 ..........RHEOSTAT
1............0601840121 ..........KNOB, RHEOSTAT
NOTICE
Part number on this Suggested Spare Parts list may
supersede/replace the P/N shown in the text pages of
this book.

PAGE 64 — DCA20SPXU2 SERVPRO®
GENERATOR ASSY.

DCA20SPXU2 SERVPRO®
GENERATOR ASSY.
1 B1110001402 ROTOR ASSY. .............................1 ...................INCLUDES ITEMS W/#
1-1# FIELD ASSY. ................................1 ...................NOT SOLD SEPARATELY
1-2# 7961025004 RECTIFIER 1
1-3# 0601822643 SURGE ABSORBER 1
1-4# 8001070003 FAN 1
1-5# 8351611004 COUPLING DISC 2
1-6# 8351612004 COUPLING HUB WASHER 1
1-7# B1112300003 BALANCING PLATE .................... 1 ...................WHEN ODERING, PURCHASE ITEM 1-10
1-8# 0010310025 HEX HEAD BOLT 4
1-9# 0042510000 WASHER, LOCK 4
1-10# 0601000209 BALANCING WEIGHT KIT 1
1-11# 0071906308 BEARING 1
2 0012308035 HEX HEAD BOLT 6
2A 0040080000 WASHER, LOCK 6
2B 0041208000 WASHER, FLAT 6
3 0070506803 BEARING 1
4 B1130001503 STATOR ASSY. 1
4-1 0845041904 GROMMET 1
5 B113700103 FIELD ASSY. EXCITER 1
6 0016008045 HEX HD CAP SCREW 3
7 0042508000 WASHER, LOCK 3
8 8351315003 END BRACKET 1
9 0017108035 HEX HEAD BOLT 6
10 8351312004 PACKING 1
11 8351331004 SUCTION COVER 1
12 0017106016 HEX HEAD BOLT 3
13 0010310030 HEX HEAD BOLT 6
13A 0040001000 WASHER, LOCK 6
13B 0041210000 WASHER, FLAT 6
14 B0155400204 FAN COVER 1
15 0010106030 HEX HEAD BOLT 1
16 0041206000 WASHER, FLAT 1
17 0600815000 NUT 1
18 M9312600004 RUBBER SUSPENSION 2
19 0207010000 HEX NUT 2

PAGE 66 — DCA20SPXU2 SERVPRO®
CONTROL BOX ASSY.

DCA20SPXU2 SERVPRO®
CONTROL BOX ASSY.
1 M1213001402 CONTROL BOX 1
1-1 0330000480 EDGING 1
1-2 0330000250 EDGING 1
2 0601870433 CIRCUIT BREAKER, 3P 90 AMPS 1
3 0021004075 MACHINE SCREW 4
4 0601842384 RESISTOR, 20W 50 OHM 1
5 0027104010 MACHINE SCREW 2
6 0601823240 RECTIFIER, DE45 3
7 0027104050 MACHINE SCREW 1
8 0601815759 TERMINAL BOARD, KT-20 6P 1
9 0027104020 MACHINE SCREW 2
10 0601820626 AUTO. VOLT. REGULATOR, NTA-4A-2S 1
11 0027105016 MACHINE SCREW 4
12 0601801123 CURRENT TRANSFORMER, 150/5A 2
13 0027106020 MACHINE SCREW 4
14 0601826031 RELAY, HE1 1
15 0027104010 MACHINE SCREW 2
16 0601824518 RELAY, DC 12V 2
16A 0601823143 BASE 2
16B PYCA1 CLIP ............................................................2 ................REPLACES P/N 0601824400
17 LY2DUS12VDC RELAY, DC 12V ...........................................1 ................REPLACES P/N 0601827656
17A PTF08A BASE ...........................................................1 ................REPLACES P/N 0601823109
17B PYCA1 CLIP ............................................................1 ................REPLACES P/N 0601824400
18 0027104020 MACHINE SCREW 6
19 8973259120 ENGINE CONTROLLER .............................1 ................REPLACES P/N 0602202523
20 0016906016 HEX HEAD BOLT 2
21 5825500290 RELAY .........................................................2 ................REPLACES P/N 0602201400
22 8944001061 GLOW RELAY .............................................1 ................REPLACES P/N 0602202502
23 0027105016 MACHINE SCREW 4
24 M1213500803 CONTROL BOX COVER 1
25 0016906016 HEX HEAD BOLT 5
26 0016906015 HEX HEAD BOLT 9

PAGE 68 — DCA20SPXU2 SERVPRO®
CONTROL BOX ASSY. (CONTINUED)

DCA20SPXU2 SERVPRO®
CONTROL BOX ASSY. (CONTINUED)
27 M1223001003 CONTROL PANEL 1
28 0601807641 FREQUENCY METER, 45~65Hz 240V 1
29 0601806844 AC AMMETER, 0~150A 1
30 0601801040 AMMETER, CHANGE-OVER SWITCH 1
31 0601800271 AC VOLTMETER, 0~300V 1
32 0601840073 RHEOSTAT (VR), 2W 1K OHM 1
33 0601840121 KNOB 1
34 0602202545 CONTROLLER, ECU-9988N 1
35 0027104040 MACHINE SCREW 2
35A 0207004000 HEX NUT 2
36 0601831340 SWITCH, MPEC 1
37 0602103092 ALARM LAMP, PL-05 1
37A 0601810245 BULB, DC 18V 1
38 0602120095 TACHOMETER 1
39 0602122093 OIL PRESSURE GAUGE 1
40 0602123090 WATER TEMP. GAUGE 1
41 0602121080 CHARGING AMMETER 1
42 0602125090 FUEL GAUGE 1
43 0601810141 PANEL LIGHT 1
44 0601831330 SWITCH, PANEL LIGHT 1
45 M1223100104 STOPPER 1
46 0027105010 MACHINE SCREW 2
47 0027105010 MACHINE SCREW 4
48 M9220100004 SET SCREW 2
49 0080200007 SNAP RING 2
50 M1246704404 WIRE HARNESS, GENERATOR 1
51 M1357201902 WIRE HARNESS, ENGINE 1

®
ENGINE AND RADIATOR ASSY.

DCA20SPXU2 SERVPRO®
ENGINE AND RADIATOR ASSY.
1 M1923200104 ENGINE, ISUZU 4LE2 1
1A 8972606490 FAN BELT 1
1-1 8943142633 OIL FILTER CARTRIDGE 1
2 M1303200304 ENGINE FOOT 1
3 M1305200204 ENGINE FOOT 1
4 0010310025 HEX HEAD BOLT 8
5 0040010000 WASHER, LOCK 8
6 0041210000 WASHER, FLAT 8
7 0605000066 RUBBER SUSPENSION 2
8 0207010000 HEX NUT 2
9 M1923200094 RADIATOR 1
9-1 0602011079 RADIATOR CAP 1
9-2 M9200100904 PLUG 1
9-3 0150000016 O-RING 1
10 M9312200104 RUBBER MOUNT 2
11 0016908040 HEX HEAD BOLT 2
12 0207008000 HEX NUT 2
13 M1310500803 RADIATOR HOSE, UPPER 1
14 M1310500903 RADIATOR HOSE, LOWER 1
15 0605515069 HOSE BAND 4
16 M1310200003 FAN SHROUD 1
17 M1310200103 FAN SHROUD 1
17A M1493105004 ACCOUSTIC SHEET 1
18 0016908020 HEX HEAD BOLT 8
19 M1310300703 FAN GUARD 1
20 M1310300804 FAN GUARD 1
21 0016908020 HEX HEAD BOLT 8
22 0602046531 AIR CLEANER 1
22A 0602046611 AIR CLEANER ELEMENT ..........................1 ................REPLACES 0602046321
23 0602040690 AIR CLEANER INDICATOR 1
24 0602040552 AIR CLEANER BRACKET 1
25 0016908030 HEX HEAD BOLT 2
26 M1373100303 AIR CLEANER HOSE 1
27 M1373100503 AIR CLEANER HOSE 1
28 0605515139 HOSE BAND 3
29 0602022560 ADAPTER 1
30 M1320300304 PACKING 1

®
ENGINE AND RADIATOR ASSY. (CONTINUED)

DCA20SPXU2 SERVPRO®
ENGINE AND RADIATOR ASSY. (CONTINUED)
31 0602022561 90 DEGREE ELBOW 1
32 0603306590 CONNECTOR 1
33 0603300285 LOCKNUT 1
34 0605511395 VALVE 1
35 0603306395 HOSE JOINT 1
36 0602021070 CAP 1
37 0269200280 DRAIN HOSE 1
38 M9602000003 DRAIN JOINT 1
39 M9200200004 PLUG 1
40 0150000018 O-RING 1
41 0016906020 HEX HEAD BOLT 2
42 0199900600 DRAIN HOSE 1
43 0199900500 DRAIN HOSE 1
44 0605515106 HOSE BAND 4
45 M9300100003 RESERVE TANK 1
46 M9300100003 RESERVE TANK CAP 1
47 0199100215 HOSE 1
48 M1317100004 RESERVE TANK BRACKET 1
49 0199100350 HOSE 1
50 0193600850 HOSE 1
51 0605515106 HOSE BAND 2
52 0602120481 TACHOMETER PICK UP 1
53 0602122272 OIL PRESSURE UNIT 1
54 M9200100004 ADAPTER 1
55 0602123275 WATER TEMPERATURE UNIT 1
56 M1353800004 CLAMPER ROD 1
57 0016908020 HEX HEAD BOLT 2
58 M1357300104 CLAMPER ROD 1
59 0016910020 HEX HEAD BOLT 2

®
OUTPUT TERMINAL ASSY.
26
26A
26A
26
12
5
6
44
13
13B
13A
13C
11
11A
10
11B
12A
NOTICE
When ordering any painted panel SERVPRO® must
add the digit 2 after the part number, this will indicate
that the panel color is WHITE.
Once the panel has been received it should be painted
Sherwin-Williams (SERVPRO® Green), Product PGS
860083, color Pantone 368C

DCA20SPXU2 SERVPRO®
OUTPUT TERMINAL ASSY.
1 M1230700203 TERMINAL PANEL 1
2 M9220000204 OUTPUT TERMINAL BOLT 4
3 M9220000104 TIE BOLT 4
4 0039308000 HEX BRASS NUT 8
5 0040008000 WASHER, LOCK 12
6 0041408000 WASHER, FLAT 16
7 0016906025 HEX HEAD BOLT 4
8 M1236101503 TERMINAL COVER 1
9 M1236100404 OUTPUT WINDOW 1
10 0605010040 HINGE 2
11 0027103010 MACHINE SCREW 4
11A 0030003000 HEX HEAD NUT 4
11B 0041203000 WASHER, FLAT 4
12 0027103010 MACHINE SCREW 4
12A 0030003000 HEX HEAD NUT 4
13 M9220100804 SET SCREW 2
13A 0040006000 WASHER, LOCK 2
13B 0041206000 WASHER, FLAT 2
13C 0080200005 RETAINING RING 2
14 0016906016 HEX HEAD BOLT 4
15 M1236400004 CABLE OUTLET COVER 1
16 M1236300004 CABLE OUTLET COVER SUPPORTER 1
17 0016906020 HEX HEAD BOLT 6
18 0601815194 TERMINAL 1
19 0027104016 MACHINE SCREW 2
20 0601870441 CIRCUIT BREAKER, 2P 50A 2
21 0601870440 CIRCUIT BREAKER, 1P 20A 2
22 M1260700404 BREAKER FITTING COVER 1
22-1 0222100080 RUBBER CUSHION 2
23 0016906020 HEX HEAD BOLT 2
24 0601814013 RECEPTACLE, 125V 20A (GF-20LA) 2
25 0601812538 RECEPTACLE, 250V 50A (CS6369) 2
26 0027104016 MACHINE SCREW 8
26A 0207004000 HEX NUT 8
27 M1236400104 COVER 1
28 0016906016 HEX HEAD BOLT 4
29 M1236100503 TERMINAL COVER 1
30 0010112045 HEX HEAD BOLT 2
31 0041212000 WASHER, FLAT 2
32 M9310200004 RUBBER STAY 2
33 0030012000 HEX NUT 2

®
BATTERY ASSY.

DCA20SPXU2 SERVPRO®
BATTERY ASSY.
1 0602220185 BATTERY 1
2 B9310500014 BATTERY SHEET 1
3 M9103000304 BATTERY BAND 1
4 0602220920 BATTERY BOLT SET 2
5 0040006000 WASHER, LOCK 2
6 M1348400204 BATTERY CABLE 1
7 M2346400104 BATTERY CABLE 1
8 0016910020 HEX HEAD BOLT 1
8A 0040510000 TOOTHED WASHER 1

®
MUFFLER ASSY.

DCA20SPXU2 SERVPRO®
MUFFLER ASSY.
1 M1330100803 MUFFLER 1
2 0016908020 HEX HEAD BOLT 4
3 M1333002803 EXHAUST PIPE 1
4 8970420280 GASKET ......................................................1 ................REPLACES 0602320100
5 M1333200014 GASKET 1
6 0207008000 HEX NUT 4
7 0016908035 HEX HEAD BOLT 4
8 M1330400804 COVER 2
9 0016906016 HEX HEAD BOLT 4

PAGE 80 — DCA20SPXU2 SERVPRO®
FUEL TANK ASSY. (INTERNAL)
17A
14A
25
26
27
29
28
30
31
34
32
33
2A

DCA20SPXU2 SERVPRO®
FUEL TANK ASSY. (INTERNAL)
1 M1363000212 FUEL TANK 1
2 Y0605505073 LOCKING, FUEL CAP 1
2A EE57348 KEY, FUEL CAP 1
3 M1363200004 TANK BAND 2
4 M9310500104 SUPPORTER SHEET 4
5 0016908020 HEX HEAD BOLT 2
6 0207308000 SUPER LOCK NUT 2
7 0222100080 RUBBER SHEET 4
8 M9200000003 DRAIN JOINT 1
9 M9200200004 DRAIN BOLT 1
10 0150000018 O-RING 1
11 0016906020 HEX HEAD BOLT 2
12 M1363400104 DRAIN HOSE 1
13 0605515198 HOSE BAND 2
14 8943672922 FUEL FILTER ..............................................1 ................REPLACES 0602042202
14A 8980374810 FUEL FILTER CARTRIDGE ........................1 ................REPLACES 0602042700
15 M1366700104 FUEL FILTER BRACKET 1
16 0016908020 HEX HEAD BOLT 2
17 8970398340 FUEL PUMP ................................................1 ................REPLACES 0602023177
17A 8944370220 REPAIR KIT, FUEL PUMP ...........................1 ................REPLACES 0602042425
18 0016906025 HEX HEAD BOLT 2
19 0191200900 SUCTION HOSE 1
20 0191200300 SUCTION HOSE 1
21 0191200650 SUCTION HOSE 1
22 0191201100 RETURN HOSE 1
23 0605515108 HOSE BAND 5
24 0605515198 HOSE BAND 3
25 ELBOW, 1/4" MP X 5/16" HB. 90° ...............2 ................OBTAIN LOCALLY
26 10024 NUT NYLOC, 1/4-20 2
27 0948 WASHER, FLAT SAE 1
28 0181 B WASHER, LOCK 1/4 MED 1
29 BOLT, 1/4-20 X 1 .........................................1 ................OBTAIN LOCALLY
30 RR12P FILTER ELEMENT 30 MICRON ..................1 ................RACOR OPTION
31 120AP WATER SEPARATOR 1
32 60028 HOSE, FUEL 5/16" X 22" 1
33 SPLIT LOOM 5/8 X 18" ...............................1 ................OBTAIN LOCALLY
34 6109152 CLAMP, FUEL HOSE 2

PAGE 82 — DCA20SPXU2 SERVPRO®
FUEL TANK ASSY. (TRAILER MOUNTED)
RETURN
SUCTION
TO RACOR
FUEL FILTER
RETURN FROM
ENGINE
TO INTERNAL
FUEL TANK
2
3
4
5
1
6
7
8
9
10
13
12
12
7
14
15
16
17
18
11

DCA20SPXU2 SERVPRO®
FUEL TANK ASSY. (TRAILER MOUNTED)
1 EE35976 FUEL CAP WITH KEY 1
2 EE57348 KEY, FUEL CAP 1
3 6109204 FITTING, HOSE 1
4 5284 BUSHING, HEX PIPE 3/8 X 1/4"BRASS 1
5 84454 ELBOW BRASS 1/4 MALE NPT 2
6 PICKUPTUBE PICK UP TUBE 1
7 ELBOW, 3/4" HB-1/2" MP 90° .....................1 ................OBTAIN LOCALLY
8 6635BULK FUEL HOSE 1/4, 65" 1
9 60028 FUEL HOSE 5/16, 25" 1
10 FUEL HOSE 3/4" CUT TO LENGTH ...........1 ................OBTAIN LOCALLY
11 6109152 CLAMP, FUEL HOSE 4
12 CLAMP, FUEL HOSE #12 ...........................2 ................OBTAIN LOCALLY
13 EE52009 TANK, FUEL 41 GAL. 1
14 6109210 BOLT, 1/2-13 X 1-1/2" 2
15 13211 WASHER, FLAT 1/2 X 1-1/4 USS 2
16 6109160 NUT, 1/2" 2
17 6109810 WASHER, LOCK 1/2" 2
18 6109170 WASHER, FLAT 1/2 X 1 2

PAGE 84 — DCA20SPXU2 SERVPRO®
TRAILER ASSY.
FENDER
MOUNT
KIT
3
4
26
27
27 26
18
17
14
9
28
15
1
2
10
17
21
5
22
13
16
29
8
6
6
19
35
36
34
18

DCA20SPXU2 SERVPRO®
TRAILER ASSY.
1# 0205 SCREW, HHC 3/8 - 16 x 1 8
2# 4001 WASHER, FLAT USS 3/8 PLD 16
3 9502 SCREW, HHC 5/8 - 11 x 4-1/2 GR8 2
4 9503 NUT, NYLOC 5/8 - 11 2
5 9505 FENDER, 8 x 30 x 13 2
6$% NUT 4
8 9514 LIGHT ASM., LICENSE PLATE 2
9 10019 NUT, NYLOC 10-32 4
10# 10133 NUT, NYLOC 3/8 - 16 8
13 29228 COUPLER, 2” BALL 600# GVWR 1
14 29242 LIGHT, TAIL RT (CURB) SIDE M440...........1 ................INCLUDES ITEMS W/ $
15 29243 LIGHT, TAIL LT (ROAD) SIDE M440L .........1 ................INCLUDES ITEMS W/ %
16 29247 SHACKLE, AXLE MOUNTING 4
17 29248 SCREW, HHC 9/16 - 18 6
18 29249 NUT, 9/16-18 AXLE MOUNTING, N-2 6
19 29370 FRAME, W/ A TRLRMP 1
21 29496 JACK, SIDEWIND 10”, BOLT THRU 1
22 29572 CHAIN ASSY., SAFETY 7600 LB 2
26 29898 LIGHT, 2-1/2 SIDE MARKER, AMBER 2
27 29900 GROMMET W/ WIRE KIT, 2-1/2”, 2
28 5065 B SCREW, PHP 10 - 32 x 1/2 4
29 29754 FENDER MOUNT KIT .................................1 ................INCLUDES ITEMS W/#

PAGE 86 — DCA20SPXU2 SERVPRO®
BATTERY CHARGER ASSY.
DC AMPERES
5
2
9
6
8
1
7
10
OUTPUT TERMINAL
PANEL COVER
6
4
3

DCA20SPXU2 SERVPRO®
BATTERY CHARGER ASSY.
1 SCREW, 10-24 X 1/2" .................................2 ................OBTAIN LOCALLY
2 NUT, KEP (W/STAR WASHER) ................... 2 ................OBTAIN LOCALLY
3 LC125002 CHARGER, BATTERY 12V, 3A 1
4 34530 BRACKET, BATTERY CHARGER 1
5 EE6009 FITTING, CONDUIT, 90°, NON-METALLIC 1
6 EE56557 CORD, CAROL 3/C 14 AWG ..................... AR ...............1PC = 1FT.
7 OEMAA8 HEX NUT, 4MM 2
8 HBL5278C INLET FLANGE, NEMA 15A 125V 1
9 7538070 SCREW, PHILLIPS HD. 2
10 HBL5369C CONNECTOR, 20 AMP ,125V 1

PAGE 88 — DCA20SPXU2 SERVPRO®
JACKET WATER HEATER ASSY.
3
2
1
4
6
7
8
7
5
EXISTING DRAIN
HOSE RELOCATED
TO TEE FITTING
5
5
5
9

DCA20SPXU2 SERVPRO®
JACKET WATER HEATER ASSY.
1 1/4" MP X 5/16 HB NIPPLE ........................1 ................OBTAIN LOCALLY
2 1/4 X 1/4 1/4" FEMALE PIPE TEE ..............1 ................OBTAIN LOCALLY
3 1/4 X 1/4 MALE TO MALE PIPE NIPPLE ....1 ................OBTAIN LOCALLY
4 3/8" MP X 5/8 HB 90° ELBOW ....................1 ................OBTAIN LOCALLY
5 HOSE CLAMP #10 ......................................4 ................OBTAIN LOCALLY
6 HEATER HOSE, 5/8" ID X 30" LONG .........1 ................OBTAIN LOCALLY
7 SPLIT LOOM, 1 " X 20" ...............................2 ................OBTAIN LOCALLY
8 TPS051GT10000 HEATER, 500W, 120 VAC 1
9 1/4" MP X 5/8" HB 90° ELBOW ...................1 ................OBTAIN LOCALLY

®
ENCLOSURE ASSY.
4A
4
49
6A
10
10A
10B
13A
14A
14
19A
21A
21
26A
31
31A
31B
35A
33A
34A
36A
40A
40
51
51A
52
52A
8
50A
50
38
29
28
56
57
59
33
58
NOTICE
When ordering any painted panel SERVPRO® must
add the digit 2 after the part number, this will indicate
that the panel color is WHITE.
Once the panel has been received it should be painted
Sherwin-Williams (SERVPRO® Green), Product PGS
860083, color Pantone 368C

DCA20SPXU2 SERVPRO®
ENCLOSURE ASSY.
1 M1413003302 BASE 1
2 M1413400004 UNDER COVER 1
3 0016908020 HEX HEAD BOLT 2
4 M1423002302 FRONT FRAME 1
4A M1493104903 ACOUSTIC SHEET 1
5 0016908020 HEX HEAD BOLT 4
6 M1423200304 FRONT FRAME COVER 1
6A M1493100604 ACOUSTIC SHEET 1
7 0019208020 HEX HEAD BOLT 11
8 M1433000203 CENTER FRAME 1
9 M1433000303 CENTER FRAME 1
10 0010114030 HEX HEAD BOLT 8
10A 0040014000 WASHER, LOCK 8
10B 0041214000 WASHER, FLAT 8
11 M1443001902 REAR FRAME 1
12 0016908020 HEX HEAD BOLT 4
13 M1443301803 REAR COVER 1
14 M1443301703 REAR COVER DUCT 1
14A M1493303604 ACOUSTIC SHEET 1
15 0207006000 HEX NUT 7
16 0019208020 HEX HEAD BOLT 7
17 M1443201103 REAR DOOR 1
18 M1443600114 WINDOW PLATE 1
19 0037906000 U NUT SELF-LOCKING 8
19A 0041206000 WASHER, FLAT 8
20 M9113000002 DOOR HANDLE ASSY. 1
21 0021806016 MACHINE SCREW 4
21A 0030006000 HEX HEAD NUT 4
22 M9110100204 HINGE 2
23 M9116100004 WASHER 2
24 0019208020 HEX HEAD BOLT 3
25 M9310000004 BLIND PLUG 2
26 M1463002202 ROOF PANEL 1
26A M1493502903 ACOUSTIC SHEET 1
27 0019208020 HEX HEAD BOLT 18
28 M3310600004 ROOF COVER 1
29 0019208020 HEX HEAD BOLT 4
30 M1453201202 SPLASHER PANEL 1
31 0019108055 HEX HEAD BOLT 2
31A 0042308000 WASHER, LOCK 2
31B 0042408000 WASHER, FLAT 2
32 0016908020 HEX HEAD BOLT 2

®
ENCLOSURE ASSY. (CONTINUED)
4A
4
49
6A
10
10A
10B
13A
14A
14
19A
21A
21
26A
31
31A
31B
35A
33A
34A
36A
40A
40
51
51A
52
52A
8
50A
50
38
29
28
56
57
59
33
58
NOTICE
When ordering any painted panel SERVPRO® must
add the digit 2 after the part number, this will indicate
that the panel color is WHITE.
Once the panel has been received it should be painted
Sherwin-Williams (SERVPRO® Green), Product PGS
860083, color Pantone 368C

DCA20SPXU2 SERVPRO®
ENCLOSURE ASSY. (CONTINUED)
33 M1453003803 SIDE DOOR 1
33A M1493405604 ACOUSTIC SHEET 1
34 M1453003903 SIDE DOOR 1
34A M1493405704 ACOUSTIC SHEET 1
35 M1453004003 SIDE DOOR 1
35A M1493405804 ACOUSTIC SHEET 1
36 M1453004703 SIDE DOOR 1
36A M1493409404 ACOUSTIC SHEET 1
37 M1453301403 DUCT 1
38 0207006000 HEX NUT 6
39 M9113000002 DOOR HANDLE ASSY. 3
40 0021806016 MACHINE SCREW 12
40A 0030006000 HEX HEAD NUT 12
41 M9110100204 HINGE 4
42 M9110100304 HINGE 4
43 M9116100004 WASHER 8
44 0019208020 HEX HEAD BOLT 9
45 0601850097 DOOR STOPPER 8
46 0025408025 MACHINE SCREW 8
47 M9310000004 BLIND PLUG 8
48 0600500090 EMBLEM 1
49 0025106016 MACHINE SCREW 2
50 0016910020 HEX HEAD BOLT 1
50A 0040510000 TOOTHED WASHER 1
51 0016908020 HEX HEAD BOLT 1
51A 0040508000 TOOTHED WASHER 1
52 0016906020 HEX HEAD BOLT 1
52A 0040506000 TOOTHED WASHER 1
53 0600800321 MANUAL-PAK 1
54 M1483600804 BOX CLAMPER 2
55 0016906016 HEX HEAD BOLT 4
56 EE1687 GUARD, EMERGENCY STOP 1
57 MACHINE SCREW 10-24X1/2 ....................2 ................OBTAIN LOCALLY
58 NUT, 10-24 (W/ STAR WASHER) ............... 2 ................OBTAIN LOCALLY
59 EE55989 SWITCH, EMERGENCY STOP 1

®
RUBBER SEALS ASSY.

DCA20SPXU2 SERVPRO®
RUBBER SEALS ASSY.
1 0228901150 SEAL RUBBER 2
2 0228900695 SEAL RUBBER 1
3 0229400755 SEAL RUBBER 3
4 M1490300004 SEAL RUBBER 1
5 0228800325 SEAL RUBBER 1
6 0229400430 SEAL RUBBER 1
7 0228900540 SEAL RUBBER 1
8 0228900550 SEAL RUBBER 1
9 0229200595 SEAL RUBBER 1
10 0228900610 SEAL RUBBER 1
11 0229200750 SEAL RUBBER 2
12 0229200740 SEAL RUBBER 1
13 0228800670 SEAL RUBBER 2
14 0228800525 SEAL RUBBER 1
15 0228800565 SEAL RUBBER 1
16 0228100458 SEAL RUBBER 1
17 0228100171 SEAL RUBBER 1
18 0228100351 SEAL RUBBER 1
19 0228100285 SEAL RUBBER 1
20 0228100153 SEAL RUBBER 1
21 0228100180 SEAL RUBBER 1

®
NAMEPLATE AND DECALS ASSY.
18A
14A
26A
26
15A
30
25A
18A
23A
40A
36A
40
36
2A
12A
27A
23A 24A
39A 39
16A 38A
5
38
31
32 32A
TRAILER
35
34
29
29
29
30
29
KIT
D’AUTOCOLLANTS
41
DECAL
KIT
42
27A
12A
12
33

DCA20SPXU2 SERVPRO®
NAMEPLATE AND DECALS ASSY.
1 M1550001803 DECAL; AUXILIARY OUTPUT ................................................ 1 ........... M15000180
2 M1550001904 DECAL; CAUTION, BAIL MAX CAPACITY (ENGLISH) .......... 1 ........... M15000190
2A# DECAL; CAUTION, BAIL MAX CAPACITY (FRENCH) 1
3 M1550003902 DECAL; GENERATOR CONTROL .......................................... 1 ........... M15000390
4 M1550004002 DECAL; ENGINE OPERATING ............................................... 1 ........... M15000400
5 M1550004103 DECAL; OPERATING PROCEDURES .................................... 1 ........... M15000410
6 M9500000004 DECAL; OIL DRAIN PLUG ...................................................... 1 ........... M90000000
7 M9500100004 DECAL; WATER ...................................................................... 1 ........... M90010000
8 M9500300004 DECAL; - ................................................................................. 1 ........... M90030000
9 M9500300104 DECAL; + ................................................................................. 1 ........... M90030010
10 M9500500104 DECAL; FUEL DRAIN PLUG .................................................. 1 ........... M90050010
11 M9500500304 DECAL; DIESEL FUEL ............................................................ 1 ........... M90050030
12 M9503000004 DECAL; WARNING, MOVING PARTS (ENGLISH).................. 2 ........... M90300000
12A# DECAL; WARNING, MOVING PARTS (FRENCH) .................. 2 ........... M90300000CE
13 M9503000103 DECAL; WATER - OIL CHECK ................................................ 1 ........... M90300010
14 M9503100004 DECAL; WARNING, HOT COOLANT (ENGLISH) ................... 2 ........... M90310000
14A# DECAL; WARNING, HOT COOLANT (FRENCH) ................... 2 ........... M9031000CE
15 M9503200004 DECAL; WARNING, ENGINE EXHAUST (ENGLISH) ............. 1 ........... M90320000
15A# DECAL;WARNING, ENGINE EXHAUST (FRENCH) .............. 1 ........... MQB90420000CE
16 M9503200104 DECAL; DANGER, EXHAUST GAS (ENGLISH) ..................... 1 ........... M90320010
16A# DECAL; DANGER, EXHAUST GAS (FRENCH) ...................... 1 ........... M90320010CE
17 M9510000104 DECAL; DOCUMENT BOX LOCATED .................................... 1 ........... M91000010
18 M9510100004 DECAL; CAUTION HOT PARTS (ENGLISH) ........................... 2 ........... M91010000
18A# DECAL; CAUTION HOT PARTS (FRENCH) ........................... 2 ........... MQB90400030CE
19 M9510200002 DECAL; MQ ............................................................................. 1 ........... M91020000
20 M9520000004 DECAL; GROUND ................................................................... 1 ........... M92000000
21 M9520000104 DECAL; AMMETER CHANGE-OVER SW .............................. 1 ........... M92000010
22 M9520000504 DECAL; START CONTACT ...................................................... 1 ........... M92000050
23 M9520100004 DECAL; WARNING ELECTRICAL SHOCK HAZ (ENGLISH) . 2 ........... M92010000
23A# DECAL; WARNING ELECTRICAL SHOCK HAZ (FRENCH) .. 2 ........... MQB9310050CE
24 M9520100304 DECAL; SAFETY INSTRUCTIONS (ENGLISH) ...................... 1 ........... M92010030
24A# DECAL; SAFETY INSTRUCTIONS (FRENCH) ...................... 1 ........... B92110040CE
25 M9520100404 DECAL; DANGER, HIGH VOLTAGE (ENGLISH) .................... 1 ........... M92010040
25A# DECAL; DANGER, HIGH VOLTAGE (FRENCH) ..................... 1 ........... MQS-2731CE
26 M9520100503 DECAL; WARNING, ELECTRICAL (ENGLISH) ...................... 1 ........... M92010050
26A# DECAL; WARNING, ELECTRICAL (FRENCH) ....................... 1 ........... M92010050CE
27 M9520100603 DECAL; CAUTION, START/STOP (ENGLISH) ........................ 2 ........... M92010060
27A# DECAL; CAUTION, START/STOP (FRENCH) ........................ 2 ........... MQC92210000CE
28 M9521000004 DECAL; TERMINAL 1
29 51454 DECAL; SERVPRO 14" REFLECTIVE LOGO 4
30 51817 DECAL; "LIKE IT NEVER HAPPENED" 2
31 DECAL; SERIAL PLATE, EPA EVAP ....................................... 1 ........... CONTACT MQ PARTS
32 49002 DECAL; WARNING TRAILER (ENGLISH) 1
32A# DECAL; WARNING, TRAILER (FRENCH) .............................. 1 ........... 490002CE
33 EE52343 DECAL, FUELING INSTRUCTIONS 1
34 M050911 E-STOP DECAL 1
35 EE52049 DECAL; BATT CHGER/WATER HEATER AC120V INPUT 1

®
NAMEPLATE AND DECALS ASSY.
18A
14A
26A
26
15A
30
25A
18A
23A
40A
36A
40
36
2A
12A
27A
23A 24A
39A 39
16A 38A
5
38
31
32 32A
TRAILER
35
34
29
29
29
30
29
KIT
D’AUTOCOLLANTS
41
DECAL
KIT
42
27A
12A
12
33

DCA20SPXU2 SERVPRO®
NAMEPLATE AND DECALS ASSY.
36$ EE57072 DECAL: NOTICE, BONDED TO FRAME (ENGLISH) 2
36A$ EE57073 DECAL: NOTICE, BONDED TO FRAME (FRENCH) 2
38$ EE57077 DECAL: NOTICE, CLASS H (ENGLISH) 1
38A$ EE57078 DECAL: NOTICE, CLASS H (FRENCH) 1
39$ EE57070 DECAL: NOTICE, OVERLOAD (ENGLISH) 1
39A$ EE57071 DECAL: NOTICE, OVERLOAD (FRENCH) 1
40$ EE57079 DECAL: NOTICE, SUPPLY WIRES (ENGLISH) 1
40A$ EE57080 DECAL: NOTICE, SUPPLY WIRES (FRENCH) 1
41 EE52650 DECAL KIT (FRENCH)............................................................ 1 ........... INCLUDES ITEMS W/#
42 EE57074 DECAL KIT (ENGLISH & FRENCH) ....................................... 1 ........... INCLUDES ITEMS W/$

®
TERMS AND CONDITIONS OF SALE — PARTS
Terms of payment for parts are net 30 days.
All parts orders will be shipped collect or
prepaid with the charges added to the invoice.
All shipments are F.O.B. point of origin.
Multiquip’s responsibility ceases when a
signed manifest has been obtained from the
carrier, and any claim for shortage or damage
must be settled between the consignee and
the carrier.
The minimum charge for orders from Multiquip
is $15.00 net. Customers will be asked for
instructions regarding handling of orders not
meeting this requirement.
Return shipments will be accepted and
credit will be allowed, subject to the following
provisions:
1.
A Returned Material Authorization
must be approved by Multiquip prior to
shipment.
2.
To obtain a Return Material Authorization,
a list must be provided to Multiquip
Parts Sales that defi nes item numbers,
quantities, and descriptions of the items
to be returned.
a. The parts numbers and descriptions
must match the current parts price
list.
b. The list must be typed or computer
generated.
c. The list must state the reason(s)
for the return.
d. The list must reference the sales
order(s) or invoice(s) under
which the items were originally
purchased.
e. The list must include the name
and phone number of the person
requesting the RMA.
3.
A copy of the Return Material Authorization
must accompany the return shipment.
4.
Freight is at the sender’s expense. All
parts must be returned freight prepaid to
Multiquip’s designated receiving point.
5. Parts must be in new and resalable
condition, in the original Multiquip
package (if any), and with Multiquip part
numbers clearly marked.
6. The following items are not returnable:
a. Obsolete parts. (If an item is in the
price book and shows as being
replaced by another item, it is
obsolete.)
b. Any parts with a limited shelf life
(such as gaskets, seals, “O” rings,
and other rubber parts) that were
purchased more than six months
prior to the return date.
c. Any line item with an extended
dealer net price of less than
$5.00.
d. Special order items.
e. Electrical components.
f. Paint, chemicals, and lubricants.
g. Decals and paper products.
h. Items purchased in kits.
7. The sender will be notifi ed of any material
received that is not acceptable.
8. Such material will be held for five
working days from notifi cation, pending
instructions. If a reply is not received
within five days, the material will be
returned to the sender at his expense.
9. Credit on returned parts will be issued
at dealer net price at time of the original
purchase, less a 15% restocking
charge.
10. In cases where an item is accepted, for
which the original purchase document
can not be determined, the price will be
based on the list price that was effective
twelve months prior to the RMA date.
11. Credit issued will be applied to future
purchases only.
Prices are subject to change without prior
notice. Price changes are effective on a
specifi c date and all orders received on or
after that date will be billed at the revised price.
Rebates for price declines and added charges
for price increases will not be made for stock
on hand at the time of any price change.
Multiquip reserves the right to quote and
sell direct to Government agencies, and to
Original Equipment Manufacturer accounts
who use our products as integral parts of their
own products.
A $35.00 surcharge will be added to the
invoice for special handling including bus
shipments, insured parcel post or in cases
where Multiquip must personally deliver the
parts to the carrier.
Multiquip shall not be liable hereunder for
damages in excess of the purchase price of
the item with respect to which damages are
claimed, and in no event shall Multiquip be
liable for loss of profi t or good will or for any
other special, consequential or incidental
damages.
No warranties, express or implied, are
made in connection with the sale of parts or
trade accessories nor as to any engine not
manufactured by Multiquip. Such warranties
made in connection with the sale of new,
complete units are made exclusively by a
statement of warranty packaged with such
units, and Multiquip neither assumes nor
authorizes any person to assume for it
any other obligation or liability whatever in
connection with the sale of its products. Apart
from such written statement of warranty,
there are no warranties, express, implied or
statutory, which extend beyond the description
of the products on the face hereof.
Effective: February 22, 2006

DCA20SPXU2 SERVPRO®
SERVPRO® WARRANTY/RMA
To process a warranty or repair claim, click the "Return,
Warranty, and Order Shortage Request" icon on the
ServoNET® home page. You also may contact the
SERVPRO® RMA Department by phone 866-885-6833 or
via email at rma@servpronet.com.
To expedite the warranty claim process, please have the
following:
•Equipment model number
•Serial number.
•Usage hours (if applicable).
As part of the Servpro® Industries, Inc. RMA/Warranty
program, when Franchises purchase equipment from
Servpro® Industries, Inc. unit date of purchase and serial
numbers are recorded on the invoice.
Servpro® Industries, Inc. maintains proof of purchase
and equipment warranty records in their database. This
eliminates the frustration of digging through stacks of
paperwork to determine warranty coverage for equipment.
After receipt of the completed Warranty/RMA Request
form, an RMA coodinator will check warranty status on any
listed equipment prior to submitting the claim information
to the vendors (s),
If the equipment is not covered under warrantuy, the
vendor (s) will provide a competitive repair estimate prior to
completing any non-warranty repairs, The RMA Coordinator
will present repair options and receive Franchise approval
prior to authrizing non-warranty repairs.
If the unit is covered under warranty, the RMA Coordinator
will communicate the repair and return process.
Servpro® RMA Department is here to serve you!

OperatiOn and parts Manual
SERVPRO® INDUSTRIES INC.
801 Industrial Blvd.
Gallatin, TN 37066
Phone: 615-451-0200
SERVPROR