Multiquip Saw Hs81A Users Manual Saw_Rev 2
HS81A to the manual df2456ee-d312-41a8-a20a-602c10229b1a
2015-02-09
: Multiquip Multiquip-Multiquip-Saw-Hs81A-Users-Manual-558617 multiquip-multiquip-saw-hs81a-users-manual-558617 multiquip pdf
Open the PDF directly: View PDF
.
Page Count: 70

Revision #2 (07/26/10)
SideWinder
MODEL HS81A
CUT-OFF SAW
THIS MANUAL MUST ACCOMPANY THE EQUIPMENT AT ALL TIMES.
To find the latest revision of this
publication, visit our website at:
www.multiquip.com
OPERATION AND PARTS MANUAL

Engine exhaust and some of
its constituents, and some dust created
of California to cause cancer, birth
defects and other reproductive harm.
by power sanding, sawing, grinding,
drillingandotherconstructionactivities
contains chemicals known to the State
Some examples of these chemicals are:
Leadfromlead-basedpaints.
Crystallinesilicafrombricks.
Cementandothermasonryproducts.
Arsenicandchromiumfromchemically
treatedlumber.
Your risk from these exposures varies,
dependingonhowoftenyoudothistype
of work. To reduce your exposure to
these chemicals: work in aALWAYS
well ventilated area, and work with
approved safety equipment, such as
dust masks that are specially designed
to filter out microscopic particles.

NOTE PAGE

PAGE 4 — HS81A CUT-OFF SAW — OPERATION & PARTS MANUAL — REV. #2 (07/26/10)
HS81A CUT-OFF SAW — TABLE OF CONTENTS
MULTIQUIP — HS81A CUT-OFF
SAW
Proposition 65 Warning ............................................. 2
Table Of Contents ..................................................... 4
Parts Ordering Procedures ....................................... 5
Safety Message Alert Symbols .............................. 6-7
Rules For Safe Operation .................................... 8-11
Specifications (Saw/Engine) ................................... 12
Decal Placement ..................................................... 13
Controls & Components ..................................... 14-15
Blade Installation Instructions ................................. 16
Water Kit Installation Instructions ............................ 17
Blades ..................................................................... 18
Initial Start-Up/Operation ................................... 19-20
Maintenance ...................................................... 21-25
Troubleshooting (Blade) .......................................... 26
Troubleshooting (Engine) ................................... 27-28
Filter Kits ................................................................. 29
Explanation of Codes in Remarks Column ............. 30
Suggested Spare Parts ........................................... 31
COMPONENT DRAWINGS
Muffler Assembly ............................................... 32-33
Recoil Start Assembly ........................................ 34-35
Crankcase Assembly ......................................... 36-37
V-belt Cover (Clutch Side) Assembly ................. 38-39
V-Belt Cover (Pulley) Blade Guard Assembly .... 40-41
Fuel Tank Assembly ........................................... 42-43
Lifting Handle and Roller Assembly ................... 44-45
Throttle Linkage Assembly ................................ 46-47
Flywheel Cover Assembly .................................. 48-49
Flywheel Assembly ............................................ 50-51
Ignition Assembly ............................................... 52-53
Air Filter Assembly ............................................. 54-55
Carburetor Mounting Assembly ......................... 56-57
Carburetor Assembly ......................................... 58-59
Crankshaft and Piston Assembly ....................... 60-61
Water Kit Assembly ............................................ 62-63
Cart Assembly.................................................... 64-65
Tools ................................................................... 66-67
Recommended Diamond Blades ............................ 68
Terms and Conditions of Sale — Parts ................... 69
Specifications and part
numbers are subject to
change without notice.
NOTE

HS81A CUT-OFF SAW — OPERATION & PARTS MANUAL — REV. #2 (07/26/10) — PAGE 5
PARTS ORDERING PROCEDURES
www.multiquip.com
Ordering parts has never been easier!
Choose from three easy options:
WE ACCEPT ALL MAJOR CREDIT CARDS!
When ordering parts, please supply:
R Dealer Account Number
R Dealer Name and Address
R Shipping Address (if different than billing address)
R Return Fax Number
R Applicable Model Number
R Quantity, Part Number and Description of Each Part
R Specify Preferred Method of Shipment:
UPS/Fed Ex DHL
N Priority One Tr u c k
N Ground
N Next Day
N Second/Third Day
If you have an MQ Account, to obtain a Username
and Password, E-mail us at: parts@multiquip.
com.
To obtain an MQ Account, contact you
r
District Sales Manager for more information.
Order via Internet (Dealers Only):
Order parts on-line using Multiquip’s SmartEquip website!
N View Parts Diagrams
N Order Parts
N Print Specification Information
Note: Discounts Are Subject To Change
Goto www.multiquip.com and click on
Order Parts to log in and save!
Use the internet and qualify for a 5% Discount
on Standard orders for all orders which include
complete part numbers.*
Order via Fax (Dealers Only):
All customers are welcome to order parts via Fax.
Domestic (US) Customers dial:
1-800-6-PARTS-7 (800-672-7877)
Fax your order in and qualify for a 2% Discount
on Standard orders for all orders which include
complete part numbers.*
Order via Phone: Domestic (US) Dealers Call:
1-800-427-1244
Best Deal!
International Customers should contact
their local Multiquip Representatives for
Parts Ordering information.
Non-Dealer Customers:
Contact your local Multiquip Dealer for
parts or call 800-427-1244 for help in
locating a dealer near you.
Note: Discounts Are Subject To Change
Effective:
January 1st, 2006
NOTICE
All orders are treated as Standard Orders and will
ship the same day if received prior to 3PM PST.

PAGE 6 — HS81A CUT-OFF SAW — OPERATION & PARTS MANUAL — REV. #2 (07/26/10)
HS81A CUT-OFF SAW — SAFETY MESSAGE ALERT SYMBOLS
Safety precautions should be followed at all times when operating
this equipment. Failure to read and understand the Safety
Messages and Operating Instructions could result in injury to
yourself and others.
FOR YOUR SAFETY AND THE SAFETY OF OTHERS! HAZARD SYMBOLS
Engine exhaust gases contain poisonous
carbon monoxide. This gas is colorless and
odorless, and can cause death if inhaled.
NEVER operate this equipment in a confined
area or enclosed structure that does not
provide ample free flow air.
Gasoline is extremely flammable, and its
vapors can cause an explosion if ignited. DO
NOT start the engine near spilled fuel or
combustible fluids. DO NOT fill the fuel tank
while the engine is running or hot. DO NOT
overfill tank, since spilled fuel could ignite if it
comes into contact with hot engine parts or
sparks from the ignition system. Store fuel in
approved containers, in well-ventilated areas
and away from sparks and flames. NEVER
use fuel as a cleaning agent.
Burn Hazards
Engine components can generate extreme heat.
To prevent burns, DO NOT touch these areas
while the engine is running or immediately after
operations. NEVER operate the engine with
heat shields or heat guards removed.
Rotating Parts
NEVER operate equipment with covers, or
guards removed. Keep
fingers
,
hands
,
hair
and
clothing
away from all moving parts to
prevent injury.
Explosive Fuel
Lethal Exhaust Gases
This Owner's Manual has been
developed to provide complete
instructions for the safe and efficient
operation of the MULTIQUIP MODEL
HS81A
CUT
-
OFF SAW
. For engine
maintenance information, please refer
to the maintenance section of this manual for data relative to its safe
operation.
Before using this SAW, ensure that the operating individual
has read and understands all instructions in this manual.
NOTE
SAFETY MESSAGE ALERT SYMBOLS
The three (3) Safety Messages shown below will inform you
about potential hazards that could injure you or others. The
Safety Messages specifically address the level of exposure
to the operator, and are preceded by one of three words:
DANGER, WARNING, or CAUTION.
You WILL be
KILLED
or
SERIOUSLY
injured if you DO
NOT follow directions.
You CAN be
KILLED
or
SERIOUSLY
injured if you DO
NOT follow directions.
You CAN be
INJURED
if you DO NOT follow directions.
DANGER
WARNING
CAUTION

HS81A CUT-OFF SAW — OPERATION & PARTS MANUAL — REV. #2 (07/26/10) — PAGE 7
Accidental Starting
ALWAYS place the engine ON/OFF
switch in the OFF position, when the saw
is not in use.
Over Speed Conditions
NEVER tamper with the factory settings of the
engine governor or settings. Personal injury
and damage to the engine or equipment can
result if operating in speed ranges above
maximum allowable.
Respiratory Hazard
ALWAYS wear approved respiratory protection.
ALWAYS wear approved eye and hearing
protection.
Sight and Hearing hazard
Equipment Damage Messages
Other important messages are provided throughout this manual
to help prevent damage to your concrete saw, other property, or
the surrounding environment.
HS81A CUT-OFF SAW — SAFETY MESSAGE ALERT SYMBOLS
Guards and Covers In Place
NEVER operate the saw without blade guards
and covers in place. Adhere to safety
guidelines ANSI, OSHA, or other applicable
local regulations.
This
concrete/asphalt saw
, other
property, or the surrounding
environment could be damaged if
you do not follow instructions.
Rotating Blade
Rotating blade can cut and crush. Keep
hands and feet clear.
NOTE

PAGE 8 — HS81A CUT-OFF SAW — OPERATION & PARTS MANUAL — REV. #2 (07/26/10)
SAFETY
■
DO NOT operate or service this equipment
before reading this entire manual.
■
This equipment should not be operated by persons under 18
years of age.
■
NEVER operate the saw without proper protective clothing,
shatterproof glasses, steel-toed boots and other protective
devices required by the job.
■
NEVER operate this equipment when not feeling
well due to fatigue, illness or taking medicine.
■
NEVER operate the saw under the influence or drugs or alcohol.
■
NEVER use accessories or attachments, which are not
recommended by Multiquip for this equipment. Damage to
the equipment and/or injury to user may result.
■
Manufacturer does not assume responsibility for any accident
due to equipment modifications. Unauthorized equipment
modification will void all warranties.
■
Whenever necessary, replace nameplate, operation and
safety decals when they become difficult read.
■
ALWAYS check the saw for loosened hardware such as nuts
and bolts before starting.
■
ALWAYS use extreme caution when
working with flammable liquids.
When refueling, STOP the engine and
allow it to cool.
■
NEVER touch the hot exhaust manifold,
muffler or cylinder. Allow these parts to cool
before servicing the saw.
■
The engine of this saw requires an adequate free flow of
cooling air. NEVER operate the saw in any enclosed or narrow
area where free flow of the air is restricted. If the air flow is
restricted it will cause serious
damage to the saw's engine
and may cause injury to
people. Remember the
saw's engine gives off
DEADLY
carbon monoxide
gas.
■
High Temperatures – Allow the engine to cool before adding
fuel or performing service and maintenance functions. Contact
with
hot!
components can cause serious burns.
■
ALWAYS refuel in a well-ventilated area, away from sparks
and open flames.
HS81A CUT-OFF SAW — RULES FOR SAFE OPERATION
■
NEVER
smoke
around or near the saw.
Fire or explosion could result from
fuel
vapors
, or if fuel is spilled on a
hot!
engine.
■
NEVER operate the saw in an explosive atmosphere where
fumes are present or near combustible materials. An
explosion or fire could result causing severe
bodily harm
or even death.
■
ALWAYS move the saw at least 10 feet away from the fueling
point before starting the engine and make sure the gas cap
on the saw and the fuel can are properly tightened.
■
Topping-off to filler port is dangerous, as it tends to spill fuel.
■
NEVER use fuel as a cleaning agent.
WARNING - Read This Manual
Failure to follow instructions in this manual may lead to
Serious Injury
or even
Death
. This equipment is to be
operated by trained and qualified personnel only! This
equipment is for industrial use only.
The following safety guidelines should always be used
when operating the Multiquip HS81A Cut-off Saw.

HS81A CUT-OFF SAW — OPERATION & PARTS MANUAL — REV. #2 (07/26/10) — PAGE 9
■
ALWAYS wear proper respiratory (mask), hearing and eye
protection equipment when operating the saw.
■
ALWAYS hold the saw with both hands when the engine is
running. Use a firm grip with thumbs and fingers encircling
the handles.
■
ALWAYS keep all parts of the body away from the cutting-off
blades when the engine is running.
■
ALWAYS keep the handles dry, clean and free of oil or fuel.
■
ALWAYS carry the saw with the engine stopped and the
muffler away from the body.
■
ALWAYS instruct bystanders on where to stand while the
saw is in operation.
■
ALWAYS clear the work area of unnecessary people.
■
NEVER allow anyone to stand in front of or behind the blade
while the engine is running.
■
ALWAYS make sure the blade is not contacting any objects
before starting the engine.
■
ALWAYS check for buried electrical cables before sawing. If
unsure, contact the local utilities.
■
ALWAYS have all service and maintenance performed by
competent trained service personnel.
■
ALWAYS clean the saw after each day’s use.
■
ALWAYS have a copy of this manual at the job site.
■
ALWAYS
stop
the engine before servicing, adding fuel and
oil.
■
ALWAYS service air cleaner frequently to prevent carburetor
malfunction.
■
ALWAYS keep clear of
rotating
or
moving parts
while the
saw is in operation.
■
ALWAYS maintain this saw in a
safe
operating condition at
all times
.
■
ALWAYS keep any inexperienced and unauthorized people
away from the saw at all times.
■
ALWAYS store saw properly when it is not being used.
Equipment should be stored in a clean, dry location out of
the reach of children.
General Safety
■
ALWAYS read, understand, and
follow procedures in Operator's
Manual before attempting to operate
this equipment.
■
ALWAYS be sure the operator is familiar with proper safety
precautions and operating techniques before using the saw.
■
ALWAYS inspect the blade, flanges and shafts for damage
before installing the blade.
■
ALWAYS use high-speed, reinforced, abrasive blades - 1/8"
(3.17 mm) thick (minimum) or high-speed, diamond blades
specifically rated with a maximum operating speed of at least
5,400 RPM on 14" (350 mm) or 6,200 RPM on 12" (300 mm).
■
ALWAYS use high-speed reinforced, abrasive blades or
high-speed, diamond blades marked with a 1" (25.4 mm)
hole for a 1" (25.4 mm) flange, or a 20 mm hole for a 20 mm
flange.
■
ALWAYS use abrasive blades or high-speed diamond blades
marked for use with gasoline-powered, hand-held, portable,
abrasive cutting-off saws.
■
ALWAYS read all safety materials and instructions that
accompany any blade used with this saw.
■
ALWAYS inspect each blade carefully before using it. If there
are any signs of damage or unusual wear, DO NOT USE
THE BLADE.
■
ALWAYS verify the blade arbor hole matches the saw's
spindle before mounting the blade.
■
ALWAYS mount the blade
solidly
and
firmly
. Wrench tighten
the arbor nut.
■
ALWAYS make sure the blade and flanges are clean and
free of dirt and debris before mounting the blade on the saw.
■
ALWAYS use the correct blade for the type of work being
done. Check with blade manufacturer if you do not know if
blade is correct for desired application.
HS81A CUT-OFF SAW — RULES FOR SAFE OPERATION
NOTE
This saw is designed for certain
applications only. DO NOT use or
modify this saw for any application
other than for which it was designed.

PAGE 10 — HS81A CUT-OFF SAW — OPERATION & PARTS MANUAL — REV. #2 (07/26/10)
HS81A CUT-OFF SAW — RULES FOR SAFE OPERATION
■
NEVER leave the machine
unattended
while running.
■
NEVER run the engine without the air filter. Severe engine
damage could occur.
■
NEVER wear jewelry or loose fitting clothing that may snag
on the controls or moving parts, this can cause a serious
injury.
■
NEVER operate this saw without the blade guard, or other
protective guards in place.
■
NEVER stand behind or in front of the blade path while the
engine is running.
■
NEVER use abrasive blades that are less the 1/8" (3.17 mm)
thick.
■
NEVER exceed maximum blade speed shown for each blade
size. Excessive speed could result in blade breakage.
■
NEVER use a damaged saw or blades.
■
NEVER try to stop a moving blade with your hand.
■
NEVER use an abrasive blade that has been dropped.
■
NEVER use carbide-tipped or toothed type blades of any
kind.
■
NEVER use segmented diamond blades unless they are
specifically designed for high-speed, hand-held saws.
■
NEVER place 1 inch (25.4 mm) arbor hole blades on 20 mm
flanges.
■
NEVER
use the side of a cutting-off blade as a grinder.
■
NEVER cock, jam or wedge the blade in the cut.
■
NEVER operate the saw if the blade does not stop rotating
when the throttle trigger is released.
■
NEVER start cutting until you have a clear work area and
secure footing.
■
NEVER allow other persons to be near the saw when starting,
refueling, or when the saw is operating.
■
NEVER allow bystanders or animals in the work area while
using a cutting-off machine.
■
NEVER touch a dry cutting diamond blade immediately after
use. These blades require several minutes to cool after each
cut.
■
NEVER use damaged or worn blade flanges. Discard any
damage or worn saw parts.
■
NEVER allow blade exposure from the guard to be more
than 180 degrees.
■
NEVER operate this saw without both hands on the handles.
Diamond Blade Safety
■
Use appropriate steel centered diamond blades
manufactured for use on concrete saws.
■
ALWAYS inspect diamond blades before each use. The
blade should exhibit no cracks,
dings, or flaws in the steel
centered core and/or rim. Center
(arbor) hole must be undamaged
and true.
■
Examine blade flanges for
damage, excessive wear and
cleanliness before mounting
blade. Blade should fit snugly on the shaft and against the
inside/outside blade flanges.
■
Ensure the blade is marked with an operating speed greater
than the blade shaft speed of the saw.
■
Only cut the material that is specified by the diamond blade.
Read the specifications of the diamond blade to ensure the
proper tool has been matched to the material being cut.
■
ALWAYS keep blade guards in place. Exposure of the
diamond blade must not exceed 180 degrees.
■
Ensure that the diamond blade does not come into contact
with the ground or surface during transportation. DO NOT
drop the diamond blade on ground or surface.
■
The engine governor is designed to permit maximum
engine speed in a no-load condition. Speeds that exceed
this limit may cause the diamond blade to exceed the
maximum safe allowable speed.
■
Ensure that the blade is mounted correctly for proper
operation.
Saw Transportation Safety
■
NEVER transport the saw with the blade mounted.
■
ALWAYS use caution when
lifting
and
transporting
this
saw.
■
ALWAYS tie-down the saw when transporting.
■
ALWAYS use caution and follow the instructions when
loading and unloading the saw.
WARNING

HS81A CUT-OFF SAW — OPERATION & PARTS MANUAL — REV. #2 (07/26/10) — PAGE 11
HS81A CUT-OFF SAW — RULES FOR SAFE OPERATION
EMERGENCIES
■
ALWAYS know the location of
the nearest
fire extinguisher
.
■
ALWAYS know the location of the
nearest
first aid kit
.
■
In emergencies
always
know the location of the
nearest phone or
keep a phone on the job site
.
Also know the phone numbers of the nearest
ambulance
,
doctor,
and
fire department
. This
information will be invaluable in the case of an
emergency.

PAGE 12 — HS81A CUT-OFF SAW — OPERATION & PARTS MANUAL — REV. #2 (07/26/10)
HS81A CUT-OFF SAW — SPECIFICATIONS
snoitacificepSwaSffo-tuCA18SH.1elbaT
HxWxL)gnippihS(snoisnemiD ni33x81x05
)mm838x754x0721(
)edalbtuohtiw(thgieW )gk4.11(.sbl1.52
eziSedalB )mm50
3(.ni21
)mm653(.ni41
htpeDtuCmumixaM )mm001(.ni4
)mm721(.ni5
eziSrobrA )mm4.52(.ni1
mrAgnittuCelbisreveR
Table 2. HS81A Power Source Specifications
Engine Type Two-Stroke, Single Cylinder, Air cooled
Displacement 4.92 cu. in. (80.7 cc.)
Maximum Spindle Speed 5,100 RPM
Engine Speed 10,000 RPM
Idle Speed 2,500 RPM
Dimensions (LxWxH) 31.5 x 8.7 x15.75 in.
(800 x 220 x 400 mm)
Fuel Tank Capacity .23 Gallons (.9 Liters)
Fuel/Oil Mix Ratio See Figure 13
Starting Method Recoil Start
Ignition
Type Electronic
Speed Controlled
Gap .014 in. (.35 mm)
Spark Plugs
Manufacturer Champion/NGK
Type RCJ7Y/BPR6A
Gap .02 in (.5 mm)
Carburetor
Manufacturer Walbro
Model WJ85
Type
Diaphragm/
Semi-Fixed Jet
EPA Approved

HS81A CUT-OFF SAW — OPERATION & PARTS MANUAL — REV. #2 (07/26/10) — PAGE 13
HS81A CUT-OFF SAW — DECAL PLACEMENT
Machine Operation And Safety Decals
The HS81A CUT-OFF SAW is equipped with a number of
operation and safety decals (Figure 1). Should any of these
decals become unreadable, replacements can be obtained from
your dealer.
P/N DCL 230
P/N DCL 231
P/N DCL 232
P/N DCL 234A
P/N DCL 161
Figure 1. Safety Decals

PAGE 14 — HS81A CUT-OFF SAW — OPERATION & PARTS MANUAL — REV. #2 (07/26/10)
HS81A CUT-OFF SAW — CONTROLS & COMPONENTS
7. Roller Wheel – Allows for easy free movement of the saw
when cutting on a flat surface.
8. V-belt Cover (Clutch) – Unscrew these 2 nuts to remove
the clutch V-belt cover. NEVER operate the saw with this
cover removed. It may be necessary to remove the pulley
cover first before this cover can be removed.
9. Decompression Valve – Push inward when starting
engine.
10. Choke Lever – Used in the starting of a cold engine, or in
cold weather conditions. The choke enriches the fuel
mixture.
11. Rear Handle – When starting engine, place right foot onto
rear handle base. For normal operation always place one
hand on the rear handle and the other hand on the upper
handle. Always use two hands when operating the saw.
12. Engine ON/OFF Switch – ON position permits engine
starting, OFF position stops engine operation.
Figures 2 and 3 shows the location of the basic controls or
components for the Multiquip Model HS81A Cut-off Saw. Listed
below is a brief explanation of each control or component.
1. Air Filter – Prevents dirt and debris from entering the engine
air intake. Check filter periodically and keep cleaned or
replace when necessary. NEVER run engine with a dirty
air filter.
2. Muffler – Used to reduce noise and emissions. NEVER!
touch muffler when engine is running. Allow engine to cool
down. This component gets extremely hot!
3. Guard Adjustmet Knob – Allows for the adjustment of
the blade guard. Turn this knob clockwise to tighten,
counter-clockwise to loosen.
4. Pulley Lock Pin Hole – Insert a phillips head screw driver
or similar tool into this hole to prevent the pulley from rotating.
5. V-belt Tensioning Cam – Allows for the adjustment of the
V-belt. To tighten V-belt turn clockwise, to slacken turn
counterclockwise.
6. V-belt Cover (Pulley) – Unscrew these 3 nuts to remove
the pulley V-belt cover. NEVER operate the saw with this
cover removed.
Figure 2. HS81A Cut-off Saw Components 1
12
10 5
6
7
8
9
11
4
123

HS81A CUT-OFF SAW — OPERATION & PARTS MANUAL — REV. #2 (07/26/10) — PAGE 15
HS81A CUT-OFF SAW — CONTROLS & COMPONENTS
13. Blade Guard – Covers saw blade.
14. Front Handle – When lifting or carrying of the saw is
required, use this handle.
15. Throttle Lock Lever – Using your thumb, press this lever
downward and squeeze the trigger lever to lock the throttle
in place. This will allow the saw blade to rotate at maximum
speed without having to hold the trigger lever. Squeeze the
trigger lever again to unlock the throttle.
16. Variable Throttle Lever – To obtain a variable blade
speed, press this lever downward then squeeze the throttle
trigger.
17. Throttle Trigger Lever – Squeeze this lever to start the
saw blade rotation. Release the trigger lever to stop the
saw blade rotation. This lever is to be used in conjunction
with either the throttle lock or variable throttle levers.
18. Fuel Filler Cap – Remove this cap to add mixed fuel
(requires a 25:1 mixture) to the fuel tank. This saw uses a
2-stroke engine. Make sure fuel cap is tightened securely.
DO NOT over fill. See Figure 13 for correct fuel to oil mixture.
19. Recoil Starter (pull rope) – Manual-starting method. Pull
the starter grip until resistance is felt, then pull briskly and
smoothly.
20. Blade Shaft Nut – Loosen to remove the cutting blade
from the outer and inner flanges.
21. Cutting Blade – Use appropriate type blades for desired
cutting application.
22. Spark Plug – Provides spark to the ignition system. Set
spark plug gap to 0.02 inch (0.5 mm). Clean spark plug
once a month.
21 20 19 18 17
16
15
14
13
Figure 3. HS81A Cut-off Saw Components 2
22

PAGE 16 — HS81A CUT-OFF SAW — OPERATION & PARTS MANUAL — REV. #2 (07/26/10)
The Multiquip
Side Winder
Cut-Off Saw comes with a Tool Kit
(Figure 4) that assists you with day to day operations. You will
need these tools for the assembly of your saw.
Item
is a versatile screwdriver/wrench that accommodates
common bolt/screw and nut head sizes of your saw.
Item
is the wrench necessary to accommodate various
allen screws.
Figure 4. Tool Kit
HS81A CUT-OFF SAW — BLADE INSTALLATION INSTRUCTIONS
Blade Installation Procedure
STEP 1
For proper installation, first remove the
blade shaft nut
,
outer
flange
, and
inner
“dual-arbor” flange
.
Figure 5. Inner and Outer Flanges (Removal)
Figure 6. Inner and Outer Flanges (Placement)
STEP 2
A dual sided, “dual-arbor”
inner flange
accommodates either
a 20 mm or 1-inch arbor hole for operator safety and convenience.
The
outer flange
fits on top of the cutting blade.
STEP 3
Chose the proper
blade arbor
side of the
inner flange
(to match
your cutting blade arbor) and place this selected side to the
blade shaft
.
Figure 7. Selecting the Proper Blade Arbor
STEP 4
Match the arbor side to the dimension of your blade arbor and
“sandwich” between the inner and outer flanges. Tighten the
blade shaft nut
securely to hold the blade in place.
Figure 8. Securing the Cutting Blade

HS81A CUT-OFF SAW — OPERATION & PARTS MANUAL — REV. #2 (07/26/10) — PAGE 17
HS81A CUT-OFF SAW — WATER KIT INSTALLATION INSTRUCTIONS
Figure 9. Water Kit Parts
Figure 10. Water Kit Assembly Points
Figure 11. Wet Air Filter Canister
Water Kit Installation Procedure
Connect the
Quick Disconnect Fitting
to the
single end of the
Water Hose
.
Snap fit the
Water Hose
Outlets
to the
Holes
in the
Blade Guard
. Orient the
Water Hose
through the
Front Handle.
Loop the
Hose Clamp
around the
Water Hose
and fasten the clamp to the
Roller Bar Support Arm
using the Socket Head Cap Screw w/ Washer
, and
Hex Key Tool
.
Use the
Plastic Ties
as preferred to further secure
the hose fittings and water hose to the saw.
When using the Water Kit option for your saw, the Dry
Air
Filter Canister
MUST be replaced with the Wet
Air Filter
Canister
(See Air Filter Kit Assembly in Parts
Section of this manual).
Contents of Water Kit
The contents of the Water Kit cannot be purchased seperately.
See Water Kit Assembly in Parts Section of this manual for
Water Kit part number.
Hose Clamp
Socket Head Cap Screw w/ Washer
Quick Disconnect Fitting
Water Hose
Hex Key Tool
(Included with Tool Kit)
Plastic Ties
Wet
Air Filter Canister
(Sold Seperately)

PAGE 18 — HS81A CUT-OFF SAW — OPERATION & PARTS MANUAL — REV. #2 (07/26/10)
WARNING
Failure to thoroughly inspect the diamond
blade (Figure 12) for operational safety
could result in damage to the blades or
the saw and may cause injury to the user
or others in the operating area.
Figure 12. Diamond Blade
BLADES
Saw blades, or cutting disks, are available in either an abrasive
design or as diamond blades. Either blade will work on the
HS81A CUT-OFF SAW , however, diamond blades are recommended.
Ask your dealer about your specific cutting application.
SAW BLADE INSPECTION
1. Stress Relief Holes (Gullets) - Check the steel core for
cracks that may have propagated from the slots and/or
gullets. Cracks indicate extreme fatigue failure and if sawing
continues, catastrophic failure will occur.
HS81A CUT-OFF SAW — BLADES
2. Edge of the Steel Core - Check the diameter edge for
discoloration (blue oxidation) indicating an overheating
condition caused by insufficient cooling water/air.
Overheating of blades may lead to loss of core tension and/
or increase the possibility for blade failure. Make sure the
steel core's width is uniform about the rim of the blade, and
not succumbing to an "under-cutting" condition brought
about by highly abrasive material or improper under-cutting
core protection
3. Directional Arrow - Ensure that the blade is oriented
properly on the blade shaft for sawing. Reference the
directional arrow on the blade and place it so the direction
of rotation "downcuts" with the turn of the shaft.
4. Diamond Segment or Rim - Ensure there are no cracks,
dings, or missing portions of the diamond segment/rim. DO
NOT
use a blade that is missing a segment or a portion
of the rim.
Damaged and /or missing segments/rims may
cause damage to your saw or injury to the user or others in
the operating area.
5. Specifications - Ensure that the blade specifications, size,
and diameter properly match up to sawing operations.
Utilizing a blade not matched properly to the task may result
in poor performance and/or blade damage.
6. Arbor Hole - It is essential that the arbor hole diameter
properly matches the blade, and that it is free from distortion.
Correct blade flanges (collars) must be used. The inside
face of the flanges must be clean and free of debris. An out-
of-round arbor condition will cause damage to the blade
and the saw.
7. MAX RPM - This RPM reference is the maximum safe
operating speed for the blade selected. NEVER exceed the
max RPM on the diamond blade. Exceeding the maximum
RPM is dangerous and may cause poor performance and
may damage the blade.
PREPARATION / PRE-INSPECTION
1. Read and fully understand this manual,
the safety instructions in particular, and
the engine manufacturer's manual
supplied with the saw.
2. Select the correct blade for each application. If abrasive
blades are used, MAKE CERTAIN they are designed for
use on a concrete floor saw. They must be reinforced and
have a hole for the driving pin. When wet cutting with an
abrasive blade, MAKE CERTAIN the blade is intended for
wet cutting. Water will destroy a dry cut abrasive blade.
Some diamond blades require water cooling and failure to
do so will destroy them almost immediately. Other diamond
blades can be used with or without water.
3. Handle all blades with care and NEVER use a damaged
blade. NEVER use an abrasive blade that has been
dropped.

HS81A CUT-OFF SAW — OPERATION & PARTS MANUAL — REV. #2 (07/26/10) — PAGE 19
The CLOSED position of the choke lever
enriches the fuel mixture for starting a COLD
engine. The OPEN position provides the
correct fuel mixture for normal operation after
starting, and for restarting a warm engine.
HS81A CUT-OFF SAW — INITIAL START-UP/OPERATION
DO NOT attempt to operate the saw until
the Safety, General Information and
Inspection sections of this manual have
been read and thoroughly understood.
Depending on engine manufacturer,
operating steps may vary. See engine
manufactures operating manual.
CAUTIONCAUTION
CAUTIONCAUTION
CAUTION
CAUTIONCAUTION
CAUTIONCAUTION
CAUTION
NEVER operate the saw in a
confined area or enclosed
area structure that does not
provide ample
free flow of air
.
ALWAYS wear approved eye and hearing
protection before operating the saw.
NEVER place hands or feet inside the belt
guard or blade guard while the engine is
running. ALWAYS shut the engine down
before performing any kind of maintenance
service on the saw.
INITIAL START-UP
Fuel Check
Motor fuels are highly flammable and can be
dangerous if mishandled. DO NOT smoke
while refueling. DO NOT attempt to refuel the
saw if the engine is
hot!
or
running
.
Explosive Fuel
1. Remove the fuel cap located on the side of the saw.
2. Visually inspect to see if fuel level is low. If fuel is low,
replenish with fuel oil mixture as shown in Figure 13.
3. When refueling, be sure to use a strainer for filtration. DO
NOT top-off fuel. Wipe up any spilled fuel.
Starting
1. Place the engine ON/OFF switch in the ON position
2. Using your thumb, press down on the throttle lock lever,
while squeezing the throttle trigger. This will lock the throttle
in the
half-throttle
position.
3. Pull the choke lever all the way out to the CLOSED position.
4. Pull the
decompression button
outward.
5. Place the saw on level ground. Make sure the saw blade is
free to rotate and will not come into contact with any foreign
objects.
6. Hold the front handle firmly with the left hand and put your
right foot onto the base of the rear handle.
NOTE
This saw uses a 2-stroke engine which
requires a mixture of no less than 90
octane
premium
unleaded gasoline and smoke
free 2-stroke motor oil. See Figure 13.
Figure 13. Fuel to Oil Mixture
NOTE
DO NOT
use automotive motor oil when
adding oil to fuel. For optimum performance
and proper lubrication, the manufacture
recommends that the fuel to oil ratio mixture
be 25:1
NOTE
A single bottle ( 2.6 fl. oz) of smokeless 2-stroke motor oil
cannot
be
purchased separately
. However you can purchase from
Multiquip a case (P/N 00325) of 48 individual bottles or a 6 pack
(P/N 003256PAK).
UNLEADED
FUEL
2-STROKE
MOTOR OIL
2.6 FL.OZ
90 OCTANE
PREMIUM
UNLEADED
GASOLINE
1 (3.78)
2 (7.57)
5 (18.92)
5.2 (154)
10.4 (308)
26 (769)
2
4
10
UNLEADED GAS
GAL. (LITERS)
2-STROKE OIL
OZ. (ML)
NUMBER OF
BOTTLES FUEL TO OIL
MIXTURE RATIO
25:1 (4%)

PAGE 20 — HS81A CUT-OFF SAW — OPERATION & PARTS MANUAL — REV. #2 (07/26/10)
Shut-down
1. Let the engine idle for 3-5 minutes.
2. Place the engine ON/OFF switch to the OFF position
3. Wait for the blade to stop spinning before handling the saw.
4. DO NOT touch the cutting blade it is very
hot!
, allow it to
cool, severe burn condition exists.
ALWAYS keep clear of
rotating
or
moving
parts while operating
this equipment.
WARNING
3. When blade has reached full cutting depth, slowly walk
behind the saw at a rate that will allow the engine to operate
without losing optimum RPM.
CAUTIONCAUTION
CAUTIONCAUTION
CAUTION
4. When the end of the cut has been reached, raise the blade
out of the cut .
5. If cutting is complete, turn the engine off and wait for the blade
to stop rotating.
DO NOT try to cut faster than the blade will allow.
Cutting too fast will cause the blade to rise up
out of the cut. Improper cutting rate can decrease
the life of the engine and blades.
ALWAYS cut with the saw at FULL THROTTLE. Attempting to
cut with the saw at less than full throttle could cause the blade to
bind or stop abruptly in the slab resulting in serious injury to the
operator or others in the area.
WARNING
2. To begin sawing, lower the rotating blade allowing it to cut to
the preset depth.
OPERATION
NOTE Mark the cutting line clearly and always
saw in a STRAIGHT LINE ONLY.
HS81A CUT-OFF SAW — INITIAL START-UP/OPERATION
7. Grasp the
starter grip
and slowly pull it out. The resistance
becomes the hardest at a certain position, corresponding to
the compression point. Pull the starter grip briskly and smoothly
for starting.
8. If the engine has started, slowly return the choke lever to the
"OPEN"
position. If the engine has not started repeat steps
1 through 9.
9. Squeeze the throttle lever trigger to release it from the
half-
throttle position.
10. Before the saw is placed into operation, run the engine for
several minutes. Check for fuel leaks, and noises that would
associate with a loose guards and/or covers.

HS81A CUT-OFF SAW — OPERATION & PARTS MANUAL — REV. #2 (07/26/10) — PAGE 21
HS81A CUT-OFF SAW — MAINTENANCE
Figure 17. Drive V-Belt
Figure 14. Belt Guard Cover Removal
Remove the 2 hex nuts
and hex screw and washer
to
gain access to the V-belt on the clutch side. Remove V-belt
cover
.
Figure 16. V-Belt Tensioning
Using the provided wrench, loosen the three nuts
to reduce
the tension on the V-belt, then turn the V-belt Tensioning Cam
until the V-belt is completely slacked.
V-Belt Changing Procedure
Remove the V-belt
from the
clutch and spindle pulleys
.
Install the new V-belt around both pulleys. It is essential that the
drive V-belt is properly positioned around both the clutch and
spindle pulleys.
Remove the 2 hex nuts
and hex screw and guard adjustment
knob
to gain access to the V-belt on the spindle side. Remove
the Cover Guard
.
Figure 15. Re-Installing Cover Guard
N

PAGE 22 — HS81A CUT-OFF SAW — OPERATION & PARTS MANUAL — REV. #2 (07/26/10)
Figure 19. Re-Installing Cover Guard
Re-install the
guard
and
V-belt
covers
. Fully tighten
the two cap screws
and reinstall the adjustment knob
.
Re-tension the V-belt by turning the
belt tensioning cam
-
.
The V-belt should remain in tension.
Fully tighten the three nuts
that lock the V-belt into the proper
tensioning position.
Figure 18. Reversing the Cutting Arm
N
HS81A CUT-OFF SAW — MAINTENANCE
V-Belt Changing Procedure (continued)

HS81A CUT-OFF SAW — OPERATION & PARTS MANUAL — REV. #2 (07/26/10) — PAGE 23
Reversing the Cutting Arm Procedure
NOTE This assembly procedure permits the operator to reorient the
cutting blade
closer to a wall, column
and/or object.
The Multiquip
Side Winder
Cut-Off Saw comes with a Tool Kit
(Figure 20) that assist you with day to day operations. You will
need these tools for the maintenance of your saw.
Item
is a versatile screwdriver/wrench that accommodates
common bolt/screw and nut head sizes of your saw.
Item
is the wrench necessary to accommodate various allen
screws.
Figure 20. Tool Kit
This position displays the
cutting blade on the inside
(center)
cutting position. To reverse the blade position continue with the
following steps:
Remove the following items from the
Cutting Arm Assembly
to expose the V-belt:
■
Guard Adjustment Knob
■
Two Cap Screws
■
Cover Guard
Figure 21. Inside Center Cutting Position
Loosen the
belt tensioning cam
and remove the three
nuts
. This will take tension off the V-belt, and permit you to
reverse the
cutting arm
.
Figure 22 Belt Tensioning Cam
HS81A CUT-OFF SAW — MAINTENANCE

PAGE 24 — HS81A CUT-OFF SAW — OPERATION & PARTS MANUAL — REV. #2 (07/26/10)
Reverse the
cutting arm
180 degrees as shown in the Figure
23, and re-tension the V-belt by turning the
belt tensioning
cam
-
. The V-belt should remain in tension.
Fully tighten the three nuts
that lock the V-belt into the proper
tensioning position.
Figure 23. Reversing the Cutting Arm
Figure 24. Re-attaching Cover Guard
Re-attach the
cover guard
with the 2 cap screws
,
and reconnect the
guard adjustment knob
.
HS81A CUT-OFF SAW — MAINTENANCE
Reversing the Cutting Arm Procedure (continued)

HS81A CUT-OFF SAW — OPERATION & PARTS MANUAL — REV. #2 (07/26/10) — PAGE 25
HS81A CUT-OFF SAW — MAINTENANCE (AIR/FUEL FILTER)
Figure 25. Fuel Filter
Air/Fuel Filter Maintenance Procedures
Check the
fuel filter
located inside the fuel tank periodically
for dirt/debris build up. It is recommended to change the fuel filter
every
50 tanks of fuel
.
This engine is a 2-stroke gasoline engine
requiring a specific
fuel to oil mixture of 25:1(4%). It is recommended to use an
unleaded gasoline rated at 92 octane (
premium)
with an oil for
use on 2-stroke engines only. See Figure 13.
Figure 26. Pre-Filter
It is highly recommended to keep a supply of spare
pre-filters
on hand. Maintaining the
foam pre -filter
, and regular exchanges
will prolong the life of the
main filter element
.
Every 8 hours of operation
, remove the
pre-air cleaner cover
and wash the foam
pre-cleaner
in warm fresh soapy
water. Let dry thoroughly. When dry, completely coat the filter
with only an approved
foam filter oil
.
Figure 27. Main Filter Element
Every 8 hours of operation
, remove the
covers
and
and inspect the
main filter element
. Clean the
main filter
element
by vigorously shaking out and dusting off with a
soft brush. DO NOT air blast clean this element with compressed
gas.
The main filter element should be replaced after
three
pre filter
changes
Figure 28. Supplementary Filter
Every 8 hours of operation, inspect the
supplementary filter
element
. Clean the
supplementary filter element
by
vigorously shaking out and dusting off with a soft brush. DO
NOT air blast clean this element with compressed gas.
The
supplementary filter element
should be replaced after
three
pre filter changes
.

PAGE 26 — HS81A CUT-OFF SAW — OPERATION & PARTS MANUAL — REV. #2 (07/26/10)
HS81A CUT-OFF SAW — TROUBLESHOOTING (BLADE)
GNITOOHSELBUORTEDALB.3ELBAT
MOTPMYS MELBORPELBISSOP NOITULOS
.gnittucspotsroswolsedalB
gnieblairetamehtrofdrahootedalB
?tuc
gnittucyrT.edalbtcerrocrofpiuqitluMrorelaeDtlusnoC
ot)kcolbrednic,kcirbacilis,enotsdnas(lairetamtfosyr
ev
.edalbeht"sserdeR"
foesuacebdehsinimideuqrotenignE
?tleb-Vesool .stleB-Vecalperro/dnanethgiT
?rewopenignetneiciffusnI .rewopesrohenignEkcehC.gnitteselttorhtkcehC
?noitatorfonoitceridreporpmI lanoitatordnadetneiroylreporpsiedalbehttahtkcehC
.noitcerid"gnittuC-nwoD"anistniopworra
?tfahsedalbehtnognippilssiedalB nodellatsniylreporperanipegnalf&edalbehttahtkcehC
.tfahsedalbeht
thgiartstuctonseodedalB
.eurtro/dna
?wasdengilasimnodesugniebedalB .ytirgetnitnemngiladnasgniraebtfahsedalbkcehC
ehtrofdrahylevissecxesiedalB
?tucgnieblairetam
gnieblairetamehthtiwedalbehtfonoitacificepskcehC
.noitamrofnirofpiuqitluMrorelaeDtlusnoC.tuc
?MPRreporpmitadesugniebedalB si)MPFS(deepsetunimrepteefecafrusedalberusnE
.000,6yletamixorppa
robranodetnuomylreporpmiedalB
?segnalfdnasredluohs .tfahsedalbehtnodexiffaylreporpsiedalberusnE
elihwedalbotdeilppaecrofevissecxE
?gnittuc TONOD dnawolsaylppA.tucehtniedalbehtecrof
.gniwasnehwecapydaets
gnilkcarc,gnirolocsidedalB
.ylevissecxegniraewro/dna
gnieblairetamehtrofdrahootsedalB
?tuc
gnittucyrT.edalbtcerrocrofpiuqitluMrorelaeDtlusnoC
ot)kcolbrednic,kcirbacilis,enotsdnas(lairetamtfosyrev
.edalbeht"sserdeR"
robranodetnuomylreporpmiedalB
?segnalfdnasredluohs .tfahsedalbehtnodexiffaylreporpsiedalberusnE
gniloochguonegniviecertonedalB
?riaroretaw
tewrofdedivorpsiretawfoemulov&wolfreporperusnE
detalucricsiriagnilooctneiciffuserusnE.sedalbgnittuc
.edalbgnittucyrdatuoba
?dnuorfotuoelohrobrA .tfahsedalbehtnodexiffaylreporpsiedalberusnE
lairetamrofnesohcedalbtcerrocnI
?tucgnieb
gnieblairetamehthtiwedalbehtfonoitacificepskcehC
.noitamrofnirofpiuqitluMrorelaeDtlusnoC.tuc
elihwedalbotdeilppaecrofevissecxE
?gnittuc TONOD dnawolsaylppA.tucehtniedalbehtecrof
.gniwasnehwecapydaets

HS81A CUT-OFF SAW — OPERATION & PARTS MANUAL — REV. #2 (07/26/10) — PAGE 27
HS81A CUT-OFF SAW — TROUBLESHOOTING (ENGINE)
)ENIGNE(GNITOOHSELBUORT.4ELBAT
MOTPMYSESUACELBISSOPNOITULOS
ontub,elbaliavasileuf",tratsottluciffiD
."gulpkrapstaKRAPS
?gnigdirbgulpkrapS ronoitalusni,pagkcehC
.gulpkrapsecalper
?gulpkrapsnotisopednobraC .gulpkrapsecalperronaelC
gulpkrapstneic
ifedoteudtiucrictrohS
?noitalusni
,noitalusnigulpkrapskcehC
.nrowfiecalper
?paggulpkrapsreporpmI.pagreporpotteS
?evitcefedliocnoitingI.liocnoitingiecalpeR
dna,elbaliavasileuf",tratsottluciffiD
."gulpkrapsehttatn
eserpsiKRAPS
?detrohssihctiwsFFO/NO ecalper,gniriwhctiwskcehC
.hctiws
?ytridstniop,pagkrapsreporpmI dnapag
krapstcerrocteS
.stniopnaelc
trohsronrownoitalusniresnednoC
?gnitiucric .resnednocecalpeR
?gnitiucrictrohs
ronekorberiwgulpkrapS gulpkrapsevitcefedecalpeR
.gniriw
kraps,elbaliavasileuf",tratsottluciffiD
."lamrons
inoisserpmocdnatneserpsi
?epytleufgnorW ecalperdna,metsysleufhsulF
.leuffoepyttcerrochtiw
?metsysleufnits
udroretaW.metsysleufhsulF
?ytridrenaelcriA .renaelcriaecalperronaelC
?nepOekohC.ekohCesolC
kraps,elbaliavas
ileuf",tratsottluciffiD
."wolsinoisserpmocdnatneserpsi
?dedurtorprokcutsevlavtsuahxe/noitcuS.sevlavtaes-
eR
?nrowrednilycro/dnagnirnotsiP ro/dnasgnirnotsipecalpeR
.notsip
tongulpkrapsro/dnadaehrednilyC
?ylreporp
denethgit
dnastlobdaehrednilyceuqroT
.gulpkraps
teksaggulpkrapsro/dnateksagdaeH
?degamad
gulpkrapsro/dnada
ehecalpeR
.steksag
.roterubracehttatneserpleufoN
?)ypmeknat(knatleufnielbaliavatonleuF .leuffoepyttcerroc
htiwlliF
?deggolcretlifleuF.retlifleufecalpeR
?deggolcelohrehtaerbpacknatleuF .packnatleufecalperronaelC
?
enilleufniriA.enilleufdeelB

PAGE 28 — HS81A CUT-OFF SAW — OPERATION & PARTS MANUAL — REV. #2 (07/26/10)
HS81A CUT-OFF SAW — TROUBLESHOOTING (ENGINE)
)DEUNITNOC,ENIGNE(GNITOOHSELBUORT.4ELBAT
MOTPMYSESUACELBISSOPNOITULOS
reporpsinoisserpmoc"rewopnikaeW"
.erifsimtonseoddna
?naelctonrenaelcriA .renae
lcriaecalperronaelC
?roterubracnilevelleufreporpmI
.tnemtsujdataolfkcehC
.roterubracdliubeR
?gulpkrapsevi
tcefeD .gulpkrapsecalperronaelC
?paggulpkrapsreporpmI.pagreporpotteS
reporpsinoisserpmoc"rewopnikaeW"
.ser
ifsimtub
?metsysleufniretaW ecalperdnametsysleufhsulF
.leufepyttcerrochtiw
?evitcefedliocnoitingI.liocnoit
ingiecalpeR
?gulpkrapsytriD .gulpkrapsecalperronaelC
.staehrevoenignE
?epytleufgnorW ecalperdna,metsysleuf
hsulF
.leuffoepyttcerrochtiw
?reporpmieulavtaehgulpkrapS foepyttcerrochtiwecalpeR
.gulpkraps
?ytridsnifgni
looC.snifgniloocnaelC
.setautculfdeepslanoitatoR
?yltcerrocdetsujdaronrevoG.ronrevogtsujdA
?gnissimroevitc
efedgnirpsronrevoG.gnirpsronrevogecalpeR
?detcirtserwolfleuF rofmetsysleuferitnekcehC
.sgolcroskael
.noitc
nuflamretratslioceR
dnatsudhtiwdeggolcmsinahcemlioceR
?trid
paoshtiwylbmessaliocernaelC
.retawdna
?esoolgn
irpslaripS.gnirpslaripsecalpeR

HS81A CUT-OFF SAW — OPERATION & PARTS MANUAL — REV. #2 (07/26/10) — PAGE 29
HS81FK1A
[ Includes 1 ea.]
HS52010451R- Foam Filter
HS018600125R- Paper Filter
HS018600056AR - Inner Filter
HS81FK5A
[ Includes 5 ea.]
HS52010451R - Foam Filter
HS018600125R - Paper Filter
HS018600056AR - Inner Filter
HS81FK10A
[ Includes 10 ea.]
HS52010451R - Foam Filter
HS018600125R - Paper Filter
HS018600056AR - Inner Filter
WET FILTER
* Replaces
DRY
Air Filter Canister When Using Water &
Standard Water Kit (provided)
HS099900778A
[ Includes 1 ea.]
DRY FILTER KITS
HS81A
For
Side WinderSide Winder
Side WinderSide Winder
Side Winder
HS Series Cut-Off Saws
HS81A CUT-OFF SAW — FILTER KITS

PAGE 30 — HS81A CUT-OFF SAW — OPERATION & PARTS MANUAL — REV. #2 (07/26/10)
HS81A CUT-OFF SAW — EXPLANATION OF PARTS SECTION REMARKS
The following section explains the different symbols and
remarks used in the Parts section of this manual. Use the
help numbers found on the back page of the manual if there
are any questions.
SAMPLE PARTS LIST
NO. PART NO. PART NAME QTY. REMARKS
1 12345 BOLT ......................1 .....INCLUDES ITEMS W/%
2% WASHER, 1/4 IN. ...........NOT SOLD SEPARATELY
2% 12347 WASHER, 3/8 IN. ...1 .....MQ-45T ONLY
3 12348 HOSE ..................A/R ...MAKE LOCALLY
4 12349 BEARING ..............1 .....S/N 2345B AND ABOVE
NO. Column
Unique Symbols — All items with same unique
symbol
(@, #, +, %, or >) in the number column belong to the
same assembly or kit, which is indicated by a note in the
“Remarks” column.
Duplicate Item Numbers — Duplicate numbers indicate
multiple part numbers, which are in effect for the same
general item, such as different size saw blade guards in
use or a part that has been updated on newer versions
of the same machine.
PART NO. Column
Numbers Used — Part numbers can be indicated by a
number, a blank entry, or TBD.
TBD (To Be Determined) is generally used to show a
part that has not been assigned a formal part number
at the time of publication.
A blank entry generally indicates that the item is not sold
separately or is not sold by Multiquip. Other entries will
be clarified in the “Remarks” Column.
NOTICE
The contents and part numbers listed in the parts
section are subject to change without notice. Multiquip
does not guarantee the availability of the parts listed.
NOTICE
When ordering a part that has more than one item
number listed, check the remarks column for help in
determining the proper part to order.
QTY. Column
Numbers Used — Item quantity can be indicated by a
number, a blank entry, or A/R.
A/R (As Required) is generally used for hoses or other
parts that are sold in bulk and cut to length.
A blank entry generally indicates that the item is not sold
separately. Other entries will be clarified in the “Remarks”
Column.
REMARKS Column
Some of the most common notes found in the “Remarks
”
Column are listed below. Other additional notes needed
to describe the item can also be shown.
Assembly/Kit — All items on the parts list with the
same unique symbol will be included when this item is
purchased.
Indicated by:
“INCLUDES ITEMS W/(unique symbol)”
Serial Number Break — Used to list an effective serial
number range where a particular part is used.
Indicated by:
“S/N XXXXX AND BELOW”
“S/N XXXX AND ABOVE”
“S/N XXXX TO S/N XXX”
Specific Model Number Use — Indicates that the part
is used only with the specific model number or model
number variant listed. It can also be used to show a
part is NOT used on a specific model or model number
variant.
Indicated by:
“XXXXX ONLY”
“NOT USED ON XXXX”
“Make/Obtain Locally” — Indicates that the part can
be purchased at any hardware shop or made out of
available items. Examples include battery cables, shims,
and certain washers and nuts.
“Not Sold Separately” — Indicates that an item cannot
be purchased as a separate item and is either part of an
assembly/kit that can be purchased, or is not available
for sale through Multiquip.

HS81A CUT-OFF SAW — OPERATION & PARTS MANUAL — REV. #2 (07/26/10) — PAGE 31
HS81A CUT-OFF SAW — SUGGESTED SPARE PARTS
SUGGESTED SPARE PARTS
HS81A SIDEWINDER CUT-OFF SAW
1 to 3 Units
Qty. P/N Description
1 ............ HS52012047A ....... STARTER ASSEMBLY
3 ............ HS098000079R .... ROPE, STARTER
1 ............ HS50140060 ......... HANDLE, ROPE
1 ............ HS098000060A ..... SPRING & CASE, STARTER
6 ............ HS3055118 ........... SPARK PLUG
1 ............ HS097000132 ....... CLUTCH ASSEMBLY
1 ............ HS52022005 ......... FUEL CAP, W/O-RING
3 ............ HS50010218 ......... FILTER, FUEL
1 ............ HS52010092 ......... THROTTLE TRIGGER LEVER
1 ............ HS52010077 ......... THROTTLE LOCK LEVER
1 ............ HS52010078 ......... CHOKE LEVER
1 ............ HS52010022A ....... COVER, BELT GUARD
3 ............ HS3914010 ........... NUT, BELT COVER
3 ............ HS018100180 ....... V-BELT
2 ............ HS018600235 ....... FLANGE, ARBOR
2 ............ HS018600236A ..... FLANGE, ARBOR
2 ............ HS52010177 ......... SCREW AND WASHER, ARBOR
2 ............ HS52010062A ....... KNOB, ADJ. GUIDE
2 ............ HS3833080 ........... WASHER, ADJ. GUIDE
2 ............ HS52010045 ......... SPACER, ADJ. GUIDE
2 ............ HS52010013 ......... LOCK, GUIDE BLADE GUARD
1 ............ HS52012024B ....... FLANGE, PRE-FILTER CAP
1 ............ HS52010014B ....... SUPPORT FILTER
2 ............ HS3802002A ......... SCREW, FILTER SUPPORT
1 ............ HS330000010 ....... O-RING, FLANGE PRE-FILTER
1 ............ HS018600090A ..... GASKET, AIR FILTER LOWER
18 .......... HS018600125R .... AIR FILTER
6 ............ HS018600056AR .. FILTER, AIR INNER
18 .......... HS52010451R ...... PRE-FILTER, FOAM
3 ............ HS4191240 ........... TOOL KIT
3 ............ HS099900778A ..... WET, AIR FILTER
3 ............ HS52010082 ......... BREATHER ASSEMBLY
1 ............ 00325 .................... CASE, OIL 2-STROKE NON-SMOKE - 36 BOTTLES
NOTE The contents of this parts
catalog are subject to change
without notice.

PAGE 32 — HS81A CUT-OFF SAW — OPERATION & PARTS MANUAL — REV. #2 (07/26/10)
HS81A CUT-OFF SAW — MUFFLER ASSY.
MUFFLER ASSY.

HS81A CUT-OFF SAW — OPERATION & PARTS MANUAL — REV. #2 (07/26/10) — PAGE 33
MUFFLER ASSY.
NO. PART NO. PART NAME QTY.REMARKS
1*HS3801052 SCREW 3
2*HS3033074 WASHER 5
3*HS097000342A COVER, MUFFLER 1
4*HS3801045 SCREW 2
5*HS005100913B SCREW 2
6*HS3833073 WASHER 2
7*HS098000133 DEFLECTOR, MUFFLER 1
8*HS098000132 SCREEN 1
9 HS52010441 MUFFLER ASSEMBLY ............................. 1 ......... INCLUDES ITEMS W/*
10*HS097000092A SCREW 2
11 HS097000094A GASKET, MUFFLER 1
HS81A CUT-OFF SAW — MUFFLER ASSY.

PAGE 34 — HS81A CUT-OFF SAW — OPERATION & PARTS MANUAL — REV. #2 (07/26/10)
HS81A CUT-OFF SAW — RECOIL START ASSY.
RECOIL START ASSY.

HS81A CUT-OFF SAW — OPERATION & PARTS MANUAL — REV. #2 (07/26/10) — PAGE 35
RECOIL START ASSY.
NO. PART NO. PART NAME QTY.REMARKS
14*HS50140060 HANDLE, STARTER ROPE 1
15*HS098000079R ROPE, STARTER 1
16*HS098000060A SPRING AND CASE, STARTER 1
17*HS3960017 SCREW 4
18*HS3960116 SCREW 1
19*HS50140055 COVER 1
20*HS3918006 WASHER 1
21*HS52010439B PULLEY, STARTER 1
22*HS3908036 SCREW 1
23 HS099900296R SCREW 4
24 HS52012047A STARTER ASSEMBLY .............................. 1 ......... INCLUDES ITEMS W/*
25*HS52010410 CAP 1
26*HS50140056 CAP 1
27*HS52010404 SPACER 1
HS81A CUT-OFF SAW — RECOIL START ASSY.

PAGE 36 — HS81A CUT-OFF SAW — OPERATION & PARTS MANUAL — REV. #2 (07/26/10)
HS81A CUT-OFF SAW — CRANKCASE ASSY.
CRANKCASE ASSY.

HS81A CUT-OFF SAW — OPERATION & PARTS MANUAL — REV. #2 (07/26/10) — PAGE 37
CRANKCASE ASSY.
NO. PART NO. PART NAME QTY.REMARKS
3 HS52010312 PLATE 1
11 HS09990268 RUBBER CLAMP 1
12 HS52020040 CAP 1
16 HS097000009A GASKET, CRANKCASE 1
18 HS52012018 CRANKCASE W/ BEARING ASSY ........................ 1 ......... INCLUDES ITEMS W/*
19*HS3034012 BEARING, CRANKCASE 2
20 HS099900110 GROMMET 1
21 HS52010117 GROMMET 1
22 HS3833073 WASHER 7
23 HS006100303 SCREW 2
24 HS097000080BR BAR STUD, CRANKCASE 2
26 HS3801015 SCREW 4
28 HS005100987 SCREW 1
30 HS097000057 GROMMET 1
31 HS006000102 SPLIT PIN 1
37*HS3023008 PIN 2
40 HS52010078 CHOKE LEVER 1
41 HS3049030 O-RING 1
HS81A CUT-OFF SAW — CRANKCASE ASSY.

PAGE 38 — HS81A CUT-OFF SAW — OPERATION & PARTS MANUAL — REV. #2 (07/26/10)
HS81A CUT-OFF SAW — V-BELT COVER (CLUTCH SIDE) ASSY.
V-BELT COVER (CLUTCH SIDE) ASSY

HS81A CUT-OFF SAW — OPERATION & PARTS MANUAL — REV. #2 (07/26/10) — PAGE 39
V-BELT COVER (CLUTCH SIDE) ASSY.
NO. PART NO. PART NAME QTY.REMARKS
25 HS52010430 V-BELT COVER, (CLUTCH SIDE) 1
31 HS50010148R NUT 2
34 HS3833073 WASHER 3
40 HS3806021A SCREW 2
41 HS3801037 SCREW 1
42 HS52010023 GUARD, BELT INNER 1
43 HS3916008R WASHER 2
44 HS006000300 BUSHING 1
HS81A CUT-OFF SAW — V-BELT COVER (CLUTCH SIDE) ASSY.

PAGE 40 — HS81A CUT-OFF SAW — OPERATION & PARTS MANUAL — REV. #2 (07/26/10)
HS81A CUT-OFF SAW — V-BELT COVER (PULLEY) /BLADE GUARD ASSY.
V-BELT COVER (PULLEY-SIDE)/BLADE GUARD ASSY.
26
45
38 6
17 18
39
35
15
9
32
CLUTCH
PULLEY
16
37
34
36
46
12
4
7
12
30
29
33
34
21
47
BLADE FLANGE
OUTER (FLAT)
2
5
10
6
BLADE FLANGE
INNER (LIP)
8
1
22
28
24
27
23
11
20
34
14
14
14
13
19

HS81A CUT-OFF SAW — OPERATION & PARTS MANUAL — REV. #2 (07/26/10) — PAGE 41
V-BELT COVER (PULLEY-SIDE)/BLADE GUARD ASSY.
NO. PART NO. PART NAME QTY.REMARKS
1 HS52010026 BLADE COVER 14-INCH 1
2 HS52010177 SCREW AND WASHER 1
4 HS52010045 SPACER 1
5 HS018600235 FLANGE, ARBOR (OUTER) 1
6 HS52010044 SPACER 2
7 HS018600019 SHAFT 1
8 HS3806022 SCREW 3
9 HS005000343 WASHER 1
10 HS018600236A FLANGE, ARBOR (INNER) 1
11 HS018100029 O-RING, BLADE GUARD SUPPORT 1
12 HS3035019 BEARING 2
13 HS093000020 SPACER 1
14 HS094000251 NUT 5
15 HS52010039 SPACER 1
16 HS01860004A PULLEY, BELT 1
17 HS3918013 WASHER 1
18 HS3806065 SCREW 1
19 HS52010305 PLATE 17
20 HS3806021A SCREW 5
21 HS52012114 ARM 1
22 HS52010043 FLANGE 1
23 HS52010013 LOCK, GUIDE BLADE GUARD 1
24 HS52010396 GUIDE, BLADE GUARD 1
26 HS52010062A KNOB, ADJUSTMENT GUIDE 1
27 HS3802005A SCREW 2
28 HS52010025A SUPPORT BLADE GUARD 1
29 HS3801016 SCREW 2
30 HS3914010 NUT 3
32 HS018100180 V-BELT 1
33 HS52010022A COVER, V-BELT (PULLEY SIDE) 1
34 HS3833073 WASHER 6
35 HS3806037A SCREW 1
36 HS52010211 GUARD 1
37 HS52010046 BUSHING 1
38 HS52010401 SCREW 1
39 HS52010036 BELT ADJUSTER 1
45 HS3833080 WASHER 1
46 HS3906019 SCREW 1
47 HS52010428 PLASTIC PIN 2
HS81A CUT-OFF SAW — V-BELT COVER (PULLEY) /BLADE GUARD ASSY.

PAGE 42 — HS81A CUT-OFF SAW — OPERATION & PARTS MANUAL — REV. #2 (07/26/10)
HS81A CUT-OFF SAW — FUEL TANK ASSY.
FUEL TANK ASSY.

HS81A CUT-OFF SAW — OPERATION & PARTS MANUAL — REV. #2 (07/26/10) — PAGE 43
HS81A CUT-OFF SAW — FUEL TANK ASSY.
FUEL TANK ASSY.
NO. PART NO. PART NAME QTY.REMARKS
4 HS52010082 BREATHER 1
5 HS093000448 TUBE 1
6 HS018500066 FITTING 1
8 HS018500096 VALVE BODY 1
9 HS50010093 TUBE 1
15*HS099900090 0-RING 1
16 HS52022005 CAP, FUEL ............................................................. 1 ......... INCLUDES ITEM W/ *
19 HS4098377 CLIP 1
28 HS50010218 FILTER, FUEL 1

PAGE 44 — HS81A CUT-OFF SAW — OPERATION & PARTS MANUAL — REV. #2 (07/26/10)
HS81A CUT-OFF SAW — LIFTING HANDLE AND ROLLER ASSY.
LIFTING HANDLE AND ROLLER ASSY.

HS81A CUT-OFF SAW — OPERATION & PARTS MANUAL — REV. #2 (07/26/10) — PAGE 45
LIFTING HANDLE AND ROLLER ASSY.
NO. PART NO. PART NAME QTY.REMARKS
1 HS52010047 HANDLE 1
2 HS097000061A SCREW 4
3 HS3072015 WASHER 2
7 HS3801020 SCREW 2
17 HS52020026 GUARD, FUEL TANK 1
18 HS3960087 SCREW 1
20 HS52010214 MAIN ROLLER SUPPORT UPPER 1
21 HS018100317 SPACER, ROLLER SUPPORT LOWER 2
22 HS018100171A ROLLER 1
23 HS52010098 SUPPORT, ROLLER LOWER 1
24 HS3072015 WASHER 2
25 HS3801024 SCREW 2
26 HS52010066R SHOCK ABSORBER 4
27 HS097000485 FUEL TANK ASSY. 1
29 HS3833076 WASHER 4
30 HS3806035 SCREW 2
HS81A CUT-OFF SAW — LIFTING HANDLE AND ROLLER ASSY.

PAGE 46 — HS81A CUT-OFF SAW — OPERATION & PARTS MANUAL — REV. #2 (07/26/10)
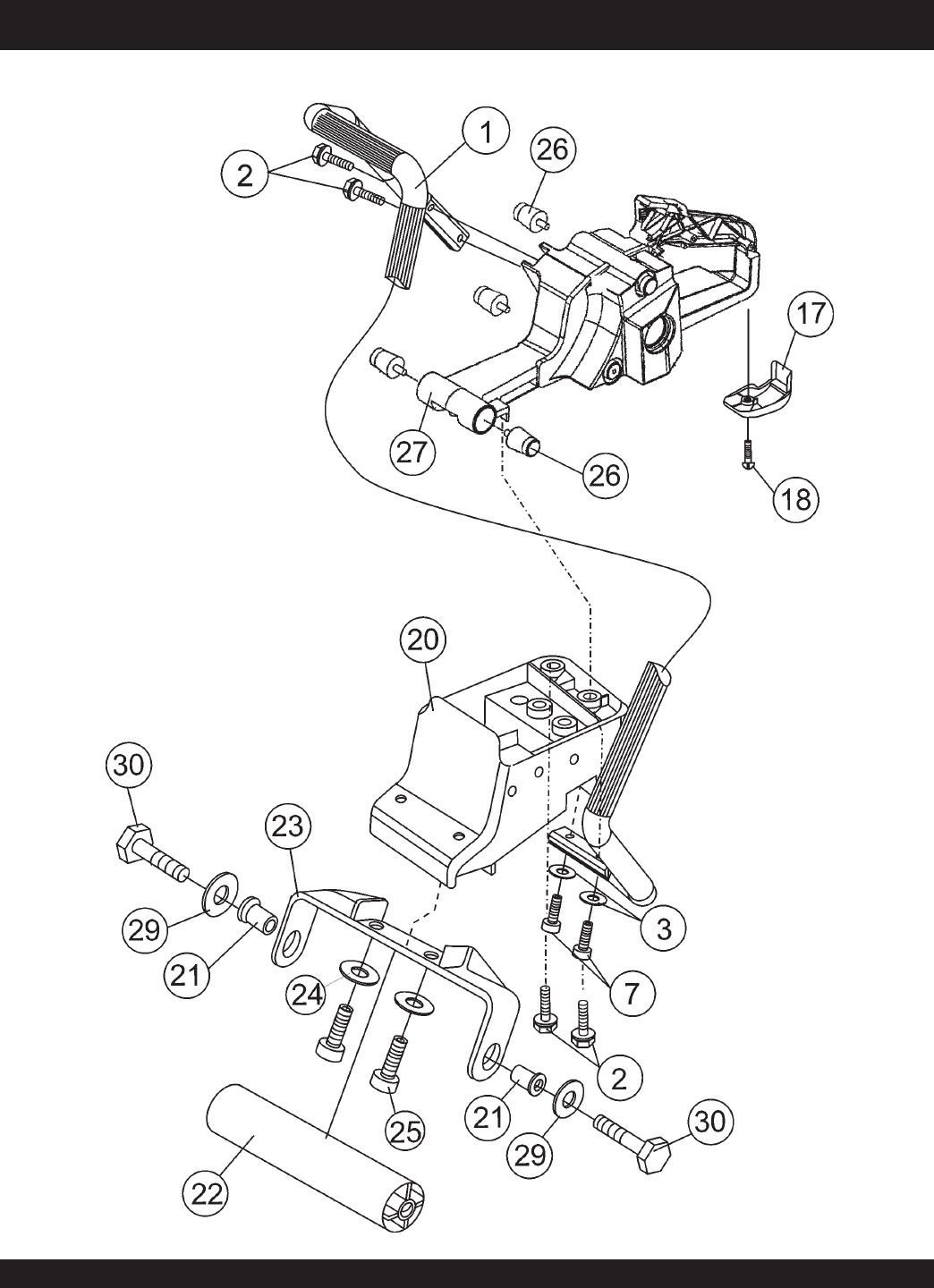
HS81A CUT-OFF SAW — THROTTLE LINKAGE ASSY.
THROTTLE ASSY.

HS81A CUT-OFF SAW — OPERATION & PARTS MANUAL — REV. #2 (07/26/10) — PAGE 47
THROTTLE ASSY
NO. PART NO. PART NAME QTY.REMARKS
10 HS52010092 THROTTLE TRIGGER LEVER ............................... 1 ......... INCLUDES ITEM W/ #
11 HS52010077 THROTTLE LOCK LEVER 1
12 HS097000028 SPRING 1
13 HS097000024 COVER, HANDLE/TANK 1
14 HS3960040 SCREW 3
38% CAP, THROTTLE LINKAGE ................................... 1 ......... NOT SOLD SEPARATELY
39 HS52012044 THROTTLE LINKAGE ............................................ 1 ......... INCLUDES ITEM W/ %
40# PLATE .................................................................... 1 ......... NOT SOLD SEPARATELY
HS81A CUT-OFF SAW — THROTTLE LINKAGE ASSY.

PAGE 48 — HS81A CUT-OFF SAW — OPERATION & PARTS MANUAL — REV. #2 (07/26/10)
HS81A CUT-OFF SAW — FLYWHEEL COVER ASSY.
FLYWHEEL COVER ASSY.

HS81A CUT-OFF SAW — OPERATION & PARTS MANUAL — REV. #2 (07/26/10) — PAGE 49
FLYWHEEL COVER ASSY.
NO. PART NO. PART NAME QTY.REMARKS
3 HS005000361 WASHER, FLAT 1
4 HS3833080 WASHER, LOCK 1
5 HS004000142 NUT 1
6 HS097000019C FLANGE, STARTER 1
HS81A CUT-OFF SAW — FLYWHEEL COVER ASSY.

PAGE 50 — HS81A CUT-OFF SAW — OPERATION & PARTS MANUAL — REV. #2 (07/26/10)
HS81A CUT-OFF SAW — FLYWHEEL ASSY.
FLYWHEEL ASSY.

HS81A CUT-OFF SAW — OPERATION & PARTS MANUAL — REV. #2 (07/26/10) — PAGE 51
FLYWHEEL ASSY.
NO. PART NO. PART NAME QTY.REMARKS
1 HS52010136R FLYWHEEL ................................................ 1 ......... INCLUDES ITEM W/*
2*HS52012027 PAWL SET 1
HS81A CUT-OFF SAW — FLYWHEEL ASSY.

PAGE 52 — HS81A CUT-OFF SAW — OPERATION & PARTS MANUAL — REV. #2 (07/26/10)
HS81A CUT-OFF SAW — IGNITION COIL ASSY.
IGNITION COIL ASSY.

HS81A CUT-OFF SAW — OPERATION & PARTS MANUAL — REV. #2 (07/26/10) — PAGE 53
IGNITION COIL ASSY.
NO. PART NO. PART NAME QTY.REMARKS
7*HS094600169 SPRING SPARK PLUG 1
8*HS094600097A CAP, SPARK PLUG 1
9 HS052010362 CABLE WIRE 1
10 HS3916004 WASHER 2
11 HS006000315 WASHER 2
12 HS094000227 SCREW 2
13 HS52010320R COIL, IGNITION ASSY. ............................. 1 ......... INCLUDES ITEMS W/*
15 HS52010132 CONNECTING LINK 1
16 HS094500497 SWITCH, ON-OFF 1
17 HS097000121A CABLE WIRE, ON-OFF SWITCH 1
18 HS099900397 NUT 1
19 HS004000438 PLATE, ON-OFF SWITCH 1
HS81A CUT-OFF SAW — IGNITION COIL ASSY.

PAGE 54 — HS81A CUT-OFF SAW — OPERATION & PARTS MANUAL — REV. #2 (07/26/10)
HS81A CUT-OFF SAW — AIR FILTER ASSY.
AIR FILTER ASSY.

HS81A CUT-OFF SAW — OPERATION & PARTS MANUAL — REV. #2 (07/26/10) — PAGE 55
AIR FILTER ASSY.
NO. PART NO. PART NAME QTY.REMARKS
1 HS52012024B FLANGE, PRE- FILTER, CAP 1
2 HS330000010 O- RING, FLANGE PRE- FILTER 2
3 HS018600125 FILTER, AIR (STANDARD) 1
3A HS099900778A FILTER, AIR (WET CUTTING) .................. 1 ......... OPTIONAL
4 HS018600056AR FILTER, AIR INNER 1
5 HS3802002A SCREW, FILTER SUPPORT 3
6 HS3049007 O-RING 1
7 HS52010014B SUPPORT, FILTER 1
8 HS52010451R PRE- FILTER, FOAM 1
9 HS015000100 TUBE 1
10 HS018600090A GASKET, AIR FILTER LOWER 1
11 HS52010059 GASKET, AIR FILTER BASE 1
12 HS52010016 COVER, AIR FILTER LOWER 1
13 HS072700182 SCREW, AIR CLEANER MTG. 3
14 HS3833073 WASHER, AIR CLEANER MTG. 3
20 HS52012004A COVER, AIR FILTER, UPPER 1
21 HS52010060 GASKET, AIR FILTER COVER 1
22 HS52010041 KNOB, AIR FILTER COVER 1
23 HS52010018A COVER, AIR FILTER, LONG 1
24 HS093000468A SCREW, AIR FILTER COVER 2
HS81A CUT-OFF SAW — AIR FILTER ASSY.

PAGE 56 — HS81A CUT-OFF SAW — OPERATION & PARTS MANUAL — REV. #2 (07/26/10)
HS81A CUT-OFF SAW — CARBURETOR MOUNTING ASSY.
CARBURETOR MOUNTINGASSY.

HS81A CUT-OFF SAW — OPERATION & PARTS MANUAL — REV. #2 (07/26/10) — PAGE 57
CARBURETOR MOUNTING ASSY.
NO. PART NO. PART NAME QTY.REMARKS
6 HS3833073 WASHER 2
11 52010120 SPRING 1
12 094600126 TUBE 1
13 HS61052009B SCREW 1
14 HS097000059A SPRING, MANIFOLD 1
15 HS52010008A MANIFOLD, OUTER 1
16 HS097000333 FLANGE 1
17 HS3960057 SCREW 1
18 HS2318920B CARBURETOR ASSEMBLY 1
19 HS015000100 FUEL LINE, CARBURETOR 1
20 HS52010189 SCREW 1
21 HS097000092A SCREW 1
22 HS098000057 SUPPORT, CARBURETOR 1
23 HS098000010 MANIFOLD, INNER 1
HS81A CUT-OFF SAW — CARBURETOR MOUNTING ASSY.

PAGE 58 — HS81A CUT-OFF SAW — OPERATION & PARTS MANUAL — REV. #2 (07/26/10)
HS81A CUT-OFF SAW — CARBURETOR ASSY.
CARBURETOR ASSY.

HS81A CUT-OFF SAW — OPERATION & PARTS MANUAL — REV. #2 (07/26/10) — PAGE 59
HS81A CUT-OFF SAW — CARBURETOR ASSY.
CARBURETOR ASSY.
NO. PART NO. PART NAME QTY.REMARKS
1*HS52010019 THROTTLE VALVE 1
2*HS380000338 SCREW 1
3 HS2318920B CARBURETOR ASSY. .............................. 1 ......... INCLUDES ITEMS W/*
4*HS097000161 SPRING 1
5*HS097000154 THROTTLE SHAFT 1
6*HS097000155 STARTER SHAFT 1
7*HS097000162 SCREW, ADJUST 1
8*HS2318761 SCREW "L" CARBURETOR 1
9*HS2318762 SCREW "H" CARBURETOR 1
10*HS097000223 SPRING 2
11*HS097000224 BUSHING 2
12*HS035000162 SCREW 5
13*HS52010007 COVER 1
14*HS003300202 SCREW 1
15*HS035000169 PIN 1
16*HS035000164 SPRING 1
17*HS006000325 BALL, CARBURETOR 1
18*HS003300209 SCREW 1
19*HS035000151 STARTER VALVE 1
20*HS035000149 PLATE 1
21*HS097000160 LEVER 1
22*HS003300036 ELBOW CONNECT 1
23*HS097000157 COVER 1
24*HS035000161 SCREW 1
25*HS097000220 KIT, REPAIR CARBURETOR 1
26*HS097000221 KIT, GASKET CARBURETOR 1
27 HS380000272 SEAL RING 2
28 HS015400153 WASHER 1

PAGE 60 — HS81A CUT-OFF SAW — OPERATION & PARTS MANUAL — REV. #2 (07/26/10)
HS81A CUT-OFF SAW — CRANKSHAFT / PISTON ASSY.
CRANKSHAFT AND PISTON ASSY.

HS81A CUT-OFF SAW — OPERATION & PARTS MANUAL — REV. #2 (07/26/10) — PAGE 61
CRANKSHAFT AND PISTON ASSY.
NO. PART NO. PART NAME QTY.REMARKS
1 HS3055118 SPARK PLUG 1
2 HS005100906A SCREW 4
3 HS3833076 WASHER 4
4 HS52010067 DECOMPRESSOR 1
5*# HS098000004 PISTON RINGS 1
6*# HS094500007 PISTON PIN 1
7*# HS007201198 RING, PISTON PIN 2
8*HS098000033B PISTON ASSEMBLY W /RINGS ..................... 1 .......... INCLUDES ITEMS W /#
9 HS50102012B CYLINDER ASSEMBLY W /PISTON .............. 1 .......... INCLUDES ITEMS W /*
10 HS097000010B GASKET, CYLINDER 1
13 HS006000010 BEARING, UPPER CRANKSHAFT 1
14 HS098000001 CRANKSHAFT 1
15 HS094500028R KEY, CRANKSHAFT 1
17 HS094500004 SEAL RING 1
25 HS099900014 SEAL RING, CRANKSHAFT 1
27 HS097000132 CLUTCH ASSEMBLY ..................................... 1 .......... INCLUDES ITEMS W /+
29+HS004900137B SPRING, CLUTCH 1
32 HS097000097 WASHER 1
33$ HS52010030 BEARING 1
34 HS52010035 SPACER, CLUTCH DRUM 1
35 HS52010034 BUSHING, CLUTCH DRUM 1
36 HS52010029R CLUTCH DRUM ............................................ 1 .......... INCLUDES ITEMS W /$
HS81A CUT-OFF SAW — CRANKSHAFT AND PISTON ASSY.

PAGE 62 — HS81A CUT-OFF SAW — OPERATION & PARTS MANUAL — REV. #2 (07/26/10)
HS81A CUT-OFF SAW — WATER KIT ASSY.
WATER KIT ASSY.

HS81A CUT-OFF SAW — OPERATION & PARTS MANUAL — REV. #2 (07/26/10) — PAGE 63
HS81A CUT-OFF SAW — WATER KIT ASSY.
WATER KIT ASSY.
NO. PART NO. PART NAME QTY.REMARKS
1HS52012062 WATER KIT ASSY. ....................................................... 1 .......... INCLUDES ITEMS W /*
2*HS52010121 FITTING, QUICK DISCONNECT 1
3*PLASTIC TIE WRAPS .................................................. 8 .......... NOT SOLD SEPARATELY
4*HOSE CLAMP ............................................................. 1 .......... NOT SOLD SEPARATELY
5*SCREW, SOCKET HEAD CAP W/ WASHER ...............1 .......... NOT SOLD SEPARATELY
6*HOSE, WATER ............................................................1 .......... NOT SOLD SEPARATELY
7*HS52010207 VALVE, SHUT-OFF 1
NOTE
Items 3-6 are included with the
Water Kit Assembly and cannot be
purchased separately.

PAGE 64 — HS81A CUT-OFF SAW — OPERATION & PARTS MANUAL — REV. #2 (07/26/10)
HS81A CUT-OFF SAW — CART ASSY.

HS81A CUT-OFF SAW — OPERATION & PARTS MANUAL — REV. #2 (07/26/10) — PAGE 65
HS81A CUT-OFF SAW — CART ASSY.
CART ASSY.
NO. PART NO. PART NAME QTY.REMARKS
1# HS365100098A CAP 1
2# HS365100084B GASKET 1
3# HS365000043 FILTER 1
4 HS52032003 TANK, COMPLETE .................................... 1 .............. INCLUDES ITEMS W/#
5# HS52030046 WASHER 1
6# HS52030047 FITTING 1
7 HS3049039 O-RING 1
8 HS52030043 FITTING 1
9 HS52030096 FRAME 1
10# HS3911013 NUT 2
11 HS52030051 HOSE 1
12@+> HS3918013 WASHER 2
13@ HS52030039 KNOB 4
14@+ HS3960080 SCREW 3
15 HS52030082 WHEEL KIT ............................................... 1 .............. INCLUDES ITEMS W/+
16+ HS52030018 SPACER 1
17 HS52030009 BRACKET 1
18 HS52032009 HANDLE .................................................... 1 .............. INCLUDES ITEMS W/>
19 HS3806070 SCREW 1
20% HS3833080 WASHER 4
21% HS3806065 SCREW 5
22 HS3916016 WASHER 1
23% HS3933097 NUT 2
24 HS52032011 GUARD, COMPLETE ................................ 1 .............. INCLUDES ITEMS W/%
25 HS52030095 FRAME 1
26 HS52030055 SCREW 1
27 HS52030014 AXLE 1
28$ HS3031027 SPLIT-PIN 4
29$ HS3916020 WASHER 4
30 HS52030080 WHEEL KIT ............................................... 2 .............. INCLUDES ITEMS W/$
31# HS3049002 O-RING 2
32 HS52030035 THROTTLE CABLE 1
33 HS52030033 THROTTLE LEVER 1
34# HS52030076 SIDE BAR 1
35 HS52032006 BRACKET, COMPLETE 1
36 HS52030032 KNOB 2
37 HS52030094 HANDLE BAR 1
38 HS099900110 GROMMET 1
39 HS52030026 SHOCK ABSORBER 1
40 HS52030060 BRACKET 1
41 HS3933097 NUT 2
42 HS52030054 CAP 2
43 HS52032007 KNOB KIT .................................................. 3 .............. INCLUDES ITEMS W/@
44 HS52030098 SUPPORT 1

PAGE 66 — HS81A CUT-OFF SAW — OPERATION & PARTS MANUAL — REV. #2 (07/26/10)
HS81A CUT-OFF SAW — TOOLS
TOOLS

HS81A CUT-OFF SAW — OPERATION & PARTS MANUAL — REV. #2 (07/26/10) — PAGE 67
HS81A CUT-OFF SAW — TOOLS
TOOLS
NO. PART NO. PART NAME QTY.REMARKS
1HS4191240 TOOL KIT 1
2 00325 SMOKELESS 2-STROKE OIL....... 1 ............. CAN ONLY BE PURCHASED AS A CASE (QTY 48)
3 003256PAK SMOKELESS 2-STROKE OIL ....... 1 ............. CAN ONLY BE PURCHASED AS A 6 PACK

PAGE 68 — HS81A CUT-OFF SAW — OPERATION & PARTS MANUAL — REV. #2 (07/26/10)
ymonocEdradnatSmuimerPemerpuS
SPG41LBS411SHDP412SHDP41
SPG41ALBS41A1SHDP41A2SHDP41
SPG41LBS41H1SHDP41H2SHDP41
SPG41LBS
411SHDP412SHDP41
SPG41ALBS41A1SHDP41A2SHDP41
ymonocEdradnatSmuimerPemerpuS
SPG21LBS211SHDP212SHDP21
SPG21ALBS21A1SHDP21A2SHDP21
SPG21LBS21H1SHDP21H2SHDP21
SPG21LBS
211SHDP212SHDP21
SPG21ALBS21A1SHDP21A2SHDP21
12" x .125" x 1" - 20mm Arbor
Material to Cut
Material to Cut
Recommended Diamond Blades
For your
Side WinderSide Winder
Side WinderSide Winder
Side Winder
Saw
HS81A CUT-OFF SAW — RECOMMENDED DIAMOND BLADES
14" x .125" x 1" - 20mm Arbor

HS81A CUT-OFF SAW — OPERATION & PARTS MANUAL — REV. #2 (07/26/10) — PAGE 69
TERMS AND CONDITIONS OF SALE — PA RT S
PAYMENT TERMS
Terms of payment for parts are net 30 days.
FREIGHT POLICY
All parts orders will be shipped collect or
prepaid with the charges added to the invoice.
All shipments are F.O.B. point of origin.
Multiquip’s responsibility ceases when a
signed manifest has been obtained from the
carrier, and any claim for shortage or damage
must be settled between the consignee and
the carrier.
MINIMUM ORDER
The minimum charge for orders from Multiquip
is $15.00 net. Customers will be asked for
instructions regarding handling of orders not
meeting this requirement.
RETURNED GOODS POLICY
Return shipments will be accepted and
credit will be allowed, subject to the following
provisions:
A Returned Material Authorization 1.
must be approved by Multiquip prior to
shipment.
To obtain a Return Material Authorization, 2.
a list must be provided to Multiquip
Parts Sales that defines item numbers,
quantities, and descriptions of the items
to be returned.
The parts numbers and descriptions a.
must match the current parts price
list.
The list must be typed or computer b.
generated.
The list must state the reason(s) c.
for the return.
The list must reference the sales d.
order(s) or invoice(s) under
which the items were originally
purchased.
The list must include the name e.
and phone number of the person
requesting the RMA.
A copy of the Return Material Authorization 3.
must accompany the return shipment.
Freight is at the sender’s expense. All 4.
parts must be returned freight prepaid to
Multiquip’s designated receiving point.
Parts must be in new and resalable 5.
condition, in the original Multiquip
package (if any), and with Multiquip part
numbers clearly marked.
The following items are not returnable:6.
Obsolete parts. (If an item is in the a.
price book and shows as being
replaced by another item, it is
obsolete.)
Any parts with a limited shelf life b.
(such as gaskets, seals, “O” rings,
and other rubber parts) that were
purchased more than six months
prior to the return date.
Any line item with an extended c.
dealer net price of less than
$5.00.
Special order items.d.
Electrical components.e.
Paint, chemicals, and lubricants.f.
Decals and paper products.g.
Items purchased in kits.h.
The sender will be notified of any material 7.
received that is not acceptable.
Such material will be held for five 8.
working days from notification, pending
instructions. If a reply is not received
within five days, the material will be
returned to the sender at his expense.
Credit on returned parts will be issued 9.
at dealer net price at time of the original
purchase, less a 15% restocking
charge.
In cases where an item is accepted, for 10.
which the original purchase document
can not be determined, the price will be
based on the list price that was effective
twelve months prior to the RMA date.
Credit issued will be applied to future 11.
purchases only.
PRICING AND REBATES
Prices are subject to change without prior
notice. Price changes are effective on a
specific date and all orders received on or
after that date will be billed at the revised price.
Rebates for price declines and added charges
for price increases will not be made for stock
on hand at the time of any price change.
Multiquip reserves the right to quote and
sell direct to Government agencies, and to
Original Equipment Manufacturer accounts
who use our products as integral parts of their
own products.
SPECIAL EXPEDITING SERVICE
A $35.00 surcharge will be added to the
invoice for special handling including bus
shipments, insured parcel post or in cases
where Multiquip must personally deliver the
parts to the carrier.
LIMITATIONS OF SELLER’S LIABILITY
Multiquip shall not be liable hereunder for
damages in excess of the purchase price of
the item with respect to which damages are
claimed, and in no event shall Multiquip be
liable for loss of profit or good will or for any
other special, consequential or incidental
damages.
LIMITATION OF WARRANTIES
No warranties, express or implied, are
made in connection with the sale of parts or
trade accessories nor as to any engine not
manufactured by Multiquip. Such warranties
made in connection with the sale of new,
complete units are made exclusively by a
statement of warranty packaged with such
units, and Multiquip neither assumes nor
authorizes any person to assume for it
any other obligation or liability whatever in
connection with the sale of its products. Apart
from such written statement of warranty,
there are no warranties, express, implied or
statutory, which extend beyond the description
of the products on the face hereof.
Effective: February 22, 2006

OPERATION AND PARTS MANUAL
Your Local Dealer is:
HERE’S HOW TO GET HELP
PLEASE HAVE THE MODEL AND SERIAL
NUMBER ON-HAND WHEN CALLING
©
COPYRIGHT 2010, MULTIQUIP INC.
Multiquip Inc and the MQ logo are registered trademarks of Multiquip Inc. and may not be used, reproduced, or altered without written permission. All other trademarks are the property
of their respective owners and used with permission.
This manual MUST accompany the equipment at all times. This manual is considered a permanent part of the equipment and should remain with the unit if resold.
The information and specifications included in this publication were in effect at the time of approval for printing. Illustrations, descriptions, references and technical data contained in
this manual are for guidance only and may not be considered as binding. Multiquip Inc. reserves the right to discontinue or change specifications, design or the information published
in this publication at any time without notice and without incurring any obligations.
UNITED STATES
Multiquip Corporate Office MQ Parts Department
18910 Wilmington Ave.
Carson, CA 90746
Contact: mq@multiquip.com
Tel. (800) 421-1244
Fax (800) 537-3927
800-427-1244
310-537-3700
Fax: 800-672-7877
Fax: 310-637-3284
Mayco Parts Warranty Department
800-306-2926
310-537-3700
Fax: 800-672-7877
Fax: 310-637-3284
800-421-1244, Ext. 279
310-537-3700, Ext. 279
Fax: 310-537-1173
Service Department Technical Assistance
800-421-1244
310-537-3700
Fax: 310-537-4259 800-478-1244 Fax: 310-631-5032
MEXICO UNITED KINGDOM
MQ Cipsa Multiquip (UK) Limited Head Office
Carr. Fed. Mexico-Puebla KM 126.5
Momoxpan, Cholula, Puebla 72760 Mexico
Contact: pmastretta@cipsa.com.mx
Tel: (52) 222-225-9900
Fax: (52) 222-285-0420
Unit 2, Northpoint Industrial Estate,
Global Lane,
Dukinfield, Cheshire SK16 4UJ
Contact: sales@multiquip.co.uk
Tel: 0161 339 2223
Fax: 0161 339 3226
CANADA
Multiquip
4110 Industriel Boul.
Laval, Quebec, Canada H7L 6V3
Contact: jmartin@multiquip.com
Tel: (450) 625-2244
Tel: (877) 963-4411
Fax: (450) 625-8664