Multiquip Whisperwatt Series Dca 20Spx Users Manual Rev 2
WHISPERWATT SERIES DCA-20SPX Generators_portable_whisperwatt_DCA20SPX_rev_2_manual_DataId_19093_Version_1
DCA-20SPX to the manual c3c6443c-5477-4f15-adf4-6eb692bc734b
2015-02-09
: Multiquip Multiquip-Whisperwatt-Series-Dca-20Spx-Users-Manual-558583 multiquip-whisperwatt-series-dca-20spx-users-manual-558583 multiquip pdf
Open the PDF directly: View PDF .
Page Count: 84

PARTS AND OPERATION MANUAL
OPERATION AND PARTS MANUAL
Revision #2 (04/14/10)
THIS MANUAL MUST ACCOMPANY
THE EQUIPMENT AT ALL TIMES.
WHISPERWATTTM SERIES
MODEL DCA-20SPX
60 Hz GENERATOR
PARTS LIST NO. B1871302604

PAGE 2 — DCA-20SPX— OPERATION AND PARTS MANUAL — REV. #2 (04/14/10)
Diesel engine exhaust and some of
PROPOSITION 65 WARNING

DCA-20SPX— OPERATION AND PARTS MANUAL — REV. #2 (04/14/10) — PAGE 3
1
NOTE PAGE

PAGE 4 — DCA-20SPX— OPERATION AND PARTS MANUAL — REV. #2 (04/14/10)
TABLE OF CONTENTS
Specification and part
number are subject to
change without notice.
NOTE
MQ POWER DCA-20SPXMQ POWER DCA-20SPX
MQ POWER DCA-20SPXMQ POWER DCA-20SPX
MQ POWER DCA-20SPX
WHISPERWHISPER
WHISPERWHISPER
WHISPERWW
WW
WAA
AA
ATTTT
TTTT
TTTMTM
TMTM
TM
GENERATORGENERATOR
GENERATORGENERATOR
GENERATOR
California Proposition 65 Warning ..................................... 2
Table Of Contents ............................................................. 4
Parts Ordering Procedures ............................................... 5
Specifications ................................................................... 6
Dimensions (Top, Side, Front) ........................................... 7
Safety Message Alert Symbols .................................... 8-9
Rules for Safe Operation ........................................... 10-15
Generator Decals....................................................... 16-17
Installation ................................................................. 18-19
General Information ........................................................ 20
Major Components ......................................................... 21
Generator Control Panel ................................................. 23
Engine Operating Panel ............................................. 24-25
Output Terminal Panel Familiarization ........................ 26-28
Load Application ............................................................. 29
Gauge Reading ............................................................... 30
Pre-Setup .................................................................. 31-34
Generator Start-up Procedure (Manual) ..................... 35-36
Generator Start-up Procedure (Auto Mode) .................... 37
Generator Shut-Down Procedure .................................... 38
Maintenance (Engine) ................................................ 39-41
Maintenance (Trailer) ................................................. 42-45
Trailer Wiring Diagram ..................................................... 46
Generator Wiring Diagram ............................................... 47
Engine Wiring Diagram ................................................... 48
Troubleshooting (Engine) ........................................... 49-50
Troubleshooting (Generator) ............................................ 51
Engine Controller Troubleshooting ................................... 52
Explanation of Code in Remarks Column ....................... 54
Suggested Spare Parts .................................................. 55
Generator Assembly .................................................. 56-57
Engine Operating Panel Assembly ............................ 58-59
Control Box Assembly ............................................... 60-61
Engine and Radiator Assembly ................................. 62-65
Output Terminal Assembly ......................................... 66-67
Battery Assembly ...................................................... 68-69
Muffler Assembly ...................................................... 70-71
Fuel Tank Assembly .................................................. 72-73
Enclosure Assembly ................................................. 74-77
Rubber Seals Assembly ............................................ 78-79
Nameplate and Decals .............................................. 80-81
Terms and Condition of Sale — Parts ............................ 84
COMPONENT DRACOMPONENT DRA
COMPONENT DRACOMPONENT DRA
COMPONENT DRAWINGSWINGS
WINGSWINGS
WINGS

DCA-20SPX— OPERATION AND PARTS MANUAL — REV. #2 (04/14/10) — PAGE 5
1
PARTS ORDERING PROCEDURES
www.mqpower.com
Ordering parts has never been easier!
Choose from three easy options:
WE ACCEPT ALL MAJOR CREDIT CARDS!
When ordering parts, please supply:
R Dealer Account Number
R Dealer Name and Address
R Shipping Address (if different than billing address)
R Return Fax Number
R Applicable Model Number
R Quantity, Part Number and Description of Each Part
R Specify Preferred Method of Shipment:
UPS/Fed Ex DHL
N Priority One Truck
N Ground
N Next Day
N Second/Third Day
If you have an MQ Account, to obtain a Username
and Password, E-mail us at: parts@multiquip.
com.
To obtain an MQ Account, contact you
r
District Sales Manager for more information.
Order via Internet (Dealers Only):
Order parts on-line using Multiquip’s SmartEquip website!
N View Parts Diagrams
N Order Parts
N Print Specification Information
Note: Discounts Are Subject To Change
Goto www.multiquip.com and click on
Order Parts to log in and save!
Use the internet and qualify for a 5% Discount
on Standard orders for all orders which include
complete part numbers.*
Order via Fax (Dealers Only):
All customers are welcome to order parts via Fax.
Domestic (US) Customers dial:
1-800-6-PARTS-7 (800-672-7877)
Fax your order in and qualify for a 2% Discount
on Standard orders for all orders which include
complete part numbers.*
Order via Phone: Domestic (US) Dealers Call:
1-800-427-1244
Best Deal!
International Customers should contact
their local Multiquip Representatives for
Parts Ordering information.
Non-Dealer Customers:
Contact your local Multiquip Dealer for
parts or call 800-427-1244 for help in
locating a dealer near you.
Note: Discounts Are Subject To Change
Effective:
January 1st, 2006
NOTICE
All orders are treated as Standard Orders and will
ship the same day if received prior to 3PM PST.

PAGE 6 — DCA-20SPX— OPERATION AND PARTS MANUAL — REV. #2 (04/14/10)
DCA-20SPX — SPECIFICATIONS
snoitacificepSrotareneG.1elbaT
ledoMXPS02-ACD
epyT suonorhcnysepytdetcetorpnepo,detalitnevfles,dleifgnivloveR
rotareneg
noitcennoCerutamr
AseireS
esahP eriW-3esahPelgniS
tuptuOybdnatS )AVK5.72(WK22
tuptuOemirP )AVK52(WK02
egatloV 021/V042
ycneuqerF zH06
deepS mpr0081
rotcaFrewoP 0.1
rewoPCA.xuA zH06,esahPelgniS
egatloV V021
tuptuO )2xWK4.2(WK8.4
snoitacificepSenignE.2elbaT
ledoM 2EL4-AAUZUZI
epyT noitcejnitcerid,delooc-retaw,elcyC4
srednilyCfo.oN srednilyc4
ekortSxeroB )mm69xmm58
(.ni87.3x.ni53.3
tuptuOdetaR mpr0081/PH53
tnemecalpsiD )cc361,2(.ni.uc231
gnitratS cirtcelE
yticapaCtnalooC )
sretil6.6(.lag7.1
yticapaCliOebuL )sretil5.8(.lag42.2
yticapaCknaTleuF )sretil56(.lag2.71
noitpmusnoCleuF
t
arh/)L89.5(.lag85.1 daollluf tarh/)L05.4(.lag91.1 daol4/3
tarh/)L82.3(.lag78.0 daol2/1 tarh/)L02.2(.lag85.0 daol4/1
yrettaB 1x)A525F°0ACC(72
leuF leuFleseiD2#

DCA-20SPX— OPERATION AND PARTS MANUAL — REV. #2 (04/14/10) — PAGE 7
1
DCA-20SPX — DIMENSIONS (TOP, SIDE AND FRONT)
Figure 1. Dimensions
SNOISNEMID.3ELBAT
ecnerefeR
retteL ).mm(.tfnoisnemiDretteLecnerefeR).mm(.tfnoisnemiD
A).mm535(.ni60.12F ).mm058,1(.ni38.27
B).mm53
5(.ni60.12G ).mm000,1(.ni73.93
C).mm516(.ni12.42H ).mm057(.ni35.92
D).mm076(.ni83.62
E).mm536(.ni00.52

PAGE 8 — DCA-20SPX— OPERATION AND PARTS MANUAL — REV. #2 (04/14/10)
This Owner's Manual has been
developed to provide complete
instructions for the safe and
efficient operation of the
MQ Power
Model DCA-20SPX
Whisperwatt™ Generator.
Before using this generator, ensure that the operating
individual has read and understands all instructions in
this manual.
Safety precautions should be followed at all times when
operating this equipment. Failure to read and understand the
Safety Messages and Operating Instructions could result in
injury to yourself and others.
FOR YOUR SAFETY AND THE SAFETY OF OTHERS! HAZARD SYMBOLS
Potential hazards associated with the operation of this
equipment will be referenced with "
Hazard Symbols
" which
appear throughout this manual, and will be referenced in
conjunction with Safety "
Message Alert Symbols
".
NOTE
DCA-20SPX — SAFETY MESSAGE ALERT SYMBOLS
SAFETY MESSAGE ALERT SYMBOLS
The three (3) Safety Messages shown below will inform you
about potential hazards that could injure you or others. The
Safety Messages specifically address the level of exposure
to the operator, and are preceded by one of three words:
DANGER, WARNING, or CAUTION.
You WILL be KILLED or SERIOUSLY injured if you
do not follow directions.
You COULD be KILLED or SERIOUSLY injured if
you do not follow directions.
You CAN be injured if you do not follow directions
Gasoline engine exhaust gases contain
poisonous carbon monoxide. This gas is
colorless and odorless, and can cause
DEATH
if inhaled. NEVER operate this
equipment in a confined area or enclosed structure that
does not provide ample free flow air.
Gasoline
is extremely flammable, and
its vapors can cause an explosion if
ignited. DO NOT start the engine near
spilled fuel or combustible fluids.
DO NOT fill the fuel tank while the engine
is running or hot.
DO NOT overfill tank, since spilled fuel could ignite if it
comes into contact with hot engine parts or sparks from
the ignition system. Store fuel in approved containers, in
well-ventilated areas and away from sparks and flames.
NEVER use fuel as a cleaning agent.
Engine components can generate extreme
heat. To prevent burns, DO NOT touch these
areas while the engine is running or
immediately after operations. NEVER
operate the engine with heat shields or heat
guards removed.
WARNING
DANGER
CAUTION
WARNING - LETHAL EXHAUST GASES
WARNING - BURN HAZARDS
WARNING - EXPLOSIVE FUEL
During operation of this generator, there
exists the possibility of
electrocution,
electrical shock or burn,
which can cause
severe bodily harm
or even
DEATH!
DANGER - ELECTROCUTION HAZARDS

DCA-20SPX— OPERATION AND PARTS MANUAL — REV. #2 (04/14/10) — PAGE 9
1
DCA-20SPX — SAFETY MESSAGE ALERT SYMBOLS
ALWAYS place the engine ON/OFF
switch (MPEC) in the OFF/RESET
position when the generator is not in use.
ALWAYS wear approved
respiratory
protection.
ALWAYS wear approved
eye
and
hearing
protection.
Other important messages are provided throughout this
manual to help prevent damage to your generator, other
property, or the surrounding environment.
This generator, other property, or
the surrounding environment
could be damaged if you do not
follow instructions.
NOTE
NEVER tamper with the factory settings
of the engine governor or settings.
Personal injury and damage to the engine
or equipment can result if operating in
speed ranges above maximum allowable.
CAUTION - OVER-SPEED CONDITIONS
CAUTION - ACCIDENTAL STARTING
CAUTION - RESPIRATORY HAZARDS
CAUTION - SIGHT AND HEARING HAZARDS
CAUTION - EQUIPMENT DAMAGE MESSAGES
NEVER operate equipment with covers,
or guards removed. Keep
fingers
,
hands
,
hair
and clothing away from all moving
parts to prevent injury.
WARNING - ROTATING PARTS
Wet-Stacking is a common problem with diesel engines
which are operated for extended periods with light or no
load applied. When a diesel engine operates without
sufficient load (less than 40% of the rated output) it will
not operate at its optimum temperature. This will allow
unburned fuel to accumulate in the exhaust system, which
can foul the fuel injectors, engine valves and exhaust
system, including turbocharges, and reduce the operating
performance.
In order for a diesel engine to operate at peak efficiency it
must be able to provide fuel and air in the proper ratio and
at a high enough engine temperature for the engine to
completely burn all of the fuel.
Wet stacking does usually cause any permanent damage
and can be alleviated if additional load is applied to relieve
the condition. It can reduce the system performance and
increase maintenance. Applying an increasing load over a
period of time until the excess fuel is burned off and the
system capacity is reached usually can repair the condition.
This can take several hours to burn off the accumulated
unburned fuel.
CAUTION - ENGINE LOAD (WET-STACKING)

PAGE 10 — DCA-20SPX— OPERATION AND PARTS MANUAL — REV. #2 (04/14/10)
DCA-20SPX — RULES FOR SAFE OPERATION
The following safety guidelines should always be used when
operating the
DCA-20SPX Whisperwatt™ AC Generator.
General Safety:
■
DO NOT operate or service this
equipment before reading this entire
manual.
The operator MUST BE familiar with proper safety
precautions and operations techniques before using
generator.
■
This equipment should not be operated by persons under
18 years of age.
■
NEVER operate this equipment without proper protective
clothing, shatterproof glasses, steel-toed boots and other
protective devices required by the job.
■
NEVER operate this equipment when not
feeling well due to fatigue, illness or taking
medicine.
■
NEVER operate this equipment under the influence or
drugs or alcohol.
Failure to follow instructions in this manual may lead to
serious injury
or even
DEATH
! This equipment is to be
operated by trained and qualified personnel only! This
equipment is for industrial use only.
DANGER - READ THIS MANUAL!
■
ALWAYS wear proper respiratory (mask),
hearing and eye protection equipment when
operating the generator.
■
Whenever necessary, replace nameplate, operation and
safety decals when they become difficult read.
■
Manufacturer does not assume responsibility for any
accident due to equipment modifications. Unauthorized
equipment modification will void all warranties.
■
NEVER use accessories or attachments, which are not
recommended by Multiquip for this equipment. Damage
to the equipment and/or injury to user may result.
■
The engine section of this generators requires an adequate
free flow of cooling air.
NEVER
operate the generator in
any enclosed or narrow area where free flow of the air is
restricted. If the air flow is restricted it will cause serious
damage to the generators
or engine and may cause
injury to people.
Remember the generator's
engine gives off
DEADLY
carbon monoxide gas.
■
NEVER touch the hot exhaust
manifold, muffler or cylinder.
Allow these parts to cool before
servicing engine or generators.
■
ALWAYS refuel in a well-ventilated area, away from sparks
and open flames.
■
ALWAYS use extreme caution when
working with flammable liquids. When
refueling, stop the engine and allow it to
cool. DO NOT
smoke
around or near the
machine. Fire or explosion could result
from fuel vapors, or if fuel is spilled on a
hot engine.
■
NEVER operate the generator in an
explosive atmosphere or near
combustible materials. An explosion or
fire could result causing severe
bodily
harm or even death.
■
NEVER disconnect any
"emergency or safety devices"
.
These devices are intended for operator safety. Disconnection
of these devices can cause severe injury, bodily harm or even
death! Disconnection of any of these devices will void all
warranties.
DANGEROUS
GAS FUMES
Denyo

DCA-20SPX— OPERATION AND PARTS MANUAL — REV. #2 (04/14/10) — PAGE 11
1
DCA-20SPX — RULES FOR SAFE OPERATION
■
ALWAYS be sure the operator is familiar with proper safety
precautions and operation techniques before using
generators.
NEVER leave the generator unattended, turn off engine when
unattended.
Unauthorized equipment modifications will void all warranties.
ALWAYS ensure generator is on level ground before use.
DO NOT place hands or fingers inside generators engine
compartment when engine is running.
NEVER run engine without air cleaner. Severe engine damage
may occur.
NEVER change or adjust the engine speed which has been
set at the factory prior to shipping.
Power Cord Safety
NEVER let power cables or cords
lay in wate
r.
NEVER
stand in water
while AC power from the generators
is being transfer to a load.
NEVER use a defective or frayed power cable. Check the
cable for cuts in the insulation.
NEVER use a extension cord that is frayed or damaged where
the insulation has been cut.
ALWAYS make certain that proper power or extension cord
has been selected for the job See Table 4.
Grounding Safety
ALWAYS make sure that electrical circuits are properly
grounded
per the
National Electrical Code
(NEC) and
local codes before operating generator. Severe
injury
or
death!
by electrocution can result from operating an
ungrounded generator.
ALWAYS make sure the generators are properly grounded to
a suitable earth ground (GROUND ROD). See installation in
this manual.
NEVER use
gas piping
as an electrical ground.
Maintenance Safety
NEVER lubricate components or attempt service on a running
machine.
High Temperatures – Always stop engine and
allow the engine to cool before adding fuel, oil
or performing service and maintenance
functions. Contact with
hot!
components can
cause serious burns.
Keep the machinery in proper running condition.
Fix damage to the machine immediately and replace any
broken parts immediately.
ALWAYS replace any worn or damaged warning decals.
ALWAYS store equipment properly when it is not being used.
Equipment should be stored in a clean, dry location out of the
reach of children and un-authorized personnel.
The electrical voltage required to operate the generator can
cause severe injury or even death through physical contact
with live circuits.
Turn all circuit breakers OFF before
performing maintenance on the generator.
Dispose of hazardous waste properly. Examples of potentially
hazardous waste are used motor oil, fuel and fuel filters.
DO NOT use food or plastic containers to dispose of
hazardous waste.
DO NOT pour waste, oil or fuel directly onto the ground,
down a drain or into any water source.
■
ALWAYS allow the machine a proper amount of time to
cool before servicing.
■
ALWAYS service air cleaner frequently to prevent engine
malfunction.
■
ALWAYS disconnect the
NEGATIVE battery terminal
before performing service on the generator.
■
Follow all battery safety guidelines listed in this manual
when handleing or servicing the generator.

PAGE 12 — DCA-20SPX— OPERATION AND PARTS MANUAL — REV. #2 (04/14/10)
DCA-20SPX — RULES FOR SAFE OPERATION
Battery Safety
Use the following guidelines when handling the battery:
■
The battery contains acids that can
cause injury to the eyes and skin. To
avoid eye irritation,
always
wear safety
glasses.
■
Use well insulated gloves when picking up the battery.
■■
■■
■
ALWAYS keep the battery charged. If the battery is not
charged a buildup of combustible gas will occur.
ALWAYS keep battery charging and cables in good
working condition. Repair or replace all worn cables.
ALWAYS recharge the battery in an vented air
environment, to avoid risk of a dangerous concentration
of combustible gases.
In case the battery liquid (dilute sulfuric acid) comes in
contact with
clothing or skin
, rinse skin or clothing
immediately with plenty of water.
In case the battery liquid (dilute sulfuric acid) comes in
contact with your
EYES
, rinse eyes immediately with
plenty of water and contact the nearest doctor or hospital
to seek medical attention.
The risk of an explosion exists when performing service
on the battery. To avoid
severe injury
or
DEATH:
DO NOT drop the battery. There
is the possibility of risk that the
battery may explode.
DO NOT expose the battery to
open flames, sparks, cigarettes
etc. The battery contains combustible gases and liquids.
If these gases and liquids come in contact with a flame
or spark, an explosion could occur.
DANGER - EXPLOSION HAZARDS
To prevent burns, DO NOT touch or open any of the below
mentioned components while the engine is
running or immediately after operations.
Always allow sufficient time for the engine
and generator to cool before performing
maintenance.
■
Radiator Cap - Removing the radiator cap while the
engine is hot will result in high pressurized, boiling water
to gush out of the radiator, causing severe scalding to
any persons in the general area of the generator.
■
Coolant Drain Plug - Removing the
coolant drain plug while the engine is
hot will result in hot coolant gushing
out of the coolant drain plug, therefore
causing severe scalding to any persons
in the general area of the generator.
■
Engine Oil Drain Plug - Removing the engine oil drain
plug while the engine is hot will result in hot oil gushing
out of the oil drain plug, therefore causing severe
scalding to any persons in the general area of the
generator.
WARNING - BURN HAZARDS

DCA-20SPX— OPERATION AND PARTS MANUAL — REV. #2 (04/14/10) — PAGE 13
1
DCA-20SPX — RULES FOR SAFE OPERATION
Backfeed to a utility system can cause
electrocution
and or property damage.
NEVER connect the generators to a
building's electrical system without a
transfer switch or other approved device.
All installations should be performed by
a
licensed electrician
in accordance
with all applicable laws and electrical
codes. Failure to do so could result in
electrical shock or burn causing serious
injury or even death!
Emergencies
ALWAYS know the location of the
nearest
fire extinguisher
.
ALWAYS know the location of the nearest
first aid kit
.
In emergencies
always
know the location of the
nearest phone or
keep a phone on the job site
.
Also know the phone numbers of the nearest
ambulance
,
doctor
and
fire department
. This
information will be invaluable in the case of an
emergency.
DANGERDANGER
DANGERDANGER
DANGER
-
Electrocution HazardsElectrocution Hazards
Electrocution HazardsElectrocution Hazards
Electrocution Hazards
During operation of this generation, there
exists the possibility of
electrocution
,
electrical shock or burn
, which can
cause
severe bodily harm
or even
DEATH!
To avoid these hazards:
NEVER use
damaged
or
worn
cables when connecting
equipment to the generator. Make sure power connecting
cables are securely connected to the generator’s output
receptacles, incorrect connections may cause damage
to the generators and electrical shock.
NEVER insert any objects into
the output receptacles during
operation. This is extremely
dangerous. ALWAYS turn-off
the generators and place all circuit breakers in the “OFF”
position when contact with the output receptacles is
required. There exist the possibility of
electrocution,
electrical shock or burn, which can cause severe
bodily harm or even death
!
NEVER grab or touch a live
power cord with wet hands, the
possibility exist of electrical
shock, electrocution, and even
death!
ACCIRCUIT
BREAKER
ACCIRCUIT
BREAKER
OFF
OFF
22A
22A
120
120
V
20A
20A
120V
OFF
OFF
ON
GA-2.9R
GA-2.9R
2900
DANGER
Using a generator indoors .CAN KILL YOU IN MINUTES
Generator exhaust contains carbon monoxide. This is
a posion you cannot see or smell
NEVER use inside a home
or garage, even if doors
and windows are open
ACCIRCUIT
BREAKER
ACCIRCUIT
BREAKER
OFF
OFF
22A
22A
120
V
20A
120V
OFF
ON
GA-2.9R
GA-2.9R
2900
ACCIRCUIT
BREAKER
ACCIRCUIT
BREAKER
OFF
OFF
22A
22A
120
V
20A
120V
120V
OFF
ON
GA-2.9R
GA-2.9R
2900
Only use OUTSIDE and
far away from windows,
doors, and vents.
Avoid other generator hazards.
.READ MANUAL BEFORE USE
Engine exhaust gases contain
poisonous carbon monoxide. This gas
is colorless and odorless, and can
cause death if inhaled. NEVER operate
this equipment in a confined area or
enclosed structure that does not provide
ample free flow air.
DANGERDANGER
DANGERDANGER
DANGER
-
Lethal Exhaust Gas HazardsLethal Exhaust Gas Hazards
Lethal Exhaust Gas HazardsLethal Exhaust Gas Hazards
Lethal Exhaust Gas Hazards

PAGE 14 — DCA-20SPX— OPERATION AND PARTS MANUAL — REV. #2 (04/14/10)
Check with your local county or state safety towing
regulations, in addition to meeting
Department of
Transportation
(DOT)
Safety Towing Regulations
, before
towing your generator.
CAUTION - FOLLOW TOWING REGULATIONS
■
The maximum speed for highway towing is 55 MPH
unless posted otherwise. Recommended off-road towing
is not to exceed 15 MPH or less depending on type of
terrain.
■
Place
chock blocks
underneath wheel to prevent rolling,
while parked.
■
Use the trailer’s swivel jack to adjust the trailer height to
a level position while parked.
■
Avoid sudden stops and starts. This can cause skidding,
or jack-knifing. Smooth, gradual starts and stops will
improve towing.
■
Avoid sharp turns.
■
Trailer should be adjusted to a level position at all times
when towing.
■
Raise and lock trailer wheel stand in up position when
transporting.
■
The maximum speed for highway towing is 55 MPH
unless posted otherwise. Recommended off-road towing
is not to exceed 15 MPH or less depending on type of
terrain.
■
Place
support blocks
underneath the trailer’s bumper to
prevent tipping, while parked.
■
Avoid sharp turns to prevent rolling.
■
DO NOT transport generator with fuel in tank.
Towing and Transporting Safety
To reduce the possibility of an accident while transporting
the generator on public roads, always make sure the trailer
that supports the generator and the towing vehicle are in
good operating condition and both units are mechanically
sound.
The following list of safety precautions should be followed
when towing your generator:
■
ALWAYS shutdown engine before transporting.
■
Drain fuel from generator fuel tank before towing.
■
If generator is mounted on a trailer, make sure trailer
complies with all local and state safety transportation
laws. Follow the listed
Towing & Transporting Safety
guidelines for basic towing techniques.
■
Make sure the hitch and coupling of the towing vehicle
are rated equal to, or greater than the trailer "gross vehicle
weight rating.”
■
ALWAYS inspect the hitch and coupling for wear. NEVER
tow a trailer with defective hitches, couplings, chains etc.
■
Check the tire air pressure on both towing vehicle and
trailer.
Trailer tires should be inflated to 50 psi cold.
Also check the tire tread wear on both vehicles.
■
ALWAYS make sure the trailer is equipped with a "Safety
Chain".
■
ALWAYS attach trailer’s safety chains to towing vehicle
properly.
■
ALWAYS make sure the vehicle and trailer directional,
backup, brake, and trailer lights are connected and
working properly.
■
DOT Requirements include the following:
-
Connect and test electric brake operation.
-
Secure portable power cables in cable tray with tie
wraps.
If your generator is trailer mounted, please
read the towing and safety requirements
listed below.
For more saftey tips, see the trailer saftey
guidelines section in this manual.
NOTE
DCA-20SPX — RULES FOR SAFE OPERATION

DCA-20SPX— OPERATION AND PARTS MANUAL — REV. #2 (04/14/10) — PAGE 15
1
NOTE PAGE

PAGE 16 — DCA-20SPX— OPERATION AND PARTS MANUAL — REV. #2 (04/14/10)
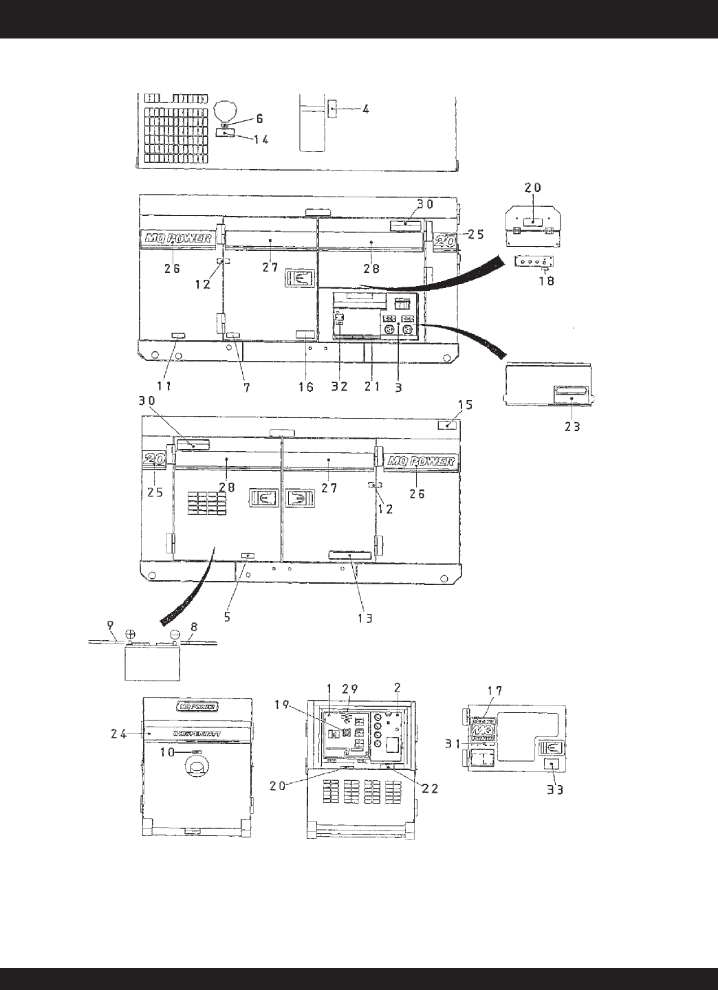
The DCA-20SPX generator is equipped with a number of safety decals (Figures 2 and 3). These decals are provided for
operator safety and maintenance information. The illustration below and on the preceding page show the decals as they
appear on the machine. Should any of these decals become unreadable, replacements can be obtained from your dealer.
DCA-20SPX — GENERATOR DECALS
Figure 2. Generator Decals

DCA-20SPX— OPERATION AND PARTS MANUAL — REV. #2 (04/14/10) — PAGE 17
1
DCA-20SPX — GENERATOR DECALS
Figure 3. Generator Decals (Cont inued)

PAGE 18 — DCA-20SPX— OPERATION AND PARTS MANUAL — REV. #2 (04/14/10)
Figure 4. Typical Generator Grounding Application
DCA-20SPX — INSTALLATION

DCA-20SPX— OPERATION AND PARTS MANUAL — REV. #2 (04/14/10) — PAGE 19
1
Outdoor Installation
Install the generator in a area that is free of debris,
bystanders, and overhead obstructions. Make sure the
generator is on secure level ground so that it cannot slide or
shift around. Also install the generator in a manner so that
the exhaust will not be discharged in the direction of nearby
homes.
The installation site must be relatively free from moisture
and dust. All electrical equipment should be protected from
excessive moisture. Failure to do will result in deterioration
of the insulation and will result in short circuits and grounding.
Foreign materials such as dust, sand, lint and abrasive
materials have a tendency to cause excessive wear to
engine and alternator parts.
Generator Grounding
To guard against electrical shock and possible damage to
the equipment, it is important to provide a good EARTH
ground.
Article 250 (Grounding) of the National Electrical Code (NEC)
provides guide lines for proper grounding and specifies that
the cable ground shall be connected to the grounding system
of the building as close to the point of cable entry as
practical.
NEC articles 250-64(b) and 250-66 set the following
grounding requirements:
1. Use one of the following wire types to connect the
generator to earth ground.
a. Copper - 10 AWG (5.3 mm2) or larger.
b. Aluminum - 8 AWG (8.4 mm2) or larger.
2. When grounding the generator (Figure 4) connect the
ground cable between the lock washer and the nut on
the generator and tighten the nut fully. Connect the other
end of the ground cable to earth ground.
3. NEC article 250-52(c) specifies that the earth ground
rod should be buried aminimum of 8 ft. into the ground.
When connecting the generator
to any buildings electrical
system ALWAYS consult with
a licensed electrician.
DCA-20SPX — INSTALLATION
NOTE
Indoor Installation
Exhaust gases from diesel engines are extremely poisonous.
Whenever an engine is installed indoors the exhaust fumes
must be vented to the outside. The engine should be installed
at least two feet from any outside wall. Using an exhaust
pipe which is too long or too small can cause excessive
back pressure which will cause the engine to heat excessively
and possibly burn the valves.
Mounting
The generator must be mounted on a solid foundation (such
as concrete) and set firmly on the foundation to isolate
vibration of the generator when it is running. The generator
must set at least 6 inches above the floor or grade level (in
accordance to NFPA 110, Chapter 5-4.1). DO NOT remove
the metal skids on the bottom of the generator. They are to
resist damage to the bottom of the generator and to maintain
alignment.
Pay close attention to ventilation when operating the
generator inside tunnels and caves. The engine exhaust
contains noxious elements. Engine exhaust must be routed
to a ventilated area.
CAUTION - EXHAUST HAZARD

PAGE 20 — DCA-20SPX— OPERATION AND PARTS MANUAL — REV. #2 (04/14/10)
DCA-20SPX — GENERAL INFORMATION
DCA-20SPX Whisperwatt™ Series Familiarization
Generator
The MQ Power Model DCA-20SPX is a 20 kW
generator
(Figure 5) that is designed as a high quality portable (requires
a trailer for transport) power source for telecom sites, lighting
facilities, power tools, submersible pumps and other industrial
and construction machinery.
Engine Operating Panel
The “Engine Operating Panel” is provided with the following:
■■
■■
■
Tachometer
■■
■■
■
Water Temperature Gauge
■■
■■
■
Oil Pressure Gauge
■■
■■
■
Charging Ammeter Gauge
■■
■■
■
Fuel Level Gauge
■■
■■
■
Panel Light/Panel Light Switch
■■
■■
■
Auto ON/OFF Engine Controller (MPEC)
Generator Control Panel
The “Generator Control Panel” is provided with the following:
■■
■■
■
Frequency Meter (Hz)
■■
■■
■
AC Ammeter (Amps)
■■
■■
■
AC Voltmeter (Volts)
■■
■■
■
Ammeter Change-Over Switch
■■
■■
■
Voltage Regulator
■■
■■
■
3-Pole, 90 amp Main Circuit Breaker
■■
■■
■
“Control Box” (located behind the Gen. Control Panel)
■■
■■
■
Automatic Voltage Regulator
■■
■■
■
Current Transformer
■■
■■
■
Over-Current Relay
■■
■■
■
Voltage Rectifer
■■
■■
■
Starter Relay
■■
■■
■
Engine Controller (Computer Controlled)
■■
■■
■
Voltage Selector Switch
Output Terminal Panel
The “Output Terminal Panel” is provided with the following:
■■
■■
■
Two 120/240V output receptacles (CS-6369), 50A
■■
■■
■
Two auxilliary circuit breakers, (for CS-6369), 50A
■■
■■
■
Two 120V output receptacles (GFCI), 20A
■■
■■
■
Two GFCI circuit breakers, 20A
■■
■■
■
Four output terminal lugs (1Ø power)
■■
■■
■
Battery Charger (Optional)
■■
■■
■
Water Heater (Optional)
Open Delta Excitation System
The DCA-20SPX generator is equipped with the state of the
art "
Open-Delta
" excitation system. The open delta system
consist of an electrically independent winding wound among
stationary windings of the AC output section.
There are four connections of the open delta A, B, C and D.
During steady state loads, the power from the voltage regulator
is supplied from the parallel connections of A to B, A to D,
and C to D. These three phases of the voltage input to the
voltage regulator are then rectified and are the excitation
current for the exciter section.
When a heavy load, such as a motor starting or a short
circuit occurs, the automatic voltage regulator (AVR)
switches the configuration of the open delta to the series
connection of B to C. This has the effect of adding the voltages
of each phase to provide higher excitation to the exciter
section and thus better voltage response during the
application of heavy loads.
The connections of the AVR to the AC output windings are
for sensing only. No power is required from these windings.
The open-delta design provides virtually unlimited excitation
current, offering maximum motor starting capabilities. The
excitation does not have a "
fixed ceiling
" and responds
according the demands of the required load.
Engine
The DCA-20SPX is powered by a 4 cylinder, water cooled,
direct injection,
Isuzu Model AA-4LE2 diesel engine
. This
engine is designed to meet every performance requirement
for the generator. Reference Table 1 for engine specifications.
In keeping with MQ Power's policy of constantly improving
its products, the specifications quoted herein are subject to
change without prior notice.
Electric Governor System
The electric governor system controls the RPMs of the en-
gine. When the engine demand increases or decreases, the
governor system regulates the frequency variation to ±.25%.
Extension Cables
When electric power is to be provided to various tools or
loads at some distance from the generator, extension cords
are normally used. Cables should be sized to allow for
distance in length and amperage so that the voltage drop
between the generator and point of use (load) is held to a
minimum. Use the cable selection chart (Table 6) as a guide
for selecting proper extension cable size.

DCA-20SPX— OPERATION AND PARTS MANUAL — REV. #2 (04/14/10) — PAGE 21
1
DCA-20SPX — MAJOR COMPONENTS
Figure 5. Major Components
4elbaT. stnenopmoCrojaMrotareneG
.ONMETINOITPIRCSED
1ylbmessAlanimreTtuptuO
2ylbmessAselcatpeceRtuptuO
3ylbmessArelffuM
4ylbmessAretliFriA
5ylbme
ssAyrettaB
6ylbmessArotareneG
7ylbmessAenignE
8ylbmessAknaTleuF
9ylbmessArekaerBtiucriC
01ylbmessAlenaPlortnoCe
nignE
11ylbmessAlenaPlortnoCrotareneG

PAGE 22 — DCA-20SPX— OPERATION AND PARTS MANUAL — REV. #2 (04/14/10)
NOTE PAGE

DCA-20SPX— OPERATION AND PARTS MANUAL — REV. #2 (04/14/10) — PAGE 23
1
DCA-20SPX — GENERATOR CONTROL PANEL
The definitions below describe the controls and functions of
the DCA-20SPX
Generator Control Panel
(Figure 6).
1. Frequency Meter – Indicates the output frequency in
hertz (Hz). Normally 60 Hz.
2. AC Ammeter – Indicates the amount of current the load
is drawing from the generator per leg selected by the
ammeter phase-selector switch.
3. AC Voltmeter – Indicates the output voltage present at
the
U,O, and V Output Terminal Lugs
.
4. Voltage Regulator Control – Allows ±15% manual
adjustment of the generator’s output voltage.
5. Ammeter Change-Over Switch – This switch allows
the AC ammeter to indicate the current flowing to the
load connected to any phase of the output terminals, or
to be switched off. This switch does not effect the
generator output in any fashion, it is for current reading
only.
6. Main Circuit Breaker – This three-pole, 90A main
breaker is provided to protect the the
U,O, and V Output
Terminal Lugs
from overload.
Located behind the generator control panel is the
Generator
Control Box
. This box contains some of the necessary
electronic components required to make the generator
function.
The Control Box is equipped with the following major
components:
■■
■■
■
Over-Current Relay
■■
■■
■
Voltage Rectifer (AVR)
■■
■■
■
Starter Relay
■■
■■
■
Current Transformer
■■
■■
■
Voltage Selector Switch
■■
■■
■
Single Phase Circuit Breaker
Figure 6. Generator Control Panel
Remember the
overcurrent
relay
monitors the current
flowing from the
U,O and V
Output Terminal Lugs
to the
load.
In the event of a short circuit or over current condition, it will
automatically trip the 90 amp main breaker.
To restore power to the
Output Terminal Panel
, press the
reset
button on the overcurrent relay and place the
main
circuit breaker in the
closed
position (ON).
NOTE
A
V
HZ
OFF
W
U
V
DECREASE
INCREASE
2
5
3
1
6
4

PAGE 24 — DCA-20SPX— OPERATION AND PARTS MANUAL — REV. #2 (04/14/10)
Figure 7. Engine Operating Panel
DCA-20SPX — ENGINE OPERATING PANEL
AUTO MANUAL
OFF/RESET
LOW OIL PRESSURE
HIGH COOLANT TEMPERATURE
OVERCRANK
OVERSPEED
ENGINE RUNNING
MOOOOO-20001Q
7
6
5
4
3
RPM
03000
20001000
2
1
8
9

DCA-20SPX— OPERATION AND PARTS MANUAL — REV. #2 (04/14/10) — PAGE 25
1
DCA-20SPX — ENGINE OPERATING PANEL
The definitions below describe the controls and functions of
the DCA-20SPX
Engine Operating Panel
(Figure 7).
1. Panel Light – Normally used in dark areas or at night
time. When activated, panel lights will illuminate. When
the generator is not in use be sure to turn the panel
light switch to the OFF position.
2. Panel Light Switch – When activated will turn on control
panel light.
3. Oil Pressure Gauge – During normal operation this
gauge be should read between 35 to 65 psi. (241~448
kPa). When starting the generator the oil pressure may
read a little higher, but after the engine warms up the oil
pressure should return to the correct pressure range.
4. Water Temperature Gauge – During normal operation
this gauge should read between 180° and 221°F (82°
~105°C)
5. Charging Ammeter Gauge – Indicates the current
being supplied by the engine’s alternator which provides
current for generator’s control circuits and battery
charging system.
6. Fuel Gauge - Indicates amount of diesel fuel available.
7. Tachometer – Indicates engine speed in RPM’s for 60
Hz operation. This meter should indicate 1800 RPM’s
when the rated load is applied. In addition a built in hour
meter will record the number of operational hours that
the generator has been in use.
8. Fuel Filter Water Level Alarm Lamp– This lamp will
illuminate when an excessive amount of water has
accumulated in fuel filter. Drain water in the strainer
immediately if this lamp is on.
A. MPEC Control Switch – This switch controls the
running of the unit. If this switch is set to the
OFF/RESET position, the unit will not run. When this
switch is set to the MANUAL position, the generator
will start immediately.
If the generator is to be connected to a building’s AC
power source via an automatic transfer switch
(isolation), place the switch in the AUTO position. In
this position, should an outage occur, the automatic
transfer switch (ATS) will start the generator
automatically via the generator’s auto-start contacts
connected to the ATS’s start contacts. Please refer to
your ATS installation manual for further instructions for
the correct installation of the auto-start contacts of the
generator to the ATS.
B. Low Oil Pressure – Indicates the engine pressure has
fallen below 14 psi (97 kPa). The oil pressure is detected
using variable resistive values from the oil pressure
sending unit. This is considered a
major
fault.
C. High Coolant Temperature – Indicates the engine
temperature has exceeded 221
°
F. (105°C). The engine
temperature is detected using variable resistive values
from the temperature sending unit. This is considered
a
major
fault.
D. Overcrank Shutdown – Indicates the unit has
attempted to start a pre- programmed number of times,
and has failed to start. The number of cycles and
duration are programmable. It is pre-set at 3 cycles
with a 10 second duration. This is considered a
major
fault.
E. Overspeed Shutdown – Indicates the engine is running
at an unsafe speed. This is considered a
major
fault.
F. Engine Running – Indicates that engine is running at
a safe operating speed.
If the engine does not engage (start) by the third attempt,
the engine will be shutdown by the engine controller’s
Over
Crank Protection
mode. If the engine engages at a speed
(RPM's) that is not safe, the controller will shutdown the
engine by initializing the
Over Speed Protection
mode.
Also the engine controller will shut down the engine in the
event of low oil pressure, high coolant temperature, low
coolant level, and loss of magnetic pickup. These conditions
can be observed by monitoring the LED status indicators on
the front of the controller module.
9. Auto On/Off Engine Controller (MPEC) –
This controller has a vertical row of status LED's (inset),
that when lit, indicate that an engine malfunction (fault)
has been detected. When a fault
has been detected the engine
controller will evaluate the fault
and all major faults will shutdown
the generator. During
cranking
cycle
, The MPEC will attempt to
crank the engine for 10 seconds
before disengaging.

PAGE 26 — DCA-20SPX— OPERATION AND PARTS MANUAL — REV. #2 (04/14/10)
Output Terminal Familiarization
The “
Output Terminal Panel
” (Figure 8) is provided with the
following:
■■
■■
■
Two 120/240V output receptacles (CS-6369), 50A
■■
■■
■
Two auxilliary circuit breakers, (for CS-6369), 50A
■■
■■
■
Two 120V GFCI receptacles @ 20 amp
■■
■■
■
Two GFCI circuit breakers @ 20 amps
■■
■■
■
Four Output Terminal Lugs ( U, O, V and Ground)
Output Terminal Panel
The
Output Terminal Panel
(Figure 8) shown below is located
on the right-hand side (left from control panel) of the generator.
Lift up on the cover to gain access to receptacles and terminal
lugs.
Figure 8. Output Terminal Panel
DCA-20SPX — OUTPUT TERMINAL PANEL FAMILIARIZATION

DCA-20SPX— OPERATION AND PARTS MANUAL — REV. #2 (04/14/10) — PAGE 27
1
120 VAC GFCI Receptacles
There are two 120 VAC, 20 amp GFCI (Duplex Nema 5-20R)
recepacles provided on the output terminal panel. These
receptacles can be accessed in any
voltage selector switch
position. Each receptacle is protected by a 20 amp circuit
breaker. These breakers are located directly above the GFCI
receptacles. Remember the load output (current) of both
GFCI receptacles is dependent on the load requirements of
the U, O, and V output terminal lugs.
Pressing the
reset
button resets the GFCI receptacle after
being tripped. Pressing the
Test Button
(See Figure 9) in
the center of the receptacle will check the GFCI function.
Both receptacles should be tested at least once a month.
Figure 9. G.F.C.I. Receptacle
Each auxilliary receptacle is protected by a 50 amp circuit
breaker. These breakers are located directly above the GFCI
receptacles. Remember the load output (current) on all three
receptacles is dependent on the load requirements of the
Output Terminal Lugs
.
Turn the
voltage regulator control knob
(Figure 11) on the
control panel to obtain the desired voltage. Turning the knob
clockwise will
increase
the voltage, turning the knob counter-
clockwise will
decrease
the voltage.
Figure 10. 120/240V Twist-Lock
Auxiliary Receptacles
DCA-20SPX — OUTPUT TERMINAL PANEL FAMILIARIZATION
Twist Lock Dual Voltage 120/240 VAC Receptacles
There are three 120/240V, 50 amp auxilliary twist-lock
(CS-6369) recepacles (Figure 10) provided on the output
terminal panel.These receptacles can
only
be accessed
when the voltage selector switch is placed in the
single-
phase 240/120 position.
Figure 11. Voltage Regulator Control Knob
Figure 12. Plastic Face Plate (Output Terminal Lugs)
Removing the Plastic Face Plate (Hard Wire Hookup Panel)
The
Output Terminal Lugs
are protected by a plastic face
plate cover (Figure 12). Un-screw the securing bolts and lift
the plastic terminal cover to gain access to the terminal
enclosure.
After the load wires have been securely attached to the
terminal lugs, reinstall the plastic face plate.

PAGE 28 — DCA-20SPX— OPERATION AND PARTS MANUAL — REV. #2 (04/14/10)
Figure 13. Connecting Loads
Connecting Loads
Loads can be connected to the generator by the
Ouput
Terminal Lugs
or the convenience receptacles (Figure 13).
Make sure to read the operation manual before attempting
to connect a load to the generator.
To protect the output terminals from overload, a
3-pole, 90A
main
circuit breaker is provided. Make sure to
switch ALL circuit breakers to the OFF position prior to
starting the engine.
DCA-20SPX — OUTPUT TERMINAL PANEL FAMILIARIZATION
Over Current Relay
An
over current relay
(Figure 14) is connected to the main
circuit breaker. In the event of an overload, both the circuit
breaker and the over current relay may trip. If the circuit
breaker can not be reset, the
reset button
on the over cur-
rent relay must be pressed. The over current relay is lo-
cated in the control box.
Figure 14. Over Current Relay

DCA-20SPX— OPERATION AND PARTS MANUAL — REV. #2 (04/14/10) — PAGE 29
1
DCA-20SPX — LOAD APPLICATION/MAXIMUM AMPERAGE
Single Phase Load
Always be sure to check the nameplate on the generator
and equipment to insure the wattage, amperage,
frequency
,
and voltage requirements are satisfactorily supplied by the
generator for operating the equipment.
Generally, the wattage listed on the nameplate of the
equipment is its rated output. Equipment may require 130—
150% more wattage than the rating on the nameplate, as
the wattage is influenced by the efficiency, power factor and
starting system of the equipment.
Motors and motor-driven
equipment draw much greater
current for starting than during
operation.
When connecting ordinary power tools, a capacity of up to
the generating set’s rated output (kW) multiplied by 0.8 can
be used.
If wattage is not given on the
equipment's name plate,
approximate wattage may be
determined by multiplying
nameplate voltage by the
nameplate amperage.
The power factor of this generator is 0.8. See Table 5 below
when connecting loads.
■■
■■
■
When connecting a resistance load such as an
incandescent lamp or electric heater, a capacity of up to
the generating set’s rated output (kW) can be used.
■■
■■
■
When connecting a fluorescent or mercury lamp, a
capacity of up to the generating set’s rated output (kW)
multiplied by 0.6 can be used.
■■
■■
■
When connecting an electric drill or other power tools,
pay close attention to the required starting current
capacity.
WATTS = VOLTAGE x AMPERAGE
NOTE
An inadequate size connecting cable which cannot carry the
required load can cause a voltage drop which can burn out
the appliance or tool and overheat the cable. See Table 6.
NOTE
Before connecting this generator to any building’s electrical
system, a
licensed
electrician
must install an
isolation
(transfer)
switch
. Serious damage to the building’s
electrical system may occur without this transfer switch.
DANGER - ELECTRICAL SYSTEM HAZARDS
daoLyBrotcaFrewoP.5elbaT
daoLfOepyTrotcaFrewoP
srotomnoitcudniesahp-elgniS57.0-4.0
tnecsednacni,sretaehcirtcelE
spmal 0.1
spmalyrucre
m,spmaltnecseroulF9.0-4.0
noitacinummoc,secivedcinortcelE
tnempiuqe 0.1
slootrewopnommoC8.0
)noitarepOesahPelgniS,zH06(noitceleSelbaC.6elbaT
nitnerruC
serepmA
sttaWnIdaoLhtgneLelbaCelbawollAmumixaM
001tA
stloV
002tA
stloV eriW01#eriW21#eriW41#eriW61#
5.20
03006.tf0001.tf006.tf573.tf052
50060021.tf005.tf003.tf002.tf521
5.70090081.tf053.tf002.tf521.tf001
0100210042.tf052.tf051.tf00
1
5100810063.tf051.tf001.tf56
0200420084.tf521.tf57.tf05
.egatlovwolmorftlusernacegamadtnempiuqE:NOITUAC
spmAmumixaMrotareneG.7elbaT
egatloVdetaRspmAmumixaM
esahPelgniS
tloV021 spma2X38
esahPelgniS
tloV042 spma38
Generator Amperage
Table 7 describes the generator’s current output capability.

PAGE 30 — DCA-20SPX— OPERATION AND PARTS MANUAL — REV. #2 (04/14/10)
UOV Terminal Output Voltages
240/120V output voltages can be obtained using the
Output
Terminal Lugs
..
The voltage regulator (VR) allows the user to increase or
decrease the selected voltage.
1Ø 240 Output Terminal Lug Voltages
1. Connect the load wires to the
Output Terminal Lugs
as
shown in (Figure 17)
Figure 17. Output Terminal Lugs
240 Single Phase Connections
2. Turn the voltage regulator knob (Figure 18) clockwise to
increase voltage output, turn counterclockwise to
decrease voltage output.
Figure 18. Voltage Regulator Knob (139V/240V)
2. Turn the voltage regulator knob (Figure 18) clockwise to
increase voltage output, turn counterclockwise to
decrease voltage output.
How to Read the Output Terminal Gauges.
The gauges on the control panel are provided to help
observe how much power is being supplied at the
Output
terminals lugs
.
Figure 16. AC Ammeter
(Amp reading on U lug)
Figure 15. AC Ammeter
Change-Over Switch
Reading Amperage
To determine the amperage at a terminal lug, set the
AC Ammeter Change-Over
Switch
to the appropriate
setting (Figure 15) to activate the
AC Ammeter Gauge
(Figure 16) and read the available amperage at the terminal
lug.
For example, to measure the amperage at the U
terminal lug, set the
AC Ammeter Change-Over Switch
to
U and read the AC Ammeter Gauge.
The
ammeter
gauge will only
show a reading when the
Output
Terminal Lugs
are connected
to a load and in use.
NOTE
DCA-20SPX — GAUGE READING/ TERMINAL PANEL CONNECTIONS
1Ø 120 Output Terminal Lug Voltages
1. Connect the load wires to the
Output Terminal Lugs
as
shown in (Figure 19)
Figure 19. Output Terminal Lugs
120 Single Phase Connections

DCA-20SPX— OPERATION AND PARTS MANUAL — REV. #2 (04/14/10) — PAGE 31
1
DCA-20SPX — SETUP
Figure 20. Engine Oil Dipstick
When checking the engine oil, be sure to check if the oil is
clean. If the oil is not clean, drain the oil by removing the oil
drain plug, and refill with the specified amount of oil as outlined
in the Isuzu Engine Owner's Manual. Oil should be warm
before draining.
Other types of motor oils may be substituted if they meet
the following requirements:
■■
■■
■
API Service Classification CC/SC
■■
■■
■
API Service Classification CC/SD
■■
■■
■
API Service Classification CC/SE
■■
■■
■
API Service Classification CC/SF
Circuit Breakers
To protect the generator from an overload, a 3-pole, 90 amp,
main
circuit breaker is provided to protect the
U,O, and V
Output Terminals
from overload. In addition two single-pole,
20 amp
GFCI
circuit breakers are provided to protect the
GFCI receptacles from overload. Two 50 amp
load
circuit
breakers have also been provided to protect the auxiliary
receptacles from overload. Make sure to switch ALL circuit
breakers to the OFF position prior to starting the engine.
Lubrication Oil
Fill the engine crankcase with lubricating oil through the filler
hole, but DO NOT overfill. Make sure the generator is level.
and verify that the oil level is maintained between the two
notches (Figure 20) on the dipstick. See Table 8 for proper
selection of engine oil.
Figure 21. Internal Fuel Tank System
Refilling the Fuel System
Fuel Check
This generator has an internal fuel tank located inside the
trailer frame and may also be equipped with an optional
environmental fuel tank (Figure 21).
ALWAYS
fill the fuel
tanks with clean fresh
#2 diesel fuel.
DO NOT fill the fuel
tanks beyond their capacities.
Pay attention to the fuel tank capacity when replenishing
fuel.The fuel tank cap must be closed tightly after filling.
Handle fuel in a safety container. If the container does not
have a spout, use a funnel. Wipe up any spilled fuel
immediately.
ONLY properly trained personel who have read and
understand this section should refill the fuel tank system.
CAUTION - REFUELING THE GENERATOR
Fuel spillage on a
hot
engine can cause a
fire
or
explosion
.
If fuel spillage occurs, wipe up the spilled fuel completely
to prevent fire hazards. NEVER smoke around or near the
generator.
DANGER - EXPLOSION/FIRE HAZARDS
-40
-30
-10
-20
-22
-40
-4
-14
032
50
68
86
104
122
10
20
30
40
50
FC
10W40
30
ARCTIC OIL
5W30
10W/40
15W30
10W30
10W
20W40
OIL: SAE
Table 8. Recommended Motor Oil

PAGE 32 — DCA-20SPX— OPERATION AND PARTS MANUAL — REV. #2 (04/14/10)
DCA-20SPX — SETUP
Refueling Procedure:
1. Level Tanks – Make sure fuel cells are level with the
ground. Failure to do so will cause fuel to spill from the
tank before reaching full capacity (Figure 22).
Figure 22. Only Fill on Level Ground
ONLY! use
#2 diesel fuel
when
refueling.
NOTE
3. NEVER overfill fuel tank – It is important to read the
fuel gauge when filling trailer fuel tank. DO NOT wait for
fuel to rise in filler neck (Figure 24).
Figure 24. Full Fuel Tank
Figure 25. Fuel Expansion
2. Remove fuel cap (internal fuel tank) and fill fuel tank as
shown Figure 23.
ALWAYS
place trailer on firm level ground before refueling
to prevent spilling and maximize the amount of fuel that
can be pumped into the tank.
CAUTION - REFUELING THE GENERATOR
Diesel fuel and its vapors are dangerous
to your health and the surrounding
environment. Avoid skin contact and/or
inhaling fumes.
WARNING - RESPIRATORY HAZARDS
DO NOT OVER-FILL fuel system. Leave room for fuel
expansion. Fuel expands when heated (Figure 25).
CAUTION - REFUELING THE GENERATOR
Figure 23. Fueling the Generator
If generator is equipped with an
environmental fuel tank, reference
Figures 24 and 25.
NOTE

DCA-20SPX— OPERATION AND PARTS MANUAL — REV. #2 (04/14/10) — PAGE 33
1
Coolant (Antifreeze/Summer Coolant/Water)
ISUZU recommends antifreeze/summer coolant for use in
their engines, which can be purchased in concentrate (and
mixed with 50% demineralized water) or pre-diluted. See
the ISUZU Engine Owner's Manual for further details.
Day-to-day addition of coolant is done from the recovery
tank. When adding coolant to the radiator, DO NOT remove
the radiator cap until the unit has completely cooled. See
Table 9 for engine, radiator, and recovery tank coolant
capacities. Make sure the coolant level in the recovery tank
is always between the "H" and the "L" markings.
Operation Freezing Weather
When operating in freezing weather, be certain the proper
amount of antifreeze (Table 10) has been added.
Cleaning the Radiator
The engine may overheat if the radiator fins become
overloaded with dust or debris. Periodically clean the radiator
fins with compressed air. Cleaning inside the machine is
dangerous, so clean only with the engine turned off and the
negative
battery terminal disconnected.
Air Cleaner
Periodic cleaning/replacement is necessary. Inspect it in
accordance with the ISUZU Engine Owner's Manual.
Fan Belt Tension
A slack fan belt may contribute to overheating, or to
insufficient charging of the battery. Inspect the fan belt for
damage and wear and adjust it in accordance with the ISUZU
Engine Owner's Manual.
The fan belt tension is proper if the fan belt bends 10 to 15
mm (Figure 26) when depressed with the thumb as shown
below.
Figure 26. Fan Belt Tension
DCA-20SPX — SETUP
When the antifreeze is mixed with
water, the antifreeze mixing ratio
must be
less than 50%.
NOTE
If adding coolant/antifreeze mix to the
radiator, DO NOT remove the radiator cap
until the unit has completely cooled. The
possibility of
hot!
coolant exists which
can cause severe burns.
WARNING - BURN HAZARDS
NEVER place hands near
the belts or fan while the
generator set is running.
CAUTION - ROTATING PARTS
yticapaCtnalooC.9elbaT
rotaidaRdnaenignE)sretil6.6(.laG7.1
knaTevreseR)sretil9.1(strauQ2
ezeerF-itnA.01elbaT
serutarepmeTgnitarepO
%loV
ezeerF-itnA
tnioPgnizeerF
C°F°
0573-43-

PAGE 34 — DCA-20SPX— OPERATION AND PARTS MANUAL — REV. #2 (04/14/10)
DCA-20SPX — SETUP
When connecting battery do the following:
1. NEVER connect the battery cables to the battery
terminals when the
MPEC Control Switch
is in either
the MANUAL position. ALWAYS make sure that the
MPEC
Control Switch
is in the OFF/RESET position when
connecting the battery.
2. Place a small amount of battery terminal treatment
compound around both battery terminals. This will ensure
a good connection and will help prevent corrosion around
the battery terminals.
Figure 27. Battery Connections
ALWAYS
disconnect the negative terminal FIRST and
reconnect negative terminal LAST.
Inadequate battery connections may cause poor starting
of the generator, and create other malfunctions.
Alternator
The polarity of the alternator is negative grounding type. When
an inverted circuit connection takes place, the circuit will be
in short circuit instantaneously resulting the alternator failure.
DO NOT put water directly on the alternator. Entry of water
into the alternator can cause corrision and damage the
alternator.
Wiring
Inspect the entire generator for bad or worn electrical wiring
or connections. If any wiring or connections are exposed
(insulation missing) replace wiring immediately.
Piping and Hose Connection
Inspect all piping, oil hose, and fuel hose connections for
wear and tightness. Tighten all hose clamps and check hoses
for leaks.
If any hose (
fuel
or
oil
) lines are defective replace them
immediately.
If the battery cable is connected
incorrectly, electrical damage to the
generator will occur. Pay close
attention to the polarity of the
battery when connecting the
battery.
NOTE
Battery
This unit is of negative ground DO NOT connect in reverse.
Always maintain battery fluid level between the specified
marks. Battery life will be shortened, if the fluid level are not
properly maintained. Add only distilled water when
replenishment is necessary.
DO NOT over fill. Check to see whether the battery cables
are loose. Poor contact may result in poor starting or
malfunctions.
Always
keep the terminals firmly tightened.
Coating the terminals with an approved battery terminal
treatment compound. Replace battery with only
recommended type battery.
The battery is sufficiently charged if the specific gravity of
the battery fluid is 1.28 (at 68° F). If the specific gravity
should fall to 1.245 or lower, it indicates that the battery is
dead and needs to be recharged or replaced.
Before charging the battery with an external electric source,
be sure to disconnect the battery cables.
Battery Cable Installation
ALWAYS be sure the battery cables (Figure 27) are properly
connected to the battery terminals as shown below. The Red
Cable is connected to the positive terminal of the battery,
and the Black Cable is connected to the negative terminal
of the battery.
CAUTION - BATTERY SERVICING SAFETY
CAUTION - BATTERY SERVICING SAFETY

DCA-20SPX— OPERATION AND PARTS MANUAL — REV. #2 (04/14/10) — PAGE 35
1
Figure 32. Frequency Meter (Hz)
4. The generator's frequency meter (Figure 32) should be
displaying the 60 cycle output frequency in HERTZ.
3. Verify that the Engine Running
status LED on the MPEC unit
(Figure 31) is ON (lit) after the
engine has been started.
Figure 31. Engine Running LED (ON)
Manual Start-up
Procedure
Figure 30. MPEC Control Switch
(Manual Position)
DCA-20SPX — GENERATOR START-UP PROCEDURE (MANUAL)
The engine's exhaust contains harmful emissions.
ALWAYS have adequate ventilation when operating
.
Direct exhaust away from nearby personnel.
Before Starting
Figure 29. Engine Enclosure Doors
1. Place the
main, G.F.C.I.,
and
aux.
circuit breakers
(Figure 28) in the OFF position prior to starting the engine.
Figure 28. Main, Aux. and GFCI
Circuit Breakers (OFF)
2. Connect the load to the
receptacles
or
the
output
terminal lugs
as shown in Figure 13. These load
connection points can be found on the output terminal
panel and the output terminal panel’s hard wire hookup
panel.
3. The output terminal lugs are protected by a plastic cover.
Remove this cover to gain access to the terminals.
Tighten terminal nuts securely to prevent load wires from
slipping out.
4. Close all engine enclosure doors (Figure 29).
CAUTION - LETHAL EXHAUST HAZARD
2. Once the engine starts, let it engine run for 1-2 minutes.
Listen for any abnormal noises. If any abnormalities
exists shutdown the engine and correct the problem.
1. Place the
MPEC Control Switch
in the MANUAL
position to start the engine (Figure 30).
NEVER!
manually start the engine with the
main
,
GFCI
or
auxiliary
circuit breakers in the ON (closed) position.
WARNING - STARTING THE GENERATOR

PAGE 36 — DCA-20SPX— OPERATION AND PARTS MANUAL — REV. #2 (04/14/10)
DCA-20SPX — GENERATOR START-UP PROCEDURE (MANUAL)
Figure 34. Voltage Adjust Control Knob
Figure 35. Ammeter
(No Load)
6. The ammeter (Figure 35) will
indicate
zero amps
with no load
applied. When a load is applied, the
ammeter will indicate the amount
of current that the load is drawing
from the generator.
5. The generator's AC-voltmeter (Figure 33) will display the
generator’s output in VOLTS. If the voltage is not within
the specified tolerance, use the voltage adjustment
control knob (Figure 34) to increase or decrease the
desired voltage.
Figure 33. Voltmeter
Figure 38. Engine
Tachometer Gauge
9. The
tachometer gauge
(Figure 38)
will indicate the speed of the engine
when the generator is operating.
Under normal operating conditions
this speed is approximately 1800
RPM’s.
8. The
coolant temperature gauge
(Figure 37) will indicate the
coolant temperature. Under
normal operating conditions the
coolant temperature should be
between 180~221 °F (82~105 °C),
Green Zone
.
Figure 37. Coolant
Temperature Gauge
7. The engine oil pressure gauge
(Figure 36) will indicate the oil
pressure of the engine. Under
normal operating conditions the
oil pressure is approximately 35
to 65 psi. (241~448 kPa). When
starting the generator. Figure 36. Oil
Pressure Gauge
Figure 39. Main, Aux. and GFCI
Circuit Breakers (ON)
10. Place the
main
,
GFCI
, and
aux
. circuit breakers in the
ON position (Figure 39).
11. Observe the generator's ammeter
(Figure 40) and verify it reads the
anticipated amount of current with
respect to the load. The ammeter
will only display a current reading if
a load is in use. Figure 40. Ammeter
(Load)
12. The generator will run until manually stopped or an
abnormal condition occurs.

DCA-20SPX— OPERATION AND PARTS MANUAL — REV. #2 (04/14/10) — PAGE 37
1
1. Perform steps 1 through 5 in the
Before Starting
section.
2. Place the
MPEC Control Switch
(Figure 41) in the AUTO
position
3. Continue operating the generator as outlined in the
Manual Start-up
Procedure
(start at step 3).
Figure 41. MPEC Control Switch (AUTO)
When the generator is set in the
AUTO mode, the generator will
automically start
in the event of
comercial power falling below a
prescribed level by means of a
contact closure that is generated
automatically by a transfer switch.
NOTE
Starting (Auto Mode)
Before connecting this generator to any
building’s electrical system, a
licensed
electrician
must install an
isolation
(transfer)
switch
. Serious damage to the
building’s electrical system may occur
without this transfer switch.
DANGER - ELECTRICAL SYSTEM HAZARDS
When connecting the generator to a isolation (transfer)
switch, ALWAYS have power applied to the generator's
internal battery charger. This will ensure that the engine
will not fail due to a dead battery.
CAUTION - BACKUP GENERATOR USE
When running the generator in the AUTO mode, remember
the generator can start up at any time without warning.
NEVER attempt to perform any maintenance when the
generator is in the auto mode.
WARNING - AUTO MODE MAINTENANCE
DCA-20SPX — GENERATOR START-UP PROCEDURE (AUTO MODE)
When starting generator in AUTO mode use the "
Manual
Start-up" procedure except where noted (see below).

PAGE 38 — DCA-20SPX— OPERATION AND PARTS MANUAL — REV. #2 (04/14/10)
Normal Shutdown Procedure
To shutdown the generator use the following procedure:
1. Place both the MAIN, GFCI and LOAD circuit breakers
as shown in Figure 39 to the OFF position.
2. Let the engine cool by running it at low speed for 3-5
minutes with no load applied.
3. Place the
MPEC Control Switch
(Figure 42) to the
OFF/RESET position.
Figure 42. MPEC Control Switch (Off/Reset)
4. Verify that the
all
status LED on the MPEC display
are OFF (not lit).
5. Remove all loads from the generator.
6. Inspect entire generator for any damage or loosening of
components that may have occured during operation.
Emergency Shutdown Procedure
1. Place the
MPEC Control Switch
switch (Figure 42) to
the OFF/RESET position.
2. To shut-down the engine in the event of an emergency,
switch the
MAIN
,
GFCI
and
LOAD
(Figure 39) circuit
breakers to OFF position.
DCA-20SPX — GENERATOR SHUT-DOWN PROCEDURES
NEVER stop the engine suddenly except in an emergency.
WARNING -
SHUTTING DOWN THE GENERATOR

DCA-20SPX— OPERATION AND PARTS MANUAL — REV. #2 (04/14/10) — PAGE 39
1
DCA-20SPX — MAINTENANCE
Service Daily
If the engine is operating in very
dusty
or
dry grass
conditions, a clogged air cleaner will result. This can lead to
a loss of power, excessive carbon buildup in the combustion
chamber and high fuel consumption. Change air cleaner
more
frequently
if these conditions exists.
Fuel Addition
Add diesel fuel (the grade may vary according to season
and locations).
Removing Water from the Fuel Tank
After prolonged use, water and other impurities accumulate
in the bottom of the tank. Occasionally inspect the fuel
tank for water contamination and drain the contents if
required.
During cold weather, the more empty volume inside the
tank, the easier it is for water to condense. This can be
reduced by keeping the tank full with diesel fuel.
General Inspection
Prior to each use, the generator should be cleaned and
inspected for deficiencies. Check for loose, missing or
damaged nuts, bolts or other fasteners. Also check for fuel,
oil, and coolant leaks. Use Table 11 as a general maintenance
guideline Engine Side (Refer to the Engine Instruction
Manual)
Air Cleaner
Every 250 hours: Remove air cleaner element and clean the
heavy duty paper element with light spray of compressed
air. Replace the air cleaner as needed.
Air Cleaner with Dust Indicator
This indicator is attached to the air cleaner. When the air
cleaner element is clogged, air intake restriction becomes
greater and the dust indicator signal shows RED meaning
the element needs changing or service. After changing the
air element, press the dust indicator button to reset the
indicator.
ECNANETNIAM/NOITCEPSNI.11ELBAT
srH01
YLIAD srH052 srH005 srH0001
ENIGNE
sleveLdiulFenignEkcehC X
renaelCriAkcehC X
leveLdicAyrettaBkcehC X
noitidnoCtleBnaFkcehC X
skaeLrofkcehC X
straPfogninesooLrofkcehC X
*retliFdnaliOenignEecalpeR
1
X
retliFriAnaelC X
lwoBrotarepeSretaW/retliFleuFkcehC X
edistuOdnaedisnI,tinUnaelC X
retliFleuFegnahC X
*leveLnoitcetorPtnalooCkcehCdnarotaidaRnaelC
2
X
*tnemelEretliFriAecalpeR
3
X
*spmalCdnasesoHllakcehC
4
X
knaTleuFfoedisnInaelC X
ROTARENEG
smhoM3revOecnatsiseRnoitalusnIerusaeM X
gniraeBtroppuSraeRrotoRkcehC X
.ylnoemittsrif,sruoh001taretliffnalioenigneecalpeR1*
.tnaloocenigneehtegrahcerot")S'ACS(sevitaddAtnalooClatnemelppuS"ddA2*
H.ni52(mm526fomuccavaswohsrotacidninoitcirtsernehwtnemeleretlifriayramirpecalpeR3* 2.)0
htiw,toofrephcni2/1atsaeltasiesohybolbehtfoepolsehttahterusne,decalperebotsdeenesohybwolbfI4*
.lioro/d
naerutsiomtcellocdluoctahtspidrosgason

PAGE 40 — DCA-20SPX— OPERATION AND PARTS MANUAL — REV. #2 (04/14/10)
DCA-20SPX — MAINTENANCE
Generator Storage
For longe term storage of the generator the following is
recommended:
Fill the fuel tank completely. Treat with a fuel stabilizer
if necessary.
Completely drain the oil from the crankcase and refill if
necessary with fresh oil.
Clean the entire generator, internal and external.
Cover the generating set and store in a clean, dry place.
Disconnect the battery.
Make sure engine coolant is at proper level.
If generator is mounted on a trailer, jack trailer up and
place on blocks so tires do not touch the ground or block
and completely remove the tires.
Flushing Out Radiator and Replacing Coolant
Open both cocks located at the crankcase side and at
the lower part of the radiator and drain coolant. Open the
radiator cap while draining. Remove the overflow tank
and drain.
Check hoses for softening and kinks. Check clamps for
signs of leakage.
Flush the radiator by running clean tap water through
radiator until signs of rust and dirt are removed. DO NOT
clean radiator core with any objects, such as a
screwdriver.
Tighten both cocks and replace the overflow tank.
Replace with coolant as recommended by the engine
manufaturer.
Close radiator cap tightly.
Air Removal
If air enters the fuel injection system of a diesel engine,
starting becomes impossible. After running out of fuel, or
after disassembling the fuel system, bleed the system
according to the following procedure. See the
VOLVO Engine
Manual
for details.
To restart after running out of fuel, turn the switch to the
“ON” position for 15-30 seconds. Try again, if needed. This
unit is equipped with an automatic air bleeding system.
Check Oil Level
Check the crankcase oil level prior to each use, or when the
fuel tank is filled. Insufficient oil may cause severe damage
to the engine. Make sure the generator is level. The oil level
must be between the two notches on the dipstick as shown
in Figure 31.
Replacing Oil Filter
Remove the old oil filter.
Apply a film of oil to the gasket on the new oil filter.
Install the new oil filter.
After the oil cartridge has been replaced, the engine oil
will drop slightly. Run the engine for a while and check
for leaks before adding more oil if needed. Clean
excessive oil from engine.
Allow engine to
cool
when flushing out
radiator. Flushing the radiator while hot
could cause serious burns from water or
steam.
WARNING - BURN HAZARDS
Replacing Fuel Filter
Replace the fuel filter cartridge with new one every 500
hours or so.
Loosen the drain plug at the lower top of the fuel filter.
Drain the fuel in the fuel body together with the mixed
water. DO NOT spill the fuel during disassembly.
Vent any air.
Cleaning the Fuel Strainer
Clean the fuel strainer if it contains dust or water. Remove
dust or water in the strainer cap and wash it in gasoline.
Securely fasten the fuel strainer cap so that fuel will not
leak. Check the fuel strainer every 200 hours of operation or
once a month.

DCA-20SPX— OPERATION AND PARTS MANUAL — REV. #2 (04/14/10) — PAGE 41
1
DCA-20SPX — MAINTENANCE
To ensure adequate starting
capability, always have power
applied to the generator's
internal battery charger
.
NOTE
Figure 43. Battery Charger &
Jacket Water Heater Power Connections
Jacket Water Heater and Internal Battery Charger
120 VAC Input Receptacles (OPTIONAL)
This generator can be optionally equipped with two 120 VAC,
20 amp input receptacles located on the output terminal
panel.
The purpose of these receptacles is to provide power via
commercial power to the
jacket water heater
and
internal
battery charger
.
These receptacles will ONLY function when commercial
power has been supplied to them (Figure 43). To apply
commercial power to these receptacles, a power cord of
adequate size will be required (See Table 6).
When using the generator in
hot
climates there is no reason
to apply power to jacket water heater. However, if the
generator will be used in
cold
climates it is always a good
idea to apply power to the jacket water heater at all times. To
apply power to the jacket water heater simply apply power to
the jacket water heater receptacle via commercial power
using an power cord of adequate size.
If the generator will be used daily, the battery should normally
not require charging. If the generator will be idle (not used)
for long periods of time, apply power to the battery charger
receptacle via commercial power using an power cord of
adequate size.

PAGE 42 — DCA-20SPX— OPERATION AND PARTS MANUAL — REV. #2 (04/14/10)
DCA-20SPX — TRAILER MAINTENANCE
8. Tire Size - Indicates the diameter of the tire in inches
(10,12,14, etc.), and the width in millimeters
(175,185,205, etc.). The tire diameter must match the
diameter of the tire rim.
9. Tire Ply - The tire ply (layers) number is rated in letters;
2-ply,4-ply,6-ply, etc.
10. Wheel Hub - The wheel hub is connected to the trailer’s
axle.
11. Tire Rim - Tires mounted on a tire rim. The tire rim must
match the size of the tire.
12. Lug Nuts - Used to secure the wheel to the wheel hub.
Always use a torque wrench to tighten down the lug
nuts. See Table 16 and Figure 59 for lug nut tightening
and sequence.
13. Axle - Indicates the maximum weight the axle can sup-
port in pounds, and the diameter of the axle expressed
in inches. Please note that some trailers have a double
axle. This will be shown as 2-6000 lbs., meaning two
axles with a total weight capacity of 6000 pounds.
14. Suspension - Protects the trailer chassis from shocks
transmitted through the wheels. Types of suspension
used are leaf, Q-flex, and air ride.
15. Electrical - Electrical connectors (looms) are provided
with the trailer so the brake lights and turn signals can
be connected to the towing vehicle.
16. Application - Indicates which units can be employed
on a particular trailer.
Trailer Maintenance
This section is intended to provide the user with generic
trailer service and maintenance information. The service and
maintenance guidelines referenced in this section refer to a
wide range of trailers.
Remember periodic inspection of the trailer will ensure safe
towing of the generator and will prevent personal injury and
damage to the equipment.
The definitions below describe some of the major components
of a typical trailer that would be used with the DCA-20SPX
Whisperwatt
™
Generator.
1. Fuel Cell - Provides an adequate amount of fuel for the
equipment in use. Fuel cells must be empty when trans-
porting equipment.
2. Braking System - System employed in stopping the
trailer. Typical braking systems are electric, surge, hy-
draulic, hydraulic-surge and air.
3. GVWR- Gross Vehicle Weight Rating (GVWR) is the
maximum number of pounds the trailer can carry, in-
cluding the fuel cell (empty).
4. Frame Length - Measurement is from the ball hitch to
the rear bumper (reflector).
5. Frame Width - Measurement is from fender to fender
6. Jack Stand - Trailer support device with maximum pound
requirement from the tongue of the trailer.
7. Coupler - Type of hitch used on the trailer for towing.

DCA-20SPX— OPERATION AND PARTS MANUAL — REV. #2 (04/14/10) — PAGE 43
1
DCA-20SPX — TRAILER MAINTENANCE
Hydraulic Surge Brakes
Hydraulic surge brakes (Figure 44) should not require any
special attention with the exception of routine maintenance
such as shoe and lining replacement. Brake lines should be
periodically checked for cracks, kinks, or blockage.
Figure 44. Hydraulic Brake Components
Brakes
Trailer brakes should be inspected the
first 200 miles
of
operation. This will allow the brake shoes and drums to seat
properly. After the first 200 mile interval, inspect the brakes
every 3,000 miles
. If driving over rough terrain, inspect the
brakes more frequently.
Figure 44 displays the major hydraulic surge brake
components that will require inspection and maintenance.
Please inspect these components as required using steps 1
through 8 and Table 15 as listed below:
Brake Adjustment
1. Place the trailer on jack stands. Make sure the jack
stands are placed on secure level ground.
2. Check the wheel and drum for free rotation.
3. Remove the adjusting hole cover from the adjusting slot
at the bottom brake backing plate.
4. With a screwdriver or standard adjusting tool, rotate the
star wheel of the adjuster assembly to expand the brake
shoes.
5. Adjust the brake shoes outward until the pressure of the
lining against the wheel drum makes the wheel difficult
to turn.
6. Adjust, rotate the star wheel in the opposite direction
until the wheel rotates freely with slight lining drag.
7. Replace the adjusting hole cover and lower the trailer to
the ground.
8. Repeat steps 1 through 7 on the remaining brakes.
Actuator
Hydraulic surge braking requires the installation of an actuator
at the tongue of the trailer. Remember the
surge
or
push
of
the trailer toward the tow vehicle automatically synchronizes
the trailer brakes with the tow vehicle brakes. As the trailer
pushes against the tow vehicle the actuator telescopes
together and applies force to the master cylinder, supplying
hydraulic pressure to the trailer brakes.
Periodically check and test the surge “
actuator
” to make
sure that it is functioning correctly. Never use an undersize
actuator.
gnitoohselbuorTekarBciluardyH.21elbaT
motpmyS esuaCelbissoP noituloS
sekarBoN?deknikronekorbenilekarB.ecalperroriapeR
otlluPsekarBrosekarBkaeW
ediSenO
?dezalggninileka
rB.ecalperrohsinrubeR
?dedaolrevoreliarT.thgiewtcerroC
?devoorgroderocssmurdekarB.ecalperroenihcaM
?tcerroc
erusserperiT.yllauqeseritllaetalfnI
?elxaemasehtnodehctamnuseriT.serithctaM
sekarBgnikcoL ?nekorbrotneb,es
oolstnenopmocekarB.stnenopmocecalpeR
?dnuor-fo-tuosmurdekarB.ecalpeR
sekarBysioN ?detacirbulmetsyS.etacirbu
L
?tcerrocstnenopmocekarB.tcerrocdnaecalpeR
sekarBgniggarD
tonrotcerrocnissenkcihtgninilekarB
?yltcerrocde
tsujda
dnaseohswenllatsnI
.sgninil
?diulftcerrocrodiulfekarbhguonE straprebburecalpeR
.diulf4todhtiwllif

PAGE 44 — DCA-20SPX— OPERATION AND PARTS MANUAL — REV. #2 (04/14/10)
Tires/Wheels/Lug Nuts
Tires and wheels are a very important and critical
components of the trailer. When specifying or replacing the
trailer wheels it is important the wheels, tires, and axle are
properly matched.
Tire Wear/Inflation
Tire inflation pressure is the most important factor in tire life.
Pressure should be checked cold before operation DO NOT
bleed air from tires when they are
hot!
. Check inflation
pressure weekly during use to insure the maximum tire life
and tread wear.
Table 13 (Tire Wear Troubleshooting) will help pinpoint the
causes and solutions of tire wear problems.
Suspension
The
leaf suspension
springs and associated components
(Figure 45) should be visually inspected every 6,000 miles
for signs of excessive wear, elongation of bolt holes, and
loosening of fasteners. Replace all damaged parts
(suspension) immediately. Torqued suspension components
as detailed in Table 14.
Figure 45. Major Suspension Components
DCA-20SPX — TRAILER MAINTENANCE
DO NOT attempt to repair or modify a wheel. DO NOT
install in inner tube to correct a leak through the rim. If the
rim is cracked, the air pressure in the inner
tube may cause pieces of the rim to
explode (break off) with great force and
cause serious eye or bodily injury.
CAUTION - REPAIRING TRAILER WHEELS
ALWAYS
wear safety glasses when
removing or installing force fitted parts.
Failure to comply may result in serious
injury.
CAUTION - EYESIGHT HAZARD
stnemeriuqeReuqroTnoisnepsuS.41elbaT
metI ).sbL-.tF(euqroT
TLOB-U"8/353-XAM03-NIM
TLOB-U"61/706-XAM54-NIM
TLOB-U"2/106-XAM54-NIM
SHACKLE BOLT
SPRING EYE BOLT
SNUG FIT ONLY
.
PARTS MUST ROTATE FREELY
.
LOCKING NUTS OR COTTER PINS ARE PROVIDED
TO RETAIN NUT
-
BOLT ASSEMBLY
.
SHOULDER TYPE
SHACKLE BOLT
05-XAM03-NIM

DCA-20SPX— OPERATION AND PARTS MANUAL — REV. #2 (04/14/10) — PAGE 45
1
NEVER
use an pneumatic air
gun to tighten wheel lug nuts.
Figure 46. Wheel Lug Nuts
Tightening Sequence
DCA-20SPX — TRAILER MAINTENANCE
NOTE
Lug Nut Torque Requirements
It is extremely important to apply and maintain proper wheel
mounting torque on the trailer. Be sure to use only the
fasteners matched to the cone angle of the wheel. Proper
procedure for attachment of the wheels is as follows:
1. Start all wheel lug nuts by hand.
2. Torque all lug nuts in sequence (see Figure 46). DO NOT
torque the wheel lug nuts all the way down. Tighten each
lug nut in 3 separate passes as defined by Table 15.
3. After first road use, retorque all lug nuts in sequence.
Check all wheel lug nuts periodically.
stnemeriuqeReuqroTeriT.51elbaT
eziSleehWssaPtsriF
SBL-TF
ssaPdnoceS
SBL-TF
ssaPdrihT
SBL-TF
"2152-0204-5356-05
"3
152-0204-5356-05
"4152-0206-05021-09
"5152-0206-05021-09
"6152-0206-05021-09

PAGE 46 — DCA-20SPX— OPERATION AND PARTS MANUAL — REV. #2 (04/14/10)
DCA-20SPX — TRAILER WIRING DIAGRAM
Figure 47. Trailer/Towing Vehicle Wiring Diagram

DCA-20SPX— OPERATION AND PARTS MANUAL — REV. #2 (04/14/10) — PAGE 47
1
DCA-20SPX — GENERATOR WIRING DIAGRAM
Figure 48. Generator Wiring Diagram

PAGE 48 — DCA-20SPX— OPERATION AND PARTS MANUAL — REV. #2 (04/14/10)
DCA-20SPX — ENGINE WIRING DIAGRAM
Figure 49. Engine Wiring Diagram

DCA-20SPX— OPERATION AND PARTS MANUAL — REV. #2 (04/14/10) — PAGE 49
1
GNITOOHSELBUORTENIGNE.61ELBAT
MOTPMYS MELBORPELBISSOP NOITULOS
.tratstonseodenignE
?leufoN .leufhsinelpeR
?metsysleufehtniriA .metsysdeelB
?metsysleufehtniretaW .knatleufmorfretawevomeR
?deggolcepipleuF .epipleufnaelC
?deggolcretlifleuF .retlifleufegnahcronaelC
foytisocsivhgihylevissecxE
woltalioenigneroleuf
?erutarepmet
.lioenigneroleufdeificepsehtesU
?rebmunenatecwolhtiwleuF .leufdeificepsehtesU
noitcejniesooloteudkaelleuF
?tungniniaterepip .tunnethgiT
?gnimitnoitcejnitcerrocnI .tsujdA
?nrowtfahsmacleuF .ecalpeR
?deggolcelzzonnoitcejnI .elzzonnoitcejninaelC
?gninoitcnuflampmupnoitcejnI .ecalperroriapeR
,tfahsmac,tfahsknarcfoeruzieS
?gniraebrorenilrednilyc,notsip .ecalperroriapeR
morfkaelnoisserpmoC
?rednilyc
dnagulpwolg,tlobdaehrednilycnethgit,teksagdaehecalpeR
.redlohelzzon
?gnimitevlavreporpmI .raeggnimitecalperrotcerroC
?nrowrenildnagnirnotsiP .ecalpeR
?ecnaraelcevlavevissecxE .tsujdA
.nurtonseodretratS
?degrahcsidyrettaB .yrettabegrahC
?gninoitcnuflamretratS .ecalperroriapeR
?gninoitcnuflamhctiwsyeK .ecalperroriapeR
?detcennocsidgniriW .gniriwtcennoC
DCA-20SPX — TROUBLESHOOTING (ENGINE)
Practically all breakdowns can be prevented by proper handling and maintenance inspections, but in the event of a
breakdown, use Table 16 shown below for diagnosis of the engine. If the problem cannot be remedied, consult our company's
business office or service plant.

PAGE 50 — DCA-20SPX— OPERATION AND PARTS MANUAL — REV. #2 (04/14/10)
)DEUNITNOC(GNITOOHSELBUORTENIGNE.61ELBAT
MOTPMYS MELBORPELBISSOP NOITULOS
.htoomstonsinoituloverenignE
?ytridrodeggolcretlifleuF .egnahcronaelC
?deggolcrenaelcriA .egnahcronaelC
noitcejniesooloteudkaelleuF
?tungniniaterepip .tunnethgiT
?gninoitcnuflampmupnoitcejnI .ecalperroriapeR
gninepoelzzontcerrocnI
?erusserp .tsujdA
rokcutselzzonnoitcejnI
?deggolc .ecalperroriapeR
?deggolcepipwolfrevoleuF .naelC
?gninoitcnuflamronrevoG .riapeR
sagtsuahxeeulbroetihwrehtiE
.devresbosi
?lioenigneevissecxE .leveldeificepsehtotecudeR
ronrowrenildnagnirnotsiP
?kcuts .ecalperroriapeR
?gnimitnoitcejnitcerrocnI .tsujdA
?noisserpmoctneicifeD .ecnaraelcpottsujdA
yargkradrokcalbrehtiE
.devresbosisagtsuahxe
?daolrevO .daolehtnesseL
?desuleufedargwoL .leufdeificepsehtesU
?deggolcretlifleuF .egnahcronaelC
?deggolcrenaelcriA .egnahcronaelC
?noitcejnielzzontneicifeD .elzzonehtecalperroriapeR
.tuptuotneicifeD
?gnimitnoitcejnitcerrocnI .tsujdA
otmeesstrapgnivoms'enignE
?gnizieseb .ecalperroriapeR
?noitcejnileufnevenU .pmupnoitcejniehtecalperroriapeR
?noitcejnielzzontneicifeD .elzzonehtecalperroriapeR
?kaelnoisserpmoC dnagulpwolg,tlobdaehrednilycnethgit,teksagdaehecalpeR
.redlohelzzon
DCA-20SPX — TROUBLESHOOTING (ENGINE)

DCA-20SPX— OPERATION AND PARTS MANUAL — REV. #2 (04/14/10) — PAGE 51
1
Practically all breakdowns can be prevented by proper handling and maintenance inspections, but in the event of a
breakdown, use Table 17 shown below for diagnosis of the generator. If the problem cannot be remedied, consult our
company's business office or service plant.
DCA-20SPX — TROUBLESHOOTING (GENERATOR)
GNITOOHSELBUORTROTARENEG.71ELBAT
MOTPMYS MELBORPELBISSOP NOITULOS
tuptuOegatloVoN ?evitcefedretemtloVCA .retemtlovagnisuegatlovtuptuokcehC
?esoolnoitcennocgniriwsI .riaperdnagniriwkcehC
?evitcefedRVAsI .yrassecenfiecalpeR
?reifitceRgnitatoRevitcefeD .ecalperdnakcehC
?dleiFreticxEevitcefeD 1NCnoK&Jssorcasmho3.71rofkcehC
tuptuOegatloVwoL ?tcerrocdeepsenignesI ."hgiH"otrevelelttorhtenignenruT
?esoolsnoitcennocgniriwsI .riaperdnagniriwkcehC
?RVAevitcefeD .yrassecenfiecalpeR
tuptuOegatloVhgiH ?esoolsnoitcennocgniriwsI .riaperdnagniriwkcehC
?RVAevitcefeD .yrassecenfiecalpeR
deppirTrekaerBtiucriC ?daolnitiucriCtrohS .riaperdnadaolkcehC
?tnerrucrevO .ecuderdnastnemeriuqerdaolmrifnoC
?rekaerbtiucricevitcefeD .ecalperdnakcehC
?detautcayaleRtnerrucrevO .ecalperdnatnemeriuqerdaolmrifnoC

PAGE 52 — DCA-20SPX— OPERATION AND PARTS MANUAL — REV. #2 (04/14/10)
DCA-20SPX — TROUBLESHOOTING (ENGINE CONTROLLER)
Practically all breakdowns can be prevented by proper handling and maintenance inspections, but in the event of a
breakdown, use Table 18 (Engine Controller Troubleshooting) as a basic guideline for troubleshooting the Microprocessor
Engine Controller unit (MPEC). If the problem cannot be remedied, consult our company's business office or service plant.
)CEPM(GNITOOHSELBUORTRELLORTNOCENIGNE.81ELBAT
MOTPMYS MELBORPELBISSOP NOITULOS
sithgilerusserpliowoL
.no
?levelliowoL.levelliolliF
?eruliaftinugnidneserusserpliO .tinugnidneseru
sserplioecalpeR
?rellortnoCninoitnuflamyaledemiT.relaedotrefeR
?detrohseriW.eriwriaper/tcepsnI
sithgilleve
ltnaloocwoL
)dellatsnIyllanoitpO(.no
?leveltnaloocwoL.leveltnalooclliF
?eruliaftinugnidneS .tinugnidneseca
lpeR
?egatlovyrettabwoL .yrettabegrahc/ecalpeR
erutrepmettnaloochgiH
.nosithgil
?tcerrocninoisnettlebnaF .t
lebnafecalper/nethgiT
?rotaidarhguorhtnoitalucrictonsiwolfriA .llirgrotaidarriaper/naelC
?neposrooD.srood
esolC
?gnikaeltsuahxE .trapytluafrosteksagriaper/ecalpeR
?dedaolrevogniebrotareneG.daolecuder/kcehC
?eruli
aftatsomrehT.tatsomrehtecalpeR
?dekcolbekatniriA.sekatniriallaraelC
?eruliafhctiwserutarepmeT .hctiwseruta
repmetecalpeR
.nosithgilknarcrevO
?leuFwolrooN.levelleuflliF
?detarbilacebotsdeenrellortnoC.relaedotrefeR
.
nosithgildeepsrevO
?hgihootdeepsenigneMPR.MPRtsujdA
?detsujdaebotsdeenrotautcaronrevoG .rotautcaronrevogt
sujdA
?detsujdaebotsdeenrellortnocronrevoG .rellortnocronrevogtsujdA
?detarbilacebotsdeenrellortnoCenign
E.relaedotrefeR
ro)s(thgilUPMfossoL
.no
?tnemtsujdafotuopukcipcitengaM .pukcipcitengamtsujdA
?ytridpukcipci
tengaM .pukcipcitengamnaelC

DCA-20SPX— OPERATION AND PARTS MANUAL — REV. #2 (04/14/10) — PAGE 53
1
NOTE PAGE

PAGE 54 — DCA-20SPX— OPERATION AND PARTS MANUAL — REV. #2 (04/14/10)
DCA-20SPX — EXPLANATION OF CODE IN REMARKS COLUMN
The following section explains the different symbols and
remarks used in the Parts section of this manual. Use the
help numbers found on the back page of the manual if there
are any questions.
SAMPLE PARTS LIST
NO. PART NO. PART NAME QTY. REMARKS
1 12345 BOLT ......................1 .....INCLUDES ITEMS W/%
2% WASHER, 1/4 IN. ...........NOT SOLD SEPARATELY
2% 12347 WASHER, 3/8 IN. ...1 .....MQ-45T ONLY
3 12348 HOSE ..................A/R ...MAKE LOCALLY
4 12349 BEARING ..............1 .....S/N 2345B AND ABOVE
NO. Column
Unique Symbols — All items with same unique
symbol
(@, #, +, %, or >) in the number column belong to the
same assembly or kit, which is indicated by a note in the
“Remarks” column.
Duplicate Item Numbers — Duplicate numbers indicate
multiple part numbers, which are in effect for the same
general item, such as different size saw blade guards in
use or a part that has been updated on newer versions
of the same machine.
PART NO. Column
Numbers Used — Part numbers can be indicated by a
number, a blank entry, or TBD.
TBD (To Be Determined) is generally used to show a
part that has not been assigned a formal part number
at the time of publication.
A blank entry generally indicates that the item is not sold
separately or is not sold by Multiquip. Other entries will
be clarified in the “Remarks” Column.
NOTICE
The contents and part numbers listed in the parts
section are subject to change without notice. Multiquip
does not guarantee the availability of the parts listed.
NOTICE
When ordering a part that has more than one item
number listed, check the remarks column for help in
determining the proper part to order.
QTY. Column
Numbers Used — Item quantity can be indicated by a
number, a blank entry, or A/R.
A/R (As Required) is generally used for hoses or other
parts that are sold in bulk and cut to length.
A blank entry generally indicates that the item is not sold
separately. Other entries will be clarified in the “Remarks”
Column.
REMARKS Column
Some of the most common notes found in the “Remarks
”
Column are listed below. Other additional notes needed
to describe the item can also be shown.
Assembly/Kit — All items on the parts list with the
same unique symbol will be included when this item is
purchased.
Indicated by:
“INCLUDES ITEMS W/(unique symbol)”
Serial Number Break — Used to list an effective serial
number range where a particular part is used.
Indicated by:
“S/N XXXXX AND BELOW”
“S/N XXXX AND ABOVE”
“S/N XXXX TO S/N XXX”
Specific Model Number Use — Indicates that the part
is used only with the specific model number or model
number variant listed. It can also be used to show a
part is NOT used on a specific model or model number
variant.
Indicated by:
“XXXXX ONLY”
“NOT USED ON XXXX”
“Make/Obtain Locally” — Indicates that the part can
be purchased at any hardware shop or made out of
available items. Examples include battery cables, shims,
and certain washers and nuts.
“Not Sold Separately” — Indicates that an item cannot
be purchased as a separate item and is either part of an
assembly/kit that can be purchased, or is not available
for sale through Multiquip.

DCA-20SPX— OPERATION AND PARTS MANUAL — REV. #2 (04/14/10) — PAGE 55
1
DCA-20SPX — SUGGESTED SPARE PARTS
Part number on this Suggested Spare Parts list
may supercede/replace the P/N shown in the text
pages of this book.
NOTE
DCA-20SPX WHISPER WATTGENRATOR
W/ISUZU AA-4LE2 DIESEL ENGINE
1 TO 3 UNITS
Qty.P/N Description
1 ......... B1312500403 ..... HOSE, RADIATOR UPPER
1 ......... B1312500503 ..... HOSE, RADIATOR LOWER
1 ......... 0602011079 ....... RADIATOR CAP
1 ......... 0605505070 ....... FUEL CAP
1 ......... 0602122272 ....... UNIT, OIL PRESSURE
1 ......... 0602123275 ....... UNIT, WATER TEMPERATURE
6 ......... 8943692993 ....... FILTER, FUEL CARTRIDGE
6 ......... 8944370220 ....... FILTER, FUEL (FUEL PUMP))
6 ......... 8944567411 ....... FILTER, OIL CARTRIDGE
3 ......... 0602046611 ....... FILTER, AIR (ELEMENT)
1 ......... 0601870440 ....... CIRCUIT BREAKER, 1P, 120V @ 20A
1 ......... 0601870441 ....... CIRCUIT BREAKER, 2P, 250V @ 50A
1 ......... LY2DUS12VDC .. RELAY
1 ......... 8972249990 ....... FAN BELT
1 ......... 0601820626 ....... AUTOMATIC VOLTAGE REGULATOR
1 ......... 1601840073 ....... RHEOSTAT
1 ......... 0601840121 ....... KNOB, RHEOSTAT

PAGE 56 — DCA-20SPX— OPERATION AND PARTS MANUAL — REV. #2 (04/14/10)
DCA-20SPX — GENERATOR ASSY.
GENERATOR ASSY.

DCA-20SPX— OPERATION AND PARTS MANUAL — REV. #2 (04/14/10) — PAGE 57
1
DCA-20SPX — GENERATOR ASSY.
GENERATOR ASSY.
NO. PART NO. PART NAME QTY.REMARKS
1 B0110100102 ROTOR ASSY. ..................................... 1 ............. INCLUDES ITEMS W/ #
1-1#FIELD ASSY. ....................................... 1 ............. NOT SOLD SEPARATELY
1-2#7961025004 RECTIFIER 1
1-3#0601822630 SURGE ABSORBER 1
1-4#8001070003 FAN 1
1-5#8351611004 COUPLING DISC 2
1-6#8351612004 COUPLING HUB WASHER 1
1-7#B1112300003 BALANCING PLATE ............................ 1 ............. PURCHASE ITEM 1-10 AS A SET
1-8#0010310025 HEX HEAD BOLT 4
1-9#0042510000 SPRING WASHER 4
1-10#0601000209 BALANCING WEIGHT KIT 1
1-11#0071906308 BEARING 1
2 0012308035 HEX HEAD BOLT 6
3 0070506803 BEARING 1
4 B0130100803 STATOR ASSY. 1
4-1 0845041904 GROMMET 1
5 8431350003 FIELD ASSY. EXCITER 1
6 0016008045 HEX SOCKET HEAD CAP SCREW 3
7 0042508000 SPRING WASHER 3
8 8351315003 END BRACKET 1
9 0017108035 HEX HEAD BOLT 6
10 8351312004 PACKING 1
11 8351331004 SUCTION COVER 1
12 0017106016 HEX HEAD BOLT 3
13 0012310030 HEX HEAD BOLT 6
14 B0155400204 FAN COVER 1
15 0340406040 HEX HEAD BOLT 1
16 0041206000 PLAIN WASHER 1
17 0600815000 NUT 1
18 0805083204 RUBBER SUSPENSION 2
19 0207010000 HEX NUT 2

PAGE 58 — DCA-20SPX— OPERATION AND PARTS MANUAL — REV. #2 (04/14/10)
DCA-20SPX— ENGINE OPERATING PANEL ASSY.
ENGINE OPERATING PANEL ASSY.

DCA-20SPX— OPERATION AND PARTS MANUAL — REV. #2 (04/14/10) — PAGE 59
1
DCA-20SPX— ENGINE OPERATING PANEL ASSY.
ENGINE OPERATING PANEL ASSY.
NO. PART NO. PART NAME QTY.REMARKS
1 0602120095 TACHOMETER 1
2 0602122093 OIL PRESSURE GAUGE 1
3 0602123090 WATER TEMPERATURE GAUGE 1
4 0602121080 CHARGING AMMETER 1
5 0602125090 FUEL GAUGE 1
6 0602103092 ALARM LAMP 1
6A 0601810245 BULB, DC18V 1
7 9826800370 PANEL LIGHT ................................................ 1 ......... REPLACES P/N 0601810141
8 0601831330 PANEL LIGHT SWITCH 1
9 0601831340 SWITCH 1
10 ECU9988N220V CONTROLLER ............................................... 1 .......... REPLACES P/N 0602202545
11 0207004000 HEX NUT 2
11A 0027104040 MACHINE SCREW 2

PAGE 60 — DCA-20SPX— OPERATION AND PARTS MANUAL — REV. #2 (04/14/10)
DCA-20SPX— CONTROL BOX ASSY.
CONTROL BOX ASSY. (S/N 7800001~7800129)

DCA-20SPX— OPERATION AND PARTS MANUAL — REV. #2 (04/14/10) — PAGE 61
1
DCA-20SPX— CONTROL BOX ASSY.
CONTROL BOX ASSY.
NO. PART NO. PART NAME QTY.REMARKS
1 B1214003102 CONTROL BOX 1
2 0601870433 CIRCUIT BREAKER 3P, 90 AMPS 1
3 0021004075 MACHINE SCREW 4
4 0601842384 RESISTOR, 20W 50 OHM 1
5 0027104010 MACHINE SCREW 2
6 0601823240 RECTIFIER, DE45 3
7 0027104040 MACHINE SCREW 1
8 0601815759 TERMINAL BOARD 1
9 0027104020 MACHINE SCREW 2
10 0601820626 AUTOMATIC VOLTAGE REGULATOR 1
11 0027105016 MACHINE SCREW 4
12 0601801123 CURRENT TRANSFORMER, 150/5A 2
13 0027106020 MACHINE SCREW 4
14 M1213500203 CONTROL BOX COVER 1
15 0016906015 HEX HEAD BOLT 4
16 0226900450 EDGING 1
17 0016906015 HEX HEAD BOLT 8
17A 0040506000 TOOTHED WASHER 1
18 M1223000403 CONTROL PANEL 1
19 0601807641 FRENQUENCY METER, 45~65Hz 240V 1
20 0601806844 AC AMMETER, 0-150A 1
21 0601801040 AMMETER CHANGE-OVER SWITCH 1
22 0601800271 AC VOLTMETER, 0~300V 1
23 0601840073 RHEOSTAT (VR), 2W 1K OHM 1
24 0601840121 KNOB 1
25 M1223100004 STOPPER 1
26 0027105010 MACHINE SCREW 2
27 0027105010 MACHINE SCREW 4
28 0845056404 SET SCREW 1
29 0080200007 SNAP RING 1
30 8973259120 ENGINE CONTROLLER ................................. 1 ......... REPLACES P/N 0602202523
31 0016906015 HEX HEAD BOLT 2
31A 0207006000 HEX NUT 2
32 5825500290 RELAY ............................................................ 2 ......... REPLACES P/N 0602201400
33 8942481610 GLOW RELAY ................................................ 1 ......... REPLACES P/N 0602202502
34 0027105016 MACHINE SCREW 4
35 0601826031 RELAY 1
36 0027104010 MACHINE SCREW 2
37 PTF08A BASE ............................................................. 1 ......... REPLACES P/N 0601823109
37A LY2DUS12VDC RELAY ............................................................ 1 ......... REPLACES P/N 0601827656
37B PYCA1 CLIP ............................................................... 1 ......... REPLACES P/N 0601824400
38 0601823143 BASE, PYF-08A 2
38A 0601824518 RELAY 2
38B PYCA1 CLIP ............................................................... 2 ......... REPLACES P/N 0601824400
39 0027104020 MACHINE SCREW 8

PAGE 62 — DCA-20SPX— OPERATION AND PARTS MANUAL — REV. #2 (04/14/10)
DCA-20SPX— ENGINE AND RADIATOR ASSY.
ENGINE AND RADIATOR ASSY.

DCA-20SPX— OPERATION AND PARTS MANUAL — REV. #2 (04/14/10) — PAGE 63
1
DCA-20SPX— ENGINE AND RADIATOR ASSY.
ENGINE AND RADIATOR ASSY.
NO. PART NO. PART NAME QTY.REMARKS
1 M1923200044 ENGINE, ISUZU AA-4LE2 DA-05 1
1A 8972249990 FAN BELT ...................................................... 1 ......... REPLACES P/N 0602011430
1-1 8944567411 OIL FILTER CARTRIDGE .............................. 1 ......... REPLACES P/N 0602041210
2 M1303200304 ENGINE FOOT 1
3 M1305200204 ENGINE FOOT 1
4 0010310025 HEX HEAD BOLT 8
5 0040010000 WASHER, LOCK 8
6 0041210000 WASHER, FLAT 8
7 0605000066 RUBBER SUSPENSION 2
8 0207010000 HEX NUT 2
9 M1923200094 RADIATOR 1
9-1 0602011079 RADIATOR CAP 1
9-2 M9200100904 PLUG 1
9-3 0150000016 O-RING 1
10 B1312600004 RUBBER MOUNT 2
11 0016908040 HEX HEAD BOLT 2
12 0207008000 HEX NUT 2
13 B1312500403 RADIATOR HOSE, UPPER 1
14 B1312500503 RADIATOR HOSE, LOWER 1
15 0605515149 HOSE BAND 4
16 M1310200003 FAN SHROUD 1
17 M1310200103 FAN SHROUD 1
17A M1493105004 ACCOUSTIC SHEET 1
18 0016908020 HEX HEAD BOLT 8
19 M1310300703 FAN GUARD 1
20 M1310300803 FAN GUARD 1
21 0016908020 HEX HEAD BOLT 8
22 0602046531 AIR CLEANER 1
22A 0602046611 AIR CLEANER ELEMENT 1
23 0602040690 AIR CLEANER INDICATOR 1
24 0602040552 AIR CLEANER BRACKET 1
25 0016908030 HEX HEAD BOLT 2
25A 0207008000 HEX NUT 2
26 M1373100303 AIR CLEANER HOSE 1
27 B1375100613 AIR CLEANER HOSE 1
28 0605515139 HOSE BAND 3
29 0602022560 ADAPTER 1
30 M1320300304 PACKING 1
31 0602022561 90 DEGREE ELBOW 1
32 0603306590 CONNECTOR 1
33 0603300285 ROCKNUT 1
34 0605511395 VALVE 1
35 0603306395 HOSE JOINT 1
36 0602021070 CAP 1
37 0269200280 DRAIN HOSE 1

PAGE 64 — DCA-20SPX— OPERATION AND PARTS MANUAL — REV. #2 (04/14/10)
DCA-20SPX— ENGINE AND RADIATOR ASSY.
ENGINE AND RADIATOR ASSY.

DCA-20SPX— OPERATION AND PARTS MANUAL — REV. #2 (04/14/10) — PAGE 65
1
ENGINE AND RADIATOR ASSY.
NO. PART NO. PART NAME QTY.REMARKS
38 1622014103 DRAIN JOINT 1
39 M9200200004 PLUG 1
40 0150000018 O-RING 1
41 0016906020 HEX HEAD BOLT 2
42 0199900600 DRAIN HOSE 1
43 0199900500 DRAIN HOSE 1
44 0605515106 HOSE BAND 4
45 0802081403 RESERVE TANK 1
46 0802081104 RESERVE TANK CAP 1
47 0199100205 HOSE 1
48 M1317100004 RESERVE TANK BRACKET 1
49 0199100350 HOSE 1
50 0193600850 HOSE 1
51 0605515106 HOSE BAND 2
52 0602120481 TACHOMETER PICK UP 1
53 0602122272 OIL PRESSURE UNIT 1
54 M9200100004 ADAPTER 1
55 0602123275 WATER TEMPERATURE UNIT 1
DCA-20SPX— ENGINE AND RADIATOR ASSY.

PAGE 66 — DCA-20SPX— OPERATION AND PARTS MANUAL — REV. #2 (04/14/10)
DCA-20SPX— OUTPUT TERMINAL ASSY.
OUTPUT TERMINAL ASSY.
THE SERIAL NUMBER MAY BE REQUIRED.
THE PART NUMBERS LISTED INDICATE DEFAULT COLOR
OF ORANGE. PLEASE ADD THE FOLLOWING LETTERS
AFTER THE PART NUMBER WHEN ORDERING ANY
OTHER PAINTED PANEL TO INDICATE COLOR OF UNIT:
MQW - WHITE
MQGR - GRAY
MQGRN - GREEN

DCA-20SPX— OPERATION AND PARTS MANUAL — REV. #2 (04/14/10) — PAGE 67
1
DCA-20SPX— OUTPUT TERMINAL ASSY.
OUTPUT TERMINAL ASSY.
NO. PART NO. PART NAME QTY.REMARKS
1 B1231700303 TERMINAL PANEL 1
2 0840312704 OUTPUT TERMINAL BOLT 4
3 0801830604 TIE BOLT 4
4 0039308000 HEX BRASS NUT 8
5 0040008000 SPRING WASHER 12
6 0041408000 PLAIN WASHER 16
7 0016906020 HEX HEAD BOLT 4
8 M1236100313 TERMINAL COVER 1
9 M1236100404 OUTPUT WINDOW 1
10 0605010040 HINGE 2
11 0027103010 MACHINE SCREW 4
11A 0030003000 HEX HEAD NUT 4
11B 0041203000 PLAIN WASHER 4
12 0027103010 MACHINE SCREW 4
12A 0030003000 HEX HEAD NUT 4
13 0016906020 HEX HEAD BOLT 2
14 0016906015 HEX HEAD BOLT 4
15 8085182004 CABLE OUTLET COVER 1
16 8085183004 CABLE OUTLET COVER SUPPORTER 1
17 0016906020 HEX HEAD BOLT 6
18 0601870441 CIRCUIT BREAKER, 2P 50A 2
19 0601870440 CIRCUIT BREAKER, 1P 20A 2
20 M1260700404 BREAKER FITTING COVER 1
20-1 0222100080 RUBBER CUSHION 2
21 0016906020 HEX HEAD BOLT 2
22 0601812598 RECEPTACLE, 125V 20A (GF-530EM) 2
23 0601812565 RECEPTACLE, 250V 50A (CS6369) 2
24 0027104016 MACHINE SCREW 8
24A 0207004000 HEX NUT 8
25 M1236100503 TERMINAL COVER 1
26 0010112045 HEX HEAD BOLT 2
27 0041212000 PLAIN WASHER 2
28 0805009804 RUBBER STAY 2
29 0030012000 HEX NUT 2
30 0601815324 TERMINAL 1
31 0027104016 MACHINE SCREW 2

PAGE 68 — DCA-20SPX— OPERATION AND PARTS MANUAL — REV. #2 (04/14/10)
DCA-20SPX— BATTERY ASSY.
BATTERY ASSY.

DCA-20SPX— OPERATION AND PARTS MANUAL — REV. #2 (04/14/10) — PAGE 69
1
DCA-20SPX— BATTERY ASSY.
BATTERY ASSY.
NO. PART NO. PART NAME QTY.REMARKS
1 0602220185 BATTERY 1
2 B9310500004 BATTERY SHEET 1
3 M9103000304 BATTERY BAND 1
4 0602220920 BATTERY BOLT SET 2
5 0030006000 SPRING WASHER 2
6 M1348400204 BATTERY CABLE 1
7 M2346400104 BATTERY CABLE 1
8 0017110025 HEX HEAD BOLT 3
9A 0040510000 TOOTHED WASHER 3

PAGE 70 — DCA-20SPX— OPERATION AND PARTS MANUAL — REV. #2 (04/14/10)
DCA-20SPX— MUFFLER ASSY.
MUFFLER ASSY.

DCA-20SPX— OPERATION AND PARTS MANUAL — REV. #2 (04/14/10) — PAGE 71
1
DCA-20SPX— MUFFLER ASSY.
MUFFLER ASSY.
NO. PART NO. PART NAME QTY.REMARKS
1 B1330101403 MUFFLER 1
2 0016908020 HEX HEAD BOLT 4
3 M1333201703 EXHAUST PIPE 1
4 0602320100 GASKET 1
5 B1333200804 GASKET 1
6 0207008000 HEX NUT 4
7 0016908035 HEX HEAD BOLT 4
8 M1330400204 COVER 2
9 0016906015 HEX HEAD BOLT 4

PAGE 72 — DCA-20SPX— OPERATION AND PARTS MANUAL — REV. #2 (04/14/10)
DCA-20SPX— FUEL TANK ASSY.
FUEL TANK ASSY.

DCA-20SPX— OPERATION AND PARTS MANUAL — REV. #2 (04/14/10) — PAGE 73
1
DCA-20SPX— FUEL TANK ASSY.
FUEL TANK ASSY.
NO. PART NO. PART NAME QTY.REMARKS
1 M1363000212 FUEL TANK 1
2 0605505070 FUEL TANK CAP 1
3 M1363200004 TANK BAND 2
4 0805003404 SUPPORTER SHEET 4
5 0016908020 HEX HEAD BOLT 2
6 0207308000 SUPER LOCK NUT 2
7 0222100080 RUBBER SHEET 4
8 1502025103 DRAIN JOINT 1
9 0802011104 DRAIN BOLT 1
10 0150000018 O RING 1
11 0016906020 HEX HEAD BOLT 2
12 M1363400104 DRAIN HOSE 1
13 0605515064 HOSE BAND 2
14 8943672922 FUEL FILTER ................................................. 1 ......... REPLACES P/N 0602042202
14A 8943692993 FUEL FILTER CARTRIDGE ........................... 1 ......... REPLACES P/N 0602042700
15 M1366700104 FUEL FILTER BRACKET 1
16 0016908020 HEX HEAD BOLT 6
17 8970398340 FUEL PUMP ................................................... 1 ......... REPLACES P/N 0602023177
17A 8944370220 FUEL FILTER ................................................. 1 ......... REPLACES P/N 0602042425
18 0016906025 HEX HEAD BOLT 2
19 0191200900 SUCTION HOSE 1
20 0191200300 SUCTION HOSE 1
21 0191200650 SUCTION HOSE 1
22 0191201100 RETURN HOSE 1
23 0605515108 HOSE BAND 5
24 0605515064 HOSE BAND 3

PAGE 74 — DCA-20SPX— OPERATION AND PARTS MANUAL — REV. #2 (04/14/10)
DCA-20SPX— ENCLOSURE ASSY.
ENCLOSURE ASSY.
THE SERIAL NUMBER MAY BE REQUIRED.
THE PART NUMBERS LISTED INDICATE DEFAULT COLOR
OF ORANGE. PLEASE ADD THE FOLLOWING LETTERS
AFTER THE PART NUMBER WHEN ORDERING ANY
OTHER PAINTED PANEL TO INDICATE COLOR OF UNIT:
MQW - WHITE
MQGR - GRAY
MQGRN - GREEN

DCA-20SPX— OPERATION AND PARTS MANUAL — REV. #2 (04/14/10) — PAGE 75
1
DCA-20SPX— ENCLOSURE ASSY.
ENCLOSURE ASSY.
NO. PART NO. PART NAME QTY.REMARKS
1 M1413002802 BASE 1
2 M1413400004 UNDER COVER 1
3 0016908020 HEX HEAD BOLT 2
4 M1423001802 FRONT FRAME 1
4A M1493104903 ACOUSTIC SHEET 1
5 0016908020 HEX HEAD BOLT 4
6 M1423200304 FRONT FRAME COVER 1
6A M1493100604 ACOUSTIC SHEET 1
7 0019208020 HEX HEAD BOLT 11
8 M1433000203 CENTER FRAME 1
9 M1433000303 CENTER FRAME 1
10 0010114030 HEX HEAD BOLT 8
10A 0040014000 SPRING WASHER 8
10B 0041214000 PLAIN WASHER 8
11 M1443001402 REAR FRAME 1
12 0016908020 HEX HEAD BOLT 4
13 M1443300513 REAR COVER 1
13A M1493300304 ACOUSTIC SHEET 1
14 M1443301503 REAR COVER DUCT 1
14A M1493300404 ACOUSTIC SHEET 1
15 0207006000 HEX NUT 7
16 0019208020 HEX HEAD BOLT 7
17 M1443200613 REAR DOOR 1
18 M1443600114 WINDOW PLATE 1
19 0037906000 U NUT 8
19A 0041206000 PLAIN WASHER 8
20 B9114000002 DOOR HANDLE ASSY. 1
21 0021806016 MACHINE SCREW 4
21A 0030006000 HEX HEAD NUT 4
22 0845047104 HINGE 2
23 0845045004 WASHER 2
24 0019208020 HEX HEAD BOLT 3
25 0845031504 BLIND PLUG 2
26 M1463001702 ROOF PANEL 1
26A M1493502903 ACOUSTIC SHEET 1
27 0019208020 HEX HEAD BOLT 18
28 1625165103 BONNET CAP 1
29 1625165204 CHAIN ASSY. 1
29-1 0016908020 HEX HEAD BOLT 1
30 B1454202602 SPLASHER PANEL 1
31 0019108055 HEX HEAD BOLT 2
31A 0042308000 SPRING WASHER 2
31B 0042408000 PLAIN WASHER 2
32 0016908020 HEX HEAD BOLT 2

PAGE 76 — DCA-20SPX— OPERATION AND PARTS MANUAL — REV. #2 (04/14/10)
DCA-20SPX— ENCLOSURE ASSY. (CONT.)
ENCLOSURE ASSY. (CONT.)
THE SERIAL NUMBER MAY BE REQUIRED.
THE PART NUMBERS LISTED INDICATE DEFAULT COLOR
OF ORANGE. PLEASE ADD THE FOLLOWING LETTERS
AFTER THE PART NUMBER WHEN ORDERING ANY
OTHER PAINTED PANEL TO INDICATE COLOR OF UNIT:
MQW - WHITE
MQGR - GRAY
MQGRN - GREEN

DCA-20SPX— OPERATION AND PARTS MANUAL — REV. #2 (04/14/10) — PAGE 77
1
DCA-20SPX— ENCLOSURE ASSY. (CONT.)
ENCLOSURE ASSY. (CONT.)
NO. PART NO. PART NAME QTY.REMARKS
33 M14530030803 SIDE DOOR 1
33A M1493405604 ACOUSTIC SHEET 1
34 M1453003903 SIDE DOOR 1
34A M1493405704 ACOUSTIC SHEET 1
35 M1453004003 SIDE DOOR 1
35A M1493405804 ACOUSTIC SHEET 1
36 M1453004103 SIDE DOOR 1
36A M1493405904 ACOUSTIC SHEET 1
37 M1453301403 DUCT 1
38 0207006000 HEX NUT 8
39 B9114000002 DOOR HANDLE ASSY. 3
40 0021806016 MACHINE SCREW 12
40A 0030006000 HEX HEAD NUT 12
41 0845047104 HINGE 4
42 0845047204 HINGE 4
43 0845045004 WASHER 8
44 0019208020 HEX HEAD BOLT 9
45 0601850097 DOOR STOPPER 8
46 0027208025 MACHINE SCREW 8
47 00845031504 BLIND PLUG 8
48 0600500090 EMBLEM 1
49 0021106015 MACHINE SCREW 2
50 0016910020 HEX HEAD BOLT 1
50A 0040510000 TOOTHED WASHER 1
51 0016908020 HEX HEAD BOLT 1
51A 0040508000 TOOTHED WASHER 1
52 0016906020 HEX HEAD BOLT 1
52A 0040506000 TOOTHED WASHER 1

PAGE 78 — DCA-20SPX— OPERATION AND PARTS MANUAL — REV. #2 (04/14/10)
DCA-20SPX— RUBBER SEALS ASSY.
RUBBER SEALS ASSY.

DCA-20SPX— OPERATION AND PARTS MANUAL — REV. #2 (04/14/10) — PAGE 79
1
DCA-20SPX— RUBBER SEALS ASSY.
RUBBER SEALS ASSY.
NO. PART NO. PART NAME QTY.REMARKS
1 0228901170 RUBBER SEAL 2
2 0228900695 RUBBER SEAL 3
3 0228900725 RUBBER SEAL 1
4 B1491300004 RUBBER SEAL 1
5 0228800325 RUBBER SEAL 1
6 0228900370 RUBBER SEAL 1
7 0228900550 RUBBER SEAL 1
8 0228900560 RUBBER SEAL 1
9 0229200595 RUBBER SEAL 1
10 0228900620 RUBBER SEAL 1
11 0229200750 RUBBER SEAL 2
12 0229200740 RUBBER SEAL 1
13 0228800670 RUBBER SEAL 2
14 0228800445 RUBBER SEAL 1
15 0228800485 RUBBER SEAL 1
16 0228100458 RUBBER SEAL 1
17 0228100171 RUBBER SEAL 1
18 0228100351 RUBBER SEAL 1
19 0228100285 RUBBER SEAL 1
20 0228100153 RUBBER SEAL 1
21 0228100180 RUBBER SEAL 1

PAGE 80 — DCA-20SPX— OPERATION AND PARTS MANUAL — REV. #2 (04/14/10)
DCA-20SPX— NAMEPLATE AND DECALS ASSY.
NAMEPLATE AND DECALS ASSY.

DCA-20SPX— OPERATION AND PARTS MANUAL — REV. #2 (04/14/10) — PAGE 81
1
DCA-20SPX— NAMEPLATE AND DECALS ASSY.
NAMEPLATE AND DECALS ASSY.
NAME PLATE ASSY.
NO. PART NO. PART NAME QTY.REMARKS
1 B1551003203 DECAL : GENERATOR CONTROL .................................. 1 ........... B15100320
2 B1551003303 DECAL : ENGINE OPERATING ...................................... 1 ........... B15100330
3 M1550001803 DECAL : AUXILLARY OUTPUT ....................................... 1 ........... M15000180
4 M1550001904 DECAL : CAUTION : LIFTING CAP ................................. 1 ........... M15000190
5 6360620204 DECAL : OIL DRAIN PLUG ............................................. 1 ........... S-1885
6 6360610304 DECAL : WATER .............................................................. 1 ........... S-1880
7 6360620104 DECAL : WATER DRAIN .................................................. 1 ........... S-1884
8 W0800689504 DECAL : - ........................................................................ 1 ........... S-2091
9 W0800689404 DECAL : + ....................................................................... 1 ........... S-2090
10 1320620904 DECAL : DIESEL FUEL .................................................. 1 ........... S-1756
11 6360620004 DECAL : FUEL DRAIN PLUG .......................................... 1 ........... S-1883
12 B9504000404 DECAL : WARNING : POTATING PART. .......................... 2 ........... B90400040
13 1320610603 DECAL : WATER * OIL CHECK ....................................... 1 ........... S-1760
14 B9504100104 DECAL : WARNING : RADIATOR CAP ............................ 1 ........... B90410010
15 B9504200004 DECAL : WARNING : EXHAUST GAS............................. 1 ........... B90420000
16 B9504000304 DECAL : CAUTION .......................................................... 1 ........... B90400030
17 0840625902 DECAL : MQ .................................................................... 1 ........... S-3057
18 0840614104 DECAL : GROUND .......................................................... 1 ........... S-2635
19 0840505604 DECAL : AMMETER CHANGE-OVER SWITCH ............. 1 ........... N-4590
20 B9531100604 DECAL : WARNING : ELECTRICAL SHOCK ................... 2 ........... B93110060
21 M9520100503 DECAL : WARNING ......................................................... 1 ........... M92010050
22 B9521100404 DECAL : SAFETY INSTRUCTIONS ................................ 1 ........... B92110040
23 M9520100404 DECAL : DANGER : HIGH VOLTAGE .............................. 1 ........... M92010040
24 M1560100403 STRIPE : WHISPERWATT 1
25 B1561101604 STRIPE : 20 2
26 M1560101604 DECAL : MQ POWER 2
27 M1560101704 STRIPE 2
28 M1560101804 STRIPE 2
29 M9521000004 DECAL : TERMINAL ........................................................ 1 ........... M92100000
30 C9522100003 CAUTION ......................................................................... 2 ........... C92210000
31 B2551000403 DECAL : HANDLING PROCEDURES ............................. 1 ........... B25100040
32 9039209064 START CONTACT ........................................................... 1 ........... S-4468
33 A9504000004 DECAL : WARNING : EXHAUST GAS ............................. 1 ........... A90400000

PAGE 82 — DCA-20SPX— OPERATION AND PARTS MANUAL — REV. #2 (04/14/10)
TERMS AND CONDITIONS OF SALE — PARTS
Effective: February 22, 2006
PAYMENT TERMS
Terms of payment for parts are net 30 days.
FREIGHT POLICY
All parts orders will be shipped collect or
prepaid with the charges added to the invoice.
All shipments are F.O.B. point of origin.
Multiquip’s responsibility ceases when a
signed manifest has been obtained from the
carrier, and any claim for shortage or damage
must be settled between the consignee and
the carrier.
MINIMUM ORDER
The minimum charge for orders from Multiquip
is $15.00 net. Customers will be asked for
instructions regarding handling of orders not
meeting this requirement.
RETURNED GOODS POLICY
Return shipments will be accepted and
credit will be allowed, subject to the following
provisions:
A Returned Material Authorization 1.
must be approved by Multiquip prior to
shipment.
To obtain a Return Material Authorization, 2.
a list must be provided to Multiquip
Parts Sales that defines item numbers,
quantities, and descriptions of the items
to be returned.
The parts numbers and descriptions a.
must match the current parts price
list.
The list must be typed or computer b.
generated.
The list must state the reason(s) c.
for the return.
The list must reference the sales d.
order(s) or invoice(s) under
which the items were originally
purchased.
The list must include the name e.
and phone number of the person
requesting the RMA.
A copy of the Return Material Authorization 3.
must accompany the return shipment.
Freight is at the sender’s expense. All 4.
parts must be returned freight prepaid to
Multiquip’s designated receiving point.
Parts must be in new and resalable 5.
condition, in the original Multiquip
package (if any), and with Multiquip part
numbers clearly marked.
The following items are not returnable:6.
Obsolete parts. (If an item is in the a.
price book and shows as being
replaced by another item, it is
obsolete.)
Any parts with a limited shelf life b.
(such as gaskets, seals, “O” rings,
and other rubber parts) that were
purchased more than six months
prior to the return date.
Any line item with an extended c.
dealer net price of less than
$5.00.
Special order items.d.
Electrical components.e.
Paint, chemicals, and lubricants.f.
Decals and paper products.g.
Items purchased in kits.h.
The sender will be notified of any material 7.
received that is not acceptable.
Such material will be held for five 8.
working days from notification, pending
instructions. If a reply is not received
within five days, the material will be
returned to the sender at his expense.
Credit on returned parts will be issued 9.
at dealer net price at time of the original
purchase, less a 15% restocking
charge.
In cases where an item is accepted, for 10.
which the original purchase document
can not be determined, the price will be
based on the list price that was effective
twelve months prior to the RMA date.
Credit issued will be applied to future 11.
purchases only.
PRICING AND REBATES
Prices are subject to change without prior
notice. Price changes are effective on a
specific date and all orders received on or
after that date will be billed at the revised price.
Rebates for price declines and added charges
for price increases will not be made for stock
on hand at the time of any price change.
Multiquip reserves the right to quote and
sell direct to Government agencies, and to
Original Equipment Manufacturer accounts
who use our products as integral parts of their
own products.
SPECIAL EXPEDITING SERVICE
A $35.00 surcharge will be added to the
invoice for special handling including bus
shipments, insured parcel post or in cases
where Multiquip must personally deliver the
parts to the carrier.
LIMITATIONS OF SELLER’S LIABILITY
Multiquip shall not be liable hereunder fo
r
damages in excess of the purchase price of
the item with respect to which damages are
claimed, and in no event shall Multiquip be
liable for loss of profit or good will or for any
other special, consequential or incidental
damages.
LIMITATION OF WARRANTIES
No warranties, express or implied, are
made in connection with the sale of parts or
trade accessories nor as to any engine not
manufactured by Multiquip. Such warranties
made in connection with the sale of new,
complete units are made exclusively by a
statement of warranty packaged with such
units, and Multiquip neither assumes nor
authorizes any person to assume for it
any other obligation or liability whatever in
connection with the sale of its products. Apart
from such written statement of warranty,
there are no warranties, express, implied or
statutory, which extend beyond the description
of the products on the face hereof.
Effective: February 22, 2006

DCA-20SPX— OPERATION AND PARTS MANUAL — REV. #2 (04/14/10) — PAGE 83
1
NOTE PAGE

PARTS AND OPERATION MANUAL
OPERATION AND PARTS MANUAL
Your Local Dealer is:
HERE’S HOW TO GET HELP
PLEASE HAVE THE MODEL AND SERIAL
NUMBER ON-HAND WHEN CALLING
©
COPYRIGHT 2010, MULTIQUIP INC.
MQ Power and the MQ Power logo are registered trademarks of Multiquip Inc. and may not be used, reproduced, or altered without written permission. All other trademarks are the
property of their respective owners and used with permission.
This manual MUST accompany the equipment at all times. This manual is considered a permanent part of the equipment and should remain with the unit if resold.
The information and specifications included in this publication were in effect at the time of approval for printing. Illustrations, descriptions, references and technical data contained in
this manual are for guidance only and may not be considered as binding. Multiquip Inc. reserves the right to discontinue or change specifications, design or the information published
in this publication at any time without notice and without incurring any obligations.
Further, MQ Power disclaims any warranties or guaranties, expressed or implied, with regards to the information contained in this manual. Manufactured for
Multiquip Inc.
by
DENYO CO., LTD, JAPAN
MULTIQUIP CORPORATE OFFICE
18910 Wilmington Ave Tel. (800) 421-1244
Carson, CA 90746 Fax (800) 537- 3927
Contact: mq@multiquip.com
Web: www.multiquip.com
MQ Power
1800 Water Ridge Rd. Tel. (800) 883-2551
Suite 500/600 Fax (972) 315-1847
Lewisville, TX 75057
Contact: mqpower@multiquip.com
Web: www.mqpower.com
MQ Parts Department
800-427-1244 Fax: 800-672-7877
310-537-3700 Fax: 310-637-3284
Service/Tech Support/Warranty
800-835-2551 Fax: 310-638-8046