Murata Electronics North America 2832 Bluetooth Low Energy Module User Manual Manual

Murata Electronics North America Bluetooth Low Energy Module Manual

Manual

    5015 B.U. Bowman Drive  Buford, GA 30518 USA   Certification Exhibit     FCC ID:  HSW2832 IC: 4492A-2832  FCC Rule Part: 15.247 ISED Canada Radio Standards Specification: RSS-247  Project Number:  72126480   Manufacturer: Murata Electronics North America Model: MBN52832     Manual
           ©2017 by Murata Electronics N.A., Inc. MBN52832 Data Sheet, v0.92, 08/23/2017    www.murata.com                   Revision History Revision Date Author Change Description 0.1 06/03/2016 RF PD Preliminary version 0.2 06/16/2016 RF PD Modified the module block diagram. 0.3 8/25/2016 RF PD Update test data points 0.4 8/27/2016 RF PD Update module dimension and reference schematic 0.5 12/15/2016 RF PD Applied model/type name MBN52832 to the datasheet 0.6 02/01/2017 RF PD Update Table 2.1 and Figure 2.2  0.7 03/15/2017 RF PD Add sleep current 0.8 05/26/2017 RF PD Table 2.2, change pin 36, 37 pin 36 description to NC.  Add section 6.1 and 6.2, recommendation for host PCB landing and placement. Updated reference schematic. Add section 8 and section 9, assembly and packaging information.  Add section 12 Notice.  Add section 13 Preconditions to use the module. 0.9 07/27/2017 RF PD Add regulatory section 0.92 8/23/2017 RF PD Update layout guidance for antenna connection; updated regulatory information  MBN52832 Data Sheet BLE Module
          ©2017 by Murata Electronics N.A., Inc. MBN52832 Data Sheet, v0.92, 08/23/2017  Page 2 of 35  www.murata.com  Table of Contents REVISION HISTORY .............................................................................................................................................................. 1 TABLE OF CONTENTS ......................................................................................................................................................... 2 1 INTRODUCTION ............................................................................................................................................................ 5 1.1 Features ..................................................................................................................................................................... 5 1.2 Applications ................................................................................................................................................................ 5 1.3 Block Diagram ............................................................................................................................................................ 6 1.4 Acronyms ................................................................................................................................................................... 6 1.5 References ................................................................................................................................................................. 6 2 MECHANICAL SPECIFICATION .................................................................................................................................. 7 2.1 Module Dimensions .................................................................................................................................................... 7 2.2 Top and Side View ..................................................................................................................................................... 7 2.3 PCB Footprint Top View ............................................................................................................................................. 8 2.4 Pin Configuration ........................................................................................................................................................ 9 3 DC ELECTRICAL SPECIFICATION ............................................................................................................................ 12 3.1 Typical Power Consumption .................................................................................................................................... 12 4 RF SPECIFICATION .................................................................................................................................................... 12 5 ENVIRONMENTAL SPECIFICATION ......................................................................................................................... 13 5.1 Absolute Maximum Rating ....................................................................................................................................... 13 5.2 Recommended Operating Condition ........................................................................................................................ 13 6 POWER SEQUENCE ................................................................................................................................................... 13 8 APPLICATION INFORMATION ................................................................................................................................... 14 8.1 Recommended PCB Landing Pattern ...................................................................................................................... 14 8.2 Host PCB Layout Recommendations ...................................................................................................................... 15 8.3 Layout Guidance for Using Internal PCB Antenna .................................................................................................. 16 8.4 Layout Guidance for Microstrip Design And External Antenna ................................................................................ 17 9 APPLICATION REFERENCE ...................................................................................................................................... 20 10 ASSEMBLY INFORMATION ....................................................................................................................................... 21 11 PACKAGING AND MARKING INFORMATION .......................................................................................................... 22 11.1 Dimensions of Tape (Plastic tape) ........................................................................................................................... 22 11.2 Dimensions of Reel .................................................................................................................................................. 23 11.3 Taping Diagrams ...................................................................................................................................................... 24 11.4 Leader and Tail tape ................................................................................................................................................ 25 11.5 Peeling Force ........................................................................................................................................................... 26 11.6 PACKAGE (Humidity proof Packaging) ................................................................................................................... 26 11.7 Module Marking Information..................................................................................................................................... 27 11.8 Moisture Sensitivity Level ......................................................................................................................................... 27 12 REGULATORY INFORMATION .................................................................................................................................. 28 12.1 FCC Notice (USA) .................................................................................................................................................... 28 12.2 FCC Labeling Requirements .................................................................................................................................... 29 12.3 IC Notice (Canada) .................................................................................................................................................. 29 12.4 IC Labeling Requirements........................................................................................................................................ 30 12.5 ESTI compliance (Europe) ....................................................................................................................................... 30 12.6 RF Exposure ............................................................................................................................................................ 30
 ©2017 by Murata Electronics N.A., Inc. MBN52832 Data Sheet, v0.92, 08/23/2017  Page 3 of 35 www.murata.com 13 ROHS INFORMATION ................................................................................................................................................. 30 14 ORDERING INFORMATION ........................................................................................................................................ 31 15 NOTICE ........................................................................................................................................................................ 32 15.1 Storage Conditions ................................................................................................................................................... 32 15.2 Handling Conditions ................................................................................................................................................. 32 15.3 Standard PCB Design (Land Pattern and Dimensions) ........................................................................................... 32 15.4 Notice for Chip Placer .............................................................................................................................................. 32 15.5 Operational Environment Conditions ....................................................................................................................... 32 15.6 Input Power Capacity ............................................................................................................................................... 33 16 PRECONDITIONS TO USE MURATA PRODUCTS ................................................................................................... 34 17 TECHNICAL SUPPORT CONTACT ............................................................................................................................ 35
 ©2017 by Murata Electronics N.A., Inc. MBN52832 Data Sheet, v0.92, 08/23/2017  Page 4 of 35 www.murata.com LIST OF FIGURES  Figure 1.1 Block Diagram ........................................................................................................................................................ 6 Figure 2.1 Module Top and Side View (Unit: mm) .................................................................................................................. 7 Figure 2.2 Module Footprint Top View (Unit: mm) .................................................................................................................. 8 Figure 2.3 Pinout Diagram Top View ...................................................................................................................................... 9 Figure 8.1 Recommended PCB Landing Pattern.................................................................................................................. 14 Figure 8.2 Host PCB Layout Recommendation, top view ..................................................................................................... 15 Figure 8.3 Layout Guide for Antenna Performance (1) ......................................................................................................... 16 Figure 8.4 Layout Guide for Antenna Performance (2) ......................................................................................................... 17 Figure 8.5 Layout Guide for External Antenna (1) ................................................................................................................ 18 Figure 8.6 Layout Guide for External Antenna (2) ................................................................................................................ 18 Figure 9.1 Reference Design ................................................................................................................................................ 20 Figure 10.1 Reflow Profile ..................................................................................................................................................... 21 Figure 11.1 Tape Dimensions (Unit in mm) .......................................................................................................................... 22 Figure 11.2 Reel Dimensions (Unit: mm) .............................................................................................................................. 23 Figure 11.3 Tape Diagram .................................................................................................................................................... 24 Figure 11.4 Tape Leader and Tail ......................................................................................................................................... 25 Figure 11.5 Peeling Force Diagram ...................................................................................................................................... 26 Figure 11.6 Packaging Diagram............................................................................................................................................ 26 Figure 11.7 Module Marking Diagram ................................................................................................................................... 27  LIST OF TABLES  Table 2.1: Module Dimensions ................................................................................................................................................ 7 Table 2.2 Pinouts .................................................................................................................................................................. 10 Table 3.1 Typical Power Consumption ................................................................................................................................. 12 Table 4.1 RF Characteristics ................................................................................................................................................. 12 Table 5.1 Absolute Maximum Rating .................................................................................................................................... 13 Table 5.2 Recommended Operating Condition ..................................................................................................................... 13 Table 12.1 Regulatory Standards Conformance................................................................................................................... 28 Table 12.2 External Antenna to comply with FCC and IC .................................................................................................... 28 Table 12.3 External Antenna to comply with IC .................................................................................................................... 29
 ©2017 by Murata Electronics N.A., Inc. MBN52832 Data Sheet, v0.92, 08/23/2017  Page 5 of 35 www.murata.com 1  Introduction MBN52832  is  a  Bluetooth  Low  Energy  module.  It  enables  ultra-low  power  connectivity  for  data  communication.  The product integrates Nordic Bluetooth Low Energy IC, RF front end, and crystal.  This is an ideal solution for  Internet of Things (IOT) application.  1.1  Features •  Bluetooth® v5, ANT, NFC Tag •  Nordic nRF52832 Bluetooth Smart® •  Built-in ARM Cortex M4 core with 64KB RAM and 512KB flash •  Dimension 7.4 x 7.0 x 1.0 mm •  Packaging: LGA •  Bluetooth/ANT Antenna Configuration:  o On-board PCB antenna o  Supports external antenna from pin pad •  Maximum transmit power: +3.5dBm (@ antenna port) •  Receive sensitivity: -90dBm @ 1Mbps (DCDC Mode) •  Power consumption o  TX 7mA @ 3.5dBm (DCDC Mode) o  RX 6mA* (DCDC Mode) •  Host interface: UART, SPI •  Other interfaces: 20 GPIO, 5 ADC, UART, SPI (master and slave), I2C, PWM and Debug SWD •  Operating temperature range: -40 ºC to 85 ºC •  RoHS compliant •  MSL Level 3 in accordance with JEDEC J-STD-020 •  Regulatory certificates: FCC, IC, ETSI (plan) 1.2  Applications •  Home Automation •  Proximity Services •  Building automation •  Medical/Healthcare •  Beacon
 ©2017 by Murata Electronics N.A., Inc. MBN52832 Data Sheet, v0.92, 08/23/2017  Page 6 of 35 www.murata.com 1.3  Block Diagram  Figure 1.1 Block Diagram  1.4  Acronyms  - AIO       Analog Input / Output - GPIO      General Purpose Input / Output - I2C       Inter-Integrated Circuit - LPCOMP   Low Power Comparator - SPI       Serial Peripheral Interface - UART     Universal Asynchronous Receiver Transmitter     1.5  References [1]  Nordic Semiconductor, nRF52832 - Product Specification v1.3, 2017 [2]  Nordic Semiconductor, nRF52832-CIAA Pin assignment and mechanical dimensions, 2016     VCC UART SWD GPIO/AIO SPI Nordic nRF52832 32MHz X’tal Matching circuit 32KHz X’tal (for ANT only Optional) NFC Antenna (Optional) BLE/ANT Antenna To external or on-board antenna Inductor for DC/DC (optional)
 ©2017 by Murata Electronics N.A., Inc. MBN52832 Data Sheet, v0.92, 08/23/2017  Page 7 of 35 www.murata.com 2  Mechanical Specification 2.1  Module Dimensions Table 2.1: Module Dimensions Parameter Typical Unit Dimension (L x W x H) 7.4 ±0.2mm x 7.0 ±0.2mm x 1.0 (max) mm  2.2  Top and Side View   Figure 2.1 Module Top and Side View (Unit: mm)        Pin 1 7.0mm typ. 1.0mm max. 7.4mm typ.
 ©2017 by Murata Electronics N.A., Inc. MBN52832 Data Sheet, v0.92, 08/23/2017  Page 8 of 35 www.murata.com 2.3  PCB Footprint Top View   Figure 2.2 Module Footprint Top View (Unit: mm)
 ©2017 by Murata Electronics N.A., Inc. MBN52832 Data Sheet, v0.92, 08/23/2017  Page 9 of 35 www.murata.com 2.4  Pin Configuration     Figure 2.3 Pinout Diagram Top View
 ©2017 by Murata Electronics N.A., Inc. MBN52832 Data Sheet, v0.92, 08/23/2017  Page 10 of 35 www.murata.com  Table 2.2 Pinouts Pin # Pin Name Nordic IC Pin I/O Description 1 P0_09/NFC ANT P0.09/NFC I/O GPIO; NFC antenna connection. 2 P0_06 P0.06 I/O GPIO 3 P0_00/XL1 P0.00/XL1 I/O Connection for 32.768kHz crystal (LFXO); GPIO 4 P0_01/XL2 P0.01/XL2 I/O Connection for 32.768kHz crystal (LFXO); GPIO 5 GND   GND 6 VCC VDD  Module power supply  7 DCC DCC  DC/DC converter output pin. *Refer to reference schematic. 8 DEC DEC4  1V3 regulator supply decoupling. Input from DC/DC converter. Output from 1.3V LDO. *Refer to reference schematic.  9 P0_02/AIN0 P0.02/AIN0 I/O GPIO; SAADC/COMP/LPCOMP input 10 P0_05/AIN3 P0.05/AIN3 I/O GPIO; SAADC/COMP/LPCOMP input 11 P0_03/AIN1 P0.03/AIN1 I/O GPIO; SAADC/COMP/LPCOMP input 12 P0_04/AIN2 P0.04/AIN2 I/O GPIO; SAADC/COMP/LPCOMP input 13 P0_29/AIN5 P0.29/AIN5 I/O GPIO; SAADC/COMP/LPCOMP input 14 P0_07 P0.07 I/O GPIO 15 P0_08 P0.08 I/O GPIO 16 SWDIO SWDIO I/O Serial Wire Debug I/O for debug and programming. 17 P0_21/RESET P0.21/RESET I/O GPIO; Configurable as system RESET pin 18 SWDCLK SWDCLK I/O Serial Wire Debug clock input for debug and programming. 19 GND GND  GND 20 ANTIN   *Refer to reference schematic.  21 ANTOUT   RF signal output. Connect to ANTIN for on-board antenna or to external antenna. *Refer to reference schematic.  22 P0_18/TRACE0  P0.18/TRACEDATA[0] I/O GPIO; Trace port output;  23 P0_16/TRACE1  P0.16/TRACEDATA[1] I/O GPIO; Trace port output. 24 P0_15/TRACE2  P0.15/TRACEDATA[2] I/O GPIO; Trace port output. 25 P0_14/TRACE3  P0.14/TRACEDATA[3] I/O GPIO; Trace port output. 26 P0_10/NFC ANT P0.10/NFC I/O GPIO; NFC antenna connection. 27 P0_20 P0.20 I/O GPIO 28 P0_17 P0.17 I/O GPIO 29 P0_13 P0.13 I/O GPIO 30 GND   Ground. 31 GND   Ground. 32 GND   Ground. 33 GND   Ground.
 ©2017 by Murata Electronics N.A., Inc. MBN52832 Data Sheet, v0.92, 08/23/2017  Page 11 of 35 www.murata.com Pin # Pin Name Nordic IC Pin I/O Description 34 GND   Ground. 35 GND   Ground. 36 NC   NC 37 NC   NC
 ©2017 by Murata Electronics N.A., Inc. MBN52832 Data Sheet, v0.92, 08/23/2017  Page 12 of 35 www.murata.com 3  DC Electrical Specification 3.1  Typical Power Consumption  Table 3.1 Typical Power Consumption   Current Unit TX Active @3.5dBm LDO mode 16 mA DCDC mode 7 mA RX Active LDO mode 14 mA DCDC mode 6 mA Sleep Mode System Off 0.36 uA System On with internal RC 2.13 uA System On with external 32kHz crystal 1.79 uA  4  RF Specification  Conditions: 25ºC, VCC=3.3V, Parameters measured at RF connector.  Table 4.1 RF Characteristics RF Characteristics Specification Unit Min. Typ. Max. Center frequency 2402 - 2480 MHz Channel Spacing - 2 - MHz Number of RF Channels - 40 - - Max output power  LDO mode - 4.0 - dBm DCDC mode  3.5   Modulation Characteristics     Δf1avg 225 - 275 kHz Δf2max (at 99.9%) 185 - - kHz Δf2avg / Δf1avg 0.8 - - - Carrier frequency offset and drift     1) Frequency offset: | fn – fTX | - - 150 kHz 2) Frequency drift: | f0 – fn | - - 50 kHz 3) Drift rate #0: | f1 – f0 | - - 20 kHz 4) Drift rate #n: | fn – fn-5 | - - 20 kHz Receiver sensitivity (PER < 30.8%) LDO mode - -93 -70 dBm DCDC mode  -90 -70  Maximum input signal level (PER < 30.8%) -10 - - dBm
 ©2017 by Murata Electronics N.A., Inc. MBN52832 Data Sheet, v0.92, 08/23/2017  Page 13 of 35 www.murata.com 5  Environmental Specification 5.1  Absolute Maximum Rating  Table 5.1 Absolute Maximum Rating Description Min Max Unit Storage temperature  -40 +125 °C Operating temperature -40 85 °C VCC -0.3 +3.9 V VIO, VDD ≤ 3.6 V -0.3 VCC+0.3 V VIO, VDD > 3.6 V -0.3 3.9 V NFC antenna pin current  80 mA RF input level  10 dBm 5.2  Recommended Operating Condition Table 5.2 Recommended Operating Condition Parameter Min Max Unit Operating Temperature Range -40 85 °C VCC 1.7 3.6 V Supply rise time (0V to 1.7V)  60 ms  6  Power Sequence For device start up sequence, please refer to Nordic Semiconductor, nRF52832 - Product Specification [1].
 ©2017 by Murata Electronics N.A., Inc. MBN52832 Data Sheet, v0.92, 08/23/2017  Page 14 of 35 www.murata.com 8  Application Information 8.1  Recommended PCB Landing Pattern    Figure 8.1 Recommended PCB Landing Pattern
 ©2017 by Murata Electronics N.A., Inc. MBN52832 Data Sheet, v0.92, 08/23/2017  Page 15 of 35 www.murata.com 8.2  Host PCB Layout Recommendations  Figure 8.2 Host PCB Layout Recommendation, top view
 ©2017 by Murata Electronics N.A., Inc. MBN52832 Data Sheet, v0.92, 08/23/2017  Page 16 of 35 www.murata.com 8.3  Layout Guidance for Using Internal PCB Antenna The MBN52832 module is certified with an internal PCB antenna physically located on the module. For optimum EIRP (Effectively Isotropically Radiated Power) when use the on-board antenna, please follow the following recommendations in the customer host circuit board design. A.  The module is recommended is be placed on top left corner of the host circuit board.  B.  Around the antenna area, all layers of the customer circuit board should be free of any metal objects. Specifically, there should be no ground plane, traces or metal shield case  C.  Host circuit PCB length is longer than 40mm to get optimal performance by using ground plane.  D.  Right side of antenna area also should be free of grounds. E.  Metal and plastic materials should be away from the module. (more than 3mm)   Figure 8.3 Layout Guide for Antenna Performance (1)  F.  To use this internal antenna, the integrator must provide a simple two-component matching circuit between pins 20 and 21 of  the module. This circuit  will connect the RF I/O of the module directly to the PCB antenna. The picture below shows the location of pins 20 and 21.
 ©2017 by Murata Electronics N.A., Inc. MBN52832 Data Sheet, v0.92, 08/23/2017  Page 17 of 35 www.murata.com    Figure 8.4 Layout Guide for Antenna Performance (2)  The Integrator must place the matching circuit shown below between Pins 20 and 21 of the Module to duplicate the structure used during FCC/IC testing of the MBN52832. Use the exact PNs provided for L1 and C2 to meet regulatory requirements. On the integrator’s support board, place L1 between Pin 20 and Pin 21 of the Module. Place C2 adjacent to Pin 21. The other side of C2 should be attached to RF Ground.  Any technical implementation questions regarding the layout or design of this circuit should be directed to Murata module technical support (see section 17 on page 35)  8.4  Layout Guidance for Microstrip Design And External Antenna The MBN52832 module is certified with an internal PCB antenna and two external antennas; a 7 dBi omni antenna and a 6 dBi patch antenna. Either patch or omni antenna should be connected to the MBN module using 50 ohm microstrip and a U.FL RF connector as shown below. This microstrip and U.FL connector are placed on the customer’s PCB and are external to the MBN module. The patch or omni antenna is then connected to this UFL Connector via a 50 ohm RF adapter cable.
 ©2017 by Murata Electronics N.A., Inc. MBN52832 Data Sheet, v0.92, 08/23/2017  Page 18 of 35 www.murata.com  Figure 8.5 Layout Guide for External Antenna (1)   The  design  of  the  50  ohm  microstrip  on  the  customer’s  PCB  is  crucially important. Compliant operation of the MBN is dependent  on  proper  construction  of  this  50  ohm  line  and  the  following  guidelines  must  be  followed  to  ensure  legal operation of the product.  The  diagram  below  shows  the  required  microstrip  structure  to  be  routed  between  module  pin  TP21  and  the  UFL connector.  The top PCB trace carries the RF energy from module to UFL connector. The  Layer2 ground plane provides a return path for the circuit. The Dielectric material (along with the dimensions of the microstrip structures) determines the characteristic impedance of the microstrip transmission line.    Figure 8.6 Layout Guide for External Antenna (2)  Note the representative dimensions shown in the drawing above. It is imperative that the module customer (the integrator) use the exact dimensions we recommend to ensure a 50 ohm impedance for this transmission line.  The following dimensions and/or ratios should be used to set the microstrip impedance to 50 ohms.  Dielectric  (PCB)  Material –  We  recommend  standard  FR-4  PCB  material.  Other  dielectrics  will  work  but  will require recalculation of microstrip dimensions. The following guidance is predicated on the use of FR-4 Dielectric. If FR-4 is not used for PCB material, please contact Murata Electronics at (678) 684-2009 to determine new dimensions for microstrip structure. H (Dielectric Height) – this is the thickness of dielectric between the trace layer (layer 1) and the ground plane on layer 2. Note that layer 2 must be electrical ground. We recommend a dielectric thickness of 8-15 mils. This range provides the customer with some flexibility in board construction.  t  (trace  thickness) – Microstrip impedance is  not  severely affected  by the thickness  dimension. Standard  1oz or 2oz copper deposition is recommended. Equivalent thickness is 1-2 mils.
 ©2017 by Murata Electronics N.A., Inc. MBN52832 Data Sheet, v0.92, 08/23/2017  Page 19 of 35 www.murata.com W (trace width) – this is the crucial dimension. This width must be set correctly to obtain the desired 50 ohms impedance. When using FR-4 dielectric, the width (W) of the microstrip trace should be set to:   W = H * 1.8  Where W is microstrip trace width and H is Dielectric height. Note that both values must be measured in identical units (mils or mm) Example:  H = 12 mils,  W = 12 * 1.8 = 21.6 mils H = 0.4 mm  W = 0.4 * 1.8 = 0.72 mm l  (trace  length) –  the  impedance  of  the  microstrip  line  is  not  dependent  on  its  length.  However,  regulatory  and performance limitations practically determine the actual length to be used by the customer (integrator). The length of this microstrip line must be longer than 7 mm to mimic the length used during FCC/IC certification of the MBN52832 module. Lengths longer than 7 mm are acceptable although additional signal loss will occur as a result. Given these restrictions, Murata recommends microstrip trace lengths between 7 mm and 25 mm.   In any event, the microstrip line must operate over the same Dielectric-Ground Plane configuration shown above to act as a 50 ohm  transmission line.  Do not  run the  microstrip  trace  through sections  of  PCB that  do  not  have  the  Dielectric-Ground plane configuration shown above.  A reliable 50 ohm transmission line will be produced if the above guidance is closely followed. Any deviations from the guidance above may cause the module to operate in noncompliant manner. Any implementation questions or concerns should be directed to Murata module technical support (see section 17 on page 35)
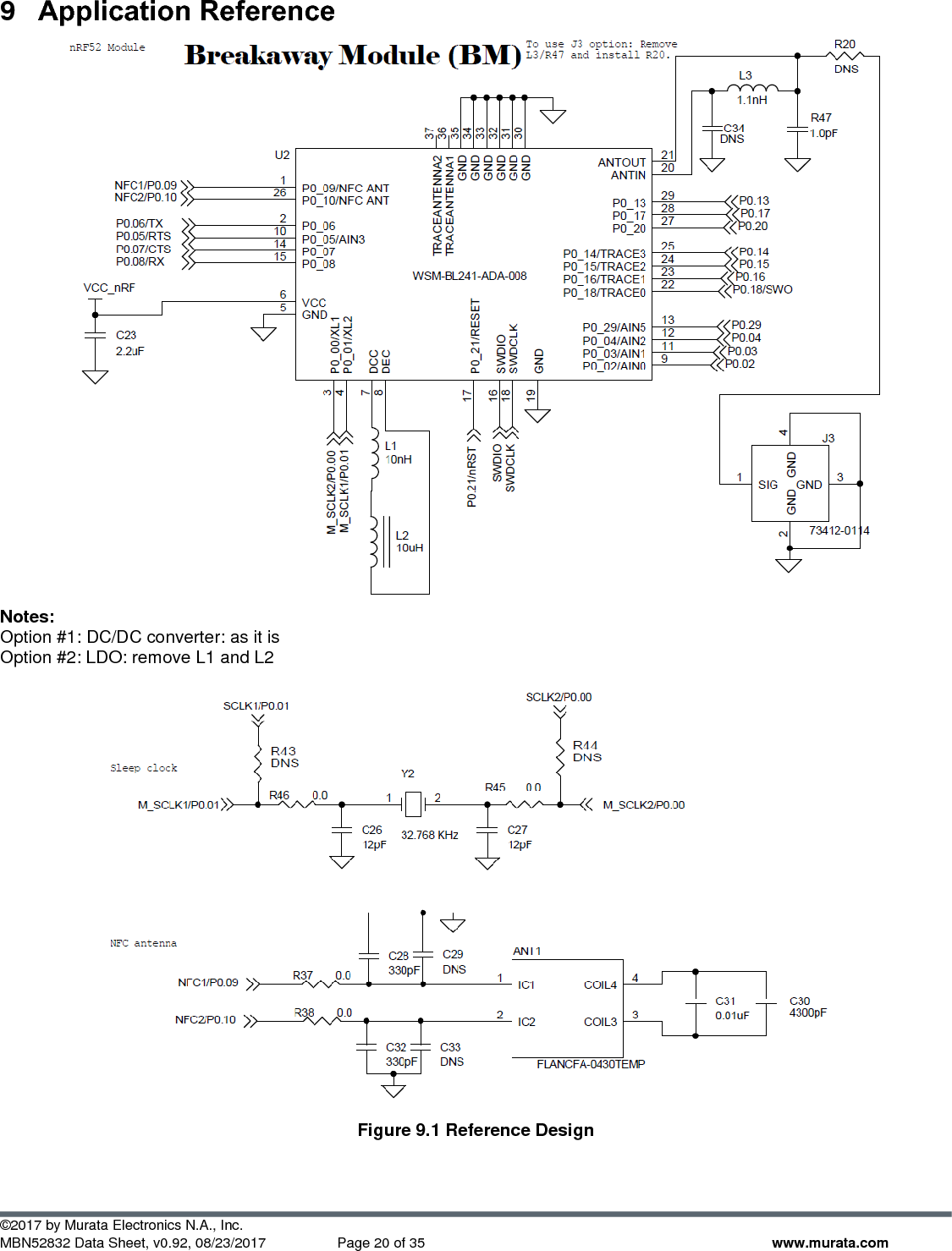
 ©2017 by Murata Electronics N.A., Inc. MBN52832 Data Sheet, v0.92, 08/23/2017  Page 20 of 35 www.murata.com 9  Application Reference  Notes: Option #1: DC/DC converter: as it is Option #2: LDO: remove L1 and L2   Figure 9.1 Reference Design
 ©2017 by Murata Electronics N.A., Inc. MBN52832 Data Sheet, v0.92, 08/23/2017  Page 21 of 35 www.murata.com 10 Assembly Information The recommendation conditions of soldering are as in the following figure.  When products are immersed in solvent after mounting, pay special attention to maintain the temperature difference within 100 °C. Soldering must be carried out by the above mentioned conditions to prevent products from damage. Set up the highest temperature of reflow within 260 °C. Contact Murata before use if concerning other soldering conditions.  Reflow soldering standard conditions   Figure 10.1 Reflow Profile  Please use the reflow within 2 times. Use rosin type flux or weakly active flux with a chlorine content of 0.2 wt % or less.  Since this Product is Moisture Sensitive, any cleaning is NOT permitted.
 ©2017 by Murata Electronics N.A., Inc. MBN52832 Data Sheet, v0.92, 08/23/2017  Page 22 of 35 www.murata.com 11 Packaging and Marking Information 11.1  Dimensions of Tape (Plastic tape)    Figure 11.1 Tape Dimensions (Unit in mm)
 ©2017 by Murata Electronics N.A., Inc. MBN52832 Data Sheet, v0.92, 08/23/2017  Page 23 of 35 www.murata.com 11.2  Dimensions of Reel  Figure 11.2 Reel Dimensions (Unit: mm)
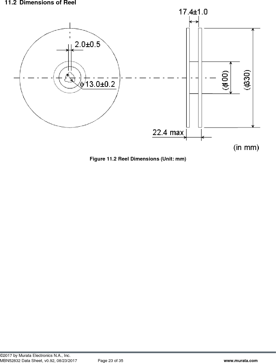
 ©2017 by Murata Electronics N.A., Inc. MBN52832 Data Sheet, v0.92, 08/23/2017  Page 24 of 35 www.murata.com 11.3  Taping Diagrams  [1] Feeding Hole  :    As specified in (1)  [2] Hole for chip   :   As specified in (1)  [3] Cover tape    :   62 um in thickness  [4] Base tape     :   As specified in (1)             Figure 11.3 Tape Diagram       Feeding Hole Chip Feeding Direction Pin 1 Marking
 ©2017 by Murata Electronics N.A., Inc. MBN52832 Data Sheet, v0.92, 08/23/2017  Page 25 of 35 www.murata.com 11.4  Leader and Tail tape                    Figure 11.4 Tape Leader and Tail   The tape for chips are wound clockwise, the feeding holes to the right side as the tape is pulled toward the user.   The cover tape and base tape are not adhered at none components area for 250 mm min.    Tear off strength against pulling of cover tape: 5 N min.    Packaging unit: 1000 pcs./ reel    Material:  -  Base tape : Plastic  -  Reel   : Plastic   -  Cover tape, cavity tape and reel are made the anti-static processing.    Tail tape (No components)  40 to 200mm Components No components   150mm min. Leader tape (Cover tape alone)  250mm min. Feeding direction
 ©2017 by Murata Electronics N.A., Inc. MBN52832 Data Sheet, v0.92, 08/23/2017  Page 26 of 35 www.murata.com 11.5  Peeling Force  1.3 N max. in the direction of peeling as shown below.                 Figure 11.5 Peeling Force Diagram  11.6  PACKAGE (Humidity proof Packaging)                Figure 11.6 Packaging Diagram   Tape and reel must be sealed with the anti-humidity plastic bag. The bag contains the desiccant and the humidity indicator.    165 to 180 °1.3 N max.Base tape Cover tape   湿度イ ン ジケ-タ乾燥剤表示ラ べル防湿梱包袋表示ラ ベルLabel Label Desiccant Humidity Indicator Anti-humidity Plastic Bag
 ©2017 by Murata Electronics N.A., Inc. MBN52832 Data Sheet, v0.92, 08/23/2017  Page 27 of 35 www.murata.com 11.7  Module Marking Information  Figure 11.7 shows the module marking. Dimensions are nominal, not absolute.   Figure 11.7 Module Marking Diagram  11.8  Moisture Sensitivity Level The MBN52832 is planned to be qualified to moisture sensitivity level 3 in accordance with JEDEC J-STD-020.
 ©2017 by Murata Electronics N.A., Inc. MBN52832 Data Sheet, v0.92, 08/23/2017  Page 28 of 35 www.murata.com 12 Regulatory Information The table below shows the regulatory compliance status of the MBN52832 module.  Table 12.1 Regulatory Standards Conformance  Regulatory Body Standard Certificate ID FCC Part 15 HSW2832 IC RSS-210 4492A-2832 ETSI EN300 328, Ver. 2.1.1 ETSI EN301.489 - 17 Compliant TELEC Article 38-24 Paragraph 1 of the Radio Law 001-P1041 BT SIG BT 5.0 Declaration ID: D036210 QDIO: 97989   MBN52832 also has been certified with a particular external antenna (see table below ).  Table 12.2 External Antenna to comply with FCC and IC Part Number Vendor Gain (dBi) Type Connector Remarks S2406PL Cushcraft 6.0 Patch U.FL Necessary for FCC/IC compliance only. HG2407RD-RSP L-Comm 7.0 Dipole U.FL Necessary for FCC/IC compliance only.  To be compliant with RED Directive while using MBN52832 module with external  antenna, the total EIRP including the antenna gain should be less than or equal to 10dBm. 12.1  FCC Notice (USA) Warning: Changes  or modifications  to  this device  not expressly  approved  by  Murata could  void  the  user’s  authority  to operate the equipment.  This device complies with Part 15 of the FCC rules. Operation is subject to the following two conditions: (1) this device may not cause harmful interference, and (2) this device must accept any interference received, including interference that may cause undesired operation.  The FCC requires the OEM to be notified that any changes or modifications not expressly approved by Murata may void the user’s authority to operate the equipment. While an application of the MBN52832 module in a product is not required to  obtain  a  new  FCC  authorization  for  the  module,  this  does  not  preclude  the  possibility  that  some  other  form  of authorization or testing may be required for that end product.  This  device  using  the  integrated  antenna  has  been  tested  to  comply  with  FCC  CFR  Part  15.  The  device  meets  the requirements for modular transmitter approval as detailed in the FCC public notice DA00.1407.   This equipment has been tested and found to comply with the limits for a Class B digital device, pursuant to Part 15 of the FCC  Rules.  These  limits  are  designed  to  provide  reasonable  protection  against  harmful  interference  in  a  residential installation.  This  equipment  generates  uses  and  can  radiate  radio  frequency  energy  and,  if  not  installed  and  used  in accordance  with  the  instructions,  may  cause  harmful  interference  to  radio  communications.  However,  there  is  no guarantee that interference will not occur in a particular installation. If this equipment does cause harmful interference to radio or television reception, which can be determined by turning the equipment off and on, the user is encouraged to try to correct the interference by one or more of the following measures:  •  Reorient or relocate the receiving antenna.  •  Increase the separation between the equipment and receiver.  •  Connect the equipment into an outlet on a circuit different from that to which the receiver.
 ©2017 by Murata Electronics N.A., Inc. MBN52832 Data Sheet, v0.92, 08/23/2017  Page 29 of 35 www.murata.com •  Is connected.  •  Consult the dealer or an experienced radio/TV technician for help.  12.2  FCC Labeling Requirements When integrating the MBN52832 into a product the FCC labeling requirements must be met. This includes a clearly visible label on the outside of the finished product specifying the MBN52832 FCC identifier (FCC ID: HSW2832) as well as the notice above. The exterior label can use wording such as “Contains Transmitter Module FCC ID: HSW2832” or “Contains FCC ID: HSW2832” although any similar wording that expresses the same meaning may be used.  12.3  IC Notice (Canada) The term “IC” before the certification/registration  number only signifies that the Industry Canada technical specifications were met.  Le  terme  “IC”  devant  le  numéro  de  certification  /d’enregistrement  signifie  seulement  que  les  spécifications  techniques Industrie Canada ont été respectées.  This device complies with Industry Canada license-exempt RSS standard(s).  Operation is subject to The  following  two  conditions:   (1)  this  device  may  not  cause  interference,  and  (2)  this  device  must  accept  any interference, including interference that may cause undesired operation of the device.   Cet appareil est conforme avec Industrie Canada RSS standard exempts de licence (s). Son utilisation est soumise à Les deux conditions suivantes: (1) cet appareil ne peut pas provoquer d'interférences et (2) cet appareil doit accepter Toute interférence, y compris les interférences qui peuvent causer un mauvais fonctionnement du dispositif.  This device complies with Health Canada’s Safety Code 6 / IC RSS-210.  The installer of this device should ensure that RF radiation is not emitted in excess of the Health Canada’s requirement.  Information can be obtained at: http://www.hc-sc.gc.ca/ewh-semt/pubs/radiation/radio_guide-lignes_direct-eng.php  Cet appareil  est  conforme avec Santé Canada Code  de  sécurité  6  /  IC  RSS-210.  Le  programme d'installation  de cet appareil doit s'assurer que les rayonnements RF n'est pas émis au-delà de l'exigence de Santé Canada. Les informations peuvent être obtenues: http://www.hc-sc.gc.ca/ewh-semt/pubs/radiation/radio_guide-lignes_direct-eng.php  This radio transmitter MBN52832 has been approved by Industry Canada to operate with the antenna types listed below with  the  maximum  permissible  gain  indicated.  Antenna  types  not  included  in  this  list,  having  a  gain  greater  than  the maximum gain indicated for that type, are strictly prohibited for use with this device.  Le présent émetteur radio (identifier le dispositif par son numéro de certification ou son numéro de modèle s'il fait partie du matériel de catégorie I) a été approuvé par Industrie Canada pour fonctionner avec les types d'antenne énumérés ci-dessous et ayant un gain admissible maximal et l'impédance requise pour chaque type d'antenne. Les types d'antenne non  inclus  dans  cette  liste,  ou  dont  le  gain  est  supérieur  au  gain  maximal  indiqué,  sont  strictement  interdits  pour l'exploitation de l'émetteur.  Table 12.3 External Antenna to comply with IC Part Number Vendor Gain (dBi) Type Connector Remarks S2406PL Cushcraft 6.0 Patch U.FL Necessary for FCC/IC compliance only. HG2407RD-RSP L-Comm 7.0 Dipole U.FL Necessary for FCC/IC compliance only.
 ©2017 by Murata Electronics N.A., Inc. MBN52832 Data Sheet, v0.92, 08/23/2017  Page 30 of 35 www.murata.com 12.4  IC Labeling Requirements The  host  device  should  be  properly  labeled  to  identify  the  module  within  the  host  device.    The  Industry  Canada certification label  of a module shall be clearly visible at all times when installed in the  host device, otherwise the host device  must  be  labeled  to  display  the  Industry  Canada  certification  number  of  the  module,  preceded  by  the  words “Contains transmitter module”, or the word “Contains”, or similar wording expressing the same meaning, as follows:  Contains transmitter module IC: 4492A-2832, where 4492A-2832 is the module’s certification number. 12.5  ESTI compliance (Europe) This device has been tested for use in the European Union. Both MBN52832 comply with the following regulation test.   ETSI EN300 328, Ver. 2.1.1   ETSI EN301.489 - 17  If this device is used in a product, the OEM has responsibility to verify compliance of the final product to the EU standards.  A  Declaration  of  Conformity  must  be  issued  and  kept  on  file  as  described  in  Annex  II  of  the  Radio  and Telecommunications Terminal Equipment Directive. 12.6  RF Exposure This equipment complies with radiation exposure limits set forth for an uncontrolled environment. This equipment should be installed and operated with minimum distance 20 cm between the radiator and your body. This transmitter must not be co-located or operating in conjunction with any other antenna or transmitter.  Cet  équipement  est  conforme  aux  limites  d'exposition  aux  radiations  dans  un  environnement  non  contrôlé.  Cet équipement doit être installé et utilisé à distance minimum de 20 cm entre le radiateur et votre corps. Cet émetteur ne doit pas être co-localisées ou opérant en conjonction avec tout autre antenne ou transmetteur.  If the module will be used for portable applications, the device must undergo SAR testing.  The following statement must be included as a CAUTION statement in manuals for the products to alert users on FCC RF exposure compliance:  “WARNING: To satisfy FCC RF exposure requirements for mobile transmitting devices, a separation distance of 20cm or more should  be maintained between the antenna  of this  device and  persons  during  operation. To ensure  compliance, operations at closer distances than this are not recommended.”  13 RoHS Information The MBN52832 module is planned to be conformed to RoHS requirement.
 ©2017 by Murata Electronics N.A., Inc. MBN52832 Data Sheet, v0.92, 08/23/2017  Page 31 of 35 www.murata.com 14 Ordering Information  Product Model Name Murata Ordering Part Number Standard Order Increment BLE Module Sample MBN52832 WSM-BL241-ADA-008S 1 pc Development Board Sample MBN52832DK WSM-BL241-ADA-008DBS 1 pcs BLE Module MBN52832 WSM-BL241-ADA-008 1000 pc Development Kit MBN52832DK WSM-BL241-ADA-008DK 1 pcs
 ©2017 by Murata Electronics N.A., Inc. MBN52832 Data Sheet, v0.92, 08/23/2017  Page 32 of 35 www.murata.com 15 Notice 15.1  Storage Conditions  Please use this product within 6month after receipt. - The product shall be stored without opening the packing under the ambient temperature from 5 to 35deg.C and humidity from 20 to 70%RH. (Packing materials, in particular, may be deformed at the temperature over 40deg.C.) - The product left more than 6months after reception, it needs to be confirmed the solderbility before used. - The product shall be stored in non-corrosive gas (Cl2, NH3, SO2, Nox, etc.). - Any excess mechanical shock including, but not limited to, sticking the packing materials by sharp object and dropping the product, shall not be applied in order not to damage the packing materials.  This product is applicable to MSL3 (Based on JEDEC Standard J-STD-020) - After the packing opened, the product shall be stored at <30deg.C / <60%RH and the product shall be used within 168hours. - When the color of the indicator in the packing changed, the product shall be baked before soldering.        Baking condition: 125+5/-0deg.C, 24hours, 1time The products shall be baked on the heat-resistant tray because the material (Base Tape, Reel Tape and Cover Tape) are not heat-resistant.   15.2  Handling Conditions  Be careful in handling or transporting products because excessive stress or mechanical shock may break products.  Handle with care if products may have cracks or damages on their terminals, the characteristics of products may change. Do not touch products with bear hands that may result in poor solder ability and destroy by static electrical charge.   15.3  Standard PCB Design (Land Pattern and Dimensions)  All the ground terminals should be connected to the ground patterns. Furthermore, the ground pattern should be provided between IN and OUT terminals. Please refer to the specifications for the standard land dimensions.  The recommended land pattern and dimensions is as Murata's standard. The characteristics of products may vary depending on the pattern drawing method, grounding method, land dimensions, land forming method of the NC terminals and the PCB material and thickness. Therefore, be sure to verify the characteristics in the actual set. If use non-standard lands, contact Murata beforehand.   15.4  Notice for Chip Placer  When placing products on the PCB, products may be stressed and broken by uneven forces from a worn-out chucking locating claw or a suction nozzle. To prevent products from damages, be sure to follow the specifications for the maintenance of the chip placer being used. For the positioning of products on the PCB, be aware that mechanical chucking may damage products.  15.5  Operational Environment Conditions
 ©2017 by Murata Electronics N.A., Inc. MBN52832 Data Sheet, v0.92, 08/23/2017  Page 33 of 35 www.murata.com Products are designed to work for electronic products under normal environmental conditions (ambient temperature, humidity and pressure). Therefore, products have no problems to be used under the similar conditions to the above-mentioned. However, if products are used under the following circumstances, it may damage products and leakage of electricity and abnormal temperature may occur.  - In an atmosphere containing corrosive gas ( Cl2, NH3, SOx, NOx  etc.). - In an atmosphere containing combustible and volatile gases. - Dusty place. - Direct sunlight place. - Water splashing place. - Humid place where water condenses. - Freezing place.  If there are possibilities for products to be used under the preceding clause, consult with Murata before actual use.  As it might be a cause of degradation or destruction to apply static electricity to products, do not apply static electricity or excessive voltage while assembling and measuring.  15.6  Input Power Capacity  Products shall be used in the input power capacity as specified in this specification. Inform Murata beforehand, in case that the components are used beyond such input power capacity range.
 ©2017 by Murata Electronics N.A., Inc. MBN52832 Data Sheet, v0.92, 08/23/2017  Page 34 of 35 www.murata.com 16 PRECONDITIONS TO USE MURATA PRODUCTS PLEASE READ THIS NOTICE BEFORE USING OUR PRODUCTS.  Please make sure that your product has been evaluated and confirmed from the aspect of the fitness for the specifications of our product when our product is mounted to your product. All the items and parameters in this product specification/datasheet/catalog have been prescribed on the premise that our product  is  used  for  the  purpose,  under  the  condition  and  in  the  environment  specified  in  this  specification.  You  are requested not to use our product deviating from the condition and the environment specified in this specification. Please note that the only warranty that we provide regarding the products is its conformance to the specifications provided herein. Accordingly, we shall not be responsible for any defects in products or equipment incorporating such products, which are caused under the conditions other than those specified in this specification. WE  HEREBY  DISCLAIMS  ALL  OTHER  WARRANTIES  REGARDING  THE  PRODUCTS,  EXPRESS  OR  IMPLIED, INCLUDING  WITHOUT  LIMITATION  ANY WARRANTY OF FITNESS  FOR A  PARTICULAR PURPOSE,  THAT THEY ARE DEFECT-FREE, OR AGAINST INFRINGEMENT OF INTELLECTUAL PROPERTY RIGHTS. The product shall not be used in any application listed below which requires especially high reliability for the prevention of such defect as may directly cause damage to the third party's life, body or property. You acknowledge and agree that, if you  use  our  products  in  such  applications,  we  will  not  be  responsible  for  any  failure  to  meet  such  requirements. Furthermore,  YOU  AGREE  TO  INDEMNIFY  AND  DEFEND  US  AND  OUR  AFFILIATES  AGAINST  ALL  CLAIMS, DAMAGES, COSTS, AND EXPENSES THAT MAY BE INCURRED, INCLUDING WITHOUT LIMITATION, ATTORNEY FEES AND COSTS, DUE TO THE USE OF OUR PRODUCTS IN SUCH APPLICATIONS. - Aircraft equipment.      - Aerospace equipment        - Undersea equipment. - Power plant control equipment - Medical equipment.  - Transportation equipment (vehicles, trains, ships, elevator, etc.). - Traffic signal equipment.     - Disaster prevention / crime prevention equipment. -Burning / explosion control equipment - Application of similar complexity and/ or reliability requirements to the applications listed in the above. We  expressly  prohibit  you  from  analyzing,  breaking,  reverse-engineering,  remodeling  altering,  and  reproducing  our product.  Our product cannot be used for the product which is prohibited from being manufactured, used, and sold by the regulations and laws in the world. We  do  not  warrant  or  represent  that  any  license,  either  express  or  implied,  is  granted  under  any  our  patent  right, copyright, mask work right,  or  our  other  intellectual  property right relating  to  any combination, machine,  or  process  in which our products or services are used. Information provided by us regarding third-party products or services does not constitute  a  license  from  us  to  use  such  products  or  services  or  a  warranty  or  endorsement  thereof.  Use  of  such information may require a license from a third party under the patents or other intellectual property of the third party, or a license from us under our patents or other intellectual property. Please do not use our products, our technical information and other data provided by us for the purpose of developing of mass-destruction weapons and the purpose of military use. Moreover, you must comply with "foreign exchange and foreign trade law", the "U.S. export administration regulations", etc.  Please note that we may discontinue the manufacture of our products, due to reasons such as end of supply of materials and/or components from our suppliers. By  signing  on  specification  sheet  or  approval  sheet,  you  acknowledge  that  you  are  the  legal  representative  for  your company and that you understand and accept the validity of the contents herein. When you are not able to return the signed  version  of  specification  sheet  or  approval  sheet  within  30  days  from  receiving  date  of  specification  sheet  or approval sheet, it shall be deemed to be your consent on the content of specification sheet or approval sheet. Customer acknowledges  that  engineering  samples  may  deviate  from  specifications  and  may  contain  defects  due  to  their development status. We reject any liability or product warranty for engineering samples. In particular we disclaim liability for damages caused by   - the use of the engineering sample other than for evaluation purposes, particularly the installation or integration in the product to be sold by you,   -deviation or lapse in function of engineering sample,   -improper use of engineering samples. We disclaim any liability for consequential and incidental damages. If you can’t agree the above contents, you should inquire our sales.
 ©2017 by Murata Electronics N.A., Inc. MBN52832 Data Sheet, v0.92, 08/23/2017  Page 35 of 35 www.murata.com 17 Technical Support Contact Contact Wireless module application support at modules@murata.com   Murata Electronics, N.A., Inc. 4100 Midway Road, Suite 2050 Carrollton, TX 75007 USA

Navigation menu