Murata Electronics North America DNT90E DNT90E User Manual 16 0152 Exhibit Cover
Murata Electronics North America DNT90E 16 0152 Exhibit Cover
Manual

5015 B.U. Bowman Drive Buford, GA 30518 USA Voice: 770-831-8048 Fax: 770-831-8598
Certification Exhibit
FCC ID: HSW-DNT90E
IC: 4492A-DNT90E
FCC Rule Part: 15.247
IC Radio Standards Specification: RSS-247
ACS Project Number: 16-0152
Manufacturer: Murata Electronics North America
Models: DNT90EC, DNT90EP
Manual

www.Murata.com
RF Product Department.
Technical support +1.678.684.2000
E-mail: tech_sup@murata.com
Page 1 of 80
DNT90E Integration Guide - 04/13/16
DNT90E Series
900 MHz Spread Spectrum
Wireless Transceivers
Integration Guide

www.Murata.com
RF Product Department.
Technical support +1.678.684.2000
E-mail: tech_sup@murata.com
Page 2 of 80
DNT90E Integration Guide - 04/13/16
Important Regulatory Information
Murata Product FCC ID: HSW-
DNT90E IC 4492A-DNT90E
Note: This equipment has been tested and found to comply with the limits for a Class B
digital device, pursuant to Part 15 of the FCC Rules. These limits are designed to provide
reasonable pro- tection against harmful interference in a residential installation. This
equipment generates, uses and can radiate radio frequency energy and, if not installed and
used in accordance with the in- structions, may cause harmful interference to radio
communications. If this equipment does cause harmful interference to radio or television
reception, which can be determined by turning the equipment off and on, the user is
encouraged to try to correct the interference by one or more of the following measures:
1) Re-orientate or relocate the receiving antenna,
2) Increase the separation between the equipment and the radiator,
3) Connect the equipment into an outlet on a circuit different from that to which the receiver is connected,
4) Consult the dealer or an experienced radio/TV technician for help.
Warning: Changes or modifications to this device not expressly approved by MURATA could void the user’s authority
to operate the equipment.
FCC Antenna Gain Restriction and MPE Statement:
The DNT90E has been designed to operate with any dipole antenna of up to 5 dBi of gain, or any Yagi of
up to 6dBi gain.
This equipment complies with FCC radiation exposure limits set forth for an uncontrolled environment. This
equipment should be installed and operated with minimum distance 21 cm between the radiator and your
body. This transmitter must not be co-located or operating in conjunction with any other antenna or
transmitter.
Cet équipement est conforme aux limites d'exposition aux radiations définies pour un environnement non
contrôlé. Cet équipement doit être installé et utilisé à une distance minimale de 21 cm entre le radiateur et
votre corps. Cet émetteur ne doit pas être situé ou opérant en conjonction avec une autre antenne ou
émetteur.
Notices:
WARNING: This device operates under Part 15 of the FCC rules. Any modification to this device, not
expressly authorized by MURATA, Inc., may void the user’s authority to operate this device.
FCC NOTICE: This device complies with Part 15 of the FCC rules. Operation is subject to the following two
conditions: (1) this device may not cause harmful interference, and (2) this device must accept any
interference received, including interference that may cause undesired operation.

www.Murata.com
RF Product Department.
Technical support +1.678.684.2000
E-mail: tech_sup@murata.com
Page 3 of 80
DNT90E Integration Guide - 04/13/16
Innovation, Science, and Economic Development (ISED) Canada Notice: This device complies with ISED
Canada’s licence-exempt RSSs. Operation is subject to the following two conditions:
(1) This device may not cause interference; and
(2) This device must accept any interference, including interference that may cause undesired operation of
the device.
Le présent appareil est conforme aux CNR ISED Canada applicables aux appareils radio
exempts de licence. L'exploitation est autorisée aux deux conditions suivantes :
(1) l'appareil ne doit pas produire de brouillage, et
(2) l'utilisateur de l'appareil doit accepter tout brouillage radioélectrique subi, même si le brouillage est
susceptible d'en compromettre le fonctionnement.
ISED RSS-247 Detachable Antenna Gain Restriction:
This radio transmitter (DNT90E), has been approved by ISED Canada to operate with the antenna types
listed below with the maximum permissible gain and required antenna impedance for each antenna type
indicated. Antenna types not included in this list, or having a gain greater than the maximum gain indicated
for that type, are strictly prohibited for use with this device.
Le présent émetteur radio (DNT90E ) a été approuvé par ISED Canada pour
fonctionner avec les types d'antenne énumérés ci-dessous et ayant un gain admissible maximal
et l'impédance requise pour chaque type d'antenne. Les types d'antenne non inclus dans cette
liste, ou dont le gain est supérieur au gain maximal indiqué, sont strictement interdits pour
l'exploitation de l'émetteur.
Antennas not included in this list or having a gain greater than 6 dB are strictly prohibited for use with
this device. The required antenna impedance is 50 ohms:
OMNI095 Omnidirectional Dipole Antenna, 5 dBi
YAGI099 Directional Antenna, 6 dBi
See Section 6.8 of this manual for regulatory notices and labeling requirements. Changes or modifica-
tions to a DNT90E not expressly approved by MURATA may void the user’s authority to operate the
module.

www.Murata.com
RF Product Department.
Technical support +1.678.684.2000
E-mail: tech_sup@murata.com
Page 4 of 80
DNT90E Integration Guide - 04/13/16
Table of Contents
1.1 DNT90E Introduction........................................................................................................................ 6
1.2 Why Spread Spectrum?............................................................................................................. 6
1.3 Frequency Hopping versus Direct Sequence ............................................................................ 7
2.1 DNT90E System Overview............................................................................................................... 8
2.2 Point-to-Point Systems .............................................................................................................. 8
2.3 Point-to-Multipoint Systems ....................................................................................................... 9
2.4 Store-and-Forward Systems...................................................................................................... 9
2.5 RF Channel Access ................................................................................................................. 10
2.6 DNT90E Addressing ................................................................................................................ 11
2.7 Network Linking and Slot Registration ..................................................................................... 11
2.6.1 Fast Linking Techniques ................................................................................................... 12
2.7 Transparent and Protocol-formatted Serial Data ..................................................................... 12
3.1 DNT90E Application Interfaces ...................................................................................................... 13
3.2 Serial Ports .............................................................................................................................. 13
3.3 SPI Port.................................................................................................................................... 13
3.4 Digital I/O ................................................................................................................................. 16
3.5 Analog I/O................................................................................................................................ 16
3.6 I/O Event Reporting and I/O Binding........................................................................................ 17
4.1 DNT90E System Configuration ...................................................................................................... 18
4.2 Configuration Parameters........................................................................................................ 18
4.3 Configuring a Basic Point-to-Point System .............................................................................. 18
4.4 Configuring a Basic Point-to-Multipoint System....................................................................... 18
4.5 Configuring a Customized Point-to-Point or Point-to-Multipoint System.................................. 19
4.6 Configuring a Store-and-Forward System................................................................................ 20
4.7 Slot Buffer Sizes, Number of Slots, Messages per Hop and Hop Duration ............................. 21
5.1 DNT90E Application Interface Configuration. .....................................................................................23
5.2 Configuring the Serial Port....................................................................................................... 23
5.3 Configuring the SPI Port .......................................................................................................... 24
5.4 Configuring Digital I/O.............................................................................................................. 24
5.5 Configuring Analog I/O............................................................................................................. 24
5.6 Configuring I/O Event Reporting and I/O Binding .................................................................... 25
5.7 Configuring Sleep Mode .......................................................................................................... 26
6.1 DNT90E Hardware......................................................................................................................... 27
6.2 Electrical Specifications ........................................................................................................... 28
6.3 Module Pin Out ........................................................................................................................ 29
6.4 Antenna Connector.................................................................................................................. 30
6.5 Power Supply and Input Voltages............................................................................................ 31
6.6 ESD and Transient Protection ......................................................................................................31
6.7 Interfacing to 5 V Logic Systems ............................................................................................. 31
6.8 Mounting and Enclosures ........................................................................................................ 31
6.9 Labeling and Notices ............................................................................................................... 32
7.1 DNT90E Protocol-formatted Messages.......................................................................................... 33
7.2 Protocol Formats...................................................................................................................... 33
7.3 Message Types........................................................................................................................ 33
7.4 Message Format Details.......................................................................................................... 34

www.Murata.com
RF Product Department.
Technical support +1.678.684.2000
E-mail: tech_sup@murata.com
Page 5 of 80
DNT90E Integration Guide - 04/13/16
7.5 Configuration Parameter Registers.......................................................................................... 41
7.5.1 Bank 0x00 - Transceiver Setup......................................................................................... 41
7.5.2 Bank 0x01 - System Settings ............................................................................................ 44
7.5.3 Bank 0x02 - Status Parameters ........................................................................................ 45
7.5.4 Bank 0x03 - Serial and SPI Settings ................................................................................. 47
7.5.5 Bank 0x04 - Host Protocol Settings................................................................................... 48
7.5.6 Bank 0x05 - I/O Parameters.............................................................................................. 49
7.5.7 Bank 0x06 - I/O Settings ................................................................................................... 50
7.5.8 Bank 0x0FF - Special Functions........................................................................................ 55
7.5 Protocol-formatted Message Examples................................................................................... 56
7.5.1 Data Message ................................................................................................................... 56
7.5.2 Configuration Message ..................................................................................................... 57
7.5.3 Sensor Message ............................................................................................................... 57
7.5.4 Event Message.................................................................................................................. 58
8.1 DNT90EDK Developer’s Kit............................................................................................................ 59
8.2 DNT90EDK Kit Contents.......................................................................................................... 59
8.3 Additional Items Needed.......................................................................................................... 59
8.4 Developer’s Kit Default Operating Configuration...................................................................... 59
8.5 Developer’s Kit Hardware Assembly........................................................................................ 60
8.6 DNT90E Utility Program........................................................................................................... 61
8.7 Initial Kit Operation................................................................................................................... 62
8.6.1 Serial Communication and Radio Configuration................................................................ 65
8.7 DNT90E Interface Board Features .......................................................................................... 71
9.1 Troubleshooting.............................................................................................................................. 73
9.2 Diagnostic Port Commands ..................................................................................................... 73
10.1 Appendices..................................................................................................................................... 74
10.2 Ordering Information................................................................................................................ 74
10.3 Technical Support.................................................................................................................... 74
10.4 DNT90E Mechanical Specifications......................................................................................... 75
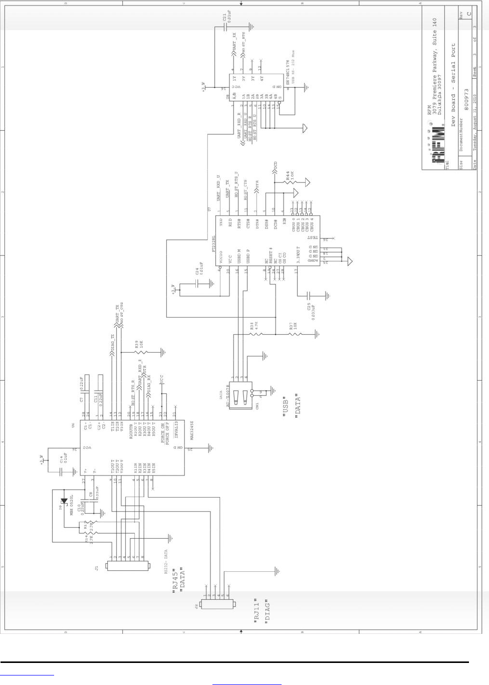
10.5 DNT90E Development Board Schematic................................................................................. 77
11.0
Warranty......................................................................................................................................... 80

www.Murata.com
RF Product Department.
Technical support +1.678.684.2000
E-mail: tech_sup@murata.com
Page 6 of 80
DNT90E Integration Guide - 04/13/16
1.1
DNT90E Introduction
DNT90E transceivers provide highly-reliable wireless connectivity for point-to-point, point-to-multipoint and
store-and-forward radio applications. Frequency hopping spread spectrum (FHSS) technology ensures
maximum resistance to multipath fading and robustness in the presence of interfering signals, while oper-
ation in the 900 MHz ISM band allows license-free use in North America, South America and Australia.
The DNT90E supports serial data rates for host communications from 1.2 to 250 kbps, plus three SPI
data rates from 125 to 500 kbps. On-board data buffering plus an error-correcting radio protocol provide
smooth data flow and simplify the task of integration with existing applications. Key DNT90E features in-
clude:
Multipath fading resistant frequency hopping
technology with up to 52 frequency chan-
nels, 902.76 to 927.24 MHz
Receiver protected by low-loss SAW filter,
providing excellent receiver sensitivity and
interference rejection important in outdoor
applications
Support for point-to-point, point-to-multipoint,
peer-to-peer and store & forward networks
FCC 15.247 and ISED RSS-247 certified
for license-free operation
Five mile plus range with omnidirectional
antennas (antenna height dependent)
Transparent ARQ protocol with data
buffering ensures data integrity
Analog and Digital I/O supports wireless
sensing applications
Ad Hoc TDMA operating mode supports a
large number of remotes with low latency
for burst data streaming
Simple interface handles both data and con-
trol at up to 250 kbps on the serial port or
500 kbps on the SPI port
AES encryption provides protection from
eavesdropping
Nonvolatile memory stores DNT90E
configura- tion when powered off
Selectable +16 dBm (40 mW) or +25 dBm
(316 mW) transmit power levels
Automatic I/O event reporting mode simplifies
application development
I/O binding mode provides wireless transmis-
sion of analog and digital values
1.1 Why Spread Spectrum?
A radio channel can be very hostile, corrupted by noise, path loss and interfering transmissions from oth-
er radios. Even in an interference-free environment, radio performance faces serious degradation from a
phenomenon known as multipath fading. Multipath fading results when two or more reflected rays of the
transmitted signal arrive at the receiving antenna with opposing phases, thereby partially or completely
canceling the signal. This problem is particularly prevalent in indoor installations. In the frequency do-
main, a multipath fade can be described as a frequency-selective notch that shifts in location and intensity
over time as reflections change due to motion of the radio or objects within its range. At any given time,
multipath fades will typically occupy 1% - 2% of the band. From a probabilistic viewpoint, a conventional
radio system faces a 1% - 2% chance of signal impairment at any given time due to multipath fading.
Spread spectrum reduces the vulnerability of a radio system to both multipath fading and jammers by dis-
tributing the transmitted signal over a larger region of the frequency band than would otherwise be neces-
sary to send the information. This allows the signal to be reconstructed even though part of it may be lost
or corrupted in transmission.

www.Murata.com
RF Product Department.
Technical support +1.678.684.2000
E-mail: tech_sup@murata.com
Page 7 of 80
DNT90E Integration Guide - 04/13/16
Narrow-band versus spread spectrum transmission
Figure 1.1.1
1.2 Frequency Hopping versus Direct Sequence
The two primary approaches to spread spectrum are direct sequence spread spectrum (DSSS) and fre-
quency hopping spread spectrum (FHSS), either of which can generally be adapted to a given applica-
tion. Direct sequence spread spectrum is produced by multiplying the transmitted data stream by a much
faster, noise-like repeating pattern. The ratio by which this modulating pattern exceeds the bit rate of the
base-band data is called the processing gain, and is equal to the amount of rejection the system affords
against narrow-band interference from multipath and jammers. Transmitting the data signal as usual, but
varying the carrier frequency rapidly according to a pseudo-random pattern over a broad range of chan-
nels produces a frequency hopping spectrum system.
Forms of spread spectrum - direct sequence and frequency hopping
Figure 1.1.2

www.Murata.com
RF Product Department.
Technical support +1.678.684.2000
E-mail: tech_sup@murata.com
Page 8 of 80
DNT90E Integration Guide - 04/13/16
One disadvantage of direct sequence systems is that due to design issues related to broadband transmit-
ters and receivers, they generally employ only a minimal amount of spreading, often no more than the
minimum required by the regulating agencies. For this reason, the ability of DSSS systems to overcome
fading and in-band jammers is relatively weak. By contrast, FHSS systems are capable of hopping
throughout the entire band, statistically reducing the chances that a transmission will be affected by fad-
ing or interference. This means that a FHSS system will degrade gracefully as the band gets noisier,
while a DSSS system may exhibit uneven coverage or work well until a certain point and then give out
completely.
Because it offers greater immunity to interfering signals, FHSS is often the preferred choice for co-located
systems. Since direct sequence signals are very wide, they can offer only a few non-overlapping chan-
nels, whereas multiple hoppers can interleave, minimizing interference. Frequency hopping systems do
carry some disadvantages, in that they require an initial acquisition period during which the receiver must
lock on to the moving carrier of the transmitter before any data can be sent, which typically takes several
seconds. In summary, frequency hopping systems generally feature greater coverage and channel utiliza-
tion than comparable direct sequence systems. Of course, other implementation factors such as size,
cost, power consumption and ease of implementation must also be considered before a final radio design
choice can be made.
2.0 DNT90E System Overview
A DNT90E radio can be configured to operate in one of three modes - base, remote or router. A base
con- trols a DNT90E system, and interfaces to an application host such as a PC or Internet gateway. A
remote functions to transmit or receive serial, digital (state) and analog data. A router alternates between
func- tioning as a remote on one hop and a network base on the next hop. When acting as a remote, the
router stores messages it receives from its parent, and then repeats the messages to its child radios
when act- ing as a network base. Likewise, a router will store messages received from its child radios
when acting as a base, and repeat them to its parent when acting as a remote. Any message addressed
directly to a router is processed by the router rather than being repeated.
2.1 Point-to-Point Systems
A DNT90E system contains at least one network. The simplest DNT90E topology is a point-to-point
system, as shown in Figure 2.1.1. This system consists of a base and one remote forming a single
network. Point- to-point systems are often used to replace wired serial connections. Point-to-point
systems are also used to transmit switch positions or analog signals from one location to another.
Figure 2.1.1

www.Murata.com
RF Product Department.
Technical support +1.678.684.2000
E-mail: tech_sup@murata.com
Page 9 of 80
DNT90E Integration Guide - 04/13/16
2.2 Point-to-Multipoint Systems
Figure 2.2.1 shows the topology of a point-to-multipoint (star) system, which consists of a base and more
than one remote in a single network. Point-to-multipoint systems are typically used for data, sensor and
alarm systems. While most traffic in a point-to-multipoint system is between the base and the remotes,
DNT90E technology also allows for peer-to-peer communication from one remote to another.
Figure 2.2.1
2.3 Store-and-Forward Systems
Figure 2.3.1 shows the topology of a store-and-forward system, which consists of a base, one or more
routers, one or more remotes, and two or more networks. Networks in a store-and-forward system form
around the base and each router. The base and the routers are referred to as the parents of the networks
they form. The rest of the radios in each network are referred to as child radios. Note that a router is a
child of the base or another router while being the parent of its own network. Each network parent trans-
mits beacons to allow child radios to synchronize with its hopping pattern and join its network. Different
frequency hopping patterns are used by the parent radios in a system, minimizing interference between
networks.
Store-and-forward systems are used to cover larger areas than is possible with point-to-point or point to-
multipoint systems. The trade-off in store-and-forward systems is longer delivery times due to receiving
and retransmitting a message several times. Store-and-forward systems are especially useful in applica-
tions such as agriculture where data is only collected periodically.

www.MURATA.com
© 2010-2012 by RF Monolithics, Inc.
Technical support +1.678.684.2000
E-mail: tech_sup@Murata.com
Page 10 of 80
DNT90 Integration Guide - 08/09/12
S y s t e m / N e t w o r k
M e s s a
g e s t o
C o n t r o l N e t
w o r k C h i l d r e n
M e s
s a g e
s
f r o m
C h i l d
O
A
O
2.4 RF Channel Access
Figure 2.3.1
The time a DNT90E network stays on each frequency in its hopping pattern is called the hop duration or
dwell time, which can be configured from 8 to 100 ms. Radio communication during each dwell is orga-
nized as a time division multiple access (TDMA) frame. A DNT90E frame begins with a base-mode
beacon, followed by 1 to 8 time slots used by the network children to transmit to their parent, as shown in
Figure
2.4.1. A base-mode beacon can include up to 8 messages addressed to one or more child radios. The
number of slots is chosen accommodate the number of children that need to send messages each hop.
E x a m p l e D N T 9 0 C o m m u n i c a t i o n F
r a m e
B a s e -
M o d e
p
e
n
s s i g n e d
p e n
B e a c
o n
S
l o
t
S l o
t
S l
o t
Figure 2.4.1
Each beacon includes the status of all slots - either registered (assigned) or open. When a child radio has
information to transmit to its parent, it randomly selects one of the open slots and transmits all or the first
part of its data. If the parent successfully receives the transmission, it includes the child’s MAC address in
the next beacon. This signals the child radio that the slot is temporarily registered to it, allowing the child
to efficiently stream any remaining data to the base hop-by-hop until it is all sent.
If a child radio does not see its address in the next beacon following its transmission, it again randomly
selects an open slot and retransmits its data. During times when there are no open slots, a child radio

www.MURATA.com
© 2010-2012 by RF Monolithics, Inc.
Technical support +1.678.684.2000
E-mail: tech_sup@Murata.com
Page 11 of 80
DNT90 Integration Guide - 08/09/12
keeps its data queued and continues to look for an open slot in each beacon until at least one slot be-
comes available. The access method the DNT90E uses is referred to as Ad Hoc TDMA.
2.5 DNT90E Addressing
Each DNT90E has a unique MAC address. The MAC address can be read or bar-code scanned from
the label on top of each radio. A DNT90E radio in any mode (base/router/remote) can be addressed
using its MAC address. A DNT90E base can be addressed using either its MAC address or address
0x000000. A DNT90E can send a message to all other DNT90E’s in its system by using the broadcast
address 0xFFFFFF.
The base and all routers (parents) hold base-mode network IDs, which are transmitted in every beacon.
All routers and remotes hold parent network IDs and optionally alternate parent network IDs to compare
against the base-mode network IDs in the beacons they receive. A child router or remote is allowed to
join a parent if its parent network ID or alternate parent network ID matches the parent’s base-mode net-
work ID, or with any parent when its parent network ID is set to 0xFF (wildcard).
In a point-to-point or point-to-multipoint system, the default base-mode network ID of 0xFF (wildcard) can
be used. In a store-and-forward system, however, the base-mode network IDs of all routers must be set
to different values between 0x00 to 0x3F. If the base-mode network ID of 0x00 is assigned to a router, the
base must be assigned an unused base-mode network ID between 0x01 and 0x3F. Leaving all parent
network IDs in a store-and-forward system set to the default value of 0xFF allows networks to automati-
cally form, and self-repair if a parent router fails. Enabling the alternate parent network ID also provides
self-repairing message routing.
All DNT90E radios hold a system ID that can be used to distinguish systems that physically overlap. In a
DNT90E system, the system ID must be different from those used by overlapping systems to provide
mes- sage filtering. Also, using different base-mode network IDs for all networks in overlapping systems
helps reduce hopping pattern collisions.
The store-and-forward path between the base and any other radio in a system can be determined by
reading the radio’s ParentMacAddress parameter. If this address is not the base, then reading the
ParentMacAddress parameter of its parent, grandparent, etc., in succession reveals the complete path to
the base. Path determination is useful in optimizing and troubleshooting systems during commissioning
and maintenance.
2.6 Network Linking and Slot Registration
When first turned on, a DNT90E router or remote rapidly scans all frequency channels in its operating
band to acquire synchronization and link to a parent based on a system ID match plus a base-mode
network ID to parent network ID/alternate parent network ID match (or by using a wildcard (0xFF) parent
network ID).
In addition to the slot status and the MAC addresses of child radios holding slot registrations, each base-
mode beacon includes one of a number of cycled control parameters. The cycled parameters are collect-
ed by child radios, allowing them to register with a parent, and to later follow any control parameter
changes. When a router or remote has collected a full set of cycled parameters, it can issue an optional
initial heartbeat message and then optional periodic heartbeat messages which allow an application to
maintain the status of all routers and remotes in its DNT90E system.

www.MURATA.com
© 2010-2012 by RF Monolithics, Inc.
Technical support +1.678.684.2000
E-mail: tech_sup@Murata.com
Page 12 of 80
DNT90 Integration Guide - 08/09/12
When a router/remote has data to send to its parent, it picks an open slot at random and transmits. It then
looks for its MAC address in the next beacon. If its MAC address is present in the beacon, it is temporarily
registered to the slot and continues to use it until all current data is sent, or its MAC address drops off the
beacon.
2.6.1 Fast Linking Techniques
Minimizing linking time is important in certain applications. For example, when the remotes in a system
are battery powered and wake from sleep occasionally to report data. Minimizing linking time increases
the operating battery life of the remotes. The basic techniques to reduce linking time include:
- use no more hop duration (dwell time) than necessary
- use no more slots than necessary for the application
- use no larger base slot size (BSS) than necessary
- transmit only dynamic cycle parameters once system nodes have static parameters
Once a complete set of cycled parameters has been receive by all routers and remotes in a system and
stored in memory, it is not necessary to send all of them again during a re-linking, as long as the system
configuration remains stable.
As discussed in Section 7.4.1, the base station in a DNT90E system can be configured to transmit “fast
beacons” for a period of time when powered up, reset or triggered with the FastBeaconTrig parameter.
Fast beacons are sent using a very short hop dwell time, facilitating fast system linking.
2.7 Transparent and Protocol-formatted Serial Data
A DNT90E remote can directly input and output data bytes and data strings on its serial port. This is re-
ferred to as transparent serial port operation. In a point-to-point system, the base can also be configured
for transparent serial port operation.
In all other cases, serial data must be protocol formatted:
- configuration commands and replies
- I/O event messages
- announcement messages including heartbeats
Protocol-formatted messages are discussed in detail in Section 7. Briefly, protocol-formatted messages
include a start-of-messages character, message length and message type information, the destination
address of the message, and the message payload.
Transparent data is routed using a remote transparent destination address. In a remote, this address de-
faults to the base, 0x000000, and in the base this address defaults to broadcast, 0xFFFFFF. These de-
faults can be overridden with specific radio addresses. For example, it is possible to set up transparent
peer-to-peer routing between two remotes in a point-to-multipoint or store-and-forward system by loading
specific MAC addresses in each radio’s remote transparent destination address.

www.MURATA.com
© 2010-2012 by RF Monolithics, Inc.
Technical support +1.678.684.2000
E-mail: tech_sup@Murata.com
Page 13 of 80
DNT90 Integration Guide - 08/09/12
3.0 DNT90E Application Interfaces
A DNT90E module provides a variety of application interfaces including two serial ports, an SPI port, six
digital I/O ports (logic state), three 12-bit ADC input ports, and two 12-bit DAC output ports. Each of these
interfaces is discussed below.
3.1 Serial Ports
The DNT90E includes two serial ports, one for communication and an optional one for diagnostics. The
communication port is a full-duplex UART interface with hardware flow control on two of the digital I/O
pins an optional feature. One digital I/O pin can also be configured as an RS485 enable function. The se-
rial communication port can be configured with baud rates from 1.2 to 250 kbps, with 9.6 kbps the default
baud rate. The DNT90E communication port transmits/receives 8-bit data with a choice of even, odd or no
parity and 1 or 2 stop bits. The default configuration is no parity and one stop bit. See Section 5.1 for rec-
ommendations on configuring the communication port, and Section 7.4.4 for detailed information on con-
figuration parameters. The diagnostic port is enabled as an alternate function on two digital I/O pins, and
can be configured with baud rates from 1.2 to 250 kbps, with 9.6 kbps the default baud rate. The diagnos-
tic port transmits/receives 8-bit data with no parity and 1 stop bit. See Section 7.4.8 for diagnostic port
configuration details.
3.2 SPI Port
The DNT90E serial peripheral interface (SPI) port can operate either as a master or a slave. The port
includes the four standard SPI connections - MISO, MOSI, SCLK and /SS, plus three signals used to
support SPI slave mode operation - /HOST_RTS, /HOST_CTS and DAV. The serial port and SPI master
mode can run simultaneously. Serial port operation is disabled when the SPI port is configured for slave
mode. Note that all SPI slave mode messages must be protocol formatted.
D N T 9 0 S P I M a s t e r M o d e S i g n a l i n
g
Figure 3.2.1
The DNT90E SPI port can run at three clock rates in master mode - 125, 250 or 500 kbps. There are two
message sources available to a DNT90E SPI master, a protocol-formatted RxData message or a stored
command. The DNT90E master will clock a message from either source into its slave and return the bytes
clocked out as a protocol-formatted TxData message. The DNT90E event timer triggers sending the
stored command to the DNT90E’s slave. The stored command can be up to 16 bytes in length. Figure
P e r i p h
e r a l
D N T 9
0
M O S I
S C L K
/ S S
M
I S
O

www.MURATA.com
© 2010-2012 by RF Monolithics, Inc.
Technical support +1.678.684.2000
E-mail: tech_sup@Murata.com
Page 14 of 80
DNT90 Integration Guide - 08/09/12
3.2.1

www.MURATA.com
© 2010-2012 by RF Monolithics, Inc.
Technical support +1.678.684.2000
E-mail: tech_sup@Murata.com
Page 15 of 80
DNT90 Integration Guide - 08/09/12
shows the required SPI master mode-signal connections, and Figure 3.2.2 shows the SPI master-mode
timing.
D N T 9 0 S P I M a s t e r M o d e O p e r a t i o n
/ S S
S C L K
M O S I
M I S O
Figure 3.2.2
In SPI slave mode, the host can stream data into DNT90E at up to 250 kbps, provided the host suspends
clocking within 10 bytes following a low-to-high transition on /HOST_CTS. The host can clock data into
the DNT90E at up to 4 Mbps for data bursts of up to 50 bytes, provided the interval from the end of one
burst to the start of the next burst is at least 2 ms, and the host suspends clocking on a low-to-high transi-
tion on /HOST_CTS. See Figure 3.2.4
D N T 9 0 S P I S l a v e M o d e S i g n a l i n
g
H o s t
M
I
S
O
D N T
9 0
M
O
S I
S
C
L
K
/ S S
/ H
O
S
T
R
T
S
/ H
O
S
T
C
T
S
D
A V
Figure 3.2.3

www.MURATA.com
© 2010-2012 by RF Monolithics, Inc.
Technical support +1.678.684.2000
E-mail: tech_sup@Murata.com
Page 16 of 80
DNT90 Integration Guide - 08/09/12
D N T 9 0 S P I S l a v e M o d e M e s s a g e L o a d
/ S S
/ H O S T C T S
S C L K
M O S I
Figure 3.2.4
The host should use the following steps to fetch data from a DNT90E SPI slave, as show in Figure 3.2.5:
1. The host sets the /HOST_RTS signal high to allow the DNT90E to signal data available.
2. The DNT90E sets the data available (DAV) high to signal the host it has data.
3. The host set the /SS signal low to enable SPI operation.
4. The host clocks in one dummy byte (ignore the output byte) and then sets /HOST_RTS low.
5. The host begins to clock out the data, which can include several messages.
6. The host continues to clock out data until a 0x00 byte occurs in the byte stream where a 0xFB
start-of-message would be expected.
7. The host has now clocked out all messages and the 0x00 is discarded.
8. The host sets /HOST_RTS and /SS high to allow the DNT90E to signal DAV the next time
it has data.
Note that the DAV signal can go low before the last message is clocked out. It is not a reliable indication
that the last byte of the message(s) has been clocked out. See Section 5.2 for recommendations on con-
figuring the SPI port, and Section 7.4.4 for detailed information on SPI port configuration parameters.
D N T 9 0 S P I S l a v e M o d e R X M e s s a g e R e t r i e v a l
D A V
/ S S
/ H O S T R T S
S C L K
M I S O
Figure 3.2.5
S P I B i t C l o c k
M e s s a g e t o D N
T 9 0
S P I C l o c k
P r o t o c o l F o r m a t t e d R X M e s
s a g e
L e n g t h B y t e
0 x F B S t a r t o f M e s s a g e

www.MURATA.com
© 2010-2012 by RF Monolithics, Inc.
Technical support +1.678.684.2000
E-mail: tech_sup@Murata.com
Page 17 of 80
DNT90 Integration Guide - 08/09/12
3.3 Digital I/O
The DNT90E’s six digital (state) I/O ports are labeled GPIO0 through GPIO5. GPIO5 has an alternate
func- tion of /HOST_ RTS and GPIO4 of /HOST_CTS, providing hardware handshaking for the serial
port and SPI slave mode operation. If serial port hardware handshaking is not required and SPI slave
mode is not enabled, GPIO4 and GPIO5 can be used for other digital I/O functions. When SPI slave
mode is enabled, GPIO5 and GPIO4 must be used for /HOST_RTS and /HOST_CTS respectively, and
GPIO3 must be used to provide the DAV signal (SPI slave mode overrides any other configuration for
these ports). Ex- cept in SPI slave mode, GPIO0 through GPIO5 are available for customer-defined
functions:
- The direction of each GPIO pin can be set for both active and sleep modes.
- The initial state (power on) of all GPIO pins configured as outputs can be set.
- The state of all GPIO pins configured as outputs in sleep mode can be set.
- GPIO triggering of I/O event reporting can be configured.
- GPIO level control of sleep hold-off can be configured.
See Section 5.3 for recommendations on configuring the digital I/O, and Sections 7.4.6 and 7.4.7 for de-
tailed information on GPIO parameters.
3.4 Analog I/O
The DNT90E’s three ADC input channels are labeled ADC0 through ADC2. The ADC can be disabled if
unused to reduce current consumption. The ADC can be operated in either single-ended mode or differ-
ential mode. In single-ended mode, up to three sensor inputs can be measured. The negative sensor in-
puts are connected to ground and the positive sensor inputs are connected to ADC0, ADC1 and ADC2
respectively. Single-ended measurements are unsigned 11-bit values. In differential mode, one or two
sensor inputs can be measured as 12-bit signed values. The first differential measurement is the differ-
ence between the voltage on ADC1 and the voltage on ADC0, and is referred to as the ADC0 differential
measurement. The second differential measurement is the difference between ADC2 and ADC0, and is
referred to as the ADC1 differential measurement. Operating the ADC in differential mode takes ad-
vantage of common mode rejection to provide the best measurement stability. Differential mode also in-
corporates a programmable gain preamplifier function, with gains settings from 1 to 64 available.
There are two options for the ADC full-scale reference:
1. The DNT90E regulated supply voltage divided by 1.6, or about 2.06 V
2. A low impedance voltage source applied to the DNT90E’s ADC_EXT_REF input pin, 2.7 V
maxi- mum. If no connection is made to this pin, a voltage equal to about 2.7 V will be present.
Note that when differential ADC mode is used, the maximum output voltage available from the preamplifi-
er at any gain setting is 2.4 V, so the maximum ADC reading that can be made using a 2.7 V ADC refer-
ence will be about 88.9% of full scale. The ADC channels are read each ADC sample interval, which is
configurable. High and low measurement thresholds can be set for each ADC channel to trigger I/O event
reporting messages.

www.MURATA.com
© 2010-2012 by RF Monolithics, Inc.
Technical support +1.678.684.2000
E-mail: tech_sup@Murata.com
Page 18 of 80
DNT90 Integration Guide - 08/09/12
The DNT90E’s two DAC outputs are labeled DAC0 and DAC1. The DACs can be disabled if unused to
re- duce current consumption. The DAC settings have 12-bit resolution. There are two options for the
DAC full-scale reference:
1. The DNT90E regulated supply voltage, about 3.3 V
2. A low impedance voltage source applied to the DNT90E’s ADC_EXT_REF input pin, 2.7 V
maxi- mum. If no connection is made to this pin, a voltage equal to about 2.7 V will be present.
See Section 5.4 for recommendations on configuring the analog I/O, and Sections 7.4.6 and 7.4.7 for de-
tailed information on analog I/O parameters.
3.5 I/O Event Reporting and I/O Binding
The DNT90E’s I/O event reporting function can generate a protocol-formatted RxEvent message when
triggered by one of the following I/O events:
- A specific state change of GPIO0, GPIO1, GPIO2 or GPIO3.
- Firing of the periodic event report timer.
- A high or low threshold exceeded on a measurement by ADC0, ADC1 or ADC2.
An I/O report message includes:
- The states of GPIO0 through GPIO5.
- The latest measurements made by ADC0 through ADC2.
- A set of flags indicating which event(s) triggered the I/O report.
- The settings of DAC0 and DAC1.
The I/O binding function works in conjunction with I/O event reporting. When I/O binding is enabled on a
DNT90E, data received in an I/O event report it is mapped as follows:
- GPIO2 will output the state of GPIO0 in the last received event report.
- GPIO3 will output the state of GPIO1 in the last received event report.
- DAC0 will output the voltage read by ADC0 in the last received event report.
- DAC1 will output the voltage read by ADC1 in the last received event report.
I/O binding is used to transmit switch positions or analog signals from one location to another. Note that
I/O binding cannot be used in a DNT90E when SPI slave mode is enabled or differential ADC mode is
used. See Section 5.4 for recommendations on configuring I/O event reporting and binding, and Sections
7.4.6 and 7.4.7 for detailed information on I/O reporting and binding parameters.

www.MURATA.com
© 2010-2012 by RF Monolithics, Inc.
Technical support +1.678.684.2000
E-mail: tech_sup@Murata.com
Page 19 of 80
DNT90 Integration Guide - 08/09/12
4.0 DNT90E System Configuration
DNT90E radios feature an extensive set of configuration options that allows them to be adapted to a wide
range of applications. Configuration defaults have been carefully selected to minimize the configuration
effort for most applications, while providing the ability to individually adjust the configuration of each radio
to achieve highly optimized system operation.
4.1 Configuration Parameters
The configuration of a DNT90E is controlled by a set of parameters (registers). Parameters that address a
particular aspect of operation are grouped into a bank. All parameters can be accessed through a mod-
ule’s serial port and over the radio link. Most parameters are read/write. Read-only parameters include
fixed values such a MAC addresses, firmware version numbers and parameters that are dynamically ad-
justed during system operation such as link status. Write-only parameters include security keys and cer-
tain action triggers such as reset. Incorrectly configuring certain parameters can disable a module’s radio
link, but the configuration can always be corrected through the serial port. The organization of the param-
eter register banks and the details of each parameter are covered in Section 7.4 of this guide. Sections
4.2 through 5.7 discuss which parameters apply to various aspects of configuring a DNT90E system, net-
work or application interface.
4.2 Configuring a Basic Point-to-Point System
A basic DNT90E point-to-point system is suitable for many serial data applications. The default
config- uration of a DNT90E is a remote with the serial port configured for transparent operation at 9.6
kbps, 8N1. To configure a basic point-to-point system:
1. Configure one of the modules as a base by setting the DeviceMode parameter in Bank 0 to 0x01.
2. Set the MemorySave parameter in Bank 0xFF to 0xD2, which will save the DeviceMode parame-
ter to EEPROM and reset the module, enabling base operation.
3. All other parameters may be left at their default values.
4.3 Configuring a Basic Point-to-Multipoint Point System
A basic DNT90E point-to-multipoint point systems is suitable for many serial data applications where
multiple remotes are used. The default configuration of a DNT90E is a remote with the serial port con-
figured for transparent operation at 9.6 kbps, 8N1. To configure a basic point-to-multipoint system:
1. Configure one of the modules as a base by setting the DeviceMode parameter in Bank 0 to 0x01.
2. If the host application driving the base will individually communicate each remote, set the Proto-
colMode parameter in Bank 4 of the base to 0x01. This step is not required if messages from the
base to the remotes will always be broadcast and/or the base does not need to know the MAC
address of the remote sending a message.
3. Set the MemorySave parameter in Bank 0xFF to 0xD2, which will save the DeviceMode parame-
ter to EEPROM and reset the module, enabling base operation.
4. All other parameters may be left at their default values.

www.MURATA.com
© 2010-2012 by RF Monolithics, Inc.
Technical support +1.678.684.2000
E-mail: tech_sup@Murata.com
Page 20 of 80
DNT90 Integration Guide - 08/09/12
5. If the host application driving the base will individually communicate each remote, read or scan
the MAC addresses from the label on top of each remote and load the addresses in the host ap-
plication data base.
4.4 Configuring a Customized Point-to-Point or Point-to-Multipoint System
The DNT90E includes many configuration parameters that allow extensive customization of a point-to-
point or point-to-multipoint system. Most applications will require only a few of these parameters be
changed from their default values. But for those applications that need them, MURATA recommends the
following con- figuration sequence. Skip the configuration steps where the default parameter value is
satisfactory.
1. Configure one of the modules as a base by setting the DeviceMode parameter in Bank 0 to 0x01.
2. Set the optional AES security key in all system radios by loading your selected 16-byte string into
the SecurityKey parameter in Bank 0 (the default is 16 bytes of 0x00).
3. Select the frequency band of operation by setting the FrequencyBand parameter in Bank 1 of the
base radio as desired (the default is Band 0).
4. Set the transmitter power level as needed in all radios by setting the TxPower parameter in
Bank 0 (the default is 158 mW).
5. Configure the system ID in all radios by setting the SystemID parameter in Bank 0 (the default is
OK if there is no chance of overlapping systems).
6. Load the parent network ID in all remotes in the ParentNetworkID parameter in Bank 0 as needed
(wildcard default is OK for point-to-point and point-to-multipoint systems).
7. Set the BaseModeNetID parameter in the base to match the ParentNetworkID parameter in the
remotes if the default BaseModeNetID is not used in the base and the wildcard default Parent-
NetworkID is not used in the remotes.
8. For a point-to-multipoint system where DNT90E MAC addressing will be used, set the Proto-
colMode parameter in Bank 4 of the base to 0x01. Set the protocol mode as needed in the base
and remote of a point-to-point system, and as needed in the remotes in a point-to-multipoint sys-
tem. If SPI slave mode will be used, protocol mode must be enabled in all system radios. Note
that if the application data includes addressing information for individual remote hosts, the
DNT90E broadcast mode can be used instead of the DNT90E protocol mode.
9. If using transparent serial mode in the system:
a. Set the remote transparent destination address in the RmtTransDestAddr parameter,
Bank 0, in each remote if the destination is not the base (the base address is the default
destination).
b. Set the transparent point-to-point mode to select either the RmtTransDestAddr address
(default) or the address of the originator of the last received message as the remote des-
tination address. The parameter that controls this destination address is the Trans-
PtToPtMode in Bank 4. Set in all remotes as needed.
c. Set the timeout for transmission of transparent data in the remotes as needed. The pa-
rameter that controls the timeout is the TxTimeout in Bank 4 (the default is no timeout).

www.MURATA.com
© 2010-2012 by RF Monolithics, Inc.
Technical support +1.678.684.2000
E-mail: tech_sup@Murata.com
Page 20 of 80
DNT90 Integration Guide - 08/09/12
d. Set the minimum message length for transmission of transparent data in the remotes as
needed. The parameter that controls the length is the MinPacketLength in Bank 4 (the
default is one byte).
10. Refer to Section 4.6 below which discusses how to coordinate the values of the following four
parameters:
a. Set the maximum number of messages that can be sent in a hop on each system radio.
The parameter that controls this number is MsgsPerHop in Bank 4. The default is 8 mes-
sages.
b. Load the required base slot size into the BaseSlotSize parameter, Bank 1, in the base.
The default is 40 bytes.
c. Configure the number of child slots per hop on the base by setting the NumSlots parame-
ter. The default is 3 slots.
d. Set the required hop duration on the base. The HopDuration parameter in Bank 0 con-
trols hop duration. The default is 20 ms.
11. Configure the slot lease on the base by setting the SlotLease parameter. The default is 4 hops.
12. Set the heartbeat interval as required in each system radio. The parameter that controls heart-
beats is the HeartBeatIntrvl in Bank 0. The default is 20 seconds/heartbeat.
13. Enable end-to-end message ACKs where required by setting the EndToEndAckEnable parameter
in Bank 0 to 1. Enabling this parameter provides a confirmation that a message has reached its
destination in peer-to-peer or store-and-forward routing. The default is disabled.
14. Set the message retry limit on the base with the ArqAttemptLimit parameter in Bank 1. The de-
fault value is 6 retries.
15. Set the link drop threshold on the base by setting the LinkDropThreshold in Bank 1. This parame-
ter sets the number of sequential hops without receiving a beacon that will trigger a child to re-
synchronize and re-link to its parent. The default is 10 hops.
16. Set the point-to-point reply timeout on the base in the P2PReplyTimeout parameter in Bank 1.
The default is 16 hops. See Section 7.4.2 for parameter details.
17. Configure the registration timeout on the base by setting the RegistryTimeout parameter in
Bank 1. The default timeout is 50 hops. See Section 7.4.2 for a discussion of this parameter.
18. Load an optional “friendly description” in each system radio in the UserTag parameter, Bank 0.
4.5 Configuring a Store-and-Forward System
The following additional parameters must be set to configure a DNT90E store-and-forward system:
1. Configure the DNT90E radios designated to be routers by setting the DeviceMode
parameter in Bank 0 to 0x02.
2. Enable store-and-forward operation on all system radios by setting the Store&ForwardEn
parameter in Bank 0 to 0x01.

www.MURATA.com
© 2010-2012 by RF Monolithics, Inc.
Technical support +1.678.684.2000
E-mail: tech_sup@Murata.com
Page 21 of 80
DNT90 Integration Guide - 08/09/12
3. In each router, load a unique base-mode network ID into the BaseModeNetID parameter in Bank
0, and into the base if a router is set to 0x00.
4. To configure a specific system topology, set the parent network ID parameter, ParentNwkID, and
optionally the alternate parent network ID parameter, AltParentNwkID, in all routers and remotes.
Note that a store-and-forward system topology can be formed either automatically or
manually, based on the settings of the ParentNetworkID and optionally the AltParentNwkID
parameters:
- Setting the ParentNwkID parameter to 0xFF in all routers and remotes allows each
router and remote to automatically link to a parent, causing the system to form
automatically (child routers picking each other as a parent cannot occur). In this case, the
AltParent-NwkID parameter should be set to 0xFF, which disables it.
- Setting the ParentNwkID and optionally the AltParentNwkID parameters to specific val-
ues in each router and remote allows full manual control of the network topology.
The benefit of automatic system formation is self-healing. If a parent router fails, its child nodes
can re-link to any other parent router they can receive. However, automatic topology formation
can result in an unnecessary number of hops between routers or remotes and the base.
The benefit of manual system topology formation is to avoid unnecessary extra hops in the sys-
tem, and to balance the number of children supported by each parent router. If a parent router
fails and an active alternate parent network ID has not been assigned, all children downstream
from the failure will be off the system until the failed router is repaired or replaced.
4.6 Slot Buffer Sizes, Number of Slots, Messages per Hop and Hop Duration
The base slot size (BSS) sets the maximum number of payload bytes the base can transmit during a sin-
gle hop when the base is sending one message per hop. The maximum BSS is 105 bytes when a
DNT90E system is configured for one slot. Adding additional slots reduces the maximum BSS by three
bytes per slot.The BSS buffer is set nine bytes larger than the BSS, to a maximum of 114 bytes.The
base can po- tentially send more than one message per beacon, up to the limit set by its MsgsPerHop
parameter value. Each message in the BSS buffer occupies nine header bytes plus the payload.
For example, the base can send three messages per hop when the BSS is 90 bytes, provided the total
payload bytes in the three messages is 72 bytes or less:
slot size = 90
buffer
= 90 + 9 = 99
3 headers = 3*9 = 27
net for payload = 99 - 27 = 72
The BSS must be large enough to accommodate any protocol-formatted message that may be sent over
the wireless link, as each protocol-formatted message must be sent in a single transmission.
The remote slot size (RSS) is the maximum number of payload bytes a child can transmit during a single
hop when it is sending one message per hop. The RSS is the same for all slots. The maximum RSS is
109 bytes. The RSS buffer is set nine bytes larger than the RSS, to a maximum of 118 bytes.A child can
potentially send more than one message in a slot, up to the limit set by its MsgsPerHop parameter value.
Each message in the transmit buffer occupies nine header bytes plus the payload. For example, a child

www.MURATA.com
© 2010-2012 by RF Monolithics, Inc.
Technical support +1.678.684.2000
E-mail: tech_sup@Murata.com
Page 22 of 80
DNT90 Integration Guide - 08/09/12
can send two messages per hop when the RSS is 73 bytes, provided the total payload in the two mes-
sages is 64 bytes or less:
slot size = 73
buffer
= 73 + 9 = 82
2 headers = 2*9 = 18
net for payload = 82 - 18 = 64
Note that the RSS is calculated by all DNT90Es in a system, rather than being a user configured parame-
ter. The slot size depends on the current values of the following parameters:
- base slot size
- hop duration
- number of slots in a frame
The system must be configured such that the RSS is big enough to hold the longest protocol message a
remote will send. This is done by setting the appropriate hop duration for the chosen BSS and number of
slots. The required hop duration for a specific number of slots, base slot size and remote slot size is cal-
culated as follows:
HD hop duration in µs
NS number of slots
BSS base slot size in bytes
RSS remote slot size in bytes
HD = NS*(80*RSS + 2440) + 80*BSS + 3280 (round HD up to an even multiple of 500 µs)
Example:
NS = 4
BSS = 96
RSS = 109
HD = 4*(80*109 + 2440) + 80*96 + 3280
HD = 44640 + 7680 + 3280
HD = 55600 round to 56000 µs = 56 ms
ExcelFormatted Equations (load the Excel analysis ToolPak add-in for the QUOTIENT function):
A
B
C
D
E
1
Slots
BSS
RSS
Hop Duration in µs
Hop Duration in ms, Rounded
2
Up to the next 0.5 ms Step
3
1
20
20
=A3*(80*C3+2440) + 80*B3 + 3280
=0.5*QUOTIENT((D3+499),500)
For transparent serial port operation without using hardware flow control, the BSS and RSS must be large
enough to accommodate all message bytes that can accumulate between transmissions. The required
BSS and RSS for protocol-formatted messages sent over the wireless link are shown in Table 7.3.1. For
example, the BSS and RSS size required for a TxData protocol-formatted message is three bytes less
than the value in the length byte field of the formatted message.
The default BSS is 40 bytes, number of slots is 3 and hop duration is 20 ms. These parameter settings
provide a 25 byte RSS. These default settings are suitable for point-to-point and small to medium point-
to-multipoint systems operating with protocol-formatted and/or transparent messages. To accommodate

www.MURATA.com
© 2010-2012 by RF Monolithics, Inc.
Technical support +1.678.684.2000
E-mail: tech_sup@Murata.com
Page 23 of 80
DNT90 Integration Guide - 08/09/12
all configuration commands, replies, event messages and announce messages, a 20 byte minimum slot
size is required.
The NumSlots and the MsgsPerHop parameters both affect the number of messages that can be sent on
each hop. The distinction between these parameters is as follows:
- The NumSlots parameter controls the maximum number of individual children that can send
messages to a parent on each hop.
- The MsgsPerHop parameter controls the maximum number of messages a parent or child can
send on each hop.
The NumSlots parameter is configurable only for the base. The base then communicates the NumSlots
value to all other radios in its system. The NumSlots parameter can be set to one for a point-to-point sys-
tem, as there is only one child radio. The NumSlots parameter can be set to allow up to eight children to
send messages to their parent during a hop. As discussed above, the hop duration must be increased as
the number of slots are increased to achieve a specific RSS. The default NumSlots parameter value of
three is suitable for many applications.
De facto TDMA operation (guaranteed bandwidth) can be implemented for up to 8 remotes by setting the
SlotLease parameter to a value greater than any gaps in data being sent to a remote by its local host.
This will insure that the base keeps each remote’s slot reserved for it even when there is a gap in the da-
ta.
The MsgsPerHop parameter is configurable for each DNT90E in a system. This parameter is usually set
to a high value in the base and the routers, allowing traffic between a parent and multiple children on
each hop. The MsgsPerHop parameter has little effect in remotes except when a remote needs to send
multi- ple peer-to-peer messages during a hop. To support sending multiple messages on each hop, the
BSS and RSS must be sized accordingly, requiring a longer hop duration. Note that the messages must
be protocol messages and all messages to be sent on a single hop must be in the module before the
module begins to transmit.
5.0 DNT90E Application Interface Configuration
DNT90E modules include a comprehensive set of application interfaces and related options that support
a wide range of applications including wireless RS232/485 cable replacements, wireless sensor
networks, wireless alarm systems and industrial remote control applications. Recommended
configuration steps for each application interface are discussed in Sections 5.1 through 5.7 below.
5.1 Configuring the Serial Port
The default serial port configuration is 9.6 kbps, 8-bit data, no parity and 1 stop bit.
1. Configure the serial data rate as required from 1.2 to 250 kbps by setting the SerialRate
parameter in Bank 3.
2. Configure the parity and number of stop bits by setting the SerialParams parameter in Bank 3.
3. Enable/disable serial port hardware flow control as required by setting the GpioAlt parameter in
Bank 6. Hardware flow control is disabled by default, but is recommended when operating at
higher baud rates and/or sending large blocks of data.

www.MURATA.com
© 2010-2012 by RF Monolithics, Inc.
Technical support +1.678.684.2000
E-mail: tech_sup@Murata.com
Page 24 of 80
DNT90 Integration Guide - 08/09/12
5.2 Configuring the SPI Port
1. Enable either SPI master mode or SPI slave mode by setting the SpiMode parameter in Bank 3.
The serial port remains operational in SPI master mode but is disabled in SPI slave mode.
2. If using SPI master mode:
a. Select the SPI clock rate by setting the SpiRateSel parameter in Bank 3 (default
is 125 kbps)
b. Set the SPI master command string and string length by setting the SpiMasterCmdStr
and SpiMasterCmdLen parameters respectively in Bank 3.
3. Configure the edge trigger direction, bit-sampling edge and bit-order options by setting the
SpiOptions parameter in Bank 3.
5.3 Configuring Digital I/O
1. GPIO2 through GPIO 5 have configurable alternate functions as discussed in Section 7.4.7. Se-
lect either digital (state) functionality or alternate functionality for each of these pins by setting the
GpioAlt parameter in Bank 6. Note that selecting SPI slave mode overrides the GpioAlt parameter
setting for GPIO3 though GPIO5.
2. Configure the direction of each GPIO pin as needed by setting the GpioDir parameter in Bank 6
(the default is all inputs).
3. Configure the direction of each GPIO pin for sleep mode as needed by setting the GpioSleepDir
parameter in Bank 6 (the default is all inputs).
4. Set the initial state (power on) of all GPIO pins configured as outputs by setting the GpioInit pa-
rameter in Bank 6 (the default is all logic low).
5. Set the state of all GPIO pins configured as outputs in sleep mode by setting the GpioSleepState
parameter in Bank 6 (the default is all logic low).
6. GPIO0 through GPIO3 can trigger I/O event reporting when functioning as digital inputs. Enable
event report triggering and optional sleep hold-off for these pins by setting the GpioEdgeTrigger
parameter in Bank 6.
5.4 Configuring Analog I/O
1. Select the ADC full-scale reference by setting the AdcReference parameter in Bank 6. This set-
ting applies to all ADC channels. The default is the ADC_EXT_REF input. If ADC operation is not
needed, setting this parameter to 0x03 disables ADC operation, reducing current consumption.
2. Select the ADC mode, either single-ended or differential by setting the AdcDiffMode parameter in
Bank 6. The default is single-ended ADC operation.
3. If differential ADC mode is selected, set the desired ADC preamplifier gain for each ADC channel
with the AdcGainCh0 and AdcGainCh1 parameters in Bank 6. The default gain is 1. Note that the
full scale output voltage from the preamplifier is 2.4 V.

www.MURATA.com
© 2010-2012 by RF Monolithics, Inc.
Technical support +1.678.684.2000
E-mail: tech_sup@Murata.com
Page 25 of 80
DNT90 Integration Guide - 08/09/12
4. Reconfigure the ADC measurement interval as needed by setting the AdcSampleIntvl parameter.
The default is 100 ms, and applies to all ADC channels.
5. Set the AdcAveSelect parameter to the number of ADC readings to be averaged to produce a
measurement. The larger the AdcAveSelect parameter is set, the greater the noise filtering effect,
but the longer it takes to produce a measurement. Setting this parameter to 8 or more when the
ADC is operating in single-ended mode is especially helpful in stabilizing ADC measurements.
6. Measurements on each ADC input can be compared to high/low threshold values, triggering an
I/O event report if the measurements go above/below the respective thresholds. The thresholds
for each ADC channel are set by loading the AdcXThresholdLo and AdcXThresholdHi, where X
refers to the ADC channel designator, 0 through 2. When the ADC is operating in differential
mode, the ADC1 to ADC0 differential measurement is compared to the “0” high and low thresh-
olds, and the ADC2 to ADC0 differential measurements is compared to the “1” high and low
thresholds. In this case the “2” threshold values are not used.
7. Set the IoPreDelay parameter as needed in Bank 6 to allow signals to stabilize following a mod-
ule wakeup event.
8. Set the AdcSkipCount parameter in Bank 6 as needed to allow internal transients in the ADC
sample-and-hold circuit to settle out. This parameter must be set to at least 3 when AdcDiffMode
is selected. Note that the IoPreDelay parameter discussed above provides a delay to allow sig-
nals external to the DNT90E to settle following an event, while AdcSkipCount skips
measurements that may be distorted because the internal voltage on the ADC sample-and-hold
has not settled.
9. Select the DAC full scale reference by setting DacReference in Bank 6. This setting applies to
both DAC channels. The default is the ADC_EXT_REF input. If DAC operation is not needed, set-
ting this parameter to 0x03 will disable DAC operation, reducing current consumption.
10. Configure the initial (power on) output level for DAC0 and DAC1 by loading the initial settings in
the Dac0Init and Dac1Init parameters respectively.
The ADC and DAC channels are factory calibrated. It may be desirable to fine tune these calibrations
after the DNT90E has been integrated with the customer’s hardware in some applications. For analog
calibration support, contact MURATA technical support.
5.5 Configuring I/O Event Reporting and I/O Binding
1. Select the analog, digital and timing events that will trigger an I/O event report by setting the
respective bits in the IoReportTrigger parameter in Bank 6. The default is no triggers set.
2. Configure the trigger behavior bits in the GpioEdgeTrigger parameter, Bank 6, for each GPIO
input selected to generate an I/O event report.
3. For each ADC channel selected to generate an I/O event, set the high and low measurement
threshold values. The AdcThreshold parameters are in Bank 6. When the ADC is operating in dif-
ferential mode, the ADC1 to ADC0 differential measurement is compared to the “0” high and low
thresholds, and the ADC2 to ADC0 differential measurements is compared to the “1” high and low
thresholds. In this case the “2” threshold values are not used.
4. If the periodic timer has been selected to generate an event report, load the required timer report
interval into the IoReportInterval parameter in Bank 6. The default timer interval is 30 seconds.

www.MURATA.com
© 2010-2012 by RF Monolithics, Inc.
Technical support +1.678.684.2000
E-mail: tech_sup@Murata.com
Page 26 of 80
DNT90 Integration Guide - 08/09/12
5. Set the MaxQueuedEvents parameter in Bank 6 as needed to limit the number of Event Reports
that can be queued at one time by a DNT90E. This parameter is used to prevent a router device
from clogging up its outbound queue with its own pending transmissions if it has having trouble
obtaining link or an available slot from its parent.
6. If I/O binding operation is desired, set the IoBindingEnable parameter in Bank 6 to 0x01.
I/O binding is disabled by default, and cannot be used when the ADC is operating in
differential mode.
5.6 Configuring Sleep Mode
Sleep mode can be used in conjunction with I/O reporting to greatly extend battery life on DNT90E
re- motes. At least one I/O report trigger must be enabled to allow sleep mode to be used. Note that
the base and routers cannot be configured for sleep mode.
1. Enable sleep mode as desired in each remote by setting the SleepModeEn parameter in Bank 0 to 1.
2. Configure the timeout for a remote to attempt to link to its parent when triggered awake. This is done
by setting the WakeLinkTimeout parameter in Bank 0. The default timeout is 5 seconds.
3. Configure the maximum time a remote in sleep mode will remain awake following linking, receiving an
ACK, processing a message addressed to it, or receiving a serial or SPI message by setting the
Wake-ResponseTime parameter. The default response time is 500 ms. Note that the setting of this
parameter is overridden by some GpioEdgeTrigger parameter settings.

www.MURATA.com
© 2010-2012 by RF Monolithics, Inc.
Technical support +1.678.684.2000
E-mail: tech_sup@Murata.com
Page 27 of 80
DNT90 Integration Guide - 08/09/12
6.0 DNT90E Hardware
D N T 9 0E B l o c k D i a g r a m
G N D 1
A C T ( D I A G T X ) 2
/ D C D ( D I A G
R X ) 3
G P I O 0 4
R A D I O T X D
5
R A D I O R X D
6
G P I O 4 ( / H O
S T C T S ) 7
G P I O 5 ( / H O
S T R T S ) 8
D A C 0 9
M i c r o c
o n t r o l l e
r
I R Q 0
I R Q 1
/ D C L
K D A T
A
P L L
L O C
K S C K
S D I
S D O
T R
C 1 0
3
S A W
F i l t
e r a
n d
P o w e r A m p
G P I O 2 1 0
G P I O 1 1 1
G P I O 3 ( D A V
)1 2
D A C 1 1 3
V C C 1 4
G N D 1 5
n S S D A T A
n S S C O N F I G
+ 3 . 3 V R e g
1 6 1 7 1 8 1 9 2 0 2 1
2 2 2 3 2 4 2 5 2
6 2 7 2 8 2 9 3 0
Figure 6.0.1
The major components of the DNT90E include an MURATA TRC103 900 MHz FHSS transceiver and a
low cur- rent 8-bit microcontroller. The DNT90E operates in the 902 to 928 MHz ISM band. There are four
se- lectable hopping patterns providing compatibility with frequency allocations in North America, South
America and Australia. The DNT90E also has two selectable RF output power levels: +16 dBm (40 mW)
and +25 dBm (316 mW).
The DNT90E receiver is protected by a low-loss SAW filter, providing an excellent blend of receiver
sensi- tivity and out-of-band interference rejection that is especially important in outdoor applications.
The DNT90E provides a variety of hardware interfaces. There are two serial ports plus one SPI port. Either
the primary serial port or the SPI port can be selected for data communications. The second serial port is
dedicated to diagnostics. The primary and diagnostic serial ports support most standard baud rates up to
250 kbps. The SPI port supports data rates up to 500 kbps. Also included are three ADC inputs, two DAC
outputs and six general-purpose digital I/O ports. Four of the digital I/O ports support an optional interrupt-
from-sleep mode when configured as inputs. The radio is available in two mounting configurations. The
DNT90EC is designed for solder reflow mounting. The DNT90EP is designed for plug-in connector mount-
ing.
G
N
R
S
V
G
N
R
S
V
R
S
V
A D C E
X T R E
3 . 3 V
O U
S
C
L
/
S
M
O
S
M
I S
A
D
C
A
D
C
/ R
E S
E
G
N

www.MURATA.com
© 2010-2012 by RF Monolithics, Inc.
Technical support +1.678.684.2000
E-mail: tech_sup@Murata.com
Page 28 of 80
DNT90 Integration Guide - 08/09/12
6.1 Specifications
Absolute Maximum Rating
Value
Units
Power Supply Input
-0.5 to +6.5
V
All Input/Output Pins
-0.5 to +3.3
V
Input Power to RFIO Port
0
dBm
Non-operating Ambient Temperature Range
-40 to +85
oC
Table 6.1.1
Operating Characteristic
Sym
Minimum
Typical
Maximum
Units
Operating Frequency Range
902.76
927.24
MHz
Hop Duration
8
100
ms
Number of RF Channels
25, 26 or 52
Modulation
FSK
RF Data Transmission Rate
100
kbps
Receiver Sensitivity, 10-5 BER
-100
dBm
Transmitter RF Output Power
40 or 158
mW
Optimum Antenna Impedance
50
Ω
RF Connection
U.FL Connector
Network Topologies
Point-to-Point, Point-to-Multipoint,
Peer-to-Peer and Store-and-Forward
Access Scheme
Ad Hoc TDMA
ADC Input Range
0
2.7
V
ADC Input Resolution
12
bits
ADC Sample Rate
100
Hz
Signal Source Impedance for ADC Reading
10
KΩ
ADC External Reference Voltage Range
1.0
2.7
V
DAC Output Range
0
3.3
V
DAC Output Resolution
12
bits
Primary and Diagnostic Serial Port Baud Rates
1.2, 2.4, 4.8, 9.6, 19.2, 14.4 28.8, 38.4,
57.6, 115.2, 230.4, 250
kbps
Master Serial Peripheral Interface Data Rate
125
250
500
kbps
Slave Serial Peripheral Interface Data Rate
4000
kbps
Digital I/O:
Logic Low Input Level
Logic High Input Level
Logic Input Internal Pull-up Resistor
-0.5
0.8
V
2.45
3.3
V
20
KΩ
Power Supply Voltage Range
VCC
+3.3
+5.5
Vdc
Power Supply Voltage Ripple
10
mVP-P
Peak Transmit Mode Current, 158 mW Output
170
mA
Average Operating Current, 158 mW TX Output:
Base, Continuous Data Stream
Remote, Linked, No Data
Remote, Continuous Data Stream
110
mA
15
mA
25
mA
Sleep Current
3
6
µA
Operating Temperature Range
-40
85
oC
Operating Relative Humidity Range (non condensing)
10
90
%
Table 6.1.2

www.MURATA.com
© 2010-2012 by RF Monolithics, Inc.
Technical support +1.678.684.2000
E-mail: tech_sup@Murata.com
Page 29 of 80
DNT90 Integration Guide - 08/09/12
6.2 Module Pin Out
Electrical connections to the DNT90EC are made through the I/O pads and through the I/O pins on the
DNT90EP. The hardware I/O functions are detailed in the table below:
Pin
Name
I/O
Description
1
GND
-
Power supply and signal ground. Connect to the host circuit board ground.
2
ACT
(DIAG_TX)
O
(O)
This pin’s default configuration is data activity output. On a base, this signal blinks when a valid
packet is received. On a remote, this signal blinks when a packet is transmitted. On a router, this
signal blinks when a valid upstream packet is received or a downstream packet is transmitted.
Alternate pin function is the diagnostic serial port output.
3
/DCD
(DIAG_RX)
O
(I)
This pin’s default configuration is a data carrier detect output. On a base, this signal is asserted
when any valid packet is received, and is cleared if no packets are heard for the configured rout-
er/remote registration time-out interval. On a router or remote, this signal is asserted when the
radio obtains hopping pattern synchronization, and remains asserted until no beacons are heard
for 50 hops. Alternate pin function is the diagnostic serial port input.
4
GPIO0
I/O
Configurable digital I/O port 0. When configured as an input, an internal pull-up resistor can be
selected and direct interrupt from sleep can be invoked. When configured as an output, the power-
on state is configurable. In sleep mode the pin direction, input pull-up selection or output state are
also separately configurable.
5
RADIO_TXD
O
Serial data output from the radio.
6
RADIO_RXD
I
Serial data input to the radio.
7
GPOI4
(/HOST_CTS)
I/O
(O)
GPIO4 with the same configuration options as GPIO2. Alternate pin function is UART/SPI flow
control output. The module sets this line low when it is ready to accept data from the host on the
RADIO_RXD or MOSI input. When the line goes high, the host must stop sending data.
8
GPIO5
(/HOST_RTS)
I/O
(I)
GPIO5 with the same configuration options as GPIO2. Alternate pin function is UART/SPI flow
control input. The host sets this line low to allow data to flow from the module on the RADIO_TXD
pin. When the host sets this line high, the module will stop sending data to the host.
9
DAC0
O
12-bit DAC 0 output. Full scale can be referenced to the voltage at pin 25, or the 3.3 V regulated
module bus voltage.
10
GPIO2
I/O
Configurable digital I/O port 2. Same configuration options as GPIO0.
11
GPIO1
I/O
Configurable digital I/O port 1. Same configuration options as GPIO0.
12
GPIO3
(DAV)
I/O
(O)
Default pin function is GPIO3 with the same configuration options as GPIO0. When SPI slave
mode operation is enabled, a logic high on this pin indicates when data is available to be clocked
out by the SPI master.
13
DAC1
O
12-bit DAC 1 output. Same specifications and configuration options as DAC0.
14
VCC
I
Power supply input, +3.3 to +5.5 Vdc.
15
GND
-
Power supply and signal ground. Connect to the host circuit board ground.
16
GND
-
Power supply and signal ground. Connect to the host circuit board ground.
17
/RESET
I
Active low module hardware reset.
18
ADC0
I
ADC input 0. This pin is a direct ADC input when the ADC is operating in single-ended mode, or the
differential negative input for positive inputs applied to ADC1 or ADC2 when the ADC is operat- ing
in differential mode. Full-scale reading can be referenced to Pin 25 for ratiometric measure- ments.
For absolute measurements, the ADC can use the regulated supply voltage divided by 1.6 (about
2.06 V), or an external voltage applied to Pin 25. In single-ended mode, ADC measure- ments
are 11-bit unsigned values with full scale nominally 2.7 V when referenced to a 2.7 V input on
Pin 27. In differential mode, ADC measurements are 12-bit signed values.
19
ADC1
I
ADC input 1. Direct input when the ADC is operating in single-ended mode, positive differential
input relative to ADC0 when the ADC is operating in differential mode.
20
MISO
I/O
This pin is the SPI master mode input or slave mode output.
21
MOSI
I/O
This pin is the SPI master mode output or slave mode input.
22
/SS
I/O
SPI active low slave select. This pin is an output when the module is operating as a master, and an
input when it is operating as a slave.
23
SCLK
I/O
SPI clock signal. This pin is an output when operating as a master, and an input when operating as
a slave.

www.RFM.com
© 2010-2012 by RF Monolithics, Inc.
Technical support +1.678.684.2000
E-mail: tech_sup@rfm.com
Page 30 of 80
DNT90 Integration Guide - 08/09/12
Pin
Name
I/O
Description (continued)
24
ADC2
I
ADC input 2. Direct input when the ADC is operating in single-ended mode, positive differential
input relative to ADC0 when the ADC is operating in differential mode.
25
ADC_EXT_
REF
I/O
ADC external reference voltage pin. The voltage at this pin can be used by the ADCs as a refer-
ence for ratiometric measurements. With no external voltage or load applied, this pin presents a
nominal 2.7 V output through a 2.126 K source resistance. A low impedance external reference
voltage in the range of 1.0 to 2.7 V may be applied to this pin as an option.
26
RSVD
-
Reserved pin. Leave unconnected.
27
RSVD
-
Reserved pin. Leave unconnected.
28
GND
-
Connect to the host circuit board ground plane.
29
RSVD
-
Reserved pin. Leave unconnected.
30
GND
-
Connect to the host circuit board ground plane.
6.3 Antenna Connector
Table 6.2.1
A U.FL miniature coaxial connector is provided on both DNT90E configurations for connection to the
RFIO port. A short U.FL coaxial cable can be used to connect the RFIO port directly to an antenna. In
this case the antenna should be mounted firmly to avoid stressing the U.FL coaxial cable due to antenna
mounting flexure. Alternately, a U.FL coaxial jumper cable can be used to connect the DNT90E module
to a U.FL connector on the host circuit board. The connection between the host circuit board U.FL
connector and the antenna or antenna connector on the host circuit board should be implemented as a
50 ohm
C i r c u i t B o a r d S t r i p l i n e T r a c e D e t a i l
F o r 5 0 o h m i m p e d a n c e W = 1 . 7 5 * H
Figure 6.3.1
Trace Separation from
50 ohm Microstrip
Length of Trace Run
Parallel to Microstrip
100 mil
125 mill
150 mil
200 mil
200 mil
290 mil
250 mil
450 mil
300 mil
650 mil
Table 6.3.2
stripline. Referring to Figure 6.3.1, the width of this stripline depends on the thickness of the circuit board
between the stripline and the groundplane. For FR-4 type circuit board materials (dielectric constant of
4.7), the width of the stripline is equal to 1.75 times the thickness of the circuit board. Note that other cir-
C o p
p e r
S t r i
p l i n
e T r a
c e
C o
p p e
r
G r o
u n d
P l a
n e
F R - 4
P C B
M a t
e r i a
l

www.RFM.com
© 2010-2012 by RF Monolithics, Inc.
Technical support +1.678.684.2000
E-mail: tech_sup@rfm.com
Page 31 of 80
DNT90 Integration Guide - 08/09/12
D N T
5 0 0
cuit board traces should be spaced away from the stripline to prevent signal coupling, as shown in Table
6.3.2. The stripline trace should be kept short to minimize its insertion loss.
6.4 Power Supply and Input Voltages
DNT90E radio modules can operate from an unregulated DC input (Pad 19) in the range of 3.3 to 5.5 V
with a maximum ripple of 5% over the temperature range of -40 to 85 °C. Applying AC, reverse DC, or a
DC voltage outside the range given above can cause damage and/or create a fire and safety hazard. Fur-
ther, care must be taken so logic inputs applied to the radio stay within the voltage range of 0 to 3.3 V.
Signals applied to the analog inputs must be in the range of 0 to ADC_EXT_REF (Pad/Pin 25). Applying a
voltage to a logic or analog input outside of its operating range can damage the DNT90E module.
6.5 ESD and Transient Protection
The DNT90EC and DNT90EP circuit boards are electrostatic discharge (ESD) sensitive. ESD precautions
must be observed when handling and installing these components. Installations must be protected from
electrical transients on the power supply and I/O lines. This is especially important in outdoor installations,
and/or where connections are made to sensors with long leads. Inadequate transient protection can result
in damage and/or create a fire and safety hazard.
6.6 Interfacing to 5 V Logic Systems
All logic signals including the serial ports on the DNT90E are 3.3 V signals. To interface to 5 V signals,
the resistor divider network shown in Figure 3.7.1 below must be placed between the 5 V signal outputs
and the DNT90E signal inputs. The output voltage swing of the DNT90E 3.3 V signals is sufficient to
drive 5 V logic inputs.
5 V
L o g i c
6.7 Mounting and Enclosures
Figure 6.6.1
DNT90EC radio modules are mounted by reflow soldering them to a host circuit board. DNT90EP
modules are mounted by plugging their pins into a set of mating connectors on the host circuit board.
Refer to Sec- tion 8.3 and/or the DNT90E Data Sheet for DNT90EP connector details.
DNT90E enclosures must be made of plastics or other materials with low RF attenuation to avoid compro-
mising antenna performance where antennas are internal to the enclosure. Metal enclosures are not suit-
able for use with internal antennas as they will block antenna radiation and reception. Outdoor enclosures
must be water tight, such as a NEMA 4X enclosure.
DNT90
2 .
2
K
4 .
3
K

www.RFM.com
© 2010-2012 by RF Monolithics, Inc.
Technical support +1.678.684.2000
E-mail: tech_sup@rfm.com
Page 32 of 80
DNT90 Integration Guide - 08/09/12
6.8 Labeling and Notices
DNT90E FCC Certification - The DNT90E hardware has been certified for operation under FCC Part 15
Rules, Section 15.247. The antenna(s) used for this transmitter must be installed to provide a separation
distance of at least 21 cm from all persons and must not be co-located or operating in conjunction with
any other antenna or transmitter.
DNT90E FCC Notices and Labels - This device complies with Part 15 of the FCC rules. Operation is sub-
ject to the following two conditions: (1) this device may not cause harmful interference, and (2) this device
must accept any interference received, including interference that may cause undesired operation.
A clearly visible label is required on the outside of the user’s (OEM) enclosure stating the following text:
Contains FCC ID: HSW-DNT90E
Contains IC: 4492A-DNT90E
MURATA (Insert Model Designation DNT90EC or DNT90EP depending on the model used)
This device complies with Part 15 of the FCC Rules. Operation is subject to the following two conditions:
(1) This device may not cause harmful interference, and (2) this device must accept any interference
received, including interference that may cause undesired operation.
WARNING: This device operates under Part 15 of the FCC rules. Any modification to this device, not
expressly authorized by MURATA, Inc., may void the user’s authority to operate this device.
This apparatus complies with Health Canada’s Safety Code 6 /ISED RSS 247.
ISED RSS-247 Notice - Operation is subject to the following two conditions: (1) this device may not
cause interference, and (2) this device must accept any interference, including interference that may
cause un- desired operation of the device.
ICES-003
This digital apparatus does not exceed the Class B limits for radio noise emissions from digital apparatus
as set out in the radio interference regulations of ISED Canada.
Le present appareil numerique n’emet pas de bruits radioelectriques depassant les limites applicables
aux appareils numeriques de Classe B prescrites dans le reglement sur le brouillage radioelectrique
edicte par ISED Canada.

www.RFM.com
© 2010-2012 by RF Monolithics, Inc.
Technical support +1.678.684.2000
E-mail: tech_sup@rfm.com
Page 33 of 80
DNT90 Integration Guide - 08/09/12
7.0 DNT90E Protocol-formatted Messages
7.1 Protocol Formats
DNT90E modules can work in one of two serial data modes - transparent or protocol. Transparent mode
requires no data formatting, but is limited to sending data to either a single destination or broadcasting
data to all destinations. A node that needs to send messages to individual destinations must use protocol
formatting unless the data being sent includes addressing information. Protocol formatting is also required
for configuration commands and replies, and sensor I/O commands, replies and events. All protocol-
formatted messages have a common header as shown in Figure 7.1.1:
0
1
2
3 …
SOP
Length
PktType
variable number of arguments …
The scale above is in bytes.
Figure 7.1.1
The Start-of-Packet (SOP) character, 0xFB, is used to mark the beginning of a protocol-formatted mes-
sage and to assure synchronization in the event of a glitch on the serial port at startup.
The Length byte is defined as the length of the remainder of the message following the length byte itself,
or the length of the entire message - 2.
The Packet Type (PktType) byte specifies the type of message. It is a bitfield-oriented specifier, decoded
as follows:
Bits 7..6 Reserved for future use
Bit 5 Event - this bit is set to indicate an event message
Bit 4 Reply - this bit is set to indicate a message is a reply
Bits 3..0 Type - these bits indicate the message type
As indicated, the lower four bits (3..0) specify a message type. Bit 4 indicates that the message is a reply.
A reply message has the original command type in bits 3..0, with Bit 4 set to one. Bit 5 indicates an event
message. Arguments vary in size and number depending on the type of message and whether it is a
message sent from the host, or is a reply or event message from the radio. See Section 7.3 below.
7.2 Message Types
Messages generated on the serial interface by the user are referred to as host messages. Messages
generated on the serial interface by the radio are referred to as reply or event messages. Host messages
carry commands. For most commands, there is a corresponding reply message. For example, when the
host sends a TxData command message, the radio can return a TxDataReply message to indicate the
status of the transmission - whether it succeeded or failed. To assist in interpreting the command-reply
data flow, the direction is indicated by the high nibble in the message type. For example, an EnterProto-
colMode command from the host is a message type 0x00, and the EnterProtocolModeReply from the ra-
dio is a message type 0x10.
Event messages from a DNT90E, such as received data or status announcements make up a third
catego- ry of messages. Event messages, including RxData,RxEvent and Announce packets are
indicated by 0x20 in the high nibble of the type byte.If multiple arguments are to be provided, they are to
be concate- nated in the order shown in Section 7.3 below. Little-Endian byte order is used for all multi-
byte

www.RFM.com
© 2010-2012 by RF Monolithics, Inc.
Technical support +1.678.684.2000
E-mail: tech_sup@rfm.com
Page 34 of 80
DNT90 Integration Guide - 08/09/12
arguments except text strings. Little-Endian byte order places the lowest order byte in the left-most byte
of the argument and the highest order byte in the right-most byte of the argument.
7.3 Message Format Details
Table 7.3.1 below summarizes the DNT90E protocol-formatted messages:
Command
Reply
Event
Type
Direction
Min Slot Size
0x00
-
-
EnterProtocolMode
from Host
N/A
-
0x10
-
EnterProtocolModeReply
from Radio
N/A
0x01
-
-
ExitProtocolMode
from Host
N/A
0x02
-
-
DeviceReset
from Host
N/A
-
0x12
-
DeviceResetReply
from Radio
N/A
0x03
-
-
GetRegister
from Host
N/A
-
0x13
-
GetRegisterReply
from Radio
N/A
0x04
-
-
SetRegister
from Host
N/A
-
0x14
-
SetRegisterReply
from Radio
N/A
0x05
-
-
TxData
from Host
length value -0x03
-
0x15
-
TxDataReply
from Radio
0x01
0x06
-
-
GetRemoteRegister
from Host
0x03
-
0x16
-
GetRemoteRegisterReply
from Radio
0x14
0x07
-
-
SetRemoteRegister
from Host
0x13
-
0x17
-
SetRemoteRegisterReply
from Radio
0x04
-
-
0x26
RxData
from Radio
length value -0x03
-
-
0x27
Announce/Error
from Radio
0x07
-
-
0x28
RxEvent
from Radio
0x0D
Table 7.3.1
EnterProtocolMode command and reply format details are presented in Tables 7.3.2 and 7.3.3:
Enter Protocol Mode Command
Byte Offset
Field
Description
0x00
Start-of-Packet
0xFB = Indicates start of protocol formatted message
0x01
Length
0x07 = Number of bytes in message following this byte
0x02
Packet Type
0x00 = EnterProtocolMode
0x03 - 0x08
Payload
String = “DNTCFG” or 0x44 0x4E 0x54 0x43 0x46 0x47
Table 7.3.2
Enter Protocol Mode Reply
Byte Offset
Field
Description
0x00
Start-of-Packet
0xFB = Indicates start of protocol formatted message
0x01
Length
0x01 = Number of bytes in message following this byte
0x02
Packet Type
0x10 = EnterProtocolModeReply
Table 7.3.3

www.RFM.com
© 2010-2012 by RF Monolithics, Inc.
Technical support +1.678.684.2000
E-mail: tech_sup@rfm.com
Page 35 of 80
DNT90 Integration Guide - 08/09/12
ExitProtocolMode command format details are shown in Table 7.3.4:
Exit Protocol Mode Command
Byte Offset
Field
Description
0x00
Start-of-Packet
0xFB = Indicates start of protocol formatted message
0x01
Length
0x01 = Number of bytes in message following this byte
0x02
Packet Type
0x01 = ExitProtocolMode
Table 7.3.4
DeviceReset command and reply format details are shown in Tables 7.3.5 and 7.3.6:
Device Reset Command
Byte Offset
Field
Description
0x00
Start-of-Packet
0xFB = Indicates start of protocol formatted message
0x01
Length
0x02 = Number of bytes in message following this byte
0x02
Packet Type
0x02 = DeviceReset
0x03
Reset Type
0x00 = Normal Device Reset
0x01 = Reset to Serial Bootloader
0x02 = Reset to Over-the-Air Bootloader
Table 7.3.5
Device Reset Reply
Byte Offset
Field
Description
0x00
Start-Of-Packet
0xFB = Indicates start of protocol formatted message
0x01
Length
0x01 = Number of bytes in message following this byte
0x02
Packet Type
0x12 = DeviceResetReply
Table 7.3.6
GetRegister command and reply format details are shown in Tables 7.3.7 and 7.3.8:
Get Register Command
Byte Offset
Field
Description
0x00
Start-of-Packet
0xFB = Indicates start of protocol formatted message
0x01
Length
0x04 = Number of bytes in message following this byte
0x02
Packet Type
0x03 = GetRegister
0x03
Register Offset
Register offset in its bank
0x04
Register Bank
Register bank number
0x05
Register Size
Register size in bytes, only one parameter at a time (wrong register size will
produce an error response)
Table 7.3.7

www.RFM.com
© 2010-2012 by RF Monolithics, Inc.
Technical support +1.678.684.2000
E-mail: tech_sup@rfm.com
Page 36 of 80
DNT90 Integration Guide - 08/09/12
Get Register Reply
Byte Offset
Field
Description
0x00
Start-of-Packet
0xFB = Indicates start of protocol formatted message
0x01
Length
0x05 to 0x20 = Number of bytes in message following this byte
0x02
Packet Type
0x13 = GetRegisterReply
0x03
Register Offset
Register offset in its bank
0x04
Register Bank
Register bank number
0x05
Register Size
Register size in bytes
0x06 - 0x15
Register Value
Register value, all bytes in the register (only one parameter at a time)
Note: an Error message will be returned instead of a GetRegisterReply in case of a format error.
Table 7.3.8
SetRegister command and reply format details are shown in Tables 7.3.9 and 7.3.10:
Set Register Command
Byte Offset
Field
Description
0x00
Start-of-Packet
0xFB = Indicates start of protocol formatted message
0x01
Length
0x05 to 0x20 = Number of bytes in message following this byte
0x02
Packet Type
0x04 = SetRegister
0x03
Register Offset
Register offset in its bank
0x04
Register Bank
Register bank number
0x05
Register Size
Register size in bytes
0x06 - 0x15
Register Value
Register value, all bytes in the register (only one parameter at a time)
Table 7.3.9
Set Register Reply
Byte Offset
Field
Description
0x00
Start-of-Packet
0xFB = Indicates start of protocol formatted message
0x01
Length
0x01 = Number of bytes in message following this byte
0x02
Packet Type
0x14 = SetRegisterReply
Note: an Error message will be returned instead of a SetRegisterReply in case of a format error.
Table 7.3.10
TXData command and reply format details are shown in Tables 7.3.11 and 7.3.12:
TX Data Command
Byte Offset
Field
Description
0x00
Start-of-Packet
0xFB = Indicates start of protocol formatted message
0x01
Length
= Number of bytes in message following this byte
0x02
Packet Type
0x05 = TxData
0x03 - 0x05
Destination MAC Address
Destination MAC address, in Little Endian byte order
0x06 - 0x72
Tx Data
Up to 109 bytes of data to Base, or 105 bytes from Base
Table 7.3.11

www.RFM.com
© 2010-2012 by RF Monolithics, Inc.
Technical support +1.678.684.2000
E-mail: tech_sup@rfm.com
Page 37 of 80
DNT90 Integration Guide - 08/09/12
TX Data Reply
Byte Offset
Field
Description
0x00
Start-of-Packet
0xFB = Indicates start of protocol formatted message
0x01
Length
0x07 = Number of bytes in message following this byte
0x02
Packet Type
0x15 = TxDataReply
0x03 - 0x05
Destination MAC Address
Destination MAC address, in Little Endian byte order
0x06
Status
0x00 = ACK received from destination
0x01 = no ACK received from destination (NAK)
0x02 = “Device Not Linked” error
0x07
RSSI
Packet RX power in dBm, -128 to 126 or 127 if invalid
Note: TxDataReply messages are only returned to the host when the EndToEndAckEnable parameter is set to 0x01.
Table 7.3.12
GetRemoteRegister command and reply details are shown it Tables 7.3.13 and 7.3.14:
Get Remote Register Command
Byte Offset
Field
Description
0x00
Start-of-Packet
0xFB = Indicates start of protocol formatted message
0x01
Length
0x07 = Number of bytes in message following this byte
0x02
Packet Type
0x06 = GetRemoteRegister
0x03 - 0x05
Destination MAC Address
Destination MAC address, in Little Endian byte order
0x06
Register Offset
Register offset in its bank
0x07
Register Bank
Register bank number
0x08
Register Size
Register size in bytes, only one parameter at a time (wrong register size will
produce an error response)
Table 7.3.13
Get Remote Register Reply
Byte Offset
Field
Description
0x00
Start-of-Packet
0xFB = Indicates start of protocol formatted message
0x01
Length
0x0A to 0x25 = Number of bytes in message following this byte
0x02
Packet Type
0x16 = GetRemoteRegisterReply
0x03
Status
Error status (0x00 = No Error, 0xE1 = Invalid Argument)
0x04 - 0x06
Originator MAC Address
Originator’s MAC address, in Little Endian byte order
0x07
RSSI
(-128 to 126 or 127 if invalid)
0x08
Register Offset*
Register offset in its bank
0x09
Register Bank*
Register bank number
0x0A
Register Size*
Register size in bytes
0x0B - 0x1A
Register Value*
Register value, all bytes in the register (only one parameter at a time)
*Bytes eight through the end of the message will not be returned in case of an error
Table 7.3.14

www.RFM.com
© 2010-2012 by RF Monolithics, Inc.
Technical support +1.678.684.2000
E-mail: tech_sup@rfm.com
Page 38 of 80
DNT90 Integration Guide - 08/09/12
SetRemoteRegister command and reply format details are shown in Tables 7.3.15 and 7.3.16:
Set Remote Register Command
Byte Offset
Field
Description
0x00
Start-of-Packet
0xFB = Indicates start of protocol formatted message
0x01
Length
Number of bytes in message following this byte
0x02
Packet Type
0x07 = SetRemoteRegister
0x03 - 0x05
Destination MAC Address
Destination MAC address, in Little Endian byte order
0x06
Register Offset
Register offset in its bank
0x07
Register Bank
Register bank number
0x08
Register Size
Register size in bytes
0x09 - 0x18
Register Value
Register contents
Table 7.3.15
Set Remote Register Reply
Byte Offset
Field
Description
0x00
Start-of-Packet
0xFB = Indicates start of protocol formatted message
0x01
Length
0x06 = Number of bytes in message following this byte
0x02
Packet Type
0x17 = SetRemoteRegisterReply
0x03
Status
Error status: 0x00 = no error, 0xE1 = invalid argument
0x04 - 0x06
Originator MAC Address
Originator’s MAC address, in Little Endian byte order
0x07
RSSI
Packet RX power in dBm, -128 to 126, or 127 if invalid
Table 7.3.16
RxData event packet format details are shown in Figure Table 7.3.17:
RX Data Packet
Byte Offset
Field
Description
0x00
Start-of-Packet
0xFB = Indicates start of protocol formatted message
0x01
Length
0x00 to 0x6D = Number of bytes in message following this byte
0x02
Packet Type
0x26 = RxData event message
0x03 - 0x05
Originator MAC Address
Originator’s MAC address, in Little Endian byte order
0x06
RSSI
Packet RX power in dBm, -128 to 126, or 127 if invalid
0x07 - 0x73
Rx Data
Up to 105 bytes of data from Base, up to 109 bytes from Router or Remote
Table 7.3.17

www.RFM.com
© 2010-2012 by RF Monolithics, Inc.
Technical support +1.678.684.2000
E-mail: tech_sup@rfm.com
Page 39 of 80
DNT90 Integration Guide - 08/09/12
Announce/Error message format details are shown in Tables 7.3.18 through 7.3.21:
Startup Announcement or Error Code
Byte Offset
Field
Description
0x00
Start-of-Packet
0xFB = Indicates start of protocol formatted message
0x01
Length
0x02 = Number of bytes in message following this byte
0x02
Packet Type
0x27 = Indicates this is an Announce/Error message
0x03
Announce Status
0xA0 = Startup initialization complete
0xA1 = Synchronized to fast beacon
0xE1 = Invalid argument
0xE4 = Register read only error
0xEC = Brownout reset
0xED = Watchdog reset
0xEE = Hardware Error (Crystal or Radio Error)
Table 7.3.18
Join Announcement
Byte Offset
Field
Description
0x00
Start-of-Packet
0xFB = Indicates start of protocol formatted message
0x01
Length
0x06 = Number of bytes in message following this byte
0x02
Packet Type
0x27 = Indicates this is an Announce/Error message
0x03
Announce Status
0xA3 = Joined network
0x04
Network ID
ID of network that was joined
0x05 - 0x07
Parent MAC Address
MAC address of parent, in Little Endian byte order
Table 7.3.19
Exit Announcement
Byte Offset
Field
Description
0x00
Start-of-Packet
0xFB = Indicates start of protocol formatted message
0x01
Length
0x03 = Number of bytes in message following this byte
0x02
Packet Type
0x27 = Indicates this is an Announce/Error message
0x03
Announce Status
0xA4 = Exited network
0x04
Network ID
ID of network that was exited
Table 7.3.20
Heartbeat Announcement
Byte Offset
Field
Description
0x00
Start-of-Packet
0xFB = Indicates start of protocol formatted message
0x01
Length
0x0C = number of bytes in message following this byte
0x02
Packet Type
0x27 = Indicates this is an Announce/Error message
0x03
Announce Status
0xA8 = Heartbeat message
0x04 - 0x06
Device MAC Address
MAC address of originator, in Little Endian byte order
0x07 - 0x09
Parent MAC Address
MAC address of parent, in Little Endian byte order
0x0A
Parent Network ID
Network ID of device’s parent
0x0B
Base Mode Network ID
Network ID if device is a router, otherwise 0xFF
0x0C
Beacon RX Power
Average beacon RX power in dBm, uses 0.0625 “alpha” averaging filter,
-128 to 126 or 127 if invalid
0x0D
Parent RX Power
RX power of packet as received by device’s parent in dBm, -128 to 126 or
127 if invalid
Table 7.3.21

www.RFM.com
© 2010-2012 by RF Monolithics, Inc.
Technical support +1.678.684.2000
E-mail: tech_sup@rfm.com
Page 40 of 80
DNT90 Integration Guide - 08/09/12
RxEvent message format details are shown in Table 7.3.22:
RX Event Packet
Byte Offset
Field
Description
0x00
Start-of-Packet
0xFB = Indicates start of protocol formatted message
0x01
Length
0x12 = number of bytes in message following this byte
0x02
Packet Type
0x28 = RxEvent
0x03 - 0x05
Originator MAC Address
Originator’s MAC address, in Little Endian byte order
0x06
RSSI
Packet RX power in dBm (-128 to 127)
0x07
GPIO Readings
Bit Field (GPIO0..GPIO5) indicating GPIO readings
0x08 - 0x09
ADC0 Reading
ADC0 Reading, 0x0000 - 0x0FFF, in Little Endian byte order
0x0A - 0x0B
ADC1 Reading
ADC1 Reading, 0x0000 - 0x0FFF, in Little Endian byte order
0x0C - 0x0D
ADC2 Reading
ADC2 Reading, 0x0000 - 0x0FFF, in Little Endian byte order
0x0E - 0x0F
Event Flags
Bit Field Indicating which events have occurred:
Bit 0: GPIO0 Triggered
Bit 1: GPIO1 Triggered
Bit 2: GPIO2 Triggered
Bit 3: GPIO3 Triggered
Bit 4: Periodic Report Interval
Bit 5: ADC0 Threshold Triggered
Bit 6: ADC1 Threshold Triggered
Bit 7: ADC2 Threshold Triggered
Bits 8-15: Unused (0)
0x10 - 0x11
DAC0 Setting
DAC0 setting, 0x0000 - 0x0FFF, in Little Endian byte order
0x12 - 0x13
DAC1 Setting
DAC1 setting, 0x0000 - 0x0FFF, in Little Endian byte order
Table 7.3.22

www.RFM.com
© 2010-2012 by RF Monolithics, Inc.
Technical support +1.678.684.2000
E-mail: tech_sup@rfm.com
Page 41 of 80
DNT90 Integration Guide - 08/09/12
7.4 Configuration Parameter Registers
The configuration parameters in a DNT90E module are stored in a set of variable length registers. Most
registers are read-write, with a few read-only or write-only. Changes made to the register settings are
temporary until a MemorySave command is executed. Resetting or power-cycling the module will clear
any changes that have not been saved to permanent memory using the MemorySave command.
DNT90E modules can be configured to start in protocol mode at power-up, in which case the
EnterProtocolMode command is not required.
7.4.1 Bank 0x00 - Transceiver Setup
Bank
Location
Name
R/W
Size
Range
Default
0x00
0x00
DeviceMode
R/W
0x01
0..2
0 (remote)
0x00
0x01
HopDuration
R/W
0x01
16..200
40 (20 ms)
0x00
0x02
ParentNwkID
R/W
0x01
0..63, 255
255 (any parent)
0x00
0x03
SecurityKey
R/W
0x10
0..2^128-1
0
0x00
0x13
SleepModeEn
R/W
0x01
0..2
0 (off)
0x00
0x14
WakeResponseTime
R/W
0x02
0..30000
500 (500 ms)
0x00
0x16
WakeLinkTimeout
R/W
0x01
0..255
5 (5 s)
0x00
0x17
AltParentNwkID
R/W
0x01
0..63, 255
255 (disabled)
0x00
0x18
TxPower
R/W
0x01
0..1
1 (+22 dBm)
0x00
0x19
UserTag
R/W
0x10
string
“DNT90E”
0x00
0x29
RmtTransDestAddr
R/W
0x03
0x000000 (Base)
0x00
0x2C
Store&ForwardEn
R/W
0x01
0..1
0 (disabled)
0x00
0x2D
BaseModeNetID
R/W
0x01
1..63, 255
255
0x00
0x2E
HeartbeatIntrvl
R/W
0x02
0..65535
0xFFFF (disabled)
0x00
0x30
SystemId
R/W
0x01
0..255
0
0x00
0x31
EndToEndAckEnable
R/W
0x01
0..1
0 (disabled)
0x00
0x32
LinkRetryInterval
R/W
0x02
0..65535
0 (disabled)
0x00
0x34
FastBeaconCount
R/W
0x02
0..65535
0 (off)
0x00
0x36
FastBeaconTrig
R/W
0x01
0..255
0 (off)
Table 7.4.1.1
DeviceMode - this parameter selects the operating mode for the radio:
0x00 = remote (default)
0x01 = base
0x02 = router (store and forward system)
Note that changing this setting does not take effect immediately. It must be followed by a MemorySave
command and then either a hardware reset or a power off/on cycle. A router without a valid BaseMode-
NetID operates as a remote.
HopDuration - this parameter sets the duration of the hop frame, and can only be set on the base. The
duration is an 8-bit value, 0.5 ms/count. The valid range is from 8 to 100 ms. Changing the hop duration
on the base must be followed by a MemorySave command to allow the change to persist through a reset
or power cycle. A HopDuration change takes effect immediately. Child radios will re-link following a
HopDuration parameter change as they receive the updated hop duration value from the base.

www.RFM.com
© 2010-2012 by RF Monolithics, Inc.
Technical support +1.678.684.2000
E-mail: tech_sup@rfm.com
Page 42 of 80
DNT90 Integration Guide - 08/09/12
ParentNwkID - this parameter specifies the parent (BaseModeNetID) that a child radio is allowed to join.
The valid range of this parameter is 0 to 63 (0x00 to 0x3F), plus 255 (0xFF). Setting the ParentNwkID to
255 allows connection to any parent. This parameter is applicable only to remotes and routers. Also see
the discussion of AltParentNwkID below.
Security Key - this 16-byte parameter sets the 128-bit AES encryption key. To protect the key, it is a write-
only parameter for the user. It always reads back as 0x2A.
SleepModeEn - this parameter enables/disables sleep mode (remotes only). Sleep mode is used in con-
junction with the automatic I/O reporting feature to wake up a remote on specific triggers. The default val-
ue for this parameter is 0 (off). Setting this parameter to 1 invokes sleep mode immediately. Setting this
parameter to 2 invokes sleep mode following reset, allowing this and other parameter updates to be
stored before sleep mode is invoked.
WakeResponseTime - this parameter set how long sleep is deferred in a DNT90E remote configured for
sleep mode after:
link acquisition
receiving an ACK from the device’s parent
receiving a packet that requires processing by the device
after receiving a protocol packet from the device’s local host.
WakeLinkTimeout - this parameter sets the maximum length of time that a remote in sleep mode will
spend trying to acquire a link to its parent before going back to sleep, from a minimum of 1 to 255 se-
conds in 1 second steps. If this value is set to 0, the remote will stay awake and continue trying to link to
its base indefinitely.
AltParentNwkID - this parameter specifies an alternate parent (BaseModeNetID) that a child radio is
allowed to join. This parameter is used to provide more robust message routing when setting the Parent-
NwkID to its 0xFF wildcard value is not appropriate. The valid range of this parameter is 0x00 to 0x3F,
plus 0xFF. Rather than specifying wildcard operation, setting the AltParentNwkID to 0xFF disables the
selection of an alternate parent. This parameter is applicable only to remotes and routers.
TxPower - this parameter sets the transmit power level (default is 0x01):
0x00 = +16 dBm or 40 mW
0x01 = +22 dBm or 158 mW
UserTag - this parameter is a user definable field intended for use as a location description or other iden-
tifying tag such as a “friendly name”.
RmtTransDestAddr - this parameter holds the default destination for transparent mode data packets and
event packets. This parameter defaults to the base station’s address (0x000000) except on a base sta-
tion, where at startup it will be changed to the broadcast address (0xFFFFFF) if the firmware detects that
it is set to 0x000000. Note - if a module’s configuration is changed from a base to a remote or router, this
parameter must be set back to 0x000000 or the module will send broadcast packets in transparent mode
or for event packets.
Store&ForwardEn - setting this parameter to 0x01 enables store-and-forward system operation. Store-
and-forward operation is disabled by default.
BaseModeNetID - applicable to the base and routers only, this parameter specifies the network ID of a
device’s own network when acting as parent. A child is allowed to join a network when its ParentNwkID

www.RFM.com
© 2010-2012 by RF Monolithics, Inc.
Technical support +1.678.684.2000
E-mail: tech_sup@rfm.com
Page 43 of 80
DNT90 Integration Guide - 08/09/12
parameter matches a parent’s BaseModeNetID. The valid range of this parameter is 0x00 to 0x3F. A val-
ue greater than 0x3F is invalid, and will be forced to 0x00 on a base. A router with an invalid Base-
ModeNetID will be forced to operate as a remote.
HeartbeatInterval - When set to 0, all heartbeats are disabled, including the initial heartbeat issued after
link acquisition. When set to 0xFFFF (default), periodic heartbeats are disabled but the initial linkup
heartbeat is enabled. The periodic heartbeat interval is scaled 1 second/count, and applies to DNT90Es
where sleep mode is disabled. Remotes with sleep mode enabled must have periodic reports and/or ADC
sampling enabled for heartbeats to be generated.
SystemId - this parameter holds the ID for a DNT90E system. DNT90E systems that may physically
overlap must have different system IDs.
EndToEndAckEnable - when this parameter is set to 1 and the DNT90E is in protocol mode, the
originator will indicate in its transmitted packet that an ACK is expected from the packet’s destination
node. Setting this parameter to 0x00 reduces network congestion in a store-and-forward system, but no
TxDataReply will be sent from the destination to confirm reception.
LinkRetryInterval - when a remote enters sleep mode with an unsent packet in its queue, the remote will
wake up after the number of seconds held in this parameter and try to link so that pending packets can be
transmitted. When this parameter is set to 0, this feature is disabled.
FastBeaconCount - this parameter controls the fast beacon mode, which is used to speed up network
synchronization. Fast beacon mode is especially useful for multi-level store-and-forward networks that are
configured with long hop durations. Fast beacon mode is controlled by the base station. If the Fast-
BeaconCount parameter is set to a non-zero value, when the base is reset, powered up or the Fast-
BeaconTrig parameter is set to a non-zero value, it will output the number of 6 ms beacons specified in
the FastBeaconCount parameter. The base and all of its children will synchronously decrement a version
of the parameter in their beacons, such that it will reach 0 simultaneously on all devices. This allows all
nodes in the DNT90E system to simultaneously transition to using the configured base slot size and num-
ber of slots. The beacons also inform all child devices that the network is in Fast beacon mode, so that all
children will observe the FastBeaconCount and assume, in addition to the 6ms hop timing, a base slot size
of 0 and a number of slots equal to 1. If the cycled base station operating parameters transmitted in
the beacons, including the BaseSlotSize and NumSlots (see Bank 0x01 parameters) are stable, then a
further speedup of synchronization can be achieved by setting the NumBaseParms on the base station to
8. However, this should be done only after all child devices are known to have configuration parameters
identical to the base station’s saved in their EEPROM. The first 9 parameters contain the AES counter
and MAC address that are needed to synchronize encryption, along with NumBaseParms.
FastBeaconTrig - when this parameter is set to any non-zero value on a base station, fast beacon mode
starts if the fastBeaconCount register is already set to a non-zero value. It auto-clears on a base station
and will read back as 0 after it is cleared. On a router or remote, it would do nothing and will not clear
except after reset.

www.RFM.com
© 2010-2012 by RF Monolithics, Inc.
Technical support +1.678.684.2000
E-mail: tech_sup@rfm.com
Page 44 of 80
DNT90 Integration Guide - 08/09/12
7.4.2 Bank 0x01 - System Settings
Bank 1 holds configuration parameters to be input to the base only. The base passes these parameters to
the routers and remotes as needed. The exception is InitFrequencyBand parameter which can also be set
in routers and remotes.
Bank
Location
Name
R/W
Size
Range
Default
0x01
0x00
InitFrequencyBand
R/W
0x01
0..3, 255
0 (US)
0x01
0x01
NumSlots
R/W
0x01
1..8
3
0x01
0x02
BaseSlotSize
R/W
0x01
6..105
40
0x01
0x03
SlotLease
R/W
0x01
1..255
2 (hops)
0x01
0x04
BcstAttemptLimit
R/W
0x01
0..254
1
0x01
0x05
ArqAttemptLimit
R/W
0x01
1..255
6
0x01
0x06
LinkDropThreshold
R/W
0x01
1..255
10 (hops)
0x01
0x07
P2PReplyTimeout
R/W
0x01
0..255
100 (hops)
0x01
0x08
RegistryTimeout
R/W
0x01
0..255
50 (hops)
0x01
0x09
NumBaseParms
R/W
0x01
8..21
21
Table 7.4.2.1
InitFrequencyBand - this parameter sets the range of frequencies and channel spacing over which the
DNT90E system will initially operate. Four bands are available:
0x00
Band 0: 902.76 to 927.24 MHz, 52 channels, 480 kHz spacing
0x01
Band 1: 902.76 to 926.76 MHz, 26 channels, 960 kHz spacing
0x02
Band 2: 915.72 to 927.74 MHz, 25 channels, 480 kHz spacing
0x03
Band 3: 902.76 to 914.76 MHz, 26 channels, 480 kHz spacing
0xFF
wildcard - will accept any band
Bands 0, 1, 2 and 3 can be used in North and South America (902 to 928 MHz band), with Band 2 usable
in Australia.
NumSlots - this parameter sets the number of slots available for child transmissions following the parent’s
beacon transmission on a hop.
BaseSlotSize - this parameter set the maximum number of payload bytes that the base can send on a
single hop. The default value is 40 bytes.
SlotLease - this parameter set the number of hops a parent radio will reserve a slot for a child after re-
ceiving a message from that child. Small values such as 2 are suited to short data bursts, and larger val-
ues are generally a better choice when devices send a stream of non-continuous data across consecutive
hops. The minimum value is 1, assuring that a child can receive an ACK on the next hop after it transmits.
BcstAttemptLimit - setting this parameter to 0 enables automatic broadcast message repeats based on
the ArqAttemptLimit parameter value. Setting this parameter to a value between 1 and 254 specifies the
number of broadcast message repeats independent of the ArqAttemptLimit. This parameter should not be
set to 0 if ArqAttemptLimit is set to 255.
ArqAttemptLimit - this sets the maximum number of attempts that will be made to send a message on the
RF link. Setting this parameter to the maximum value of 255 is a flag value indicating that there should be
no limit to the number of attempts to send each packet (infinite number of attempts). This mode is intend-
ed for point-to-point networks in serial data cable replacement applications where absolutely no packets

www.RFM.com
© 2010-2012 by RF Monolithics, Inc.
Technical support +1.678.684.2000
E-mail: tech_sup@rfm.com
Page 45 of 80
DNT90 Integration Guide - 08/09/12
can be lost. Note - if this mode is used in a multipoint network, one remote that has lost link will shut down
the entire network if the base is trying to send it data.
LinkDropThreshold - this is the number of consecutive beacons missed by a remote that causes the re-
mote to restart a link acquisition search. Please contact MURATA technical support before making
changes to the parameter.
P2PReplyTimeout - this parameter sets the reply timeout for peer-to-peer messages sent from one node
to another. Because each leg of the journey from one node to another and back may take multiple trans-
mit attempts, the length of time to confirm receipt and issue a TxDataReply is subject to more variation
than a transmission directly between a base and a remote. When AckEnable is selected, the P2PReply-
Timeout parameter specifies the maximum number of hops or hop pairs that a remote will wait for a reply
from its recipient. If a reply returns sooner than the timeout, the remote will send a TxDataReply indicating
success (ACK) to its host as soon as it is received, and cancels the timeout. If a reply does not come back
before the timeout expires, the remote will send a TxDataReply to its host indicating failure (NAK). If
a reply should come back after the timeout expires the remote will ignore it, as a TxDataReply has al-
ready been sent. The units of this parameter are in hops for point-to-point and point-to-multipoint opera-
tion and in hop pairs for store-and-forward operation.
RegistryTimeout - this parameter sets the number of hops without contact from a child device for which a
parent device will preserve the Transaction ID (TID) history for that child. The TID is used to filter out du-
plicate packets. After a registry timeout occurs, the TID history is discarded.
NumBaseParms - this parameter controls the number of cycled parameters sent in the base station bea-
con. It must be left in its default value of 21 until all nodes in a DNT90E system have received all cycled
parameters and stored them locally in EEPROM. At this point the number of cycled parameters can be
set to 9, which will significantly speed up future system resynchronizations.
7.4.3 Bank 0x02 - Status Parameters
Bank
Location
Name
R/W
Size
Range
Default
0x02
0x00
MacAddress
R
0x03
0..0xFFFFFF
Fixed value
0x02
0x03
CurrNwkID
R
0x01
0..63, 255
Current Value
0x02
0x04
CurrFreqBand
R
0x01
0..2, 255
Current Value
0x02
0x05
LinkStatus
R
0x01
0..5
Current status
0x02
0x06
RemoteSlotSize
R
0x01
0..109
Current Value
0x02
0x07
SlotNumber
R
0x01
0..7
Current Value
0x02
0x08
HardwareVersion
R
0x01
0x41..0x5A
0x43 = Rev “C”
0x02
0x09
FirmwareVersion
R
0x01
0x00..0xFF
Current FW load
0x02
0x0A
FirmwareBuildNum
R
0x02
0..65535
Current FW load
0x02
0x0C
FirmwareBuildDate
R
0x03
BCD (“YYMMDD”)
Current FW load
0x02
0x0F
FirmwareBuildTime
R
0x03
BCD (“HHMMSS”)
Current FW load
0x02
0x12
RssiIdle
R
0x01
-128..127
Current Value
0x02
0x13
RssiLast
R
0x01
-128..127
Current Value
0x02
0x14
AvgBeaconPower
R
0x01
-128..127
Current Value
0x02
0x15
ParentMacAddress
R
0x03
0..0xFFFFFF
Current Value
0x02
0x18
ModelNumber
R
1
0x90
indicates DNT90E
Table 7.4.3.1

www.RFM.com
© 2010-2012 by RF Monolithics, Inc.
Technical support +1.678.684.2000
E-mail: tech_sup@rfm.com
Page 46 of 80
DNT90 Integration Guide - 08/09/12
MacAddress - this parameter holds the radio's unique 24-bit MAC address.
CurrNwkID - this parameter holds the ID of the network the radio is currently assigned to or connected to.
A value of 255 (0xFF) means the radio has powered up and is scanning for a network but has not yet
joined one.
CurrFreqBand - this parameter holds the frequency band of the network that the radio is currently as-
signed to or connected to. A value of 0xFF means the radio has powered up and is scanning for a net-
work but has not yet joined one.
LinkStatus - this parameter holds the link status of a router or remote:
0x00 = idle
0x01 = lost link
0x02 = acquiring link
0x03 = collecting parameters from the base
0x04 = registering
0x05 = registered
RemoteSlotSize - this parameter holds the current remote slot size, defined as the maximum number of
message bytes a remote can send on a single hop. The RemoteSlotSize is calculated by each radio in a
system based on the values of the HopDuration, BaseSlotSize, and NumSlots parameters.
SlotNumber - this parameter holds the current slot number assigned to a router or remote.
HarwareVersion - this parameter holds an identifier indicating the hardware revision (ASCII character). A
value of 0x43 is defined for the DNT90E Revision Chardware.
FirmwareVersion - this parameter holds the firmware version of the radio in 2-digit BCD format.
FirmwareBuildNum - this parameter holds the firmware build number, in binary format.
FirmwareBuildDate - this parameter holds the date of firmware build in MM/DD/YY format.
FirmwareBuildTime - this parameter holds the time of the firmware build in HH:MM:SS format.
RssiIdle - this 2’s compliment parameter holds the last RSSI measurement in dBm made during a time
when the RF channel was idle. This parameter is useful for detecting interferers.
RssiLast - this 2’s compliment parameter holds the last RSSI measurement in dBm made during the re-
ceipt of an RF packet with a valid CRC. This parameter is useful for network commissioning/diagnostics.
AvgBeaconPower - this 2’s compliment parameter holds the alpha-filtered beacon power (dBm) received
from a device’s parent, where alpha = 0.0625.
ParentMacAddress - this parameter holds the MAC address of a DNT90E’s parent.
ModelNumber - this parameter specifies the DNT model, in this case a DNT90E.

www.RFM.com
© 2010-2012 by RF Monolithics, Inc.
Technical support +1.678.684.2000
E-mail: tech_sup@rfm.com
Page 47 of 80
DNT90 Integration Guide - 08/09/12
7.4.4 Bank 0x03 - Serial and SPI Settings
Bank
Location
Name
R/W
Size
Range
Default
0x03
0x00
SerialRate
R/W
0x01
0..10
3 (9600 baud)
0x03
0x01
SerialParams
R/W
0x01
0..7
0 (8-N-1)
0x03
0x02
SpiMode
R/W
0x01
0..2
0 (SPI disabled)
0x03
0x03
SpiRateSel
R/W
0x01
0..2
0 (125 kHz)
0x03
0x04
SpiOptions
R/W
0x01
0..7
0
0x03
0x05
SpiMasterCmdLen
R/W
0x01
0..16
0
0x03
0x06
SpiMasterCmdStr
R/W
0x10
0..16 byte string
All 0x00 bytes
Table 7.4.4.1
SerialRate - this parameter sets the serial data rate as shown below:
Setting Serial rate
0x00
1.2 kbps
0x01
2.4 kbps
0x02
4.8 kbps
0x03
9.6 kbps
0x04
14.4 kbps
0x05
19.2 kbps
0x06
28.8 kbps
0x07
38.4 kbps
0x08
57.6 kbps
0x09
115.2 kbps
0x0A
230.4 kbps
0x0B
250.0 kbps
SerialParams - this parameter sets the serial mode options for parity and stop bits:
Setting Mode
0x00
No parity, 8 data bits, 1 stop bit (default)
0x01
No parity, 8 data bits, 2 stop bits
0x02
Reserved
0x03
Reserved
0x04
Even parity, 8 data bits, 1 stop bit
0x05
Even parity, 8 data bits, 2 stop bits
0x06
Odd parity, 8 data bits, 1 stop bit
0x07
Odd parity, 8 data bits, 2 stop bits
Note that 8-bit data with no parity is capable of carrying 7-bit data with parity for compatibility without loss
of generality for legacy applications that may require it.
SpiMode -this parameter sets the SPI operating mode:
Setting Mode
0x00
SPI disabled - serial UART mode (default)
0x01
SPI Slave mode
0x02
SPI Master mode
SpiRateSel - this parameter sets the SPI master mode clock rate:
Setting Mode
0x00
125 kbps
0x01
250 kbps
0x02
500 kbps

www.RFM.com
© 2010-2012 by RF Monolithics, Inc.
Technical support +1.678.684.2000
E-mail: tech_sup@rfm.com
Page 48 of 80
DNT90 Integration Guide - 08/09/12
SpiOptions - this parameter allows the SPI to be configured with the following options:
Setting Option
0x00
Leading edge rising, sample leading edge, MSBs sent first
0x01
Leading edge rising, sample falling edge, MSBs sent first
0x02
Leading edge falling, sample leading edge, MSBs sent first
0x03
Leading edge falling, sample falling edge, MSBs sent first
0x04
Leading edge rising, sample leading edge, LSBs sent first
0x05
Leading edge rising, sample falling edge, LSBs sent first
0x06
Leading edge falling, sample leading edge, LSBs sent first
0x07
Leading edge falling, sample falling edge, LSBs sent first
SpiMasterCmdLen - this parameter sets the length for the SPI master command string that will be used to
interrogate the slave peripheral, when SPI master mode is selected with periodic I/O reporting enabled.
SpiMasterCmdStr - this parameter holds the SPI master command string that is used to interrogate the
slave peripheral when SPI master mode is selected and periodic I/O reporting is enabled.
7.4.5 Bank 0x04 - Host Protocol Settings
Bank
Location
Name
R/W
Size
Range
Default
0x04
0x00
ProtocolMode
R/W
0x01
0..1
0 (Transparent)
0x04
0x01
TxTimeout
R/W
0x01
0..255
0 (No timeout)
0x04
0x02
MinPacketLength
R/W
0x01
0..255
1 (byte)
0x04
0x03
TransPtToPtMode
R/W
0x01
0..1
1 (Last RX)
0x04
0x04
MsgsPerHop
R/W
0x01
1..8
8
Table 7.4.5.1
ProtocolMode - this parameter selects the host protocol mode. The default is 0x00, which is transparent
mode, meaning the radio conveys whatever characters that are sent to it transparently, without requiring
the host to understand or conform to the DNT90E's built-in protocol. This setting is recommended for
point- to-point applications for legacy applications such as wire replacements where another serial
protocol may already exist. Setting this parameter to 0x01 enables the DNT90E protocol formatting. It is
not necessary to define the same protocol mode for all radios in a network. For example, it is frequently
useful to configure all the remotes for transparent mode and the base for protocol mode. Note that it is
possible for the host to switch the radio from transparent mode to protocol mode and back as required by
transmitting an EnterProtocolMode command.
TxTimeout - this parameter is used to group transparent data to be sent in a single transmission rather
than being split over two hops. Messages sent over two hops can have gaps in the received data stream
that can cause problems for the receiving application - for example, Modbus RTU. This parameter is the
transmit timeout used for determining message boundaries in transparent data mode. Parameter units
are in milliseconds. A message boundary is determined whenever a gap between consecutive characters
is equal to or greater than the TxTimeout value, or the number of bytes reaches the MinPacketLength.
Either condition will trigger a transmission. The default TxTimeout value is 0 ms which will have the radio
send whatever data is in its transmit buffer as soon as possible.
MinPacketLength - this parameter is similar to TxTimeout except it uses the number of bytes received
instead of the amount of time without receiving a byte. The default is one byte. A transmission is triggered
when either the number of bytes reaches MinPacketLength or a gap is detected between consecutive

www.RFM.com
© 2010-2012 by RF Monolithics, Inc.
Technical support +1.678.684.2000
E-mail: tech_sup@rfm.com
Page 49 of 80
DNT90 Integration Guide - 08/09/12
characters greater than TxTimeout. If this parameter is set larger than the applicable slot size, the slot
size overrides this parameter and a transmission is triggered when the slot size is filled.
TransPtToPtMode - when this parameter is set to 0x00, the destination address of transparent mode
packets will be the configured RemoteDestAddr. When set to 0x01, the address initializes to Remote-
DestAddr and then updates to the most recent RX packet processed.
MsgsPerHop - this parameter sets the maximum number of messages a DNT90E can send in each hop
frame. The default value is 8 messages, which is suitable for most applications. Setting MsgsPerHop to a
low value allows message flow rate to be controlled.
7.4.6 Bank 0x05 - I/O Parameters
Bank
Location
Name
R/W
Size
Range In Bits
Default
0x05
0x00
All-IO
R/W
0x0D
104
N/A
0x05
0x0D
Gpio0
R/W
0x01
1
0
0x05
0x0E
Gpio1
R/W
0x01
1
0
0x05
0x0F
Gpio2
R/W
0x01
1
0
0x05
0x10
Gpio3
R/W
0x01
1
0
0x05
0x11
Gpio4
R/W
0x01
1
0
0x05
0x12
Gpio5
R/W
0x01
1
0
0x05
0x13
Adc0
R
0x02
12
N/A
0x05
0x15
Adc1
R
0x02
12
N/A
0x05
0x17
Adc2
R
0x02
12
N/A
0x05
0x19
EventFlags
R/W
0x02
16
N/A
0x05
0x1B
Dac0
R/W
0x02
12
0
0x05
0x1D
Dac1
R/W
0x02
12
0
Table 7.4.6.1
All-IO - this 13-byte parameter packs all the following parameters into a single value. Note that the infor-
mation in parameters GPIO0 through GPIO5 is compressed into a single byte to save space in the All-IO
parameter. When the ADC is operating in differential mode, the ADC1 to ADC0 differential reading is
stored in the ADC0 position, and the ADC2 to ADC0 differential reading is stored in the ADC1 position.
The ADC2 reading is not used in ADC differential mode and this position is set to 0.
Gpio0 through Gpio5 - if a pin is configured as an output, writing to its corresponding parameter to sets
the pin’s logic state. If a pin is configured as an input, writing to its corresponding parameter enables or
disables the pin’s internal pull-up. Reading these registers returns the current level detected on the corre-
sponding pins.
Adc0 through Adc2 - read-only parameters that return the current reading for the selected ADC channel
(Little-Endian byte order). When the ADC is operating in differential mode, the ADC1 to ADC0 differential
reading is stored in the ADC0 position, and the ADC2 to ADC0 differential reading is stored in the ADC1
position. The ADC2 reading is not used in ADC differential mode and this position is set to 0. Also, see
the discussion of the AdcSampleIntvl parameter below.
EventFlags - used with the automatic I/O reporting feature, this parameter indicates which I/O events
have been triggered since the last report (write 0x0000 to reset):

www.RFM.com
© 2010-2012 by RF Monolithics, Inc.
Technical support +1.678.684.2000
E-mail: tech_sup@rfm.com
Page 50 of 80
DNT90 Integration Guide - 08/09/12
bits 15..8 Reserved
bit 7 ADC2 high/low threshold excursion
bit 6 ADC1 high/low threshold excursion
bit 5 ADC0 high/low threshold excursion
bit 4 Periodic timer report
bit 2 GPIO2 edge transition
bit 1 GPIO1 edge transition
bit 0 GPIO0 edge transition
Dac0 through Dac1 - sets the DAC outputs. The range of this parameter is 0x0000 to 0x0FFF.
7.4.7 Bank 0x06 - I/O Settings
Bank
Location
Name
R/W
Size
Range In Bits
Default
0x06
0x00
GpioDir
R/W
0x01
6
0x00 (All inputs)
0x06
0x01
GpioInit
R/W
0x01
6
0x00 (All zeros)
0x06
0x02
GpioAlt
R/W
0x01
6
0x00
0x06
0x03
GpioEdgeTrigger
R/W
0x01
8
0x01
0x06
0x04
GpioSleepMode
R/W
0x01
6
0x00 (Off)
0x06
0x05
GpioSleepDir
R/W
0x01
6
0x00 (All inputs)
0x06
0x06
GpioSleepState
R/W
0x01
6
0x00 (All zero)
0x06
0x07
Dac0Init
R/W
0x02
12
0x0000
0x06
0x09
Dac1Init
R/W
0x02
12
0x0000
0x06
0x0B
AdcSampleIntvl
R/W
0x04
32
0x0A (100 ms)
0x06
0x0F
Adc0ThresholdLo
R/W
0x02
12
0xF800
0x06
0x11
Adc0ThresholdHi
R/W
0x02
12
0x07FF
0x06
0x13
Adc1ThresholdLo
R/W
0x02
12
0xF800
0x06
0x15
Adc1ThresholdHi
R/W
0x02
12
0x07FF
0x06
0x17
Adc2ThresholdLo
R/W
0x02
12
0xF800
0x06
0x19
Adc2ThresholdHi
R/W
0x02
12
0x07FF
0x06
0x1B
IoReportTrigger
R/W
0x01
8
0x01 (GPIO0)
0x06
0x1C
IoReportInterval
R/W
0x04
32
30000 (ms)
0x06
0x20
IoPreDelay
R/W
0x01
8
8 (ms)
0x06
0x21
IoBindingEnable
R/W
0x01
1
0 (Disabled)
0x06
0x22
DacReference
R/W
0x01
2
0 (ADC_EXT_REF)
0x06
0x23
AdcReference
R/W
0x01
2
0 (ADC_EXT_REF)
0x06
0x24
AdcAveSelect
R/W
0x01
8
0x01
0x06
0x25
ExtAdcScaleFactor
R/W
0x02
16
0x8000
0x06
0x27
ExtAdcOffset
R/W
0x02
16
0x0000
0x06
0x29
ExtDacScaleFactor
R/W
0x02
16
0x8000
0x06
0x2B
ExtDacOffset
R/W
0x02
16
0x0000
0x06
0x2D
VccAdcScaleFactor
R/W
0x02
16
0x8000
0x06
0x2F
VccAdcOffset
R/W
0x02
16
0x0000
0x06
0x31
VccDacScaleFactor
R/W
0x02
16
0x8000
0x06
0x33
VccDacOffset
R/W
0x02
16
0x0000
0x06
0x35
1VAdcScaleFactor
R/W
0x02
16
0x8000
0x06
0x37
1VAdcOffset
R/W
0x02
16
0x0000
0x06
0x39
1VDacScaleFactor
R/W
0x02
16
0x8000
0x06
0x3B
1VDacOffset
R/W
0x02
16
0x0000
0x06
0x3D
AdcDiffMode
R/W
0x01
8
0 (single-ended)
0x06
0x3E
AdcGainCh0
R/W
0x01
8
0 (gain = 1)

www.RFM.com
© 2010-2012 by RF Monolithics, Inc.
Technical support +1.678.684.2000
E-mail: tech_sup@rfm.com
Page 51 of 80
DNT90 Integration Guide - 08/09/12
Bank
Location
Name
R/W
Size
Range In Bits
Default
0x06
0x3F
AdcGainCh1
R/W
0x01
8
0 (gain = 1)
0x06
0x40
AdcDiffScaleFactorCh0
R/W
0x02
16
0x8000
0x06
0x42
AdcDiffOffsetCh0
R/W
0x02
16
0x0000
0x06
0x44
AdcDiffScaleFactorCh1
R/W
0x02
16
0x8000
0x06
0x46
AdcDiffOffsetCh1
R/W
0x02
16
0x0000
0x06
0x47
FastAdcPrescaler
R/W
0x01
1 byte, range 1..7
5 (128)
0x06
0x48
SlowAdcPresccaler
R/W
0x01
1 byte, range 0..7
2 (16)
0x06
0x49
MaxQueuedEvents
R/W
0x01
1 byte, range 0..20
8 (reports)
0x06
0x4A
AdcSkipCount
R/W
0x01
1 byte
0 (samples)
Table 7.4.7.1
GpioDir - this parameter is a bitmask that sets whether each GPIO is an input (0) or outputs (1). The de-
fault is all inputs.
GpioInit - this parameter is a bitmask that sets the initial value for any GPIOs which are enabled as out-
puts. For GPIOs enabled as inputs, this sets the initial pull-up setting.
GpioAlt - Specifies which GPIO pins will have their alternate functions enabled: Bit 2 - diversity toggle en-
able, Bit 3 - RS485 enable, Bit 4 - /HOST_CTS enable, Bit5 - /HOST_RTS enable.
Bit
Alternate Function
Default
Bit Mask
0
(none)
0
0x01
1
(none)
0
0x02
2
Diversity Toggle
0
0x04
3
RS485 (N/A in SPI Slave mode)
0
0x08
4
/Host_CTS (N/A in SPI Slave mode)
1
0x10
5
/HOST_RTS (N/A in SPI Slave mode)
1
0x20
Table 7.4.7.2
GpioEdgeTrigger -This parameter consists of a set of four 2-bit fields that define when GPIO triggers are
enabled for I/O event reporting:
bits 7..6 GPIO3 edge function
bits 5..4 GPIO2 edge function
bits 3..2 GPIO1 edge function
bits 1..0 GPIO0 edge function
The bit values for each GPIO map to the following settings:
Value
GPIO edge behavior
11
Rising edge trigger, neither level keeps remote awake
10
Bidirectional edge trigger, neither level keeps remote awake
01
Rising edge trigger, holding high keeps remote awake
00
Falling edge trigger, holding low keeps remote awake
Table 7.4.7.3
GpioSleepMode - this parameter is a bitmask that enables configuring the I/O direction and state of
GPIO0..GPIO5 when the module is sleeping. Bits 0..5 correspond to GPIO0..GPIO5. Setting a Gpio-
SleepMode bit to 1 enables sleep mode configuration of the corresponding GPIO. Setting a GpioSleep-
Mode bit to 0 causes the corresponding GPIO to remain configured as in active mode. Note that when the

www.RFM.com
© 2010-2012 by RF Monolithics, Inc.
Technical support +1.678.684.2000
E-mail: tech_sup@rfm.com
Page 52 of 80
DNT90 Integration Guide - 08/09/12
GpioAlt bit is set for GPIO4, the corresponding GpioSleepMode bit is ignored and GPIO4 is controlled
directly by the GpioSleepState parameter bit 7.
GpioSleepDir - when GpioSleepMode is enabled, this parameter functions to set the direction of the
GPIOs during a device’s sleep period. This enables the user to provide alternate configurations during
sleep that will help minimize current consumption. Bits 0..5 correspond to GPIO0..GPIO5. Setting a
GpioSleepDir bit to 1 to specifies an output; 0 specifies an input.
GpioSleepState - when GpioSleepMode is enabled, this parameter functions as a bitmask to control the
states of the GPIOs, the RADIO_TXD output, and the /HOST_CTS and /DCD outputs during a device’s
sleep period. This allows the user to set alternate configurations during sleep to minimize current con-
sumption. Bits 0..5 correspond to GPIO0..GPIO5 respectively. Bit 6 sets the state of RADIO_TXD, and bit
7 sets the states of /HOST_CTS and /DCD. A sleep state bit is set to 1 to specify a high output or an in-
ternal pull-up on an input, or to 0 to specify a low output or no internal pull-up on an input. Bit 6 must be
set low in order to achieve minimum sleep current (high impedance load assumed), and the other bits
may need to be set low or high depending on their external loads. When bit 6 is set low, expect a serial
“break” condition to occur as the module wakes from sleep. The serial break condition can be eliminated
by setting bit 6 high, but sleep current will be increased.
Dac0Init - this parameter sets the initial value for DAC0 at startup.
Dac1Init - this parameter sets the initial value for DAC1 at startup.
AdcSampleIntvl - this parameter sets the frequency (sample interval) of ADC measurements used to de-
termine if a threshold has been exceeded or in calculating an average measurement value. The ADC
channels are read on each ADC cycle, along with the states of GPIO2 and GPIO3. Each AdcSampleIntvl
count equals 10 ms. The default is 100 ms. This interval will be the worst-case latency for ADC generated
interrupts. Note that AdcSampleIntvl is independent of IoReportInterval as the ADCs are read on both
intervals.
Adc0..2ThresholdLo/Hi - these parameters set the thresholds to trigger an I/O report based on ADC
measurements. If I/O reporting is enabled, a single event report containing the contents of the I/O bank is
generated when a threshold is crossed. Reporting is edge-triggered with respect to threshold boundaries,
not level-triggered. Additional reports are not triggered unless the ADC measurement first returns inside
the threshold boundary and then crosses the threshold again. Triggers occur whenever one of the follow-
ing inequalities is satisfied:
ADCx< ADCx_ThresholdLo
ADCx> ADCx_ThresholdHi
IoReportTrigger - a trigger event on any enabled trigger source will cause a DNT90E router or remote to
send an event message to the base containing the entire current values of the Bank 5.
bit 7 ADC2 high/low thresholds
bit 6 ADC1 high/low thresholds
bit 5 ADC0 high/low thresholds
bit 4 Periodic timer
bit 3 GPIO3 edge
bit 2 GPIO2 edge
bit 1 GPIO1 edge
bit 0 GPIO0 edge
I/O reporting is supported for remotes and routers only, not the base.

www.RFM.com
© 2010-2012 by RF Monolithics, Inc.
Technical support +1.678.684.2000
E-mail: tech_sup@rfm.com
Page 53 of 80
DNT90 Integration Guide - 08/09/12
IoReportInterval - when periodic timer I/O reporting is enabled, this parameter sets the interval between
reports. The parameter scaling is 10 ms/count, and the default report interval is every 30 seconds.
IoPreDelay - this parameter sets the time in milliseconds to delay collection of ADC readings after a mod-
ule wakeup event occurs, to allow settling of ADC input voltages.
IoBindingEnable - this parameter enables I/O binding. Setting this parameter to 0x00 disables I/O binding
(I/O mirroring) from a remote device. Setting this parameter 0x01 enables I/O mirroring. When enabled,
the data from any received event report is used to drive the device’s own outputs. GPIO2 will be set to the
event report’s GPIO0 reading, GPIO3 will be set to the event report’s GPIO1 reading, and DAC0 and
DAC1 will be set with the ADC0 and ADC1 readings respectively. Note that if the AdcDiffMode parameter
is set to 1,I/O binding cannot be used.
DacReference - this parameter selects the reference voltage for the DACs:
Setting Reference
0x00
ADC_EXT_REF
0x01
AVVC (Analog Vcc)
0x02
Reserved
0x03
Disable DAC operation
AdcReference - this parameter selects the reference voltage for the ADCs:
Setting Reference
0x00
ADC_EXT_REF
0x01
Internal Vcc divided by 1.6
0x02
Reserved
0x03
Disable ADC operation
AdcAveSelect - this parameter selects the number of ADC measurements to average to produce each
ADC reading, from 1 to 255 samples. Averaging over a larger number of measurements increases noise
filtering but also increases the time it takes to generate a set of readings:
ADC Mode
Module Awake
Module Sleeping
Single-ended, reading all three channels
216 µs
381 µs
Differential, reading both channels
160 µs
273 µs
Table 7.4.7.4
ExtAdcScaleFactor - this parameter is the scale factor applied to an ADC measurement when the ADC
reference is an external voltage. The scale factor parameter is multiplied by 32768. for example, the pa-
rameter value for a scale factor of 1.12 = 1.12 * 32768 = 36700.16 or 0x8F5C.
ExtAdcOffset - this parameter is the 2’s complement offset added to the scaled ADC measurement when
the ADC reference is an external voltage.
ExtDacScaleFactor - this parameter is the scale factor applied to a DAC measurement when the DAC
reference is an external voltage. The scale factor parameter is multiplied by 32768. for example, the pa-
rameter value for a scale factor of 1.12 = 1.12 * 32768 = 36700.16 or 0x8F5C.
ExtDacOffset - this parameter is 2’s complement the offset added to the scaled DAC measurement when
the DAC reference is an external voltage.

www.RFM.com
© 2010-2012 by RF Monolithics, Inc.
Technical support +1.678.684.2000
E-mail: tech_sup@rfm.com
Page 54 of 80
DNT90 Integration Guide - 08/09/12
VccAdcScaleFactor - this parameter is the scale factor applied to an ADC measurement when the ADC
reference is Vcc/1.6. The scale factor parameter is multiplied by 32768. for example, the parameter value
for a scale factor of 1.12 = 1.12 * 32768 = 36700.16 or 0x8F5C.
VccAdcOffset - this parameter is the 2’s complement offset added to the scaled ADC measurement when
the ADC reference is derived from Vcc/1.6.
VccDacScaleFactor - this parameter is the scale factor applied to a DAC measurement when the DAC
reference is Vcc. The scale factor parameter is multiplied by 32768. for example, the parameter value for
a scale factor of 1.12 = 1.12 * 32768 = 36700.16 or 0x8F5C.
VccDacOffset - this parameter is the 2’s complement offset added to the scaled DAC measurement when
the DAC reference is Vcc.
1VAdcScaleFactor - this parameter is the scale factor applied to an ADC measurement when the ADC
reference is the 1 V internal reference. The scale factor parameter is multiplied by 32768. For example,
the parameter value for a scale factor of 1.12 = 1.12 * 32768 = 36700.16 or 0x8F5C.
1VAdcOffset - this parameter is the 2’s complement offset added to the scaled ADC measurement when
the ADC reference is the 1 V internal reference.
1VDacScaleFactor - this parameter is the scale factor applied to a DAC measurement when the DAC ref-
erence is the 1 V internal reference. The scale factor parameter is multiplied by 32768. for example, the
parameter value for a scale factor of 1.12 = 1.12 * 32768 = 36700.16 or 0x8F5C.
1VDacOffset - this parameter is the 2’s complement offset added to the scaled DAC measurement when
the DAC reference is the 1 V internal reference.
AdcDiffMode - a parameter value of 0 selects single-ended ADC mode. In this mode, negative sensor
inputs are connected to ground and positive sensor inputs to ADC0, ADC1 and ADC2 respectively. Three
ADC measurements are made in this mode with a range of 0x0000 to 0x07FF. A parameter value of 1
selects signed differential mode with gain. In this mode, the negative sensor inputs are connected to
ADC0 and the positive inputs are connected to ADC1 and ADC2. Two ADC measurements are made in
this mode, ADC1 to ADC0 and ADC2 to ADC0, with a range (signed) from 0xF800 to 0x07FF. In differen-
tial mode, the AdcGainCh0 and AdcGainCh1 parameters can change the selected gain for the two ADC
readings, and the AdcDiff scale factors and offsets, both supplied by the customer, are used.
AdcGainCh0 - this parameter sets the preamplifier gain applied when making a differential measurement
of ADC1 relative to ADC0. Setting this parameter to 0x00 sets the gain to 1, 0x01 sets the gain to 2, 0x02
sets the gain to 4 and so on, up to 0x06 which sets the gain to 64. Note that the preamplifier output volt-
age saturates at 2.4 V regardless of the gain setting.
AdcGainCh1 - this parameter sets the gain applied when making a differential measurement of ADC2
relative to ADC0. Setting this parameter to 0x00 sets the gain to 1, 0x01 sets the gain to 2, 0x02 sets the
gain to 4 and so on, up to 0x06 which sets the gain to 64. Note that the preamplifier output voltage satu-
rates at 2.4 V regardless of the gain setting.
AdcDiffScaleFactorCh0/1 and AdcDiffOffsetCh0/1 - these parameters are applied to the raw ADC read-
ings in differential mode. These values are not factory calibrated, but can be calibrated by the user.

www.RFM.com
© 2010-2012 by RF Monolithics, Inc.
Technical support +1.678.684.2000
E-mail: tech_sup@rfm.com
Page 55 of 80
DNT90 Integration Guide - 08/09/12
FastAdcPrescaler - this parameter is the system clock divisor used to generate the ADC clock when the
system is being clocked at 16 MHz. Default value is 0x05 (system clock 128). Higher values corre-
spond to slower ADC clock rates. For example, 0x07 = 512, and 0x00 = 4. Note that larger prescalers
will increase the amount of time it takes to collect all readings. DIV4 is not valid when running at 16 MHz
because the maximum ADC clock rate is 2 MHz, so DIV8 is the lowest allowed.
SlowAdcPrescaler - System clock divisor used to generate the ADC clock when the system is being
clocked at 2 MHz, when exiting sleep mode. Default value is 0x02 (system clock 16). Higher values cor-
respond to slower ADC clock rates. For example, 0x07 = DIV512, and 0x00 = DIV4.
MaxQueuedEvents - this parameter sets the maximum number of Event Reports that can be queued at
one time by a DNT90E. This parameter is used to prevent a router device from clogging up its outbound
queue with its own pending transmissions if it has having trouble obtaining link or an available slot from its
parent. This parameter defaults to 8, with a maximum value of 20.
AdcSkipCount - this parameter sets the number of measurements to skip (discard) when switching to a
new ADC channel. The skipped measurements allow transients in the ADC sample-and-hold circuit to
settle out. This parameter must be set to at least 0x03 when AdcDiffMode is selected. Note that the
IoPreDelay parameter discussed above provides a delay to allow signals external to the DNT90E to settle
following a wake up event, while AdcSkipCount skips measurements that may be distorted because the
internal voltage on the ADC sample-and-hold has not settled.
7.4.8 Bank 0xFF - Special Functions
Bank
Location
Name
R/W
Size
Range
Default
0xFF
0x00
UcReset
W
0x01
0..2
N/A
0xFF
0x01
MemorySave
W
0x01
0xD0..0xD2
N/A
0xFF
0x04
DiagSerialRate
R/W
0x01
0..10
7 (38400 kbps)
0xFF
0x0C
ForceDiscover
W
0x03
(See Text)
N/A
0xFF
0x0E
DiagPortEn
R/W
0x01
0..1
0 (disabled)
Table 7.4.8.1
UcReset - writing a 0 to this parameter initiates a full reset, writing 1 to initiates a reset to the serial boot-
loader, or writing a 2 to initiates a reset to the OTA bootloader client.
MemorySave - writing 0xD0 to this parameter load default values, writing 0xD1 saves settings to
EEPROM, or writing 0xD2 to save settings to EEPROM and resets the module.
DiagSerialRate - this parameter sets the diagnostic port serial data rate as shown below:
Setting Serial rate
0x00
1.2 kbps
0x01
2.4 kbps
0x02
4.8 kbps
0x03
9.6 kbps
0x04
14.4 kbps
0x05
19.2 kbps
0x06
28.8 kbps
0x07
38.4 kbps (default)

www.RFM.com
© 2010-2012 by RF Monolithics, Inc.
Technical support +1.678.684.2000
E-mail: tech_sup@rfm.com
Page 56 of 80
DNT90 Integration Guide - 08/09/12
0x08
57.6 kbps
0x09
115.2 kbps
0x0A
230.4 kbps
0x0B
250.0 kbps
ForceDiscoverRegister - a write to this register, typically using a broadcasted Set Remote Register com-
mand, will force a heartbeat reply if a device's parent has the specified base-mode network ID (or 0xFF
wildcard), and the least significant byte of the device’s MAC address is within a specified min/max range.
The payload consists of 3 bytes: NWKID (NN), minimum MAC address (LL), and maximum MAC address
(XX). In Little Endian hexadecimal format this would appear as “XXLLNN”.
DiagPortEn - setting this parameter to 0x01 enables diagnostic port operation.
7.5 Protocol-formatted Message Examples
7.5.1 Data Message
In this example, the ASCII text “Hello” is sent from the base to a remote using the TxData command.
The MAC address of the remote is 0x123456. The protocol formatting for the host message is:
SOP
Length
PktType
Lo MAC
MAC
Hi MAC
“H”
“e”
“l”
“l”
“o”
0xFB
0x09
0x05
0x56
0x34
0x12
0x48
0x65
0x6C
0x6C
0x6F
There are 9 bytes following the length byte, so the length byte is set to 0x09. Note that the 0x123456
network address is entered in Little-Endian byte order, 56 34 12. When an ACK to this message is re-
ceived from the remote, the base outputs a TxDataReply message to its host:
SOP
Length
PktType
Lo MAC
MAC
Hi MAC
Status
RSSI
0xFB
0x07
0x15
0x56
0x34
0x12
0x00
0xB0
The 0x00 TxStatus byte value indicates the ACK reception from the remote. The RSSI value of the re-
ceived ACK is 0xB0, indicating a received signal strength of approximately -80 dBm .
The ASCII “Hello” message is output at the remote as a 0x26 RxData event. The address field contains
the originator’s address, 0x00 0x00 0x00, which is the base. The RSSI value of the received message is
0xB4, indicating a received signal strength of approximately -76 dBm. The data following the RSSI value
is the “Hello” text.
SOP
Length
PktType
Lo MAC
MAC
Hi MAC
RSSI
“H”
“e”
“l”
“l”
“o”
0xFB
0x0A
0x26
0x00
0x00
0x00
0x35
0x48
0x65
0x6C
0x6C
0x6F
Note that if the remote was in transparent mode, only the “Hello” text would be output.

www.RFM.com
© 2010-2012 by RF Monolithics, Inc.
Technical support +1.678.684.2000
E-mail: tech_sup@rfm.com
Page 57 of 80
DNT90 Integration Guide - 08/09/12
7.5.2 Configuration Messages
In this example, the remote with MAC address 0x123456 is configured by the base (MAC address
0x000000) to generate RxEvent messages every 10 seconds. To do this, the IoReportInterval in the re-
mote is set to 10 seconds and the periodic report timer bit in the IoReportTrigger parameter is set ON.
The IoReportInterval and the IoReportTrigger parameters are loaded using SetRemoteRegister com-
mands. The command to set the IoReportInterval to 10 seconds is:
SOP
Length
PktType
Lo MAC
MAC
Hi MAC
Reg
Bank
Size
Lo Val
Val
Val
Hi Val
0xFB
0x0B
0x07
0x56
0x34
0x12
0x1C
0x06
0x04
0x10
0x27
0x00
0x00
The IoReportInterval parameter starts in location 0x1C of Bank 6. The report interval scaling is
1 ms/count, so a 10 second report interval is 10,000 units or 0x00002710 (Little-Endian format 10 27 00
00). The IoReportInterval parameter is updated and SetRemoteRegisterReply is returned:
SOP
Length
PktType
Status
Lo MAC
MAC
Hi MAC
RSSI
0xFB
0x06
0x17
0x00
0x00
0x00
0x00
0xB2
The command to set the periodic report timer bit in IoReportTrigger is:
SOP
Length
PktType
Lo Mac
MAC
Hi MAC
Reg
Bank
Size
Val
0xFB
0x08
0x07
0x56
0x34
0x12
0x1B
0x06
0x01
0x10
The IoReportTrigger parameter is in location 0x1B of Bank 6. The periodic report timer bit in IoReport-
Trigger is located in bit position four (00010000b) or 0x10. The IoReportTrigger parameter is updated and
SetRemoteRegisterReply is returned:
SOP
Length
PktType
Status
Lo MAC
MAC
Hi MAC
RSSI
0xFB
0x06
0x17
0x00
0x00
0x00
0x00
0xB4
7.5.3 Sensor Message
In this example, the base host requests an ADC1 reading from a remote using the GetRemoteRegister
command, type 0x06. The MAC address of the remote is 0x123456. The current ADC1 measurement
parameter is read starting at register location 0x15 and Bank 5. The ADC reading spans two bytes. The
protocol formatting for this command is:
SOP
Length
PktType
Lo Mac
MAC
Hi MAC
Reg
Bank
Size
0xFB
0x07
0x06
0x56
0x34
0x12
0x15
0x05
0x02
Note the remote MAC address is entered in Little-Endian byte order, 56 34 12.
The ADC reading is returned in a GetRemoteRegisterReply message:
Substantial information is returned in the message. The last two byes of the message give the ADC read-
ing in Little-Endian format, 7B 08. The ADC reading is thus 0x087B (2171). The RSSI value is the byte
SOP
Length
PktType
Status
Lo MAC
MAC
Hi MAC
RSSI
Reg
Bank
Size
Lo Val
Hi Val
0xFB
0x0B
0x16
0x00
0x00
0x00
0x00
0xB7
0x1C
0x06
0x02
0x7B
0x08

www.RFM.com
© 2010-2012 by RF Monolithics, Inc.
Technical support +1.678.684.2000
E-mail: tech_sup@rfm.com
Page 58 of 80
DNT90 Integration Guide - 08/09/12
following the address, 0xB7 (-73 dBm). The TxStatus byte to the right of the GetRemoteRegisterReply
Packet Type is 0x00, showing the packet was acknowledged on the RF channel.
7.5.4 Event Message
The configuration example shown in Section 7.5.2 above causes the remote with MAC address 0x123456
to start sending event messages every 10 seconds as shown in the log below:
FB
12
28
56
34
12
B8
00
7A
01
36
01
FF
01
10
00
20
01
40
01
FB
12
28
56
34
12
B0
00
79
01
35
01
C0
01
10
00
20
01
40
01
FB
12
28
56
34
12
A9
00
72
01
35
01
D3
01
10
00
20
01
40
01
FB
12
28
56
34
12
AC
00
75
01
36
01
E7
01
10
00
20
01
40
01
The first received message in the above log is constructed as follows:
SOP
Length
PktType
Addr
Addr
Addr
RSSI
Data
0xFB
0x12
0x28
0x56
0x34
0x12
B8
GPIO
ADC0
ADC1
ADC2
Event Flags
DAC0
DAC1
0x00
0x7A
0x01
0x36
0x01
FF
0x01
0x10
0x00
0x20
0x01
0x40
0x01
RxEvent messages are PktType 0x28. The message payload consists of the states of GPIO0 through
GPIO5, the input voltages measured by ADC0 through ADC2, the event trigger(s), and the DAC output
settings. Note the ADC readings, event flags and DAC settings are presented in Little-Endian order. The
remote is assumed to be always ON in this example. If the remote is placed in periodic sleep mode
(SleepMode = 1), a suitable value of the WakeResponseTime parameter should be set to allow the base
application to analyze the I/O report and send back a command to the remote as needed.

www.RFM.com
© 2010-2012 by RF Monolithics, Inc.
Technical support +1.678.684.2000
E-mail: tech_sup@rfm.com
Page 59 of 80
DNT90 Integration Guide - 08/09/12
8.0 DNT90EDK Developer’s Kit
Figure 8.0.1 shows the main contents of a DNT90EDK Developer’s kit:
Figure 8.0.1
8.1 DNT90EDK Kit Contents
Two DNT90EP radios installed in DNT90E interface boards (labeled Base and Remote)
Two 9 V wall-plug power suppliers, 120/240 VAC, plus two 9 V batteries (not show above)
Two RJ-45/DB-9F cable assemblies and two A/B USB cables
Two installed U.FL coaxial jumper cables
Two 2 dBi dipole antennas with two MMCX-to-RSMA coaxial adaptor cables
One DNT90EDK documentation and software CD
8.2 Additional Items Needed
To operate the kit, the following additional item is needed:
One PC with Microsoft Windows XP, Vista or Windows 7 operating system. The PC must be
equipped with a USB port or a serial port capable of operation at 9600 bps.
8.3 Developer’s Kit Default Operating Configuration
The default operating configuration of the DNT90EDK developer’s kit is point-to-point with transparent
seri- al data at 9600 bps, 8N1. One DNT90EP is preconfigured as a base and the other as a remote.
Labels on the bottom of the interface boards specify Base or Remote. The defaults can be overridden to
test other operating configurations using the DNT90E Demo utility discussed in Section 8.5.

www.RFM.com
© 2010-2012 by RF Monolithics, Inc.
Technical support +1.678.684.2000
E-mail: tech_sup@rfm.com
Page 60 of 80
DNT90 Integration Guide - 08/09/12
8.4 Developer’s Kit Hardware Assembly
Observe ESD precautions when handling the kit circuit boards. When shipped, the DNT90EP radios and
U.FL coax jumper cables are installed in the interface boards, as shown in Figure 8.4.1. If a DNT90EP ra-
dio and/or the U.FL jumper cable has been unplugged after receipt, confirm the DNT90EP is correctly
plugged into its interface board with the radio oriented so that its U.FL connector is next to the U.FL con-
nector on the interface board, as shown in Figure 8.4.2. Also check the radio’s alignment in the socket on
the interface board. No pins should be hanging out over the ends of the connector. Next, screw each di-
pole antenna into and adaptor cable and “snap” the other end of the adaptor cable into the MMCX RF
connector on the development board as shown in Figure 8.4.2.
Figure 8.4.1 Figure 8.4.2
As shown in Figure 8.4.3, confirm there is a jumper on J10 (this jumper can be removed later and a
current meter connected across J10 to measure just the DNT90E’s current consumption during
operation). Note: DNT90P is shown, DNT90PE application is identical.
Figure 8.4.3
J P
1 0

www.RFM.com
© 2010-2012 by RF Monolithics, Inc.
Technical support +1.678.684.2000
E-mail: tech_sup@rfm.com
Page 61 of 80
DNT90 Integration Guide - 08/09/12
There are three serial connectors and a power connector on the end of each interface board, as shown in
Figure 8.4.4. The RJ-45 connector provides an RS232 interface to the DNT90EP’s main serial port. The
USB connector provides an optional interface to the radio’s main serial port. The RJ-11 connector pro-
vides an RS232 interface to the radio’s optional diagnostic port. The DNT90E Demo utility program runs
on the radio’s main port.
Figure 8.4.4
Many desktop PCs have a built-in serial port capable of operation at 9600 bps. The kit can be run satis-
factorily at the 9600 bps data rate, but not at its fastest throughput. Use the RJ-45 to DB-9F cable as-
semblies for serial port operation.
Optionally, the kit development boards can be run from USB ports. Plugging in the USB cable automati-
cally switches operation from the RJ-45 connector. The USB interface is based on an FT232RL serial-to-
USB converter IC manufactured by FTDI. The FT232RL driver files are located in the i386 and AMD64
folders on the kit CD, and the latest version of the drivers can downloaded from the FTDI website,
www.ftdichip.com. The drivers create a virtual COM port on the PC. Power the Base using one of the
supplied wall-plug power supplies. Next connect the Base to the PC with a USB cable. The PC will find
the new USB hardware and open a driver installation dialog box. Enter the letter of the drive holding the
kit CD and click Continue. The installation dialog will run twice to complete the FT232R driver installation.
8.5 DNT90E Utility Program
The DNT90E utility program requires only one PC for initial kit operation and sensor applications (ADC,
DAC and digital I/O). Two serial/USB ports are required for bidirectional serial communications. Section
8.6 below covers using the DNT90E Demo utility program for initial kit operation and familiarization. Section
8.6.1 covers serial message communication and radio configuration.

www.RFM.com
© 2010-2012 by RF Monolithics, Inc.
Technical support +1.678.684.2000
E-mail: tech_sup@rfm.com
Page 62 of 80
DNT90 Integration Guide - 08/09/12
8.6 Initial Kit Operation
Create a file folder on the PC and copy the contents of the kit CD into the folder.
Connect the Base to the PC and power up the Base using a wall-plug power supply.
The DNT90E Demo utility program is located in the PC Programs folder. The DNT90E Demo utility program
requires no installation and can be simply copied to the PC and run. Start the utility program on the PC.
The start-up window is shown in Figure 8.6.1.
Figure 8.6.1

www.RFM.com
© 2010-2012 by RF Monolithics, Inc.
Technical support +1.678.684.2000
E-mail: tech_sup@rfm.com
Page 63 of 80
DNT90 Integration Guide - 08/09/12
Click on Connect to open the Select Comm Port Settings dialog box, as shown in Figure 8.6.2. If
necessary, set the baud rate to 9600 bps. Set the CommPort to match the serial port connected to the
Base, either the hardware port or the USB virtual serial port. Then click OK to activate the serial
connection.
Figure 8.6.2
At this point the utility program will collect data from the Base, filling in the Local Radio column as shown
in Figure 8.6.3. Next, power-up the Remote using a wall-plug power supply. The Remote will transmit a
“heartbeat” message on power up as shown in the Status Window. Click on the drop-down box at the top
of the Radio 1 column and load the MAC Address for the Remote from the heartbeat message. Next
press the Start button using the default 1 second Refresh Delay.
Figure 8.6.3

www.RFM.com
© 2010-2012 by RF Monolithics, Inc.
Technical support +1.678.684.2000
E-mail: tech_sup@rfm.com
Page 64 of 80
DNT90 Integration Guide - 08/09/12
The utility program will display updated data on the Remote in the Radio 1 column, including bar graphs
of RSSI signal strength in dBm and percent packet success rate, as shown in Figure 8.6.4. Adjusting the
large pot on the Remote can be observed on the Potentiometer (ADC0) row.
Figure 8.6.4
Note: If the Remote is powered up before the DNT90E Demo program is running and connected to the
Base, the initial Remote heartbeat will be missed and it will be necessary to manually enter the Remote’s
MAC address in the MAC Address field under Radio 1 and then press the Enter key to display the Re-
mote information.
If any difficulty is encountered in setting up the DNT90EDK development kit, contact MURATA’s module
tech- nical support group. The phone number is +1.678.684.2000. Phone support is available from 8:30
AM to 5:30 PM US Eastern Time Zone, Monday through Friday. The E-mail address is
tech_sup@Murata.com.

www.RFM.com
© 2010-2012 by RF Monolithics, Inc.
Technical support +1.678.684.2000
E-mail: tech_sup@rfm.com
Page 65 of 80
DNT90 Integration Guide - 08/09/12
8.6.1 Serial Communication and Radio Configuration
Connect PCs to both the Base and the Remote for serial communication testing (alternately one PC can
be used with two serial ports and two instances of the DNT90E Demo program running). Click the Stop
button under the Refresh Delay label on the I/O Tools tab and move to the Transmit Tools tab, as shown
in Figure 8.6.1.1.
Figure 8.6.1.1
Pressing the Transmit button on this screen sends the message in the Data to Transmit text box to the
selected MAC Address. Note that the MAC address a remote uses for the base is 0x000000. Data sent to
the local radio is displayed in the Received Data text box. Received data can be displayed as ASCII
(default) or in Hexadecimal format by checking the Hex Mode check box. When the Transmit Interval is
set to zero, Data to Transmit is sent once when the Transmit button is clicked. When the Transmit Interval
is set to a positive number, Pressing the Transmit button once will cause a transmission each transmit
interval (seconds) until the button is pressed again.

www.RFM.com
© 2010-2012 by RF Monolithics, Inc.
Technical support +1.678.684.2000
E-mail: tech_sup@rfm.com
Page 66 of 80
DNT90 Integration Guide - 08/09/12
Returning to the I/O Tools tab, the multi-tab Configuration window for each radio can be accessed by
clicking on its Config button. The data presented on the first six tabs corresponds to configuration register
Banks 0 through 5 as discussed in Section 4.2 above, with the data on the next two tabs corresponding to
configuration register Bank 6.
Figure 8.6.1.2
The Transceiver Setup Tab is shown in Figure 8.6.1.2 and corresponds to Bank 0. The current values of
each Bank 0 parameter are displayed and can be updated by selecting from the drop-down menus or
entering data from the keyboard, and then pressing the Apply Changes button. Note that data is
displayed and entered in Big-Endian order. The utility program automatically reorders multi-byte data to
and from Little-Endian order when building or interpreting messages.

www.RFM.com
© 2010-2012 by RF Monolithics, Inc.
Technical support +1.678.684.2000
E-mail: tech_sup@rfm.com
Page 67 of 80
DNT90 Integration Guide - 08/09/12
Figure 8.6.1.3
Figure 8.6.1.3 shows the System tab contents, corresponding to Bank 1. The current values of each pa-
rameter are displayed and can be updated by selecting from the drop-down menu or entering data from
the keyboard, and then pressing the Apply Changes button. Note that Bank 1 holds configuration parame-
ters for the base only except for Broadcast Mode, which applies to both the base and the remotes.
Figure 8.6.1.4
Figure 8.6.1.5 shows the Status tab contents, corresponding to Bank 2. Note the Status tab contains
read-only parameters.

www.RFM.com
© 2010-2012 by RF Monolithics, Inc.
Technical support +1.678.684.2000
E-mail: tech_sup@rfm.com
Page 68 of 80
DNT90 Integration Guide - 08/09/12
Figure 8.6.1.5
Figure 8.6.1.5 shows the Serial tab contents corresponding to the serial parameters in Bank 3. The val-
ues shown are the defaults for serial port operation.
Figure 8.6.1.6
Figure 8.6.1.6 shows the Protocol tab contents, corresponding to Bank 4. Transparent serial data com-
munication is currently chosen.

www.RFM.com
© 2010-2012 by RF Monolithics, Inc.
Technical support +1.678.684.2000
E-mail: tech_sup@rfm.com
Page 69 of 80
DNT90 Integration Guide - 08/09/12
Figure 8.6.1.7
Figure 8.6.1.7 shows the I/O Parameters tab contents, corresponding to Bank 5. All GPIO ports are con-
figured as inputs. The 12-bit ADC input readings and DAC output settings are given in Big-Endian byte
order. Event flags are presented on the right side of the window.
Figure 8.6.1.8
Figure 8.6.1.8 shows the first I/O Settings tab contents, corresponding to Bank 6 GPIO configurations
other than alternate GPIO functions. This tab allows the direction of the GPIO ports to be set both for ac-
tive and sleep modes, and in the case of GPIO outputs, the initial power up states and sleep mode states
to be set. When GPIO ports 0 - 3 are configured as inputs, event interrupts can be set for them with check
boxes. The type of interrupt trigger is selected from the drop-down boxes to the right of the check boxes.
Periodic I/O reporting, reporting interval and enable/disable sleep I/O states and I/O binding can also be
configured under this tab.

www.RFM.com
© 2010-2012 by RF Monolithics, Inc.
Technical support +1.678.684.2000
E-mail: tech_sup@rfm.com
Page 70 of 80
DNT90 Integration Guide - 08/09/12
Figure 8.6.1.9
Figure 8.6.1.9 shows the second I/O Setup tab contents, corresponding to Bank 6 ADC input and DAC
output parameters. The ADC and DAC reference voltages, the ADC sampling interval, the high and low
ADC thresholds for event reporting and event reporting triggers on each ADC channel can be set, along
with the initial output values for each DAC channel. The event reporting I/O predelay and alternate GPIO
functions can also be set from this tab.
The DNT90E Demo Utility File,Options and Help menus are shown in Figure 8.7.8.
Figure 8.7.8

www.RFM.com
© 2010-2012 by RF Monolithics, Inc.
Technical support +1.678.684.2000
E-mail: tech_sup@rfm.com
Page 71 of 80
DNT90 Integration Guide - 08/09/12
8.7 DNT90E Interface Board Features
The locations of the LEDs on the interface board that are used by the DNT90E are shown in Figure 8.8.1.
Figure 8.8.1
DCD LED, D11, illuminates on a router or remote to indicate it is registered with its parent and can partic-
ipate in RF communications. The DCD LED illuminates on the base when one or more routers or remotes
are registered to it, unless the base has been configured to assert DCD on power up. In this case it will be
on as long as the development board is powered. Activity LED, D10, illuminates when transmitting or re-
ceiving RF data. Power LED, D1, illuminates when the DNT90E and its interface board are powered.
GPIO2 LED, D5, and GPIO3 LED, D4, can be controlled by configuring GPIO2 and GPIO3 as outputs on
the DNT90E. These LEDs are illuminated with a logic high signal.
Figure 8.8.2
Figure 8.8.2 shows the connectors and switches to the right of the DNT90EP mounting socket. Note:
DNT90P is shown, DNT90PE application is identical. JP3 and JP4 normally have shorting plugs
installed as shown in Figure 8.8.2. JP3 connects ADC0 to the yellow potentiometer. Clockwise rotation
of the potentiometer increases the voltage. JP4 connects ADC1 to a thermistor temperature sensor.
The DNT90E has its own boot loader utility that allows the protocol firm-

www.RFM.com
© 2010-2012 by RF Monolithics, Inc.
Technical support +1.678.684.2000
E-mail: tech_sup@rfm.com
Page 72 of 80
DNT90 Integration Guide - 08/09/12
ware to be installed with a terminal program that supports YMODEM. The boot loader is activated with a
shorting plug on JP13. Pin strip J6 provides access to various DNT90E pins as shown on the silkscreen.
Pressing switch SW3 will reset the DNT90EP. Switch S4 is not used with the DNT90E.
Figure 8.8.3
Figure 8.8.3 shows the connectors to the left of the DNT90EP mounting socket. Pressing switch SW1
switches GPIO0 from logic high to low, and pressing SW2 switches GPIO1 from logic high to low. The
DNT90EP interface board includes a 5 V regulator to regulate the input from the 9 V wall-plug power sup-
ply. Do not attempt to use the 9 V wall-plug power supply to power the DNT90EP directly. The maximum
allowed voltage input to the DNT90EP is 5.5 V.

www.RFM.com
© 2010-2012 by RF Monolithics, Inc.
Technical support +1.678.684.2000
E-mail: tech_sup@rfm.com
Page 73 of 80
DNT90 Integration Guide - 08/09/12
9.0 Troubleshooting
DNT90E not responding - make sure /RESET is not asserted (logic low). Make sure the host serial port
settings match the DNT90E serial port settings.
Can not enter protocol mode - make sure the host data rate is correct. The DNT90E defaults to 9.6 kbps.
If using the EnterProtocolMode command, send the complete protocol format for this command.
A remote never detects carrier (DCD) - check that the base is running, and that the remote’s Sys-
temNwkID is the same as the base, and that the ParentNwkID parameter is the same as the base, or is
set to 0xFF. Also make sure that the security keys are the same.
Carrier is detected, but no data appears to be received - if /HOST_RTS is enabled, make sure it is as-
serted (logic low) to enable character flow from the DNT90E.
Range is extremely limited - this is usually a sign of a poor antenna connection or the wrong antenna.
Check that the antenna is firmly connected. If possible, remove any obstructions near the antenna.
9.1 Diagnostic Port Commands
The diagnostic port shares its RX and TX signal lines with the Activity and DCD indications, respectively.
Consequently, the debug port feature must be enabled before being used (Bank 0xFF). The change must
be saved and the module then needs to be reset for this to take effect. The diagnostic port is defaulted to
38.4 kbps, 8N1.
The diagnostic port supports the following user commands:
rbr <bank> <reg> <span> - read a parameter register’s value from the module.
rbw <bank> <reg> <span> <value> [<value> <value>] - write a parameter register’s value
with a span of up to 3 bytes
stat <option> - option = 0 is off, option = 1 displays DataTx/AckRx for a hop
sequence in time order, and option = 2 displays any packet RX or packet error for a hop
sequence in frequency order.
base <0 or 1> - For a router, this determines whether the stat option displays data
associated with its operation as a base (1) or as a remote (0).

www.RFM.com
© 2010-2012 by RF Monolithics, Inc.
Technical support +1.678.684.2000
E-mail: tech_sup@rfm.com
Page 74 of 80
DNT90 Integration Guide - 08/09/12
10.0 Appendices
10.1 Ordering Information
DNT90EC: transceiver module for solder-pad mounting
DNT90EP: transceiver module for pin-socket mounting
10.2 Technical Support
For DNT90E technical support call MURATA at (678) 684-2000 between the hours of 8:30 AM and 5:30
PM Eastern Time

www.RFM.com
© 2010-2012 by RF Monolithics, Inc.
Technical support +1.678.684.2000
E-mail: tech_sup@rfm.com
Page 75 of 80
DNT90 Integration Guide - 08/09/12
10.3 DNT90E Mechanical Specifications
D N T 9 0 C O u t l i n e a n d M o u n t i n g D
i m e n s i o n s
1 . 4 5 0
( 3 6 . 8 )
1 5
0 . 0 5 0 ( 1 . 2 7 )
1
T o p V i e w
0 . 9 8 0
( 2 7 . 9 )
1 6 3 0
0 . 1 2 5
( 3 . 1 8 )
0 . 4 5 0 ( 1 1 . 4 ) 0 . 3 0 0
( 7 . 6 2 )
0 . 0 9 0
D i m e n s i o n s i n i n c h e s ( m m )
Figure 10.3.1
D N T 9 0 C S o l d e r P a d D i m e n s i
o n s
D i m e n s i o n s i n i n c h e s ( m m )
Figure 10.3.2
1 . 4 5 0
( 3 6 . 8 )
0 . 0 5 0
( 1 . 2 7 )
0 . 0 6 0
( 1 . 5 2
)
1
5
0 . 0 3 5
( 0 . 8 9 )
1
T o p
V i e
w
0 . 9 8 0
1 . 0 4 0
( 2 4 . 9 )
( 2 6 . 4 )
1
6
3
0

www.RFM.com
© 2010-2012 by RF Monolithics, Inc.
Technical support +1.678.684.2000
E-mail: tech_sup@rfm.com
Page 76 of 80
DNT90 Integration Guide - 08/09/12
0 . 1
0 0
( 2 .
5 4
)
0 . 0
5 0
( 1 .
2 7
)
0 . 8
0 0
( 2
0 . 3
)
C o n n e c t o r s
a r e S A M T E C
S L M - 1 1 5 - 0 1
- G - S
o r E q u i v a l e
n t
0 .
7 0
0
( 1
7 .
8
0 . 9
8 0
( 2
4 . 9
)
D N T 9 0 P O u t l i n e a n d M o u n t i n g D i m e
n s i o n s
0 . 0 6 0
( 1 . 5 2 )
1 . 4 5 0
( 3 6 . 8 )
0 . 0 5 0 ( 1 . 2 7 )
0 . 9 8 0
( 2 4 . 9 ) 1 . 1 0 0
( 2 7 . 9 )
0 . 4 5 0 ( 1 1 . 4 ) 0 . 3 0 0 ( 7 . 6 2 )
D i m e n s i o n s i n i n c h e s ( m m )
Figure 10.3.3
D N T 9 0 P I n t e r f
a c e C o n n e c t o r
P C B L a y o u t D e
t a i l
)
D i m e n s i o n s a r e i n i n c h e s ( m m )
Figure 10.3.4
0 . 1
2 5
( 3 .
1 8
)
0 . 0
9 0
( 2 .
2 9
)
0 . 2
2 5
( 5 .
7 2
)
3
0
1
6
1
1
5
T o p
V i e
w

www.RFM.com
© 2010-2012 by RF Monolithics, Inc.
Technical support +1.678.684.2000
E-mail: tech_sup@rfm.com
Page 77 of 80
DNT90 Integration Guide - 08/09/12
10.4 DNT90E Development Board Schematic

www.RFM.com
© 2010-2012 by RF Monolithics, Inc.
Technical support +1.678.684.2000
E-mail: tech_sup@rfm.com
Page 78 of 80
DNT90 Integration Guide - 08/09/12

www.RFM.com
© 2010-2012 by RF Monolithics, Inc.
Technical support +1.678.684.2000
E-mail: tech_sup@rfm.com
Page 79 of 80
DNT90 Integration Guide - 08/09/12

www.RFM.com
© 2010-2012 by RF Monolithics, Inc.
Technical support +1.678.684.2000
E-mail: tech_sup@rfm.com
Page 80 of 80
DNT90 Integration Guide - 08/09/12
11.0 Warranty
Seller warrants solely to Buyer that the goods delivered hereunder shall be free from defects in materials
and workmanship, when given normal, proper and intended usage, for twelve (12) months from the date
of delivery to Buyer. Seller agrees to repair or replace at its option and without cost to Buyer all defective
goods sold hereunder, provided that Buyer has given Seller written notice of such warranty claim within
such warranty period. All goods returned to Seller for repair or replacement must be sent freight prepaid
to Seller’s plant, provided that Buyer first obtain from Seller a Return Goods Authorization before any
such return. Seller shall have no obligation to make repairs or replacements which are required by normal
wear and tear, or which result, in whole or in part, from catastrophe, fault or negligence of Buyer, or from
improper or unauthorized use of the goods, or use of the goods in a manner for which they are not de-
signed, or by causes external to the goods such as, but not limited to, power failure. No suit or action shall
be brought against Seller more than twelve (12) months after the related cause of action has oc-
curred. Buyer has not relied and shall not rely on any oral representation regarding the goods sold here-
under, and any oral representation shall not bind Seller and shall not be a part of any warranty.
THE PROVISIONS OF THE FOREGOING WARRANTY ARE IN LIEU OF ANY OTHER WARRANTY,
WHETHER EXPRESS OR IMPLIED, WRITTEN OR ORAL (INCLUDING ANY WARRANTY OR MER-
CHANT ABILITY OR FITNESS FOR A PARTICULAR PURPOSE). SELLER’S LIABILITY ARISING
OUT OF THE MANUFACTURE, SALE OR SUPPLYING OF THE GOODS OR THEIR USE OR DISPO-
SITION, WHETHER BASED UPON WARRANTY, CONTRACT, TORT OR OTHERWISE, SHALL NOT
EXCEED THE ACTUAL PURCHASE PRICE PAID BY BUYER FOR THE GOODS. IN NO EVENT
SHALL SELLER BE LIABLE TO BUYER OR ANY OTHER PERSON OR ENTITY FOR SPECIAL, IN-
CIDENTAL OR CONSEQUENTIAL DAMAGES, INCLUDING, BUT NOT LIMITED TO, LOSS OF PROF-
ITS, LOSS OF DATA OR LOSS OF USE DAMAGES ARISING OUT OF THE MANUFACTURE, SALE
OR SUPPLYING OF THE GOODS. THE FOREGOING WARRANTY EXTENDS TO BUYER ONLY AND
SHALL NOT BE APPLICABLE TO ANY OTHER PERSON OR ENTITY INCLUDING, WITHOUT LIMI-
TATION, CUSTOMERS OF BUYERS.
Part # M-0090-0002, Rev H