Murata Electronics North America Z2405 Spread Spectrum Transmitter User Manual

Murata Electronics North America Spread Spectrum Transmitter

User Manual

ZMN2405/ZMN2405HP/ ZMN2430/ZMN2430HP ZMN2430A/ZMN2430HPA  Module Series  ZigBee® Module  Developer’s Kit  User’s Manual      3079 Premiere Pkwy Ste 140 Duluth, Georgia  30097 www.RFM.com +1 (678) 684-2000
Important Regulatory Information  RFM Zigbee Series Regulatory Identification  ZigBee Module FCC ID IC ID Type of Grant ZMN2405 HSW-ZMN2400 4492A-ZMN2400 Mobile  ZMN2405HP HSW-Z2400HP 4492A-Z2400 Mobile ZMN2430 HSW-Z2430 4492A-Z2430 Mobile ZMN2430HP HSW-Z2430HP 4492A-Z2430HP Mobile        ZMN2430A HSW-Z2430A 4492A-Z2430A Portable ZMN2430HPA HSW-Z2430HPA 4492A-Z2430HPA Portable   THIS DEVICE COMPLIES WITH PART 15 OF THE FCC RULES. OPERATION IS SUBJECT TO THE FOLLOWING TWO CONDITIONS.  (1) THIS DEVICE MAY NOT CAUSE HARMFUL INTERFERENCE, AND (2) THIS DEVICE MUST ACCEPT ANY INTERFERENCE RECEIVED, INCLUDING INTERFERENCE THAT MAY CAUSE UNDESIRED OPERATION.  FCC User Information  NOTE: This equipment has been tested and found to comply with the limits for a Class B digital device, pursuant to Part 15 of the FCC Rules. These limits are designed to provide reasonable protection against harmful interference in a residential installation. This equipment generates, uses, and can radiate radio frequency energy and, if not installed and used in accordance with the instructions, may cause harmful interference to radio communications. However, there is no guarantee that interference will not occur in a particular installation. If this equipment does cause harmful interference to radio or television reception, which can be determined by turning the equipment off and on, the user is encouraged to try to correct the interference by one or more of the following measures: • Reorient or relocate the receiving antenna. • Increase the separation between the equipment and receiver. • Connect the equipment into an outlet on a circuit different from that to which the    receiver is connected. • Consult the dealer or an experienced radio/TV technician for help.”  Warning:  Changes or modifications to this device not expressly approved by RFM Inc. could void the user’s authority to operate the equipment.  These devices can not be co-located with another transmitter without re-evaluation and separate FCC authorization.
RF Exposure  For ZigBee products with “Mobile Grants”. In accordance with FCC requirements of human exposure to radiofrequency fields, the radiating element shall be installed such that a minimum separation distance of 20 cm shall be maintained from the user and/or general population. Only antennas approved by the FCC for these modules may be used.  Contact RFM for details.   For ZigBee products with “Portable  Grants”. In accordance with FCC requirements of human exposure to radiofrequency fields, the radiating element of there devices can be installed such that a separation distance of 2.5 cm or less can be maintained from the user and/or general population.  (See Appendix 1 at the end of this document) These products have an intergraded antenna on the module which must not be removed.  Industry Canada  This Class B digital apparatus meets all requirements of the Canadian Interference Causing Equipment Regulations. Operation is subject to the following two conditions:  (1)this device may not cause harmful interference, and (2) this device must accept any interference received, including interference that may cause undesired operation.  Cet appareillage numérique de la classe B répond à toutes les exigences de l'interférence canadienne causant des règlements d'équipement. L'opération est sujette aux deux conditions suivantes: (1) ce dispositif peut ne pas causer l'interférence nocive, et (2) ce dispositif doit accepter n'importe quelle interférence reçue, y compris l'interférence qui peut causer l'opération peu désirée.  Suggested End Product Labeling  The final end product must be labeled in a visible area on the exterior of the enclosure with the following or similar text: “Contains TX FCC ID: (use correct ID from table above)”   European Union  All ZigBee modules conform to the requirements of ETSI EN 300 328 standard for radiated emissions.
  Table of Contents  Regulatory Information ……………………………………………………………………………………  1. Introduction .............................................................................................................................. 1 2. ZigBee Networking................................................................................................................... 2 2.1 Forming a Network................................................................................................................... 3 2.2 Sleeping End Devices.............................................................................................................. 4 2.3 ZigBee Addressing................................................................................................................... 4 2.4 Discovery.................................................................................................................................. 5 2.5 Network Topology and Size..................................................................................................... 5 2.6 Static Network Addresses and Link Announcements ............................................................. 7 3. Getting Started......................................................................................................................... 9 3.1 Installing ZBDemo.................................................................................................................... 9 3.2 Installing USB Drivers.............................................................................................................. 9 3.3 Running ZBDemo.................................................................................................................... 9 3.4 Communicating without ZBDemo.......................................................................................... 19 4. The Development Board........................................................................................................ 20 5. ZBDemo................................................................................................................................. 23 5.1 Discover Radios..................................................................................................................... 26 5.2 Refresh Delay ........................................................................................................................ 26 5.3 Switches................................................................................................................................. 26 5.4 GPIO LEDs ............................................................................................................................ 27 5.5 Thermistor, Potentiometer and Analog to Digital Inputs ....................................................... 27 5.6 Digital to Analog Outputs ....................................................................................................... 27 5.7 Children’s Network List.......................................................................................................... 27 5.8 Show ZigBee Tree................................................................................................................. 28 5.9 Config..................................................................................................................................... 28 5.9.1 Config Tab..................................................................................................................29 5.9.2 Config Enable Options ...............................................................................................30 5.9.3 Module I/O Tab ..........................................................................................................31 5.9.4 Network Tab...............................................................................................................32 5.9.5 RF Tab .......................................................................................................................33 5.9.6 End Device Tab..........................................................................................................34 5.10 Serial Comm.......................................................................................................................... 35 6. Programming the Module Firmware...................................................................................... 37 6.1 In Circuit Module Programming............................................................................................. 39 7. Module & Development Board Hardware Specifications ...................................................... 41 7.1 Module Pin Descriptions ........................................................................................................ 41
7.2 Electrical Specifications......................................................................................................... 42 7.3 CC2430.................................................................................................................................. 43 7.4 Schematics............................................................................................................................. 44 8. RFM Standard Module (CSM) Profile API..............................Error! Bookmark not defined. 8.1 Module I/O Cluster (ID 0x01)..................................................Error! Bookmark not defined. 8.2 Configuration Cluster (ID 0x02) ..............................................Error! Bookmark not defined. 8.3 Reset Cluster (ID 0x03) ..........................................................Error! Bookmark not defined. 8.4 Network Cluster (ID 0x07) ......................................................Error! Bookmark not defined. 8.5 RF Cluster (ID 0x08)...............................................................Error! Bookmark not defined. 8.6 Security Cluster (ID 0x09).......................................................Error! Bookmark not defined. 8.7 Serial Interface........................................................................Error! Bookmark not defined. 8.7.1 Set Field ......................................................................Error! Bookmark not defined. 8.7.2 Set Reply.....................................................................Error! Bookmark not defined. 8.7.3 Get Field......................................................................Error! Bookmark not defined. 8.7.4 Get Reply ....................................................................Error! Bookmark not defined. 8.7.5 Send String .................................................................Error! Bookmark not defined. 8.7.6 Send String Reply .......................................................Error! Bookmark not defined. 8.7.7 Receive String.............................................................Error! Bookmark not defined. 8.7.8 Send SPI.....................................................................Error! Bookmark not defined. 8.7.9 Send SPI Reply...........................................................Error! Bookmark not defined. 8.7.10 Get IEEE Address.......................................................Error! Bookmark not defined. 8.7.11 Get IEEE Address Reply ............................................Error! Bookmark not defined. 8.7.12 Get NWK Address.......................................................Error! Bookmark not defined. 8.7.13 Get NWK Address Reply ............................................Error! Bookmark not defined. 8.7.14 Discovery Request......................................................Error! Bookmark not defined. 8.7.15 Discovery Reply..........................................................Error! Bookmark not defined. 8.7.16 Discovery End.............................................................Error! Bookmark not defined. 8.7.17 Receive Field Event ....................................................Error! Bookmark not defined. 8.7.18 Link Announce............................................................Error! Bookmark not defined. 8.7.19 Device Registration.....................................................Error! Bookmark not defined. 8.7.20 Error ............................................................................Error! Bookmark not defined. 8.8 CSM Sleep Modes ..................................................................Error! Bookmark not defined. 8.8.1 Timer Sleep Mode.......................................................Error! Bookmark not defined. 8.8.2 Interrupt Sleep Mode ..................................................Error! Bookmark not defined. 8.8.3 Configuring Sleep Mode .............................................Error! Bookmark not defined. 8.8.4 Timer Sleep Example..................................................Error! Bookmark not defined. 8.8.5 Interrupt Sleep Example .............................................Error! Bookmark not defined. 8.9 Network Discovery..................................................................Error! Bookmark not defined. 8.9.1 Device Registration Packets.......................................Error! Bookmark not defined. 8.9.2 Discovery Command...................................................Error! Bookmark not defined. 8.9.3 Hierarchical Discovery................................................Error! Bookmark not defined. 8.10 Sample Packets......................................................................Error! Bookmark not defined. 8.10.1 RF Channel List Example...........................................Error! Bookmark not defined. 8.10.2 GP I/O Direction Example...........................................Error! Bookmark not defined. 8.10.3 Microcontroller Reset..................................................Error! Bookmark not defined.
8.10.4 UART Port/Send ASCII Data Example:......................Error! Bookmark not defined. 8.10.5 ADC Z Example: - Get Field .......................................Error! Bookmark not defined. 8.10.6 ADC Z Example: - Get Reply......................................Error! Bookmark not defined. 8.10.7 Discovery Request......................................................Error! Bookmark not defined. 8.10.8 Discovery Reply..........................................................Error! Bookmark not defined. 8.10.9 Discovery End.............................................................Error! Bookmark not defined. 8.10.10 Get IEEE Address.......................................................Error! Bookmark not defined. 8.10.11 Get IEEE Address Reply ............................................Error! Bookmark not defined. 9. Custom Profiles.......................................................................Error! Bookmark not defined. 10. Layout Guidelines .................................................................................................................. 49 10.1 50 Ohm Trace........................................................................................................................ 49 10.2 Reflow Profile for ZigBee Adapter Panel............................................................................... 50 11. WARRANTY........................................................................................................................... 51  Appendix I........................................................................................................................... 511
ZMN2405/ZMN2405HP Dev Kit © 2007-2008 RFM Inc. 1 M-2405-0000 Rev. C- 1. Introduction Congratulations on your purchase of RFM’s ZigBee Developer’s Kit. The developer’s kit contains everything needed to get a two node ZigBee network up and running. Refer to Figure 1 for the contents of your kit.    Figure 1. Developer’s Kit Contents  The modules in this kit have been designed by RFM Engineers and embody the accumulated expertise gained over 20 years of RF design and implementation experience. Experience gained designing and implementing some of the most difficult RF networks around including nuclear power plant monitoring, medical patient vital signs telemetry and industrial asset tracking. This manual covers both the ZMN2405DK and the ZMN2405HPDK. The only difference between the two kits is the output power of the modules included. The ZMN2405 module provides 1mW of RF power while the ZMN2405HP provides 65mW of RF power (when coupled with a 2dB dipole antenna, the ZMN2405HP provides 100mW EIRP).  RFM has six base module versions: ZMN2405, ZMN2405HP, ZMN2430, ZMN2430HP, ZMN2430A and ZMN2430HPA. All four modules use the same firmware and thus operate the same. The difference with the two HP versions is that they provide 65mW (100mW with the 2dB dipole antenna) of transmit power instead of the 1mW of the non-HP modules. The 2405 modules are solder bump while the 2430 modules are castellated. All versions are based on the CC2430 single chip module. Refer to the data sheets on the dev kit CD for details of the mechanical differences of the modules. In addition to being available as Coordinator, Router, and End Device versions, there are “A” versions that include a chip antenna.   There are various flavors of ZigBee devices that this module must support, the Coordinator, the Router and the End Device.  How these devices work and what their functions are in a Zigbee network are explained in detail is Section 2, Zigbee Networking. The development board can also be configured as an End Device by downloading the End Device code load provided as part of the kit. Programming the module is explained in Section 6.
ZMN2405/ZMN2405HP Dev Kit © 2007-2008 RFM Inc. 2 M-2405-0000 Rev. C- 2. ZigBee Networking ZigBee is a mesh networking and security stack that sits on top of an 802.15.4 MAC layer radio. 802.15.4 specifies the frequency bands, the number of channels, the spreading technique and the modulation method. ZigBee controls how data is routed between 802.15.4 physical layer radios, adding mesh and encryption capability along the way.   There are three types of devices specified in ZigBee: a Coordinator; a Router and an End Device. The Coordinator and Router are sometimes referred to as Full Function Devices or FFDs. The End Device is sometimes referred to as a Reduced Function Device or RFD. Since an FFD can be a Coordinator or a Router, this manual will use the Coordinator, Router and End Device names.   The Coordinator is responsible for setting the channel for the network to use, making its presence known to Routers and End Devices, assigning network addresses to Routers and End Devices and keeping the routing tables for the network that are necessary to route data from one ZigBee device to another in the same ZigBee network. Each network must have one and only one Coordinator. Without a Coordinator, a network cannot form. Typically, although it is not a requirement, the Coordinator will function as the gateway or takeout point for applications where data from the ZigBee network will be sent off the network and will be received from devices off the network.   The Router, as its name implies, is responsible for routing data from other Routers or End Devices to the Coordinator or to other Routers closer to the Coordinator. The Router can also be a data input device, either serially or through the I/O pins of the module.   The End Device can only communicate with the Coordinator or a Router. An End Device cannot communicate directly with another End Device. Communication between one End Device and another End Device must go through the Coordinator or a Router and may go through one or more Routers.  Figure 2 depicts a typical ZigBee network with two levels of Routers. The box labeled C represents the Coordinator, the boxes labeled R represent Routers and the boxes labeled E represent End Devices. As can be seen from the diagram, each End Device has multiple potential communication paths. The most likely path is a solid line with backup paths indicated with dashed lines. From this Figure it is seen how End Devices only communicate with Routers and the Coordinator while Routers can communicate with End Devices, other Routers or the Coordinator. The Coordinator can communicate with Routers and End Devices.
ZMN2405/ZMN2405HP Dev Kit © 2007-2008 RFM Inc. 3 M-2405-0000 Rev. C-   Figure 2. Typical ZigBee Network 2.1 Forming a Network The Coordinator is typically the first element powered up. The Coordinator will listen on the first channel of the set of channels that has been specified for it to use in forming a network. If the Coordinator detects RF energy on that channel, it will move to the next channel in the channel set until it finds a clear channel. If a clear channel cannot be found, the Coordinator will indicate an error.   If a PAN ID has been specified, the Routers and End Devices will look for a Coordinator with the specified PAN ID. If a Coordinator is not found on a channel, or one is found, but has the wrong PAN ID, the ZigBee device will go to the next channel on its channel list until a satisfactory Coordinator is found. The Coordinator will assign each device that identifies itself to the Coordinator a 16-bit network address. This 16-bit network address is used to route data within the network. Each ZigBee device has a unique 8-byte MAC address just as in an Ethernet network. The 16-bit network address can and will change every time the Coordinator is power cycled unless the Static Network mode is enabled. (Refer to Section 2.6 for details).   The network is now formed. If the Routers and End Devices have been configured to transmit data on their own, they will begin doing as they have been told. If the Coordinator is to be used as a gateway too, it is typically necessary to let the application communicating with the gateway to know what devices are on the network. ZigBee provides a discovery command which returns from the Coordinator/gateway, the 16-bit network addresses of all devices associated in the network. The application then must request the 8-byte MAC address and optionally the “Friendly Name” of each device associated with the network. Once the devices associated with the network have been discovered and the MAC addresses obtained, the application can address data and commands to individual devices on the network.
ZMN2405/ZMN2405HP Dev Kit © 2007-2008 RFM Inc. 4 M-2405-0000 Rev. C- 2.2 Sleeping End Devices ZigBee envisions that Routers and Coordinators will always be powered and never put to sleep as they must always be awake since they do not know when another device may attempt to communicate. End devices on the other hand, are expected to send data for a brief period of time and then go to sleep for the majority of the time. When the End Device is asleep, any data addressed to it will be held by the Router (or Coordinator) with which it is associated. When the End Device wakes up, it will send a request for the Router (or Coordinator) to send any data it may be holding. End Devices do not have to go to sleep. They can be configured as mains powered and always be awake.   ZigBee provides that sleeping End Devices will do two things: 1) wake up periodically and see if their parent device is holding data for them; and 2) wake up periodically and perform some operation. It is possible to have an application poll sleeping End Devices. However, since the End Device will not respond until it wakes, the amount of time the application must wait to receive a response will be related to how often the End Device awakens.   The rest of the details of sleeping End Device modes are dependent on the application profile used. Details of the sleep modes implemented in RFM’s CSM profile are provided in Section 8.9 of this manual. 2.3 ZigBee Addressing   The ZigBee standard provides for two means of addressing ZigBee devices, whether they are Coordinators, Routers or End Devices: MAC Addresses and Network Addresses. MAC addresses are just like MAC addresses in Ethernet networks. The MAC address is 8 bytes long, is unique to each device and permanently stays with the device. Network addresses are 2 bytes long and are assigned to ZigBee devices as they associate with the network. As such, the network address is not known before the network forms and can change when a ZigBee device re-associates with the network.  Much like an Ethernet device, RFM’s ZigBee modules have their MAC addresses programmed into them at the factory as part of the manufacturing process. RFM’s prefix of 00:30:66 is used in the MAC address and thus can be used to identify RFM products. While the MAC address uniquely identifies each ZigBee device - regardless of manufacturer or position in the network - it contains no routing information and thus can be used only to communicate with devices that
ZMN2405/ZMN2405HP Dev Kit © 2007-2008 RFM Inc. 5 M-2405-0000 Rev. C- are directly connected to a ZigBee device. That is, if a Router wants to talk to an End Device or Router to which it has a direct connection (the data does not have to be routed through another device), it can use the MAC address. However, if it wants to talk to a ZigBee device but needs to have the data routed through another ZigBee device, it must use the network address.  The network address is assigned to ZigBee devices as they associate with the network. The Coordinator always has network address 0x0000. The network addresses are assigned in such a way that the address contains routing information.  As a 2-byte value, the network address can handle 65,535 potential devices in a single ZigBee network. For a ZigBee device to send data to a device on the network which is not directly connected to it, the network address must be used. Based on the address, the ZigBee Routers can determine the next ZigBee device to send the data to until it reaches the intended device.   If an application needs to send data to specific devices on a network, the application must maintain a table that links device-specific MAC addresses with their assigned Network addresses. The application also must be aware that the network address of a specific device can change due to power cycling, loss of connection, etc. Network and MAC addresses can be determined through the Discovery and Get IEEE Address commands. Refer to the next section on Discovery and Section 8 for details on these commands.  2.4 Discovery  While it is possible for ZigBee devices to only communicate among other devices on the ZigBee network, typically it is a requirement that the devices on the network be known to either applications or other devices that are not part of the ZigBee network. ZigBee supports this need through a Discovery process. The Discovery process reports back all of the ZigBee devices on the network that have joined the network. All devices respond whether directly connected or not. In a network of several layers of depth, it will take a series of steps to discover all of the devices on the network. It is not necessary for sleeping End Devices to be awake to learn of their presence in the network. The parent device of the sleeping End Device will report its presence.   2.5 Network Topology and Size  ZigBee can support three primary network topologies: Star, Cluster Tree and Mesh. Depending on the configuration, the number of nodes the network can support will change. ZigBee uses three parameters that effectively control the network topology and the number of potential nodes. These three parameters are Max Number of Children, Max Number of Routers and Max Network Depth. These parameters are determined by the stack profile being used (this is different than the application profile) and cannot be configured after compilation of the code.
ZMN2405/ZMN2405HP Dev Kit © 2007-2008 RFM Inc. 6 M-2405-0000 Rev. C-                   Star Cluster Tree Mesh  Parents and Children.  In ZigBee parlance, devices higher and lower in the network hierarchy are referred to as Parents and Children respectively. The Coordinator in a network is the parent to all devices directly associated with the Coordinator, regardless of whether they are Routers or End Devices. Routers which are children to the Coordinator are parents to devices that directly associate with them, also regardless of whether they are Routers or End Devices. End Devices cannot be parents and are always children of either the Coordinator or a Router.   Max Number of Children (MNC). This parameter specifies the maximum number of devices for which a ZigBee device can act as a parent or upstream connection. For example, in a star network, MNC will determine the maximum number of devices that can associate with the Coordinator. For a cluster tree or mesh network topology, the MNC specifies the number of children the Coordinator and Routers can each have associated with them. In the only ZigBee approved stack profile (Home Control Lighting) MNC is twenty. This means that a star network can have 21 nodes in it, 1 Coordinator and 20 children. For cluster tree and mesh topologies MNC is not sufficient to determine the maximum number of network devices.   Max Number of Routers (MNR). This parameter specifies how many out of the MNC devices can be Routers. In the Home Control Lighting stack profile, MNR is set to 6. This means that the Coordinator can have 6 Routers directly associated with it and each Router can have 6 Routers associated directly with them. The other 14 devices directly associated with the Coordinator and Routers must be End Devices. If there are fewer than 6 routers associated with the Coordinator or a Router, the maximum number of end devices that can associate with either the Coordinator or a Router is still 14.
ZMN2405/ZMN2405HP Dev Kit © 2007-2008 RFM Inc. 7 M-2405-0000 Rev. C-  Max Network Depth (MND). This parameter specifies how many levels of Routers may be present in a ZigBee network. For a star network, while there can be Routers associated with the Coordinator, the Routers cannot have any children. For cluster tree and mesh networks multiple levels of Routers can be implemented. The Home Control Lighting stack profile set MND to 5. This means a network could be constructed with the Coordinator at the top and 5 levels of Routers beneath the Coordinator.   From these three parameters, the number of nodes that can be supported in a given network configuration can be computed. In the simple case of the star network, it is simply the Coordinator plus MNC. For cluster tree and mesh networks, the calculations are a little more complicated. The Coordinator can support 20 devices of which 6 can be Routers and 14 End Devices. If we assume that there are 2 Routers, and that both Routers have a full complement of 14 End Devices - then this network can support the Coordinator, two Routers and 42 End Devices. In practice, it is hard to know exactly how a network will form. While devices will attempt to associate with the highest level of the network, if they are unable to establish a connection, they will associate with a lower level of the network. So in the simple example above, if some of the 14 End Devices that are assumed to be directly associated with the Coordinator cannot establish a connection with the Coordinator but can establish a connection with one of the two Routers, then some number less than 42 End Devices, 2 Routers and the Coordinator will be supported by this network.   Because the Home Control Lighting profile is the only public stack profile, RFM has implemented our ZigBee modules using that stack profile and thus are constrained by the limits of 20 children per device, 6 Routers per device and 5 levels of Routers. Please contact RFM Tech Support if your application requires different parameter values.   2.6 Static Network Addresses and Link Announcements When a ZigBee network forms, nodes are assigned their 2-byte network addresses according to how the network forms. For example, the first router that associates with the coordinator is assigned the network address 0x0001. The second router to associate is assigned the network address 0x143E. If the network is powered down and then powered up again, if the router originally assigned network address 0x14FE associates with the coordinator before the router originally assigned network address 0x0001, it will be assigned network address 0x0001. Applications that send data over the ZigBee network must keep track of the network addresses assigned to the nodes on the network. If the network loses power, the application must detect that and rediscover the network. This can be a cumbersome process for the application especially during application development or system testing.  To alleviate the problems caused by these situations, RFM has implemented two features: Static Network Addresses and Link Announcements. Each is described in detail below.  Static Network Addresses When enabled through a configuration parameter, Static Network Addresses causes the ZigBee modules to save their network address in non-volatile memory. If power is subsequently lost to the network or just the node, the module will request its original network address when power is restored. If the entire network lost power, this will cause the network to be formed with each ZigBee device having its original network address. If the original parent is no longer available,
ZMN2405/ZMN2405HP Dev Kit © 2007-2008 RFM Inc. 8 M-2405-0000 Rev. C- the ZigBee device will stop trying to re-associate with its original network address and re-associate with the network as if it had never belonged.  Static Network Addresses cannot be used in a mobile environment as it is expected and desired that nodes will associate and re-associate using different parents. In the event when Static Network Addresses are being used, if a parent is no longer available, the node device will associate and receive a new network address.   Link Announcements To prevent the application from periodically rediscovering the network again to learn the network addresses - most of which will not have changed - RFM has implemented Link Announcements. Link Announcements are always enabled. Any time a node associates with a network whether it is the first time or the fifth time, and regardless of with which parent device it associates, a Link Announcement message is sent to the coordinator. The Link Announcement message includes the network address of the node joining the network. The GET IEEE command can be used to determine the MAC address of the joining device.
ZMN2405/ZMN2405HP Dev Kit © 2007-2008 RFM Inc. 9 M-2405-0000 Rev. C- 3. Getting Started Once you have identified all the components of your kit, connect either the 6dBi patch antenna directly to the RF connector on the development boards or the RF cable and 2dBi dipole antenna. It is not necessary to use the same antenna on both boards.   3.1 Installing ZBDemo The next step is to copy the ZBDemo program onto a computer. The ZBDemo program is on the Software and Manuals CD in the Software directory included with the kit. Copy the file zbdemo.exe onto the hard drive of the computer and remember into which directory it was copied.  3.2 Installing USB Drivers  If a USB port is to be used to communicate with the development board, the drivers for the USB adapters must be installed on the PC. The USB drivers are on the Documentation and Software CD under the Drivers folder. When the computer detects the presence of the hardware, the “Add New Hardware Wizard” box will appear. Click on “Next” and follow the prompts. Refer to Section 5 for step-by-step instructions.  3.3 Running ZBDemo  One development board is setup as the Coordinator and the other development board is setup as a Router. Connect the Coordinator to either the USB or RS-232 serial port of the computer. Use either the wall-mount power supply or a 9V alkaline battery. It is not necessary to use the same power type for each radio. Apply power to the Coordinator first and verify the Power LED is on.    When the Coordinator has found that the channel is clear, the Link LED on the Coordinator will glow green. Once the Coordinator has turned on the Link LED, the Router can attempt to associate with the Coordinator. Once it has associated with the Coordinator, the Link LED will glow green. Wait until the Link LEDs on all radios are glowing green before continuing. Start the ZBDemo program by double-clicking the ZBDemo icon on the computers’ desktop.
ZMN2405/ZMN2405HP Dev Kit © 2007-2008 RFM Inc. 10 M-2405-0000 Rev. C-   Click the Connect button on the ZBDemo screen. A window will open showing the communications parameters to be used to communicate with the Coordinator. Select a serial port from the drop down menu. Selections that are available will be marked as “OK”, those unavailable will be marked as “N/A”. 38,400 is the Default baud rate. This window changes the PC Comm Port parameters but not the development board.     The Comm Port Settings dialog is pre-loaded with default settings. In most instances, simply clicking OK will allow ZBDemo to find the radio and load the main program window. If, however, the default settings are incorrect, the radio will not be found. This screen allows you to connect to the radio using two methods.
ZMN2405/ZMN2405HP Dev Kit © 2007-2008 RFM Inc. 11 M-2405-0000 Rev. C- The first is to use the drop down menus to change the default settings for Comm Port, Baudrate, Parity and Stop Bits to the correct values. Obviously, this assumes you know which settings the radio is using. If, however, those parameters may have been changed and are not known, a second method is available.   The Auto Detect function works this way. If set to FALSE, once OK is selected, the program uses the default settings to try to communicate with the radio. If set to TRUE, the program will begin a systematic process beginning with the first valid port (COM 1 in most cases) then will cycle through each baud rate, then each parity setting, then each stop bit setting finally changing to the next available COM port and repeating the process until a radio is found.    Once the radio has been found, click OK and after a few seconds, information about the ZigBee module in the Coordinator will be displayed in the Local Radio column along with its 8-byte MAC address. The Status condition of CONNECTED indicates the computer has detected the development board as shown below.     Click on the Discover Radios button. This will cause the Coordinator to request information about the Router development board.
ZMN2405/ZMN2405HP Dev Kit © 2007-2008 RFM Inc. 12 M-2405-0000 Rev. C- Router  This information will be displayed in the Radio 1 column of the ZBDemo program and the type listed as “Router” as shown below.    Note: This assumes the development board is configured as a Router. If the development board has been reprogrammed as an End Device, refer to the next section.    The Status for Radio 1 will be LINKED and the LQI (Link Quality Indicator) will show the relative strength of the link. The columns for Radios 2, 3 and 4 will be grayed out with a Status of Not Linked. Repeat the above steps on the other computer for the development board.
ZMN2405/ZMN2405HP Dev Kit © 2007-2008 RFM Inc. 13 M-2405-0000 Rev. C- After completing the steps, the Router information will be displayed in the Local Radio column and the Coordinator information will be displayed in the Radio 1 column as shown below.    There are Poll Radio checkboxes at the bottom of each Radio column that enable periodic polling of the radio’s parameters. In order to see changes made to the state-change devices on the development board, turn on continuous polling by clicking the Start button under the Refresh Delay field. A setting of 0 seconds in the Refresh Delay field will continuously poll the Radios with the Poll Radio box checked. Longer Refresh Delay settings can be set using the up and down arrows to the right of the Refresh Delay field, or the number can be highlighted and a value entered. Once the Start button is pressed, it changes to a Stop button. Clicking on the Stop button will end the polling process.
ZMN2405/ZMN2405HP Dev Kit © 2007-2008 RFM Inc. 14 M-2405-0000 Rev. C- End Device  If you have configured the development board as an End Device, this information will be displayed in the Radio 1 column of the ZBDemo program and the type listed as “End Device” as shown below.      The Status for Radio 1 will be LINKED and the LQI (Link Quality Indicator) will show the relative strength of the link. The columns for Radios 2, 3 and 4 will be grayed out with a Status of Not Linked. Repeat the above steps on the other computer for the End Device.
ZMN2405/ZMN2405HP Dev Kit © 2007-2008 RFM Inc. 15 M-2405-0000 Rev. C- After completing the steps, the End Device information will be displayed in the Local Radio column and the Coordinator information will be displayed in the Radio 1 column as shown below.    There are Poll Radio checkboxes at the bottom of each Radio column that enable periodic polling of the radio’s parameters. In order to see changes made to the state-change devices on the board, turn on continuous polling by clicking the Start button under the Refresh Delay field. A setting of 0 seconds in the Refresh Delay field will continuously poll the Radios with the Poll Radio box checked. Longer Refresh Delay settings can be set using the up and down arrows to the right of the Refresh Delay field, or the number can be highlighted and a value entered. Once the Start button is pressed, it changes to a Stop button. Clicking on the Stop button will end the polling process.
ZMN2405/ZMN2405HP Dev Kit © 2007-2008 RFM Inc. 16 M-2405-0000 Rev. C- In the lower left portion of the main ZBDemo window, there are two additional buttons, Show ZigBee Tree and Show Event Log. The Event Log is a chronological listing of the events that have occurred on the Zigbee network as shown below.    As you can see, the log shows the date and time of the event, along with the network address of device the event was received from, the Cluster, Offset and Length (in bytes) of the event and finally, the data received. The Clear button allows you to remove all recorded events from the window and have the logging start again.   The Zigbee Tree button opens the Childform window which is an expandable representation of the devices that makeup the Zigbee network as shown below.
ZMN2405/ZMN2405HP Dev Kit © 2007-2008 RFM Inc. 17 M-2405-0000 Rev. C- There are checkboxes at the bottom of the window (Show MAC Address, Show Friendly Name, Show Device Type) that allow you to choose the items listed for each device in the network. You can check all or not check any.   There is also a Poll Rate field that allows you to enter a polling time period, this number is in milliseconds, i.e. 1000 would equal 1 second. The Poll Devices button on this window can be used in conjunction with the main ZBDemo screen to automatically and sequentially poll ALL current network devices without having to individually select devices to load into the Radio 1 – 4 columns. This can be useful on networks were there are substantially more radios in the network than can be displayed in the four available Radio columns.    Notice there is a + sign to the left of the Coordinator line. Clicking on that sign will expand the tree so that all the network devices connected to the Coordinator will display as shown above. Double click on any line to open the configuration screens for that device. Clicking on the Rescan button will go out and scan the network for any changes, then display those changes in the Childform window.
ZMN2405/ZMN2405HP Dev Kit © 2007-2008 RFM Inc. 18 M-2405-0000 Rev. C- If you want to send text messages back and forth between radios, a second serial port – either RS232 or USB – is needed on the computer or a second computer is needed. Two Zigbee USB devices cannot be attached to the same PC. This is due to the USB drivers. Click on the Serial Comm button in the lower right hand corner of the ZBDemo main screen and the String Messaging Demo box will open.    There are four fields/windows in this box: the Destination Address window top left of the box, the Incoming Data field top right of the box, the Messaging Display window in the middle of the box; and the Text to Send window at the bottom of the box. The Clear button allows you to clear the contents of the messaging display window.   To send a text string to the other radio, simply click on the Send button which will send the text entered in the Text to Send field to the other radio. Data sent by the local radio will appear in the messaging display window indicating what the Local radio transmitted as shown below.
ZMN2405/ZMN2405HP Dev Kit © 2007-2008 RFM Inc. 19 M-2405-0000 Rev. C- Data received from the other radio will be displayed in the messaging window and labeled according to the Incoming Data field selection. Incoming Data can be labeled using the Friendly Name, the MAC Address or the Network Address as shown below.    The String Messaging Demo functionality works the same on the other computer connected to the Router board.  3.4 Communicating without ZBDemo  Packets are used to send and receive data thus unformatted data packets cannot be sent to the UART Port without first putting the module in Transparent Mode. Details on packet format and structure can be found in Section 8.8, Serial Protocol. For details on using Transparent Mode, see Section 8.2.
ZMN2405/ZMN2405HP Dev Kit © 2007-2008 RFM Inc. 20 M-2405-0000 Rev. C- 4. The Development Board This section describes in detail all the features and functions of the development board that makes up the developer’s kit. The development board as it comes from the factory is labeled as a Router on the bottom of the board. Additional Router or End Device development boards can be ordered from RFM.   A block diagram of the development board is shown below:   Figure 3. Development Board Block Diagram  The USB and RS-232 interface circuits convert standard level signals into 3.3V transmit and receive data signals. Only one input can be used at a time. If a USB connection is present, the RS-232 input will be electrically locked out. Note that there is no hardware flow control implemented on the RS-232 input. A standard RJ-11 connector is provided for the RS-232 connection.  The development board can run off either a 9Vdc power source or a 9V alkaline battery.  The supplied wall-mount DC power supply connects to the DC power connector located next to the USB connector. The 9V alkaline battery connectors are located on the bottom of the board underneath the Power LED.  A JTAG header is provided for situations where custom profiles or module code is being developed and the module will be programmed without using the bootloader code resident in the module.   All of the ZMN2405HP module pins, except Reset, are brought out to connectors on the board. This facilitates connecting the module to other devices without having to integrate the module into another circuit. The pinouts of the connectors are listed below and are included in the board silk screen for JP1 and JP2.
ZMN2405/ZMN2405HP Dev Kit © 2007-2008 RFM Inc. 21 M-2405-0000 Rev. C- JP1 Connector Pin  Signal Module Pin 1 Ground 2 2 +3.3V 1 3 PWMA 3 4 PWMB 4 5 GPIO0 5 6 GPOI1 6 7 GPIO2 7 8 GPIO3 8 9 GPIO4 9 10 GPIO5 10 11 Link/TDO 12 12 Ground 2  Refer to the Section 7.1 for details on each module pin and its function.   The GPIO LEDs, Switches, Potentiometer and Thermistor are provided for demonstration purposes. These components can be read and written to using the ZBDemo program. The switches are momentary SPST switches and close to ground when pressed. The thermistor is used to vary an input voltage to the ADC X input with a maximum input voltage of 3.0 volts. Similarly, the potentiometer is connected in a resistor divider network to vary an input voltage to ADC Y input which can vary between ground and Vcc (~3.3V). Refer to the board schematics at the back of this manual for more details. To connect ADC X or ADC Y to off-board signals, disconnect the thermistor and potentiometer from the module inputs by removing JP3 for the potentiometer and JP4 for the thermistor.  A group of four status LEDs are provided to allow board activity to be monitored. The LED functions are provided in the table below.  LED Function Link On the Coordinator, illuminates when a clear channel has been detected and the Coordinator is ready for other devices to associate with it. On Routers and End Devices, illuminates when they have associated with a Coordinator. Activity Indicates RF data activity.  The figure below indicates where the various components of the board are located: JP2 Connector Pin  Signal Module Pin 1 Ground 2 2 +5V NC 3 SPI_/MISO 32 4 SPI_MOSI 31 5 SPI_SCLK 30 6 SPI_EN 29 7 ADCZ 27 8 ADCY 26 9 ADCX 25 10 UTX 22 11 URX 21 12 Ground 2
ZMN2405/ZMN2405HP Dev Kit © 2007-2008 RFM Inc. 22 M-2405-0000 Rev. C-  Figure 4. Development Board Component Locations
ZMN2405/ZMN2405HP Dev Kit © 2007-2008 RFM Inc. 23 M-2405-0000 Rev. C- 5. ZBDemo This sections details the features and functions of ZBDemo and provides some information on what is going on behind the GUI. ZBDemo does not need to be installed, only copied onto the computer to be connected to the developer board. The opening screen is shown below:    ZBDemo can display up to 5 devices including the Coordinator. Regardless of whether or not a radio is set up as a Coordinator or not, the information for a radio connected to the computer running ZBDemo will always be displayed in the Local Radio column. The Coordinator to which the local radio is associated will have its information displayed in one of the Radio columns. To identify the Coordinator, it is necessary to look for the MAC address on the label on the bottom of the PCB. Routers have their MAC address in the same location.
ZMN2405/ZMN2405HP Dev Kit © 2007-2008 RFM Inc. 24 M-2405-0000 Rev. C- When the Connect button is clicked, the Comm Port Settings box opens.    Note: Be sure to close all resident programs that use the Serial port such as any portable digital assistant syncing software (ex: Palm’s HotSync) prior to running ZB Demo.  The Comm Port Settings dialog is pre-loaded with default settings. In most instances, simply clicking OK will allow ZBDemo to find the radio and load the main program window. If, however, the default settings are incorrect, the radio will not be found. This screen allows you to connect to the radio using two methods.   The first is to use the drop down menus to change the default settings for Comm Port, Baudrate, Parity and Stop Bits to the correct values. Obviously, this assumes you know which settings the radio is using. The Comm Port drop down menu will display a list of Comm port selections from 1 to 16. Selections that are valid will be marked as OK. If an invalid selection is chosen, when the OK button is clicked, an error message will be displayed indicating that the selected Comm Port is not valid.   If a valid Comm port is selected, but the radio is not connected to that port, a baud rate error message will be displayed saying a radio could not be detected at the proper baudrate. If this message is received, select another Comm Port and try to connect again.  If, however, the default parameters have been changed and are not known, a second method, Auto Detect, is available.   The Auto Detect function works this way. If set to FALSE, once OK is selected, the program uses the default settings to try to communicate with the radio. If set to TRUE, the program will begin a systematic process beginning with the first valid port (COM 1 in most cases) then will cycle through each baud rate, then each parity setting, then each stop bit setting finally changing to the next available COM port and repeating the process until a radio is found.    Once the radio has been found, click OK and after a few seconds, information about the ZigBee module in the radio will be displayed in the Local Radio column along with its 8-byte MAC address. The Status condition of CONNECTED indicates the computer has detected the radio as shown below.
ZMN2405/ZMN2405HP Dev Kit © 2007-2008 RFM Inc. 25 M-2405-0000 Rev. C- ZBDemo works the same whether connecting to an RS-232 serial port or a USB port. On most computers, the USB Comm Ports have higher port numbers than RS-232 ports. Even on computers without an RS-232 serial port, the USB Comm Ports are numbered something other than 1 or 2. If a USB port is to be used, the drivers for the USB adapters must be installed on the PC.   The USB drivers are on the Documentation and Software CD under the Drivers folder. When the computer detects the presence of the hardware, the “Add New Hardware Wizard” box will appear. Click on “Next.” The next dialog box will ask what Windows should do. Click on the “Search for the best driver for your device” button and then click on “Next.” The next dialog box will ask where Windows should search for the driver. Put the included software CD in the computer and enter the drive letter for your CD drive. Click on the “Browse” button to the right of the window. A window will pop up displaying the contents of the CD. Double-click on the folder named “Drivers.” Click the “Next Button.”  Windows will indicate it has found the driver FTDIBUS.INF on the diskette. Click on the “Next” button to begin the driver installation. When Windows has finished the installation the messages “USB High Speed Serial Converter” and “Windows has finished installing the software that your new hardware device requires” will be displayed. Click on the “Finished” button to close the Wizard.  When ZBDemo has established a connection with a radio, the information for that radio will be displayed in the Local Radio column as shown below.
ZMN2405/ZMN2405HP Dev Kit © 2007-2008 RFM Inc. 26 M-2405-0000 Rev. C- The Status of CONNECTED indicates the radio is communicating with ZBDemo and has nothing to do with whether or not the radio is part of a ZigBee network. Even when the radio is configured as a Router or End Device, the Status will indicate CONNECTED.  Each radio will have a different Network Address. As radios are discovered, they will be made available in the Network Address drop down menus. This allows you to selectively display any individual radio’s parameters using the Network Address drop down menu. For situations in which more than 5 radios are being used, this feature allows you to view and/or reorganize how the parameters are displayed.   There are Poll Radio checkboxes at the bottom of each Radio column that allow the radio to be periodically polled for information when the Start button is pressed under the Refresh Delay field. A setting of 0 seconds in the Refresh Delay field will continuously poll the Radios that have Poll Radio checked. Longer Refresh Delay settings can be set using the up and down arrows to the right of the Refresh Delay field, or the number can be highlighted and a value entered. Once the Start button is pressed, it changes to a Stop button. Clicking on the Stop button will end the polling process.   5.1 Discover Radios Once the ZBDemo has connected to the board, if the Link LED is illuminated, ZBDemo can discover the nodes that are part of the network. The Discover Radio button causes up to four radios that are part of the same ZigBee network as the Coordinator to be displayed at any one time and will read the status of the various components of each radio. Using the Network Address drop down menu, additional radios can be selected and their parameters displayed and/or changed. The status of each Radio will be LINKED. The MAC Address window will display the actual MAC address of each radio and the Switch, LED, Thermistor and Potentiometer windows will display the status of each component on the development board. The values that were present when the Discover Radios button was clicked will be displayed but the values will not be Refreshed until the Start button has been clicked. The Discover command can be issued from a Coordinator, Router, or End Device. 5.2 Refresh Delay The Refresh Delay sets the frequency with which information from all radios, local and remote, is updated. The frequency can be adjusted in one second increments. A value of zero corresponds to a continuous updating. Since an updating of each radio requires a number of individual read and write commands, it may take a second to update each radio even if the Refresh Delay is set to zero. This time is a function of Windows and ZBDemo and not the ZigBee module.  Once the Refresh Delay has been chosen, click on the Start button to begin the updating. The status bar on the bottom left corner of the ZBDemo screen will indicate the progress being made by the program. When ZBDemo is updating the radio data, the Start button will change to a Stop button. When ZBDemo is idle, the Stop button will return to the Start button. If the Poll Radio box is unchecked for a radio, that radio will not have its information updated.  5.3 Switches  The Switch0 and Switch1 windows display the state of the two momentary push button switches on the development board. When the switches are open, the window will display 0x01. When
ZMN2405/ZMN2405HP Dev Kit © 2007-2008 RFM Inc. 27 M-2405-0000 Rev. C- the switches are closed, the window will display 0x00. Note that ZBDemo will not update changes in either the Local Radio or the remote Radios until the Refresh is started by clicking on the Start button under the Refresh Delay window.  5.4 GPIO LEDs  The LED0 and LED1 windows allow the GPIO2 and GPIO3 module lines to be driven high or low to turn the LEDs on or off respectively. The LEDs are turned on by entering 1 in the window and turned off by entering a 0 in the window. As before, ZBDemo will not update changes in either the Local Radio or the remote Radios until the Refresh is started by clicking on the Start button under the Refresh Delay window. 5.5 Thermistor, Potentiometer and Analog to Digital Inputs  The Thermistor window displays the 10-bit ADC reading of the ADC X channel. Changes in temperature will cause the value displayed to change if ZBDemo has been put into update mode by clicking on the Start button under the Refresh Delay window. Similarly, the Potentiometer window displays the resultant 10-bit ADC value of the voltage divider created by the pot. Changing the voltage by adjusting the pot will change the value displayed in the window if ZBDemo is refreshing the data as above. The potentiometer and thermistor can be removed from the circuit by removing the headers from JP3 and JP4 respectively. 5.6 Digital to Analog Outputs The PWMA and PWMB windows allow adjusting the duty cycle of the PWM outputs. These outputs are fed into an RC network for low pass filtering to generate an analog voltage. The allowable values are 0x0000 to 0xFFFF.  5.7 Children’s Network List Coordinators and Routers can be parents to other devices in the network. The Coordinator will always have children as long as there is at least a second device in the network. Routers may or may not have any children and End Devices cannot have children. The drop down menu will display the network address of all children associated with the radio in that column.
ZMN2405/ZMN2405HP Dev Kit © 2007-2008 RFM Inc. 28 M-2405-0000 Rev. C- 5.8 Show ZigBee Tree The Show ZigBee Tree button displays a hierarchical view of the network. The Coordinator is displayed at the top. When there are other devices in the network, a plus sign will be displayed under the Coordinator. Clicking on the plus sign will expand the ZigBee Tree displaying the Routers and End Devices directly associated with the Coordinator. Any Routers with children will also have a plus sign. Clicking on the plus sign will expand the children list of that Router. This will continue until the entire network is displayed. The default is to display the MAC address of the network nodes but you can have the network addresses and friendly names displayed by checking the corresponding boxes.  5.9 Config  The Config button brings up the Module Clusters dialog which allows configuration parameters of each radio to be modified. There are seven possible tabs across the top of the dialog window that correspond to the Zigbee clusters; Config, Config Enable Options, Module I/O, Network, Diag, RF and End Device. However, the End Device tab will only appear if the applicable radio is configured as an End Device. It is shown in the screens below for informational purposes. A Broadcast Mode checkbox appears in the lower left hand side of each Cluster’s tab that sends the applicable Cluster’s information to all radios.  Once values have been modified, click on the Apply button to write the new values in the module. If a reset of the module is required for the changes to take effect, the Radio Reset dialog will be displayed as shown below. Click on Yes to reset the radio, Click on No to have the changes take affect on the next power cycle.      Note: See individual Cluster tables to determine if a Radio Reset is required.
ZMN2405/ZMN2405HP Dev Kit © 2007-2008 RFM Inc. 29 M-2405-0000 Rev. C-  5.9.1 Config Tab   The Serial Baudrate sets the communication rate for the UART port of the module. Changes take effect immediately upon clicking Apply.   The Model Number field shows whether the device is a Coordinator, Router or End Device.  Friendly Name is a 16-byte field that allows user-defined names to be assigned to modules for easier identification in the field. It allows the user to assign applicable names to each radio in the system, i.e. Main Office for the Coordinator and Pump Well 1 for the Router out on the site and so on.   Sleep Mode This is used on End Devices Only. Checking this box will configure the module as a battery-powered sleeping node. The default sleep mode is Timer Sleep. If Interrupt Sleep mode is desired, it can be selected under the Confg Enable Options tab. This setting should be configured before the device joins the network. If it is changed after the device has joined the network, all devices in the network must be power cycled or reset, starting with the coordinator, to insure the network functions properly.  Device Mode This is currently Read Only.  On read back it will be 0x00 for a Coordinator, 0x01 for a Router, and 0x02 for an End Device.  Transparent Mode  A check is this box implements Transparent Mode and allows data without the CSM packetization to be transmitted.  Any data appearing on the serial input will be transmitted to the coordinator. Data received by the device will also be output by the module without the CSM packetization. Once you enter Transparent Mode, ZBDemo will no longer work since it is expecting data to be in CSM packets. See Section 8.2 for details on protocol mode. Transparent Mode is only for a Router or End Device.
ZMN2405/ZMN2405HP Dev Kit © 2007-2008 RFM Inc. 30 M-2405-0000 Rev. C- Reporting Mode Checking this box enables the device to send the module I/O cluster in an EVENT packet to the coordinator at an interval determined by the Reporting Rate.  This mode works for all device types.  Reporting Rate This is a 32-bit value that sets the reporting interval of the reporting mode.  The resolution is in 1ms increments but with the accuracy of the smaller of the Check Parent Rate and 500ms.  The value may vary anywhere from 1000ms (0x000003E8) to 49.7 days (0xFFFFFFFF).  If an attempt to set it less than 1000ms is made, an INVALID_RANGE error packet will be returned.  Firmware Version is a read-only register that identifies the firmware revision level. 5.9.2 Config Enable Options   This page allows you to enable Device Message Options for the various GPIOs (general purpose inputs/outputs).   Putting a check in the Enabled box allows the device to issue various messages when GPIOs 0 through 3 are set as interruptible inputs.  When the input changes from high to low, one message (defined by the radio buttons under Device Message Options) will be transmitted to the gateway (default is the Coordinator)  Device Message Options allow you to individually set what types of messages are initiated by the GPIOs 0 through 3. The options are:  • Button Message - This message is simply an Event message that describes the particular GPIO input state.  It should always be 0b0 since the interrupts are falling edge triggered. • Module I/O Message - This message is an Event containing the current data from the entire Module I/O cluster. This is the same data that is sent when the Reporting Mode is enabled. • Device Announcement - This message will force the device to re-register with the gateway (coordinator) by sending a device announce packet.
ZMN2405/ZMN2405HP Dev Kit © 2007-2008 RFM Inc. 31 M-2405-0000 Rev. C-  Device Options Settings allow you to check or uncheck the following settings: • Device Registration - By checking this box, the device will output a Device Registration packet for every device that joins its network. The box is checked by default. • Interrupt Sleep - If the device is an End Device, checking this box when the Mains Powered box is not checked under Power Source on the Configi tab, puts the module into Interrupt Sleep where the module can only be awakened by an interrupt on one of the GPIO lines. In this mode, the module will not perform a Check Parent operation until it is awakened by an interrupt. • Link Announcement - By checking this box, the device will output a Link Announce packet when it has registered (Routers and End Devices) or formed a network (Coordinators).  The Link Announce packet is output on the module’s UART port. The bit is enabled by default. • I/O Sleep State Enable – Checking this box causes the module to set the module GPIO pins to the state selected for each GPIO on the End Device tab. This feature is intended to be used for sleeping End Devices to avoid conflicts with attached circuits when the module goes to sleep. Improperly setting the I/O Sleep State of a GPIO can cause a significant increase in sleep mode current consumption due to sneak paths from the module pin through other circuits to ground or power.  5.9.3 Module I/O Tab   The GPIO Direction allows you to individually set GPIO0-5 as either inputs or outputs.   The GPIO Init is a non-volatile setting for the power up value of all the GPIO pins set as outputs. If a pin is set as an input this setting has no effect. Each time a reboot occurs (power cycle, command, etc.) this will be the default output level.  The GPIO Interruptible register allows GPIO0..GPIO3 to be used as interrupts to wake a module not configured for Mains Powered. If Interrupt Sleep Mode is enabled but no GPIO line is set as interruptible, the ZigBee module will return an error.
ZMN2405/ZMN2405HP Dev Kit © 2007-2008 RFM Inc. 32 M-2405-0000 Rev. C- DAC A Init and DAC B Init initialization registers are non-volatile settings for the analog output values after a reset command or power cycling.  Each time a reboot occurs this will be the default output level for either DAC A or DAC B.   5.9.4 Network Tab   The MAC Address is the unique IEEE address of the device and is set at the factory.  The Network Address is a read-only register that contains the network address assigned to the device by its parent.  It cannot be changed by a user or pre-configured in any way. If the module is not linked, its value will be FFFF.  A check in the Static Network box allows the user to force the device to remain in the same network configuration from power-up to power-up.  Uncheck the Static Network box and the device can join (or configure) the network in a different manner every time it restarts and thus, Network Addresses will change. Refer to Section 2.6 for details on Static Network Addresses.  Gateway Address This is the destination network address for data sent to a module through its UART port in Transparent Mode. Currently, this is set for the Coordinator and cannot be changed.  A PAN ID is required for the Coordinator and can be any 14 bit number, i.e. 0x0000 to 0x3FFF. In order for the Router to link to the Coordinator, its PAN ID must match the PAN ID on the Coordinator. Setting a the PAN ID of a Router to 0xFFFF will allow a Router to connect to any Coordinator on the same RF Channel. Setting 0xFFFF on the Coordinator causes it to pick a random value.
ZMN2405/ZMN2405HP Dev Kit © 2007-2008 RFM Inc. 33 M-2405-0000 Rev. C- Link Status is a read-only register that provides information about the device’s link status. (Update button refreshes Link Status.)  LinkStatus Value Description 0x01 Device is initialized, but not connected 0x02 Device is discovering PANs to join 0x03 Device is joining a PAN 0x04 Device has joined but is not yet authenticated by the Trust Center 0x05 Device has been authenticated and has joined the network as an End Device 0x06 Device has been authenticated and has joined the network as a Router 0x07 Device is starting a network 0x08 Device has started a network as the coordinator 0x09 Device has been orphaned  5.9.5 RF Tab  The Channel Set selects the RF channel(s) the module can use. Any number can be checked or unchecked as long as at least one channel is selected. If no channels are selected, when you click on Apply, an error message will display. Simply click in a box to add a check mark. Clicking on a box that already has a checkmark will remove it. The Coordinator listens on the first channel of the channel(s) that have been specified in the Channel Set field. If it detects RF energy on that channel above the Network Formation Threshold level, it moves to the next channel in the channel set list until it finds a clear channel. Once a channel has been found, text will display in the Status text window in the lower right part of the main ZBDemo window indicating that a network has been formed. If a clear channel cannot be found, the Link LED will not be lit and no text will display in the Status text window. Once a clear channel has been found, the Coordinator will listen for other devices seeking to associate. See Section 8 for a more detailed explanation.
ZMN2405/ZMN2405HP Dev Kit © 2007-2008 RFM Inc. 34 M-2405-0000 Rev. C- Transmit Power can be set to the following levels; Nominal or -1dB, -3dB, -5dB, -7dB, -10dB,  -15dB or -25dB from the nominal. Nominal transmit power for the ZMN2405HP module is +18dBm at the RF connector thus setting transmit power to -10dBm will result in +18dBm – 10dBm = +8dBm at the RF connector. Nominal level for the ZMN2405 module is 0dBm at the RF connector. The user may find it necessary to change the level if for instance, regulations require lower output power and/or when using a high gain antenna.  The Network Formation Threshold variable is a signed 8-bit value(0xFF = -1) in dBm which is used to vary the threshold around a default of -40dBm.  Energy detected above the corresponding power level will stop the Coordinator from starting a PAN in the tested channel.  This is helpful in forcing a network in an area with a lot of RF noise.  The equation is:    Threshold = -40dBm + Network Formation Threshold  5.9.6 End Device Tab   The GPIO Sleep Direction allows you to control the direction of the GPIOs during a device's sleep period if the I/O Sleep State was enabled on the Config Enable Options tab. This enables the user to provide alternate configurations during sleep that will help minimize current consumption.  Sleep I/O State is used to set the output state of the GPIOs during a device's sleep period if the I/O Sleep State was enabled on the Config Enable Options tab.  This also enables the user to provide alternate configurations during sleep that will help minimize current consumption.  Check Parent Rate - This setting controls the rate at which a Timer Sleep Mode End Device will awaken and ask its parent for any queued messages.  Because an Interrupt Sleep End Device must request stored messages while it is awake, this setting controls that rate while the device has been externally awakened.  The setting resolution is in milliseconds and 0x0000 is an invalid setting.
ZMN2405/ZMN2405HP Dev Kit © 2007-2008 RFM Inc. 35 M-2405-0000 Rev. C- Wake Duration - This setting controls the length of time a module will remain awake when it wakes due to Check Parent timer. The default setting is 100 milliseconds. The minimum length of time is 30 milliseconds and the maximum duration is 65.5 seconds.   5.10 Serial Comm Click on the Serial Com button to bring up the text messaging window as shown below.     There are four fields/windows in this box: the Destination Address window top left of the box, the Incoming Data field top right of the box, the Messaging Display window in the middle of the box; and the Text to Send window at the bottom of the box. The Clear button allows you to clear the contents of the Messaging Display window.  The Destination Address window is used to select the ZigBee device to which to send a text string. The drop down menu will display the Long Network Addresses of the devices that were found to be part of the network through the Discover command. The Long Network Address is the two bytes displayed in the Network Address field preceded by 80:00:00:00:00:00. Example: If the Network Address is 0x0001, the Long Network Address will be 80:00:00:00:00:00:00:01. Select the Long Network Address of the desired device.  ZigBee uses a packet format to send data. Rather than waiting for a long pause between keystrokes to determine the end of the data, ZBDemo requires the text be entered in the Text to Send window and the Send button clicked. ZBDemo can send a maximum of 68 bytes per packet thus the maximum number of characters that can be sent in a single packet is 64. When the String Messaging window is open, the radio information will not be refreshed.
ZMN2405/ZMN2405HP Dev Kit © 2007-2008 RFM Inc. 36 M-2405-0000 Rev. C- When the Send button is clicked, the text in the Text to send window will appear in the chat window after a LOCAL> prompt.     When data is received by the local board from a remote ZigBee device, that string will be displayed in the chat window after a > prompt. The > prompt is labeled according to the selection designated in the Incoming Data drop down menu as shown below. In addition to Friendly Name, MAC Address or Network Address can be selected.
ZMN2405/ZMN2405HP Dev Kit © 2007-2008 RFM Inc. 37 M-2405-0000 Rev. C- 6. Programming the Module Firmware The ZMN2405HP developer’s kit includes three code loads which can be programmed into the ZMN2405HP module. All the modules come programmed from the factory, but RFM provides the capability to change the code in the module. The ZMN2405HP has bootloader code which allows the module firmware to be programmed through one of the two serial connections to the development board. The bootloader code removes the need for a JTAG programming device.  Three files are provided in the Code Loads directory of the Software and Manuals CD included with this kit. The files all start with “CSM” followed by “-C” for the coordinator, “-R” for the router, and “-E” for the end device. After the node type designation is the firmware version indicated by “vxxxxx” where xxxxx represents the version number.   The modules are programmed using the ZProg.exe Windows utility program found the in the same Code Loads directory on the CD. The program can be run from the CD or copied to your computer. When ZProg starts, the following window will appear.   Select the serial port to which the dev kit board is connected from the drop down menu and click on Connect. If the serial port does not show up in the list, check to make sure no other program is open using that port, such as ZBDemo.   A Detecting Radio screen will appear and you will be prompted to cycle power to the dev kit. Simply unplug and the reconnect the power supply cord from the dev kit board. Once the module has been detected, the Detecting Radio window will close and the Connect button on the ZProg will change to disconnect.  Click on the Select File button to choose the code load to use. If you know the complete path to the code load you want to use, you can type it in the Program Filename field. When you click on the Select File button the following screen will open.
ZMN2405/ZMN2405HP Dev Kit © 2007-2008 RFM Inc. 38 M-2405-0000 Rev. C-  Select the desired file from the list of .bin files listed. Either double-click on the file name or click once on the filename and then click on the Open button. The file select window will close and the ZProg window will now have the file you selected in the Program Filename window as shown below.   Click on the Program Device button to begin the programming process. The Progress bar will indicate the programming progress.  When the ZProg has completed programming the module, it will verify the image in the module matches the selected program file. The following window will display during the verification
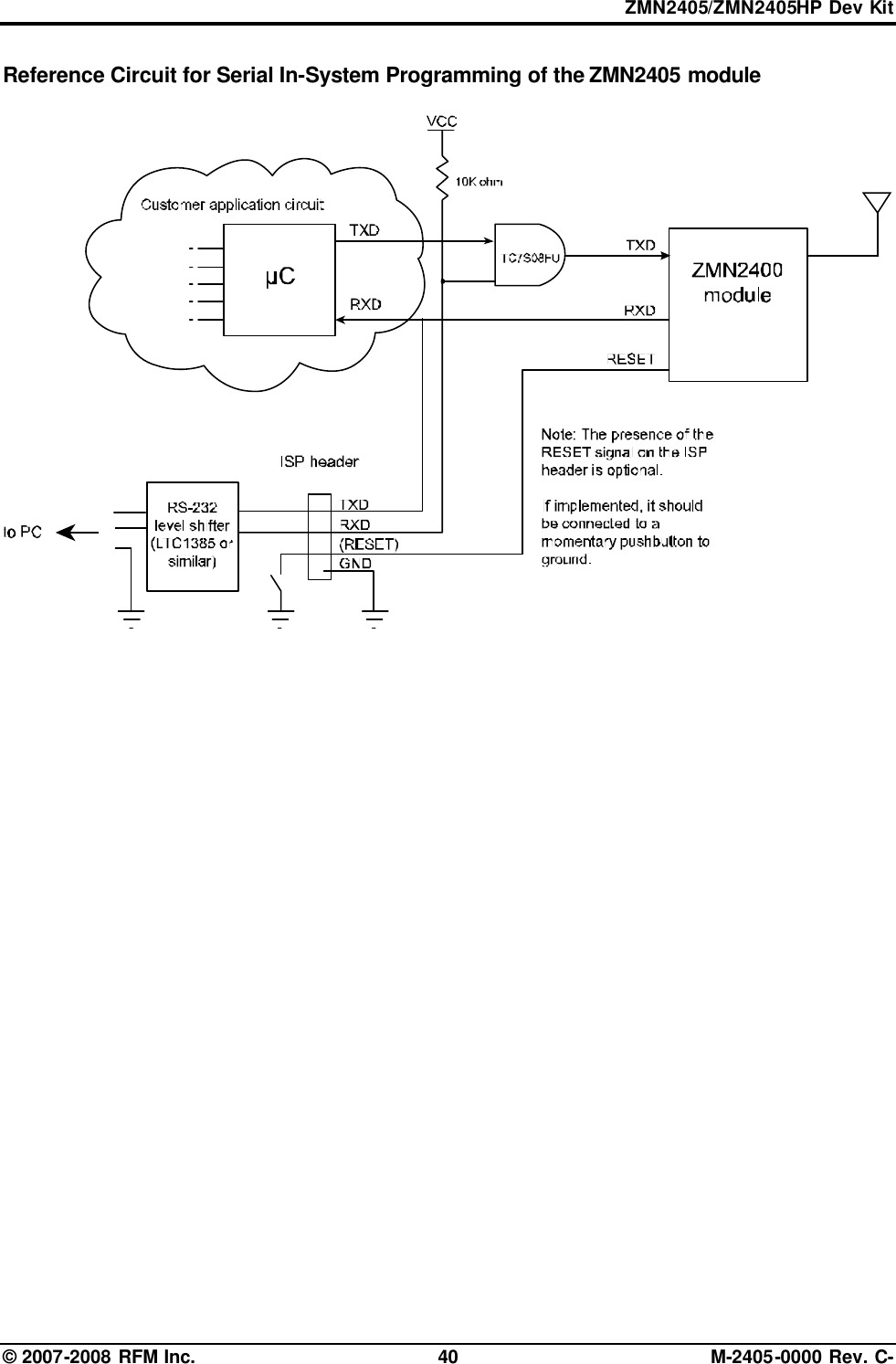
ZMN2405/ZMN2405HP Dev Kit © 2007-2008 RFM Inc. 39 M-2405-0000 Rev. C- process. If the images agree, the verification window will close the success window will open.  The module is now ready for use.  ZProg can also verify the firmware that is in a module by comparing it to a program file selected. Once the file has been selected using the procedure above, click on the Verify Firmware button. The progress bar at the bottom of the ZProg screen will indicate the progress of the verification.  If the image in the module matches the selected filename, the following success window will open.   If the images do not match, a Verification Failed window will open with the message Images Differ across the top.  6.1 In Circuit Module Programming Due to the early nature of ZigBee and the number of profiles currently being developed by the ZigBee Alliance, it is advisable to provide a means for reprogramming the module in the end product. If the end product has a serial port, either RS-232 or USB, nothing further is required. If the end product does not have a serial port then one must be added. The diagrams below show how one can be easily and inexpensively added.   There has been some information about over the air reprogramming of modules. While that will be the case in the future, the current size of the code and the memory resources available on the module do not allow that at this time.
ZMN2405/ZMN2405HP Dev Kit © 2007-2008 RFM Inc. 40 M-2405-0000 Rev. C- Reference Circuit for Serial In-System Programming of the ZMN2405 module
ZMN2405/ZMN2405HP Dev Kit © 2007-2008 RFM Inc. 41 M-2405-0000 Rev. C- 7. Module & Development Board Hardware Specifications 7.1 Module Pin Descriptions Pin No. Name Description 1 Vcc +3.3Vdc to +5.5Vdc 2,11, 17 – 20, 28, 33, 34, 36, 37, 39 GND Power supply grounds. All ground pins must be connected to circuit ground. 3, 4 PWMA - B Two pulse width modulated outputs that can be used to create an analog output with the addition of simple RC filters. 5 - 10 GPIO0 - 5 Six general purpose input/output pins. Software configurable as inputs or outputs. When configured as an output, power up state is software configurable. 12 LINK /TDO Output status signal indicating module link status in default mode. When JTAG port is enabled, serves as JTAG Test Data Output. 13 /RST Active Low reset input. Tied to pin 24 14 ACT/DC LED indicates RF data activity/JTAG data clock input. Leave disconnected if JTAG port will not be used. 15 NC No Connection 16  ADC REF Module’s +3.3V supply, for use in ratiometric ADC readings. Load on this pin must be less than 5mA. 21 UART_RX Receive data input signal of module UART. Data to be sent to the module is transmitted on this pin. 22 UART_TX Transmit data output signal of module UART. Data received by the module will be transmitted to the local host on this pin. 23 NC No Connection. Leave disconnected. 24 /RESET Active Low module hardware reset input. Must be held low when supply voltage is between +1.5Vdc and +2.7Vdc. 25 – 27 ADCX – Z Three 10-bit Analog to Digital inputs. Inputs limited to 0Vdc to +2.5Vdc. 29 SPI_EN Active Low chip enable output for SPI bus devices 30 SPI_SCLK SPI port clock signal 31 SPI_MOSI SPI port data output. 32 SPI_MISO SPI port data input 35 NC No Connection. Leave disconnected. 38 RF RF signal output pin. Connect to antenna or antenna connector using a 50 ohm microstrip line.
ZMN2405/ZMN2405HP Dev Kit © 2007-2008 RFM Inc. 42 M-2405-0000 Rev. C- 7.2 Electrical Specifications  Parameter Min. Typ. Max. Units Condition  Radio Characteristics Frequency Range 2.405    2.480 GHz   Spreading Method Direct Sequence Modulation O-QPSK RF Channels  ZMN2405 – 16; ZMN2405HP – 15  RF Data Rate 250Kbps  Channel Spacing    5    MHz   Spurious Emissions     -60 dBm TX 30-1000MHz Harmonics     -43 dBm TX 1-12.75GHz 2nd Harmonic    -43 dBm   3rd Harmonic    -55 dBm   Optimum load impedance  50    ? Using ext. antenna Adjacent channel rejection    46    dB +5MHz     39    dB -5MHz Alternate Channel Rejection    58    dB +10MHz     55    dB -10MHz Frequency error tolerance -300    300 KHz   Symbol rate error tolerance      120 ppm     Transmit Power -  Software Adjustable ZMN2405 -25    0 dBm At RF Pin ZMN2405HP -7    +18 dBm At RF Pin  Receive Sensitivity ZMN2405    -91    dBm for 10-5 BER ZMN2405HP    -95    dBm for 10-5 BER   I/O 1 — SPI Port 6 — General purpose I/O lines  3 — 10-bit ADCs 2 — PWMs  Quantity and Designation 1 — UART  Environmental Operating temperature range -40 25 85 °C Ambient
ZMN2405/ZMN2405HP Dev Kit © 2007-2008 RFM Inc. 43 M-2405-0000 Rev. C- 7.3 CC2430 The signal lines on the ZMN2405HP module are directly connected to the input pins of the CC2430. See the TI documentation below for details of those signals.  The signal lines brought out to the connectors on the development boards have 330 ohm resistors in series. The RF output on the module and the development board is designed for 50-ohm loads. Refer to the schematics on the next pages for details of the development board.  For complete details, please refer the documentation on the CC2430 available on the Texas Instruments’ website, www.ti.com.
ZMN2405/ZMN2405HP Dev Kit © 2007-2008 RFM Inc. 44 M-2405-0000 Rev. C- 7.4 Schematics  Confidential Information Removed
ZMN2405/ZMN2405HP Dev Kit © 2007-2008 RFM Inc. 45 M-2405-0000 Rev. C- Confidential Information Removed
ZMN2405/ZMN2405HP Dev Kit © 2007-2008 RFM Inc. 46 M-2405-0000 Rev. C-  Confidential Information Removed
ZMN2405/ZMN2405HP Dev Kit © 2007-2008 RFM Inc. 47 M-2405-0000 Rev. C-  Confidential Information Removed
ZMN2405/ZMN2405HP Dev Kit © 2007-2008 RFM Inc. 48 M-2405-0000 Rev. C-  Confidential Information Removed
ZMN2405/ZMN2405HP Dev Kit © 2007-2008 RFM Inc. 49 M-2405-0000 Rev. C- 8. Layout Guidelines • Place either bare PWB material or copper ground plane underneath the module. No traces should be run underneath the module.   • The connection between the RF output from the module (pin 38) and the customer’s antenna/connector should be made with 50 ohm microstrip. A 10pF 0402 capacitor must be placed in series with this microstrip line for DC blocking purposes.  • Good grounding of the module is paramount. Place ground as close as possible to the support board ground pads.   • Follow the temperature profile shown on the next page for proper placement of the module onto your support board.  • Keep all interconnects between the support board circuitry and the module pins as short as possible.  • Place at least 1 bypass capacitor (0.1uF minimum) as close as possible to the power supply pin (pin 1) off the module.  • Pin 35 is the RF output on the ZMN2405 but is a no-connect on the ZMN2405HP. • Refer to the Data Sheets on the CD for specific pin outs and mechanical dimensions for the various module versions (ZMN2405HP, ZMN2430, ZMN2430HP, etc.)  8.1 50 Ohm Trace  The PCB trace that connects the RF output of the module to the MMCX connector must have a 50 ohm impedance. When laying out the PCB, make sure there is a 50 ohm trace that connects the output of the module to the antenna. The image below describes how to construct the trace in such a way as to meet the requirement.    The image below is a general example of how the trace can appear on the PCB and shows not only the trace, but the “KEEP AWAY” area as well.
ZMN2405/ZMN2405HP Dev Kit © 2007-2008 RFM Inc. 50 M-2405-0000 Rev. C-   Make as many traces with vias to ground as possible. In the defined “KEEP AWAY” area, traces are limited to prevent signal coupling. Traces are limited in length by the proximity to the 50 ohm microstrip trace as follows:  Separation of trace and 50 ohm microstrip   Maximum length of parallel run   100 mil        125 mil   150 mil        200 mil   200 mil        290 mil   250 mil        450 mil   300 mil        650 mil  8.2 Reflow Profile for ZigBee Adapter Panel    TCs  Max Rising Slope  Max Falling Slope  Soak Time 140-170C Reflow Time /183C Peak Temp 2 1.6 12% -2.0 48% 52.8 -86% 59.5 12% 227.1 21% 3 1.5 4% -1.8 60% 53.6 -82% 60.9 20% 222.2 -28% 4 1.6 15% -2.0 51% 59.2 -54% 60.4 16% 229.1 41% Delta 0.05  0.24  6.45  1.39  6.89  P.2 1.6 18% -2.1 47% 60.6 -47% 61.5 23% 228.9 39% P.3 1.5 9% -1.8 59% 60.5 -47% 63.4 34% 224.0 -10% P.4 1.6 22% -2.0 50% 66.3 -18% 62.2 27% 230.8 58% Delta 0.06    0.24  5.79    1.95  6.78
ZMN2405/ZMN2405HP Dev Kit © 2007-2008 RFM Inc. 51 M-2405-0000 Rev. C- 9. WARRANTY Seller warrants solely to Buyer that the goods delivered hereunder shall be free from defects in materials and workmanship, when given normal, proper and intended usage, for twelve (12) months from the date of delivery to Buyer.  Seller agrees to repair or replace at its option and without cost to Buyer all defective goods sold hereunder, provided that Buyer has given Seller written notice of such warranty claim within such warranty period.  All goods returned to Seller for repair or replacement must be sent freight prepaid to Seller’s plant, provided that Buyer first obtain from Seller a Return Goods Authorization before any such return.  Seller shall have no obligation to make repairs or replacements which are required by normal wear and tear, or which result, in whole or in part, from catastrophe, fault or negligence of Buyer, or from improper or unauthorized use of the goods, or use of the goods in a manner for which they are not designed, or by causes external to the goods such as, but not limited to, power failure.  No suit or action shall be brought against Seller more than twelve (12) months after the related cause of action has occurred.  Buyer has not relied and shall not rely on any oral representation regarding the goods sold hereunder, and any oral representation shall not bind Seller and shall not be a part of any warranty.  THE PROVISIONS OF THE FOREGOING WARRANTY ARE IN LIEU OF ANY OTHER WARRANTY, WHETHER EXPRESS OR IMPLIED, WRITTEN OR ORAL (INCLUDING ANY WARRANTY OR MERCHANT ABILITY OR FITNESS FOR A PARTICULAR PURPOSE).  SELLER’S LIABILITY ARISING OUT OF THE MANUFACTURE, SALE OR SUPPLYING OF THE GOODS OR THEIR USE OR DISPOSITION, WHETHER BASED UPON WARRANTY, CONTRACT, TORT OR OTHERWISE, SHALL NOT EXCEED THE ACTUAL PURCHASE PRICE PAID BY BUYER FOR THE GOODS.  IN NO EVENT SHALL SELLER BE LIABLE TO BUYER OR ANY OTHER PERSON OR ENTITY FOR SPECIAL, INCIDENTAL OR CONSEQUENTIAL DAMAGES, INCLUDING, BUT NOT LIMITED TO, LOSS OF PROFITS, LOSS OF DATA OR LOSS OF USE DAMAGES ARISING OUT OF THE MANUFACTURE, SALE OR SUPPLYING OF THE GOODS.  THE FOREGOING WARRANTY EXTENDS TO BUYER ONLY AND SHALL NOT BE APPLICABLE TO ANY OTHER PERSON OR ENTITY INCLUDING, WITHOUT LIMITATION, CUSTOMERS OF BUYERS.
ZMN2405/ZMN2405HP Dev Kit © 2007-2008 RFM Inc. 52 M-2405-0000 Rev. C- Appendix I   Operating Scenario for ZMN2430A and ZMN2430HPA  The ZMN2430A/HPA is used in a portable network application using Direct Sequence Spread Spectrum (DSSS) technology.   The ZMN2430A/HPA is a ZigBee device utilizing IEEE 802.15.4 physical layer with propriety software to create network infrastructure that is decentralized and inexpensive, as each node need transmit only as far as the next node. Nodes act as repeaters to transmit data from nearby nodes to peers that are too far away to reach, resulting in a network that can span a large distance, especially over rough or difficult terrain. These products may be used as a portable, fixed or mobile device.  Maximum Transmit Duty Cycle   Each ZMN2430A/HPA can transmit a maximum of 4.2 ms per 50 ms.  This is set by design and cannot be adjusted by the user. This equals 0.084 ms  Therefore, our source-averaged transmit duty cycle becomes 0.0.84  Calculated Average Power  The Power Threshold for ‘General Population’ portable designation without SAR testing is: (based on Oct 2005 TCB workshop PPT slide)  (60 / FGHz) mW for distances < 2.5 cm       For the 2.4 GHz frequency band, this results in a limit of 25 mW.    Note that we use the more restrictive “General Population” limit in this case even though the individuals using this product will certainly be aware of its function and would qualify under the ‘occupational’ category.   Given the maximum transmit duty cycle specified above, the average transmitted power of a ZMN2430HPA and a ZMN2430A remote can be calculated as:   Maximum Pout = 135 mW (21.31 dBm nominal) Maximum Antenna Gain = 0 dBi (for portable use) Maximum Transmit Duty cycle (per above) = 0.084 Pave (Source-based average) = 0.135 * 0.084 = 11.3 mW  Maximum Pout = 1 mW (-1.3 dBm nominal) Maximum Antenna Gain = 0 dBi (for portable use) integrated antenna   Maximum Transmit Duty cycle (per above) = 0.084 Pave (Source-based average) = 0.001 * 0.084 = 0.084 mW  Conclusion:  The ZMN2430A and ZMN2430HPA meets the FCC MPE limits for a ‘Portable’ device operating in the ‘General Population’.

Navigation menu