Murata Electronics North America Z2430HP ZMN2430HP ZigBee Module User Manual ZN2430 FCC Design ation Rev6

Murata Electronics North America ZMN2430HP ZigBee Module ZN2430 FCC Design ation Rev6

User Manual

 CIRRONET, INC. © "ZMN2430 Design Documentation ",  AP,  10/9/07.   1 of 5     ZMN2430 Series  Radio Module  ZMN2430HP, High Power     Manual    Preliminary   Cirronet, Inc.
 CIRRONET, INC. © "ZMN2430 Design Documentation ",  AP,  10/9/07.   2 of 5   Important Regulatory Information  Cirronet Zigbee High Power - FCC ID: HSW-Z2430HP   IC: 4492A-Z2430HP   THIS DEVICE COMPLIES WITH PART 15 OF THE FCC RULES. OPERATION IS SUBJECT TO THE FOLLOWING TWO CONDITIONS.  (1) THIS DEVICE MAY NOT CAUSE HARMFUL INTERFERENCE, AND (2) THIS DEVICE MUST ACCEPT ANY INTERFERENCE RECEIVED, INCLUDING INTERFERENCE THAT MAY CAUSE UNDESIRED OPERATION.  This Class B digital apparatus complies with Canadian ICES-003.  Cet appareil numérique de la classe B est conforme à la norme NMB-003 du Canada.  FCC User Information  “NOTE: This equipment has been tested and found to comply with the limits for a Class B digital device, pursuant to Part 15 of the FCC Rules. These limits are designed to provide reasonable protection against harmful interference in a residential installation. This equipment generates, uses, and can radiate radio frequency energy and, if not installed and used in accordance with the instructions, may cause harmful interference to radio communications. However, there is no guarantee that interference will not occur in a particular installation. If this equipment does cause harmful interference to radio or television reception, which can be determined by turning the equipment off and on, the user is encouraged to try to correct the interference by one or more of the following measures: • Reorient or relocate the receiving antenna. • Increase the separation between the equipment and receiver. • Connect the equipment into an outlet on a circuit different from that to which the    receiver is connected. • Consult the dealer or an experienced radio/TV technician for help.”      Warning: Changes or modifications to this device not expressly approved by Cirronet Inc.      could void the user’s authority to operate the equipment.  RF Exposure     The transmitter module may not be co-located with any other transmitter or antenna.              In accordance with FCC requirements of human exposure to radiofrequency fields, the radiating      element shall be installed such that a minimum separation distance of 20cm     shall be maintained from the user and/or general population.  Industry Canada      This Class B digital apparatus meets all requirements of the Canadian Interference     Causing Equipment Regulations. Operation is subject to the following two conditions: (1) this device may not cause harmful interference, and (2) this device must accept any interference received, including interference that may cause undesired operation. Cet appareillage numérique de la classe B répond à toutes les exigences de l'interférence canadienne causant des règlements d'équipement. L'opération est sujette aux deux conditions suivantes: (1) ce dispositif peut ne pas causer l'interférence nocive, et (2) ce dispositif doit accepter n'importe quelle interférence reçue, y compris l'interférence qui peut causer l'opération peu désirée.
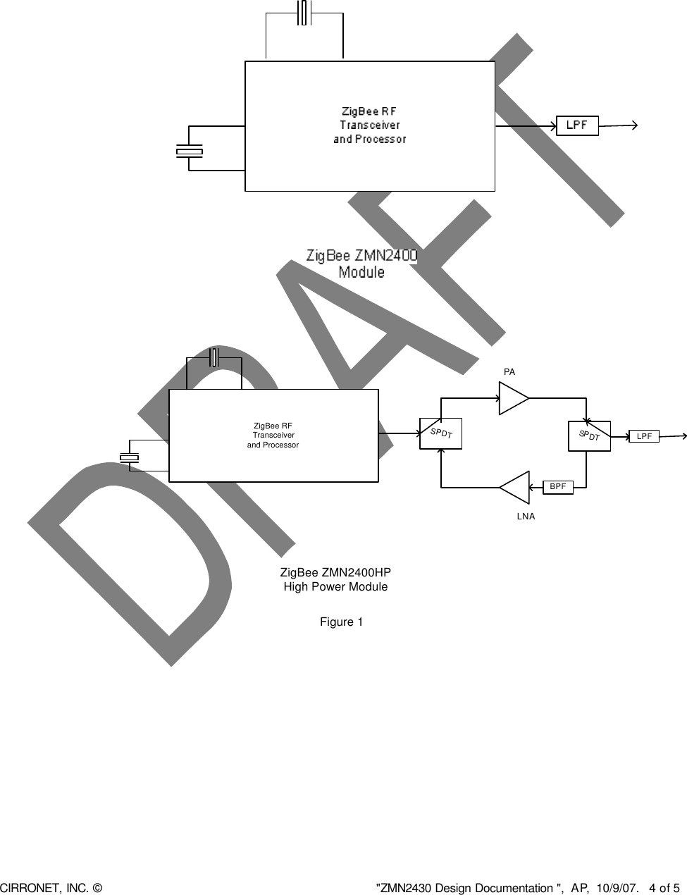
 CIRRONET, INC. © "ZMN2430 Design Documentation ",  AP,  10/9/07.   3 of 5    Hardware Specifications   Radio Specifications  Operating Band     2400-2475 MHz Radio Type      Direct Sequence (DTS), IEEE 802.15.4 PHY layer Channel Bit Rate    250 Kbps Channel Chipping Rate   2 Mcps Modulation     MSK with Raised Cosine Filtering Certification Type    DTS device per FCC 15.247 and ETS 300-328 RF power       +18 dBm typical, +15 dBm minimum Receiver Sensitivity      -98 dBm typical, -95 dBm minimum Link Margin     110 dB (approximately 3 Km Line of Sight propagation) Adjacent Ch. Rejection    >39 dB with jammer @ 5 MHz offset Spurious Output   Per FCC 15.247 and ETS 300-328        General  Input Voltage    5.5 volts minimum, 6 volts nominal, 15 volts maximum Current Consumption    70 mA typical operating, 180 mA peak (transmit) Operating Temp Range   -40 C to + 70 C  Humidity     95% Non-condensing RF Connector    Reverse SMA Host Connector    Male DB-9 (Amp 747840-3)    Power Connector   CUI Stack PJ-002A   Theory of Operation   The Cirronet ZMN2430 Series radio modules utilizes the IEEE 802.15.4 standard ZigBee Physical layer hardware for wireless low data rate monitoring and control applications. The application of the ZMN2430 Series in a wireless network for data collection in industrial monitoring and control.   Block Diagram in Figure 1  The ZMN2430 Series radio modules consist of an RF transceiver and a microprocessor in one chip.  The RF transceiver receives data and commands from the microprocessor as well as the clock required by the RF transceiver.   The Block diagrams in Figure 1 shows both the ZMN2430 (Low Power) and the ZMN2430HP (High Power).  They are the same with the exception of T/R switches and a PA (Power Amp) and a LNA (Low Noise Amp) in the high power version.  The output power is +16 dBm for the high power and 0 dBm for the low power ZigBee Transceivers.
 CIRRONET, INC. © "ZMN2430 Design Documentation ",  AP,  10/9/07.   4 of 5      ZigBee RFTransceiverand ProcessorSPDTSPDTLPFPALNABPFZigBee ZMN2400HPHigh Power ModuleFigure 1
 CIRRONET, INC. © "ZMN2430 Design Documentation ",  AP,  10/9/07.   5 of 5     ZMN2430 Frequency Selection   The ZMN2430 is not frequency agile during run-time, but it can select an unoccupied portion of the spectrum at startup.   The ZMN-2400 series uses a set of channels as defined by the IEEE 802.15.4 / ZigBee standards which span a range from 2405 to 2480 MHz with 5 MHz spacing between channels:        Center Frequency (MHz)  Nominal Occupied BW   ZigBee Channel Designator       2405       2402.5-2407.5      11      2410       2407.5-2412.5      12       2415       2412.5-2417.5      13      2420       2417.5-2422.5      14      2425 (default)    2422.5-2427.5      15      2430       2427.5-2432.5      16       2435       2432.5-2437.5      17      2440       2437.5-2442.5      18      2445       2442.5-2447.5      19      2450       2447.5-2452.5      20      2455       2452.5-2457.5      21      2460       2457.5-2462.5      22         2465       2462.5-2467.5      23      2470       2467.5-2472.5      24      2475       2472.5-2477.5      25      2480  NOT USED    2477.5-2482.5      26  The channel mask is the name used to describe the list of frequency channels that a ZMN-2400 can use.  The default channel mask for client radios allows them to operate on any frequency from 2405 to 2475 (channel 2480 is reserved for manufacturing test purposes and therefore not included).

Navigation menu