Murray 387002X92A Users Manual F 040717L
!! Murray-8 Murray Lawn Mower Manuals - Lawn Mower Manuals – The Best Lawn Mower Manuals Collection
387002x92A ff50d6b6-e08c-4e57-bb43-e75dbf8cd76f
387002x92A to the manual ff50d6b6-e08c-4e57-bb43-e75dbf8cd76f
2015-02-09
: Murray Murray-387002X92A-Users-Manual-558858 murray-387002x92a-users-manual-558858 murray pdf
Open the PDF directly: View PDF
.
Page Count: 52

The owner must be certain that all
the product information is included with the unit.
This information includes the INSTRUCTION BOOKS,
the REPLACEMENT PARTS and the WARRANTIES.
This information must be included to make sure state laws and other laws are
followed.
PRODUCT INFORMATION
Read and keep this book for future reference.
This book contains important information on
SAFETY, ASSEMBLY, OPERATION, AND MAINTENANCE.
RECORD THE FOLLOWING INFORMATION ABOUT YOUR UNIT. THIS
INFORMATION IS NECESSARY WHEN ORDERING PARTS OR IN CASE
OF LOSS OR THEFT.
F-040717L
BUILT IN THE
Model
387002x92A

2
F-040717L
TABLE OF CONTENTS
WARRANTY 2. . . . . . . . . . . . . . . . . . . . . . . . . . . . . . . . . . . . . .
RESPONSIBILITY OF THE OWNER 3. . . . . . . . . . . . . . . . .
SAFETY RULES 3. . . . . . . . . . . . . . . . . . . . . . . . . . . . . . . . . .
INTERNATIONAL PICTORIALS 9. . . . . . . . . . . . . . . . . . . . .
ASSEMBLY 10. . . . . . . . . . . . . . . . . . . . . . . . . . . . . . . . . . . . . . .
PARTS BAG - CONTENTS 10. . . . . . . . . . . . . . . . . . . . . . . . . . . . . .
MAINTENANCE FREE BATTERY 11. . . . . . . . . . . . . . . . . . . . . . . .
HOW TO INSTALL THE SEAT 12. . . . . . . . . . . . . . . . . . . . . . . . . . .
HOW TO ASSEMBLE THE STEERING WHEEL 12. . . . . . . . . . . .
IMPORTANT! BEFORE YOU START MOWING 13. . . . . . . . . . . .
HOW TO PREPARE THE ENGINE 13. . . . . . . . . . . . . . . . . . . . . . .
CHECK THE LEVEL OF THE MOWER HOUSING 13. . . . . . . . . .
CHECK THE TIRES 13. . . . . . . . . . . . . . . . . . . . . . . . . . . . . . . . . . . .
OPERATION 14. . . . . . . . . . . . . . . . . . . . . . . . . . . . . . . . . . . . . .
LOCATION OF CONTROLS 14. . . . . . . . . . . . . . . . . . . . . . . . . . . . .
ATTACHMENTS 15. . . . . . . . . . . . . . . . . . . . . . . . . . . . . . . . . . . . . . .
HOW TO USE THE THROTTLE CONTROL 15. . . . . . . . . . . . . . . .
HOW TO USE THE BLADE ROTATION CONTROL 15. . . . . . . . .
HOW TO USE THE SHIFT LEVER 15. . . . . . . . . . . . . . . . . . . . . . .
HOW TO SET THE PARKING BRAKE 16. . . . . . . . . . . . . . . . . . . .
HOW TO CHANGE THE CUTTING HEIGHT 16. . . . . . . . . . . . . . .
HOW TO STOP THE UNIT 16. . . . . . . . . . . . . . . . . . . . . . . . . . . . . .
HOW TO TRANSPORT THE UNIT 16. . . . . . . . . . . . . . . . . . . . . . . .
HOW TO OPERATE WITH THE MOWER HOUSING 17. . . . . . . .
HOW TO OPERATE THE UNIT ON HILLS 17. . . . . . . . . . . . . . . . .
BEFORE STARTING THE ENGINE 18. . . . . . . . . . . . . . . . . . . . . . .
HOW TO START THE ENGINE 18. . . . . . . . . . . . . . . . . . . . . . . . . .
HOW TO START WITH A WEAK BATTERY 18. . . . . . . . . . . . . . .
OPERATING TIPS 19. . . . . . . . . . . . . . . . . . . . . . . . . . . . . . . . . . . . .
MOWING AND BAGGING TIPS 19. . . . . . . . . . . . . . . . . . . . . . . . . .
MAINTENANCE 20. . . . . . . . . . . . . . . . . . . . . . . . . . . . . . . . . . .
MAINTENANCE CHART 20. . . . . . . . . . . . . . . . . . . . . . . . . . . . . . . .
HOW TO CHECK THE MUFFLER 20. . . . . . . . . . . . . . . . . . . . . . . .
HOW TO REMOVE AND INSTALL THE BLADE 21. . . . . . . . . . .
HOW TO SHARPEN THE BLADE 21. . . . . . . . . . . . . . . . . . . . . . . .
HOW TO ADJUST THE BLADE ROTATION CONTROL 22. . . . .
HOW TO CHECK AND ADJUST THE DRIVE BRAKE 23. . . . . . .
HOW TO CHECK AND ADJUST THE CLUTCH 23. . . . . . . . . . . .
MAINTENANCE FREE BATTERY 24. . . . . . . . . . . . . . . . . . . . . . . .
HOW TO CHARGE THE BATTERY 24. . . . . . . . . . . . . . . . . . . . . . .
WHERE TO LUBRICATE 25. . . . . . . . . . . . . . . . . . . . . . . . . . . . . . . .
HOW TO CHECK THE FUEL FILTER 25. . . . . . . . . . . . . . . . . . . . .
CHECK THE TIRES 25. . . . . . . . . . . . . . . . . . . . . . . . . . . . . . . . . . . .
HOW TO REMOVE THE MOWER HOUSING 26. . . . . . . . . . . . . .
HOW TO INSTALL THE MOWER HOUSING 26. . . . . . . . . . . . . . .
HOW TO LEVEL THE MOWER HOUSING 27. . . . . . . . . . . . . . . .
HOW TO REPLACE THE MOTION DRIVE BELT 28. . . . . . . . . . .
HOW TO REPLACE THE MOWER DRIVE BELT 29. . . . . . . . . . .
HOW TO INSTALL THE WHEELS 30. . . . . . . . . . . . . . . . . . . . . . . .
HOW TO REPLACE THE FUSE 31. . . . . . . . . . . . . . . . . . . . . . . . . .
HOW TO REPLACE THE LIGHT BULB 31. . . . . . . . . . . . . . . . . . .
HOW TO CLEAN THE MOWER HOUSING 31. . . . . . . . . . . . . . . .
STORAGE (OVER 30 DAYS) 31. . . . . . . . . . . . . . . . . . . . . . . . . . . .
TROUBLE SHOOTING CHART 32. . . . . . . . . . . . . . . . . . . . .
HOW TO ORDER REPAIR PARTS 33. . . . . . . . . . . . . . . . . . .
SLOPE GUIDE 48. . . . . . . . . . . . . . . . . . . . . . . . . . . . . . . . . . . .
INDEX 51. . . . . . . . . . . . . . . . . . . . . . . . . . . . . . . . . . . . . . . . . . .
LAWN TRACTOR ACCESSORIES 52. . . . . . . . . . . . . . . . . .
MURRAY, INC. Two Year Limited Warranty
Murray, Inc. warrants to the original purchaser that this unit shall be free from defects in material and workmanship under normal
use and service for a period of Two (2) Years from the date of purchase; however, this warranty does not cover engines,
accessories (such as snow blowers, snow blades, grass baggers and plows), transmissions, batteries and Normal Wear Parts
(except as noted below) or transaxles as the companies that manufacture these items furnish their own warranties and provide
service through their authorized field service facilities. For additional information, see the warranties covering these particular
parts. If you are uncertain whether your unit contains or is equipped with one or more of these parts, consult your dealer prior
to purchase. Subject to the terms and conditions noted in this Limited Warranty, we shall, at our option, repair or replace at no
cost to the original purchaser any part covered by this Limited Warranty during the applicable warranty period.
In the event the battery proves defective within ninety (90) days from the date of purchase, we will replace it without charge. If
the battery proves defective after (90) days but within one hundred twenty (120) days from the date of purchase, we will replace
it for a charge of one half (1/2) of the retail price of the battery in effect at the time of return.
Normal Wear Parts are defined as belts, blades, blade adapters, pneumatic tires, headlights and seat covers. These parts are
warranted to be free from defects in material and workmanship as delivered with the product. Any claim for repair or replacement
of Normal Wear Parts must be made within thirty (30) days of the date of purchase. No claims involving damage caused from
material use, abuse or misuse will be honored.
This Murray, Inc. Two (2) Year Limited Warranty is your exclusive remedy; however, this warranty is void or does not apply
to any unit that has been tampered with, altered, misused, abused or used for rental or other commercial and/or professional
(non-homeowner) uses. Your warranty does not cover minor mechanical adjustments which are not due to any defect in material
or workmanship. For assistance in making such adjustments, consult your Instruction Book.
To make a claim under this Murray, Inc. Two (2) Year Limited Warranty, return the unit (or if authorized in advance, the defective
part) along with your proof of purchase to an Authorized Service Center near you. To locate the nearest Authorized Service
Center, call the Central Parts Distributor for your area shown in the list provided with your unit or check the Yellow Page listings
in your local telephone directory. If you return the entire unit, we will repair the unit. If we authorize the return of the defective
part only, we will either replace or repair the part. In the case of a defect in a transmission or differential (as distinguished from
a transaxle), the entire transmission or differential must be returned since they do not include user serviceable parts.
This Murray, Inc. Two (2) Year Limited Warranty gives you specific legal rights, and you may also have other rights which vary
from state to state. This Limited Warranty is given in lieu of all other expressed and implied warranties including the
implied warranty of merchantability and warranty of fitness for a particular purpose. If you need additional information
on this written warranty or assistance in obtaining service, write or call: MURRAY, INC., Outdoor Power Equipment, Customer
Service Department, P.O. Box 268, Brentwood, Tennessee 37027. (1-800-224-8940)

OWNER’S INFORMATION
3
F-040717L
This instruction book is for several different models. The instructions
are written for a person with some mechanical ability. Like most ser-
vice books, not all the steps are described. Steps on how to loosen or
tighten fasteners are steps anyone can follow with some mechanical
ability. Read and follow these instructions before you use the unit.
Know your product: If you understand the unit and how the unit oper-
ates, you will get the best performance. As you read this manual, com-
pare the illustrations to the unit. Learn the location and the function of
the controls. To help prevent an accident, follow the operating instruc-
tions and the safety rules. Keep this manual for future reference.
IMPORTANT: Many units are not assembled and are sold in car-
tons. It is the responsibility of the owner to make sure the assembly
instructions in this manual are exactly followed. Other units are pur-
chased in an assembled condition. On assembled units, it is the re-
sponsibility of the owner to make sure the unit is correctly
assembled. The owner must carefully check the unit according to
the instructions in this manual before it is first used.
Engine Exhaust, some of its constituents, and
certain vehicle components contain or emit
chemicals known to the State of California to
cause cancer and birth defects or other repro-
ductive harm.
Battery posts, terminals and related accesso-
ries contain lead and lead compounds, chemi-
cals known to the State of California to cause
cancer and birth defects or other reproductive
harm. WASH HANDS AFTER HANDLING.
RESPONSIBILITY OF THE OWNER
The responsibility of the owner is to follow the instructions below.
1. Carefully read and follow the rules for safe operation.
2. Follow all the assembly instructions.
3. Inspect the unit.
4. Make sure that the operator of the unit knows how to correctly
use all standard and accessory equipment.
5. Operate the unit only with guards, shields, and other safety
items in place and working correctly.
6. Correctly adjust the unit.
7. Service the unit only with authorized or approved replacement
parts.
8. Complete all maintenance on the unit.
Environmental Awareness
DDo not fill the engine’s fuel tank completely full.
DDrain fuel for off-season storage.
DUse only unleaded gasoline.
DService the air cleaner regularly.
DChange oil regularly. Use 10W-30 oil in summer.
DTune-up the engine regularly.
DKeep equipment in efficient operating condition.
DDispose of used engine oil properly.
SAFETY RULES
Safe Operation Practices for Ride-on Mowers
WARNING: This cutting machine is capable of amputating hands and feet and throwing objects. Failure to observe the
following safety instructions could result in serious injury or death.
I. General operation
1. Read, understand and follow all instructions in the Instruction Book, on the machine, the engine and with any attachments before
starting.
2. Only allow responsible adults, who are familiar with the instructions, to operate the machine.
3. Clear the area of objects such as rocks, toys, wire, etc., which could be picked up and thrown by the blade.
4. Be sure the area is clear of other people before mowing. Stop the machine if anyone enters the area.
5. Never carry passengers.
6. Turn off power to the blades or any attachments before backing up. Do not mow in reverse unless absolutely necessary. Always look
down and behind before and while backing.
7. Be aware of the mower discharge direction and do not point it at anyone. Do not operate the mower without either the entire grass bagger
or the mower guard in place.
8. Slow down before turning.
9. Never leave a machine unattended with the engine running. Always turn off the blade(s), set the parking brake, stop the engine and
remove the key before dismounting.
10. Turn off power to attachment(s) when transporting or not in use. Turn off the blade(s) when not mowing.
11. Stop the engine before removing the grass bagger or unclogging the chute.
12. Mow only in daylight or good artificial light.
13. Do not operate the machine while under the influence of alcohol or drugs or when very tired.
14. Watch for traffic when operating near or crossing roadways.
15. Use extra caution when loading or unloading the machine into a trailer or truck.
16. Always wear goggles, safety glasses, or an eye shield when you operate the unit to protect your eyes from foreign objects that can be
thrown from the unit. Always wear eye protection when you make an adjustment or repair to the machine.
17. Use care when pulling loads or using heavy equipment.
a. Use only approved drawbar hitch points.
b. Limit loads to those you can safely control.

OWNER’S INFORMATION
4
F-040717L
c. Do not turn sharply. Use care when backing.
d. Use counterweights or wheel weights when suggested in the Instruction Book.
18. Do not operate this machine if you are taking drugs or other medication which can cause drowsiness or affect your ability to operate
this machine.
19. Do not use this machine if you are mentally or physically unable to operate this machine safely.
20. Data indicates that operators, age 60 years and above, are involved in a large percentage of riding mower related injuries. These opera-
tors should evaluate their ability to operate a riding mower safely enough to protect themselves and others from serious injury.
II. Slope operation
Slopes and rough terrain are major factors related to loss-of-control and tip-over accidents, which can result in severe injury
or death. ALL slopes require extra caution. If you cannot back up the slope or if you feel uneasy on the slope, do not mow it. See
the “Slope Guide” in the back of this book to check for safe operation.
DO
1. Mow up and down slopes, not across.
2. Remove obstacles such as rocks, limbs, etc...
3. Watch for holes, ruts or bumps. Uneven terrain could overturn the machine. Tall grass can hide obstacles.
4. Follow the manufacturer’s recommendations for wheel weights or counterweights to improve stability.
5. Use extra care with grass baggers or other attachments, they can change the stability of the machine.
6. Keep all movement on the slopes slow and gradual. Do not make sudden changes in speed or direction.
7. Avoid starting or stopping on a slope. If tires lose traction, turn off the blades and proceed slowly straight down the slope.
DO NOT
1. Do not turn on slopes unless absolutely necessary, then only turn slowly and gradually downhill, if possible.
2. Do not mow drop-offs, ditches or embankments. A wheel over the edge or an edge caving in could cause a sudden overturn and an
injury or death.
3. Do not mow on wet grass. Reduced traction could cause sliding.
4. Do not try to stabilize the machine by putting your foot on the ground.
5. Do not use a grass bagger or other rear mounted accessories on steep slopes (greater than 10 degrees).
III. Children
Tragic accidents can occur if the operator is not alert to the presence of children. Children are often attracted to the machine and
the mowing activity. NEVER assume that children will remain where you last saw them.
1. Keep children out of the mowing area and in the watchful care of another responsible adult.
2. Be alert and turn the engine off if children enter the area.
3. Before and when backing, look behind and down for small children.
4. Never carry children or any passengers, even with the blades off. They may fall off and be seriously injured or interfere with the safe
operation of the machine.
5. Never allow children to operate the machine. Instruct children in the potential dangers of the machine.
6. Use extra care when approaching blind corners, shrubs, trees or other objects that may obscure vision.
IV. Service
1. Use extra care when handling gasoline and other fuels. Fuels are flammable and the vapors are explosive.
a. Use only an approved container.
b. Never remove the gas cap or add fuel with the engine running. Allow the engine to cool for several minutes before refueling. Do
not smoke.
c. Never refuel the machine indoors.
d. Never store the machine with fuel in the tank or fuel container inside where there is an open flame, such as a water heater.
2. Never start or run the engine inside a closed area.
3. Keep all nuts and bolts, especially the blade attachment nuts tight. Frequently check the blade(s) for wear or damage such as cracks
and nicks. A blade that is bent or damaged must be immediately replaced with an original equipment blade from an authorized service
dealer. For safety, replace the blade every two years. Keep the equipment in good condition.
4. Never tamper with the safety devices. Check their proper operation regularly.
5. To reduce fire hazards, keep the machine free of grass, leaves or other debris build-up. Clean up oil or fuel spills. Allow the machine
to cool before storing.
6. Stop and inspect the equipment if you strike an object. Repair, if necessary, before restarting.
7. Never make adjustments or repairs with the engine running. The carburetor can be adjusted with the engine running. Do not change
the engine governor settings or over-speed the engine.
8. Grass bagger components are subject to wear, damage and deterioration, which could expose moving parts or allow objects to be
thrown. For storage, always make sure the grass bag is empty. Frequently check components and replace with manufacturer’s recom-
mended parts when necessary.
9. Mower blade(s) are sharp and can cut. Wrap the blade(s) or wear gloves and use extra caution when servicing them or the blade housing
area.
10. Check the brake operation frequently. Adjust and service as required.
11. Wait for all movement to stop before servicing any part of the unit.
Look for this symbol to indicate important safety
precautions. This symbol indicates: “Attention!
Become Alert! Your Safety Is At Risk.”

SAFE MOWING GUIDE
5
F-040717L
Each person that operates power
equipment must learn to use correct and
safe mowing procedures. To help you
learn, carefully read the following
pages. Most of the time the operator was
not correctly shown or did not read the
instructions on the unit or in the Instruction
Book before using the unit. Also, some
operators do not have enough experience.
The result is unsafe use, endangering the
operator, bystanders and the equipment.
Another result can be a poor appearance
of the area mowed.
Read this book. Read the instructions on
the unit. Operate the mower according to
the Safe Mowing Guide. Follow all safety
rules, cautions or warnings in this book
and on the unit. Make sure anyone that
uses the unit reads the instructions and is
told how to safely operate the mower.
The mower will give you good service and
durability, if operated in normal conditions.
If the mower is not correctly serviced or is
used where the terrain is rough or
unsuitable, product performance and
safety will be decreased.
Correct clothing is an important part of safe
mowing. Safety glasses will protect the
eyes from objects discharged by the
mower. Safety shoes with steel plates can
protect a foot from injury by the blade. For
protection from objects discharged from
the mower, wear clothing that will cover the
arms and legs.
Before you start cutting the grass, practice
using the mower in a large open and level
area. Learn the location of the controls on
the mower. Know the purpose of the
controls and how they work. In an
emergency, how fast you can stop the
blade is important. Learn how to control
the mower at all times.
Many engines are started by hand. When
you use a pull start or rope start, place
your feet apart and away from the blade(s).
Hold the rope handle tight. Never wrap the
rope around your arm or fingers for a
“better grip”. To start the engine, follow the
instructions on the mower, in this book and
in the engine operating instructions.
For electric start engines, sit in the seat to
start the engine. The battery can be
dangerous. Follow the instructions on the
battery, the acid container, and in this book
when working with the battery. Even small
batteries have enough voltage to cause an
injury. Always be careful.
The mower is designed to be operated by
one person. Never let another person ride
with you on the unit or on any accessories.
A passenger will make the unit harder to
control, block the visibility or distract the
operator and is dangerous to the operator,
the passenger and the equipment. Without
a passenger seat, the passenger can fall
from the mower or contact dangerous
parts. A mower is not a toy for showing off
or for giving rides.
Never cut a wet lawn. Wet grass can
cause an accident, affect mower
performance and can cause problems with
future lawn growth and appearance. Wet
grass is slippery and can cause the mower
to slip. Someone can get injured by
touching the blade(s). Wet grass tends to
clog the mower, causing poor discharge.
Cut wet grass will collect on the lawn,
retarding the growth of the grass. Also,
getting the mower wet will cause parts to
rust and decrease the life of the unit.
When you look over the lawn, remember
obstacles that cannot be removed, like
pipes, stumps or rocks. Keep away from
these obstacles that can cause damage to
the mower or injury to the operator or a
person near the mower. Clear the area of
rocks, toys, wire or other loose objects.
These items can damage the mower or
can be discharged by the mower blade.
The blade of a power mower rotates very
fast. It can discharge rocks and other
objects over a long distance which can be
dangerous. The force of the objects can
break windows, cause injuries or even put
an eye out. Most of the time the injury is to
a person, like a child. Keep every person
completely away from the area to be
mowed. Make sure the grass is not
discharged toward anyone. Planning your
mowing pattern has a double advantage. It
can decrease the possibility of an injury
and make the clean up after mowing
easier.
Check the terrain of the area to be mowed.
Mow in a pattern that will keep you away
from dangerous areas. Check the distance
you need to stop and the distance
available to turn. Slopes and rough terrain
must be mowed carefully and some areas
must not be mowed at all. With riding
mowers, mow up and down the hill. When
you must mow rough terrain or on slopes,
never change directions or change gears
and stop in these areas only in an
emergency. Before you ride up or down a
slope, try to back straight up the slope. Do
not ride up or down a slope that is too
steep to back straight up. See the “Guide”
in the back of this Instruction Book to
check any slopes.
Before you start cutting, make sure the
mower was completely assembled
according to the Instruction Book. If the

SAFE MOWING GUIDE
6
F-040717L
mower was completely assembled at the
store, you must still check the mower
according to the assembly instructions.
Make sure the mower is correctly
assembled and that all fasteners are tight.
Make sure the engine has the correct
amount of oil. Check these items often
during the life of the mower.
Your mower has a gasoline engine.
Gasoline is a dangerous fuel. Keep
gasoline only in an approved safety
gasoline container. Do not keep large
amounts of gasoline. When you add
gasoline to the fuel tank, do not smoke.
Store the gasoline container and the
mower in an area that has good ventilation.
Also, keep the gasoline away from any
flames like the pilot light of a furnace or
any other source of ignition. If the mower is
to be stored for more than a few weeks,
remove the gasoline from the fuel tank.
When inside an enclosure, do not add
gasoline to the fuel tank. Before you add
gasoline, move the mower outside and add
gasoline carefully. Before you start the
engine, remove any gasoline from the
outside of the fuel tank or from the mower.
Warm gasoline will expand. Leave some
space in the fuel tank for the gasoline to
expand. Also, the fuel cap has a vent hole
for fuel vapors. Always use the correct fuel
cap. Failure to follow safety rules about
gasoline will cause fires and explosions,
injury to you and damage to the equipment
and other property.
If you add gasoline to an engine that is
running or hot, the result can be an
explosion. Before you add gasoline, stop
the engine and let the engine cool for
several minutes. Remove dry grass and
other debris from the mower. Keep the
mower clean to improve the performance,
help the engine and transmission run
cooler, extend the life of moving parts, and
decrease the danger of a fire.
Fires and explosions are not the only
dangers when working around a mower.
The engine, transmission, and the muffler
will get hot in several minutes when the
engine is running. Do not touch these parts
of the mower. Stop the engine. Let the
engine and transmission cool before
servicing the mower. Remember, exhaust
fumes are dangerous. Never operate the
engine inside a building.
When you get a new mower, it can be a
new experience for the family. Tell each
person how a mower can be dangerous.
Remember, a mower is not a toy. A mower
is not to be used by children or anyone not
old enough, strong enough or that does not
have experience.
If the mower is not correctly assembled,
not operated correctly, or not regularly
serviced, the mower can be dangerous.
The most important rule to follow is always
use good judgement and common sense.
Mow safely and carefully.
Your mower will easily cut thick grass.
Fingers, feet and other parts can also be
cut by the blade. Injuries occur when the
operator does not think and reaches into
the chute opening. Always operate the
mower as if the blade is rotating. Do not
service or make an adjustment, except to
the carburetor, while the engine is running.
Use only accessories that are factory
approved for your mower. The wrong
accessory can decrease the safety of the
mower and can even damage the unit.
Read and follow the instructions included
with the accessory and the mower.
Use only original equipment or
replacement parts that are factory
approved for service. If you need service,
select an Authorized Service Center for
your mower. If you do the work on the unit,
follow the instructions in the Instruction
Book.
When you mow, remember that children
are attracted to the mower. Always use
caution when mowing around obstacles
like trees or shrubs or when moving
backward. Only mow in a forward direction
if possible. Your visibility is decreased
when you mow backward. Also, the blades
are made to cut while the unit is moving
forward. If you mow backward, the cutting
performance decreases.
Before you leave the mower, stop the
engine. Remove the key. Disengage and
lower any attachment. Set the parking
brake. Never mount or dismount from the
seat while the engine is running. An
accident can occur if you touch the brake,
shift lever, throttle, clutch or blade control
while the engine is running. Mount and
dismount from the seat on the side of the
unit that is marked ENTER-EXIT.
Make sure you are in good condition when
you mow. When you mow for several hours
your reflexes will decrease and your mind
will not be as alert. Take a short break or
an accident can occur. If the temperature is
hot, use caution to prevent dehydration. If
you are tired, angry or not completely alert,
do not operate the mower. If you use
alcohol, medication or drugs, do not use
the mower or any type of power
equipment.
Engine speed is a key to safe mowing and
to a good looking lawn. The maximum
speed of the engine was set at the factory.
Do not change the setting of the engine
governor.
Select the maximum engine and ground
speed that is right for the terrain and the
height of the grass. The blade cuts best
when the engine is operating at maximum
speed. The engine and transmission will
also run cooler at maximum engine speed.

SAFE MOWING GUIDE
7
F-040717L
Also, the grass bagger will function better
when the engine is operating at maximum
speed. On slopes, decrease the ground
speed and use care making sure the
mower feels safe to operate.
If the weather conditions are bad, do not
mow. If weather conditions become bad,
stop cutting and finish later. It is dangerous
to cut grass in the rain. Always find
protection in an electrical storm. If the
weather conditions are extra dry, protect
your eyes with safety glasses from the dust
and from the objects discharged by the
mower. Also, a dust or a pollen mask can
help.
Your mower is equipped with a number of
safety devices which are important to the
safety of the operator and bystanders and
must never be changed or removed from
the mower. If a safety device is lost,
damaged or no longer functions, repair or
replace the device before you operate the
mower.
It is best to mow during the day. If you
must mow at night, make sure there is
enough light for safe operation.
Your mower will require regular
maintenance and service. The
maintenance schedule depends on the
hours of use. Also, mowing conditions can
change the schedule. Check the
Instruction Book for more information.
Correct maintenance will help the mower
function safely.
Do not service the
mower (except for the
carburetor adjustment)
while the engine is
running. Before you
service the unit, even
with the engine stopped,
always disconnect the
wire from the spark plug
to prevent the engine
from starting.
If you hit a large object during operation,
stop the engine. Remove the wire from the
spark plug. Carefully inspect the mower for
damage. Before you start the engine
again, make the necessary repairs. If you
feel new or excessive vibration,
immediately stop the engine and check for
the problem. Vibration can be a warning of
a problem. Keep all nuts, bolts and screws
tight.
The blade is the most dangerous part of
the mower. Frequently check the blade and
the blade mounting fasteners. Keep the
fasteners tight. If the blade hits a solid
object, stop the engine. Remove the wire
from the spark plug. Check for a blade that
is bent, cracked or for other damages.
Before you start the engine, replace a
damaged blade(s). For safety, replace the
blade every two years.
A sharp blade decreases the workload on
the engine and more evenly cuts grass.
Frequently sharpen the blade for a better
looking cut. Use the left side of the mower
housing to trim near an object.
A grass bagger is a good accessory for
your mower. For best performance and
safety, make sure the grass bagger is
approved for use with your mower. Follow
the assembly and operation instructions
included with the grass bagger.
Some grass baggers require a special
blade for best performance. Before you
attach, check, or empty the grass bagger,
always stop the engine. Before each use of
the grass bagger, check for cracks, wear or
deterioration. Before you use the grass
bagger, replace a damaged part with a
replacement part approved by the factory.
For you to have a good green lawn, follow
the mowing procedures below. Do not cut
the grass too short. If you cut the grass too
short you can cause the grass to become
yellow or make the lawn look brown. Use a
lower height of cut in cool months when
the grass is thicker. Raise the height of cut
in hot dry periods. If you cut the grass with
a blade that is not sharp or at a slow
engine speed you can damage the grass.
Move the throttle control to the FAST
position when mowing and using the grass
bagger. Also, use a slower ground speed
when using the grass bagger.
If you change the direction or pattern of cut
slightly every time you mow will make the
grass grow stronger and thicker. Do not
add oil or gasoline to the mower while on
the lawn. Spilled oil or gasoline can kill the
grass. In high or thick grass, do not try to
cut all the grass the first time. Raise the
height of cut on the first cutting and lower
the height for the next cutting. Another way
is to cut only part of the width of the mower
and decrease your ground speed (not the
engine) to move more slowly so that the
mower can discharge the grass as it
moves forward.
Understand the controls and how they
work. Learn the ground speed(s) of your
mower. Check the stopping distance
required at different travel speeds. Check
the turning radius of the mower. The
controls on your riding mower are different
from an automobile. The throttle is
operated by hand and holds the engine
speed constant until it is changed. The
location of the shift lever and the shift
pattern is different from that of an
automobile. Also, the brake and clutch
systems are different. Remember the
procedures to follow in an emergency.
Remember, turning off the engine ignition
switch will stop the blade and the drive
mechanism. If the traction of the wheels is
lost or does not feel safe, disengage all
systems and stop the engine. Dismount
from the mower. Push the unit to a safe
place before you begin mowing again.
Your unit has an electrical system that
includes an operator presence switch in
the seat. The operator presence switch
detects if the operator is sitting on the seat.
The engine will stop if the operator leaves
the seat when the blade engagement
control is engaged. This operator presence
switch is a safety device only. It must not
regularly be used to stop the engine or the
blade. There are other control systems on
the mower for this purpose. Always keep
the operator presence switch and other
safety devices and controls in place and
operating for your protection.
Remember, your mower is a tool that can
be dangerous if it is not correctly used.
Follow the instructions in this Instruction
Book. Safe and careful use of the mower
will give you many safe hours of problem
free use.

STEPS TO FOLLOW
8
F-040717L
BEFORE MOWING
FBe sure to dress correctly. Wear hard shoes, not sandals or tennis shoes.
FExamine the blade. A blade that is bent, cracked, or damaged must be replaced with a factory replacement blade.
FFill the fuel tank outside. Clean off spilled fuel.
FRead and follow the Owner’s Manual, the instructions with the engine, and the instructions with any attachments. Owner’s Manual
instructions are for your safety and the safety of others.
FExhaust fumes are dangerous. Start the engine outside.
FMake sure all safety devices are in place and working correctly.
FOperation of the mower is only for a person that has experience.
FWet grass can be dangerous. Let the grass dry.
FInstruct children and others to keep away from the work area.
FNever cut the grass without good light.
FPick up loose objects. Remove them from the mowing area.
WHILE MOWING
FWatch for fixed objects and avoid them. They can damage the mower or cause injury.
FA hot engine, muffler, and transmission will cause a burn. Do not touch.
FInclines and slopes must be carefully mowed. See the “Guide” in the back of this book to check a slope.
FLack of daylight or good artificial light is cause to stop mowing.
FExamine the mower, the blade, and other parts for damage after hitting a foreign object or if the unit vibrates excessively.
FDo not make adjustments or repairs without stopping the engine. Disconnect the spark plug wire.
FOn or near roads, watch out for traffic. Direct discharge away from roads.
FWhen mowing, avoid areas where traction is unsure. Look back before changing direction of travel.
FIn heavy grass, raise the cutting height. Cut slower. Stop the engine to remove clogged grass from the mower.
FNever remove any safety related parts.
FDo not pour gasoline into a engine that is hot or running.
AFTER MOWING
FAlways let the mower cool before storing in an enclosed area.
FForeign material on the mower is dangerous. Clean off grass, leaves, grease and oil before storing.
FTighten all loose nuts, bolts and screws before you use the unit.
FEmpty and clean any grass catcher or other accessory.
FRemove the key or disconnect the spark plug wire to prevent unauthorized use.
FMake sure the mower is not kept near a source of ignition. Gas fumes can cause an explosion.
FOnly original parts or factory approved substitutes can be used to service the mower.
FWhen storing the mower for an extended period, remove the fuel from the fuel tank.
FInstruct children to leave the mower alone. It is not a toy.
FNever keep gasoline near a source of ignition. Always use an approved container. Keep gasoline away from children.
FLubricate according to the Instruction Book. See “Lubrication”.
IMPORTANT--Read the Instruction Book. Keep this book for future use and reference.
WARNING: Look for this symbol to point out important
safety precautions. It means: “Attention! Become Alert!
Your Safety Is Involved.”

INTERNATIONAL PICTORIALS
9
F-040717L
INTERNATIONAL PICTORIALS
IMPORTANT: Some of the following pic-
torials are located on your unit or on
literature supplied with the product. Be-
fore you operate the unit, learn and un-
derstand the purpose for each pictorial.
Safety Warning Pictorials
1Warning
2Shield Eyes. Explosive Gases Can
Cause Blindness Or Injury.
3No Sparks, Flames or Smoking.
4Sulphuric Acid Can Cause Blindness
Or Severe Burns
5Flush Eyes Immediately With Water.
Get Medical Help Fast.
6IMPORTANT: Read Owner’s Manual
Before Operating This Machine.
7WARNING: Thrown Objects. Keep
Bystanders Away. Read User
Instructions Before Operating This
Machine.
8WARNING: Do Not Use This Machine
On Slopes Greater Than 15 Degrees.
9DANGER: Keep People, Especially
Children, Away From Unit.
10 DANGER: No Step.
11 DANGER: Keep Feet And Hands
Away From Rotating Blade.
12 DANGER: Keep Hands Away From
Rotating Blade.
13 DANGER: Disconnect Spark Plug
Wire Before Servicing Unit.
14 WARNING: Hot Surface.
15 WARNING: Use Caution When
Connecting Or Disconnecting
Accessories.
16 WARNING: Crushed Fingers.
MAX 90N
+MAX 150N
+
12 3546
78910
12
11
13 14 15 16
1
Control And Operating Pictorials
1Engine Start
2Lights
3Engine Stop
4Engine Stop
5Engine Run
6Brake
7Parking Brake
8Clutch
9Slow
10 Fast
11 Choke
12 Oil
13 Blade Rotation Control
14 Raise
15 Fuel
1234567
89
10 11 12 13 14 15
2

ASSEMBLY
10
F-040717L
ASSEMBLY
This instruction book is for several models. Some parts or accesso-
ries are not included on all models. Read and follow the assembly
and adjustment instructions for your mower. All fasteners are in the
parts bag. Do not discard any parts or material until the unit is
assembled.
WARNING: Before doing any assembly or mainte-
nance to the mower, remove the wire from the spark
plug.
NOTE: In this instruction book, left and right describe the loca-
tion of a part with the operator on the seat.
NOTE: Torque is measured in foot pounds (metric N.m). This
measurement describes how tight a nut or bolt must be. The
torque is measured with a torque wrench.
TOOLS REQUIRED
Pliers (1)
Adjustable open end wrenches (2)
Blade type screwdriver (1)
Phillips screwdriver (1)
PARTS BAG - CONTENTS
The fasteners and other loose parts are shown below. The fasteners are shown full size. The quantity is shown in brackets ( ).
2x82
(2) Carriage Bolt
14x79
(2) Wing Nut
17x47
(2) Washer 20729
(1) Keys & Ring
1001054
(2) Knob

ASSEMBLY
11
F-040717L
MAINTENANCE FREE BATTERY
IMPORTANT: Before you attach the battery cables to the
battery, check the battery date. The battery date tells if the
battery must be charged.
1. Check the top of the battery for the location of the battery date
(Figure 2).
2. If the battery is put into service before the battery date, the
battery cables can be attached without charging the battery.
See “How To Install The Battery Cables”.
3. If the battery is put into service after the battery date, the
battery must be charged. See “How To Charge The
Maintenance Free Battery”.
HOW TO CHARGE THE MAINTENANCE FREE BATTERY
WARNING: When you charge the battery, do not
smoke. Keep the battery away from any sparks. The
fumes from the battery acid can cause an explosion.
1. Remove the battery. See “How To Remove The Battery”.
2. Remove the protective caps from the battery terminals.
3. Use a 12 volt battery charger to charge the battery. Charge at
a rate of 6 amperes for one hour. If you do not have a battery
charger, have an authorized service center charge the battery.
4. Install the battery. See “How To Install The Battery”.
HOW TO REMOVE THE BATTERY
1. Rotate the battery clamp to the DOWN position (Figure 1 and
Figure 2).
2. To remove the battery, tilt the battery forward and then lift the
battery.
CAUTION: Do not tilt the battery more than 45 degrees. If the
battery tilts more than 45 degrees, battery acid can leak from
the battery.
Figure 1
SIDE
VIEW
Battery Clamp
UP - Operating Position
DOWN - Removal Position
HOW TO INSTALL THE BATTERY
1. Install the battery tray (Figure 3). Make sure the drain on the
bottom of the battery tray goes through the hole in the frame
as shown in Figure 3.
2. Turn the battery so that the positive (+) terminal is on the right
side of the unit. Set the battery in the battery tray.
IMPORTANT: Make sure the battery fits under the tabs at
the back of the unit.
3. Rotate the battery clamp to the UP position (Figure 1 and
Figure 3).
HOW TO INSTALL THE BATTERY CABLES
WARNING: To prevent sparks, fasten the red cable to
the positive (+) terminal before you connect the black
cable.
NOTE: Before you attach the battery cables, make sure the
battery is fully charged. This will extend the life of the battery
and provide the necessary power to start the engine.
Use the fasteners shown below to install the battery cables. The
fasteners are shown at full size.
(A)
2x82
(B)
14x79
1. Remove the protective caps from the battery terminals.
2. If equipped, slide the terminal cover onto the red cable
(Figure 3). Fasten the red cable to the positive (+) terminal
with the fasteners as shown. Push the terminal cover onto the
battery terminal.
3. Fasten the black cable to the negative (-) terminal with the fas-
teners as shown.
Figure 2
Battery
Battery Clamp
DOWN position
Battery Date Code
Drain
Black Cable
Red Cable
Positive (+)
Terminal
Tabs
B
Terminal
Cover
Battery
Figure 3
Battery Clamp
UP Position
A
Battery Tray
B
A

ASSEMBLY
12
F-040717L
HOW TO INSTALL THE SEAT
Use the fasteners shown below to install the seat. The fasteners are
shown at full size.
(A)
1001054
(B)
17x47
1. Carefully remove the plastic bag from the seat.
2. Align the holes in the seat hinge to the holes in the seat
(Figure 4). Fasten the seat to the seat hinge with the fasteners
as shown.
3. Check the operating position of the seat. If the seat needs to
be adjusted, loosen the two wing bolts. Slide the seat forward
or backward along the seat adjusting holes as shown. Tighten
the wing bolts (A).
Figure 4
Seat
Seat
Adjusting Hole
Seat Hinge
A
B
HOW TO ASSEMBLE THE STEERING WHEEL
Fasteners are not required to assemble the steering wheel. Attach
the steering wheel as follows:
1. Make sure the front wheels point forward.
2. Place the bellows in position on the console. (Figure 5)
3. Slide the steering wheel and steering post through the bel-
lows and console. Make sure the end of the steering post
aligns with the pinion gear. Push on the steering wheel. The
steering post will lock onto the pinion gear.
Pull on the steering wheel. Make sure that the steering post
is locked in place.
Console
Figure 5
Bellows
Steering Wheel
Steering Post
Cover
Figure 6
Hub
Steering Post
Pinion Gear

ASSEMBLY
13
F-040717L
IMPORTANT! BEFORE YOU START MOWING
-Check the engine oil.
-Fill the fuel tank with gasoline.
-Check the level of the mower housing.
-Check the air pressure of the tires.
-Make sure the battery cables are attached.
WARNING: Before doing any assembly or mainte-
nance to the mower, remove the wire from the spark
plug.
NOTE: In this instruction book, left and right describe the loca-
tion of a part with the operator on the seat.
HOW TO PREPARE THE ENGINE
NOTE: The engine was shipped from the factory filled with oil.
Check the level of the oil. Add oil as needed.
See the engine manufacturer’s instructions for the type of gasoline
and oil to use. Before you use the unit, read the information on
safety, operation, maintenance, and storage.
WARNING: Follow the engine manufacturer’s
instructions for the type of gasoline and oil to use.
Always use a safety gasoline container. Do not
smoke when adding gasoline to the engine. When
inside an enclosure, do not fill with gasoline. Before
you add gasoline, stop the engine. Let the engine
cool for several minutes.
NOTE: Actual sustained horsepower will likely be lower due to
operating limitations and environmental factors.
IMPORTANT: This unit is equipped with an internal combustion
engine and must not be used on or near any unimproved
forest-covered, brush-covered or grass-covered land unless
the engine’s exhaust system is equipped with a spark arrester
meeting applicable local or state laws (if any). If a spark
arrester is used, it must be maintained in effective working
order by the operator.
In the State of California the above is required by law (Section
4442 of the California Public Resources Code). Other states
may have similar laws. Federal laws apply on federal lands.
See an Authorized Service Center for a spark arrester for the
muffler.
In some areas, local law requires the use of a resistor spark
plug to control the ignition signals. See an Authorized Service
Center for a resistor spark plug for the engine.
CHECK THE LEVEL OF THE MOWER HOUSING
Make sure the level of cut is still correct. After you mow a short
distance, look at the area that was cut. If the mower housing does
not cut level, see the instructions on “How To Level The Mower
Housing” in the Maintenance section of this instruction book.
CHECK THE TIRES
Check the air pressure in the tires. Tires with too much air pressure
will cause the unit to ride rough. Also, the wrong air pressure will
keep the mower housing from cutting level. The correct air pressure
(PSI) is 14 PSI (1 BAR). The tires were over inflated for shipment.

OPERATION
14
F-040717L
Figure 7
Ignition
Headlight Switch
Parking Brake
Lever
Lift Lever
Throttle Control
Lever
Blade Rotation
Control
Shift Lever
Clutch / Brake
Pedal
LOCATION OF CONTROLS
BLADE ROTATION CONTROL: Use the blade rotation
control to start and stop the rotation of the blade.
CLUTCH / BRAKE PEDAL: The pedal has two functions.
The first function is a clutch. The second function is a brake.
HEADLIGHT SWITCH: The headlight switch is the first part
of the ignition switch. To use the lights with the engine running, turn
the key to the position for the lights.
IGNITION SWITCH: Use the ignition switch to start and stop
the engine.
SHIFT LEVER: Use the shift lever to change the speed of the
unit.
LIFT LEVER: Use the lift lever to change the height of cut.
PARKING BRAKE LEVER: Use the parking brake lever
to engage the brake when you leave the unit.
THROTTLE CONTROL LEVER: Use the throttle control
lever to increase or decrease the speed of the engine.

OPERATION
15
F-040717L
ATTACHMENTS
This unit can use many different attachments. See the attachment
page in this book. This unit can pull attachments like a lawn
sweeper, a lawn aerator, a hopper spreader or a small trailer. This
unit can not use attachments that engage the ground like a plow, a
disk harrow, or a cultivator.
For all pull-behind attachments or trailers, the maximum gross
weight is 250 pounds. Gross weight is the weight of the attachment
or trailer and any load that might be on or in it.
Do not operate on a slope that is greater than 10 degrees when
using a pull-behind attachment or trailer. We have included a slope
guide in this book to help you determine the slope on which you will
be operating your unit. Never allow someone to stand or ride on or
in an attachment or trailer.
HOW TO USE THE THROTTLE CONTROL
Use the throttle control to increase or decrease the speed of the
engine (Figure 8).
1. The FAST position is marked with a detent. For normal opera-
tion and when using a grass bagger, move the throttle control
to the FAST position. For maximum charging of the battery and
for a cooler running engine, operate the engine in the FAST
position.
2. For transport and to tow pull behind attachments, move the
throttle control to the SLOW position.
3. The engine governor is set at the factory for maximum perform-
ance. Do not adjust the governor to increase the speed of the
engine.
HOW TO USE THE BLADE ROTATION CONTROL
The blade rotation control is next to the steering wheel (Figure 8).
Use the blade rotation control to engage the blade(s) or to operate
a snow thrower attachment.
1. Before you start the engine, make sure the blade rotation con-
trol is in the DISENGAGE position.
2. Move the blade rotation control to the ENGAGE position to
rotate the blade(s).
Note: If the engine stops when you engage the blade(s),
the seat switch is not activated. Make sure you sit in the
middle of the seat. Also, make sure the wire is connected
to the seat switch.
3. Move the blade rotation control to the DISENGAGE position
to stop the blade(s). Before you leave the operator’s position,
make sure the blade(s) has stopped rotating.
4. Before you ride the unit across a sidewalk or a road, move the
blade rotation control to the DISENGAGE position.
WARNING: Always keep your hands and feet away
from the blade, deflector opening, and the mower
housing when the engine runs.
Blade Rotation Control
Engage Position
Disengage
Position
Throttle
Control
Figure 8
HOW TO USE THE SHIFT LEVER
To change the forward speed or the direction of the unit, follow the
steps below.
CAUTION: Before you move the shift lever, completely push
the clutch/brake pedal forward to stop the unit. If the unit is not
stopped, the gearbox can be damaged.
1. Completely push the clutch/brake pedal forward to stop the
unit. Keep your foot on the pedal.
2. Move the throttle control lever to the SLOW position.
3. To go forward, move the shift lever to a forward speed setting.
To go backward, move the shift lever to reverse.
4. Slowly release the clutch/brake pedal. Do not keep your foot on
the pedal.
5. Move the throttle control to the FAST position.
FUNCTION SHIFT LEVER
5 Speeds
THROTTLE
Trimming
Snow Thrower
1
FAST
Bagging Grass 1 or 2
FAST
CHOKE
Mulching Grass 1 or 2 FAST
Normal Mowing 2 or 3
SLOW
Easy Mowing
Snow Blade
3 or 4
SLOW
THROTTLE
Transport 5
SLOW - FAST
CHOKE
Pull Behind
Attachments
1 or 2
THROTTLE

OPERATION
16
F-040717L
HOW TO SET THE PARKING BRAKE
1. Completely push the clutch/brake pedal forward.
2. Lift the parking brake lever (Figure 9).
3. Remove your foot from the clutch/brake pedal and then release
the parking brake lever. Make sure the parking brake will hold
the unit.
4. To release the parking brake, completely push the clutch/brake
pedal forward. The parking brake will automatically release.
WARNING: Before you leave the operator’s position,
move the shift lever to the neutral (N) position. Set the
parking brake. Move the blade rotation control to the
DISENGAGE position. Stop the engine and remove
the ignition key.
HOW TO CHANGE THE CUTTING HEIGHT
To change the cutting height, raise or lower the lift lever as follows.
1. To release the lift lever, push the button on top of the lift lever
(Figure 9).
2. Move the lift lever forward to lower the mower housing and
back to raise the mower housing.
3. When you ride on a sidewalk or road, move the lift lever to the
highest position and move the blade rotation control to the DIS-
ENGAGE position.
Figure 9
Parking Brake Lever
Lift Lever
Button
HOW TO STOP THE UNIT
1. Completely push the clutch/brake pedal forward to stop the
unit. Keep your foot on the pedal.
2. Move the blade rotation control to the DISENGAGE position.
3. Move the shift lever to the NEUTRAL position.
4. Set the parking brake.
WARNING: Make sure the parking brake will hold the
unit.
5. Move the throttle control to the SLOW position.
6. To stop the engine, turn the ignition key to the OFF position. Re-
move the key.
HOW TO TRANSPORT THE UNIT
To transport the unit, follow the steps below.
1. Move the blade rotation control to the DISENGAGE position
2. Raise the lift lever to the highest position.
3. Move the throttle control to a position between SLOW and
FAST.
4. To go faster, move the shift lever to a faster speed.

OPERATION
17
F-040717L
HOW TO OPERATE WITH THE MOWER HOUSING
WARNING: The deflector is a safety device. Do not re-
move the deflector. The deflector forces the dis-
charged material toward the ground. Always keep the
deflector in the down position. If the deflector is dam-
aged, replace the deflector with an original equipment
part from an authorized service center.
1. Start the engine.
2. Move the lift lever to a height of cut position.
IMPORTANT: In high or thick grass, cut the grass in the
highest position first and then lower the mower housing to
a lower position.
3. Move the throttle control to the SLOW position.
4. Move the blade rotation control to the ENGAGE position.
5. Push the clutch/brake pedal completely forward.
6. Move the shift lever to one of the speed settings.
NOTE: When you mow in heavy grass or mow with a
bagger, put the shift lever in the slowest speed.
7. Slowly release the clutch/brake pedal.
8. Move the throttle control to the FAST position. If you need to go
faster or slower, stop the unit and move the shift lever to another
speed setting.
9. Make sure the level of cut is still correct. After you mow a short
distance, look at the area that was cut. If the mower housing
does not cut level, see the instructions on “How To Level The
Mower Housing” in the Maintenance section.
WARNING: For better control of the unit, always
select a safe speed.
HOW TO OPERATE THE UNIT ON HILLS
WARNING: Do not ride up or down slopes that are too
steep to back straight up. Never ride the unit across
a slope. See the “Slope Guide” in the back of this
book for information on how to check slopes.
1. Before you ride up or down a hill, move the shift lever to the
slowest speed.
2. Do not stop or change speed settings on a hill. If you must stop,
quickly push the clutch/brake pedal forward and set the parking
brake.
3. To start again, make sure the shift lever is in the slowest speed.
Move the throttle control to the SLOW position. Slowly release
the pedal.
4. If you must stop or start on a hill, always have enough space
for the unit to roll when you release the brake and engage the
clutch.
5. Be very careful when you change directions on a hill. When on
a slope or in a turn on a hill, move the throttle control to the
SLOW position to help prevent an accident.

OPERATION
18
F-040717L
BEFORE STARTING THE ENGINE
CHECK THE OIL
NOTE: The engine was shipped from the factory filled with SAE
30 weight oil. Check the level of the oil. Add oil as needed.
1. Make sure the unit is level.
NOTE: Do not check the level of the oil while the engine
runs.
2. Clean the area around the dipstick. Remove the dipstick. Wipe
the oil from the dipstick.
3. Insert the dipstick into the oil fill tube. Turn the dipstick clock-
wise until it is tight. Remove the dipstick. Check the oil level on
the dipstick. The oil level must reach the FULL mark on the
dipstick.
4. If necessary, add oil until the oil reaches the FULL mark on the
dipstick. The quantity of oil needed from ADD to FULL is shown
on the dipstick. Do not add too much oil.
ADD GASOLINE
WARNING: Always use a safety gasoline container.
Do not smoke when adding gasoline to the fuel tank.
Do not add gasoline when you are inside an enclo-
sure. Before you add gasoline, stop the engine and
let the engine cool for several minutes.
Fill the fuel tank with regular
unleaded gasoline. Do not use
premium unleaded gasoline.
Make sure the gasoline is fresh
and clean. Leaded gasoline will
increase deposits and shorten
the life of the valves.
CAUTION: A mixture of alcohol (ethanol or methanol) and
gasoline (called gasohol), will attract moisture and cause acid
deposits during storage. While the unit is in storage, the acids
in the fuel can damage the fuel system.
To prevent engine problems with the fuel system, empty the fuel
system before storage of 30 days or longer as follows.
1. Drain the fuel tank.
2. Start the engine. Let the engine run until the fuel lines and the
carburetor are empty.
3. After storage, make sure you use fresh fuel. See the storage
instructions for additional information.
4. Never use engine cleaner or carburetor cleaner in the fuel tank
or permanent damage can occur.
CARBURETOR
The factory settings for the carburetor are for most conditions. If the
engine is operated under the following conditions, you can adjust
the carburetor mixture. To adjust the carburetor, see the engine
manufacturer’s instructions.
1. The engine has a loss of power or does not run smooth.
2. A change from summer to winter operation.
3. A 40 degree change in the operation temperature. The carbure-
tor was adjusted at 80 degrees at the factory.
4. The engine is operated above 4,000 feet.
HOW TO START THE ENGINE
WARNING: The electrical system has an operator
presence system that includes a sensor switch
mounted in the seat. These components tell the elec-
trical system if the operator is sitting on the seat. This
system will stop the engine when the operator leaves
the seat. For your protection, always make sure this
system operates correctly.
NOTE: The engine will not start unless you depress the
clutch/brake pedal, move the shift lever to the neutral (N)
position, and move the blade rotation control to the
DISENGAGE position.
1. Sit in the middle of the seat. Push the clutch/brake pedal com-
pletely forward. Keep your foot on the pedal.
2. Move the shift lever to the neutral (N) position.
3. Make sure the blade rotation control is in the DISENGAGE po-
sition.
4. Move the throttle control completely forward to the CHOKE or
FAST position. Some models have a separate choke knob. Pull
the choke knob to the full CHOKE position.
5. Turn the ignition key to the START position. Release the key
when the engine starts.
NOTE: If the engine does not start after four or five tries,
move the throttle control to the FAST position. Again try to
start the engine. If the engine will not start, see the
TROUBLE SHOOTING CHART.
6. Slowly move the throttle control to the SLOW position. If model
has a separate choke knob, push in the choke knob.
7. Let a cold engine run for several minutes. Begin work when the
engine is warm. To start a hot engine, move the throttle control
to a position between FAST and SLOW.
HOW TO START WITH A WEAK BATTERY
If the battery is too weak to start the engine, the battery needs to be
charged. If “Jumper Cables” are used to start the engine in an
emergency, follow the procedure below.
NOTE: The unit is equipped with a 12 volt negative to ground
system. Also, the other vehicle must have a 12 volt negative to
ground system.
WARNING: Do not smoke. The fumes from the battery
acid can cause an explosion. Keep the battery away
from any flames or sparks. To prevent sparks, fasten
the red “Jumper cable” to the positive (+) terminal be-
fore connecting the black “Jumper cable”.
NOTE: If the seat is raised when starting the engine, move the
blade rotation control to the DISENGAGED position and
engage the parking brake.
1. Connect each end of the RED “Jumper Cable” to the positive
(+) terminals of each battery. Make sure you do not touch the
chassis with the cables.
2. Connect one end of the BLACK “Jumper Cable” to the negative
(-) terminal of the charged battery.
3. Connect the other end of the BLACK “Jumper Cable” to the
mower’s engine block.
4. Start the engine that has the weak battery last. Allow the engine
to run.
5. To disconnect the “Jumper Cables”, reverse the above steps.
Fuel Tank
Full

OPERATION
19
F-040717L
OPERATING TIPS
1. Check the blade rotation control for correct adjustment. For the
blade(s) to disengage correctly, the adjustment must be cor-
rect.
2. Before you use the unit, check the oil in the engine and add oil
if necessary.
3. If the engine will not start, first make sure the wire is attached
to the spark plug.
4. Make sure all the belts are inside all the belt guides. See the in-
structions on how to remove and install the motion drive and
mower drive belts.
5. Before you make an inspection, adjustment (except for the car-
buretor) or repair, make sure the wire from the spark plug is dis-
connected.
6. Make sure the seat switch wire is connected. If the wire is not
connected, the engine will not start.
7. For longer life of the battery on electric start models, charge the
battery every three months.
8. Use the shift lever to change the ground speed, not the throttle
control.
9. Belt noise can occur when the blade or clutch is engaged. This
noise is normal and does not affect the operation of the unit.
MOWING AND BAGGING TIPS
1. For a lawn to look better, check the cutting level of the mower
housing. See “How To Level The Mower Housing” in the Main-
tenance section.
2. For the mower housing to cut level, make sure the tires have
the correct amount of air pressure (PSI).
3. Every time you use the unit, check the blade. If the blade is bent
or damaged, immediately replace the blade. Also, make sure
the nut for the blade is tight.
4. Keep the blade(s) sharpened. Worn blades will cause the ends
of the grass to turn brown.
5. Do not cut or bag grass that is wet. Wet grass will not discharge
correctly. Let the grass dry before cutting.
6. Use the left side of the mower housing to trim near an object.
7. Discharge the cut grass onto the mowed area. The result is a
more even discharge of cut grass.
8. When you mow large areas, start by turning to the right so that
the cut grass will discharge away from shrubs, fences, drive-
ways, etc. After one or two rounds, mow in the opposite direc-
tion making left turns until finished (Figure 10).
9. If the grass is very high, cut two times to decrease the load on
the engine. First cut with the mower housing in the highest posi-
tion and then lower the mower housing for the second cut.
10. For better engine performance and an even discharge of the
cut grass, always operate the engine with the throttle in FAST
position.
11. When you use a bagger, operate the engine with the throttle in
FAST position and the shift lever in first or second gear.
12. For better cutting performance and a quality cut, mow with the
shift lever in one of the slower speeds.
13. After each use, clean the bottom and top of the mower housing
for better performance. Also, a clean mower housing will help
prevent a fire.
Figure 10

MAINTENANCE
20
F-040717L
MAINTENANCE CHART
PROCEDURE
EACH
USE
FIRST
2
HOURS
EVERY
25
HOURS
EVERY
50
HOURS
EVERY
100
HOURS BEFORE
STORAGE
Blade, Inspect and Sharpen √
Blade Rotation Control, Check √
MBrake, Check √
M
O
W
Clutch, Check √
W
E
Tires, Check √ √
E
RBattery, Check and Charge √ √
Battery, Clean √ √
Lubrication * √ √
* Dusty conditions every 25 hours.
GENERAL RECOMMENDATIONS
1. The owner’s responsibility is to maintain this product. This will
extend the life of the product and is also necessary to maintain
warranty coverage.
2. Check the spark plug, drive brake, lubricate the unit, and clean
the air filter once a year.
3. Check the fasteners. Make sure all fasteners are tight.
4. Follow the Maintenance section to keep the unit in good operat-
ing condition.
WARNING: Before you make an inspection, adjust-
ment, or repair to the unit, disconnect the wire to the
spark plug. Remove the wire from the spark plug to
prevent the engine from starting by accident.
NOTE: Torque is measured in foot pounds (metric Nm). This
measurement describes how tight a nut or bolt must be. The
torque is measured with a torque wrench.
HOW TO CHECK THE MUFFLER
Check the muffler every 50 hours. Make sure the muffler is correctly
mounted and is not loose. If the muffler is worn or burnt, replace with
a new muffler. A worn muffler is a fire hazard and can also damage
the engine.
If you mount a spark arrester to the muffler, also check the spark
arrester when you check the muffler. If the spark arrester is worn or
damaged, replace it with a new spark arrester. See your nearest
authorized service center for a spark arrester.

MAINTENANCE
21
F-040717L
INSPECT BLADE
WARNING: Before you inspect or remove the blade,
disconnect the wire to the spark plug. If the blade hits
an object, stop the engine. Check the unit for dam-
age. The blade has sharp edges. When you hold the
blade, use gloves or cloth material to protect your
hands.
If you keep the blade sharp and inspect the blade for damage, the
blade will cut better and be more safe to operate. Frequently check
the blade for excessive wear, cracks, or other damage. Frequently
check the nut that holds the blade. Keep the nut tight. If the blade
hits an object, stop the engine. Disconnect the wire to the spark plug.
See if the blade is bent or damaged. Check the blade adapter for
damage. Before you operate the unit, replace damaged parts with
original equipment parts. See the authorized service center in your
area. Every three years, have an authorized service person inspect
the blade or replace the old blade with an original equipment part.
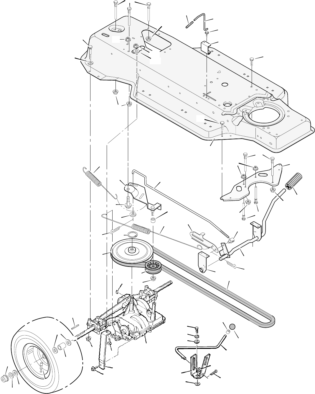
HOW TO REMOVE AND INSTALL THE BLADE
1. Remove the mower housing. See the instructions on “How To
Remove The Mower Housing”.
2. Use a piece of wood to keep the blade from rotating.
3. Remove the nut that holds the blade (Figure 11).
Hi-Lift
Edge Up
Mandrel
Blade Adapter
Blade
Belleville Washer
Washer
Nut Figure 11
4. Check the blade and the blade adapter according to the in-
structions for “Inspect Blade”. Replace a badly worn or dam-
aged blade with an original equipment blade. See an
authorized service center in your area.
5. Clean the top and bottom of the mower housing. Remove all the
grass and debris.
6. Mount the blade and blade adapter on the mandrel
(Figure 11).
7. Mount the blade so that the hi-lift edges are up. If the blade
is upside down, the blade will not cut correctly and can cause
an accident.
8. Fasten the blade with the original washers and nut. Make sure
the outside rim of the Belleville washer is against the blade
(Figure 12).
WARNING: Always keep the nut tight that holds the
blade. A loose nut or blade can cause an accident.
9. Tighten the nut that holds the blade to a torque of 35 foot
pounds (47,5 N-m).
10. Install the mower housing. See “How To Install The Mower
Housing”.
Blade Adapter
Blade
Belleville Washer
(Outside rim must be
against the blade.)
Washer
Nut
Figure 12
HOW TO SHARPEN THE BLADE
WARNING: Vibration can be caused if the blade is
not correctly balanced or if the blade is damaged. A
blade that is damaged with cracks can break and
cause an accident.
Keep a sharp edge on the blade. A blade that is not sharp will cause
the tips of the grass to become brown.
1. Sharpen the blade two times a year or every 25 hours.
2. Remove the blade according to the instructions in “How To Re-
move And Install The Blade”.
3. Clean the blade with a brush, soap and water. Check the
blade. Look for cracks, nicks, or other damage. Replace a
badly worn or damaged blade with an original equipment blade.
See an authorized service center in your area.
4. Sharpen the blade with a file (Figure 13). Make sure you keep
the original bevel angle.
5. Make sure the blade is balanced. Use a screwdriver and hold
the blade parallel to the ground (Figure 13). A blade that is
balanced will stay parallel to the ground. If the blade is not bal-
anced, the heavy end will rotate toward the ground. Sharpen
the heavy end until the blade is balanced.
6. A new blade will cut better than a badly worn blade. Every three
years, have an authorized service person inspect the blade or
replace the old blade with an original equipment blade.
7. Assemble the blade according to the instructions “How To Re-
move And Install The Blade”.
Ground
Blade is balanced
when parallel to the ground.
Screwdriver
Blade
File
Figure 13

MAINTENANCE
22
F-040717L
HOW TO ADJUST THE BLADE ROTATION CONTROL
WARNING: To prevent an injury, the blade rotation
control must operate correctly.
1. Stop the engine. Disconnect the wire from the spark plug.
2. Before you adjust the blade rotation control, check and level
the mower housing. See “How To Level The Mower Housing.”
Make sure the mower housing is level before go to the next
step.
3. Set the height of the mower housing in the lowest position.
4. Move the blade rotation control to the ENGAGE position
(Figure 14). Check the plastic indicator inside the blade drive
spring (Figure 15). The end of the plastic indicator must be
aligned ( + or - 1/8 inch / 3 mm) with the last coil of the blade
drive spring.
5. If the plastic indicator is more than 1/8 inch (3 mm) from the
last spring coil, an adjustment is needed. Move the blade rota-
tion control to the DISENGAGE position. Disconnect the
blade control rod from the pivot bracket. Turn the adjustable
nut clockwise to increase the length of the coils. Turn the ad-
justable nut counterclockwise to decrease the length of the
coils.
6. Connect the blade control rod to the pivot bracket. Move the
blade rotation control to the ENGAGE position. Check the
adjustment of the blade drive spring.
7. Move the blade rotation control to the DISENGAGE posi-
tion. Check the operation of the blade brake. Rotate the pulley
with your hand. Make sure the pads for the blade brake are
pressed tightly against the pulleys.
IMPORTANT: If the brake pads do not press tightly against
the pulleys, replace the mower drive belt and repeat steps
1-7. Then, complete the remaining steps. Correct
replacement parts and assistance are available from an
authorized service center.
8. Move the blade rotation control to the ENGAGE position.
Check the pads for the blade brake. If the pads are excessively
Blade Rotation Control
Engage Position
Disengage
Position
Throttle
Control
Figure 14
worn or damaged, replace the brake pad assemblies. Correct
replacement parts and assistance are available from an autho-
rized service center.
9. Attach the wire to the spark plug. Mow for a short distance and
again check the operation of the blade rotation control.
10. When you move the blade rotation control to the
DISENGAGE position, all movement will stop within five sec-
onds if the adjustment is correct. If there is movement of the belt
or the blades continue to rotate, engage and disengage the
blade rotation control five times to remove any excess rubber
from a new mower drive belt. If there is still blade rotation from
the DISENGAGED position, adjust the blade drive spring
until more of the plastic indicator extends beyond the end of
the last coil. This adjustment will decrease the spring tension.
If you need assistance, take the unit to an authorized service
center.
11. After you operate with a new mower drive belt for several
hours, check the tension of the blade drive spring.
12. If you replace the mower drive belt, adjust the blade rotation
control.
Figure 15
Pivot Bracket Adjustable
Nut
Blade Control Rod
Brake Pad Against Pulley
Mower Drive Belt
Blade Drive Spring
Plastic Indicator
-1/8”
(3mm)
+1/8”
(3mm)
Blade Brake
(Brake Pad Against Pulley)

MAINTENANCE
23
F-040717L
HOW TO CHECK AND ADJUST THE DRIVE BRAKE
Completely push the clutch/brake pedal forward. Set the parking
brake. Move the shift lever to the neutral (N) position. Push the unit.
If the rear wheels rotate, adjust or replace the brake pads. Adjust the
drive brake as follows.
1. The location of the drive brake is on the right side of the
gearbox (Figure 16).
2. Make sure the parking brake is set and the shift lever is in
neutral (N). Turn the hex nut in a clockwise direction until the
rear wheels do not turn when the unit is pushed forward.
3. Release the parking brake and push the unit. If the unit does not
roll, turn the hex nut in a counterclockwise direction until the
unit rolls.
4. Set the parking brake. Push the unit. If the rear wheels do not
turn, the drive brake is correctly adjusted. Release the parking
brake.
WARNING: If you cannot correctly adjust the drive
brake, replace the brake pads. Correct replacement
parts and assistance are available from an autho-
rized service center.
Figure 16
Drive Brake
Gearbox Hex Nut
HOW TO CHECK AND ADJUST THE CLUTCH
If the motion drive belt is loose, the clutch will slip when; (1) going
up a hill, (2) pulling a heavy load, or (3) the unit will not move forward.
Check the clearance at the rear of the pedal (Figure 17). If the
motion drive belt is loose, the clearance will be less than 3/16 inch
and the clutch will slip. Adjust the clutch as follows.
WARNING: Before you make an inspection, adjust-
ment, or repair to the unit, disconnect the wire to the
spark plug. Remove the wire from the spark plug to
prevent the engine from starting by accident.
1. Check the routing of the motion drive belt. Make sure the belt
is installed correctly and is inside all the belt guides.
2. Disconnect the adjustable nut from the lever assembly
(Figure 17).
3. Turn the adjustable nut counterclockwise to increase the
length of the clutch rod. This adjustment will increase the clear-
ance at the pedal and tighten the motion drive belt.
4. Assemble the adjustable nut to the lever assembly. Check
the clearance at the pedal.
5. If the pedal cannot be set to 3/16 inch clearance, the motion
drive belt has stretched and must be replaced. See “How To
Replace The Motion Drive Belt”.
6. If the clutch still slips after the clutch has been adjusted, then
the motion drive belt is damaged and must be replaced. See
“How To Replace The Motion Drive Belt”.
7. After making an adjustment to the pedal, check the drive brake.
See “How To Check And Adjust The Drive Brake”.
Clutch Rod
Lever
Assembly
Adjustable Nut
(To increase the
clearance, turn
counterclockwise.)
3/16” (4.7mm)
Clearance
Figure 17
Pedal

MAINTENANCE
24
F-040717L
MAINTENANCE FREE BATTERY
HOW TO REMOVE THE BATTERY
To charge or clean the battery, remove the battery from the unit as
follows.
WARNING: To prevent sparks, disconnect the black
battery cable from the negative (-) terminal before you
disconnect the red cable.
WARNING: The battery contains sulfuric acid which is
harmful to the skin, eyes and clothing. If the acid gets
on the body or clothing, wash with water.
1. Remove the black cable from the negative (-) terminal
(Figure 18).
2. Remove the red cable from the positive (+) terminal.
3. Rotate the battery clamp to the DOWN position.
4. To remove the battery, tilt the battery forward and then lift the
battery.
CAUTION: Do not tilt the battery more than 45 degrees. If the
battery tilts more than 45 degrees, battery acid can leak from
the battery.
HOW TO CLEAN THE BATTERY
1. Remove the battery.
2. Wash the battery with a solution of one gallon of water and four
tablespoons of baking soda (sodium bicarbonate). Make sure
the solution does not get into the battery cells.
3. Clean the terminals and the ends of the cables with a wire
brush.
4. Install the battery. See “How To Install The Battery” in the
Assembly section.
5. To prevent corrosion, apply grease to the battery terminals.
HOW TO CHARGE THE BATTERY
WARNING: When you charge the battery, do not
smoke. Keep the battery away from any sparks. The
fumes from the battery acid can cause an explosion.
1. Before you charge the battery, remove the battery.
2. To charge the battery, use a 12 volt battery charger. Charge at
a rate of 6 amperes for 1 hour.
3. Install the battery. See “How To Install The Battery” in the
Assembly section.
Black Cable
Red Cable
Positive (+)
Terminal
Tabs
Terminal
Cover
Battery
Figure 18
Battery Clamp
UP Position
Battery Tray
Bolt Wingnut

MAINTENANCE
25
F-040717L
WHERE TO LUBRICATE
Lubricate the areas shown with engine oil.
Apply grease with a brush to the areas shown.
NOTE: Apply grease to the steering gear assembly.
CAUTION: If the unit is operated in dry areas that have sand,
use a dry graphite spray to lubricate the unit. Do not lubricate
the nylon bearings for the front wheels. Oil or grease will
damage the bearings.
HOW TO CHECK THE FUEL FILTER
NOTE: Before you replace the fuel filter or the fuel line, the fuel
tank must be empty.
If the fuel filter is dirty, the engine will run rough and have less
performance. Remove the old filter (Figure 20). Replace the old
filter with a new filter. Use an original equipment part. See an
authorized service dealer in your area.
Fuel Line
Clips
Fuel Filter
Figure 20
CHECK THE TIRES
Check the air pressure in the tires. Tires with too much air pressure
will cause the unit to ride rough. Also, the wrong air pressure will
keep the mower housing from cutting level. The correct air pressure
(PSI) is 14 PSI (1 BAR).
Lift Lever
Figure 19

MAINTENANCE
26
F-040717L
HOW TO REMOVE THE MOWER HOUSING
1. Move the lift lever to the lowest position.
2. Move the blade rotation control to the DISENGAGE position.
3. Remove the hair pins and the washers from the adjusting rods
(Figure 21). See illustrations “C” and “D”.
4. Remove the hair pins and the washers from the suspension link
and the adjuster plate. See illustrations “A” and “B”.
5. Remove the hair pin and washer from the blade control rod.
See illustration “E”.
6. Disconnect the front hanger from the axle support. See il-
lustration “F”.
7. If necessary, loosen the two belt guides at the stack pulley.
See illustration “G”. Remove the mower drive belt from the
stack pulley.
8. Pull the mower housing away from the right side of the unit.
HOW TO INSTALL THE MOWER HOUSING
1. Push the mower housing under the right side of the unit.
2. Put the mower drive belt around the stack pulley. Make sure
the “V” side of the mower drive belt is against the stack pulley.
Also, make sure the mower drive belt is not twisted.
3. Attach the front hanger to the axle support with the hanger
rod. Fasten with the fasteners as shown. See illustration “F”.
4. Make sure the mower drive belt is between the stack pulley
and the two belt guides. Tighten the two belt guides. See il-
lustration “G”.
5. Fasten the blade control rod to the blade rotation control
with the washer and hair pin. See illustration “E”.
6. Attach the suspension link and the adjuster plate to the lifter
assembly. Fasten with the washers and hair pins. See illustra-
tions “A” and “B”.
7. Attach the right and the left adjusting rods to the suspension
brackets. Fasten with the washers and hair pins. See illustra-
tions “C” and “D”.
8. Move the blade rotation control to the ENGAGE position.
Make sure the mower drive belt is inside all the belt guides.
9. Make sure the mower housing is level. See the instructions on
“How To Level The Mower Housing”.
10. Check the operation of the blade rotation control. See the in-
structions on “How To Adjust The Blade Rotation Control”.
Lifter Assembly
Blade Rotation
Control
Hanger Rod
Mower Drive Belt
Lift Lever
Blade Control
Rod
Stack Pulley
Belt Guides
Figure 21
Stack Pulley
Front Hanger

MAINTENANCE
27
F-040717L
HOW TO LEVEL THE MOWER HOUSING
If the mower housing is level, the blade will cut easier and the lawn
will look better.
WARNING: Before you make an inspection, adjust-
ment, or repair to the unit, disconnect the wire to the
spark plug. Remove the spark plug wire to prevent
the engine from starting by accident.
1. Make sure the unit is on a hard level surface.
2. Check the air pressure in the tires. If the air pressure is incor-
rect, the mower housing will not cut level. Make sure the tires
are inflated to 14 PSI. (1 BAR).
3. Move the lever for the blade rotation control to the ENGAGE po-
sition. Move the lift lever to the number “4” cutting height posi-
tion.
4. There are two adjustment procedures below that will level the
mower housing.
THE FRONT TO BACK ADJUSTMENT
Before the height of the mower housing is measured, understand
that the position of the blades in the mower housing are not the same
in the front as they are in the back.
There are measuring points on the mower housing indicated by
small round dimples (or X marks) on the front and rear, left and right
sides of the mower housing (Figure 22). To determine if an
adjustment is needed, use a ruler and measure the distance from
the level surface to the bottom of the mower housing. In correct
adjustment, the front of the mower housing at point B will be from
0” to 1/2” (0 mm to 12 mm) higher than the back of the mower
housing at point D.
SIDE VIEW
Measure from the bottom
of the mower housing.
LEVEL SURFACE
B
A
D
CFigure 22
1. Disconnect both adjuster rods from the adjuster rod
brackets (Figure 23).
2. Turn the adjustable nut clockwise to lower the front or counter-
clockwise to raise the front of the mower housing.
3. Connect the left adjuster rod to the adjuster rod bracket.
Check the housing for the correct adjustment. Fasten the ad-
justable nut with the washer and hair pin.
4. Repeat the above steps for the right side using the small round
dimples (or X marks) at points A and C.
Adjuster Rod Bracket
Adjuster Rods
Figure 23
THE SIDE TO SIDE ADJUSTMENT
Use a ruler and measure the distance from the level surface to the
bottom of the mower housing. Measure from the locations indicated
by the small round dimples (or X marks) at points A and B. In correct
adjustment, the mower housing at points A and B must be within
1/4” (6 mm) of the same height. If the difference in the measurement
is more than 1/4” (6 mm), adjust as follows.
1. Disconnect the adjuster plate from the mower housing
(Figure 24).
2. Move the adjuster plate to the front to raise or to the back to
lower the side of the mower housing. On some adjuster plates
the holes have numbers. To raise the mower housing, move to
a higher number.
3. Connect the adjuster plate.
4. Check the housing for the correct adjustment. If necessary, re-
peat the adjustment.
Adjuster Plate Figure 24

MAINTENANCE
28
F-040717L
HOW TO REPLACE THE MOTION DRIVE BELT
REMOVAL
1. Remove the mower housing. See the instructions on “How To
Remove The Mower Housing”.
2. Completely push the pedal forward and engage the parking
brake.
3. Remove the idler pulley (Figure 25).
4. Loosen the belt guides that are around the drive pulley.
5. Remove the motion drive belt from the drive pulley.
6. To remove the motion drive belt from the stack pulley, pull the
front end of the belt under the stack pulley and then back
between the stack pulley and the belt guide plate (Figure 26).
7. Put the end of the motion drive belt from the drive pulley
through the hole for the shift lever (Figure 27). Move the shift
lever and push the belt under the shift lever.
8. Remove the motion drive belt. A correct replacement part or
assistance is available from an Authorized Service Center in
your area.
INSTALLATION
1. Slide the motion drive belt between the stack pulley and the
belt guide plate (Figure 26). Install the motion drive belt on
the top pulley of the stack pulley. Make sure the “V” side of the
belt is against the pulley.
2. Push the motion drive belt through the hole in the frame for the
shift lever (Figure 27). Lift the end of the belt over the shift
lever and back down through the hole in the frame.
3. Install the end of the motion drive belt around the drive pulley
(Figure 25).
4. Tighten the belt guides that are around the drive pulley.
5. Put the belt around the idler pulley. Assemble the idler pulley.
Fasten the idler pulley with the hex nut. Make sure the flat side
of the belt is against the idler pulley as shown. Also, make sure
the belt is not twisted.
6. Make sure the motion drive belt is inside all the belt guides
(Figure 25 and Figure 26).
7. Before you use the unit, check the adjustment of the clutch. See
the instructions “How To Check And Adjust The Clutch”.
8. Install the mower housing. See the instructions “How To Install
The Mower Housing”.
Idler Pulley
Motion
Drive Belt
Loosen The
Belt Guides
Drive Pulley
Figure 25
Stack Pulley
Motion
Drive Belt
Figure 26
Belt Guide
Plate
Belt Guides
FRONT
Shift Lever
Motion Drive Belt
Figure 27

MAINTENANCE
29
F-040717L
HOW TO REPLACE THE MOWER DRIVE BELT
1. Remove the mower housing. See the instructions on “How To
Remove The Mower Housing”.
2. Pull the belt retainer away from the idler pulley and remove
the mower drive belt (Figure 28).
3. Pull the belt retainer away from the right mandrel pulley and
remove the mower drive belt.
4. Remove the mower drive belt from the left mandrel pulley.
NOTE: Replace the mower drive belt with an original
equipment belt from an authorized service center.
5. Install the new mower drive belt. Pull the belt retainer away
from the right mandrel pulley. Put the belt around the right
mandrel pulley.
6. Pull the belt retainer away from the idler pulley. Put the flat
side of the mower drive belt around the idler pulley.
7. Put the belt around the left mandrel pulley.
8. Make sure the “V” side of the mower drive belt is against the
mandrel pulleys as shown.
9. Make sure the mower drive belt is under the end of the cross
link rod as shown.
10. Make sure the mower drive belt is inside all the belt guides.
11. Install the mower housing. See the instructions on “How To In-
stall The Mower Housing”.
12. Before you mow, check the blade rotation control. See the in-
structions on “How To Adjust The Blade Rotation Control”.
Belt Retainer
Right Mandrel Pulley
Cross Link Rod
Belt
Retainer
Belt Guide Left Mandrel Pulley
Mower
Drive Belt
Idler Pulley
Belt Guide
Belt Guide
Figure 28

MAINTENANCE
30
F-040717L
HOW TO INSTALL THE WHEELS
If the wheels must be removed for service, make sure they are
installed as follows.
Front Wheel
1. Make sure the valve stem is to the outside of the tractor. Slide
the front wheel on the spindle (See Figure 29).
2. Fasten the front wheel with washer and cotter pin. Bend the
ends of the cotter pin apart to keep the front wheel on the
spindle.
3. If your model has hub caps, install the hub caps. Make sure
the washer hold the hub caps in place.
Rear Wheel
1. Install the washers and spacer onto the axle as shown in
Figure 30.
2. Mount the square key in the key slot (See Figure 30).
3. Make sure the valve stem is to the outside of the tractor. Align
the slot in the rear wheel with the square key. Slide the rear
wheel on the axle.
4. Fasten the rear wheel with washer and e-ring .
5. If your model has hub caps, install the hub caps. Make sure
the washer hold the hub caps in place.
Figure 29
Front Wheel
Spindle
Valve Stem
Washer
Washer
Hub Cap
Cotter Pin
Figure 30
E-Ring
Washer
Hub Cap
Washer
Spacer
Square Key
Valve Stem
Key Slot
Axle
Rear Wheel

MAINTENANCE
31
F-040717L
HOW TO REPLACE THE FUSE
If the fuse is blown, the engine will not start. The location of the fuse
is next to the battery. Remove the fuse and replace with a
automotive fuse (Figure 31).
Figure 31
Automotive Fuse
HOW TO REPLACE THE LIGHT BULB
1. Raise the tractor hood.
2. Turn the light socket until the tabs on the socket align with the
notches in the bezel (Figure 32). Remove the light socket.
Turn the light bulb and remove the bulb.
3. Install a new light bulb. Align the light socket with the notches
in the bezel and turn the light socket to lock in position.
Bezel
Light Bulb
Light Socket Figure 32
HOW TO CLEAN THE MOWER HOUSING
WARNING: Before you clean the mower housing,
stop the engine and disconnect the wire to the spark
plug.
Grass and other debris on top of the mower housing can keep the
belt from working correctly. For safety and correct operation,
frequently clean the top of the mower housing. Remove grass and
debris from around the pulleys and other moving parts.
1. Move the lever for the blade rotation control to the ENGAGE
position.
2. Clean the top of the mower housing.
3. Move the lever for the blade rotation control to the
DISENGAGE position.
4. Again clean the top of the mower housing.
5. After you cut the grass, clean the bottom of the mower housing.
STORAGE (over 30 days)
At the end of each year, prepare the unit for storage as follows.
THE ENGINE
For storage information, see the the engine manufacturer’s
instructions.
THE BATTERY
1. Remove the battery.
2. Clean the battery terminals of any deposits.
3. Charge the battery. See the instructions on “How To Prepare
And Charge The Battery”.
4. Store the battery in a cool, dry place.
NOTE: After a long time in storage, charge the battery.
THE FUEL SYSTEM
WARNING: Do not drain the gasoline inside a build-
ing or near a fire. Do not smoke because the fumes
from the fuel can cause an explosion.
1. Start the engine.
2. Run the engine until the fuel tank and the carburetor are out of
fuel and the engine stops.
3. Do not leave fuel in the fuel tank or the carburetor. The fuel can
damage the function of the fuel system. Some models have a
fuel drain (Figure 33). Hold a cloth under the fuel drain. Push
the fuel drain until the carburetor is empty.
4. After storage, make sure you use fresh fuel.
Figure 33
Fuel Drain
CLEAN THE UNIT
1. Clean the dirt and grass from the engine.
2. Clean the mower housing.
LUBRICATE THE UNIT
See the “Lubrication” instructions in this book.

TROUBLE SHOOTING CHART
32
F-040717L
PROBLEM: The engine will not start.
1. Follow the steps, “How To Start The Engine” in this book.
2. Electric-Start Models: Clean the battery terminals. Tighten the
cables.
3. Drain the fuel tank. Clean the fuel line. Replace the fuel filter.
4. Remove the spark plug(s). Move the throttle to the SLOW posi-
tion. Turn the ignition key to the ON position. Try to start the en-
gine several times. Install the spark plug.
5. Replace the spark plug.
6. Adjust the carburetor.
PROBLEM: The engine will not turn over.
1. Follow the steps, “How To Start The Engine” in this book.
2. Electric-Start Models: Check the level of the acid in the battery.
If needed, add water. Charge the battery.
3. Replace the fuse.
4. Check the wiring harness for damage or a loose connection.
Repair the damaged wire.
5. Electric-Start Models: replace the solenoid. Recoil-Start Mod-
els: replace the module.
PROBLEM: The engine is difficult to start.
1. Adjust the carburetor.
2. Replace the spark plug.
3. Replace the fuel filter.
PROBLEM: The engine does not run smooth or has a
loss of power.
1. Check the oil.
2. Clean the air filter.
3. Clean the air screen.
4. Replace the spark plug.
5. The engine is working too hard. Use a lower gear.
6. Adjust the carburetor.
7. Replace the fuel filter.
PROBLEM: The engine does not run smooth at fast
speed.
1. Replace the spark plug.
2. Adjust the throttle control.
3. Clean the air filter.
4. Replace the fuel filter.
PROBLEM: The engine stops when the blades are
engaged.
1. To activate the seat sensor, always sit in the middle of the seat.
2. Check the wiring harness for damage or a loose connection.
Repair the damaged wire.
PROBLEM: On slopes, the engine stops.
1. Mow up and down slopes. Never mow across a slope.
2. To activate the seat sensor, always sit in the middle of the seat.
PROBLEM: The engine will not idle.
1. Replace the spark plug.
2. Clean the air filter.
3. Adjust the carburetor.
4. Adjust the throttle control.
5. Drain the fuel tank. Clean the fuel line. Replace the fuel filter.
PROBLEM: A hot engine causes a decrease in power.
1. Clean the air screen.
2. Check the oil.
3. Adjust the carburetor.
4. Replace the fuel filter.
PROBLEM: Excessive vibration.
1. Replace the blade.
2. Check for loose engine bolts.
3. Decrease the air pressure in the tires.
4. Adjust the carburetor.
5. Check for a damaged belt or damaged pulley. Replace the
damaged parts.
PROBLEM: The grass does not discharge correctly.
1. Stop the engine. Clean the mower housing.
2. Raise the height of cut.
3. Replace or sharpen the blade(s).
4. Move the shift lever to a slower speed.
5. Move the throttle control to the FAST position.
6. Replace the spring for the blade idler.
PROBLEM: The mower housing does not cut level.
1. Check the air pressure in the tires.
2. Adjust the level of the mower housing.
3. Check the front axle. If the front axle does not freely pivot, loos-
en the axle bolt(s).
PROBLEM: The mower blades will not rotate.
1. Check the mower drive belt. Make sure the belt is installed cor-
rectly.
2. Replace the mower drive belt.
PROBLEM: The unit will not move when the clutch is
engaged.
1. Check the motion drive belt. Make sure the belt is installed
correctly.
2. Adjust the clutch.
3. Replace the motion drive belt.
PROBLEM: The unit moves slower or stops when the
clutch is engaged.
1. Adjust the clutch.
2. Replace the motion drive belt.
PROBLEM: When the clutch/brake pedal is released, belt
noise can be heard.
1. Temporary belt noise does not change the operation of the unit.
If belt noise is continuous, check the routing of the belt. Make
sure the belt is inside all belt guides.
2. If the noise is continuous, adjust the clutch.
PROBLEM: The rear wheels spin over uneven terrain.
1. Check the front axle. If the front axle does not freely pivot, loos-
en the axle bolt(s).
PROBLEM: The transaxle is difficult to shift between
gears with the engine running and the clutch depressed.
1. Check the clutch adjustment to make sure the belt stops when
the clutch pedal is depressed with the transaxle in (N) neutral.
2. Check the belt guides around the transaxle drive pulley. Make
sure the belt guides do not touch the pulley.

F-040717L 33
Only use a factory repair part. Repair parts, except for the engine or the transmission, are available from the store where the unit was
purchased, a service shop recommended by the store, or an authorized service shop found in the yellow pages of the telephone directory.
If you cannot get a repair part or service as described above, call or write to the Central Parts Distributor shown below. When you order,
include the following information: (1) Complete Model Number (see nameplate), (2) Date of Manufacture, (3) Complete Part Number, (4)
Description, (5) Quantity. Repair parts for the engine or the transmission are available from the manufacturer’s authorized service center
found in the yellow pages of the telephone directory. See the individual engine or transmission warranties.
MURRAY, INC. LAWN MOWER CENTRAL PARTS DISTRIBUTORS
BILLIOU’S, INC.
1343 South Main St.
Porterville, CA. 93257
(559) 784−4102 1−877−245−5468
FAX 1−800−226−7337
Arizona, California, Hawaii, Nevada
BROWN & WISER, INC.
9991 S.W. Avery Street
Tualatin, OR. 97062
(503) 692−0330 1−800−882−4782
FAX (503) 691−2041
Alaska, Idaho (counties Ada, Adams,
Benewah, Boise, Bonner, Boundry, Canyon,
Clearwater, Elmore, Gem, Idaho, Kooten,
Latah, Lewis, Nez Perce, Owyee, Payette,
Ravalli, Shoshone, Valley, Washington),
Montana (counties Flathead, Lake, Lincoln,
Mineral, Missoulo, Ravalli, Sanders), Oregon,
Washington
CPT CANADA POWER
TECHNOLOGY LIMITED
Mississauga
161 Watline Avenue
Mississauga, Ontario
L4Z−1P2
(905) 890−6900 1−800−861−9559
Edmonton
101−10411−178th Street
Edmonton, Alberta
T5S 1R5
(780) 453−5791 1−800−861−9559
Ville St−Laurent
234 Migneron Street
Ville St−Laurent, Quebec
H4T 1Y7
(514) 731−3559 1−800−861−9559
Canada
FRANK EDWARDS CO.
3626 Parkway Blvd.
West Valley, UT 84120
1−800−318−0201
FAX 1−801−736−8067
Colorado, Idaho (counties Bannock Bearlake,
Bingham, Blaine, Booneville, Butte, Camas,
Caribou, Cassia, Custer, Franklin, Fremont,
Gooding, Jefferson, Jerome, Lemhi, Lincoln,
Madison, Minidoka, Oneida, Power, Teton,
Twin Falls) Montana (all counties except
Flathead, Lake, Lincoln, Mineral, Missoulo,
Ravalli, and Sanders), Utah, Wyoming
GARDNER, INC.
1150 Chesapeake Ave.
Columbus, OH. 43212
1−800−848−8946
FAX 1−614−486−7122
Alabama, Arkansas (except these counties:
Hempstead, Howard, Lafayette, Little River,
Miller, Nevada, Pike, Sevier), Connecticut,
Delaware, District of Columbia, Florida,
Georgia, Illinois (South of Hwy. 80),,
Indiana, Iowa, Kansas, Kentucky, Louisiana,
Maine, Maryland, Massachusetts, Michigan
(except upper Peninsula), Mississippi,
Missouri, Nebraska, New Hampshire, New
Jersey, New York, North Carolina, Ohio,
Pennsylvania, Rhode Island, South
Carolina, Tennessee, Vermont, Virgina,
West Virginia
Puerto Rico
GULF COAST ENGINE, INC.
4202 Russell Dr.
Corpus Christi, TX. 78408
1−800−825−6999
FAX 1−888−888−7036
Arkansas (counties Hempstead, Howard,
Lafayette, Little River, Miller, Nevada, Pike,
Sevier) New Mexico, Oklahoma, Texas,
Mexico
WISCONSIN MAGNETO, INC.
4727 N. Teutonia Ave.
Milwaukee, WI. 53209
1−800−733−7388
FAX 1−800−733−0127
Illinois (N. of Hwy. 80), Michigan (upper
Peninsula), Minnesota, North & South
Dakota, Wisconsin

REPAIR PARTSMODEL 387002x92A
34
F-040717L
CHASSIS & HOOD
26
15
26
16
17
18
19
20
21
20
22
23
26
27
26
26
29
30
31
33
34
35
36
37
38
35
44
25
25 25
24
32
41
26
1
2
45
3
4
5
6
7
8
9
10 11
12
13
14
39
35
40
46
47
REPAIR PARTSMODEL 387002x92A
35
F-040717L
CHASSIS & HOOD
Key
No. Part No. Description
Key
No. Part No. Description
1 690566 Seat
2 094154E701 Support, Seat
3 094057 Spring, Seat
4 26x229 Screw
5 017x49 Washer
6 1001054 Bolt, Wing
7 009x56 Bolt
8 094156 Z Rod, Pivot
9 009x55 Bolt, Shoulder
10 094155 Z Washer
11 164x31 Spring, Compression
12 001x45 Bolt, Hex
13 1001648E701 Bracket, Pivot
14 015x89 Nut
15 091724E245 Fender, Apron
16 092333E245 Hood
17 092350 Grille Assembly (includes Lens)
18 092344 Lens
19 009x47 Screw
20 092328E245 Fender
21 1001646E245 Console Assembly
22 26x263 Screw
23 070138 Dash Panel
24 092399 Bearing, Steering
25 26x239 Screw
26 26x270 Screw
27 092331E700 Support, Dash
29 092815E245 Frame Assembly
30 092347E701 Bracket, Left Grille
31 092332 Z Rod, Pivot
32 092398 Bearing, PTO
33 0031x4 Pin, Hair
34 092346E701 Bracket, Right Grille
35 26x249 Screw
36 094107 Mat
37 091895 Tray, Battery
38 092443E245 Cap, Console
39 15x123 Nut
40 164x30 Spring, Compression
41 092725 Z Clamp, Battery
44 092448 Brace, Grille
45 028x23 Cap, Push On
46 1001650 Z Plate Assembly, Switch
47 26x208 Screw
- - F-040717L Instruction Book & Parts List

REPAIR PARTSMODEL 387002x92A
36
F-040717L
MOTION DRIVE
24
10
11
12
13
15
16
17
18
19
20
14
55
21
23
22
25
39
40
41
45
46
49
44
1
3
5
7
6
8
9
3
4
47
52
2
9
1
330
3
351
35
48
31
32
33 26
27
14
50
29
28
34
34a
36
37
38
35
14
53
54
REPAIR PARTSMODEL 387002x92A
37
F-040717L
MOTION DRIVE
Key
No. Part No. Description
Key
No. Part No. Description
1 091754 Guide, Belt
2 015x84 Locknut, Flange
3 015x79 Nut, Flange
4 01x155 Bolt, Hex
5 091079 Grip
6 26x214 Screw
7 091727E701 Rod, Control -Park Brake
8 091825E701 Guide, Bracket
9 26x249 Screw
10 021544 Clutch and Brake Pedal
11 091862E701 Lever Assembly
12 091808 Z Rod, Clutch
13 021920 Nut, Adjustable
14 030x20 Pin, Cotter
15 091713E701 Bracket, Support
16 091712 Z Latch, Park Brake
17 165x82 Spring, Brake Extension
18 017x47 Washer
19 092737 Z Bracket Assembly, Idler
20 0011x7 Ring, Retainer
21 009x39 Bolt, Shoulder
22 165x76 Spring, Drive Extension
23 095094 Pulley, Motion Drive
24 690409 Pulley, Backside Idler
25 037x61 Belt, Motion Drive
26 091995 Knob, Shift Lever
27 091805 Z Lever, Shift
28 091806 Z Yoke, Shift
29 17x148 Washer
30 092694E701 Plate, Belt Guide
31 06x105 Bolt, Hex
32 018x32 Lockwasher
33 017x38 Washer
34 * * Transaxle, Peerless
34a 020697 Woodruff Key No. 9
35 015x88 Nut, Flange
36 002x64 Bolt, Carriage
37 091804E701 Support, Transaxle
38 26x216 Screw
39 021553 Key, Square
40 17x160 Washer
41 690553 Z Spacer, Transaxle
42 091923 Tire*
-- 407049 Tube
43 092288-601 Wheel & Tire Assembly
44 024373 Stem, Valve
45 17x195 Washer
46 0011x3 E-Ring
47 17x146 Washer
48 017x45 Washer
49 094618 Hub Cap
50 17x102 Washer
51 020619 Guide, Belt
52 092815E245 Frame Assembly
53 092008 Ring, Tolerance
54 690369 Spacer
55 015x98 Nut
* When you order a tire, make sure to give the brand name of the tire so that the tread pattern on the tire will match.
** For information on Replacement Parts see the Central Parts Distributor in your area.

REPAIR PARTSMODEL 387002x92A
38
F-040717L
STEERING
1
4
6
7
8
6
10
10 11
13
14
16
17
6
6618
19
20
20 2
22
35
26
25
23
24
22
21
29
27
31
19
38
37 29
28
21
21
6
9
32
32
12
33
33
15
34
30
11
35
3
5
2
2
39
REPAIR PARTSMODEL 387002x92A
39
F-040717L
STEERING
Key
No.
Part
No. Description
1 094134 Wheel, Steering
2 094131 Pin, Retainer
3 011x28 Ring, E
4 1001705 Post, Steering
5 17x118 Washer
6 26x249 Screw
7 1001704E701 Bracket, Sector
8 1401099 Gear, Pinion
9 1401098 Bearing
10 001x84 Bolt, Hex
11 015x84 Locknut, Flange
12 092564 Spacer
13 1001708E701 Gear, Sector
14 091708E701 Bracket, Sector
15 1001710 Kit, Steering Gear
16 01x146 Bolt, Hex
17 092529E701 Support, Rear Axle
18 090038E701 Rod, Tie
19 030x49 Pin, Cotter
20 092527 Bearing
21 017x57 Washer
22 030x20 Pin, Cotter
23 17x113 Washer
24 091828E701 Spindle Assembly, Right
25 092518E701 Spindle Assembly, Axle & Left
26 092528E701 Support, Front Axle
27 091912 Tire*
-- 407047 Tube
28 024373 Stem, Valve
29 091334 Bearing, Wheel
30 17x195 Washer
31 094578-601 Wheel & Tire Assembly
32 092097 Bearing
33 15x113 Locknut, Flange
34 1001649E701 Link, Drag
35 01x111 Bolt
37 17x192 Washer
39 092059 Bellows
38 094618 Hub Cap
* When you order a tire, make sure to give the brand name of the tire so that the tread pattern on the tire will match.

REPAIR PARTSMODEL 387002x92A
40
F-040717L
MOWER HOUSING SUSPENSION
1
2
3
4
5
3
6
78
6
6
6
10
10
11
13
9
15
14
11
13
9
22
18
13
13
20
19
13
9
28
13
30
27
26
25
24
23
29
17
33
12
13 21
30
30
30
REPAIR PARTSMODEL 387002x92A
41
F-040717L
MOWER HOUSING SUSPENSION
Key
No.
Part
No. Description
1 092698 Grip
2 091781 Z Control, Blade Rotation
3 0025x3 Bolt, Hex
4 015x67 Locknut, Hex
5 1001711E701 Lever Assembly, Switch
6 002x53 Bolt, Carriage
7 166x32 Spring, Torsion
8 092066E701 Bracket, Rear Hanger
9 015x79 Nut, Flange
10 092131 Nut, Adjusting
11 092133E701 Bracket, Adjuster Rod
12 17x124 Washer
13 0031x4 Pin, Hair
14 17x122 Washer
15 090827 Z Pin, Pull
17 091787E701 Lever, Lower Blade Control
18 091795 Z Rod, Blade Control
19 091741E701 Plate, Adjuster
20 17x103 Washer
21 092033E701 Bracket, Pivot
22 092065E701 Lifter Assembly
23 092572 Button, Push
24 092783 Grip
25 164x21 Spring, Compression
26 091823E701 Handle Assembly
27 026x49 Screw
28 092064E701 Link, Suspension
29 017x47 Washer
30 017x91 Washer
33 021920 Nut, Adjusting

REPAIR PARTSMODEL 387002x92A
42
F-040717L
MOWER HOUSING
1
348
1
3
751 6
9
98
45
21
12
59
11
14
13 25
17
51
19
20
15
32
16
13
8
10
23
29 18
20 19
30
9
9
14
31
5
27
28
61
26
8
10
4
34
9
24
14 25
5
33
9
40
425
58
36
44
46
41
38
39
18
37
37
43 49
42
37
49
49
52
53
54
55
56
50 49
52
53
54
55
56
9
14
15
18
23
22
60
9
35
37
37
9
36
47
REPAIR PARTSMODEL 387002x92A
43
F-040717L
MOWER HOUSING
Key
No. Part No. Description
Key
No. Part No. Description
1 15x140 Nut, Hex
3 092851 Pulley, Jackshaft
4 015x84 Locknut, Flange
5 092850 Spacer
6 037x63 Belt, Blade Drive
7 690387 Pulley, Idler
8 030x20 Pin, Cotter
9 015x88 Locknut, Flange
10 017x47 Washer
11 092186E701 Brake Assembly, Right
12 092187E701 Brake Assembly, Left
13 166x27 Spring, Torsion
14 0025x7 Bolt, Hex
15 092072E701 Bracket Assembly, Brake
16 091745 Z Rod, Brake
17 092183 Z Rod, Cross Link
18 0031x4 Pin, Hair
19 092131 Nut, Adjustable
20 091748 Z Rod, Adjuster
21 021920 Nut, Adjustable
22 092064E701 Link, Suspension
23 17x103 Washer
24 092194E701 Bracket Assembly, Right Lifter
25 015x79 Nut, Flange
26 092033E701 Crank, Bell
27 009x39 Bolt, Shoulder
28 092032E701 Arm Assembly, Idler
29 091741E701 Plate, Adjuster
30 091792E701 Cover, Pulley
31 091797 Z Guide, Belt
32 091813E701 Bracket Assembly, Left Lifter
33 165x72 Spring, Extension
34 091743E701 Bracket, Pivot
35 091770E701 Plate
36 017x103 Washer
37 002x53 Bolt, Carriage
38 094707 Deflector Assembly, Chute
39 166x4 Spring, Torsion
40 094956E701 Bracket, Hinge
41 091793E701 Bracket, Front Hanger
42 094957 Z Rod, Deflector
43 028x23 Cap, Push On
44 091739 Z Rod, Hanger
45 17x124 Washer
46 092119E701 Hanger, Front
47 690369 Spacer
48 015x98 Nut
49 001x84 Bolt, Hex
50 094305 Housing, Jackshaft
51 092849 Jackshaft
52 092466 Adapter, Blade
53 091742E701 Blade, 38” (2 required)
54 17x166 Washer, Belleville
55 17x165 Washer
56 15x100 Nut, Hex
58 092163 Indicator, Plastic
59 017x48 Washer
60 091906E701 Housing, Blade (38”)
61 009x42 Bolt, Shoulder
1-61 403228 Complete Mower Housing Assembly

REPAIR PARTSMODEL 387002x92A
44
F-040717L
ENGINE MOUNT
1
9
10
30
31
9e
9f 9a
9d
9b
9b
9c
2
3
4
5
32
12
11
13
6
7
8
11
14
21
REPAIR PARTSMODEL 387002x92A
45
F-040717L
ENGINE MOUNT
Key
No. Part No. Description
1 092317 Fuel Cap **
2 092342 Fuel Tank
3 095197 Hose Clamp **
4 7601033 Fuel Line (Must cut to length) **
5 095197 Hose Clamp **
6 26x201 Screw
7 092331E245 Support, Dash
8 1001689 Throttle Control
9 - - - - - Engine
9a 1001720 Muffler
9b 091309 Gasket, Muffler
9c 1001737 Adapter, Muffler
9d 06x103 Screw, Adapter
9e 009x59 Bolt, Muffler
9f 092378 Lock, Screw
10 0025x7 Bolt, Engine Mount
11 690442 Stack Pulley Assembly
12 019x35 Lockwasher
13 01x140 Bolt, Hex
14 17x170 Washer
30 1001744 Shield, Heat
31 26x263 Screw
32 06x104 Screw

REPAIR PARTSMODEL 387002x92A
46
F-040717L
ELECTRICAL SYSTEM
YELLOW
YELLOW
ORANGE
BLACK
ORANGE
RED
RED
RED
BLACK
BLACK
YELLOW
ORANGE
WHITE
STARTER
START
SWITCH
STATOR
DIODE
RED DC
OUTPUT
BLACK AC
OUTPUT
HEADLIGHT HARNESS
SPARK
PLUG
ARMATURE
SOLENOID
ORANGE
SEAT SWITCH HARNESS
CLUTCH
BRAKE
SWITCH
RED
RED
15 AMP
FUSE
YELLOW
YELLOW
1
3
4
5
6
8
2
4
10
7
PTO SWITCH
DISENGAGED
NC SEAT SWITCH
UNOCCUPIED
( PEDAL UP )
11
DC AC
VILOT
YELLOW
YELLOW
NO
NC
VILOT VILOT
BLACK BLACK
REPAIR PARTSMODEL 387002x92A
47
F-040717L
ELECTRICAL SYSTEM
Key
No.
Part
No. Description
1 250x92 Harness, Light Wire
092372 Socket, Light
090084 Bulb, Light
2 250x122 Harness, Chassis Wire
3 092377 Switch, Ignition
020729 Key, Ignition
091489 Nut, Hex
091488 Cap, Ignition
4 024273 Switch, Limit
5 302031 Fuse
407078 Holder, Fuse
6 094613 Solenoid
26x229 Screw, Mounting
15x116 Locknut
7 024x30 Cable, Battery Ground
26x229 Screw, Ground Cable
8 021075 Battery
002x82 Bolt, Carriage
014x79 Wingnut
10 094159 Switch, Seat Sensor
11 024x29 Cable

48
F-040717L

NOTES
49
F-040717L

NOTES
50
F-040717L

INDEX
51
F-040717L
A
Adjustments
Blade Rotation Control, 22
Clutch, 23
Drive Brake, 23
Mower Housing, Level, 27
Attachments, 15, 52
B
Battery
Charge, 24
Check, 11
Clean, 24
Emergency Start, 18
Install, 11
Removal, 24
Storage, 31
Belt
Motion Drive
Adjust, 23
Replace, 28
Mower Drive
Adjust, 22
Replace, 29
Blade
Inspect, 21
Remove And Install, 21
Sharpen, 21
Blade Control Lever, Operation, 15
Blade Rotation Control
Adjust, 22
Location, 14
C
Clutch
Adjust, 23
Check, 23
Clutch / Brake Pedal, Location, 14
Controls, Location, 14
Cutting Height
Adjust, 27
Change, 16
D
Drive Brake
Adjust, 23
Check, 23
E
Engine
Fuel, 13, 18
Oil, 13, 18
Preparation, 13
Spark Arrester, 13, 20
Starting, 18
Storage, 31
Throttle Control, 15
F
Filter, Fuel, 25
Fuel, Type, 18
Fuse, 31
H
Headlight, Replace Light Bulb, 31
Headlight Switch, Location, 14
I
Ignition Switch, Location, 14
L
Lift Lever
Location, 14
Operation, 16
Lubrication, Mower, 25
M
Maintenance
Battery
Charge, 24
Clean, 24
Belt
Motion Drive, 28
Mower Drive, 29
Blade, 21
Blade Rotation Control, 22
Clutch, 23
Drive Brake, 23
Filter, Fuel, 25
Fuse, 31
Headlight, 31
Install, Wheels, 30
Lubrication, 25
Mower Housing
Clean, 31
Install, 26
Level, 27
Remove, 26
Muffler, 20
Storage, 31
Maintenance Chart, 20
Motion Drive Belt
Adjust, 23
Replace, 28
Mower Drive Belt
Adjust, 22
Replace, 29
Mower Housing
Clean, 31
Cutting Height, 16
Install, 26
Level Adjustment, 27
Operation, 17
Remove, 26
Muffler, 20
Spark Arrester, 20
O
Oil
Check, 18
Type, 18
Operation
Attachments, 15
Blade Control Lever, 15
Blade Rotation Control, 14
Clutch / Brake Pedal, 14
Emergency Start, 18
Headlight Switch, 14
Ignition Switch, 14
Lift Lever, 14, 16
Location Of Controls, 14
Mower Housing, 17
Mowing And Bagging, 19
Operate On Hills, 17
Parking Brake, 14, 16
Shift Lever, 14, 15
Start The Engine, 18
Stop The Unit, 16
Throttle Control, 14, 15
Transport, 16
P
Parking Brake
Location, 14
Operation, 16
Parts Bag, 10
S
Safety Rules
American National Standard Institute, 3–4
Safe Mowing Guide, 5–7
Seat, Install, 12
Seat Switch, Operation, 18
Shift Lever
Location, 14
Operation, 15
Slope Guide, 48
Spark Arrester, 13, 20
Steering Wheel, 12
Storage, 31
T
Throttle Control
Location, 14
Operation, 15
Tire Pressure, 13, 25
Trouble Shooting Chart, 32
W
Warranty, 2

52
F-040717L
LAWN TRACTOR ACCESSORIES
Make your Lawn Tractor do more than you ever imagined.
The accessories shown on this page can be used on your Lawn Tractor. See the Store or Dealer where
you purchased your Lawn Tractor. If you are unable to obtain the necessary information, contact the
Central Parts Distribution Center for your area as listed in your Repair Parts Book.
LAWN SWEEPER
Model No. 24720
SNOW BLADE
Model No. 24476
SNOW THROWER
Model No. 24577
Made in U.S.A.
GRASS BAGGER
Model No. 24740
7 Bushel Capacity
(For 38”, 40”, and 42”)
38” MULCHER KIT
Model No. 24750
40” MULCHER KIT
Model No. 24755
42” MULCHER KIT
Model No. 24758
TIRE CHAINS
Model No. 24530
(For 18x8.5 inch tire)
Model No. 24538
(For 18x9.5 inch tires)
Model No. 24525
(For 20x8 inch tire)
Model No. 24515
(For 20x10 inch tire)
GRASS BAGGER
Model No. 24760
9 Bushel Capacity
(For 42” and 46”)
REAR WHEEL WEIGHTS
Model No. 24003
(For 18x9.5 inch tires)
(For 20x8 inch tires)