Murray 425603X99A Users Manual F030738L
!! Murray-27 Murray Lawn Mower Manuals - Lawn Mower Manuals – The Best Lawn Mower Manuals Collection
425603x99A to the manual d8a1214d-fa77-44f2-9a29-67afe2a7d217
2015-02-09
: Murray Murray-425603X99A-Users-Manual-558874 murray-425603x99a-users-manual-558874 murray pdf
Open the PDF directly: View PDF
.
Page Count: 52

The owner must be certain that all
the product information is included with the unit.
This information includes
the INSTRUCTION BOOKS,
the REPLACEMENT PARTS and the WARRANTIES.
This information must be included to make sure state laws and other laws
are followed.
PRODUCT INFORMATION
Read and keep this book
for future reference. This book contains
important information on SAFETY, PREPARATION,
OPERATION, AND MAINTENANCE.
RECORD THE FOLLOWING INFORMATION ABOUT YOUR UNIT. THIS
INFORMATION IS NECESSARY WHEN ORDERING PARTS OR IN
CASE OF LOSS OR THEFT.
F–030738L
BUILT IN THE
MODEL
425603x99A

2
F–030738L
TABLE OF CONTENTS
WARRANTY 2. . . . . . . . . . . . . . . . . . . . . . . . . . . . . . . . . . . . . . .
RESPONSIBILITY OF THE OWNER 3. . . . . . . . . . . . . . . . . .
SAFETY RULES 3. . . . . . . . . . . . . . . . . . . . . . . . . . . . . . . . . . .
INTERNATIONAL PICTORIALS 9. . . . . . . . . . . . . . . . . . . . . .
ASSEMBLY 10. . . . . . . . . . . . . . . . . . . . . . . . . . . . . . . . . . . . . . .
PARTS BAG – CONTENTS 10. . . . . . . . . . . . . . . . . . . . . . . . . . . . . .
HOW TO INSTALL THE SEAT 11. . . . . . . . . . . . . . . . . . . . . . . . . . . .
HOW TO ASSEMBLE THE STEERING WHEEL 11. . . . . . . . . . . .
MAINTENANCE FREE BATTERY 12. . . . . . . . . . . . . . . . . . . . . . . . .
HOW TO INSTALL THE BATTERY CABLES 12. . . . . . . . . . . . . . .
IMPORTANT! BEFORE YOU START MOWING 13. . . . . . . . . . . .
HOW TO PREPARE THE ENGINE 13. . . . . . . . . . . . . . . . . . . . . . . .
CHECK THE LEVEL OF THE MOWER HOUSING 13. . . . . . . . . .
CHECK THE TIRES 13. . . . . . . . . . . . . . . . . . . . . . . . . . . . . . . . . . . . .
OPERATION 14. . . . . . . . . . . . . . . . . . . . . . . . . . . . . . . . . . . . . . .
LOCATION OF CONTROLS 14. . . . . . . . . . . . . . . . . . . . . . . . . . . . . .
ATTACHMENTS 15. . . . . . . . . . . . . . . . . . . . . . . . . . . . . . . . . . . . . . . .
HOW TO USE THE THROTTLE CONTROL 15. . . . . . . . . . . . . . . .
HOW TO USE THE BLADE ROTATION CONTROL 15. . . . . . . . .
HOW TO USE THE SPEED CONTROL PEDAL 16. . . . . . . . . . . . .
HOW TO DISCONNECT THE TRANSMISSION 16. . . . . . . . . . . . .
HOW TO SET THE PARKING BRAKE 17. . . . . . . . . . . . . . . . . . . . .
HOW TO CHANGE THE CUTTING HEIGHT 17. . . . . . . . . . . . . . . .
HOW TO STOP THE UNIT 17. . . . . . . . . . . . . . . . . . . . . . . . . . . . . . .
HOW TO TRANSPORT THE UNIT 17. . . . . . . . . . . . . . . . . . . . . . . .
HOW TO OPERATE WITH THE MOWER HOUSING 18. . . . . . . .
HOW TO OPERATE THE UNIT ON HILLS 18. . . . . . . . . . . . . . . . .
BEFORE STARTING THE ENGINE 19. . . . . . . . . . . . . . . . . . . . . . .
HOW TO START THE ENGINE 19. . . . . . . . . . . . . . . . . . . . . . . . . . .
OPERATING TIPS 20. . . . . . . . . . . . . . . . . . . . . . . . . . . . . . . . . . . . . .
MOWING AND BAGGING TIPS 20. . . . . . . . . . . . . . . . . . . . . . . . . . .
MAINTENANCE 21. . . . . . . . . . . . . . . . . . . . . . . . . . . . . . . . . . . .
MAINTENANCE CHART 21. . . . . . . . . . . . . . . . . . . . . . . . . . . . . . . . .
HOW TO CHECK THE MUFFLER 21. . . . . . . . . . . . . . . . . . . . . . . . .
HOW TO REMOVE AND INSTALL THE BLADE 22. . . . . . . . . . . .
HOW TO SHARPEN THE BLADE 22. . . . . . . . . . . . . . . . . . . . . . . . .
HOW TO ADJUST THE BLADE ROTATION CONTROL 23. . . . .
HOW TO CHECK AND ADJUST THE MOTION DRIVE BELT 24.
HOW TO CHECK AND ADJUST THE DRIVE BRAKE 25. . . . . . .
MAINTENANCE FREE BATTERY 25. . . . . . . . . . . . . . . . . . . . . . . . .
HOW TO CHARGE THE BATTERY 25. . . . . . . . . . . . . . . . . . . . . . .
WHERE TO LUBRICATE 26. . . . . . . . . . . . . . . . . . . . . . . . . . . . . . . .
HOW TO CHECK THE FUEL FILTER 26. . . . . . . . . . . . . . . . . . . . . .
CHECK THE TIRES 26. . . . . . . . . . . . . . . . . . . . . . . . . . . . . . . . . . . . .
HOW TO REMOVE THE MOWER HOUSING 27. . . . . . . . . . . . . . .
HOW TO INSTALL THE MOWER HOUSING 27. . . . . . . . . . . . . . .
HOW TO ADJUST THE GAUGE WHEELS 28. . . . . . . . . . . . . . . . .
HOW TO LEVEL THE MOWER HOUSING 29. . . . . . . . . . . . . . . . .
HOW TO REPLACE THE MOTION DRIVE BELT 30. . . . . . . . . . . .
HOW TO REPLACE THE MOWER DRIVE BELT 31. . . . . . . . . . . .
HOW TO INSTALL THE WHEELS 32. . . . . . . . . . . . . . . . . . . . . . . . .
HOW TO REPLACE THE FUSE 33. . . . . . . . . . . . . . . . . . . . . . . . . .
HOW TO REPLACE THE LIGHT BULB 33. . . . . . . . . . . . . . . . . . . .
HOW TO CLEAN THE MOWER HOUSING 33. . . . . . . . . . . . . . . . .
STORAGE (OVER 30 DAYS) 33. . . . . . . . . . . . . . . . . . . . . . . . . . . . .
TROUBLE SHOOTING CHART 34. . . . . . . . . . . . . . . . . . . . . .
HOW TO ORDER REPAIR PARTS 35. . . . . . . . . . . . . . . . . . .
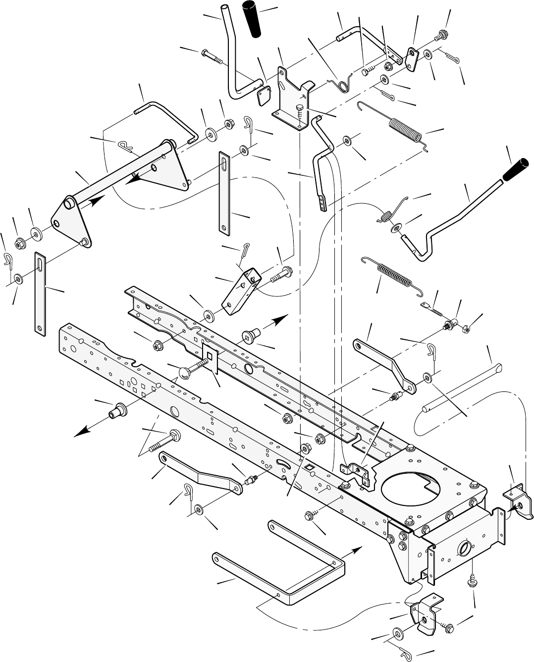
PARTS LIST 36. . . . . . . . . . . . . . . . . . . . . . . . . . . . . . . . . . . . . . .
SLOPE GUIDE 50. . . . . . . . . . . . . . . . . . . . . . . . . . . . . . . . . . . . .
INDEX 51. . . . . . . . . . . . . . . . . . . . . . . . . . . . . . . . . . . . . . . . . . . .
LAWN TRACTOR ACCESSORIES 52. . . . . . . . . . . . . . . . . . .
MURRAY, INC. Two Year Limited Warranty
Murray, Inc. warrants to the original purchaser that this unit shall be free from defects in material and workmanship under normal
use and service for a period of Two (2) Years from the date of purchase; however, this warranty does not cover engines,
accessories (such as snow blowers, snow blades, grass baggers and plows), transmissions, batteries and Normal Wear Parts
(except as noted below) or transaxles as the companies that manufacture these items furnish their own warranties and provide
service through their authorized field service facilities. For additional information, see the warranties covering these particular
parts. If you are uncertain whether your unit contains or is equipped with one or more of these parts, consult your dealer prior
to purchase. Subject to the terms and conditions noted in this Limited Warranty, we shall, at our option, repair or replace at no
cost to the original purchaser any part covered by this Limited Warranty during the applicable warranty period.
In the event the battery proves defective within ninety (90) days from the date of purchase, we will replace it without charge. If
the battery proves defective after (90) days but within one hundred twenty (120) days from the date of purchase, we will replace
it for a charge of one half (1/2) of the retail price of the battery in effect at the time of return.
Normal Wear Parts are defined as belts, blades, blade adapters, pneumatic tires, headlights and seat covers. These parts are
warranted to be free from defects in material and workmanship as delivered with the product. Any claim for repair or replacement
of Normal Wear Parts must be made within thirty (30) days of the date of purchase. No claims involving damage caused from
material use, abuse or misuse will be honored.
This Murray, Inc. Two (2) Year Limited Warranty is your exclusive remedy; however, this warranty is void or does not apply
to any unit that has been tampered with, altered, misused, abused or used for rental or other commercial and/or professional
(non–homeowner) uses. Your warranty does not cover minor mechanical adjustments which are not due to any defect in material
or workmanship. For assistance in making such adjustments, consult your Instruction Book.
To make a claim under this Murray, Inc. Two (2) Year Limited Warranty, return the unit (or if authorized in advance, the defective
part) along with your proof of purchase to an Authorized Service Center near you. To locate the nearest Authorized Service
Center, call the Central Parts Distributor for your area shown in the list provided with your unit or check the Yellow Page listings
in your local telephone directory. If you return the entire unit, we will repair the unit. If we authorize the return of the defective
part only, we will either replace or repair the part. In the case of a defect in a transmission or differential (as distinguished from
a transaxle), the entire transmission or differential must be returned since they do not include user serviceable parts.
This Murray, Inc. Two (2) Year Limited Warranty gives you specific legal rights, and you may also have other rights which vary
from state to state. This Limited Warranty is given in lieu of all other expressed and implied warranties including the
implied warranty of merchantability and warranty of fitness for a particular purpose. If you need additional information
on this written warranty or assistance in obtaining service, write or call: MURRAY, INC., Outdoor Power Equipment, Customer
Service Department, P.O. Box 268, Brentwood, Tennessee 37027. (1–800–251–8007)

OWNER’S INFORMATION
3
F–030738L
This instruction book is for several different models. The instructions
are written for a person with some mechanical ability. Like most ser-
vice books, not all the steps are described. Steps on how to loosen or
tighten fasteners are steps anyone can follow with some mechanical
ability. Read and follow these instructions before you use the unit.
Know your product: If you understand the unit and how the unit oper-
ates, you will get the best performance. As you read this manual, com-
pare the illustrations to the unit. Learn the location and the function of
the controls. To help prevent an accident, follow the operating instruc-
tions and the safety rules. Keep this manual for future reference.
IMPORTANT: Many units are not assembled and are sold in car-
tons. It is the responsibility of the owner to make sure the assembly
instructions in this manual are exactly followed. Other units are pur-
chased in an assembled condition. On assembled units, it is the re-
sponsibility of the owner to make sure the unit is correctly
assembled. The owner must carefully check the unit according to
the instructions in this manual before it is first used.
Engine Exhaust, some of its constituents, and
certain vehicle components contain or emit
chemicals known to the State of California to
cause cancer and birth defects or other repro-
ductive harm.
Battery posts, terminals and related accesso-
ries contain lead and lead compounds, chemi-
cals known to the State of California to cause
cancer and birth defects or other reproductive
harm. WASH HANDS AFTER HANDLING.
RESPONSIBILITY OF THE OWNER
The responsibility of the owner is to follow the instructions below.
1. Carefully read and follow the rules for safe operation.
2. Follow all the assembly instructions.
3. Inspect the unit.
4. Make sure that the operator of the unit knows how to correctly
use all standard and accessory equipment.
5. Operate the unit only with guards, shields, and other safety
items in place and working correctly.
6. Correctly adjust the unit.
7. Service the unit only with authorized or approved replacement
parts.
8. Complete all maintenance on the unit.
Environmental Awareness
DDo not fill the engine’s fuel tank completely full.
DDrain fuel for off–season storage.
DUse only unleaded gasoline.
DService the air cleaner regularly.
DChange oil regularly. Use 10W–30 oil in summer.
DTune–up the engine regularly.
DKeep equipment in efficient operating condition.
DDispose of used engine oil properly.
SAFETY RULES
Safe Operation Practices for Ride–on Mowers
WARNING: This cutting machine is capable of amputating hands and feet and throwing objects. Failure to observe the
following safety instructions could result in serious injury or death.
I. General operation
1. Read, understand and follow all instructions in the Instruction Book, on the machine, the engine and with any attachments before
starting.
2. Only allow responsible adults, who are familiar with the instructions, to operate the machine.
3. Clear the area of objects such as rocks, toys, wire, etc., which could be picked up and thrown by the blade.
4. Be sure the area is clear of other people before mowing. Stop the machine if anyone enters the area.
5. Never carry passengers.
6. Turn off power to the blades or any attachments before backing up. Do not mow in reverse unless absolutely necessary. Always look
down and behind before and while backing.
7. Be aware of the mower discharge direction and do not point it at anyone. Do not operate the mower without either the entire grass bagger
or the mower guard in place.
8. Slow down before turning.
9. Never leave a machine unattended with the engine running. Always turn off the blade(s), set the parking brake, stop the engine and
remove the key before dismounting.
10. Turn off power to attachment(s) when transporting or not in use. Turn off the blade(s) when not mowing.
11. Stop the engine before removing the grass bagger or unclogging the chute.
12. Mow only in daylight or good artificial light.
13. Do not operate the machine while under the influence of alcohol or drugs or when very tired.
14. Watch for traffic when operating near or crossing roadways.
15. Use extra caution when loading or unloading the machine into a trailer or truck.
16. Turn off all attachment clutches before attempting to start the engine.
17. Always wear goggles, safety glasses, or an eye shield when you operate the unit to protect your eyes from foreign objects that can be
thrown from the unit. Always wear eye protection when you make an adjustment or repair to the machine.
18. Use care when pulling loads or using heavy equipment.
a. Use only approved drawbar hitch points.

OWNER’S INFORMATION
4
F–030738L
b. Limit loads to those you can safely control.
c. Do not turn sharply. Use care when backing.
d. Use counterweights or wheel weights when suggested in the Instruction Book.
19. Do not operate this machine if you are taking drugs or other medication which can cause drowsiness or affect your ability to operate
this machine.
20. Do not use this machine if you are mentally or physically unable to operate this machine safely.
21. Data indicates that operators, age 60 years and above, are involved in a large percentage of riding mower related injuries. These opera-
tors should evaluate their ability to operate a riding mower safely enough to protect themselves and others from serious injury.
II. Slope operation
Slopes and rough terrain are major factors related to loss–of–control and tip–over accidents, which can result in severe injury
or death. ALL slopes require extra caution. If you cannot back up the slope or if you feel uneasy on the slope, do not mow it. See
the “Slope Guide” in the back of this book to check for safe operation.
DO
1. Mow up and down slopes, not across.
2. Remove obstacles such as rocks, limbs, etc...
3. Watch for holes, ruts or bumps. Uneven terrain could overturn the machine. Tall grass can hide obstacles.
4. Use slow speed on slopes. Do not make sudden speed changes.
5. Follow the manufacturer’s recommendations for wheel weights or counterweights to improve stability.
6. Use extra care with grass baggers or other attachments, they can change the stability of the machine.
7. Keep all movement on the slopes slow and gradual. Do not make sudden changes in speed or direction.
8. Avoid starting or stopping on a slope. If tires lose traction, turn off the blades and proceed slowly straight down the slope.
DO NOT
1. Do not turn on slopes unless absolutely necessary, then only turn slowly and gradually downhill, if possible.
2. Do not mow drop–offs, ditches or embankments. A wheel over the edge or an edge caving in could cause a sudden overturn and an
injury or death.
3. Do not mow on wet grass. Reduced traction could cause sliding.
4. Do not try to stabilize the machine by putting your foot on the ground.
5. Do not use a grass bagger or other rear mounted accessories on steep slopes (greater than 10 degrees).
III. Children
Tragic accidents can occur if the operator is not alert to the presence of children. Children are often attracted to the machine and
the mowing activity. NEVER assume that children will remain where you last saw them.
1. Keep children out of the mowing area and in the watchful care of another responsible adult.
2. Be alert and turn the engine off if children enter the area.
3. Before and when backing, look behind and down for small children.
4. Never carry children or any passengers, even with the blades off. They may fall off and be seriously injured or interfere with the safe
operation of the machine.
5. Never allow children to operate the machine. Instruct children in the potential dangers of the machine.
6. Use extra care when approaching blind corners, shrubs, trees or other objects that may obscure vision.
IV. Service
1. Use extra care when handling gasoline and other fuels. Fuels are flammable and the vapors are explosive.
a. Use only an approved container.
b. Never remove the gas cap or add fuel with the engine running. Allow the engine to cool for several minutes before refueling. Do
not smoke.
c. Never refuel the machine indoors.
d. Never store the machine with fuel in the tank or fuel container inside where there is an open flame, such as a water heater.
2. Never start or run the engine inside a closed area.
3. Keep all nuts and bolts, especially the blade attachment nuts tight. Frequently check the blade(s) for wear or damage such as cracks
and nicks. A blade that is bent or damaged must be immediately replaced with an original equipment blade from an authorized service
dealer. For safety, replace the blade every two years. Keep the equipment in good condition.
4. Never tamper with the safety devices. Check their proper operation regularly.
5. To reduce fire hazards, keep the machine free of grass, leaves or other debris build–up. Clean up oil or fuel spills. Allow the machine
to cool before storing.
6. Stop and inspect the equipment if you strike an object. Repair, if necessary, before restarting.
7. Never make adjustments or repairs with the engine running. The carburetor can be adjusted with the engine running. Do not change
the engine governor settings or over–speed the engine.
8. Grass bagger components are subject to wear, damage and deterioration, which could expose moving parts or allow objects to be
thrown. For storage, always make sure the grass bag is empty. Frequently check components and replace with manufacturer’s recom-
mended parts when necessary.
9. Mower blade(s) are sharp and can cut. Wrap the blade(s) or wear gloves and use extra caution when servicing them or the blade housing
area.
10. Check the brake operation frequently. Adjust and service as required.
11. Wait for all movement to stop before servicing any part of the unit.
Look for this symbol to indicate important safety
precautions. This symbol indicates: “Attention!
Become Alert! Your Safety Is At Risk.”

SAFE MOWING GUIDE
5
F–030738L
Each person that operates power
equipment must learn to use correct and
safe mowing procedures. To help you
learn, carefully read the following
pages. Most of the time the operator was
not correctly shown or did not read the
instructions on the unit or in the Instruction
Book before using the unit. Also, some
operators do not have enough experience.
The result is unsafe use, endangering the
operator, bystanders and the equipment.
Another result can be a poor appearance
of the area mowed.
Read this book. Read the instructions on
the unit. Operate the mower according to
the Safe Mowing Guide. Follow all safety
rules, cautions or warnings in this book
and on the unit. Make sure anyone that
uses the unit reads the instructions and is
told how to safely operate the mower.
The mower will give you good service and
durability, if operated in normal conditions.
If the mower is not correctly serviced or is
used where the terrain is rough or
unsuitable, product performance and
safety will be decreased.
Correct clothing is an important part of safe
mowing. Safety glasses will protect the
eyes from objects discharged by the
mower. Safety shoes with steel plates can
protect a foot from injury by the blade. For
protection from objects discharged from
the mower, wear clothing that will cover the
arms and legs.
Before you start cutting the grass, practice
using the mower in a large open and level
area. Learn the location of the controls on
the mower. Know the purpose of the
controls and how they work. In an
emergency, how fast you can stop the
blade is important. Learn how to control
the mower at all times.
Many engines are started by hand. When
you use a pull start or rope start, place
your feet apart and away from the blade(s).
Hold the rope handle tight. Never wrap the
rope around your arm or fingers for a
“better grip”. To start the engine, follow the
instructions on the mower, in this book and
in the engine operating instructions.
For electric start engines, sit in the seat to
start the engine. The battery can be
dangerous. Follow the instructions on the
battery, the acid container, and in this book
when working with the battery. Even small
batteries have enough voltage to cause an
injury. Always be careful.
The mower is designed to be operated by
one person. Never let another person ride
with you on the unit or on any accessories.
A passenger will make the unit harder to
control, block the visibility or distract the
operator and is dangerous to the operator,
the passenger and the equipment. Without
a passenger seat, the passenger can fall
from the mower or contact dangerous
parts. A mower is not a toy for showing off
or for giving rides.
Never cut a wet lawn. Wet grass can
cause an accident, affect mower
performance and can cause problems with
future lawn growth and appearance. Wet
grass is slippery and can cause the mower
to slip. Someone can get injured by
touching the blade(s). Wet grass tends to
clog the mower, causing poor discharge.
Cut wet grass will collect on the lawn,
retarding the growth of the grass. Also,
getting the mower wet will cause parts to
rust and decrease the life of the unit.
When you look over the lawn, remember
obstacles that cannot be removed, like
pipes, stumps or rocks. Keep away from
these obstacles that can cause damage to
the mower or injury to the operator or a
person near the mower. Clear the area of
rocks, toys, wire or other loose objects.
These items can damage the mower or
can be discharged by the mower blade.
The blade of a power mower rotates very
fast. It can discharge rocks and other
objects over a long distance which can be
dangerous. The force of the objects can
break windows, cause injuries or even put
an eye out. Most of the time the injury is to
a person, like a child. Keep every person
completely away from the area to be
mowed. Make sure the grass is not
discharged toward anyone. Planning your
mowing pattern has a double advantage. It
can decrease the possibility of an injury
and make the clean up after mowing
easier.
Check the terrain of the area to be mowed.
Mow in a pattern that will keep you away
from dangerous areas. Check the distance
you need to stop and the distance
available to turn. Slopes and rough terrain
must be mowed carefully and some areas
must not be mowed at all. With riding
mowers, mow up and down the hill. When
you must mow rough terrain or on slopes,
drive slowly and stop in these areas only in
an emergency. Before you ride up or down
a slope, try to back straight up the slope.
Do not ride up or down a slope that is too
steep to back straight up. See the “Guide”
in the back of this Instruction Book to
check any slopes.
Before you start cutting, make sure the
mower was completely assembled
according to the Instruction Book. If the
mower was completely assembled at the

SAFE MOWING GUIDE
6
F–030738L
store, you must still check the mower
according to the assembly instructions.
Make sure the mower is correctly
assembled and that all fasteners are tight.
Make sure the engine has the correct
amount of oil. Check these items often
during the life of the mower.
Your mower has a gasoline engine.
Gasoline is a dangerous fuel. Keep
gasoline only in an approved safety
gasoline container. Do not keep large
amounts of gasoline. When you add
gasoline to the fuel tank, do not smoke.
Store the gasoline container and the
mower in an area that has good ventilation.
Also, keep the gasoline away from any
flames like the pilot light of a furnace or
any other source of ignition. If the mower is
to be stored for more than a few weeks,
remove the gasoline from the fuel tank.
When inside an enclosure, do not add
gasoline to the fuel tank. Before you add
gasoline, move the mower outside and add
gasoline carefully. Before you start the
engine, remove any gasoline from the
outside of the fuel tank or from the mower.
Warm gasoline will expand. Leave some
space in the fuel tank for the gasoline to
expand. Also, the fuel cap has a vent hole
for fuel vapors. Always use the correct fuel
cap. Failure to follow safety rules about
gasoline will cause fires and explosions,
injury to you and damage to the equipment
and other property.
If you add gasoline to an engine that is
running or hot, the result can be an
explosion. Before you add gasoline, stop
the engine and let the engine cool for
several minutes. Remove dry grass and
other debris from the mower. Keep the
mower clean to improve the performance,
help the engine and transmission run
cooler, extend the life of moving parts, and
decrease the danger of a fire.
Fires and explosions are not the only
dangers when working around a mower.
The engine, transmission, and the muffler
will get hot in several minutes when the
engine is running. Do not touch these parts
of the mower. Stop the engine. Let the
engine and transmission cool before
servicing the mower. Remember, exhaust
fumes are dangerous. Never operate the
engine inside a building.
When you get a new mower, it can be a
new experience for the family. Tell each
person how a mower can be dangerous.
Remember, a mower is not a toy. A mower
is not to be used by children or anyone not
old enough, strong enough or that does not
have experience.
If the mower is not correctly assembled,
not operated correctly, or not regularly
serviced, the mower can be dangerous.
The most important rule to follow is always
use good judgement and common sense.
Mow safely and carefully.
Your mower will easily cut thick grass.
Fingers, feet and other parts can also be
cut by the blade. Injuries occur when the
operator does not think and reaches into
the chute opening. Always operate the
mower as if the blade is rotating. Do not
service or make an adjustment, except to
the carburetor, while the engine is running.
Use only accessories that are factory
approved for your mower. The wrong
accessory can decrease the safety of the
mower and can even damage the unit.
Read and follow the instructions included
with the accessory and the mower.
Use only original equipment or
replacement parts that are factory
approved for service. If you need service,
select an Authorized Service Center for
your mower. If you do the work on the unit,
follow the instructions in the Instruction
Book.
When you mow, remember that children
are attracted to the mower. Always use
caution when mowing around obstacles
like trees or shrubs or when moving
backward. Only mow in a forward direction
if possible. Your visibility is decreased
when you mow backward. Also, the blades
are made to cut while the unit is moving
forward. If you mow backward, the cutting
performance decreases.
Before you leave the mower, stop the
engine. Remove the key. Disengage and
lower any attachment. Set the parking
brake. Never mount or dismount from the
seat while the engine is running. An
accident can occur if you touch the brake,
speed control pedal, throttle, or blade
control while the engine is running. Mount
and dismount from the seat on the side of
the unit that is marked ENTER–EXIT.
Make sure you are in good condition when
you mow. When you mow for several hours
your reflexes will decrease and your mind
will not be as alert. Take a short break or
an accident can occur. If the temperature is
hot, use caution to prevent dehydration. If
you are tired, angry or not completely alert,
do not operate the mower. If you use
alcohol, medication or drugs, do not use
the mower or any type of power
equipment.
Engine speed is a key to safe mowing and
to a good looking lawn. The maximum
speed of the engine was set at the factory.
Do not change the setting of the engine
governor.
Select the maximum engine and ground
speed that is right for the terrain and the
height of the grass. The blade cuts best
when the engine is operating at maximum
speed. The engine and transmission will
also run cooler at maximum engine speed.

SAFE MOWING GUIDE
7
F–030738L
Also, the grass bagger will function better
when the engine is operating at maximum
speed. On slopes, decrease the ground
speed and use care making sure the
mower feels safe to operate.
If the weather conditions are bad, do not
mow. If weather conditions become bad,
stop cutting and finish later. It is dangerous
to cut grass in the rain. Always find
protection in an electrical storm. If the
weather conditions are extra dry, protect
your eyes with safety glasses from the dust
and from the objects discharged by the
mower. Also, a dust or a pollen mask can
help.
Your mower is equipped with a number of
safety devices which are important to the
safety of the operator and bystanders and
must never be changed or removed from
the mower. If a safety device is lost,
damaged or no longer functions, repair or
replace the device before you operate the
mower.
It is best to mow during the day. If you
must mow at night, make sure there is
enough light for safe operation.
Your mower will require regular
maintenance and service. The
maintenance schedule depends on the
hours of use. Also, mowing conditions can
change the schedule. Check the
Instruction Book for more information.
Correct maintenance will help the mower
function safely.
Do not service the
mower (except for the
carburetor adjustment)
while the engine is
running. Before you
service the unit, even
with the engine stopped,
always disconnect the
wire from the spark plug
to prevent the engine
from starting.
If you hit a large object during operation,
stop the engine. Remove the wire from the
spark plug. Carefully inspect the mower for
damage. Before you start the engine
again, make the necessary repairs. If you
feel new or excessive vibration,
immediately stop the engine and check for
the problem. Vibration can be a warning of
a problem. Keep all nuts, bolts and screws
tight.
The blade is the most dangerous part of
the mower. Frequently check the blade and
the blade mounting fasteners. Keep the
fasteners tight. If the blade hits a solid
object, stop the engine. Remove the wire
from the spark plug. Check for a blade that
is bent, cracked or for other damages.
Before you start the engine, replace a
damaged blade(s). For safety, replace the
blade every two years.
A sharp blade decreases the workload on
the engine and more evenly cuts grass.
Frequently sharpen the blade for a better
looking cut. Use the left side of the mower
housing to trim near an object.
A grass bagger is a good accessory for
your mower. For best performance and
safety, make sure the grass bagger is
approved for use with your mower. Follow
the assembly and operation instructions
included with the grass bagger.
Some grass baggers require a special
blade for best performance. Before you
attach, check, or empty the grass bagger,
always stop the engine. Before each use of
the grass bagger, check for cracks, wear or
deterioration. Before you use the grass
bagger, replace a damaged part with a
replacement part approved by the factory.
For you to have a good green lawn, follow
the mowing procedures below. Do not cut
the grass too short. If you cut the grass too
short you can cause the grass to become
yellow or make the lawn look brown. Use a
lower height of cut in cool months when
the grass is thicker. Raise the height of cut
in hot dry periods. If you cut the grass with
a blade that is not sharp or at a slow
engine speed you can damage the grass.
Move the throttle control to the FAST
position when mowing and using the grass
bagger. Also, use a slower ground speed
when using the grass bagger.
If you change the direction or pattern of cut
slightly every time you mow will make the
grass grow stronger and thicker. Do not
add oil or gasoline to the mower while on
the lawn. Spilled oil or gasoline can kill the
grass. In high or thick grass, do not try to
cut all the grass the first time. Raise the
height of cut on the first cutting and lower
the height for the next cutting. Another way
is to cut only part of the width of the mower
and decrease your ground speed (not the
engine) to move more slowly so that the
mower can discharge the grass as it
moves forward.
Understand the controls and how they
work. Learn the ground speed(s) of your
mower. Check the stopping distance
required at different travel speeds. Check
the turning radius of the mower. The
controls on your riding mower are different
from an automobile. The throttle is
operated by hand and holds the engine
speed constant until it is changed. The
location of the travel speed control is
different from that of an automobile. Also,
the brake and clutch systems are different.
Remember the procedures to follow in an
emergency. Remember, turning off the
engine ignition switch will stop the blade
and the drive mechanism. If the traction of
the wheels is lost or does not feel safe,
disengage all systems and stop the
engine. Dismount from the mower. Push
the unit to a safe place before you begin
mowing again.
Your unit has an electrical system that
includes an operator presence switch in
the seat. The operator presence switch
detects if the operator is sitting on the seat.
The engine will stop if the operator leaves
the seat when the blade engagement
control is engaged. This operator presence
switch is a safety device only. It must not
regularly be used to stop the engine or the
blade. There are other control systems on
the mower for this purpose. Always keep
the operator presence switch and other
safety devices and controls in place and
operating for your protection.
Remember, your mower is a tool that can
be dangerous if it is not correctly used.
Follow the instructions in this Instruction
Book. Safe and careful use of the mower
will give you many safe hours of problem
free use.

STEPS TO FOLLOW
8
F–030738L
BEFORE MOWING
FBe sure to dress correctly. Wear hard shoes, not sandals or tennis shoes.
FExamine the blade. A blade that is bent, cracked, or damaged must be replaced with a factory replacement blade.
FFill the fuel tank outside. Clean off spilled fuel.
FRead and follow the Owner’s Manual, the instructions with the engine, and the instructions with any attachments. Owner’s Manual
instructions are for your safety and the safety of others.
FExhaust fumes are dangerous. Start the engine outside.
FMake sure all safety devices are in place and working correctly.
FOperation of the mower is only for a person that has experience.
FWet grass can be dangerous. Let the grass dry.
FInstruct children and others to keep away from the work area.
FNever cut the grass without good light.
FPick up loose objects. Remove them from the mowing area.
WHILE MOWING
FWatch for fixed objects and avoid them. They can damage the mower or cause injury.
FA hot engine, muffler, and transmission will cause a burn. Do not touch.
FInclines and slopes must be carefully mowed. See the “Guide” in the back of this book to check a slope.
FLack of daylight or good artificial light is cause to stop mowing.
FExamine the mower, the blade, and other parts for damage after hitting a foreign object or if the unit vibrates excessively.
FDo not make adjustments or repairs without stopping the engine. Disconnect the spark plug wire.
FOn or near roads, watch out for traffic. Direct discharge away from roads.
FWhen mowing, avoid areas where traction is unsure. Look back before changing direction of travel.
FIn heavy grass, raise the cutting height. Cut slower. Stop the engine to remove clogged grass from the mower.
FNever remove any safety related parts.
FDo not pour gasoline into a engine that is hot or running.
AFTER MOWING
FAlways let the mower cool before storing in an enclosed area.
FForeign material on the mower is dangerous. Clean off grass, leaves, grease and oil before storing.
FTighten all loose nuts, bolts and screws before you use the unit.
FEmpty and clean any grass catcher or other accessory.
FRemove the key or disconnect the spark plug wire to prevent unauthorized use.
FMake sure the mower is not kept near a source of ignition. Gas fumes can cause an explosion.
FOnly original parts or factory approved substitutes can be used to service the mower.
FWhen storing the mower for an extended period, remove the fuel from the fuel tank.
FInstruct children to leave the mower alone. It is not a toy.
FNever keep gasoline near a source of ignition. Always use an approved container. Keep gasoline away from children.
FLubricate according to the Instruction Book. See “Lubrication”.
IMPORTANT––Read the Instruction Book. Keep this book for future use and reference.
WARNING: Look for this symbol to point out important
safety precautions. It means: “Attention! Become Alert!
Your Safety Is Involved.”

INTERNATIONAL PICTORIALS
9
F–030738L
INTERNATIONAL PICTORIALS
IMPORTANT: Some of the following pic-
torials are located on your unit or on
literature supplied with the product. Be-
fore you operate the unit, learn and un-
derstand the purpose for each pictorial.
Safety Warning Pictorials
1Warning
2Shield Eyes. Explosive Gases Can
Cause Blindness Or Injury.
3No Sparks, Flames or Smoking.
4Sulphuric Acid Can Cause Blindness
Or Severe Burns
5Flush Eyes Immediately With Water.
Get Medical Help Fast.
6IMPORTANT: Read Owner’s Manual
Before Operating This Machine.
7WARNING: Thrown Objects. Keep
Bystanders Away. Read User
Instructions Before Operating This
Machine.
8WARNING: Do Not Use This Machine
On Slopes Greater Than 15 Degrees.
9DANGER: Keep People, Especially
Children, Away From Unit.
10 DANGER: No Step.
11 DANGER: Keep Feet And Hands
Away From Rotating Blade.
12 DANGER: Keep Hands Away From
Rotating Blade.
13 DANGER: Disconnect Spark Plug
Wire Before Servicing Unit.
14 WARNING: Hot Surface.
15 WARNING: Use Caution When
Connecting Or Disconnecting
Accessories.
16 WARNING: Crushed Fingers.
MAX 90N
+MAX 150N
+
12 3546
78910
12
11
13 14 15 16
1
Control And Operating Pictorials
1Engine Start
2Lights
3Engine Stop
4Engine Stop
5Engine Run
6Brake
7Parking Brake
8Clutch
9Slow
10 Fast
11 Choke
12 Oil
13 Blade Rotation Control
14 Raise
15 Fuel
1234567
89
10 11 12 13 14 15
2

ASSEMBLY
10
F–030738L
ASSEMBLY
This instruction book is for several models. Some parts or accesso-
ries are not included on all models. Read and follow the assembly
and adjustment instructions for your mower. All fasteners are in the
parts bag. Do not discard any parts or material until the unit is
assembled.
WARNING: Before doing any assembly or mainte-
nance to the mower, remove the wire from the spark
plug.
NOTE: In this instruction book, left and right describe the loca-
tion of a part with the operator on the seat.
PARTS BAG – CONTENTS
The fasteners and other loose parts are shown below. The fasteners are shown full size. The quantity is shown in brackets ( ).
2x82
(2) Carriage Bolt
14x79
(2) Wing Nut
17x47
(2) Washer 20729
(1) Keys & Ring
1001054
(2) Knob
25x3
(1) Bolt
17x146
(1) Washer

ASSEMBLY
11
F–030738L
HOW TO INSTALL THE SEAT
1. Carefully remove the plastic bag from the seat.
Use the fasteners shown below to install the seat. The fasteners are
shown at full size.
(A)
1001054
(B)
17x47
NOTE: Fasteners may be attached to seat for shipping
purposes, if so remove fasteners before proceeding.
2. Align the holes in the seat hinge to the holes in the seat
(Figure 1). Fasten the seat to the seat hinge with the fasteners
as shown.
3. Check the operating position of the seat. If the seat needs to
be adjusted, loosen the two wing bolts. Slide the seat forward
or backward along the seat adjusting holes as shown. Tighten
the wing bolts (A).
Figure 1
Seat
Seat
Adjusting Hole
Seat Hinge
A
B
HOW TO ASSEMBLE THE STEERING WHEEL
Attach the steering wheel as follows:
(A)
25x3
(C)
17x146
1. Make sure the front wheels point forward.
2. Slide the cover over the steering post (Figure 2).
3. Slide the steering wheel onto the steering post.
4. Use the fasteners shown above to secure the steering wheel.
The fasteners are shown at full size. Tighten the screw. DO
NOT over tighten.
5. Remove adhesive backing from hub cover (found in parts bag)
and place hub cover over hub.
Steering Wheel
Cover
Hub Cover
Figure 2
A
C
Steering Post

ASSEMBLY
12
F–030738L
MAINTENANCE FREE BATTERY
IMPORTANT: Before you attach the battery cables to the
battery, check the battery date. The battery date tells if the
battery must be charged.
1. Check the top of the battery for the location of the battery date
(Figure 3).
2. If the battery is put into service before the battery date, the
battery cables can be attached without charging the battery.
See “How To Install The Battery Cables”.
3. If the battery is put into service after the battery date, the
battery must be charged. See “How To Charge The
Maintenance Free Battery”.
HOW TO CHARGE
THE MAINTENANCE FREE BATTERY
WARNING: When you charge the battery, do not
smoke. Keep the battery away from any sparks. The
fumes from the battery acid can cause an explosion.
1. Remove the battery and battery tray.
2. Remove the protective caps from the battery terminals.
3. Use a 12 volt battery charger to charge the battery. Charge at
a rate of 6 amperes for one hour. If you do not have a battery
charger, have an authorized service center charge the battery.
4. Install the battery and battery tray. Make sure the positive (+)
terminal is on the left side.
HOW TO INSTALL THE BATTERY CABLES
WARNING: To prevent sparks, fasten the red cable to
the positive (+) terminal before you connect the black
cable.
Use the fasteners shown below to install the battery cables. The
fasteners are shown at full size.
(B)
14x79
(A)
2x82
1. Remove the protective caps from the battery terminals.
2. Fasten the red cable to the positive (+) terminal with the
fasteners as shown (Figure 3).
3. Fasten the black cable to the negative (–) terminal with the
fasteners as shown.
B
A
Positive (+)
Terminal
Black Cable
Red Cable
Battery Tray
A
Battery
Figure 3

ASSEMBLY
13
F–030738L
IMPORTANT! BEFORE YOU START MOWING
-Check the engine oil.
-Fill the fuel tank with gasoline.
-Check the level of the mower housing.
-Check the air pressure of the tires.
-Make sure the battery cables are attached.
WARNING: Before doing any assembly or mainte-
nance to the mower, remove the wire from the spark
plug.
NOTE: In this instruction book, left and right describe the loca-
tion of a part with the operator on the seat.
HOW TO PREPARE THE ENGINE
NOTE: The engine was shipped from the factory filled with oil.
Check the level of the oil. Add oil as needed.
See the engine manufacturer’s instructions for the type of gasoline
and oil to use. Before you use the unit, read the information on
safety, operation, maintenance, and storage.
WARNING: Follow the engine manufacturer’s
instructions for the type of gasoline and oil to use.
Always use a safety gasoline container. Do not
smoke when adding gasoline to the engine. When
inside an enclosure, do not fill with gasoline. Before
you add gasoline, stop the engine. Let the engine
cool for several minutes.
IMPORTANT: This unit is equipped with an internal combustion
engine and must not be used on or near any unimproved
forest–covered, brush–covered or grass–covered land unless
the engine’s exhaust system is equipped with a spark arrester
meeting applicable local or state laws (if any). If a spark
arrester is used, it must be maintained in effective working
order by the operator.
In the State of California the above is required by law (Section
4442 of the California Public Resources Code). Other states
may have similar laws. Federal laws apply on federal lands.
See an Authorized Service Center for a spark arrester for the
muffler.
In some areas, local law requires the use of a resistor spark
plug to control the ignition signals. See an Authorized Service
Center for a resistor spark plug for the engine.
NOTE: Actual sustained horsepower will likely be lower due to
operating limitations and environmental factors.
CHECK THE LEVEL OF THE MOWER HOUSING
Make sure the level of cut is still correct. After you mow a short
distance, look at the area that was cut. If the mower housing does
not cut level, see the instructions on “How To Level The Mower
Housing” in the Maintenance section of this instruction book.
CHECK THE TIRES
Check the air pressure in the tires. Tires with too much air pressure
will cause the unit to ride rough. Also, the wrong air pressure will
keep the mower housing from cutting level. The correct air pressure
(PSI) is 14 PSI (1 BAR). The tires were over inflated for shipment.

OPERATION
14
F–030738L
Figure 4
Throttle Control
Lever
Blade Rotation
Control
Brake Pedal
Lift
Lever
Speed Control
Pedal
LOCATION OF CONTROLS
BLADE ROTATION CONTROL: Use the blade rotation
control to start and stop the rotation of the blades.
BRAKE PEDAL: Use the brake pedal to quickly stop.
HEADLIGHT SWITCH: The headlight switch is the first part
of the ignition switch. To use the lights with the engine running, turn
the key to the position for the lights.
IGNITION SWITCH: Use the ignition switch to start and stop
the engine.
AUTOMATIC DRIVE DISCONNECT: Use the auto-
matic drive disconnect, located under the seat, to disengage the
transmission.
LIFT LEVER: Use the lift lever to change the height of cut.
PARKING BRAKE LEVER: Use the parking brake lever
to engage the brake when you leave the unit.
SPEED CONTROL PEDAL: Use the speed control pedal
to change the speed and the direction of the unit.
THROTTLE CONTROL LEVER: Use the throttle control
lever to increase or decrease the speed of the engine.

OPERATION
15
F–030738L
ATTACHMENTS
This unit can use many different attachments. See the attachment
page in this book. This unit can pull attachments like a lawn
sweeper, a lawn aerator, a hopper spreader or a small trailer. This
unit can not use attachments that engage the ground like a plow, a
disk harrow, or a cultivator.
For all pull–behind attachments or trailers, the maximum gross
weight is 250 pounds. Gross weight is the weight of the attachment
or trailer and any load that might be on or in it.
Do not operate on a slope that is greater than 10 degrees when
using a pull–behind attachment or trailer. We have included a slope
guide in this book to help you determine the slope on which you will
be operating your unit. Never allow someone to stand or ride on or
in an attachment or trailer.
HOW TO USE THE THROTTLE CONTROL
Use the throttle control to increase or decrease the speed of the
engine.
CAUTION: Always operate the engine with the throttle control
in the FAST position. If the engine runs for several minutes at
slower than the FAST position, the engine and transmission
will overheat and can be damaged.
1. The FAST position is marked with a detent. For normal opera-
tion and when using a grass bagger, move the throttle control
to the FAST position. For maximum charging of the battery and
for a cooler running engine and transmission, operate the en-
gine in the FAST position.
2. For transport and to tow pull behind attachments, control the
ground speed with the speed control pedal.
3. The engine governor is set at the factory for maximum perform-
ance. Do not adjust the governor to increase the speed of the
engine.
HOW TO USE THE BLADE ROTATION CONTROL
The blade rotation control is next to the steering wheel (Figure 5).
Use the blade rotation control to engage the blade(s) or to operate
a snow thrower attachment.
1. Before you start the engine, make sure the blade rotation con-
trol is in the DISENGAGE position.
2. Move the blade rotation control to the ENGAGE position to
rotate the blade(s).
Note: If the engine stops when you engage the blade(s),
the seat switch is not activated. Make sure you sit in the
middle of the seat. Also, make sure the wire is connected
to the seat switch.
3. Move the blade rotation control to the DISENGAGE position
to stop the blade(s). Before you leave the operator’s position,
make sure the blade(s) has stopped rotating.
4. Before you ride the unit across a sidewalk or a road, move the
blade rotation control to the DISENGAGE position.
WARNING: Always keep your hands and feet away
from the blade, deflector opening, and the mower
housing when the engine runs.
Blade Rotation Control
Engage Position
Disengage
Position
Figure 5

OPERATION
16
F–030738L
HOW TO USE THE SPEED CONTROL PEDAL
The drive system uses a Hydrostatic Automatic Drive transmission.
The Hydrostatic transmission is very easy to operate. This type of
drive system does not require a shift lever or a clutch pedal.
The speed and direction of travel is controlled by a single speed
control pedal operated with your right foot. Do not use the left brake
pedal in normal operation. Only use the left brake pedal to quickly
stop in an emergency.
HOW TO DRIVE FORWARD
1. The automatic drive disconnect must be in the DRIVE
position (Figure 7).
2. Slowly release your left foot from the brake pedal.
3. Move the throttle control to the FAST position.
4. Slowly push the speed control pedal forward to the desired
speed (Figure 6).
5. To increase forward speed, slowly move the speed control
pedal forward. To reduce forward speed, slowly release the
speed control pedal until the unit slows to the desired speed.
Speed Control
Pedal
Figure 6
HOW TO DRIVE IN REVERSE
1. Look to the rear.
2. Slowly push the speed control pedal to the REVERSE
position.
HOW TO CHANGE DIRECTIONS
CAUTION: To change directions, do not use the left brake
pedal. Use only the speed control pedal.
1. Slowly remove your foot from the speed control pedal. The
speed control pedal will automatically return to the NEUTRAL
position.
2. When the unit stops, slowly move the speed control pedal to
the desired direction.
SPEED CONTROL PEDAL POSITIONS
The forward speed is controlled by the position of the speed control
pedal. The following chart provides functions along with the pedal
positions. Always operate the engine with the throttle control in
the FAST position.
FUNCTION PEDAL
POSITION
THROTTLE
Trimming
Snow Thrower
1/3
Bagging Grass 1/3 to 1/2
FAST
CHOKE
Normal Mowing 1/2 to 2/3
CHOKE
FAST
Easy Mowing
Snow Blade
1/2 to 3/4 SLOW
THROTTLE
Transport FULL
Pull Behind
Attachments
1/3 to 1/2
HOW TO DISCONNECT THE TRANSMISSION
To push the unit, use the automatic drive disconnect to release
the transmission. The automatic drive disconnect is under the
seat.
1. The engine must be off.
2. Raise the seat. The automatic drive disconnect is under the
seat.
3. Move and latch the automatic drive disconnect in the PUSH
position (Figure 7). The transmission is now released and the
unit can be pushed.
NOTE: In cold weather, the heavy viscosity oil in the
transmission will make the unit difficult to push.
4. To engage the transmission, unlatch the automatic drive dis-
connect. The transmission is now connected and ready to op-
erate. Figure 7
Automatic Drive Disconnect
Seat
DRIVE POSITION
Automatic Drive Disconnect
PUSH POSITION

OPERATION
17
F–030738L
HOW TO SET THE PARKING BRAKE
1. Completely push the brake pedal forward.
2. Lift the parking brake lever (Figure 8).
3. Remove your foot from the brake pedal and then release the
parking brake lever. Make sure the parking brake will hold the
unit.
4. To release the parking brake, completely push the brake pedal
forward. The parking brake will automatically release.
WARNING: Before you leave the operator’s position,
move the shift lever to the neutral (N) position. Set the
parking brake. Move the blade rotation control to the
DISENGAGE position. Stop the engine and remove
the ignition key.
Figure 8
Parking
Brake
HOW TO CHANGE THE CUTTING HEIGHT
To change the cutting height, raise or lower the lift lever as follows.
1. Move the lift lever forward to lower the mower housing and
back to raise the mower housing (Figure 9).
2. When you ride on a sidewalk or road, move the lift lever to the
highest position and move the blade rotation control to the
DISENGAGE position.
Lift Lever
Figure 9
HOW TO STOP THE UNIT
1. Slowly remove your foot from the speed control pedal. The
speed control pedal will automatically return to the NEUTRAL
position and the unit will stop.
2. Move the blade rotation control to the DISENGAGE position.
3. Set the parking brake.
WARNING: Make sure the parking brake will hold the
unit.
4. Move the throttle control to the SLOW position.
5. To stop the engine, turn the ignition key to the OFF position.
Remove the key.
HOW TO TRANSPORT THE UNIT
To transport the unit, follow the steps below.
1. Move the blade rotation control to the DISENGAGE position
2. Raise the lift lever to the highest position.
3. Move the throttle control to the FAST position.
4. Slowly push the speed control pedal forward to the desired
speed.

OPERATION
18
F–030738L
HOW TO OPERATE WITH THE MOWER HOUSING
WARNING: The deflector is a safety device. Do not re-
move the deflector. The deflector forces the dis-
charged material toward the ground. Always keep the
deflector in the down position. If the deflector is dam-
aged, replace the deflector with an original equipment
part from an authorized service center.
1. Start the engine.
2. Release the parking brake.
3. Move the lift lever to a height of cut position. In high or thick
grass, cut the grass in the highest position first and then lower
the mower housing to a lower position.
CAUTION: Do not operate with the mower housing in the
LEVEL ADJUSTMENT position. If you operate in the
LEVEL ADJUSTMENT position, the mower housing and
blades can be damaged.
4. Move the throttle control to the SLOW position.
5. Move the blade rotation control to the ENGAGE position.
6. Move the throttle control to the FAST position.
7. Slowly push the speed control pedal to the desired speed.
NOTE: When you mow in heavy grass or mow with a grass
bagger, use a slow forward speed.
8. Make sure the level of cut set at the factory is still correct. After
you mow a short distance, look at the area that was cut. If the
mower housing does not cut level, see the instructions on “How
To Level The Mower Housing” in the Maintenance section.
WARNING: For better control of the unit, always
select a safe speed.
HOW TO OPERATE THE UNIT ON HILLS
WARNING: Do not ride up or down slopes that are too
steep to back straight up. Never ride the unit across
a slope. See the “Slope Guide” in the back of this
book for information on how to check slopes.
HOW TO OPERATE ON A HILL
1. Control the speed only with the speed control pedal. Do not use
the brake pedal on a hill.
2. To help prevent an accident, slowly move the speed control
pedal. Avoid sudden turns or changes in speed.
3. To reduce forward speed when going down a hill, slowly release
the speed control pedal until the unit slows to the desired
speed.
HOW TO STOP ON A HILL
1. Avoid stopping on a hill. If you must quickly stop in an emergen-
cy, remove your right foot from the speed control pedal and
quickly depress the left brake pedal.
2. Set the parking brake.
3. Before you dismount from the seat, move the throttle control to
SLOW position, move the blade rotation control to the DISEN-
GAGED position, turn off the engine and set the parking brake.
HOW TO START OPERATION ON A HILL
1. Start the engine
2. Move the blade rotation control to the ENGAGED position.
3. Move the throttle control to the FAST position.
4. Depress the brake pedal and release the parking brake. As you
release the parking brake, push the speed control pedal to the
desired speed.
WARNING: Slowly push the speed control pedal as
you release the parking brake. The parking brake
must be disengaged before the speed control pedal
is able to engage the transmission.

OPERATION
19
F–030738L
BEFORE STARTING THE ENGINE
CHECK THE OIL
NOTE: The engine was shipped from the factory filled with oil.
Check the level of the oil. Add oil as needed. See the engine
manufacturer’s instructions for the type of gasoline and oil to
use.
1. Make sure the unit is level.
NOTE: Do not check the level of the oil while the engine
runs.
2. Check the oil. Follow the procedure in the engine manufactur-
er’s instructions.
3. If necessary, add oil until the oil reaches the FULL mark on the
dipstick. The quantity of oil needed from ADD to FULL is shown
on the dipstick. Do not add too much oil.
ADD GASOLINE
WARNING: Always use a safety gasoline container.
Do not smoke when adding gasoline to the fuel tank.
Do not add gasoline when you are inside an enclo-
sure. Before you add gasoline, stop the engine and
let the engine cool for several minutes.
Fill the fuel tank with regular
unleaded gasoline. Do not use
premium unleaded gasoline.
Make sure the gasoline is fresh
and clean. Leaded gasoline will
increase deposits and shorten
the life of the valves.
CAUTION: A mixture of alcohol (ethanol or methanol) and
gasoline (called gasohol), will attract moisture and cause acid
deposits during storage. While the unit is in storage, the acids
in the fuel can damage the fuel system.
To prevent engine problems with the fuel system, empty the fuel
system before storage of 30 days or longer as follows.
1. Drain the fuel tank.
2. Start the engine. Let the engine run until the fuel lines and the
carburetor are empty.
3. After storage, make sure you use fresh fuel. See the storage
instructions for additional information.
4. Never use engine cleaner or carburetor cleaner in the fuel tank
or permanent damage can occur.
CARBURETOR
The factory settings for the carburetor are for most conditions. If the
engine is operated under the following conditions, you can adjust
the carburetor mixture. To adjust the carburetor, see the engine
manufacturer’s instructions.
1. The engine has a loss of power or does not run smooth.
2. A change from summer to winter operation.
3. A 40 degree change in the operation temperature. The carbure-
tor was adjusted at 80 degrees at the factory.
4. The engine is operated above 4,000 feet.
HOW TO START THE ENGINE
WARNING: The electrical system has an operator
presence system that includes a sensor switch for the
seat. These components tell the electrical system if
the operator is sitting on the seat. This system will
stop the engine when the operator leaves the seat if
the blade rotation control is engaged or if the trans-
mission is engaged. For your protection, always
make sure this system operates correctly.
NOTE: The engine will not start unless you depress the brake
pedal or engage the parking brake and move the blade rotation
control to the DISENGAGE position.
1. Push the brake pedal completely forward. Keep your foot on
the pedal.
2. Make sure the blade rotation control is in the DISENGAGE
position.
3. Move the throttle control completely forward to the CHOKE or
FAST position. Some models have a separate choke knob. Pull
the choke knob to the full CHOKE position.
4. Turn the ignition key to the START position. Release the key
when the engine starts.
NOTE: If the engine does not start after four or five tries,
see the TROUBLE SHOOTING CHART.
5. Slowly move the throttle control to the SLOW position.
6. Let a cold engine run for several minutes. Begin work when the
engine is warm. To start a hot engine, move the throttle control
to a position between FAST and SLOW.
Fuel Tank
Full

OPERATION
20
F–030738L
OPERATING TIPS
1. Check the blade rotation control for correct adjustment. For the
blade(s) to disengage correctly, the adjustment must be cor-
rect.
2. Before you use the unit, check the oil in the engine and add oil
if necessary.
3. If the engine will not start, first make sure the wire is attached
to the spark plug.
4. Make sure all the belts are inside all the belt guides. See the in-
structions on how to remove and install the motion drive and
mower drive belts.
5. Before you make an inspection, adjustment (except for the car-
buretor) or repair, make sure the wire from the spark plug is dis-
connected.
6. For longer life of the battery on electric start models, charge the
battery every three months.
7. Use the speed control pedal to change the ground speed, not
the throttle control.
8. Belt noise can occur when the blade is engaged. This noise is
normal and does not affect the operation of the unit.
MOWING AND BAGGING TIPS
1. For a lawn to look better, check the cutting level of the mower
housing. See “How To Level The Mower Housing” in the Main-
tenance section.
2. For the mower housing to cut level, make sure the tires have
the correct amount of air pressure.
3. Every time you use the unit, check the blade. If the blade is bent
or damaged, immediately replace the blade. Also, make sure
the nut for the blade is tight.
4. Keep the blade(s) sharpened. Worn blades will cause the ends
of the grass to turn brown.
5. Do not cut or bag grass that is wet. Wet grass will not discharge
correctly. Let the grass dry before cutting.
6. Use the left side of the mower housing to trim near an object.
7. Discharge the cut grass onto the mowed area. The result is a
more even discharge of cut grass.
8. When you mow large areas, start by turning to the right so that
the cut grass will discharge away from shrubs, fences, drive-
ways, etc. After one or two rounds, mow in the opposite direc-
tion making left turns until finished (Figure 10).
9. If the grass is very high, cut two times to decrease the load on
the engine. First cut with the mower housing in the highest posi-
tion and then lower the mower housing for the second cut.
10. For better engine performance and an even discharge of the
cut grass, always operate the engine with the throttle in FAST
position.
11. When you use a bagger, operate the engine with the throttle in
FAST position and the speed control pedal pushed 1/3 forward.
12. For better cutting performance and a quality cut, mow with the
speed control pedal pushed 1/3 to 1/2 forward.
13. After each use, clean the bottom and top of the mower housing
for better performance. Also, a clean mower housing will help
prevent a fire.
Figure 10

MAINTENANCE
21
F–030738L
MAINTENANCE CHART
FREQUENCY MAINTENANCE REQUIRED COMMENTS
Daily or before each
use
Maintenance engine. Refer to the Engine Owner’s Manual.
Examine blade(s). Check for cracks, wear, and excessive
damage.
Remove debris from unit and mowing area.
Examine all rotating and sliding parts.
Check tire inflation. Refer to the Maintenance section.
Verify that the mower housing is level. Refer to the Maintenance section.
Examine V–belts. Check for cracks, wear, and excessive
damage.
Check brake operation. Refer to the Operation and Maintenance
sections.
After completion of
first 5 hours
Change oil. Refer to the Engine Owner’s Manual.
After 25 hours Maintenance engine. Refer to the Engine Owner’s Manual.
Remove, examine, sharpen, and balance
blade(s).
Refer to Maintenance section.
Check adjustments:
a. Blade Rotation Control
b. Brake
c. Clutch
d. Steering
Refer to Maintenance section.
Lubricate chassis and mower housing. Refer to Where to Lubricate instructions.
Check the muffler:
a. Torque
b. For wear or burn out
c. Condition of spark arrestor, (if applicable).
Refer to Maintenance section.
Before storage of 30
days or more
Prepare engine for storage. Refer to the Engine Owner’s Manual.
Drain fuel system. Refer to warnings in the Owner’s Manual.
Add fuel stabilizer. Refer to the Engine Owner’s Manual.
Prepare battery for storage:
a. Remove from unit.
b. Fully charge.
c. Move to cool dry place.
GENERAL RECOMMENDATIONS
1. The owner’s responsibility is to maintain this product. This will
extend the life of the product and is also necessary to maintain
warranty coverage.
2. Check the spark plug, drive brake, lubricate the unit, and clean
the air filter once a year.
3. Check the fasteners. Make sure all fasteners are tight.
4. Follow the Maintenance section to keep the unit in good operat-
ing condition.
WARNING: Before you make an inspection, adjust-
ment, or repair to the unit, disconnect the wire to the
spark plug. Remove the wire from the spark plug to
prevent the engine from starting by accident.
NOTE: Torque is measured in foot pounds (metric Nm). This
measurement describes how tight a nut or bolt must be. The
torque is measured with a torque wrench.
HOW TO
CHECK THE MUFFLER
Check the muffler every 50 hours. Make sure the muffler is correctly
mounted and is not loose. If the muffler is worn or burnt, replace with
a new muffler. A worn muffler is a fire hazard and can also damage
the engine.
If you mount a spark arrester to the muffler, also check the spark
arrester when you check the muffler. If the spark arrester is worn or
damaged, replace it with a new spark arrester. See your nearest
authorized service center for a spark arrester.

MAINTENANCE
22
F–030738L
INSPECT BLADE
WARNING: Before you inspect or remove the blade,
disconnect the wire to the spark plug. If the blade hits
an object, stop the engine. Check the unit for dam-
age. The blade has sharp edges. When you hold the
blade, use gloves or cloth material to protect your
hands.
If you keep the blade sharp and inspect the blade for damage, the
blade will cut better and be more safe to operate. Frequently check
the blade for excessive wear, cracks, or other damage. Frequently
check the nut that holds the blade. Keep the nut tight. If the blade
hits an object, stop the engine. Disconnect the wire to the spark plug.
See if the blade is bent or damaged. Check the blade adapter for
damage. Before you operate the unit, replace damaged parts with
original equipment parts. See the authorized service center in your
area. Every three years, have an authorized service person inspect
the blade or replace the old blade with an original equipment part.
HOW TO REMOVE AND INSTALL THE BLADE
1. Remove the mower housing. See the instructions on “How To
Remove The Mower Housing”.
2. Use a piece of wood to keep the blade from rotating.
3. Remove the nut that holds the blade (Figure 11).
Hi–Lift
Edge Up
Mandrel
Blade Adapter
Blade
Belleville Washer
Washer
Nut Figure 11
4. Check the blade and the blade adapter according to the in-
structions for “Inspect Blade”. Replace a badly worn or dam-
aged blade with an original equipment blade. See an
authorized service center in your area.
5. Clean the top and bottom of the mower housing. Remove all the
grass and debris.
6. Mount the blade and blade adapter on the mandrel
(Figure 11).
7. Mount the blade so that the hi–lift edges are up. If the blade
is upside down, the blade will not cut correctly and can cause
an accident.
8. Fasten the blade with the original washers and nut. Make sure
the outside rim of the Belleville washer is against the blade
(Figure 12).
WARNING: Always keep the nut tight that holds the
blade. A loose nut or blade can cause an accident.
9. Tighten the nut that holds the blade to a torque of 35 foot
pounds (47,5 N–m).
10. Install the mower housing. See “How To Install The Mower
Housing”.
Blade Adapter
Blade
Belleville Washer
(Outside rim must be
against the blade.)
Washer
Nut
Figure 12
HOW TO SHARPEN THE BLADE
WARNING: Vibration can be caused if the blade is
not correctly balanced or if the blade is damaged. A
blade that is damaged with cracks can break and
cause an accident.
Keep a sharp edge on the blade. A blade that is not sharp will cause
the tips of the grass to become brown.
1. Sharpen the blade two times a year or every 25 hours.
2. Remove the blade according to the instructions in “How To Re-
move And Install The Blade”.
3. Clean the blade with a brush, soap and water. Check the
blade. Look for cracks, nicks, or other damage. Replace a
badly worn or damaged blade with an original equipment blade.
See an authorized service center in your area.
4. Sharpen the blade with a file (Figure 13). Make sure you keep
the original bevel angle.
5. Make sure the blade is balanced. Use a screwdriver and hold
the blade parallel to the ground (Figure 13). A blade that is
balanced will stay parallel to the ground. If the blade is not bal-
anced, the heavy end will rotate toward the ground. Sharpen
the heavy end until the blade is balanced.
6. A new blade will cut better than a badly worn blade. Every three
years, have an authorized service person inspect the blade or
replace the old blade with an original equipment blade.
7. Assemble the blade according to the instructions “How To Re-
move And Install The Blade”.
Ground
Blade is balanced
when parallel to the ground.
Screwdriver
Blade
File
Figure 13

MAINTENANCE
23
F–030738L
HOW TO ADJUST THE BLADE ROTATION CONTROL
WARNING: To prevent an injury, the blade rotation
control must operate correctly.
In normal usage, the blade rotation control will not require an
adjustment. However, if the cutting performance decreases or the
quality of cut is poor, make the following changes.
1. When you mow, make sure the throttle control in in the FAST
position.
2. Move the blade rotation control to the DISENGAGE position
(Figure 14).
3. Stop the engine. Disconnect the wire from the spark plug.
Blade Rotation Control
Engage Position
Disengage
Position
Figure 14
4. Check the blade(s). Keep a sharp edge on the blade(s). A blade
that is not sharp will cause the tips of the grass to become
brown.
5. Disconnect the blade drive spring from the blade control
rod. Move the blade drive spring to the middle hole
(Figure 15). This will increase the tension on the mower drive
belt.
Figure 15
Blade
Control Rod
Blade Drive Spring
Top Hole (New Belt)
Middle Hole
Bottom Hole
DISENGAGE POSITION
6. Attach the wire to the spark plug. Mow for a short distance and
again check the quality of cut. If necessary, move the blade
drive spring to the bottom hole.
7. Again check the quality of cut. If the quality of cut has not im-
proved, replace the mower drive belt. See “How To Replace
The Mower Drive Belt”. If replacing the belt does not correct the
problem, take the unit to an authorized service center.
8. Move the blade rotation control to the DISENGAGE posi-
tion. Stop the engine. Disconnect the wire from the spark plug.
Check the operation of the blade brake. Rotate the pulleys with
your hand. Make sure the brake pads are pressed tightly
against the pulleys (Figure 16).
WARNING: If the brake pads do not press tightly
against the pulleys, take the unit to an authorized
service center.
Blade Brake
Brake Pad
Against Pulley
Figure 16
9. Move the blade rotation control to the ENGAGE position.
Check the pads for the blade brake. If the pads are excessively
worn or damaged, replace the brake pad assemblies. Correct
replacement parts and assistance are available from an autho-
rized service center.
10. Attach the wire to the spark plug. Mow for a short distance and
again check the operation of the blade rotation control.
11. When you move the blade rotation control to the
DISENGAGE position, all movement will stop within five se-
conds. If there is movement of the belt or the blades continue
to rotate, engage and disengage the blade rotation control
five times to remove any excess rubber from a new mower
drive belt. If you need assistance, take the unit to an autho-
rized service center.
12. If you replace the mower drive belt, move the blade drive
spring to the top hole (Figure 15).

MAINTENANCE
24
F–030738L
HOW TO CHECK AND ADJUST THE MOTION DRIVE BELT
If the motion drive belt is loose, the belt will slip when; (1) going up
a hill, (2) pulling a heavy load, or (3) the unit will not move forward.
Adjust the belt as follows.
WARNING: Before you make an inspection, adjust-
ment, or repair to the unit, disconnect the wire to the
spark plug. Remove the wire from the spark plug to
prevent the engine from starting by accident.
1. Check the routing of the motion drive belt. Make sure the belt
is installed correctly and is inside all the belt guides.
2. Disconnect the clutch link from the idler arm (Figure 17).
3. Align the hole in the brake lever with the hole in the frame. Hold
the brake lever in place with a 1/4 inch (6 mm) pin or bolt
(Figure 18).
4. Rotate the clutch link until the mounting hole in the clutch link
is aligned with the hole in the idler arm as shown in Figure 17.
5. Connect the clutch link to the idler arm (Figure 17).
6. Remove the 1/4 inch (6 mm) pin or bolt (Figure 18).
7. If the belt still slips after the belt has been adjusted, then the
motion drive belt is worn or damaged and must be replaced.
See “How To Replace The Motion Drive Belt”.
Figure 17
Clutch Link
Clutch Rod
Mounting
Holes
Idler Arm
Figure 18
Belt Guide
Clutch Link
Idler Spring
Idler Arm
Motion Drive Belt
1/4” (6mm)
Pin or Bolt
Brake Lever

MAINTENANCE
25
F–030738L
HOW TO CHECK AND ADJUST THE DRIVE BRAKE
Completely push the brake pedal forward. Set the parking brake.
Move the automatic drive disconnect to the PUSH position. Push
the unit. If the rear wheels rotate, adjust or replace the brake pads.
Adjust the drive brake as follows.
1. The location of the drive brake is on the right side of the
gearbox (Figure 19).
2. Make sure the parking brake is set and the automatic drive
disconnect is in the PUSH position. Turn the hex nut in a
clockwise direction until the rear wheels do not turn when the
unit is pushed forward.
3. Release the parking brake and push the unit. If the unit does not
roll, turn the hex nut in a counterclockwise direction until the
unit rolls.
4. Set the parking brake. Push the unit. If the rear wheels do not
turn, the drive brake is correctly adjusted. Release the parking
brake.
WARNING: If you cannot correctly adjust the drive
brake, replace the brake pads. Correct replacement
parts and assistance are available from an autho-
rized service center.
Figure 19
Drive Brake
Gearbox
Hex Nut
MAINTENANCE FREE BATTERY
HOW TO REMOVE THE BATTERY
To charge or clean the battery, remove the battery from the unit as
follows.
WARNING: To prevent sparks, disconnect the black
battery cable from the negative (–) terminal before you
disconnect the red cable.
WARNING: The battery contains sulfuric acid which is
harmful to the skin, eyes and clothing. If the acid gets
on the body or clothing, wash with water.
1. Disconnect the black cable from the negative (–) terminal
(Figure 20).
2. Disconnect the red cable from the positive (+) terminal.
3. Lift the battery tray and the battery out of the unit.
HOW TO CLEAN THE BATTERY
1. Remove the battery.
2. Wash the battery with a solution of one gallon of water and four
tablespoons of baking soda (sodium bicarbonate). Make sure
the solution does not get into the battery cells.
3. Clean the terminals and the ends of the cables with a wire
brush.
4. Install the battery.
5. To prevent corrosion, apply grease to the battery terminals.
HOW TO CHARGE THE BATTERY
WARNING: When you charge the battery, do not
smoke. Keep the battery away from any sparks. The
fumes from the battery acid can cause an explosion.
1. Before you charge the battery, remove the battery.
2. To charge the battery, use a 12 volt battery charger. Charge at
a rate of 6 amperes for 1 hour.
3. Install the battery.
WARNING: To prevent sparks, fasten the red cable to
the positive (+) terminal before you connect the black
cable.
4. Fasten the red cable to the positive (+) terminal with the fas-
teners as shown.
5. Fasten the black cable to the negative (–) terminal with the fas-
teners as shown.
Positive (+)
Terminal
Black Cable
Red Cable
Battery Tray
Battery
Figure 20
Carriage Bolt
Wing Nut
Carriage Bolt

MAINTENANCE
26
F–030738L
WHERE TO LUBRICATE
Lubricate the areas shown with engine oil.
Apply grease with a brush to the areas shown.
Models with grease fittings: Lubricate with grease gun.
NOTE: Apply grease to the steering gear assembly.
CAUTION: If the unit is operated in dry areas that have sand,
use a dry graphite spray to lubricate the unit.
HOW TO CHECK THE FUEL FILTER
NOTE: Before you replace the fuel filter or the fuel line, the fuel
tank must be empty.
If the fuel filter is dirty, the engine will run rough and have less
performance. Remove the old filter (Figure 22). Replace the old
filter with a new filter. Use an original equipment part. See an
authorized service dealer in your area.
Fuel Line
Clips
Fuel Filter
Figure 22
CHECK THE TIRES
Check the air pressure in the tires. Tires with too much air pressure
will cause the unit to ride rough. Also, the wrong air pressure will
keep the mower housing from cutting level. The correct air pressure
is 14 PSI (1 BAR).
Figure 21

WARNING: The lift lever
is spring loaded. Make
sure the lift lever is locked
in the LEVEL ADJUST-
MENT position.
Level Adjustment
Position Figure 23
MAINTENANCE
27
F–030738L
HOW TO REMOVE THE MOWER HOUSING
1. Move the blade rotation control to the DISENGAGE position.
2. If equipped, remove the gauge wheels.
3. Move the lift lever to the level
adjustment position(Figure 23).
4. Remove the hair pins and the
washers from the adjuster
arms (Figure 24). See illustra-
tions “C” and “D”.
5. Remove the hair pins and washers from the suspension links.
See illustrations “A” and “B”.
6. Disconnect the extension spring from the blade control rod.
See illustration “E”.
7. Disconnect the front hanger from the axle support. See
illustration “F”.
8. Remove the mower drive belt from the stack pulley.
9. Pull the mower housing away from the right side of the unit.
10. To operate without the mower housing, move the lift lever to the
TOP position.
HOW TO INSTALL THE MOWER HOUSING
1. Push the mower housing under the right side of the unit.
2. Put the mower drive belt around the stack pulley. Make sure
the “V” side of the mower drive belt is against the stack pulley.
Also, make sure the mower drive belt is not twisted.
3. Attach the front hanger to the axle support with the hanger
rod. Fasten with the fasteners as shown. See illustration “F”.
4. Make sure the mower drive belt is between the stack pulley
and the two belt guides. See illustration “G”.
5. Attach the suspension links to the lifter assembly. Fasten
with the washers and hair pins. See illustrations “A” and “B”.
6. Attach the right and the left adjuster arms to the suspension
brackets. Fasten with the washers and hair pins. See illustra-
tions “C” and “D”.
7. Attach the extension spring to the blade control rod. See
illustration “E”.
8. Move the blade rotation control to the ENGAGE position.
Make sure the mower drive belt is inside all the belt guides.
9. Make sure the mower housing is level. See the instructions on
“How To Level The Mower Housing”.
10. If equipped, install the gauge wheels.
11. Check the operation of the blade rotation control. See the in-
structions on “How To Adjust The Blade Rotation Control”.
Lifter
Assembly
Blade Rotation
Control
Hanger Rod
Mower Drive Belt
Lift Lever
Front Hanger
Extension
Spring
Blade
Control Rod
Suspension
Link
Adjuster
Arm
Belt
Guide
Belt
Guide
Stack Pulley
Mower Drive Belt
Suspension
Link
A
B
A
B
A
B
A
B
Adjuster
Arm
Figure 24
Gauge Wheel

MAINTENANCE
28
F–030738L
HOW TO ADJUST THE GAUGE WHEELS
The axle bolts for the gauge wheels were mounted in the LOW cut
position. To change the position of the gauge wheels, move the axle
bolts as follows.
IMPORTANT: Before you adjust the gauge wheels, you must do
the following. Make sure the mower housing is level. Make sure
the height of cut is set at the height you want for your lawn.
Mow a short distance on a flat level area and look at the area
that was cut. If the mower housing does not cut level, see the
instructions “How To Level The Mower Housing.”
WARNING: Before you make an inspection, adjust-
ment, or repair to the unit, disconnect the wire to the
spark plug. Remove the spark plug wire to prevent
the engine from starting by accident.
1. Remove the gauge wheels (Figure 25).
2. Mow a short distance on a flat level area to check the level of
cut and the height of cut. Look at the height of cut position
number on the lift lever (Figure 26).
3. Look at each gauge wheel bracket. There are 3 holes in each
bracket and a number next to each hole. The number for the
height of cut position on the lift lever indicates the correct hole
to use on each gauge wheel bracket (Figure 27).
4. Assemble the axle bolts to the gauge wheel brackets using
the correct hole in the bracket as indicated (Figure 27).
NOTE: If the height of cut position is changed by the lift lever,
you must move the gauge wheels to the correct hole
(Figure 27) to keep a level height of cut.
Gauge Wheel
Figure 25
Locking
Ring
Washer
Axle Bolt
Figure 26
Cutting Height Positions
Lift Lever
Wheel Bracket
Hole No.
Lift Lever
Position No.
1 1
2 2
3 3,4,5,6
Figure 27
Gauge
Wheel Bracket

MAINTENANCE
29
F–030738L
HOW TO LEVEL THE MOWER HOUSING
If the mower housing is level, the blade will cut easier and the lawn
will look better.
WARNING: Before you make an inspection, adjust-
ment, or repair to the unit, disconnect the wire to the
spark plug. Remove the spark plug wire to prevent
the engine from starting by accident.
1. Make sure the unit is on a hard flat surface.
2. Check the air pressure in the tires. If the air pressure is incor-
rect, the mower housing will not cut level. Make sure the tires
are inflated to 14 PSI. (1 BAR).
IMPORTANT: On models equipped with gauge wheels, the
gauge wheels must be removed to correctly adjust the
level of the mower housing.
3. Some models have gauge wheels on the mower housing. If
equipped, remove the gauge wheels.
4. Open the cover.
5. Move the lift lever to the LEVEL ADJUSTMENT position
(Figure 28).
WARNING: The lift lever is spring loaded. Make sure
the lift lever is locked in the LEVEL ADJUSTMENT
position.
6. Loosen the left and right adjuster knobs (Figure 29). Push
down on each side of the mower housing. Make sure both sides
of the mower housing are setting on a flat surface. Also, make
sure the lift links are loose and can easily move up or down.
7. Push down on the lift links and tighten the left and right adjust-
er knobs (Figure 29). Make sure the adjuster knobs are tight.
If necessary, use a wrench to tighten the adjuster knobs. For
plastic adjuster knobs, tighten to a torque of 7 foot pounds (9,5
N–m). For metal adjuster knobs, tighten to a torque of 10 foot
pounds (13,5 N–m).
8. Raise the lift lever from the LEVEL ADJUSTMENT position to
a CUTTING HEIGHT position (Figure 30).
9. Close the cover.
10. If equipped, install the gauge wheels.
11. Mow for a short distance. If the height of cut is not level, repeat
the above steps.
CAUTION: Do not operate with the mower housing in the
LEVEL ADJUSTMENT position. If you operate in the LEVEL
ADJUSTMENT position, the mower housing and blades can be
damaged.
Figure 28
Level Adjustment Position
Cutting Height Positions
Cover
Lift Lever
Figure 29
Adjuster Knobs
Lift Link
Figure 30
Cutting Height Positions
Cover
Lift Lever

MAINTENANCE
30
F–030738L
HOW TO REPLACE THE MOTION DRIVE BELT
REMOVAL
1. Remove the mower housing. See the instructions on “How To
Remove The Mower Housing”.
2. Remove the mid–idler pulley.
3. Disconnect the idler spring (Figure 33).
4. Remove the idler pulley and spacer (Figure 33).
5. Remove the V–idler pulley and spacer.
6. Remove the motion drive belt from the drive pulley
(Figure 33).
7. To remove the motion drive belt from the stack pulley, pull the
front end of the belt under the stack pulley and then back
between the stack pulley and the steering plate (Figure 31).
8. Remove the access panel (Figure 32).
9. Remove the two screws that attach the steering shaft
assembly (Figure 32). Raise the steering wheel and steering
shaft assembly. Pull the motion drive belt under the steering
shaft assembly.
10. Remove the motion drive belt. A correct replacement part or
assistance is available from an Authorized Service Center in
your area.
INSTALLATION
1. Slide the motion drive belt between the stack pulley and the
belt guides (Figure 31). Install the motion drive belt on the
top pulley of the stack pulley. Make sure the “V” side of the belt
is against the pulley.
2. Push the motion drive belt through the opening between the
steering plate and the engine plate.
3. Install the end of the motion drive belt around the drive pulley
(Figure 33).
4. Put the motion drive belt around the V–idler pulley. Install the
motion drive belt, V–idler pulley and spacer.
5. Put the belt around the idler pulley. Fasten the idler pulley and
spacer with the hex nut. Make sure the flat side of the belt is
against the idler pulley. Also, make sure the belt is not twisted.
6. Connect the idler spring (Figure 33).
7. Install the mid–idler pulley.
8. Check the routing of the motion drive belt (Figure 33). Make
sure the motion drive belt is installed correctly on the idler
pulleys and inside all belt guides.
9. Attach the steering shaft assembly to the steering plate with
two screws (Figure 32).
10. Attach the access panel (Figure 32).
11. Before you use the unit, check the adjustment of the clutch. See
the instructions “How To Check And Adjust The Clutch”.
12. Install the mower housing. See the instructions “How To Install
The Mower Housing”.
Motion
Drive
Belt Figure 31
FRONT
Stack Pulley Steering
Plate
Belt Guides
Figure 32
Screw
Steering Shaft
Assembly
Motion Drive
Belt Access Panel
Stack Pulley
Motion Drive Belt
Drive Pulley
Figure 33
Belt Guide
V–Idler Pulley
Idler Spring
Belt Guide
V–Idler Pulley
Idler Pulley Spacer
Idler Spring
Spacer
Mid–Idler Pulley

MAINTENANCE
31
F–030738L
HOW TO REPLACE THE MOWER DRIVE BELT
1. Remove the mower housing. See the instructions on “How To
Remove The Mower Housing”.
2. Pull the belt retainer away from the idler pulley and remove
the mower drive belt (Figure 34).
3. Pull the belt retainer away from the right mandrel pulley and
remove the mower drive belt.
4. Pull the belt retainer away from the left mandrel pulley and
remove the mower drive belt.
NOTE: Replace the mower drive belt with an original
equipment belt from an authorized service center.
5. Install the new mower drive belt. Pull the belt retainer away
from the right mandrel pulley. Put the belt around the right
mandrel pulley.
6. Pull the belt retainer away from the left mandrel pulley. Put
the belt around the left mandrel pulley.
7. Pull the belt retainer away from the idler pulley. Put the flat
side of the mower drive belt around the idler pulley.
8. Make sure the “V” side of the mower drive belt is against the
mandrel pulleys as shown.
9. Install the mower housing. See the instructions on “How To
Install The Mower Housing”.
10. Before you mow, check the blade rotation control. See the in-
structions on “How To Adjust The Blade Rotation Control”.
Figure 34
Mower Drive Belt
Belt Retainer
Right Mandrel Pulley
Belt Retainer Left Mandrel Pulley
Idler Pulley
Belt Retainer

MAINTENANCE
32
F–030738L
HOW TO INSTALL THE WHEELS
If the wheels must be removed for service, make sure they are
installed as follows.
Front Wheel
1. Make sure the valve stem is to the outside of the tractor. Slide
the front wheel on the spindle (See Figure 35).
2. Fasten the front wheel with washer and cotter pin. Bend the
ends of the cotter pin apart to keep the front wheel on the
spindle.
3. If your model has hub caps, install the hub caps. Make sure
the washer hold the hub caps in place.
Rear Wheel
1. Install the washers and spacer onto the axle as shown in
Figure 36.
2. Mount the square key in the key slot (See Figure 36).
3. Make sure the valve stem is to the outside of the tractor. Align
the slot in the rear wheel with the square key. Slide the rear
wheel on the axle.
4. Fasten the rear wheel with washer and e–ring.
5. If your model has hub caps, install the hub caps. Make sure
the washer hold the hub caps in place.
Figure 35
Front Wheel
Spindle
Valve Stem
Washer
Washer
Hub Cap
Cotter Pin
Figure 36
E–Ring
Washer
Hub Cap
Washer
Spacer
Square Key
Valve Stem
Key Slot
Axle
Rear Wheel

MAINTENANCE
33
F–030738L
HOW TO REPLACE THE FUSE
If the fuse is blown, the engine will not start. The location of the fuse
is next to the battery. Remove the fuse and replace with a
automotive fuse (Figure 37).
Figure 37
Automotive Fuse
HOW TO REPLACE THE LIGHT BULB
1. Raise the tractor hood.
2. Turn the light socket until the tabs on the socket align with the
notches in the bezel (Figure 38). Remove the light socket.
Turn the light bulb and remove the bulb.
3. Install a new light bulb. Align the light socket with the notches
in the bezel and turn the light socket to lock in position.
Bezel
Light Bulb
Light Socket Figure 38
HOW TO CLEAN THE MOWER HOUSING
WARNING: Before you clean the mower housing,
stop the engine and disconnect the wire to the spark
plug.
Grass and other debris on top of the mower housing can keep the
belt from working correctly. For safety and correct operation,
frequently clean the top of the mower housing. Remove grass and
debris from around the pulleys and other moving parts.
1. Move the lever for the blade rotation control to the ENGAGE
position.
2. Clean the top of the mower housing.
3. Move the lever for the blade rotation control to the
DISENGAGE position.
4. Again clean the top of the mower housing.
5. After you cut the grass, clean the bottom of the mower housing.
STORAGE (over 30 days)
At the end of each year, prepare the unit for storage as follows.
THE ENGINE
For storage information, see the the engine manufacturer’s
instructions.
THE BATTERY
1. Remove the battery.
2. Clean the battery terminals of any deposits.
3. Charge the battery. See the instructions on “How To Prepare
And Charge The Battery”.
4. Store the battery in a cool, dry place.
NOTE: After a long time in storage, charge the battery.
THE FUEL SYSTEM
WARNING: Do not drain the gasoline inside a build-
ing or near a fire. Do not smoke because the fumes
from the fuel can cause an explosion.
1. Start the engine.
2. Run the engine until the fuel tank and the carburetor are out of
fuel and the engine stops.
3. Do not leave fuel in the fuel tank or the carburetor. The fuel can
damage the function of the fuel system. Some models have a
fuel drain (Figure 39). Hold a cloth under the fuel drain. Push
the fuel drain until the carburetor is empty.
4. After storage, make sure you use fresh fuel.
Figure 39
Fuel Drain
CLEAN THE UNIT
1. Clean the dirt and grass from the engine.
2. Clean the mower housing.
LUBRICATE THE UNIT
See the “Lubrication” instructions in this book.

TROUBLE SHOOTING CHART
34
F–030738L
PROBLEM: The engine will not start.
1. Follow the steps, “How To Start The Engine” in this book.
2. Electric–Start Models: Clean the battery terminals. Tighten the
cables.
3. Drain the fuel tank. Clean the fuel line. Replace the fuel filter.
4. Remove the spark plug(s). Move the throttle to the SLOW posi-
tion. Turn the ignition key to the ON position. Try to start the en-
gine several times. Install the spark plug.
5. Replace the spark plug.
6. Adjust the carburetor.
PROBLEM: The engine will not turn over.
1. Follow the steps, “How To Start The Engine” in this book.
2. Electric–Start Models: Check the level of the acid in the battery.
If needed, add water. Charge the battery.
3. Replace the fuse.
4. Check the wiring harness for damage or a loose connection.
Repair the damaged wire.
5. Electric–Start Models: replace the solenoid. Recoil–Start Mod-
els: replace the module.
PROBLEM: The engine is difficult to start.
1. Adjust the carburetor.
2. Replace the spark plug.
3. Replace the fuel filter.
PROBLEM: The engine does not run smooth or has a
loss of power.
1. Check the oil.
2. Clean the air filter.
3. Clean the air screen.
4. Replace the spark plug.
5. The engine is working too hard. Use a lower gear.
6. Adjust the carburetor.
7. Replace the fuel filter.
PROBLEM: The engine does not run smooth at fast
speed.
1. Replace the spark plug.
2. Adjust the throttle control.
3. Clean the air filter.
4. Replace the fuel filter.
PROBLEM: The engine stops when the blades are
engaged.
1. To activate the seat sensor, always sit in the middle of the seat.
2. Check the wiring harness for damage or a loose connection.
Repair the damaged wire.
PROBLEM: On slopes, the engine stops.
1. Mow up and down slopes. Never mow across a slope.
2. To activate the seat sensor, always sit in the middle of the seat.
PROBLEM: The engine will not idle.
1. Replace the spark plug.
2. Clean the air filter.
3. Adjust the carburetor.
4. Adjust the throttle control.
5. Drain the fuel tank. Clean the fuel line. Replace the fuel filter.
PROBLEM: A hot engine causes a decrease in power.
1. Clean the air screen.
2. Check the oil.
3. Adjust the carburetor.
4. Replace the fuel filter.
PROBLEM: Excessive vibration.
1. Replace the blade.
2. Check for loose engine bolts.
3. Decrease the air pressure in the tires.
4. Adjust the carburetor.
5. Check for a damaged belt or damaged pulley. Replace the
damaged parts.
PROBLEM: The grass does not discharge correctly.
1. Stop the engine. Clean the mower housing.
2. Raise the height of cut.
3. Replace or sharpen the blade(s).
4. Move the shift lever to a slower speed.
5. Move the throttle control to the FAST position.
6. Replace the spring for the blade idler.
PROBLEM: The mower housing does not cut level.
1. Check the air pressure in the tires.
2. Adjust the level of the mower housing.
3. Check the front axle. If the front axle does not freely pivot, loos-
en the axle bolt(s).
PROBLEM: The mower blades will not rotate.
1. Check the mower drive belt. Make sure the belt is installed cor-
rectly.
2. Replace the mower drive belt.
PROBLEM: The unit will not move when the brake is
released and the speed control pedal is depressed.
1. Check the motion drive belt. Make sure the belt is installed
correctly.
2. Adjust the clutch.
3. Replace the motion drive belt.
4. Release the Automatic Drive Disconnect under the seat.
PROBLEM: The unit moves slower or stops when the
speed control pedal is depressed.
1. Adjust the clutch.
2. Replace the motion drive belt.
PROBLEM: When the brake pedal is released, belt noise
can be heard.
1. Temporary belt noise does not change the operation of the unit.
If belt noise is continuous, check the routing of the belt. Make
sure the belt is inside all belt guides.
2. If the noise is continuous, adjust the clutch.
PROBLEM: The rear wheels spin over uneven terrain.
1. Check the front axle. If the front axle does not freely pivot, loos-
en the axle bolt(s).

F–030738L 35
Only use a factory repair part. Repair parts, except for the engine or the transmission, are available from the store where the unit was
purchased, a service shop recommended by the store, or an authorized service shop found in the yellow pages of the telephone directory.
If you cannot get a repair part or service as described above, call or write to the Central Parts Distributor shown below. When you order,
include the following information: (1) Complete Model Number (see nameplate), (2) Date of Manufacture, (3) Complete Part Number, (4)
Description, (5) Quantity. Repair parts for the engine or the transmission are available from the manufacturer's authorized service center
found in the yellow pages of the telephone directory. See the individual engine or transmission warranties.
If you are unable to obtain parts or service in the manner outlined above, then contact:
USA
MURRAY, INC., Outdoor Power Equipment, Customer Service Dept., P.O. Box 268, Brentwood, TN 37027 (1-800-251-8007)
CANADA
MURRAY CANADA, INC., Factory Customer Service, 1195 Coutneypark Drive East, Mississauga, Ont. L5T–1R1 (1-800-661-6662)
MURRAY, INC. LAWN MOWER CENTRAL PARTS DISTRIBUTORS
BILLIOU'S, INC.
1343 South Main St.
Porterville, CA. 93257
(559) 784-4102 1-877-245-5468
FAX 1-800-226-7337
Arizona, California, Hawaii, Nevada
BROWN & WISER, INC.
9991 S.W. Avery Street
Tualatin, OR. 97062
(503) 692-0330 1-800-882-4782
FAX (503) 691-2041
Alaska, Idaho (counties Ada, Adams,
Benewah, Boise, Bonner, Boundry, Canyon,
Clearwater, Elmore, Gem, Idaho, Kooten,
Latah, Lewis, Nez Perce, Owyee, Payette,
Ravalli, Shoshone, Valley, Washington),
Montana (counties Flathead, Lake, Lincoln,
Mineral, Missoulo, Ravalli, Sanders), Oregon,
Washington
CPT CANADA POWER
TECHNOLOGY LIMITED
Mississauga
161 Watline Avenue
Mississauga, Ontario
L4Z-1P2
(905) 890-6900 1-800-861-9559
Edmonton
101-10411-178th Street
Edmonton, Alberta
T5S 1R5
(780) 453-5791 1-800-861-9559
Ville St-Laurent
234 Migneron Street
Ville St-Laurent, Quebec
H4T 1Y7
(514) 731-3559 1-800-861-9559
Canada
FRANK EDWARDS CO.
3626 Parkway Blvd.
West Valley, UT 84120
1-800-318-0201
FAX 1-801-736-8067
Colorado, Idaho (counties Bannock Bearlake,
Bingham, Blaine, Booneville, Butte, Camas,
Caribou, Cassia, Custer, Franklin, Fremont,
Gooding, Jefferson, Jerome, Lemhi, Lincoln,
Madison, Minidoka, Oneida, Power, Teton,
Twin Falls) Montana (all counties except
Flathead, Lake, Lincoln, Mineral, Missoulo,
Ravalli, and Sanders), Utah, Wyoming
GARDNER, INC.
1150 Chesapeake Ave.
Columbus, OH. 43212
1-800-848-8946
FAX 1-614-486-7122
Alabama, Arkansas (except these counties:
Hempstead, Howard, Lafayette, Little River,
Miller, Nevada, Pike, Sevier), Connecticut,
Delaware, District of Columbia, Florida,
Georgia, Illinois (South of Hwy. 80),,
Indiana, Iowa, Kansas, Kentucky, Louisiana,
Maine, Maryland, Massachusetts, Michigan
(except upper Peninsula), Mississippi,
Missouri, Nebraska, New Hampshire, New
Jersey, New York, North Carolina, Ohio,
Pennsylvania, Rhode Island, South
Carolina, Tennessee, Vermont, Virgina,
West Virginia
Puerto Rico
GULF COAST ENGINE, INC.
4202 Russell Dr.
Corpus Christi, TX. 78408
1-800-825-6999
FAX 1-888-888-7036
Arkansas (counties Hempstead, Howard,
Lafayette, Little River, Miller, Nevada, Pike,
Sevier) New Mexico, Oklahoma, Texas,
Mexico
WISCONSIN MAGNETO, INC.
4727 N. Teutonia Ave.
Milwaukee, WI. 53209
1-800-733-7388
FAX 1-800-733-0127
Illinois (N. of Hwy. 80), Michigan (upper
Peninsula), Minnesota, North & South
Dakota, Wisconsin

REPAIR PARTSMODEL 425603x99A
36
F–030738L
CHASSIS & HOOD
43
44
46
16
16
16
16
47
48
56
1
2
3
4
5
6
7
8
9
10
11
12
13
14
15
16
17
18
19
20
24
21
31
23
25
26
27
30
29
28
31
32
33
34
35
31
36
37
38
16
40
16
16
45
2
50
70
53
54
55
55
39
42
49 41
51
57
58
58
16
52
REPAIR PARTSMODEL 425603x99A
37
F–030738L
CHASSIS & HOOD
Key
No. Description Part No.
Key
No. Description Part No.
1 Seat 1001028
2 Cap, Push 0n 028x23
3 Spring 094057
4 Screw 26x229
5 Bolt, Wing 1001054
6 Washer 017x47 Z
7 Bolt, Shoulder 009x56
8 Support, Seat 094154E735
9 Rod, Pivot 094156 Z
10 Bracket, Pivot 094153E700
11 Bolt 001x45
12 Nut 015x89
13 Bolt, Shoulder 009x55
14 Washer 094155 Z
15 Spring 164x31
16 Screw 26x249
17 Screw 26x263
18 Spring 164x30
19 Deck, Seat 1001556E735
20 Nut 15x123
21 Plate, Index 094194E700
22 Screw 009x47
23 Mat, Left 095408
24 Mat, Right 095409
25 Hood 1001539E276
26 Grille 1001533E276
27 Lens, Left 1001552
28 Housing, Left Headlamp 1001550
29 Lens, Right 1001551
30 Housing, Right Headlamp 1001549
31 Screw 26x270
32 Screw 26x238
33 Bearing, Steering 1001491
34 Dash 1001593E735
35 Screw 26x201
36 Panel, Access 093007E700
37 Support, Dash 095318E735
38 Bracket, Rear Hanger 1001270E700
39 Support, Left Grille 094085E700
40 Axle, Hanger 094007E700
41 Support, Right Grille 094084E700
42 Bolt, Shoulder 009x58
43 Frame, Right 1001268E700
44 Frame, Left 1001269E700
45 Container, Battery 690424
46 Plate, Hitch 1001002E700
47 Plate, Rear 690218E700
48 Top, Rear Plate 94186E700
49 Screw 26x277
50 Nut 015x81
51 Nut 15x124
52 Support, Battery 690482E701
53 Insert, Grille 1001540
54 Screw 26x259
55 Fastener, Panel 0193x1
56 Cover, Detent 094680
70 Holder, Cup 1001542
–– Instruction Book & Parts List F–030738L

REPAIR PARTSMODEL 425603x99A
38
F–030738L
DRIVE ASSEMBLY
1
1
1
1
1
1
2
4
5
6
7
8
9
9
10
11
12
14
15
16
17
18
21
22
23
24
19
20
19
29
30
2827
26
25
16
35
31
33
32
34
36
57
37
38
34
49
50
55 39
56
39
40
42
41
46
43
44
45
53
47
41
48
52
51
40
53
REPAIR PARTSMODEL 425603x99A
39
F–030738L
DRIVE ASSEMBLY
Key
No. Description Part No.
Key
No. Description Part No.
1 Screw 26x249
2 Grip, Parking Brake 091079
4 Rod, Parking Brake 1001245 Z
5 Bracket, Transaxle – Left 094185E701
6 Rod, Clutch 1001013 Z
7 Latch, Parking Brake 094045 Z
8 V–Belt, Drive 37x106
9 Nut, Flange 015x79
10 Pedal, Brake/Clutch 021544
11 Assembly, Brake Pedal 1001011E701
12 Screw, Guide 094384
14 Bolt, Carriage 002x53
15 Washer 017x57
16 Pin, Hair 0031x4
17 Pedal Assembly, Hydro 1001231E701
18 Wheel & Tire Ass’y –Rear 20” 092511–650
– – Tire ONLY * 407926
– – Tube ONLY 407049
19 Washer 17x160
20 Spacer 690554 Z
21 Stem, Valve 024373
22 Washer 17x195
23 E–Ring 0011x3
24 Cap, Hub 094618
25 Nut, Centerlock 015x88
26 Transaxle * *
27 Strap, Torque 1001085E701
28 Screw 26x216
29 Rod, Control 1001234 Z
30 Nut, Adjusting 092132
31 Nut, Centerlock 015x84
32 Pin, Cotter 030x20
33 Washer 017x48
34 Spring, Extension 165x92
35 Washer 17x148
36 Arm, Disconnect 1001086 Z
37 Capscrew 06x105
38 Spring, Brake 165x150
39 Locknut, Flange 015x98
40 Pulley, Idler 690409
41 Spacer 690369
42 Bracket, Idler Assembly 1001097E701
43 Bolt, Shoulder 009x49
44 Link, Clutch 1001007 Z
45 Nut, Tee 1001014
46 Pulley, Idler 690410
47 Bushing, Pivot 1001012
48 Arm Assembly, Idler 1001018 Z
49 Bracket, Transaxle –Right 094184E701
50 Bolt, Hex 01x155
51 Bracket, Disconnect 1001214 Z
52 Rod, Disconnect 1001215 Z
53 Bracket, Idler Pivot 1001108E701
54 Bolt, Carriage 002x92
55 Bolt, Carriage 002x78
56 Spring, Clutch 165x155
57 Washer 017x38
* When you order a tire, make sure to give the brand name of the tire so that the tread pattern on the tire will match.
** For information on Replacement Parts see the Central Parts Distributor in your area.

REPAIR PARTSMODEL 425603x99A
40
F–030738L
STEERING
1
2
4
5
6
7
8
9
10
11
12
15
6
13
30
30
30
17
18
30
14
30
19
16
26
24
21
22
23
25
27
24
25
22
23
28
29
25
25
30
33
35
36
19
31
31
32
38
20
20
37
40
39
34
3
41
43
REPAIR PARTSMODEL 425603x99A
41
F–030738L
STEERING
Key
No. Description Part No.
Key
No. Description Part No.
1 Wheel, Steering 095185
2 Post, Steering 690625
3 Insert, Steering Wheel 711326
4 Bearing 094124
5 Nut, Flange 15x111
6 Bolt, Shoulder 009x57
7 Gear, Pinion 690183
8 Ring, Snap 011x25
9 Gear, Sector 094121
10 Bearing 094123
11 Bolt 001x84
12 Plate, Steering 1001121E701
13 Plate, Engine 094006E700
14 Nut, Flange 015x88
15 Nut, Flange 15x118
16 Bracket, Hanger 1001270E701
17 Axle, Hanger 094007E700
18 Bolt 01x146
19 Pin, Cotter 030x49
20 Bearing 690150
21 Spindle Assembly, Left 094576E701
22 Bolt 01x111
23 Washer 17x104
24 Washer 017x53 Z
25 Nut, Flange 015x84
26 Axle Assembly 1001460E701
27 Drag Link, Left 095329E701
28 Spindle Assembly, Right 094575E701
29 Drag Link, Right 095328E701
30 Screw 26x249
31 Bearing, Wheel 091334
32 Stem, Valve 024373
33 Tire * 024380
–– Tube 407924
34 Wheel and Tire Assembly 094581–650
35 Washer 17x195
36 Washer 17x192
37 Washer 17x113
38 Hub Cap 094618
39 Screw 26x267
40 Bellows 092059
41 Bolt 0025x3
43 Washer 17x146
* When you order a tire, make sure to give the brand name of the tire so that the tread pattern on the tire will match.

REPAIR PARTSMODEL 425603x99A
42
F–030738L
MOWER HOUSING SUSPENSION
1
2
3
4
5
6
7
8
14
14
910
11
12
12
11
13
14
15
16
17
18
19
20
20
21
22
22
23
24 24
24
25
25
11
15
27
26
26
24
25 15
33
34
36
37
32
32
38
31
24
30
25
41
43
15
30
31
44
42
24
7
40
39
39
45
REPAIR PARTSMODEL 425603x99A
43
F–030738L
MOWER HOUSING SUSPENSION
Key
No. Description Part No.
Key
No. Description Part No.
1 Grip 092698
2 Handle, PTO 094826 Z
3 Pad, Switch 094022 Z
4 Bolt 0025x3
5 Grip 092697
6 Spring 166x40
7 Washer 17x103
8 Lever, Lift 690533
9 Lever, PTO 094017 Z
10 Bolt, Shoulder 009x39
11 Pin, Cotter 030x20
12 Washer 017x57
13 Link, PTO 094004 Z
14 Nut, Flange 015x84
15 Screw 26x249
16 Spring 166x39
17 Bracket, PTO 094018E701
18 Spring 165x119
19 Crank, PTO 690394E701
20 Link, Lift 690212E701
21 Link, Lift Handle 690122E701
22 Washer 17x168
23 Washer 017x57
24 Pin, Hair 0031x4
25 Washer 017x91 Z
26 Bolt, Carriage 002x85
27 Lever Assembly, Lift 1001111E700
30 Pin 094067
31 Bracket, Rear Suspension 094055E701
32 Spacer, Lifter 690151
33 Bolt, Shoulder 009x53
34 Bracket, Pivot 094015E700
36 Washer 17x191
37 Nut, Flange 015x84
38 Spring 165x131
39 Nut, Flange 015x68
40 Bracket, PTO 094005E700
41 Hanger, Left Deck 094027E701
42 Hanger, Right Deck 094026E701
43 Rod, Hanger 094158 Z
44 Bracket, Suspension 690539E701
45 Plate, Stiffening 1001098E700

REPAIR PARTSMODEL 425603x99A
44
F–030738L
MOWER HOUSING
1
2
361
2
1
4
5
11 10
47
13
1
4
15
16
17
18
23
22
9
19
8
20
5
21
6
23
23
24
12
27
25
24
28
22
526
5
24
6
21
20
52
8
19
5
22
11
10
17
13
47
9
14 29 5
33
31
32
30
22
22
5
33
55
32
53
50 51
50
51
53
54
33 33
32
5
44
42
42
34
43
41
36
37
38
39
40
38
39
40
37
35
36
14
34
5
33
33
59
45
32
17
22
46
17
48
15
22
57
58
60
60
49
523
62
17
22
REPAIR PARTSMODEL 425603x99A
45
F–030738L
MOWER HOUSING
Key
No. Description Part No.
Key
No. Description Part No.
1 Pulley, Jackshaft 094199
2 Nut, Hex 15x140
3 Belt, Mower Drive 037x88
4 Pulley, Idler 690387
5 Nut, Flange 015x84
6 Spacer, Pulley ** 1001197
8 Link, Lift 690212E701
9 Pad, Friction 094137
10 Bolt, Shoulder 009x52
11 Bracket, Suspension 094055E701
12 Pad Assembly, Left Brake 094049E701
13 Knob 094068
14 Bolt, Shoulder 009x51
15 Plate, Suspension 094128E701
16 Spring 166x43
17 Nut, Flange 015x79
18 Bracket, Suspension 094192E701
19 Pin, Hanger 095194
20 Washer 017x91
21 Pin, Hair 0031x4
22 Bolt 0025x7
23 Cover, Pulley 094051E701
24 Bolt, Shoulder 009x39
25 Arm, Idler 690408E700
26 Spring 166x41
27 Pad Assembly, Right Brake 094047E701
28 Bracket, Brake 094193E700
29 Spring 166x42
30 Bracket, Suspension 094191E700
31 Plate 092426E700
32 Nut, Flange 015x88
33 Bolt, Carriage 002x53
34 Mandrell Housing 1001200
35 Bracket, Suspension 690539E701
36 Adapter, Blade 690411
37 Blade 095100E701
38 Washer 17x166
39 Washer 17x165
40 Nut 15x100
41 Spring 0166x4
42 Cap, Push On 028x23
43 Rod, Deflector 094957 Z
44 Deflector Assembly 094707SE
45 Bracket, Deflector Hinge 094956E701
46 Bracket, Front Hanger 094190E701
47 Washer 017x45
48 Guide, Belt 094781
49 Spacer 690369
50 Bolt, Axle 094025
51 Washer 017x91
52 Spring, Extension 165x119
53 Wheel, Gage 092683
54 Bracket, Right Wheel 1001260E700
55 Bracket, Left Wheel 092423E700
57 Screw 26x249
58 Stiffener 094604E700
59 Housing, Blade * 094814E700
60 Ring, Locking 031x11
61 Nut, Flange 015x98
1–61 Complete Mower Housing Assy. 7601032
62 Guide, Belt 094066
* Includes Key No. 17, 18, 30, 31, 32, 33, 45, 46, 53, 54, 55, and 56.
* This part is included when ordering Key number 34.

REPAIR PARTSMODEL 425603x99A
46
F–030738L
ENGINE MOUNT ASSEMBLY
4
5
14
18
19
20
21 20
22
23
24
25
26
28
28
28
29
30
31
6
32
33
6
34
35
36
37
8
2
16
15
16
3
1
REPAIR PARTSMODEL 425603x99A
47
F–030738L
ENGINE MOUNT ASSEMBLY
Key
No. Description Part No.
Key
No. Description Part No.
1 Cap, Fuel * * 092317
2 Tank, Fuel 690289
3 Screw 26x253
4 Plenum, Air Intake 1001626
5 Nut 15x116
8 Shield, Heat 1001456–701
14 Engine * – –
15 Line, Fuel (18 inches long) * * 7601033
16 Clamp * * 095197
18 Pipe, Oil Drain 092279
19 Cap, Oil Drain 021651
20 Bolt 0025x7
21 Spacer 093077
22 Pulley, Stack 690439 Z
23 Washer 17x170
24 Lockwasher 019x35
25 Bolt 01x140
26 Gasket 711851
28 Bolt 06x103
29 Tube, Right Exhaust 1001038
30 Tube, Left Exhaust 1001039
31 Bracket, Muffler Mounting 690537E71
32 Muffler 093259
33 Bracket, Muffler 690538E701
34 Choke 776113
35 Nut 015x68
36 Screw 26x201
37 Control, Throttle 093165
* Parts are available from an Engine Authorized Service Center. See “Engines, Gasoline” or “Gasoline Engines” in the yellow
pages of the telephone directory.
* These parts are included with Key number 2.

REPAIR PARTSMODEL 425603x99A
48
F–030738L
ELECTRICAL SYSTEM
RED RED
GREEN GREEN
YELLOW
YELLOW
ORANGE
VIOLET
BLACK
ORANGE
DC
RED
RED
BLACK
BLACK
YELLOW
YELLOW
ORANGE
WHITE
STARTER
START
SWITCH
STATOR
DIODE
RED DC
OUTPUT
BLACK AC
OUTPUT
HEADLIGHT HARNESS
SPARK
PLUG
ARMATURE
SOLENOID
ORANGE
YELLOW
YELLOW
YELLOW
NO
NC
SEAT SWITCH HARNESS
NC
PTO SWITCH
CLUTCH
BRAKE
SWITCH
SEAT SWITCH
RED
RED
15 AMP
FUSE
YELLOW
YELLOW
1
3
4
5
6
8
9
2
4
10
7
AFTERFIRE
SOLENOID
UNOCCUPIED
DISENGAGED
( PEDAL UP )
NO
NC 11
RED
AC
GRAY
YELLOW
GRAY
REPAIR PARTSMODEL 425603x99A
49
F–030738L
ELECTRICAL SYSTEM
Key
No. Description
Part
No.
1 Harness, Light Wire 250x92
Socket, Light 092372
Bulb, Light 090084
2 Harness, Chassis Wire 250x117
3 Switch, Ignition 092556
Key, Ignition 020729
Nut, Hex 091489
Cap, Ignition 091488
4 Switch, Limit 094136
5 Fuse 302031
Holder, Fuse 407078
6 Solenoid 094613
Screw, Mounting 26x229
Locknut 15x116
7 Cable, Battery Ground 024x32
Screw, Ground Cable 26x213
8 Battery 021075
Bolt, Carriage 002x82
Wingnut 014x79
9 Harness, Seat Switch Wire 250x67
10 Switch, Seat Sensor 094159
11 Cable 024x31

50
F–030738L

INDEX
51
F–030738L
A
Adjustments
Blade Rotation Control, 23
Clutch, 24
Drive Brake, 25
Mower Housing, Level, 29
Attachments, 15, 52
Automatic Drive Disconnect,
Operation, 16
B
Battery
Charge, 25
Check, 12
Clean, 25
Install, 12
Removal, 25
Storage, 33
Belt
Motion Drive
Adjust, 24
Replace, 30
Mower Drive
Adjust, 23
Replace, 31
Blade
Inspect, 22
Remove And Install, 22
Sharpen, 22
Blade Rotation Control
Adjust, 23
Location, 14
Operation, 15
Brake Pedal, Location, 14
C
Clutch
Adjust, 24
Check, 24
Controls, Location, 14
Cutting Height
Adjust, 29
Change, 17
D
Drive Brake
Adjust, 25
Check, 25
E
Engine
Fuel, 13, 19
Oil, 13, 19
Preparation, 13
Spark Arrester, 13, 21
Starting, 19
Storage, 33
Throttle Control, 15
F
Filter, Fuel, 26
Fuel, Type, 19
Fuse, 33
H
Headlight, Replace Light Bulb, 33
Headlight Switch, Location, 14
I
Ignition Switch, Location, 14
L
Lift Lever
Location, 14
Operation, 17
Lubrication, Mower, 26
M
Maintenance
Adjust, Guage Wheels, 28
Battery
Charge, 25
Clean, 25
Belt
Motion Drive, 30
Mower Drive, 31
Blade, 22
Blade Rotation Control, 23
Clutch, 24
Drive Brake, 25
Filter, Fuel, 26
Fuse, 33
Headlight, 33
Install, Wheels, 32
Lubrication, 26
Mower Housing
Clean, 33
Install, 27
Level, 29
Remove, 27
Muffler, 21
Storage, 33
Maintenance Chart, 21
Motion Drive Belt
Adjust, 24
Replace, 30
Mower Drive Belt
Adjust, 23
Replace, 31
Mower Housing
Clean, 33
Cutting Height, 17
Install, 27
Level Adjustment, 29
Operation, 18
Remove, 27
Muffler, 21
Spark Arrester, 21
O
Oil
Check, 19
Type, 19
Operation
Attachments, 15
Automatic Drive Disconnect, 16
Blade Rotation Control, 14, 15
Brake Pedal, 14
Headlight Switch, 14
Ignition Switch, 14
Lift Lever, 14, 17
Location Of Controls, 14
Mower Housing, 18
Mowing And Bagging, 20
Operate On Hills, 18
Parking Brake, 14, 17
Speed Control Pedal, 14, 16
Start The Engine, 19
Stop The Unit, 17
Throttle Control, 14, 15
Transport, 17
P
Parking Brake
Location, 14
Operation, 17
Parts Bag, 10
S
Safety Rules
American National Standard Institute,
3–4
Safe Mowing Guide, 5–7
Seat, Install, 11
Seat Switch, Operation, 19
Slope Guide, 50
Spark Arrester, 13, 21
Speed Control Pedal
Location, 14
Operation, 16
Steering Wheel, 11
Storage, 33
T
Throttle Control
Location, 14
Operation, 15
Tire Pressure, 13, 26
Trouble Shooting Chart, 34
W
Warranty, 2

52
F–030738L
LAWN TRACTOR ACCESSORIES
Make your Lawn Tractor do more than you ever imagined.
The accessories shown on this page can be used on your Lawn Tractor. See the Store or Dealer where
you purchased your Lawn Tractor. If you are unable to obtain the necessary information, contact the
Central Parts Distribution Center for your area as listed in your Repair Parts Book.
LAWN SWEEPER
Model No. 24720
SNOW BLADE
Model No. 24478
SNOW THROWER
Model No. 24574
Made in U.S.A.
38” MULCHER KIT
Model No. 24750
40” MULCHER KIT
Model No. 24755
42” MULCHER KIT
Model No. 24758
TIRE CHAINS
Model No. 24530
(For 18x8.5 inch tire)
Model No. 24538
(For 18x9.5 inch tires)
Model No. 24525
(For 20x8 inch tire)
Model No. 24515
(For 20x10 inch tire)
Model No. 24539
(For 23x9.5 inch tire)
GRASS BAGGER
Model No. 24767
9 Bushel Capacity
(For 42” and 46”)
REAR WHEEL WEIGHTS
Model No. 24003
(For 18x9.5 inch tires)
(For 20x8 inch tires)
Model No. 24630
(For 23 inch tires)
GARDEN TILLER
Model No. 13460
GRASS BAGGER
Model No. 24744
7 Bushel Capacity
(For 38”, 40”, and 42”)