MyBinding Martin Yale 3800Apfc Parts List User Manual
2013-06-04
User Manual: MyBinding Martin-Yale-3800Apfc-Parts-List
Open the PDF directly: View PDF
.
Page Count: 7

I
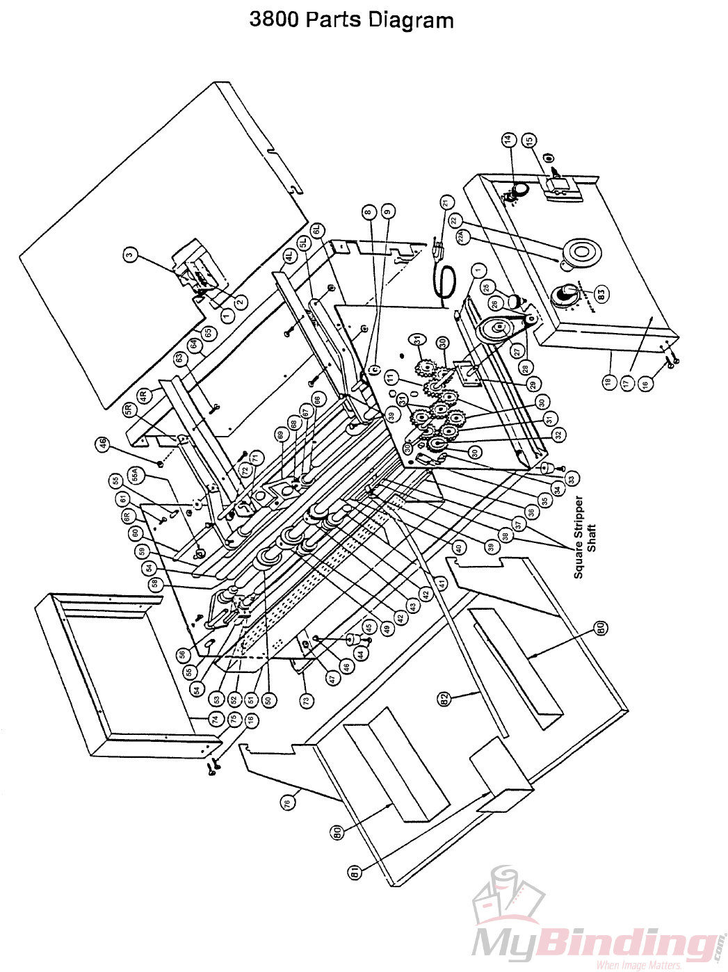
3800 AP/FC Parts List
Ref. No. Part Number Qty. Description
1 M-O095138 1 Urethane Friction Driver
1A M-S013033 1 Friction Driver Bearing
1B M-O095113 1 Plain Axle
2 M-O095107 2 Auxiliary Feed Extension Spring
3 M-O003548 1 Auxiliary Feed Roller Rubber
3A M-O095108 1 Small Feed Arbor
3B M-O095109 1 Spring Loaded Axle
4L W-O380011 1 Paper Guide Left Hand
4R W-O380012 1 Paper Guide Right Hand
5L W-O380016 1 Guide Support Left Hand
5R W-O380015 1 Guide Support Right Hand
6L W-A380002 1 Main Frame Left Hand
6R W-O380001 1 Main Frame Right Hand
7 M-S007008 14 10-32 Keps Nut
8 W-O380018 1 Fine Adjustment Knob
9 M-O380019 1 Fine Adjustment Bushing
11 M-O380093 1 Spec. 18T Gear
14 WRA380500 1 Speed Control
14A M-S032057 1 Speed Control Knob
15 M-S045002 1 Circuit Breaker
16 M-S004029 8 8-32 X 1” Screw
17 W-A380072 1 Side Cover Left Hand
18 W-A380098 1 Aluminum Bezel Trim Right Hand (Auto Perf.)
18A W-A380099 1 Aluminum Bezel Trim Rightt Hand (Forms Cutter)
21 M-S037001 1 Power Cord
22 M-S032047 1 Hand Wheel w/ Set Screw
22A M-S002006 1 10-32 X 3/8” Set Screw
25 M-S032044 1 Control Lock Knob
26 M-S022017 1 Timing Pulley 12T X L037
27 M-S022021 1 Timing Pulley 60T X L037
28 M-S025008 1 Timing Belt 144 X L037
29 M-S021048 1 120V DC Motor
30 M-O003036 4 18T Idler Gear
31 M-O003035 5 18T “D” Gear
32 M-O095050 5 Idler Gear Studs
33 W-O380051 1 Motor Base
34 M-O380038 1 Micro Switch Cam Bushing
35 M-S033030 1 Micro Switch
36 M-O380057 1 Square Shaft
37 W-O380056 1 Square Shaft
38 W-O380059 4 Aluminum Stripper Fingers

II
Ref. No. Part Number Qty. Description
39 M-S003045 8 10-32 Screw
39A M-S032045 8 Screw Cap
40 M-O380039 1 Height Adjustment Shaft
41 W-A380044 2 Accessory Shaft
42 M-O380067 2 Cutter Hub
43 W-A380024 1 10 Tooth Slot Perf. Wheel (Auto Perf.)
43A W-A38024A 1 7 Tooth Slit Perf. Wheel (Forms Cutter)
43B WRA38024B 1 3 Tooth Slit Perf. Wheel (Optional)
44 M-S001011 4 8-32 X ½” Screw
45 M-S030003 4 Rubber Bumper
46 M-S007006 8 8-32 Keps Nut
47 M-S001011 4 8-32 X ½ Phillips Pan Head Screw
49 W-A380065 1 Slitter Assembly (Forms Cutter)
50 M-O380066 2 Scoring Wheel (Auto Perf.)
51 M-O380058 1 Acrylic Cover
52 M-O380032 1 Bearing Mount Plate
53 WRA380047 1 Exit Roller Assembly
54 W-O380045 2 Pinch Roller
55 M-O003104 7 Index Pin
55A M-O095242 1 Tapered Index Pin
56 M-O380040 1 Height Adjusting Arm Right Side
56A M-O380091 1 Height Adjusting Arm Left Side
56B M-S020006 2 Self Aligning Bearing
56C M-S013007 2 3/8” X ½” X 1” Oilite Bearing
58 WRA380046 1 Entry Roller Assembly
59 W-O380020 1 Tie Rod
60 M-O380017 1 Fine Adjustment Shaft
61 M-S001129 6 6-32 X ¼” Phillips Pan Head Screw
63 M-S001110 4 8-32 X 5/8” Phillips Flat Head Screw
64 W-O380060 1 Front Plate Assembly
65 W-A380003 1 Feed Table Assembly
66 W-A380030 1 Feed Roller Shaft
67 M-O380095 1 Feed Roller Rubber
68 WRA003116 1 Retarder Rubber with Arbor
69 W-A095119 1 Retarder Block Assembly
71 W-O380014 2 Leaf Spring Assembly
71A M-O380013 2 Leaf Spring Stud
72 M-S032042 2 Leaf Spring Knob
73 W-O380096 2 Bottom Aluminum Trim
74 W-O380073 1 Side Cover Right Hand
75 W-O380097 1 Aluminum Bezel Trim Left Hand
76 W-A380079 1 Receiving Tray
80 WRA380085 2 Acrylic Side Guide Assembly
81 WRA380087 2 Acrylic Back Stop Assembly

III
Ref. No. Part Number Qty. Description
82 W-O380094 2 Exit Strap
83 M-S032057 1 Depth Adjustment Knob
220V Machines: Same Parts Except:
14 W-A095207 1 Speed Control w/ Knob
21 M-S037286 1 Power Cord
29 M-S021022 1 220V DC Motor
Not Illustrated:
W-O380029 1 Stripper
M-S012012 1 3/32” X 6” T Allen Wrench
M-S013009 4 Oilite Bearing w/ Flats
M-S013010 7 Flanged Oilite Bearing
M-O380043 1 Height Adjusting Stud
M-S013013 1 ½” ID Oilite Bearing
M-S033024 1 8 Positive Terminal Strip 220V only

IV

V

VI
