NBS Payment Solutions Division of NBS Technologies NBS55XXT Wireless CDMA Point-of-Sale Terminal User Manual Starter Kit V2 User Guide
NBS Payment Solutions - Division of NBS Technologies Inc. Wireless CDMA Point-of-Sale Terminal Starter Kit V2 User Guide
Contents
- 1. NBS USER MANUAL
- 2. WAVECOM USERS MANUAL
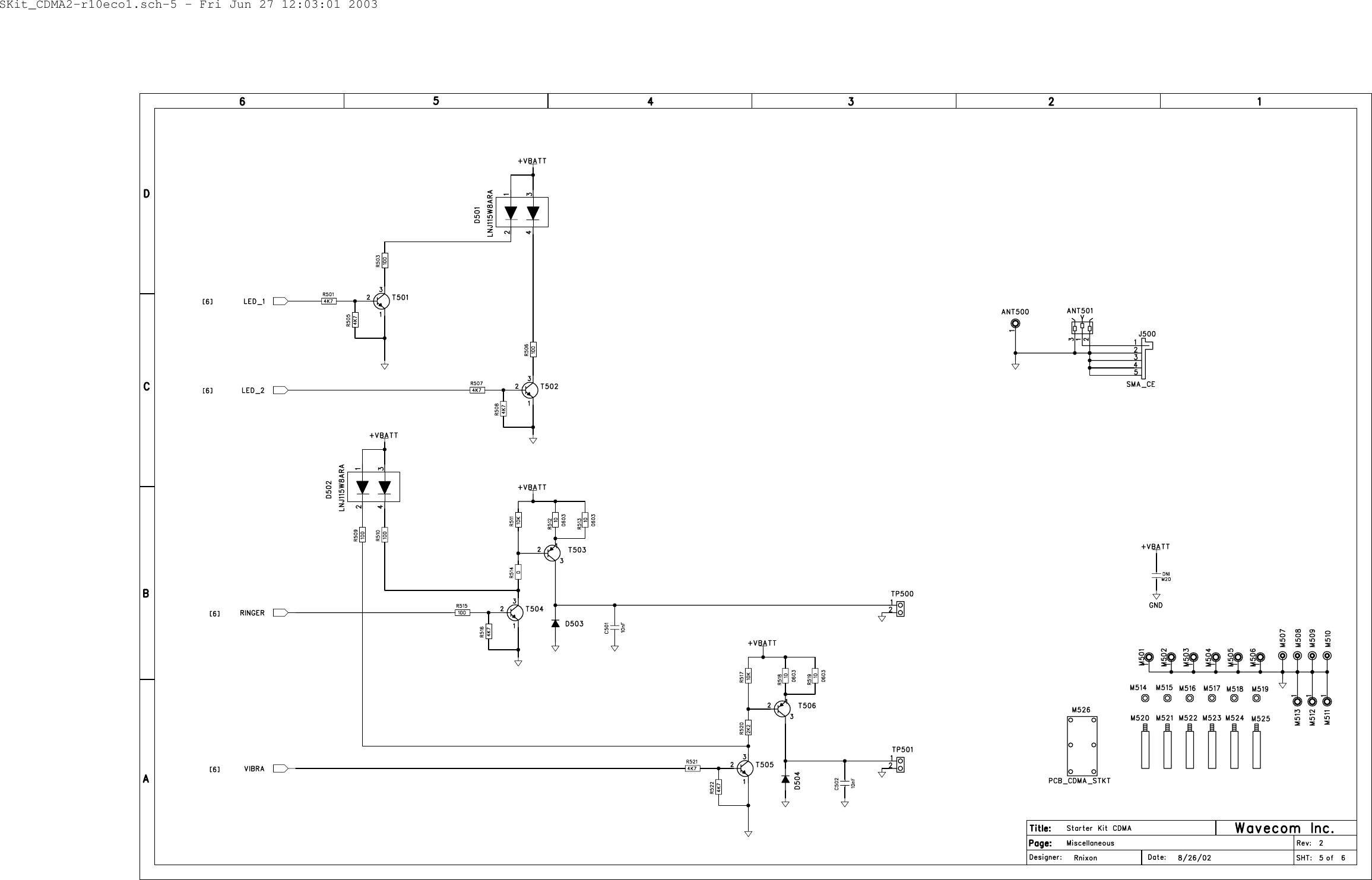
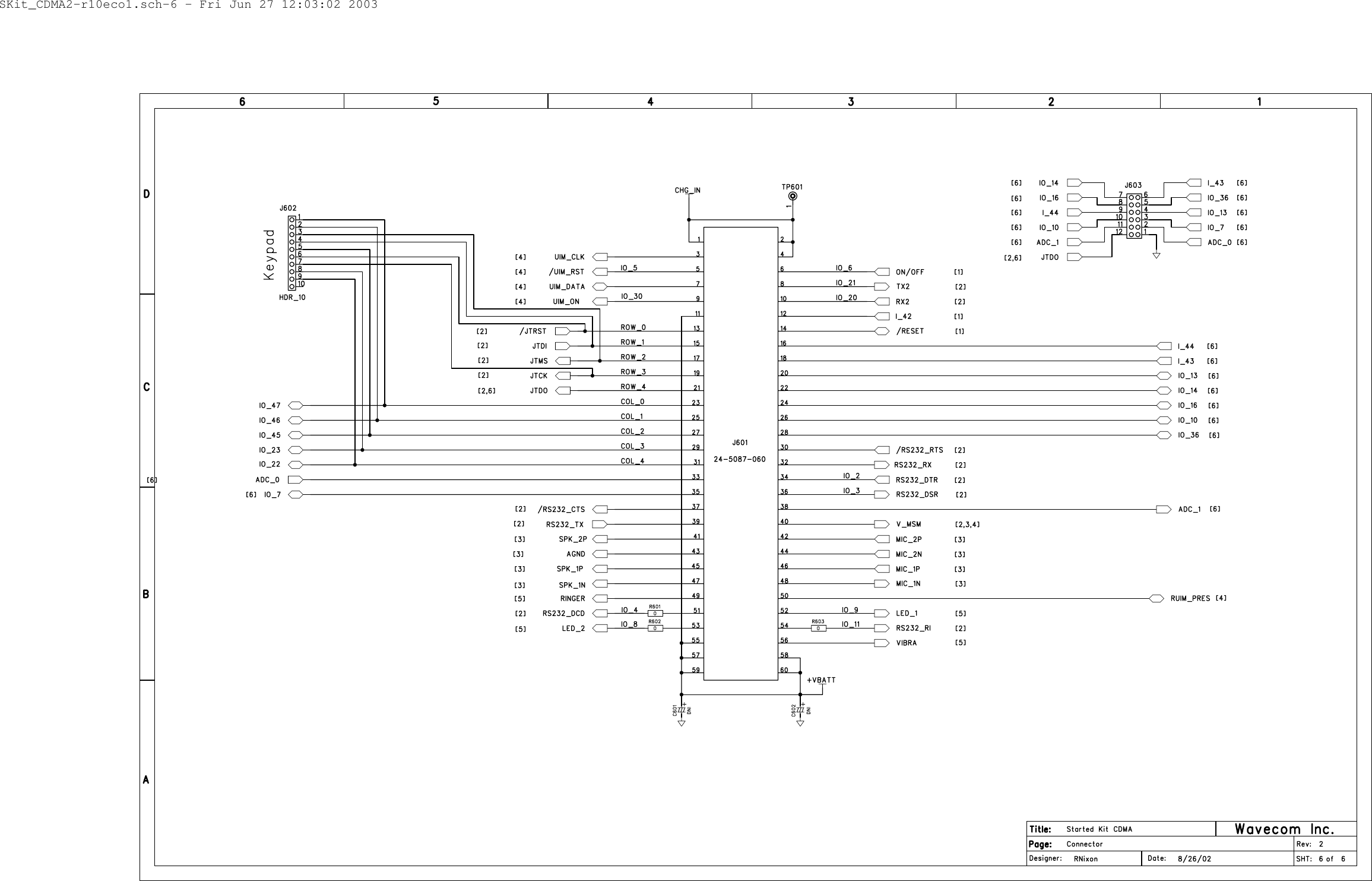
WAVECOM USERS MANUAL






















