NEC Engineering 271 Wireless transceiver module User Manual

NEC Engineering, Ltd. Wireless transceiver module

User Manual

資料番号      IT471-A0095-M513                 発行年月日  Oct 2012  (Rev1.1) Small size 2.4GHz wireless transceiver module 「ZB24TM-E2036」  The ZB24TM-E2036 is a 2.4GHz Low power wireless transceiver module. The module contains  all  required  hardware  and  software  to  evaluate  and  develop  wireless communication based on IEEE 802.15.4 PHY.              UProduct Photo  < Feature> ・ Integrated by MCU, RF circuits, antenna ・ Equipped with a high performance pattern antenna. ・ Communicated by the functions of device detect and data transmission ・ Based on IEEE802.15.4.PHY ・ 1:N communication style ・ Controlled by UART I/F ・ Low power sleep mode ・ DC3.0V supply voltage ・ Certified Japan Radio Law
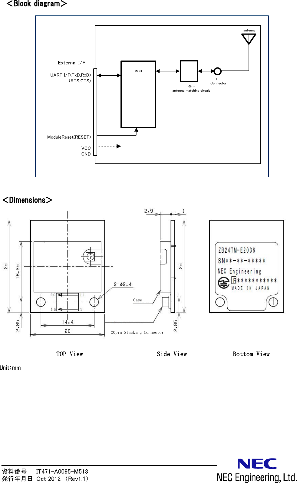
資料番号      IT471-A0095-M513                 発行年月日  Oct 2012  (Rev1.1)  <Block diagram>                 <Dimensions>          RF +antenna matching circuitMCU External I/FantennaUART I/F(TxD,RxD)(RTS,CTS)ModuleReset(RESET)VCCGNDRFConnectorUnit:mm TOP View  Side View  Bottom View 20pin Stacking ConnectorCase
資料番号      IT471-A0095-M513                 発行年月日  Oct 2012  (Rev1.1)  <output I/F connector>    connector type  :  Stacking connector  20pin  0.5mm pitch     product name  :  JST  20R-JMCS-G-TF(NSA)   Receptacle Signal level       :CMOS  Customer  :  Recommended connector JST  20P3.0-JMCS-G-TF(N)  Plug              Stacking height 3mm  ・Module pin definitions  Pin No.  Pin name  Type  Definition  State of reset  Detail 1  VCC  power  Power  -  DC3.0V(Recommend power supply voltage)     2  GND  GND  GND  -   3  TxD  OUT  UART data transmit  HiZ   4  RxD  IN  UART data receive  HiZ   5  WAKEUP  IN  WAKEUP input  -  Internal Pullup   Sleep mode enable = High /disable = Low input 6  RESET  IN  RESET input  -  Internal Pullup RESET Low input 7  Reserved  -  Reserved  -  n.c 8  Reserved  -  Reserved  -  n.c 9  Reserved  -  Reserved  -  n.c 10  Reserved  -  Reserved  -  n.c 11  VCC  power  power  -  DC3.0V(Recommend power supply voltage)     12  GND  GND  GND  -   13  GND  GND  GND  -   14  CTS  -  Clear to send  -  n.c 15  RTS  -  Ready to send  -  n.c 16  Reserved  -  Reserved  -  n.c 17  Reserved  -  Reserved  -  n.c 18  Reserved  -  Reserved  -  n.c 19  MODE  OUT  Mode output  -  Normal mode = Low / sleep mode =High output 20  GND  GND  GND  -
資料番号      IT471-A0095-M513                 発行年月日  Oct 2012  (Rev1.1)  <Specification>  Product name  ZB24TM-E2036 Carrier frequency  2405MHz~2480MHz  (16 channel) Communication protocol  Original protocol Modulation  DS-SS (Direct Sequence Spectrum Spread) Wireless bit rate  Maximum 250Kbps  (Subject to the communication environment) Transmit Power  Maximum 3mW  (At the feeding point of the antenna)  Outdoor RF line-of-sight Range About 200m  (Reference value) Interface  ・Serial communication       Baud rate  : Maximum 230.4kbps Data length: 8bit Parity: no parity Stop: 1stop bit   Flow control: no flow control Supply Voltage  ・DC 3.0V (Recommended) ・DC 2.1V~3.6V    Current Consumption  ・TX: Typ. 35mA   ・RX: Typ. 28mA   ・Sleep Mode : Typ. 1uA (power-supply voltage DC 3.0V) Operating conditions  ・Operating temperature range:-20℃~+75℃ ・Operating humidity range:85%RH or less  (No do be dewy) Weight  About 2g Dimensions      25mm×20mm×3.9mm  (D×W×H)   Restrictions RoHS-Compliant (Pb free) Radio Law  Japan Radio Law certification
資料番号      IT471-A0095-M513                 発行年月日  Oct 2012  (Rev1.1)  <FCC statement>  This device complies with Part 15 of the FCC Rules. Operation is subject to the following two conditions: (1) this device may not cause harmful interference, and (2) this device must accept any interference received, including interference that may cause undesired operation.  Modifications not expressly approved by NEC Engineering, Ltd. could void the user's authority to operate the equipment.  This equipment has been tested and found to comply with the limits for a Class B digital device, pursuant to Part 15 of the FCC Rules. These limits are designed to provide reasonable protection against harmful interference in a residential installation. This equipment generates, uses and can radiate radio frequency energy and, if not installed and used in accordance with the instructions, may cause  harmful interference to  radio communications. However, there is no  guarantee that interference will not occur in a particular installation. If this  equipment  does  cause  harmful interference to radio or television reception, which can be determined by turning the equipment off and on, the user is encouraged to try to correct the interference by one or more of the following measures: -- Reorient or relocate the receiving antenna. -- Increase the separation between the equipment and receiver. -- Connect the equipment into an outlet on a circuit different from that to which the receiver is connected. -- Consult the dealer or an experienced radio/TV technician for help.  Radiofrequency radiation exposure Information: The radiated output power of the device is far  below  the  FCC  radio  frequency  exposure  limits. Nevertheless, the device shall be used in such a manner that the potential for human contact during normal operation is minimized.                 NEC Engineering,Ltd. UGeneral inquiries Sales&Marketing Division     4-10-27 Higashishinagawa Shinagawa-ku Tokyo 140-0002  Japan   TEL: +81 3 6713 1200      URL http://www.nec.co.jp/solution/engsl/pro/zigbee/  Contact

Navigation menu