NEC VT660VT560VT460 User Manual To The D5c247d3 8ce4 4645 Ae78 7f245c0d8f9d
User Manual: NEC VT660VT560VT460 to the manual
Open the PDF directly: View PDF
.
Page Count: 41
- Wichtige Informationen
- INHALTSVERZEICHNIS
- EINFUHRUNG
- INSTALLATION UND ANSCHLUSSE
- BILD-PROJEKTION (GRUNDBETRIEB)
- PRAKTISCHE FUNKTIONEN
- ANWENDUNG DES BILDSCHIRM-MENUS
- Grundlegende Menubedienung
- Liste der Menu-Optionen
- Menu-Elemente
- Menu-Beschreibungen & Funktionen
- Bildeinstellung
- Bild-Optionen
- Grundeinstellung
- Auswahlen der Lampenbetriebsart [Lampenbetriebsart]
- Auswahlen der Menusprache [Sprache]
- Auswahlen der Menu-Farbe [Auswahlen der Menufarbe]
- Auswahlen der Menu-Anzeigezeit [Menu-Anzeigezeit]
- Auswahlen einer Farbe oder eines Logos fur den Hintergrund [Hintergrund]
- Auswahlen der Projektor-Ausrichtung [Ausrichtung]
- Erweiterter
- Sperren der Tasten am Projektorgehause [Bedienfeld-Verriegelung]
- Aktivieren von Strom-Management [Strom-Management]
- Aktivieren des Hochgeschwindigkeits-Lufter-Modus [Hochgeschw.-Ventilation]
- Auswahlen des Signalformates [Signalauswahl]
- Seite2
- Auswahl des Rauschunterdruckungspegels
- Aktivieren der Auto-Einstellung [Auto-Einstellung]
- Positions- und Takteinstellung (wenn Auto-Einstellung Aus ist)
- Information
- Stand.
- WARTUNG
- FEHLERSUCHE
- TECHNISCHE DATEN
- ANHANG

Tragbarer Projektor
VT660/VT560/VT460
Bedienungshandbuch

G-2
Sicherheitshinweise
Vorsichtsmaßnahmen
Lesen Sie sich dieses Handbuch bitte sorgfältig durch, bevor Sie den
NEC VT660/VT560/VT460 Projektor benutzen, und bewahren Sie das
Bedienungshandbuch in greifbarer Nähe als spätere Referenz auf.
Die Seriennummer Ihres Projektors befindet sich auf der Unterseite.
Tragen Sie sie hier ein:
VORSICHT
Zum Ausschalten der Hauptspannung müssen Sie unbedingt
den Netzstecker von der Netzsteckdose abziehen.
Die Netzsteckdose sollte so nahe wie möglich am Gerät
installiert werden und jederzeit leicht zugänglich sein.
VORSICHT
UM EINEN ELEKTRISCHEN SCHLAG ZU VERMEIDEN,
SOLLTEN SIE DAS GEHÄUSE NICHT ÖFFNEN.
IM INNEREN DES GERÄTES BEFINDEN SICH KEINE
BAUTEILE, DIE VOM BENUTZER SELBST GEWARTET
WERDEN KÖNNTEN. ÜBERLASSEN SIE SÄMTLICHE
SERVICEARBEITEN QUALIFIZIERTEM NEC-
SERVICEPERSONAL.
Dieses Symbol warnt den Benutzer vor unisolierter Spannung
im Inneren des Gerätes, die einen elektrischen Schlag
verursachen kann. Daher ist der Kontakt mit sämtlichen inneren
Geräte-Bauteilen gefährlich.
Dieses Symbol macht den Benutzer darauf aufmerksam, daß
dem Gerät wichtige den Betrieb und die Wartung betreffende
Informationen beigefügt sind. Diese Informationen sollten zur
Vermeidung von Störungen unbedingt sorgfältig gelesen und
beachtet werden.
WARNUNG
UM EINE BRANDGEFAHR BZW. DIE GEFAHR EINES
ELEKTRISCHEN SCHLAGES ZU VERMEIDEN, DARF DIESES
GERÄT WEDER REGEN NOCH FEUCHTIGKEIT AUSGESETZT
WERDEN. VERWENDEN SIE NICHT DEN STECKER DIESER
EINHEIT MIT EINEM VERLÄNGERUNGSKABEL ODER EINER
STECKDOSE, IN DIE NICHT ALLE STIFTE VOLLSTÄNDIG
EINGESTECKT WERDEN KÖNNEN. ÖFFNEN SIE NICHT DAS
GEHÄUSE. IM INNEREN BEFINDEN SICH
HOCHSPANNUNGSFÜHRENDE BAUTEILE. ÜBERLASSEN SIE
SÄMTLICHE SERVICEARBEITEN QUALIFIZIERTEM NEC-
SERVICEPERSONAL.
3. GSGV Geräuschemissionsverordnung:
Der Schalldruckpegel beträgt entsprechend ISO 3744 oder ISO 7779
weniger als 70 dB (A).
Wichtige Sicherheitshinweise
Diese Sicherheitshinweise sollen eine lange Lebensdauer Ihres
Projektors sicherstellen und vor Feuer und elektrischen Schlägen
schützen. Lesen Sie diese Hinweise sorgfältig durch und beachten Sie
alle Warnungen.
Installation
1. Um beste Resultate zu erreichen, empfielt es sich, den Projektor in
einem abgedunkelten Raum zu betreiben.
2. Stellen Sie den Projektor auf eine flache, waagerechte Fläche in
einer trockenen Umgebung; frei von Staub und Feuchtigkeit.
3. Stellen Sie den Projektor weder in direktes Sonnenlicht noch in die
Nähe einer Heizung oder sonstiger Hitze abstrahlender
Einrichtungen.
4. Wenn das Gerät direktem Sonnenlicht, Rauch oder Dampf
ausgesetzt wird, können interne Komponenten beschädigt werden.
5. Behandeln Sie Ihren Projektor vorsichtig. Fallenlassen oder starkes
Schütteln kann interne Komponenten beschädigen.
6. Legen Sie keine schweren Gegenstände auf den Projektor.
7. Wenn der Projektor an der Decke installiert werden soll:
a. Versuchen Sie nicht, den Projektor selbst zu installieren.
b. Der Projektor muß von qualifiziertem NEC-Servicepersonal
installiert werden, um einen ordnungsgemäßen Betrieb
sicherzustellen und die Verletzungsgefahr zu reduzieren.
c. Die Decke muß für das Gewicht des Projektors ausreichende
Festigkeit aufweisen und die Installation muß entsprechend den
örtlichen Bauvorschriften ausgeführt werden.
d. Weitere Informationen erhalten Sie von Ihrem Fachhändler.
ACHTUNG
•Vermeiden Sie die Wiedergabe von Standbildern über
eine längere Zeitspanne. Dies könnte dazu führen, dass
diese Standbilder vorübergehend auf der Oberfläche der
LCD-Anzeigetafel sichtbar bleiben.
Geschieht dies, den Projektor ganz einfach
weiterbenutzen. Der Statik-Hintergrund des vorherigen
Bildes erlischt.
•Den Projektor bei eingeschalteter Lampe nicht auf die
Seite legen.
Dies könnte den Projektor beschädigen.
Wichtige Informationen

G-3
Vorsichtsmaßnahmen zum Schutz vor Brand und Stoß
1. Achten Sie auf ausreichende Ventilation und freie Luftzirkulation über
die Belüftungsschlitze, damit es nicht zu Hitzestau im Projektor
kommt. Halten Sie einen Mindestabstand von 10 cm zwischen
Wänden und Projektor.
2. Achten Sie darauf, dass keine Fremdkörper wie Büroklammern oder
Papierschnipsel in den Projektor eindringen können.
Versuchen Sie niemals selbst, in den Projektor gefallene
Gegenstände zu entfernen.
Keinesfalls Metallobjekte wie Drähte oder Schrauben in den Projektor
einführen. Schalten Sie den Projektor sofort aus, falls ein Gegenstand
hineingerutscht ist, und lassen Sie den Gegenstand vom NEC-
Kundendienst entfernen.
3. Platzieren Sie keine Behälter mit Flüssigkeiten auf den Projektor.
4. Blicken Sie bei eingeschaltetem Projektor keinesfalls direkt in die
Linse. Anderenfalls können Augenschäden resultieren.
5. Halten Sie Gegenstände wie Lupen vom Lichtstrahlweg des
Projektors entfernt. Der von der Linse projizierte Lichtstrahl ist äußerst
intensiv, weshalb reflektierende Gegenstände ihn umleiten und
Gefahren wie Brand oder Augenschäden verursachen können.
6. Decken Sie niemals bei eingeschaltetem Gerät die Linse mit der
beiliegenden Kappe o. Ä. ab. Dies kann aufgrund der von der
Lichtquelle abgestrahlten Wärme zum Schmelzen der Kappe und
zu Verbrennungen der Hände führen.
7.
Der Projektor ist auf eine Betriebsspannung von 100 – 120 V bzw. 200
– 240 V mit 50/60 Hz ausgelegt. Vergewissern Sie sich vor der
Inbetriebnahmen, dass die Netzspannung diesen Vorgaben entspricht.
8. Netzkabel vorsichtig handhaben und keinesfalls übermäßig biegen.
Ein beschädigtes Kabel kann elektrischen Schläge oder Feuer
verursachen.
9. Falls der Projektor für längere Zeit nicht verwendet wird, den
Netzstecker von der Steckdose trennen.
10.
Berühren Sie während eines Gewitters den Netzstecker auf keinen Fall.
Wenn Sie dies nicht beachten, kann dies zu einem elektrischen Schlag führen.
VORSICHT
1. Fassen Sie bei eingeschaltetem Projektor nicht an den Belüftungsgrill
auf der Vorderseite, da er heiß werden kann.
2. Verwenden Sie den Kippfuß keinesfalls anders als angegeben.
Transportieren oder Aufhängen am Kippfuß kann zu Schäden am
Projektor führen.
3.
Stellen Sie beim Tragen des Projektors am Tragegriff sicher, dass die beiden
Befestigungsschrauben des Tragegriffs am Projektorgehäuse festgezogen sind.
Bei ungenügend festgezogenen Schrauben kann der Projektor
herabfallen und Verletzungen verursachen.
4.
Aktivieren Sie den Hochgeschwindigkeits-Lüftermodus, wenn der
Projektor mehrere Tage durchgehend gebraucht wird. (Wählen Sie
vom Menü [Erweiterter] → [Hochgeschw.-Ventilation].)
5.
Vermeiden Sie unter folgenden Umständen ein Ziehen des Netzsteckers.
Der Projektor kann dadurch beschädigt werden.
*Während das Sanduhr-Symbol zu sehen ist.
*Während die Lüfter laufen. (Die Lüfter laufen nach dem
Ausschalten des Projektors noch 60 Sekunden lang nach.)
Lampenaustausch
•
Folgen Sie zum Austauschen der Lampe den Anweisungen auf Seite G-30.
•Die Lampe muss ausgetauscht werden, wenn die Meldung "Das
Ende der Lampenlebensdauer ist erreicht. Bitte ersetzen Sie
die Lampe." angezeigt wird. Wenn die Lampe bis über das Ende
ihrer Lebensdauer hinaus weiterverwendet wird, kann die Birne
platzen, wobei Glassplitter im Lampengehäuse verstreut werden.
Berühren Sie die Splitter nicht, da Sie sich dabei verletzen können.
Sollte dies vorkommen, beauftragen Sie Ihren NEC-Fachhändler
mit dem Lampenaustausch.
•Lassen Sie nach dem Ausschalten des Projektors mindestens 60
Sekunden verstreichen. Schalten Sie dann den Hauptnetzschalter
aus und ziehen Sie den Netzstecker, um den Projektor dann weitere
60 Minuten abkühlen zu lassen, bevor Sie die Lampe austauschen.
Lieferumfang
Vergewissern Sie sich, dass der Karton alle aufgeführten Teile enthält.
Sollte ein Teil fehlen, wenden Sie sich an Ihren Händler.
Heben Sie den Originalkarton und das Verpackungsmaterial für einen
eventuellen Versand des Projektors VT660/VT560/VT460 gut auf.
Linsenkappe
(24F38091)
Fernbedienung
(7N900381)
Netzkabel
(US: 7N080206)
(EU: 7N080005)
Projektor
CD-ROM
Bedienungshandbuch
USB-Kabel
(7N520013)
Quick
Connect
Guide
Important
Information
Batterien
Nur Nordamerika
Registrierungskarte
Befristete Garantie
Nur Europa
Garantieschein
Schnur und Niete
(24C05051) (24C04531)
RGB-Signalkabel
(7N520012)
OFF
VIDEO
S-VIDEORGB
AUTO ADJ.
POWER
ON
PJ
PICTUREASPECT
HELP
FREEZE
MAGNIFY
PIC-MUTE
SELECT
VOLUME
Softtragetasche
(24BS7201)
Tragegriff, Schraube (M4
⳯
2)
Schlitzschraubendreher
(Tragegriff: 24F38031)
(Schraube: 24N06281)
(Schraubendreher: 24C07231)
G-4
INHALTSVERZEICHNIS
Wichtige Informationen ................................................... G-2
Sicherheitshinweise ......................................................................................................... G-2
Lieferumfang ................................................................................................................... G-3
EINFÜHRUNG ................................................................. G-5
Einführung in Ihren Projektor .......................................................................................... G-5
Bezeichnungen der Projektorteile .................................................................................... G-6
Befestigung der Linsenkappe ....................................................................................... G-6
Anbringen des mitgelieferten Tragegriffs ..................................................................... G-6
Ausstattung der Geräteoberseite ................................................................................. G-7
Ausstattung der Anschlussleiste .................................................................................. G-8
Bezeichnung der Teile an der Fernbedienung ............................................................... G-9
Einlegen der Batterie .............................................................................................. G-10
Vorsichtsmaßnahmen für Fernbedienung .............................................................. G-10
Reichweite der Fernbedienung ............................................................................... G-10
INSTALLATION UND ANSCHLÜSSE ........................................ G-11
Aufstellung des Projektors zur Projektionsfläche .......................................................... G-11
Auswahl des Aufstellungsortes .................................................................................. G-11
Projektionsentfernung und Bildschirmgröße ............................................................. G-12
Herstellen der Anschlüsse ............................................................................................. G-13
Anschluss Ihres PC’s oder Macintosh-Computers ..................................................... G-13
Anschließen des SCART-Ausgangs (RGB) ................................................................. G-14
Anschluss eines externen Monitors ........................................................................... G-14
Anschluss Ihres DVD-Players .................................................................................... G-15
Anschluss Ihres Videorekorders oder LaserDisc-Players .......................................... G-16
Anschluss des mitgelieferten Netzkabels ................................................................... G-16
BILD-PROJEKTION (GRUNDBETRIEB) .................................... G-17
Einschalten des Projektors ............................................................................................ G-17
Auswählen einer Quelle ................................................................................................. G-18
Einstellung der Bildgröße und der Bildposition .............................................................. G-18
Korrigieren der vertikalen Trapezverzerrungen .............................................................. G-19
Automatische Optimierung des RGB-Bildes .................................................................. G-20
Erhöhen oder Senken der Lautstärke ............................................................................. G-20
Ausschalten des Projektors ........................................................................................... G-20
PRAKTISCHE FUNKTIONEN ................................................ G-21
Anwendung der Fernbedienungs-Mausfunktion ............................................................ G-21
Anschluss Ihres Computers für die Fernbedienungs-Mausfunktion .......................... G-21
Anschluss über den USB-Port ................................................................................... G-21
Umschalten zwischen Computer-Modus und Projektor-Modus ................................. G-21
Ausblenden von Bild und Ton ........................................................................................ G-22
Einfrieren eines Bilds ..................................................................................................... G-22
Vergrößerung und Verschiebung eines Bildes ............................................................... G-22
Inanspruchnahme der Informationen ............................................................................ G-22
ANWENDUNG DES BILDSCHIRM-MENÜS ................................ G-23
Grundlegende Menübedienung ...................................................................................... G-23
Verwendung der Menüs ............................................................................................. G-23
Liste der Menü-Optionen ............................................................................................... G-24
Menü-Elemente ............................................................................................................. G-25
Menü-Beschreibungen & Funktionen ............................................................................ G-26
Bildeinstellung ........................................................................................................... G-26
Helligkeit/ Kontrast/ Bildschärfe/ Farbe/ Farbton .................................................... G-26
Bild-Management .................................................................................................. G-26
Bild-Optionen ............................................................................................................. G-26
Aktivierung der automatischen Trapezkorrektur [Auto Trapez] ............................... G-26
Manuelle Korrektur der vertikalen Trapezverzerrung [Trapez] ................................ G-26
Speicherung der vertikalen Trapezkorrektur [Trapez-Speicherung] ........................ G-26
Auswahl des Bildformats [Bildformat] ................................................................... G-27
Einstellen der vertikalen Position des Bildes [Kino-Position] (nur bei Kinoformat)
...... G-27
Grundeinstellung ....................................................................................................... G-27
Auswählen der Lampenbetriebsart [Lampenbetriebsart] ....................................... G-27
Auswählen der Menüsprache [Sprache] ................................................................ G-27
Auswählen der Menü-Farbe [Auswählen der Menüfarbe] ...................................... G-27
Auswählen der Menü-Anzeigezeit [Menü-Anzeigezeit] ........................................... G-27
Auswählen einer Farbe oder eines Logos für den Hintergrund [Hintergrund] ........ G-27
Auswählen der Projektor-Ausrichtung [Ausrichtung] ............................................. G-27
Erweiterter ................................................................................................................. G-27
Sperren der Tasten am Projektorgehäuse [Bedienfeld-Verriegelung] ..................... G-27
Aktivieren von Strom-Management [Strom-Management] .................................... G-28
Aktivieren des Hochgeschwindigkeits-Lüfter-Modus [Hochgeschw.-Ventilation] .. G-28
Auswählen des Signalformates [Signalauswahl] .................................................... G-28
Seite2 .................................................................................................................... G-28
Auswahl des Rauschunterdrückungspegels ........................................................... G-28
Aktivieren der Auto-Einstellung [Auto-Einstellung] ................................................ G-28
Positions- und Takteinstellung (wenn Auto-Einstellung Aus ist) ............................ G-28
Information ................................................................................................................ G-28
Stand. ........................................................................................................................ G-29
WARTUNG ................................................................... G-30
Austausch der Projektionslampe ................................................................................... G-30
Reinigung ...................................................................................................................... G-31
Reinigung oder Austausch des Filters ....................................................................... G-31
Reinigung des Gehäuses und der Lampe .................................................................. G-31
FEHLERSUCHE .............................................................. G-32
Netzanzeige ................................................................................................................... G-32
Statusanzeige ................................................................................................................ G-32
Lampenanzeige ............................................................................................................. G-32
Allgemeine Störungen & Abhilfemaßnahmen ................................................................ G-33
TECHNISCHE DATEN ....................................................... G-34
ANHANG ..................................................................... G-35
Gehäuseabmessungen .................................................................................................. G-35
Pinbelegung des D-Sub RGB-Eingangsanschlusses ...................................................... G-35
Liste kompatibler Eingangssignale ................................................................................ G-36
TravelCare-Führer .......................................................................................................... G-37

G-5
EINFÜHRUNG
Einführung in Ihren Projektor
Dieses Kapitel stellt Ihnen Ihren neuen VT660/VT560/VT460 Projektor
vor und beschreibt dessen Funktionen und Bedienungselemente.
Wir gratulieren Ihnen zur Anschaffung Ihres VT660/
VT560/VT460 Projektors.
Der VT660/VT560/VT460 ist einer der besten zur Zeit auf dem Markt
erhältlichen Projektoren. Er ermöglicht Ihnen das Projizieren von scharfen
Bildern bis zu 300 Inches parallel (diagonal gemessen) von Ihrem PC
oder Macintosh-Computer (Tischgerät oder Notebook), Ihrem
Videorekorder, Ihrem DVD-Player, Ihrer Dokumentenkamera oder Ihrem
LaserDisc-Player.
Sie können den Projektor auf einen Tisch oder Wagen stellen, ihn für
die Rückprojektion hinter dem Projektionsschirm platzieren oder ihn
permanent an der Decke montieren*1. Die Fernbedienung kann drahtlos
verwendet werden.
*1Versuchen Sie nicht, den Projektor selbst an der Decke zu
installieren.
Der Projektor muss von qualifiziertem NEC-Servicepersonal
installiert werden, um einen ordnungsgemäßen Betrieb
sicherzustellen und die Verletzungsgefahr zu reduzieren.
Die Decke muss für das Gewicht des Projektors eine ausreichende
Festigkeit aufweisen und die Installation muss entsprechend der
örtlichen Bauvorschriften ausgeführt werden. Weitere
Informationen erhalten Sie von Ihrem Fachhändler.
Ausstattungsmerkmale, an denen Sie Ihre Freude haben werden:
•Automatische vertikale Korrektur der Trapezverzerrung bis zu +/- 30
Grad
•Niedriger Geräuschpegel
•Linse mit kurzer Brennweite
•200 W Lampe (160 W Eco Modus)
•Direkttasten für Quellenauswahl
•Neues Farbmanagement-System
•Neues Menü-Design für erhöhten Bedienkomfort
•Die exklusive NEC-Advanced AccuBlend Intelligent Pixel Blending-
Technologie - eine extrem genaue Bildkomprimierungstechnologie -
liefert ein wohldefiniertes Bild mit UXGA-Auflösung (1600⳯1200)*2.
•Unterstützt die meisten Videosignale, unter anderem IBM VGA,
SVGA, XGA, SXGA/UXGA (mit Advanced AccuBlend)*2, und
Macintosh, sowie Komponentensignale (YCbCr/YPbPr) und andere
RGB-Signale innerhalb eines Horizontal-Frequenzbereiches von 24
bis 100 kHz und eines Vertikal-Frequenzbereichs von 50 bis 120 Hz
Dies schließt NTSC-, PAL-, PAL-N-, PAL-M-, PAL60-, SECAM- und
NTSC 4.43 Standard-Videosignale mit ein.
*2
Mit NECs’ Advanced AccuBlend wird ein UXGA- (1600⳯1200) und
SXGA- (1280⳯1024) Bild angezeigt für VT660 und VT560.
Mit NECs’ Advanced AccuBlend wird ein UXGA-(1600⳯1200),
SXGA-(1280⳯1024) und XGA-(1024⳯768) Bild angezeigt für
VT460.
HINWEIS: Es gibt folgende Video-Signalgemischformate:
NTSC: U.S. TV-Format für Video in den USA und Kanada.
PAL: In Westeuropa verwendetes TV-Format.
PAL-N: In Argentinien, Paraguay und Uruguay verwendetes TV-Format.
PAL-M: In Brasilien verwendetes TV-Format.
PAL60: Für die NTSC-Wiedergabe auf PAL-Fernsehgeräten verwendetes TV-
Format.
SECAM: In Frankreich und Osteuropa verwendetes TV-Format.
NTSC4.43: In Ländern des Mittleren Ostens verwendetes TV-Format.
•Die mitgelieferte Fernbedienung kann ohne Kabel benutzt werden,
und Sie können sogar die Mausfunktionen Ihres PCs mit der
eingebauten Maus-Fernbedienungsfunktion drahtlos aus jeder
beliebigen Position im Raum per Fernbedienung steuern.
•Sie können den Projektor über den PC-Steuerungsport von einem
PC aus steuern.
•Das moderne Gehäuse-Design ist hell, kompakt, leichtgewichtig und
verschönert jedes Büro, jedes Konferenzzimmer und jeden Hörsaal.
Zu diesem Handbuch
Der schnellste Weg für eine erfolgreiche Inbetriebnahme ist,
sich bei den ersten Schritten Zeit zu nehmen und alles auf
Anhieb richtig zu machen. Nehmen Sie sich die Zeit, die
wichtigen Punkte des Handbuchs durchzulesen. Dies spart
Ihnen unter Umständen später viel Zeit. Am Anfang eines jeden
Kapitels finden Sie eine Übersicht über seinen Inhalt. Wenn
das Kapitel nicht von Belang ist, können Sie es überspringen.
•IBM ist ein Warenzeichen bzw. eingetragenes Warenzeichen der In-
ternational Business Machines Corporation.
•Mac und PowerBook sind Warenzeichen der Apple Computer, Inc.,
registriert in den USA und anderen Ländern.
•Windows, Windows 98, Windows Me, Windows XP und Windows
2000 sind Warenzeichen bzw. eingetragene Warenzeichen der
Microsoft Corporation.
•Andere in diesem Handbuch aufgeführte Produkte und Firmennamen
können Warenzeichen bzw. eingetragene Warenzeichen der
jeweiligen Firmeninhaber sein.

G-6
Bezeichnungen der Projektorteile
Lüftungsschlitze (Auslass)
Hier entweicht die warme Luft.
*Dieser Sicherheitsschlitz unterstützt das MicroSaver®-Sicherheitssystem. MicroSaver® ist ein eingetragenes Warenzeichen der Kensington
Microware Inc. Das Logo ist ein Warenzeichen von Kensington Microware Inc.
Eingebauter Sicherheitsschlitz ( )*
Hebel für Kippfußeinstellung
(Siehe Seite G-18)
Befestigung der Linsenkappe
Befestigen Sie die Linsenkappe mit der Schnur und der Niete am
Projektor:
Fernbedienungssensor (Siehe Seite G-10)
Bedienungselemente
(Siehe Seite G-7)
Linsenkappe
Linse
Einstellbarer Kippfuß
(Siehe Seite G-18)
Monauraler-Lautsprecher (1W)
Netzkabelbuchse
Schließen Sie hier den 2-poligen Stecker
des Netzkabels an und stecken Sie den
Netzstecker dann in eine stromführende
Wandsteckdose.
(Siehe Seite G-16)
Hauptnetzschalter
Wenn Sie den Hauptnetzschalter nach dem
Anschließen des Netzkabels an eine stromführende
Steckdose einschalten, leuchtet die POWER-
Anzeige orange, und der Projektor befindet sich im
Standby-Modus.
(Siehe Seite G-17)
Lampenabdeckung (Siehe Seite G-30)
Anbringen des mitgelieferten Tragegriffs
Sie können den Projektor mittels Tragegriff tragen, der fest am Projektor
befestigt werden muss.
Verwenden Sie zum Befestigen des Tragegriffs den mitgelieferten
Schlitzschraubendreher und die zwei Schrauben.
Lüftungsschlitze (Einlass) / Filterabdeckung
Schraube für Lampenabdeckung
Fernbedienungssensor
(Siehe Seite G-10)
2. Befestigen Sie die Schnur mit
der Niete an der Unterseite
des Projektors.
1. Führen Sie die Schnur durch das Loch in der Linsenkappe und machen
Sie einen Knoten in die Schnur.
Fokussierring
Zoomhebel
Einstellbarer Kippfuß (Siehe Seite G-18)
Hebel für Kippfußeinstellung
(Siehe Seite G-18)
VORSICHT:
Stellen Sie beim Tragen des Projektors am Tragegriff sicher, dass
die beiden Befestigungsschrauben des Tragegriffs am
Projektorgehäuse festgezogen sind.

G-7
765 10
1319 12
82 3 4 11
Ausstattung der Geräteoberseite
1. POWER-Taste (ON / STAND BY)( )
Mit dieser Taste können Sie das Gerät ein- und ausschalten, wenn
das Gerät an das Stromnetz angeschlossen ist und sich im Standby-
Modus befindet.
Halten Sie diese Taste zum Einschalten des Projektors mindestens
zwei Sekunden lang gedrückt. Drücken Sie zum Ausschalten des
Projektors diese Taste zweimal.
2. POWER-Anzeige
Wenn diese Anzeige grün leuchtet, ist der Projektor eingeschaltet;
wenn die Anzeige orange leuchtet, befindet sich der Projektor
entweder im Standby-Modus. Einzelheiten hierzu finden Sie im
Abschnitt "Netzanzeige" auf Seite G-32.
3. STATUS-Anzeige
Wenn diese Lampe schnell rot blinkt, ist dies ein Zeichen dafür, dass
ein Fehler aufgetreten ist, die Lampenabdeckung nicht richtig befestigt
wurde oder der Projektor sich überwärmt hat. Wenn diese Anzeige
orange leuchtet, ist das ein Hinweis darauf, dass bei aktivierter
Bedienfeld-Tastensperre eine Taste am Gehäuse gedrückt wurde.
Einzelheiten hierzu finden Sie im Abschnitt "Statusanzeige" auf Seite
G-32.
4. LAMP-Anzeige
Schnelles rotes Blinken dieser Anzeige macht darauf aufmerksam,
dass die Lampe das Ende ihrer Lebensdauer erreicht hat. Tauschen
Sie die Lampe nach dieser Warnanzeige so schnell wie möglich aus.
(Siehe Seite G-30)
Ein kontinuierliches grünes Leuchten der Anzeige weist darauf hin,
dass als Lampenmodus "Eco" eingestellt ist. Einzelheiten hierzu finden
Sie im Abschnitt "Lampen-Anzeige" auf Seite G-32.
5. VIDEO-Taste
Wählen Sie mit dieser Taste den Videosignaleingang von einem
Videorecorder, DVD-Spieler, LaserDisc-Spieler oder einer
Dokumentenkamera.
6. S-VIDEO-Taste
Wählen Sie mit dieser Taste den S-Videosignaleingang von einem
Videorecorder.
7. RGB-Taste
Wählen Sie mit dieser Taste den RGB-Signaleingang von einem
Computer oder einer anderen Komponente, die an den RGB-Port
angeschlossen ist.
8. AUTO ADJ.-Taste
Stellen Sie mit dieser Taste die H/V-Position und den Pixeltakt/die
Phase für ein optimales Bild ein (Siehe Seite G-20).
9. Quellenanzeigen
Wenn ein RGB-, VIDEO- oder S-VIDEO-Eingang ausgewählt wird,
leuchtet die entsprechende Quellenanzeige auf.
10. MENU-Taste
Zum Aufrufen der Menüanzeige.
11. SELECT-Tasten GHFE (+) (–) / Lautstärketasten
GH : Wählen Sie mit diesen Tasten das Menü der Funktion an, die
Sie einstellen möchten.
FE : Mit diesen Tasten stellen Sie den Wert der im Menü gewählten
Funktion ein. Die Auswahl wird durch einen Druck auf die E -
Taste ausgeführt. Wenn die Menüanzeige nicht zu sehen ist,
fungieren diese Tasten als Lautstärkeregler.
Vergrößerte Bilder lassen sich mit diesen Tasten über den Bildschirm
bewegen.
12. ENTER-Taste
Führt Ihre Menü-Auswahl aus und aktiviert die im Menü ausgewählten
Einstellungen.
13. CANCEL-Taste
Durch Drücken dieser Taste können Sie zum vorherigen Menü
zurückkehren. Durch Drücken dieser Taste wird das Menü
geschlossen, wenn Sie sich im Hauptmenü befinden.

G-8
1. RGB IN/Komponenten-Eingangsanschluss (Mini D-Sub, 15 polig)
Schließen Sie hier Ihren Computer oder ein anderes analoges RGB-
Gerät an, beispielsweise einen IBM-kompatiblen PC oder einen
Macintosh. Schließen Sie Ihren Computer mit dem mitgelieferten
RGB-Kabel an. Dieser Anschluss dient auch als Komponenten-
Eingangsanschluss, der Ihnen erlaubt, einen Komponenten-Video-
Ausgang von einem Komponenten-Gerät wie z.B. einem DVD-Player
anzuschließen. Dieser Anschluss unterstützt auch das SCART-
Ausgangssignal. Einzelheiten hierzu finden Sie auf Seite G-14.
2. RGB AUDIO-Minibuchse (Stereo Mini)
Schließen Sie hier den Audio-Ausgang Ihres an RGB IN
angeschlossenen Computers oder DVD-Players an. Sie benötigen
dafür ein handelsübliches Audiokabel.
3. RGB OUT-Anschluss (Mini D-Sub, 15 polig)
Über diesen Anschluss können Sie das Computerbild der RGB-
Eingangsquelle an einen externen Monitor weiterleiten.
Dieser Anschluss gibt RGB-Signale im Standby-Modus aus.
4. AUDIO OUT-Minibuchse (Stereo Mini)
Über diese Buchse kann das Tonsignal der gegenwärtig gewählten
Eingangsquelle (RGB, VIDEO oder S-VIDEO) ausgegeben werden.
Der Ausgangspegel dieses Signal wird zusammen mit der Lautstärke
der eingebauten Lautsprecher geregelt.
5. S-VIDEO IN-Anschluss (Mini DIN, 4 polig)
Dieser Anschluss kann mit dem S-Video-Ausgangssignal einer
externen Quelle (Videorekorder usw.) beschaltet werden.
HINWEIS: S-Video liefert leuchtendere Farben und eine höhere Auflösung als
das herkömmliche Signalgemisch.
S-VIDEO AUDIO-Eingangsbuchsen R/L (RCA)
Dies sind die Eingangsbuchsen für den linken und rechten Tonkanal
einer S-Video-Quelle.
6. VIDEO IN-Buchse (RCA)
Hier kann zur Bildprojizierung ein Videorekorder, ein Laser-Disc-
Player oder eine Dokumentenkamera angeschlossen werden.
VIDEO AUDIO-Eingangsbuchsen R/L (RCA)
Dies sind die Eingangsbuchsen für den linken und rechten Tonkanal
einer Video-Quelle.
7. USB-Port (PC) [Typ B]
Verbinden Sie diesen Port über das mitgelieferte USB-Kabel mit dem
USB-Port (Typ A) Ihres Computers. Sie können dann die
Mausfunktionen Ihres Computers per Fernbedienung steuern.
8. PC CONTROL-Port (DIN, 8 polig)
Nur für Kundendienstpersonal.
Ausstattung der Anschlussleiste
712 8
3456

G-9
Bezeichnung der Teile an der Fernbedienung
HINWEIS: Bei Benutzung eines Macintosh- Computers können Sie die Maus
entweder durch Drücken der CANCEL (rechten) oder ENTER (linken) Maustaste
aktivieren.
1. Infrarot-Sender
Richten Sie die Fernbedienung auf den Fernbedienungssensor am Projektorgehäuse.
2. LED
Blinkt beim Betätigen einer Taste auf.
3. POWER ON-Taste
Wenn die Hauptstromversorgung eingeschaltet ist, können Sie den
Projektor mit dieser Taste einschalten.
HINWEIS: Halten Sie die POWER ON-Taste zum Einschalten des Projektors
mindestens zwei Sekunden lang gedrückt.
4. POWER OFF-Taste
Mit dieser Taste können Sie Ihren Projektor ausschalten.
HINWEIS: Drücken Sie zum Ausschalten des Projektors die Taste POWER
OFF zweimal.
5. VIDEO-Taste
Wählen Sie mit dieser Taste den Videosignaleingang von einem Videorecorder,
DVD-Spieler, LaserDisc-Spieler oder einer Dokumentenkamera.
6. S-VIDEO-Taste
Wählen Sie mit dieser Taste den S-Videosignaleingang von einem Videorecorder.
7. RGB-Taste
Mit dieser Taste wählen Sie den Eingang RGB.
8. AUTO ADJ.-Taste
Diese Taste dient zur Einstellung eines optimalen Bildes einer RGB-
Quelle.
Siehe Seite G-20.
OFF ON
VIDEO
S-VIDEO
RGB
PJ
MAGNIFY
SELECT
E
M
N
U
T
E
R
N
E
N
C
E
A
C
L
1
3
4
58
7
11
16
9
10
19
12
13
6
2
18
17
20
AUTO ADJ.
FREEZE PIC-MUTE
PICTURE
15
14
VOLUME
HELP
ASPECT
POWER
9. MENU-Taste
Zeigt das Menü für verschiedene Eingaben und Einstellungen an.
10. SELECT GHFE (Maus)-Taste
Wenn sich das Gerät im Computer-Modus befindet, fungieren diese
Tasten als PC-Maus.
Wenn sich das Gerät im Projektor-Modus befindet, der durch Leuchten
der PJ-Taste angezeigt wird (siehe Seite G-21).
GH : Wählen Sie mit diesen Tasten das Menü der Funktion an,
die Sie einstellen möchten.
FE : Mit diesen Tasten stellen Sie den Wert der im Menü
gewählten Funktion ein. Die Auswahl wird durch einen Druck
auf die E -Taste ausgeführt. Wenn die Menüanzeige nicht
zu sehen ist, fungieren diese Tasten als Lautstärkeregler.
Vergrößerte Bilder lassen sich mit diesen Tasten über den Bildschirm bewegen.
11. ENTER-Taste (Linke Maustaste)
Wenn sich das Gerät im Computer-Modus befindet, fungiert diese Taste als
linke Maustaste. Wenn Sie diese Taste 2 Sekunden lang gedrückt halten,
wird auf Ziehen-Betrieb umgeschaltet. Wenn sich das Gerät im Projektor-
Modus befindet, der durch Leuchten der PJ-Taste angezeigt wird: Drücken
Sie diese Taste zur Eingabe Ihrer Menü-Auswahl. Diese Taste hat dieselbe
Funktion wie die ENTER-Taste am Projektor selbst.Siehe Seite G-7.
12. CANCEL-Taste (Rechte Maustaste)
Wenn sich das Gerät im Computer-Modus befindet, fungiert diese
Taste als rechte Maustaste. Wenn sich das Gerät im Projektor-Modus
befindet, der durch Leuchten der PJ-Taste angezeigt wird: Diese Taste
hat dieselbe Funktion wie die CANCEL-Taste am Projektor selbst.
Siehe Seite G-7.
13. PJ-Taste
Mit dieser Taste können Sie zwischen den Funktionsebenen "Projektor-
Modus" (leuchtet rot) und "Computer-Modus" der Tasten SELECT,
CANCEL, und ENTER umschalten.
Drücken Sie entweder diese Taste oder eine der Tasten POWER ON/
OFF, MENU, ASPECT, HELP oder MAGNIFY, um auf Projektor-Modus
umzuschalten. Die PJ-Taste leuchtet dann rot. Drücken Sie die PJ-
Taste noch einmal, um zum Computer-Modus zurückzuschalten.
Siehe Seite G-21.
14. PICTURE-Taste
Drücken Sie diese Taste, um den Bildkorrektur-Bildschirm wie z.B.
Helligkeit, Kontrast, Farbe, Farbton und Bildschärfe anzeigen zu
lassen. Siehe Seite G-26.
15. ASPECT-Taste
Drücken Sie diese Taste, um den Bildformat-Auswahlbildschirm aufzurufen.
Siehe Seite G-27.
16. HELP-Taste
Liefert Ihnen die Einstellungs-Informationen.
17. FREEZE-Taste
Mit dieser Taste lassen sich Bilder einfrieren. Drücken Sie diese Taste
nochmals zur Freigabe der Bewegung.
18. PIC-MUTE-Taste
Mit dieser Taste können Bild und Ton vorübergehend ausgeblendet werden.
Zum Wiedereinblenden von Bild und Ton drücken Sie die Taste ein weiteres Mal.
19. MAGNIFY (+)(–)-Taste
Betätigen Sie diese Taste zum Anheben der Bildgröße auf bis zu
400%. Wird die Bildmitte vergrößert.
Siehe Seite G-22.
20. VOLUME (+)(–)-Taste
Drücken Sie zum Erhöhen der Lautstärke (+) und zum Senken der Lautstärke (–).
HINWEIS: Standardmäßig ist der Computer-Modus eingestellt, der Ihnen die
Benutzung der Tasten SELECT, CANCEL und ENTER anstelle Ihrer PC-Maus
erlaubt. Wenn die Taste POWER ON/OFF, MENU, ASPECT, HELP order MAGNIFY
betätigt wird, leuchtet die PJ-Taste rot und zeigt dadurch an, dass Sie sich im
Projektor-Modus befinden. Wenn 60 Sekunden lang keine weitere Taste betätigt
wird, erlischt die Anzeige, und der Projektor-Modus wird aufgehoben.

G-10
Einlegen der Batterie
1. Drücken Sie fest auf die Batterieabdeckung und schieben Sie sie ab.
2. Entfernen Sie die beiden alten Batterien und legen sie neue (Typ AA)
ein. Achten Sie auf korrekte Ausrichtung der Batteriepole (+/-).
3. Schließen Sie die Batterieabdeckung und vergewissern Sie sich, dass
sie einrastet. Verwenden Sie niemals verschiedene Batterietypen oder
neue und alte Batterien zusammen.
Hinweis zum Fernbedienungsbetrieb:
Wenn sie während des Einlegens der neuen Batterien die Taste SE-
LECT GHFE Taste gedrückt halten, funktioniert die Fernbedienung
möglicherweise nicht ordnungsgemäß.
Nehmen Sie in einem derartigen Fall die Batterien heraus und legen
Sie sie noch einmal neu ein, ohne dabei die SELECT-Taste zu berühren.
Vorsichtsmaßnahmen für Fernbedienung
•Behandeln Sie die Fernbedienung vorsichtig.
•Wischen Sie die Fernbedienung sofort trocken, wenn sie einmal nass
geworden sein sollte.
•Vermeiden Sie übermäßige Hitze und Feuchtigkeit.
•Nehmen Sie die Batterien vor längerem Nichtgebrauch aus der
Fernbedienung.
•Legen Sie die Batterien nicht verkehrt herum ein.
•Verwenden Sie niemals verschiedene Batterietypen oder neue und
alte Batterien zusammen.
Reichweite der Fernbedienung
Fernbedienung
•Das Infrarot-Signal der Fernbedienung hat innerhalb eines
Einstrahlwinkels von 60° bei freier Sichtlinie zum Sensor am
Projektorgehäuse eine Reichweite von bis zu 7 m.
•Der Projektor spricht nicht an, wenn sich zwischen der Fernbedienung
und dem Sensor Gegenstände befinden oder wenn helles Licht auf
den Sensor fällt. Schwache Batterien können ebenso die Funktion
der Fernbedienung beeinträchtigen.
Fernbedienungssensor
am Projektorgehäuse
7m
30˚
30˚
7m
30˚
30˚

G-11
3
1
2
INSTALLATION UND ANSCHLÜSSE
Dieses Kapitel beschreibt, wie Sie Ihren Projektor aufstellen und wie die Video- und Audioquellen angeschlossen werden.
An eine Netzsteckdose.
Aufstellung des Projektors zur Projektionsfläche
Auswahl des Aufstellungsortes
Je weiter der Projektor von der Leinwand oder Wand entfernt ist, desto größer wird das Bild. Die kleinste Bilddiagonale beträgt 0,53 m, wenn der
Projektor grob gemessen etwa 0,7 m von der Projektionsfläche entfernt ist. Die größte Bilddiagnonale beträgt 7,6 m, wenn der Projektor ca. 10 m
von der Leinwand oder Wand entfernt ist. Benutzen Sie die nachstehende Zeichnung als Anleitung.
Die Aufstellung und Bedienung Ihres
Projektors ist denkbar einfach. Bevor Sie
jedoch beginnen, müssen Sie folgende
Schritte ausführen:
1
Bereiten Sie eine Leinwand bzw. eine
Projektionsfläche vor und stellen Sie
den Projektor auf.
2
Schließen Sie Ihren Computer oder ein
Videogerät an den Projektor an. Siehe
Seite G-13 – 16.
3
Schließen Sie das mitgelieferte
Netzkabel an. Siehe Seite G-16.
HINWEIS: Stellen Sie vor dem Transport des
Projektors sicher, dass sowohl das Netzkabel
als auch alle anderen Verbindungskabel
abgetrennt sind. Setzen Sie die Linsenkappe
auf, wenn Sie den Projektor transportieren oder
nicht benutzen.
300"
240"
406,4(B)X304,8(H)/160(B)X120(H)
365,8(B)X274,3(H)/144(B)X108(H)
304,8(B)X228,6(H)/120(B)X90(H)
243,8(B)X182,9(H)/96(B)X72(H)
203,2(B)X152,4(H)/80(B)X60(H)
162,6(B)X121,9(H)/64(B)X48(H)
121,9(B)X91,4(H)/48(B)X36(H)
81,3(B)X61,0(H)/32(B)X24(H)
61,0(B)X45,7(H)/24(B)X18(H)
50,8(B)X38,1(H)/20(B)X15(H)
42,7(B)X32(H)/17(B)X13(H)
Linsenmitte
Bildschirmgröße
1,3/51,2"
2,0/78,7"
2,7/106,3"
3,4/133,9"
4,0/157,5"
5,1/200,8"
6,1/240,2"
8,1/318,9"
1,0/39,4"
200"
180"
150"
120"
100"
80"
60"
40"
30"
25"
21"
609,6(B)X457,2(H)/240(B)X180(H)
Bildschirmgröße (Einheit: cm/Zoll)
487,7(B)X365,8(H)/192(B)X144(H)
6,7/263,8"
Entfernung (Einheit: m/Zoll)
10,1/397,6"
0,7/27,6"
0,8/31,5"

G-12
HINWEIS: Distanz kann um +/-5% schwanken.
Entfernungstabelle
B = Vertikale Entfernung zwischen Linsenmitte und Bildschirmmitte
C = Projektionsentfernung
D = Vertikale Entfernung zwischen Linsenmitte und oberer Bildschirmteil
(unterem Bildschirmteil für Decke)
α = Projektionswinkel
Projektionsentfernung und Bildschirmgröße
Nachfolgendes zeigt die richtigen relativen Positionen des Projektors und der Leinwand/Wand. Bestimmen Sie den Aufstellungsort anhand der
Tabelle.
Linsenmitte
Projektionswinkel (α)
Projektionsentfernung (C)
Bildschirmmitte
Bildschirmdiagonale
Bildschirmbreite
Bildschirmhöhe
Unterer
Bildschirmteil
(D)
(B)
α
Weit – Fern
Zoll
13
15
18
24
36
43
48
50
54
60
72
90
108
120
126
144
162
180
Bildschirmgröße B C
Weit – FernDiagonal Breite Höhe
Zoll
––– - 29
29 - 35
35 - 42
47 - 57
71 - 86
86 - 103
96 - 115
101 - 121
108 - 129
120 - 144
144 - 173
181 - 217
217 - 260
241 - 290
253 - 304
290 - 348
326 - 391
363 - 400
Grad
––– - 10,0
11,8 - 9,9
11,7 - 9,8
11,6 - 9,7
11,5 - 9,6
11,4 - 9,6
11,4 - 9,6
11,4 - 9,6
11,4 - 9,5
11,4 - 9,5
11,4 - 9,5
11,4 - 9,5
11,3 - 9,5
11,3 - 9,5
11,3 - 9,5
11,3 - 9,5
11,3 - 9,5
11,3 - 9,5
Zoll
5
6
7
10
15
17
19
20
22
24
29
36
44
48
51
58
65
73
α
Weit – Fern
mm
320
381
457
610
914
1097
1219
1280
1372
1524
1829
2286
2743
3048
3200
3658
4115
4572
Bildschirmgröße B C
Weit – FernDiagonal Breite Höhe
mm
––– - 740
740 - 880
890 - 1070
1200 - 1440
1810 - 2180
2180 - 2620
2430 - 2920
2550 - 3060
2740 - 3290
3050 - 3660
3660 - 4400
4590 - 5510
5510 - 6610
6130 - 7350
6440 - 7720
7360 - 8830
8290 - 9940
9210 -11050
mm
130
150
180
250
370
440
490
520
550
610
740
920
1110
1230
1290
1470
1660
1840
mm
533
635
762
1016
1524
1829
2032
2134
2286
2540
3048
3810
4572
5080
5334
6096
6858
7620
mm
427
508
610
813
1219
1463
1626
1707
1829
2032
2438
3048
3658
4064
4267
4877
5486
6096
Zoll
21
25
30
40
60
72
80
84
90
100
120
150
180
200
210
240
270
300
Zoll
17
20
24
32
48
58
64
67
72
80
96
120
144
160
168
192
216
240
Grad
––– - 10,0
11,8 - 9,9
11,7 - 9,8
11,6 - 9,7
11,5 - 9,6
11,4 - 9,6
11,4 - 9,6
11,4 - 9,6
11,4 - 9,5
11,4 - 9,5
11,4 - 9,5
11,4 - 9,5
11,3 - 9,5
11,3 - 9,5
11,3 - 9,5
11,3 - 9,5
11,3 - 9,5
11,3 - 9,5
D
Zoll
1
1
2
2
3
4
5
5
5
6
7
9
10
12
12
14
16
17
D
mm
30
40
40
60
90
110
120
120
130
150
180
220
270
300
310
350
400
440
Reflexion des Bildes
Wenn Sie das Bild vom Projektor mit Hilfe eines Spiegels reflektieren,
kommen Sie in den Genuss eines viel größeren Bildes. Kontaktieren
Sie Ihren NEC-Fachhändler, wenn Sie einen Spiegel benötigen. Wenn
Ihr Bild bei Benutzung eines Spiegels spiegelverkehrt dargestellt wird,
können Sie die Bildausrichtung mit den MENU und SELECT–Tasten
am Projektorgeäuse oder mit den Tasten auf der Fernbedienung
korrigieren. (Siehe Seite G-27.)
WARNUNG
*Die Deckenmontage Ihres Projektors muss von einem
qualifizierten Techniker durchgeführt werden. Für nähere
Informationen wenden Sie sich bitte an Ihren NEC-Fachhändler.
*Versuchen Sie nicht, den Projektor selbst zu installlieren.
•Betreiben Sie Ihren Projektor nur auf einer festen, waagerechten
Unterlage. Bei Falls des Projektors können Verletzungen und schwere
Schäden am Projektor resultieren.
•Betreiben Sie den Projektor nicht an Orten, an denen er großen
Temperaturschwankungen ausgesetzt wäre. Der
Betriebstemperaturbereich des Projektors liegt zwischen 0°C und
35°C.
•Schützen Sie den Projektor vor Feuchtigkeit,Staub und Rauch.
Anderenfalls könnte die Bilddarstellung beeinträchtigt werden.
•Achten Sie auf ausreichende Ventilation im Bereich des Projektors,
damit er Hitze abstrahlen kann. Decken Sie weder die seitlichen noch
vorderen Lüftungsschlitze am Projektor ab.

G-13
Herstellen der Anschlüsse
HINWEIS: Bei Benutzung eines Notebook-PCs müssen Sie diesen am Projektor anschließen, bevor Sie den Notebook-PC einschalten. Die Signalausgabe über den
RGB-Ausgang des Notebooks/PCs funktioniert zumeist nur, wenn der Computer erst nach dem Anschluss an den Projektor eingeschaltet worden ist.
*Wenn das Bild während der Benutzung der Fernbedienung abschaltet, liegt das möglicherweise daran, dass der Bildschirmschoner des Computers oder die
Power Management-Software aktiviert ist.
*Wenn Sie versehentlich die POWER-Taste auf der Fernbedienung gedrückt haben, warten Sie bitte 60 Sekunden und drücken Sie die POWER-Taste dann erneut,
um den Betrieb fortzusetzen.
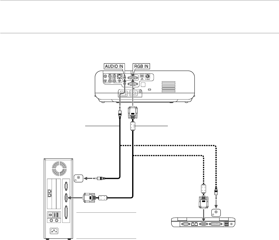
Anschluss Ihres PC’s oder Macintosh-Computers
Audiokabel (nicht im Lieferumfang)
IBM VGA oder Kompatibel (Notebook)
oder Macintosh (Notebook)
IBM PC oder Kompatibel (Tischgerät) oder
Macintosh (Tischgerät)
RGB-Signalkabel (Lieferumfang)
An die 15polige Mini D-Sub-Buchse des
Projektors. Beim Anschluss eines längeren
Signalkabels als des mitgelieferten wird die
Verwendung eines handelsüblichen
Verteilungsverstärkers empfohlen.
HINWEIS: Benutzen Sie für ältere
Macintosh-Modelle für den
Anschluss an dessen Videoport
einen handelsüblichen Stiftadapter
(nicht im Lieferumfang).
Wenn Sie Ihren PC oder Macintosh-Computer an Ihren Projektor
anschließen, können Sie für eine eindrucksvolle Präsentation das Bild
vom Computer-Bildschirm projizieren.
Verfahren Sie zum Anschluss an einen PC oder Macintosh einfach wie
folgt:
1. Schalten Sie Ihren Computer und Ihren Projektor aus.
2. Schließen Sie Ihren PC oder Macintosh mit Hilfe des mitgelieferten
Signalkabels an den Projektor an.
3. Schalten Sie den Projektor und den Computer ein.
4. Wenn nach einer gewissen Zeit der Inaktivität kein Bild mehr zu sehen
ist, könnte dies am Bildschirmschoner des angeschlossenen Com-
puters liegen.
PHONE
PHONE

G-14
Anschließen des SCART-Ausgangs (RGB)
Vor dem Anschließen: Für diesen Anschluss sind ein exklusiver SCART-
Adapter (ADP-SC1) und ein handelsübliches SCART-Kabel erforderlich.
HINWEIS: Bei diesem Anschluss ist kein Audiosignal verfügbar.
RGB IN
Videogerät wie z.B.
DVD-Player
Projektor
ADP-SC1
Handelsübliches
SCART-Kabel
Buchse
1. Schalten Sie Ihren Projektor und Ihr Videogerät aus.
2. Verwenden Sie den NEC ADP-SC1 SCART-Adapter und ein
handelsübliches SCART-Kabel, um den RGB-Eingang Ihres
Projektors mit dem SCART-Ausgang (RGB) Ihres Veideogeräts zu
verbinden.
3. Schalten Sie Ihren Projektor und Ihr Videogerät ein.
4. Betätigen Sie die RGB-Taste auf Ihrer Fernbedienung, um den RGB-
Eingang auszuwählen.
5. Drücken Sie die MENU-Taste auf der Fernbedienung, um das Menü
anzuzeigen.
6. Wählen Sie aus dem Menü [Erweiterter]
→
[Signalauswahl RGB]
→
[Scart].
SCART ist der europäische Audio-Visual-Standardanschluss für TV-
Geräte, Videorekorder und DVD-Payer. Dieser wird auch als Euro-
Anschluss bezeichnet.
HINWEIS: Der ADP-SC1 SCART-Adapter ist bei Ihrem NEC-Fachhändler in Europa
erhältlich. Für weitere Informationen wenden Sie sich bitte an Ihren NEC-
Fachhändler in Europa.
An RGB IN
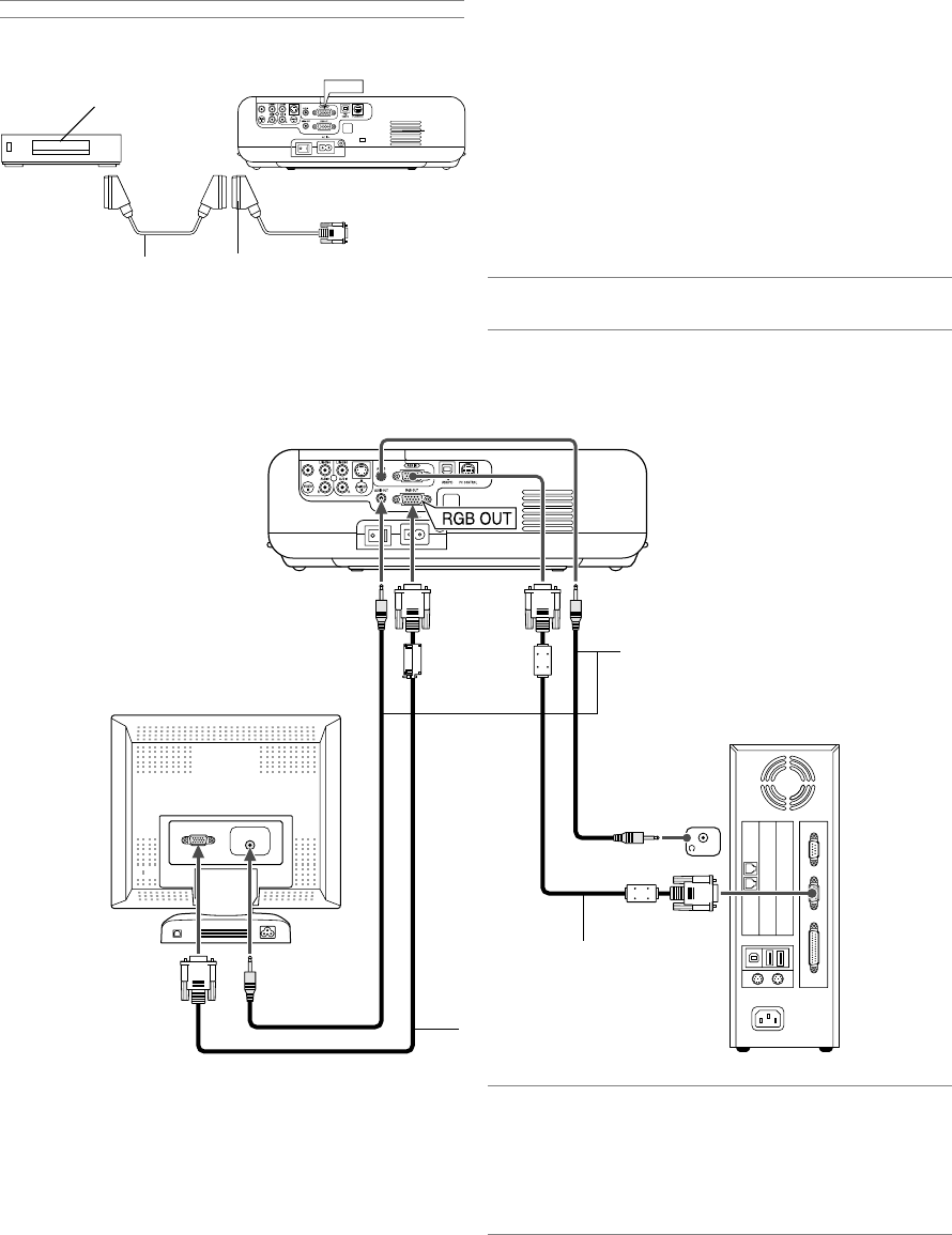
Anschluss eines externen Monitors
Sie können an Ihren Projektor einen separaten, externen Monitor
anschließen, um sich gleichzeitig das von Ihnen projizierte RGB-
Analogbild auf einem Monitor anzusehen.
Verfahren Sie hierzu wie folgt:
1. Schalten Sie Ihren Projektor, Monitor und Computer aus.
2. Verwenden Sie ein 15poliges Kabel zum Anschluss an den RGB OUT-
Anschluss (15poliger Mini D-Sub) Ihres Projektors.
3. Schalten Sie den Projektor, Monitor und Computer ein.
HINWEIS:
•Der RGB OUT-Anschluss gibt während des Standby-betriebs ein RGB-Signal
aus. Wenn der Projektor auf den Standby-betrieb umschaltet, verschwindet
das Bild einen Moment lang vom externen Monitor.
•Wenn sich der Projektor im Standby-betrieb befindet und sich unmittelbar
nach dem Ein- oder Ausschalten die Kühlventilatoren drehen, wird das Bild
möglicherweise nicht korrekt dargestellt.
•Ein Daisychain-Anschluss ist nicht möglich.
PHONE
LINE IN
Audiokabel (nicht im Lieferumfang)
RGB-Signalkabel (Lieferumfang)
RGB-Signalkabel
(nicht im Lieferumfang)

G-15
RGB IN
AUDIO OUT
L
AUDIO IN
LR
R
Component
YCbCr
Anschluss Ihres DVD-Players
DVD-Player
Sie können Ihren Projektor über den Komponenten-Ausgang oder den
Video-Ausgang an einen DVD-Player anschließen. Verfahren Sie hierzu
wie folgt:
1. Schalten Sie Ihren Computer und den DVD-Player aus.
2. Wenn Ihr DVD-Player mit einem Komponentensignal-Videoausgang
(Y,Cb,Cr) ausgestattet ist, bitte ein handelsübliches Komponenten-
Video-Kabel (RCA
⳯
3) und ein optionales 15poliges-an-RCA
Komponenten-Videokabel RCA
⳯
3
(nicht im Lieferumfang)
(Buchse)
⳯
3 Kabel verwenden, um Ihren DVD-Player mit dem RGB
IN-Anschluss Ihres Projektors zu verbinden.
Verwenden Sie bei einem DVD-Player ohne Komponenten-Video-
Ausgang (Y,Cb,Cr) herkömmliche Cinchbuchsenkabel (nicht im
Lieferumfang), um dessen Komposit-VIDEO-Ausgang am Video-
Eingang des Projektors anzuschließen.
3. Schalten Sie den Projektor und den DVD-Player ein.
HINWEIS: Weitere Informationen über die Spezifikation des Video-Ausgangs Ihres
DVD-Players entnehmen Sie bitte dem Bedienungshandbuch für Ihren DVD-
Player.
Optionales 15poliges-an-RCA
(Buchse)
⳯
3 Kabel (ADP-CV1)
Audiokabel
(nicht im Lieferumfang)
Audiogerät

G-16
AUDIO OUT
LR
AUDIO IN
LR
VIDEO OUT
S-VIDEO OUT
Anschluss Ihres Videorekorders oder LaserDisc-Players
Audiogerät
Audiokabel
(nicht im Lieferumfang)
Verwenden Sie handelsübliche Cinchbuchsenkabel (nicht im
Lieferumfang), um Ihren Videorekorder, LaserDisc-Player oder Ihre
Dokumentenkamera an den Projektor anzuschließen.
Verfahren Sie zur Durchführung der Anschlüsse, wie folgt:
1. Schalten Sie Projektor und Videorekorder, LaserDisc-Player bzw.
Dokumentenkamera aus.
2. Schließen Sie das eine Ende Ihres Cinchbuchsenkabels an den Video-
Ausgang auf der Rückseite Ihres Videorekorders oder LaserDisc-Play-
ers an. Das andere Ende des Cinchbuchsenkabeks muss an den
Video-Eingang Ihres Projektors angeschlossen werden. Verwenden
Sie zur Übertragung der Audiosignale von Ihrem Videorekorder oder
LaserDisc-Player (wenn Ihr Videorekorder oder LaserDisc-Player
dafür ausgelegt ist) ein Audiokabel (nicht im Lieferumfang). Achten
Sie beim Anschluss unbedingt darauf, dass Sie den rechten und linken
Kanal richtig anschließen, da nur so Stereoton gewährleistet ist.
HINWEIS: Weitere Informationen über die Spezifikationen des Video-Ausgangs
Ihres Videorekorders bzw. LaserDisc-Players entnehmen Sie bitte dem jeweiligen
Bedienungshandbuch.
HINWEIS: Während Schnellvorlauf oder Schnellrücklauf von Video- oder S-
Videoquellen, die über einen Bildwandler angeschlossen sind, wird das Bild unter
Umständen nicht korrekt wiedergegeben.
Anschluss des mitgelieferten Netzkabels
Schließen Sie das mitgelieferte Netzkabel am Projektor
an.
Schließen Sie zunächst den zweipoligen Stecker des
mitgelieferten Netzkabels an an den AC IN-Eingang des
Projektors und dann den anderen Stecker an eine
Netzsteckdose an.
S-Videokabel (nicht im Lieferumfang)
Videorekorder/ LaserDisc-Player
Videokabel (nicht im Lieferumfang)
3. Schalten Sie den Projektor und den Videorekorder bzw. LaserDisc-
Player ein.

G-17
BILD-PROJEKTION (GRUNDBETRIEB)
Dieses Kapitel beschreibt, wie der Projektor eingeschaltet und ein Bild
auf eine Leinwand/Wand projiziert wird.
Einschalten des Projektors
HINWEIS:
•Der Projektor verfügt über zwei Netzschalter: Hauptschalter und POWER-Taste
(POWER ON und OFF auf der Fernbedienung)
•Stellen Sie vor dem Anschließen oder Abtrennen des mitgelieferten Netzkabels
sicher, dass sich der Hauptnetzschalter in der Aus-Position [O] befindet.
Andernfalls könnte der Projektor beschädigt werden.
Drücken Sie zum Einschalten der Hauptstromversorgung des Projektors
den Hauptnetzschalter in ON-Position ( I ).
Stellen Sie vor dem Einschalten Ihres Projektors sicher, dass der Com-
puter oder die Videoquelle eingeschaltet ist und dass die Linsenkappe
enfernt wurde.
Erst nachdem Sie die ON/STAND BY-Taste am Projektorgehäuse oder
die POWER ON-Taste auf der Fernbedienung mindestens 2 Sekunden
lang gedrückt haben, schaltet die Netzanzeige auf Grün um und der
Projektor ist betriebsbereit.
Hinweis zum Startmenü (Menüsprachen-Auswahlbildschirm)
Wenn Sie den Projektor einschalten, sehen Sie zuerst das Startup-Menü.
Dieses Menü gibt Ihnen die Möglichkeit, eine aus sieben Sprachen für
das Menü auszuwählen: Englisch, Deutsch, Französisch, Italienisch,
Spanisch, Schwedisch und Japanisch.
Um eine Menüsprache auszuwählen, folgen Sie bitte diesen Schritten:
1. Wählen Sie mit der SELECT
G
or
H
–Taste eine der sieben Sprachen
als Menüsprache aus.
2. Drücken Sie die ENTER-Taste, um die Auswahl auszuführen.
Nachdem dies durchgeführt wurde, können Sie mit der Bearbeitung des
Menüs fortfahren.
Wenn Sie möchten, können Sie die Menüsprache auch später
auswählen. Siehe "Sprache" auf Seite G-27.
HINWEIS: Unmittelbar nach dem Einschalten des Projektors könnte das Bild
flimmern. Dies ist kein Fehler. Warten Sie 3 bis 5 Minuten, bis sich die Lampe
stabilisiert hat.
Wenn der Lampenmodus auf Eco eingestellt ist, leuchtet die
Lampenanzeige grün. Unter den nachfolgend aufgeführten Umständen
schaltet sich der Projektor nicht ein.
*Wenn die interne Temperatur des Projektors zu hoch ansteigt, erkennt
der Projektor diese abnormal hohe Temperatur. Unter diesen
Umständen schaltet sich der Projektor zum Schutz des internen Sys-
tems nicht ein. Warten Sie in einem derartigen Fall, bis die internen
Komponenten abgekühlt sind.
*Wenn die Lampe das Ende ihrer Lebensdauer erreicht, schaltet sich
der Projektor nicht ein. In diesem Fall muss die Lampe ausgetauscht
werden.
*Wenn die Lampe nicht leuchtet und die STATUS-Anzeige sechsmal
hintereinander blinkt, müssen Sie eine volle Minute warten. Schalten
Sie die Stromversorgung dann noch einmal ein.

G-18
Auswählen einer Quelle
Auswählen der Computer- oder Videoquelle
Fernbedienungsbetrieb
OFF ON
VIDEO
S-VIDEO
RGB
PJ
MAGNIFY
SELECT
E
M
N
U
T
E
R
N
E
N
C
E
A
C
L
AUTO ADJ.
FREEZE PIC-MUTE
PICTURE
VOLUME
HELP
ASPECT
POWER
Drücken Sie eine der RGB-, VIDEO- oder
S-VIDEO-Tasten.
Verwendung der Tasten am Projektor
Einstellung der Bildgröße und der Bildposition
Stellen Sie den Projektor auf eine flache, waagerechte Fläche und stellen
Sie sicher, dass er rechtwinklig zum Projektionsschirm steht.
Heben Sie die Vorderkante des Projektors an, um das Bild vertikal zu
zentrieren.
*Wenn das projizierte Bild nicht rechtwinklig auf der Projektionsfläche
erscheint, verwenden Sie bitte zur Korrektur die Trapez-Funktion.
Siehe Seite G-19.
Versetzen Sie den Projektor nach links, um das Bild horizontal auf dem
Projektionsschirm zu zentrieren.
Einstellung des Kippfußes
1. Heben Sie die Vorderkante des Projektors an.
Kippfuß-Einstellhebel Einstellbarer Kippfuß
2. Drücken Sie die Kippfuß-Einstellhebel auf der rechten und linken Seite
des Projektors nach oben, um die einstellbaren Kippfüsse
auszufahren (maximale Höhe).
3. Drücken Sie die Kippfuß-Einstellhebel nach unten.
4. Senken Sie die Vorderseite des Projektors auf die gewünschte Höhe
(max. 40 mm/ 1,6”) und lassen Sie den Kippfuß-Einstellhebel los, um
den einstellbaren Kippfuß zu arretieren. Die Vorderseite des Projektors
kann um ungefähr 10 Grad nach oben oder unten geneigt werden.
Kippfuß-Einstellhebel
HINWEIS: Wenn kein Eingangssignal verfügbar ist, zeigt der Projektor einen
blauen Hintergrund (Werkseinstellung).
Drücken Sie eine der RGB-,
VIDEO- oder S-VIDEO-Tasten.

G-19
VORSICHT:
Benutzen Sie den Kippfuß ausschließlich für den dafür
vorgesehenen Zweck.
Ein Missbrauch wie z.B. die Benutzung des Kippfußes als Griff oder
Aufhänger für die Wandmontage kann zu einer Beschädigung des
Projektors führen.
Zoom
Führen Sie die Feineinstellung der projizierten Bildgröße mit der
Zoomhebel aus.
Sie können den Zoomhebel einstellen, um die Bildgröße zu vergrößern
oder zu verkleinern.
Fokus
Verwenden Sie die Fokussierring zur Optimierung des Fokusleistung.
Korrigieren der vertikalen Trapezverzerrungen
Automatische Trapezkorrektur
Die automatische Trapezkorrektur korrigiert die vertikale Verzerrung des
projizierten Bildes. Hierzu ist keine spezielle Vorgehensweise
erforderlich. Stellen Sie den Projektor einfach auf einer ebenen Fläche
auf.
Beachten Sie, dass der vertikale Trapezwinkel nur ausreichend korrigiert
werden kann, wenn der Projektor maximal um 30 Grad nach oben oder
unten geneigt ist.
Verwenden Sie die Taste SELECT
H
zur Auswahl der “Bild-Optionen”
und drücken Sie anschließend die Taste SELECT
E
. Die Anzeige
“Auto Trapez” wird eingeblendet. Drücken Sie SELECT
E
und wählen
Sie “Aus”.
3. Wählen Sie die Funktion Trapez.
2. Schalten Sie die Funktion Auto Trapez aus.
Verwenden Sie die Taste SELECT
H
und wählen Sie “Trapez”.
4. Korrigieren Sie die vertikale Bildverzerrung.
Verwenden Sie die Taste SELECT
F
bzw.
E
, um die vertikale
Trapezverzerrung zu korrigieren.
HINWEIS: Bei einigen Signalen, die über eine hohe Auflösung oder Frequenz
verfügen, wie beispielsweise UXGA-Signale, liegt der Trapezkorrektur-Winkel unter
Umständen unter 30 Grad.
Manuelle Trapezkorrektur
Sie können die vertikale Trapezverzerrung auch manuell korrigieren.
Verfahren Sie hierzu wie folgt:
1. Drücken Sie die Taste MENU.
Das Menü wird gezeigt.
5. Drücken Sie die Taste MENU, um das Menü zu schließen.
HINWEIS: Sie können die Änderungen beim Ausschalten des Computers mittels
der Funktion Trapez-Speicherung abspeichern.

G-20
Automatische Optimierung des RGB-Bildes
Einstellung des Bildes mit Hilfe der Auto Adjust-Funktion
Automatische Optimierung des RGB-Bildes
Drücken Sie zum automatischen Optimieren des RGB-Bildes die
Einstellautomatik-Taste.
[Schlechtes Bild]
[Normales Bild]
AUTO ADJ.
Drücken Sie die Einstellautomatik-Taste zur Feineinstellung des
Computerbildes oder zum Entfernen von möglicherweise auftretenden
vertikalen Streifen und zum Unterdrücken von Videorauschen,
Punktinterferenzen oder Einstreuungen (an einem scheinbar
schimmernden Bild zu erkennen). Diese Funktion stellt die Taktfrequenz
ein, mit der horizontale Streifen im Bild eliminiert werden. Die Funktion
stellt auch die Taktphase zur Verminderung von Videorauschen,
Punktinterferenzen oder Einstreuungen ein. (Solche Störungen machen
sich durch ein scheinbar schimmerndes Bild bemerkbar.)
Diese Einstellung kann erforderlich sein, wenn Sie Ihren Computer das
erste Mal anschließen.
HINWEIS:
•Einige Signale werden möglicherweise falsch oder erst nach einer Weile
angezeigt.
•Die Auto-Einstellung kann nicht für Komponenten- und Videosignale
angewendet werden.
•Falls das RGB-Signal nicht mit der Auto-Einstellung optimiert werden kann,
sollten Sie es mit der manuellen Einstellung versuchen. Siehe Seite G-28.
Erhöhen oder Senken der Lautstärke
Sie können die Lautstärke des Lautsprechers und den Pegel der AU-
DIO OUT-Minibuchse (Stereo Mini) am Projektor gemeinsam regeln.
Lautstärke erhöhen
Lautstärke-Laufleiste
VOLUME
Ausschalten des Projektors
Ausschalten des Projektors:
Drücken Sie zunächst die Taste POWER (ON/
STAND BY) am Projektorgehäuse oder die
Taste POWER OFF auf der Fernbedienung. Die
Meldung “Bestätigung Strom Aus/Wirklich?”
erscheint.
Drücken Sie als Zweites die Taste ENTER oder
drücken Sie die Taste POWER (ON/STAND BY)
oder POWER OFF erneut.
Die Netzanzeige leuchtet nun orange. Nach dem
Ausschalten des Projektors laufen die Lüfter noch
60 Sekunden lang (Abkühlzeit).
Schalten Sie als Letztes den Hauptnetzschalter
aus. Die Netzanzeige erlischt. Trennen Sie zuletzt
noch das Netzkabel ab.
VORSICHT
Vermeiden Sie unter folgenden Umständen ein
Ziehen des Netzsteckers und eine Betätigung
des Hauptnetzschalters. Der Projektor kann
dadurch beschädigt werden:
•Während das Sanduhr-Symbol zu sehen ist.
•Während die Lüfter laufen. (Die Lüfter laufen
nach dem Ausschalten des Projektors noch
60 Sekunden lang nach.)
OFF ON
VIDEO
S-VIDEO
RGB
PJ
MAGNIFY
SELECT
E
M
N
U
T
E
R
N
E
N
C
E
A
C
L
AUTO ADJ.
FREEZE PIC-MUTE
PICTURE
VOLUME
HELP
ASPECT
POWER

G-21
OFF ON
VIDEO
S-VIDEO
RGB
PJ
MAGNIFY
SELECT
E
M
N
U
T
E
R
N
E
N
C
E
A
C
L
AUTO ADJ.
FREEZE PIC-MUTE
PICTURE
VOLUME
HELP
ASPECT
POWER
OFF ON
VIDEO
S-VIDEO
RGB
PJ
MAGNIFY
SELECT
E
M
N
U
T
E
R
N
E
N
C
E
A
C
L
AUTO ADJ.
FREEZE PIC-MUTE
PICTURE
VOLUME
HELP
ASPECT
POWER
PRAKTISCHE FUNKTIONEN
Anwendung der Fernbedienungs-Mausfunktion
Die eingebaute Fernbedienungs-Mausfunktion ermöglicht Ihnen die
Steuerung der Computer-Mausfunktionen per Fernbedienung (Com-
puter-Modus). Dies bietet sich als sehr praktische Lösung an, um durch
die mit dem Computer erstellten Präsentationen zu klicken. Um danach
wieder in den Projektor-Modus zu schalten, drücken Sie die PJ-Taste
(die Taste leuchtet nun rot).
Anschluss Ihres Computers für die Fernbedienungs-
Mausfunktion
Zur Nutzung der Fernbedienungs-Mausfunktion verbinden Sie den USB-
Port (PC) des Projektors über das mitgelieferte USB-Kabel mit dem
USB-Port (Typ A) des Computers.
HINWEIS: Abhängig von der Art des Anschlusses und des auf Ihrem Computer
installierten Betriebssystems, müssen Sie Ihren Computer möglicherweise neu
starten oder gewisse Computer-Einstellungen ändern.
HINWEIS: Warten Sie mindestens 5 Sekunden, bevor Sie das USB-Kabel nach
dem Abtrennen wieder Anschließen und umgekehrt. Der Computer kann den
eingebauten Mausempfänger möglicherweise nicht identifizieren, wenn das Kabel
mehrmals hintereinander angeschlossen und abgetrennt wird.
USB-Port (PC)
USB-Port
(Typ A)
Umschalten zwischen Computer-Modus und Projektor-Modus
Die drei in der Zeichnung abgebildeten schattierten Tasten fungieren im Computer-Modus als Computer-Maus.
Im Computer-Modus leuchtet die PJ-Taste nicht.
Leuchtet nicht
Funktioniert wie die Maus Ihres Computers.
Funktioniert wie die rechte
Maustaste Ihres Computers.
Funktioniert wie die SELECT-Taste am Projektor.
Leuchtet rot
Funktioniert wie die CAN-
CEL-Taste am Projektor.
Funktioniert wie die
linke Maustaste
Ihres Computers.
Funktioniert wie die
ENTER-Taste am
Projektor.
Anschluss über den USB-Port
Die Maus-Fernbedienungsfunktion arbeitet nur bei PCs, auf denen das
Betriebssystem Windows 98, Windows ME, Windows XP, Windows 2000
oder das Mac OS-Betriebssystem installiert ist.
•Beim Drücken der MENU-Taste leuchtet die PJ-Taste rot, um Ihnen anzuzeigen, dass der Projektor-Modus aktiviert ist. In diesem Modus ist der
Projektor-Menübetrieb mit Hilfe der drei Tasten möglich.
•Wenn 60 Sekunden lang keine weitere Taste betätigt wird, erlischt die Anzeige, und Sie befinden sich wieder im Computer-Modus. Um danach
wieder auf Projektor-Menübetrieb zu schalten, drücken Sie die PJ-Taste, so dass die Taste rot leuchtet.
•Wenn die PJ-Taste leuchtet und Sie die Mausfunktion sofort anwenden möchten, müssen Sie zunächst die PJ-Taste drücken, um zum Com-
puter-Modus zurückzukehren (leuchtet nicht).
Bei aktiviertem Computer-Modus:
Wenn Sie im Computer-Modus die ENTER-Taste mindestens zwei Sekunden lang drücken und dann wieder loslassen, ist der Ziehen-Modus
eingestellt und das Ziehen kann einfach durch Drücken der SELECT GHFE (Maus)-Taste ausgeführt werden. Zum Freigeben des gezogenen
Objekts drücken Sie die ENTER-Taste (linker Mausklick) erneut oder Betätigen die CANCEL-Taste (rechter Mausklick).
USB-Kabel
(Lieferumfang)

G-22
Ausblenden von Bild und Ton
Mit der PIC-MUTE-Taste können Sie das Bild und den Ton
vorübergehend ausblenden. Zum Wiedereinblenden von Bild und Ton
drücken Sie die Taste ein weiteres Mal.
PIC-MUTE
Einfrieren eines Bilds
Drücken Sie zum Einfrieren des Bilds die FREEZE-Taste. Drücken Sie
diese Taste nochmals zur Freigabe der Bewegung.
FREEZE
Vergrößerung und Verschiebung eines Bildes
Sie können ein Bild auf bis zu 400 Prozent vergrößern.
Verfahren Sie hierzu wie folgt:
1. Drücken Sie die Taste MAGNIFY (+), um das Bild zu vergrößern. Sie
können den vergrößerten Bildausschnitt mit der SELECT-Taste
verschieben.
MAGNIFY
MAGNIFY
Inanspruchnahme der Informationen
Bei Bedarf können Sie die Informationen aufrufen.
Informationen aufrufen
Informationen verlassen
HELP
SELECT
2. Bringen Sie das Bild wieder zurück zur Originalgröße.
SELECT

G-23
ANWENDUNG DES BILDSCHIRM-MENÜS
Grundlegende Menübedienung
Verwendung der Menüs
HINWEIS: Das Bildschirm-Menü wird möglicherweise nicht richtig angezeigt,
während ein bewegtes Halbvideobild projiziert wird.
1. Drücken Sie die MENU-Taste auf der Fernbedienung oder am
Projektor, um das Menü anzuzeigen.
2. Drücken Sie die SELECT
GH
-Tasten auf der Fernbedienung oder
am Projektor, um das Menü für die Option hervorzuheben, die Sie
einstellen oder eingeben möchten.
3. Drücken Sie die SELECT
E
-Taste oder die ENTER-Taste auf der
Fernbedienung oder am Projektor, um ein Untermenü oder eine Op-
tion auszuwählen.
4. Stellen Sie mit der SELECT-Taste
F
oder
E
auf der Fernbedienung
oder am Projektor einen Wert ein oder schalten Sie die ausgewählte
Option ein oder aus.
Die Bildlaufleiste auf dem Bildschirm zeigt die Werterhöhungen oder
-erniedrigung an.
5. Die Einstellungen werden bis zur nächsten Einstellung gespeichert.
CANCEL ........ Zum Zurückgehen zum vorherigen Bildschirm.
6. Wiederholen Sie die Schritte 2-5, um weitere Optionen einzustellen,
oder drücken Sie die Taste MENU, um das Menü zu schließen.

G-24
Liste der Menü-Optionen
HINWEIS: Je nach Eingangssignal stehen nicht immer all Menüparameter zur Verfügung.
Stand.
Werkseinstellung Aktuelles Signal
All Daten
Filterstundenzähler zurücksetzen
Lampenbetriebstd-Zähl. lösch
Bildeinstellung
Helligkeit
Kontrast
Schärfe
Farbe
Farbton
Bild-Management Präsentation, Video, Film, Grafik, sRGB
Benutzer
Grundeinstellung Präsentation, Video, Film, Grafik, sRGB
Weißabgleich Heilligkeit R,G,B Kontrast R,G,B
GammaKorrektur Dynamisch, Schwarz-Detail, Natürlich
Bild-Optionen
Auto Trapez Ein / Aus
Trapez
Trapez-Speicherung Ein / Aus
Bildformat Normal, Wide-Zoom, Kinoformat, Natürlich
Kino-Position
Grundeinstellung
Lampenbetriebsart Normal, Eco
Sprache English, Deutsch, Français, Italiano, Español, Svenska, Japanese
Auswählen der Menüfarbe
Farbe, Monochrom
Menü-Anzeigezeit Manuell, Auto 5 Sek, Auto 15 Sek, Auto 45 Sek
Hintergrund Blau, Schwarz, Logo
Ausrichtung Tisch Front, Decke hinten, Tisch hinten, Decke Front
Erweiterter
Bedienfeld-Verriegelung
Aktiviert, Entaktiviert
Strom-Management Ein, Aus
Hochgeschw.-Ventilation
Ein, Aus
Signalauswahl RGB RGB/Komponent, RGB, Komponent, Scart
Video Auto, 3.58NTSC, 4.43NTSC, PAL, PAL-M, PAL-N, PAL60, SECAM
S-Video
Auto, 3.58NTSC, 4.43NTSC, PAL, PAL-M, PAL-N, PAL60, SECAM
Seite2 Rauschunterdrückung Aus, Niedrig, Hoch
Auto-Einstellung Ein, Aus
Horizontal
Vertikal
Takt
Phase
Info
Seite1 Quellenindex, Horizontale Frequenz, Vertikale Frequenz, Synch.-Polarität
Seite2 Singaltyp, Videotyp, Synch.-Typ, Interlace
Seite3
Verbleibende Lampenlebensdauer, Lampenbetriebsstd-Zähler, Filtergebrauch, Projektorgebrauch

G-25
Menüfenster oder Dialogfelder haben normalerweise folgende Elemente:
Titel ................................... Zeigt den Menü-Titel an.
Hervorhebung ................... Zeigt das ausgewählte Menü oder die
ausgewählte Option an.
Quelle ................................ Zeigt die aktuell gewählte Quelle an.
Ausgefülltes Dreieck .........
Zeigt an, dass weitere Auswahlmöglichkeiten
vorhanden sind. Ein hervorgehobenes
Dreieck zeigt an, dass die Option aktiviert
ist.
Registerkarte .................... Zeigt eine Gruppe von Funktionen in einem
Dialogfeld an. Das Auswählen (Anklicken)
einer beliebigen Registerkarte bringt deren
Seite nach vorn.
Optionsschaltfeld............... Mit dieser runden Schaltfläche wird die
entsprechende Option im Dialogfeld
ausgewählt.
Kontrollkästchen ............... Zeigt die gewählte Option an.
Bildlaufleiste ...................... Zeigt die Einstellung und Einstellrichtung an.
Schlüsselsymbol ............... Zeigt an, dass die Bedienfeld-Verriegelung
aktiviert ist.
Thermometersymbol ......... Zeigt an, dass der Lampen-Betriebsmodus
aufgrund zu hoher innerer Temperaturen
zwangsweise auf Eco gestellt ist.
Menü-Elemente
Titel
Bildlaufleiste
Hervorhebung
Optionsschaltfeld
Kontrollkästchen Ausgefülltes Dreieck
Registerkarte
Quelle
Schlüsselsymbol
Thermometersymbol

G-26
Menü-Beschreibungen & Funktionen
Bildeinstellung
Benutzer-Einstellung (für “Benutzer”)
Wenn Sie benutzerdefinierbaren Voreinstellungen (“Benutzer”)
auswählen, wird das Untermenü angezeigt. Sie können jede Gamma-
und Farbeinstellung nach eigenen Wünschen definieren. Wählen Sie
hierfür zunächst “Benutzer” und drücken Sie dann die ENTER-Taste.
Fahren Sie anschließend mit den nachfolgend fort.
Auswahl der Grundeinstellung
Diese Funktion erlaubt Ihnen, Weißabgleich- oder Gammawerte als
Referenzdaten zu verwenden, um die verschiedenen Bildarten zu
optimieren. Sie können eine der folgenden fünf Einstellungen wählen.
• Präsentation
• Video
• Film
• Grafik
• sRGB
Einstellung des Weißabgleiches [Weißabgleich]
Stellen Sie mit den F oder E Tasten die Weißabgleich ein. Die
Einstellung der Helligkeit für jede einzelne Farbe (RGB) dient der
Einstellung des Bildschirm-Schwarzpegels. Die Einstellung des
Kontrastes für jede einzelne Farbe (RGB) dient der Einstellung des
Bildschirm-Weißpegels.
Auswählen des Gammakorrekturmodus [GammaKorrektur]
Wählen Sie mit der SELECT-Taste F bzw. E einen Modus aus den
folgenden Optionen aus.
Jeder Modus wird empfohlen für:
Dynamisch ..... Für die echte Farbreproduktion von Naturtönen
Schwarz-Detail
... Für dunkle Bildteile
Natürlich ........ Normale Einstellungen
Bild-Optionen
Zur Einstellung von Helligkeit, Kontrast, Schärfe, Farbe, Farbton und
Bild-Management.
Helligkeit ........ Stellt den Helligkeitspegel oder die Intensität des
hinteren Rasters ein.
Kontrast ......... Stellt die Intensität des Bildes entsprechend des
eingehenden Signals ein.
Schärfe .......... Regelt das Detail des Bildes für Video.
Farbe ............. Erhöht oder vermindert den Farbsättigungspegel
(nicht gültig für RGB).
Farbton .......... Variiert den Farbpegel von +/– grün bis +/– blau. Der
Rot-Pegel wird als Referenzwert herangezogen.
Diese Einstellung gilt nur für Video- und
Komponenten-Eingänge (nicht gültig für RGB).
Bild-Management
Diese Option ermöglicht es Ihnen, einen neutralen Farbton für Gelb,
Cyan oder Magenta einzustellen. Es gibt fünf werkseitige
Voreinstellungen, die für die verschiedenen Bildarten optimiert
wurden.
Es gibt jedoch auch benutzerdefinierbare Einstellungen.
Präsentation .. Wird zum Erstellen einer Präsentation mit Hilfe einer
PowerPoint-Datei empfohlen
Video ............. Wird für herkömmliche Bilder wie z.B. Fernsehbilder
empfohlen
Film ................ Wird für Spielfilme empfohlen
Grafik ............. Wird für Grafiken empfohlen
sRGB ............. Standard-Farbwerte
Benutzer ........ Benutzerdefinierbar
HINWEIS: Wenn “sRGB”, “Grafik”, “Video” oder “Film” gewählt ist, wird die
Helligkeit im Vergleich zu “Präsentation” etwas verringert. Dies ist keine
Fehlfunktion.
Aktivierung der automatischen Trapezkorrektur [Auto Trapez]
Diese Funktion ermöglicht dem Projektor, den eigenen
Neigungswinkel festzustellen und automatisch eine entsprechende
vertikale Trapezkorrektur vorzunehmen.
Wählen Sie “Ein”, um die Funktion Auto Trapez zu aktivieren.
Manuelle Korrektur der vertikalen Trapezverzerrung [Trapez]
Sie können über das Menü die vertikale Bildverzerrung manuell
korrigieren.
Sie können die Änderungen beim Ausschalten des Computers mittels
der Funktion Trapez-Speicherung abspeichern.
Speicherung der vertikalen Trapezkorrektur [Trapez-Speicherung]
Diese Option ermöglicht Ihnen das Speichern Ihrer aktuellen Trapez-
Einstellungen.
Das Speichern Ihrer Änderungen wirkt sich auf alle Quellen aus. Die
Änderungen werden beim Ausschalten des Projektors gespeichert.

G-27
Auswahl des Bildformats [Bildformat]
Mit dieser Funktion können Sie das optimale Bildformat für die
Wiedergabe einer Quelle auswählen. Sie können das Fenster
Bildformat auch durch Drücken der Taste “ASPECT” auf der
Fernbedienung aufrufen. (Siehe Seite G-9).
Wenn ein Verhältnis von 4:3 der Quelle (z.B. DVD-Player) gewählt
wird, werden die folgenden Optionen angezeigt:
Auswählen der Lampenbetriebsart [Lampenbetriebsart]
Diese Funktion ermöglicht die Auswahl zwischen zwei
Lampenbetriebsarten (Helligkeiten): Normal und Eco. Die Eco-
Betriebsart verlängert die Lebensdauer der Lampe.
Normal ........... Dies ist die Werkseinstellung (100% Helligkeit).
Eco ................ Wählen Sie diese Betriebsart, um die Lebensdauer
der Lampe zu verlängern (80% Helligkeit).
HINWEIS: Das Thermometer-Symbol zeigt an, dass der Lampen-Modus
zwangsweise in den Eco-Modus geschaltet wurde, da die innere Temperatur
der Lampe zu hoch ist.
Auswählen der Menüsprache [Sprache]:
Für die Anweisungen auf dem Bildschirm können Sie eine von sieben
Sprachen wählen. Die Optionen sind: Englisch, Deutsch, Französisch,
Italienisch, Spanisch, Schwedisch und Japanisch.
Auswählen der Menü-Farbe [Auswählen der Menüfarbe]:
Als Menü-Farbe stehen zwei Farbmodi zur Auswahl: Farbe oder
monochrom.
Auswählen der Menü-Anzeigezeit [Menü-Anzeigezeit]:
Über diese Option können Sie vorgeben, wie lange der Projektor
nach der letzten Tastenbetätigung wartet, bis er das Menü ausblendet.
Die wählbaren Optionen sind “Manuell”, “Auto 5 sek”, “Auto 15 sek”
und “Auto 45 sek”. “Auto 45 sek” ist die Werkseinstellung.
Auswählen einer Farbe oder eines Logos für den Hintergrund
[Hintergrund]:
Mit Hilfe dieser Funktion können Sie einen blauen/schwarzen
Bildschirm oder ein Logo anzeigen lassen, wenn kein Signal verfügbar
ist.
Auswählen der Projektor-Ausrichtung [Ausrichtung]:
Diese Funktion richtet Ihr Bild der Projektionsart entsprechend aus.
Die Optionen sind: Frontprojektion vom Tisch, Rückprojektion von
der Decke, Rückprojektion vom Tisch und Frontprojektion von der
Decke.
Erweiterter
Wenn ein Verhältnis von 16:9 der Quelle (z.B. DVD-Player) gewählt
wird, werden die folgenden Optionen angezeigt:
Natürlich (nur RGB): Schaltet die Advanced AccuBlend-Funktion aus.
Der Projektor zeigt das aktuelle Bild in dessen wahrer Auflösung an.
HINWEIS:
*Während ein Bild angezeigt wird, dessen Auflösung höher ist als die
natürliche Auflösung des Projektors, steht “Natürlich” nicht zur Verfügung.
*Sie können die Bildposition für das Kinoformat einstellen. Für die Einstellen
der Bildposition siehe Abschnitt “Kino-Position”.
Urheberrecht
Bitte beachten Sie, dass bei der Verwendung dieses Projektors für
kommerzielle Zwecke oder zur Erregung der Aufmerksamkeit an einem
öffentlichen Ort, z. B. in einem Café oder in einem Hotel, eine Komprimierung
oder Dehnung des Bildes mit den Funktionen unter „Bildformat“ als Verletzung
bestehender und gesetzlich geschützter Urheberrechte ausgelegt werden kann.
Einstellen der vertikalen Position des Bildes [Kino-Position] (nur
bei Kinoformat)
Diese Funktion ermöglicht eine Einstellung der vertikalen Position
des Bildes beim Betrachten eines Videos mit dem gewählten
Bildformat.
Wenn “Kinoformat” unter “Bildformat” ausgewählt wurde, wird das
Bild mit schwarzen Balken am oberen und unteren Rand angezeigt.
Die vertikale Position zwischen diesen Balken kann eingestellt
werden.
HINWEIS: Diese Option steht nur zur Verfügung, wenn „Kinoformat“ als
Bildformat ausgewählt wurde.
Grundeinstellung
Normal Wide-Zoom Kinoformat Natürlich
Standard-
Bildformat 4:3
Links und
rechts gedehnt
Links und
rechts gedehnt
Normal Wide-Zoom Kinoformat Natürlich
Bild vom
Format 16:9 im
Modus 4:3
projiziert
Links und
rechts gedehnt
Links und rechts
gedehnt, um das
echte Bildformat
anzuzeigen.
Sperren der Tasten am Projektorgehäuse [Bedienfeld-
Verriegelung]:
Mit dieser Option wird die Tastensperre-Funktion für das Bedienfeld
ein- und ausgeschaltet.
HINWEIS
*Diese Tastensperre für das Bedienfeld hat keinerlei Einfluss auf die
Fernbedienung und die PC-Steuerfunktionen.
*Wenn die Projektorgehäuse-Tasten gesperrt sind, können Sie die Sperre durch
10 Sekunden langes Drücken der CANCEL-Taste wieder aufheben.
*Das Schlüssel-Symbol zeigt an, dass die Steuerungs-Tastensperre aktiviert
wurde.

G-28
Aktivieren von Strom-Management [Strom-Management]:
Wenn diese Option eingeschaltet ist und 5 Minuten lang kein Signal
eingegeben wird, schaltet sich der Projektor automatisch aus.
Aktivieren des Hochgeschwindigkeits-Lüfter-Modus [Hochgeschw.-
Ventilation]:
Diese Option ermöglicht Ihnen die Auswahl zwischen zwei Lüftermodi:
Hochgeschwindigkeits-Modus und Normalgeschwindigkeits-Modus.
Wählen Sie Ein, wenn sich das Innere des Projektors schnell abkühlen
soll.
HINWEIS: Aktivieren Sie den Hochgeschwindigkeits-Lüftermodus, wenn Sie
den Projektor mehrere Tage hintereinander benutzen möchten.
Auswählen des Signalformates [Signalauswahl]:
<RGB>
Ermöglicht Ihnen die Auswahl “RGB” für eine RGB-Quelle wie z.B.
einen Computer oder “Komponent” für eine Komponenten-
Videoquelle wie z.B. einen DVD-Player. Wählen Sie normalerweise
die Einstellung “RGB/Komponent”. Der Projektor erkennt dann
automatisch das eingehende Signal. Gewisse Komponentensignale
kann der Projektor jedoch unter Umständen nicht erkennen. Wählen
Sie in einem solchen Fall “Komponent”. Wählen Sie “Scart” für das
europäische Scart aus.
<Video und S-Video>
Diese Funktion ermöglicht Ihnen die manuelle Auswahl der Komposit-
Videoformate.
Wählen Sie normalerweise “Auto”. Wählen Sie das Videoformat aus
dem Pulldown-Menü aus. Dies muss getrennt für Video und S-Video
ausgeführt werden.
Seite2
Auswahl des Rauschunterdrückungspegels
Zur Reduzierung des Videorauschens können Sie einen der drei Pegel
auswählen: Aus, Niedrig oder Hoch.
HINWEIS: Je niedriger der Pegel der Rauschunterdrückung, desto besser ist
die Bildqualität aufgrund der höheren Videobandbreite.
Aktivieren der Auto-Einstellung [Auto-Einstellung]:
Wenn “Auto-Einstellung” auf “Ein” gestellt ist, bestimmt der Projektor
automatisch die beste Auflösung für das aktuelle RGB-
Eingangssignal, um das Bild mit Hilfe der Advanced AccuBlend Intel-
ligent Pixel Blending-Technologie von NEC zu projizieren. Die Posi-
tion und Stabilität des Bildes kann automatisch eingestellt werden:
“Horizontal Position”, “Vertikal Position”, “Takt” und “Phase”.
Ein ................. “Horizontal Position”, “Vertikal Position”, “Takt” und
“Phase” werden automatisch eingestellt.
Aus ................ Der Benutzer kann die Bild-Anzeigefunktionen (“Hori-
zontal Position”, “Vertikal Position”, “Takt” und
“Phase”) manuell einstellen.
Positions- und Takteinstellung (wenn Auto-Einstellung Aus ist):
Diese Funktion erlaubt Ihnen die manuelle Einstellung der
horizontalen und vertikalen Bildposition sowie die Einstellung des
Taktes und der Phase.
<Horizontal/Vertical>
Stellt die Lage des Bildes mit Hilfe der SELECT-Tasten F und E
horizontal und vertikal ein. Bei aktivierter Einstellautomatik wird diese
Einstellung automatisch durchgeführt.
<Takt>
Wenden Sie diese Funktion für die Feineinstellung des
Computerbildes oder zur Eliminierung von öglicherweise auftretenden
vertikalen Streifen an, wenn “Auto-Einstellung Ein” ist. Diese Funktion
stellt die Taktfrequenz ein, mit der horizontale Streifen im Bild eliminiert
werden. Drücken Sie die SELECT-Tasten F und E so lange, bis die
Streifen verschwinden. Diese Einstellung kann erforderlich sein, wenn
Sie Ihren Computer das erste Mal anschließen. Wenn die Auto-
Einstellung eingeschaltet ist, wird diese Einstellung automatisch
ausgeführt.
<Phase>
Wenden Sie diese Funktion zur Einstellung der Phasenfrequenz oder
zur Reduzierung von Video-Rauschen,
Punktinterferenzen oder Übersprechungen an. (Dies ist offenkundig,
wenn Ihr Bild zu schimmern scheint.) Stellen Sie das Bild mit den
SELECT-Tasten F und E ein. Wenden Sie “Phase” erst nach
Beendigung von “Takt” an.
Wenn die Auto-Einstellung eingeschaltet ist, wird diese Einstellung
automatisch ausgeführt.
Information
Zeigt den Status des aktuellen Signals und die Lampenbetriebsstunden
an. Dieses Dialogfeld besteht aus drei Seiten. Folgende Informationen
sind enthalten:
[Seite 1]
Quellenindex
Horizontale Frequenz
Vertikale Frequenz
Synch. –Polarität
[Seite 2]
Signaltyp
Videotyp
Synch.-Typ
Interlace
[Seite 3]
Verbleibende Lampenlebensdauer (%)*
Lampenbetriebsstd-Zähler (H)
Filtergebrauch
Projektorgebrauch
*Die Arbeitsablauf-Anzeige zeigt
die noch verbleibende
Lebensdauer der Glühbirne in
Prozent an. Dieser Wert informiert
Sie auch über die Lampen-
nutzungszeit. Wenn die
verbleibenden Lampenzeit 0
erreichen, ändert sich die
Anzeigeleiste der verbleibenden
Lampenzeit von 0% auf 100
Stundenund startet mit dem
Herabzählen. Wenn dann die
verbleibende Lampenzeit. 0
erreichen, kann der Projektor
unabhängig von der
Lampenbetriebsart Normal oder
Eco nicht mehr eingeschaltet
werden.

G-29
Stand.
Rückstellung auf die Werkseinstellungen
Die Funktion Werkseinstellung ermöglicht Ihnen, für Quellen
vorgenommene Einstellungen und Eingaben auf die Werkseinstellungen
zurückzustellen, wobei folgende Ausnahmen gelten:
<Aktuelles Signal>
Stellt die Einstellungen für das aktuelle Signal auf die Werte der
Hersteller-Voreinstellungen zurück.
Die nachfolgend aufgeführten Funktionen können zurückgestellt werden:
Helligkeit, Kontrast, Schärfe, Farbe, Farbton, Bildformat,
Horizontalposition, Vertikalposition, Takt, Phase und Farbkorrektur.
<All Daten>
Stellt alle Einstellungen und Eingaben für alle Signale auf die Hersteller-
Voreinstellungen zurück.
Eine Ausnahme hiervon bilden die Parameter Sprache,
Übertragungstrate, Verbleibende Lampenrestzeit, Lampen-betriebsstd-
Zähler und Filtergebrauch.
Zum Nullstellen der Lampen-Betriebszeit siehe “Lampenbetriebstd-Zähl.
lösch” und “Filterstundenzähler zurücksetzen” .
<Filterstundenzähler zurücksetzen>
Zur Nullstellung der Einsatzzeit des Filters. Bei Auswahl dieser Option
erscheint ein Hilfsmenü.
<Lampenbetriebstd-Zähl. lösch>
Stellt den Lampen-Betriebsstundenzähler auf Null zurück. Bei Auswahl
erscheint zur Bestätigung ein Untermenü.
HINWEIS: Nach 2100 Betriebsstunden (3100 Betriebsstunden : in Eco Modus)
schaltet sich der Projektor aus und setzt sich in den Standby-Betrieb. Drücken
Sie in diesem Fall mindestens zehn Sekunden lang die “Help”-Taste auf der
Fernbedienung, um das Lampenbetriebsstunden-Zählwerk
auf null zurückzustellen. Führen Sie die Rückstellung nur nach dem Austauschen
der Lampe durch.

G-30
WARTUNG
Dieser Abschnitt beschreibt einfache Wartungsprozeduren für den
Austausch der Projektionslampe und die Filterreinigung.
Austausch der Projektionslampe
Nach ca. 2000 Betriebsstunden (3000 Stunden im Eco Modus) die
LAMP-Anzeige am Gehäuse blinkt rot und eine Meldung wird angezeigt.
Selbst wenn die Projektionslampe noch arbeitet, sollte sie nach 2000
Betriebsstunden (3000 Stunden im Eco Modus) ausgewechselt werden,
um eine optimale Leistung des Projektors sicherzustellen.
VORSICHT
•BERÜHREN SIE DIE LAMPE NICHT unmittelbar nachdem Sie in
Betrieb war. Sie wird extrem heiß sein. Schalten Sie den Projektor
aus, warten Sie 60 Sekunden, schalten Sie den Hauptnetzschalter
aus und trennen Sie dann das Netzkabel ab. Lassen Sie die
Lampe mindestens eine Stunde lang abkühlen, bevor Sie sie
anfassen.
•ENTFERNEN SIE KEINE SCHRAUBEN außer der Schraube der
Lampenabdeckung und den zwei Lampengehäuse-Schrauben.
Sie könnten einen elektrischen Schlag erleiden.
•Nach 2100 Betriebsstunden (3100 Stunden im Eco Modus)
schaltet sich der Projektor in den Standby-Betrieb ab. In diesem
Fall muß die Projektionslampe unbedingt ausgetauscht werden.
Wenn die Projektionslampe über 2000 Betriebsstunden (3000
Stunden im Eco Modus) benutzt wird, kann die Glühbirne platzen
und die einzelnen Glasstücke werden im Lampengehäuse
verstreut. Berühren Sie die Glasstücke nicht, um Verletzungen
zu vermeiden. Beauftragen Sie im Falle einer zerplatzten Lampe
Ihren NEC-Fachhändler mit dem Lampenaustausch.
Austausch der Projektionslampe:
1. Lösen Sie die Befestigungsschraube der Lampenabdeckung bis der
Schraubendreher frei läuft und nehmen Sie die Lampenabdeckung
ab. Die Schraube für die Lampenabdeckung kann nicht entfernt
werden.
3. Setzen Sie das neue Lampengehäuse ein bis es in der Fassung
einrastet.
VORSICHT
Verwenden Sie ausschließlich die NEC-Austauschlampe (VT60LP).
Bestellen Sie die Lampe bei Ihrem NEC-Fachhändler.
Befestigen Sie das Lampengehäuse mit den zwei
Befestigungsschrauben.
Ziehen Sie die zwei Schrauben unbedingt an.
4. Setzen Sie die Lampenabdeckung wieder auf.
Ziehen Sie die Schraube für die Lampenabdeckung fest.
Ziehen Sie unbedingt die Schraube für die Lampenabdeckung an.
2. Lösen Sie die zwei Befestigungsschrauben des Lampengehäuses
bis der Schraubendreher frei läuft. Die zwei Schrauben können nicht
entfernt werden.
Umfassen Sie das Lampengehäuse und entfernen Sie es.
HINWEIS: Auf dem Lampengehäuse befindet sich zur Vermeidung eines
elektrischen Schlages eine Verriegelung. Versuchen Sie nicht, diese
Verriegelung zu umgehen.
Arretierhebel
Arretierhebel
Verriegelung
5. Wählen Sie nach der Installation einer neuen Lampe im Menü [Stand.]
→
[Lampenbetriebsstunden-Zähler lösch], um die
Lampenbetriebsstunden zurückzustellen.
HINWEIS: Wenn die Lampe 2100 Betriebsstunden (3100 Stunden im Eco
Modus) überschreitet, kann der Projektor nicht eingeschaltet und das Menü
nicht angezeigt werden. Wenn dies geschieht, drücken Sie im aktivierten
Bereitschaftsmodus für mindestens 10 Sekunden die Hilfe-Taste auf der
Fernbedienung. Wenn der Lampenbetriebszähler auf Null rückgesetzt ist,
erlischt die LAMP-Anzeige.

G-31
Reinigung
Reinigung oder Austausch des Filters
Der Luftfilter-Schwamm hält das Innere des Projektors frei von Staub
oder Schmutz und sollte alle 100 Betriebsstunden gereinigt werden (in
einer staubigen Umgebung häufiger). Wenn der Filter verschmutzt oder
verstopft ist, kann dies zu einer Überhitzung Ihres Projektor führen.
ACHTUNG
•Schalten Sie den Projektor aus, schalten Sie den
Hauptnetzschalter aus und trennen Sie das Netzkabel des
Projektors ab, bevor Sie den Filter austauschen.
•Reinigen Sie nur das Äußere des Filters mit einem Staubsauger.
*Versuchen Sie nicht, den Projektor ohne Filterabdeckung zu
bedienen.
Wie der Luftfilter gereinigt wird:
Saugen Sie den Filter durch die Filterabdeckung hindurch ab.
Wählen Sie zur Rückstellung der Filterbetriebszeit im Menü [Stand.] →
[Filterstundenzähler zurücksetzen] aus.
Zur Rückstellung der Filterbetriebsdauer siehe auch Seite G-29.
Wie der Luftfilter ausgetauscht wird:
1. Entfernen Sie die Filterabdeckung, indem Sie die Lasche der
Abdeckung nach oben schieben, bis sie fühlen, dass sie sich löst.
2. Lösen Sie den Schwamm vorsichtig ab und tauschen Sie ihn durch
einen neuen aus.
3. Setzen Sie die neue Filterabdeckung auf.
HINWEIS: Waschen Sie die Filterabdeckung nicht mit Seife und Wasser. Seife
und Wasser führen zu einer Beschädigung der Filtermembran. Entfernen Sie
eventuell vorhandenen Staub und Schmutz vom Projektorgehäuse, bevor Sie
den Filter austauschen. Halten Sie Staub und Schmutz beim Austausch des Fil-
ters fern.
HINWEIS: Es ist ratsam beim Austausch der Lampe gleichzeitig auch den Filter
auszutauschen. Der Filter befindet sich in der selben Packung wie Ihre
Ersatzlampe.
Reinigung des Gehäuses und der Lampe
1. Schalten Sie den Projektor vor der Reinigung aus.
2. Reinigen Sie das Gehäuse regelmäßig mit einem feuchten Tuch. Wenn
es sehr verschmutzt ist, können Sie auch ein mildes Reinigungsmittel
verwenden. Verwenden Sie allerdings niemals stark wirkende
Reinigungsmittel oder Lösungsmittel wie Alkohol oder Verdünner.
3. Verwenden Sie ein Gebläse oder ein Linsenpapier, um die Linse zu
reinigen, und achten Sie darauf, dass Sie die Linse nicht zerkratzen
oder beschädigen.
Arretierhebel

G-32
FEHLERSUCHE
Dieses Kapitel hilft Ihnen bei der Beseitigung von Störungen, die bei der Einrichtung oder während des Betriebes Ihres Projektors auftreten können.
Netzanzeige
Anzeige-Zustand Projektor -Zustand Hinweis
Aus
Anzeige blinkt
Anzeige leuchtet
Grünes Blinken
Oranges Blinken
0,5 Sek. AN,
0,5 Sek. AUS
0,5 Sek. AN,
0,5 Sek. AUS
Die Hauptstromversorgung ist ausgeschaltet.
Der Projektor macht sich
einschaltbereit.
Der Projektor befindet sich in
der Abkühlphase.
Der Projektor ist eingeschaltet.
Der Projektor befindet sich im
Standby-modus.
Grün
Orange
–
Warten Sie einen Moment.
Warten Sie einen Moment.
–
–
Anzeige-Zustand Projektor-Zustand Hinweis
Aus
Anzeige blinkt
Anzeige leuchtet
Rotes Blinken
Grünes Blinken
Orange
1 Zyklus (0,5 Sek.
AN, 2,5 Sek. AUS)
2 Zyklen (0,5 Sek.
AN, 0,5 Sek. AUS)
4 Zyklen (0,5 Sek.
AN, 0,5 Sek. AUS)
6 Zyklen (0,5 Sek.
AN, 0,5 Sek. AUS)
Normal
Lampenabdeckungsfehler oder
Lampengehäusesfehler.
Temperaturfehler
Lüfterfehler
Lampenfehler
Neuaktivierung der Lampe
Tastensperre aktiviert
Leerlaufbetrieb
–
Bringen Sie die Lampenabdeckung
bzw. das Lampengehäuse richtig an.
Der Projektor hat sich
überhitzt.
Stellen Sie den Projektor an
einem kühleren Platz auf.
Die Lüfter arbeiten nicht
ordnungegemäß.
Die Lampe leuchtet nicht. Warten Sie eine Minute
und schalten Sie das Gerät dann wieder ein.
Der Projektor aktiviert sich
neu.
Sie haben bei aktivierter
Tastensperre eine Bedienfeldtaste
gedrückt.
Statusanzeige
Anzeige-Zustand Projektor-Zustand Hinweis
Aus
Anzeige blinkt
Anzeige leuchtet
Normal
Die Lampe hat das Ende ihrer Lebensdauer erreicht. Die
Lampenaustausch-Meldung wird angezeigt.
Die zulässige Lampen-Betriebsstundenzahl wurde
überschritten. Der Projektor schaltet sich erst nach dem
Austausch der Lampe wieder ein.
Der Lampenmodus ist auf Eco eingestellt.
Rot
Rot
Grün
–
Tauschen Sie die Lampe aus.
Tauschen Sie die Lampe aus.
–
Lampenanzeige

G-33
Der Projektor schaltet sich
nicht ein.
Kein Bild.
Das Bild ist nicht rechtwinklig
zum Bildschirm.
Das Bild ist verschwommen.
Das Bild scrollt vertikal,
horizontal oder beides.
Die Fernbedienung
funktioniert nicht.
Eine Anzeige leuchtet oder
blinkt.
Farbfehler im RGB-Modus
•Stellen Sie sicher, dass das Netzkabel eingesteckt und die Netztaste am Projektorgehäuse oder auf der Fernbedienung gedrückt
ist. Siehe Seiten G-16 und G-17.
•Vergewissern Sie sich, dass die Lampenabdeckung bzw. das Lampengehäuse richtig angebracht wurde. Siehe Seite G-30.
•Überprüfen Sie, ob sich der Projektor überhitzt hat oder ob die Lampe das Ende ihrer Lebensdauer erreicht hat. Wenn die
Belüftung um den Projektor herum nicht ausreichend oder es im Präsentationsraum besonders warm ist, sollten Sie den
Projektor an einem kühleren Ort aufstellen.
•Verwenden Sie die RGB-, Video- bzw. S-Video-Taste auf der Fernbedienung oder am Projektorgehäuse, um die Quelle (RGB,
Video oder S-Video) auszuwählen. Siehe Seite G-18.
•Stellen Sie sicher, dass Ihre Kabel richtig angeschlossen sind.
•Stellen Sie mit Hilfe der Menüs die Helligkeit und den Kontrast ein. Siehe Seite G-26.
•Nehmen Sie die Linsenkappe ab.
•Stellen Sie die Eingaben oder Einstellungen mit Hilfe von Werkseinstellung im Menü auf die jeweiligen Werkseinstellungen
zurück. Siehe Seite G-29.
•Positionieren Sie den Projektor neu, um dessen Winkel zum Bildschirm zu verbessern. Siehe Seite G-18.
•Korrigieren Sie die Trapezverzerrungen mit Hilfe der Trapez-Funktion. Siehe Seite G-19.
•Stellen Sie das Objektiv scharf. Siehe Seite G-19.
•Positionieren Sie den Projektor neu, um dessen Winkel zum Bildschirm zu verbessern. Siehe Seite G-18.
•Stellen Sie sicher, dass der Abstand zwischen Projektor und Bildschirm innerhalb des Einstellungsbereiches des Objektivs
liegt. Siehe Seiten G-11 bis G-12.
•Kondensation kann sich auf der Linse bilden, wenn ein kalter Projektor in einen warmen Raum gebracht und eingeschaltet
wird. Sollte dies geschehen, lassen Sie den Projektor so lange stehen, bis keine Kondensation mehr auf der Linse vorhanden
ist.
• Wählen Sie mit der RGB-, VIDEO- oder S-VIDEO-Taste auf der Fernbedienung oder am Projektor die einzugebende Quelle.
• Setzen Sie neue Batterien ein. Siehe Seite G-10.
•Stellen Sie sicher, dass sich zwischen Ihnen und dem Projektor keine Hindernisse befinden.
•Betreiben Sie die Fernbedienung innerhalb eines Bereiches von 7 m zum Projektor. Siehe Seite G-10.
•Stellen Sie sicher, dass der Projektor-Modus aktiviert ist und die PJ-Taste rot leuchtet. Falls nicht, müssen Sie die PJ-Taste
drücken. Siehe Seite G-21.
•Siehe "Netz-/Status-/Lampen-anzeige" auf Seite G-32.
•Wenn Auto-Einstellung ausgeschaltet ist, schalten Sie die Funktion ein, oder stellen Sie das Bild manuell mit Horizontal/
Vertikal/Takt/Phase in den Erweiterter ein. Siehe Seite G-28.
Störung Überprüfen Sie diese Punkte
Allgemeine Störungen & Abhilfemaßnahmen

G-34
TECHNISCHE DATEN
Dieser Abschnitt liefert Ihnen technische Informationen über die Leistung des Projektors VT660/VT560/VT460.
Modellnummer VT660/VT560/VT460
Optisch Daten
LCD-Bedienfeld VT660: 0,7" p-Si TFT-Aktivmatrix mit Mikrolinsen-Ausstattung
VT560/VT460: 0,7" p-Si TFT-Aktivmatrix
Auflösung VT660/VT560: 1024⳯768 Pixel natürliche, bis zu UXGA mit Advanced AccuBlend
VT460: 800⳯600 Pixel natürliche, bis zu UXGA mit Advanced AccuBlend
Linse Manualle Bildgrößeen- und Scharfeinstellung
F1,7 – 2,0 f=21,6 – 25,9mm
Lampe 200 W (160 W Eco Modus)
Bildformat 0,5 – 7,6 m (21 Zoll – 300 Zoll) diagonal
Projektionsentfernung 7,3 (Fern) – 10,9 m (Weit) / 2,38 Fuß – 35,8 Fuß
Projektionswinkel Fern : 9,5° – 10,0° Weit : 11,3° – 11,8°
Trapezkorrektur +/- 30 Grad, elektronisch (auto)
Elektrische Daten
Eingänge 1 RGB (D-Sub 15 Pin), 1 S-Video (DIN 4 Pin), 1 Video (RCA),
1 Stereomini-Audio, 2 (L/R) RCA-Audio, 1 PC-Steuerung (DIN 8 Pin)
Ausgänge 1 RGB (D-Sub 15 Pin), 1 Stereomini-Audio
USB-Port 1 B-Typ
Videokompatibilität NTSC, NTSC4.43, PAL, PAL-60, PAL-N, PAL-M, SECAM, HDTV: 1080i, 1080i/50Hz, 720p, 576p, 480p, 480i/
60Hz
Bildrate Horizontal: 15 kHz bis 100 kHz (RGB: 24 kHz oder mehr) / Vertikal: 50 Hz bis 120 Hz
Videobandbreite RGB: 80 MHz (-3dB)
Farbreproduktion 16,7 Millionen Farben gleichzeitig, Alle Farben
Horizontale Auflösung NTSC / NTSC4.43/PAL/PAL-M/PAL-N/PAL60: 550 TV-Zeilen
SECAM: 350 TV-Zeilen
YCbCr: 800 TV-Zeilen
RGB: VT660/VT560 / 1024 Bildpunkte (H)⳯768 Bildpunkte (V), VT460 / 800 Bildpunkte (H)⳯600 Bildpunkte (V)
Externe Steuerung RS232, IR
Sync-Kompatibilität Getrenntes Sync / Komposit-Sync / Sync auf Grün
Eingebaute Lautsprecher 1W (monaural)
Netzspannung 100 - 120V AC / 200 - 240V AC, 50 / 60 Hz
Eingangsstrom 2,9A (100 - 120V Wechselstrom) / 1,4A (200 - 240V Wechselstrom)
Stromaufnahme 7,5W im Standby-Betrieb / 260 W im Lampen-Normalbetrieb / 220 W im Lampen-Energiesparbetrieb
Mechanische Daten
Installation Ausrichtung Tisch Front, Decke hinten, Tisch hinten, Decke Front
Abmessungen 310mm (B)⳯89mm (H)⳯230mm (T)
12,2" (B)⳯3,5" (H)⳯9,1" (T)
(ohne vorstehende Teile)
Nettogewicht 2,9 kg / 6,5 Pfund
Umgebungsbedingungen
Betriebstemperaturen: 32°F bis 95°F (0° bis 35°C), 20% bis 80% Luftfeuchtigkeit (nicht kondensierend)
Storage Temperatures: 14°F bis 122°F (-10° bis 50°C), 20% bis 80% Luftfeuchtigkeit (nicht kondensierend)
Angewandte UL-Normen (UL 60950, CSA 60950)
Entspricht den kanadischen DOC-Bestimmungen Klasse B
Entspricht den FCC-Bestimmungen Klasse B
Entspricht den AS/NZS3548-Bestimmungen Klasse B
Entspricht der EMC-Richtlinie (EN55022:1998, EN55024-1998, EN61000-3-2, EN61000-3-3)
Entspricht den Niederspannungsrichtlinien (EN60950, TÜV GS-geprüft)
Besuchen Sie uns für zusätzliche Informationen im Internet unter:
USA: http://www.necvisualsystems.com
Europa: http://www.nec-europe.com/
Weltweit: http://www.nec-pj.com/
LCD-Felder sind von Natur aus für Pixel-Defekte anfällig.
Nehmen Sie bitte für zusätzliche Informationen hinsichtlich der Pixel-Daten Kontakt zu Ihrem örtlichen NEC-Verkaufsbüro auf.
Änderungen der technischen Daten ohne Ankündigung vorbehalten.

G-35
ANHANG
Gehäuseabmessungen
Einheit = mm (Zoll)
51423
10
1112131415
6978
41,7
(1,6")
99.2(3,9")
96(3,8") 230(9,1")
245(9,6")
89(3,5")
73,5(2,9")
310(12,2")
Linsenmitte
Linsenmitte
15poliger Mini D-Sub Pinanschluss
Pinbelegung des D-Sub RGB-Eingangsanschlusses
Pin Nr. RGB-Signal (Analog) YCbCr-Signal
1Rot Cr
2Grün oder Sync-an-Grün Y
3Blau Cb
4Masse
5Masse
6Rote Masse Cr-Masse
7Grüne Masse Y-Masse
8Blaue Masse Cb-Masse
9Nicht belegt
10 Sync.-Signal-Masse
11 SCART Sync Sync
12 Bidirektionale DATA (SDA)
13
Horizontal-Sync oder Komposit-Sync
14 Vertical-Sync
15 Datentakt
Signalpegel
Videosignal: 0,7 Vp-p (Analog)
Sync signal: TTL level

G-36
Liste kompatibler Eingangssignale
Signal Auflösung Frequenz H. Bildwiederholfrequenz
(Bildpunkte) ( kHz ) ( Hz )
NTSC – 15,734 60
PAL–15,625 50
SECAM – 15,625 50
VESA 640 ⳯480 31,47 59,94
IBM 640 ⳯480 31,47 60
MAC 640 ⳯480 31,47 60
MAC 640 ⳯480 34,97 66,67
MAC 640 ⳯480 35 66,67
VESA 640 ⳯480 37,86 72,81
VESA 640 ⳯480 37,5 75
IBM 640 ⳯480 39,375 75
VESA 640 ⳯480 43,269 85,01
IBM 720 ⳯350 31,469 70,09
VESA 720 ⳯400 37,927 85,04
IBM 720 ⳯350 39,44 87,85
IBM 720 ⳯400 39,44 87,85
VESA 800 ⳯600 35,16 56,25
VESA 800 ⳯600 37,879 60,32
VESA 800 ⳯600 48,077 72,19
VESA 800 ⳯600 46,88 75
VESA 800 ⳯600 53,674 85,06
MAC 832 ⳯624 49,725 74,55
@VESA 1024 ⳯768 35,5 43 Interlace
@VESA 1024 ⳯768 48,363 60
@VESA 1024 ⳯768 56,476 70,07
@MAC 1024 ⳯768 60,241 74,93
@VESA 1024 ⳯768 60,023 75,03
@VESA 1024 ⳯768 68,677 85
@# VESA 1152 ⳯864 67,5 75
@# MAC 1152 ⳯870 68,681 75,06
@# SUN 1152 ⳯900 61,796 65,95
@# SGI 1152 ⳯900 71,736 76,05
@# VESA 1280 ⳯960 60 60
@# VESA 1280 ⳯1024 63,981 60,02
@# MAC 1280 ⳯1024 69,89 65,2
@# HP 1280 ⳯1024 78,125 72,01
@# SUN 1280 ⳯1024 81,13 76,11
@# VESA 1280 ⳯1024 79,976 75,03
@# VESA 1280 ⳯1024 91,146 85,02
@# SXGA+ 1400 ⳯1050 – –
@#
HDTV
(1080p)
1920 ⳯1080 67,5 60
@#
SDTV(576i)(625i)
–15,6 50
@#
SDTV(576p)(625p)
–31,5 50
@#
HDTV
(1080i)(1125i)
1920 ⳯1080 33,75 60 Interlace
@#
HDTV
(1080i)(1125i)
1920 ⳯1080 28,13 50 Interlace
@#
HDTV (720p)(750p)
1280 ⳯720 45 60 Progressiv
@#
SDTV (480p)(525p)
–31,47 59,94 Progressiv
@# VESA 1600 ⳯1200 75,0 60
@# VESA 1600 ⳯1200 81,3 65
@# VESA 1600 ⳯1200 87,5 70
@# VESA 1600 ⳯1200 93,75 75
DVD YCbCr – 15,734 59,94 Interlace
DVD YCbCr – 15,625 50 Interlace
#: Die in obiger Liste mit # gekennzeichneten Bilder sind mit Advanced AccuBlend komprimiert. (VT660/VT560)
@: Die in obiger Liste mit @ gekennzeichneten Bilder sind mit Advanced AccuBlend komprimiert. (VT460)
HINWEIS: Einige Komposit-Sync.-Signale werden möglicherweise nicht richtig angezeigt.
Andere als in der Tabelle angegebene Signale werden möglicherweise nicht richtig angezeigt. Ändern Sie in einem derartigen Fall
die Bildwiederholfrequenz oder Auflösung auf Ihrem PC. Beziehen Sie sich auf das Hilfe-Kapitel unter den Anzeige-Eigenschaften.
UXGA (1600
⳯
1200) wird nur für das separate Sync.-Signal unterstüzt.

G-37
TravelCare-Führer
TravelCare – eine Serviceleistung für Weltreisende
Dieses Produkt ist geeignet für “TravelCare”, NEC’s einzigartige
internationale Garantie.
Bitte beachten Sie, dass der Umfang von TravelCare sich vom Umfang
der dem Produkt beiliegenden Garantie teilweise unterscheidet.
Serviceleistungen von TravelCare
Diese Garantie ermöglicht es dem Kunden, auf Produkte
Serviceleistungen bei NEC und bei NEC autorisierten Service-Centern
in den nachfolgend aufgeführten Ländern zu erhalten, wenn Sie
vorübergehend auf internationale Geschäfts- oder Freizeitreisen sind.
Beziehen Sie sich bitte für Einzelheiten bezüglich der von den
verschiedenen Service-Centern angebotenen Serviceleistungen auf die
nachstehend aufgeführte “Liste der TravelCare-Anlaufstellen”.
1 Reparaturservices
Das Produkt wird innerhalb von 10 Werktagen repariert und
ausgeliefert, ausschließlich Versanddauer.
Während der Garantiedauer werden die Kosten für Wartungsteile,
Arbeitskosten für Reparaturen und die Versandkosten innerhalb des
Geltungsbereichs des Service-Centers von der Garantie gedeckt.
2 Ersatzprodukt-Verleihservice
Wenn der Kunde es wünscht, kann er oder sie ein Ersatzprodukt
mieten, während das Originalprodukt repariert wird.
Gebühr: US $200 für 12 Tage
Diese Gebühr muss beim Service-Center bar oder mit Kreditkarte
bezahlt werden.
Die $200 Leihgebühr kann nicht rückerstattet werden, auch wenn
der Kunde das Gerät weniger als 12 Tage leiht, bevor er es zurückgibt.
Das Ersatzprodukt wird innerhalb von 3 Werktagen geliefert.
Falls der Kunde das Ersatzprodukt nicht innerhalb von 12 Tagen
zurückgibt, wird dem Kunden der Preis des Gerätes in Rechnung
gestellt.
Falls der Kunde das Ersatzprodukt in einem fehlerhaften oder
beschädigtem Zustand zurückgibt, werden dem Kunden die
Reparaturkosten in Rechnung gestellt.
Dabei ist zu beachten, dass dieser Service nicht in allen Ländern
und Regionen angeboten wird. Bitte beziehen Sie sich auf die “Liste
der TravelCare-Anlaufstellen”.
Ferner wird dieser Produkt-Verleihservice nach Ablauf der
Produktgarantie nicht mehr angeboten.
Garantiedauer
1
a. Nach Vorlage des Garantiescheins oder des Kaufbelegs:
Gültig für die auf der Garantie angegebenen Dauer oder für die
in dem Land, in dem das Gerät gekauft wurde, geltenden
Garantiedauer.
b. Wenn nur das Produkt angeliefert wird:
Gültig für eine Dauer von 14 Monaten ab Herstellungsdatum,
das durch die auf dem Produkt befestigten Seriennummer
angegeben ist.
2
Wenn ein Produkt angeliefert wird, dessen Garantiedauer abgelaufen ist:
Reparaturen werden gegen eine Gebühr durchgeführt. In diesem Fall, kann
der Kunde den Ersatzprodukt-Verleihservice nicht mehr in Anspruch nehmen.
3In den folgenden Fällen, können Reparaturkosten in Rechnung gestellt
werden, auch wenn die Produktgarantie noch gültig ist:
1) Falls die Garantiedauer, die Modellbezeichnung, die
Seriennummer und die Bezeichnung der Verkaufsstelle nicht auf
dem Garantieschein angegeben sind oder diese Angaben
verändert wurden.
2) Probleme oder Schäden, die durch Herunterfallen oder von
Stößen während der Lieferung oder des Transports durch den
Kunden oder von unsachgemäßem Gebrauch durch die Kunden
herrühren.
3) Probleme oder Schäden, die durch unsachgemäße Verwendung
oder von unbefugt durchgeführten Veränderungen oder
Reparaturen seitens der Kunden herrühren.
4) Probleme oder Schäden, die durch Feuer, Salzschäden,
Gasschäden, Erdbeben, Blitzschäden, Sturm- oder
Überschwemmungsschäden oder andere Naturkatastrophen
oder durch externe Faktoren, wie Staub, Zigarettenrauch,
unnormale Spannung, usw. verursacht werden.
5) Probleme oder Schäden, die vom Gebrauch in heißen oder
feuchten Orten, in Fahrzeugen, Booten oder Schiffen, usw.
herrühren.
6) Probleme oder Schäden, die durch andere als von NEC
angegebene am Produkt angeschlossene Verschleißteile oder
Geräte hervorgerufen werden.
7) Probleme, die unter normalen Betriebsbedingungen durch
normale Abnutzung, natürlichem Verschleiß oder normaler
Verschlechterung der Teile verursacht werden.
8) Probleme oder Schäden an den Lampen und anderen
Verschleißteilen, enthaltenen Teilen oder optionalen Teilen.
9) Andere Bedingungen, die in der dem Produkt beiliegenden
Garantie festgesetzt sind, treffen ebenfalls zu.
HINWEIS: Das Produkt kann in Übersee mit Spannungen von 100 bis 120 V und
200 bis 240 V betrieben werden, indem ein Netzkabel verwendet wird, dass mit
den Standards und der Stromspannung des Landes übereinstimmt, in dem das
Produkt betrieben wird.
Liste der TravelCare-Anlaufstellen
Diese Liste ist ab 1. Juni 2002 gültig.
Bitte beziehen Sie sich für die aktuellsten Informationen auf die
Webseiten der Service-Center in den verschiedenen Ländern, die in
der Liste der TravelCare-Anlaufstellen oder auf der NEC Webseite unter
http://www.nec-pj.com aufgelistet sind.
In Europa
NEC Europe, Ltd. / European Technical Centre
Adresse: Unit G, Stafford Park 12, Telford TF3 3BJ, GB
Telefon: +44 (0) 1952 237000
Fax: +44 (0) 1952 237006
Email-Adresse: AFR@uk.neceur.com
WEB-Adresse: http://www.neceur.com
(Abgedeckte Regionen)
EU: Österreich*, Belgien*, Dänemark*, Finnland*, Frankreich*,
Deutschland*, Griechenland*, Irland*, Italien*, Luxemburg*,
Niederlande*, Portugal*, Spanien*, Schweden* und
Großbritannien*
EWR: Norwegen*, Island und Liechtenstein
In Nordamerika
NEC Solutions(America), Inc.
Adresse: 1250 Arlington Heights Road, Itasca, Illinois
60143, U.S.A.
Telefon: +1 800 836 0655
Fax: +1 800 356 2415
Email-Adresse: vsd.tech-support@necsam.com
WEB-Adresse: http://www.necvisualsystems.com
(Abgedeckte Regionen)
U.S.A. *, Kanada*
In Ozeanien
NEC Australia Pty., Ltd.
Adresse: New South Wales;
184 Milperra Road, Reversby 2212
Victoria;
480 Princess Hwy Noble Park 3174
South Australia;
84A Richmond Road, Keswick 5035
Queensland;
116 Ipswich Road, Woollongabba 4102
Western Australia;
45 Sarich Court Osborne Park 6017
Telefon: +61 131 632
Fax: +61 88 375 5757
Email-Adresse: lee.gramola@nec.com.au
WEB-Adresse: http://www.nec.com.au
(Abgedeckte Regionen)
Australien*, Neuseeland

G-38
In Asia and Middle East
NEC Viewtechnology, Ltd.
Adresse: 686-1, Nishioi, Oi-Machi, Ashigarakami-Gun,
Kanagawa 258-0017, Japan
Telefon: +81 465 85 2369
Fax: +81 465 85 2393
Email-Adresse: support_pjweb@nevt.nec.co.jp
WEB-Adresse: http://www.nec-pj.com
(Abgedeckte Regionen)
Japan*
NEC Hong Kong Ltd.
Adresse: 11th Floor, Tower B, New Mandarin Plaza,
14 Science Museum Road, Tsim Sha Tsui East,
Kowloon, Hong Kong
Telefon: +852 2369 0335
Fax: +852 2733 5519
Email-Adresse: esmond_au@nechk.nec.com.hk
WEB-Adresse: http://www.nec.com.hk
(Abgedeckte Regionen)
Hongkong
NEC Taiwan Ltd.
Adresse: 8F, No.167, SEC.2, Nan King East Road, Taipei,
Taiwan, R.O.C.
Telefon: +886 2 8500 1734
Fax: +886 2 8500 1420
Email-Adresse: nickliao@nec.com.tw
WEB-Adresse: http://www.nec.com.tw
(Abgedeckte Regionen)
Taiwan
NEC Singapore Pte. Ltd
Adresse: 401 Commonwealth Drive, #07-02,
Haw Par Technocentre, Singapore 149598
Telefon: +65 273 8333
Fax: +65 274 2226
Email-Adresse: daniel@rsc.necsin.nec.com.sg
WEB-Adresse: http://www.nec.com.sg
(Abgedeckte Regionen)
Singapur
Hyosung Data System, Ltd.
Adresse: 7th Floor, Cheongdam Building, 52,
Cheongdam-Dong,
Kangnam-Ku, Seoul, Korea 135-100
Telefon: +82 2 510 0234
Fax: +82 2 540 3590
Email-Adresse: hds-ykc@hyosung.com
(Abgedeckte Regionen)
Südkorea
Lenso Communication Co., Ltd.
Adresse: 292 Lenso House 4, 1st Fioor, Srinakarin Road,
Huamark, Bangkapi, Bangkok 10240, Thailand
Telefon: +66 2 375 2425
Fax: +66 2 375 2434
Email-Adresse: pattara@lenso.com
WEB-Adresse: http://www.lenso.com
(Abgedeckte Regionen)
Thailand
ABBA Electronics L.L.C.
Adresse: Tariq Bin Ziyad Road, P.O.Box 327, Dubai,
United Arab Emirates
Telefon: +971 4 371800
Fax: +971 4 364283
Email-Adresse: ABBA@emirates.net.ae
(Abgedeckte Regionen)
Vereinte Arabische Emirate
Samir Photographic Supplies
Adresse: P.O.Box 599, Jeddah 21421, Saudi Arabia
Telefon: +966 2 6828219
Fax: +966 2 6830820
Email-Adresse: valtkes@samir-photo.com
(Abgedeckte Regionen)
Saudi-Arabien
HINWEIS: In den Ländern, die mit einem Sternchen (*) gekennzeichnet sind,
wird der Ersatzprodukt-Verleihservice angeboten.

G-39
AN: NEC oder NEC autorisierter Service-Center:
ABS:
(Firma & Name mit Unterschrift)
Sehr geehrte Damen und Herren,
ich möchte mich für Ihr TravelCare-Serviceprogramm, basierend auf dem beiliegenden Registrierungs- und Qualifikationsformular,
anmelden und stimme den folgenden Bedingungen zu, ferner bin ich damit einverstanden, dass die Servicekosten von meinem
Kreditkartenkonto abgebucht werden, falls ich die geliehenen Ersatzgeräte nicht innerhalb der angegebenen Frist zurückgebe.
Ich bestätige ebenfalls, dass die folgenden Informationen korrekt sind. Mit freundlichen Grüßen.
Anmeldungsformular für das TravelCare-Serviceprogramm
Datum: / / , P-1/ ,
Land, in dem
das Produkt gekauft wurde:
Firmenname des Benutzers:
Firmenadresse des Benutzers:
Telefonnr., Fax-Nr.:
Name des Benutzers:
Adresse des Benutzers:
Telefonnr., Fax-Nr.:
Örtl. Kontaktbüro:
Örtl. Kontaktbüro Adresse:
Telefonnr., Fax-Nr.:
Modellbezeichnung:
Kaufdatum:
Seriennr. auf der Rückseite:
Geräteproblem pro Benutzer:
Erforderlicher Service: (1) Reparatur und Rücksendung (2) Ersatzgerät
Gewünschte Verleihdauer
für Ersatzgerät:
Zahlungsweise: (1)Kreditkarte (2)Travellerscheck (3)Bar
Bei Kreditkarte:
Kartennr. w/Gültig bis:
G-40
Bedingungen für Ihr TravelCare-Serviceprogramm
Endverbraucher müssen die folgenden Bedingungen für das TravelCare-
Serviceprogramm verstehen und die erforderlichen Informationen im
Anmeldungsformular eintragen.
1. Service-Optionen:
Es stehen 3 Arten von “Serviceleistungen” zur Verfügung. Der
Endverbraucher muss die folgenden Bedingungen verstehen und das
Anmeldungsformular ausfüllen.
1) Reparatur und Rücksendung:
Das ‘defekte Gerät’ wird vom Kunden versendet oder wird beim
Kunden abgeholt. Es wird innerhalb von 10 Werktagen repariert und
ausgeliefert, ausschließlich Versanddauer.
Es kann vorkommen, dass die Reparatur und Rücksendung nicht
von einem von NEC autorisierten Service-Center durchgeführt werden
kann, da das gleiche Modell nicht in dieser Region verkauft wird und
infolgedessen keine Ersatzteile vorrätig sind.
2) Reparatur und Rücksendung mit Verleih: (Dieser Service ist auf einige
Service-Center beschränkt)
Dieser Service wird dem Endverbraucher angeboten, der nicht auf
eine Reparatur warten kann.
Der Kunde kann für $200 ein Gerät für einen Zeitraum von bis zu 12
Tagen ausleihen. Der Kunde sendet das defekte Gerät für die
Reparatur zum nächsten NEC autorisierten Service-Center. Um
Probleme beim Abholen zu verhindern, ist es erforderlich, dass das
Anmeldungsformular ausgefüllt wird.
Der Endverbraucher muss die Gültigkeit der Serviceleistung dem NEC
autorisierten Service-Center bestätigen.
3) Nur Verleih:
Bei dieser Serviceleistung stellt der NEC autorisierte Service-Center
dem Kunden für U$200 ein Ersatzgerät für einen Zeitraum von 12
Tagen zur Verfügung. Der Kunde behält das defekte Gerät und lässt
den Projektor nach seiner Rückkehr in sein Heimatland reparieren.
2. Garantieausschlüsse:
Dieses Programm kommt nicht zur Anwendung, wenn die Seriennummer
des Projektors beschädigt, verändert oder entfernt wurde.
Wenn nach Ansicht von NEC oder seinen Handelsvertretern die Defekte
oder Fehler von einer anderen Ursache als natürlicher Verschleiß,
normale Abnutzung, einem Versäumnis oder eines Fehlers seitens NEC
herrühren, einschließlich und ohne Einschränkung:
1) Unfall, Transport, Fahrlässigkeit, falscher Gebrauch, Missbrauch,
Wasser, Staub, Rauch oder Versäumnis durch den Kunden, seine
Angestellten oder seine Vertreter oder seitens Dritter;
2) Störungen oder Fluktuation der elektrischen Leistung, Stromkreise,
Klimaanlage, Feuchtigkeitssteuerung oder anderer
Umgebungsbedingungen, wie der Betrieb in Raucherzonen;
3) Fehler jeglicher Art bei den Zubehörteilen oder den dazugehörigen
Produkten oder Komponenten (ganz gleich, ob sie von NEC oder
seinen Handelsvertretern geliefert wurden, die nicht Bestandteil des
Produktes sind, das durch diese Garantie abgedeckt ist);
4) Höhere Gewalt, Feuer, Überschwemmung, Kriegsereignisse,
Gewaltakt oder ähnliche Vorkommnisse;
5) Jeder Versuch seitens einer Person, die nicht zum NEC autorisierten
Personal gehört, das Produkt zu justieren, zu verändern, zu
reparieren, zu installieren oder Servicearbeiten daran durchzuführen.
6) Grenzüberschreitende Gebühren jeder Art, wie Zoll, Versicherung,
Steuern, usw.
3. Kosten bei Garantieausschlüssen und bei Ablauf des
Garantieanspruchs:
Falls das defekte Gerät unter den Garantieausschluss fällt oder wenn
der Garantieanspruch abgelaufen ist, stellt das von NEC autorisierte
Service-Center dem Endverbraucher mit Recht einen Kostenvoranschlag
für die Servicearbeiten aus.
5. Kosten und Bedingungen für den Verleihservice:
Bei Empfang dieses NEC Projektors übernimmt der Kunde die Haftung
für dieses geliehene Ersatzgerät.
Die gegenwärtigen Kosten für solch ein geliehenes Ersatzgerät betragen
für 12 Tage $200,00 USD.
Falls der Kunde das Gerät nach Ablauf der 12 Kalendertage nicht
zurückgibt, wird dem Kunden die nächst höchsten Kosten bis zu und
einschließlich des vollen Listenpreises, mitgeteilt durch den von NEC
autorisierte Service-Center, von den Kreditkarten abgezogen. Bitte
beziehen Sie sich auf das beiliegende Verzeichnis für die
Kontaktaufnahme in den jeweiligen Ländern, um die Abholung eines
Ersatzgerätes zu arrangieren.
Falls Sie mit dem Ersatzgerät in Ihr Heimatland zurückkehren, werden
Ihnen für den Rücktransport des Gerätes in das Land, in dem Sie es
geliehen haben, zusätzlich Frachtkosten in Rechnung gestellt.
Vielen Dank für Ihr Verständnis.
4. Dead on Arrival (DOA):
Der Endverbraucher muss dieses Problem mit dem Händler in dem Land
lösen, in dem das Gerät gekauft wurde.
Der NEC autorisierte Service-Center führt beim DOA-Gerät eine normale

G-41
7N950141