National Instruments 24 Bit Half Full Bridge Analog Input Module Ni 9237 Users Manual Operating Instructions And Specifications
NI 9237 to the manual 961822d4-2ecb-47c3-a824-ed176a20d245
2015-02-05
: National-Instruments National-Instruments-24-Bit-Half-Full-Bridge-Analog-Input-Module-Ni-9237-Users-Manual-493773 national-instruments-24-bit-half-full-bridge-analog-input-module-ni-9237-users-manual-493773 national-instruments pdf
Open the PDF directly: View PDF
.
Page Count: 36

OPERATING INSTRUCTIONS AND SPECIFICATIONS
NI 9237
4-Channel, 24-Bit Half/Full-Bridge Analog Input Module
ni.com/manuals
DeutschFrançais

NI 9237 Operating Instructions and Specifications 2 ni.com
This document describes how to use the National Instruments 9237
and includes specifications and pin assignments for the NI 9237.
Visit ni.com/info and enter rdsoftwareversion to determine
which software you need for the modules you are using. For
information about installing, configuring, and programming the
system, refer to the system documentation. Visit ni.com/info
and enter cseriesdoc for information about C Series
documentation.
Note The safety guidelines and specifications in this
document are specific to the NI 9237. The other
components in the system might not meet the same safety
ratings and specifications. Refer to the documentation for
each component in the system to determine the safety
ratings and specifications for the entire system. Visit
ni.com/info and enter cseriesdoc for information
about C Series documentation.

© National Instruments Corp. 3 NI 9237 Operating Instructions and Specifications
Safety Guidelines
Operate the NI 9237 only as described in these operating
instructions.
Hot Surface This icon denotes that the component may be
hot. Touching this component may result in bodily injury.
Safety Guidelines for Hazardous Locations
The NI 9237 is suitable for use in Class I, Division 2, Groups A, B,
C, D, T4 hazardous locations; Class I, Zone 2, AEx nC IIC T4, and
Ex nC IIC T4 hazardous locations; and nonhazardous locations
only. Follow these guidelines if you are installing the NI 9237 in a
potentially explosive environment. Not following these guidelines
may result in serious injury or death.
Caution Do not disconnect I/O-side wires or connectors
unless power has been switched off or the area is known
to be nonhazardous.
Caution Do not remove modules unless power has been
switched off or the area is known to be nonhazardous.

NI 9237 Operating Instructions and Specifications 4 ni.com
Caution Substitution of components may impair
suitability for Class I, Division 2.
Caution For Zone 2 applications, install the system
in an enclosure rated to at least IP 54 as defined by
IEC 60529 and EN 60529.
Caution For Zone 2 applications, connected signals must
be within the following limits:
Capacitance .......................... 0.2 μF max
Inductance ............................ 80 mH max
Special Conditions for Hazardous Locations Use in Europe
This equipment has been evaluated as EEx nC IIC T4 equipment
under DEMKO Certificate No. 03 ATEX 0324020X. Each module
is marked II 3G and is suitable for use in Zone 2 hazardous
locations. If you are using the NI 9237 in Gas Group IIC hazardous
locations or in ambient temperatures of –40 °C ≤Ta ≤70 °C, you
must use the device in an NI chassis that has been evaluated as
EEx nC IIC T4, Ex nA IIC T4, or Ex nL IIC T4 equipment.

© National Instruments Corp. 5 NI 9237 Operating Instructions and Specifications
Special Conditions for Marine Applications
Some modules are Lloyd’s Register (LR) Type Approved for
marine applications. To verify Lloyd’s Register certification, visit
ni.com/certification and search for the LR certificate, or
look for the Lloyd’s Register mark on the module.
Caution To meet radio frequency emission requirements
for marine applications, use shielded cables and install
the system in a metal enclosure. Suppression ferrites
must be installed on power supply inputs near power
entries to modules and controllers. Power supply and
module cables must be separated on opposite sides of the
enclosure and must enter and exit through opposing
enclosure walls.

NI 9237 Operating Instructions and Specifications 6 ni.com
Connecting the NI 9237
The NI 9237 has four RJ-50 receptacles that provide connections
for four half or full bridges.
Figure 1. NI 9237 Pin Assignments
SC
AI+
AI–
RS+
RS–
EX+
EX–
T+
T–
SC
1
2
3
4
5
6
7
8
9
10
Ch0 – Ch3
EX+ EX+
EX– EX–
Ch 0
Ch 1
Ch 2
Ch 3

© National Instruments Corp. 7 NI 9237 Operating Instructions and Specifications
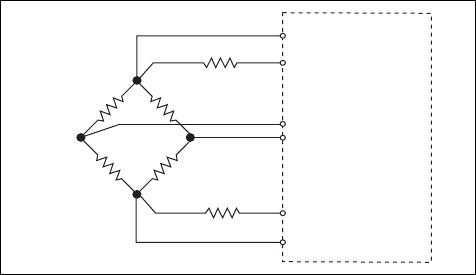
When you connect a half bridge to the NI 9237, you must connect
the AI+, EX–, and RS– signals, but you do not connect the AI–
signal. When you connect a full bridge, you must connect the AI+,
AI–, EX–, and RS– signals. Refer to Figure 2 for an illustration of
how to connect half and full bridges to the NI 9237.
Note You can use a quarter bridge with the NI 9237 if
you add a resistor externally to create a half bridge. You
also can use a quarter bridge with the NI 9237 if you use
the NI 9944 or NI 9945 Quarter Bridge Completion
Accessory. Visit ni.com and search for the NI 9944 and
NI 9945 Quarter Bridge Completion Accessories for
more information about these accessories and how to
purchase them.
Note National Instruments does not recommend using
an RJ-45 cable with the NI 9237 because it can physically
damage pins 1 and 10 on the device, and thus
permanently disable shunt calibration no matter what
connector you use.

NI 9237 Operating Instructions and Specifications 8 ni.com
The NI 9237 has a four-terminal external excitation voltage source
connector. You can use the EX+ and EX– terminals on the
connector to connect one external excitation voltage source to the
module. You can use the additional EX+ and EX– terminals on the
connector to wire multiple NI 9237 modules together in a daisy
chain.
Note When you insert or remove a new sensor from the
NI 9237, slight changes in the excitation voltages can
cause a mismatch between the internal half-bridge
completion resistors and the half-bridge sensors, which
results in a change in the measurement offsets.
National Instruments recommends performing bridge
calibrations of quarter- or half-bridge sensors after
connecting all sensors to the NI 9237 and after removing
or attaching any additional sensor. Visit ni.com/info
and enter the info code rdw9237 for more information
about changes in voltage offsets in the NI 9237.

© National Instruments Corp. 9 NI 9237 Operating Instructions and Specifications
Figure 2. Connecting a Half or Full Bridge to the NI 9237
EX+
EX–
SC
SC
RS+
RS–
T+
T–
AI–
AI+
TEDS
NI 9237
NI 9237 Operating Instructions and Specifications 10 ni.com
Each channel on the NI 9237 has an independent 24-bit ADC
and an input amplifier that enable you to sample signals from all
four channels simultaneously.
The NI 9237 is isolated from earth ground. However, the individual
channels are not isolated from each other. The EX+, EX–, and
T– signals are common among all channels. You can connect the
NI 9237 to a device that is biased at any voltage within the NI 9237
rejection range of earth ground. Refer to the Specifications section
for more information about the common-mode rejection
ratio (CMRR).
Yo u also can connect floating signals to the NI 9237. If you
connect floating signals to the NI 9237, National Instruments
recommends connecting the EX– signal to the earth ground or
shield for better noise rejection.
The NI 9237 also includes filters to prevent aliasing. The filters
on the NI 9237 filter according to the data rate. Refer to the
Understanding NI 9237 Filtering section for more information
about filtering.
© National Instruments Corp. 11 NI 9237 Operating Instructions and Specifications
Wiring TEDS Channels
Ensure that neither the TEDS data (T+) nor the TEDS return (T–)
signal is tied in common to any AI signals on the NI 9237. The
NI 9237 connects all the T– signals together internally. Visit
ni.com/info and enter the info code rdteds for more
information about TEDS sensors.
NI 9237 Connection Options
Wiring resistance can create errors in bridge circuits. The NI 9237
provides two mechanisms to correct for these errors: remote
sensing and shunt calibration.
Remote Sensing
Remote sensing continuously and automatically corrects for errors
in excitation leads, and generally is most appropriate for half- and
full-bridge sensors.
Long wire and small gauge wire have greater resistance, which can
result in gain error. The resistance in the wires that connect the
excitation voltage to the bridge causes a voltage drop, which is a
source of gain error. The NI 9237 includes remote sensing to
compensate for this gain error. Connect remote sense wires to the
points where the excitation voltage wires connect to the bridge
© National Instruments Corp. 13 NI 9237 Operating Instructions and Specifications
The actual bridge excitation voltage is smaller than the voltage at
the EX+ and EX– leads. If you do not use remote sensing of the
actual bridge voltage, the resulting gain error is:
for half-bridge sensors and
for full-bridge sensors.
If you connect the remote sense signals directly to the bridge
resistors, the NI 9237 senses the actual bridge voltage and
eliminates the gain errors caused by the resistance of the EX+ and
EX– leads.
Shunt Calibration
Shunt calibration can correct for errors from the resistance of both
the excitation wiring and wiring in the individual resistors of the
bridge. Remote sensing corrects for resistances from the EX pins
on the NI 9237 to the sensor, and shunt calibration corrects for
these errors and for errors caused by wire resistance within an arm
of the bridge. Shunt calibration is most useful with quarter-bridge
Rlead
Rbridge
-----------------
2Rlead
⋅
Rbridge
--------------------
NI 9237 Operating Instructions and Specifications 14 ni.com
sensors because there may be significant resistance in the wiring to
the active resistor in the bridge.
The NI 9237 shunt calibration circuitry consists of a precision
resistor and a software-controlled switch. Refer to the software
help for information about enabling the shunt calibration switch for
the NI 9237.
Shunt calibration involves simulating the input of strain by
changing the resistance of an arm in the bridge by some known
amount. This is accomplished by shunting, or connecting, a large
resistor of known value across one arm of the bridge, creating a
known strain-induced change in resistance. You can then measure
the output of the bridge and compare it to the expected voltage
value. You can use the results to correct gain errors in the entire
measurement path, or to simply verify general operation to gain
confidence in the setup.
Use a stable signal, which is typically the unloaded state of the
sensor, first with the shunt calibration switch off and then again
with the switch on. The difference in these two measurements
provides an indication of the gain errors from wiring resistances.
Yo u can design the software application to correct subsequent
readings for this gain error.
© National Instruments Corp. 15 NI 9237 Operating Instructions and Specifications
Excitation Voltages
Although the sensor industry does not recognize a single standard
excitation voltage level, excitation voltage levels of between
2.5 V and 10 V are common. You can program the NI 9237 to
supply 2.5 V, 3.3 V, 5 V, or 10 V of excitation voltage, and the
module can provide up to 150 mW of excitation power. Unless you
supply external excitation voltage, National Instruments
recommends that you set the excitation voltage to a value that
keeps the total power below 150 mW. The NI 9237 automatically
reduces internal excitation voltages as needed to stay below
150 mW total power.
The power consumed by a single bridge is where R is the total
resistance of the bridge.
For a quarter or half bridge, R is equal to two times the resistance
of each element. For a full bridge, R is equal to the resistance of
each element.
Vex
2
R
---------

NI 9237 Operating Instructions and Specifications 16 ni.com
The 150 mW limit allows you to power half and full bridges as
follows:
•Four 350 Ω half bridges at 5.0 V
•Four 350 Ω full bridges at 3.3 V
•Four 120 Ω half bridges at 2.5 V
If you need an excitation voltage that causes more than 150 mW to
dissipate across all the bridges, use the EX+ and EX– terminals on
the external excitation voltage connector to connect an external
excitation source to the NI 9237.
Understanding NI 9237 Filtering
The NI 9237 uses a combination of analog and digital filtering to
provide an accurate representation of in-band signals while
rejecting out-of-band signals. The filters discriminate between
signals based on the frequency range, or bandwidth, of the signal.
The three important bandwidths to consider are the passband, the
stopband, and the alias-free bandwidth.
The NI 9237 represents signals within the passband, as quantified
primarily by passband flatness and phase nonlinearity. All signals
that appear in the alias-free bandwidth are either unaliased signals
© National Instruments Corp. 17 NI 9237 Operating Instructions and Specifications
or signals that have been filtered by at least the amount of the
stopband rejection.
Passband
The signals within the passband have frequency-dependent gain or
attenuation. The small amount of variation in gain with respect to
frequency is called the passband flatness. The digital filters of the
NI 9237 adjust the frequency range of the passband to match the
data rate. Therefore, the amount of gain or attenuation at a given
frequency depends on the data rate. Figure 4 shows typical
passband flatness for the NI 9237.

NI 9237 Operating Instructions and Specifications 18 ni.com
Figure 4. Typical Passband Flatness for the NI 9237
Stopband
The filter significantly attenuates all signals above the stopband
frequency. The primary goal of the filter is to prevent aliasing.
Therefore, the stopband frequency scales precisely with the data
Frequency/Data Rate
0.50.4
0.025
0.000
–0.025
–0.050
0.30.20.10
Gain (dB)

© National Instruments Corp. 19 NI 9237 Operating Instructions and Specifications
rate. The stopband rejection is the minimum amount of attenuation
applied by the filter to all signals with frequencies within the
stopband.
Alias-Free Bandwidth
Any signal that appears in the alias-free bandwidth of the NI 9237
is not an aliased artifact of signals at a higher frequency. The
alias-free bandwidth is defined by the ability of the filter to reject
frequencies above the stopband frequency and equals the data rate
minus the stopband frequency.
Understanding NI 9237 Data Rates
The frequency of a master timebase (fM) controls the data rate (fs)
of the NI 9237. The NI 9237 includes an internal master timebase
with a frequency of 12.8 MHz, but the module also can accept an
external master timebase or export its own master timebase. To
synchronize the data rate of an NI 9237 with other modules that use
master timebases to control sampling, all of the modules must
share a single master timebase source. Refer to the software help
for information about configuring the master timebase source for
the NI 9237. Visit ni.com/info and enter cseriesdoc for
information about C Series documentation.

NI 9237 Operating Instructions and Specifications 20 ni.com
The following equation provides the available data rates of the
NI 9237:
fs =
where n is any integer from 1 to 31.
However, the data rate must remain within the appropriate data rate
range. Refer to the Specifications section for more information
about the data rate range. When using the internal master timebase
of 12.8 MHz, the result is data rates of 50 kS/s, 25 kS/s, 16.67 kS/s,
and so on down to 1.613 kS/s, depending on the value of n. When
using an external timebase with a frequency other than 12.8 MHz,
the NI 9237 has a different set of data rates.
Note The cRIO-9151 R Series Expansion chassis does
not support sharing timebases between modules.
Sleep Mode
This module supports a low-power sleep mode. Support for sleep
mode at the system level depends on the chassis that the module is
plugged into. Refer to the chassis manual for information about
fM256÷
n
---------------------

© National Instruments Corp. 21 NI 9237 Operating Instructions and Specifications
support for sleep mode. If the chassis supports sleep mode, refer to
the software help for information about enabling sleep mode. Visit
ni.com/info and enter cseriesdoc for information about
C Series documentation.
Typically, when a system is in sleep mode, you cannot
communicate with the modules. In sleep mode, the system
consumes minimal power and may dissipate less heat than it does
in normal mode. Refer to the Specifications section for more
information about power consumption and thermal dissipation.
Specifications
The following specifications are typical for the range –40 to 70 °C
unless otherwise noted.
Input Characteristics
Number of channels.......................... 4 analog input channels
Bridge completion
Half and Full............................... Internal
Quarter........................................ External
ADC resolution................................. 24 bits

NI 9237 Operating Instructions and Specifications 22 ni.com
Type of ADC..................................... Delta-Sigma (with analog
prefiltering)
Sampling mode ................................. Simultaneous
Internal master timebase (fM)
Frequency ................................... 12.8 MHz
Accuracy..................................... ±100 ppm max
Data rate range (fs) using internal master timebase
Minimum.................................... 1.613 kS/s
Maximum ................................... 50 kS/s
Data rate range (fs) using external master timebase
Minimum.................................... 390.625 S/s
Maximum ................................... 51.3 kS/s
Data rates1 (fs)................................... , n = 1, 2, …, 31
Typical input range ........................... ±25 mV/V
Scaling coefficient ............................ 2.9802 nV/V per LSB
1 The data rate must remain within the appropriate data rate range. Refer to the
Understanding NI 9237 Data Rates section for more information.
fM256÷
n
---------------------

© National Instruments Corp. 23 NI 9237 Operating Instructions and Specifications
Overvoltage protection
between any two pins........................ ±30 V
Accuracy
Gain drift........................................... 10 ppm/°C max
Offset drift
2.5 V excitation .......................... 0.6 μV/V per °C
3.3 V excitation .......................... 0.5 μV/V per °C
5 V excitation ............................. 0.3 μV/V per °C
10 V excitation ........................... 0.2 μV/V per °C
Measurement Conditions*
Percent of
Reading
(Gain Error)
Percent of
Range**
(Offset Error)
Calibrated typ (25 °C, ±5 °C) 0.05% 0.05%
Calibrated max (–40 to 70 °C) 0.20% 0.25%
Uncalibrated typ (25 °C, ±5 °C) 0.20% 0.1%
Uncalibrated max (– 40 to 70 °C) 0.60% 0.35%
* Before offset null or shunt calibration.
** Range equals 25 mV/V.

NI 9237 Operating Instructions and Specifications 24 ni.com
Channel-to-channel matching (calibrated)
Phase nonlinearity
fin = 0 to 1 kHz............................ <0.001°
fin = 0 to 20 kHz.......................... ±0.1°
Input delay ........................................ 38.4/fs + 4.8 μs
Passband
Frequency ................................... 0.45 · fs
Flatness....................................... 0.1 dB max
Stopband
Frequency ................................... 0.55 · fs
Rejection..................................... 100 dB
Alias-free bandwidth ........................0.45 · fs
Oversample rate ................................ 64 · fs
Input Signal
Frequency
(fin)
Gain Phase
Typical Maximum Maximum
0 to 1 kHz 0.15% 0.3% 0.125°/kHz
·
fin
1 to 20 kHz 0.4% 1.1%

© National Instruments Corp. 25 NI 9237 Operating Instructions and Specifications
Rejection at oversample rate1
fs = 10 kS/s.................................. 60 dB @ 640 kHz
fs = 50 kS/s.................................. 90 dB @ 3.2 MHz
Common-mode voltage,
all signals to earth ground................. ±60 VDC
CMRR
Relative to earth ground2
(fin = 0 to 60 Hz)......................... 140 dB
Relative to EX–
(fin = 0 to 1 kHz)......................... 85 dB
SFDR (1 kHz, –60 dBFS)................. 106 dB
Total Harmonic Distortion (THD)
1 kHz, –20 dBFS ........................ 100 dB
8 kHz, –20 dBFS ........................ 90 dB
1 Rejection by analog prefilter of signal frequencies at oversample rate.
2 Measured with a balanced cable. Shielded cables that are not twisted-pair may be
significantly unbalanced. To improve the balance of shielded, twisted-pair cables,
NI recommends twisting together the AI+/AI– pair, the RS+/RS– pair, and the
EX+/EX– pair.

NI 9237 Operating Instructions and Specifications 26 ni.com
Input noise
Excitation noise ................................ 0.1 mV/Vrms
Crosstalk
fin = 1 kHz................................... 110 dB
fin = 10 kHz................................. 100 dB
Excitation
Internal voltage........................... 2.5 V, 3.3 V, 5.0 V, 10.0 V
Internal power............................. 150 mW max
External voltage.......................... 2 V to 10 V
Excitation
Vol tag e
Density
(nV/Vrms per
)
Tot al,
fin = 0 to 25 kHz
(μV/Vrms)
Tot al,
fin = 0 to 1 kHz
(nV/Vrms)
2.5 V 81.3 250
3.3 V 61.0 190
5V 40.6 130
10 V 20.3 65
1Hz

© National Instruments Corp. 27 NI 9237 Operating Instructions and Specifications
Shunt calibration
Resistance................................... 100 kΩ
Resistor accuracy
25°C ..................................... ±110 Ω
–40 to 70°C .......................... ±200 Ω
MTBF ............................................... 603,359 hours at 25 °C;
Bellcore Issue 2, Method 1,
Case 3, Limited Part Stress
Method
Note Contact NI for Bellcore MTBF specifications at
other temperatures or for MIL-HDBK-217F
specifications.
Power Requirements
Power consumption from chassis
Active mode ............................... 740 mW max
Sleep mode ................................. 25 μW max
Thermal dissipation (at 70 °C)
Active mode ............................... 740 mW max
Sleep mode ................................. 25 μW max
NI 9237 Operating Instructions and Specifications 28 ni.com
Physical Characteristics
If you need to clean the module, wipe it with a dry towel.
Weight............................................... 152 g (5.4 oz)
Safety
Safety Voltages
Connect only voltages that are within the following limits.
Between any two pins....................... ±30 V max
Isolation
Channel-to-channel .................... None
Channel-to-earth ground
Continuous ........................... 60 VDC, Measurement
Category I
Withstand ............................. 1,000 Vrms, verified by a 5 s
dielectric withstand test
Measurement Category I is for measurements performed on
circuits not directly connected to the electrical distribution system
referred to as MAINS voltage. MAINS is a hazardous live electrical
supply system that powers equipment. This category is for

© National Instruments Corp. 29 NI 9237 Operating Instructions and Specifications
measurements of voltages from specially protected secondary
circuits. Such voltage measurements include signal levels, special
equipment, limited-energy parts of equipment, circuits powered by
regulated low-voltage sources, and electronics.
Caution Do not connect the NI 9237 to signals or use for
measurements within Measurement Categories II,
III, or IV.
Hazardous Locations
U.S. (UL) .......................................... Class I, Division 2,
Groups A, B, C, D, T4;
Class I, Zone 2,
AEx nC IIC T4
Canada (C-UL) ................................. Class I, Division 2,
Groups A, B, C, D, T4;
Class I, Zone 2,
Ex nC IIC T4
Europe (DEMKO)............................. EEx nC IIC T4

NI 9237 Operating Instructions and Specifications 30 ni.com
Safety Standards
This product meets the requirements of the following standards of
safety for electrical equipment for measurement, control, and
laboratory use:
• IEC 61010-1, EN 61010-1
• UL 61010-1, CSA 61010-1
Note For UL and other safety certifications, refer to the
product label or the Online Product Certification section.
Electromagnetic Compatibility
This product meets the requirements of the following EMC
standards for electrical equipment for measurement, control, and
laboratory use:
• EN 61326 (IEC 61326): Class A emissions; Basic immunity
• EN 55011 (CISPR 11): Group 1, Class A emissions
• AS/NZS CISPR 11: Group 1, Class A emissions
• FCC 47 CFR Part 15B: Class A emissions
• ICES-001: Class A emissions

© National Instruments Corp. 31 NI 9237 Operating Instructions and Specifications
Note For the standards applied to assess the EMC of this
product, refer to the Online Product Certification section.
Note For EMC compliance, operate this device with
shielded cabling.
CE Compliance
This product meets the essential requirements of applicable
European Directives as follows:
• 2006/95/EC; Low-Voltage Directive (safety)
• 2004/108/EC; Electromagnetic Compatibility Directive
(EMC)
Online Product Certification
Refer to the product Declaration of Conformity (DoC) for
additional regulatory compliance information. To obtain product
certifications and the DoC for this product, visit ni.com/
certification, search by module number or product line, and
click the appropriate link in the Certification column.
NI 9237 Operating Instructions and Specifications 32 ni.com
Shock and Vibration
To meet these specifications, you must panel mount the system.
Operating vibration
Random (IEC 60068-2-64)......... 5 grms, 10 to 500 Hz
Sinusoidal (IEC 60068-2-6) ....... 5 g, 10 to 500 Hz
Operating shock
(IEC 60068-2-27).............................. 30 g, 11 ms half sine,
50 g, 3 ms half sine,
18 shocks at 6 orientations
Environmental
National Instruments C Series modules are intended for indoor use
only but may be used outdoors if installed in a suitable enclosure.
Refer to the manual for the chassis you are using for more
information about meeting these specifications.
Operating temperature
(IEC 60068-2-1, IEC 60068-2-2) ..... –40 to 70 °C
Storage temperature
(IEC 60068-2-1, IEC 60068-2-2) ..... –40 to 85 °C
Ingress protection.............................. IP 40
© National Instruments Corp. 33 NI 9237 Operating Instructions and Specifications
Operating humidity
(IEC 60068-2-56).............................. 10 to 90% RH,
noncondensing
Storage humidity
(IEC 60068-2-56).............................. 5 to 95% RH,
noncondensing
Maximum altitude............................. 2,000 m
Pollution Degree (IEC 60664) .......... 2
Environmental Management
NI is committed to designing and manufacturing products in an
environmentally responsible manner. NI recognizes that
eliminating certain hazardous substances from our products is
beneficial to the environment and to NI customers.
For additional environmental information, refer to the NI and the
Environment Web page at ni.com/environment. This page
contains the environmental regulations and directives with which
NI complies, as well as other environmental information not
included in this document.

NI 9237 Operating Instructions and Specifications 34 ni.com
Waste Electrical and Electronic Equipment (WEEE)
EU Customers At the end of the life cycle, all products
must be sent to a WEEE recycling center. For more
information about WEEE recycling centers and National
Instruments WEEE initiatives, visit ni.com/
environment/weee.
Calibration
Yo u can obtain the calibration certificate and information about
calibration services for the NI 9237 at ni.com/calibration.
Calibration interval ........................... 1 year
⬉ᄤֵᙃѻક∵ᶧࠊㅵ⧚ࡲ⊩ ˄Ё
RoHS
˅
Ёᅶ᠋
National Instruments ヺড়Ё⬉ᄤֵᙃ
ѻકЁ䰤ࠊՓ⫼ᶤѯ᳝ᆇ⠽䋼ᣛҸ (RoHS)DŽ݇Ѣ
National Instruments Ё RoHS ড়㾘ᗻֵᙃˈ䇋ⱏᔩ
ni.com/environment/rohs_chinaDŽ(For information
about China RoHS compliance, go to ni.com/
environment/rohs_china.)

© National Instruments Corp. 35 NI 9237 Operating Instructions and Specifications
Where to Go for Support
The National Instruments Web site is your complete resource for
technical support. At ni.com/support you have access to
everything from troubleshooting and application development
self-help resources to email and phone assistance from
NI Application Engineers.
National Instruments corporate headquarters is located at
11500 North Mopac Expressway, Austin, Texas, 78759-3504.
National Instruments also has offices located around the world to
help address your support needs. For telephone support in the
United States, create your service request at ni.com/support
and follow the calling instructions or dial 512 795 8248. For
telephone support outside the United States, contact your local
branch office:
Australia 1800 300 800, Austria 43 662 457990-0,
Belgium 32 (0) 2 757 0020, Brazil 55 11 3262 3599,
Canada 800 433 3488, China 86 21 5050 9800,
Czech Republic 420 224 235 774, Denmark 45 45 76 26 00,
Finland 358 (0) 9 725 72511, France 01 57 66 24 24,
Germany 49 89 7413130, India 91 80 41190000,
Israel 972 3 6393737, Italy 39 02 41309277, Japan 0120-527196,

© 2006–2008 National Instruments Corp. All rights reserved.
374186C-01 Aug08
National Instruments, NI, ni.com, and LabVIEW are trademarks of National Instruments Corporation. Refer to the
Terms of Use section on ni.com/legal for more information about National Instruments trademarks. Other
product and company names mentioned herein are trademarks or trade names of their respective companies.
For patents covering National Instruments products/technology, refer to the appropriate location: Help»Patents in
your software, the patents.txt file on your media, or the National Instruments Patent Notice at
ni.com/patents.
Korea 82 02 3451 3400, Lebanon 961 (0) 1 33 28 28,
Malaysia 1800 887710, Mexico 01 800 010 0793,
Netherlands 31 (0) 348 433 466, New Zealand 0800 553 322,
Norway 47 (0) 66 90 76 60, Poland 48 22 3390150,
Portugal 351 210 311 210, Russia 7 495 783 6851,
Singapore 1800 226 5886, Slovenia 386 3 425 42 00,
South Africa 27 0 11 805 8197, Spain 34 91 640 0085,
Sweden 46 (0) 8 587 895 00, Switzerland 41 56 2005151,
Taiwan 886 02 2377 2222, Thailand 662 278 6777,
Turkey 90 212 279 3031, United Kingdom 44 (0) 1635 523545
