National Instruments Isolated Analog Input Modules Scc Ai01 Users Manual AI Series User Guide
SCC-AI02 to the manual 15977439-e19d-489f-8ee2-a8e62e7408d2
2015-02-05
: National-Instruments National-Instruments-Isolated-Analog-Input-Modules-Scc-Ai01-Users-Manual-493702 national-instruments-isolated-analog-input-modules-scc-ai01-users-manual-493702 national-instruments pdf
Open the PDF directly: View PDF
.
Page Count: 18
- SCC-AI Series Isolated Analog Input Modules User Guide
- Table 1-1. SCC-AIXX Module Input/Output Range, Gain, and Bandwidth
- Conventions
- What You Need to Get Started
- Unpacking the Module
- Installing the Module
- Connecting the Input Signals
- Configuring the SCC System
- Specifications
- Calibrating Gain and Offset Errors
- SCC-AIXX Module Pin Assignments

USER GUIDE
SCC-AI Series Isolated Analog
Input Modules
The SCC-AI Series isolated analog input modules (SCC-AIXX) can extract
a relatively low-amplitude input signal from a high-common-mode voltage
so the E Series DAQ device can measure the input signal. They also can
amplify and filter the input signal, resulting in higher measurement
resolution and accuracy.
SCC-AIXX modules are available in a range of gains from 0.2 to 200. They
contain lowpass filters of either 10 kHz or 4 Hz bandwidth. Table 1-1 gives
the gain and bandwidth for each module.
Table 1-1. SCC-AIXX Module Input/Output Range, Gain, and Bandwidth
Model Input Range Output Range Gain Bandwidth
SCC-AI01 ±42 V ±8.4 V 0.2 10 kHz
SCC-AI02 ±20 V ±10 V 0.5 10 kHz
SCC-AI03 ±10 V ±10 V 110 kHz
SCC-AI04 ±5 V ±10 V 210 kHz
SCC-AI05 ±1 V ±10 V 10 10 kHz
SCC-AI06 ±100 mV ±10 V 100 10 kHz
SCC-AI07 ±50 mV ±10 V 200 10 kHz
SCC-AI13 ±10 V ±10 V 14 Hz
SCC-AI14 ±5 V ±10 V 24 Hz

SCC-AI Series Isolated Analog Input Modules 2 ni.com
Conventions
The following conventions are used in this guide:
<> Angle brackets that contain numbers separated by an ellipsis represent
a range of values associated with a bit or signal name—for example,
ai<0..7>.
This icon denotes a note, which alerts you to important information.
This icon denotes a caution, which advises you of precautions to take to
avoid injury, data loss, or a system crash. When this symbol is marked on
the product, refer to the Read Me First: Safety and Radio-Frequency
Interference document, shipped with the product, for precautions to take.
When symbol is marked on a product, it denotes a warning advising you to
take precautions to avoid electrical shock.
When symbol is marked on a product, it denotes a component that may be
hot. Touching this component may result in bodily injury.
bold Bold text denotes items that you must select in the software, such as menu
items and dialog box options. Bold text also denotes parameter names.
italic Italic text denotes variables, emphasis, a cross reference, or an introduction
to a key concept. This font also denotes text that is a placeholder for a word
or value that you must supply.
monospace Text in this font denotes text or characters that you should enter from the
keyboard, sections of code, programming examples, and syntax examples.
This font is also used for the proper names of disk drives, paths, directories,
programs, subprograms, subroutines, device names, functions, operations,
variables, filenames and extensions, and code excerpts.
SC-2345 SC-2345 refers to both the SC-2345 connector block and the SC-2345
configurable connector.
SCC SCC refers to any SCC series signal conditioning module.
What You Need to Get Started
To set up and use the SCC-AIXX, you need the following items:
❑SC-2345 with one of the following:
–SCC-PWR01
– SCC-PWR02 and the PS01 power supply
– SCC-PWR03 (requires a 7 to 42 VDC power supply, not included)

© National Instruments Corporation 3 SCC-AI Series Isolated Analog Input Modules
❑One or more SCC-SGXX
❑SCC-SG Series Strain-Gauge Modules User Guide
❑SC-2345 User Manual
❑Read Me First: Safety and Radio-Frequency Interference
❑SC-2345 Quick Reference Label
❑68-pin Basic or E Series DAQ device, documentation,
and 68-pin cable
❑1/8 in. flathead screwdriver
❑Numbers 1 and 2 Phillips screwdrivers
❑Wire insulation strippers
❑NI-DAQ (current version) for Windows 2000/NT/XP/Me
Note Software scaling of measurements is not supported on the Macintosh operating
system. Refer to the Scaling Voltage Measurements section.
Unpacking the Module
SCC modules are shipped in antistatic envelopes to prevent electrostatic
damage (ESD) to the modules. ESD can damage several components on
these products.
Caution Never touch the exposed pins of connectors.
To avoid damage from ESD when you handle the module, take the
following precautions:
• Ground yourself by using a grounding strap or by touching a grounded
object.
• Touch the antistatic envelope to a metal part of the computer chassis
before removing the module from the envelope.
Remove the module from the envelope and inspect the module for loose
components or any sign of damage. Notify NI if the module appears
damaged in any way. Do not install a damaged module.
Store the module in the antistatic envelope when it is not in use.

SCC-AI Series Isolated Analog Input Modules 4 ni.com
Installing the Module
Caution Refer to the Read Me First: Safety and Radio-Frequency Interference document
before removing equipment covers or connecting/disconnecting any signal wires
A blue label stripe identifies the SCC-AIXX as an analog input module.
The label also displays the icon shown in Figure 1-1.
Figure 1-1. SCC-AIXX Icon
You can plug the SCC-AIXX into any analog input socket on the SC-2345.
The socket you choose determines which E Series DAQ device channels
receive the SCC-AIXX signals.
For single-stage input conditioning, plug the SCC-AIXX into any socket
J(X+1), where X is 0 to 7, and connect the input signals to the module as
described in the Connecting the Input Signals section.
If you use the SCC-AIXX in a dual-stage configuration, the SCC-AIXX
must be the first-stage module. Plug it into any socket J(X+9) and plug the
second-stage SCC into socket J(X+1), where X is 0 to 7. Connect the input
signals to the SCC-AIXX as described in the Connecting the Input Signals
section. The SC-2345 connects the output signals of the first-stage SCC to
the inputs of the second-stage SCC. An example of dual-stage conditioning
is an SCC-AI02 followed by an SCC-FV01 frequency input module.
Sockets J9 to J16 are also available for digital input/output (DIO)
conditioning or control. Refer to the SC-2345 User Manual for more
information on configuring, connecting, and installing SCC modules.

© National Instruments Corporation 5 SCC-AI Series Isolated Analog Input Modules
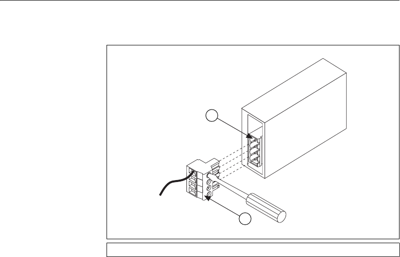
Connecting the Input Signals
The SCC-AIXX has a fixed screw-terminal receptacle and a removable
screw-terminal block, as shown in Figure 1-2.
Figure 1-2. SCC-AIXX Two-Part Screw-Terminal System
After you install the SCC-AIXX, connect the input signals to the removable
screw-terminal block of the module.
1. Remove power from the signal lines.
2. Strip 7 mm of insulation from the ends of the signal wires.
3. Insert the wires into the screw terminals.
4. Tighten the screws to 0.5 to 0.6 N · m (4.4 to 5.3 lb - in.) of torque.
Each screw terminal is labeled by pin number <1..4>. Pins 1 and 2 form a
channel routed to E Series DAQ device channel X+8, and pins 3 and 4 form
a channel routed to the E Series DAQ device channel X, where X is 0 to 7
depending on the socket where you plug in the module. The SCC-AIXX
provides channel-to-ground and module-to-module isolation only. It does
not provide isolation between the two channels of the SCC-AIXX. Because
both channels must have the same reference voltage, pins 1 and 3 are
connected together internally. Figure 1-3 shows the SCC-AIXX signal
connections.
1 SCC Screw-Terminal Receptacle 2 Removable Screw-Terminal Block
3
2
1
4
1
2

SCC-AI Series Isolated Analog Input Modules 6 ni.com
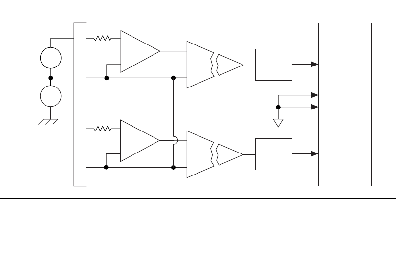
Figure 1-3. SCC-AIXX Signal Connections
The inputs are designed in a floating (nonreferenced) single-ended
configuration. If the measured signals are floating, connect the negative
input pins, 1 and 3, to AISENSE on the SC-2345 terminal block through
a10kΩ to 100 kΩ resistor. Figure 1-4 shows a floating signal connection
on one channel of the SCC-AIXX.
Figure 1-4. Nonreferenced Signal Connection for the SCC-AIXX (One Channel)
+
4
Lowpass
Filter
+
–
–
+
–
+
–
Lowpass
Filter
3
2
1
E Series DAQ Device
Signal
Source
ACH(
X
)
SCC-AI
XX
AISENSE
AIGND
ACH(
X
+8)
+
4
Lowpass
Filter
+
–
–
+
–
Lowpass
Filter
3
2
1
E Series DAQ Device
Signal
Source ACH(
X
)
SCC-AI
XX
AISENSE
AIGND
ACH(
X
+8)
AISENSE
on SC-2345
terminal block
10–100 kΩ

© National Instruments Corporation 7 SCC-AI Series Isolated Analog Input Modules
If a high common-mode voltage is present, connect the negative input pins,
1 and 3, to the signal reference. Figure 1-5 shows a ground-referenced
signal connection on one channel of the SCC-AIXX.
Figure 1-5. Ground-Referenced Signal Connection for the SCC-AIXX
with High Common-Mode Voltage (One Channel)
Configuring the SCC System
Measurement & Automation Explorer (MAX) Configuration
Run MAX to configure the SCC system. Complete one of the following
sets of steps depending on the version of NI-DAQ used in your application.
NI-DAQmx
Complete the following steps to configure the SCC-AI module using
NI-DAQmx.
1. Open Measurement & Automation Explorer.
2. Right-click Devices and Interfaces and select Create New.
3. Under NI-DAQmx SCC Connector Block select SC-2345. Click
Finish.
+
4
Lowpass
Filter
+
–
–
+
–
Lowpass
Filter
3
2
1
E Series DAQ Device
Signal
Source ACH(
X
)
SCC-AI
XX
AISENSE
AIGND
ACH(
X
+8)
High
CMV
+
–

SCC-AI Series Isolated Analog Input Modules 8 ni.com
4. In the SCC Connector Block Configuration window, configure the
SCC system as follows:
a. Specify the SCC Carrier Type. The location of the SCC sockets
change depending on the SCC carrier type.
b. Select the DAQ Device that is connected to the SC-2345.
c. Type the SCC Connector Block ID. The default value is SCC1.
d. In the J21 drop-down list next to Power, select the correct
SC-2345 power configuration. Refer to the SC-2345 User Manual
for information on power configurations.
e. For each SCC module physically installed in the SC-2345, add a
corresponding entry in the SC-2345 configuration window. To add
the SCC, click the socket drop-down list and select the correct
module. If the module name does not appear in the list, either the
module is not allowed in that location or you do not have the
current version of NI-DAQ. If you do not have the current version
of NI-DAQ, download it from ni.com.
f. Click OK after completing all SCC entries to complete the
configuration process.
5. Close MAX.
Note Configuring the SCC system using MAX automatically sets the E Series DAQ
device analog input mode to nonreferenced single-ended (NRSE).
Traditional NI-DAQ
Complete the following steps to configure the SCC-AI module using
Traditional NI-DAQ.
1. Open Measurement & Automation Explorer.
2. Expand Devices and Interfaces.
3. Expand Traditional NI-DAQ Devices.
4. Right-click the E Series DAQ device connected to the SC-2345,
and select Properties.
5. Select the Accessory tab.
6. Under Accessory, select SC-2345.
7. Click the Configure button. A new window appears listing the sockets
(connector reference designators) of the SC-2345.
8. Select the SC-2345 socket where you installed an SCC.
9. Click Add and select the SCC you installed. If the module name does
not appear in the list, either the module is not allowed in that location
or you do not have the current version of NI-DAQ. If you do not have
the current version of NI-DAQ, download it from ni.com.

© National Instruments Corporation 9 SCC-AI Series Isolated Analog Input Modules
10. If you make a selection mistake, select the socket and click Remove.
11. Repeat steps 8 and 9 for each newly installed SCC.
12. Click OK after completing all SCC entries.
13. Click OK to complete the configuration process and close MAX.
Note Configuring the SCC system using MAX automatically sets the E Series DAQ
device analog input mode to nonreferenced single-ended (NRSE).
Virtual Channels, Physical Channels, and Tasks
After you have installed and configured your SCC hardware, you can use
software tools within MAX to further configure the module and take
measurements.
Creating an NI-DAQmx Task or Global Channel
To create an NI-DAQmx task or global channel, complete the following
steps.
1. Open Measurement & Automation Explorer.
2. Right-click Data Neighborhood and select Create New.
3. Select NI-DAQmx Task or NI-DAQmx Global Channel and click
Next.
4. Select Analog Input and then select Vol tag e.
5. If you are creating a task, select the channels to add to the task. You can
select blocks of channels by pressing the <Shift> key while making the
selections or select individual channels by pressing the <Ctrl> key
while making the selections. If you are creating a channel, you can
select only one channel. Click Next.
6. Enter a name for the task or global channel and click Finish.
7. In the Channel List box, select the channel(s) you want to configure.
You can select blocks of channels by pressing the <Shift> key while
making the selections or select individual channels by pressing the
<Ctrl> key while making the selections.
8. Enter the specific values for your application in the Settings tab.
Context help information for each setting is provided on the right side
of the screen.

SCC-AI Series Isolated Analog Input Modules 10 ni.com
Table 1-2 shows suggested values for some of the parameters. Use default
values for parameters not shown.
9. Click Test to test the channel. You should be able to view your
measurement in the window that appears.
You have finished configuring the NI-DAQmx task or global channel.
Creating a Virtual Channel in Traditional NI-DAQ
To create a Traditional NI-DAQ virtual channel, complete the following
steps.
1. Open Measurement & Automation Explorer.
2. Right-click Data Neighborhood and select Create New.
3. Select Traditional NI-DAQ Virtual Channel and click Finish.
4. Click Next to select Analog Input as the type of channel to configure.
5. Select Volt age from the drop-down list and click Next.
6. Enter the rest of the values as they apply to your setup and click Next.
7. On the next screen, specify information about the E Series DAQ device
being used and click Finish.
8. To test the channel, click Test.
You have finished configuring the Traditional NI-DAQ virtual channel.
Table 1-2. SCC-AIXX Suggested Values
Module Input Range
SCC-AI01 ±42 V
SCC-AI02 ±20 V
SCC-AI03 ±10 V
SCC-AI04 ±5 V
SCC-AI05 ±1 V
SCC-AI06 ±100 mV
SCC-AI07 ±50 mV
SCC-AI13 ±10 V
SCC-AI14 ±5 V

© National Instruments Corporation 11 SCC-AI Series Isolated Analog Input Modules
Scaling Voltage Measurements
If you configured the SCC-AIXX using MAX and you are using NI-DAQ,
the voltage reading you get from the E Series DAQ device accounts for the
voltage scaling effect of the SCC-AIXX. Otherwise, since the voltage
measurement from the E Series DAQ device is scaled by the gain given in
Table 1-1, you must divide the voltage reading returned by the E Series
DAQ device by this gain to get the correct input voltage.
Specifications
These ratings are typical at 25 °C unless otherwise stated.
Input Characteristics
Number of input channels ...................... 2 NRSE
Isolation.................................................. Bank isolation (isolation
per module)1
Input/output signal range, gain,
and bandwidth........................................ Refer to Table 1-1
Input impedance
SCC-AI01, SCC-AI02 .................... 1 MΩ
All others......................................... 100 MΩ
Gain error ............................................... 4.5% max (trimmable to zero)
Gain stability .......................................... 150 PPM/°C
Offset error............................................. 40 mV max (RTI2)
Offset stability........................................ 225 µV/°C
Nonlinearity ........................................... 0.0128% typ
0.0260% max
Common-mode rejection ratio ............... 100 dB typical at 60 Hz
Output slew rate,
dependent on BW (filtering) .................. 0.8 V/µs max
1 The SCC-AIXX does not provide isolation between the two channels of the module. For more information on this topic,
refer to the Connecting the Input Signals section.
2 This specification is calculated relative to the input range of the module.

SCC-AI Series Isolated Analog Input Modules 12 ni.com
Filter Characteristics
Number of poles .....................................3
Rolloff.....................................................60 dB/decade
Cutoff frequency (–3 dB)
AI0X................................................10 kHz
AI1X................................................4 Hz
Power Requirement
Analog power .........................................519 mW max
+15 V ...............................................34.6 mA max
–15 V ...............................................34.6 mA max
Digital power (+5 V) ..............................625 mW max
125 mA max
Physical
Dimensions .............................................8.89 cm by 2.92 cm by 1.85 cm
(3.5 in. by 1.15 in. by 0.73 in.)
I/O connectors.........................................One, 20-pin right-angle
male connector
one, 4-pin screw terminal,
removable
Screw terminal wire gauge .....................24 to 12 AWG
Maximum Working Voltage
Maximum working voltage refers to the signal voltage plus the
common-mode voltage.
Channel-to-earth .....................................300 V, Installation Category II
Module-to-module ..................................300 V, Installation Category II
Channel-to-channel.................................Not isolated1
1 The SCC-AIXX does not provide isolation between the two channels of the module. For more information on this topic,
refer to the Connecting the Input Signals section.

© National Instruments Corporation 13 SCC-AI Series Isolated Analog Input Modules
Environmental
Operating temperature............................ 0 to 50 °C
Storage temperature ............................... –20 to 70 °C
Humidity ................................................ 10 to 90% RH, noncondensing
Maximum altitude.................................. 2,000 meters
Pollution Degree (indoor use only)........ 2
Safety
The SCC-AIXX meets the requirements of the following standards
for safety and electrical equipment for measurement, control, and
laboratory use:
• IEC 61010-1, EN 61010-1
• UL 3111-1, UL 61010B-1
• CAN/CSA C22.2 No. 1010.1
Note For UL and other safety certifications, refer to the product label, or visit
ni.com/hardref.nsf, search by model number or product line, and click the
appropriate link in the Certification column.
Electromagnetic Compatibility
Emissions ............................................... EN 55011 Class A at 10 m
FCC Part 15A above 1 GHz
Immunity................................................ Evaluated to EN 61326:1997/
A2:2001, Table 1
CE, C-Tick and FCC Part 15 (Class A) Compliant
Note For full EMC compliance, you must operate this device with shielded cabling.
In addition, all covers and filler panels must be installed.
CE Compliance
The SCC-AIXX meets the essential requirements of applicable European
Directives, as amended for CE marking, as follows:
Note Refer to the Declaration of Conformity (DoC) for this product for any additional
regulatory compliance information. To obtain the DoC for this product, visit
ni.com/hardref.nsf, search by model number or product line, and click the
appropriate link in the Certification column.

SCC-AI Series Isolated Analog Input Modules 14 ni.com
Calibrating Gain and Offset Errors
The SCC-AIXX is calibrated at the factory before shipment. If you want to
adjust the gain of the SCC-AIXX in your system using your E Series DAQ
device, you need a voltage source that is several times more accurate than
the SCC itself and capable of providing the DC voltage shown in Table 1-3.
To adjust the gain of the SCC-AIXX, complete the following steps:
1. Select the desired SCC-AIXX channel on the E Series DAQ device.
2. Set the gain on the E Series DAQ device so that its input range is ±10 V.
3. Connect the voltage source to the screw terminals of the desired
channel on the SCC-AIXX.
4. Apply the voltage given in Table 1-3 that corresponds to the
SCC-AIXX module. For example, if you have an SCC-AI03, you must
apply 8 VDC.
5. Using your software, have the E Series DAQ device read the desired
channel on the SCC-AIXX and record the value.
6. Input 0 VDC to the SCC-AIXX.
7. Use the E Series DAQ device to read that channel and record the value.
8. Subtract the values read (first reading – second reading).
Table 1-3. SCC-AIXX Input Voltage Requirements
Module Input Range
SCC-AI01 40 V
SCC-AI02 16 V
SCC-AI03 8 V
SCC-AI04 4 V
SCC-AI05 800 mV
SCC-AI06 80 mV
SCC-AI07 40 mV
SCC-AI13 8 V
SCC-AI14 4 V

© National Instruments Corporation 15 SCC-AI Series Isolated Analog Input Modules
9. Adjust the trimpot labeled Gain located on the top of the SCC-AIXX.
If the value you obtained in step 8 is less than the input voltage, turn
the trimpot clockwise to increase the gain. If it is greater than the input
voltage, turn the trimpot counterclockwise to decrease the gain.
10. Repeat steps 4 through 9 until the difference you get in step 8 equals
the Input Voltage Required value shown in Table 1-3; in this example
the value is 8 V using an SCC-AI03.
For example, assume that you have an SCC-AI03 module. You first connect
8 VDC to the input of CH(X). The E Series DAQ device reads 8.05 V as the
SCC output. You then connect 0 VDC to the input of CH(X) and the
E Series DAQ device reads –0.01 V as the SCC output. You subtract these
readings, 8.05 – (–0.01) = 8.06, getting a difference of 8.06 V. Because this
difference is not equal to 8 V, you must adjust the gain trimpot and repeat
the procedure until the difference in outputs equals 8 V.
Note In this example there can be an offset voltage such that the final readings are 8.01 V
and 0.01 V for a difference of 8 V. The gain trimpot adjusted in step 9 of the previous
procedure adjusts only for gain errors and does not compensate for this offset voltage.
Complete the following steps to adjust the offset voltage of the SCC-AIXX.
1. Select the desired SCC-AIXX channel on the E Series DAQ device.
2. Set the gain on the E Series DAQ device so that the input range
is ±10 V.
3. Connect the screw terminals of your desired channel on the SCC-AIXX
together.
4. Using your software, have the E Series DAQ device read the channel.
5. If the value read is not equal to 0.00 V, adjust the appropriate trimpot
located on the top of the SCC-AIXX, labeled Offset. Turn the trimpot
clockwise to increase the offset.
6. Repeat steps 4 and 5 until the voltage read in step 4 equals 0.00 V.

SCC-AI Series Isolated Analog Input Modules 16 ni.com
SCC-AIXX Module Pin Assignments
Figure 1-6 shows the I/O connector pins on the bottom of the module.
Figure 1-6. SCC Module Bottom View
Table 1-4 lists the signal corresponding to each I/O connector pin on the
bottom of the SCC-AIXX. ACH(X) and ACH(X+8) are the analog input
channels of the E Series DAQ device. AIGND is the analog input ground
signal and is the reference for ACH(X) and ACH(X+8). AGND is the
reference for the ±15 V supplies and REF5V. AIGND and AGND connect
to the SC-2345 at the SCC-PWR connector. GND is the reference for the
+5 V supply.
1Pin 1 2Pin 2 3PWB Key 4 Pin 19 5Pin 20
Table 1-4. SCC-AIXX Module Pin Assignments
Pin Number Signal
1E Series ACH(X)
2E Series AIGND
3 —
4E Series ACH(X+8)
5 —
6E Series AIGND
7 —
8E Series AIGND
5
4
2
1
3

© National Instruments Corporation 17 SCC-AI Series Isolated Analog Input Modules
9+6 V
10 GND
11 AGND
12 REF5V
13 +15 V
14 –15 V
15 —
16 —
17 —
18 —
19 —
20 —
Table 1-4. SCC-AIXX Module Pin Assignments (Continued)
Pin Number Signal

National Instruments™, NI™, ni.com™, and NI-DAQ™ are trademarks of National Instruments
Corporation. Product and company names mentioned herein are trademarks or trade names of their
respective companies. For patents covering National Instruments products, refer to the appropriate
location: Help»Patents in your software, the patents.txt file on your CD, or ni.com/patents.
© 2002–2003 National Instruments Corp. All rights reserved.
371066A-01 Sep03
*371066A-01*