National Instruments Ni 6509 Users Manual User Guide And Specifications
NI 6509 to the manual 9a51a338-625a-4b37-b1ae-3439508cab27
2015-02-05
: National-Instruments National-Instruments-Ni-6509-Users-Manual-493776 national-instruments-ni-6509-users-manual-493776 national-instruments pdf
Open the PDF directly: View PDF
.
Page Count: 23
- NI 6509 User Guide and Specifications
- Contents
- Configuration
- Functional Overview
- Safety Information
- Related Documentation
- Features
- Digital I/O Connections
- Power Connections
- Signal Connections
- Protecting Inductive Loads
- Sinking and Sourcing Examples
- Driving a Relay <24 mA
- Figure 7. NI 6509 Sinking Connection Example, <24 mA
- Figure 8. NI 6509 Sourcing Connection Example, <24 mA
- Driving a Relay >24 mA
- Figure 9. NI 6509 Sinking Connection Example, >24 mA
- Figure 10. NI 6509 Sourcing Connection Example, >24 mA
- Driving SSRs
- Figure 11. NI 6509 SSR Connection Example
- Accessories
- Specifications

USER GUIDE AND SPECIFICATIONS
NI 6509
The NI 6509 is a 96-bit, high-drive digital input/output (I/O) device
for PCI, PXI, and CompactPCI chassis. The NI 6509 features
96 TTL/CMOS-compatible digital I/O lines, 24 mA high-drive output,
a watchdog timer, digital filtering, and programmable power-up states.
Contents
Configuration .......................................................................................... 2
Programming Devices in Software.................................................. 3
Functional Overview............................................................................... 4
Safety Information .................................................................................. 4
Related Documentation........................................................................... 6
Features ................................................................................................... 7
Digital Filtering................................................................................ 7
Digital Filtering Example ......................................................... 8
Programmable Power-Up States...................................................... 8
Change Detection............................................................................. 9
Change Detection Example ...................................................... 9
Watchdog Timer .............................................................................. 10
Digital I/O Connections .......................................................................... 11
Pin Assignments .............................................................................. 11
SH100-100-F Connector........................................................... 11
R1005050 Connector ................................................................ 13
Signal Descriptions .......................................................................... 14
Power Connections ................................................................................. 15
Signal Connections .......................................................................... 15
Protecting Inductive Loads .............................................................. 16
Sinking and Sourcing Examples ...................................................... 17
Driving a Relay <24 mA .......................................................... 17
Driving a Relay >24 mA .......................................................... 18
Driving SSRs ............................................................................ 18
Accessories.............................................................................................. 19
Specifications .......................................................................................... 19

NI 6509 User Guide and Specifications 2 ni.com
Configuration
The NI 6509 device is completely software configurable, so it is not
necessary to set jumpers for I/O configuration.
The PCI-6509 device is fully compliant with the PCI Local Bus
Specification, Revision 2.2, and the PXI-6509 device is fully compliant
with the PXI Hardware Specification, Revision 2.1. The PCI/PXI system
automatically allocates all device resources, including the base address
and interrupt level. The device base address is mapped into PCI memory
space. It is not necessary to perform configuration steps after the system
powers up.
Refer to the application software documentation for configuration
instructions.
After the NI 6509 device and the software are installed, the DAQ device
appears under the Devices and Interfaces branch of the MAX
configuration tree.
If the DAQ device does not appear in MAX, use the following
troubleshooting guidelines.
• Verify that you are using the correct version of NI-DAQ (NI-DAQ 7.1
or later). To download the most recent National Instruments drivers, go
to ni.com/drivers.
• Press <F5> to refresh the MAX window, or close and re-open MAX.
• Reboot the computer.
• Power off and unplug the computer or chassis, and install the device in
a different slot. Refer to the DAQ Getting Started Guide for installation
instructions and safety guidelines.
• NI PCI-6509 devices must be installed into a slot that provides 3.3 V.
Check that the 3.3 V LED (reference designator DS1—located on the
visible edge of the underside of the installed device) is lit. If not, check
that the PC motherboard provides 3.3 V to the PCI bus.
© National Instruments Corporation 3 NI 6509 User Guide and Specifications
Programming Devices in Software
National Instruments measurement devices are packaged with NI-DAQ
driver software, an extensive library of functions and VIs you can call from
your application software, such as LabVIEW or LabWindows™/CVI™, to
program all the features of your NI measurement devices. Driver software
has an application programming interface (API), which is a library of VIs,
functions, classes, attributes, and properties for creating applications for
your device.
NI-DAQ 8.x includes two NI-DAQ drivers, Traditional NI-DAQ (Legacy)
and NI-DAQmx. Each driver has its own API, hardware configuration, and
software configuration. Refer to the DAQ Getting Started Guide for more
information about the two drivers.
Traditional NI-DAQ (Legacy) and NI-DAQmx each include a collection of
programming examples to help you get started developing an application.
You can modify example code and save it in an application. You can use
examples to develop a new application or add example code to an existing
application.
To locate LabVIEW and LabWindows/CVI examples, open the National
Instruments Example Finder:
• In LabVIEW, select Help»Find Examples.
• In LabWindows/CVI, select Help»NI Example Finder.
Measurement Studio, Visual Basic, and ANSI C examples are in the
following directories:
• NI-DAQmx examples for Measurement Studio-supported languages
are in the following directories:
–MeasurementStudio\VCNET\Examples\NIDaq
–MeasurementStudio\DotNET\Examples\NIDaq
• Traditional NI-DAQ (Legacy) examples for Visual Basic are in the
following two directories:
–NI-DAQ\Examples\Visual Basic with Measurement
Studio directory contains a link to the ActiveX control examples
for use with Measurement Studio
–NI-DAQ\Examples\VBasic directory contains the examples not
associated with Measurement Studio
• NI-DAQmx examples for ANSI C are in the NI-DAQ\Examples\
DAQmx ANSI C Dev directory
• Traditional NI-DAQ (Legacy) examples for ANSI C are in the
NI-DAQ\Examples\VisualC directory
For additional examples, refer to zone.ni.com.

NI 6509 User Guide and Specifications 4 ni.com
Functional Overview
Figure 1 shows the key functional components of the NI 6509 device.
Figure 1. NI 6509 Block Diagram
Safety Information
The following section contains important safety information that you must
follow when installing and using National Instruments DIO devices.
Do not operate the device in a manner not specified in this help file. Misuse
of the DIO device can result in a hazard. You can compromise the safety
protection built into the DIO device if it is damaged in any way. If the DIO
device is damaged, return it to National Instruments for repair.
Do not substitute parts or modify the DIO device except as described in this
help file. Use the DIO device only with the chassis, modules, accessories,
and cables specified in the installation instructions. You must have all
covers and filler panels installed during operation of the DIO device.
Do not operate the DIO device in an explosive atmosphere or where there
may be flammable gases or fumes. If you must operate the DIO device in
such an environment, it must be in a suitably rated enclosure.
Industrial Digital
I/O Control FPGA
DIO Lines
Programmable
Power-Up States
Watchdog Timer
Change
Detection
Digital
Filtering
I/O Connector
96 DIO 96 DIO PCI Bus
Interface
Flash
Memory
Configuration
Control
Data/Control
PCI/PXI/CompactPCI Bus
Port 0
Port 1
Port 2
Port 3
Port 4
Port 5
Port 6
Port 7
Port 8
Port 9
Port 10
Port 11
24 mA DIO
Tranceivers
Data/Control
10 MHz
Clock

© National Instruments Corporation 5 NI 6509 User Guide and Specifications
If you need to clean the DIO device, use a soft, nonmetallic brush. Make
sure that the DIO device is completely dry and free from contaminants
before returning it to service.
Operate the DIO device only at or below Pollution Degree 2. Pollution is
foreign matter in a solid, liquid, or gaseous state that can reduce dielectric
strength or surface resistivity. The following is a description of pollution
degrees:
• Pollution Degree 1 means no pollution or only dry, nonconductive
pollution occurs. The pollution has no influence.
• Pollution Degree 2 means that only nonconductive pollution occurs in
most cases. Occasionally, however, a temporary conductivity caused
by condensation must be expected.
• Pollution Degree 3 means that conductive pollution occurs, or dry,
nonconductive pollution occurs that becomes conductive due to
condensation.
You must insulate signal connections for the maximum voltage for which
the DIO device is rated. Do not exceed the maximum ratings for the DIO
device. Do not install wiring while the DIO device is live with electrical
signals. Do not remove or add connector blocks when power is connected
to the system. Avoid contact between your body and the connector block
signal when hot swapping modules. Remove power from signal lines
before connecting them to or disconnecting them from the DIO device.
Operate the DIO device at or below the measurement category1 marked
on the hardware label. Measurement circuits are subjected to working
voltages2 and transient stresses (overvoltage) from the circuit to which they
are connected during measurement or test. Installation categories establish
standard impulse withstand voltage levels that commonly occur in
electrical distribution systems. The following is a description of installation
categories:
• Measurement Category I is for measurements performed on circuits
not directly connected to the electrical distribution system referred to
as MAINS3 voltage. This category is for measurements of voltages
from specially protected secondary circuits. Such voltage
measurements include signal levels, special equipment, limited-energy
parts of equipment, circuits powered by regulated low-voltage sources,
and electronics.
1 Measurement categories, also referred to as installation categories, are defined in electrical safety standard IEC 61010-1.
2 Working voltage is the highest rms value of an AC or DC voltage that can occur across any particular insulation.
3 MAINS is defined as a hazardous live electrical supply system that powers equipment. Suitably rated measuring circuits may
be connected to the MAINS for measuring purposes.

NI 6509 User Guide and Specifications 6 ni.com
• Measurement Category II is for measurements performed on circuits
directly connected to the electrical distribution system. This category
refers to local-level electrical distribution, such as that provided by a
standard wall outlet (for example, 115 V for U.S. or 230 V for Europe).
Examples of Measurement Category II are measurements performed
on household appliances, portable tools, and similar DIO devices.
• Measurement Category III is for measurements performed in the
building installation at the distribution level. This category refers to
measurements on hard-wired equipment such as equipment in fixed
installations, distribution boards, and circuit breakers. Other examples
are wiring, including cables, bus-bars, junction boxes, switches,
socket-outlets in the fixed installation, and stationary motors with
permanent connections to fixed installations.
• Measurement Category IV is for measurements performed at the
primary electrical supply installation (<1,000 V). Examples include
electricity meters and measurements on primary overcurrent
protection devices and on ripple control units.
Related Documentation
The following documents contain information that you may find helpful as
you use this user guide:
•DAQ Getting Started Guide—This guide describes how to install the
NI-DAQ software, the DAQ device, and how to confirm that the device
is operating properly.
•NI-DAQmx Help—This help file contains information about using
NI-DAQmx to program National Instruments devices. NI-DAQmx
is the software you use to communicate with and control NI DAQ
devices.
•Measurement & Automation Explorer Help for NI-DAQmx—This
help file contains information about configuring and testing DAQ
devices using Measurement & Automation Explorer (MAX) for
NI-DAQmx, and information about special considerations for
operating systems.
•DAQ Assistant Help—This help file contains information about
creating and configuring channels, tasks, and scales using the
DAQ Assistant.
Note You can download these documents from ni.com/manuals.

© National Instruments Corporation 7 NI 6509 User Guide and Specifications
Features
The NI 6509 features digital filtering, programmable power-up states,
change detection, and a watchdog timer.
Digital Filtering
Use the digital filter option available on the NI 6509 input lines to eliminate
glitches on input data. When used with change detection, filtering can also
reduce the number of changes to examine and process.
You can configure the digital input channels to pass through a digital filter,
and you can control the timing interval the filter uses. The filter blocks
pulses that are shorter than half of the specified timing interval and passes
pulses that are longer than the specified interval. Intermediate-length
pulses—pulses longer than half of the interval but less than the
interval—may or may not pass the filter.
Table 1 lists the pulse widths guaranteed to be passed and blocked.
You can enable filtering on as many input lines as necessary for your
application. All filtered lines share the same timing interval, which ranges
from 400 ns to 200 ms.
Internally, the filter uses two clocks: the sample clock and the filter clock.
The sample clock has a 100 ns period. The filter clock is generated by a
counter and has a period equal to one half of the specified timing interval.
The input signal is sampled on each rising edge of the sample clock, which
is every 100 ns. However, a change in the input signal is recognized only
if it maintains its new state for at least two consecutive rising edges of the
filter clock.
The filter clock is programmable and allows you to control how long a
pulse must last to be recognized. The sample clock provides a fast sample
rate to ensure that input pulses remain constant between filter clocks.
Table 1. NI 6509 Digital Filtering
Filter Interval
Pulse Width Passed Pulse Width Blocked
Low Pulse High Pulse Low Pulse High Pulse
tinterval tinterval tinterval tinterval/2 tinterval/2

NI 6509 User Guide and Specifications 8 ni.com
Digital Filtering Example
Figure 2 shows a filter configuration with an 800 ns filter interval (400 ns
filter clock).
Figure 2. Digital Filtering Example
In periods A and B, the filter blocks the glitches because the external signal
does not remain steadily high from one rising edge of the filter clock to the
next. In period C, the filter passes the transition because the external signal
remains steadily high. Depending on when the transition occurs, the filter
may require up to two filter clocks—one full filter interval—to pass a
transition. The figure shows a rising (0 to 1) transition. The same filtering
applies to falling (1 to 0) transitions.
Programmable Power-Up States
At power-up, the output drives on the NI 6509 are disabled. All lines are
user-configurable for high-impedance input, high output, or low output.
User-configurable power-up states are useful for ensuring that the NI 6509
powers up in a known state.
To use MAX (recommended) to program the power-up states, select
the device and click the Properties button. Refer to the software
documentation for information about how to program the power-up states
using NI-DAQ with LabVIEW or other National Instruments application
development environments (ADEs).
Note The response time of programmable power-up states is 400 ms.
External
Signal
External
Signal
Sampled
Filter
Clock
Sample Clock (100 ns)
Filtered
Signal
HHHHH
HLLHH
HLLHH
A
B
C

© National Instruments Corporation 9 NI 6509 User Guide and Specifications
Change Detection
You can program the NI 6509 to send an interrupt when a change occurs on
any input line.
The NI 6509 can monitor changes on selected input lines or on all input
lines. It can monitor for rising edges (0 to 1), falling edges (1 to 0), or both.
When an input change occurs, the NI 6509 generates an interrupt, and the
NI-DAQ driver then notifies the software.
Note Excessive change detections can affect system performance. Use digital filtering to
minimize the effects of noisy input lines.
The NI 6509 sends a change detection when any one of the changes occurs,
but it does not report which line changed or if the line was rising or falling.
After a change, you can read the input lines to determine the current line
states. The maximum rate of change detection is determined by the
software response time, which varies from system to system.
An overflow bit indicates that an additional rising or falling edge has been
detected before the software could process the previous change.
Refer to the software documentation for information about how to set up
and implement the change detection.
Change Detection Example
Table 2 shows a change detection example for six bits of one port.
Table 2. Change Detection Example
Bit
76543210
Changes to detect — —
Enable rising-edge
detection
yes yes yes yes no no yes no
Enable falling-edge
detection
yes yes yes yes no no no yes

NI 6509 User Guide and Specifications 10 ni.com
This example assumes the following line connections:
• Bits 7, 6, 5, and 4 are connected to data lines from a four-bit TTL
output device. The NI 6509 detects any change in the input data so
you can read the new data value.
• Bit 1 is connected to a limit sensor. The NI 6509 detects rising edges
on the sensor, which correspond to over-limit conditions.
• Bit 0 is connected to a switch. The software can react to any switch
closure, which is represented by a falling edge. If the switch closure is
noisy, enable digital filtering for this line.
In this example, the NI 6509 reports rising edges only on bit 1, falling edges
only on bit 0, and rising and falling edges on bits 7, 6, 5, and 4. The NI 6509
reports no changes for bits 3 and 2. After receiving notification of a change,
you can read the port to determine the current values of all eight lines. You
cannot read the state of any lines that are configured for change detection
until the change detection interrupt occurs.
Watchdog Timer
The watchdog timer is a software configurable feature used to set critical
outputs to safe states in the event of a software failure, a system crash, or
any other loss of communication between the application and the NI 6509.
When the watchdog timer is enabled, if the NI 6509 does not receive
awatchdog reset software command within the time specified for the
watchdog timer, the outputs go to a user-defined safe state and remain in
that state until the watchdog timer is disarmed by the application and new
values are written, the NI 6509 is reset, or the computer is restarted. The
expiration signal that indicates an expired watchdog will continue to assert
until the watchdog is disarmed. After the watchdog timer expires, the
NI 6509 ignores any writes until the watchdog timer is disarmed.
Note When the watchdog timer is enabled and the computer enters a fault condition, ports
that are set to tri-state remain tri-stated and do not go to user-defined safe states.
You can set the watchdog timer timeout period to specify the amount of
time that must elapse before the watchdog timer expires. The counter on the
watchdog timer is configurable up to (232 – 1) × 100 ns (approximately
seven minutes) before it expires.

© National Instruments Corporation 11 NI 6509 User Guide and Specifications
Digital I/O Connections
The 100-pin high-density SCSI connector on the NI 6509 provides access
to 96 digital inputs and outputs. Use this connector to connect to external
devices, such as solid-state relays (SSRs) and LEDs. For easy connection
to the digital I/O connector, use the National Instruments SH100-100-F
shielded digital I/O cable with the SCB-100 connector block, or use the
R1005050 ribbon cable with the CB-50 or CB-50LP connector block.
Caution Do not make connections to the digital I/O that exceed the maximum I/O
specifications. Doing so may permanently damage the NI 6509 device and the computer.
Refer to the Signal Descriptions and Specifications sections for information about
maximum input ratings.
Pin Assignments
SH100-100-F Connector
Figure 3 shows the 100-pin SCSI connector on the NI 6509 device.
The naming convention for each pin is PX.Y, where X is the port (P)
number, and Y is the line number.

NI 6509 User Guide and Specifications 12 ni.com
Figure 3. SH100-100-F Connector Pinout
Refer to the Signal Descriptions section for information about the signals
available on this connector.
+5 V
P3.0
P0.0
P3.1
P0.1
P3.2
P0.2
P3.3
P0.3
P3.4
P0.4
P3.5
P0.5
P3.6
P0.6
P3.7
P0.7
P4.0
P1.0
P4.1
P1.1
P4.2
P1.2
P4.3
P1.3
P4.4
P1.4
P4.5
P1.5
P4.6
P1.6
P4.7
P1.7
P5.0
P2.0
P5.1
P2.1
P5.2
P2.2
P5.3
P2.3
P5.4
P2.4
P5.5
P2.5
P5.6
P2.6
P5.7
+5 V
P9.0
P6.0
P9.1
P6.1
P9.2
P6.2
P9.3
P6.3
P9.4
P6.4
P9.5
P6.5
P9.6
P6.6
P9.7
P6.7
P10.0
P7.0
P10.1
P7.1
P10.2
P7.2
P10.3
P7.3
P10.4
P7.4
P10.5
P7.5
P10.6
P7.6
P10.7
P7.7
P11.0
P8.0
P11.1
P8.1
P11.2
P8.2
P11.3
P8.3
P11.4
P8.4
P11.5
P8.5
P11.6
P8.6
P11.7
GND
P2.7
25
24
23
22
21
20
19
18
17
16
15
14
13
12
11
10
9
8
7
6
5
4
3
2
1
75
74
73
72
71
70
69
68
67
66
65
64
63
62
61
60
59
58
57
56
55
54
53
52
51
50
49
48
47
46
45
44
43
42
41
40
39
38
37
36
35
34
33
32
31
30
29
28
27
26
100
99
98
97
96
95
94
93
92
91
90
89
88
87
86
85
84
83
82
81
80
79
78
77
76
GND
P8.7

© National Instruments Corporation 13 NI 6509 User Guide and Specifications
R1005050 Connector
Figure 4 shows the pin assignments for the R1005050 cable when
connecting to the NI 6509 device. The naming convention for each pin is
PX.Y, where X is the port (P) number, and Y is the line number or name.
Figure 4. R1005050 Connector Pinout
Refer to the Signal Descriptions section for information about the signals
available on this connector.
+5 V
P0.0
P0.1
P0.2
P0.3
P0.4
P0.5
P0.6
P0.7
P1.0
P1.1
P1.2
P1.3
P1.4
P1.5
P1.6
P1.7
P2.0
P2.1
P2.2
P2.3
P2.4
P2.5
P2.6
P2.7
GND
P3.1
P3.2
P3.4
P3.5
P3.6
P3.7
P3.0
P3.3
P4.0
P4.1
P4.2
P4.3
P4.4
P4.5
P4.6
P4.7
P5.0
P5.1
P5.2
P5.3
P5.4
P5.5
P5.6
P5.7
49 50
47 48
45 46
4344
41 42
3940
3738
3536
33 34
3132
29 30
27 28
25 26
2324
21 22
19 20
17 18
15 16
1314
11 12
910
78
56
34
12
Positions 1 through 50
+5 V
P6.0
P6.1
P6.2
P6.3
P6.4
P6.5
P6.6
P6.7
P7.0
P7.1
P7.2
P7.3
P7.4
P7.5
P7.6
P7.7
P8.0
P8.1
P8.2
P8.3
P8.4
P8.5
P8.6
P8.7
GND
P9.1
P9.2
P9.4
P9.5
P9.6
P9.7
P9.0
P9.3
P10.0
P10.1
P10.2
P10.3
P10.4
P10.5
P10.6
P10.7
P11.0
P11.1
P11.2
P11.3
P11.4
P11.5
P11.6
P11.7
49 50
47 48
45 46
4344
41 42
3940
3738
3536
33 34
3132
29 30
27 28
25 26
2324
21 22
19 20
17 18
15 16
1314
11 12
910
78
56
34
12
Positions 51 through 100

NI 6509 User Guide and Specifications 14 ni.com
Signal Descriptions
Table 3 lists the signals and descriptions for all signals available on the
NI 6509 device.
Table 3. NI 6509 Signal Descriptions
Pin Signal Name Description MSB LSB
1, 3, 5, 7, 9, 11, 13, 15 P2.<7..0> Bi-directional data lines for
port 2
P2.7 P2.0
2, 4, 6, 8, 10, 12, 14, 16 P5.<7..0> Bi-directional data lines for
port 5
P5.7 P5.0
17, 19, 21, 23, 25, 27,
29, 31
P1.<7..0> Bi-directional data lines for
port 1
P1.7 P1.0
18, 20, 22, 24, 26, 28,
30, 32
P4.<7..0> Bi-directional data lines for
port 4
P4.7 P4.0
33, 35, 37, 39, 41, 43,
45, 47
P0.<7..0> Bi-directional data lines for
port 0
P0.7 P0.0
34, 36, 38, 40, 42, 44,
46, 48
P3.<7..0> Bi-directional data lines for
port 3
P3.7 P3.0
49, 99 +5 V supply +5 volts; provides +5 V power
source
— —
50, 100 GND Ground; connected to the
computer ground signal
— —
51, 53, 55, 57, 59, 61,
63, 65
P8.<7..0> Bi-directional data lines for
port 8
P8.7 P8.0
52, 54, 56, 58, 60, 62,
64, 66
P11.<7..0> Bi-directional data lines for
port 11
P11.7 P11.0
67, 69, 71, 73, 75, 77,
79, 81
P7.<7..0> Bi-directional data lines for
port 7
P7.7 P7.0
68, 70, 72, 74, 76, 78,
80, 82
P10.<7..0> Bi-directional data lines for
port 10
P10.7 P10.0
83, 85, 87, 89, 91, 93,
95, 97
P6.<7..0> Bi-directional data lines for
port 6
P6.7 P6.0
84, 86, 88, 90, 92, 94,
96, 98
P9.<7..0> Bi-directional data lines for
port 9
P9.7 P9.0

© National Instruments Corporation 15 NI 6509 User Guide and Specifications
Power Connections
Pins 49 and 99 supply +5 V power to the I/O connector. The I/O connector
power has a fuse for overcurrent protection. This fuse is not customer
replaceable. If the fuse is blown, return the device to NI for repair.
Caution Do not connect the +5 V power pin directly to ground or to any other voltage
source on any other device. Doing so may permanently damage the NI 6509 device and the
computer.
Signal Connections
The maximum input logic high and output logic high voltages assume a
Vcc supply voltage of 5 V. The absolute maximum voltage rating is –0.5 to
+5.5 V with respect to GND. Refer to the Specifications section for detailed
information.
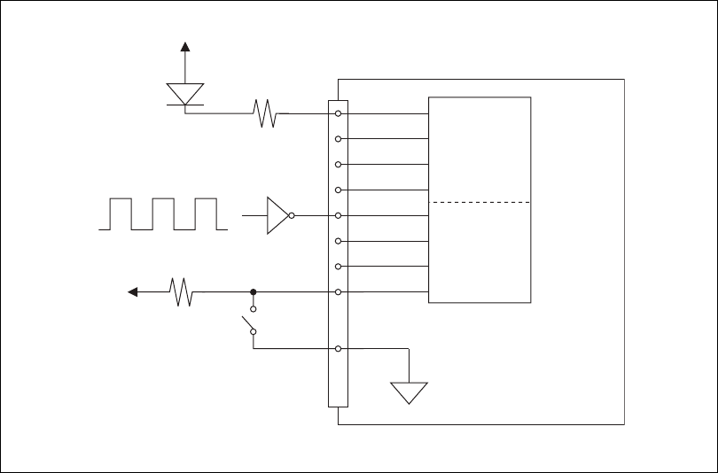
Figure 5 shows an example of signal connections for three typical digital
I/O applications. Port 0 is configured for digital output, and port 7 is
configured for digital input. Digital input applications include receiving
TTL signals and sensing external device states such as the state of the
switch in the figure. Digital output applications include sending TTL
signals and driving external devices such as the LED shown in the figure.

NI 6509 User Guide and Specifications 16 ni.com
Figure 5. NI 6509 Signal Connections
Protecting Inductive Loads
When inductive loads are connected to outputs, a large
counter-electromotive force may occur at switching time because of the
energy stored in the inductive load. These flyback voltages can damage
the outputs and/or the power supply.
To limit these flyback voltages at the inductive load, install a flyback diode
across the inductive load. For best results, mount the flyback diode within
18 inches of the load. Figure 6 shows an example of using an external
flyback diode to protect inductive loads.
41
43
45
47
67
69
71
73
50, 100
NI 6509
+5 V
+5 V
LED
Port 7
P7<7..4>
Port 0
P0<3..0>
GND
TTL Signal

© National Instruments Corporation 17 NI 6509 User Guide and Specifications
Figure 6. Limiting Flyback Voltages at the Inductive Load
Sinking and Sourcing Examples
The following sections provide examples of driving a relay less than
24 mA, driving a relay greater than 24 mA, and driving solid-state relays.
Driving a Relay <24 mA
Figures 7 and 8 show examples of connecting the NI 6509 to a relay that
does not require more than 24 mA of current.
Figure 7. NI 6509 Sinking Connection Example, <24 mA
Figure 8. NI 6509 Sourcing Connection Example, <24 mA
P
X
.
Y
GND
Load
NI 6509 Flyback Diode for
Inductive Loads
P
X
.
Y
GND
NI 6509
Vcc
P
X
.
Y
GND
NI 6509

NI 6509 User Guide and Specifications 18 ni.com
Driving a Relay >24 mA
Figures 9 and 10 are examples of connecting the NI 6509 to a relay that
requires more than 24 mA of current. These examples use an additional
transistor circuit.
Figure 9. NI 6509 Sinking Connection Example, >24 mA
Figure 10. NI 6509 Sourcing Connection Example, >24 mA
Driving SSRs
Figure 11 shows an example of connecting the NI 6509 to a solid-state
relay (SSR).
Figure 11. NI 6509 SSR Connection Example
P
X
.
Y
GND
NI 6509
Vcc
P
X
.
Y
GND
NI 6509
Vcc
+
–
VAC SSR
P
X
.
Y
GND
Load
Load
NI 6509

© National Instruments Corporation 19 NI 6509 User Guide and Specifications
Accessories
National Instruments offers the following products for use with the
NI 6509.
For more information about optional equipment available from National
Instruments, refer to the National Instruments catalog or visit ni.com.
Specifications
This section lists the specifications for the NI 6509. These specifications
are typical at 25 °C, unless otherwise noted.
Power Requirements
Power consumption (typical) ................. 375 mA on +3.3 VDC
No load current....................................... 250 mA on +5 VDC
With a load, use the following equation to determine the power
consumption on a 5 V rail. In the equation, j is the number of channels
you are using to source current.
Power available at I/O connector ........... 1 A (fused), maximum
(combined or individually)
Note The voltage at the I/O connector is dependent upon the amount of current drawn
from the NI 6509 device.
Digital I/O
Number of channels ............................... 96 I/O
Compatibility ......................................... TTL/CMOS
Cable (Part Number) Accessory (Part Number)
SH100-100-F shielded cable (185095) SCB-100 connector block (776990)
R1005050 ribbon cable (182762) CB-50 connector block, DIN-rail mount (776164)
CB-50LP connector block, panel mount (777101)
250 mA
i1=
j
∑current sourced on channel i()+

NI 6509 User Guide and Specifications 20 ni.com
Power-on state ........................................Inputs high-Z (default),
user-selectable input,
output 1 or 0
Data transfers..........................................Interrupts, programmed I/O
I/O connector ..........................................100-pin female 0.050 series SCSI
Digital Logic Levels
Input Signals
The maximum input logic high and output logic high voltages assume a
Vcc supply voltage of 5.0 V. Given a Vcc supply voltage of 5.0 V, the
absolute maximum voltage rating for each I/O line is –0.5 V to 5.5 V with
respect to GND.
Output Signals (Vcc = 5 V)
The total current sinking/sourcing from one port cannot exceed 100 mA.
+5V power available at
I/O connector (pins 49 and 99) ...............+4.65 to +5.25 V
Note The I/O connector power has a fuse for overcurrent protection. This fuse is not
customer replaceable. If the fuse is blown, return the device to NI for repair.
Programmable power-up states
response time ..........................................400 ms
Level Min Max
Input voltage (VI)0 V Vcc
Input logic low voltage (VIL) — 0.8 V
Input logic high voltage (VIH)2 V —
Level Min Max
High-level output current (IOH) — –24 mA
Low-level output current (IOL) — 24 mA
Output voltage (VO) 0 Vcc
Output low voltage (VOL), at 24 mA —0.55 V
Output high voltage (VOH), at –24 mA 3.7 V —
© National Instruments Corporation 21 NI 6509 User Guide and Specifications
Physical Characteristics
Dimensions (without connectors)
PCI-6509 ......................................... 12.4 cm × 9.7 cm
(4.9 in. × 3.8 in.)
PXI-6509......................................... 16.0 cm × 10.0 cm
(6.3 in. × 3.9 in.)
Weight
PCI-6509 ......................................... 70.87 g (2.5 oz)
PXI-6509......................................... 172.9 g (6.1 oz)
Environmental
The NI 6509 device is intended for indoor use only.
Operating Environment
Ambient temperature range.................... 0 to 55 °C (tested in accordance
with IEC-60068-2-1 and
IEC-60068-2-2)
Relative humidity range ......................... 10 to 90%, noncondensing
(tested in accordance with
IEC-60068-2-56)
Altitude................................................... 2,000 m (at 25 °C ambient
temperature)
Storage Environment
Ambient temperature range.................... –20 to 70 °C (tested in accordance
with IEC-60068-2-1 and
IEC-60068-2-2)
Relative humidity range ......................... 5 to 95%, noncondensing
(tested in accordance with
IEC-60068-2-56)

NI 6509 User Guide and Specifications 22 ni.com
Shock and Vibration (PXI-6509 Only)
Operational shock ...................................30 g peak, half-sine, 11 ms pulse
(tested in accordance with
IEC-60068-2-27; test profile
developed in accordance with
MIL-PRF-28800F)
Random vibration
5 to 500 Hz, 0.3 grms .....................Operating
5 to 500 Hz, 2.4 grms .....................Nonoperating
Random vibration is tested in accordance with IEC-60068-2-64. The
nonoperating test profile exceeds the requirements of MIL-PRF-28800F,
Class 3. Random vibration is tested in accordance with IEC-60068-2-64.
The nonoperating test profile exceeds the requirements of
MIL-PRF-28800F, Class 3.
Safety
This product is designed to meet the requirements of the following
standards of safety for electrical equipment for measurement, control,
and laboratory use:
• IEC 61010-1, EN 61010-1
• UL 61010-1, CSA 61010-1
Note For UL and other safety certifications, refer to the product label or visit ni.com/
certification, search by model number or product line, and click the appropriate link
in the Certification column.
Electromagnetic Compatibility
This product is designed to meet the requirements of the following
standards of EMC for electrical equipment for measurement, control,
and laboratory use:
• EN 61326 EMC requirements; Minimum Immunity
• EN 55011 Emissions; Group 1, Class A
• CE, C-Tick, ICES, and FCC Part 15 Emissions; Class A
Note For EMC compliance, operate this device according to product documentation.

National Instruments, NI, ni.com, and LabVIEW are trademarks of National Instruments Corporation.
Refer to the Terms of Use section on ni.com/legal for more information about National
Instruments trademarks. Other product and company names mentioned herein are trademarks or trade
names of their respective companies. For patents covering National Instruments products, refer to the
appropriate location: Help»Patents in your software, the patents.txt file on your media, or
ni.com/patents.
© 2006–2008 National Instruments Corporation. All rights reserved. 372117B-01 Jul08
CE Compliance
This product meets the essential requirements of applicable European
Directives, as amended for CE marking, as follows:
• 2006/95/EC; Low-Voltage Directive (safety)
• 2004/108/EC; Electromagnetic Compatibility Directive (EMC)
Note Refer to the Declaration of Conformity (DoC) for this product for any additional
regulatory compliance information. To obtain the DoC for this product, visit ni.com/
certification, search by model number or product line, and click the appropriate link
in the Certification column.
Environmental Management
National Instruments is committed to designing and manufacturing
products in an environmentally responsible manner. NI recognizes that
eliminating certain hazardous substances from our products is beneficial
not only to the environment but also to NI customers.
For additional environmental information, refer to the NI and the
Environment Web page at ni.com/environment. This page contains the
environmental regulations and directives with which NI complies, as well
as other environmental information not included in this document.
Waste Electrical and Electronic Equipment (WEEE)
EU Customers At the end of their life cycle, all products must be sent to a WEEE recycling
center. For more information about WEEE recycling centers and National Instruments
WEEE initiatives, visit ni.com/environment/weee.htm.
⬉ᄤֵᙃѻક∵ᶧࠊㅵ⧚ࡲ⊩ ˄Ё
RoHS
˅
Ёᅶ᠋
National Instruments ヺড়Ё⬉ᄤֵᙃѻકЁ䰤ࠊՓ⫼ᶤѯ᳝ᆇ⠽䋼ᣛҸ (RoHS)DŽ
݇Ѣ National Instruments Ё RoHS ড়㾘ᗻֵᙃˈ䇋ⱏᔩ ni.com/environment/rohs_chinaDŽ
(For information about China RoHS compliance, go to ni.com/environment/rohs_china.)