National Instruments Ni 9215 Users Manual Operating Instructions And Specifications
NI 9215 to the manual 01b2bcbb-5d34-4456-821b-5e59d3ff1b83
2015-02-05
: National-Instruments National-Instruments-Ni-9215-Users-Manual-493690 national-instruments-ni-9215-users-manual-493690 national-instruments pdf
Open the PDF directly: View PDF
.
Page Count: 34
- NI 9215 Operating Instructions and Specifications
- Safety Guidelines
- Connecting the NI 9215
- NI 9215 Circuitry
- Sleep Mode
- Specifications
- Where to Go for Support

OPERATING INSTRUCTIONS AND SPECIFICATIONS
NI 9215
4-Channel, ±10 V, 16-Bit Simultaneous Analog
Input Module
ni.com/manuals
DeutschFrançais

NI 9215 Operating Instructions and Specifications 2 ni.com
This document describes how to use the National Instruments 9215
and includes specifications and terminal assignments for the
NI 9215. In this document, the NI 9215 with screw terminal and
NI 9215 with BNC are referred to inclusively as the NI 9215. Visit
ni.com/info and enter rdsoftwareversion to determine
which software you need for the modules you are using. For
information about installing, configuring, and programming the
system, refer to the system documentation. Visit ni.com/info
and enter cseriesdoc for information about C Series
documentation.
Note The safety guidelines and specifications in this
document are specific to the NI 9215. The other
components in the system might not meet the same safety
ratings and specifications. Refer to the documentation for
each component in the system to determine the safety
ratings and specifications for the entire system. Visit
ni.com/info and enter cseriesdoc for information
about C Series documentation.
Safety Guidelines
Operate the NI 9215 only as described in these operating
instructions.

© National Instruments Corp. 3 NI 9215 Operating Instructions and Specifications
Hot Surface This icon denotes that the component may be
hot. Touching this component may result in bodily injury.
Safety Guidelines for Hazardous Voltages
Yo u can connect hazardous voltages only to the NI 9215 with
screw terminal. Do not connect hazardous voltages to the NI 9215
with BNC.
If hazardous voltages are connected to the module, take the
following precautions. A hazardous voltage is a voltage greater
than 42.4 Vpk or 60 VDC to earth ground.
Caution Ensure that hazardous voltage wiring is
performed only by qualified personnel adhering to local
electrical standards.
Caution Do not mix hazardous voltage circuits and
human-accessible circuits on the same module.
Caution Make sure that devices and circuits connected to
the module are properly insulated from human contact.
Caution When module terminals are hazardous voltage
LIVE (>42.4 Vpk/60 VDC), you must ensure that devices

NI 9215 Operating Instructions and Specifications 4 ni.com
and circuits connected to the module are properly
insulated from human contact. You must use the NI 9932
connector backshell kit to ensure that the terminals are
not accessible.
Figure 1 shows the NI 9932 connector backshell.
Note You can use the NI 9932 connector backshell only
with the NI 9215 with screw terminal.
Figure 1. NI 9932 Connector Backshell

© National Instruments Corp. 5 NI 9215 Operating Instructions and Specifications
Safety Guidelines for Hazardous Locations
The NI 9215 is suitable for use in Class I, Division 2, Groups A, B,
C, D, and T4 hazardous locations; Class I, Zone 2, AEx nC IIC T4
and Ex nC IIC T4 hazardous locations; and nonhazardous locations
only. Follow these guidelines if you are installing the NI 9215 in a
potentially explosive environment. Not following these guidelines
may result in serious injury or death.
Caution Do not disconnect I/O-side wires or connectors
unless power has been switched off or the area is known
to be nonhazardous.
Caution Do not remove modules unless power has been
switched off or the area is known to be nonhazardous.
Caution Substitution of components may impair
suitability for Class I, Division 2.
Caution For Zone 2 applications, install the system
in an enclosure rated to at least IP 54 as defined by
IEC 60529 and EN 60529.

NI 9215 Operating Instructions and Specifications 6 ni.com
Caution For Zone 2 applications, connected signals must
be within the following limit:
Capacitance .......................... 0.2 μF max
Special Conditions for Hazardous Locations Use in Europe
This equipment has been evaluated as EEx nC IIC T4 equipment
under DEMKO Certificate No. 03 ATEX 0324020X. Each module
is marked II 3G and is suitable for use in Zone 2 hazardous
locations. If you are using the NI 9215 in Gas Group IIC hazardous
locations or in ambient temperatures of –40 °C ≤Ta ≤70 °C, you
must use the device in an NI chassis that has been evaluated as
Ex nA IIC T4 equipment.
Special Conditions for Marine Applications
Some modules are Lloyd’s Register (LR) Type Approved for
marine applications. To verify Lloyd’s Register certification, go
to ni.com/certification and search for the LR certificate,
or look for the Lloyd’s Register mark on the module.

© National Instruments Corp. 7 NI 9215 Operating Instructions and Specifications
Caution To meet radio frequency emission requirements
for marine applications, use shielded cables and install
the system in a metal enclosure. Suppression ferrites
must be installed on power supply inputs near power
entries to modules and controllers. Power supply and
module cables must be separated on opposite sides of
the enclosure, and must enter and exit through opposing
enclosure walls.

NI 9215 Operating Instructions and Specifications 8 ni.com
Connecting the NI 9215
The NI 9215 provides connections for four differential analog
input channels.
Figure 2. Terminal Assignments of the NI 9215 with Screw Terminal
0
1
2
3
4
5
6
7
8
9
AI0+
AI0–
AI1+
AI1–
AI2+
AI2–
AI3+
AI3–
NC
COM

© National Instruments Corp. 9 NI 9215 Operating Instructions and Specifications
Figure 3. Connector Assignments of the NI 9215 with BNC
AI3+
AI3–
AI2+
AI2–
AI0+
AI0–
AI1+
AI1–

NI 9215 Operating Instructions and Specifications 10 ni.com
The NI 9215 with screw terminal has a 10-terminal detachable
screw-terminal connector. The NI 9215 with BNC has four BNC
connectors.
Each channel of the NI 9215 has an AI+ terminal or shield to which
you can connect the positive voltage signal, and an AI– terminal or
shield to which you can connect the negative voltage signal. The
NI 9215 with screw terminal also has a common terminal, COM,
that is internally connected to the isolated ground reference of the
module.
Note You must use 2-wire ferrules to create a secure
connection when connecting more than one wire to a
single terminal on the NI 9215 with screw terminal.

© National Instruments Corp. 11 NI 9215 Operating Instructions and Specifications
Connecting Differential Voltage Signals to the NI 9215
Yo u can connect grounded or floating differential signals to the
NI 9215. Connect the positive voltage signal to AI+ and the
negative voltage signal to AI–. To connect grounded differential
signals to the NI 9215 with screw terminal, you must also connect
the signal reference to the COM terminal, as shown in Figure 4.
Figure 4. Connecting a Grounded Differential Voltage Signal to
the NI 9215 with Screw Terminal
Voltage
Source
+
–
AI+
AI–
COM NI 9215 with
Screw Terminal

NI 9215 Operating Instructions and Specifications 12 ni.com
To connect floating differential signals to the NI 9215 with screw
terminal, you must connect the negative lead of the signal to COM
through a 1 MΩ resistor to keep the voltage source within the
common-mode voltage range, as shown in Figure 5. If the voltage
source is outside of the common-mode range, then the NI 9215
does not read data accurately. The NI 9215 with BNC has internal
circuitry that keeps the voltage source within the common-mode
range. For more information about the common-mode voltage
range, refer to the Specifications section.
Figure 5. Connecting a Floating Differential Voltage Signal to the
NI 9215 with Screw Terminal
1 MΩ
Resistor NI 9215 with
Screw Terminal
AI+
AI–
COM
Voltage
Source
+
–

© National Instruments Corp. 13 NI 9215 Operating Instructions and Specifications
Connecting Single-Ended Voltage Signals to the
NI 9215
To connect single-ended voltage signals to the NI 9215 with screw
terminal, you must also connect the ground signal to the COM
terminal to keep the common-mode voltage in the specified range,
as shown in Figure 6. For more information about the
common-mode voltage range, refer to the Specifications section.
Figure 6. Connecting a Single-Ended Voltage Signal to the
NI 9215 with Screw Terminal
+
–
AI+
AI–
COM
Voltage
Source
NI 9215 with
Screw Terminal

NI 9215 Operating Instructions and Specifications 14 ni.com
Wiring for High Vibration Applications
If an application using the NI 9215 with screw terminal is subject
to high vibration, National Instruments recommends that you
either use ferrules to terminate wires to the detachable
screw-terminal connector or use the NI 9932 backshell kit to
protect the connections. Refer to Figure 7 for an illustration of
using ferrules. Refer to Figure 1 for an illustration of the NI 9932
connector backshell.
Figure 7. 10-Terminal Detachable Screw-Terminal Connector with a Ferrule

© National Instruments Corp. 15 NI 9215 Operating Instructions and Specifications
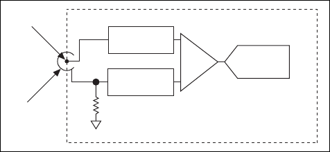
NI 9215 Circuitry
The NI 9215 channels share a common ground that is isolated from
other modules in the system. The NI 9215 protects each channel
from overvoltages. For more information about overvoltage
protection, refer to the Specifications section. The incoming analog
signal on each channel is buffered and conditioned by the
instrumentation amplifier and is then sampled by a 16-bit ADC.
The channels have independent track-and-hold amplifiers that
allow you to sample all four channels simultaneously. Refer to
Figures 8 and 9 for input circuitry illustrations of the NI 9215 with
screw terminal and the NI 9215 with BNC.

NI 9215 Operating Instructions and Specifications 16 ni.com
Figure 8. Input Circuitry for One Channel on the NI 9215 with Screw Terminal
COM
AI
+
AI
–
NI 9215 with Screw Terminal
Isolated
ADC
Overvoltage
Protection
Overvoltage
Protection
Instrumentation
Amplifier
+
–

© National Instruments Corp. 17 NI 9215 Operating Instructions and Specifications
The NI 9215 with BNC has a resistor that ensures the input voltage
does not drift outside of the common-mode range.
Figure 9. Input Circuitry for One Channel on the NI 9215 with BNC
AI
+
AI
–
Isolated
ADC
NI 9215 with BNC
+
–
Instrumentation
Amplifier
100 kΩ
Overvoltage
Protection
Overvoltage
Protection

NI 9215 Operating Instructions and Specifications 18 ni.com
Sleep Mode
This module supports a low-power sleep mode. Support for sleep
mode at the system level depends on the chassis that the module is
plugged into. Refer to the chassis manual for information about
support for sleep mode. If the chassis supports sleep mode, refer to
the software help for information about enabling sleep mode. Visit
ni.com/info and enter cseriesdoc for information about C
Series documentation.
Typically, when a system is in sleep mode, you cannot
communicate with the modules. In sleep mode, the system
consumes minimal power and may dissipate less heat than it does
in normal mode. Refer to the Specifications section for more
information about power consumption and thermal dissipation.

© National Instruments Corp. 19 NI 9215 Operating Instructions and Specifications
Specifications
The following specifications are typical for the range –40 to 70 °C
unless otherwise noted.
Input Characteristics
Number of channels .......................... 4 analog input channels
ADC resolution................................. 16 bits
Type of ADC..................................... Successive approximation
register (SAR)
Input range ........................................ ±10.0 V

NI 9215 Operating Instructions and Specifications 20 ni.com
Input voltage ranges1
1 Refer to the Safety Guidelines section for more information about safe operating
voltages.
Measurement Voltage,
AI+ to AI–
Maximum Voltage
(Signal + Common Mode)
Minimum*
(V)
Typical
(V)
Maximum
(V)
Screw
Ter m ina l BNC
±10.2 ±10.4 ±10.6 Each channel
must remain
within
±10.2 V of
common.
All inputs
must remain
within 10.2 V
of the average
AI– inputs.
* The minimum measurement voltage range is the largest voltage the NI 9215 is
guaranteed to accurately measure.

© National Instruments Corp. 21 NI 9215 Operating Instructions and Specifications
Overvoltage protection ..................... ±30 V
Conversion time
Channel 0 only ........................... 4.4 μs
Channels 0 and 1 ........................ 6 μs
Channels 0, 1, and 2 ................... 8 μs
Channels 0, 1, 2, and 3 ............... 10 μs
Accuracy
Stability
Gain drift .................................... 10 ppm/ºC
Offset drift .................................. 60 μV/ºC
Measurement Conditions
Percent of
Reading
(Gain Error)
Percent of
Range*
(Offset Error)
Calibrated, max (–40 to 70 °C) 0.2% 0.082%
Calibrated, typ (25 °C, ±5 °C) 0.02% 0.014%
Uncalibrated, max (–40 to 70 °C) 1.05% 0.82%
Uncalibrated, typ (25 °C, ±5 °C) 0.6% 0.38%
* Range equals 10.4 V
NI 9215 Operating Instructions and Specifications 22 ni.com
CMRR (fin = 60 Hz) .......................... –73 dB min
Input bandwidth (–3 dB)................... 420 kHz min
Input impedance
Resistance
NI 9215 with
screw terminal...................... 1 GΩ
NI 9215 with BNC
(Between any two
AI– terminals) ...................... 200 kΩ
Input bias current .............................. 10 nA
Input noise
RMS ........................................... 1.2 LSBrms
Peak-to-peak............................... 7 LSB
Crosstalk ........................................... –80 dB
Settling time (to 2 LSBs)
NI 9215 with screw terminal
10 V step .............................. 10 μs
20 V step .............................. 15 μs

© National Instruments Corp. 23 NI 9215 Operating Instructions and Specifications
NI 9215 with BNC
10 V step .............................. 25 μs
20 V step .............................. 35 μs
No missing codes.............................. 15 bits guaranteed
DNL .................................................. –1.9 to 2 LSB max
INL.................................................... ±6 LSB max
MTBF ............................................... 1,167,174 hours at 25 °C;
Bellcore Issue 6, Method 1,
Case 3, Limited Part Stress
Method
Note Contact NI for Bellcore MTBF specifications
at other temperatures or for MIL-HDBK-217F
specifications.
Power Requirements
Power consumption from chassis (full-scale input, 100 kS/s)
Active mode ...............................560 mW max
Sleep mode ................................. 25 μW max
NI 9215 Operating Instructions and Specifications 24 ni.com
Thermal dissipation (at 70 °C)
Active mode ............................... 560 mW max
Sleep mode ................................. 25 μW max
Physical Characteristics
If you need to clean the module, wipe it with a dry towel.
Screw-terminal wiring ...................... 12 to 24 AWG copper
conductor wire with 10 mm
(0.39 in.) of insulation
stripped from the end
Torque for screw terminals ............... 0.5 to 0.6 N · m
(4.4 to 5.3 lb · in.)
Ferrules ............................................. 0.25 mm2 to 2.5 mm2
Weight
NI 9215 with
screw terminal ............................ 150 g (5.3 oz)
NI 9215 with BNC ..................... 173 g (6.1 oz)
© National Instruments Corp. 25 NI 9215 Operating Instructions and Specifications
Safety
NI 9215 with Screw Terminal Safety Voltages
Connect only voltages that are within the following limits.
Channel-to-COM .............................. ±30 V max
Isolation
Channel-to-channel .................... No isolation between
channels
Channel-to-earth ground
Continuous ........................... 250 Vrms,
Measurement Category II
Withstand ............................. 2,300 Vrms, verified by a
5 s dielectric withstand test
Measurement Category II is for measurements performed on
circuits directly connected to the electrical distribution system.
This category refers to local-level electrical distribution, such as
that provided by a standard wall outlet, for example, 115 V for U.S.
or 230 V for Europe.

NI 9215 Operating Instructions and Specifications 26 ni.com
Caution Do not connect the NI 9215 with screw terminal
to signals or use for measurements within Measurement
Categories III or IV.
NI 9215 with BNC Safety Voltages
Connect only voltages that are within the following limits.
AI+-to-AI–........................................ ±30 V max
Isolation
Channel-to-channel .................... No isolation between
channels
Channel-to-earth ground
Continuous ........................... 60 VDC,
Measurement Category I
Withstand ............................. 1,500 Vrms, verified by a
5 s dielectric withstand test
Measurement Category I is for measurements performed on
circuits not directly connected to the electrical distribution system
referred to as MAINS voltage. MAINS is a hazardous live electrical
supply system that powers equipment. This category is for
measurements of voltages from specially protected secondary
circuits. Such voltage measurements include signal levels, special

© National Instruments Corp. 27 NI 9215 Operating Instructions and Specifications
equipment, limited-energy parts of equipment, circuits powered by
regulated low-voltage sources, and electronics.
Caution Do not connect the NI 9215 with BNC to signals
or use for measurements within Measurement
Categories II, III, or IV.
Safety Standards
This product is designed to meet the requirements of the following
standards of safety for electrical equipment for measurement,
control, and laboratory use:
• IEC 61010-1, EN 61010-1
• UL 61010-1, CSA 61010-1
Note For UL and other safety certifications, refer to the
product label, or visit ni.com/certification, search
by module number or product line, and click the
appropriate link in the Certification column.
NI 9215 Operating Instructions and Specifications 28 ni.com
Hazardous Locations
U.S. (UL) .......................................... Class I, Division 2,
Groups A, B, C, D, T4;
Class I, Zone 2,
AEx nC IIC T4
Canada (C-UL) ................................. Class I, Division 2,
Groups A, B, C, D, T4;
Class I, Zone 2,
Ex nC IIC T4
Europe (DEMKO)............................. EEx nC IIC T4
Environmental
National Instruments C Series modules are intended for indoor use
only but may be used outdoors if installed in a suitable enclosure.
Refer to the manual for the chassis you are using for more
information about meeting these specifications.
Operating temperature
(IEC 60068-2-1, IEC 60068-2-2) ..... –40 to 70 °C
Storage temperature
(IEC 60068-2-1, IEC 60068-2-2) ..... –40 to 85 °C
Ingress protection.............................. IP 40
© National Instruments Corp. 29 NI 9215 Operating Instructions and Specifications
Operating humidity
(IEC 60068-2-56).............................. 10 to 90% RH,
noncondensing
Storage humidity
(IEC 60068-2-56).............................. 5 to 95% RH,
noncondensing
Maximum altitude............................. 2,000 m
Pollution Degree (IEC 60664) .......... 2
Shock and Vibration
To meet these specifications, you must panel mount the system. If
you are using the NI 9215 with screw terminal, you must also either
affix ferrules to the ends of the terminal wires or use the NI 9932
backshell kit to protect the connections.
Operating vibration
Random (IEC 60068-2-34)......... 5 grms, 10 to 500 Hz
Sinusoidal (IEC 60068-2-6) ....... 5 g, 10 to 500 Hz
Operating shock
(IEC 60068-2-27).............................. 30 g, 11 ms half sine,
50 g, 3 ms half sine,
18 shocks at 6 orientations

NI 9215 Operating Instructions and Specifications 30 ni.com
Electromagnetic Compatibility
This product is designed to meet the requirements of the following
standards of EMC for electrical equipment for measurement,
control, and laboratory use:
• EN 61326 EMC requirements; Industrial Immunity
• EN 55011 Emissions; Group 1, Class A
• CE, C-Tick, ICES, and FCC Part 15 Emissions; Class A
Note For EMC compliance, operate this device with
shielded cabling.
CE Compliance
This product meets the essential requirements of applicable
European directives, as amended for CE markings, as follows:
• 2006/95/EC; Low-Voltage Directive (safety)
• 2004/108/EC; Electromagnetic Compatibility Directive
(EMC)
Note Refer to the Declaration of Conformity (DoC) for
this product for any additional regulatory compliance
information. To obtain the DoC for this product, visit

© National Instruments Corp. 31 NI 9215 Operating Instructions and Specifications
ni.com/certification, search by module number or
product line, and click the appropriate link in the
Certification column.
Environmental Management
National Instruments is committed to designing and manufacturing
products in an environmentally responsible manner. NI recognizes
that eliminating certain hazardous substances from our products is
beneficial not only to the environment but also to NI customers.
For additional environmental information, refer to the NI and the
Environment Web page at ni.com/environment. This page
contains the environmental regulations and directives with which
NI complies, as well as other environmental information not
included in this document.
Waste Electrical and Electronic Equipment (WEEE)
EU Customers At the end of their life cycle, all products
must be sent to a WEEE recycling center. For more
information about WEEE recycling centers and National
Instruments WEEE initiatives, visit ni.com/
environment/weee.htm.

NI 9215 Operating Instructions and Specifications 32 ni.com
Calibration
Yo u can obtain the calibration certificate and information about
calibration services for the NI 9215 at ni.com/calibration.
Calibration interval ........................... 1 year
Where to Go for Support
The National Instruments Web site is your complete resource for
technical support. At ni.com/support you have access to
everything from troubleshooting and application development
self-help resources to email and phone assistance from
NI Application Engineers.
National Instruments corporate headquarters is located at
11500 North Mopac Expressway, Austin, Texas, 78759-3504.
⬉ᄤֵᙃѻક∵ᶧࠊㅵ⧚ࡲ⊩ ˄Ё
RoHS
˅
Ёᅶ᠋
National Instruments ヺড়Ё⬉ᄤֵᙃ
ѻકЁ䰤ࠊՓ⫼ᶤѯ᳝ᆇ⠽䋼ᣛҸ (RoHS)DŽ݇Ѣ
National Instruments Ё RoHS ড়㾘ᗻֵᙃˈ䇋ⱏᔩ
ni.com/environment/rohs_chinaDŽ(For information
about China RoHS compliance, go to ni.com/
environment/rohs_china.)
© National Instruments Corp. 33 NI 9215 Operating Instructions and Specifications
National Instruments also has offices located around the world to
help address your support needs. For telephone support in the
United States, create your service request at ni.com/support
and follow the calling instructions or dial 512 795 8248. For
telephone support outside the United States, contact your local
branch office:
Australia 1800 300 800, Austria 43 662 457990-0,
Belgium 32 (0) 2 757 0020, Brazil 55 11 3262 3599,
Canada 800 433 3488, China 86 21 5050 9800,
Czech Republic 420 224 235 774, Denmark 45 45 76 26 00,
Finland 358 (0) 9 725 72511, France 01 57 66 24 24,
Germany 49 89 7413130, India 91 80 41190000,
Israel 972 3 6393737, Italy 39 02 413091, Japan 0120 527196,
Korea 82 02 3451 3400, Lebanon 961 (0) 1 33 28 28,
Malaysia 1800 887710, Mexico 01 800 010 0793,
Netherlands 31 (0) 348 433 466, New Zealand 0800 553 322,
Norway 47 (0) 66 90 76 60, Poland 48 22 3390150,
Portugal 351 210 311 210, Russia 7 495 783 6851,
Singapore 1800 226 5886, Slovenia 386 3 425 42 00,
South Africa 27 0 11 805 8197, Spain 34 91 640 0085,
Sweden 46 (0) 8 587 895 00, Switzerland 41 56 2005151,
Taiwan 886 02 2377 2222, Thailand 662 278 6777,
Turkey 90 212 279 3031, United Kingdom 44 (0) 1635 523545

© 2004–2007 National Instruments Corp. All rights reserved.
373779E-01 Dec07
National Instruments, NI, ni.com, and LabVIEW are trademarks of National Instruments Corporation. Refer to the
Terms of Use section on ni.com/legal for more information about National Instruments trademarks. Other
product and company names mentioned herein are trademarks or trade names of their respective companies.
For patents covering National Instruments products, refer to the appropriate location: Help»Patents in your software,
the patents.txt file on your CD, or ni.com/patents.