Nec Electra 16 48 Key Telephone System Users Manual
PDF NEC Electra 1648 Install Service Manual T E X T F I L E S
Electra 1648 Install Service Manual Issue 4 1983 Electra 1648 Install Service Manual Issue 4 1983
NEC Electra 1648 Install Service Manual NEC_Electra_1648_Install_Service_Manual www.TelecomUserGuides.com Access User Guides, Manuals and Brochures
Electra-16 to the manual 63aeabf9-b08a-4b2b-9e18-c83b578b6ff6
2015-01-24
: Nec Nec-Electra-16-48-Key-Telephone-System-Users-Manual-331842 nec-electra-16-48-key-telephone-system-users-manual-331842 nec pdf
Open the PDF directly: View PDF
.
Page Count: 97


INSTALLATION SERVICE MANUAL
SECTION
A
TITLE
REGULATORY INFORMATION
1 INTRODUCTION
100
110
120
GENERAL INSTALLATION
INSTALLATION SITE REQUIREMENTS
ELECTRICAL AND GROUNDING
REQUIREMENTS
136
140
150
160
OTHER CONSIDERATIONS
SPECIFICATIONS
LIST OF EQUIPMENT
SYSTEM CONFIGURATION
200
210
220
230
HARDWARE INSTALLATION
INSTALLING THE CENTRAL EQUIPMENT
INTERCONNECTING KSUs
CONNECTING AND TESTING POWER
SUPPLIES
TABLE OF CONTENTS
SECTION
240
250
260
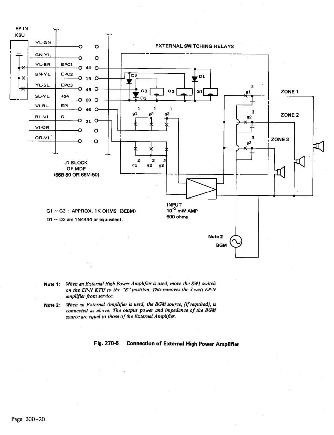
270
300
310
320
330
340
400
410
420
436
TITLE
INSTALLATION OF KTUs
MDF INSTALLATION (CABLING)
INSTALLING STATION EQUIPMENT ._
INSTALLING OPTIONS
PROGRAMMING
EXPLANATION OF PROGRAMMING
PROGRAMMING OPERATIONS
JOB SPECIFICATION
PROGRAMMING SHEETS
STATION OPERATION
PROCEDURE
KEY TELEPHONE OPERATION
SINGLE LINE TELEPHONE OPERATION
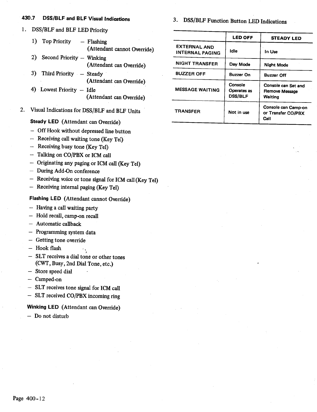
DSS/BLF OPERATION

































































I
LINE BUTTON IIn
I
ADDRESSES : 93 -1
EXAMPLE:
MEMORY BLOCK : 1
CLASS A I-9”) = CO
CLASS B (.,“I = PBX
CLASS C (‘7”) = PBX
Fig. 340-13 CO/PBX Assignment for SLT Access
Page 300-26





























