Nedap N V XQMK2UL Dynamic Line User Manual 14 Manual Dynamic line 2014 1 1444A XQMK2UL ebook
N. V. Nederlandsche Apparatenfabriek NEDAP Dynamic Line 14 Manual Dynamic line 2014 1 1444A XQMK2UL ebook
Manual


CAUTION:
7KLV(XURSHDQ6WDQGDUGVSHFL±HVDPDUNLQJ
7KHVRIWZDUHKDUGZDUHGHVFULEHGLQWKLVERRN±OHLVIXUQLVKHGXQGHUDOLFHQVHDJUHHPHQWDQG
EDWWHU\LQWRWKHPXQLFLSDOZDVWHVWUHDP&KHFNZLWK\RXUORFDOVROLGZDVWHRI±FLDOVIRUGHWDLOVLQ

&RQ±JXUDWLRQ0DQDJHU&0

$WWHQXDWLRQMXPSHUVDUHUHSODFHGE\D±UPZDUHVHWWLQJ
,QWHJUDO0HWDOGHWHFWLRQIXOO\UHPRWHFRQ±JXUDEOHZLWK267FRQ±JXUDWRU


IDLOXUHVDUHQRWFRYHUHGOLNHUHFHLYHUDQWHQQDHZLUHIDLOXUHV7RFRYHUWKHVHW\SHRIHYHQWVLWLVVXI±FLHQWWRORRNDWWKH
WKHDFWXDOGHOLYHU\RIJRRGSRZHU
WKHDFWXDOGHOLYHU\RIJRRGVZHHSVWRWKHV\VWHP
WKHDFWXDOGHOLYHU\RIJRRGVZHHSVWRWKHDQWHQQD
WKHDFWXDOUHFHSWLRQRIFOHDQVZHHSVIURPWKHSDQHO
LWªVQRORQJHUQHFHVVDU\WRXVHDQH[WUDGDWDFDEOHEHWZHHQWKHXQLWVZKLFKVLPSOL±HVWKHLQVWDOODWLRQRIWKH

WUDQVPLWWHUDQWHQQD7KHWUDQVPLWWHUUHFHLYHVLWV5)UHIHUHQFHVLJQDODQGFRQ±JXUDWLRQGDWDIURPWKHORFDO
7KH5)VLJQDOZLWKDWLOO0+]VZHHSIRUWKHSRZHUDPSOL±HULVGLYLGHGE\IRUWRFUHDWHWKH0+]
WUDQVPLWWHUVLJQDO7KHSRZHUDPSOL±HUFRQVLVWVRIDFODVV'026)(7GULYHUVWDJH7KHVTXDUHZDYHRXWSXWLV
±OWHUHGWRDFKLHYHDFOHDQHUFDUULHU7KHRKPRXWSXWLPSHGDQFHLVUHJXODWHGE\PHDVXULQJRXWSXWFXUUHQW
,ID5)ODEHOFRPHVFORVHWRWKHDQWHQQDLWFRXOGEHGHDFWLYDWHGE\WKHWUDQVPLWWHU±HOG7RSUHYHQWWKLV
7KHWUDQVPLWWHUFDQIHHGRQHDQWHQQD7KH5)VLJQDOLVVZLWFKHGGXULQJWKH²\EDFNSHULRGRIWKH5)VZHHS
7KHPXOWLSOH[HULVDRXWRIW\SHEXLOGZLWK3,1GLRGHV,QWKH²\EDFNSHULRGWKHDQWHQQDLVVZLWFKHGRII

GLJLWDOVLJQDOSURFHVVLQJWKHIDOVHDODUPUDWHLVYHU\ORZHYHQXQGHUGLI±FXOWQRLVHFRQGLWLRQV7KHUHFHLYHU
UHFHLYHVLWV5)UHIHUHQFHVLJQDODQGFRQ±JXUDWLRQGDWDIURPWKHORFDOFRPPXQLFDWLRQFRQWUROVHFWLRQ
&RQ±JXUDWLRQ0DQDJHU
DQGIHGWRWZRPL[HUVWRJHWKHUZLWKDQWHQQDLQSXW(DFKPL[HUJHQHUDWHVD/)VLJQDOZKLFKLV±OWHUHG
DPSOL±HGDQGPXWHGLQWKH²\EDFNSHULRGRIWKH5)FDUULHU7KHPXWHFLUFXLWU\FRQVLVWVRIVHYHUDOVWDJHV
RQQRLVHOHYHODQGRWKHUXQZDQWHGVLJQDOVFRPSRQHQWV7KH±OWHUHGVLJQDODIWHUSURFHVVLQJFDQEHVHHQRQ
DQWHQQDVLJQDOLVVZLWFKHGGXULQJWKH²\EDFNSHULRGRIWKH5)VZHHS7KHPXOWLSOH[HULVDRXWRIW\SHEXLOG
ZLWK3,1GLRGHV,QWKH²\EDFNSHULRGDOODQWHQQDVDUHVZLWFKHGRII
7KHVHFRQGDLU\DQWHQQDLQSXW.LVRQO\PHDQWIRU²RRUDQWHQQDVDQGKDVQRODPSEX]]HUIXQFWLRQDOLW\
$OOWKHSURFHVVRUVRIWZDUHDQGDOOWKHVHWWLQJVLQFOXGLQJWKHQHWZRUNDGGUHVVDUHFRQWDLQHGLQ²DVKPHPRU\
²DVKLQJDQGYHULI\LQJDQHZYHUVLRQWKHXQLWUHVHWVDQGLVRSHUDWLRQDODJDLQ7KLVFDQEHGRQHUHPRWHO\

6RPHVHWWLQJVFDQRQO\EHDGMXVWHGE\XVLQJDQ267&RQ±JXUDWLRQ0DQDJHU
(VSHFLDOO\WKH0HWDOGHWHFWLRQVHWWLQJVDUHRQO\SRVVLEOHZLWKWKHFRQ±JXUDWRU

Antenna (TX out)
Testconn.
Handterm.
Power on (Green)
Metal Detection-error (Red)
Metal Detection ON
(Green)
Lamp (Yellow)
Customer counting
(connector)
50
Ω
(1)
Customer counting 2
(Yellow)
Customer counting 1
(Yellow)
Lamp Overload (Red)
Datacom-error (Red)
Alarm (Yellow)
No function (2)
GND
MD-out
K201
K202
K50
ON
OFF
K200
K100
Metal Detection

Sync in
Sync out
K101
K102

Handterm.
Testconn.
Aux 2
Antenna 1
MD-out
GND
Customer counting 1
(Yellow)
Customer counting 2
(Yellow)
50
Ω (1)
Datacom-error (Red)
Power on (Green)
Lamp (Yellow)
Lamp overload (Red)
Alarm (Yellow)
Metal Detection alarm
(Red)
Metal Detection Blocked
(Yellow)
Antenna 1 active
(Green)
Antenna 2 active
(Green)
Customer counting
(connector)
K106
Keyswitch
K103
-
+
Buzzer
K105
No function (2)
K200
K100
K201
K202
K400
Metal Detection
ON
OFF
Do not use!

Sync in
Sync out
K101
K102
7KHXQLWDGGUHVVLVDQGLJLWDGGUHVVWKHODVWIRXUGLJLWVZLOOEHD±[HGFRXSOHRIFKDUDFWHUVWKHVHFKDUDFWHUV
ZLOOEHXVHGLQWKH267&RQ±JXUDWLRQ0DQDJHUDQGLQWKHKDQGKHOGWHUPLQDOIRULQVWDQFHVODYHWDEOHHWF

,QFDVHRIODUJHFRQ±JXUDWLRQVZHDGYLFH\RXWRFRQWDFW1HGDS5HWDLO
DQWHQQDV;40.FRQ±JXUDWLRQ

DQWHQQDV;40.FRQ±JXUDWLRQ
DQWHQQDV;40.FRQ±JXUDWLRQ

DQWHQQDV;40.FRQ±JXUDWLRQ
Power
Inserter

&RQ±JXUDWLRQ0DQDJHU&0
$OOUHDOWLPHGDWDGLVSOD\HGLQWKHFRQ±JXUDWLRQPDQDJHULVDVXEVHWIURPWKHUHDOGDWD7KHGDWD

$
<<<<00''
'RFXPHQWDWLRQUHOHDVHG
5HI1U
5(9
'$7(
'(6&5,37,21
$33529('
1$
',0,100
528*+1(66$&&
,62LQ0
*(1(5$/72/(5$1&(6
6&$/(
)250$7
'5$:,1*
&RS\ULJKWFE\191HGHUODQGVFKH$SSDUDWHQIDEULHN1('$31RSDUWRIWKLV
GUDZLQJPD\EHUHSURGXFHGRUGLVWULEXWHGLQDQ\IRUPRUE\DQ\PHDQVRUVWRUHG
LQDGDWDEDVHRUUHWULHYDOV\VWHPZLWKRXWWKHSULRUZULWWHQSHUPLVVLRQRI1('$3
$
%
&
'
(
)
)
(
'
&
%
$
$
6DPHQVWHOOLQJ
1$
$
$57,&/(180%(5
5(9
,62$
*52(1/2+2//$1'
6+((7
*
+
*
+
-
.
/
-
.
/
<<<<00''
<<<<00''
<<<<00''
2)
1$
/,1
$1*
'(6&5,37,21
&+&.
'5:
""
""
""
'6*1
Nedap common mode lter
Part.no.: 9800280
,QVWDOODWLRQDQGVHUYLFHRQO\E\TXDOL±HGSHUVRQQHO

$
<<<<00''
'RFXPHQWDWLRQUHOHDVHG
5HI1U
5(9
'$7(
'(6&5,37,21
$33529('
1$
',0,100
528*+1(66$&&
,62LQ0
*(1(5$/72/(5$1&(6
6&$/(
)250$7
'5$:,1*
&RS\ULJKWFE\191HGHUODQGVFKH$SSDUDWHQIDEULHN1('$31RSDUWRIWKLV
GUDZLQJPD\EHUHSURGXFHGRUGLVWULEXWHGLQDQ\IRUPRUE\DQ\PHDQVRUVWRUHG
LQDGDWDEDVHRUUHWULHYDOV\VWHPZLWKRXWWKHSULRUZULWWHQSHUPLVVLRQRI1('$3
$
%
&
'
(
)
)
(
'
&
%
$
$
6DPHQVWHOOLQJ
1$
$
$57,&/(180%(5
5(9
,62$
*52(1/2+2//$1'
6+((7
*
+
*
+
-
.
/
-
.
/
<<<<00''
<<<<00''
<<<<00''
2)
1$
/,1
$1*
'(6&5,37,21
&+&.
'5:
""
""
""
'6*1
Electrical non-metalic tubing (UL-Listed)
Belden 9907*
NCC-MK2-US
Part.no.: 9563628
Belden 9907*
* Communication cable Belden 9907 (UL-Listed CM rated)
If routed in plenum spaces use Belden 89907 (UL-Listed CMP rated)


$OZD\VPRXQWDQDQWHQQDLQVXODWHGWRWKH²RRURUZDOO
$OZD\VPRXQWDQDQWHQQDLQVXODWHGWRWKH²RRURUZDOO

)LUPZDUHYHUVLRQRIWKHPHWDOGHWHFWLRQ7KLV±UPZDUHFDQEH
)LUPZDUHYHUVLRQRIWKHERRWORDGHU7KLV±UPZDUHFDQRQO\
UDQJHLVIURPN+]IRUWHVWLQJWKH3//DQG±OWHUV,QWKH±HOGRQO\XVHWKHUDQJHRIN+]
GHSHQGVYHU\PXFKRQWKHIUHTXHQF\WKDWLVVHWWKHW\SHRIDQWHQQDLQXVHDQGWKHWROHUDQFHLQWKH±OWHULQJ

$QWHQQD3&%LVLQWKHFHQWHURIWKHDQWHQQDOLNH(4DQG'7KHVHDQWHQQDªVJLYHKDOIWKH±HOGFRPSDUHG
ZLWKDQWHQQDªVZLWKWKHLU3&%DWWKHHQGRIWKHHLJKWDQWHQQD&XUUHQWFRPLQJIURPWKHFHQWHUZLOO²RZ

)LUPZDUHYHUVLRQRIWKHPHWDOGHWHFWLRQ7KLV±UPZDUHFDQEH
)LUPZDUHYHUVLRQRIWKHERRWORDGHU7KLV±UPZDUHFDQRQO\
UDQJHLVIURPN+]IRUWHVWLQJWKH3//DQG±OWHUV,QWKH±HOGRQO\XVHWKHUDQJHRIN+]
7KLVLVWKHJDLQRIWKHSUHDPSOL±HUVWDJH,WZLOLQ²XHQFHWKHGLUHFWFRXSOLQJDVZHOODVWKHPHWDOGHWHFWLRQ
WKHSKDVHHUURUFDXVHGE\SKDVHVKLIWWKURXJKWKHDLUOLWWOHDQGSKDVHVKLIWFDXVHGE\WKHUHFHLYHUVLQSXW±OWHU

WKHSRZHUVHWWLQJKDYHQRLQ²XHQFHRQWKHFDOFXWDWHGDODUPWKUHVKROG7KLVLVQRWWRWDOO\FRUUHFW\HWEXWZLOO


A&RUH±OWHU

265,5
=
220
=
260
110
23
(2x)
6,5
(3x)
[¨3KLOLSV²DW

K209
Ω
K212
K213
K206
X1
K11
K10 K101/K102/K103/K104
K211
RS232 Connector
PSTN Connector
Battery CR2032
K4

C NO NC
Collector(+) Emitter(-)
Anode(+) Kathode(-)
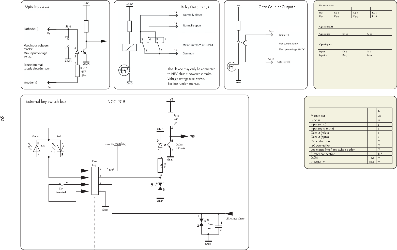
NCC MK2 : Inputs / Outputs
Standard and optional functions
Safety requirements

FCC and IC Declarations
FCC ID: CGDXQMK2UL and IC: CGDXQMK2UL
