Neptune Technology Group NTGSRFE01 UTILITY METER DATA TRANSMITTER User Manual USERS MANUAL
Neptune Technology Group Inc. UTILITY METER DATA TRANSMITTER USERS MANUAL
USERS MANUAL

5015 B.U. Bowman Drive Buford, GA 30518 USA Voice: 770-831-8048 Fax: 770-831-8598
FCC Part 15.247
Transmitter Certification
Frequency Hopping Spread Spectrum Transmitter
Test Report
FCC ID: P2SNTGSRFE01
FCC Rule Part: 15.247
ACS Report Number: 05-0356-15C
Manufacturer: Neptune Technology Group, Inc.
Model: R900E
Users Manual

FOCUS kWh Solid-State Meter
Technical Manual
Bulletin 160
Revision 2.3

i
Information in this document is subject to change without notice. No part of this document may be
reproduced or transmitted in any form or by any means, electronic or mechanical, for any purpose
without the express written permission of Landis+Gyr, Inc..
2003 Landis+Gyr, Inc.
All rights reserved.
For further information, contact:
Landis+Gyr, Inc.
Meter Division
2800 Duncan Road
Lafayette, IN 47904-5012 USA
Tel. 765-742-1001
Document History
Title: FOCUS Solid State Meter Technical Manual
Document Number: Bulletin 160
Revision Date Description
Level Issued
Original (1.0) 1/04 Initial Issue
2.0 10/19/04 Rev. Cellnet FCC#
2.1 11/8/04 add note #3 to FCC info.
2.2 11/1/05 add Neptune FCC#
2.3 12/13/05 add Industry Canada Verbiage
ii
TABLE OF CONTENTS
PURPOSE .......................................................................................................................... VI
TARGET GROUP.................................................................................................................. VI
CONDITIONS...................................................................................................................... VI
SAFETY WARNINGS ............................................................................................................. VI
PUBLISHED SPECIFICATIONS ................................................................................................ VII
INSTITUTE FOR ELECTRICAL AND ELECTRONIC ENGINEERS (IEEE) ............................................... VII
AMERICAN NATIONAL STANDARDS INSTITUTE (ANSI)............................................................... VII
UNDERWRITERS LABORATORIES (UL) .................................................................................... VII
CANADIAN SPECIFICATIONS ................................................................................................. VII
FCC INFORMATION:.......................................................................................................... VIII
1. INTRODUCTION TO THE
FOCUS
..................................................................................... 1
BASEPLATE ASSEMBLY .......................................................................................................... 2
ELECTRONIC HOUSING ASSEMBLY ........................................................................................... 3
2. THE
FOCUS
METER FAMILY........................................................................................... 4
REGISTER TYPES ................................................................................................................. 4
3. METER ASSEMBLY ........................................................................................................ 5
REMOVAL OF THE ELECTRONICS HOUSING FROM THE BASEPLATE ................................................... 5
INSTALLATION OF THE ELECTRONICS HOUSING ONTO THE BASEPLATE............................................. 5
SEALING THE METER ............................................................................................................ 5
4. APPLICATION INFORMATION ........................................................................................... 7
AVAILABLE METER FORMS ..................................................................................................... 7
4.1.1. S-BASE ................................................................................................................. 7
4.1.2. K-BASE ................................................................................................................. 7
METER FORM SCHEMATIC DIAGRAMS ....................................................................................... 7
INSTALLATION PROCEDURES ................................................................................................ 10
4.1.3. SOCKET BASE ....................................................................................................... 11
iii
4.1.4. K-BASE ............................................................................................................... 11
5. OVERVIEW OF ELECTRONIC HARDWARE .......................................................................... 12
5.1.1. LCD DISPLAY....................................................................................................... 12
5.1.2. DISPLAY SCROLL SEQUENCE: ................................................................................... 12
5.1.3. DISPLAY FORMAT .................................................................................................. 13
5.1.4. DIGITAL POWER INDICATOR .................................................................................... 13
5.1.5. POWER UP DISPLAY SEQUENCE ................................................................................ 13
DIAGNOSTICS/ERROR CODES ............................................................................................... 14
5.1.6. METER ERRORS .................................................................................................... 14
5.1.7. POWER OUTAGE COUNTER ....................................................................................... 14
6. CONFIGURING THE METER ........................................................................................... 15
6.1.1. CONFIGURATION PORT ......................................................................................... 15
6.1.2. INITIAL POWER-UP AND OPERATION........................................................................ 15
6.1.3 BILLING DATA RESET/PRESET.................................................................................. 15
6.1.4 DISPLAY MULTIPLIER ............................................................................................ 15
7. METER CALIBRATION .................................................................................................. 16
7.1.1 CALIBRATION LED ................................................................................................ 16
7.1.2. FACTORY CALIBRATION .......................................................................................... 17
7.1.3. CUSTOMER CALIBRATION ADJUSTMENT...................................................................... 17
8. DATA RETENTION ..................................................................................................... 17
9. PULSE OUTPUTS ........................................................................................................ 18
9.1.1. RELAY #1 OUTPUT (KYZ ONLY) ............................................................................. 18
9.1.2. COMMUNICATIONS (PULSE INITIATOR 1 AND 2) ......................................................... 19
10. PRODUCT SPECIFICATIONS........................................................................................... 21
GENERAL SPECIFICATIONS ................................................................................................... 21
POWER CONSUMPTION ....................................................................................................... 21
BURDEN........................................................................................................................... 21
iv
STARTING LOAD ................................................................................................................ 21
FORMS ............................................................................................................................ 21
OPERATING TEMPERATURE .................................................................................................. 21
ACCURACY CLASS .............................................................................................................. 21
DISPLAY OPTIONS ............................................................................................................. 21
AMR PLATFORM................................................................................................................ 21
SELECTABLE METER MULTIPLIER ........................................................................................... 21
OPERATING VOLTAGE RANGE ............................................................................................... 21
TABLE OF FIGURES
FIGURE 1- BASIC OPERATION DIAGRAM ................................................................................... 1
FIGURE 2 – METER ASSEMBLY................................................................................................ 1
FIGURE 3 - METER ASSEMBLY EXPLODED VIEW.......................................................................... 2
FIGURE 4 - BASEPLATE ASSEMBLY EXPLODED VIEW .................................................................... 2
FIGURE 5 - ELECTRONICS HOUSING ASSEMBLY EXPLODED VIEW ................................................... 3
FIGURE 6 – KWH FOCUS....................................................................................................... 4
FIGURE 7 – REMOVAL OF ELECTRONICS HOUSING ...................................................................... 5
FIGURE 8 – UNUSED T-SEALS FIGURE 9 – FORMED T-SEAL AFTER INSTALLATION......................... 6
FIGURE 10 – T-SEAL INSTALLED ............................................................................................ 6
FIGURE 11 – FORM 1S......................................................................................................... 7
FIGURE 12 – FORM 2S, 2SE ................................................................................................. 8
FIGURE 13 – FORM 12S (NETWORK) ...................................................................................... 8
FIGURE 14 – FORM 25S (NETWORK) ...................................................................................... 8
FIGURE 15 – FORM 2K......................................................................................................... 9
FIGURE 16 – FORM 3S......................................................................................................... 9
FIGURE 17 – FORM 4S....................................................................................................... 10
FIGURE 18 – LIQUID CRYSTAL DISPLAY ................................................................................. 12
v
FIGURE 19 – CALIBRATION LED LOCATION ............................................................................ 16
FIGURE 20 – SUGGESTED KYZ OUTPUT CONNECTION .............................................................. 18
FIGURE 21 - KYZ BOARD/CABLE, MOUNTING SCREW AND SPACER.............................................. 19
FIGURE 22 - FOCUS MOTHER BOARD 10-PIN HEADER............................................................. 19
FIGURE 23 - FOCUS KYZ INSTALLED ONTO MOTHERBOARD ..................................................... 19
TABLE OF TABLES
TABLE 1 - FORM 1S SPECIFICATION........................................................................................ 7
TABLE 2 - FORM 2S/2SE SPECIFICATIONS ............................................................................... 8
TABLE 3 - FORM 12S/25S SPECIFICATIONS.............................................................................. 8
TABLE 4 - FORM 2K SPECIFICATIONS ...................................................................................... 9
TABLE 5 - FORM 3S SPECIFICATIONS ...................................................................................... 9
TABLE 6 - FORM 4S SPECIFICATIONS .................................................................................... 10
TABLE 7 - METER ERRORS................................................................................................... 14
TABLE 8 - FOCUS OPTIONS.................................................................................................. 18
TABLE 9 – FOCUS KYZ CABLE COLORS .................................................................................. 18
TABLE 10 – KWH FOCUS PULSE INITIATOR OUTPUTS.............................................................. 19

vi
Purpose
This technical manual contains the following information:
• Installation instructions, construction, characteristics and maintenance information
• Performance and technical data
Target Group
The contents of this technical manual are intended for technically qualified personnel of energy supply
companies responsible for the system planning, installation, commissioning, operation, maintenance,
decommissioning and disposal of the meters.
Conditions
This technical manual is for personnel who are qualified and have received instructions in basic
electrical principles, including safety procedures for installation of energy meters.
Safety Warnings
The following safety precautions must be observed during all phases of operation, service, and repair of
this device. Failure to comply with these precautions or with specific warnings elsewhere in this manual
violates safety standards of design, manufacture, and the intended use of the metering instrument.
Landis+Gyr, Inc. assumes no liability for the customer's failure to comply with these requirements.
Warning All applicable electrical codes and standards must be followed.
Failure to use sufficient insulation on option or I/O cables connecting to the meter
through the mounting device could cause serious personal injury, property damage,
and/or death.
Any work on, or near, energized meters, meter sockets, or other metering equipment can present a
danger of electrical shock. All work on this product should be performed only by qualified
electricians and metering specialists in accordance with local utility safety practices, utility
requirements, and procedures outlined in Chapter 14 of The Handbook for Electricity Metering (9th
Edition). The information contained within this manual is intended to be an aid to qualified metering
personnel. It is not intended to replace the extensive training necessary to handle metering
equipment in a safe manner.
Use care when servicing with the power on.
!

vii
Warning
The use of I/O cables in ungrounded services could cause serious personal injury,
property damage, and/or death
The
FOCUS
does not have an auto-ranging power supply. Care should be taken to ensure that
meters are installed correctly, matching meter form and voltage with the installation.
Published Specifications
The Focus kWh is designed in accordance with the specifications listed below.
Institute for Electrical and Electronic Engineers (IEEE)
• IEEE Recommended Practice on Surge Voltages in Low-Voltage AC Power Circuits-C62.41-1991
American National Standards Institute (ANSI)
• American National Standard Code for Electricity Metering, ANSI C12.1-2001
• American National Standard for Watt-Hour Meters, ANSI C12.10-1997
• American National Standard Method of Salt Spray (Fog) Testing, ANSI/ASTM B117-73, (Z
118.1-1974)
• American National Standard for Electricity Meters 0.2 and 0.5 Accuracy Classes, ANSI C12.20-2002
Underwriters Laboratories (UL)
• Underwriters Laboratories UL 746C, “Polymeric Materials – Electrical Equipment Evaluations,”
December 27, 1995.
Canadian Specifications
• National Standard of Canada, "Specifications for Approval of Type of Electricity Meters, Instrument
Transformers and Auxiliary Devices", CAN3C17M84
• Ontario Hydro, "Oscillatory Transient Interference Immunity Test", A-28M-82
• Canadian Standard for Terminal Equipment, Terminal Systems, Network Protection Devices,
Connection Arrangements and Hearing Aids Compatibility, CS-03
Industry Canada
This Class B digital apparatus meets all requirements of the Canadian Interference Causing
Equipment Regulations.
Operation is subject to the following two conditions: (1) this device may not cause harmful
interference, and (2) this device must accept any interference received, including interference that
may cause undesired operation.
!
viii
Cet appareillage numérique de la classe B répond à toutes les exigences de l'interférence
canadienne causant des règlements d'équipement. L'opération est sujette aux deux conditions
suivantes: (1) ce dispositif peut ne pas causer l'interférence nocive, et (2) ce dispositif doit accepter
n'importe quelle interférence reçue, y compris l'interférence qui peut causer l'opération peu désirée.
FCC Information:
This device complies with part 15 of the FCC rules. Operation is subject to the following three
conditions:
(1) This device may not cause harmful interference, and
(2) This device must accept any interference received, including interference that may cause undesired
operation.
(3) For RF exposure, service personnel are to maintain a minimum of 20cm from the RF
communications transmitter once installed.
Changes or modifications not expressly approved by Landis+Gyr could void the
user’s authority to operate the equipment.
Do not change the original antenna without pre-approval from the original
meter manufacturer. This will violate the FCC regulations of using the radio.
Note:
Some Focus meters may contain AMR modules with RF communications. This equipment has been
tested and found to comply with the limits for a class B digital device, pursuant to part 15 of the FCC
Rules. These limits are designed to provide reasonable protection against harmful interference in a
residential installation. This equipment uses and can radiate radio frequency energy and, if not installed
and used in accordance with the instructions, may cause harmful interference to radio communications.
However, there is no guarantee that interference will not occur in a particular installation. If this
equipment does cause harmful interference to radio or television reception, which can be determined
by turning the equipment off and on, the user is encouraged to try to correct the interference by one or
more of the following measures:
- Reorient or relocate the receiving antenna.
- Increase the separation between the equipment and receiver.
- Connect the equipment into an outlet on a circuit different from that to which the
receiver is connected.
- Consult Landis+Gyr or an authorized technician for help.
Following are FCC identification numbers for radio systems currently used on FOCUS:
Cellnet FCC ID: ROV-CLTR900M
Neptune FCC ID: P2SNTGSRFE01
StatSignal FCC ID: ROV-1MWR9165

1
1. Introduction To The
FOCUS
The
FOCUS
meter was designed to be a low-cost, solid-state, kWh-only meter as an alternative
metering and AMR platform to the induction meter. The meter is based on reliable, field proven digital
multiplication measurement technique. The meter platform will measure energy accurately over
varying environmental conditions. It is designed to be stable over its long expected life. A diagram of
basic operation is noted below.
Figure 1- Basic Operation Diagram
Figure 2 – Meter Assembly

2
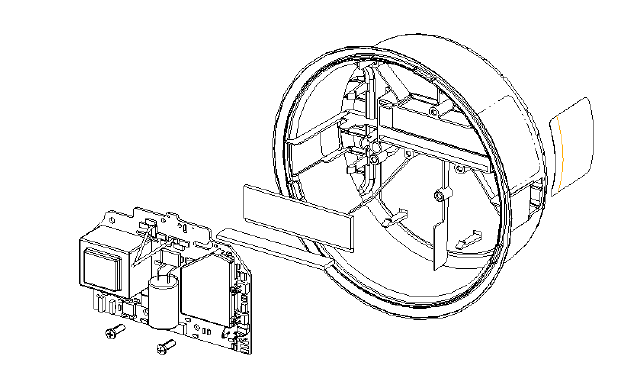
Figure 3 - Meter Assembly Exploded View
The Focus meter is composed of three basic sub-assemblies: The baseplate assembly, the electronics
housing assembly and the meter cover. The electronics housing assembly snaps onto the baseplate
and creates a weatherproof seal when the cover is installed. The standard cover includes an emboss to
align an optical probe for register configuration purposes.
Baseplate Assembly
Figure 4 - Baseplate Assembly Exploded View
The baseplate module is constructed of highly durable thermoplastics. Inside the baseplate are the
current transformer and current carrying parts.

3
Electronic Housing Assembly
Figure 5 - Electronics Housing Assembly Exploded View
The Electronics Housing contains the measurement board and any optional electronics assemblies such
as option boards or communication devices. It also contains the liquid crystal display (LCD) on which
meter readings and other pertinent data can be displayed. The Electronics Housing assembly snaps
onto the baseplate and can be removed and reinstalled many times without damage to the meter.

4
2. The
FOCUS
Meter Family
The
FOCUS
provides more than just reliability and accurate billing data. The
FOCUS
is designed to be
a building block for a complete metering system. Each
FOCUS
has built-in compatibility for a variety of
AMR packages. Any of these can be factory installed. Some can be added to the meter dependent
upon the meter vintage and respective AMR technology.
Register Types
The Focus kWh is an active energy “kWh-only” meter. It is capable of measuring and displaying
kilowatt-hours delivered to and received from a load.
The energy accumulation register has capacity to display 999999 kWh for all meter forms without
overflowing.
The meter supports four energy metric displays:
• +kWh (energy delivered to the load)
• -kWh (energy received from the load)
• NET kWh (the net energy consumed by the load, or negative kWh subtracted from positive
kWh)
• ADDED kWh (negative kWh added to positive kWh-also referred to as
security
mode)
Figure 6 – kWh Focus

5
3. Meter Assembly
Removal of the Electronics Housing from the Baseplate
In rare instances, it may be necessary to access the inner electronics of the Focus meter. To remove
the Electronics Housing from the baseplate, set meter on a solid surface and place hands around the
bottom of the gray housing where it meets with the baseplate. With thumbs in the 6 o’clock position,
while touching both the housing and baseplate, squeeze firmly with thumbs using considerable force, to
flex the housing and release the bottom two fasteners located at the 4 o’clock and 8 o’clock positions.
It may be necessary to alternate pressure by thumbs until both fasteners are released. Once these two
fasteners are released, push gently toward the 12 o’clock position to release the top two fasteners. The
housing can be lifted off and then the current input connector can be unplugged from the printed circuit
board in the housing assembly. Extra care should be given to lift the housing straight off of the
baseplate to avoid damaging the spring contacts located on the base assembly. Spring contacts should
be visually inspected to ensure symmetry with one another.
Figure 7 – Removal of Electronics Housing
Installation of the Electronics Housing onto the Baseplate
Before installing the Electronics Module onto the Baseplate, make sure that the Electronics Module and
Baseplate are free of foreign debris and that any cables are properly routed to prevent interference with
the meter’s electrical connectors. Attach current input lead connector onto mating connector on printed
circuit board. Line up the 4 slots in the gray electronics housing with the 4 mating snap-on protrusions
located on the black baseplate. Once aligned, apply gentle force to snap the two assemblies together.
Sealing the Meter
The
FOCUS
meter comes standard with T-seal provision. To gain access to the inside of the meter,
the T-seal must be removed (broken). Factory T-seals have unique markings. Many utilities likewise
have T-seals with a unique signature. A missing or broken T-seal on a meter in a field installation can
be an indicator that someone has gained access to the internal meter (unauthorized access). It is also
desirable that the original factory T-seal remains intact. In the case of warranty considerations, a
factory T-seal in place does validate the meter has not been altered. If re-sealing is desired, T-seals
can be installed through the
FOCUS
cover and baseplate assembly.

6
Figure 8 – Unused T-Seals Figure 9 – Formed T-Seal After Installation
Figure 10 – T-Seal Installed
Each T-seal is installed by fully inserting it through the cover and through the baseplate assembly.
Bend the T-seal tab to prevent extraction. Next, bend the T-seal over so that it resides within the
baseplate assembly pocket. Finally, bend the top of the T-seal over so that it is flush against the cover.

7
4. Application Information
Available Meter Forms
The
FOCUS
is available in the following meter forms:
4.1.1. S-Base
• Transformer rated: Class 10 & 20: 3S, 4S
• Self-contained: class 100: 1S
• Self-contained: class 200: 2S, 12S and 25S (Network)
• Self-contained: class 320: 2SE
4.1.2. K-Base
• Self-contained: class 480: 2K
Meter Form Schematic Diagrams
Self-contained meter forms
Figure 11 – Form 1S
Table 1 - Form 1S Specification
Form Class Test Amps Volts Wire Kh
1S 100 15 120 2 1.8

8
Figure 12 – Form 2S, 2SE
Table 2 - Form 2S/2SE Specifications
Form Class Test Amps Volts Wire Kh
2S 200 30 240 3 7.2
2S 200 50 240 3 7.2
2SE 320 50 240 3 12
2SE 320 30 240 3 12
Figure 13 – Form 12S (Network)
– Form 25S (Network)
Form Class Test Amps Volts Wire Kh
12S 200 30 120/208 3 14.4
25S 200 30 120/208 3 14.4

9
Figure 13 – Form 2K
Table 3 - Form 2K Specifications
Form Class Test Amps Volts Wire Kh
2K 480 30 240 3 14.4
2K 480 50 240 3 14.4
Transformer Rated Meter Forms
Figure 14 – Form 3S
Table 4 - Form 3S Specifications
Form Class Test Amps Volts Wire Kh
3S 10 2.5 120 2 .3
3S 20 2.5 120 2 .3
3S 10 2.5 240 2 .6
3S 20 2.5 240 2 .6

10
Figure 15 – Form 4S
Table 5 - Form 4S Specifications
Form Class Test Amps Volts Wire Kh
4S 10 2.5 240 3 .6
4S 20 2.5 240 3 .6
The form 3S features a movable fifth terminal that can be located in the 3 o’clock or 6 o’clock centered
locations. Forms 12S and 25S (Network) feature a movable fifth terminal that can be located in the 3
o’clock, 6 o’clock centered, or 6 o’clock offset locations.
Installation Procedures
1). Remove meter from the box, checking for any cables or connectors that may have been damaged.
2). Make sure that the meter type, form, and class match the installation.
3). Install meter in the appropriate socket.
Warning
All applicable electrical codes and standards must be followed. Any work performed
around the meter including installation must be conducted by qualified metering
personnel. Failure to use proper safety practices could cause serious personal injury,
property damage, and/or death.
∆ Use care when servicing with power on.
∆ The Focus meter has a Single Voltage Supply.
!
11
4.1.3. Socket base
1). Compare wiring with diagrams of Section 3.2 to make sure the meter is wired properly.
2). Plug meter terminal blades into socket to make a connection with the terminal jaws.
3). Apply load.
4). Check to make sure that the LCD operates and sequences through the display items which were
programmed into the meter.
4.1.4. K-Base
1). Compare the wiring with diagrams of Section 3.2 to made sure the meter is wired properly. Install
bypasses (if change-out).
2). Install the meter on the studs in the K-mounting device.
3). Tighten down nuts securely to torque requirements listed inside the socket. Remove bypasses (if
change-out).
4). Apply load
5). Check to make sure that the LCD operates and sequences through the display items which were
programmed into the meter.

12
5. Overview of Electronic Hardware
5.1.1. LCD Display
Figure 16 – Liquid Crystal Display
The
kWh FOCUS
LCD shows the digital power indicator, nominal service voltage and various
selectable metrics.
5.1.2. Display Scroll Sequence:
The display scroll sequence is programmable at the factory or by the user with
Focus Configuration
Tool
. The scroll sequence can consist of up to 16 individual displays. The display choices are:
• +kWh
• -kWh
• NET kWh
• ADDED kWh (Security)
• Segment Check with Active DPI
• Line Voltage(s)
Duplicate display choices are permitted as long as the total number of display choices in the scroll
sequence does not exceed 16.
The time of display can be programmed from 1 to 15 seconds in one-second increments.
13
When internal meter errors occur, error codes will be added to the end of the scroll sequence.
The segment check display does not affect the DPI. This permits a user to use the DPI for timing when
a segment check is being displayed during a scroll sequence.
A two character programmable alphanumeric label can be associated with each display. This two-
character field is used to identify the value displayed. It can be left blank if desired.
5.1.3. Display Format
The display accommodates the following digit formats:
• 6x1
• 5x1
• 4x1
• 4x10 (Four digit display with the least significant digit representing 10kWh per increment)
The energy display format is programmable at the factory or by the user with
Focus Configuration Tool.
Display format does not affect the segment check, meter error codes or line voltage readings.
5.1.4. Digital Power Indicator
The Focus kWh has a digital power indicator similar to the Landis+Gyr traditional “caterpillar” and
consists of six segments.
The DPI moves from left to right at a rate proportional to energy delivered to the load and moves from
right to left at a rate proportional to the energy received from the load.
The DPI makes one revolution for each Kh of metered energy.
Each DPI segment on/off transition is observable when occurring at a maximum rate of one on/off
transition each .45 second at –20ºC and above.
5.1.5. Power Up Display Sequence
All Focus kWh display segments, including the DPI segments, illuminate after the meter is powered up
regardless of the display sequence program. This segment check display persists for less than five
seconds upon meter power-up, after which time the display begins its programmed scroll sequence.

14
Diagnostics/Error Codes
5.1.6. Meter Errors
The following table contains the meter errors available for display in the diagnostic status word.
Meter Errors Error Codes
Unprogrammed *1 000001
Configuration Error *1 000010
Self Check (microprocessor status) *1 000100
RAM Error *1 001000
Nonvolatile Memory Error (EEPROM) *1 010000
Measurement Error *1 100000
Table 6 - Meter Errors
All diagnostic errors are displayed at the end of the scroll sequence by means of a single six-digit
diagnostic status word prefixed with a *1. The user has the ability to mask each individual error code
from being displayed via the configuration tool. If an error code is displayed, the meter must be master
reset with the FOCUS Configuration Tool software to clear the error.
5.1.7. Power Outage Counter
The user has the ability to read a power outage counter via the configuration tool. The power outage
counter resets following a master reset procedure.

15
6. Configuring the Meter
6.1.1. Configuration Port
The ability to configure the meter is provided through a secure meter configuration port. A cover
mounted optical configuration port accommodates meter configuration by the user. The configuration
port is designed to be used in a meter shop environment, (room temperature/ambient lighting
conditions). The configuration port interface supports a read/write security function.
The configuration port can be completely disabled by means of a mechanical plug placed into the right-
side optic port so that meter communications cannot be enabled without breaking the meter security
seal to remove the plug. This option is available for utilities that require the meter seal to be broken
and cover removed to allow reconfiguration of the meter.
6.1.2. Initial Power-Up and Operation
KWH FOCUS
meters are always shipped programmed in a configuration defined at the time an order
is placed. They are ready for field installation.
6.1.3. Billing Data Reset/Preset
The contents of the +kWh and–kWh accumulation registers are user programmable through an optical
configuration port. In its simplest form, this feature allows the user to reset the contents of the +kWh
and –kWh accumulation registers. This feature also enables the user to clear any accumulated energy
following meter verification testing.
The user also has the ability to enter initial energy values into the +kWh and –kWh accumulation
registers. This feature allows a user to pre-load energy values into a replacement meter before it goes
into service.
The user can perform this function in a meter shop
6.1.4. Display Multiplier
The user has the ability to program a display multiplier. kWh values contained in the energy registers
are multiplied by the display multiplier prior to being displayed in the LCD. The display multiplier does
not affect the contents of the internal energy registers. If direct reading is desired on transformer rated
installations, it can be accommodated via this programmable multiplier.
The display multiplier can be any value from 1 to 240.

16
7. Meter Calibration
7.1.1. Calibration LED
The Focus kWh has an infrared light emitting diode (LED) that emits energy pulses. The calibration
LED is deactivated 24 hours after the meter powers up. Once reactivated (recycle power), the
calibration LED remains active for 24 hours.
The calibration LED is accessible from the front of the meter cover. The user can fix an LED pickup
device to the front of the meter.
The calibration LED is enabled to produce stable pulses in no more than two seconds following meter
power up.
The calibration LED produces pulses in response to energy whether it is delivered (positive) or received
(negative).
Registration verification testing requires no more than 30 seconds at full load.
Figure 17 – Calibration LED Location

17
7.1.2. Factory Calibration
The meter is calibrated at the factory as part of the manufacturing process. Calibration constants are
stored in nonvolatile memory. These constants are not alterable once programmed except through
another calibration cycle at the factory. Sufficient security features are provided to prevent the user
from altering the calibration constants stored within the meter.
7.1.3. Customer Calibration Adjustment
Focus kWh calibration is adjustable. Calibration biases may be adjusted by means of a calibration tool
via the configuration port.
It is believed that the Focus meter will not need recalibration during its life but allowance for
adjustments has been provided should the utility want to modify the registration at some point in time.
8. Data Retention
All billing data is stored in nonvolatile memory. Billing data is retained during loss of power to the
meter.

18
9. Pulse Outputs
The Focus kWh offers three internal solid-state pulse initiator outputs.
Refer to Landis+Gyr Focus kWh Pulse Outputs Application Note (Doc. No. 04061-0) for detailed
description of Pulse Outputs Functionality.
9.1.1. Relay #1 Output (KYZ only)
KYZ is available as an option to the FOCUS meter. The option board can be assembled in the meter at
the time of order or can be meter shop retrofitted.
kWh FOCUS Options
One Relay: Programmable for KYZ. (Form C, 3 wire)
Table 7 - Focus Options
kWh FOCUS
Option Cable Colors
wire #
description
wire color
1
Relay 1
N/O
Yellow
2
Relay 1
N/C
Black
3
Relay 1
Common
Red
Table 8 – Focus KYZ Cable Colors
Figure 18 – Suggested KYZ Output Connection
RELAY

19
In the kWh FOCUS, pulse initiator signals are provided by Relay 1. The KYZ output value can be any
one
of the three choices listed in Table 10 below:
Table 9 – kWh FOCUS Pulse Initiator Outputs
Figure 19 - KYZ Board/Cable, Mounting Screw and Spacer
Figure 20 - FOCUS Mother Board 10-Pin Header
Figure 21 - FOCUS KYZ Installed Onto Motherboard
Metric Choices
Select any one
1
)
. +kWh
2
)
.
–
kWh
3
)
. Added
(
Securit
y)
kWh
20
9.1.2. Communications (Pulse Initiator 1 and 2)
Focus kWh provides two scalable TTL-level pulse outputs for interfacing with pulse accumulating AMR
modules. Each output is user configurable to function in one of two operating modes: 1) Quadrature
Pulse and 2) Differential +kWh Pulse. These are used
only
for configuration of factory installed or field
retrofitted AMR modules (under glass).

21
10. Product Specifications
General Specifications
• Active Energy “kWh-Only” meter
• Digital Multiplication Measurement Technique
• Non-Volatile Memory
• Designed for 15+ year life
Power Consumption
• Digital Power Indicator (DPI)
Burden
• Burden < 1.8 Watts
Starting Load
• Starting Load 50 mA or 12 Watts
Forms
• Meter forms 1S, 2S, 2SE, 2K, 3S, 4S, 12S, 25S
Operating Temperature
• Operating Temperature -40º to 85ºC
Accuracy Class
• Load Performance Accuracy Class .2%
Display Options
• Energy Metrics - +kWh, -kWh, Net kWh, and added kWh (Security)
• Metric Display format – 4 x 1, 4 x 10, 5 x 1, or 6 x 1
AMR Platform
• AMR platform (Modular and Integrated)
Selectable Meter Multiplier
• Selectable meter multiplier up to 240 (1200:5 CT)
Operating Voltage Range`
• Nominal -20%, +15%