Night Guard Home Surveillance System C3 Rs 603 Users Manual RS603 INSTALLATION MANUAL7908
C3-RS-603 C3RS603instalManual
2015-02-05
: Night-Guard-Home-Surveillance-System Night-Guard-Home-Surveillance-System-C3-Rs-603-Users-Manual-495039 night-guard-home-surveillance-system-c3-rs-603-users-manual-495039 night-guard-home-surveillance-system pdf
Open the PDF directly: View PDF
.
Page Count: 21

7/9/2008
RS-603 REV A. 1
C3-RS-603
PROFESSIONAL REMOTE CAR STARTER
With Two Way data Port
INSTALLATION MANUAL
Compatible
THIS PRODUCT IS DESIGNED FOR PROFESSIONAL INSTALLATION ONLY
7/9/2008
RS-603 REV A. 2
TABLE OF CONTENTS
This device complies with part 15 of the FCC rules.
Operation is subject to the following two conditions.
(1) This device may not cause harmful interference, and
(2) This device must accept any interference received,
including interference that may cause undesired operation.
Installer Warning ………………………………………. 3
System Wiring Diagram ………………………………. 4
H1 - Main 6 Pin Heavy Gauge Harness …………….. 5
H2 – 6 Pin Harness …………………………………… 6
H3 – 8 White Connector Harness …………………… 6
Installation Factory Immobilizer Systems…………… 8
H4 – 2 Pin Blue connector ……………………….…… 9
H5 – 3 Pin Red Antenna/Receiver Connector ……… 9
H6 – 3 Pin Door Lock Harness… ……………………
H7- SERIAL DATA PORT CONNECTION RS-232 Port 9
10
Remote Transmitter Programming ………………… 11
Alarm Feature “I” Programming ……………………... 11
Alarm Feature “II” Programming …………………….. 12
Alarm Feature “III” Programming ……………………. 12
RPM Learning …………………………………………. 13
Return To Factory Default Settings ………………….. 13
To Remote Start The Vehicle …………………………. 13
Shutdown Diagnostics ………………………………… 13
Trouble Shooting ………………………………………. 14
Testing Your Installation (Neutral Safety Switch) 14
Notes ……………………………………………………. 16

7/9/2008
RS-603 REV A. 3
INTRODUCTION
INSTALLER WARNINGS
This Remote Starter System is designed to be installed on fuel-injected vehicles with an automatic transmission ONLY.
Never install this remote starter on a manual transmission vehicle.
This system must be installed and wired through a safety switch so it will not start in any forward or reverse gear.
Some automatic transmission vehicles [mainly older GM vehicles with a purple starter wire] have a mechanical-type
neutral safety switch instead of electrical safety switch. The mechanical type does not interrupt the starter circuit when
the transmission is any gear and does not offer the 100% level of safety required for remote starting purposes. Therefore,
our system should never be installed on any vehicle that uses a mechanical type park safety switch.
Once you install this system, you must verify that the vehicle will not start any forward or reverse gear. Regardless of
the type of vehicle.
Read operation manual for operating and programming routine.
Do not install any component near the brake, gas pedal or steering linkage.
Some vehicles have a factory installed transponder immobilizer system that can severely complicate the installation.
There is possibility that this system cannot be installed on some immobilizer-equipped vehicles.
Most vehicles have an SRS air bag system. Use extreme care and do not probe any wires of the SRS system.
Disconnect the car battery before connecting work on the vehicle.
Check behind all panels before drilling any holes. Ensure that no wiring harness or other components are located
behind the panels that would otherwise be damaged.
Use conventional crimp lock or bullet connectors on wiring. Poor wiring, i.e. taped joints will possibly introduce
unreliability into the alarm system and may result in false alarms or incorrect operation.
Install wiring neatly under carpets or behind trim to prevent possible damage to wires.
For the wire operates the current more than 10A. We suggest soldering all connection point. Does not use crimp lock
type connectors or wire nuts.

7/9/2008
RS-603 REV A. 4
INSTALLATION DIAGRAM
C3-RS-603
H1 6 Pin Wht.
H2 5 Pin
H3 10 Pin White
H4
Valet
H5
ANT.
H6 DL
H7
LED
RX-300A
Valet
Switch
Violet : Starter Output
Red : 12 Volt Input
Red : 12 Volt Input
Yellow. Ignition 1 Output
Pink : Ignition 2 Output
Brown ACC Output
LED Indicator
FUSE
FUSE
Red/White : Parking light Input
FUSE
White : Parking light Output
Black : System Ground
Brown : Programmable Output (-)
Horn (-) or Factory Rearm (-)
Red : System Power + 12 Volt
Yellow : Ignition 3 Output ( 200 mA - )
Blue/Black : ACC 2 ( 200 mA - )
Pink : 200mA Programmable Output (-)
White : Ground When Running By-pass Control Output
Gray : CH 3 Trunk Release (-)
White/Violet : Safety Shutdown Brake Input (+)
Black/White : Neutral Safety Switch (-) Input
White/Black : Safety, Hood Pin Input (-)
White/Blue : Instant Start (-) Input
White/Red : Tachometer Signal Input
Blue : (-) Unlock
(+) Lock
Green : (-) Lock
(+) Unlock
Door Locks
H8

7/9/2008
RS-603 REV A. 5
WIRING
Keep wiring away from moving engine parts, exhaust pipes and high-tension cable. Tape wires that pass through holes on
the firewall to prevent fraying. Watch out for sharp edges that may damage wires and cause a short circuit.
CAUTION: Do not connect the wire harness to the control module until all wiring to vehicle is complete.
H1: 6 PIN HEAVY GAUGE WIRING CONNECTIONS:
Remember! What the system does to start a vehicle, duplicates the function of the ignition key switch! Below, we will
explain the three basic functions of the ignition switch. Since this installation will require analysis of the ignition switch
functions, we recommend making the three connections below at the ignition switch harness directly.
H1/1. VIOLET WIRE—Starter Output
Careful consideration for the connection of this wire must be made to prevent the vehicle from starting while in gear.
Understanding the difference between a mechanical and an electrical Neutral Start Switch will allow you to properly
identify the circuit and select the correct installation method. In addition you will realize why the connection of the safety
wire is required for all mechanical switch configurations.
Failure to make this connection properly can result in personal injury and property damage.
In all installations, it is the responsibility of the installing technician to test the remote start unit and assure that the
vehicle can not start via RF control in any gear selection other than park or neutral.
In both mechanical and electrical neutral start switch configurations; the connection of the VIOLET wire will be made to
the low current start solenoid wire of the ignition switch harness. This wire has +12 volts when the ignition switch is
turned to the “START” (CRANK) position only. This wire will have 0 volts in all other ignition switch positions.
NOTE: This wire must be connected to the vehicle side of the starter cut relay (when used). For the electrical neutral
switch configuration, this connection must be made between the starter inhibit relay (when used) and the neutral safety
switch as shown in the following diagram.
Failure to connect this wire to the ignition switch side of the neutral safety switch can result in personal injury and
property damage. SEE NEUTRAL START SAFETY TEST FOR FURTHER DETAILS.
Start Cut Relay
(When Used)
V
IOLET Wire
Closed in Park or
Neutral Only
Ignition
Switch
“Start”
“On” Neutral Safety
Switch
“Acc”
“Off” Starter
H1/2 & H1/3. RED WIRE (2)-- +12V Power Input
Remove the two 20A fuses prior to connecting these wires and do not replace them until all connectors have been
plugged into the control module. These wires are the source of current for all the circuits the starter unit will energize.
They must be connected to a high current source. Since the factory supplies (+) 12V to the key switch that is used to
operate the motor, it is recommended that these wires be connected there.
Note: If the factory supplies two separate (+) 12V feeds to the ignition switch, connect one RED wire of the unit to each
feed at the switch.
H1/4. YELLOW WIRE – Ignition 1 Output
Connect the YELLOW wire to the ignition 1 wire from the ignition switch. The ignition wire should receive "12 volts"
when the ignition key is in the "ON" or “RUN” and "START" or “CRANK” position. When the ignition is turned "OFF", the
ignition wire should receive "0" voltage. The YELLOW wire must be connected.
H1/5 PINK WIRE – Ignition 2 Output
Some vehicles have [2] ignition wires that must be power. Connect the PINK wire to the ignition 2 wire from the ignition
switch. The ignition wire should receive "12 volts" when the ignition key is in the "ON" or “RUN” and "START" or
“CRANK” position. When the ignition is turned "OFF", the ignition wire should receive "0" voltage. If the PINK wire is not
used, cap the end of the wire.
H1/6 BROWN WIRE – Accessory Output (Heater /ACC Output) –
Connect the BROWN wire to the accessory wire in the vehicle that powers the climate control system.
An accessory wire will show + 12 volts when the ignition switch is turned to the “ACCESSORY” or “ON” and “RUN”
positions, and will show 0 Volts when the key is turned to the “OFF” and “START” or “CRANK” position. There will often
be more than one accessory wire in the ignition harness. If selected, the correct accessories wire will power-up the
vehicle’s climate control system. Some vehicles may have separate wires for the blower motor and the air conditioning
compressor. In such cases, it will be necessary to add a relay to power the second accessory wire.

7/9/2008
RS-603 REV A. 6
H2: 5 PIN WIRE HARNESS:
H2/1. RED/WHITE WIRE –PARKING LIGHT RELAY INPUT --
The RED/WHITE wire is the input to the flashing parking light relay. The connection of the RED/WHITE wire will
determine the output polarity of the flashing parking light relay.
If the vehicle you are working on has +12volt switched parking lights, you don’t need to connect this wire. This wire
already connected to +12volt. If the vehicle’s parking lights are ground switched, cut the RED/WHITE wire, connect the
RED/WHITE wire to chassis ground.
H2/2. WHITE WIRE -- PARKING LIGHT RELAY OUTPUT (+12 V 10A OUTPUT) --
Connect the WHITE wire to the parking light wire coming from the headlight switch. Do not connect the WHITE wire to
the dashboard lighting dimmer switch. (Damage to the dimmer will result). The limitation of the WHITE wire is 10 AMP
max. Do not exceed this limit or damage to the alarm and parking light relay will result.
H2/3. BLACK WIRE -- SYSTEM GROUND –
This is main ground connection of the alarm module. Make this connection to a solid section of the vehicle frame. Do
not connect this wire to any existing ground wires supplied by the factory wire loom; make the connection to the
vehicle's frame directly.
H2/4. BROWN WIRE – (-) 200mA PROGRAMMABLE OUTPUT (See Feature I - 3 Programming)
HORN OUTPUT – (Factory Default Setting)
This wire is provided to use the existing vehicle's horn as the alarm system's optional's warning audible device. It's a
transistorized low current output, and should only be connected to the low current ground output from the vehicle's
horn switch.
FACTORY SECURITY RE-ARM SIGNAL OUTPUT– (See Alarm Feature I - 3 Programming)
This wire is designed to rearm a factory installed security system. This wire will supply a pulse whenever the remote
start times out or is shut dowm using the transmitter and remote door locking..
H2/5. RED WIRE -- SYSTEM POWER (+12V CONSTANT) --
The RED wire supplies power to the system. Connect this wire to a constant +12 volt source.
H3: 10-PIN MINI WHITE CONNECTOR WIRE HARNESS:
H3/1. WHITE/RED WIRE—Tachometer Signal connection—
This input provides the remote start system with information about the engine’s revolutions per minute (RPM). It can be
connected to the negative side of the coil in vehicle with conventional coils. In multi-coil and high energy ignition system
locating a proper signal may be more difficult. Once connected, you must Program the Feature III – 1 to “Tachometer
checking type” and teach the system the RPM signal.
To test for a tachometer wire, a multi-meter capable of test AC voltage must be used. The tachometer wire will show
between 1V and 6V AC at idle, and will increase as engine RPM increases. In multi-coil ignition system, the system can
learn individual coil wire. Individual coil wires in a multi-coil ignition system will register lower amounts of AC voltage.
Also, if necessary, the system can use a fuel injector control wire for engine speed sensing. Common locations for a
tachometer wire are the ignitions coil itself, the back of the gauges, engine computers, and automatic transmission
computers.
IMPORTANT! Do not test tachometer wires with a test light or logic probe. The vehicle will be damaged.
How to find a tachometer wire with your multi-meter
1. Set the ACV or AC voltage (12V or 20V is fine.)
2. Attach the (-) probe of the meter to chassis ground.
3. Start and run the vehicle.
4. Probe the wire you suspect of being the tachometer wire with the red probe of the meter.
5. If this is the correct wire the meter will read between 1V and 6V.
NOTE: No connection of this wire is required, if you use the voltage or timer checking type mode.
H3/2. WHITE/BLUE WIRE – (-) Instant Start & Turn Off Input.
This wire activates and turns off the remote starter each time it sees a momentary ground signal. This wire is normally
only used for testing during installation or when activating the module from an after-market system.
H3/3. WHITE/BLACK WIRE : (-) Negative safety shut down input
The WHITE/BLACK wire provides an instant shutdown for the remote start, whenever it is grounded. Connect the wire
to the hood pin switch previously installed. This wire must be routed though a grommet in the firewall and connected to
the hood pin switch.
Important! This connection is a safety wire and must be connected as shown and tested as specifiled. Failure to do
so may result in personal injury or property damage. See detail of wiring in the following diagram. This wire may also be
used if the vehicle brake light circuit switches ground to the brake lights. An isolation diode must be used for ground
switched brake light circuits and must be connected to the output of the brake switch.

7/9/2008
RS-603 REV A. 7
To: White/Black Wire /
Negative safety
To Vehicle Brake Switch
Hood Pin Switch
Diode
H3/4 BLACK/WHITE WIRE (-)Neutral Safety Switch Input
(-)Remote Start Enable Toggle Switch Input
When the BLACK/WHITE wire is grounded, the remote start unit is operable. When this wire is open from ground, the
remote start is disabled. This wire must be connected to the vehicles Neutral safety switch!
1. The optional “remote start toggle switch” can be added on to temporarily disable the Remote Start Device, it can
prevent the vehicle from being remote started accidentally. This feature is useful if the vehicle is being serviced or
stored in an enclosed area. To disable the remote start, move the optional remote start enable toggle switch to the
OFF position. To enable the remote start, move the optional remote start enable toggle switch to the ON position.
2. This wire MUST be connected to the PARK/NEUTRAL switch in the vehicle. (See the TESTING YOUR
INSTALLATION GUIDE)
IMPORTANT NOTE: Directly connect the BLACK/WHITE wire to the “GROUND” when this wire is not used.
H3/5. WHITE/VIOLET WIRE : Positive safety shut down input
This wire provides an instant shutdown for the remote start, whenever it gets +12volts. If the brake lights switch in the
vehicle switches +12 volts to the brake light circuit, connect this wire to the output side of the brake switch. This will
allow the remote start to shut down if an attempt is made to operate the vehicle without the key while running under the
control of the remote start. In most vehicles, in order to shift gear, the brake pedal must be depressed. The brake input
will in turn cause the remote start unit to shut off. See below diagram.
+12 volts from fuse box
To White/ Violet wire
Brake light bulbs
Switch closes when
brake is depress
H3/6. GRAY WIRE : (-)200mA Chaneel #3 output -
This will become a 1 second pulse ground by activate channel 3 on transmitter for two seconds, the current
capacity of this wire is 200 mA. This feature allows you to remote control trunk release or other electric device.
H3/7. WHITE WIRE: (-) 200 mA Ground output while the engine is starting or running. This wire can be used
to activate a by-pass module and will provide a ground output when the engine is starting or running
from the remote starter.
H3/8 PINK WIRE : (-) 200ma PROGRAMMABLE OUTPUT (See Alarm Feature I - 2 Programming)
FACTORY SECURITY DISARM SIGNAL OUTPUT –(Factory Default Setting) --
This wire is designed to disarm a factory installed security system. This wire sends a negative (-) 1 second pulse
upon a remote start and remote door unlocking. Some factory systems must be disarmed to allow remote starting.
In most cases, this wire may be connected directly to the factory alarm disarm wire. The correct wire will show
nagative ground when the key is used to unlock the doors or trunk. This wire is usually found in the kick panel area
in the wiring harness coming into the car body from the door.
START STATUS (Shock Sensor Bypass Control) OUTPUT–

7/9/2008
RS-603 REV A. 8
This wire is designed to by-pass shock sensor module. This wire will supply an output at all times the remote start
is operating plus an additional 3 seconds after the remote start unit turn off.
(-) 200ma KEY SENSOR BY- PASS OUTPUT
This output is for a Key sense wire by-pass that some Chrysler and Toyota vehicles us to activate the remote start.
This wire comes on when the start is activated and stays on for 20 seconds.
H3/9.BLUE/BLACK WIRE: Accessory 2 output
Programmable start 2 option
(See Alarm Feature 3-4 Programming)
This wire provides a 200mA (-) ground output that becomes active a few seconds after the engine running, and
remains grounded while running.
H3/10 YELLOW WIRE : (-) 200ma IGNITION 3 OUTPUT–
This wire provides a 200mA (-) ground output that becomes active 4 seconds before the remote start unit initialize,
and remains grounded while running.
Ignition 3 output:
Some newer vehicles use a second ignition
wire which is required to start and keep the
vehicle’s engine running. If this is the case,
wire an IGN 3 relay (not supplied) as shown
below:
Do not connect any vehicle circuits together,
they are isolated for a resaon.
Y
ellow Wire
87a
Ignition 3 Wire From
Ignition Key Switch
+ 12 V Constant
Fused 25A Capable
30
8586
87
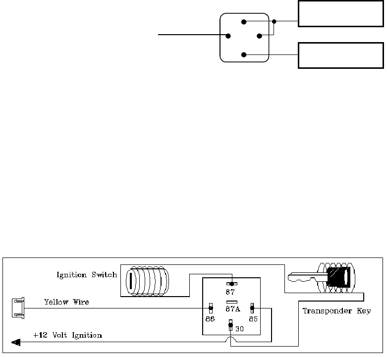
INSTALLATION WITH FACTORY IMMOBILIZER SYSTEMS
Vehicles using a Transponder-type immobilizer:
If the vehicle has transponder system installed, you will need to by-pass the system while the vehicle is
operating under the control of the Remote Start Unit. To do this:
1. You will need a transponder key that's already programmed to the vehicle.
2. Remove the trim around the ignition switch.
3. Wrap a thin (28 - 30awg) wire tightly around ignition switch 6 to 8 times and secure it.
4. About 6"down line make another loop of approximately 2"diameter.
5. Place the key inside this loop and secure it to the loop.
6. Connect on end of the (28 - 30awg) wire to pin (87) of the relay module.
7. Connect the other end of the loop wire to Pin (30) of relay module.
8. Connect the pin (85) of the relay module to the ignition wire from the ignition switch.
9. connect the pin (86) of the relay module to the H5/2 Yellow wire of 5-pin mini white connector.
GM VATS KEY OVERRIDE:
If the vehicle has the General Motor VATS system installed, you will need to by-pass the system while the vehicle
is operating under the control of the Remote Start Unit. To do this:
1. Measure the resistance of the resistor pellet on the ignition key then select a resistor within 5% of the key’s
value.
2. Locate the pair of VATS wires in the vehicle, usually a pair of thin gauge wires running from the ignition switch to
the VATS control module.
3. Connect the YELLOW wire from Remote Start Unit to TERMINAL #86 of an external relay. Connect terminal #85
of the relay to a fused +12 volt.
4. Cut (#1) wire (as shown), and connect the ignition switch side of the cut wire to terminal #87a of the relay.
Connect the other side of the (#1) wire to terminal #30.

7/9/2008
RS-603 REV A. 9
5. Connect the previously s resistor from terminal #87 to the second(#2) wire (as shown).
To + 12 V
Ignition
Switch
YELLOW wire
Matching Resistor
VATS control Module
87a 85
30
87
86
VAT wire (#1)
VAT wire
(
#2
)
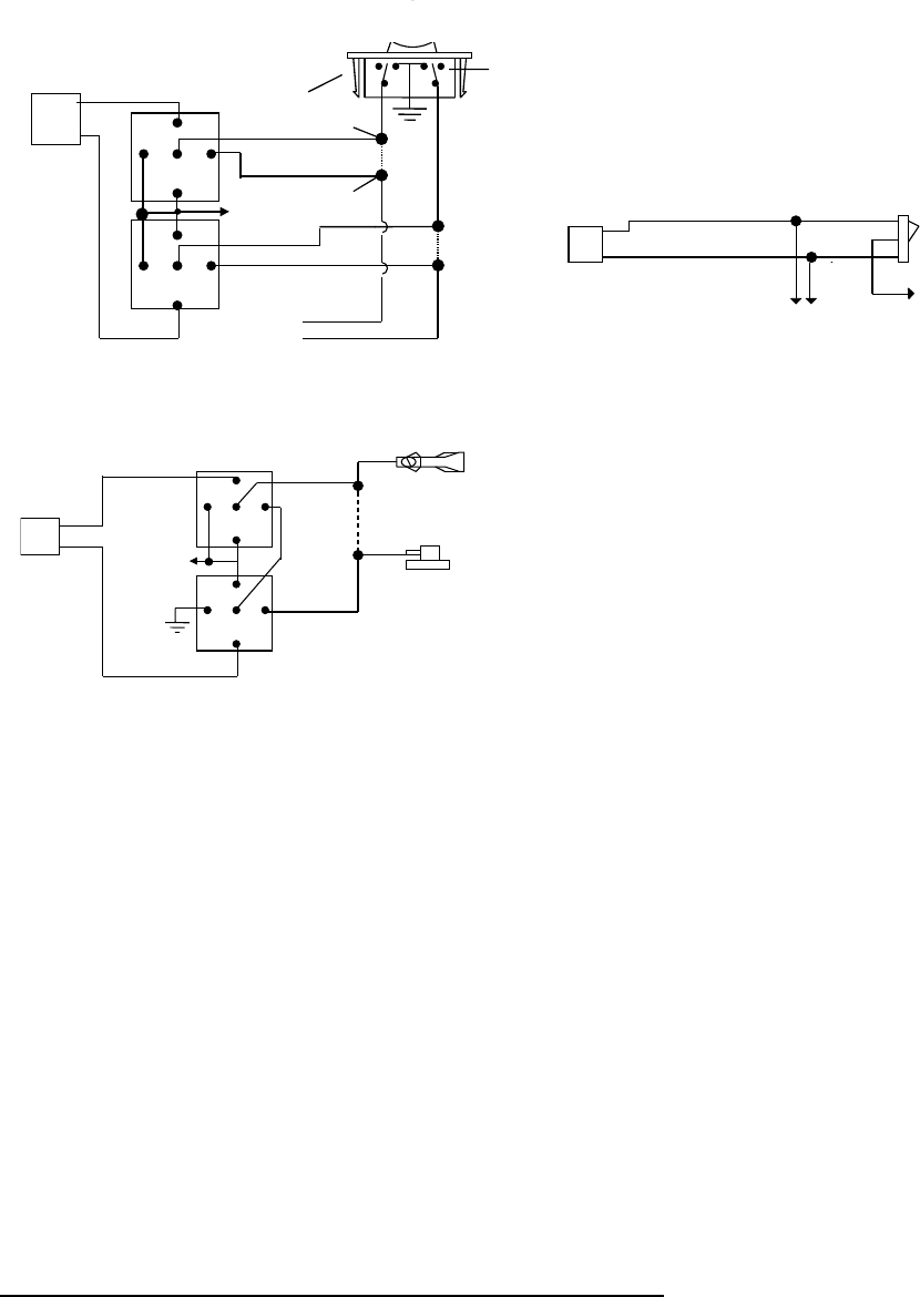
H4. 2 PIN BLUE CONNECTOR FOR THE VALET SWITCH:
Select a mounting location for the switch that is easily accessible to the driver of the vehicle. Mount the valet switch in a
hidden but accessible location. Route the valet switch wires to the control module.
H5. Red, 3-PIN CONNECTOR. – Windshield Receiver /Antenna
The windshield receiver/antenna mounts on the windshield (Inside). We suggest you mount it on the lower left or upper
left-hand side of windshield.
Warning! Do not mount in such a manner that it obstructs the driver’s view.
- For Optimum Performance the receiver/antenna whip must be vertical facing up.
- Remove the protective tape backing.
- Carefully align the receiver/antenna and apply to windshield.
- Route the black connector wire behind the trim and connect to receiver/antenna.
- Connect the other end to the control module.
- Special considerations must be made for windshield glass as some newer vehicles utilize a metallic
shielded window glass that will inhibit or restrict RF reception. In these vehicles, route the windshield
receiver/antenna module away from metallic shielded window glass as far as possible.
H6. White 3-PIN DOOR LOCK CONNECTOR: Note: If the XT-11 optional Ultra Miniature remote is
used in a vehicle that will not unlock with the factory remote while the engine is running, the Lock and Unlock
wires needs to be connected to unlock and secure the vehicle. This is known to be the case in some Toyota and
Lexus models.
Blue Wi re
Green Wire ( - ) Lock Pulse
( + ) Unlock Pulse
( - ) Unlock Pulse
(
+
)
Lock Pulse
NEGATIVE TRIGGER DOOR LOCK SYSTEM
Blue Wire Door Unlock
Green Wire Door Lock
Locking
Master
Switch
To Exiting
Door Lock Relay
I
INSTALL NEW DOOR LOCK MOTOR
Blue Wire
Green Wire
+12V
3086
87a
85
87
30
86
87a
85
87
3 Pin
Plug To
A
larm

7/9/2008
RS-603 REV A. 10
+12V
Master Door
Lock Switch
X
X
Splice
Splice
Cut the Existing
Lock Wire
To Door
Lock Motors
Cut the Existing
Unlock Wire
3 Pin Plug
To Alarm
5-WIRE ALTERNATING DOOR LOCK
30
86
87a
85
87
30
86
87a
85
87
+12V
Green Wire
Blue Wire
POSITIVE TRIGGER DOOR LOCK SYSTEM
Blue Wire Door lock
Green Wire Door Unlock
Locking
Master
Switch
To Exiting
Door Lock Relay
+ 12V
VACUUM OPERATED CENTROL LOCKING
Green Wire
Blue Wire
+12V
XCut
Compressor
Door Switch
30
86
87a
85
87
30
86
87a
85
87
3 Pin
Plug To
A
larm
VACUUM OPERATED DOOR LOCKING SYSTEM:
TYPICAL OF MERCEDES BENZ AND AUDI.
Locate the wire under the driver's kick panel. Use the
voltmeter connecting to ground, verify that you have t
h
correct wire with the doors unlocked, the voltmeter will
receive "12 volts". Lock the doors and the voltmeter wi
read "0 volt". Move the alligator clip to +12V and the
voltmeter will receive "12 volts". Cut this wire and mak
e
connections. Be sure to program door lock timer to
3.5 seconds.(See Alarn Feature II – 5 Programming.)
H7 Flashing LED. Connect to LED Plug
H8. RS232 C3 SERIAL TWO-WAY DATA PORT CONNECTION:
This connector is to be used for Serial Data communications with I-Datalink modules by Auto Page only!
DO NOT CONNECT THIS TO ANY OTHER WIRING!
This connector will transmit digital codes to operate all functions of Autopage data modules. When these modules are used, no other
data bus connections need to be made to the RS-603. The Data Bus module will receive its commands directly from the CPU of the
RS-603. This will provide greater theft protection as well as aid in the installation of this product. The RS-232 serial harness is
provided with all Autopage serial data modules and is not included with the RS-603. This two-way data port has been designed for use
with all C I 3 compatible components. C3 Telematics system is available at any authorized Autopage dealer.
This port will only operate correctly with Autopage C3 I-Datalink Modules.

7/9/2008
RS-603 REV A. 11
PROGRAMMING
A. PROGRAMMING TRANSMITTER:
Note: This remote start system will only retain the last 4 remote transmitters programmed. If the transmitter memory is
exceeded, the security system will start deleting transmitters from memory in chronological order.
PROGRAMMING THE REMOTE TRANSMITTER
1. Turn the Ignition 'switch ‘OFF/ON’ 3 TIMES and stay in the ‘ON’ position. Within 15 seconds.
2. Push the Programming switch 2 times holding in on the 2nd push, until a long chirp from the horn (optional) and the
LED starts to flash then release the valet switch. You are now in the Transmitter programming mode.
3. Press the ‘Lock’ button on the transmitter until a chirp from the horn / a flash from the parking light / the LED turns on
for 2 seconds to confirming the first transmitter is now programmed.
4. Apply the same procedure (step 3) to program 2nd, 3rd and 4th.
Exit: Turn Ignition to 'OFF' position, or leave it for 15 seconds. 3 long chirps & 3 parking light flashes will confirm exit.
B. FEATURES PROGRAMMING:
FEATURE “I” PROGRAMMING:
1. Turn the Ignition 'switch ‘ON/OFF’ 3 TIMES and stay in the ‘OFF’ position.
2. Push the Programming switch 1 time and hold it until the LED turns on and (*) one chirp with a long chirp is heard;
then release the Programming switch. You are now in the feature ‘I’ programming mode.
3. Press and release the transmitter button with the Icon corresponding to the feature with the icon you want to program.
a. The (optional) horn chirps and the LED will flash then pause indicating a previous setting.
b. The factory default settings are always [1] LED flash, [1] horn chirp.
4 Depress the transmitter button icon again to change the feature. Simply keep re-depressing the transmitter button icon
again until the module advances to your desired setting.
5. Depress the next desired transmitter icon button corresponding to the feature you want to program.
(*) The Horn must be connected to hear the programming chirps.
Exit: Turn Ignition to the 'ON' position, or leave it for 15 seconds. 3 long chirps & 3 parking light flashes will confirm exit.
Press
Transmitter
Button
One Chirp /
LED one pulse
Factory Default Setting
Two Chirps /
LED two pulse
Three Chirps/
LED three pulse
1. H3/2 White/Blue = 1 Pulse
Remote Start H3/2 White/Blue = 3 Pulse
Remote Start
2. H3/8 Pink Wire = Factory
Security Disarm Signal Output H3/8 Pink Wire = Start Status
(Shock Sensor Bypass Control)
Output
H3/8 Pink Wire = 20 Second
Ground out Key Sensor By-pass
3. + H2/4 Brown Wire = Horn Output H2/4 Brown Wire = Rearm Signal
Output
4. + Button Two Push Remote Button One push Remote
Start
5. Without ignition controlled door
locks & unlocks Ignition controlled door locks &
unlocks

7/9/2008
RS-603 REV A. 12
FEATURE “II” PROGRAMMING:
1 Turn the Ignition 'switch ‘ON/OFF’ 3 TIMES and stay in the ‘OFF’ position.
2 Push the Programming switch 2 times and hold it until the LED turns on and (*) two chirps with a long chirp is heard;
then release the Programming switch. You are now in the feature ‘II’ programming mode.
3 Press and release the desired transmitter button icon corresponding to the feature you want to program.
(*) The Horn must be connected to hear the programming chirps.
Press
Transmitter
Button
One Chirp /
LED one pulse
Factory Default
Setting
Two Chirps /
LED two pulse
Three Chirps /
LED three pulse
Four Chirps /
LED four pulse
1. Gasoline Engine Diesel Engine and 10
seconds warn-up
timer
Diesel Engine and 15
seconds warn-up
timer
Diesel Engine and 20
seconds warn-up
timer
2. 20 minutes run time 10 minutes run time 30 minutes run time 5 minutes run time
3. + H2/2 White wire =
Constant Parking
Light Output
H2/2 White wire =
Flash Parking Light
Output
4. + Door Lock before
start Door Lock after start Door Lock before &
after start * This is
the preferred setting
when using the
optional XT-11 single
button remote
Without this
feature
5. 0.8-second Door lock
& Unlock. 3.5-second Door
Lock & Unlock. 0.8 second lock, 0.35
second unlock
0.8 second dbl
lock,0.8 second dbl
unlock
Five chirps= 0.8 second lock, dbl 0.8 second unlock
Six chirps= dbl 0.8 second lock, 0.8 second unlock
Exit: Turn Ignition to the 'ON' position, or leave it for 15 seconds. 3 long chirps & 3 parking light flashes will confirm exit.
FEATURE “III” PROGRAMMING:
1. Turn the Ignition switch ‘ON/OFF’ 3 TIMES and stay in the ‘OFF’ position.
2. Push the Programming switch 3 times and hold it until the LED turns on and (*) three chirps with a long chirp is
heard; then release the Programming switch. You are now in the feature ‘III’ programming mode.
4. Press and release the desired transmitter button icon corresponding to the feature you want to program.
(*) The Horn must be connected to hear the programming chirps.
Press
Transmitter
Button
One Chirp /
LED one pulse
Factory Default
Setting
Two Chirps /
LED two pulse
Three Chirps /
LED three pulse Four Chirps /
LED four pulse
1. Tachometer checking
type. Voltage checking type Timer checking type DBI TACH **
DATA ONLY !!
2. RPM learning
Start Timer:
0.6-second 0.8-second (2 chirps), 1.0-second (3 chirps), 1.2-second (4 chirps),
1.4-second (5 chirps), 1.6-second (6 chirps), 1.8-second (7 chirps),
2.0-second (8 chirps), 3.0-second (9 chirps), 4.0-second (10 chirps),
3. Low check level Hi check level
4. + Second Accessory
H3/9 Blue/Black Second Start
H3/9 Blue/Black
5. + + 50 RPM
DBI ONLY No RPM learning
6. + - 50 RPM
DBI ONLY No RPM Learning or < 50RPM

7/9/2008
RS-603 REV A. 13
Exit: Turn Ignition to the 'ON' position, or leave it for 15 seconds. 3 long chirps & 3 parking light flashes will confirm exit.
** This will be used when connected to an Autopage CI3 compatible Two-way data module that will recognize the
tach signal from the vehicle. This signal will need to be learned in the same manner as the analog tachometer
wire. If this learned value needs to be adjusted, use steps 7 and 8 of this programming table
RPM LEARNING
1. Turn the Ignition 'switch ‘ON/OFF’ 3 TIMES and stay in the ‘OFF’ position.
2. Push the Programming switch 3 times and hold it until the LED turns on and three chirps with a long chirp is heard;
then release the Programming switch. You are now in the feature ‘III’ programming mode.
3. Press and release the transmitter button once to set the “Tachometer Checking Type”. [1] LED flash, [1] chirp to
confirm this setting.
4. Press and release the transmitter button once; [1] chirp to indicate your are in features “RPM Learning mode”.
5. Start the vehicle with the key. (While the engine is running, the parking & LED will flash, If don’t, please check
tachometer White/Red wire connection. (H3/1)
6. Press and hold the program switch for 2 seconds until a long chirp and the LED light constant for two seconds. The
RPM signal is learned.
7. Turn the ignition switch off to exit the program mode. 3 long chirps & 3 parking light flashes will confirm exit.
RETURN TO FACTORY DEFAULT SETTING:
1. Turn the ignition ‘ON’ then ‘OFF’ 3 TIMES and stay in the ‘OFF’ position.
2. Push the Programming switch 10 times and hold it on the 10th push. When ten chirps with a long chirp is heard*and the
LED turns on; then release the Programming switch. You are now in the “Return To Factory Default Setting”
programming mode. *Optional horn output must be installed to hear the chirps.
3. Press the + buttons on the transmitter together for 6 seconds, there will be a confirmation of six chirps with 3
long chirp and 3 parking light flashes to confirm the system “Feature Programming” have all returned to the factory
default settings.
Exit: Turn the ignition switch “on” or leave it for 15 seconds. 3 long chirps & 3 parking light flashes will confirm exit.
TO REMOTE START THE VEHICLE:
1. Press the transmitter button twice to start the vehicle.
2. The parking light will activate to indicate the remote start received the signal.
3. It will take approximately 5 seconds for the engine to start.
4. Once the engine is running, after couple seconds the parking light will turn on again and climate controls will
activate and adjust the vehicles interior temperature to your preset setting.
5. The vehicle will run for 5 to 30 minute cycle and automatically shut down.
SHUTDOWN DIAGNOSTICS
The unit has the ability to report the cause of the last shutdown of the remote start system.
Enter:
1. Turn the Ignition 'switch to ‘ON position.
2. Press the button on the transmitter.
3. The LED will now report the last system shutdown by flashing for one minute in the following grouped patterns:
LED
Flashes Shutdown Mode

7/9/2008
RS-603 REV A. 14
1
(-) Safety Shutdown input (Hood)
1. Close the hood.
2. Check H3/3 White/ Black wire connection.
1 (+) Safety Shutdown input (Brake) or 3. Check H3/5 White/ Violet wire connection.
1 Neutral Safety Switch input fail. 4. Move the Enable Toggle Switch to “ON”
position. (If installed.)
5. Move the gear selector to “Park”/ “NEUTRAL”
position.
6. Check H3/4 Black/White wire connection.
3
No RPM or
Low Voltage.
TACHOMETER CHECKING TYPE:
Check H3/1 White/Red wire connection
VOLTAGE CHECKING TYPE:
Program the “CHECK LEVEL” from
“Hi Check Level” to “Low Check Level”
5 Over-rev
6 System timed out
7 Transmitter No transmitter Signal
8 Tach. Signal has not been learned Re-learning the RPM (Feature III – 2)
TROUBLE SHOOTING
There are 5 reasons why the remote start button will not respond from the transmitter.
1. The Black/White Neutral Safety wire is not grounded. Must be grounded to start.
2. Hood Pin switch White/Black wire has a ground present. Must not show ground to start.
3. Brake pedal switch White/Violet has 12 volt present. Must not show 12 volt to start.
4. The system is in Valet mode.
5. The remote start feature programming has not been programmed to start the vehicle. The remote start must be
programmed how to start the vehicle.
TESTING YOUR INSTALLATION:
Caution!! The following procedure must be performed after the installation of the Remote Start Device. It is the
responsibility of the installing technician to complete these tests. Failure to test the unit in the following manner may result
in personal injury, property damage, or both.
1. Test the BRAKE shutdown circuit: With the vehicle in park (P), start the vehicle using the remote transmitter, Once the
engine is running, press the brake pedal. The vehicle should shut down immediately. If the vehicle continues to run,
check the brake circuit WHITE/ VIOLET wire (H3/3) connection.
2. Test the HOOD PIN shutdown circuit: Start the vehicle using the remote transmitter, Once the engine is running, pull
the hood release and raise the hood. The vehicle should shut down immediately. If the vehicle continues to run, check
the hood pin WHITE/ BLACK wire (H3/4) connection.
3. NEUTRAL START SAFETY TEST:
1. Set the vehicle parking brake.
2. Block the drive wheels to prevent vehicle movement.
3. Sitting in the vehicle, turn the ignition switch to “ON” or “RUN” position. But do not start the engine.
4. Step on the brake pedal and shift the gear selector into “DRIVE” (D).
5. Put your foot over the brake pedal but do not press down on it. Be ready to step on the brake to shut down the
Remote Start Device.
6. Start the vehicle using remote transmitter.
a. If the starter does not engage, the test is complete.
b. If the starter engages, immediately step on the brake pedal to shut down the system, recheck your VIOLET wire
(H1/1 starter output wire) connection. The heavy gauge VIOLET wire must be connected to the ignition switch side
of the Neutral Start Switch. If the vehicle you are working on does not have an Electrical Neutral Safety Switch, it
will be necessary to reconfigure the Remote Starts Wiring to accommodate this vehicle. The information
concerning the Mechanical Neutral Safety Switch provided below will help you to determine if the vehicle you are
working on has this type of safety switch and will provide alternate wiring methods to accommodate this situation.
MECHANICAL NEUTRAL SAFETY SWITCH CONSIDERATIONS:
Mechanical neutral safety switch configurations differ slightly in that they do not offer the same level of safety when
installing a remote start device. Often when the ignition switch is turned off while the gear selector is in any position other

7/9/2008
RS-603 REV A. 15
than park or neutral, the mechanical function will not allow the key to be turned to the start position or be removed from
the ignition cylinder. This configuration prevents mechanical operation while the vehicle is in gear but offers no
consideration for electrical operation. Because of this potential problem, this installation requires the additional connection
of a safety wire from the remote start device to the vehicle PARK/NEUTRAL ECM input or the vehicle key in sensor. This
connection will prevent remote start operation if the key is left in the ignition switch regardless of the gear selector
position.
PARK/NEUTRAL ECM INPUT:
The Park/Neutral ECM input is the preferred method of installation. This not only maintains the integrity of the factory
circuit, it is also the easiest to install, providing the vehicle you are working on has this ECM input.
The installation required for this application (shown below), indicates in the slight reconfiguration of the control switch
wiring. Shown is a typical GM Park/Neutral ECM input circuit. To connect the Remote Start unit to the GM Park/Neutral
ECM input:
1. Locate the Orange/Black reference wire in the “C2” connector found at the ECM in GM B Body vehicles or, locate the
equivalent reference wire in the vehicle you are installing the Remote Start Unit in.
2. Connect the BLACK/WHITE Neutral Safety Switch wire (H3/4) to this reference wire.
NOTE: If the optional remote starts enable toggle switch is installed, connect the one side the enable switch to this
reference wire and connect the other side of the enable switch to the BLACK/WHITE Neutral Safety Switch wire (H3/2) of
the Remote Start unit.
The reference diagram below shows a typical GM B Body ECM reference wire and how it is to be connected to the
Remote Start Unit.
Ignition
P 1
2
DN
R
Electronic Control Module (ECM)
Solid State, Do Not Measure
Resistance
To Neutral Safety
Switch Input wire
Black/White (H3/4)
Optional Enable Switch
KEY-IN SENSOR CIRCUITS:
If the vehicle you are working on does not have or you cannot locate the ECM reference wire, there are two alternatives
available. Although not preferred, the vehicle Key In Sensor may be reconfigured to allow a margin of safety and will
prevent the vehicle with a Mechanical Neutral Start Switch from starting in gear.
WE ADVISE THAT YOU MAINTAIN THE FACTORY CIRCUIT WHENEVER POSSIBLE. The following two circuits
may be used only if the above circuit is not available.
NOTE: When completing an installation using either of the following key in sensor circuits, if the operator inserts the
ignition key while the vehicle is running under the control of the Remote Start, the vehicle will shut down. This must be
explained to the operator as it is in contrast to the normal operation of a vehicle utilizing an electrical neutral start switch
and is inconsistent with the operators’ manual.
Additional information concerning Key in Sensor methods 1&2 are listed below and should be reviewed before considering
either alternative.
Method 1 will allow the safety required for the remote start unit and prevent the vehicle from starting while in any gear
other than Park or Neutral while the key is in the ignition cylinder however, if the key is left in the ignition switch and the
door is left opened, the added relay will be energized causing a 150mA drain on the battery.
Method 2 will allow the safety required for the remote start unit and prevent the vehicle from starting while in any gear
other than Park or Neutral while the key is in the ignition cylinder however, the original factory key in chime module will not
alert the owner that the key has been left in the ignition switch. In addition, this may also affect other warning tones such
as the light ‘on’ reminder.
These situations should be carefully considered before altering the vehicle’s wiring and must be fully explained to the
consumer.
METHOD 1

7/9/2008
RS-603 REV A. 16
+ 12 V
Ignition Key In Sensor
Switch Closes with Key In
Ignition Cylinder
Drivers Door Pin Switch
87a
86
30 87
85
Key In
Chime Module
Connected to (-) Negative
Safety Input Wire
White/ Black (H3/3)
To Hood Pin Switch Safety
Shut Down (H3/3)
1N4003
+ 12V
To connect to the key in sensor as shown in method 1:
A. Locate the control wire that connects the driver’s door pin switch to the key in sensor switch.
B. Cut this wire and connect the ignition cylinder side to chassis ground.
C. Locate the key in sensor switch wire that connects the chime module to the ignition cylinder.
D. Cut this wire and connect the ignition cylinder side to terminal 30 of a P&B VF45F11 or equivalent relay.
E. Connect the cathode (striped) side of a 4003 series diode to this same wire, and connect the (non striped) side to the
negative safely input wire (WHITE/ BLACK) (H3/4) of the Remote Start Unit.
F. Connect terminal 86 of the relay to a fused + 12 volt constant battery source.
G. Connect terminal 87 of the relay to the Chime Module side of the previously cut wire in step D.
H. Connect terminal 85 of the relay to the Drivers Door side of the pin switch wire previously cut in step B.
Note: A second 4003 series diode may be required to maintain the integrity of the hood open, shut down circuit. If this is
the case, it must be installed as shown in the diagram above. The anode (Non Stripped) side must be connected to the
WHITE/ BLACK wire (H3/3) of the Remote Start Unit. The cathode (Striped) side must be connected to the hood pin
switch.
METHOD 2
Ignition Key In Sensor
Switch Closes with Key
In Ignition Cylinder
Connected to (-) Negative
Safety Input Wire
White/ Black (H3/4)
To Hood Pin Switch
Safety Shut Down (H3/4)
1N4003
To connect to the key in sensor circuit as shown for method 2:
A. Locate the control wire that connects the drivers door pin switch to the key in sensor switch.
B. Cut this wire and connect the ignition cylinder side to chassis ground.
C. Locate the key in sensor switch wire that connects the chime module to the ignition cylinder.
D. Cut this wire and connect the ignition cylinder side to the Remote Start Negative Safety Shut down wire WHITE/
BLACK (H3/4), using a 4003 series diode as shown above.
Note: A second 4003 series diode may be required to maintain the integrity of the hood open, shut down circuit. If this is
the case, it must be installed as shown in the diagram above. The anode (Non Striped) side must be connected to the
WHITE/ BLACK wire (H6/4) of the Remote Start Unit. The cathode (Striped) side must be connected to the hood pin
switch.
AFTER THE CONNECTION OF THE NEUTRAL START SAFETY WIRE AS INDICATED IN ANY OF THE PREVIOUS
ALTERNATE CONFIGURATIONS, THIS CIRCUIT MUST BE TESTED FOR OPERATION.
Retest by following the steps outlined in the NEUTRAL START SAFETY TEST shown in this manual.

7/9/2008
RS-603 REV A. 17
It is recommended to have a minimal digital service plan on your cell phone

7/9/2008
RS-603 REV A. 18
Your RS-603 is CI3 compatible and will open your world to the true power of two way communication. Complete tracking and
full cell phone functionality can be added to your system. For more information please visit your local authorized Autopage
dealer or go to www.autopageusa.com .
Winner of the BEST OF INNOVATIONS
2008 CES
7/9/2008
RS-603 REV A. 19
BLANK

7/9/2008
RS-603 REV A. 20
Auto Page, Inc.
960 Knox Unit #B
Torrance, CA 90502
www.autopageusa.com
7/9/2008
RS-603 REV A. 21
Toll Free Tech Support Hotline: 800-945-2527
(For certified installation technicians only)