Nikon 2166 User Manual To The C2f74fcb 1e3c 46c2 849c 4eb449b32966
User Manual: Nikon 2166 to the manual
Open the PDF directly: View PDF
.
Page Count: 41
- SEAT AND SUPPORT
- BRAKE AND CONTROL PEDALS
- STEERING
- TRANSMISSION CONTROLS
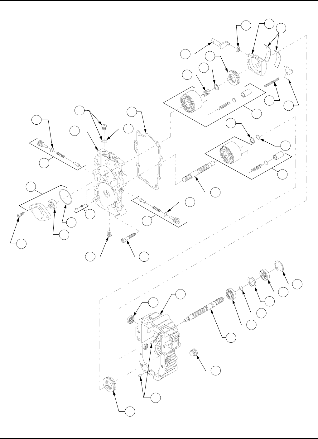
- DRIVE LINE
- HYDRO TRANSMISSION
- HYDROSTATIC PUMP
- TRANSMISSION ACCESSORIES
- BULKHEAD, DASH PANEL AND ENGINE CONTROLS
- BATTERY, ELECTRICAL COMPONENTS AND SWITCHES
- FRAME AND DRAWBAR
- PTO CLUTCH
- FUEL TANK
- ENGINE MOUNTING AND MUFFLER
- ENGINE
- GRILLE, HOOD AND SIDE PANELS
- FENDER AND RUNNING BOARD
- IMPLEMENT LIFT HANDLE
- IMPLEMENT LIFT HANGER
- 42” DECK ASSEMBLY
- 42” SPINDLE ASSEMBLY
- FRONT AXLE AND CONNECTIONS
- WHEELS
- SCHEMATIC

Parts Manual
CUB CADET LLC P.O. BOX 361131 CLEVELAND, OHIO 44136-0019 [www.cubcadet.com]
PRINTED IN U.S.A. FORM NO. 770-10283E
(12/02)
2000
TRACTOR
Model 2166
ECO 12274

-2-
DESCRIPTION PAGE
Axle, Front ....................................................... 40
Battery ............................................................. 16
Brakes .............................................................. 4
Bulkhead .......................................................... 15
Controls
Engine ..........................................................
Pedal ............................................................
Transmission ................................................
15
4
8
Dash Panel ...................................................... 15
Drawbar ........................................................... 18
Drive Line ......................................................... 9
Electrical
Switches .......................................................
Wiring ...........................................................
16
16
Engine
Air Filter ........................................................
Blower Housing ............................................
Breather ........................................................
Carburetor ....................................................
Controls ........................................................
Crankcase ....................................................
Crankshaft ....................................................
Cylinder Head ...............................................
Electrical........................................................
Exhaust..........................................................
Flywheel ........................................................
Fuel System ..................................................
Oil Pan ..........................................................
Starter ...........................................................
Valves ...........................................................
25
24
22
26
27
21
24
22
29
24
29
26
23
28
22
Engine Mounting .............................................. 20
Fender ............................................................. 32
Frame .............................................................. 18
Fuel Tank ......................................................... 19
Grille ................................................................ 30
Hood ................................................................ 30
Hydraulic Filter ................................................. 14
Hydraulic Linkage ............................................ 14
Hydrostatic Pump, Model BDU-10L-228 .......... 12
Implement Lift Handle ...................................... 34
Implement Lift Hanger ..................................... 35
Mower Deck...................................................... 36
Muffler .............................................................. 20
PTO Clutch ...................................................... 19
Running Board ................................................. 32
Seat ................................................................. 3
Side Panels ..................................................... 30
Steering ........................................................... 6
Transmission, Hydro ........................................ 10
Wheels, Front & Rear ...................................... 40
DESCRIPTION PAGE
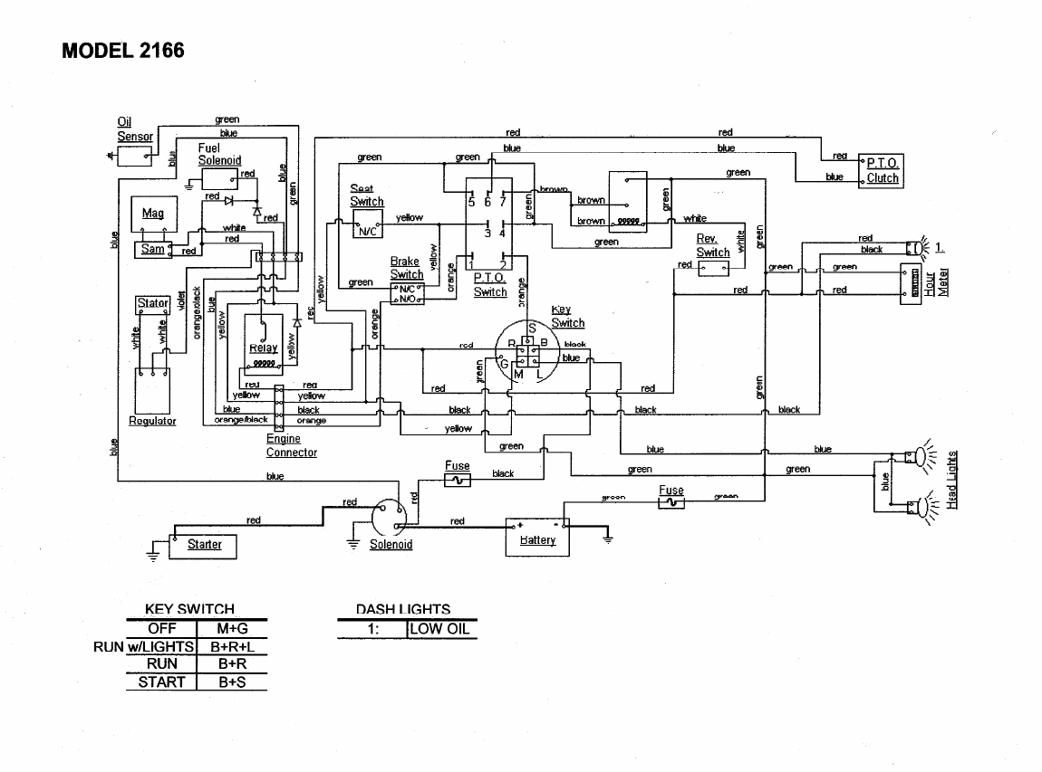
MODEL 2166
TABLE OF CONTENTS
NOTE: For painted parts, please refer to the
list of color codes below. Please add the appli-
cable color code, wherever needed, to the
part number to order a replacement part.
For instance, if a part, numbered 700-xxxx, is
painted Cub Yellow, the part number to order
would be 700-xxxx-0716.
Cub Yellow: 0716
Cub Beige: 0499
Cub Blue: 0685
Powder Black: 0637

-3-
REF.
NO. PART
NUMBER DESCRIPTION QTY.
1 703-2394 Bracket, RH Seat Pivot 1
2 703-2395A Seat, Base 1
3 703-2477 Bracket, LH Seat Pivot 1
4 710-0451 Bolt, Carriage, 5/16-18 x .75 6
5 710-1260A Screw, Wsh Hd Tap, 5-16-18 x .75 4
6 712-3004A Nut, Hex Flange Lock, 5/16-18 8
7 720-0190 Knob, Seat Adjuster 1
8 731-3154 Slide, Seat 4
9 732-3080A Spring, Comp, 1.28 OD x 3.5 Lg 2
10 732-3098 Adjuster, Seat 1
11 738-0140 Bolt, Shoulder 2
12 738-0372B Spacer, Shoulder 4
13 757-3003 Seat, Medium Back 1
14 777D04541 Graphic, Seat Back 1
15 777I20310 Graphic, Seat Adjuster 1
16 777D01782 Graphic, Made in USA 1
REF.
NO. PART
NUMBER DESCRIPTION QTY.
SEAT AND SUPPORT

-4-
BRAKE AND CONTROL PEDALS
1
2
3
4
5
6
7
8
9
10
11
12 13
14
15
16
17
18
19
20
21
22
23
24
25
26 27
28
29
30
31
32
33
34
35
36
37 38
39
40
1
3
8
17
18
18
20
21
27
27
30
30
30
30
30
30
31
31
31
31
1
41
42
43
44
45
46
47
48
49
50
51
52
54
55
56
57
58
59
48
48
49
50
50
52
54
60
61
62
63
64
65

-5-
REF.
NO. PART
NUMBER DESCRIPTION QTY.
1 603-0321A Shaft Assy, Brake 1
2 603-0412 Pedal Assy, Reverse 1
3 603-0697 Shaft Assy, Forward/Reverse 1
4 603-0419 Cam Assy, Control 1
5 603-0421A Plate Assy, Disengagement 1
6 703-2570A Pedal, Forward 1
7 703-2573A Pedal, Brake 1
8 703-2804 Plate, Bearing Mounting 2
9 703-2938 Bracket, Reverse Pivot 1
10 703-2941 Bracket, Cruise 1
11 703-2942 Plate, Rod Adjustment 1
12 703-2962 Lever, Cruise 1
13 703-2963 Lever, Brake Lock 1
14 703-2965 Actuator, Reverse Switch 1
15 710-0106 Screw, Hex Cap, 1/4-20 x 1.25 1
16 710-0599 Screw, Hex Wash Hd Tapp 1/4-20 x .5 1
17 710-0623 Screw, Hex Wash Hd Tapp 3/8-16x .75 2
18 710-0642 Screw, Hex Wash Hd Tapp 1/4-20x .75 6
19 710-0796 Screw, Truss Mach, #12 x 1.5 1
20 710-0216 Screw, Hex Cap, 3/8-16 x .75 GR5 2
21 710-3009 Screw, Phil Hd Pan, #10-24 x .75 2
22 711-0415 Pin, Clevis, 3/8 x 1.62 1
23 711-0736 Ferrule, Adjustment, 1/4-20 Thrd 1
24 711-1138 Stud, Actuator 1
25 711-3295 Pin, Clevis, .25 x 2.38 1
26 712-0271 Nut, Hex Sems, 1/4-20 1
27 712-0431 Nut, Hex Flange Lock, 3/8-16 3
28 712-3004A Nut, Hex Flange Lock, 5/16-18 1
29 712-3027 Nut, Hex Flange Lock, 1/4-20 1
30 714-0104 Pin, Internal Cotter, 5/16 Dia x 1.12 9
31 714-0145 Pin, Internal Cotter, 3/8 Dia x 1.62 6
32 715-0114 Pin, Spiral Spring, 1/4 x 1.5 1
33 731-3205 Pedal, Reverse 1
34 731-3206 Knob, Cruise 1
35 731-3207 Knob, Brake Lock 1
36 732-0418 Spring, Extension, .38 OD x 2.1 1
37 732-0463 Spring, Extension 1
38 732-0756A Spring, Torsion 1
39 732-04006 Spring, Extension, .6 OD x 1.34 1
40 732-3099 Spring, Compression, .50 x 2.23 1
41 732-3117 Spring, Switch Actuator 1
42 735-3048 Pad, Forward Foot Control 1
43 735-3049 Pad, Brake Foot 1
44 736-0174 Washer, Wave, .625 x .885 x .015 1
45 736-0349 Washer, Flat, .635 x 1.0 x .020 1
46 736-0463 Washer, Flat, 1/4 x .63 x .051 1
47 738-0145 Shoulder Bolt, .50 OD x .840 1
48 741-3065B Bearing, Hex Flange Split 4
49 741-3073 Bearing, Flange, .375 x .58 x .25 2
50 741-3074 Bearing, Flange, .626 x .93 x .344 3
51 747-3216 Rod, Brake 1
52 747-3219 Rod, Parking Brake 1
54 747-3307 Rod, Cruise 1
55 748-3060 Latch, Cruise 1
56 618-3060 Plate, Brake 1
57 703-2191 Arm, Brake 1
58 710-3262 Screw, Low Hd Cap, 3/8-16 x .75 1
59 732-0152 Spring, Compression 1
60 732-3077 Spring, Brake 1
61 761-3019 Drum, Brake 1
62 761-3020 Shoe, Brake 1
63 761-3028 Actuator, Brake Shoe 1
64 747-3341A Rod, Rear Connecting 1
65 747-3383 Rod, Front Connecting 1
REF.
NO. PART
NUMBER DESCRIPTION QTY.
BRAKE AND CONTROL PEDALS

-6-
STEERING
1
2
3
11
5
6
12
8
9
10
7
417
18
5
8
88
13
14
15
16
19
20
21
22
23
24
11
11 11
16 16
16
23
25
26
27
28
29
30
28
30
DASH PANEL

-7-
REF.
NO. PART
NUMBER DESCRIPTION QTY.
1 603-0250 Segment Assy, 18T Steering 1
2 603-0064 Arm Assy, Lower Steering 1
3 603-0236B Housing Assy, (Incl.Ref #25, 29-30) 1
4 731-3209 Wheel, Steering, Soft Grip 1
5 710-0751 Screw, Hex Cap, 1/4 - 20 x .62, GR5 2
6 710-1260A Screw, Hex Wash. Hd. Tapp
5/16 - 18 x .75 4
7 712-0237 Nut, Hex Center Lock, 5/16-18 1
8 712-0711 Nut, Hex Jam, 3/8-24 GR2 4
9 712-3012 Nut, Hex Slotted, 1/2-20 GR5 1
10 712-3027 Nut, Hex Flange Lock, 1/4-20 2
11 712-3054 Nut, Hex Lock, 3/8-24 GR5 4
12 714-0115 Pin, Cotter, 1/8 Dia x 1 1
13 714-3004 Pin, Cotter, 3/32 Dia x 1.25 1
14 717-3382 Pinion, Steering 1
15 722-3019 Gasket, Steering 1
16 723-0156 Joint, Ball, 3/8-24 4
17 731-3210 Insert, Steering Wheel Cover 1
18 736-04062 Washer, Flat, .344 x 1.5 x .1 Thk 1
19 736-0272 Washer, Flat, .510 x 1 x .06 Thk 1
20 736-0351 Washer, Flat, .760 x 1.5 x .03 Thk 1
21 736-0355 Washer, Flat, .56 x 1 x .04 Thk 1
22 736-0921 Washer, Lock, 1/2 1
23 736-3013 Washer, Flat, .531 x 1 x .027 Thk 2
24 736-3132 Washer, Rubber Flat, .50x1.12x.125 Thk 1
25 737-3000 Fitting, Grease, 3/16 Drive Type 2
26 738-3105 Shaft, Steering 1
27 741-3025 Bearing, Flange 1
28 747-3171 Rod, Tie 2
29 748-0108 Bearing, Flange, .503 ID 1
30 748-3007A Bearing, Bronze Flange, .75 ID 2
STEERING

-8-
REF.
NO. PART
NUMBER DESCRIPTION QTY.
1 603-0272 Pivot Assembly 1
2 710-0599 Screw, Hex Wsh Hd Tapp, 1/4-20 x .5 2
3 710-3170 Screw, Ball, 5/16-18 x.56 1
4 712-0271 Nut, Hex Sems, 1/4-20 1
5 712-3004A Nut, Hex Flange Lock, 5/16-18 GR5 1
6 712-3027 Nut, Hex Flange Lock, 1/4-20 1
7 714-0104 Pin, Internal Cotter 2
8 727-3090 Cylinder, Damper 1
9 732-3094 Spring, Compression, .63 ID x 2 1
10 732-3118 Spring, Extension, 3/8 OD x 1.44 1
11 736-3092 Washer, Flat, .265 x 1 x .030 1
12 738-0560 Bolt, Shoulder, .374 Dia x 1.375 1
13 747-3304 Rod, Front Control 1
14 747-3309 Rod, Rear Hydro Control 1
15 748-3070 Plate, Cruise 1
16 750-0434 Spacer, Split Tubing, .375 ID x 1.04 1
TRANSMISSION CONTROLS

-9-
REF.
NO. PART
NUMBER DESCRIPTION QTY.
1 718-3147
759-3764 Shaft Assembly, Drive, 28.25 Lg
Kit, Drive Barrel 1
2
2 618-3231 Transmission Assembly, Hydro
Does NOT include wheel hub as-
semblies and 3/4” hex nuts, and
brake spring
1
3 618-3088 Pinion Assembly, Input 1
4 618-3233 Pump, Hydrostatic 1
5 703-2568 Arm, Hydro Dump 1
6 710-1260A Screw, Hex Wsh Tap, 5/16-18 x .75 2
7 710-0642 Screw, Hex Wsh Tap, 1/4-20 x .75 1
8 710-3180 Screw, Hex Cap, 5/16-18 x 1.75 GR5 2
9 710-3195 Screw, Hex Cap, 5/16-18 x 4.5 GR5 2
10 710-1062 Screw, Hex Patch, 1/4-20 x 1.25 GR5 4
11 710-3288 Screw, Hex Patch, 1/4-20 x 1.62 GR5 4
12 710-3290 Screw, Hex Wsh Tap, 3/8-16 x 1.25 5
13 712-3059 Nut, Hex Top Lock Jam GR5, 1/2-20 1
14 714-0104 Pin, Internal Cotter, 5/16 Dia x 1.12 1
15 748-3093 Adapter, Pump 1
16 721-0261 O-Ring, 2.75 x .103 1
17 725-0157 Tie, Self-Clinch Cable 1
18 726-0205 Clamp, Hose 1
19 731-3297 Fan, 10 Blade Cooling 1
20 736-0253 Washer, Bell, 1/2 ID 1
21 736-0119 Washer, Lock, 5/16 4
22 736-0270 Washer, Bell, .265 x .75 x .062 1
23 759-3330 Line, Fuel, 7in (10ft Bulk) 1
24 736-3099 Washer, Wave, 1.96 x 2.44 x .06 1
25 737-0296 Vent 1
26 737-0299 Fitting, Elbow 1
27 747-3228 Rod, Hydro Disengagement 1
28 KH-24-086-16 Screw, Hex Patch, M10-1.50x 90mm 2
29 719-3096 Adapter, Drive Shaft 1
30 711-0146 Spacer, 1/2 x 1.0 x .32 1
REF.
NO. PART
NUMBER DESCRIPTION QTY.
DRIVE LINE
30

-10-
HYDRO TRANSMISSION
1
38
25
48
12
4
21
45
6
40
11 51
42 52
41 8
2
15 53
48
14
36
18
47
27
26
24
44
16
28
24
27
3
39
17
47
37
48
46 33
50 31
35
43
34 20
46
13
29
46
49 32
19 30
46
23
7
10
9
45
5
12
48
25
38
1
22
22
54
54

-11-
REF.
NO. PART
NUMBER DESCRIPTION QTY.
1 618-0579A Hub Assembly, Wheel 2
2 618-3060 Plate Assembly, Brake 1
3 618-3084 Shift Yoke Assembly 1
4 619-0056 Axle Housing, RH 1
5 619-0057 Axle Housing, LH 1
6 719-3171
759-3746 Transmission Housing, RH
Sealant, Ultra Grey 1
7 719-3170 Transmission Housing, LH 1
8 703-2191 Brake Arm 1
9 710-0606 Screw, Hex Cap, 1/4-20 x 1.5 2
10 710-0788 Screw, Hex Wash Hd Tap, 1/4-20 x 1.0 13
11 721-3029 Seal, Shift Shaft 1
12 710-1008 Screw, TT, 3/8-16 x 1.875 16
13 710-1346 Screw, Plug, M14 x 1.5 x .827 1
14 710-1670 Screw, Hex Hd Cap, 3/8-24 x 2.0 GR5 4
15 710-3262 Screw, Cap, 3/8-16 x .750 1
16 711-1052A Shaft, Cross, .500 x 3.005 2
17 711-1320 Shaft, Axle, 1.00 x 12.90 1
18 711-1566 Shaft, Axle, 1.00 x 16.62 1
19 711-3374 Shaft, Drive 1
20 711-3379A Shaft, Shifter 1
21 712-0291 Nut, Hex Center Lock, 1/4-20 2
22 712-1329 Nut, Hex, 3/4-16 2
23 715-3045 Dowel Bushing 6
24 716-0172 Ring, Retaining, .750 4
25 716-0204 Ring, Retaining, 2
26 717-1446 Gear, Miter, 10T 4
27 717-1447 Gear, Miter, 14T 2
28 717-1568 Gear, Differential Spur, 60T 1
29 717-3346 Shaft, Output, 9T 1
30 717-3347 Gear, Bevel, 36T 1
31 717-3387 Gear, Spur, 18T 1
32 717-3388 Gear, Spur, 27T 1
33 717-3391 Gear, Spur, 16T 1
34 717-3392 Gear, Spur, 42T 1
35 718-3039 Collar, Drive 1
36 719-0375 Housing, Differential, RH 1
37 719-0378 Housing, Differential, LH 1
38 721-0520 Seal, Oil, 25.4mm x 54mm x 7mm 2
39 721-3008 O-Ring, 3/8 ID x 1/2 OD x 1/16 Thk 1
40 727-3085 Dipsick, Oil 1
41 732-0152 Spring, Compression 1
42 732-3077 Spring, Brake Shoe 1
43 732-3113 Spring, Compression, 1.015 ID x 1.6 1
44 736-0600 Washer, Flat, .558 x .866 x .078 Thk 1
45 736-0463 Washer, Flat, .25 x .630 x .0515 4
46 741-0361 Bearing, Ball, 17 ID x 40 OD x 12 4
47 741-3057 Bearing, Ball, 6204 2
48 741-3114 Bearing, Ball, 6205-1 4
49 750-3133 Spacer, .757 x 1.0 x 1.460 1
50 750-3134 Spacer, .885 x 1.125 x 1.40 1
51 761-3019 Drum, Brake 1
52 761-3020 Brake, Shoe 2
53 761-3028 Brake, Actuator 1
54 736-0745 Washer, Flat, 1.010 x .56 x .060 2
REF.
NO. PART
NUMBER DESCRIPTION QTY.
HYDRO TRANSMISSION

-12-
HYDROSTATIC PUMP
1
2
3
4
5
6
7
8
9
10
11
12
13
14
15
16
17
18
19
20
21
22
23
32
24
26
25
27
28
12
15
17
2
30 29
31
33
34
33
33

-13-
REF.
NO. PART
NUMBER DESCRIPTION QTY.
1 HG-50158 Shaft, Pump (Splined) 1
2 HG-2003016 Ring, Retaining 2
3 HG-2003043 Bearing, Ball 1
4 HG-2003018 Spacer 1
5 HG-9008000-0128 Seal, Lip 1
6 HG-2003052 Ring, Retaining 1
7 HG-2003023 Bearing, Cradle 2
8 HG-9008000-0126 Seal, Lip 1
9 HG-2003005 Arm, Trunnion 1
10 HG-2000015 Guide, Slot 1
11 HG-2513036 Housing Kit 1
12 HG-2003044 Bearing Assembly, Thrust Ball 2
13 HG-2513037 Center Section Kit 1
14 HG-2003034 Shaft, Motor 1
15 HG-2003017 Washer, Block Thrust 2
16 HG-2003087 Swash Plate 1
17 HG-70079 Block Assembly 2
18 HG-9004800-2506 Pin 2
19 HG-2003060 Gasket, Center Section 1
20 HG-2510027 Kit, Check Valve 1
21 HG-2510034 Kit, Orificed Check Valve 1
22 HG-2510011 Kit, Charge Relief Valve 1
23 HG-9007314-0808 Screw, Socket Hd 8
24 HG-2003014 Spring, Block 1
25 HG-9004101-1340 O-Ring 1
26 HG-2513027 Kit, Charge Pump 1
27 HG-J1041008 Gerotor Assy 1
28 HG-50095 Screw, Socket Hd 2
29 HG-2003091 Leveler 1
30 HG-2003092 Spring, Compression 1
31 HG-9005110-8700 Plug 1
32 HG-9005110-4400 Plug 1
33 HG-9004201-3700 O-Ring 3
34 HG-9005110-5600 Plug w/O-Ring 2
HG-2513013 Kit, Overhaul Seal
HYDROSTATIC PUMP

-14-
REF.
NO. PART
NUMBER DESCRIPTION QTY.
1 603-0160 Arm Assembly, Control 1
2 703-2440 Bracket, Hydro Neutral 1
3 703-2441 Arm, Neutral 2
4 710-0106 Screw, Hex Cap, 1/4-20 x 1.25 1
5 710-0809 Screw, Hex Wash TT-Tap, 1/4-20 x 1.25 2
6 710-3242 Screw w/Patch, Set 1
7 712-0324 Nut, Hex Top Lock, 1/4-20 1
8 716-0111 Ring, Snap, .875 Shaft 1
9 723-3014 Filter, Oil 1
10 727-3002 Connector, Tube 37 Deg. w/O-Ring 1
721-3001 O-Ring, 3/8 OD Tube 1
11 727-3086 Elbow, Adjustable w/O-Ring 1
721-3002 O-Ring, 1/4 OD Tube 1
12 727-3088 Tube, Pickup 1
13 732-3119 Spring, Extension, .5 OD x 1.97 1
14 736-0176 Washer, Flat, .25 x .93 x .120 Thk 2
15 737-3022 Nipple, Oil Filter 1
16 750-0918 Spacer, Centering 1
NEUTRAL LINKAGE, HYDRAULIC PICKUP AND RETURN TUBES

-15-
REF.
NO. PART
NUMBER DESCRIPTION QTY.
1 703-2557 Screen, Intake Dash 1
2 703-3108B Bulkhead, Lower 1
3 710-0751 Screw, Hex Cap, 1/4-20 x .625 2
4 710-0597 Screw, Hex Cap, 1/4-20 x 1.0 4
5 710-3217 Screw, Cross Rec Trus, #8-32 x .38 3
6 712-0142 Nut, #8-32 1
7 712-0397 Nut, Wing w/Bell Washer 1/4-20 2
8 720-3024 Seal, Push On Trim 1
9 723-3042 Bushing, Snap, 7/8 ID 1
10 726-3048 Nut, U-Type Speed, 1/4-20 2
11 726-3054 Nut, U-Clip, 1/4-20 4
12 731-3137A Panel, Dash 1
777I20306 Graphic, Ignition Switch 1
13 731-3161 Knob, Throttle 1
14 731-3317A Boot, Intake 1
15 736-3128 Washer, Flat, .285 x 1.75 x .10 4
16 746-3035 Control, Throttle 1
17 746-3051 Control, Choke 1
18 747-3226 Rod, RH Mounting 1
19 747-3227 Rod, LH Mounting 1
20 777I20312 Label, Dash 1
21 710-0136 Screw, Hex Cap,1/4-20 x 1.75 GR5 1
22 736-0342 Washer, Flat, .283 x .75 x .030 1
23 731-3232 Roller, Hood Latch 1
24 712-0271 Nut, Hex Sems, 1/4-20 1
REF.
NO. PART
NUMBER DESCRIPTION QTY.
BULKHEAD, DASH PANEL AND ENGINE CONTROLS

-16-
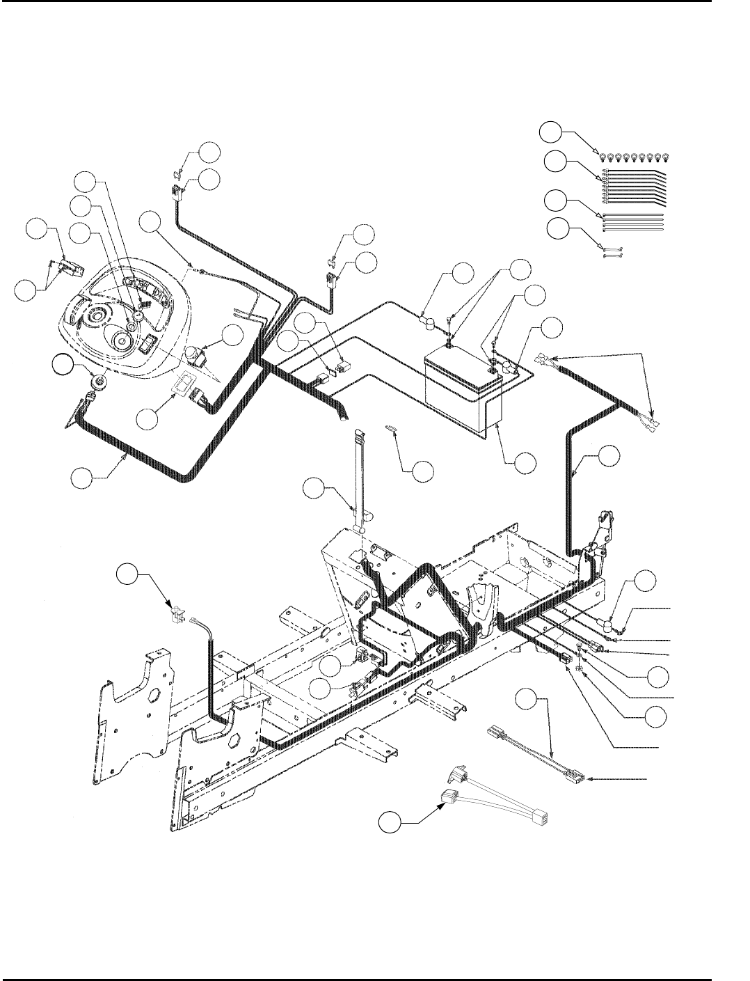
BATTERY, ELECTRICAL COMPONENTS AND SWITCHES
14
1
1
2
3
4
5
6
6
7
8
9
10
11
12
13 14
15
16
17
18
19
20
21
22 23
24
25
25
26
Red to
Starter
Red to
Starter
To PTO
Black to
Engine
Ground
To Engine
To Headlights
From PTO
Adapter
to Harness
27
28
32
29
30
31

-17-
REF.
NO. PART
NUMBER DESCRIPTION QTY.
1 629-3068A Wire Harness, Main 1
2 783-0462 Bracket, PTO Switch Retainer 1
3 710-0936 Screw, Truss Hd Tapp, #6 x .62 AR
4 629-3072A Wire Harness, S.A.M. 1
5 710-0237 Screw, Hex Cap, 5.16-24 x .625 GR5 1
6710-3015
712-0271
Battery Cable Hardware
Screw
Sems Nut 2
2
7 721-0342 Gasket, Silicone 1
8 723-0445A Strap, Battery Retainer 1
9 759-3476A Key, Ignition (Set of 2) 1
10 725-0340 Cover, Terminal Black 1
11 725-1346 Nut, Ignition Switch 1
12 725-1347 Cap, Ignition Switch 1
13 725-1365 Bulb, Indicator 1
14 725-3243 Fuse, 25 Amp 2
15 725-1648 Relay 1
16 725-3007A Cover, Terminal Red 1
17 725-3159 Hour Meter 1
18 725-3284 Switch, Ignition 1
19 725-3164A Switch, Interlock (Brake) 1
20 725-3166 Switch, Snap Mount 1
21 725-3233 Switch, PTO 1
22 725-3166 Switch, Snap Mount Seat 1
23 725-3237 Cover, Terminal Red 1
24 736-0607 Washer, External Lock, 5/16 1
25 729-0357 Holder, Fuse w/Mounting Clip 2
26 725-1707C Battery 1
27 725-3242 Adapter, PTO Harness 1
28 732-0696 Hook, Wire Rectangular 1
29 725-0157 Tie, Self-Clinch Cable 4
30 726-0154 Tie, Pushmount 9
31 726-3055 Clip, Cable 9
32 726-0161 Clip, Wire 2
BATTERY, ELECTRICAL COMPONENTS AND SWITCHES

-18-
REF.
NO. PART
NUMBER DESCRIPTION QTY.
1 603-0132 Rod, Quick Attach 1
2 603-0328B Frame 1
3 703-2257
777I20296 Drawbar
Graphic, Transmission Release Lever 1
1
4 703-2577 Bumper 1
5 710-0597 Screw, Hex Cap, 1/4-20 x 1.0 6
6 710-0623 Screw, Hex Wsh Hd Tapp 3/8-16 x .75 2
7 710-1260A Screw, Hex Wsh Hd Tap 5/16-18 x .75 4
8 710-3261 Screw, Hex Cap, 3/8-16 x 7.0 1
9 712-0431 Nut, Hex Flange Lock, 3/8-16 1
10 712-3027 Nut, Hex Flange Lock, 1/4-20 8
11 722-0258 Grommet, Insulator 6
12 732-3002 Spring, Latch 1
13 736-3090 Washer, Flat, .255 x .72 x .60 6
14 738-0255 Bolt, Shoulder 2
15 750-3114A Spacer, Idler, .407 x .720 x 4.38 1
16 750-3169 Spacer, .28 x .40 x .42 Lg 6
17 756-3045 Pulley, Idler 2
18 732-0970 Belt Guide 1
FRAME AND DRAWBAR

-19-
1
2
3
4
5
REF.
NO. PART
NUMBER DESCRIPTION QTY.
1 710-0757 Screw, Hex Cap, 7/16-20 x 1.5 GR5 1
2 711-1099 Stud, Clutch Stop 1
3 736-0171 Washer, Lock, 3/8 1
4 717-3385A Clutch Assy, PTO 1
711-3351 Spacer (Not Shown) 1
5 736-3082A Washer, Flat, .445 x 1.5 x 1.72 Hdn 1
TO FUEL
FILTER
PTO CLUTCH
FUEL TANK
†
Not Shown
REF.
NO. PART
NUMBER DESCRIPTION QTY.
1 722-3020 Foam, 1.25 Sq x .62 Thk AR
2 722-3022 Tape, Foam, .625 Wide x .25 Thk AR
3 726-0205 Clamp, Hose 2
4 759-3330 Line, Fuel, 72” (Shipped In 10ft Length) 1
5 751-3112B Tank, Fuel 1
6 751-3124B Cap, Fuel 1
† 723-3066 Insulator, Foam Fuel LIne 1

-20-
REF.
NO. PART
NUMBER DESCRIPTION QTY.
1 651-3001 Muffler Assembly 1
2 703-3099 Sheild, Muffler Tube 1
4 710-1268 Screw, Hex Wsh Hd Tap, #10-16 x .38 2
5 710-3290 Bolt, Eng Mount, 3/8-16 x 1.25 4
6 712-3086 Nut, Exhaust, M8 x 1.25 2
7 712-3004A Nut, Hex Flange Lock, 5/16-18 3
9 736-0105 Washer, Bell, .401 x .870 x .063 4
10 751-0653 Tube, Exhaust 1
11 759-3744 Arrestor, Spark 1
12 721-0375 Gasket, Exhaust 1
ENGINE MOUNTING AND MUFFLER

-21-
REF.
NO. PART
NUMBER DESCRIPTION QTY.
1 KH-25-139-57-S Plug, Solid Sq. Head, 3/8 NPTF 2
2 KH-12-032-03 Seal, Crankshaft 1
3 KH-12-755-64 Kit, Gov. Cross Shaft (Incl. Ref #7) 1
4 KH-M-631015 Washer, Governor Shaft, 6mm 1
5 KH-12-032-01 Seal, Governor Cross Shaft 1
6 KH-X-25-102 Washer, Plain, 1/4 1
7 KH-12-154-05 Pin, Governor Hitch 1
8 KH-24-380-13-S Dowel, Locating 4
9 KH-12-144-02 Shaft, Governor Gear 1
10 KH-M-631005 Washer, Governor Gear Thrust 1
11 KH-12-043-05 Gear, Governor Assy 1
12 KH-12-380-01 Pin, Governor Regulating 1
13 KH-12-144-26 Shaft, Balance 1
14 KH-12-422-07 Shim,Camshaft, .0280 (White) AR
KH-12-422-08 Shim,Camshaft, .0300 (Blue) AR
KH-12-422-09 Shim,Camshaft, .0320 (Red) AR
KH-12-422-10 Shim,Camshaft, .0340 (Yellow) AR
KH-12-422-11 Shim,Camshaft, .0360 (Green) AR
KH-12-422-12 Shim,Camshaft, .0380 (Grey) AR
KH-12-422-13 Shim,Camshaft, .0400 (Black) AR
15 KH-12-755-49 Camshaft Assy, (Incl. Ref #14,16) 1
16 KH-12-089-31 Spring, Actuating 1
17 KH-52-139-09 Plug, Cup 1
18 KH-12-874-07 Piston w/Ring Set, Std 1
KH-12-874-11 Piston w/Ring Set, .08mm O.S. 1
KH-12-874-08 Piston w/Ring Set, .25mm O.S. 1
KH-12-874-09 Piston w/Ring Set, .50mm O.S. 1
19 KH-12-018-02 Retainer, Piston Pin 2
20 KH-12-108-07 Ring Set, Std. 1
KH-12-108-08 Ring Set, .25mm 1
KH-12-108-09 Ring Set, .50mm 1
21 KH-12-067-05 Rod, Connecting, Std 1
KH-12-067-06 Rod, Connecting, .25mm 1
22 751-3140 Drain, Oil 1
23 751-3141-12 Hose, Oil Drain 1
KH-12-755-93-S Gasket Set 1
KH-45509 Engine Complete 1
KH-12-522-39 Short Block 1
REF.
NO. PART
NUMBER DESCRIPTION QTY.
CRANKCASE
1
2
3
4
5
7
8
9
10
11
12
13
14
15
16
17
18
19
21
22
23
6
20

-22-
REF.
NO. PART
NUMBER DESCRIPTION QTY.
1 KH-M-0645016 Screw, Hex Flange, M6 x 1 x 16 4
2 KH-M-645020-S Screw, Hex Flange, M6 x 1 x 20 1
3 KH-12-096-07 Cover, Valve w/Nipple 1
4 KH-12-445-05 Strap, Lifting 1
5 KH-25-237-14-S Clamp, Hose 1
6 KH-12-326-19-S Hose, Breather 1
7 KH-12-755-81 Kit, Cyl Head, (Includes #8-23,
KH-12-041-01, KH-12-041-02,
and KH-12-041-03 Gaskets)
1
8 KH-12-755-03 Kit, Retainer 2
9 KH-12-173-01 Cap, Valve Spring 2
10 KH-12-089-34-S Spring, Valve 2
11 KH-66-032-05-S Seal, Valve Stem 2
12 KH-12-468-05 Washer, Plain, 13/32” 1
13 KH-12-112-13 Spacer, Head Bolt Exhaust Port 1
14 KH-20-086-02-S Screw, Hex Flange, M10 x 1.5 x 81 5
15 KH-M-0640034 Screw, Hex Flange, M6 x 1 x 34 2
16 KH-12-599-03 Pivot, Rocker Arm 2
17 KH-25-186-01 Arm, Rocker 2
18 KH-12-318-19 Head, Cylinder 1
19 KH-25-139-60-S Plug, Allen Head, 1/8” Pipe 1
20 KH-12-017-01
KH-12-017-02 Valve, Intake (Std.)
Valve, Intake (.25mm) 1
1
21 KH-12-016-01
KH-12-016-02 Valve, Exhaust (Std.)
Valve, Exhaust (.25mm) 1
1
22 KH-12-041-10 Gasket, Cylinder Head 1
23 KH-12-411-04-S Rod, Push 2
24 KH-25-351-01 Lifter, Valve 2
25 KH-12-402-02 Reed, Breather 1
26 KH-M-0545010 Screw, Hex Flange, M5 x .8 x 10 1
27 KH-12-018-03 Retainer, Breather Reed 1
REF.
NO. PART
NUMBER DESCRIPTION QTY.
24
23
22
21
17
16
15
25
26
27
4
3
2
1
5
6
7
14
13
8
919
10
8
11
20
18
12
CYLINDER HEAD, VALVES AND BREATHER

-23-
REF.
NO. PART
NUMBER DESCRIPTION QTY.
1 KH-12-009-51 Plate Assembly, Closure
(Incl. Ref #4-7,17, 23) 1
2 KH-12-032-03 Seal, Oil (PTO End) 1
3 KH-24-086-16 Screw, Closure Plate, M8x1.25x45 11
4 KH-12-096-21 Cover, Oil Pump 1
5 KH-M-545016 Screw, Oil Pump Cover, M5x.8x16 3
6 KH-12-153-05 O-Ring, Oil Pump 1
7 KH-12-393-01 Pump Assembly, Oil 1
8 KH-25-099-24 Switch, Oil Pressure 1
9 KH-M-545016-S Screw, Hex Flange M5 x 0.8 x 16 1
10 KH-25-381-01 Pick-up, Oil Screen 1
11 KH-12-050-08 Filter, Oil 1
12 KH-24-136-01 Nipple, Oil Filter 1
13 KH-M-545016-S Screw, Oil Pick-Up, M5 x .8 x 16 1
14 KH-52-154-01 Clip, Oil Tube 1
15 KH-12-153-04 O-Ring, Oil Pick-Up 1
16 KH-12-755-73 Kit, Oil Pick-Up (Incl. Ref #10) 1
17 KH-12-030-05 Bearing, Thrust 1
18 KH-12-153-07 O-Ring, Lower Oil Fill Tube 1
19 KH-12-123-22 Tube, Oil Fill 1
20 KH-12-153-02 O-Ring, Upper Oil Fill Tube 1
21 KH-12-153-03 O-Ring, Dipstick Cap 1
22 KH-12-038-08 Cap/Dipstick, Oil Fill 1
23 KH-25-462-09 Valve, Oil Pressure Relief 1
24 KH-24-086-17 Screw, Hex Flange M8 x 1.25 x 45 1
25 KH-25-139-60-S Plug 1
REF.
NO. PART
NUMBER DESCRIPTION QTY.
2
3
4
56
7
8
9
10
11
12 13
14
15
16
17
18
19
20
21
23
24
1
22
OIL PAN AND LUBRICATION
25

-24-
REF.
NO. PART
NUMBER DESCRIPTION QTY.
1 KH-M-0545010 Screw, Hex Flange, M5 x .8 x 10 3
2 KH-12-063-08 Baffle, Cylinder Head 1
3 KH-M-645016-S Screw, Hex Flange, M5 x .8 x 16 3
4 KH-25-154-02 Clip, Mounting 3
5 KH-12-063-15-S Baffle, Cylinder 1
6 KH-12-146-07 Plate, Blower Housing 1
7 KH-12-086-37 Screw, w/Washer M5 x .8 x 20 3
8 KH-12-027-55 Housing, Blower 1
9 KH-12-063-10 Baffle, Intake Side 1
10 KH-M-550010-S Screw, Hex Flange, M5 x 0.8 x 10 2
11 KH-24-468-10 Washer, Plain 1/4” 1
REF.
NO. PART
NUMBER DESCRIPTION QTY.
1 KH-12-014-37 Crankshaft (Incl. Ref #2) 1
2 KH-12-139-01 Plug, Cup 1
REF.
NO. PART
NUMBER DESCRIPTION QTY.
1 KH-25-072-04 Stud, Exh Manifold, M8 x 1.25 x 33 2
2 721-0375 Gasket, Exhaust Manifold 1
3 712-3086 Nut, Muffler, M8 x 1.25 2
BLOWER HOUSING AND BAFFLES
CRANKSHAFT
EXHAUST
1
2
3
4
5
6
7
8
9
10
1
11

-25-
REF.
NO. PART
NUMBER DESCRIPTION QTY.
1 KH-12-755-84 Kit, Fuel Recovery (Incl. Ref #2-4,
7-10, 13, 15-18) 1
2 KH-12-041-01 Gasket, Carburetor 1
3 KH-M-0629116 Stud, M6 x 1.0 x 116 2
4 KH-12-041-02 Gasket, Air Cleaner 1
5 KH-12-123-07 Tube, Air Cleaner 1
6 KH-12-094-06 Base, Air Cleaner 1
7 KH-12-041-09 Gasket, Collector Plate 1
8 KH-12-211-02 Bolt, Carriage, M6 x 1.0 x 22 1
9 KH-12-109-08 Cup, Fuel Spit Back 1
10 KH-12-018-06-S Retainer, Ring 1
11 759-3547 Element, Air Cleaner 1
12 KH-24-032-03 Seal, Inner Air Cleaner 1
13 KH-52-083-01 Pre-Cleaner, Element 1
14 KH-12-096-37 Cover, Air Cleaner Element 1
15 KH-12-100-01 Wingnut, Element Cover 1
16 KH-12-096-41 Cover, Air Cleaner Base 1
17 KH-25-341-03 Knob, Air Cleaner Cover 1
AIR INTAKE AND FILTER
1
2
3
4
5
6
7
8
9
10
11
12
13
14
15
16
17

-26-
REF.
NO. PART
NUMBER DESCRIPTION QTY.
1 KH-M-0641060 Nut, Hex Flange, M6 x 1.0 2
2 KH-M-0629116 Stud, Carburetor, M6 x 1.0 x 116 2
3 KH-M-0644035 Screw, Socket Cap, M6 x 1.0 x 35 2
4 KH-12-029-04 Adapter, Carburetor 1
5 KH-12-265-04 Deflector, Heat 1
6 KH-12-041-02 Gasket, Air Filter 1
7 KH-12-041-01 Gasket, Carburetor 3
8 KH-12-853-93 Kit, Carb w/Gskts [Incl. Ref #6,
7(1), KH-12-454-03-S (Wire Tie)
and KH-25-452-20 (Terminal)]
1
9 KH-25-155-02 Connector, Hose, 90° 1
10 KH-12-353-07 Line, 90° Fuel 1
11 KH-25-237-14-S Clamp, Fuel Line 6
12 KH-X-728-1 Clip, Tube 1
13 KH-M-0545010 Screw, Hex Flange, M5 x .8 x 10 1
14 KH-12-353-11 Line, Metal Fuel 1
15 KH-12-353-01 Line, Fuel, 1 1/4 1
16 KH-25-050-07-S Filter, Fuel 1
17 KH-25-353-08 Line, Fuel, 5” 1
18 KH-25-326-03-S Connector, Straight Hose 1
19 KH-12-559-01 Kit, Fuel Pump (Incl. 35, 36, 37) 1
20 KH-M-0645020 Screw, Hex Flange, M6 x 1 x 20 2
21 KH-12-112-05 Spacer, Fuel Pump 1
22 KH-25-041-09 Gasket, Fuel Pump 2
23 723-3066-24 Insulation, Fuel Line 1
NOT SHOWN
KH-12-757-02 Kit, Float Assembly 1
KH-12-757-03 Kit, Carburetor Repair —
Includes Gasket,
Carburetor Gasket, Air Filter
Base Gasket, Fuel Bowl Gasket,
Bowl Screw
1
KH-12-757-08 Kit, Choke Repair — Includes
Shaft Assembly, Choke Plate,
Choke Bushing, Choke Cap,
Choke Lever Screw, Valve (2)
1
KH-12-757-33 Kit, Solenoid Repair — Includes
Gasket, Bowl Screw, Tie, Wire
Terminal
1
KH-12-757-37-S Kit, Bowl Replacement 1
KH-12-755-92-S Kit, High Altitude 1
† KH-M-561010 Screw, Thrd Forming M5 x .8 x 10 1
† KH-X-22-11 Washer, Lock 1/4”
REF.
NO. PART
NUMBER DESCRIPTION QTY.
FUEL SYSTEM
†
Used to Attach Carburetor Ground Lead
5
1
2
3
4
6
7
8
9
10
11
12 13 14
15
16
17
18
19
20
21
22
23
11
11 11
11
11
7
7

-27-
REF.
NO. PART
NUMBER DESCRIPTION QTY.
1 KH-25-158-11 Bushing, Throttle 1
2 KH-12-090-14 Lever, Choke, Upper 1
3 KH-12-079-08 Linkage, Choke, Upper 1
4 KH-12-079-04 Linkage, Throttle 1
5 KH-25-158-08 Bushing, Linkage 1
6 KH-M-0545010 Screw, Bracket, M5 x .8 x 10 2
7 KH-12-126-15 Bracket, Choke Mount 1
8 KH-12-237-01 Clamp, Cable 1
9 KH-M-0545016 Screw, Clamp, M5 x .8 x 16 1
10 KH-M-0641060 Nut, M6 x 1 1
11 KH-12-086-41-S Screw, Governor Arm, M6 x 1 x 25 1
12 KH-12-089-17 Spring, Governor 1
13 KH-230117 Spring, Linkage 1
14 KH-M-545016-S Screw, Throttle Cntrl, M5 x .8 x 16 2
15 KH-12-112-07 Spacer, Throttle Control 1
16 KH-12-090-13 Lever, Throttle Control 1
17 KH-12-146-05 Plate, Control 1
18 KH-M-0541050 Nut, Hex, M5 x .8 1
19 KH-M-0664020 Screw, Control Plate, M6 x 1 x 20 2
20 KH-12-237-01 Clamp, Cable 2
21 KH-12-090-19 Lever, Governor 1
ENGINE CONTROLS
1
23
4
5
6
7
8
9
10
11
12
13
14
15
16
17
18
19
14
20
21

-28-
REF.
NO. PART
NUMBER DESCRIPTION QTY.
1 KH-25-098-09-S Starter, (Incl. Ref #2-6) 1
2 KH-25-086-113-S Screw, External Torx Hd. 3
3 KH-25-435-05-S Kit, Solenoid (Includes Ref. #2) 1
4 KH-25-755-33-S Kit, Pinion Drive (Includes Ref. 5) 1
5 KH-25-141-05-S Ring 1
6 KH-25-221-01-S Kit, Brush 1
7 KH-M-839080 Screw, Hex Flange, M8 x 1.25 x 80 2
8 KH-M-0841080 Nut, Hex Flange, M8 x 1.25 1
STARTING SYSTEM
1
2
345
6
7
8
7

-29-
REF.
NO. PART
NUMBER DESCRIPTION QTY.
1 KH-237878 Kit, Stator, (Includes Ref #4 and
KH-25-452-01 Terminal, Qty 2) 1
2 KH-M-548025-S Screw, Stator Mntg, M5 x 0.8 x 25 4
3 759-3336 Spark Plug 1
4 KH-M-0545010 Screw, Harness Clip, M5 x .8 x 10 2
5 KH-X-728-1 Clip, Cable 2
6 KH-12-584-14-S Module, Ignition 1
7 KH-12-086-35-S Screw, Ign Module, M4 x .7 x 4.0 2
8 KH-X-42-15 Key 1
9 KH-12-025-46-S Flywheel Assembly 1
10 KH-12-468-03 Washer, Flywheel 1
11 KH-12-086-14 Screw, Flywheel, M10 x 1.5 x 46 1
12 KH-12-157-03 Fan 1
13 KH-12-162-05 Screen, Grass 1
14 KH-12-584-12 Module, Digital Speed Advance 1
15 KH-25-086-47 Bolt, Shoulder M6 x 1 x 16 4
16 KH-24-086-18-S Screw, Phillips Hd. 11-16 x 7/8 2
17 KH-41-403-09 Rectifier-Regulator 1
18 KH-236602 Connector, Three Contact 1
19 KH-X-22-11 Washer, Lock, 1/4 2
20 KH-M-461013 Screw, Pan Head, M4.2 x 13 2
21 KH-12-452-02-S Teriminal 1
† KH-24-518-12-S Lead, Black, 4” 1
† KH-12-176-51-S Harness, Wire 1
† KH-M-445010 Screw, Hex Flange M4 x.7 x 10
(To attach harness to baffle) 2
REF.
NO. PART
NUMBER DESCRIPTION QTY.
IGNITION/ELECTRICAL
1
2
3
4
5
6
7
8
9
10
11
12
13
14
15
16
17
18
19
20
21
4
5
19
† Not Shown

-30-
GRILLE, HOOD AND SIDE PANELS
1
2
316
23
4
5
6
7
8
9
10
11
12 13
15
22
18
19
20
21
17
7
8
11
11
12
12
13
13
13
14
14
17
19
19
19
21
22
11

-31-
REF.
NO. PART
NUMBER DESCRIPTION QTY.
1 603-0211 Bracket, Grille LH 1
2 603-0212 Bracket, Grille RH 1
3 603-04063 Bracket, Upper Hood 1
4 703-2396
777D03263
777D03270
777X40079
Panel, RH Side
Graphic, Hood RH
Graphic, 2166
Strip, Protective
1
1
1
1
5 703-2397
777D03264
777D03270
777X40079
Panel, LH Side
Graphic, Hood LH
Graphic, 2166
Strip, Protective
1
1
1
1
6 703-2398
777I20314 Grille
Graphic, Warning HOT 1
1
7 703-2465 Link, Short Hood 2
8 703-2466A Link, Long Hood 2
9 703-2495 Screen, LH Panel 1
10 703-2496 Screen, RH Panel 1
11 710-0351 Screw, Truss Mach Tapp, #10 x .50 8
12 710-0599 Screw, Hex Wash Hd Tapp, 1/4 x .50 6
13 712-3027 Nut, Hex Flange Lock, 1/4-20 8
14 712-0397 Nut, Wing, 1/4-20 2
15 726-0139 Nut, U-Type Speed, #10 2
16 625-04001
725-0963
725-1649
Headlight Assy (Includes Lamp and Socket)
Lamp, 12V
Socket, Lamp
1
2
2
17 732-0334 Spring, Compression, .50 OD x .50 4
18 732-1178 Spring, Hood Latch 1
19 736-0175 Washer, Spring, .265 x .562 x .025 8
20 736-0400 Washer, Flat, .218 x .62 x .063 2
21 738-3141 Bolt, Shoulder, .31 Dia x .75 Lg 2
22 748-3055 Bushing, Tapered 4
23 959-3747B Hood, Series 2000 1
GRILLE, HOOD AND SIDE PANELS

-32-
FENDER AND RUNNING BOARD

-33-
REF.
NO. PART
NUMBER DESCRIPTION QTY.
1 731-3212 Cup Holder 1
2 631-3002 Cover, Implement Lift 1
3 703-2278B Fender 1
4 710-0751 Screw, Hex Cap, 1/4-20 x .62 6
5 710-0597 Screw, Hex Cap, 1/4-20 x 1.0 6
6 710-1268 Screw, Hex Tapp, #10 x .38 Lg 2
7 712-3027 Nut, Hex Flange Lock, 1/4-20 12
8 722-0258 Grommet, Insulator 6
9 723-3042 Bushing, Snap, 7/8 ID 1
10 735-3046A Pad, RH Foot 1
11 735-3047 Pad, LH Foot 1
12 736-3090 Washer, Flat, .255 x .72 x .06 6
13 750-3169 Spacer, .28 ID x .40 OD x .42 Lg 6
14 703-2279 Running Board w/Graphic 1
777S30170 Graphic, Warning 1
15 777D04791 Graphic, Rear Fender 1
16 703-2628 Bracket, Fender Reinforcement 2
17 710-0224 Screw, Hex Tapp, #10-16 x .5 4
FENDER AND RUNNING BOARD

-34-
REF.
NO. PART
NUMBER DESCRIPTION QTY.
1 603-0057A Handle Assembly, Lift 1
2 603-0059A Shaft Assembly, Lift 1
3 603-0136 Fork, Lift 1
4 703-2239 Bracket, Lift Index 2
5 703-2558 Indicator, Lift Height 1
6 710-0451 Bolt, Carriage, 5/16-18 x .75 2
7 710-0599 Screw, Hex Wash Tapp, 1/4 x .5 1
8 710-3144 Screw, Hex Cap, 3/8-16 x 2 GR5 1
9 710-3279 Screw, Hex Cap, 3/8-16 x 4.25 GR5 1
10 711-0635 Insert, Spring 1
11 711-0642A Button, Handle 1
12 711-3350 Ferrule, Adjustment 1
13 712-0262 Nut, Hex Center Lock, Jam, 3/8-24 1
14 712-0431 Nut, Hex Flanged Lock, 3/8-16 2
15 712-3004A Nut, Hex Flanged Top Lock, 5/16-18 2
16 715-0114A Pin, Spiral Spring, 1/4 Dia x 1.5 2
17 716-0116 Ring, Snap, 1.25 Dia Shaft 1
18 731-3158 Grip, Lift Handle 1
19 732-3093 Spring, Extension 1
20 732-3097 Spring, Compression 1
21 736-0267 Washer, Flat, .385 x .87 x .06 1
22 738-0145 Bolt, Shoulder 1
23 747-3175 Rod, Index 1
24 748-3051 Bearing, Hex Flange, 1.25 ID 2
25 750-3131 Spacer, 1.28 ID x 1.5 OD x .335 Lg 1
REF.
NO. PART
NUMBER DESCRIPTION QTY.
IMPLEMENT LIFT HANDLE

-35-
REF.
NO. PART
NUMBER DESCRIPTION QTY.
1 603-0058 Bracket, RH Hanger 1
2 703-2234 Bracket, LH Hanger 1
3 703-2804 Plate, Bearing Mounting 2
4 703-2832 Link, RH Lift 1
5 703-2833 Link, LH Lift 1
6 710-3000 Screw, Hex Cap, 3/8-16 x .75 GR5 2
7 711-3319 Ferrule, Adjustment 1
8 712-0431 Nut, Hex Flange Lock, 3/8-16 7
9 712-3048 Nut, Hex Jam, 1/2-13 GR5 1
10 712-3083 Nut, Hex Insert Lock, 1/2-13 1
11 714-0145 Pin, Internal Cotter 1
12 736-0326 Washer, Flat, .5 x 1.5 x .15 3
13 736-3069 Washer, Flat, .531 x .875 x .15 2
14 738-0430 Bolt, Shoulder 2
15 738-0507B Bolt, Shoulder 3
IMPLEMENT LIFT HANGER

-36-
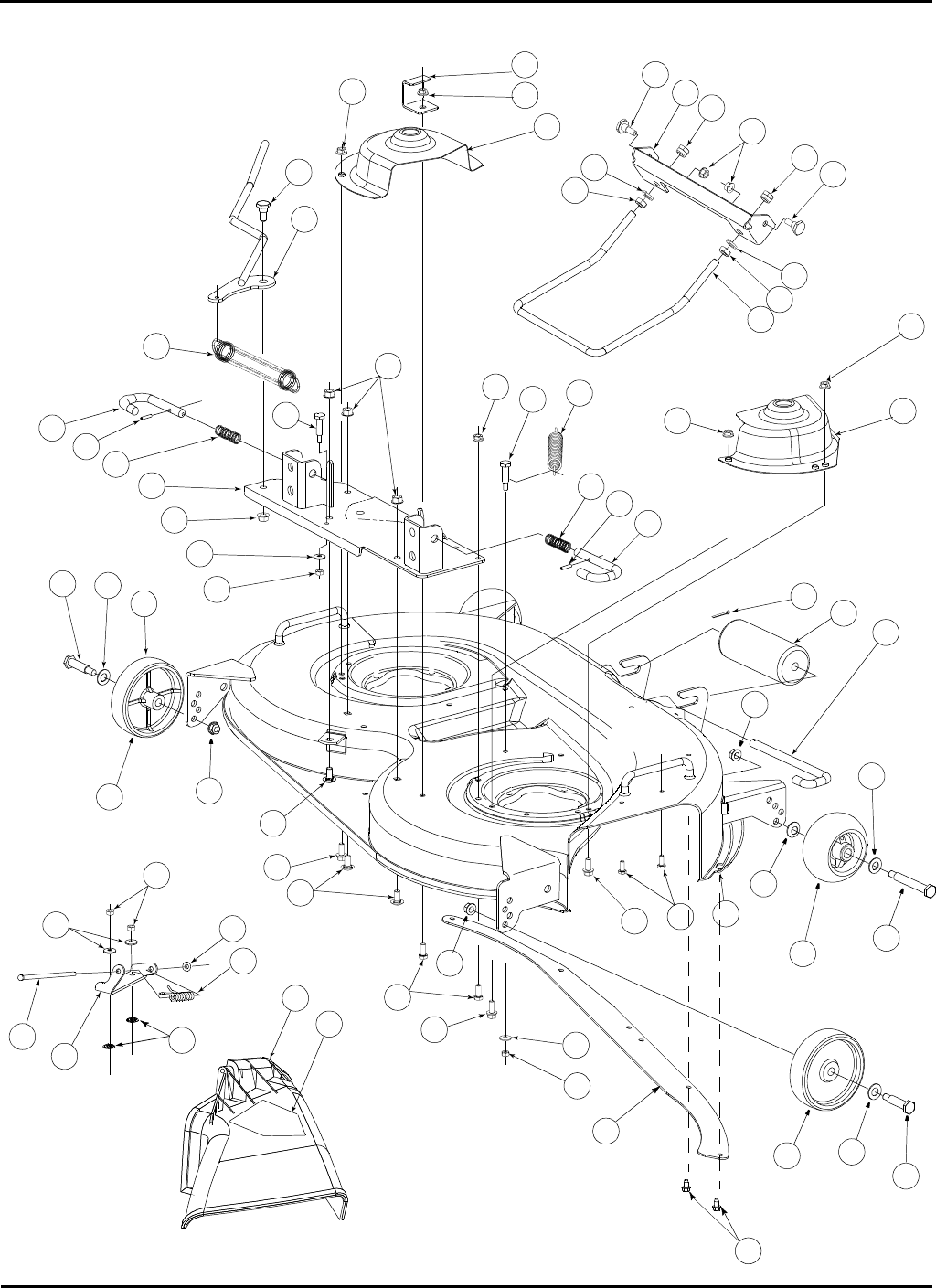
42” DECK ASSEMBLY
16
26
22
17
37
37
21
35
21
3
20
40
29
8
18
6
35
20
36
18
2
30
41
23
18
18
7
28
5
13
33
19
24
11
10
12
10
12
31
34
41
23 30
1
17
33
19
38
17
39
18 39 27
AB
AB
10
31
33
19
94
31 17
17
34
38
32
14 15
34
17
43
44
45
25
42

-37-
REF.
NO. PART
NUMBER DESCRIPTION QTY.
1 603-0181A Plate Assembly, Mounting 1
2 603-0199 Handle, Tension 1
3 603-0200 Bracket, Front Lift 1
4 603-0409A
777S30503
777S30014
777S30018
Deck Assembly, 42"
Graphic, Danger Top/RH Deck
Graphic, Tension Lever
Graphic, Safety Top/LH Deck
1
1
1
1
5 703-1693A Bracket, Hinge Mounting 1
6 703-2559 Bracket, Handle Stop 1
7 703-3237 Shield, RH Pulley 1
8 703-2945 Shield, LH Pulley 1
9 710-0751 Screw, Hex Cap, 1/4-20 x .62 GR5 2
10 710-1260A Screw, Hx Wsh Hd Tapp, 5/16-18 x .75 3
11 710-3008 Screw, Hex Cap, 5/16-18 x .75 GR5 2
12 710-3178 Bolt, Carriage, 3/8-16 x .75 3
13 711-0792 Pin, Hinge, .25 Dia x 6.75 Lg 1
14 703-1890
737-0280 Wheel, Deck w/Fitting
Lube, Fitting 2
2
15 738-3056 Bolt, Shoulder, 1/2 x 2.5 2
16 711-3314 Pin, Roller, 1/2 Dia x 7.31 Lg 1
17 712-0431 Nut, Hex Flange Lock, 3/8-16 10
18 712-3004A Nut, Hex Flange Lock, 5/16-18 GR5 5
19 712-3006 Nut, Hex, 1/4-20 4
20 712-3048 Nut, Hex Jam, 1/2-13 GR5 2
21 712-3083 Nut, Hex Insert Lock, 1/2-13 2
22 714-3004 Pin, Cotter, 3/32 x 1.25 1
23 715-3003 Pin, Spirol Spring, 3/16 x .75 2
24 726-0106 Cap, Speed Nut 1
25 731-1032B Deflector Assy, (Incl. #5, 13, 24, 28, 45) 1
26 731-3005 Roller 1
27 732-0262 Spring, Extension, .88 OD x 6.12 1
28 732-0602A Spring, Torsion 1
29 732-3115 Spring, Extension, 1.25 OD x 8.15 1
30 732-3127 Spring, Compression 2
31 734-0973 Wheel, Deck, 5 in. Dia 2
32 736-0105 Washer, Bell, .401 x .870 x .063 2
33 736-0270 Washer, Bell, .265 x .75 x .062 4
34 736-0272 Washer, Flat, .510 x 1.0 x .060 4
35 736-0921 Washer, Lock, 1/2 2
36 738-0143 Bolt, Shoulder, .498 Dia x .340 Lg 1
37 738-507B Bolt, Shoulder, .50 Dia x .434 Lg 2
38 738-0533 Bolt, Shoulder, .498 Dia x 1.64 Lg 2
39 738-0572 Bolt, Shoulder, .375 Dia x 1.16 Lg 2
40 747-3172B Rod, Front Lift 1
41 747-3188 Pin, Mower Support 2
42 777S30145 Graphic, Danger 1
43 710-0599 Screw, Self Tapping, 1/4-20 x .5 5
44 783-1146A Skirt, Deck 1
45 726-0233 Nut, Push, 1/4 2
42" DECK ASSEMBLY

-38-
13
22
23
28
23
22
13
18
20
26
17
6
30
21
12
33
12
27
21
32
10
1
4
20
2
9
15
16
8
34
36
19
14
5
31
25
25
25
19
11
35
7
36
3
11
37
39
24
38
18
42” SPINDLE ASSEMBLY

-39-
REF.
NO. PART
NUMBER DESCRIPTION QTY.
603-0857 Pivot Arm, Double Pulley 1
2 603-0181A Plate Assembly, Mounting 1
3 703-2463 Arm, Idler 1
4 710-0520 Screw, Hex Cap, 3/8-16 x 1.5 GR5 1
5 710-0923 Screw, Hex Cap, 5/8-18 x 3.0 GR5 1
6 710-1010 Screw, Hex Cap, 1/2-20 x 3.0 GR8 1
7 710-1260A Screw, Hex Wsh Hd Tap, 5/16-18 x .75 8
8 710-1336A Bolt, Spindle, 3/4-16 x 4.25 2
9 712-0239 Nut, Hex Center Lock, 1/2-20 1
10 712-0431 Nut, Hex Flange Lock, 3/8-16 1
11 712-3078 Nut, Hex Flange, 3/4-16 2
12 716-3020 Snap Ring, Internal 2
13 721-3018A Seal, Oil, 1.25 x 1.874 x .25 4
14 732-0262 Spring, Extension, .88 x 6.12 1
15 732-3115 Spring, Extension, 1.25 x 8.15 1
16 736-0100 Washer, Flat, .531 x 1.25 x .036 1
17 736-0179 Washer, Flat, .531 x 1.25 x .100 1
18 736-0237 Washer, Flat, .65 x 1.25 x .075 Hdn. 2
19 737-3000 Fitting, 3/16 Drive Lube 3
20 741-0338 Bearing, Flange, 3/4 ID x .53 Lg 2
21 741-1122 Bearing, .625 ID x 1.574 OD x 470 2
22 741-3028 Cone, Bearing 4
23 741-3029 Cup, Bearing 4
24 712-3087 Nut, Wing, 1/4-20 1
25 748-3065 Spacer, Deck Spindle 4
26 750-0656 Spacer, Idlr Brkt .50 ID x .75 OD x 2.25 1
27 750-3132 Spacer, Pulley .635 ID x .88 OD x 1.25 1
28 750-3190A Spacer, Bearing, .780 x .963 x .777 2
30 754-3073 Belt, Spindle, A-Section x 61 Lg 1
31 754-3055A Belt, PTO, B-Section x 112.4 Lg 1
32 756-0627B Pulley, Flat Idler, 3.5 OD 1
33 756-3114 Pulley, Double 1
737-3000 Fitting, 3/16 Drive Lube (Not Incl. w/ #33) 2
34 756-3089 V-Pulley, 4.0 Dia 2
35 759-3830 Blade, 3 In One, 21.20 Lg 2
36 618-3129A Spindle, Blade 2
37 731-2363 Plug, Mulch 1
38 710-0134 Screw, Carriage, 1/4-20 x .62 1
39 736-0270 Washer, Belleville, .265 x .75 x .062 1
42” SPINDLE ASSEMBLY

-40-
REF.
NO. PART
NUMBER DESCRIPTION QTY.
1 603-0066 Knuckle Assembly, Steering 2
2 710-3066 Screw, Hex Cap, 3/8-16 x 2.75 GR8 2
3 710-3103 Screw, Hex Cap, 5/16-18 x 2 GR5 2
4 712-3054 Nut, Hex Lock, 3/8-24 GR5 2
5 712-0431 Nut, Hex Flanged Lock, 3/8-16 2
6 712-0711 Nut, Hex Jam, 3/8-24 GR2 4
7 712-3004A Nut, Hex Flange Top Lock, 5/16-18 2
8 712-3083 Nut, Hex Top Nylon Lock, 1/2-13 1
9 719-3095 Axle, Front Pivot 1
10 723-0156 Joint, Ball, 3/8-24 4
11 736-0188 Washer, Flat, .760 x 1.49 x .06 Thk. 2
12 737-3000 Fitting, Lube, 3/16 Drive Type 3
13 738-3110 Bolt, Pivot Shoulder, 3/4 Dia x 2.23 1
14 747-3171 Rod, Tie 2
15 748-3049 Arm, Steering 2
REF.
NO. PART
NUMBER DESCRIPTION QTY.
REF.
NO. PART
NUMBER DESCRIPTION QTY.
734-3186 Tire, Cub Tread, 15 x 6 x 6 2
1 634-3015 Rim Assy, Front 2
2 710-3119 Bolt, Hex Patch, 3/8-16 x .75 GR5 2
3 731-3020 Cap, Hub 2
4 734-0255 Valve, Tubeless Air 2
5 736-3039 Washer, Flat, .406 x 1.5 x .110 2
6 736-3040 Washer, Flat, .406 x 1.92 x .06 2
7 737-0224 Fitting, Grease 2
8 741-3032 Bearing, Ball 4
REF.
NO. PART
NUMBER DESCRIPTION QTY.
734-3189 Tire, Cub Tread, 20 x 9 x 8 2
1 634-3187 Rim Assy, Rear 2
2 712-3050 Nut, Lug, 7/16-14 8
3 734-0255 Valve, Tubeless Air 2
FRONT AXLE AND CONNECTIONS
FRONT WHEEL REAR WHEEL
