Nilfisk Alto Rs 850 Users Manual
2015-02-05
: Nilfisk-Alto Nilfisk-Alto-Rs-850-Users-Manual-495548 nilfisk-alto-rs-850-users-manual-495548 nilfisk-alto pdf
Open the PDF directly: View PDF
.
Page Count: 208 [warning: Documents this large are best viewed by clicking the View PDF Link!]

RS 850
Nilfisk
Nilfisk
RS 850
RS 850
by Nilfisk Advance
by Nilfisk Advance
DEUTSCH BETRIEBSANLEITUNG
FRANÇAIS MANUEL D'UTILISATION
ENGLISH USER MANUAL
NEDERLANDS GEBRUIKSAANWIJZING
33014576(4)2008-02 A

RS 850 33014576(4)2008-02 A I
Manufacturer: Nilfisk-Advance S.p.a.
Authorized signatory: Franco Mazzini, General Mgr
Date: Signature:
Address: Strada Comunale della Braglia, 18, 26862 GUARDAMIGLIO (LO) - ITALY
Tel: +39 (0)377 451124, Fax: +39 (0)377 51443
Долуподписаният потвърждава, че
гореспоменатият модел е произведен в
съответствие със следните директиви и
стандарти.
Níže podepsaný stvrzuje, že výše
uvedený model byl vyroben v souladu s
následujícími směrnicemi a normami.
Der Unterzeichner bestätigt hiermit dass
die oben erwähnten Modelle gemäß
den folgenden Richtlinien und Normen
hergestellt wurden.
Undertegnede attesterer herved, at
ovennævnte model er produceret i
overensstemmelse med følgende direktiver
og standarder.
El abajo firmante certifica que los modelos
arriba mencionados han sido producidos
de acuerdo con las siguientes directivas y
estandares.
Allakirjutanu kinnitab, et ülalnimetatud
mudel on valmistatud kooskõlas järgmiste
direktiivide ja normidega.
Je soussigné certifie que les modèles ci-
dessus sont fabriqués conformément aux
directives et normes suivantes.
Allekirjoittaia vakuuttaa että yllämainittu
malli on tuotettu seuraavien direktiivien ja
standardien mukaan.
The undersigned certify that the above
mentioned model is produced in
accordance with the following directives
and standards.
Ο κάτωθι υπογεγραμμένος πιστοποιεί ότι η
παραγωγή του προαναφερθέντος μοντέλου
γίνεται σύμφωνα με τις ακόλουθες οδηγίες
και πρότυπα.
Alulírottak igazoljuk, hogy a fent említett
modellt a következő irányelvek és
szabványok alapján hoztuk létre.
Il sottoscritto dichiara che i modelli sopra
menzionati sono prodotti in accordo con le
seguenti direttive e standard.
Toliau pateiktu dokumentu patvirtinama,
kad minėtas modelis yra pagamintas
laikantis nurodytų direktyvų bei standartų.
Ar šo tiek apliecināts, ka augstākminētais
modelis ir izgatavots atbilstoši šādām
direktīvām un standartiem.
Undertegnede attesterer att ovennevnte
modell är produsert i overensstemmelse
med fölgende direktiv og standarder.
Ondergetekende verzekert dat de
bovengenoemde modellen geproduceerd
zijn in overeenstemming met de volgende
richtlijnen en standaards.
A presente assinatura serve para declarar
que os modelos supramencionados
são produtos em conformidade com as
seguintes directivas e normas.
Niżej podpisany zaświadcza, że
wymieniony powyżej model produkowany
jest zgodnie z następującymi dyrektywami
i normami.
Subsemnatul atest că modelul sus-
menţionat este produs în conformitate cu
următoarele directive şi standarde.
Настоящим удостоверяется, что машина
вышеуказанной модели изготовлена
в соответствии со следующими
директивами и стандартами.
Undertecknad intygar att ovannämnda
modell är producerad i överensstämmelse
med följande direktiv och standarder.
Dolu podpísaný osvedčuje, že hore
uvedený model sa vyrába v súlade s
nasledujúcimi smernicami a normami.
Spodaj podpisani potrjujem, da je zgoraj
omenjeni model izdelan v skladu z
naslednjimi smernicami in standardi.
Aşağıda İmzası olan kişi, yukarıda
bahsedilen model cihazın aşağıda verilen
direktiflere ve standartlara uygunlukta imal
edildiğini onaylar.
Модел / Model / Modell / Model / Modelo / Mudel / Modèle / Malli /
Model / Μοντέλο / Modell / Modello / Modelis / Modelis / Modell / Model
/ Modelo / Model / Model / Модель / Modell / Model / Model / Model : ROAD SWEEPER
Тип / Typ / Typ / Type / Tipo / Tüüp / Type / Tyyppi / Type / Τύπος /
Típus / Tipo / Tipas / Tips / Type / Type / Tipo / Typ / Tip / Тип / Typ /
Typ / Tip / Tip : RS 850
Сериен номер / Výrobní číslo / Seriennummer / Serienummer / Número de serie / Seerianumber / Numéro de série / Sarjanumero / Serial number
/ Σειριακός αριθμός / Sorozatszám / Numero di serie / Serijos numeris / Sērijas numurs / Serienummer / Serienummer / Número de série / Numer
seryjny / Număr de serie / Серийный номер / Serienummer / Výrobné číslo / Serijska številka / Seri Numarası :
Година на производство / Rok výroby / Baujahr / Fabrikationsår / Año de fabricación / Väljalaskeaasta / Année de fabrication / Valmistusvuosi / Year
of construction / Έτος κατασκευής / Gyártási év / Anno di costruzione / Pagaminimo metai / Izgatavošanas gads / Byggeår / Bauwjaar / Ano de fabrico
/ Rok produkcji / Anul fabricaţiei / Год выпуска / Tillverkningsår / Rok výroby / Leto izdelave / Leto izdelave/İmal yılı :
Сертификат за съответствие
Osvědčení o shodě
Konformitätserklärung
Overensstemmelsescertifikat
Declaración de conformidad
Vastavussertifikaat
Déclaration de conformité
Yhdenmukaisuustodistus
Conformity certificate
Πιστοποιητικό συμμόρφωσης
Megfelelősségi nyilatkozat
Dichiarazione di conformità
Atitikties deklaracija
Atbilstības deklarācija
Konformitetssertifisering
Conformiteitsverklaring
Declaração de conformidade
Deklaracja zgodności
Certificat de conformitate
Заявление о соответствии
Överensstämmelsecertifikat
Certifikát súladu
Certifikat o ustreznosti
Uyumluluk sertifikası
EC Machinery Directive 98/37/EC EN 12100-1, EN 12100-2, EN 294, EN 349
EC Low Voltage Directive 73/23/EEC EN 60335-1, EN 60335-2-72
EC EMC Directive 89/336/EEC EN 61000, EN 50366, EN 13019
3
46 5
1
7
2
Manufactured By:
Nilfisk - Advance S.p.a.
26862 Guardamiglio (LO) - Italy
www.nilfisk-advance.com Made in Italy
MAX
18%
Model: RS 850 Prod. Nr: 13300065
Serial No: 08XXXXXXX Date code : H07
Total Weight : KG 2600 IPX3 dB(A)80,5
KW 48 Battery: 12VDC
1
S310809 S310810
A
BC

II 33014576(4)2008-02 A RS 850
22
27
29
30
31
35c
35b 35a
18
19
6
5
4
3
7
16 17
15
12
13
14
2
1
8910
11
20
21
23
24
25
26
41 40 43
42
44
45
38
39
37
36
46
25
34
35
34
33
S311258
D

RS 850 33014576(4)2008-02 A III
16
15
78
14
12
10
11
9
17
13 12
18
2
3456
Risk of machine tip-over and serious injury
Sharp turns must be made at slowest possible speed.
Do not - Turn abruptly
- Turn on incline
- Turn with hopper raised
Never raise hopper on incline.
Operating on incline or with weight in the hopper increases instability.
Regularly check tires for appropriate air pressure according to Operator’s Manual.
!
WARNING
19
S311259
E

IV 33014576(4)2008-02 A RS 850
23
11
10
12 13
15 14
16
17
18
19
20
31 32 33
27
21
30
29
28 26
38
7
37
4
2
1
36
5
8
24
25
22
34
36
35
9
S311260
F

RS 850 33014576(4)2008-02 A V
24
18
25 23
22
21
3
47
124657
8
9
10
13
12
11
17
19
16
14 15
20
26 27
46
45
44
43
42
41 39
38
48
37
36 13 35 34 33
32
16
31
29
30
28
6
40
S311261
G

VI 33014576(4)2008-02 A RS 850
S310815 S311262
S310817 S310818
S310819 S310820
S310821 S310822
HI
J
L
N
K
M
O

RS 850 33014576(4)2008-02 A VII
S310823 S310824
S310825 S310826
S310827 S310828
S310829 S310830
P
R
T
V
S
U
W
Q

VIII 33014576(4)2008-02 A RS 850
S310831 S310832
S310833
S310835 S310834
S310836
X
Z
AB
AC
AA
Y

RS 850 33014576(4)2008-02 A IX
1
2
S310837 S310838
3
12
11
6
89 4
7
5
10
12
S310840
3
12
4
S311263 S311264
S310842 S310843
AD AE
AF
AI
AG
AH
AJ

X33014576(4)2008-02 A RS 850
S310844 S310845
S310846 S311277
S310847 S310848
1
1
S310849 S311265
AK
AM1
AN
AP
AM2
AO
AQ
AL

RS 850 33014576(4)2008-02 A XI
S311266
AR-1

XII 33014576(4)2008-02 A RS 850
S311267
AR-2

RS 850 33014576(4)2008-02 A XIII
12 14
913
11
48
10
1
5
EV1 EV2 EV3 EV4EV5 EV6
D1
D2
D3
R1
J1
X
S311268
AR-3

XIV 33014576(4)2008-02 A RS 850
21P
T
ab
M
X
X
X
17
99
27
47
57
98
38
09
77
48
78 78
78
78
39
18
18
87
29
2867
19
97
97
88
88
6868
58
08
59
49
XDXSXD
XS
XD
XS
cc11
cc12
cc22
cc001cc001
cc08 rab03
rab 051
rab 031
rab09
rab 051
rab012
cc152cc152
003 rab
rab 003
rab81
cc82
0062 MPR
55.tL
7
69
43
66
89
37
mµ521 mµ01
mµ06mµ06
mµ01
V
PA
0332 MPR
LAS
RA
RB
MM
MR
S
1P
19
201
101
001
301
cc6
rab052
rab052
cc001
mµ06 401
501
9
701
601
S311269
AT

RS 850 33014576(4)2008-02 A XV
18
5
72
3
6
4
3
4
1
16 10
14
12
12
12 11 11 11
11
17a 17 17b
13
15
89
S311271
AU

XVI 33014576(4)2008-02 A RS 850
6
22
21b 21 21a
20
2-4 cm (0,8-1,6 inch)
21
10
11
19 15 14
16
13
12
17 18
5
14
3
45
6
7
8
9
18
17
S311272
AV

RS 850 33014576(4)2008-02 A XVII
2
1
3
4
5
S311274
AX

XVIII 33014576(4)2008-02 A RS 850
10
13
7
10
13
3
3
21
5
4
12
6
8
9
11
14
15
S311275
AY

RS 850 33014576(4)2008-02 A XIX
23
11
10
12 13
15 14
16
17
18
19
20
31 32 33
27
21
30
29
28 26
38
7
37
4
2
1
36
5
8
24
25
22
34
36
35
9
S311260
AZ

XX 33014576(4)2008-02 A RS 850

BETRIEBSANLEITUNG DEUTSCH
RS 850 33014576(4)2008-02 A 1
INHALTSVERZEICHNIS
EINLEITUNG .................................................................................................................................................................... 3
ZIEL UND INHALT DER BETRIEBSANLEITUNG ........................................................................................................................... 3
ADRESSATEN ................................................................................................................................................................................. 3
AUFBEWAHRUNG DER BETRIEBSANLEITUNG .......................................................................................................................... 3
KONFORMITÄTSERKLÄRUNG ...................................................................................................................................................... 3
IDENTIFIZIERUNGSDATEN ........................................................................................................................................................... 3
ANDERE REFERENZMATERIALIEN .............................................................................................................................................. 4
ERSATZTEILE UND WARTUNG ..................................................................................................................................................... 4
ÄNDERUNGEN UND WEITERENTWICKLUNGEN ........................................................................................................................ 4
SICHERHEIT .................................................................................................................................................................... 4
VERWENDETE SYMBOLE ............................................................................................................................................................. 4
ALLGEMEINE HINWEISE ............................................................................................................................................................... 5
AUSPACKEN/LIEFERUNG ............................................................................................................................................. 7
GERÄTEBESCHREIBUNG ............................................................................................................................................. 8
FUNKTIONSEIGENSCHAFTEN ..................................................................................................................................................... 8
HINWEIS ......................................................................................................................................................................................... 8
BESCHREIBUNG ............................................................................................................................................................................ 8
TECHNISCHE DATEN ....................................................................................................................................................................11
UMGEBUNGSBEDINGUNGEN .................................................................................................................................................... 13
SCHALTPLAN................................................................................................................................................................................ 14
SCHALTPLAN DES ARMS DES DRITTEN SEITENBESENS ...................................................................................................... 15
HYDRAULIKSCHALTPLAN ........................................................................................................................................................... 15
ELEKTRISCHE SICHERUNGEN .................................................................................................................................................. 16
ZUBEHÖR/SONDERAUSSTATTUNG ........................................................................................................................................... 16
BETRIEB ........................................................................................................................................................................ 17
ALLGEMEINE HINWEISE ............................................................................................................................................................. 17
VOR DEM ANLASSEN .................................................................................................................................................................. 17
ANLASSEN UND ABSTELLEN DIESELMOTOR .......................................................................................................................... 18
GERÄT ANLASSEN UND ABSTELLEN ........................................................................................................................................ 19
GERÄT IM KEHRBETRIEB ........................................................................................................................................................... 21
ENTLEERUNG DES ABFALLBEHÄLTERS ................................................................................................................................... 22
GEBRAUCH DES HINTEREN SAUGROHRS (*) .......................................................................................................................... 23
GEBRAUCH DES SCHEIBENWISCHERS/-WASCHERS ............................................................................................................ 23
GEBRAUCH DER FAHRERKABINENHEIZUNG .......................................................................................................................... 23
GEBRAUCH DER FAHRERKABINEN-KLIMAANLAGE (*) ........................................................................................................... 23
FUNKTION DER BELEUCHTUNGSANLAGE ............................................................................................................................... 24
WARNBLINKER EINSCHALTEN ................................................................................................................................................... 24
MANUELLES ANHEBEN DES ABFALLBEHÄLTERS ................................................................................................................... 24
EINSETZEN DER STÜTZSTANGEN DES GEHOBENEN ABFALLBEHÄLTERS ......................................................................... 24
EINSETZEN DER KLAPPENSTÜTZSTANGE BEI ANGEHOBENEM ABFALLBEHÄLTER .......................................................... 25
GEBRAUCH DER PISTOLE DER HOCHDRUCKWASCHANLAGE (*) ........................................................................................ 25
GEBRAUCH DES KAMERAKITS (Option) .................................................................................................................................... 25
NACH DER GERÄTEBENUTZUNG .............................................................................................................................................. 26
WASSERTANKS DER STAUBABSCHEIDUNGSANLAGE ENTLEEREN .................................................................................... 26
GERÄT ABSCHLEPPEN ............................................................................................................................................................... 26
TRANSPORT/ÜBERFÜHRUNG .................................................................................................................................................... 27
LANGFRISTIGE STILLLEGUNG DES GERÄTES ........................................................................................................................ 27
ERSTE VERWENDUNGSPHASE ................................................................................................................................................. 27
EINBAU UND GEBRAUCH DER SALZSTREUEINRICHTUNG (Option) ..................................................................................... 28
EINBAU UND GEBRAUCH DER SCHNEEWALZE (Option) ........................................................................................................ 29

DEUTSCH BETRIEBSANLEITUNG
233014576(4)2008-02 A RS 850
WARTUNG ..................................................................................................................................................................... 30
ÜBERSICHTSTABELLE PLANMÄSSIGE WARTUNG .................................................................................................................. 30
REINIGUNG DES ABFALLBEHÄLTERS, DER ANSAUGFILTER UND DES SAUGROHRS, PRÜFUNG DER DICHTUNGEN
UND SCHMIERUNG DER LAGER DES ANSAUGLÜFTERS ....................................................................................................... 31
DÜSEN UND FILTER DER STAUBABSCHEIDUNGSANLAGE REINIGEN ................................................................................. 32
WASSERFILTER DER STAUBABSCHEIDUNGSANLAGE REINIGEN ........................................................................................ 33
PRÜFUNG DES ÖLSTANDS DER HYDRAULIKANLAGE ............................................................................................................ 33
SAUBERKEIT DER ÖLKÜHLERRIPPEN DER HYDRAULIKANLAGE ÜBERPRÜFEN ............................................................... 34
BATTERIEFLÜSSIGKEITSSTAND ÜBERPRÜFEN ...................................................................................................................... 34
BREMSÖLSTAND ÜBERPRÜFEN ................................................................................................................................................ 34
PRÜFUNG DES SENSORS DES RÜCKFAHRALARMS .............................................................................................................. 34
REIFENDRUCK ÜBERPRÜFEN ................................................................................................................................................... 34
HÖHE UND FUNKTIONSFÄHIGKEIT VON SAUGMUNDS UND FLAPS ÜBERPRÜFEN ........................................................... 35
SEITENBESENSTELLUNG ÜBERPRÜFEN UND EINSTELLEN ................................................................................................. 36
PRÜFUNG UND EINSTELLUNG DER DRITTEN SEITENBESENSTELLUNG ............................................................................ 36
BESEN WECHSELN ..................................................................................................................................................................... 37
FESTSTELLBREMSE PRÜFEN .................................................................................................................................................... 37
ÖLSTAND DES DIESELMOTORS ÜBERPRÜFEN ...................................................................................................................... 37
ÖLWECHSEL DIESELMOTOR...................................................................................................................................................... 37
ÖLFILTER DES DIESELMOTORS AUSWECHSELN ................................................................................................................... 38
REINIGUNG DES LUFTVORFILTERS UND -FILTERS DES DIESELMOTORS .......................................................................... 38
SAUBERKEIT DER KÜHLERRIPPEN DES DIESELMOTORS ÜBERPRÜFEN ........................................................................... 38
KÜHLMITTELSTAND DES DIESELMOTORS ÜBERPRÜFEN ..................................................................................................... 39
KRAFTSTOFFFILTER DES DIESELMOTORS AUSTAUSCHEN .................................................................................................. 39
LUFTFILTER DER FAHRERKABINE AUSTAUSCHEN ................................................................................................................. 39
REIFENWECHSEL ........................................................................................................................................................................ 39
SICHERUNGEN AUSWECHSELN ................................................................................................................................................ 40
AUSBAU/EINBAU DES SAUGMUNDS ......................................................................................................................................... 41
AUSBAU/EINBAU DES ARMS DES DRITTEN SEITENBESENS ................................................................................................ 41
WINTERWARTUNG ...................................................................................................................................................................... 42
SICHERHEITSFUNKTIONEN ........................................................................................................................................ 42
FEHLERSUCHE ............................................................................................................................................................. 43
STÖRUNGEN UND ABHILFE ....................................................................................................................................................... 43
VERSCHROTTUNG ....................................................................................................................................................... 46

BETRIEBSANLEITUNG DEUTSCH
RS 850 33014576(4)2008-02 A 3
EINLEITUNG
ZIEL UND INHALT DER BETRIEBSANLEITUNG
Diese Anleitung ist fester Bestandteil des Geräts und liefert der Bedienperson alle für einen adäquaten, selbständigen und
gefahrlosen Gebrauch erforderlichen Informationen. Sie enthält Angaben zu Technik, Sicherheit, Betrieb, Geräteausfall, Wartung,
Ersatzteilen und Verschrottung.
Vor allen Arbeiten am und mit dem Gerät haben Bedienpersonen und technisches Fachpersonal die in dieser Betriebsanleitung
enthaltenen Hinweise aufmerksam zu lesen. Wenden Sie sich bei Unklarheiten hinsichtlich dieser Betriebsanleitung an Nilfi sk.
ADRESSATEN
Dieses Betriebsanleitung richtet sich sowohl an die Bedienperson als auch an das für die Gerätewartung ausgebildete
Fachpersonal.
Bedienpersonen dürfen keine technischem Fachpersonal vorbehaltenen Arbeiten ausführen. Nilfi sk haftet nicht für Schäden, die
durch Nichteinhaltung dieses Verbots verursacht werden.
AUFBEWAHRUNG DER BETRIEBSANLEITUNG
Die Betriebsanleitung ist geschützt vor Flüssigkeiten o.Ä., welche die Lesbarkeit beeinträchtigen könnten, in der Fahrzeugkabine
aufzubewahren.
KONFORMITÄTSERKLÄRUNG
Auf Abbildung A ist eine Kopie des Dokuments abgebildet, das die Übereinstimmung der Kehrmaschine mit den geltenden
Rechtsvorschriften bescheinigt.
ANMERKUNG
Das Original der Konformitätserklärung ist in einfacher Ausfertigung in den dem Gerät beigefügten Unterlagen enthalten.
ANMERKUNG
Weist das Gerät eine Straßenzulassung auf, ist eine entsprechende Konformitätsbescheinigung beigelegt.
IDENTIFIZIERUNGSDATEN
Seriennummer und Modell des Geräts sind auf dem Aufkleber (1, Abb. C) und dem Schild (1, Abb. E) in der Kabine angegeben.
Die Seriennummer des Geräts ist auch auf die Seitenwand (33, Abb. G) geprägt.
Seriennummer und Modell des Dieselmotors sind an den im entsprechenden Handbuch angeführten Stellen angegeben. Außerdem
befi ndet sich auf Geräten für Länder, in denen das vorgeschrieben ist, ein zweites Schild mit den gleichen Daten in Position (1, Abb. E).
Diese Angaben sind für Ersatzteilbestellungen für Gerät und Dieselmotor erforderlich. Bitte notieren Sie zum späteren
Nachschlagen hier die Geräte- und Dieselmotordaten:
Modell ................................................................................................
Seriennummer ...................................................................................
Modell MOTOR ..................................................................................
Seriennummer MOTOR .....................................................................

DEUTSCH BETRIEBSANLEITUNG
433014576(4)2008-02 A RS 850
ANDERE REFERENZMATERIALIEN
Folgenden Anleitungen sind ebenfalls im Lieferumfang des Geräts enthalten:
Betriebsanleitung des Dieselmotors (*)
Ersatzteilliste der Kehrmaschine
Betriebsanleitung der Salzstreueinrichtung (Option) (*)
Ersatzteilliste der Salzstreueinrichtung (Option)
Betriebsanleitung der Schneewalze (Option) (*)
Ersatzteilliste der Schneewalze (Option)
Betriebsanleitung des Kamerakits (Option) (*)
Ersatzteilliste des Kamerakits (Option) (*)
(*) Anleitungen, die als integrierender Bestandteil der Betriebsanleitung der Kehrmaschine zu betrachten sind.
Bei Nilfi sk Kundendiensten ist zusätzlich die folgende Anleitung verfügbar:
Service-Anleitung der Kehrmaschine
ERSATZTEILE UND WARTUNG
Wenden Sie sich bei Fragen oder Problemen hinsichtlich Benutzung, Wartung und Reparatur an Fachpersonal bzw. direkt an den
Nilfi sk-Kundendienst. Immer originale Ersatz- und Zubehörteile verwenden.
Unsere Nilfi sk Kundendienste stehen Ihnen für technischen Kundendienst und die Bestellung von Ersatz- und Zubehörteilen zur
Verfügung. Bitte immer Modell und Seriennummer angeben.
ÄNDERUNGEN UND WEITERENTWICKLUNGEN
Nilfi sk entwickelt seine Produkte ständig weiter und behält sich das Recht vor, alle für erforderlich gehaltenen Änderungen und
Verbesserungen vorzunehmen. Nilfi sk ist nicht verpfl ichtet, diese Änderungen an bereits verkauften Geräten vorzunehmen.
Sämtliche Änderungen und/oder jegliches Hinzufügen von Zubehörteilen müssen/muss von Nilfi sk ausdrücklich genehmigt und
durchgeführt werden.
SICHERHEIT
Die unten gezeigten Symbole werden benutzt, um potentielle Gefahrbedingungen anzuzeigen. Lesen Sie diese Informationen stets
aufmerksam und ergreifen Sie zum Schutz von Personen und Gegenständen die erforderlichen Vorsichtsmaßnahmen.
Zur Unfallverhütung ist die Mitarbeit der Bedienperson unabdingbar. Unfallverhütungsmaßnahmen können nicht greifen,
wenn die Bedienperson nicht bereit ist, ihren Beitrag zu leisten. Die meisten Unfälle in Betrieben, am Arbeitsplatz oder
während des Transports werden dadurch verursacht, dass grundlegendste Vorsichtsmaßnahmen nicht beachtet werden.
Aufmerksame und vorsichtige Bedienpersonen sind daher der beste Schutz vor Unfällen und für die Wirksamkeit jeglicher
Unfallverhütungsmaßnahmen unverzichtbar.
VERWENDETE SYMBOLE
GEFAHR!
Bezeichnet eine für die Bedienperson potenziell tödliche Gefahr.
ACHTUNG!
Weist auf die potentielle Gefahr von Personenunfällen oder Sachschäden hin.
HINWEIS!
Bezeichnet einen Hinweis oder eine Anmerkung in Bezug auf wichtige oder nützliche Funktionen. Widmen Sie
Absätzen, die durch dieses Symbol gekennzeichnet sind, die höchste Aufmerksamkeit.
ANMERKUNG
Bezeichnet einen Anmerkung zu wichtigen oder nützlichen Funktionen.
NACHSCHLAGEN
Vor der Durchführung jeglicher Arbeiten Betriebsanleitung konsultieren.
–
–
–
–
–
–
–
–
–

BETRIEBSANLEITUNG DEUTSCH
RS 850 33014576(4)2008-02 A 5
ALLGEMEINE HINWEISE
In diesem Abschnitt sind Warnhinweise in Bezug auf die potentielle Gefahr von Geräte- und Personenschäden angeführt.
GEFAHR!
Dieses Gerät darf nur von autorisiertem und angemessen ausgebildetem Fachpersonal verwendet werden.
Zusätzliche Anforderungen an die Bedienperson:
Volljährigkeit.
Besitz des erforderlichen Führerscheins
Es dürfen keine psychischen und physischen Beeinträchtigungen vorliegen.
Die Bedienperson darf nicht unter dem Einfl uss von Stoffen stehen, die das Nervensystem (Alkohol,
Psychopharmaka, Drogen usw.) beeinträchtigen können.
Vor jegliche Wartungs-/Reparaturarbeiten Zündschlüssel abziehen.
Dieses Gerät darf nur von autorisiertem und angemessen ausgebildetem Fachpersonal verwendet werden.
Die Bedienung des Gerätes durch Kinder und Behinderte ist strengstens verboten.
Bei Arbeiten in der Nähe von sich bewegenden Teilen sind sämtliche Schmuckstücke abzulegen.
Nicht ohne geeignete und feste Sicherheitsstützen unter dem angehobenen Gerät arbeiten.
Gerät nicht in Räumen einsetzen, in denen sich schädliche, gefährliche, brennbare und/oder explosive
Pulver, Flüssigkeiten oder Dämpfe befi nden.
Achtung: Kraftstoff ist leicht entfl ammbar.
In Bereichen, in denen getankt oder Kraftstoff gelagert wird, nicht rauchen und keine offenen Flammen
entzünden.
Die Kraftstoffbetankung im Freien oder in einem gut belüfteten Raum bei abgeschaltetem Dieselmotor
ausführen.
Den Tank nicht vollständig füllen, sondern mindestens 4 cm (1,6 in) vom Hals des Einfüllstutzens lassen, um
dem Kraftstoff zu ermöglichen, sich auszudehnen.
Nach dem Tanken prüfen, ob der Tankdeckel fest geschlossen ist.
Wird beim Tanken Kraftstoff vergossen, Bereich sorgfältig reinigen und vor dem Anlassen des Motors
warten, bis sich die Dämpfe verfl üchtigt haben.
Berührung der Haut mit dem Kraftstoff vermeiden und die Dämpfe nicht einatmen. Außerhalb der Reichweite
von Kindern aufbewahren.
Vor jeglichen Wartungs-/Reparaturarbeiten Zündschlüssel abziehen, Feststellbremse betätigen und Batterie
trennen.
Bei Arbeiten unter geöffneten Hauben/Klappen sicherstellen, dass sich diese nicht unvorhergesehen
schließen können.
Sind Wartungsarbeiten bei angehobenem Abfallbehälter durchzuführen, Abfallbehälter mit zwei Stützstangen
sichern.
Beim Transport der Kehrmaschine darf der Kraftstofftank nicht voll sein.
Die Abgase des Dieselmotors enthalten Kohlenmonoxid, ein geruchloses, farbloses und sehr giftiges Gas.
Einatmen vermeiden. Den Motor in einen geschlossenen Raum nicht laufen lassen.
Keine Gegenstände auf dem Motor abstellen.
Bevor Wartungs- und Reparaturarbeiten an den Dieselmotor durchgeführt werden, den Motor abstellen. Um
das zufällige Motoranlassen zu vermeiden, die Minusklemme der Batterie trennen.
Siehe auch die SICHERHEITSNORMEN der Betriebsanleitung des Dieselmotors, die als integrierender
Bestandteil dieser Anleitung zu betrachten sind.
Siehe auch die SICHERHEITSNORMEN der Betriebsanleitungen der folgenden Einrichtungen (Optionen), die
als integrierende Bestandteile dieser Anleitung zu betrachten sind:
Salzstreueinrichtung
Schneewalze
Kamerakit
−
−•
•
•
•
−
−
−
−
−
−
−
−
−
−
−
−
−
−
−
−
−
−
−
−
−
•
•
•

DEUTSCH BETRIEBSANLEITUNG
633014576(4)2008-02 A RS 850
ACHTUNG!
Für den Einsatz auf öffentlichen Straßen muss das Fahrzeug über Zulassungspapiere und ein Kennzeichen
verfügen.
Das Gerät darf nur für die bestimmungsgemäße Verwendung als Kehrmaschine eingesetzt werden.
Bei der Verwendung dieses Gerätes darauf achten, dass weder Personen- noch Sachschäden entstehen.
Die Kehrmaschine nicht als Transportmittel verwenden.
Das Fahrzeug nicht unbeaufsichtigt lassen, ohne dass der Zündschlüssel abgezogen und die
Feststellbremse betätigt wurde.
Nicht gegen Regale und Baugerüste stoßen, vor allem wenn die Gefahr von herunterfallenden Gegenständen
besteht.
Hebe- und Entleerungsvorgang des Abfallbehälter mit höchster Aufmerksamkeit verfolgen.
Die Fahrgeschwindigkeit an die jeweilige Bodenbeschaffenheit anpassen.
Vor jeglichen Wartungs-/Reparaturarbeiten alle entsprechenden Anweisungen aufmerksam lesen.
Angemessenen Vorsichtsmaßnahmen ergreifen, damit sich Haare, Schmuckstücke oder weite
Kleidungsstücke nicht in beweglichen Geräteteilen verfangen.
Angemessenen Vorsichtsmaßnahmen ergreifen, damit sich Haare, Schmuckstücke oder weite
Kleidungsstücke nicht in beweglichen Geräteteilen verfangen.
Bei Reinigungsarbeiten mit Druckluft- oder Wasserpistole Augen, Haare, Hände usw. angemessen schützen.
Kontakt mit Batteriesäure und heißen Teilen vermeiden.
Zur Vermeidung von Schäden am Fußboden Besen bei stehendem Gerät nicht in Betrieb lassen.
Im Brandfall möglichst einen Pulverlöscher und keiner Wasserlöscher verwenden.
Das Gerät nicht mit ätzenden Reinigungsmitteln säubern.
Das Gerät nicht in stark staubiger Umgebung verwenden.
Die Schutzvorrichtungen des Gerätes keinesfalls beschädigen. Alle Anweisungen zur ordentlichen Wartung
gewissenhaft befolgen.
Die am Gerät angebrachten Hinweisschilder nicht entfernen oder verändern.
Beim Funktionsstörungen sicherstellen, dass diese nicht durch fehlende Wartung verursacht wurden.
Andernfalls das Fachpersonal bzw. den autorisierten Kundendienst benachrichtigen.
Müssen Bauteile ausgewechselt werden, stets ORIGINALERSATZTEILE beim Kundendienst oder einem
autorisierten Vertragshändler anfordern.
Um die Sicherheit und eine gute Leistung zu gewährleisten, ist die planmäßige Wartung, die in einem
bestimmten Kapitel dieser Anleitung vorgesehen ist, vom Fachpersonal bzw. autorisiertem Kundendienst
durchzuführen.
Das Gerät enthält giftige bzw. schädliche Stoffe (Öle, Batterien, Kunststoffe usw.), für die eine Entsorgung
durch entsprechende Stellen (siehe Kapitel „Verschrottung“) gesetzlich vorgeschrieben ist. Fahrzeug am
Ende seiner Lebensdauer vorschriftsmäßig entsorgen!
−
−
−
−
−
−
−
−
−
−
−
−
−
−
−
−
−
−
−
−
−
−
−

BETRIEBSANLEITUNG DEUTSCH
RS 850 33014576(4)2008-02 A 7
ACHTUNG!
Bei Betriebsbedingungen, die anleitungsgemäß sind, entsteht wegen der Schwingungen keine Gefahr.
Auf den Körper der Bedienperson übertragener Schwingungspegel 0,43 m/s2 (17,0 in/s2) (ISO 2631-1) bei
Höchstdrehzahl im Arbeitsbetrieb (1.850 U/min).
Bei laufendem Dieselmotor erwärmt sich der Auspufftopf. Zur Vermeidung von Verbrennungen und Bränden
heißen Auspufftopf nicht berühren.
Den Dieselmotor mit unzureichendem Öl nicht laufen lassen, um ihn nicht schwer zu beschädigen. Ölstand
bei ausgeschaltetem Motor und eben abgestelltem Fahrzeug prüfen.
Zur Vermeidung von Schäden Dieselmotor nie ohne Luftfi lter laufen lassen.
Der Kühlkreislauf des Dieselmotors steht unter Druck. Kontrollen bei abgestelltem Motor und nach Abkühlen
des Motors durchführen. Auch bei abgekühltem Motor ist der Kühlerdeckel mit Vorsicht zu öffnen.
Der Motor ist mit einem Lüfter ausgestattet. Bei warmem Motor Abstand halten, da sich der Lüfter auch bei
stehendem Gerät in Betrieb setzen kann.
Technische Servicearbeiten am Dieselmotor müssen von einem autorisierten Vertragshändler durchgeführt
werden.
Für den Dieselmotor nur Originalersatzteile oder gleichwertige Teile verwenden. Ungleichwertige Ersatzteile
können den Motor schwer beschädigen.
Siehe auch die SICHERHEITSNORMEN der Betriebsanleitung des Dieselmotors, die als integrierender
Bestandteil dieser Anleitung zu betrachten sind.
Siehe auch die SICHERHEITSNORMEN der Betriebsanleitungen der folgenden Einrichtungen (Optionen), die
als integrierende Bestandteile dieser Anleitung zu betrachten sind:
Salzstreueinrichtung
Schneewalze
Kamerakit
−
−
−
−
−
−
−
−
−
−
•
•
•
ACHTUNG!
Kohlenmonoxid (CO) kann Gehirnschäden verursachen oder zum Tod führen.
Der Verbrennungsmotor dieses Fahrzeugs stößt Kohlenmonoxid aus.
Abgasrauch nicht einatmen.
In geschlossenen Räumen nur bei ausreichender Belüftung und in Anwesenheit einer Hilfskraft verwenden.
AUSPACKEN/LIEFERUNG
In der Regel wird das Gerät vollständig montiert und betriebsbereit geliefert, sodass der Kunde nichts auspacken bzw. montieren
muss.
Prüfen, ob die folgenden Teile vorhanden sind:
Technische Unterlagen:
Betriebsanleitung der Kehrmaschine
Handbuch des Dieselmotors
Ersatzteilliste der Kehrmaschine
Betriebsanleitung und Ersatzteilliste der folgenden Optionseinrichtungen:
Salzstreueinrichtung
Schneewalze
Kamerakit
–•
•
•
•–
–
–

DEUTSCH BETRIEBSANLEITUNG
833014576(4)2008-02 A RS 850
GERÄTEBESCHREIBUNG
FUNKTIONSEIGENSCHAFTEN
Die Kehrmaschine wurde zur Reinigung, durch Kehren und Saugen, von Straßen bzw. glatten und festen Böden im Zivil-
und Industriebereich und zum Aufsammeln von Staub und leichten Abfällen, bei Funktionssicherheitsbedingungen von einer
Fachbedienperson, entwickelt und aufgebaut.
Das Gerät kann als Streueinrichtung und Schneepfl ug verwendet werden, wenn es mit den vorgesehenen Einrichtungen
ausgestattet ist.
HINWEIS
Alle in dieser Betriebsanleitung angegebenen Positions- und Richtungsangaben, wie vorwärts und rückwärts, vorn und hinten,
rechts und links, beziehen sich auf die Bedienperson in Fahrposition auf dem Sitz (14, Abb. E).
BESCHREIBUNG
Beschreibung von Steuer- und Bedienelementen
(Siehe Abb. D)
Instrumentenbrett und Bedienelemente
Kontrollleuchtenfeld
Freie Kontrollleuchte
Kontrollleuchte Fernlicht
Kontrollleuchte Standlicht
Kontrollleuchte Blinker
Kontrollleuchte Batterie geladen
Kontrollleuchte Dieselmotoröldruck
Kontrollleuchte hohe Kühlmitteltemperatur Dieselmotor
Kontrollleuchte Kraftstoffreserve
Kontrollleuchte Vorglühen Glühkerzen
Kontrollleuchte Feststellbremse
Kontrollleuchte Dieselmotorluftfi lter verstopft
Kontrollleuchte Wasser im Kraftstofffi lter
Kraftstoffstandanzeiger
Anzeiger Kühlmitteltemperatur Dieselmotor
Display anzeigend:
Arbeitsstunden (wenn der Zündschlüssel in die
erste Stellung gestellt wird, vor dem Anlassen des
Dieselmotors)
Drehzahl des Dieselmotors (bei laufendem Dieselmotor
und erloschener Kontrollleuchte für geladene Batterie)
Zusätzlich kann das Display die folgenden Abkürzungen
anzeigen:
F.OPE: zeigt, dass das Kabel des
Kraftstoffstandanzeigers nicht angeschlossen ist
F.COr: zeigt, dass das Kabel des
Kraftstoffstandanzeigers kurzgeschlossen ist
H.OPE: zeigt, dass das Kabel des Anzeigers
der Kühlmitteltemperatur des Dieselmotors nicht
eingeschlossen ist
H.COr: zeigt, dass das Kabel des Anzeigers
der Kühlmitteltemperatur des Dieselmotors
kurzgeschlossen ist
Kontrollleuchte Abfallbehälter angehoben (rot)
Kontrollleuchte niedriger Wasserstand
Staubabscheidungsanlage (gelb)
Schalter Warnblinker
Schalter Abfallbehälterklappe öffnen/schließen
Schalter zum Heben Flap vorn
Schalter Scheibenwascher
Zündschlüssel
Sicherungskasten rechts
Fahrpedal
Schalter Wasserpumpen Staubabscheidungsanlage:
Mit dem Schalter in erster Stellung, spritzen die Düsen
eine mittlere Quantität von Wasser
Mit dem Schalter in zweiter Stellung, spritzen die
Düsen eine maximale Quantität von Wasser
1.
2.
3.
4.
5.
6.
7.
8.
9.
10.
11.
12.
13.
14.
15.
16.
17. •
•
•
•
•
•
18.
19.
20.
21.
22.
23.
24.
25.
26.
27. •
•
Lenkrad
Schalter zum Einschalten Seitenbesen (erste Stellung) und
dritter Seitenbesen (zweite Stellung)
Wählschalter Ober- bzw. Unterlicht
Bremspedal
Tank Scheibenwascherfl üssigkeit (*)
Schalter Scheibenwischer (*)
Sicherungskasten links
Kombischalter mit folgenden Funktionen:
Licht ausgeschaltet, mit Markierung (35b) am
Symbol O
Standlicht eingeschaltet, mit Markierung (35b) am
Symbol
Abblendlicht eingeschaltet, mit Markierung (35b) am
Symbol
Fernlicht eingeschaltet, mit Markierung (35b) am
Symbol und Hebel (35a) gesenkt
Kurzes Einschalten Fernlicht: Hebel (35a) nach oben
drücken
Einschalten Blinker rechts: Hebel (35a) nach vorne
drücken
Einschalten Blinker links: Hebel (35a) nach hinten
drücken
Einschaltung Hupe, beim Drücken des Hebels (35a) in
der Pfeilrichtung (35c)
Meisterschalter für Saugmund, Seitenbesen, Abfallbehälter
Taste zum Senken Saugmund und Seitenbesen
Taste zum Heben Saugmund und Seitenbesen
Taste zur Rückkehr Abfallbehälter
Taste zum Kippen Abfallbehälter
Taste zum Linksverschiebung Saugmund und Seitenbesen
Taste zum Rechtsverschiebung Saugmund und
Seitenbesen
Taste zum Heben Abfallbehälter
Taste zum Senken Abfallbehälter
Sicherheitstaste (zur Einschaltung der anderen Tasten des
Meisterschalters, sie gedrückt halten)
Meisterschalter dritter Seitenbesen, zur Einschaltung der
folgenden Funktionen (nach der Befähigung des Schalters
zum Einschalten dritter Seitenbesen):
Nach vorwärts: Senken des dritten Seitenbesens
Nach rückwärts: Heben des dritten Seitenbesens
Nach rechts: Bewegung des Arms nach rechts
Nach links: Bewegung des Arms nach links
(*) In der Ausführung mit Rechtssteuerung befi nden sich
diese Bauteile auf der rechten Seite des Lenkrads.
28.
29.
30.
31.
32.
33.
34.
35. •
•
•
•
•
•
•
•
36.
37.
38.
39.
40.
41.
42.
43.
44.
45.
46.
•
•
•
•

BETRIEBSANLEITUNG DEUTSCH
RS 850 33014576(4)2008-02 A 9
(Siehe Abb. E)
Seriennummerschildchen/technische Daten/
Konformitätsmarkierung
Belüftungsdüsen Kabine
Deckenleuchte
Luftrückführungsdüsen
Einschaltknopf Klimaanlage
Einstellknopf für Belüftungsgeschwindigkeit Kabine
Bremsöltank (**)
Hebel Ansauglüfter/Optionseinrichtung
Pistole für Hochdruckwasser
Hahn Düsen Staubabscheidungsanlage:
Saugrohr von Saugmund zu Abfallbehälter
Saugrohr hinten (*)
Hahn Düsen Staubabscheidungsanlage Seitenbesen
Hahn Düsen Staubabscheidungsanlage dritter
Seitenbesen
Feststellbremshebel
Fahrersitz
Knopf zum Einschalten und Einstellen der Kabinenheizung
Gashebel Dieselmotor
Einstellhebel vorwärts/rückwärts Fahrersitz
Sicherheitsgurt am Fahrerplatz
Sicherheitsaufkleber
(*) Option für einige Länder.
(**) In der Ausführung mit Rechtssteuerung befi nden sich
diese Bauteile auf der rechten Seite des Fahrersitzes.
1.
2.
3.
4.
5.
6.
7.
8.
9.
10. •
•
11.
12.
13.
14.
15.
16.
17.
18.
19.
Beschreibung Außenansicht
(Siehe Abb. F)
Abfallbehälter gehoben und gekippt
Stützstangen (nicht eingesetzt) Abfallbehälter gehoben
Stützstangen (eingesetzt) Abfallbehälter gehoben
Haltevorrichtungen für Stützstangen (nicht eingesetzt)
Abfallbehälter gehoben
Saugrohrdichtung
Saugrohr von Saugmund zu Abfallbehälter
Deckel Ansaugöffnung vorn Abfallbehälter
Kondensator Kabinenklimaanlage
Ölkühler Hydraulikanlage
Einfüllstutzen Kraftstofftank
Motorraumabdeckung
Ablassfi lter Saugluft
Ansauglüfteröffnung
Förderer
Ansaugfi lter Staub und Abfällen
Haltevorrichtung Ansaugfi lter
Befestigungsstange Abfallbehälterklappe (geöffnet)
Sitz Stützstangenstange Abfallbehälterklappe
Dichtung Ansaugung
Stützstangensitz Abfallbehälter
Schlauch mit Aufroller für Waschanlage mit
Hochdruckwasser
Schnellverbindung für Hochdruckwasser
Hahn Düse Staubabscheidungsanlage Saugrohr hinten
Nebenwassertank Staubabscheidungsanlage
Dieselmotorluftfi lter
Wasserablassschlauch Abfallbehälter
Hebel Handpumpe bei manuellem anheben des
Abfallbehälters einschalten
Hauptwassertank Staubabscheidungsanlage
Wasser-Einfüllschlauch Staubabscheidungsanlage
Deckel Hauptwassertank Staubabscheidungsanlage
Ölfi lter Auslass Hydraulikanlage
Handpumpe zum manuellen Heben Abfallbehälter
Dieselmotor (für die Beschreibung der Teilen des
Dieselmotors, siehe die entsprechende Anleitung)
Batterie
Ölstandanzeiger Hydraulikanlage
Öltank Hydraulikanlage
Hebebügel Vorderrad
Befestigungsknöpfe Bügel
Dieselmotorluftvorfi lter
1.
2.
3.
4.
5.
6.
7.
8.
9.
10.
11.
12.
13.
14.
15.
16.
17.
18.
19.
20.
21.
22.
23.
24.
25.
26.
27.
28.
29.
30.
31.
32.
33.
34.
35.
36.
37.
38.
39.

DEUTSCH BETRIEBSANLEITUNG
10 33014576(4)2008-02 A RS 850
(Siehe Abb. G)
Fahrerkabine
Scheinwerfer (oben)
Scheinwerfer (unten)
Tür links Fahrerkabine
Kühlmitteltank Dieselmotor
Hebehaken für das Gerät (nur beim leeren Abfallbehälter
zu verwenden)
Abfallbehälter
Wasserstandanzeiger Staubabscheidungsanlage
Seitenklappe oben links
Haltevorrichtung Klappe
Seitenklappe unten links
Haltevorrichtung Klappe
Hinterräder lenkbar
Klappe links Unterkabine
Haltevorrichtung Klappe
Antriebsräder vorn (feststehend)
Saugmund
Abschlepphaken vorn
Seitenbesen links
Seitenbesen rechts
Dritter Seitenbesen (*)
Sicherheitsarm dritter Seitenbesen zur Gerätebewegung
(nicht eingesetzt)
Arm dritter Seitenbesen
Saugrohr von Saugmund zu Abfallbehälter
Flap vorn
Haltevorrichtungen Deckel Ablassfi lter Saugluft
Deckel Ablassfi lter Saugluft
Seitenklappe oben rechts
Haltevorrichtung Klappe
Tür rechts Fahrerkabine
Klappe rechts Unterkabine
Haltevorrichtung Klappe
Geräteseriennummer
Seitenklappe unten rechts
Haltevorrichtung Klappe
Dieselmotor
Abschlepphaken hinten
Hinterachse lenkbar
Rücklicht
Seitlicher Befestigungsknopf Rutsche hinten
Rutsche hinten zum Entleeren von Abfällen (geöffnet)
Haltevorrichtung Saugrohr hinten
Saugrohr hinten (*)
Abfallbehälterklappe
Stützarm für Saugrohr hinten (eingesetzt)
Deckel Saugrohr hinten
Zusätzlicher Abschlepphaken für Geräte mit passender
Vorbereitung zum Einbau der Schneeeinrichtung, usw.
Stoßstange hinten (*)
(*) Option für einige Länder.
1.
2.
3.
4.
5.
6.
7.
8.
9.
10.
11.
12.
13.
14.
15.
16.
17.
18.
19.
20.
21.
22.
23.
24.
25.
26.
27.
28.
29.
30.
31.
32.
33.
34.
35.
36.
37.
38.
39.
40.
41.
42.
43.
44.
45.
46.
47.
48.
Beschreibung Salzstreueinrichtung (Option)
(Siehe Abb. AU)
Einstellhebel Salzmenge
Salzbeladungsraum
Rücklicht
Stützfüße, mit Einrichtung nicht in der Kehrmaschine
eingebaut
Hebehaken
Elektrische Abzweigdose
Schildchen mit technischen Daten
Beschreibung Schneewalze (Option)
(Siehe Abb. AV)
Schnellverbindungen zum Anschließen von
Hydraulikleitungen an die Kehrmaschine
Hydraulikleitungen Kehrmaschine, speziell für
Schneewalze
Schildchen mit technischen Daten
Hydraulikmotor
Stützfüße, mit Einrichtung nicht in der Kehrmaschine
eingebaut
Befestigungsknopf Stützfüße
Flap vorn
Positionierzapfen Neigung Seitenbesen
Klemme Positionierzapfen Neigung Seitenbesen
Zylinderbürste
Stützrad Einrichtung
Handgriff zum Heben/Senken Rad
Befestigungsstift Handgriff
Befestigungsschrauben Einrichtung
Einstellschraube oben Einrichtungshöhe
Einstellschraube unten Einrichtungshöhe
Positionierstange Neigung Schneewalze
Positionierlöcher
Sicherheitsarm Saugmund/Einrichtung
Beschreibung Kamerakit (Option)
(Siehe Abb. AX)
Monitor
ON/OFF-Schalter
Knöpfe zum Richtungseinstellen Monitor
Vorderkamera
Hinterkamera
1.
2.
3.
4.
5.
6.
7.
1.
2.
3.
4.
5.
6.
7.
8.
9.
10.
11.
12.
13.
14.
15.
16.
17.
18.
19.
1.
2.
3.
4.
5.

BETRIEBSANLEITUNG DEUTSCH
RS 850 33014576(4)2008-02 A 11
TECHNISCHE DATEN
Maße und Gewichte Werte
Gerätelänge (inkl. Borsten Seitenbesen) 3.630 mm (143,0 in)
Gerätelänge mit drittem Seitenbesen (inkl. Borsten Seitenbesen) 4.150 mm (163,4 in)
Gerätelänge mit Schneewalze 3.950 mm (155,5 in)
Länge Salzstreueinrichtung 560 mm (22,0 in)
Gerätebreite (inkl. Borsten Seitenbesen) 1.450 mm (57,0 in)
Breite Schneewalze 1.500 mm (59,0 in)
Achsabstand Vorderräder – Hinterräder 1.680 mm (66,1 in)
Spurweite Vorderräder 1.115 mm (43,9 in)
Spurweite Hinterräder 1.140 mm (44,9 in)
Gerätehöhe 2.470 mm (97,2 in)
Mindesthöhe über Boden (außer Flaps) 90 mm (3,5 in)
Maximaler Überhangwinkel vorn 16°
Maximale Entleerhöhe über Boden 1.620 mm (63,8 in)
Reifen Vorderräder 195 R 14C 106/104N (8 PR)
Reifen Hinterräder 23x8,50-12 (10 PR)
Reifendruck 5 Bar (72,5 psi)
Durchmesser Seitenbesen 650 mm (25,6 in)
Gesamtgewicht in Fahrbedienung (ohne Bedienperson) 2.430 Kg (5.357 lb)
Gesamtgewicht in Fahrbedienung mit Schneewalze (ohne Bedienperson) 2.430 Kg (5.357 lb)
Gewicht dritter Besen 100 Kg (220 lb)
Gewicht Salzstreueinrichtung 130 Kg (287 lb)
Gesamtmasse 3.750 Kg (8.267 lb)
Leistungsdaten Werte
Höchstgeschwindigkeit im Vorwärtsgang (nur im Fahrbetrieb) 19 km/h (11,8 mph)
Maximale Kehrgeschwindigkeit 12 km/h (7,4 mph)
Höchstgeschwindigkeit im Rückwärtsgang 8 km/h (5,0 mph)
Maximale Steigfähigkeit bei Volllast 18%
Minimaler Lenkradius innen 2.500 mm (98,4 in)
Maximale Geschwindigkeit Seitenbesen 77 U/min
Abfallsammelsystem Saugend
Arbeitsbreite mit 2 Seitenbesen 1.600 mm (63,0 in)
Arbeitsbreite mit 3 Seitenbesen 2.100 mm (82,7 in)
Filtersystem Drahtgewebe
Maximale Geräuschentwicklung am Fahrerplatz (Schalldruckpegel) (ISO/EN3744) bei Höchstdrehzahl
im Arbeitsbetrieb 80 dB(A)
Garantierter Schallleistungspegel (2000/14/EC) bei Höchstdrehzahl im Arbeitsbetrieb 111 dB(A)
Kapazität Abfallbehälter 850 Liter (224,5 USgal)
Höchstlast Abfallbehälter 1.100 Kg (2.425 lb)
Staubabscheidung Mittels Wasser
Gesamtkapazität Wassertanks (2 Stück) Staubabscheidungsanlage 250 Liter (66,0 USgal)
Beleuchtungs- und Signalanlage Straßenzulassung
Getriebe Hydrostatisch servogesteuert
Lenkung An Hinterachse, mit Servolenkung
Bremse Hydraulisch
Feststellbremse Mechanisch
Bedienelemente Elektrohydraulisch

DEUTSCH BETRIEBSANLEITUNG
12 33014576(4)2008-02 A RS 850
Daten Dieselmotor (*) Werte
Marke VM MOTORI
Typ D703 TE2 EPA/CARB
Zylinder 3
Hubraum 2.082 cm3 (127,0 in3)
Höchstdrehzahl 2.600 U/min
Höchstdrehzahl im Kehrbetrieb 2.050 U/min
Maximale Leistung 48 KW (64,4 PS)
Mindestdrehzahl 1.000 U/min
Kühlmittel Dieselmotor 50% Frostschutzmittel AGIP und 50%
Wasser
Frostschutzmitteltyp AGIP Antifreeze Extra (**)
Motoröltyp AGIP Sigma Turbo 15W40 (***)
Kapazität Ölwanne Dieselmotor (maximal/minimal) 5,45/4,45 Kg (12,0/10,0 lb)
(*) Für mehrere Daten/Werte über Dieselmotor, siehe die entsprechende Anleitung.
(**) Siehe nachstehende Tabellen der Kühlmitteleigenschaften und der Bezugsspezifi kationen.
(***) Siehe nachstehende Tabellen der Motoröleigenschaften und der Bezugsspezifi kationen.
EIGENSCHAFTEN AGIP ANTIFREEZE EXTRA Zulassungen und Spezifi kationen
Siedepunkt °C (°F) 170 (338) CUNA NC 956-16 97
Siedepunkt für Lösung mit 50 % Wasser °C (°F) 110 (230) FF.SS Kat. 002/132
Gefrierpunkt für Lösung mit 50 % Wasser °C (°F) -38 (-36,4) ASTM D 1384
Farbe / Türkis
Dichte bei +15°C (+59°F) Kg/l 1,13
EIGENSCHAFTEN AGIP SIGMA TURBO 15W40 Zulassungen und Spezifi kationen
SAE-KLASSIFIZIERUNG / 15W40 ACEA E3-96
Viskosität bei +100°C (+212°F) mm2/s 13,7 API Service CG-4/SG
Viskosität bei +40°C (+104°F) mm2/s 100 CCMC D5, PD-2
Viskosität bei -15°C (+5°F) mm2/s 3.300 US Department of the Army MIL-L-2104 E
Viskositätsindex / 138 US Department of the Army MIL-L-46152 E
Flammpunkt COC °C (°F) 230 (446) MACK EO-L
Fließpunkt °C (°F) -27 (-16,6) MAN M 3275
Dichte bei +15°C (+59°F) Kg/l 0,885 Mercedes Benz 228.3
VOLVO VDS2
MTU typ 2
Betankungsdaten Werte
Kapazität Kraftstofftank 65 Liter (17,2 USgal)
Kapazität Öltank Hydraulikanlage 54 Liter (14,3 USgal)
Daten elektrische Anlage Werte
Anlagenspannung 12 V
Anlassbatterie 12 V – 100 Ah
Daten hydraulische Anlage Werte
Maximaler Druck Antriebsanlage 300 Bar (4.351 psi)
Maximaler Druck Ansauglüfteranlage 210 Bar (3.046 psi)
Maximaler Druck Hilfssysteme 110 Bar (1.595 psi)
Ölviskosität Hydraulikanlage [bei Umgebungstemperatur über +10°C (+50°F)] (*) 46 cSt
Öltyp Hydraulikanlage AGIP Arnica 46 (**)
Öltyp Bremsanlage DOT4 (***)
(*) Wird das Gerät bei einer Umgebungstemperatur unter +10 C (+50°F) verwendet, wird empfohlen, das Öl gegen ein
gleichwertiges Öl mit einer Viskosität von 32 cSt auszutauschen. Für Temperaturen unter 0°C (+32°F) ein Öl mit einer noch
niedrigeren Viskosität verwenden.
(**) Siehe nachstehende Tabellen der Öleigenschaften der Hydraulikanlage und der Bezugsspezifi kationen.
(***) Siehe nachstehende Tabellen der Bremsöleigenschaften und der Bezugsspezifi kationen.

BETRIEBSANLEITUNG DEUTSCH
RS 850 33014576(4)2008-02 A 13
EIGENSCHAFTEN AGIP ARNICA 46 32 Zulassungen und Spezifi kationen
Viskosität bei +40°C (+104°F) mm2/s 45 32 ISO-L-HV
Viskosität bei +100°C (+212°F) mm2/s 7,97 6,40 ISO 11158
Viskositätsindex / 150 157 AFNOR NF E 48603 HV
Flammpunkt COC °C (°F) 215 (419) 202 (395,6) AISE 127
Fließpunkt °C (°F) -36 (-32,8) -36 (-32,8) ATOS Tab. P 002-0/I
Dichte bei +15°C (+59°F) Kg/l 0,87 0,865 BS 4231 HSE
CETOP RP 91 H HV
COMMERCIAL HYDRAULICS
Danieli Standard 0.000.001 (AGIP
ARNICA 22, 46, 68)
EATON VICKERS I-286-S3
EATON VICKERS M-2950
DIN 51524 t.3 HVLP
LAMB LANDIS-CINCINNATI P68, P69 und
P70
LINDE
PARKER HANNIFIN (DENISON) HF-0
REXROTH RE 90220-1/11.02
SAUER-DANFOSS 520L0463
EIGENSCHAFTEN DOT4 Zulassungen und Spezifi kationen
Viskosität bei -40°C (-40°F) mm2/s 1.300 SAE J 1703
Viskosität bei +100°C (+212°F) mm2/s 2,2 FMVSS 116 - DOT4&DOT3
Siedepunkt trocken °C (°F) 265 (509) ISO 4925
Siedepunkt nass °C (°F) 170 (338) CUNA NC 956 DOT4
Dichte bei +15°C (+59°F) Kg/l 1,07
Farbe / Gelb
Daten Klimaanlage Werte
Gastyp Reclin 134a
Gasmenge 0,8 Kg (1,76 lb)
Daten Salzstreueinrichtung (Option) (*) Werte
Marke - Typ Epoke - PM 1,4
Daten Schneewalze (Option) (*) Werte (*)
Marke - Typ Tuchel - ZKM
Daten Kamerakit (Option) (*) Werte (*)
Marke - Typ IMEL - Car Vision System
(*) Für mehrere Daten/Werte über Einrichtungen und Kamerakit, siehe die entsprechenden Anleitungen.
UMGEBUNGSBEDINGUNGEN
Gerät nicht an Orten, an denen Explosionsgefahr besteht, einsetzen.
Um zu vermeiden, dass gefährliche Geräteabgase eingeatmet werden, Kehrmaschine nur an ausreichend belüfteten Orten
einsetzen.
Für das einwandfreie Funktionieren des Geräts (*) müssen folgende Umgebungsbedingungen erfüllt werden:
Temperatur: von -10°C bis +40°C (von +14°F bis +104°F)
Luftfeuchtigkeit: von 30% bis 95%
(*) Bei Verwendung der Kehrmaschine in Umgebungen mit Temperaturen zwischen -10°C und 0°C (+14°F und +32°F) kann das
Wasser der Staubabscheidungsanlage nicht eingesetzt werden. Ferner müssen die entsprechenden Wassertanks und die
Anlage leer sein.
–
–
–•
•

DEUTSCH BETRIEBSANLEITUNG
14 33014576(4)2008-02 A RS 850
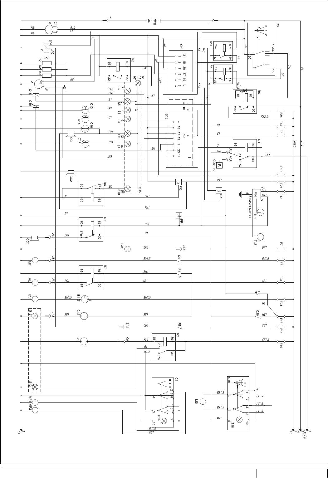
SCHALTPLAN
(Siehe Abb. AR-1 und AR-2)
A Wechselstromgenerator
B 12-V-Batterie
B1 Ölkugel Hydraulikanlage
C1 Elektromagnet zum Motoranlassen
C2 Kompressor Klimaanlage
C3 Zündschalter
C4 Schalter Scheibenwischer
C5 Schalter Wasserpumpe
C6 Schalter Warnblinker
C7 Wählschalter Ober- bzw. Unterlicht
C8 Schalter Seitenbesen und dritter Seitenbesen
C9 Flapsschalter
C10 Schalter Stellantrieb zur Öffnung/Schließung
Abfallbehälterklappe
C11 Mikroschalter Bremslicht
C12 Mikroschalter Abfallbehälter gehoben
C13 Ölkugel Dieselmotor
C14 Kühlmittelkugel Dieselmotor
C15 Mikroschalter Sitz
C16 Mikroschalter Feststellbremse
C17 Mikroschalter Luftfi lter verstopft
C18 Messgeber Kühlmitteltemperatur Dieselmotor
C19 Schwimmer Kraftstoffstand
C20 Mikroschalter Klappe geöffnet
C21 Schalter Elektrogebläse Klimaanlage
C22 Schalter Kabineninnenlicht
CC Summer Feststellbremse
CC1 Rückfahralarm
CK Glühkerzen-Steuergerät
D1 Kombischalter
D2 Diode 6 A, 60 V
EG Kraftstoff-Elektroventil (Motorabstellen)
EV Elektrogebläse Austauscher
EV1/2 Elektrogebläse Klimaanlage
EV3 Elektroventil Flapöffnung
EV4 Elektroventil Flapschließung
FE Notausschalter (wenn ausgestattet)
F1 Sicherung rechtes Fernlicht
F2 Sicherung Abblendlicht
F3 Sicherung linkes Fernlicht/Warnblinker
F4 Sicherung Bremslicht/Beleuchtung
F5 Sicherung rechtes Standlicht/Wählschalter Ober- bzw.
Unterlicht
F6 Sicherung linkes Standlicht/Licht Saugmund
F7 Sicherung Blinklicht
F8 Sicherung Scheibenwischermotor
F9 Sicherung Blinker/Hupe
F10 Sicherung Glühkerzen-Steuergerät
F11 Sicherung Kraftstoff-Elektroventil
F12 Sicherung Elektrogebläse Klimaanlage/Kabineninnenlicht
F13 Freie Sicherung
F14 Sicherung Stromversorgung Kontrollleuchten Instrumentbrett
F15 Sicherung Mikroschalter Sitz
F16 Sicherung Wasserpumpen
F17 Sicherung Monitor
F18 Sicherung Stromversorgung Sensoren/Rückfahralarm/
Mikroschalter Klappe geöffnet/Stellantrieb Klappe
F19 Sicherung Steuerkarte Besen
F20 Sicherung Elektrogebläse Klimaanlage
F21 Sicherung Sensor Wasser im Kraftstofffi lter/Summer
Feststellbremse
F22 Sicherung Elektroventile Flap
F23 Sicherung Scheibenwascherpumpe
F24 Sicherung Elektrogebläse Austauscher
G1 Schwimmer Wasserstand Staubabscheidungsanlage
I - R4 Intermittenz 21/99 W
L1/3 Blinker links
L4/6 Blinker rechts
L7 Rücklicht links
L8 Standlicht unten links
L9 Standlicht oben links
L10 Standlicht unten rechts
L11 Standlicht oben rechts
L12 Rücklicht rechts
L13 Bremslicht links
L14 Bremslicht rechts
L15 Abblendlicht unten links
L16 Abblendlicht unten rechts
L17 Fernlicht unten links
L18 Fernlicht unten rechts
L19 Kennzeichenleuchte
L20 Blinklicht
L21 Licht Saugmund
L22 Abblendlicht oben links
L23 Abblendlicht oben rechts
L24 Fernlicht oben links
L25 Fernlicht oben rechts
L26 Kabineninnenlicht
M Anlasser
MN Monitor (Kameraanlage)
ML Scheibenwascherpumpe
MP1 Wasserpumpe
MP2 Wasserpumpe
MR Motor Elektrogebläse Klimaanlage
MS Stellantrieb Klappe
MT Scheibenwischermotor
PDruckschalter Klimaanlage Kabine
P1 Schalter Scheibenwascherpumpe
PR Rückfahrsensor
PR1 Sensor Wasser im Kraftstofffi lter
PX Sicherheitssensor Dieselmotorstart
R1 Sicherheitsrelais Besen 12 V, 20/30 A
R2 Relais Wasserpumpen 12 V, 20/30 A
R3 Relais Rückfahrsensor 12 V, 20/30 A
R5 Hauptrelais 12 V, 70 A
R6 Relais Sensor Wasser im Kraftstofffi lter 12 V COM1
R7 Relais Scheibenwascherpumpe 12 V COM1
R8 Relais Kontrollleuchte Glühkerzen 12 V COM1
R9 Sicherheitsrelais zum Motoranlassen 12 V, 20/30 A
R10 Sicherheitsrelais zum Motoranlassen 12 V, 20/30 A
R11 Relais Wählschalter Ober- bzw. Unterlicht MY4 12 V
R12 Sicherheitsrelais Elektrogebläse Klimaanlage 12 V, 20/30 A
RS Widerstand Elektrogebläse Klimaanlage

BETRIEBSANLEITUNG DEUTSCH
RS 850 33014576(4)2008-02 A 15
S1 Kontrollleuchte Glühkerzen
S2 Batteriekontrollleuchte
S3 Ölkontrollleuchte
S4 Wasserkontrollleuchte
S5 Kontrollleuchte Kraftstoffreserve
S6 Kontrollleuchte Feststellbremse
S7 Kontrollleuchte Luftfi lter verstopft
S8 Kontrollleuchte Blinker
S9 Kontrollleuchte Warnblinker
S10 Kontrollleuchte Standlicht
S11 Kontrollleuchte Fernlicht
S12 Kontrollleuchte Wassermangel
S13 Kontrollleuchte Abfallbehälter angehoben
S14 Kontrollleuchte Wasserpumpe eingeschaltet
S15 Instrument
S16 Kontrollleuchte Scheinwerfer oben
S17 Kontrollleuchte Seitenbesen eingeschaltet
S18 Kontrollleuchte Klappe geöffnet
S19 Kontrollleuchte Wasser im Kraftstofffi lter
T Hupe 12 V
TL1 Hinterkamera
TL2 Vorderkamera
TM Thermostat Klimaanlage
K1/3 Glühkerzen
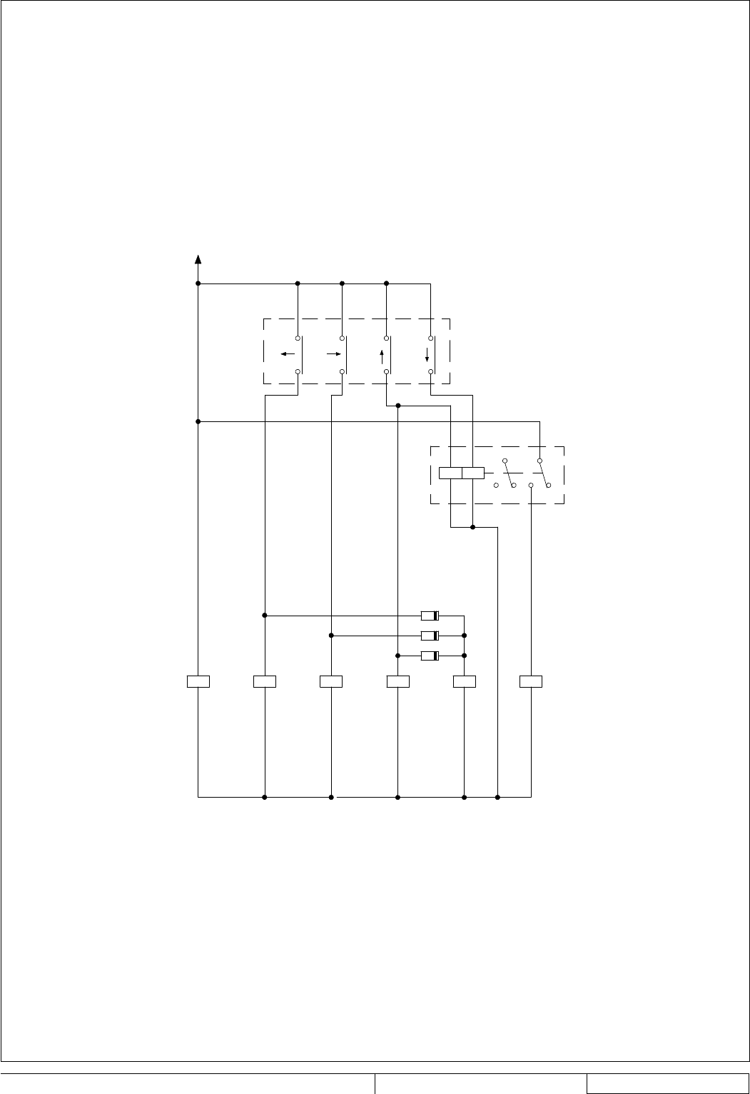
SCHALTPLAN DES ARMS DES DRITTEN
SEITENBESENS
(*) Option für einige Länder.
(Siehe Abb. AR-3)
D1 Diode 6 A, 60 V
D2 Diode 6 A, 60 V
D3 Diode 6 A, 60 V
EV1 Elektroventil Drehung Seitenbesen
EV2 Elektroventil Drehung Arm links
EV3 Elektroventil zum Heben Seitenbesen
EV4 Elektroventil zum Senken Seitenbesen
EV5 Elektroventil Drehung Arm rechts
EV6 Gemeinsames Elektroventil
J1 Joystick
R1 Relais zum Senken
X Zum Schalter Drehung Seitenbesen
Farbcodes
A Hellblau
B Weiß
C Orange
G Gelb
H Grau
L Blau
M Braun
N Schwarz
R Rot
S Rosa
V Grün
Z Violett
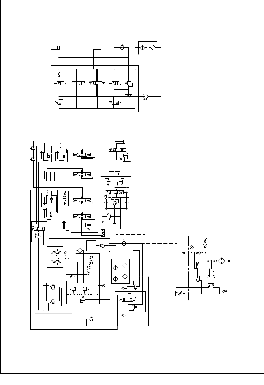
HYDRAULIKSCHALTPLAN
(Siehe Abb. AT)
Öltank Hydraulikanlage
Ablassfi lter
Ansaugfi lter
Pumpe Antriebsanlage
Dieselmotor
Hydraulikmotor Antriebsanlage
Wegeventil Hilfssysteme
Hubzylinder Flap vorn
Hubzylinder Abfallbehälter
Handpumpe
Motor Seitenbesen
Hydraulikmotor Antriebsanlage
Ölkühler Hydraulikanlage
Elektroventil
Zylinder zur Seitenverschiebung Saugmund
Hubzylinder Saugmund
Absperrventil
Kippzylinder Abfallbehälter
Servolenkung
Stromabweiser (Hauptventil)
Pumpe Hilfssysteme und dritter Seitenbesen
Pumpe Ansauglüfter
Wegeventil Ansauglüfter
Wegeventil Flap vorn
Motor Ansauglüfter
Zylinder Servolenkung
Servosteuerung Fahrpedal
Ölansaugfi lter Hydraulikanlage
Ölansaugfi lter Hydraulikanlage
Zylinder Drehung Arm dritten Seitenbesens
Zylinder zum Heben dritter Seitenbesen (*)
Elektroventil (*)
Hydraulikmotor Dritten Seitenbesens (*)
Hydraulikfi lter (*)
Pumpe Waschanlage mit Hochdruckwasser (*)
Wasseransaugung (*)
Wasserabsaugung (*)
(*) Option für einige Länder.
71.
72.
73.
74.
75.
76.
77.
78.
79.
80.
81.
82.
83.
84.
85.
86.
87.
88.
89.
90.
91.
92.
93.
94.
95.
96.
97.
98.
99.
100.
101.
102.
103.
104.
105.
106.
107.

DEUTSCH BETRIEBSANLEITUNG
16 33014576(4)2008-02 A RS 850
ELEKTRISCHE SICHERUNGEN
Auf den rechten und linken Seiten der Lenksäule, befi nden sich zwei Sicherungskasten (25 und 34, Abb. D) mit einem
durchsichtigen Plastikdeckel, die die folgenden Sicherungen zum Schutz der entsprechenden Kreise enthalten:
Sicherungskasten „A“ (34, Abb. D)
Sicherung rechtes Fernlicht (10 A)
Sicherung Abblendlicht (7,5 A)
Sicherung linkes Fernlicht/Warnblinker (10 A)
Sicherung Bremslicht/Beleuchtung (20 A)
Sicherung rechtes Standlicht/Wählschalter Ober- bzw. Unterlicht (7,5 A)
Sicherung linkes Standlicht/Licht Saugmund (7,5 A)
Sicherung Blinklicht (7,5 A)
Sicherung Scheibenwischermotor (7,5 A)
Sicherung Blinker/Hupe (15 A)
Sicherung Glühkerzen-Steuergerät (15 A)
Sicherung Kraftstoff-Elektroventil (7,5 A)
Sicherung Elektrogebläse Klimaanlage/Kabineninnenlicht (10 A)
Sicherungskasten „B“ (25, Abb. D)
Freie Sicherung (7,5 A)
Sicherung Stromversorgung Kontrollleuchten Instrumentbrett (10 A)
Sicherung Mikroschalter Sitz (7,5 A)
Sicherung Wasserpumpe (20 A)
Sicherung Monitor (7,5 A)
Sicherung Stromversorgung Sensoren/Rückfahralarm/Mikroschalter Klappe geöffnet/Stellantrieb Klappe (10 A)
Sicherung Steuerkarte Besen (7,5 A)
Sicherung Elektrogebläse Klimaanlage (15 A)
Sicherung Sensor Wasser im Kraftstofffi lter/Summer Feststellbremse (10 A)
Sicherung Elektroventile Flap (7,5 A)
Sicherung Scheibenwascherpumpe (10 A)
Sicherung Elektrogebläse Austauscher (15 A)
ZUBEHÖR/SONDERAUSSTATTUNG
Neben den mit der Grundausführung gelieferten Bauteilen ist/sind je nach spezifi scher Verwendung des Gerätes folgendes
Zubehör/folgende Sonderausstattungen lieferbar:
Dritter Seitenbesen (*)(**)
Seitenbesen mit härteren oder weicheren Borsten als die Standardborsten
Salzstreueinrichtung (*)(**)
Schneewalze (*)(**)
Kamerakit (*)
Hochdruckwaschanlage (*)(**)
Stoßstange hinten
Kotfl ügel hinten
Autoradio
Fahrerkabinen-Klimaanlage (*)(**)
Sauganlage hinten (*)(**)
Sicherheitsgurt am Fahrerplatz (*)(**)
(*) Option für einige Länder.
(**) Zum Einbau dieser Zubehörteile muss die Kehrmaschine speziell vorgerüstet werden.
1.
2.
3.
4.
5.
6.
7.
8.
9.
10.
11.
12.
13.
14.
15.
16.
17.
18.
19.
20.
21.
22.
23.
24.
–
–
–
–
–
–
–
–
–
–
–
–

BETRIEBSANLEITUNG DEUTSCH
RS 850 33014576(4)2008-02 A 17
BETRIEB
ACHTUNG!
An einigen Stellen des Gerätes sind folgende Schilder angebracht:
GEFAHR
ACHTUNG
HINWEIS
NACHSCHLAGEN
−
−
−
−
Beim Lesen dieser Anleitung sollte die Bedienperson aufmerksam auf die Symbole achten und deren Bedeutung kennen.
Die Schilder keinesfalls abdecken und bei Beschädigung sofort ersetzen.
ALLGEMEINE HINWEISE
Dieses Gerät wurde als Hochleistungskehrmaschine mit hoher Ladekapazität entwickelt und kann auf engem Raum betrieben
werden.
Es zeichnet sich durch enge Spurweite und engen Lenkeinschlag aus.
Diese Eigenschaften können unter bestimmten Bedingen zu einer Geräteinstabilität während des Betriebs führen.
Die Instabilität kann durch die Geschwindigkeit, ruckartige Lenkmanöver, den Betrieb auf geneigtem Untergrund, niedrigen
Reifendruck, das Gewicht der Abfälle im Behälter oder den angehobenen Behälter verursacht werden.
Daher muss die Kehrmaschine von Fachpersonal gefahren werden, das adäquat im sachgerechten Gebrauch des Geräts
unterwiesen wurde und sich der potentiellen Gefahren bewusst ist.
Nachstehend sind mögliche Gründe für eine Geräteinstabilität angeführt. Bitte lesen Sie diese aufmerksam:
Anheben des Abfallbehälters, wenn sich das Fahrzeug auf geneigtem Untergrund befi ndet
Betrieb des Geräts bei angehobenem Abfallbehälter
Ruckartige Lenkmanöver
Fahren mit hoher Geschwindigkeit, auf geneigtem Untergrund und/oder mit angehobenem Abfallbehälter
Niedriger Reifendruck
In der Kabine ist ein Warnaufkleber (19, Abb. E) angebracht, der die Bedienperson an die Situationen potentieller Instabilität
erinnert und über Maßnahmen zur Vermeidung der Fahrzeuginstabilität informiert.
VOR DEM ANLASSEN
Falls nötig, die obere rechte Klappe (28, Abb. G) durch Ausrasten der Haltevorrichtung (29) mit dem ausgestatteten Schlüssel
öffnen und die Kraftstoffbetankung durch den Einfüllstutzen (10, Abb. F) durchführen.
HINWEIS!
Den Tank nicht vollständig füllen, sondern mindestens 4 cm (1,6 in) vom Hals des Einfüllstutzens lassen, um
dem Kraftstoff zu ermöglichen, sich auszudehnen.
Den Wasserstand der Staubabscheidungsanlage durch den Anzeiger (8, Abb. G) prüfen.
Falls nötig, Wasser wie folgt nachfüllen:
Haltevorrichtung (10, Abb. G) mit dem ausgestatteten Schlüssel ausrasten, dann die linke Klappe (9) öffnen
Die Tanks durch den Deckel (30, Abb. F) bzw. den Schlauch (29), nachdem ihn abgerollt wurde, mit Wasser einfüllen
Den Deckel (30) wieder schließen bzw. den Schlauch (29) aufrollen und in den entsprechenden Sitz wieder setzen
Die Klappe (9, Abb. G) wieder schließen und durch die Haltevorrichtung (10) mit dem ausgestatteten Schlüssel befestigen.
Prüfen, ob keine Klappen/Hauben am Gerät geöffnet sind und ob normale Betriebsbedingungen vorliegen.
–
–
–
–
–
1.
•
•
•
•
2.

DEUTSCH BETRIEBSANLEITUNG
18 33014576(4)2008-02 A RS 850
ANLASSEN UND ABSTELLEN DIESELMOTOR
Anlassen Dieselmotor
Auf den Fahrersitz (14, Abb. E) sich setzen und prüfen, dass die Feststellbremse (13) betätigt ist.
Gewünschte Sitzstellung mit dem Hebel (17, Abb. E) einstellen.
Sicherheitsgurte anlegen.
HINWEIS!
Zur höheren Sicherheit der Bedienperson ist den Sicherheitsgurt immer anzulegen.
Den Gashebel des Motors (16, Abb. E) auf Mindestdrehzahl stellen.
Beim Anlassen des Motors müssen Seitenbesen angehoben sein, da sie Schäden verursachen können, wenn sie plötzlich
beginnen sich zu drehen.
Auf den Fahrersitz (14, Abb. E) sich setzen, den Zündschlüssel (24, Abb. D) einstecken, im Uhrzeigersinn von einer Stellung
drehen und ihn in dieser Stellung lassen. Die folgenden Kontrollleuchten werden aufl euchten:
Kontrollleuchte Vorglühen Glühkerzen Dieselmotor (11, Abb. D)
Ladekontrollleuchte Batterie (7, Abb. D)
Kontrollleuchte Öldruck Dieselmotor (8, Abb. D)
Kontrollleuchte Feststellbremse (12, Abb. D)
Beim Erlöschen der Kontrollleuchte Vorglühen Glühkerzen (11, Abb. D) Zündschlüssel im Uhrzeigersinn bis zum Anschlag
drehen und beim Start des Dieselmotors loslassen.
HINWEIS!
Beim Anlassen des Dieselmotors den Zündschlüssel nicht zu lange (max. 20 Sekunden) auf der Anlassstellung
lassen, um den Anlasser nicht zu beschädigen. Springt der Motor nicht an, so eine Minute lang warten, bevor
den Anlassvorgang zu wiederholen.
Vor Wiederholen des Anlassvorgangs den Zündschlüssel gegen den Uhrzeigersinn in Stellung I drehen.
Springt der Dieselmotor nach zwei Versuchen nicht an, nicht fortfahren. Wenden Sie sich an die für das Gerät
verantwortliche Person.
HINWEIS!
Während des Motoranlassens durch den Zündschlüssel (24, Abb. D), das Vorwärts- und Rückwärtsgangpedal
(26) nicht betätigen, denn ein Sicherheitssystem hält in dieser Bedingung das Motoranlassen auf.
Prüfen, ob bei laufendem Motor alle Kontrollleuchten aus sind.
Den Motor, insbesondere bei niedriger Umgebungstemperatur, mit dem Gashebel (16, Abb. E) in mittlerer Stellung einige
Minuten erwärmen lassen.
Abstellen Dieselmotor
Den Gashebel (16, Abb. E) auf Mindestdrehzahl stellen und zur Stabilisierung der Anlage einige Minuten in dieser Stellung
lassen.
Zündschlüssel (24, Abb. D) gegen den Uhrzeigersinn bis zum Anschlag drehen und abziehen.
Feststellbremse mit dem Hebel (13, Abb. E) betätigen.
1.
2.
3.
4.
5.
6.
•
•
•
•
7.
8.
1.
2.
3.

BETRIEBSANLEITUNG DEUTSCH
RS 850 33014576(4)2008-02 A 19
GERÄT ANLASSEN UND ABSTELLEN
Die Kehrmaschine kann angelassen und wie folgt eingestellt werden:
Fahrbetrieb
Kehrbetrieb
Nachfolgend werden die entsprechenden Arbeitsschritte beschrieben.
ACHTUNG!
Lenkmanöver, insbesondere bei vollem Abfallbehälter oder auf geneigtem Untergrund, äußerst aufmerksam und
stets bei geringer Geschwindigkeit durchführen. Nicht ruckartig die Richtung wechseln!
HINWEIS!
Vor dem Anfahren Reifendruck [5 Bar (72,5 psi)] prüfen und gegebenenfalls korrigieren.
Fahrbetrieb des Geräts einstellen
Wird die Kehrmaschine (ohne Kehren) fortbewegt, muss der Fahrbetrieb wie folgt eingestellt werden:
Dieselmotor wie im vorherigen Abschnitt beschrieben anlassen.
Prüfen, ob der Abfallbehälter (7, Abb. G) abgesenkt und die entsprechende Kontrollleuchte (18, Abb. D) erloschen ist.
Prüfen, ob der Ansauglüfter ausgeschaltet ist; Hebel (8, Abb. E) kontrollieren.
Den Saugmund und die Seitenbesen mittels der Taste (38, Abb. D) heben.
Prüfen, dass die Feststellbremse (13, Abb. E) betätigt ist.
Von dem Fahrzeug absteigen und den Sicherheitsarm des dritten Seitenbesens von der Stellung (2, Abb. H) (nicht eingesetzt)
zur Stellung (1) (eingesetzt) durch Einrasten des Zahnes (3) in den Bügel (4) stellen.
Den Gashebel des Motors (16, Abb. E) nach vorwärts stufenweise stellen und die Drehzahl am Display (17, Abb. D) bei 2.600
U/min einstellen.
Gerät mit den Händen am Lenkrad (28, Abb. D) und durch langsames Treten des Pedals (26) anfahren. Für den Vorwärtsgang
vordere Hälfte des Pedals heruntertreten, für den Rückwärtsgang die hintere Pedalhälfte.
Die Fahrgeschwindigkeit kann, je nach Stärke des Drucks auf das Pedal, von Null bis zur Höchstgeschwindigkeit reguliert
werden.
ACHTUNG!
Darauf achten, dass sich die Lenkung auf der Hinterachse befi ndet. Immer durch die Rückspiegel prüfen, ob das
Raum zum Bedienen in knappen Räumen genügend ist.
ACHTUNG!
Muss ein Hindernis überfahren werden (z. B. Bordsteinkante) darauf achten, dass der Saugmund angehoben ist.
Gerät im Fahrbetrieb abstellen
Zum Abstellen des Geräts Pedal (26, Abb. D) loslassen.
Um die Kehrmaschine schnell anzuhalten, zusätzlich Bremspedal (31) treten.
Den Gashebel (16, Abb. E) auf Mindestdrehzahl stellen und zur Stabilisierung der Anlage einige Minuten in dieser Stellung
lassen.
Den Motor durch Drehen des Zündschlüssels (24, Abb. D) gegen den Uhrzeigersinn bis zum Anschlag abstellen und
Zündschlüssel abziehen.
Feststellbremse mit dem Hebel (13, Abb. E) betätigen.
–
–
1.
2.
3.
4.
5.
6.
7.
8.
1.
2.
3.
4.
5.

DEUTSCH BETRIEBSANLEITUNG
20 33014576(4)2008-02 A RS 850
Kehrbetrieb des Geräts einstellen
Um den Kehrbetrieb des Gerätes einzustellen, wie folgt vorgehen:
Dieselmotor wie im entsprechenden Abschnitt erläutert starten.
Prüfen, ob der Abfallbehälter (7, Abb. G) abgesenkt und die entsprechende Kontrollleuchte (18, Abb. D) erloschen ist.
Den Sicherheitsarm des dritten Seitenbesens von der Stellung (1, Abb. H) (eingesetzt) zur Stellung (2) (nicht eingesetzt)
stellen.
Den Gashebel des Motors (16, Abb. E) nach vorwärts stufenweise stellen und die Drehzahl am Display (17, Abb. D) wie folgt
einstellen:
Min. 1.800 U/min
Max. 2.030 U/min
HINWEIS!
Werden beim Kehrenbetrieb 2.050 U/min überschreitet, haltet ein Sicherheitssystem die Drehung der
Seitenbesen an.
Ansauglüfter mit dem Hebel (8, Abb. E) einschalten.
Die Drehung der Seitenbesen mit dem Schalter (29, Abb. D) in erster Stellung und des dritten Seitenbesens mit dem Schalter
(29) in zweiter Stellung einschalten.
Den Saugmund und die Seitenbesen mittels der Taste (37, Abb. D) senken.
ANMERKUNG
Die Seitenbesen können nur bei eingeschaltetem Ansauglüfter gesenkt werden.
HINWEIS!
Die Kehrmaschine nicht bei gesenktem Saugmund und drehenden Seitenbesen stehend lassen.
Den Arm des dritten Seitenbesens durch Verstellen nach rechts/links des Meisterschalters (46, Abb. D) in Betriebsstellung
verschieben.
Den dritten Seitenbesen durch Verstellen nach vorwärts des Meisterschalters (46, Abb. D) senken.
Falls nötig, die Wasserhähne der Staubabscheidungsanlage (10, 11, 12, Abb. E) gemäß der folgenden Anweisungen öffnen:
Hahn (10, Abb. E) der Düsen der Staubabscheidungsanlage des Saugrohrs: Immer ihn öffnen, außer wenn der zu
reinigende Boden nass ist.
Dieser Hahn sendet das Wasser auch an die Düse der Staubabscheidungsanlage des hinteren Saugrohrs (Option).
Hahn (11, Abb. E) der Düsen der Staubabscheidungsanlage der Seitenbesen: Ihn öffnen, wenn das Boden trocken und
staubig ist.
Hahn (12, Abb. E) der Düsen der Staubabscheidungsanlage des dritten Seitenbesens: Ihn öffnen, wenn das Boden trocken
und staubig ist.
Die Wasserpumpen der Staubabscheidungsanlage mittels des Schalters (27, Abb. D) wie folgt einschalten:
Mit dem Schalter in erster Stellung, spritzen die Düsen eine mittlere Quantität von Wasser
(verwenden wenn der abzuscheidende Staub wenig ist)
Mit dem Schalter in zweiter Stellung, spritzen die Düsen eine maximale Quantität von Wasser
(verwenden wenn der abzuscheidende Staub viel ist)
Feststellbremse mit dem Hebel (13, Abb. E) lösen.
Mit den Händen am Lenkrad (28, Abb. D) und durch langsames Treten des Pedals (26) mit dem Kehren beginnen. Für den
Vorwärtsgang vordere Hälfte des Pedals heruntertreten, für den Rückwärtsgang die hintere Pedalhälfte.
Die Fahrgeschwindigkeit kann, je nach Stärke des Drucks auf das Pedal, von Null bis zur Höchstgeschwindigkeit reguliert
werden.
Während des Kehrens saugt das Gerät sowohl leichte Materialien wie Staub, Papier, Blätter usw. als auch schwere Materialen
wie Steine, Flaschen usw. ein.
ANMERKUNG
Alle Seitenbesen (19, 20, 21, Abb. G) können auch abgesenkt und angehoben werden, wenn sich das Gerät in
Bewegung befi ndet.
Die Seitenbesen drehen sich auch wenn sie gehoben sind.
1.
2.
3.
4.
•
•
5.
6.
7.
8.
9.
10. •
•
•
•
11. •
•
12.
13.

BETRIEBSANLEITUNG DEUTSCH
RS 850 33014576(4)2008-02 A 21
Gerät im Kehrbetrieb abstellen
Zum Abstellen des Geräts Pedal (26, Abb. D) loslassen.
Um die Kehrmaschine schnell abzuhalten, zusätzlich Bremspedal (31, Abb. D) treten.
Die Feststellbremse mit dem Hebel (13, Abb. E) betätigen.
Die Wasserpumpen der Staubabscheidungsanlage mittels des Schalters (27, Abb. D) ausschalten.
Falls geöffnet, die Wasserhähne der Staubabscheidungsanlage (10, 11, 12, Abb. E) schließen.
Den dritten Seitenbesen durch Verstellen nach rückwärts des Meisterschalters (46, Abb. D) heben.
Falls nötig, den Arm des dritten Seitenbesens in Betriebsstellung durch Verstellen nach links des Meisterschalters (46, Abb. D)
wieder stellen.
Die Drehung des dritten Seitenbesens und der Seitenbesen mittels des Schalters (29, Abb. D) anhalten.
Den Saugmund und die Seitenbesen mittels der Taste (38, Abb. D) heben.
Den Ansauglüfter mittels des Hebels (8, Abb. E) ausschalten.
Den Gashebel (16, Abb. E) auf Mindestdrehzahl stellen und zur Stabilisierung der Anlage einige Minuten in dieser Stellung
lassen.
Prüfen, ob der Abfallbehälter (7, Abb. G) abgesenkt und die entsprechende Kontrollleuchte (18, Abb. D) erloschen ist.
Falls nötig, den Sicherheitsarm des dritten Seitenbesens von der Stellung (2, Abb. H) (nicht eingesetzt) zur Stellung (1)
(eingesetzt) durch Einrasten des Zahnes (3) in den Bügel (4) stellen.
Den Motor durch Drehen des Zündschlüssels (24, Abb. D) gegen den Uhrzeigersinn bis zum Anschlag abstellen und
Zündschlüssel abziehen.
Feststellbremse mit dem Hebel (13, Abb. E) betätigen.
GERÄT IM KEHRBETRIEB
Seitenbesen nicht bei stehendem Gerät rotieren lassen: Der Fußboden könnte beschädigt werden.
Verschiebung von Saugmund und Seitenbesen
Falls nötig, beim Kehren, den Saugmund und die Seitenbesen nach links bzw. nach rechts durch gleichzeitige Betätigung der
entsprechenden Tasten (41 bzw. 42, Abb. D) und der Sicherheitstaste (45) verschieben.
Verschiebung des dritten Seitenbesens
Falls nötig, beim Kehren, den dritten Seitenbesen nach links bzw. nach rechts durch Verstellen des Meisterschalters (46, Abb.
D) nach links oder rechts verschieben.
Aufsammeln großvolumiger Abfälle
Zum Aufsammeln von voluminösen Abfällen, den vorderen Flap (25, Abb. G) mittels des Schalters (22, Abb. D) heben.
Die Saugfähigkeit des Geräts ist bei angehobenem vorderen Flap vermindert.
Um den vorderen Flap (25, Abb. G) zu senken, den Schalter (22, Abb. D) wieder drücken.
Falls erforderlich kann beim Aufsammeln großvolumiger Abfälle ohne vorderen Flap (25, Abb. G) gearbeitet werden. Zum
Ausbau wie folgt vorgehen:
Die Seitenbesen heben, dann das Gerät anhalten und den Dieselmotor abstellen.
Die Klemme (1, Abb. I) entfernen und die Verbindungsstange (2) vom Flap (3) trennen.
Flap (3) aus den Scharnieren (4) ziehen und entfernen.
Gerät wieder anlassen und Kehren fortsetzen.
Nach dem Anhalten des Geräts und dem Abstellen des Dieselmotors Flap (3) in umgekehrter Reihenfolge wieder
einbauen.
ANMERKUNG
Ist der Abfallbehälter voll, kann die Kehrmaschine Staub und Abfälle nicht mehr aufnehmen.
Am Arbeitsende und bei vollem Abfallbehälter (7, Abb. G), ihn entleeren. Für den entsprechenden Vorgang, siehe den
folgenden Abschnitt.
1.
2.
3.
4.
5.
6.
7.
8.
9.
10.
11.
12.
13.
14.
1.
2.
3.
4.
5.
•
•
•
•
•
6.

DEUTSCH BETRIEBSANLEITUNG
22 33014576(4)2008-02 A RS 850
ENTLEERUNG DES ABFALLBEHÄLTERS
Die maximale Entleerhöhe des Abfallbehälters beträgt 1.620 mm (63,78 in).
Zum Entleeren des Abfallbehälters folgendermaßen vorgehen:
Die Wasserpumpen der Staubabscheidungsanlage mittels des Schalters (27, Abb. D) ausschalten.
Falls geöffnet, die Wasserhähne der Staubabscheidungsanlage (10, 11, 12, Abb. E) schließen.
Den dritten Seitenbesen durch Verstellen nach rückwärts des Meisterschalters (46, Abb. D) heben.
Den Saugmund und die Seitenbesen mittels der Taste (37, Abb. D) heben.
Die Drehung des dritten Seitenbesens und der Seitenbesen mittels des Schalters (29, Abb. D) anhalten.
Den Ansauglüfter mittels des Hebels (8, Abb. E) ausschalten.
Falls nötig, den Arm des dritten Seitenbesens in Betriebsstellung durch Verstellen nach links des Meisterschalters (46, Abb. D)
wieder stellen.
Um den Abfallbehälter zu entleeren, ist es notwendig in einen anderen Bereich zu bewegen, die Feststellbremse (13, Abb. E)
zu betätigen, dann von dem Fahrzeug absteigen und den Sicherheitsarm des dritten Seitenbesens von der Stellung (2, Abb.
H) (nicht eingesetzt) zur Stellung (1) (eingesetzt) durch Einrasten des Zahnes (3) in den Bügel (4) stellen.
In die Nähe des Bereichs fahren, in dem die Abfälle entleert werden sollen.
Falls der Abfallbehälter viel Wasser enthält, ist es möglich vor dem Heben und Kippen des Abfallbehälters es wie folgt
abzulassen:
Die Feststellbremse mittels des Hebels (13, Abb. E) betätigen und von dem Fahrzeug absteigen.
Die obere linke Klappe (9, Abb. G) öffnen.
Den Schlauch (26, Abb. F) trennen und das Wasser aus dem Abfallbehälter ablassen.
Den Schlauch (26, Abb. F) wieder einbauen.
Die obere linke Klappe (9, Abb. G) wieder schließen.
ACHTUNG!
Um den stabilen Stand des Geräts zu gewährleisten, Abfallbehälter auf festem und ebenem Untergrund
entleeren.
Es dürfen sich keine Personen in der Nähe des Geräts, insbesondere nicht im Bereich des Abfallbehälters (7,
Abb. G) aufhalten.
Die zwei seitlichen Knöpfe (1, Abb. J) lösen und die hintere Rutsche durch Drehen von Stellung (2) zur Stellung (3) öffnen.
Den Abfallbehälter (7, Abb. G) mittels der Taste (43, Abb. D) und der Sicherheitstaste (45) vorsichtig heben.
ACHTUNG!
Kehrmaschine nicht bei angehobenem Abfallbehälter fortbewegen!
Muss die Kehrmaschine bei angehobenem Abfallbehälter fortbewegt werden, zur Vermeidung von
Querinstabilität ausschließlich in Schrittgeschwindigkeit fahren.
Die Abfallbehälterklappe (44, Abb. G) mittels des Schalters (21, Abb. D) öffnen und ihn bis zum völligen Öffnung gedrückt
halten.
Den Abfallbehälter (7, Abb. G) mittels der Taste (40, Abb. D) und der Sicherheitstaste (45) vorsichtig heben. Die Abfällen aus
dem Abfallbehälter entleeren lassen.
Am Ende des Entleerens, den Abfallbehälter in der Horizontalstellung mittels der Taste (39, Abb. D) und der Sicherheitstaste
(45) zurückstellen.
Den Abfallbehälter (7, Abb. G) mittels der Taste (44, Abb. D) und der Sicherheitstaste (45) vollständig senken. Die Tasten bis
zum Erlöschen der Kontrollleuchte (18) gedrückt halten.
Falls nötig, prüfen, dass die Drahtgewebe des Abfallbehälters nicht verstopft sind und wie folgt vorgehen:
Feststellbremse betätigen und Dieselmotor abstellen.
Abfallbehälterklappe manuell anheben und mit der Stützstange (17, Abb. F) sichern.
Die Filter (15 und 12, Abb. F) ausbauen und prüfen, dass sie nicht verstopft sind, wie es im Kapitel „Wartung“ beschrieben
ist. Andernfalls sie reinigen, wie es in den entsprechenden Vorgang beschrieben ist. Die Filter wieder einbauen.
Stützstangen (17, Abb. F) entfernen und zurück in ihren Sitz legen.
Den Dieselmotor wieder anlassen und die Abfallbehälterklappe (44, Abb. G) mittels des Schalters (21, Abb. D) schließen. Den
Schalter bis zum Erlöschen der Kontrollleuchte gedrückt halten.
Das Gerät kann jetzt wieder an entsprechender Stelle im Kehrbetrieb eingesetzt werden.
1.
2.
3.
4.
5.
6.
7.
8.
9.
10.
•
•
•
•
•
11.
12.
13.
14.
15.
16.
17. •
•
•
•
18.
19.

BETRIEBSANLEITUNG DEUTSCH
RS 850 33014576(4)2008-02 A 23
GEBRAUCH DES HINTEREN SAUGROHRS (*)
(*) Option für einige Länder.
Um Abfällen/Staub durch das hintere Saugrohr (Option) (43, Abb. G) anzusaugen, als durch den Saugmund (17, Abb. G), wie folgt
vorgehen.
Dieselmotor abstellen und Feststellbremse mit dem Hebel (13, Abb. E) betätigen.
Die Befestigungsknöpfe (1, Abb. K) des Saugrohrs lösen, dann den Deckel (2) der Ansaugöffnung mittels des Knopfes (3)
entfernen.
Abfallbehälter wie im Abschnitt „Entleerung des Abfallbehälters“ erläutert ca. 10-15 cm (3,9-5,9 in) anheben und Dieselmotor
abstellen.
Die obere rechte Klappe (28, Abb. G) öffnen und die Dichtung (7, Abb. F) vom Sitz entfernen.
Mit einer passenden Leiter, die Dichtung (7, Abb. F) in die Ansaugöffnung (1, Abb. L) des Abfallbehälters einsetzen und
befestigen.
Den Abfallbehälter wie im Abschnitt „Entleerung des Abfallbehälters“ erläutert vollständig absenken.
Haltevorrichtung (42, Abb. G) des hinteren Saugrohrs (43) freilassen.
Den Stützarm (45, Abb. G) öffnen und die entsprechende Kette (1, Abb. M) an das Saugrohr anschließen, um es zu stützen.
Den Hahn (23, Abb. F) der Düse der Staubabscheidungsanlage öffnen.
Dieselmotor wie im entsprechenden Abschnitt erläutert starten.
Prüfen, ob der Abfallbehälter (7, Abb. G) abgesenkt und die entsprechende Kontrollleuchte (18, Abb. D) erloschen ist.
Den Gashebel des Motors (16, Abb. E) nach vorwärts stufenweise stellen und die Drehzahl am Display (17, Abb. D) wie folgt
einstellen:
Min. 1.800 U/min
Max. 2.030 U/min
Ansauglüfter mit dem Hebel (8, Abb. E) einschalten.
Die Wasserpumpen der Staubabscheidungsanlage mittels des Schalters (27, Abb. D) wie folgt einschalten:
Mit dem Schalter in erster Stellung, spritzen die Düsen eine mittlere Quantität von Wasser
(verwenden wenn der abzuscheidende Staub wenig ist)
Mit dem Schalter in zweiter Stellung, spritzen die Düsen eine maximale Quantität von Wasser
(verwenden wenn der abzuscheidende Staub viel ist)
Feststellbremse mit dem Hebel (13, Abb. E) lösen.
Mit Hilfe einer zweiten Bedienperson, das Aufsammeln von Abfällen durch das hintere Saugrohr anfangen, das in der Hand,
wie in Abbildung N dargestellt ist, zu halten ist.
Während des Kehrens saugt das Gerät sowohl leichte Materialien wie Staub, Papier, Blätter usw. als auch schwere Materialen
wie Steine, Flaschen usw. ein.
Um wieder mit dem Saugmund (17, Abb. G) zu saugen, die Schritte 2 bis 15 in umgekehrter Reihenfolge durchführen.
GEBRAUCH DES SCHEIBENWISCHERS/-WASCHERS
Der Schalter (23, Abb. D) zum Spritzen der Waschlösung auf die Windschutzscheibe drücken.
Zum Ein- und Ausschalten des Scheibenwischers Schalter (33, Abb. D) drücken.
GEBRAUCH DER FAHRERKABINENHEIZUNG
Zum Einschalten der Kabinenheizung Knopf (15, Abb. E) je nach Bedarf gegen den Uhrzeigersinn drehen.
Die Geschwindigkeit der Elektrogebläse mittels des Knopfes (6, Abb. E) einstellen.
Um die Heizung auszuschalten, den Knopf (15, Abb. E) im Uhrzeigersinn bis zum Anschlag drehen.
GEBRAUCH DER FAHRERKABINEN-KLIMAANLAGE (*)
(*) Option für einige Länder.
Den Knopf (5, Abb. E) als gewünscht drehen.
Die Geschwindigkeit der Elektrogebläse mittels des Knopfes (6, Abb. E) einstellen.
1.
2.
3.
4.
5.
6.
7.
8.
9.
10.
11.
12.
•
•
13.
14. •
•
15.
16.
17.
1.
2.
1.
2.
3.
1.
2.

DEUTSCH BETRIEBSANLEITUNG
24 33014576(4)2008-02 A RS 850
FUNKTION DER BELEUCHTUNGSANLAGE
Um die Beleuchtungs- und Signalanlage einzuschalten, den Kombischalter (35, Abb. D) mit folgenden Funktionen verwenden:
Licht ausgeschaltet, mit Markierung (35b) am Symbol O
Standlicht eingeschaltet, mit Markierung (35b) am Symbol
Abblendlicht eingeschaltet, mit Markierung (35b) am Symbol
Fernlicht eingeschaltet, mit Markierung (35b) am Symbol und Hebel (35a) gesenkt
Kurzes Einschalten Fernlicht: Hebel (35a) nach oben drücken
Einschalten Blinker rechts: Hebel (35a) nach vorne drücken
Einschalten Blinker links: Hebel (35a) nach hinten drücken
Einschaltung Hupe, beim Drücken des Hebels (35a) in der Pfeilrichtung (35c)
Um das Einschalten der unteren Scheinwerfer (3, Abb. G) bzw. der oberen Scheinwerfer (2) zu wählen, den Wählschalter (30,
Abb. D) verwenden.
WARNBLINKER EINSCHALTEN
Warnblinker mit dem Schalter (20, Abb. D) einschalten.
MANUELLES ANHEBEN DES ABFALLBEHÄLTERS
Um den Abfallbehälter (7, Abb. G) manuell anzuheben/abzusenken (bei defektem Dieselmotor etc.), wie folgt vorgehen.
Manuelles Anheben des Abfallbehälters
Prüfen, ob sich das Gerät auf festem und ebenem Untergrund befi ndet, insbesondere wenn der Abfallbehälter (7, Abb. G) voll
ist.
Den Motor durch Drehen des Zündschlüssels (24, Abb. D) gegen den Uhrzeigersinn bis zum Anschlag abstellen und
Zündschlüssel abziehen.
Feststellbremse (13, Abb. E) betätigen.
Die untere linke Klappe (11, Abb. G) durch Ausrasten der Haltevorrichtung (12) mit dem ausgestatteten Schlüssel öffnen.
Den Hebel zum Einschalten der Handpumpe (27, Abb. F) herausnehmen.
Den Hebel (1, Abb. O) auf die Handpumpe (2) stellen.
Prüfen, dass den Wählschalter (3, Abb. O) zum Heben/Senken (zum Heben rechts und zum Senken links) des Abfallbehälters
in Hubstellung ist [durch Durchführen einiger Testpumpen mittels des Hebels (1)].
Die Pumpe (2, Abb. O) mittels des Hebels (1) vorsichtig einschalten und den Abfallbehälter ganz heben.
Die Stützstangen des gehobenen Abfallbehälters (3, Abb. F) einsetzen, wie es im entsprechenden Abschnitt beschrieben ist.
Manuelles Absenken des Abfallbehälters
Die Stützstangen des gehobenen Abfallbehälters (3, Abb. F) herausziehen, wie es im entsprechenden Abschnitt beschrieben
ist.
Den Wählschalter (3, Abb. O) auf Senkstellung stellen und die Pumpe (2) mittels des Hebels (1), bis der Abfallbehälter
vollständig gesenkt ist, einschalten.
Den Hebel (1, Abb. O) aus der Pumpe ausbauen und ihn in den entsprechenden Sitz (27, Abb. F) wieder einsetzen.
Den Wählschalter der Pumpe in Mittelstellung wieder stellen.
Die untere linke Klappe (11, Abb. G) durch Einrasten der Haltevorrichtung (12) mit dem ausgestatteten Schlüssel schließen.
EINSETZEN DER STÜTZSTANGEN DES GEHOBENEN ABFALLBEHÄLTERS
Vor dem Durchführen beliebiger Arbeit in dem Bereich des gehobenen Abfallbehälters (1, Abb. F), ist es notwendig die Stützstangen
(3) wie folgt einzusetzen.
ACHTUNG!
Um die Sicherheit zu gewährleisten, vor dem Durchführen beliebiger Arbeit im Bereich des gehobenen
Abfallbehälters, die Stützstangen (3, Abb. F) einsetzen. Diese Operation ist es auch notwendig, wenn die
Hubzylinder des Abfallbehälters mit Fallschirmventilen, die das unerwarteten Senken des Abfallbehälters bei
Bruch/Leckage eines Rohrs/einer Leitung der Hydraulikanlage vermeiden, ausgestattet sind.
Einsetzen der Stützstangen
Abfallbehälter (7, Abb. G) wie im entsprechenden Abschnitt erläutert vollständig anheben.
Die zwei Stangen (2, Abb. F) aus den Haltevorrichtungen (4) ausrasten und sie auf Stellung (3) durch Einsetzen der
entsprechenden Enden in die Sitze (20) stellen.
Den Abfallbehälter leicht senken, um ihn auf die Stangen zu stellen.
Herausziehen der Stützstangen
Den Abfallbehälter leicht heben, um ihn aus den Stangen herauszuziehen.
Die zwei Stangen (3, Abb. F) aus den Sitzen (20) herausziehen und sie auf Stellung (2) stellen, dann sie mit den
Haltevorrichtungen (4) einrasten und befestigen.
Abfallbehälter (7, Abb. G) wie im entsprechenden Abschnitt erläutert vollständig absenken.
1. •
•
•
•
•
•
•
•
2.
1.
1.
2.
3.
4.
5.
6.
7.
8.
9.
10.
11.
12.
13.
14.
1.
2.
3.
4.
5.
6.

BETRIEBSANLEITUNG DEUTSCH
RS 850 33014576(4)2008-02 A 25
EINSETZEN DER KLAPPENSTÜTZSTANGE BEI ANGEHOBENEM ABFALLBEHÄLTER
Vor dem Durchführen beliebiger Arbeit in dem Bereich der Klappe des gehobenen Abfallbehälters (44, Abb. G), ist es notwendig die
entsprechende Befestigungsstange (17, Abb. F) wie folgt einzusetzen.
Einsetzen der Stützstange
Stange (17, Abb. F) aus ihrem Sitz nehmen, Klappe soweit wie nötig anheben und Stange in ihren Sitz (18) einsetzen.
Entfernen der Stützstange
Die in Punkt 1. erläuterten Schritte in umgekehrter Reihenfolge durchführen.
GEBRAUCH DER PISTOLE DER HOCHDRUCKWASCHANLAGE (*)
(*) Option für einige Länder.
Das Fahrzeug ist mit einer Hochdruckwaschanlage (optional) ausgestattet, die sowohl zum Reinigen des Gerätes selbst als auch
anderweitig eingesetzt werden kann.
ACHTUNG!
Die Hochdruckpumpe bei leeren oder halbleeren Tanken nicht einschalten (die Pumpe kann bei Trockenbetrieb
beschädigt werden).
Verwendung:
Die Pistole der Hochdruckwaschanlage (9, Abb. E) aus der Kabine nehmen.
Ein Teil des Schlauches (21, Abb. F) abziehen und die Pistole (9, Abb. E) an die Schnellverbindung (22, Abb. F) anschließen.
Den Dieselmotor bei niedriger Drehzahl anlassen, wie es im entsprechenden Abschnitt beschrieben ist.
Hochdruckpumpe mit dem Hebel (8, Abb. E) einschalten.
Falls nötig, die Anlage von der Luft entlüften, durch Drehen des Knopfes an der Pistole gegen den Uhrzeigersinn und Drucken
des Hebels der Pistole bis zum ständigen Austritt, bei niedrigem Druck des Wassers.
Den Hebel der Pistole loslassen und den Knopf im Uhrzeigersinn wieder drehen um die Düse für Hochdruckwasser zu
verwenden.
Den Motor im gewünschten Drehzahl bringen.
Die Pistole durch Drücken des entsprechenden Hebels verwenden.
ACHTUNG!
Bei Reinigungsarbeiten mit Druckluft- oder Wasserpistole Augen, Haare, Hände usw. angemessen schützen.
ACHTUNG!
Die Hochdruckpumpe nicht für lange Zeit eingeschaltet lassen, ohne die Pistole zu verwenden.
Am Ende der Verwendung der Pistole, die Schritte von 1 bis 4 in der umgekehrten Reihenfolge durchführen.
GEBRAUCH DES KAMERAKITS (Option)
Um den Monitor (1, Abb. AX) und die Kameras (4 und 5) einzuschalten, den Schalter (2) beim eingesetzten Zündschlüssel (24,
Abb. D) drücken.
Wenn der Rückwärtsgang eingelegt wird, schalten der Monitor und die Kameras automatisch ein.
Zur Verwendung der anderen Schalter, die sich auf der rechten Seite des Monitors befi nden, siehe die Anleitung des
Kamerakits.
1.
2.
1.
2.
3.
4.
5.
6.
7.
8.
1.
2.
3.

DEUTSCH BETRIEBSANLEITUNG
26 33014576(4)2008-02 A RS 850
NACH DER GERÄTEBENUTZUNG
Am Arbeitsende, vor dem Aussteigen aus dem Fahrzeug, folgende Arbeitsschritte durchführen:
Die Wasserpumpen der Staubabscheidungsanlage mittels des Schalters (27, Abb. D) ausschalten.
Falls geöffnet, die Wasserhähne der Staubabscheidungsanlage (10, 11, 12, Abb. E) schließen.
Die Drehung des dritten Seitenbesens und der Seitenbesen mittels des Schalters (29, Abb. D) anhalten.
Den dritten Seitenbesen durch Verstellen nach rückwärts des Meisterschalters (46, Abb. D) heben.
Falls nötig, den Arm des dritten Seitenbesens in Betriebsstellung durch Verstellen nach links des Meisterschalters (46, Abb. D)
wieder stellen.
Den Saugmund und die Seitenbesen mittels der Taste (38, Abb. D) heben.
Den Ansauglüfter mittels des Hebels (8, Abb. E) ausschalten.
Den Gashebel (16, Abb. E) auf Mindestdrehzahl stellen und zur Stabilisierung der Anlage einige Minuten in dieser Stellung
lassen.
Prüfen, ob der Abfallbehälter (7, Abb. G) abgesenkt und die entsprechende Kontrollleuchte (18, Abb. D) erloschen ist.
Falls nötig, den Sicherheitsarm des dritten Seitenbesens von der Stellung (2, Abb. H) (nicht eingesetzt) zur Stellung (1)
(eingesetzt) durch Einrasten des Zahnes (3) in den Bügel (4) stellen.
Wie im Kapitel „Wartung“ erläutert Abfallbehälter, Filter und Saugrohr reinigen, Dichtungen und Schmierung der Lager des
Ansauglüfters überprüfen.
Den Motor durch Drehen des Zündschlüssels (24, Abb. D) gegen den Uhrzeigersinn bis zum Anschlag abstellen und
Zündschlüssel abziehen.
Feststellbremse mit dem Hebel (13, Abb. E) betätigen.
Falls eingeschaltet, Lichter ausschalten.
WASSERTANKS DER STAUBABSCHEIDUNGSANLAGE ENTLEEREN
Falls nötig, die Wassertanks der Staubabscheidungsanlage wie folgt entleeren.
Feststellbremse (13, Abb. E) betätigen.
Den Zündschlüssel (24, Abb. D) auf OFF drehen und herausziehen.
Beim Arbeiten auf der rechten Seite der Hinterachse, den Deckel (1, Abb. Z) des Wasserfi lters ausschrauben und zusammen
mit dem Filter ausbauen.
Wasser vollständig aus den Tanks ablassen.
Den Deckel (1, Abb. Z) und den Filter einbauen.
GERÄT ABSCHLEPPEN
Zum Abschleppen des Geräts folgendermaßen vorgehen:
Feststellbremse (13, Abb. E) betätigen.
Den Zündschlüssel (24, Abb. D) auf OFF drehen und herausziehen.
Haltevorrichtung (32, Abb. G) mit dem ausgestatteten Schlüssel ausrasten und die rechte Klappe Unterkabine (31) heben.
Die Schraube (1, Abb. AP) der Pumpe der Antriebsanlage von ungefähr zwei Umdrehungen lösen.
Gerät abschleppen.
Nach dem Abschleppen, die Schraube (1, Abb. AP) festziehen, dann die rechte Klappe Unterkabine (31, Abb. G) absenken
und die Haltevorrichtung mit dem ausgestatteten Schlüssel einrasten.
1.
2.
3.
4.
5.
6.
7.
8.
9.
10.
11.
12.
13.
14.
1.
2.
3.
4.
5.
1.
2.
3.
4.
5.
6.

BETRIEBSANLEITUNG DEUTSCH
RS 850 33014576(4)2008-02 A 27
TRANSPORT/ÜBERFÜHRUNG
Für den Gerätetransport folgende Haken und Verankerungsmethode verwenden.
ACHTUNG!
Verankerung/Anheben des Geräts soll vom Fachpersonal durchgeführt werden.
Verfügbare Haken
Das Gerät ist mit folgenden Haken ausgerüstet:
2 x Hebehaken (1, Abb. B), zur Verwendung mit leerem Abfallbehälter
1 Abschlepphaken/Verankerungshaken vorn (2, Abb. B).
1 x Abschlepphaken/Verankerungshaken hinten (3, Abb. B).
Verankerung
Um das Gerät für den Transport zu verankern, folgende Schritte ausführen:
Gerät auf Fahrbetrieb stellen (siehe Arbeitsschritte im entsprechenden Abschnitt).
Zündschlüssel (24, Abb. D) abziehen.
Feststellbremse (13, Abb. E) betätigen.
Sämtliche Klappen, Schirmwände etc. schließen.
Das Gerät an den vorderen und hinteren Abschlepphaken (2 und 3, Abb. B) verankern.
Das Gerät mit zwei geeigneten Gurten (4 und 5, Abb. B) jeweils am Träger (6) der Hinterachse und am linken und rechten
Trittbrett (7) der Kabine verankern.
Zeitweiliges Heben
Zum zeitweiligen Anheben des Geräts, sind die folgenden Vorgänge durchzuführen:
Gerät auf Fahrbetrieb stellen (siehe Arbeitsschritte im entsprechenden Abschnitt).
Prüfen, dass den Abfallbehälter leer ist.
ACHTUNG!
Wenn bei Notfälle ist es notwendig das Gerät mit nicht leerem Abfallbehälter zu heben, mit größerer Vorsicht
vorgehen, denn das Gewicht der Abfällen verursacht das Geräteungleichgewicht, zusätzlich werden die Haken
größerer Belastung ausgesetzt.
Zündschlüssel (24, Abb. D) abziehen.
Feststellbremse (13, Abb. E) betätigen.
Sämtliche Klappen, Schirmwände etc. schließen.
Das Gerät mit geeigneten Seilen in den zwei Hebehaken (1, Abb. B) verankern.
Das Gerät mit einem geeigneten Hubsystem und gemäß der geltenden Unfallverhütungsvorschriften so kurz wie möglich
vorsichtig heben.
LANGFRISTIGE STILLLEGUNG DES GERÄTES
Ist vorgesehen, das Gerät für mehr als 30 Tage nicht zu verwenden, folgendermaßen vorgehen:
Die Wassertanks der Staubabscheidungsanlage wie im entsprechenden Abschnitt erläutert entleeren.
Gerät wie in Abschnitt „Nach der Gerätebenutzung“ beschrieben in Ruhestellung bringen.
Das Gerät in einem geschlossenen, trockenen, sauberen und vor schlechtem Wetter geschützten Raum, der die folgenden
Umgebungsbedingungen aufweist, abstellen:
Temperatur: von +1°C bis +50°C (von +33,8°F bis +122°F)
Luftfeuchtigkeit: Max. 95%
Den Negativstecker (34, Abb. F) der Batterie trennen.
Den Dieselmotor verwenden, wie es in der entsprechenden Anleitung vorgesehen wurde.
ERSTE VERWENDUNGSPHASE
Nach der ersten Verwendungsphase (den ersten 8 Stunden) ist es erforderlich:
Zu prüfen, ob Befestigungs- und Verbindungselemente fest angezogen sind und ob die sichtbaren Teile keine Schäden
aufweisen und nicht undicht sind.
Nach den ersten 50 Arbeitsstunden die in der Übersichtstabelle der planmäßigen Wartung vorgesehenen Kontrollen und
Austauscharbeiten durchführen.
1. •
•
•
2. •
•
•
•
•
•
3. •
•
•
•
•
•
•
1.
2.
3.
•
•
4.
5.
1.
2.

DEUTSCH BETRIEBSANLEITUNG
28 33014576(4)2008-02 A RS 850
EINBAU UND GEBRAUCH DER SALZSTREUEINRICHTUNG (Option)
Einbau der Salzstreueinrichtung
HINWEIS!
Um diese Einrichtung einzubauen, soll die Kehrmaschine über die entsprechende Vorbereitung verfügen.
Abfallbehälter (7, Abb. G) entleeren. Befi nden sich nur wenig Abfällen im Behälter, ist eine Entleerung nicht erforderlich.
Beim Arbeiten in Sicherheitsbedingungen, die Salzstreueinrichtung (9, Abb. AU) in den Hebehaken (5) mittels eines passenden
Hubsystems (8) einrasten.
Das Gewicht der Einrichtung ist ungefähr 90 Kg (198,4 lb).
Beim Arbeiten auf einem fl achen Boden, die Kehrmaschine (10, Abb. AU) in eine passende Stellung zur nächsten Kupplung
mit der Salzstreueinrichtung (9) stellen.
Den Abfallbehälter (7, Abb. G) heben und die Stützstangen (3, Abb. F) einsetzen (siehe die Vorgänge in den entsprechenden
Abschnitten).
Den Dieselmotor abstellen und die Feststellbremse (13, Abb. E) betätigen.
Die Salzstreueinrichtung (9, Abb. AU) mittels des Hubsystems (8) an der Kehrmaschine anbringen und sie mit Schrauben (11)
und Muttern (12) befestigen.
Das Hubsystem (8, Abb. AU) von der Salzstreueinrichtung (9) trennen.
Die Schutzdeckel entfernen, dann die Schnellverbindungen (13, Abb. AU) der Hydraulikanlage an die entsprechenden
Rohrverbindungen (14) anschließen.
Den elektrischen Stecker (15, Abb. AU) an die entsprechende Steckdose (16) anschließen.
Die untere linke Seitenklappe (11, Abb. G) durch Betätigen der Haltevorrichtung (12) mit dem ausgestatteten Schlüssel öffnen.
Den Hebel (17, Abb. AU) von der Einschaltstellung des dritten Seitenbesens (17a) zu der Einschaltstellung der
Salzstreueinrichtung (17b) drehen.
Die untere linke Seitenklappe (11, Abb. G) durch Betätigen der Haltevorrichtung (12) mit dem ausgestatteten Schlüssel
schließen.
Die Stützstangen des gehobenen Abfallbehälters (3, Abb. F) herausziehen, dann den Abfallbehälter (7, Abb. G) senken (siehe
Vorgänge in den entsprechenden Abschnitten).
Das Gerät ist zum Betrieb mit der Salzstreueinrichtung bereit.
Ausbau der Salzstreueinrichtung
Die Salzstreueinrichtung in der umgekehrten Reihenfolge des Einbaus ausbauen.
Die Salzstreueinrichtung befestigen und schützen.
Gebrauch der Salzstreueinrichtung
Die Salzstreueinrichtung (9, Abb. AU) einbauen, wie es im entsprechenden Abschnitt beschrieben ist.
Das passende Salz in den Raum (2, Abb. AU) laden.
Die Salzmenge mittels des Hebels (1, Abb. AU) einstellen.
Um die Salzstreueinrichtung einzuschalten, das Bedienelement und das Einschaltverfahren des dritten Seitenbesens
verwenden.
Um die Drehgeschwindigkeit der Salzstreueinrichtung anhand der Dieselmotordrehzahl zu verändern, den Knopf (18, Abb. AU)
betätigen.
1.
2.
3.
4.
5.
6.
7.
8.
9.
10.
11.
12.
13.
14.
15.
16.
17.
18.
19.
20.
21.

BETRIEBSANLEITUNG DEUTSCH
RS 850 33014576(4)2008-02 A 29
EINBAU UND GEBRAUCH DER SCHNEEWALZE (Option)
HINWEIS!
Um diese Einrichtung einzubauen, soll die Kehrmaschine über die entsprechende Vorbereitung verfügen.
Einbau der Schneewalze
Den Saugmund (17, Abb. G) ausbauen (siehe Vorgang im entsprechenden Abschnitt).
Den Arm des dritten Seitenbesens (23, Abb. G) ausbauen (siehe Vorgang im entsprechenden Abschnitt).
Beim Arbeiten auf einem fl achen Boden, die Kehrmaschine in eine passende Stellung zur nächsten Kupplung mit der
Schneewalze (Abb. AV) stellen.
Den Dieselmotor abstellen und die Feststellbremse (13, Abb. E) betätigen.
Die Schneeeinrichtung an den Armen (19, Abb. AV) anbringen und sie mit den Schrauben (14) befestigen.
Auf beiden Seiten des Geräts Schrauben (15 und 16, Abb. AV) für Höheneinstellung der Schneewalze auf den Armen (19)
festziehen. Falls nötig, kann diese Einstellung später wiederholt werden, um die Höhe der gehobenen Schneeeinrichtung
einzustellen.
Die Stützfüße (5, Abb. AV) bis zum Anschlag heben und sie mittels der Knöpfe (6) befestigen.
Die Schutzdeckel entfernen, dann die Schnellverbindungen (1, Abb. AV) der Hydraulikanlage an die entsprechenden
Rohrverbindungen (2) anschließen.
Die untere linke Seitenklappe (11, Abb. G) durch Betätigen der Haltevorrichtung (12) mit dem ausgestatteten Schlüssel öffnen.
Den Hebel (21, Abb. AV) von der Einschaltstellung der Pistole für Hochdruckwasser (21a), zur Einschaltstellung der
Schneeeinrichtung (21b) drehen.
Die untere linke Seitenklappe (11, Abb. G) durch Betätigen der Haltevorrichtung (12) mit dem ausgestatteten Schlüssel
schließen.
Das Gerät ist zum Betrieb mit der Schneewalze bereit.
Ausbau der Schneewalze
Die Schneewalze in der umgekehrten Reihenfolge des Einbaus ausbauen.
Die Schneewalze befestigen und schützen.
Gebrauch der Schneewalze
Die Schneewalze (Abb. AV) einbauen, wie es im entsprechenden Abschnitt beschrieben ist.
Um die Schneewalze zu heben/senken, das Bedienelement und das Verfahren zum Heben/Senken des Saugmunds
verwenden.
Um die Drehung der Schneewalze einzuschalten, den Hebel (8, Abb. E) auf OPT-Stellung stellen.
Um die Drehgeschwindigkeit der Schneewalze anhand der Dieselmotordrehzahl zu verändern, den Knopf (22, Abb. AV)
betätigen.
Vor der Verwendung der Schneeeinrichtung, auf die richtige Bodenfreiheit der Schneewalze (10, Abb. AV) wie folgt prüfen.
Das Gerät mit Schneewalze an einem fl achen Boden abstellen.
Bei stehendem Gerät Schneeeinrichtung vollständig absenken und Walze für einige Sekunden drehen lassen.
Die Schneeeinrichtung anhalten und anheben, dann das Gerät fortbewegen und Feststellbremse betätigen.
Prüfen, ob die Spur (20, Abb. AV) der Walzen-Gesamtlänge von 2 bis 4 cm (0,8 – 1,6 in) breit ist.
Falls die Spur verschieden ist, die Stifte (13, Abb. AV) entfernen, dann durch Heben/Senken der Räder (11) mittels der
Handgriffe (12) einstellen.
Bei gewünschter Einstellung, die Handgriffe (12) in den Sitz wieder einsetzen und die Stifte (13) einsetzen.
Feststellbremse mit dem Hebel (13, Abb. E) betätigen.
Die Schneeeinrichtung heben, dann den Motor durch Drehen des Zündschlüssels (24, Abb. D) gegen den Uhrzeigersinn bis
zum Anschlag abstellen.
Die Klemme (9, Abb. AV) entfernen und die Stange (17) vom Zapfen (8) trennen.
Die Walzeneinheit als gewünscht neigen, dann an den Zapfen (8, Abb. AV) die entsprechende Öffnung (18) anschließen. Die
Klemme (9) wieder einsetzen.
Das Gerät ist zum Betrieb mit der Schneewalze bereit.
Falls nötig, Schneeketten an die Vorderräder der Kehrmaschine anbringen.
1.
2.
3.
4.
5.
6.
7.
8.
9.
10.
11.
12.
13.
14.
15.
16.
17.
18.
19. •
•
•
•
•
•
20.
21.
22.
23.
24.

DEUTSCH BETRIEBSANLEITUNG
30 33014576(4)2008-02 A RS 850
WARTUNG
Sorgfältige und regelmäßige Wartung gewährleisten Nutzungsdauer und höchste Funktionssicherheit des Gerätes.
Hier wird die Übersichtstabelle der planmäßigen Wartung gezeigt. Abhängig von bestimmten Arbeitsbedingungen können die
Zeitabstände verändert werden; alle Veränderungen sollen vom Wartungspersonal festgestellt werden.
ACHTUNG!
Wartungsarbeiten sind bei abgestelltem Gerät durchzuführen (Zündschlüssel abgezogen).
Sämtliche Sicherheitshinweise im Kapitel „Sicherheit“ vor dem Durchführen von Wartungsarbeiten aufmerksam
lesen.
Alle planmäßigen und außerordentlichen Wartungsarbeiten sind von Fachpersonal bzw. vom autorisierten Kundendienst
durchzuführen.
In dieser Anleitung sind nach der Übersichtstabelle der planmäßigen Wartung nur die einfachsten und regelmäßigsten
Wartungsarbeiten gezeigt.
Für die Arbeitsschritte der anderen Wartungsarbeiten, die in der Übersichtstabelle planmäßige Wartung und außerordentliche
Wartung vorgesehen sind, siehe Service-Anleitung bei den zahlreichen Kundendienststellen.
Zur planmäßigen und außerordentlichen Wartung der folgenden Optionseinrichtungen, siehe die entsprechenden Anleitungen:
Salzstreueinrichtung
Schneewalze
Kamerakit
ÜBERSICHTSTABELLE PLANMÄSSIGE WARTUNG
Wartung Einlaufzeit (nach
den ersten 50
Stunden)
Alle 10 Stun-
den oder vor
dem Betrieb
Alle 150
Stunden Alle 300
Stunden Alle 500
Stunden
Alle
1.000
Stunden
Alle 2.000
Stunden
und über
Ölstand Dieselmotor überprüfen
Prüfung Ölstand Hydraulikanlage
Reinigung Motorluftvorfi lter und -fi lter
Prüfung Kühlerrippenreinigung Dieselmotor
Prüfung Kühlmittelstand Dieselmotor
Prüfung Ölkühlerrippen Hydraulikanlage
Prüfung Batteriefl üssigkeitsstand
Reinigung Abfallbehälter, Filter und Saugrohr.
Schmierung Lüfterlager. Prüfung Dichtungen
Abfallbehälter
Wasserdüsen und -fi lter reinigen
Bremsölstand überprüfen
Funktionsprüfung Rückfahralarm und eventuelle
Sensoreinstellung
Sicherheitsprüfung: Dieselmotor startet bei
betätigtem Fahrpedal nicht (8)
Reifendruck überprüfen
Höhe und Funktionsfähigkeit Saugmund und Flap
überprüfen
Seitenbesenstellung überprüfen und einstellen
Prüfung und Einstellung dritter Seitenbesenstellung
Prüfung Verschleiß Dichtung zwischen Abfallbehälter
und Saugrohr (8)
Wasserfi lter Staubabscheidungsanlage reinigen
Spannung des Wechselstromgeneratorriemens
überprüfen (8) (8)
Spannung Riemen Kompressor Klimaanlage
überprüfen (8) (8)
Feststellbremse überprüfen
–
–
–

BETRIEBSANLEITUNG DEUTSCH
RS 850 33014576(4)2008-02 A 31
Wartung Einlaufzeit (nach
den ersten 50
Stunden)
Alle 10 Stun-
den oder vor
dem Betrieb
Alle 150
Stunden Alle 300
Stunden Alle 500
Stunden
Alle
1.000
Stunden
Alle 2.000
Stunden
und über
Ölwechsel Dieselmotor (3)
Ölfi lter Dieselmotor auswechseln (3)
Ersetzung Kraftstofffi ltereinsatz (3)
Muttern- und Schraubenspannung sowie Dichtigkeit
überprüfen (8) (8)
Schmierung (8)
Prüfung Kühlkreislauf Dieselmotor (8)
Ölansaugfi lter Hydraulikanlage auswechseln (8) (8)
Ersetzung Ölablassfi lter Hydraulikanlage und
Tankbelüfterfi lter (8) (8)
Schrauben- und Kraftstoffverbindungsspannen
Dieselmotor (8)
Prüfung Glühkerzen (8)
Prüfung, Reinigung und Einstellung Einspritzventile (8)
Auswechseln Luftfi lter Dieselmotor (8)
Ersetzung Luftfi lter Klimaanlage
Ersetzung Wechselstromgenerator- und
Lüfterriemen (8)
Riemen Kompressor Klimaanlage auswechseln (8)
Reinigung Krankstofftank (8)
Kühlmittel Dieselmotor wechseln (4) (8)
Ölwechsel Hydraulikanlage (3) (8)
Prüfung Kohlenbürsten Anlasser (8)
Bremsanlage überprüfen (8)
Prüfung Turbokompressor (8)
Teilüberholung Dieselmotor (5) (7) (8)
Grundüberholung Dieselmotor (6) (7) (8)
(3) Bzw. jedes Jahr
(4) Bzw. alle 2 Jahre
(5) Nach 4.000 Stunden
(6) Nach 8.000 Stunden
(7) Bitte Sie sich mit einem autorisierten VM Motori S.p.A Kundendienst in Verbindung setzen.
(8) Für den entsprechenden Vorgang, siehe die Service-Anleitung bei den verschiedenen Nilfi sk Kundendiensten.
REINIGUNG DES ABFALLBEHÄLTERS, DER ANSAUGFILTER UND DES SAUGROHRS, PRÜFUNG
DER DICHTUNGEN UND SCHMIERUNG DER LAGER DES ANSAUGLÜFTERS
ACHTUNG!
Bei Reinigungsarbeiten mit Druckluft- oder Wasserpistole Augen, Haare, Hände usw. angemessen schützen.
Vorbereitung
Nach dem Entleeren des Abfallbehälters (7, Abb. G) Gerät an einem für die Reinigung/das Waschen vorgesehen Ort abstellen
und Feststellbremse (13, Abb. E) betätigen.
Abfallbehälter (7, Abb. G) wie im entsprechenden Abschnitt erläutert anheben und kippen.
Die Befestigungsstange der Klappe (17, Abb. F) einsetzen, wie es im entsprechenden Abschnitt beschrieben ist.
Abfallbehälter reinigen (nach jeder Benutzung)
Die Innerseite des Abfallbehälters (1, Abb. F) und den Förderer (14) mit einem unter Druck stehenden Wasserstrahl reinigen.
Aufmerksam prüfen, dass die Dichtung der Ansaugung (19, Abb. F) unversehrt ist und, falls nötig, sie ersetzen.
1.
2.
3.
4.
5.

DEUTSCH BETRIEBSANLEITUNG
32 33014576(4)2008-02 A RS 850
Saugrohr reinigen (nach jeder Benutzung)
Die Innerseite des Saugrohrs (6, Abb. F) über seine gesamte Länge bis zum Saugmund mit einem Druckwasserstrahl reinigen.
Sorgfältig prüfen, ob die Dichtung des Saugrohrs (5, Abb. F) unversehrt ist und, falls erforderlich, Dichtung auswechseln.
Reinigung des Ansaugfi lters und des Lüfters (nach jeder Benutzung)
Innerhalb des Abfallbehälters, die Haltevorrichtungen (16, Abb. F) des Ansaugfi lters (15) entfernen.
Den Ansaugfi lter (15, Abb. F) ausbauen.
Beim Vorgehen im Raum (13, Abb. F), den Lüfter (1, Abb. P) mit einem unter Druck stehenden Wasserstrahl reinigen, und
prüfen, dass alle Sensoren (2) des Lüfters sauber sind.
Den Ansaugfi lter (1, Abb. Q) mit einem unter Druck stehenden Wasserstrahl reinigen.
Den Ansaugfi lter einsetzen und mittels der Haltevorrichtungen (16, Abb. F) befestigen.
Stützstangen der Klappe (17, Abb. F) herausnehmen und Abfallbehälter (7, Abb. G) wie im entsprechenden Abschnitt erläutert
absenken.
Den Zündschlüssel (24, Abb. D) auf OFF drehen und herausziehen.
Ablassfi lters reinigen (nach jeder Benutzung)
Mit Hilfe einer Leiter und einer zweiten Bedienperson die Haltevorrichtungen (26, Abb. G) des Ablassfi lterdeckels (27)
ausrasten.
Deckel (1, Abb. R) öffnen und Haltevorrichtung (2) einsetzen.
Befestigungsschrauben (1, Abb. S) entfernen und Ablassfi lter (2) ausbauen.
Den Ablassfi lter (1, Abb. T) mit einem unter Druck stehenden Wasserstrahl reinigen.
Den Ablassfi lter und den entsprechenden Deckel beim Durchführen der Schritte von 15 bis 17 in der umgekehrten Reihenfolge
wieder einbauen.
Schmierung der Lager des Ansauglüfters (nach jeder Benutzung)
Die linke Seitenklappe (9, Abb. G) öffnen.
Die Lager des Ansauglüfters mit den passenden Schmierbüchsen (1, Abb. U) schmieren.
Durchschnittlich einzuspritzende Schmiermittelmenge:
4 - 5 x Pumpen bei Verwendung einer Handpumpe.
15 - 20 Sekunden Einspritzen bei Verwendung einer Druckluftpumpe.
Die linke Seitenklappe (9, Abb. G) wieder schließen.
DÜSEN UND FILTER DER STAUBABSCHEIDUNGSANLAGE REINIGEN
ACHTUNG!
Bei Reinigungsarbeiten mit Druckluft- oder Wasserpistole Augen, Haare, Hände usw. angemessen schützen.
Vorbereitung
Feststellbremse (13, Abb. E) betätigen.
Den Zündschlüssel (24, Abb. D) auf OFF drehen und herausziehen.
Reinigung der Düsen und Filter an den Seitenbesen
Nutmuttern (1, Abb. V) abdrehen.
Die Düsen (2, Abb. V) und die Filter (3) mit einem Druckluftstrahl von eventueller Verschmutzung befreien. Eventuelle
Kalkverkrustungen beseitigen. Falls nötig, die Filter (3) ersetzen.
Die Filter und Düsen wieder einbauen und mit den Nutmuttern befestigen.
Reinigung der Düsen und Filter im Saugrohr vom Saugmund zum Abfallbehälter
Abfallbehälter (7, Abb. G) entleeren. Befi nden sich nur wenig Abfällen im Behälter, ist eine Entleerung nicht erforderlich.
Das Fahrzeug auf festem und ebenem Untergrund abstellen und Feststellbremse (13, Abb. E) betätigen.
Abfallbehälter (7, Abb. G) wie im entsprechenden Abschnitt erläutert anheben.
Den Zündschlüssel (24, Abb. D) auf OFF drehen und herausziehen.
Um das unerwartete Senken des Abfallbehälters zu vermeiden, die zwei Stützstangen (3, Abb. F) einsetzen, wie es im
entsprechenden Abschnitt beschrieben ist.
Beim Vorgehen im Saugrohr (6, Abb. F), mit einem Steckschlüssel 14 mm (0,55 in), die Düse (1, Abb. X) ausschrauben und
den Filter (2) ausbauen (die effektive Stellung der Düse prüfen).
Die Düse (1, Abb. X) und den Filter (2) mit einem Druckluftstrahl von eventueller Verschmutzung befreien. Eventuelle
Kalkverkrustungen beseitigen. Falls nötig, den Filter (2) ersetzen.
Den Filter und die Düse in der umgekehrten Reihenfolge des Ausbaus wieder einbauen.
Die Stützstangen des gehobenen Abfallbehälters (3, Abb. F) herausziehen, dann den Abfallbehälter (7, Abb. G) senken (siehe
Vorgänge in den entsprechenden Abschnitten).
6.
7.
8.
9.
10.
11.
12.
13.
14.
15.
16.
17.
18.
19.
20.
21.
•
•
22.
1.
2.
3.
4.
5.
6.
7.
8.
9.
10.
11.
12.
13.
14.

BETRIEBSANLEITUNG DEUTSCH
RS 850 33014576(4)2008-02 A 33
Reinigung der Düse und des Filters im hinteren Saugrohr (Option)
Die Schelle (1, Abb. Y) lösen und das hintere Saugrohr (2) vom Schlauch (3) trennen.
Beim Vorgehen im Rohr (2, Abb. Y), mit einem Steckschlüssel 14 mm (0,55 in), die Düse (4) ausschrauben und den Filter (5)
ausbauen (die effektive Stellung der Düse prüfen).
Die Düse (4, Abb. Y) und den Filter (5) mit einem Druckluftstrahl von eventueller Verschmutzung befreien. Eventuelle
Kalkverkrustungen beseitigen. Falls nötig, den Filter (5) ersetzen.
Den Filter und die Düse in der umgekehrten Reihenfolge des Ausbaus wieder einbauen.
Den Schlauch (3, Abb. Y) in den hinteren Saugrohr (2) einbauen und sie mit der Schelle (1) befestigen.
WASSERFILTER DER STAUBABSCHEIDUNGSANLAGE REINIGEN
ACHTUNG!
Bei Reinigungsarbeiten mit Druckluft- oder Wasserpistole Augen, Haare, Hände usw. angemessen schützen.
ANMERKUNG
Beim Ausbau des Filters, strömt das in den Tanks enthaltene Wasser aus. Deshalb wird es empfohlen, diese
Wartungsarbeit bei leeren Wassertanks durchzuführen.
Feststellbremse (13, Abb. E) betätigen.
Den Zündschlüssel (24, Abb. D) auf OFF drehen und herausziehen.
Beim Arbeiten auf der rechten Seite der Hinterachse, den Deckel (1, Abb. Z) des Wasserfi lters ausschrauben und zusammen
mit dem Filter ausbauen.
Den Filter (2, Abb. Z) vom Deckel (3) trennen, dann sie waschen und reinigen. Falls erforderlich, Filter auswechseln.
Den Filter und den Deckel einbauen.
PRÜFUNG DES ÖLSTANDS DER HYDRAULIKANLAGE
HINWEIS!
Diese Prüfung ist beim vollständig gesenkten Abfallbehälter (7, Abb. G) durchzuführen.
Feststellbremse (13, Abb. E) betätigen.
Dieselmotor wie im entsprechenden Abschnitt erläutert starten.
Die untere linke Seitenklappe (11, Abb. G) durch Betätigen der Haltevorrichtung (12) mit dem ausgestatteten Schlüssel öffnen.
Prüfen, dass sich die Nadel des Effi zienzanzeigers (1, Abb. AA) des Ablassfi lters (2) der Hydraulikanlage im grünen Bereich
(3) befi ndet, andernfalls den Filter (2) ersetzen (siehe Vorgang in der Service-Anleitung).
Prüfen, dass im oberen Bereich (4, Abb. AA) des Öltanks der Hydraulikanlage keine Ölschwitzen vorhanden sind, andernfalls
auch den Belüfterfi lter des Tanks (5) ersetzen (siehe Vorgang in der Service-Anleitung).
Den Dieselmotor durch Drehen des Zündschlüssels (24, Abb. D) auf OFF abstellen, dann den Schlüssel herausziehen.
Mittels des Anzeigers (6, Abb. AA) prüfen, dass der Ölstand im Tank zwischen den Grenzen MIN und MAX liegt.
Falls nötig, den Verschluss (7, Abb. AA) ausschrauben, den Filter (2) ausbauen und nachfüllen. Für die verwendbaren Öltypen
siehe das Kapitel „Technische Daten“.
ANMERKUNG
Mit demselben, im Tank befi ndlichen Öltyp nachfüllen.
Den Filter (2, Abb. AA) einbauen und den Verschluss (7) einschrauben.
Die untere linke Seitenklappe (11, Abb. G) durch Betätigen der Haltevorrichtungen (12) mit dem ausgestatteten Schlüssel
schließen.
15.
16.
17.
18.
19.
1.
2.
3.
4.
5.
1.
2.
3.
4.
5.
6.
7.
8.
9.
10.

DEUTSCH BETRIEBSANLEITUNG
34 33014576(4)2008-02 A RS 850
SAUBERKEIT DER ÖLKÜHLERRIPPEN DER HYDRAULIKANLAGE ÜBERPRÜFEN
ACHTUNG!
Bei Reinigungsarbeiten mit Druckluft- oder Wasserpistole Augen, Haare, Hände usw. angemessen schützen.
Abfallbehälter (7, Abb. G) entleeren. Befi nden sich nur wenig Abfällen im Behälter, ist eine Entleerung nicht erforderlich.
Das Fahrzeug auf festem und ebenem Untergrund abstellen und Feststellbremse (13, Abb. E) betätigen.
Abfallbehälter (7, Abb. G) wie im entsprechenden Abschnitt erläutert anheben.
Den Zündschlüssel (24, Abb. D) auf OFF drehen und herausziehen.
Um das unerwartete Senken des Abfallbehälters zu vermeiden, die zwei Stützstangen (3, Abb. F) einsetzen, wie es im
entsprechenden Abschnitt beschrieben ist.
Die oberen linken und rechten Seitenklappen (9 und 28, Abb. G) durch Betätigen der Haltevorrichtungen (10) und (29) mit dem
ausgestatteten Schlüssel öffnen.
Die Schrauben entfernen, dann die Motorraumabdeckung (11, Abb. F) ausbauen.
Die untere rechte Seitenklappe (34, Abb. G) durch Betätigen der Haltevorrichtung (35) mit dem ausgestatteten Schlüssel
öffnen.
Die Ölkühlerrippen der Hydraulikanlage (9, Abb. F) mit einem Druckluftstrahl [max. 6 bar (87,0 psi)] reinigen. Falls nötig, den
Druckluftstrahl in die entgegengesetzte Richtung von Kühlluftrückführung richten.
Vom Inneren des Kühlers (9, Abb. F) aus prüfen, ob der entsprechende Lüfter frei drehen kann.
Die Schritte von 3 bis 8 in der umgekehrten Reihenfolge durchführen.
BATTERIEFLÜSSIGKEITSSTAND ÜBERPRÜFEN
ACHTUNG!
Bei Prüfungs- und Reinigungsarbeiten an der Batterie Augen, Haare, Hände usw. angemessen schützen.
Feststellbremse (13, Abb. E) betätigen.
Den Zündschlüssel (24, Abb. D) auf OFF drehen und herausziehen.
Die untere linke Seitenklappe (11, Abb. G) durch Betätigen der Haltevorrichtung (12) mit dem ausgestatteten Schlüssel öffnen.
Den Elektrolytstand der Batterie (34, Abb. F) prüfen und, falls nötig, mit destilliertem Wasser nachfüllen.
Falls erforderlich, Batterie reinigen.
Prüfen, ob die Anschlüsse der Batteriepolen oxidiert sind.
Die untere linke Seitenklappe (11, Abb. G) durch Betätigen der Haltevorrichtung (12) mit dem ausgestatteten Schlüssel
schließen.
BREMSÖLSTAND ÜBERPRÜFEN
Feststellbremse (13, Abb. E) betätigen.
Den Zündschlüssel (24, Abb. D) auf OFF drehen und herausziehen.
Den Bremsölstand im Tank (1, Abb. AB) prüfen. Den Stand ungefähr 1 cm (0,4 in) vom Einfüllstutzen des Tanks halten. Falls
nötig, mit demselben Öltyp, der in der Anlage enthalten ist, nachfüllen.
Gewöhnlich verwendetes Öl: DOT4.
PRÜFUNG DES SENSORS DES RÜCKFAHRALARMS
Prüfen, ob sich mit Beginn des Rückfahrmanövers der entsprechende Alarm einschaltet.
Falls nötig, die Einstellung durchführen, wie es in der Service-Anleitung beschrieben ist.
REIFENDRUCK ÜBERPRÜFEN
Feststellbremse (13, Abb. E) betätigen.
Den Zündschlüssel (24, Abb. D) auf OFF drehen und herausziehen.
Der Reifendruck sollte folgenden Werten entsprechen:
Vorderreifen: 5,0 Bar (72,5 psi)
Hinterreifen: 5,0 Bar (72,5 psi)
ACHTUNG!
Die auf den entsprechenden Hinweisschildern angegebenen Reifendruckwerte beachten.
Die direkt auf den Reifen angegebenen Werte beziehen sich auf standardisierte Last- und
Geschwindigkeitsbedingungen, die den Betriebsbedingungen des Gerätes allerdings nicht entsprechen.
1.
2.
3.
4.
5.
6.
7.
8.
9.
10.
11.
1.
2.
3.
4.
5.
6.
7.
1.
2.
3.
1.
1.
2.
3. •
•

BETRIEBSANLEITUNG DEUTSCH
RS 850 33014576(4)2008-02 A 35
HÖHE UND FUNKTIONSFÄHIGKEIT VON SAUGMUNDS UND FLAPS ÜBERPRÜFEN
Vorbereitung
Feststellbremse (13, Abb. E) betätigen.
Saugmund (17, Abb. G) wie im entsprechenden Abschnitt erläutert anheben.
Den Zündschlüssel (24, Abb. D) auf OFF drehen und herausziehen.
Räder des Saugmunds überprüfen
Prüfen, dass die drei Räder (1, Abb. AC) des Saugmunds unversehrt sind und frei drehen können (prüfen, dass sie wegen
Stoßen bzw. übermäßige Drücke, usw. nicht gebogen/verformt sind). Zusätzlich prüfen, dass die Gummidicke (2) nicht
niedriger als einige mm ist.
Falls nötig, die Räder (1) ersetzen (siehe Vorgang in der Service-Anleitung).
Schlitten überprüfen
Prüfen, dass den Hauptschlitten (3, Abb. AC) und die vorderen Schlitten (4) und (5) unversehrt sind und dass ihre Dicke (6)
nicht unter 5 mm (0,2 in) liegt, andernfalls sie ersetzen (siehe Vorgang in der Service-Anleitung).
Um die Beschädigung der Befestigungsschrauben und folgende Schwierigkeit zur Entfernung der Schrauben selbst zu
vermeiden, ist es wichtig, die Schlitten (3), (4), (5) zu ersetzen, wenn sie noch nicht völlig verschlissen sind.
Es wird empfohlen, die Schlitten (3), (4), (5) als Satz zu ersetzen, um Stufen in den Verbindungsbereichen (7), die durch
verschiedene Verschleißstände der Schlitten selbst verursacht werden, zu vermeiden.
Prüfung des Flaps, des Leitblechs und der Radeinstellung des Saugmunds
Prüfen, dass der Flap (8, Abb. AC) und das Leitblech (9) unversehrt sind und dass keine übermäßige Schnitten (10) bzw.
Durchrissen (11) aufweisen, die die normale Saugleistung des Saugmunds beeinträchtigen können.
Falls nötig, der Flap (8) und das Leitblech (9) ersetzen (siehe Vorgang in der Service-Anleitung).
Das Fahrzeug auf ebenem Untergrund abstellen und Saugmund (17, Abb. G) wie im entsprechenden Abschnitt beschrieben
absenken.
Den Zündschlüssel (24, Abb. D) auf OFF drehen und herausziehen.
Prüfen, dass die Bodenfreiheit (12, Abb. AC) des Flaps nicht über 1 cm (0,4 in) liegt. Größere Bodenfreiheiten können die
normale Saugleistung des Saugmunds beeinträchtigen.
Falls nötig, den Flap (8) ersetzen (siehe Vorgang in der Service-Anleitung).
Prüfen, dass die Räder (1, Abb. AC) auf dem Boden ruhen.
Bleibt das Hinterrad vom Boden gehoben oder umgekehrt auf dem Boden übermäßig ruht, die Höhe wie folgt einstellen:
Auf beiden Seiten des Saugmunds, die Sicherungsmuttern (1, Abb. AD) bis zum Erreichen der richtigen Stellung des
Hinterrads aus-/einschrauben.
Prüfen auch, dass, bei auf dem Boden ruhenden drei Rädern (1, Abb. AC), die Schlitten (3), (4), (5) den Boden nicht berühren,
andernfalls ist es notwendig die Räder (1) zu ersetzen, um einen übermäßigen Verschleiß der Schlitten selbst zu vermeiden
(für den Ersetzungsvorgang der Räder, siehe die Service-Anleitung).
Die Einstellvorrichtung (2, Abb. AD) wird zum Ausgleichen der Einstellung des Saugmunds, wenn er gehoben ist, verwendet.
Das Gerät anlassen, dann den Flap (8, Abb. AC) anheben und prüfen, dass er frei heben kann, wie es im entsprechenden
Abschnitt beschrieben ist. Prüfen, ob sich der Flap auch bei einem Widerstand von einigen Kilogramm anheben lässt
(Simulation des Aufnehmens von Flaschen oder anderen Gegenständen, die angesaugt werden sollen). Falls nötig, die
Öffnungskraft des Flaps (8) wie folgt einstellen:
Gerät abstellen.
Die Gegenmutter (13, Abb. AC) des Einstellventils lösen und die Schraube (14) drehen, bedenken dass:
die Öffnungskraft durch Aufdrehen vermindert wird.
die Öffnungskraft durch Eindrehen erhöht wird.
Am Ende der Einstellung, die Gegenmutter (13, Abb. AC) festziehen.
Die ausgebauten Bauteile in umgekehrter Reihenfolge wieder einbauen.
1.
2.
3.
4.
5.
6.
7.
8.
9.
10.
•
11.
12.
13.
•
•–
–
•
14.

DEUTSCH BETRIEBSANLEITUNG
36 33014576(4)2008-02 A RS 850
SEITENBESENSTELLUNG ÜBERPRÜFEN UND EINSTELLEN
ANMERKUNG
Seitenbesen von verschiedenen Härten werden geliefert. Dieser Vorgang ist für jeden Seitenbesentyp gültig.
Prüfen
Die korrekte Höhe und Neigung der Seitenbesen wie folgt überprüfen:
Das Gerät auf ebenem Untergrund abstellen.
Bei stehendem Gerät Seitenbesen vollständig absenken und einige Sekunden drehen lassen.
Seitenbesen anhalten und anheben und Gerät ein Stück fahren.
Prüfen, ob die von den Seitenbesen hinterlassenen Spuren hinsichtlich Ausdehnung und Ausrichtung folgenden
Bedingungen entsprechen:
Der rechte Seitenbesen soll den Boden, durch Ziehen eines Kreisbogens zwischen „11 Uhr“ und „4 Uhr“ (1, Abb. AE),
berühren.
Der linke Seitenbesen soll den Boden, durch Ziehen eines Kreisbogens zwischen „8 Uhr“ und „1 Uhr“ (2, Abb. AE),
berühren.
Die Höhe der Seitenbesen, die verschiedenen Spuren aufweisen, wie folgt einstellen.
Feststellbremse mit dem Hebel (13, Abb. E) betätigen.
Den Zündschlüssel (24, Abb. D) auf OFF drehen und herausziehen.
Einstellung der Seitenbesenhöhe
Auf beiden Seiten des Geräts Sicherungsmutter (3, Abb. AF) der Feder (4) betätigen, bedenken dass:
der Seitenbesen durch Aufdrehen der Mutter (3) abgesenkt wird.
der Seitenbesen durch Zudrehen der Mutter (3) angehoben wird.
Schritt 1 nochmals durchführen.
Einstellung des Vorwärtsneigungswinkels (5, Abb. AF) der Seitenbesen
Auf beiden Seiten des Geräts Gegenmuttern (6 und 7, Abb. AF) lösen, dann den Vorwärtsneigungswinkel (5) durch Einsetzen
eines Hebels in die Öffnung (9) und durch Drehen der Zugstange (8) einstellen.
Am Ende der Einstellung, die Gegenmuttern (6) und (7) festziehen.
Schritt 1 nochmals durchführen.
Einstellung des Seitenneigungswinkels (10, Abb. AF) der Seitenbesen
Auf beiden Seiten des Geräts Schrauben (11 und 12, Abb. AF) lösen, dann den Seitenneigungswinkel (10) einstellen. Am Ende
der Einstellung die Schrauben (11) und (12) festziehen.
Schritt 1 nochmals durchführen.
Einstellung der Seitenstellung der Seitenbesen
Mit dieser Einstellung wird die Seitenstellung der Seitenbesen in Bezug auf den Saugmund (17, Abb. G) verbessert.
Zur Einstellung, die Sicherungsmuttern (1 und/oder 2, Abb. AG), durch Verändern der Seitenstellung der Seitenbesen, aus-
/einschrauben. Die beste Einstellung kann durch leicht Spannen der Arme nach Außen erreicht werden.
Ist die Einstellung wegen übermäßigen Verschleißes der Seitenbesen nicht mehr möglich, Seitenbesen wie im
entsprechenden Abschnitt erläutert austauschen.
PRÜFUNG UND EINSTELLUNG DER DRITTEN SEITENBESENSTELLUNG
ANMERKUNG
Seitenbesen von verschiedenen Härten werden geliefert. Dieser Vorgang ist für jeden Seitenbesentyp gültig.
Prüfung der dritten Seitenbesenstellung
Auf die korrekte Bodenfreiheit und Neigung des dritten Seitenbesens wie folgt prüfen:
Das Gerät auf ebenem Untergrund abstellen.
Das Gerät anlassen und den Arm des dritten Seitenbesens (1, Abb. AH) gerade vor der Kabine (siehe Abbildung) stellen,
wie es im entsprechenden Abschnitt beschrieben ist.
Bei stehendem Gerät dritten Seitenbesen (2, Abb. AH) vollständig senken und einige Sekunden lang drehen lassen.
Den dritten Seitenbesen aufhalten und heben, dann das Gerät fortbewegen.
Prüfen, ob die Spurausdehnungs- und Ausrichtung des dritten Seitenbesens die folgenden Bestimmungen entsprechen:
Der Seitenbesen soll den Boden, durch Ziehen eines Kreisbogens zwischen „10 Uhr“ und „2 Uhr“ (3, Abb. AH),
berühren.
Der Vorwärtsneigungswinkel (4, Abb. AH) des Seitenbesens soll ungefähr 10 Grad sein.
Falls nötig, den Seitenbesen einstellen, wie es in den folgenden Schritten beschrieben ist.
Feststellbremse (13, Abb. E) betätigen.
Den Zündschlüssel (24, Abb. D) auf OFF drehen und herausziehen.
1. •
•
•
•
–
–
•
2.
3.
4. •
•
5.
6.
7.
8.
9.
10.
11.
12.
13.
1. •
•
•
•
•–
–
2.
3.

BETRIEBSANLEITUNG DEUTSCH
RS 850 33014576(4)2008-02 A 37
Einstellung der dritten Seitenbesenhöhe
Die Sicherungsmutter (5, Abb. AI) der Feder (6) betätigen, bedenken, dass:
der Seitenbesen durch Aufdrehen der Mutter (5) abgesenkt wird.
der Seitenbesen durch Zudrehen der Mutter (5) angehoben wird.
Schritt 1 nochmals durchführen.
Einstellung des Vorwärtsneigungswinkels (4, Abb. AH) des dritten Seitenbesens
Die Gegenmuttern (7 und 8, Abb. AI) lösen, dann den Vorwärtsneigungswinkel (4) durch Einsetzen eines Hebels in die Öffnung
(10) und durch Drehen der Zugstange (9) einstellen.
Am Ende der Einstellung, die Gegenmuttern (7) und (8) festziehen.
Schritt 1 nochmals durchführen.
Wenn die Einstellung wegen eines übermäßigen Verschleißes des Seitenbesens nicht mehr möglich ist, der Seitenbesen
ersetzen, wie im entsprechenden Abschnitt beschrieben ist.
BESEN WECHSELN
ANMERKUNG
Seitenbesen von verschiedenen Härten werden geliefert. Dieser Vorgang ist für jeden Seitenbesentyp gültig.
HINWEIS!
Beim Ersetzen der Seitenbesen wird es empfohlen, Arbeitshandschuhe zu tragen, denn schneidende Abfälle
zwischen den Borsten können eingeklemmt werden.
Seitenbesen anheben und Feststellbremse (13, Abb. E) betätigen.
Den Zündschlüssel (24, Abb. D) auf OFF drehen und herausziehen.
Die untere mittige Schraube (1, Abb. AJ) entfernen, dann den zu ersetzenden Seitenbesen (2) ausbauen. Den Keil entfernen.
Die Schrauben (3, Abb. AJ) und den Flansch (4) von dem ausgebauten Seitenbesen entfernen.
Den Flansch (4, Abb. AJ) einbauen und mit der Schrauben (3) auf den neuen Seitenbesen befestigen.
Den neuen Seitenbesen (2, Abb. AJ) mit dem Keil einbauen, dann die mittige Schraube (1) einschrauben.
Höheneinstellung des neuen Seitenbesens wie im entsprechenden Abschnitt erläutert vornehmen.
FESTSTELLBREMSE PRÜFEN
Den Hebel (13, Abb. E) der Feststellbremse betätigen und auf korrekte Funktionsfähigkeit prüfen. Prüfen auch, dass die
Bremsen gleichwertig auf beiden Vorderräder wirken.
Falls erforderlich, die Feststellbremse wie in der Service-Anleitung angegeben einstellen.
ÖLSTAND DES DIESELMOTORS ÜBERPRÜFEN
Feststellbremse (13, Abb. E) betätigen.
Den Zündschlüssel (24, Abb. D) auf OFF drehen und herausziehen.
Die untere linke Seitenklappe (11, Abb. G) durch Betätigen der Haltevorrichtung (12) mit dem ausgestatteten Schlüssel öffnen.
Ölstand des Dieselmotors wie im entsprechenden Handbuch erläutert prüfen.
Die untere linke Seitenklappe (11, Abb. G) durch Betätigen der Haltevorrichtung (12) mit dem ausgestatteten Schlüssel
schließen.
ÖLWECHSEL DIESELMOTOR
Abfallbehälter (7, Abb. G) entleeren. Befi nden sich nur wenig Abfällen im Behälter, ist eine Entleerung nicht erforderlich.
Das Fahrzeug auf festem und ebenem Untergrund abstellen und Feststellbremse (13, Abb. E) betätigen.
Abfallbehälter (7, Abb. G) wie im entsprechenden Abschnitt erläutert anheben.
Den Zündschlüssel (24, Abb. D) auf OFF drehen und herausziehen.
Um das unerwartete Senken des Abfallbehälters zu vermeiden, die zwei Stützstangen (3, Abb. F) einsetzen, wie es im
entsprechenden Abschnitt beschrieben ist.
Die oberen linken und rechten Seitenklappen (9 und 28, Abb. G) durch Betätigen der Haltevorrichtungen (10) und (29) mit dem
ausgestatteten Schlüssel öffnen.
Die Schrauben entfernen, dann die Motorraumabdeckung (11, Abb. F) ausbauen.
Die untere linke Seitenklappe (11, Abb. G) durch Betätigen der Haltevorrichtung (12) mit dem ausgestatteten Schlüssel öffnen.
Das Öl des Dieselmotors wechseln, wie es in der entsprechenden Anleitung beschrieben ist.
Die Schritte von 3 bis 8 in der umgekehrten Reihenfolge durchführen.
4. •
•
5.
6.
7.
8.
9.
1.
2.
3.
4.
5.
6.
7.
1.
2.
1.
2.
3.
4.
5.
1.
2.
3.
4.
5.
6.
7.
8.
9.
10.

DEUTSCH BETRIEBSANLEITUNG
38 33014576(4)2008-02 A RS 850
ÖLFILTER DES DIESELMOTORS AUSWECHSELN
ANMERKUNG
Das Auswechseln muss bei vollständig abgelassenem Motoröl durchgeführt werden.
Abfallbehälter (7, Abb. G) entleeren. Befi nden sich nur wenig Abfällen im Behälter, ist eine Entleerung nicht erforderlich.
Das Fahrzeug auf festem und ebenem Untergrund abstellen und Feststellbremse (13, Abb. E) betätigen.
Abfallbehälter (7, Abb. G) wie im entsprechenden Abschnitt erläutert anheben.
Den Zündschlüssel (24, Abb. D) auf OFF drehen und herausziehen.
Um das unerwartete Senken des Abfallbehälters zu vermeiden, die zwei Stützstangen (3, Abb. F) einsetzen, wie es im
entsprechenden Abschnitt beschrieben ist.
Die oberen linken und rechten Seitenklappen (9 und 28, Abb. G) durch Betätigen der Haltevorrichtungen (10) und (29) mit dem
ausgestatteten Schlüssel öffnen.
Die Schrauben entfernen, dann die Motorraumabdeckung (11, Abb. F) ausbauen.
Die untere linke Seitenklappe (11, Abb. G) durch Betätigen der Haltevorrichtung (12) mit dem ausgestatteten Schlüssel öffnen.
Den Ölfi lter des Dieselmotors ersetzen, wie es in der entsprechenden Anleitung beschrieben ist.
Die Schritte von 3 bis 8 in der umgekehrten Reihenfolge durchführen.
REINIGUNG DES LUFTVORFILTERS UND -FILTERS DES DIESELMOTORS
ACHTUNG!
Bei Reinigungsarbeiten mit Druckluft- oder Wasserpistole Augen, Haare, Hände usw. angemessen schützen.
Vorbereitung
Feststellbremse (13, Abb. E) betätigen.
Den Zündschlüssel (24, Abb. D) auf OFF drehen und herausziehen.
Reinigung des Vorfi lters
Mit einer passenden Leiter, den Dieselmotorluftvorfi lter erreichen (39, Abb. F).
Die Schraube (1, Abb. AM2) ausschrauben .
Den Deckel (2) und den Vorfi lter (3) entfernen.
Den Deckel (2) und den Vorfi lter (3) reinigen und waschen.
Den Vorfi lter (3) und den Deckel (2) wieder einbauen, dann die Schraube (1) einschrauben.
Reinigung des Filters
Beim Vorgehen auf der Hinterachse linke Seite, die seitlichen Haltevorrichtungen (1, Abb. AM1) ausrasten und den Filterdeckel
(2) entfernen.
Den Luftfi lter (3) ausbauen.
Mit einem Druckluftstrahl [max. 6 Bar (87,0 psi)], den Luftfi lter (3) durch Blasen von Innen nach Außen (in der
entgegengesetzten Richtung von Lufteinlass) reinigen. Falls erforderlich, Luftfi lter austauschen.
Luftfi lter (3, Abb. AM1) wieder einbauen und wieder in seinem Sitz anbringen.
Den Deckel (2, Abb. AM1) wieder einbauen und mit den seitlichen Haltevorrichtungen (1) einrasten.
SAUBERKEIT DER KÜHLERRIPPEN DES DIESELMOTORS ÜBERPRÜFEN
Abfallbehälter (7, Abb. G) entleeren. Befi nden sich nur wenig Abfällen im Behälter, ist eine Entleerung nicht erforderlich.
Das Fahrzeug auf festem und ebenem Untergrund abstellen und Feststellbremse (13, Abb. E) betätigen.
Abfallbehälter (7, Abb. G) wie im entsprechenden Abschnitt erläutert anheben.
Den Zündschlüssel (24, Abb. D) auf OFF drehen und herausziehen.
Um das unerwartete Senken des Abfallbehälters zu vermeiden, die zwei Stützstangen (3, Abb. F) einsetzen, wie es im
entsprechenden Abschnitt beschrieben ist.
Die oberen linken und rechten Seitenklappen (9 und 28, Abb. G) durch Betätigen der Haltevorrichtungen (10) und (29) mit dem
ausgestatteten Schlüssel öffnen.
Die Schrauben entfernen, dann die Motorraumabdeckung (11, Abb. F) ausbauen.
Die untere linke Seitenklappe (11, Abb. G) durch Betätigen der Haltevorrichtung (12) mit dem ausgestatteten Schlüssel öffnen.
Die Kühlerrippenreinigung des Dieselmotors prüfen, wie es in der entsprechenden Anleitung beschrieben ist.
Die Schritte von 3 bis 8 in der umgekehrten Reihenfolge durchführen.
1.
2.
3.
4.
5.
6.
7.
8.
9.
10.
1.
2.
3.
4.
5.
6.
7.
8.
9.
10.
11.
12.
1.
2.
3.
4.
5.
6.
7.
8.
9.
10.

BETRIEBSANLEITUNG DEUTSCH
RS 850 33014576(4)2008-02 A 39
KÜHLMITTELSTAND DES DIESELMOTORS ÜBERPRÜFEN
Feststellbremse (13, Abb. E) betätigen.
Den Zündschlüssel (24, Abb. D) auf OFF drehen und herausziehen.
Mit einer passenden Leiter, den Kühlmitteltank (5, Abb. G) erreichen.
ACHTUNG!
Der Kühlkreislauf steht unter Druck; keine Prüfungen vor dem vollständigen Abkühlen des Motors durchführen
und auch bei diesem Fall den Tankdeckel (2, Abb. AL) vorsichtig öffnen.
Prüfen, dass den Kühlmittelstand im Tank (1, Abb. AL) zwischen den Markierungen von Mindeststand und Höchststand liegt,
wie es in der Anleitung des Dieselmotors beschrieben ist. Falls nötig, den Deckel (2) ausschrauben und nachfüllen.
Kühlmittelzusammensetzung:
50 % Frostschutzmittel AGIP
50 % Wasser
Nach dem Nachfüllen, den Deckel (2, Abb. AL) festziehen.
KRAFTSTOFFFILTER DES DIESELMOTORS AUSTAUSCHEN
Feststellbremse (13, Abb. E) betätigen.
Den Zündschlüssel (24, Abb. D) auf OFF drehen und herausziehen.
Die rechte Klappe Unterkabine (31, Abb. G) durch Betätigen der Haltevorrichtung (32) mit dem ausgestatteten Schlüssel
heben.
Die untere rechte Seitenklappe (34, Abb. G) durch Betätigen der Haltevorrichtung (35) mit dem ausgestatteten Schlüssel
öffnen.
Den Kraftstofffi lter (1, Abb. AK) des Dieselmotors ersetzen, wie es in der entsprechenden Anleitung beschrieben ist.
Die Schritte von 3 bis 5 in der umgekehrten Reihenfolge durchführen.
LUFTFILTER DER FAHRERKABINE AUSTAUSCHEN
Abfallbehälter (7, Abb. G) entleeren. Befi nden sich nur wenig Abfällen im Behälter, ist eine Entleerung nicht erforderlich.
Das Fahrzeug auf festem und ebenem Untergrund abstellen und Feststellbremse (13, Abb. E) betätigen.
Abfallbehälter (7, Abb. G) wie im entsprechenden Abschnitt erläutert anheben.
Den Zündschlüssel (24, Abb. D) auf OFF drehen und herausziehen.
Um das unerwartete Senken des Abfallbehälters zu vermeiden, die zwei Stützstangen (3, Abb. F) einsetzen, wie es im
entsprechenden Abschnitt beschrieben ist.
Die obere linke Seitenklappe (9, Abb. G) durch Betätigen der Haltevorrichtung (10) mit dem ausgestatteten Schlüssel öffnen.
Mit einer passenden Leiter, die Schraube (1, Abb. AN) lösen und die Haltevorrichtung (2) drehen.
Den Luftfi lter (1, Abb. AO) von der Kabine ausbauen.
Den neuen Filter (1, Abb. AO) mit den Pfeilen (2) in der Richtung des Luftstroms (nach oben) einbauen.
Die Schritte von 3 bis 7 in der umgekehrten Reihenfolge durchführen.
REIFENWECHSEL
Vorbereitung
Den Zündschlüssel (24, Abb. D) auf OFF drehen und herausziehen.
Feststellbremse (13, Abb. E) betätigen.
Prüfen, ob sich das Gerät auch mit einem angehobenen Rad (die Feststellbremse wirkt nur auf die Vorderräder) nicht
selbstständig in Bewegung setzen kann. Falls erforderlich, das Fahrzeug durch Keile an den auf dem Boden befi ndlichen
Rädern sichern.
Das entsprechende Rad wie folgt ausbauen.
Ein Vorderrad ein-/ausbauen
Die obere rechte Seitenklappe (28, Abb. G) durch Betätigen der Haltevorrichtung (29) mit dem ausgestatteten Schlüssel
öffnen.
Die Knöpfe (38, Abb. F) lösen und den Hebebügel (37) des Geräts ausbauen.
In der Nähe des auszubauenden Rads (1, Abb. AQ), den Hebebügel (2) auf den Buckeln (3) des Geräterahmens stellen, wie in
der Abbildung gezeigt ist, dann den Bügel mit dem Splint (4) sichern. Den Wagenheber (5) unter dem Bügel (2) stellen, wie in
der Abbildung gezeigt ist.
Vor dem Anheben des Rades mit dem Wagenheber die Befestigungsmuttern leicht lösen.
ACHTUNG!
Den Wagenheber (5, Abb. AQ) ist nicht ausgestattet. Einen Wagenheber mit entsprechenden Eigenschaften und
einer Hubkraft von mind. 2.000 Kg (4.410 lb) verwenden.
Den Wagenheber (5, Abb. AQ) vorsichtig betätigen und das auszubauende Rad (1) heben, bis es leicht vom Boden getrennt
ist.
Die Befestigungsmuttern ausschrauben und das Rad (1, Abb. AQ) ausbauen.
Das Rad (1, Abb. AQ) beim Durchführen der Schritte von 5 bis 9 in der umgekehrten Reihenfolge wieder einbauen.
Anziehdrehmoment der Radbefestigungsmuttern: 400 N·m (295 lb·ft).
1.
2.
3.
4.
5. •
•
6.
1.
2.
3.
4.
5.
6.
1.
2.
3.
4.
5.
6.
7.
8.
9.
10.
1.
2.
3.
4.
5.
6.
7.
8.
9.
10.
11.

DEUTSCH BETRIEBSANLEITUNG
40 33014576(4)2008-02 A RS 850
Ein Hinterrad ein-/ausbauen
Den Wagenheber (6, Abb. AQ) unter dem entsprechenden Sitz (9), der sich unter der Hinterachse (7) befi ndet, stellen, wie in
der Abbildung gezeigt ist.
Vor dem Anheben des Rades mit dem Wagenheber die Befestigungsmuttern leicht lösen.
ACHTUNG!
Den Wagenheber (6, Abb. AQ) ist nicht ausgestattet. Einen Wagenheber mit entsprechenden Eigenschaften und
einer Hubkraft von mind. 2.000 Kg (4.410 lb) verwenden.
Den Wagenheber (6, Abb. AQ) vorsichtig betätigen und das auszubauende Rad (8) heben, bis es leicht vom Boden getrennt
ist.
Die Befestigungsmuttern ausschrauben und das Rad (8, Abb. AQ) ausbauen.
Das Rad (8, Abb. AQ) beim Durchführen der Schritte von 11 bis 13 in der umgekehrten Reihenfolge wieder einbauen.
Anziehdrehmoment der Radbefestigungsmuttern: 400 N·m (295 lb·ft).
SICHERUNGEN AUSWECHSELN
Feststellbremse (13, Abb. E) betätigen.
Den Zündschlüssel (24, Abb. D) auf OFF drehen und herausziehen.
Den durchsichtigen Deckel des Sicherungskasten (25 bzw. 34, Abb. D) ausbauen und eine der folgenden Sicherungen
ersetzen:
Sicherungskasten (25, Abb. D)
Freier Sicherungskasten (10 A)
Freier Sicherungskasten (7,5 A)
Sicherung Summer Feststellbremse und Sensor Wasser im Kraftstofffi lter (10 A)
Sicherung Instrumentenbrett (7,5A)
Sicherung Rückfahralarm, Kameras, Sicherheitsrelais zum Motoranlassen, Abfallbehälterklappe (10 A)
Sicherung Elektroventil Flap (10 A)
Sicherung Drehung Seitenbesen (10 A)
Sicherung Relaiskarte (10 A)
Sicherung Kontrollleuchte Abfallbehälter gehoben/Scheibenwascher (7,5 A)
Sicherung Wasserpumpe Staubabscheidungsanlage (15 A)
Sicherung Bedienelemente Klimaanlage (15 A)
Sicherung Elektrogebläse Ölkühlung Hydraulikanlage (20 A)
Sicherungskasten (34, Abb. D)
Sicherung Fernlicht (15 A)
Sicherung Standlicht (7,5 A)
Sicherung Warnblinker und Hupe (10 A)
Sicherung Abblendlicht (15 A)
Sicherung Standlicht (7,5 A)
Sicherung Glühkerzen-Steuergerät (7,5 A)
Sicherung Blinker (7,5 A)
Sicherung Blinklicht (7,5 A)
Sicherung Kraftstoff-Elektroventil (Motorabstellen) (10 A)
Sicherung Bremslicht (10 A)
Sicherung Scheibenwischer (7,5 A)
Sicherung Elektrogebläse Fahrerkabinen-Klimaanlage (20 A)
Den durchsichtigen Deckel des Sicherungskasten (25 bzw. 34, Abb. D) wieder einbauen.
12.
13.
14.
15.
16.
1.
2.
3.
1.
2.
3.
4.
5.
6.
7.
8.
9.
10.
11.
12.
13.
14.
15.
16.
17.
18.
19.
20.
21.
22.
23.
24.
4.

BETRIEBSANLEITUNG DEUTSCH
RS 850 33014576(4)2008-02 A 41
AUSBAU/EINBAU DES SAUGMUNDS
ANMERKUNG
Dieser ist einen Grundvorgang, der, falls nötig, bei anderen Vorgängen abgerufen wird.
Ausbau
Die zwei Seitenbesen ausbauen (siehe Vorgang im entsprechenden Abschnitt).
Den dritten Seitenbesen (21, Abb. G) verschieben und den Saugmund (17) senken, wie es im entsprechenden Abschnitt
beschrieben ist.
Feststellbremse (13, Abb. E) betätigen.
Den Zündschlüssel (24, Abb. D) auf OFF drehen und herausziehen.
Die Stellung der Leitungen der Hydraulikanlage (1 und 2, Abb. AY) markieren (zur richtigen Positionierung beim Einbau), dann
sie vom Saugmund (3) trennen und verschließen.
Die Stellung der Leitungen der Hydraulikanlage (4 und 5, Abb. AY) markieren (zur richtigen Positionierung beim Einbau), dann
sie vom Saugmund (3) trennen und verschließen.
Die Leitungen (6 und 7, Abb. AY) der Staubabscheidungsanlage trennen.
Die elektrischen Stecker (8 und 9, Abb. AY) trennen und die Dichtung entfernen.
Die Schrauben (10, Abb. AY) ausschrauben.
Den Saugmund (3, Abb. AY) leicht vorwärts verschieben und die Schelle (11) des Saugrohrs lösen.
Das Saugrohr (12, Abb. AY) vom Saugmund trennen.
Auf beiden Seiten des Munds, die Muttern (13, Abb. AY) ausschrauben und die entsprechenden Federn trennen.
Den Saugmund (3) entfernen.
Die Leitungen (15, Abb. AY), die vom entfernten Saugmund getrennt wurden, mit Schellen (14) sichern.
Um das Eintreten von Schmutz und Fremdkörpern in die Leitungen (15) zu vermeiden, eine Schutzhaube einbauen.
Einbau
Die ausgebauten Bauteile in umgekehrter Reihenfolge wieder einbauen.
Falls nötig, die Höhe und Funktionsfähigkeit des Saugmunds und des Flaps prüfen (siehe Vorgang im entsprechenden
Abschnitt).
AUSBAU/EINBAU DES ARMS DES DRITTEN SEITENBESENS
ANMERKUNG
Dieser ist einen Grundvorgang, der, falls nötig, bei anderen Vorgängen abgerufen wird.
HINWEIS!
Dieser Vorgang ist gültig nur für Kehrmaschinen mit passender Vorbereitung für die Schneewalze.
Ausbau
Den Arm des dritten Seitenbesens (23, Abb. G) vorwärts verschieben und den Seitenbesen (21) heben, wie es im
entsprechenden Abschnitt beschrieben ist.
Den Dieselmotor abstellen und die Feststellbremse (13, Abb. E) betätigen.
Beim Arbeiten in Sicherheitsbedingungen mit einem passenden Hubsystem (1, Abb. AZ), den Arm des dritten Seitenbesens
(2) in den in der Abbildung gezeigten Punkten verseilen. Die Leitungen und elektrischen Verkabelungen verschieben, um das
Quetschen beim Hebevorgang zu vermeiden.
Gewicht des Arms des dritten Seitenbesens: Ungefähr 80 Kg (176,4 lb).
Den elektrischen Stecker (3, Abb. AZ) trennen.
Die Schnellverbindungen (4, Abb. AZ) der Hydraulikanlage von den entsprechenden Rohrverbindungen (5) trennen, dann die
entsprechenden Schutzdeckel anbringen.
Die Schnellverbindung (6, Abb. AZ) der Staubabscheidungsanlage von der entsprechenden Rohrverbindung (7) trennen, dann
die entsprechenden Schutzdeckel anbringen.
Beim Vorgehen in der Fahrerkabine, die Schrauben (8, Abb. AZ) entfernen, dann die Abdeckung (9) ausbauen.
Das Hubsystem (1, Abb. AZ) leicht spannen, dann die Schrauben (10) und die Mutter (11) entfernen.
Den Arm des dritten Seitenbesens (2, Abb. AZ) entfernen.
Einbau
Die ausgebauten Bauteile in umgekehrter Reihenfolge wieder einbauen.
Falls nötig, die Stellung des dritten Seitenbesens prüfen und einstellen (siehe Vorgang im entsprechenden Abschnitt).
1.
2.
3.
4.
5.
6.
7.
8.
9.
10.
11.
12.
13.
14.
15.
16.
1.
2.
3.
4.
5.
6.
7.
8.
9.
10.
11.

DEUTSCH BETRIEBSANLEITUNG
42 33014576(4)2008-02 A RS 850
WINTERWARTUNG
Während des Winters folgende Wartungsarbeiten sorgfältig durchführen.
Vorbereitung zum Abstellen von Kehrmaschinen, die bei Temperaturen unter 0°C (+32°F) betrieben werden
Düsen und Wassertanks entleeren.
Wasserfi lter entleeren und reinigen/austauschen.
Frostschutzmittel in die Wassertanks einfüllen (Menge pro Liter prüfen).
Durch Betätigen der Wasserpumpe (siehe entsprechende Abschnitte) das Frostschutzmittel in der Wasseranlage zirkulieren
lassen, bis es aus den jeweiligen Düsen der Seitenbesen, des Saugmundrohrs und des hinteren Rohrs (falls vorhanden)
austritt. Beim Austritt des Frostschutzmittels aus den Düsen Pumpe ausschalten.
Dieselmotor anlassen (siehe entsprechenden Abschnitt).
Die Pumpe mit dem Hebel in der Kabine (siehe entsprechende Abschnitte) betätigen und das Frostschutzmittel in der
Hochdruckwasseranlage zirkulieren lassen, bis aus der Pistole austritt. Beim Austritt des Frostschutzmittels Pumpe
ausschalten.
ACHTUNG!
Die Staubabscheidungsanlage bei Temperaturen unter 0°C (+32°F) nicht verwenden, da auf dem Straßenbelag
eine Eisschicht bilden könnte.
Maßnahmen für den zweiten Abstellmonat
Motoröl und entsprechenden Filter auswechseln (siehe entsprechende Abschnitte).
Kraftstofftank befüllen (siehe entsprechenden Abschnitt).
Gerät schmieren.
Batterie laden.
Reifendruck überprüfen (siehe entsprechenden Abschnitt).
Maßnahmen für den dritten Abstellmonat
Die gleichen Maßnahmen wie für den zweiten Monat wiederholen.
Jeden Monate ein Ladegerät anschließen und die Batterie 12/24 Stunden aufl aden.
SICHERHEITSFUNKTIONEN
Das Gerät verfügt über folgende Sicherheitsfunktionen:
Rückfahralarm
Das Gerät ist mit einem Sensor ausgestattet, der das Rückfahrmanöver des Fahrzeugs mit einem entsprechenden Alarm
signalisiert.
Begrenzer der Drehgeschwindigkeit der Seitenbesen
Das Gerät ist eingestellt, um die Drehung der Seitenbesen beim Überschreiten von 2.050 Umdrehungen des Dieselmotors zu
unterbrechen.
Sicherheitstaste des Meisterschalters
Die Steuertasten des Meisterschalters sind aktiv nur beim gedrückten Sicherheitstaste (am Meisterschalter selbst).
Sicherheitsvorrichtung für Befehlsfolge beim Einschalten der Seitenbesen
Den Saugmund senkt nur beim gedrückten Schalter zum Einschalten der Seitenbesen, aber die Drehung der Seitenbesen beginnt
nur nach dem vollständig Senken des Saugmunds.
Sensor zur Hemmung des Dieselmotoranlassens mit betätigtem Vorwärts- und Rückwärtsgangpedal
Das Gerät ist mit einem Sensor zur Hemmung des Anlassens des Dieselmotors ausgestattet, der in Betrieb geht, wenn das
Vorwärts- und Rückwärtsgangpedal betätigt wird.
1.
2.
3.
4.
5.
6.
7.
8.
9.
10.
11.
8.
9.

BETRIEBSANLEITUNG DEUTSCH
RS 850 33014576(4)2008-02 A 43
FEHLERSUCHE
Im Folgenden sind die häufi gsten Störungen, die während des Gerätebetriebs auftreten können, ihre wahrscheinlichen Ursachen
und die Maßnahmen zur Störungsbeseitigung angeführt.
ACHTUNG!
Die angezeigte Abhilfe soll vom Fachpersonal, immer unter Berücksichtigung der in den entsprechenden
Abschnitten dieser Anleitung beschriebenen Anweisungen, falls vorhanden, durchgeführt werden; andernfalls
setzen Sie sich in Verbindung mit den Nilfi sk Kundendiensten, bei denen die Service-Anleitung erhältlich ist.
Setzen Sie sich für Erklärungen oder Auskünfte mit einem Nilfi sk Kundendienst in Verbindung.
Zur Fehlersuche der folgenden Optionseinrichtungen, siehe die entsprechenden Anleitungen:
Salzstreueinrichtung
Schneewalze
Kamerakit
STÖRUNGEN UND ABHILFE
Störung Mögliche Ursache Abhilfe
SEITENBESEN
Seitenbesen reinigen nicht richtig Seitenbesen sind falsch eingestellt Einstellen
Die Drehzahl der Seitenbesen ist nicht korrekt Drehzahl einstellen
Seitenbesen drehen nicht Das Sicherheitssystem unterbricht die Drehung
der Seitenbesen wegen der übermäßigen
Drehzahl des Dieselmotors
Die Drehzahl des Dieselmotors verringern
Keine Spannung an das Elektroventil Die elektrische Anlage prüfen
Ölleckagen der Hydraulikanlage an
Verbindungen/Rohren Reparieren/auswechseln
Hydraulikmotoren defekt Auswechseln
Die Hydraulikpumpe der Hilfssysteme setzt das
Öl im Kreislauf nicht unter Druck Öldruck der Hydraulikanlage überprüfen
Schalter zum Einschalten der Seitenbesen
ausgeschaltet Betätigen
Sicherung durchgebrannt Auswechseln
Elektroventil durchgebrannt Auswechseln
ARM DES DRITTEN SEITENBESENS
Der Arm des dritten Seitenbesens schwingt Spannfeder falsch eingestellt Einstellen
Endschaltersensoren falsch eingestellt Einstellen
Der Arm des dritten Seitenbesens bewegt sich
nicht seitlich Sicherheitsstift gebrochen Auswechseln
Keine Spannung an das Elektroventil Die elektrische Anlage prüfen
Wegeventil blockiert Reparieren
Zylinderdichtungen verschlissen Zylinder überholen
Schalter nicht betätigt Betätigen
Sicherung durchgebrannt Auswechseln
Tasten zum Links-/Rechtsverschiebung
unterbrochen Auswechseln
Relais durchgebrannt Auswechseln
Elektroventile durchgebrannt Auswechseln
ARM DES DRITTEN SEITENBESENS
Der Arm des dritten Seitenbesens sinkt/hebt
nicht Wegeventil blockiert Reparieren
Zylinderdichtungen verschlissen Zylinder überholen
Sicherung durchgebrannt Auswechseln
Taste zum Senken unterbrochen Auswechseln
Taste zum Heben unterbrochen Auswechseln
Relais durchgebrannt Auswechseln
Elektroventil durchgebrannt Auswechseln
–
–
–

DEUTSCH BETRIEBSANLEITUNG
44 33014576(4)2008-02 A RS 850
Störung Mögliche Ursache Abhilfe
ANSAUGLÜFTER
Ansauglüfter macht Geräusche Lüfterlager nicht geschmiert Schmieren
Lüfterlager verschlossen Auswechseln
Hydraulikmotor defekt Reparieren
Der Ansauglüfter dreht, saugt aber nicht
ausreichend an Staubfi lter verstopft Reinigen
Saugrohr verstopft Reinigen
Schnitte/Risse im Saugrohr Auswechseln
Dichtung zwischen Saugmund und
Abfallbehälter gebrochen bzw. nicht richtig
positioniert
Auswechseln/Position korrigieren
Kein Druck in der Pumpe zum Einschalten des
Ansauglüftermotors Druck der Pumpe einstellen
Ansauglüfter dreht nicht Wegeventil blockiert Reparieren
Motor defekt Auswechseln
Pumpe defekt Auswechseln
SAUGMUND UND FLAP
Saufl eistung des Saugmund nicht ausreichend Saugmund nicht korrekt positioniert Höhe und Funktion von Saugmund und Flap
überprüfen
Saugmund wird nicht angehoben Unterbrechung des elektrischen Kontakts Die elektrische Anlage reparieren
Wegeventil blockiert Reparieren
Zylinderdichtungen verschlissen Zylinder überholen
Kein Druck in der Hydraulikanlage Pumpendruck überprüfen
Sicherung durchgebrannt Auswechseln
Taste zum Heben unterbrochen Auswechseln
Sicherheitstaste Meisterschalter unterbrochen Auswechseln
Relaiskarte defekt Überholen
Elektroventil durchgebrannt Auswechseln
SAUGMUND UND FLAP
Saugmund wird nicht abgesenkt Den Ansauglüfter wurde nicht eingeschaltet Einschalten
Kein Druck am Fangventil Druck des Wegeventils des Ansauglüfters
überprüfen
Kein Druck an das Elektroventil des
Wegeventils Den Druck prüfen
Sicherung durchgebrannt Auswechseln
Schalter zum Einschalten der Seitenbesen
ausgeschaltet Betätigen
Taste zum Senken unterbrochen Auswechseln
Sicherheitstaste Meisterschalter unterbrochen Auswechseln
Relaiskarte defekt Überholen
Elektroventil durchgebrannt Auswechseln
Den Saugmund bewegt sich nicht seitlich Kein Druck an den Zylinder wegen der
verschlossenen Dichtungen Zylinder überholen
Sicherung durchgebrannt Auswechseln
Tasten zum Linksverschiebung unterbrochen Auswechseln
Tasten zum Rechtsverschiebung unterbrochen Auswechseln
Sicherheitstaste unterbrochen Auswechseln
Relaiskarte defekt Auswechseln
Elektroventil durchgebrannt Auswechseln
Der Flap hat keine ausreichend Öffnungskraft Öffnungsdruck des Flaps nicht korrekt Öffnungsdruck einstellen
Flap öffnet/schließt nicht Schalter nicht betätigt Betätigen
Elektroventil durchgebrannt Auswechseln

BETRIEBSANLEITUNG DEUTSCH
RS 850 33014576(4)2008-02 A 45
Störung Mögliche Ursache Abhilfe
ABFALLBEHÄLTER UND ENTSPRECHENDE KLAPPE
Abfallbehälter wird nicht angehoben/gekippt Wegeventil blockiert Reparieren
Taste unterbrochen Auswechseln
Sicherung durchgebrannt Auswechseln
Sicherheitstaste unterbrochen Auswechseln
Schalter zum Einschalten der Seitenbesen
eingeschaltet Ausschalten
Abfallbehälter kehrt nicht in Horizontalstellung
zurück/wird nicht abgesenkt Zylinderdichtungen verschlissen Zylinder überholen
Sicherung durchgebrannt Auswechseln
Taste unterbrochen Auswechseln
Sicherheitstaste unterbrochen Auswechseln
Relaiskarte defekt Auswechseln
Elektroventile durchgebrannt Auswechseln
ABFALLBEHÄLTER UND ENTSPRECHENDE KLAPPE
Die Klappe des Abfallbehälters öffnet/schließt
nicht Keine Spannung an den Stellantrieb Die elektrische Anlage reparieren
Steuertaste unterbrochen Auswechseln
Nocken des Stellantriebs falsch eingestellt Die Nocken des Stellantriebs einstellen
Antrieb defekt Auswechseln
DÜSEN DER STAUBABSCHEIDUNGSANLAGE
Aus den Düsen strömt kein Wasser aus Wasserfi lter verstopft Reinigen/auswechseln
Düsen verstopft Reinigen
Den Düsen wird kein Wasser zugeführt Relais Wasserpumpen durchgebrannt Auswechseln
Pumpe nicht funktionsfähig Reparieren/auswechseln
Schalter Wasserpumpen nicht betätigt Betätigen
Sicherung durchgebrannt Auswechseln
Relais Wasserpumpen durchgebrannt Auswechseln
Wasserpumpe schaltet nicht ab Schwimmer blockiert Reparieren
Schwimmer falsch eingebaut Richtig einbauen
LENKUNG
Das Gerät fährt nicht korrekt geradeaus Vorspur Hinterachse falsch eingestellt Einstellen
Lenkung schwergängig Servolenkung defekt Auswechseln
Hauptventil defekt Auswechseln
Hydraulikzylinder der gelenkten Räder defekt Auswechseln
BREMSE
Das Bremskraft des Geräts nicht ausreichend Kein Bremsöl Bremsölstand überprüfen
Bremsbeläge verschlissen oder nicht fettfrei Auswechseln
Luft in der Anlage Anlage entlüften
Trommelbremszylinder defekt Auswechseln
Bremsölpumpe defekt Überholen
Bremskraft der Feststellbremse ausreichend Bremse falsch eingestellt Einstellen
STABILITÄT
Das Gerät ist während der Fahrt instabil Falscher Reifendruck Reifendruck überprüfen
RÄDER
Geräusche an den Hinterrädern Radlager verschlissen Auswechseln

DEUTSCH BETRIEBSANLEITUNG
46 33014576(4)2008-02 A RS 850
Störung Mögliche Ursache Abhilfe
ANTRIEBSLEISTUNG
Das Gerät hat geringe Antriebsleistung Fahrpedal defekt Auswechseln
Bypass geöffnet Das Schraubenspannen von Bypass prüfen
Leistungsabfall der Antriebsanlagenpumpe Öldruck der Hydraulikanlage an der
Antriebsanlagenpumpe überprüfen
Motoren der Antriebsanlage verschlossen Auswechseln
Das Gerät hat keine Antriebsleistung Die Schraube zum Ausschalten der
Antriebsanlagenpumpe für leichteres
Abschleppen ist aktiviert
Ausschalten
Ölleckagen des Hydraulikkreislaufs Reparieren
Bruch der hydraulischen Pumpe der
Antriebsanlage Auswechseln
Bruch des Motors der Antriebsanlage Auswechseln
FAHRPEDAL
Das Gerät bewegt sich auch bei nicht
betätigtem (losgelassenem) Fahrpedal fort Vorwärts-/Rückwärtsgangpedal falsch
eingestellt Einstellen
FAHRERKABINENHEIZUNG
Es wird keine warme Luft zugeführt Hahn bzw. Eingangsleitung für Warmwasser
gebrochen Auswechseln
Aus dem Heizgerät tritt Wasser aus Auswechseln
Schalter nicht betätigt Betätigen
Sicherung durchgebrannt Auswechseln
FAHRERKABINENKLIMAANLAGE
Es wird keine gekühlte Luft zugeführt Der Kompressor dreht wegen eines lockeren/
gebrochenen Antriebsriemens nicht Riemen korrekt spannen/auswechseln
Thermostat ausgeschaltet Betätigen
Gasleckage der Anlage Ursache der Leckage beseitigen und Gas
nachfüllen
Expansionsventil defekt Auswechseln
Schalter nicht betätigt Betätigen
Sicherung durchgebrannt Auswechseln
Gasdruckschalter ausgefallen Auswechseln
Relais durchgebrannt Auswechseln
DIESELMOTOR
Der Dieselmotor startet bei Drehen des
Zündschlüssels nicht Das Vorwärts- und Rückwärtsgangpedal ist
betätigt Während des Anlassens des Dieselmotors
Fahrpedal nicht betätigen
ANMERKUNG
Für weitere Fehlersuchen des Dieselmotors, siehe die entsprechende Anleitung.
VERSCHROTTUNG
Die Fahrzeugverschrottung hat bei einer autorisierten Verschrottungsstelle zu erfolgen.
Vor der Fahrzeugverschrottung sind folgende Bauteile zu entfernen und zu trennen sowie gemäß Umwelthygienevorschriften
gesondert zu entsorgen:
Seitenbesen
Motoröl
Öl Hydraulikanlage
Ölfi lter Hydraulikanlage
Kunststoffteile
Elektrische und elektronische Teile
ANMERKUNG
Wenden Sie sich insbesondere für die Verschrottung der elektrischen und elektronischen Bauteile an die örtliche Nilfi sk-
Niederlassung.
–
–
–
–
–
–

MANUEL D’UTILISATION FRANÇAIS
RS 850 33014576(4)2008-02 A 1
TABLE DES MATIERES
INTRODUCTION .............................................................................................................................................................. 3
BUT ET CONTENU DU MANUEL ................................................................................................................................................... 3
DESTINATAIRES ............................................................................................................................................................................. 3
CONSERVATION DU MANUEL ....................................................................................................................................................... 3
ATTESTATION DE CONFORMITE .................................................................................................................................................. 3
DONNEES D’IDENTIFICATION ...................................................................................................................................................... 3
AUTRES MANUELS DE REFERENCE ........................................................................................................................................... 4
PIECES DE RECHANGE ET ENTRETIEN ..................................................................................................................................... 4
MODIFICATIONS ET AMELIORATIONS ......................................................................................................................................... 4
SECURITE ....................................................................................................................................................................... 4
SYMBOLES UTILISES .................................................................................................................................................................... 4
INSTRUCTIONS GENERALES ....................................................................................................................................................... 5
DEBALLAGE / LIVRAISON ............................................................................................................................................. 7
DESCRIPTION DE LA MACHINE ................................................................................................................................... 8
CAPACITES OPERATIONNELLES ................................................................................................................................................. 8
CONVENTIONS .............................................................................................................................................................................. 8
DESCRIPTION ................................................................................................................................................................................ 8
CARACTERISTIQUES TECHNIQUES ...........................................................................................................................................11
VALEURS ENVIRONNEMENTALES ............................................................................................................................................. 13
SCHEMA ELECTRIQUE ................................................................................................................................................................ 14
SCHEMA ELECTRIQUE DU BRAS DU TROISIEME BALAI (*) .................................................................................................... 15
SCHEMA HYDRAULIQUE ............................................................................................................................................................. 15
PROTECTIONS ELECTRIQUES .................................................................................................................................................. 16
ACCESSOIRES / OPTIONS .......................................................................................................................................................... 16
UTILISATION ................................................................................................................................................................. 17
AVERTISSEMENTS GENERAUX ................................................................................................................................................. 17
AVANT LA MISE EN MARCHE ...................................................................................................................................................... 17
DEMARRAGE ET ARRET DU MOTEUR DIESEL ......................................................................................................................... 18
MISE EN MARCHE ET ARRET DE LA MACHINE ........................................................................................................................ 19
MACHINE AU TRAVAIL ................................................................................................................................................................. 21
VIDANGE DU CONTENEUR DECHETS ...................................................................................................................................... 22
UTILISATION DU TUYAU D’ASPIRATION ARRIERE (*) .............................................................................................................. 23
UTILISATION DE L’ESSUIE-GLACE / LAVE PARE-BRISE .......................................................................................................... 23
UTILISATION DU CHAUFFAGE DANS LA CABINE DE CONDUITE ........................................................................................... 23
UTILISATION DU CLIMATISEUR DANS LA CABINE DE CONDUITE (*) ..................................................................................... 23
FONCTIONNEMENT DU SYSTEME D’ECLAIRAGE .................................................................................................................... 24
ACTIONNEMENT DES FEUX DE DETRESSE ............................................................................................................................. 24
SOULEVEMENT MANUEL DU CONTENEUR DECHETS ............................................................................................................ 24
INSERTION DES ETANCONS DE SECURITE DU CONTENEUR DECHETS ............................................................................. 24
INSERTION DE LA TIGE DE SECURITE DU PORTILLON DU CONTENEUR DECHETS .......................................................... 25
UTILISATION DU PISTOLET A EAU HAUTE PRESSION (*) ....................................................................................................... 25
UTILISATION DU SYSTEME VIDEO (optionnel) .......................................................................................................................... 25
APRES L’UTILISATION DE LA MACHINE .................................................................................................................................... 26
VIDANGE DES RESERVOIRS A EAU DU SYSTEME D’ABATTAGE DES POUSSIERES .......................................................... 26
MOUVEMENT DE LA MACHINE PAR REMORQUAGE ............................................................................................................... 26
TRANSPORT / DEPLACEMENT ................................................................................................................................................... 27
INACTIVITE PROLONGEE DE LA MACHINE .............................................................................................................................. 27
PREMIERE PERIODE D’UTILISATION ......................................................................................................................................... 27
INSTALLATION ET UTILISATION DU SYSTEME DE SALAGE (optionnel).................................................................................. 28
INSTALLATION ET UTILISATION DU SYSTEME DE DENEIGEMENT A BROSSE (optionnel) ................................................... 29

FRANÇAIS MANUEL D’UTILISATION
233014576(4)2008-02 A RS 850
ENTRETIEN ................................................................................................................................................................... 30
PLAN RECAPITULATIF D’ENTRETIEN PROGRAMME ............................................................................................................... 30
NETTOYAGE DU CONTENEUR DECHETS, DES FILTRES ET DU TUYAU D’ASPIRATION,
CONTROLE DES JOINTS ET LUBRIFICATION DES ROULEMENTS DU VENTILATEUR D’ASPIRATION ............................... 31
NETTOYAGE DES GICLEURS ET DES FILTRES DU SYSTEME D’ABATTAGE DES POUSSIERES ....................................... 32
NETTOYAGE DU FILTRE A EAU DU SYSTEME D’ABATTAGE DES POUSSIERES .................................................................. 33
CONTROLE DU NIVEAU D’HUILE DU SYSTEME HYDRAULIQUE ............................................................................................ 33
CONTROLE DU NETTOYAGE DES AILETTES DU RADIATEUR DE L’HUILE DU SYSTEME HYDRAULIQUE ........................ 34
CONTROLE DU NIVEAU DU LIQUIDE DE LA BATTERIE ........................................................................................................... 34
CONTROLE DU NIVEAU D’HUILE DES FREINS ......................................................................................................................... 34
CONTROLE DU CAPTEUR D’ACTIVATION DE L’AVERTISSEUR SONORE DE MARCHE ARRIÈRE ...................................... 34
CONTROLE DE LA PRESSION DES PNEUS .............................................................................................................................. 34
CONTROLE DE LA HAUTEUR ET DU FONCTIONNEMENT DE LA BOUCHE D’ASPIRATION ET DU VOLET ......................... 35
CONTROLE ET REGLAGE DE LA POSITION DES BALAIS LATERAUX .................................................................................... 36
CONTROLE ET REGLAGE DE LA POSITION DU TROISIEME BALAI ....................................................................................... 36
REMPLACEMENT DES BALAIS ................................................................................................................................................... 37
CONTROLE DU FREIN DE STATIONNEMENT ............................................................................................................................ 37
CONTROLE DU NIVEAU D’HUILE DU MOTEUR DIESEL ........................................................................................................... 37
REMPLACEMENT DE L’HUILE DU MOTEUR DIESEL ................................................................................................................ 37
REMPLACEMENT DU FILTRE A HUILE DU MOTEUR DIESEL................................................................................................... 38
NETTOYAGE DU PREFILTRE ET DU FILTRE A AIR DU MOTEUR DIESEL ............................................................................... 38
CONTROLE DU NETTOYAGE DES AILETTES DU RADIATEUR DU MOTEUR DIESEL ........................................................... 38
CONTROLE DU NIVEAU DU LIQUIDE DE REFROIDISSEMENT DU MOTEUR DIESEL ........................................................... 39
REMPLACEMENT DU FILTRE CARBURANT DU MOTEUR DIESEL .......................................................................................... 39
REMPLACEMENT DU FILTRE A AIR DANS LA CABINE DE CONDUITE ................................................................................... 39
REMPLACEMENT DES ROUES ................................................................................................................................................... 39
REMPLACEMENT DES FUSIBLES .............................................................................................................................................. 40
DEPOSE / REPOSE DE LA BOUCHE D’ASPIRATION ................................................................................................................ 41
DEPOSE / REPOSE DU BRAS DU TROISIEME BALAI ............................................................................................................... 41
ENTRETIEN D’HIVER ................................................................................................................................................................... 42
FONCTIONS DE SECURITE ......................................................................................................................................... 42
DEPISTAGE DES PANNES ........................................................................................................................................... 43
PROBLEMES ET REMEDES ........................................................................................................................................................ 43
MISE A LA FERRAILLE ................................................................................................................................................. 46

MANUEL D’UTILISATION FRANÇAIS
RS 850 33014576(4)2008-02 A 3
INTRODUCTION
BUT ET CONTENU DU MANUEL
Ce manuel, qui constitue une partie intégrante de la machine, se propose de fournir à l’opérateur toutes les informations
nécessaires afi n qu’il puisse utiliser la machine correctement et la gérer de la manière la plus autonome et sûre. Il comprend des
informations relatives à l’aspect technique, la sécurité, le fonctionnement, l’arrêt de la machine, l’entretien, les pièces de rechange
et la mise à la ferraille.
Avant d’effectuer toute opération sur la machine, les opérateurs et les techniciens qualifi és doivent lire attentivement les instructions
contenues dans ce manuel. En cas de doutes sur la correcte interprétation des instructions, contacter Nilfi sk pour avoir plus de
renseignements.
DESTINATAIRES
Ce manuel s’adresse à l’opérateur aussi bien qu’aux techniciens préposés à l’entretien de la machine.
Les opérateurs ne doivent pas exécuter les opérations réservées aux techniciens qualifi és. Nilfi sk ne répond pas des dommages
dus à l’inobservance de cette interdiction.
CONSERVATION DU MANUEL
Le Manuel d’utilisation doit être gardé dans la cabine de la machine, loin de liquides et de tout ce qui pourrait en compromettre sa
lisibilité.
ATTESTATION DE CONFORMITE
La Fig. A contient une copie de la documentation attestant la conformité de la balayeuse aux lois en vigueur.
REMARQUE
La déclaration de conformité originelle est contenue en exemplaire unique dans la documentation de la machine.
REMARQUE
Si la machine est homologuée pour usage routier, elle est livrée avec un certifi cat de conformité spécifi que.
DONNEES D’IDENTIFICATION
Le numéro de série et le modèle de la machine sont indiqués sur l’étiquette adhésive (1, Fig. C) et sur la plaque (1, Fig. E)
appliquées à l’intérieur de la cabine.
Le numéro de série de la machine est estampillé aussi sur le côté (33, Fig. G).
Le numéro de série et le modèle du moteur diesel sont mentionnés dans les positions indiquées dans le manuel spécifi que ; pour
certains Pays, une seconde plaque indiquant les mêmes données est appliquée dans la position (1, Fig. E).
Ces informations sont nécessaires lors de la commande des pièces de rechange de la machine et du moteur diesel. Utiliser
l’espace ci-dessous pour noter les données d’identifi cation de la machine et du moteur diesel pour toute référence future.
Modèle MACHINE .............................................................................
Numéro de série MACHINE ..............................................................
Modèle MOTEUR ..............................................................................
Numéro de série MOTEUR ...............................................................

FRANÇAIS MANUEL D’UTILISATION
433014576(4)2008-02 A RS 850
AUTRES MANUELS DE REFERENCE
Les manuels suivants, livrés avec la machine, sont aussi disponibles :
Manuel du moteur diesel (*)
Catalogue de pièces de rechange de la balayeuse
Manuel du système de salage (optionnel) (*)
Catalogue de pièces de rechange du système de salage (optionnel)
Manuel du système de déneigement à brosse (optionnel) (*)
Catalogue de pièces de rechange du système de déneigement à brosse (optionnel)
Manuel du système vidéo (optionnel) (*)
Catalogue de pièces de rechange du système vidéo (optionnel)
(*) Ces manuels constituent une partie intégrante du Manuel d’utilisation de la balayeuse.
Le manuel suivant est aussi disponible, auprès des Services après-vente Nilfi sk :
Manuel d’entretien de la balayeuse
PIECES DE RECHANGE ET ENTRETIEN
Pour toute nécessité concernant l’emploi, l’entretien et la réparation, s’adresser au personnel qualifi é ou directement aux Services
après-vente Nilfi sk. N’utiliser que des pièces de rechange et accessoires originaux.
Pour l’assistance ou la commande de pièces de rechange et accessoires, contacter Nilfi sk en spécifi ant toujours le modèle et le
numéro de série.
MODIFICATIONS ET AMELIORATIONS
Nilfi sk vise à un constant perfectionnement de ses produits et se réserve le droit d’effectuer des modifi cations et des améliorations
lorsqu’elle le considère nécessaire sans l’obligation de modifi er les machines précédemment vendues.
Il est entendu que toute modifi cation et / ou addition d’accessoires doit toujours être approuvée et réalisée par Nilfi sk.
SECURITE
On utilise la symbolique suivante pour signaler les conditions de danger potentielles. Lire attentivement ces informations et prendre
les précautions nécessaires pour protéger les personnes et les choses.
Pour éviter tout accident la collaboration de l’opérateur est essentielle. Aucun programme de prévention des accidents du travail
ne peut résulter effi cace sans la totale collaboration de la personne directement responsable du fonctionnement de la machine. La
plupart des accidents qui peuvent survenir dans une entreprise, pendant le travail ou les déplacements, sont dus à l’inobservance
des plus simples règles de prudence. Un opérateur attentif et prudent est la meilleure garantie contre les accidents du travail et se
révèle indispensable pour compléter n’importe quel programme de prévention.
SYMBOLES UTILISES
DANGER !
Indique une situation dangereuse exposant l’opérateur au risque de blessures graves, voire mortelles.
ATTENTION !
Indique un risque potentiel d’accident pour les personnes ou de dommage matériel.
AVERTISSEMENT !
Indique un avertissement ou une remarque sur des fonctions clé ou utiles. Prêter la plus grande attention aux
segments de texte marqués par ce symbole.
REMARQUE
Indique une remarque sur des fonctions clé ou utiles.
CONSULTATION
Indique la nécessité de consulter le Manuel d’utilisation avant d’effectuer toute opération.
–
–
–
–
–
–
–
–
–

MANUEL D’UTILISATION FRANÇAIS
RS 850 33014576(4)2008-02 A 5
INSTRUCTIONS GENERALES
Les avertissements et les précautions spécifi ques suivants informent sur les risques potentiels de dommages matériels et de
blessures.
DANGER !
Cette machine doit être utilisée uniquement par un personnel adéquatement formé et autorisé.
En outre, le conducteur doit être :
majeur
en possession du permis de conduire requis
dans des conditions physiques et psychologiques normales
en pleine possession de ses réfl exes et il ne doit pas avoir consommé des substances psychotropes
(alcool, médicaments, drogues etc.)
Avant d’effectuer toute opération d’entretien / réparation, retirer la clé de contact.
Cette machine doit être utilisée uniquement par un personnel adéquatement formé et autorisé. L’utilisation
de la machine est interdite aux enfants et aux personnes handicapées.
Ne pas porter de bijoux quand on travaille près de parties en mouvement.
Ne pas travailler sous la machine soulevée, sans des supports fi xes de sécurité convenables.
Ne pas opérer avec cette machine en présence de poudres, liquides ou vapeurs nuisibles, dangereux,
infl ammables et / ou explosifs.
Attention : le carburant est extrêmement infl ammable.
Ne pas fumer et ne pas utiliser de fl ammes libres près des points de ravitaillement et de stockage du
carburant.
Effectuer le ravitaillement de carburant en plein air ou dans un endroit bien aéré et avec le moteur diesel
arrêté.
Afi n de permettre l’expansion du carburant, ne pas remplir le réservoir à plus de 4 cm (1,6 in) de l’ouverture
de la goulotte de remplissage du réservoir.
Après avoir effectué le ravitaillement de carburant, contrôler que le bouchon du réservoir du carburant est
bien fermé.
Si pendant le ravitaillement du carburant est renversé, nettoyer soigneusement la zone concernée et
permettre aux vapeurs de se dissiper avant de démarrer le moteur.
Eviter tout contact du carburant avec la peau et ne pas en inhaler les vapeurs. Conserver hors de la portée
des enfants.
Avant d’effectuer toute opération d’entretien / réparation, retirer la clé de contact, activer le frein de
stationnement et débrancher la batterie.
Chaque fois que l’on opère sous des coffres ou des portillons ouverts, vérifi er que ceux-ci ne peuvent pas se
refermer accidentellement.
Lorsqu’il faut effectuer des opérations d’entretien avec le conteneur déchets soulevé, le bloquer au moyen
des deux tiges de sécurité.
Pendant le transport de la balayeuse, le réservoir du carburant ne doit pas être plein.
Les gaz d’échappement du moteur diesel contiennent du monoxyde de carbone, un gaz très toxique, inodore
et incolore. Eviter d’en inhaler les vapeurs. Ne pas faire marcher le moteur longtemps dans un endroit fermé.
Ne pas poser d’objets sur le moteur.
Arrêter le moteur diesel avant d’effectuer toute opération. Pour éviter le démarrage accidentel du moteur,
déconnecter la borne négative de la batterie.
Voir les NORMES DE SECURITE indiquées dans le manuel du moteur diesel, qui constitue une partie
intégrante de ce manuel.
Voir aussi les NORMES DE SECURITE indiquées dans les manuels des systèmes (optionnels), qui
constituent une partie intégrante de ce manuel :
système de salage
système de déneigement à brosse
système vidéo
−
−•
•
•
•
−
−
−
−
−
−
−
−
−
−
−
−
−
−
−
−
−
−
−
−
−
•
•
•

FRANÇAIS MANUEL D’UTILISATION
633014576(4)2008-02 A RS 850
ATTENTION !
Pour circuler sur la voie publique, la machine doit être munie de permis de circulation et de plaque
d’immatriculation.
La machine a été conçue pour le balayage ; ne pas utiliser la machine pour des fonctions différentes.
Pendant l’utilisation de cette machine, faire attention à sauvegarder l’intégrité des personnes et des choses.
Ne pas utiliser la machine comme moyen de transport.
Avant de laisser la machine sans surveillance, retirer la clé de contact et activer le frein de stationnement.
Ne pas heurter contre des étagères ou des échafaudages, en particulier en cas de danger de chute d’objets.
Faire attention pendant le soulèvement et la vidange du conteneur déchets.
Adapter la vitesse d’utilisation aux conditions d’adhérence.
Avant d’effectuer toute activité d’entretien / réparation, lire avec attention toutes les instructions pertinentes.
Prendre les précautions convenables afi n que les cheveux, les bijoux, les parties non adhérentes des
vêtements ne soient pas capturés par les parties en mouvement de la machine.
Prendre les précautions convenables afi n que les cheveux, les bijoux, les parties non adhérentes des
vêtements ne soient pas capturés par les parties en mouvement de la machine.
Protéger d’une manière adéquate les parties du corps (yeux, cheveux, mains etc.) lorsqu’on effectue des
opérations de nettoyage au moyen d’un pistolet à air comprimé ou à eau.
Eviter tout contact avec l’acide de la batterie, ne jamais toucher des parties chauffantes.
Ne pas faire travailler les balais lorsque la machine est arrêtée pour ne pas endommager le sol.
En cas d’incendie, il est préférable d’utiliser un extincteur à poudre, plutôt qu’un extincteur à eau.
Ne pas laver la machine avec des substances corrosives.
Ne pas utiliser la machine dans des endroits très poussiéreux.
Ne pas altérer pour aucune raison les protections prévues pour la machine, respecter scrupuleusement les
instructions prévues pour l’entretien ordinaire.
Ne pas enlever ou altérer les plaques apposées sur la machine.
S’assurer que les éventuelles anomalies de fonctionnement de la machine ne dépendent pas du manque
d’entretien. En cas contraire demander l’intervention du personnel autorisé ou d’un Service après-vente
autorisé.
En cas de remplacement de pièces demander les pièces de rechange D’ORIGINE à un distributeur ou
revendeur agréé.
Afi n de garantir la sécurité et le bon fonctionnement de la machine, faire effectuer l’entretien programmé
prévu au chapitre spécifi que de ce manuel par du personnel autorisé ou par un Service après-vente autorisé.
La machine ne doit pas être abandonnée lors de la mise à la ferraille, à cause de la présence de matériaux
toxiques (huiles, batteries, matières plastiques, etc.), sujets à des lois qui prévoient l’élimination auprès de
centres spéciaux (voir le chapitre Mise à la ferraille).
−
−
−
−
−
−
−
−
−
−
−
−
−
−
−
−
−
−
−
−
−
−
−

MANUEL D’UTILISATION FRANÇAIS
RS 850 33014576(4)2008-02 A 7
ATTENTION !
En conditions d’emploi conformes aux indications d’utilisation correcte, les vibrations ne provoquent pas de
situations de danger. Niveau de vibrations transmises au corps de l’opérateur 0,43 m/s2 (17,0 in/s2) (ISO 2631-
1) en régime maximum de travail (1.850 tr/mn).
Pendant le fonctionnement du moteur diesel, le silencieux se chauffe ; ne pas toucher le silencieux lorsqu’il
est chaud pour éviter des brûlures graves et des incendies.
Ne pas faire fonctionner le moteur diesel avec une quantité d’huile insuffi sante afi n d’éviter tout dommage au
moteur. Contrôler le niveau de l’huile avec le moteur arrêté et avec la machine en position horizontale.
Ne jamais faire marcher le moteur diesel sans le fi ltre à air ; le moteur pourrait s’endommager.
Le circuit de refroidissement par liquide du moteur diesel est sous pression. Arrêter le moteur et le laisser
refroidir avant d’effectuer tout contrôle. Ouvrir le bouchon du radiateur avec soin même si le moteur est
froid.
Le moteur est pourvu d’un ventilateur ; ne pas s’approcher avec le moteur chaud puisque le ventilateur
pourrait s’enclencher même si la machine est arrêtée.
Les interventions d’assistance technique pour le moteur diesel doivent être effectuées par un
Concessionnaire autorisé.
Utiliser exclusivement des pièces de rechange d’origine ou des pièces équivalentes pour le moteur diesel.
L’utilisation de pièces de rechange de qualité non équivalente peut sérieusement endommager le moteur.
Voir les NORMES DE SECURITE indiquées dans le manuel du moteur diesel, qui constitue une partie
intégrante de ce manuel.
Voir aussi les NORMES DE SECURITE indiquées dans les manuels des systèmes (optionnels), qui
constituent une partie intégrante de ce manuel :
système de salage
système de déneigement à brosse
système vidéo
−
−
−
−
−
−
−
−
−
−
•
•
•
ATTENTION !
Le monoxyde de carbone (CO) peut causer des dommages au cerveau et même la mort.
Le moteur à combustion interne de la machine émet du monoxyde de carbone.
Ne pas inhaler les gaz d’échappement.
Si l’on doit utiliser la machine dans un endroit fermé, s’assurer qu’il y ait une ventilation adéquate et des
assistants à vous aider.
DEBALLAGE / LIVRAISON
La machine est livrée entièrement montée et en parfait état de marche, donc aucune opération de déballage / installation n’est
requise de la part de l’acheteur.
Contrôler que les composants suivants sont livrés avec la machine :
Documentation technique :
Manuel d’utilisation de la balayeuse
Manuel du moteur diesel
Catalogue de pièces de rechange de la balayeuse
Manuel et Catalogue de pièces de rechange des systèmes optionnels suivants :
système de salage
système de déneigement à brosse
système vidéo
–•
•
•
•–
–
–

FRANÇAIS MANUEL D’UTILISATION
833014576(4)2008-02 A RS 850
DESCRIPTION DE LA MACHINE
CAPACITES OPERATIONNELLES
Cette balayeuse est conçue et fabriquée pour le nettoyage, balayage et aspiration de la voie et des sols lisses et solides, en milieux
civils et industriels, et pour le ramassage de poussières et déchets légers, en condition de complète sécurité par un opérateur
qualifi é.
La machine peut en outre être utilisée comme une épandeuse à sel ou chasse-neige si elle est livrée avec les systèmes
spécifi ques.
CONVENTIONS
Toutes les références à en avant, en arrière, avant, arrière, droite ou gauche indiquées dans ce manuel doivent être considérées
comme référées à l’opérateur assis en position de conduite sur son siège (14, Fig. E).
DESCRIPTION
Description des zones de commande et des commandes
(Voir Fig. D)
Tableau de bord et commandes
Tableau témoins lumineux
Témoin lumineux disponible
Témoin lumineux feux de route
Témoin lumineux feux de position
Témoin lumineux feux de direction
Témoin lumineux état de charge batterie
Témoin lumineux pression huile moteur diesel
Témoin lumineux température élevée liquide de
refroidissement moteur diesel
Témoin lumineux épuisement carburant
Témoin lumineux préchauffage bougies
Témoin lumineux frein de stationnement activé
Témoin lumineux fi ltre à air moteur diesel obstrué
Témoin lumineux eau dans le fi ltre carburant
Indicateur de niveau carburant
Indicateur température liquide de refroidissement moteur
diesel
Affi cheur qui indique :
heures de travail (lorsque la clé de contact est tournée
jusqu’au premier cran, avant le démarrage du moteur
diesel)
nombre de tours moteur (lorsque le moteur diesel est
en fonction et le témoin lumineux état de charge de
batterie est éteint)
En outre, l’affi cheur peut visualiser les sigles suivants :
F.OPE : indique que le câble de l’indicateur de niveau
carburant n’est pas branché
F.COr : indique que le câble de l’indicateur de niveau
carburant est en court-circuit
H.OPE : indique que le câble de l’indicateur de
température liquide de refroidissement moteur n’est
pas branché
H.COr : indique que le câble de l’indicateur de
température liquide de refroidissement moteur est en
court-circuit
Témoin lumineux conteneur déchets soulevé (rouge)
Témoin lumineux épuisement eau système d’abattage des
poussières (jaune)
Interrupteur feux de détresse
Interrupteur d’ouverture / fermeture portillon conteneur
déchets
Interrupteur soulèvement volet avant
Interrupteur lave pare-brise
Clé de contact
Boîte porte-fusibles droite
Pédale de marche
Interrupteur pompes eau système d’abattage des
poussières :
au premier cran de l’interrupteur, les gicleurs
vaporisent une quantité moyenne d’eau
au deuxième cran de l’interrupteur, les gicleurs
vaporisent une quantité maximum d’eau
1.
2.
3.
4.
5.
6.
7.
8.
9.
10.
11.
12.
13.
14.
15.
16.
17. •
•
•
•
•
•
18.
19.
20.
21.
22.
23.
24.
25.
26.
27.
•
•
Volant
Interrupteur d’actionnement balais latéraux (premier cran)
et troisième balai (deuxième cran)
Sélecteur feux supérieurs ou inférieurs
Pédale frein de service
Réservoir liquide lave essuie-glace (*)
Interrupteur essuie-glace (*)
Boîte porte-fusibles gauche
Commutateur d’éclairage, avec les fonctions suivantes :
feux éteints, avec repère (35b) près du symbole O
feux de position allumés, avec repère (35b) près du
symbole
feux de croisement allumés, avec repère (35b) près du
symbole
feux de route allumés, avec repère (35b) près du
symbole et levier (35a) baissé
allumage temporaire feux de route, en soulevant le
levier (35a)
actionnement feu de direction droit, en poussant le
levier (35a) en avant
actionnement feu de direction gauche, en tirant le levier
(35a) en arrière
actionnement avertisseur sonore, en poussant le levier
(35a) dans le sens de la fl èche (35c)
Manipulateur bouche d’aspiration, balais, conteneur
déchets
Bouton-poussoir de descente bouche d’aspiration et balais
latéraux
Bouton-poussoir de montée bouche d’aspiration et balais
latéraux
Bouton-poussoir de rappel conteneur déchets
Bouton-poussoir de basculement conteneur déchets
Bouton-poussoir de translation à gauche bouche
d’aspiration et balais latéraux
Bouton-poussoir de translation à droite bouche d’aspiration
et balais latéraux
Bouton-poussoir de soulèvement conteneur déchets
Bouton-poussoir d’abaissement conteneur déchets
Bouton-poussoir de sécurité (appuyer sur ce bouton et
le tenir enfoncé pour activer les bouton-poussoirs du
manipulateur)
Manipulateur troisième balai, pour la sélection des
fonctions suivantes (après avoir activé l’interrupteur
d’actionnement troisième balai) :
poussé en avant : descente troisième balai
tiré en arrière : montée troisième balai
déplacé à droite : déplacement à droite du bras
déplacé à gauche : déplacement à gauche du bras
(*) Dans le modèle avec conduite à droite, ces composants
sont situés sur le côté droit du volant.
28.
29.
30.
31.
32.
33.
34.
35. •
•
•
•
•
•
•
•
36.
37.
38.
39.
40.
41.
42.
43.
44.
45.
46.
•
•
•
•

MANUEL D’UTILISATION FRANÇAIS
RS 850 33014576(4)2008-02 A 9
(Voir Fig. E)
Plaque avec numéro de série / données techniques /
marquage de conformité
Bouches d’aération cabine
Plafonnier
Bouches de recyclage air cabine
Pommeau d’activation climatiseur
Poignée de réglage vitesse de ventilation air cabine
Réservoir huile freins (**)
Levier ventilateur d’aspiration / système optionnel
Pistolet à eau haute pression
Robinet gicleurs système d’abattage des poussières :
tuyau d’aspiration de la bouche au conteneur déchets
tuyau d’aspiration arrière (*)
Robinet gicleurs système d’abattage des poussières balais
latéraux
Robinet gicleurs système d’abattage des poussières
troisième balai
Levier frein de stationnement
Siège de conduite
Poignée d’ouverture et de réglage chauffage cabine
Levier accélérateur moteur diesel
Levier de réglage position avant / arrière siège de conduite
Ceinture de sécurité siège de conduite
Adhésif pour la conduite en sécurité
(*) Optionnel pour certains Pays.
(**) Dans le modèle avec conduite à droite, ces composants
sont situés à droite du siège de conduite.
1.
2.
3.
4.
5.
6.
7.
8.
9.
10. •
•
11.
12.
13.
14.
15.
16.
17.
18.
19.
Description des vues extérieures
(Voir Fig. F)
Conteneur déchets soulevé et basculé
Tiges de sécurité conteneur déchets soulevé (non
insérées)
Tiges de sécurité conteneur déchets soulevé (insérées)
Dispositifs de retenue tiges de sécurité conteneur déchets
soulevé (non insérées)
Joint tuyau d’aspiration
Tuyau d’aspiration de la bouche au conteneur déchets
Joint de fermeture orifi ce d’aspiration avant conteneur
déchets
Condensateur climatiseur air cabine
Radiateur huile système hydraulique
Goulotte de remplissage réservoir carburant
Panneau de couverture compartiment moteur
Filtre d’évacuation air aspiré
Logement ventilateur d’aspiration
Convoyeur
Filtre d’aspiration déchets et poussière
Dispositifs de retenue fi ltre d’aspiration
Tige de sécurité portillon conteneur déchets (ouvert)
Logement pour insertion tige de sécurité portillon
conteneur déchets
Joint d’étanchéité périmétral aspiration
Logement pour insertion tiges de sécurité conteneur
déchets
Tuyau avec enrouleur système de lavage à eau haute
pression
Prise rapide pour eau haute pression
Robinet de gicleur système d’abattage des poussières
tuyau d’aspiration arrière
Réservoir secondaire à eau système d’abattage des
poussières
Filtre à air moteur diesel
Tuyau fl exible de vidange eau conteneur déchets
Levier d’activation pompe à main pour soulèvement
manuel conteneur déchets
Réservoir principal eau système d’abattage des poussières
Tuyau fl exible de ravitaillement eau système d’abattage
des poussières
Bouchon réservoir principal eau système d’abattage des
poussières
Filtre à huile vidange système hydraulique
Pompe à main pour soulèvement manuel conteneur
déchets
Moteur diesel (pour la description des composants du
moteur diesel, voir le manuel spécifi que)
Batterie
Hublot de niveau huile système hydraulique
Réservoir huile système hydraulique
Etrier de soulèvement roue avant
Pommeaux de fi xation étrier
Préfi ltre à air moteur diesel
1.
2.
3.
4.
5.
6.
7.
8.
9.
10.
11.
12.
13.
14.
15.
16.
17.
18.
19.
20.
21.
22.
23.
24.
25.
26.
27.
28.
29.
30.
31.
32.
33.
34.
35.
36.
37.
38.
39.

FRANÇAIS MANUEL D’UTILISATION
10 33014576(4)2008-02 A RS 850
(Voir Fig. G)
Cabine de conduite
Projecteurs d’éclairage (supérieurs)
Projecteurs d’éclairage (inférieurs)
Porte gauche cabine de conduite
Réservoir liquide de refroidissement moteur diesel
Crochets de soulèvement machine (à utiliser uniquement
avec conteneur déchets vide)
Conteneur déchets
Indicateur de niveau eau système d’abattage des
poussières
Portillon latéral supérieur gauche
Dispositif de retenue portillon
Portillon latéral inférieur gauche
Dispositif de retenue portillon
Roues arrière de direction
Portillon gauche sous la cabine
Dispositif de retenue portillon
Roues avant de traction (fi xes)
Bouche d’aspiration
Crochet de remorquage avant
Balai gauche
Balai droit
Troisième balai (*)
Bras de sécurité troisième balai pour le déplacement de la
machine (désactivé)
Bras troisième balai
Tuyau d’aspiration de la bouche au conteneur déchets
Volet avant
Dispositifs de retenue coffre fi ltre d’évacuation air aspiré
Coffre fi ltre d’évacuation air aspiré
Portillon latéral supérieur droit
Dispositif de retenue portillon
Porte droite cabine de conduite
Portillon droit sous la cabine
Dispositif de retenue portillon
Numéro de série machine
Portillon latéral inférieur droit
Dispositif de retenue portillon
Moteur diesel
Crochet de remorquage arrière
Essieu arrière de direction
Feux de position arrière
Poignée latérale de fi xation plan incliné arrière
Plan incliné arrière pour déchargement déchets (ouvert)
Dispositif de retenue tuyau d’aspiration arrière
Tuyau d’aspiration arrière (*)
Portillon conteneur déchets
Bras de support pour tuyau d’aspiration arrière (activé)
Couvercle de fermeture tuyau d’aspiration arrière
Crochet de remorquage supplémentaire, livré avec la
machine qui a un arrangement prévu pour le système de
déneigement, etc.
Pare-chocs arrière (*)
(*) Optionnel pour certains Pays.
1.
2.
3.
4.
5.
6.
7.
8.
9.
10.
11.
12.
13.
14.
15.
16.
17.
18.
19.
20.
21.
22.
23.
24.
25.
26.
27.
28.
29.
30.
31.
32.
33.
34.
35.
36.
37.
38.
39.
40.
41.
42.
43.
44.
45.
46.
47.
48.
Description du système de salage (optionnel)
(Voir Fig. AU)
Levier de réglage fl ux de sel
Compartiment de chargement sel
Feux de position arrière
Pieds d’appui, lorsque le système n’est pas installé sur la
balayeuse
Crochet de soulèvement
Boîte de dérivation électrique
Plaque données techniques
Description du système de déneigement à brosse
(optionnel)
(Voir Fig. AV)
Raccords rapides de connexion des tuyaux hydrauliques à
la balayeuse
Tuyaux hydrauliques balayeuse, spécifi ques pour le
système de déneigement à brosse
Plaque données techniques
Moteur hydraulique
Pieds d’appui, lorsque le système n’est pas installé sur la
balayeuse
Poignée de fi xation pieds d’appui
Volet avant
Goupille de positionnement inclinaison brosse
Clip de fi xation goupille de positionnement inclinaison
brosse
Brosse cylindrique
Roue d’appui du système
Manivelle de soulèvement / abaissement roue
Goupille de fi xation manivelle
Vis de fi xation système
Vis de réglage supérieure hauteur système
Vis de réglage inférieure hauteur système
Tige de positionnement inclinaison brosse à neige
Trous de positionnement
Bras d’ancrage bouche d’aspiration / système
Description du système vidéo (optionnel)
(Voir Fig. AX)
Ecran
Interrupteur ON / OFF
Poignées de réglage orientation écran
Caméra avant
Caméra arrière
1.
2.
3.
4.
5.
6.
7.
1.
2.
3.
4.
5.
6.
7.
8.
9.
10.
11.
12.
13.
14.
15.
16.
17.
18.
19.
1.
2.
3.
4.
5.

MANUEL D’UTILISATION FRANÇAIS
RS 850 33014576(4)2008-02 A 11
CARACTERISTIQUES TECHNIQUES
Données dimensionnelles et poids Valeurs
Longueur machine (y compris les poils des balais) 3.630 mm (143,0 in)
Longueur machine avec troisième balai (y compris les poils des balais) 4.150 mm (163,4 in)
Longueur machine avec brosse à neige 3.950 mm (155,5 in)
Longueur système d’épandage de sel 560 mm (22,0 in)
Largeur machine (y compris les poils des balais) 1.450 mm (57,0 in)
Largeur système de déneigement à brosse 1.500 mm (59,0 in)
Entraxe roues avant et arrière 1.680 mm (66,1 in)
Ecartement roues avant 1.115 mm (43,9 in)
Ecartement roues arrière 1.140 mm (44,9 in)
Hauteur machine 2.470 mm (97,2 in)
Hauteur minimum du sol (volets non compris) 90 mm (3,5 in)
Angle d’attachement avant maximum abordable 16°
Hauteur maximum déchargement déchets du sol 1.620 mm (63,8 in)
Pneus roues avant 195 R 14C 106/104N (8 PR)
Pneus roues arrière 23x8,50-12 (10 PR)
Pression pneus 5 bars (72,5 psi)
Diamètre balai latéral 650 mm (25,6 in)
Poids total machine en ordre de travail (sans opérateur à bord) 2.430 Kg (5.357 lb)
Poids total machine en ordre de travail avec brosse à neige (sans opérateur à bord) 2.430 Kg (5.357 lb)
Poids troisième balai 100 Kg (220 lb)
Poids système d’épandage de sel 130 Kg (287 lb)
Masse totale 3.750 Kg (8.267 lb)
Données de performance Valeurs
Vitesse maximum marche avant (déplacement seulement) 19 km/h (11,8 mph)
Vitesse maximum de travail 12 km/h (7,4 mph)
Vitesse maximum marche arrière 8 km/h (5,0 mph)
Pente maximum franchissable à pleine charge 18%
Rayon intérieur minimum de braquage 2.500 mm (98,4 in)
Vitesse maximum balais latéraux 77 tr/mn
Système de ramassage Aspiration
Largeur de nettoyage avec 2 balais 1.600 mm (63,0 in)
Largeur de nettoyage avec 3 balais 2.100 mm (82,7 in)
Système de fi ltrage Filet fi ltrant
Bruit maximum au siège de conduite (niveau pression acoustique) (ISO/EN3744) en régime maximum
de travail 80 dB(A)
Puissance acoustique garantie (2000/14/EC) en régime maximum de travail 111 dB(A)
Capacité conteneur déchets 850 litres (224,5 US gal)
Charge maximum conteneur déchets 1.100 Kg (2.425 lb)
Abattage des poussières A eau
Capacité totale réservoirs à eau système d’abattage des poussières (n° 2) 250 litres (66,0 US gal)
Système d’éclairage et de signalisation Homologué pour circulation routière
Transmission Hydrostatique servo-assistée
Direction Sur essieu arrière, avec direction assistée
Frein de service Hydraulique
Frein de stationnement Mécanique
Commandes Electro-hydrauliques

FRANÇAIS MANUEL D’UTILISATION
12 33014576(4)2008-02 A RS 850
Données moteur diesel (*) Valeurs
Marque VM MOTORI
Type D703 TE2 EPA/CARB
Cylindres 3
Cylindrée 2.082 cm3 (127,0 in3)
Régime maximum 2.600 tr/mn
Régime maximum de travail 2.050 tr/mn
Puissance maximum 48 kW (64,4 HP)
Régime minimum 1.000 tr/mn
Liquide de refroidissement moteur diesel 50% antigel AGIP et 50% eau
Type d’antigel AGIP Antifreeze Extra (**)
Type de huile moteur AGIP Sigma Turbo 15W40 (***)
Capacité carter d’huile moteur diesel (maximum / minimum) 5,45 / 4,45 Kg (12,0 / 10,0 lb)
(*) Pour ce qui concerne les autres données / valeurs du moteur diesel, consulter le manuel spécifi que.
(**) Voir la table des caractéristiques du liquide de refroidissement et la table des spécifi cations de référence ci-dessous.
(***) Voir la table des caractéristiques de l’huile moteur et la table des spécifi cations de référence ci-dessous.
CARACTERISTIQUES AGIP ANTIFREEZE EXTRA Approbations et spécifi cations
Point d’ébullition °C (°F) 170 (338) CUNA NC 956-16 97
Point d’ébullition avec 50% eau °C (°F) 110 (230) FF.SS cat. 002/132
Point de congélation avec 50% eau °C (°F) -38 (-36,4) ASTM D 1384
Couleur / Turquoise
Masse volumique à +15°C (+59°F) kg/l 1,13
CARACTERISTIQUES AGIP SIGMA TURBO 15W40 Approbations et spécifi cations
GRADE SAE / 15W40 ACEA E3-96
Viscosité à +100°C (+212°F) mm2/s 13,7 API Service CG-4/SG
Viscosité à +40°C (+104°F) mm2/s 100 CCMC D5, PD-2
Viscosité à -15°C (+5°F) mm2/s 3.300 US Department of the Army MIL-L-2104 E
Coeffi cient de viscosité / 138 US Department of the Army MIL-L-46152 E
Point d’éclair COC °C (°F) 230 (446) MACK EO-L
Point d’écoulement °C (°F) -27 (-16,6) MAN M 3275
Masse volumique à +15°C (+59°F) kg/l 0,885 Mercedes Benz 228.3
VOLVO VDS2
MTU typ 2
Données ravitaillements Valeurs
Capacité réservoir carburant 65 litres (17,2 US gal)
Capacité réservoir huile système hydraulique 54 litres (14,3 US gal)
Données système électrique Valeurs
Tension système 12 V
Batterie de démarrage 12 V – 100 Ah
Données système hydraulique Valeurs
Pression maximum système de traction 300 bars (4.351 psi)
Pression maximum système ventilateur d’aspiration 210 bars (3.046 psi)
Pression maximum système composants auxiliaires 110 bars (1.595 psi)
Viscosité huile système hydraulique [température ambiante supérieure à +10°C (+50°F)] (*) 46 cSt
Type de huile système hydraulique AGIP Arnica 46 (**)
Type de huile système de freinage DOT4 (***)
(*) En cas d’emploi de la machine avec une température inférieure à +10°C (+50°F), on conseille de remplacer l’huile avec une
huile équivalente à viscosité 32 cSt. En cas de températures inférieures à 0°C (+32°F), utiliser des huiles à une viscosité
inférieure.
(**) Voir la table des caractéristiques de l’huile du système hydraulique et la table des spécifi cations de référence ci-dessous.
(***) Voir la table des caractéristiques de l’huile du système de freinage et la table des spécifi cations de référence ci-dessous.

MANUEL D’UTILISATION FRANÇAIS
RS 850 33014576(4)2008-02 A 13
CARACTERISTIQUES AGIP ARNICA 46 32 Approbations et spécifi cations
Viscosité à +40°C (+104°F) mm2/s 45 32 ISO-L-HV
Viscosité à +100°C (+212°F) mm2/s 7,97 6,40 ISO 11158
Coeffi cient de viscosité / 150 157 AFNOR NF E 48603 HV
Point d’éclair COC °C (°F) 215 (419) 202 (395,6) AISE 127
Point d’écoulement °C (°F) -36 (-32,8) -36 (-32,8) ATOS Tab. P 002-0/I
Masse volumique à +15°C (+59°F) kg/l 0,87 0,865 BS 4231 HSE
CETOP RP 91 H HV
COMMERCIAL HYDRAULICS
Danieli Standard 0.000.001 (AGIP
ARNICA 22, 46, 68)
EATON VICKERS I-286-S3
EATON VICKERS M-2950
DIN 51524 t.3 HVLP
LAMB LANDIS-CINCINNATI P68, P69 et
P70
LINDE
PARKER HANNIFIN (DENISON) HF-0
REXROTH RE 90220-1/11.02
SAUER-DANFOSS 520L0463
CARACTERISTIQUES DOT4 Approbations et spécifi cations
Viscosité à -40°C (-40°F) mm2/s 1.300 SAE J 1703
Viscosité à +100°C (+212°F) mm2/s 2,2 FMVSS 116 - DOT4&DOT3
Point d’ébullition à sec °C (°F) 265 (509) ISO 4925
Point d’ébullition humide °C (°F) 170 (338) CUNA NC 956 DOT4
Masse volumique à +15°C (+59°F) kg/l 1,07
Couleur / Jaune
Données système de climatisation Valeurs
Type de gaz Reclin 134a
Quantité de gaz 0,8 Kg (1,76 lb)
Données système de salage (optionnel) (*) Valeurs
Marque - type Epoke - PM 1,4
Données système de déneigement à brosse (optionnel) (*) Valeurs (*)
Marque - type Tuchel - ZKM
Données système vidéo (optionnel) (*) Valeurs (*)
Marque - type IMEL - Car Vision System
(*) Pour ce qui concerne les autres données / valeurs des systèmes, voir les manuels spécifi ques.
VALEURS ENVIRONNEMENTALES
L’environnement de travail de la machine ne doit pas présenter aucun danger d’explosion.
Afi n d’éviter le risque d’inhalations dangereuses des gaz d’échappement, la machine doit être utilisée exclusivement dans un
endroit bien aéré.
Pour un fonctionnement correct de la machine (*), les valeurs environnementales doivent être comprises entre :
Température : de -10°C à +40°C (de +14°F à +104°F)
Humidité : de 30% à 95%
(*) Lorsque la balayeuse est utilisée à une température ambiante de -10°C à 0°C (de +14°F et +32°F), la distribution d’eau du
système d’abattage des poussières est empêchée ; en outre, les réservoirs à eau et le système doivent être vides.
–
–
–•
•

FRANÇAIS MANUEL D’UTILISATION
14 33014576(4)2008-02 A RS 850
SCHEMA ELECTRIQUE
(Voir Fig. AR-1 et AR-2)
A Alternateur
B Batterie de 12 V
B1 Bulbe huile système hydraulique
C1 Electroaimant démarrage
C2 Compresseur climatiseur
C3 Commutateur de démarrage
C4 Interrupteur essuie-glace
C5 Interrupteur pompe à eau
C6 Interrupteur feux de détresse
C7 Sélecteur feux supérieurs ou inférieurs
C8 Interrupteur balais latéraux et troisième balai
C9 Interrupteur volet
C10 Interrupteur actionneur ouverture / fermeture portillon
conteneur déchets
C11 Microinterrupteur feux de stop
C12 Microinterrupteur conteneur déchets soulevé
C13 Bulbe huile moteur diesel
C14 Bulbe liquide de refroidissement moteur diesel
C15 Microinterrupteur siège
C16 Microinterrupteur frein de stationnement
C17 Microinterrupteur fi ltre à air obstrué
C18 Transducteur température liquide de refroidissement moteur
diesel
C19 Flotteur niveau carburant
C20 Microinterrupteur portillon ouvert
C21 Interrupteur électro-ventilateur climatiseur
C22 Interrupteur éclairage cabine
CC Avertisseur sonore frein de stationnement
CC1 Avertisseur sonore marche arrière
CK Centrale bougies
D1 Commutateur d’éclairage
D2 Diode 6 A, 60 V
EG Electrovanne carburant (arrêt moteur)
EV Electro-ventilateur échangeur
EV1/2 Electro-ventilateur climatiseur
EV3 Electrovanne ouverture volet
EV4 Electrovanne fermeture volet
FE Bouton-poussoir d’arrêt d’urgence (si équipé)
F1 Fusible feux de route côté droit
F2 Fusible feux de croisement
F3 Fusible feux de route côté gauche / feux de détresse
F4 Fusible feux de stop / éclairage général
F5 Fusible feux de position côté droit / sélecteur feux supérieurs
ou inférieurs
F6 Fusible feux de position côté gauche / éclairage bouche
d’aspiration
F7 Fusible feu clignotant
F8 Fusible moteur essuie-glace
F9 Fusible feux de direction / avertisseur sonore
F10 Fusible centrale bougies
F11 Fusible électrovanne carburant
F12 Fusible électro-ventilateur climatiseur / éclairage cabine
F13 Fusible disponible
F14 Fusible alimentation témoins lumineux tableau
F15 Fusible microinterrupteur siège de conduite
F16 Fusible pompes à eau
F17 Fusible écran
F18 Fusible alimentation capteurs / avertisseur sonore de marche
arrière / microinterrupteur portillon ouvert / actionneur portillon
F19 Fusible carte de contrôle balais
F20 Fusible électro-ventilateur climatiseur
F21 Fusible capteur eau dans le fi ltre carburant / avertisseur sonore
frein de stationnement
F22 Fusible électrovannes volet
F23 Fusible pompe système lave pare-brise
F24 Fusible électro-ventilateur échangeur
G1 Flotteur niveau eau système d’abattage des poussières
I - R4 Intermittence 21/99 W
L1/3 Feu de direction gauche
L4/6 Feu de direction droit
L7 Feu de position arrière gauche
L8 Feu de position avant inférieur gauche
L9 Feu de position avant supérieur gauche
L10 Feu de position avant inférieur droit
L11 Feu de position avant supérieur droit
L12 Feu de position arrière droit
L13 Feu de stop gauche
L14 Feu de stop droit
L15 Feu de croisement inférieur gauche
L16 Feu de croisement inférieur droit
L17 Feu de route inférieur gauche
L18 Feu de route inférieur droit
L19 Eclairage plaque d’immatriculation
L20 Feu clignotant
L21 Eclairage bouche d’aspiration
L22 Feu de croisement supérieur gauche
L23 Feu de croisement supérieur droit
L24 Feu de route supérieur gauche
L25 Feu de route supérieur droit
L26 Eclairage cabine
M Démarreur
MN Ecran (système vidéo)
ML Pompe système lave pare-brise
MP1 Pompe à eau
MP2 Pompe à eau
MR Moteur électro-ventilateur climatiseur
MS Actionneur portillon
MT Moteur essuie-glace
P Pressostat climatiseur cabine
P1 Interrupteur pompe système lave pare-brise
PR Capteur marche arrière
PR1 Capteur eau dans le fi ltre carburant
PX Capteur sécurité démarrage moteur diesel
R1 Relais 12 V, 20/30 A sécurité balais
R2 Relais 12 V, 20/30 A pompes à eau
R3 Relais 12 V, 20/30 A capteur marche arrière
R5 Relais 12 V, 70 A principal
R6 Relais 12 V COM1 capteur eau dans le fi ltre carburant
R7 Relais 12 V COM1 pompe système lave pare-brise
R8 Relais 12 V COM1 témoin lumineux bougies
R9 Relais 12 V, 20/30 A sécurité démarrage
R10 Relais 12 V, 20/30 A sécurité démarrage
R11 Relais MY4 12 V sélecteur feux supérieurs ou inférieurs
R12 Relais 12 V, 20/30 A électro-ventilateur climatiseur
RS Résistance électro-ventilateur climatiseur

MANUEL D’UTILISATION FRANÇAIS
RS 850 33014576(4)2008-02 A 15
S1 Témoin lumineux bougies
S2 Témoin lumineux batterie
S3 Témoin lumineux huile
S4 Témoin lumineux eau
S5 Témoin lumineux réserve carburant
S6 Témoin lumineux frein de stationnement
S7 Témoin lumineux fi ltre à air obstrué
S8 Témoin lumineux feux de direction
S9 Témoin lumineux feux de détresse
S10 Témoin lumineux feux de position
S11 Témoin lumineux feux de route
S12 Témoin lumineux manque d’eau
S13 Témoin lumineux conteneur déchets soulevé
S14 Témoin lumineux pompe à eau activée
S15 Tableau
S16 Témoin lumineux phares supérieurs
S17 Témoin lumineux balais en fonction
S18 Témoin lumineux portillon ouvert
S19 Témoin lumineux eau dans le fi ltre carburant
T Avertisseur sonore 12 V
TL1 Caméra arrière
TL2 Caméra avant
TM Thermostat climatiseur
K1/3 Bougies
SCHEMA ELECTRIQUE DU BRAS DU
TROISIEME BALAI (*)
(*) Optionnel pour certains Pays.
(Voir Fig. AR-3)
D1 Diode 6 A, 60 V
D2 Diode 6 A, 60 V
D3 Diode 6 A, 60 V
EV1 Electrovanne rotation balai
EV2 Electrovanne rotation bras à gauche
EV3 Electrovanne montée balai
EV4 Electrovanne descente balai
EV5 Electrovanne rotation bras à droite
EV6 Electrovanne commune
J1 Manipulateur
R1 Relais descente
X A l’interrupteur rotation balais
Codes des couleurs
A Bleu clair
B Blanc
C Orange
G Jaune
H Gris
L Bleu
M Marron
N Noir
R Rouge
S Rose
V Vert
Z Violet
SCHEMA HYDRAULIQUE
(Voir Fig. AT)
Réservoir huile système hydraulique
Filtre de vidange
Filtre d’aspiration
Pompe système de traction
Moteur diesel
Moteur hydraulique système de traction
Distributeur composants auxiliaires
Cylindre de soulèvement volet avant
Cylindre de soulèvement conteneur déchets
Pompe à main
Moteur balai latéral
Moteur hydraulique système de traction
Radiateur huile système hydraulique
Electrovanne
Cylindre de déplacement latéral bouche d’aspiration
Cylindre de soulèvement bouche d’aspiration
Soupape d’arrêt
Cylindre de basculement conteneur déchets
Direction assistée
Défl ecteur de fl ux (vanne prioritaire)
Pompe composants auxiliaires et troisième balai
Pompe ventilateur d’aspiration
Distributeur ventilateur d’aspiration
Distributeur volet avant
Moteur ventilateur d’aspiration
Cylindre direction assistée
Servocommande pédale de marche
Filtre aspiration huile système hydraulique
Filtre aspiration huile système hydraulique
Cylindre de rotation bras troisième balai (*)
Cylindre de soulèvement troisième balai (*)
Electrovanne (*)
Moteur hydraulique troisième balai (*)
Filtre hydraulique (*)
Pompe système de lavage à eau haute pression (*)
Aspiration eau (*)
Sortie eau (*)
(*) Optionnel pour certains Pays.
71.
72.
73.
74.
75.
76.
77.
78.
79.
80.
81.
82.
83.
84.
85.
86.
87.
88.
89.
90.
91.
92.
93.
94.
95.
96.
97.
98.
99.
100.
101.
102.
103.
104.
105.
106.
107.

FRANÇAIS MANUEL D’UTILISATION
16 33014576(4)2008-02 A RS 850
PROTECTIONS ELECTRIQUES
Du côté droit et gauche de la colonne de direction se trouvent deux boîtes porte-fusibles (25 et 34, Fig. D), avec couvercle en
plastique transparente, qui contiennent les suivants fusibles de protection des circuits correspondants :
Boîte porte-fusibles “A” (34, Fig. D)
Fusible feux de route côté droit (10 A)
Fusible feux de croisement (7,5 A)
Fusible feux de route côté gauche / feux de détresse (10 A)
Fusible feux de stop / éclairage général (20 A)
Fusible feux de position côté droit / sélecteur feux supérieurs ou inférieurs (7,5 A)
Fusible feux de position côté gauche / éclairage bouche d’aspiration (7,5 A)
Fusible feu clignotant (7,5 A)
Fusible moteur essuie-glace (7,5 A)
Fusible feux de direction / avertisseur sonore (15 A)
Fusible centrale bougies (15 A)
Fusible électrovanne carburant (7,5 A)
Fusible électro-ventilateur climatiseur / éclairage cabine (10 A)
Boîte porte-fusibles “B” (25, Fig. D)
Fusible disponible (7,5 A)
Fusible alimentation témoins lumineux tableau (10 A)
Fusible microinterrupteur siège de conduite (7,5 A)
Fusible pompes à eau (20 A)
Fusible écran (7,5 A)
Fusible alimentation capteurs / avertisseur sonore de marche arrière / microinterrupteur portillon ouvert / actionneur portillon
(10 A)
Fusible carte de contrôle balais (7,5 A)
Fusible électro-ventilateur climatiseur (15 A)
Fusible capteur eau dans le fi ltre carburant / avertisseur sonore frein de stationnement (10 A)
Fusible électrovannes volet (7,5 A)
Fusible pompe système lave pare-brise (10 A)
Fusible électro-ventilateur échangeur (15 A)
ACCESSOIRES / OPTIONS
Outre les composants présents dans le modèle standard, la machine peut être équipée des accessoires optionnels suivants, selon
l’emploi spécifi que de la machine :
troisième balai (*) (**)
balais avec poils plus ou moins durs par rapport au standard
système de salage (*) (**)
système de déneigement à brosse (*) (**)
système vidéo (*)
système de lavage à eau haute pression (*) (**)
pare-chocs arrière
garde-boues arrière
système audio
climatiseur cabine de conduite (*) (**)
système d’aspiration arrière (*) (**)
ceinture de sécurité siège de conduite (*) (**)
(*) Optionnel pour certains Pays.
(**) Pour le montage de ces accessoires, un arrangement préalable de la balayeuse est nécessaire.
1.
2.
3.
4.
5.
6.
7.
8.
9.
10.
11.
12.
13.
14.
15.
16.
17.
18.
19.
20.
21.
22.
23.
24.
–
–
–
–
–
–
–
–
–
–
–
–

MANUEL D’UTILISATION FRANÇAIS
RS 850 33014576(4)2008-02 A 17
UTILISATION
ATTENTION !
Des plaques adhésives appliquées sur certains points de la machine indiquent :
DANGER
ATTENTION
AVERTISSEMENT
CONSULTATION
−
−
−
−
Lors de la lecture de ce manuel, l’opérateur doit bien comprendre le sens des symboles illustrés.
Ne pas couvrir les plaques et les remplacer immédiatement en cas d’endommagement.
AVERTISSEMENTS GENERAUX
La machine a été conçue comme balayeuse qui peut travailler dans des endroits restreints, à hautes performances et avec une
capacité de chargement exceptionnelle.
Par conséquent, l’écartement et l’angle de braquage sont extrêmement réduits.
Dans certaines conditions, ces caractéristiques peuvent déterminer l’instabilité de la machine pendant le fonctionnement.
L’instabilité peut être causée par la vitesse, les manoeuvres brusques, le déplacement en pente, la basse pression des pneus, le
poids des déchets dans le réservoir ou le réservoir soulevé.
Par conséquent, l’opérateur doit être qualifi é, dûment formé à l’utilisation de la machine et informé des risques potentiels.
Les conditions qui peuvent déterminer l’instabilité de la machine sont indiquées ci dessous ; on conseille pourtant de prêter la plus
grande attention :
Soulèvement du conteneur déchets avec la machine en pente
Fonctionnement de la machine avec le conteneur déchets soulevé
Braquages brusques
Fonctionnement à haute vitesse, en pente et / ou avec le conteneur déchets plein
Basse pression des pneus
Une plaque d’attention (19, Fig. E) est disponible dans la cabine et informe l’opérateur sur les conditions potentielles d’instabilité et
sur les précautions à prendre pour éviter tout risque d’instabilité.
AVANT LA MISE EN MARCHE
Si besoin est, ouvrir le portillon supérieur droit (28, Fig. G) en décrochant le dispositif de retenue (29) à l’aide de la clé en
dotation, donc ravitailler en carburant à travers la goulotte (10, Fig. F).
AVERTISSEMENT !
Afi n de permettre l’expansion du carburant, ne pas remplir le réservoir à plus de 4 cm (1,6 in) de l’ouverture de
la goulotte de remplissage du réservoir.
Vérifi er le niveau d’eau du système d’abattage des poussières au moyen de l’indicateur (8, Fig. G).
Si besoin est, effectuer le ravitaillement en eau en procédant comme suit :
dégager le dispositif de retenue (10, Fig. G) à l’aide de la clé en dotation, donc ouvrir le portillon gauche (9)
ravitailler en eau les réservoirs à travers le bouchon (30, Fig. F) ou le tuyau fl exible (29), après l’avoir déroulé
refermer le bouchon (30), ou bien enrouler le tuyau fl exible (29) et le remettre dans son logement
refermer le portillon (9, Fig. G) et le fi xer avec le dispositif de retenue (10) en utilisant la clé en dotation.
Contrôler que la machine n’a pas de portillons / coffres ouverts et qu’elle se trouve dans des conditions normales d’utilisation.
–
–
–
–
–
1.
•
•
•
•
2.

FRANÇAIS MANUEL D’UTILISATION
18 33014576(4)2008-02 A RS 850
DEMARRAGE ET ARRET DU MOTEUR DIESEL
Démarrage du moteur diesel
S’asseoir en position de conduite sur le siège (14, Fig. E) et vérifi er que le frein de stationnement (13) est activé.
Régler la position du siège selon son propre confort au moyen du levier (17, Fig. E).
Attacher les ceintures de sécurité.
AVERTISSEMENT !
Les ceintures de sécurité doivent toujours être attachées pour une meilleure sécurité de l’opérateur.
Porter le levier de l’accélérateur (16, Fig. E) du moteur au ralenti.
Vérifi er que les balais sont soulevés, autrement en tenir compte pendant le démarrage du moteur, à cause des inconvénients
qui pourraient être provoqués par les balais en cas de leur rotation soudaine.
S’asseoir en position de conduite sur le siège (14, Fig. E), insérer la clé de contact (24, Fig. D), la tourner d’un cran dans le
sens des aiguilles d’une montre et la laisser dans cette position. A ce point-là, les témoins lumineux suivants s’allument :
témoin lumineux préchauffage bougies moteur diesel (11, Fig. D)
témoin lumineux état de charge batterie (7, Fig. D)
témoin lumineux pression huile moteur diesel (8, Fig. D)
témoin lumineux frein de stationnement (12, Fig. D)
Dès que le témoin lumineux de préchauffage bougies (11, Fig. D) s’éteint, tourner la clé de contact dans le sens des aiguilles
d’une montre jusqu’à fi n de course, puis la relâcher lors du démarrage du moteur diesel.
AVERTISSEMENT !
Pendant le démarrage du moteur diesel, ne pas garder la clé de contact insérée pendant trop longtemps (20
secondes maximum) afi n de ne pas endommager le démarreur. Si le moteur ne démarre pas, attendre une
minute avant de répéter le démarrage.
Avant de répéter le démarrage, tourner la clé dans le sens contraire aux aiguilles d’une montre jusqu’à la
position initiale.
Si après deux tentatives on n’arrive pas à démarrer le moteur diesel, ne pas insister mais demander
l’intervention du responsable de la machine.
AVERTISSEMENT !
Pendant le démarrage du moteur au moyen de la clé de contact (24, Fig. D), ne pas appuyer sur la pédale de
marche (26) sinon le système de sécurité ne permet pas le démarrage du moteur.
Vérifi er que tous les témoins lumineux sont éteints avec le moteur en marche.
Laisser tourner le moteur pendant quelques minutes pour le chauffer avec l’accélérateur (16, Fig. E) à mi-course, en particulier
avec température ambiante basse.
Arrêt du moteur diesel
Porter le levier de l’accélérateur (16, Fig. E) du moteur au ralenti et le laisser dans cette condition pendant quelques minutes
pour stabiliser le système.
Tourner la clé de contact (24, Fig. D) dans le sens contraire aux aiguilles d’une montre, jusqu’à fi n de course, puis la retirer.
Activer le frein de stationnement au moyen du levier (13, Fig. E).
1.
2.
3.
4.
5.
6.
•
•
•
•
7.
8.
1.
2.
3.

MANUEL D’UTILISATION FRANÇAIS
RS 850 33014576(4)2008-02 A 19
MISE EN MARCHE ET ARRET DE LA MACHINE
La machine peut être démarrée et confi gurée :
en mode déplacement
en mode travail
Les opérations correspondantes sont décrites ci-dessous.
ATTENTION !
Effectuer les manœuvres de braquage avec soin, toujours à vitesse réduite et en évitant tout changement
brusque de direction, en particulier quand le conteneur déchets est plein ou avec la machine en pente.
AVERTISSEMENT !
Avant tout déplacement, contrôler la pression de gonfl age des pneus et, si besoin est, la régler [5 bars (72,5
psi)].
Confi gurer la machine en mode déplacement
Lors du déplacement de la machine (sans travail de balayage), il est nécessaire de sélectionner le mode déplacement en
procédant comme suit :
Démarrer le moteur diesel comme prévu au paragraphe précédent.
Vérifi er que le conteneur déchets (7, Fig. G) est baissé et que le témoin lumineux correspondant (18, Fig. D) est éteint.
Vérifi er que le ventilateur d’aspiration est éteint ; voir le levier (8, Fig. E).
Soulever la bouche d’aspiration et les balais latéraux en appuyant sur le bouton-poussoir (38, Fig. D).
Vérifi er que le frein de stationnement (13, Fig. E) est activé.
Descendre de la machine et porter le bras de sécurité du troisième balai de la position (2, Fig. H) (désactivé) à la position (1)
(activé), en engageant le cliquet (3) dans l’étrier (4).
Pousser graduellement en avant le levier de l’accélérateur du moteur (16, Fig. E) et régler le nombre de tours sur l’affi cheur
(17, Fig. D), à 2.600 tr/mn.
Commencer le déplacement, en manœuvrant la machine les mains sur le volant (28, Fig. D) et en appuyant légèrement sur la
partie avant de la pédale (26) pour la marche avant ou sur la partie arrière pour la marche arrière.
La vitesse d’avance est réglable de zéro à la valeur maximum, selon la pression exercée sur la pédale.
ATTENTION !
La direction est située sur l’essieu arrière. A l’aide des rétroviseurs, vérifi er toujours l’espace de manœuvre.
ATTENTION !
Si l’on rencontre un obstacle (par exemple un trottoir), soulever toujours la bouche d’aspiration.
Arrêter la machine en mode déplacement
Pour arrêter la machine, relâcher la pédale (26, Fig. D).
Pour arrêter la machine rapidement, appuyer aussi sur la pédale du frein de service (31).
Porter le levier de l’accélérateur (16, Fig. E) du moteur au ralenti et le laisser dans cette condition pendant quelques minutes
pour stabiliser le système.
Arrêter le moteur en tournant la clé de contact (24, Fig. D) dans le sens contraire aux aiguilles d’une montre, jusqu’à fi n de
course, puis la retirer.
Activer le frein de stationnement au moyen du levier (13, Fig. E).
–
–
1.
2.
3.
4.
5.
6.
7.
8.
1.
2.
3.
4.
5.

FRANÇAIS MANUEL D’UTILISATION
20 33014576(4)2008-02 A RS 850
Confi gurer la machine en mode travail
Pour confi gurer la machine en mode travail, procéder comme suit :
Démarrer le moteur diesel comme prévu au paragraphe spécifi que.
Vérifi er que le conteneur déchets (7, Fig. G) est baissé et que le témoin lumineux correspondant (18, Fig. D) est éteint.
Porter le bras de sécurité du troisième balai de la position (1, Fig. H) (activé) à la position (2) (désactivé).
Pousser graduellement en avant le levier de l’accélérateur (16, Fig. E) du moteur et régler le nombre de tours sur l’affi cheur
(17, Fig. D) au :
minimum, 1.800 tr/mn
maximum, 2.030 tr/mn
AVERTISSEMENT !
Si pendant le travail le moteur dépasse les 2.050 tr/mn, un système de sécurité arrête la rotation des balais.
Actionner le ventilateur d’aspiration au moyen du levier (8, Fig. E).
Démarrer la rotation des balais latéraux au premier cran de l’interrupteur (29, Fig. D) et la rotation du troisième balai au
deuxième cran de l’interrupteur (29).
Baisser la bouche d’aspiration et les balais latéraux en appuyant sur le bouton-poussoir (37, Fig. D).
REMARQUE
Les balais latéraux baissent seulement si le ventilateur d’aspiration est démarré.
AVERTISSEMENT !
Ne pas laisser la balayeuse en position d’arrêt avec la bouche d’aspiration baissée et les balais en rotation.
Effectuer la translation en position de travail du bras du troisième balai, en déplaçant à droite / gauche le manipulateur (46,
Fig. D).
Baisser le troisième balai en poussant en avant le manipulateur (46, Fig. D).
Si besoin est, ouvrir les robinets à eau (10, 11, 12, Fig. E) du système d’abattage des poussières, en suivant les instructions
ci-dessous :
Robinet (10, Fig. E) des gicleurs du système d’abattage des poussières du tuyau d’aspiration : l’ouvrir toujours, à moins
que le sol à nettoyer ne soit mouillé.
Ce robinet fournit l’eau aussi au gicleur du système d’abattage des poussières du tuyau d’aspiration arrière (optionnel).
Robinet (11, Fig. E) des gicleurs du système d’abattage des poussières des balais latéraux : l’ouvrir lorsque le sol est sec
et poussiéreux.
Robinet (12, Fig. E) des gicleurs du système d’abattage des poussières du troisième balai : l’ouvrir lorsque le sol est sec et
poussiéreux.
Actionner les pompes à eau du système d’abattage des poussières au moyen de l’interrupteur (27, Fig. D), en procédant
comme suit :
au premier cran de l’interrupteur, les gicleurs vaporisent une quantité moyenne d’eau
(utiliser lorsque la quantité de poussière à abattre est petite)
au deuxième cran de l’interrupteur, les gicleurs vaporisent une quantité maximum d’eau
(utiliser lorsque la quantité de poussière à abattre est grande)
Désactiver le frein de stationnement au moyen du levier (13, Fig. E).
Commencer le travail de balayage, en manœuvrant la machine les mains sur le volant (28, Fig. D) et en appuyant légèrement
sur la partie avant de la pédale (26) pour la marche avant ou sur la partie arrière pour la marche arrière.
La vitesse d’avance est réglable de zéro à la valeur maximum, selon la pression exercée sur la pédale.
Pendant le travail, la machine collecte du matériel léger, comme poussières, papiers, feuilles, etc., aussi bien que du matériel
lourd, comme pierres, bouteilles etc.
REMARQUE
Tous les balais (19, 20, 21, Fig. G) peuvent être baissés et soulevés même lorsque la machine est en mouvement.
Les balais tournent même en position soulevée.
1.
2.
3.
4.
•
•
5.
6.
7.
8.
9.
10.
•
•
•
•
11.
•
•
12.
13.

MANUEL D’UTILISATION FRANÇAIS
RS 850 33014576(4)2008-02 A 21
Arrêter la machine en mode travail
Pour arrêter la machine, relâcher la pédale (26, Fig. D).
Pour arrêter la machine rapidement, appuyer aussi sur la pédale du frein de service (31, Fig. D).
Activer le frein de stationnement au moyen du levier (13, Fig. E).
Désactiver les pompes à eau du système d’abattage des poussières au moyen de l’interrupteur (27, Fig. D).
S’ils sont ouverts, fermer les robinets à eau (10, 11, 12, Fig. E) du système d’abattage des poussières.
Soulever le troisième balai en tirant en arrière le manipulateur (46, Fig. D).
Si besoin est, plier en position de travail le bras du troisième balai, en déplaçant à gauche le manipulateur (46, Fig. D).
Arrêter la rotation du troisième balai et des balais latéraux au moyen de l’interrupteur (29, Fig. D).
Soulever la bouche d’aspiration et les balais latéraux en appuyant sur le bouton-poussoir (38, Fig. D).
Arrêter le ventilateur d’aspiration au moyen du levier (8, Fig. E).
Porter le levier de l’accélérateur (16, Fig. E) du moteur au ralenti et le laisser dans cette condition pendant quelques minutes
pour stabiliser le système.
Vérifi er que le conteneur déchets (7, Fig. G) est baissé et que le témoin lumineux correspondant (18, Fig. D) est éteint.
Si besoin est, porter le bras de sécurité du troisième balai de la position (2, Fig. H) (désactivé) à la position (1) (activé), en
engageant le cliquet (3) dans l’étrier (4).
Arrêter le moteur en tournant la clé de contact (24, Fig. D) dans le sens contraire aux aiguilles d’une montre, jusqu’à fi n de
course, puis la retirer.
Activer le frein de stationnement au moyen du levier (13, Fig. E).
MACHINE AU TRAVAIL
Ne pas s’arrêter pendant longtemps dans la même position avec les balais qui tournent : des traces non désirées pourraient
rester sur le sol.
Translation bouche d’aspiration et balais latéraux
Le cas échéant, pendant le travail, effectuer le déplacement de la bouche d’aspiration et des balais latéraux à gauche ou à
droite, en appuyant sur les bouton-poussoirs correspondants (41 ou 42, Fig. D) et sur le bouton-poussoir de sécurité (45) en
même temps.
Translation troisième balai
Le cas échéant, pendant le travail, effectuer le déplacement du troisième balai à gauche ou à droite en déplaçant le
manipulateur (46, Fig. D) à gauche ou à droite.
Ramassage de déchets volumineux
Pour collecter les déchets volumineux, relever le volet avant (25, Fig. G) au moyen de l’interrupteur (22, Fig. D).
Considérer que pendant que le volet avant est soulevé, la capacité d’aspiration de la machine est réduite.
Pour baisser le volet avant (25, Fig. G) appuyer à nouveau sur l’interrupteur (22, Fig. D).
Si besoin est, pendant des opérations spéciales de ramassage de déchets volumineux, il est possible de travailler sans le
volet avant (25, Fig. G) ; pour le déposer, procéder comme suit :
Soulever les balais latéraux, puis arrêter la machine et le moteur diesel.
Enlever le clip de fi xation (1, Fig. I) et détacher le tirant (2) du volet (3).
Déposer le volet (3) en l’ôtant des charnières (4).
Remettre en fonction la machine et reprendre le travail.
Reposer le volet (3), en procédant dans l’ordre inverse de la dépose, après avoir arrêté la machine et le moteur diesel.
REMARQUE
Lorsque le conteneur déchets est plein, la machine n’arrive plus à collecter ni de poussière ni de déchets.
Vider le conteneur déchets (7, Fig. G) chaque fois qu’il est plein ainsi qu’à la fi n du travail. Pour la procédure correspondante
voir le paragraphe suivant.
1.
2.
3.
4.
5.
6.
7.
8.
9.
10.
11.
12.
13.
14.
1.
2.
3.
4.
5.
•
•
•
•
•
6.

FRANÇAIS MANUEL D’UTILISATION
22 33014576(4)2008-02 A RS 850
VIDANGE DU CONTENEUR DECHETS
La hauteur maximum de déchargement du conteneur déchets est de 1.620 mm (63,78 in).
Pour vider le conteneur déchets, procéder comme suit.
Désactiver les pompes à eau du système d’abattage des poussières au moyen de l’interrupteur (27, Fig. D).
S’ils sont ouverts, fermer les robinets à eau (10, 11, 12, Fig. E) du système d’abattage des poussières.
Soulever le troisième balai en tirant en arrière le manipulateur (46, Fig. D).
Soulever la bouche d’aspiration et les balais latéraux en appuyant sur le bouton-poussoir (37, Fig. D).
Arrêter la rotation du troisième balai et des balais latéraux au moyen de l’interrupteur (29, Fig. D).
Arrêter le ventilateur d’aspiration au moyen du levier (8, Fig. E).
Si besoin est, plier en position de travail le bras du troisième balai, en déplaçant à gauche le manipulateur (46, Fig. D).
Si pour vider le conteneur déchets la balayeuse doit être déplacée dans une zone plus adéquate, activer le frein de
stationnement (13, Fig. E) et descendre de la machine, donc porter le bras de sécurité du troisième balai de la position (2, Fig.
H) (désactivé) à la position (1) (activé), en engageant le cliquet (3) dans l’étrier (4).
Se porter dans la zone destinée à la vidange des déchets.
Si l’on estime que le conteneur déchets contient une grande quantité d’eau, il est possible de l’écouler avant de soulever et
basculer le conteneur déchets en procédant comme suit :
Activer le frein de stationnement au moyen du levier (13, Fig. E) et descendre de la machine.
Ouvrir le portillon supérieur gauche (9, Fig. G).
Dégager le tuyau fl exible (26, Fig. F) et écouler l’eau du conteneur déchets.
Reposer le tuyau fl exible (26, Fig. F).
Refermer le portillon supérieur gauche (9, Fig. G).
ATTENTION !
Effectuer la vidange du conteneur déchets sur un sol plat et dur afi n d’éviter que la machine se déséquilibre.
Tenir les personnes à distance de la machine, en particulier de l’endroit du conteneur déchets (7, Fig. G).
Desserrer les deux poignées latérales (1, Fig. J) et ouvrir le plan incliné arrière en le tournant de la position (2) à la position
(3).
Soulever avec soin le conteneur déchets (7, Fig. G), en appuyant sur le bouton-poussoir (43, Fig. D) et sur le bouton-poussoir
de sécurité (45).
ATTENTION !
Ne pas déplacer la machine avec le conteneur déchets soulevé !
S’il est nécessaire de déplacer la machine avec le conteneur déchets soulevé, “rouler au pas” pour éviter tout
risque d’instabilité latérale.
Ouvrir le portillon (44, Fig. G) du conteneur déchets au moyen de l’interrupteur (21, Fig. D) ; appuyer sur cet interrupteur
jusqu’à l’ouverture complète du portillon.
Basculer avec soin le conteneur déchets (7, Fig. G), en appuyant sur le bouton-poussoir (40, Fig. D) et sur le bouton-poussoir
de sécurité (45). Vider le conteneur déchets.
La vidange effectuée, ramener le conteneur déchets en position horizontale au moyen du bouton-poussoir (39, Fig. D) et du
bouton-poussoir de sécurité (45).
Baisser complètement le conteneur déchets (7, Fig. G) en appuyant sur le bouton-poussoir (44, Fig. D) et sur le bouton-
poussoir de sécurité (45) ; les tenir enfoncés jusqu’à ce que le témoin lumineux (18) s’éteigne.
Si besoin est, contrôler que les fi ltres métalliques du conteneur déchets ne sont pas obstrués, en procédant comme suit :
Activer le frein de stationnement et arrêter le moteur diesel.
Soulever manuellement le portillon du conteneur déchets et le fi xer au moyen de la tige de sécurité (17, Fig. F).
En procédant comme décrit au chapitre Entretien, déposer les fi ltres (15 et 12, Fig. F) et contrôler qu’ils ne sont pas
obstrués, en cas contraire les nettoyer en suivant la procédure correspondante. Reposer les fi ltres.
Dégager la tige de sécurité (17, Fig. F) et la remettre dans son logement.
Démarrer le moteur diesel et fermer le portillon (44, Fig. G) du conteneur déchets au moyen de l’interrupteur (21, Fig. D) ;
appuyer sur cet interrupteur jusqu’à ce que le témoin lumineux s’éteigne.
La machine est prête pour retourner sur le lieu de travail.
1.
2.
3.
4.
5.
6.
7.
8.
9.
10.
•
•
•
•
•
11.
12.
13.
14.
15.
16.
17. •
•
•
•
18.
19.

MANUEL D’UTILISATION FRANÇAIS
RS 850 33014576(4)2008-02 A 23
UTILISATION DU TUYAU D’ASPIRATION ARRIERE (*)
(*) Optionnel pour certains Pays.
Pour aspirer les déchets et la poussière au moyen du tuyau d’aspiration arrière (43, Fig. G) (optionnel) au lieu de la bouche
d’aspiration (17, Fig. G), procéder comme suit.
Arrêter le moteur diesel et activer le frein de stationnement au moyen du levier (13, Fig. E).
Desserrer les boutons de fi xation (1, Fig. K) du tuyau d’aspiration, puis enlever le couvercle de fermeture (2) de l’orifi ce
d’aspiration au moyen du pommeau (3).
En procédant comme décrit au paragraphe Vidange du conteneur déchets, soulever le conteneur déchets de 10-15 cm (3,9-
5,9 in) environ, puis arrêter le moteur diesel.
Ouvrir le portillon supérieur droit (28, Fig. G) et enlever le joint (7, Fig. F) du logement.
A l’aide d’une échelle adéquate, insérer et fi xer le joint (7, Fig. F) sur l’orifi ce d’aspiration (1, Fig. L) du conteneur déchets.
Baisser complètement le conteneur déchets, comme décrit au paragraphe Vidange du conteneur déchets.
Dégager le dispositif de retenue (42, Fig. G) du tuyau d’aspiration arrière (43).
Ouvrir le bras de support (45, Fig. G) et relier la chaîne (1, Fig. M) au tuyau d’aspiration pour le soutenir.
Ouvrir le robinet (23, Fig. F) du gicleur du système d’abattage des poussières.
Démarrer le moteur diesel comme prévu au paragraphe spécifi que.
Vérifi er que le conteneur déchets (7, Fig. G) est baissé et que le témoin lumineux correspondant (18, Fig. D) est éteint.
Pousser graduellement en avant le levier de l’accélérateur (16, Fig. E) du moteur et régler le nombre de tours sur l’affi cheur
(17, Fig. D) au :
minimum, 1.800 tr/mn
maximum, 2.030 tr/mn
Actionner le ventilateur d’aspiration au moyen du levier (8, Fig. E).
Actionner les pompes à eau du système d’abattage des poussières au moyen de l’interrupteur (27, Fig. D), en procédant
comme suit :
au premier cran de l’interrupteur, les gicleurs vaporisent une quantité moyenne d’eau
(utiliser lorsque la quantité de poussière à abattre est petite)
au deuxième cran de l’interrupteur, les gicleurs vaporisent une quantité maximum d’eau
(utiliser lorsque la quantité de poussière à abattre est grande)
Désactiver le frein de stationnement au moyen du levier (13, Fig. E).
A l’aide d’un deuxième opérateur, commencer le ramassage des déchets avec le tuyau d’aspiration arrière, en le tenant
comme illustré dans la fi gure N.
Pendant le travail, la machine collecte du matériel léger, comme poussières, papiers, feuilles, etc., aussi bien que du matériel
lourd, comme pierres, bouteilles etc.
Pour reprendre la fonction d’aspiration avec la bouche d’aspiration (17, Fig. G), exécuter les points de 2 à 15 dans l’ordre
inverse.
UTILISATION DE L’ESSUIE-GLACE / LAVE PARE-BRISE
Appuyer sur l’interrupteur (23, Fig. D) pour vaporiser le liquide lave-glace sur le pare-brise.
Appuyer sur l’interrupteur (33, Fig. D) pour actionner et arrêter l’essuie-glace.
UTILISATION DU CHAUFFAGE DANS LA CABINE DE CONDUITE
Pour démarrer le chauffage dans la cabine, tourner la poignée (15, Fig. E) dans le sens contraire aux aiguilles d’une montre
selon le besoin.
Régler la vitesse de l’électro-ventilateur au moyen de la poignée (6, Fig. E).
Pour arrêter le chauffage, tourner la poignée (15, Fig. E) dans le sens des aiguilles d’une montre jusqu’a fi n de course.
UTILISATION DU CLIMATISEUR DANS LA CABINE DE CONDUITE (*)
(*) Optionnel pour certains Pays.
Tourner la poignée (5, Fig. E) pour régler la climatisation selon le besoin de la cabine.
Régler la vitesse de l’électro-ventilateur au moyen de la poignée (6, Fig. E).
1.
2.
3.
4.
5.
6.
7.
8.
9.
10.
11.
12.
•
•
13.
14.
•
•
15.
16.
17.
1.
2.
1.
2.
3.
1.
2.

FRANÇAIS MANUEL D’UTILISATION
24 33014576(4)2008-02 A RS 850
FONCTIONNEMENT DU SYSTEME D’ECLAIRAGE
Pour allumer le système d’éclairage et de signalisation visuelle, utiliser le commutateur d’éclairage (35, Fig. D), avec les
fonctions suivantes :
feux éteints, avec repère (35b) près du symbole O
feux de position allumés, avec repère (35b) près du symbole
feux de croisement allumés, avec repère (35b) près du symbole
feux de route allumés, avec repère (35b) près du symbole et levier (35a) baissé
allumage temporaire feux de route, en soulevant le levier (35a)
actionnement feu de direction droit, en poussant le levier (35a) en avant
actionnement feu de direction gauche, en tirant le levier (35a) en arrière
actionnement avertisseur sonore, en poussant le levier (35a) dans le sens de la fl èche (35c)
Pour allumer les projecteurs inférieurs (3, Fig. G) ou les projecteurs supérieurs (2), actionner le sélecteur (30, Fig. D).
ACTIONNEMENT DES FEUX DE DETRESSE
Actionner les feux de détresse au moyen de l’interrupteur (20, Fig. D).
SOULEVEMENT MANUEL DU CONTENEUR DECHETS
Pour soulever / baisser manuellement le conteneur déchets (7, Fig. G) (en cas de panne du moteur diesel etc.), procéder comme
suit.
Soulèvement manuel du conteneur déchets
S’assurer que la machine se trouve sur un sol plat et dur, en particulier si le conteneur déchets (7, Fig. G) est plein.
Arrêter le moteur en tournant la clé de contact (24, Fig. D) dans le sens contraire aux aiguilles d’une montre, jusqu’à fi n de
course, puis la retirer.
Activer le frein de stationnement (13, Fig. E).
Ouvrir le portillon inférieur gauche (11, Fig. G) en dégageant le dispositif de retenue (12) à l’aide de la clé en dotation.
Enlever le levier d’activation (27, Fig. F) de la pompe à main.
Placer le levier d’activation (1, Fig. O) sur la pompe à main (2).
Contrôler que le sélecteur à curseur (3, Fig. O) de montée / descente du conteneur déchets (à droite pour la montée et à
gauche pour la descente) est en position de montée [effectuer quelques pompages d’essai avec le levier (1)].
Actionner avec soin la pompe (2, Fig. O) au moyen du levier (1) et soulever complètement le conteneur déchets.
Insérer les tiges de sécurité du conteneur déchets (3, Fig. F), en procédant comme prévu au paragraphe spécifi que.
Abaissement manuel du conteneur déchets
Relâcher les tiges de sécurité du conteneur déchets (3, Fig. F), en procédant comme prévu au paragraphe spécifi que.
Porter le sélecteur à curseur (3, Fig. O) en position de descente et actionner la pompe (2) au moyen du levier (1) et baisser
complètement le conteneur déchets.
Enlever le levier (1, Fig. O) de la pompe et le remettre dans son logement (27, Fig. F).
Porter le curseur de la pompe à nouveau en position centrale.
Fermer le portillon inférieur gauche (11, Fig. G) en engageant le dispositif de retenue (12) à l’aide de la clé en dotation.
INSERTION DES ETANCONS DE SECURITE DU CONTENEUR DECHETS
Avant d’effectuer toute opération avec le conteneur déchets soulevé (1, Fig. F), il est indispensable d’insérer les tiges de sécurité
(3) en procédant comme suit.
ATTENTION !
Afi n de garantir la sécurité, avant d’effectuer toute opération avec le conteneur déchets soulevé, insérer les
étançons de sécurité (3, Fig. F). Cette opération s’impose même si les cylindres de soulèvement du conteneur
déchets sont équipés de soupapes parachute qui en empêchent l’abaissement soudain en cas de rupture / fuite
d’un tuyau / raccord du système hydraulique.
Insertion des tiges de sécurité
Soulever complètement le conteneur déchets (7, Fig. G) comme indiqué au paragraphe spécifi que.
Dégager les deux tiges (2, Fig. F) des dispositifs de retenue (4) et les positionner (3) en introduisant leur extrémités dans les
logements (20).
Baisser légèrement le conteneur déchets en l’appuyant sur les tiges.
Dégagement des tiges de sécurité
Soulever légèrement le conteneur déchets en le dégageant des tiges.
Dégager les deux tiges (3, Fig. F) des logements (20) et les positionner (2), puis les engager et les fi xer aux dispositifs de
retenue (4).
Baisser complètement le conteneur déchets (7, Fig. G) comme indiqué au paragraphe spécifi que.
1.
•
•
•
•
•
•
•
•
2.
1.
1.
2.
3.
4.
5.
6.
7.
8.
9.
10.
11.
12.
13.
14.
1.
2.
3.
4.
5.
6.

MANUEL D’UTILISATION FRANÇAIS
RS 850 33014576(4)2008-02 A 25
INSERTION DE LA TIGE DE SECURITE DU PORTILLON DU CONTENEUR DECHETS
Avant d’effectuer toute opération avec le conteneur déchets soulevé (44, Fig. G), insérer la tige de sécurité (17, Fig. F) du portillon
en procédant comme suit.
Insertion de la tige de sécurité
Dégager la tige (17, Fig. F) du logement, soulever le portillon selon le besoin et puis introduire la tige dans le logement (18).
Dégagement de la tige de sécurité
Exécuter les procédures dont au point 1 dans l’ordre inverse.
UTILISATION DU PISTOLET A EAU HAUTE PRESSION (*)
(*) Optionnel pour certains Pays.
La machine est équipée d’un système de distribution d’eau à haute pression (optionnel), à utiliser pour le nettoyage de la machine
et pour d’autres applications.
ATTENTION !
Ne pas actionner la pompe à haute pression avec les réservoirs vides ou contenant une quantité insuffi sante
d’eau (si la pompe fonctionne à sec, elle pourrait subir des dégâts).
La procédure d’utilisation est décrite ci-dessous.
Dans la cabine extraire le pistolet à eau haute pression (9, Fig. E).
Oter une partie du tuyau (21, Fig. F) et relier le pistolet (9, Fig. E) à la prise rapide (22, Fig. F).
Démarrer le moteur diesel à bas régime comme prévu au paragraphe spécifi que.
Actionner la pompe à haute pression au moyen du levier (8, Fig. E).
Si besoin est, purger l’air du système en tournant complètement le pommeau sur le pistolet dans le sens contraire aux aiguilles
d’une montre et en appuyant sur le levier du pistolet jusqu’à obtenir une sortie constante d’eau à basse pression.
Relâcher le levier du pistolet et tourner à nouveau le pommeau dans le sens des aiguilles d’une montre pour utiliser le gicleur
à haute pression.
Amener le moteur régime désiré.
Utiliser le pistolet en appuyant sur le levier correspondant.
ATTENTION !
Protéger d’une manière adéquate les parties du corps (yeux, cheveux, mains etc.) lorsqu’on effectue des
opérations de nettoyage au moyen d’un pistolet à air comprimé ou à eau.
ATTENTION !
Ne pas laisser la pompe à haute pression actionnée trop longtemps sans utiliser le pistolet.
Après l’utilisation du pistolet, exécuter les points de 1 à 4 dans l’ordre inverse.
UTILISATION DU SYSTEME VIDEO (optionnel)
Pour allumer le système vidéo (1, Fig. AX) et les caméras (4 et 5), appuyer sur l’interrupteur (2) quand la clé de contact (24,
Fig. D) est insérée.
Lorsque l’on engage la marche arrière, l’allumage du système vidéo et des caméras est automatique.
Pour ce qui concerne l’utilisation des autres interrupteurs situés sur le côté droit de l’écran, se référer au Manuel du système
vidéo.
1.
2.
1.
2.
3.
4.
5.
6.
7.
8.
1.
2.
3.

FRANÇAIS MANUEL D’UTILISATION
26 33014576(4)2008-02 A RS 850
APRES L’UTILISATION DE LA MACHINE
Le travail effectué, avant de laisser la machine, il est nécessaire d’effectuer les opérations suivantes.
Désactiver les pompes à eau du système d’abattage des poussières au moyen de l’interrupteur (27, Fig. D).
S’ils sont ouverts, fermer les robinets à eau (10, 11, 12, Fig. E) du système d’abattage des poussières.
Arrêter la rotation du troisième balai et des balais latéraux au moyen de l’interrupteur (29, Fig. D).
Soulever le troisième balai en tirant en arrière le manipulateur (46, Fig. D).
Si besoin est, plier en position de travail le bras du troisième balai, en déplaçant à gauche le manipulateur (46, Fig. D).
Soulever la bouche d’aspiration et les balais latéraux en appuyant sur le bouton-poussoir (38, Fig. D).
Arrêter le ventilateur d’aspiration au moyen du levier (8, Fig. E).
Porter le levier de l’accélérateur (16, Fig. E) du moteur au ralenti et le laisser dans cette condition pendant quelques minutes
pour stabiliser le système.
Vérifi er que le conteneur déchets (7, Fig. G) est baissé et que le témoin lumineux correspondant (18, Fig. D) est éteint.
Si besoin est, porter le bras de sécurité du troisième balai de la position (2, Fig. H) (désactivé) à la position (1) (activé), en
engageant le cliquet (3) dans l’étrier (4).
Effectuer le nettoyage du conteneur déchets, des fi ltres et du tuyau d’aspiration, le contrôle des joints et la lubrifi cation des
roulements du ventilateur d’aspiration, comme décrit au chapitre Entretien.
Arrêter le moteur en tournant la clé de contact (24, Fig. D) dans le sens contraire aux aiguilles d’une montre, jusqu’à fi n de
course, puis la retirer.
Activer le frein de stationnement au moyen du levier (13, Fig. E).
S’ils sont allumés, éteindre les phares.
VIDANGE DES RESERVOIRS A EAU DU SYSTEME D’ABATTAGE DES POUSSIERES
Si besoin est, vider les réservoirs à eau du système d’abattage des poussières en procédant comme suit.
Activer le frein de stationnement (13, Fig. E).
Tourner la clé de contact (24, Fig. D) en position OFF et la retirer.
Du dessus le côté droit de l’essieu arrière, dévisser le couvercle (1, Fig. Z) du fi ltre à eau et le déposer avec le fi ltre.
Faire écouler complètement l’eau dans les réservoirs.
Reposer le couvercle (1, Fig. Z) et le fi ltre.
MOUVEMENT DE LA MACHINE PAR REMORQUAGE
Pour déplacer la machine par remorquage, il est nécessaire de procéder comme suit.
Activer le frein de stationnement (13, Fig. E).
Tourner la clé de contact (24, Fig. D) en position OFF et la retirer.
Dégager le dispositif de retenue (32, Fig. G) à l’aide de la clé en dotation et soulever le portillon droit sous la cabine (31).
Desserrer de deux tours la vis (1, Fig. AP) de la pompe du système de traction.
Déplacer la machine par remorquage.
Après avoir déplacé la machine par remorquage, serrer la vis (1, Fig. AP), puis baisser le portillon droit sous la cabine (31, Fig.
G) et engager le dispositif de retenue à l’aide de la clé en dotation.
1.
2.
3.
4.
5.
6.
7.
8.
9.
10.
11.
12.
13.
14.
1.
2.
3.
4.
5.
1.
2.
3.
4.
5.
6.

MANUEL D’UTILISATION FRANÇAIS
RS 850 33014576(4)2008-02 A 27
TRANSPORT / DEPLACEMENT
Pour le transport / déplacement de la machine, utiliser les crochets et les modalités d’ancrage indiqués ci-dessous.
ATTENTION !
L’ancrage / soulèvement de la machine doit être effectué par du personnel qualifi é.
Crochets disponibles
La machine est pourvue des crochets suivants :
N° 2 crochets de soulèvement (1, Fig. B), à utiliser uniquement avec conteneur déchets vide
N° 1 crochet de remorquage / ancrage avant (2, Fig. B)
N° 1 crochet de remorquage / ancrage arrière (3, Fig. B)
Ancrage
Pour l’ancrage de la machine en cas de transport, exécuter les opérations suivantes :
Confi gurer la machine en mode déplacement (voir la procédure au paragraphe spécifi que).
Retirer la clé de contact (24, Fig. D).
Activer le frein de stationnement (13, Fig. E).
Fermer tous les portillons, panneaux de protection, etc.
Ancrer la machine au moyen des crochets de remorquage avant et arrière (2 et 3, Fig. B).
Ancrer la machine au moyen des colliers (4 et 5, Fig. B) insérés respectivement sur le support (6) de l’essieu arrière et sur
les marchepieds avant droit et gauche d’accès à la cabine (7).
Soulèvement temporaire
Pour le soulèvement temporaire de la machine, les opérations à exécuter sont les suivantes :
Confi gurer la machine en mode déplacement (voir la procédure au paragraphe spécifi que).
Vérifi er que le conteneur déchets est vide.
ATTENTION !
Si en situations d’urgence il est nécessaire de soulever la machine avec le conteneur déchets non vide,
procéder avec la plus grande attention, puisque le poids des déchets déséquilibre la machine et en outre les
crochets doivent supporter un effort plus grand.
Retirer la clé de contact (24, Fig. D).
Activer le frein de stationnement (13, Fig. E).
Fermer tous les portillons, panneaux de protection, etc.
Ancrer la machine au moyen de câbles adéquates aux deux crochets de soulèvement (1, Fig. B).
Soulever avec soin la machine, le plus brièvement possible, en utilisant un système de soulèvement adéquat et
conformément aux normes pour la prévention des accidents.
INACTIVITE PROLONGEE DE LA MACHINE
Si l’on prévoit de ne pas utiliser la machine pendant plus de 30 jours, il est convenable de :
Vider les réservoirs à eau du système d’abattage des poussières en procédant comme indiqué au paragraphe spécifi que.
Porter la machine en condition de repos comme indiqué au paragraphe Après l’utilisation de la machine.
Remiser la machine dans un endroit fermé, sec et propre, protégé des intempéries et ayant les valeurs environnementales
suivantes :
Température : de +1°C à +50°C (de +33,8°F à +122°F)
Humidité : 95% maximum
Débrancher le connecteur négatif de la batterie (34, Fig. F).
Traiter le moteur diesel comme prévu dans le manuel spécifi que.
PREMIERE PERIODE D’UTILISATION
Après la première période d’utilisation (les 8 premières heures), il faut :
Contrôler le serrage des dispositifs de fi xation et de connexion ; vérifi er que les parties visibles sont intactes et sans pertes.
Après les 50 premières heures de travail effectuer les contrôles et les remplacements prévus par le plan d’entretien
programmé.
1. •
•
•
2. •
•
•
•
•
•
3. •
•
•
•
•
•
•
1.
2.
3.
•
•
4.
5.
1.
2.

FRANÇAIS MANUEL D’UTILISATION
28 33014576(4)2008-02 A RS 850
INSTALLATION ET UTILISATION DU SYSTEME DE SALAGE (optionnel)
Installation du système de salage
AVERTISSEMENT !
Pour installer ce système, un arrangement préalable de la balayeuse est nécessaire.
Vidanger le conteneur déchets (7, Fig. G) ; si la quantité de déchets est minimum, cette opération n’est pas nécessaire.
En procédant en complète sécurité, à l’aide d’un système de soulèvement adéquat (8, Fig. AU), engager le système de salage
(9) dans le crochet de soulèvement (5).
Le poids du système est de 90 Kg (198,4 lb) environ.
En opérant sur un sol plat, amener la balayeuse dans une position adéquate (10, Fig. AU) pour l’accrochage du système de
salage (9).
Soulever le conteneur déchets (7, Fig. G) et insérer les tiges de sécurité (3, Fig. F) (voir les procédures aux paragraphes
spécifi ques).
Arrêter le moteur diesel et activer le frein de stationnement (13, Fig. E).
En utilisant le système de soulèvement (8, Fig. AU), positionner le système d’épandage de sel (9) sur la balayeuse et le fi xer
au moyen des vis (11) et des écrous (12).
Dégager le système de soulèvement (8, Fig. AU) du système de salage (9).
Déposer les couvercles de protection, puis connecter les raccords rapides (13, Fig. AU) du système hydraulique aux raccords
correspondants des tuyaux (14).
Brancher le connecteur électrique (15, Fig. AU) à la prise correspondante (16).
Ouvrir le portillon latéral inférieur gauche (11, Fig. G) en dégageant le dispositif de retenue (12) au moyen de la clé en
dotation.
Tourner le levier (17, Fig. AU) de la position d’actionnement troisième balai (17a) à la position d’actionnement système de
salage (17b).
Fermer le portillon latéral inférieur gauche (11, Fig. G) en engageant le dispositif de retenue (12) à l’aide de la clé en dotation.
Dégager les tiges de sécurité du conteneur déchets (3, Fig. F) et baisser le conteneur déchets (7, Fig. G) (voir les procédures
aux paragraphes spécifi ques).
La machine est prête pour l’utilisation du système d’épandage de sel.
Dépose du système de salage
Démonter le système de salage dans l’ordre inverse du montage.
Fixer et protéger opportunément le système de salage.
Utilisation du système de salage
Monter le système de salage (9, Fig. AU) en procédant comme prévu au paragraphe spécifi que.
Charger le sel approprié dans le compartiment (2, Fig. AU).
Régler le fl ux de sel avec le levier (1, Fig. AU).
Pour actionner le système d’épandage, utiliser les commandes et les modalités d’actionnement du troisième balai.
Pour varier la vitesse de rotation du système d’épandage selon le nombre de tours du moteur diesel, utiliser la poignée (18,
Fig. AU).
1.
2.
3.
4.
5.
6.
7.
8.
9.
10.
11.
12.
13.
14.
15.
16.
17.
18.
19.
20.
21.

MANUEL D’UTILISATION FRANÇAIS
RS 850 33014576(4)2008-02 A 29
INSTALLATION ET UTILISATION DU SYSTEME DE DENEIGEMENT A BROSSE (optionnel)
AVERTISSEMENT !
Pour installer ce système, un arrangement préalable de la balayeuse est nécessaire.
Installation du système de déneigement à brosse
Démonter la bouche d’aspiration (17, Fig. G) (voir la procédure au paragraphe spécifi que).
Démonter le bras du troisième balai (23, Fig. G) (voir la procédure au paragraphe spécifi que).
En opérant sur un sol plat, amener la balayeuse dans une position adéquate pour l’accrochage du système de déneigement à
brosse (Fig. AV).
Arrêter le moteur diesel et activer le frein de stationnement (13, Fig. E).
Positionner le système de déneigement sur les bras (19, Fig. AV) et le fi xer avec les vis (14).
En opérant sur les deux côtés de la machine, serrer les vis de réglage (15 et 16, Fig. AV) de la hauteur du système de
déneigement à brosse sur les bras (19). Si besoin est, ce réglage peut être répété ensuite, pour régler la hauteur du système
de déneigement soulevé.
Soulever jusqu’à fi n de course les pieds d’appui (5, Fig. AV) et les fi xer au moyen des poignées (6).
Déposer les couvercles de protection, puis connecter les raccords rapides (1, Fig. AV) du système hydraulique aux raccords
correspondants des tuyaux (2).
Ouvrir le portillon latéral inférieur gauche (11, Fig. G) en dégageant le dispositif de retenue (12) au moyen de la clé en
dotation.
Tourner le levier (21, Fig. AV) de la position d’actionnement du pistolet à eau haute pression (21a) à la position d’actionnement
du système de déneigement (21b).
Fermer le portillon latéral inférieur gauche (11, Fig. G) en engageant le dispositif de retenue (12) à l’aide de la clé en dotation.
La machine est prête pour l’utilisation du système de déneigement à brosse.
Dépose du système de déneigement à brosse
Démonter le système de déneigement à brosse dans l’ordre inverse du montage.
Fixer et protéger opportunément le système de déneigement à brosse.
Utilisation du système de déneigement à brosse
Monter le système de déneigement à brosse (Fig. AV) comme décrit au paragraphe spécifi que.
Pour soulever / baisser le système de déneigement à brosse, utiliser les commandes et les modalités de soulèvement /
abaissement de la bouche d’aspiration.
Pour actionner la rotation de la brosse à neige, utiliser le levier (8, Fig. E) en le portant en position “OPT”.
Pour varier la vitesse de rotation de la brosse à neige selon le nombre de tours du moteur diesel, utiliser la poignée (22, Fig.
AV).
Avant d’utiliser le système de déneigement, contrôler la hauteur du sol de la brosse (10, Fig. AV) en procédant comme suit.
Amener la machine avec système de déneigement à brosse sur un sol plat.
En gardant la machine en position d’arrêt, baisser complètement le système de déneigement et faire tourner la brosse
pendant quelques secondes.
Arrêter et soulever le système de déneigement, puis déplacer la machine et activer le frein de stationnement.
Contrôler que la largeur de la trace (20, Fig. AV) laissée par la brosse est comprise entre 2 et 4 cm (entre 0,8 et 1,6 in)
dans toute sa longueur.
Au cas où la trace résulterait différente, enlever les goupilles (13, Fig. AV), puis régler en soulevant / baissant les roues
(11) au moyen des manivelles (12).
Le réglage effectué, remettre en place les manivelles (12) et introduire les goupilles (13).
Activer le frein de stationnement au moyen du levier (13, Fig. E).
Soulever le système de déneigement, puis arrêter le moteur en tournant la clé de contact (24, Fig. D) dans le sens contraire
aux aiguilles d’une montre jusqu’à fi n de course.
Enlever le clip de fi xation (9, Fig. AV) et détacher la tige (17) de la goupille (8).
Incliner l’ensemble brosse selon le besoin, puis relier la goupille (8, Fig. AV) au trou (18) correspondant. Enfi n, reposer le clip
de fi xation (9).
La machine est prête pour l’utilisation du système de déneigement à brosse.
Si besoin est, monter préalablement les chaînes à neige sur les roues avant de la balayeuse.
1.
2.
3.
4.
5.
6.
7.
8.
9.
10.
11.
12.
13.
14.
15.
16.
17.
18.
19. •
•
•
•
•
•
20.
21.
22.
23.
24.

FRANÇAIS MANUEL D’UTILISATION
30 33014576(4)2008-02 A RS 850
ENTRETIEN
La durée de vie de la machine et sa sécurité de fonctionnement sont garanties par un entretien soigné et régulier.
Veuillez trouver ci-dessous le plan récapitulatif d’entretien programmé. Les périodicités indiquées peuvent subir des variations en
fonction de conditions de travail particulières, à défi nir par le responsable de l’entretien.
ATTENTION !
Les opérations d’entretien doivent être exécutées avec la machine à l’arrêt (clé de contact retirée).
En outre, lire attentivement toutes les instructions du chapitre Sécurité avant d’effectuer les opérations
d’entretien.
Toutes les opérations d’entretien programmé ou extraordinaire doivent être effectuées par du personnel qualifi é ou par un Service
après-vente autorisé.
Dans ce manuel, après le plan récapitulatif d’entretien programmé, seulement les procédures des opérations d’entretien les plus
simples et les plus récurrentes sont indiquées.
Pour les procédures des autres opérations d’entretien prévues par le plan récapitulatif d’entretien programmé et extraordinaire, se
référer au manuel d’entretien consultable auprès des Services après-vente.
Pour l’entretien programmé et extraordinaire des systèmes optionnels suivants, se référer aux manuels spécifi ques :
système de salage
système de déneigement à brosse
système vidéo
PLAN RECAPITULATIF D’ENTRETIEN PROGRAMME
Entretien
Période de ro-
dage (après les
50 premières
heures)
Toutes les
10 heures
et avant
l’utilisation
Toutes
les 150
heures
Toutes
les 300
heures
Toutes
les 500
heures
Toutes
les 1.000
heures
Toutes
les 2.000
heures et
davantage
Contrôle niveau huile moteur diesel
Contrôle niveau huile système hydraulique
Nettoyage préfi ltre et fi ltre à air moteur
Contrôle nettoyage ailettes radiateur moteur diesel
Contrôle niveau liquide de refroidissement moteur
diesel
Contrôle ailettes radiateur huile système hydraulique
Contrôle niveau liquide batterie
Nettoyage conteneur déchets, fi ltres et tuyau
d’aspiration. Lubrifi cation roulements ventilateur.
Contrôle joints d’étanchéité conteneur déchets
Nettoyage gicleurs et fi ltres jets d’eau
Contrôle niveau huile freins
Contrôle fonctionnement avertisseur sonore de marche
arrière et éventuel réglage capteur
Contrôle système de sécurité (démarrage bloqué avec
pédale de marche actionnée) (8)
Contrôle pression pneus
Contrôle hauteur et fonctionnement bouche d’aspiration
et volets
Contrôle et réglage position balais latéraux
Contrôle et réglage position troisième balai
Contrôle état d’usure joint entre conteneur déchets et
tuyau d’aspiration (8)
Nettoyage fi ltre à eau système d’abattage des
poussières
Contrôle tension courroie alternateur (8) (8)
Contrôle tension courroie compresseur climatiseur (8) (8)
Contrôle frein de stationnement
–
–
–

MANUEL D’UTILISATION FRANÇAIS
RS 850 33014576(4)2008-02 A 31
Entretien
Période de ro-
dage (après les
50 premières
heures)
Toutes les
10 heures
et avant
l’utilisation
Toutes
les 150
heures
Toutes
les 300
heures
Toutes
les 500
heures
Toutes
les 1.000
heures
Toutes
les 2.000
heures et
davantage
Remplacement huile moteur diesel (3)
Remplacement fi ltre huile moteur diesel (3)
Remplacement cartouche fi ltre carburant (3)
Contrôle serrage écrous et vis et absence de pertes (8) (8)
Lubrifi cation (8)
Contrôle circuit de refroidissement moteur diesel (8)
Remplacement fi ltres d’aspiration huile système
hydraulique (8) (8)
Remplacement fi ltre de vidange huile système
hydraulique et fi ltre d’échappement réservoir (8) (8)
Serrage vis et raccords carburant moteur diesel (8)
Contrôle bougies (8)
Contrôle, nettoyage et tarage injecteurs (8)
Remplacement fi ltre à air moteur diesel (8)
Remplacement fi ltre à air climatiseur
Remplacement courroie alternateur et ventilateur (8)
Remplacement courroie compresseur climatiseur (8)
Nettoyage réservoir carburant (8)
Remplacement liquide de refroidissement moteur diesel (4) (8)
Remplacement huile système hydraulique (3) (8)
Contrôle charbons démarreur (8)
Contrôle système de freinage (8)
Contrôle turbocompresseur (8)
Révision partielle moteur diesel (5) (7) (8)
Révision générale moteur diesel (6) (7) (8)
(3) ou tous les ans
(4) ou tous les deux ans
(5) après 4.000 heures
(6) après 8.000 heures
(7) s’adresser à un atelier agréé VM Motori S.p.A.
(8) pour la procédure correspondante, se référer au manuel d’entretien auprès des Services après-vente Nilfi sk.
NETTOYAGE DU CONTENEUR DECHETS, DES FILTRES ET DU TUYAU D’ASPIRATION, CONTROLE
DES JOINTS ET LUBRIFICATION DES ROULEMENTS DU VENTILATEUR D’ASPIRATION
ATTENTION !
Protéger d’une manière adéquate les parties du corps (yeux, cheveux, mains etc.) lorsqu’on effectue des
opérations de nettoyage au moyen d’un pistolet à air comprimé ou à eau.
Opérations préliminaires
Après avoir vidangé le conteneur déchets (7, Fig. G), amener la machine dans la zone destinée au nettoyage / lavage, puis
activer le frein de stationnement (13, Fig. E).
Soulever et basculer le conteneur déchets (7, Fig. G) comme indiqué au paragraphe spécifi que.
Insérer la tige de sécurité (17, Fig. F), comme décrit au paragraphe spécifi que.
Nettoyage du conteneur déchets (après chaque usage)
Nettoyer l’intérieur du conteneur déchets (1, Fig. F) et le convoyeur (14) avec un jet d’eau sous pression.
Contrôler attentivement l’intégrité du joint d’étanchéité périmétral d’aspiration (19, Fig. F) et, si besoin est, le remplacer.
1.
2.
3.
4.
5.

FRANÇAIS MANUEL D’UTILISATION
32 33014576(4)2008-02 A RS 850
Nettoyage du tuyau d’aspiration (après chaque usage)
Nettoyer l’intérieur du tuyau d’aspiration (6, Fig. F) en toute sa longueur, jusqu’à la bouche d’aspiration, avec un jet d’eau sous
pression.
Contrôler attentivement l’intégrité du joint (5, Fig. F) du tuyau d’aspiration et, si besoin est, le remplacer.
Nettoyage du fi ltre d’aspiration et du ventilateur (après chaque usage)
A l’intérieur du conteneur déchets, enlever les dispositifs de retenue (16, Fig. F) du fi ltre d’aspiration (15).
Déposer le fi ltre d’aspiration (15, Fig. F).
De l’intérieur du logement (13, Fig. F), laver le ventilateur (1, Fig. P) avec un jet d’eau sous pression : contrôler que toutes les
parties (2) du ventilateur sont propres.
Nettoyer le fi ltre d’aspiration (1, Fig. Q) avec un jet d’eau sous pression.
Insérer le fi ltre d’aspiration et le fi xer au moyen des dispositifs de retenue (16, Fig. F).
Insérer la tige de sécurité (17, Fig. F) du portillon, puis baisser à nouveau le conteneur déchets (7, Fig. G) comme décrit au
paragraphe spécifi que.
Tourner la clé de contact (24, Fig. D) en position OFF et la retirer.
Nettoyage du fi ltre de vidange (après chaque usage)
A l’aide d’une échelle adéquate et d’un deuxième opérateur, dégager les dispositifs de retenue (26, Fig. G) du coffre (27) du
fi ltre de vidange.
Ouvrir le coffre (1, Fig. R) et positionner le crochet de sécurité (2).
Enlever les vis de fi xation (1, Fig. S), puis déposer le fi ltre de vidange (2).
Nettoyer le fi ltre de vidange (1, Fig. T) avec un jet d’eau sous pression.
Reposer le fi ltre d’évacuation et son coffre en exécutant les points de 15 à 17 dans l’ordre inverse.
Lubrifi cation des roulements du ventilateur d’aspiration (après chaque usage)
Ouvrir le portillon latéral gauche (9, Fig. G).
Lubrifi er les roulements du ventilateur d’aspiration au moyen des graisseurs spéciaux (1, Fig. U).
La quantité moyenne de graisse à injecter doit être :
4 - 5 pompages, en cas d’utilisation d’une pompe à main.
15 - 20 secondes d’injection, en cas d’utilisation d’une pompe à air.
Refermer le portillon latéral gauche (9, Fig. G).
NETTOYAGE DES GICLEURS ET DES FILTRES DU SYSTEME D’ABATTAGE DES POUSSIERES
ATTENTION !
Protéger d’une manière adéquate les parties du corps (yeux, cheveux, mains etc.) lorsqu’on effectue des
opérations de nettoyage au moyen d’un pistolet à air comprimé ou à eau.
Opérations préliminaires
Activer le frein de stationnement (13, Fig. E).
Tourner la clé de contact (24, Fig. D) en position OFF et la retirer.
Nettoyage des gicleurs et des fi ltres sur les balais latéraux
Dévisser les embouts (1, Fig. V).
Récupérer les gicleurs (2, Fig. V) et les fi ltres (3) et nettoyer toute trace de saleté avec un jet d’air comprimé. Enlever toute
incrustation calcaire. Si besoin est, remplacer les fi ltres (3).
Reposer les fi ltres et les gicleurs et les fi xer au moyen des embouts.
Nettoyage des gicleurs et des fi ltres dans le tuyau d’aspiration de la bouche au conteneur déchets
Vidanger le conteneur déchets (7, Fig. G) ; si la quantité de déchets est minimum, cette opération n’est pas nécessaire.
Amener la machine sur un sol plat et dur, puis activer le frein de stationnement (13, Fig. E).
Soulever le conteneur déchets (7, Fig. G) en procédant comme prévu au paragraphe spécifi que.
Tourner la clé de contact (24, Fig. D) en position OFF et la retirer.
Afi n d’empêcher l’abaissement accidentel du conteneur déchets, insérer les deux tiges de sécurité (3, Fig. F), comme prévu
au paragraphe spécifi que.
En opérant à l’intérieur du tuyau d’aspiration (6, Fig. F) au moyen d’une clé à douille de 14 mm (0,55 in), dévisser le gicleur (1,
Fig. X) et déposer le fi ltre (2) (contrôler la position exacte du gicleur).
Nettoyer toute trace de saleté du gicleur (1, Fig. X) et du fi ltre (2) avec un jet d’air comprimé. Enlever toute incrustation
calcaire. Si besoin est, remplacer le fi ltre (2).
Reposer le fi ltre et le gicleur dans l’ordre inverse de la dépose.
Dégager les tiges de sécurité du conteneur déchets (3, Fig. F) et baisser le conteneur déchets (7, Fig. G) (voir les procédures
aux paragraphes spécifi ques).
6.
7.
8.
9.
10.
11.
12.
13.
14.
15.
16.
17.
18.
19.
20.
21.
•
•
22.
1.
2.
3.
4.
5.
6.
7.
8.
9.
10.
11.
12.
13.
14.

MANUEL D’UTILISATION FRANÇAIS
RS 850 33014576(4)2008-02 A 33
Nettoyage du gicleur et du fi ltre dans le tuyau d’aspiration arrière (optionnel)
Desserrer le collier (1, Fig. Y) et séparer le tuyau rigide d’aspiration arrière (2) du tuyau fl exible (3).
En opérant à l’intérieur du tuyau rigide (2, Fig. Y) à l’aide d’une clé à douille de 14 mm (0,55 in), dévisser le gicleur (4) et
déposer le fi ltre (5) (contrôler la position exacte du gicleur).
Nettoyer toute trace de saleté du gicleur (4, Fig. Y) et du fi ltre (5) avec un jet d’air comprimé. Enlever toute incrustation
calcaire. Si besoin est, remplacer le fi ltre (5).
Reposer le fi ltre et le gicleur dans l’ordre inverse de la dépose.
Monter le tuyau fl exible (3, Fig. Y) sur le tuyau rigide d’aspiration arrière (2) et les fi xer au moyen du collier (1).
NETTOYAGE DU FILTRE A EAU DU SYSTEME D’ABATTAGE DES POUSSIERES
ATTENTION !
Protéger d’une manière adéquate les parties du corps (yeux, cheveux, mains etc.) lorsqu’on effectue des
opérations de nettoyage au moyen d’un pistolet à air comprimé ou à eau.
REMARQUE
Lors de la dépose du fi ltre, l’eau contenue dans les réservoirs s’écoule ; pourtant, cette opération d’entretien doit être
effectuée quand les réservoirs à eau sont vides.
Activer le frein de stationnement (13, Fig. E).
Tourner la clé de contact (24, Fig. D) en position OFF et la retirer.
Du dessus le côté droit de l’essieu arrière, dévisser le couvercle (1, Fig. Z) du fi ltre à eau et le déposer avec le fi ltre.
Séparer le fi ltre (2, Fig. Z) du couvercle (3), donc les laver et les nettoyer. Si besoin est, remplacer le fi ltre.
Reposer le fi ltre et le couvercle.
CONTROLE DU NIVEAU D’HUILE DU SYSTEME HYDRAULIQUE
AVERTISSEMENT !
Ce contrôle doit être effectué avec le conteneur déchets (7, Fig. G) complètement baissé.
Activer le frein de stationnement (13, Fig. E).
Démarrer le moteur diesel comme prévu au paragraphe spécifi que.
Ouvrir le portillon latéral inférieur gauche (11, Fig. G) en dégageant le dispositif de retenue (12) au moyen de la clé en
dotation.
Contrôler que l’aiguille de l’indicateur d’effi cacité (1, Fig. AA) du fi ltre de vidange (2) du système hydraulique est dans la zone
verte (3), dans le cas contraire, remplacer le fi ltre (2) (voir la procédure dans le manuel d’entretien).
Contrôler que dans la partie supérieure (4, Fig. AA) du réservoir à huile du système hydraulique il n’y a aucune fuite d’huile, en
cas contraire remplacer aussi le fi ltre d’échappement du réservoir (5) (voir la procédure dans le manuel d’entretien).
Arrêter le moteur diesel en tournant la clé de contact (24, Fig. D) en position OFF, puis la retirer.
Au moyen de l’indicateur (6, Fig. AA) vérifi er que le niveau d’huile dans le réservoir est compris entre les limites MIN et MAX.
Si besoin est, dévisser le bouchon (7, Fig. AA), déposer le fi ltre (2) et remplir. Pour tous les types d’huile utilisables, voir le
chapitre Caractéristiques techniques.
REMARQUE
Remplir avec le même type d’huile dans le réservoir.
Installer le fi ltre (2, Fig. AA) et visser le bouchon (7).
Fermer le portillon latéral inférieur gauche (11, Fig. G) en engageant les dispositifs de retenue (12) à l’aide de la clé en
dotation.
15.
16.
17.
18.
19.
1.
2.
3.
4.
5.
1.
2.
3.
4.
5.
6.
7.
8.
9.
10.

FRANÇAIS MANUEL D’UTILISATION
34 33014576(4)2008-02 A RS 850
CONTROLE DU NETTOYAGE DES AILETTES DU RADIATEUR DE L’HUILE DU SYSTEME
HYDRAULIQUE
ATTENTION !
Protéger d’une manière adéquate les parties du corps (yeux, cheveux, mains etc.) lorsqu’on effectue des
opérations de nettoyage au moyen d’un pistolet à air comprimé ou à eau.
Vidanger le conteneur déchets (7, Fig. G) ; si la quantité de déchets est minimum, cette opération n’est pas nécessaire.
Amener la machine sur un sol plat et dur, puis activer le frein de stationnement (13, Fig. E).
Soulever le conteneur déchets (7, Fig. G) en procédant comme prévu au paragraphe spécifi que.
Tourner la clé de contact (24, Fig. D) en position OFF et la retirer.
Afi n d’empêcher l’abaissement accidentel du conteneur déchets, insérer les deux tiges de sécurité (3, Fig. F), comme prévu
au paragraphe spécifi que.
Ouvrir les portillons latéraux supérieurs gauche et droit (9 et 28, Fig. G) en dégageant les dispositifs de retenue (10) et (29) au
moyen de la clé en dotation.
Enlever les vis, puis déposer le panneau de couverture du compartiment moteur (11, Fig. F).
Ouvrir le portillon latéral inférieur droit (34, Fig. G) en dégageant le dispositif de retenue (35) au moyen de la clé en dotation.
Nettoyer les ailettes du radiateur (9, Fig. F) de l’huile du système hydraulique avec un jet d’air comprimé [6 bars (87,0 psi)
maximum]. Si besoin est, diriger le jet d’air comprimé dans le sens opposé à celui de circulation de l’air de refroidissement.
De l’intérieur du radiateur (9, Fig. F), contrôler que le ventilateur tourne librement.
Exécuter les points de 3 à 8 dans l’ordre inverse.
CONTROLE DU NIVEAU DU LIQUIDE DE LA BATTERIE
ATTENTION !
Protéger d’une manière adéquate les parties du corps (yeux, cheveux, mains etc.) lorsqu’on effectue des
opérations de contrôle ou de nettoyage de la batterie.
Activer le frein de stationnement (13, Fig. E).
Tourner la clé de contact (24, Fig. D) en position OFF et la retirer.
Ouvrir le portillon latéral inférieur gauche (11, Fig. G) en dégageant le dispositif de retenue (12) au moyen de la clé en
dotation.
Contrôler le niveau de l’électrolyte dans la batterie (34, Fig. F) et, si besoin est, remplir avec de l’eau distillée.
Si besoin est, nettoyer la batterie.
Contrôler que les connexions des pôles de la batterie ne sont pas oxydées.
Fermer le portillon latéral inférieur gauche (11, Fig. G) en engageant le dispositif de retenue (12) à l’aide de la clé en dotation.
CONTROLE DU NIVEAU D’HUILE DES FREINS
Activer le frein de stationnement (13, Fig. E).
Tourner la clé de contact (24, Fig. D) en position OFF et la retirer.
Contrôler le niveau d’huile des freins dans le réservoir (1, Fig. AB). Garder le niveau à 1 cm (0,4 in) environ du goulot de
remplissage du réservoir. Si besoin est, remplir avec le même type d’huile présente dans le système.
Huile normalement utilisée : DOT4.
CONTROLE DU CAPTEUR D’ACTIVATION DE L’AVERTISSEUR SONORE DE MARCHE ARRIÈRE
Contrôler que, pendant la marche arrière, l’avertisseur sonore de marche arrière s’active.
Si besoin est, effectuer le réglage en procédant comme prévu dans le Manuel d’entretien.
CONTROLE DE LA PRESSION DES PNEUS
Activer le frein de stationnement (13, Fig. E).
Tourner la clé de contact (24, Fig. D) en position OFF et la retirer.
La pression des pneus devrait être la suivante :
pneus avant : 5,0 bars (72,5 psi)
pneus arrière : 5,0 bars (72,5 psi)
ATTENTION !
Respecter les valeurs de pression de gonfl age des pneus indiquées sur les plaques spécifi ques.
Les valeurs indiquées sur les pneus se réfèrent aux conditions de chargement et à la vitesse standard, pas à
celles opérationnelles de la machine.
1.
2.
3.
4.
5.
6.
7.
8.
9.
10.
11.
1.
2.
3.
4.
5.
6.
7.
1.
2.
3.
1.
1.
2.
3. •
•

MANUEL D’UTILISATION FRANÇAIS
RS 850 33014576(4)2008-02 A 35
CONTROLE DE LA HAUTEUR ET DU FONCTIONNEMENT DE LA BOUCHE D’ASPIRATION ET DU
VOLET
Opérations préliminaires
Activer le frein de stationnement (13, Fig. E).
Soulever la bouche d’aspiration (17, Fig. G) en procédant comme prévu au paragraphe spécifi que.
Tourner la clé de contact (24, Fig. D) en position OFF et la retirer.
Contrôle des roues de la bouche d’aspiration
Contrôler que les trois roues (1, Fig. AC) de la bouche d’aspiration sont en bon état et qu’elles tournent librement (qu’elles
ne sont pas pliées / déformées à cause de chocs ou de pressions excessives etc.). Contrôler en outre que leur épaisseur
caoutchoutée (2) n’est pas inférieure à quelques millimètres.
Si besoin est, remplacer les roues (1) (voir la procédure dans le Manuel d’entretien).
Contrôle des panneaux coulissants
Contrôler que le panneau coulissant principal (3, Fig. AC) et les panneaux coulissants avant (4) et (5) sont en bon état et que
leur épaisseur (6) n’est pas inférieure à 5 mm (0,2 in) ; dans le cas contraire, les remplacer (voir la procédure dans le manuel
d’entretien).
Afi n d’éviter d’endommager les vis de fi xation, qui pourraient devenir diffi ciles à démonter, il est important de remplacer les
panneaux coulissants (3), (4) et (5) quand ils ne sont pas complètement usés.
Afi n d’éviter la création de gradins dans la zone de raccordement (7) provoqués par des niveaux différents d’usure des
panneaux, remplacer les panneaux coulissants (3), (4) et (5) en bloc.
Contrôle du volet, du défl ecteur et du réglage des roues de la bouche d’aspiration
Contrôler que le volet (8, Fig. AC) et le défl ecteur (9) sont intacts et qu’ils ne présentent pas de coupures (10) ou de déchirures
(11) excessives qui peuvent compromettre la normale capacité d’aspiration de la bouche.
Si besoin est, remplacer le volet (8) et le défl ecteur (9) (voir la procédure dans le Manuel d’entretien).
En procédant comme décrit au paragraphe spécifi que, amener la machine sur un sol plat et baisser la bouche d’aspiration (17,
Fig. G).
Tourner la clé de contact (24, Fig. D) en position OFF et la retirer.
Contrôler que la distance (12, Fig. AC) du volet du sol n’est pas supérieure à 1 cm (0,4 in). Des distances supérieures peuvent
compromettre la normale capacité d’aspiration de la bouche.
Si besoin est, remplacer le volet (8) (voir la procédure dans le Manuel d’entretien).
Contrôler que toutes les roues (1, Fig. AC) se posent sur le sol.
Si la roue arrière reste soulevée du sol ou si, au contraire, elle est excessivement baissée, régler la hauteur en procédant
comme suit :
En opérant sur les deux côtés de la bouche d’aspiration, dévisser / visser les écrous autobloquants (1, Fig. AD) jusqu’à
atteindre la position correcte de la roue arrière.
Contrôler aussi que, avec les trois roues (1, Fig. AC) posées sur le sol, les panneaux coulissants (3), (4), (5) ne touchent
pas le sol ; dans le cas contraire, remplacer les roues (1) afi n d’éviter une usure excessive des panneaux (pour la procédure
relative au remplacement des roues, se référer au manuel d’entretien).
Le dispositif de réglage (2, Fig. AD) est utilisé pour équilibrer le réglage de la bouche d’aspiration lorsqu’elle est soulevée.
En procédant comme prévu au paragraphe spécifi que, démarrer la machine, soulever le volet (8, Fig. AC) et contrôler qu’il se
soulève librement. Contrôler qu’il se soulève même en opposant une force de quelques kilos (simuler le ramassage d’objets
tels que bouteilles qui doivent ensuite être aspirés). Si besoin est, régler la force d’ouverture du volet (8) comme décrit ci-
dessous :
Arrêter la machine.
Desserrer le contre-écrou (13, Fig. AC) de la soupape de réglage et tourner la vis (14) selon le besoin, en considérant que
:en dévissant, la force d’ouverture se réduit ;
en vissant, la force d’ouverture augmente.
Le réglage effectué, serrer le contre-écrou (13, Fig. AC).
Pour la repose, procéder dans l’ordre inverse de la dépose.
1.
2.
3.
4.
5.
6.
7.
8.
9.
10.
•
11.
12.
13.
•
•
–
–
•
14.

FRANÇAIS MANUEL D’UTILISATION
36 33014576(4)2008-02 A RS 850
CONTROLE ET REGLAGE DE LA POSITION DES BALAIS LATERAUX
REMARQUE
La machine est livrée avec des balais de dureté différente. La procédure ci-décrite est applicable à tous les types de
balais.
Contrôle
Contrôler la hauteur du sol et l’inclinaison des balais latéraux, en procédant comme suit :
Amener la machine sur un sol plat.
En gardant la machine en position d’arrêt, baisser complètement les balais latéraux et les faire tourner pendant quelques
secondes.
Arrêter et soulever les balais latéraux, puis déplacer la machine.
Contrôler que les traces laissées par les balais latéraux sont, en extension et orientation, comme indiqué ci-après :
le balai droit doit toucher le sol pour un arc de cercle compris entre les positions “11 heures” et “4 heures” d’une montre
(1, Fig. AE).
le balai gauche doit toucher le sol pour un arc de cercle compris entre les positions “8 heures” et “1 heure” d’une
montre (2, Fig. AE).
Régler la hauteur des balais qui ont des traces hors des spécifi cations comme indiqué ci-après.
Activer le frein de stationnement au moyen du levier (13, Fig. E).
Tourner la clé de contact (24, Fig. D) en position OFF et la retirer.
Réglage de la hauteur des balais latéraux
Des deux côtés de la machine, agir sur l’écrou autobloquant de tension (3, Fig. AF) du ressort (4), en considérant que :
en dévissant l’écrou (3) le balai baisse ;
en vissant l’écrou (3) le balai se soulève.
Exécuter à nouveau le point 1.
Réglage de l’angle d’inclinaison en avant (5, Fig. AF) des balais latéraux
Des deux côtés de la machine, desserrer les contre-écrous (6 et 7, Fig. AF), puis régler l’angle d’inclinaison en avant (5) en
introduisant un levier dans le trou (9) et en tournant le tirant (8).
Le réglage effectué, serrer les contre-écrous (6) et (7).
Exécuter à nouveau le point 1.
Réglage de l’angle d’inclinaison latéral (10, Fig. AF) des balais latéraux
Des deux côtés de la machine, desserrer les vis (11 et 12, Fig. AF), puis régler l’angle d’inclinaison latéral (10). Le réglage
effectué, serrer les vis (11) et (12).
Exécuter à nouveau le point 1.
Réglage de la position latérale des balais latéraux
Ce réglage est utile pour optimiser la position latérale des balais par rapport à la bouche d’aspiration (17, Fig. G).
Pour le réglage, dévisser / visser les écrous autobloquants (1 et / ou 2, Fig. AG) en changeant la position latérale des balais.
Pour un réglage optimal, les bras doivent être légèrement tendus vers l’extérieur.
Lorsque l’usure excessive des balais n’en permet plus le réglage, les remplacer comme prévu au paragraphe spécifi que.
CONTROLE ET REGLAGE DE LA POSITION DU TROISIEME BALAI
REMARQUE
La machine est livrée avec des balais de dureté différente. La procédure ci-décrite est applicable à tous les types de
balais.
Contrôle de la position du troisième balai
Contrôler la hauteur du sol et l’inclinaison du troisième balai, en procédant comme suit :
Amener la machine sur un sol plat.
Démarrer la machine et porter le bras du troisième balai (1, Fig. AH) en position rectilinéaire devant la cabine de conduite
(comme indiqué dans la fi gure) et procéder comme prévu au paragraphe spécifi que.
En gardant la machine en position d’arrêt, baisser complètement le troisième balai (2, Fig. AH) et le tourner pendant
quelques secondes.
Arrêter et soulever le troisième balai, puis déplacer la machine.
Contrôler que la trace laissée par le troisième balai est, en extension et orientation, comme indiqué ci-après :
Le balai doit toucher le sol pour un arc de cercle compris entre les positions “10 heures” et “2 heures” d’une montre (3,
Fig. AH).
L’angle d’inclinaison en avant (4, Fig. AH) du balai doit être de 10 degrés environ.
Si besoin est, procéder au réglage du balai, en procédant comme suit.
Activer le frein de stationnement (13, Fig. E).
Tourner la clé de contact (24, Fig. D) en position OFF et la retirer.
1. •
•
•
•–
–
•
2.
3.
4. •
•
5.
6.
7.
8.
9.
10.
11.
12.
13.
1. •
•
•
•
•–
–
2.
3.

MANUEL D’UTILISATION FRANÇAIS
RS 850 33014576(4)2008-02 A 37
Réglage de la hauteur du troisième balai
Agir sur l’écrou autobloquant de tension (5, Fig. AI) du ressort (6), en considérant que :
en dévissant l’écrou (5) le balai baisse ;
en vissant l’écrou (5) le balai se soulève.
Exécuter à nouveau le point 1.
Réglage de l’angle d’inclinaison en avant (4, Fig. AH) du troisième balai
Desserrer les contre-écrous (7 et 8, Fig. AI), puis régler l’angle d’inclinaison en avant (4) en introduisant un levier dans le trou
(10) et en tournant le tirant (9).
Le réglage effectué, serrer les contre-écrous (7) et (8).
Exécuter à nouveau le point 1.
Lorsque l’usure excessive du balai n’en permet plus le réglage, le remplacer comme prévu au paragraphe spécifi que.
REMPLACEMENT DES BALAIS
REMARQUE
La machine est livrée avec des balais de dureté différente. La procédure ci-décrite est applicable à tous les types de
balais.
AVERTISSEMENT !
L’utilisation de gants de travail est conseillée pendant le remplacement des balais latéraux à cause de la
présence éventuelle de débris tranchants parmi les poils.
Soulever les balais et activer le frein de stationnement (13, Fig. E).
Tourner la clé de contact (24, Fig. D) en position OFF et la retirer.
Enlever la vis centrale inférieure (1, Fig. AJ), puis déposer le balai (2) à remplacer. Récupérer la clavette.
Déposer les vis (3, Fig. AJ) et la bride (4) du balai.
Monter la bride (4, Fig. AJ) et la fi xer au moyen des vis (3) sur le nouveau balai à installer.
Installer le nouveau balai (2, Fig. AJ) avec la clavette, puis visser la vis centrale (1).
Effectuer le réglage de la hauteur du nouveau balai, en procédant comme indiqué au paragraphe spécifi que.
CONTROLE DU FREIN DE STATIONNEMENT
Activer le levier (13, Fig. E) du frein de stationnement et en vérifi er le fonctionnement. Contrôler en outre que le frein agit de
façon équivalente sur les deux roues avant.
Si besoin est, régler le frein de stationnement en procédant comme indiqué dans le Manuel d’entretien.
CONTROLE DU NIVEAU D’HUILE DU MOTEUR DIESEL
Activer le frein de stationnement (13, Fig. E).
Tourner la clé de contact (24, Fig. D) en position OFF et la retirer.
Ouvrir le portillon latéral inférieur gauche (11, Fig. G) en dégageant le dispositif de retenue (12) au moyen de la clé en
dotation.
Contrôler le niveau d’huile du moteur diesel comme indiqué dans le manuel spécifi que.
Fermer le portillon latéral inférieur gauche (11, Fig. G) en engageant le dispositif de retenue (12) à l’aide de la clé en dotation.
REMPLACEMENT DE L’HUILE DU MOTEUR DIESEL
Vidanger le conteneur déchets (7, Fig. G) ; si la quantité de déchets est minimum, cette opération n’est pas nécessaire.
Amener la machine sur un sol plat et dur, puis activer le frein de stationnement (13, Fig. E).
Soulever le conteneur déchets (7, Fig. G) en procédant comme prévu au paragraphe spécifi que.
Tourner la clé de contact (24, Fig. D) en position OFF et la retirer.
Afi n d’empêcher l’abaissement accidentel du conteneur déchets, insérer les deux tiges de sécurité (3, Fig. F), comme prévu
au paragraphe spécifi que.
Ouvrir les portillons latéraux supérieurs gauche et droit (9 et 28, Fig. G) en dégageant les dispositifs de retenue (10) et (29) au
moyen de la clé en dotation.
Enlever les vis, puis déposer le panneau de couverture du compartiment moteur (11, Fig. F).
Ouvrir le portillon latéral inférieur gauche (11, Fig. G) en dégageant le dispositif de retenue (12) au moyen de la clé en
dotation.
Remplacer l’huile du moteur diesel comme prévu dans le manuel spécifi que.
Exécuter les points de 3 à 8 dans l’ordre inverse.
4. •
•
5.
6.
7.
8.
9.
1.
2.
3.
4.
5.
6.
7.
1.
2.
1.
2.
3.
4.
5.
1.
2.
3.
4.
5.
6.
7.
8.
9.
10.

FRANÇAIS MANUEL D’UTILISATION
38 33014576(4)2008-02 A RS 850
REMPLACEMENT DU FILTRE A HUILE DU MOTEUR DIESEL
REMARQUE
Cette opération doit être effectuée après avoir vidangé l’huile moteur.
Vidanger le conteneur déchets (7, Fig. G) ; si la quantité de déchets est minimum, cette opération n’est pas nécessaire.
Amener la machine sur un sol plat et dur, puis activer le frein de stationnement (13, Fig. E).
Soulever le conteneur déchets (7, Fig. G) en procédant comme prévu au paragraphe spécifi que.
Tourner la clé de contact (24, Fig. D) en position OFF et la retirer.
Afi n d’empêcher l’abaissement accidentel du conteneur déchets, insérer les deux tiges de sécurité (3, Fig. F), comme prévu
au paragraphe spécifi que.
Ouvrir les portillons latéraux supérieurs gauche et droit (9 et 28, Fig. G) en dégageant les dispositifs de retenue (10) et (29) au
moyen de la clé en dotation.
Enlever les vis, puis déposer le panneau de couverture du compartiment moteur (11, Fig. F).
Ouvrir le portillon latéral inférieur gauche (11, Fig. G) en dégageant le dispositif de retenue (12) au moyen de la clé en
dotation.
Remplacer le fi ltre à huile du moteur diesel comme indiqué dans le manuel spécifi que.
Exécuter les points de 3 à 8 dans l’ordre inverse.
NETTOYAGE DU PREFILTRE ET DU FILTRE A AIR DU MOTEUR DIESEL
ATTENTION !
Protéger d’une manière adéquate les parties du corps (yeux, cheveux, mains etc.) lorsqu’on effectue des
opérations de nettoyage au moyen d’un pistolet à air comprimé ou à eau.
Opérations préliminaires
Activer le frein de stationnement (13, Fig. E).
Tourner la clé de contact (24, Fig. D) en position OFF et la retirer.
Nettoyage du préfi ltre
A l’aide d’une échelle adéquate, rejoindre le préfi ltre à air (39, Fig. F) du moteur diesel.
Dévisser la vis (1, Fig. AM2).
Déposer le couvercle (2) et le préfi ltre (3).
Nettoyer et laver le couvercle (2) et le préfi ltre (3).
Reposer le préfi ltre (3) et le couvercle (2), puis visser la vis (1).
Nettoyage du fi ltre
Du dessus l’essieu arrière côté gauche, dégager les dispositifs de retenue latéraux (1, Fig. AM1) et déposer le couvercle (2)
des fi ltres.
Déposer le fi ltre à air (3).
Avec un jet d’air comprimé [6 bars (87,0 psi) maximum], nettoyer soigneusement le fi ltre à air (3) en souffl ant de l’intérieur vers
l’extérieur (dans le sens contraire au fl ux de l’air aspiré). Si besoin est, remplacer le fi ltre à air.
Remonter le fi ltre à air (3, Fig. AM1) en le positionnant dans son logement.
Reposer le couvercle (2, Fig. AM1) et le fi xer aux dispositifs de retenue latéraux (1).
CONTROLE DU NETTOYAGE DES AILETTES DU RADIATEUR DU MOTEUR DIESEL
Vidanger le conteneur déchets (7, Fig. G) ; si la quantité de déchets est minimum, cette opération n’est pas nécessaire.
Amener la machine sur un sol plat et dur, puis activer le frein de stationnement (13, Fig. E).
Soulever le conteneur déchets (7, Fig. G) en procédant comme prévu au paragraphe spécifi que.
Tourner la clé de contact (24, Fig. D) en position OFF et la retirer.
Afi n d’empêcher l’abaissement accidentel du conteneur déchets, insérer les deux tiges de sécurité (3, Fig. F), comme prévu
au paragraphe spécifi que.
Ouvrir les portillons latéraux supérieurs gauche et droit (9 et 28, Fig. G) en dégageant les dispositifs de retenue (10) et (29) au
moyen de la clé en dotation.
Enlever les vis, puis déposer le panneau de couverture du compartiment moteur (11, Fig. F).
Ouvrir le portillon latéral inférieur gauche (11, Fig. G) en dégageant le dispositif de retenue (12) au moyen de la clé en
dotation.
Contrôler le nettoyage des ailettes du radiateur moteur diesel comme indiqué dans le manuel spécifi que.
Exécuter les points de 3 à 8 dans l’ordre inverse.
1.
2.
3.
4.
5.
6.
7.
8.
9.
10.
1.
2.
3.
4.
5.
6.
7.
8.
9.
10.
11.
12.
1.
2.
3.
4.
5.
6.
7.
8.
9.
10.

MANUEL D’UTILISATION FRANÇAIS
RS 850 33014576(4)2008-02 A 39
CONTROLE DU NIVEAU DU LIQUIDE DE REFROIDISSEMENT DU MOTEUR DIESEL
Activer le frein de stationnement (13, Fig. E).
Tourner la clé de contact (24, Fig. D) en position OFF et la retirer.
A l’aide d’une échelle adéquate, rejoindre le réservoir du liquide de refroidissement (5, Fig. G).
ATTENTION !
Le circuit de refroidissement est sous pression ; ne pas effectuer de contrôles avant que le moteur est refroidi et
toujours ouvrir avec soin le bouchon (2, Fig. AL) du réservoir.
En procédant comme prévu dans le manuel du moteur diesel, contrôler que le niveau du liquide de refroidissement présent
dans le réservoir (1, Fig. AL) est compris entre les repères de niveau minimum et maximum. Si besoin est, dévisser le
bouchon (2) et remplir.
Composants du liquide de refroidissement :
50 % antigel AGIP
50 % eau
Après le remplissage, serrer le bouchon (2, Fig. AL).
REMPLACEMENT DU FILTRE CARBURANT DU MOTEUR DIESEL
Activer le frein de stationnement (13, Fig. E).
Tourner la clé de contact (24, Fig. D) en position OFF et la retirer.
Soulever le portillon droit sous la cabine (31, Fig. G) en dégageant le dispositif de retenue (32) à l’aide de la clé en dotation.
Ouvrir le portillon latéral inférieur droit (34, Fig. G) en dégageant le dispositif de retenue (35) au moyen de la clé en dotation.
Remplacer le fi ltre carburant (1, Fig. AK) du moteur diesel comme indiqué dans le manuel spécifi que.
Exécuter les points de 3 à 5 dans l’ordre inverse.
REMPLACEMENT DU FILTRE A AIR DANS LA CABINE DE CONDUITE
Vidanger le conteneur déchets (7, Fig. G) ; si la quantité de déchets est minimum, cette opération n’est pas nécessaire.
Amener la machine sur un sol plat et dur, puis activer le frein de stationnement (13, Fig. E).
Soulever le conteneur déchets (7, Fig. G) en procédant comme prévu au paragraphe spécifi que.
Tourner la clé de contact (24, Fig. D) en position OFF et la retirer.
Afi n d’empêcher l’abaissement accidentel du conteneur déchets, insérer les deux tiges de sécurité (3, Fig. F), comme prévu
au paragraphe spécifi que.
Ouvrir le portillon latéral supérieur gauche (9, Fig. G) en dégageant le dispositif de retenue (10) à l’aide de la clé en dotation.
A l’aide d’une échelle adéquate, desserrer la vis (1, Fig. AN) et tourner l’arrêtoir (2).
Déposer le fi ltre à air (1, Fig. AO) de la cabine.
Installer le nouveau fi ltre (1, Fig. AO) avec les fl èches (2) tournées dans le sens du fl ux d’air (vers le haut).
Exécuter les points de 3 à 7 dans l’ordre inverse.
REMPLACEMENT DES ROUES
Opérations préliminaires
Tourner la clé de contact (24, Fig. D) en position OFF et la retirer.
Activer le frein de stationnement (13, Fig. E).
S’assurer que la machine ne peut pas bouger de façon autonome même avec une roue soulevée (le frein de stationnement
agit seulement sur les roues avant). Si besoin est, garder la machine en position d’arrêt en appliquant des sabots d’arrêt aux
roues qui restent posées au sol.
Déposer la roue concernée en procédant comme suit.
Dépose / repose d’une roue avant
Ouvrir le portillon latéral supérieur droit (28, Fig. G) en dégageant le dispositif de retenue (29) à l’aide de la clé en dotation.
Dévisser les pommeaux (38, Fig. F) et déposer l’étrier de soulèvement (37) de la machine.
A proximité de la roue à déposer (1, Fig. AQ), positionner l’étrier de soulèvement (2) sur les bossettes (3) du châssis de la
machine comme indiqué dans la fi gure, puis le bloquer au moyen de la goupille (4). Positionner le cric de levage (5) sous
l’étrier (2), comme indiqué dans la fi gure.
Avant de soulever la roue à l’aide du cric, desserrer légèrement les écrous de fi xation.
ATTENTION !
Le cric de levage (5, Fig. AQ) n’est pas livré avec la machine. Utiliser un vérin avec des caractéristiques
adéquates et une capacité de levage minimum de 2.000 tonnes (4.410 lb).
Actionner le cric (5, Fig. AQ) et soulever la roue à déposer (1) avec soin, jusqu’à ce qu’elle se lève légèrement du sol.
Dévisser les écrous de fi xation et déposer la roue (1, Fig. AQ).
Reposer la roue (1, Fig. AQ) en exécutant les points de 5 à 9 dans l’ordre inverse.
Couple de serrage écrous de fi xation roue : 400 N·m (295 lb·ft).
1.
2.
3.
4.
5. •
•
6.
1.
2.
3.
4.
5.
6.
1.
2.
3.
4.
5.
6.
7.
8.
9.
10.
1.
2.
3.
4.
5.
6.
7.
8.
9.
10.
11.

FRANÇAIS MANUEL D’UTILISATION
40 33014576(4)2008-02 A RS 850
Dépose / repose d’une roue arrière
Positionner le cric de levage (6, Fig. AQ) sous le logement correspondant (9) situé sous l’essieu arrière (7), comme indiqué
dans la fi gure.
Avant de soulever la roue à l’aide du cric, desserrer légèrement les écrous de fi xation.
ATTENTION !
Le cric de levage (6, Fig. AQ) n’est pas livré avec la machine. Utiliser un vérin avec des caractéristiques
adéquates et une capacité de levage minimum de 2.000 tonnes (4.410 lb).
Actionner le cric (6, Fig. AQ) et soulever la roue à déposer (8) avec soin, jusqu’à ce qu’elle se lève légèrement du sol.
Dévisser les écrous de fi xation et déposer la roue (8, Fig. AQ).
Reposer la roue (8, Fig. AQ) en exécutant les points de 11 à 13 dans l’ordre inverse.
Couple de serrage écrous de fi xation roue : 400 N·m (295 lb·ft).
REMPLACEMENT DES FUSIBLES
Activer le frein de stationnement (13, Fig. E).
Tourner la clé de contact (24, Fig. D) en position OFF et la retirer.
Déposer le couvercle en plastique transparente de la boîte porte-fusibles (25 ou 34, Fig. D) et remplacer le fusible concerné
parmi les suivants :
Boîte porte-fusibles (25, Fig. D)
Douille de fusible disponible (10 A)
Douille de fusible disponible (7,5 A)
Fusible avertisseur sonore frein de stationnement et capteur eau dans le fi ltre carburant (10 A)
Fusible tableau de bord (7,5 A)
Fusible avertisseur sonore de marche arrière, caméras, relais sécurité démarrage et portillon conteneur déchets (10 A)
Fusible électrovanne volet (10 A)
Fusible rotation balai (10 A)
Fusible carte relais (10 A)
Fusible témoin lumineux conteneur déchets soulevé / lave pare-brise (7,5 A)
Fusible pompe à eau système d’abattage des poussières (15 A)
Fusible commandes climatiseur (15 A)
Fusible électro-ventilateur refroidissement huile hydraulique (20 A)
Boîte porte-fusibles (34, Fig. D)
Fusible feux de route (15 A)
Fusible feux de position (7,5 A)
Fusible feux de détresse et avertisseur sonore (10 A)
Fusible feux de croisement (15 A)
Fusible feux de position (7,5 A)
Fusible centrale bougies (7,5 A)
Fusible feux de direction (7,5 A)
Fusible feu clignotant (7,5 A)
Fusible électrovanne carburant (arrêt moteur) (10 A)
Fusible feux de stop (10 A)
Fusible essuie-glace (7,5 A)
Fusible électro-ventilateur climatiseur cabine de conduite (20 A)
Reposer le couvercle en plastique transparente de la boîte porte-fusibles (25 ou 34, Fig. D).
12.
13.
14.
15.
16.
1.
2.
3.
1.
2.
3.
4.
5.
6.
7.
8.
9.
10.
11.
12.
13.
14.
15.
16.
17.
18.
19.
20.
21.
22.
23.
24.
4.

MANUEL D’UTILISATION FRANÇAIS
RS 850 33014576(4)2008-02 A 41
DEPOSE / REPOSE DE LA BOUCHE D’ASPIRATION
REMARQUE
A cette procédure de base se réfèrent plusieurs procédures, le cas échéant.
Dépose
Déposer les deux balais latéraux (voir la procédure au paragraphe spécifi que).
Déplacer le troisième balai (21, Fig. G) et baisser la bouche d’aspiration (17), comme décrit au paragraphe spécifi que.
Activer le frein de stationnement (13, Fig. E).
Tourner la clé de contact (24, Fig. D) en position OFF et la retirer.
Marquer la position des tuyaux (1 et 2, Fig. AY) pour les positionner correctement en place pendant la repose, puis les
déconnecter de la bouche d’aspiration (3) et les boucher.
Marquer la position des tuyaux (4 et 5, Fig. AY) pour les positionner correctement en place pendant la repose, puis les
déconnecter de la bouche d’aspiration (3) et les boucher.
Déconnecter les tuyaux (6 e 7, Fig. AY) du système d’abattage des poussières.
Débrancher les connecteurs électriques (8 et 9, Fig. AY) et extraire le joint.
Dévisser les vis (10, Fig. AY).
Déplacer légèrement en avant la bouche d’aspiration (3, Fig. AY) et desserrer le collier (11) du tuyau d’aspiration.
Déconnecter le tuyau d’aspiration (12, Fig. AY) de la bouche d’aspiration.
En opérant sur les deux côtés de la bouche, dévisser les écrous (13, Fig. AY) et déconnecter les ressorts correspondants.
Récupérer la bouche d’aspiration (3).
Rassembler et fi xer au moyen des colliers (14, Fig. AY) les tuyaux (15) déconnectés de la bouche d’aspiration déposée.
Appliquer en outre un capot anti-poussière pour éviter que toute saleté ou des corps étrangers n’entrent dans les tuyaux (15).
Repose
Pour la repose, procéder dans l’ordre inverse de la dépose.
Si besoin est, contrôler la hauteur et le fonctionnement de la bouche d’aspiration et du volet (voir la procédure au paragraphe
spécifi que).
DEPOSE / REPOSE DU BRAS DU TROISIEME BALAI
REMARQUE
A cette procédure de base se réfèrent plusieurs procédures, le cas échéant.
AVERTISSEMENT !
Cette procédure est applicable seulement aux balayeuses avec un arrangement prévu pour l’installation du
système de déneigement à brosse.
Dépose
Etendre en avant le bras du troisième balai (23, Fig. G) et soulever le balai (21) comme décrit au paragraphe spécifi que.
Arrêter le moteur diesel et activer le frein de stationnement (13, Fig. E).
En procédant en complète sécurité, à l’aide d’un système de soulèvement adéquat (1, Fig. AZ), élinguer le bras du troisième
balai (2) en utilisant les points indiqués sur la fi gure. Déplacer les tuyaux et les câbles électriques, pour éviter de les écraser
pendant le soulèvement.
Poids du bras du troisième balai : 80 Kg. (176,4 lb) environ.
Débrancher le connecteur électrique (3, Fig. AZ).
Déconnecter les raccords rapides (4, Fig. AZ) du système hydraulique des raccords correspondants des tuyaux (5), puis
reposer les couvercles de protection.
Déconnecter le raccord rapide (6, Fig. AZ) du système d’abattage des poussières du raccord correspondant du tuyau (7), puis
reposer les couvercles de protection.
De l’intérieur de la cabine de conduite, enlever les vis (8, Fig. AZ), puis déposer le panneau (9).
Tendre légèrement le système de soulèvement (1, Fig. AZ), puis déposer les vis (10) et l’écrou (11).
Extraire le bras du troisième balai (2, Fig. AZ).
Repose
Pour la repose, procéder dans l’ordre inverse de la dépose.
Si besoin est, contrôler et régler la position du troisième balai (voir la procédure au paragraphe spécifi que).
1.
2.
3.
4.
5.
6.
7.
8.
9.
10.
11.
12.
13.
14.
15.
16.
1.
2.
3.
4.
5.
6.
7.
8.
9.
10.
11.

FRANÇAIS MANUEL D’UTILISATION
42 33014576(4)2008-02 A RS 850
ENTRETIEN D’HIVER
Pendant l’hiver, suivre attentivement les procédures d’entretien décrites ci-dessous.
Procédures de stockage de la balayeuse ou des balayeuses qui travaillent à une température inférieure à 0°C (+32°F)
Vider les gicleurs et les réservoirs à eau.
Vider et nettoyer / remplacer le fi ltre à eau.
Rajouter de l’antigel dans les réservoirs à eau (vérifi er la quantité par litre).
Faire circuler l’antigel dans le système à eau jusqu’à ce qu’il sorte des gicleurs des balais, du gicleur du tuyau de la bouche et
du gicleur du tuyau arrière (si équipé) en actionnant la pompe à eau (voir les paragraphes spécifi ques). Lorsque l’antigel sort
des gicleurs, arrêter la pompe.
Démarrer le moteur diesel (voir le paragraphe spécifi que).
Faire circuler l’antigel dans le système à eau haute pression jusqu’à ce qu’il sorte du pistolet en actionnant la pompe à l’aide
du levier dans la cabine (voir les paragraphes spécifi ques). Lorsque l’antigel sort, arrêter la pompe.
ATTENTION !
Ne pas utiliser le système d’abattage des poussières lorsque la température ambiante est inférieure à 0°C
(+32°F) pour éviter toute formation de plaques de glace sur la chaussée.
Procédures à suivre au deuxième mois de stockage
Remplacer l’huile moteur et le fi ltre correspondant (voir les paragraphes spécifi ques).
Remplir le réservoir carburant (voir le paragraphe spécifi que).
Graisser la machine.
Charger la batterie.
Contrôler la pression des roues (voir le paragraphe spécifi que).
Procédures à suivre au troisième mois de stockage
Répéter les procédures du deuxième mois.
Connecter le chargeur de batterie et charger la batterie pendant 12/24 heures tous les mois.
FONCTIONS DE SECURITE
La machine est équipée des fonctions de sécurité décrites ci-dessous.
Avertisseur sonore de marche arrière
La machine est équipée d’un capteur avec un avertisseur sonore pour signaler la marche arrière.
Limiteur de vitesse de rotation des balais
La machine est réglée en usine pour arrêter la rotation des balais quand le moteur diesel dépasse les 2.050 tr/mn.
Bouton-poussoir de sécurité sur le manipulateur
Les boutons-poussoirs de commande sur le manipulateur sont activés seulement avec le bouton-poussoir de sécurité (placé sur le
manipulateur) enfoncé.
Dispositif de sécurité pour la séquence des commandes pendant l’actionnement des balais
La bouche d’aspiration baisse seulement quand l’interrupteur d’actionnement des balais est appuyé, mais la rotation des balais
commence seulement quand la bouche d’aspiration est complètement baissée.
Capteur pour le blocage du démarrage du moteur diesel avec pédale de marche actionnée
La machine est douée d’un capteur qui bloque le démarrage du moteur diesel si la pédale de marche est actionnée.
1.
2.
3.
4.
5.
6.
7.
8.
9.
10.
11.
8.
9.

MANUEL D’UTILISATION FRANÇAIS
RS 850 33014576(4)2008-02 A 43
DEPISTAGE DES PANNES
Le tableau suivant illustre les problèmes les plus fréquents qui peuvent survenir pendant l’utilisation de la machine, leur causes
probables et les remèdes possibles pour les résoudre.
ATTENTION !
Le dépistage des pannes doit toujours être effectué par du personnel qualifi é, en suivant scrupuleusement les
instructions décrites aux paragraphes spécifi ques de ce manuel (si présentes), en cas contraire se référer au
manuel d’entretien consultable auprès des Services après-vente Nilfi sk.
Pour de plus amples informations, contacter les Services après-vente Nilfi sk.
Pour le dépistage des pannes des systèmes optionnels suivants, se référer aux manuels spécifi ques :
système de salage
système de déneigement à brosse
système vidéo
PROBLEMES ET REMEDES
Problème Cause probable Remède
BALAIS
Les balais ne nettoient pas correctement Balais mal réglés Régler
Nombre de tours des balais pas correct Régler le nombre de tours
Les balais ne tournent pas Le système de sécurité a arrêté la rotation des
balais à cause du nombre de tours excessif du
moteur diesel
Réduire le nombre de tours du moteur diesel
Manque de tension sur l’électrovanne Contrôler le système électrique
Pertes d’huiles du système hydraulique des
tuyaux / raccords Réparer / remplacer
Moteurs hydrauliques en panne Remplacer
La pompe hydraulique composants auxiliaires
ne pressurise pas l’huile dans le circuit Contrôler la pression huile du système
hydraulique
Interrupteur d’actionnement balais désactivé Activer
Fusible grillé Remplacer
Electrovanne grillée Remplacer
BRAS DU TROISIEME BALAI
Le bras du troisième balai bascule Ressorts de tension mal réglés Régler
Capteurs de fi n de course mal réglés Régler
Le bras du troisième balai se déplace
latéralement Goupille de sécurité cassée Remplacer
Manque de tension sur l’électrovanne Contrôler le système électrique
Distributeur bloqué Réparer
Joints des cylindres usés Réviser le cylindre
Interrupteur désactivé Activer
Fusible grillé Remplacer
Boutons-poussoirs de translation à gauche /
droite interrompus Remplacer
Relais grillé Remplacer
Electrovannes grillées Remplacer
BRAS DU TROISIEME BALAI
Le bras du troisième balai ne monte / descend
pas Distributeur bloqué Réparer
Joints des cylindres usés Réviser le cylindre
Fusible grillé Remplacer
Bouton-poussoir de descente interrompu Remplacer
Bouton-poussoir de montée interrompu Remplacer
Relais grillé Remplacer
Electrovanne grillée Remplacer
–
–
–

FRANÇAIS MANUEL D’UTILISATION
44 33014576(4)2008-02 A RS 850
Problème Cause probable Remède
VENTILATEUR D’ASPIRATION
Le ventilateur d’aspiration est bruyant Roulements du ventilateur non lubrifi és Lubrifi er
Roulements du ventilateur usés Remplacer
Moteur hydraulique en panne Réparer
Le ventilateur d’aspiration tourne mais il
n’aspire pas suffi samment Filtres poussière obstrués Nettoyer
Tuyau d’aspiration obstrué Nettoyer
Tuyau d’aspiration coupé / déchiré Remplacer
Joint entre bouche d’aspiration et conteneur
déchets cassé ou mal positionné Remplacer / régler la position
Manque de pression de la pompe
d’actionnement moteur ventilateur d’aspiration Régler la pression de la pompe
Le ventilateur d’aspiration ne tourne pas Distributeur bloqué Réparer
Moteur en panne Remplacer
Pompe en panne Remplacer
BOUCHE D’ASPIRATION ET VOLET
La bouche d’aspiration n’aspire pas
suffi samment les déchets Bouche d’aspiration mal positionnée Contrôler la hauteur et le fonctionnement de la
bouche d’aspiration et du volet
La bouche d’aspiration ne se soulève pas Interruption du contact électrique Réparer le système électrique
Distributeur bloqué Réparer
Joints des cylindres usés Réviser le cylindre
Manque de pression dans le système
hydraulique Contrôler la pression à la pompe
Fusible grillé Remplacer
Bouton-poussoir de montée interrompu Remplacer
Bouton-poussoir de sécurité manipulateur
interrompu Remplacer
Carte relais en panne Réviser
Electrovanne grillée Remplacer
BOUCHE D’ASPIRATION ET VOLET
La bouche d’aspiration ne baisse pas Le ventilateur d’aspiration est désactivé Activer
Manque de pression à la soupape parachute Contrôler la pression du distributeur du
ventilateur d’aspiration
Manque de pression à l’électrovanne du
distributeur Contrôler la pression
Fusible grillé Remplacer
Interrupteur d’actionnement balais désactivé Activer
Bouton-poussoir de descente interrompu Remplacer
Bouton-poussoir de sécurité manipulateur
interrompu Remplacer
Carte relais en panne Réviser
Electrovanne grillée Remplacer
La bouche d’aspiration ne se déplace pas
latéralement Manque de pression au cylindre à cause des
joints usés Réviser le cylindre
Fusible grillé Remplacer
Bouton-poussoir de translation à gauche
interrompu Remplacer
Bouton-poussoir de translation à droite
interrompu Remplacer
Bouton-poussoir de sécurité interrompu Remplacer
Carte relais en panne Remplacer
Electrovanne grillée Remplacer
La force d’ouverture du volet est insuffi sante Pression d’ouverture du volet incorrecte Régler la pression d’ouverture
Le volet ne s’ouvre / ferme pas Interrupteur désactivé Activer
Electrovanne grillée Remplacer

MANUEL D’UTILISATION FRANÇAIS
RS 850 33014576(4)2008-02 A 45
Problème Cause probable Remède
CONTENEUR DECHETS ET PORTILLON CORRESPONDANT
Le conteneur déchets ne se soulève ni bascule Distributeur bloqué Réparer
Bouton-poussoir interrompu Remplacer
Fusible grillé Remplacer
Bouton-poussoir de sécurité interrompu Remplacer
Interrupteur d’actionnement balais activé Désactiver
Le conteneur déchets ne revient pas à la
position horizontale ni baisse Joints des cylindres usés Réviser les cylindres
Fusible grillé Remplacer
Bouton-poussoir interrompu Remplacer
Bouton-poussoir de sécurité interrompu Remplacer
Carte relais en panne Remplacer
Electrovannes grillées Remplacer
CONTENEUR DECHETS ET PORTILLON CORRESPONDANT
Le portillon du conteneur déchets ne s’ouvre /
ferme pas Manque de tension à l’actionneur Réparer le système électrique
Bouton-poussoir de commande interrompu Remplacer
Cames de l’actionneur non réglées Régler les cames de l’actionneur
Actionneur en panne Remplacer
GICLEURS SYSTEME D’ABATTAGE DES POUSSIERES
Les gicleurs ne vaporisent pas d’eau Filtre à eau obstrué Nettoyer / remplacer
Gicleurs obstrués Nettoyer
L’eau n’arrive pas aux gicleurs Relais pompes à eau grillé Remplacer
Pompe défectueuse Réparer / remplacer
Interrupteur pompes à eau désactivé Activer
Fusible grillé Remplacer
Relais pompes à eau grillé Remplacer
La pompe à eau ne s’arrête pas Flotteur bloqué Réparer
Flotteur mal positionné (renversé) Positionner correctement
DIRECTION
La machine n’a pas une marche rectiligne Pincement essieu arrière pas correct Régler
La direction est dure Direction assistée en panne Remplacer
Vanne prioritaire en panne Remplacer
Cylindre hydraulique de commande roues de
direction en panne Remplacer
FREINS
La machine ne freine pas suffi samment Manque d’huile freins Contrôler le niveau d’huile des freins
Ensemble frein usé ou graisseux Remplacer
Présence d’air dans le système Purger le système
Cylindre freins à tambour en panne Remplacer
Pompe à huile freins en panne Réviser
Le frein de stationnement ne freine pas
suffi samment Frein mal réglé Régler
STABILITE
La machine en mouvement n’est pas stable Pression de gonfl age des pneus pas correcte Contrôler la pression des pneus
ROUES
Les roues arrière sont bruyantes Roulements roues usés Remplacer

FRANÇAIS MANUEL D’UTILISATION
46 33014576(4)2008-02 A RS 850
Problème Cause probable Remède
PUISSANCE DE TRACTION
La puissance de traction de la machine est
réduite Pédale de marche défectueuse Remplacer
By-pass ouvert Contrôler le serrage des vis du by-pass
Réduction de puissance de la pompe du
système de traction Contrôler la pression huile du système
hydraulique sur la pompe du système de
traction
Moteurs du système de traction usés Remplacer
La machine n’a pas de puissance de traction Vis de désactivation pompe système de traction
(pour le déplacement par remorquage de la
machine) activée
Désactiver
Pertes d’huile du circuit hydraulique Réparer
Rupture de la pompe du système de traction Remplacer
Rupture du moteur du système de traction Remplacer
PEDALE DE MARCHE
La machine bouge même avec la pédale de
marche en position de repos (libre) Pédale de marche mal réglée Régler
CHAUFFAGE DANS LA CABINE DE CONDUITE
L’air chaud n’arrive pas Robinet ou tuyau de refoulement eau chaude
cassé Remplacer
Perte d’eau du réchauffeur Remplacer
Interrupteur désactivé Activer
Fusible grillé Remplacer
CLIMATISATION DANS LA CABINE DE CONDUITE
L’air frais n’arrive pas Le compresseur ne tourne pas à cause de la
courroie de transmission lâche / cassée Tendre correctement / remplacer la courroie
Thermostat désactivé Activer
Fuite de gaz du système Réparer la cause de la fuite et rajouter le gaz
Soupape d’expansion en panne Remplacer
Interrupteur désactivé Activer
Fusible grillé Remplacer
Pressostat gaz interrompu Remplacer
Relais grillé Remplacer
MOTEUR DIESEL
En tournant la clé de contact, le moteur diesel
ne démarre pas Pédale de marche actionnée Ne pas actionner la pédale de marche pendant
le démarrage du moteur diesel
REMARQUE
Pour les autres dépistages des pannes du moteur diesel, voir le manuel spécifi que.
MISE A LA FERRAILLE
Effectuer la mise à la ferraille de la machine auprès d’un démolisseur autorisé.
Avant la mise à la ferraille, il est nécessaire de déposer et séparer les éléments suivants et les envoyer aux collectes sélectives,
conformément aux normes d’hygiène de l’environnement en vigueur :
balais
huile moteur
huile système hydraulique
fi ltres à huile système hydraulique
pièces en matériel plastique
parties électriques et électroniques
REMARQUE
Pour la mise en décharge des parties électriques et électroniques, s’adresser auprès du centre Nilfi sk le plus proche.
–
–
–
–
–
–

USER MANUAL ENGLISH
RS 850 33014576(4)2008-02 A 1
TABLE OF CONTENTS
INTRODUCTION .............................................................................................................................................................. 3
MANUAL PURPOSE AND CONTENTS .......................................................................................................................................... 3
TARGET ........................................................................................................................................................................................... 3
HOW TO KEEP THIS MANUAL ....................................................................................................................................................... 3
CONFORMITY CERTIFICATE ........................................................................................................................................................ 3
IDENTIFICATION DATA ................................................................................................................................................................... 3
OTHER REFERENCE MANUALS ................................................................................................................................................... 4
SPARE PARTS AND MAINTENANCE ............................................................................................................................................. 4
CHANGES AND IMPROVEMENTS ................................................................................................................................................ 4
SAFETY ........................................................................................................................................................................... 4
SYMBOLS ....................................................................................................................................................................................... 4
GENERAL INSTRUCTIONS ............................................................................................................................................................ 5
UNPACKING/DELIVERY ................................................................................................................................................. 7
MACHINE DESCRIPTION ............................................................................................................................................... 8
OPERATION CAPABILITIES ........................................................................................................................................................... 8
CONVENTIONS .............................................................................................................................................................................. 8
DESCRIPTION ................................................................................................................................................................................ 8
TECHNICAL DATA ..........................................................................................................................................................................11
ENVIRONMENTAL CONDITIONS ................................................................................................................................................. 13
WIRING DIAGRAM ........................................................................................................................................................................ 14
3RD BROOM ARM WIRING DIAGRAM (*) ................................................................................................................................... 15
HYDRAULIC DIAGRAM ................................................................................................................................................................ 15
ELECTRICAL FUSES .................................................................................................................................................................... 16
ACCESSORIES/OPTIONS ............................................................................................................................................................ 16
USE ................................................................................................................................................................................ 17
GENERAL CAUTIONS .................................................................................................................................................................. 17
BEFORE START-UP ...................................................................................................................................................................... 17
DIESEL ENGINE START AND STOP ............................................................................................................................................ 18
STARTING AND STOPPING THE MACHINE ............................................................................................................................... 19
MACHINE OPERATION ................................................................................................................................................................ 21
HOPPER DUMPING ...................................................................................................................................................................... 22
USING THE REAR SUCTION PIPE (*) ......................................................................................................................................... 23
USING THE WINDSCREEN WIPER/WASHER ............................................................................................................................ 23
USING THE CAB HEATING .......................................................................................................................................................... 23
USING THE CAB CLIMATE CONTROL SYSTEM (*) .................................................................................................................... 23
LIGHTING SYSTEM OPERATION ................................................................................................................................................ 24
HAZARD WARNING LIGHT OPERATION .................................................................................................................................... 24
HOPPER MANUAL LIFTING ......................................................................................................................................................... 24
LIFTED HOPPER SUPPORT ROD INSTALLATION ..................................................................................................................... 24
LIFTED HOPPER LID SUPPORT ROD INSTALLATION .............................................................................................................. 25
USING THE HIGH-PRESSURE WATER GUN (*) ......................................................................................................................... 25
USING THE CAMERA KIT (optional) ............................................................................................................................................. 25
AFTER USING THE MACHINE ..................................................................................................................................................... 26
DUST CONTROL SYSTEM WATER TANK EMPTYING ............................................................................................................... 26
TOWING THE MACHINE .............................................................................................................................................................. 26
TRANSPORTING BY TRAILER .................................................................................................................................................... 27
MACHINE STORAGE .................................................................................................................................................................... 27
FIRST PERIOD OF USE ............................................................................................................................................................... 27
SALT SPREADER ASSEMBLY AND USE (optional) ..................................................................................................................... 28
SNOW BRUSH ASSEMBLY AND USE (optional) ......................................................................................................................... 29

ENGLISH USER MANUAL
233014576(4)2008-02 A RS 850
MAINTENANCE ............................................................................................................................................................. 30
SCHEDULED MAINTENANCE TABLE ......................................................................................................................................... 30
HOPPER, FILTER AND SUCTION PIPE CLEANING, GASKET CHECK AND SUCTION FAN BEARING LUBRICATION ......... 31
DUST CONTROL SYSTEM NOZZLE AND FILTER CLEANING ................................................................................................... 32
DUST CONTROL SYSTEM WATER FILTER CLEANING ............................................................................................................. 33
HYDRAULIC SYSTEM OIL LEVEL CHECK .................................................................................................................................. 33
HYDRAULIC SYSTEM OIL COOLER FIN CLEANING CHECK .................................................................................................... 34
BATTERY FLUID LEVEL CHECK .................................................................................................................................................. 34
BRAKE FLUID LEVEL CHECK ...................................................................................................................................................... 34
REVERSE GEAR BUZZER SENSOR CHECK ............................................................................................................................. 34
TYRE PRESSURE CHECK ........................................................................................................................................................... 34
SUCTION INLET AND SKIRT HEIGHT AND OPERATION CHECK ............................................................................................. 35
SIDE BROOM POSITION CHECK AND ADJUSTMENT ............................................................................................................... 36
3RD BROOM POSITION CHECK AND ADJUSTMENT ................................................................................................................ 36
BROOM REPLACEMENT ............................................................................................................................................................. 37
PARKING BRAKE CHECK ............................................................................................................................................................ 37
ENGINE OIL LEVEL CHECK ......................................................................................................................................................... 37
ENGINE OIL CHANGE .................................................................................................................................................................. 37
ENGINE OIL FILTER REPLACEMENT ......................................................................................................................................... 38
ENGINE AIR PRE-FILTER AND FILTER CLEANING .................................................................................................................... 38
ENGINE RADIATOR FIN CLEANING CHECK .............................................................................................................................. 38
ENGINE COOLANT LEVEL CHECK ............................................................................................................................................. 39
ENGINE FUEL FILTER REPLACEMENT ...................................................................................................................................... 39
CAB AIR FILTER REPLACEMENT ................................................................................................................................................ 39
WHEEL REPLACEMENT .............................................................................................................................................................. 39
FUSE REPLACEMENT ................................................................................................................................................................. 40
SUCTION INLET DISASSEMBLY/ASSEMBLY ............................................................................................................................. 41
3RD BROOM ARM DISASSEMBLY/ASSEMBLY .......................................................................................................................... 41
WINTER MAINTENANCE ............................................................................................................................................................. 42
SAFETY FUNCTIONS ................................................................................................................................................... 42
TROUBLESHOOTING ................................................................................................................................................... 43
PROBLEMS AND REMEDIES ....................................................................................................................................................... 43
SCRAPPING .................................................................................................................................................................. 46

USER MANUAL ENGLISH
RS 850 33014576(4)2008-02 A 3
INTRODUCTION
MANUAL PURPOSE AND CONTENTS
This Manual is an integral part of the machine; its purpose is to provide the operator with all necessary information to use
the machine properly in a safe and autonomous way. It contains information about technical data, safety, operation, storage,
maintenance, spare parts and disposal.
Before performing any procedure on the machine, the operators and qualifi ed technicians must read this Manual carefully. Contact
Nilfi sk in case of doubts concerning the interpretation of the instructions and for any further information.
TARGET
This Manual is intended for operators and technicians qualifi ed to perform the machine maintenance.
The operators must not perform procedures reserved for qualifi ed technicians. Nilfi sk will not be responsible for damages coming
from failure to follow these instructions.
HOW TO KEEP THIS MANUAL
The User Manual must be kept inside the machine cab, away from liquids and other substances that can cause damage to it.
CONFORMITY CERTIFICATE
Figure A shows a copy of the documentation certifying the sweeper conformity with the law in force.
NOTE
One copy of the original declaration of conformity is provided together with the machine documentation.
NOTE
If the machine is approved to be used on public roads, the machine is supplied with a special Certifi cation of Conformity.
IDENTIFICATION DATA
The machine serial number and model are shown on the adhesive label (1, Fig. C) and the plate (1, Fig. E) affi xed inside the cab.
The machine serial number is also printed on the machine side (33, Fig. G).
The diesel engine serial number and model are marked in the positions shown in the relevant Manual; in some countries, a plate
showing the same data is provided in the position (1, Fig. E).
This information is useful when ordering machine and diesel engine spare parts. Use the following table to write down the machine
and diesel engine identifi cation data for any further reference.
MACHINE model ...............................................................................
MACHINE serial number ...................................................................
ENGINE model ..................................................................................
ENGINE serial number ......................................................................

ENGLISH USER MANUAL
433014576(4)2008-02 A RS 850
OTHER REFERENCE MANUALS
The sweeper is also supplied with the following manuals:
Diesel Engine Manual (*)
Sweeper Spare Parts List
Salt Spreader Manual (optional) (*)
Salt Spreader Spare Parts List (optional)
Snow Brush Manual (optional) (*)
Snow Brush Spare Parts List (optional)
Camera Kit Manual (optional) (*)
Camera Kit Spare Parts List (optional)
(*) These manuals are to be considered as integral part of the Sweeper User Manual.
At Nilfi sk Service Centers the following Manual is also available:
Sweeper Service Manual
SPARE PARTS AND MAINTENANCE
All necessary operating, maintenance and repair procedures must be performed by qualifi ed personnel or by Nilfi sk Service
Centers. Only original spare parts and accessories must be used.
Call Nilfi sk for service or to order spare parts and accessories, specifying the machine model and serial number.
CHANGES AND IMPROVEMENTS
Nilfi sk constantly improves its products and reserves the right to make changes and improvements at its discretion without being
obliged to apply such benefi ts to the machines that were previously sold.
Any change and/or addition of accessory must be approved and performed by Nilfi sk.
SAFETY
The following symbols indicate potentially dangerous situations. Always read this information carefully and take all necessary
precautions to safeguard people and property.
The operator’s cooperation is essential in order to prevent injury. No accident prevention program is effective without the total
cooperation of the person responsible for the machine operation. Most of the accidents that may occur while working or moving
around are caused by failure to comply with the simplest rules for exercising prudence. A careful and prudent operator is the best
guarantee against accidents and is essential for successful completion of any prevention program.
SYMBOLS
DANGER!
It indicates a dangerous situation with risk of death for the operator.
WARNING!
It indicates a potential risk of injury for people or damage to objects.
CAUTION!
It indicates a caution or a remark related to important or useful functions. Pay careful attention to the
paragraphs marked by this symbol.
NOTE
It indicates a remark related to important or useful functions.
CONSULTATION
It indicates that it is necessary to consult the User Manual before performing any procedure.
–
–
–
–
–
–
–
–
–

USER MANUAL ENGLISH
RS 850 33014576(4)2008-02 A 5
GENERAL INSTRUCTIONS
Specifi c warnings and cautions to inform about potential damages to people and machine are shown below.
DANGER!
This machine must be used by properly trained and authorised personnel only.
Moreover, the operator must:
Be 18 years or older
Have a driving license
Be in normal psycho-physical conditions
Not be under the effect of substances that alters the nervous system (alcohol, psycopharmaceuticals,
drugs, etc.)
Remove the ignition key before performing any maintenance/repair procedure.
This machine must be used by properly trained and authorised personnel only. Children or disabled people
cannot use this machine.
Do not wear jewels when working near moving parts.
Do not work under the lifted machine without supporting it with safety stands.
Do not operate the machine near toxic, dangerous, fl ammable and/or explosive powders, liquids or vapours.
Be careful, fuel is highly fl ammable.
Do not smoke or bring open fl ames in the area where the machine is refuelled or where the fuel is stored.
Refuel outdoors or in a well-ventilated area, with the engine off.
Do not fi ll the fuel tank to the top, but leave at least 1.6 in (4 cm) from the fi ller neck to allow the fuel to
expand.
After refuelling, check that the fi ller cap is tightly closed.
If any fuel is spilled while refuelling, clean up the affected area and allow the vapours to dissipate before
starting the engine.
Avoid contact with skin and do not breathe in fuel vapours. Keep out of reach of children.
Before performing any maintenance/repair procedure remove the ignition key, engage the parking brake and
disconnect the battery.
When working under open hoods/doors, make sure that they cannot be closed by accident.
When performing maintenance procedures with the lifted hopper, fi x it with the support rods.
During machine transportation, the fuel tank must not be full.
Diesel engine exhaust gases contain carbon monoxide, an extremely poisonous, colourless, and odourless
gas. Do not inhale. Do not keep the engine running in a closed area.
Do not lay any object on the engine.
Before working on the engine turn it off. To prevent the engine from starting accidentally, disconnect the
battery negative terminal.
See also the SAFETY RULES in the Diesel Engine Manual, which is to be considered an integral part of this
Manual.
See also the SAFETY RULES in the Manuals of the following equipments (optional), which are to be
considered an integral part of this Manual:
Salt spreader
Snow brush
Camera kit
−
−•
•
•
•
−
−
−
−
−
−
−
−
−
−
−
−
−
−
−
−
−
−
−
−
−
•
•
•

ENGLISH USER MANUAL
633014576(4)2008-02 A RS 850
WARNING!
To drive on public roads, the machine must follow local licensing requirements.
The machine has been designed to be used as a sweeper, do not use it for different purposes.
While using this machine, take care not to cause damage to people and property.
Do not use the machine as a means of transport.
Do not leave the machine unattended with the ignition key inserted and the parking brake deactivated.
Do not bump into shelves or scaffoldings, particularly where there is a risk of falling objects.
Pay careful attention when lifting and emptying the hopper.
Adjust the operation speed to suit the ground conditions.
Carefully read all the instructions before performing any maintenance/repair procedure.
Take all necessary precautions to prevent hair, jewels and loose clothes from being caught by the machine
moving parts.
Take all necessary precautions to prevent hair, jewels and loose clothes from being caught by the machine
moving parts.
Protect body parts (eyes, hair, hands, etc.) properly, when performing cleaning procedures using
compressed air or water gun.
Avoid contact with battery acid, do not touch hot parts.
Do not allow the brooms to operate while the machine is stationary to avoid damaging the ground.
In case of fi re, use a powder fi re extinguisher, not a water one.
Do not wash the machine with corrosive substances.
Do not use the machine in particularly dusty areas.
Do not tamper with the machine safety guards and follow the ordinary maintenance instructions
scrupulously.
Do not remove or modify the plates affi xed to the machine.
In case of machine malfunctions, ensure that these are not due to lack of maintenance. Otherwise, request
assistance from the authorised personnel or from an authorised Service Center.
In case of part replacement, order ORIGINAL spare parts from an authorised Dealer or Retailer.
To ensure the proper and safe operation of the machine, have the scheduled maintenance, detailed in the
relevant chapter of this Manual, performed by the authorised personnel or an authorised Service Center.
The machine must be disposed of properly, because of the presence of toxic-harmful materials (oils,
batteries, plastics, etc.), which are subject to standards that require disposal in special centres (see
Scrapping chapter).
−
−
−
−
−
−
−
−
−
−
−
−
−
−
−
−
−
−
−
−
−
−
−

USER MANUAL ENGLISH
RS 850 33014576(4)2008-02 A 7
WARNING!
If the machine is used according to the instructions, the vibrations are not dangerous. Vibration level at the
operator’s body is 17.0 in/s2 (0.43 m/s2) (ISO 2631-1) at maximum working speed (1,850 rpm).
While the engine is running the silencer heats up. Do not touch the silencer to avoid serious scalding or fi re.
Do not run the engine if the oil level is low, to avoid damaging it seriously. Check the oil level with the engine
off and the machine on a level surface.
Do not run the engine if the air fi lter is not installed, to avoid damaging it.
The engine coolant lines are under pressure. Perform any check when the engine is off and after having
allowed it to cool down. Even when the engine is cool, pay careful attention when opening the radiator cap.
The engine is equipped with a fan; do not stand near the engine when it is hot, because the fan can start
operating even if the machine is off.
All diesel engine servicing procedures should be performed by an authorised Dealer.
Only use original spare parts or parts of matching quality for the diesel engine. Using spare parts of lower
quality can seriously damage the engine.
See also the SAFETY RULES in the Diesel Engine Manual, which is to be considered an integral part of this
Manual.
See also the SAFETY RULES in the Manuals of the following equipments (optional), which are to be
considered an integral part of this Manual:
Salt spreader
Snow brush
Camera kit
−
−
−
−
−
−
−
−
−
−
•
•
•
WARNING!
Carbon monoxide (CO) can cause brain damage or death.
The internal combustion engine of this machine can emit carbon monoxide.
Do not inhale exhaust gas fumes.
Only use indoors when adequate ventilation is provided, and when an assistant has been instructed to look
after you.
UNPACKING/DELIVERY
The machine is delivered already assembled and ready-to-use, unpacking/installation procedures are not necessary.
Please check that the following items have been supplied with the machine:
Technical documents:
Sweeper User Manual
Diesel Engine Manual
Sweeper Spare Parts List
Manual and Spare Parts List of the following optional equipments:
Salt spreader
Snow brush
Camera kit
–•
•
•
•–
–
–

ENGLISH USER MANUAL
833014576(4)2008-02 A RS 850
MACHINE DESCRIPTION
OPERATION CAPABILITIES
This sweeper has been designed and built to be used by a qualifi ed operator to clean (by sweeping and suctioning) roads, smooth
and solid fl oors, in civil and industrial environments, and to collect dust and light debris under safe operation conditions.
The machine can also be used as salt spreader and for snow removal when supplied with proper equipments.
CONVENTIONS
Forward, backward, front, rear, left or right are intended with reference to the operator’s position, while on the driver’s seat (14, Fig.
E).
DESCRIPTION
Description of the control area
(See Fig. D)
Meter and control panel1.
Indicator light panel
Optional indicator light
High beam indicator light
Running light indicator light
Turn signal indicator light
Charged battery indicator light
Engine oil pressure warning light
Engine coolant high temperature warning light
Low fuel warning light
Glow plug pre-heating warning light
Parking brake warning light
Clogged engine air fi lter warning light
Water-in-fuel warning light
Fuel level indicator
Engine coolant temperature indicator
Display showing:
Working hours (when the ignition key is turned on the
fi rst position, before running the engine)
Engine speed (when the engine is running and the
charged battery warning light is off)
The display can also show the following acronyms:
F.OPE: it indicates that the fuel level indicator cable is
not connected
F.COr: it indicates that the fuel level indicator cable is
shorted
H.OPE: it indicates that the engine coolant temperature
indicator is not connected
H.COr: it indicates that the engine coolant temperature
indicator is shorted
Lifted hopper warning light (red)
Dust control system low water warning light (yellow)
Hazard warning light switch
Hopper lid opening/closing switch
Front skirt lifting switch
Windscreen washer switch
Ignition key
Right fuse box
Drive pedal
Dust control system water pump switch:
When the switch is turned to the fi rst position, the
nozzles sprinkle a medium quantity of water
When the switch is turned to the second position, the
nozzles sprinkle the maximum quantity of water
2.
3.
4.
5.
6.
7.
8.
9.
10.
11.
12.
13.
14.
15.
16.
17. •
•
•
•
•
•
18.
19.
20.
21.
22.
23.
24.
25.
26.
27. •
•
Steering wheel
Side brooms (fi rst position) and 3rd broom (second
position) switch
Upper/lower headlight selector
Brake pedal
Windscreen wiper fl uid tank (*)
Windscreen wiper switch (*)
Left fuse box
Combination switch, having the following functions:
Headlights off, with mark (35b) at the symbol O
Running lights on, with mark (35b) at the symbol
Low beam on, with mark (35b) at the symbol
High beam on, with mark (35b) at the symbol and
lowered lever (35a)
High beam temporary on, lifting the lever (35a)
Right turn signal on, bringing the lever (35a) forward
Left turn signal on, bringing the lever (35a) backward
Horn activation, pushing the lever (35a) in the direction
shown by the arrow (35c)
Suction inlet, brooms, hopper joystick
Suction inlet and side broom lowering push-button
Suction inlet and side broom lifting push-button
Hopper return push-button
Hopper dumping push-button
Suction inlet and side broom left shifting push-button
Suction inlet and side broom right shifting push-button
Hopper lifting push-button
Hopper lowering push-button
Safety push-button (press and hold it to activate the other
push-buttons on the joystick)
3rd broom joystick, to activate the following functions (after
pressing the 3rd broom switch):
Forward: 3rd broom lowering
Backward: 3rd broom lifting
Right side: arm to the right side
Left side: arm to the left side
(*) In the machines with right-hand drive, these components
are on the right side of the steering wheel.
28.
29.
30.
31.
32.
33.
34.
35. •
•
•
•
•
•
•
•
36.
37.
38.
39.
40.
41.
42.
43.
44.
45.
46.
•
•
•
•

USER MANUAL ENGLISH
RS 850 33014576(4)2008-02 A 9
(See Fig. E)
Serial number plate/technical data/conformity certifi cation
Cab vents
Ceiling light
Cab air recirculation vents
Climate control knob
Cab air fl ow control knob
Brake fl uid tank (**)
Suction fan/optional equipment lever
High-pressure water gun
Dust control system nozzle tap:
Suction hose (from suction inlet to hopper)
Rear suction pipe (*)
Side broom dust control system nozzle tap
3rd broom dust control system nozzle tap
Parking brake lever
Driver’s seat
Cab heater control knob
Diesel engine throttle lever
Driver’s seat forward/backward adjustment lever
Driver’s seat safety belt
Warning decal
(*) Optional for some countries.
(**) In the machines with right-hand drive, these components
are on the right side of the driver’s seat.
1.
2.
3.
4.
5.
6.
7.
8.
9.
10. •
•
11.
12.
13.
14.
15.
16.
17.
18.
19.
Outside view
(See Fig. F)
Lifted and dumped hopper
Lifted hopper support rods (not applied)
Lifted hopper support rods (applied)
Lifted hopper support rod fasteners (not applied)
Suction hose gasket
Suction hose (from suction inlet to hopper)
Hopper front suction hole cover
Cab climate control condenser
Hydraulic system oil cooler
Fuel tank fi ller neck
Engine compartment panel
Inlet air breather fi lter
Suction fan compartment
Debris defl ector
Dust and debris suction fi lter
Suction fi lter fasteners
Hopper lid (open) support rod
Hopper lid support rod housing
Suction sealing gasket
Hopper support rod housing
High-pressure washing system hose with reel
High-pressure water quick coupling
Rear suction pipe dust control system nozzles tap
Dust control system sub-tank
Engine air fi lter
Hopper water drain hose
Hopper manual lifting hand pump lever
Dust control system main tank
Dust control system water supply hose
Dust control system main tank plug
Hydraulic system oil drain fi lter
Hopper manual lifting hand pump
Diesel engine (for a description of the diesel engine
components, refer to the relevant Manual)
Battery
Hydraulic system oil level indicator
Hydraulic system oil tank
Front wheel lifting bracket
Bracket mounting knobs
Engine air pre-fi lter
1.
2.
3.
4.
5.
6.
7.
8.
9.
10.
11.
12.
13.
14.
15.
16.
17.
18.
19.
20.
21.
22.
23.
24.
25.
26.
27.
28.
29.
30.
31.
32.
33.
34.
35.
36.
37.
38.
39.

ENGLISH USER MANUAL
10 33014576(4)2008-02 A RS 850
(See Fig. G)
Cab
Headlights (upper)
Headlights (lower)
Cab left door
Engine coolant tank
Machine lifting hooks (to be used only when the hopper is
empty)
Hopper
Dust control system water level indicator
Left side upper lid
Lid fastener
Left side lower lid
Lid fastener
Rear steering wheels
Left under-cab lid
Lid fastener
Front driving wheels (fi xed)
Suction inlet
Front towing hook
Left broom
Right side broom
3rd broom (*)
3rd broom safety arm for machine transport (disengaged)
3rd broom arm
Suction hose (from suction inlet to hopper)
Front skirt
Inlet air breather fi lter hood fasteners
Inlet air breather fi lter hood
Right side upper lid
Lid fastener
Cab right door
Right under-cab lid
Lid fastener
Machine serial number
Right side lower lid
Lid fastener
Diesel engine
Rear towing hook
Rear steering axle
Tail lights
Rear shoote side mounting knob
Rear dumping shoote (open)
Rear suction pipe fastener
Rear suction pipe (*)
Hopper door
Rear suction pipe support arm (engaged)
Rear suction pipe cover
Additional towing hook for machines with snow brush, etc.
Rear bumper (*)
(*) Optional for some countries.
1.
2.
3.
4.
5.
6.
7.
8.
9.
10.
11.
12.
13.
14.
15.
16.
17.
18.
19.
20.
21.
22.
23.
24.
25.
26.
27.
28.
29.
30.
31.
32.
33.
34.
35.
36.
37.
38.
39.
40.
41.
42.
43.
44.
45.
46.
47.
48.
Salt spreader description (optional)
(See Fig. AU)
Salt fl ow control lever
Salt loading compartment
Tail lights
Adjustable feet, when the equipment is not installed to the
sweeper
Lifting hook
Junction box
Technical data plate
Snow brush description (optional)
(See Fig. AV)
Quick coupling for connecting the hydraulic pipes to the
sweeper
Sweeper hydraulic pipes, specifi c for the snow brush
Technical data plate
Hydraulic motor
Adjustable feet, when the equipment is not installed to the
sweeper
Adjustable feet mounting knob
Front skirt
Brush tilting positioning pin
Brush tilting positioning pin clip
Cylindrical brush
Equipment support wheel
Wheel lifting/lowering winch
Winch mounting pin
Equipment mounting screws
Upper equipment height adjusting screw
Lower equipment height adjusting screw
Snow brush tilting positioning rod
Positioning holes
Suction inlet/equipment anchor arm
Camera kit description (optional)
(See Fig. AX)
Display
ON/OFF switch
Video adjustment knobs
Front camera
Rear camera
1.
2.
3.
4.
5.
6.
7.
1.
2.
3.
4.
5.
6.
7.
8.
9.
10.
11.
12.
13.
14.
15.
16.
17.
18.
19.
1.
2.
3.
4.
5.

USER MANUAL ENGLISH
RS 850 33014576(4)2008-02 A 11
TECHNICAL DATA
Dimensions and weights Values
Machine length (broom bristles included) 143.0 in (3,630 mm)
Machine length with 3rd broom (broom bristles included) 163.4 in (4,150 mm)
Machine length with snow brush 155.5 in (3,950 mm)
Salt spreader equipment length 22.0 in (560 mm)
Machine width (broom bristles included) 57.0 in (1,450 mm)
Snow brush width 59.0 in (1,500 mm)
Distance between front and rear wheels 66.1 in (1,680 mm)
Front wheel base 43.9 in (1,115 mm)
Rear wheel base 44.9 in (1,140 mm)
Machine height 97.2 in (2,470 mm)
Minimum distance from the ground (skirts not included) 3.5 in (90 mm)
Maximum front working angle 16°
Maximum dumping height 63.8 in (1,620 mm)
Front tyres 195 R 14C 106/104N (8 PR)
Rear tyres 23x8.50-12 (10 PR)
Tyre pressure 72.5 psi (5 Bar)
Side broom diameter 25.6 in (650 mm)
Total machine weight, in running condition (without operator) 5,357 lb (2,430 kg)
Total machine weight, in running condition with snow brush (without operator) 5,357 lb (2,430 kg)
3rd broom weight 220 lb (100 kg)
Salt spreader equipment weight 287 lb (130 kg)
Total mass 8,267 lb (3,750 kg)
Performance data Values
Maximum forward speed (for transport only) 11.8 mph (19 km/h)
Maximum working speed 7.4 mph (12 km/h)
Maximum reverse speed 5.0 mph (8 km/h)
Gradeability at full load 18%
Minimum inner turning radius 98.4 in (2,500 mm)
Maximum side broom speed 77 rpm
Collection system Suction
Cleaning width with 2 brooms 63.0 in (1,600 mm)
Cleaning width with 3 brooms 82.7 in (2,100 mm)
Filtering system Metallic net
Sound pressure level at workstation (ISO/EN3744) at maximum working speed 80 dB(A)
Certifi ed sound power (2000/14/EC) at maximum working speed 111 dB(A)
Hopper capacity 224.5 USgal (850 litres)
Hopper maximum load 2,425 lb (1,100 kg)
Dust control By water
Dust control system tank total capacity (no. 2) 66.0 USgal (250 litres)
Lighting and signalling system Road type
Transmission Hydrostatic servoassisted
Steering system On the rear axle, power assisted
Brake Hydraulic
Parking brake Mechanic
Controls Electrohydraulic

ENGLISH USER MANUAL
12 33014576(4)2008-02 A RS 850
Diesel engine data (*) Values
Make VM MOTORI
Type D703 TE2 EPA/CARB
Cylinders 3
Displacement 127.0 in3 (2,082 cm3)
Maximum speed 2,600 rpm
Maximum working speed 2,050 rpm
Maximum power 64.4 Hp (48 kW)
Idle speed 1,000 rpm
Engine coolant 50% of AGIP antifreeze and 50% of water
Antifreeze type AGIP Antifreeze Extra (**)
Engine oil type AGIP Sigma Turbo 15W40 (***)
Engine oil pan capacity (maximum/minimum) 12.0/10.0 lb (5.45/4.45 kg)
(*) For other diesel engine data/values, see the relevant Manual.
(**) See the coolant technical data and reference data tables below.
(***) See the engine oil technical data and reference data tables below.
AGIP ANTIFREEZE EXTRA SPECIFICATIONS Approvals and specifi cations
Boiling point °F (°C) 338 (170) CUNA NC 956-16 97
Boiling point in solution with 50% water °F (°C) 230 (110) FF.SS cat. 002/132
Freezing point in solution with 50% water °F (°C) -36.4 (-38) ASTM D 1384
Colour / Turquoise
blue
Density at +59°F (+15°C) kg/l 1.13
AGIP SIGMA TURBO 15W40 SPECIFICATIONS Approvals and specifi cations
SAE QUALITY / 15W40 ACEA E3-96
Viscosity at +212°F (+100°C) mm2/s 13.7 API Service CG-4/SG
Viscosity at +104°F (+40°C) mm2/s 100 CCMC D5, PD-2
Viscosity at +5°F (-15°C) mm2/s 3,300 US Department of the Army MIL-L-2104 E
Viscosity index / 138 US Department of the Army MIL-L-46152 E
Flash point COC °F (°C) 446 (230) MACK EO-L
Pour point °F (°C) -16.6 (-27) MAN M 3275
Density at +59°F (+15°C) kg/l 0.885 Mercedes Benz 228.3
VOLVO VDS2
MTU typ 2
Refuelling data Values
Fuel tank capacity 17.2 USgal (65 litres)
Hydraulic system oil tank capacity 14.3 USgal (54 litres)
Electrical system data Values
System voltage 12 V
Starting battery 12 V – 100 Ah
Hydraulic system data Values
Maximum drive system pressure 4,351 psi (300 Bar)
Suction fan system maximum pressure 3,046 psi (210 Bar)
Maximum accessory system pressure 1,595 psi (110 Bar)
Hydraulic system oil viscosity [at ambient temperatures above +50°F (+10°C)] (*) 46 cSt
Hydraulic system oil type AGIP Arnica 46 (**)
Brake fl uid type DOT4 (***)
(*) If the machine is to be used at ambient temperatures below +50°F (+10°C), the oil should be replaced with equivalent oil
having a viscosity of 32 cSt. For temperatures below +32°F (0°C), use oil with lower viscosity.
(**) See the hydraulic system oil technical data and reference data tables below.
(***) See the brake fl uid technical data and reference data tables below.

USER MANUAL ENGLISH
RS 850 33014576(4)2008-02 A 13
AGIP ARNICA SPECIFICATIONS 46 32 Approvals and specifi cations
Viscosity at +104°F (+40°C) mm2/s 45 32 ISO-L-HV
Viscosity at +212°F (+100°C) mm2/s 7.97 6.40 ISO 11158
Viscosity index / 150 157 AFNOR NF E 48603 HV
Flash point COC °F (°C) 419 (215) 395.6 (202) AISE 127
Pour point °F (°C) -32.8 (-36) -36 (-32,8) ATOS Tab. P 002-0/I
Density at +59°F (+15°C) kg/l 0.87 0.865 BS 4231 HSE
CETOP RP 91 H HV
COMMERCIAL HYDRAULICS
Danieli Standard 0.000.001 (AGIP
ARNICA 22, 46, 68)
EATON VICKERS I-286-S3
EATON VICKERS M-2950
DIN 51524 t.3 HVLP
LAMB LANDIS-CINCINNATI P68, P69 and
P70
LINDE
PARKER HANNIFIN (DENISON) HF-0
REXROTH RE 90220-1/11.02
SAUER-DANFOSS 520L0463
DOT4 SPECIFICATIONS Approvals and specifi cations
Viscosity at -40°F (-40°C) mm2/s 1.300 SAE J 1703
Viscosity at +212°F (+100°C) mm2/s 2.2 FMVSS 116 - DOT4&DOT3
Dry boiling point °F (°C) 509 (265) ISO 4925
Wet boiling point °F (°C) 338 (170) CUNA NC 956 DOT4
Density at +59°F (+15°C) kg/l 1.07
Colour / Yellow
Climate control system data Values
Gas type Reclin 134a
Gas quantity 1.76 lb (0.8 kg)
Salt spreader system description (optional) (*) Values
Make - type Epoke - PM 1.4
Snow brush description (optional) (*) Values (*)
Make - type Tuchel - ZKM
Camera kit description (optional) (*) Values (*)
Make - type IMEL - Car Vision System
(*) For other data/values of the optional equipment, see the relevant Manuals.
ENVIRONMENTAL CONDITIONS
In the environment where the machine operates, there must not be any danger of explosion.
To avoid inhaling exhaust gas, the machine must be used only where there is a proper ventilation.
The machine operates correctly (*) in the following environmental conditions:
Temperature: +14°F to +104°F (-10°C to +40°C)
Humidity: 30% to 95%
(*) When using the machine at ambient temperatures between +14°F and +32°F (-10°C and 0°C), the dust control system cannot
be used; moreover the water tanks and the dust control system itself must be empty.
–
–
–•
•

ENGLISH USER MANUAL
14 33014576(4)2008-02 A RS 850
WIRING DIAGRAM
(See Fig. AR-1 and AR-2)
A Alternator
B 12 V battery
B1 Hydraulic system oil bulb
C1 Engine start electromagnet
C2 Climate control system compressor
C3 Ignition switch
C4 Windscreen wiper switch
C5 Water pump switch
C6 Hazard warning light switch
C7 Upper/lower headlight selector
C8 Side brooms and 3rd broom switch
C9 Skirt switch
C10 Hopper lid closing/opening actuator switch
C11 Brake light microswitch
C12 Lifted hopper microswitch
C13 Engine oil bulb
C14 Engine coolant bulb
C15 Seat microswitch
C16 Parking brake microswitch
C17 Clogged air fi lter microswitch
C18 Engine coolant temperature transducer
C19 Fuel level fl oat
C20 Open lid microswitch
C21 Climate control system blower switch
C22 Cab light switch
CC Parking brake buzzer
CC1 Reverse gear buzzer
CK Glow plug control unit
D1 Combination switch
D2 6 A, 60 V diode
EG Fuel solenoid valve (engine off)
EV Exchanger blower
EV1/2 Climate control system blower
EV3 Skirt opening solenoid valve
EV4 Skirt closing solenoid valve
FE Emergency stop button (if equipped)
F1 Right side high beam fuse
F2 Low beam fuse
F3 Left side high beam/hazard warning light fuse
F4 Brake light/general lighting system fuse
F5 Right side running light/upper or lower headlight selector fuse
F6 Left side running light/suction inlet light fuse
F7 Flashing light fuse
F8 Windscreen wiper motor fuse
F9 Turn signal/horn fuse
F10 Glow plug control unit fuse
F11 Fuel solenoid valve fuse
F12 Climate control system blower/cab light fuse
F13 Optional fuse
F14 Warning light power supply fuse
F15 Seat microswitch fuse
F16 Water pump fuse
F17 Display fuse
F18 Sensor power supply/reverse gear buzzer/open door
microswitch/door actuator fuse
F19 Broom electronic control board fuse
F20 Climate control system blower fuse
F21 Water-in-fuel sensor/parking brake warning buzzer fuse
F22 Skirt solenoid valve fuse
F23 Windscreen washer pump fuse
F24 Exchanger blower fuse
G1 Dust control system water fl oat
I - R4 21/99W intermittence
L1/3 Left turn signal
L4/6 Right turn signal
L7 Left rear running light
L8 Left front lower running light
L9 Left front upper running light
L10 Right front lower running light
L11 Right front upper running light
L12 Right rear running light
L13 Left brake light
L14 Right brake light
L15 Left lower low beam
L16 Right lower low beam
L17 Left lower high beam
L18 Right lower high beam
L19 Licence plate light
L20 Flashing light
L21 Suction inlet light
L22 Left upper low beam
L23 Right upper low beam
L24 Left upper high beam
L25 Right upper high beam
L26 Cab light
M Starter
MN Display (camera kit)
ML Windscreen washer pump
MP1 Water pump
MP2 Water pump
MR Climate control system blower motor
MS Lid actuator
MT Windscreen wiper motor
P Climate control system pressure switch
P1 Windscreen washer pump switch
PR Reverse gear sensor
PR1 Water-in-fuel sensor
PX Engine start safety sensor
R1 Broom safety relay 12 V, 20/30 A
R2 Water pump relay 12 V, 20/30 A
R3 Reverse gear sensor relay 12 V, 20/30 A
R5 Main relay 12 V, 70 A
R6 Water-in-fuel sensor relay 12 V COM1
R7 Windscreen washer pump relay 12 V COM1
R8 Glow plug warning light relay 12 V COM1
R9 Safety start relay 12 V, 20/30 A
R10 Safety start relay 12 V, 20/30 A
R11 Upper/lower headlights selector relay MY4 12 V
R12 Climate control system blower relay 12 V, 20/30 A
RS Climate control system blower resistance

USER MANUAL ENGLISH
RS 850 33014576(4)2008-02 A 15
S1 Glow plug warning light
S2 Battery warning light
S3 Oil warning light
S4 Water warning light
S5 Low fuel warning light
S6 Parking brake warning light
S7 Clogged air fi lter warning light
S8 Turn signal indicator light
S9 Hazard warning light indicator
S10 Running light indicator light
S11 High beam indicator light
S12 Low water warning light
S13 Lifted hopper warning light
S14 Water pump ON warning light
S15 Meter
S16 Upper headlights indicator light
S17 Broom ON warning light
S18 Open lid warning light
S19 Water-in-fuel warning light
T 12 V horn
TL1 Rear camera
TL2 Front camera
TM Climate control system control knob
K1/3 Glow plugs
3RD BROOM ARM WIRING DIAGRAM (*)
(*) Optional for some countries.
(See Fig. AR-3)
D1 6 A, 60 V diode
D2 6 A, 60 V diode
D3 6 A, 60 V diode
EV1 Broom rotation solenoid valve
EV2 Arm rotation solenoid valve (to the left)
EV3 Broom lifting solenoid valve
EV4 Broom lowering solenoid valve
EV5 Arm rotation solenoid valve (to the right)
EV6 Common solenoid valve
J1 Joystick
R1 Lowering relay
X To broom switch
Colour code
A Light blue
B White
C Orange
G Yellow
H Grey
L Blue
M Brown
N Black
R Red
S Pink
V Green
Z Violet
HYDRAULIC DIAGRAM
(See Fig. AT)
Hydraulic system oil tank
Drain fi lter
Suction fi lter
Drive system pump
Diesel engine
Drive system hydraulic motor
Accessory system control valve assembly
Front skirt lifting cylinder
Hopper lifting cylinder
Hand pump
Side broom motor
Drive system hydraulic motor
Hydraulic system oil cooler
Solenoid valve
Suction inlet side shifting cylinder
Suction inlet lifting cylinder
Check valve
Hopper dumping cylinder
Power steering
Flow separator (priority valve)
Accessory and 3rd broom pump
Suction fan pump
Suction fan control valve assembly
Front skirt control valve assembly
Suction fan motor
Power steering cylinder
Drive pedal assist
Hydraulic system oil suction fi lter
Hydraulic system oil suction fi lter
3rd broom arm rotation cylinder (*)
3rd broom lifting cylinder (*)
Solenoid valve (*)
3rd broom hydraulic motor (*)
Hydraulic fi lter (*)
High-pressure washing system pump (*)
Water suction (*)
Water outlet (*)
(*) Optional for some countries.
71.
72.
73.
74.
75.
76.
77.
78.
79.
80.
81.
82.
83.
84.
85.
86.
87.
88.
89.
90.
91.
92.
93.
94.
95.
96.
97.
98.
99.
100.
101.
102.
103.
104.
105.
106.
107.

ENGLISH USER MANUAL
16 33014576(4)2008-02 A RS 850
ELECTRICAL FUSES
At the right and left sides of the steering column there are two fuse boxes (25 and 34, Fig. D), with a transparent cover, containing
the following fuses:
Fuse box A (34, Fig. D)
Right side high beam fuse (10 A)
Low beam fuse (7.5 A)
Left side high beam/hazard warning light fuse (10 A)
Brake light/general lighting system fuse (20 A)
Right side running light/upper or lower headlight selector fuse (7.5 A)
Left side running light/suction inlet light fuse (7.5 A)
Flashing light fuse (7.5 A)
Windscreen wiper motor fuse (7.5 A)
Turn signal/horn fuse (15 A)
Glow plug control unit fuse (15 A)
Fuel solenoid valve fuse (7.5 A)
Climate control system blower/cab light fuse (10 A)
Fuse box B (25, Fig. D)
Optional fuse (7.5 A)
Warning light power supply fuse (10 A)
Seat microswitch fuse (7.5 A)
Water pump fuse (20 A)
Display fuse (7.5 A)
Sensor power supply/reverse gear buzzer/open door microswitch/door actuator fuse (10 A)
Broom electronic control board fuse (7.5 A)
Climate control system blower fuse (15 A)
Water-in-fuel sensor/parking brake warning buzzer fuse (10 A)
Skirt solenoid valve fuse (7.5 A)
Windscreen washer pump fuse (10 A)
Exchanger blower fuse (15 A)
ACCESSORIES/OPTIONS
In addition to the standard components, the machine can be equipped with the following accessories/options, according to the
machine specifi c use:
3rd broom (*)(**)
Brooms with harder and softer bristles
Salt spreader (*)(**)
Snow brush (*)(**)
Camera kit (*)
High-pressure washing system (*)(**)
Rear bumper
Rear fenders
Audio unit
Cab climate control system (*)(**)
Rear suction pipe (*)(**)
Driver’s seat safety belt (*)(**)
(*) Optional for some countries.
(**) In order to use these accessories, the sweeper must be equipped with the appropriate fi ttings.
1.
2.
3.
4.
5.
6.
7.
8.
9.
10.
11.
12.
13.
14.
15.
16.
17.
18.
19.
20.
21.
22.
23.
24.
–
–
–
–
–
–
–
–
–
–
–
–

USER MANUAL ENGLISH
RS 850 33014576(4)2008-02 A 17
USE
WARNING!
On some points of the machine there are some adhesive plates indicating:
DANGER
WARNING
CAUTION
CONSULTATION
−
−
−
−
While reading this Manual, the operator must pay particular attention to the symbols shown.
Do not cover these plates for any reason and immediately replace them if they are damaged.
GENERAL CAUTIONS
This machine is designed as a high performance, high capacity sweeper that can clean in tight and congested areas.
By design this means a narrow wheel base with tight steering capability.
These design requirements can under certain conditions create instability during machine operation.
Instability can be caused by a combination of machine travel speed, abrupt maneuvering, operation on an incline, low tyre pressure,
weight in the hopper and or raised hopper.
For this reason the machine must be driven by a qualifi ed operator who must be properly instructed on how to use it and be aware
of the potential risks.
The following are situations known to cause instability in the machine and care should be taken by the operator to assure safe
operation:
Lifting the hopper on an incline
Maneuvering the machine with the hopper lifted
Abrupt steering
Maneuvering with speed, on a slope and/or with weight in the hopper
Low tyre pressure
Inside the cab there is a decal (19, Fig. E) that warns the operator of the risk of instability and provides information on activities to
avoid to prevent machine instability (see picture).
BEFORE START-UP
If necessary, open the right upper lid (28, Fig. G) by releasing the fastener (29) with the supplied key, and refuel the machine
through the fi ller neck (10, Fig. F).
CAUTION!
Do not fi ll the fuel tank to the top, but leave at least 1.6 in (4 cm) from the fi ller neck to allow the fuel to expand.
Check the dust control system water level through the indicator (8, Fig. G).
If necessary, supply water according to the following procedure:
Disengage the fastener (10, Fig. G) with the supplied key, then open the left lid (9).
Pour the water in the tanks through the plug (30, Fig. F), or the hose (29).
Close the plug (30), or roll up the hose (29) and place it back in its housing.
Close the lid (9, Fig. G) and secure it with the fastener (10) by using the supplied key.
Check that there are no open lids/hoods and that the machine is in normal operating conditions.
–
–
–
–
–
1.
•
•
•
•
2.

ENGLISH USER MANUAL
18 33014576(4)2008-02 A RS 850
DIESEL ENGINE START AND STOP
Diesel engine start
Sit on the driver’s seat (14, Fig. E) and check that the parking brake (13) is engaged.
With the lever (17, Fig. E), adjust the seat for a comfortable position.
Fasten the seat belts.
CAUTION!
For the operator’s safety, the seat belts must always be fastened.
Turn the engine throttle lever (16, Fig. E) to idle.
Check that the brooms are lifted, otherwise keep into consideration that, when starting the engine, broom immediate rotation
can cause damages.
Sit on the driver’s seat (14, Fig. E), insert the ignition key (24, Fig. D), turn it clockwise and hold it in the fi rst position. The
following warning lights and indicators turn on:
Diesel engine glow plug pre-heating warning light (11, Fig. D)
Charged battery indicator light (7, Fig. D)
Engine oil pressure warning light (8, Fig. D)
Parking brake warning light (12, Fig. D)
When the glow plug pre-heating warning light (11, Fig. D) turns off, turn the ignition key clockwise, to the end of stroke, and
then release it when the diesel engine starts.
CAUTION!
When starting the engine, do not keep the ignition key in cranking position too long (maximum 20 seconds) to
avoid damaging the starter. If the engine does not start, wait a minute before trying again.
Before trying to start the engine again, turn the ignition key counterclockwise, to the initial position.
If the engine does not start after two attempts, do not persist, ask for help from the person responsible for the
machine.
CAUTION!
When starting the engine with the ignition key (24, Fig. D) do not press the drive pedal (26), because the machine
is equipped with a safety system that does not allow for engine start-up in this condition.
Make sure that all the warning lights are off when the engine is running.
With the throttle lever (16, Fig. E) in an intermediate position, let the engine run for a few minutes to allow it to warm up,
especially when the air temperature is low.
Diesel engine stop
Turn the engine throttle lever (16, Fig. E) to idle, and hold it in this position for a few minutes to let the system stabilize.
Turn the ignition key (24, Fig. D) counterclockwise, to the end of stroke, then remove it.
Engage the parking brake with the lever (13, Fig. E).
1.
2.
3.
4.
5.
6.
•
•
•
•
7.
8.
1.
2.
3.

USER MANUAL ENGLISH
RS 850 33014576(4)2008-02 A 19
STARTING AND STOPPING THE MACHINE
The machine can be started and set to:
Transport mode
Working mode
The relevant procedures are shown below.
WARNING!
When steering, avoid abrupt direction changes, pay careful attention and drive the machine at slow speed,
especially when the hopper is full or when operating on inclines.
CAUTION!
Before operating the machine, check that the tyre pressure is correct (72.5 psi [5 bar]) and, if necessary, adjust
it.
Setting the machine to transport mode
To transport the machine (without sweeping), it is necessary to set the transfer mode according to the following procedure:
Start the engine as shown in the previous paragraph.
Check that the hopper (7, Fig. G) is lowered and that the warning light (18, Fig. D) is off.
Check that the suction fan is off; see the lever (8, Fig. E).
Lift the suction inlet and side brooms by pressing the push-button (38, Fig. D).
Check that the parking brake (13, Fig. E) is engaged.
Get out of the machine and bring the 3rd broom safety arm from the position (2, Fig. H) (disengaged) to the position (1)
(engaged), by engaging the tooth (3) on the bracket (4).
Gradually bring forward the engine throttle lever (16, Fig. E) and set the engine speed on the display (17, Fig. D) to 2,600 rpm.
Start to transport the machine, by keeping the hands on the steering wheel (28, Fig. D) and gradually pressing the pedal (26),
on the front side to move forward and on the rear side to move backward.
The drive speed can be adjusted from zero to maximum speed by increasing the pressure on the pedal.
WARNING!
Remind that the steering is on the rear axle. Use rearview mirrors to see rear end of machine when
manoeuvring.
WARNING!
In case of obstacles (for example a footpath), remind to lift the suction inlet.
Stopping the machine in transport mode
To stop the machine release the pedal (26, Fig. D).
To stop the machine quickly, press also the brake pedal (31).
Turn the engine throttle lever (16, Fig. E) to idle, and hold it in this position for a few minutes to let the system stabilize.
Turn off the engine, by turning the ignition key (24, Fig. D) counterclockwise, to the end of stroke, then remove it.
Engage the parking brake with the lever (13, Fig. E).
–
–
1.
2.
3.
4.
5.
6.
7.
8.
1.
2.
3.
4.
5.

ENGLISH USER MANUAL
20 33014576(4)2008-02 A RS 850
Setting the machine to working mode
Set the machine to working mode according to the following procedure:
Start the engine as shown in the relevant paragraph.
Check that the hopper (7, Fig. G) is lowered and that the warning light (18, Fig. D) is off.
Bring the 3rd broom safety arm from the position (1, Fig. H) (engaged) to the position (2) (disengaged).
Gradually bring forward the engine throttle lever (16, Fig. E) and set the engine speed on the display (17, Fig. D) to:
minimum 1,800 rpm
maximum 2,030 rpm
CAUTION!
If the engine speed exceeds 2,050 rpm in working mode, a safety system stops the broom rotation.
Turn on the suction fan with the lever (8, Fig. E).
Start the side broom rotation by turning the switch (29, Fig. D) to the fi rst position, and the 3rd broom rotation by turning the
switch (29) to the second position.
Lower the suction inlet and side brooms by pressing the push-button (37, Fig. D).
NOTE
Side brooms lower only if the suction fan is on.
CAUTION!
Do not leave the sweeper stationary with the suction inlet lowered and the brooms rotating.
Shift the 3rd broom arm to working mode, by moving the joystick (46, Fig. D) to the right/left.
Lower the 3rd broom by pushing the joystick (46, Fig. D) forward.
If necessary, open the dust control system taps (10, 11, 12, Fig. E), considering the following:
Suction pipe dust control system nozzle tap (10, Fig. E): Open it always, except when the fl oor to be cleaned is wet.
This tap sends water also to the rear pipe dust control system nozzle (optional).
Side broom dust control system nozzle tap (11, Fig. E): Open it when the fl oor is dry and dusty.
3rd broom dust control system nozzle tap (12, Fig. E): Open it when the fl oor is dry and dusty.
Turn on the dust control system water pump with the switch (27, Fig. D) according to the following procedure:
When the switch is turned to the fi rst position, the nozzles sprinkle a medium quantity of water
(use it when there is little dust)
When the switch is turned to the second position, the nozzles sprinkle the maximum quantity of water
(use it when there is a lot of dust)
Disengage the parking brake with the lever (13, Fig. E).
Start sweeping, by keeping the hands on the steering wheel (28, Fig. D) and gradually pressing the pedal (26), on the front
side to move forward and on the rear side to move backward.
The drive speed can be adjusted from zero to maximum speed by increasing the pressure on the pedal.
While working, the machine picks up both light materials such as dust, paper, leaves, etc. and heavy materials such as stones,
bottles, etc.
NOTE
All brooms (19, 20, 21, Fig. G) can be lifted or lowered when the machine is moving.
The brooms rotate even when they are lifted.
1.
2.
3.
4. •
•
5.
6.
7.
8.
9.
10. •
•
•
•
11. •
•
12.
13.

USER MANUAL ENGLISH
RS 850 33014576(4)2008-02 A 21
Stopping the machine in working mode
To stop the machine release the pedal (26, Fig. D).
To stop the machine quickly, press also the brake pedal (31, Fig. D).
Engage the parking brake with the lever (13, Fig. E).
Turn off the dust control system water pump with the switch (27, Fig. D).
If open, close the dust control system taps (10, 11, 12, Fig. E).
Lift the 3rd broom by pushing the joystick (46, Fig. D) rearward.
If necessary, shift the 3rd broom arm to working mode, by moving the joystick (46, Fig. D) to left.
Stop the 3rd broom and side broom rotation with the switch (29, Fig. D).
Lift the suction inlet and side brooms by pressing the push-button (38, Fig. D).
Turn off the suction fan with the lever (8, Fig. E).
Turn the engine throttle lever (16, Fig. E) to idle, and hold it in this position for a few minutes to let the system stabilize.
Check that the hopper (7, Fig. G) is lowered and that the warning light (18, Fig. D) is off.
If necessary, bring the 3rd broom safety arm from the position (2, Fig. H) (disengaged) to the position (1) (engaged), by
engaging the tooth (3) on the bracket (4).
Turn off the engine, by turning the ignition key (24, Fig. D) counterclockwise, to the end of stroke, then remove it.
Engage the parking brake with the lever (13, Fig. E).
MACHINE OPERATION
Avoid stopping for a long time with the machine in the same position and the brooms rotating: this could create unwanted
marks on the fl oor.
Suction inlet and side broom shifting
When necessary, in working mode, shift the suction inlet and side brooms to the left or to the right by pressing the push-
buttons (41 or 42, Fig. D) together with the safety push-button (45).
3rd broom shifting
When necessary, in working mode, shift the 3rd broom to the left or to the right by moving the joystick (46, Fig. D) to left or to
the right.
Bulky debris collection
To collect bulky debris, lift the front skirt (25, Fig. G) by pressing the switch (22, Fig. D).
Note that, while the skirt is lifted, the machine suction power decreases.
To lower the front skirt (25, Fig. G), press the switch (22, Fig. D) again.
If necessary, to collect bulky debris, it is also possible to remove the front skirt (25, Fig. G); remove it according to the following
procedure:
Lift the side brooms, then stop the machine and turn off the engine.
Remove the clip (1, Fig. I) and disconnect the tie rod (2) from the skirt (3).
Remove the skirt (3) by withdrawing it from the hinges (4).
Turn on the machine and start working again.
Install the skirt (3) in the reverse order of removal, after stopping the machine and turning off the engine.
NOTE
When the hopper is full, the machine cannot collect dust and debris anymore.
After each working cycle, and when the hopper (7, Fig. G) is full, it must be emptied. For the relevant procedure, see the next
paragraph.
1.
2.
3.
4.
5.
6.
7.
8.
9.
10.
11.
12.
13.
14.
1.
2.
3.
4.
5.
•
•
•
•
•
6.

ENGLISH USER MANUAL
22 33014576(4)2008-02 A RS 850
HOPPER DUMPING
The maximum hopper dumping height is 63.78 in (1,620 mm).
Dump the hopper according to the following procedure.
Turn off the dust control system water pump with the switch (27, Fig. D).
If open, close the dust control system taps (10, 11, 12, Fig. E).
Lift the 3rd broom by pushing the joystick (46, Fig. D) rearward.
Lift the suction inlet and side brooms by pressing the push-button (37, Fig. D).
Stop the 3rd broom and side broom rotation with the switch (29, Fig. D).
Turn off the suction fan with the lever (8, Fig. E).
If necessary, shift the 3rd broom arm to working mode, by moving the joystick (46, Fig. D) to left.
If the machine must be transported to an appointed dumping area, engage the parking brake (13, Fig. E), get out of the
machine and bring the 3rd broom safety arm from the position (2, Fig. H) (disengaged) to the position (1) (engaged), by
engaging the tooth (3) on the bracket (4).
Drive the machine to the appointed dumping area.
If the hopper may contain a lot of water, it is possible to drain it before lifting and dumping the hopper according to the following
procedure:
Engage the parking brake with the lever (13, Fig. E) and get out of the machine.
Open the left upper lid (9, Fig. G).
Disengage the hose (26, Fig. F) and drain the water from the hopper.
Reinstall the hose (26, Fig. F).
Close the left upper lid (9, Fig. G).
WARNING!
Perform the hopper dumping on a solid and level ground, to avoid machine unbalance.
Keep people away from the machine and especially from the hopper (7, Fig. G).
Loosen the side knobs (1, Fig. J) and open the rear shoote by turning it from the position (2) to the position (3).
Carefully lift the hopper (7, Fig. G), by pressing the push-button (43, Fig. D) and the safety push-button (45).
WARNING!
Do not move the machine when the hopper is lifted!
If machine movement with lifted hopper cannot be prevented, be sure to drive slowest possible speed to avoid
lateral instability.
Open the hopper lid (44, Fig. G) with the switch (21, Fig. D); keep the switch pressed until the lid is totally opened.
Carefully dump the hopper (7, Fig. G), by pressing the push-button (40, Fig. D) and the safety push-button (45). Dump the
debris from the hopper.
When the dumping is completed, return the hopper to the horizontal position, by pressing the push-button (39, Fig. D) and the
safety push-button (45).
Lower the hopper (7, Fig. G) completely, by pressing the push-button (44, Fig. D) and the safety push-button (45). Keep the
push-buttons pressed, until the warning light (18) turns off.
If necessary, check for hopper metal fi lter clogging, according to the following procedure:
Engage the parking brake and turn off the engine.
Lift the hopper lid manually and secure it with the support rod (17, Fig. F).
As shown in the Maintenance chapter, remove the fi lters (15 and 12, Fig. F) and check for clogging. If the fi lters are
clogged, clean them according to the relevant procedure. Reinstall the fi lters.
Disengage the support rod (17, Fig. F) and place it in its housing.
Start the engine and close the hopper lid (44, Fig. G) with the switch (21, Fig. D); keep the switch pressed until the warning
light turns off.
The machine is ready to start working again.
1.
2.
3.
4.
5.
6.
7.
8.
9.
10.
•
•
•
•
•
11.
12.
13.
14.
15.
16.
17. •
•
•
•
18.
19.

USER MANUAL ENGLISH
RS 850 33014576(4)2008-02 A 23
USING THE REAR SUCTION PIPE (*)
(*) Optional for some countries.
To collect dust/debris with the rear suction pipe (optional) (43, Fig. G), rather than the suction inlet (17, Fig. G), perform the following
procedure.
Turn off the engine and engage the parking brake with the lever (13, Fig. E).
Loosen the suction pipe mounting knobs (1, Fig. K), then remove the suction hole cover (2) using the knob (3).
As shown in the Hopper Dumping paragraph, lift the hopper for 3.9-5.9 in (10-15 cm) approximately, then turn off the engine.
Open the right upper lid (28, Fig. G) and remove the gasket (7, Fig. F).
With a suitable ladder, insert and secure the gasket (7, Fig. F) on the hopper suction hole (1, Fig. L).
Lower the hopper completely, as shown in the Hopper Dumping paragraph.
Release the fastener (42, Fig. G) of the rear suction pipe (43).
Open the support arm (45, Fig. G) and connect the chain (1, Fig. M) to the suction pipe to support it.
Open the dust control system nozzle tap (23, Fig. F).
Start the engine as shown in the relevant paragraph.
Check that the hopper (7, Fig. G) is lowered and that the warning light (18, Fig. D) is off.
Gradually bring forward the engine throttle lever (16, Fig. E) and set the engine speed on the display (17, Fig. D) to:
minimum 1,800 rpm
maximum 2,030 rpm
Turn on the suction fan with the lever (8, Fig. E).
Turn on the dust control system water pump with the switch (27, Fig. D) according to the following procedure:
When the switch is turned to the fi rst position, the nozzles sprinkle a medium quantity of water
(use it when there is little dust)
When the switch is turned to the second position, the nozzles sprinkle the maximum quantity of water
(use it when there is a lot of dust)
Disengage the parking brake with the lever (13, Fig. E).
With the help of an assistant, start to collect debris with the rear suction pipe, by grasping it as shown in Figure N.
While working, the machine picks up both light materials such as dust, paper, leaves, etc. and heavy materials such as stones,
bottles, etc.
To restore the machine operation with the suction inlet (17, Fig. G), perform the steps from 2 to 15 in the reverse order.
USING THE WINDSCREEN WIPER/WASHER
Press the switch (23, Fig. D) to sprinkle the detergent on the windscreen.
Press the switch (33, Fig. D) to start and stop the windscreen wiper.
USING THE CAB HEATING
To turn on the cab heating, turn the knob (15, Fig. E) counterclockwise as necessary.
Adjust the blower speed with the knob (6, Fig. E).
To turn off the cab heating, turn the knob (15, Fig. E) clockwise to the end of stroke.
USING THE CAB CLIMATE CONTROL SYSTEM (*)
(*) Optional for some countries.
Turn the climate control knob (5, Fig. E) as necessary.
Adjust the blower speed with the knob (6, Fig. E).
1.
2.
3.
4.
5.
6.
7.
8.
9.
10.
11.
12. •
•
13.
14. •
•
15.
16.
17.
1.
2.
1.
2.
3.
1.
2.

ENGLISH USER MANUAL
24 33014576(4)2008-02 A RS 850
LIGHTING SYSTEM OPERATION
To turn on the lighting and signalling system, use the combination switch (35, Fig. D), having the following functions:
Headlights off, with mark (35b) at the symbol O
Running lights on, with mark (35b) at the symbol
Low beam on, with mark (35b) at the symbol
High beam on, with mark (35b) at the symbol and lowered lever (35a)
High beam temporary on, lifting the lever (35a)
Right turn signal on, bringing the lever (35a) forward
Left turn signal on, bringing the lever (35a) backward
Horn activation, pushing the lever (35a) in the direction shown by the arrow (35c)
To turn on the lower headlights (3, Fig. G), or the upper headlights (2), use the selector (30, Fig. D).
HAZARD WARNING LIGHT OPERATION
Turn on the hazard warning lights with the switch (20, Fig. D).
HOPPER MANUAL LIFTING
To lift/lower the hopper (7, Fig. G) manually (when the diesel engine is faulty, etc.) perform the following procedure.
Hopper manual lifting
Check that the machine is on a solid and level ground, especially if the hopper (7, Fig. G) is full.
Turn off the engine, by turning the ignition key (24, Fig. D) counterclockwise, to the end of stroke, then remove it.
Engage the parking brake (13, Fig. E).
Open the left lower lid (11, Fig. G) by disengaging the fastener (12) with the supplied key.
Remove the hand pump lever (27, Fig. F).
Install the lever (1, Fig. O) on the hand pump (2).
Check that the hopper lifting/lowering selector (3, Fig. O) is in lifting position the lifting position (to lift the hopper turn the
selector on the right, to lower the hopper turn the selector on the left) (try to pump with the lever (1)).
Carefully activate the pump (2, Fig. O) with the lever (1) and lift the hopper completely.
Install the lifted hopper support rods (3, Fig. F), according to the instructions shown on the relevant paragraph.
Hopper manual lowering
Remove the lifted hopper support rods (3, Fig. F), according to the instructions shown on the relevant paragraph.
Bring the selector (3, Fig. O) in lowering position and activate the pump (2) with the lever (1) until the hopper is completely
lowered.
Remove the lever (1, Fig. O) from the pump and place it in its housing (27, Fig. F).
Turn the pump selector to the centre.
Close the left lower lid (11, Fig. G) by engaging the fastener (12) with the supplied key.
LIFTED HOPPER SUPPORT ROD INSTALLATION
Before working under the lifted hopper (1, Fig. F), it is necessary to install the support rods (3) according to the following procedure.
WARNING!
For safety purposes, before working under the lifted hopper, it is necessary to install the support rods (3, Fig. F).
This procedure is necessary even if the hopper lifting cylinders are equipped with parachute valves that prevent
the hopper from lowering accidentally in case of break/leakage from a pipe/fi tting on the hydraulic system.
Support rod installation
Lift the hopper (7, Fig. G) completely according to the procedure shown in the relevant paragraph.
Disengage the two rods (2, Fig. F) from the fasteners (4) and bring them in the position (3), by inserting their ends in the
housings (20).
Lower the hopper slightly to lean it on the rods.
Support rod removal
Lift the hopper slightly to remove it from the rods.
Disengage the two rods (3, Fig. F) from the housings (20) and bring them in the position (2), then engage and secure them
with the fasteners (4).
Lower the hopper (7, Fig. G) completely according to the procedure shown in the relevant paragraph.
1. •
•
•
•
•
•
•
•
2.
1.
1.
2.
3.
4.
5.
6.
7.
8.
9.
10.
11.
12.
13.
14.
1.
2.
3.
4.
5.
6.

USER MANUAL ENGLISH
RS 850 33014576(4)2008-02 A 25
LIFTED HOPPER LID SUPPORT ROD INSTALLATION
Before working under the lifted hopper lid (44, Fig. G), it is necessary to install the support rod (17, Fig. F) according to the following
procedure.
Support rod installation
Remove the rod (17, Fig. F) from the housing and lift the lid as necessary, then install the rod in the housing (18).
Support rod removal
Perform the procedures described in step 1 in the reverse order.
USING THE HIGH-PRESSURE WATER GUN (*)
(*) Optional for some countries.
The machine is equipped with a high-pressure water system (optional) to be used for washing the machine or other purposes.
WARNING!
Do not run the high pressure pump when the water tanks are empty or low (the pump can be damaged).
The following procedure refers to the high-pressure water gun use.
Pick up the high-pressure water gun (9, Fig. E) inside the cab.
Withdraw part of the hose (21, Fig. F) and connect the gun (9, Fig. E) to the quick coupling (22, Fig. F).
Start the diesel engine at idle speed, as shown in the relevant paragraph.
Turn on the high-pressure pump with the lever (8, Fig. E).
If necessary, bleed the air from the system by turning the water gun knob completely counter-clockwise and by pressing the
water gun lever until the water comes out constantly and at low pressure.
Release the water gun lever and turn the knob clockwise to use the high pressure nozzle.
Run the engine at the desired speed.
Use the water gun by pressing the relevant trigger.
WARNING!
Protect body parts (eyes, hair, hands, etc.) properly, when performing cleaning procedures using compressed
air or water gun.
WARNING!
Do not run the high pressure pump for long periods without using the water gun.
After using the water gun, perform steps from 1 to 4 in the reverse order.
USING THE CAMERA KIT (optional)
To turn on the video system (1, Fig. AX) and the cameras (4 and 5), press the switch (2) when the ignition key (24, Fig. D) is
inserted.
When the reverse gear is engaged, the video system and cameras turn on automatically.
For the functions of other switches on the right side of the display, refer to the camera kit Manual.
1.
2.
1.
2.
3.
4.
5.
6.
7.
8.
1.
2.
3.

ENGLISH USER MANUAL
26 33014576(4)2008-02 A RS 850
AFTER USING THE MACHINE
After working, before leaving the machine, perform the following operations.
Turn off the dust control system water pump with the switch (27, Fig. D).
If open, close the dust control system taps (10, 11, 12, Fig. E).
Stop the 3rd broom and side broom rotation with the switch (29, Fig. D).
Lift the 3rd broom by pushing the joystick (46, Fig. D) rearward.
If necessary, shift the 3rd broom arm to working mode, by moving the joystick (46, Fig. D) to left.
Lift the suction inlet and side brooms by pressing the push-button (38, Fig. D).
Turn off the suction fan with the lever (8, Fig. E).
Turn the engine throttle lever (16, Fig. E) to idle, and hold it in this position for a few minutes to let the system stabilize.
Check that the hopper (7, Fig. G) is lowered and that the warning light (18, Fig. D) is off.
If necessary, bring the 3rd broom safety arm from the position (2, Fig. H) (disengaged) to the position (1) (engaged), by
engaging the tooth (3) on the bracket (4).
Clean the hopper, the fi lters and the suction pipe, check the gaskets and lubricate the suction fan bearings, as shown in the
Maintenance chapter.
Turn off the engine, by turning the ignition key (24, Fig. D) counterclockwise, to the end of stroke, then remove it.
Engage the parking brake with the lever (13, Fig. E).
The headlights must be turned off.
DUST CONTROL SYSTEM WATER TANK EMPTYING
When necessary, empty the dust control system water tanks according to the following procedure.
Engage the parking brake (13, Fig. E).
Turn the ignition key (24, Fig. D) to OFF position and remove it.
Operating over the right side of the rear axle, unscrew the water fi lter cover (1, Fig. Z) and remove it together with the fi lter.
Drain all the water from the tanks.
Install the cover (1, Fig. Z) and the fi lter.
TOWING THE MACHINE
To tow the machine, proceed as follows.
Engage the parking brake (13, Fig. E).
Turn the ignition key (24, Fig. D) to OFF position and remove it.
Disengage the fastener (32, Fig. G) with the supplied key, then lift right under-cab lid (31).
Loosen the drive system pump screw (1, Fig. AP) two turns.
Tow the machine.
After towing the machine, tighten the screw (1, Fig. AP), then lower the right under-cab lid (31, Fig. G) and engage the fastener
with the supplied key.
1.
2.
3.
4.
5.
6.
7.
8.
9.
10.
11.
12.
13.
14.
1.
2.
3.
4.
5.
1.
2.
3.
4.
5.
6.

USER MANUAL ENGLISH
RS 850 33014576(4)2008-02 A 27
TRANSPORTING BY TRAILER
To transport the machine with a trailer, use the hooks and anchors shown below.
WARNING!
Machine anchor/lifting must be performed by qualifi ed personnel.
Available hooks
The machine is equipped with the following hooks:
No. 2 lifting hooks (1, Fig. B), to be used only when the hopper is empty.
No.1 front towing/anchor hook (2, Fig. B).
No.1 rear towing/anchor hook (3, Fig. B).
Anchorage
To anchor the machine in case of transport by trailer, proceed as follows:
Set the machine to transport mode (see the procedure in the relevant paragraph).
Remove the ignition key (24, Fig. D).
Engage the parking brake (13, Fig. E).
Close all lids, panels, etc.
Anchor the machine with the front and rear towing hooks (2 and 3, Fig. B).
Anchor the machine with two suitable bands (4 and 5, Fig. B), placed over the rear axle support (6), and on the front left
and right cab footboards (7) respectively.
Temporary lifting
To lift the machine temporarily, proceed as shown below:
Set the machine to transport mode (see the procedure in the relevant paragraph).
Check that the hopper is empty.
WARNING!
If it is necessary to lift the machine in case of emergency and the hopper is not empty, pay special attention,
because the waste weight can cause the machine unbalance, moreover the hooks are subject to a greater
stress.
Remove the ignition key (24, Fig. D).
Engage the parking brake (13, Fig. E).
Close all lids, panels, etc.
Anchor the machine to the lifting hooks (1, Fig. B) with suitable ropes.
Lift the machine carefully, as shortly as possible, with a suitable hoisting system and according to the accident-prevention
rules.
MACHINE STORAGE
If the machine is not going to be used for more than 30 days, proceed as follows:
Empty the dust control system water tanks according to the following procedure.
Prepare the machine, as shown in the After Machine Use paragraph.
Store the machine indoor, in a clean and dry place, protected from bad weather conditions and with the following values:
Temperature: +33.8°F to +122°F (+1°C to +50°C)
Humidity: maximum 95%
Disconnect the negative connector from the battery (34, Fig. F).
Handle the diesel engine as shown in the relevant Manual.
FIRST PERIOD OF USE
After the fi rst period of use (fi rst 8 hours) it is necessary to perform the following procedures:
Check the fastening and connecting elements for proper tightening. Check the visible parts for integrity and leaks.
After the fi rst 50 working hours, perform checks and replacements shown in the Scheduled Maintenance Table.
1. •
•
•
2. •
•
•
•
•
•
3. •
•
•
•
•
•
•
1.
2.
3. •
•
4.
5.
1.
2.

ENGLISH USER MANUAL
28 33014576(4)2008-02 A RS 850
SALT SPREADER ASSEMBLY AND USE (optional)
Salt spreader assembly
CAUTION!
To install this equipment, the sweeper should be equipped with the appropriate fi tting.
Empty the hopper (7, Fig. G); if it contains a small quantity of waste, it is not necessary to dump it.
Operating according to the safety rules, with a suitable hoisting system (8, Fig. AU), attach the salt spreader (9) to the lifting
hook (5).
The equipment weights 198.4 lb (90 kg) approximately.
Operating on a level ground, bring the sweeper into a suitable position (10, Fig. AU) to install the salt spreader (9).
Lift the hopper (7, Fig. G) and install the support rods (3, Fig. F) (see the procedure in the relevant paragraphs).
Turn off the engine and engage the parking brake (13, Fig. E).
With the hoisting system (8, Fig. AU), position the salt spreader (9) on the sweeper and secure it with screws (11) and nuts
(12).
Disconnect the hoisting system (8, Fig. AU) from the salt spreader (9).
Remove the protection cover, then connect the hydraulic system quick couplings (13, Fig. AU) to the corresponding pipe
couplings (14).
Connect the electric connector (15, Fig. AU) to the corresponding socket (16).
Open the left side lower lid (11, Fig. G) by disengaging the fastener (12) with the supplied key.
Turn the lever (17, Fig. AU) from the position (17a) to activate the 3rd broom to the position (17b) to activate the salt spreader.
Close the left side lower lid (11, Fig. G) by engaging the fastener (12) with the supplied key.
Remove the lifted hopper support rods (3, Fig. F) and lower the hopper (7, Fig. G) (see the procedure in the relevant
paragraphs).
Now the machine is ready to operate with the salt spreader.
Salt spreader disassembly
Disassemble the salt spreader in the reverse order of assembly.
Secure and protect the salt spreader properly.
Salt spreader use
Assemble the salt spreader (9, Fig. AU) according to the procedure shown in the relevant paragraphs.
Load suitable salt in the compartment (2, Fig. AU).
Adjust the salt fl ow with the control lever (1, Fig. AU).
To activate the salt spreader, use the 3rd broom controls.
To change the salt spreader speed according to engine speed, use the knob (18, Fig. AU).
1.
2.
3.
4.
5.
6.
7.
8.
9.
10.
11.
12.
13.
14.
15.
16.
17.
18.
19.
20.
21.

USER MANUAL ENGLISH
RS 850 33014576(4)2008-02 A 29
SNOW BRUSH ASSEMBLY AND USE (optional)
CAUTION!
To install this equipment, the sweeper should be equipped with the appropriate fi tting.
Snow brush assembly
Disassemble the suction inlet (17, Fig. G) (see the procedure in the relevant paragraph).
Disassemble the 3rd broom arm (23, Fig. G) (see the procedure in the relevant paragraph).
Operating on a level ground, bring the sweeper into a suitable position to install the snow brush (Fig. AV).
Turn off the engine and engage the parking brake (13, Fig. E).
Place the snow brush on the arms (19, Fig. AV) and secure it with the screws (14).
On both sides of the machine, tighten the brush height adjusting screws (15 and 16, Fig. AV) on the arms (19). If necessary,
this adjustment can be performed afterwards, to adjust the lifted snow brush.
Lift the adjustable feet (5, Fig. AV) completely and secure it with the knobs (6).
Remove the protection cover, then connect the hydraulic system quick couplings (1, Fig. AV) to the corresponding pipe
couplings (2).
Open the left side lower lid (11, Fig. G) by disengaging the fastener (12) with the supplied key.
Turn the lever (21, Fig. AV) from the position (21a) (high-pressure water gun activation) to the position (21b) (snow brush
activation).
Close the left side lower lid (11, Fig. G) by engaging the fastener (12) with the supplied key.
Now the machine is ready to operate with the snow brush.
Snow brush disassembly
Disassemble the snow brush in the reverse order of assembly.
Secure and protect the snow brush properly.
Snow brush use
Assemble the snow brush (Fig. AV) according to the procedure shown in the relevant paragraphs.
To lift/lower the snow brush use the suction inlet lifting/lowering controls.
To have the snow brush rotating, turn the lever (8, Fig. E) to “OPT” position.
To change the snow brush speed according to engine speed, use the knob (22, Fig. AV).
Before using the snow brush (10, Fig. AV), check its height from the ground according to the following procedure.
Drive the machine with the snow brush on a level ground.
Keep the machine stationary, lower the snow brush completely and let it rotate for few seconds.
Stop and lift the snow brush, then move the machine aside and engage the parking brake.
Check that the brush print (20, Fig. AV), along its length, is 0.8 to 1.6 in (2 to 4 cm) wide.
If the print is not within the specifi cations, remove the pins (13, Fig. AV) and adjust by lifting/lowering the wheels (11) with
the winches (12).
When the adjustment is completed, place the winches (12) in the original position and install the pins (13).
Engage the parking brake with the lever (13, Fig. E).
Lift the snow brush, then turn off the engine by turning the ignition key (24, Fig. D) counterclockwise, to the end of stroke, then
remove it.
Remove the clip (9, Fig. AV) and disconnect the rod (17) from the pin (8).
Tilt the brush assembly as necessary, then connect the hole (18, Fig. AV) to the relevant pin (8). Reinstall the clip (9).
Now the machine is ready to operate with the snow brush.
If necessary, fi t snow chains on the front wheels of the sweeper.
1.
2.
3.
4.
5.
6.
7.
8.
9.
10.
11.
12.
13.
14.
15.
16.
17.
18.
19. •
•
•
•
•
•
20.
21.
22.
23.
24.

ENGLISH USER MANUAL
30 33014576(4)2008-02 A RS 850
MAINTENANCE
The lifespan of the machine and its maximum operating safety are ensured by correct and regular maintenance.
The following table provides the scheduled maintenance. The intervals shown may vary according to particular working conditions,
which are to be defi ned by the person in charge of the maintenance.
WARNING!
Maintenance procedures must be performed when the machine is off (ignition key removed).
Moreover, read carefully the instructions in Safety chapter before performing any maintenance procedure.
All scheduled or extraordinary maintenance procedures must be performed by qualifi ed personnel, or by an authorised Service
Center.
This Manual contains the Scheduled Maintenance Table and describes only the easiest and most common maintenance
procedures.
For other maintenance procedures contained in the Scheduled Maintenance Table or for extraordinary maintenance procedures see
the Service Manual that can be consulted at any Service Center.
For scheduled and extraordinary maintenance of the following optional equipments, refer to the relevant Manuals:
Salt spreader
Snow brush
Camera kit
SCHEDULED MAINTENANCE TABLE
Maintenance Running-in pe-
riod (after the
fi rst 50 hours)
Every 10
hours or
before use
Every
150
hours
Every
300
hours
Every
500
hours
Every
1,000
hours
Every
2,000
hours
Engine oil level check
Hydraulic system oil level check
Engine air pre-fi lter and fi lter cleaning
Engine radiator fi n cleaning check
Engine coolant level check
Hydraulic system oil cooler fi n check
Battery fl uid level check
Hopper, fi lters and suction hose cleaning. Fan bearing
lubrication. Hopper gasket check.
Water nozzle and fi lter cleaning
Brake fl uid level check
Reverse gear buzzer operation check and sensor
adjustment
Diesel engine start-up safety system check (8)
Tyre pressure check
Suction inlet and skirt height and operation check
Side broom position check and adjustment
3rd broom position check and adjustment
Hopper and suction hose gasket wear check (8)
Dust control system water fi lter cleaning
Alternator belt tension check (8) (8)
Climate control system compressor belt tension check (8) (8)
Parking brake check
–
–
–

USER MANUAL ENGLISH
RS 850 33014576(4)2008-02 A 31
Maintenance Running-in pe-
riod (after the
fi rst 50 hours)
Every 10
hours or
before use
Every
150
hours
Every
300
hours
Every
500
hours
Every
1,000
hours
Every
2,000
hours
Engine oil change (3)
Diesel engine oil fi lter replacement (3)
Fuel fi lter element replacement (3)
Nut and screw tightening and leakage check (8) (8)
Lubrication (8)
Engine coolant line check (8)
Hydraulic system oil suction fi lter replacement (8) (8)
Hydraulic system oil drain fi lter and tank breather fi lter
replacement (8) (8)
Engine fuel fi tting and screw tightening (8)
Glow plug check (8)
Injector check, cleaning and calibration (8)
Engine air fi lter replacement (8)
Climate control system air fi lter replacement
Alternator and fan belt replacement (8)
Climate control system belt replacement (8)
Fuel tank cleaning (8)
Engine coolant change (4) (8)
Hydraulic system oil change (3) (8)
Starter carbon brush check (8)
Brake system check (8)
Turbocharger check (8)
Minor engine overhaul (5) (7) (8)
Major engine overhaul (6) (7) (8)
(3) Or every year
(4) Or every two years
(5) After 4,000 hours
(6) After 8,000 hours
(7) Contact an authorised VM Motori S.p.A. workshop.
(8) For the relevant procedure see the Service Manual, at any Nilfi sk Service Center.
HOPPER, FILTER AND SUCTION PIPE CLEANING, GASKET CHECK AND SUCTION FAN BEARING
LUBRICATION
WARNING!
Protect body parts (eyes, hair, hands, etc.) properly, when performing cleaning procedures using compressed
air or water gun.
Preliminary operations
Empty the hopper (7, Fig. G), drive the machine to a cleaning/washing appointed area, then engage the parking brake (13, Fig.
E).
Lift and dump the hopper (7, Fig. G), according to the procedure shown in the relevant paragraphs.
Install the lid support rod (17, Fig. F), according to the instructions shown on the relevant paragraph.
Hopper cleaning (after every use)
Clean the hopper (1, Fig. F) and the defl ector (14) with pressurized water.
Carefully check the suction sealing gasket (19, Fig. F) for integrity, and replace it if necessary.
1.
2.
3.
4.
5.

ENGLISH USER MANUAL
32 33014576(4)2008-02 A RS 850
Suction pipe cleaning (after every use)
Thoroughly clean the suction pipe (6, Fig. F) inside, up to the suction inlet, with pressurized water.
Carefully check the suction pipe gasket (5, Fig. F) for integrity, and replace it if necessary.
Suction fi lter and fan cleaning (after every use)
Inside the hopper, remove the fasteners (16, Fig. F) of the suction fi lter (15).
Remove the suction fi lter (15, Fig. F).
Operating in the compartment (13, Fig. F), wash the fan (1, Fig. P) with pressurized water; check that all fan sectors (2) are
clean.
Clean the suction fi lter (1, Fig. Q) with pressurized water.
Install the suction fi lter and secure it with the fasteners (16, Fig. F).
Remove the lid support rod (17, Fig. F) and lower the hopper (7, Fig. G) according to the instructions shown in the relevant
paragraph.
Turn the ignition key (24, Fig. D) to OFF position and remove it.
Breather fi lter cleaning (after every use)
With a ladder and the help of an assistant, disengage the fasteners (26, Fig. G) of the breather fi lter hood (27).
Open the hood (1, Fig. R) and install the safety pins (2).
Remove the mounting screws (1, Fig. S), then remove the breather fi lter (2).
Clean the breather fi lter (1, Fig. T) with pressurized water.
Install the breather fi lter and its hood performing steps from 15 to 17 in reverse order.
Suction fan bearing lubrication (after every use)
Open the left side lid (9, Fig. G).
Lubricate the suction fan bearings with the grease nipples (1, Fig. U).
Grease quantity to be applied:
4 - 5 pumping, in case of a manual pump.
15 - 20 seconds of injection, in case of an air pump.
Close the left side lid (9, Fig. G).
DUST CONTROL SYSTEM NOZZLE AND FILTER CLEANING
WARNING!
Protect body parts (eyes, hair, hands, etc.) properly, when performing cleaning procedures using compressed
air or water gun.
Preliminary operations
Engage the parking brake (13, Fig. E).
Turn the ignition key (24, Fig. D) to OFF position and remove it.
Cleaning of nozzles and fi lters on side brooms
Unscrew the ring nuts (1, Fig. V).
Remove and clean the nozzles (2, Fig. V) and fi lters (3) with compressed air. Remove calcium deposits. If necessary, replace
the fi lters (3).
Install the fi lters and nozzles, and secure them with the ring nuts.
Cleaning of nozzles and fi lters in the suction pipe, from suction inlet to hopper
Empty the hopper (7, Fig. G); if it contains a small quantity of waste, it is not necessary to dump it.
Drive the machine on a solid and level ground, then engage the parking brake (13, Fig. E).
Lift the hopper (7, Fig. G), according to the procedure shown in the relevant paragraph.
Turn the ignition key (24, Fig. D) to OFF position and remove it.
To avoid that the hopper lowers by accident, install the lifted hopper support rods (3, Fig. F), according to the instructions
shown on the relevant paragraph.
Operating inside the suction pipe (6, Fig. F), with a 0.55 in (14 mm) socket wrench, unscrew the nozzle (1, Fig. X) and remove
the fi lter (2) (check the actual position of the nozzle).
Clean the nozzle (1, Fig. X) and fi lter (2) with compressed air. Remove calcium deposits. If necessary, replace the fi lter (2).
Install the fi lter and nozzle in the reverse order of removal.
Remove the lifted hopper support rods (3, Fig. F) and lower the hopper (7, Fig. G) (see the procedure in the relevant
paragraphs).
6.
7.
8.
9.
10.
11.
12.
13.
14.
15.
16.
17.
18.
19.
20.
21.
•
•
22.
1.
2.
3.
4.
5.
6.
7.
8.
9.
10.
11.
12.
13.
14.

USER MANUAL ENGLISH
RS 850 33014576(4)2008-02 A 33
Cleaning of nozzle and fi lter in the rear suction pipe (optional)
Loosen the clamp (1, Fig. Y) and separate the rigid part of the rear suction pipe (2) from the hose (3).
Operating inside the pipe (2, Fig. Y), with a 0.55 in (14 mm) socket wrench, unscrew the nozzle (4) and remove the fi lter (5)
(check the actual position of the nozzle).
Clean the nozzle (4, Fig. Y) and fi lter (5) with compressed air. Remove calcium deposits. If necessary, replace the fi lter (5).
Install the fi lter and nozzle in the reverse order of removal.
Install the hose (3, Fig. Y) on the rigid part of the rear suction pipe (2) and secure with the clamp (1).
DUST CONTROL SYSTEM WATER FILTER CLEANING
WARNING!
Protect body parts (eyes, hair, hands, etc.) properly, when performing cleaning procedures using compressed
air or water gun.
NOTE
When the fi lter is removed, the water inside the tanks comes out. It is advisable to perform this maintenance procedure
when the tanks are empty.
Engage the parking brake (13, Fig. E).
Turn the ignition key (24, Fig. D) to OFF position and remove it.
Operating over the right side of the rear axle, unscrew the water fi lter cover (1, Fig. Z) and remove it together with the fi lter.
Separate the fi lter (2, Fig. Z) from the cover (3), then wash and clean them. If necessary, replace the fi lter.
Install the fi lter and the cover.
HYDRAULIC SYSTEM OIL LEVEL CHECK
CAUTION!
This procedure must be performed with the hopper (7, Fig. G) completely lowered.
Engage the parking brake (13, Fig. E).
Start the engine as shown in the relevant paragraph.
Open the left side lower lid (11, Fig. G) by disengaging the fastener (12) with the supplied key.
Check that the needle of the effi ciency indicator (1, Fig. AA) of the hydraulic system discharge fi lter (2) is in the green area (3),
otherwise the fi lter (2) must be replaced (see the procedure in the Service Manual).
Check that there are no oil leaks in the upper area (4, Fig. AA) of the hydraulic system oil tank, otherwise the tank breather
fi lter (5) must be replaced (see the procedure in the Service Manual).
Stop the engine by turning the ignition key (24, Fig. D) to OFF position, then remove it.
Using the indicator (6, Fig. AA), check that the oil level in the tank is between the MIN and MAX marks.
If necessary, unscrew the plug (7, Fig. AA), remove the fi lter (2) and top up. For the types of oil to be used, see Technical Data
chapter.
NOTE
Top up by using the same type of oil that is in the tank.
Install the fi lter (2, Fig. AA) and tighten the plug (7).
Close the left side lower lid (11, Fig. G) by engaging the fasteners (12) with the supplied key.
15.
16.
17.
18.
19.
1.
2.
3.
4.
5.
1.
2.
3.
4.
5.
6.
7.
8.
9.
10.

ENGLISH USER MANUAL
34 33014576(4)2008-02 A RS 850
HYDRAULIC SYSTEM OIL COOLER FIN CLEANING CHECK
WARNING!
Protect body parts (eyes, hair, hands, etc.) properly, when performing cleaning procedures using compressed
air or water gun.
Empty the hopper (7, Fig. G); if it contains a small quantity of waste, it is not necessary to dump it.
Drive the machine on a solid and level ground, then engage the parking brake (13, Fig. E).
Lift the hopper (7, Fig. G), according to the procedure shown in the relevant paragraph.
Turn the ignition key (24, Fig. D) to OFF position and remove it.
To avoid that the hopper lowers by accident, install the lifted hopper support rods (3, Fig. F), according to the instructions
shown on the relevant paragraph.
Close the left and right side upper lids (9 and 28, Fig. G) by engaging the fasteners (10) and (29) with the supplied key.
Remove the screws, then remove the engine compartment panel (11, Fig. F).
Open the right side lower lid (34, Fig. G) by disengaging the fastener (35) with the supplied key.
Clean the hydraulic system oil cooler fi ns (9, Fig. F) with compressed air (maximum 87.0 psi [6 Bar]). If necessary, point the
compressed air in the opposite direction of the cooling air.
Inside the radiator (9, Fig. F), check that the fan turns freely.
Perform steps 3 to 8 in the reverse order.
BATTERY FLUID LEVEL CHECK
WARNING!
Protect body parts (eyes, hair, hands, etc.) properly, when performing battery check and cleaning procedures.
Engage the parking brake (13, Fig. E).
Turn the ignition key (24, Fig. D) to OFF position and remove it.
Open the left side lower lid (11, Fig. G) by disengaging the fastener (12) with the supplied key.
Check the electrolyte level in the battery (34, Fig. F) and, if necessary, top up with distilled water.
If necessary, clean the battery.
Check the battery terminal connections for oxidation.
Close the left side lower lid (11, Fig. G) by engaging the fastener (12) with the supplied key.
BRAKE FLUID LEVEL CHECK
Engage the parking brake (13, Fig. E).
Turn the ignition key (24, Fig. D) to OFF position and remove it.
Check the brake system fl uid level in the tank (1, Fig. AB). The level must be at 0.4 in (1 cm) from the tank fi ller neck. If
necessary, top up using the same type of fl uid that is in the line.
Type of fl uid used: DOT4.
REVERSE GEAR BUZZER SENSOR CHECK
Check that, when the machine moves in reverse, the relevant buzzer sounds.
If necessary, perform the adjustment according to the instructions in the Service Manual.
TYRE PRESSURE CHECK
Engage the parking brake (13, Fig. E).
Turn the ignition key (24, Fig. D) to OFF position and remove it.
The tyre pressure should be as follows:
Front tyres: 72.5 psi (5.0 Bar)
Rear tyres: 72.5 psi (5.0 Bar)
WARNING!
Please respect the recommended tyre pressure as stated in the relevant decals.
The manufacturer rating is based on standard drive speed and standard load rating, different from the actual
machine application.
1.
2.
3.
4.
5.
6.
7.
8.
9.
10.
11.
1.
2.
3.
4.
5.
6.
7.
1.
2.
3.
1.
1.
2.
3. •
•

USER MANUAL ENGLISH
RS 850 33014576(4)2008-02 A 35
SUCTION INLET AND SKIRT HEIGHT AND OPERATION CHECK
Preliminary operations
Engage the parking brake (13, Fig. E).
Lift the suction inlet (17, Fig. G) according to the procedure shown in the relevant paragraph.
Turn the ignition key (24, Fig. D) to OFF position and remove it.
Suction inlet wheel check
Check that the three wheels (1, Fig. AC) of the suction inlet are in good conditions and turn freely (they must not be bent/
misshapen because of bumps or excessive pressure, etc.). Check also that the rubber thickness (2) is not lower than some
millimetre.
If necessary replace the wheels (1) (see the procedure in the Service Manual).
Sliding panel check
Check that the main sliding panel (3, Fig. AC) and the front sliding panels (4) and (5) are in good conditions and that their
thickness (6) is not lower than 0.2 in (5 mm), otherwise replace them (see the procedure in the Service Manual).
It is important to replace the sliding panels (3), (4), (5) when they are not completely worn, to avoid damaging the relevant
mounting screws and making them diffi cult to remove.
Replace the sliding panels (3), (4), (5) as a unit, to avoid steps in the union areas (7), caused by different levels of wear.
Suction inlet skirt, baffl e plate and wheel adjustment check
Check that the skirt (8, Fig. AC) and baffl e plate (9) are integral and that they do not have excessive tears (10) or lacerations
(11), which can affect the suction inlet operation.
If necessary replace the skirt (8) and the baffl e plate (9) (see the procedure in the Service Manual).
Drive the machine on a level ground and lower the suction inlet (17, Fig. G) according to the procedure shown in the relevant
paragraph.
Turn the ignition key (24, Fig. D) to OFF position and remove it.
Check that the distance (12, Fig. AC) of the skirt from the ground is not bigger than 0.4 in (1 cm). Greater distances can affect
the suction inlet operation.
If necessary replace the skirt (8) (see the procedure in the Service Manual).
Check that all the wheels (1, Fig. AC) contact the ground.
If the rear wheel does not contact the ground, or if it contacts the ground with too much force, adjust its height according to the
following procedure:
On both sides of the suction inlet, unscrew/screw the self-locking nuts (1, Fig. AD) until the rear wheel reaches the correct
position.
Also check that, when the three wheels (1, Fig. AC) contact the ground, the sliding panels (3), (4), (5) do not touch the ground,
otherwise the wheels (1) must be replaced to avoid an excessive wear of the sliding panels (for wheel replacement procedure,
see the Service Manual).
The adjuster (2, Fig. AD) is used to balance the suction inlet when it is lifted.
Start the machine according to the procedure shown in the relevant paragraph, then lift the skirt (8, Fig. AC) and check that
it lifts freely. Check that it lifts also when a force of some kg is applied (simulating to move bottles or other heavy objects that
must then be collected). If necessary, adjust the opening force of the skirt (8) according to the following procedure:
Turn off the machine.
Loosen the control valve locknut (13, Fig. AC) and turn the screw (14) as necessary, reminding that:
The opening force decreases by loosening the screw;
The opening force increases by tightening the screw.
When the adjustment is completed, tighten the locknut (13, Fig. AC).
Assemble the components in the reverse order of disassembly.
1.
2.
3.
4.
5.
6.
7.
8.
9.
10.
•
11.
12.
13.
•
•–
–
•
14.

ENGLISH USER MANUAL
36 33014576(4)2008-02 A RS 850
SIDE BROOM POSITION CHECK AND ADJUSTMENT
NOTE
Brooms of various hardness are available. This procedure is applicable to all types of brooms.
Check
Check the side brooms for proper height and tilting, according to the following procedure:
Drive the machine on a level ground.
While keeping the machine stationary, fully lower the side brooms and allow them to rotate for a few seconds.
Stop and lift the side brooms, then move the machine.
Check that the size and orientation of the prints left by the side brooms are as follows:
The right side broom must touch the ground along a circle arc ranging from “11 o’clock” position to “4 o’clock” position
(1, Fig. AE).
The left side broom must touch the ground along a circle arc ranging from “8 o’clock” position to “1 o’clock” position (2,
Fig. AE).
Adjust the broom height when the prints are out of specifi cation, according to the following procedure.
Engage the parking brake with the lever (13, Fig. E).
Turn the ignition key (24, Fig. D) to OFF position and remove it.
Side broom height adjustment
On both sides of the machine, operate on the tensioning self-locking nut (3, Fig. AF) of the spring (4) and consider the
following:
To lower the broom, the nut (3) must be unscrewed;
To lift the broom, the nut (3) must be screwed.
Perform step 1 again.
Side broom forward tilting angle (5, Fig. AF) adjustment
On both sides of the machine, loosen the locknuts (6 and 7, Fig. AF), then adjust the forward tilting angle (5) by placing a lever
in the hole (9) and turning the tie rod (8).
When the adjustment is completed, tighten the locknuts (6) and (7).
Perform step 1 again.
Side broom side tilting angle (10, Fig. AF) adjustment
On both sides of the machine, loosen the screws (11 and 12, Fig. AF), then adjust the side tilting angle (10). When the
adjustment is completed, tighten the screws (11) and (12).
Perform step 1 again.
Side broom side position adjustment
The purpose of this adjustment is to improve the side position of the brooms as to the suction inlet (17, Fig. G).
To perform the adjustment, loosen/tighten the self-locking nuts (1 and/or 2, Fig. AG), thus changing the side position of the
brooms. To have a optimum adjustment, the arms must be slightly tensioned outwards.
When the side brooms are too worn out, the adjustment is not possible; replace the brooms according to the instructions in the
relevant paragraph.
3RD BROOM POSITION CHECK AND ADJUSTMENT
NOTE
Brooms of various hardness are available. This procedure is applicable to all types of brooms.
3rd broom position check
Check the 3rd broom for proper height and tilting, according to the following procedure:
Drive the machine on a level ground.
Start the machine and bring the 3rd broom arm (1, Fig. AH) straight in front of the cab (as shown in the fi gure) according to
the procedure shown in the relevant paragraph.
Keeping the machine stationary, lower the 3rd broom completely (2, Fig. AH) and allow it to rotate for a few seconds.
Stop and lift the 3rd broom, then move the machine.
Check that the size and orientation of the print left by the 3rd broom is as follows:
The broom must touch the ground along a circle arc ranging from “10 o’clock” position to “2 o’clock” position (3, Fig.
AH).
The broom forward tilting angle (4, Fig. AH) must be 10 degrees approximately.
If necessary, adjust the broom according to the following procedure.
Engage the parking brake (13, Fig. E).
Turn the ignition key (24, Fig. D) to OFF position and remove it.
1. •
•
•
•–
–
•
2.
3.
4.
•
•
5.
6.
7.
8.
9.
10.
11.
12.
13.
1. •
•
•
•
•–
–
2.
3.

USER MANUAL ENGLISH
RS 850 33014576(4)2008-02 A 37
3rd broom height adjustment
Operate on the tensioning self-locking nut (5, Fig. AI) of the spring (6) and consider the following:
To lower the broom, the nut (5) must be unscrewed;
To lift the broom, the nut (5) must be screwed.
Perform step 1 again.
3rd broom forward tilting angle (4, Fig. AH) adjustment
Loosen the locknuts (7 and 8, Fig. AI), then adjust the forward tilting angle (4) by placing a lever in the hole (10) and turning
the tie rod (9).
When the adjustment is completed, tighten the locknuts (7) and (8).
Perform step 1 again.
When the broom is too worn out the adjustment is no more possible; replace the broom according to the instructions in the
relevant paragraph.
BROOM REPLACEMENT
NOTE
Brooms of various hardness are available. This procedure is applicable to all types of brooms.
CAUTION!
It is advisable to use protective gloves when replacing the side brooms because there can be sharp debris
between the bristles.
Lift the brooms and engage the parking brake (13, Fig. E).
Turn the ignition key (24, Fig. D) to OFF position and remove it.
Remove the lower centre screw (1, Fig. AJ), then remove the broom (2) to be replaced. Recover the key.
Remove the screws (3, Fig. AJ) and the fl ange (4) from the removed broom.
Install the fl ange (4, Fig. AJ) and secure it with the screws (3) on the new broom.
Install the new broom (2, Fig. AJ) with the key, then tighten the centre screw (1).
Adjust the height of the new broom according to the procedure shown in the relevant paragraph.
PARKING BRAKE CHECK
Engage the parking brake lever (13, Fig. E) and check for proper operation. Check also that the brake operates in the same
way on both the front wheels.
If necessary, adjust the parking brake according to the instructions in the Service Manual.
ENGINE OIL LEVEL CHECK
Engage the parking brake (13, Fig. E).
Turn the ignition key (24, Fig. D) to OFF position and remove it.
Open the left side lower lid (11, Fig. G) by disengaging the fastener (12) with the supplied key.
Check the oil level as shown in the diesel engine Manual.
Close the left side lower lid (11, Fig. G) by engaging the fastener (12) with the supplied key.
ENGINE OIL CHANGE
Empty the hopper (7, Fig. G); if it contains a small quantity of waste, it is not necessary to dump it.
Drive the machine on a solid and level ground, then engage the parking brake (13, Fig. E).
Lift the hopper (7, Fig. G), according to the procedure shown in the relevant paragraph.
Turn the ignition key (24, Fig. D) to OFF position and remove it.
To avoid that the hopper lowers by accident, install the lifted hopper support rods (3, Fig. F), according to the instructions
shown on the relevant paragraph.
Close the left and right side upper lids (9 and 28, Fig. G) by engaging the fasteners (10) and (29) with the supplied key.
Remove the screws, then remove the engine compartment panel (11, Fig. F).
Open the left side lower lid (11, Fig. G) by disengaging the fastener (12) with the supplied key.
Change the oil as shown in the diesel engine Manual.
Perform steps 3 to 8 in the reverse order.
4. •
•
5.
6.
7.
8.
9.
1.
2.
3.
4.
5.
6.
7.
1.
2.
1.
2.
3.
4.
5.
1.
2.
3.
4.
5.
6.
7.
8.
9.
10.

ENGLISH USER MANUAL
38 33014576(4)2008-02 A RS 850
ENGINE OIL FILTER REPLACEMENT
NOTE
This procedure must be performed when the engine oil has been drained.
Empty the hopper (7, Fig. G); if it contains a small quantity of waste, it is not necessary to dump it.
Drive the machine on a solid and level ground, then engage the parking brake (13, Fig. E).
Lift the hopper (7, Fig. G), according to the procedure shown in the relevant paragraph.
Turn the ignition key (24, Fig. D) to OFF position and remove it.
To avoid that the hopper lowers by accident, install the lifted hopper support rods (3, Fig. F), according to the instructions
shown on the relevant paragraph.
Close the left and right side upper lids (9 and 28, Fig. G) by engaging the fasteners (10) and (29) with the supplied key.
Remove the screws, then remove the engine compartment panel (11, Fig. F).
Open the left side lower lid (11, Fig. G) by disengaging the fastener (12) with the supplied key.
Replace the oil fi lter as shown in the Diesel Engine Manual.
Perform steps 3 to 8 in the reverse order.
ENGINE AIR PRE-FILTER AND FILTER CLEANING
WARNING!
Protect body parts (eyes, hair, hands, etc.) properly, when performing cleaning procedures using compressed
air or water gun.
Preliminary operations
Engage the parking brake (13, Fig. E).
Turn the ignition key (24, Fig. D) to OFF position and remove it.
Pre-fi lter cleaning
With a suitable ladder, reach the engine air pre-fi lter (39, Fig. F).
Remove the screw (1, Fig. AM2).
Remove the cover (2) and pre-fi lter (3).
Clean and wash the cover (2) and pre-fi lter (3).
Reinstall the pre-fi lter (3) and cover (2), then tighten the screw (1).
Filter cleaning
Operating over the left side of the rear axle, release the side fasteners (1, Fig. AM1) and remove the air fi lter cover (2).
Remove the air fi lter (3).
With compressed air (maximum 87.0 psi [6 Bar]), clean the air fi lter (3) carefully, blowing from the inside to the outside (in the
opposite direction of the suction fl ow). If necessary, replace the air fi lter.
Install the air fi lter (3, Fig. AM1) in the relevant housing.
Reinstall the cover (2, Fig. AM1) by engaging it to the side fasteners (1).
ENGINE RADIATOR FIN CLEANING CHECK
Empty the hopper (7, Fig. G); if it contains a small quantity of waste, it is not necessary to dump it.
Drive the machine on a solid and level ground, then engage the parking brake (13, Fig. E).
Lift the hopper (7, Fig. G), according to the procedure shown in the relevant paragraph.
Turn the ignition key (24, Fig. D) to OFF position and remove it.
To avoid that the hopper lowers by accident, install the lifted hopper support rods (3, Fig. F), according to the instructions
shown on the relevant paragraph.
Close the left and right side upper lids (9 and 28, Fig. G) by engaging the fasteners (10) and (29) with the supplied key.
Remove the screws, then remove the engine compartment panel (11, Fig. F).
Open the left side lower lid (11, Fig. G) by disengaging the fastener (12) with the supplied key.
Check the radiator fi n cleaning as shown in the diesel engine Manual.
Perform steps 3 to 8 in the reverse order.
1.
2.
3.
4.
5.
6.
7.
8.
9.
10.
1.
2.
3.
4.
5.
6.
7.
8.
9.
10.
11.
12.
1.
2.
3.
4.
5.
6.
7.
8.
9.
10.

USER MANUAL ENGLISH
RS 850 33014576(4)2008-02 A 39
ENGINE COOLANT LEVEL CHECK
Engage the parking brake (13, Fig. E).
Turn the ignition key (24, Fig. D) to OFF position and remove it.
With a suitable ladder, reach the coolant tank (5, Fig. G).
WARNING!
The coolant line is pressurized; do not perform any check until the engine has cooled down and, even if the
engine is cold, the tank plug (2, Fig. AL) must be opened with extreme care.
Check that the coolant level in the tank (1, Fig. AL) is between the minimum and maximum marks, as shown in the diesel
engine Manual. If necessary, unscrew the plug (2) and top up.
Coolant components:
50% of AGIP antifreeze
50% of water
After top up, tighten the plug (2, Fig. AL).
ENGINE FUEL FILTER REPLACEMENT
Engage the parking brake (13, Fig. E).
Turn the ignition key (24, Fig. D) to OFF position and remove it.
Open the right under-cab lid (31, Fig. G) by disengaging the fastener (32) with the supplied key.
Open the right side lower lid (34, Fig. G) by disengaging the fastener (35) with the supplied key.
Replace the fuel fi lter (1, Fig. AK) as shown in the diesel engine Manual.
Perform steps 3 to 5 in the reverse order.
CAB AIR FILTER REPLACEMENT
Empty the hopper (7, Fig. G); if it contains a small quantity of waste, it is not necessary to dump it.
Drive the machine on a solid and level ground, then engage the parking brake (13, Fig. E).
Lift the hopper (7, Fig. G), according to the procedure shown in the relevant paragraph.
Turn the ignition key (24, Fig. D) to OFF position and remove it.
To avoid that the hopper lowers by accident, install the lifted hopper support rods (3, Fig. F), according to the instructions
shown on the relevant paragraph.
Open the left side upper lid (9, Fig. G) by disengaging the fastener (10) with the supplied key.
With a suitable ladder, loosen the screw (1, Fig. AN) and turn the retainer (2).
Remove the cab air fi lter (1, Fig. AO).
Install the new fi lter (1, Fig. AO) with the arrows (2) pointing in the direction of the air fl ow (upwards).
Perform steps 3 to 7 in the reverse order.
WHEEL REPLACEMENT
Preliminary operations
Turn the ignition key (24, Fig. D) to OFF position and remove it.
Engage the parking brake (13, Fig. E).
Check that the machine cannot move with one wheel lifted (the parking brake operates only on the front wheels). If necessary
keep the machine stationary by placing wedges on the wheels contacting the ground.
Remove the wheel according to the following procedure.
Front wheel removal/installation
Open the right side upper lid (28, Fig. G) by disengaging the fastener (29) with the supplied key.
Unscrew the knobs (38, Fig. F) and remove the machine lifting bracket (37).
Near the wheel to be removed (1, Fig. AQ), place the lifting bracket (2) on the bosses (3) of the machine frame as shown in the
fi gure, then secure it with the split pin (4). Place a jack (5) under the bracket (2), as shown in the fi gure.
Loosen tyre nuts before jacking.
WARNING!
The jack (5, Fig. AQ) is not part of the machine equipment. Use a suitable jack with a minimum lifting capacity of
4,410 lb (2,000 kg).
Activate the jack (5, Fig. AQ) carefully, and lift the wheel (1) until it is slightly detached from the ground.
Unscrew the mounting nuts and remove the wheel (1, Fig. AQ).
Install the wheel (1, Fig. AQ) by performing steps from 5 to 9 in the reverse order.
Wheel mounting nut tightening torque: 295 lb·ft (400 N·m).
1.
2.
3.
4.
5. •
•
6.
1.
2.
3.
4.
5.
6.
1.
2.
3.
4.
5.
6.
7.
8.
9.
10.
1.
2.
3.
4.
5.
6.
7.
8.
9.
10.
11.

ENGLISH USER MANUAL
40 33014576(4)2008-02 A RS 850
Rear wheel removal/installation
Place a jack (6, Fig AQ) under the relevant housing (9) in the rear axle (7), as shown in the fi gure.
Loosen tyre nuts before jacking.
WARNING!
The jack (6, Fig. AQ) is not part of the machine equipment. Use a suitable jack with a minimum lifting capacity of
4,410 lb (2,000 kg).
Activate the jack (6, Fig. AQ) carefully, and lift the wheel (8) until it is slightly detached from the ground.
Unscrew the mounting nuts and remove the wheel (8, Fig. AQ).
Install the wheel (8, Fig. AQ) by performing steps from 11 to 13 in the reverse order.
Wheel mounting nut tightening torque: 295 lb·ft (400 N·m).
FUSE REPLACEMENT
Engage the parking brake (13, Fig. E).
Turn the ignition key (24, Fig. D) to OFF position and remove it.
Remove the transparent cover of the fuse box (25 or 34, Fig. D) and replace the relevant fuse among the following:
Fuse box (25, Fig. D)
Free fuse holder (10 A)
Free fuse holder (7.5 A)
Parking brake warning buzzer and water-in-fuel sensor fuse (10 A)
Dashboard fuse (7.5 A)
Reverse gear warning buzzer, cameras, start safety relay, and hopper lid fuse (10 A)
Skirt solenoid valve fuse (10 A)
Broom rotation fuse (10 A)
Relay board fuse (10 A)
Lifted hopper warning light/windscreen washer fuse (7.5 A)
Dust control system water pump fuse (15 A)
Climate control system fuse (15 A)
Hydraulic system oil cooling fan fuse (20 A)
Fuse box (34, Fig. D)
High beam fuse (15 A)
Running light fuse (7.5 A)
Hazard warning light and horn fuse (10 A)
Low beam fuse (15 A)
Running light fuse (7.5 A)
Glow plug control unit fuse (7.5 A)
Turn signal fuse (7.5 A)
Flashing light fuse (7.5 A)
Fuel solenoid valve fuse (engine off) (10 A)
Brake light fuse (10 A)
Windscreen wiper fuse (7.5 A)
Climate control system blower fuse (20 A)
Install the transparent cover of the fuse box (25 or 34, Fig. D).
12.
13.
14.
15.
16.
1.
2.
3.
1.
2.
3.
4.
5.
6.
7.
8.
9.
10.
11.
12.
13.
14.
15.
16.
17.
18.
19.
20.
21.
22.
23.
24.
4.

USER MANUAL ENGLISH
RS 850 33014576(4)2008-02 A 41
SUCTION INLET DISASSEMBLY/ASSEMBLY
NOTE
This is a basic procedure, it is often recalled during other procedures, when necessary.
Disassembly
Remove the side brooms (see the procedure in the relevant paragraph).
Move the 3rd broom (21, Fig. G) aside, and lower the suction inlet (17) according to the procedure shown in the relevant
paragraph.
Engage the parking brake (13, Fig. E).
Turn the ignition key (24, Fig. D) to OFF position and remove it.
Mark the position of the pipes (1 and 2, Fig. AY) (for proper assembly), then disconnect them from the suction inlet (3) and plug
them.
Mark the position of the pipes (4 and 5, Fig. AY) (for proper assembly), then disconnect them from the suction inlet (3) and plug
them.
Disconnect the dust control system pipes (6 and 7, Fig. AY).
Disconnect the electrical connectors (8 and 9, Fig. AY) and remove the gasket.
Remove the screws (10, Fig. AY).
Move the suction inlet (3, Fig. AY) forward, and loosen the suction pipe clamp (11).
Disconnect the suction pipe (12, Fig. AY) from the suction inlet.
On both sides of the suction inlet, unscrew the nuts (13, Fig. AY) and disconnect the relevant springs.
Remove the suction inlet (3).
Collect the pipes (15, Fig. AY) disconnected from the suction inlet, and secure them with clamps (14).
Fit a dust boot to prevent dirt and foreign material from entering the pipes (15).
Assembly
Assemble the components in the reverse order of disassembly.
If necessary, check the suction inlet and skirt height and operation (see the procedure in the relevant paragraph).
3RD BROOM ARM DISASSEMBLY/ASSEMBLY
NOTE
This is a basic procedure, it is often recalled during other procedures, when necessary.
CAUTION!
This procedure is applicable only for sweepers with appropriate fi ttings for installation of snow brush.
Disassembly
Extend the 3rd broom arm (23, Fig. G) and lift the broom (21) according to the procedure shown in the relevant paragraph.
Turn off the engine and engage the parking brake (13, Fig. E).
Operating according to the safety rules, with a proper hoisting system (1, Fig. AZ), sling the 3rd broom arm (2) in the points
shown in the fi gure. Move the pipes and cable aside, to avoid squashing them during the lifting operation.
3rd broom arm weight: approximately 176.4 (80 kg).
Disconnect the electrical connector (3, Fig. AZ).
Disconnect the hydraulic system quick couplings (4, Fig. AZ) from the corresponding pipe couplings (5), then install the
protection covers.
Disconnect the dust control system quick coupling (6, Fig. AZ) from the corresponding pipe coupling (7), then install the
protection covers.
Inside the cab, remove the screw (8, Fig. AZ), then remove the panel (9).
Slightly tighten the hoisting system (1, Fig. AZ), then remove the screws (10) and the nut (11).
Remove the 3rd broom arm (2, Fig. AZ).
Assembly
Assemble the components in the reverse order of disassembly.
If necessary, check and adjust the 3rd broom position (see the procedure in the relevant paragraph).
1.
2.
3.
4.
5.
6.
7.
8.
9.
10.
11.
12.
13.
14.
15.
16.
1.
2.
3.
4.
5.
6.
7.
8.
9.
10.
11.

ENGLISH USER MANUAL
42 33014576(4)2008-02 A RS 850
WINTER MAINTENANCE
In winter, perform the following maintenance procedures carefully.
Procedures for machine storage or for machines working at less than +32°F (0°C)
Drain the nozzles and water tanks.
Drain and clean/replace the water fi lter.
Pour antifreeze in the water tanks (check the quantity).
Turn on the water pump (see the procedure in the relevant paragraphs) to let the antifreeze fl ow through the system until
it comes out from the broom nozzles, from the suction hose nozzle and from the rear pipe nozzle (if equipped). When the
antifreeze comes out from the nozzles, stop the pump.
Start the diesel engine as shown in the relevant paragraph.
Turn on the high-pressure washing system pump (see the procedure in the relevant paragraphs) and let the antifreeze fl ow
through the high-pressure washing system until it comes out of the water gun. When the antifreeze comes out, stop the pump.
WARNING!
Do not use the dust control system when the outside temperature is lower than +32°F (0°C) because it can
create ice sheets on the pavement.
Procedures to perform when the machine has been stored for two months
Replace the engine oil and oil fi lter (see the relevant paragraphs).
Fill the fuel tank (see the relevant paragraph).
Apply grease.
Charge the battery.
Check the wheel pressure (see the relevant paragraph).
Procedures to perform when the machine has been stored for three months
Perform the same procedures of the second month.
Each month connect a battery charger and keep the battery charged for 12/24 hours.
SAFETY FUNCTIONS
The machine is equipped with the following safety functions.
Reverse gear buzzer
The machine is equipped with a sensor and a buzzer to indicate that the machine is moving in reverse.
Broom speed limiter
The machine is calibrated to stop broom rotation when the engine speed is above 2,050 rpm.
Joystick safety push-button
The push-buttons on the joystick are active only if the safety push-button (on the joystick) is pressed.
Safety device for control sequence during broom start-up
The suction inlet lowers only when the broom switch is pressed; the broom rotation starts only when the suction inlet is completely
lowered.
Sensor for engine start-up inhibition when the drive pedal is pressed
The machine is equipped with a sensor that do not allow for engine start up when the drive pedal is pressed.
1.
2.
3.
4.
5.
6.
7.
8.
9.
10.
11.
8.
9.

USER MANUAL ENGLISH
RS 850 33014576(4)2008-02 A 43
TROUBLESHOOTING
The following table shows the most common problems that may arise when using the machine, the possible causes and the
suggested remedies to solve them.
WARNING!
The suggested remedies must be performed by qualifi ed personnel, according to the instructions shown in this
Manual, if present, otherwise contact a Nilfi sk Service Center, where it is possible to consult the Service Manual.
For explanation or information, contact a Nilfi sk Service Center.
For troubleshooting the following optional equipments, refer to the relevant Manuals:
Salt spreader
Snow brush
Camera kit
PROBLEMS AND REMEDIES
Problem Possible cause Remedy
BROOMS
The brooms do not clean correctly The brooms are not adjusted correctly Adjust
The broom speed is not correct Adjust the speed
The brooms do not rotate The safety system stopped broom rotation
because the engine speed was excessive Decrease engine speed
Lack of tension in the solenoid valve Check the electrical system
There are oil leaks from the hydraulic system
fi ttings/hoses Repair/replace
The motor is faulty Replace
The accessory system pump does not
pressurize the oil in the circuit Check the oil pressure in the hydraulic system
Deactivated broom switch Activate
The fuse is blown Replace
The solenoid valve is burnt Replace
3RD BROOM ARM
The 3rd broom arm swings The tensioning springs are not correctly
adjusted Adjust
The end-of-stroke sensors are not correctly
adjusted Adjust
The 3rd broom arm does not shift sideways Broken safety pin Replace
Lack of tension in the solenoid valve Check the electrical system
The control valve assembly is stuck Repair
The cylinder gaskets are worn Overhaul the cylinder
The switch is deactivated Activate
The fuse is blown Replace
Open left/right shifting push-button Replace
The relay is burnt Replace
Burned solenoid valves Replace
3RD BROOM ARM
The 3rd broom arm does not lift/lower The control valve assembly is stuck Repair
The cylinder gaskets are worn Overhaul the cylinder
The fuse is blown Replace
Open lowering push-button Replace
Open lifting push-button Replace
The relay is burnt Replace
The solenoid valve is burnt Replace
–
–
–

ENGLISH USER MANUAL
44 33014576(4)2008-02 A RS 850
Problem Possible cause Remedy
SUCTION FAN
The suction fan is noisy Not-lubricated fan bearings Lubricate
Worn fan bearings Replace
The motor is faulty Repair
The suction fan turns but it is not effi cient The dust fi lters are clogged Clean
The suction pipe is clogged Clean
The suction pipe is cut/torn Replace
The gasket between the suction inlet and the
hopper is broken or misadjusted (replace or
adjust)
Replace/adjust
There is no pressure at the suction system
motor Adjust the pump pressure
The suction fan does not turn The control valve assembly is stuck Repair
The motor is faulty Replace
Pump failure Replace
SUCTION INLET AND SKIRT
The suction inlet does not collect debris
effi ciently The suction inlet position is incorrect Check the suction inlet and skirt height and
operation
The suction inlet does not lift Open electrical contact Repair the electrical system
The control valve assembly is stuck Repair
The cylinder gaskets are worn Overhaul the cylinder
There is no pressure at the hydraulic system Check the pump pressure
The fuse is blown Replace
Open lifting push-button Replace
Open joystick safety push-button Replace
Relay board failure Overhaul
The solenoid valve is burnt Replace
SUCTION INLET AND SKIRT
The suction inlet does not lower The suction fan is off Activate
There is no pressure at the parachute valve Check the suction fan control valve assembly
pressure
Lack of pressure in the control valve assembly
solenoid valve Check the pressure
The fuse is blown Replace
Deactivated broom switch Activate
Open lowering push-button Replace
Open joystick safety push-button Replace
Relay board failure Overhaul
The solenoid valve is burnt Replace
The suction inlet does not shift sideways Lack of pressure in the cylinder because of
worn gaskets Overhaul the cylinder
The fuse is blown Replace
Open left shifting push-button Replace
Open right shifting push-button Replace
Open safety push-button Replace
Relay board failure Replace
The solenoid valve is burnt Replace
The skirt opening force is not suffi cient The skirt opening pressure is incorrect Adjust the opening pressure
The skirt does not open/close The switch is deactivated Activate
The solenoid valve is burnt Replace

USER MANUAL ENGLISH
RS 850 33014576(4)2008-02 A 45
Problem Possible cause Remedy
HOPPER AND RELEVANT LID
The hopper does not lift/dump The control valve assembly is stuck Repair
Open push-button Replace
The fuse is blown Replace
Open safety push-button Replace
Activated broom switch Deactivate
The hopper does not return to horizontal
position/lower The cylinder gaskets are worn Overhaul the cylinders
The fuse is blown Replace
Open push-button Replace
Open safety push-button Replace
Relay board failure Replace
Burned solenoid valves Replace
HOPPER AND RELEVANT LID
The hopper lid does not open/close Lack of tension in the actuator Repair the electrical system
Open control push-button Replace
Misadjusted actuator cams Adjust the actuator cams
The actuator is faulty Replace
DUST CONTROL SYSTEM NOZZLES
No water from the nozzles The water fi lter is clogged Clean/replace
The nozzles are clogged Clean
No water to the nozzles The water pump relay is burnt Replace
The pump is not operating Repair/replace
The water pump switch is deactivated Activate
The fuse is blown Replace
The water pump relay is burnt Replace
The water pump does not stop The fl oat is stuck Repair
Incorrect installation of the fl oat Install correctly
STEERING SYSTEM
The machine does not move straightforward Misadjusted rear axle toe-in Adjust
The steering is hard The power steering is faulty Replace
The priority valve is faulty Replace
The steering wheel drive hydraulic cylinder is
faulty Replace
BRAKE SYSTEM
The machine brake system is not effi cient The brake fl uid level is low Check the brake fl uid level
The braking masses are worn or greasy Replace
There is air in the line Bleed the system
The drum brake cylinder is faulty Replace
The brake fl uid pump is faulty Overhaul
The parking brake is not effi cient The brake is misadjusted Adjust
STABILITY
When the machine moves the stability is
reduced The tyre pressure is incorrect Check the tyre pressure
WHEELS
The rear wheels are noisy The wheel bearings are worn Replace

ENGLISH USER MANUAL
46 33014576(4)2008-02 A RS 850
Problem Possible cause Remedy
DRIVE POWER
The machine drive power is reduced The drive pedal is faulty Replace
The by-pass is open Check the by-pass screw tightening
The drive system pump power decreases Check the hydraulic system oil pressure on the
drive system pump
Worn drive motors Replace
The machine has no drive power Activated drive system pump deactivation
screw (to facilitate machine towing) Deactivate
There are oil leaks from the hydraulic system Repair
Broken drive system pump Replace
Broken drive system motor Replace
DRIVE PEDAL
The machine moves even if the drive pedal is
released Misadjusted drive pedal Adjust
CAB HEATING
There is no hot air Broken hot water tap or pipes Replace
There are water leaks from the heater Replace
The switch is deactivated Activate
The fuse is blown Replace
CAB CLIMATE CONTROL SYSTEM
There is no fresh air The compressor does not turn because the
drive belt is loosen/broken Adjust the tension/replace the belt
Deactivated thermostat Activate
There are gas leaks from the system Repair the leak and integrate the gas
The expansion valve is faulty Replace
The switch is deactivated Activate
The fuse is blown Replace
There is an open in the gas pressure switch Replace
The relay is burnt Replace
DIESEL ENGINE
When turning the ignition key, the engine does
not start The drive pedal is pressed. Do not press the drive pedal when starting the
engine.
NOTE
For diesel engine complete troubleshooting, see the relevant Manual.
SCRAPPING
Have the machine scrapped by a qualifi ed scrapper.
Before scrapping the machine, remove and separate the following materials, which must be disposed of properly according to the
law in force:
Brooms
Engine oil
Hydraulic system oil
Hydraulic system oil fi lters
Plastic components
Electrical and electronic components
NOTE
Refer to the nearest Nilfi sk Center especially when scrapping electrical and electronic components.
–
–
–
–
–
–

GEBRUIKSAANWIJZING NEDERLANDS
RS 850 33014576(4)2008-02 A 1
INHOUDSOPGAVE
INLEIDING ....................................................................................................................................................................... 3
DOEL EN INHOUD VAN DEZE HANDLEIDING .............................................................................................................................. 3
BETREFFENDE PERSONEN ......................................................................................................................................................... 3
OPBERGEN VAN DE HANDLEIDING ............................................................................................................................................. 3
BEWIJS VAN CONFORMITEIT ....................................................................................................................................................... 3
IDENTIFICATIEGEGEVENS ........................................................................................................................................................... 3
ANDERE GEBRUIKERSHANDLEIDINGEN .................................................................................................................................... 4
VERVANGINGSONDERDELEN EN ONDERHOUD ....................................................................................................................... 4
MODIFICATIES EN VERBETERINGEN .......................................................................................................................................... 4
VEILIGHEID ..................................................................................................................................................................... 4
GEBRUIKTE SYMBOLEN ............................................................................................................................................................... 4
ALGEMENE INSTRUCTIES ............................................................................................................................................................ 5
VERPAKKING VERWIJDEREN/AFLEVERING .............................................................................................................. 7
BESCHRIJVING VAN DE MACHINE .............................................................................................................................. 8
BEDRIJFSCAPACITEIT ................................................................................................................................................................... 8
ALGEMENE OPMERKINGEN ......................................................................................................................................................... 8
BESCHRIJVING .............................................................................................................................................................................. 8
TECHNISCHE EIGENSCHAPPEN ................................................................................................................................................11
OMGEVINGSWAARDEN .............................................................................................................................................................. 13
ELEKTRISCH SCHEMA ................................................................................................................................................................ 14
ELEKTRISCH SCHEMA VAN DE ARM VAN DE DERDE BORSTEL (*) ....................................................................................... 15
HYDRAULISCH SYSTEEM ........................................................................................................................................................... 15
ELEKTRISCHE BESCHERMINGEN ............................................................................................................................................. 16
ACCESSOIRES / OPTIES ............................................................................................................................................................. 16
GEBRUIK ....................................................................................................................................................................... 17
ALGEMENE WAARSCHUWINGEN .............................................................................................................................................. 17
VOOR HET STARTEN ................................................................................................................................................................... 17
STARTEN EN STOPPEN VAN DE DIESELMOTOR ..................................................................................................................... 18
DE MACHINE STARTEN EN STOPPEN ....................................................................................................................................... 19
MACHINE IN BEDRIJF .................................................................................................................................................................. 21
DE AFVALCONTAINER LEGEN .................................................................................................................................................... 22
GEBRUIK VAN DE AANZUIGSLANG AAN DE ACHTERKANT (*) ............................................................................................... 23
GEBRUIK VAN RUITENWISSERS EN -SPROEIERS .................................................................................................................. 23
GEBRUIK VAN DE VERWARMING VAN DE STUURCABINE ...................................................................................................... 23
GEBRUIK VAN DE KLIMAATREGELAAR VAN DE STUURCABINE (*) ....................................................................................... 23
WERKING VAN HET VERLICHTINGSSYSTEEM ......................................................................................................................... 24
INSCHAKELING VAN DE NOODLICHTEN ................................................................................................................................... 24
HANDMATIG OMHOOG BRENGEN VAN DE AFVALCONTAINER .............................................................................................. 24
INVOEGEN VAN DE BLOKKEERSTANGEN VAN DE OPGEHESEN AFVALCONTAINER ......................................................... 24
INSTEKEN VAN DE BLOKKEERSTANG VAN DE KLEP VAN DE OPGEHEVEN AFVALCONTAINER ....................................... 25
GEBRUIK VAN HOGEDRUK WATERSPUIT (*) ............................................................................................................................ 25
GEBRUIK VAN DE CAMERASET (optioneel) ............................................................................................................................... 25
NA GEBRUIK VAN DE MACHINE ................................................................................................................................................. 26
DE WATERTANKS VAN DE INSTALLATIE VOOR STOFBESTRIJDING LEGEN ........................................................................ 26
TREKBEWEGING VAN DE MACHINE .......................................................................................................................................... 26
VERVOER/BEWEGING................................................................................................................................................................. 27
LANGE PERIODE VAN STILSTAND ............................................................................................................................................. 27
EERSTE GEBRUIKSPERIODE ..................................................................................................................................................... 27
MONTAGE EN GEBRUIK VAN DE ZOUTSTROOI-UITRUSTING (optioneel) .............................................................................. 28
MONTAGE EN GEBRUIK VAN DE SNEEUWRUIMERUITRUSTING MET BORSTEL (optioneel) .............................................. 29

NEDERLANDS GEBRUIKSAANWIJZING
233014576(4)2008-02 A RS 850
ONDERHOUD ................................................................................................................................................................ 30
ONDERHOUDSSCHEMA .............................................................................................................................................................. 30
REINIGING VAN DE AFVALCONTAINER, DE FILTERS EN DE AANZUIGSLANG, CONTROLE VAN DE
PAKKINGEN EN DE SMERING VAN DE LAGERS VAN DE AANZUIGVENTILATOR .................................................................31
REINIGING VAN DE SPUITMONDEN EN DE FILTERS VAN DE INSTALLATIE VOOR STOFBESTRIJDING ............................ 32
REINIGING VAN DE WATERFILTER VAN DE INSTALLATIE VOOR STOFBESTRIJDING ......................................................... 33
CONTROLE VAN HET OLIEPEIL VAN HET HYDRAULISCHE SYSTEEM .................................................................................. 33
CONTROLE VAN DE REINIGING VAN DE RIBBEN VAN DE RADIATEUR VOOR DE OLIE VAN
DE HYDRAULISCHE INSTALLATIE .............................................................................................................................................. 34
CONTROLE VAN HET VLOEISTOFPEIL VAN DE ACCU ............................................................................................................. 34
CONTROLE VAN HET REMOLIEPEIL .......................................................................................................................................... 34
CONTROLE VAN DE ACTIVERINGSSENSOR VAN HET GELUIDSSIGNAAL VAN DE ACHTERUIT ........................................ 34
CONTROLE VAN DE BANDENSPANNING .................................................................................................................................. 34
CONTROLE VAN DE HOOGTE EN WERKING VAN DE AANZUIGMOND EN DE FLAP ............................................................ 35
DE POSITIE VAN DE ZIJBORSTELS CONTROLEREN EN AFSTELLEN ................................................................................... 36
DE POSITIE VAN DE DERDE BORSTEL CONTROLEREN EN AFSTELLEN ............................................................................. 36
VERVANGING VAN DE BORSTELS ............................................................................................................................................. 37
CONTROLE VAN DE PARKEERREM ........................................................................................................................................... 37
CONTROLE VAN HET OLIEPEIL VAN DE DIESELMOTOR ........................................................................................................ 37
VERVERSING VAN DE OLIE VAN DE DIESELMOTOR ............................................................................................................... 37
VERVANGING VAN DE OLIEFILTER VAN DE DIESELMOTOR .................................................................................................. 38
REINIGING VAN DE VOORFILTER EN DE LUCHTFILTER VAN DE DIESELMOTOR ................................................................ 38
CONTROLE VAN DE REINIGING VAN DE RIBBEN VAN DE RADIATEUR VAN DE DIESELMOTOR ....................................... 38
CONTROLE VAN HET KOELVLOEISTOFPEIL VAN DE DIESELMOTOR ................................................................................... 39
VERVANGING VAN DE BRANDSTOFFILTER VAN DE DIESELMOTOR..................................................................................... 39
VERVANGING VAN DE LUCHTFILTER VAN DE STUURCABINE ............................................................................................... 39
VERVANGING VAN DE BANDEN ................................................................................................................................................. 39
VERVANGING VAN DE ZEKERINGEN ......................................................................................................................................... 40
DEMONTAGE/MONTAGE VAN DE AANZUIGMOND ................................................................................................................... 41
DEMONTAGE/MONTAGE VAN DE ARM VAN DE DERDE BORSTEL ......................................................................................... 41
ONDERHOUD IN DE WINTER ..................................................................................................................................................... 42
VEILIGHEIDSFUNCTIES ............................................................................................................................................... 42
STORINGEN LOKALISEREN ....................................................................................................................................... 43
ONGEMAKKEN EN HERSTELACTIES ........................................................................................................................................ 43
VERWIJDERING ............................................................................................................................................................ 46

GEBRUIKSAANWIJZING NEDERLANDS
RS 850 33014576(4)2008-02 A 3
INLEIDING
DOEL EN INHOUD VAN DEZE HANDLEIDING
Deze handleiding is een integraal onderdeel van de machine en heeft tot doel de bediener te voorzien van alle informatie die nodig
is om deze machine op de juiste en veiligste manier te gebruiken. Er staat informatie in over technische aspecten, de veiligheid de
werking, het stoppen, het onderhoud, de vervangingsonderdelen en de verwijdering van de machine.
De bedieners en bevoegde technici die met deze machine werken, moeten de instructies in deze handleiding zorgvuldig lezen,
voordat ze met de machine aan het werk gaan. Neem bij twijfel over de juiste interpretatie van de instructies contact op met Nilfi sk
voor meer uitleg.
BETREFFENDE PERSONEN
Deze handleiding is bestemd voor de bediener van de machine en de technici die verantwoordelijk zijn voor het onderhoud van de
machine.
De bedieners mogen geen handelingen uitvoeren die alleen door bevoegde monteurs uitgevoerd mogen worden. Nilfi sk is niet
verantwoordelijk voor schade die is ontstaan uit het negeren van dit verbod.
OPBERGEN VAN DE HANDLEIDING
De bedienershandleiding moet worden opgeborgen in de cabine van de machine. Er mogen geen vloeistoffen of andere materialen
bij komen zodat de handleiding goed leesbaar blijft.
BEWIJS VAN CONFORMITEIT
In afbeelding A wordt de kopie van de documentatie getoond die bewijst dat de veegmachine voldoet aan de geldende bepalingen
van de wet.
OPMERKING
Er is één kopie van de oorspronkelijke conformiteitsverklaring verstrekt, samen met de machinedocumentatie.
OPMERKING
Wanneer de machine is goedgekeurd voor gebruik op de weg, wordt er een specifi ek conformiteitscertifi caat
meegeleverd.
IDENTIFICATIEGEGEVENS
Het serienummer en model van de machine staan op de sticker (1, Afb. C) en op het plaatje (1, Afb. E) in de cabine.
Het serienummer van de machine is tevens gedrukt op het zijpaneel (33, Afb. G).
Het serienummer en model van de dieselmotor staan op de plaatsen die in de betreffende handleiding worden aangegeven.
Bovendien is er in bepaalde landen een tweede plaatje met deze gegevens aangebracht in positie (1, Afb. E).
Deze informatie heeft u nodig voor vervangingsonderdelen voor de machine en de dieselmotor. Gebruik de ruimte hieronder om de
identifi catiegegevens van uw machine en de dieselmotor te noteren zodat u deze gegevens altijd bij de hand heeft.
Model MACHINE ...............................................................................
Serienummer MACHINE ...................................................................
Model MOTOR ..................................................................................
Serienummer MOTOR .......................................................................

NEDERLANDS GEBRUIKSAANWIJZING
433014576(4)2008-02 A RS 850
ANDERE GEBRUIKERSHANDLEIDINGEN
Bij de veegmachine zijn ook de volgende handleidingen geleverd:
Handleiding van de dieselmotor (*)
Catalogus met vervangingsonderdelen van de veegmachine
Handleiding van de zoutstrooi-uitrusting (optioneel) (*)
Catalogus met vervangingsonderdelen van de zoutstrooi-uitrusting (optioneel)
Handleiding van de sneeuwruimeruitrusting met borstel (optioneel) (*)
Catalogus met vervangingsonderdelen van de sneeuwruimeruitrusting met borstel (optioneel)
Handleiding van de cameraset (optioneel) (*)
Catalogus met vervangingsonderdelen van de cameraset (optioneel)
(*) Handleidingen die worden beschouwd als integraal onderdeel van de bedienerhandleiding van de veegmachine.
Bij de servicecentra van Nilfi sk is tevens de volgende handleiding beschikbaar:
Servicehandleiding van de veegmachine
VERVANGINGSONDERDELEN EN ONDERHOUD
Als er onderhouds- of herstelwerkzaamheden aan de machine nodig zijn, moet u deze door bevoegd personeel of bij servicecentra
van Nilfi sk laten uitvoeren. Er mogen alleen originele vervangingsonderdelen en accessoires worden gebruikt.
Als u hulp nodig heeft of vervangingsonderdelen en accessoires wilt bestellen bij Nilfi sk, zorg dan dat u het model en het
serienummer altijd bij de hand heeft.
MODIFICATIES EN VERBETERINGEN
Nilfi sk streeft naar een constante perfectie van onze producten en we behouden ons het recht voor modifi caties en aanpassingen
aan te brengen indien wij die nodig achten. U bent niet verplicht deze modifi caties of verbeteringen door te voeren op een eerder
aangeschafte machine.
Eventuele aanpassingen en/of toevoeging van accessoires moeten expliciet worden goedgekeurd en uitgevoerd door Nilfi sk.
VEILIGHEID
De volgende symbolen worden gebruikt om mogelijk gevaarlijke situaties aan te geven. Lees deze informatie altijd aandachtig door
en neem de nodige voorzorgsmaatregelen om personen en voorwerpen te beschermen.
Samenwerking met de bediener is van essentieel belang om ongelukken te voorkomen. Geen enkel preventieplan ter voorkoming
van ongevallen is effectief zonder de volledige medewerking van de persoon die direct verantwoordelijk is voor de werking van de
machine. De meeste ongevallen die zich binnen een bedrijf, op de werkvloer of op locatie voordoen, worden veroorzaakt door het
niet naleven van enkele elementaire veiligheidsmaatregelen. Een oplettende en voorzichtige bediener is de beste garantie tegen
ongevallen en is het meest effectief in elk preventieplan.
GEBRUIKTE SYMBOLEN
GEVAAR!
Dit symbool geeft een gevaar met mogelijk dodelijke afl oop voor de bediener aan.
LET OP!
Dit symbool geeft een mogelijk risico op letsel voor personen of schade aan voorwerpen aan.
WAARSCHUWING!
Dit symbool geeft een waarschuwing of opmerking aan over de werking van de sleutel of van de
gebruiksfuncties. Lees de blokken tekst die met dit symbool zijn gemarkeerd zorgvuldig door.
OPMERKING
Dit symbool geeft een opmerking aan over de werking van de sleutel of van de gebruiksfuncties.
ADVIES
Raadpleeg de bedienershandleiding vóór het uitvoeren van werkzaamheden.
–
–
–
–
–
–
–
–
–

GEBRUIKSAANWIJZING NEDERLANDS
RS 850 33014576(4)2008-02 A 5
ALGEMENE INSTRUCTIES
Hierna volgen waarschuwingen en specifi eke aandachtspunten om mogelijke schade aan de machine of letsel bij personen te
voorkomen.
GEVAAR!
Deze machine mag alleen worden gebruikt door speciaal opgeleid en bevoegd personeel.
De bestuurder moet:
meerderjarig zijn
in bezit zijn van het benodigde rijbewijs
normaal psychofysisch gedrag vertonen
niet onder invloed zijn van middelen die de reactiesnelheid kunnen verminderen (alcohol,
psychopharmaca, drugs, enz.)
Voordat er onderhouds- of reparatiewerkzaamheden worden uitgevoerd, moet de contactsleutel uit het
contact worden verwijderd.
Deze machine mag alleen worden gebruikt door speciaal opgeleid en bevoegd personeel. De machine mag
niet worden gebruikt door kinderen of mensen met een handicap.
Wanneer u in de buurt van bewegende onderdelen werkt, verwijder dan al uw sieraden.
Werk nooit onder een omhoog gebrachte machine als deze niet voldoende wordt ondersteund door
veiligheidssteunen.
Gebruik deze machine niet in ruimten waar schadelijke, gevaarlijke, ontvlambare en/of explosieve stoffen,
vloeistoffen of dampen aanwezig zijn.
Let op: de brandstof is zeer licht ontvlambaar.
Rook niet en gebruik geen open vuur bij de vulmond of bij opslagpunten voor de brandstof.
De brandstof met een uitgeschakelde dieselmotor buiten of in een goed-geventileerde ruimte bijvullen.
Vul de tank nooit volledig met brandstof, maar zorg dat de brandstof minimaal 4 cm (1,6 in) onder de rand
van de vulmond staat zodat de brandstof kan uitzetten.
Controleer na het bijvullen van de brandstof of de dop van de brandstoftank goed is gesloten.
Als u tijdens het vullen brandstof heeft geknoeid, maak de plek dan goed schoon en laat de dampen
verdwijnen voordat u de motor aan zet.
Zorg dat er geen brandstof op de huid komt en dat u de dampen niet inademt. Hou buiten bereik van
kinderen.
Voordat er onderhouds- of reparatiewerkzaamheden worden uitgevoerd, moet de contactsleutel uit het
contact worden verwijderd, .de parkeerrem worden aangetrokken en de accu worden ontkoppeld.
Telkens als er werkzaamheden worden verricht onder de geopende motorkap/kleppen, moet u ervoor zorgen
dat de motorkap/kleppen niet per ongeluk kunnen dichtvallen.
Wanneer het nodig is om onderhoudswerkzaamheden uit te voeren als de afvalcontainer omhoog staat, moet
deze worden geblokkeerd met de beide blokkeerstangen.
Tijdens het transport van de veegmachine mag de brandstoftank niet vol zijn.
De uitlaatgassen van de dieselmotor bevatten koolmonoxide, een giftig, reukloos en kleurloos gas. Zorg dat
u het niet inademt. Bewaar de motor niet op een afgesloten plaats.
Zet geen voorwerpen op de motor.
Zet de dieselmotor altijd uit voordat u er aan gaat werken. Ontkoppel de minpool van de accu om te
voorkomen dat de motor per ongeluk wordt ingeschakeld.
Zie ook de VEILIGHEIDSVOORSCHRIFTEN in de handleiding van de dieselmotor, die een integraal deel vormt
van deze handleiding.
Zie ook de VEILIGHEIDSVOORSCHRIFTEN in de handleidingen van de volgende uitrustingen (optioneel), die
een integraal deel vormt van deze handleiding:
zoutstrooi-uitrusting
sneeuwruimeruitrusting met borstel
cameraset
−
−•
•
•
•
−
−
−
−
−
−
−
−
−
−
−
−
−
−
−
−
−
−
−
−
−
•
•
•

NEDERLANDS GEBRUIKSAANWIJZING
633014576(4)2008-02 A RS 850
LET OP!
De machine moet zijn voorzien van een kentekenbewijs en een kenteken om zich op de openbare weg te
mogen begeven.
De veegmachine niet voor andere doelen dan waarvoor de machine is ontworpen, gebruiken.
Let er bij het gebruik van de machine op dat er zich geen mensen of voorwerpen in het werkgebied van de
machine bevinden.
Gebruik de machine niet als vervoermiddel.
Laat de machine nooit onbeheerd staan met de sleutel in het contact en zonder de parkeerrem te hebben
aangetrokken.
Stoot niet tegen kasten of stellingen, zeker als de kans bestaat dat er voorwerpen kunnen omvallen.
Let bijzonder goed op bij het omhoog brengen en legen van de afvalcontainer.
Pas de bedrijfssnelheid aan de oppervlakken aan.
Lees voordat u onderhouds- of reparatiewerkzaamheden aan de machine uitvoert alle instructies zorgvuldig
door.
Neem alle nodige voorzorgsmaatregelen om te voorkomen dat haar, sieraden en losse kledingstukken vast
komen te zitten in de bewegende delen van de machine.
Neem alle nodige voorzorgsmaatregelen om te voorkomen dat haar, sieraden en losse kledingstukken vast
komen te zitten in de bewegende delen van de machine.
Draag geschikte bescherming voor het lichaam (ogen, haren, handen, enz.) bij het schoonmaken van de
machine met een hogedrukspuit (lucht of water).
Vermijd aanraking met het accuzuur, raak geen hete onderdelen aan.
Laat de borstels niet werken als de machine stilstaat om schade aan de vloer te voorkomen.
Gebruik bij brand een poederbrandblusser. Gebruik geen water.
Reinig de machine niet met bijtende producten.
Gebruik de machine niet in bijzonder stoffi ge ruimten.
Verwijder de beschermingsdelen van de machine nooit met de hand; hou u nauwkeurig aan de instructies
voor normaal onderhoud.
Verwijder of verander geen plaatjes van de fabrikant op de machine.
Als u afwijkingen in de werking van de machine vermoedt, controleer dan of deze niet worden veroorzaakt
door gebrek aan dagelijks onderhoud. Als dat niet het geval is, roept u de hulp in van bevoegd personeel of
van een bevoegd servicecentrum.
Vraag bij vervanging van onderdelen om ORIGINELE vervangingsonderdelen bij een bevoegde leverancier
en/of bevoegde detailhandelaar.
Uit veiligheidsoverwegingen en voor een correcte werking van de machine moet het onderhoud dat in
het betreffende hoofdstuk in deze handleiding wordt aangegeven voor bevoegd personeel of bij een
servicecentrum worden uitgevoerd.
Laat de machine als hij wordt afgedankt niet onbemand staan vanwege de giftige en/of schadelijke
materialen (olie, accu, kunststofmaterialen, enz.). Deze moeten volgens de voorschriften naar de daarvoor
bestemde verzamelplaatsen worden gebracht (zie hiervoor het hoofdstuk Verwijdering).
−
−
−
−
−
−
−
−
−
−
−
−
−
−
−
−
−
−
−
−
−
−
−

GEBRUIKSAANWIJZING NEDERLANDS
RS 850 33014576(4)2008-02 A 7
LET OP!
Bij normaal gebruik veroorzaken de trillingen van de machine geen gevaarlijke situaties. Het trillingsniveau
dat op het lichaam van de bediener wordt uitgeoefend is 0,43 m/s2 (17,0 in/s2) (ISO 2631-1) bij maximaal
bedrijfstoerental (1.850 toeren/min).
Tijdens de werking van de dieselmotor wordt de demper warm; raak de demper nooit aan als hij warm is om
brandwonden of brand te voorkomen.
Laat de dieselmotor nooit draaien met onvoldoende olie, want dat kan ernstige schade veroorzaken.
Controleer het oliepeil bij een uitgeschakelde motor terwijl de machine horizontaal staat.
Laat de dieselmotor nooit draaien zonder de luchtfi lter om de motor niet te beschadigen.
Het vloeistofkoelsysteem van de dieselmotor staat onder druk. Het systeem pas controleren na het uitzetten
en laten afkoelen van de motor. Ook als de motor afgekoeld is, moet u de dop van de radiateur voorzichtig
openen.
De motor heeft een ventilator; deze niet naderen wanneer de motor warm is omdat de ventilator aan zou
kunnen gaan ook al staat de machine uit.
Technische werkzaamheden aan de dieselmotor moeten altijd door een bevoegde persoon worden
uitgevoerd.
Gebruik voor de dieselmotor alleen originele vervangingsonderdelen of equivalenten ervan. Het gebruik van
vervangingsonderdelen van een mindere kwaliteit kan de motor ernstig beschadigen.
Zie ook de VEILIGHEIDSVOORSCHRIFTEN in de handleiding van de dieselmotor, die een integraal deel vormt
van deze handleiding.
Zie ook de VEILIGHEIDSVOORSCHRIFTEN in de handleidingen van de volgende uitrustingen (optioneel), die
een integraal deel vormt van deze handleiding:
zoutstrooi-uitrusting
sneeuwruimeruitrusting met borstel
cameraset
−
−
−
−
−
−
−
−
−
−
•
•
•
LET OP!
Koolmonoxide (CO) kan hersenletsel of zelfs dodelijk letsel veroorzaken.
De interne verbrandingsmotor van deze machine stoot koolmonoxide uit.
Adem geen uitlaatgassen in.
Gebruik alleen in afgesloten ruimte wanneer er voldoende ventilatie en een tweede persoon aanwezig zijn.
VERPAKKING VERWIJDEREN/AFLEVERING
De machine wordt meestal volledig gemonteerd en werkend afgeleverd, er is geen verpakking te verwijderen en de koper hoeft
geen installatie uit te voeren.
Controleer altijd of de volgende onderdelen bij uw machine zijn geleverd:
technische documentatie:
Bedienershandleiding van de veegmachine
Handleiding van de dieselmotor
Catalogus met vervangingsonderdelen van de veegmachine
Handleiding en catalogus met vervangingsonderdelen van de volgende optionele uitrustingen:
zoutstrooi-uitrusting
sneeuwruimeruitrusting met borstel
cameraset
–•
•
•
•–
–
–

NEDERLANDS GEBRUIKSAANWIJZING
833014576(4)2008-02 A RS 850
BESCHRIJVING VAN DE MACHINE
BEDRIJFSCAPACITEIT
De veegmachine is ontwikkeld en gebouwd voor de reiniging (door middel van borstelen en aanzuiging) van gladde, solide vloeren
in privé- en bedrijfsruimten, en het verzamelen van stof en kleine vuildeeltjes en wel onder gecontroleerde veilige omstandigheden
door een bevoegde bediener.
De machine kan met de betreffende uitrusting ook worden gebruikt als sneeuwruimer en voor het strooien van zout.
ALGEMENE OPMERKINGEN
Alle verwijzingen naar voorwaarts en achterwaarts, vóór en achter, rechts en links in deze handleiding zijn vanuit de bediener in zijn
rijpositie op de stoel bekeken (14, Afb. E).
BESCHRIJVING
Beschrijving van het bedieningspaneel en de knoppen
(Zie Afb. D)
Instrumenten- en bedieningspaneel
Paneel met controlelampjes
Beschikbaar controlelampje
Controlelampje groot licht
Controlelampje achterlichten
Controlelampje richtingaanwijzers
Controlelampje laadstatus accu
Controlelampje oliedruk van dieselmotor
Controlelampje hoge koelvloeistoftemperatuur dieselmotor
Controlelampje brandstoftank bijna leeg
Controlelampje voorverwarming bougies
Controlelampje ingeschakelde parkeerrem
Controlelampje luchtfi lter dieselmotor beschadigd
Controlelampje water in de brandstoffi lter
Indicator brandstofpeil
Indicator koelvloeistoftemperatuur dieselmotor
Display, geeft aan:
werktijd (wanneer de contactsleutel één slag is
gedraaid, vóór het starten van de dieselmotor)
toerental van de dieselmotor (wanneer de dieselmotor
aanstaat en het controlelampje laadstatus accu
uitstaat)
Het display kan bovendien de volgende afkortingen
aangeven:
F.OPE: geeft aan dat de kabel van de indicator
brandstofpeil niet is aangesloten
F.COr: geeft aan dat er kortsluiting is in de kabel voor
de indicator voor het brandstofpeil
H.OPE: geeft aan dat de kabel van de indicator
koelvloeistoftemperatuur dieselmotor niet is
aangesloten
H.COr: geeft aan dat de kabel van de indicator
koelvloeistoftemperatuur dieselmotor is kortgesloten
Controlelampje afvalcontainer staat omhoog (rood)
Controlelampje water installatie stofbestrijding bijna op
(geel)
Schakelaar noodlichten
Schakelaar voor openen/sluiten klep afvalcontainer
Schakelaar omhoog brengen voorfl ap
Schakelaar ruitenwisser
Contactsleutel
Zekeringenkastje rechts
Snelheidspedaal
Schakelaar waterpomp installatie stofbestrijding:
bij de eerste slag van de schakelaar sproeien de
spuitmonden een gemiddelde waterhoeveelheid
bij de tweede slag van de schakelaar sproeien de
spuitmonden de maximale waterhoeveelheid
1.
2.
3.
4.
5.
6.
7.
8.
9.
10.
11.
12.
13.
14.
15.
16.
17. •
•
•
•
•
•
18.
19.
20.
21.
22.
23.
24.
25.
26.
27. •
•
Stuur
Startschakelaar zijborstels (eerste slag) en derde borstel
(tweede slag)
Keuzeschakelaar boven- of onderlichten
Servicerempedaal
Vloeistofreservoir ruitenwisser (*)
Schakelaar achterkant voorruit (*)
Zekeringenkastje links
Lichten met de volgende posities:
lichten uit, met markering (35b) overeenkomend met
symbool O
lichten in de aanpositie, met markering (35b)
overeenkomend met symbool
dimlichten aan, met markering (35b) overeenkomend
met symbool
grootlichten aan, met markering (35b) overeenkomend
met symbool en hendel (35a) naar beneden
tijdelijk aanzetten van grootlichten, door de hendel
(35a) omhoog te zetten
inschakeling richtingaanwijzer rechts, door de hendel
(35a) naar voren te zetten
inschakeling richtingaanwijzer links, door de hendel
(35a) naar achteren te zetten
inschakelen geluidssignaal, door de hendel (35a) in de
richting van de pijl (35c) te zetten
Manipulator aanzuigmond, borstels, afvalcontainer
Knop omlaag aanzuigmond en zijborstels
Knop omhoog aanzuigmond en zijborstels
Knop terughalen afvalcontainer
Knop kantelen afvalcontainer
Knop voor beweging naar links aanzuigmond en zijborstels
Knop voor beweging naar rechts aanzuigmond en
zijborstels
Knop omhoog brengen afvalcontainer
Knop omlaag brengen afvalcontainer
Beveiligingsknop (ingedrukt houden voor de activering van
de andere knoppen van de manipulator)
Manipulator derde borstel, voor de activering van de
volgende functies (nadat de startschakelaar van de derde
borstel is geactiveerd):
vooruit gezet: daling derde borstel
achteruit gezet: stijging derde borstel
naar rechts gezet: verplaatsing arm naar rechts
naar links gezet: verplaatsing arm naar links
(*) Bij machines met het stuur rechts bevinden deze
onderdelen zich aan de rechterzijde van het stuurwiel.
28.
29.
30.
31.
32.
33.
34.
35. •
•
•
•
•
•
•
•
36.
37.
38.
39.
40.
41.
42.
43.
44.
45.
46.
•
•
•
•

GEBRUIKSAANWIJZING NEDERLANDS
RS 850 33014576(4)2008-02 A 9
(Zie Afb. E)
Plaatje met serienummer / technische gegevens /
conformiteitsmarkering
Ventilatieuitgangen cabine
Binnenlicht
Uitgangen luchtverversing cabine
Hendel voor inschakeling klimaatregelaar
Regelhendel ventilatiesnelheid cabine
Reservoir voor remolie (**)
Hendel aanzuigventilator/optionele uitrusting
Hogedruk waterspuit
Kraantje spuitmonden installatie stofbestrijding:
aanzuigslang van mond naar afvalcontainer
aanzuigslang achterkant (*)
Kraantje spuitmonden installatie stofbestrijding zijborstels
Kraantje spuitmonden installatie stofbestrijding derde
borstel
Hendel parkeerrem
Bestuurdersstoel
Hendel voor openen en regelen van cabineverwarming
Hendel gaspedaal dieselmotor
Bedieningshendel voor verplaatsing voor/achter van
bestuurdersstoel
Veiligheidsgordel aan de bestuurderszijde
Sticker voor veilig rijden
(*) Optioneel voor sommige landen.
(**) Bij machines met het stuur rechts bevinden deze
onderdelen zich aan de rechterzijde van de
bestuurdersstoel.
1.
2.
3.
4.
5.
6.
7.
8.
9.
10. •
•
11.
12.
13.
14.
15.
16.
17.
18.
19.
Beschrijving van de buitenkant
(Zie Afb. F)
Afvalcontainer omhoog en gekanteld
Blokkeerstangen afvalcontainer omhoog (niet
aangebracht)
Blokkeerstangen afvalcontainer omhoog (aangebracht)
Houders voor blokkeerstangen afvalcontainer omhoog
(niet aangebracht)
Pakking aanzuigslang
Aanzuigslang van mond naar afvalcontainer
Pakking voor sluiting aanzuigopening voorkant
afvalcontainer
Condensator airconditioning cabine
Radiateurolie hydraulisch systeem
Vulmond voor de brandstoftank
Afdekpaneel motorruimte
Afzuigfi lter aanzuiglucht
Ruimte aanzuigventilator
Toevoer
Aanzuigfi lter stof en vuile deeltjes
Houders aanzuigfi lter
Blokkeerstang klepje afvalcontainer (open)
Houder voor inschakeling blokkeerstang klepje
afvalcontainer
Omtrekpakking aanzuiging
Houder voor inschakeling blokkeerstangen afvalcontainer
Oprolslang reinigingsinstallatie met hogedruk water
Snel contact voor hogedruk water
Kraantje spuitmond installatie stofbestrijding aanzuigslang
achterkant
Secundaire watertank installatie stofbestrijding
Luchtfi lter dieselmotor
Waterafvoerslang afvalcontainer
Hendel handbediende activering pomp voor handmatig
omhoog brengen afvalcontainer
Hoofdwatertank installatie stofbestrijding
Watervulslang installatie stofbestrijding
Dop hoofdwatertank installatie stofbestrijding
Oliefi lter hydraulisch systeem bij lozing
Handbediende pomp voor handmatig omhoog brengen
afvalcontainer
Dieselmotor (zie de betreffende handleiding voor de
beschrijving van de onderdelen van de dieselmotor)
Accu
Indicator oliepeil hydraulische systeem
Olietank hydraulisch systeem
Stang omhoog brengen voorwiel
Bevestigingsknoppen stang
Luchtvoorfi lter dieselmotor
1.
2.
3.
4.
5.
6.
7.
8.
9.
10.
11.
12.
13.
14.
15.
16.
17.
18.
19.
20.
21.
22.
23.
24.
25.
26.
27.
28.
29.
30.
31.
32.
33.
34.
35.
36.
37.
38.
39.

NEDERLANDS GEBRUIKSAANWIJZING
10 33014576(4)2008-02 A RS 850
(Zie Afb. G)
Stuurcabine
Koplampen (boven)
Koplampen (onder)
Linkerdeur stuurcabine
Koelvloeistoftank dieselmotor
Hijshaken machine (alleen te gebruiken met lege
afvalcontainer)
Afvalcontainer
Indicator waterpeil installatie stofbestrijding
Bovenste zijklep links
Steun klep
Onderste zijklep links
Steun klep
Sturende achterwielen
Klep onderkant cabine links
Steun klep
Aandrijfwielen voor (vast)
Aanzuigmond
Trekhaak voor
Borstel links
Borstel rechts
Derde borstel (*)
Veilgheidsverankering derde borstel bij verplaatsing
machine (uitgeschakeld)
Arm derde borstel
Aanzuigslang van mond naar afvalcontainer
Voorfl ap
Klepsteunen afzuigfi lter aanzuiglucht
Klep afzuigfi lter aanzuiglucht
Bovenste zijklep rechts
Steun klep
Rechterdeur stuurcabine
Klep onderkant cabine rechts
Steun klep
Serienummer machine
Onderste zijklep rechts
Steun klep
Dieselmotor
Trekhaak achter
Sturende achteras
Lichten voor wegsignalering
Zijhendel voor bevestiging achterglijvlak
Achterglijvlak voor lossen afval (open)
Steun aanzuigslang achterkant (optioneel)
Aanzuigslang achterkant (*)
Klep afvalcontainer
Steunarm voor aanzuigslang achterkant (in gebruik)
Afsluitdeksel aanzuigslang achterkant
Extra trekhaak, wanneer de machine is voorbereid op de
montage van sneeuwschuifuitrusting, etc.
Achterbumpers (*)
(*) Optioneel voor sommige landen.
1.
2.
3.
4.
5.
6.
7.
8.
9.
10.
11.
12.
13.
14.
15.
16.
17.
18.
19.
20.
21.
22.
23.
24.
25.
26.
27.
28.
29.
30.
31.
32.
33.
34.
35.
36.
37.
38.
39.
40.
41.
42.
43.
44.
45.
46.
47.
48.
Beschrijving zoutstrooi-uitrusting (optioneel)
(Zie Afb. AU)
Hendel voor de afstelling toevoer van de zouthoeveelheid
Ruimte met zoutlading
Lichten voor wegsignalering
Voetsteunen, met uitrusting verwijderd uit veegmachine
Hijshaak
Elektrische klemmenkast
Plaatje met technische gegevens
Beschrijving sneeuwruimeruitrusting met borstel
(optioneel)
(Zie Afb. AV)
Snelle koppelingsmechanismen van de aansluiting
hydraulische leidingen met de veegmachine
Hydraulische leidingen veegmachine, specifi ek voor
sneeuwruimeruitrusting met borstel
Plaatje met technische gegevens
Hydraulische motor
Voetsteunen, met uitrusting verwijderd uit veegmachine
Hendel voor bevestiging voetsteunen
Voorfl ap
Positioneerspil kanteling borstel
Sluiting positioneerspil kanteling borstel
Rolborstel
Wiel voor ondersteuning uitrusting
Kruk voor omhoog /omlaag brengen wiel
Bevestigingspen kruk
Bevestigingsschroeven van de uitrusting
Bovenstelschroeven hoogte uitrusting
Onderstelschroeven hoogte uitrusting
Positioneerstang kanteling sneeuwruimborstel
Positioneeropeningen
Verankeringsarm aanzuigmond/uitrusting
Beschrijving van de cameraset (optioneel)
(Zie Afb. AX)
Monitor
AAN/UIT schakelaar
Hendel voor afstelling richting monitor
Voorste camera
Achterste camera
1.
2.
3.
4.
5.
6.
7.
1.
2.
3.
4.
5.
6.
7.
8.
9.
10.
11.
12.
13.
14.
15.
16.
17.
18.
19.
1.
2.
3.
4.
5.

GEBRUIKSAANWIJZING NEDERLANDS
RS 850 33014576(4)2008-02 A 11
TECHNISCHE EIGENSCHAPPEN
Afmetingen en gewichten Waarden
Lengte machine (haren van de borstels inbegrepen) 3.630 mm (143,0 in)
Lengte machine met derde borstel (haren van de borstels inbegrepen) 4.150 mm (163,4 in)
Lengte machine inclusief sneeuwruimeruitrusting met borstel 3.950 mm (155,5 in)
Lengte zoutstrooi-uitrusting 560 mm (22,0 in)
Breedte machine (haren van de borstels inbegrepen) 1.450 mm (57,0 in)
Breedte sneeuwruimeruitrusting met borstel 1.500 mm (59,0 in)
Afstand tussen voor- en achterwielen 1.680 mm (66,1 in)
Spoorbreedte voorwielen 1.115 mm (43,9 in)
Spoorbreedte achterwielen 1.140 mm (44,9 in)
Hoogte machine 2.470 mm (97,2 in)
Minimale hoogte vanaf de grond (zonder fl aps) 90 mm (3,5 in)
Oploophoek voor max. toelaatbaar 16°
Maximale hoogte vanaf de grond voor het lossen van afval 1.620 mm (63,8 in)
Pneumatische voorbanden 195 R 14C 106/104N (8 PR)
Pneumatische achterbanden 23x8,50-12 (10 PR)
Pneumatische bandenspanning 5 Bar (72,5 psi)
Diameter zijborstel 650 mm (25,6 in)
Totaalgewicht van de machine, in werking (zonder bediener) 2.430 Kg (5.357 lb)
Totaalgewicht van de machine in werking met sneeuwruimeruitrusting met borstel (zonder bediener) 2.430 Kg (5.357 lb)
Gewicht derde borstel 100 Kg (220 lb)
Gewicht zoutstrooi-uitrusting 130 Kg (287 lb)
Totale massa 3.750 Kg (8.267 lb)
Prestaties Waarden
Maximale voorwaartse snelheid (alleen voor verplaatsing) 19 km/h (11,8 mph)
Maximale werksnelheid 12 km/h (7,4 mph)
Maximale achterwaartse snelheid 8 km/h (5,0 mph)
Maximale hellingshoek bij volledige belasting 18%
Minimale interne draaicirkel 2.500 mm (98,4 in)
Maximale snelheid van de zijborstels 77 toeren/min.
Verzamelsysteem Aanzuigend
Reinigingsbereik met 2 borstels 1.600 mm (63,0 in)
Reinigingsbereik met 3 borstels 2.100 mm (82,7 in)
Filtersysteem Metaalgaas
Maximaal geluid op de bestuurdersstoel (geluidsniveau) (ISO/EN3744) bij maximaal bedrijfstoerental 80 dB(A)
Gegarandeerd geluidsvermogen (2000/14/EC) bij maximaal bedrijfstoerental 111 dB(A)
Inhoud afvalcontainer 850 liter (224,5 USgal)
Maximale belasting afvalcontainer 1.100 Kg (2.425 lb)
Stofbestrijding Met water
Totale capaciteit watertanks installatie voor stofbestrijding (n. 2) 250 liter (66,0 USgal)
Verlichting- en signaleringssysteem Goedgekeurd voor de weg
Aandrijving Hydrostatische stuurbekrachtiging
Stuurinrichting Op de achteras, met stuurbekrachtiging
Servicerem Hydraulisch
Parkeerrem Mechanisch
Bediening Elektro-hydraulisch

NEDERLANDS GEBRUIKSAANWIJZING
12 33014576(4)2008-02 A RS 850
Gegevens dieselmotor (*) Waarden
Merk VM MOTOREN
Type D703 TE2 EPA/CARB
Cilinders 3
Cilinderinhoud 2.082 cm3 (127,0 in3)
Maximaal toerental 2.600 toeren/min.
Maximaal bedrijfstoerental 2.050 toeren/min.
Maximaal vermogen 48 kW (64,4 pk)
Minimaal toerental 1.000 toeren/min.
Koelvloeistof dieselmotor 50% antivries AGIP en 50% water
Type antivries AGIP Antifreeze Extra (**)
Type motorolie AGIP Sigma Turbo 15W40 (***)
Capaciteit oliecarter dieselmotor (maximaal/minimaal) 5,45/4,45 Kg (12,0/10,0 lb)
(*) Zie voor de overige gegevens/waarden van de dieselmotor de betreffende handleiding.
(**) Zie hieronder de tabel met eigenschappen van de koelvloeistof en de tabel met specifi caties ter referentie.
(***) Zie hieronder de tabel met eigenschappen van de motorolie en de tabel met specifi caties ter referentie.
EIGENSCHAPPEN AGIP ANTIFREEZE EXTRA Goedgekeurde en specifi eke vloeistof-
fen
Kookpunt °C (°F) 170 (338) CUNA NC 956-16 97
Kookpunt bij oplossing met 50% water °C (°F) 110 (230) FF.SS cat. 002/132
Vriespunt bij oplossing met 50% water °C (°F) -38 (-36,4) ASTM D 1384
Kleur / Turquoise
Volumetrische massa bij +15°C (+59°F) Kg/l 1,13
EIGENSCHAPPEN AGIP SIGMA TURBO 15W40 Goedgekeurde en specifi eke vloeistof-
fen
GRADATIE SAE / 15W40 ACEA E3-96
Viscositeit bij +100°C (+212°F) mm2/s 13,7 API Service CG-4/SG
Viscositeit bij +40°C (+104°F) mm2/s 100 CCMC D5, PD-2
Viscositeit bij -15°C (+5°F) mm2/s 3.300 US Department of the Army MIL-L-2104 E
Viscositeitsindex / 138 US Department of the Army MIL-L-46152 E
Ontbrandingspunt COC °C (°F) 230 (446) MACK EO-L
Vloeipunt °C (°F) -27 (-16,6) MAN M 3275
Volumetrische massa bij +15°C (+59°F) Kg/l 0,885 Mercedes Benz 228.3
VOLVO VDS2
MTU typ 2
Gegevens oliën Waarden
Inhoud brandstoftank 65 liter (17,2 USgal)
Inhoud oliereservoir hydraulisch systeem 54 liter (14,3 USgal)
Gegevens elektrisch systeem Waarden
Spanning systeem 12 V
Startaccu 12 V – 100 Ah
Gegevens hydraulisch systeem Waarden
Maximale druk aandrijfsysteem 300 Bar (4.351 psi)
Maximale druk systeem aanzuigventilator 210 Bar (3.046 psi)
Maximale druk bedieningssysteem 110 Bar (1.595 psi)
Viscositeit olie hydraulisch systeem [bij een buitentemperatuur van meer dan +10°C (+50°F)] (*) 46 cSt
Type olie hydraulisch systeem AGIP Arnica 46 (**)
Type olie remsysteem DOT4 (***)
(*) Als de machine wordt gebruikt in omgevingen met temperaturen lager dan +10°C (+50°F), raden wij u aan de olie te
vervangen door olie met een viscositeit van 32 cSt. Bij temperaturen onder 0°C (+32°F) moet u oliën met een nog lagere
viscositeit gebruiken.
(**) Zie hieronder de tabel met eigenschappen van de hydraulische olie en de tabel met specifi caties ter referentie.
(***) Zie hieronder de tabel met eigenschappen van de remolie en de tabel met specifi caties ter referentie.

GEBRUIKSAANWIJZING NEDERLANDS
RS 850 33014576(4)2008-02 A 13
EIGENSCHAPPEN AGIP ARNICA 46 32 Goedgekeurde en specifi eke vloeistof-
fen
Viscositeit bij +40°C (+104°F) mm2/s 45 32 ISO-L-HV
Viscositeit bij +100°C (+212°F) mm2/s 7,97 6,40 ISO 11158
Viscositeitsindex / 150 157 AFNOR NF E 48603 HV
Ontbrandingspunt COC °C (°F) 215 (419) 202 (395,6) AISE 127
Vloeipunt °C (°F) -36 (-32,8) -36 (-32,8) ATOS Tab. P 002-0/I
Volumetrische massa bij +15°C (+59°F) Kg/l 0,87 0,865 BS 4231 HSE
CETOP RP 91 H HV
COMMERCIAL HYDRAULICS
Danieli Standard 0.000.001 (AGIP
ARNICA 22, 46, 68)
EATON VICKERS I-286-S3
EATON VICKERS M-2950
DIN 51524 t.3 HVLP
LAMB LANDIS-CINCINNATI P68, P69 en
P70
LINDE
PARKER HANNIFIN (DENISON) HF-0
REXROTH RE 90220-1/11.02
SAUER-DANFOSS 520L0463
EIGENSCHAPPEN DOT4 Goedgekeurde en specifi eke vloeistof-
fen
Viscositeit bij -40°C (-40°F) mm2/s 1.300 SAE J 1703
Viscositeit bij +100°C (+212°F) mm2/s 2,2 FMVSS 116 - DOT4&DOT3
Kookpunt droog °C (°F) 265 (509) ISO 4925
Kookpunt vochtig °C (°F) 170 (338) CUNA NC 956 DOT4
Volumetrische massa bij +15°C (+59°F) Kg/l 1,07
Kleur / Geel
Gegevens klimaatregeling Waarden
Type gas Reclin 134a
Hoeveelheid gas 0,8 Kg (1,76 lb)
Gegevens zoutstrooi-uitrusting (optioneel) (*) Waarden
Merk - type Epoke - PM 1,4
Gegevens sneeuwruimeruitrusting met borstel (optioneel) (*) Waarden (*)
Merk - type Tuchel - ZKM
Gegvens van de cameraset (optioneel) (*) Waarden (*)
Merk - type IMEL - Car Vision System
(*) Zie de betreffende handleidingen voor de overige gegevens/waarden van de uitrustingen en de set.
OMGEVINGSWAARDEN
De machine mag niet werken in een omgeving met explosiegevaar, van welk type ook.
De machine mag alleen worden gebruikt in goed geventileerde ruimten om te voorkomen dat er gevaarlijke uitlaatgassen
worden ingeademd.
De machine werkt op de juiste wijze (*) binnen de volgende omgevingswaarden:
Temperatuur: van -10°C tot +40°C (van +14°F tot +104°F)
Vochtigheid: van 30% tot 95%
(*) Bij het gebruik van de veegmachine in een omgeving met een temperatuur tussen -10°C en 0°C (+14°F en +32°F) is het niet
mogelijk het water van de installatie voor stofbestrijding te gebruiken en bovendien moeten de betreffende watertanks en het
systeem zelf leeg zijn.
–
–
–•
•

NEDERLANDS GEBRUIKSAANWIJZING
14 33014576(4)2008-02 A RS 850
ELEKTRISCH SCHEMA
(Zie Afb. AR-1 en AR-2)
A Dynamo
B Accu van 12 V
B1 Lampje olie hydraulisch systeem
C1 Elektromagneet voor starten
C2 Compressor klimaatregelaar
C3 Contactschakelaar
C4 Schakelaar achterkant voorruit
C5 Schakelaar waterpomp
C6 Schakelaar noodlichten
C7 Keuzeschakelaar boven- of onderlichten
C8 Schakelaar zijborstels en derde borstel
C9 Schakelaar fl ap
C10 Schakelaar aandrijfmechanisme voor sluiten/openen klep
afvalcontainer
C11 Microschakelaar remlichten
C12 Microschakelaar afvalcontainer omhoog
C13 Lampje olie dieselmotor
C14 Lampje koelvloeistof dieselmotor
C15 Microschakelaar stoel
C16 Microschakelaar parkeerrem
C17 Microschakelaar beschadigd luchtfi lter
C18 Transducent koelvloeistoftemperatuur dieselmotor
C19 Vlotter brandstofpeil
C20 Microschakelaar klep open
C21 Schakelaar elektrische ventilator klimaatregeling
C22 Schakelaar cabineverlichting
CC Geluidssignaal parkeerrem
CC1 Geluidssignaal achteruit
CK Regeleenheid bougies
D1 Stuurbediening
D2 Diode 6 A, 60 V
EG Magneetklep brandstof (uitschakeling motor)
EV Elektroventilator warmtewisselaar
EV1/2 Magneetklep klimaatregeling
EV3 Magneetklep opening fl ap
EV4 Magneetklep sluiting fl ap
FE Knop voor noodstop (waar aanwezig)
F1 Zekering groot licht rechts
F2 Zekering dimlichten
F3 Zekering groot licht links/noodlichten
F4 Zekering remlichten/algemene verlichting
F5 Zekering positielichten rechts/keuzeschakelaar bovenste of
onderste lichten
F6 Zekering positielichten links/licht aanzuigmond
F7 Zekering knipperlicht
F8 Zekering motor ruitenwisser
F9 Zekering richtingaanwijzers/geluidssignaal
F10 Zekering regeleenheid bougies
F11 Zekering magneetklep brandstof
F12 Zekering elektroventilator klimaatregelaar/verlichting cabine
F13 Vrije zekering
F14 Zekering voeding controlelampjes instrumenten
F15 Zekering microschakelaar stoel
F16 Zekering waterpompen
F17 Zekering monitor
F18 Zekering voeding sensoren/geluidssignaal achteruitrijden/
microschakelaar klep open/aandrijfmechanisme klep
F19 Zekering controlesysteem borstels
F20 Zekering elektroventilator klimaatregelaar
F21 Zekering sensor water in brandstoffi lter/geluidssignaal
parkeerrem
F22 Zekering magneetkleppen fl ap
F23 Zekering pomp ruitensproeier
F24 Zekering elektroventilator warmtewisselaar
G1 Vlotter waterpeil installatie voor stofbestrijding
I - R4 Onderbreking 21/99 W
L1/3 Richtingaanwijzer links
L4/6 Richtingaanwijzer rechts
L7 Positielicht linksachter
L8 Onderste parkeerlicht linksvoor
L9 Bovenste parkeerlicht linksvoor
L10 Onderste parkeerlicht rechtsvoor
L11 Bovenste parkeerlicht rechtsvoor
L12 Positielicht rechtsachter
L13 Remlicht links
L14 Remlicht rechts
L15 Onderste dimlicht links
L16 Onderste dimlicht rechts
L17 Onderste groot licht links
L18 Onderste groot licht rechts
L19 Kentekenplaatverlichting
L20 Knipperlampje
L21 Verlichting aanzuigmond
L22 Bovenste dimlicht links
L23 Bovenste dimlicht rechts
L24 Bovenste groot licht links
L25 Bovenste groot licht rechts
L26 Cabineverlichting
M Startmotor
MN Monitor (camerasysteem)
ML Pomp ruitensproeier
MP1 Waterpomp
MP2 Waterpomp
MR Motor elektroventilator klimaatregelaar
MS Aandrijfmechanisme klep
MT Motor achterkant voorruit
P Drukschakelaar klimaatregeling cabine
P1 Schakelaar pomp ruitensproeier
PR Sensor achteruit
PR1 Sensor water in brandstoffi lter
PX Sensor beveiliging voor starten van de dieselmotor
R1 Relais 12 V, 20/30 A veiligheid borstels
R2 Relais 12 V, 20/30 A waterpomp
R3 Relais 12 V, 20/30 A sensor achteruitrijden
R5 Relais 12 V, 70 A hoofd
R6 Relais sensor water in brandstoffi lter 12 V COM1
R7 Relais 12 V COM1 pomp ruitensproeier
R8 Relais 12 V COM1 controlelampje bougies
R9 Relais 12 V, 20/30 A veiligheid starten
R10 Relais 12 V, 20/30 A veiligheid starten
R11 Relais keuzeschakelaar verlichting boven of onder MY4 12 V
R12 Relais 12 V, 20/30 A elektroventilator klimaatregelaar
RS Weerstand elektroventilator klimaatregelaar

GEBRUIKSAANWIJZING NEDERLANDS
RS 850 33014576(4)2008-02 A 15
S1 Controlelampje bougies
S2 Controlelampje accu
S3 Controlelampje olie
S4 Controlelampje water
S5 Controlelampje reservebrandstof
S6 Controlelampje parkeerrem
S7 Controlelampje verstopt luchtfi lter
S8 Controlelampje richtingaanwijzers
S9 Controlelampje noodlichten
S10 Controlelampje achterlichten
S11 Controlelampje groot licht
S12 Lampje geen water
S13 Lampje afvalcontainer omhoog
S14 Lampje waterpomp ingeschakeld
S15 Instrument
S16 Lampje bovenste lampen
S17 Lampje borstels ingeschakeld
S18 Lampje klep open
S19 Controlelampje water in de brandstoffi lter
T Geluidssignaal 12 V
TL1 Achterste camera
TL2 Voorste camera
TM Thermostaat klimaatregeling
K1/3 Bougies
ELEKTRISCH SCHEMA VAN DE ARM VAN DE
DERDE BORSTEL (*)
(*) Optioneel voor sommige landen.
(Zie Afb. AR-3)
D1 Diode 6 A, 60 V
D2 Diode 6 A, 60 V
D3 Diode 6 A, 60 V
EV1 Magneetklep draaien borstel
EV2 Magneetklep draaien arm naar links
EV3 Magneetklep borstel omhoog
EV4 Magneetklep borstel omlaag
EV5 Magneetklep draaien arm naar rechts
EV6 Gemeenschappelijke magneetklep
J1 Regelaar
R1 Relais omlaag
X Op de schakelaar voor draaiing van de borstels
Kleurcodering
A Blauw
B Wit
C Oranje
G Geel
H Grijs
L Blauw
M Bruin
N Zwart
R Rood
S Roze
V Groen
Z Paars
HYDRAULISCH SYSTEEM
(Zie Afb. AT)
Olietank hydraulisch systeem
Afzuigfi lter
Aanzuigfi lter
Pomp voor aandrijvingsysteem
Dieselmotor
Hydraulische motor aandrijvingssysteem
Verdeler bedieningen
Cilinder omhoog brengen voorfl ap
Cilinder omhoog brengen afvalcontainer
Handbediende pomp
Motor zijborstel
Hydraulische motor aandrijvingssysteem
Radiateurolie hydraulisch systeem
Magneetklep
Cilinder zijwaartse beweging aanzuigmond
Cilinder omhoog brengen aanzuigmond
Blokkeerklep
Cilinder kanteling afvalcontainer
Stuurbekrachtiging
Vloeistofomleider (voorkeurklep)
Bedieningspomp en derde borstel
Pomp aanzuigventilator
Verdeler aanzuigventilator
Verdeler voorfl ap
Motor aanzuigventilator
Cilinder stuurbekrachtiging
Servomechanisme snelheidspedaal
Filter voor olieaanzuiging hydraulisch systeem
Filter voor olieaanzuiging hydraulisch systeem
Cilinder draaien arm derde borstel (*)
Cilinder omhoog brengen derde borstel (*)
Magneetklep (*)
Hydraulische motor derde borstel (*)
Hydraulisch fi lter (*)
Pomp reinigingsinstallatie met hogedruk water (*)
Aanzuiging water (*)
Uitlaat water (*)
(*) Optioneel voor sommige landen.
71.
72.
73.
74.
75.
76.
77.
78.
79.
80.
81.
82.
83.
84.
85.
86.
87.
88.
89.
90.
91.
92.
93.
94.
95.
96.
97.
98.
99.
100.
101.
102.
103.
104.
105.
106.
107.

NEDERLANDS GEBRUIKSAANWIJZING
16 33014576(4)2008-02 A RS 850
ELEKTRISCHE BESCHERMINGEN
Aan de linker- en rechterkant van de stuuras bevinden zich twee zekeringenkastjes (25 en 34, Afb. D) met een deksel van
doorzichtig plastic, die de volgende zekeringen, ter bescherming van de betreffende circuits, bevatten:
Zekeringenkastje “A” (34, Afb. D)
Zekering groot licht rechts (10 A)
Zekering dimlichten (7,5 A)
Zekering groot licht links/noodlichten (10 A)
Zekering remlichten/algemene verlichting (20 A)
Zekering positielichten rechts/keuzeschakelaar bovenste of onderste lichten (7,5 A)
Zekering positielichten links/licht aanzuigmond (7,5 A)
Zekering knipperlicht (7,5 A)
Zekering motor ruitenwisser (7,5 A)
Zekering richtingaanwijzers/geluidssignaal (15 A)
Zekering regeleenheid bougies (15 A)
Zekering magneetklep brandstof (7,5 A)
Zekering elektroventilator klimaatregelaar/verlichting cabine (10 A)
Zekeringenkastje “B” (25, Afb. D)
Vrije zekering (7,5 A)
Zekering voeding controlelampjes instrumenten (10 A)
Zekering microschakelaar stoel (7,5 A)
Zekering waterpompen (20 A)
Zekering monitor (7,5 A)
Zekering voeding sensoren/geluidssignaal achteruitrijden/microschakelaar klep open/aandrijfmechanisme klep (10 A)
Zekering controlesysteem borstels (7,5 A)
Zekering elektroventilator klimaatregelaar (15 A)
Zekering sensor water in brandstoffi lter/geluidssignaal parkeerrem (10 A)
Zekering magneetkleppen fl ap (7,5 A)
Zekering pomp ruitensproeier (10 A)
Zekering elektroventilator warmtewisselaar (15 A)
ACCESSOIRES / OPTIES
Naast de onderdelen van de standaarduitvoering kan de machine worden uitgerust met de volgende accessoires, volgens het
gebruik van de machine:
derde borstel (*) (**)
borstels met hardere of zachtere haren dan de standaardborstel
zoutstrooi-uitrusting (*) (**)
sneeuwruimeruitrusting met borstel (*) (**)
cameraset (*)
reinigingsinstallatie met hogedruk water (*)(**)
achterbumpers
achterspatborden
autoradio
klimaatregelaar stuurcabine (*)(**)
aanzuigsysteem achter (*)(**)
veiligheidsgordel aan de bestuurderszijde (*)(**)
(*) Optioneel voor sommige landen.
(**) Voor de toepassing van deze accessoires moet er een speciale voorbereiding op de machine aanwezig zijn.
1.
2.
3.
4.
5.
6.
7.
8.
9.
10.
11.
12.
13.
14.
15.
16.
17.
18.
19.
20.
21.
22.
23.
24.
–
–
–
–
–
–
–
–
–
–
–
–

GEBRUIKSAANWIJZING NEDERLANDS
RS 850 33014576(4)2008-02 A 17
GEBRUIK
LET OP!
Op de machine zijn enkele plaatjes aangebracht met de volgende woorden:
GEVAAR
LET OP
WAARSCHUWING
ADVIES
−
−
−
−
Bij het lezen van deze handleiding moet de bediener de betekenis van de weergegeven symbolen goed begrijpen.
Dek de plaatjes niet af en vervang ze onmiddellijk als ze beschadigd zijn.
ALGEMENE WAARSCHUWINGEN
Deze machine is ontwikkeld als veegmachine onder hoge druk met laadcapaciteit, die in kleine ruimten kan werken.
De machine heeft een zeer kleine spoorbreedte en een kleine draaicirkel.
Deze eigenschappen van de machine kunnen in bepaalde omstandigheden zorgen voor instabiliteit tijdens het gebruik van de
machine.
Deze instabiliteit kan worden veroorzaakt door de snelheid, door plotselinge manoeuvres, door het gebruik van de machine op
hellingen, door een lage bandenspanning, door het gewicht van het afval in de container of omdat de container omhoog staat.
Daarom moet de machine worden bestuurd door een gekwalifi ceerde bediener, die voldoende is geïnstrueerd over het juiste
gebruik van de machine en op de hoogte is van de mogelijke risico’s.
Hieronder staan de omstandigheden waarbij de machine instabiel kan worden en waarin u dus goed moet opletten:
De afvalcontainer wordt omhoog gezet terwijl de machine op een helling staat
De machine wordt gebruikt terwijl de afvalcontainer omhoog staat
Plotselinge manoeuvres
De machine wordt met hoge snelheid, op hellingen en/of met een volle afvalcontainer gebruikt
Lage bandenspanning
In de cabine is een waarschuwingsplaatje (19, Afb. E) aangebracht dat de bediener op de hoogte moet stellen van mogelijke
situaties waarin de machine instabiel kan worden en van activiteiten die moeten worden vermeden om te voorkomen dat de
machine instabiel wordt.
VOOR HET STARTEN
Indien nodig de bovenste klep rechts (28, Afb. G) openen door de stop (29) los te halen met de meegeleverde sleutel en
brandstof bij te vullen via de vulmond (10, Afb. F).
WAARSCHUWING!
Vul de tank nooit volledig met brandstof, maar zorg dat de brandstof minimaal 4 cm (1,6 in) onder de rand van de
vulmond staat zodat de brandstof kan uitzetten.
Controleer het waterpeil van de installatie voor stofbestrijding met de peilstok (8, Afb. G).
Indien nodig, bijvullen met water door op de volgende manier te werk te gaan:
stop loshalen (10, Afb. G) met de meegeleverde sleutel en de linkerklep openen (9)
tanks met water bijvullen via de dop (30, Afb. F), of de watervulslang (29) na deze te hebben afgerold
de dop weer sluiten (30), of de vulslang (29) weer oprollen en terugzetten in de juiste houder
de klep (9, Afb. G) weer sluiten en vastzetten met de stop (10) met de meegeleverde sleutel.
Controleer of er geen deurtjes of kleppen open staan op de machine en of de arbeidsomstandigheden normaal zijn.
–
–
–
–
–
1.
•
•
•
•
2.

NEDERLANDS GEBRUIKSAANWIJZING
18 33014576(4)2008-02 A RS 850
STARTEN EN STOPPEN VAN DE DIESELMOTOR
Starten van de dieselmotor
Op de bestuurdersstoel (14, Afb. E) gaan zitten en controleren of de parkeerrem (13) is geactiveerd.
De stoelpositie naar wens afstellen met de hendel (17, Afb. E).
Bevestig de veiligheidsgordels.
WAARSCHUWING!
De veiligheidsgordels moeten altijd worden bevestigd voor de veiligheid van de bediener.
De gashendel van de motor (16, Afb. E) op het minimum zetten.
Controleer of de borstels omhoog staan, houd er anders rekening mee bij het starten van de motor voor eventuele
ongemakken die de borstels zouden kunnen veroorzaken indien ze meteen beginnen te draaien.
Ga zitten op de bestuurdersstoel (14, Afb. E), de sleutel in het contact (24, Afb. D) steken, draai deze een slag met de klok
mee en in die positie laten staan. Op dat moment gaan de volgende controlelampjes aan:
cntrolelampje voorverwarming bougies dieselmotor (11, Afb. D)
cntrolelampje laadstatus accu (7, Afb. D)
controlelampje oliedruk dieselmotor (8, Afb. D)
controlelampje parkeerrem (12, Afb. D)
Draai als het controlelampje voor voorverwarming van de bougies (11, Afb. D) uit gaat de contactsleutel met de klok mee tot hij
niet verder kan en laat de sleutel los als de dieselmotor start.
WAARSCHUWING!
Laat de contactsleutel bij het starten van de dieselmotor niet te lang ingeschakeld (maximaal 20 seconden) om
de startmotor niet de beschadigen. Wanneer de motor niet start, wacht dan even voordat u opnieuw probeert.
Voordat u opnieuw probeert te starten, de sleutel terugdraaien, tegen de klok in, tot de beginpositie.
Als de dieselmotor na twee pogingen nog niet is gestart, moet u de hulp inroepen van degene die
verantwoordelijk is voor de machine.
WAARSCHUWING!
Wanneer u de motor met de contactsleutel (24, Afb. D) start, moet u het gaspedaal (26) niet indrukken. Als u dat
wel doet, zorgt het veiligheidssysteem dat de motor dan niet kan worden gestart.
Controleer of alle controlelampjes uit zijn als de machine in beweging is.
Zet het gaspedaal (16, Afb. E) halverwege en laat de motor enkele minuten draaien om op te warmen, vooral bij zeer lage
temperaturen.
Stoppen van de dieselmotor
Zet de gashendel van de motor (16, Afb. E) in de minimale stand en laat de hendel enkele minuten in deze stand staan om het
systeem te stabiliseren.
Draai de contactsleutel (24, Afb. D) tot het einde tegen de klok in en verwijder de sleutel.
Trek de parkeerrem met de hendel (13, Afb. E) aan.
1.
2.
3.
4.
5.
6.
•
•
•
•
7.
8.
1.
2.
3.

GEBRUIKSAANWIJZING NEDERLANDS
RS 850 33014576(4)2008-02 A 19
DE MACHINE STARTEN EN STOPPEN
De machine mag worden gestart om te worden opgesteld:
in verplaatsingmodus
in werkmodus
Hierna worden de betreffende werkzaamheden beschreven.
LET OP!
Verander tijdens het sturen niet plotseling van richting, let altijd goed op en stuur altijd bij lage snelheden,
vooral als de afvalcontainer vol is of als de machine op een helling staat.
WAARSCHUWING!
Voordat u begint met het verplaatsen, moet u de bandenspanning controleren [5 Bar (72,5 psi)] en de banden
waar nodig oppompen.
De machine opstellen in de verplaatsingmodus
Bij het verplaatsen van de machine (zonder veegwerkzaamheden) is het noodzakelijk de verplaatsingmodus op te stellen door als
volgt te werk te gaan:
Start de dieselmotor zoals werd beschreven in het vorige deel.
Controleer of de afvalcontainer (7, Afb. G) omlaag staat en dat het betreffende controlelampje (18, Afb. D) uit is.
Controleer of de aanzuigventilator uit is, zie de hendel (8, Afb. E).
De aanzuigmond en de zijborstels omhoog brengen door op de knop te drukken (38, Afb. D).
Controleer of de handrem (13, Afb. E) is ingeschakeld.
Uit de machine komen en de beveiligingsarm van de derde borstel van positie (2, Afb. H) (uitgeschakeld) in positie (1)
(ingeschakeld) zetten door de tand (3) in de stang (4) te bevestigen.
Zet de gashendel voor de motor (16, Afb. E) langzaam naar voren en stel het toerental op het display (17, Afb. D) af op 2.600
toeren/min.
Start de verplaatsing door de machine met de handen op het stuur (28, Afb. D) te bewegen. Druk geleidelijk op het voorste
deel van het pedaal (26) om de machine voorwaarts te bewegen of op het achterste deel om de machine achterwaarts te
bewegen.
De bewegingssnelheid is instelbaar van nul tot de maximale waarde via de druk op het pedaal.
LET OP!
Vergeet niet dat de achteras wordt aangedreven. Controleer altijd in de spiegels of er voldoende ruimte is om te
manoeuvreren.
LET OP!
Voordat u over een obstakel (bijvoorbeeld trottoirs) rijdt, moet u de aanzuigmond omhoog brengen.
De machine stoppen in de verplaatsingmodus
Laat het pedaal (26, Afb. D) los om de machine te stoppen.
Als u de machine snel tot stilstand wilt brengen, drukt u ook het pedaal van de servicerem (31) in.
Zet de gashendel van de motor (16, Afb. E) in de minimale stand en laat de hendel enkele minuten in deze stand staan om het
systeem te stabiliseren.
Doe de motor uit door de contactsleutel (24, Afb. D) tot het einde tegen de klok in te draaien en de sleutel te verwijderen.
Trek de parkeerrem met de hendel (13, Afb. E) aan.
–
–
1.
2.
3.
4.
5.
6.
7.
8.
1.
2.
3.
4.
5.

NEDERLANDS GEBRUIKSAANWIJZING
20 33014576(4)2008-02 A RS 850
De machine opstellen in de werkmodus
Ga voor het opstellen van de machine in werkmodus als volgt te werk:
Start de dieselmotor zoals werd beschreven in de specifi eke paragraaf.
Controleer of de afvalcontainer (7, Afb. G) omlaag staat en dat het betreffende controlelampje (18, Afb. D) uit is.
De beveiligingsarm van de derde borstel van positie (1, Afb. H) (ingeschakeld) in positie (2) (uitgeschakeld) zetten.
De gashendel van de motor (16, Afb. E) als volgt geleidelijk naar voren zetten en het toerental afstellen op de display (17, Afb.
D): minmaal, 1.800 toeren/min.
maximaal, 2.030 toeren/min.
WAARSCHUWING!
Als tijdens het werk 2.050 toeren/min. worden overschreden, stopt een beveiligingssysteem het draaien van de
borstels.
Start de aanzuigventilator met de hendel (8, Afb. E).
Start het draaien van de zijborstels met de eerste slag van de schakelaar (29, Afb. D) en het draaien van de derde borstel met
de tweede slag van de schakelaar (29).
De aanzuigmond en de zijborstels omlaag brengen door op de knop te drukken (37, Afb. D).
OPMERKING
De zijborstels gaan alleen naar beneden als de aanzuigventilator is gestart.
WAARSCHUWING!
Laat de veegmachine niet stilstaan met de blaasmond omlaag en de borstels draaiend.
Zet de arm van de derde borstel in werkstand door de manipulator (46, Afb. D) rechts/links te bewegen.
De derde borstel omlaag brengen door de manipulator naar voren te brengen (46, Afb. D).
Doe indien nodig de kraantjes van het water van de installatie voor stofbestrijding (10, 11, 12, Afb. E) aan met inachtneming
van de volgende aanwijzingen:
Kraantje (10, Afb. E) van de spuitmonden van de installatie voor stofbestrijding van de aanzuigslang: altijd aandoen,
behalve als het te reinigen wegdek nat is.
Dit kraantje stuurt het water ook naar de spuitmond van de installatie voor stofbestrijding van de aanzuigslang aan de
achterkant (optioneel).
Kraantje (11, Afb. E) van de spuitmonden van de installatie voor stofbestrijding van de zijborstels: aandoen wanneer het
wegdek droog en stoffi g is.
Kraantje (12, Afb. E) van de spuitmonden van de installatie voor stofbestrijding van de derde borstel: aandoen wanneer het
wegdek droog en stoffi g is.
Zet als volgt de waterpompen van de installatie voor stofbestrijding aan met de schakelaar (27, Afb. D):
bij de eerste slag van de schakelaar sproeien de spuitmonden een gemiddelde waterhoeveelheid
(gebruiken wanneer er weinig stof is)
bij de tweede slag van de schakelaar sproeien de spuitmonden de maximale waterhoeveelheid
(gebruiken wanneer er veel stof is)
Trek de handrem met de hendel (13, Afb. E) uit.
Start het veegwerk door de machine met de handen op het stuur (28, Afb. D) te bewegen. Druk geleidelijk op het voorste deel
van het pedaal (26) om de machine voorwaarts te bewegen of op het achterste deel om de machine achterwaarts te bewegen.
De bewegingssnelheid is instelbaar van nul tot de maximale waarde via de druk op het pedaal.
Tijdens de werkzaamheden verzamelt de machine licht materiaal (zoals stof, papier, bladeren, enz.) en zwaarder materiaal
(steentjes, fl essen, enz.).
OPMERKING
Alle borstels (19, 20, 21, Afb. G) kunnen ook als de machine beweegt omlaag en omhoog worden gebracht.
De borstels draaien ook als ze omhoog staan.
1.
2.
3.
4.
•
•
5.
6.
7.
8.
9.
10.
•
•
•
•
11. •
•
12.
13.

GEBRUIKSAANWIJZING NEDERLANDS
RS 850 33014576(4)2008-02 A 21
De machine stoppen in de werkmodus
Laat het pedaal (26, Afb. D) los om de machine te stoppen.
Als u de machine snel tot stilstand wilt brengen, drukt u ook het pedaal van de servicerem (31, Afb. D) in.
Trek de handrem met de hendel (13, Afb. E) aan.
Schakel de waterpompen van de installatie voor stofbestrijding met de schakalaar (27, Afb. D) uit.
Indien aan, de kranen van het water van de installatie voor stofbestrijding (10, 11, 12, Afb. E) uitdoen.
De derde borstel omhoog brengen door de manipulator naar achteren te brengen (46, Afb. D).
Zet indien nodig de arm van de derde borstel weer in werkstand door de manipulator (46, Afb. D) naar links te bewegen.
Stop met de schakelaar (29, Afb. D) het draaien van de derde borstel en van de zijborstels.
De aanzuigmond en de zijborstels omhoog brengen door op de knop te drukken (38, Afb. D).
Stop de aanzuigventilator met de hendel (8, Afb. E)
Zet de gashendel van de motor (16, Afb. E) in de minimale stand en laat de hendel enkele minuten in deze stand staan om het
systeem te stabiliseren.
Controleer of de afvalcontainer (7, Afb. G) omlaag staat en dat het betreffende controlelampje (18, Afb. D) uit is.
Indien nodig de beveiligingsarm van de derde borstel van positie (2, Afb. H) (uitgeschakeld) in positie (1) (ingeschakeld) zetten
door de tand (3) in de stang (4) te bevestigen.
Doe de motor uit door de contactsleutel (24, Afb. D) tot het einde tegen de klok in te draaien en de sleutel te verwijderen.
Trek de parkeerrem met de hendel (13, Afb. E) aan.
MACHINE IN BEDRIJF
Zorg dat u niet te lang op een plaats blijft staan met de machine terwijl de borstels draaien: dan kunnen er markeringen op de
vloer achterblijven.
Beweging aanzuigmond en zijborstels
Beweeg tijdens het werk indien nodig, de aanzuigmond en de zijborstels naar links of rechts door de betreffende knoppen (41,
of 42, Afb. D) tegelijkertijd met de beveiligingsknop (45) aan te zetten.
Beweging derde borstel
Beweeg tijdens het werk indien nodig, de derde borstel naar links of rechts door de manipulator (46, Afb. D) naar links of
rechts te zetten.
Verzamelen van omvangrijke stukken
Bij het verzamelen van omvangrijke stukken moet u de voorfl ap (25, Afb. G) door middel van de schakelaar (22, Afb. D)
omhoog brengen.
Let op: als de voorfl ap omhoog blijft staan, is de aanzuigcapaciteit van de machine kleiner.
Zet de voorfl ap (25, Afb. G) omlaag door weer de schakelaar (22, Afb. D) te gebruiken.
Bij bijzondere werkzaamheden bij het verzamelen van omvangrijke stukken kan indien nodig zonder de voorfl ap (25, Afb. G)
worden gewerkt. Ga als volgt te werk om de voorfl ap te verwijderen:
De zijborstels omhoog brengen, de machine stopzetten en de dieselmotor uitzetten.
Verwijder de sluiting (1, Afb. I) en de trekband (2) losmaken van de fl ap (3).
Verwijder de fl ap (3) door hem los te halen uit de scharnieren (4).
Start de machine opnieuw en hervat de werkzaamheden.
Monteer de fl ap (3) in omgekeerde volgorde ten opzichte van de demontage na het stoppen van de machine en uitzetten
van de dieselmotor.
OPMERKING
Als de afvalcontainer vol is, kan de machine geen stof en vuil verzamelen.
Als de werkzaamheden zijn voltooid en wanneer de afvalcontainer (7, Afb. G) vol is, moet u deze legen. Zie hiervoor het
volgende deel.
1.
2.
3.
4.
5.
6.
7.
8.
9.
10.
11.
12.
13.
14.
1.
2.
3.
4.
5.
•
•
•
•
•
6.

NEDERLANDS GEBRUIKSAANWIJZING
22 33014576(4)2008-02 A RS 850
DE AFVALCONTAINER LEGEN
De maximale hoogte voor het legen van de afvalcontainer is 1.620 mm (63,78 in).
Ga volgens de volgende punten te werk bij het legen van de afvalcontainer.
Schakel de waterpompen van de installatie voor stofbestrijding met de schakalaar (27, Afb. D) uit.
Indien aan, de kranen van het water van de installatie voor stofbestrijding (10, 11, 12, Afb. E) uitdoen.
De derde borstel omhoog brengen door de manipulator naar achteren te brengen (46, Afb. D).
De aanzuigmond en de zijborstels omhoog brengen door op de knop te drukken (37, Afb. D).
Stop met de schakelaar (29, Afb. D) het draaien van de derde borstel en van de zijborstels.
Stop de aanzuigventilator met de hendel (8, Afb. E)
Zet indien nodig de arm van de derde borstel weer in werkstand door de manipulator (46, Afb. D) naar links te bewegen.
Indien het nodig is voor het legen van de afvalcontainer om zich naar een andere ruimte te begeven, de parkeerrem (13, Afb.
E) aanzetten en uit de machine komen en de beveiligingsarm van de derde borstel van positie (2, Afb. H) (uitgeschakeld) in
positie (1) (ingeschakeld) zetten door de tand (3) in de stang (4) te bevestigen.
Zich begeven nabij de ruimte voor het legen van de afvalcontainer.
Indien men verwacht dat de afvalcontainer veel water bevat, is het mogelijk om deze eerst te legen alvorens de container als
volgt omhoog te brengen en te kantelen:
Trek de parkeerrem met de hendel (13, Afb. E) aan en uit de machine komen.
Open de bovenste klep links (9, Afb. G).
De slang (26, Afb. F) loshalen en het water uit de afvalcontainer lozen.
De slang (26, Afb. F) weer installeren.
Sluit de bovenste klep links (9, Afb. G) weer.
LET OP!
Los het afval op een vlakke, stevige ondergrond zodat de machine niet uit balans kan raken.
Zorg dat er geen mensen in de buurt van de machine staan, met name bij de afvalcontainer (7, Afb. G).
Draai de twee zijhendels (1, Afb. J) los en open het achterglijvlak door deze te laten draaien van positie (2) naar positie (3).
Breng de afvalcontainer (7, Afb. G) voorzichtig omhoog door middel van de knop (43, Afb. D) en de beveiligingsknop (45).
LET OP!
Verplaats de machine niet terwijl de afvalcontainer omhoog staat!
Als het wel nodig is om met een opgeheven afvalcontainer te rijden, moet de machine stapvoets rijden om te
voorkomen dat de machine zijdelings uit balans raakt.
Open de klep (44, Afb. G) van de afvalcontainer met de schakelaar (21, Afb. D); houd deze ingedrukt tot de klep volledig
geopend is.
Kantel de afvalcontainer (7, Afb. G) voorzichtig door middel van de knop (40, Afb. D) en de beveiligingsknop (45). Laat het
afval legen uit de container.
Zet na het legen de afvalcontainer weer in horizontale positie door middel van de knop (39, Afb. D) en de beveiligingsknop
(45).
Breng de afvalcontainer (7, Afb. G) helemaal omlaag door middel van de knop (44, Afb. D) en de beveiligingsknop (45); houd
ze ingedrukt tot het controlelampje (18) uit is.
Controleer indien nodig als volgt of de metalen fi lters van de afvalcontainer niet verstopt zijn:
Trek de parkeerrem aan en zet de dieselmotor uit.
Zet de klep van afvalcontainer met de hand omhoog en zet deze vast met de blokkeerstang (17, Afb. F).
Verwijder zoals beschreven in het hoofdstuk Onderhoud, de fi lters (15 en 12, Afb. F) en controleer of ze niet verstopt zijn,
reinig ze anders volgens de betreffende procedure. Installeer de fi lters opnieuw.
Maak de blokkeerstang (17, Afb. F) los en zet deze weer op z’n plaats.
Zet de dieselmotor weer aan en sluit de klep (44, Afb. G) van de afvalcontainer met de schakelaar (21, Afb. D); houd deze
ingedrukt tot het controlelampje uit is.
De machine kan weer terug naar de werkplaats.
1.
2.
3.
4.
5.
6.
7.
8.
9.
10.
•
•
•
•
•
11.
12.
13.
14.
15.
16.
17. •
•
•
•
18.
19.

GEBRUIKSAANWIJZING NEDERLANDS
RS 850 33014576(4)2008-02 A 23
GEBRUIK VAN DE AANZUIGSLANG AAN DE ACHTERKANT (*)
(*) Optioneel voor sommige landen.
Ga als volgt te werk voor het opzuigen van vuil/stof met de aanzuigslang aan de achterkant (optioneel) (43, Afb. G), alsmede met
de aanzuigmond (17, Afb. G).
Zet de dieselmotor uit en trek de handrem met de hendel (13, Afb. E) aan.
Draai de bevestigingsknoppen (1, Afb. K) van de aanzuigslang los en verwijder het afsluitdeksel (2) van de aanzuigopening
door de knop (3) te pakken.
Ga te werk zoals uitgelegd in de paragraaf ‘De afvalcontainer legen’ en breng de afvalcontainer circa 10-15 cm (3,9-5,9 in)
omhoog en zet de dieselmotor uit.
Open de bovenste klep rechts (28, Afb. G) en verwijder de pakking (7, Afb. F).
Monteer met behulp van een geschikte ladder de pakking (7, Afb. F) en zet deze vast op de aanzuigopening (1, Afb. L) van de
afvalcontainer.
Breng de afvalcontainer volledig omlaag zoals uitgelegd in de paragraaf ‘De afvalcontainer legen’.
Haal de steun (42, Afb. G) van de aanzuigslang aan de achterkant (43) los.
Open de steunarm (45, Afb. G) en verbind de betreffende ketting (1, Afb. M) aan de aanzuigslang om deze te ondersteunen.
Doe het kraantje (23, Afb. F) van de spuitmond van de installatie voor stofbestrijding aan.
Start de dieselmotor zoals werd beschreven in de specifi eke paragraaf.
Controleer of de afvalcontainer (7, Afb. G) omlaag staat en dat het betreffende controlelampje (18, Afb. D) uit is.
De gashendel van de motor (16, Afb. E) als volgt geleidelijk naar voren zetten en het toerental afstellen op de display (17, Afb.
D): minmaal, 1.800 toeren/min.
maximaal, 2.030 toeren/min.
Start de aanzuigventilator met de hendel (8, Afb. E).
Zet als volgt de waterpompen van de installatie voor stofbestrijding aan met de schakelaar (27, Afb. D):
bij de eerste slag van de schakelaar sproeien de spuitmonden een gemiddelde waterhoeveelheid
(gebruiken wanneer er weinig stof is)
bij de tweede slag van de schakelaar sproeien de spuitmonden de maximale waterhoeveelheid
(gebruiken wanneer er veel stof is)
Trek de handrem met de hendel (13, Afb. E) uit.
Begin met behulp van een tweede bediener met het verzamelen van het afval met de aanzuigslang aan de achterkant door
deze beet te pakken zoals getoond in Afbeelding N.
Tijdens de werkzaamheden verzamelt de machine licht materiaal (zoals stof, papier, bladeren, enz.) en zwaarder materiaal
(steentjes, fl essen, enz.).
Voer de punten 2 tot en met 15 in omgekeerde volgorde uit om de machine weer te laten zuigen met de aanzuigmond (17, Afb.
G).
GEBRUIK VAN RUITENWISSERS EN -SPROEIERS
Druk op de schakelaar (23, Afb. D) om de reinigingsvloeistof op de ruit te sproeien.
Gebruik de schakelaar (33, Afb. D) om de ruitenwisser achter aan te zetten en te stoppen.
GEBRUIK VAN DE VERWARMING VAN DE STUURCABINE
Draai naar wens tegen de klok in aan de hendel (15, Afb. E) voor het aanzetten van de verwarming van de cabine.
Regel de snelheid van de elektroventilator met de hendel (6, Afb. E).
Draai de hendel (15, Afb. E) met de klok mee tot deze niet verder kan om de verwarming uit te zetten.
GEBRUIK VAN DE KLIMAATREGELAAR VAN DE STUURCABINE (*)
(*) Optioneel voor sommige landen.
Draai de hendel (5, Afb. E) naar wens van de klimaatregeling van de cabine.
Regel de snelheid van de elektroventilator met de hendel (6, Afb. E).
1.
2.
3.
4.
5.
6.
7.
8.
9.
10.
11.
12.
•
•
13.
14. •
•
15.
16.
17.
1.
2.
1.
2.
3.
1.
2.

NEDERLANDS GEBRUIKSAANWIJZING
24 33014576(4)2008-02 A RS 850
WERKING VAN HET VERLICHTINGSSYSTEEM
Gebruik de koplampen (35, Afb. D) met de volgende functies om de verlichtingsinstallatie en markeringen aan te zetten:
lichten uit, met markering (35b) overeenkomend met symbool O
lichten in de aanpositie, met markering (35b) overeenkomend met symbool
dimlichten aan, met markering (35b) overeenkomend met symbool
grootlichten aan, met markering (35b) overeenkomend met symbool en hendel (35a) naar beneden
tijdelijk aanzetten van grootlichten, door de hendel (35a) omhoog te zetten
inschakeling richtingaanwijzer rechts, door de hendel (35a) naar voren te zetten
inschakeling richtingaanwijzer links, door de hendel (35a) naar achteren te zetten
inschakelen geluidssignaal, door de hendel (35a) in de richting van de pijl (35c) te zetten
Gebruik de keuzeschakelaar (30, Afb. D) voor het aandoen van de onderste koplampen (3, Afb. G) of de bovenste koplampen
(2).
INSCHAKELING VAN DE NOODLICHTEN
Schakel de noodverlichting in met de schakelaar (20, Afb. D).
HANDMATIG OMHOOG BRENGEN VAN DE AFVALCONTAINER
Ga als volgt te werk voor het handmatig omhoog/omlaag brengen van de afvalcontainer (7, Afb. G) (bij een defect aan de
dieselmotor, enz.).
Handmatig omhoog brengen van de afvalcontainer
Controleer of de machine op een vlakke en stevige ondergrond staat, vooral wanneer de afvalcontainer (7, Afb. G) vol is.
Doe de motor uit door de contactsleutel (24, Afb. D) tot het einde tegen de klok in te draaien en de sleutel te verwijderen.
Schakel de parkeerrem (13, Afb. E) in.
Open de onderste klep links (11, Afb. G) door de stop (12) los te halen met de meegeleverde sleutel.
Verwijder de hendel (27, Afb. F) van de handbediende pomp.
Zet de hendel (1, Afb. O) op de handbediende pomp (2).
Controleer of de keuzehendel voor omhoog/omlaag (naar rechts voor omhoog en naar links voor omlaag) (3, Afb. O) van de
afvalcontainer in de stand voor omhoog staat [maak enkele proefpompbewegingen met de hendel (1)].
De pomp (2, Afb. O) voorzichtig aandoen met de hendel (1) en de afvalcontainer volledig omhoog brengen.
Breng de blokkeerstangen van de opgehesen afvalcontainer (3, Afb. F) aan. Ga te werk zoals beschreven in de betreffende
paragraaf.
Handmatig omlaag brengen van de afvalcontainer
Maak de blokkeerstangen van de opgehesen afvalcontainer (3, Afb. F) los. Ga te werk zoals beschreven in de betreffende
paragraaf.
Breng de schuifschakelaar (3, Afb. O) in de omlaag-positie en doe de pomp (2) aan met de hendel (1) tot de afvalcontainer
volledig gedaald is.
Verwijder de hendel (1, Afb. O) van de pomp en doe hem terug op zijn plaats (27, Afb. F).
Zet de schuif van de pomp in de middelste stand.
Sluit de onderste klep links (11, Afb. G) door de stop (12) vast te maken met de meegeleverde sleutel.
INVOEGEN VAN DE BLOKKEERSTANGEN VAN DE OPGEHESEN AFVALCONTAINER
Het is noodzakelijk om voor het werken in de zone van de opgehesen afvalcontainer (1, Afb. F) de blokkeerstangen (3) als volgt in
te voegen.
LET OP!
Voor het werken in de zone van de opgehesen afvalcontainer, de blokkeerstangen (3, Afb. F) uit
veiligheidsoverwegingen invoegen. Deze handeling is ook noodzakelijk als de hefcilinders van de afvalcontainer
voorzien zijn van vangkleppen die voorkomen dan de container plotseling zakt door een gebroken of
beschadigde slang/verbinding van de hydraulische installatie.
Invoegen van de blokkeerstangen
De afvalcontainer (7, Afb. G) volledig omhoog brengen volgens de aanwijzingen in de betreffende paragraaf.
De twee stangen (2, Afb. F) losmaken van de houders (4) en in positie (3) brengen door de uiteinden in de plaatsen (20) te
doen.
De afvalcontainer zachtjes omlaag brengen en laten steunen op de stangen.
Uitvoegen van de blokkeerstangen
De afvalcontainer zachtjes omhoog brengen en los te halen van steun op de stangen.
De twee stangen (3, Afb. F) losmaken van de plaatsen (20) en in positie (2) brengen, ze aansluiten en vastzetten in de
houders (4).
De afvalcontainer (7, Afb. G) volledig omlaag brengen volgens de aanwijzingen in de betreffende paragraaf.
1. •
•
•
•
•
•
•
•
2.
1.
1.
2.
3.
4.
5.
6.
7.
8.
9.
10.
11.
12.
13.
14.
1.
2.
3.
4.
5.
6.

GEBRUIKSAANWIJZING NEDERLANDS
RS 850 33014576(4)2008-02 A 25
INSTEKEN VAN DE BLOKKEERSTANG VAN DE KLEP VAN DE OPGEHEVEN AFVALCONTAINER
Voor het werken in de zone van de klep van de opgehesen afvalcontainer (44, Afb. F) de betreffende blokkeerstang (17, Afb. F) als
volgt invoegen.
De blokkeerstang naar binnen steken
Haal de stang (17, Afb. F) los uit de houder, zet de klep zoveel als nodig omhoog en steek de stang in zijn houder (18).
De blokkeerstang verwijderen
Voer de procedure van punt 1 in omgekeerde volgorde uit.
GEBRUIK VAN HOGEDRUK WATERSPUIT (*)
(*) Optioneel voor sommige landen.
De machine is voorzien van een distributiesysteem voor hogedruk water (optioneel) om te gebruiken voor de reiniging van de
machine zelf of voor andere doeleinden.
LET OP!
Activeer de hogedrukpomp niet wanneer de tanks leeg of bijna leeg zijn (wanneer de pomp droog loopt, kan
deze beschadigd raken).
De gebruiksprocedure worden hiernavolgend beschreven.
Haal uit de cabine de hogedruk waterspuit (9, Afb. E).
Een deel van de slang (21, Afb. F) uittrekken en de spuitmond (9, Afb. E) verbinden aan het snelle contact (22, Afb. F).
Start de dieselmotor met een laag toerental zoals in het betreffende deel wordt beschreven.
Start de hogedrukpomp met de hendel (8, Afb. E).
Verwijder eventueel de lucht uit het systeem door de knop op de spuitmond helemaal linksom te draaien en de hendel van de
spuitmond zelf in te drukken totdat er een constante stroom uitkomt, bij een lage waterdruk.
Laat de hendel van de spuitmond los en draai de knop weer rechtsom om de hogedrukspuitmond weer te gebruiken.
Zet de motor op het gewenste toerental.
Gebruik de spuitmond door op de hendel van de betreffende spuit te drukken.
LET OP!
Draag geschikte bescherming voor het lichaam (ogen, haren, handen, enz.) bij het schoonmaken van de
machine met een hogedrukspuit (lucht of water).
LET OP!
Laat de hogedrukpomp niet langere tijd werken zonder de spuitmond te gebruiken.
Voer na gebruik van de spuitmond de punten 1 tot en met 4 in omgekeerde volgorde uit.
GEBRUIK VAN DE CAMERASET (optioneel)
Gebruik de schakelaar (2, Afb. D) wanneer de contactsleutel (24) in het contact zit om het videosysteem (1, Afb. AX) en de
camera’s (4 en 5) aan te zetten.
Wanneer z’n achteruit wordt ingeschakeld, gaan het videosysteem en de camera’s automatisch aan.
Raadpleeg de handleiding van de cameraset voor gebruik van de andere schakelaars aan de rechterkant van de monitor.
1.
2.
1.
2.
3.
4.
5.
6.
7.
8.
1.
2.
3.

NEDERLANDS GEBRUIKSAANWIJZING
26 33014576(4)2008-02 A RS 850
NA GEBRUIK VAN DE MACHINE
Na de werkzaamheden en voordat u de machine achterlaat moeten de volgende handelingen worden uitgevoerd.
Schakel de waterpompen van de installatie voor stofbestrijding met de schakalaar (27, Afb. D) uit.
Indien aan, de kranen van het water van de installatie voor stofbestrijding (10, 11, 12, Afb. E) uitdoen.
Stop met de schakelaar (29, Afb. D) het draaien van de derde borstel en van de zijborstels.
De derde borstel omhoog brengen door de manipulator naar achteren te brengen (46, Afb. D).
Zet indien nodig de arm van de derde borstel weer in werkstand door de manipulator (46, Afb. D) naar links te bewegen.
De aanzuigmond en de zijborstels omhoog brengen door op de knop te drukken (38, Afb. D).
Stop de aanzuigventilator met de hendel (8, Afb. E)
Zet de gashendel van de motor (16, Afb. E) in de minimale stand en laat de hendel enkele minuten in deze stand staan om het
systeem te stabiliseren.
Controleer of de afvalcontainer (7, Afb. G) omlaag staat en dat het betreffende controlelampje (18, Afb. D) uit is.
Indien nodig de beveiligingsarm van de derde borstel van positie (2, Afb. H) (uitgeschakeld) in positie (1) (ingeschakeld) zetten
door de tand (3) in de stang (4) te bevestigen.
Reinig zoals beschreven in het hoofdstuk Onderhoud, de afvalcontainer, de fi lters en de aanzuigslang, controleer de
pakkingen en de smering van de lagers van de aanzuigventilator.
Doe de motor uit door de contactsleutel (24, Afb. D) tot het einde tegen de klok in te draaien en de sleutel te verwijderen.
Trek de parkeerrem met de hendel (13, Afb. E) aan.
Doe als ze aan zijn, de lichten uit.
DE WATERTANKS VAN DE INSTALLATIE VOOR STOFBESTRIJDING LEGEN
Ga als volgt te werk wanneer het nodig is om de watertanks van de installatie voor stofbestrijding te legen.
Schakel de parkeerrem (13, Afb. E) in.
Draai de contactsleutel (24, Afb. D) in stand ‘UIT’ en verwijder de sleutel.
Als u op de rechterkant van de achteras werkt, het deksel (1, Afb. Z) van de waterfi lter losschroeven en deze samen met de
fi lter verwijderen.
Laat al het water uit de tanks naar buiten lopen.
Monteer het deksel (1, Afb. Z) en de fi lter.
TREKBEWEGING VAN DE MACHINE
Voor trekbewegingen van de machine gaat u als volgt te werk.
Schakel de parkeerrem (13, Afb. E) in.
Draai de contactsleutel (24, Afb. D) in stand ‘UIT’ en verwijder de sleutel.
Stop loshalen (32, Afb. G) met de meegeleverde sleutel en de rechterklep aan de onderkant van de cabine optillen (31).
Draai met circa twee halen de schroef (1, Afb. AP) van de pomp van het aandrijvingssysteem los.
Trek de machine.
Aan het eind van de trekbeweging van de machine, de schroef (1, Afb. AP) vastdraaien en de rechterklep aan de onderkant
van de cabine (31, Afb. G) neerlaten en de steun bevestigen met de meegeleverde sleutel.
1.
2.
3.
4.
5.
6.
7.
8.
9.
10.
11.
12.
13.
14.
1.
2.
3.
4.
5.
1.
2.
3.
4.
5.
6.

GEBRUIKSAANWIJZING NEDERLANDS
RS 850 33014576(4)2008-02 A 27
VERVOER/BEWEGING
Gebruik voor het vervoeren/bewegen van de machine de als volgt beschreven haken en verankeringen.
LET OP!
Het verankeren/ophijsen van de machine moet worden uitgevoerd door bevoegd personeel.
Beschikbare haken
De machine is uitgerust met de volgende haken:
2 hijshaken (1, Afb. B), te gebruiken met lege afvalcontainer
1 trekhaak/verankering voor (2, Afb. B)
1 trekhaak/verankering achter (3, Afb. B)
Verankering
Voer de volgende handelingen uit voor de verankering van de machine tijdens het vervoer:
De machine opstellen in verplaatsingmodus (zie de procedure in het betreffende deel).
Haal de contactsleutel uit de contactschakelaar (24, Afb. D).
Schakel de parkeerrem (13, Afb. E) in.
Sluit alle kleppen, schotten, enz.
Veranker de machine met de trekhaken voor en achter (2 en 3, Afb. B).
Bevestig de machine met twee geschikte banden (4 en 5, Afb. B) die respectievelijk in de houder (6) van de achteras en in
de voorste treeplanken rechts en links van de toegang naar de cabine (7) worden gestoken.
Tijdelijk ophijsen
Voer de volgende handelingen uit voor het tijdelijk ophijsen van de machine:
De machine opstellen in verplaatsingmodus (zie de procedure in het betreffende deel).
Controleer of de afvalcontainer leeg is.
LET OP!
Ga uiterst voorzichtig te werk als de machine in noodsituaties moet worden opgehesen met een afvalcontainer
die niet leeg is omdat het gewicht van het afval de machine uit balans kan brengen. Bovendien worden de haken
onderworpen aan een grotere belasting.
Haal de contactsleutel uit de contactschakelaar (24, Afb. D).
Schakel de parkeerrem (13, Afb. E) in.
Sluit alle kleppen, schotten, enz.
Veranker de machine met geschikte kabels aan de twee hijshaken (1, Afb. B).
De machine voorzichtig ophijsen in een zo kort mogelijke tijd met een geschikt hijssysteem volgens de geldende ARBO-
wetgeving.
LANGE PERIODE VAN STILSTAND
Als de machine langer dan 30 dagen niet wordt gebruikt, raden wij u het volgende aan:
Leeg de watertanks van de installatie voor stofbestrijding zoals beschreven in de specifi eke paragraaf.
Zet de machine in de ruststand; ga hierbij te werk zoals wordt beschreven in het deel Na gebruik van de machine.
De machine opslaan in een gesloten, droge en schone ruimte die afgeschermd is van de weersomstandigheden en die voldoet
aan de volgende omgevingswaarden:
Temperatuur: van +1°C tot +50°C (van +33,8°F tot +122°F)
Vochtigheid: maximaal 95%
Ontkoppel de minpool van de accu (34, Afb. F).
Behandel de dieselmotor zoals beschreven in de betreffende handleiding.
EERSTE GEBRUIKSPERIODE
Na de eerste gebruiksperiode (de eerste 8 uur) moet u de volgende handelingen uitvoeren:
Controleer of alle bevestigings- en aansluitingselementen nog goed vast zitten; controleer of alle zichtbare onderdelen nog
intact zijn en geen lekkage vertonen.
Voer na de eerste 50 werkuren, de controles en de voorziene vervangingen uit volgens het vastgelegde onderhoudsschema.
1. •
•
•
2. •
•
•
•
•
•
3. •
•
•
•
•
•
•
1.
2.
3.
•
•
4.
5.
1.
2.

NEDERLANDS GEBRUIKSAANWIJZING
28 33014576(4)2008-02 A RS 850
MONTAGE EN GEBRUIK VAN DE ZOUTSTROOI-UITRUSTING (optioneel)
Montage van de zoutstrooi-uitrusting
WAARSCHUWING!
Het is noodzakelijk dat de veegmachine is uitgerust met de betreffende opstelling om deze uitrusting te kunnen
monteren.
De afvalcontainer (7, Afb. G) legen; dit is niet nodig als de hoeveelheid afval minimaal is.
Bevestig met een geschikt hijssysteem (8, Afb. AU) de zoutstrooi-uitrusting (9) aan de hijshaak (5) en houd daarbij de
veiligheidsnormen in acht.
Het gewicht van de uitrusting is circa 90 kg (198,4 lb).
Breng op een vlakke ondergrond de veegmachine (10, Afb. AU) in een geschikte positie voor de bevestiging met de zoutstrooi-
uitrusting (9).
Breng de afvalcontainer omhoog (7, Afb. G) en voeg de blokkeerstangen (3, Afb. F) in (zie de procedure in de betreffende
delen).
Zet de dieselmotor uit en trek de parkeerrem (13, Afb. E) aan.
Breng de zoutstrooi-uitrusting (9) met het hijssysteem (8, Afb. AU) in positie boven de veegmachine en maak deze vast met de
schroeven (11) en de moeren (12).
Maak het hijssysteem (8, Afb. AU) los van de zoutstrooi-uitrusting (9).
Verwijder de beschermdoppen, verbind de snelle koppelingsmechanismen (13, Afb. AU) van de hydraulische installatie aan de
overeenkomende koppelingen van de slangen (14).
Verbind de connector (15, Afb. AU) aan het overeenkomende contact (16).
Open de onderste zijklep links (11, Afb. G) door aan de stop (12) te draaien met de meegeleverde sleutel.
Draai de hendel (17, Afb. AU) van de inschakelingspositie van de derde borstel (17a) naar de inschakelingspositie van de
zoutstrooi-uitrusting (17b).
Sluit de onderste zijklep links (11, Afb. G) door aan de stop (12) te draaien met de meegeleverde sleutel.
Maak de blokkeerstangen van de opgehesen afvalcontainer (7, Afb. G) los en laat de afvalcontainer (3, Afb. F) zakken (zie de
procedure in de betreffende delen).
De machine is nu klaar voor gebruik van de zoutstrooi-uitrusting.
Demontage van de zoutstrooi-uitrusting
Demonteer de zoutstrooi-uitrusting in de omgekeerde volgorde van de montage.
De zoutstrooi-uitrusting vastzetten en beschermen.
Gebruik van de zoutstrooi-uitrusting
Monteer de zoutstrooi-uitrusting (9, Afb. AU) en ga daarbij te werk zoals beschreven in de specifi eke paragraaf.
Doe het geschikte zout in de opening (2, Afb. AU).
Stel de zouthoeveelheid in met de hendel (1, Afb. AU).
Gebruik de besturing en de modus van de derde borstel voor het in werking stellen van de zoutstrooier.
Draai aan de hendel (18, Afb. AU) voor het aanpassen van de draaisnelheid van de zoutstrooier aan het toerental van de
dieselmotor.
1.
2.
3.
4.
5.
6.
7.
8.
9.
10.
11.
12.
13.
14.
15.
16.
17.
18.
19.
20.
21.

GEBRUIKSAANWIJZING NEDERLANDS
RS 850 33014576(4)2008-02 A 29
MONTAGE EN GEBRUIK VAN DE SNEEUWRUIMERUITRUSTING MET BORSTEL (optioneel)
WAARSCHUWING!
Het is noodzakelijk dat de veegmachine is uitgerust met de betreffende opstelling om deze uitrusting te kunnen
monteren.
Montage van de sneeuwruimeruitrusting met borstel
Demonteer de aanzuigmond (17, Afb. G) (zie de procedure in het specifi eke deel).
Demonteer de arm van de derde borstel (23, Afb. G) (zie de procedure in het specifi eke deel).
Breng op een vlakke ondergrond de veegmachine in een geschikte positie voor de bevestiging met de sneeuwruimeruitrusting
met borstel (Afb. AV).
Zet de dieselmotor uit en trek de parkeerrem (13, Afb. E) aan.
Positioneer de sneeuwruimeruitrusting op de armen (19, Afb. AV) en maak deze vast met de schroeven (14).
Als u aan beide kanten van de machine werkt, de stelschroeven (15 en 16, Afb. AV) van de hoogte van de sneeuwruimer met
borstel vastdraaien op de armen (19). Dit afstellen kan indien nodig achtereenvolgens worden herhaald voor het afstellen van
de hoogte van de opgehsen sneeuwruimer.
De voetsteunen (5, Afb. AV) ophijsen tot aan het eind en vastzetten met de hendels (6).
Verwijder de beschermdoppen, verbind de snelle koppelingsmechanismen (1, Afb. AV) van de hydraulische installatie aan de
overeenkomende koppelingen van de slangen (2).
Open de onderste zijklep links (11, Afb. G) door aan de stop (12) te draaien met de meegeleverde sleutel.
Draai de hendel (21, Afb. AV) van de inschakelingspositie van de hogedruk waterspuit (21a) naar de inschakelingspositie van
de sneeuwruimeruitrusting (21b).
Sluit de onderste zijklep links (11, Afb. G) door aan de stop (12) te draaien met de meegeleverde sleutel.
De machine is nu klaar voor gebruik van de sneeuwruimeruitrusting met borstel.
Demontage van de sneeuwruimeruitrusting met borstel
Demonteer de sneeuwruimeruitrusting met borstel in de omgekeerde volgorde van de montage.
De sneeuwruimeruitrusting met borstel vastzetten en beschermen.
Gebruik van de sneeuwruimeruitrusting met borstel
Monteer de sneeuwruimeruitrusting met borstel (Afb. AV) en ga daarbij te werk zoals beschreven in de specifi eke paragraaf.
Gebruik de besturing en de modus van ophijsen/neerlaten van de aanzuigmond voor het ophijsen/neerlaten van de
sneeuwruimeruitrusting met borstel.
Gebruik de hendel (8, Afb. E) en zet deze in stand “OPT” voor het inschakelen van het draaien van de sneeuwruimborstel.
Draai aan de hendel (22, Afb. AV) voor het aanpassen van de draaisnelheid van de sneeuwruimborstel aan het toerental van
de dieselmotor.
Controleer voor gebruik van de sneeuwruimeruitrusting met borstel, de juiste hoogte vanaf de grond van de borstel (10, Afb.
AV). Dat doet u als volgt.
Zet de machine met de sneeuwruimeruitrusting met borstel op een vlakke ondergrond.
Zet de machine stil en laat de sneeuwruimeruitrusting volledig zakken en laat de borstel enkele seconden draaien.
De sneeuwruimeruitrusting stoppen en omhoog brengen na het verplaatsen van de machine en het inschakelen van de
parkeerrem .
Controleer of de indruk (20, Afb. AV) van de borstel over de hele lengte 2 tot 4 cm (0,8 tot 1,6 in) breed is.
Verwijder wanneer dit niet het gewenste resultaat geeft de stekkers (13, Afb. AV) en stel af door de wielen (11) omhoog/
omlaag te zetten met de krukken (12).
Wanneer de juiste afstelling is bereikt, moet u de krukken (12) weer op hun plaats zetten en de stekkers (13) terugplaatsen.
Trek de parkeerrem met de hendel (13, Afb. E) aan.
Doe de motor uit door de contactsleutel (24, Afb. D) tot het einde tegen de klok in te draaien om de sneeuwruimeruitrusting
omhoog te brengen.
Verwijder de sluiting (9, Afb. AV) en de stang (17) losmaken van de spil (8).
Kantel de borsteleenheid naar wens door de spil (8, Fig. AV) te vast te maken in de betreffende opening (18). Maak uiteindelijk
de sluiting (9) weer vast.
De machine is nu klaar voor gebruik van de sneeuwruimeruitrusting met borstel.
Ga zo nodig te werk met de sneeuwkettingen aan de voorwielen van de veegmachine.
1.
2.
3.
4.
5.
6.
7.
8.
9.
10.
11.
12.
13.
14.
15.
16.
17.
18.
19.
•
•
•
•
•
•
20.
21.
22.
23.
24.

NEDERLANDS GEBRUIKSAANWIJZING
30 33014576(4)2008-02 A RS 850
ONDERHOUD
De levensduur van de machine en de optimale veilige werking ervan worden geholpen door nauwkeurig en regelmatig onderhoud.
Hieronder staat het verkorte schema voor regelmatig onderhoud. De aangegeven perioden zijn afhankelijk van de specifi eke
werkomstandigheden en worden bepaald door de verantwoordelijke persoon voor onderhoud.
LET OP!
De onderhoudswerkzaamheden moeten bij een uitgeschakelde machine worden uitgevoerd (de startsleutel moet
uit het contact zijn gehaald).
Lees echter eerst aandachtig de instructies in het hoofdstuk Veiligheid door, voordat u de
onderhoudswerkzaamheden uitvoert.
Alle regelmatige of buitengewone onderhoudswerkzaamheden moeten worden uitgevoerd door bevoegd personeel of bij een
bevoegd servicecentrum.
In deze handleiding staan na het onderhoudsschema alleen de eenvoudigste en meest voorkomende onderhoudsprocedures.
De procedures voor de onderhoudswerkzaamheden die niet in het vastgelegde onderhoudsschema staan, vindt u in de
servicehandleiding, die bij de verschillende servicecentra ligt.
Raadpleeg de betreffende handleidingen voor de geplande en bijzondere onderhoudswerkzaamheden van de volgende optionele
uitrustingen:
zoutstrooi-uitrusting
sneeuwruimeruitrusting met borstel
cameraset
ONDERHOUDSSCHEMA
Onderhoud Inloopperiode
(na de eerste
50 uren)
Elke 10 uur
en voor het
gebruik
Elke 150
uur Elke 300
uur Elke 500
uur
Elke
1.000
uur
Elke 2.000
uur en
meer
Controle oliepeil van dieselmotor
Controle oliepeil hydraulische systeem
Reiniging voorfi lter en luchtfi lter motor
Controle reiniging ribben radiateur van de dieselmotor
Controle koelvloeistofpeil dieselmotor
Controle ribben olieradiateur van het hydraulische
systeem
Controle niveau accuvloeistof
Reiniging afvalcontainer, fi lters en aanzuigslang.
Smering lagers van de ventilator. Controle pakkingen
afvalcontainer
Reiniging spuitmonden en fi lters waterstralen
Controle remoliepeil
Controle werking van geluidssignaal achteruit en
eventuele afstelling van sensor
Veiligheidscontrole bij niet starten dieselmotor, met
gaspedaal ingeschakeld (8)
Controle bandenspanning
Controle hoogte en werking van aanzuigmond en fl ap
Controle en registratie positie zijborstels
Controle en registratie positie derde borstel
Controle slijtage pakking tussen afvalcontainer en
aanzuigslang (8)
Reiniging waterfi lter installatie stofbestrijding
Controle spanning ketting dynamo (8) (8)
Controle spanning ketting compressor klimaatregelaar (8) (8)
Controle parkeerrem
–
–
–

GEBRUIKSAANWIJZING NEDERLANDS
RS 850 33014576(4)2008-02 A 31
Onderhoud Inloopperiode
(na de eerste
50 uren)
Elke 10 uur
en voor het
gebruik
Elke 150
uur Elke 300
uur Elke 500
uur
Elke
1.000
uur
Elke 2.000
uur en
meer
Verversing olie dieselmotor (3)
Vervanging oliefi lter dieselmotor (3)
Vervanging houder brandstoffi lter (3)
Controle bevestiging moeren en schroeven; lekkage (8) (8)
Smering (8)
Controle koelvloeistofsysteem dieselmotor (8)
Vervanging fi lter voor olieaanzuiging hydraulisch
systeem (8) (8)
Vervanging olie-aftapfi lter van hydraulisch systeem en
ontluchtingsfi lter van de tank (8) (8)
Vastzetten van schroeven en brandstofverbindingen
dieselmotor (8)
Controle bougies (8)
Controle, reiniging en afstelling injectoren (8)
Vervanging luchtfi lter dieselmotor (8)
Vervanging luchtfi lter klimaatregelaar
Vervanging ketting dynamo en ventilator (8)
Vervanging ketting compressor klimaatregelaar (8)
Reiniging brandstoftank (8)
Verversing koelvloeistof dieselmotor (4) (8)
Verversing olie hydraulische systeem (3) (8)
Controle koolborstels startmotor (8)
Controle remsysteem (8)
Controle turbocompressor (8)
Gedeeltelijke revisie dieselmotor (5) (7) (8)
Algemene revisie dieselmotor (6) (7) (8)
(3) of elk jaar
(4) of elke twee jaar
(5) na 4.000 uur
(6) na 8.000 uur
(7) zich richten tot een goedgekeurde werkplaats van VM Motori S.p.A.
(8) zie voor de betreffende procedure de werkplaatshandleiding bij de servicecentra van Nilfi sk.
REINIGING VAN DE AFVALCONTAINER, DE FILTERS EN DE AANZUIGSLANG, CONTROLE VAN DE
PAKKINGEN EN DE SMERING VAN DE LAGERS VAN DE AANZUIGVENTILATOR
LET OP!
Draag geschikte bescherming voor het lichaam (ogen, haren, handen, enz.) bij het schoonmaken van de
machine met een hogedrukspuit (lucht of water).
Voorbereidende handelingen
Breng de machine na het legen van de afvalcontainer (7, Afb. G) naar een gebied dat geschikt is voor het reinigen/spoelen en
schakel de parkeerrem (13, Afb. E) in.
De afvalcontainer (7, Afb. G) omhoog brengen en kantelen volgens de aanwijzingen in de betreffende paragraaf.
Breng de blokkeerstang (17, Afb. F) aan. Ga te werk zoals beschreven in de betreffende paragraaf.
Reiniging van de afvalcontainer (na elk gebruik)
De binnenkant van de afvalcontainer (1, Afb. F) en de toevoerband (14) met een hogedruk waterstraal reinigen.
Controleer zorgvuldig of de omtrekpakking van de aanzuiging (19, Afb. F) intact is en vervang deze indien nodig.
1.
2.
3.
4.
5.

NEDERLANDS GEBRUIKSAANWIJZING
32 33014576(4)2008-02 A RS 850
Reiniging van de aanzuigslang (na elk gebruik)
De binnenkant van de aanzuigslang (6, Afb. F) over de hele lengte, tot aan de aanzuigmond, met een hogedruk waterstraal
reinigen.
Controleer zorgvuldig of de pakking van de aanzuigslang (5, Afb. F) intact is en vervang deze indien nodig.
Reiniging van het aanzuigfi lter en van de ventilator (na elk gebruik)
Verwijder aan de binnenkant van de afvalcontainer de houders (16, Afb. F) van de aanzuigfi lter (15).
Verwijder de aanzuigfi lter (15, Afb. F).
Als u te werk gaat in de ruimte (13, Afb. F), de ventilator (1, Afb. P) met een hogedruk waterstraal reinigen; en controleren of
alle sectoren (2) van de ventilator schoon zijn.
De aanzuigfi lter (1, Afb. Q) met een hogedruk waterstraal reinigen.
De aanzuigfi lter invoegen en vastzetten met houders (16, Afb. F).
Haal de blokkeerstang los van de klep (17, Afb. F) en laat de afvalcontainer (7, Afb. G) dalen. Ga te werk zoals beschreven in
de betreffende paragraaf.
Draai de contactsleutel (24, Afb. D) in stand ‘UIT’ en verwijder de sleutel.
Reiniging van het uitlaatfi lter (na elk gebruik)
Haal de steunen (26, Afb. G) van de klep (27) van de afzuigfi lter los met behulp van een trap en een tweede bediener.
Open de klep (1, Afb. R) en breng de veiligheidssluiting (2) aan.
Verwijder de bevestigingsschroeven (1, Afb. S) en de afzuigfi lter (2).
De afzuigfi lter (1, Afb. T) met een hogedruk waterstraal reinigen.
Installeer de afzuigfi lter en de betreffende klep opnieuw door de punten 15 tot en met 17 in omgekeerde volgorde uit te voeren.
Smering van de lagers van de aanzuigventilator (na elk gebruik)
Open de zijklep links (9, Afb. G).
Smeer de lagers van de aanzuigventilator met de geschikte smeerders (1, Afb. U).
De gemiddelde hoeveelheid te injecteren vet moet zijn:
4 - 5 pompjes bij gebruik van een handbediende pomp.
Injectie van 15 - 20 seconden, bij gebruik van een luchtpomp.
Sluit de zijklep links (9, Afb. G) weer.
REINIGING VAN DE SPUITMONDEN EN DE FILTERS VAN DE INSTALLATIE VOOR
STOFBESTRIJDING
LET OP!
Draag geschikte bescherming voor het lichaam (ogen, haren, handen, enz.) bij het schoonmaken van de
machine met een hogedrukspuit (lucht of water).
Voorbereidende handelingen
Schakel de parkeerrem (13, Afb. E) in.
Draai de contactsleutel (24, Afb. D) in stand ‘UIT’ en verwijder de sleutel.
Reiniging van de spuitmonden en de fi lters op de zijborstels
Draai de bevestigingsringen los (1, Afb. V).
De spuitmonden (2, Afb. V) en de fi lters (3) eruit halen en eventueel vuil met een straal perslucht reinigen. Verwijder eventuele
kalkaanslag. Indien nodig de fi lters (3) vervangen.
Monteer de fi lters en de spuitmonden opnieuw en zet ze vast met de bevestigingsringen.
Reiniging van de spuitmonden en de fi lters in de aanzuigslang van de mond naar de afvalconatiner
De afvalcontainer (7, Afb. G) legen; dit is niet nodig als de hoeveelheid afval minimaal is.
Zet de machine op een vlakke en stevige ondergrond en trek de handrem (13, Afb. E) aan.
De afvalcontainer (7, Afb. G) omhoog brengen volgens de aanwijzingen in de betreffende paragraaf.
Draai de contactsleutel (24, Afb. D) in stand ‘UIT’ en verwijder de sleutel.
Blokkeer het per ongeluk dalen van de afvalcontainer door de twee blokkeerstangen (3, Afb. F) in te voegen. Ga te werk zoals
beschreven in de betreffende paragraaf.
Als u aan de binnenkant van de aanzuigslang (6, Afb. F) werkt, met een pijpsleutel van 14 mm (0,55 in) de spuitmond (1, Afb.
X) losschroeven en de fi lter (2) verwijderen (controleer de werkelijke positie van de spuitmond).
Eventueel vuil op de spuitmond (1, Afb. X) en de fi lter (2) met een straal perslucht reinigen. Verwijder eventuele kalkaanslag.
Indien nodig de fi lter (2) vervangen.
Monteer de fi lter en de spuitmond in de omgekeerde volgorde van de demontage.
Maak de blokkeerstangen van de opgehesen afvalcontainer (7, Afb. G) los en laat de afvalcontainer (3, Afb. F) zakken (zie de
procedure in de betreffende delen).
6.
7.
8.
9.
10.
11.
12.
13.
14.
15.
16.
17.
18.
19.
20.
21.
•
•
22.
1.
2.
3.
4.
5.
6.
7.
8.
9.
10.
11.
12.
13.
14.

GEBRUIKSAANWIJZING NEDERLANDS
RS 850 33014576(4)2008-02 A 33
Reiniging van de spuitmond en de fi lter in de aanzuigslang aan de achterkant (optioneel)
Maak het bandje (1, afb. Y) los en scheid de vaste aanzuigslang aan de achterkant (2) van de fl exibele slang (3).
Als u aan de binnenkant van de vaste slang (2, Afb. Y) werkt, met een pijpsleutel van 14 mm (0,55 in) de spuitmond (4)
losschroeven en de fi lter (5) verwijderen (controleer de werkelijke positie van de spuitmond).
Eventueel vuil op de spuitmond (4, Afb. Y) en de fi lter (5) met een straal perslucht reinigen. Verwijder eventuele kalkaanslag.
Indien nodig de fi lter (5) vervangen.
Monteer de fi lter en de spuitmond in de omgekeerde volgorde van de demontage.
Monteer de fl exibele slang (3, Afb. Y) op de vaste aanzuigslang aan de achterkant (2) en maak ze vast met het bandje (1).
REINIGING VAN DE WATERFILTER VAN DE INSTALLATIE VOOR STOFBESTRIJDING
LET OP!
Draag geschikte bescherming voor het lichaam (ogen, haren, handen, enz.) bij het schoonmaken van de
machine met een hogedrukspuit (lucht of water).
OPMERKING
Wanneer de fi lter wordt verwijderd, loopt het water weg uit de tanks, daarom is het beter om dit onderhoud uit te voeren
wanneer de watertanks leeg zijn.
Schakel de parkeerrem (13, Afb. E) in.
Draai de contactsleutel (24, Afb. D) in stand ‘UIT’ en verwijder de sleutel.
Als u op de rechterkant van de achteras werkt, het deksel (1, Afb. Z) van de waterfi lter losschroeven en deze samen met de
fi lter verwijderen.
Scheid de fi lter (2, Afb. Z) van het deksel (3) en reinig ze. Indien nodig de fi lter vervangen.
Monteer de fi lter en het deksel.
CONTROLE VAN HET OLIEPEIL VAN HET HYDRAULISCHE SYSTEEM
WAARSCHUWING!
Uit te voeren controle met de afvalcontainer (7, Afb. G) volledig omlaag gehaald.
Schakel de parkeerrem (13, Afb. E) in.
Start de dieselmotor zoals werd beschreven in de specifi eke paragraaf.
Open de onderste zijklep links (11, Afb. G) door aan de stop (12) te draaien met de meegeleverde sleutel.
Controleer of de wijzer van de effi ciëntie-indicator (1, Afb. AA) van de afzuigfi lter (2) van de hydraulische installatie in het
groene deel staat (3), vervang anders de fi lter (2) (zie de procedure in de werkplaatshandleiding).
Controleer of er in het bovenste deel (4, Afb. AA) van de olietank van de hydraulische installatie geen olieaanslag zit, vervang
anders ook de ontluchtingsfi lter van de tank (5) (zie de procedure in de werkplaatshandleiding).
Schakel de dieselmotor uit door de contactsleutel (24, Afb. D) in stand UIT te draaien en haal deze eruit.
Controleer via de indicator (6, Afb. AA) of het peil van de olie in de tank tussen de markeringen MIN en MAX staat.
Schroef indien nodig de dop (7, Afb. AA) los, verwijder de fi lter (2) en bijvullen. Zie voor de bruikbare soorten olie het hoofdstuk
Technische eigenschappen.
OPMERKING
Vul bij met dezelfde olie als in de tank.
Installeer de fi lter (2, Afb. AA) en draai de dop (7) vast.
Sluit de onderste zijklep links (11, Afb. G) door aan de stoppen (12) te draaien met de meegeleverde sleutel.
15.
16.
17.
18.
19.
1.
2.
3.
4.
5.
1.
2.
3.
4.
5.
6.
7.
8.
9.
10.

NEDERLANDS GEBRUIKSAANWIJZING
34 33014576(4)2008-02 A RS 850
CONTROLE VAN DE REINIGING VAN DE RIBBEN VAN DE RADIATEUR VOOR DE OLIE VAN DE
HYDRAULISCHE INSTALLATIE
LET OP!
Draag geschikte bescherming voor het lichaam (ogen, haren, handen, enz.) bij het schoonmaken van de
machine met een hogedrukspuit (lucht of water).
De afvalcontainer (7, Afb. G) legen; dit is niet nodig als de hoeveelheid afval minimaal is.
Zet de machine op een vlakke en stevige ondergrond en trek de handrem (13, Afb. E) aan.
De afvalcontainer (7, Afb. G) omhoog brengen volgens de aanwijzingen in de betreffende paragraaf.
Draai de contactsleutel (24, Afb. D) in stand ‘UIT’ en verwijder de sleutel.
Blokkeer het per ongeluk dalen van de afvalcontainer door de twee blokkeerstangen (3, Afb. F) in te voegen. Ga te werk zoals
beschreven in de betreffende paragraaf.
Open de bovenste zijkleppen links en rechts (9 en 28, Afb. G) door aan de stoppen (10) en (29) te draaien met de
meegeleverde sleutel.
Verwijder de schroeven en verwijder het afdekpaneel van de motorruimte (11, Afb. F).
Open de onderste zijklep rechts (34, Afb. G) door aan de stop (35) te draaien met de meegeleverde sleutel.
Reinig de ribben van de radiateur voor de olie van het hydraulisch systeem (9, Afb. F) met een straal perslucht [maximaal 6
Bar (87,0 psi)]. Indien nodig de straal perslucht richten in de tegenovergestelde richting van de koele luchtcirculatie.
Controleer of de betreffende ventilator vrij kan draaien als u werkt vanaf de binnenkant van de radiateur (9, Afb. F).
Voer de punten 3 tot en met 8 in omgekeerde volgorde uit.
CONTROLE VAN HET VLOEISTOFPEIL VAN DE ACCU
LET OP!
Draag geschikte bescherming voor het lichaam (ogen, haren, handen, enz.) bij het controleren of reinigen van de
accu.
Schakel de parkeerrem (13, Afb. E) in.
Draai de contactsleutel (24, Afb. D) in stand ‘UIT’ en verwijder de sleutel.
Open de onderste zijklep links (11, Afb. G) door aan de stop (12) te draaien met de meegeleverde sleutel.
Controleer het peil van de elektrolyt in de accu (34, Afb. F) en vul indien nodig bij met gedistilleerd water.
Reinig indien nodig de accu.
Controleer of de poolaansluitingen van de accu niet verroest zijn.
Sluit de onderste zijklep links (11, Afb. G) door aan de stop (12) te draaien met de meegeleverde sleutel.
CONTROLE VAN HET REMOLIEPEIL
Schakel de parkeerrem (13, Afb. E) in.
Draai de contactsleutel (24, Afb. D) in stand ‘UIT’ en verwijder de sleutel.
Controleer het oliepeil van de remmen in de tank (1, Afb. AB). Zorg dat het peil ongeveer 1 cm (0,4 in) vanaf de vulmond van
de tank staat. Vul eventueel bij met olie van hetzelfde type als in het systeem.
Meestal gebruikte olie: DOT4.
CONTROLE VAN DE ACTIVERINGSSENSOR VAN HET GELUIDSSIGNAAL VAN DE ACHTERUIT
Controleer of het geluidssignaal aangaat als de machine in z’n achteruit wordt gezet.
Stel waar nodig af zoals beschreven in de Werkplaatshandleiding.
CONTROLE VAN DE BANDENSPANNING
Schakel de parkeerrem (13, Afb. E) in.
Draai de contactsleutel (24, Afb. D) in stand ‘UIT’ en verwijder de sleutel.
De bandenspanning moet als volgt zijn:
voorbanden: 5,0 Bar (72,5 psi)
achterbanden: 5,0 Bar (72,5 psi)
LET OP!
Respecteer de waarden voor de bandenspanning op de betreffende stickers.
De waarden op de banden verwijzen naar standaardbelastingen en -snelheden, maar komen niet overeen met de
bedrijfsomstandigheden van de machine.
1.
2.
3.
4.
5.
6.
7.
8.
9.
10.
11.
1.
2.
3.
4.
5.
6.
7.
1.
2.
3.
1.
1.
2.
3. •
•

GEBRUIKSAANWIJZING NEDERLANDS
RS 850 33014576(4)2008-02 A 35
CONTROLE VAN DE HOOGTE EN WERKING VAN DE AANZUIGMOND EN DE FLAP
Voorbereidende handelingen
Schakel de parkeerrem (13, Afb. E) in.
Breng de aanzuigmond (17, Afb. G) omhoog, ga te werk zoals beschreven in het specifi eke deel.
Draai de contactsleutel (24, Afb. D) in stand ‘UIT’ en verwijder de sleutel.
Controle van de wielen van de aanzuigmond
Controleer of de drie wielen (1, Afb. AC) van de aanzuigmond in goede staat zijn en vrij draaien (of ze niet gevouwen/verbogen
zijn door botsingen of hoge druk enz.). Controleer bovendien of de banddikte (2) niet minder is dan enkele millimeters.
Vervang eventueel de banden (1) (zie de procedure in de Werkplaatshandleiding).
Controle van de sledes
Controleer of de hoofdslede (3, Afb. AC) en de voorsledes (4) en (5) in goede staat zijn en dat de dikte (6) niet minder is dan 5
mm (0,2 in), vervang ze anders (zie de procedure in de Werkplaatshandleiding).
Het is belangrijk om de sledes (3), (4), (5) te vervangen wanneer ze nog niet helemaal zijn opgebruikt om geen schade te
veroorzaken aan de betreffende bevestigingsschroeven; de schroeven kunnen daarna moeilijker worden verwijderd.
Het is raadzaam de sledes (3), (4), (5) tegelijk te vervangen zodat er geen onregelmatigheden optreden bij de naden (7) door
de verschillende gebruiksniveaus van de afzonderlijke sledes.
Controle van de fl ap, de defl ector en van de stand van de wielen van de aanzuigmond
Controleer of de fl ap (8, Afb. AC) en de defl ector (9) intact zijn en er geen grote uitrukkingen (10) of breuken (11) zijn die de
normale aanzuigcapaciteit van de mond kunnen benadelen.
Vervang waar nodig de fl ap (8) en de defl ector (9) (zie de procedure in de Werkplaatshandleiding).
Zet de machine op een vlakke ondergrond en laat de aanzuigmond (17, Afb. G) zakken, zie de procedure in het betreffende
deel.
Draai de contactsleutel (24, Afb. D) in stand ‘UIT’ en verwijder de sleutel.
Controleer of de afstand (12, Afb. AC) van de fl ap tot de grond niet groter is dan 1 cm (0,4 in). Grotere afstanden kunnen de
normale aanzuigcapaciteit van de mond benadelen.
Vervang waar nodig de fl ap (8) (zie de procedure in de Werkplaatshandleiding).
Controleer of alle wielen (1, Afb. AC) op het wegdek steunen.
Als het achterwiel boven het wegdek blijft staan of extreem op het wegdek steunt, stel dan de hoogte als volgt af:
Schroef aan beide kanten van de aanzuigmond de zelfborgende moeren (1, Afb. AD) los/vast tot de juiste positie van het
achterwiel is bereikt.
Controleer ook of met de drie wielen (1, Afb. AC) steunend op het wegdek, de sledes (3), (4), (5) het wegdek niet raken
anders moeten de wielen (1) worden vervangen om een extreem verbruik van de sledes te vermijden (raadpleeg de
werkplaatshandleiding voor de vervangingsprocedure van de wielen).
De regelaar (2, Afb. AD) wordt gebruikt om de stand van de aanzuigmond te balanceren wanneer deze is opgehesen.
Start volgens de procedure in het betreffende deel, de machine en doe de fl ap (8, Afb. AC) omhoog en controleer of deze
eenvoudig omhoog gaat. Controleer of deze ook omhoog gaat bij een druk van enkele kilo’s (simulatie van het verplaatsen van
fl essen of andere objecten die moeten worden opgezogen). Indien nodig de openingskracht van de fl ap (8) als volgt afstellen:
Zet de machine uit.
Draai de contramoer (13, Afb. AC) van de regelklep los en draai de schroeven (14) zoveel als nodig, overwegende dat:
losschroeven vermindert de openingskracht;
vastschroeven verhoogt de openingskracht.
Als de afstelling is bereikt, moet u de contramoer (13, Afb. AC) vastdraaien.
Monteer de verwijderde onderdelen in de omgekeerde volgorde van de demontage.
1.
2.
3.
4.
5.
6.
7.
8.
9.
10.
•
11.
12.
13.
•
•–
–
•
14.

NEDERLANDS GEBRUIKSAANWIJZING
36 33014576(4)2008-02 A RS 850
DE POSITIE VAN DE ZIJBORSTELS CONTROLEREN EN AFSTELLEN
OPMERKING
Er zijn verschillende soorten borstels leverbaar. Deze procedure is van toepassing op alle soorten borstels.
Controle
Controleer of de zijborstels de juiste hoogte en kanteling vanaf de vloer hebben. Ga als volgt te werk:
Zet de machine op een vlakke ondergrond.
Zet de machine stil, laat de zijborstels volledig zakken en laat deze enkele seconden draaien.
Zet de zijborstels stil en breng deze omhoog voordat u de machine verplaatst.
Controleer of de indruk van de zijborstels in de breedte en richting als volgt is:
de zijborstel rechts moet de vloer raken in een draaicirkel tussen 11 uur en 4 uur (1, Afb. AE).
de zijborstel links moet de vloer raken in een draaicirkel tussen 8 uur en 1 uur (2, Afb. AE).
Stel de hoogte van de borstels af als de indrukken anders zijn dan in de vorige punten wordt beschreven.
Trek de parkeerrem met de hendel (13, Afb. E) aan.
Draai de contactsleutel (24, Afb. D) in stand ‘UIT’ en verwijder de sleutel.
Afstelling van de hoogte van de zijborstels
Draai aan beide kanten van de machine aan de zelfborgende spanningsmoer (3, Afb. AF) van de veer (4), overwegende dat:
losdraaien van de moer (3) doet de borstel zakken;
vastdraaien van de moer (3) doet de borstel omhoog gaan.
Voer punt 1 opnieuw uit.
Regeling van de voorwaartse hellingshoek (5, Afb. AF) van de zijborstels
Draai aan beide kanten van de machine de contramoeren (6 en 7, Afb. AF) los en regel de voorwaartse hellingshoek (5) door
een hendel in de opening (9) te voeren en te draaien aan de trekband (8).
Draai als de afstelling is uitgevoerd de contramoeren (6) en (7) vast.
Voer punt 1 opnieuw uit.
Regeling van de zijwaartse hellingshoek (10, Afb. AF) van de zijborstels
Draai aan beide kanten van de machine de schroeven (11 en 12, Afb. AF) los en regel de zijwaartse hellingshoek (10). Als de
afstelling is uitgevoerd, de schroeven (11) en (12) vastdraaien.
Voer punt 1 opnieuw uit.
Afstelling van de zijwaartse positie van de zijborstels
Dit afstellen is nuttig om de zijwaartse positie van de borstels te optimaliseren ten opzichte van de aanzuigmond (17, Afb. G).
Schroef voor de afstelling de zelfborgende moeren (1 en/of 2, Afb. AG) los/vast, waardoor de zijwaartse positie van de borstels
varieert. In de optimale afstelling staan de armen met een lichte druk naar buiten.
Als de borstels door overmatige slijtage niet meer kunnen worden afgesteld, moeten de borstels zoals in het betreffende deel
worden vervangen.
DE POSITIE VAN DE DERDE BORSTEL CONTROLEREN EN AFSTELLEN
OPMERKING
Er zijn verschillende soorten borstels leverbaar. Deze procedure is van toepassing op alle soorten borstels.
Controle van de positie van de derde borstel
Controleer of de derde borstel de juiste hoogte en kanteling vanaf de vloer hebben. Ga als volgt te werk:
Zet de machine op een vlakke ondergrond.
Start de machine en breng de arm van de derde borstel (1, Afb. AH) recht voor de stuurcabine (zoals afgebeeld) (ga daarbij
te werk zoals beschreven in de specifi eke paragraaf).
Zet de machine stil en laat de derde borstel (2, Afb. AH) helemaal zakken en laat deze enkele seconden draaien.
Zet de derde borstel stil en breng deze omhoog voordat u de machine verplaatst.
Controleer of de indruk van de derde borstel in de breedte en richting als volgt is:
De borstel moet de vloer raken in een draaicirkel tussen 10 uur en 2 uur (3, Afb. AH).
De voorwaartse hellingshoek (4, Afb. AH) van de borstel moet ongeveer 10 graden zijn.
Stel indien nodig de borstel af en ga te werk als in de volgende punten.
Schakel de parkeerrem (13, Afb. E) in.
Draai de contactsleutel (24, Afb. D) in stand ‘UIT’ en verwijder de sleutel.
1. •
•
•
•–
–
•
2.
3.
4. •
•
5.
6.
7.
8.
9.
10.
11.
12.
13.
1. •
•
•
•
•–
–
2.
3.

GEBRUIKSAANWIJZING NEDERLANDS
RS 850 33014576(4)2008-02 A 37
Afstelling van de hoogte van de derde borstel
Draai aan de zelfborgende spanningsmoer (5, Afb. AI) van de veer (6), overwegende dat:
losdraaien van de moer (5) doet de borstel zakken;
vastdraaien van de moer (5) doet de borstel omhoog gaan.
Voer punt 1 opnieuw uit.
Regeling van de voorwaartse hellingshoek (4, Afb. AH) van de derde borstel
Draai de contramoeren (7 en 8, Afb. AI) los en regel de voorwaartse hellingshoek (4) door een hendel in de opening (10) te
voeren en te draaien aan de trekband (9).
Draai als de afstelling is uitgevoerd de contramoeren (7) en (8) vast.
Voer punt 1 opnieuw uit.
Als de borstel door overmatige slijtage niet meer kan worden afgesteld, moet deze zoals in het betreffende deel worden
vervangen.
VERVANGING VAN DE BORSTELS
OPMERKING
Er zijn verschillende soorten borstels leverbaar. Deze procedure is van toepassing op alle soorten borstels.
WAARSCHUWING!
Wij raden u aan werkhandschoenen te dragen als u de zijborstels vervangt omdat er scherpe deeltjes tussen de
haren van de borstels kunnen blijven hangen.
Breng de borstels omhoog en schakel de parkeerrem (13, Afb. E) in.
Draai de contactsleutel (24, Afb. D) in stand ‘UIT’ en verwijder de sleutel.
Verwijder de onderste hoofdschroef (1, Afb. AJ) en verwijder de te vervangen borstel (2). Haal de spie terug.
Verwijder de schroeven (3, Afb. AJ) en de fl ens (4) van de verwijderde borstel.
Monteer de fl ens (4, Afb. AJ) en bevestig deze met de schroeven (3) op de nieuwe te installeren borstel.
Installeer de nieuwe borstel (2, Afb. AJ) met de spie en draai de hoofdschoef (1) aan.
Controleer de hoogteafstelling van de nieuwe borstel, de procedure hiervoor wordt in het betreffende deel beschreven.
CONTROLE VAN DE PARKEERREM
Trek de hendel (13, Afb. E) van de parkeerrem aan en controleer de juiste werking ervan. Controleer bovendien of de rem
hetzelfde werkt op beide voorwielen.
Stel de parkeerrem waar nodig af zoals aangegeven in de Werkplaatshandleiding.
CONTROLE VAN HET OLIEPEIL VAN DE DIESELMOTOR
Schakel de parkeerrem (13, Afb. E) in.
Draai de contactsleutel (24, Afb. D) in stand ‘UIT’ en verwijder de sleutel.
Open de onderste zijklep links (11, Afb. G) door aan de stop (12) te draaien met de meegeleverde sleutel.
Controleer het oliepeil van de dieselmotor zoals beschreven in de betreffende handleiding.
Sluit de onderste zijklep links (11, Afb. G) door aan de stop (12) te draaien met de meegeleverde sleutel.
VERVERSING VAN DE OLIE VAN DE DIESELMOTOR
De afvalcontainer (7, Afb. G) legen; dit is niet nodig als de hoeveelheid afval minimaal is.
Zet de machine op een vlakke en stevige ondergrond en trek de handrem (13, Afb. E) aan.
De afvalcontainer (7, Afb. G) omhoog brengen volgens de aanwijzingen in de betreffende paragraaf.
Draai de contactsleutel (24, Afb. D) in stand ‘UIT’ en verwijder de sleutel.
Blokkeer het per ongeluk dalen van de afvalcontainer door de twee blokkeerstangen (3, Afb. F) in te voegen. Ga te werk zoals
beschreven in de betreffende paragraaf.
Open de bovenste zijkleppen links en rechts (9 en 28, Afb. G) door aan de stoppen (10) en (29) te draaien met de
meegeleverde sleutel.
Verwijder de schroeven en verwijder het afdekpaneel van de motorruimte (11, Afb. F).
Open de onderste zijklep links (11, Afb. G) door aan de stop (12) te draaien met de meegeleverde sleutel.
Vervang de olie van de dieselmotor zoals beschreven in de betreffende handleiding.
Voer de punten 3 tot en met 8 in omgekeerde volgorde uit.
4. •
•
5.
6.
7.
8.
9.
1.
2.
3.
4.
5.
6.
7.
1.
2.
1.
2.
3.
4.
5.
1.
2.
3.
4.
5.
6.
7.
8.
9.
10.

NEDERLANDS GEBRUIKSAANWIJZING
38 33014576(4)2008-02 A RS 850
VERVANGING VAN DE OLIEFILTER VAN DE DIESELMOTOR
OPMERKING
Voer deze handeling uit wanneer de motorolie is verwijderd.
De afvalcontainer (7, Afb. G) legen; dit is niet nodig als de hoeveelheid afval minimaal is.
Zet de machine op een vlakke en stevige ondergrond en trek de handrem (13, Afb. E) aan.
De afvalcontainer (7, Afb. G) omhoog brengen volgens de aanwijzingen in de betreffende paragraaf.
Draai de contactsleutel (24, Afb. D) in stand ‘UIT’ en verwijder de sleutel.
Blokkeer het per ongeluk dalen van de afvalcontainer door de twee blokkeerstangen (3, Afb. F) in te voegen. Ga te werk zoals
beschreven in de betreffende paragraaf.
Open de bovenste zijkleppen links en rechts (9 en 28, Afb. G) door aan de stoppen (10) en (29) te draaien met de
meegeleverde sleutel.
Verwijder de schroeven en verwijder het afdekpaneel van de motorruimte (11, Afb. F).
Open de onderste zijklep links (11, Afb. G) door aan de stop (12) te draaien met de meegeleverde sleutel.
Vervang de oliefi lter van de dieselmotor zoals beschreven in de betreffende handleiding.
Voer de punten 3 tot en met 8 in omgekeerde volgorde uit.
REINIGING VAN DE VOORFILTER EN DE LUCHTFILTER VAN DE DIESELMOTOR
LET OP!
Draag geschikte bescherming voor het lichaam (ogen, haren, handen, enz.) bij het schoonmaken van de
machine met een hogedrukspuit (lucht of water).
Voorbereidende handelingen
Schakel de parkeerrem (13, Afb. E) in.
Draai de contactsleutel (24, Afb. D) in stand ‘UIT’ en verwijder de sleutel.
Reiniging van de voorfi lter
Benader met een geschikte trap de voorfi lter (39, Afb. F) van de dieselmotor.
Draai de schroef (1, Afb. AM2) los.
Verwijder het deksel (2) en de voorfi lter (3).
Reinig het deksel (2) en de voorfi lter (3).
Monteer het voorfi lter (3) en de deksel (2) en draai de schroef (1).
Reiniging van de fi lter
Als u op de linkerkant van de achteras werkt, de zijsteunen (1, Afb. AM1) loshalen en de deksel (2) van de fi lters verwijderen.
Verwijder de luchtfi lter (3).
Reinig de luchtfi lter (3) zorgvuldig met een straal perslucht [maximaal 6 Bar (87,0 psi)] door van binnen naar buiten te blazen
(in tegengestelde richting van de stroom aanzuiglucht). Vervang eventueel de luchtfi lter.
Plaats de luchtfi lter (3, Afb. AM1) terug op zijn plaats.
Installeer het deksel (2, Afb. AM1) opnieuw en bevestig deze aan de zijsteunen (1).
CONTROLE VAN DE REINIGING VAN DE RIBBEN VAN DE RADIATEUR VAN DE DIESELMOTOR
De afvalcontainer (7, Afb. G) legen; dit is niet nodig als de hoeveelheid afval minimaal is.
Zet de machine op een vlakke en stevige ondergrond en trek de handrem (13, Afb. E) aan.
De afvalcontainer (7, Afb. G) omhoog brengen volgens de aanwijzingen in de betreffende paragraaf.
Draai de contactsleutel (24, Afb. D) in stand ‘UIT’ en verwijder de sleutel.
Blokkeer het per ongeluk dalen van de afvalcontainer door de twee blokkeerstangen (3, Afb. F) in te voegen. Ga te werk zoals
beschreven in de betreffende paragraaf.
Open de bovenste zijkleppen links en rechts (9 en 28, Afb. G) door aan de stoppen (10) en (29) te draaien met de
meegeleverde sleutel.
Verwijder de schroeven en verwijder het afdekpaneel van de motorruimte (11, Afb. F).
Open de onderste zijklep links (11, Afb. G) door aan de stop (12) te draaien met de meegeleverde sleutel.
Controleer de reiniging van de ribben van de radiateur van de dieselmotor zoals beschreven in de betreffende handleiding.
Voer de punten 3 tot en met 8 in omgekeerde volgorde uit.
1.
2.
3.
4.
5.
6.
7.
8.
9.
10.
1.
2.
3.
4.
5.
6.
7.
8.
9.
10.
11.
12.
1.
2.
3.
4.
5.
6.
7.
8.
9.
10.

GEBRUIKSAANWIJZING NEDERLANDS
RS 850 33014576(4)2008-02 A 39
CONTROLE VAN HET KOELVLOEISTOFPEIL VAN DE DIESELMOTOR
Schakel de parkeerrem (13, Afb. E) in.
Draai de contactsleutel (24, Afb. D) in stand ‘UIT’ en verwijder de sleutel.
Benader met een geschikte trap de koelvloeistoftank (5, Afb. G).
LET OP!
Het koelcircuit staat onder druk; voer geen controles uit voordat de motor is afgekoeld en ook in dat geval
voorzichtig de dop (2, Afb. AL) van de tank openen.
Ga te werk zoals beschreven in de handleiding van de dieselmotor en controleer of het koelvloeistofpeil in de tank (1, Afb. AL)
tussen de markeringen van het minimum en maximum niveau staan. Schroef indien nodig de dop (2) los en vul bij.
Bestanddelen van de koelvloeistof:
50% antivries AGIP
50% water
Draai de dop (2, Afb. AL) vast na het bijvullen.
VERVANGING VAN DE BRANDSTOFFILTER VAN DE DIESELMOTOR
Schakel de parkeerrem (13, Afb. E) in.
Draai de contactsleutel (24, Afb. D) in stand ‘UIT’ en verwijder de sleutel.
Til de rechterklep aan de onderkant van de cabine (31, Afb. G) op door aan de stop (32) te draaien met de meegeleverde
sleutel.
Open de onderste zijklep rechts (34, Afb. G) door aan de stop (35) te draaien met de meegeleverde sleutel.
Vervang de brandstoffi lter (1, Afb. AK) van de dieselmotor zoals beschreven in de betreffende handleiding.
Voer de punten 3 tot en met 5 in omgekeerde volgorde uit.
VERVANGING VAN DE LUCHTFILTER VAN DE STUURCABINE
De afvalcontainer (7, Afb. G) legen; dit is niet nodig als de hoeveelheid afval minimaal is.
Zet de machine op een vlakke en stevige ondergrond en trek de handrem (13, Afb. E) aan.
De afvalcontainer (7, Afb. G) omhoog brengen volgens de aanwijzingen in de betreffende paragraaf.
Draai de contactsleutel (24, Afb. D) in stand ‘UIT’ en verwijder de sleutel.
Blokkeer het per ongeluk dalen van de afvalcontainer door de twee blokkeerstangen (3, Afb. F) in te voegen. Ga te werk zoals
beschreven in de betreffende paragraaf.
Open de bovenste zijklep links (9, Afb. G) door aan de stop (10) te draaien met de meegeleverde sleutel.
Draai met behulp van een geschikte ladder de schroef (1, Afb. AN) los en draai de sluiting (2).
Verwijder de luchtfi lter (1, Afb. AO) van de cabine.
Installeer de nieuwe fi lter (1, Afb. AO) met de pijlen (2) in de richting van de luchtstroom (naar boven toe).
Voer de punten 3 tot en met 7 in omgekeerde volgorde uit.
VERVANGING VAN DE BANDEN
Voorbereidende handelingen
Draai de contactsleutel (24, Afb. D) in stand ‘UIT’ en verwijder de sleutel.
Schakel de parkeerrem (13, Afb. E) in.
Controleer of de machine ook met een opgehesen wiel niet zelf kan bewegen (de parkeerrem werkt alleen op de voorwielen).
Indien nodig de machine vastzetten met wielblokken die op de grond blijven staan.
Demonteer het betreffende wiel als volgt.
Demontage/montage van een voorwiel
Open de bovenste zijklep rechts (28, Afb. G) door aan de stop (29) te draaien met de meegeleverde sleutel.
Draai de knoppen (38, Afb. F) los en verwijder de stang voor het omhoog brengen (37) van de machine.
Positioneer zoals afgebeeld, bij het te demonteren wiel (1, Afb. AQ) de stang voor het omhoog brengen (2) op de verbindingen
(3) van het frame van de machine en stop deze met de splitpen (4). Plaats de krik (5) zoals afgebeeld onder de stang (2).
Voordat u het wiel met de krik omhoog brengt, moet u de bevestigingsmoeren eerst iets losdraaien.
LET OP!
De krik (5, Afb. AQ) is niet meegeleverd. Gebruik een krik met de juiste kenmerken en met een minimaal
draagvermogen van 2.000 Kg (4.410 lb).
Schakel voorzichtig de krik (5, Afb. AQ) in en breng het te demonteren wiel (1) omhoog totdat deze iets van de ondergrond
afkomt.
Draai de bevestigingsmoeren los en verwijder het wiel (1, Afb. AQ).
Monteer het wiel (1, Afb. AQ) opnieuw door de punten 5 tot en met 9 in omgekeerde volgorde uit te voeren.
Bevestigingkoppel bevestigingsmoeren wiel: 400 N·m (295 lb·ft).
1.
2.
3.
4.
5. •
•
6.
1.
2.
3.
4.
5.
6.
1.
2.
3.
4.
5.
6.
7.
8.
9.
10.
1.
2.
3.
4.
5.
6.
7.
8.
9.
10.
11.

NEDERLANDS GEBRUIKSAANWIJZING
40 33014576(4)2008-02 A RS 850
Demontage/montage van een achterwiel
Plaats de krik (6, Afb. AQ) onder de geschikte houder (9) zoals afgebeeld onder de achteras (7).
Voordat u het wiel met de krik omhoog brengt, moet u de bevestigingsmoeren eerst iets losdraaien.
LET OP!
De krik (6, Afb. AQ) is niet meegeleverd. Gebruik een krik met de juiste kenmerken en met een minimaal
draagvermogen van 2.000 Kg (4.410 lb).
Schakel voorzichtig de krik (6, Afb. AQ) in en breng het te demonteren wiel (8) omhoog totdat deze iets van de ondergrond
afkomt.
Draai de bevestigingsmoeren los en verwijder het wiel (8, Afb. AQ).
Monteer het wiel (8, Afb. AQ) opnieuw door de punten 11 tot en met 13 in omgekeerde volgorde uit te voeren.
Bevestigingkoppel bevestigingsmoeren wiel: 400 N·m (295 lb·ft).
VERVANGING VAN DE ZEKERINGEN
Schakel de parkeerrem (13, Afb. E) in.
Draai de contactsleutel (24, Afb. D) in stand ‘UIT’ en verwijder de sleutel.
Verwijder de doorzichtige bescherming van het zekeringenkastje (25 of 34, Afb. D) en vervang de betreffende zekering. Dit zijn
ze allemaal:
Zekeringenkastje (25, Afb. D)
Beschikbare zekeringhouder (10 A)
Beschikbare zekeringhouder (7,5 A)
Zekering Geluidssignaal parkeerrem en watersensor in brandstoffi lter (10 A)
Zekering paneel (7,5 A)
Zekering geluidssignaal achteruit, camera’s, relais beveiliging starten en klep afvalcontainer (10 A)
Zekering magneetklep fl ap (10 A)
Zekering draaiing borstel (10 A)
Zekering relaiscircuit (10 A)
Zekering controlelampje omhoog brengen afvalcontainer/ruitenwisser (7,5 A)
Zekering waterpomp installatie stofbestrijding (15 A)
Zekering bediening klimaatregelaar (15 A)
Zekering elektrische ventilator voor koeling van de hydraulische olie (20 A)
Zekeringenkastje (34, Afb. D)
Zekering grootlichten (15 A)
Zekering positielichten (7,5 A)
Zekering noodlichten en geluidssignaal (10 A)
Zekering dimlichten (15 A)
Zekering positielichten (7,5 A)
Zekering regeleenheid bougies (7,5 A)
Zekering richtingaanwijzers (7,5 A)
Zekering knipperlicht (7,5 A)
Zekering magneetklep brandstof (uitschakeling motor) (10 A)
Zekering remlichten (10 A)
Zekering ruitenwisser (7,5 A)
Zekering elektroventilator klimaatregelaar stuurcabine (20 A)
Doe de doorzichtige bescherming van het zekeringenkastje (25 of 34, Afb. D) terug.
12.
13.
14.
15.
16.
1.
2.
3.
1.
2.
3.
4.
5.
6.
7.
8.
9.
10.
11.
12.
13.
14.
15.
16.
17.
18.
19.
20.
21.
22.
23.
24.
4.

GEBRUIKSAANWIJZING NEDERLANDS
RS 850 33014576(4)2008-02 A 41
DEMONTAGE/MONTAGE VAN DE AANZUIGMOND
OPMERKING
Dit is een basisprocedure die indien nodig weer door andere procedures wordt opgeroepen.
Demontage
Verwijder de twee zijborstels (zie de procedure in het betreffende deel).
Verplaats de derde borstel (21, Afb. G) en laat de aanzuigmond (17) zakken, ga te werk zoals beschreven in het specifi eke
deel.
Schakel de parkeerrem (13, Afb. E) in.
Draai de contactsleutel (24, Afb. D) in stand ‘UIT’ en verwijder de sleutel.
Markeer de positie van de slangen(1 en 2, Afb. AY) (om ze weer goed terug te kunnen monteren), maak ze los van de
aanzuigmond (3) en sluit ze af.
Markeer de positie van de slangen(4 en 5, Afb. AY) (om ze weer goed terug te kunnen monteren), maak ze los van de
aanzuigmond (3) en sluit ze af.
Ontkoppel de leidingen (6 en 7, Afb. AY) van de installatie voor stofbestrijding.
Ontkoppel de stekkers (8 en 9, Afb. AY) en haal de pakking eruit.
Draai de schroeven los (10, Afb. AY).
Verplaats de aanzuigmond (3, Afb. AY) een beetje naar voren en maak het bandje (11) van de aanzuigslang los.
Ontkoppel de aanzuigslang (12, Afb. AY) van de aanzuigmond.
Schroef aan beide kanten van de mond de moeren (13, Afb. AY) los en maak de betreffende veren los.
Haal de aanzuigmond (3) eruit.
Verzamel de ontkoppelde leidingen (15) van de verwijderde aanzuigmond en zet ze goed vast met bandjes (14, Afb. AY).
Breng bovendien een beschermkapje aan om te voorkomen dat vuil en verontreinigingen in de leidingen (15) komen.
Montage
Monteer de verwijderde onderdelen in de omgekeerde volgorde van de demontage.
Controleer indien nodig de hoogte en de werking van de aanzuigmond en de fl ap (zie de procedure in het specifi eke deel).
DEMONTAGE/MONTAGE VAN DE ARM VAN DE DERDE BORSTEL
OPMERKING
Dit is een basisprocedure die indien nodig weer door andere procedures wordt opgeroepen.
WAARSCHUWING!
Deze procedure is alleen van toepassing op de veegmachines die vooraf gereed zijn gemaakt voor de
sneeuwruimer met borstel.
Demontage
Trek de arm van de derde borstel (23, Afb. G) naar voren uit en breng de borstel (21) omhoog volgens de procedure in het
specifi eke deel.
Zet de dieselmotor uit en trek de parkeerrem (13, Afb. E) aan.
Sla met een geschikt hijssysteem (1, Afb. AZ) de arm van de derde borstel (2) in een strop op de afgebeelde punten en houd
daarbij de veiligheidsnormen in acht. Verplaats de leidingen en de elektrische kabels zodat ze niet geplet worden tijdens het
ophijsen.
Gewicht van de arm van de derde borstel: ca. 80 kg (176,4 lb).
Ontkoppel de elektrische stekker (3, Afb. AZ).
Ontkoppel de snelle koppelingsmechanismen (4, Afb. AZ) van de hydraulische installatie van de overeenkomende koppelingen
van de slangen (5) en breng de beschermdoppen aan.
Ontkoppel het snelle koppelingsmechanisme (6, Afb. AZ) van de installatie voor stofbestrijding van de overeenkomende
koppeling van de slang (7) en breng de betreffende beschermdoppen aan.
Verwijder in de stuurcabine de schroeven (8, Afb. AZ) en verwijder het paneel (9).
Zet een beetje spanning op het hijssysteem (1, Afb. AZ) en verwijder de schroeven (10) en de moer (11).
Haal de arm van de derde borstel (2, Afb. AZ) eruit.
Montage
Monteer de verwijderde onderdelen in de omgekeerde volgorde van de demontage.
Controleer de positie van de derde borstel en stel deze indien nodig af (zie de procedure in het specifi eke deel).
1.
2.
3.
4.
5.
6.
7.
8.
9.
10.
11.
12.
13.
14.
15.
16.
1.
2.
3.
4.
5.
6.
7.
8.
9.
10.
11.

NEDERLANDS GEBRUIKSAANWIJZING
42 33014576(4)2008-02 A RS 850
ONDERHOUD IN DE WINTER
Volg tijdens de wintermaanden zorgvuldig de onderhoudsprocedures die hier worden beschreven.
Procedures voor opslag van de veegmachine of voor veegmachines die bij temperaturen lager dan 0°C (+32°F) werken
Leeg de waterleidingen en -tanks.
Leeg en reinig/vervang het waterfi lter.
Voeg antivries toe aan de watertanks (controleer hoeveelheid per liter).
Activeer de waterpomp om de antivriesvloeistof in het watersysteem te laten circuleren totdat het uit de leidingen van de
borstels, uit de leiding van de aanzuigmondbuis en uit de leiding van de achterste buis (waar van toepassing) loopt (zie de
betreffende delen). Stop de pomp wanneer de vloeistof uit de spuitmonden stroomt.
Start de dieselmotor (zie het betreffende deel).
Laat de antivriesvloeistof onder hoge druk door het watersysteem stromen totdat de vloeistof uit de spuitmond komt door de
pomp te activeren met de hendel in de cabine (zie de betreffende delen). Stop de pomp wanneer de antivriesvloeistof naar
buiten stroomt.
LET OP!
Gebruik het stofneerslagsysteem niet wanneer de omgevingstemperatuur lager dan 0°C (+32°F) is wanneer er ijs
kan ontstaan op de vloer.
Procedures voor de tweede opslagmaand
Vervang de motorolie en het bijbehorende fi lter (zie de betreffende delen).
Vul de brandstoftank (zie het betreffende deel).
Smeer de machine.
Laad de accu op.
Controleer de bandenspanning (zie het betreffende deel).
Procedures voor de derde opslagmaand
Herhaal dezelfde procedures voor de tweede maand.
Sluit elke maand een acculader aan en houd de accu 12/24 uur opgeladen.
VEILIGHEIDSFUNCTIES
Op de machine zijn de volgende veiligheidsfuncties voorzien.
Signaal bij het achteruitrijden
De machine is voorzien van een sensor met overeenkomend geluidssignaal om aan te geven dat het voertuig in zijn achteruit staat.
Snelheidsbegrenzer van de draaiing van de borstels
De machine is afgesteld zodat het draaien van de borstels wordt gestopt als de dieselmotor meer dan 2.050 toeren draait.
Beveiligingsknop op de manipulator
De bedieningsknoppen op de manipulator zijn alleen actief als de beveiligingsknop (op de manipulator) is ingedrukt.
Veiligheidsmechanisme voor de bedieningsvolgorde bij het starten van de borstels
De aanzuigmond daalt alleen als de startschakelaar van de borstels is ingedrukt maar het draaien van de borstels begint alleen
nadat de aanzuigmond volledig is gedaald.
Sensor voor startbeperking van dieselmotor wanneer het gaspedaal wordt geactiveerd
De machine is voorzien van een sensor die het starten van de dieselmotor beperkt wanneer het gaspedaal is geactiveerd.
1.
2.
3.
4.
5.
6.
7.
8.
9.
10.
11.
8.
9.

GEBRUIKSAANWIJZING NEDERLANDS
RS 850 33014576(4)2008-02 A 43
STORINGEN LOKALISEREN
Hierna volgen de meest gebruikelijke problemen die kunnen worden gecontroleerd tijdens het gebruik van de machine, de
waarschijnlijke oorzaken ervan en de mogelijke acties om ze te herstellen.
LET OP!
De aangegeven herstelactie moet worden uitgevoerd door bevoegd personeel, wat altijd de in de specifi eke
paragrafen van deze handleiding, indien aanwezig, beschreven instructies moet opvolgen. Neem anders voor
meer informatie contact op met de servicecentra van Nilfi sk. Zij beschikken over de werkplaatshandleiding.
Neem voor uitleg of informatie contact op met de servicecentra van Nilfi sk.
Raadpleeg de betreffende handleidingen voor het opzoeken van storingen aan de volgende optionele uitrustingen:
zoutstrooi-uitrusting
sneeuwruimeruitrusting met borstel
cameraset
ONGEMAKKEN EN HERSTELACTIES
Ongemak Waarschijnlijke oorzaak Herstelactie
BORSTELS
De borstels reinigen niet goed De borstels zijn niet goed afgesteld Afstellen
Het toerental van de borstels is niet juist Stel het toerental af
De borstels draaien niet Het beveiligingssysteem heeft het draaien
van de borstels gestopt door het overmatige
toerental van de dieselmotor
Verminder het toerental van de dieselmotor
Er staat geen spanning op de magneetklep Controleer de elektrische installatie
Olielekkage uit de verbindingen/slangen van de
hydraulische installatie Repareren/vervangen
Hydraulische motoren defect Vervangen
De hydraulische bedieningspomp zet geen druk
op de olie in het circuit Controleer de oliedruk van de hydraulische
installatie
Startschakelaar van de borstels is
uitgeschakeld Inschakelen
De zekering is doorgebrand Vervangen
Magneetklep is doorgebrand Vervangen
ARM VAN DE DERDE BORSTEL
De arm van de derde borstel slingert Spanningsveren niet goed afgesteld Afstellen
Aanslagsensoren niet goed afgesteld Afstellen
De arm van de derde borstel beweegt niet
zijwaarts Beveiligingsstekker is kapot Vervangen
Er staat geen spanning op de magneetklep Controleer de elektrische installatie
Verdeler is geblokkeerd Repareren
Pakkingen van de cilinders zijn versleten Cilinder reviseren
Schakelaar is uitgeschakeld Inschakelen
De zekering is doorgebrand Vervangen
Knoppen voor beweging naar links/rechts kapot Vervangen
Relais is doorgebrand Vervangen
Magneetkleppen zijn doorgebrand Vervangen
ARM VAN DE DERDE BORSTEL
De arm van de derde borstel gaan niet omlaag/
omhoog Verdeler is geblokkeerd Repareren
Pakkingen van de cilinders zijn versleten Cilinder reviseren
De zekering is doorgebrand Vervangen
Knop voor omlaag is kapot Vervangen
Knop voor omhoog is kapot Vervangen
Relais is doorgebrand Vervangen
Magneetklep is doorgebrand Vervangen
–
–
–

NEDERLANDS GEBRUIKSAANWIJZING
44 33014576(4)2008-02 A RS 850
Ongemak Waarschijnlijke oorzaak Herstelactie
AANZUIGVENTILATOR
De aanzuigventilator maakt lawaai Lagers van de ventilator zijn niet gesmeerd Smeren
Lagers van de ventilator zijn versleten Vervangen
Hydraulische motor defect Repareren
De aanzuigventilator draait maar zuigt niet
genoeg Stoffi lters zijn verstopt Reinigen
Aanzuigslang is verstopt Reinigen
Aanzuigslang gesneden/gescheurd Vervangen
Pakking tussen aanzuigmond en afvalcontainer
is kapot of niet juist geplaatst Vervangen/positie afstellen
Druktekort van de pomp voor inschakeling van
de motor van de aanzuigventilator Stel de druk van de pomp af
De aanzuigventilator draait niet Verdeler is geblokkeerd Repareren
Motor defect Vervangen
Pomp defect Vervangen
AANZUIGMOND EN FLAP
De aanzuigmond zuigt het vuil niet voldoende Plaats van aanzuigmond niet juist Controleer de hoogte en de werking van de
aanzuigmond en de fl ap
De aanzuigmond gaat niet omhoog Onderbreking elektrisch contact Herstel de elektrische installatie
Verdeler is geblokkeerd Repareren
Pakkingen van de cilinders zijn versleten Cilinder reviseren
Druktekort in hydraulische installatie Controleer de druk bij de pomp
De zekering is doorgebrand Vervangen
Knop voor omhoog is kapot Vervangen
Beveiligingsknop manipulator is kapot Vervangen
Relaiscircuit defect Reviseren
Magneetklep is doorgebrand Vervangen
AANZUIGMOND EN FLAP
De aanzuigmond gaat niet omlaag De aanzuigventilator is niet ingeschakeld Inschakelen
Druktekort aan vangklep Controleer de druk van de verdeler van de
aanzuigventilator
Druktekort aan de magneetklep van de verdeler Controleer de druk
De zekering is doorgebrand Vervangen
Startschakelaar van de borstels is
uitgeschakeld Inschakelen
Knop voor omlaag is kapot Vervangen
Beveiligingsknop manipulator is kapot Vervangen
Relaiscircuit defect Reviseren
Magneetklep is doorgebrand Vervangen
De aanzuigmond beweegt niet zijwaarts Druktekort op cilinder door versleten pakkingen Cilinder reviseren
De zekering is doorgebrand Vervangen
Knop voor beweging naar links kapot Vervangen
Knop voor beweging naar rechts kapot Vervangen
Beveiligingsknop is kapot Vervangen
Relaiscircuit defect Vervangen
Magneetklep is doorgebrand Vervangen
De fl ap heeft niet genoeg openingskracht Openingsdruk van de fl ap is niet juist Stel de openingsdruk af
De fl ap opent/sluit niet Schakelaar is uitgeschakeld Inschakelen
Magneetklep is doorgebrand Vervangen

GEBRUIKSAANWIJZING NEDERLANDS
RS 850 33014576(4)2008-02 A 45
Ongemak Waarschijnlijke oorzaak Herstelactie
AFVALCONTAINER EN DE BETREFFENDE KLEP
De afvalcontainer gaat niet omhoog/kantelt niet Verdeler is geblokkeerd Repareren
Knop kapot Vervangen
De zekering is doorgebrand Vervangen
Beveiligingsknop is kapot Vervangen
Startschakelaar van de borstels is ingeschakeld Uitschakelen
De afvalcontainer keert niet terug in horizontale
stand/omlaag Pakkingen van de cilinders zijn versleten Reviseer de cilinders
De zekering is doorgebrand Vervangen
Knop kapot Vervangen
Beveiligingsknop is kapot Vervangen
Relaiscircuit defect Vervangen
Magneetkleppen zijn doorgebrand Vervangen
AFVALCONTAINER EN DE BETREFFENDE KLEP
De klep van de afvalcontainer opent/sluit niet Spanningstekort op aandrijfmechanisme Herstel de elektrische installatie
Bedieningsknop is kapot Vervangen
Nokken van het aandrijfmechanisme zijn
ontregeld Stel de nokken van het aandrijfmechanisme af
Aandrijfmechanisme defect Vervangen
SPUITMONDEN INSTALLATIE STOFBESTRIJDING
Er komt geen water uit de spuitmonden Waterfi lter verstopt Reinigen/vervangen
Spuitmonden verstopt Reinigen
Er komt geen water naar de spuitmonden Relais waterpompen is doorgebrand Vervangen
Pomp werkt niet Repareren/vervangen
Schakelaar waterpomp niet ingeschakeld Inschakelen
De zekering is doorgebrand Vervangen
Relais waterpompen is doorgebrand Vervangen
De waterpomp stopt niet Pakking is geblokkeerd Repareren
Pakking omgekeerd gemonteerd Op de juiste manier monteren
STUURINRICHTING
De machine rijdt niet in een rechte lijn Convergentie achteras ontregeld Afstellen
Het sturen gaat zwaar Defect in stuurbekrachtiging Vervangen
Voorkeurklep defect Vervangen
Hydraulische cilinder voor de inschakeling van
de sturende wielen is defect Vervangen
REMMEN
De machine remt niet genoeg Tekort aan remolie Controleer het oliepeil van de remmen
Remblokjes zijn versleten of smerig Vervangen
Er zit lucht in de installatie Ontlucht de installatie
Cilinder trommelremmen defect Vervangen
Pomp remolie is defect Reviseren
De parkeerrem remt niet genoeg Rem is niet goed afgesteld Afstellen
STABILITEIT
De machine in beweging heeft weinig stabiliteit De banden zijn niet op de juiste spanning
opgepompt Controleer de bandenspanning
WIELEN
De achterwielen maken lawaai Lagers van de wielen zijn versleten Vervangen

NEDERLANDS GEBRUIKSAANWIJZING
46 33014576(4)2008-02 A RS 850
Ongemak Waarschijnlijke oorzaak Herstelactie
AANDRIJFVERMOGEN
De machine heeft weinig aandrijfvermogen Snelheidspedaal is defect Vervangen
Omloopklep is open Controleer schroeven by-pass
Afname van vermogen van de pomp voor het
aandrijvingsysteem Controleer de oliedruk van de hydraulische
installatie op de pomp van het
aandrijvingsysteem
Motoren aandrijvingsysteem versleten Vervangen
De machine heeft geen aandrijfvermogen Schroef van uitschakeling van de pomp
aandrijvingsysteem voor de trekbeweging van
de machine is geactiveerd
Uitschakelen
Olielekkage van hydraulisch circuit Repareren
Pomp aandrijvingsysteem is kapot Vervangen
Motor aandrijvingsysteem is kapot Vervangen
SNELHEIDSPEDAAL
De machine beweegt ook met het
snelheidspedaal in ruststand (vrij) Snelheidspedaal ontregeld Afstellen
VERWARMING IN DE STUURCABINE
Er komt geen warme lucht Kraantje of slang voor warmwaterafvoer kapot Vervangen
De verwarming lekt water Vervangen
Schakelaar is uitgeschakeld Inschakelen
De zekering is doorgebrand Vervangen
AIRCONDITIONING IN DE STUURCABINE
Er komt geen koele lucht De compressor draait niet omdat de
aandrijfriem traag/kapot is Stel riemspanning goed af/vervang de riem
Thermostaat is uitgeschakeld Inschakelen
Er zit een gaslek in de installatie Herstel de oorzaak van het lek en doe er weer
gas in
Expansieklep defect Vervangen
Schakelaar is uitgeschakeld Inschakelen
De zekering is doorgebrand Vervangen
Drukschakelaar gas is kapot Vervangen
Relais is doorgebrand Vervangen
DIESELMOTOR
Wanneer u de contactsleutel draait, start de
dieselmotor niet Snelheidspedaal is ingeschakeld. Wanneer de motor wordt gestart, mag u het
gaspedaal niet indrukken.
OPMERKING
Zie voor het opzoeken van storingen van de dieselmotor de betreffende handleiding.
VERWIJDERING
Als de machine wordt afgedankt, moet hij naar een bevoegd verwijderingbedrijf worden gebracht.
Voordat de machine wordt afgedankt, moeten de volgende materialen worden verwijderd en gescheiden en vervolgens volgens de
geldende milieunormen naar de betreffende afvalverwerkingsbedrijven worden gebracht:
borstels
motorolie
olie hydraulisch systeem
oliefi lter hydraulisch systeem
plastic onderdelen
elektrische en elektronische onderdelen
OPMERKING
Raadpleeg met name voor het afdanken van elektrische en elektronische onderdelen uw plaatselijke Nilfi sk-kantoor.
–
–
–
–
–
–
