Ningbo Yinzhou Wireless Electronic WRS-SMT Electric winch wireless receiver User Manual
Ningbo Yinzhou Wireless Electronic Limited Company Electric winch wireless receiver
User Manual

Page 1 of 3
Electric winch wireless controller instructions
A, Features Overview
This product includes a wireless remote control and receiver controller, firing frequency of
315MHz, the control range of more than 25 m, mainly used in electric winch wireless control.
B, the wireless remote control parameters
1, Working voltage: DC 6V
2, The working current: 25mA ± 5mA
3, The transmitting frequency: 315MHz
C, the receiver controller performance parameters
1, Working voltage: the DC 12V
2, Operating Current: 50mA ±10mA
3, The receiving frequency: 315MHz.
4, Receiver sensitivity: better than-106dBm
5, The maximum drive current of 3A
6, The working environment temperature: -20 ° C - 85 ° C
D, Pairing
When the first use, the remote control and the receiver need to be paired:
1, Power to the receiver controller.
2, Open the remote control power switch.
3, Touch the antenna (blue wire)to the 12V power, so that the receiver into pairing mode.
4, Press any key on the remote control, when heard the sound of relay closed, the pairing is
successful.
E, Installation and function
1,Disconnect Power to the winch
2,Confirm that the plug is the correct type for this winch and plug it in
3.Select an area for the receiver on the vehicle close enough to the winch to allow cable
connection
4.Investigate the chosen area to make sure no components will be damaged by installation.
5.Permanently (optional) mount the remote control receiver to the vehicle using appropriate
hardware (not included).
6.Preare the winch for operation as explained in its manual
7.Reconnect winch’s power
8.Release the clutch handle and pull out about 10 feet of wire rope Leave the wire rope
laying on the ground and stay clear of the wire rope and hook
9.Reengage the clutch handle

Page 2 of 3
10.Watch the spool and wire rope and briefly,press the out button on the remote control to
verify that the cable feeds out
WARNING! If the cable does not feed out ,check and correct the winch’s wiring. Retest
after correction.
11.Watch the spool and wire rope and briefly press the in button on the remote control to
verify that the cable retracts
WARNING! If the cable does not feed out ,check and correct the winch’s wiring .Retest
BOTH functions after correction.
12.If the remote operates the winch properly, it is ready for use.
13.After use, disconnect control box from winch to prevent accidental operation
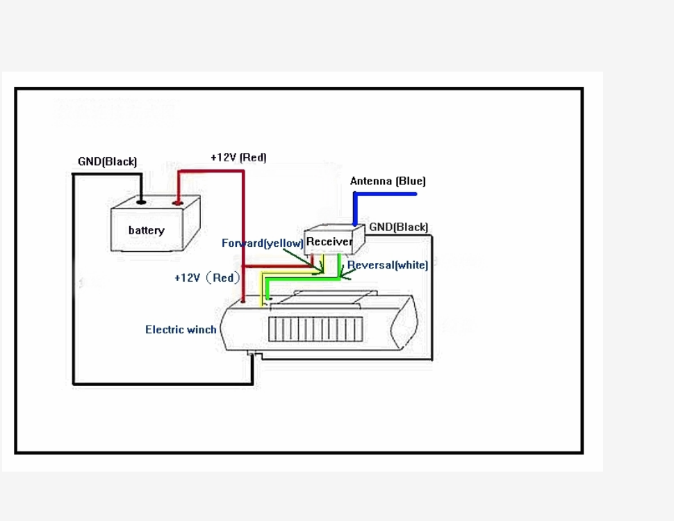
F, Wiring diagram
G,WARNING!
To prevent serious injury
1. Disconnect control box from winch before service and after every use.
WINCH CAN OPERATE SUDDENLY AT ANY TIME WHILE CONNECTED.
2. Stand clear of winch, fairlead, and wire rope while connected. Keep bystanders away.
3. Only operate controls when winch and entire wire rope is within view.
4. Use with vehicle mounted recovery winches only. Do not use for any other application.
5. Confirm control box mounting location has no wire or components that can be damaged
drilling.
6. Read winch manual before use.
Page 3 of 3
FCC Certification Requirements
Caution: Any changes or modifications in construction of this device which are not
expressly approved by the party responsible for compliance could void the user's authority
to operate the equipment.
This device complies with part 15 of the FCC Rules. Operation is subject to the following
two conditions: (1) This device may not cause harmful interference, and (2) This device
must accept any interference received, including interference that may cause undesired
operation.
NOTE: The manufacturer is not responsible for any radio or TV interference caused by
unauthorized modifications to this equipment. Such modifications could void the user’s
authority to operate the equipment.
NOTE: This equipment has been tested and found to comply with the limits for a Class B
digital device, pursuant to Part 15 of the FCC Rules. These limits are designed to provide
reasonable protection against harmful interference in a residential installation. This
equipment generates, uses and can radiate radio frequency energy and, if not installed and
used in accordance with the instructions, may cause harmful interference to radio
communications. However, there is no guarantee that interference will not occur in a
particular installation. If this equipment does cause harmful interference to radio or
television reception, which can be determined by turning the equipment off and on, the user
is encouraged to try to correct the interference by one or more of the following measures:
-- Reorient or relocate the receiving antenna.
-- Increase the separation between the equipment and receiver.
-- Connect the equipment into an outlet on a circuit different from that to which the receiver
is connected.
-- Consult the dealer or an experienced radio/TV technician for help.