Nissan 2002 Altima Owners Manual MTC
2015-10-23
: Nissan Nissan-2002-Nissan-Altima-Owners-Manual-818339 nissan-2002-nissan-altima-owners-manual-818339 nissan pdf
Open the PDF directly: View PDF
.
Page Count: 96
- QUICK REFERENCE INDEX
- Table of Contents
- PRECAUTIONS
- Precautions for Supplemental Restraint System (SRS) “AIR BAG” and “SEAT BELT PRE-TENSIONER”
- Precautions for Working with HFC-134a (R-134a)
- Contaminated Refrigerant
- General Refrigerant Precautions
- Precautions for Leak Detection Dye
- A/C Identification Label
- Precautions for Refrigerant Connection
- Precautions for Servicing Compressor
- Precautions for Service Equipment
- Wiring Diagrams and Trouble Diagnosis
- PREPARATION
- REFRIGERATION SYSTEM
- LUBRICANT
- AIR CONDITIONER CONTROL
- TROUBLE DIAGNOSIS
- How to Perform Trouble Diagnoses for Quick and Accurate Repair
- Component Parts and Harness Connector Location
- Circuit Diagram
- Wiring Diagram — HEATER —
- Wiring Diagram — A/C,M —
- Operational Check
- A/C System
- Mode Door Motor Circuit
- Air Mix Door
- Intake Door Motor Circuit
- Blower Motor Circuit
- Magnet Clutch Circuit
- Insufficient Cooling
- Insufficient Heating
- Noise
- Intake Sensor Circuit
- CONTROL UNIT
- INTAKE SENSOR
- BLOWER UNIT
- BLOWER MOTOR
- INTAKE DOOR MOTOR
- IN-CABIN MICROFILTER
- HEATER & COOLING UNIT ASSEMBLY
- HEATER CORE
- MODE DOOR MOTOR
- BLOWER FAN RESISTER
- DUCTS AND GRILLES
- REFRIGERANT LINES
- HFC-134a (R-134a) Service Procedure
- Components
- Removal and Installation for Compressor — QR25DE Models
- Removal and Installation for Compressor — VQ35DE Models
- Removal and Installation for Compressor Clutch
- Removal and Installation for Low-pressure Flexible Hose
- Removal and Installation for High-pressure flexible hose
- Removal and Installation for High-pressure Pipe
- Removal and Installation for Refrigerant Pressure Sensor
- Removal and Installation for Condenser
- Removal and Installation for Liquid Tank
- Removal and Installation for Evaporator
- Removal and Installation for Expansion Valve
- Checking for Refrigerant Leaks
- Checking System for Leaks Using the Fluorescent Leak Detector
- Dye Injection
- Electronic Refrigerant Leak Detector
- SERVICE DATA AND SPECIFICATIONS (SDS)
- PRECAUTIONS
- JOINT CONNECTOR (J/C)
- ELECTRICAL UNITS
- SMJ (SUPER MULTIPLE JUNCTION)
- FUSE BLOCK-JUNCTION BOX (J/B)
- FUSE AND FUSIBLE LINK BOX

MTC-1
MANUAL AIR CONDITIONER
J AIR CONDITIONER
CONTENTS
C
D
E
F
G
H
I
K
L
M
SECTION
A
B
MTC
Revision: May 2004 2002 Altima
PRECAUTIONS .......................................................... 3
Precautions for Supplemental Restraint System
(SRS) “AIR BAG” and “SEAT BELT PRE-TEN-
SIONER” .................................................................. 3
Precautions for Working with HFC-134a (R-134a) ..... 3
Contaminated Refrigerant ........................................ 3
General Refrigerant Precautions .............................. 4
Precautions for Leak Detection Dye ......................... 4
A/C Identification Label ............................................ 4
Precautions for Refrigerant Connection ................... 5
FEATURES OF NEW TYPE REFRIGERANT
CONNECTION ...................................................... 5
O-RING AND REFRIGERANT CONNECTION ..... 6
Precautions for Servicing Compressor ..................... 9
Precautions for Service Equipment .......................... 9
RECOVERY/RECYCLING EQUIPMENT .............. 9
ELECTRONIC LEAK DETECTOR ........................ 9
VACUUM PUMP ................................................. 10
MANIFOLD GAUGE SET .................................... 10
SERVICE HOSES ............................................... 10
SERVICE COUPLERS .........................................11
REFRIGERANT WEIGHT SCALE .......................11
CALIBRATING ACR4 WEIGHT SCALE ...............11
CHARGING CYLINDER .......................................11
Wiring Diagrams and Trouble Diagnosis .................11
PREPARATION ......................................................... 12
Special Service Tools ............................................. 12
HFC-134a (R-134a) Service Tools and Equipment ... 12
Commercial Service Tools ...................................... 15
REFRIGERATION SYSTEM ..................................... 16
Refrigeration Cycle ................................................. 16
REFRIGERANT FLOW ....................................... 16
REFRIGERANT SYSTEM PROTECTION .......... 16
Component Layout ................................................. 17
LUBRICANT ............................................................. 18
Maintenance of Lubricant Quantity in Compressor ... 18
LUBRICANT ........................................................ 18
CHECKING AND ADJUSTING ........................... 18
AIR CONDITIONER CONTROL ............................... 21
Control Operation ................................................... 21
FAN CONTROL DIAL .......................................... 21
AIR CONTROL DIAL ........................................... 21
TEMPERATURE CONTROL DIAL ...................... 21
RECIRCULATION (REC) SWITCH ..................... 21
AIR CONDITIONER (A/C) SWITCH .................... 21
Discharge Air Flow ................................................. 22
System Description ................................................. 23
SWITCHES AND THEIR CONTROL FUNCTION ... 23
CAN Communication System Description .............. 23
FOR TCS MODELS ............................................ 23
FOR A/T MODELS .............................................. 25
FOR M/T MODELS ............................................. 26
TROUBLE DIAGNOSIS ............................................ 28
How to Perform Trouble Diagnoses for Quick and
Accurate Repair ...................................................... 28
WORK FLOW ...................................................... 28
SYMPTOM TABLE .............................................. 28
Component Parts and Harness Connector Location ... 29
ENGINE COMPARTMENT .................................. 29
PASSENGER COMPARTMENT ......................... 31
Circuit Diagram ....................................................... 32
Wiring Diagram — HEATER — .............................. 33
Wiring Diagram — A/C,M — ................................... 35
Operational Check .................................................. 38
CONDITIONS: ..................................................... 38
PROCEDURE: .................................................... 38
A/C System ............................................................. 40
DIAGNOSTIC PROCEDURE .............................. 40
Mode Door Motor Circuit ........................................ 42
INSPECTION FLOW ........................................... 42
SYSTEM DESCRIPTION .................................... 43
DIAGNOSTIC PROCEDURE .............................. 43
MODE DOOR ...................................................... 44
Air Mix Door ............................................................ 45
INSPECTION FLOW ........................................... 45
CONTROL LINKAGE ADJUSTMENT ................. 45
Intake Door Motor Circuit ........................................ 46
INSPECTION FLOW ........................................... 46
SYSTEM DESCRIPTON ..................................... 47
DIAGNOSTIC PROCEDURE .............................. 47

MTC-2
Revision: May 2004 2002 Altima
CONTROL LINKAGE ADJUSTMENT ................. 48
Blower Motor Circuit ............................................... 49
INSPECTION FLOW ........................................... 49
DIAGNOSTIC PROCEDURE .............................. 49
ELECTRICAL COMPONENTS INSPECTION ..... 53
Magnet Clutch Circuit ............................................. 54
INSPECTION FLOW ........................................... 54
DIAGNOSTIC PROCEDURE .............................. 55
REFRIGERANT PRESSURE SENSOR .............. 57
Insufficient Cooling ................................................. 58
INSPECTION FLOW ........................................... 58
PERFORMANCE CHART ................................... 59
TROUBLE DIAGNOSES FOR ABNORMAL
PRESSURE ......................................................... 59
Insufficient Heating ................................................. 63
INSPECTION FLOW ........................................... 63
Noise ...................................................................... 64
INSPECTION FLOW ........................................... 64
Intake Sensor Circuit .............................................. 65
COMPONENT DESCRIPTION ............................ 65
DIAGNOSTIC PROCEDURE .............................. 65
CONTROL UNIT ........................................................ 67
Removal and Installation ........................................ 67
REMOVAL ........................................................... 67
INSTALLATION .................................................... 67
INTAKE SENSOR .....................................................68
Removal and Installation ........................................ 68
BLOWER UNIT ......................................................... 69
Removal and Installation ........................................ 69
REMOVAL ........................................................... 69
BLOWER MOTOR .................................................... 70
Removal and Installation ........................................ 70
INTAKE DOOR MOTOR ...........................................71
Removal and Installation ........................................ 71
IN-CABIN MICROFILTER ......................................... 72
Removal and Installation ........................................ 72
FUNCTION .......................................................... 72
REPLACEMENT TIMING .................................... 72
REPLACEMENT PROCEDURES ....................... 72
HEATER & COOLING UNIT ASSEMBLY ................. 73
Removal and Installation ........................................ 73
REMOVAL ........................................................... 73
INSTALLATION ................................................... 73
HEATER CORE ......................................................... 74
Removal and Installation ........................................ 74
MODE DOOR MOTOR ..............................................75
Removal and Installation ........................................ 75
DRIVER SIDE MODE DOOR MOTOR ................ 75
BLOWER FAN RESISTER ........................................76
Removal and Installation ........................................ 76
DUCTS AND GRILLES ............................................. 77
Removal and Installation ........................................ 77
Ventilator Duct, Defroster Nozzle and Defroster
Ducts ....................................................................... 77
Center Ventilator Grille ...........................................77
Side Ventilator Grille LH ......................................... 77
Side Ventilator Grille RH ......................................... 78
Floor duct ................................................................ 78
REFRIGERANT LINES .............................................79
HFC-134a (R-134a) Service Procedure ..................79
SETTING OF SERVICE TOOLS AND EQUIP-
MENT ...................................................................79
Components ............................................................80
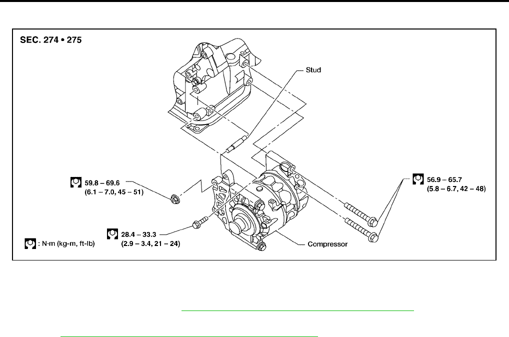
Removal and Installation for Compressor —
QR25DE Models .....................................................83
REMOVAL ...........................................................83
INSTALLATION ...................................................83
Removal and Installation for Compressor —
VQ35DE Models .....................................................84
REMOVAL ...........................................................84
INSTALLATION ...................................................84
Removal and Installation for Compressor Clutch ....85
REMOVAL ............................................................85
INSPECTION .......................................................86
INSTALLATION ....................................................86
BREAK-IN OPERATION ......................................87
Removal and Installation for Low-pressure Flexible
Hose ........................................................................87
REMOVAL ...........................................................87
INSTALLATION ...................................................87
Removal and Installation for High-pressure flexible
hose ........................................................................88
REMOVAL ...........................................................88
INSTALLATION ...................................................88
Removal and Installation for High-pressure Pipe ....88
REMOVAL ...........................................................88
INSTALLATION ...................................................88
Removal and Installation for Refrigerant Pressure
Sensor .....................................................................88
Removal and Installation for Condenser .................88
REMOVAL ...........................................................88
INSTALLATION ...................................................89
Removal and Installation for Liquid Tank ................89
Removal and Installation for Evaporator .................90
REMOVAL ............................................................90
INSTALLATION ....................................................91
Removal and Installation for Expansion Valve ........91
REMOVAL ............................................................91
INSTALLATION ....................................................91
Checking for Refrigerant Leaks ..............................91
Checking System for Leaks Using the Fluorescent
Leak Detector ..........................................................92
Dye Injection ...........................................................92
Electronic Refrigerant Leak Detector ......................92
PRECAUTIONS FOR HANDLING LEAK
DETECTOR .........................................................92
CHECKING PROCEDURE ..................................93
SERVICE DATA AND SPECIFICATIONS (SDS) ......95
Service Data and Specifications (SDS) ..................95
COMPRESSOR ...................................................95
LUBRICANT .........................................................95
REFRIGERANT ...................................................95
ENGINE IDLING SPEED .....................................95
BELT TENSION ...................................................95

PRECAUTIONS
MTC-3
C
D
E
F
G
H
I
K
L
M
A
B
MTC
Revision: May 2004 2002 Altima
PRECAUTIONS PFP:00001
Precautions for Supplemental Restraint System (SRS) “AIR BAG” and “SEAT
BELT PRE-TENSIONER” EJS000Z2
The Supplemental Restraint System such as “AIR BAG” and “SEAT BELT PRE-TENSIONER”, used along
with a front seat belt, helps to reduce the risk or severity of injury to the driver and front passenger for certain
types of collision. Information necessary to service the system safely is included in the SRS and SB section of
this Service Manual.
WARNING:
●To avoid rendering the SRS inoperative, which could increase the risk of personal injury or death
in the event of a collision which would result in air bag inflation, all maintenance must be per-
formed by an authorized NISSAN/INFINITI dealer.
●Improper maintenance, including incorrect removal and installation of the SRS, can lead to per-
sonal injury caused by unintentional activation of the system. For removal of Spiral Cable and Air
Bag Module, see the SRS section.
●Do not use electrical test equipment on any circuit related to the SRS unless instructed to in this
Service Manual. SRS wiring harnesses can be identified by yellow and/or orange harnesses or
harness connectors.
Precautions for Working with HFC-134a (R-134a) EJS000Z3
WARNING:
●CFC-12 (R-12) refrigerant and HFC-134a (R-134a) refrigerant are not compatible. If the refrigerants
are mixed, compressor failure is likely to occur. Refer to MTC-3, "Contaminated Refrigerant" . To
determine the purity of HFC-134a (R-134a) in the vehicle and recovery tank, use Refrigerant
Recovery/Recycling Recharging equipment (ACR4) (J-39500-NI) and Refrigerant Identifier.
●Use only specified lubricant for the HFC-134a (R-134a) A/C system and HFC-134a (R-134a) compo-
nents. If lubricant other than that specified is used, compressor failure is likely to occur.
●The specified HFC-134a (R-134a) lubricant rapidly absorbs moisture from the atmosphere. The fol-
lowing handling precautions must be observed:
–When removing refrigerant components from a vehicle, immediately cap (seal) the component to
minimize the entry of moisture from the atmosphere.
–When installing refrigerant components to a vehicle, do not remove the caps (unseal) until just
before connecting the components. Connect all refrigerant loop components as quickly as possi-
ble to minimize the entry of moisture into system.
–Only use the specified lubricant from a sealed container. Immediately reseal containers of lubri-
cant. Without proper sealing, lubricant will become moisture saturated and should not be used.
–Avoid breathing A/C refrigerant and lubricant vapor or mist. Exposure may irritate eyes, nose and
throat. Remove R-134a from the A/C system using certified service equipment meeting require-
ments of SAE J2210 (R-134a recycling equipment), or J2209 (R-134a recovery equipment). If acci-
dental system discharge occurs, ventilate work area before resuming service. Additional health
and safety information may be obtained from refrigerant and lubricant manufacturers.
–Do not allow lubricant (Nissan A/C System Oil Type DH-PS) to come in contact with styrofoam
parts. Damage may result.
Contaminated Refrigerant EJS000Z4
If a refrigerant other than pure R-134a is identified in a vehicle, your options are:
●Explain to the customer that environmental regulations prohibit the release of contaminated refrigerant
into the atmosphere.
●Explain that recovery of the contaminated refrigerant could damage your service equipment and refriger-
ant supply.
●Suggest the customer return the vehicle to the location of previous service where the contamination may
have occurred.
●If you choose to perform the repair, recover the refrigerant using only dedicated equipment and contain-
ers. Do not recover contaminated refrigerant into your existing service equipment. If your facility
does not have dedicated recovery equipment, you may contact a local refrigerant product retailer for avail-
able service. This refrigerant must be disposed of in accordance with all federal and local regulations. In
addition, replacement of all refrigerant system components on the vehicle is recommended.

MTC-4
PRECAUTIONS
Revision: May 2004 2002 Altima
●If the vehicle is within the warranty period, the air conditioner warranty is void. Please contact Nissan Cus-
tomer Affairs for further assistance.
General Refrigerant Precautions EJS000Z5
WARNING:
●Do not release refrigerant into the air. Use approved recovery/recycling equipment to capture the
refrigerant every time an air conditioning system is discharged.
●Always wear eye and hand protection (goggles and gloves) when working with any refrigerant or
air conditioning system.
●Do not store or heat refrigerant containers above 52°C (125°F).
●Do not heat a refrigerant container with an open flame; if container warming is required, place the
bottom of the container in a warm pail of water.
●Do not intentionally drop, puncture, or incinerate refrigerant containers.
●Keep refrigerant away from open flames: poisonous gas will be produced if refrigerant burns.
●Refrigerant will displace oxygen, therefore be certain to work in well ventilated areas to prevent
suffocation.
●Do not pressure test or leak test HFC-134a (R-134a) service equipment and/or vehicle air condi-
tioning systems with compressed air during repair. Some mixtures of air and R-134a have been
shown to be combustible at elevated pressures. These mixtures, if ignited, may cause injury or
property damage. Additional health and safety information may be obtained from refrigerant man-
ufacturers.
Precautions for Leak Detection Dye EJS000Z6
●The A/C system contains a fluorescent leak detection dye used for locating refrigerant leaks. An ultraviolet
(UV) lamp is required to illuminate the dye when inspecting for leaks.
●Always wear fluorescence enhancing UV safety glasses to protect your eyes and enhance the visibility of
the fluorescent dye.
●A compressor shaft seal should not be repaired because of dye seepage. The compressor shaft seal
should only be repaired after confirming the leak with an electronic refrigerant leak detector (J-41995).
●Always remove any dye from the leak area after repairs are complete to avoid a misdiagnosis during a
future service.
●Do not allow dye to come into contact with painted body panels or interior components. If dye is spilled,
clean immediately with the approved dye cleaner. Fluorescent dye left on a surface for an extended period
of time cannot be removed .
●Do not spray the fluorescent dye cleaning agent on hot surfaces (engine exhaust manifold, etc.).
●Do not use more than one refrigerant dye bottle (1/4 ounce / 7.4 cc) per A/C system.
●Leak detection dyes for R-134a and R-12 A/C systems are different. Do not use R-134a leak detection
dye in R-12 A/C systems or R-12 leak detection dye in R-134a A/C systems or A/C system damage may
result.
●The fluorescent properties of the dye will remain for over three (3) years unless a compressor failure
occurs.
A/C Identification Label EJS000Z7
Vehicles with factory installed fluorescent dye have this identification
label on the underside of hood.
NOTE:
Vehicles with factory installed fluorescent dye have a green
label.
WJIA0012E

PRECAUTIONS
MTC-5
C
D
E
F
G
H
I
K
L
M
A
B
MTC
Revision: May 2004 2002 Altima
Precautions for Refrigerant Connection EJS000Z8
A new type refrigerant connection has been introduced to all refrigerant lines except the following locations.
●Expansion valve to cooling unit
●Evaporator pipes to evaporator (inside cooling unit)
●Refrigerant pressure sensor
FEATURES OF NEW TYPE REFRIGERANT CONNECTION
●The O-ring has been relocated. It has also been provided with a groove for proper installation. This elimi-
nates the chance of the O-ring being caught in, or damaged by, the mating part. The sealing direction of
the O-ring is now set vertically in relation to the contacting surface of the mating part to improve sealing
characteristics.
●The reaction force of the O-ring will not occur in the direction that causes the joint to pull out, thereby facil-
itating piping connections.
SHA815E

MTC-6
PRECAUTIONS
Revision: May 2004 2002 Altima
O-RING AND REFRIGERANT CONNECTION
QR25DE Models
WJIA0131E

PRECAUTIONS
MTC-7
C
D
E
F
G
H
I
K
L
M
A
B
MTC
Revision: May 2004 2002 Altima
VQ35DE Models
CAUTION:
The new and former refrigerant connections use different O-ring configurations. Do not confuse O-
rings since they are not interchangeable. If a wrong O-ring is installed, refrigerant will leak at, or
around, the connection.
WJIA0135E

MTC-8
PRECAUTIONS
Revision: May 2004 2002 Altima
O-Ring Part Numbers and Specifications
*: Always check with the Parts Department for the latest parts information.
WARNING:
Make sure all refrigerant is discharged into the recycling equipment and the pressure in the system is
less than atmospheric pressure. Then gradually loosen the discharge side hose fitting and remove it.
CAUTION:
When replacing or cleaning refrigerant cycle components, observe the following.
●When the compressor is removed, store it in the same position as it is when mounted on the car.
Failure to do so will cause lubricant to enter the low pressure chamber.
●When connecting tubes, always use a torque wrench and a back-up wrench.
●After disconnecting tubes, immediately plug all openings to prevent entry of dirt and moisture.
●When installing an air conditioner in the vehicle, connect the pipes as the final stage of the opera-
tion. Do not remove the seal caps of pipes and other components until just before required for
connection.
●Allow components stored in cool areas to warm to working area temperature before removing seal
caps. This prevents condensation from forming inside A/C components.
●Thoroughly remove moisture from the refrigeration system before charging the refrigerant.
●Always replace used O-rings.
●When connecting tube, apply lubricant to circle of the O-rings shown in illustration. Be careful not
to apply lubricant to threaded portion.
Lubricant name: Nissan A/C System Oil Type DH-PS
Part number: KLH00-PAGS0
●O-ring must be closely attached to dented portion of tube.
●When replacing the O-ring, be careful not to damage O-ring and tube.
●Connect tube until you hear it click, then tighten the nut or bolt by hand until snug. Make sure that
the O-ring is installed to tube correctly.
Connec-
tion type
O-ring
size Part number* D mm (in) W mm (in)
New 8 92471 N8210 6.8 (0.268) 1.85 (0.0728)
Former 10 J2476 89956 9.25 (0.3642) 1.78 (0.0701)
New 12 92472 N8210 10.9 (0.429) 2.43 (0.0957)
Former 92475 71L00 11.0 (0.433) 2.4 (0.094)
New 16 92473 N8210 13.6 (0.535) 2.43 (0.0957)
Former 92475 72L00 14.3 (0.563) 2.3 (0.091)
New 19 92474 N8210 16.5 (0.650) 2.43 (0.0957)
SHA814E

PRECAUTIONS
MTC-9
C
D
E
F
G
H
I
K
L
M
A
B
MTC
Revision: May 2004 2002 Altima
●After connecting line, conduct leak test and make sure that there is no leakage from connections.
When the gas leaking point is found, disconnect that line and replace the O-ring. Then tighten con-
nections of seal seat to the specified torque.
Precautions for Servicing Compressor EJS000Z9
●Plug all openings to prevent moisture and foreign matter from entering.
●When the compressor is removed, store it in the same position as it is when mounted on the car.
●When replacing or repairing compressor, follow “Maintenance of Lubricant Quantity in Compres-
sor” exactly. Refer to MTC-18, "Maintenance of Lubricant Quantity in Compressor" .
●Keep friction surfaces between clutch and pulley clean. If the surface is contaminated, with lubri-
cant, wipe it off by using a clean waste cloth moistened with thinner.
●After compressor service operation, turn the compressor shaft by hand more than 5 turns in both
directions. This will equally distribute lubricant inside the compressor. After the compressor is
installed, let the engine idle and operate the compressor for 1 hour.
●After replacing the compressor magnet clutch, apply voltage to the new one and check for normal
operation. [Gap between clutch disc and pulley is 0.3 - 0.6 mm (0.012 - 0.024 in)]
Precautions for Service Equipment EJS000ZA
RECOVERY/RECYCLING EQUIPMENT
Follow the manufacturer's instructions for machine operation and machine maintenance. Never introduce any
refrigerant other than that specified into the machine.
ELECTRONIC LEAK DETECTOR
Follow the manufacturer's instructions for tester operation and tester maintenance.
RHA861F

MTC-10
PRECAUTIONS
Revision: May 2004 2002 Altima
VACUUM PUMP
The lubricant contained inside the vacuum pump is not compatible
with the specified lubricant for HFC-134a (R-134a) A/C systems.
The vent side of the vacuum pump is exposed to atmospheric pres-
sure so the vacuum pump lubricant may migrate out of the pump into
the service hose. This is possible when the pump is switched off
after evacuation (vacuuming) and hose is connected to it.
To prevent this migration, use a manual valve situated near the
hose-to-pump connection, as follows.
●Usually vacuum pumps have a manual isolator valve as part of
the pump. Close this valve to isolate the service hose from the
pump.
●For pumps without an isolator, use a hose equipped with a man-
ual shut-off valve near the pump end. Close the valve to isolate
the hose from the pump.
●If the hose has an automatic shut off valve, disconnect the hose
from the pump: as long as the hose is connected, the valve is
open and lubricating oil may migrate.
Some one-way valves open when vacuum is applied and close
under a no vacuum condition. Such valves may restrict the pump's
ability to pull a deep vacuum and are not recommended.
MANIFOLD GAUGE SET
Be certain that the gauge face indicates R-134a or 134a. Make sure
the gauge set has 1/2″-16 ACME threaded connections for service
hoses. Confirm the set has been used only with refrigerant HFC-
134a (R-134a) along with specified lubricant.
SERVICE HOSES
Be certain that the service hoses display the markings described
(colored hose with black stripe). All hoses must include positive shut-
off devices (either manual or automatic) near the end of the hoses
opposite the manifold gauge.
RHA270D
SHA533D
RHA272D

PRECAUTIONS
MTC-11
C
D
E
F
G
H
I
K
L
M
A
B
MTC
Revision: May 2004 2002 Altima
SERVICE COUPLERS
Never attempt to connect HFC-134a (R-134a) service couplers to a
CFC-12 (R-12) A/C system. The HFC-134a (R-134a) couplers will
not properly connect to the CFC-12 (R-12) system. However, if an
improper connection is attempted, discharging and contamination
may occur.
REFRIGERANT WEIGHT SCALE
Verify that no refrigerant other than HFC-134a (R-134a) and speci-
fied lubricants have been used with the scale. If the scale controls
refrigerant flow electronically, the hose fitting must be 1/2″-16
ACME.
CALIBRATING ACR4 WEIGHT SCALE
Calibrate the scale every three months.
To calibrate the weight scale on the ACR4 (J-39500-NI):
1. Press Shift/Reset and Enter at the same time.
2. Press 8787 . “A1 ” will be displayed.
3. Remove all weight from the scale.
4. Press 0 , then press Enter . “0.00 ” will be displayed and change to “A2 ”.
5. Place a known weight (dumbbell or similar weight), between 4.5 and 36.3 kg (10 and 80 lb) on the center
of the weight scale.
6. Enter the known weight using four digits. (Example 10 lbs = 10.00, 10.5 lbs = 10.50)
7. Press Enter — the display returns to the vacuum mode.
8. Press Shift/Reset and Enter at the same time.
9. Press 6 — the known weight on the scale is displayed.
10. Remove the known weight from the scale. “0.00 ” will be displayed.
11. Press Shift/Reset to return the ACR4 to the program mode.
CHARGING CYLINDER
Using a charging cylinder is not recommended. Refrigerant may be vented into air from cylinder's top valve
when filling the cylinder with refrigerant. Also, the accuracy of the cylinder is generally less than that of an
electronic scale or of quality recycle/recharge equipment.
Wiring Diagrams and Trouble Diagnosis EJS000ZB
When you read wiring diagrams, refer to the following:
●GI-12, "How to Read Wiring Diagrams"
●PG-5, "Wiring Diagram — POWER —"
When you perform trouble diagnosis, refer to the following:
●GI-9, "How to Follow Trouble Diagnoses"
●GI-25, "How to Perform Efficient Diagnosis for an Electrical Incident"
Shut-off valve rotation A/C service valve
Clockwise Open
Counterclockwise Close
RHA273D
RHA274D

MTC-12
PREPARATION
Revision: May 2004 2002 Altima
PREPARATION PFP:00002
Special Service Tools EJS000ZC
The actual shapes of Kent-Moore tools may differ from those of special service tools illustrated here.
HFC-134a (R-134a) Service Tools and Equipment EJS000ZD
Never mix HFC-134a refrigerant and/or its specified lubricant with CFC-12 (R-12) refrigerant and/or its lubri-
cant.
Separate and non-interchangeable service equipment must be used for handling each type of refrigerant/lubri-
cant.
Refrigerant container fittings, service hose fittings and service equipment fittings (equipment which handles
refrigerant and/or lubricant) are different between CFC-12 (R-12) and HFC-134a (R-134a). This is to avoid
mixed use of the refrigerants/lubricant.
Adapters that convert one size fitting to another must never be used: refrigerant/lubricant contamination will
occur and compressor failure will result.
Tool number
(Kent-Moore No.)
Tool name
Description
KV99234330
(J-38873)
Pulley installer
Installing pulley
KV99233130
(J-29884)
Pulley puller
Removing pulley
LHA171
LHA172
Tool number
(Kent-Moore No.)
Tool name
Description
HFC-134a (R-134a) refrigerant Container color:Light blue
Container marking:HFC-134a (R-
134a)
Fitting size: Thread size
●large container 1/22 -16 ACME
KLH00-PAGS0
( - )
Nissan A/C System Oil Type DH-
PS
Type:Poly alkylene glycol oil (PAG),
type DH-PS
Application:HFC-134a (R-134a) vane
rotary compressors (Nissan only)
Lubricity: 40 m (1.4 US fl oz, 1.4 Imp
fl oz)
S-NT196
S-NT197

PREPARATION
MTC-13
C
D
E
F
G
H
I
K
L
M
A
B
MTC
Revision: May 2004 2002 Altima
(J-39500-NI)
Recovery/Recycling
Recharging equipment (ACR4)
Function:Refrigerant Recovery and
Recycling and Recharging
(J-41995)
Electronic refrigerant leak detector
Power supply:
●DC 12V (Cigarette lighter)
(J-43926)
Refrigerant dye leak detection kit
Kit includes:
(J-42220) UV lamp and UV safety
glasses
(J-41459) Refrigerant dye injector
(J-41447) qty. 24
HFC-134a (R-134a) refrigerant
dye
(J-43872) Refrigerant dye cleaner
Power supply:
DC 12V (Battery terminal)
(J-42220)
Fluorescent dye leak detector
Power supply: DC 12V (Battery termi-
nal)
For checking refrigerant leak when flu-
orescent dye is installed in A/C system.
Includes: UV lamp and UV safety
glasses
(J-41447)
HFC-134a (R-134a) Fluorescent
leak detection dye
(Box of 24, 1/4 ounce bottles)
Application: For HFC-134a (R-134a)
PAG oil
Container: 1/4 ounce (7.4cc) bottle
(Includes self-adhesive dye identifica-
tion labels for affixing to vehicle after
charging system with dye.)
Tool number
(Kent-Moore No.)
Tool name
Description
RJIA0195E
AHA281A
SHA437F
SHA438F
SHA439F

MTC-14
PREPARATION
Revision: May 2004 2002 Altima
(J-41459)
HFC-134a (R-134a) Dye injector
Use with J-41447, 1/4 ounce bottle
For injecting 1/4 ounce of fluorescent
leak detection dye into A/C system.
(J-43872)
Dye cleaner
For cleaning dye spills.
(J-39183-C)
Manifold gauge set (with hoses
and couplers)
Identification:
●The gauge face indicates R-134a.
Fitting size: Thread size
●1/22 -16 ACME
Service hoses
●High side hose
(J-39500-72B)
●Low side hose
(J-39500-72R)
●Utility hose
(J-39500-72Y)
Hose color:
●Low side hose:Blue with black stripe
●High side hose:Red with black stripe
●Utility hose:Yellow with black stripe
or green with black stripe
Hose fitting to gauge:
●1/22 -16 ACME
Service couplers
●High side coupler
(J-39500-20A)
●Low side coupler
(J-39500-24A)
Hose fitting to service hose:
●M14 x 1.5 fitting is optional or perma-
nently attached.
(J-39699)
Refrigerant weight scale
For measuring of refrigerant
Fitting size: Thread size
●1/22 -16 ACME
(J-39649)
Vacuum pump
(Including the isolator valve)
Capacity:
●Air displacement: 4 CFM
●Micron rating: 20 microns
●Oil capacity: 482 g (17 oz)
Fitting size: Thread size
●1/22 -16 ACME
Tool number
(Kent-Moore No.)
Tool name
Description
SHA440F
SHA441F
RJIA0196E
S-NT201
S-NT202
S-NT200
S-NT203

PREPARATION
MTC-15
C
D
E
F
G
H
I
K
L
M
A
B
MTC
Revision: May 2004 2002 Altima
Commercial Service Tools EJS000ZE
Tool name Description
(J-41810-NI)
Refrigerant identifier equipment-
(R-134a)
Checks refrigerant purity and for sys-
tem contamination
Power tool Loosening bolts and nuts
(J-44614)
Clutch disc holding tool
Clutch disc holding tool
RJIA0197E
PBIC0190E
WHA230

MTC-16
REFRIGERATION SYSTEM
Revision: May 2004 2002 Altima
REFRIGERATION SYSTEM PFP:KA990
Refrigeration Cycle EJS000ZF
REFRIGERANT FLOW
The refrigerant flows in the standard pattern, that is, through the compressor, the condenser, the liquid tank,
through the evaporator, and back to the compressor. The refrigerant evaporation through the evaporator coil is
controlled by an externally equalized expansion valve, located inside the evaporator case.
REFRIGERANT SYSTEM PROTECTION
Refrigerant Pressure Sensor
The refrigerant system is protected against excessively high or low pressures by the refrigerant pressure sen-
sor, located on the condenser. If the system pressure rises above or falls below the specifications, the refriger-
ant pressure sensor detects the pressure inside the refrigerant line and sends the voltage signal to the ECM.
ECM makes the A/C relay go OFF and stops the compressor when pressure on the high pressure side
detected by refrigerant pressure sensor is over about 2,746 kPa (28 kg/cm2 , 398 psi) or below about 120 kPa
(1.22 kg/cm2 , 17.4 psi).
Pressure Relief Valve
The refrigerant system is also protected by a pressure relief valve, located in the rear head of the compressor.
When the pressure of refrigerant in the system increases to an abnormal level [more than 3,727 kPa (38 kg/
cm2 , 540 psi)], the release port on the pressure relief valve automatically opens and releases refrigerant into
the atmosphere.
LJIA0015E

REFRIGERATION SYSTEM
MTC-17
C
D
E
F
G
H
I
K
L
M
A
B
MTC
Revision: May 2004 2002 Altima
Component Layout EJS000ZG
WJIA0287E

MTC-18
LUBRICANT
Revision: May 2004 2002 Altima
LUBRICANT PFP:KLG00
Maintenance of Lubricant Quantity in Compressor EJS000ZH
The lubricant in the compressor circulates through the system with the refrigerant. Add lubricant to compres-
sor when replacing any component or after a large refrigerant leakage has occurred. It is important to maintain
the specified amount.
If lubricant quantity is not maintained properly, the following malfunctions may result:
●Lack of lubricant: May lead to a seized compressor
●Excessive lubricant: Inadequate cooling (thermal exchange interference)
LUBRICANT
Name: Nissan A/C System Oil Type DH-PS
Part number: KLH00-PAGS0
CHECKING AND ADJUSTING
Adjust the lubricant quantity according to the test group shown below.
1. LUBRICANT RETURN OPERATION
Can lubricant return operation be performed?
●A/C system works properly.
●There is no evidence of a large amount of lubricant leakage.
Yes or No
Yes >> GO TO 2.
No >> GO TO 3.
2. PERFORM LUBRICANT RETURN OPERATION, PROCEEDING AS FOLLOWS
1. Start engine, and set the following conditions:
–Test condition
Engine speed: Idling to 1,200 rpm
A/C switch: ON
Blower speed: Max. position
Temp. control: Optional [Set so that intake air temperature is 25 to 30°C (77 to 86°F).]
Intake position: Recirculation (REC)
2. Perform lubricant return operation for about 10 minutes.
3. Stop engine.
CAUTION:
If excessive lubricant leakage is noted, do not perform the lubricant return operation.
>> GO TO 3.
3. CHECK COMPRESSOR
Should the compressor be replaced?
Yes or No
Yes >> GO TO MTC-19, "Lubricant Adjustment Procedure for Compressor Replacement" .
No >> GO TO 4.
4. CHECK ANY PART
Is there any part to be replaced? (Evaporator, condenser, liquid tank or in case there is evidence of a large
amount of lubricant leakage.)
Yes or No
Yes >> GO TO MTC-19, "Lubricant Adjusting Procedure for Component Replacement Except Compres-
sor" .
No >> Carry out the A/C performance test.

LUBRICANT
MTC-19
C
D
E
F
G
H
I
K
L
M
A
B
MTC
Revision: May 2004 2002 Altima
Lubricant Adjusting Procedure for Component Replacement Except Compressor
After replacing any of the following major components, add the correct amount of lubricant to the system.
Amount of lubricant to be added
●*1: If refrigerant leak is small, no addition of lubricant is needed.
Lubricant Adjustment Procedure for Compressor Replacement
1. Before connecting ACR4 to vehicle, check ACR4 gauges. No refrigerant pressure should be displayed. If
OK, recover refrigerant from equipment lines.
2. Confirm refrigerant purity in supply tank using ACR4 and refrigerant identifier. If NG, refer to MTC-3, "Con-
taminated Refrigerant" .
3. Connect ACR4 to vehicle. Confirm refrigerant purity in vehicle A/C system using ACR4 and refrigerant
identifier. If NG, refer to MTC-3, "Contaminated Refrigerant" .
4. Discharge refrigerant into the refrigerant recovery/recycling equipment. Measure lubricant discharged into
the recovery/recycling equipment.
5. Drain the lubricant from the “old” (removed) compressor into a graduated container and recover the
amount of lubricant drained.
6. Drain the lubricant from the “new” compressor into a separate, clean container.
7. Measure an amount of new lubricant installed equal to amount drained from “old” compressor. Add this
lubricant to “new” compressor through the suction port opening.
8. Measure an amount of new lubricant equal to the amount recovered during discharging. Add this lubricant
to “new” compressor through the suction port opening.
9. If the liquid tank also needs to be replaced, add an additional 5 m (0.2 US fl oz, 0.2 Imp fl oz) of lubricant
at this time.
Do not add this 5 m (0.2 US fl oz, 0.2 Imp fl oz) of lubricant if only replacing the compressor.
Part replaced
Lubricant to be added to
system Remarks
Amount of lubricant
m (US fl oz, Imp fl oz)
Evaporator 75 (2.5, 2.6) —
Condenser 75 (2.5, 2.6) —
Liquid tank 5 (0.2, 0.2) Add if compressor is not
replaced.
In case of refrigerant leak 30 (1.0, 1.1) Large leak
— Small leak *1

MTC-20
LUBRICANT
Revision: May 2004 2002 Altima
RHA065DD

AIR CONDITIONER CONTROL
MTC-21
C
D
E
F
G
H
I
K
L
M
A
B
MTC
Revision: May 2004 2002 Altima
AIR CONDITIONER CONTROL PFP:27500
Control Operation EJS000ZI
FAN CONTROL DIAL
This dial turns the fan ON and OFF, and controls fan speed.
AIR CONTROL DIAL
This dial allows control of the outlet air flow.
In , or mode, the intake door is set to "FRESH".
The compressor turns on when the dial is moved to "MAX A/C" or .
TEMPERATURE CONTROL DIAL
This dial allows adjustment of the temperature of the outlet air.
RECIRCULATION (REC) SWITCH
OFF position: Outside air is drawn into the passenger compartment.
ON position: Interior air is recirculated inside the vehicle. The indicator lamp will also light.
Recirculation is canceled when , or is selected, and resumes when another mode is chosen.
If the refrigerant pressure sensor input signal is high, recirculation is canceled, when , and mode is
selected.
AIR CONDITIONER (A/C) SWITCH
The air conditioner switch controls the A/C system. When the switch is depressed with the fan ON, the com-
pressor will turn ON. The indicator lamp will also light.
The air conditioner cooling function operates only when the engine is running.
WJIA0133E

MTC-22
AIR CONDITIONER CONTROL
Revision: May 2004 2002 Altima
Discharge Air Flow EJS000ZJ
WJIA0016E

AIR CONDITIONER CONTROL
MTC-23
C
D
E
F
G
H
I
K
L
M
A
B
MTC
Revision: May 2004 2002 Altima
System Description EJS000ZK
SWITCHES AND THEIR CONTROL FUNCTION
CAN Communication System Description EJS000ZL
CAN (Controller Area Network) is a serial communication line for real time application. It is an on-vehicle mul-
tiplex communication line with high data communication speed and excellent error detection ability. Many elec-
tronic control units are equipped onto a vehicle, and each control unit shares information and links with other
control units during operation (not independent). In CAN communication, control units are connected with 2
communication lines (CAN H line, CAN L line) allowing a high rate of information transmission with less wiring.
Each control unit transmits/receives data but selectively reads required data only.
FOR TCS MODELS
System diagram
Input/output signal chart T: Transmit R: Receive
WJIA0134E
LKIA0015E
Signals ECM TCM
COMBINA-
TION
METER
BCM ABS/TCS
control unit IPDM E/R
Engine speed signal T R R
Engine coolant temperature signal T R

MTC-24
AIR CONDITIONER CONTROL
Revision: May 2004 2002 Altima
Accelerator pedal position signal T
Fuel consumption monitor signal T R
A/T warning lamp signal T R
A/T position indicator signal R T R R(R range only) R
ABS operation signal R T
TCS operation signal R R T
Air conditioner switch signal R T
Air conditioner compressor signal R T
A/C compressor request signal T R
Cooling fan motor operation signal R T
Cooling fan speed request signal T R
Position lights request R T R
Position lights status R T
Low beam request TR
Low beam status R R T
High beam request R T R
High beam status R R T
Front fog lights request T R
Front fog light status R T
OD cancel switch signal R T R
Brake switch signal R T
Vehicle speed signal R T
RTR
Oil pressure switch R T
Sleep request1 R T
Sleep request2 TR
N range switch signal R T
P range switch signal R T
Seat belt buckle switch signal T R
Door switch signal R T R
Tail lamp request R T R
Turn indicator signal R T
Buzzer output signal R T
Trunk switch signal R T
ASCD main switch signal T R
ASCD cruise signal T R
Wiper operation RT
Wiper stop position signal R T
Rear window defogger switch signal T R
Rear window defogger control sig-
nal RRT
Signals ECM TCM
COMBINA-
TION
METER
BCM ABS/TCS
control unit IPDM E/R

AIR CONDITIONER CONTROL
MTC-25
C
D
E
F
G
H
I
K
L
M
A
B
MTC
Revision: May 2004 2002 Altima
FOR A/T MODELS
System diagram
Input/output signal chart T: Transmit R: Receive
LKIA0017E
Signals ECM TCM COMBINATION
METER BCM IPDM E/R
Engine speed signal T R
Engine coolant temperature signal T R
Accelerator pedal position signal T R
Fuel consumption monitor signal T R
A/T warning lamp signal T R
A/T position indicator signal R T R R(R range only)
Air conditioner switch signal R T
Air conditioner compressor signal R T
A/C compressor request signal T R
Blower fan switch signal R(QR25DE) T
Cooling fan motor operation signal R T
Cooling fan speed request signal T R
Position lights request R T R
Position lights status RT
Low beam request TR
Low beam status R R T
High beam request R T R
High beam status R R T
Front fog lights request TR
Front fog light status RT
OD cancel switch signal R T R
Brake switch signal R T
Vehicle speed signal R T
RTR
Oil pressure switch R T
Sleep request1 R T
Sleep request2 TR
N range switch signal R T
P range switch signal R T
Seat belt buckle switch signal T R
Door switch signal R T R

MTC-26
AIR CONDITIONER CONTROL
Revision: May 2004 2002 Altima
FOR M/T MODELS
System diagram
Input/output signal chart T: Transmit R: Receive
Tail lamp request R T R
Turn indicator signal R T
Buzzer output signal R T
Trunk switch signal R T
ASCD main switch signal T R
ASCD cruise signal T R
Wiper operation RT
Wiper stop position signal RT
Rear window defogger switch signal T R
Rear window defogger control signal R R T
Signals ECM TCM COMBINATION
METER BCM IPDM E/R
LKIA0018E
Signals ECM COMBINATION
METER BCM IPDM E/R
Engine speed signal T
Engine coolant temperature signal T
Fuel consumption monitor signal T
Air conditioner switch signal R T
Air conditioner compressor signal R T
A/C compressor request signal T R
Blower fan switch signal R(QR25DE) T
Cooling fan motor operation signal R T
Cooling fan speed request signal T R
Position lights request R T R
Position lights status RT
Low beam request TR
Low beam status R R T
High beam request R T R
High beam status R R T
Front fog lights request TR
Front fog light status RT
Vehicle speed signal R T
Oil pressure switch R T

AIR CONDITIONER CONTROL
MTC-27
C
D
E
F
G
H
I
K
L
M
A
B
MTC
Revision: May 2004 2002 Altima
Sleep request1 R T
Sleep request2 TR
Seat belt buckle switch signal T R
Door switch signal R T R
Tail lamp request R T R
Turn indicator signal R T
Buzzer output signal R T
Trunk switch signal R T
ASCD main switch signal T R
ASCD cruise signal T R
Wiper operation RT
Wiper stop position signal RT
Rear window defogger switch signal T R
Rear window defogger control signal R R T
Signals ECM COMBINATION
METER BCM IPDM E/R

MTC-28
TROUBLE DIAGNOSIS
Revision: May 2004 2002 Altima
TROUBLE DIAGNOSIS PFP:00004
How to Perform Trouble Diagnoses for Quick and Accurate Repair EJS000ZM
WORK FLOW
SYMPTOM TABLE
*1: MTC-38, "Operational Check"
SHA900E
Symptom Reference Page
●A/C system does not come on. ●Go to Trouble Diagnosis Procedure for A/C system. MTC-40
●Air outlet does not change.
●Go to Trouble Diagnosis Procedure for Mode Door Motor. MTC-42
●Mode door motor does not operate nor-
mally.
●Air Mix door does not change. ●Go to Trouble Diagnosis Procedure for Air Mix Door. MTC-45
●Intake door does not change.
●Go to Trouble Diagnosis Procedure for Intake Door Motor. MTC-46
●Intake door motor does not operate nor-
mally.
●Blower motor operation is malfunctioning. ●Go to Trouble Diagnosis Procedure for Blower Motor. MTC-49
●Magnet clutch does not engage. ●Go to Trouble Diagnosis Procedure for Magnet Clutch. MTC-54
●Insufficient cooling. ●Go to Trouble Diagnosis Procedure for Insufficient Cooling. MTC-58
●Insufficient heating. ●Go to Trouble Diagnosis Procedure for Insufficient Heating. MTC-63
●Noise. ●Go to Trouble Diagnosis Procedure for Noise. MTC-64

TROUBLE DIAGNOSIS
MTC-29
C
D
E
F
G
H
I
K
L
M
A
B
MTC
Revision: May 2004 2002 Altima
Component Parts and Harness Connector Location EJS000ZN
ENGINE COMPARTMENT
QR25DE Models
WJIA0136E

MTC-30
TROUBLE DIAGNOSIS
Revision: May 2004 2002 Altima
VQ35DE Models
WJIA0137E

TROUBLE DIAGNOSIS
MTC-31
C
D
E
F
G
H
I
K
L
M
A
B
MTC
Revision: May 2004 2002 Altima
PASSENGER COMPARTMENT
WJIA0138E

MTC-32
TROUBLE DIAGNOSIS
Revision: May 2004 2002 Altima
Circuit Diagram EJS000ZO
WJWA0011E

TROUBLE DIAGNOSIS
MTC-33
C
D
E
F
G
H
I
K
L
M
A
B
MTC
Revision: May 2004 2002 Altima
Wiring Diagram — HEATER — EJS000ZP
WJWA0012E

MTC-34
TROUBLE DIAGNOSIS
Revision: May 2004 2002 Altima
WJWA0013E

TROUBLE DIAGNOSIS
MTC-35
C
D
E
F
G
H
I
K
L
M
A
B
MTC
Revision: May 2004 2002 Altima
Wiring Diagram — A/C,M — EJS000ZQ
WJWA0014E

MTC-36
TROUBLE DIAGNOSIS
Revision: May 2004 2002 Altima
WJWA0015E

TROUBLE DIAGNOSIS
MTC-37
C
D
E
F
G
H
I
K
L
M
A
B
MTC
Revision: May 2004 2002 Altima
WJWA0016E

MTC-38
TROUBLE DIAGNOSIS
Revision: May 2004 2002 Altima
Operational Check EJS000ZR
The purpose of the operational check is to confirm that the system operates as it should. The systems which
are checked are the blower, mode (discharge air), intake air, temperature decrease, temperature increase.
CONDITIONS:
Engine running at normal operating temperature.
PROCEDURE:
1. Check Blower
1. Turn fan control dial to 1-speed.
Blower should operate on 1-speed.
2. Then turn fan control dial to 2-speed.
3. Continue checking blower speed until all four speeds are
checked.
4. Leave blower on 4-speed.
If NG, go to MTC-49, "Blower Motor Circuit" .
If OK, continue with next check.
2. Check Discharge Air
1. Turn air control dial to each position.
2. Confirm air discharge at all air outlets.
If NG, go to MTC-42, "Mode Door Motor Circuit" .
If OK, continue with next check.
3. Check Recirculation
1. Press recirculation switch.
Recirculation indicator should light.
2. Listen for intake door position change (you should hear blower
sound change slightly).
NOTE:
Confirm that the RECIRCULATION (REC) switch is canceled in
the FOOT ( ), D/F ( ) and DEF ( ) modes.
If NG, go to MTC-46, "Intake Door Motor Circuit" .
If OK, continue with next check.
4. Check Temperature Decrease
1. Turn fan control dial to 1-speed.
2. Turn temperature control dial to full cold.
3. Check for cold air at discharge air outlets.
If NG, go to MTC-58, "Insufficient Cooling" .
If OK, continue with next check.
WJIA0139E
WJIA0140E
WJIA0141E
WJIA0142E

TROUBLE DIAGNOSIS
MTC-39
C
D
E
F
G
H
I
K
L
M
A
B
MTC
Revision: May 2004 2002 Altima
5. Check Temperature Increase
1. Turn temperature control dial to full hot.
2. Check for hot air at discharge air outlets.
If NG, go to MTC-63, "Insufficient Heating" .
If OK, continue with next check.
6. Check Air Conditioner Switch
Turn fan control dial to the desired (1- to 4-speed) position and push
the air conditioner switch (if equipped) to turn ON the air conditioner.
The indicator light should come on when air conditioner is ON.
If NG, go to MTC-40, "A/C System" .
If all operational checks are OK (symptom can not be duplicated), go
to “Incident Simulation Tests” (GI-25 ) and perform tests as outlined
to simulate driving conditions environment. If symptom appears,
refer to MTC-28, "SYMPTOM TABLE" and perform applicable trou-
ble diagnosis procedures.
WJIA0143E
WJIA0144E

MTC-40
TROUBLE DIAGNOSIS
Revision: May 2004 2002 Altima
A/C System EJS000ZS
SYMPTOM:
●A/C system does not come on.
INSPECTION FLOW
DIAGNOSTIC PROCEDURE
SYMPTOM:
●A/C system does not come on.
1. CHECK POWER SUPPLY CIRCUIT FOR A/C CONTROL UNIT
OK or NG
OK >> GO TO 2.
NG >> Check 10A fuse (No. 12) at fuse block (J/B).
WJIA0145E
*1: MTC-39, "6. Check Air Conditioner
Switch"
*2: MTC-38, "Operational Check"
*3:
MTC-40, "DIAGNOSTIC PROCE-
DURE"
Terminal Voltage (V)
(Approx.)
(+) (-)
Connector Wire color Body ground 12V
M51-2 G
WJIA0147E

TROUBLE DIAGNOSIS
MTC-41
C
D
E
F
G
H
I
K
L
M
A
B
MTC
Revision: May 2004 2002 Altima
2. CHECK BODY GROUND CIRCUIT FOR A/C CONTROL UNIT
If OK, check harness for short.
OK or NG
OK >> INSPECTION END
NG >> If NG, repair harness or connector.
Terminal Continuity
Connector Wire color Body ground Yes
M51-3 B
WJIA0146E

MTC-42
TROUBLE DIAGNOSIS
Revision: May 2004 2002 Altima
Mode Door Motor Circuit EJS000ZT
SYMPTOM:
●Air outlet does not change.
●Mode door motor does not operate normally.
INSPECTION FLOW
*1 MTC-44, "MODE DOOR"*3 MTC-28, "SYMPTOM TABLE" *5 MTC-43, "DIAGNOSTIC PROCE-
DURE"
*2 MTC-38, "Operational Check"*4 MTC-22, "Discharge Air Flow"
WJIA0205E

TROUBLE DIAGNOSIS
MTC-43
C
D
E
F
G
H
I
K
L
M
A
B
MTC
Revision: May 2004 2002 Altima
SYSTEM DESCRIPTION
Mode Door Motor
The mode door motor is installed on the heater unit. Using a link it
operates the mode door. When the air control dial is turned to each
position, the mode door motor moves the mode door to control air
flow direction.
DIAGNOSTIC PROCEDURE
SYMPTOM: Mode door motor does not operate normally.
1. CHECK BODY GROUND CIRCUIT FOR MODE DOOR MOTOR
If OK, check harness for short.
OK or NG
OK >> GO TO 2.
NG >> Repair harness or connector.
WJIA0206E
WJIA0200E
WJIA0207E
Terminals Continuity
Connector Wire color Body ground Yes
M40-2 B
Continuity should exist.
WJIA0208E

MTC-44
TROUBLE DIAGNOSIS
Revision: May 2004 2002 Altima
2. CHECK CIRCUIT CONTINUITY BETWEEN EACH TERMINAL ON A/C CONTROL UNIT AND ON
MODE DOOR MOTOR
If OK, check harness for short.
OK or NG
OK >> GO TO 3.
NG >> Repair harness or connector.
3. CHECK FOR A/C CONTROL UNIT OUTPUT
1. Reconnect mode door motor connector.
2. Measure voltage across A/C control unit harness connector M51
terminals 9 (L/B) and 12 (L/R) while turning air control dial to
each position.
OK or NG
OK >> Replace mode door motor.
NG >> Replace A/C control unit.
MODE DOOR
1. Install mode door motor on heater unit.
Ensure that the linkage is properly attached.
2. Connect mode door motor harness connector.
3. Turn ignition switch ON.
4. Check that the mode door operates properly when air control
dial is turned to each position.
Terminals Continuity
Connectors Wire colors Connectors Wire colors
YesM51-9 L/B M40-3 L/B
M51-12 L/R M40-1 L/R
Continuity should exist.
WJIA0209E
Voltage (V) : Approx. 12V
WJIA0210E
WJIA0200E

TROUBLE DIAGNOSIS
MTC-45
C
D
E
F
G
H
I
K
L
M
A
B
MTC
Revision: May 2004 2002 Altima
Air Mix Door EJS001LH
SYMPTOM: Air mix door does not change.
INSPECTION FLOW
CONTROL LINKAGE ADJUSTMENT
Temperature control cable
1. Attach temperature control cable.
2. Rotate control knob to full cold position.
3. Remove slack from cable and install temperature control cable
clamp.
After positioning control cable, check for proper operation.
*1 MTC-38 *2 MTC-28 *3 MTC-45
WJIA0288E
WJIA0192E

TROUBLE DIAGNOSIS
MTC-47
C
D
E
F
G
H
I
K
L
M
A
B
MTC
Revision: May 2004 2002 Altima
SYSTEM DESCRIPTON
Intake Door Motor
The intake door motor is installed on the blower unit. Using a link it
opens and closes the intake door.
When RECIRCULATION switch is at REC (except DEF and D/F
modes), the A/C control unit sets the intake door at the “RECIRCU-
LATION” position.
DIAGNOSTIC PROCEDURE
SYMPTOM: Intake door does not change. Intake door motor
does not operate normally.
1. CHECK BODY GROUND CIRCUIT FOR INTAKE DOOR MOTOR
If OK, check harness for short.
OK or NG
OK >> GO TO 2.
NG >> Repair harness or connector.
WJIA0149E
WJIA0150E
WJIA0151E
Terminals Continuity
Connector Wire color Body ground Yes
M58-2 B
Continuity should exist.
WJIA0152E

MTC-48
TROUBLE DIAGNOSIS
Revision: May 2004 2002 Altima
2. CHECK CIRCUIT CONTINUITY BETWEEN EACH TERMINAL ON A/C CONTROL UNIT AND ON
INTAKE DOOR MOTOR
If OK, check harness for short.
OK or NG
OK >> GO TO 3.
NG >> Repair harness or connector.
3. CHECK FOR A/C CONTROL UNIT OUTPUT
Measure voltage across A/C control unit harness terminals and body ground.
OK or NG
OK >> Replace intake door motor.
NG >> Replace A/C control unit.
CONTROL LINKAGE ADJUSTMENT
1. Install intake door motor on blower unit.
Ensure that the intake door motor lever is fitted into the slit por-
tion of intake door link.
2. Connect the intake door motor harness connector.
3. Turn ignition switch to ON.
4. Check that intake door operates properly when RECIRCULA-
TION switch is turned ON and OFF.
Terminals Continuity
Connectors Wire colors Connectors Wire colors
YesM51-9 L/B M58-3 L/B
M51-12 L/R M58-1 L/R
Continuity should exist.
WJIA0154E
RECIRCU-
LATION
Terminals
Condition Voltage (V)
(Approx.)
(+) (-)
Connectors Wire colors
REC(ON)
M51-9 L/B
Body
ground
REC
12V
M51-12 L/R 0V
FRE(OFF) M51-9 L/B FRE 0V
M51-12 L/R 12V
WJIA0150E

TROUBLE DIAGNOSIS
MTC-49
C
D
E
F
G
H
I
K
L
M
A
B
MTC
Revision: May 2004 2002 Altima
Blower Motor Circuit EJS000ZV
Symptom:
●Blower motor operation is malfunctioning.
INSPECTION FLOW
DIAGNOSTIC PROCEDURE
SYMPTOM:
●Blower motor operation is malfunctioning.
*1: MTC-49, "Blower Motor Circuit"*2: MTC-38, "Operational Check"*3: MTC-28, "SYMPTOM TABLE"
WJIA0156E
Test group No. INCIDENT
1Fan fails to rotate.
2Fan does not rotate at 1-speed.
3Fan does not rotate at 2-speed.
4Fan does not rotate at 3-speed.
5Fan does not rotate at 4-speed.

MTC-50
TROUBLE DIAGNOSIS
Revision: May 2004 2002 Altima
1. DIAGNOSTIC PROCEDURE
Check if blower motor rotates properly at each fan speed.
Conduct checks as per table above.
1>> GO TO 2.
2, 3, 4 >> GO TO 8.
5>> GO TO 10.
2. CHECK POWER SUPPLY FOR BLOWER MOTOR
Disconnect blower motor harness connector.
Yes or No
Yes >> GO TO 3.
No >> ●Check 15A fuses (No. 10 and No. 11) at fuse block (J/
B).
●Check blower relay [located in fuse block (J/B)]. Refer to PG-5, "Wiring Diagram — POWER —
" .
3. CHECK CIRCUIT CONTINUITY FOR BLOWER MOTOR
Turn fan control switch to any position except OFF.
OK or NG
OK >> GO TO 4.
NG >> GO TO 5.
4. CHECK BLOWER MOTOR
(Refer to Electrical Components Inspection.)
(MTC-53, "Blower motor" )
OK or NG
OK >> INSPECTION END
NG >> Replace blower motor.
Terminals Voltage (V)
(Approx.)
(+) (-)
Connector Wire color
Body ground 12V
M62-1 W/L
WJIA0159E
Terminals Voltage (V)
(Approx.)
(+) (-)
Connector Wire color 12V
M62-2 L/W Body ground
Continuity should exist.
WJIA0160E

TROUBLE DIAGNOSIS
MTC-51
C
D
E
F
G
H
I
K
L
M
A
B
MTC
Revision: May 2004 2002 Altima
5. CHECK BLOWER MOTOR CIRCUIT BETWEEN BLOWER MOTOR AND RESISTOR
Reconnect blower motor harness connector.
Yes or No
Yes >> GO TO 7.
No >> GO TO 6.
6. CHECK CIRCUIT CONTINUITY BETWEEN BLOWER MOTOR AND RESISTOR
Disconnect blower motor and resistor harness connectors.
If OK, check harness for short.
OK or NG
OK >> INSPECTION END
NG >> Repair harness or connector.
7. CHECK GROUND CIRCUIT FOR FAN SWITCH
●Disconnect fan switch harness connector.
●Check circuit continuity between fan switch harness terminal
and body ground.
OK or NG
OK >> GO TO 8.
NG >> Repair harness or connector.
8. CHECK BLOWER MOTOR RESISTOR
Refer to MTC-53, "Blower Motor Resistor" .
OK or NG
OK >> GO TO 9.
NG >> Replace blower motor resistor.
Terminals Voltage (V)
(Approx.)
(+) (-)
Connector Wire color 12V
M63-1 L/W Body ground
WJIA0161E
Terminals Continuity
Connector Wire color Connector Wire color
M63-1 L/W M62-2 L/W Yes
Continuity should exist.
WJIA0162E
Terminals Voltage (V)
(Approx.)
(+) (-)
Connector Wire color 12V
M41-5 B Body ground
WJIA0163E

MTC-52
TROUBLE DIAGNOSIS
Revision: May 2004 2002 Altima
9. CHECK RESISTOR HARNESS CONNECTOR
Reconnect resistor harness connector.
OK or NG
1>> GO TO 12.
2, 3, 4 >> GO TO 10.
10. CHECK FAN SWITCH CIRCUIT
Do approx. 12 volts exist between each fan switch harness connec-
tor terminal and body ground?
Yes or No
Yes >> GO TO 12.
No >> GO TO 11.
11. CHECK CIRCUIT CONTINUITY BETWEEN FAN SWITCH HARNESS TERMINAL AND RESISTOR
HARNESS TERMINAL
OK or NG
OK >> Check harness for short.
NG >> Repair harness or connector.
12. CHECK FAN SWITCH
Refer to MTC-53, "Fan Switch" .
OK or NG
OK >> INSPECTION END
NG >> Replace fan switch.
Test group No.
Terminal Voltage (V)
(Approx.)
(+) (-)
Connector Wire color
2M41-4L/B
Body ground 12V
3M41-3L/R
4M41-2L/Y
5 M41-1 L/W WJIA0164E
Terminal No.
ContinuityFan switch Resistor
Connectors Wire colors Connectors Wire colors
M41-4 L/B M63-4 L/B
Yes
M41-3 L/R M63-3 L/R
M41-2 L/Y M63-2 L/Y
M41-1 L/W M63-1 L/W
WJIA0165E

TROUBLE DIAGNOSIS
MTC-53
C
D
E
F
G
H
I
K
L
M
A
B
MTC
Revision: May 2004 2002 Altima
ELECTRICAL COMPONENTS INSPECTION
Fan Switch
Check continuity between terminals at each switch position.
Blower motor
Confirm smooth rotation of the blower motor.
●Ensure that there are no foreign particles inside the intake unit.
Blower Motor Resistor
Check resistance between terminals.
SWITCH POSITION Continuity between terminals
OFF
1 4 — 5 — 6
2 3 — 5 — 6
3 2 — 5 — 6
4 1 — 5 — 6
WJIA0157E
Terminal No. Resistance (Ω)
(Approx.)
(+) (−)
3
1
0.9 - 1.1Ω
4 2.27 - 2.78Ω
2 0.3 - 0.38Ω
WJIA0158E

MTC-54
TROUBLE DIAGNOSIS
Revision: May 2004 2002 Altima
Magnet Clutch Circuit EJS000ZW
Symptom:
●Magnet clutch does not engage when A/C switch and fan switch are ON.
INSPECTION FLOW
*1: MTC-91, "Checking for Refrigerant
Leaks"
*2: MTC-55, "DIAGNOSTIC PROCE-
DURE"
*3: MTC-38, "Operational Check"
*4: MTC-28, "SYMPTOM TABLE"*5: MA-14, "Checking Drive Belts"
WJIA0166E

TROUBLE DIAGNOSIS
MTC-55
C
D
E
F
G
H
I
K
L
M
A
B
MTC
Revision: May 2004 2002 Altima
DIAGNOSTIC PROCEDURE
SYMPTOM:
●Magnet clutch does not engage when A/C switch and fan switch are ON.
1. CHECK POWER SUPPLY FOR COMPRESSOR
Disconnect compressor harness connector.
OK or NG
OK >> GO TO 2.
NG >> GO TO 3.
2. CHECK MAGNET CLUTCH COIL
Check magnet clutch coil.
OK or NG
OK >> Check compressor mounting points for looseness or corrosion and repair as necessary.
NG >> Replace magnet clutch. Refer to MTC-85, "Removal and Installation for Compressor Clutch" .
3. CHECK MAGNET CLUTCH COIL POWER SUPPLY FROM IPDM E/R
Reconnect compressor harness connector.
OK or NG
OK >> Repair harness or connector between IPDM E/R and
compressor.
NG >> GO TO 4.
4. CHECK INTAKE SENSOR CIRCUIT
Refer to MTC-65, "Intake Sensor Circuit" .
OK or NG
OK >> GO TO 5.
NG >> Repair as necessary.
5. CHECK REFRIGERANT PRESSURE SENSOR
Refer to EC-595, "REFRIGERANT PRESSURE SENSOR" (QR25DE models) or EC-1266, "REFRIGERANT
PRESSURE SENSOR" (VQ35DE models).
OK or NG
OK >> GO TO 6.
NG >> Repair as necessary.
Terminals Voltage (V)
(Approx.)
(+) (-)
Connector Wire color 12V
F3-1 Y/B Body ground
WJIA0167E
Terminals Voltage (V)
(Approx.)
(+) (-)
Connector Wire color
E124-28 Y/B Body ground 12V
WJIA0065E

MTC-56
TROUBLE DIAGNOSIS
Revision: May 2004 2002 Altima
6. CHECK FAN ON SIGNAL TO A/C CONTROL UNIT AND BCM
1. Disconnect A/C control unit harness connector M51.
2. Measure voltage between A/C control unit and body ground.
3. Reconnect A/C control unit harness connector M51 and disconnect BCM harness connector M18.
4. Measure voltage between BCM and body ground.
OK or NG
OK >> GO TO 8.
NG >> GO TO 7.
7. CHECK FAN SWITCH
Check fan switch. Refer to MTC-53, "Fan Switch" .
OK or NG
OK >> Repair harness or connectors between fan switch and A/C control unit and BCM.
NG >> Replace fan switch.
8. CHECK COMPRESSOR ON SIGNAL
1. Reconnect A/C control unit harness connector.
2. With fan switch ON, measure voltage between A/C control unit
and body ground with A/C switch OFF and ON.
OK or NG
OK >> GO TO 9.
NG >> Replace A/C control unit.
9. CHECK COMPRESSOR ON SIGNAL CIRCUIT
1. Disconnect A/C control unit harness connector.
2. Check continuity between A/C control unit and BCM.
If OK, check harness for short.
OK or NG
OK >> GO TO 10.
NG >> Repair harness or connectors.
Terminals
Condition Voltage (V)
(Approx.)
(+) (-)
Connectors Wire colors
M51-5 G/B
Body ground
FAN SW: OFF 5V
G/B FAN SW: ON 0V
M18-65 G/B FAN SW: OFF 5V
G/B FAN SW: ON 0V WJIA0211E
Terminals
Condition Voltage (V)
(Approx.)
(+) (-)
Connector Wire color
M51-1 L/W Body ground A/C SW: OFF 9V
L/W A/C SW: ON 0V
WJIA0213E
Terminals Continuity
Connector Wire color Connector Wire color Yes
M18-58 L/W M51-1 L/W
WJIA0170E

TROUBLE DIAGNOSIS
MTC-57
C
D
E
F
G
H
I
K
L
M
A
B
MTC
Revision: May 2004 2002 Altima
10. CHECK CAN COMMUNICATION CIRCUITS
Check CAN communication circuits between BCM to ECM and between ECM to IPDM E/R. Refer to LAN-3,
"CAN COMMUNICATION" .
OK or NG
OK >> ECM is malfunctioning.
NG >> Repair or replace component based on diagnosis.
REFRIGERANT PRESSURE SENSOR
Make sure that higher A/C refrigerant pressure results in higher
refrigerant pressure sensor output voltage.
Refer to EC-595, "REFRIGERANT PRESSURE SENSOR"
(QR25DE models) or EC-1266, "REFRIGERANT PRESSURE SEN-
SOR" (VQ35DE models).
OFF
kPa (kg/cm2 , psi)
Low-pressure side Decreasing to 0.18 (0.00184, 0.03)
High-pressure side Increasing to 2.74 (0.0279, 0.40)
BBIA0027E
SHA315F

MTC-58
TROUBLE DIAGNOSIS
Revision: May 2004 2002 Altima
Insufficient Cooling EJS000ZX
Symptom:
●Insufficient cooling.
INSPECTION FLOW
*1: MA-14, "Checking Drive Belts"
(QR25DE) or MA-21, "Checking
Drive Belts" (VQ35DE)
*2: MTC-46, "Intake Door Motor Circuit"*3: EC Section
*4: MTC-3, "Contaminated Refrigerant"*5: MTC-79, "HFC-134a (R-134a) Ser-
vice Procedure"
*6: MTC-59, "Performance Chart"
*7: MTC-83, "Removal and Installation
for Compressor — QR25DE Models"
or MTC-84, "Removal and Installa-
tion for Compressor — VQ35DE
Models"
*8: MTC-38, "Operational Check"*9 MTC-28, "SYMPTOM TABLE"
WJIA0175E

TROUBLE DIAGNOSIS
MTC-59
C
D
E
F
G
H
I
K
L
M
A
B
MTC
Revision: May 2004 2002 Altima
PERFORMANCE CHART
Test Condition
Testing must be performed as follows:
Test Reading
Recirculating-to-discharge Air Temperature Table
Ambient Air Temperature-to-operating Pressure Table
TROUBLE DIAGNOSES FOR ABNORMAL PRESSURE
Whenever system's high and/or low side pressure is abnormal, diagnose using a manifold gauge. The marker
above the gauge scale in the following tables indicates the standard (normal) pressure range. Since the stan-
dard (normal) pressure, differs from vehicle to vehicle, refer to Ambient Air Temperature-to-operating Pressure
Table above.
Vehicle location Indoors or in the shade (in a well-ventilated place)
Doors Closed
Door window Open
Hood Open
TEMP. Max. COLD
Mode switch (Ventilation) set
Intake switch (Recirculation) set
(blower) speed Max. speed set
Engine speed Idle speed
Operate the air conditioning system for 10 minutes before taking measurements.
Inside air (Recirculating air) at blower assembly inlet Discharge air temperature at center ventilator
°C (°F)
Relative humidity
%
Air temperature
°C (°F)
50 - 60
25 (77) 10.0 - 12.3 (50 - 54)
30 (86) 13.2 - 15.3 (56 - 60)
35 (95) 17.2 - 21.0 (63 - 70)
60 - 70
25 (77) 12.3 - 14.9 (54 - 59)
30 (86) 15.3 - 19.3 (60 - 67)
35 (95) 21.0 - 24.4 (70 - 76)
Ambient air High-pressure (Discharge side)
kPa (kg/cm2, psi)
Low-pressure (Suction side)
kPa (kg/cm2, psi)
Relative humidity
%
Air temperature
°C (°F)
50 - 70
30 (86) 1,220 - 1,500
(12.44 - 15.30, 176.9 - 217.5)
240 - 295
(2.45 - 3.01, 34.8 - 42.8)
35 (95) 1,360 - 1,690
(13.87 - 17.24, 197.2 - 245.1)
275 - 335
(2.81 - 3.42, 39.9 - 48.6)
40 (104) 1,500 - 1,830
(12.44 - 18.67, 176.9 - 265.4)
310 - 375
(3.16 - 3.83, 45.0 - 54.4)

MTC-60
TROUBLE DIAGNOSIS
Revision: May 2004 2002 Altima
Both High and Low-pressure Sides are Too High
High-pressure Side is Too High and Low-pressure Side is Too Low
High-pressure Side is Too Low and Low-pressure Side is Too High
Gauge indication Refrigerant cycle Probable cause Corrective action
Both high and low-pressure
sides are too high.
Pressure is reduced soon after
water is splashed on con-
denser.
Excessive refrigerant charge in
refrigeration cycle
Reduce refrigerant until speci-
fied pressure is obtained.
Air suction by cooling fan is
insufficient.
Insufficient condenser cooling
performance
↓
1. Condenser fins are clogged.
2. Improper fan rotation of cool-
ing fan
●Clean condenser.
●Check and repair cooling fan
as necessary.
●Low-pressure pipe is not
cold.
●When compressor is stopped
high-pressure value quickly
drops by approximately 196
kPa (2 kg/cm2 , 28 psi). It
then decreases gradually
thereafter.
Poor heat exchange in con-
denser
(After compressor operation
stops, high pressure decreases
too slowly.)
↓
Air in refrigeration cycle
Evacuate repeatedly and
recharge system.
Engine tends to overheat. Engine cooling systems mal-
function.
Check and repair each engine
cooling system.
●An area of the low-pressure
pipe is colder than areas
near the evaporator outlet.
●Plates are sometimes cov-
ered with frost.
●Excessive liquid refrigerant
on low-pressure side
●Excessive refrigerant dis-
charge flow
●Expansion valve is open a lit-
tle compared with the specifi-
cation.
↓
1. Improper thermal valve
installation
2. Improper expansion valve
adjustment
Replace expansion valve.
AC359A
Gauge indication Refrigerant cycle Probable cause Corrective action
High-pressure side is too high and
low-pressure side is too low.
Upper side of condenser and
high-pressure side are hot,
however, liquid tank is not so
hot.
High-pressure tube or parts
located between compressor
and condenser are clogged or
crushed.
●Check and repair or replace
malfunctioning parts.
●Check lubricant for contami-
nation.
AC360A
Gauge indication Refrigerant cycle Probable cause Corrective action
High-pressure side is too low and
low-pressure side is too high. High and low-pressure sides
become equal soon after com-
pressor operation stops.
Compressor pressure opera-
tion is improper.
↓
Damaged inside compressor
packings
Replace compressor.
No temperature difference
between high and low-pres-
sure sides
Compressor pressure opera-
tion is improper.
↓
Damaged inside compressor
packings.
Replace compressor.
AC356A

TROUBLE DIAGNOSIS
MTC-61
C
D
E
F
G
H
I
K
L
M
A
B
MTC
Revision: May 2004 2002 Altima
Both High- and Low-pressure Sides are Too Low
Low-pressure Side Sometimes Becomes Negative
Gauge indication Refrigerant cycle Probable cause Corrective action
Both high- and low-pressure sides
are too low.
●There is a big temperature
difference between receiver
drier outlet and inlet. Outlet
temperature is extremely
low.
●Liquid tank inlet and expan-
sion valve are frosted.
Liquid tank inside is slightly
clogged.
●Replace desiccant assy.
●Check lubricant for contami-
nation.
●Temperature of expansion
valve inlet is extremely low
as compared with areas
near liquid tank.
●Expansion valve inlet may
be frosted.
●Temperature difference
occurs somewhere in high-
pressure side
High-pressure pipe located
between receiver drier and
expansion valve is clogged.
●Check and repair malfunc-
tioning parts.
●Check lubricant for contami-
nation.
Expansion valve and liquid
tank are warm or only cool
when touched.
Low refrigerant charge
↓
Leaking fittings or components
Check refrigerant for leaks.
Refer to MTC-91, "Checking
for Refrigerant Leaks" .
There is a big temperature dif-
ference between expansion
valve inlet and outlet while the
valve itself is frosted.
Expansion valve closes a little
compared with the specifica-
tion.
↓
1. Improper expansion valve
adjustment
2. Malfunctioning thermal
valve
3. Outlet and inlet may be
clogged.
●Remove foreign particles by
using compressed air.
●Check lubricant for contami-
nation.
An area of the low-pressure
pipe is colder than areas near
the evaporator outlet.
Low-pressure pipe is clogged
or crushed.
●Check and repair malfunc-
tioning parts.
●Check lubricant for contami-
nation.
Air flow volume is not enough
or is too low. Evaporator is frozen.
●Check intake sensor opera-
tion. Refer to MTC-68,
"INTAKE SENSOR" .
●Replace compressor.
AC353A
Gauge indication Refrigerant cycle Probable cause Corrective action
Low-pressure side sometimes
becomes negative. ●Air conditioning system
does not function and does
not cyclically cool the com-
partment air.
●The system constantly func-
tions for a certain period of
time after compressor is
stopped and restarted.
Refrigerant does not dis-
charge cyclically.
↓
Moisture is frozen at expan-
sion valve outlet and inlet.
↓
Water is mixed with refriger-
ant.
●Drain water from refrigerant
or replace refrigerant.
●Replace desiccant assy.
AC354A

MTC-62
TROUBLE DIAGNOSIS
Revision: May 2004 2002 Altima
Low-pressure Side Becomes Negative
Gauge indication Refrigerant cycle Probable cause Corrective action
Low-pressure side becomes nega-
tive.
Liquid tank or front/rear side of
expansion valve's pipe is
frosted or dewed.
High-pressure side is closed
and refrigerant does not flow.
↓
Expansion valve or liquid tank
is frosted.
Leave the system at rest until
no frost is present. Start it
again to check whether or not
the problem is caused by
water or foreign particles.
●If water is the cause, initially
cooling is okay. Then the
water freezes causing a
blockage. Drain water from
refrigerant or replace refrig-
erant.
●If due to foreign particles,
remove expansion valve
and remove the particles
with dry and compressed air
(not shop air).
●If either of the above meth-
ods cannot correct the prob-
lem, replace expansion
valve.
●Replace desiccant assy.
●Check lubricant for contami-
nation.
AC362A

TROUBLE DIAGNOSIS
MTC-63
C
D
E
F
G
H
I
K
L
M
A
B
MTC
Revision: May 2004 2002 Altima
Insufficient Heating EJS000ZY
SYMPTOM: Insufficient heating
INSPECTION FLOW
*1: MA-14, "Changing Engine Coolant"
(QR25DE) or MA-22, "Changing
Engine Coolant" (VQ35DE)
*2: CO-11, "CHECKING RADIATOR
CAP" (QR25DE) or CO-33,
"CHECKING RADIATOR CAP"
(VQ35DE)
*3: MTC-46, "Intake Door Motor Circuit"
*4: CO-20, "Removal and Installation"
(QR25DE) or EC-1110, "Overall
Function Check" (VQ35DE)
*5: MA-16, "FLUSHING COOLING SYS-
TEM" (QR25DE) or MA-23, "FLUSH-
ING COOLING SYSTEM"
(VQ35DE)
*6: CO-11, "Refilling Engine Coolant"
(QR25DE) or CO-33, "Refilling
Engine Coolant" (VQ35DE)
*7: MTC-38, "Operational Check"*8 MTC-28, "SYMPTOM TABLE"
WJIA0176E

MTC-64
TROUBLE DIAGNOSIS
Revision: May 2004 2002 Altima
Noise EJS000ZZ
SYMPTOM: Noise
INSPECTION FLOW
SHA331F

TROUBLE DIAGNOSIS
MTC-65
C
D
E
F
G
H
I
K
L
M
A
B
MTC
Revision: May 2004 2002 Altima
Intake Sensor Circuit EJS00100
COMPONENT DESCRIPTION
Intake Sensor
The intake sensor is located on the heater and cooling unit. It con-
verts temperature of air after it passes through the evaporator into a
resistance value which is then input to the A/C control unit.
After disconnecting intake sensor harness connector, measure resis-
tance between terminals 1 and 2 at sensor harness side, using the
table below.
If NG, replace intake sensor.
DIAGNOSTIC PROCEDURE
SYMPTOM: Intake sensor circuit is open or shorted.
*1 MTC-85, "Removal and Installation
for Compressor Clutch"
*3 MTC-18, "Maintenance of Lubricant
Quantity in Compressor"
*5 MA-14, "Checking Drive Belts"
(QR25DE) or MA-21, "Checking
Drive Belts" (VQ35DE)
*2 MTC-86, "INSTALLATION"*4 MTC-38, "Operational Check"
Temperature °C (°F) Resistance kΩ
-15 (5) 12.34
-10 (14) 9.62
-5 (23) 7.56
0 (32) 6.00
5 (41) 4.80
10 (50) 3.87
15 (59) 3.15
20 (68) 2.57
25 (77) 2.12
30 (86) 1.76
35 (95) 1.47
40 (104) 1.23
45 (113) 1.04
WJIA0091E
WJIA0177E

MTC-66
TROUBLE DIAGNOSIS
Revision: May 2004 2002 Altima
1. CHECK INTAKE SENSOR CIRCUIT BETWEEN INTAKE SENSOR AND BODY GROUND
Disconnect intake sensor harness connector.
OK or NG
OK >> GO TO 2.
NG >> Repair harness or connector.
2. CHECK INTAKE SENSOR CIRCUIT BETWEEN INTAKE SENSOR AND A/C CONTROL UNIT
Disconnect A/C control unit harness connector.
OK or NG
OK >> GO TO 3.
NG >> Repair harness or connector.
3. CHECK INTAKE SENSOR
Refer to MTC-65, "Intake Sensor" .
OK or NG
OK >> Replace A/C control unit.
NG >> Replace intake sensor.
Terminal Continuity
Connector Wire color Body ground Yes
M53-1 B
WJIA0178E
Terminals Continuity
Connector Wire color Connector Wire color Yes
M53-2 R/G M51-6 R/G
WJIA0179E

CONTROL UNIT
MTC-67
C
D
E
F
G
H
I
K
L
M
A
B
MTC
Revision: May 2004 2002 Altima
CONTROL UNIT PFP:27500
Removal and Installation EJS00101
REMOVAL
1. Remove cluster lid C. Refer to IP-12, "Cluster Lid C" .
2. Remove audio unit. Refer to AV-22, "AUDIO UNIT" .
3. Remove the temperature control cable clamp and then remove
the cable from the air mix door lever.
4. Remove the A/C control unit screws and then remove it from the
instrument panel.
5. Disconnect the A/C control unit connectors and then remove it.
INSTALLATION
Installation is in the reverse order of removal.
Adjustment
1. Attach temperature control cable.
2. Rotate control knob to full cold position.
3. Remove slack from cable and install temperature control cable clamp.
After positioning control cable, check for proper operation.
WJIA0192E
WJIA0191E

MTC-68
INTAKE SENSOR
Revision: May 2004 2002 Altima
INTAKE SENSOR PFP:27723
Removal and Installation EJS00102
1. Remove the evaporator. Refer to MTC-90, "Removal and Instal-
lation for Evaporator" .
2. Remove the intake sensor clip and then the sensor.
CAUTION:
Be careful not to damage the core surface.
WJIA0100E

BLOWER UNIT
MTC-69
C
D
E
F
G
H
I
K
L
M
A
B
MTC
Revision: May 2004 2002 Altima
BLOWER UNIT PFP:27200
Removal and Installation EJS00103
REMOVAL
1. Remove the glove box assembly. Refer to IP-15, "Glove Box" .
2. Remove the ECM.
3. Disconnect the blower motor, intake door motor and fan control amp. connector.
4. Remove the 2 bolts and 1 screw from the blower unit, then
remove it.
WJIA0101E

MTC-72
IN-CABIN MICROFILTER
Revision: May 2004 2002 Altima
IN-CABIN MICROFILTER PFP:27277
Removal and Installation EJS001LK
FUNCTION
Air inside passenger compartment is kept clean at either recircula-
tion or fresh mode by installing in-cabin microfilter into blower unit.
REPLACEMENT TIMING
Replace in-cabin microfilter.
Refer to MA-7, "SCHEDULE 1" and MA-10, "SCHEDULE 2" .
Caution label is fixed inside the glove box.
REPLACEMENT PROCEDURES
1. Remove glove box assembly. Refer to IP-15, "Glove Box" .
2. Remove in-cabin microfilter cover.
3. Take out the ventilation air filter from blower unit.
4. Replace with new in-cabin microfilter and reinstall on blower
unit.
5. Reinstall glove box assembly.
LJIA0012E
SHA868E
LJIA0013E

HEATER & COOLING UNIT ASSEMBLY
MTC-73
C
D
E
F
G
H
I
K
L
M
A
B
MTC
Revision: May 2004 2002 Altima
HEATER & COOLING UNIT ASSEMBLY PFP:27110
Removal and Installation EJS00106
REMOVAL
1. Discharge refrigerant from A/C system. Refer to MTC-79, "HFC-134a (R-134a) Service Procedure" .
2. Drain coolant from cooling system. Refer to MA-14, "Changing Engine Coolant" (QR25DE models) or
MA-22, "Changing Engine Coolant" (VQ35DE models).
3. Disconnect heater hoses from heater core pipes.
4. Disconnect refrigerant lines from evaporator.
CAUTION:
Cap or wrap the joint of the pipe with suitable material such as vinyl tape to avoid entry of air.
5. Remove the instrument panel. Refer to IP-10, "INSTRUMENT PANEL ASSEMBLY" .
6. Remove the blower unit. Refer to MTC-69, "Removal and Installation" .
7. Remove the temperature control cable clamp and then remove
the cable from the air mix door lever.
8. Disconnect mode door motor connector.
9. Remove the heater and cooling unit.
INSTALLATION
Install in the reverse order of removal.
NOTE:
When filling radiator with coolant, refer to CO-11, "Refilling Engine Coolant" (QR25DE models) or CO-33,
"Refilling Engine Coolant" (VQ35DE models). Recharge the A/C system. Refer to MTC-79, "HFC-134a (R-
134a) Service Procedure" .
WJIA0192E
WJIA0200E

MTC-74
HEATER CORE
Revision: May 2004 2002 Altima
HEATER CORE PFP:27140
Removal and Installation EJS00107
1. Remove heater and cooling unit. Refer to MTC-73, "Removal and Installation" .
2. Remove heater core pipe support screws and then remove it.
3. Remove heater core cover screws and then remove it.
4. Remove heater core.
WJIA0185E
WJIA0127E
WJIA0186E

MODE DOOR MOTOR
MTC-75
C
D
E
F
G
H
I
K
L
M
A
B
MTC
Revision: May 2004 2002 Altima
MODE DOOR MOTOR PFP:27731
Removal and Installation EJS00108
DRIVER SIDE MODE DOOR MOTOR
1. Remove the driver lower instrument panel assembly. Refer to IP-13, "Driver Lower Instrument Panel" .
2. Disconnect the mode door motor connector.
3. Remove the mode door motor screws and then remove it.
WJIA0200E

MTC-76
BLOWER FAN RESISTER
Revision: May 2004 2002 Altima
BLOWER FAN RESISTER PFP:27150
Removal and Installation EJS00109
1. Disconnect blower motor resistor connector.
2. Remove blower motor resistor screws and then remove it.
WJIA0193E

DUCTS AND GRILLES
MTC-77
C
D
E
F
G
H
I
K
L
M
A
B
MTC
Revision: May 2004 2002 Altima
DUCTS AND GRILLES PFP:27860
Removal and Installation EJS0010A
Ventilator Duct, Defroster Nozzle and Defroster Ducts EJS0010B
Center Ventilator Grille EJS0010C
1. Remove cluster lid D. Refer to IP-13, "Cluster Lid D" .
2. Release the tabs to remove center ventilator grille.
Side Ventilator Grille LH EJS0010D
1. Remove cluster lid A. Refer to IP-13, "Cluster Lid A" .
2. Remove side ventilator grille LH.
WJIA0112E
WJIA0113E
WJIA0114E

MTC-78
DUCTS AND GRILLES
Revision: May 2004 2002 Altima
Side Ventilator Grille RH EJS0010E
1. Remove glove box assembly. Refer to IP-15, "Glove Box" .
2. Remove side ventilator grille RH screw and then remove it.
Floor duct EJS0010F
1. Remove the carpet. Refer to EI-32, "FLOOR TRIM" .
2. Release foam tape and slide floor duct rearward to release from clips.
WJIA0108E
WJIA0115E

REFRIGERANT LINES
MTC-79
C
D
E
F
G
H
I
K
L
M
A
B
MTC
Revision: May 2004 2002 Altima
REFRIGERANT LINES PFP:92600
HFC-134a (R-134a) Service Procedure EJS0010G
SETTING OF SERVICE TOOLS AND EQUIPMENT
Discharging Refrigerant
WARNING:
Avoid breathing A/C refrigerant and lubricant vapor or mist. Exposure may irritate eyes, nose and
throat. Remove HFC-134a (R-134a) from A/C system using certified service equipment meeting
requirements of SAE J2210 (R-134a recycling equipment) or J2201 (R-134a recovery equipment). If
accidental system discharge occurs, ventilate work area before resuming service. Additional health
and safety information may be obtained from refrigerant and lubricant manufacturers.
Evacuating System and Charging Refrigerant
SHA179FD
SHA180FD

MTC-80
REFRIGERANT LINES
Revision: May 2004 2002 Altima
Components EJS0010H
Refer to MTC-5, "Precautions for Refrigerant Connection" .
*1 MTC-18, "LUBRICANT"*3 MTC-91, "Checking for Refrigerant
Leaks"
*5 MTC-3, "Contaminated Refrigerant"
*2 MTC-91, "Checking for Refrigerant
Leaks"
*4 MTC-59, "Performance Chart"
SHA251F

REFRIGERANT LINES
MTC-81
C
D
E
F
G
H
I
K
L
M
A
B
MTC
Revision: May 2004 2002 Altima
QR25DE Models
WJIA0180E

MTC-82
REFRIGERANT LINES
Revision: May 2004 2002 Altima
VQ35DE Models
WJIA0116E

REFRIGERANT LINES
MTC-83
C
D
E
F
G
H
I
K
L
M
A
B
MTC
Revision: May 2004 2002 Altima
Removal and Installation for Compressor — QR25DE Models EJS0010I
REMOVAL
1. Discharge the refrigerant. Refer to MTC-79, "HFC-134a (R-134a) Service Procedure" .
2. Remove the drive belt.
Refer to MA-14, "ENGINE MAINTENANCE (QR25DE ENGINE)" .
3. Disconnect the compressor connector.
4. Remove the high-pressure flexible hose and low-pressure flexible hose.
CAUTION:
Cap or wrap the joint of the pipe with suitable material such as vinyl tape to avoid the entry of air.
5. Remove the mounting bolts from compressor using power tools.
INSTALLATION
CAUTION:
●Replace the O-ring of the low-pressure flexible hose and high-pressure flexible hose with a new
one, then apply compressor oil to it when installing it.
●When charging refrigerant, check for leaks.
WJIA0182E
Bolts mounting the compressor
Tightening torque : 28.4 - 33.3 N·m (2.9 - 3.4 kg-m, 21 - 24 ft-lb)
Tightening torque : 59.8 - 69.6 N·m (6.1 - 7.0 kg-m, 45 - 51 ft-lb)
Bolt mounting the high- and low-pressure flexible hoses
Tightening torque : 7.8 - 19.6 N·m (0.8 - 1.9 kg-m, 69 - 173 in-lb)

MTC-84
REFRIGERANT LINES
Revision: May 2004 2002 Altima
Removal and Installation for Compressor — VQ35DE Models EJS0010J
REMOVAL
1. Discharge the refrigerant. Refer to MTC-79, "HFC-134a (R-134a) Service Procedure" .
2. Remove the drive belt.
Refer to MA-21, "ENGINE MAINTENANCE (VQ35DE ENGINE)" .
3. Remove the coolant pipe bracket bolt.
4. Remove compressor mounting stud.
5. Disconnect the compressor connector.
6. Remove the high-pressure flexible hose and low-pressure flexible hose.
CAUTION:
Cap or wrap the joint of the pipe with suitable material such as vinyl tape to avoid the entry of air.
7. Remove the mounting bolts and nut from compressor using power tools.
INSTALLATION
CAUTION:
●Replace the O-ring of the low-pressure flexible hose and high-pressure flexible hose with a new
one, then apply compressor oil to it when installing it.
●When charging refrigerant, check for leaks.
WJIA0117E
Bolts mounting the compressor (rear side)
Tightening torque : 56.9 - 65.7 N·m (5.8 - 6.8 kg-m, 42 - 48 ft-lb)
Bolt mounting the compressor (front side)
Tightening torque : 28.4 - 33.3 N·m (2.9 - 3.4 kg-m, 21 - 24 ft-lb)
Nut mounting the compressor (front side)
Tightening torque : 59.8 - 69.6 N·m (6.1 - 7.0 kg-m, 45 - 51 ft-lb)
Bolt mounting the high- and low-pressure flexible hoses
Tightening torque : 7.8 - 19.6 N·m (0.8 - 1.9 kg-m, 69 - 173 in-lb)

REFRIGERANT LINES
MTC-85
C
D
E
F
G
H
I
K
L
M
A
B
MTC
Revision: May 2004 2002 Altima
Removal and Installation for Compressor Clutch EJS0010K
REMOVAL
●When removing center bolt, hold clutch disc with clutch disc tool.
●Remove the clutch disc.
Clutch disc holding tool:
(J-44614) Commercial service tool
●Remove the snap ring using external snap ring pliers.
●Pulley removal:
Use a pulley puller with small adapter. Position the small adapter on the end of the drive shaft and the
center of the puller on the small adapter. Remove the pulley assembly with the puller.
To prevent deformation of the pulley groove, the puller claws should be hooked under (not into)
the pulley groove.
●Remove the snap ring using external snap ring pliers.
●Remove the magnet coil harness clip using a screwdriver, remove the three magnet coil fixing screws and
remove the magnet coil.
WHA228
RHA072C
LHA173
WHA212

MTC-86
REFRIGERANT LINES
Revision: May 2004 2002 Altima
INSPECTION
Clutch Disc
If the contact surface shows signs of damage due to excessive heat, replace clutch disc and pulley.
Pulley
Check the appearance of the pulley assembly. If contact surface of pulley shows signs of excessive grooving,
replace clutch disc and pulley. The contact surfaces of the pulley assembly should be cleaned with a suitable
solvent before reinstallation.
Coil
Check magnet coil for loose connection or cracked insulation.
INSTALLATION
●Install the magnet coil.
Be sure to align the magnet coil pin with the hole in the
compressor front head.
●Install the magnet coil harness clip using a screwdriver.
●Install the pulley assembly using the installer and a wrench, and
then install the snap ring using snap ring pliers.
●Install the clutch disc on the drive shaft, together with the original
shim(s). Press the clutch disc down by hand.
WHA183
WHA213
LHA174
WHA184

REFRIGERANT LINES
MTC-87
C
D
E
F
G
H
I
K
L
M
A
B
MTC
Revision: May 2004 2002 Altima
●Using the clutch disc tool to prevent clutch disc rotation, tighten
the bolt to 12 N·m (1.2 kg-m, 9 ft-lb).
●After tightening the bolt, check that the pulley rotates
smoothly.
●Check clearance all the way around the clutch disc.
If the specified clearance is not obtained, replace adjusting
spacer and readjust.
BREAK-IN OPERATION
When replacing compressor clutch assembly, always conduct the break-in operation. This is done by engag-
ing and disengaging the clutch about 30 times. Break-in operation raises the level of transmitted torque.
Removal and Installation for Low-pressure Flexible Hose EJS0010L
REMOVAL
1. Discharge the refrigerant. Refer to MTC-79, "HFC-134a (R-134a) Service Procedure" .
CAUTION:
Cap or wrap the joint of the pipe with suitable material such as vinyl tape to avoid the entry of air.
2. Remove the low-pressure flexible hose. Refer to MTC-80, "Components" .
INSTALLATION
CAUTION:
●Replace the O-ring of the low-pressure flexible hose with a new one, then apply compressor oil to
it when installing it.
●When charging refrigerant, check for leaks.
WHA229
Clutch disc-to-pulley
clearance : 0.3 - 0.6 mm (0.012 - 0.024 in)
WHA194
Bolt mounting the low-pressure flexible hose (evaporator side)
Tightening torque : 2.9 - 5.9 N·m (0.29 - 0.60 kg-m, 26 - 52 in-lb)
Bolt mounting the low-pressure flexible hose (compressor side)
Tightening torque : 7.8 - 19.6 N·m (0.8 - 1.9 kg-m, 69 - 173 in-lb)

MTC-88
REFRIGERANT LINES
Revision: May 2004 2002 Altima
Removal and Installation for High-pressure flexible hose EJS0010M
REMOVAL
1. Discharge the refrigerant. Refer to MTC-79, "HFC-134a (R-134a) Service Procedure" .
2. Remove the high-pressure flexible hose. Refer to MTC-80, "Components" .
CAUTION:
Cap or wrap the joint of the pipe with suitable material such as vinyl tape to avoid the entry of air.
INSTALLATION
CAUTION:
●Replace the O-ring of the high-pressure flexible hose with a new one, then apply compressor oil to
it when installing it.
●When charging refrigerant, check for leaks.
Removal and Installation for High-pressure Pipe EJS0010N
REMOVAL
1. Discharge the refrigerant. Refer to MTC-79, "HFC-134a (R-134a) Service Procedure" .
2. Remove the high-pressure pipe. Refer to MTC-80, "Components" .
CAUTION:
Cap or wrap the joint of the pipe with suitable material such as vinyl tape to avoid the entry of air.
INSTALLATION
CAUTION:
●Replace the O-ring of the high-pressure pipe with a new one, then apply compressor oil to it when
installing it.
●When charging refrigerant, check for leaks.
Removal and Installation for Refrigerant Pressure Sensor EJS0010O
1. Discharge the refrigerant. Refer to MTC-79, "HFC-134a (R-134a) Service Procedure" .
2. Disconnect the refrigerant pressure sensor connector and
remove the refrigerant pressure sensor from condenser.
CAUTION:
●Please be careful not to damage the condenser fins.
●Apply compressor oil to the O-ring of the refrigerant pres-
sure sensor when installing it.
Removal and Installation for Condenser EJS0010P
REMOVAL
1. Discharge the refrigerant. Refer to MTC-79, "HFC-134a (R-134a) Service Procedure" .
2. Remove the radiator. Refer to CO-34, "RADIATOR" .
CAUTION:
Be careful not to damage the core surface of the condenser and the radiator.
Bolt connecting the low-pressure flexible hose in-line connection (VQ35DE models)
Tightening torque : 7.8 - 19.6 N·m (0.8 - 1.9 kg-m, 69 - 173 in-lb)
Bolts mounting the high-pressure flexible hose
Tightening torque : 7.8 - 19.6 N·m (0.8 - 1.9 kg-m, 69 - 173 in-lb)
Bolt mounting the high-pressure pipe (evaporator side)
Tightening torque : 2.9 - 5.9 N·m (0.29 - 0.60 kg-m, 26 - 52 in-lb)
Bolt mounting the high-pressure pipe (condenser side)
Tightening torque : 7.8 - 19.6 N·m (0.8 - 1.9 kg-m, 69 - 173 in-lb)
Tightening
torque : 9.8 - 11.7 N·m (1.0 - 1.2 kg-m, 7.3 - 8.6 ft-
lb)
WJIA0123E

REFRIGERANT LINES
MTC-89
C
D
E
F
G
H
I
K
L
M
A
B
MTC
Revision: May 2004 2002 Altima
3. Disconnect the high-pressure flexible hose and the high-pres-
sure pipe from the condenser.
CAUTION:
Cap or wrap the joint of the pipe with suitable material such
as vinyl tape to avoid the entry of air.
4. Disconnect the refrigerant pressure sensor connector.
5. Remove the front fascia. Refer to EI-13, "FRONT BUMPER" .
6. Remove the mounting nuts from condenser mounting brackets.
INSTALLATION
CAUTION:
●Replace the O-rings of the high-pressure pipe and the high-pressure flexible hose with new ones,
then apply compressor oil to them after installing them.
●When charging refrigerant, check for leaks.
Removal and Installation for Liquid Tank EJS0010Q
1. Discharge the refrigerant. Refer to MTC-79, "HFC-134a (R-134a) Service Procedure" .
2. Remove the battery.
WJIA0124E
WJIA0125E
High-pressure flexible hose and pipe mounting bolt
Tightening torque : 7.8 - 19.6 N·m (0.8 - 1.9 kg-m, 69 - 173 in-lb)
Condenser mounting nuts
Tightening torque : 5.0 - 6.79 N·m (0.51 - 0.69 kg-m, 45 - 60 in-lb)
WJIA0183E

MTC-90
REFRIGERANT LINES
Revision: May 2004 2002 Altima
3. Remove the hood switch (if equipped).
4. Remove the engine undercover using power tools.
5. Remove the bolt and line clamp.
6. Loosen the tank clamp and remove the liquid tank.
Removal and Installation for Evaporator EJS00317
REMOVAL
1. Evacuate and recover the A/C system refrigerant. Refer to MTC-79, "HFC-134a (R-134a) Service Proce-
dure" .
2. Disconnect the battery negative terminal.
3. Disconnect the air cleaner to electronic throttle control actuator tube. Refer to EM-16, "AIR CLEANER
AND AIR DUCT" (QR25DE), EM-112, "AIR CLEANER AND AIR DUCT" (VQ35DE).
NOTE:
The tube is located between the air cleaner assembly and the intake manifold and is removed to access
the expansion valve.
4. Disconnect the A/C pipe from the expansion valve.
CAUTION:
Cap or wrap the joint of the pipe with suitable material such as vinyl tape to avoid the entry of air.
5. Remove the cooler grommet.
6. Remove the expansion valve.
7. Remove the center console side finisher RH. Refer to IP-16,
"Center Console" .
8. Remove the glove box assembly. Refer to IP-15, "Glove Box" .
9. Remove the ECM.
●Disconnect the ECM connector.
●Remove the wire harness from the ECM mounting bracket.
●Remove the two ECM mounting bracket nuts and disconnect
the ground wire.
10. Remove the blower unit. Refer to MTC-69, "BLOWER UNIT" .
11. Remove the heater core cover.
12. Remove the evaporator cover.
WJIA0128E
WJIA0127E
WJIA0188E

REFRIGERANT LINES
MTC-91
C
D
E
F
G
H
I
K
L
M
A
B
MTC
Revision: May 2004 2002 Altima
13. Remove the evaporator.
●Remove the thermo control amplifier.
●Remove the intake sensor.
CAUTION:
●Mark the mounting position of the intake sensor and
thermo control amplifier.
INSTALLATION
Installation is in the reverse order of removal.
CAUTION:
●Replace the O-rings with new ones, then apply compressor oil to them when installing them.
Removal and Installation for Expansion Valve EJS00318
REMOVAL
1. Evacuate and recover the A/C system refrigerant. Refer to MTC-79, "HFC-134a (R-134a) Service Proce-
dure" .
2. Disconnect the air cleaner to electronic throttle control actuator tube. Refer to EM-16, "AIR CLEANER
AND AIR DUCT" (QR25DE), EM-112, "AIR CLEANER AND AIR DUCT" (VQ35DE).
NOTE:
The tube is located between the air cleaner assembly and the intake manifold and is removed to access
the expansion valve.
3. Disconnect the A/C pipe from the expansion valve.
CAUTION:
Cap or wrap the joint of the pipe with suitable material such as vinyl tape to avoid the entry of air.
4. Remove the cooler grommet.
5. Remove the expansion valve.
INSTALLATION
Installation is in the reverse order of removal.
CAUTION:
●Replace the O-rings with new ones, then apply compressor oil to them when installing them.
Checking for Refrigerant Leaks EJS0010T
Perform a visual inspection of all refrigeration parts, fittings, hoses and components for signs of A/C lubricant
leakage, damage and corrosion. A/C lubricant leakage may indicate an area of refrigerant leakage. Allow
extra inspection time in these areas when using either an electronic refrigerant leak detector or fluorescent
dye leak detector.
If dye is observed, confirm the leak with an electronic refrigerant leak detector. It is possible a prior leak was
repaired and not properly cleaned.
When searching for leaks, do not stop when one leak is found but continue to check for additional leaks at all
system components and connections.
WJIA0190E
Expansion valve mounting bolts : 2.9 - 5.0 N·m (0.29 - 0.51 kg-m, 26 - 44 in-lb)
WJIA0128E
Expansion valve mounting bolts : 2.9 - 5.0 N·m (0.29 - 0.51 kg-m, 26 - 44 in-lb)

MTC-92
REFRIGERANT LINES
Revision: May 2004 2002 Altima
When searching for refrigerant leaks using an electronic leak detector, move the probe along the suspected
leak area at 25 - 50 mm (1 - 2 in) per second and no further than 6 mm (1/4 in) from the component.
CAUTION:
Moving the electronic leak detector probe slower and closer to the suspected leak area will improve
the chances of finding a leak.
Checking System for Leaks Using the Fluorescent Leak Detector EJS0010U
1. Check A/C system for leaks using the UV lamp and safety glasses (J-42220) in a low sunlight area (area
without windows preferable). Illuminate all components, fittings and lines. The dye will appear as a bright
green/yellow area at the point of leakage. Fluorescent dye observed at the evaporator drain opening indi-
cates an evaporator core assembly (tubes, core or TXV) leak.
2. If the suspected area is difficult to see, use an adjustable mirror or wipe the area with a clean shop rag or
cloth, with the UV lamp for dye residue.
3. After the leak is repaired, remove any residual dye using dye cleaner (J-43872) to prevent future misdiag-
nosis.
4. Perform a system performance check and verify the leak repair with an approved electronic refrigerant
leak detector.
NOTE:
Other gases in the work area or substances on the A/C components, for example, anti-freeze, windshield
washer fluid, solvents and lubricants, may falsely trigger the leak detector. Make sure the surfaces to be
checked are clean.
Clean with a dry cloth or blow off with shop air.
Do not allow the sensor tip of the detector to contact with any substance. This can also cause false readings
and may damage the detector.
Dye Injection EJS0010V
(This procedure is only necessary when recharging the system or when the compressor has seized and was
replaced.)
1. Check A/C system static (at rest) pressure. Pressure must be at least 345 kPa (50 psi).
2. Pour one bottle (1/4 ounce / 7.4 cc) of the A/C refrigerant dye into the injector tool (J-41459).
3. Connect the injector tool to the A/C LOW PRESSURE side service fitting.
4. Start engine and switch A/C ON.
5. When the A/C operating (compressor running), inject one bottle (1/4 ounce / 7.4 cc) of fluorescent dye
through the low-pressure service valve using dye injector tool J-41459 (refer to the manufacturer's operat-
ing instructions).
6. With the engine still running, disconnect the injector tool from the service fitting.
CAUTION:
Be careful the A/C system or replacing a component, pour the dye directly into the open system con-
nection and proceed with the service procedures.
7. Operate the A/C system for a minimum of 20 minutes to mix the dye with the system oil. Depending on the
leak size, operating conditions and location of the leak, it may take from minutes to days for the dye to
penetrate a leak and become visible.
Electronic Refrigerant Leak Detector EJS0010W
PRECAUTIONS FOR HANDLING LEAK DETECTOR
When performing a refrigerant leak check, use a J-41995 A/C leak
detector or equivalent. Ensure that the instrument is calibrated and
set properly per the operating instructions.
The leak detector is a delicate device. In order to use the leak detec-
tor properly, read the operating instructions and perform any speci-
fied maintenance.
SHA196FA

REFRIGERANT LINES
MTC-93
C
D
E
F
G
H
I
K
L
M
A
B
MTC
Revision: May 2004 2002 Altima
1. Position probe approximately 5 mm (3/16 in) away from point to
be checked.
2. When testing, circle each fitting completely with probe.
3. Move probe along component approximately 25 to 50 mm (1 to
2 in)/sec.
CHECKING PROCEDURE
To prevent inaccurate or false readings, make sure there is no refrigerant vapor, shop chemicals, or cigarette
smoke in the vicinity of the vehicle. Perform the leak test in calm area (low air/wind movement) so that the
leaking refrigerant is not dispersed.
1. Turn engine OFF.
2. Connect a suitable A/C manifold gauge set to the A/C service ports.
3. Check if the A/C refrigerant pressure is at least 345 kPa (3.52 kg/cm2 , 50 psi) above 16°C (61°F). If less
than specification, recover/evacuate and recharge the system with the specified amount of refrigerant.
NOTE:
At temperatures below 16°C (61°F), leaks may not be detected since the system may not reach 345 kPa (3.54
kg/cm2 , 50 psi).
4. Conduct the leak test from the high side (compressor discharge a to evaporator inlet f) to the low side
[evaporator drain hose g to shaft seal k (QR25DE models) or l (VQ35DE models)]. Refer to MTC-80 . Per-
form a leak check for the following areas carefully. Clean the component to be checked and move the leak
detected probe completely around the connection/component.
Compressor
Check the fitting of high- and low-pressure hoses, relief valve and shaft seal.
Liquid tank
Check the refrigerant pressure sensor.
Service valves
Check all around the service valves. Ensure service valve caps are secured on the service valves (to pre-
vent leaks).
SHA707EA
SHA706E
SHA708EA

MTC-94
REFRIGERANT LINES
Revision: May 2004 2002 Altima
NOTE:
After removing A/C manifold gauge set from service valves, wipe any residue from valves to prevent any
false readings by leak detector.
Cooling unit (Evaporator)
With engine OFF, turn blower fan on "High" for at least 15 seconds to dissipate any refrigerant trace in the
cooling unit. Wait a minimum of 10 minutes accumulation time (refer to the manufacturer's recommended
procedure for actual wait time) before inserting the leak detector probe into the drain hose.
Keep the probe inserted for at least 10 seconds. Use caution not to contaminate the probe tip with water
or dirt that may be in the drain hose.
5. If a leak detector detects a leak, verify at least once by blowing compressed air into area of suspected
leak, then repeat check as outlined above.
6. Do not stop when one leak is found. Continue to check for additional leaks at all system components.
If no leaks are found, perform steps 7 - 10.
7. Start engine.
8. Set the heater A/C control as follows;
a. A/C switch: ON
b. Face mode
c. Intake position: Recirculation
d. Max cold temperature
e. Fan speed: High
9. Run engine at 1,500 rpm for at least 2 minutes.
10. Turn engine off and perform leak check again following steps 4 through 6 above.
Refrigerant leaks should be checked immediately after stopping the
engine. Begin with the leak detector at the compressor. The pres-
sure on the high pressure side will gradually drop after refrigerant
circulation stops and pressure on the low pressure side will gradually
rise, as shown in the graph. Some leaks are more easily detected
when pressure is high.
11. Before connecting ACR4 to vehicle, check ACR4 gauges. No refrigerant pressure should be displayed. If
pressure is displayed, recover refrigerant from equipment lines and then check refrigerant purity.
12. Confirm refrigerant purity in supply tank using ACR4 and refrigerant identifier.
13. Confirm refrigerant purity in vehicle A/C system using ACR4 and refrigerant identifier.
14. Discharge A/C system using approved refrigerant recovery equipment. Repair the leaking fitting or com-
ponent as necessary.
15. Evacuate and recharge A/C system and perform the leak test to confirm no refrigerant leaks.
16. Conduct A/C performance test to ensure system works properly.
SHA839E

SERVICE DATA AND SPECIFICATIONS (SDS)
MTC-95
C
D
E
F
G
H
I
K
L
M
A
B
MTC
Revision: May 2004 2002 Altima
SERVICE DATA AND SPECIFICATIONS (SDS) PFP:00030
Service Data and Specifications (SDS) EJS0010X
COMPRESSOR
LUBRICANT
REFRIGERANT
ENGINE IDLING SPEED
Refer to EC-38, "Idle Speed and Ignition Timing Check" (QR25DE models) or EC-656, "Idle Speed and Igni-
tion Timing Check" (VQ35DE models).
BELT TENSION
Refer to MA-14, "ENGINE MAINTENANCE (QR25DE ENGINE)" or MA-21, "ENGINE MAINTENANCE
(VQ35DE ENGINE)" .
Model CALSONIC KANSEI make
Type DKS-17D
Displacement
cm3 (cu in)/rev 175.5 (10.7)/rev
Cylinder bore × stroke
mm (in) 30.5 (1.201) x 21.4 (0.84)
Direction of rotation Clockwise (viewed from drive end)
Drive belt Poly V
Model CALSONIC KANSEI make DKS-17D
Name Nissan A/C System Oil Type DH-PS
Part number KLH00-PAGS0
Capacity
m (US fl oz, lmp fl oz)
Total in system 150 (5.03, 5.3)
Compressor (Service part) charg-
ing amount 150 (5.03, 5.3)
Type HFC-134a (R-134a)
Capacity
kg (lb) 0.475 - 0.525 (1.045 - 1.155)

MTC-96
SERVICE DATA AND SPECIFICATIONS (SDS)
Revision: May 2004 2002 Altima


