Nokia Bell HA030WB 7368 Intelligent Services Access Manager CPE User Manual 7368 ISAM CPE HA 020W A Product Guide
Alcatel-Lucent Shanghai Bell Co. Ltd. 7368 Intelligent Services Access Manager CPE 7368 ISAM CPE HA 020W A Product Guide
Contents
- 1. User manual
- 2. User Manual
- 3. Users Manual
User manual

7368 Intelligent Services Access
Manager CPE
7368 ISAM CPE HA-030W-B Product Guide
3FE-47429-AAAA-TCZZA
Issue: 01
Nokia — Proprietary and confidential
Use pursuant to applicable agreements

7368 ISAM CPE HA-030W-B Product Guide
2
3FE-47429-AAAA-TCZZA
Issue: 01
Nokia is a registered trademark of Nokia Corporation. Other products and company
names mentioned herein may be trademarks or tradenames of their respective
owners.
The information presented is subject to change without notice. No responsibility is
assumed for inaccuracies contained herein.
© 2018 Nokia.
Contains proprietary/trade secret information which is the property of Nokia and must
not be made available to, or copied or used by anyone outside Nokia without its
written authorization. Not to be used or disclosed except in accordance with
applicable agreements.

7368 ISAM CPE HA-030W-B Product Guide
Preface
Issue: 01
3FE-47429-AAAA-TCZZA
3
1 Preface
This preface provides general information about the documentation set for CPEs.
1.1 Scope
This documentation set provides information about safety, features and functionality,
ordering, hardware installation and maintenance, and software installation
procedures for the current release.
1.2 Audience
This documentation set is intended for planners, administrators, operators, and
maintenance personnel involved in installing, upgrading, or maintaining the CPEs.
1.3 Required knowledge
The reader must be familiar with general telecommunications principles.
1.4 Acronyms and initialisms
The expansions and optional descriptions of most acronyms and initialisms appear
in the glossary.
1.5 Assistance and ordering phone numbers
Nokia provides global technical support through regional call centers. Phone
numbers for the regional call centers are available at the following URL:
http://support.alcatel-lucent.com. If this link does not work, copy and paste it directly
into your web browser.
For ordering information, contact your Nokia sales representative.

4
3FE-47429-AAAA-TCZZA
Issue: 01
Preface
7368 ISAM CPE HA-030W-B Product Guide
1.6 Nokia quality processes
Nokia’s CPE quality practices are in compliance with TL 9000 requirements. These
requirements are documented in the Fixed Networks Quality Manual
3FQ-30146-6000-QRZZA. The quality practices adequately ensure that technical
requirements and customer end-point requirements are met. The customer or its
representatives may be allowed to perform on-site quality surveillance audits, as
agreed upon during contract negotiations
1.7 Safety information
For safety information, see the appropriate safety guidelines chapter.
1.8 Documents
Documents are available using ALED or OLCS.
Procedure 1 To download a ZIP file package of the customer documentation
1
Navigate to http://support.alcatel-lucent.com and enter your user name and password. If you
are a new user and require access to this service, please contact your Nokia sales
representative.
2
From the Technical Content for drop-down menu, choose the product.
3
Click on Downloads: Electronic Delivery.
4
Choose Documentation from the drop-down menu and click Next.
5
Select the image from the drop-down menu and click Next.
6
Follow the on-screen directions to download the file.

Issue: 01
3FE-47429-AAAA-TCZZA
5
7368 ISAM CPE HA-030W-B Product Guide
Preface
Procedure 2 To access individual documents
Individual PDFs of customer documents are also accessible through the Nokia Customer Support
website.
1
Navigate to http://support.alcatel-lucent.com and enter your user name and password. If you
are a new user and require access to this service, please contact your Nokia sales
representative.
2
From the Technical Content for drop-down menu, choose the product.
3
Click on Manuals and Guides to display a list of customer documents by title and part
number. You can filter this list using the Release drop-down menu.
4
Click on the PDF to open or save the file.
1.9 Special information
The following are examples of how special information is presented in this document.
Danger — Danger indicates that the described activity or
situation may result in serious personal injury or death; for
example, high voltage or electric shock hazards.
Warning — Warning indicates that the described activity or
situation may, or will, cause equipment damage or serious
performance problems.
Caution — Caution indicates that the described activity or
situation may, or will, cause service interruption.
Note — A note provides information that is, or may be, of
special interest.

6
3FE-47429-AAAA-TCZZA
Issue: 01
Preface
7368 ISAM CPE HA-030W-B Product Guide
1.9.1
Procedures with options or substeps
When there are options in a procedure, they are identified by letters. When there are
required substeps in a procedure, they are identified by roman numerals.
Procedure 3 Example of options in a procedure
At step 1, you can choose option a or b. At step 2, you must do what the step indicates.
1
This step offers two options. You must choose one of the following:
a
This is one option.
b
This is another option.
2
You must perform this step.
Procedure 4 Example of required substeps in a procedure
At step 1, you must perform a series of substeps within a step. At step 2, you must do what the
step indicates.
1
This step has a series of substeps that you must perform to complete the step. You must
perform the following substeps:
i
This is the first substep.
ii
This is the second substep.
iii
This is the third substep.
2
You must perform this step.

Issue: 01
3FE-47429-AAAA-TCZZA
7
7368 ISAM CPE HA-030W-B Product Guide
Preface
1.10 Multiple PDF document search
You can use Adobe Reader Release 6.0 and later to search multiple PDF files for a
common term. Adobe Reader displays the results in a single display panel. The
results are grouped by PDF file, and you can expand the entry for each file.
Note — The PDF files in which you search must be in the same
folder.
Procedure 5 To search multiple PDF files for a common term
1
Open Adobe Acrobat Reader.
2
Choose EditSearch from the Acrobat Reader main menu. The Search PDF panel appears.
3
Enter the search criteria.
4
Click on the All PDF Documents In radio button.
5
Select the folder in which to search using the drop-down menu.
6
Click on the Search button.
Acrobat Reader displays the search results. You can expand the entries for each document
by clicking on the + symbol.

8
3FE-47429-AAAA-TCZZA
Issue: 01
7368 ISAM CPE HA-030W-B Product Guide
Table of contents
1
Preface ........................................................................................... 3
1.1
Scope ....................................................................................................... 3
1.2
Audience .................................................................................................. 3
1.3
Required knowledge ................................................................................. 3
1.4
Acronyms and initialisms .......................................................................... 3
1.5
Assistance and ordering phone numbers .................................................. 3
1.6
Nokia quality processes ............................................................................ 4
1.7
Safety information..................................................................................... 4
1.8
Documents ............................................................................................... 4
1.9
Special information ................................................................................... 5
1.9.1
Procedures with options or substeps......................................................... 6
1.10
Multiple PDF document search ................................................................. 7
2
ANSI CPE safety guidelines ....................................................... 17
2.1
Safety instructions .................................................................................. 17
2.1.1
Safety instruction boxes in customer documentation ............................... 17
2.1.2
Safety-related labels ............................................................................... 18
2.2
Safety standards compliance .................................................................. 19
2.2.1
EMC, EMI, and ESD standards compliance ............................................ 19
2.2.2
Equipment safety standard compliance ................................................... 20
2.2.3
Environmental standards compliance ...................................................... 20
2.2.4
Resistibility requirements compliance ..................................................... 20
2.3
Electrical safety guidelines ...................................................................... 21
2.3.1
Power supplies ....................................................................................... 21
2.3.2
Cabling ................................................................................................... 21
2.3.3
Protective earth ...................................................................................... 21
2.4
ESD safety guidelines............................................................................. 21
2.5
Environmental requirements ................................................................... 22
3
ETSI CPE safety guidelines ........................................................ 23
3.1
Safety instructions .................................................................................. 23
3.1.1
Safety instruction boxes .......................................................................... 23
3.1.2
<Cond: Update> Safety-related labels .................................................... 24
3.2
<Cond: Update> Safety standards compliance........................................ 25
3.2.1
EMC, EMI, and ESD compliance ............................................................ 25
3.2.2
Equipment safety standard compliance ................................................... 25
3.2.3
Environmental standard compliance ....................................................... 26
3.2.4
Resistibility requirements compliance ..................................................... 26
3.2.5
Acoustic noise emission standard compliance ........................................ 26
3.3
<Cond: Update> Electrical safety guidelines ........................................... 26
3.3.1
Power supplies ....................................................................................... 26
3.3.2
Cabling ................................................................................................... 27
3.3.3
Protective earth ...................................................................................... 27
3.4
<Cond: Update> ESD safety guidelines .................................................. 27
3.5
<Cond: Update> Environmental requirements ......................................... 27
Issue: 01
3FE-47429-AAAA-TCZZA
9
7368 ISAM CPE HA-030W-B Product Guide
4
ETSI environmental and CRoHS guidelines .............................. 29
4.1
Environmental labels .............................................................................. 29
4.1.1
Overview ................................................................................................ 29
4.1.2
Environmental related labels ................................................................... 29
4.1.2.1
Products below Maximum Concentration Value (MCV) label ................... 29
4.1.2.2
Products containing hazardous substances above Maximum
Concentration Value (MCV) label ............................................................ 30
4.2
Hazardous Substances Table (HST) ....................................................... 31
4.3
Other environmental requirements .......................................................... 32
4.3.1
CPE environmental requirements ........................................................... 32
4.3.2
Transportation ........................................................................................ 32
4.3.3
Stationary use ........................................................................................ 32
4.3.4
Material content compliance ................................................................... 32
4.3.5
End-of-life collection and treatment ......................................................... 33
5
HA-030W-B CPE unit data sheet ................................................ 35
5.1
HA-030W-B CPE part numbers and identification .................................... 35
5.2
HA-030W-B CPE general description ...................................................... 36
5.2.1
<Cond: Update> TR-069 object support for WiFi parameters .................. 37
5.2.2
<Cond: Update> Independent TR69 session with Saas ........................... 38
5.2.3
<Cond: Update> TR69 authentication using TLS and CA
certificates .............................................................................................. 38
5.2.4
<Cond: Update> TR-104 parameter extension support for voice
service ................................................................................................... 38
5.3
HA-030W-B CPE software and installation feature support...................... 39
5.4
HA-030W-B CPE interfaces and interface capacity ................................. 39
5.4.1
HA-030W-B CPE connections and components ...................................... 39
5.5
HA-030W-B CPE LEDs........................................................................... 40
5.6
HA-030W-B CPE detailed specifications ................................................. 41
5.7
HA-030W-B CPE functional blocks.......................................................... 41
5.8
HA-030W-B CPE standards compliance ................................................. 42
5.8.1
Responsible party ................................................................................... 44
5.8.2
Energy-related products standby and off modes compliance ................... 44
5.8.3
FCC statement ....................................................................................... 45
5.8.4
FCC Radiation Exposure Statement ........................................................ 45
5.8.5
Industry Canada license-exempt Radio Standards Specification
(RSS) statement ..................................................................................... 46
5.9
HA-030W-B CPE special considerations ................................................. 47
5.9.1
Wi-Fi service .......................................................................................... 47
5.9.1.1
Wi-Fi standards and certifications............................................................ 47
5.9.1.2
Wi-Fi GUI features .................................................................................. 48
5.9.2
HA-030W-B CPE considerations and limitations...................................... 48
6
Install an HA-030W-B CPE .......................................................... 49
6.1
Purpose.................................................................................................. 49
6.2
General .................................................................................................. 49
6.3
Prerequisites .......................................................................................... 49
6.4
Recommended tools ............................................................................... 49
6.5
Safety information ................................................................................... 50
6.6
Procedure .............................................................................................. 51

10
3FE-47429-AAAA-TCZZA
Issue: 01
7368 ISAM CPE HA-030W-B Product Guide
7
Replace an HA-030W-B CPE ...................................................... 53
7.1
Purpose.................................................................................................. 53
7.2
General .................................................................................................. 53
7.3
Prerequisites .......................................................................................... 53
7.4
Recommended tools ............................................................................... 53
7.5
Safety information................................................................................... 54
7.6
Procedure .............................................................................................. 54
8
Configure an HA-030W-B CPE ................................................... 57
8.1
General .................................................................................................. 57
8.2
GUI configuration ................................................................................... 57
8.2.1
Login ...................................................................................................... 57
8.2.2
Device and connection status ................................................................. 59
8.2.3
Network configuration ............................................................................. 69
8.2.4
Security configuration ............................................................................. 87
8.2.5
Application configuration ......................................................................... 98
8.2.6
Maintenance......................................................................................... 104
8.2.7
RG troubleshooting counters ................................................................ 114

Issue: 01
3FE-47429-AAAA-TCZZA
11
7368 ISAM CPE HA-030W-B Product Guide
List of figures
2
ANSI CPE safety guidelines ....................................................... 17
Figure 1 Sample safety label on the CPE equipment............................................. 19
3
ETSI CPE safety guidelines ........................................................ 23
Figure 2 PSE certification ..................................................................................... 25
4
ETSI environmental and CRoHS guidelines .............................. 29
Figure 3 Products below MCV value label ............................................................. 30
Figure 4 Products above MCV value label ............................................................ 31
Figure 5 Recycling/take back/disposal of product symbol ...................................... 33
5
HA-030W-B CPE unit data sheet ................................................ 35
Figure 6 HA-030W-B CPE .................................................................................... 36
Figure 7 HA-030W-B CPE physical connections ................................................... 39
Figure 8 Single-residence Wi-Fi CPE with Gigabit Ethernet................................... 42
Figure 9 HA-030W-B CPE US safety label ............................................................ 42
Figure 10 HA-030W-B CPE European (EU) safety label ......................................... 43
Figure 11 HA-030W-B CPE Australian (AU) safety label ......................................... 43
Figure 12 Label position on the HA-030W-B CPE ................................................... 44
6
Install an HA-030W-B CPE .......................................................... 49
Figure 13 HA-030W-B CPE connections................................................................. 51
7
Replace an HA-030W-B CPE....................................................... 53
Figure 14 HA-030W-B CPE connections................................................................. 55
8
Configure an HA-030W-B CPE ................................................... 57
Figure 15 Web login window ................................................................................... 58
Figure 16 Device Information window ..................................................................... 59
Figure 17 LAN status window ................................................................................. 61
Figure 18 WAN Status window ............................................................................... 63
Figure 19 WAN Status IPv6 window ....................................................................... 65
Figure 20 Home Networking information window .................................................... 67
Figure 21 LAN ports statistics window .................................................................... 68
Figure 22 LAN settings window .............................................................................. 70
Figure 23 LAN IPv6 network window ...................................................................... 72
Figure 24 WAN window .......................................................................................... 74
Figure 25 WAN DHCP window ............................................................................... 75
Figure 26 Wireless 2.4GHz network window ........................................................... 77
Figure 27 Wireless 5GHz network window .............................................................. 79
Figure 28 Wireless Schedule window ..................................................................... 81
Figure 29 DNS network window .............................................................................. 82
Figure 30 TR-069 network window ......................................................................... 84
Figure 31 QoS Config window (L2) ......................................................................... 85
Figure 32 QoS Config window (L3) ......................................................................... 86
Figure 33 Firewall window ...................................................................................... 88
Figure 34 MAC filter window ................................................................................... 90
Figure 35 IP filter window ....................................................................................... 91

12
3FE-47429-AAAA-TCZZA
Issue: 01
7368 ISAM CPE HA-030W-B Product Guide
Figure 36 URL Filter window .................................................................................. 93
Figure 37 Parental Control window ......................................................................... 94
Figure 38 DMZ and ALG window ............................................................................ 95
Figure 39 Access Control window ........................................................................... 97
Figure 40 Port forwarding window .......................................................................... 99
Figure 41 Port Triggering window ......................................................................... 100
Figure 42 DDNS window ...................................................................................... 102
Figure 43 NTP window ......................................................................................... 103
Figure 44 UPnP and DLNA window ...................................................................... 104
Figure 45 Password window ................................................................................. 106
Figure 46 Device Management window ................................................................ 107
Figure 47 Backup and Restore window................................................................. 108
Figure 48 Firmware Upgrade window ................................................................... 109
Figure 49 Reboot Device window ......................................................................... 110
Figure 50 Factory Default window ........................................................................ 111
Figure 51 Diagnostics window .............................................................................. 112
Figure 52 Log window .......................................................................................... 113
Figure 53 RG Troubleshooting Counters window .................................................. 115

Issue: 01
3FE-47429-AAAA-TCZZA
13
7368 ISAM CPE HA-030W-B Product Guide
List of tables
2
ANSI CPE safety guidelines ....................................................... 17
Table 1 Safety labels ........................................................................................... 18
3
ETSI CPE safety guidelines ........................................................ 23
Table 2 Safety labels ........................................................................................... 24
5 HA-030W-B CPE unit data sheet ................................................ 35
Table 3 Identification of HA-030W-B CPE ............................................................ 35
Table 4 HA-030W-B CPE interface connection capacity ...................................... 39
Table 5 HA-030W-B CPE physical connections ................................................... 40
Table 6 HA-030W-B CPE LED indications ........................................................... 40
Table 7 HA-030W-B CPE physical specifications ................................................. 41
Table 8 HA-030W-B CPE power consumption specifications ............................... 41
Table 9 HA-030W-B CPE environmental specifications ....................................... 41
Table 10 Responsible party contact information ..................................................... 44
8 Configure an HA-030W-B CPE ................................................... 57
Table 11 Device Information parameters ............................................................... 59
Table 12 LAN status parameters ........................................................................... 61
Table 13 WAN Status parameters ......................................................................... 63
Table 14 WAN status IPv6 parameters .................................................................. 65
Table 15 Home Networking parameters ................................................................. 67
Table 16 LAN parameters ..................................................................................... 70
Table 17 LAN IPv6 network parameters ................................................................ 72
Table 18 WAN parameters .................................................................................... 74
Table 19 WAN DHCP parameters ......................................................................... 76
Table 20 Wireless 2.4GHz network parameters ..................................................... 77
Table 21 Wireless 5GHz network parameters ........................................................ 80
Table 22 DNS network parameters ........................................................................ 83
Table 23 TR-069 network parameters.................................................................... 84
Table 24 QoS Config parameters .......................................................................... 87
Table 25 Firewall parameters ................................................................................ 89
Table 26 MAC filter parameters ............................................................................. 90
Table 27 IP filter parameters ................................................................................. 92
Table 28 URL Filter parameters ............................................................................ 93
Table 29 Parental control parameters .................................................................... 94
Table 30 DMZ and ALG parameters ...................................................................... 95
Table 31 Access control parameters ...................................................................... 97
Table 32 Port forwarding parameters..................................................................... 99
Table 33 Port triggering parameters .................................................................... 100
Table 34 DDNS parameters ................................................................................ 102
Table 35 Password parameters ........................................................................... 106
Table 36 Device Management parameters .......................................................... 107
Table 37 RG Troubleshooting Counters parameters ............................................ 115

14
3FE-47429-AAAA-TCZZA
Issue: 01
ANSI CPE safety guidelines
7368 ISAM CPE HA-030W-B Product Guide
2 ANSI CPE safety guidelines
This chapter provides information about the mandatory regulations that govern the
installation and operation of CPEs in the North American or ANSI market.
2.1 Safety instructions
This section describes the safety instructions that are provided in the CPE customer
documentation and on the equipment.
2.1.1
Safety instruction boxes in customer
documentation
The safety instruction boxes are provided in the CPE customer documentation.
Observe the instructions to meet safety requirements.
The following is an example of the Danger box.
Danger — Possibility of personal injury.
The Danger box indicates that the described activity or situation may pose a threat
to personal safety. It calls attention to a situation or procedure which, if not correctly
performed or adhered to, may result in death or serious physical harm.
Do not proceed beyond a Danger box until the indicated conditions are fully
understood and met.
The following is an example of the Warning box.
Warning 1 — Possibility of equipment damage.
Warning 2 — Possibility of data loss.
The Warning box indicates that the described activity or situation may, or will, cause
equipment damage, loss of data, or serious performance problems. It identifies a
possible equipment-damaging situation or provides essential information to avoid the
degradation of system operations or data.
Do not proceed beyond a warning until the indicated conditions are fully understood
and met.

Issue: 01
3FE-47429-AAAA-TCZZA
15
7368 ISAM CPE HA-030W-B Product Guide
ANSI CPE safety guidelines
The following is an example of the Caution box.
Caution 1 — Possibility of service interruption.
Caution 2 — Service interruption.
The Caution box indicates that the described activity or situation may, or will, cause
service interruption.
Do not proceed beyond a caution until the indicated conditions are fully understood
and met.
The following is an example of the Note box.
Note — Information of special interest.
The Note box provides information that assists the personnel working with CPEs. It
does not provide safety-related instructions.
2.1.2
Safety-related labels
The CPE equipment is labeled with specific safety compliance information and
instructions that are related to a variant of the CPE. Observe the instructions on the
safety labels.
Table 1 provides examples of the text in the various CPE safety labels.
Table 1 Safety labels
Description
Label text
ETL compliance
Communication service equipment US listed. Type 3R enclosure - Rainproof.
TUV compliance
Type 3R enclosure - Rainproof.
ESD warning
Caution: This assembly contains electrostatic sensitive device.
FCC standards compliance
Tested to comply with FCC standards for home or office use.
CDRH compliance
Complies with 21 CFR 1040.10 and 1040.11.
Operation conditions
This device complies with Part 15 of the FCC Rules. Operation is subject to the
following two conditions: (1) this device may not cause harmful interference, and
(2) this device must accept any interference received, including interference that
may cause undesired operation.
CE marking
There are various CE symbols for CE compliance.
Figure 1 shows a sample safety label on the CPE equipment.

16
3FE-47429-AAAA-TCZZA
Issue: 01
ANSI CPE safety guidelines
7368 ISAM CPE HA-030W-B Product Guide
Figure 1 Sample safety label on the CPE equipment
Tested to Comply
with FCC Standards
FOR HOME OR OFFICE USE
COMMUNICATION SERVICE EQUIPMENT
c ® US LISTED
27FY
Type 3R Enclosure - Rainproof
This device complies with Part 15 of the FCC Rules. Operation is subject
to the following two conditions: (1) this device may not cause harmful
interference, and (2) this device must accept any interference
received, including interference that may cause undesired operation.
This Class A digital apparatus complies with Canadian ICES-003. Cet appareil
numerique de la class A est conforme a la norme NMB-003 du Canada
CAUTION
This Assembly Contains Electrostatic Sensitive Devices
18533
2.2 Safety standards compliance
This section describes the CPE compliance with North American safety standards.
Warning — Changes or modifications to this unit not expressly
approved by the party responsible for compliance could void
the user's authority to operate the equipment.
2.2.1
EMC, EMI, and ESD standards compliance
The CPE equipment complies with the following requirements:
•
Federal Communications Commission (FCC) CFR 47, Part 15, Subpart B, Class
B requirements for OLT equipment
•
GR-1089-CORE requirements, including:
•
Section 3 Electromagnetic Interference, Emissions Radiated and Conducted
•
Section 3 Immunity, Radiated and Conducted
•
Section 2 ESD Discharge Immunity: System Level Electrostatic Discharge and EFT
Immunity: Electrically Fast Transients

Issue: 01
3FE-47429-AAAA-TCZZA
17
7368 ISAM CPE HA-030W-B Product Guide
ANSI CPE safety guidelines
This equipment has been tested and found to comply with the limits for a Class B
digital device, pursuant to Part 15 of the FCC Rules. These limits are designed to
provide reasonable protection against harmful interference in a residential
installation. This equipment generates, uses and can radiate radio frequency energy
and, if not installed and used in accordance with the instructions, may cause harmful
interference to radio communications.
However, there is no guarantee that interference will not occur in a particular
installation. If this equipment does cause harmful interference to radio or television
reception, which can be determined by turning the equipment off and on, the user is
encouraged to try to correct the interference by one or more of the following
measures:
•
Reorient or relocate the receiving antenna.
•
Increase the separation between the equipment and receiver.
•
Connect the equipment into an outlet on a circuit different from that to which the
receiver is needed.
•
Consult the dealer or an experienced radio/TV technician for help.
2.2.2
Equipment safety standard compliance
The CPE equipment complies with the requirements of UL60950-1, Outdoor CPEs
to “Communication Service Equipment” (CSE) and Indoor CPEs to Information
Technology Equipment (ITE).
2.2.3
Environmental standards compliance
The CPE equipment complies with the following standards:
•
GR-63-CORE (NEBS): requirements related to operating, storage, humidity,
altitude, earthquake, office vibration, transportation and handling, fire resistance
and spread, airborne contaminants, illumination, and acoustic noise
•
GR-487-CORE: requirements related to rain, chemical, sand, and dust
•
GR-487 R3-82: requirements related to condensation
•
GR-3108: Requirements for Network Equipment in the Outside Plant (OSP)
•
TP76200: Common Systems Equipment Interconnections Standards
2.2.4
Resistibility requirements compliance
The CPE equipment complies with the requirements of ITU Recommendation K.21
for resistibility of telecommunication equipment installed in customer premises to
overvoltage and overcurrents.

18
3FE-47429-AAAA-TCZZA
Issue: 01
ANSI CPE safety guidelines
7368 ISAM CPE HA-030W-B Product Guide
2.3 Electrical safety guidelines
This section provides the electrical safety guidelines for the CPE equipment.
Note — The CPEs comply with the U.S. National Electrical
Code. However, local electrical authorities have jurisdiction
when there are differences between the local and U.S.
standards.
2.3.1
Power supplies
The use of any non-Nokia approved power supplies or power adapters is not
supported or endorsed by Nokia. Such use will void any warranty or support contract
with Nokia. Such use greatly increases the danger of damage to equipment or
property.
2.3.2
Cabling
The following are the guidelines regarding cables used for the CPE equipment:
•
Use only cables approved by the relevant national electrical code.
•
Use cables suitable for outdoor use for outdoor installation of CPEs.
•
The CPEs have been evaluated for use with external POTS wiring without primary
protection that may not exceed 140 ft (43 m) in reach. However, the power cable
must not exceed 100 ft (31 m).
2.3.3
Protective earth
Earthing and bonding of the CPEs must comply with the requirements of NEC article
250 or local electrical codes.
2.4 ESD safety guidelines
The CPE equipment is sensitive to ESD. Operations personnel must observe the
following ESD instructions when they handle the CPE equipment.
Caution — This equipment is ESD sensitive. Proper ESD
protections should be used when entering the TELCO Access
portion of the CPE.

Issue: 01
3FE-47429-AAAA-TCZZA
19
7368 ISAM CPE HA-030W-B Product Guide
ANSI CPE safety guidelines
During installation and maintenance, service personnel must wear wrist straps to
prevent damage caused by ESD.
Nokia recommends that you prepare the site before you install the CPE equipment.
In addition, you must control relative humidity, use static dissipating material for
furniture or flooring, and restrict the use of air conditioning.
2.5 Environmental requirements
See the CPE technical specification documentation for temperature ranges for
CPEs.
During operation in the supported temperature range, condensation inside the CPE
caused by humidity is not an issue. To avoid condensation caused by rapid changes
in temperature and humidity, Nokia recommends:
•
The door of the CPE not be opened until temperature inside and outside the
enclosure has stabilized.
•
If the door of the CPE must be opened after a rapid change in temperature or
humidity, use a dry cloth to wipe down the metal interior to prevent the risk of
condensation.
•
When high humidity is present, installation of a cover or tent over the CPE helps
prevent condensation when the door is opened.

20
3FE-47429-AAAA-TCZZA
Issue: 01
ETSI CPE safety guidelines
7368 ISAM CPE HA-030W-B Product Guide
3 ETSI CPE safety guidelines
This chapter provides information about the mandatory regulations that govern the
installation and operation of CPEs.
3.1 Safety instructions
This section describes the safety instructions that are provided in the CPE customer
documentation and on the equipment.
3.1.1
Safety instruction boxes
The safety instruction boxes are provided in the CPE customer documentation.
Observe the instructions to meet safety requirements.
The following is an example of the Danger box.
Danger — Possibility of personal injury.
The Danger box indicates that the described activity or situation may pose a threat
to personal safety. It calls attention to a situation or procedure which, if not correctly
performed or adhered to, may result in death or serious physical harm.
Do not proceed beyond a Danger box until the indicated conditions are fully
understood and met.
The following is an example of the Warning box.
Warning 1 — Possibility of equipment damage.
Warning 2 — Possibility of data loss.
The Warning box indicates that the described activity or situation may, or will, cause
equipment damage, loss of data, or serious performance problems. It identifies a
possible equipment-damaging situation or provides essential information to avoid the
degradation of system operations or data.
Do not proceed beyond a warning until the indicated conditions are fully understood
and met.

Issue: 01
3FE-47429-AAAA-TCZZA
21
7368 ISAM CPE HA-030W-B Product Guide
ETSI CPE safety guidelines
The following is an example of the Caution box.
Caution 1 — Possibility of service interruption.
Caution 2 — Service interruption.
The Caution box indicates that the described activity or situation may, or will, cause
service interruption.
Do not proceed beyond a caution until the indicated conditions are fully understood
and met.
The following is an example of the Note box.
Note — Information of special interest.
The Note box provides information that assists the personnel working with CPEs. It
does not provide safety-related instructions.
3.1.2
<Cond: Update> Safety-related labels
The CPE equipment is labeled with the specific safety instructions and compliance
information that is related to a variant of the CPE. Observe the instructions on the
safety labels.
Table 2 provides sample safety labels on the CPE equipment.
Table 2 Safety labels
Description
Label text
ESD warning
Caution: This assembly contains an electrostatic sensitive device.
PSE marking
These power supplies are Japan PSE certified and compliant with
Japan VCCI emissions standards.
Figure 2 shows the PSE certification.

22
3FE-47429-AAAA-TCZZA
Issue: 01
ETSI CPE safety guidelines
7368 ISAM CPE HA-030W-B Product Guide
Figure 2 PSE certification
Warning
This is a Class B product based on the standard of the Voluntary Control Council for Interference
from Information Technology Equipment (VCCI). If this is used near a radio or television receiver in
a domestic environment, it may cause radio interference. Install and use the equipment according
to the instruction manual.
19841
3.2 <Cond: Update> Safety standards compliance
This section describes the CPE compliance with the European safety standards.
3.2.1
EMC, EMI, and ESD compliance
The CPE equipment complies with the following EMC, EMI, and ESD requirements:
•
EN 300-386 V1.5.1: Electromagnetic Compatibility and Radio Spectrum Matters
(ERM): Telecommunications Network Equipment; Electromagnetic Compatibility
(EMC) requirements; Electrostatic Discharge (ESD) requirements
•
EN 301489-1, -17
•
EN 300328
•
EN 301893
•
EN 55022 (2006): Class B, Information Technology Equipment, Radio
Disturbance Characteristics, limits and methods of measurement
•
EN 55024 (2010): Information Technology Equipment, Immunity Characteristics,
limits and methods of measurement
•
European Council Directive 2004/108/EC
•
EN 55022:2006 Class B (CPEs)
3.2.2
Equipment safety standard compliance
The CPE equipment complies with the requirements of EN 60950-1, Safety of
Information Technology Equipment for use in a restricted location (per R-269).

Issue: 01
3FE-47429-AAAA-TCZZA
23
7368 ISAM CPE HA-030W-B Product Guide
ETSI CPE safety guidelines
3.2.3
Environmental standard compliance
The CPE equipment complies with the EN 300 019 European environmental
standards.
3.2.4
Resistibility requirements compliance
The CPE equipment complies with the requirements of ITU Recommendation K.21
for resistibility of telecommunication equipment installed in customer premises to
over voltage and overcurrents.
3.2.5
Acoustic noise emission standard compliance
The CPE equipment complies with EN 300 753 acoustic noise emission limit and test
methods.
3.3 <Cond: Update> Electrical safety guidelines
This section provides the electrical safety guidelines for the CPE equipment.
Note 1 — The CPEs comply with the U.S. National Electrical
Code. However, local electrical authorities have jurisdiction
when there are differences between the local and U.S.
standards.
Note 2 — The CPEs comply with BS EN 61140.
3.3.1
Power supplies
The use of any non-Nokia approved power supplies or power adapters is not
supported or endorsed by Nokia. Such use will void any warranty or support contract
with Nokia. Such use greatly increases the danger of damage to equipment or
property.

24
3FE-47429-AAAA-TCZZA
Issue: 01
ETSI CPE safety guidelines
7368 ISAM CPE HA-030W-B Product Guide
3.3.2
Cabling
The following are the guidelines regarding cables used for the CPE equipment:
•
All cables must be approved by the relevant national electrical code.
•
The cables for outdoor installation of CPEs must be suitable for outdoor use.
•
POTS wiring run outside the subscriber premises must comply with the
requirements of local electrical codes. In some markets, the maximum allowed
length of the outside run is 140 feet (43 m). If the outside run is longer, NEC
requires primary protection at both the exit and entry points for the wire.
3.3.3
Protective earth
Earthing and bonding of the CPEs must comply with the requirements of local
electrical codes.
3.4 <Cond: Update> ESD safety guidelines
The CPE equipment is sensitive to ESD. Operations personnel must observe the
following ESD instructions when they handle the CPE equipment.
Caution — This equipment is ESD sensitive. Proper ESD
protections should be used when you enter the TELCO Access
portion of the CPE.
During installation and maintenance, service personnel must wear wrist straps to
prevent damage caused by ESD.
3.5 <Cond: Update> Environmental requirements
See the CPE technical specification documentation for more information about
temperature ranges.

Issue: 01
3FE-47429-AAAA-TCZZA
25
7368 ISAM CPE HA-030W-B Product Guide
ETSI CPE safety guidelines
During operation in the supported temperature range, condensation inside the CPE
caused by humidity is not an issue. To avoid condensation caused by rapid changes
in temperature and humidity, Nokia recommends:
•
The door of the CPE not be opened until temperature inside and outside the
enclosure has stabilized.
•
If the door of the CPE must be opened after a rapid change in temperature or
humidity, use a dry cloth to wipe down the metal interior to prevent the risk of
condensation.
•
When high humidity is present, installation of a cover or tent over the CPE helps
prevent condensation when the door is opened.

26
3FE-47429-AAAA-TCZZA
Issue: 01
ETSI environmental and CRoHS guidelines
7368 ISAM CPE HA-030W-B Product Guide
4 ETSI environmental and CRoHS
guidelines
This chapter provides information about the ETSI environmental China Restriction of
Hazardous Substances (CRoHS) regulations that govern the installation and
operation of CPEs. This chapter also includes environmental operation parameters
of general interest.
4.1 Environmental labels
This section describes the environmental instructions that are provided with the
customer documentation, equipment, and location where the equipment resides.
4.1.1
Overview
CRoHS is applicable to Electronic Information Products (EIP) manufactured or sold
and imported in the territory of the mainland of the People’s Republic of China. EIP
refers to products and their accessories manufactured by using electronic
information technology, including electronic communications products and such
subcomponents as batteries and cables.
4.1.2
Environmental related labels
Environmental labels are located on appropriate equipment. The following are
sample labels.
4.1.2.1
Products below Maximum Concentration Value
(MCV) label
Figure 3 shows the label that indicates a product is below the maximum
concentration value, as defined by standard SJ/T11363-2006 (Requirements for
Concentration Limits for Certain Hazardous Substances in Electronic Information
Products). Products with this label are recyclable. The label may be found in this
documentation or on the product.

Issue: 01
3FE-47429-AAAA-TCZZA
27
7368 ISAM CPE HA-030W-B Product Guide
ETSI environmental and CRoHS guidelines
Figure 3 Products below MCV value label
18986
4.1.2.2
Products containing hazardous substances above
Maximum Concentration Value (MCV) label
Figure 4 shows the label that indicates a product is above the maximum
concentration value, as defined by standard SJ/T11363-2006 (Requirements for
Concentration Limits for Certain Hazardous Substances in Electronic Information
Products). The number contained inside the label indicates the Environment-Friendly
User Period (EFUP) value. The label may be found in this documentation or on the
product.

28
3FE-47429-AAAA-TCZZA
Issue: 01
ETSI environmental and CRoHS guidelines
7368 ISAM CPE HA-030W-B Product Guide
Figure 4 Products above MCV value label
18985
Together with major international telecommunications equipment companies, Nokia
has determined it is appropriate to use an EFUP of 50 years for network
infrastructure equipment and an EFUP of 20 years for handsets and accessories.
These values are based on manufacturers' extensive practical experience of the
design, manufacturing, maintenance, usage conditions, operating environments,
and physical condition of infrastructure and handsets after years of service. The
values reflect minimum values and refer to products operated according to the
intended use conditions. See “Hazardous Substances Table (HST)” for more
information.
4.2
Hazardous Substances Table (HST)
This section describes the compliance of the OLT and CPE equipment to the CRoHS
standard when the product and subassemblies contain hazardous substances
beyond the MCV value. This information is found in this user documentation where
part numbers for the product and subassemblies are listed. It may be referenced in
other OLT and CPE documentation.
In accordance with the People’s Republic of China Electronic Industry Standard
Marking for the Control of Pollution Caused by Electronic Information Products
(SJ/T11364-2006), customers may access the Nokia Hazardous Substance Table,
in Chinese, from the following location:
•
http://www.alcatel-sbell.com.cn/wwwroot/images/upload/private/1/media/ChinaRo
HS.pdf

Issue: 01
3FE-47429-AAAA-TCZZA
29
7368 ISAM CPE HA-030W-B Product Guide
ETSI environmental and CRoHS guidelines
4.3
Other environmental requirements
Observe the following environmental requirements when handling the P-OLT or CPE
equipment.
4.3.1
CPE environmental requirements
See the CPE technical specification documentation for more information about
temperature ranges.
4.3.2
Transportation
According to EN 300-019-1-2 - Class 2.3, transportation of the OLT equipment must
be in packed, public transportation with no rain on packing allowed.
4.3.3
Stationary use
According to EN 300-019-1-3 - Class 3.1/3.2/3.E, stationary use of OLT equipment
must be in a temperature-controlled location, with no rain allowed, and with no
condensation allowed.
4.3.4
Material content compliance
European Union (EU) Directive 2002/95/EC, “Restriction of the use of certain
Hazardous Substances” (RoHS), restricts the use of lead, mercury, cadmium,
hexavalent chromium, and certain flame retardants in electrical and electronic
equipment. This Directive applies to electrical and electronic products placed on the
EU market after 1 July 2006, with various exemptions, including an exemption for
lead solder in network infrastructure equipment. Nokia products shipped to the EU
after 1 July 2006 comply with the EU RoHS Directive.
Nokia has implemented a material/substance content management process. The
process is described in: Nokia process for ensuring RoHS Compliance
(1AA002660031ASZZA). This ensures compliance with the European Union
Directive 2011/65/EU on the Restriction of the Use of Certain Hazardous Substances
in Electrical and Electronic Equipment (RoHS2). With the process equipment is
assessed in accordance with the Harmonised Standard EN50581:2012 (CENELEC)
on Technical documentation for the assessment of electrical and electronic products
with respect to the restriction of hazardous substances.

30
3FE-47429-AAAA-TCZZA
Issue: 01
ETSI environmental and CRoHS guidelines
7368 ISAM CPE HA-030W-B Product Guide
4.3.5
End-of-life collection and treatment
Electronic products bearing or referencing the symbol shown in Figure 5, when put
on the market within the European Union (EU), shall be collected and treated at the
end of their useful life, in compliance with applicable EU and local legislation. They
shall not be disposed of as part of unsorted municipal waste. Due to materials that
may be contained in the product, such as heavy metals or batteries, the environment
and human health may be negatively impacted as a result of inappropriate disposal.
Note — In the European Union, a solid bar under the symbol for
a crossed-out wheeled bin indicates that the product was put on
the market after 13 August 2005.
Figure 5 Recycling/take back/disposal of product symbol
At the end of their life, the OLT and CPE products are subject to the applicable local
legislations that implement the European Directive 2012/19EU on waste electrical
and electronic equipment (WEEE).
There can be different requirements for collection and treatment in different member
states of the European Union.
In compliance with legal requirements and contractual agreements, where
applicable, Nokia will offer to provide for the collection and treatment of Nokia
products bearing the logo shown in Figure 5 at the end of their useful life, or products
displaced by Nokia equipment offers. For information regarding take-back of
equipment by Nokia, or for more information regarding the requirements for
recycling/disposal of product, contact your Nokia account manager or Nokia take
back support at sustainability.global@nokia.com.

Issue: 01
3FE-47429-AAAA-TCZZA
31
7368 ISAM CPE HA-030W-B Product Guide
HA-030W-B CPE unit data sheet
5 HA-030W-B CPE unit data sheet
5.1
HA-030W-B CPE part numbers and identification
5.2
HA-030W-B CPE general description
5.3
HA-030W-B CPE software and installation feature support
5.4
HA-030W-B CPE interfaces and interface capacity
5.5
HA-030W-B CPE LEDs
5.6
HA-030W-B CPE detailed specifications
5.7
HA-030W-B CPE functional blocks
5.8
HA-030W-B CPE standards compliance
5.9
HA-030W-B CPE special considerations
5.1 HA-030W-B CPE part numbers and
identification
Table 3 provides part numbers and identification information for the HA-030W-B
CPE.
Table 3 Identification of HA-030W-B CPE
Ordering part
number
Provisioning
number
Description
CLEC
CPR
ECI/
Bar
code
3FE 47357 AA
3FE 47429 AA
WiFi Access Point and range extender, 1 Gigabit Ethernet
UNI, 3x3 802.11n+4x4 802.11ac, 12V dc 1AC US plug
variant.
—
—
—
3FE 47357 BA
3FE 4 7429 BA
WiFi Access Point and range extender, 1 Gigabit Ethernet
UNI, 3x3 802.11n+4x4 802.11ac, 12V dc 1AC EU plug
variant.
—
—
—
3FE 47357 CA
3FE 47429 CA
WiFi Access Point and range extender, 1 Gigabit Ethernet
UNI, 3x3 802.11n+4x4 802.11ac, 12V dc 1AC UK plug
variant.
—
—
—

32
3FE-47429-AAAA-TCZZA
Issue: 01
HA-030W-B CPE unit data sheet
7368 ISAM CPE HA-030W-B Product Guide
5.2 HA-030W-B CPE general description
This is all from A-240Z-A. Please provide updated source.
HA-030W-B is the premium Ethernet gateway and AP/range extender as part of
Nokia Whole Home WiFi solution.
The HA-030W-B CPE has built-in concurrent dual-band Wi-Fi® 802.11b/g/n and
802.11a/n/ac networking with triple play capability that simplifies the home
equipment experience.
The HA-030W-B is a compact CPE that can easily fit on a desk or shelf. For
dimensions, see section 5.6. Figure 6 shows the HA-030W-B in its stand.
Figure 6 HA-030W-B CPE
TI028232
The HA-030W-B CPE provides the following functions:
•
GE Ethernet uplink

Issue: 01
3FE-47429-AAAA-TCZZA
33
7368 ISAM CPE HA-030W-B Product Guide
HA-030W-B CPE unit data sheet
•
Concurrent 802.11n 3x3 MIMO in 2.4GHz and 802.11a/n/ac 4x4 MIMO in 5GHz
•
auto-negotiation for speed and duplex on a port by port basis
•
routed mode per LAN port
•
Advanced data features: VLAN tag manipulation, classification, and filtering
•
Traffic classification and QoS capability
•
MDI/MDIX auto-negotiation
•
Line Rate L2 traffic
•
Internal Switch
•
UPnP IGD2.0 support
•
Internal DHCP server, with configurable DHCP pool and gateway
•
64/128 WEP encryption
•
WPA, WPA-PSK/TKIP
•
WPA2, WPA2-PSK/AES
•
support for multiple SSIDs (private and public instances); contact your Nokia
representative for further details.
•
WPS on/off button
•
Ethernet-based Point-to-Point (PPPoE)
•
Network Address Translation (NAT)
•
Network Address Port Translation (NAPT)
•
ALG and UPnP port forwarding
•
DMZ
•
IP/MAC filter
•
Multi-level firewall
•
DNS server
•
DHCP client/server
•
support for HT40 mode for increased channel bandwidth
•
support for up to 32 simultaneous wireless connections
•
remote software image download
5.2.1
<Cond: Update> TR-069 object support for WiFi
parameters
The ONT supports the status retrieval and configuration of the following Wi-Fi
parameters via TR-069:
•
channel
•
SSID

34
3FE-47429-AAAA-TCZZA
Issue: 01
HA-030W-B CPE unit data sheet
7368 ISAM CPE HA-030W-B Product Guide
•
password for WPA and WEP
•
Tx power (transmission rate in dBm)
These are the same TR-069 object parameters that are supported in the GUI. For
more information, see Tables 20 and 21 in the chapter “Configure an HA-030W-B
CPE”.
5.2.2
<Cond: Update> Independent TR69 session with
Saas
The prime communication between the Nokia Motive cloud solution and the
HA-030W-B CPE is TR-069.
To keep the Nokia solution independent from the carrier’s ACS, the CPE can
establish an independent TR-069 session with the Saas.
The Saas WiFi Care URL and credentials can be programmed from the carrier’s ACS
solution, or they can be incorporated in a pre-configuration file.
5.2.3
<Cond: Update> TR69 authentication using TLS and
CA certificates
HA-030W-B CPEs support TLS, as well as ACS authentication using SHA-256
pre-installed certificates.
If the URL is set to the https://... format, by default, the connection will use TLS
without authentication mode. The ONT can also authenticate the ACS using a
pre-installed CA certificate.
5.3 HA-030W-B CPE software and installation
feature support
For information on installing or replacing the HA-030W-B CPE, see:
•
Install an HA-030W-B CPE
•
Replace an HA-030W-B CPE
For information on the following topics, see the 7368 ISAM ONT Product Overview
Guide:
•
General descriptions of features and functions
•
Ethernet interface specifications
•
Wi-Fi specifications
•
SLID entry via Ethernet port

Issue: 01
3FE-47429-AAAA-TCZZA
35
7368 ISAM CPE HA-030W-B Product Guide
HA-030W-B CPE unit data sheet
5.4 HA-030W-B CPE interfaces and interface
capacity
Table 4 describes the supported interfaces and interface capacity for HA-030W-B
CPEs.
Table 4 HA-030W-B CPE interface connection capacity
CPE type
and model
Maximum capacity
POTS
10/ 100
BASE-T
10/ 100/1000
1000 BASE-T
RF video
(CATV)
MoCA
VDSL2
E1/T1
Local
craft
GE uplink
HA-030W-B
—
—
3
—
—
—
—
—
1
5.4.1
HA-030W-B CPE connections and components
Figure 7 shows the physical connections for HA-030W-B CPEs.
Figure 7 HA-030W-B CPE physical connections

36
3FE-47429-AAAA-TCZZA
Issue: 01
HA-030W-B CPE unit data sheet
7368 ISAM CPE HA-030W-B Product Guide
Table 5 describes the physical connections for HA-030W-B CPEs.
Table 5 HA-030W-B CPE physical connections
Connection (1)
Description
On/Off button
This button turns the unit on or off.
LAN 1/LAN 2/LAN 3
This connection is provided through Ethernet RJ-45 connectors. Up to three
10/100/1000 Base-T Ethernet interfaces are supported.The Ethernet ports can
support both data and in-band video services on all three interfaces.
WAN port
This connection is provided through an RJ-45 Gigabit Ethernet interface.
WPS ON/Off button
This button is used to turn WPS on or off.
Reset button
Pressing the Reset button for less than 10 seconds reboots the device; pressing
the Reset button for 10 seconds resets the device to the factory defaults, except for
the LOID and SLID.
Power input
This connection is provided through the power connector. A power cable fitted with
a barrel connector is used to make the connection.
Note
(1) The primary path for the earth ground for these devices is provided by the 12V Return signal in the power
connector.
5.5 HA-030W-B CPE LEDs
The circular top of the HA-030W-B CPE functions as a multi-color LED indicator.
Table 6 provides LED descriptions for the HA-030W-B CPE.
Table 6 HA-030W-B CPE LED indications
LED color
LED behavior
LED behavior description

Issue: 01
3FE-47429-AAAA-TCZZA
37
7368 ISAM CPE HA-030W-B Product Guide
HA-030W-B CPE unit data sheet
Off
Off
Power off
Red
Slow pulsing
No connection to Internet
Solid
Bad backhaul connection, relocation needed
Yellow
Slow pulsing
Powered but nothing connected
Solid
Connection is successful but not optimal. Relocation is
recommended
Green
Slow pulsing
WPS mode enabled.
3 quick pulses
WPS successful
Solid
Good connection
White
Slow pulsing
Powering on
Fast pulsing
Factory reset
5.6 HA-030W-B CPE detailed specifications
Table 7 lists the physical specifications for the HA-030W-B CPE.
Table 7 HA-030W-B CPE physical specifications
Description
Specification
Diameter
94 mm (3.7 in.)
Height
160 mm (6.3 in.)
Weight [within 0.5 lb (0.23 kg)]
650g (1.43 lb)
Table 8 lists the power consumption specifications for the HA-030W-B CPE.
Table 8 HA-030W-B CPE power consumption specifications
Maximum power
(Not to exceed)
Condition
Minimum
power
Condition
19.1 W
3 10/100/1000 Base-T Ethernet,
Wi-Fi operational
2.9 W
interfaces/services not provisioned
Table 9 lists the environmental specifications for HA-030W-B CPE.
Table 9 HA-030W-B CPE environmental specifications
Mounting
method
Temperature range and humidity
Altitude
On desk or shelf
Operating: -5C to 45C (23F to 113F)
ambient temperature
5% to 93% relative humidity, non-condensing at
40C
Contact your Nokia technical support
representative for more information
Storage: -40F to 158F (-40C to
70C)

38
3FE-47429-AAAA-TCZZA
Issue: 01
HA-030W-B CPE unit data sheet
7368 ISAM CPE HA-030W-B Product Guide
5.7 HA-030W-B CPE functional blocks
HA-030W-B CPEs are single-residence units that support Wireless (Wi-Fi) service.
Wi-Fi service on these devices is compliant with the IEEE 802.11 standard. In
addition to the Wi-Fi service, these devices transmit Ethernet packets to three RJ-45
Ethernet ports.
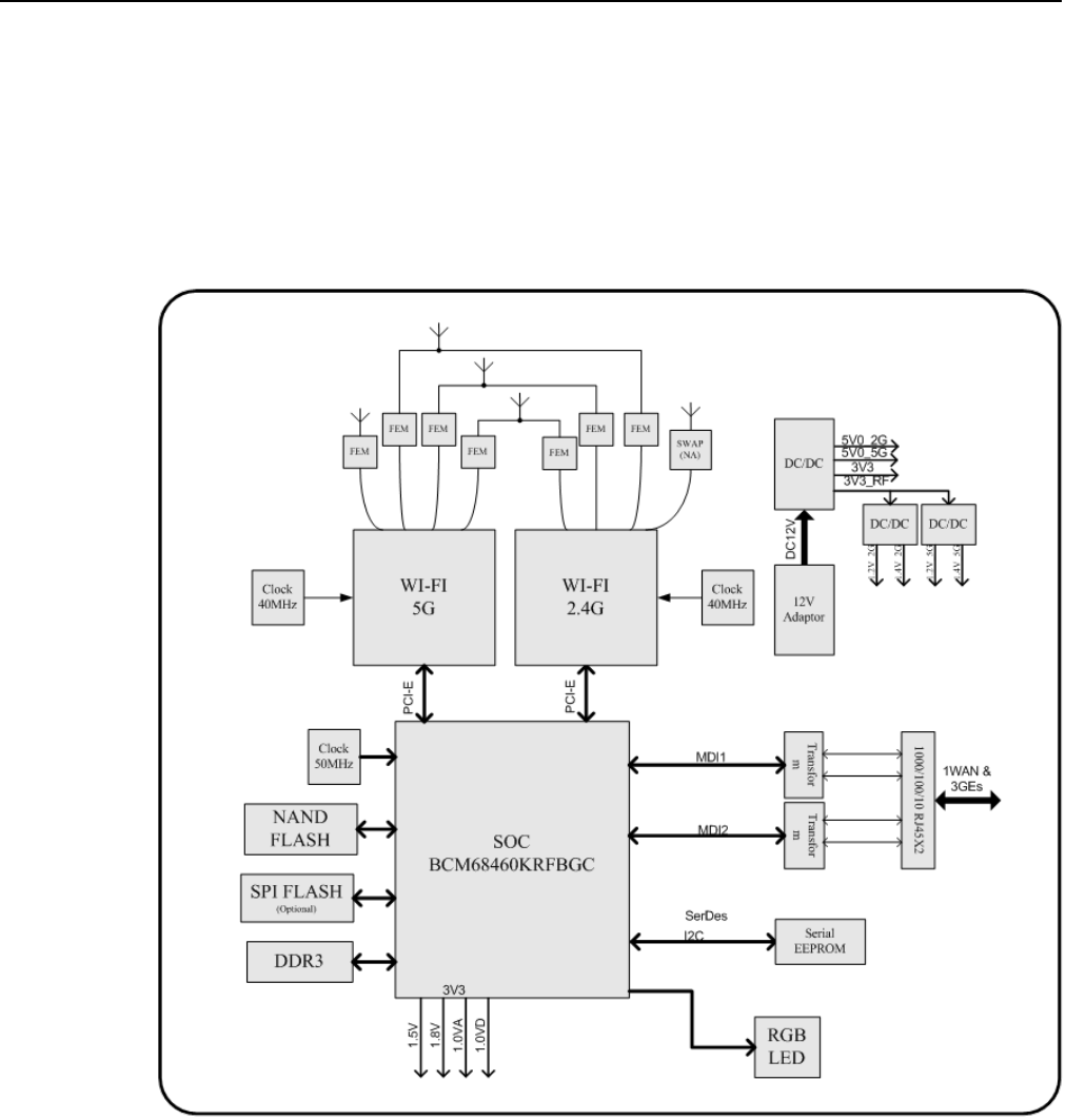
Figure 8 shows the functional blocks for the HA-030W-B CPE.

Issue: 01
3FE-47429-AAAA-TCZZA
39
7368 ISAM CPE HA-030W-B Product Guide
HA-030W-B CPE unit data sheet
Figure 8 Single-residence Wi-Fi CPE with Gigabit Ethernet
5.8 HA-030W-B CPE standards compliance
HA-030W-B CPEs are compliant with the following standards:
•
IEEE 802.1D (QoS), 802.1p (bridging), 802.1q (VLAN)
•
IEEE 802.3 (2012) (Ethernet standard)
•
IEEE 802.11ac 4x4 (WiFi 5G) and 802.11b/g/n 3x3 (WiFi 2.4G)
Figure 9 shows the US safety label for the HA-030W-B CPE. (A-240Z-A labels shown)
Figure 9 HA-030W-B CPE US safety label
Figure 10 shows the European (EU) safety label for the HA-030W-B CPE.
TI028228 inserted here.

40
3FE-47429-AAAA-TCZZA
Issue: 01
HA-030W-B CPE unit data sheet
7368 ISAM CPE HA-030W-B Product Guide
Figure 10 HA-030W-B CPE European (EU) safety label
Figure 12 shows the location of the label.
Figure 12 Label position on the HA-030W-B CPE
26030
5.8.1
Responsible party
Table 10 lists the party in the US responsible for this CPE.

Issue: 01
3FE-47429-AAAA-TCZZA
41
7368 ISAM CPE HA-030W-B Product Guide
HA-030W-B CPE unit data sheet
Table 10 Responsible party contact information
Legal Company name
Nokia USA Inc.
Address
2301 SUGAR BUSH RD. STE 300, RALEIGH,NC 27612
Phone, Fax
+1 919 850 6000
5.8.2
Energy-related products standby and off modes
compliance
Hereby, Nokia declares that the HA-030W-B CPEs are in compliance with the
essential requirements and other relevant provisions of Directive 2009/125/EC
together with Commission Regulation (EC) No 1275/2008 and Commission
Regulation (EC) No 801/2013.
The HA-030W-B CPEs qualify as high network availability (HiNA) equipment. Since
the main purpose of HA-030W-B devices is to provide network functionality with
HiNA 7 days /24 hours, the modes Off/Standby, Power Management, and Networked
Standby are inappropriate.
For information about the type and number of network ports, see “HA-030W-B CPE
interfaces and interface capacity” in this chapter.

42
3FE-47429-AAAA-TCZZA
Issue: 01
HA-030W-B CPE unit data sheet
7368 ISAM CPE HA-030W-B Product Guide
For information about power consumption, see “HA-030W-B CPE detailed
specifications” in this chapter.
5.8.3
FCC statement
This equipment has been tested and found to comply with the limits for a Class B
digital device, pursuant to part 15 of the FCC Rules. These limits are designed to
provide reasonable protection against harmful interference in a residential
installation. This equipment generates, uses and can radiate radio frequency energy
and, if not installed and used in accordance with the instructions, may cause harmful
interference to radio communications. However, there is no guarantee that
interference will not occur in a particular installation. If this equipment does cause
harmful interference to radio or television reception, which can be determined by
turning the equipment off and on, the user is encouraged to try to correct the
interference by one or more of the following measures:
•
Reorient or relocate the receiving antenna.
•
Increase the separation between the equipment and receiver.
•
Connect the equipment into an outlet on a circuit different from that to which the
receiver is connected.
•
Consult the dealer or an experienced radio/TV technician for help.
5.8.4
FCC Radiation Exposure Statement
This device complies with FCC radiation exposure limits set forth for an uncontrolled
environment and it also complies with Part 15 of the FCC RF Rules. This equipment
must be installed and operated in accordance with provided instructions and the
antenna(s) used for this transmitter must be installed to provide a separation
distance of at least 20 cm from all persons and must not be co-located or operating
in conjunction with any other antenna or transmitter. End-users and installers must
be provided with antenna installation instructions and consider removing the
no-collocation statement.
This device complies with Part 15 of the FCC Rules. Operation is subject to the
following two conditions:
1
this device may not cause harmful interference, and
2
this device must accept any interference received, including interference that
may cause undesired operation.
Caution — Any changes or modifications not expressly
approved by the party responsible for compliance could void
the user's authority to operate the equipment.

Issue: 01
3FE-47429-AAAA-TCZZA
43
7368 ISAM CPE HA-030W-B Product Guide
HA-030W-B CPE unit data sheet
5.8.5
Industry Canada license-exempt Radio Standards
Specification (RSS) statement
This device complies with Industry Canada's license-exempt RSSs. Operation is
subject to the following two conditions:
1
This device may not cause interference; and
2
This device must accept any interference, including interference that may cause
undesired operation of the device.
•
To satisfy IC RF exposure requirements, a separation distance of 20 cm or more
should be maintained between the antenna of this device and persons during
device operation. To ensure compliance, operations at closer than this distance
is not recommended.
•
The device for operation in the band 5150-5250 MHz is only for indoor use to reduce
the potential for harmful interference to co-channel mobile satellite systems.
•
For devices with detachable antenna(s), the maximum antenna gain permitted for
devices in the bands 5250-5350 MHz and 5470-5725 MHz shall be such that the
equipment still complies with the e.i.r.p. limit.
•
For devices with detachable antenna(s), the maximum antenna gain permitted for
devices in the band 5725-5850 MHz shall be such that the equipment still complies
with the e.i.r.p. limits as appropriate.
•
Where applicable, antenna type(s), antenna models, and worst-case tilt angle(s)
necessary to remain compliant with the e.i.r.p. elevation mask requirement set forth
in section 6.2.2.3 shall be clearly indicated.

44
3FE-47429-AAAA-TCZZA
Issue: 01
HA-030W-B CPE unit data sheet
7368 ISAM CPE HA-030W-B Product Guide
Le présent appareil est conforme aux CNR d'Industrie Canada applicables aux
appareils radio exempts de licence. L'exploitation est autorisée aux deux conditions
suivantes :
1
L'appareil ne doit pas produire de brouillage, et
2
L’utilisateur de l'appareil doit accepter tout brouillage radioélectrique subi, même
si le brouillage est susceptible d'en compromettre le fonctionnement.
•
Les antennes installées doivent être situées de facon à ce que la population ne
puisse y être exposée à une distance de moin de 20 cm. Installer les antennes de
facon à ce que le personnel ne puisse approcher à 20 cm ou moins de la position
centrale de l' antenne. La FCC des états-unis stipule que cet appareil doit être en
tout temps éloigné d'au moins 20 cm des personnes pendant son functionnement.
•
Les dispositifs fonctionnant dans la bande de 5 150 à 5 250 MHz sont réservés
uniquement pour une utilisation à l'intérieur afin de réduire les risques de brouillage
préjudiciable aux systèmes de satellites mobiles utilisant les mêmes canaux.
•
Pour les dispositifs munis d'antennes amovibles, le gain maximal d'antenne permis
pour les dispositifs utilisant les bandes de 5 250 à 5 350 MHz et de 5 470 à 5 725
MHz doit être conforme à la limite de la p.i.r.e.
•
Pour les dispositifs munis d'antennes amovibles, le gain maximal d'antenne permis
(pour les dispositifs utilisant la bande de 5 725 à 5 850 MHz) doit êt re conforme à la
limite de la p.i.r.e. spécifiée pour l'exploitation point à point et l'exploitation non point
à point, selon le cas.
•
Les pires angles d'inclinaison nécessaires pour rester conforme à l'exigence de la
p.i.r.e. applicable au masque d'élévation, et énoncée à la section 6.2.2 3), doivent
être clairement indiqués.
5.9 HA-030W-B CPE special considerations
This section describes the special considerations for HA-030W-B CPEs.
5.9.1
Wi-Fi service
HA-030W-B CPEs feature Wi-Fi service as well as data services. Wi-Fi is a
wireless networking technology that uses radio waves to provide wireless HSI and
network connections. This device complies with the IEEE 802.11 standards, which
the Wi-Fi Alliance defines as the basis for Wi-Fi technology.
5.9.1.1
Wi-Fi standards and certifications
The Wi-Fi service on HA-030W-B CPEs supports the following IEEE standards and
Wi-Fi Alliance certifications:

Issue: 01
3FE-47429-AAAA-TCZZA
45
7368 ISAM CPE HA-030W-B Product Guide
HA-030W-B CPE unit data sheet
•
compliant with IEEE 802.11 standards
•
certified for IEEE 802.11b/g/n standards
•
certified for IEEE 802.11a/n/ac standards
•
WPA support including WPA-PSK
•
certified for WPA2-Personal and WPA2-Enterprise
5.9.1.2
Wi-Fi GUI features
HA-030W-B CPEs have HTML-based Wi-Fi configuration GUIs.
5.9.2 HA-030W-B CPE considerations and limitations
DFS channels are not supported in this release.

46
3FE-47429-AAAA-TCZZA
Issue: 01
Install an HA-030W-B CPE
7368 ISAM CPE HA-030W-B Product Guide
6 Install an HA-030W-B CPE
6.1
Purpose
6.2
General
6.3
Prerequisites
6.4
Recommended tools
6.5
Safety information
6.6
Procedure
6.1 Purpose
This chapter provides the steps to install an HA-030W-B CPE.
6.2 General
The steps listed in this chapter describe mounting and cabling for an HA-030W-B
CPE.
6.3 Prerequisites
You need the following items before beginning the installation:
•
all required cables
6.4 Recommended tools
You need the following tools for the installation:
•
#2 Phillips screwdriver
•
1/4 in. (6 mm) flat blade screwdriver
•
wire strippers
•
RJ-45 cable plug crimp tool
•
voltmeter or multimeter
•
drill and drill bits
•
paper clip

Issue: 01
3FE-47429-AAAA-TCZZA
47
7368 ISAM CPE HA-030W-B Product Guide
Install an HA-030W-B CPE
6.5 Safety information
Read the following safety information before installing the unit.
Danger 1 — Hazardous electrical voltages and currents can
cause serious physical harm or death. Always use insulated
tools and follow proper safety precautions when connecting or
disconnecting power circuits.
Danger 2 — Make sure all sources of power are turned off and
have no live voltages present on feed lines or terminals. Use a
voltmeter to measure for voltage before proceeding.
Danger 3 — Always contact the local utility company before
connecting the enclosure to the utilities.
Caution — Keep indoor CPEs out of direct sunlight. Prolonged
exposure to direct sunlight can damage the unit.
Note 1 — Observe the local and national laws and regulations
that may be applicable to this installation.
Note 2 — Observe the following:
•
The device should be installed in accordance with the
applicable requirements of the NEC or CEC. Local
authorities and practices take precedent when there is
conflict between the local standard and the NEC or CEC.
•
The device must be installed by qualified service personnel.
•
Indoor units must be installed with cables that are suitably
rated and listed for indoor use.
•
See the detailed specifications in the HA-030W-B CPE unit
data sheet for the temperature ranges for these devices.

48
3FE-47429-AAAA-TCZZA
Issue: 01
Install an HA-030W-B CPE
7368 ISAM CPE HA-030W-B Product Guide
6.6 Procedure
Use this procedure to install an HA-030W-B CPE.
1
Place the unit on a flat surface, such as a desk or shelf.
Note — The HA-030W-B CPE cannot be stacked with another CPE or
with other equipment. The installation requirements are:
•
allow a minimum 100 mm clearance above the top cover
•
allow a minimum 50 mm clearance from the side vents
•
do not place any heat source directly above the top cover or below the
bottom cover
2
Review the connection locations as shown in Figures 13.
Figure 13 HA-030W-B CPE connections
3
Connect the Ethernet cables to the RJ-45 ports; see Figure 13 for the location of the RJ-45
ports.
4
Connect the WAN cable to the RJ-45 WAN port; see Figure 13 for the location of the RJ-45
WAN port.
5
Connect the power cable to the power connector.
Note — Observe the following:
•
Units must be powered by a Listed or CE approved and marked

Issue: 01
3FE-47429-AAAA-TCZZA
49
7368 ISAM CPE HA-030W-B Product Guide
Install an HA-030W-B CPE
limited power source power supply with a minimum output rate of
12 V dc, 2 A.
6
Power up the unit by using the On/Off power switch.
7
Verify the LEDs and voltage status; see the 7368 Hardware and Cabling Installation Guide.
8
Activate and test the services; see the 7368 Hardware and Cabling Installation Guide.
9
If necessary, reset the HA-030W-B CPE.
Note — Resetting the device will return all settings to factory default
values; any configuration customization will be lost.
i
Locate the Reset button as shown in Figure 13.
ii
Insert the end of a straightened paper clip or other narrow object into the hole in the
Reset button to reset the device.
10
STOP. This procedure is complete.

50
3FE-47429-AAAA-TCZZA
Issue: 01
Replace an HA-030W-B CPE
7368 ISAM CPE HA-030W-B Product Guide
7 Replace an HA-030W-B CPE
7.1
Purpose
7.2
General
7.3
Prerequisites
7.4
Recommended tools
7.5
Safety information
7.6
Procedure
7.1 Purpose
This chapter provides the steps to replace an HA-030W-B CPE.
7.2 General
The steps listed in this chapter describe mounting and cabling for an HA-030W-B
CPE.
7.3 Prerequisites
You need the following items before beginning the installation:
•
all required cables
7.4 Recommended tools
You need the following tools for replacing the HA-030W-B CPE:
•
#2 Phillips screwdriver
•
1/4 in. (6 mm) flat blade screwdriver
•
wire strippers
•
RJ-45 cable plug crimp tool
•
voltmeter or multimeter
•
drill and drill bits

Issue: 01
3FE-47429-AAAA-TCZZA
51
7368 ISAM CPE HA-030W-B Product Guide
Replace an HA-030W-B CPE
7.5 Safety information
Read the following safety information before replacing the unit.
Danger 1 — Hazardous electrical voltages and currents can
cause serious physical harm or death. Always use insulated
tools and follow proper safety precautions when connecting or
disconnecting power circuits.
Danger 2 — Make sure all sources of power are turned off and
have no live voltages present on feed lines or terminals. Use a
voltmeter to measure for voltage before proceeding.
Danger 3 — Always contact the local utility company before
connecting the enclosure to the utilities.
Caution — Keep indoor devices out of direct sunlight.
Prolonged exposure to direct sunlight can damage the unit.
Note 1 — Observe the local and national laws and regulations
that may be applicable to this installation.
Note 2 — Observe the following:
•
The device should be installed in accordance with the
applicable requirements of the NEC or CEC. Local
authorities and practices take precedent when there is
conflict between the local standard and the NEC or CEC.
•
The device must be installed by qualified service personnel.
•
Indoor units must be installed with cables that are suitably
rated and listed for indoor use.
•
See the detailed specifications in the HA-030W-B CPE unit
data sheet for the temperature ranges for these devices.
7.6 Procedure
Use this procedure to replace an HA-030W-BCPE.
1
Deactivate the services at the P-OLT.
i
Use the RTRV-CPE command to verify the status and the associated services. Record
the serial number of the HA-030W-B CPE displayed in the command output.
Example:

52
3FE-47429-AAAA-TCZZA
Issue: 01
Replace an HA-030W-B CPE
7368 ISAM CPE HA-030W-B Product Guide
RTRV-CPE::CPE-1-1-1-1-1;
ii
If the unit is in service, place the HA-030W-B CPE in OOS state.
Example:
ED-CPE::CPE-1-1-1-1-1;
2
Power down the unit by using the on/off power switch. See Figure 14 for the connections on
the HA-030W-B CPE.
Figure 14 HA-030W-B CPE connections
3
Disconnect the WAN, Ethernet, and power cables from the HA-030W-B CPE; see Figure 14
for the connector locations on the HA-030W-B CPE.
4
Replace the HA-030W-B CPE with the new CPE. The device can be placed on any flat
surface, such as a desk or shelf.
5
Connect the Ethernet cables directly to the RJ-45 ports; see Figure 14 for the location of the
RJ-45 ports.
6
Connect the WAN cable directly to the RJ-45 port; see Figure 14 for the location of the RJ-45
WAN port.
7
Connect the power cable to the power connector.
Note — Observe the following:
•
Units must be powered by a Listed or CE approved and marked
limited power source with a minimum output rate of 12 V dc, 2 A.
8
Power up the unit by using the On/Off power button.
9
Verify the LEDs and voltage status; see the 7368 Hardware and Cabling Installation Guide.
10
Activate and test the services; see the 7368 Hardware and Cabling Installation Guide.

Issue: 01
3FE-47429-AAAA-TCZZA
53
7368 ISAM CPE HA-030W-B Product Guide
Replace an HA-030W-B CPE
11
If necessary, reset the HA-030W-B CPE.
Note — Resetting the device will return all settings to factory default
values; any configuration customization will be lost.
i
Locate the Reset button on an HA-030W-B CPE as shown in Figure 14.
ii
Insert the end of a straightened paper clip or other narrow object into the hole in the
Reset button to reset the device.
12
STOP. This procedure is complete.

54
3FE-47429-AAAA-TCZZA
Issue: 01
Configure an HA-030W-B CPE
7368 ISAM CPE HA-030W-B Product Guide
8 Configure an HA-030W-B CPE
8.1
General
8.2
GUI configuration
8.3
IOT application software package download
8.1 General
Please refer to the configuration information provided with your OLT for the software
configuration procedure for an HA-030W-B CPE.
For HTTP configuration procedures, please refer to the 7368 ISAM ONT
Configuration, Management, and Troubleshooting Guide.
8.2 GUI configuration
Use the procedures below to use the web-based GUI for the HA-030W-BCPE.
HA-030W-B is the premium Ethernet gateway and AP/range extender to connect
devices in the home to the Internet. The GUI provides a variety of features for the
home network including routing and firewall capability. By using the GUI, users
can connect all smart equipment in their home, including personal computers, set-
top boxes, mobile phones, and other consumer electronics devices, to the Internet.
8.2.1
Login
Use the procedure below to login to the web-based GUI for the HA-030W-BCPE.
Procedure 6 Login to web-based GUI
1
Open a web browser and enter the IP address of the HA-030W-B CPE in the address bar.
The login window appears.
The default gateway IP address is http://192.168.18.1. You can connect to this IP address
using your web browser after connecting your PC to one of Ethernet ports of the HA-030W-B
CPE. The static IP address of your PC must be in the same 192.168.18.x subnet as the
HA-030W-B CPE.

Issue: 01
3FE-47429-AAAA-TCZZA
55
7368 ISAM CPE HA-030W-B Product Guide
Configure an HA-030W-B CPE
2
Enter your username and password in the Log in window, as shown in Figure 15.
The default user name is admin. The default password is a random number, which is included
in the CPE kit.
Figure 15 Web login window
Caution — If you forget the current username and password, press the
reset button for 5 s and the default values for the username and password
will be recovered at startup.
Note —Pressing the Reset button for less than 10 seconds reboots the
CPE; pressing the Reset button for 10 seconds resets the CPE to the
factory defaults.
3
Click Login. The Device Information screen appears.
Note — To help protect the security of your Internet connection, the
application displays a pop-up reminder to change both the Wi-Fi
password and the HA-030W-B CPE password.
To increase password security, use a minimum of 10 characters,
consisting of a mix of numbers and upper and lower case letters.
4
STOP. This procedure is complete.

56
3FE-47429-AAAA-TCZZA
Issue: 01
Configure an HA-030W-B CPE
7368 ISAM CPE HA-030W-B Product Guide
8.2.2
Device and connection status
The HA-030W-B CPE supports the retrieval of a variety of device and connection
information, including:
•
device information
•
LAN status
•
WAN status
•
WAN status IPv6
•
home networking information
•
statistics
Procedure 7 Device information retrieval
1
Select Status > Device Information from the top-level menu in the Ethernet Gateway window,
as shown in Figure 16.
Figure 16 Device Information window
Table 11 describes the fields in the Device Information window.
Table 11 Device Information parameters
Field
Description
Device Name
Name on the HA-030W-B
(1 of 2)

Issue: 01
3FE-47429-AAAA-TCZZA
57
7368 ISAM CPE HA-030W-B Product Guide
Configure an HA-030W-B CPE
Field
Description
Vendor
Name of the vendor
Serial Number
Serial number of the HA-030W-B
Hardware version
Hardware version of the HA-030W-B
Boot version
Boot version of the HA-030W-B
Software version
Software version of the HA-030W-B
Chipset
Chipset of the HA-030W-B
Device Running Time
Amount of time the device has run since last reset in hours, minutes,
and seconds
(2 of 2)
2
Click Refresh to update the displayed information.
3
STOP. This procedure is complete.

58
3FE-47429-AAAA-TCZZA
Issue: 01
Configure an HA-030W-B CPE
7368 ISAM CPE HA-030W-B Product Guide
Procedure 8 LAN status retrieval
1
Select Status > LAN Status from the top-level menu in the Ethernet Gateway window, as
shown in Figure 17.
Figure 17 LAN status window
Table 12 describes the fields in the LAN status window.
Table 12 LAN status parameters
Field
Description
Wireless Information
Wireless Status
Indicates whether the wireless is on or off
Wireless Channel
Wireless channel number
(1 of 2)

Issue: 01
3FE-47429-AAAA-TCZZA
59
7368 ISAM CPE HA-030W-B Product Guide
Configure an HA-030W-B CPE
Field
Description
SSID Name
Name of each SSID
Wireless Encryption Status
Encryption type used on the wireless connection
Wireless Rx Packets
Number of packets received on the wireless connection
Wireless Tx Packets
Number of packets transmitted on the wireless connection
Wireless Rx Bytes
Number of bytes received on the wireless connection
Wireless Tx Bytes
Number of bytes transmitted on the wireless connection
Power Transmission (mW)
Power of the wireless transmission, in mW
Ethernet Information
Ethernet Status
Indicates whether the Ethernet connection is on or off
Ethernet IP Address
IP address of the Ethernet connection
Ethernet Subnet Mask
Subnet Mask of the Ethernet connection
Ethernet MAC Address
MAC address of the Ethernet connection
Ethernet Rx Packets
Number of packets received on the Ethernet connection
Ethernet Tx Packets
Number of packets transmitted on the Ethernet connection
Ethernet Rx Bytes
Number of bytes received on the Ethernet connection
Ethernet Tx Bytes
Number of bytes transmitted on the Ethernet connection
(2 of 2)
2
Click Refresh to update the displayed information.
3
STOP. This procedure is complete.

60
3FE-47429-AAAA-TCZZA
Issue: 01
Configure an HA-030W-B CPE
7368 ISAM CPE HA-030W-B Product Guide
Procedure 9 WAN status retrieval
1
Select Status > WAN Status from the top-level menu in the Ethernet Gateway window, as
shown in Figure 18.
Figure 18 WAN Status window
Table 13 describes the fields in the WAN Status window.
Table 13 WAN Status parameters
Field
Description
WAN connection list
Drop-down menu listing all WAN connections. The connection shown is the
connection for which WAN status will be shown.
Connection Mode
Connection mode of the WAN connection
Enable/Disable
Select this checkbox to enable the WAN connection
VLAN
VLAN ID
(1 of 2)

Issue: 01
3FE-47429-AAAA-TCZZA
61
7368 ISAM CPE HA-030W-B Product Guide
Configure an HA-030W-B CPE
Field
Description
WAN Link Status
Whether the WAN link is up or down
IPv4 Address
IPv4 address
Netmask
Netmask
Gateway
IPv4 gateway address
Primary DNS
Primary Domain Name Server
Second DNS
Secondary Domain Name Server
Ethernet Link Status
Whether the PON link is up or down
Tx Packets
Number of packets transmitted on the WAN connection
Rx Packets
Number of packets received on the WAN connection
Tx Dropped
Number of packets dropped on the transmit WAN connection
Rx Dropped
Number of packets dropped on the receive WAN connection
Err Packets
Number of errored packets on the WAN connection
(2 of 2)
2
Click Refresh to update the displayed information.
3
STOP. This procedure is complete.

62
3FE-47429-AAAA-TCZZA
Issue: 01
Configure an HA-030W-B CPE
7368 ISAM CPE HA-030W-B Product Guide
Procedure 10 WAN status IPv6 retrieval
1
Select Status > WAN Status IPv6 from the top-level menu in the Ethernet Gateway window,
as shown in Figure 19.
Figure 19 WAN Status IPv6 window
Table 14 describes the fields in the WAN status IPv6 window.
Table 14 WAN status IPv6 parameters
Field
Description
WAN connection list
Drop-down menu listing all WAN connections. The connection selected is the
connection for which WAN status will be shown.
Enable/Disable
Select this check box to enable the WAN connection
VLAN
VLAN ID
WAN Link Status
Whether the WAN link is up or down
IPv6 Address
IPv6 address that identifies the device and its location
IPv6 Prefix
IPv6 prefix
IPv6 Gateway
IPv6 gateway address
(1 of 2)

Issue: 01
3FE-47429-AAAA-TCZZA
63
7368 ISAM CPE HA-030W-B Product Guide
Configure an HA-030W-B CPE
Field
Description
Primary DNS
Primary Domain Name Server address
Second DNS
Secondary Domain Name Server address
Ethernet Link Status
Whether the link is up or down
Tx Packets
Number of packets transmitted on the WAN connection
Rx Packets
Number of packets received on the WAN connection
Tx Dropped
Number of packets dropped on the transmit WAN connection
Rx Dropped
Number of packets dropped on the receive WAN connection
Err Packets
Number of errored packets on the WAN connection
(2 of 2)
2
Click Refresh to update the displayed information.
3
STOP. This procedure is complete.

64
3FE-47429-AAAA-TCZZA
Issue: 01
Configure an HA-030W-B CPE
7368 ISAM CPE HA-030W-B Product Guide
Procedure 11 Home networking information retrieval
1
Select Status > Home Networking from the top-level menu in the Ethernet Gateway window,
as shown in Figure 20.
Figure 20 Home Networking information window
Table 15 describes the fields in the Home Networking window.
Table 15 Home Networking parameters
Field
Description
Local Interface
Ethernet
Table displays the number of Ethernet connections and their settings
Wireless
Table displays the number of wireless connections and their settings
Wireless Settings
Network Name
Name of the wireless network access point
(1 of 2)

Issue: 01
3FE-47429-AAAA-TCZZA
65
7368 ISAM CPE HA-030W-B Product Guide
Configure an HA-030W-B CPE
Field
Description
Access Point
Hexadecimal address of the wireless access point
Local Devices
Table entry
Each entry indicates the status (active or inactive), connection type, device name, IP
address, hardware address, and IP address allocation of each connected local device.
(2 of 2)
2
Click Delete to delete a particular local device connection.
3
Click Refresh to update the displayed information.
4
STOP. This procedure is complete.
Procedure 12 Statistics retrieval
1
Select Status > Statistics from the top-level menu in the Ethernet Gateway window.
Statistics are available for LAN ports and WAN ports.
Figure 21 shows the statistics for the LAN ports.
Figure 21 LAN ports statistics window

66
3FE-47429-AAAA-TCZZA
Issue: 01
Configure an HA-030W-B CPE
7368 ISAM CPE HA-030W-B Product Guide
2
Click Refresh to update the displayed information.
3
STOP. This procedure is complete.
8.2.3
Network configuration
HA-030W-B CPE also supports network configuration, including:
•
LAN
•
LAN IPv6
•
WAN
•
WAN DHCP
•
Wireless 2.4G
•
Wireless 5G
•
wireless schedule
•
routing
•
DNS
•
TR-069
•
QoS Configuration

Issue: 01
3FE-47429-AAAA-TCZZA
67
7368 ISAM CPE HA-030W-B Product Guide
Configure an HA-030W-B CPE
Procedure 13 LAN configuration
1
Select Network > LAN from the top-level menu in the Ethernet Gateway window, as shown
in Figure 22.
Figure 22 LAN settings window
Table 16 describes the fields in the LAN window.
Table 16 LAN parameters
Field
Description
IPv4 Address
IP Address of the CPE
Subnet Mask
Subnet mask of the CPE
DHCP enable
Select this check box to enable DHCP
DHCP Start IP Address
Starting DHCP IP address
DHCP End IP Address
Ending DHCP IP address
DHCP Lease Time
DHCP lease time (in min)
(1 of 2)

68
3FE-47429-AAAA-TCZZA
Issue: 01
Configure an HA-030W-B CPE
7368 ISAM CPE HA-030W-B Product Guide
Field
Description
Primary DNS
Primary domain name server address
Secondary DNS
Secondary domain name server address
Static DHCP MAC Address
Hexadecimal MAC address to associate to the LAN
Static DHCP IP Address
IP address to associate to the bound MAC address
(2 of 2)
2
Configure the LAN.
3
Click Save.
4
Bind a MAC address to the LAN by entering the MAC and IP addresses in the Static DHCP
Entry fields and then clicking Add. Repeat for all MAC addresses to be bound.
5
STOP. This procedure is complete.

Issue: 01
3FE-47429-AAAA-TCZZA
69
7368 ISAM CPE HA-030W-B Product Guide
Configure an HA-030W-B CPE
Procedure 14 LAN IPv6 networking configuration
1
Select Network > LAN_IPv6 from the top-level menu in the Ethernet Gateway window, as
shown in Figure 23.
Figure 23 LAN IPv6 network window
Table 17 describes the fields in the LAN IPv6 network window.
Table 17 LAN IPv6 network parameters
Field
Description
DNS Server
Choose a DNS server from the drop-down menu.
Prefix Config
Choose a prefix config option from the drop-down menu, either WANConnection
(prefix will be obtained from the WAN) or Static (enables you to enter the prefix).
Prefix
This field appears if you selected the “Static” option for the “prefix config” field.
Type a connection.
Interface
This field appears if you selected the Wan Connection option for the “prefix
config” field. Choose a WAN connection interface from the drop-down menu.
DHCP Start IP Address
Enter the starting DHCP IP address.
(1 of 2)

70
3FE-47429-AAAA-TCZZA
Issue: 01
Configure an HA-030W-B CPE
7368 ISAM CPE HA-030W-B Product Guide
Field
Description
DHCP End IP Address
Enter the ending DHCP IP address.
Whether the address info
through DCHP
Select this check box to enable address information retrieval through DHCP.
Whether other info obtained
through DHCP
Select this check box to enable retrieval of other information through DHCP.
Maximum interval for
periodic RA messages
Enter the maximum interval (in seconds) for periodic Router Advertisement
messages. The interval range is from 4 to 1800.
Minimum interval for periodic
RA messages
Enter the minimum interval (in seconds) for periodic Router Advertisement
messages. The interval range is from 4 to 1800.
(2 of 2)
2
Choose a DNS server, Prefix Config, and Interface.
3
Enter the DHCP configuration information.
4
Enter the maximum and minimum intervals for RA messages.
5
Click Save/Apply.
6
STOP. This procedure is complete.

Issue: 01
3FE-47429-AAAA-TCZZA
71
7368 ISAM CPE HA-030W-B Product Guide
Configure an HA-030W-B CPE
Procedure 15 WAN networking configuration
1
Select Network > WAN from the top-level menu in the Ethernet Gateway window, as shown
in Figure 24.
Figure 24 WAN window
Table 18 describes the fields in the WAN window.
Table 18 WAN parameters
Field
Description
WAN Connection List
Choose a WAN connection from the drop-down menu to set the connection
parameters
Connection Type
Select a connection type: IPoE or PPPoE
IP Mode
Choose an IP mode from the drop-down menu: IPv4 or IPv6
Enable/Disable
Select this checkbox to enable the WAN connection
NAT
Select this checkbox to enable NAT
Service
Select the checkboxes to enable service types for this connection
Enable VLAN
Select this checkbox to enable VLAN
VLAN ID
Enter the VLAN ID
VLAN PRI
Enter the VLAN PRI
(1 of 2)

72
3FE-47429-AAAA-TCZZA
Issue: 01
Configure an HA-030W-B CPE
7368 ISAM CPE HA-030W-B Product Guide
Field
Description
WAN IP Mode
Choose an IP mode from the drop-down menu
Manual DNS
Enter a DNS
(2 of 2)
2
Configure a specific WAN connection.
3
Click Save.
4
STOP. This procedure is complete.
Procedure 16 WAN DHCP configuration
1
Select Network > WAN DHCP from the top-level menu in the Ethernet Gateway window, as
shown in Figure 25.
Figure 25 WAN DHCP window
Table 19 describes the fields in the WAN DHCP window.

Issue: 01
3FE-47429-AAAA-TCZZA
73
7368 ISAM CPE HA-030W-B Product Guide
Configure an HA-030W-B CPE
Table 19 WAN DHCP parameters
Field
Description
WAN Connection List
Choose a WAN connection from the drop-down menu
DHCP Option 50 persistent
Select this checkbox to enable DHCP Option 50
Enable DHCP Option 60
Select this checkbox to enable DHCP Option 60 (vendor class identifier)
Enable DHCP Option 61
Select this checkbox to enable DHCP Option 61 (client identifier)
2
Configure a WAN DHCP option.
3
Click Save.
4
STOP. This procedure is complete.

74
3FE-47429-AAAA-TCZZA
Issue: 01
Configure an HA-030W-B CPE
7368 ISAM CPE HA-030W-B Product Guide
Procedure 17 Wireless 2.4G networking configuration
1
Select Network > Wireless 2.4GHz from the top-level menu in the Ethernet Gateway window,
as shown in Figure 26.
Figure 26 Wireless 2.4GHz network window
Table 20 describes the fields in the Wireless 2.4GHz network window.
Table 20 Wireless 2.4GHz network parameters
Field
Description
Enable
Select this check box to enable WiFi
(1 of 2)

Issue: 01
3FE-47429-AAAA-TCZZA
75
7368 ISAM CPE HA-030W-B Product Guide
Configure an HA-030W-B CPE
Field
Description
Mode
Choose a WiFi mode from the drop-down menu:
•
auto (b/g/n)
•
b
•
g
•
n
•
b/g
Bandwidth
Choose 20 MHz or 40 MHz from the drop-down menu.
Channel
Choose a channel from the drop-down menu or choose Auto to have the channel
automatically assigned
Transmitting Power
Choose the percentage transmitting power from the drop-down menu
WMM
Select this check box to enable or disable wireless multi media
Total MAX Users
Enter the total number of MAX users
SSID Select
Choose the SSID from the drop-down menu
SSID Name
Enter the SSID name
Enable SSID
Enable or disable SSID from this drop-down menu
SSID Broadcast
Enable or disable SSID broadcast from this drop-down menu
MAX Users
Enter the number of MAX users
Encryption Mode
Choose an encryption mode from the drop-down menu:
•
OPEN
•
WEP
•
WPA/WPA2 Personal
•
WPA/WPA2 Enterprise
WPA Version
Choose a WPA version from the drop-down menu:
•
WPA1
•
WPA2
•
WPA1/WPA2
WPA Encryption
Mode
Choose a WPA encryption mode from the drop-down menu:
•
TKIP
•
AES
•
TKIP/AES
WPA Key
Enter the WPA key
Enable WPS
Enable or disable WPS from this drop-down menu
WPS Mode
Select a WPS mode from the drop-down menu: PBC (Push Button Connect) or PIN
(Personal Identification Number)
(2 of 2)
2
Configure the WiFi connection.
3
If you have enabled and configured WPS, click WPS connect.

76
3FE-47429-AAAA-TCZZA
Issue: 01
Configure an HA-030W-B CPE
7368 ISAM CPE HA-030W-B Product Guide
4
Click Save.
5
STOP. This procedure is complete.
Procedure 18 Wireless 5G networking configuration
1
Select Network > Wireless 5GHz from the top-level menu in the Ethernet Gateway window,
as shown in Figure 27.
Figure 27 Wireless 5GHz network window
Table 21 describes the fields in the Wireless 5GHz network window.

Issue: 01
3FE-47429-AAAA-TCZZA
77
7368 ISAM CPE HA-030W-B Product Guide
Configure an HA-030W-B CPE
Table 21 Wireless 5GHz network parameters
Field
Description
Enable
Select this check box to enable WiFi
Bandwidth
Choose from:
•
20 MHz
•
40 MHz
•
80 MHz
Channel
Choose a channel from the drop-down menu or choose Auto to have the channel
automatically assigned
Transmitting Power
Choose a percentage for the transmitting power from the drop-down menu:
•
Low (20%)
•
Medium (40%)
•
High (60%)
•
Maximum (100%)
WMM
Select this check box to enable or disable wireless multi media
Enable MU-MIMO
Choose Enable or disable MU-MIMO from this drop-down menu
The default is Enable, which enables users and wireless terminals to communicate with
each other.
MU-MIMO may decrease Wi-Fi performance for clients who do not support it, in which
case Nokia recommends that you choose Disable.
Total MAX Users
Enter the total number of MAX users
DFS re-entry
Select this check box to enable or disable DFS re-entry
SSID Select
Choose the SSID from the drop-down menu
SSID Name
Change the name of the selected SSID
Enable SSID
Choose Enable or disable SSID from this drop-down menu
SSID Broadcast
Choose Enable or disable SSID broadcast from this drop-down menu
MAX Users
Enter the number of MAX users
Encryption Mode
Choose an encryption mode from the drop-down menu:
•
OPEN
•
WEP
•
WPA/WPA2 Personal
•
WPA/WPA2 Enterprise (1)(2)
WPA Key
Enter the WPA key
Enable WPS
Choose Enable or disable WPS from this drop-down menu
Notes
(1) When Encryption Mode is set to “WPA/WPA2 Enterprise”, the following options are no longer available: WPA
version, WPA encryption mode, WPA key, Enable WPS, WPS mode.
(2) When Encryption Mode is set to “WPA/WPA2 Enterprise”, the following options become available: Primary
RADIUS server, port and password; Secondary RADIUS server, port, and password; RADIUS accounting port.
2
Configure the Wireless connection.

78
3FE-47429-AAAA-TCZZA
Issue: 01
Configure an HA-030W-B CPE
7368 ISAM CPE HA-030W-B Product Guide
3
If you have enabled and configured WPS, click WPS connect.
4
Click Save.
5
STOP. This procedure is complete.
Procedure 19 Wireless scheduling
1
Select Network > Wireless Schedule from the top-level menu in the Ethernet Gateway
window, as shown in Figure 28.
Figure 28 Wireless Schedule window
2
Select the Schedule Function check box to turn the wireless signal off for the configured
period.
3
Click the plus sign (+) to add a scheduling rule.
A separate panel appears for configuring wireless schedule rules.
4
Enter a start time and end time for the period in which you want the wireless signal off.

Issue: 01
3FE-47429-AAAA-TCZZA
79
7368 ISAM CPE HA-030W-B Product Guide
Configure an HA-030W-B CPE
5
Choose Everyday or Individual Days from the drop-down menu.
6
If you chose Individual Days, select the check boxes for the desired days.
The Recurrence Pattern shows the rules created to date.
7
If desired, click the plus sign (+) to add more rules.
8
Click Save Changes.
9
STOP. This procedure is complete.
Procedure 20 DNS configuration
1
Select Network > DNS from the top-level menu in the Ethernet Gateway window, as shown
in Figure 29.
Figure 29 DNS network window

80
3FE-47429-AAAA-TCZZA
Issue: 01
Configure an HA-030W-B CPE
7368 ISAM CPE HA-030W-B Product Guide
Table 22 describes the fields in the DNS network window.
Table 22 DNS network parameters
Field
Description
DNS Proxy
Select this check box to enable DNS proxy
Domain Name
Domain name
IPv4 Address
Domain IP address
Origin Domain
Origin domain name
New Domain
New domain name
2
Enter the domain name and IP address and click Add.
3
If required, associate an origin domain with a new domain, click Add.
4
STOP. This procedure is complete.

Issue: 01
3FE-47429-AAAA-TCZZA
81
7368 ISAM CPE HA-030W-B Product Guide
Configure an HA-030W-B CPE
Procedure 21 TR-069 configuration
1
Select Network > TR-069 from the top-level menu in the Ethernet Gateway window, as
shown in Figure 30.
Figure 30 TR-069 network window
Table 23 describes the fields in the TR-069 network window.
Table 23 TR-069 network parameters
Field
Description
Periodic Inform Enable
Select this check box to enable periodic inform updates
Periodic Inform Interval(s)
Time between periodic inform updates, in seconds
URL
URL of the auto-configuration server
Username
Username used to log in to the CPE
Password
Password used to log in to the CPE
Connect Request Username
Username used to log in to the auto-configuration server
Connect Request Password
Password used to log in to the auto-configuration server
2
Configure TR-069 by entering the required information.

82
3FE-47429-AAAA-TCZZA
Issue: 01
Configure an HA-030W-B CPE
7368 ISAM CPE HA-030W-B Product Guide
3
Click Save.
4
STOP. This procedure is complete.
Procedure 22 QoS configuration
1
Select Network > QoS Config from the top-level menu in the Ethernet Gateway window.
Figure 31 shows the window for configuring QoS L2 (Layer 2 packet sizes).
Figure 31 QoS Config window (L2)
Figure 32 shows the window for configuring QoS L3 (Layer 3 packet sizes).

84
3FE-47429-AAAA-TCZZA
Issue: 01
Configure an HA-030W-B CPE
7368 ISAM CPE HA-030W-B Product Guide
Table 24 QoS Config parameters
Field
Description
Type
Choose a QoS service layer type from the drop-down menu, either L2 or L3.
Source MAC
Enter the source MAC.
Select the Exclude check box to exclude the source MAC
Interface
Choose an interface from the drop-down menu
DSCP Remark
Enter the value for the DSCP mark (range: 0-63); valid only for L3 Criteria
802.1p Mark
Enter the value for the 802.1p (range: 0-7)
Forwarding Policy
Enter the number for the forwarding policy (range: 1-7)
Additional fields for L3
Protocol
Choose a protocol from the drop-down menu, or select the Exclude check box
Application
Choose an application from the drop-down menu
Source IP and
Source IP Mask
Enter the values for the source IP and IP mask, or select the Exclude check box
Destination IP and
Destination IP Mask
Enter the values for the destination IP and IP mask, or select the Exclude check box
Source Port and
Source Port Max
Enter the values for the source port and port max (highest port number) or select the
Exclude check box
Destination Port and
Destination Port Max
Enter the values for the destination port and port max (highest port number), or select
the Exclude check box
2
Choose a QoS type from the drop-down menu: L2 or L3.
3
Configure a QoS policy.
4
Click Add to add a QoS policy.
5
STOP. This procedure is complete.
8.2.4
Security configuration
HA-030W-B CPE also supports security configuration, including:
•
firewall
•
MAC filter

Issue: 01
3FE-47429-AAAA-TCZZA
85
7368 ISAM CPE HA-030W-B Product Guide
Configure an HA-030W-B CPE
•
IP filter
•
URL filter
•
parental control
•
DMZ and ALG
•
access control
Procedure 23 Firewall configuration
1
Select Security > Firewall from the top-level menu in the Ethernet Gateway window, as
shown in Figure 33.
Figure 33 Firewall window
Firewall security applies only to services provided by the HA-030W-B CPE. Internet access
from the LAN side is not affected by this firewall.
Three security levels are available: Off, Low, and High.
At the Off level, no firewall security is in effect,
At the Low level, pre-routing is supported: port forwarding, DMZ, host application, and host
drop. Also supported are application services: DDNS, DHCP, DNS, H248, IGMP, NTP client,
SSH, Telnet, TFTP, TR-069, and VoIP. The following types of ICMP messages are permitted:
echo request and reply, destination unreachable, and TTL exceeded. Other types of ICMP
messages are blocked. DNS proxy is supported from LAN to WAN but not from WAN to LAN.

86
3FE-47429-AAAA-TCZZA
Issue: 01
Configure an HA-030W-B CPE
7368 ISAM CPE HA-030W-B Product Guide
At the High level, pre-routing and application services are not supported. UDP Port 8000 can
be used to access the services, for example FTP can use 8021 and Telnet can use 8023.
Regular UDP cannot be used. RG access is permitted via the LAN side but not via the WAN
side.
Table 25 describes the fields in the firewall window.
Table 25 Firewall parameters
Field
Description
Security level
Choose the security level from the drop-down menu: Off, Low, or High
Attack Protect
(Protection against
DoS or DDoS attacks)
Choose enable or disable attack protect from the drop-down menu
The default is disable
2
Configure the firewall.
3
Click Save.
4
STOP. This procedure is complete.

Issue: 01
3FE-47429-AAAA-TCZZA
87
7368 ISAM CPE HA-030W-B Product Guide
Configure an HA-030W-B CPE
Procedure 24 MAC filter configuration
1
Select Security > MAC Filter from the top-level menu in the Ethernet Gateway window, as
shown in Figure 34.
Figure 34 MAC filter window
Table 26 describes the fields in the MAC filter window.
Table 26 MAC filter parameters
Field
Description
Ethernet Interface MAC filter
MAC Filter Mode
Choose the MAC filter mode from this drop-down menu: Blocked or Allowed
LAN Port
Select the check boxes for the LAN ports
MAC Address
Choose a MAC address from the drop-down menu or enter the address in the text field
WiFi SSID (WLAN) MAC filter
MAC Filter Mode
Choose the MAC filter mode from this drop-down menu: Blocked or Allowed
SSID Select
Choose an SSID option from the drop-down menu
Enable
Select this check box to enable MAC filtering for WiFi SSID
MAC Address
Choose a MAC address from the drop-down menu or enter the address in the text field

88
3FE-47429-AAAA-TCZZA
Issue: 01
Configure an HA-030W-B CPE
7368 ISAM CPE HA-030W-B Product Guide
2
Configure a MAC filter for the Ethernet interface.
3
Click Save.
4
If desired, select a MAC address and click the Delete column to delete a MAC address.
5
Click Refresh to update the information.
6
Configure a MAC filter for WiFi SSID (WLAN MAC filter).
7
Click Save.
8
STOP. This procedure is complete.
Procedure 25 IP filter configuration
1
Select Security > IP filter from the top-level menu in the Ethernet Gateway window, as shown
in Figure 35.
Figure 35 IP filter window
Table 27 describes the fields in the IP filter window.

Issue: 01
3FE-47429-AAAA-TCZZA
89
7368 ISAM CPE HA-030W-B Product Guide
Configure an HA-030W-B CPE
Table 27 IP filter parameters
Field
Description
Enable IP Filter
Select this check box to enable an IP filter
Mode
Choose an IP filter mode from the drop-down menu:
•
Drop for upstream
•
Drop for downstream
Internal Client
Choose an internal client from the drop-down menu:
•
Customer setting - uses the IP address input below
•
IP - uses the connecting devices' IP to the CPE
Local IP Address
Local IP address
Source Subnet Mask
Source subnet mask
Remote IP Address
Remote IP address
Destination Subnet Mask
Destination subnet mask
Protocol
Choose an application protocol or all from the drop-down menu
2
Configure the IP filter.
3
Click Add.
4
STOP. This procedure is complete.

90
3FE-47429-AAAA-TCZZA
Issue: 01
Configure an HA-030W-B CPE
7368 ISAM CPE HA-030W-B Product Guide
Procedure 26 URL filter configuration
1
Select Security > URL Filter from the top-level menu in the Ethernet Gateway window, as
shown in Figure 36.
Figure 36 URL Filter window
Table 28 describes the fields in the URL Filter window.
Table 28 URL Filter parameters
Field
Description
Enable URL filter
Select the check box to enable the URL filter
URL filter type
Select the radio button for Exclude URL or Include URL
URL Address
Enter the URL address
Port
Enter the port number; the default is 80
2
Configure the URL Filter.
3
Click Add Filter.
4
STOP. This procedure is complete.

Issue: 01
3FE-47429-AAAA-TCZZA
91
7368 ISAM CPE HA-030W-B Product Guide
Configure an HA-030W-B CPE
Procedure 27 Parental control
1
Select Security > Parent Control from the top-level menu in the Ethernet Gateway window,
as shown in Figure 37.
Figure 37 Parental Control window
Table 29 describes the fields in the Parental Control window.
Table 29 Parental control parameters
Field
Description
Policy Name
Enter a name for the parental control policy or choose a policy from the list
Device
The device for which the rule will apply
IP
Enter the IPv4 address for the device or choose an IPv4 address from the list
Days of the week
Choose Every Day, or Individual Days and select the check boxes for the days of the week
for which the policy applies
From/To
Enter the times for the policy to be in effect
2
Select the Access Control check box.
3
Click the plus sign (+) to add a policy.
A separate panel appears for configuring the policy name, IP address of the device, and
dates and times for the policy.

92
3FE-47429-AAAA-TCZZA
Issue: 01
Configure an HA-030W-B CPE
7368 ISAM CPE HA-030W-B Product Guide
4
Configure the parental control policy.
5
Click Enable to activate the policy.
6
STOP. This procedure is complete.
Procedure 28 DMZ and ALG configuration
1
Select Security > DMZ and ALG from the top-level menu in the Ethernet Gateway window,
as shown in Figure 38.
Figure 38 DMZ and ALG window
Table 30 describes the fields in the DMZ and ALG window.
Table 30 DMZ and ALG parameters
Field
Description
ALG Config
Select the check boxes to enable the protocols to be supported by the ALG: FTP,
TFTP, SIP, H323, RTSP, L2TP, IPSEC, PPTP
DMZ Config
(1 of 2)

Issue: 01
3FE-47429-AAAA-TCZZA
93
7368 ISAM CPE HA-030W-B Product Guide
Configure an HA-030W-B CPE
Field
Description
WAN Connection List
Choose a WAN connection from the drop-down menu
Enable DMZ
Select this check box to enable DMZ on the chosen WAN connection
DMZ IP Address
Choose Customer Setting and enter the DMZ IP address or choose the IP address
of a connected device from the drop-down menu
(2 of 2)
2
Configure ALG.
3
Click Save ALG.
4
Configure DMZ.
5
Click Save DMZ.
6
STOP. This procedure is complete.

94
3FE-47429-AAAA-TCZZA
Issue: 01
Configure an HA-030W-B CPE
7368 ISAM CPE HA-030W-B Product Guide
Procedure 29 Access control configuration
This procedure describes how to configure the access control level (ACL).
Note 1 — ACL takes precedence over the firewall policy.
Note 2 — The trusted network object will be shared for all WAN
connections; it is not applied individually to a WAN connection.
1
Select Security > Access Control from the top-level menu in the Ethernet Gateway window,
as shown in Figure 39.
Figure 39 Access Control window
Table 31 describes the fields in the Access Control window.
Table 31 Access control parameters
Field
Description
WAN
Choose a connection from the drop-down menu
Trusted Network Enable
Click to enable or disable
(1 of 2)

Issue: 01
3FE-47429-AAAA-TCZZA
95
7368 ISAM CPE HA-030W-B Product Guide
Configure an HA-030W-B CPE
Field
Description
ICMP, Telnet, SSH, HTTP, TR-069,
HTTPS
Select an access control level for each protocol:
WAN side: Allow, Deny, or Trusted Network Only
LAN side: Allow or Deny
Source IP Start
Enter a start IP address for the new subnet trusted network
Source IP End
Enter an end IP address for the new subnet trusted network
(2 of 2)
2
Select a WAN connection from the drop-down menu.
3
Click to enable or disable Trusted Network.
4
Select an access control level for each of the six protocols: ICMP, Telnet, SSH, HTTP,
TR-069, and HTTPS for both the WAN and the LAN side.
5
Click Save.
6
Optionally, add one or more subnet trusted networks.
The maximum number of entries is 32.
You can also use the Source IP fields to delete a previously created entry for a subnet trusted
network.
7
STOP. This procedure is complete.
8.2.5
Application configuration
The HA-030W-B CPE also supports application configuration, including:
•
port forwarding
•
port triggering
•
DDNS
•
NTP
•
UPnP and DLNA

96
3FE-47429-AAAA-TCZZA
Issue: 01
Configure an HA-030W-B CPE
7368 ISAM CPE HA-030W-B Product Guide
Procedure 30 Port forwarding configuration
1
Select Application > Port forwarding from the top-level menu in the Ethernet Gateway
window, as shown in Figure 40.
Figure 40 Port forwarding window
Table 32 describes the fields in the port forwarding window.
Table 32 Port forwarding parameters
Field
Description
Application Name
Choose an application name from the drop-down menu
WAN Port
WAN port range
LAN Port
LAN port range
Internal Client
Choose a connected device from the drop-down menu and enter the associated
IP address
Protocol
Choose the port forwarding protocol from the drop-down menu:
•
TCP
•
UDP
•
TCP/UDP
Enable Mapping
Select this check box to enable mapping
WAN Connection List
Choose a WAN connection from the drop-down menu
Note: only active devices are shown on this menu

7368 ISAM CPE HA-030W-B Product Guide
Configure an HA-030W-B CPE
Issue: 01
3FE-47429-AAAA-TCZZA
97
2
Configure port forwarding.
3
Click Add.
4
STOP. This procedure is complete.
Procedure 31 Port triggering
1
Select Application > Port Triggering from the top-level menu in the Ethernet Gateway
window, as shown in Figure 41.
Figure 41 Port Triggering window
Table 32 describes the fields in the Port Triggering window.
Table 33 Port triggering parameters
Field
Description
Application Name
Choose an application name from the drop-down menu
Open Port
Enter the open port range
(1 of 2)

Configure an HA-030W-B CPE
7368 ISAM CPE HA-030W-B Product Guide
98
3FE-47429-AAAA-TCZZA
Issue: 01
Field
Description
Triggering Port
Enter the triggering port range
Expire Time
Enter the expiration time in seconds
Open Protocol
Choose the open port protocol from the drop-down menu:
•
TCP
•
UDP
•
TCP/UDP
Trigger Protocol
Choose the triggering port protocol from the drop-down menu:
•
TCP
•
UDP
•
TCP/UDP
Enable Triggering
Select this check box to enable port triggering
WAN Connection List
Choose a WAN connection from the drop-down menu
Note: only active devices are shown on this menu
(2 of 2)
2
Configure port triggering.
3
Click Add.
4
STOP. This procedure is complete.

7368 ISAM CPE HA-030W-B Product Guide
Configure an HA-030W-B CPE
Issue: 01
3FE-47429-AAAA-TCZZA
99
Procedure 32 DDNS configuration
1
Select Application > DDNS from the top-level menu in the Ethernet Gateway window, as
shown in Figure 42.
Figure 42 DDNS window
Table 34 describes the fields in the DDNS window.
Table 34 DDNS parameters
Field
Description
WAN Connection List
Choose a WAN connection from the drop-down menu
Enable DDNS
Select this check box to enable DDNS on the chosen WAN connection
ISP
Choose an ISP from the drop-down menu.
Domain Name
Enter the domain name for the DDNS server
Username
Enter the DDNS username
Password
Enter the DDNS password
2
Configure DDNS.

Configure an HA-030W-B CPE
7368 ISAM CPE HA-030W-B Product Guide
100
3FE-47429-AAAA-TCZZA
Issue: 01
3
Click Save.
4
STOP. This procedure is complete.
Procedure 33 NTP configuration
1
Select Application > NTP from the top-level menu in the Ethernet Gateway window, as shown
in Figure 43.
Figure 43 NTP window
2
Select the Enable NTP Service check box.
3
Click Save.
4
STOP. This procedure is complete.

7368 ISAM CPE HA-030W-B Product Guide
Configure an HA-030W-B CPE
Issue: 01
3FE-47429-AAAA-TCZZA
101
Procedure 34 UPnP and DLNA configuration
1
Select Application > UPnP and DLNA from the top-level menu in the Ethernet Gateway
window, as shown in Figure 44.
Figure 44 UPnP and DLNA window
2
Select the Enable UPnP check box to enable UPnP.
3
Click Save/Apply.
4
STOP. This procedure is complete.
8.2.6
Maintenance
The HA-030W-B CPE supports maintenance tasks, including:
•
password change
•
device management
•
backup and restore
•
firmware upgrade
•
device reboot

Configure an HA-030W-B CPE
7368 ISAM CPE HA-030W-B Product Guide
102
3FE-47429-AAAA-TCZZA
Issue: 01
•
restore factory defaults
•
diagnostics
•
log
Procedure 35 Password configuration
A password must adhere to the following password rules:
•
the password may consist of uppercase letters, lowercase letters, digital numbers, and
the following special characters ! # + , - / @ _ : = ]
•
the password length must be from 8 to 24 characters
•
the first character must be a digital number or a letter
•
the password must contain at least two types of characters: numbers, letters, or special
characters
•
the same character must not appear more than 8 times in a row
When the password meets the password rules, the application displays the message “Your
password has been changed successfully”.
When the password does not meet the password rules, the application displays a message to
indicate which password rule has not been followed, for example:
•
the password is too short
•
the password is too long

7368 ISAM CPE HA-030W-B Product Guide
Configure an HA-030W-B CPE
Issue: 01
3FE-47429-AAAA-TCZZA
103
•
the first character cannot be a special character
•
there are not enough character classes
1
Select Maintenance > Password from the top-level menu in the GPON Home Gateway
window, as shown in Figure 45.
Figure 45 Password window
Table 35 describes the fields in the password window.
Table 35 Password parameters
Field
Description
New Password
New password (must adhere to the password rules described above)
Re-enter Password
Must match the new password entered above exactly
Prompt Message
Password prompt message
2
Configure the new password.

Configure an HA-030W-B CPE
7368 ISAM CPE HA-030W-B Product Guide
104
3FE-47429-AAAA-TCZZA
Issue: 01
3
Click Save.
4
STOP. This procedure is complete.
Procedure 36 Device management
1
Select Maintenance > Device Management from the top-level menu in the Ethernet Gateway
window, as shown in Figure 46.
Figure 46 Device Management window
Table 36 describes the fields in the Device Management window.
Table 36 Device Management parameters
Field
Description
Host Name
Choose a host from the drop-down menu
Host Alias
Enter an alias for the chosen host
2
Configure an alias for a specific host.

7368 ISAM CPE HA-030W-B Product Guide
Configure an HA-030W-B CPE
Issue: 01
3FE-47429-AAAA-TCZZA
105
3
Click Add.
4
STOP. This procedure is complete.
Procedure 37 Backup and Restore
1
Select Maintenance > Backup and Restore from the top-level menu in the Ethernet Gateway
window, as shown in Figure 47.
Figure 47 Backup and Restore window
2
Click Select File and choose the backup file.
3
Click Import Config File to restore the HA-030W-B CPE to the saved backup or click Export
Config File to export the current configuration to the backup file.
4
STOP. This procedure is complete.

Configure an HA-030W-B CPE
7368 ISAM CPE HA-030W-B Product Guide
106
3FE-47429-AAAA-TCZZA
Issue: 01
Procedure 38 Upgrade firmware
1
Select Maintenance > Firmware Upgrade from the top-level menu in the Ethernet Gateway
window, as shown in Figure 48.
Figure 48 Firmware Upgrade window
2
Click Select File and choose the new firmware file.
3
Click Upgrade to upgrade the firmware.
4
STOP. This procedure is complete.

7368 ISAM CPE HA-030W-B Product Guide
Configure an HA-030W-B CPE
Issue: 01
3FE-47429-AAAA-TCZZA
107
Procedure 39 Reboot
1
Select Maintenance > Reboot Device from the top-level menu in the Ethernet Gateway
window, as shown in Figure 49.
Figure 49 Reboot Device window
2
Click Reboot to reboot the HA-030W-B CPE.
3
STOP. This procedure is complete.

Configure an HA-030W-B CPE
7368 ISAM CPE HA-030W-B Product Guide
108
3FE-47429-AAAA-TCZZA
Issue: 01
Procedure 40 Restore factory defaults
1
Select Maintenance > Factory Default from the top-level menu in the Ethernet Gateway
window, as shown in Figure 50.
Figure 50 Factory Default window
Note — A factory reset also removes the IoT software image that was
installed separately; see “IOT application software package download”.
2
Click Factory Default to reset the HA-030W-B CPE to its factory default settings.
3
STOP. This procedure is complete.

7368 ISAM CPE HA-030W-B Product Guide
Configure an HA-030W-B CPE
Issue: 01
3FE-47429-AAAA-TCZZA
109
Procedure 41 Diagnose connections
1
Select Maintenance > Diagnostics from the top-level menu in the Ethernet Gateway window,
as shown in Figure 51.
Figure 51 Diagnostics window
2
Choose a WAN connection to diagnose from the drop-down menu.
3
Enter the IP address or domain name.
4
Select the test type: ping, traceroute, or both.
5
Enter the number of ping attempts to perform (1 to 1000); the default is 4.
6
Enter a ping packet length (64 to 1500); the default is 64.
7
Enter the maximum number of trace hops (1 to 255); the default is 30.

Configure an HA-030W-B CPE
7368 ISAM CPE HA-030W-B Product Guide
110
3FE-47429-AAAA-TCZZA
Issue: 01
8
Click Start Test. Results will be displayed at the bottom of the window.
9
Click Cancel to cancel the test.
10
STOP. This procedure is complete.
Procedure 42 View log files
1
Select Maintenance > Log from the top-level menu in the Ethernet Gateway window, as
shown in Figure 52.
Figure 52 Log window

7368 ISAM CPE HA-030W-B Product Guide
Configure an HA-030W-B CPE
111
2
Choose a write level from the drop-down menu to determine which types of events are
recorded in the log file:
•
Emergency
•
Alert
•
Critical
•
Error
•
Warning
•
Notice
•
Informational
•
Debug
3
Choose a reading level from the drop-down menu to determine which types of events to
display from the log file:
•
Emergency
•
Alert
•
Critical
•
Error
•
Warning
•
Notice
•
Informational
•
Debug
4
The log file is displayed at the bottom of the window.
5
STOP. This procedure is complete.
8.2.7
RG troubleshooting counters
The Troubleshooting Counters feature enables service providers and end users to
monitor the performance of their broadband connection.
Tests are run to retrieve upstream and downstream throughput, latency, and DNS
response time. The Troubleshooting Counters window also displays upstream and
downstream packet loss and Internet status.
Procedure 43 Retrieve Residential Gateway (RG) troubleshooting counters
1
Select RG Troubleshooting Counters from the left menu in the Ethernet Gateway window.
The RG Troubleshooting Counters window appears; see Figure 53.

Configure an HA-030W-B CPE
7368 ISAM CPE HA-030W-B Product Guide
112
3FE-47429-AAAA-TCZZA
Issue: 01
Figure 53 RG Troubleshooting Counters window
Table 37 describes the fields in the RG Troubleshooting Counters window.
Table 37 RG Troubleshooting Counters parameters
Field
Description
WAN Connection List
Select a WAN connection from the list
US Throughput
This test is used to determine the upstream throughput/speed
Click US Speed Test to specify the time for the upstream test
The default is weekly, performed at idle to a public server
DS Throughput
This test is used to determine the downstream throughput/speed
Click DS Speed Test to specify the time for the downstream test
The default is weekly, performed at idle to a public server
US Packet Loss
The number of upstream packages lost
(1 of 2)

7368 ISAM CPE HA-030W-B Product Guide
Configure an HA-030W-B CPE
113
Field
Description
DS Packet Loss
The number of downstream packages lost
Internet Status
Whether the broadband connections is active (UP) or not (DOWN)
Latency
This test is used to determine the lowest round-trip time in milliseconds by pinging
the target server multiple times
Click Latency Test to specify the time for the test
The default is weekly, performed at idle to a public server
DNS Response Time
This test is used to determine the lowest round-trip time in milliseconds by sending
a request to the target DNS server
Click DNS Response Test to specify the time for the test
The default is weekly, performed at idle to a public server
Port Mirror
Select Source Port, Destination Port, Direction (Up or Down) and Status (Enable or
Disable)
(2 of 2)
2
Configure the test times if desired.
3
Click Refresh to update the data.
4
STOP. This procedure is complete.
7368 ISAM CPE HA-030W-B Product Guide
Configure an HA-030W-B CPE
FCC Regulations:
This device complies with part 15 of the FCC Rules. Operation is subject to the following two conditions: (1) This device
may not cause harmful interference, and (2) this device must accept any interference received, including interference that
may cause undesired operation.
This equipment has been tested and found to comply with the limits for a Class B digital device, pursuant to part 15 of the
FCC Rules. These limits are designed to provide reasonable protection against harmful interference in a residential
installation. This equipment generates, uses and can radiate radio frequency energy and, if not installed and used in
accordance with the instructions, may cause harmful interference to radio communications. However, there is no
guarantee that interference will not occur in a particular installation. If this equipment does cause harmful interference to
radio or television reception, which can be determined by turning the equipment off and on, the user is encouraged to try
to correct the interference by one or more of the following measures:
—Reorient or relocate the receiving antenna.
—Increase the separation between the equipment and receiver.
—Connect the equipment into an outlet on a circuit different from that to which the receiver is connected.
—Consult the dealer or an experienced radio/ TV technician for help.
Changes or modifications not expressly approved by the manufacturer could void the user’s authority to operate the
equipment.
This device is restricted to indoor use.
FCC RF Radiation Exposure Statement
This equipment complies with FCC radiation exposure limits set forth for an uncontrolled environment. To comply with FCC RF
Exposure compliance requirements, this grant is applicable to only Mobile Configurations. The antennas used for the
transmitter must be installed to provide a separation distance of at least 20cm from all persons and must not be co-located or
operating in conjunction with any other antenna or transmitter.

7368 ISAM CPE HA-030W-B Product Guide
Configure an HA-030W-B CPE
Customer document and product support
Customer documentation
Customer Documentation Welcome Page
Technical Support
Customer Documentation Technical Support
Documentation feedback
Customer Documentation Feedback
Copyright 2018 Nokia.
3FE-47429-AAAA-TCZZA
