Nortel Networks 1000M Users Manual Communication Server And Meridian 1
1000M to the manual afcf9ea4-4081-4ee9-8ac5-5642a68e394a
2015-01-26
: Nortel-Networks Nortel-Networks-1000M-Users-Manual-346460 nortel-networks-1000m-users-manual-346460 nortel-networks pdf
Open the PDF directly: View PDF
.
Page Count: 458 [warning: Documents this large are best viewed by clicking the View PDF Link!]
- Title page
- Contents
- New in this release
- List of Procedures
- How to get help
- Finding the latest updates on the Nortel web site
- System information
- Introduction
- Preparing for installation
- Placing the fourth module on a column
- Positioning and leveling equipment
- Installing AC power
- Installing overhead cable tray kits
- Installing DC power
- Contents
- DC-powered systems
- Candeo DC power systems
- Large Candeo modules
- Small Candeo modules
- Installation reference guide
- Configuration reference guide
- Safety ground/protective earth and logic return wiring
- Cabling and connecting the grounding leads
- Connecting the power plant frame ground (or safety ground) leads
- Four-Feed PDU
- Installing the Four-Feed PDU
- Installing safety ground/protective earth wiring
- Connecting power from the power plant to the PDU
- Connecting UK power to the Four-Feed PDU
- System monitor connections
- Planning and designating a Main Distribution Frame
- Installing Power Failure Transfer Units
- Configuring the system monitor
- Connecting a system terminal or modem
- Contents
- About the system terminal
- Connecting a terminal
- Connecting a terminal to a COM port
- Connecting a switch box and terminal to COM1 and COM2 ports
- Connecting a switch box and terminal to SDI and COM1 ports
- Connecting a modem
- Configuring a modem
- Connecting a modem to an SDI port
- Connecting a modem to switch box, COM2 ports, SDI ports
- Cabling Common Equipment in a Single Group system
- Contents
- Cabling guidelines
- Core/Net module
- Cabling the Core side
- Cabling the I/O panel
- Cabling the Network side
- Configuring and cabling the Clock Controllers
- Network Group 0: Shelf 0 to Shelf 1
- Connecting the 3PE faceplates in the Core/Net modules
- Inspecting CNI to 3PE factory installed cables
- Connecting the Core/Net backplanes
- Optioning the System Utility Card
- Connecting Core modules to a LAN
- Cabling Common Equipment in a Multi Group system
- Contents
- Cabling guidelines
- Core/Net module
- Cabling the Core/Net module backplane
- Disconnecting cables from the Core/Net module backplane
- Optioning the System Utility Card
- Core shelf cabling
- Installing the CP PIV to I/O panel cables
- Connecting the Core module to a LAN
- Cabling a Dual Ring Fiber Network
- FIJI card cabling
- Installing the Shelf 0 fiber optic ring (ascending)
- Installing the Shelf 1 fiber optic ring (descending)
- FIJI to FIJI cabling
- Connecting the Clock Controller cables
- Cabling network modules and loops
- Contents
- Network-to-network cabling
- Network module connections
- Network Group 0: Shelf 0 to Shelf 1
- Connecting the 3PE faceplates in the Core/Net modules
- Connecting the Core/Net backplanes
- Connecting Groups 1 through 7: Shelf 0 to Shelf 1
- Connecting the Network modules to the Core/Net modules
- Connecting the 3PE cables to the 3PE fanout panels
- Cabling a Superloop Network Card - single column
- Cabling a Superloop Network Card - multiple columns
- Cabling lines and trunks
- Powering up the system and initial loading
- Performing acceptance tests
- Installing earthquake bracing
- Adding a module to a column
- Installing a Signaling Server
- Contents
- Introduction
- Readiness checklist
- Installing the CP PM Signaling Server hardware
- Connections
- Installing the Signaling Server software
- First boot of a new Nortel CP PM Signaling Server
- Unpacking Help files for Virtual Terminal Emulator
- Logging in to the Signaling Server
- Verifying a successful configuration
- Testing the Leader Signaling Server
- Index

Nortel Communication Server 1000
Nortel Communication Server 1000 Release 5.5
Communication Server 1000M and
Meridian 1
Large System Installation and Commissioning
Document Number: NN43021-310
Document Release: Standard 02.01
Date: December 2007
Year Publish FCC TM
Copyright © 2007, Nortel Networks. All rights reserved.
Sourced in Canada
LEGAL NOTICE While the information in this document is believed to be accurate and reliable, except as
otherwise expressly agreed to in writing. NORTEL PROVIDES THIS DOCUMENT "AS IS" WITHOUT
WARRANTY OR CONDITION OF ANY KIND, EITHER EXPRESS OR IMPLIED. The information and/or
products described in this document are subject to change without notice.
Nortel, Nortel (Logo), the Globemark, SL-1, Meridian 1, and Succession are trademarks of Nortel Networks. All
other trademarks are the property of their respective owners.
Title page

Page 3 of 456
Communication Server 1000M and Meridian 1 Large System Installation and Commissioning
10
Contents
Contents . . . . . . . . . . . . . . . . . . . . . . . . . . . . . . . . . . 3
New in this release . . . . . . . . . . . . . . . . . . . . . . . . . 11
Features . . . . . . . . . . . . . . . . . . . . . . . . . . . . . . . . . . . . . . . . . . . . . . . . . 11
Other . . . . . . . . . . . . . . . . . . . . . . . . . . . . . . . . . . . . . . . . . . . . . . . . . . . 11
List of Procedures . . . . . . . . . . . . . . . . . . . . . . . . . . 13
How to get help . . . . . . . . . . . . . . . . . . . . . . . . . . . . 19
Getting help from the Nortel Web site . . . . . . . . . . . . . . . . . . . . . . . . . 19
Getting help over the telephone from a Nortel Solutions Center . . . . . 19
Getting help from a specialist by using an Express Routing Code . . . . 20
Getting help through a Nortel distributor or reseller .. . . . . . . . . . . . . . 20
Finding the latest updates
on the Nortel web site . . . . . . . . . . . . . . . . . . . . . . . 21
System information . . . . . . . . . . . . . . . . . . . . . . . . . 23
Subject .. . . . . . . . . . . . . . . . . . . . . . . . . . . . . . . . . . . . . . . . . . . . . . . . . 23
Applicable systems . . . . . . . . . . . . . . . . . . . . . . . . . . . . . . . . . . . . . . . . 24
Intended audience . . . . . . . . . . . . . . . . . . . . . . . . . . . . . . . . . . . . . . . . . 25
Conventions .. . . . . . . . . . . . . . . . . . . . . . . . . . . . . . . . . . . . . . . . . . . . . 26
NTP feedback . . . . . . . . . . . . . . . . . . . . . . . . . . . . . . . . . . . . . . . . . . . . 26
Related information .. . . . . . . . . . . . . . . . . . . . . . . . . . . . . . . . . . . . . . . 27

Page 4 of 456 Contents
NN43021-310 Standard 02.01 December 2007
Introduction . . . . . . . . . . . . . . . . . . . . . . . . . . . . . . . 31
Contents . . . . . . . . . . . . . . . . . . . . . . . . . . . . . . . . . . . . . . . . . . . . . . . . 31
Overview .. . . . . . . . . . . . . . . . . . . . . . . . . . . . . . . . . . . . . . . . . . . . . . . 31
Summary of procedures . . . . . . . . . . . . . . . . . . . . . . . . . . . . . . . . . . . . 33
Preparing for installation . . . . . . . . . . . . . . . . . . . . 37
Contents . . . . . . . . . . . . . . . . . . . . . . . . . . . . . . . . . . . . . . . . . . . . . . . . 37
Requirements . . . . . . . . . . . . . . . . . . . . . . . . . . . . . . . . . . . . . . . . . . . . 37
System equipment – UEMs . . . . . . . . . . . . . . . . . . . . . . . . . . . . . . . . . 38
System options . . . . . . . . . . . . . . . . . . . . . . . . . . . . . . . . . . . . . . . . . . . 45
Cable routing guidelines . . . . . . . . . . . . . . . . . . . . . . . . . . . . . . . . . . . . 54
Equipment handling precautions . . . . . . . . . . . . . . . . . . . . . . . . . . . . . 58
Preparing the equipment for installation .. . . . . . . . . . . . . . . . . . . . . . . 62
Placing the fourth module on a column . . . . . . . . 65
Contents . . . . . . . . . . . . . . . . . . . . . . . . . . . . . . . . . . . . . . . . . . . . . . . . 65
Overview .. . . . . . . . . . . . . . . . . . . . . . . . . . . . . . . . . . . . . . . . . . . . . . . 65
Placing the fourth module on a column . . . . . . . . . . . . . . . . . . . . . . . . 65
Positioning and leveling equipment . . . . . . . . . . . 71
Contents . . . . . . . . . . . . . . . . . . . . . . . . . . . . . . . . . . . . . . . . . . . . . . . . 71
Positioning and leveling the equipment . . . . . . . . . . . . . . . . . . . . . . . . 71
Installing AC power . . . . . . . . . . . . . . . . . . . . . . . . 77
Contents . . . . . . . . . . . . . . . . . . . . . . . . . . . . . . . . . . . . . . . . . . . . . . . . 77
AC-powered systems . . . . . . . . . . . . . . . . . . . . . . . . . . . . . . . . . . . . . . 77
Safety ground/protective earth and logic return wiring . . . . . . . . . . . . 78
Installing safety ground/protective earth and logic return wiring .. . . . 82
Installing UPS ground cabling . . . . . . . . . . . . . . . . . . . . . . . . . . . . . . . 85
Installing overhead cable tray kits . . . . . . . . . . . . 89
Contents . . . . . . . . . . . . . . . . . . . . . . . . . . . . . . . . . . . . . . . . . . . . . . . . 89

Contents Page 5 of 456
Communication Server 1000M and Meridian 1 Large System Installation and Commissioning
Installing overhead cable tray kits .. . . . . . . . . . . . . . . . . . . . . . . . . . . . 89
Installing DC power . . . . . . . . . . . . . . . . . . . . . . . . . 93
Contents .. . . . . . . . . . . . . . . . . . . . . . . . . . . . . . . . . . . . . . . . . . . . . . . . 93
DC-powered systems .. . . . . . . . . . . . . . . . . . . . . . . . . . . . . . . . . . . . . . 93
Candeo DC power systems . . . . . . . . . . . . . . . . . . . . . . . . . . . . . . . . . . 94
Planning and designating a
Main Distribution Frame . . . . . . . . . . . . . . . . . . . . . 133
Contents .. . . . . . . . . . . . . . . . . . . . . . . . . . . . . . . . . . . . . . . . . . . . . . . . 133
About terminations . . . . . . . . . . . . . . . . . . . . . . . . . . . . . . . . . . . . . . . . 133
Installation and designation .. . . . . . . . . . . . . . . . . . . . . . . . . . . . . . . . . 133
Terminal block requirements . . . . . . . . . . . . . . . . . . . . . . . . . . . . . . . . 134
Installing the BIX cross-connect terminal .. . . . . . . . . . . . . . . . . . . . . . 134
Installing the Krone cross-connect system (UK) . . . . . . . . . . . . . . . . . 138
Installing Power Failure Transfer Units . . . . . . . . . 145
Contents .. . . . . . . . . . . . . . . . . . . . . . . . . . . . . . . . . . . . . . . . . . . . . . . . 145
PFTU configurations . . . . . . . . . . . . . . . . . . . . . . . . . . . . . . . . . . . . . . . 145
Installing a PFTU . . . . . . . . . . . . . . . . . . . . . . . . . . . . . . . . . . . . . . . . . 148
Connecting trunks and telephones .. . . . . . . . . . . . . . . . . . . . . . . . . . . . 149
Installing QUA6 PFTUs . . . . . . . . . . . . . . . . . . . . . . . . . . . . . . . . . . . . 150
Configuring the system monitor . . . . . . . . . . . . . . 151
Contents .. . . . . . . . . . . . . . . . . . . . . . . . . . . . . . . . . . . . . . . . . . . . . . . . 151
System monitor cabling .. . . . . . . . . . . . . . . . . . . . . . . . . . . . . . . . . . . . 151
Configuring the System Monitor .. . . . . . . . . . . . . . . . . . . . . . . . . . . . . 153
Cabling the System Monitor . . . . . . . . . . . . . . . . . . . . . . . . . . . . . . . . . 157
Alarm interfacing to Candeo .. . . . . . . . . . . . . . . . . . . . . . . . . . . . . . . . 165
Configuring the alarm ports . . . . . . . . . . . . . . . . . . . . . . . . . . . . . . . . . 168
Customizing alarms .. . . . . . . . . . . . . . . . . . . . . . . . . . . . . . . . . . . . . . . 169

Page 6 of 456 Contents
NN43021-310 Standard 02.01 December 2007
Connecting a system terminal or modem . . . . . . 171
Contents . . . . . . . . . . . . . . . . . . . . . . . . . . . . . . . . . . . . . . . . . . . . . . . . 171
About the system terminal . . . . . . . . . . . . . . . . . . . . . . . . . . . . . . . . . . 171
Connecting a terminal .. . . . . . . . . . . . . . . . . . . . . . . . . . . . . . . . . . . . . 173
Connecting a terminal to a COM port . . . . . . . . . . . . . . . . . . . . . . . . . 174
Connecting a switch box and terminal to
COM1 and COM2 ports . . . . . . . . . . . . . . . . . . . . . . . . . . . . . . . . . . . . 175
Connecting a switch box and terminal to
SDI and COM1 ports . . . . . . . . . . . . . . . . . . . . . . . . . . . . . . . . . . . . . . 177
Connecting a modem . . . . . . . . . . . . . . . . . . . . . . . . . . . . . . . . . . . . . . 178
Configuring a modem . . . . . . . . . . . . . . . . . . . . . . . . . . . . . . . . . . . . . . 180
Connecting a modem to an SDI port . . . . . . . . . . . . . . . . . . . . . . . . . . 181
Connecting a modem to switch box, COM2 ports, SDI ports . . . . . . . 183
Cabling Common Equipment in a
Single Group system . . . . . . . . . . . . . . . . . . . . . . . 187
Contents . . . . . . . . . . . . . . . . . . . . . . . . . . . . . . . . . . . . . . . . . . . . . . . . 187
Cabling guidelines . . . . . . . . . . . . . . . . . . . . . . . . . . . . . . . . . . . . . . . . 187
Core/Net module .. . . . . . . . . . . . . . . . . . . . . . . . . . . . . . . . . . . . . . . . . 189
Cabling the Core side . . . . . . . . . . . . . . . . . . . . . . . . . . . . . . . . . . . . . . 193
Cabling the I/O panel . . . . . . . . . . . . . . . . . . . . . . . . . . . . . . . . . . . . . . 195
Cabling the Network side . . . . . . . . . . . . . . . . . . . . . . . . . . . . . . . . . . . 197
Configuring and cabling the Clock Controllers . . . . . . . . . . . . . . . . . . 198
Network Group 0: Shelf 0 to Shelf 1 . . . . . . . . . . . . . . . . . . . . . . . . . . 199
Connecting the 3PE faceplates in the Core/Net modules . . . . . . . . . . . 199
Inspecting CNI to 3PE factory installed cables . . . . . . . . . . . . . . . . . . 200
Connecting the Core/Net backplanes . . . . . . . . . . . . . . . . . . . . . . . . . . 202
Optioning the System Utility Card . . . . . . . . . . . . . . . . . . . . . . . . . . . . 203
Connecting Core modules to a LAN .. . . . . . . . . . . . . . . . . . . . . . . . . . 204

Contents Page 7 of 456
Communication Server 1000M and Meridian 1 Large System Installation and Commissioning
Cabling Common Equipment in a
Multi Group system . . . . . . . . . . . . . . . . . . . . . . . . . 207
Contents .. . . . . . . . . . . . . . . . . . . . . . . . . . . . . . . . . . . . . . . . . . . . . . . . 207
Cabling guidelines .. . . . . . . . . . . . . . . . . . . . . . . . . . . . . . . . . . . . . . . . 207
Core/Net module . . . . . . . . . . . . . . . . . . . . . . . . . . . . . . . . . . . . . . . . . . 209
Cabling the Core/Net module backplane . . . . . . . . . . . . . . . . . . . . . . . 212
Disconnecting cables from the Core/Net module backplane . . . . . . . . 213
Optioning the System Utility Card . . . . . . . . . . . . . . . . . . . . . . . . . . . . 215
Core shelf cabling . . . . . . . . . . . . . . . . . . . . . . . . . . . . . . . . . . . . . . . . . 216
Installing the CP PIV to I/O panel cables . . . . . . . . . . . . . . . . . . . . . . . 220
Connecting the Core module to a LAN .. . . . . . . . . . . . . . . . . . . . . . . . 223
Cabling a Dual Ring Fiber Network . . . . . . . . . . . . . . . . . . . . . . . . . . . 224
FIJI card cabling . . . . . . . . . . . . . . . . . . . . . . . . . . . . . . . . . . . . . . . . . . 228
Installing the Shelf 0 fiber optic ring (ascending) .. . . . . . . . . . . . . . . . 231
Installing the Shelf 1 fiber optic ring (descending) .. . . . . . . . . . . . . . . 232
FIJI to FIJI cabling . . . . . . . . . . . . . . . . . . . . . . . . . . . . . . . . . . . . . . . . 234
Connecting the Clock Controller cables . . . . . . . . . . . . . . . . . . . . . . . . 235
Cabling network modules and loops . . . . . . . . . . . 239
Contents .. . . . . . . . . . . . . . . . . . . . . . . . . . . . . . . . . . . . . . . . . . . . . . . . 239
Network-to-network cabling . . . . . . . . . . . . . . . . . . . . . . . . . . . . . . . . . 239
Network module connections . . . . . . . . . . . . . . . . . . . . . . . . . . . . . . . . 240
Network Group 0: Shelf 0 to Shelf 1 .. . . . . . . . . . . . . . . . . . . . . . . . . . 240
Connecting the 3PE faceplates in the Core/Net modules . . . . . . . . . . . 240
Connecting the Core/Net backplanes . . . . . . . . . . . . . . . . . . . . . . . . . . 241
Connecting Groups 1 through 7: Shelf 0 to Shelf 1 . . . . . . . . . . . . . . . 242
Connecting the Network modules to the Core/Net modules .. . . . . . . . 245
Connecting the 3PE cables to the 3PE fanout panels . . . . . . . . . . . . . . 250
Cabling a Superloop Network Card – single column . . . . . . . . . . . . . . 252
Cabling a Superloop Network Card – multiple columns . . . . . . . . . . . 256

Page 8 of 456 Contents
NN43021-310 Standard 02.01 December 2007
Cabling lines and trunks . . . . . . . . . . . . . . . . . . . . 261
Contents . . . . . . . . . . . . . . . . . . . . . . . . . . . . . . . . . . . . . . . . . . . . . . . . 261
Overview .. . . . . . . . . . . . . . . . . . . . . . . . . . . . . . . . . . . . . . . . . . . . . . . 261
Cabling an IPE Module or Media Gateway . . . . . . . . . . . . . . . . . . . . . 263
Connecting lines and trunks . . . . . . . . . . . . . . . . . . . . . . . . . . . . . . . . . 266
Powering up the system and initial loading . . . . . 299
Contents . . . . . . . . . . . . . . . . . . . . . . . . . . . . . . . . . . . . . . . . . . . . . . . . 299
Overview .. . . . . . . . . . . . . . . . . . . . . . . . . . . . . . . . . . . . . . . . . . . . . . . 299
Installing the Security Device .. . . . . . . . . . . . . . . . . . . . . . . . . . . . . . . 299
Preparing to power up – AC . . . . . . . . . . . . . . . . . . . . . . . . . . . . . . . . . 302
Connecting the AC power source . . . . . . . . . . . . . . . . . . . . . . . . . . . . . 302
Turning AC power ON . . . . . . . . . . . . . . . . . . . . . . . . . . . . . . . . . . . . . 303
Resetting the main circuit breakers (AC power) . . . . . . . . . . . . . . . . . 304
Preparing to power up – DC . . . . . . . . . . . . . . . . . . . . . . . . . . . . . . . . . 306
Turning DC power ON . . . . . . . . . . . . . . . . . . . . . . . . . . . . . . . . . . . . . 306
Installing software .. . . . . . . . . . . . . . . . . . . . . . . . . . . . . . . . . . . . . . . . 308
Testing Core/Net 1 and Core/Net 0 . . . . . . . . . . . . . . . . . . . . . . . . . . . 330
Performing acceptance tests . . . . . . . . . . . . . . . . 335
Contents . . . . . . . . . . . . . . . . . . . . . . . . . . . . . . . . . . . . . . . . . . . . . . . . 335
Acceptance tests . . . . . . . . . . . . . . . . . . . . . . . . . . . . . . . . . . . . . . . . . . 335
Testing the module power supply . . . . . . . . . . . . . . . . . . . . . . . . . . . . . 336
Testing the blower unit and thermal sensor . . . . . . . . . . . . . . . . . . . . . 337
Testing the sysload . . . . . . . . . . . . . . . . . . . . . . . . . . . . . . . . . . . . . . . . 339
Testing the system terminal and system monitor . . . . . . . . . . . . . . . . . 340
Testing the PFTU . . . . . . . . . . . . . . . . . . . . . . . . . . . . . . . . . . . . . . . . . 341
Installing earthquake bracing . . . . . . . . . . . . . . . . 343
Contents . . . . . . . . . . . . . . . . . . . . . . . . . . . . . . . . . . . . . . . . . . . . . . . . 343
Seismic-approved applications . . . . . . . . . . . . . . . . . . . . . . . . . . . . . . . 343

Contents Page 9 of 456
Communication Server 1000M and Meridian 1 Large System Installation and Commissioning
Installing seismic bracing . . . . . . . . . . . . . . . . . . . . . . . . . . . . . . . . . . . 344
Drilling concrete floors . . . . . . . . . . . . . . . . . . . . . . . . . . . . . . . . . . . . . 347
Installing Kit A and Kit B anchor plates .. . . . . . . . . . . . . . . . . . . . . . . 349
Installing earthquake rods . . . . . . . . . . . . . . . . . . . . . . . . . . . . . . . . . . . 351
Positioning and leveling the system . . . . . . . . . . . . . . . . . . . . . . . . . . . 357
Installing non-seismic bracing . . . . . . . . . . . . . . . . . . . . . . . . . . . . . . . 358
Installing a non-seismic anchor kit . . . . . . . . . . . . . . . . . . . . . . . . . . . . 359
Adding a module to a column . . . . . . . . . . . . . . . . 363
Contents .. . . . . . . . . . . . . . . . . . . . . . . . . . . . . . . . . . . . . . . . . . . . . . . . 363
Overview . . . . . . . . . . . . . . . . . . . . . . . . . . . . . . . . . . . . . . . . . . . . . . . . 363
Adding a module to the base of a column . . . . . . . . . . . . . . . . . . . . . . . 364
Adding a module between two other modules . . . . . . . . . . . . . . . . . . . 370
Adding a module to the top of a column .. . . . . . . . . . . . . . . . . . . . . . . 374
Installing a Signaling Server . . . . . . . . . . . . . . . . . 383
Contents .. . . . . . . . . . . . . . . . . . . . . . . . . . . . . . . . . . . . . . . . . . . . . . . . 383
Introduction . . . . . . . . . . . . . . . . . . . . . . . . . . . . . . . . . . . . . . . . . . . . . . 384
Readiness checklist . . . . . . . . . . . . . . . . . . . . . . . . . . . . . . . . . . . . . . . . 385
Installing the CP PM Signaling Server hardware . . . . . . . . . . . . . . . . . 387
Connections .. . . . . . . . . . . . . . . . . . . . . . . . . . . . . . . . . . . . . . . . . . . . . 389
Installing the Signaling Server software . . . . . . . . . . . . . . . . . . . . . . . . 399
First boot of a new Nortel CP PM Signaling Server . . . . . . . . . . . . . . . 426
Unpacking Help files for Virtual Terminal Emulator . . . . . . . . . . . . . . 445
Logging in to the Signaling Server . . . . . . . . . . . . . . . . . . . . . . . . . . . . 445
Verifying a successful configuration .. . . . . . . . . . . . . . . . . . . . . . . . . . 447
Testing the Leader Signaling Server . . . . . . . . . . . . . . . . . . . . . . . . . . . 447
Index . . . . . . . . . . . . . . . . . . . . . . . . . . . . . . . . . . . . . 449

Page 10 of 456 Contents
NN43021-310 Standard 02.01 December 2007

Page 11 of 456
Communication Server 1000M and Meridian 1 Large System Installation and Commissioning
12
New in this release
Features
There are no new features in this NTP for CS 1000 Release 5.5.
Other
Revision History
December 2007
Standard 02.01. This document is up-issued for Communication Server 1000
Release 5.5.
July 2007
Standard 01.03. This document is up-issued for Communication Server 1000
Release 5.0.
July 2007
Standard 01.02. This document is up-issued for Communication Server 1000
Release 5.0.
May 2007
Standard 01.01. This document is up-issued for Communication Server 1000
Release 5.0. This document contains information previously contained in the
following legacy document, now retired: Communication Server 1000M and
Meridian 1: Large System Installation and Configuration (553-3021-210).

Page 12 of 456 New in this release
NN43021-310 Standard 02.01 December 2007
April 2006
Standard 4.00. This document is up-issued with corrections from CR
Q01311083. The corrections appear in the “Configuring the System Monitor'
section (page 153 to page 157).
August 2005
Standard 3.00. This document is up-issued to support Communication
Server 1000 Release 4.5.
September 2004
Standard 2.00. This document is up-issued to support Communication
Server 1000 Release 4.0.
October 2003
Standard 1.00. This document is a new NTP for Succession 3.0. It was created
to support a restructuring of the Documentation Library, which resulted in the
merging of multiple legacy NTPs. This new document consolidates
information previously contained in the following legacy documents, now
retired:
•Cabling Guide (553-3001-109)
•System Installation Procedures (553-3001-210)

Page 13 of 456
Communication Server 1000M and Meridian 1 Large System Installation and Commissioning
18
List of Procedures
Procedure 1
Preparing the equipment for installation . . . . . . . . . . . . . . . . . . . . . 62
Procedure 2
Placing the fourth module on a column . . . . . . . . . . . . . . . . . . . . . . 66
Procedure 3
Positioning and leveling the equipment . . . . . . . . . . . . . . . . . . . . . . 71
Procedure 4
Installing safety ground/protective earth and logic return wiring . 82
Procedure 5
Installing the UPS ground cabling . . . . . . . . . . . . . . . . . . . . . . . . . . 86
Procedure 6
Installing the overhead cable tray kits . . . . . . . . . . . . . . . . . . . . . . . 90
Procedure 7
Installing and connecting the power plant frame ground leads . . . 113
Procedure 8
Installing safety ground/protective earth wiring . . . . . . . . . . . . . . . 123
Procedure 9
Connecting power from the power plant to the PDU (NT4N49AA) . 125
Procedure 10
Connecting UK power to the Four-Feed PDU . . . . . . . . . . . . . . . . . 129
Procedure 11
Installing the BIX cross-connect terminal . . . . . . . . . . . . . . . . . . . . 135
Procedure 12
Installing the Krone Test Jack Frame (UK) . . . . . . . . . . . . . . . . . . . . 138

Page 14 of 456
NN43021-310 Standard 02.01 December 2007
Procedure 13
Installing a PFTU . . . . . . . . . . . . . . . . . . . . . . . . . . . . . . . . . . . . . . . . 148
Procedure 14
Connecting trunks and telephones . . . . . . . . . . . . . . . . . . . . . . . . . 149
Procedure 15
Configuring the System Monitor (NT8D22) . . . . . . . . . . . . . . . . . . . 153
Procedure 16
Cabling the System Monitor (NT8D22) . . . . . . . . . . . . . . . . . . . . . . . 158
Procedure 17
Configuring the alarm ports . . . . . . . . . . . . . . . . . . . . . . . . . . . . . . . 169
Procedure 18
Connecting a terminal to a COM port . . . . . . . . . . . . . . . . . . . . . . . . 174
Procedure 19
Connecting a switch box and terminal to COM1 and COM2 ports 175
Procedure 20
Connecting a switch box and terminal to the SDI and COM1 ports 177
Procedure 21
Configuring a modem . . . . . . . . . . . . . . . . . . . . . . . . . . . . . . . . . . . . 180
Procedure 22
Connecting a modem to an SDI port . . . . . . . . . . . . . . . . . . . . . . . . 181
Procedure 23
Connecting a modem to a switch box, COM2 and SDI ports . . . . . 183
Procedure 24
Installing the CP PIV to I/O panel cables . . . . . . . . . . . . . . . . . . . . . 196
Procedure 25
Connecting the Clock Controller cables . . . . . . . . . . . . . . . . . . . . . 199
Procedure 26
Connecting the 3PE faceplates in the Core/Net modules . . . . . . . . 200
Procedure 27
Inspecting NT4N29AA factory installed cables . . . . . . . . . . . . . . . . 200
Procedure 28
Connecting the Core/Net backplanes . . . . . . . . . . . . . . . . . . . . . . . . 202

Page 15 of 456
Communication Server 1000M and Meridian 1 Large System Installation and Commissioning
Procedure 29
Connecting the Core module to a LAN . . . . . . . . . . . . . . . . . . . . . . . 205
Procedure 30
Cabling the Core/Net module backplane . . . . . . . . . . . . . . . . . . . . . 213
Procedure 31
Disconnecting cable connectors from the backplane . . . . . . . . . . . 214
Procedure 32
Installing the CP PIV to I/O panel cables . . . . . . . . . . . . . . . . . . . . . 221
Procedure 33
Connecting the Core module to a LAN . . . . . . . . . . . . . . . . . . . . . . . 223
Procedure 34
Installing the Shelf 0 fiber optic ring (ascending) . . . . . . . . . . . . . . 231
Procedure 35
Installing the Shelf 1 fiber optic ring . . . . . . . . . . . . . . . . . . . . . . . . . 232
Procedure 36
Connecting the FIJI to FIJI cables . . . . . . . . . . . . . . . . . . . . . . . . . . . 234
Procedure 37
Connecting the Clock Controller cables . . . . . . . . . . . . . . . . . . . . . . 236
Procedure 38
Connecting the 3PE faceplates in the Core/Net modules . . . . . . . . 240
Procedure 39
Connecting the Core/Net backplanes . . . . . . . . . . . . . . . . . . . . . . . . 241
Procedure 40
Connecting Groups 1 through 7: Shelf 0 to Shelf 1 . . . . . . . . . . . . . 243
Procedure 41
Connecting the Network Shelf 0 3PE cards to Core/Net 0 . . . . . . . 251
Procedure 42
Connecting the Network Shelf 1 3PE cards to Core/Net 1 . . . . . . . 251
Procedure 43
Basic cabling for single-row network connections . . . . . . . . . . . . . 252
Procedure 44
Basic cabling for multiple-row network connections . . . . . . . . . . . 256

Page 16 of 456
NN43021-310 Standard 02.01 December 2007
Procedure 45
Cabling an IPE Module (NT8D37) or Media Gateway . . . . . . . . . . . 264
Procedure 46
Connecting lines and trunks . . . . . . . . . . . . . . . . . . . . . . . . . . . . . . . 266
Procedure 47
Installing the Security Device . . . . . . . . . . . . . . . . . . . . . . . . . . . . . . 300
Procedure 48
Preparing to power up – AC . . . . . . . . . . . . . . . . . . . . . . . . . . . . . . . 302
Procedure 49
Option 1: Using the installed power plug (recommended) . . . . . . . 302
Procedure 50
Option 2: Hard-wiring the power connections (optional) . . . . . . . . 303
Procedure 51
Turning AC power on . . . . . . . . . . . . . . . . . . . . . . . . . . . . . . . . . . . . . 303
Procedure 52
Resetting the main circuit breakers (AC power) . . . . . . . . . . . . . . . 304
Procedure 53
Preparing to power up – DC . . . . . . . . . . . . . . . . . . . . . . . . . . . . . . . 306
Procedure 54
Turning DC power ON . . . . . . . . . . . . . . . . . . . . . . . . . . . . . . . . . . . . 307
Procedure 55
Installing the software . . . . . . . . . . . . . . . . . . . . . . . . . . . . . . . . . . . . 309
Procedure 56
Testing Core/Net 1 . . . . . . . . . . . . . . . . . . . . . . . . . . . . . . . . . . . . . . . 330
Procedure 57
Switching call processing . . . . . . . . . . . . . . . . . . . . . . . . . . . . . . . . . 332
Procedure 58
Testing Core/Net 0 . . . . . . . . . . . . . . . . . . . . . . . . . . . . . . . . . . . . . . . 333
Procedure 59
Testing module power supply . . . . . . . . . . . . . . . . . . . . . . . . . . . . . . 336
Procedure 60
Testing blower unit and thermal sensor . . . . . . . . . . . . . . . . . . . . . 337

Page 17 of 456
Communication Server 1000M and Meridian 1 Large System Installation and Commissioning
Procedure 61
Sysload test . . . . . . . . . . . . . . . . . . . . . . . . . . . . . . . . . . . . . . . . . . . . . 339
Procedure 62
Testing system terminal and system monitor . . . . . . . . . . . . . . . . . 340
Procedure 63
Testing the PFTU and its interface . . . . . . . . . . . . . . . . . . . . . . . . . . 341
Procedure 64
Drilling concrete floors . . . . . . . . . . . . . . . . . . . . . . . . . . . . . . . . . . . 348
Procedure 65
Installing Kit A . . . . . . . . . . . . . . . . . . . . . . . . . . . . . . . . . . . . . . . . . . . 349
Procedure 66
Installing Kit B . . . . . . . . . . . . . . . . . . . . . . . . . . . . . . . . . . . . . . . . . . . 351
Procedure 67
Installing earthquake rods . . . . . . . . . . . . . . . . . . . . . . . . . . . . . . . . . 352
Procedure 68
Leveling the system . . . . . . . . . . . . . . . . . . . . . . . . . . . . . . . . . . . . . . 357
Procedure 69
Installing a Floor Mounting Kit (NT8D64BF) . . . . . . . . . . . . . . . . . . . 359
Procedure 70
Adding a module to the base of a column . . . . . . . . . . . . . . . . . . . . 365
Procedure 71
Adding a module between two other modules . . . . . . . . . . . . . . . . 370
Procedure 72
Adding a module to the top of the column . . . . . . . . . . . . . . . . . . . . 374
Procedure 73
Connecting a Nortel CP PM Signaling Server . . . . . . . . . . . . . . . . . 392
Procedure 74
Connecting a CP PM Signaling Server to the ELAN and TLAN subnets of
a CS 1000E system . . . . . . . . . . . . . . . . . . . . . . . . . . . . . . . . . . . . . . . 393
Procedure 75
Connecting a CP PM Signaling Server to the ELAN and TLAN subnets of
a CS 1000M system . . . . . . . . . . . . . . . . . . . . . . . . . . . . . . . . . . . . . . 395
Procedure 76
Connecting an IBM X306m Signaling Server . . . . . . . . . . . . . . . . . . 396

Page 18 of 456
NN43021-310 Standard 02.01 December 2007
Procedure 77
Connecting an HP DL320-G4 Signaling Server . . . . . . . . . . . . . . . . 398
Procedure 78
Installing Signaling Server software . . . . . . . . . . . . . . . . . . . . . . . . . 400
Procedure 79
Entering basic system configuration parameters . . . . . . . . . . . . . . 427
Procedure 80
Adding a Follower Signaling Server to an IP Telephony node . . . 441
Procedure 81
Logging in to the Signaling Server . . . . . . . . . . . . . . . . . . . . . . . . . . 446
Procedure 82
Verifying the Signaling Server Ethernet connection . . . . . . . . . . . . 447

Page 19 of 456
Communication Server 1000M and Meridian 1 Large System Installation and Commissioning
20
How to get help
This section explains how to get help for Nortel products and services.
Getting help from the Nortel Web site
The best way to get technical support for Nortel products is from the Nortel
Technical Support Web site:
www.nortel.com/support
This site provides quick access to software, documentation, bulletins, and
tools to address issues with Nortel products. More specifically, the site
enables you to:
• download software, documentation, and product bulletins
• search the Technical Support Web site and the Nortel Knowledge Base
for answers to technical issues
• sign up for automatic notification of new software and documentation for
Nortel equipment
• open and manage technical support cases
Getting help over the telephone from a Nortel Solutions
Center
If you don’t find the information you require on the Nortel Technical Support
Web site, and have a Nortel support contract, you can also get help over the
phone from a Nortel Solutions Center.
In North America, call 1-800-4NORTEL (1-800-466-7835).

Page 20 of 456 How to get help
NN43021-310 Standard 02.01 December 2007
Outside North America, go to the following Web site to obtain the phone
number for your region:
www.nortel.com/callus
Getting help from a specialist by using an Express Routing
Code
To access some Nortel Technical Solutions Centers, you can use an Express
Routing Code (ERC) to quickly route your call to a specialist in your Nortel
product or service. To locate the ERC for your product or service, go to:
www.nortel.com/erc
Getting help through a Nortel distributor or reseller
If you purchased a service contract for your Nortel product from a distributor
or authorized reseller, contact the technical support staff for that distributor
or reseller.

Page 21 of 456
Communication Server 1000M and Meridian 1 Large System Installation and Commissioning
22
Finding the latest updates
on the Nortel web site
The content of this documentation was current at the time the product
was released. To check for updates to the latest documentation and
software for CS 1000 Release 5.5, click one of the links below.
Latest Software Takes you directly to the Nortel
page for CS 1000 Release 5.5
software.
Latest Documentation Takes you directly to the Nortel
page for CS 1000 Release 5.5
documentation.

Page 22 of 456 Finding the latest updates on the Nortel web site
NN43021-310 Standard 02.01 December 2007

Page 23 of 456
Communication Server 1000M and Meridian 1 Large System Installation and Commissioning
30
System information
This document is a global document. Contact your system supplier or your
Nortel representative to verify that the hardware and software described are
supported in your area.
Subject
This document provides installation and acceptance testing procedures for
Meridian 1 Large Systems and Communication Server 1000M Large
Systems.
WARNING
Before a Large System can be installed, a network
assessment must be performed and the network must be
VoIP-ready.
If the minimum VoIP network requirements are not met,
the system will not operate properly.
For information on the minimum VoIP network
requirements and converging a data network with VoIP,
refer to Converging the Data Network with VoIP
(NN43001-260).

Page 24 of 456 System information
NN43021-310 Standard 02.01 December 2007
For this document, the CP PIV processor is assumed in the case of the
CS 1000M SG, Meridian 1 PBX 61C, CS 1000M MG, and Meridian 1
PBX 81C. If you are installing a system with a CP PII processor, please refer
to the CS 1000 Release 5.0 version of this document, available on the web at:
www.nortel.com/support
To access the NTP from the Technical Support page, go to the content listing
page for Communication Server 1000M:
1Select the Browse product support tab on the main page.
2Select Product Families from the drop-down menu, and then
Enterprise Communication Servers in the first window.
3Select Communication Server 1000M Cabinet/Chassis from the
second window.
4Select Documentation from the third window and click the Go button
on the right.
5Use the filter provided under the Documentation tab to search for
Communication Server 1000M 4.0.
Note on legacy products and releases
This NTP contains information about systems, components, and features that
are compatible with Nortel Communication Server 1000 Release 5.5
software. For more information on legacy products and releases, click the
Technical Documentation link under Support & Training on the Nortel
home page:
www.nortel.com/
Applicable systems
This document applies to the following systems:
• Communication Server 1000M Half Group (CS 1000M HG)
• Communication Server 1000M Single Group (CS 1000M SG)
• Communication Server 1000M Multi Group (CS 1000M MG)

System information Page 25 of 456
Communication Server 1000M and Meridian 1 Large System Installation and Commissioning
• Meridian 1 Option 51
• Meridian 1 PBX 51C
• Meridian 1 PBX 61C
• Meridian 1 Option 71
•Meridian1 PBX81
• Meridian 1 PBX 81C
Note: When upgrading software, memory upgrades may be required on
the Signaling Server, the Call Server, or both.
System migration
When particular Meridian 1 systems are upgraded to run CS 1000
Release 5.5 software and configured to include a Signaling Server, they
become CS 1000M systems. Table 1 lists each Meridian 1 system that
supports an upgrade path to a CS 1000M system.
For more information, see Communication Server 1000M and Meridian 1
Large System Upgrade NTPs (NN43021-458 – NN43021-475).
Intended audience
This document is intended for individuals responsible for installing and
configuring Large Systems. To use this document, you should have a basic
knowledge of Large System equipment and operation. Contact Nortel for
information on installation courses. You should also read and fully
Table 1
Meridian 1 systems to CS 1000M systems
This Meridian 1 system... Maps to this CS 1000M system
Meridian 1 PBX 51C CS 1000M Half Group
Meridian 1 PBX 61C CS 1000M Single Group
Meridian 1 PBX 81 CS 1000M Multi Group
Meridian 1 PBX 81C CS 1000M Multi Group

Page 26 of 456 System information
NN43021-310 Standard 02.01 December 2007
understand the Communication Server 1000M and Meridian 1: Large System
Overview (NN43021-110) before you install a system.
Conventions
Terminology
The following systems are referred to generically as “Large System”:
• Communication Server 1000M Half Group (CS 1000M HG)
• Communication Server 1000M Single Group (CS 1000M SG)
• Communication Server 1000M Multi Group (CS 1000M MG)
• Meridian 1 Option 51
• Meridian 1 PBX 51C
• Meridian 1 PBX 61C
• Meridian 1 Option 71
•Meridian1 PBX81
• Meridian 1 PBX 81C
NTP feedback
Nortel strives to provide accurate documentation for our customers.
However, if you feel there are errors or omissions in this document, your
feedback is welcome.
Send comments via e-mail to gntsdoc@nortel.com or open a problem report
via the normal procedures.
Please provide as much information as possible including the NTP number,
standard version and date of the document, as well as the page, problem
description, and any supporting documentation and capture files.

System information Page 27 of 456
Communication Server 1000M and Meridian 1 Large System Installation and Commissioning
Related information
This section lists information sources that relate to this document.
NTPs
The following NTPs are referenced in this document:
•Circuit Card: Description and Installation (NN43001-311)
•Signaling Server: Installation and Commissioning (NN43001-312)
•System Security Management (NN43001-602)
•Software Input/Output: Administration (NN43001-611)
•Telephones and Consoles: Description, Installation, and Operation
(NN43001-567)
•Software Input/Output: System Messages (NN43001-712)
•Communication Server 1000M and Meridian 1: Large System Overview
(NN43021-110)
•Communication Server 1000M and Meridian 1: Large System Planning
and Engineering (NN43021-220)
•CS 1000M and Meridian 1 Large System Upgrades Overview
(NN43021-458)
•CS 1000M and Meridian 1 51C to CS 1000M SG CP PIV Upgrade
(NN43021-459)
•CS 1000M and Meridian 1 Option 51C to CS 1000M MG (CP PIV FNF)
Upgrade (NN43021-460)
•CS 1000M and Meridian 1 61C to CS 1000M SG CP PIV Upgrade
(NN43021-461)
•CS 1000M and Meridian 1 61C CP PII to CS 1000M SG CP PIV
Upgrade (NN43021-462)
•CS 1000M and Meridian 1 61C to CS 1000M MG CP PIV FNF Upgrade
(NN43021-463)
•CS 1000M and Meridian 1 61C CP PII to CS 1000M MG CP PII FNF
Upgrade (NN43021-464)

Page 28 of 456 System information
NN43021-310 Standard 02.01 December 2007
•CS 1000M and Meridian 1 61C CP PII to CS 1000M MG CP PIV FNF
Upgrade (NN43021-465)
•CS 1000M and Meridian 1 CS1000M SG CP PIV to CS 1000M MG CP
PIV FNF Upgrade (NN43021-466)
•CS 1000M and Meridian 1 71 to CS 1000M MG CP PIV FNF Upgrade
(NN43021-467)
•CS 1000M and Meridian 1 81 to CS 1000M MG CP PII FNF Upgrade
(NN43021-468)
•CS 1000M and Meridian 1 81C IGS to CS 1000M MG CP PII FNF
Upgrade (NN43021-469)
•CS 1000M and Meridian 1 81C FNF to CS 1000M MG CP PII FNF
Upgrade (NN43021-470)
•CS 1000M and Meridian 1 81C IGS to CS 1000M MG CP PIV FNF
Upgrade (NN43021-471)
•CS 1000M and Meridian 1 CS 1000M MG CP PII IGS to CS 1000M MG
CP PII FNF Upgrade (NN43021-472)
•CS 1000M and Meridian 1 CS 1000M MG CP PII IGS to CS 1000M MG
CP PIV FNF Upgrade (NN43021-473)
•CS 1000M and Meridian 1 CS 1000M MG CP PII FNF to CS 1000M MG
CP PIV FNF Upgrade (NN43021-474)
Other documentation
The following documentation is referenced in this document:
•Candeo Power System User Guide (P0914425)
•Candeo Power System Installation Guide (P0914426)
•Candeo SP 48300 Power System AP6C55AA User Manual (P7000154)
•Candeo SP 48300 Power System AP6C55AA Installation Manual
(P7000289)

System information Page 29 of 456
Communication Server 1000M and Meridian 1 Large System Installation and Commissioning
Online
To access Nortel documentation online, click the Technical Documentation
link under Support & Training on the Nortel home page:
www.nortel.com
CD-ROM
To obtain Nortel documentation on CD-ROM, contact your Nortel customer
representative.

Page 30 of 456 System information
NN43021-310 Standard 02.01 December 2007

Page 31 of 456
Communication Server 1000M and Meridian 1 Large System Installation and Commissioning
36
Introduction
Contents
This section contains information on the following topics:
Overview . . . . . . . . . . . . . . . . . . . . . . . . . . . . . . . . . . . . . . . . . . . . . . . . 31
Summary of procedures . . . . . . . . . . . . . . . . . . . . . . . . . . . . . . . . . . . . 33
Overview
This document describes the procedures used to install and configure a
Large System. For proper installation, perform the steps in the sequence
stated in “Summary of procedures.” The summary will refer you to other
sections within this document. After completing the steps listed in those
sections, return to the summary and continue on to the next step.
WARNING
Before a Large System can be installed, a network
assessment must be performed and the network must be
VoIP-ready.
If the minimum VoIP network requirements are not met,
the system will not operate properly.
For information on the minimum VoIP network
requirements and converging a data network with VoIP,
refer to Converging the Data Network with VoIP
(NN43001-260).

Page 32 of 456 Introduction
NN43021-310 Standard 02.01 December 2007
Whenever possible, install external power equipment before the system
installation. If reserve power equipment is used, install it according to the
manufacturer’s instructions.
To install telephones and attendant consoles, see Telephones and Consoles:
Description, Installation, and Operation (NN43001-567).
System installation must be performed by qualified personnel only.

Introduction Page 33 of 456
Communication Server 1000M and Meridian 1 Large System Installation and Commissioning
Summary of procedures
1Prepare equipment for installation; go to “Preparing the equipment for
installation” on page 62.
2Place the fourth module on a column (if required); go to “Placing the
fourth module on a column” on page 65.
3Position and level equipment; go to “Positioning and leveling
equipment” on page 71.
Note: If earthquake bracing is required, go to “Installing earthquake
bracing” on page 343. The section will provide procedures for installing
column and floor bracing and positioning and levelling equipment.
When those procedures are complete, return to Step 4 or Step 5 (as
applicable) in this summary.
4Install overhead cable tray kits (if required); go to “Installing overhead
cable tray kits” on page 89.
5Install power supplies in all modules:
aMake sure the system is disconnected from any power source.
bSet switches and breakers on all module power supplies or module
power distribution units (MPDU) to OFF.
cInsert each power supply into the appropriate card cage and hook the
locking devices.
6Install a NT4N39AA CP PIV Processor Pack and blank faceplate
(N0026096) to cover MMDU slot
7Install power equipment and ground wiring:
— For AC-powered systems, go to “Installing AC power” on page 77.
— For DC-powered systems, go to “Installing DC power” on page 93.
8Plan and designate the main distribution frame (MDF); go to “Planning
and designating a Main Distribution Frame” on page 133.
9Install Power Failure Transfer Units (PFTU) (if required); go to
“Installing Power Failure Transfer Units” on page 145.
10 Configure the system monitor; go to “Configuring the system monitor”
on page 151.

Page 34 of 456 Introduction
NN43021-310 Standard 02.01 December 2007
11 Connect a system terminal (or modem); go to “Connecting a system
terminal or modem” on page 171.
12 Install cabling:
— To cable Common Equipment, go to “Cabling Common Equipment
in a Single Group system” on page 187.
— To cable network loops, go to “Cabling network modules and loops”
on page 239.
— To cable IPE Modules to the MDF and to connect lines and trunks,
go to “Cabling lines and trunks” on page 261.
13 Power up the system and load the system software; go to “Powering up
the system and initial loading” on page 299.
Note: If you are upgrading your system, do not install new software.
Instead, return to the upgrade procedures provided in Communication
Server 1000M and Meridian 1 Large System Upgrade NTPs
(NN43021-458 – NN43021-475).
14 Perform acceptance tests; go to “Performing acceptance tests” on
page 335.
15 To test circuit cards, see “Acceptance tests” in Circuit Card: Description
and Installation (NN43001-311). To test telephones and attendant
consoles, see Telephones and Consoles: Description, Installation, and
Operation (NN43001-567).
16 Replace all covers and grills on the front and rear of the system.

Introduction Page 35 of 456
Communication Server 1000M and Meridian 1 Large System Installation and Commissioning
Table 2
List of tasks in subsections
Task Go to page
Preparing for installation 37
Placing the fourth module on a column 65
Positioning and leveling equipment 71
Installing overhead cable tray kits 89
Installing AC power 77
Installing DC power 93
Planning and designating a Main Distribution Frame 133
Installing Power Failure Transfer Units 145
Configuring the system monitor 151
Connecting a system terminal or modem 171
Cabling Common Equipment in a Single
Group system
187
Cabling Common Equipment in a Multi Group system 207
Cabling network modules and loops 239
Cabling lines and trunks 261
Powering up the system and initial loading 299
Performing acceptance tests 335
Installing earthquake bracing 343
Adding a module to a column 363

Page 36 of 456 Introduction
NN43021-310 Standard 02.01 December 2007

Page 37 of 456
Communication Server 1000M and Meridian 1 Large System Installation and Commissioning
64
Preparing for installation
Contents
This section contains information on the following topics:
Requirements. . . . . . . . . . . . . . . . . . . . . . . . . . . . . . . . . . . . . . . . . . . . . 37
System equipment – UEMs. . . . . . . . . . . . . . . . . . . . . . . . . . . . . . . . . . 38
System options . . . . . . . . . . . . . . . . . . . . . . . . . . . . . . . . . . . . . . . . . . . 45
Cable routing guidelines . . . . . . . . . . . . . . . . . . . . . . . . . . . . . . . . . . . . 54
Equipment handling precautions. . . . . . . . . . . . . . . . . . . . . . . . . . . . . . 58
Preparing the equipment for installation . . . . . . . . . . . . . . . . . . . . . . . . 62
Requirements
WARNING
Before a Large System can be installed, a network
assessment must be performed and the network must be
VoIP-ready.
If the minimum VoIP network requirements are not met,
the system will not operate properly.
For information on the minimum VoIP network
requirements and converging a data network with VoIP,
refer to Converging the Data Network with VoIP
(NN43001-260).

Page 38 of 456 Preparing for installation
NN43021-310 Standard 02.01 December 2007
Before system equipment is delivered to the installation site, you must
consider these requirements:
• Fire protection and safety requirements
• Equipment room requirements
• Grounding and power requirements
• Cable requirements
Specifications for these requirements and for developing the equipment room
floor plan are provided in Communication Server 1000M and Meridian 1:
Large System Planning and Engineering (NN43021-220).
System equipment – UEMs
Universal Equipment Modules (UEM) are the building blocks of the
communication system. UEMs are generic metal frames equipped with
covers. Each UEM is a self-contained unit with power, a card cage, I/O
panels, and cable routing channels. Each UEM houses sets of equipment used
in system operations (see Figure 1 on page 39).
UEMs are stacked in columns
UEMs are stacked in columns, up to four modules high. Within a column, the
levels are referred to as tiers. The UEMs are numbered 0 to 3 from the bottom
up (see Figure 1 on page 39). Cables connect cards in the same module,
between two modules, and between cards and the I/O panel in the same
module.
Column components
Each column contains a pedestal base, a top cap, and up to four modules.
Pedestals
Each column sits on a pedestal. The pedestal contains power, cooling, and
system monitoring equipment.
• A Power Distribution Unit (PDU) in the back of the pedestal supplies
either AC or DC power to the column.

Preparing for installation Page 39 of 456
Communication Server 1000M and Meridian 1 Large System Installation and Commissioning
• A System Monitor checks the column’s cooling and power systems.
• A blower unit (accessible from the front of the pedestal) forces air up
through the modules to cool the circuit cards.
Figure 1
Universal Equipment Modules
Top caps
A top cap is mounted on the top module of each column. It contains:
• Air exhaust grills in the cap that release air from the blowers in the
pedestal.
• A heat sensor that monitors the temperature of the column.
1-tier column
4-tier column
Pedestal
Module 0
553-AAA1241
Top Cap
Module 0
Module 2
Module 1
Module 3
NORTEL
NORTEL
NORTEL
NORTEL
NORTEL
Universal
Equipment Module
Universal
Equipment Module
Universal
Equipment Module
Universal
Equipment Module
Universal
Equipment Module
Tier 0

Page 40 of 456 Preparing for installation
NN43021-310 Standard 02.01 December 2007
• A red LED in the front of the cap’s exhaust grill that lights if the system
overheats or if a power outage occurs.
• Ladder racks for routing cables can also be fitted to the top caps.
Modules
Up to four modules can be included in a column. The modules can include:
• NT4N41 CompactPCI® (cCPI) Core/Network Module – required for all
Large Systems
• NT8D35 Network Module – required for Meridian 1 PBX 81C and
CS 1000M MG
• NT8D37 Intelligent Peripheral Equipment (IPE) Module – required for
all Large Systems
In addition, modules that house application-specific equipment can be
included in a column.
Columns are grouped in rows
A system can have one column, or multiple columns attached in rows.
Column 0 is always the column containing the “Core/Net 0” module.
Column 1 is placed to the left of Column 0 and must contain the “Core/Net 1”
module.
Column 0 and Column 1 are placed at the far left of the row (front view).
Column numbering then continues to the right of Core 0 (see Figure 2 on
page 41).
Additional rows are configured with the lowest numbered column on the far
left and the highest numbered column on the far right (front view).
For compliance with electromagnetic interference/radio frequency
interference (EMI/RFI) standards, spacer kits are provided to interconnect the
columns in a multiple-column system.

Preparing for installation Page 41 of 456
Communication Server 1000M and Meridian 1 Large System Installation and Commissioning
Figure 2
Example of Large System column row
UEMs are identified by function
Each UEM contains a specialized set of equipment to digitalize, process, and
route phone calls and voice messages (see Figure 3 on page 42).

Page 42 of 456 Preparing for installation
NN43021-310 Standard 02.01 December 2007
Figure 3
UEMs identified by function
Card cage
Inside each UEM is a metal card cage. This card cage holds the circuit cards,
power card, and related equipment for that module. UEMs are named for the
function of that card cage.
Card cages are bolted inside the UEM case. Card cages can be removed and
replaced for repairs or upgrades.

Preparing for installation Page 43 of 456
Communication Server 1000M and Meridian 1 Large System Installation and Commissioning
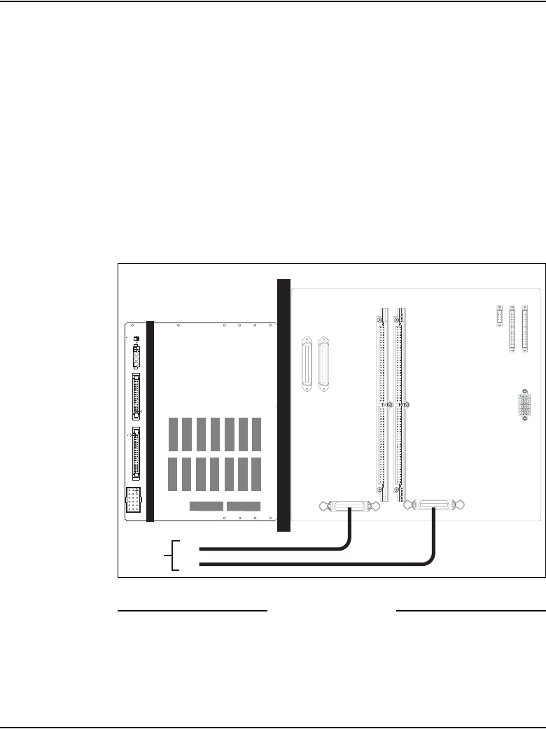
Core/Net module
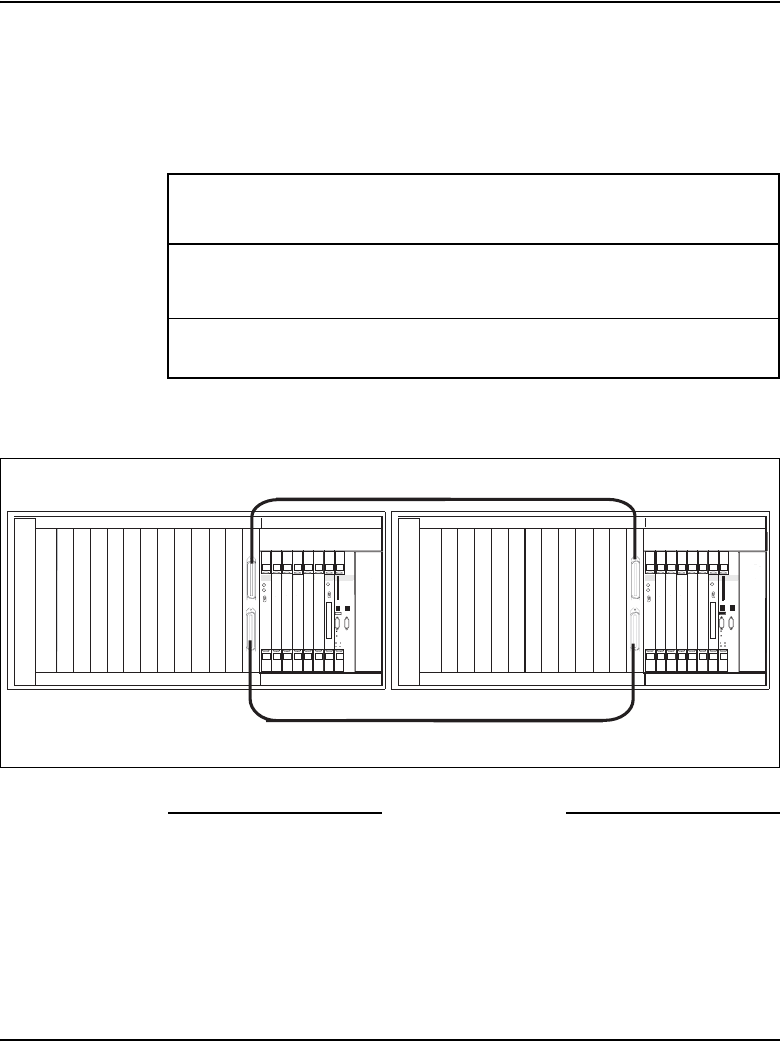
Large Systems feature the NT4N41 Core/Net module. The Core/Net module
provides a unified hardware platform for single group and multi-group
configurations. The Core/Net module supports:
• An integrated cPCI shelf.
• A NT4N48 System Utility card that incorporates the functionality of the
System Utility Transition card, LCD display, and the security device
holder.
• A fanout panel (see Figure 4 on page 44) to provide connectivity to the
network shelf.
• Upgrades from single group to multi-group configurations (requiring a
new keycode file and any additional hardware necessary for a
multi-group system).

Page 44 of 456 Preparing for installation
NN43021-310 Standard 02.01 December 2007
Figure 4
NT4N41 Core/Net shelf fanout panel (backplane)
j3 slot 9 port 0 j4 slot 9 port 0
Group 0
Group 1Group 2
Group 3Group 4Group 5
Group 6
Group 7
j3
slot 9
port 1
j4
slot 9
port 1
j3
slot 10
port 0
j4
slot 10
port 0
j3
slot 10
port 1
j4
slot 10
port 1
j3
slot 11
port 0
j4
slot 11
port 0
j3
slot 11
port 1
j4
slot 11
port 1
j3
slot 12
port 0
j4
slot 12
port 0
j3
slot 12
port 1
j4
slot 12
port 1

Preparing for installation Page 45 of 456
Communication Server 1000M and Meridian 1 Large System Installation and Commissioning
System options
The procedures in this document apply to the following system options:
• Meridian 1 PBX 61C: dual CPU, full network group
• Meridian 1 PBX 81C: dual CPU, multiple network groups
• CS 1000M SG: a Meridian 1 PBX 61C system upgraded to include a
Signaling Server (see note below)
• CS 1000M MG: a Meridian 1 PBX 81C system upgraded to include a
Signaling Server (see note below)
Note: For information about Signaling Server installation and
configuration, see Signaling Server: Installation and Commissioning
(NN43001-312).
All system options are available in both AC- and DC-powered versions.
System architecture and module types are described in Communication
Server 1000M and Meridian 1: Large System Overview (NN43021-110).
The components of AC-powered systems, DC-powered systems, and reserve
power options for both are described in this document.
Meridian 1 PBX 61C and CS 1000M SG
These systems feature a dual Pentium Processor with standby processing
capability, fully redundant memory, and a full network group. Two Core/Net
modules and one IPE module are the minimum installation requirements.
Additional IPE modules and application modules can be used. The modules
are stacked (see Figure 5 on page 46) or installed side-by-side (see Figure 6
on page 46).

Page 46 of 456 Preparing for installation
NN43021-310 Standard 02.01 December 2007
Figure 5
Meridian 1 PBX 61C stacked configuration
Figure 6
Meridian 1 PBX 61C side-by-side configuration
Main column
IPE
IPE
Core/Net 0
Core/Net 1
553-5960

Preparing for installation Page 47 of 456
Communication Server 1000M and Meridian 1 Large System Installation and Commissioning
Meridian 1 PBX 81C and CS 1000M MG
These systems feature a dual Pentium Processor with standby processing
capability, two Core/Net modules installed side-by-side, and two or more
network groups. The Core/Net modules provide the first network group, and
network module pairs provide additional network groups.
These systems support up to eight network groups, as shown in Figure 3 on
page 42. Fiber Network Fabric provides complete non-blocking
communication between the network groups, eliminating busy signals for
network-blocked calls between groups.
Figure 7 on page 47 shows a multi-group system with four network modules.
If the ceiling height is too low for the four-tier column, a three-tier column
can be used, as shown in Figure 8 on page 48.
Figure 7
Four-tier multi-group system
IPE
553-AAA1242
IPE
UEM
IPE
IPE
Core 1 Core 0
NET
NET
NET
NET

Page 48 of 456 Preparing for installation
NN43021-310 Standard 02.01 December 2007
Figure 8
Three-tier multi-group system
CP PIV
A Call Processor Pentium IV (CP PIV) Large System processor was
introduced for CS 1000 Release 4.5. It features the following enhancements:
• a PCI-based design that is compatible with current CP PII architecture
• an Intel Pentium M processor
• two Compact Flash (CF) sockets (one on-board and one hot-swappable
on the faceplate). The on-board CF is referred to as the Fixed Media Disk
(FMD), and the faceplate CF is referred to as the Removable Media Disk
(RMD). See Figure 9 on page 50 and Figure 10 on page 51.
• 512 MBytes of DRAM memory
553-AAA1243
IPE
UEM
IPE
IPE
NET
NET
IPE
NET
Core 1 Core 0
NET IPE

Preparing for installation Page 49 of 456
Communication Server 1000M and Meridian 1 Large System Installation and Commissioning
New system types
There are two new system types for CP PIV:
• 3521 (Meridian 1 Option 61C and CS 1000M SG)
• 3621 (Meridian 1 Option 81C and CS 1000M MG, CS 1000E)
New hardware
CP PIV features the following new hardware:
• A CP PIV processor board. See Figure 9 on page 50 (side view) and
Figure 10 on page 51 (front view).
• A blank panel that replaces the NT4N43 MMDU. The blank panel is
designed to fill the gap and ensure proper air flow direction.
Note: The front panel USB port on the CP PIV card is reserved for
future applications.

Page 50 of 456 Preparing for installation
NN43021-310 Standard 02.01 December 2007
Figure 9
CP PIV call processor card (side)
512 MBytes DDR memory
Fixed
Media
Drive (FMD)
Removable Media Drive (RMD)
CPU
Front
Rear

Preparing for installation Page 51 of 456
Communication Server 1000M and Meridian 1 Large System Installation and Commissioning
Figure 10
CP PIV call processor card (front)
Removable Media Drive (RMD)
Lan 1 Lan 2
USB Port
COM 1
COM 2
INIT
RESET

Page 52 of 456 Preparing for installation
NN43021-310 Standard 02.01 December 2007
Signaling Server
CS 1000M systems use a Signaling Server. The Signaling Server provides a
central processor to drive the signaling for IP Phones and IP Peer
Networking. The Signaling Server is an industry-standard PC-based server
that provides signaling interfaces to the IP network, using software
components that operate on the VxWorks™ real-time operating system.
The Signaling Server can be installed in a load-sharing redundant
configuration for higher scalability and reliability. The following software
components can operate on the Signaling Server.
• Terminal Proxy Server (TPS)
• SIP/H.323 Gateway Signaling software
• Network Routing Service (NRS) (optionally redundant)
• Element Manager web server
• Application Server for Personal Directory, Redial List, and Callers List
for UNIStim IP Phones
Signaling Server is an application server which houses any combination of
Gatekeeper, H.323 Gateway, Line Terminal Proxy Server and Element
Manager. The Signaling Server is mounted on a 480 mm (19 in.) rack (see
Figure 11).

Preparing for installation Page 53 of 456
Communication Server 1000M and Meridian 1 Large System Installation and Commissioning
Figure 11
CS 1000M Large System
Engineering rules
Each system is defined using the following assumptions and general
engineering rules.
1A system may be upgraded to the next larger system type as defined in
Communication Server 1000M and Meridian 1 Large System Upgrade
NTPs (NN43021-458 – NN43021-475).
2When expanding to the next system type, the changes to the physical
configuration should be kept as simple as possible to reduce downtime
and installation costs.
3A module column should be built up to the maximum of four modules
before moving to the next new column. In installations where the ceiling
does not allow four-high columns, the alternate configuration of
three-high tiers can be used.
4Vertical routing of the internal signal cables should be done only on the
right side of a module.
5The CPU modules must be on the bottom of a column or one level up for
proper cooling and reliability.
Business Policy
Switch
Signaling
Server
553-AAA0561

Page 54 of 456 Preparing for installation
NN43021-310 Standard 02.01 December 2007
6Sending and receiving cables must be of equal lengths and as short as
possible.
7In order to optimize network FIJI cabling, mount the NTD35 network
modules in pairs in the same column, one module on top of the other in
the middle tiers. The modules must be stacked in one contiguous
equipment bay. The longest FIJI cable (NTRC48FA) is 8 m (26 ft),
which is the maximum distance of the furthest network module from the
Core/Net modules.
8The IPE modules can be located separately from the CPU and network
bay, by up to the maximum network cable length of 13.5 m (45 ft).
9Core/network modules can also be on top of each other in the first and
second tier in multi-group systems.
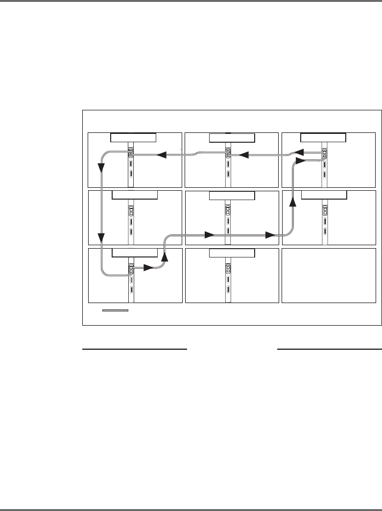
Cable routing guidelines
A system layout, preconfigured at the factory, is included in the software box
with each system shipment. Before you route cables, refer to the “to-from”
cable connections in the system layout. Note that there are a variety of cable
lengths. Make sure you install the designated cable for each connection.
Because the cable troughs (see Figure 12 on page 55) and spaces on the sides
of each module are within the EMI shielding of the system, unshielded cables
can be routed in those areas. The corner vertical channels in the rear of the
module are outside of the EMI shield. Cables routed in the vertical channels
must be shielded, and must enter and exit the EMI-shielded area through I/O
panels and adapters.

Preparing for installation Page 55 of 456
Communication Server 1000M and Meridian 1 Large System Installation and Commissioning
Figure 12
Cable routing troughs – front view of module
A typical routing scenario from the faceplate of a printed circuit pack (PCP)
to one of the I/O panels is as follows:
• The cable comes off the faceplate of a PCP and drops down into the front
horizontal cable trough.
• The cable is routed to the right side of the module in the horizontal cable
trough to the vertical cable trough.
• The cable is routed to the back of the module and into the rear horizontal
cable trough.
• The cable is routed to the left or right I/O panel at the rear of the module.
When connecting two half-group networks together, the cables are routed
vertically through the square holes in the rear horizontal cable trough.
All other internal vertical cable routing from one module to another should be
done only in the right vertical cable trough.
Cabling troughs 553-3117

Page 56 of 456 Preparing for installation
NN43021-310 Standard 02.01 December 2007
Since all faceplate to I/O panel cables are the same length and card positions
in the card cage vary, a cable can contain excess slack. It is therefore
recommended that cables from cards in the left side of the card cage use the
right I/O panel and cables from cards in the right side of the card cage use the
left I/O panel whenever possible, as shown in Figure 13.
Figure 13
Top view of front to I/O connector panel routing
As space permits, cables can be routed:
1Horizontally in the cable troughs at the front, rear, and sides of the
module
Note: In a DC-powered module, because there is no MPDU, there is
room to route cables horizontally from front to rear on the left side (front
view) of the module.
PS
This side uses right I/O Connector PanelThis side uses left I/O Connector Panel
Left I/O Connector Panel
I/O Panel
Card Cage
Right I/O Connector Panel
553-749
6

Preparing for installation Page 57 of 456
Communication Server 1000M and Meridian 1 Large System Installation and Commissioning
2Vertically on the sides of the module
3Vertically in the corner channels in the rear of the module (shielded
cables only)
Nortel recommends that you use the 90° connector end of the cable to route
the cable through a module or cabinet instead of the 180° end, since some
openings are small (see Figures 14 and 15). Furthermore, Nortel recommends
that you route cables top-to-bottom so gravity will ease installation.
Figure 14
90° cable connector
CAUTION
Damage to Equipment
Cables must be routed as perpendicular as possible
to any nearby power cables. Avoid routing cables
near power cables if alternate routing is available. (At
the rear of the module, cables routed between the I/O
panel and the rear cover can be parallel to the power
cables because the panel provides EMI shielding.)
553-749
7

Page 58 of 456 Preparing for installation
NN43021-310 Standard 02.01 December 2007
Figure 15
180° cable connector
Equipment handling precautions
To avoid personal injury and equipment damage, review the following
guidelines before handling the equipment.
Unloading equipment
Special ramps, packed inside the pallet holding Column 0, must be used to
move the equipment off the pallet. Follow the instructions provided with the
ramps.
CAUTION
Damage to Equipment
Never pry up the pedestal to lift the column. This
could damage to the pedestal. Manually slide the
column down the ramps provided.
553-749
8

Preparing for installation Page 59 of 456
Communication Server 1000M and Meridian 1 Large System Installation and Commissioning
Working with power supplies
There are no user-repairable components in the power supply. If a power
supply fails, the complete unit must be replaced. Do not disassemble a power
supply under any circumstances.
External power supplies such as a UPS, power plant, or batteries, may be
heavy and require special handling procedures and additional personnel for
unloading and installation. Also, be aware of weight distribution and keep the
equipment room floor from being overly stressed.
Handling circuit cards
Follow these precautions when handling circuit cards.
1Unpack or handle cards away from electric motors, transformers, or
similar machinery.
2Handle cards by the edges only. Do not touch the contacts or
components.
3Set cards on a protective antistatic bag. If an antistatic bag is not
available, hand-hold the card, or set it in a card cage unseated from the
connectors.
4Store cards in protective packing.
5Do not stack cards on top of each other unless they are packaged.
6Wear a properly connected antistatic wrist strap when you work on the
equipment. If a wrist strap is not available, regularly touch one of the
bare metal strips in the module to discharge static. Figure 16 on page 60
shows the wrist strap connection points and the location of the bare metal
strips you should touch.
DANGER OF ELECTRIC SHOCK
To avoid the danger of electric shock, be careful
when working with power equipment and
connections.
Comply with all Warnings.

Page 60 of 456 Preparing for installation
NN43021-310 Standard 02.01 December 2007
Figure 16
Static discharge points
Wrist strap
connection point Bare metal strip
553-5000
Wrist strap
connection point
Bare metal strip
Power supply slot
Module
front
Module
rear

Preparing for installation Page 61 of 456
Communication Server 1000M and Meridian 1 Large System Installation and Commissioning
DenAn regulatory notice for Japan

Page 62 of 456 Preparing for installation
NN43021-310 Standard 02.01 December 2007
Preparing the equipment for installation
Use the equipment room floor plan to position equipment. See
Communication Server 1000M and Meridian 1: Large System Planning and
Engineering (NN43021-220) to prepare the equipment room and floor plan.
Procedure 1
Preparing the equipment for installation
1Remove equipment from the shipping pallets; follow the unpacking
instructions that come with the packaging material.
2Remove the front and rear covers from each module:
WARNING
A fully loaded column weighs 275 kg (606 lb). More
than one person is required to remove equipment
from shipping pallets.
WARNING
Module covers are not hinged; do not let go of the
cover. Lift the cover away from the module and set it
out of the work area.

Preparing for installation Page 63 of 456
Communication Server 1000M and Meridian 1 Large System Installation and Commissioning
a. With a flat blade screwdriver, turn the lock clockwise on the two
locking latches (see Figure 17 on page 63).
Figure 17
Locking latches on the module cover
b. Simultaneously push the latches toward the center of the cover and
pull the cover toward you while lifting it away from the module.
c. Set the covers aside until the installation is complete.
3Remove the front and rear grills from each pedestal:
a. Loosen the two captive screws that secure the grill.
b. Pull the grill forward and lift it out of the base of the pedestal (see
Figure 18 on page 64).
c. Set the grills aside until the installation is complete.
553-A0132
Turn lock screw
up to lock
Slide to
unlatch cover

Page 64 of 456 Preparing for installation
NN43021-310 Standard 02.01 December 2007
Figure 18
Removing the pedestal grill
4Make sure all of the items on the system order form are on the packing
slip that comes with the equipment.
5Inspect all equipment for physical damage. Report any damage to your
supplier.
6Check the option settings on all cards that have a switch symbol on the
faceplate.
For a list of all option switch and jumper settings, refer to Circuit Card:
Description and Installation (NN43001-311).
End of Procedure
553-3054
Captive screw
Captive screw

Page 65 of 456
Communication Server 1000M and Meridian 1 Large System Installation and Commissioning
70
Placing the fourth module on a column
Contents
This section contains information on the following topics:
Overview . . . . . . . . . . . . . . . . . . . . . . . . . . . . . . . . . . . . . . . . . . . . . . . . 65
Placing the fourth module on a column . . . . . . . . . . . . . . . . . . . . . . . . 65
Overview
A four-module column is shipped in two segments. One shipping pallet
carries the pedestal and three modules. Another shipping pallet carries the
fourth module and top cap.
Starting at the bottom of the column, modules are numbered from zero to
three in each column.
Placing the fourth module on a column
Use Procedure 2 to place the fourth module and top cap on the column. To
add a module to a column that is already powered, see the procedures in
“Adding a module to a column” on page 363.
CAUTION
System Failure
Never add a Common Equipment module in the third
or the fourth tier of a column.

Page 66 of 456 Placing the fourth module on a column
NN43021-310 Standard 02.01 December 2007
Procedure 2
Placing the fourth module on a column
1Position and secure the fourth module.
a. Locate the positioning guides on the third module (see Figure 19).
b. Position the fourth module so it faces the same direction as the
column.
c. Remove the front and rear module covers on the fourth module and
rear module cover on the third module.
d. Place the fourth module on top of the column and adjust it until it is
seated securely on the positioning guides.
e. Remove the I/O safety panel in the fourth module to gain access for
installing the center mounting bolt.
f. Use a 14 mm (9/16 in.) socket wrench to secure the fourth module
with five mounting bolts (see Figure 20 on page 68).
WARNING
A fully loaded module weighs approximately 60 kg
(130 lb). More than one person is required to place a
module on a column.

Placing the fourth module on a column Page 67 of 456
Communication Server 1000M and Meridian 1 Large System Installation and Commissioning
Figure 19
Module positioning guides
Positioning guides
Rear
Front
Opening for
cables 553-3056

Page 68 of 456 Placing the fourth module on a column
NN43021-310 Standard 02.01 December 2007
Figure 20
Module mounting bolts
2Connect the module-to-module power and system monitor cables.
a. Connect the power connectors between the modules (see Figure 21
on page 69).
b. Connect the system monitor cable from connector J2 on the third
module to J1 on the fourth module.
Mounting
bolts
553-3057

Placing the fourth module on a column Page 69 of 456
Communication Server 1000M and Meridian 1 Large System Installation and Commissioning
Figure 21
Power and system monitor connections
3Reinstall the I/O safety panel in each module.
4Replace the module covers.
End of Procedure
I/O safety
panel
Module 3 Power connectors
between modules
553-5068
Module 2
System monitor
connector —
J2 in Module 2 to
J1 in Module 3
(Modules 0 and 1 below)
Top cap
Rear of the column
I/O safety
panel

Page 70 of 456 Placing the fourth module on a column
NN43021-310 Standard 02.01 December 2007

Page 71 of 456
Communication Server 1000M and Meridian 1 Large System Installation and Commissioning
76
Positioning and leveling equipment
Contents
This section contains information on the following topic:
Positioning and leveling the equipment . . . . . . . . . . . . . . . . . . . . . . . . 71
Positioning and leveling the equipment
Columns normally stand on adjustable feet that provide leveling capability
and ground isolation. However, casters are available and can be used for
two-tier columns. If a third module is added to a column with casters, the
casters must be replaced with leveling feet.
Note: If earthquake bracing is required, go to “Installing earthquake
bracing” on page 343 to install column and floor bracing, and to position
and level equipment. When those procedures are complete, return to
Step 4 or Step 5 (as applicable) in the initial installation procedure.
Use Procedure 3 to position and level the equipment.
Procedure 3
Positioning and leveling the equipment
1Check the equipment room floor plan to position columns.
2Level the column.
a. Remove the front and rear exhaust grills.
b. Remove the front and rear air intake grills.

Page 72 of 456 Positioning and leveling equipment
NN43021-310 Standard 02.01 December 2007
c. Position a level across the top module cover on the front of the
column.
d. Loosen the locking nuts on the feet.
e. Adjust the feet on each pedestal up or down to level the column.
f. Perform step a to step e for leveling the rear of the system.
g. Tighten the locking nuts.
Note: Leave at least 12.5 mm (1/2 in.) between the floor and the bottom
of the pedestal for air flow required by the blower unit.
3 For a multiple-column system, install NT8D49 Spacer Kits between
columns.
a. Remove the front and rear module covers.
b. Remove the front and rear intake grills, if not already removed.
c. Remove the trim plates from the module side where the spacer will
be attached by removing the four screws securing the trim plates to
the module.
d. Remove the side panel from the module’s side where the spacer is
being attached by removing the four screws securing the side panel
to the module.
e. Attach gaskets to both sides in the front section of each spacer (see
Figure 22).

Positioning and leveling equipment Page 73 of 456
Communication Server 1000M and Meridian 1 Large System Installation and Commissioning
Figure 22
Positioning spacer gaskets
f. Attach a spacer to one side of each module, except the end column
(see Figures 23 and 24).
— Position a spacer against the module.
— Insert one standoff between the spacer and module.
— Insert the one screw and tighten.
— Repeat the process for the remaining standoff and screws.
g. One at a time, push columns together, level, align, and attach the
other side of the spacers.
CAUTION
Damage to Equipment
Do not try to adjust the horizontal position of a
column by tightening the spacer screws. Tightening
the screws with the columns too far apart will warp
the spacer.
FrontRear
Gasket placement
553-5641

Page 74 of 456 Positioning and leveling equipment
NN43021-310 Standard 02.01 December 2007
Figure 23
Spacer positioning
Spacer
Screw Stand-off
553-A0130
Rear
Spacer

Positioning and leveling equipment Page 75 of 456
Communication Server 1000M and Meridian 1 Large System Installation and Commissioning
Figure 24
Column positioning with spacers
End of Procedure
Positioning completedStep 3
553-5067
One at a time, push columns together, level, align,
and attach the other side of the spacer
Step 2
(end column)
Attach spacers to one side of each column
(except the end column)
Step 1
Spacers Spacers

Page 76 of 456 Positioning and leveling equipment
NN43021-310 Standard 02.01 December 2007

Page 77 of 456
Communication Server 1000M and Meridian 1 Large System Installation and Commissioning
88
Installing AC power
Contents
This section contains information on the following topics:
AC-powered systems. . . . . . . . . . . . . . . . . . . . . . . . . . . . . . . . . . . . . . . 77
Safety ground/protective earth and logic return wiring . . . . . . . . . . . . 78
Installing safety ground/protective earth and logic return wiring . . . . . 82
Installing UPS ground cabling . . . . . . . . . . . . . . . . . . . . . . . . . . . . . . . 85
AC-powered systems
For AC-powered systems, use Procedure 4 on page 82 to install safety
ground/protective earth and logic return wiring, and to install ground and
alarm cabling for a UPS.
For AC-powered systems without reserve power, one input receptacle is
required per column, within 2.4 m (8 ft) of each pedestal. One IG-L6-30 or
L6-30 receptacle is required for each column. Instead of using the power plug
provided, the Power Distribution Unit (PDU) can be hard-wired to the power
source. In this case, #10 AWG conductors routed through 20 mm (3/4 in.)
conduit are generally used. The leads connect to the L1, L2, and GND
terminations on the field wiring terminal block on the PDU.
Note: Do not use ground fault circuit interrupt (GFCI) devices on
Large System AC power feeds.

Page 78 of 456 Installing AC power
NN43021-310 Standard 02.01 December 2007
Systems that use reserve power plug into the UPS, which in turn plugs into
the power source (associated batteries can be located within the UPS or
installed externally). Consult the UPS documentation for receptacle
requirements.
As a safety precaution, all AC service panels should be located in an area that
is easily accessible at all times to allow for emergency shutdown. An optimal
location would be near, or just outside the entry to the room containing the
Large System (or the UPS, if equipped). Each circuit breaker in the panels
should be clearly marked to identify the system component or components it
services.
Safety ground/protective earth and logic return wiring
A separate safety ground/protective earth connection is required. The safety
ground/protective earth wire must be #6 AWG or larger. It must connect the
pedestal to the single-point ground (SPG). Using an isolated ground (IG) bus
as the single-point ground is recommended. To fulfill this function, Nortel
offers the NT6D5304 Logic Return Equalizer (LRE), equipped with nine
terminations. A large ground bar (NT6D5303), equipped with 48
terminations, is also available.
An AC equipment ground (ACEG) bus in the service panel or transformer is
acceptable but not recommended. If used, the ACEG bus conductor must be
a low impedance path to an approved source for ground. It must not contain
induced electrical noise from sources such as building metallic structures
(building steel, metallic conduit, metal pipes, etc.). Figures 25, 26, and 27
beginning on page 79 show an ACEG as the single-point ground.
Depending on the distances between columns, the location of the service
panel, and the availability of panel SPG connection points, safety ground/
protective earth wiring can be daisy-chained or run independently from each
column to the service panel. Figures 26 and Figure 27 show safety ground/
protective earth wiring in daisy-chain configurations.
Note: Refer to Communication Server 1000M and Meridian 1:
Large System Planning and Engineering (NN43021-220) for a complete
description of approved ground sources and methods. Insulated ground
wire must be used for system grounding.

Installing AC power Page 79 of 456
Communication Server 1000M and Meridian 1 Large System Installation and Commissioning
Multiple-column systems use an insulated ground bus as the point where the
logic return wires from different columns are consolidated before connecting
to the single-point ground.
Figure 25
Single column – ground and logic return distribution
Note: In an isolated ground system, the dedicated isolated ground bus
bar in the service panel serves as the ground window. It is used for all AC
safety grounds and logic returns. It also accommodates a conductor that
references the (+) battery bus in DC systems.
AC input
Service
panel
IG or ACEG
120 V
receptacle
Cord or
conduit
208/240 V
receptacle
(30 A L6 - 30
or
IG - L6 - 30)
Safety ground (#6 AWG, min)
Logic return
(#6 AWG)
AC conduit
553-3154-1
Large System

Page 80 of 456 Installing AC power
NN43021-310 Standard 02.01 December 2007
Figure 26
Multiple column – ground and logic return distribution
AC input
Service
panel
120 V
receptacle
IG or ACEG
Cord or
conduit
208/240 V
receptacles
(30 A L6 - 30
or
IG - L6 - 30)
Safety ground (#6 AWG, min)
Logic return
reference
(#6 AWG)
AC conduit
553-3155-1
Large System
AC conduit
LRE

Installing AC power Page 81 of 456
Communication Server 1000M and Meridian 1 Large System Installation and Commissioning
Figure 27
Multiple column, multiple row – ground and logic return distribution
AC input
Service
panel
120 V
receptacle
IG or ACEG
Cord or
conduit
208/240 V
receptacles
(30 A L6 - 30
or
IG - L6 - 30)
Safety ground (#6 AWG, min)
Logic return
reference
(#6 AWG)
553-8994-1
AC conduit
LRE
Large System
Common equipment columns
Large System
Peripheral equipment columns
AC conduit
Safety Ground

Page 82 of 456 Installing AC power
NN43021-310 Standard 02.01 December 2007
Installing safety ground/protective earth and
logic return wiring
Follow Procedure 4 to install safety ground/protective earth and
logic return wiring.
Procedure 4
Installing safety ground/protective earth and logic return wiring
1Make sure the power cord is disconnected from the power source.
Note: As a safety precaution, disable the circuit of each column at the
service panel.
2Remove the air intake grill.
3Using a volt/ohm meter, measure the resistance between the ground pin
on the power plug and a ground lug on the rear of the pedestal (see
Figure 28).
Note: The resistance should be 0 ohms; if it is greater than 0.5 ohms,
check the power cord connections.
CAUTION
System Failure
Failure to follow grounding procedures can result in
unsafe or faulty equipment. See Communication
Server 1000M and Meridian 1: Large System
Planning and Engineering (NN43021-220) for a
complete description of approved ground sources
and methods.

Installing AC power Page 83 of 456
Communication Server 1000M and Meridian 1 Large System Installation and Commissioning
Figure 28
PDU ground lug locations
4Connect the safety ground/protective earth wire (insulated ground wire
must be used for system grounding).
a. For a single-column system, connect a #6 AWG wire from the
ground source in the service panel to a ground lug on the pedestal.
b. For a multiple-column system, connect a #6 AWG wire from the
ground source in the service panel to a ground lug on the closest
column. Daisy-chain #6 AWG ground wires from one pedestal to the
next as illustrated in Figure 29, connecting all of the columns
together. You can also run a #6 AWG wire from the ground source to
each column individually. If the columns are not bolted together,
physically separated groups of columns should be grounded
individually as shown in Figure 27 on page 81.
Figure 29
AC column ground lug daisy chain connection
553-8993
Ground lugs
+
+
+
+
+
++
++
++
+
+
MAIN
CIRCUIT
BREAKER ON ON ON
PDU
8D53CB
To ground/protective
earth lug of next column
From
ground source Terminate on
last column
553-8992
+
+
+
+
+
++
++
++
+
+
MAIN
CIRCUIT
BREAKER ON ON ON
PDU
8D53CB
+
+
+
+
+
++
++
++
+
+
MAIN
CIRCUIT
BREAKER ON ON ON
PDU
8D53CB

Page 84 of 456 Installing AC power
NN43021-310 Standard 02.01 December 2007
5Place a warning tag on the connection at the ground source. The warning
tag should read WARNING—TELEPHONE SYSTEM GROUND
CONNECTION—DO NOT DISCONNECT.
6Using a volt/ohm meter, measure the resistance between the ground pin
on the power plug and the ground terminal on the power outlet.
7The resistance should be 0 ohms. If the resistance is greater than
0.5 ohms, check the power outlet ground and safety ground/protective
earth connections.
8Remove the PDU field wiring access plate.
9Connect the logic return wire.
Starting at the LRE, connect a #8 AWG wire and route it to the column and
up or down the I/O channel area, as appropriate. Then route the wire
through the conduit hole in the pedestal to LRTN on the field wiring block
(see Figure 30).
Figure 30
Logic return connection for each column
10 Replace the PDU field wiring access plate.
End of Procedure
+
+
+
+
+
+
+
++
+++
+
MAIN
CIRCUIT
BREAKER ON ON ON
553-8996
A
TB1 L1
L2
Gnd
LR
PDU
8D53CB

Installing AC power Page 85 of 456
Communication Server 1000M and Meridian 1 Large System Installation and Commissioning
Installing UPS ground cabling
Use the manufacturer’s documents to install and cable a UPS. If the UPS does
not contain an integral bypass switch, add one externally during initial UPS
wiring. Figure 31 is a block diagram of a UPS installation and associated
wiring.
Follow Procedure 5 to install UPS ground cabling.
Note: Because UPS installation can be complex, Nortel recommends
that installers attend vendor training programs.
Figure 31
AC reserve power configuration
Battery bank
(may be inside UPS)
UPS bypass
switch
Note:
The ac safety ground (green wire) must route from the service
panel, through the UPS, to the Large System panel or receptacles.
Receptacle and
cord, or conduit, to
pedestal(s)
UPS
CS 1000M Large SystemExternal power distribution
553-3163A
AC/DC
Converter
DC/AC
Inverter
208/240 V ac
AC input
Service
panel

Page 86 of 456 Installing AC power
NN43021-310 Standard 02.01 December 2007
Procedure 5
Installing the UPS ground cabling
1Make sure the safety ground/protective earth wire is connected on all
Large System columns.
2Daisy-chain ground cables to each UPS (see Figure 32) using #6 AWG
wire.
3Daisy-chain ground cables to each bypass switch (if equipped) using
#6 AWG wire.
4Run a #6 AWG wire between the ground lug on the rear of the pedestal,
the bypass switch, and the UPS to a common frame ground point.
5Run a #6 AWG wire between the common ground point and the ground
bus in the service panel.
End of Procedure
CAUTION
Damage to Equipment
Take care when connecting battery leads to the UPS.
A battery reversal can result in severe damage to the
UPS.

Installing AC power Page 87 of 456
Communication Server 1000M and Meridian 1 Large System Installation and Commissioning
Figure 32
UPS grounding diagram
0
Column frame grounds
UPS frame grounds
Bypass switch frame grounds
Column 0 Column 1 Column n
UPS 0 UPS 1 UPS n
Isolated ground bus
Service panel
1 n
553-3089

Page 88 of 456 Installing AC power
NN43021-310 Standard 02.01 December 2007

Page 89 of 456
Communication Server 1000M and Meridian 1 Large System Installation and Commissioning
92
Installing overhead cable tray kits
Contents
This section contains information on the following topic:
Installing overhead cable tray kits. . . . . . . . . . . . . . . . . . . . . . . . . . . . . 89
Installing overhead cable tray kits
Cable trays (also called ladder racks) can hang from a ceiling, or they can be
mounted across the tops of the columns. If ceiling-hung racks are used, the
rear top cap grill on each column must be replaced with a Top Cap Cable
Egress Panel (P0699851). The optional Top Cap Egress Panel has cutouts for
cable routing. The cable trays and the equipment required to hang them must
be provided by the customer and installed according to the manufacturer’s
instructions.
Nortel offers an NT8D63 Overhead Cable Tray Kit, which provides
equipment for mounting cable trays on four-tier columns. The kit includes
two support brackets, and front and rear exhaust grills with cutouts for cable
routing. The cable tray itself must be provided by the customer; it is not
included in the kit. Use Procedure 6 on page 90 to install the NT8D63 kit.

Page 90 of 456 Installing overhead cable tray kits
NN43021-310 Standard 02.01 December 2007
Procedure 6
Installing the overhead cable tray kits
1Remove air exhaust grills at the front and rear of the top cap. Pull forward
on the two clips underneath the front edge of each grill and lift up to
remove the grill (see Figure 33).
Figure 33
Removing top cap grills
2Mount a support bracket at the front and rear of the module (see Figure 34
on page 91). Using two bolts, secure each support to the threaded holes
in the top of the module.
CAUTION
System Failure
Column frames must be insulated from contact with
building structures such as concrete walls, floors, and
ceilings. Whether the cable racks are
column-mounted or ceiling-hung, the installation
must maintain the integrity of the grounding
architecture.
Air exhaust grill Air exhaust grill
Top cap
Module Clips
553-AAA1514
Note:
If routing cables through
the top, replace the rear
exhaust grill with the
optional Top Cap Cable
Egress Panel (P0699851),
which has cutouts for the
cables.
(rear)

Installing overhead cable tray kits Page 91 of 456
Communication Server 1000M and Meridian 1 Large System Installation and Commissioning
Figure 34
Overhead cable tray kit
3Install the front and rear air exhaust grills that come with the kit.
4Place the cable rack on top of the support brackets and fasten it to the
supports with the J-bolts as shown in Figure 34.
End of Procedure
Bracket
J-bolt
Bolt for bracket
553-3074
Customer-provided
ladder rack

Page 92 of 456 Installing overhead cable tray kits
NN43021-310 Standard 02.01 December 2007

Page 93 of 456
Communication Server 1000M and Meridian 1 Large System Installation and Commissioning
132
Installing DC power
Contents
This section contains information on the following topics:
DC-powered systems. . . . . . . . . . . . . . . . . . . . . . . . . . . . . . . . . . . . . . . 93
Candeo DC power systems . . . . . . . . . . . . . . . . . . . . . . . . . . . . . . . . . . 94
Large Candeo modules . . . . . . . . . . . . . . . . . . . . . . . . . . . . . . . . . . . 97
Small Candeo modules. . . . . . . . . . . . . . . . . . . . . . . . . . . . . . . . . . . 101
Installation reference guide . . . . . . . . . . . . . . . . . . . . . . . . . . . . . . . 106
Configuration reference guide . . . . . . . . . . . . . . . . . . . . . . . . . . . . . 108
Safety ground/protective earth and logic return wiring . . . . . . . . . . 109
Cabling and connecting the grounding leads . . . . . . . . . . . . . . . . . . 110
Connecting the power plant frame ground (or safety ground) leads 111
Four-Feed PDU . . . . . . . . . . . . . . . . . . . . . . . . . . . . . . . . . . . . . . . . 117
Installing the Four-Feed PDU . . . . . . . . . . . . . . . . . . . . . . . . . . . . . 123
Installing safety ground/protective earth wiring. . . . . . . . . . . . . . . . 123
Connecting power from the power plant to the PDU . . . . . . . . . . . . 125
Connecting UK power to the Four-Feed PDU . . . . . . . . . . . . . . . . . 129
System monitor connections. . . . . . . . . . . . . . . . . . . . . . . . . . . . . . . 130
DC-powered systems
This chapter provides procedures to install safety ground/protective earth and
logic return wiring, configure system monitors, and connect PFTUs for
DC-powered systems using a Candeo DC Power Plant power system.

Page 94 of 456 Installing DC power
NN43021-310 Standard 02.01 December 2007
Note: The procedures in this chapter apply to the global power
distribution unit (PDU). Throughout this document, the global PDU is
referred to as the NT4N49AA PDU.
To install reserve power equipment (batteries), follow the instructions
provided with the equipment. To comply with safety requirements, consult
the following before working with any battery systems.
• Read the “Material Safety Data Sheet” that must be posted to meet
Occupational Safety and Health Administration (OSHA) requirements.
This article outlines appropriate reserve battery handling procedures.
• Refer to National Electric Code 645-10. This article outlines
requirements that call for the installation of AC- and DC-power kill
switches to battery systems in certain environments.
As a safety precaution, all DC service panels should be located in an area that
is easily accessible at all times to allow for emergency shutdown. An optimal
location would be near, or just outside, the entry to the room containing the
DC power system for the Large System. Each circuit breaker within a panel
should be clearly marked to identify the system component or components it
services.
Candeo DC power systems
The Candeo platform provides a simple, quick to deploy, and easy to operate
power solution. Based upon modular building blocks (rectifiers, System
Manager, DC distribution, and battery connection modules), the system is
designed to power –48 V DC applications. The Candeo platform can be
expanded by adding rectifiers, battery connection modules, frames, and
distribution modules.
There are two types of Candeo systems:
• Large Candeo (MP481200), which uses 50 A rectifiers and has a
capacity of 1000 A.
• Small Candeo (SP48300), which uses 30 A rectifiers and has a capacity
of 300 A.

Installing DC power Page 95 of 456
Communication Server 1000M and Meridian 1 Large System Installation and Commissioning
Both Large and Small Candeo systems provide “plug and walk-away”
installation and setup. The platform can be reconfigured or expanded while it
remains online. Installation and maintenance benefits include:
• fully front accessible
• (for Large Candeo) shelfless rectifiers
• automatic alarms and rectifier configuration settings
• no inter-module wiring
• all hot-insertable modules
• all internal bussing
• fully insulated environment
• high efficiency
• IP ready for simplified internet connectivity
• HTML-based graphical user interface
• automated web-based maintenance and comprehensive on-screen
troubleshooting
• (for Small Candeo only) Simple Network Management Protocol
(SNMP) communication functionality
• remote access via modem or Ethernet, permitting remote operation of the
power system
• intelligent backbone simultaneously carrying DC power, alarm
information, and data signals
• built-in temperature compensation
• built-in charge current limiting
• EMI FCC class B or CISPR class B for systems up to 1000 A (50 kW)
Note 1: The Candeo DC power plant is considered “external” power
equipment because it is not housed in Large System columns.

Page 96 of 456 Installing DC power
NN43021-310 Standard 02.01 December 2007
Note 2: The Large Candeo system generally requires one input
receptacle for each rectifier, within 1.8 m (6 ft) of each rectifier. The
commercial power receptacles required are determined by the number
and type of rectifiers used.
Note 3: The Small Candeo system requires two 30 A feeds for each
rectifier shelf, with each shelf supporting five or six rectifiers.
In a single frame configuration, a Candeo system can power a complete range
of medium-sized applications.
•Large Candeo: Built around the shelfless Candeo Rectifier 50/48, this
system operates from any voltage between 80 V AC to 300 V AC (single
phase). When configured with 50 A Candeo rectifiers, the system
delivers up to 500 A from a single 1.05 m (42 in.) frame and up to
1000 A from a single 2.1 m (84 in.) frame.
•Small Candeo: Built around the Candeo Rectifier 30/48, this system
operates from any voltage between 75 V AC to 310 V AC (single phase).
When configured with 30 A Candeo rectifiers, the system delivers up to
150 A from a single rectifier shelf and up to 300 A from a system
equipped with a supplementary rectifier shelf. The Small Candeo system
comes in 1.3 m (51 in.) and 2.1 m (84 in.) versions.
More detailed information is supplied in the following Candeo power system
manuals, which are included with the system and also available on the Partner
Information Center web page:
•Candeo MP481200 Power System User Manual (P0914425)
•Candeo MP481200Power System Installation Guide (P0914426)
•Candeo SP 48300 Power System User Manual (P7000154)
•Candeo SP 48300 Power System Installation Manual (P7000289)
•Candeo SP 48300 Power System Quick Installation Guide for Meridian
1 and Communication Server 1000 Systems (N0029343)

Installing DC power Page 97 of 456
Communication Server 1000M and Meridian 1 Large System Installation and Commissioning
Large Candeo modules
The Candeo platform uses a combination of modules or building blocks to
deliver custom configurations. The modules include:
1Rectifier 50/48 Module
2System Manager Module
3Distribution 500 Module
Rectifier 50/48 Module
The shelfless Rectifier 50/48 provides up to 50 A (2 750 W) of –48 V DC
power. Designed to operate at a nominal input voltage of 208/240 V AC, the
rectifier will also operate over an input range of 80 V AC to 300 V AC (45 to
65 Hz) at reduced output power. The rectifier delivers full output power when
operating in environments ranging between 0°C (32°F) and 50°C (122°F).
Rectifier features include:
• High power density — 4.3 W /in.
• High efficiency (> 92%)
• Shelfless design
• Hot insertable
• Tool-less rectifier installation
• 100% tool-less maintenance strategy
• Ultra-low total harmonic distortion (THD) < 5%
• Temperature-controlled cooling fans
• Mean time before failure (MTBF) > 250 000
• Zone 4 seismic
• Compliant with global standards (FCC part 15 class B, UL 1950,
CSA 22.2#950, CE, VDE, IEC 950, and CISPR22 class B)

Page 98 of 456 Installing DC power
NN43021-310 Standard 02.01 December 2007
System Manager Module
The System Manager is the main control element of the Large Candeo
system. The System Manager’s local and remote system management
capabilities provide total control over the power system.
System Manager Module features include:
• Automatic set-up
• Single point of adjustment
• User-friendly interface
• Rapid troubleshooting
• Real-time updates
• Extensive data reporting
• Inventory mapping
• Battery management functions: temperature compensation, discharge
tests, charge control, equalize, load shedding and rectifier sequential start
• Alarm and statistical history
• Built in remote access using any web browser
• System cloning
• Integrated system management facilities through several interfaces,
including RS-232 and RS-485 serial data ports and programmable dry-C
contacts
• Optional modem
Distribution 500 Module
The Large Candeo’s Distribution 500 module provides the DC distribution
connectivity for a capacity of 500 A. The module plugs in the system
anywhere when greater distribution capacity is required. The module can
accommodate a wide variety of distribution elements, including single and
double pole circuit breakers as well as GMTX type fuses.

Installing DC power Page 99 of 456
Communication Server 1000M and Meridian 1 Large System Installation and Commissioning
Distribution Module features include:
• Wide selection of distribution elements:
— up to twenty, 1 to 100 A single pole circuit breakers
— or up to ten, 100 to 150 A double pole circuit breakers
— or up to six, 50 A capacity blocks, each providing 10 positions for
(0 to 10 A) GMTX fuses
— up to 20 fuse holders
— or any mix of the above elements
• Completely modular
• No pre-set limits to the number of distribution modules
• Tool-less additions or upgrades
• Hot-insertable
• Front access
• Fully insulated environment
• No configuration required
• Troubleshooter alarm indicators
• System capacity monitoring
Additional information is available in the following Candeo Power System
manuals:
• Candeo Power System User guide (P0914425)
• Candeo Power System Installation Guide (P0914426)

Page 100 of 456 Installing DC power
NN43021-310 Standard 02.01 December 2007
Large Candeo sample configurations
Example configuration #1
• 1.05 m (42 in.) Frame with battery kit, LVD and distribution 500 (with
20 breaker positions).
• 17 mid trip breakers (30 A), one GMTX fuse block (takes up 3 breaker
positions).
• System monitor.
• Up to 10 rectifiers (500 A capacity).
Example configuration #2
• 1.05 m (42 in.) Frame with battery kit, LVD and distribution 500 (with
20 breaker positions). 17 mid trip breakers (30 A), one GMTX fuse block
(takes up 3 breaker positions).
• Additional distribution 500 (with 20 breaker positions). 11 mid trip
breakers (30 A), three GMTX fuse blocks (takes up 3 breaker positions
per block).
• System monitor.
• Up to 6 rectifiers (300 A capacity).
Example configuration #3
• 2.1 m (84 in.) Frame with battery kit, LVD and distribution 500 (with 20
breaker positions). 20 mid trip breakers (30 A).
• Second 2.1m (84in.) Frame with battery kit, LVD and distribution 500
(with 20 breaker positions). 11 mid trip breakers (30 A), three GMTX
fuse blocks (takes up 3 breaker positions per block).
• Additional distribution 500 (with 20 breaker positions), 10 mid trip
breakers (30 A).
• System monitor.
• Up to 10 rectifiers (500 A capacity) in frame one, up to 10 rectifiers
(500 A capacity) in frame two.
• One interframe DC link bar kit.

Installing DC power Page 101 of 456
Communication Server 1000M and Meridian 1 Large System Installation and Commissioning
Small Candeo modules
The Candeo platform uses a combination of modules or building blocks to
deliver custom configurations. The modules include:
• Rectifier 30/48
• Power shelves
• System Manager SP
• Distribution 300 panel
Rectifier 30/48
The Rectifier –48 V DC, 1500 W is a switch-mode rectifier that converts the
single-phase AC source at the input into an isolated, filtered, and regulated
DC power output (up to 30 A) used to feed the loads and to charge a positive
grounded battery. These rectifiers are of the plug-in type to facilitate their
installation, maintenance, replacement, and repair. Each rectifier is equipped
with a cooling fan that is field replaceable.
Designed to operate at a nominal input voltage of 110/120 or 208/240 V AC,
the rectifier will also operate over an input range of 75 V AC to 310 V AC (45
to 65 Hz) at reduced output power. The rectifier delivers full output power
when operating in environments ranging between –40°C (–40°F) and 55°C
(131°F).
The rectifier requires no adjustments. Under normal operation, operating
parameters of the rectifiers in a system, such as float voltage and boost
voltage, are entirely configured and controlled by the System Manager SP.
Power shelves
The Candeo SP48300 can have either one or two power shelves. The initial
power shelf provides five rectifier positions and one system manager
position, while the supplementary power shelf has six rectifier positions and
an optional AC interface box for front access applications. Each rectifier
position provides interconnection points for the AC input, the DC output, and
the control and alarm data bus (CAN protocol).
The total output capacity of the system is 300 A. The output capacity of the
initial shelf is 150 A (five rectifiers delivering 30 A each). The output

Page 102 of 456 Installing DC power
NN43021-310 Standard 02.01 December 2007
capacity of the supplementary shelf is 180 A (six rectifiers delivering 30 A
each), but the sixth rectifier is for N+1 redundancy and kicks in only if one of
the other rectifiers fails.
System Manager SP
The System Manager SP is the advanced controller available with the Candeo
SP power systems. The operational features of the System Manager SP are as
follows:
• graphical LCD screen
• local alarm display by means of LED indicators
• eight programmable alarm outputs (dry-C contacts), with Minor, Major,
and Observation being the factory defaults for outputs 1, 2, and 3
• eight programmable alarm inputs
• several processed alarms
• alarms and events history files
• alarm management
• built-in web server
• Ethernet (LAN) and modem (RS-232) access
• four levels of access security (one hardware and four passwords)
• battery database
• temperature compensation
• voltage boost (equalize)
• battery discharge test
• charge control
• delivered DC power calculation
• CAN protocol communication with up to 30 modules
• maintenance of an inventory of the units in the system
• field replaceable without interruption of the rectifiers

Installing DC power Page 103 of 456
Communication Server 1000M and Meridian 1 Large System Installation and Commissioning
• remote or local access (PSTN, GSM, EEM, TCP/IP, SNMP)
• local and remote Graphical User Interface (GUI) with multi-language
compatibility
Distribution 300 panel
The Candeo SP48300 can have either one or two distribution panels. Each
distribution panel can support 300 A. The panels are used to connect small
and medium capacity distribution loads. They can accommodate a wide
variety of distribution hardware in various configurations.
The initial distribution panel supports 18 load feeds and 8 battery feeds,
together with Battery Low Voltage Detection (BLVD). The supplementary
distribution panel supports an additional 26 load feeds.
Both the initial (main) and supplementary distribution panels provide local
fuse and/or circuit breaker alarm indication by means of a red LED indicator.
In addition to providing protection and connecting points for the battery and
battery return cables for the loads, the initial distribution panel provides:
• a connecting point for the system’s main battery return reference (BRR)
cable
• connecting points for the bus bar links to bridge the supplementary
distribution panel, if provided
• connecting points for the bridge cables for a field-installed
supplementary rectifier shelf, if provided
• connecting points for the interface with the outside world (alarms inputs
and outputs, etc.)
• an LVD contactor inhibit switch
Battery enclosure for EMEA countries
For EMEA countries, if backup batteries are used, a battery enclosure is
required. Individual batteries are Hawker Energy SBS 60 Valve Regulated
Lead Acid (VRLA), 12 V DC nominal voltage, with a capacity of 50.8 Ah.
They are available in battery modules containing four batteries each
(A0669283 Battery Module). Install the modules in the N0003344 Battery

Page 104 of 456 Installing DC power
NN43021-310 Standard 02.01 December 2007
Enclosure, an enclosed shelf for use in Candeo racks. Each battery shelf can
accommodate two modules, for a total of eight batteries.
Small Candeo sample configurations
Example configuration #1
A basic 120 A system (see Figure 35 on page 104):
• initial power shelf equipped with a System Manager SP and five 1500 W
rectifiers (N+1)
• initial distribution and battery connection panel with 18 plug-in positions
for load protection devices and eight positions for battery protection
devices
Figure 35
Basic 120 A Small Candeo configuration

Installing DC power Page 105 of 456
Communication Server 1000M and Meridian 1 Large System Installation and Commissioning
Example configuration #2
A 300 A system:
• initial power shelf equipped with a System Manager SP and five 1500 W
rectifiers
• supplementary power shelf equipped with six rectifiers
• initial distribution and battery connection panel with 18 plug-in positions
for load protection devices and eight positions for battery protection
devices
Example configuration #3
A 300 A system (see Figure 36 on page 106):
• initial power shelf equipped with a System Manager SP and five 1500 W
rectifiers
• supplementary power shelf equipped with six rectifiers
• initial distribution and battery connection panel with 18 plug-in positions
for load protection devices and eight positions for battery protection
devices
• supplementary distribution panel with 26 plug-in positions for load
protection devices

Page 106 of 456 Installing DC power
NN43021-310 Standard 02.01 December 2007
Figure 36
Small Candeo 300 A system with supplementary distribution panel
Installation reference guide
The Candeo system is easy to install. For detailed instructions, refer to
Candeo Power Systems Installation Manual AP6C75 (P0914426) for the
Large Candeo system, or Candeo SP 48300 Power System AP6C55AA

Installing DC power Page 107 of 456
Communication Server 1000M and Meridian 1 Large System Installation and Commissioning
Installation Manual (P7000289) for the Small Candeo system. The
installation manuals cover the following topics.
Large Candeo
1Site Preparation — Overview, tools and test equipment, precautions, and
receiving materials.
2Locating and Erecting Frames — Locating and installing the frame on
various floor types and consideration for earthquake anchoring. Included
also are procedures for isolating the frame for ISG (isolated system
ground).
3Cabling and Connecting — Basic rules, connecting AC to rectifiers,
connecting DC cables from batteries, connecting DC loads and
miscellaneous cabling. This section details all grounding for frame as
well as battery return connections. Under connecting the DC load cables
details on wiring and installing the load clips, fuse blocks and breakers
are detailed. Miscellaneous cables details remote sensing to batteries,
input ports and alarm connections, communication port connections to
connect to RS-232, Ethernet or external modem.
4Startup and Adjustment Procedures — The Candeo system comes pre
configured with the Distribution 500 and Battery Connection Kit
installed. In this section the rectifiers are added and the system is
powered up and will go through a self test. At this point, see Chapter 5
“Configuring and Operating the Candeo Power System” in the user
manual (UM6C75).
5End of Job Routines and Turnover — This section covers end of job
routines such as designating circuits, numbering frames, installing the
top cover, optional doors and turn over to the customer.
Small Candeo
1Preparation — Overview, tools and test equipment, precautions, and
receiving materials.
2Locating the system — Mounting the power system shelves in existing
facilities and bridging the supplementary distribution panel, if furnished,
to the initial distribution panel.

Page 108 of 456 Installing DC power
NN43021-310 Standard 02.01 December 2007
3Cabling and connecting — Basic rules, specifications for connecting
lugs, torque values for bolted lug to bus bar connections, cabling layouts,
and procedures for cabling and connecting the ground leads, AC supplies
for the rectifiers, DC load cables, miscellaneous cables, and final
connections at the batteries.
4Startup and adjustment procedures — Installation of the rectifiers in the
power shelves and initial startup, testing, and adjustment of the power
system. Candeo SP 48300 power systems make use of a
microprocessor-based controller, which controls the settings for the
rectifiers. There are no hardware-based adjustments for the System
Manager SP, but there are other configuration steps required. Refer to the
chapter “Configuring and operating the system” in the user manual
(P7000154).
5End of job routines and turnover — End-of-job routines include
designating frame numbers, rectifiers, and distribution circuits, and
touching up damaged and/or scratched painted surfaces, then turning
over the system to the customer.
Configuration reference guide
The Candeo system is easy to configure. For detailed instructions, refer to
Candeo Power System User manual UC6C75 (P0914425) for the Large
Candeo system, or Candeo SP 48300 Power System AP6C55AA User Manual
(P7000154) for the Small Candeo system. The installation manuals cover the
following topics.
Large Candeo
1Overview of the Candeo Power System
2System Description and Specifications
3System Engineering
4Configuring and Operating the Candeo Power System
5Maintenance
6Troubleshooting
7Replacement Parts

Installing DC power Page 109 of 456
Communication Server 1000M and Meridian 1 Large System Installation and Commissioning
8Abbreviations and Acronyms
9Technical Service Assistance
Small Candeo
1Introduction – description of the system, equipment applications, and
configurations
2Specifications
3Functional description
4Configuring and operating the system
5Communicating with the System Manager SP
6Maintenance – routine maintenance, troubleshooting, replacement and
addition of components
7Recommended replacement parts
8List of terms
9Technical service assistance
Safety ground/protective earth and logic return wiring
To ensure electrical system grounding integrity, follow the isolated ground
topology for all Meridian 1 / Succession 1000M Large System equipment
implementations. Isolated ground provides the best method for avoiding the
introduction of ground noise to the system from other external equipment.
When isolated ground topology is not possible, an alternative grounding
method may be used if it provides the required Meridian 1 / Succession Single
Point Ground (SPG) reference. The SPG source must be the AC Equipment
Ground (ACEG) bus located inside the Meridian 1 / Succession service panel.
Service panel grounding facilities must be properly referenced to an
acceptable AC grounding source, which provides a low noise, low impedance
path.
Installations that have elected not to deploy an isolated ground methodology
will be noted during Nortel system audits. Locations experiencing system
operational performance difficulties attributed to ground noise or improper
grounding methods will be required to rectify the issue.

Page 110 of 456 Installing DC power
NN43021-310 Standard 02.01 December 2007
To eliminate potential of system problems and ensure the best grounding
method possible is used, obtain the services of a certified power contractor or
auditor prior to system installation or cutover.
Note: Refer to Communication Server 1000M and Meridian 1:
Large System Planning and Engineering (NN43021-220) for a complete
description of approved ground sources and methods. Insulated ground
wire must be used for system grounding.
Cabling and connecting the grounding leads
This section covers cabling and connecting the grounding leads for the
Candeo power system. The Candeo’s two grounding leads are:
• the frame or safety ground leads for the frames
• the battery return reference ground lead for the system
CAUTION
Follow local requirements and electrical code
The grounding methods described in this section are
generic. Specific local, provincial, state or federal
electrical codes and grounding requirements, as well as
specific Customer or communication equipment
requirements shall prevail.
CAUTION
Maintain the integrity of the frame or safety ground
The frame or safety ground shall not be confused with the
reference ground lead, nor with the battery return leads.
The frame or safety ground shall be wired in such a way
as not to be carrying any AC or DC current at any time.

Installing DC power Page 111 of 456
Communication Server 1000M and Meridian 1 Large System Installation and Commissioning
Note 1: In some equipment sites, depending on the grounding topology
and the size of the building, the floor ground bar (FGB) and the building
principal ground (BPG) may be the same busbar.
Note 2: In some equipment sites, depending on the grounding topology,
the power plant BRR ground bar may be determined as being the SPG.
Then, the BRR lead is usually run to the FGB.
Cabling and connecting the ground leads involves:
1“Connecting the power plant frame ground (or safety ground) leads” on
page 111
2“Installing safety ground/protective earth wiring” on page 123
Connecting the power plant frame ground
(or safety ground) leads
Unless specifically instructed otherwise in the specifications or by the
Customer, the frame ground leads, also referred to as the safety ground leads,
are usually connected using the approach described in Procedure 7 and as
shown in Figure 37 on page 114 and Figure 38 on page 115.

Page 112 of 456 Installing DC power
NN43021-310 Standard 02.01 December 2007
Note 1: The frame ground collector cable is normally sized according to
its length (distance between the main DC distribution cabinet and the
FGB or BPG) as well as the maximum fuse or circuit breaker size that
can be provided in the power plant. Refer to Table 3 for the
recommended cable size for the Candeo power system.
Note 2: The frame ground drop into the Candeo frame must be the same
size as the frame ground collector. The frame ground drop into battery
stands, racks or stacks is usually #6 AWG.
Table 3
Recommended cable size for the frame ground collector
Cable length
Recommended size
(see notes 1 and 2 above)
0 to 6 m (0 to 20 ft) #2 AWG
6 to 12 m (20 to 40 ft) #0 AWG
12 to 24 m (40 to 80 ft) #0000 AWG
24 to 50 m (80 to 160 ft) #500 kcmil
Table 4
Torque values for bolted connections (Part 1 of 2)
Bolt size Threads/inch Torque (in.-lb) Tension (lb)
#8 32
36
18
20
625
685
#10 24
32
23
32
705
940
6 mm (1/4 in.) 20
28
80
100
1840
2200
8 mm (5/16 in.) 18
20
140
150
2540
2620
9.5 mm (3/8 in.) 16
24
250
275
3740
3950

Installing DC power Page 113 of 456
Communication Server 1000M and Meridian 1 Large System Installation and Commissioning
Procedure 7
Installing and connecting the power plant frame ground leads
1Use the appropriate two-hole lug to connect one end of a cable to the
frame ground plate at the top of the frame for a top-fed system or at the
bottom for a bottom-fed system, as shown in Figure 38 on page 115.
Apply the appropriate torque (refer to Table 4 for torque values).
Note: Refer to Note 2 and Table 3 on page 112 for the recommended
cable size.
11 mm
(7/16 in.)
14
20
400
425
5110
5120
13 mm (1/2 in.) 13
20
550
575
6110
6140
16 mm (5/8 in.)
(see note)
11 920 7350
19 mm (3/4 in.)
(see note)
10 1400 9300
22 mm (7/8 in.)
(see note)
9 1950 11100
25 mm (1 in.)
(see note)
8 2580 12900
Note: Bolt sizes 6 mm to 25 mm (5/8 in. to 1 in.) apply to Large Candeo
only.
If Then
The power system shares a frame ground (FG)
collector cable with other equipment
go to step 2.
The power system does not share an FG
collector cable with other equipment
go to step 3.
Table 4
Torque values for bolted connections (Part 2 of 2)
Bolt size Threads/inch Torque (in.-lb) Tension (lb)

Page 114 of 456 Installing DC power
NN43021-310 Standard 02.01 December 2007
2Connect the other end of the cable to the FG collector with a parallel tap
connector, as shown in the left side illustration of Figure 37 on page 114.
Continue with step 4.
3Connect the other end of the cable to the nearest floor ground bar (FGB),
which in some sites may be the building principal ground (BPG), as shown
in the right side illustration of Figure 37 on page 114.
4Repeat step 1 for any other frames as applicable.
5Secure the cables as required and use an identification tag with the
wording “PWR PLT FG” to identify the cables at the BPG or FGB
connection.
End of Procedure
Figure 37
Typical installation of the power system frame ground lead
553-AAA1515
Candeo power
system
framework
Candeo power
system
framework

Installing DC power Page 115 of 456
Communication Server 1000M and Meridian 1 Large System Installation and Commissioning
Figure 38
Connection of the frame ground lead inside the frame
553-AAA0759

Page 116 of 456 Installing DC power
NN43021-310 Standard 02.01 December 2007
Figure 39
Ground and logic return distribution – Large and Small Candeo power systems
AC input
Service
panel
IG or ACEG
120 V
receptacle
Safety ground (#6 AWG, min)
Large System
AC conduit
Rack
Battery / logic
return reference
Note 1:
DC power feeds, battery returns, and logic return for Large System
pedestals. Standard practice is to provide two load feeds for each
pedestal, but each pedestal can support up to four load feeds for
higher reliability, if required. Each BAT(-) feed is paired with a
BATRTN(-), and there is one LRTN(+) for each pedestal.
Note 2:
The Large Candeo power system delivers up to 500 A from a single
42" (1050 mm) frame and up to 1000 A from a single 84" (2100 mm)
frame. The Small Candeo power system, which comes in
51" (1275 mm) and 84" (2100 mm) racks, delivers up to 300 A.
Note 3:
Batteries may be installed in two optional battery trays located
under the rectifier shelves.
Optional
Batteries
See
Note 1
553-AAA1512
BRE/LRE
+
–
Candeo
power
system
(rectifiers,
distribution/
battery
connection
modules,
System
Manager)

Installing DC power Page 117 of 456
Communication Server 1000M and Meridian 1 Large System Installation and Commissioning
Four-Feed PDU
The Four-Feed PDU (NT4N49AA) supports independent power feeds to each
of four modules in a stack if required. However, in a typical installation where
independent power feeds are not required, two jumper wires are provided to
jumper adjacent battery leads. When the jumper wires are used, the four-wire
PDU effectively provides the same “shared” power configuration provided
by the existing DC PDU. Therefore, the new PDU is backward compatible
and can replace an existing PDU unit in a stack, if required.
Figure 40
Standard two-feed wiring
The NT4N49AA DC PDU:
• supports four input circuits, implemented through the following terminal
configuration: four (negative) battery leads, four return leads, and logic
return lead
• is fully backward compatible with the existing PDU it is replacing
• supports independent power feeds to each of four modules
Cable-tie saddle Cable-tie saddle
Cable restraint bar
553-AAA0467

Page 118 of 456 Installing DC power
NN43021-310 Standard 02.01 December 2007
The four breakers (one for each module) in the existing DC PDU
(NT4N50AA) are rated at 18 A each. The same breakers in the four-feed
PDU are rated at 28 A.
Figure 41
Optional four-feed wiring
A readily accessible disconnect device for input power is required.
Circuit breakers must be located next to each other and labeled to show that
both must be shut off to remove all power to the system.
CAUTION
Damage to Equipment
DC power for the NT7D09 pedestal must be provided
with circuit protection of 30 A for the -BAT 0/1 and
-BAT 2/3 feeds (see Figure 42 on page 119).
Cable-tie saddle Cable-tie saddle
Cable restraint bar
553-AAA0468

Installing DC power Page 119 of 456
Communication Server 1000M and Meridian 1 Large System Installation and Commissioning
Figure 42
PDU circuit protection
NT4N49AA PDU
Terminal block
- 48 V source
- 48 V
Circuit protection
553-8990-1
Ground
bus/LRE
Max 30 A
Max 30 A
- BAT 0
- BAT 1
- BAT 2
- BAT 3
+ RTN 0
+ RTN 1
+ RTN 2
+ RTN 3
LRTN

Page 120 of 456 Installing DC power
NN43021-310 Standard 02.01 December 2007
A maximum loop drop of 2 V is allowed between the pedestal, or junction
box, and the external power equipment. See Table 5 for allowable wire sizes.
See Communication Server 1000M and Meridian 1: Large System Planning
and Engineering (NN43021-220) for detailed information on calculating wire
size.
Table 5
Wire gauge requirements with two 30 A feeds (five wires)
Length #8 AWG #6 AWG Single #4 AWG Double #4 AWG
0 to 3m (10ft) Ye s Ye s Ye s Ye s
3 to 6m (20ft) Ye s Ye s Ye s Ye s
6 to 9m (30ft) Ye s Ye s Ye s Ye s
9 to 12 m (40 ft) Ye s Ye s Ye s Ye s
12 to 15 m (50 ft) Ye s Ye s Ye s Ye s
15 to 18 m (60 ft) No Ye s Ye s Ye s
18 to 21 m (70 ft) No Ye s Ye s Ye s
21 to 24 m (80 ft) No Ye s Ye s Ye s
24 to 27 m (90 ft) No No Ye s Ye s
27 t o 30 m
(100 ft)
No No Ye s Ye s
30 to 60 m
(200 ft)
No No No Ye s
over 60 m (200 ft) No No No No
Note 1: Two 30 A feeds are typically adequate for a column with four modules (five wires
total—two 30 A feed pairs plus logic return).
Note 2: If dual conduit is used, the wires must be run in battery/battery return pairs, with one
pair in one conduit and the other pair, plus logic return, in the other conduit.
Legend:
Yes = Wire size is adequate for the distance.
No = Wire size has too high a voltage drop and is inadequate for the distance.

Installing DC power Page 121 of 456
Communication Server 1000M and Meridian 1 Large System Installation and Commissioning
The following equipment is located in the rear of each pedestal (see
Figure 43) in Large System columns.
• The PDU distributes power to the entire column.
• The field wiring terminal provides the connection point for wiring
brought into the pedestal.
• A circuit breaker is provided for each module in the column and for the
blower unit.
• All column circuit breakers will trip if a column thermal overload is
detected or a DC power low-voltage condition is sensed.
• The system monitor checks the column temperature, cooling system
status, and system voltage status and controls alarms and line transfer
states accordingly.
Figure 43
DC-power equipment in the rear of the pedestal – NT4N49AA PDU
553-8997
FLTR / PWR DIST
LRTN
BLO CB0 CB1 CB2 CB3
++
UNIT ASSY
EACH INPUT CIRCUIT MUST BE PROVIDED WITH A
LISTED FUSE OR CIRCUIT BREAKER SUITABLE FOR
BRANCH CIRCUIT PROTECTION, RATED 30A.
J6J5J3 J4
553-8997

Page 122 of 456 Installing DC power
NN43021-310 Standard 02.01 December 2007
With the NT4N49AA PDU, the safety ground/protective earth wires and all
wiring to the terminal block in the PDU must be neatly routed within the
cable-tie saddles and under the cable restraint bar at the base of the pedestal
(see Figure 44 on page 122). This ensures that there is room to install the
PDU cover, safety cover, and rear grill.
Conduit is not required with the NT4N49AA PDU. However, 32 mm
(1 1/4 in.) or 20 mm (3/4 in.) conduit can be used if local codes or individual
installations require it. Conduit can be routed down through the column from
overhead racks or up through the floor. Conduit clamps and the hardware to
fasten the conduit are provided in the pedestal. If the NT7D0902 Rear Mount
Conduit Kit is used, conduit can enter from the rear of the column (above the
floor).
Figure 44
Cable routing in the rear of the pedestal – NT4N49AA PDU
FLTR / PWR DIST
UNIT ASSY
LRTN
Cable restraint bar
BLO CB0 CB1 CB2 CB3
NT4N49AA
Cable-tie saddle Cable-tie saddle
553-8989
J6J5J3 J4
BAT
0/1
BAT
2/3 +RTN
0/1 +RTN
2/3

Installing DC power Page 123 of 456
Communication Server 1000M and Meridian 1 Large System Installation and Commissioning
Installing the Four-Feed PDU
Installing the NT4N49AA PDU is a two-step process. It involves:
1Installing safety ground/protective earth wiring on page 123
2Connecting power from the power plant to the PDU on page 125
Note: For installation in the UK, refer to the procedure “Connecting UK
power to the Four-Feed PDU” on page 129.
Installing safety ground/protective earth wiring
Procedure 8
Installing safety ground/protective earth wiring
1Remove the associated 30 A fuse or set circuit breakers to the OFF
position in the power plant to disconnect each pedestal from the power
source.
2Remove the air intake grill from the rear of the pedestal.
3At the rear of the pedestal, use a Phillips screwdriver to remove the metal
cover over the terminal block to access the safety ground/protective earth
lugs. Leave the cover off until all pedestal connections are made.
4Connect the safety ground/protective earth wire.
•For a single-column system, connect a #6 AWG wire from the
ground source in the service panel to a ground lug on the pedestal.
•For a multiple-column system, connect a #6 AWG wire from the
ground source in the service panel to a ground lug on the closest
column. Daisy-chain #6 AWG ground wires from one pedestal to the
CAUTION
System Failure
Failure to follow grounding procedures can result in
unsafe or faulty equipment. See Communication
Server 1000M and Meridian 1: Large System
Planning and Engineering (NN43021-220) for a
complete description of approved ground sources
and methods.

Page 124 of 456 Installing DC power
NN43021-310 Standard 02.01 December 2007
next as illustrated in Figure 45, connecting all of the columns
together (or run a #6 AWG wire from the ground source to each
column individually).
Note 1: Use only insulated ground wire for system grounding.
Note 2: The safety ground/protective earth wire must be routed within
the cable-tie saddles and under the cable restraint bar at the base of the
pedestal.
5Place a warning tag on the connection at the ground source. The warning
tag should read: “WARNING—TELEPHONE SYSTEM GROUND
CONNECTION—DO NOT DISCONNECT.”
Figure 45
DC column ground lug daisy-chain connection.
End of Procedure
Terminate on
last column
553-8995
To ground/protective
earth lug (or service panel)
From
ground source
553-8997
FLTR / PWR DIST
LRTN
BLO CB0 CB1 CB2 CB3
++
UNIT ASSY
EACH INPUT CIRCUIT MUST BE PROVIDED WITH A
LISTED FUSE OR CIRCUIT BREAKER SUITABLE FOR
BRANCH CIRCUIT PROTECTION, RATED 30A.
J6J5J3 J4
553-8997
FLTR / PWR DIST
LRTN
BLO CB0 CB1 CB2 CB3
++
UNIT ASSY
EACH INPUT CIRCUIT MUST BE PROVIDED WITH A
LISTED FUSE OR CIRCUIT BREAKER SUITABLE FOR
BRANCH CIRCUIT PROTECTION, RATED 30A.
J6J5J3 J4

Installing DC power Page 125 of 456
Communication Server 1000M and Meridian 1 Large System Installation and Commissioning
Connecting power from the power plant to the PDU
Note 1: It is good installation practice to fully wire out a pedestal, even if
only one or two columns are being installed at first. This facilitates future
expansion to a four-module column. The number of wires depends on
whether the requirements are for two feeds per column (standard), four
feeds per column (enhanced reliability), or one feed per Common
Equipment (CE) module.
Note 2: If only two modules are used in the column, set the CB2 and CB3
circuit breakers to OFF.
Procedure 9
Connecting power from the power plant to the PDU (NT4N49AA)
1Ensure that power to the power plant is removed from the service panel.
2Remove the air intake grill from the rear of the column pedestal being
wired by removing the two screws securing the air intake grill to the
pedestal.
3Use a Phillips screwdriver to remove the PDU safety cover.
4Remove the top cover from the power plant.
a. Remove the six screws from the top of the power plant.
b. Release the captive screw on the front control panel.
c. Lay the control panel down and remove the top cover.
5Route the wires between the power plant and the pedestal of the column
being wired.
6For installations that use a junction box:
a. Insert the conduit from the junction box into one of the conduit access
holes in the pedestal.
b. Route the wires within the cable-tie saddles and under the cable
restraint bar at the base of the pedestal.

Page 126 of 456 Installing DC power
NN43021-310 Standard 02.01 December 2007
c. Connect the wires to the matching connections on the terminal block
on the junction box.
i. Connect the red wires to – BAT 0, – BAT 1, – BAT 2, and
– BAT 3.
ii. Connect the black wires to + BATRTN 0, + BATRTN 1,
+ BATRTN 2, and + BATRTN 3.
iii. Connect the orange or white wire to LRTN.
7For installations that do not use a junction box:
a. Route two red wires between the power plant and the pedestal of the
column being wired.
b. Route two black wires between the power plant and the pedestal of
the column being wired.
c. Route one (orange or white) wire for the logic return ground (LRTN)
between the power plant and the pedestal of the column being wired.
d. Route the wires within the cable-tie saddles and under the cable
restraint bar at the base of the pedestal.
8Connect wires to the PDU.
a. Connect a red wire for each module to – BAT 0, – BAT 1, – BAT 2,
and – BAT 3 on the connection block.
b. Connect a black wire for each module to + BATRTN 0, + BATRTN 1,
+ BATRTN 2, and + BATRTN 3 on the connection block.
c. Connect the (orange or white) wire to the LRTN terminal on the
connection block.
9Connect wires to the power plant.
a. Connect the red wires to the first two circuit breakers in the main
control/distribution panel. See Figure 46 for PDU to Large Candeo
DC Power Plant connections. Each new column connects the next
two available circuit breakers.
Note: If only two modules are used in the column, make sure the CB2
and CB3 circuit breakers are set to OFF.
b. Connect the black wires to the ground bus/LRE.
c. Connect the orange or white wire to the ground bus/LRE.

Installing DC power Page 127 of 456
Communication Server 1000M and Meridian 1 Large System Installation and Commissioning
10 Replace the metal safety cover over the terminal block on the PDU.
a. Lower the front panel over the mounting screws on the PDU.
b. Tighten the screws holding the cover.
11 Replace the power plant cover.
12 Replace the junction box cover.

Page 128 of 456 Installing DC power
NN43021-310 Standard 02.01 December 2007
Figure 46
PDU to Large Candeo connections
End of Procedure
553-AAA0760

Installing DC power Page 129 of 456
Communication Server 1000M and Meridian 1 Large System Installation and Commissioning
Connecting UK power to the Four-Feed PDU
To connect the external power system to the pedestal, use the following
procedure for each column (this procedure gives the connections for a
four-module column).
Note: All wiring to the PDU must be routed within the cable-tie saddles
and under the cable restraint bar at the base of the pedestal.
Procedure 10
Connecting UK power to the Four-Feed PDU
1Open the front door of the 8B/2R or 8B/4R master power cabinet.
2If a junction box is used, insert the conduit from the junction box into one
of the conduit access holes in the pedestal.
Connect the wires from the junction box to the matching connections on
the terminal block on the PDU.
a. Connect the red wires – BAT 0, – BAT 1, – BAT 2, and – BAT 3.
b. Connect the black wires + BATRTN 0, + BATRTN 1, + BATRTN 2,
and + BATRTN 3.
c. Connect the remaining LRTN wire (orange or white wire).
Note: If a junction box is used, the connections described in Steps 2
through 4 apply to the junction box rather than the pedestal.
3Connect the red BAT (–48 V) wires.
a. At the 8B/2R or 8B/4R master power cabinet, connect wires to the
terminals on the –ve distribution rail (see Figure 46 on page 128).
b. At the PDU, connect the wires to the terminal block.
i. Connect module 0 to – BAT 0.
ii. Connect module 1 to – BAT 1.
iii. Connect module 2 to – BAT 2.
iv. Connect module 3 to – BAT 3.

Page 130 of 456 Installing DC power
NN43021-310 Standard 02.01 December 2007
4Connect the black BATRTN (+48 V) wires.
a. At the 8B/2R or 8B/4R master power cabinet, connect wires to the
+ve bus.
b. At the PDU, connect the wires to the terminal block:
i. Connect modules 0 to + BATRTN 0.
ii. Connect modules 1 to + BATRTN 1.
iii. Connect modules 2 to + BATRTN 2.
iv. Connect modules 3 to + BATRTN 3.
5Connect an orange #8 AWG (10 mm2) LRTN wire from the logic return
equalizer (LRE) in the rear of the master power cabinet to LRTN on
terminal block TB1 in the pedestal. (See Figure 46 on page 128.)
6Reinstall the metal safety cover over the terminal block.
a. Lower the front panel over the mounting screws on the PDU.
b. Tighten the screws holding the cover.
7Close the covers on the 8B/2R or 8B/4R master power cabinet.
End of Procedure
System monitor connections
When connecting to an 8B/2R or 8B/4R master power cabinet, one
NT8D46AV cable is required to extend the alarm terminal to the master
system monitor in the pedestal. See Figure 46 on page 128.
The orange-colored wire on NT8D46AV marked “ALARM” extends from
any of three alarm terminals on the top of the power cabinet to connector
marked J4 in the system monitor. The remaining “Trip” and “DC ON” wires
on the NT8D46AV cable are not used and should be snipped before installing
the cable.

Installing DC power Page 131 of 456
Communication Server 1000M and Meridian 1 Large System Installation and Commissioning
Figure 47
UEM to 8B/2R or 8B/4R master power cabinet connections
TB1 in Power distribution unit
-VE Distribution Rail
Positive Bus
Logic Return Equalizer,
LRE (functional earth)
12345678
Red wires
Black wires
To Test Jack Frame (TJF)
16 sq mm green/yellow Master Power Cabinet(s)
Each output is rated at 30 A
maximum. Maximum total
output is 150 A.
Power alarm cable
(NT8D46AV)
Factory installed
(16 sq mm
green/yellow)
Alarm terminal
(3 off)
J4 in
system
monitor
(XSM)
553-AAA1513
Orange wire
(10 sq mm)
To CB4 (blower)
CB0 (module 0),
& CB1 (module 1)
To CB2 (module 2)
& CB3 (module 3)
To connections
in pedestal
- BAT - BAT - BAT - BAT + RTN + RTN + RTN + RTN LRTN
01230123
Note: Optional four-feed wiring shown

Page 132 of 456 Installing DC power
NN43021-310 Standard 02.01 December 2007

Page 133 of 456
Communication Server 1000M and Meridian 1 Large System Installation and Commissioning
144
Planning and designating a
Main Distribution Frame
Contents
This section contains information on the following topics:
About terminations . . . . . . . . . . . . . . . . . . . . . . . . . . . . . . . . . . . . . . . . 133
Installation and designation. . . . . . . . . . . . . . . . . . . . . . . . . . . . . . . . . . 133
Terminal block requirements . . . . . . . . . . . . . . . . . . . . . . . . . . . . . . . . 134
Installing the BIX cross-connect terminal. . . . . . . . . . . . . . . . . . . . . . . 134
Installing the Krone cross-connect system (UK) . . . . . . . . . . . . . . . . . 138
About terminations
All Large System terminations are cross-connected on frame-mounted or
wall-mounted modules and connecting blocks. The layout of the blocks can
vary to meet the requirements of the site.
Installation and designation
Refer to the manufacturer's documentation for recommendations and detailed
procedures on installing and labelling the cross-connect blocks.
DANGER OF ELECTRIC SHOCK
Tip, ring, A, B, E, M, ESC, and ESCG connections
can be considered to be Telecommunication Network
Voltages (TNV).

Page 134 of 456 Planning and designating a Main Distribution Frame
NN43021-310 Standard 02.01 December 2007
This chapter describes how to install and connect a CS 1000M system using
the BIX or Krone Test Jack Frame (UK) cross-connect terminals.
Note: The examples shown here are BIX and Krone cross-connect
systems. These items are commercially available, but are not supplied by
Nortel.
This chapter contains the following procedures:
• Procedure 11: “Installing the BIX cross-connect terminal” on page 135.
• Procedure 12: “Installing the Krone Test Jack Frame (UK)” on page 138.
Terminal block requirements
The cross-connect terminal requires enough connecting blocks to terminate:
• up to 16 25-pair cables for each IPE shelf
• up to four 25-pair cables for each Media Gateway and Media Gateway
Expander
• four conductors for the AUX cable from the Media Gateway
• one 25-pair cable from each PFTU
• wiring from telephones and trunks.
Installing the BIX cross-connect terminal
Procedure 11 describes how to install the BIX cross-connect terminal.
DANGER
Always use caution when installing or modifying
telephone lines. Do not install telephone wiring during a
lightning storm. Never touch uninsulated telephone
wiring, unless the line is disconnected at the network
interface.

Planning and designating a Main Distribution Frame Page 135 of 456
Communication Server 1000M and Meridian 1 Large System Installation and Commissioning
Procedure 11
Installing the BIX cross-connect terminal
1Refer to the equipment layout plan to determine where to place the
cross-connect terminal.
2Lay out the terminal blocks as shown in Figure 50 on page 137.
3Attach labels on the cross-connect terminal to indicate the terminal blocks
assigned to the following:
• 25-pair cables from the system
•AUX wiring
• Power Failure Transfer Units (PFTU)
• Telephones and consoles
•Trunks
• Miscellaneous equipment
End of Procedure
Figure 48
Typical BIX cross-connect terminal layout
Standard backplane cabling: White background
A0A
0SP
T R T RT RT R T R T R T R T R T R T R T R T R T R T R T R
71523456 8910111213141
0SP
0SP
T R T RT RT R T R T R T R T R T R T R T R T R T R T R T R
71523456 8910111213141
B B
1
0
T R T R T R T R T R T R T R
7234561
553-3102
8SP
T R T RT R T R T R T R T R T R T R T R T R T R T R T R
15 7
10 11 12 13 14 0 1 2 3 4 5 69
C C
3
8
T R T R T R T R T R T R T R
1510 11 12 13 149
T R
T R
2
Expanded backplane cabling: White background
AA
SP
SP B
SP
C C
0
T R T RT RT R T R T R T R T R T R T R T R T R T R T R T R
71523456 8 910111213141
T R T R T R T R T R T R T R T R T R
16 17 18 19 20 21 22 23
B0
T R T RT RT R T R T R T R T R T R T R T R T R T R T R T R
71523456 8 910111213141
T R T R T R T R T R T R T R T R T R
16 17 18 19 20 21 22 23
0
T R T RT RT R T R T R T R T R T R T R T R T R T R T R T R
7152345 6 8 910111213141
T R T R T R T R T R T R T R T R T R
16 17 18 19 20 21 22 23

Page 136 of 456 Planning and designating a Main Distribution Frame
NN43021-310 Standard 02.01 December 2007
Figure 49
BIX module
Connector
Designation strip
553-3097

Planning and designating a Main Distribution Frame Page 137 of 456
Communication Server 1000M and Meridian 1 Large System Installation and Commissioning
Figure 50
Recommended layout for NT8D37 IPE Modules
Cable terminations
for one NT8D37 IPE
Module
Cable A
Cable B
Cable C
Cable D (Note)
Cable E
Cable F
Cable G
Cable K
Cable L
Cable M
From
I/O
panel
Cable H (Note)
Cable N (Note)
Cable U (Note)
Cable K
Cable R
Cable S
Cable T
Spare
Spare
Spare
Spare
Note:
In NT8D37DC IPE Modules, these slots are not used. They
are
used in NT8D37EC IPE Modules.
553-3099

Page 138 of 456 Planning and designating a Main Distribution Frame
NN43021-310 Standard 02.01 December 2007
Installing the Krone cross-connect system (UK)
In the Krone cross-connect system, one terminating strip holds ten pairs of
cable. When cross-connecting a 25-pair cable on this system, eight of the
ten terminating points are used on each strip. One 25-pair cable, therefore,
occupies three terminating strips:
8 pairs per strip by 3 strips = 24 pairs
Card allocations
Figures 51 and 52 provide module card allocations for the Krone
cross-connect system.
Procedure 12 describes how to install the Krone Test Jack Frame for the UK.
Procedure 12
Installing the Krone Test Jack Frame (UK)
1Refer to the equipment layout plan to determine where to place the
cross-connect terminal.
2Lay out the terminal blocks.
3Attach labels on the cross-connect terminal to indicate the terminal blocks
assigned to the following:
• Analog line cards
• DC15/AC15/RAN/PAG cards
• Data Access cards
•AUX wiring
• Power Failure Transfer Units
• Digital line cards
• Telephones
• Exchange line trunk cards
• Direct Dialing Inward trunk cards
• Miscellaneous equipment
End of Procedure

Planning and designating a Main Distribution Frame Page 139 of 456
Communication Server 1000M and Meridian 1 Large System Installation and Commissioning
Figure 51
IPE module card allocation – Krone cross-connect system
Card 0
Card 1
Card 2
Card 3
Card 4
Card 5
Card 6
Card 7
Card 8
Card 9
Card 10
Card 11
Card 12
Card 13
Card 14
Card 15
Cable A
Cable B
Cable C
Cable E
Cable F
Cable G
Cable K
Cable L
Cable M
Cable R
Cable S
Cable T
Pair
8
16
24
8
16
24
8
16
24
8
16
24
8
16
24
8
16
24
8
16
24
8
16
24
8
16
24
8
16
24
8
16
24
8
16
24
Pair
1
9
17
1
9
17
1
9
17
1
9
17
1
9
17
1
9
17
1
9
17
1
9
17
1
9
17
1
9
17
1
9
17
1
9
17
Pair Pair
553-6459

Page 140 of 456 Planning and designating a Main Distribution Frame
NN43021-310 Standard 02.01 December 2007
Figure 52
CE/PE module card allocation – Krone cross-connect system
Labels
Terminating strips on the Krone cross-connect must be labeled if they contain
wiring. The labels that attach to the terminating strips have two sides: the
front side shows the card name and card number, and the reverse side (flip-up
side) shows pair designations for that card.
Card 0
Card 1
Card 2
Card 3
Card 4
Card 5
Card 6
Card 7
Card 8
Cable A
Cable B
Cable C
Cable E
Cable F
Cable G
Cable K
Pair
8
16
24
8
16
24
8
16
24
8
16
24
8
16
24
8
16
24
8
16
24
Card 9
Pair
1
9
17
1
9
17
1
9
17
1
9
17
1
9
17
1
9
17
1
9
17
Pair Pair
553-6460

Planning and designating a Main Distribution Frame Page 141 of 456
Communication Server 1000M and Meridian 1 Large System Installation and Commissioning
There are two types of mandatory labels: those with safety warnings and
those without. Mandatory labels with safety warnings are required for the
following cards:
• NT5K02 analog line card
• NT5K19 analog tie trunk card
• QUA6 Power Failure Transfer Unit (PFTU)
Labels are mandatory for the following cards but they do not need safety
warnings:
• NT5K18 Exchange line card
• NT5K17 Direct Dial Inwards (DDI) card
Figure 53 through to Figure 59 show labels for the Krone cross-connect
system.
Figure 53
Label for Analog Line Card
SAFETY WARNING
SEE INSTRUCTIONS FOR USE : ANALOGUE TELEPHONES CARD..........
SHELF.........
LOOP..........
TT TTTTT TRRRR RRRR
012 34 5 67
TTRR
DIR. NO.'S
RRRR RRRRTTTTTTTT
8 9 10 12 13 14 1511
TTRR
DIR. NO.'S
SAFETY WARNING
SEE INSTRUCTIONS FOR USE : ANALOGUE TELEPHONES CARD..........
SHELF.........
LOOP..........
SAFETY WARNING
SEE INSTRUCTIONS FOR USE : ANALOGUE TELEPHONES CARD..........
SHELF.........
LOOP..........
TT TTT TT TRRRR RRRR
012 34 5 67
TTRR
DIR. NO.'S
553-6461

Page 142 of 456 Planning and designating a Main Distribution Frame
NN43021-310 Standard 02.01 December 2007
Figure 54
Label for Analog Tie Trunk Card
Figure 55
Label for Data Access Line Card (NT7D16)
SAFETY WARNING
SEE INSTRUCTIONS FOR USE : DATA EQUIPMENT
T
D
C
T
S
G
N
D
D
T
R
R
D
D
S
R
D
C
D
R
I
SAFETY WARNING
SEE INSTRUCTIONS FOR USE : DATA EQUIPMENT CARD..........
SHELF.........
LOOP..........
SAFETY WARNING
SEE INSTRUCTIONS FOR USE : DATA EQUIPMENT
T
D
C
T
S
G
N
D
D
T
R
R
D
D
S
R
D
C
D
R
I
C
T
S
G
N
D
D
T
R
R
D
D
S
R
D
C
D
R
I
T
D
C
T
S
G
N
D
D
T
R
R
D
D
S
R
D
C
D
R
I
T
D
C
T
S
G
N
D
D
T
R
R
D
D
S
R
D
C
D
R
I
T
D
C
T
S
G
N
D
D
T
R
R
D
D
S
R
D
C
D
R
I
T
D
Unit: Dir. Number: Unit: Dir. Number:
Unit: Dir. Number: Unit: Dir. Number:
Unit: Dir. Number: Unit: Dir. Number:
553-6463
CARD..........
SHELF.........
LOOP..........
CARD..........
SHELF.........
LOOP..........

Planning and designating a Main Distribution Frame Page 143 of 456
Communication Server 1000M and Meridian 1 Large System Installation and Commissioning
Figure 56
Label for Power Failure Transfer Unit
Figure 57
Label for Digital Line Card (NT8D02)
SAFETY WARNING
SEE INSTRUCTIONS FOR USE
POWER FAIL TRANSFER UNIT
CABLE J1.
LINE
CARD CARD
EXT CO TRK.
PFT 1
COT
SAFETY WARNING
SEE INSTRUCTIONS FOR USE
POWER FAIL TRANSFER UNIT
CABLE J1.
SAFETY WARNING
SEE INSTRUCTIONS FOR USE
POWER FAIL TRANSFER UNIT
CABLE J1.
G
N
D
T
C
A
L
M
G
N
D
LINE
CARD CARD CARD CARD
EXT CO TRK. COT COT
PFT 2 PFT 3
LINE
EXT CO TRK.
LINE
CARD CARD CARD CARD
EXT CO TRK. COT COT
PFT 4 PFT 5
LINE
EXT CO TRK.
-
52
V
-
52
V
P
F
T
S
553-6464
TRTRTRTRTRTRTRTRTR TR
TRTRTRTRTRTRTRTRTR TR
TR
TRTR
TRTRTR
TR
TR
TR TR
TTTTT TTTRRR R RR R R
01234567
TTRR
DIR. NO.'S
RRR RRRRRTTTTTTTT
8 9 10 12 13 14 1511
TTRR
DIR. NO.'S
LOOP..........
SHELF.........
CARD..........
LOOP..........
SHELF.........
CARD..........
SAFETY WARNING
SEE INSTRUCTIONS FOR USE : DIGITAL TELEPHONES
SAFETY WARNING
SEE INSTRUCTIONS FOR USE : DIGITAL TELEPHONES
553-6465

Page 144 of 456 Planning and designating a Main Distribution Frame
NN43021-310 Standard 02.01 December 2007
Figure 58
Label for Exchange Line Trunk Card (NT5K18)
Figure 59
Label for Direct Dial Inward Trunk Card (NT5K17)
553-6466
EXCHANGE LINES LOOP..........
SHELF.........
CARD..........
EXCHANGE LINES LOOP..........
SHELF.........
CARD..........
EXCHANGE LINES LOOP..........
SHELF.........
CARD..........
TTTTRR RR
0123
EXCHANGE NO.'S
RRRRTTT
4 5 67
EXCHANGE NO.'S
T
TTT TRR R R
012 3
EXCHANGE NO.'S
EXCHANGE LINES
EXCHANGE LINES
553-6467
DIRECT DIAL INWARDS LOOP..........
SHELF.........
CARD..........
TTTTRR RR
012 3
RR R RTTT
4 5 67
T
DIRECT DIAL INWARDS LOOP..........
SHELF.........
CARD..........
DIRECT DIAL INWARDS LOOP..........
SHELF.........
CARD..........
TTTTRR RR
012 3
EXCHANGE LINES

Page 145 of 456
Communication Server 1000M and Meridian 1 Large System Installation and Commissioning
150
Installing Power Failure Transfer Units
Contents
This section contains information on the following topics:
PFTU configurations . . . . . . . . . . . . . . . . . . . . . . . . . . . . . . . . . . . . . . . 145
Installing a PFTU . . . . . . . . . . . . . . . . . . . . . . . . . . . . . . . . . . . . . . . . . 148
Connecting trunks and telephones. . . . . . . . . . . . . . . . . . . . . . . . . . . . . 149
Installing QUA6 PFTUs . . . . . . . . . . . . . . . . . . . . . . . . . . . . . . . . . . . . 150
PFTU configurations
In AC-powered systems, Power Fail Transfer Units (PFTU) are powered by
the A0367916 Auxiliary –48 V Power Supply (up to six PFTUs can be
supported by one power supply). In DC-powered systems, PFTUs are
powered from an auxiliary –48 V DC fused output from the external power
equipment.
Figure 60 shows a high-level view of PFTU alarm connections. For PFTU
operation, the wiring from the following equipment cross-connects through
termination areas at the MDF:
1PFTU
2Auxiliary power supply
3System monitor
4Attendant console (optional)

Page 146 of 456 Installing Power Failure Transfer Units
NN43021-310 Standard 02.01 December 2007
5Designated telephones (DTMF or rotary dial types)
6Central office trunks
Figure 60
MDF terminations for typical PFTU operation
Figure 61 on page 147 shows detail view of the PFTU alarm connections. The
PFTU can be activated by system power failure and using the Attendant
console TC switch. If more than one Attendant console is connected to the
system, it must be connected in parallel with the main Attendant console as
shown in the figure.
PFTU
Auxiliary
power supply
PFTU
terminations
Telephone/CO trunk
terminations
IPE
terminations
System alarm (J3)
terminations System monitor
78 9
GRD
X
normally
open
-48V
GRD
P1
P2
cross-connects
553-5137

Installing Power Failure Transfer Units Page 147 of 456
Communication Server 1000M and Meridian 1 Large System Installation and Commissioning
Figure 61
Typical PFTU connection to the MDF and the Master System Monitor
553-7559
Open
when
activated
Closed when
activated
To
activate
power fail
transfer
DEES 154
PFTU
Attendant console
TC
MJ Alarm
1
2
3
4
5
6
7
8
9
1
9
To power
supply above
LED
To REMALM leads on
slave system monitors
Closed on
MJ alarm
Closed on
MJ alarm
LFBENR
LFBEN
To
LFBEN
leads on
slave SM’s
REMALMB
REMALMA
GND BATT
36 / 391411
GND
Alarm
NO1
SWE
GND
NC
NC1
– 48V
P2–48
P2–23
TC
P1–25
P1–50
P2–24
P2–49
P2–50
P2–25
P1–24
P1–49
NPS
50220-07
Power Supply
BATT GND
GND
COM
– 48 V
To other
PFTU’s
Additional
attendant
consoles
Meridian 1
master system
monitor (SM)
J3
MDF
LED
NO

Page 148 of 456 Installing Power Failure Transfer Units
NN43021-310 Standard 02.01 December 2007
Installing a PFTU
Use the following procedure and any instructions provided with the Power
Failure Transfer Unit (PFTU) to install and connect PFTUs.
Procedure 13
Installing a PFTU
1Install a PFTU according to the manufacturer’s instructions.
2Attach the yellow PFTU label to the designation strip, indicating the top
connector as P1 and the bottom connector as P2.
3Install two NE-A25B type 25-pair cables from connectors P1 and P2 on
the front of the PFTU to the PFTU termination area at the MDF.
4Cross-connect wiring for PFTU operation as shown in Table 6.
5For AC-powered systems, install the A0367916 auxiliary power supply.
a. Attach the unit to the wall using screws in the four mounting holes.
b. Connect a #24 (or larger) AWG wire from the –48 V connection on
the auxiliary power supply to the PFTU termination area on the MDF.
Table 6
MDF cross-connections for PFTU operations
Description Connection
–48 V DC
+ return (GND)
PFTU connector P1, pin 49
PFTU connector P2, pin 49 and MDF GND
All grounds on system monitor cable MDF GND
Console cable pin 11
Console cable pin 36
PFTU connector P1, pin 25
MDF GND
LFBEN (line forced bypass enable)
LFBENR (line forced bypass enable return)
PFTU connector P1, pin 50
MDF GND
MDF GND PFTU connector P2, pin 24
Note: At connector P1 on the PFTU, pins 25 and 50 are labeled SWE for “switch enable.”
When pin 25 is grounded by the attendant console or pin 50 is grounded by the system
monitor, line transfer is activated.

Installing Power Failure Transfer Units Page 149 of 456
Communication Server 1000M and Meridian 1 Large System Installation and Commissioning
c. Connect a #24 (or larger) AWG wire from the ground (GND)
connection on the auxiliary power supply to the PFTU termination
area on the MDF.
d. Connect a second #24 (or larger) AWG wire from the GND
connection on the auxiliary power supply to the Large System alarm
termination area on the MDF.
e. Plug in the A0367916 auxiliary power supply.
— If a UPS is used, you must plug the power supply into an
auxiliary output on the UPS.
— Without a UPS, plug the power supply into an outlet in the
equipment room.
6For DC-powered systems, power the PFTU from the fused low-current
auxiliary power outputs on the DC power system. One 1.33 A fuse
supports up to six PFTUs.
End of Procedure
Connecting trunks and telephones
The “ground start” feature on 500/2500-type telephones connected to CO
trunks requiring a ground start condition is not required. Automatic ground
start is performed by the PFTU. However, rotary dials (dial pulse) are
required on telephones assigned to trunks that are not equipped to recognize
tone pulses (touch tone).
See the PFTU documentation for MDF cable terminations for telephones and
trunks associated with the PFTU. If the connections are not designated on the
connecting blocks, mark the blocks as shown in the documentation or install
the appropriate designation strips.
Procedure 14
Connecting trunks and telephones
1For each telephone assigned to the PFTU.
• Connect the tip and ring of the line card to the first pair of the
assigned PFTU.
• Connect the tip and ring of the telephone to the second pair of the
assigned PFTU.

Page 150 of 456 Installing Power Failure Transfer Units
NN43021-310 Standard 02.01 December 2007
2For each trunk assigned to the PFTU.
• Connect the tip and ring of the CO card to the third pair of the
assigned PFTU.
• Connect the tip and ring of the trunk to the fourth pair of the assigned
PFTU.
End of Procedure
Installing QUA6 PFTUs
QUA6 PFTUs are used for Large System installations. The QUA6 PFTU is
powered from an auxiliary –48 V DC fused output from the external power
equipment.
Figure 60 on page 146 shows a high-level view of QUA6 PFTU alarm
connections. For PFTU operation, the wiring from the following equipment
cross-connects through termination areas at the MDF:
1PFTU
2Auxiliary –48 V DC
3System monitor
4Attendant console (optional)
5Designated telephones
6Central Office trunks

Page 151 of 456
Communication Server 1000M and Meridian 1 Large System Installation and Commissioning
170
Configuring the system monitor
Contents
This section contains information on the following topics:
System monitor cabling. . . . . . . . . . . . . . . . . . . . . . . . . . . . . . . . . . . . . 151
Configuring the System Monitor. . . . . . . . . . . . . . . . . . . . . . . . . . . . . . 153
Cabling the System Monitor . . . . . . . . . . . . . . . . . . . . . . . . . . . . . . . . . 157
Alarm interfacing to Candeo . . . . . . . . . . . . . . . . . . . . . . . . . . . . . . . . . 165
Configuring the alarm ports . . . . . . . . . . . . . . . . . . . . . . . . . . . . . . . . . 168
Customizing alarms. . . . . . . . . . . . . . . . . . . . . . . . . . . . . . . . . . . . . . . . 169
System monitor cabling
Multi-column systems
Cabling between system monitors in a multi-column system requires the use
of a single cable. The cabling is done in a daisy-chain fashion with the master
system monitor at the beginning of the chain. The address of each slave
system monitor must be unique and there cannot be any gaps in the slave
numbering. Figure 62 shows a typical cabling scheme between columns.

Page 152 of 456 Configuring the system monitor
NN43021-310 Standard 02.01 December 2007
Figure 62
System monitor to system monitor serial link cabling
Power failure transfer control
The system monitor can be cabled to the MDF to provide power failure
transfer control or additional alarms. The cable used is the NT8D46BH, EH,
or DH and it is plugged into J3 on the system monitor. With the same J3
connector, the system monitor can be used with a variety of cables.
AC power control
The system monitor can also monitor and control an AC-powered UPS.
Connector J4 is used for this interface. Three cables are available for
connecting to a UPS: NT8D46AQ, NT8D46AJ, and NT8D46AU.
DC power observation
The system monitor can also work with DC power supplies. A J4 connector
monitors the rectifiers. Cable requirements depend on the battery distribution
box in use. With the Candeo power system, a NT8D46xx cable interfaces
from the connector J4 of the Large System's system monitor to the Candeo's
System Manager alarm output ports. Refer to “Alarm interfacing to Candeo”
on page 165 for additional information.
Pedestal
J5 J6
Master XSM
Column 0
NT8D46AL NT8D46AP
n=63 maximum
Column 1
Pedestal
J5 J6
Slave XSM
Column n
J5 J6
Slave XSM
Pedestal
553-7551

Configuring the system monitor Page 153 of 456
Communication Server 1000M and Meridian 1 Large System Installation and Commissioning
Configuring the System Monitor
The master System Monitor (NT8D22) interfaces with a Serial Data Interface
(SDI) port in the column with CPU 0.
Procedure 15
Configuring the System Monitor (NT8D22)
1Set the baud rate for the SDI port associated with the system monitor to
1200 baud in DTE mode.
2In the rear of the pedestal, loosen the two retaining screws on the system
monitor and remove it from the PDU.
3Configure the option switches for each system monitor. (See Circuit Card:
Description and Installation (NN43001-311) for a detailed description of
switch setting options.)
a. For a single-column system, configure the switches as shown in
Table 7.
Note: Connect and cable the system monitor in a single-column system
like a master system monitor for the rest of this procedure.
b. For a multiple-column system, configure the system monitor in the
column with CPU 0 as the master, using the settings shown in
Table 8 and Table 10 on page 154.
c. Configure option switches on slave system monitors as shown in
Table 9 on page 154 and Table 11 on page 156. If CPU 0 and CPU 1
are in different columns, configure the system monitor in the column
Table 7
NT8D22 switch settings for a single-column system
Switch 1 2 3 4 5678
SW1 off off * on** off off off off
SW2 on Always
off
on on on on on on
SW3 onononon
*Set to on for a DC-powered system; set to off for an AC-powered system.
** Set to off if the system is not equipped with a PFTU.

Page 154 of 456 Configuring the system monitor
NN43021-310 Standard 02.01 December 2007
with CPU 1 as slave unit 1. Number the slaves sequentially wherever
possible.
Table 8
Switch settings for master in multiple-column system
Switch 123 4 5678
SW1 off off * on** off off off off
SW2 on off To configure positions 3–8, see Table 10
SW3 on on on on
*Set to on for a DC-powered system; set to off for an AC-powered system.
** Set to off if the system is not equipped with a PFTU.
Table 9
Switch settings for slaves in multiple-column system
Switch 12345678
SW1 off off * ** off off off off
SW2 off off To configure positions 3–8, see Table 11 on
page 156
SW3 off off off off
*Set to on for a DC-powered system; set to off for an AC-powered system.
** Set to on to enable PFTU (if equipped) during over-temperature
condition.
Set to off to disable PFTU during over-temperature condition.
Table 10
SW2 on master—total number of slaves in the system (Part 1 of 2)
How many
slave units
Switch position How many
slave units
Switch position
3 4 5 6 7 8 3 4 5 6 7 8
0on on on on on on 32 off on on on on on
1on on on on on off 33 off on on on on off
2on on on on off on 34 off on on on off on
3on on on on off off 35 off on on on off off

Configuring the system monitor Page 155 of 456
Communication Server 1000M and Meridian 1 Large System Installation and Commissioning
4on on on off on on 36 off on on off on on
5on on on off on off 37 off on on off on off
6on on on off off on 38 off on on off off on
7on on on off off off 39 off on on off off off
8on on off on on on 40 off on off on on on
9on on off on on off 41 off on off on on off
10 on on off on off on 42 off on off on off on
11 on on off on off off 43 off on off on off off
12 on on off off on on 44 off on off off on on
13 on on off off on off 45 off on off off on off
14 on on off off off on 46 off on off off off on
15 on on off off off off 47 off on off off off off
16 on off on on on on 48 off off on on on on
17 on off on on on off 49 off off on on on off
18 on off on on off on 50 off off on on off on
19 on off on on off off 51 off off on on off off
20 on off on off on on 52 off off on off on on
21 on off on off on off 53 off off on off on off
22 on off on off off on 54 off off on off off on
23 on off on off off off 55 off off on off off off
24 on off off on on on 56 off off off on on on
25 on off off on on off 57 off off off on on off
26 on off off on off on 58 off off off on off on
27 on off off on off off 59 off off off on off off
28 on off off off on on 60 off off off off on on
29 on off off off on off 61 off off off off on off
30 on off off off off on 62 off off off off off on
31 on off off off off off 63 off off off off off off
Table 10
SW2 on master—total number of slaves in the system (Part 2 of 2)
How many
slave units
Switch position How many
slave units
Switch position
3 4 5 6 7 8 3 4 5 6 7 8

Page 156 of 456 Configuring the system monitor
NN43021-310 Standard 02.01 December 2007
Table 11
SW2 on slaves—total unit number for the slaves (Part 1 of 2)
Slave unit
address
Switch position Slave unit
address
Switch position
3 4 5 6 7 8 3 4 5 6 7 8
** 32 off on on on on on
1on on on on on off 33 off on on on on off
2on on on on off on 34 off on on on off on
3on on on on off off 35 off on on on off off
4on on on off on on 36 off on on off on on
5on on on off on off 37 off on on off on off
6on on on off off on 38 off on on off off on
7on on on off off off 39 off on on off off off
8on on off on on on 40 off on off on on on
9on on off on on off 41 off on off on on off
10 on on off on off on 42 off on off on off on
11 on on off on off off 43 off on off on off off
12 on on off off on on 44 off on off off on on
13 on on off off on off 45 off on off off on off
14 on on off off off on 46 off on off off off on
15 on on off off off off 47 off on off off off off
16 on off on on on on 48 off off on on on on
17 on off on on on off 49 off off on on on off
18 on off on on off on 50 off off on on off on
19 on off on on off off 51 off off on on off off
20 on off on off on on 52 off off on off on on
21 on off on off on off 53 off off on off on off
22 on off on off off on 54 off off on off off on
23 on off on off off off 55 off off on off off off
24 on off off on on on 56 off off off on on on
25 on off off on on off 57 off off off on on off
26 on off off on off on 58 off off off on off on
27 on off off on off off 59 off off off on off off
28 on off off off on on 60 off off off off on on
29 on off off off on off 61 off off off off on off
30 on off off off off on 62 off off off off off on

Configuring the system monitor Page 157 of 456
Communication Server 1000M and Meridian 1 Large System Installation and Commissioning
End of Procedure
Cabling the System Monitor
The System Monitor (NT8D22) is used to monitor the temperature, power
supplies, and blower unit in a column. A series of daisy-chained flat-ribbon
cables between each module is used to connect the power supplies and the top
cap thermal sensors to the system monitor located in the pedestal. The flat
cable routes through the square holes in the rear horizontal cable trough.
Figure 63 shows the cabling of the system monitor in a column.
31 on off off off off off 63 off off off off off off
Note: **Slave addresses are 1-63.
Table 11
SW2 on slaves—total unit number for the slaves (Part 2 of 2)
Slave unit
address
Switch position Slave unit
address
Switch position
3 4 5 6 7 8 3 4 5 6 7 8

Page 158 of 456 Configuring the system monitor
NN43021-310 Standard 02.01 December 2007
Figure 63
System monitor module-to-module cabling
Follow the steps in Procedure 16 to cable the NT8D22 System Monitor.
Procedure 16
Cabling the System Monitor (NT8D22)
1Remove the I/O safety panel in the rear of the module with CPU 0.
2Connect the master system monitor to the SDI port.
XSM
Top Cap
NT8D46AB
NT8D46A
A
Pedestal
NT8D46AC
Module
Backplane
Backplane
Backplane
Backplane
553-7544

Configuring the system monitor Page 159 of 456
Communication Server 1000M and Meridian 1 Large System Installation and Commissioning
3Connect the master system monitor to slave unit 1 with an NT8D46AS
cable.
4Connect the narrow ribbon on an NT8D46AG cable from connector J2 in
the module with CPU 0 to the assigned port on the SDI card (see
Figure 64).
Figure 64
Cabling two side-by-side NTD40 shelves – system monitor to slave unit 1
and SDI port
J1
NT8D46AG
cable
To SDI port To next module
Backplane
CPU 0
553-3112
J1
To next module
Backplane
CPU 1
J2
J2
NT8D46AG cable
To system monitor/
power supply assembly
in the pedestal
To system monitor/
power supply assembly
in the pedestal
NT8D46AA
cable

Page 160 of 456 Configuring the system monitor
NN43021-310 Standard 02.01 December 2007
Figure 65
Cabling CS 1000M SG or Meridian 1 PBX 61C, single column with
stacked Core/Net modules – cable master system monitor to SDI port
5Daisy-chain slave system monitors to the master.
a. For a single-column system, skip this step.
b. For a multiple-column system, beginning with the master system
monitor, cable in series (slave 1 to slave 2, slave 2 to slave 3, and so
on) from connector J6 to connector J5 on each system monitor (see
Figure 66 on page 161). Terminate at connector J5 on the last
column.
— If columns are adjacent, use an NT8D46AL cable.
— If columns are not adjacent, use an NT8D46AP cable.
553-3111
NT8D46AA
J1
To SDI port To next module
Backplane
CPU 0
To system monitor/
power supply assembly
in the pedestal
J2
NT8D46AG

Configuring the system monitor Page 161 of 456
Communication Server 1000M and Meridian 1 Large System Installation and Commissioning
Figure 66
Multiple-column system monitor connections
6For PFTU or external alarm cabling, connect a system monitor to MDF
cable.
• Connect a system monitor to MDF cable to connector J3 on the
master system monitor.
• Connect the cable at the alarm termination area at the MDF. See
Table 12 for the terminating sequence.
J3 J5 J6 J4 J3 J5 J6 J4
Column 0
Master system monitor
Slave unit n
Slave unit 1
From J6 of previous
system monitor
(NT8D46AL/AP cable)
To J5 of next
slave system monitor
(NT8D46AL/AP cable)
553-3114
J3 J5 J6 J4
From J6
on master
To J5
on slave 1
Terminate on J5
of last column in series
From J6 to
J5 on slave 2
NT8D46BH alarm cable
to MDF Cable to external
power equipment
J3 J5 J6 J4

Page 162 of 456 Configuring the system monitor
NN43021-310 Standard 02.01 December 2007
Note 1: The system monitor to MDF cable is available in three lengths:
NT8D46BH (9.75 m/32 ft), NT8D46EH (30 m/100 ft), and NT8D46DH
(45 m/150 ft).
Note 2: If additional contact closures are required through the J3
REMALMA or REMALMB leads (for a hard alarm in case a column loses
power, for example), additional system monitor to MDF cables can be
ordered.
Table 12
NT8D22 System Monitor – pin assignments at J3
Pin Direction Color Signal name Description
1out BL/W REMALMA Remote major alarm (connect for external alarm)
2out OR/W REMALMB Remote major alarm return (connect for external
alarm)
3out GR/W CE-SYSLT CE system line transfer (upgraded systems only)
4 — BR/W MDF0/GND MDF return (ground)
5in SL/W CEALMIN CE alarm (upgraded systems only)
6 — BL/R SYSLTIN System line transfer in (upgraded systems only)
7out W/BL LFBEN Line forced bypass enable (connect for PFTU
operation)
8out W/OR LFBENR Line forced bypass enable return (connect for
PFTU operation)
9 — W/GR GND Ground
Note: Pins 6, 8, and 9 should be connected and grounded at the MDF.

Configuring the system monitor Page 163 of 456
Communication Server 1000M and Meridian 1 Large System Installation and Commissioning
7For AC-powered systems with a UPS:
a. Connect the appropriate cable (see the following list) from connector
J4 on the system monitor in the column with CPU 0 (the master
system monitor) to the associated UPS. Table 13 gives the pin
assignments and signal descriptions for the alarm cables.
— For a Best Inc. UPS, use an NT8D46AJ alarm cable.
— For an Exide UPS, use an NT8D46AQ alarm cable.
— For an Alpha UPS, use an NT8D46AU alarm cable.
b. Connect the cable to the UPS as specified by the manufacturer.
c. Repeat this step for each system monitor with an associated UPS
(see Figure 67 on page 164).
Table 13
NT8D22 System Monitor – pin assignments at J4
Pin Signal description
1Not used
2Not used
3Not used
4Not used
5Alarm 1
(AC fail; to UPS)
6Alarm 1 return
7Alarm 2
(Power sense; from UPS)
8Alarm 2 return
9Not used

Page 164 of 456 Configuring the system monitor
NN43021-310 Standard 02.01 December 2007
Figure 67
UPS alarm cabling
8For DC-powered systems, extend the alarm and trip leads from connector
J4 on the system monitor in the column with CPU 0 (the master system
monitor) to the external power equipment using an NT8D46AV cable (see
Table 14 on page 165).
Note 1: Conduit is not required.
Note 2: An NT8D46BV cable (19.5 m/64 ft) or NT8D46CV cable
(30 m/100 ft) can be used instead of the NT8D46AV cable. Connections
are the same as the NT8D46AV cable.
UPS for each column
J4 on system monitor
UPS alarm cable
J4 on system monitor
553-3088
Large System columns

Configuring the system monitor Page 165 of 456
Communication Server 1000M and Meridian 1 Large System Installation and Commissioning
Alarm interfacing to Candeo
The Candeo interfaces with the system through the Candeo's System Manager
alarm output ports.
The alarm cable for the Candeo (NT8D46xx) interfaces from the connector
J4 of the System Monitor (NT8D22xx) located in the Large System pedestal
to the Candeo's System Manager alarm output ports.
The Candeo’s System Manager can be accessed in several ways to monitor
the operating status and the alarms on the system, view and modify the
operating parameters, and download configuration files and software
upgrades:
• local access
— by means of the display and buttons on the front of the unit
— by means of the web browser on computer connected locally into the
RJ-45 network interface through a crossover CAT5 Ethernet cable
Table 14
Alarm and trip lead connections—NT8D46AV Cable
Color Description
Connection at control and distribution panel
Terminal block No Pwr Sys Alarm Name
OR Alarm TB2 Position 6 Low Float
BL DCON 0 TB4 Position 8 Rectifier Fail Alarm
RDCON 1* TB5 Position 2 Major Alarm
WDCON 2* TB5 Position 2 Major Alarm
GR DCON 3* TB5 Position 2 Major Alarm
* Connect the red, white, and green wires together at MJA.

Page 166 of 456 Configuring the system monitor
NN43021-310 Standard 02.01 December 2007
• remote access
— by means of the web browser on a computer connected through a
dial-up network connection into the RS-232 port, using an external
modem
— by means of the web browser on a computer connected remotely
through a LAN or WAN network connection into the RJ-45 network
interface
Monitoring alarms allows the Large System to report conditions such as low
float voltage, major alarms, and AC fail alarms. Customers have the option of
customizing these alarms through the Candeo System Manager, and can
define what major or minor alarms they wish to monitor.
In addition, the Small Candeo provides SNMP functionality.
The Large Candeo System Manager produces a Major Alarm for the
following faults:
• High voltage shut down (HVSD)
• High voltage (HV)
• Battery on discharge (BOD)
• Low voltage (LV)
• Low voltage disconnect (LVD)
• Alarm busy supply (ABSF)
• Internal fuse alarm (INT FA)
• Fuse alarm (FA)
• Rectifier fail alarm (RFA)
The Small Candeo (SP48300) System Manager produces a Major Alarm for
the following faults:
• Battery fuse alarm
• High battery temperature
• High voltage shutdown (HVSD)

Configuring the system monitor Page 167 of 456
Communication Server 1000M and Meridian 1 Large System Installation and Commissioning
•Main AC fail
• Rectifier fail major (RFA major)
• Low voltage disconnect (LVD)
• High voltage (HV)
• Fuse alarm (FA)
• Priority low voltage disconnect
• AC input over-voltage
• Rectifier AC fail
• Remote shutdown
• System Manager SP fail
• Configuration fail
• Battery on discharge (BOD)
• Low voltage (LV)
• Very high battery temperature
Table 15
System Monitor connections – NT8D46xx
Wire Connector pins Colour Label Suggested alarm
1P1-1 Black DCON0 Rectifier Fail
2P1-2 Red DCON1 Major
3P1-3 White DCON2 Major
4P1-4 Green DCON3 Major
5P1-5 Orange ALARM Low Float Voltage
6-9 Not used Not used Not used Not used

Page 168 of 456 Configuring the system monitor
NN43021-310 Standard 02.01 December 2007
Cabling the Candeo
There are eight configurable Candeo output ports for output alarms. Each
output port can use one of the following three contact types: normally open,
normally closed, and common. Large Systems use normally closed contacts.
Common contacts connect to the Candeo battery return bus. The connector
strip J8 is used for all output connections and is removable from the System
Manager for ease of wiring. Ensure that pin 1 is in the correct orientation for
wiring when strip has been removed.
Configuring the alarm ports
Follow the steps in Procedure 17 to configure the alarm ports.
Table 16
Cable lengths
Cable Length
NT8D46AV 9.75 m (32 ft)
NT8D46BV 19.5 m (64 ft)
NT8D46CV 30 m (100 ft)
Table 17
Alarm configuration – NT8D46xx
Label Colour
Candeo
alarm port
Candeo
J8 connector
Candeo
configuration
DCON0 Black Port 1 J8-1 Normally Closed Loss of AC power
DCON1* Red Port 2 J8-1 Normally closed Major alarms
DCON2* White Port 2 J8-4 Normally closed Major alarms
DDON3* Green Port 2 J8-4 Normally closed Major alarms
ALARM Orange Port 3 J8-7 Normally Closed Low float
* Twist red, white and green together and connect to port 2 as Major
Jumper together and connect to battery return bus. J8-2,5,8

Configuring the system monitor Page 169 of 456
Communication Server 1000M and Meridian 1 Large System Installation and Commissioning
Procedure 17
Configuring the alarm ports
1Select “Alarm Severity and Output” from the System Manager display
screen.
2Under “Alarm Name”, select the line with “AC Fail”, and change “Output
Port” to 1.
3Under “Alarm Name”, select the line with “Major”, and change “Output
Port” to 2 (by default it should already be 2).
4Under “Alarm Name”, select the line with “Low Float”, and change “Output
Port” to Port 3.
5All other “Output Ports” should be set to “None”.
Note: For more detailed information refer to the Alarms section in the
Candeo Power System User Guide (P0914425).
End of Procedure
Customizing alarms
Under “Alarm Severity and Outputs”, the ports and severity can be
configured per customers requirements. If the customer wishes they can
utilize signals DCON1, DCON2 and DCON3 by connecting them to other
available “No Connect” ports (connect commons on J8 to the battery return
bus) and customize as desired.
Under the alarm output screen the relay state is defaulted to “not energized”
when alarm is on. To change the relay state an engineering password is
required. Contact Astec support for a temporary password to change this
field. After the setting has been changed use the normally open contacts when
wiring J8.
Note: For further information on all alarms that can be configured for
the Candeo, see the Alarms section in the Candeo Power Systems User
Guide (P0914425) and Candeo SP 48300 Power System AP6C55AA
User Manual (P7000154).

Page 170 of 456 Configuring the system monitor
NN43021-310 Standard 02.01 December 2007

Page 171 of 456
Communication Server 1000M and Meridian 1 Large System Installation and Commissioning
186
Connecting a system terminal or modem
Contents
This section contains information on the following topics:
About the system terminal. . . . . . . . . . . . . . . . . . . . . . . . . . . . . . . . . . . 171
Connecting a terminal . . . . . . . . . . . . . . . . . . . . . . . . . . . . . . . . . . . . . . 173
Connecting a terminal to a COM port. . . . . . . . . . . . . . . . . . . . . . . . . . 174
Connecting a switch box and terminal to COM1 and COM2 ports . . . 175
Connecting a switch box and terminal to SDI and COM1 ports. . . . . . 177
Connecting a modem. . . . . . . . . . . . . . . . . . . . . . . . . . . . . . . . . . . . . . . 178
Configuring a modem . . . . . . . . . . . . . . . . . . . . . . . . . . . . . . . . . . . . . . 180
Connecting a modem to an SDI port. . . . . . . . . . . . . . . . . . . . . . . . . . . 181
Connecting a modem to switch box, COM2 ports, SDI ports. . . . . . . . 183
About the system terminal
At this point in the installation, a terminal must be connected to a serial data
interface (SDI) port to provide an I/O interface to the system. When the
installation is complete, a terminal (for local access) or a modem (for remote
access) must remain permanently connected to an SDI port to provide a
constant I/O interface to the system (see Figure 68 on page 172).

Page 172 of 456 Connecting a system terminal or modem
NN43021-310 Standard 02.01 December 2007
Figure 68
Terminal connection diagram
During the initial installation of a dual CPU system, you may want to
temporarily install additional terminals for split mode monitoring, or
programming, or both.
Note: In a Large System, I/O ports on the Call Processing (CP) cards
can be used to monitor CPU operations. These configurations should not
be used as the permanent I/O connection for the system because the port
is only active when the associated CPU, or CP card, is active.
Terminal
To remote terminal
2- or 4-wire loop
NT8D95AJ
cable to
SDI port
Modem
553-A0131
NORTEL
NORTEL
NORTEL
NORTEL

Connecting a system terminal or modem Page 173 of 456
Communication Server 1000M and Meridian 1 Large System Installation and Commissioning
Connecting a terminal
During the system installation and for continuing system operation, a
terminal must be connected to an SDI port in a network slot to provide an
I/O interface to the active CPU in the system (for local access). In addition, a
data terminal equipment (DTE) port (COM1) and a data communication
equipment (DCE) port (COM2) on the Call Processor Pentium IV (CP PIV)
card can be used for direct access of the cPCI Core/Network Module.
Typically, the CP card ports (COM ports) or COM1 and COM2 are
pre-configured on I/O addresses four and five.
The COM1 and COM2 ports are active only when the CPU associated with
the CP card is active. Therefore, the COM1 and COM2 ports should not be
used as the only I/O connection for the system.
When the initial installation is complete, you must leave a terminal or a
modem connected to the system. One SDI port in a network slot must be
permanently connected to a terminal or modem. On the COM1 and COM2
ports you can:
1disconnect the ports;
2leave terminals connected for local monitoring; and,
3connect modems for remote monitoring.
The ABCDE-Switch, which provides up to four-to-one switching, is
available from Nortel as part number A0377992. The switch box can be used
to connect the SDI and COM1 and COM2 ports to a terminal or a modem. If
used, one switch box must be used for terminals and one for modems.
Commercial terminal servers can also be used to concentrate the serial ports
on the equipment in a telecom room.
Terminal guidelines
During an installation, you can connect terminals to the COM1 ports for split
mode monitoring, or programming, or both. (Due to the speed of the system
messages displayed, personal computers are useful for file capture and
review.)

Page 174 of 456 Connecting a system terminal or modem
NN43021-310 Standard 02.01 December 2007
Terminals connected to the COM1 ports can be installed as follows.
1One terminal connects to a COM1 port in one CPU (the cable is switched
from module to module as needed); one terminal is required in addition
to the terminal for the SDI port connection (see Figure 69 on page 175).
2One terminal connects to a switch box that connects to a COM1 port in
each CPU; one terminal and a switch box are required in addition to the
terminal for the SDI port connection (see Figure 70 on page 176).
3One terminal connects to a switch box that connects to an SDI port and
to a COM1 port in each CPU; one terminal and a switch box are required
(see Figure 71 on page 178).
Connecting a terminal to a COM port
Use Procedure 18 to connect a COM1 port directly (no switch box) to a
terminal (see Figure 69 on page 175).
Procedure 18
Connecting a terminal to a COM port
1Set the terminal to 9600 baud, 7 data, space parity, one stop bit, full
duplex, XON.
2Connect an NT8D95 cable to a matching connector on the terminal.
3Connect the NT8D95 cable to J25 on the I/O panel in the rear of the cPCI
Core/Network Module.
4If you are using only one terminal for both COM1 ports, switch the cable
as needed. The terminal connected to the SDI port always communicates
with the active CPU.
End of Procedure

Connecting a system terminal or modem Page 175 of 456
Communication Server 1000M and Meridian 1 Large System Installation and Commissioning
Figure 69
One terminal for the COM1 ports
Connecting a switch box and terminal to
COM1 and COM2 ports
Use Procedure 19 to connect COM1 ports to a switch box and a terminal (see
Figure 70 on page 176).
Procedure 19
Connecting a switch box and terminal to COM1 and COM2 ports
1Set the terminal to 9600 baud, 7 data, space parity, one stop bit, full
duplex, XON.
2Connect an NT8D95 cable to the terminal and to the switch box.
3Connect NT8D95 cables to a matching connector on the switch box.
When using an A0377992 ABCDE box, connect:
— CPU 0 to connector A.
— CPU 1 to connector B.
4Connect the NT8D95 cables from the switch box to J25 on the I/O panel
in the rear of the cPCI Core/Network Modules.
Terminal
553-A0133
NT8D95
cable
Terminal
J25 on
I/O panel
NT8D95
cable
SDI port on
I/O panel
Rear View
Core/Net 1
Network Module
Core/Net 0

Page 176 of 456 Connecting a system terminal or modem
NN43021-310 Standard 02.01 December 2007
5To communicate directly with a COM1 port, switch the cable as needed.
The terminal connected to the SDI port will always communicate with
whichever CPU is active.
End of Procedure
Figure 70
One terminal and a switch box to two COM1 ports
Rear View
Terminal
NT8D95
cable
Note:
The A0377992 switch box can be used in this configuration.
553-A0134
J25 on
I/O panel
Switch box
NT8D95
cable
J25 on
I/O panel
Core/Net 0
NT8D95
cable
SDI port on
I/O panel
NT8D95
cable
Terminal
Core/Net 1
Network Module

Connecting a system terminal or modem Page 177 of 456
Communication Server 1000M and Meridian 1 Large System Installation and Commissioning
Connecting a switch box and terminal to
SDI and COM1 ports
Use Procedure 20 to connect COM1 ports to a switch box and a terminal (see
Figure 70 on page 176 and Figure 71 on page 178).
Procedure 20
Connecting a switch box and terminal to the SDI and COM1 ports
1Set the terminal to 9600 baud, 7 data, space parity, one stop bit, full
duplex, XON.
2Connect an NT8D95 cable to the terminal and to the switch box.
3Connect NT8D95 cables to a matching connector on the switch box.
When using an A0377992 ABCDE box, connect:
— CPU 0 to connector A.
— CPU 1 to connector B.
— The SDI port to connector D (connector C is common).
4Connect NT8D95 cables from the switch box to J25 on the I/O panel in
the rear of each cPCI Core/Network Module.
5Connect an NT8D95 cable from the switch box to the I/O panel slot for the
SDI card.
6To communicate with the system in general, set the switch box to the SDI
port. To communicate directly with a COM1 port, switch the cable as
needed.
End of Procedure

Page 178 of 456 Connecting a system terminal or modem
NN43021-310 Standard 02.01 December 2007
Figure 71
One terminal and a switch box to the SDI and COM1 ports
Connecting a modem
A modem must be connected to an SDI port in a network slot. The modem
provides an I/O interface to the active CPU in the system for remote access.
Rear View
553-A0135
J25 on
I/O panel
Terminal
Switch box
NT8D95
cables
J25 on
I/O panel
NT8D95
cable
NT8D95
cable
SDI port on
I/O panel
Note:
The A0377992 switch box can be used in this configuration.
Core/Net 0 Core/Net 1
Network
Module

Connecting a system terminal or modem Page 179 of 456
Communication Server 1000M and Meridian 1 Large System Installation and Commissioning
You can connect a modem to one of the following:
1An SDI port to remotely monitor general system operation
2The COM ports for debugging and patch downloading (through your
Nortel representative)
3A remote connection to both the SDI and COM2 ports
Modem guidelines
At the Large System end (the local end), modems must be set to dumb mode
(command recognition OFF, command echo OFF). The local end modems
can be configured with:
1one modem connected to the SDI port and the cable switched to each
COM2 port as needed (see Figure 72 on page 183), or
2one modem connected to a switch box that is connected to the SDI and
COM2 ports (see Figure 73 on page 185).
Note: The second method listed here is preferred. Other configurations,
such as a separate modem for each port, are possible.
At the remote end, at least one modem (which can be set to smart mode), one
terminal, and one RS-232 cable are required in all modem configurations.
Required and recommended specifications for local end modems are:
1Required: true, not buffered, 9600 baud support (required for remote
Nortel technical support)
2Required: CCITT V.32 or V.32bis compliance
3Recommended: the ability to adjust to lower and higher speeds,
depending on line quality, while maintaining 9600 baud at local DTE
4Recommended: V.42 error correction
5Recommended: V.42bis data compression
A dispatch or call back modem, normally connected to the SDI port, can be
used if it meets the requirements. To use a dispatch or call back modem that
does not meet the requirements, the modem must be used with a modem that
meets specifications.

Page 180 of 456 Connecting a system terminal or modem
NN43021-310 Standard 02.01 December 2007
Configuring a modem
Use Procedure 21 to configure the modem. You must configure the modem
before you connect it to the Large System. A terminal, such as a PC computer,
is required to configure the modem.
Procedure 21
Configuring a modem
1Turn the modem off.
2Configure the modem DIP switches as follows.
• DIP switches 1, 3, 7, and 8 to ON (down)
• DIP switches 2, 4, 5, and 6 to OFF (up)
3Connect an RS-232 cable to the modem and to a terminal.
4Configure the terminal with the following values:
• 9600 baud
•8bits
• 1 stop bit
• no parity
5Turn the modem on and enter each command listed in Table 18 with a
carriage return (press Enter or Return key).
The modem responds OK to every command (except for the last two
commands, ATQ1 and AT&W).

Connecting a system terminal or modem Page 181 of 456
Communication Server 1000M and Meridian 1 Large System Installation and Commissioning
6Disconnect the power cord and serial from the modem.
7Set DIP switches 1 and 4 to ON (down) and the remaining switches OFF
(up).
End of Procedure
Connecting a modem to an SDI port
Use Procedure 22 to connect an SDI port directly (no switch box) to a modem
(see Figure 72 on page 183).
Procedure 22
Connecting a modem to an SDI port
1At the remote end, connect an RS-232 cable to the terminal and to the
modem.
2At the remote end, connect the cable from the modem to an RJ11
telephone jack. If a cable is required, connect an NT8D46 cable to the
modem and to the RJ11 jack.
Table 18
Modem Commands
Command Effect
AT&F Load active profile.
AT&H0 Flow control disabled.
AT&D3 Resets on receipt of DTR.
AT&S1 Modem controls DSR.
ATS0=1 Answer after 1 ring.
ATS2=128 Escape character = ASCII 128.
ATS7=60 Pause one second for carrier detection.
ATQ1 Quiet mode.
AT&W Store active profile.

Page 182 of 456 Connecting a system terminal or modem
NN43021-310 Standard 02.01 December 2007
3At the local end, configure the modem.
Follow the manufacturer’s instructions to set the modem for 9600 baud,
auto answer, dumb mode, command recognition OFF, command echo
OFF.
4At the local end, connect an NT8D95 cable to the SDI port on the I/O
panel in the rear of the module and to the modem.
5At the local end, connect the cable from the modem to an RJ11 telephone
jack. If a cable is required, connect an NT8D46 cable to the modem and
to the RJ11 jack.
6To communicate with a COM2 port, switch the cable from the modem to
the port as needed.
• For debugging or monitoring, connect the cable to the active CPU at
J21 on the I/O panel in the rear of the cPCI Core/Network Module.
• For patch downloading, connect the cable to the inactive CPU at J21
on the I/O panel in the rear of the cPCI Core/Network Module.
End of Procedure

Connecting a system terminal or modem Page 183 of 456
Communication Server 1000M and Meridian 1 Large System Installation and Commissioning
Figure 72
Modem to SDI port
Connecting a modem to switch box, COM2 ports, SDI ports
Use Procedure 23 to connect SDI and COM2 ports to a switch box and a
modem (see Figure 73 on page 185 and Figure 74 on page 186).
Procedure 23
Connecting a modem to a switch box, COM2 and SDI ports
1At the remote end, connect an RS-232 cable to the terminal and to the
modem.
2At the remote end, connect the cable from the modem to an RJ11
telephone jack. If a cable is required, connect an NT8D46 cable to the
modem and to the RJ11 jack.
Rear View
553-A0136
Dumb mode
modem
NT8D95
cable
Remote end
SDI port on
I/O panel
RJ11
jack
Smart mode
modem
RJ11
jack
RS-232
cable
Modem cable
(or NT8D46)
Modem cable
(or NT8D46)
Note:
The A0381391 modem can be used in this configuration.
Terminal
Network module
Public phone
network

Page 184 of 456 Connecting a system terminal or modem
NN43021-310 Standard 02.01 December 2007
3At the local end, configure the modem.
Follow the manufacturer’s instructions to set the modem for 9600 baud,
autoanswer, dumb mode, command recognition OFF, and command
echo OFF.
4At the local end, connect NT8D95 cables to:
• J21 on the I/O panel in the rear of the Core or Core/Network Modules
• the SDI port on the I/O panel in the rear of the Network module
5At the local end, connect NT8D84 cables to the SDI Paddle Board at the
Core/Network backplane to the I/O panel in the rear of the cPCI Core/
Network Module.
6At the local end, connect NT8D95 cables from the I/O panels to a
matching connector on the switch box.
a. If you are using an A0377992 ABCDE box, connect cables as
follows.
— Connect CPU 0 to connector A.
— Connect CPU 1 to connector B.
— Connect the SDI port to connector D (connector C is common).
7At the local end, connect an NT8D95 cable from the switch box to the
modem.
8At the local end, connect the cable from the modem to an RJ11 telephone
jack. If a cable is required, connect an NT8D46 cable to the modem and
to the RJ11 jack.
9At the local end, configure the switch box as needed to communicate with
the COM2 ports.
• During normal operation, set the switch to the SDI port.
• For debugging, set the switch to the active CPU.
• For patch downloading, set the switch to the inactive CPU.
End of Procedure

Connecting a system terminal or modem Page 185 of 456
Communication Server 1000M and Meridian 1 Large System Installation and Commissioning
Figure 73
Modem to a switch box and SDI and COM2 ports (dual-column systems)
Rear View
553-A0137
Note:
The A0377992 switch box and A0381391 modem can be used in this configuration.
NT8D95 cable
J21 on
I/O panel
Switch box
NT8D95
cables
J21 on
I/O panel
NT8D95
cable
SDI port on
I/O panel
Dumb mode modem
RJ11
jack
Remote end
Smart mode
modem
RJ11
jack
RS-232
cable
Modem cable
(or NT8D46)
Modem cable
(or NT8D46)
Public phone
network
Terminal
Core/Net 0 Core/Net 1
Network module

Page 186 of 456 Connecting a system terminal or modem
NN43021-310 Standard 02.01 December 2007
Figure 74
Modem to a switch box and SDI and COM2 ports (single-column
systems)
553-A0138
NT8D95 cable
Switch box
NT8D95
cables
I/O panel
J21 Core/Net 0
Core/Net 1
SDI port
I/O panel
Dumb mode modem
RJ11
jack
Remote terminal
Smart mode
modem
RJ11
jack
RS-232
cable
Modem cable
(or NT8D46)
Modem cable
(or NT8D46)
Public phone
network
Rear View

Page 187 of 456
Communication Server 1000M and Meridian 1 Large System Installation and Commissioning
206
Cabling Common Equipment in a
Single Group system
Contents
This section contains information on the following topics:
Cabling guidelines. . . . . . . . . . . . . . . . . . . . . . . . . . . . . . . . . . . . . . . . . 187
Core/Net module . . . . . . . . . . . . . . . . . . . . . . . . . . . . . . . . . . . . . . . . . . 189
Cabling the Core side . . . . . . . . . . . . . . . . . . . . . . . . . . . . . . . . . . . . . . 193
Cabling the I/O panel . . . . . . . . . . . . . . . . . . . . . . . . . . . . . . . . . . . . . . 195
Cabling the Network side . . . . . . . . . . . . . . . . . . . . . . . . . . . . . . . . . . . 197
Configuring and cabling the Clock Controllers . . . . . . . . . . . . . . . . . . 198
Network Group 0: Shelf 0 to Shelf 1. . . . . . . . . . . . . . . . . . . . . . . . . . . 199
Connecting the 3PE faceplates in the Core/Net modules . . . . . . . . . . . 199
Inspecting CNI to 3PE factory installed cables. . . . . . . . . . . . . . . . . . . 200
Connecting the Core/Net backplanes . . . . . . . . . . . . . . . . . . . . . . . . . . 202
Optioning the System Utility Card . . . . . . . . . . . . . . . . . . . . . . . . . . . . 203
Connecting Core modules to a LAN. . . . . . . . . . . . . . . . . . . . . . . . . . . 204
Cabling guidelines
The NT4N41 Core/Net module backplane (see Figure 75 on page 189), like
all circuit boards, has a primary side and a secondary side. The primary side,
which faces the front of the module, contains the primary shrouds, which
provide mechanical guidance for the pins of the card edge connectors. The
secondary side of the backplane, which faces the rear of the module, contains

Page 188 of 456 Cabling Common Equipment in a Single Group system
NN43021-310 Standard 02.01 December 2007
the secondary shrouds, which provide mechanical guidance for cable
connectors.
Because the cable troughs and spaces on the sides of a module are within the
EMI shielding of the system, unshielded cables can be routed in those areas.
As space permits, Common Equipment cables can be routed horizontally in
the cable troughs at the front, rear, and sides of the module or vertically on
the sides of the module.
Note: In a DC-powered module, because there is no MPDU, there is
room to route cables horizontally from front to rear on the left side (front
view) of the module.
A label kit is included in system package. Use of these labels is optional.
Note: To replace cables from the Core/Net module backplane, you must
use the P0741489 Extraction Tool provided, located in the rear of the
module (behind the I/O safety panel).
CAUTION
System Failure
Cables must be routed as perpendicular as possible
to any nearby power cables. Avoid routing cables
near power cables if alternate routing is available.
At the rear of the module, cables routed between the
I/O panel and the rear cover can be parallel to the
power cables because the panel provides EMI
shielding.
CAUTION — Damage to Equipment
Do not pry the against the connector with the extraction
tool. Simply inserting the tool between the connector and
the securing clip is sufficient to unlock the connector.
Prying may cause damage to the connector or the
backplane pins.

Cabling Common Equipment in a Single Group system Page 189 of 456
Communication Server 1000M and Meridian 1 Large System Installation and Commissioning
Figure 75
NT4N41 Core/Net shelf fanout panel (backplane)
Core/Net module
The Core/Net modules contain two distinct sets of circuit cards: Core cards
and Network cards. This section contains instructions on:
1“Reviewing Core/Net module placement” on page 190
2“Reviewing required Core cards” on page 192
3“Checking that the Core cards (front side) are installed” on page 192
553-9473
NT8D99AD cable
Network backplane
Core backplane
ED
E
D
NT8D99AD cable
To other
Core/Net
System Monitor
(XSM) connections
J1J2
J3
AB
j3 slot 9 port 0 j4 slot 9 port 0
Group 0
Group 1Group 2
Group 3Group 4Group 5
Group 6
Group 7
j3
slot 9
port 1
j4
slot 9
port 1
j3
slot 10
port 0
j4
slot 10
port 0
j3
slot 10
port 1
j4
slot 10
port 1
j3
slot 11
port 0
j4
slot 11
port 0
j3
slot 11
port 1
j4
slot 11
port 1
j3
slot 12
port 0
j4
slot 12
port 0
j3
slot 12
port 1
j4
slot 12
port 1
NT4N89 cable
NT4N29 cable
NT4N29 cable

Page 190 of 456 Cabling Common Equipment in a Single Group system
NN43021-310 Standard 02.01 December 2007
Reviewing Core/Net module placement
Core/Net modules can be installed side-by-side on top of separate pedestals
(see Figure 76) for power and cooling redundancy or in a stacked
configuration (see Figure 77) in a single column.
Core/Net 1 is always on the left. Core/Net 0 is always on the right.
Figure 76
Stacked configuration of Core/Net modules
553-AAA0757

Cabling Common Equipment in a Single Group system Page 191 of 456
Communication Server 1000M and Meridian 1 Large System Installation and Commissioning
Figure 77
Side-by-side configuration of Core/Net modules
553-AAA0756

Page 192 of 456 Cabling Common Equipment in a Single Group system
NN43021-310 Standard 02.01 December 2007
Reviewing required Core cards
All Core cards are installed in the factory. See Table 19 for the Core card
requirements for each Core/Net module. Refer to “System equipment –
UEMs” on page 38 for module and card descriptions.
Checking that the Core cards (front side) are installed
All Core cards are factory installed. The three Core cards (front side) are:
1 NT4N65 cPCI Core Network Interface (cCNI) card. Each system
contains one NT4N65 cCNI card per Core/Net module. The cCNI cards
are located in slot c9. If not already installed, install a P605337 cPCI
Card Slot Filler Panel to cover slots c10 to c12, which do not contain
cCNIs.
Note: In the NT4N41 Core/Net module, port 0 on the NT4N65 Core to
Network Interface (cCNI) Card in slot c9 must be configured as
“Group 0.” Communication between the bv cCNI and 3PE cards for
Group 0 is accomplished through the NT4N29 cable. Only one cCNI
card is required for Group 0.
Note: Slots c13 and c14 are left empty. If not already installed, install a
P0605337 cPCI Card Slot Filler Panel in each slot.
Table 19
Required Core cards (minimum per Core/Net module)
Order
Code Description
Number
required per
Core/Net module
Backplane
side
NT4N65 cCNI: cPCI Core Network Interface Card 1front
NT4N48 System Utility Card 1front
NT4N39AA CP PIV Call Processor Card
(512 MB memory)
1front
N0026096 MMDU replacement faceplate 1front

Cabling Common Equipment in a Single Group system Page 193 of 456
Communication Server 1000M and Meridian 1 Large System Installation and Commissioning
2 NT4N48 System Utility card. The System Utility card is located in slot
c15.
3 NT4N39AA Call Processor PIV (CP PIV). This card is located in the
slot marked CP.
Cabling the Core side
This section describes installation of the Core cables. Table 20 lists
field-installed cables. Table 21 lists factory-installed cables.
Table 20
Field-installed Core cables (internal)
Order Code Description
Number required
per system
NT4N88AA COM1 (DTE/terminal) 2
NT4N88BA COM2 (DCE/modem) 2
NT4N90BA Ethernet (CP PIV card to I/O panel) 2
NTRC17BA Crossover Ethernet cable (Core to Core) 1
customer supplied Standard Ethernet cable (I/O Panel to LAN
switch)
2
Note: If there is no connection to a LAN, connect the two LAN 1 connectors using the
NTRC17BA crossover cable.
Table 21
Factory installed Core cables (internal)
Order Code Description
Number required
per system
NT4N4405 Shelf Power: Net backplane to Core backplane 2
NT4N29AA cCNI to 3PE Core/Net shelf cable 4
NT4N89AA System Utility Card to XSM (see Figure 79) 2

Page 194 of 456 Cabling Common Equipment in a Single Group system
NN43021-310 Standard 02.01 December 2007
Figure 78
Core/Net cable connections (top view)
NT4N29 3PE Cables
to Net module
(factory installed)
cCNI: slot c9
NT4N89AA System Monitor cable
(factory installed)
Sys Util: slot c15
CP PIV
553-9059
J21: DCE cable
from COM 2
NT4N88BA (for modem)
J25: DTE cable
from COM 1
NT4N88AA (for terminal)
LAN 2 cable
NTRC17BA
NT4N4405 Shelf Power cable
(factory installed) J31: Ethernet cable
from LAN 1 NT4N90BA
PS
NT8D17 Conference/TDS
NT8D04 Superloop Network Card
NT8D04 Superloop Network Card
NT8D04 Superloop Network Card
QPC43R Peripheral Signaling Card
QPC441 3-Port Extender Card
NTRB53 Clock Controller Card
to other Core/Net
LAN 2 port

Cabling Common Equipment in a Single Group system Page 195 of 456
Communication Server 1000M and Meridian 1 Large System Installation and Commissioning
Figure 79
CP PIV Core and Network backplanes
Cabling the I/O panel
Connect the cables from the CP PIV card faceplate to the I/O panel on the
back of the Core/Net modules. Figure 78 on page 194 displays the COM and
LAN cable connections.
• COM1 is used to connect a terminal.
• COM2 is used to connect a modem.
• LAN 1 (ELAN) is used to connect the system to a LAN switch.
• LAN 2 (HSP) is used to connect Core 0 to Core 1 for system redundancy.
Note: If there is no LAN, LAN 1 and LAN 2 are connected from Core 0
to Core 1.
553-9473
Network backplane
Core backplane
ED
System Monitor
(XSM) connections
J1J2
J3
AB
j3 slot 9 port 0 j4 slot 9 port 0
Group 0
Group 1Group 2
Group 3Group 4Group 5
Group 6
Group 7
j3
slot 9
port 1
j4
slot 9
port 1
j3
slot 10
port 0
j4
slot 10
port 0
j3
slot 10
port 1
j4
slot 10
port 1
j3
slot 11
port 0
j4
slot 11
port 0
j3
slot 11
port 1
j4
slot 11
port 1
j3
slot 12
port 0
j4
slot 12
port 0
j3
slot 12
port 1
j4
slot 12
port 1
NT4N89 cable
NT4N29 cable
NT4N29 cable

Page 196 of 456 Cabling Common Equipment in a Single Group system
NN43021-310 Standard 02.01 December 2007
Procedure 24
Installing the CP PIV to I/O panel cables
1Connect COM1 on the CP PIV faceplate to J25 on the I/O panel with cable
NT4N88AA.
2Connect COM2 on the CP PIV faceplate to J21 on the back of the I/O
panel with cable NT4N88BA.
3Connect the Dual Ethernet Adapter (RJ-45) for I/O Panel (NTRE40AA) to
J31. Secure the adapter to J31 with the two screws included in the
shipment.
4Connect LAN 1 (Ethernet) on the CP PIV faceplate to J31 (top) of the I/O
panel with cable NT4N90BA.
This connection can only be made after the Dual Ethernet Adapter is
installed (see step 3 above).
Note: If a LAN switch is not used, connect LAN 1 in Core 0 to LAN 1 in
Core 1.
5Connect a crossover Ethernet cable (NTRC17BA) from the LAN 2 port in
Core 0 to the LAN 2 port Core 1. This connection is for Core redundancy.
Note: To ensure EMI shielding, route the cable along the front of the card
cage and through the sides of the Core/Net modules.
6Repeat steps 1 through 4 in the second Core/Net module.
End of Procedure
CAUTION
Loss of Data
Label all cables on both ends before installation.
Labels help ensure that the cables are properly
routed and connected. Cable labels also help
installers to troubleshoot problems and replace
equipment.

Cabling Common Equipment in a Single Group system Page 197 of 456
Communication Server 1000M and Meridian 1 Large System Installation and Commissioning
Cabling the Network side
Table 22 lists the number of circuit cards required by each system. Table 23
lists the number of net cables required by each system.
Table 22
Required Net side cards
Quantity Order Code Description
2 per system NTRB53 Clock Controller card
2 per system 3PE QPC441 vintage F or later 3 Port Extender
2 per system PS QPC43 vintage R or later Peripheral Signaling Card
Table 23
Required Net side cables
Quantity Order Code Description
1 per system NT8D75 Clock Controller cable
2 per system NT8D80 3PE to 3PE 3 Port Extender cable

Page 198 of 456 Cabling Common Equipment in a Single Group system
NN43021-310 Standard 02.01 December 2007
Figure 80
CP PIV Core/Net Module slot
Configuring and cabling the Clock Controllers
Two Clock Controller cards (NTRB53) are required in each system to
synchronize functions. The Clock Controllers cards must be installed as
directed in the following two rules.
1Two Clock Controller cards must be installed in each system. The Clocks
must be connected to each other in Network Group 0.
2The two Clock Controllers must be installed in Slot 9 of each Core/Net
module.
For Clock controller DIP-switch settings refer to Circuit Card: Description
and Installation (NN43001-311).
PS
Net
NT8D17 Conference/TDS Card
NT8D04 Superloop Network Card
NT8D04 Superloop Network Card
NT8D04 Superloop Network Card
QPC43R Peripheral Signaling Card
QPC441 3-Port Extender Card
NTRB53 CIock Controller card
PS 01234567891011
SYS
UTIL
L
LAN 1
U
USB
CF
PWR
HDD
INIT
RESET
cCNI
A
B
Enb
Dis
L
LAN 2
CPPIV
Core
C
COM 1
C
COM 2
Enb
Dis
c9 c10 c11 c12 c13 c14 c15 CP

Cabling Common Equipment in a Single Group system Page 199 of 456
Communication Server 1000M and Meridian 1 Large System Installation and Commissioning
Procedure 25
Connecting the Clock Controller cables
See Figure 84 on page 205.
1Connect P1 of the NT8D75 cable to port J3 of Clock Controller 0.
2Connect P2 of the NT8D75 cable to port J3 of Clock Controller 1.
End of Procedure
Network Group 0: Shelf 0 to Shelf 1
Each Single Group System contains one Network group, Group 0. Each
Network group is comprised of two Network shelves: Shelf 0 and Shelf 1.
The Core/Net modules contain Network Group 0. Shelf 0 is in Core/Net 0,
Shelf 1 is in Core/Net 1. Shelf 0 must be connected to Shelf 1 for Network
Group 0 to operate correctly.
This section contains instructions on:
1“Connecting the 3PE faceplates in the Core/Net modules” on page 199
2“Inspecting CNI to 3PE factory installed cables” on page 200
3“Connecting the Core/Net backplanes” on page 202
Connecting the 3PE faceplates in the Core/Net modules
The 3PE cards in the Core/Net modules must be directly connected with an
NT8D80 cable. See Figure 81 on page 201. This connection is only made
between the Group 0 shelves in the Core/Net modules.

Page 200 of 456 Cabling Common Equipment in a Single Group system
NN43021-310 Standard 02.01 December 2007
Procedure 26
Connecting the 3PE faceplates in the Core/Net modules
1Connect a NT8D80 cable from the J4 port in the Core/Net 0 3PE card to
J4 port in the Core/Net 1 3PE card.
2Connect a second NT8D80 cable from the J3 port in Core/Net 0 to the J3
port in Core/Net 1.
Note: The 3PE cards are located in Core/Net slot 11.
End of Procedure
Inspecting CNI to 3PE factory installed cables
New NT4N29AA cables must be installed for existing Network Group 0. If
the system has XSDI cards, reinstall the cards and attach the cables.
Procedure 27
Inspecting NT4N29AA factory installed cables
1If Network Group 0 will be in the Core/Net, the factory configuration of the
new Core/Net modules is correct. Continue on to “Connecting the Core/
Net backplanes” on page 202.
2If Network Group 0 will not be in the Core/Net module, reconfigure the
processor module.
Note: Reconfiguration of the processor module is required to allow for
concurrent or future use of the Network portion of the Core/Net for a
higher Network group. The NT4N40 shelf (card cage) is factory installed
with NT4N29 cables and is configured as Group 0.

Cabling Common Equipment in a Single Group system Page 201 of 456
Communication Server 1000M and Meridian 1 Large System Installation and Commissioning
a. Use the extraction tool to disconnect the NT4N29 cables from the
Core backplane.
b. Connect the cables to the appropriate group (see Table 24).
Figure 81
3PE faceplate connections
End of Procedure
Table 24
Fanout panel to 3PE card connectors
Group
Number
Fanout Panel
connector 3PE card connector
0
0
connects from
connects from
9-0, J3
9-0, J4
to
to
A
B
Note: Group 0 cables (NT4N29) connect the fanout panel directly to the
network backplane of Core/Net 1.
PS
Net
NT8D17 Conference/TDS Card
NT8D04 Superloop Network Card
NT8D04 Superloop Network Card
NT8D04 Superloop Network Card
QPC43R Peripheral Signaling Card
NTRB53 CIock Controller card
PS 0 1 2 3 4 5 6 7 8 9 10 11
SYS
UTIL
L
U
C
cCNI
A
B
Enb
Dis
L
C
Core
Enb
Dis
c9 c10 c11 c12 c13 c14 c15 CP
PS
Net
NT8D17 Conference/TDS Card
NT8D04 Superloop Network Card
NT8D04 Superloop Network Card
NT8D04 Superloop Network Card
QPC43R Peripheral Signaling Card
NTRB53 CIock Controller card
PS 0 1 2 3 4 5 6 7 8 9 10 11
SYS
UTIL
L
U
USB
C
INIT
RESET
cCNI
A
B
Enb
Dis
L
LAN 2
C
COM 1
CP
PIV
Core
Enb
Dis
c9 c10 c11 c12 c13 c14 c15 CP
NT8D80AZ cable
NT8D80AZ cable
553-9123_3pe_r26revised
LAN 1
COM 2
USB
INIT
RESET
LAN 2
COM 1
CP
PIV
LAN 1
COM 2

Page 202 of 456 Cabling Common Equipment in a Single Group system
NN43021-310 Standard 02.01 December 2007
Connecting the Core/Net backplanes
The Shelf 0 and Shelf 1 backplanes must be connected with two NT8D99AD
cables (Core/Net modules only).
Procedure 28
Connecting the Core/Net backplanes
1Connect one NT8D99AD cable from the “E” port in Core/Net 0 to the “E”
port in Core/Net 1.
2Connect a second NT8D99AD cable from the “D” port in Core/Net 0 to the
“D” port in Core/Net 1. See Figure 82.
Figure 82
Connecting the Core/Net backplanes
End of Procedure
GND
VCC
+ 12
GND
GND
VCC
IDE SECONDARY CHANNEL FLOPPY DRIVE
1
2
553-9473
NT8D99AD cable
Network backplane
Core backplane
ED
E
D
NT8D99AD cable
To other
Core/Net
System Montior
(XSM) connections
J1J2
J3

Cabling Common Equipment in a Single Group system Page 203 of 456
Communication Server 1000M and Meridian 1 Large System Installation and Commissioning
Optioning the System Utility Card
To install the system utility card, first identify Core/Net 0 and Core/Net 1
shelves. Then adjust the DIP switches according to Table 25.
Figure 83 on page 203 shows Core card (front side) placement. If the Core
cards are not installed, refer to Figure 83 to add or replace cards.
Figure 83
Core side of Core/Net module
Table 25
System Utility Card DIP switch settings
Core/Net 0 Core/Net 1
DIP switch 1 on off
DIP switch 2 on on
Enb
Dis
Sys Util
cCNI
A
B
Enb
Dis
Core
c9 c10 c11 c12 c13 c14 c15 CP
LCD display
Card status LEDs
(internal check)
System Utility disable
switch
L
LAN 1
U
USB
CF
PWR
HDD
INIT
RESET
L
LAN 2
CPPIV
C
COM 1 COM 2
Compact Flash (RMD)
Blank Faceplate
CF

Page 204 of 456 Cabling Common Equipment in a Single Group system
NN43021-310 Standard 02.01 December 2007
Connecting Core modules to a LAN
Connect each Core/Net module to a local area network (LAN). This
connection provides a communication channel for LAN based systems
management tools such as OTM, Symposium, CallPilot and Element
Manager. This connection also supplies additional redundancy capabilities.
See Figure 85 on page 206.
Note 1: If a LAN is not available, connect the second NTRC17BA
crossover Ethernet cable (included in the basic package) between the J31
ports in Core/Net 0 and Core/Net 1.
Note 2: The Core/Net I/O panel cables must be installed as described on
“Cabling the I/O panel” on page 195 before the Ethernet connections can
be completed.

Cabling Common Equipment in a Single Group system Page 205 of 456
Communication Server 1000M and Meridian 1 Large System Installation and Commissioning
Figure 84
CP PIV to I/O panel connections
Procedure 29
Connecting the Core module to a LAN
1Label both sides of two customer supplied Ethernet cables.
2Connect a CAT5 Ethernet cable from J31 (top) on the Core/Net 0 I/O
panel to the LAN switch.
3Connect a second CAT5 Ethernet cable from J31 (top) on the Core/Net 1
I/O panel to the LAN switch.
Enb
Dis
SYS
UTIL
USB
INIT
RESET
COM 2
cCNI
A
B
Enb
Dis
COM 1
CP
PIV
Core
c9 c10 c11 c12 c13 c14 c15 CP
NTRC17BA
(core to core)
J20J21J22J23
J24
J25
J26J27
J28
J29
J30
J31
J33J34
J35
J36
J37J38
553-9466
NT4N90BA (LAN switch)
NT4N88BA (modem)
NT4N88AA (terminal)
LAN 1
1
2
I/O Panel
(rear of module)
Core shelf (front of module)
NTRE40AA
Ethernet Adapter
LAN 1 LAN 2

Page 206 of 456 Cabling Common Equipment in a Single Group system
NN43021-310 Standard 02.01 December 2007
Figure 85
Options for LAN 1 connections
End of Procedure
553-A0145
Systems with a LAN switch:
1. Connect LAN 1 to J31
2. Connect J31 to LAN switch
Systems without a LAN:
Connect LAN 1 faceplate
to LAN 1 faceplate
J31 J31
Customer supplied
Ethernet cables
Core/Net 0 Core/Net 1
LAN
switch
NORTELNORTEL
NORTEL
NORTEL
NORTEL
NORTEL
Rear of module
LAN 1 LAN 1
NORTELNORTEL
NORTEL
NORTEL
NORTEL
NORTEL
Nortel supplied NTRC17AA
crossover Ethernet cable
Core/Net 1 Core/Net 0
Front of module

Page 207 of 456
Communication Server 1000M and Meridian 1 Large System Installation and Commissioning
238
Cabling Common Equipment in a
Multi Group system
Contents
This section contains information on the following topics:
Cabling guidelines. . . . . . . . . . . . . . . . . . . . . . . . . . . . . . . . . . . . . . . . . 207
Core/Net module . . . . . . . . . . . . . . . . . . . . . . . . . . . . . . . . . . . . . . . . . . 209
Cabling the Core/Net module backplane . . . . . . . . . . . . . . . . . . . . . . . 212
Disconnecting cables from the Core/Net module backplane . . . . . . . . 213
Optioning the System Utility Card . . . . . . . . . . . . . . . . . . . . . . . . . . . . 215
Core shelf cabling . . . . . . . . . . . . . . . . . . . . . . . . . . . . . . . . . . . . . . . . . 216
Installing the CP PIV to I/O panel cables . . . . . . . . . . . . . . . . . . . . . . . 220
Connecting the Core module to a LAN. . . . . . . . . . . . . . . . . . . . . . . . . 223
Cabling a Dual Ring Fiber Network . . . . . . . . . . . . . . . . . . . . . . . . . . . 224
FIJI card cabling . . . . . . . . . . . . . . . . . . . . . . . . . . . . . . . . . . . . . . . . . . 228
Installing the Shelf 0 fiber optic ring (ascending). . . . . . . . . . . . . . . . . 231
Installing the Shelf 1 fiber optic ring (descending). . . . . . . . . . . . . . . . 232
FIJI to FIJI cabling . . . . . . . . . . . . . . . . . . . . . . . . . . . . . . . . . . . . . . . . 234
Connecting the Clock Controller cables . . . . . . . . . . . . . . . . . . . . . . . . 235
Cabling guidelines
The NT4N41 Core/Net module backplane (see Figure 86 on page 209), like
all circuit boards, has a primary side and a secondary side. The primary side,

Page 208 of 456 Cabling Common Equipment in a Multi Group system
NN43021-310 Standard 02.01 December 2007
which faces the front of the module, contains the primary shrouds, which
provide mechanical guidance for the pins of the card edge connectors. The
secondary side of the backplane, which faces the rear of the module, contains
the secondary shrouds, which provide mechanical guidance for cable
connectors.
When routing cCNI to 3PE cables, store any excess cable length near the
associated Network module. Do not store excess cable in the Core/Net
module.
Because the cable troughs and spaces on the sides of a module are within the
EMI shielding of the system, unshielded cables can be routed in those areas.
As space permits, Common Equipment cables can be routed horizontally in
the cable troughs at the front, rear, and sides of the module or vertically on
the sides of the module.
Note: In a DC-powered module, because there is no MPDU, there is
room to route cables horizontally from front to rear on the left side (front
view) of the module.
CAUTION
System Failure
Cables must be routed as perpendicular as possible
to any nearby power cables. Avoid routing cables
near power cables if alternate routing is available.
At the rear of the module, cables routed between the
I/O panel and the rear cover can be parallel to the
power cables because the panel provides EMI
shielding.

Cabling Common Equipment in a Multi Group system Page 209 of 456
Communication Server 1000M and Meridian 1 Large System Installation and Commissioning
Figure 86
NT4N41 Core/Net shelf fanout panel (backplane)
A label kit is included in the system package. Use of these labels is optional.
Core/Net module
The Core/Net modules contain two distinct sets of circuit cards: Core cards
and Network cards (see Figure 87 on page 211). This chapter contains
instructions on how to configure the Core side of the CP PIV Core/Net
modules. To configure the Network side of the Core/Net modules, follow the
instructions in “Cabling network modules and loops” on page 239.
553-9473
NT8D99AD cable
Network backplane
Core backplane
ED
E
D
NT8D99AD cable
To other
Core/Net
System Monitor
(XSM) connections
J1J2
J3
AB
j3 slot 9 port 0 j4 slot 9 port 0
Group 0
Group 1Group 2
Group 3Group 4Group 5
Group 6
Group 7
j3
slot 9
port 1
j4
slot 9
port 1
j3
slot 10
port 0
j4
slot 10
port 0
j3
slot 10
port 1
j4
slot 10
port 1
j3
slot 11
port 0
j4
slot 11
port 0
j3
slot 11
port 1
j4
slot 11
port 1
j3
slot 12
port 0
j4
slot 12
port 0
j3
slot 12
port 1
j4
slot 12
port 1
NT4N89 cable
NT4N29 cable
NT4N29 cable

Page 210 of 456 Cabling Common Equipment in a Multi Group system
NN43021-310 Standard 02.01 December 2007
Reviewing Core/Net module placement
Core/Net modules are installed side-by-side on top of separate pedestals, for
power and cooling redundancy. Core/Net 1 is always on the left. Core/Net 0
is always on the right (see Figure 87 on page 211).
Reviewing required Core cards
All Core cards are installed in the factory. See Table 26 on page 210 for the
Core card requirements for each Core/Net module. Refer to “System
equipment – UEMs” on page 38 for module and card descriptions.
Table 26
Required Core cards (minimum per Core/Net module)
Order Code Description
Number required per
Core/Net module
Backplane
side
NT4N65 cCNI: cPCI Core Network Interface
Card
1 to 41front
NT4N48 System Utility Card 1front
NT4N39AA CP PIV Call Processor Card
(512 MB memory)
1front
N0026096 MMDU blank faceplate 1front
Note 1: Each cCNI card supports two Network groups. The number of cCNI cards in each
system depends on the number of Network groups installed in the system. See the System
Layout plan to determine the number and placement of cCNI cards.

Cabling Common Equipment in a Multi Group system Page 211 of 456
Communication Server 1000M and Meridian 1 Large System Installation and Commissioning
Figure 87
Side-by-side placement of CP PIV Core/Net modules
0 1 2 3 4 5 6 7 8 9 10 11
CP PIIcCNI
ENB
DIS
cCNI
ENB
DIS
cCNI
ENB
DIS
cCNI
ENB
DIS
SYS
UTIL
ENB
DIS
HA
Network Core
P
S
0 1 2 3 4 5 6 7 8 9 10 11
N
E
T
N
E
T
N
E
T
N
E
T
N
E
T
N
E
T
3
P
E
P
E
R
S
I
G
F
I
J
I
N
E
T
N
E
T
CP PIIcCNI
ENB
DIS
cCNI
ENB
DIS
cCNI
ENB
DIS
cCNI
ENB
DIS
SYS
UTIL
ENB
DIS
HA
553-9135
Network Core
P
SN
E
T
N
E
T
N
E
T
N
E
T
N
E
T
N
E
T
3
P
E
P
E
R
S
I
G
F
I
J
I
N
E
T
N
E
T
N
E
T
N
E
T
N
E
T
N
E
T
N
E
T
N
E
T
N
E
T
N
E
T
O
C
M
C
3
P
E
F
I
J
I
P
e
r
S
i
g
P
R
I
-
D
T
I
Net
N
E
T
N
E
T
N
E
T
N
E
T
N
E
T
N
E
T
N
E
T
O
C
M
C
3
P
E
F
I
J
I
P
e
r
S
i
g
C
l
o
c
k
P
R
I
-
D
T
I
Net
N
E
T
N
E
T
N
E
T
N
E
T
N
E
T
N
E
T
N
E
T
O
C
M
C
3
P
E
F
I
J
I
P
e
r
S
i
g
P
R
I
-
D
T
I
Net
N
E
T
N
E
T
N
E
T
N
E
T
N
E
T
N
E
T
N
E
T
O
C
M
C
3
P
E
F
I
J
I
P
e
r
S
i
g
C
l
o
c
k
P
R
I
-
D
T
I
Net
L
i
n
e
o
r
T
r
u
n
k
C
a
r
d
L
i
n
e
o
r
T
r
u
n
k
C
a
r
d
L
i
n
e
o
r
T
r
u
n
k
C
a
r
d
L
i
n
e
o
r
T
r
u
n
k
C
a
r
d
L
i
n
e
o
r
T
r
u
n
k
C
a
r
d
L
i
n
e
o
r
T
r
u
n
k
C
a
r
d
L
i
n
e
o
r
T
r
u
n
k
C
a
r
d
L
i
n
e
o
r
T
r
u
n
k
C
a
r
d
L
i
n
e
o
r
T
r
u
n
k
C
a
r
d
L
i
n
e
o
r
T
r
u
n
k
C
a
r
d
L
i
n
e
o
r
T
r
u
n
k
C
a
r
d
L
i
n
e
o
r
T
r
u
n
k
C
a
r
d
L
i
n
e
o
r
T
r
u
n
k
C
a
r
d
L
i
n
e
o
r
T
r
u
n
k
C
a
r
d
L
i
n
e
o
r
T
r
u
n
k
C
a
r
d
L
i
n
e
o
r
T
r
u
n
k
C
a
r
d
C
o
n
t
r
o
l
l
e
r
C
a
r
d
Module 3
(IPE)
Module 2
(Network)
Module 1
(Network)
Module 0
Core/Net 1
Module 3
(IPE)
Module 2
(Network)
Module 1
(Network)
Module 0
Core/Net 0
Column 1 Column 0
PE Module IPE
L
i
n
e
o
r
T
r
u
n
k
C
a
r
d
L
i
n
e
o
r
T
r
u
n
k
C
a
r
d
L
i
n
e
o
r
T
r
u
n
k
C
a
r
d
L
i
n
e
o
r
T
r
u
n
k
C
a
r
d
L
i
n
e
o
r
T
r
u
n
k
C
a
r
d
L
i
n
e
o
r
T
r
u
n
k
C
a
r
d
L
i
n
e
o
r
T
r
u
n
k
C
a
r
d
L
i
n
e
o
r
T
r
u
n
k
C
a
r
d
L
i
n
e
o
r
T
r
u
n
k
C
a
r
d
L
i
n
e
o
r
T
r
u
n
k
C
a
r
d
L
i
n
e
o
r
T
r
u
n
k
C
a
r
d
L
i
n
e
o
r
T
r
u
n
k
C
a
r
d
L
i
n
e
o
r
T
r
u
n
k
C
a
r
d
L
i
n
e
o
r
T
r
u
n
k
C
a
r
d
L
i
n
e
o
r
T
r
u
n
k
C
a
r
d
L
i
n
e
o
r
T
r
u
n
k
C
a
r
d
C
o
n
t
r
o
l
l
e
r
C
a
r
d
PE Module IPE
P
S
R
N
G
P
S
P
SP
S
P
SP
S
G
E
N
R
N
G
G
E
N
N
E
T
N
E
T
N
E
T
N
E
T
0 1 2 3 4 5 6 7 8 9 10 11
CP PIVcCNI
ENB
DIS
cCNI
ENB
DIS
cCNI
ENB
DIS
cCNI
ENB
DIS
SYS
UTIL
ENB
DIS
HA
Network Core
P
S
0 1 2 3 4 5 6 7 8 9 10 11
N
E
T
N
E
T
N
E
T
N
E
T
N
E
T
N
E
T
3
P
E
P
E
R
S
I
G
F
I
J
I
N
E
T
N
E
T
cCNI
ENB
DIS
cCNI
ENB
DIS
cCNI
ENB
DIS
cCNI
ENB
DIS
SYS
UTIL
ENB
DIS
HA
Network Core
P
SN
E
T
N
E
T
N
E
T
N
E
T
N
E
T
N
E
T
3
P
E
P
E
R
S
I
G
F
I
J
I
N
E
T
N
E
T
N
E
T
N
E
T
N
E
T
N
E
T
N
E
T
N
E
T
N
E
T
N
E
T
O
C
M
C
3
P
E
F
I
J
I
P
e
r
S
i
g
P
R
I
-
D
T
I
Net
N
E
T
N
E
T
N
E
T
N
E
T
N
E
T
N
E
T
N
E
T
O
C
M
C
3
P
E
F
I
J
I
P
e
r
S
i
g
C
l
o
c
k
P
R
I
-
D
T
I
Net
N
E
T
N
E
T
N
E
T
N
E
T
N
E
T
N
E
T
N
E
T
O
C
M
C
3
P
E
F
I
J
I
P
e
r
S
i
g
P
R
I
-
D
T
I
Net
N
E
T
N
E
T
N
E
T
N
E
T
N
E
T
N
E
T
N
E
T
O
C
M
C
3
P
E
F
I
J
I
P
e
r
S
i
g
C
l
o
c
k
P
R
I
-
D
T
I
Net
L
i
n
e
o
r
T
r
u
n
k
C
a
r
d
L
i
n
e
o
r
T
r
u
n
k
C
a
r
d
L
i
n
e
o
r
T
r
u
n
k
C
a
r
d
L
i
n
e
o
r
T
r
u
n
k
C
a
r
d
L
i
n
e
o
r
T
r
u
n
k
C
a
r
d
L
i
n
e
o
r
T
r
u
n
k
C
a
r
d
L
i
n
e
o
r
T
r
u
n
k
C
a
r
d
L
i
n
e
o
r
T
r
u
n
k
C
a
r
d
L
i
n
e
o
r
T
r
u
n
k
C
a
r
d
L
i
n
e
o
r
T
r
u
n
k
C
a
r
d
L
i
n
e
o
r
T
r
u
n
k
C
a
r
d
L
i
n
e
o
r
T
r
u
n
k
C
a
r
d
L
i
n
e
o
r
T
r
u
n
k
C
a
r
d
L
i
n
e
o
r
T
r
u
n
k
C
a
r
d
L
i
n
e
o
r
T
r
u
n
k
C
a
r
d
L
i
n
e
o
r
T
r
u
n
k
C
a
r
d
C
o
n
t
r
o
l
l
e
r
C
a
r
d
Module 3
(IPE)
Module 2
(Network)
Module 1
(Network)
Module 0
Core/Net 1
Module 3
(IPE)
Module 2
(Network)
Module 1
(Network)
Module 0
Core/Net 0
Column 1 Column 0
PE Module IPE
L
i
n
e
o
r
T
r
u
n
k
C
a
r
d
L
i
n
e
o
r
T
r
u
n
k
C
a
r
d
L
i
n
e
o
r
T
r
u
n
k
C
a
r
d
L
i
n
e
o
r
T
r
u
n
k
C
a
r
d
L
i
n
e
o
r
T
r
u
n
k
C
a
r
d
L
i
n
e
o
r
T
r
u
n
k
C
a
r
d
L
i
n
e
o
r
T
r
u
n
k
C
a
r
d
L
i
n
e
o
r
T
r
u
n
k
C
a
r
d
L
i
n
e
o
r
T
r
u
n
k
C
a
r
d
L
i
n
e
o
r
T
r
u
n
k
C
a
r
d
L
i
n
e
o
r
T
r
u
n
k
C
a
r
d
L
i
n
e
o
r
T
r
u
n
k
C
a
r
d
L
i
n
e
o
r
T
r
u
n
k
C
a
r
d
L
i
n
e
o
r
T
r
u
n
k
C
a
r
d
L
i
n
e
o
r
T
r
u
n
k
C
a
r
d
L
i
n
e
o
r
T
r
u
n
k
C
a
r
d
C
o
n
t
r
o
l
l
e
r
C
a
r
d
PE Module IPE
P
S
R
N
G
P
S
P
SP
S
P
SP
S
G
E
N
R
N
G
G
E
N
N
E
T
N
E
T
N
E
T
N
E
T
CP PIV

Page 212 of 456 Cabling Common Equipment in a Multi Group system
NN43021-310 Standard 02.01 December 2007
Checking Core card (front side) installation
All Core cards are factory installed. The Core cards (front side) are:
1 NT4N65 cPCI Core Network Interface (cCNI) cards. Each system
contains between one and four NT4N65 cCNI cards per Core/Net
Module. The cCNI cards are located in slots c9-c12. If not already
installed, install a P0605337 cPCI Card Slot Filler Panel to cover any of
slots, c10 - c12, which do not contain cCNIs.
Note: In the NT4N41 Core/Net module, port 0 on the NT4N65 Core to
Network Interface (cCNI) Card in slot c9 must be configured as
“Group 0.” Communication between the bv cCNI and 3PE cards for
Group 0 is accomplished through the NT4N29 cable.
Note: Slots c13 and c14 are left empty. If not already installed, install a
P0605337 cPCI Card Slot Filler Panel in each slot.
2 NT4N48 System Utility (Sys Util) card. The System Utility card is
located in slot c15.
3 NT4N39AA Call Processor PIV (CP PIV). This card is located in the
slot marked CP.
Cabling the Core/Net module backplane
Before you connect cables to the backplane, visually inspect the backplane
shroud connectors to make sure there are no bent pins.
CAUTION
Damage to Equipment
Pins may be bent or broken if you try to insert the
cable connector at an angle. Do not push the
connector in any further after you hear the click.

Cabling Common Equipment in a Multi Group system Page 213 of 456
Communication Server 1000M and Meridian 1 Large System Installation and Commissioning
Procedure 30
Cabling the Core/Net module backplane
1Orient the cable connector so the strain relief paddle is to the right.
2Partially insert the cable connector so its guides mate to the
corresponding backplane connector.
3Apply a small amount of pressure to push the cable connector straight into
the backplane connector. You will feel a click when the connector seats.
End of Procedure
Disconnecting cables from the Core/Net module backplane
To disconnect cables from the Core/Net module backplane, you must use the
P0741489 Extraction Tool provided, located in the rear of the module (behind
the I/O safety panel).
CAUTION
Damage to Equipment
Use the P0741489 Extraction Tool to disconnect
cables from the backplane shrouds in NT4N41 Core/
Network modules.
Follow the procedure below to avoid bending or
breaking pins when removing cable connectors from
the backplane shrouds.
Do not insert the extraction tool unless the cable
connector is locked into the shroud.
Do not force the extraction tool deeper than the
detent on the cable connector.
Do not improvise with common hand tools.

Page 214 of 456 Cabling Common Equipment in a Multi Group system
NN43021-310 Standard 02.01 December 2007
Procedure 31
Disconnecting cable connectors from the backplane
Use extreme caution to avoid bending or breaking backplane pins. Do not
insert the extraction tool unless the cable connector is locked into the securing
clip. A gentle tug on the cable will allow you to determine whether or not the
connector is secured. Do not force the extraction tool deeper than the tab on
side of the cable connector hood.
1Grasp the cable connector by the strain relief tab.
2Center the long flat edge at the straight end of the tool between the cable
connector hood and the securing clip.
Note: If the straight end of the tool is notched, use that end if the
connector can be accessed straight-on. If you must approach the
connector from any angle at all, use the angled end.
3Gently insert the extraction tool and gradually apply pressure in the
direction directly toward the backplane while gently pulling the cable away
from the backplane. A gentle side-to-side rocking motion may be used on
the cable if needed.
4Stop applying pressure as soon as the cable connector comes loose from
the backplane.
5Slowly remove the extraction tool and the cable connector.
End of Procedure
CAUTION
Damage to Equipment
Do not pry the against the connector with the
extraction tool. Simply inserting the tool between the
connector and the securing clip is sufficient to unlock
the connector. Prying may cause damage to the
connector or the backplane pins.

Cabling Common Equipment in a Multi Group system Page 215 of 456
Communication Server 1000M and Meridian 1 Large System Installation and Commissioning
Optioning the System Utility Card
To install the system utility card, first identify Core/Net 0 and Core/Net 1
shelves. Then adjust the DIP switches according to Table 27 below.
Figure 88 on page 216 shows Core card (front side) placement. If the Core
cards are not installed, refer to this figure to add or replace cards.
Table 27
System Utility Card DIP switch settings
Core/Net 0 Core/Net 1
DIP switch 1 on off
DIP switch 2 on on

Page 216 of 456 Cabling Common Equipment in a Multi Group system
NN43021-310 Standard 02.01 December 2007
Figure 88
Core card placement in the NT4N41 Core/Net Module (front)
Core shelf cabling
This section describes installation of the internal Core cables (see Figure 90
on page 219). Cables for Core to non-Core modules are described in
subsequent sections.
Enb
Dis
Sys Util
LAN 1
USB
INIT
RESET
ALRM SPKR
HDD PWR
COM 2
cCNI
A
B
Enb
Dis
LAN 2
COM 1
CP PIV
MMDU
Core
c9 c10 c11 c12 c13 c14 c15 CP
553-9124r26revised
LCD Display
Card status LEDs
(internal check)
System Utility disable
switch
Enb
Dis
Sys Util
cCNI
A
B
Enb
Dis
Core
c9 c10 c11 c12 c13 c14 c15 CP
LCD display
Card status LEDs
(internal check)
System Utility disable
switch
L
LAN 1
U
USB
CF
PWR
HDD
INIT
RESET
L
LAN 2
CPPIV
C
COM 1 COM 2
Compact Flash (RMD)
Blank Faceplate
CF

Cabling Common Equipment in a Multi Group system Page 217 of 456
Communication Server 1000M and Meridian 1 Large System Installation and Commissioning
Figure 89
Card placement in the NT4N41Core/Net Module
Required Core cables
Table 28 on page 217 lists field installed cables. Cables in Table 29 on
page 218 are factory installed.
Table 28
Field installed Core cables (internal) (Part 1 of 2)
Order Code Description
Number required
per system
NT4N88AA COM1 (DTE/terminal) 1
NT4N88BA COM2 (DCE/modem) 2
NT4N90BA Ethernet (CP PIV card to I/O panel) 2
NTRC17BA Crossover Ethernet cable (Core to Core) 2
PS
Net
553-9123r26revised
NT8D17 Conference/TDS Card
NT8D04 Superloop Network Card
NT8D04 Superloop Network Card
NT8D04 Superloop Network Card
QPC43R Peripheral Signaling Card
QPC441 3-Port Extender Card
PS 0 1 2 3 4 5 6 7 8 9 10 11
NTRB33 Fiji
SYS
UTIL
L
U
C
cCNI
A
B
Enb
Dis
L
C
Core
Enb
Dis
c9 c10 c11 c12 c13 c14 c15 CP
USB
INIT
RESET
COM 2
COM 1
CP
PIV
LAN 1 LAN 2

Page 218 of 456 Cabling Common Equipment in a Multi Group system
NN43021-310 Standard 02.01 December 2007
Customer supplied Standard CAT5 Ethernet cable (I/O Panel to
LAN switch)
2
Note: If there is no connection to a LAN, connect the two LAN 1 connectors using the
NTRC17BA crossover cable.
Table 29
Factory installed Core cables (internal)
Order Code Description
Number required per
system
NT4N4405 Shelf Power: Net backplane to Core backplane 2
NT4N29AA cCNI to 3PE Core/Net shelf cable 4
NT4N89AA System Utility card to XSM (see Figure 91) 2
Table 28
Field installed Core cables (internal) (Part 2 of 2)
Order Code Description
Number required
per system

Cabling Common Equipment in a Multi Group system Page 219 of 456
Communication Server 1000M and Meridian 1 Large System Installation and Commissioning
Figure 90
Core/Net cable connections (top view)
NT4N29 3PE Cables
to Net module
(factory installed)
NTND14 cables:cCNI to 3PE cables in Network Shelves ( Customer install Group 1 cable)
cCNI: slot c9
NT4N89AA System Monitor cable
(factory installed)
Sys Util: slot c15
CP PIV
553-9059
J21: DCE cable
from COM 2
NT4N88BA (for modem)
J25: DTE cable
from COM 1
NT4N88AA (for terminal)
LAN 2 cable
NTRC17BA
NT4N4405 Shelf Power cable
(factory installed) J31: Ethernet cable
from LAN 1 NT4N90BA
PS
NT8D17 Conference/TDS
NT8D04 Superloop Network Card
NT8D04 Superloop Network Card
NT8D04 Superloop Network Card
QPC43R Peripheral Signaling Card
QPC441 3-Port Extender Card
FIJI/IGS/DIGS Card
to other Core/Net
LAN 2 port

Page 220 of 456 Cabling Common Equipment in a Multi Group system
NN43021-310 Standard 02.01 December 2007
Figure 91
CP PIV Core and Network backplanes
Installing the CP PIV to I/O panel cables
Connect the cables from the CP PIV card faceplate to the I/O panel on the
back of the Core/Net modules:
• COM1 is used to connect a terminal.
• COM2 is used to connect a modem.
• LAN 1 is used to connect the system to a LAN switch.
• LAN 2 is used to connect Core 0 to Core 1 for system redundancy.
Note: If there is no LAN, LAN 1 and LAN 2 are connected from Core 0
to Core 1.This connection is made on the backplane.
553-9473
Network backplane
Core backplane
ED
System Monitor
(XSM) connections
J1J2
J3
AB
j3 slot 9 port 0 j4 slot 9 port 0
Group 0
Group 1Group 2
Group 3Group 4Group 5
Group 6
Group 7
j3
slot 9
port 1
j4
slot 9
port 1
j3
slot 10
port 0
j4
slot 10
port 0
j3
slot 10
port 1
j4
slot 10
port 1
j3
slot 11
port 0
j4
slot 11
port 0
j3
slot 11
port 1
j4
slot 11
port 1
j3
slot 12
port 0
j4
slot 12
port 0
j3
slot 12
port 1
j4
slot 12
port 1
NT4N89 cable
NT4N29 cable
NT4N29 cable

Cabling Common Equipment in a Multi Group system Page 221 of 456
Communication Server 1000M and Meridian 1 Large System Installation and Commissioning
Figure 92 on page 222 displays the COM and LAN cable connections.
Procedure 32
Installing the CP PIV to I/O panel cables
1Connect COM1 on the CP PIV faceplate to J25 on the I/O panel with
cable NT4N88AA.
2Connect COM2 on the CP PIV faceplate to J21 on the back of the I/O
panel with cable NT4N88BA.
3Connect the Dual Ethernet Adapter (RJ-45) for I/O Panel (NTRE40AA) to
J31. Secure the adapter to J31 with the two screws included in the
shipment.
4Connect LAN 1 (Ethernet) on the CP PIV faceplate to J31 (top) of the I/O
panel with cable NT4N90BA.
This connection can only be made after the Dual Ethernet Adapter is
installed (see step 3 above).
Note: If a LAN switch is not used, connect LAN 1 in Core 0 to LAN 1 in
Core 1.
5Connect a crossover Ethernet cable (NTRC17BA) from the LAN 2 port in
Core 0 to the LAN 2 port Core 1. This connection is for Core redundancy.
Note: To ensure EMI shielding, route the cable along the front of the card
cage and through the sides of the Core/Net modules.
6Repeat steps 1 through 4 in the second Core/Net module.
CAUTION
Damage to Equipment
Label all cables on both ends before installation.
Labels help ensure that the cables are properly
routed and connected. Cable labels also help
installers to troubleshoot problems and replace
equipment.

Page 222 of 456 Cabling Common Equipment in a Multi Group system
NN43021-310 Standard 02.01 December 2007
Figure 92
I/O panel connections
End of Procedure
Enb
Dis
SYS
UTIL
USB
INIT
RESET
COM 2
cCNI
A
B
Enb
Dis
COM 1
CP
PIV
Core
c9 c10 c11 c12 c13 c14 c15 CP
NTRC17BA
(core to core)
J20J21J22J23
J24
J25
J26J27
J28
J29
J30
J31
J33J34
J35
J36
J37J38
553-9466
NT4N90BA (LAN switch)
NT4N88BA (modem)
NT4N88AA (terminal)
LAN 1
1
2
I/O Panel
(rear of module)
Core shelf (front of module)
NTRE40AA
Ethernet Adapter
LAN 1 LAN 2

Cabling Common Equipment in a Multi Group system Page 223 of 456
Communication Server 1000M and Meridian 1 Large System Installation and Commissioning
Connecting the Core module to a LAN
Connect each Core/Net module to a local area network (LAN). This
connection provides a communication channel for LAN based systems
management tools such as OTM, Symposium, CallPilot, and Element
Manager. This connection also supplies additional redundancy capabilities.
See Figure 93 on page 224.
Note 1: If a LAN is not available, connect the second NTRC17BA
crossover Ethernet cable (included in the basic package) between the J31
ports in Core/Net 0 and Core/Net 1.
Note 2: The Core/Net I/O panel cables must be installed as described on
“Installing the CP PIV to I/O panel cables” on page 220 before the
Ethernet connections can be completed.
Procedure 33
Connecting the Core module to a LAN
1Label both sides of two customer supplied Ethernet cables.
2Connect a CAT5 Ethernet cable from J31 (top) on the Core/Net 0 I/O
panel to the LAN switch.
3Connect a second CAT5 Ethernet cable from J31 (top) on the Core/Net 1
I/O panel to the LAN switch.

Page 224 of 456 Cabling Common Equipment in a Multi Group system
NN43021-310 Standard 02.01 December 2007
Figure 93
Options for LAN 1 connections
End of Procedure
Cabling a Dual Ring Fiber Network
The FIJI cards in the Network modules are connected to form a Dual Ring
Fiber Network. This allows calls to be routed between Network groups.
The Fiber Network consists of two separate rings: one ring connects all the
Network Shelf 0s while the second ring connects all the Network Shelf 1s
553-9595
Customer supplied
Ethernet cables
Core/Net 0
Systems with a LAN switch:
1. Connect LAN 1 to J31
2. Connect J31 to LAN switch
Core/Net 1
LAN
switch
J31 J31
Systems without a LAN switch:
Connect J31 to J31
Rear of module
Nortel supplied
NTRC17BA crossover
ethernet cable
Core/Net 0 Core/Net 1
J31 J31
Rear of module

Cabling Common Equipment in a Multi Group system Page 225 of 456
Communication Server 1000M and Meridian 1 Large System Installation and Commissioning
(Figure 94 on page 225). Four steps are required to configure the Fiber
Network:
• “Installing the Shelf 0 fiber optic ring (ascending)” on page 231.
• “Installing the Shelf 1 fiber optic ring (descending)” on page 232.
• “FIJI to FIJI cabling” on page 234.
• “Connecting the Clock Controller cables” on page 235.
Figure 94
Dual Ring Fiber Network
553-9143
Tx (J1)
Rx (J2)
J3
J4
Tx (J1)
Rx (J2)
J3
J4
Tx (J1)
Rx (J2)
J3
J4
Tx (J1)
Rx (J2)
J3
J4
Tx (J1)
Rx (J2)
J3
J4
Tx (J1)
Rx (J2)
J3
J4
Tx (J1)
Rx (J2)
J3
J4
Group 0, shelf 1 Group 0, shelf 0
Group 1, shelf 0
Group 1, shelf 1 Group 2, shelf 1
Tx (J1)
Rx (J2)
J3
J4
Group 3, shelf 0
Group 3, shelf 1
NTRC48xx fiber optic cables
Group 2, shelf 0

Page 226 of 456 Cabling Common Equipment in a Multi Group system
NN43021-310 Standard 02.01 December 2007
Required cards
Table 30 on page 226 outlines the number of circuit cards required by each
system depends on system configuration.
Required cables
Table 31 on page 226 outlines the required cables. Cable lengths will vary
depending on system configuration.
Table 30
Fiber Network required cards
Quantity
Order
Code Description
1 per Network module NTRB33 Fiber Junctor Interface (FIJI) card
1 per Network module,
as needed
NTRE39 Optical Cable Management Card (OCMC)
8 per system (4 per
Core), as needed
NT4N65 Compact Core Network Interface (cCNI-2) cards
2 per system NTRB53 Global Clock Controller cards
Table 31
Required cables (Part 1 of 2)
Cable type Quantity Order Code Description
Fiber Ring cable 1 per FIJI card NTRC48AB 1.8 m (6 ft) fiber optic cable
NTRC48BB 3 m (10 ft) fiber optic cable
NTRC48CB 3.6 m (12 ft) fiber optic cable
NTRC48DA 4.25 m (14 ft) fiber optic cable
NTRC48EA 5.8 m (19 ft) fiber optic cable
NTRC48FA 7.9 m (26 ft) fiber optic cable
Clock to FIJI 2 per system NTRC46AB 1.2 m to 4.1 m (4 ft to 13.5 ft)*

Cabling Common Equipment in a Multi Group system Page 227 of 456
Communication Server 1000M and Meridian 1 Large System Installation and Commissioning
NTRC46BB 1.65 m to 2.4 m (5.5 ft. to 8 ft)*
NTRC46CB 6.7m (22ft)*
Clock to Clock 1 per system NTRC49AA 1.8 m (6 ft)
NTRC49BA 6m (20ft)
FIJI to FIJI Sync 1 per network group NTRC47AA 1.5 m (5 ft)
* Indicates the lengths of the two “Y” terminations.
WARNING
The shortest Fiber Cable must always be used.
The cables from Group 0 to Group 1 must always be
the same length as the cables from the last group
back to Group 0
The delta between the lengths of each fiber ring from
Group 0 to any other group must not exceed 15 m
(50 ft). Rings are directional. Ring 0 is ascending and
Ring 1 is descending.
Table 31
Required cables (Part 2 of 2)
Cable type Quantity Order Code Description

Page 228 of 456 Cabling Common Equipment in a Multi Group system
NN43021-310 Standard 02.01 December 2007
FIJI card cabling
Fiber Network is enabled by the installation of one NTRB33 Fiber Junctor
Interface (FIJI) card in each Core/Net or Network module (see Figure 95 on
page 229). FIJI cards require two slots; they are installed in slots 2 and 3 of
each Network module, or in slots 8 and 9 of each Core/Net module. The LCD
display shows the Network group and shelf. If an error occurs, this window
displays an Alarm code.
Class 1 LED Device
DANGER
The fiber-optic interface product used in the Large
System is considered safe. However, as a precaution do
not view the optical port or the end of fiber-optic cable.
Under certain conditions (such as during cable testing or
under light magnification) the cable or port can expose
the eye beyond the limits of Maximum Permissible
Exposure recommended in some jurisdictions. Do not
remove protective caps or plugs until ready to connect the
cable.

Cabling Common Equipment in a Multi Group system Page 229 of 456
Communication Server 1000M and Meridian 1 Large System Installation and Commissioning
Figure 95
FIJI card faceplate
Optical Cable Management Card (OCMC)
Because fiber optic cables are easily damaged if bent, the NTRE39 Optical
Cable Management Card (OCMC) is installed in Network modules to store
and protect excess cable length. The OCMC card ensures that the fiber cable
is not bent beyond a a 30 mm (1 1/5 in.) bend radius (Figure 96 on page 230).
ENB
DIS
FIJI
LOS
ACT
ENBL/DIS
TX
J1
J2
RX
CLK/FIJI 1
CLK/FIJI 2
MAINT
J4
J6
553-8649
J3
LCD Display
LEDs
RX Port (J2)
TX Port (J1)
ENB/DIS Switch
Serial Port
Latch
J3
J4
Latch

Page 230 of 456 Cabling Common Equipment in a Multi Group system
NN43021-310 Standard 02.01 December 2007
The OCMC contains no electronic components and is not powered by the
backplane. This card is used primarily in upgrades where the intergroup cable
distances vary greatly.
OCMC is a single width card installed between the Power supply and slot 1
of a Network module.
Figure 96
OCMC: the Optical Cable Management Card

Cabling Common Equipment in a Multi Group system Page 231 of 456
Communication Server 1000M and Meridian 1 Large System Installation and Commissioning
Installing the Shelf 0 fiber optic ring (ascending)
To create the Shelf 0 fiber optic loop, connect the FIJI cards in each Network
Shelf 0 in ascending order (Figure 97 on page 232).
Procedure 34
Installing the Shelf 0 fiber optic ring (ascending)
1Start with the Tx (J1) port in Group 0, Shelf 0.
2Connect a NTRC48xx FIJI Fiber Ring Cable of the appropriate length
from the Tx (J1) port of the FIJI card in Group 0, Shelf 0 to the Rx (J2) port
of the FIJI card in Group 1, Shelf 0.
3Connect a NTRC48xx FIJI Fiber Ring Cable of the appropriate length
from the Tx (J1) port of the FIJI card in Group 1, Shelf 0 to the Rx (J2) port
of the FIJI card in Group 2, Shelf 0.
4Continue to connect NTRC48xx FIJI Fiber Ring Cables of the appropriate
length from the Tx (J1) port to the Rx (J2) port in Shelf 0 of each Network
group. Connect these cables in ascending order of Network groups.
5To complete the ring, connect a final cable from the Tx (J1) port in the
highest number group back to the Rx (J2) port in Group 0, Shelf 0.

Page 232 of 456 Cabling Common Equipment in a Multi Group system
NN43021-310 Standard 02.01 December 2007
Figure 97
Shelf 0 fiber optic ring on a 4 group machine
End of Procedure
Installing the Shelf 1 fiber optic ring (descending)
To create the Shelf 1 fiber optic loop, connect the FIJI cards in each Network
Shelf 1 in descending order (Figure 98 on page 233).
Procedure 35
Installing the Shelf 1 fiber optic ring
1Start with the Tx (J1) port in Group 0, Shelf 1.
2Connect a NTRC48xx FIJI Fiber Ring Cable of the appropriate length
from the Tx (J1) port of the FIJI card in Group 0, Shelf 1 to the Rx (J2) port
of the FIJI card in the highest Network group, Shelf 1. This is the longest
NTRC48xx cable that came with the shipment.
3Connect a NTRC48xx cable from the Tx (J1) port of the FIJI card from the
Tx (J1) port in the highest Network group, Shelf 1 to the Rx (J2) port in the
second highest Network group, Shelf 1.
553-9122
Shelf 0 fiber optic ring
NTRC48xx fiber optic cable
Tx (J1)
Rx (J2)
J3
J4
Tx (J1)
Rx (J2)
J3
J4
Tx (J1)
Rx (J2)
J3
J4
Tx (J1)
Rx (J2)
J3
J4
Tx (J1)
Rx (J2)
J3
J4
Tx (J1)
Rx (J2)
J3
J4
Tx (J1)
Rx (J2)
J3
J4
Group 0, shelf 1 Group 0, shelf 0
Group 1, shelf 0
Group 1, shelf 1 Group 2, shelf 1
Tx (J1)
Rx (J2)
J3
J4
Group 3, shelf 0
Group 3, shelf 1
Group 2, shelf 0

Cabling Common Equipment in a Multi Group system Page 233 of 456
Communication Server 1000M and Meridian 1 Large System Installation and Commissioning
4Continue to connect NTRC48xx FIJI Fiber Ring Cables of the appropriate
length from the Tx (J1) port to the Rx (J2) port in Shelf 1 of each Network
group. Connect these cables in descending order of Network groups.
5To complete the ring, connect a final cable from Tx in Group 1, Shelf 1 to
Rx in Group 0, Shelf 1.
Figure 98
Shelf 1 fiber optic ring on a 4 group machine
End of Procedure
553-9112
Tx (J1)
Rx (J2)
J3
J4
Tx (J1)
Rx (J2)
J3
J4
Tx (J1)
Rx (J2)
J3
J4
Tx (J1)
Rx (J2)
J3
J4
Tx (J1)
Rx (J2)
J3
J4
Tx (J1)
Rx (J2)
J3
J4
Tx (J1)
Rx (J2)
J3
J4
Group 0, shelf 1 Group 0, shelf 0
Group 1, shelf 0
Group 1, shelf 1 Group 2, shelf 1
Tx (J1)
Rx (J2)
J3
J4
Group 3, shelf 0
Group 3, shelf 1
Shelf 1 fiber optic ring
NTRC48xx fiber optic cable
Group 2, shelf 0

Page 234 of 456 Cabling Common Equipment in a Multi Group system
NN43021-310 Standard 02.01 December 2007
FIJI to FIJI cabling
The FIJI cards in Shelf 0 and Shelf 1 of each Network group (except Group 0)
must be directly connected with a NTRC47AA FIJI to FIJI Synch Cable
cable.
Procedure 36
Connecting the FIJI to FIJI cables
1Connect a NTRC47AA cable from J4 to J4 of the FIJI cards in each
Network group, except Group 0 (Figure 99 on page 234).
2 Do NOT connect a cable in Group 0. The FIJI to FIJI connection in
Group 0 is made as part of the Clock Controller connections described on
page 235.
Figure 99
FIJI Shelf 0 to FIJI Shelf 1 connections
End of Procedure
Tx (J1)
Rx (J2)
J3
J4
NTRC47AA cable
Tx (J1)
Rx (J2)
J3
J4
Tx (J1)
Rx (J2)
J3
J4
Tx (J1)
Rx (J2)
J3
J4
Tx (J1)
Rx (J2)
J3
J4
Tx (J1)
Rx (J2)
J3
J4
Tx (J1)
Rx (J2)
J3
J4
Group 0, shelf 1 Group 0, shelf 0
Group 1, shelf 0
Group 1, shelf 1 Group 2, shelf 1
Tx (J1)
Rx (J2)
J3
J4
Group 3, shelf 0
Group 3, shelf 1
Group 2, shelf 0
553-9113

Cabling Common Equipment in a Multi Group system Page 235 of 456
Communication Server 1000M and Meridian 1 Large System Installation and Commissioning
Connecting the Clock Controller cables
Two Clock Controller cards are required in each system. These cards
synchronize Large System functions. Figure 100 on page 236 shows the two
Clock Controllers installed in a two-column system.
The Clock Controllers Cards must be installed as directed in the following
three rules.
1Two Clock Controller cards must be installed in each system. The Clocks
must be connected to each other and to the FIJI cards in Network
Group 0.
2One Clock Controller must be installed in Network Shelf 0, slot 13. A
second Clock Controller must be installed in Network Shelf 1, slot 13.
3Clock Controllers should be installed in different Network groups if
possible.
IMPORTANT!
The Clock Controller cannot be installed in the Core/Net
shelf.

Page 236 of 456 Cabling Common Equipment in a Multi Group system
NN43021-310 Standard 02.01 December 2007
Figure 100
Clock Controller placement
Connect the cables to the Clock Controllers as shown in Figure 101 on
page 238.
Procedure 37
Connecting the Clock Controller cables
1Connect the Clock to Clock cable:
a. Connect P1 of the NTND49 cable to port J3 of Clock Controller 0.
b. Connect P2 of the NTND49 cable to port J3 of Clock Controller 1.
2Connect the Clock to Clock and Clock to FIJI cables:
CE Module Net
Common Equipment
3PE IGS 1 IGS 0 PS SLP
1 2 3 4 5 6 7 8 9 10 11 12 13 14
CE Pwr Sup SLP SLP SLP
Network Group
Shelf
CE Module Net
Common Equipment
3PE IGS 1 IGS 0 PS SLP
1 2 3 4 5 6 7 8 9 10 11 12 13 14
CE Pwr Sup SLP SLP SLP
Network Group
Shelf
CE Module Net
Common Equipment
3PE IGS 1 IGS 0 PS SLP
1 2 3 4 5 6 7 8 9 10 11 12 13 14
CE Pwr Sup SLP SLP SLP
Network Group
Shelf
CE Module Net
Common Equipment
3PE IGS 1 IGS 0 PS SLP
1234567891011121314
CE Pwr Sup SLP SLP SLP
Network Group
Shelf
(No card should be inserted into this slot)
(No card should be inserted into this slot)
CE Pwr Sup 012 3 4 5 6 7 8 9 10 11 12 13 14 15 17
SLP SLP SLP PS 3PE CNI
Core/Net Module Network Group CPU
Shelf
SLP
Dual InterGroup Switch Card
16 18
NT5D21
Net CoreCore/Net Module
CE Pwr Sup 012 3 4 5 6 7 8 9 10 11 12 13 14 15 17
SLP SLP SLP PS 3PE CNI
Core/Net Module Network Group CPU
Shelf
SLP
Dual InterGroup Switch Card
16 18
NT5D21
Net CoreCore/Net Module
ENB
DIS
FIJI
LOS
ACT
ENBL/DIS
TX
J1
J2
RX
CLK/FIJI 1
CLK/FIJI 2
ETH
J5
MAINT
J4
J6
J3
ENB
DIS
FIJI
LOS
ACT
ENBL/DIS
TX
J1
J2
RX
CLK/FIJI 1
CLK/FIJI 2
ETH
J5
MAINT
J4
J6
J3
NTRC46 cable: Clock 1 to J3 FIJI , Group 0
NTRC46 cable: Clock 0 to J4 FIJI, Group 0 NTRC49 Clock to Clock cable
1
C
L
O
C
K
1
J3
C
L
O
C
K
0
J3
Group 1,
shelf 1
Group 1,
shelf 0
Group 0,
shelf 1
Group 2,
shelf 1
Group 2,
shelf 0
Group 0,
shelf 0
FIJI FIJI
J3
J4
553-9121
J3
J4

Cabling Common Equipment in a Multi Group system Page 237 of 456
Communication Server 1000M and Meridian 1 Large System Installation and Commissioning
a. At Clock 0: Connect the “J1 Clock” end of a Clock to FIJI cable
(NTRC46Ax) to the J1 end of the Clock to Clock cable.
b. At Clock 1: Connect the “J1 Clock“ end of a second Clock to FIJI
cable (NTRC46Ax) to the J2 end of the Clock to Clock cable.
3Connect the Clock 0 to FIJI cable:
a. Connect P1 of the NTRC46 cable from Clock 0 to J4 of the FIJI card
in Group 0, Shelf 0.
b. Connect P2 of the NTRC46 cable from Clock 0 to J4 of the FIJI card
in Group 0, Shelf 1.
4Connect a Clock 1 to FIJI cable:
a. Connect P1 of the NTRC46 cable from Clock 1 to J3 of the FIJI card
in Group 0, Shelf 0.
b. Connect P2 of the NTRC46 cable from Clock 1 to J3 of the FIJI card
in Group 0, Shelf 1.
End of Procedure

Page 238 of 456 Cabling Common Equipment in a Multi Group system
NN43021-310 Standard 02.01 December 2007
Figure 101
Clock Controller cable configuration
FIJI card
Group 0,
shelf 0
Dual InterGroup Switch Card
ENB
DIS
FIJI
LOS
ACT
ENBL/DIS
TX
J1
J2
RX
CLK/FIJI 1
CLK/FIJI 2
ETH
J5
MAINT
J4
J6
J3
J3
J4
FIJI card
Group 0,
shelf 1
Dual InterGroup Switch Card
CLK/FIJI 1
CLK/FIJI 2
ETH
J5
MAINT
J4
J6
J3
ENB
DIS
FIJI
LOS
ACT
ENBL/DIS
TX
J1
J2
RX
J3
J4
C
L
O
C
K
0
J3
C
L
O
C
K
1
J3
J1 J2
NTRC49 cable
P2
J1 Clock
P1
P2
J1 Clock
NTRC46 cables
553-9496
P1 P2
P1

Page 239 of 456
Communication Server 1000M and Meridian 1 Large System Installation and Commissioning
260
Cabling network modules and loops
Contents
This section contains information on the following topics:
Network-to-network cabling . . . . . . . . . . . . . . . . . . . . . . . . . . . . . . . . . 239
Network module connections . . . . . . . . . . . . . . . . . . . . . . . . . . . . . . . . 240
Network Group 0: Shelf 0 to Shelf 1. . . . . . . . . . . . . . . . . . . . . . . . . . . 240
Connecting the 3PE faceplates in the Core/Net modules . . . . . . . . . . . 240
Connecting the Core/Net backplanes . . . . . . . . . . . . . . . . . . . . . . . . . . 241
Connecting Groups 1 through 7: Shelf 0 to Shelf 1 . . . . . . . . . . . . . . . 242
Connecting the Network modules to the Core/Net modules. . . . . . . . . 245
Connecting the 3PE cables to the 3PE fanout panels . . . . . . . . . . . . . . 250
Cabling a Superloop Network Card – single column . . . . . . . . . . . . . . 252
Cabling a Superloop Network Card – multiple columns . . . . . . . . . . . 256
Network-to-network cabling
Cabling between NT8D35 Network Modules interconnects the two
half-groups to build a full-network group. The first full-group is located in the
Core/Network module together with the CPU. The maximum length of the
interconnecting cables between the two modules is 0.6 m (2 ft). The two
half-group network modules must therefore be stacked on top of one another.
The cables are then routed from the backplane of one module to the backplane
of the other through the vertical holes in the rear horizontal cable trough of
the modules.

Page 240 of 456 Cabling network modules and loops
NN43021-310 Standard 02.01 December 2007
Network module connections
Each multi-group system contains between two and eight Network groups.
Group 0 is contained in the Core/Net modules. Groups 1 through 7 are
contained in the Network modules. Each Network group is comprised of two
Network shelves: Shelf 0 and Shelf 1.
Network Group 0: Shelf 0 to Shelf 1
The Core/Net modules contain Network Group 0: Shelf 0 is in Core/Net 0,
Shelf 1 is in Core/Net 1. Shelf 0 must be connected to Shelf 1 for Network
Group 0 to operate correctly.
Connecting network Group 0: Shelf 0 to Shelf 1 involves:
1“Connecting the 3PE faceplates in the Core/Net modules” on page 240
2“Connecting the Core/Net backplanes” on page 241
Connecting the 3PE faceplates in the Core/Net modules
The 3PE cards in the Core/Net modules must be directly connected with an
NT8D80 cable. See Figure 102 on page 241. This connection is only made
between the Group 0 shelves (in the Core/Net modules).
Procedure 38
Connecting the 3PE faceplates in the Core/Net modules
1Connect a NT8D80 cable from the J4 port in the Core/Net 0 3PE card to
J4 port in the Core/Net 1 3PE card.
2Connect a second NT8D80 cable from the J3 port in Core/Net 0 to the J3
port in Core/Net 1.
Note: The 3PE cards are located in Core/Net slot 11.

Cabling network modules and loops Page 241 of 456
Communication Server 1000M and Meridian 1 Large System Installation and Commissioning
Figure 102
3PE faceplate connection between the Core/Net modules
End of Procedure
Connecting the Core/Net backplanes
In Group 0 only, the Shelf 0 and Shelf 1 backplanes must be connected with
two NT8D99AD cables (Core/Net modules only).
Procedure 39
Connecting the Core/Net backplanes
1Connect one NT8D99AD cable from the “E” port in Core/Net 0 to the “E”
port in Core/Net 1.
2Connect a second NT8D99AD cable from the “D” port in Core/Net 0 to the
“D” port in Core/Net 1. See Figure 103 on page 242.
PS
Net
NT8D17 Conference/TDS Card
NT8D04 Superloop Network Card
NT8D04 Superloop Network Card
NT8D04 Superloop Network Card
QPC43R Peripheral Signaling Card
NTRB53 CIock Controller card
PS 0 1 2 3 4 5 6 7 8 9 10 11
SYS
UTIL
L
U
C
cCNI
A
B
Enb
Dis
L
C
Core
Enb
Dis
c9 c10 c11 c12 c13 c14 c15 CP
PS
Net
NT8D17 Conference/TDS Card
NT8D04 Superloop Network Card
NT8D04 Superloop Network Card
NT8D04 Superloop Network Card
QPC43R Peripheral Signaling Card
NTRB53 CIock Controller card
PS 0 1 2 3 4 5 6 7 8 9 10 11
SYS
UTIL
L
U
USB
C
INIT
RESET
cCNI
A
B
Enb
Dis
L
LAN 2
C
COM 1
CP
PIV
Core
Enb
Dis
c9 c10 c11 c12 c13 c14 c15 CP
NT8D80AZ cable
NT8D80AZ cable
553-9123_3pe_r26revised
LAN 1
COM 2
USB
INIT
RESET
LAN 2
COM 1
CP
PIV
LAN 1
COM 2

Page 242 of 456 Cabling network modules and loops
NN43021-310 Standard 02.01 December 2007
Figure 103
Network Group 0: Shelf 0 to Shelf 1 backplane connections
End of Procedure
Connecting Groups 1 through 7: Shelf 0 to Shelf 1
On the back of each Network module backplane are five connectors: A, B, C,
D and E. See Figure 104 on page 244. The connectors from Shelf 0 of each
Network Group 1 through 7 must be connected to the connectors in Shelf 1
of the same Network group.
Note: In North American systems, these connections are made in the
factory. In shipments outside North America, the Network shelves are
shipped separately. These connections must be made in the field.
553-9473
NT8D99AD cable
Network backplane
Core backplane
ED
E
D
NT8D99AD cable
To other
Core/Net
System Monitor
(XSM) connections
J1J2
J3
AB
j3 slot 9 port 0 j4 slot 9 port 0
Group 0
Group 1Group 2
Group 3Group 4Group 5
Group 6
Group 7
j3
slot 9
port 1
j4
slot 9
port 1
j3
slot 10
port 0
j4
slot 10
port 0
j3
slot 10
port 1
j4
slot 10
port 1
j3
slot 11
port 0
j4
slot 11
port 0
j3
slot 11
port 1
j4
slot 11
port 1
j3
slot 12
port 0
j4
slot 12
port 0
j3
slot 12
port 1
j4
slot 12
port 1
NT4N89 cable
NT4N29 cable
NT4N29 cable

Cabling network modules and loops Page 243 of 456
Communication Server 1000M and Meridian 1 Large System Installation and Commissioning
This connection is NOT made for Network Group 0 in the Core/Net modules.
Procedure 40
Connecting Groups 1 through 7: Shelf 0 to Shelf 1
1Connect an NT8D99AB cable from the A connector in Shelf 0 of Network
Group 1 to the A connector in Shelf 1 Network Group 1.
2Connect the B connector in Shelf 0 to the B connector in Shelf 1.
3Connect the C connector in Shelf 0 to the C connector in Shelf 1.
4Connect the D connector in Shelf 0 to the D connector in Shelf 1.
5Connect the E connector in Shelf 0 to the E connector in Shelf 1.
6Connect the A, B, C, D, and E connectors between Shelf 0 and Shelf 1 for
all other Network groups in the system (except Group 0)
Note: All connections are made with an NT8D99AB cable.

Page 244 of 456 Cabling network modules and loops
NN43021-310 Standard 02.01 December 2007
Figure 104
Network Shelf 0 to Shelf 1 backplane connections (Groups 1 through 7)
End of Procedure
A
B
C
D
E
A
B
C
D
E
553-9584
Network backplane:
shelf 0
Network backplane:
shelf 1
NT8D99AB cable

Cabling network modules and loops Page 245 of 456
Communication Server 1000M and Meridian 1 Large System Installation and Commissioning
Connecting the Network modules to the Core/Net modules
Each Network shelf contains one 3PE card. These 3PE cards are connected to
the Fanout panel in the back of the Core/Net shelves.
Figure 105 on page 245, Figure 106 on page 246, and Figure 107 on
page 247 show the location of the Fanout panel and 3PE cables on the Core/
Net backplane.
Figure 105
3PE Fanout panel in the Core/Net module (top view)
PS
Conference/TDS
Network card
Superloop Network card
NET
Superloop Network card
NET
Superloop Network card
Peripheral Signaling card
3-Port Extender card
cCNI Slot c9
cCNI Slot c10
cCNI Slot c11
cCNI Slot c12
Sys Util
CP PIV
Termination Panel
553-9488
IGS/FIJI card
NET
NT8D76 cables
to Network module
(factory installed)

Page 246 of 456 Cabling network modules and loops
NN43021-310 Standard 02.01 December 2007
Figure 106
Core/Net backplane (rear view)
GND
VCC
+ 12
GND
GND
VCC
IDE SECONDARY CHANNEL FLOPPY DRIVE
1
2
553-9487
3PE connection to
cCNI transition card
Slot 9-0
(factory installed)
3PE termination panel
Core
backplane

Cabling network modules and loops Page 247 of 456
Communication Server 1000M and Meridian 1 Large System Installation and Commissioning
Figure 107
3PE Fanout panel (rear module view)
553-9529
Install SDI Paddle Board
before connecting 3PE cables
NTND14 to 3PE cables
NTND14 cables to Core Backplane Fanout panel

Page 248 of 456 Cabling network modules and loops
NN43021-310 Standard 02.01 December 2007
cCNI slot and port assignments
Each system core shelf contains a minimum of one and a maximum of four
cCNI cards. Each cCNI card contains two ports to support up to two Network
groups.
cCNI cards are identified by slot and port. Each port is assigned in software
to a specific Network group. Use the System Layout Plan to determine the
connections for your system.
• Each 3PE card has two faceplate connections: J3 and J4. Two cables are
used for each card.
• 3PE cards in Network shelves “0” are connected to the 3PE Fanout panel
in Core/Net 0.
• 3PE cards in Network shelves “1” are connected to the 3PE Fanout panel
in Core/Net 1.
Table 32 on page 248 specifies the Network group assignments for each
cCNI slot and port. These designations cannot be changed in software.
Table 32
cCNI Network group designations
cCNI
card slot
cCNI
card port 3PE Fanout panel label
Connected
to Network
group
c9 0 N/A (factory installed directly
to the Core/Net backplane)
0
c9 1 Port 9-1 1
c10 0 Port 10-0 2
c10 1 Port 10-1 3
c11 0 Port 11-0 4
c11 1 Port 11-1 5
c12 0 Port 12-0 6
c12 1 Port 12-1 7

Cabling network modules and loops Page 249 of 456
Communication Server 1000M and Meridian 1 Large System Installation and Commissioning
cCNI to 3PE Fanout panel cable connections
The cCNI slot and port connections are labeled on the Fanout panel (see
Figure 108). Each 3PE card is connected with two cables: one to J3 and one
to J4. Table 32 on page 248 specifies the Network group that connects to each
slot.
Figure 108
Fanout panel (Core/Net module)
j3 slot 9 port 0 j4 slot 9 port 0
Group 0
Group 1Group 2
Group 3Group 4Group 5
Group 6
Group 7
j3
slot 9
port 1
j4
slot 9
port 1
j3
slot 10
port 0
j4
slot 10
port 0
j3
slot 10
port 1
j4
slot 10
port 1
j3
slot 11
port 0
j4
slot 11
port 0
j3
slot 11
port 1
j4
slot 11
port 1
j3
slot 12
port 0
j4
slot 12
port 0
j3
slot 12
port 1
j4
slot 12
port 1

Page 250 of 456 Cabling network modules and loops
NN43021-310 Standard 02.01 December 2007
Connecting the 3PE cables to the 3PE fanout panels
Two NTND14 cables connect from J3 and J4 of each 3PE faceplate to the
3PE Fanout panel. See Figure 109 on page 250.
Connecting network Group 0: Shelf 0 to Shelf 1 involves:
1“Connecting the Network Shelf 0 3PE cards to Core/Net 0” on page 251.
2“Connecting the Network Shelf 1 3PE cards to Core/Net 1” on page 251
Figure 109
3PE faceplate to Fanout panel connections – Network Group 1, Shelf 0
example
CE Module Net
Common Equipment
12345678 91011121314
CE Pwr Sup
3-Port Extender
Peripheral Signaling
Network Group
Shelf
Clock Controller
PRI/DTI
553-9492
FIJI
NETWORK
NETWORK
NETWORK
NETWORK
NETWORK
NETWORK
NETWORK
NETWORK
OCMC
Power
Supply
J3
J4
Network Group 1, shelf 0
NTND14 cable
j3 slot 9 port 0 j4 slot 9 port 0
Group 0
Group 1Group 2
Group 3Group 4Group 5
Group 6
Group 7
j3
slot 9
port 1
j4
slot 9
port 1
j3
slot 10
port 0
j4
slot 10
port 0
j3
slot 10
port 1
j4
slot 10
port 1
j3
slot 11
port 0
j4
slot 11
port 0
j3
slot 11
port 1
j4
slot 11
port 1
j3
slot 12
port 0
j4
slot 12
port 0
j3
slot 12
port 1
j4
slot 12
port 1
NTND14 cable

Cabling network modules and loops Page 251 of 456
Communication Server 1000M and Meridian 1 Large System Installation and Commissioning
Refer to Table 32 on page 248 for cCNI port and slot assignments. Connect
Shelf 0 3PE cards to the Core/Net 0 panel; connect Shelf 1 3PE cards to the
Core/Net 1 panel. The 3PE cables for Network Group 0 are factory installed.
Procedure 41
Connecting the Network Shelf 0 3PE cards to Core/Net 0
1Connect a NTND14 cable of the appropriate length from J3 on the 3PE
card faceplate in Network Group 1, Shelf 0 to the Port 9-1, J3 connection
on the 3PE Fanout panel in Core/Net 0.
2Connect a NTND14 cable of the appropriate length from J4 on the 3PE
card faceplate in Network Group 1, Shelf 0 to the Port 9-1, J4 connection
on the 3PE Fanout panel in Core/Net 0.
3Connect a NTND14 cable of the appropriate length from J3 on the 3PE
card faceplate in Network Group 2, Shelf 0 to the Port 10-0, J3 connection
on the 3PE Fanout panel in Core/Net 0.
4Connect a NTND14 cable of the appropriate length from J4 on the 3PE
card faceplate in Network Group 2, Shelf 0 to the Port 10-0, J4 connection
on the 3PE Fanout panel in Core/Net 0.
5Install the remaining cables according to the assignments in Table 32 on
page 248.
End of Procedure
Procedure 42
Connecting the Network Shelf 1 3PE cards to Core/Net 1
1Connect a NTND14 cable of the appropriate length from J3 on the 3PE
card faceplate in Network Group 1, Shelf 1 to the Port 9-1, J3 connection
on the 3PE Fanout panel in Core/Net 1.
2Connect a NTND14 cable of the appropriate length from J4 on the 3PE
card faceplate in Network Group 1, Shelf 1 to the Port 9-1, J4 connection
on the 3PE Fanout panel in Core/Net 1.
3Connect a NTND14 cable of the appropriate length from J3 on the 3PE
card faceplate in Network Group 2, Shelf 1 to the Port 10-0, J3 connection
on the 3PE Fanout panel in Core/Net 1.
4Connect a NTND14 cable of the appropriate length from J4 on the 3PE
card faceplate in Network Group 2, Shelf 1 to the Port 10-0, J4 connection
on the 3PE Fanout panel in Core/Net 1.

Page 252 of 456 Cabling network modules and loops
NN43021-310 Standard 02.01 December 2007
5Install the remaining cables according to the assignments in Table 32 on
page 248.
End of Procedure
Cabling a Superloop Network Card – single column
If the system is configured in multiple columns, see “Basic cabling for
multiple-row network connections” on page 256.
Procedure 43
Basic cabling for single-row network connections
1Refer to the work order and the cabling layout shipped with the system to
determine:
• each loop number assigned
• the module and slot assignments for the NT8D04 Superloop Network
Card associated with each loop
• the location of NT8D37 IPE Modules that contain NT8D01 Controller
Cards associated with each loop
2Set the Enb/Dis switch on each superloop network card to Dis.
CAUTION
System Failure
Due to the possibility of EMI/RFI noise, do not route
cables from front to rear next to the power supply
unit.

Cabling network modules and loops Page 253 of 456
Communication Server 1000M and Meridian 1 Large System Installation and Commissioning
3Cable network loops from the faceplate connector on the superloop
network card to the backplane for associated controller cards (see
Table 33 on page 254).
• Label both ends of an NT8D91 cable with the loop number, then
connect one end of the cable to the superloop network card faceplate
connector:
—J1 for Shelf1
—J2 for Shelf0
• On the backplane for the controller card, connect the cable to the
SL0, SL1, SL2, or SL3 connector assigned to the loop.
Note: The key (polarizing tab) on the side of the cable connector must be
inserted into the keyway on the left side, facing the backplane, of the
backplane connector. Blue and white wires should show through the top
of the cable connector and, if there is a directional label, the arrow on the
cable connector should be located at the top right.
Figure 110 on page 255 shows the superloop network card faceplate
connectors, the backplane connectors for the controller card, and the
cables required.
4Seat and secure all connectors.
5Set the Enb/Dis switch on each network card to Enb.
6During system software configuration, use the Software Input/Output:
Administration (NN43001-611) to enter loop assignments.
End of Procedure

Page 254 of 456 Cabling network modules and loops
NN43021-310 Standard 02.01 December 2007
Table 33
NT8D04 network loop configurations
FROM TO
Superloop
network card
Faceplate
connector
Controller
card
Backplane
connector
One segment per superloop NT8D04 #1 J2 NT8D01AC #1 SL0
NT8D04 #2 J2 NT8D01AC #1 SL1
NT8D04 #3 J2 NT8D01AC #1 SL2
NT8D04 #4 J2 NT8D01AC #1 SL3
Two segments per superloop NT8D04 #1 J2 NT8D01AD #1 SL0
NT8D04 #2 J2 NT8D01AD #1 SL1
Four segments per superloop NT8D04 #1 J2 NT8D01AD #1 SL0
Eight segments per superloop NT8D04 #1 J2 NT8D01AD #1 SL0
NT8D04 #1 J1 NT8D01AD #2 SL0
One segment per superloop/
three segments per another
superloop
NT8D04 #1 J2 NT8D01AD #1 SL0
NT8D04 #2 J2 NT8D01AD #1 SL1
Four segments per superloop/
four segments per another
superloop
NT8D04 #1 J2 NT8D01AC #1 SL0
NT8D04 #2 J2 NT8D01AC #2 SL0
NT8D04 #2 J1 NT8D01AC #1 SL1
Note: NT8D01AC is a controller-4
NT8D01AD is a controller-2

Cabling network modules and loops Page 255 of 456
Communication Server 1000M and Meridian 1 Large System Installation and Commissioning
Figure 110
NT8D04 Superloop Network Card network loops – connectors for
single-row connections
553-5237
Superloop network card faceplate connectors
J1
J2
N
T
8
D
0
4
Use
NT8D91
cables
Note 1:
The NT8D04 Superloop Network Card may be located in any acceptable slot in an
NT4N41 Core/Network Module or NT8D35 Network Module.
Note 2:
On superloop network cards, connector J1 is used for odd numbered shelves, connector
J2 is used for even numbered shelves.
NT8D01 Controller Card backplane connectors
Visible part
of the
backplane
Controller
SL1
SL0SL2
SL3
DB MB

Page 256 of 456 Cabling network modules and loops
NN43021-310 Standard 02.01 December 2007
Cabling a Superloop Network Card – multiple columns
If the system is configured as a single column“Basic cabling for single-row
network connections” on page 252.
Procedure 44
Basic cabling for multiple-row network connections
1Refer to the work order and the cabling layout shipped with the system to
determine:
• Each loop number assigned
• The module and slot assignments of the NT8D04 Superloop Network
Card associated with each loop
• The location of NT8D37 IPE Modules that contain NT8D01 Controller
Cards associated with each loop
2Set the Enb/Dis switch on the faceplate of each network card to Dis.
3Install NT8D1107 Superloop Adapter Plates on universal I/O panels
(P0715058), if required. The superloop adapter plate reduces a QPC414
network loop cutout to the size for a superloop connection.
The recommended order for installing superloop adapter plates is over
I/O panel locations J2, J6, J10, J22, J26, J31.
• Position the adapter plate over the QPC414 cutout, and install the
screw and washer at the bottom of the plate.
• Position the cable connector on the adapter plate, and install one
screw and washer at the top and one screw and washer at the bottom
of the connector.
Figure 111 on page 258 shows mounting details for the superloop
adapter plate.
CAUTION
System Failure
Due to the possibility of EMI/RFI noise, do not route
cables from front to rear next to the power supply
unit.

Cabling network modules and loops Page 257 of 456
Communication Server 1000M and Meridian 1 Large System Installation and Commissioning
4Cable network loops from the faceplate connector on the network card to
the I/O panels on the rear of the Core/Net or Network Module.
• Label both ends of an NT8D88AD cable with the loop number, then
connect one end of the cable to the network card faceplate
connector:
—J1 for Shelf1
—J2 for Shelf0
• Route the cable around the card cage to the I/O panel and mount the
cable connector in one of the cutouts in the panel.
The recommended order for connections is J16, J17, J37, J38, then,
with superloop adapter plates, J2, J6, J10, J22, J26, J31
Figure 112 on page 259 shows the network card faceplate connectors,
the I/O panel connectors, and the cables required.
5Cable the backplane connectors (SL0, SL1, SL2, SL3) for the controller
card to the I/O panels on the rear of the IPE Module.
• Label both ends of an NT8D92 cable with the loop number, then
connect one end of the cable to the backplane connector.
• Mount the connector on the other end of the cable in one of the
cutouts in the I/O panels. The recommended order for connections is:
— SL0 to J2
— SL1 to J3
— SL2 to J4
— SL3 to J5
Figure 113 on page 260 shows the controller card backplane connectors
and the I/O panels for the IPE Module. Complete the network loop
connection (see Table 33 on page 254).
• Connect one end of an NT8D98 cable to the I/O panel connector for
the network card.
• Connect the other end of the cable to the I/O panel connector for the
associated controller card.
6Seat and secure all connectors.
7Set the Enb/Dis switch on each network card to Enb.

Page 258 of 456 Cabling network modules and loops
NN43021-310 Standard 02.01 December 2007
8During system software configuration, use the Software Input/Output:
Administration (NN43001-611) to enter loop assignments.
End of Procedure
Figure 111
Installing a superloop adapter plate
QPC414
I/O panel cutout
I/O panel cutout label
Superloop
adapter plate
NT8D88 superloop to
I/O panel cable
I/O panel
J2
553-5289

Cabling network modules and loops Page 259 of 456
Communication Server 1000M and Meridian 1 Large System Installation and Commissioning
Figure 112
NT8D04 Superloop Network Card network loops – network card to I/O
panel connections
Superloop network card faceplate connectors
J1
J2
N
T
8
D
0
4
Use
NT8D88AD
cables
553-5290
Right
J1J2
J3
J4
J5J6
J7
J8
J9
J10J11
J12
J13
J14
Left
J20J21J22J23
J24
J25
J26J27
J28
J29
J30
J31J32
J33J34
J35
J36
J37J38
J20J21J22J23
J24
J25
J26J27
J28
J29
J30
J31J32
J33J34
J35
J36
J37J38
J1J2J3J4
J5J6
J7
J8
J9J10
J11
J12
J13
J14J15
J16
J17
J18J19
Right
Left
Core/Network Module I/O Panels Network Module I/O Panels

Page 260 of 456 Cabling network modules and loops
NN43021-310 Standard 02.01 December 2007
Figure 113
NT8D04 Superloop Network Card network loops – controller card to I/O
panel connections
553-3191
NT8D01 Peripheral Controller Card backplane connectors
Visible part
of the
backplane
Controller
SL1
SL0SL2
SL3
DB MB
I/O panel connection locations in IPE Modules
Left Right
BA
FEDC
HJ3G
J2
KL
SRNM
UJ5 T
J4

Page 261 of 456
Communication Server 1000M and Meridian 1 Large System Installation and Commissioning
298
Cabling lines and trunks
Contents
This section contains information on the following topics:
Overview . . . . . . . . . . . . . . . . . . . . . . . . . . . . . . . . . . . . . . . . . . . . . . . . 261
Cabling an IPE Module or Media Gateway . . . . . . . . . . . . . . . . . . . . . 263
Connecting lines and trunks . . . . . . . . . . . . . . . . . . . . . . . . . . . . . . . . . 266
Overview
Cables are designated by the letter of the I/O panel cutout (A, B, C, and so on)
where the 50-pin cable connector is attached. Each cable has three 20-pin
connectors (16 positions are used), designated 1, 2, and 3, that attach to the
backplane. Using the designations described, the backplane ends of the first
cable are referred to as A-1, A-2, and A-3.
The locations of the cable connectors on the backplane are designated by the
slot number (L0 through L15 for NT8D37) and the shroud row (1, 2, and 3).
Using these designations, the slot positions in the first slot are referred to as
L0-1, L0-2, and L0-3.
In NT8D37BA and NT8D37EC (and later vintage) IPE Modules, all 16 IPE
card slots support 25-pair cable connections. Table 34 on page 262 shows the
cable connections from the backplane to the inside of the I/O panel.
Figure 114 on page 262 shows the designations for the backplane end of the
cables, the backplane slot designations for the cable connections, and the
associated network segments for the backplane slots.

Page 262 of 456 Cabling lines and trunks
NN43021-310 Standard 02.01 December 2007
Figure 114
NT8D37 backplane cable designations
Table 34
NT8D37 cable connections
Backplane slots–shroud rows I/O panel/cable designation
L0–1, 2, 3
L1–1, 2, 3
L2–1, 2, 3
L3–1, 2, 3
L4–1, 2, 3
L5–1, 2, 3
L6–1, 2, 3
L7–1, 2, 3
L8–1, 2, 3
L9–1, 2, 3
L10–1, 2, 3
L11–1, 2, 3
L12–1, 2, 3
L13–1, 2, 3
L14–1, 2, 3
L15–1, 2, 3
A
B
C
D
E
F
G
H
K
L
M
N
R
S
T
U
Segment 0
L15 L14 L13 L12 L11 L10 L9 L8 L7 L6 L5 L4 L3 L2 L1 L0
A-1
B-3
C-2
E-3
F-2
E-1 B-1
A-2
A-3
B-2
C-1
C-3
E-2
F-1
F-3
1
2
3
Shroud row
553-5391
L-1R-1S-1T-1 M-1
Segment 1Segment 2Segment 3
SL0
SL1
SL2
SL3
L16
G-1
G-3
G-2L-2
L-3
M-2
M-3
R-1
R-1
K-1
K-2
K-3
S-2
S-3
T-2
T-3
D-1
D-2
D-3
H-1
H-2
H-3
N-1
N-2
N-3
U-1
U-2
U-3

Cabling lines and trunks Page 263 of 456
Communication Server 1000M and Meridian 1 Large System Installation and Commissioning
Media Gateway cabling requirements
Media Gateways require the following:
• Each Media Gateway and Media Gateway Expander requires up to four
25-pair cables:
— one 25-pair cable for each slot that is equipped with a trunk or line
circuit card
— one 25-pair cable for each NTAK03 or NTAK02 card not using the
NTAK19EC 2-port SDI cable or the NTAK19FB 4-port SDI cable
• When Ethernet connections are used instead of traditional cabling, use
the Media Card Input/Output Adapter.
• For the NTAK09 1.5 Mbit DTI/PRI circuit card, use the NTBK04 cable.
• For the NTAK10 2.0 Mbit DTI circuit card, NTAK79 2.0 Mbit PRI
circuit card, and NTBK50 2.0 Mbit PRI circuit card, use the NTBK05
cable.
Cabling an IPE Module or Media Gateway
Follow Procedure 45 to cable IPE Modules (NT8D37), Media Gateways, or
Media Gateway Expanders.
Note: The corner vertical channels in the rear of the IPE module are
outside of the EMI shield. Cables in those vertical channels must be
shielded, and must enter and exit the EMI-shielded area through I/O
panels and adapters.
DANGER OF ELECTRIC SHOCK
Tip, ring, A, B, E, M, ESC, and ESCG connections
may be considered to be Telecommunication
Network Voltages (TNV).

Page 264 of 456 Cabling lines and trunks
NN43021-310 Standard 02.01 December 2007
Procedure 45
Cabling an IPE Module (NT8D37) or Media Gateway
1Select an appropriate number of NE-A25B (or equivalent) cables long
enough to run from the I/O panels on the rear of the module or backplanes
of the Media Gateway or Expander, to the MDF.
Figure 115 on page 265 shows the I/O panels on the NT8D37 IPE
Module.
2To both ends of each cable, attach a tag that shows the module or chassis
number and the I/O or backplane connector designation.
3Connect each cable to the appropriate connector on the I/O panel or
backplane, and run the cables to the MDF.
4Terminate each cable on the cross-connect block designated with the
appropriate module or chassis number.
Note: For information on the MDF layout see “Planning and designating
a Main Distribution Frame” on page 133.
5Make sure all cables are neatly run, properly seated, and secured with
cable ties.

Cabling lines and trunks Page 265 of 456
Communication Server 1000M and Meridian 1 Large System Installation and Commissioning
Figure 115
NT8D37 IPE Module I/O panels
End of Procedure
BA
FEDC
HJ3 G
J2
Left
KL
SRNM
UJ5 T
J4
Right
553-5928

Page 266 of 456 Cabling lines and trunks
NN43021-310 Standard 02.01 December 2007
Connecting lines and trunks
Follow Procedure 46 to connect lines and trunks. Ensure that wiring is not
reversed and is on the proper terminals. Allow enough slack in the wiring to
allow tracing and to reconnect wires if they break at the terminal.
Procedure 46
Connecting lines and trunks
1Extend incoming wiring (such as cables from the central office or wiring
from a recorded announcement machine) to the MDF and terminate them
on separate connecting blocks.
2Assign and record terminal numbers (TN) for each line or trunk.
Determine the location of the line or trunk connection and its assigned TN
from the work order or assignment records.
3Connect each line and trunk to the TN using cross-connecting wire
(typically 24 AWG type-Z wire). Table 35 on page 267 lists
pair-termination tables for line and trunk cards in NT8D37 IPE Modules.
4Cross-connect incoming wiring and lines and trunks at the MDF.
End of Procedure

Cabling lines and trunks Page 267 of 456
Communication Server 1000M and Meridian 1 Large System Installation and Commissioning
Table 35
Line and trunk pair-termination tables
NT8D37 IPE Module
Line cards Table 36 on page 267
Trunk cards NT8D14 Universal Trunk Card:
Table 37 on page 269
NT8D15 E&M Trunk Card:
Table 38 on page 270 through to Table 40 on page 271
NT5K17 DDI Trunk Card:
Table 42 on page 274 through toTable 44 on page 277
NT5K18 Flexible Central Office Trunk card:
Table 45 on page 279 through to Table 47 on page 283
NT5K19 Flexible E&M Trunk card:
Table 48 on page 285 through to Table 60 on page 298
Table 36
NT8D37 IPE Module: line card pair-terminations (Part 1 of 2)
Pair Pin numbers Pair color
Unit
24/card
1T/1R 26/1 W-BL/BL-W 0
2T/2R 27/2 W-O/O-W 1
3T/3R 28/3 W-G/G-W 2
4T/4R 29/4 W-BR/BR-W 3
5T/5R 30/5 W-S/S-W 4
6T/6R 31/6 R-BL/BL-R 5
7T/7R 32/7 R-O/O-R 6
8T/8R 33/8 R-G/G-R 7
9T/9R 34/9 R-BR/BR-R 8
10T/10R 35/10 R-S/S-R 9
11T/11R 36/11 BK-BL/BL-BK 10
12T/12R 37/12 BK-O/O-BK 11
13T/13R 38/13 BK-G/G-BK 12

Page 268 of 456 Cabling lines and trunks
NN43021-310 Standard 02.01 December 2007
14T/14R 39/14 BK-BR/BK-BR 13
15T/15R 40/15 BK-S/S-BK 14
16T/16R 41/16 Y-BL/BL-Y 15
17T/17R 42/17 Y-O/O-Y 16
18T/18R 43/18 Y-G/G-Y 17
19T/19R 44/19 Y-BR/BR-Y 18
20T/20R 45/20 Y-S/S-Y 19
21T/21R 46/21 V-BL/BL-V 20
22T/22R 47/22 V-O/V-O 21
23T/23R 48/23 V-G/G-V 22
24T/24R 49/24 V-BR/BR-V 23
25T/25R 50/25 V-S/S-V Spare
Note: Each of the following I/O panel connectors is cabled as shown
above: connectors A, B, C, D, E, F, G, H, K, L, M, N, R, S, T, and U. These
connectors are associated with backplane slots 0 through 15, sequentially.
Table 36
NT8D37 IPE Module: line card pair-terminations (Part 2 of 2)
Pair Pin numbers Pair color
Unit
24/card

Cabling lines and trunks Page 269 of 456
Communication Server 1000M and Meridian 1 Large System Installation and Commissioning
Table 37
NT8D37 IPE Module: NT8D14 Universal Trunk Card pair-terminations
Lead designations
Pin
numbers Pair color Unit
RAN
mode
Paging
mode
Other
modes
0T/0R
CP/MB
0T/0R
A/PG
0T/0R 26/1
27/2
W-BL/BL-W
W-O/O-W
0
1T/1R
CP/MB
1T/1R
A/PG
1T/1R 28/3
29/4
W-G/G-W
W-BR/BR-W
1
2T/2R
CP/MB
2T/2R
A/PG
2T/2R 30/5
31/6
W-S/S-W
R-BL/BL-R
2
3T/3R
CP/MB
3T/3R
A/PG
3T/3R 32/7
33/8
R-O/O-R
R-G/G-R
3
4T/4R
CP/MB
4T/4R
A/PG
4T/4R 34/9
35/10
R-BR/BR-R
R-S/S-R
4
5T/5R
CP/MB
5T/5R
A/PG
5T/5R 36/11
37/12
BK-BL/BL-BK
BK-O/O-BK
5
6T/6R
CP/MB
6T/6R
A/PG
6T/6R 38/13
39/14
BK-G/G-BK
BK-BR/BK-BR
6
7T/7R
CP/MB
7T/7R
A/PG
7T/7R 40/15
41/16
BK-S/S-BK
Y- B L / B L - Y
7
Note 1: Each of the following I/O panel connectors is cabled as shown
above: connectors A, B, C, D, E, F, G, H, K, L, M, N, R, S, T, and U. These
connectors are associated with backplane slots 0 through 15, sequentially.
Note 2: Use LD 14 to select trunk termination impedance (600 ohm or
900 ohm). See the Software Input/Output: Administration (NN43001-611)
for information on LD 14.

Page 270 of 456 Cabling lines and trunks
NN43021-310 Standard 02.01 December 2007
Table 38
NT8D37 IPE Module: NT8D15 E&M Trunk Card 2-wire paging mode
pair-terminations
Pair Pin numbers Pair color Unit
0T/0R
A/PG
26/1
29/4
W-BL/BL-W
W-BR/BR-W
0
1T/1R
A/PG
30/5
33/8
W-S/S-W
R-G/G-R
1
2T/2R
A/PG
34/9
37/12
R-BR/BR-R
BK-O/O-BK
2
3T/3R
A/PG
38/13
41/16
BK-G/G-BK
Y- B L / B L - Y
3
Note: Each of the following I/O panel connectors is cabled as shown
above: connectors A, B, C, D, E, F, G, H, K, L, M, N, R, S, T, and U. These
connectors are associated with backplane slots 0 through 15, sequentially.
Table 39
NT8D37 IPE Module: NT8D15 E&M Trunk Card 2-wire type 1 mode
pair-terminations (Part 1 of 2)
Pair Pin numbers Pair color Unit
0T/0R
E/M
26/1
28/3
W-BL/BL-W
W-G/G-W
0
1T/1R
E/M
30/5
32/7
W-S/S-W
R-O/O-R
1
2T/2R
E/M
34/9
36/11
R-BR/BR-R
BK-BL/BL-BK
2

Cabling lines and trunks Page 271 of 456
Communication Server 1000M and Meridian 1 Large System Installation and Commissioning
3T/3R
E/M
38/13
40/15
BK-G/G-BK
BK-S/S-BK
3
Note: Each of the following I/O panel connectors is cabled as shown
above: connectors A, B, C, D, E, F, G, H, K, L, M, N, R, S, T, and U. These
connectors are associated with backplane slots 0 through 15, sequentially.
Table 40
NT8D37 IPE Module: NT8D15 E&M Trunk Card 4-wire type 1 and type 2 mode
pair-terminations (Part 1 of 2)
Lead designations
Pin numbers Pair color UnitType 1 Type 2
TA / T B
RA/RB
E/M
ESC/ESCG
TA / T B
RA/RB
EA/EB
MA/MB
26/1
27/2
28/3
29/4
W-BL/BL-W
W-O/O-W
W-G/G-W
W-BR/BR-W
0
TA / T B
RA/RB
E/M
ESC/ESCG
TA / T B
RA/RB
EA/EB
MA/MB
30/5
31/6
32/7
33/8
W-S/S-W
R-BL/BL-R
R-O/O-R
R-G/G-R
1
TA / T B
RA/RB
E/M
ESC/ESCG
TA / T B
RA/RB
EA/EB
MA/MB
34/9
35/10
36/11
37/12
R-BR/BR-R
R-S/S-R
BK-BL/BL-BK
BK-O/O-BK
2
Table 39
NT8D37 IPE Module: NT8D15 E&M Trunk Card 2-wire type 1 mode
pair-terminations (Part 2 of 2)
Pair Pin numbers Pair color Unit

Page 272 of 456 Cabling lines and trunks
NN43021-310 Standard 02.01 December 2007
TA / T B
RA/RB
E/M
ESC/ESCG
TA / T B
RA/RB
EA/EB
MA/MB
38/13
39/14
40/15
41/16
BK-G/G-BK
BK-BR/BR-BK
BK-S/S-BK
Y- B L / B L -Y
3
Note 1: Each of the following I/O panel connectors is cabled as shown above: connectors A, B,
C, D, E, F, G, H, K, L, M, N, R, S, T, and U. These connectors are associated with backplane
slots 0 through 15, sequentially.
Note 2: TA/TB is the transmit pair; RA/RB is the receive pair.
Table 41
NT8D37 IPE Module: NT8D15 E&M Trunk Card 4-wire type 1 and type 2 mode
pair-terminations (Part 1 of 2)
Lead designations
Pin numbers Pair color UnitType 1 Type 2
TA / T B
RA/RB
E/M
ESC/ESCG
TA / T B
RA/RB
EA/EB
MA/MB
26/1
27/2
28/3
29/4
W-BL/BL-W
W-O/O-W
W-G/G-W
W-BR/BR-W
0
TA / T B
RA/RB
E/M
ESC/ESCG
TA / T B
RA/RB
EA/EB
MA/MB
30/5
31/6
32/7
33/8
W-S/S-W
R-BL/BL-R
R-O/O-R
R-G/G-R
1
Table 40
NT8D37 IPE Module: NT8D15 E&M Trunk Card 4-wire type 1 and type 2 mode
pair-terminations (Part 2 of 2)
Lead designations
Pin numbers Pair color UnitType 1 Type 2

Cabling lines and trunks Page 273 of 456
Communication Server 1000M and Meridian 1 Large System Installation and Commissioning
TA / T B
RA/RB
E/M
ESC/ESCG
TA / T B
RA/RB
EA/EB
MA/MB
34/9
35/10
36/11
37/12
R-BR/BR-R
R-S/S-R
BK-BL/BL-BK
BK-O/O-BK
2
TA / T B
RA/RB
E/M
ESC/ESCG
TA / T B
RA/RB
EA/EB
MA/MB
38/13
39/14
40/15
41/16
BK-G/G-BK
BK-BR/BR-BK
BK-S/S-BK
Y- B L / B L -Y
3
Note 1: Each of the following I/O panel connectors is cabled as shown above: connectors A, B,
C, D, E, F, G, H, K, L, M, N, R, S, T, and U. These connectors are associated with backplane
slots 0 through 15, sequentially.
Note 2: TA/TB is the transmit pair; RA/RB is the receive pair.
Table 41
NT8D37 IPE Module: NT8D15 E&M Trunk Card 4-wire type 1 and type 2 mode
pair-terminations (Part 2 of 2)
Lead designations
Pin numbers Pair color UnitType 1 Type 2

Page 274 of 456 Cabling lines and trunks
NN43021-310 Standard 02.01 December 2007
Table 42
NT5K17 Direct Dial Inward Trunk connections for NT8D37 I/O panel connectors A, E, K, R
(Part 1 of 2)
Lead designations I/O panel connectors
Unit
number
DDI Mode Pins
Pair
color A E K R
T0
R0
26
1
W-BL
BL-W
Slot 0 Slot 4 Slot 8 Slot 12 Unit 0
27
2
W-O
O-W
T1
R1
28
3
W-G
G-W
Slot 0 Slot 4 Slot 8 Slot 12 Unit 1
29
4
W-BR
BR-W
T2
R2
30
5
W-S
S-W
Slot 0 Slot 4 Slot 8 Slot 12 Unit 2
31
6
R-BL
BL-R
T3
R3
32
7
R-O
O-R
Slot 0 Slot 4 Slot 8 Slot 12 Unit 3
33
8
R-G
G-R
T4
R4
34
9
R-BR
BR-R
Slot 0 Slot 4 Slot 8 Slot 12 Unit 4
35
10
R-S
S-R
T5
R5
36
11
BK-BL
BL-BK
Slot 0 Slot 4 Slot 8 Slot 12 Unit 5
37
12
BK-S
S-BK

Cabling lines and trunks Page 275 of 456
Communication Server 1000M and Meridian 1 Large System Installation and Commissioning
T6
R6
38
13
BK-G
G-BK
Slot 0 Slot 4 Slot 8 Slot 12 Unit 6
39
14
BK-BR
BR-BK
T7
R7
40
15
BK-S
S-BK
Slot 0 Slot 4 Slot 8 Slot 12 Unit 7
41
16
Y- B L
BL-Y
Table 43
NT5K17 Direct Dial Inward Trunk connections for NT8D37 I/O panel connectors B, F, L, S
(Part 1 of 3)
Lead designations I/O panel connectors
Unit
number
DDI Mode Pins
Pair
color B F L S
T0
R0
26
1
W-BL
BL-W
Slot 1 Slot 5 Slot 9 Slot 13 Unit 0
27
2
W-O
O-W
T1
R1
28
3
W-G
G-W
Slot 1 Slot 5 Slot 9 Slot 13 Unit 1
29
4
W-BR
BR-W
T2
R2
30
5
W-S
S-W
Slot 1 Slot 5 Slot 9 Slot 13 Unit 2
31
6
R-BL
BL-R
Table 42
NT5K17 Direct Dial Inward Trunk connections for NT8D37 I/O panel connectors A, E, K, R
(Part 2 of 2)
Lead designations I/O panel connectors
Unit
number
DDI Mode Pins
Pair
color A E K R

Page 276 of 456 Cabling lines and trunks
NN43021-310 Standard 02.01 December 2007
T3
R3
32
7
R-O
O-R
Slot 1 Slot 5 Slot 9 Slot 13 Unit 3
33
8
R-G
G-R
T4
R4
34
9
R-BR
BR-R
Slot 1 Slot 5 Slot 9 Slot 13 Unit 4
35
10
R-S
S-R
T5
R5
36
11
BK-BL
BL-BK
Slot 1 Slot 5 Slot 9 Slot 13 Unit 5
37
12
BK-S
S-BK
T6
R6
38
13
BK-G
G-BK
Slot 1 Slot 5 Slot 9 Slot 13 Unit 6
39
14
BK-BR
BR-BK
T7
R7
40
15
BK-S
S-BK
Slot 1 Slot 6 Slot 9 Slot 13 Unit 7
41
16
Y- B L
BL-Y
T0
R0
42
17
Y- O
O-Y
Slot 1 Slot 6 Slot 9 Slot 13 Unit 0
43
18
Y- G
G-Y
T1
R1
44
19
Y- B R
BR-Y
Slot 1 Slot 6 Slot 9 Slot 13 Unit 1
45
20
Y- S
S-Y
Table 43
NT5K17 Direct Dial Inward Trunk connections for NT8D37 I/O panel connectors B, F, L, S
(Part 2 of 3)
Lead designations I/O panel connectors
Unit
number
DDI Mode Pins
Pair
color B F L S

Cabling lines and trunks Page 277 of 456
Communication Server 1000M and Meridian 1 Large System Installation and Commissioning
T2
R2
46
21
V-BL
BL-V
Slot 0 Slot 6 Slot 9 Slot 13 Unit 2
47
22
V-O
O-V
T3
R3
48
23
V-G
G-V
Slot 0 Slot 6 Slot 9 Slot 13 Unit 3
49
24
V-BR
BR-V
Table 44
NT5K17 Direct Dial Inward Trunk connections for NT8D37 I/O panel connectors C, G, M, T
(Part 1 of 3)
Lead designations I/O panel connectors
Unit
number
DDI Mode Pins
Pair
color C G M T
T0
R0
26
1
W-BL
BL-W
Slot 2 Slot 6 Slot 10 Slot 14 Unit 4
27
2
W-O
O-W
T1
R1
28
3
W-G
G-W
Slot 2 Slot 6 Slot 10 Slot 14 Unit 5
29
4
W-BR
BR-W
T2
R2
30
5
W-S
S-W
Slot 2 Slot 6 Slot 10 Slot 14 Unit 6
31
6
R-BL
BL-R
Table 43
NT5K17 Direct Dial Inward Trunk connections for NT8D37 I/O panel connectors B, F, L, S
(Part 3 of 3)
Lead designations I/O panel connectors
Unit
number
DDI Mode Pins
Pair
color B F L S

Page 278 of 456 Cabling lines and trunks
NN43021-310 Standard 02.01 December 2007
T3
R3
32
7
R-O
O-R
Slot 2 Slot 6 Slot 10 Slot 14 Unit 7
33
8
R-G
G-R
T4
R4
34
9
R-BR
BR-R
Slot 3 Slot 7 Slot 11 Slot 15 Unit 0
35
10
R-S
S-R
T5
R5
36
11
BK-BL
BL-BK
Slot 3 Slot 7 Slot 11 Slot 15 Unit 1
37
12
BK-S
S-BK
T6
R6
38
13
BK-G
G-BK
Slot 3 Slot 7 Slot 11 Slot 15 Unit 2
39
14
BK-BR
BR-BK
T7
R7
40
15
BK-S
S-BK
Slot 3 Slot 7 Slot 11 Slot 15 Unit 3
41
16
Y- B L
BL-Y
T0
R0
42
17
Y- O
O-Y
Slot 3 Slot 7 Slot 11 Slot 15 Unit 4
43
18
Y- G
G-Y
T1
R1
44
19
Y- B R
BR-Y
Slot 3 Slot 7 Slot 11 Slot 15 Unit 5
45
20
Y- S
S-Y
Table 44
NT5K17 Direct Dial Inward Trunk connections for NT8D37 I/O panel connectors C, G, M, T
(Part 2 of 3)
Lead designations I/O panel connectors
Unit
number
DDI Mode Pins
Pair
color C G M T

Cabling lines and trunks Page 279 of 456
Communication Server 1000M and Meridian 1 Large System Installation and Commissioning
T2
R2
46
21
V-BL
BL-V
Slot 3 Slot 7 Slot 11 Slot 15 Unit 6
47
22
V-O
O-V
T3
R3
48
23
V-G
G-V
Slot 3 Slot 7 Slot 11 Slot 15 Unit 7
49
24
V-BR
BR-V
Table 45
NT5K18 Flexible Central Office Trunk connections for NT8D37 I/O panel
connectors A, E, K, R (Part 1 of 2)
Lead designations I/O panel connectors
Unit
number
COT Pins
Pair
color A E K R
T0
R0
26
1
W-BL
BL-W
Slot 0 Slot 4 Slot 8 Slot 12 Unit 0
27
2
W-O
O-W
T1
R1
28
3
W-G
G-W
Slot 0 Slot 4 Slot 8 Slot 12 Unit 1
29
4
W-BR
BR-W
T2
R2
30
5
W-S
S-W
Slot 0 Slot 4 Slot 8 Slot 12 Unit 2
31
6
R-BL
BL-R
Table 44
NT5K17 Direct Dial Inward Trunk connections for NT8D37 I/O panel connectors C, G, M, T
(Part 3 of 3)
Lead designations I/O panel connectors
Unit
number
DDI Mode Pins
Pair
color C G M T

Page 280 of 456 Cabling lines and trunks
NN43021-310 Standard 02.01 December 2007
T3
R3
32
7
R-O
O-R
Slot 0 Slot 4 Slot 8 Slot 12 Unit 3
33
8
R-G
G-R
T4
R4
34
9
R-BR
BR-R
Slot 0 Slot 4 Slot 8 Slot 12 Unit 4
35
10
R-S
S-R
T5
R5
36
11
BK-BL
BL-BK
Slot 0 Slot 4 Slot 8 Slot 12 Unit 5
37
12
BK-S
S-BK
T6
R6
38
13
BK-G
G-BK
Slot 0 Slot 4 Slot 8 Slot 12 Unit 6
39
14
BK-BR
BR-BK
T7
R7
40
15
BK-S
S-BK
Slot 0 Slot 4 Slot 8 Slot 12 Unit 7
41
16
Y- B L
BL-Y
Table 45
NT5K18 Flexible Central Office Trunk connections for NT8D37 I/O panel
connectors A, E, K, R (Part 2 of 2)
Lead designations I/O panel connectors
Unit
number
COT Pins
Pair
color A E K R

Cabling lines and trunks Page 281 of 456
Communication Server 1000M and Meridian 1 Large System Installation and Commissioning
Table 46
NT5K18 Flexible Central Office Trunk connections for NT8D37 I/O panel
connectors B, F, L, S (Part 1 of 2)
Lead designations I/O panel connectors
Unit
number
COT Pins
Pair
color B F L S
T0
R0
26
1
W-BL
BL-W
Slot 1 Slot 5 Slot 9 Slot 13 Unit 0
27
2
W-O
O-W
T1
R1
28
3
W-G
G-W
Slot 1 Slot 5 Slot 9 Slot 13 Unit 1
29
4
W-BR
BR-W
T2
R2
30
5
W-S
S-W
Slot 1 Slot 5 Slot 9 Slot 13 Unit 2
31
6
R-BL
BL-R
T3
R3
32
7
R-O
O-R
Slot 1 Slot 5 Slot 9 Slot 13 Unit 3
33
8
R-G
G-R
T4
R4
34
9
R-BR
BR-R
Slot 1 Slot 5 Slot 9 Slot 13 Unit 4
35
10
R-S
S-R
T5
R5
36
11
BK-BL
BL-BK
Slot 1 Slot 5 Slot 9 Slot 13 Unit 5
37
12
BK-S
S-BK
T6
R6
38
13
BK-G
G-BK
Slot 1 Slot 5 Slot 9 Slot 13 Unit 6
39
14
BK-BR
BR-BK

Page 282 of 456 Cabling lines and trunks
NN43021-310 Standard 02.01 December 2007
T7
R7
40
15
BK-S
S-BK
Slot 1 Slot 5 Slot 9 Slot 13 Unit 7
41
16
Y- B L
BL-Y
T0
R0
42
17
Y- O
O-Y
Slot 2 Slot 6 Slot 10 Slot 14 Unit 0
43
18
Y- G
G-Y
T1
R1
44
19
Y- B R
BR-Y
Slot 2 Slot 6 Slot 10 Slot 14 Unit 1
45
20
Y- S
S-Y
T2
R2
46
21
V-BL
BL-V
Slot 2 Slot 6 Slot 10 Slot 14 Unit 2
47
22
V-O
O-V
T3
R3
48
23
V-G
G-V
Slot 2 Slot 6 Slot 10 Slot 14 Unit 3
49
24
V-BR
BR-V
Table 46
NT5K18 Flexible Central Office Trunk connections for NT8D37 I/O panel
connectors B, F, L, S (Part 2 of 2)
Lead designations I/O panel connectors
Unit
number
COT Pins
Pair
color B F L S

Cabling lines and trunks Page 283 of 456
Communication Server 1000M and Meridian 1 Large System Installation and Commissioning
Table 47
NT5K18 Flexible Central Office Trunk connections for NT8D37 I/O panel
connectorsC,G,M,T (Part1of2)
Lead designations I/O panel connectors
Unit
number
COT Pins
Pair
color C G M T
T0
R0
26
1
W-BL
BL-W
Slot 2 Slot 6 Slot 10 Slot 14 Unit 4
27
2
W-O
O-W
T1
R1
28
3
W-G
G-W
Slot 2 Slot 6 Slot 10 Slot 14 Unit 5
29
4
W-BR
BR-W
T2
R2
30
5
W-S
S-W
Slot 2 Slot 6 Slot 10 Slot 14 Unit 6
31
6
R-BL
BL-R
T3
R3
32
7
R-O
O-R
Slot 2 Slot 6 Slot 10 Slot 14 Unit 7
33
8
R-G
G-R
T4
R4
34
9
R-BR
BR-R
Slot 3 Slot 7 Slot 11 Slot 15 Unit 0
35
10
R-S
S-R
T5
R5
36
11
BK-BL
BL-BK
Slot 3 Slot 7 Slot 11 Slot 15 Unit 1
37
12
BK-S
S-BK
T6
R6
38
13
BK-G
G-BK
Slot 3 Slot 7 Slot 11 Slot 15 Unit 2
39
14
BK-BR
BR-BK

Page 284 of 456 Cabling lines and trunks
NN43021-310 Standard 02.01 December 2007
T7
R7
40
15
BK-S
S-BK
Slot 3 Slot 7 Slot 11 Slot 15 Unit 3
41
16
Y- B L
BL-Y
T0
R0
42
17
Y- O
O-Y
Slot 3 Slot 7 Slot 11 Slot 15 Unit 4
43
18
Y- G
G-Y
T1
R1
44
19
Y- B R
BR-Y
Slot 3 Slot 7 Slot 11 Slot 15 Unit 5
45
20
Y- S
S-Y
T2
R2
46
21
V-BL
BL-V
Slot 3 Slot 7 Slot 11 Slot 15 Unit 6
47
22
V-O
O-V
T3
R3
48
23
V-G
G-V
Slot 3 Slot 7 Slot 11 Slot 15 Unit 7
49
24
V-BR
BR-V
Table 47
NT5K18 Flexible Central Office Trunk connections for NT8D37 I/O panel
connectorsC,G,M,T (Part2of2)
Lead designations I/O panel connectors
Unit
number
COT Pins
Pair
color C G M T

Cabling lines and trunks Page 285 of 456
Communication Server 1000M and Meridian 1 Large System Installation and Commissioning
Table 48
NT5K19 Flexible E&M 2-Wire Type 1 connections for NT8D37 I/O panel
connectors A, E, K, R
Pair Pins
Pair
color
I/O panel connectors Unit
number
A E K R
T0
R0
27
2
W-O
O-W
Slot 0 Slot 4 Slot 8 Slot 12 Unit 0
E
M
28
3
W-G
G-W
T1
R1
31
6
R-BL
BL-R
Slot 0 Slot 4 Slot 8 Slot 12 Unit 1
E
M
32
7
R-O
O-R
T2
R2
35
10
R-S
S-R
Slot 0 Slot 4 Slot 8 Slot 12 Unit 2
E
M
36
11
BK-BL
BL-BK
T3
R3
39
14
BK-BR
BR-BK
Slot 0 Slot 4 Slot 8 Slot 12 Unit 3
E
M
40
15
BK-S
S-BK

Page 286 of 456 Cabling lines and trunks
NN43021-310 Standard 02.01 December 2007
Table 49
NT5K19 E&M 2-Wire Type 1 connections for NT8D37 I/O panel connectors B, F, L, S
Pair Pins
Pair
color
I/O panel connectors Unit
number
A E K R
T0
R0
27
2
W-O
O-W
Slot 1 Slot 5 Slot 9 Slot 13 Unit 0
E
M
28
3
W-G
G-W
T1
R1
31
6
R-BL
BL-R
Slot 1 Slot 5 Slot 9 Slot 13 Unit 1
E
M
32
7
R-O
O-R
T2
R2
35
10
R-S
S-R
Slot 1 Slot 5 Slot 9 Slot 13 Unit 2
E
M
36
11
BK-BL
BL-BK
T3
R3
39
14
BK-BR
BR-BK
Slot 1 Slot 5 Slot 9 Slot 13 Unit 3
E
M
40
15
BK-S
S-BK
T0
R0
43
18
Y- G
G-Y
Slot 2 Slot 6 Slot 10 Slot 14 Unit 0
E
M
44
19
Y- B R
BR-Y
T1
R1
47
22
V-O
O-V
Slot 2 Slot 6 Slot 10 Slot 14 Unit 1
E
M
48
23
V-G
G-V

Cabling lines and trunks Page 287 of 456
Communication Server 1000M and Meridian 1 Large System Installation and Commissioning
Table 50
NT5K19 Flexible E&M 2-Wire Type 1 trunk connections for NT8D37 I/O panel
connectorsC,G,M,T
Pair Pins
Pair
color
I/O panel connectors Unit
number
C G M T
T2
R2
27
2
W-O
O-W
Slot 2 Slot 6 Slot 10 Slot 14 Unit 2
E
M
28
3
W-G
G-W
T3
R3
31
6
R-BL
BL-R
Slot 2 Slot 6 Slot 10 Slot 14 Unit 3
E
M
32
7
R-O
O-R
T0
R0
35
10
R-S
S-R
Slot 3 Slot 7 Slot 11 Slot 15 Unit 0
E
M
36
11
BK-BL
BL-BK
T1
R1
39
14
BK-BR
BR-BK
Slot 3 Slot 7 Slot 11 Slot 15 Unit 1
E
M
40
15
BK-S
S-BK
T2
R2
43
18
Y- G
G-Y
Slot 3 Slot 7 Slot 11 Slot 15 Unit 2
E
M
44
19
Y- B R
BR-Y
T3
R3
47
22
V-O
O-V
Slot 3 Slot 7 Slot 11 Slot 15 Unit 3
E
M
48
23
V-G
G-V

Page 288 of 456 Cabling lines and trunks
NN43021-310 Standard 02.01 December 2007
Table 51
NT5K19 Flexible E&M 2-Wire Paging trunk connections for NT8D37 I/O panel
connectors A, E, K, R
Pair Pins Pair
color
I/O panel connectors Unit
number
A E K R
T0
R0
27
2
W-O
O-W
Slot 0 Slot 4 Slot 8 Slot 12 Unit 0
A
PG
29
4
W-BR
BR-W
T1
R1
31
6
R-BL
BL-R
Slot 0 Slot 4 Slot 8 Slot 12 Unit 1
A
PG
33
8
R-G
G-R
T2
R2
35
10
R-S
S-R
Slot 0 Slot 4 Slot 8 Slot 12 Unit 2
A
PG
37
12
BL-O
O-BL
T3
R3
39
14
BK-BR
BR-BK
Slot 0 Slot 4 Slot 8 Slot 12 Unit 3
A
PG
41
16
Y- B L
BL-Y

Cabling lines and trunks Page 289 of 456
Communication Server 1000M and Meridian 1 Large System Installation and Commissioning
Table 52
NT5K19 Flexible E&M 2-Wire Paging trunk connections for NT8D37 I/O panel
connectors B, F, L, S
Pair Pins
Pair
color
I/O panel connectors Unit
number
B F L S
T0
R0
27
2
W-O
O-W
Slot 1 Slot 5 Slot 9 Slot 13 Unit 0
A
PG
29
4
W-BR
BR-W
T1
R1
31
6
R-BL
BL-R
Slot 1 Slot 5 Slot 9 Slot 13 Unit 1
A
PG
33
8
R-G
G-R
T2
R2
35
10
R-S
S-R
Slot 1 Slot 5 Slot 9 Slot 13 Unit 2
A
PG
37
12
BL-O
O-BL
T3
R3
39
14
BK-BR
BR-BK
Slot 1 Slot 5 Slot 9 Slot 13 Unit 3
A
PG
41
16
Y- B L
BL-Y
T0
R0
43
18
Y- G
G-Y
Slot 2 Slot 6 Slot 10 Slot 14 Unit 0
A
PG
45
20
Y- S
S-Y
T1
R1
47
22
V-O
O-V
Slot 2 Slot 6 Slot 10 Slot 14 Unit 1
A
PG
49
24
V-BR
BR-V

Page 290 of 456 Cabling lines and trunks
NN43021-310 Standard 02.01 December 2007
Table 53
NT5K19 Flexible E&M 2-Wire Paging trunk connections for NT8D37 I/O panel
connectorsC,G,M,T
Pair Pins Pair
color
I/O panel connectors Unit
number
C G M T
T2
R2
27
2
W-O
O-W
Slot 2 Slot 6 Slot 10 Slot 14 Unit 2
A
PG
29
4
W-BR
BR-W
T3
R3
31
6
R-BL
BL-R
Slot 2 Slot 6 Slot 10 Slot 14 Unit 3
A
PG
33
8
R-G
G-R
T0
R0
35
10
R-S
S-R
Slot 3 Slot 7 Slot 11 Slot 15 Unit 0
A
PG
37
12
BL-O
O-BL
T1
R1
39
14
BK-BR
BR-BK
Slot 3 Slot 7 Slot 11 Slot 15 Unit 1
A
PG
41
16
Y- B L
BL-Y
T2
R2
43
18
Y- G
G-Y
Slot 3 Slot 7 Slot 11 Slot 15 Unit 2
A
PG
45
20
Y- S
S-Y
T3
R3
47
22
V-O
O-V
Slot 3 Slot 7 Slot 11 Slot 15 Unit 3
A
PG
49
24
V-BR
BR-V

Cabling lines and trunks Page 291 of 456
Communication Server 1000M and Meridian 1 Large System Installation and Commissioning
Table 54
NT5K19 Flexible E&M 2-Wire Recorded Announcement trunk connections for NT8D37 I/O
panel connectors A, E, K, R
Pair Pins Pair
color
I/O panel connectors Unit
number
A E K R
T0
R0
26
1
W-BL
BL-W
Slot 0 Slot 4 Slot 8 Slot 12 Unit 0
SIG B
SIG A
29
4
W-BR
BR-W
T1
R1
30
5
W-S
S-W
Slot 3 Slot 7 Slot 11 Slot 15 Unit 1
SIG B
SIG A
33
8
R-G
G-R
T2
R2
34
9
R-BR
BR-R
Slot 3 Slot 7 Slot 11 Slot 15 Unit 2
SIG B
SIG A
37
12
BL-O
O-BL
T3
R3
38
13
BK-G
G-BK
Slot 3 Slot 7 Slot 11 Slot 15 Unit 3
SIG B
SIG A
41
16
Y- B L
BL-Y

Page 292 of 456 Cabling lines and trunks
NN43021-310 Standard 02.01 December 2007
Table 55
NT5K19 Flexible E&M 2-Wire Recorded Announcement trunk connections for NT8D37 I/O
panel connectors B, F, L, S
Pair Pins Pair
color
I/O panel connectors Unit
number
B F L S
T0
R0
26
1
W-BL
BL-W
Slot 1 Slot 5 Slot 9 Slot 13 Unit 0
SIG B
SIG A
29
4
W-BR
BR-W
T1
R1
30
5
W-S
S-W
Slot 1 Slot 5 Slot 9 Slot 13 Unit 1
SIG B
SIG A
33
8
R-G
G-R
T2
R2
34
9
R-BR
BR-R
Slot 1 Slot 5 Slot 9 Slot 13 Unit 2
SIG B
SIG A
37
12
BL-O
O-BL
T3
R3
38
13
BK-G
G-BK
Slot 1 Slot 5 Slot 9 Slot 13 Unit 3
SIG B
SIG A
41
16
Y- B L
BL-Y
T0
R0
42
17
Y- O
O-Y
Slot 2 Slot 6 Slot 10 Slot 14 Unit 0
SIG B
SIG A
45
20
Y- S
S-Y
T1
R1
46
21
V-BL
BL-V
Slot 2 Slot 6 Slot 10 Slot 14 Unit 1
SIG B
SIG A
49
24
V-BR
BR-V

Cabling lines and trunks Page 293 of 456
Communication Server 1000M and Meridian 1 Large System Installation and Commissioning
Table 56
NT5K19 Flexible E&M 2-Wire Recorded Announcement trunk connections for NT8D37 I/O
panel connectors C, G, M, T
Pair Pins Pair
color
I/O panel connectors Unit
number
C G M T
T2
R2
26
1
W-BL
BL-W
Slot 2 Slot 6 Slot 10 Slot 14 Unit 2
SIG B
SIG A
29
4
W-BR
BR-W
T3
R3
30
5
W-S
S-W
Slot 2 Slot 6 Slot 10 Slot 14 Unit 3
SIG B
SIG A
33
8
R-G
G-R
T0
R0
34
9
R-BR
BR-R
Slot 3 Slot 7 Slot 11 Slot 15 Unit 0
SIG B
SIG A
37
12
BL-O
O-BL
T1
R1
38
13
BK-G
G-BK
Slot 3 Slot 7 Slot 11 Slot 15 Unit 1
SIG B
SIG A
41
16
Y- B L
BL-Y
T2
R2
42
17
Y- O
O-Y
Slot 3 Slot 7 Slot 11 Slot 15 Unit 2
SIG B
SIG A
45
20
Y- S
S-Y
T3
R3
46
21
V-BL
BL-V
Slot 3 Slot 7 Slot 11 Slot 15 Unit 3
SIG B
SIG A
49
24
V-BR
BR-V

Page 294 of 456 Cabling lines and trunks
NN43021-310 Standard 02.01 December 2007
Table 57
NT5K19 Flexible E&M 4-Wire Type 1 connections for NT8D37 I/O panel
connectors A, E, K, R
Lead designations I/O panel connectors
Unit
number
Type 1 mode Pins
Pair
color A E K R
TA
TB
26
1
W-BL
BL-W
Slot 0 Slot 4 Slot 8 Slot 12 Unit 0
RA
RB
27
2
W-O
O-W
E
M
28
3
W-G
G-W
TA
TB
30
5
W-S
S-W
Slot 0 Slot 4 Slot 8 Slot 12 Unit 1
RA
RB
31
6
R-BL
BL-R
E
M
32
7
R-O
O-R
TA
TB
34
9
R-BR
BR-R
Slot 0 Slot 4 Slot 8 Slot 12 Unit 2
RA
RB
35
10
R-S
S-R
E
M
36
11
BK-BL
BL-BK
TA
TB
38
13
BK-G
G-BK
Slot 0 Slot 4 Slot 8 Slot 12 Unit 3
RA
RB
39
14
BK-BR
BR-BK
E
M
40
15
BK-S
S-BK
Note: The cable pair designated TA, TB is the transmit pair. The pair designated RA, RB is the
receive pair.

Cabling lines and trunks Page 295 of 456
Communication Server 1000M and Meridian 1 Large System Installation and Commissioning
Table 58
NT5K19 Flexible E&M 4-Wire Type 1 connections for NT8D37 I/O panel connectors B, F, L, S
(Part 1 of 2)
Lead designations I/O panel connectors
Unit
number
Type 1 mode Pins
Pair
color B F L S
TA
TB
26
1
W-BL
BL-W
Slot 1 Slot 5 Slot 9 Slot 13 Unit 0
RA
RB
27
2
W-O
O-W
E
M
28
3
W-G
G-W
TA
TB
30
5
W-S
S-W
Slot 1 Slot 5 Slot 9 Slot 13 Unit 1
RA
RB
31
6
R-BL
BL-R
E
M
32
7
R-O
O-R
TA
TB
34
9
R-BR
BR-R
Slot 1 Slot 5 Slot 9 Slot 13 Unit 2
RA
RB
35
10
R-S
S-R
E
M
36
11
BK-BL
BL-BK
TA
TB
38
13
BK-G
G-BK
Slot 1 Slot 5 Slot 9 Slot 13 Unit 3
RA
RB
39
14
BK-BR
BR-BK
E
M
40
15
BK-S
S-BK
Note: The cable pair designated TA, TB is the transmit pair. The pair designated RA, RB is the
receive pair.

Page 296 of 456 Cabling lines and trunks
NN43021-310 Standard 02.01 December 2007
TA
TB
42
17
Y- O
O-Y
Slot 2 Slot 6 Slot 10 Slot 14 Unit 0
RA
RB
43
18
Y- G
G-Y
E
M
44
19
Y- B R
BR-Y
TA
TB
46
21
V-BL
BL-V
Slot 2 Slot 6 Slot 10 Slot 14 Unit 1
RA
RB
47
22
V-O
O-V
E
M
48
23
V-G
G-V
Table 58
NT5K19 Flexible E&M 4-Wire Type 1 connections for NT8D37 I/O panel connectors B, F, L, S
(Part 2 of 2)
Lead designations I/O panel connectors
Unit
number
Type 1 mode Pins
Pair
color B F L S
Note: The cable pair designated TA, TB is the transmit pair. The pair designated RA, RB is the
receive pair.

Cabling lines and trunks Page 297 of 456
Communication Server 1000M and Meridian 1 Large System Installation and Commissioning
Table 59
NT5K19 Flexible E&M AC15 trunk connections for NT8D37 I/O panel connectors A, E, K, R
Lead designations I/O panel connectors
Unit
number
Type 1 mode Pins
Pair
color A E K R
TA
TB
26
1
W-BL
BL-W
Slot 0 Slot 4 Slot 8 Slot 12 Unit 0
RA
RB
27
2
W-O
O-W
TA
TB
30
5
W-S
S-W
Slot 0 Slot 4 Slot 8 Slot 12 Unit 1
RA
RB
31
6
R-BL
BL-R
TA
TB
34
9
R-BR
BR-R
Slot 0 Slot 4 Slot 8 Slot 12 Unit 2
RA
RB
35
10
R-S
S-R
TA
TB
38
13
BK-G
G-BK
Slot 0 Slot 4 Slot 8 Slot 12 Unit 3
RA
RB
39
14
BK-BR
BR-BK
Note: The cable pair designated TA, TB is the transmit pair. The pair designated RA, RB is the
receive pair.

Page 298 of 456 Cabling lines and trunks
NN43021-310 Standard 02.01 December 2007
Table 60
NT5K19 Flexible E&M AC15 Trunk connections for NT8D37 I/O panel connectors B, F, L, S
Lead designations I/O panel connectors
Unit
number
Type 1 mode Pins
Pair
color B F L S
TA
TB
26
1
W-BL
BL-W
Slot 1 Slot 5 Slot 9 Slot 13 Unit 0
RA
RB
27
2
W-O
O-W
TA
TB
30
5
W-S
S-W
Slot 1 Slot 5 Slot 9 Slot 13 Unit 1
RA
RB
31
6
R-BL
BL-R
TA
TB
34
9
R-BR
BR-R
Slot 1 Slot 5 Slot 9 Slot 13 Unit 2
RA
RB
35
10
R-S
S-R
TA
TB
38
13
BK-G
G-BK
Slot 1 Slot 5 Slot 9 Slot 13 Unit 3
RA
RB
39
14
BK-BR
BR-BK
TA
TB
42
17
Y- O
O-Y
Slot 2 Slot 6 Slot 10 Slot 14 Unit 0
RA
RB
43
18
Y- G
G-Y
TA
TB
46
21
V-BL
BL-V
Slot 2 Slot 6 Slot 10 Slot 14 Unit 1
RA
RB
47
22
V-O
O-V
Note: The cable pair designated TA, TB is the transmit pair. The pair designated RA, RB is the
receive pair.

Page 299 of 456
Communication Server 1000M and Meridian 1 Large System Installation and Commissioning
334
Powering up the system and
initial loading
Contents
This section contains information on the following topics:
Overview . . . . . . . . . . . . . . . . . . . . . . . . . . . . . . . . . . . . . . . . . . . . . . . . 299
Installing the Security Device . . . . . . . . . . . . . . . . . . . . . . . . . . . . . . . . 299
Preparing to power up – AC . . . . . . . . . . . . . . . . . . . . . . . . . . . . . . . . . 302
Connecting the AC power source . . . . . . . . . . . . . . . . . . . . . . . . . . . . . 302
Turning AC power ON . . . . . . . . . . . . . . . . . . . . . . . . . . . . . . . . . . . . . 303
Resetting the main circuit breakers (AC power). . . . . . . . . . . . . . . . . . 304
Preparing to power up – DC . . . . . . . . . . . . . . . . . . . . . . . . . . . . . . . . . 306
Turning DC power ON . . . . . . . . . . . . . . . . . . . . . . . . . . . . . . . . . . . . . 306
Installing software . . . . . . . . . . . . . . . . . . . . . . . . . . . . . . . . . . . . . . . . . 308
Overview
This section describes how to power up and initialize a Large System and
install new software.
Installing the Security Device
The Security Device (Figure 116 on page 301) resembles a large watch
battery and is shipped with the software package. This device, along with the
Keycode Installation diskette, enables the features for each individual system.

Page 300 of 456 Powering up the system and initial loading
NN43021-310 Standard 02.01 December 2007
Procedure 47
Installing the Security Device
The Security Device fits into the System Utility card (Figure 116 on
page 301).
1Insert the Security Device into the Security Device holder on the System
Utility card with the “Nortel” side facing up. Do not bend the clip more than
necessary.
2Check that the Security Device is securely in place.
End of Procedure

Powering up the system and initial loading Page 301 of 456
Communication Server 1000M and Meridian 1 Large System Installation and Commissioning
Figure 116
Security Device
553-9149
Side view
DALLAS
Registered
3B
9603
44
202AA
NORTEL
10000409
NT_STD
Security
I
This side
faces down This side faces up

Page 302 of 456 Powering up the system and initial loading
NN43021-310 Standard 02.01 December 2007
Preparing to power up – AC
Follow Procedure 48 to prepare to power up a Large System.
Procedure 48
Preparing to power up – AC
1Set the AC service panel circuit breakers OFF.
2Set the main circuit breakers in the rear of each pedestal OFF.
3Set the power supply or MPDU switches in each module OFF.
4Set the ringing generators in each IPE or PE module OFF.
5Set the blower unit switch in the front of each pedestal OFF.
6Set all faceplate switches to ENB.
End of Procedure
Connecting the AC power source
To connect a Large System to the AC power source, follow one of the two
options below.
Procedure 49
Option 1: Using the installed power plug (recommended)
Each column can be directly connected to the AC power source.
1Connect the power plug from each column to the AC power respectable.
2Proceed to “Turning AC power ON” on page 303.
End of Procedure
CAUTION
Verify that the safety grounds are properly connected.

Powering up the system and initial loading Page 303 of 456
Communication Server 1000M and Meridian 1 Large System Installation and Commissioning
Procedure 50
Option 2: Hard-wiring the power connections (optional)
Instead of using the power-plug, each column can be hard-wired to the service
panel.
1Route one of each green, white, and black #10 AWG wires through
20 mm (3/4 in.) conduit from the service panel to each Large System
column.
2At the column, connect the wires to the field wiring access block of the
PDU according to the following:
• GND (ground) to the green wire
• L2 (neutral) to the white wire
• L1(hot) to the black wire
3Connect the wires to the hot, neutral, and ground connections at the
service panel.
4Proceed to “Turning AC power ON” on page 303.
End of Procedure
Turning AC power ON
Follow Procedure 51 and Procedure 52 to prepare to power up a Large
System.
Procedure 51
Turning AC power on
1In the AC power panel, set the circuit breaker for Column 0 to ON.
2Set the main circuit breaker for Column 0 to ON (rear of the pedestal).
CAUTION
System Failure
If a problem occurs when a step is performed, resolve
that problem before continuing.

Page 304 of 456 Powering up the system and initial loading
NN43021-310 Standard 02.01 December 2007
3Set the blower unit switch for Column 0 to ON. On initial power-up, the
blower rotates slowly. As the system heats up, the cooling fans will turn
faster.
4Set the main circuit breaker for Column 0 to ON. The main circuit breaker
is located in the rear of the pedestal.
5Set the power supply switch (or MPDU circuit breaker) in each module to
ON. The green light will turn on after a few seconds.
Note: If the module is equipped with a ringing generator, set the breakers
or switches for both the power supply and the ringing generator to ON.
The green LED on a ringing generator normally takes up to 90 seconds to
light.
6Repeat step 1 through step 5 for each column in the system. Start with
Column 1 and continue until power is turned on in all the columns. Make
sure the green lights in all the module power supplies are lit before
proceeding to the next column.
7When the green LED lights in all module power supplies and ringing
generators are lit, proceed to “Resetting the main circuit breakers (AC
power)” on page 304.
End of Procedure
Resetting the main circuit breakers (AC power)
Follow Procedure 52 to reset the main circuit breakers (AC power).
Procedure 52
Resetting the main circuit breakers (AC power)
1Turn the main circuit breakers in the pedestal of each column OFF again.
2Wait 30 seconds.
3Set the main circuit breakers for NON-CORE columns ON. Leave the
Core columns OFF.

Powering up the system and initial loading Page 305 of 456
Communication Server 1000M and Meridian 1 Large System Installation and Commissioning
4For each non-Core column, verify that:
• The main circuit breaker in the pedestal did not trip OFF.
• The main blower unit in each column is running.
• The ringing generators are lit.
• The red column LEDs in the top cap are lit. These LEDs will remain
red until the system reloads.
5Simultaneously turn the main circuit breakers for the two Core columns
ON.
6For each Core column, verify the following:
• The main circuit breaker in the pedestal did not trip OFF.
• The main blower unit in each column is running.
• The ringing generators are lit.
• The red column LEDs in the top cap are lit. These LEDs will remain
red until the system reloads.
7When the system is running, reattach all covers and panels to the
modules and columns. Module covers must be kept on so the air from the
pedestal fans will be directed up through all the modules and out the
exhaust vents in the top cap. When the module covers are removed, the
upper modules are not cooled properly because the air escapes from the
open module door.
If the module covers are left off and the system overheats, circuit cards
will malfunction and, in extreme cases, melt.
End of Procedure

Page 306 of 456 Powering up the system and initial loading
NN43021-310 Standard 02.01 December 2007
Preparing to power up – DC
Procedure 53
Preparing to power up – DC
1Set the AC service panel circuit breakers to each rectifier OFF.
2Remove the DC power distribution fuses or set the distribution circuit
breakers OFF.
3Set all circuit breakers in the rear of each pedestal OFF.
4Set the power supply switches in each module OFF.
5Set the ringing generators in each IPE or PE module OFF.
6Set the blower unit in each pedestal OFF.
7Set all faceplate switches to ENB.
8Proceed to “Turning DC power ON” on page 306.
End of Procedure
Turning DC power ON
Follow Procedure 54 to turn the DC power on.
CAUTION
Verify that the safety grounds are properly connected.

Powering up the system and initial loading Page 307 of 456
Communication Server 1000M and Meridian 1 Large System Installation and Commissioning
Procedure 54
Turning DC power ON
1Connect each DC rectifier to its associated AC outlet and set the breakers
in the AC power panel to ON.
2Turn the rectifiers ON one at a time. Wait 10 seconds between each
rectifier.
Note: Power up the Core columns last.
3On the DC power source for each column, replace the distribution fuses
or set the distribution breakers to ON. Do the Core columns last.
4Set the blower unit breaker switch ON (the far left breaker in the rear of
the pedestal).
5Set the blower unit switch in the front of the pedestal to ON. Verify that the
fan is running. On initial power-up, the blower rotates slowly. As the
system heats up, the cooling fans turn faster.
6Set the power supply switch in each module to ON. The green light will
turn on after a few seconds.
Note: If the module is equipped with a ringing generator, set the breakers
or switches for both the power supply and the ringing generator to ON.
The green LED on a ringing generator normally takes up to 90 seconds to
light.
7Repeat step 1 through step 5 for each column in the system. Start with
Column 2 and continue until power is turned on in all the columns. Do the
Core columns last.
CAUTION
System Failure
If a problem occurs in any of the following steps, resolve
that problem before continuing.
IMPORTANT!
Perform the following tasks for each column

Page 308 of 456 Powering up the system and initial loading
NN43021-310 Standard 02.01 December 2007
8Make sure the green lights in all the module power supplies are lit before
proceeding to the next column. The red LED for each column remains lit
until the system reloads.
Once the system is running, reattach all covers and panels to the modules
and columns. Module covers must be kept on so the air from the pedestal
fans will be directed up through all the modules and out the exhaust vents
in the top cap. When the module covers are removed, the upper modules
are not cooled properly because the air escapes from the open module
door.
If the module covers are left off and the system overheats, circuit cards
will malfunction and, in extreme cases, melt.
End of Procedure
Installing software
Before you begin
Dependency Lists (DepLists) are the Nortel recommended Product
Enhancement Packages (PEP) for a software release. As common practice,
ensure that you have the latest issue of the DepLists at the time of system
installation. The issue and date of the DepLists is shown on the software
CD-ROM. Refer to the Enterprise Solution PEP Library for the latest issue of
DepLists for the software release.
If the software CD-ROM does not contain the latest issue of the DepLists,
download the latest DepList zip file from the Meridian PEP Library onto a PC
Card. After completing the Software Installation Program (see Procedure 55
on page 309), use the Matrix DepList and PEPs (MDP) commands to install
the Dependency Lists from the zip file.
Refer to the Product Matrix Dependency List User Guide, available on the
Enterprise Solution PEP Library, for more information about accessing and
using DepLists.
Software installation
Follow Procedure 55 to install the software. First install the software on Core/
Net 1, and then repeat the process to install the software on Core/Net 0.

Powering up the system and initial loading Page 309 of 456
Communication Server 1000M and Meridian 1 Large System Installation and Commissioning
Procedure 55
Installing the software
1Check that a terminal is connected to COM1 on Call Server 1.
2Insert the RMD into the Compact Flash card slot.
3Press the manual RESET button on the CP PIV card faceplate
4Press <CR> at the Install Tool Menu

Page 310 of 456 Powering up the system and initial loading
NN43021-310 Standard 02.01 December 2007
5The system attempts to validate and format the FMD partitions. The
following format will occur only if the on-board 1 GByte FMD is blank.
>Obtaining and checking system configuration ...
>Validate hard disk partitions
Validate number of hard drive partitions
and size ...
Number of partitions 0:
Disk check failed: three partitions
expected
INST0010 Unable to validate Hard disk partition
"/u"
errNo : 0xd0001
Please press <CR> when ready ...
INST0010 Unable to validate Hard disk partition
"/p"
Please press <CR> when ready ...
INST0010 Unable to validate Hard disk partition
"/e"
Please press <CR> when ready ...

Powering up the system and initial loading Page 311 of 456
Communication Server 1000M and Meridian 1 Large System Installation and Commissioning
The Fix Media Device on Core 0 is blank.
Install cannot continue unless the FMD
is partitioned.
Note: INSTALL WILL REBOOT AFTER THIS
PROCEDURE AND
FIX MEDIA WILL BE EMPTY AFTER YOU
PARTITION IT.
INSTALL REMOVABLE MEDIA MUST BE IN
THE DRIVE AT THIS TIME.
Please enter:
<CR> -> <a> - Partition the Fix Media Device.
Enter choice>
>Repartitioning Fix Media Device ...
fdiskPartCreate(0x12d5ff0c, 1, 4, 0x10)
Size in sectors = 0x8000
Low boundary = 0
High boundary = 0x1e8bdf
fdiskPartCreate(0x12d5ff0c, 2, 11, 0x130)
Size in sectors = 0x98000
Low boundary = 0x7fc1
High boundary = 0x1e8bdf
fdiskPartCreate(0x12d5ff0c, 3, 11, 0x130)
Size in sectors = 0x98000
Low boundary = 0x9ffc1
High boundary = 0x1e8bdf
fdiskPartCreate(0x12d5ff0c, 4, 11, 0x130)
Size in sectors = 0x98000

Page 312 of 456 Powering up the system and initial loading
NN43021-310 Standard 02.01 December 2007
Low boundary = 0x137fc1
High boundary = 0x1e8bdf
>Fix Media Device repartition completed
>Formatting FMD ...
Mounting msdos fs /boot on /dev/hda1...
fdiskDevCreate(/dev/hda1)
/dev/hda1: partTablePtr = 0x12d5ff0c
Found partition 1, nodePtr = 0x12d30a4c
Partition 1 = type MSDOS FAT16 <= 32MB, cbioPtr =
0x131eb2e8
Initializing new slave device 0x131eb2e8
Retrieved old volume params with %95 confidence:
Volume Parameters: FAT type: FAT16, sectors per
cluster 32
2 FAT copies, 0 clusters, 245 sectors per FAT
Sectors reserved 1, hidden 63, FAT sectors 490
Root dir entries 512, sysId (null) , serial
number 3b691afd
Label:"NO NAME " ...
Disk with 32705 sectors of 512 bytes will be
formatted with:
Volume Parameters: FAT type: FAT16, sectors per
cluster 2
2 FAT copies, 16240 clusters, 64 sectors per
FAT
Sectors reserved 1, hidden 63, FAT sectors 128
Root dir entries 512, sysId VXDOS16 , serial
number 3b691afd

Powering up the system and initial loading Page 313 of 456
Communication Server 1000M and Meridian 1 Large System Installation and Commissioning
Label:" " ...
Mounting msdos fs /p on /dev/hda2...
fdiskDevCreate(/dev/hda2)
/dev/hda2: partTablePtr = 0x12d5ff0c
Found partition 2, nodePtr = 0x12d30a4c
Partition 2 = type Win95 FAT32, cbioPtr =
0x12d26ee8
Initializing new slave device 0x12d26ee8
Retrieved old volume params with %80 confidence:
Volume Parameters: FAT type: FAT16, sectors per
cluster 195
-61 FAT copies, 0 clusters, 50115 sectors per
FAT
Sectors reserved -15421, hidden -1010580541,
FAT sectors -3057015
Root dir entries -15421, sysId (null) , serial
number cfcfc3c3
Label:" " ...
Disk with 622592 sectors of 512 bytes will be
formatted with:
Volume Parameters: FAT type: FAT32, sectors per
cluster 8
2 FAT copies, 77660 clusters, 608 sectors per
FAT
Sectors reserved 32, hidden 63, FAT sectors
1216
Root dir entries 0, sysId VX5DOS32, serial
number cfcfc3c3
Label:" " ... 0x12d22e7c

Page 314 of 456 Powering up the system and initial loading
NN43021-310 Standard 02.01 December 2007
Mounting msdos fs /d on /dev/hda3...
fdiskDevCreate(/dev/hda3)
/dev/hda3: partTablePtr = 0x12d5ff0c
Found partition 3, nodePtr = 0x12d30a4c
Partition 3 = type Win95 FAT32, cbioPtr =
0x12d22e7c
Initializing new slave device 0x12d22e7c
Retrieved old volume params with %80 confidence:
Volume Parameters: FAT type: FAT16, sectors per
cluster 195
-61 FAT copies, 0 clusters, 50115 sectors per
FAT
Sectors reserved -15421, hidden -1010580541,
FAT sectors -3057015
Root dir entries -15421, sysId (null) , serial
number cffbc3c3
Label:" " ...
;CPP4 reboot automatically
Mounting /cf2
Found /cf2/nvram.sys
Mounting /boot|
Found /boot/nvram.sys
Selecting nvram file from 2
sources
Read boot parameters from:
F: Faceplate compact flash
H: Hard Drive
0 [H]
Reading boot parameters from /boot/nvram.sys
Press any key to stop auto-boot...

Powering up the system and initial loading Page 315 of 456
Communication Server 1000M and Meridian 1 Large System Installation and Commissioning
6The system then enters the Main Menu for keycode authorization.
The system searches for available keycode files in the “keycode” directory
on the RMD. If no keycode file is found, the system displays the following
menu:
M A I N M E N U
The Software Installation Tool will install or
upgrade Communication Server 1000 Software,
Database and the CP-BOOTROM. You will be prompted
throughout the installation and given the
opportunity to quit at any time.
Please enter:
<CR> -> <u> - To Install menu
<t> - To Tools menu.
<q> - Quit.
Enter Choice> <u>
Communication Server 1000 Software/Database/
BOOTROM RMD Install Tool
================================================
====================
No keycode files are available on the removable
media.
Please replace the RMD containing the keycode
file(s).
Please enter:
<CR> -> <a> - RMD is now in the drive.
<q> - Quit.
Enter choice>

Page 316 of 456 Powering up the system and initial loading
NN43021-310 Standard 02.01 December 2007
At this point, either replace the RMD or quit the installation. If you select
option “<q> - Quit.”, the system requires confirmation.
If “y” (quit) is selected, the system prints “INST0127 Keycode file is
corrupted. Check Keycode file.” and returns to the installation main menu.
After accessing the RMD containing the valid keycode(s), press <CR>.
The system displays the keycode file(s) available as in the following
example:
Note: A maximum of 20 keycode files can be stored under the “keycode”
directory on the RMD. The keycode files must have the same extension
“.kcd”.
Communication Server 1000 Software/Database/
BOOTROM RMD Install Tool
================================================
====================
You selected to quit. Please confirm.
Please enter:
<CR> -> <y> - Yes, quit.
<n> - No, DON’T quit.
Enter choice>
The following keycode files are available on the
removable media:
Name Size Date Time
-------------------- ------- -----
<CR> -> <1> -keycode.kcd 1114 Jan-17-2005 15:31
<2> - KCport60430m.kcd 1114 Feb-24-2005 13:43
<q> - Quit
Enter choice> 2

Powering up the system and initial loading Page 317 of 456
Communication Server 1000M and Meridian 1 Large System Installation and Commissioning
7Select the keycode to be used on the system.The system validates the
selected keycode and displays the software release and machine type
authorized.
Note: The software release displayed depends on the keycode file
content. The machine type displayed can be one of the following,
according to the keycode content:
• 3521 (CP PIV processor on CS 1000M SG) for Meridian 1 Option
61C CP PIV
• 3621 (CP PIV processor on CS 1000M MG) for CS 1000E and
Meridian 1 Option 81C CP PIV systems
8The system requests keycode validation.
Validating keycode ...
Copying "/cf2/keycode/KCport60430m.kcd" to "/u/
keycode" -
Copy OK: 1114 bytes copied
The provided keycode authorizes the install of
xxxx software (all subissues) for machine type
xxxx (CPP4 processor on xxxx).
Communication Server 1000 Software/Database/
BOOTROM RMD Install Tool
================================================
Please confirm that this keycode matches the
System S/W on the RMD.
Please enter:
<CR> -> <y> - Yes, the keycode matches.
Go on to Install Menu.
<n> - No, the keycode does not match.
Try another keycode.
Enter choice>

Page 318 of 456 Powering up the system and initial loading
NN43021-310 Standard 02.01 December 2007
9If the keycode matches, enter <CR> to continue the installation. The
system displays the Install Menu.
Communication Server 1000 Software/Database/
BOOTROM RMD Install Tool
=================================================
I N S T A L L M E N U
The Software Installation Tool will install
or upgrade Succession Enterprise System Software,
Database and the CP-BOOTROM. You will be prompted
throughout the installation and given the
opportunity to quit at any time.
Please enter:
<CR> -> <a> - To install Software, CP-BOOTROM.
<b> - To install Software, Database,
CP-BOOTROM.
<c> - To install Database only.
<d> - To install CP-BOOTROM only.
<t> - To go to the Tools menu.
<k> - To install Keycode only.
For Feature Expansion, use OVL143.
<p> - To install 3900 set Languages.
<q> - Quit.
Enter Choice> <b>

Powering up the system and initial loading Page 319 of 456
Communication Server 1000M and Meridian 1 Large System Installation and Commissioning
10 Select option “<b> To install Software, Database, CP-BOOTROM.” The
system requires the insertion of the RMD containing the software to be
installed.
11 If the RMD containing the software is already in the drive, select option
“<a> - RMD is now in drive. Continue with s/w checking.” (or simply press
<CR>) to continue. If the RMD is not yet in the drive, insert it and then
press <CR>.
Communication Server 1000 Software/Database/
BOOTROM RMD Install Tool
=================================================P
lease insert the Removable Media Device into the
drive on Core 0.
Please enter:
<CR> -> <a> - RMD is now in drive.
Continue with s/w checking.
<q> - Quit.
Enter choice> <CR>

Page 320 of 456 Powering up the system and initial loading
NN43021-310 Standard 02.01 December 2007
12 The system displays the release of the software found on RMD under the
“swload” directory and requests confirmation to continue the installation.
Note: If the RMD contains the correct software release, select option
“<y> - Yes, this is the correct version. Continue.” (or simply press <CR>)
to continue. If the software release is not correct and you want to replace
the RMD, insert the correct RMD in the drive and then press <CR>. If you
want to replace the keycode, select option “<n> - No, this is not the correct
version”.
Communication Server 1000 Software/Database/
BOOTROM RMD Install Tool
=================================================
The RMD contains System S/W version xxxx.
Please enter:
<CR> -> <y> - Yes, this is the correct
version. Continue.
<n> - No, this is not the correct version.
Try another RMD or a different keycode.
Enter choice> <CR>

Powering up the system and initial loading Page 321 of 456
Communication Server 1000M and Meridian 1 Large System Installation and Commissioning
13 Choose yes for the Dependency Lists installation.
Do you want to install Dependency Lists?
Please enter:
<CR> -> <y> - Yes, Do the Dependency Lists
installation
<n> - No, Continue without Dependency Lists
installation
Enter choice> n
Are you sure?
Please enter:
<CR> -> <n> - No, Go to the Dependency List menu
<y> - Yes, Go to the next menu
Enter choice> y
Enable Automatic Centralized Software Upgrade
(CSU) Feature ? (Default - YES)
Please enter:
<CR> -> <y> - Yes
<n> - No
Enter choice> n
>Processing the install control file ...
>Installing release xxxx

Page 322 of 456 Powering up the system and initial loading
NN43021-310 Standard 02.01 December 2007
14 The Installation Status Summary appears.
INSTALLATION STATUS SUMMARY
-------------------------------------------
=============+========+========+=============
| Option | Choice | Status | Comment |
=================+========+========+=========
| SW: RMD to FMD | yes | | install for rel XXXXX|
=============+========+========+=============
| Option | Choice | Status | Comment |
=================+========+========+=========
| Dependency Lists | no | | |
=================+========+========+=========
| Option | Choice | Status | Comment |
=================+========+========+=========
| AUTO-CSU Feature | no | | AUTO-CSU Disabled |
| Option | Choice | Status | Comment |
=================+========+========+=========
| IPMG Software | no | | install for rel XXXXX
| Option | Choice | Status | Comment |
=================+========+========+=========
| DATABASE | yes | | |
| Option | Choice | Status | Comment |
=================+========+========+=========
| CP-BOOTROM | yes | | |

Powering up the system and initial loading Page 323 of 456
Communication Server 1000M and Meridian 1 Large System Installation and Commissioning
15 Enter <CR> to confirm and continue install.ation.
Please enter:
<CR> -> <y> - Yes, start installation.
<n> - No, stop installation. Return to the
Main Menu.
Enter choice>
>Checking system configuration
You selected to install Software release: XXXX on
the new system.
This will create all necessary directories and
pre-allocate files on the hard disk.
You may continue with software install or quit
now and leave your software unchanged.
Please enter:
<CR> -> <a> - Continue with new system install.
<q> - Quit.
Enter choice>

Page 324 of 456 Powering up the system and initial loading
NN43021-310 Standard 02.01 December 2007
16 The PSDL files menu appears. Enter the appropriate choice for the site’s
geographic location.
17 Successful installation confirmation appears, enter <CR> to continue.
*************************************************P
SDL INSTALLATION MENU
The PSDL contains the loadware for all downloadable
cards in the system and loadware for M3900 series
sets.
*************************************************
Select ONE of the SEVEN PSDL files:
1. Global 10 Languages
2. Western Europe 10 Languages
3. Eastern Europe 10 Languages
4. North America 6 Languages
5. Spare Group A
6. Spare Group B
7. Packaged Languages
[Q]uit, <CR> - default
By default option 1 will be selected.
Enter your choice ->x
>Copying new PSDL ...
Communication Server 1000 Software/Database/
BOOTROM RMD Install Tool
=================================================
Software release xxxx was installed successfully
on Core 1.
All files were copied from RMD to FMD.
Please press <CR> when ready ...

Powering up the system and initial loading Page 325 of 456
Communication Server 1000M and Meridian 1 Large System Installation and Commissioning
18 The customer database installation from RMD is employed when
upgrading CP3, CP4, and CP PII systems. Select option “<a> - Install
CUSTOMER database.” from the database installation main menu.
Communication Server 1000 Software/Database/
BOOTROM RMD Install Tool
=================================================
You will now perform the database installation.
Please enter:
<CR> -> <a> - Install CUSTOMER database.
(The Removable Media Device containing the
customer database must be in the drive.
<b> - Install DEFAULT database.
(The System S/W media must be in drive.)
<c> - Transfer the previous system
database.(The floppy disk containing the customer
database must be in the floppy drive of the MMDU
pack.
<e> - Check the database that exists on the
Fixed Media Device.
<q> - Quit.
Enter choice> a

Page 326 of 456 Powering up the system and initial loading
NN43021-310 Standard 02.01 December 2007
19 Continue with database installation.
Communication Server 1000 Software/Database/
BOOTROM RMD Install Tool
=================================================
You selected to transfer single database from RMD
to FMD on Core 0.
The database will be converted from release xxxx.
If you quit now, the database will be left
unchanged.
Please enter:
<CR> -> <a> - Continue with database
install.
<q> - Quit.
Enter choice> a or <CR>

Powering up the system and initial loading Page 327 of 456
Communication Server 1000M and Meridian 1 Large System Installation and Commissioning
The installation summary screen appears. Verify successful installation and
enter <CR> when ready.
INSTALLATION STATUS SUMMARY
-------------------------------------------
=============+========+========+=============
| Option | Choice | Status | Comment |
=================+========+========+=========
| SW: RMD to FMD | yes | ok | install for rel XXXXX|
=============+========+========+=============
| Option | Choice | Status | Comment |
=================+========+========+=========
| Dependency Lists | no | | |
=================+========+========+=========
| Option | Choice | Status | Comment |
=================+========+========+=========
| AUTO-CSU Feature | no | | AUTO-CSU Disabled
| Option | Choice | Status | Comment |
=================+========+========+=========
| IPMG Software | no | ok | |
| Option | Choice | Status | Comment |
=================+========+========+=========
| DATABASE | yes | ok | from default floppy disk |
| Option | Choice | Status | Comment |
=================+========+========+=========
| CP-BOOTROM | yes | ok | |

Page 328 of 456 Powering up the system and initial loading
NN43021-310 Standard 02.01 December 2007
20 Upon returning to the main install menu, enter q to quit.
I N S T A L L M E N U
The Software Installation Tool will install
or upgrade Succession Enterprise System Software,
Database and the CP-BOOTROM. You will be prompted
throughout the installation and given the
opportunity to quit at any time.
Please enter:
<CR> -> <a> - To install Software, CP-BOOTROM.
<b> - To install Software, Database,
CP-BOOTROM.
<c> - To install Database only.
<d> - To install CP-BOOTROM only.
<t> - To go to the Tools menu.
<k> - To install Keycode only.
For Feature Expansion, use OVL143.
<p> - To install 3900 set Languages.
<q> - Quit.
Enter Choice> q

Powering up the system and initial loading Page 329 of 456
Communication Server 1000M and Meridian 1 Large System Installation and Commissioning
21 The system then prompts you to confirm and reboot. Enter <CR> to quit.
Enter <CR> again to reboot.
You selected to quit. Please confirm.
Please enter:
<CR> -> <y> - Yes, quit.
<n> - No, DON'T quit.
Enter choice> <CR>
You selected to quit the Install Tool.
You may reboot the system or return to the Main
Menu.
------------------------------
DO NOT REBOOT USING BUTTON!!!
------------------------------
Please enter:
<CR> -> <a> - Reboot the system.
<m> - Return to the Main menu.
Enter Choice> <CR>
>Removing temporary file "/u/disk3521.sys"
>Removing temporary file "/u/disk3621.sys"
>Rebooting system ...

Page 330 of 456 Powering up the system and initial loading
NN43021-310 Standard 02.01 December 2007
At this point the system should reload and initialize.
End of Procedure
Testing Core/Net 1 and Core/Net 0
LD 137 modifications
The CMDU/MMDU commands are not applicable to CP PIV. Instead, the
following commands are introduced in LD 137.
•STAT FMD
display text: Status of both Fixed Media Devices (FMD)
command parameter: none
•STAT FMD 0/1
display text: Status of the specified Fixed Media
Device
command parameter: “core #” with values of 0 or 1
•STAT RMD
display text: Status of both Removable Media Devices
(RMD)
command parameter: none
•STAT RMD
display text: Status of the specified Removable Media
Device
command parameter: “core #” with values of 0 or 1
Procedure 56
Testing Core/Net 1
1Perform a redundancy sanity test:
2Check the LCD states:
LD 135 Load program
STAT CPU Get status of CPU and memory
TEST CPU Test CPU

Powering up the system and initial loading Page 331 of 456
Communication Server 1000M and Meridian 1 Large System Installation and Commissioning
a. Perform a visual check of the LCDs.
b. Test LCDs:
3Test the System Utility cards and the cCNI cards:
4Test system redundancy:
5Install the two system monitors. Test that the system monitors are
working:
6Clear the display and minor alarms on both Cores:
LD 135 Load program
TEST LCDs Test LCDs
DSPL ALL
LD 135 Load program
STAT SUTL Get the status of the System Utility card
TEST SUTL Test the System Utility card
STAT CNI c s Get status of cCNI cards (core, slot)
TEST CNI c s Test cCNI (core, slot)
LD 137 Load program
TEST RDUN Test redundancy
DATA RDUN Test database integrity
STAT FMD Status of one or both Fixed Media Devices
(FMD)
STAT RMD Status of one or both Removable Media Devices
(RMD)
LD 37 Load program
ENL TTY x Enable the XMS, where x= system XMS
STAT XSM Check the system monitors
**** Exit program
LD 135 Load program
CDSP Clear displays on the cores
CMAJ Clear major alarms
CMIN ALL Clear minor alarms

Page 332 of 456 Powering up the system and initial loading
NN43021-310 Standard 02.01 December 2007
7Test the clocks:
a. Verify that the clock controller is assigned to the active Core:
8Verify that the Clock Controllers are switching correctly:
9Check applications (CallPilot, Symposium, Meridian Mail, and so on.).
10 Check dial tone.
End of Procedure
Switch call processing
Procedure 57
Switching call processing
Core/Net 0 is now the active call processor.
End of Procedure
LD 60 Load program
SSCK xGet status of the clock controllers (x is “0” or “1”
for Clock 0 or Clock 1)
SWCK Switch the Clock (if necessary)
**** Exit program
SWCK Switch Clock
(Wait 30 seconds)
SWCK Switch Clock again
LD 135 Load program
SCPU Switch call processing from Core/Net 1 to Core/Net 0

Powering up the system and initial loading Page 333 of 456
Communication Server 1000M and Meridian 1 Large System Installation and Commissioning
Procedure 58
Testing Core/Net 0
From Core/Net 0, perform these tests:
1Perform a redundancy sanity test:
2Check the LCD states:
a. Perform a visual check of the LCDs.
b. Test LCDs:
3Test the System Utility cards and the cCNI cards:
4Test system redundancy:
5Install the two system monitors. Test that the system monitors are
working:
LD 135 Load program
STAT CPU Get status of CPU and memory
TEST CPU Test CPU
LD 135 Load program
TEST LCDs Test LCDs
DSPL ALL
LD 135 Load program
STAT SUTL Get the status of the System Utility card
TEST SUTL Test the System Utility card
STAT CNI c s Get status of cCNI cards (core, slot)
TEST CNI c s Test cCNI (core, slot)
LD 137 Load program
TEST RDUN Test redundancy
DATA RDUN Test database integrity
STAT FMD Status of one or both Fixed Media Devices
(FMD)
STAT RMD Status of one or both Removable Media Devices
(RMD)
LD 37 Load program
ENL TTY x Enable the XMS, where x= system XMS

Page 334 of 456 Powering up the system and initial loading
NN43021-310 Standard 02.01 December 2007
6Clear the display and minor alarms on both Cores:
7Test the clocks:
a. Verify that the clock controller is assigned to the active Core:
8Verify that the Clock Controllers are switching correctly:
9Check applications (CallPilot, Symposium, Meridian Mail, and so on.).
10 Check dial tone.
End of Procedure
STAT XSM Check the system monitors
**** Exit program
LD 135 Load program
CDSP Clear displays on the cores
CMAJ Clear major alarms
CMIN ALL Clear minor alarms
LD 60 Load program
SSCK xGet status of the clock controllers (x is “0” or “1”
for Clock 0 or Clock 1)
SWCK Switch the Clock (if necessary)
**** Exit program
SWCK Switch Clock
(Wait 30 seconds)
SWCK Switch Clock again

Page 335 of 456
Communication Server 1000M and Meridian 1 Large System Installation and Commissioning
342
Performing acceptance tests
Contents
This section contains information on the following topics:
Acceptance tests . . . . . . . . . . . . . . . . . . . . . . . . . . . . . . . . . . . . . . . . . . 335
Testing the module power supply . . . . . . . . . . . . . . . . . . . . . . . . . . . . . 336
Testing the blower unit and thermal sensor . . . . . . . . . . . . . . . . . . . . . 337
Testing the sysload . . . . . . . . . . . . . . . . . . . . . . . . . . . . . . . . . . . . . . . . 339
Testing the system terminal and system monitor . . . . . . . . . . . . . . . . . 340
Testing the PFTU . . . . . . . . . . . . . . . . . . . . . . . . . . . . . . . . . . . . . . . . . 341
Acceptance tests
Perform the following acceptance tests after the system loading is completed.
1“Testing the module power supply” on page 336
2“Testing the blower unit and thermal sensor” on page 337
3“Testing the sysload” on page 339
4“Testing the system terminal and system monitor” on page 340
5“Testing the PFTU” on page 341
CAUTION
Ensure that the current DEP Lists are installed.

Page 336 of 456 Performing acceptance tests
NN43021-310 Standard 02.01 December 2007
See Software Input/Output: Administration (NN43001-611) for a detailed
explanation of software prompts and the Software Input/Output: System
Messages (NN43001-712) for the meaning of system messages and display
codes generated during acceptance tests.
Note: If you fail to see an expected display code while performing any
test, contact your Nortel support representative.
Testing the module power supply
Use this procedure to test module power supplies and ringing generators and
their interface to the system monitor. This procedure should be performed for
each power supply at system installation, or whenever a module is installed.
Note: Performing these tests on a single CPU system may cause a
sysload. Performing these tests on a dual CPU system may cause an
initialization. Disregard INI messages during the tests.
Procedure 59
Testing module power supply
1Verify that the green LED on each power supply is lit and that each red
column LED is OFF.
2Set the power supply to OFF. If there is an MPDU in the module, use the
associated circuit breaker on the MPDU. If there is a switch on the power
supply, use the switch.
• The green LED on the power supply should go out.
• The red column LED should light.
• The system terminal should display PWR0002 and BSD090.
Note: If the power supply is in an IPE Module, XMI messages may be
generated.
• The system terminal should then display BSD000.
3Set the power supply to ON.
• The green LED on the power supply should light.
• The red column LED should go out.
• The system terminal should display PWR0000.

Performing acceptance tests Page 337 of 456
Communication Server 1000M and Meridian 1 Large System Installation and Commissioning
4Set the power supply to OFF. Wait until the red column LED lights, then
unseat the power supply.
• The red column LED should remain lit.
• The system terminal should display PWR0002 and PWR0003.
5Make sure the power supply switch is OFF and then push it back into the
slot. Set the power supply to ON.
• The green LED on the power supply should light.
• The red column LED should go out.
• The system terminal should display PWR0000.
End of Procedure
Testing the blower unit and thermal sensor
Use this procedure to test the NT8D52 Blower Unit and its interface to the
system monitor. This test should be performed on the blower unit when a
column is initially installed.
Procedure 60
Testing blower unit and thermal sensor
1In the front of the pedestal, set the blower unit circuit breaker, or power
switch, to OFF.
• The red LED at the top front of the column should light.
Note: Some DC powered blower units such as the NT8D52DD may also
display PWR0005.
2Set the blower unit circuit breaker, or power switch, to ON.
• The column LED should go out.
• The system terminal should display PWR0046.
IMPORTANT!
In the steps below, if you fail to see an expected display
code, contact your Nortel support representative.

Page 338 of 456 Performing acceptance tests
NN43021-310 Standard 02.01 December 2007
3Use a screwdriver to loosen the retaining screws at the front of the blower
unit (see Figure 117 on page 339) and pull the unit out until it is
disconnected from the pedestal.
Note: Do not pull the unit all the way out of the pedestal.
• The column LED should light.
4Reinstall the blower unit and tighten the retaining screws.
• The column LED should go out.
• The system terminal should display PWR0046.
5Heat one of the two thermal sensors under the top cap of the column with
a hand-held hair dryer or similar heat source.
• The column LED should light.
• Thirty seconds after the thermal sensor detects 70 degrees C
(158 degrees F), the main circuit breaker, or the blower unit circuit
breaker, at the rear of the pedestal should trip. The system terminal
should display PWR0004, PWR0006, and PWR0007.
6Allow the sensor to cool, then reset the circuit breaker in the pedestal. If
a sysload occurs, allow it to complete.
• The column LED should go out.
• The system terminal should display PWR0044, PWR0046, and
PWR0047.
7Repeat step 5 and step 6 for the other thermal sensor.
End of Procedure

Performing acceptance tests Page 339 of 456
Communication Server 1000M and Meridian 1 Large System Installation and Commissioning
Figure 117
Blower unit removal
Testing the sysload
Use Procedure 61 to test the sysload (manual reload) function.
Procedure 61
Sysload test
1Start the sysload:
• Simultaneously press the MAN RST buttons (the bottom buttons) on
both Call Processor Cards.
The following functions occur during a sysload:
• The red LED at the top of the CPU column should light.
• The major alarm indication should be displayed on all attendant
consoles.

Page 340 of 456 Performing acceptance tests
NN43021-310 Standard 02.01 December 2007
On the LCD displays on the Cards:
• Following the “Selftest Complete” message, watch the LCD for the
message “IOP in Slot 17.”
• Watch the LCD for the message “Loading Disk OS.”
• When the sysload is complete, the system terminal displays DONE
and the system automatically invokes the initialization program.
The following functions occur when the initialization is complete:
• The column LED should go out.
• The major alarm indication should disappear from all attendant
consoles.
• The system automatically runs the programs in the midnight routine.
2Press the return key on the system terminal to monitor the progress of the
midnight routines until the OVL111 BKGD response is received.
End of Procedure
Testing the system terminal and system monitor
Use Procedure 62 to test the system terminals connected to the Large System.
Procedure 62
Testing system terminal and system monitor
1Log into the system:
LOGI (password)
2Enter the program and check the status of the system monitor:
LD 37
STAT XSM
3Test the terminal:
TTY x “x” is the device number assigned to the system terminal
The system terminal should display
ABCDEFGHIJKLM
NOPQRSTUVWXYZ

Performing acceptance tests Page 341 of 456
Communication Server 1000M and Meridian 1 Large System Installation and Commissioning
%*!&()<>=:,.?
READY FOR INPUT
4Step through the keys on the keyboard one at a time. All keyboard input
should be echoed until END is entered.
5Exit LD 37:
****
End of Procedure
Testing the PFTU
Use Procedure 63 to test a PFTU and its interface with the system monitor.
Procedure 63
Testing the PFTU and its interface
1Set the line transfer switch on the PFTU to BYPASS. Associated
attendant consoles should display a major alarm.
2Set the line transfer switch on the PFTU to NORMAL.
3Set the line transfer switch on the attendant console associated with the
PFTU to ON. Associated attendant consoles should display a major
alarm.
4Set the line transfer switch on the attendant console associated with the
PFTU to OFF. The “major” alarm condition displayed on attendant
consoles associated with the PFTU should disappear.
5Repeat step 2 and step 3 for each attendant console associated with the
PFTU.
6Set the line transfer switch on the PFTU to BYPASS and test the
telephones and trunks connected to the PFTU.
• Place an outgoing call from each telephone associated with the
PFTU. Each telephone should be connected directly to a trunk.
• Place an incoming call on each trunk associated with the PFTU. Each
trunk should be connected directly to a telephone.

Page 342 of 456 Performing acceptance tests
NN43021-310 Standard 02.01 December 2007
7Set the line transfer switch on the PFTU to NORMAL, and test the
telephones and trunks connected to the PFTU. The telephones and
trunks associated with the PFTU should return to normal operation.
End of Procedure

Page 343 of 456
Communication Server 1000M and Meridian 1 Large System Installation and Commissioning
362
Installing earthquake bracing
Contents
This section contains information on the following topics:
Seismic-approved applications . . . . . . . . . . . . . . . . . . . . . . . . . . . . . . . 343
Installing seismic bracing . . . . . . . . . . . . . . . . . . . . . . . . . . . . . . . . . . . 344
Drilling concrete floors . . . . . . . . . . . . . . . . . . . . . . . . . . . . . . . . . . . . . 347
Installing Kit A and Kit B anchor plates. . . . . . . . . . . . . . . . . . . . . . . . 349
Installing earthquake rods . . . . . . . . . . . . . . . . . . . . . . . . . . . . . . . . . . . 351
Positioning and leveling the system . . . . . . . . . . . . . . . . . . . . . . . . . . . 357
Installing non-seismic bracing . . . . . . . . . . . . . . . . . . . . . . . . . . . . . . . 358
Installing a non-seismic anchor kit . . . . . . . . . . . . . . . . . . . . . . . . . . . . 359
Seismic-approved applications
Depending on the geographic location, the floor installation method may or
may not require seismic bracing. To meet seismic bracing requirements, the
installation must meet the Bellcore or the California OSHPD installation
specifications. In locations that do not have earthquakes, a non-seismic
installation is acceptable.
In certain seismic-approved applications where the pedestal attachment to the
floor may be required but Nortel does not offer the appropriate hardware, the
installation organization must contact a seismic engineering firm to install the
pedestal that meets Bellcore or California OSHPD requirements. This
application could include attachment to a raised wood or steel floor.

Page 344 of 456 Installing earthquake bracing
NN43021-310 Standard 02.01 December 2007
Universal equipment modules (UEM) are designed to withstand most
earthquakes. However, to provide earthquake security, two kits must be
installed for each column—a bracing kit provides vertical support to each
column of modules and an anchor kit secures each pedestal to the floor.
Installing seismic bracing
Each CS 1000M Large System and Meridian 1 Large System has been
certified to meet two of the most stringent seismic specifications for concrete
floor mounting: BELLCORE and CALIFORNIA OSHPD:
• BELLCORE is intended for central-office equipment installations. The
requirements are defined in the Network Equipment Building System
(NEBS), General Equipment Requirements, TR-EOP-000063 issued by
Bell Communications Research (BELLCORE). Each Large System has
been certified to meet the maximum severity (Zone 4).
• CALIFORNIA OSHPD, as part of the California building code, requires
the anchorage of all fixed hospital equipment to be approved by the
California Office of Statewide Health Planning and Development
(OSHPD), Division of Facilities Development and Financing. Each
Large System has been certified for such installations under anchorage
pre-approval number R-0233.
Installing seismic bracing involves:
1“Selecting the kit” on page 345
2“Drilling concrete floors” on page 347
3“Installing Kit A and Kit B anchor plates” on page 349
4“Installing earthquake rods” on page 351
5“Positioning and leveling the system” on page 357

Installing earthquake bracing Page 345 of 456
Communication Server 1000M and Meridian 1 Large System Installation and Commissioning
Selecting the kit
To select the applicable bracing and anchorage kits for your particular
installation, you must first determine the following site requirements:
• Identify system configuration (number of columns and modules per
column).
• Identify specification requirements (BELLCORE or CALIFORNIA
OSHPD).
• Determine site mounting floor parameters (this information can usually
be found in the engineering building drawings):
– concrete type (hardrock or lightweight aggregate),
– minimum concrete compressive strength (megapascals or psi),
– minimum concrete thickness
First, choose the appropriate module bracing kit using Table 61 on page 345.
Select a separate kit for each column of modules. For column expansion
(when an additional module is added to a column which already contains
seismic bracing), use the expansion bracing kit.
Note: The NT8D64CD kit contains neither bracing rods nor tie bars
because these are not needed for single-module installations. The
NT8D64BD kit does not contain mounting plates as these are not needed
for column expansion.
Table 61
Seismic Bracing Kits
Seismic Bracing Kit System configuration
NT8D64CD 1 module
NT8D64CA 2 modules
NT8D64CB 3 modules
NT8D64CC 4 modules
NT8D64BD expansion

Page 346 of 456 Installing earthquake bracing
NN43021-310 Standard 02.01 December 2007
Next, each column must also be secured to the floor. This is accomplished by
installing one of two available anchor kits. Select the anchor kit by comparing
the site requirements to Table 62 on page 346. This table shows that either
anchor kit can be used to meet the CALIFORNIA OSHPD specification, but
only Kit B meets the BELLCORE specification. For those installations where
neither specification is required, Kit A is recommended due to its shallower
concrete requirement.
Both anchor kits can be used in hardrock concrete as long as the compressive
strength exceeds 20.7 MPa (3000 psi). Only Kit A can be used in lightweight
aggregate concrete with a compressive strength greater than 27.6 MPa
(4000 psi). The floor parameters for your installation can usually be found in
the engineering building drawings.
The kits listed in Table 62 on page 346 contain commercially available
mounting hardware. You have the option of purchasing the contents directly
from the manufacturer (using the listing below) or ordering the kits directly
from Nortel.
• Kit A (NT8D64BE) contains four of each of the following items:
— Hilti HDI 3/4 in., box of 25, manufacturer part # 457564 (Hilti
Corporation (918) 252-6000) or Multi-Set II, manufacturer
part # RM-34 (ITW Ramset/Redhead, Incorporated (219)
874-4217)
— Hex head bolt, 3/4 in. -10 x 1.50” long, steel material, zinc plate
finish
Table 62
Seismic Anchor Kit
Kit Seismic
Anchor Kit BELLCORE CAL
OSHPD
Concrete
thk (min)
Light-
weight
A NT8D64BE No Yes 90 mm
(3.5 in.)
Ye s
B NT8D64CE Yes Yes 180 mm
(7 in.)
No

Installing earthquake bracing Page 347 of 456
Communication Server 1000M and Meridian 1 Large System Installation and Commissioning
— Flat washer, internal diameter = 0.812”, outside diameter = 1.469”,
thickness = 0.120”, steel material, zinc plate finish
• Kit B (NT8D64CF) contains four of the following items:
— Hilti HSL M16/25, box of 10, manufacturer part # 665934 (Hilti
Corporation (918) 252-6000)
Finally, to aid installation, four kits have been developed. The seismic anchor
hole template kit (NT8D64BH) provides a mylar template to aid floor
marking. Only one kit is needed for an installation and this kit is reusable.
Drilling concrete floors
The following tools are required to drill the holes for the anchor bolts.
• dark marking pencil
• center-punch
• rotary hammer drill
• carbide-tip drill bit:
— 25.4 mm (1 in.) diameter for Kit A, NT8D64BE
— 24.0 mm (15/16 in.) diameter for Kit B, NT8D64CE
• blowout bulb or compressed air source
• hammer or mallet
• vacuum
DANGER
Wear safety goggles when drilling anchor holes. For
all drilling, use the appropriate tools and follow local
codes. Make sure to obey all safety and warning
precautions provided by the hammer drill and anchor
bolt manufacturers.

Page 348 of 456 Installing earthquake bracing
NN43021-310 Standard 02.01 December 2007
Procedure 64
Drilling concrete floors
1Using the equipment room floor plan mark the position of all of the
columns.
2Center-punch each of the hole centers.
3Using a carbide-tipped drill bit, hammer drill the holes to the size and
depth shown in Table 63 on page 348.
Note: Special care should be taken in drilling the holes. The holes have
to be drilled straight and perpendicular to the floor surface in order for the
anchors to be installed correctly. The drill fixture kit can aid this process.
4Should you hit reinforcing bar or the hole breaks through, abandon that
hole and use the secondary hole location indicated in the anchor hole
template.
5Remove any debris from the holes with a blowout bulb or compressed air.
Use a vacuum to dispose of the debris.
6If the mounting plates are not to be installed immediately, cover the
anchor holes to prevent debris from falling into them.
End of Procedure
IMPORTANT!
This procedure applies only to installations into concrete
floors.
Table 63
Anchor hole sizes
Kit Order Code Hole diameter Hole depth
A NT8D64BE 25.4 mm (1 in.) 78.7 mm (3.1 in.)
B NT8D64CF 24 mm (15/16 in.) 125 mm (4 15/16 in.)

Installing earthquake bracing Page 349 of 456
Communication Server 1000M and Meridian 1 Large System Installation and Commissioning
Installing Kit A and Kit B anchor plates
The following tools are required to install the anchors and the anchor plates:
•KitA
— setting tool (Hilti HST 3/4 in., manufacturer part#329821)
— 28 mm (1 1/8 in.) open-end wrench
•KitB
— 24.5 mm (1 in.) open-end wrench
Procedure 65
Installing Kit A
1Insert the anchors into the holes. Use the manufacturer’s setting tool to
install each anchor flush with the surface of the concrete. The setting tool
is required for the Hilti anchor.
2Locate the two mounting plates for each column over the anchors. Place
an adapter bushing into each of the plate holes and insert a 19 mm (3/
4 in.) diameter bolt and flat washer as shown in Figure 118 on page 350.
3Level the plates with shims. Leave the stack of shims exposed until all
leveling has been completed (this will allow the addition or removal of
shims if necessary).
4If the installation must meet CALIFORNIA OSHPD, tension proof load
testing is required on 50% of the anchor bolts. These anchors must be
tested to 24 020 N (5400 lb) tension and 122 J (90 ft-lb) torque. Any
failure requires testing of all remaining anchors.
5Go to “Installing earthquake rods” on page 351.

Page 350 of 456 Installing earthquake bracing
NN43021-310 Standard 02.01 December 2007
Figure 118
Mounting plate installation
End of Procedure
Pedestal
Anchor bolt
Shim
553-6071
Mounting plate
Adapter bushing
Anchor holes

Installing earthquake bracing Page 351 of 456
Communication Server 1000M and Meridian 1 Large System Installation and Commissioning
Procedure 66
Installing Kit B
1Locate the two mounting plates for each column over the anchor holes.
Insert the anchors into the holes and tap the anchors into place with a
mallet.
2Level the plates with shims. Leave the stack of shims exposed until all
leveling has been completed (this will allow the addition or removal of
shims if necessary).
3If the installation must meet CALIFORNIA OSHPD, tension proof load
testing is required on 50% of the anchor bolts. These anchors must be
tested to 6230 N (1400 lb) tension and 122 J (90 ft-lb) torque. Any failure
requires testing of all remaining anchors.
4Go to “Installing earthquake rods” on page 351.
End of Procedure
Installing earthquake rods
The following tools are required to install the rods:
• 7.5 mm (5/16 in.) socket wrench
• 12.7 mm (1/2 in.) open-end wrench for rods
• 14.3 mm (9/16 in.) open-end wrench for nuts
Note: The earthquake rods should be installed before you position the
columns.

Page 352 of 456 Installing earthquake bracing
NN43021-310 Standard 02.01 December 2007
Procedure 67
Installing earthquake rods
1Remove the top cap on each column:
a. Pull forward on the clips underneath the front edge of each air
exhaust grill on the top cap. Lift up and remove the grill as illustrated
in Figure 119.
Figure 119
Exhaust grill removal
b. Use a 8 mm (5/16 in.) socket wrench to remove the six screws that
secure the top cap (see Figure 120 on page 353). Lift the top cap
from the column.
Air exhaust grill Air exhaust grill
Top cap
Module Clips
553-5886

Installing earthquake bracing Page 353 of 456
Communication Server 1000M and Meridian 1 Large System Installation and Commissioning
Figure 120
Top cap assembly
2Remove the side panels on the exterior of each module by removing the
four bolts that secure the panel.
Note: In a two-tier or three-tier column, with adequate ceiling clearance,
you may be able to thread the rods down the sides of the column without
removing the side panels. Insert each rod into its hole at the top of the
column.
Mounting bolts
LED
553-3038
Screw for LED bracket
on perforated panel
Top cap
Front of column

Page 354 of 456 Installing earthquake bracing
NN43021-310 Standard 02.01 December 2007
3Install bracing rods:
• Position each rod in one of the vertical slots along the sides of the
modules and insert the rods into the threaded holes in the pedestal
(see Figure 121 on page 355). Tighten the rods in by hand or snug
tight with a 12.7 mm (1/2 in.) open-end wrench.
• Place a tie bar over each pair of rods, from side to side across the top
of the module, as shown in Figure 121 on page 355.
• Secure the tie bars with flat washers and hexagon nuts. Torque with
14.3 mm (9/16 in.) wrench to 17.6 J (13.0 ft-lbs).
Note: When installing expansion rods as part of the NT8D64BD bracing
kit, the rods are screwed into the previously-installed rods by means of a
coupling nut. The resulting two-piece rod should be secured in the same
manner as the single rod described above.

Installing earthquake bracing Page 355 of 456
Communication Server 1000M and Meridian 1 Large System Installation and Commissioning
Figure 121
Installing bracing rods for column support
4Reinstall the top cap and grills:
• Position each top cap and install the bolts that secure it.
• Replace the air exhaust grills at the front and rear of each top cap.
5 For a single-column system, reinstall the side panels on each module.
Tie bars
Earthquake rods
Rods screw
into pedestal
553-3063
Rods in slots between
modules and
exterior side panels
Side panel

Page 356 of 456 Installing earthquake bracing
NN43021-310 Standard 02.01 December 2007
6 For a multiple-column system, install NT8D49AA Spacer Kits between
adjacent columns:
a. Attach gaskets to both sides in the front section of each spacer (see
Figure 122 on page 356).
Figure 122
Positioning spacer gaskets
b. Attach a spacer to one side of each module that will be next to
another module, except on the end column (see Figure 122 on
page 356 and Figure 123 on page 357). Insert the screws through
holes in the trim panels.
FrontRear
Gasket placement
553-5641

Installing earthquake bracing Page 357 of 456
Communication Server 1000M and Meridian 1 Large System Installation and Commissioning
Figure 123
Adding spacers to columns
7Go to “Positioning and leveling the system” on page 357.
End of Procedure
Positioning and leveling the system
The following tools are required to position and level the system:
• socket wrench (anchor bolts)
— 28mm (11/8in.) for Kit A
— 24 mm (15/16 in.) for Kit B
• 16 mm (5/8 in.) socket wrench (pedestal bolts)
Procedure 68
Leveling the system
1Loosen the anchor bolts until the mounting plates are free to move.
2Starting from one end of the line-up, move a column into position.
553-5383
Attach spacers to one side of each column (except the end column)
(end column)
Spacers Spacers

Page 358 of 456 Installing earthquake bracing
NN43021-310 Standard 02.01 December 2007
3Loosely install the pedestal mounting hardware (1/2 in. bolts, lock
washer, plain washer, and insulating washer), using the plastic insulating
washers.
4Re-level the column, adding or removing shims as needed. Go back and
re-level any other columns.
5Repeat the above steps until all columns have been positioned.
6Slide shims completely under seismic plates. First tighten the pedestal
mounting bolts, torque to 122 J (90 ft-lb). Then, tighten the concrete
anchors, torque to 48 J (35 ft-lb).
End of Procedure
Installing non-seismic bracing
In certain applications where earthquakes do not occur, the pedestal
attachment to the floor does not have to meet Bellcore or California OSHPD
requirements. This application could include attachment to a raised wood or
steel floor using the kits described below.
Installing non-seismic bracing involves:
1“Selecting the kit” on page 358
2“Installing a non-seismic anchor kit” on page 359
Selecting the kit
If the installation does not have to meet the Bellcore or OSHPD requirements,
the installer can design and install an attachment suitable for the particular
installation using:
• NT8D64BF Floor Mounting Kit
• NT8D6401 Insulating Washer Kit

Installing earthquake bracing Page 359 of 456
Communication Server 1000M and Meridian 1 Large System Installation and Commissioning
NT8D64BF Floor Mounting Kit
The NT8D64BF Floor Mounting Kit provides the hardware required to
secure a Large System column to concrete floors for non-seismic
installations, that is, for a non-Bellcore or OSHPD approved installation.
The kit provides four sets of hardware, however, a minimum of two anchors
must be used diagonally opposite to secure the column pedestal to the floor.
The kit also provides four insulating washers that can be used during kit
installation.
NT8D6401 Insulating Washer Kit
The NT8D6401 Insulating Washer Kit is used for attaching the Large System
to the floor when the installer is using a third party anchor kit instead of the
Nortel NT8D64BF Floor Mounting Kit.
In this case, one NT8D6401 Insulating Washer Kit is required for each
pedestal to electrically insulate the mounting bolts from the pedestal casting.
Each NT8D6401 Insulating Washer Kit provides four insulating washers.
Installing a non-seismic anchor kit
Follow Procedure 69 to install a Floor Mounting Kit (NT8D64BF).
Procedure 69
Installing a Floor Mounting Kit (NT8D64BF)
1Mark the position of each Meridian 1 column using the equipment room
floor plan.
2Mark the location of all four anchor holes for each column using a dark
marking pencil.
3Center-punch the center of each hole in the concrete.
4Make the hole in concrete by using a rotary hammer drill to the following
size and depth:
• hole diameter 16 mm (5/8 in.)
• hole depth 50 mm (2 in.)

Page 360 of 456 Installing earthquake bracing
NN43021-310 Standard 02.01 December 2007
5Abandon the hole if you should hit a reinforcing bar or the hole breaks
through. A minimum of two diagonally opposite anchors are required for
this application.
6Remove any debris from the hole with a blowout bulb or compressed air.
Use a vacuum cleaner to dispose of the debris.
7Insert the anchors into the holes. Use the manufacturer’s setting tool to
install each anchor flush with the surface of the concrete. Use the Hilti
HST 12.7 mm (1/2 in.) setting tool, manufacturer part # 000329805 or
equivalent.
8Position each column over the anchors.
9Insert bolt, metal washer, and shoulder washer into the pedestal hole, as
shown in the Figure 124 on page 361. On the far side of the pedestal
flange, thread a plastic washer, a metal washer, and the nut onto the bolt.
Insert the bolt into the concrete anchor.
10 Tighten the nut to the pedestal flange and torque it to 34 J (25 ft-lb) using
a 20 mm (3/4 in.) socket wrench. Do not overtighten.
11 Repeat steps 8 to 11 for remaining bolts.
End of Procedure

Installing earthquake bracing Page 361 of 456
Communication Server 1000M and Meridian 1 Large System Installation and Commissioning
Figure 124
Pedestal mounting flange (rear view)
Anchor
Metal
Washer
Bolt
Insulating
Washer
Nut
Shoulder
Washer
Pedestal
553-7473

Page 362 of 456 Installing earthquake bracing
NN43021-310 Standard 02.01 December 2007

Page 363 of 456
Communication Server 1000M and Meridian 1 Large System Installation and Commissioning
382
Adding a module to a column
Contents
This section contains information on the following topics:
Overview . . . . . . . . . . . . . . . . . . . . . . . . . . . . . . . . . . . . . . . . . . . . . . . . 363
Adding a module to the base of a column. . . . . . . . . . . . . . . . . . . . . . . 364
Adding a module between two other modules . . . . . . . . . . . . . . . . . . . 370
Adding a module to the top of a column. . . . . . . . . . . . . . . . . . . . . . . . 374
Overview
The procedures in this chapter apply to adding a module to a column that is
fully equipped and powered up. To add a fourth module to a column during
initial system installation, see the procedure for placing the fourth module on
a column in “Preparing for installation” on page 37.
CAUTION
Damage to Equipment
A module containing the system CPU (Common
Equipment cards) should never be installed at the
third or the fourth tier of a column. Modules
containing Common Equipment should always be
installed in the bottom two tiers of Large System
columns. This ensures optimum cooling for the
Common Equipment cards.

Page 364 of 456 Adding a module to a column
NN43021-310 Standard 02.01 December 2007
A module can be added to a column in one of three positions. A specific
procedure is provided for each situation.
• “Adding a module to the base of a column” on page 364
• “Adding a module between two other modules” on page 370
• “Adding a module to the top of a column” on page 374
If the column is equipped with earthquake bracing, the column support rods
must be removed and longer rods must be installed after the module is added.
To change the rods, see “Installing earthquake bracing” on page 343.
Adding a module to the base of a column
If conduit or other cabling runs through modules that are being moved, you
must tag and disconnect the cables, pull them out of the modules, and reroute
them after all of the modules are repositioned. The top cap can remain on the
module to which it is attached.
WARNING
A fully loaded module weighs approximately 60 kg
(130 lbs). More than one person is required to move
a module.
DANGER OF ELECTRIC SHOCK
In a DC-powered system, power to the column can
remain on during the following procedures. In an
AC-powered system, however, power to the entire
column must be shut down throughout the
procedures.

Adding a module to a column Page 365 of 456
Communication Server 1000M and Meridian 1 Large System Installation and Commissioning
Procedure 70
Adding a module to the base of a column
1Disconnect and remove the NT8D22 System Monitor for the column in the
rear of the pedestal (do not turn off the blower unit in the front of the
pedestals):
a. If the column houses the master system monitor, load LD 37, and
software disable the associated SDI port:
LD 37
DIS TTY x disable the device associated with the port
b. Disconnect the RJ11 cable to J3, then the cable to J6, then pull the
system monitor out of the slot.
2Set all circuit breakers in the rear of the pedestal to OFF (down).
3Remove the module above the pedestal:
a. Disconnect the power connector to the pedestal (see Figure 125).
Note: You must press a latch trip on the front and rear of the plug. You
may need to use a screwdriver blade against the latch trip on the front of
the plug.
b. Disconnect the system monitor connector to the pedestal (see
Figure 125).

Page 366 of 456 Adding a module to a column
NN43021-310 Standard 02.01 December 2007
Figure 125
NT7D09CA Pedestal – module power and system monitor connections
c. Use a 9/16 in. socket wrench to remove the five mounting bolts that
secure the module (see Figure 126) and lift it off the column.
553-5469
Power plug (J1)
CAUTION
DISCONNECT FROM SOURCE
OF DC POWER BEFORE
REMOVING THIS UNIT
FROM THE PEDESTAL
System monitor connector
(NT8D46CB cable)

Adding a module to a column Page 367 of 456
Communication Server 1000M and Meridian 1 Large System Installation and Commissioning
Figure 126
Module mounting bolts
Note: There is an EMI shield (it looks like a brass grill) on the top of each
pedestal. Leave this shield on the pedestal. Use a few pieces of tape to
hold the shield in position, so the holes for the mounting bolts are aligned
with the screw holes on the pedestal. After the module is secured, remove
as much of the tape as possible.
4Position and secure modules:
a. Locate the positioning guides on the pedestal. Make sure the module
being added is facing the same direction as the column.
b. Place the module being added on the pedestal and adjust it until it is
seated securely on the positioning guides.
c. Secure the mounting bolts for the module.
d. Place the module that was removed onto the top of the module that
was added and secure it with the mounting bolts.
Mounting
bolts
553-3057

Page 368 of 456 Adding a module to a column
NN43021-310 Standard 02.01 December 2007
5Connect the power and system monitor cables in the module:
a. Connect the power connectors to the pedestal and to the module
above (see Figure 125 on page 366 and Figure 127 on page 369).
b. Attach the frame ground wires to the frame ground post at the base
of the module.
c. Connect the system monitor cable from the pedestal to connector J1
on the module being added.
d. Connect the system monitor cable from connector J2 in the module
being added to J1 in the module above.
6Set all circuit breakers in the pedestal to ON.
7Reinstall the system monitor in the pedestal:
a. Reconnect the RJ11 cable to J6, then the cable to J3. Reinstall the
system monitor.
b. If the column houses the master system monitor, load LD 37, and
software re-enable the associated SDI port:
8Replace all module covers and the pedestal grill.
End of Procedure
LD 37
ENL TTY x enable the device associated with the port
**** exit LD 37

Adding a module to a column Page 369 of 456
Communication Server 1000M and Meridian 1 Large System Installation and Commissioning
Figure 127
Module-to-module power and system monitor connections
I/O safety
panel
Power connectors
between modules
553-5152
System monitor
connectors
to J1
to J2
Rear view
I/O safety
panel

Page 370 of 456 Adding a module to a column
NN43021-310 Standard 02.01 December 2007
Adding a module between two other modules
If conduit or other cabling runs through modules that are being moved, you
must tag and disconnect the cables, pull them out of the modules, and reroute
them after all of the modules are repositioned.
The top cap can remain on the module to which it is attached.
Procedure 71
Adding a module between two other modules
1Disconnect and remove the NT8D22 System Monitor for the column in the
rear of the pedestal (do not turn off the blower unit in the front of the
pedestals):
a. If the column houses the master system monitor, load LD 37, and
software disable the associated SDI port:
LD 37
DIS TTY x disable the device associated with the port
b. Disconnect the RJ11 cable to J3, then the cable to J6, then pull the
system monitor out of the slot.
2Turn off power as necessary:
• With AC power, set the main circuit breaker for the column to OFF
(down) in the rear of the pedestal.
• With DC power, set the switch on the module power supply and the
circuit breaker in the rear of the pedestal to OFF (down) for any
module that will be moved and for the module being added. (All other
modules in the column can safely retain power.)
DANGER OF ELECTRIC SHOCK
Due to hazardous voltage in AC-powered systems,
power to the entire column must be shut down. This
shuts down all functions in the column.

Adding a module to a column Page 371 of 456
Communication Server 1000M and Meridian 1 Large System Installation and Commissioning
3Remove the module that will be above the module being added:
a. Disconnect the power connectors between the modules (review
Figure 127 on page 369).
b. Disconnect the system monitor cable from connector J1 in the
module that will be above the module being added.
c. Use a 14.3 mm (9/16 in.) socket wrench to remove the five mounting
bolts that secure the module and lift it off the column (see Figure 128
on page 371).
Figure 128
Module mounting bolt
Mounting
bolts
553-3057

Page 372 of 456 Adding a module to a column
NN43021-310 Standard 02.01 December 2007
4Position and secure modules:
a. Locate the positioning guides on what is now the top module in the
column (see Figure 129 on page 372). Make sure the module being
added is facing the same direction as the column.
b. Place the module being added on top of the column and adjust it until
it is seated securely on the positioning guides.
c. Secure the mounting bolts for the module.
d. Place the module that was removed on top of the module that was
added and secure it with the mounting bolts.
Figure 129
Module positioning guides
Positioning guides
Rear
Front
Opening for
cables 553-3056

Adding a module to a column Page 373 of 456
Communication Server 1000M and Meridian 1 Large System Installation and Commissioning
5Connect the power and system monitor cables between modules:
a. Connect the power connectors between the module being added and
the modules above and below it.
b. Connect the system monitor cable from connector J2 in the module
below to J1 in the module being added (review Figure 127 on
page 369).
c. Connect the system monitor cable from J2 in the module being added
to J1 in the module above.
6Restore power to the module:
• With AC power, set the main circuit breaker to ON (up) in the rear of
the pedestal.
• With DC power, set the circuit breaker in the rear of the pedestal then
the module power supply to ON (up) for the module that was added
and for any module that was moved.
7Reinstall the system monitor in the pedestal:
a. Reconnect the RJ11 cable to J6, then the cable to J3. Reinstall the
system monitor.
b. If the column houses the master system monitor, load LD 37, and
software re-enable the associated SDI port:
8Replace all module covers and the pedestal grill.
End of Procedure
LD 37
ENL TTY x enable the device associated with the port
**** exit LD 37

Page 374 of 456 Adding a module to a column
NN43021-310 Standard 02.01 December 2007
Adding a module to the top of a column
In a DC-powered system, power to the column can remain on during this
procedure.
If conduit or other cabling runs through the top cap, you must tag and
disconnect the cables, pull them out of the way, and reroute them after the
new module and the top cap are positioned.
Procedure 72
Adding a module to the top of the column
1Disconnect and remove the NT8D22 System Monitor for the column in the
rear of the pedestal (do not turn off the blower unit in the front of the
pedestals):
a. If the column houses the master system monitor, load LD 37 and
software disable the associated SDI port:
LD 37
DIS TTY x disable the device associated with the port
b. Disconnect the RJ11 cable to J3, then the cable to J6, then pull the
system monitor out of the slot.
2Turn off power as necessary:
• With AC power, set the main circuit breaker for the column to OFF
(down) in the rear of the pedestal.
• With DC power, set the switch on the module power supply and the
circuit breaker in the rear of the pedestal to OFF (down) for the
module being added.
DANGER OF ELECTRIC SHOCK
Due to hazardous voltage in AC-powered systems,
power to the entire column must be shut down. This
shuts down all functions in the column.

Adding a module to a column Page 375 of 456
Communication Server 1000M and Meridian 1 Large System Installation and Commissioning
3Disconnect power connections to the top cap:
a. At the top of the rear of the module, disconnect the orange power
connector from the module power harness (see Figure 130 on
page 375). Press the four tabs (two on each side) and let the
connector fall loose into the module below.
Figure 130
Orange power connector removal tab locations
b. Disconnect the system monitor cable at connector J2 on the
backplane.
4Remove the top cap and perforated panel:
• For countries other than the UK, pull forward on the clips underneath
the front edge of each air exhaust grill on the top cap. Lift up and
remove the grill as illustrated in Figure 131 on page 375).
Figure 131
Air exhaust grill removal
• In the UK, the front and rear air exhaust grills are secured by Southco
fasteners located underneath the front edge of the grill. Use a #1
553-5888
Orange connector
Push here
Push here
Air exhaust grill Air exhaust grill
Top cap
Module Clips
553-5886

Page 376 of 456 Adding a module to a column
NN43021-310 Standard 02.01 December 2007
Phillips head screwdriver and turn the fasteners 1/4-turn to release or
secure the grill (see Figure 132 on page 376).
Figure 132
UK air exhaust grill removal
• Use a 8 mm (5/16 in.) socket wrench to remove the six bolts that
secure the top cap (see Figure 133 on page 377). Remove the top
cap from the column.
• Remove the screw that secures the perforated panel and LED
bracket. Slide the panel slightly to the left (looking at it from the rear
of the column) and remove it.
Air exhaust grill Air exhaust grill
Top cap
UEM 1/4 turn fasteners
553-7375

Adding a module to a column Page 377 of 456
Communication Server 1000M and Meridian 1 Large System Installation and Commissioning
Figure 133
Top cap assembly
Mounting bolts
LED
553-3038
Screw for LED bracket
on perforated panel
Top cap
Front of column

Page 378 of 456 Adding a module to a column
NN43021-310 Standard 02.01 December 2007
5Position and secure the module being added:
a. Locate the positioning guides on the module in the column (see
Figure 134 on page 378). Make sure the module being added is
facing the same direction as the column.
Figure 134
Module positioning guides
b. Place the module being added on top of the column and adjust it until
it is seated securely on the positioning guides.
c. Use a 14.3 mm (9/16 in.) socket wrench to secure the module with
five mounting bolts (see Figure 135 on page 379).
Positioning guides
Rear
Front
Opening for
cables 553-3056

Adding a module to a column Page 379 of 456
Communication Server 1000M and Meridian 1 Large System Installation and Commissioning
Figure 135
Module mounting bolts
6Connect the power and system monitor cables between modules:
a. Connect the power connectors between the module being added and
the module below it (see Figure 136 on page 380).
b. Connect the system monitor cable from connector J2 in the lower
module to J1 in the module being added (see Figure 136 on
page 380).
Mounting
bolts
553-3057

Page 380 of 456 Adding a module to a column
NN43021-310 Standard 02.01 December 2007
Figure 136
Module-to-module power and system monitor connections
I/O safety
panel
Power connectors
between modules
553-5152
System monitor
connectors
to J1
to J2
Rear view
I/O safety
panel

Adding a module to a column Page 381 of 456
Communication Server 1000M and Meridian 1 Large System Installation and Commissioning
7Install the perforated panel and top cap on the module being added:
a. Position the perforated panel and slide it slightly to the right (at the
rear). Install the screw that secures the panel and LED bracket.
b. Position wiring from the perforated panel so it rests in the cable well
located next to the orange power connector at the rear of the module
(see Figure 137 on page 381).
Figure 137
Cable well location
c. Position the top cap and install the bolts that secure it.
d. Replace the air exhaust grills at the front and rear of the top cap.
8Reconnect power to the top cap:
a. Connect the system monitor cable to J2 on the backplane. Line up
the alignment tab on the connector and snap on the pin headers to
position the connector correctly (see Figure 138 on page 381).
Figure 138
Monitor cable J2 backplane alignment tab and key alignment
Bracket
553-5889
Cable well
Top of
module
Orange connector
View at rear of module
Side view of connectors
Alignment tab
on backplane
connector
553-5885
Key on cable
connector

Page 382 of 456 Adding a module to a column
NN43021-310 Standard 02.01 December 2007
9Connect the orange power connector to the module power harness.
Restore power to the module:
• With AC power, set the main circuit breaker to ON (up) in the rear of
the pedestal.
• With DC power, set the circuit breaker in the rear of the pedestal and
then set the module power supply to ON (up) for the module that was
added.
10 Reinstall the system monitor in the pedestal:
a. Reconnect the RJ11 cable to J6, then the cable to J3. Reinstall the
system monitor.
b. If the column houses the master system monitor, load LD 37, and
software re-enable the associated SDI port:
11 Replace all module covers and the pedestal grill.
End of Procedure
LD 37
ENL TTY x enable the device associated with the port
**** exit LD 37

Page 383 of 456
Communication Server 1000M and Meridian 1 Large System Installation and Commissioning
448
Installing a Signaling Server
Contents
This section contains information on the following topics:
Introduction . . . . . . . . . . . . . . . . . . . . . . . . . . . . . . . . . . . . . . . . . . . . . . 384
Readiness checklist . . . . . . . . . . . . . . . . . . . . . . . . . . . . . . . . . . . . . . . . 385
Installing the CP PM Signaling Server hardware . . . . . . . . . . . . . . . . . 387
Connections. . . . . . . . . . . . . . . . . . . . . . . . . . . . . . . . . . . . . . . . . . . . . . 389
Installing the Signaling Server software . . . . . . . . . . . . . . . . . . . . . . . . 399
First boot of a new Nortel CP PM Signaling Server . . . . . . . . . . . . . . . 426
Unpacking Help files for Virtual Terminal Emulator . . . . . . . . . . . . . . 445
Logging in to the Signaling Server . . . . . . . . . . . . . . . . . . . . . . . . . . . . 445
Verifying a successful configuration. . . . . . . . . . . . . . . . . . . . . . . . . . . 447
Testing the Leader Signaling Server . . . . . . . . . . . . . . . . . . . . . . . . . . . 447

Page 384 of 456 Installing a Signaling Server
NN43021-310 Standard 02.01 December 2007
Introduction
This chapter contains general instructions to install a Nortel CP PM server
and detailed instructions to install a legacy Nortel ISP1100 server. This
chapter contains no instructions to install an IBM X306m or HP DL320-G4
COTS 1U server. Please see the IBM xSeries 306m Types 8848 and 8491
User Guide or the HP ProLiant DL320 Generation 4 Server User Guide
shipped with the COTS servers for detailed installation instructions. Of
particular note, the IBM X306m and HP DL320-G4 servers require four-post

Installing a Signaling Server Page 385 of 456
Communication Server 1000M and Meridian 1 Large System Installation and Commissioning
rack mounting, as opposed to two-post rack mounting for the Nortel ISP1100
server.
Readiness checklist
Before installing a Signaling Server in a CS 1000 system, complete the
following checklist.
IMPORTANT!
Instructions to install an IBM X306m or HP DL320-G4 COTS 1U server
are not included in this chapter. Detailed installation instructions can be
found in the IBM xSeries 306m Types 8848 and 8491 User Guide or the
HP ProLiant DL320 Generation 4 Server User Guide shipped with the
server.
WARNING
Do not modify or use a supplied AC-power
cord if it is not the exact type required in the
region where the Signaling Server is installed
and used. Be sure to replace the cord with
the correct type.

Page 386 of 456 Installing a Signaling Server
NN43021-310 Standard 02.01 December 2007
Table 64
Readiness checklist (Part 1 of 2)
Have you:
Read all safety instructions in Communication Server 1000E: Installation and
Commissioning (NN43041-310) or Communication Server 1000M and Meridian 1 Large
System Installation and Configuration (NN43021-310), as appropriate for your CS 1000
system?
Received all equipment and peripherals?
For a Nortel ISP1100 (NTDU27AA), IBM X306m (NTDU99AAE5), and HP DL320-G4
(NTDU97AA) Signaling Servers:
• installation accessories for rack-mounting the server
•AC-power cord
• a DTE-DTE null modem cable (supplied)
For a CS 1000E Nortel CP PM Signaling Server (NTDW61BAE5):
• NTDW6102E5 - CP PM Signaling Server Hard Drive kit
• N0118766 - CP PM Signaling Server Hard Drive Installation instructions
• NTAK19ECE6 - CP PM Signaling Server 2 port SDI Cable assembly kit
• NTDU0606E6 - CP PM Signaling Server 25cm RJ45 Ethernet Cable kit
• a DTE-DTE null modem cable (supplied)
• for a CS 1000M Nortel CP PM Signaling Server (NTDW66AAE5 model)
• NTDW6102E5 - CP PM Signaling Server Hard Drive kit
• N0118766 - CP PM Signaling Server Hard Drive Installation instructions
• NTAK19ECE6 - CP PM Signaling Server 2 port SDI Cable assembly kit
• NTDW69AAE5 - CP PM Signaling Server Large System Cabling kit
• N0106745 - CP PM Signaling Large System Cabling
• a DTE-DTE null modem cable (supplied)
Note: Save the packaging container and packing materials in case you must ship the
product.

Installing a Signaling Server Page 387 of 456
Communication Server 1000M and Meridian 1 Large System Installation and Commissioning
Installing the CP PM Signaling Server hardware
The Nortel CP PM server is a circuit card, and thus is not mounted in a rack.
This section contains instructions for installing a Nortel CP PM Signaling
Server in a CS 1000E and a CS 1000M system.
Made sure the area meets all environmental requirements?
Checked for all power requirements?
Checked for correct grounding facilities?
Obtained the following:
• screwdrivers
• an ECOS 1023 POW-R-MATE or similar type of multimeter
• appropriate cable terminating tools
• a computer (maintenance terminal) to connect directly to the Signaling Server, with:
— teletype terminal (ANSI-W emulation, serial port, 9600 bps)
— a web browser for Element Manager (configure cache settings to check for new
web pages
— every time the browser is invoked, and to empty the cache when the browser is
closed)
Prepared the network data as suggested in Converging the Data Network with VoIP
(NN43001-260), Communication Server 1000E: Planning and Engineering
(NN43041-220) or Communication Server 1000M and Meridian 1 Large System
Planning and Engineering (NN43021-220), as appropriate for your CS 1000 system?
Read all safety instructions in Communication Server 1000E: Installation and
Commissioning (NN43041-310) or Communication Server 1000M and Meridian 1 Large
System Installation and Configuration (NN43021-310), as appropriate for your CS 1000
system?
Table 64
Readiness checklist (Part 2 of 2)
Have you:

Page 388 of 456 Installing a Signaling Server
NN43021-310 Standard 02.01 December 2007
This section contains general instructions for installing the CP PM Signaling
Server circuit cards in CS 1000E and CS 1000M systems. For more detailed
installation instructions, refer to Circuit Card: Description and Installation
(NN43001-311) and Signaling Server: Installation and Commissioning
(NN43001-312).
Installation in a CS 1000E system
The NTDW61BAE5 model of the Nortel CP PM server is designed for use in
a CS 1000E system. The first task that must be performed is to install the hard
drive shipped with the server. For instructions, see "Install the hard drive on
a Nortel CP PM Signaling Server" in Signaling Server: Installation and
Commissioning (NN43001-312).
You can insert the NTDW61BAE5 model of the Nortel CP PM server into
any slot of a CS 1000E Media Gateway (MG 1000E or MG 1000B) or a
Media Gateway Controller (MGC) card. Keying prevents the
NTDW61BAE5 model from being inserted into this slot.
IMPORTANT!
There are several switches on CP PM circuit cards. All switch settings
must be factory defaults except for the switch labelled “S5”. Switch S5
must be set to position 2 to support the internal hard drive used on the
CP PM Signaling Server circuit cards only.
CAUTION — Equipment Damage
Do not insert the NTDW61BAE5 model of the
Nortel CP PM server into any slot of a CS
1000M Universal Equipment Module (UEM).
Doing so can cause electrical shorts on
adjacent circuit cards.

Installing a Signaling Server Page 389 of 456
Communication Server 1000M and Meridian 1 Large System Installation and Commissioning
Connections
Connection checklist
Before connecting a Signaling Server, ensure that you have the following
materials on-hand.
Connecting a Nortel CP PM Signaling Server
This section contains instructions for connecting the NTDW61BAE5 CP PM
Signaling Server to the ELAN and TLAN subnets of a CS 1000E and
WARNING
Do not modify or use a supplied AC power cord if it is not
the correct type required for the host region.
IMPORTANT!
Nortel CP PM servers are powered through the backplane of the Media
Gateway, Universal Equipment Module or 11C cabinet into which they
are installed and thus require no power cord.
Table 65
Connections checklist
Have you:
Obtained a serial cable (DTE-DTE null modem cable) to connect the server to a
maintenance terminal?
Obtained the NTAK19EC cable (if you are connecting a Nortel CP PM server)? This
cable adapts the 50-pin MDF connector on the back of the shelf of the Media Gateway,
Universal Equipment Module, or 11C cabinet to a 25-pin DB connector.
Obtained the CAT5 cables (or better) to connect the server to the ELAN and TLAN
subnets?

Page 390 of 456 Installing a Signaling Server
NN43021-310 Standard 02.01 December 2007
CS 1000M system respectively. It also contains instructions for connecting a
maintenance terminal to the Nortel CP PM Signaling Server.
The NTDW61BAE5 model of the Nortel CP PM Signaling Server was
designed for use in a CS 1000E system. As such, it is inserted into a slot of
the Media Gateway (MG 1000E or MG 1000B). The Media Gateway also
hosts the Media Gateway Controller (MGC) that has Ethernet ports for
connecting to the ELAN and TLAN subnets of your CS 1000 system.
However, it is common in a CS 1000E system for the Call Server to be
connected to the MGC through these ELAN and TLAN Ethernet ports. If the
Call Server is not connected to the MGC through these Ethernet ports, the
NTDW61BAE5 model of the CP PM Signaling Server uses them to connect
to the ELAN and TLAN subnets of the CS 1000E system. If the Call Server
is using the MGC ELAN and TLAN Ethernet ports, the Nortel CP PM
Signaling Server is connected directly to the ELAN and TLAN Ethernet
switches from the faceplate ELAN and TLAN Ethernet ports.
The NTDW66AAE5 model of the Nortel CP PM Signaling Server was
designed for use in a CS 1000M system.
Figure 139 shows the faceplates of the two models of the Nortel CP PM
Signaling Server with labeling for all components (NTDW61BAE5 on the
left and NTDW66AAE5 on the right).

Installing a Signaling Server Page 391 of 456
Communication Server 1000M and Meridian 1 Large System Installation and Commissioning
Figure 139
Faceplates of the Nortel CP PM server

Page 392 of 456 Installing a Signaling Server
NN43021-310 Standard 02.01 December 2007
Procedure 73
Connecting a Nortel CP PM Signaling Server
Note: Refer to Figure 139 when performing the following procedure.
1Establish a maintenance terminal connection at the back of the shelf of
the IPMG. The com (SDI) port of the CP PM circuit card Signaling Server
is routed through the backplane of the shelf to the 50 pin MDF connector
on the back of the shelf. A special cable is shipped with the CP PM
signaling server that adapts the 50 pin MDF connector to a 25 pin DB
connector (NTAK19EC). A DTE-DTE null modem serial cable is required
to adapt the SDI port to a typical PC serial port.
a. Connect the NTAK19EC cable (shipped with the CP PM Signaling
Server) to the 50 pin MDF connector on the back of the desired shelf
of the IPMG.
b. Connect a DTE-DTE null modem serial cable to the 25 pin DB
connector at the end of the NTAK19EC cable. Connect the other end
of the DTE-DTE null modem serial cable to the serial port on the
maintenance terminal.
2Insert the Signaling Server circuit card into an appropriate slot on the shelf
of the IPMG. The CP PM Signaling Server is hot-pluggable so it may be
inserted without powering off the system. The maintenance terminal now
has access to the CP PM Signaling Server through the 50-pin MDF
connector associated with the card slot that the CP PM Signaling Server
is inserted into on the IPMG.
3Connect the Signaling Server to the TLAN subnet. Insert the RJ-45 CAT5
(or better) cable into the TLAN port (TLAN network interface) on the front
of the Signaling Server. The TLAN port is the middle one of the three
network interfaces.
4Connect the Signaling Server to the ELAN subnet. Insert the RJ-45 CAT5
(or better) cable into the ELAN port (ELAN network interface) on the front
of the Signaling Server. The ELAN port is the bottom one of the three
network interfaces.

Installing a Signaling Server Page 393 of 456
Communication Server 1000M and Meridian 1 Large System Installation and Commissioning
5Set the COM port on the maintenance terminal as follows:
• Terminal type: VT100
• Speed: 9 600
• Data bits: 8
• Parity: none
• Stop bits: 1
• Flow control: none
Note: The CP PM Signaling Server is shipped with the Admin Serial port
set to 9600 Bit/s. Other available speeds are 19 200, 38 400, and 115 200
Bits. You can change the port speed using the maintenance terminal. To
verify or change the baud rate on a Nortel CP PM Signaling Server, see
Signaling Server: Installation and Commissioning (NN43001-312).
6Configure the Signaling Server maintenance terminal. Refer to Signaling
Server: Installation and Commissioning (NN43001-312).
End of Procedure
Complete Procedure 74 to connect a Nortel CP PM Signaling Server (model
NTDW61BAE5) to the ELAN and TLAN subnets of a CS 1000E system.
Procedure 74
Connecting a CP PM Signaling Server to the ELAN and TLAN subnets of
a CS 1000E system
1Connect the Signaling Server to the ELAN subnet.
• if the Call Server is not connected to the Media Gateway Controller
(MGC) CE port
— Insert the end of one of the 25-cm RJ-45 CAT5 Ethernet cables
shipped with the server (NTDU0606E6) into the ELAN network
interface port (ELAN port) on the faceplate of the server
— insert the other end of the 25-cm RJ-45 CAT5 Ethernet cable
into the MGC ELAN Ethernet port
• if the Call Server is connected to the CE port

Page 394 of 456 Installing a Signaling Server
NN43021-310 Standard 02.01 December 2007
— Insert the end of a longer RJ-45 CAT5 Ethernet cable (not
supplied) into the ELAN network interface port (ELAN port) on
the faceplate of the server
— Insert the other end of the RJ-45 CAT5 Ethernet cable into an
Ethernet port on the ELAN Ethernet switch
2Connect the Signaling Server to the TLAN subnet.
• if the Call Server is not connected to the Media Gateway Controller
(MGC)
— Insert the end of one of the 25-cm RJ-45 CAT5 Ethernet cables
shipped with the server (NTDU0606E6) into the TLAN network
interface port (TLAN port) on the faceplate of the server
— Insert the other end of the 25-cm RJ-45 CAT5 Ethernet cable
into the MGC TLAN Ethernet port
• if the Call Server is connected to the MGC
— Insert the end of a longer RJ-45 CAT5 Ethernet cable (not
supplied) into the TLAN network interface port (TLAN port) on
the faceplate of the server
— Insert the other end of the RJ-45 CAT5 Ethernet cable into an
Ethernet port on the TLAN Ethernet switch
End of Procedure
Note: If the Call Server is connected to the Media Gateway Controller,
you can not use the 25-cm CAT5 Ethernet cables shipped with the
Signaling Server (NTDU0606E6). You must obtain CAT5 Ethernet
cables that are long enough to connect the Signaling Server directly to the
ELAN and TLAN Ethernet switches from the faceplate ELAN and
TLAN Ethernet ports.
Complete Procedure 75 to connect a Nortel CP PM Signaling Server (model
NTDW66AAE5) to the ELAN and TLAN subnets of a CS 1000M system.
IMPORTANT!
Connecting a Nortel CP PM Signaling Server to the ELAN and TLAN
subnets of a CS 1000M system causes a service disruption.

Installing a Signaling Server Page 395 of 456
Communication Server 1000M and Meridian 1 Large System Installation and Commissioning
Procedure 75
Connecting a CP PM Signaling Server to the ELAN and TLAN subnets of
a CS 1000M system
1Insert the end of an RJ-45 CAT5 Ethernet cable (not supplied) into the
ELAN network interface port (ELAN port) on the back of the CS 1000M
UEM. (You installed this ELAN port at the back of the UEM when you
installed the Signaling Server in the UEM.)
2Insert the other end of the RJ-45 CAT5 Ethernet cable into an Ethernet
port on the ELAN Ethernet switch.
3Insert the end of another RJ-45 CAT5 Ethernet cable (not supplied) into
the TLAN network interface port (TLAN port) on the back of the CS 1000M
UEM. (You installed this TLAN port at the back of the UEM when you
installed the Signaling Server in the UEM).
4Insert the other end of the RJ-45 CAT5 Ethernet cable into an Ethernet
port on the TLAN Ethernet switch.
End of Procedure
Verify or change the baud rate
To verify or change the baud rate on a Nortel CP PM Signaling Server, see
Signaling Server: Installation and Commissioning (NN43001-312).
Connecting an IBM X306m Signaling Server
In geographic regions that are susceptible to electrical storms, Nortel
recommends that you plug the IBM X306m Signaling Server into an AC
surge suppressor.
Figure 140 shows the rear view of the IBM X306m Signaling Server.

Page 396 of 456 Installing a Signaling Server
NN43021-310 Standard 02.01 December 2007
Figure 140
IBM X306m Signaling Server (rear view)
Note: Refer to Figure 140 when performing the following procedure.
Procedure 76
Connecting an IBM X306m Signaling Server
1Connect the Signaling Server to the TLAN subnet. Insert the RJ-45 CAT5
(or better) cable into Port 1 (TLAN network interface) on the back of the
Signaling Server. Port 1 is the right-most of the two network interfaces.
2Connect the Signaling Server to the ELAN subnet. Insert the RJ-45 CAT5
(or better) cable into PEthernet 2 connector (ELAN network interface) on
the back of the Signaling Server. Port 2 is the left-most of the two network
interfaces.
3Connect a DTE–DTE null modem serial cable from the serial port on the
back of the Signaling Server to the serial port on a maintenance terminal.
4Connect the Signaling Server power cord.
a. Check that the power cord is the type required in the region where
the Signaling Server is used. Do not modify or use the supplied AC
power cord if it is not the correct type.
b. Attach the female end of the power cord to the mating AC power
receptacle on the left side of the Signaling Server’s back panel. Plug
the male end of the AC power cord into the AC power source (wall
outlet).

Installing a Signaling Server Page 397 of 456
Communication Server 1000M and Meridian 1 Large System Installation and Commissioning
5Set the baud rate for the serial port on the Signaling Server to 9 600 b/ps.
See Signaling Server: Installation and Commissioning (NN43001-312).
Note: The IBM X306m Signaling Server ships with the serial port set to
9600 b/ps.
6Configure the connected maintenance terminal. See Signaling Server:
Installation and Commissioning (NN43001-312).
7Press the Power switch.
Note: Refer to the Signaling Server Product Guide on the CD-ROM
shipped with the IBM X306m Signaling Server for additional operating
information.
End of Procedure
Connecting an HP DL320-G4 Signaling Server
In geographic regions that are susceptible to electrical storms, Nortel
recommends that you plug the HP DL320-G4 Signaling Server into an AC
surge suppressor.
Figure 141 shows the rear view of the HP DL320-G4 Signaling Server.
Figure 141
HP DL320-G4 Signaling Server (rear view)

Page 398 of 456 Installing a Signaling Server
NN43021-310 Standard 02.01 December 2007
Procedure 77
Connecting an HP DL320-G4 Signaling Server
1Connect the Signaling Server to the TLAN subnet. Insert the RJ-45 CAT5
(or better) cable labeled with the number 5 into the port (TLAN network
interface) on the back of the Signaling Server.
2Connect the Signaling Server to the ELAN subnet. Insert the RJ-45 CAT5
(or better) cable labeled with the number 6 into the port (ELAN network
interface) on the back of the Signaling Server.
3Connect a DTE–DTE null modem serial cable from the Serial Port on the
back of the Signaling Server to a maintenance terminal.
4Connect the Signaling Server power cord.
a. Check that the power cord is the type required in the region where
the Signaling Server is used. Do not modify or use the supplied AC
power cord if it is not the correct type.
b. Attach the female end of the power cord to the mating AC power
receptacle on the right-hand side of the Signaling Server’s back
panel. Plug the male end of the AC power cord into the AC power
source (wall outlet).
5Configure the COM1 serial port as the communication port for the
connected maintenance terminal. Set the COM 1 baud rate for the serial
port on the Signaling Server to 9 600 b/ps. See Signaling Server:
Installation and Commissioning (NN43001-312).
6Configure the connected maintenance terminal. See Signaling Server:
Installation and Commissioning (NN43001-312).
7Press the Power switch.
End of Procedure
Maintenance terminal configuration parameters
To configure Signaling Server maintenance terminal configuration
parameters, see the Maintenance chapter of Signaling Server: Installation
and Commissioning (NN43001-312).

Installing a Signaling Server Page 399 of 456
Communication Server 1000M and Meridian 1 Large System Installation and Commissioning
Installing the Signaling Server software
Introduction
This section provides installation procedures for CS 1000 Release 5.5
Signaling Server software on an IBM X306m or HP DL320-G4 Signaling
Server.
Before you begin
Before installing the software, you must do the following:
• Connect and power up the Signaling Server. See “Connections” on
page 389.
• For CP PM Signaling Servers, ensure that Switch S5 is set to position 2
(to support the internal hard disk drive)
• For IBM X306m and HP DL320-G4 Signaling Servers, you must obtain
the CS 1000 Release 5.5 Signaling Server Software Install CD.
IMPORTANT!
The Signaling Server is out-of-service during software upgrade.
IMPORTANT!
CP PM, IBM X306m and HP DL320-G4 Signaling Servers do not
support any Signaling Server software prior to CS 1000 Release 5.5.
IMPORTANT!
CS 1000 Release 5.5 Signaling Server software does not need to be
installed on the CP PM Signaling Server. It is delivered with the
Signaling Server software, operating system, applications and web files
pre-loaded onto the hard drive. Only basic system configuration
parameters need to be entered on the first boot of the CP PM Signaling
Server.

Page 400 of 456 Installing a Signaling Server
NN43021-310 Standard 02.01 December 2007
Installing the software
To install software and enter basic system configuration parameters on an
IBM X306m or HP DL320-G4 Signaling Server, complete Procedure 78.
Procedure 78
Installing Signaling Server software
Upon completion of Step 1, this procedure takes approximately 45 minutes to
complete.
1From your Planning and Engineering group, obtain the following network
and IP Telephony data for this Signaling Server:
• node ID for the IP Telephony node
• node IP address for the IP Telephony node
• hostname for the Signaling Server
• ELAN network interface IP address, Subnet mask, and Gateway
• TLAN network interface IP address, Subnet mask, and Gateway
• ELAN network interface IP address of the Call Server
• Primary and Alternate NRS IP addresses for this networked system.
Refer toIP Peer Networking: Installation and Commissioning
(NN43001-313)
• NRS role, if applicable. Refer to IP Peer Networking: Installation and
Commissioning (NN43001-313)
2Boot the Signaling Server from the Removable Media Device (RMD):
• For IBM X306m, HP DL320-G4, or Nortel ISP1100 Signaling
Servers, insert the CS 1000 Release 5.5 Signaling Server Software
CD into the CD drive and press the RST button on the front panel of
the Signaling Server to trigger a cold boot. This forces the Signaling
Server to boot from the CD.
• For a Nortel CP PM Signaling Server, insert the CS 1000 Release 5.5
Signaling Server Software CF card into the faceplate CF drive and
press the RST button on the faceplate of the Signaling Server to
trigger a cold boot. The CP PM System BIOS Configuration screen
appears (see Figure 142) with an instruction to press F to force the
Signaling Server to boot from the CF card.

Installing a Signaling Server Page 401 of 456
Communication Server 1000M and Meridian 1 Large System Installation and Commissioning
Figure 142
Nortel CP PM system BIOS configuration
• The VxWorksTM banner screen appears (see Figure 143) followed
by system messages indicating that the Signaling Server Software
Installation Tool is being loaded from either the Signaling Server
Software CD or CF Card.

Installing a Signaling Server Page 403 of 456
Communication Server 1000M and Meridian 1 Large System Installation and Commissioning
Figure 144
Install Tool banner screen
3Press <CR> to perform system checks. If the system has less than 1
Gbyte of RAM, the following error message appears:
WARNING: Your system has less than 1 GB RAM.
In order to run Rls 5.5 software you must
upgrade RAM to 1 GB and repeat install.
Otherwise serious service problems are likely
Please enter:
<CR> -> <q> - Quit.
<a> - Accept the possible risks and
continue install.
Press <CR> to quit. Upgrade to 1 Gbyte of RAM (see Signaling
Server: Installation and Commissioning (NN43001-312)) and restart
the Signaling Server Install Tool again.
CS 1000 Signaling Server Software Install Tool (sse-x.xx.xx)
=====================================================================
#####
######### ########
########`` `#############
######## `` `#############
#######` ######```####
####### ######`` `### NORTEL NETWORKS
####### #####`` ####
####### #####` #### Communication Server 1000 Software
`#########` ####`
#######` ##### Copyright 2002 – 2006
`####### #####’
########## `###`
##``########## #
## `########################
`# `########################
###########################``
````````` ````####````
Please press <CR> when ready ... <CR>

Page 404 of 456 Installing a Signaling Server
NN43021-310 Standard 02.01 December 2007
The system verifies the file systems.
• If the hard drive of the Signaling Server is not partitioned, the file
systems verification process fails. Upon failure, the menu in
Figure 145 appears.
Figure 145
File systems verification failure
a. Enter a to partition and initialize the hard disk, and to reboot the
Signaling Server.
The system displays the messages:
Partitioning hard disk ...
Hard disk partitioning succeeded.
Creating filesystems ...
Filesystems creation succeeded.
Rebooting system ...
b. The Install Tool banner screen (Figure 144 on page 403)
reappears. Go back to beginning of Step 2.. If the hard drive of
the Signaling Server is partitioned, the following system
messages appear.
Filesystems verification succeeded.
c. Confirm or enter the date and time (Figure 146 on page 405).
CS 1000 Signaling Server Software Install Tool (sse-x.xx.xx)
=====================================================================
The filesystems verification failed! (This is normal for a new
system.)
The hard disk must be (re)partitioned and (re)initialized. This will
erase all data on the hard disk. The system will then reboot and
the Install Tool will restart.
Please enter:
<CR> -> <a> - Partition and initialize the hard disk, then reboot.
Enter Choice> a

Installing a Signaling Server Page 405 of 456
Communication Server 1000M and Meridian 1 Large System Installation and Commissioning
Figure 146
Date and time
• When reinstalling the software on an existing system, the system
verifies the file systems. The disk check reports:
Filesystems verification succeeded.
The system summary appears (Figure 147 on page 406). Enter a to
continue the installation.
Note: For a new installation, the data fields in the system summary
are blank.
CS 1000 Signaling Server Software Install Tool (sse-x.xx.xx)
====================================================================
You should ensure the system date and time are correct prior to
installation, since all files copied or created during install will
be time-stamped.
You can press <CR> to accept the current values.
Current date is: FRIDAY 01-04-2006
Enter new date (dd mm yyyy): 04 04 2006
Date is set to: MONDAY 04-04-2006
Current time is: 09:47:18
Enter new time (hh mm ss): 08 38 30
Time is set to: 08:38:30
Current date and time is:
MONDAY 04-04-2005, 08:38:30

Page 406 of 456 Installing a Signaling Server
NN43021-310 Standard 02.01 December 2007
Figure 147
System Summary
CS 1000 Signaling Server Software Install Tool (sse-x.xx.xx)
=====================================================================
------------------------------------------
SYSTEM INFORMATION
------------------------------------------
+================================================================+
| Hostname: SS_Node276_Ldr S/W Ver: x.xx.xx |
| |
| Role: Leader Set TPS: Disabled |
| Node ID: Vtrk TPS: Disabled |
| Node IP: NRS Config: Alternate SIP |
| H.323 ID: SS_Node276_Ldr CS IP: |
| ELAN IP: 192.168.10.20 TLAN IP: 192.168.20.20 |
| ELAN SM: 255.255.255.0 TLAN SM: 255.255.255.0 |
| ELAN GW: 192.168.10.1 TLAN GW: 192.168.20.1 |
| ELAN MAC: 00:02:b3:c5:51:c6 TLAN MAC: 00:02:b3:c5:51:c7 |
+================================================================+
Please enter:
<CR> -> <a> - Continue with Install Tool.
<q> - Quit.
Enter Choice>
| |

Installing a Signaling Server Page 407 of 456
Communication Server 1000M and Meridian 1 Large System Installation and Commissioning
Figure 148
Install Tool Main Menu
4At the Main Menu (Figure 148), enter a to install Signaling Server
software. Option a performs options b, c, d, and e.
The following sample lines display on the screen:
Copying “/cd0/sse37012.p3/disk.sys” to “/u/disk.sys”.
Processing the install control file ...
“/cd0/sse37012.p3/install.dat” parsed.
CS 1000 Signaling Server Software Install Tool (sse-x.xx.xx)
=====================================================================
M A I N M E N U
The Install Tool will install Signaling Server software and related
files. You will be prompted throughout the installation.
Please enter:
<CR> -> <a> - To perform a complete installation/upgrade (Signaling
Server s/w, IP Phone f/w, Voice Gateway Media
<b> - To install/upgrade Signaling Server software only.
<c> - To copy IP Phone firmware only.
<d> - To copy Voice Gateway Media Card loadware only.
<e> - To perform basic Signaling Server configuration only.
<t> - To go to the Tools Menu.
<q> - Quit.
Enter Choice>
Card l/w, basic Signaling Server configuration).

Page 408 of 456 Installing a Signaling Server
NN43021-310 Standard 02.01 December 2007
The Dependency Lists installation screen appears (Figure 149).
Figure 149
Dependency lists installation
5Press <CR> or enter y to install the dependency lists. The Installation
Status Summary screen appears:
The Installation status screen appears (Figure 150 on page 409).

Page 410 of 456 Installing a Signaling Server
NN43021-310 Standard 02.01 December 2007
Figure 151
Installation output
Figure 152
Software installation success
CS 1000 Signaling Server Software Install Tool (sse-x.xx.xx)
=====================================================================
You have selected to install version x.xx.xx on the system. As
this is a new install, all necessary directories and files will
be created on the hard disk.
Starting new install of version x.xx.xx.
Initializing protected partition ...
“/p” initialized.
Creating directory ... (many directories are created here) ...
Copying ... (many files are copied here) ...
Boot ROM “/p/load/bootrom.bin” installed.
CS 1000 Signaling Server Software Install Tool (sse-x.xx.xx)
=====================================================================
Software version x.xx.xx was installed successfully.
All files were copied to the hard disk.

Installing a Signaling Server Page 411 of 456
Communication Server 1000M and Meridian 1 Large System Installation and Commissioning
Figure 153
IP Phone firmware
Figure 154
Voice Gateway Media Card loadware
7After the Signaling Server software and system components are installed,
the Restore IP configuration screen appears (Figure 155 on page 412).
CS 1000 Signaling Server Software Install Tool (sse-x.xx.xx)
=====================================================================
The installation source contains multiple Internet Telephone firmware
files.
Copying /cd0/0603Bxx.bin” to “/u/fw/0603Bxx.bin”.
Copying “/cd0/0602Bxx.bin” to “/u/fw/0602Bxx.bin”.
Copying “/cd0/0604Dxx.bin” to “/u/fw/0604Dxx.bin”.
CS 1000 Signaling Server Software Install Tool (sse-x.xx.xx)
=====================================================================
The installation source contains multiple Voice Gateway Media Card
loadware files.
Copying “/cd0/IPL4xxxx.p2” to “/u/fw/IPL4xxxx.p2”.
Copying “/cd0/IPL4xxxx.sa” to “/u/fw/IPL4xxxx.sa”.

Page 412 of 456 Installing a Signaling Server
NN43021-310 Standard 02.01 December 2007
Figure 155
Restore IP configuration
8Do one of the following:
• If you are migrating a Leader Signaling Server (see "Signaling Server
migration" in Signaling Server: Installation and Commissioning
(NN43001-312),insert the Removable Media Device (RMD) into the
appropriate drive, and press <CR> or enter a to restore the IP
configuration data. After the restore is complete, the following system
message appears:
Done copying IP configuration to disk
The IP Telephony parameter confirmation screen appears
(Figure 156 on page 413). Go to step 12 on page 438.

Installing a Signaling Server Page 413 of 456
Communication Server 1000M and Meridian 1 Large System Installation and Commissioning
Figure 156
IP telephony parameter confirmation
9If you are installing a new Signaling Server, or you are migrating a
Follower or Standalone Signaling Server (see "Signaling Server
migration" in Signaling Server: Installation and Commissioning
(NN43001-312)), select b to bypass the restoration of IP configuration
data. The Signaling Server role selection screen appears (Figure 157 on
page 414).

Page 414 of 456 Installing a Signaling Server
NN43021-310 Standard 02.01 December 2007
Figure 157
Signaling Server role selection
10 Configure the Signaling Server as Leader or Follower. See Figure 157 on
page 414.
• If there is already a Leader Signaling Server in the IP Telephony
node, enter b at the prompt to set this Signaling Server as Follower.
The Follower Signaling Server configuration screen appears
(Figure 158 on page 415). Go to step 10 on page 434.
Please select the role of this Signaling Server.
If this Signaling Server will be a Leader then its data networking
and IP Telephony parameters must be entered now. (This will pre-
configure the IP Telephony node files.)
If this Signaling Server will be a Follower then its data networking
and IP Telephony parameters must be configured through Element
Manager later.
Please enter:
<CR> -> <a> - Set this Signaling Server as a Leader.
<b> - Set this Signaling Server as a Follower.
<q> - Quit.
Enter Choice>
=====================================================================
CS 1000 Signaling Server Software Install Tool (sse-x.xx.xx)
Note: This step will over-write all existing configuration parameters
on this Signaling Server.

Installing a Signaling Server Page 415 of 456
Communication Server 1000M and Meridian 1 Large System Installation and Commissioning
Figure 158
Follower Signaling Server configuration
• If there is not already a Leader Signaling Server in the IP Telephony
node, or if the Signaling Server is to be a stand-alone Signaling
Server, enter a at the prompt to configure this Signaling Server as
Leader. The Application configuration screen appears (Figure 159 on
page 415).
Figure 159
Application configuration
CS 1000 Signaling Server Software Install Tool (sse-x.xx.xx)
======================================================================
=
This Follower Signaling Server will obtain its data network and IP
telephony configuration from the Leader Signaling Server at boot.
To identify this Signaling Server, please enter a Hostname.
Hostname : SS_Node276_Ldr
Please enter:
<CR> -> <a> - Co-resident (LTPS + VTRK + NRS).
<b> - Stand-alone (NRS only - no Call Server).
<q> - Quit.
Enter Choice>
=====================================================================
CS 1000 Signaling Server Software Install Tool (sse-x.xx.xx)
Please select the application configuration for this Signaling Server.

Page 416 of 456 Installing a Signaling Server
NN43021-310 Standard 02.01 December 2007
11 Configure the application configuration for this Signaling Server. See
Figure 159 on page 415.
• If the IP Phone TPS, Virtual Trunk TPS, and optional Network
Routing Service (NRS) applications are to be enabled on this
Signaling Server, enter a at the prompt to configure this Signaling
Server as a co-resident Signaling Server.
• If only the NRS is to be enabled on this Signaling Server:
— If this Signaling Server is to be associated with a Call Server,
enter a at the prompt to configure this Signaling Server as a
co-resident Signaling Server. After you have finished installing
the Signaling Server software, you can disable the Set TPS and
Virtual Trunk TPS in Element Manager (refer to Element
Manager: System Administration (NN43001-332)).
— If this Signaling Server is not to be associated with a Call Server,
enter b at the prompt to set this Signaling Server as a
stand-alone Signaling Server.
Depending on the application configuration selected, either the
NRS - Coresident Signaling Server screen or the NRS - Standalone Signaling
Server screen appears.
Figure 160
Network Routing Service (NRS) — co-resident Signaling Server
CS 1000 Signaling Server Software Install Tool (sse-x.xx.xx)
=====================================================================
Please select the Network Routing Service (NRS) configuration for this
Signaling Server.
Please enter:
<CR> -> <a> - H.323 Gatekeeper and SIP Redirect/Proxy Server.
<b> - H.323 Gatekeeper only.
<c> - SIP Redirect/Proxy Server only.
<d> - None.
Enter Choice>

Installing a Signaling Server Page 417 of 456
Communication Server 1000M and Meridian 1 Large System Installation and Commissioning
Figure 161
Network Routing Service (NRS) — stand-alone Signaling Server
12 Select the Network Routing Service (NRS) to be provided by this
Signaling Server. See Figure 160 on page 416 for a co-resident Signaling
Server or Figure 161 on page 417 for a stand-alone Signaling Server.
• Enter d if this Signaling Server is configured as a Coresident Leader
and is not providing an NRS. Go to step 13.
• Press <CR> or enter a if this Signaling Server is to provide an H.323
Gatekeeper and a SIP Redirect/Proxy Server.
• Enter b if this Signaling Server is to provide only an H.323
Gatekeeper.
• Enter c if this Signaling Server is to provide only a SIP Redirect/Proxy
Server.Refer to Network Routing Service Installation and
Commissioning (NN43001-564) for more information on the NRS.
Depending on the application configuration selected, either the NRS type:
Coresident Signaling Server screen or the NRS type: Standalone Signaling
Server screen appears.
CS 1000 Signaling Server Software Install Tool (sse-x.xx.xx)
=====================================================================
Please select the Network Routing Service (NRS) configuration for this
Signaling Server.
Please enter:
<CR> -> <a> - H.323 Gatekeeper and SIP Redirect/Proxy Server.
<b> - H.323 Gatekeeper only.
<c> - SIP Redirect/Proxy Server only.
Enter Choice>

Page 418 of 456 Installing a Signaling Server
NN43021-310 Standard 02.01 December 2007
Figure 162
NRS type — co-resident Signaling Server
Figure 163
NRS type — stand-alone Signaling Server
13 Select the type of NRS to be provided by this Signaling Server. See
Figure 162 for a co-resident Signaling Server.
• If this Signaling Server is to be the Primary NRS, enter a.
• If this Signaling Server is to be the Alternate NRS, enter b.
• If this Signaling Server is not a stand-alone Signaling Server and is
to be the Fail-safe NRS, enter c.
Refer to Network Routing Service Installation and Commissioning
(NN43001-564) for more information on the NRS.
CS 1000 Signaling Server Software Install Tool (sse-x.xx.xx)
=====================================================================
Please select the type of Network Routing Service (NRS) for this
Signaling Server.
Please enter:
<CR> -> <a> - Primary.
<b> - Alternate.
<c> - Failsafe.
Enter Choice>
CS 1000 Signaling Server Software Install Tool (sse-x.xx.xx)
=====================================================================
Please select the type of Network Routing Service (NRS) for this
Signaling Server.
Please enter:
<CR> -> <a> - Primary.
<b> - Alternate.
Enter Choice>

Installing a Signaling Server Page 419 of 456
Communication Server 1000M and Meridian 1 Large System Installation and Commissioning
Depending on whether the Signaling Server is configured as Leader or
Standalone, either the Leader Signaling Server configuration screen
(Figure 164) or the Standalone Signaling Server configuration screen
(Figure 165) appears.
Figure 164
Leader Signaling Server configuration
CS 1000 Signaling Server Software Install Tool (sse-x.xx.xx)
=====================================================================
Please enter the data networking and IP Telephony parameters for
this Leader Signaling Server.
Node ID : 276
Hostname : SS_Node276_Ldr
ELAN IP : 192.168.10.20
ELAN subnet mask: 255.255.255.0
ELAN gateway IP : 192.168.10.1
TLAN IP : 192.168.20.20
TLAN subnet mask: 255.255.255.0
TLAN gateway IP : 192.168.20.1
Node IP : 192.168.10.20
Call Server IP : 192.168.10.10

Page 420 of 456 Installing a Signaling Server
NN43021-310 Standard 02.01 December 2007
Figure 165
Stand-alone Signaling Server configuration
14 Enter the data networking and IP telephony parameters for the Signaling
Server, as prompted. The IP information applies to a temporary IP
Telephony node, to ensure that the existing node is not affected. The
entry of data networking and IP telephony parameters also preconfigures
the IP Telephony node files. After the Signaling Server software
installation, the node files are imported into Element Manager for further
configuration (see "Importing IP Telephony nodes" in Signaling Server:
Installation and Commissioning (NN43001-312)).
• If this is a Leader Signaling Server, enter the parameters for the
Node, ELAN network interface, TLAN network interface, and Call
Server as required.
— If installing the Signaling Server at an office that is not a branch
office, enter the ELAN network interface IP address of the Call
Server.
— If installing the Signaling Server at a branch office, enter the
ELAN network interface IP address of the MG 1000B Core.
• If this is a Follower Signaling Server, enter the Hostname of the
Leader Signaling Server. Then go to step 16 on page 423.
• If this is a stand-alone Signaling Server and not associated with a
Call Server (that is, b was selected in step 11 on page 416), enter the
CS 1000 Signaling Server Software Install Tool (sse-x.xx.xx)
=====================================================================
Please define the data networking parameters for this Standalone
Signaling Server. Note that the ELAN parameters are necessary for
Hostname : SS_SA
TLAN IP : 192.168.20.20
TLAN subnet mask: 255.255.255.0
TLAN gateway IP : 192.168.20.1
management access (e.g. SNMP).
ELAN IP : 192.168.10.20
ELAN subnet mask: 255.255.255.0
ELAN gateway IP : 192.168.10.1

Installing a Signaling Server Page 421 of 456
Communication Server 1000M and Meridian 1 Large System Installation and Commissioning
TLAN subnet parameters as required. The Call Server IP address is
automatically set to 0.0.0.0.
Depending on whether the Signaling Server is configured as Primary,
Alternate, or Standalone, either the Primary NRS IP address screen,
the Alternate NRS IP address screen, or both (in succession) appear.
Both screens appear in succession for a Standalone Signaling
Server.
Figure 166
Primary NRS IP address
Figure 167
Alternate NRS IP address
15 Enter the Primary NRS IP address or the Alternate NRS IP address,
depending on the option entered in step 12 on page 417 or step 13 on
page 418.
•If a was entered in step 13, you can enter the address of the Alternate
NRS if you know it, but it is not required. See.
•If b was entered in step 13, enter the address of the Primary NRS..
•If c was entered in step 13:
— Enter the address of the Primary NRS..
— Enter the address of the Alternate NRS.
•If d was entered in step 12:
CS 1000 Signaling Server Software Install Tool (sse-x.xx.xx)
=====================================================================
Please enter the Primary NRS IP Address:
Primary NRS IP :
CS 1000 Signaling Server Software Install Tool (sse-x.xx.xx)
=====================================================================
Please enter the Alternate NRS IP Address:
Alternate NRS IP :

Page 422 of 456 Installing a Signaling Server
NN43021-310 Standard 02.01 December 2007
— Enter the address of the Primary NRS (optional).
— If you did enter the address of the Primary NRS, enter the
address of the Alternate NRS (also optional).
The Gatekeeper configuration can be updated later using Element
Manager.
The IP Telephony parameter confirmation screen appears (Figure 168).
Figure 168
IP Telephony parameter configuration
CS 1000 Signaling Server Software Install Tool (sse-x.xx.xx)
=====================================================================
You have entered the following parameters for this Leader
Signaling Server:
Node ID : 276
Hostname : SS_Node276_Ldr
ELAN IP : 192.168.20.100
ELAN subnet mask: 255.255.255.0
ELAN gateway IP : 192.168.10.1
TLAN IP : 192.168.20.20
TLAN subnet mask: 255.255.255.0
TLAN gateway IP : 192.168.20.1
Node IP : 192.168.20.100
Call Server IP : 192.168.10.10
NRS configuration: Alternate GK + SIP
Primary NRS IP : 192.168.20.10
Alternate NRS IP : 192.168.20.24
Please enter:
<CR> -> <y> - Yes, these parameters are correct.
<n> - No, these parameters are not correct.
Enter Choice>

Installing a Signaling Server Page 423 of 456
Communication Server 1000M and Meridian 1 Large System Installation and Commissioning
16 Enter <CR> or y to confirm the parameters.
The example in Figure 168 on page 422 is for a Leader Signaling Server
configured with an Alternate H.323 and SIP NRS. The confirmation
screens for a Follower and stand-alone Signaling Server are similar,
showing the same list of parameters, specifically:
• The configuration screen for the Follower Signaling Server displays
only the value for the Hostname parameter; all other values are
blank.
• The configuration screen for the stand-alone Signaling Server
displays values for the Hostname, ELAN network interface, TLAN
network interface, and NRS parameters. The Node ID field is set to
0. The Call Server IP field is set to 0.0.0.0.
After you confirm the IP configuration, the following system messages
appear:
For future reference, the ELAN MAC address is:
“00:02:b3:c5:5l:c6”.
Wrote config file "/u/config/bootp.tab".
Wrote config file "/boot/nvram.sys".
Wrote config file "/u/config/config.ini".
Wrote config file "/u/config/nrsconf.xml".
Note: You must configure the ELAN network interface MAC address for
the newly installed Signaling Server in the Element Manager node
configuration web page.
17 To complete the installation, the Installation Status Summary screen
appears as shown in Figure 169 on page 424.

Installing a Signaling Server Page 425 of 456
Communication Server 1000M and Meridian 1 Large System Installation and Commissioning
Figure 170
Install Tool Main Menu
Figure 171
Quit
CS 1000 Signaling Server Software Install Tool (sse-x.xx.xx)
=====================================================================
M A I N M E N U
The Install Tool will install Signaling Server software and related
files. You will be prompted throughout the installation.
Please enter:
<CR> -> <a> - To perform a complete installation/upgrade (Signaling
Server s/w, IP Phone f/w, Voice Gateway Media
<b> - To install/upgrade Signaling Server software only.
<c> - To copy IP Phone firmware only.
<d> - To copy Voice Gateway Media Card loadware only.
<e> - To perform basic Signaling Server configuration only.
<t> - To go to the Tools Menu.
<q> - Quit.
Enter Choice>
Card l/w, basic Signaling Server configuration).
CS 1000 Signaling Server Software Install Tool (sse-x.xx.xx)
=====================================================================
You have selected to quit the Install Tool.
Before quitting and rebooting the system, remove all disks (floppy,
CDROM) from the drives.
Please enter:
<CR> -> <m> - Return to previous menu.
<q> - Quit and reboot the system.
Enter Choice> q

Page 426 of 456 Installing a Signaling Server
NN43021-310 Standard 02.01 December 2007
19 Remove the Signaling Server Software CD or the Signaling Server
Software CF Card (as appropriate) from the RMD drive of the Signaling
Server and enter q to close/terminate the Installation Tool and reboot the
system. The following system messages appear:
Removing temporary file "/u/disk.sys".
Rebooting system ....
End of Procedure
First boot of a new Nortel CP PM Signaling Server
Nortel CP PM Signaling Servers have CS 1000 Release 5.5 software,
applications, operating system, and web files preloaded on the hard drive
when they are shipped. On the first boot of a Nortel CP PM Signaling Server,
the Signaling Server Software Installation Tool prompts you to enter basic
system configuration parameters.
Before you begin
Before booting the new Nortel CP PM Signaling Server for the first time and
entering basic system configuration parameters, you must perform the
following tasks:
• Install and connect the Signaling Server (refer to “Installing the CP PM
Signaling Server hardware” on page 387).
• Obtain the network and IP Telephony data for the Signaling Server from
your Planning and Engineering group:
– node ID for the IP Telephony node
– node IP address for the IP Telephony node
– hostname for the Signaling Server
– ELAN network interface IP address, Subnet mask, and
Gateway
– TLAN network interface IP address, Subnet mask, and
Gateway
– ELAN network interface IP address of the Call Server

Installing a Signaling Server Page 427 of 456
Communication Server 1000M and Meridian 1 Large System Installation and Commissioning
– Primary and Alternate NRS IP addresses for this networked
system. Refer to IP Peer Networking: Installation and
Commissioning (NN43001-313)
– NRS role, if applicable. Refer to IP Peer Networking:
Installation and Commissioning (NN43001-313)
Entering basic system parameters
Procedure 79
Entering basic system configuration parameters
1Press the RST button on the faceplate of the CP PM Signaling Server.
This cold-reboots the Signaling Server and triggers the Install Tool on the
hard drive (see Figure 172)
Figure 172
Install Tool banner screen
CS 1000 Signaling Server Software Install Tool (sse-x.xx.xx)
=====================================================================
#####
######### ########
########`` `#############
######## `` `#############
#######` ######```####
####### ######`` `### NORTEL NETWORKS
####### #####`` ####
####### #####` #### Communication Server 1000 Software
`#########` ####`
#######` ##### Copyright 2002 – 2006
`####### #####’
########## `###`
##``########## #
## `########################
`# `########################
###########################``
````````` ````####````
Please press <CR> when ready ... <CR>

Page 428 of 456 Installing a Signaling Server
NN43021-310 Standard 02.01 December 2007
2Press <CR> to continue with the configuration. The Restore IP
configuration screen appears (Figure 173).
Figure 173
Restore IP configuration
3Enter b at the prompt to bypass the restore of IP configuration data. The
CP PM board location screen appears (Figure 174).
Figure 174
CP PM board location

Installing a Signaling Server Page 429 of 456
Communication Server 1000M and Meridian 1 Large System Installation and Commissioning
4Enter the location (loop and shelf) of the IPMG board.
Note: If the IPMG has not been configured yet, the loop and shelf
information can be left at the current value. The IPMG board location can
be updated using OAM shell commands after the Signaling Server is
configured.
5The Leader/Follower configuration screen appears (Figure 175).
Figure 175
Leader/Follower Signaling Server configuration
6Configure the Signaling Server as a Leader or Follower. If there is already
a Leader Signaling Server in the IP Telephony node, enter b at the prompt
to configure this Signaling Server as Follower. The Follower Signaling
Server configuration screen appears (Figure 176). Go to step 15 on
page 421.
Please select the role of this Signaling Server.
If this Signaling Server will be a Leader then its data networking
and IP Telephony parameters must be entered now. (This will pre-
configure the IP Telephony node files.)
If this Signaling Server will be a Follower then its data networking
and IP Telephony parameters must be configured through Element
Manager later.
Please enter:
<CR> -> <a> - Set this Signaling Server as a Leader.
<b> - Set this Signaling Server as a Follower.
<q> - Quit.
Enter Choice>
=====================================================================
CS 1000 Signaling Server Software Install Tool (sse-x.xx.xx)
Note: This step will over-write all existing configuration parameters
on this Signaling Server.

Page 430 of 456 Installing a Signaling Server
NN43021-310 Standard 02.01 December 2007
Figure 176
Follower Signaling Server configuration
7If there is not a Leader Signaling Server in the IP Telephony node already,
or if the Signaling Server is to be a stand-alone Signaling Server, press
<CR> or enter a at the prompt to configure this Signaling Server as
Leader.
CS 1000 Signaling Server Software Install Tool (sse-x.xx.xx)
======================================================================
=
This Follower Signaling Server will obtain its data network and IP
telephony configuration from the Leader Signaling Server at boot.
To identify this Signaling Server, please enter a Hostname.
Hostname : SS_Node276_Ldr

Installing a Signaling Server Page 431 of 456
Communication Server 1000M and Meridian 1 Large System Installation and Commissioning
8Configure the application configuration for this Signaling Server. See
Figure 177.
• If you are planning on enabling the IP Phone TPS, Virtual Trunk TPS,
and optional Network Routing Service (NRS) applications on this
Signaling Server, enter a at the prompt to configure this Signaling
Server as a co-resident Signaling Server.
• If you are planning on enabling only the NRS on this Signaling
Server:
— If this Signaling Server is to be associated with a Call Server,
enter a at the prompt to configure this Signaling Server as a
co-resident Signaling Server. After you finished installing the
Signaling Server software, you can disable the IP Phone TPS
and Virtual Trunk TPS in Element Manager (refer to Element
Manager: System Administration (NN43001-332)).
— If this Signaling Server is not to be associated with a Call Server,
enter b at the prompt to set this Signaling Server as a
Standalone Signaling Server - NRS.
Figure 177
Application configuration
Depending on the application configuration selected, either the
NRS type: co-resident Signaling Server screen (Figure 178 on page 432)
or the NRS type: standalone Signaling Server screen (Figure 179 on
page 432) appears.
Please enter:
<CR> -> <a> - Co-resident (LTPS + VTRK + NRS).
<b> - Stand-alone (NRS only - no Call Server).
<q> - Quit.
Enter Choice>
=====================================================================
CS 1000 Signaling Server Software Install Tool (sse-x.xx.xx)
Please select the application configuration for this Signaling Server.

Page 432 of 456 Installing a Signaling Server
NN43021-310 Standard 02.01 December 2007
Figure 178
Standalone Signaling Server - NRS
Figure 179
NRS type — co-resident Signaling Server
9Select the type of NRS to be provided by this Signaling Server. See
Figure 179 for a co-resident Signaling Server. See Figure 178 for a
stand-alone Signaling Server.
• If this Signaling Server is to be the Primary NRS, enter a.
• If this Signaling Server is to be the Alternate NRS, enter b.
• If this Signaling Server is not a stand-alone Signaling Server and is
to be the Fail-safe NRS, enter c.
Refer to IP Peer Networking: Installation and Commissioning (NN43001-313)
for more information on the NRS.
CS 1000 Signaling Server Software Install Tool (sse-x.xx.xx)
=====================================================================
Please select the Network Routing Service (NRS) configuration for this
Signaling Server.
Please enter:
<CR> -> <a> - H.323 Gatekeeper and SIP Redirect/Proxy Server.
<b> - H.323 Gatekeeper only.
<c> - SIP Redirect/Proxy Server only.
Enter Choice>
CS 1000 Signaling Server Software Install Tool (sse-x.xx.xx)
=====================================================================
Please select the type of Network Routing Service (NRS) for this
Signaling Server.
Please enter:
<CR> -> <a> - Primary.
<b> - Alternate.
<c> - Failsafe.
Enter Choice>

Installing a Signaling Server Page 433 of 456
Communication Server 1000M and Meridian 1 Large System Installation and Commissioning
Depending on whether the Signaling Server is configured as Leader,
Follower or Stand-alone, the Leader Signaling Server configuration
screen (Figure 180), the Follower Signaling Server configuration screen
(Figure 181) or the Stand-alone Signaling Server configuration screen
(Figure 182) appears.
Figure 180
Leader Signaling Server configuration
Figure 181
Follower Signaling Server configuration
CS 1000 Signaling Server Software Install Tool (sse-x.xx.xx)
=====================================================================
Please enter the data networking and IP Telephony parameters for
this Leader Signaling Server.
Node ID : 276
Hostname : SS_Node276_Ldr
ELAN IP : 192.168.10.20
ELAN subnet mask: 255.255.255.0
ELAN gateway IP : 192.168.10.1
TLAN IP : 192.168.20.20
TLAN subnet mask: 255.255.255.0
TLAN gateway IP : 192.168.20.1
Node IP : 192.168.10.20
Call Server IP : 192.168.10.10
CS 1000 Signaling Server Software Install Tool (sse-x.xx.xx)
======================================================================
=
This Follower Signaling Server will obtain its data network and IP
telephony configuration from the Leader Signaling Server at boot.
To identify this Signaling Server, please enter a Hostname.
Hostname : SS_Node276_Ldr

Page 434 of 456 Installing a Signaling Server
NN43021-310 Standard 02.01 December 2007
Figure 182
Stand-alone Signaling Server configuration
10 Enter the data networking and IP telephony parameters for the Signaling
Server, as prompted.
• If this is a Leader Signaling Server, enter the parameters for the
Node, ELAN network interface, TLAN network interface, and Call
Server as required. See Figure 164 on page 419. For the Call Server:
— If installing the Signaling Server at an office that is not a branch
office, enter the ELAN network interface IP address of the Call
Server.
— If installing the Signaling Server at a branch office, enter the
ELAN network interface IP address of the MG 1000B Core.
• If this is a Follower Signaling Server, enter the Hostname of the
Leader Signaling Server. The IP telephony parameter configuration
screen appears (Figure 183 on page 435).
CS 1000 Signaling Server Software Install Tool (sse-x.xx.xx)
=====================================================================
Please define the data networking parameters for this Standalone
Signaling Server. Note that the ELAN parameters are necessary for
Hostname : SS_SA
TLAN IP : 192.168.20.20
TLAN subnet mask: 255.255.255.0
TLAN gateway IP : 192.168.20.1
management access (e.g. SNMP).
ELAN IP : 192.168.10.20
ELAN subnet mask: 255.255.255.0
ELAN gateway IP : 192.168.10.1

Installing a Signaling Server Page 435 of 456
Communication Server 1000M and Meridian 1 Large System Installation and Commissioning
Figure 183
IP Telephony parameter configuration
• Proceed to step 16 on page 423.
• If this is a stand-alone Signaling Server and not associated with a
Call Server (that is, b was selected in step 11 on page 416), enter the
TLAN subnet parameters as required. The Call Server IP address is
automatically set to 0.0.0.0.
The IP information applies to a temporary IP Telephony node. This
ensures that the existing node is not impacted. This also preconfigures
the IP Telephony node files. In Signaling Server: Installation and
Commissioning (NN43001-312), the node files are imported to Element
Manager for further configuration.

Page 436 of 456 Installing a Signaling Server
NN43021-310 Standard 02.01 December 2007
Depending on whether the Signaling Server is configured as Primary,
Alternate or Stand-alone, the Primary NRS IP address screen (Figure
184), the Alternate NRS IP address screen (Figure 185), or both in
succession (for a Stand-alone Signaling Server) appear.
Figure 184
Primary NRS IP address
Figure 185
Alternate NRS IP address
11 Enter the Primary NRS IP address or the Alternate NRS IP address,
depending on the option entered in step 12 on page 417 or step 13 on
page 418.
•If a was entered in step 13, you can enter the address of the Alternate
NRS if you know it, but it is not required. See Figure 167 on
page 421.
•If b was entered in step 13, enter the address of the Primary NRS.
See Figure 166 on page 421.
•If c was entered in step 13:
— Enter the address of the Primary NRS. See Figure 166.
— Enter the address of the Alternate NRS. See Figure 167.
•If d was entered in step 12:
— Enter the address of the Primary NRS (optional).
CS 1000 Signaling Server Software Install Tool (sse-x.xx.xx)
=====================================================================
Please enter the Primary NRS IP Address:
Primary NRS IP :
CS 1000 Signaling Server Software Install Tool (sse-x.xx.xx)
=====================================================================
Please enter the Alternate NRS IP Address:
Alternate NRS IP :

Installing a Signaling Server Page 437 of 456
Communication Server 1000M and Meridian 1 Large System Installation and Commissioning
— If you did enter the address of the Primary NRS, enter the
address of the Alternate NRS (also optional).
The Gatekeeper configuration can be updated later using Element
Manager. The IP telephony parameter configuration screen appears
(Figure 186).
Figure 186
IP Telephony parameter configuration

Page 438 of 456 Installing a Signaling Server
NN43021-310 Standard 02.01 December 2007
12 Press <CR> or enter y to confirm all parameters entered, n to re-enter all
parameters, or a letter a through l to change the value of the
corresponding system parameter. The configuration screens for a
Follower and Standalone Signaling Server - NRS are similar, showing the
same list of parameters, specifically:
• The screen for the Follower Signaling Server displays only the value
for the Hostname parameter; all other values are blank.
• The screen for the stand-alone Signaling Server displays values for
the Hostname, ELAN network interface, TLAN network interface, and
NRS parameters. The Node ID field is set to 0. The Call Server IP
field is set to 0.0.0.0.
The following message is displayed:
For future reference, the ELAN MAC address is:
"00:02:b3:c5:5l:c6".
Note: The ELAN network interface MAC address must be configured in
the Element Manager node configuration web page.
The Install Tool Main Menu screen appears (Figure 187):

Page 440 of 456 Installing a Signaling Server
NN43021-310 Standard 02.01 December 2007
Figure 188
Installation Tool quit confirmation
14 Enter q to close/terminate the Installation Tool and reboot the Signaling
Server.
End of Procedure
Adding a follower Signaling Server
After configuration and reboot, a Follower Signaling Server sends out
BOOTP requests and waits for a response. Since the Follower Signaling
Server is not yet configured in an IP Telephony node, there is no BOOTP
response. Do not wait for this response. Complete Procedure 80, “Adding a
Follower Signaling Server to an IP Telephony node,” on page 441 .

Installing a Signaling Server Page 441 of 456
Communication Server 1000M and Meridian 1 Large System Installation and Commissioning
Procedure 80
Adding a Follower Signaling Server to an IP Telephony node
Note: The first time the Follower Signaling Server is installed, it cannot
obtain the system login and password, and does not have the current
CONFIG.INI file with the Call Server IP address, therefore the FTP fails.
In subsequent Follower installations, FTP succeeds.
1Open the Web browser.
2Enter the Signaling Server Node IP address in the Address Bar of the
browser window and press Enter on the keyboard.
Note: The ELAN network interface IP address can be required, instead
of the Node IP address, to access the Element Manager login Web page
in secure environments.
3The Element Manager Login Web page opens.
a. Enter a valid User ID and Password combination.
— A valid User Id and Password combination is one that is defined
on the Call Server.
The IP Address of the Call Server appears in the Call Server IP
Address field.
b. Click Login.
The System Overview Web page appears.
4Select IP Network > Nodes: Servers, Media Cards from the navigator.
The Node Configuration web page opens, as shown in Figure 189.

Installing a Signaling Server Page 443 of 456
Communication Server 1000M and Meridian 1 Large System Installation and Commissioning
Figure 190
Edit web page
6Click Add next to Signaling Servers.The section expands to show a list of
Signaling Servers and a blank template for entering Signaling Server
xxx.xxx.xxx.xxx properties, as shown in Figure 191.

Page 444 of 456 Installing a Signaling Server
NN43021-310 Standard 02.01 December 2007
Figure 191
Signaling Server properties template
7Enter the information corresponding to the Follower Signaling Server. The
Role field will automatically revert to Follower once the Follower Signaling
Server has been added.

Installing a Signaling Server Page 445 of 456
Communication Server 1000M and Meridian 1 Large System Installation and Commissioning
8Click Save and Transfer to transfer the updated IP Telephony node
information to the other elements of the node. Refer to Transferring IP
Telephony files, and IP Line: Description, Installation, and Operation
(NN43001-500) for detailed instructions on transferring IP Telephony
node information.
End of Procedure
Unpacking Help files for Virtual Terminal Emulator
Help files for the Virtual Terminal Emulator (VTE) component of Element
Manager are copied to the Signaling Server as compressed files during
installation of the Signaling Server software.
Unpacking the Help files is optional. However, they can be unpacked at any
time after the Signaling Server software is installed. To unpack the files, refer
to Signaling Server: Installation and Commissioning (NN43001-312).
Refer to Element Manager: System Administration (NN43001-632) for more
information on Element Manager and the Virtual Terminal Emulator.
Logging in to the Signaling Server
Use Procedure 81 on page 446 to log in to the vxWorksTM shell to access the
Signaling Server from a maintenance terminal.
IMPORTANT!
Unpacking the Help files takes approximately 20 to 30 minutes. Nortel
recommends that you unpack the files during a service outage.

Page 446 of 456 Installing a Signaling Server
NN43021-310 Standard 02.01 December 2007
Procedure 81
Logging in to the Signaling Server
Before you begin, make sure the DTE–DTE null modem cable (supplied with
the Signaling Server) runs between the serial port on the back of the Signaling
Server and the maintenance terminal.
1Make sure the Signaling Server is powered up and connected to the
maintenance terminal. Refer to Signaling Server: Installation and
Commissioning (NN43001-312).
The Signaling Server must boot successfully before the user can log in.
2Press <CR> to invoke the login prompt.
3Enter the login credentials by doing one of the following:.
• If the Signaling Server has connected to the Call Server (the startup
messages indicate if the PBX link is up), use the PWD1 login to
access the Signaling Server.
• If the Signaling Server is not connected to the Call Server:
a. Enter the default Signaling Server Command Line Interface
(CLI) login admin.
b. Enter the Signaling Server Command Line Interface (CLI)
password.
• If this Signaling Server has just been installed and you are
logging in for the first time, enter the default password
cseadmin.
The system immediately prompts you to change the default
password.
• If this is not the first login to the Signaling Server, enter the
appropriate password.
If you have forgotten the password, reset it from the Tools
Menu (see Signaling Server: Installation and
Commissioning (NN43001-312)).
End of Procedure
To log out of the Signaling Server, enter exit at the command line.

Installing a Signaling Server Page 447 of 456
Communication Server 1000M and Meridian 1 Large System Installation and Commissioning
Verifying a successful configuration
To ensure that the Signaling Server Ethernet connections (for the ELAN and
TLAN subnets) are configured correctly, perform a ping test to one or more
of the other devices connected to the network, particularly the Call Server.
Procedure 82
Verifying the Signaling Server Ethernet connection
1Log in to the Signaling Server, using Procedure 81 on page 446.
2Ping the IP address of the Signaling Server. Enter the command:
ping x.x.x.x
Where x.x.x.x is the Signaling Server ELAN network interface IP
address.
3Ping the IP address of the Call Server. Enter the command:
ping x.x.x.x,3
Where x.x.x.x is the Call Server ELAN network interface IP address.
4If desired, repeat step 3 for other devices connected to the network.
End of Procedure
Testing the Leader Signaling Server
Configure two IP Phones to register to the Signaling Server on its temporary
node. These IP Phones must be provisioned on the Call Server. Refer to
Communication Server 1000E: Installation and Commissioning
(NN43041-310), Communication Server 1000M and Meridian 1:
Large System Installation and Commissioning (NN43021-310), or
Communication Server 1000M and Meridian 1: Small System Installation
and Configuration (NN43011-310) for the procedure appropriate to the
system. After provisioning, the telephones can call each other.

Page 448 of 456 Installing a Signaling Server
NN43021-310 Standard 02.01 December 2007

Page 449 of 456
Communication Server 1000M and Meridian 1 Large System Installation and Commissioning
Index
Numerics
500/2500-type telephones, 149
A
A0367916 Auxiliary –48V Power Supplies, 145,
148
A0377992 ABCD-Switches
system terminal connections, 173
A0377992 Black Box ABCDE-Switches
modem connections, 184
system terminal connections, 177
ABCDE-Switches
system terminal connections, 173
AC (alternating current) power systems
safety ground/protective earth and logic return
wiring, 78
UPS ground cabling, 85
acceptance tests
blower units, 337
module power supplies, 335
PFTU, 341
sysload, 339
system terminal and system monitor, 340
thermal sensors, 337
alarms
PFTU connections, 146
system monitor cabling, 161
anchor bolts
floor drilling for, 347
anchor kit selection, 345, 346
anchor plate installation, 349
antistatic bags, 59
automatic ground start, 149
auxiliary –48V power supplies, 145, 148
B
backplanes
cable expansion, 138
connectors, 261
I/O panel connections, 262, 263
superloop cabling, 257
battery power, 152
baud rates
system monitor, 153
BELLCORE specification, 344
Black Box ABCDE-Switches
modem connections, 184
system terminal connections, 177
blower units
acceptance tests, 337
bracing rods, 351, 355
BSD messages in acceptance tests
module power supply, 336
bypass switches
UPS, 85

Page 450 of 456 Index
NN43021-310 Standard 02.01 December 2007
C
cables and cabling
fourth modules, 68
lines and trunks, 261
module additions, 368, 369, 371, 379, 380
network loops, 239
PFTU, 148
routing guidelines, 54
superloops, 252
system monitors, 157
cable tray kits, 89
cabling
system monitor, 157
CALIFORNIA OSHPD specification, 344
call back modems, 179
Candeo DC power systems, 93
captive screws, 63
card allocations
Krone cross connect system, 138
casters, 71
CC (clock controller) cards
superloop cabling, 252, 256, 257
CE/PE (Common Equipment/Peripheral Equipment
line pair-termination tables, 267
CE/PE (Common Equipment/Peripheral
Equipment)
backplane slots, 138
trunk pair-termination tables, 267
circuit breakers
DC power, 118, 121
module additions, 365, 368, 370, 374, 382
circuit cards, 59
column height recommendations for modules, 53
columns, 38
adding modules to, 363
fourth modules on, 65
module additions, 374
configuring
system monitors, 151
connectors, 261
covers, module, 62
CP (call processing) cards
sysloads, 339
system terminal connections, 172
CPIO ports
modem connections, 179, 182, 183, 185, 186
system terminal connections, 174, 175, 177
CP PIV, 48
CPU modules
placement as bottom modules, 53
cross-connecting wire, 266
CS 1000M MG, 45
CS 1000M SG, 45
D
DC (direct current) power systems, 93
safety ground/protective earth and logic return
wiring, 109, 123
DCE (data communication equipment), 173
DC power, 152
dispatch modems, 179
DTE (data terminal equipment), 173
E
E&M trunk cards
pair-terminations, 270
earthquake bracing, 343
anchor plate installation, 349
floor drilling, 347
kit selection, 345
positioning and leveling, 357
rod installation, 351, 355
EMI shielding, 57
module additions, 367
superloop cards, 252, 256
equipment room floor plans, 62
external alarm cabling, 161

Index Page 451 of 456
Communication Server 1000M and Meridian 1 Large System Installation and Commissioning
F
field wiring kits and terminals
PDU connections, 121
floor drilling for anchor bolts, 347
floor plans, 62
fourth modules, 65
G
gaskets
bracing rod installation, 356
spacer kits, 72
GFCI (ground fault circuit interrupt) devices, 77
global PDU, 94
grills, 63
ground/protective earth
AC power, 78, 82
DC power, 109, 123
UPS, 85
ground start feature, 149
I
IG (isolated ground) bus, 78
IG-L6-30 receptacles, 77
installing
QUA6 PFTU (UK), 150
insulated ground wire, 124
I/O panels
backplane connections, 262, 263
IPE module connections, 265
superloop cabling, 257, 259, 260
system terminal connections, 171
IPE modules
backplane slots, 138
cable connections, 261, 265
line pair-termination tables, 267
placement, 54
superloop cabling, 252, 256
trunk pair-termination tables, 267, 269
K
Krone cross connect system (UK), 138
L
L6-20 receptacles, 77
L6-30 receptacles, 77
labels
Krone cross connect system, 140
ladder racks, 89
LD 37 program
module additions, 365, 368, 370, 373, 374, 382
system terminal tests, 340
LED (light-emitting diodes)
blower unit acceptance tests, 337
power supply acceptance tests, 336
sysload acceptance tests, 339
leveling
earthquake bracing, 357
equipment, 71
lines
cabling, 261
connecting, 266
pair-termination tables, 266
terminal numbers, 266
line transfer switches, 341
locking latches, 63
logic return wiring
AC power, 78, 82
DC power, 109
LRE (logic return equalizers), 79, 84
M
master switch settings, system monitor, 154
MDF (modular distribution frames), 133
backplane cable expansion, 138
I/O panel connections, 263
PFTU cross-connections, 148
PFTU terminations, 146
system monitor cabling, 161

Page 452 of 456 Index
NN43021-310 Standard 02.01 December 2007
Measurement, 66
Meridian 1 Option 61C, 45
Meridian 1 Option 81C, 45
Meridian 1 systems
upgrading, 53
MFA150 Modular Power Systems, 93, 95
modems, 171
connections, 179, 181, 183, 185, 186
modular power systems, 93
modules
adding between modules, 370
adding to columns, 363
adding to column top, 374
column height recommendations, 53
covers, 62
in columns, 38
power supplies, 336
mounting bolts
fourth modules, 65
module additions, 366, 367, 371, 378, 379
multiple column systems
ground and logic return distribution, 80
multiple-column systems
bracing rod installation, 356
ground and logic return distribution, 83, 123
spacer kits, 40, 72
system monitor cabling, 160
system monitor option switches, 153
multiple-row systems
superloop cabling, 256
N
NE-A25B cable
I/O panel connections, 264
PFTU connections, 148
network loops, 239
network modules
cabling to another network module, 239
placement, 54
NT4N89AA, 193, 218
NT6D504 LRE, 79
NT6D66 Call Processing Cards
sysloads, 339
system terminal connections, 172
NT7D0902 Rear Mount Conduit Kit, 122
NT7D09CA Pedestals, module additions, 366
NT7D09 Pedestals, 118
NT7D67CB PDU
equipment layout, 121
power to, 125
safety ground, 122
NT8D01 Controller Cards cabling, 252, 256
NT8D04 Superloop Network Cards
cabling, 252, 259, 260
loop configurations, 254
multiple-row connections, 256
single-row connections, 252
NT8D1107 Superloop Adapter Plates, 256
NT8D11 CE/PE Modules
line pair-termination tables, 266
trunk pair-termination tables, 266
NT8D13 PE Modules
line pair-termination tables, 266
trunk pair-termination tables, 266
NT8D14 Universal Trunk Cards
pair-terminations, 269
NT8D15 E&M Trunk Cards
pair-terminations, 270
NT8D22 System Monitor, cabling, 157
NT8D22 System Monitors
cabling, 157
module additions, 365, 370, 374
NT8D35 Network Module
cabling to another network module, 239
NT8D37BA IPE Modules, 261, 265
NT8D37EC IPE Modules, 261, 265

Index Page 453 of 456
Communication Server 1000M and Meridian 1 Large System Installation and Commissioning
NT8D37 IPE Modules
backplane slots, 138
cable connections, 262, 265
line pair-termination tables, 266
superloop cabling, 252, 256
trunk pair-termination tables, 266, 269
NT8D46AD cable, 159
NT8D46AJ cable, 163
NT8D46AL cable, 160
NT8D46AP cable, 160
NT8D46AQ cable, 163
NT8D46AS cable, 159
NT8D46AU cable, 163
NT8D46AV cable, 164, 165
NT8D46BH cable, 162
NT8D46BV cable, 164
NT8D46 cable, 182, 183
NT8D46CV cable, 164
NT8D46DH cable, 162
NT8D46EH cable, 162
NT8D49AA Spacer Kits, 356, 357
NT8D49 Spacer Kits, 72
NT8D52 Blower Units, 337
NT8D63 Overhead Cable Tray Kits, 89
NT8D64BD seismic bracing kits, 345
NT8D64BE seismic anchor kits, 346
NT8D64CA seismic bracing kits, 345
NT8D64CB seismic bracing kits, 345
NT8D64CC seismic bracing kits, 345
NT8D64CD seismic bracing kits, 345
NT8D64CE seismic bracing kits, 346
NT8D84 cable, 184
NT8D88AD cable, 257
NT8D91 cable, 253
NT8D92 cable, 257
NT8D95 cable
modem cabling, 182, 184
system terminal cabling, 174, 175, 177
NT8D98 cable, 257
NT9D19 Call Processing Card, 172
O
option 21A, 77
option 61
system terminals, 172
option 71
system terminals, 172
option switches
system monitor, 153
Overhead Cable Tray Kits, 89
OVL messages, 340
P
P069985 Top Cap Cable Egress Panel, 89
pair-termination tables, 266
PDU (power distribution unit), 94
equipment layout, 121
power to, 125
safety ground, 122
system monitor cabling, 157
PE (Peripheral Equipment)
trunk pair-termination tables, 267
PE (Peripheral Equipment) modules
line pair-termination tables, 267
pedestals, 38
grills, 63
module additions, 365, 366
power, 118
PFTU (power fail transfer unit), 145
acceptance tests, 341
alarm connections, 146
system monitor cabling, 161
trunk and telephone connections, 149

Page 454 of 456 Index
NN43021-310 Standard 02.01 December 2007
positioning
earthquake bracing, 357
equipment, 71
positioning guides
fourth modules, 66
module additions, 372, 378
power cables
fourth modules, 68
module additions, 368, 369, 371, 379, 380
power cords, 82
power systems, 59, 93
power-up
preparations, 299
PWR messages in acceptance tests
module power supply, 336
R
ramps, 58
receptacles, 77
ringing generators
acceptance tests, 336
rod installation
earthquake bracing, 351, 355
RS-232 cable
modem cabling, 181, 183
S
safety ground/protective earth
AC power, 78, 82
DC power, 109, 123
SDI (serial data interface) ports
modem connections, 179, 181, 183, 185, 186
system monitor interface, 153, 158
system terminal connections, 171
seismic anchor kits, 345, 346
seismic bracing kits, 345
Signaling Server, 45
single-column systems
bracing rod installation, 355
ground and logic return distribution, 79, 83,
123
system monitor option switches, 153
single-row systems
superloop cabling, 252, 255
slave switch settings
system monitor, 154
spacers and spacer kits, 40
bracing rod installation, 356, 357
multiple-column systems, 72
SPG (single-point ground), 78
split mode monitoring, 172, 173
static discharge, 59
superloop adapter plates, 256
superloop cabling, 252
switch boxes
modem connections, 183, 185, 186
system terminal connections, 175, 177
sysloads
acceptance tests, 339
System 600/48 Power Plant
PDU connections, 125
system installation procedures, 33
system monitors
acceptance tests, 340
cabling, 157
configuring, 151
for DC power, 121
fourth modules, 68
module additions, 365, 368, 369, 370, 371,
374, 379, 380
system monitors, cabling, 151, 157
system terminals, 171
acceptance tests, 340
connections, 172
CPIO port connections, 174, 175, 177

Index Page 455 of 456
Communication Server 1000M and Meridian 1 Large System Installation and Commissioning
T
telephones, PFTU connections, 149
tests
blower units, 337
module power supplies, 336
PFTU, 341
sysload, 339
system terminal and system monitor, 340
thermal sensors, 337
thermal sensors
acceptance tests, 337
TN (terminal number), 266
top cap cable egress panels, 89
top caps, 38
bracing rod installation, 351, 353
fourth modules, 65
grills, 89
module additions, 375, 377
top of columns, adding modules to, 374
trunks
cabling, 261
connecting, 266
pair-termination tables, 266, 269
PFTU connections, 149
terminal numbers, 266
U
universal trunk cards
pair-terminations, 269
unloading equipment, 58
upgrading, 53
UPS (uninterruptible power supplies)
ground cabling, 85
system monitor cabling, 163, 164
UPS (uninterruptible power supply) units, 152
V
V.42 modem standard, 179
W
wire gauge requirements
DC power, 120
wrist straps, 59
X
XMI messages, 336

Page 456 of 456 Index
NN43021-310 Standard 02.01 December 2007

Family Product Manual Contacts Copyright FCC notice Trademarks Document
number Product release Document release Date Publish
Nortel Communication Server 1000
Communication Server 1000M
and Meridian 1
Large System Installation and
Commissioning
Copyright © 2007 Nortel Networks. All rights reserved.
LEGAL NOTICE While the information in this document is
believed to be accurate and reliable, except as otherwise
expressly agreed to in writing. NORTEL PROVIDES THIS
DOCUMENT "AS IS" WITHOUT WARRANTY OR
CONDITION OF ANY KIND, EITHER EXPRESS OR IMPLIED.
The information and/or products described in this document
are subject to change without notice.
Nortel, Nortel (Logo), the Globemark, SL-1, Meridian 1, and
Succession are trademarks of Nortel Networks. All other
trademarks are the property of their respective owners.
To provide feedback or report a problem in this document, go
to www.nortel.com/documentfeedback.
Publication number: NN43021-310
Document release: Standard 02.01
Date: December 2007
Sourced in Canada




