Northstar Navigation Explorer Ap380 Users Manual AP380_MN_IN_ITA
AP380 to the manual c0b5da08-03b7-46cb-a0f2-0deb78fec9bf
2015-02-05
: Northstar-Navigation Northstar-Navigation-Explorer-Ap380-Users-Manual-495812 northstar-navigation-explorer-ap380-users-manual-495812 northstar-navigation pdf
Open the PDF directly: View PDF
.
Page Count: 34

www.northstarnav.com
Explorer AP380
Autopilot
Installation Manual

Sistema Explorer AP380 Manuale d’installazione Northstar 3
Indice
1 Introduzione ..........................................................................................................................................5
1-1Una installazione tipica del sistema Explorer AP380 . . . . . . . . . . . . . . . . . . . . . . . . . . . . . . . 5
1-2 Uso del sistema Explorer AP380 con altri strumenti . . . . . . . . . . . . . . . . . . . . . . . . . . . . . . . 6
1-2-1 Uso di altri strumenti . . . . . . . . . . . . . . . . . . . . . . . . . . . . . . . . . . . . . . . . . . . . . . . . . . . . . . . . . . . . 6
1-2-2 NavBus . . . . . . . . . . . . . . . . . . . . . . . . . . . . . . . . . . . . . . . . . . . . . . . . . . . . . . . . . . . . . . . . . . . . . . . . . 6
1-2-3 NMEA . . . . . . . . . . . . . . . . . . . . . . . . . . . . . . . . . . . . . . . . . . . . . . . . . . . . . . . . . . . . . . . . . . . . . . . . . . . 6
2 Explorer AP380 hardware del sistema ....................................................................................................8
2-1 Cosa viene fornito insieme al sistema Explorer AP380 . . . . . . . . . . . . . . . . . . . . . . . . . . . . . . . . 8
2-2 Altri componenti richiesti . . . . . . . . . . . . . . . . . . . . . . . . . . . . . . . . . . . . . . . . . . . . . . . . . . . . . . . . . 8
3 Installazione ..........................................................................................................................................9
3-1 Sequenza di installazione . . . . . . . . . . . . . . . . . . . . . . . . . . . . . . . . . . . . . . . . . . . . . . . . . . . . . . . . . 9
3-2 Guida all’installazione . . . . . . . . . . . . . . . . . . . . . . . . . . . . . . . . . . . . . . . . . . . . . . . . . . . . . . . . . . .10
3-2-1 Guida al posizionamento . . . . . . . . . . . . . . . . . . . . . . . . . . . . . . . . . . . . . . . . . . . . . . . . . . . . . .10
3-2-2 Guida al cablaggio . . . . . . . . . . . . . . . . . . . . . . . . . . . . . . . . . . . . . . . . . . . . . . . . . . . . . . . . . . . . 10
3-3 Installazione della centralina MCU600 (Centralina principale di comando) . . . . . . . 11
3-4 Installazione delle linee di alimentazione e guida di governo . . . . . . . . . . . . . . . . . . . . 12
3-4-1 Installazione delle sorgenti di alimentazione . . . . . . . . . . . . . . . . . . . . . . . . . . . . . . . . . . 12
3-4-2 Installazione della guida di governo . . . . . . . . . . . . . . . . . . . . . . . . . . . . . . . . . . . . . . . . . . . 13
3-5 Installazione della RFU (unità di retroazione del timone) . . . . . . . . . . . . . . . . . . . . . . . . . 17
3-6 Installazione della bussola . . . . . . . . . . . . . . . . . . . . . . . . . . . . . . . . . . . . . . . . . . . . . . . . . . . . . .20
3-7 Installazione del giroscopio . . . . . . . . . . . . . . . . . . . . . . . . . . . . . . . . . . . . . . . . . . . . . . . . . . . . . .22
3-8 Installazione del sistema Explorer AP380 con altri strumenti . . . . . . . . . . . . . . . . . . . . .23
4 Impostazione alla banchina ................................................................................................................. 27
4-1Avviare la configurazione lato banchina . . . . . . . . . . . . . . . . . . . . . . . . . . . . . . . . . . . . . . . . . .27
4-2 Taratura dell’unità di retroazione del timone . . . . . . . . . . . . . . . . . . . . . . . . . . . . . . . . . . . . .27
5 Collaudo in mare ..................................................................................................................................28
5-1 Taratura della bussola . . . . . . . . . . . . . . . . . . . . . . . . . . . . . . . . . . . . . . . . . . . . . . . . . . . . . . . . . .28
5-2 Allineamento della bussola e del timone . . . . . . . . . . . . . . . . . . . . . . . . . . . . . . . . . . . . . . . .28
5-2-1 Allineamento della bussola (Allineamento direzione) . . . . . . . . . . . . . . . . . . . . . . . . .28
5-2-2 Allineamento del timone (timone centrale) . . . . . . . . . . . . . . . . . . . . . . . . . . . . . . . . . . . .28
Appendice A - Specifiche tecniche - MCU600 ............................................................................................29
Appendice B - Specifiche - AP3380 Display ...............................................................................................30
Appendice C - Dati utente ........................................................................................................................ 31

4 Northstar Sistema Explorer AP380 Manuale d’installazione
È responsabilità esclusiva del proprietario installare e usare la strumentazione e il/i trasduttore/i
in modo da evitare incidenti, danni a persone o danni alle cose. L’utilizzatore di questo prodotto
è l’unico responsabile dell’osservanza delle norme di sicurezza nella navigazione.
La scelta, la posizione e installazione di tutti i componenti in qualsiasi sistema di G-PILOTaggio
automatico sono di importanza fondamentale. Se l’installazione non è corretta, l’unità non sarà
in grado di funzionare secondo le proprie potenzialità. In caso di dubbi, consultare il proprio
rivenditore Northstar. Assicurarsi che tutti i fori vengano praticati in posizioni sicure e non
vadano a indebolire la struttura dell’imbarcazione. Se in dubbio, consultare un fabbricante di
imbarcazioni.
Utilizzo del sistema Explorer AP380:
Il Explorer AP380 stato progettato per essere di aiuto al timoniere al fine di evitare di dovere
governare la barca per lunghi periodi di tempo, ma non come strumento principale di
governo dell’imbarcazione.
Il Explorer AP380 non deve essere utilizzato in condizioni climatiche estreme, in condizioni
avverse o in acqua in prossimità di altre barche, in acque pericolose o su terra.
Il Explorer AP380 non può controllare l’imbarcazione meglio di un timoniere. In condizioni
avverse governare l’imbarcazione manualmente.
Non lasciare mai il timone incustodito. Tenerlo costantemente sotto controllo. Il timoniere
dovrebbe sempre monitorare la rotta dell’imbarcazione e il Explorer AP380 ed essere pronto
a riprendere il governo manuale della barca.
Le prestazioni del Explorer AP380 possono essere compromesse dal guasto di un
componente, condizioni ambientali e installazione o uso impropri
BRUNSWICK NEW TECHNOLOGIES INC NON ACCETTA ALCUNA RESPONSABILITA’ DERIVANTE
DALL’USO DI QUESTO PRODOTTO CHE POSSA CAUSARE INCIDENTI, DANNI O CHE POSSA
VIOLARE LA LEGGE.
Poiché Northstar migliora costantemente questo prodotto, essa si riserva il diritto di apportarvi
in qualsiasi momento modifiche che possono non essere riportate in questa versione del
manuale. Contattare la sede Northstar più vicina in caso si necessiti di ulteriore assistenza.
Lingua di riferimento: la presente dichiarazione, i manuali d’istruzione, le guide utente e altre
informazioni relative a questo prodotto (Documentazione) possono essere tradotti in, o essere
stati tradotti da un altra lingua (Traduzione). Nel caso di discrepanze tra qualsiasi traduzione
della documentazione, la versione in lingua inglese della documentazione verrà ritenuta la
versione ufficiale della documentazione.
Diritti di riproduzione © 2005 BRUNSWICK NEW TECHNOLOGIES INC, Nuova Zelanda. Con riserva
di tutti i diritti. Northstar è un marchio registrato di BRUNSWICK NEW TECHNOLOGIES INC.
Importante

Sistema Explorer AP380 Manuale d’installazione Northstar 5
eseguire nuovamente le procedure di collaudo
in cantiere e in mare (vedere le sezioni 4 e 5).
Per verificare il corretto funzionamento del
sistema Explorer AP380, eseguire collaudi a
mare (vedere la sezione 5).
Pulizia e manutenzione
Pulire i componenti del sistema Explorer AP380
con un panno umido o liquido detergente
delicato. Evitare l’uso di detergenti abrasivi,
benzina o altri solventi.
Non verniciare alcun componente del sistema
Explorer AP380 eccetto i cavi.
1 Introduzione
Come usare questo manuale
Questo manuale descrive come usare e
configurare il Explorer AP380. Per informazioni
relative all’uso dell’unità di display Explorer
AP380, consultare il manuale di Explorer AP380
Manuale d’uso fornito separatamente.
Per installare un sistema Explorer AP380, è
necessario eseguire l’installazione, procedure
di collaudo in cantiere e in mare (vedere le
sezioni 3, 4 e 5).
Per completare l’installazione del sistema
Explorer AP380 dopo avere effettuato delle
modifiche o se si sospetta un problema,
Barra manuale
GPS
NMEA
VELOCITÀ
VENTO
Unità di
display
Servizio leggero
Servizio pesante
12V CC
Alimentazione
Giroscopio
Bussola
MCU600
NavBus
Guida frizione
(opzionale)
Componenti forniti assieme al sistema
Explorer AP380
Altri componenti richiesti
Componenti opzionali
Unità di
retroazione
del timone
Timone
Interruttore di accensione o
interruttori e
protezione
dell’alimentazione
Timone
controllo
Chiave
1-1Una installazione tipica del sistema Explorer AP380
Strumenti opzionali
Nota: La figura precedente mostra
solo un’installazione tipica. Per
ulteriori informazioni consultare la
documentazione fornita in dotazi-
one al proprio sistema di governo.
Ulteriori
unità di
display
Guida di
governo

6 Northstar Sistema Explorer AP380 Manuale d’installazione
1-2 Uso del sistema Explorer AP380 con altri strumenti
1-2-1 Uso di altri strumenti
Il sistema Explorer AP380 è in grado di
utilizzare i dati provenienti da questi altri
strumenti:
GPS: un GPS o plotter cartografico quale gli
strumenti della serie Northstar Explorer 500
deve essere connesso al sistema Explorer
AP380 affinché il G-PILOT possa operare
nella modalità GPS (vedere manuale d’uso del
Explorer AP380 ).
Nota: GPS deve essere tramite l’ingresso
NMEA.
VENTO: uno strumento per il controllo
del vento, quale gli strumenti della serie
Northstar WIND deve essere connesso al
sistema Explorer AP380 affinché il G-PILOT
possa operare nella modalità VENTO
(vedere il manuale d’uso del Explorer AP380 ).
VELOCITÀ: uno strumento di misurazione
della velocità, quale:
lo strumento SPEED della Northstar,
dotato di sensore di velocità per la
ruota a pale
o un GPS o plotter cartografico.
quale gli strumenti Northstar della
serie Explorer 500 o Explorer 600
possono essere collegati al sistema
Explorer AP380 per aumentare la
precisione di governo della barca.
Nota: la velocità rilevata dal sensore
della ruota a pale è la velocità con cui
l’imbarcazione si sta movendo sull’acqua. La
velocità rilevata da uno strumento GPS è la
velocità su terra. In presenza di una corrente
d’acqua queste due velocità saranno diverse.
Quando il sistema Explorer AP380 è connesso
a uno strumento fornito di sensore sulla ruota
a pale e a un GPS, il sistema Explorer AP380
userà automaticamente la velocità rilevata
dallo strumento sensore della ruota a pale.
1-2-2 NavBus
NavBus è un sistema proprietario Northstar
che permette di costruire sistemi composti
da più strumenti usando una singola serie
di trasduttori. Quando gli strumenti sono
connessi tramite NavBus:
Se si modificano unità, allarmi o taratura
in uno strumento, i valori vengono
automaticamente modificati anche negli
altri strumenti dello stesso tipo.
Ciascuno strumento può essere assegnato
a un gruppo di strumenti, chiamato
gruppo Navbus (vedere gruppo NavBus
nel menu Configurazione > Comunicazione,
nel manuale d’uso Explorer AP380). Se si
modifica la retroilluminazione di uno
strumento nel gruppo 1, 2, 3 o 4 allora la
retroilluminazione viene automaticamente
modificata negli altri strumenti dello stesso
gruppo. Se si modifica la retroilluminazione
di uno strumento nel gruppo 0 allora
nessun altro strumento viene modificato.
Se suona un allarme, spegnerlo su qualsiasi
strumento che possa visualizzare l’allarme
in questione.
Per maggiori dettagli controllate il manuale di
installazione e funzionamento NavBus 6600.
Nota: GPS deve essere tramite l’ingresso NMEA.
NavBus e il sistema Explorer AP380
Il sistema Explorer AP380 funzionerà
automaticamente con display Explorer
AP380 addizionali o display.
Il sistema Explorer AP380 può ricevere dati
relativi al vento dallo strumento WIND della
Northstar tramite NavBus.
Il sistema Explorer AP380 può ricevere dati
relativi alla velocità dallo strumento SPEED
della Northstar tramite NavBus.
1-2-3 NMEA
NMEA è uno standard industriale, ma non ha
la flessibilità di NavBus e richiede connessioni
dedicate tra gli strumenti. Il sistema Explorer
AP380 dispone di una porta di ingresso NMEA
e una porta che può essere configurata come
porta di ingresso o di uscita (vedere il manuale
d’uso Explorer AP380).

Sistema Explorer AP380 Manuale d’installazione Northstar 7
Ingressi NMEA del sistema Explorer AP380.
GPS: Il sistema Explorer AP380 può ricevere
dati GPS NMEA da un plotter cartografico
o GPS compatibile, quale la serie di plotter
cartografici Northstar Explorer 500:
XTE (da messaggi APA, APB o XTE ) è
richiesto affinché il sistema Explorer AP380
possa utilizzare la modalità GPS
BRG (da messaggi APA ) e BOD (da
messaggi APA o APB) sono opzionali e
migliorano il rendimento
COG (da messaggi VTG ) è opzionale e può
essere visualizzato.
VENTO: Il sistema Explorer AP380 può ricevere
i dati relativi al vento da uno strumento
compatibile per la misurazione del vento:
La direzione reale o apparente del vento
(da messaggi MWV) è richiesta affinché
il sistema Explorer AP380 sia in grado di
usare la modalità Vento.
VELOCITÀ: Il sistema Explorer AP380 può
ricevere i dati NMEA relativi alla velocità da uno
strumento GPS o ruota a pale compatibile:
SOG (da messaggi VTG ) è opzionale e
migliora le prestazioni.
Nota: se il sistema Explorer AP380 è connesso
allo strumento per la misurazione del vento o della
velocità della seria Northstar tramite NavBus, allora il
sistema Explorer AP380 riceverà automaticamente
i dati relativi al vento o velocità, e la connessione
NMEA non necessita di connessione.
Uscite NMEA del sistema Explorer AP380.
La porta NMEA 2 può essere configurata come
porta di ingresso o uscita:
con l’intestazione (HDG & HDT) e angolo
timone (RSA) a una volta al secondo
o l’intestazione (HDG) a dieci volte al
secondo
(vedere Modalità NMEA nel menu
Configurazione > Comunicazione, vedere il
manuale d’uso Explorer AP380).

8 Northstar Sistema Explorer AP380 Manuale d’installazione
2 Explorer AP380 hardware del sistema
MCU600 (centralina principale di
comando)
Giroscopio con 10 m
(33 ft) di cavo attaccato
Copertura protettiva
per l’unità di display
Unità di display Explorer
AP380
Bussola, con 10 m
(33 ft) di cavo attaccato
doppino intrecciato2
mm (#14) per il cablag-
gio ad alta corrente
RFU - Unità di retroazione del timone
2-1 Cosa viene fornito insieme al sistema Explorer AP380
Documentazione
• Garanzia
• Sagoma per montaggio unità di display
• Questo manuale d’installazione
• Manuale d’uso
hardware aggiuntivo
• hardware per montaggio
• Coperchio cavi
• Pressacavo
• Fusibili di ricambio
2-2 Altri componenti richiesti
Alimentazione: il sistema Explorer AP380
richiede due alimentazioni, entrambi con
potenza nominale di 12 V CC:
Un alimentazione per servizio pesante per
la guida di governo
Una di servizio leggero per l’elettronica del
sistema Explorer AP380 e unità di display;
questa alimentazione fornisce inoltre forza
ad eventuali unità di display supplementari
e altri strumenti.
Queste fonti di alimentazione richiedono
uno o due interruttori e fusibili o interruttori
automatici (vedere la sezione 3-4).
Guida di governo: Il sistema Explorer AP380
può alimentare una pompa idraulica, un
gruppo pompa a ciclo continuo, una guida
lineare idraulica o guida meccanica ad una
corrente nominale di 12 V CC e fino a 20 A.
Articolazioni timone: per il collegamento
del timone all’unità di retroazione del timone
(vedere la sezione 3-5).
Per il cablaggio, vedere Tabella selezione
conduttori alla sezione 3-4-2.

Sistema Explorer AP380 Manuale d’installazione Northstar 9
La sequenza consigliata di installazione è:
1 Leggere attentamente il manuale e la
documentazione fornita in dotazione agli
altri componenti.
2 Progettare l’installazione selezionando
la posizione di equipaggiamento e cavi
(vedere la sezione 3-2)
3 Installare il dispositivo MCU600 (vedere la
sezione 3-3).
4 Installare la guida di governo e collegare
i fili delle alimentazioni per il servizio
pesante e leggero (vedere la sezione 3-4).
5 Installare l’unità di retroazione del timone
(vedere la sezione3-5).
6 Installare la bussola (vedere la sezione 3-6).
3 Installazione
3-1 Sequenza di installazione
Avvertenza: una installazione corretta è
fondamentale per il rendimento dell’unità. È
di importanza vitale leggere attentamente
il manuale e la documentazione fornita in
dotazione agli altri componenti, prima di
iniziare l’installazione.
Avviso:
L’unità MCU600 non è impermeabile.
Montare l’unità in un punto asciutto.
L’unità di display del sistema Explorer
AP380 è impermeabile.
La bussola, giroscopio e unità
di retroazione del timone sono
completamente impermeabili
Avvertenza: accertarsi che i fori che dovranno
essere praticati non indeboliscano la struttura
dell’imbarcazione. Se in dubbio, consultare un
fabbricante di imbarcazioni.
7 Installare il giroscopio
(vedere la sezione 3-7).
8 Installare l’unità di display e gli altri
strumenti marini che verranno usati
insieme al sistema Explorer AP380 (vedere
la sezione 3-8).
9 Eseguire le impostazioni di banchina
(vedere la sezione 4).
10 Eseguire i collaudi in mare (vedere la
sezione 5).
Se non si è sicuri della posizione in cui debba
essere installato un componente, eseguire un
montaggio e collegamento dei fili temporaneo,
senza praticare ancora fori nello scafo. Una
volta completati i collaudi in mare installare e
collegare in modo permanente il componente.
Segnalatori acustici esterni o luci
(opzionale): l’uscita esterna è commutata
a massa, 30 V CC e 250 mA massimo. Se
i segnalatori acustici e luci richiedono
complessivamente più di 250 mA, montare
un relè.
Altri strumenti marini (opzionale): possono
essere collegati strumenti per il vento, la
velocità o GPS (vedere la sezione 1-2).
Altri componenti: nei sistemi con più
strumenti, sono richiesti cablaggi e connettori.
Le cassette di giunzione Northstar possono
semplificare il collegamento di vari strumenti
Northstar insieme (vedere la sezione 1-2 o il
Manuale di installazione e uso NavBus ).
Sono disponibili giunti connettori e prolunghe
di 10 m (33 ft) per prolungare i cavi dell’unità
di retroazione del timone, della bussola o del
giroscopio. Non montare più di una prolunga
per unità.
Per ulteriori informazioni rivolgersi al proprio
concessionario Northstar.

10 Northstar Sistema Explorer AP380 Manuale d’installazione
3-2 Guida all’installazione
Questa è una guida generale per posizionare e cablare i vari componenti del sistema. Le istruzioni
relative a particolari pezzi possono richiedere requisiti supplementari.
3-2-1 Guida al posizionamento
Non montare alcun pezzo che possa essere
usato in mano, in un punto possa interferire
con il funzionamento dell’imbarcazione o
dove possa essere sommerso dall’acqua.
Non montare alcun pezzo dove possa
interferire con le operazioni di messa in
acqua e recupero dell’
imbarcazione.
Non montare alcun pezzo entro 0,5 m (20”)
del piano di un’antenna radar.
Montare bussola e giroscopio:
ad almeno 1 m (3 ft) di distanza da
sorgenti di segnali o interferenze
elettrici, quali batterie, cavi di alta
corrente, altri cavi dell’imbarcazione,
motori, luci fluorescenti, invertitori,
trasmettitori e antenne radio o radar..
ad almeno 1 m (3 ft) da attrezzature
contenenti calamite, quali bussole o
altoparlanti.
3-2-2 Guida al cablaggio
Il sistema Explorer AP380 dispone di due tipi
di cavi:
La sorgente di alimentazione per lavoro
pesante e guida di governo richiede
solitamente cavi ad alta corrente:
Selezionare lo spessore del filo dalla tabella
di dimensionamento dei fili (vedere la
sezione 3-4-2).
Montare i cavi ad alta corrente ad almeno
1 m (3 ft) di distanza da altri dispositivi
elettronici dell’
imbarcazione.
Tenere i cavi il più corti possibile..
Un cavo doppino da 2 mm (#14) viene
fornito con il sistema Explorer AP380 e può
essere utilizzato per il cavo di alta corrente
se lo spessore è adeguato.
Tutti gli altri cavi sono a bassa corrente:
Montare i cavi a bassa corrente ad almeno
1 m (3 ft) di distanza da sorgenti di segnali
o interferenze elettrici, quali batterie, cavi
di alta corrente, altri cavi dell’imbarcazione,
motori, luci fluorescenti, invertitori,
trasmettitori e antenne radio o radar..
Se il cavo per l’unità di retroazione del
timone, bussola o giroscopio è troppo
lungo, non accorciare il cavo; invece fare
una matassa vicino alla centralina di
comando.
Il cavo per l’unità di retroazione del timone,
bussola o giroscopio può essere prolungato
aggiungendo un cavo di prolunga di 10
m (33 ft) e connettore di raccordo. Non
montare più di una prolunga per unità.
Quando si monta qualsiasi tipo di cavo:
Non schiacciare, pizzicare o sforzare il cavo.
Fissare il cavo a intervalli regolari.
Assicurarsi che non vi siano connettori o
terminali esposti nella sentina.

Sistema Explorer AP380 Manuale d’installazione Northstar 11
3-3 Installazione della centralina MCU600 (Centralina principale di comando)
Fisiche
IMPORTANTE: è
richiesta una luce di 200
mm (7,87”) per poter
rimuovere il coperchio
Installazione
Individuare una posizione adeguata per l’unità:
In un luogo asciutto e fresco; se possibile non nel vano motore.
Nelle vicinanze dell’alimentazione a forte intensità di corrente e guida di governo, per ridurre la
lunghezza del cablaggio della corrente.
Accessibile all’installazione e manutenzione.
Se possibile su un pannello verticale libero da vibrazioni.
Seguire la guida alla localizzazione (vedere la sezione 3-2-1).
Montare l’unità con i connettori volti verso il fondo o su un lato, usando le viti fornite in dotazione.
Non montare l’unità con i connettori volti verso l’alto, poiché polvere o umidità potrebbero penetrare
nell’unità.
200 mm, (7,87”)
IMPORTANTE: è richiesta uno spazio libero di
60mm (2,36”) per i cavi
200 mm (7,87”)
140 mm (5,10”)
60 mm (2,36”)
Viti 90 mm (3,54”) a parte
Fori per viti 184 mm (7,24”) a parte
55 mm,
(2,16”)
12
3
1RFU
2Giroscopio
3Bussola
/Sensore di
direzione

12 Northstar Sistema Explorer AP380 Manuale d’installazione
3-4 Installazione delle linee di alimentazione e guida di governo
3-4-1 Installazione delle sorgenti di alimentazione
Il sistema MCU 600 richiede un’alimentazione per servizio leggero e
intermittente e una per servizio pesante, ambedue a 12 V CC.
Nota:
Tenere tutto il complesso delle linee il più corto possibile.
Nell’alimentazione per servizio pesante usare il dimensionamento dei
cavi fornito nella tabella (vedere la sezione 3-4-2).
Attenersi alla guida al cablaggio (vedere la sezione 3-2-2).
1 2 3 4 5 6 7 8
Montare il pressacavo
Coperchio del
connettore
Alimentazione
per servizio
leggero
Alimen-
tazione per
servizio
pesante
Fusibile 1 A
Alimentazione 12
V CC, corrente per
soddisfare la
guida
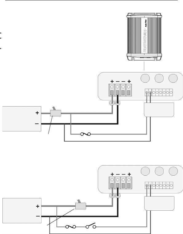
Alimentazione: configurazione interruttore
singolo
Scegliere questa configurazione se si desidera che sia
un interruttore ad accendere e spegnere il sistema
Explorer AP380 e qualsiasi altro strumento collegato
L’interruttore automatico o
fusibile e interruttore con corrente
nominale adatta alla guida di
G-PILOTaggio
Alimentazione: configurazione a
interruttore doppio
Scegliere questa configurazione per poter spegnere
il motore lasciando allo stesso momento tutti gli altri
strumenti in funzione.
Montare il pressacavo
Coperchio del
connettore
Interruttore
Alimen-
tazione per
servizio
pesante
Fusibile 1 A Alimen-
tazione per
servizio
leggero
Nota: se si deve alimentare più di tre unità di display supplementari o altre serie di strumenti,
montare un altro interruttore e fusibile per l’alimentazione del servizio leggero per questi strumenti
supplementari
Alimentazione 12
V CC, corrente per
soddisfare la
guida
L’interruttore automatico o
fusibile e interruttore con
corrente nominale adatta
alla guida di G-PILOTaggio
MCU600
1 2 3 4 5 6 7 8

Sistema Explorer AP380 Manuale d’installazione Northstar 13
3-4-2 Installazione della guida di governo
Installare la guida di governo secondo uno dei diagrammi riportati sulle pagine seguenti.
Nota
Tenere tutto il complesso delle linee il più corto possibile.
Usare la dimensione di filo fornita nella tabella seguente.
Attenersi alla guida per il cablaggio (vedere la sezione 3-2-2).
Un cavo dalle dimensioni inferiore a #10 non potrà essere inserito direttamente nella morsettiera a 4
vie. Montare le bussole o eseguire nuovamente la terminazione del filo con un fila dal diametro #10.
Se si desidera inserire più di un filo nel morsetto della morsettiera a quattro vie, collegare i fili in modo
adeguato.
Tabella delle dimensioni dei conduttori
Per selezionare il calibro per i conduttori per un’installazione:
1 Misurare la lunghezza del doppino richiesto, vale a dire la distanza dalla centralina di comando
all’alimentazione per lavoro pesante, o all’unità di guida.
2 Selezionare al colonna in cui è riportata la lunghezza del conduttore e la riga con il circuito di
corrente. L’intersezione della riga e della colonna riporta il calibro (minimo) preferito per il
conduttore per una caduta inferiore a 3% di tensione in un sistema a 12 volt.
Lunghezza del conduttore (dalla centralina di comando all’alimentazione o all’unità di guida)
2,5 ft
0,7 m
5 ft
1,5 m
7,5 ft
2,2 m
10 ft
3 m
12,5 ft
3,7 m
15 ft
4,5 m
17,5 ft
5,2 m
20 ft
6 m
Corrente
1 amp #18
0,75 mm
#18
0,75 mm
#18
0,75 mm
#18
0,75 mm
#18
0,75 mm
#18
0,75 mm
#18
0,75 mm
#18
0,75 mm
2 amp #18
0,75 mm
#18
0,75 mm
#18
0,75 mm
#18
0,75 mm
#18
0,75 mm
#16
1,5 mm
#16
1,5 mm
#16
1,5 mm
3 amp #18
0,75 mm
#18
0,75 mm
#18
0,75 mm
#16
1,5 mm
#16
1,5 mm
#16
1,5 mm
#14
2,5 mm
#14
2,5 mm
4 amp #18
0,75 mm
#18
0,75 mm
#16
1,5 mm
#16
1,5 mm
#14
2,5 mm
#14
2,5 mm
#14
2,5 mm
#12
4 mm
5 amp #18
0,75 mm
#16
1,5 mm
#16
1,5 mm
#14
2,5 mm
#14
2,5 mm
#12
4 mm
#12
4 mm
#12
4 mm
6 amp #18
0,75 mm
#16
1,5 mm
#16
1,5 mm
#14
2,5 mm
#12
4 mm
#12
4 mm
#12
4 mm
#10
6 mm
7 amp #18
0,75 mm
#16
1,5 mm
#14
2,5 mm
#14
2,5 mm
#12
4 mm
#12
4 mm
#10
6 mm
#10
6 mm
8 amp #18
0,75 mm
#16
1,5 mm
#14
2,5 mm
#12
4 mm
#12
4 mm
#10
6 mm
#10
6 mm
#10
6 mm
9 amp #18
0,75 mm
#16
1,5 mm
#14
2,5 mm
#12
4 mm
#12
4 mm
#10
6 mm
#10
6 mm
#10
6 mm
10 amp #18
0,75 mm
#14
2,5 mm
#12
4 mm
#12
4 mm
#10
6 mm
#10
6 mm
#10
6 mm
#8
10 mm
15 amp #16
1,5 mm
#12
4 mm
#12
4 mm
#10
6 mm
#10
6 mm
#8
10 mm
#8
10 mm
#6
16 mm
20 amp #14
2,5 mm
#12
4 mm
#10
6 mm
#8
10 mm
#8
10 mm
#6
16 mm
#6
16 mm
#6
16 mm

14 Northstar Sistema Explorer AP380 Manuale d’installazione
Montare il pressacavo
La polarità del cablaggio
non è importante.
Motore
MCU600
Esempio di governo idraulico con una pompa ausiliare idraulica.
Nel menu Configurazione > Imbarcazione ( vedere il manuale d’uso Explorer AP380), impostare Tipo di
governo su Motore.
Esempio di imbarcazioni a motore a governo meccanico con guida lineare idraulica per
barca a vela
Nel menu Configurazione > Imbarcazione ( vedere il manuale d’uso Explorer AP380), impostare Tipo di
governo su Motore.
Motore
Bobina
relè
frizione
1N4002 diodo o equivalente
Montare vicino alla bobina del relè
Coperchio del
connettore
Nessuna connessione
MCU600
Alimentazione lavoro pesante
(vedere la sezione 3-4-1).
Montare il pressacavo
La polarità del cablag-
gio non è importante.
Alimentazione lavoro pesante
(vedere la sezione 3-4-1).
Nota: la bobina relè della frizione deve
assorbire meno di 300mA

Sistema Explorer AP380 Manuale d’installazione Northstar 15
Installazione di un motore elettrico con relè frizione
Nel menu Configurazione > Imbarcazione ( vedere il manuale d’uso Explorer AP380), impostare Tipo di
governo su Motore.
Installazione di una pompa a ciclo continuo e elettrovalvole.
Nel menu Configurazione > Imbarcazione ( vedere il manuale d’uso Explorer AP380), impostare Tipo di
governo su Massa bobina
Montare il pressacavo
La polarità del cablag-
gio non è importante.
Motore
MCU600
Bobina
frizione
1N4002 diodo o equivalente. Mon-
tare vicino alla bobina del relè
1N4002 diodo o equivalente
Montare vicino alla bobina del relè
Bobina relè
MCU600
1N4002 diodo o equivalente
Montare vicino alla bobina
del relè
Contatti relè
Bobina relè
Dritta
Sinistra
Motore
Montare il pressacavo
Alimentazione lavoro pesante
(vedere la sezione 3-4-1).
Alimentazione lavoro pesante (vedere
la sezione 3-4-1).
La polarità del
cablaggio non è importante.
Nota: per i sistemi
propulsore PTO non è
richiesto un motore.
Contatti relè
Nota: se il circuito frizione è superiore a
300mA sarà richiesto l’uso di un relè.
Nota: se il circuito frizione è
superiore a 300mA sarà richiesto
l’uso di un relè.
Coperchio del
connettore
Coperchio del
connettore

16 Northstar Sistema Explorer AP380 Manuale d’installazione
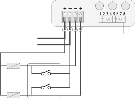
Installazione di elettrovalvole o relè con governo elettrico o ad avanzamento
a scatti
Nel menu Configurazione > Imbarcazione ( vedere il manuale d’uso Explorer AP380), impostare Tipo di
governo su Massa bobina
MCU600
Dritta
Sinistra
Montare il pressacavo
Nessuna connessione
Comandi avanzamento a
scatti/governo
Alimentazione lavoro pesante
(vedere la sezione 3-4-1).

Sistema Explorer AP380 Manuale d’installazione Northstar 17
3-5 Installazione della RFU (unità di retroazione del timone)
Fisiche
Cavo da 10 m (33 piedi)
Braccio
90 mm
(3,5”)
220 mm
(8,7”)
Base
Articolazione di
collegamento al
timone
Timone
albero
Il braccio ruota
liberamente intorno
alla base.
Connettore LT8
Queste due
distanze
devono essere
uguali.
Leva di rinvio, con giunti
rapidi e controdadi su
ciascuna estremità
L’estremità delle leve di
rinvio s’innesta in uno
dei fori del braccio.
Requisiti per il montaggio
Queste due
distanze
devono essere
uguali.
La base deve essere adiacente
all’albero del timone in modo
che l’angolo formato sia di 90°
L’albero del timone
deve essere paral-
lelo all’albero alla
base.
L’articolazione del
timone e il braccio
devono spostarsi
sullo stesso piano
Nota
L’unità è completamente impermeabile, ma non dovrebbe essere immersa.
Montare l’unità su un pannello verticale libero da vibrazioni.
Seguire la guida alla localizzazione (vedere la sezione 3-2-1).
Se richiesto regolare
la posizione della leva
sul braccio.
Tagliare la leva di
rinvio se necessario. Filettatura = M5

18 Northstar Sistema Explorer AP380 Manuale d’installazione
Allineamento
Il braccio è in grado di ruotare liberamente intorno alla base. Quando il timone si trova in mezzo alla
nave, la freccia sul braccio deve puntare a una delle linee centrali sulla base.
Linea centrale
Quindi in una installazione, la base può essere ruotata su due posizioni. Si raccomanda la posizione che
il cavo sul lato opposto della leva di rinvio.
Linea centrale
Serie di linee
indicano i due range
lineari dell’unità.
Base
Consigliato
(timone in mezzo alla
nave).
Disposizioni
Consigliato: disposizione a U con il braccio parallelo alla lunghezza dell’imbarcazione:
Soddisfacente: disposizione a U con
braccio non parallelo alla lunghezza
dell’imbarcazione, per esempio:
Non consigliato: disposizione a Z,
Per esempio:
Se il timone gira troppo, è probabile che l’unità non torni
alla forma a Z.
Prora
dell’imbarcazione
Prora
dell’imbarcazione
Non consigliato, il cavo può
interferire con le articolazioni
del timone.

Sistema Explorer AP380 Manuale d’installazione Northstar 19
Installazione
1 Individuare una posizione adeguata e disposizione per l’unità come descritto in precedenza.
2 Scegliere, assemblare e montare un’articolazione del timone adatta.
3 Montare l’unità come indicato di seguito:
Se necessario,
montare la base
su un blocco per
impostare l’altezza.
Impostare
il timone a
mezza nave.
Ruotare la base in modo che la
freccia sul braccio punti vicino alla
linea centrale della base. Inserire
le due viti fornite in dotazione
allentate in mezzo ai fori.
Ruotare la base in modo che
la freccia sul braccio punti
alla linea centrale della base.
Inserire la terza vite fornita e
stringere tutte le viti.
Connettere i giunti alle
articolazioni del timone. Innestare l’estremità
nel foro corretto del braccio.
Assicurarsi che
il timone sia a
mezza nave.
Se necessario, tagliare la leva di
rinvio a questa estremità, poi
sostituire il giunto e controdado..
4 Far tornare il cavo all’unità MCU600, seguendo le istruzioni della guida al cablaggio
(vedere la sezione 3-2-2).
Inserire il connettore nella presa RFU
I fori per il montaggio
incassato devono avere
un diametro di almeno
18,5 mm (0,73”).

20 Northstar Sistema Explorer AP380 Manuale d’installazione
3-6 Installazione della bussola
Fisiche 101 mm, (4”)
Fori di montaggio
per le viti
97 mm, (3,8”)
71 mm, (2,8”)
10 m (32,8 ft)
Connettore LT8
Posizione
Montare la bussola:
Ad almeno 1 m (3 ft) da componenti
di acciaio o ferro dell’imbarcazione, quali:
uno scafo d’acciaio, ponte, cabina o
rinforzi di acciaio in scafi di ferrocemento
attrezzature di acciaio quali attrezzature
del motore o di cucina
posti in cui gli oggetti di acciaio vengo-
no riposti, quali lo stivaggio dell’ancora e
luoghi di stivaggio generico
Ad almeno 2 m (6 ft) da attrezzature con
magneti e attrezzature che creano campi
elettromagnetici, quali bussole, batterie,
motori elettrici e antenna o trasmettitori
radio o radar.
Il più vicino possibile al centro del movi-
mento dell’imbarcazione, per minimizzare
il movimento della bussola con il rollio e
beccheggio dell’imbarcazione. Se la bussola
non può essere montata al centro del movi-
mento, è solitamente la scelta m migliore
montare la bussola nella posizione più bassa
possibile.
Su un pannello verticale libero da vibrazioni.
L’unità è completamente impermeabile, ma
non dovrebbe essere immersa. La bussola non
subisce l’influenza di altri metalli quali acciaio
inossidabile, rame o ottone. Seguire la guida
alla localizzazione (vedere la sezione 3-2-1).
Scafo e cabina di fibra di vetro o legno: montare la bussola al centro del movimento (per gli scafi
plananti il centro del movimento è solitamente vicino alla poppa):
Scafo di acciaio e cabina non di acciaio: mon-
tare la bussola a 1 m, (3 ft) sopra lo scafo:
Scafo di acciaio e cabina di acciaio: montare la
bussola su un asta 1 m (3 ft) sopra allo scafo e ad
almeno 1 m (3 ft) dalla cabina:
Almeno 1 m (3 ft)
1 m (3 ft) 1 m (3 ft)

Sistema Explorer AP380 Manuale d’installazione Northstar 21
Installazione
1 Individuare una posizione adeguata per l’unità come descritto in precedenza.
2 Montare l’unità con le tre viti fornite in dotazione. Usare una livella per assicurarsi che l’unità sia in
posizione verticale entro 10°.
Inferiore a
10° 10°
3 Far tornare il cavo all’unità MCU600, seguendo le istruzioni della guida al cablaggio
(vedere la sezione 3-2-2).
Inferiore a 10° 10°
MCU600
Inserire il connettore nella presa Bussola/HS
I fori per il montaggio
incassato devono avere
un diametro di almeno
18,5 mm (0,73 pollici).
Nota
Se si muove la bussola rispetto al giroscopio quando l’alimentazione è inserita, attendere finché la
direzione non si stabilizza.

22 Northstar Sistema Explorer AP380 Manuale d’installazione
3-7 Installazione del giroscopio
Fisiche
Fori di montaggio
per le viti
Connettore LT8
Posizione
Montare il giroscopio il più vicino possibile al centro del movimento dell’imbarcazione, per
minimizzare il movimento del giroscopio con il rollio e beccheggio dell’imbarcazione.
Montare il giroscopio su un pannello verticale libero da vibrazioni.
L’unità è completamente impermeabile, ma non dovrebbe essere immersa. Seguire la guida alla
localizzazione (vedere la sezione 3-2-1).
La posizione ideale è al centro del movimento (per gli scafi plananti il centro del movimento è solitamente
vicino alla poppa).
101 mm, (4”)
97 mm, (3,8”)
71 mm, (2,8”)
10 m (32,8 ft)

Sistema Explorer AP380 Manuale d’installazione Northstar 23
Installazione
1 Individuare una posizione adeguata per l’unità come descritto in precedenza.
2 Montare l’unità con le tre viti fornite in dotazione. Usare una livella per assicurarsi che l’unità sia in
posizione verticale entro 10°.
Inferiore a
10° 10°
3 Far tornare il cavo all’unità MCU600, seguendo le istruzioni della guida al cablaggio
(vedere la sezione 3-2-2).
Inferiore a
10° 10°
Inserire il connettore nella presa Giro
I fori per il montaggio incassato
devono avere un diametro di
almeno 18,5 mm (0,73”).
Nota
Se si muove il giroscopio rispetto alla bussola quando l’alimentazione è inserita, attendere finché
l’intestazione non si stabilizza.
3-8 Installazione del sistema Explorer AP380 con altri strumenti
Ci sono due disposizioni di montaggio:
Montaggio incassato richiede un pannello
solido con accesso posteriore per le viti di
montaggio e cablaggio. Una volta montato,
il display non può essere inclinato o spostato
dopo l’installazione per ridurre riverbero o
riflessi indesiderati. Selezionare con attenzione
la migliore posizione di visualizzazione prima
di procedere con l’installazione. Questo sarà
solitamente in una zona ombreggiata.
Istruzioni per il montaggio a incasso
1 Praticare un foro nella paratia per
alloggiare l’unità di display usando come
guida la sagoma per il montaggio a incasso.

24 Northstar Sistema Explorer AP380 Manuale d’installazione
• Non esposto all’acqua o alla luce diretta
del sole.
• Protetto da danni fisici durante
i passaggi in mare particolarmente difficile.
• Con facile accesso alla fonte di
alimentazione CC.
• Conveniente per la disposizione dei cavi del
trasduttore.
Istruzioni per il montaggio su staffa
1 Fissare la staffa di montaggio sulla barca
usando quattro viti di acciaio inossidabile.
2 Tenere l’unità di display in posizione sulla
staffa di montaggio. Inserire le manopole
della staffa di montaggio nell’unità di
display e avvitare le manopole senza
stringere.
3 Regolare l’inclinazione del display per
una visione ottimale, poi stringere
manualmente le manopole sulla staffa di
montaggio.
2 Praticare quattro fori per i prigionieri di
montaggio usando come guida la sagoma
per il montaggio a incasso.
3 Avvitare i quattro prigionieri negli inserti di
ottone sul retro dell’unità di display.
4 Mettere in posizione l’unità di display e
inserire le rondelle e dadi sui prigionieri.
Montaggio a staffa richiede un pannello per
montare la staffa. Assicurarsi che il pannello
non si possa deformare e non sia soggetto
a vibrazioni eccessive. La staffa può essere
inclinata e il display può essere rimosso dopo
ogni uso.
Selezionare una posizione in cui l’unità di display
sarà:
• Ad almeno 4” (100 mm) di distanza dalla
bussola.
• Ad almeno 12” (300 mm) di distanza dal
trasmettitore radio.
• Ad almeno 4 ft (1,2 m) di distanza da
qualsiasi antenna.
• facile da leggere e usare Se possibile
montare l’unità di display di fronte al
navigatore o alla destra del navigatore
poiché il pannello LCD è più facile da
leggere in queste posizioni.

Sistema Explorer AP380 Manuale d’installazione Northstar 25
Cablaggio dell’unità di display
MCU600
Unità di
display
Cavo unità di display, richiede un foro nella
paratia di 18 mm (0,7”).
Coperchio del
connettore
Uscita relè frizione: 8
NMEA 2: 7
NMEA in 1: 6
Compatibilità N.mi.EA: 5
NavBus -, Blu: 4
NavBus +, Arancione: 3
Massa, Nero: 2
alimentazione 12 V +, Rosso: 1
Segnalatori acustici e luci
opzionali per l’allarme esterno.
Se i segnalatori acustici e luci
richiedono complessivamente
più di 250 mA, montare un relè
esterno.
Connettore 8-vie
Verde
Alimentazione per servizio leg-
gero (vedere la sezione 3-4-1)
Nota
Connettere i conduttori di alimentazione dell’unità di display (fili rosso e nero) ai terminali connet-
tori a 8 vie 1 e 2 per assicurarsi che unità di display e unità centrale di comando abbiano la stessa
alimentazione dal circuito di alimentazione servizio leggero..
• Attenersi alla guida al cablaggio (vedere la sezione 3-2-2).
Giallo (isolare, non tagliare)
BIanco (isolare, non tagliare)
Inserire il cavo di alimentazione nella
presa Nera posta sul retro del display
Explorer AP380.

26 Northstar Sistema Explorer AP380 Manuale d’installazione
Cablaggio degli altri strumenti
MCU600
Unità di
display
addizionali Explorer
AP380 unità di display
Altre serie di
strumenti
Unità
Un GPS, come
ad esempio
Northstar
Explorer 567
Ingresso/Uscita
NMEA
NMEA
ingresso e
uscita
uscita GPS NMEA
comune GPS NMEA
Alimentazione,
NMEA ingresso
VerdeVerde
Segnali sonori e luci (vedere
la pagina precedente)
Verde (da solo una
unità di display)
Coperchio del
connettore
Nota:
Consultare il manuale per l’installazione dello strumento in questione per ulteriori informazioni circa il
cablaggio.
Quando si aggiungono più di tre unità di display o altre serie di strumenti, montare un’alimentazione
separata di lavoro leggero per gli strumenti supplementari (vedere la sezione 3-4 o il manuale di installazi-
one dello strumento)
Le uscite degli allarmi esterni (filo verde) degli strumenti delle serie Northstar e plotter cartografici della
serie 500 possono essere collegati insieme per comandare luci e segnalatori acustici esterni.
Nei sistemi che hanno diversi strumenti supplementari, si consiglia di utilizzare le cassette di giunzione
NavBus al fine di semplificare il cablaggio (vedere il manuale di installazione e uso NavBus).
• Attenersi alla guida al cablaggio (vedere la sezione 3-2-2).
Uscita relè frizione: 8
NMEA 2: 7
NMEA in 1: 6
Compatibilità N.mi.EA: 5
NavBus -, Blu: 4
NavBus +, Arancione: 3
Massa, Nero: 2
alimentazione 12 V +, Rosso: 1
Alimentazione per
servizio leggero
(vedere la sezione
3-4-1).
Frizione, opzionale
(vedere la sezione
3-4-2).
GPS

Sistema Explorer AP380 Manuale d’installazione Northstar 27
4 Impostazione alla banchina
1 Accendere il sistema Explorer AP380 (vedere il manuale d’uso Explorer AP380). Se il timone si muove
spegnere immediatamente l’accensione.
Se si prova ad attivare AUTO e l’unità di retroazione del timone o bussola non sono ancora stati tarati,
il sistema Explorer AP380 visualizzerà un errore.
2 Se il sistema Explorer AP380 è già stato usato, azzerare tutti i dati utente ripristinando le
impostazioni di fabbrica. Andare al menu Ripristino fabbrica > Entrambi nel menu Configurazione
del sistema (vedere il manuale d’uso Explorer AP380).
3 Inserire i dati utente elencati nella Tabella dati utente riportata sotto (vedere il Manuale d’uso Explorer
AP380 per individuare il significato di ciascuna voce e come i dati devono essere inseriti). Accanto a
ciascuna voce, scrivere il valore del dato utente che si desidera inserire.
Eseguire l’impostazione lato banchina:
dopo avere installato un sistema Explorer AP380 (vedere la sezione 3)
dopo avere sostituito un componente o se si sospetta che vi sia un problema.
Dopo avere completato le impostazioni lato banchina, eseguire i collaudi in mare (vedere la sezione 5).
4-1Avviare la configurazione lato banchina
Avvertenza: fino a quando l’unità di retroazione del timone non sia stata tarata (vedere la sezione
4-2), non ci sono limiti di timone. L’utente si deve assicurare che il timone non sia stato portato a
fondo corsa usando il comando di avanzamento a scatti (vedere il Manuale d’’uso Explorer AP380).
4-2 Taratura dell’unità di retroazione del timone
Questa procedura accoppia l’unità di retroazione del timone con il timone.
Nota
Per annullare la taratura in qualsiasi momento, premere ESC.
Se non si muove il timone come richiesto o l’unità di retroazione del timone non sta funzionando allora
il sistema Explorer AP380 n on può terminare la procedura di taratura. L’unità di display del sistema
Explorer AP380 visualizzerà un errore. Premere ESC, risolvere il problema e ripetere la taratura.
Con il funzionamento normale, il sistema Explorer AP380 non porta il timone più vicino di 3° a un fondo
corsa.
Per tarare l’unità di retroazione del timone andare a Timone nel menu Configurazione > Taratura.
Seguire le istruzioni fornite sullo schermo dalla procedura di taratura guidata (vedere il manuale
d’uso Explorer AP380).

28 Northstar Sistema Explorer AP380 Manuale d’installazione
Nota
Per uscire dalla taratura in qualsiasi momento, premere ESC.
Se l’imbarcazione no gira come richiesto o la bussola non funziona, la taratura non può essere
completata, e il sistema Explorer AP380 visualizza un errore. Premere ESC, risolvere il problema e
ripetere la taratura.
Interferenze locali nei campi magnetici possono influenzare il funzionamento della bussola. La taratura
deve essere eseguita lontani da strutture di metallo di grandi dimensioni quali porticcioli, navi di grandi
dimensioni, ecc. questa è responsabilità dell’utente.
Assicurarsi che entrambi sorgenti facciano riferimento allo stesso nord (geografico o magnetico). Se
la bussola magnetica non è ancora stata tarata è possibile usare un’altra sorgente per la direzione. Se
si usa la bussola dell’imbarcazione assicurarsi che vengano applicate le tabelle di variazione per
controllare la bussola del ilota automatico
Per tarare la bussola Bussola nel menu Configurazione > Taratura. Seguire le istruzioni fornite sullo
schermo dalla procedura di taratura guidata (vedere il manuale d’uso Explorer AP380).
5-1 Taratura della bussola
5 Collaudo in mare
Eseguire i collaudi in mare:
dopo avere eseguito le impostazioni di
banchina (vedere la sezione 4).
Per controllare il funzionamento del
sistema Explorer AP380
Per i collaudi in mare, veleggiare verso uno spazio
aperto in cui non vi siano altre imbarcazioni o
ostacoli. Il mare deve essere calmo, la velocità
del vento la più bassa possibile e non ci devono
essere correnti.
Questo allinea la bussola del sistema Explorer AP380 per visualizzare la direzione corretta.
La bussola può essere allineata con una bussola di riferimento o con un GPS connesso al sistema Explorer
AP380. Assicurarsi che non vi sia corrente o vento traversale.
Per tarare l’unità bussola andare a Allinea direzione a nel menu Configurazione > Taratura. Seguire le
istruzioni fornite sullo schermo dalla procedura di taratura guidata (vedere il manuale d’uso
Explorer AP380).
5-2-2 Allineamento del timone (timone centrale)
Questo imposta il timone per navigare una rotta in linea retta. Assicurarsi che non vi sia corrente o
vento traversale.
Per allineare il timone andare a Centra timone nel menu Configurazione > Taratura. Seguire le
istruzioni fornite sullo schermo dalla procedura di taratura guidata (vedere il manuale d’uso
Explorer AP380).
5-2 Allineamento della bussola e del timone
5-2-1 Allineamento della bussola (Allineamento direzione)
La bussola o il timone possono essere allineati separatamente.

Sistema Explorer AP380 Manuale d’installazione Northstar 29
Appendice A - Specifiche tecniche - MCU600
Elettrico:
Alimentazione da 10,5 a 16,5 V CC, 20 A
massimo.
Alimentazione terminale a 8 vie: da 10,5 a 16,5
V CC, 300mA.
Altri strumenti opzionali: fare riferimento al
manuale di uso dello strumento.
Interfacce:
NavBus: connessione ad altri strumenti
Northstar e unità di display Explorer AP380.
Porte NMEA 0183: NMEA 1: Ingresso; NMEA 2:
può essere programmata per essere di ingresso
o uscita
Messaggi di uscita NMEA 0183: HDG, HDT,
RSA;
Messaggi di ingresso NMEA 0183: APA, APB,
BOD, BWC, MWD, MWV, RMA, RMB, RMC, VHW,
VTG, XTE
Conformità agli standard:
Conformità EMC
USA FCC Parte 15 Classe B.
Europa (CE) EN301 e 843-1
Nuova Zelanda e Australia (C Tick):
AS-NZS 3548.
Ambiente:
Bussola: IPx6 e IPx7 - completamente
impermeabile.
Giroscopio: IPx6 e IPx7 - completamente
impermeabile.
Unità retroazione timone: IPx6 e IPx7
- completamente impermeabile.
Unità centrale MCU600: Non impermeabile
- richiede un ambiente fresco, asciutto e pulito.
Connessioni della morsettiera a 8 via
dell’unità centrale MCU600:
Terminale Segnale
1 Alimentazione ciclo leggero
positivo: da 10,5 a 16,5 V CC.
2 Alimentazione per servizio
leggero comune
3 NavBus+
4 NavBus —
5 NMEA comune
6 NMEA in 1
7 NMEA in 2
8 Uscita comando relè frizione
governo, commutata a massa per
accensione relè, 30 V CC, 300 mA
massimo
MCU600 centralina principale di comando
connessioni
Terminale Segnale
1 Alimentazione ciclo pesante
positivo, da 10,5 a 16,5 V CC.
2 Alimentazione per servizio
pesante negativo
3 Uscita negativa guida governo
4 Uscita positiva guida governo
MCU600 Fusibile interno:
2x fusibili - entrambi i fusibili sono identici
Tipo: ATC - Lama automobilistica
Valore nominale: 20A

30 Northstar Sistema Explorer AP380 Manuale d’installazione
Elettrico:
Alimentazione: da 10,5 a 30,5 V CC.
Corrente di alimentazione ( a 13,8 V): 180
mA senza retroilluminazione, 225 mA con
retroilluminazione al massimo.
Altri strumenti opzionali: fare riferimento al
manuale di uso dello strumento.
Interfacce
NavBus: connessione a MCU e altri strumenti
Northstar.
AP3380 Unità display cavi alimentazione/dati:
Connettore nero - Alimentazione e MCU
Pin Colore del
filo
Segnale
5 Rosso Aliment. positivo: da 10,5 a 30,5 V CC.
1 Nero Negativo alimentazione
6 Arancione NavBus+
4 Blu NavBus-
7 Giallo Uso di fabbrica (isolare, non tagliare)
3 Bianco Uso di fabbrica (isolare, non tagliare)
8 Verde Allarme esterno, commutato a massa, 30 V DC e 250 mA max.
2 Marrone +9V out
Connettore verde - espansione NavBus
Pin Colore del
filo
Segnale
5 Rosso Uso di fabbrica (isolare, non tagliare)
1 Nero Negativo alimentazione
6 Arancione NavBus+
4 Blu NavBus-
7 Giallo Uso di fabbrica (isolare, non tagliare)
3 Bianco Uso di fabbrica (isolare, non tagliare)
8 Verde Uso di fabbrica (isolare, non tagliare)
2 Marrone +9V out
Conformità agli standard:
Conformità EMC:
USA FCC Parte 15 Classe B
Europa (CE) EN301 843-1
Nuova Zelanda e Australia (C Tick):
AS-NZS 3548.
Ambiente:
IPx6 e IPx7 - completamente impermeabile.
Appendice B - Specifiche - AP3380 Display

Sistema Explorer AP380 Manuale d’installazione Northstar 31
Appendice C - Dati utente
Tabella dati utente (per registrare i dati di configurazione)
Menu > Configurazione > Menu SISTEMA
Lingua
Modo notte
Bip tasti
Autoaccensione escl.
SmartCraft
Menu > Configurazione > Menu OPZIONI
Angolo di schivata
Modalità virata
Angolo virata
Modalità strambata
Angolo strambata
Ritardo mura
Velocità di virata
Menu > Configurazione > Menu Natante
Tipo natante
Tipo governo
Funzioni vento
selezionate
Menu > Configurazione > Menu ALLARMI
Errore rotta
DDP
Waypoint akn
Cambio vento
(solo vela)
Batteria scarica
Corrente intensa

32 Northstar Sistema Explorer AP380 Manuale d’installazione
Menu > Configurazione > Menu UNITÀ
Distanza
Bussola
Variazione
magnetica
Vento
Menu > Configurazione > Menu Comunicazione
Modalità NMEA
Gruppo NavBus
Menu > Configurazione > Menu PROFILI
Profilo (user 1)
Parametri:
Adattivo
Risposta
Rapporto
Avanzato:
Compensazione
C-timone
Guadagno GPS
Guadagno vento
Profilo (user 2)
Parametri:
Adattivo
Risposta
Rapporto
Avanzato:
Compensazione
C-timone
Guadagno GPS
Guadagno vento

Sistema Explorer AP380 Manuale d’installazione Northstar 33
Profilo (user 3)
Parametri:
Adattivo
Risposta
Rapporto
Avanzato:
Compensazione
C-timone
Guadagno GPS
Guadagno vento
Profilo (user 4)
Parametri:
Adattivo
Risposta
Rapporto
Avanzato:
Compensazione
C-timone
Guadagno GPS
Guadagno vento
Profilo (user 5)
Parametri:
Adattivo
Risposta
Rapporto
Avanzato:
Compensazione
C-timone
Guadagno GPS
Guadagno vento

Made in New Zealand
MN000624A-G_ITA
www.northstarnav.com
AMERICA
30 Sudbury Road,
Acton, MA 01720, USA
Ph: +1 978.897.6600
Ph: +1 800.628.4487
Fax: +1 978.897.7241
sales@bntmarine.com
EUROPE
Unit 2, Ocean Quay,
Belvidere Rd, Southampton,
SO14 5QY, ENGLAND
Ph: +44 2380 339922
Fax: +44 2380 330345
northstaruk@northstarnav.com
AUSTRALIA
PO Box 479,
Gladesville, NSW 2111,
AUSTRALIA
Ph: +61 2 9879 9060
Fax: +61 2 9879 9009
northstaraus@northstarnav.com
NEW ZEALAND
PO Box 68 155,
Newton, Auckland
NEW ZEALAND
Ph: +64 9 481 0500
Fax: +64 9 481 0590
northstarnz@northstarnav.com