Norton 5800 ADAEZ PRO Operator 43340 NOR
User Manual: Norton 5800 ADAEZ PRO Operator Catalog
Open the PDF directly: View PDF
.
Page Count: 20

5800 Series
ADAEZ® PRO
Low Energy Operator

5800 SERIES
ADAEZ pRo® opERAtoR
2Copyright © 2016, Yale Security Inc., an ASSA ABLOY Group company. All rights reserved.
Reproduction in whole or in part without the express written permission of Yale Security Inc. is prohibited.
The 5800 Series ADAEZ PRO is a compact electromechanical door operator that is
simple to install and use. This heavy-duty, low energy operator is ideal for retail outlets,
banks, schools or universities, casinos and hospitals. Available for push or pull side
mounting, this robust, non-handed operator ships standard with integral RF receiver
and two wireless push buttons.
ADAEZ PRO: Models 5831 (push), 5811 (pull)
battery pack
automatic operation
generate enough power to charge the battery pack for up to 12 years.
ADAEZ PRO PLUS: Models 5833 (push), 5813 (pull)
ADAEZ PRO Complete: Model 5845 (push and pull)
ADAEZ PRO ELI: Models 5837 (push), 5817 (pull)
device
the door
.............................................................
Certifications, Specifications ................................................................
............................................................... 5-6
............................................................ 7-8
............................................................ 9-10
........................................................... 11-12
......................................................................
How to Order, Conversion Chart ............................................................
Product Dimensions .....................................................................15
Line Art .............................................................................16
Replacement Parts, Accessories, Kits ....................................................... 17-19

Copyright © 2016, Yale Security Inc., an ASSA ABLOY Group company. All rights reserved.
Reproduction in whole or in part without the express written permission of Yale Security Inc. is prohibited.
5800 SERIES
ADAEZ pRo® opERAtoR
How Does The 5800 Series ADAEZ PRO Work Without Electrical Power?
The 5800 Series ADAEZ PRO is an extreme duty, low energy door opener designed for institutional, high traffic manual opening
need for electrical power.
The 5800 Series ADAEZ PRO should be applied to doors using our 80/25 guideline. Apply 5800 Series ADAEZ PRO to a door that gets
battery pack charged for up to 12 years and in some cases longer.
A fully charged battery has the capability to open a door up to 2000 times in a row, generously allowing for periodic fluctuations from
that level of automatic use is not sustained.
ADA1015P Hardwire Kit option. The Hardwire Kit is a low voltage plug in transformer and can be added to existing installed field units.
ADA1015P Hardwire Kit:
24 VDC Transformer
Armored Door Cord with End Links
50 Feet Of Low Voltage Cable
Power Port Connector

5800 SERIES
ADAEZ pRo® opERAtoR
Copyright © 2016, Yale Security Inc., an ASSA ABLOY Group company. All rights reserved.
Reproduction in whole or in part without the express written permission of Yale Security Inc. is prohibited.
Part 15 for Class A Device
Automatic Door Opener
Americans with Disabilities Act.
– Opening/Closing Speed
– Hold-open Time
– Close Check
– Opening/Closing Force
environment condition.
automatic cycles.
for superior slip resistance.
humidity making the electronics weather resistant.
eliminating the need for an auxiliary door stop.
Provide operator with two architecturally finished covers and black powder coated frame, arms and mounting brackets.

5
Copyright © 2016, Yale Security Inc., an ASSA ABLOY Group company. All rights reserved.
Reproduction in whole or in part without the express written permission of Yale Security Inc. is prohibited.
5800 SERIES
ADAEZ pRo® opERAtoR
Kit Includes:
Operator
Pull Side - Regular Arm
Narrow Style Push Buttons (2)
Option:
Aluminum Cover
Standard Features:
– Charges onboard battery
Brushless DC motor/gearbox – 10 million activation cycle life
– Heavy-duty, stainless steel
Note: Operator Frame/Arm is only available in black finish.

5800 SERIES
ADAEZ pRo® opERAtoR
6Copyright © 2016, Yale Security Inc., an ASSA ABLOY Group company. All rights reserved.
Reproduction in whole or in part without the express written permission of Yale Security Inc. is prohibited.
Kit Includes:
Operator
Pull Side - Regular Arm
Square Style Push Buttons (2)
Aluminum Cover
Standard Features:
– Charges onboard battery
Brushless DC motor/gearbox – 10 million activation cycle life
– Heavy-duty, stainless steel
– To comply with with California High/Low Activation
Note: Operator Frame/Arm is only available in black finish.
Option:

7
Copyright © 2016, Yale Security Inc., an ASSA ABLOY Group company. All rights reserved.
Reproduction in whole or in part without the express written permission of Yale Security Inc. is prohibited.
5800 SERIES
ADAEZ pRo® opERAtoR
Operator
Pull Side - Regular Arm
Narrow Style Push Buttons (2)
Option:
Aluminum Cover
ADA1015P Hardwire Kit:
Kit Includes:
Standard Features:
Brushless DC motor/gearbox – 10 million activation cycle life
– Heavy-duty, stainless steel
– Armored door cord with end links
– 50 ft of low voltage cable
– Power port connector
Note: Operator Frame/Arm is only available in black finish.

Operator
Pull Side - Regular Arm
Square Style Push Buttons (2) ADA1015P Hardwire Kit:
5800 SERIES
ADAEZ pRo® opERAtoR
8Copyright © 2016, Yale Security Inc., an ASSA ABLOY Group company. All rights reserved.
Reproduction in whole or in part without the express written permission of Yale Security Inc. is prohibited.
Kit Includes:
Standard Features:
Brushless DC motor/gearbox – 10 million activation cycle life
– Heavy-duty, stainless steel
– To comply with with California High/Low Activation
– Armored door cord with end links
– 50 ft of low voltage cable
– Power port connector
Note: Operator Frame/Arm is only available in black finish.
Option:
Aluminum Cover

9
Copyright © 2016, Yale Security Inc., an ASSA ABLOY Group company. All rights reserved.
Reproduction in whole or in part without the express written permission of Yale Security Inc. is prohibited.
5800 SERIES
ADAEZ pRo® opERAtoR
Kit Includes:
Operator
Push Side – Parallel Arm
Narrow Style Push Buttons (2)
Pull Side - Regular Arm
Standard Features:
Brushless DC motor/gearbox – 10 million activation cycle life
– Heavy-duty, stainless steel
– Armored door cord with end links
– 50 ft of low voltage cable
– Power port connector
Note: Operator Frame/Arm is only available in black finish.
ADA1015P Hardwire Kit:
Aluminum Cover

5800 SERIES
ADAEZ pRo® WIRE fREE DooR opEnER
10 Copyright © 2016, Yale Security Inc., an ASSA ABLOY Group company. All rights reserved.
Reproduction in whole or in part without the express written permission of Yale Security Inc. is prohibited.
Kit Includes:
Operator
Square Style Push Buttons (2)
PULL Mounting Hardware
Regular Arm
Standard Features:
Brushless DC motor/gearbox – 10 million activation cycle life
– Heavy-duty, stainless steel
– Armored door cord with end links
– 50 ft of low voltage cable
– Power port connector
Note: Operator Frame/Arm is only available in black finish.
ADA1015P Hardwire Kit
Aluminum Cover

11
Copyright © 2016, Yale Security Inc., an ASSA ABLOY Group company. All rights reserved.
Reproduction in whole or in part without the express written permission of Yale Security Inc. is prohibited.
5800 SERIES
ADAEZ pRo® opERAtoR
Operator
Pull Side - Regular Arm
ADA1015P Hardwire Kit:
Option:
Aluminum Cover
ADA1025 Timer Kit
ADA1019-4 Push Buttons (Qty 2)
Kit Includes:
Standard Features:
– Charges onboard battery
Brushless DC motor/gearbox – 10 million activation cycle life
– Armored door cored with end links
– 50 ft. of low voltage cable
– Power port connector
– Heavy-duty, stainless steel
– Double Pole Double Throw switch
Note: Operator Frame/Arm is only available in black finish.

5800 SERIES
ADAEZ pRo® opERAtoR
12 Copyright © 2016, Yale Security Inc., an ASSA ABLOY Group company. All rights reserved.
Reproduction in whole or in part without the express written permission of Yale Security Inc. is prohibited.
System Description:
RF Pushbutton Switches

Copyright © 2016, Yale Security Inc., an ASSA ABLOY Group company. All rights reserved.
Reproduction in whole or in part without the express written permission of Yale Security Inc. is prohibited.
5800 SERIES
ADAEZ pRo® opERAtoR
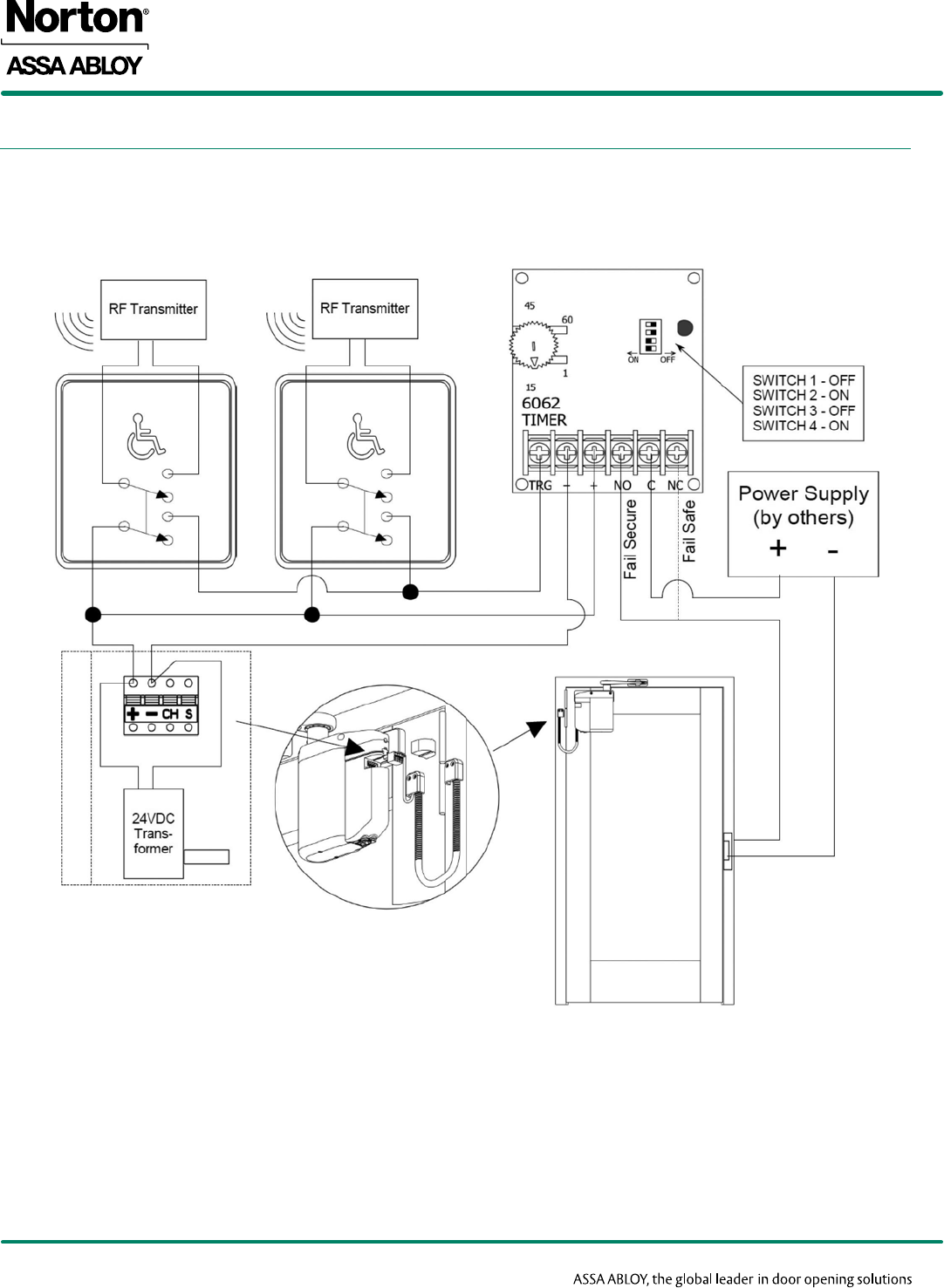
System Description:
Hardwired Pushbutton Switches

5800 SERIES
ADAEZ pRo® opERAtoR
Copyright © 2016, Yale Security Inc., an ASSA ABLOY Group company. All rights reserved.
Reproduction in whole or in part without the express written permission of Yale Security Inc. is prohibited.
1 – ADAEZ PRO
5 – ADAEZ PRO Complete
7 – ADAEZ PRO ELI
58 xx1
Product Series
Description Specify Designation
Black Textured
Aluminum 689
Old Designation NEW Designation
ADAEZ PRO x Push x Black
ADAEZ PRO x Pull x Black
ADAEZ PRO x Push x Alum
ADAEZ PRO x Pull x Alum
ADAEZ PRO Complete
ADAEZ PRO ELI x Push x Black
ADAEZ PRO ELI x Pull x Black
ADAEZ PRO ELI x Push x Alum
ADAEZ PRO ELI x Pull x Alum
ADAEZ PRO Custom x Push x Black
ADAEZ PRO Custom x Pull x Black
ADAEZ PRO Custom x Push x Alum
ADAEZ PRO Custom x Pull x Alum 5811xLPB x 689
THIRD DIGIT
– Push
1 – Pull
– Push and Pull

15
Copyright © 2016, Yale Security Inc., an ASSA ABLOY Group company. All rights reserved.
Reproduction in whole or in part without the express written permission of Yale Security Inc. is prohibited.
5800 SERIES
ADAEZ pRo® opERAtoR
All dimensions are approximate
Push Side
Pull Side

5800 SERIES
ADAEZ pRo® opERAtoR
16 Copyright © 2016, Yale Security Inc., an ASSA ABLOY Group company. All rights reserved.
Reproduction in whole or in part without the express written permission of Yale Security Inc. is prohibited.

17
Copyright © 2016, Yale Security Inc., an ASSA ABLOY Group company. All rights reserved.
Reproduction in whole or in part without the express written permission of Yale Security Inc. is prohibited.
5800 SERIES
ADAEZ pRo® opERAtoR
ADA1001
Door Arm Assembly
Operator Cover - Aluminum
ADA1006
ADA1009
ADA1002
Operator Cover - Black
ADA EZ Operator Body for ADAEZ
and ADAEZ PRO. Battery not included.
without Battery
ADA1010E
ADA EZ Operator Body - Europe
without Battery
ADA1005
Setup and PC Board
Battery Assembly new part has On/Off
switch ,LED Indicator, Power Port
ADA1005P
Electronic Control Kit for ADAEZ PRO
Setup and PC Board
External Battery Charger Kit

5800 SERIES
ADAEZ pRo® opERAtoR
18 Copyright © 2016, Yale Security Inc., an ASSA ABLOY Group company. All rights reserved.
Reproduction in whole or in part without the express written permission of Yale Security Inc. is prohibited.
Decal Pack
Setup and PC Board
Transformer, Armored Dr Cord, End Links
ADA1026
Bottom Cover with Two Screws
ADA1005E
Electronic Control Kit for ADAEZ Europe
Setup and PC Board
ADA1008
ADA1025
ADA1012-1
without RF Transmitter
ADA1012-2
with RF Transmitter
ADA1022
Kit to Convert SPDT Switch
to DPDT Switch
ADA1019-1
without RF Transmitter
ADA1019-2
with RF Transmitter

19
Copyright © 2016, Yale Security Inc., an ASSA ABLOY Group company. All rights reserved.
Reproduction in whole or in part without the express written permission of Yale Security Inc. is prohibited.
5800 SERIES
ADAEZ pRo® opERAtoR
Hand Held Remote Control
with DPDT Switch without RF Transmitter
with DPDT Switch with RF Transmitter
ADA1021

5800 SERIES
ADAEZ pRo® opERAtoR
contact us at:
ASSA ABLOY Door Security Solutions Canada
For a complete listing of products and
applications please visit our web site.
www.nortondoorcontrols.com
www.assaabloy.ca
® and ADAEZ® are registered trademarks of Yale Security Inc., an ASSA ABLOY Group company. Other products' brand names may be trademarks or registered trademarks of their respective
publication. Copyright © 2016, Yale Security Inc., an ASSA
ABLOY Group company. All rights reserved. Reproduction in whole or in part without the express written permission of Yale Security Inc. is prohibited.