Novatel 01019126 Wireless GNSS Receiver with Bluetooth User Manual OM 20000149AgStar
Novatel Inc Wireless GNSS Receiver with Bluetooth OM 20000149AgStar
Novatel >
Contents
- 1. Agstar user manual
- 2. Smart6 user manual
Agstar user manual

AG-STAR
User Manual
OM-20000149 Rev 1A October 2013

AG-STAR User Manual Rev 1A 2
AG-STAR User Manual
Publication Number: OM-20000149
Revision Level: 1A
Revision Date: October 2013
Warranty
NovAtel Inc. warrants that its GNSS products are free from defects in materials and workmanship, subject to
the conditions set forth on our web site: www.novatel.com/products/warranty/ and for the following time
periods:
AG-STAR Receiver One (1) Year
Cables and Accessories Ninety (90) Days
Software Warranty One (1) Year
Return Instructions
To return products, refer to the instructions found under the Return Policy Tab on the Warranty page:
www.novatel.com/products/warranty/.
Proprietary Notice
Information in this document is subject to change without notice and does not represent a commitment on the
part of NovAtel Inc. The software described in this document is furnished under a licence agreement or non-
disclosure agreement. The software may be used or copied only in accordance with the terms of the
agreement. It is against the law to copy the software on any medium except as specifically allowed in the
license or non-disclosure agreement.
No part of this manual may be reproduced or transmitted in any form or by any means, electronic or
mechanical, including photocopying and recording, for any purpose without the express written permission of
a duly authorized representative of NovAtel Inc.
The information contained within this manual is believed to be true and correct at the time of publication.
AdVance, NovAtel, Narrow Correlator tracking technology, OEMStar and RT-2 are registered trademarks of
NovAtel Inc.
PAC and AG-STAR are trademarks of NovAtel Inc.
The Bluetooth word mark and logos are registered trademarks owned by Bluetooth SIG, Inc. and any use of
such marks by NovAtel Inc. is under license. All other brand names are trademarks of their respective
holders.
Manufactured and protected under U.S. Patent:
© Copyright 2013 NovAtel Inc. All rights reserved. Unpublished rights reserved under International copyright
laws.
#5,101,416* #5,734,674 #6,243,409 B1
#5,390,207* #5,736,961 #6,608,988 B1
#5,414,729* #5,809,064 #6,664,923 B1
#5,495,499* #6,184,822 B1 #6,728,637 B2

AG-STAR User Manual Rev 1A 3
Table of Contents
Notice 7
Customer Support 9
1 Introduction 10
1.1 Models and Features........................................................................................................................................10
1.2 Scope ...............................................................................................................................................................11
1.3 Conventions .....................................................................................................................................................11
2 Installation and Setup 12
2.1 Additional Equipment Required .......................................................................................................................12
2.1.1 AG-STAR Setup .....................................................................................................................................12
2.1.2 Power Supply Requirements..................................................................................................................13
2.1.3 Mounting Plate .......................................................................................................................................14
2.1.4 Mounting the AG-STAR .........................................................................................................................16
2.1.5 Connecting Data Communications Equipment......................................................................................16
2.2 Additional Features and Information ................................................................................................................17
2.2.1 Status Indicators ....................................................................................................................................17
2.2.2 MKI and PPS Strobes ............................................................................................................................18
2.2.3 Emulated Radar (ER) ..............................................................................................................................18
3 Operation 19
3.1 Communications with the Receiver..................................................................................................................19
3.1.1 Serial Port Default Settings ....................................................................................................................19
3.1.2 Communicating Using a Remote Terminal ............................................................................................19
3.1.3 Communicating Using a Computer........................................................................................................20
3.2 Getting Started .................................................................................................................................................20
3.2.1 Starting the Receiver..............................................................................................................................20
3.2.2 Communicating with the Receiver Using NovAtel Connect...................................................................20
3.3 Channel Configuration......................................................................................................................................21
3.4 Transmitting and Receiving Corrections ..........................................................................................................21
3.4.1 Base Station Configuration ....................................................................................................................23
3.4.2 Rover Station Configuration...................................................................................................................24
3.4.3 GPS + GLONASS Base and Rover Configuration .................................................................................24
3.4.4 Configuration Notes ...............................................................................................................................25
3.5 GLIDE ...............................................................................................................................................................25
3.6 Emulated Radar (ER) ........................................................................................................................................26
3.7 Recommended Configuration ..........................................................................................................................26
4 Bluetooth Configuration 27
4.1 Bluetooth Wireless Technology on the AG-STAR receiver ..............................................................................27
4.2 Pairing with a new AG-STAR............................................................................................................................27
4.3 Determining the Bluetooth Serial Port..............................................................................................................30
4.4 Communicate with the AG-STAR Using Bluetooth Wireless Technology........................................................33
5 NovAtel Firmware and Software 34
5.1 Firmware Updates and Model Upgrades .........................................................................................................34
5.1.1 Firmware Updates..................................................................................................................................34
5.1.2 Model Upgrades.....................................................................................................................................35
5.2 Authorization Code...........................................................................................................................................35
5.3 Updating or Upgrading Using the WinLoad Utility ...........................................................................................36
5.3.1 Transferring Firmware Files....................................................................................................................36
5.3.2 Using the WinLoad Utility.......................................................................................................................37
5.4 Updating using SoftLoad Commands..............................................................................................................38
5.4.1 Working with S-Records ........................................................................................................................39
5.5 Upgrading Using the AUTH Command............................................................................................................40
5.5.1 Upgrade Procedure................................................................................................................................40

Table of Contents
AG-STAR User Manual Rev 1A 4
A Technical Specifications 41
A.1 AG-STAR Receiver Performance.....................................................................................................................41
A.2 AG-STAR Specifications..................................................................................................................................42
A.2.1 Dimensions ............................................................................................................................................43
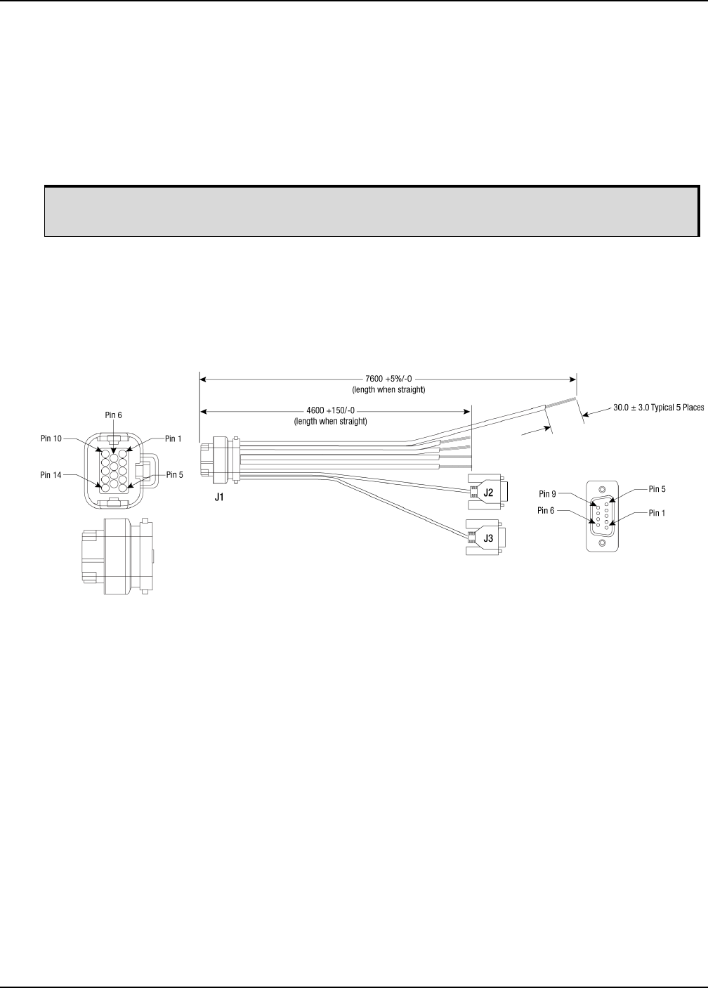
A.2.2 AG-STAR Communications/Power Cable (01018256) ..........................................................................44
A.2.3 AG-STAR Connector and Cable Requirements.....................................................................................46
B Commands 47
B.1 Syntax Conventions.........................................................................................................................................47
B.2 COM Configure COM Port ............................................................................................................................48
B.3 FRESET Clear Selected Data from NVM and Reset .....................................................................................50
B.4 LOG Request Logs from the Receiver ..........................................................................................................51
B.5 RADARCFG Configure the ER Output ..........................................................................................................54
B.6 SELECTCHANCONFIG Set channel configuration..........................................................................................55
C Logs 57
C.1 Position Logs ...................................................................................................................................................57
C.1.1 NMEA Logs............................................................................................................................................57
C.1.2 NovAtel Position Logs ...........................................................................................................................58
C.2 Other Logs .......................................................................................................................................................58
C.2.1 RADARSIGNAL ER Signal and Position Information ..........................................................................59
C.2.2 VERSION Hardware and Software Versions and Serial Numbers ......................................................61
D Replacement Parts 62
D.1 AG-STAR .........................................................................................................................................................62
D.2 User Manuals...................................................................................................................................................62
Index 63

AG-STAR User Manual Rev 1A 5
Figures
1 AG-STAR Receiver .........................................................................................................................................10
2 AG-STAR Connector ......................................................................................................................................12
3 Simplified AG-STAR Setup ............................................................................................................................13
4 AG-STAR Surface Mounting Plate (01018317) ..............................................................................................14
5 AG-STAR Pole Mounting Plate (01019142) ...................................................................................................15
6 AG-STAR Orientation .....................................................................................................................................16
7 Open Configuration Window ..........................................................................................................................20
8 Basic Differential Setup ..................................................................................................................................22
9 Bluetooth Icon ................................................................................................................................................27
10 Bluetooth Devices Window ............................................................................................................................28
11 Add a device window .....................................................................................................................................28
12 Add a device - Select a pairing option ...........................................................................................................29
13 Add a device - Enter pairing code .................................................................................................................29
14 Bluetooth Link Serial Port ..............................................................................................................................30
15 Add a device - Successful .............................................................................................................................30
16 Bluetooth Icon ................................................................................................................................................30
17 Bluetooth Devices Window ............................................................................................................................31
18 Bluetooth Devices Window - Device Menu ....................................................................................................32
19 Bluetooth Devices Window - Properties ........................................................................................................32
20 Properties - Services Tab ...............................................................................................................................33
21 WinLoad’s Open Window ..............................................................................................................................37
22 Open File in WinLoad .....................................................................................................................................37
23 COM Port Setup .............................................................................................................................................37
24 Searching for Card .........................................................................................................................................38
25 Authorization Code Window ..........................................................................................................................38
26 Upgrade Process Complete ...........................................................................................................................38
27 AG-STAR Dimensions ....................................................................................................................................43
28 AG-STAR Communication/Power Cable .......................................................................................................44

AG-STAR User Manual Rev 1A 6
Tab l es
1 AG-STAR Models............................................................................................................................................10
2 AG-STAR Connector Pin-Out .........................................................................................................................12
3 AG-STAR LED Status Indicators.....................................................................................................................17
4 AG-STAR Communication/Power Cable Pinouts ...........................................................................................45
5 AG-STAR Mating Connectors.........................................................................................................................46
6 Recommended Fuse and Fuse Holders..........................................................................................................46
7 AG-STAR Commands in Alphabetical Order ..................................................................................................47
8 FRESET Target................................................................................................................................................50
9 Detailed Serial Port Identifiers.........................................................................................................................53
10 Response Modes ............................................................................................................................................54
11 AG-STAR Channel Configuration Sets............................................................................................................56
12 OEMStar Channel Configurations...................................................................................................................56
13 AG-STAR Logs in Alphabetical Order.............................................................................................................58
14 Position or Velocity Type.................................................................................................................................59
15 Solution Status................................................................................................................................................60
16 Component Type ............................................................................................................................................61
17 AG-STAR Product ...........................................................................................................................................62
18 Reference User Manuals.................................................................................................................................62

AG-STAR User Manual Rev 1A 7
Notice
The following notices apply to the AG-STAR.
FCC Notices
This device complies with part 15 of the FCC Rules. Operation is subject to the following two conditions: (1)
this device may not cause harmful interference, and (2) this device must accept any interference received,
including interference that may cause undesired operation.
AG-STAR has been tested and found to comply with the emission limits for a Class B digital device, pursuant
to part 15 of the FCC Rules. The Class B limits are designed to provide reasonable protection against
harmful interference in a residential installation.
This equipment generates, uses, and can radiate radio frequency energy and, if not installed and used in
accordance with the instructions, may cause harmful interference to radio communications. However, there is
no guarantee that interference will not occur in a particular installation. If this equipment does cause harmful
interference to radio or television reception, which can be determined by turning the equipment off and on,
the user is encouraged to try to correct the interference by one or more of the following measures:
• Re-orient or relocate the AG-STAR
• Increase the separation between the equipment and the AG-STAR
• Connect the equipment to an outlet on a circuit different from that to which the AG-STAR is
connected
• Consult the dealer or an experienced radio/TV technician for help
Industry Canada
AG-STAR Class B digital apparatuses comply with Canadian ICES-003.
AG-STAR appareils numérique de la classe B sont conforme à la norme NMB-003 du Canada.
This device complies with Industry Canada licence-exempt RSS standard(s). Operation is subject to the
following two conditions: (1) this device may not cause interference, and (2) this device must accept any
interference, including interference that may cause undesired operation of the device.
Le présent appareil est conforme aux CNR d'Industrie Canada applicables aux appareils radio exempts de
licence. L'exploitation est autorisée aux deux conditions suivantes : (1) l'appareil ne doit pas produire de
brouillage, et (2) l'utilisateur de l'appareil doit accepter tout brouillage radioélectrique subi, même si le
brouillage est susceptible d'en compromettre le fonctionnement.
Changes or modifications to this equipment not expressly approved by NovAtel Inc. could result
in violation of FCC, Industry Canada and CE Marking rules and void the user’s authority to
operate this equipment.
Changes or modifications not expressly approved by the party responsible for compliance could
void the user's authority to operate the equipment.
In order to maintain compliance as a Class “B” digital device, shielded cables should be used
for the RS-232 serial data ports (Belden 1036A or equivalent) and twisted pair cable should be
used for the CAN port (shielded twisted pair will improve CAN performance in electrically harsh
environments). I/O signals should be referred to signal ground (connector pin 5) and not power
ground (connector pin 9). If I/O signals route to different areas of the vehicle, dedicated signal
grounds for I/O should be spliced into a common connection to connector pin 5 at a point close
to the AG-STAR.

Notice
AG-STAR User Manual Rev 1A 8
CE
The enclosures carry the CE mark.
"Hereby, NovAtel Inc. declares that this AG-STAR is in compliance with the essential requirements and other
relevant provisions of the R&TTE Directive 1999/5/EC, EMC Directive 2004/108/EC and the RoHS Recast
Directive 2011/65/EU."
WEEE
If you purchased your AG-STAR in Europe, please return it to your dealer or supplier at the end of its life. The
objectives of the European Community's environment policy are, in particular, to preserve, protect and
improve the quality of the environment, protect human health and utilise natural resources prudently and
rationally. Sustainable development advocates the reduction of wasteful consumption of natural resources
and the prevention of pollution. Waste electrical and electronic equipment (WEEE) is a regulated area.
Where the generation of waste cannot be avoided, it should be reused or recovered for its material or energy.
WEEE products may be recognized by their wheeled bin label ( ). 1
REACH
NovAtel strives to comply with the EU Directive EC 1907/2006 on chemicals and their safe use as per the
Registration, Evaluation, Authorization and Restriction of Chemical substances (REACH) for its products,
including the AG-STAR product. Since REACH SVHC lists are updated occasionally, please contact NovAtel
Customer Support if you require further information.
1. Visit the NovAtel Web site at www.novatel.com/products/weee-and-rohs/ for more information on WEEE.
Cables may contain DEHP (CAS Number 117-81-7) in concentrations above 0.1% w/w.

AG-STAR User Manual Rev 1A 9
Customer Support
NovAtel Knowledge Base
If you have a technical issue, browse to the NovAtel Web site at www.novatel.com then select Support |
Helpdesk and Solutions | Knowledge and Forums. Through this page, you can search for information about
SMART® antennas and other technologies, information about NovAtel hardware and software, and
installation and operation issues.
Before Contacting Customer Support
Before contacting NovAtel Customer Support about a software problem perform the following steps:
1. Issue the following logging commands to collect data to a file on your computer for 15 minutes:
LOG VERSIONA ONCE
LOG RXSTATUSA ONCE
LOG RXCONFIGA ONCE
LOG RAWEPHEMA ONNEW
LOG BESTPOSA ONTIME 1
LOG RANGEA ONTIME 1
LOG GLORAWEPHEMB ONCHANGED1
2. Send the file containing the logs to NovAtel Customer Support, using either the NovAtel FTP site at
www.novatel.com/support/firmware-software-and-manuals/ftp-site/ or through the support@novatel.com
e-mail address.
3. You can also issue a FRESET command to the receiver to clear any unknown settings.
If you are having a hardware problem, send a list of the troubleshooting steps taken and results.
Contact Information
Use one of the following methods to contact NovAtel Customer Support:
1. For GLONASS channel configuration.
The FRESET command will erase all user settings. You should know your configuration and be
able to reconfigure the receiver before you send the FRESET command.
Call the NovAtel Hotline at 1-800-NOVATEL (U.S. & Canada)
or +1-403-295-4500 (international)
Fax: +1-403-295-4501
E-mail: support@novatel.com
Web site: www.novatel.com
Write: NovAtel Inc.
Customer Support Department
1120 - 68 Avenue NE
Calgary, AB
Canada, T2E 8S5

AG-STAR User Manual Rev 1A 10
Chapter 1 Introduction
The AG-STAR is a high-performance GNSS receiver and antenna, capable of receiving and tracking different
combinations of GPS L1 and GLONASS L1 code and carrier signals on a maximum of 14 channels. SBAS
(Satellite Based Augmentation Systems) support, which includes WAAS, EGNOS, and MSAS, is standard.
Refer to the GNSS Book, available from our web site at www.novatel.com/support/knowledge-and-learning/,
for an overview of each of the above signal types. The AG-STAR rear panel also features light emitting
diodes (LEDs) for status indication.
Once properly powered, the AG-STAR begins operating as a fully functional GNSS system. Figure 1,
AG-STAR Receiver shows the AG-STAR without connecting cables.
Figure 1: AG-STAR Receiver
1.1 Models and Features
The main features of the AG-STAR are:
• a high performance GPS+GLONASS L1 receiver
• a high performance GPS+GLONASS L1 antenna
• emulated radar output
• two (2) RS-232 COM ports or
one (1) RS-232 COM port and Bluetooth®
• three (3) LED status indicators
• a water and dust tight enclosure
• Bluetooth® wireless technology (optional)
The AG-STAR is available in several different firmware models whose configurations may include other
additional features. Some possible configurations can be seen in Table 1, AG-STAR Models.
Refer also to the OEMStar Firmware Reference Manual (OM-20000127) for information on receiver
communications and operation.
Tab l e 1 : A G -S TA R M o de l s
Model Name NovAtel Part # Firmware Features
AG-STAR 01019131 GPS L1, GLONASS L1, SBAS and emulated radar output
AG-STAR with Bluetooth 01019129 GPS L1, GLONASS L1, SBAS, emulated radar output and Bluetooth

Introduction Chapter 1
AG-STAR User Manual Rev 1A 11
1.2 Scope
This manual contains information about the installation and operation of the AG-STAR system. It is beyond
the scope of this manual to provide details on service or repair. Contact your local NovAtel dealer for any
customer-service related inquiries.
An AG-STAR system requires the addition of accessories and a power supply.
The AG-STAR utilizes a comprehensive user-interface command structure, which requires communications
through its communications ports. This manual describes the AG-STAR specific commands and logs, see
Appendix B, Commands on page 47 and Appendix C, Logs on page 57. For descriptions of other commands
and logs available for AG-STAR, refer to the OEMStar Firmware Reference Manual (OM-20000127). This
manual is available on the NovAtel website (www.novatel.com/support/firmware-software-and-manuals/
product-manuals-and-doc-updates/). It is recommended that these documents be kept together for easy
reference.
AG-STAR output is compatible with post-processing software from NovAtel's Waypoint® Products Group.
Visit our web site at www.novatel.com for details.
1.3 Conventions
The following conventions are used in this manual:
• The letter H in the Offset columns of the commands and logs tables represents the header length for
that command or log. Refer to the OEMStar Firmware Reference Manual (OM-20000127) for ASCII
and binary header details.
• The number following 0x is a hexadecimal number.
• Command descriptions’ brackets, [ ], represent the optionality of parameters.
• In tables where values are missing they are assumed to be reserved for future use.
• Status words are output as hexadecimal numbers and must be converted to binary format (and in
some cases then also to decimal). For an example of this type of conversion, refer to the RANGE log
in the OEMStar Firmware Reference Manual (OM-20000127).
• Conversions and their binary or decimal results are always read from right to left. For a complete list
of hexadecimal, binary and decimal equivalents, please refer to Unit Conversion available on our
Web site at www.novatel.com/support/knowledge-and-learning/.
See also Syntax Conventions on page 47 for more syntax when entering commands.
Information that supplements or clarifies text.
A caution that actions, operation or configuration may lead to incorrect or improper use of the
hardware.
A warning that actions, operation or configuration may result in regulatory noncompliance,
safety issues or equipment damage.

AG-STAR User Manual Rev 1A 12
Chapter 2 Installation and Setup
This chapter contains instructions and tips to set up your AG-STAR to create a GNSS receiver system.
2.1 Additional Equipment Required
In order for the receiver to perform optimally, the following additional equipment is required:
• A cable harness for powering and communicating with the AG-STAR.
You can use a NovAtel cable (such as part number 01018256) or a custom cable. See Appendix A,
Technical Specifications on page 41 for information about the AG-STAR connector pinout and
NovAtel cables.
• A fused power supply (user-supplied)
• A computer (user-supplied)
2.1.1 AG-STAR Setup
Complete the following steps to connect and power the AG-STAR.
1. Mount the AG-STAR on a secure, stable structure with an unobstructed view of the sky from horizon to
horizon. Refer to Section 2.1.4, Mounting the AG-STAR on page 16 for details.
2. Connect the NovAtel interface cable, or custom interface cable, to the COM and Power port on the back
of the AG-STAR, see Figure 2, AG-STAR Connector.
Figure 2: AG-STAR Connector
3. Connect the NovAtel or custom cable to a DB-9 serial port on a computer or other data storage device.
Table 2: AG-STAR Connector Pin-Out
Pin Use Pin Use
1 COM1 TxD 8 RESERVED (Do not connect)
2 COM1 RxD 9 Power Negative/Return
3COM2 TxDa
a. On Bluetooth models, COM2 is not available.
10 Emulated Radar Output
4COM2 RxDa11 MKI (Mark Input)
5 Signal Ground (COM/ER/MKI/PPS) 12 PPS (Pulse Per Second) Output
6 RESERVED (Do not connect) 13 RESERVED (Do not connect)
7 RESERVED (Do not connect) 14 Power Positive/Source

Installation and Setup Chapter 2
AG-STAR User Manual Rev 1A 13
4. Connect the NovAtel or custom cable to the power supply and turn on the power supply. The power LED
on the receiver glows red when the AG-STAR is properly powered.
Figure 3: Simplified AG-STAR Setup
2.1.2 Power Supply Requirements
The AG-STAR requires +8 to +36 VDC for the input power to the receiver. See Section A.2, AG-STAR
Specifications on page 42 for additional power supply specifications.
The AG-STAR cable provides power in (labelled BATT+) and power ground (labelled BATT-) bare wires for
connections from the AG-STAR to a vehicular power system (or equivalent). For cable details see
Section A.2.3, AG-STAR Connector and Cable Requirements on page 46.
Fuse/holder recommendations can be found in Table 6, Recommended Fuse and Fuse Holders
on page 46.
Minimum conductor size for all wiring is 0.5 mm / 20 AWG.
COM
COM
Emulated
Radar
MKI PPS
User supplied
5A fast blow fuse
The AG-STAR power source must be protected by a 5A fast blow fuse (user supplied) or
damage to wiring may result (not covered by warranty).

Installation and Setup Chapter 2
AG-STAR User Manual Rev 1A 14
2.1.3 Mounting Plate
Two mounting plates are available to facilitate mounting the receiver: a surface mounting plate and a pole
mounting plate.
Figure 4: AG-STAR Surface Mounting Plate (01018317)
To install the surface mounting plate provided with the AG-STAR Development Kit, use the
adhesive tape provided or the mounting holes at each corner of the plate.
All dimensions are in inches

Installation and Setup Chapter 2
AG-STAR User Manual Rev 1A 15
Figure 5: AG-STAR Pole Mounting Plate (01019142)
To install the pole mounting plate:
1. Use four M4 screws to connect the mounting plate to the AG-STAR.
2. Screw the mounting plate onto a mount, such as a range pole, tribrach, or tripod, with a 1" x
14 thread.
A 5/8” to 1” bushing adaptor is available (part number 12023275).
All dimensions are in inches

Installation and Setup Chapter 2
AG-STAR User Manual Rev 1A 16
2.1.4 Mounting the AG-STAR
Mount the AG-STAR on a secure, stable structure capable of safe operation in the specific environment.
• If installing on a vehicle, mount the AG-STAR on the vehicle roof, ideally close to the pivot point of the
vehicle. The AG-STAR must be mounted with the connector facing the rear of the vehicle (see Figure 6,
AG-STAR Orientation).
Figure 6: AG-STAR Orientation
• If installing in a stationary location, mount the AG-STAR in a location that has a clear view of the sky so
that each satellite above the horizon can be tracked without obstruction. For more information, refer to
the GNSS Book found at www.novatel.com/support/knowledge-and-learning/
2.1.5 Connecting Data Communications Equipment
To communicate with the receiver by sending commands and obtaining logs, a connection to data
communications equipment is required. See Table 4, AG-STAR Communication/Power Cable Pinouts on
page 45 for more information.
The AG-STAR must be rigidly secured to the vehicle to avoid errors caused by vibration and
motion.
Orient toward the front
of vehicle
Route cable toward
back of vehicle

Installation and Setup Chapter 2
AG-STAR User Manual Rev 1A 17
2.2 Additional Features and Information
This section contains information on the additional features of the AG-STAR, which may affect the overall
design of your receiver system.
2.2.1 Status Indicators
LED indicators on the AG-STAR provide the status of the receiver. Table 3, AG-STAR LED Status Indicators
shows the meaning of the LED states in the expected sequence after power is applied.
Troubleshooting:
• If the power is on but the yellow LED does not flash within one minute, then no satellites are being
tracked. There may be excessive blockage or the AG-STAR may be defective. Make sure the AG-STAR
has an unobstructed view of the sky. Try power cycling the AG-STAR.
• If the yellow LED is flashing but doesn’t progress to solid yellow within one minute, then insufficient
satellites are being tracked or the signal quality is poor and ephemeris data cannot be received.
Normally, four satellites are sufficient for a valid position as long as they are widely distributed in the sky.
If LED is stuck on blinking yellow, there may be excessive signal blockage or the AG-STAR may be
defective. Make sure the AG-STAR has an unobstructed view of the sky. Try power cycling the AG-STAR.
• If the yellow LED is on, but the green doesn’t turn on within five minutes than no SBAS or DGPS
positions are available. If you are using SBAS, make sure SBAS is available in your area and that the
AG-STAR is configured to enable SBAS positions (SBASCONTROL ENABLE). For DGPS, make sure
the AG-STAR is configured with the correct serial port parameters and to accept the DGPS protocol your
area is using and that your data modem is connected and working.
• The green LED blinks when SBAS is detected then it comes on solid when SBAS is enabled. The LED
will stay dark if SBAS is not detected.
Table 3: AG-STAR LED Status Indicators
Red Yellow Green
Condition
Off Off Off Power is not available.
On Off Off Power is available but no satellites are being tracked yet
On Flashing Off Tracking at least one satellite but not a valid position.
On On Off Position valid in basic autonomous mode.
On On Flashing SBAS tracking, but not enough data for enhanced solution.
On On On Position valid in an enhanced accuracy mode
(WAAS/EGNOS/MSAS/DGPS).
Flashing means that the LED is turning on and off at a 1 Hz rate - 0.5 seconds on and 0.5
seconds off.

Installation and Setup Chapter 2
AG-STAR User Manual Rev 1A 18
2.2.2 MKI and PPS Strobes
The Mark Input (MKI) and Pulse Per Second (PPS) strobes provide status and synchronization signals. PPS
is a 3.3V CMOS output; MKI is a 5V logic tolerant input.
Pin-out information can be found in Table 4, AG-STAR Communication/Power Cable Pinouts on page 45.
2.2.3 Emulated Radar (ER)
The AG-STAR outputs an emulated RADAR signal via the bare wires labeled ER GND and ER_OUT on the
AG-STAR cable. See Table 4, AG-STAR Communication/Power Cable Pinouts on page 45 for the pin-out
details of this cable.
The ER outputs a logic high of supply voltage minus 0.5 V minimum and logic low of 0.5 V maximum with a
rise and fall time of less than 1 ms. Its output references signal GND and provides logic low output until its
speed is greater than 1 km/Hr. ER can be configured to operate at one of three distinct frequencies (26.11,
28.12 or 36.11 Hz/km/Hr, with 26.11 Hz/km/Hr being the default value) and with an effective range from 1 km/
Hr to 55 km/Hr for near-horizontal applications. See Section B.5, RADARCFG Configure the ER Output on
page 54 for more information.

AG-STAR User Manual Rev 1A 19
Chapter 3 Operation
Before operating the AG-STAR for the first time, ensure that you have followed the installation instructions in
Chapter 2, Installation and Setup on page 12. It is assumed that a computer is used during initial operation
and testing for greater ease and versatility.
3.1 Communications with the Receiver
Communication with the receiver typically consists of issuing commands through the communication ports
from an external serial communications device. This could be either a terminal or computer that is directly
connected to the receiver serial port using a DB-9 connector on the AG-STAR multi-cable. If you are using a
radio, it connects to another DB-9 connector on the same multi-cable by means of the radio serial cable
supplied with the radio. It is recommended that you become thoroughly familiar with the commands and logs
detailed in the OEMStar Firmware Reference Manual (OM-20000127) to ensure maximum utilization of the
receiver’s capabilities.
3.1.1 Serial Port Default Settings
The receiver communicates with your computer or terminal via an RS-232 serial port. For communication to
occur, both the receiver and the computer or terminal have to be configured properly. The receiver’s COM1
and COM2 default port settings are as follows:
• 9600 bps, no parity, 8 data bits, 1 stop bit, no handshaking, echo off
Changing the default settings requires using the COM command. See Section B.2, COM Configure COM
Port on page 48 for details.
The data transfer rate you choose determines how fast information is transmitted. For example, outputting a
log whose message byte count is 96. The default port settings allows 10 bits/byte (8 data bits + 1 stop bit + 1
framing bit). It therefore takes 960 bits per message. To get 10 messages per second then requires 9600 bps.
Also remember that even if you set the bps to 9600, the actual data transfer rate is lower and depends on the
number of satellites being tracked, data filters in use and idle time. It is suggested that you leave yourself a
margin when choosing a data rate (115200 is recommended for most applications).
3.1.2 Communicating Using a Remote Terminal
One method of communicating with the receiver is through a remote terminal. The receiver is pre-wired to
allow proper RS-232 interface with a data terminal. To communicate with the terminal, the receiver only
requires the RX, TX and GND lines to be used. Request to Send (RTS)/ Clear to Send (CTS) hardware
handshaking is not available. Ensure the terminal’s communications set-up matches the receiver’s RS-232
protocol.
When power is applied to the AG-STAR, the Power LED lights and the AG-STAR begins a self
test and the boot up process. After the self test and boot up have completed, the command
prompt becomes available on the serial port.
Although the receiver can operate at data transfer rates as low as 300 bps, this is not desirable.
For example, if several data logs are active (that is, a significant amount of information needs to
be transmitted every second) but the bit rate is set too low, data will overflow the serial port
buffers, causing an error condition in the receiver status and loss of data.

Operation Chapter 3
AG-STAR User Manual Rev 1A 20
3.1.3 Communicating Using a Computer
A computer can be set up to emulate a remote terminal as well as provide the added flexibility of creating
multiple command batch files and data logging storage files. Any standard communications software package
that emulates a terminal can be used to establish bidirectional communications with the receiver. For
example, HyperTerminal or NovAtel’s Graphic User Interface (GUI) program NovAtel Connect. All data is
sent as raw 8-bit binary or ASCII characters.
3.2 Getting Started
3.2.1 Starting the Receiver
When first powered, the AG-STAR undergoes a complete self-test. The results of this test can be viewed by
connecting to the receiver and requesting the RXSTATUS log. Refer to the OEMStar Firmware Reference
Manual (OM-20000127) for more information.
If a persistent error develops, contact your local NovAtel dealer first. If the problem is still unresolved, contact
NovAtel directly through any of the methods listed in Customer Support on page 9.
3.2.2 Communicating with the Receiver Using NovAtel Connect
NovAtel Connect is a Windows-based GUI used to access the receiver's many features. The Convert utility is
a Windows-based utility that converts between file formats and strips unwanted records for data file
compilation. Both are included in the NovAtel Connect PC Utilities bundle available from: www.novatel.com/
support/firmware-software-and-manuals/firmware-software-updates/.
Launch the NovAtel Connect program and select Device | Open from its main menu. The Open Configuration
window appears.
Figure 7: Open Configuration Window
Refer to the NovAtel Connect help file by selecting the Help | Contents menu or pressing F1 while the cursor
is in a NovAtel Connect window. Ensure the Console and ASCII Messages windows are open by selecting
them from the View menu.
When the receiver is first turned on, no data is transmitted from the COM ports except for the port prompt.
The console window displays a port name:
[COM1] if connected to COM1 port
or
[COM2] if connected to COM2 port or through Bluetooth

Operation Chapter 3
AG-STAR User Manual Rev 1A 21
Any of these prompts indicate that the receiver is ready and waiting for command input.
Commands are typed at the interfacing computing device’s keyboard and executed after issuing a carriage
return command which is usually the same as pressing the <Enter> key.
An example of a response to an input command is the FIX POSITION command. It can be as:
[COM2] FIX POSITION 51.11635 -114.0383 1048.2 [carriage return]
<OK
where [COM2] is the port prompt, followed by the command entered and [carriage return] is a prompt to
press the <Enter> key.
The example above illustrates the command input to the base receiver’s COM2 port, which sets the position
of the base station receiver for differential operation. Confirmation that the command was actually accepted is
the appearance of <OK.
If a command is entered incorrectly, the receiver responds with:
<Invalid Message ID (or a more detailed message)
3.3 Channel Configuration
The 14 channels available on the AG-STAR are configured by selecting one of eight predefined channel
configuration sets using the SELECTCHANCONFIG command. For information about the
SELECTCHANCONFIG command, see page 55.
3.4 Transmitting and Receiving Corrections
DGPS corrections can be transmitted from a base station to a rover station to improve position accuracy.
The base station is the GNSS receiver, which is acting as the stationary reference. It has a known position
and transmits correction messages to the rover station. The rover station is the GNSS receiver which does
not know its exact position and can be sent correction messages from a base station to calculate differential
GNSS positions. The AG-STAR can be used as a base receiver to transmit DGPS corrections or a rover to
receive the same corrections. An example of a differential setup is given in Figure 8, Basic Differential Setup
on page 22.
1. You may also have to wait for output from receiver self tests. For example, on start-up, the
AG-STAR receiver is set to log the RXSTATUSEVENTA log ONNEW on all ports. Refer to
the OEMStar Firmware Reference Manual (OM-20000127) for more details.
2. If you find that NovAtel Connect is unable to locate your AG-STAR receiver, try using a
different COM port to communicate to the receiver. Once communication has been
established, issue the command FRESET STANDARD. You should now be able to use your
original communication port again.
Ensure the Control Panel Power Settings on your computer are not set to go into Hibernate or
Standby modes. Data will be lost if one of these modes occurs during a logging session.
The AG-STAR can receive RTCM, RTCA, CMR, CMR+, RTCM 2.3 and RTCM 3.0 corrections to
resolve DGPS solutions. With the DGPS_TX model upgrade, the AG-STAR can transmit
non-carrier phase RTCM and RTCA corrections. Contact your local NovAtel dealer for more
information. To locate a dealer in your area contact NovAtel Inc.

Operation Chapter 3
AG-STAR User Manual Rev 1A 22
Figure 8: Basic Differential Setup
Reference Description
1 AG-STAR receiver
2 User-supplied 5A fast blow fuse
3 User-supplied power supply, for example a battery
4 User-supplied device to COM1
5 User-supplied radio device to COM2
6 User-supplied computer, for setting up and monitoring, to COM1
7 User-supplied cable or NovAtel 01018256 Communication/Power cable
System biases can introduce errors, refer to our GNSS Book found on our web site at www.novatel.com/
support/knowledge-and-learning/ for more information. In most cases, a data link between the base station
and rover station (two NovAtel receivers) is needed in order to receive corrections. SBAS corrections can be
accomplished with one receiver and are exceptions to the base/rover concept. Generally a link capable of
data throughput at a rate of 9600 bits per second, and less than 4.0 s latency, is recommended.
Once the base and rover are set up, configure them as shown in the configuration examples that follow in
Section 3.4.1, Base Station Configuration on page 23 and Section 3.4.2, Rover Station Configuration on
page 24.
The configuration shown in Figure 8, Basic Differential Setup is valid for AG-STAR receivers
without optional Bluetooth.
For an AG-STAR receiver with Bluetooth, one of the serial devices connects through COM1 and
the other devices must connect through Bluetooth.
Rover Base
1
2
3
4
5
6
1
2
3
5
COM1
COM2
COM1
COM2
7
7

Operation Chapter 3
AG-STAR User Manual Rev 1A 23
3.4.1 Base Station Configuration
At the base station, enter the following commands:
COM [port] bps [parity[databits[stopbits[handshake[echo[break]]]]]]
interfacemode port rx_type tx_type [responses]
fix position latitude longitude height
log port message [trigger [period]]
Examples of these commands include the following:
RTCA pdpfilter disable
com com2 115200 N 8 1 N off
interfacemode com2 none rtca off
fix position 51.11358042 -114.04358013 1059.4105 (enter your own lat, lon, hgt)
log com2 rtca1 ontime 5
log com2 rtcaephem ontime 10 1 (optional)
RTCM pdpfilter disable
com com2 115200 N 8 1 N off
interfacemode com2 none rtcm off
fix position 51.11358042 -114.04358013 1059.4105 (enter your own lat, lon, hgt)
log com2 rtcm1 ontime 5
RTCMV3 pdpfilter disable
com com2 9600 N 8 1 N off
interfacemode com2 none rtcmv3 off
fix position 51.11358042 -114.04358013 1059.4105
log com2 rtcm1006 ontime 10
log com2 rtcm1003 ontime 1
CMR+ pdpfilter disable
com com2 9600 N 8 1 N off
interfacemode com2 none cmr off
fix position 51.11358042 -114.04358013 1059.4105
log com2 cmrobs ontime 1
log com2 cmrplus ontime 1 (Important to use ontime 1 with cmrplus)
CMR pdpfilter disable
com com2 9600 N 8 1 N off
interfacemode com2 none cmr off
fix position 51.11358042 -114.04358013 1059.4105
log com2 cmrobs ontime 1
log com2 cmrref ontime 10
log com2 cmrdesc ontime 10 1

Operation Chapter 3
AG-STAR User Manual Rev 1A 24
3.4.2 Rover Station Configuration
At the rover station, enter:
COM [port] bps [parity[databits[stopbits[handshake[echo[break]]]]]]
interfacemode port rx_type tx_type [responses]
For example:
RTCA com com2 115200 N 8 1 N off
interfacemode com2 rtca none off
RTCM com com2 115200 N 8 1 N off
interfacemode com2 rtcm none off
RTCMV3 com com2 115200 N 8 1 N off
interfacemode com2 rtcmv3 none off
CMR+ com com2 115200 N 8 1 N off
interfacemode com2 cmr none off
CMR com com2 115200 N 8 1 N off
interfacemode com2 cmr none off (same as CMR+)
3.4.3 GPS + GLONASS Base and Rover Configuration
This section shows you how to set up base and rover AG-STAR GPS + GLONASS enabled receivers for
GPS + GLONASS DGPS corrections operation:
3.4.3.1 Base Station:
pdpfilter disable
fix position lat lon hgt (enter your own lat, lon, and hgt values)
com com2 115200 N 8 1 N off
interfacemode com2 none rtcm off
log com2 rtcm1 ontime 5
log com2 rtcm31 ontime 5 1
saveconfig (optional, save configuration to non-volatile memory)
3.4.3.2 Rover Station (DGPS positions):
com com2 115200 N 8 1 N off
interfacemode com2 rtcm none off
log com1 bestposa ontime 1 (optional, view position information)
saveconfig (optional, save configuration to non-volatile memory)

Operation Chapter 3
AG-STAR User Manual Rev 1A 25
3.4.4 Configuration Notes
For compatibility with other GNSS receivers, and to minimize message size, it is recommended that you use
the standard form of RTCA, RTCM, RTCMV3 or CMR corrections as shown in the previous base and rover
examples. This requires using the INTERFACEMODE command to dedicate one direction of a serial port to
only that message type. When the INTERFACEMODE command is used to change the mode from the
default, NOVATEL, you can no longer use NovAtel format messages.
If you wish to mix NovAtel format messages and RTCA, RTCM, RTCMV3 or CMR messages on the same
port, you can leave the INTERFACEMODE set to NOVATEL and log out variants of the standard correction
messages with a NovAtel header. ASCII or binary variants can be requested by simply appending an "A" or
"B" to the standard message name. For example on the base station:
interfacemode com2 novatel novatel
fix position 51.11358042 -114.04358013 1059.4105
log com2 rtcm1b ontime 2
Using the receiver in this mode consumes more CPU bandwidth than using the native differential messages
as shown in Section 3.4.1, Base Station Configuration on page 23.
At the rover station you can leave the INTERFACEMODE default settings (interfacemode com2 novatel
novatel). The rover receiver recognizes the default and uses the corrections it receives with a NovAtel
header.
The PSRDIFFSOURCE command sets the station ID values which identify the base stations from which to
accept pseudorange corrections. This is a useful command when the rover station is receiving corrections
from multiple base stations. Refer to the GNSS Book for more information on SBAS, available from our web
site at: www.novatel.com/support/knowledge-and-learning/.
All PSRDIFFSOURCE entries fall back to SBAS (even NONE) for backwards compatibility.
At the base station it is also possible to log out the contents of the standard corrections in a form that is easier
to read or process. These larger variants have the correction fields broken out into standard types within the
log, rather than compressed into bit fields. This can be useful to modify the format of the corrections for a
non-standard application or to look at the corrections for system debugging purposes. These variants have
"DATA" as part of their names (for example, RTCADATA1, RTCMDATA1, CMRDATAOBS, and more). Refer
to the OEMStar Firmware Reference Manual (OM-20000127) for detailed descriptions of the various
message formats.
Information on how to send multiple commands and log requests using DOS or Windows, can be found on
our Web site at http://www.novatel.com/support/knowledgedb.htm.
3.5 GLIDE
NovAtel’s GLIDE is an optional feature on the AG-STAR. GLIDE is a positioning algorithm for single
frequency GPS and GPS/GLONASS applications. GLIDE produces a smooth position output tuned for
applications where optimal time relative (pass to pass) accuracy is more important than absolute accuracy.
Because of this, it is well suited for agricultural applications.
Multipath signals tend to induce time-varying biases and increase the measurement noise on the L1
pseudorange measurements. Carrier phase measurements are much less susceptible to the effects of
multipath. The GLIDE algorithm fuses the information from the L1 code and the L1 phase measurements into
a Position-Time-Velocity (PVT) solution.
GLIDE is an optional feature on the AG-STAR. You must order a GLIDE capable model to use
this feature.

Operation Chapter 3
AG-STAR User Manual Rev 1A 26
GLIDE includes settings for a dynamic mode, a static mode, and an “auto” mode, where the filtering
parameters are automatically adjusted as vehicle velocity varies between stationary and dynamic states.
Refer to the NovAtel white papers at www.novatel.com/support/knowledge-and-learning/published-papers-
and-documents/white-papers/ for more information on GLIDE. Refer also to application note “APN-038
Pseudorange/Delta-Phase (PDP) and GLIDE Filters” at www.novatel.com/support/knowledge-and-learning/
published-papers-and-documents/application-notes/.
3.6 Emulated Radar (ER)
A typical radar sensor emits radio beams that bounce off the ground and computes ground speed based on
the speed at which objects are passing in front of the sensor. The output of the sensor is a digital pulse, the
frequency of which is proportional to the vehicle’s ground speed. This is often used in agricultural applications
such as planting and spraying. The AG-STAR eliminates the need for separate ground-sensing radar
equipment by converting the GPS-derived velocity to proportional frequency output. The following emulated
radar signal parameters can be configured by the customer:
• Frequency Step: Specifies how the frequency output relates to the vehicle speed.
• Signal Update Rate: Specifies how often the frequency output is updated to match the vehicle speed.
• Response Mode: Specifies how quickly changes in velocity are reflected in the frequency output.
Setting a slower response mode reduces spikes (noise) in the velocity but increases latency.
Setting a higher response mode reduces latency, but may result in noisier frequency output. Refer to
Section B.5, RADARCFG Configure the ER Output on page 54 for more detailed information.
After it is configured using the RADARCFG command, Emulated Radar (ER) pulses are output through the
AG-STAR cables (see Table 4, AG-STAR Communication/Power Cable Pinouts on page 45) and the
RADARSIGNAL log (see page 59).
3.7 Recommended Configuration
The following command is recommended to enable SBAS (WAAS/EGNOS/MSAS) corrections:
sbascontrol enable
The following commands are recommended to enable GLIDE:
pdpfilter enable
pdpmode relative auto
When complete, your configuration can be saved with the SAVECONFIG command. For more information
about these commands, refer to the OEMStar Firmware Reference Manual (OM-20000127), available at
www.novatel.com/support/firmware-software-and-manuals/product-manuals-and-doc-updates/, and APN-
050 SMART-AG Firmware Release, available at www.novatel.com/support/knowledge-and-learning/
published-papers-and-documents/application-notes/.

AG-STAR User Manual Rev 1A 27
Chapter 4 Bluetooth Configuration
Bluetooth is a wireless radio communication standard designed for use over short ranges (within 10 m). This
chapter describes how to use the Bluetooth interface on the AG-STAR.
4.1 Bluetooth Wireless Technology on the AG-STAR receiver
Bluetooth wireless technology is configured on the AG-STAR’s internal COM2 port. After your computer is
configured for Bluetooth operation, use HyperTerminal or NovAtel Connect to communicate through COM2.
To log data over the Bluetooth port, specify COM2 as the output port (e.g. log com2 bestposa ontime 1).
4.2 Pairing with a new AG-STAR
To pair with an AG-STAR in range:
1. Power on the AG-STAR.
2. Double-click the Bluetooth icon in the notification area, see Figure 9 on page 27. The Bluetooth Devices
window opens, see Figure 10 on page 28.
Figure 9: Bluetooth Icon
Ensure that your computer is equipped with a built-in, or external plug-in, Bluetooth adapter and
is already configured with the appropriate Bluetooth driver.
The information in this section is specific to pairing an AG-STAR with a Windows 7 based
computer.
For information about pairing the AG-STAR with other Bluetooth capable devices, refer to the
devices user documentation.

Bluetooth Configuration Chapter 4
AG-STAR User Manual Rev 1A 28
Figure 10: Bluetooth Devices Window
3. On the Bluetooth Devices window, click the Add a device button. The Add a device window appears. The
computer searches for any Bluetooth device in range and displays the devices found on the window, see
Figure 11 on page 28.
Figure 11: Add a device window

Bluetooth Configuration Chapter 4
AG-STAR User Manual Rev 1A 29
4. Select the AG-STAR system and click the Next button. The Select a pairing option window appears, see
Figure 12 on page 29.
Figure 12: Add a device - Select a pairing option
5. Click the Enter the device’s pairing code button. The Enter the pairing code for the device window
appears, see Figure 13 on page 29.
Figure 13: Add a device - Enter pairing code
6. Type the AG-STAR pairing code, 0000, and click the Next button.
Windows installs the serial port driver and assigns a serial port number to the Bluetooth link. Make a note
of the serial port number assigned. See Figure 14, Bluetooth Link Serial Port on page 30 and Figure 15,
Add a device - Successful on page 30.

Bluetooth Configuration Chapter 4
AG-STAR User Manual Rev 1A 30
Figure 14: Bluetooth Link Serial Port
Figure 15: Add a device - Successful
4.3 Determining the Bluetooth Serial Port
To determine the serial port associated with the Bluetooth link to the AG-STAR:
1. Double-click the Bluetooth icon in the notification area, see Figure 16 on page 30. The Bluetooth Devices
window opens, see Figure 17 on page 31.
Figure 16: Bluetooth Icon
On some operating systems, the AG-STAR must be re-paired every time it is restarted.
To re-pair in Windows 7, click the Bluetooth icon in the notification area and enter the pairing
code when prompted.
For instructions on re-pairing in other operating systems, see the user documentation that came
with the operating system.

Bluetooth Configuration Chapter 4
AG-STAR User Manual Rev 1A 32
Figure 18: Bluetooth Devices Window - Device Menu
Figure 19: Bluetooth Devices Window - Properties

Bluetooth Configuration Chapter 4
AG-STAR User Manual Rev 1A 33
3. Click the Services tab. The Services tab displays the serial port information about the Bluetooth link to
the AG-STAR. See Figure 20 on page 33.
Figure 20: Properties - Services Tab
4.4 Communicate with the AG-STAR Using Bluetooth Wireless Technology
1. Open a terminal program (HyperTerminal, for example) and configure it to the serial port assigned to the
Bluetooth link. If you do not know the serial port information, see Section 4.3, Determining the Bluetooth
Serial Port on page 30.
2. Configure the port settings as follows:
9600 bps, no parity, 8 data bits, 1 stop bit, no handshaking, echo off
3. Through the terminal program, connect to the Bluetooth serial port and verify the connection.
4. Type the following VERSION log request into the command prompt to ensure that the connection works:
log version

AG-STAR User Manual Rev 1A 34
Chapter 5 NovAtel Firmware and Software
Download the most recent versions of the NovAtel firmware and receiver software from the NovAtel website
at www.novatel.com Support/Firmware/Software and Manuals.
AG-STAR Firmware and Software
NovAtel Connect PC Utilities Software Bundle
Bundled PC Utilities software includes:
• NovAtel Connect (an interface for monitoring and configuring the receiver)
• Connection Import (imports connection profiles from previous versions of NovAtel Connect)
• Convert (converts receiver data logs into different formats)
• USB Drivers and Window Signing
Firmware and Software included
• SoftLoad firmware
• WinLoad software utility
5.1 Firmware Updates and Model Upgrades
A local NovAtel dealer can provide all the information needed to upgrade or update a receiver. Refer to
www.novatel.com/where-to-buy for contact information or contact sales@novatel.com or
support@novatel.com directly.
5.1.1 Firmware Updates
Firmware updates are firmware releases that include fixes and enhancements to the receiver functionality.
Firmware updates are released on the NovAtel web site as they become available. New firmware must be
loaded into the receiver through one of the COM ports. Once loaded, the receiver reboots and begins
operating with the new firmware.
Refer to Transferring Firmware Files on page 36 for descriptions of the Update and OEM
versions.
The NovAtel Connect PC Utilities bundle can be download from our web site: www.novatel.com/
support/firmware-software-and-manuals/firmware-software-updates/novatel-connect/
WinLoad and SoftLoad instructions follow.
Direct access to a serial COM port on the AG-STAR is required.

NovAtel Firmware and Software Chapter 5
AG-STAR User Manual Rev 1A 35
5.1.2 Model Upgrades
Model upgrades enable purchased receiver features.
Contact a local NovAtel dealer to assist in selecting the upgrade options that best suit your GNSS needs at
www.novatel.com/where-to-buy. Contact NovAtel Customer Support www.novatel.com/support or NovAtel
Sales to request a temporary upgrade authorization code for trial purposes.
The receiver stores the firmware in Non-Volatile Memory (NVM), which allows model upgrades to be
performed without returning the receiver to the dealer. Model upgrades can be applied to the receiver with an
authorization code and the AUTH command.
5.2 Authorization Code
An authorization code, commonly known as an auth-code, is required to upgrade and possibly update an
AG-STAR receiver. Auth-codes are obtained by contacting NovAtel Customer Support. Upon contact,
NovAtel Customer Support requires:
• the receiver model number
• the receiver serial number
• the receiver firmware version
Enter the LOG VERSION command to determine the receiver model, serial number and firmware version.
Example:
After determining the appropriate model and firmware version the authorization code (auth-code) is issued.
The auth-code is required to unlock the features on the new model type.
To upgrade to a new model with the same firmware version, use the AUTH command with the issued auth-
code (if required), as outlined in Updating or Upgrading Using the WinLoad Utility on page 36.
To upgrade to a new model with a higher firmware version, the new firmware .HEX file needs to be loaded
into the AG-STAR receiver using the WinLoad utility program. WinLoad and the firmware .HEX files can be
found at www.novatel.com/Support/Firmware/Software and Manuals/Product Updates. Refer to
Section 5.3,
Updating or Upgrading Using the WinLoad Utility
on page 36 for use instructions.
The procedure for loading firmware is the same. Refer to Section 5.5, Upgrading Using the
AUTH Command on page 40.
An authorization code is still required if the software model changes for temporary trial
upgrades or purchased permanent upgrades.
Product
Firmware
Release
Indicator
Family
Number
SerialModel
Number Number FIRMWARE
ENTER Version
Hardware
Version
GPSCARD “LXGMTSA” “DHD13302094” “M6XV1G-2.02-TT” “L6X010106RN0000”

NovAtel Firmware and Software Chapter 5
AG-STAR User Manual Rev 1A 36
5.3 Updating or Upgrading Using the WinLoad Utility
WinLoad is the simplest and most common way to update or upgrade an AG-STAR receiver.
5.3.1 Transferring Firmware Files
To proceed with an update or possibly an upgrade, obtain the latest version of firmware from the NovAtel
website at www.novatel.com/support/firmware-software-and-manuals/ (found with OEMStar).
5.3.1.1 Types of Firmware Files
The firmware update or upgrade file is one of two types:
•Update Version (UPDT) - The update version includes the authorization codes for all AG-STAR
receivers and receiver model upgrades purchased before the cut-off date1. The update version is
named UPDTXXXX.EXE, where XXXX is the firmware version. If the receiver or model upgrade was
purchased after the cut-off date, the authorization code does not appear in the UPDT file and the
OEM version must be used.
•OEM Version - Use the OEM version if the receiver or model upgrade was purchased after the cut-
off date. When the OEM version is used, NovAtel Customer Service must generate and provide the
required authorization code. Authorization codes are obtained by contacting support@novatel.com
or at www.novatel.com/Support/.
The OEM version is named OEMXXXX.EXE, where XXXX is the firmware version.
For convenience, copy the update file to a GNSS sub-directory (for example, C:\GNSS\LOADER).
If the firmware update file is password protected, NovAtel Customer Support provides the required password.
After copying the file to a computer, perform the following steps to extract the files:
Syntax: [filename] [password] (if required)
where filename is the name of the compressed file (but not including the .EXE extension) and password is
the password if required for extraction.
Example: L6X010100RN0000.hex
In the above example, a window appears asking for a password.
The self-extracting archive produces the following files:
winload.exe WinLoad utility program
howto.txt Instructions on how to use the WinLoad utility
whatsnew.rtf Information on the changes made in the firmware since the last revision
x..x.hex Firmware version upgrade file, where x..x defines the product name and release (e.g.,
L6X010100RN0000.hex)
The files are extracted to unzip/program files/NovAtel Inc/x.xxx Full Update Disk, where x.xxx is the firmware
version.
1. For further information and the exact cut-off date, refer to the NovAtel website at www.novatel.com/
support/firmware-software-and-manuals/firmware-software-updates/oemstar/.
NovAtel has an online video tutorial that explains firmware uploading at www.novatel.com/
support/knowledge-and-learning/video-tutorials-and-tech-presentations/.

NovAtel Firmware and Software Chapter 5
AG-STAR User Manual Rev 1A 37
5.3.2 Using the WinLoad Utility
If opening WinLoad for the first time, ensure the file and communications settings are correct.
5.3.2.1 Open a File to Download
Select File |Open. Navigate to the file to open (Figure 21).
Figure 21: WinLoad’s Open Window
When a file is selected, the filename appears in the main WinLoad display area and in the title bar
(Figure 22).
Figure 22: Open File in WinLoad
5.3.2.2 Communications Settings
To set the communications port and baud rate, select Settings | COM Settings. Choose the computer port to
use from the Com Port drop down list and the baud rate from the Download Baudrate drop down list. Set the
baud rate as high as possible (the default of 115200 and is preferred).
Figure 23: COM Port Setup

NovAtel Firmware and Software Chapter 5
AG-STAR User Manual Rev 1A 38
5.3.2.3 Downloading Firmware
1. Select the file to download according to Section 5.3.2.1, Open a File to Download on page 37.
2. Ensure the file path and name are displayed in main display area (see Figure 22, Open File in WinLoad
on page 37).
3. Click Write Flash to download the firmware.
4. When Searching for card appears in the main display, power cycle the receiver.
Figure 24: Searching for Card
5. If the Authorization Code window appears, enter the auth-code and click OK. See Section 5.2,
Authorization Code on page 35 for further information about the Authorization Code.
Figure 25: Authorization Code Window
6. The receiver finishes the download and then resets. The process is complete when Done appears in the
main display area.
Figure 26: Upgrade Process Complete
7. Close WinLoad.
5.4 Updating using SoftLoad Commands
Use SoftLoad to update a receiver.
1. Open a connection to any port on the receiver.
2. Request the SOFTLOADSTATUSA log using the following command:
LOG SOFTLOADSTATUSA ONCHANGED.
Use SoftLoad if automated loading is required or the platform used to communicate with the
receiver if not supported by WinLoad.
Refer to Section 5.3.1.1, Types of Firmware Files on page 36 for details on updating versus
upgrading.

NovAtel Firmware and Software Chapter 5
AG-STAR User Manual Rev 1A 39
3. Initialize SoftLoad with a SOFTLOADRESET command. This command stops all tracking on the
receiver to ensure sufficient memory is available for the loading process. A RXSTATUSEVENTA log
reports a SoftLoad In Progress status.
4. Open the *.HEX firmware file.
5. Send each line of the *.HEX file to the receiver in a SOFTLOADSREC command. The S-Records must
be enclosed by quotation marks:
SOFTLOADSREC "<S-RECORD>"
6. Send the SOFTLOADCOMMIT command.
7. During the loading process, SOFTLOADSTATUSA logs report the load status. Wait for the
SOFTLOADSTATUSA to indicate loading is COMPLETE.
8. Send the new auth-code for the receiver with the following special case of the AUTH command:
AUTH ADD_DOWNLOAD <auth-code>
9. Reset the receiver by entering RESET, FRESET or power cycling.
10. Once the receiver resets, the new version of firmware is active.
5.4.1 Working with S-Records
• Records beginning with S0, S5 and S7 should be passed to the receiver directly using the
SOFTLOADSREC command. These records contain meta data about the firmware image.
• Records beginning with S3 form the actual firmware image and can be converted to SOFTLOADDATA
binary commands. Aside from the header, each pair of characters forms the ASCII representation of
binary byte. The format is as follows:
• Multiple S3 records can be packaged into a single SOFTLOADDATA command as long as the data
from one S3 record follows immediately after the previous record, up to a maximum of 4096 bytes of
data. That is, the address must equal the previous address plus the previous data length. The "offset"
field remains the address of the first S3 record and the "data" and "data length" are updated to include
the new data.
• The hex file data may contain many gaps and jumps. For example, in most NovAtel hex files data for
address 0x000_00000 is stored near the very end of the file.
The SoftLoad process can be cancelled safely at any time during the process using the RESET
command.
S3 LL AAAAAAAA DDDDDDDD...DDDDDDDD CC
Check Sum. One's compliment of all other
bytes
Little Endian Data. These bytes are copied into the "data" field of the
SOFTLOADDATA command
4 - Byte Address. Set this as the value of "offset" in the SOFTLOADDATA command
Length. This is the hexadecimal number of character pairs to follow in the record. This value minus
4 bytes for the address and 1 byte for the check sum is copied into the "data length" field of the
SOFTLOADDATA command
Header

NovAtel Firmware and Software Chapter 5
AG-STAR User Manual Rev 1A 40
5.5 Upgrading Using the AUTH Command
The AUTH command authorizes the enabling (unlocking) of model features. The AUTH command is used to
upgrade a new receiver model, available with the same firmware version as the current model. This
command only functions with a valid auth-code assigned by NovAtel Customer Support.
The upgrade can be performed directly through the NovAtel Connect command line or from any other
communications program.
5.5.1 Upgrade Procedure
1. Power up the receiver and establish communications.
2. Issue the LOG VERSION command to verify the current model, firmware version and serial number
(refer to Section 5.2, Authorization Code on page 35 for instructions on obtaining).
3. Issue the AUTH command, followed by the auth-code and model type (refer to Section 5.2,
Authorization Code on page 35 for details on obtaining any auth-code). The syntax is as follows:
auth <your auth-code here>
where auth is a command that enables model upgrades and auth-code is the upgrade authorization code,
expressed as follows:
XXXXXX,XXXXXX,XXXXXX,XXXXXX,XXXXXX,MODEL,EXPDATE
where:
1. Each X character is a case-insensitive ASCII character.
2. The MODEL string is a maximum of 15 characters long and represents the model enabled by the auth-
code.
3. The EXPDATE string is the auth-code’s expiry date, in YYMMDD format
Example:
auth 7WBMBK,887CB6,K5J3FH,5DF5P2,42PW8G,D1SB0GTT0,121211
When the AUTH command is executed, the receiver reboots. Issuing the LOG VERSION command
confirms the new upgrade model type and firmware version number.
If communicating using NovAtel Connect, the communication path must be closed and reopened using the
Device menu.
Refer to Section 5.3.1.1, Types of Firmware Files on page 36 for details on updating versus
upgrading.

AG-STAR User Manual Rev 1A 41
Appendix A Technical Specifications
A.1 AG-STAR Receiver Performance
PERFORMANCE
Channel Configuration
14 GPS L1
12 GPS L1 + 2 SBASa
10 GPS L1 + 4 GLONASS L1
8 GPS L1 + 6 GLONASS L1
8 GPS L1 + 4 GLONASS L1 + 2 SBASa
10 GPS L1 + 2 GLONASS L1 + 2 SBASa
7 GPS L1 + 7 GLONASS L1
14 GLO L1
a. Satellite Based Augmentation Systems (SBAS) include WAAS (North America), EGNOS (Europe) and MSAS (Japan).
Horizontal Position Accuracy (RMS)b
b. Typical values. Performance specifications subject to GPS system characteristics, US DOD operational
degradation, ionospheric and tropospheric conditions, satellite geometry, baseline length, multipath effects and the
presence of intentional or unintentional interference sources.
Export licensing restricts operation to a maximum velocity of 515 metres per second.
Absolute
Autonomous 1.5 m
SBASa0.9 m
DGPS 0.5 m
Measurement Precision (RMS)
GPS GLONASS
L1 C/A Code 5 cm 35 cm
L1 Carrier Phase 0.6 mm 1.5 mm
Maximum Data Rate Measurements 10 Hz
Position 10 Hz
Time to First Fix Cold Startc85 s
Hot Startd55 s
c. Typical value. No almanac or ephemerides and no approximate position or time.
d. Typical value. Almanac and recent ephemerides saved and approximate time entered. For more information, refer to
the “SETAPPROXTIME” command in the OEMStar Firmware Reference Manual (OM-20000127) found on our web
site at www.novatel.com/support/firmware-software-and-manuals/product-manuals-and-doc-updates/.
Signal Reacquisition L1 <1.0 s (typical)
Time Accuracy (RMS) GPS GLONASS
20 ns 40 ns
Velocity Accuracyb (RMS) 0.05 m/s

AG-STAR User Manual Rev 1A 42
A.2 AG-STAR Specifications
INPUT/OUTPUT CONNECTORS
AG-STAR COM/PWR +8 to +36 V DC at 2.5 W (typical while logging) a
For the cable pinouts and drawings, see Section A.2.2, AG-STAR
Communications/Power Cable (01018256) on page 44.
a. When tracking GPS satellites.
Serial Com Ports RS-232 F Compliant (Rx and Tx signals only)
Emulated Radar Output High = Supply Voltage -0.5V Minimum
Low = 0.5V Maximum
Load = 3K Ohm Minimum
PPS Output 3.3 V CMOS Logic Compatible
MKI Input 3.3V CMOS Logic / 5V Tolerant
INPUT/ OUTPUT CONNECTOR PROTECTION
Electrical Conducted/
Coupled disturbance
tolerance
ISO 7637:2002 (Survives all pulse types)
LED INDICATORS
More details can also be found in Section 2.2.1, Status Indicators on page 17.
PHYSICAL
Size 155.3 x 66.8 x 155 mmb
b. denotes diameter, here and in Figure 27, AG-STAR Dimensions on page 43.
Weight 495 g maximum
ENVIRONMENTAL
Operating Temperature -40C to +75C
Storage Temperature -55C to +90C
Humidity Not to exceed 95% non-condensing
Immersion MIL-STD-810F Method 512.4 Procedure 1
Vibration c
c. See also Notice on page 7.
Random MIL-STD-810F Method 514.5 C17
Sinusoidal IEC 68-2-6 ASAE EP455, 5.15.2 Level 1
Shock MIL-STD-810 F Method 516.5

AG-STAR User Manual Rev 1A 44
A.2.2 AG-STAR Communications/Power Cable (01018256)
The AG-STAR cable that accompanies the AG-STAR Development Kit, see Figure 28, AG-STAR
Communication/Power Cable, provides a means of supplying power from a battery while operating in the
field. The exposed wires (red for positive and black for negative) can then be connected to a vehicular power
circuit (or equivalent) protected by a 5A fast blow fuse (user supplied). The cable also has two DB-9
connectors. One can accommodate a computer serial (RS-232) communication port and the other can
connect to a modem or radio transmitter to propagate differential corrections (refer to your user-supplied
modem or radio transmitter user guide for more information on its connectors).
In addition, there are a number of bare wires where the outer insulation is cut away but the wires beneath are
intact. See Table 4, AG-STAR Communication/Power Cable Pinouts on page 45 for their pinouts. For more
information on mating connectors and part numbers, see Table 5, AG-STAR Mating Connectors on page 46.
This cable is RoHS compliant.
Figure 28: AG-STAR Communication/Power Cable
Bluetooth wireless technology uses the COM2 port. When Bluetooth wireless technology is
enabled, COM2 is not available on the AG-STAR connector or the cable.

AG-STAR User Manual Rev 1A 45
Table 4: AG-STAR Communication/Power Cable Pinouts
Signal Name J1 J2 J3 Label
COM1_TXD 1 2
COM1_RXD 2 3
COM2_TXD 3 2
COM2_RXD 4 3
COM1 GND
5
5
COM2 GND 5
MKI GND MKI GND
ER GND ER GND
PPS GND PULSE PER SECOND GND
RESERVED 6 CANI +a
a. Signal not available on AG-STAR.
RESERVED 7 CANI -a
RESERVED 8
PWR RET (GND) 9 BATT -
EMULATED RADAR OUT 10 ER_OUT
EVENT MARK IN 11 MKI
PPS 12 PPS
RESERVED 13
PWR INPUT 14 BATT +

AG-STAR User Manual Rev 1A 46
A.2.3 AG-STAR Connector and Cable Requirements
Custom cables for installing your AG-STAR can be created using the following guidelines:
• Wire size: must be 0.5 mm-1.25 mm (20-16 AWG)
• Batt + connection must be protected by 5A fast blow fuse
• Serial data signals (TxD, RxD, signal ground) must be run in shielded cable.
• Use only the recommended mating connectors listed below. Use only gold plated pins
The connector used in the AG-STAR is an “AMPSEAL” dust and water sealed type produced by Tyco. The
following part numbers pertain to the mating connector required to make connections to the AG-STAR. These
numbers are provided for information only and are not available from NovAtel as separate parts.
Table 5: AG-STAR Mating Connectors
Table 6, Recommended Fuse and Fuse Holders on page 46 details the part numbers for recommended fuses
and fuse holders. These numbers are provided for information only and are not available from NovAtel as
separate parts.
Table 6: Recommended Fuse and Fuse Holders
Connect shields to ground at the AG-STAR end only.
Failure to observe the given cable construction guidelines in this section will result in damage to
the wiring (not covered by warranty).
Product Part Description Company Part Number
AG-STAR mating connector (Figure 28,
AG-STAR Communication/Power Cable on
page 44)
14-pin sealed receptacle
housing-black
Tyco/AMP 776273-1
Gold plated pins for AG-STAR connector/loose Pins, loose piece Tyco/AMP 770854-3
Gold plated pins for AG-STAR connector/strip Pins, strip (reel) Tyco/AMP 770520-3
Seal Plug for unused pins on mating connector Seal Plug Tyco/AMP 770678-1
Fuse Recommended Fuse/Fuse Holder
12 V Fuse (standard size blade) ATO Blade Fuse 5A Littelfuse 0257005
Or Equivalent
12 V Fuse (mini size blade) Mini Blade Fuse 5A Littelfuse 0297005
Or Equivalent
24V Fuse (standard size blade) TAC ATO Blade Fuse 5A Littelfuse 142.6185.450
Or Equivalent
24V Fuse (mini size blade) Mini Blade Fuse 58V 5A Littelfuse 0997005
Or Equivalent
Fuse Holder (standard size blade) In-line ATO fuse holder Littelfuse FHAC0001
Or Equivalent
Fuse Holder (mini size blade) In-line mini fuse holder Littelfuse 0FHM0001
Or Equivalent

AG-STAR User Manual Rev 1A 47
Appendix B Commands
The AG-STAR firmware implements the OEMStar family command set, documented in the OEMStar
Firmware Reference Manual (OM-20000127). Commonly used AG-STAR commands are summarized in
Table 7, AG-STAR Commands in Alphabetical Order and documented in this appendix.
Table 7: AG-STAR Commands in Alphabetical Order
The arguments for each of these commands are described in the following sections.
For a complete listing and description of the other commands that the AG-STAR, an OEMStar-based
receiver, is capable of processing, refer to the OEMStar Firmware Reference Manual (OM-20000127).
B.1 Syntax Conventions
The following rules apply when entering commands, at the command prompt, from a keyboard.
1. Courier font is used to illustrate program output or user input.
2. References to other commands, logs or any of their fields are shown in italics.
3. The commands are not case sensitive. For example, you could type either RESET or reset.
4. Except where noted, either a space or a comma can separate commands and their required entries. For
example, you could type either fix position 51.11358042 -114.04358013 1059.4105 or fix
position 51.11358042, -114.04358013, 1059.4105.
5. At the end of a command, a carriage return is required. For example, press <Enter> or <Return> on your
keyboard.
6. Responses are provided to indicate whether or not an entered command was accepted. The format of
the response depends on the format of the command. Refer to the OEMStar Firmware Reference
Manual (OM-20000127) for more information.
7. Optional parameters are indicated by square brackets ( [ ] ). For commands that contain optional
parameters, the value used if the optional parameter is not specified is given in the syntax table for the
command.
8. Data format definitions, as specified in the “Format” field, are detailed in the OEMStar Firmware
Reference Manual (OM-20000127). Note that all binary data is little-endian byte-ordered.
ASCII Command Message ID Description
COM 4 Configure the receiver serial port.
FRESET 20 Factory reset (Existing OEMStar command extended to AG-STAR)
LOG 1 Request logs from the receiver
RADARCFG 8192 Configure the ER signal output (New AG-STAR command)
RESET 18 Perform a hardware reset

AG-STAR User Manual Rev 1A 48
B.2 COM Configure COM Port
This command permits you to configure the receiver’s asynchronous serial port communications drivers.
The current COM port configuration can be reset to its default state at any time by sending it two hardware
break signals of 250 milliseconds each, spaced by fifteen hundred milliseconds (1.5 seconds) with a pause of
at least 250 milliseconds following the second break. This will:
• Stop the logging of data on the current port (see UNLOGALL command in the OEMStar Firmware
Reference Manual (OM-20000127)).
• Clear the transmit and receive buffers on the current port.
• Return the current port to its default settings (see Factory Defaults section in the OEMStar Firmware
Reference Manual (OM-20000127)).
• Set the interface mode to NovAtel for both input and output (see INTERFACEMODE command in the
OEMStar Firmware Reference Manual (OM-20000127)).
Message ID: 4
Abbreviated ASCII Syntax:
COM [port] bps [parity[databits[stopbits[handshake[echo[break]]]]]]
Factory Default:
COM COM1 9600 N 8 1 N OFF ON
COM COM2 9600 N 8 1 N OFF ON
ASCII Example:
COM COM1,57600,N,8,1,N,OFF,ON
Baud rates higher than 115,200 bps are not supported by standard computer hardware. Special
hardware may be required for higher rates, including 230400 bps, 460800 bps and 921600 bps.
Also, some computers have trouble with baud rates beyond 57600 bps.
On AG-STAR receivers with Bluetooth wireless technology, the default settings for COM2 are:
com2 115200 n 8 1 cts off off
Changing the COM2 serial port settings could interfere with the ability to communicate using
Bluetooth wireless technology.
Use the COM command before using the INTERFACEMODE command on each port.
Watch for situations where the COM ports of two receivers are connected together and the
baud rates do not match. Data transmitted through a port operating at a slower baud rate may
be misinterpreted as break signals by the receiving port if it is operating at a higher baud rate.
This is because data transmitted at the lower baud rate is stretched relative to the higher baud
rate. In this case, configure the receiving port to have break detection disabled using the COM
command.

AG-STAR User Manual Rev 1A 49
Field Field Type ASCII Value Binary
Value Description Binary
Format
Binary
Bytes
Binary
Offset
1COM
header
- - This field contains the command
name or the message header
depending on whether the command
is abbreviated ASCII, ASCII or binary.
-H0
2 port 1 COM1 Select COM port 1 to configure Enum 4 H
2 COM2 Select COM port 2 to configure
6 THISPORT Select the current COM port (default)
8 ALL Select all COM ports
3 bps/baud 300, 600, 900, 1200, 2400,
4800, 9600, 19200, 38400,
57600, 115200, or 230400
Communication baud rate (bps). ULong 4 H+4
4 parity 0 N No parity (default) Enum 4 H+8
1 E Even parity
2 O Odd parity
5 databits 7 or 8 Number of data bits
(default = 8)
ULong 4 H+12
6 stopbits 1 or 2 Number of stop bits
(default = 1)
ULong 4 H+16
7 handshake 0 N No handshaking (default) Enum 4 H+20
1 XON XON/XOFF software handshaking
2 CTS CTS/RTS hardware handshaking
8 echo OFF 0 No echo (default) Enum 4 H+24
ON 1 Transmit any input characters as they
are received
9 break OFF 0 Disable break detection Enum 4 H+28
ON 1 Enable break detection (default)

AG-STAR User Manual Rev 1A 50
B.3 FRESET Clear Selected Data from NVM and Reset
The OEMStar freset command is extended to include AG-STAR features. An additional target field, userdata
(value = 10), resets only the AG-STAR user data NVM, thereby resetting all parameters indicated in this
document as “Stored in NVM” to factory defaults. Issuing the freset command with the “target” field set to
standard, resets the userdata NVM as well as OEMStar parameters as indicated in the OEMStar Firmware
Reference Manual (OM-20000127).
Table 8: FRESET Target
If you issue the FRESET command without any parameters, it is the same as issuing a
FRESET STANDARD command.
Field Field
Type
ASCII
Value
Binary
Value Description Binary
Format
Binary
Bytes
Binary
Offset
1FRESET
header
- - This field contains the command name
or the message header depending on
whether the command is abbreviated
ASCII, ASCII or binary.
-H0
2targetSee Table 8, FRESET
Target on page 50
Data to be reset by the receiver Enum 4 H
Binary ASCII Description
0 STANDARD Resets commands, ephemeris, and almanac (default).
1 COMMAND Resets the stored commands (saved configuration)
2 GPSALMANAC Resets the stored GPS almanac
3 GPSEPHEM Resets the stored GPS ephemeris
4 GLOEPHEM Resets the stored GLONASS ephemeris
5 MODEL Resets the currently selected model
10 USERDATA Reset AG-STAR only commands
11 CLKCALIBRATION Resets the parameters entered using the CLOCKCALIBRATE command
20 SBASALMANAC Resets the stored SBAS almanac
21 LAST_POSITION Resets the position using the last stored position
31 GLOALMANAC Resets the stored GLONASS almanac

AG-STAR User Manual Rev 1A 51
B.4 LOG Request Logs from the Receiver
Many different types of data can be logged using several different methods of triggering the log events. Every
log element can be directed to any combination of the two COM ports. The ONTIME trigger option requires
the addition of the period parameter. See the OEMStar Firmware Reference Manual (OM-20000127) for
further information and a complete list of data log structures. The LOG command tables in this section show
the ASCII command format.
The optional parameter [hold] prevents a log from being removed when the UNLOGALL command, with its
defaults, is issued. To remove a log that was invoked using the [hold] parameter requires the specific use of
the UNLOG command. To remove all logs that have the [hold] parameter, use the UNLOGALL command with
the held field set to 1.
The [port] parameter is optional. If [port] is not specified, [port] is defaulted to the port that the command was
received on.
Message ID: 1
Abbreviated ASCII Syntax:
LOG [port] message [trigger [period [offset [hold]]]]
Factory Default:
LOG COM1 RXSTATUSEVENTA ONNEW 0 0 HOLD
LOG COM2 RXSTATUSEVENTA ONNEW 0 0 HOLD
Abbreviated ASCII Example 1:
LOG COM1 BESTPOS ONTIME 7 0.5 HOLD
The above example shows BESTPOS logging to COM port 1 at 7 second intervals and offset by 0.5 seconds
(output at 0.5, 7.5, 14.5 seconds and so on). The [hold] parameter is set so that logging is not disrupted by
the UNLOGALL command.
To send a log only one time, the trigger option can be ignored.
Abbreviated ASCII Example 2:
LOG COM1 BESTPOS ONCE 0.000000 0.000000 NOHOLD
1. The OEMStar family of receivers can handle 30 logs at a time. If you attempt to log more
than 30 logs at a time, the receiver responds with an Insufficient Resources error.
2. Maximum flexibility for logging data is provided to the user by these logs. The user is
cautioned, however, to recognize that each log requested requires additional CPU time and
memory buffer space. Too many logs may result in lost data and degraded CPU
performance. Receiver overload can be monitored using the idle-time field and buffer
overload bits of the Receiver Status in any log header.
3. Polled log types do not allow fractional offsets or ONTIME rates faster than 1Hz.
4. Use the ONNEW trigger with the MARKTIME or MARKPOS logs.
5. Only the MARKPOS or MARKTIME logs, and ‘polled’ log types are generated ‘on the fly’ at
the exact time of the mark. Synchronous and asynchronous logs output the most recently
available data.
6. If you do use the ONTIME trigger with asynchronous logs, the time stamp in the log does
not necessarily represent the time the data was generated, but rather the time when the log
is being transmitted.

AG-STAR User Manual Rev 1A 52
Refer to the Command Formats section of the OEMStar Firmware Reference Manual (OM-20000127) for
additional examples.
1. In NovAtel Connect there are two ways to initiate data logging to the receiver's serial ports.
You can either enter the LOG command in the Console window, or use the interface pro-
vided in the Logging Control window. Ensure the Power Settings on your computer are not
set to go into Hibernate or Standby modes. Data is lost if one of these modes occurs during
a logging session.
2. Only the ASCII/Abbreviated ASCII log table is included in this manual. Refer to the LOG
command in the OEMStar Firmware Reference Manual (OM-20000127) for binary log
details.
Field Field
Name ASCII Value Description Field
Type
1LOG
(ASCII)
header
- This field contains the command name or the
message header depending on whether the
command is abbreviated ASCII or ASCII
respectively.
-
2port See Table 9, Detailed Serial Port
Identifiers on page 53
Output port
(default = THISPORT)
Enum
3 message Any valid message name, with
an optional A or B suffix.
Message name of log to output Char [ ]
4 trigger ONNEW Output when the message is updated (not
necessarily changed)
Enum
ONCHANGED Output when the message is changed
ONTIME Output on a time interval
ONNEXT Output only the next message
ONCE Output only the current message. (default)
ONMARK Output when a pulse is detected on the mark 1
input, MK1I
5period Any positive double value larger
than the receiver’s minimum raw
measurement period
Log period (for ONTIME trigger) in seconds
(default = 0)
Double
6 offset Any positive double value
smaller than the period.
Offset for period (ONTIME trigger) in seconds. If
you wished to log data at 1 second after every
minute you would set the period to 60 and the
offset to 1 (default = 0)
Double
7 hold NOHOLD Allow log to be removed by the UNLOGALL
command (default)
Enum
HOLD Prevent log from being removed by the
UNLOGALL command

AG-STAR User Manual Rev 1A 53
Table 9: Detailed Serial Port Identifiers
ASCII Port
Name
Hex Port
Value
Decimal Port
Value Description
NO_PORTS 0 0 No ports specified
COM1 1 1 COM port 1
COM2 2 2 COM port 2
THISPORT 6 6 The current COM port
ALL 8 8 All COM ports

AG-STAR User Manual Rev 1A 54
B.5 RADARCFG Configure the ER Output
Use this command to configure the Emulated Radar (ER) output. ER is available through the AG-STAR
Communication/Power cable, see Table 4, AG-STAR Communication/Power Cable Pinouts on page 45 for
pin-out details.
Message ID: 8192
Syntax
radarcfg switch freq_step update_rate resp_mode threshold
Table 10: Response Modes
Example 1 to disable radar emulation: radarcfg disable 26.11 1 1 2
Example 2 to set the frequency step to 36.11 Hz/kph,
update rate to 1 Hz and no smoothing: radarcfg enable 36.11 1 1 2
Field Data Description Bytes Format Units Offset
1 Header This field contains the command name or the
message header depending on whether the
command is abbreviated ASCII, ASCII or binary.
-- 0
2 switch Enable or disable radar emulation
0 = ENABLE
1 = DISABLE
(default = enable)
4 Enum none H
3 freq_step Frequency step per kilometer per hour.
Range: 26.11, 28.12 or 36.11
(default = 26.11)
8DoubleHz/kphH+4
4 update_rate Specify how often to update radar output
Range: 1, 2, 5, 10, 20
(default = 10)a
4 Integer Hz H+12
5 resp_mode Specify the time, response mode, over which to
average velocity samples, see Table 10, Response
Modes on page 54.
(Default = 500)a
4 Integer none H+16
6 threshold The threshold is only applicable when the response
mode is set to 2. The response time is 1000 ms
when the velocity is greater than this value,
otherwise, it is 500 ms.
Range: 2-50 kph
(default = 5 kph)
8 Double kph H+20
a. The number of samples used for smoothing depends on both the update_rate and resp_mode parameters. For
instance, if the update_rate is 5 Hz and the resp_mode is 2000ms, the number of samples used will be 10.
Mode Description
2000 2000 ms
The time period over which to
smooth velocity samples
1000 1000 ms
500 500 ms (default)
2 Automatically switches between 1000 and 500 ms
1 Performs no smoothing

AG-STAR User Manual Rev 1A 55
B.6 SELECTCHANCONFIG Set channel configuration
This command changes the channel configuration used on the AG-STAR receiver. It causes an immediate
software reset. See Table 11, AG-STAR Channel Configuration Sets on page 56 for a list of available channel
configurations.
Message ID: 1149
Abbreviated ASCII Syntax:
SELECTCHANCONFIG [set]
Factory Default (without GLONASS option):
selectchanconfig 2
Factory Default (with GLONASS option):
selectchanconfig 3
Abbreviated ASCII Example:
selectchanconfig 2
The SELECTCHANCONFIG command should only be used by advanced users.
Configurations containing GLONASS channels are only available when the AG-STAR has the
GLONASS option.
Field Field Type ASCII
Value
Binary
Value Description Binary
Format
Binary
Bytes
Binary
Offset
1 SELECTCHANCONFIG
header
- - This field contains the
command name or the
message header depending
on whether the command is
abbreviated ASCII, ASCII or
binary.
-H0
2target See Table 11, AG-STAR
Channel Configuration
Sets on page 56
Channel configuration set Ulong 4 H

AG-STAR User Manual Rev 1A 56
Table 11: AG-STAR Channel Configuration Sets
Table 12: OEMStar Channel Configurations
Binary ASCII Description
1 1 14 GPS L1 channels
2 2 12 GPS L1 channels
2 SBAS L1 channels
3 3 10 GPS L1 channels
4 GLONASS L1 channels
4 4 8 GPS L1 channels
6 GLONASS L1 channels
5 5 8 GPS L1 channels
4 GLONASS L1 channels
2 SBAS L1 channels
6 6 10 GPS L1 channels
2 GLONASS L1 channels
2 SBAS L1 channels
7 7 7 GPS L1 channels
7 GLONASS L1 channels
8 8 14 GLONASS L1 channels
7 GPS L1 + 7 GLONASS L1 channel configuration is recommended for timing-only applications.
Configurations Set Description
GPS 1 0 to 13 for GPS L1 channels
GPS/SBAS 2 0 to 11 for GPS L1 channels
12 to 13 for SBAS L1 channels
GPS/GLONASS 3 0 to 9 for GPS L1 channels
10 to 13 for GLONASS L1 channels
GPS/GLONASS 4 0 to 7 for GPS L1 channels
8 to 13 for GLONASS L1 channels
GPS/GLONASS/SBAS 5 0 to 7 for GPS L1 channels
8 to 11 for GLONASS L1 channels
12 to 13 for SBAS L1 channels
GPS/GLONASS/SBAS 6 0 to 9 for GPS L1 channels
10 to 11 for GLONASS L1 channels
12 to 13 for SBAS L1 channels
GPS/GLONASS 7 0 to 6 for GPS L1 channels
7 to 13 for GLONASS L1 channels
GLONASS 8 0 to 13 GLONASS L1 channels

AG-STAR User Manual Rev 1A 57
Appendix C Logs
C.1 Position Logs
C.1.1 NMEA Logs
The NMEA logs (receiver outputs) supported by the AG-STAR are summarized in the OEMStar Firmware
Reference Manual (OM-20000127). The available logs include:
• GPGGA, which outputs a log of position system fix data and undulation. There are variants of
GPGGA, specifically:
- GPGGALONG, which has both greater precision and the undulation field
• GPVTG, which outputs track made good and ground speed
The steps for configuring the receiver output, through the command line are:
1. Configure the communication port using the COM command, described in Section B.2, COM Configure
COM Port on page 48. To set COM port 2 as follows:
enter the following string:
com com2 9600 n 8 1 n off on
2. Select and configure the NMEA string that you want to output. For example, to log gpgga (position
system fix data and undulation) at 2 Hz, enter the following string:
log gpgga ontime 0.5
You can configure the log to output at various frequencies, as described in Section B.4, LOG Request Logs
from the Receiver on page 51.
The above command line operations can also be carried out through NovAtel Connect. Information about
configuring the communication port can be found in the NovAtel Connect online help. The procedure for
adding a NMEA log through NovAtel Connect is summarized as follows:
1. In the Logging control window, click Logging to one or more of the receiver's serial ports. The Add Log
window displays.
2. Beside Select list, select Complete List or NMEA List.
3. Beside Log to file, select the NMEA log you want to add.
4. Select the port.
5. Configure the remaining fields then click Add.
Bit Rate 9600
Parity none
Data Bits 8
Stop Bits 1
Handshaking None
Echo Off
Break On

AG-STAR User Manual Rev 1A 58
C.1.2 NovAtel Position Logs
In addition to NMEA logs, NovAtel supports a range of non-NMEA position logs, described in the OEMStar
Firmware Reference Manual (OM-20000127), including:
• BESTPOS: This log contains the best available position computed by the receiver, for example:
log bestposa ontime 0.5
• BESTXYZ: This log contains the receiver’s best available position and velocity in ECEF coordinates,
for example:
log bestxyza ontime 1
C.2 Other Logs
The AG-STAR firmware generates the logs in Table 13, AG-STAR Logs in Alphabetical Order, in addition to
those of the OEMStar family log set. Refer to the OEMStar Firmware Reference Manual (OM-20000127),
which also contains procedures and explanations related to data logging and is available from our web site
at: www.novatel.com/support/firmware-software-and-manuals/product-manuals-and-doc-updates/
Table 13: AG-STAR Logs in Alphabetical Order
Message ID ASCII Log Description
8193 RADARSIGNAL Radar signal and position information
(AG-STAR log)
37 VERSION Hardware versions, software versions, and serial numbers
(Existing OEMStar log extended to AG-STAR)

AG-STAR User Manual Rev 1A 59
C.2.1 RADARSIGNAL ER Signal and Position Information
This log contains position and Emulated Radar (ER) signal information.
Message ID: 8193
Log Type: Asynch
Recommended Input:
log radarsignala onchanged
ASCII Example 1 (stationary AG-STAR):
#RADARSIGNALA,COM1,0,61.5,FINESTEERING,1501,248381.628,00000000,8a1c,3723;
SOL_COMPUTED,WAAS,0.0139,0.00,0.00*f0d580ca
ASCII Example 2 (moving AG-STAR):
#RADARSIGNALA,COM1,0,42.5,FINESTEERING,1428,206179.600,00000000,baa8,3349;
SOL_COMPUTED,WAAS,0.3315,2,0.3152,473.97,29.62*c1479c20
Table 14: Position or Velocity Type
Field # Field type Data Description Format Binary
Bytes
Binary
Offset
1 RADARSIGNAL
header
Log header H 0
2 sol status Solution status, see Table 15, Solution Status on page 60 Enum 4 H
3 vel type Velocity type, see Table 14, Position or Velocity Type on
page 59
Enum 4 H+4
4 speed Speed over ground (m/s) Double 8 H+8
4 varf freq External VARF output frequency (Hz) Double 8 H+16
5 radar freq Radar signal frequency (Hz) as output by the Emulated
Radar Out signal.
Double 8 H+24
6 xxxx 32-bit CRC (ASCII and Binary only) Hex 4 H+32
7 [CR][LF] Sentence terminator (ASCII only) - - -
Type (binary) Type (ASCII) Description
0 NONE No solution
1FIXEDPOSa
a. With default PDPFILTER ENABLE, the bestpos will no longer show that the position has been fixed, unless
PDPFILTER is DISABLED.
Position has been fixed by the FIX POSITION command
2FIXEDHEIGHTaPosition has been fixed by the FIX HEIGHT/AUTO command
8 DOPPLER_VELOCITY Velocity computed using instantaneous Doppler
16 SINGLE Single point position
17 PSRDIFF Pseudorange differential solution
18 WAAS Solution calculated using corrections from an SBAS
19 PROPAGATED Propagated by a Kalman filter without new observations

AG-STAR User Manual Rev 1A 60
Table 15: Solution Status
Solution Status Description
Binary ASCII
0 SOL_COMPUTED Solution computed
1 INSUFFICIENT_OBS Insufficient observations
2 NO_CONVERGENCE No convergence
3 SINGULARITY Singularity at parameters matrix
4 COV_TRACE Covariance trace exceeds maximum (trace > 1000 m)
5 TEST_DIST Test distance exceeded (maximum of 3 rejections if distance > 10 km)
6 COLD_START Not yet converged from cold start
7 V_H_LIMIT Height or velocity limits exceeded (in accordance with export
licensing restrictions)
8 VARIANCE Variance exceeds limits
9 RESIDUALS Residuals are too large
10 DELTA_POS Delta position is too large
11 NEGATIVE_VAR Negative variance
12 Reserved
13 INTEGRITY_WARNING Large residuals make position unreliable
14-17 Reserved for SPAN-capable receivers
18 PENDING When a FIX POSITION command is entered, the receiver computes
its own position and determines if the fixed position is valid a
a. PENDING implies there are not enough satellites being tracked to verify if the FIX POSITION entered into the
receiver is valid. The receiver needs to be tracking two or more GNSS satellites to perform this check. Under
normal conditions PENDING should appear for a few seconds on power up before the GNSS receiver has locked
onto its first few satellites. If your antenna is obstructed and you have entered a FIX POSITION command, then
you may see PENDING indefinitely.
19 INVALID_FIX The fixed position, entered using the FIX POSITION command, is not
valid
20 UNAUTHORIZED Position type is unauthorized - HP or XP on a receiver not authorized
for it

AG-STAR User Manual Rev 1A 61
C.2.2 VERSION Hardware and Software Versions and Serial Numbers
The Component Type of the VERSION log, refer to the OEMStar Firmware Reference Manual
(OM-20000127), is extended to include AG-STAR information as in Table 16, Component Type.
Table 16: Component Type
For the AG-STAR, the BT MAC address field has been added, in hexadecimal format, to the USERINFO
block.
<VERSION COM1 0 85.0 UNKNOWN 0 11.971 004c0000 3681 12362
< 4
< GPSCARD "LXGMTSA" "DHD13302094" "M6XV1G-2.02-TT" "L6X010106RN0000"
"L6X010100RB0000" "2013/Aug/14" "11:10:30"
< DB_USERAPPAUTO "SmartApp" "0x0" "" "EAGST0200RN0000" ""
"2013/Sep/11" "14:28:32"
< ENCLOSURE "AgStarBT" "NMEE13330008L" "0" "0" "0" "0" "0"
< USERINFO "LMX9830" "0212" "AGSTAR" "" "" "" ""
In the above example, the firmware is shown as L6X010106RN0000 and the AG-STAR application is shown
as EAGST0200RN0000.
Binary Valuea
a. Unused numbers are reserved for future use.
ASCII Value Description
0 UNKNOWN Unknown Component
1 GPSCARD OEMStar GPSCard Component
3 ENCLOSURE AG-STAR Receiver
8 USERINFO User-application information component
981073925
(0x3A7A0005)
DB_USERAPPAUTO Auto-starting user-application firmware

AG-STAR User Manual Rev 1A 62
Appendix D Replacement Parts
The following are lists of the replacement parts available for your NovAtel AG-STAR receiver. Should you
require assistance, or need to order additional components, contact your local NovAtel dealer or Customer
Service representative.
D.1 AG-STAR
D.2 User Manuals
Table 17: AG-STAR Product
Part Description NovAtel Part
AG-STAR 01019131
AG-STAR with Bluetooth 01019129
Cable: 14-pin socket to 2 DB-9 connectors and other bare wire connectors (see Section A.2.2,
AG-STAR Communications/Power Cable (01018256) on page 44)
01018256
Mounting Plate 01018317
Pole Mount Kit 01019142
Table 18: Reference User Manuals
Part Description NovAtel Part
OEMStar Installation and Operation User Manual OM-20000126
OEMStar Firmware Reference Manual OM-20000127
The accessories above are also available from www.novatel.com

AG-STAR User Manual Rev 1A 63
Index
A
accuracy
position, 21, 41
velocity, 41
almanac, 50
antenna
internal, 10
specifications, 42
AUTH command, 40
authorization, 40
B
base station, 25
baseline, 21
baud rate, 19
baud rate, see bps
BESTPOS log, 58
BESTXYZ log, 58
bidirectional communication, 20
bit rate, see bps
Bluetooth
configuration, 27
bps, 49
break, 48–49
buffer, 19, 51
C
cable, serial, 19
Caution, 19
CMR, 25
cold start, 41
COM command, 48
COM port, 51
command, 47
communication, 19
error message, 21
example, 21
interface, 25
multiple, 25
port, 19
pre-configure, 23
prompt, 21
communication
bidirectional, 20
Bluetooth, 27
computer, 20
notice, 7
NovAtel Connect, 21
operation, 19
physical, 12
port, 16, 19
remote terminal, 19
computer power settings, 52
configuration
additional equipment, 12
base station, 23
Bluetooth, 27
model, 10
NovAtel Connect, 20
port, 19, 48
rover station, 24
connector
input/output, 42
mounting bracket, 14
specifications, 42
copyright, 2
CPU, 51
customer service, 35
D
data
Bluetooth, 27
collect, 17
erase, 50
format, 47
link, 22
log, 51–52
NVM, 50
port, 16, 19
start, 20
storage device, 22
terminal, 19
Warning, 21
DC power, 42
dealer, 35
default
factory, 50
interface mode, 25
log, 51
offset, 52
period, 52
port, 19, 51–52
reset, 50
trigger, 52
differential
configuration note, 25
corrections, 21, 44
operation, 21
serial cable, 44
setup, 22
directional communication, 20

Index
AG-STAR User Manual Rev 1A 64
distance exceeded, 60
E
echo, 49
e-mail, 9
Emulated Radar (ER), 18, 54, 59
operation, 26
enable Bluetooth, 27
F
factory default setting, 48
features, 10, 20, 35, 40
firmware updates, 35–36, 40
FRESET command, 50
G
GLIDE, 25
GPGGA log, 57
GPVTG log, 57
H
handshaking, 19, 49
hardware
connector, 12
enclosure, 10
replace, 62
required, 12
setup, 13, 22
specifications, 43
header, 11
height limit, 60
hexadecimal, 11
hibernate mode, PC, 52
hold, 51–52
I
identifier, serial port, 53
idle time, 19
input
command, 21
connector, 42
differential, 23–24
mark, 52
power, 13
syntax, 47
interface
base or rover, 23–24
Bluetooth, 27
communication, 20
serial, 19
introduction, 10
L
LED
front, 10
power, 13, 17
light emitting diode (LED), see LED
log, 25, 51, 58
LOG command, 51
M
memory, 51
message trigger, 52
model, 10
model upgrades, 35–36
N
NMEA logs, 57
Notices, 7
NovAtel Connect, 52
NovAtel Inc., 2
NovAtel position logs, 58
O
operation, 19
optionality, 11
output
connector, 42
convention, 11
log, 51–52
status, 21
syntax, 47
overload, 51
P
parity, 19, 49
period, 51–52
port
COM, 12, 19–20, 25
configuration, 48–49
identifier, 53
interface mode, 23–24
log, 51–52
output, 52
prompt, 20–21
serial, 19
settings, 19
position
accuracy, 21
base, 21, 23
best, 59
command, 21, 25
position logs, 58
power, 13

Index
AG-STAR User Manual Rev 1A 65
power settings, computer, 52
prerequisites, 11
pseudorange, 25
R
RADARSIGNAL log, 59
receiver outputs, 57
receiver status, 51
replacement parts, 62
reset
FRESET command, 21, 50
option, 50
target, 50
revision, firmware, 1
rover station, 25
RTCA, 25
RTCM, 25
RTCMV3, 25
S
satellite, 19
scope, 11
self-test, 20, 51
serial
cable, 19
number, 35
port, 25, 53
standby mode, PC, 52
status, receiver, 51
syntax, 47
T
technical specifications, 41
time, 51–52
transmit, 49
trigger, log, 51
U
update firmware, 35–36, 40
upgrade firmware, 34
upgrade models, 35–36
V
velocity limit, 60
version, 40
W
Warning
CE, 8
FCC, 7
Web site, 9
WinLoad, 36

OM-20000149 Rev 1A October 2013

