Nxp Semiconductors Um10317 Users Manual PCA9633 Demonstration Board OM6282
UM10317 UM10317
UM10317 to the manual df7b20c4-65e8-4484-9b7a-a68655868a07
2015-02-05
: Nxp-Semiconductors Nxp-Semiconductors-Um10317-Users-Manual-495976 nxp-semiconductors-um10317-users-manual-495976 nxp-semiconductors pdf
Open the PDF directly: View PDF
.
Page Count: 11

UM10317
PCA9633 demonstration board OM6282
Rev. 01 — 15 December 2008 User manual
Document information
Info Content
Keywords I2C, PCA9633, RGB, RGBA, 2 x 8-bit PWM
Abstract The OM6282 is an add-on to NXP’s I2C 2005 -1 demo board. This daughter
board makes it easy to test and design with the PCA9633, a 4-bit Fast-mode
Plus (Fm+) LED driver. These boards, along with the I2CUSB Lite GUI
(PC based), provide an easy to use evaluation platform.

UM10317_1 © NXP B.V. 2008. All rights reserved.
User manual Rev. 01 — 15 December 2008 2 of 11
Contact information
For more information, please visit: http://www.nxp.com
For sales office addresses, please send an email to: salesaddresses@nxp.com
NXP Semiconductors UM10317
PCA9633 demonstration board OM6282
Revision history
Rev Date Description
01 20081215 user manual; initial release

UM10317_1 © NXP B.V. 2008. All rights reserved.
User manual Rev. 01 — 15 December 2008 3 of 11
NXP Semiconductors UM10317
PCA9633 demonstration board OM6282
1. Introduction
The PCA9633 evaluation board features LEDs for color mixing, blinking and dimming
demonstrations. A graphical interface allows the user to easily explore the different
functions of the driver. The board can be connected in series with other I2C demo-boards
to create an evaluation system.
The IC communicates to the host via the industry standard I2C-bus/SMBus port. The
evaluation software runs under MicroSoft Windows PC platform.
2. Features
•A complete evaluation platform for the PCA9633 4-bit LED driver
•Easy to use GUI based software demonstrates the capabilities of the PCA9633
•On-board LEDs for visual experience
•Convenient test points for easy scope measurements and signal access
•USB interface to the host PC
•No external power supply required
3. Getting started
3.1 Assumptions
Familiarity with the I2C-bus is helpful but not required.
3.2 Static handling requirements
3.3 Minimum system requirements
•PC Pentium 60 processor (or equivalent), 8 MB RAM, 10 MB of hard drive space
•One USB port (either 2.0 or 1.1 compatible)
•Windows 98SE, ME, 2000, XP, or Vista
•I2C 2005-1 demonstration board (OM6275)
3.4 Power requirements
The NXP demonstration board I2C 2005-1 and OM6282 hardware obtain power from the
PC USB port. Care should be taken not to exceed the USB port current capabilities.
CAUTION
This device is sensitive to ElectroStatic Discharge (ESD). Therefore care should be taken
during transport and handling. You must use a ground strap or touch the PC case or other
grounded source before unpacking or handling the hardware.

UM10317_1 © NXP B.V. 2008. All rights reserved.
User manual Rev. 01 — 15 December 2008 4 of 11
NXP Semiconductors UM10317
PCA9633 demonstration board OM6282
4. Installation
4.1 I2C 2005-1 board and WIN-12CUSB Lite software
The OM6282 is a daughter card to the OM6275 I2C 2005-1 demo board. You may
download the WIN-I2CUSB Lite Software, the OM6275 user manual UM10206, and find
ordering information at the NXP web site
http://www.standardics.nxp.com/support/boards/i2c20051/.
4.2 OM6282 connection to I2C 2005-1 board
The I2C 2005-1 demo board should be disconnected from your PC before mounting the
OM6281 board on to it. The OM6282 board has a 9-pin female connector that connects to
the JP1 male connector on the I2C 2005-1 board.
With both boards facing you, connect the OM6282 board to the I2C 2005-1 board before
connecting the USB cable. Once the board is connected, connect the USB cable and start
the WIN-I2CUSB Lite software. You are now ready to evaluate the PCA9633.
5. Hardware description
The OM6282 board has 3 jumper headers:
•J1 is for connection to JP1 on I2C 2005-1 demo board.
•J2 allows an external OE to be connected to the board.
•J3 is for pass-through signals from the I2C 2005-1 demo board.
•IC2 is an unpopulated area for signal access. All address, I2C, LED signals are
available.
Fig 1. OM6282 demo board
LED light diffuser
J3 card extender
connector
J1 connector to
I2C 2005-1 board
J2 OE select probe
address and
OE selector
PCA9633

UM10317_1 © NXP B.V. 2008. All rights reserved.
User manual Rev. 01 — 15 December 2008 5 of 11
NXP Semiconductors UM10317
PCA9633 demonstration board OM6282
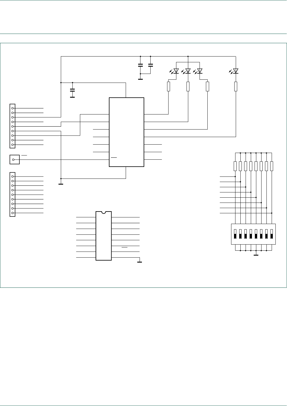
6. Schematic
Fig 2. PCA9633 daughter card
LED1
R9
PIN3
R12
R10
R11
LD1
C2 C1
GND
LED0
PIN4
LED1
PIN5
LED2
PIN6
LED3
PIN15
A6
PIN14
A5
PIN11
A4
PCA9633
VCC
PIN13
PIN12
PIN1
PIN2
PIN7
PIN8
PIN10
GND
SDA
SCL
A0
A1
A2
A3
OE
PIN9 PIN16
A0
A1
A2
A3
3.3 V unswitched
A6
A5
A4
C3
GND
LED0
LED1
LED2
LED3
3.3 V unswitched 3.3 V unswitched
GND
J3
5 V unswitched
5 V switched
1
J2
OE
3.3 V unswitched
3.3 V switched
SCL
SDA
GND
INPUT
OUTPUT
J1
5 V unswitched
5 V switched
3.3 V unswitched
3.3 V switched
SCL
SDA
GND
INPUT
OUTPUT
16
15
14
13
12
10
11
9
VCC
A6
A5
SDA
SCL
OE
A4
GND
IC2
DIL16-1
SOCKET - not populated
GND
1
2
3
4
5
7
6
8
A0
A1
LED0
LED1
LED2
A2
LED3
A3
R1
R2
R3
R4
R5
R6
R7
R8
A6
A5
A4
A3
A2
A1
A0
OE
ON
S1 12345678
16
15
14
13
12
11
10
9
1
2
3
4
5
6
7
8
GND
002aae179
3.3 V unswitched

UM10317_1 © NXP B.V. 2008. All rights reserved.
User manual Rev. 01 — 15 December 2008 6 of 11
NXP Semiconductors UM10317
PCA9633 demonstration board OM6282
7. OM6282 demonstration board main components
8. PCA9633 evaluation steps
The PCA9633 functions are controlled by WIN-I2CUSB Lite GUI. Refer to the PCA9633
data sheet for additional information on the registers and functionality.
8.1 Color mixing and dimming LEDs
1. Connect the hardware as described in Section 4. The PCA9633 address is set to
0xC4.
2. Start the GUI software.
3. The main screen will appear.
4. From the ‘Device’ drop-down menus select ‘LED Blinkers and Dimmers’, and from the
subsequent drop-down menu select ‘PCA9633 4-bit LED driver’ as in Figure 3.
5. The device configuration screen will be displayed as in Figure 4.
6. Un-check the ‘Sleep Enabled (oscillator off)’ box to enable the device, check the
‘Auto Write’ box (lower right), and click the ‘Write All’ button.
7. Go to the LED Driver Outputs pull-down tabs and for LED0 to LED3 select ‘LEDn
controlled by PWMn and GRPPWM’.
8. With the cursor, move the PWMn bars to change the colors on the OM6282 board.
PWM0 controls the red LED.
PWM1 controls the green LED.
PWM2 controls the blue LED.
PWM3 controls the amber LED.
9. Once you set a color with the PWM values, move the GRPPWM cursor and observe
the dimming effect (Figure 5).
Table 1. OM6282 demo board main components
Device Description Address Location
PCA9633PW 4-bit Fm+ I2C-bus LED driver 0xC4 for I2C 2005-1 interface IC1

UM10317_1 © NXP B.V. 2008. All rights reserved.
User manual Rev. 01 — 15 December 2008 7 of 11
NXP Semiconductors UM10317
PCA9633 demonstration board OM6282
Fig 3. Drop-down menu selections
Fig 4. Device configuration screen
Fig 5. Dimming effect

UM10317_1 © NXP B.V. 2008. All rights reserved.
User manual Rev. 01 — 15 December 2008 8 of 11
NXP Semiconductors UM10317
PCA9633 demonstration board OM6282
8.2 Color mixing and blinking LEDS
To set-up a blinking demo, repeat step 1 through step 7 as in Section 8.1, then do the
following:
1. In the Mode 2 selection window, check the ‘Group Control’ box to change the mode to
blinking.
2. Select a color using the PWM cursors.
3. To set a blink cycle, use the GRPPWM cursor to select the duty cycle and use the
GRPFREQ to select the blink frequency.
4. For example, set the GRPPWM to 0x05 (1.95 % duty cycle) and the GRPFREQ to
0x17 (1 second) for a short blink every second (see Figure 6).
5. Change the GRPPWM to 0x80 (50 % duty cycle) and the LED will be on for
0.5 seconds, repeating every second.
6. Change the color of the LEDs by selecting a different PWM value for each LED.
7. Set the GRPPWM to 0x52 (32 % duty cycle) and the GRPFREQ to 0x01
(0.08 second) and observe the pattern.
8. Change the PWMn values, GRPPWM and GRPFREQ values to create different blink
patterns.
9. Change the LEDOUT register on one LED output to be controlled only by its PWM, for
example, ‘LED1 controlled by PWM1’.
10. Change the blink rate and observe the results.
9. Support
For support, please send an E-mail to: i2c.support@nxp.com
Fig 6. Example of short blink every second

UM10317_1 © NXP B.V. 2008. All rights reserved.
User manual Rev. 01 — 15 December 2008 9 of 11
NXP Semiconductors UM10317
PCA9633 demonstration board OM6282
10. Abbreviations
11. References
[1] PCA9633, 4-bit Fm+ I2C-bus LED driver — Product data sheet;
NXP Semiconductors; www.nxp.com/pip/PCA9633
[2] UM10206, I2C Demonstration Board 2005-1 Quick Start Guide —
NXP Semiconductors; www.nxp.com/acrobat/usermanuals/UM10206
Table 2. Abbreviations
Acronym Description
ESD ElectroStatic Discharge
GUI Graphical User Interface
I2C-bus Inter-integrated Circuit bus
IC Integrated Circuit
LED Light Emitting Diode
PC Personal Computer
PWM Pulse Width Modulator
RAM Random Access Memory
RGB Red/Green/Blue
RGBA Red/Green/Blue/Amber
SMBus System Management Bus
USB Universal Serial Bus

UM10317_1 © NXP B.V. 2008. All rights reserved.
User manual Rev. 01 — 15 December 2008 10 of 11
NXP Semiconductors UM10317
PCA9633 demonstration board OM6282
12. Legal information
12.1 Definitions
Draft — The document is a draft version only. The content is still under
internal review and subject to formal approval, which may result in
modifications or additions. NXP Semiconductors does not give any
representations or warranties as to the accuracy or completeness of
information included herein and shall have no liability for the consequences of
use of such information.
12.2 Disclaimers
General — Information in this document is believed to be accurate and
reliable. However, NXP Semiconductors does not give any representations or
warranties, expressed or implied, as to the accuracy or completeness of such
information and shall have no liability for the consequences of use of such
information.
Right to make changes — NXP Semiconductors reserves the right to make
changes to information published in this document, including without
limitation specifications and product descriptions, at any time and without
notice. This document supersedes and replaces all information supplied prior
to the publication hereof.
Suitability for use — NXP Semiconductors products are not designed,
authorized or warranted to be suitable for use in medical, military, aircraft,
space or life support equipment, nor in applications where failure or
malfunction of an NXP Semiconductors product can reasonably be expected
to result in personal injury, death or severe property or environmental
damage. NXP Semiconductors accepts no liability for inclusion and/or use of
NXP Semiconductors products in such equipment or applications and
therefore such inclusion and/or use is at the customer’s own risk.
Applications — Applications that are described herein for any of these
products are for illustrative purposes only. NXP Semiconductors makes no
representation or warranty that such applications will be suitable for the
specified use without further testing or modification.
12.3 Trademarks
Notice: All referenced brands, product names, service names and trademarks
are the property of their respective owners.
I2C-bus — logo is a trademark of NXP B.V.

NXP Semiconductors UM10317
PCA9633 demonstration board OM6282
© NXP B.V. 2008. All rights reserved.
For more information, please visit: http://www.nxp.com
For sales office addresses, please send an email to: salesaddresses@nxp.com
Date of release: 15 December 2008
Document identifier: UM10317_1
Please be aware that important notices concerning this document and the product(s)
described herein, have been included in section ‘Legal information’.
13. Contents
1 Introduction . . . . . . . . . . . . . . . . . . . . . . . . . . . . 3
2 Features . . . . . . . . . . . . . . . . . . . . . . . . . . . . . . . 3
3 Getting started . . . . . . . . . . . . . . . . . . . . . . . . . . 3
3.1 Assumptions . . . . . . . . . . . . . . . . . . . . . . . . . . . 3
3.2 Static handling requirements . . . . . . . . . . . . . . 3
3.3 Minimum system requirements. . . . . . . . . . . . . 3
3.4 Power requirements . . . . . . . . . . . . . . . . . . . . . 3
4 Installation . . . . . . . . . . . . . . . . . . . . . . . . . . . . . 4
4.1 I2C 2005-1 board and WIN-12CUSB Lite
software . . . . . . . . . . . . . . . . . . . . . . . . . . . . . . 4
4.2 OM6282 connection to I2C 2005-1 board . . . . 4
5 Hardware description . . . . . . . . . . . . . . . . . . . . 4
6 Schematic. . . . . . . . . . . . . . . . . . . . . . . . . . . . . . 5
7 OM6282 demonstration board main
components . . . . . . . . . . . . . . . . . . . . . . . . . . . . 6
8 PCA9633 evaluation steps . . . . . . . . . . . . . . . . 6
8.1 Color mixing and dimming LEDs . . . . . . . . . . . 6
8.2 Color mixing and blinking LEDS . . . . . . . . . . . . 8
9 Support. . . . . . . . . . . . . . . . . . . . . . . . . . . . . . . . 8
10 Abbreviations. . . . . . . . . . . . . . . . . . . . . . . . . . . 9
11 References . . . . . . . . . . . . . . . . . . . . . . . . . . . . . 9
12 Legal information. . . . . . . . . . . . . . . . . . . . . . . 10
12.1 Definitions. . . . . . . . . . . . . . . . . . . . . . . . . . . . 10
12.2 Disclaimers. . . . . . . . . . . . . . . . . . . . . . . . . . . 10
12.3 Trademarks. . . . . . . . . . . . . . . . . . . . . . . . . . . 10
13 Contents . . . . . . . . . . . . . . . . . . . . . . . . . . . . . . 11