ARG-OS-818_User Manual

ValenceTech Bluetooth module for OSIM uDivine
1
INTRODUCTION
The ValenceTech Bluetooth module for OSIM uDivine offers the communication between OSIM uDivine and Apple iOS
device via Class 2 Bluetooth system v2.1+EDR. The primary components include CSR BM150 Bluetooth module, MCU,
optical coupler, LDO and Apple’s authentication IC.
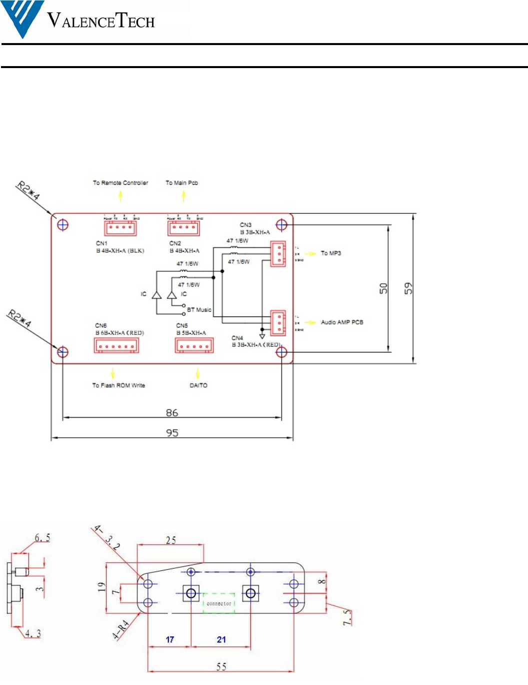
HARDWARE
Specifications
Frequency Band: 2.4GHz ~ 2.48GHz unlicensed band
Power: from uDivine Main Board
Interfaces : 8 connectors – CN1, CN2 4-pins (1 x 4 connector 2.50mm pitch)
CN3, CN4 3-pins (1 x 3 connector 2.50mm pitch)
CN5, 8 5-pins (1 x 5 connector 2.50mm pitch)
CN6 7-pins (1 x 7 connector 2.0mm pitch)
CN7 6-pins (1 x 6 connector 2.54mm pitch)
Bluetooth System: v2.1+EDR (Class 2)
Modulation: only GFSK applied.
Antenna: 2.4GHz Inverted-F and Meander Line Antennas on PCB
Operating: 0 - 70C
Temperature Range
Indicators: 2 LED (Red and Blue)
Buttons: 2 buttons (1 for Bluetooth power on/off and 1 for Bluetooth pairing)
Current consumption: Operating 130mA
RF receives sensitivity: -90dBm typically
RF power: 10mW max.
Data Rate: 2kbytes/s

ValenceTech Bluetooth module for OSIM uDivine
2
MECHANICAL SIZE

ValenceTech Bluetooth module for OSIM uDivine
3
PIN LAYOUT
Connector (CN) Pin Description
1 (To remote) 1 Power
2 TX
3 RX
4 Gnd
2 (To uDivine Main board) 1 Power
2 TX
3 RX
4 Gnd
3 (To MP3) 1 L
2 Gnd
3 R
4 (To Audio Amp) 1 L
2 Gnd
3 R
5 (To Key PCB) 1 Gnd
2 S1
3 S2
4 Led1
5 Led2
6 ( PGM_BT) 1 GND
2 MISO
3 MISI
4 CLK
5 CSB
6 3V3
7 (PCM AP928) 1 SCK
2 SDI
3 RSTB
4 SDO
5 PGM
6 3V3
7 GND
8 (On Key PCB) 1 GND
2 S1
3 S2

ValenceTech Bluetooth module for OSIM uDivine
4
4 Led1
5 Led2
Caution:
This device complies with Part 15 of the FCC Rules. Operation is subject
to the following two conditions: (1) this device may not cause harmful
interference, and (2) this device must accept any interference received,
including interference that may cause undesired operation.
Le présent appareil est conforme aux CNR d'Industrie Canada applicables aux
appareils radio exempts de licence. L'exploitation est autorisée aux deux conditions
suivantes : (1) l'appareil ne doit pas produire de brouillage, et (2) l'utilisateur de
l'appareil doit accepter tout brouillage radioélectrique subi, même si le brouillage est
susceptible d'en compromettre le fonctionnement.
Changes or modifications not expressly approved by the party
responsible for compliance could void the user's authority to operate the
equipment.
This equipment has been tested and found to comply with the limits for
a Class B digital device, pursuant to part 15 of the FCC Rules. These
limits are designed to provide reasonable protection against harmful
interference in a residential installation. This equipment generates
uses and can radiate radio frequency energy and, if not installed and
used in accordance with the instructions, may cause harmful interference
to radio communications. However, there is no guarantee that interference
will not occur in a particular installation. If this equipment does cause
harmful interference to radio or television reception, which can be
determined by turning the equipment off and on, the user is encouraged
to try to correct the interference by one or more of the following
measures:
—Reorient or relocate the receiving antenna.
—Increase the separation between the equipment and receiver.
—Connect the equipment into an outlet on a circuit different from that
to which the receiver is connected.
—Consult the dealer or an experienced radio/TV technician for help.

ValenceTech Bluetooth module for OSIM uDivine
5
Under Industry Canada regulations, this radio transmitter may only operate using an
antenna of a type and maximum (or lesser) gain approved for the transmitter by
Industry Canada. To reduce potential radio interference to other users, the antenna
type and its gain should be so chosen that the equivalent isotropically radiated power
(e.i.r.p.) is not more than that necessary for successful communication.
Conformément à la réglementation d'Industrie Canada, le présent émetteur radio peut
fonctionner avec une antenne d'un type et d'un gain maximal (ou inférieur) approuvé
pour l'émetteur par Industrie Canada. Dans le but de réduire les risques de
brouillage radioélectrique à l'intention des autres utilisateurs, il faut choisir le type
d'antenne et son gain de sorte que la puissance isotrope rayonnée équivalente
(p.i.r.e.) ne dépasse pas l'intensité nécessaire à l'établissement d'une communication
satisfaisante.
Information for the OEMS Integrators
This device is intended for OEM integrators only. Please see the full grant of equipment document for
restrictions.
Label Information to the End User by the OEM or Integrators
If the FCC ID of this module is not visible when it is installed inside another device, then the outside of
the device into which the module is installed must be labelled with “Contains FCC ID: ARG-OS-818 and IC:
10142A-OS818”.