Olympus Om 1 Exploded View User Guide
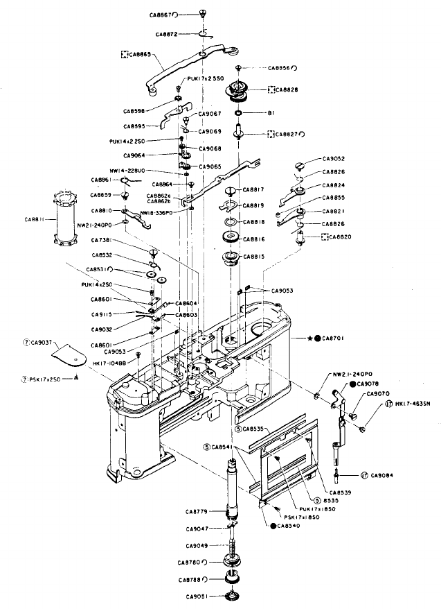
OM-1 - Exploded View om1_rm Free User Guide for Olympus Camera, Manual - page3
2015-07-27
: Olympus Olympus-Om-1-Exploded-View-User-Guide-777420 olympus-om-1-exploded-view-user-guide-777420 olympus pdf
Open the PDF directly: View PDF
.
Page Count: 4



