Omron Healthcare D7E Users Manual
D7E to the manual 377346f9-665a-40b6-be57-2dd8f5c90641
2015-01-24
: Omron-Healthcare Omron-Healthcare-D7E-Users-Manual-332704 omron-healthcare-d7e-users-manual-332704 omron-healthcare pdf
Open the PDF directly: View PDF
.
Page Count: 4

70 Sealed Tilt Switch D7E
Sealed Tilt Switch
D7E
• Pure mechanical vibration detector
• Sealed enclosure
• Output capacity from 0.1 A at 5 VDC to 100 A at 30 VDC
• RoHS Compliant
Ordering Information
Characteristics
Operating Angle Model
50 to 80 degrees D7E-3
Operating angle Tilt of 50 to 80 degrees
The value of tilt degree is specified when the switch is tilted gradually (approx. 1 degree/s) from the horizontal.
Returning angle Tilt of more than 25 degrees.
The value of tilt degree is specified when the switch is tilted gradually (approx. 1 degree/s) from the horizontal.
Permissible mounting level 1 degree max. from the horizontal
Contact form Single pole single throw (NC contact / slow action)
Mounting Pitch: 30 mm 2 screws (M3)
Height: 5.3mm
Soldering Soldering iron: temperature 350 ±10°, 3 sec. max
Ratings 5 VDC, 0.1 mA to 30 VDC, 100 mA (resistive load)
Insulation resistance 100 MΩ min. (250 VDC, between each terminal of the same polarity)
To measure off condition
Contact resistance 300 m Ohm max. (Initial value)
Vibration during
transportation
Condition: Vibration: 200 gal (1 cycle: 0.5 sec.)
Vibration direction: 2 axial directions
Time: Total 50 hours
Shock Condition: Acceleration: 980 m/s2 3 times
Shock direction: 3 axial directions
Operating temperature and
humidity
Temperature: -25° to +60° (with no icing and condensation)
Humidity: 45 to 95% RH
Storage temperature and
humidity
Temperature: -25° to +60° (with no icing and condensation)
Humidity: 45 to 95% RH protection
Protection IP67

Sealed Tilt Switch D7E 71
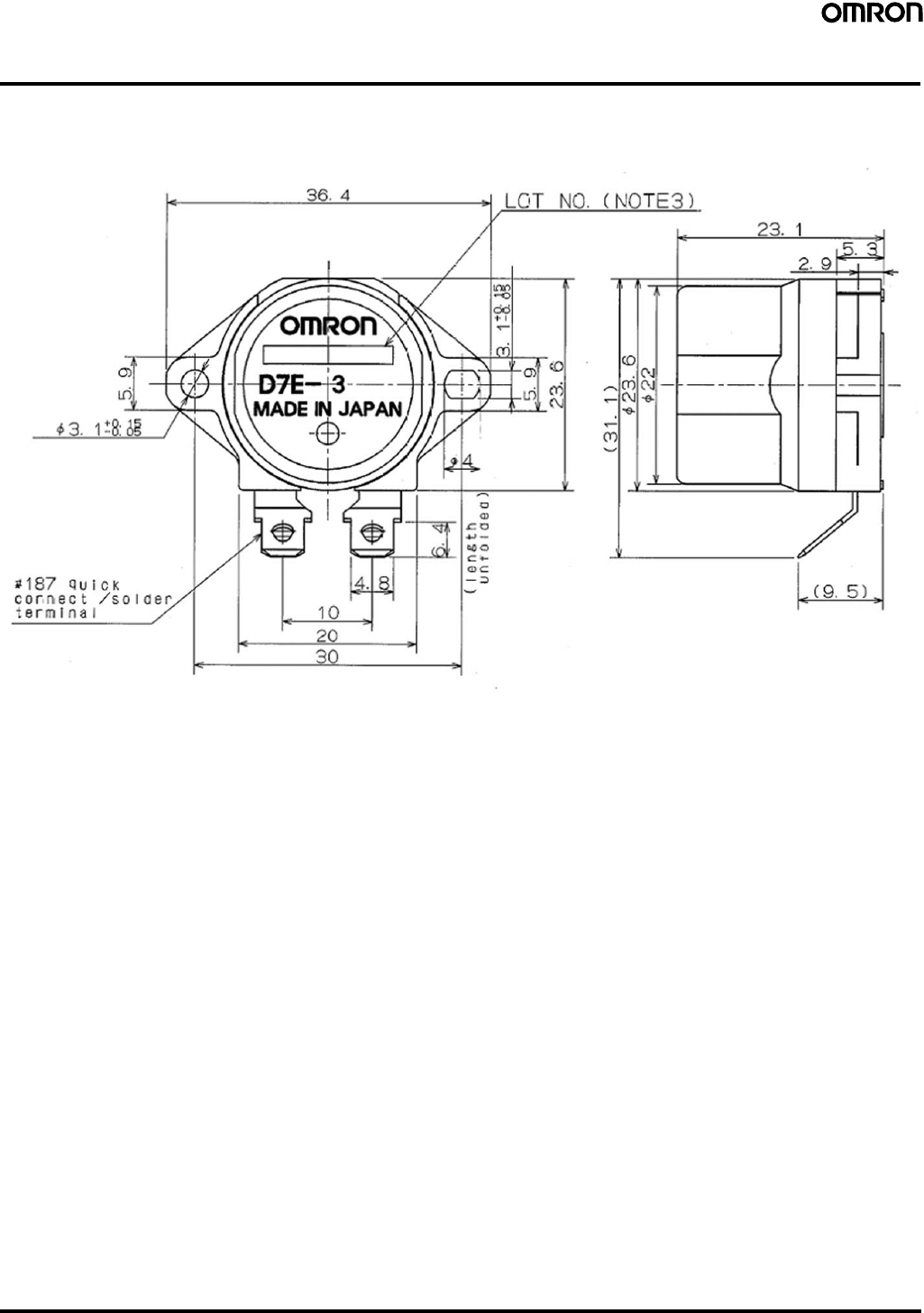
Dimensions
Unit: mm

Terms and Conditions of Sale
1. Offer; Acceptance. These terms and conditions (these "Terms") are deemed
part of all quotations, acknowledgments, invoices, purchase orders and other
documents, whether electronic or in writing, relating to the sale of products or
services (collectively, the "Products") by Omron Electronic Components LLC
("Seller"). Seller hereby objects to any terms or conditions proposed in
Buyer's purchase order or other documents which are inconsistent with, or in
addition to, these Terms.
2. Prices; Payment. All prices stated are current, subject to change without
notice by Seller. Buyer agrees to pay the price in effect at time of shipment.
Payments for Products received are due net 30 days unless otherwise stated
in the invoice.
3. Discounts. Cash discounts, if any, will apply only on the net amount of
invoices sent to Buyer after deducting transportation charges, taxes and
duties, and will be allowed only if (i) the invoice is paid according to Seller's
payment terms and (ii) Buyer has no past due amounts owing to Seller.
4. Currencies. If the prices quoted herein are in a currency other than U.S. dol-
lars, Buyer shall make remittance to Seller at the then current exchange rate
most favorable to Seller and which is available on the due date; provided that if
remittance is not made when due, Buyer will convert the amount to U.S. dol-
lars at the then current exchange rate most favorable to Seller available during
the period between the due date and the date remittance is actually made.
5. Governmental Approvals. Buyer shall be responsible for, and shall bear all
costs involved in, obtaining any government approvals required for the impor-
tation or sale of the Products.
6. Taxes. All taxes, duties and other governmental charges (other than general
real property and income taxes), including any interest or penalties thereon,
imposed directly or indirectly on Seller or required to be collected directly or
indirectly by Seller for the manufacture, production, sale, delivery, importation,
consumption or use of the Products sold hereunder (including customs duties
and sales, excise, use, turnover and license taxes) shall be charged to and
remitted by Buyer to Seller.
7. Financial. If the financial position of Buyer at any time becomes unsatisfactory
to Seller, Seller reserves the right to stop shipments or require satisfactory
security or payment in advance. If Buyer fails to make payment or otherwise
comply with these Terms or any related agreement, Seller may (without liability
and in addition to other remedies) cancel any unshipped portion of Products
sold hereunder and stop any Products in transit until Buyer pays all amounts,
including amounts payable hereunder, whether or not then due, which are
owing to it by Buyer. Buyer shall in any event remain liable for all unpaid
accounts.
8. Cancellation; Etc. Orders are not subject to rescheduling or cancellation
unless Buyer indemnifies Seller fully against all costs or expenses arising in
connection therewith.
9. Force Majeure. Seller shall not be liable for any delay or failure in delivery
resulting from causes beyond its control, including earthquakes, fires, floods,
strikes or other labor disputes, shortage of labor or materials, accidents to
machinery, acts of sabotage, riots, delay in or lack of transportation or the
requirements of any government authority.
10. Shipping; Delivery. Unless otherwise expressly agreed in writing by Seller:
1. Shipments shall be by a carrier selected by Seller;
2. Such carrier shall act as the agent of Buyer and delivery to such carrier
shall constitute delivery to Buyer;
3. All sales and shipments of Products shall be FOB shipping point (unless
otherwise stated in writing by Seller), at which point title to and all risk of
loss of the Products shall pass from Seller to Buyer, provided that Seller
shall retain a security interest in the Products until the full purchase price is
paid by Buyer;
4. Delivery and shipping dates are estimates only.
5. Seller will package Products as it deems proper for protection against
normal handling and extra charges apply to special conditions.
11. Claims. Any claim by Buyer against Seller for shortage or damage to the
Products occurring before delivery to the carrier must be presented in writing
to Seller within 30 days of receipt of shipment and include the original trans-
portation bill signed by the carrier noting that the carrier received the Products
from Seller in the condition claimed.
12. Warranties. (a) Exclusive Warranty. Seller's exclusive warranty is that th
e
Products will be free from defects in materials and workmanship for a period
of
twelve months from the date of sale by Seller (or such other period expresse
d
in writing by Seller). Seller disclaims all other warranties, express or implie
d.
(b) Limitations. SELLER MAKES NO WARRANTY OR REPRESENTATIO
N,
EXPRESS OR IMPLIED, ABOUT NON-INFRINGEMENT, MERCHANTABI
L-
ITY OR FITNESS FOR A PARTICULAR PURPOSE OF THE PRODUCT
S.
BUYER ACKNOWLEDGES THAT IT ALONE HAS DETERMINED THAT TH
E
PRODUCTS WILL SUITABLY MEET THE REQUIREMENTS OF THE
IR
INTENDED USE. Seller further disclaims all warranties and responsibility
of
any type for claims or expenses based on infringement by the Products or ot
h-
erwise of any intellectual property right. (c) Buyer Remedy. Seller's sole ob
li-
gation hereunder shall be to replace (in the form originally shipped with Buy
er
responsible for labor charges for removal or replacement thereof) the no
n-
complying Product or, at Seller's election, to repay or credit Buyer an amou
nt
equal to the purchase price of the Product; provided that in no event sh
all
Seller be responsible for warranty, repair, indemnity or any other claims
or
expenses regarding the Products unless Seller's analysis confirms that th
e
Products were properly handled, stored, installed and maintained and not su
b-
ject to contamination, abuse, misuse or inappropriate modification. Return
of
any Products by Buyer must be approved in writing by Seller before shipmen
t.
Seller shall not be liable for the suitability or unsuitability or the results from th
e
use of Products in combination with any electrical or electronic component
s,
circuits, system assemblies, or any other materials or substances or enviro
n-
ments. Any advice, recommendations or information given orally or in writin
g
are not to be construed as an amendment or addition to the above warranty.
13. Limitation on Liability; Etc. SELLER SHALL NOT BE LIABLE FOR SPECIA
L,
INDIRECT, INCIDENTAL OR CONSEQUENTIAL DAMAGES, LOSS O
F
PROFITS OR PRODUCTION OR COMMERCIAL LOSS IN ANY WAY CON
-
NECTED WITH THE PRODUCTS, WHETHER SUCH CLAIM IS BASED
IN
CONTRACT, WARRANTY, NEGLIGENCE OR STRICT LIABILITY. Further,
in
no event shall liability of Seller exceed the individual price of the Product o
n
which liability is asserted.
14. Indemnities. Buyer shall indemnify and hold harmless Seller, its affiliates an
d
its employees from and against all liabilities, losses, claims, costs an
d
expenses (including attorney's fees and expenses) related to any claim, inve
s-
tigation, litigation or proceeding (whether or not Seller is a party) which arise
s
or is alleged to arise from Buyer's acts or omissions under these Terms or
in
any way with respect to the Products. Without limiting the foregoing, Buyer (
at
its own expense) shall indemnify and hold harmless Seller and defend or sett
le
any action brought against Seller to the extent that it is based on a claim th
at
any Product made to Buyer specifications infringed intellectual property righ
ts
of another party.
15. Property; Confidentiality. The intellectual property embodied in the Products
is
the exclusive property of Seller and its affiliates and Buyer shall not attempt
to
duplicate it in any way without the written permission of Seller. Notwithstan
d-
ing any charges to Buyer for engineering or tooling, all engineering and toolin
g
shall remain the exclusive property of Seller. All information and materials su
p-
plied by Seller to Buyer relating to the Products are confidential and prop
ri-
etary, and Buyer shall limit distribution thereof to its trusted employees an
d
strictly prevent disclosure to any third party.
16. Miscellaneous. (a) Waiver. No failure or delay by Seller in exercising any rig
ht
and no course of dealing between Buyer and Seller shall operate as a waiv
er
of rights by Seller. (b) Assignment. Buyer may not assign its rights hereund
er
without Seller's written consent. (c) Law. These Terms are governed by I
lli-
nois law (without regard to conflict of law principles). Federal and state cour
ts
in Illinois shall have exclusive jurisdiction for any dispute hereunde
r.
(d) Amendment. These Terms constitute the entire agreement between Buy
er
and Seller relating to the Products, and no provision may be changed
or
waived unless in writing signed by the parties. (e) Severability. If any provisio
n
hereof is rendered ineffective or invalid, such provision shall not invalidate an
y
other provision. (f) Setoff. Buyer shall have no right to set off any amoun
ts
against the amount owing in respect of this invoice.. (g) Definitions. As use
d
herein, "including" means "including without limitation".

Certain Precautions on Specifications and Use
1. Suitability for Use. Seller shall not be responsible for conformity with any stan-
dards, codes or regulations which apply to the combination of the Product in
Buyer's application or use of the Product. At Buyer's request, Seller will pro-
vide applicable third party certification documents identifying ratings and limita-
tions of use which apply to the Product. This information by itself is not
sufficient for a complete determination of the suitability of the Product in combi-
nation with the end product, machine, system, or other application or use.
Buyer shall be solely responsible for determining appropriateness of the partic-
ular Product with respect to Buyer's application, product or system. Buyer
shall take application responsibility in all cases but the following is a non-
exhaustive list of applications for which particular attention must be given:
(i) Outdoor use, uses involving potential chemical contamination or electrical
interference, or conditions or uses not described in this document.
(ii)Energy control systems, combustion systems, railroad systems, aviation
systems, medical equipment, amusement machines, vehicles, safety
equipment, and installations subject to
separate industry or government regulations.
(iii)Use in consumer products or any use in significant quantities.
(iv)Systems, machines and equipment that could present a risk to life or
property. Please know and observe all prohibitions of use applicable to this
product.
NEVER USE THE PRODUCT FOR AN APPLICATION INVOLVING SERIOUS
RISK TO LIFE OR PROPERTY WITHOUT ENSURING THAT THE SYSTEM
AS A WHOLE HAS BEEN DESIGNED TO ADDRESS THE RISKS, AND THAT
THE OMRON PRODUCT IS PROPERLY RATED AND INSTALLED FOR THE
INTENDED USE WITHIN THE OVERALL EQUIPMENT OR SYSTEM.
2. Programmable Products. Seller shall not be responsible for the user's
programming of a programmable product, or any consequence thereof.
3. Performance Data. Performance data given in this publication is provided a
s a
guide for the user in determining suitability and does not constitute a warran
ty.
It may represent the result of Seller's test conditions, and the users must cor
re-
late it to actual application requirements. Actual performance is subject
to
Seller's Warranty and Limitations of Liability.
4. Change in Specifications. Product specifications and accessories may
be
changed at any time based on improvements and other reasons. It is our pra
c-
tice to change part numbers when published ratings or features are change
d,
or when significant construction changes are made. However, some specific
a-
tions of the Product may be changed without any notice. When in doubt, sp
e-
cial part numbers may be assigned to fix or establish key specifications for yo
ur
application. Please consult with your Seller representative at any time to co
n-
firm actual specifications of purchased Product.
5. Errors and Omissions. The information in this publication has been carefu
lly
checked and is believed to be accurate; however, no responsibility is assum
ed
for clerical, typographical or proofreading errors, or omissions.
6. RoHS Compliance. Where indicated, our products currently comply, to the b
est
of our knowledge as of the date of this publication, with the requirements of t
he
European Union's Directive on the Restriction of certain Hazardous Su
b-
stances ("RoHS"), although the requirements of RoHS do not take effect u
ntil
July 2006. These requirements may be subject to change. Please consult o
ur
website for current information.
OMRON ON-LINE
Global - http://www.omron.com
USA - http://www.components.omron.com
Canada - http://www.omron.ca
Cat. No. JB301-E3-01 Printed in USA
OMRON CANADA, INC.
885 Milner Avenue
Toronto, Ontario M1B 5V8
416-286-6465
OMRON ELECTRONIC
COMPONENTS LLC
55 E. Commerce Drive, Suite B
Schaumburg, IL 60173
847-882-2288
3/05 Specifications subject to change without notice
Complete “Terms and Conditions of Sale” for product purchase and use are on Omron’s website
at www.components.omron.com – under the “About Us” tab, in the Legal Matters section.
ALL DIMENSIONS SHOWN ARE IN MILLIMETERS.
To convert millimeters into inches, multiply by 0.03937. To convert grams into ounces, multiply by 0.03527.