PARROT CK3100LC Bluetooth car kit Hands Free User Manual
PARROT Bluetooth car kit Hands Free Users Manual
PARROT >
Users Manual

Quick start guide
Guide d’utilisation rapide
Guía de instalación rápida
PARROT
CK3100 LCD

2
* TERMS & CONDITIONS: WWW.PARROT. COM
(GAGNEZ DES MUSIQUES AU FORMAT MP3
ET DES PRODUITS SANS FIL PARROT)
W
W
W
.
P
A
R
R
O
T
.
C
O
M
WIN
MP3
MUSIC FILES
AND PARROT
WIRELESS
PRODUCTS
*

www.parrot.com
Parrot CK3100 LCD
Mounting accessories installation.........
Installation diagrams...........................
English.............................................
Français...........................................
Español............................................
p.4
p.6
p.8
p.12
p.16
3

4
Mounting accessories installation

5
Parrot
Car Kit Parro t
Mounting accessories installation

6
Connection car
Power cable
Parrot
Car Kit Parrot
Autoradio
Line out
Connection car
Audio cable
Not Used
green line
brown line
Mute cable 1
Mute cable 2
Mute cable 3
Mute in 3
Line in
- Car stereo with Line In input
- Autoradio avec entrées Line In
- Autorradio con entradas Line In

7
Parrot
Car Kit Parrot
Loud Speaker
1- Rear right speaker
2- Fr ont right speaker
3- Fr ont left speaker
4- Rear left speaker
Mute cablePower cable
Connection car
Po wer cable
Connection car
Audio cable
Mute cable 1
Mute cable 2
Mute cable 3
Autoradio
Line out
Not Used
Mute in 3
- Car stereo with an ISO connector
- Autoradio avec connecteur ISO
- Autorradio con conector ISO

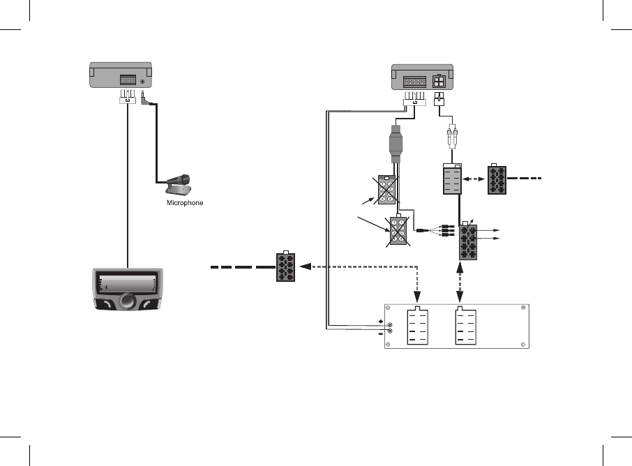
8

This simplified guide of the Parrot CK3100 LCD gives you
the main instructions to easily use this product. For more
information, refer to the user guide available on our website
www.parrot.com.
The availability of some functionality only depends
on your mobile phone.
► Refer to our website www.parrot.com, in the
Compatibility section, for further information.
Installing the Parrot CK3100 LCD
The Parrot CK3100 LCD system is fitted with 4 outputs:
Audio, Power, LCD screen, Microphone. It is recommended
to install all the cables before fixing the electronic box.
To avoid wrong connections, each cable supplied
has a different connector.
Installing audio connectors
The Mute cable supplied is equipped with (black) ISO
connectors and with a “line out” output.
Car radio with “line in” input:
► Refer to the diagram on p.6 for more information.
1. Wire the line output (green and brown wires) to the
auxiliary input of the car radio.
2. Connect the mute cable (the yellow one) to the mute
output of your car radio.
Car radio with ISO connectors:
► Refer to the diagram on p.7 for more information.
1. Disconnect the ISO connectors of the car radio.
2. Wire the male connectors of the mute and power cables
to the car radio.
3. Wire the audio and power connectors of the car to the
female connectors of the Parrot CK3100 LCD wiring.
If the car radio is equipped with a Mute input, connect
the yellow wire of the audio cable to one of the “Mute in
1”, “Mute in 2” or “Mute in 3” inputs.
► To know the precise position of your car radio Mute input,
refer to your car radio user guide.
Car radio without ISO connectors:
You have to obtain an ISO cable to adapt your car radio to
the ISO connectors of the Parrot CK3100 LCD. Consult our
website www.parrot.com for more information.
English
9

Installing the power cable
Consult the electric wiring of your car radio. For some
vehicles, it is necessary to inverse the positions of the red
and orange wires. Indeed, the red wire of the power cable
must be connected to the permanent 12V, the orange wire to
the 12V ignition and the black wire to the ground. This can
be done simply by reversing both fuse holders located on
the Parrot wiring. To check the polarity of your car radio, you
only have to cut the ignition off once the Parrot CK3100 LCD
installed: the message “Goodbye!” must be displayed.
Do not connect the orange wire to the permanent 12V,
otherwise you can cause the vehicle battery to go flat.
For some vehicles, there is no +12V ignition
on the vehicle connectors. In this case, it is
necessary to connect the orange power cable on
the fuse box or on another ignition power source.
Installing the microphone and the console
The microphone must be aimed at the driver and can be
installed between the sun-visor and the internal rear-view
mirror. To fix the console, use the provided double-sided
tape. Stick it on a plane and clean spot of the dashboard.
►Consult the diagram on p.4-5 for more information about
the installation of the mounting accessories.
Installing the electronic box
Avoid installing the electronic box:
- Near heating or air-conditioning system;
- On a spot directly exposed to sunlight;
- Behind metal walls.
Using the Telephony function
Connecting the phone to the Parrot CK3100 LCD
Before using the Parrot CK3100 LCD with your phone, you
first have to connect both devices. If you are using this
device for the first time, you will have to pair both devices
before connecting them. The pairing process is only required
once.
Some phones use the Bluetooth technology in a
particular way. Check in the Preferences / Adv.
Preferences / Pair a phone menu if your phone
is listed. Then select the option in the menu.
1. From your Bluetooth ® phone, search for Bluetooth
peripherals (refer to your phone user guide for more
information).
> The list of the available Bluetooth peripherals is
displayed.
2. Select “Parrot CK3100 LCD”.
10

3. Enter the “1234” PIN code and validate.
> “Pairing in process” is displayed on the screen of your
car kit.
> “Pairing complete” is displayed on the screen once the
pairing succeeded. The Parrot CK3100 LCD connects with
your phone.
> Menus are available and their names are enunciated by
the hands-free kit.
Commands
Using the phonebook
The phonebook synchronization with the Parrot CK3100 LCD
is automatic with numerous phones. If your phone doesn’t
support the automatic synchronization, you can send your
contacts from the phone to the car kit via Object Push. Refer
to your phone user guide for more information.
You can then make a call from the phonebook:
1. Select Phonebook in the main menu.
2. Select a letter and push the rotator.
> Once the contact chosen:
a) Press the green key to dial this number.
b) Use the rotator to choose between different
numbers of the same contact.
Using the voice recognition function
The voice recognition function will be available
once your contacts are saved in the Parrot
CK3100 LCD’s memory.
The “Voice commands” menu allows you to program the
hands-free kit voice recognition function. The sub-menu
“Selection voice reco.” allows you to select the type of
voice recognition you wish to use:
- Hands-free kit: voice tags recorded in the hands-free
kit memory.
- Phone: voice tags recorded in the phone memory.
Button
Functions
- Navigate through the menus
- Adjust the communication volume
Short press:
- Enter the menu
- Confirm a selection
Short press during a call: use the DTMF
function (to manage interactive vocal servers)
- Pick up
- Use the voice recognition function
- Long press: call the last dialed number
- Short press during a call: transfer an
ongoing call on the phone (discreet mode)
- Refuse an incoming call
- Hang up
- Exit the menu
11

the voice recognition of the Parrot CK3100 LCD
is more complete than the one of your phone and
performs in a noisy environment.
Assigning a voice tag to a contact
1. Select the first letter of the contact and press the rotator.
2. Select the name of the contact to which you want to add
a voice tag.
3. Once the name selected, press the rotator to start
recording.
4. Follow the instructions displayed.
> Once the voice tag associated, a bubble is displayed
near the name of the contact.
Using the keywords
The Parrot CK3100 LCD keywords are: phone, hang
up, home, work, mobile, general, other and
preferred.
- Phone: allows you to take a call or to start voice recogni-
tion function.
- Hang up: ends a call.
- Home, work, mobile, general, other and
preferred: allows you to choose the number to call in the
event of a contact with several phone numbers.
To record keywords, select Voice commands > keywords
and follow the same process than for recording voice tags.
Make a call via voice recognition
1. Press the green key for 2 seconds or say “Phone” if
the keyword “Phone” is recorded.
> You will hear a “beep”.
2. Pronounce your contact’s name.
> The Parrot CK3100 LCD repeats the name if the process
succeeds, and offers you a second attempt after another
beep if it is not the case.
> If the contact has one phone number, the call is made.
> If the contact has several phone numbers and if the
keywords “home, work…” are recorded, pronounce the
type of number you want to call.
12

Ce guide simplifié du Parrot CK3100 LCD vous donne
les instructions principales qui vous permettront d’utiliser
facilement cet appareil. Pour plus d’informations, consultez
le guide utilisateur disponible sur notre site web www.parrot.
com.
L’utilisation de certaines fonctionnalités dépend
uniquement de votre téléphone.
Installation du Parrot CK3100 LCD
Le système du Parrot CK3100 LCD est équipé de 4
connexions: audio, alimentation, écran LCD, microphone.
Il est recommandé d’installer tous les câbles avant de fixer le
boîtier électronique.
Afin d’éviter tout mauvais branchement, chaque
câble fourni dispose d’un connecteur différent.
Installation des connecteurs audio
Le câble Mute fourni dispose de connecteurs ISO (noirs) et
d’une sortie “line out”.
Autoradio avec entrée “line in”:
► Consultez le schéma p.6 pour plus d’informations.
1. Reliez la sortie line (fil vert et fil marron) sur l’entrée auxi-
liaire de l’autoradio.
2. Connectez le câble mute (jaune) sur l’entrée mute de votre
autoradio.
Autoradio avec connecteurs ISO:
► Consultez le schéma p.7 pour plus d’informations.
1. Déconnectez les connecteurs ISO de l’autoradio.
2. Reliez les connecteurs mâles du câble mute et du câble
d’alimentation à l’autoradio.
3. Reliez les connecteurs audio et alimentation du véhicule
aux connecteurs femelles du câblage de votre Parrot
CK3100 LCD.
Si l’autoradio est équipé d’une entrée Mute, reliez le fil jaune
du câble audio à l’une des entrées « Mute in 1 », « Mute in
2 » ou « Mute in 3 ». Afin de connaître la position exacte de
l’entrée Mute de votre autoradio, consultez le guide utilisa-
teur de votre autoradio.
Autoradio sans connecteurs ISO:
Vous pouvez vous procurer un câble adaptateur ISO afin
d’adapter votre autoradio à la connectique ISO du Parrot
CK3100 LCD. Consultez notre site web www.parrot.com
pour plus d’informations.
Français
13

Installation du câble d’alimentation
Consultez le schéma électrique de votre autoradio.
Sur certains véhicules, il est nécessaire d’inverser les posi-
tions des fils rouges et orange. En effet, le fil rouge du câble
d’alimentation doit être connecté au 12V permanent, le fil
orange au 12V après-contact et le fil noir à la masse.
Cette opération s’effectue simplement en inversant les deux
porte-fusibles situés sur le câblage Parrot.
Pour vérifier la polarité de votre autoradio, il vous suffit de
couper le contact une fois le Parrot CK3100 LCD installé : le
message « Au revoir » doit alors s’afficher à l’écran.
Ne connectez pas le fil orange au 12V permanent, vous ris-
queriez de provoquer la décharge de la batterie du véhicule.
Sur certains véhicules, il n’y a pas de +12V après
contact sur les connecteurs du véhicule. Il est
alors nécessaire de brancher le fil d’alimentation
orange sur la boite à fusibles ou sur une autre
source d’alimentation après contact.
Installation du microphone et de la console
Le microphone doit être dirigé vers le conducteur et peut
être installé entre le pare-soleil et le rétroviseur intérieur.
Pour fixer la console, utilisez l’adhésif double face fourni.
Appliquez-le sur une surface propre et plate du tableau de
bord.
►Consultez les schémas p.4-5 pour plus d’informations
sur l’installation des accessoires de montage.
Installation du boîtier électronique
Evitez d’installer le boîtier :
- près du chauffage ou de la climatisation
- à un endroit exposé au soleil
- derrière des parois métalliques.
Utiliser la fonction téléphonie
Connecter le téléphone au Parrot CK3100 LCD
Avant d’utiliser le Parrot CK3100 LCD avec votre téléphone,
vous devez connecter les deux appareils. Si c’est la 1ère fois
que vous utilisez cet appareil avec le Parrot CK3100 LCD,
vous devez tout d’abord effectuer un jumelage des deux
appareils : lorsque les deux appareils se seront détectés
mutuellement, il ne sera plus nécessaire de procéder à cette
opération.
Certains téléphones utilisent la technologie
Bluetooth d’une façon particulière. Vérifiez
dans le menu Préférences / Préf. avancées
/ Jumeler un téléphone si le modèle de votre
téléphone y est répertorié. Sélectionnez alors
l’option dans le menu.
14

1. Depuis votre téléphone Bluetooth ®, lancez une recherche
de périphériques Bluetooth (consultez la notice de votre
téléphone pour plus d’informations).
> La liste des périphériques Bluetooth disponibles
s’affiche.
2. Sélectionnez “Parrot CK3100 LCD”.
3. Entrez le code PIN 1234 et validez.
> “Jumelage en cours” s’affiche sur votre kit.
> “Jumelage terminé” s’affiche sur l’écran, une fois le
jumelage réussi. Le Parrot CK3100 LCD se connecte alors
à votre téléphone.
> Les menus sont désormais accessibles et leurs noms
sont énoncés par le kit mains-libres.
Utiliser le répertoire
La synchronisation de votre répertoire téléphonique avec le
Parrot CK3100 LCD est automatique avec de nombreux télé-
phones. Si votre téléphone ne permet pas cette synchroni-
sation automatique, vous avez la possibilité de transférer vos
contacts du téléphone vers le kit par Object Push. Consultez
la notice de votre téléphone pour plus d’informations.
Vous avez la possibilité de lancer un appel depuis le menu
répertoire.
1. Dans le menu principal, sélectionnez Répertoire.
2. Sélectionnez une lettre et appuyez sur la molette.
> Une fois le contact choisi :
- Appuyez sur le bouton vert pour lancer l’appel vers le
numéro par défaut.
- Utilisez éventuellement la molette pour choisir parmi
les différents numéros du contact.
Commandes
Bouton
Fonctions
- Naviguer dans les menus
- Régler le volume en communication
Appui court :
- Valider une sélection
Appui court en communication : activer la
fonction DTMF (afin de gérer les serveurs
vocaux interactifs)
- Accepter un appel entrant
- Activer la fonction reconnaissance vocale
- Appui long: appeler le dernier numéro
composé
- Appui court en communication: transférer
l’appel sur votre téléphone
- Refuser un appel entrant
- Terminer une communication
- Sortir du menu
15

Utiliser la fonction reconnaissance vocale
La fonction de reconnaissance vocale sera
disponible une fois vos contacts transférés sur
le kit.
Le menu Commandes vocales vous permet de programmer
la reconnaissance vocale du kit mains-libres. Le sous-menu
Sélection reco. Vocale vous permet de sélectionner le type
de reconnaissance vocale que vous souhaitez utiliser :
- Kit mains libres : Empreintes vocales enregistrées dans la
mémoire du kit mains-libres.
- Téléphone : Empreintes vocales enregistrées dans la
mémoire du téléphone.
Attribuer une empreinte vocale à un contact
1. Sélectionnez la 1ère lettre du contact et appuyez sur la
molette.
2. Sélectionnez le nom du contact auquel vous souhaitez
attribuer une empreinte vocale.
3. Une fois le nom choisi, appuyez sur la molette pour lancer
l’enregistrement.
4. Suivez les instructions qui s’affichent à l’écran.
> Une fois l’empreinte vocale attribuée, une bulle s’affiche
sur la droite du nom.
Utiliser les mots-clés
Les mots-clés du Parrot CK3100 LCD sont: téléphone,
raccrocher, domicile, travail, mobile, général,
autre et préféré.
- Téléphone : permet de décrocher un appel ou de
déclencher la fonction reconnaissance vocale.
- Raccrocher : met fin à la communication.
- Domicile, bureau, mobile, général, autre,
préféré: mots-clés par numéro de téléphone. Ces
mots-clés permettent de choisir le numéro de téléphones à
appeler dans le cas de contacts ayant plusieurs numéros de
téléphone.
Pour enregistrer les mots-clés, sélectionnez Commandes
vocales > mots-clés et procédez de la même manière que
pour l’enregistrement d’empreintes vocales.
Passer un appel par reconnaissance vocale
1. Appuyer longuement sur le bouton vert, ou dites ”Télé-
phone” si ce mot-clé est enregistré.
> Un bip sonore retentit.
2. Prononcez le nom de votre contact.
> Le Parrot CK3100 LCD répète le nom en cas de réus-
site, sinon offre une deuxième tentative après un bip.
> Si le contact possède un seul numéro de téléphone,
l’appel est lancé.
> Si le contact possède plusieurs numéros et si les mots-
clés « Domicile, bureau etc. » sont enregistrés,
prononcez celui correspondant au numéro que vous
souhaitez appeler.
16

Esta guía simplificada del Parrot CK3100 LCD le ofrece las
principales instrucciones que le permiten usar fácilmente
este equipo. Para obtener más informaciones, consulte
nuestro sitio web www.parrot.com.
El uso de algunas funciones depende únicamente
de su teléfono.
Instalación del Parrot CK3100 LCD
El sistema del Parrot CK3100 LCD está provisto de 4 co-
nexiones: audio, alimentación, pantalla LCD, micrófono.
Se recomienda instalar todos los cables antes de fijar la caja
de control.
Cada cable que se incluye dispone de un
conector diferente para evitar malas conexiones.
Instalación de los conectores de audio
El cable mute provisto está dotado de conectores ISO (de
color negro) y de una salida “line out”.
Autorradio con entradas “line in”:
► Consulte el esquema p.6 para más información.
1. Conecte la entrada line (cables marrón y verde) en la
entrada auxiliaría del autorradio.
2. Conecte el cable Mute (amarillo) en la entrada mute de su
autorradio.
Autorradio con conectores “ISO”:
► Consulte el esquema p.7 para más información.
1. Desconecte los conectores ISO del autorradio.
2. Conecte los conectores machos del cable mute y del
cable de alimentación al autorradio.
3. Conecte los conectores de audio y de alimentación del
vehículo a los conectores hembras del cableado de su
Parrot CK3100 LCD.
Si la radio tiene una entada mute, conecte el cable amarillo
del cable mute a una de las entradas 1, 2 ó 3 del “Mute in
1”, “Mute in 2”, “Mute in 3”.
Para identificar la posición exacta de la entrada mute de su
autorradio, consulte el manual de usuario de su autorradio.
Autorradio sin conectores “ISO”:
Puede obtener un cable adaptador ISO para adaptar su
autorradio a los conectores ISO del Parrot CK3100 LCD.
► Consulte la gama de adaptadores ISO en nuestro sitio
web www.parrot.com.
Español
17

Instalación del cable de alimentación
Consulte el esquema eléctrico de su autorradio.
En algunos vehículos, es necesario invertir las posiciones
de los cables rojo y naranja. En efecto, el cable rojo del
cable de alimentación debe conectarse al permanente de
12V, el cable naranja al 12V y el cable negro a la tierra. Esta
operación se realiza fácilmente invirtiendo los portafusibles
ubicados en el cableado Parrot.
Para comprobar la polaridad de su autorradio, se necesita
solamente apagar el contacto tras haber instalado el Parrot
CK3100 LCD: el mensaje “Adiós” aparece normalmente en
la pantalla.
No conecte el cable naranja al permanente de 12V: corre el
riesgo de agotar la batería del vehículo.
El algunos vehículos, no hay +12V en los
conectores. Entonces, es necesario conectar
el cable de alimentación naranja en la caja de
portafusibles o en otra fuente de alimentación.
Instalación del micrófono y de la consola
El micrófono debe ser orientado hacia el conductor y puede
instalarse entre la visera antideslumbrante y el retrovisor
interior. Para instalar la consola, utilice la cinta adhesiva de
dobla cara provista. Colóquela en un punto limpio y plano
del salpicadero.
►Consulte el esquema p.5 para obtener más información
sobre la instalación de los accesorios de montaje.
Instalación de la caja electrónica
Evitar la instalación de la caja:
- Al lado del aire acondicionado o de la rejilla de
ventilación
- En un punto expuesto al sol
- Tras superficies metálicas
Utilizar el modo Teléfono
Conectar su teléfono al Parrot CK3100 LCD
Antes de utilizar el Parrot CK3100 LCD con su teléfono
móvil, tiene que conectar ambos aparatos. Si se trata de la
primera vez que utiliza este equipo con el Parrot CK3100
LCD, primero tiene que enlazarlos. Una vez enlazados, no
será necesario realizar este proceso de nuevo.
Algunos teléfonos móviles utilizan la tecnología
Bluetooth de manera diferente. Compruebe en
el menú “Preferencias / Pref. Avanzadas /
Enlazar un teléfono”, si el modelo de su teléfono
está listado o no. Después, seleccione la opción
en el menú.
1. Desde su teléfono Bluetooth ®, inicie una búsqueda de
18

dispositivos Bluetooth. Consulte el manual de usuario de
su teléfono para obtener más información.
> Aparece la lista de los dispositivos Bluetooth
disponibles.
2. Seleccione “Parrot CK3100 LCD”.
3. Introduzca el código PIN 1234 y valide.
> “El enlace está procesando” aparece en el kit.
> Se visualiza “Enlace realizado” al final del proceso.
El Parrot CK3100 LCD se conecta a su móvil.
> Ahora se puede acceder a los menús y sus nombres
están enunciados por el kit manos libres.
Utilizar la agenda
La sincronización de la agenda de su teléfono móvil con
el Parrot CK3100 LCD se hace de manera automática con
numerosos teléfonos. Sin embargo, si su teléfono no le
permite, se puede transferir sus contactos del teléfono hacia
el kit mediante la opción Object Push. Consulte el manual de
usurario de su teléfono para obtener más información.
Se puede realizar una llamada a partir de la agenda.
1. En el menú principal, seleccione Agenda
2. Seleccione una letra y pulse la rueda
> Una vez seleccionado el contacto:
- pulse el botón verde para iniciar la llamada hacia el
número por defecto.
- si es necesario, utilice la rueda para elegir entre varios
números para un contacto.
Mandos
Utilizar la funcionalidad Reconocimiento vocal
El modo “reconocimiento vocal” solo está
disponible tras haber enviado sus contactos al kit.
El menú “Instrucciones vocales” le permite programar el
reconocimiento vocal del kit manos libres.
Botón
Funciones
- Navegar por los menús
- Ajustar el volumen de la comunicación
Pulsación corta: Validar una selección
Pulsación corta durante una llamada:
activar la función DTMF (para controlar los
servidores vocales activos)
- Descolgar una llamada
- Activar el modo reconocimiento de voz
- Pulsación larga: llamar el último número
marcado
- Pulsación corta durante una llamada:
transferir una llamada a su teléfono
- Rechazar una llamada
- Colgar
- Salir del menú
19

El sub-menú “Selección reco. vocal” le permite seleccionar
el tipo de reconocimiento vocal que desea utilizar:
- Kit manos libres: etiquetas vocales registradas en la me
moria del kit manos libres.
- Teléfono: etiquetas vocales registradas en la memoria del
teléfono.
El reconocimiento vocal del Parrot CK3100 LCD es
más completo que el de los teléfonos y funciona
en un ambiente ruidoso.
Asignar una etiqueta vocal a un contacto
1. Seleccione la primera letra del nombre del contacto y
pulse la rueda.
2. Seleccione el nombre del contacto por el cual desea
asignar una etiqueta.
3. Una vez seleccionado, pulse la rueda para iniciar la
grabación.
4. Siga las instrucciones que aparecen en la pantalla.
> Tras haber asignado la etiqueta vocal, un bocadillo
aparece a la derecha del nombre.
Utilizar las palabras clave
Las palabras clave del Parrot CK3100 LCD son: teléfono,
colgar, domicilio, trabajo, móvil, general, otro y
preferido.
- Teléfono: permite descolgar una llamada o iniciar el
reconocimiento vocal.
- Colgar: acabar la comunicación
- Dirección, trabajo, móvil, general, otro y
preferido: palabras claves por números de teléfono.
Permiten seleccionar el número deseado cuando un
contacto tiene varios.
Para registrar las palabras clave, seleccione Instrucciones
vocales > Palabras clave y siga el mismo proceso que el
de la grabación de etiquetas vocales.
Realizar una llamada por reconocimiento vocal
1. Pulse el botón verde, o diga “Teléfono” si dicha palabra
clave está registrada.
> Una señal sonora suena.
2. Diga el nombre de su contacto.
> El Parrot CK3100 LCD repite el nombre en caso de
conexión, y si no, ofrece un segundo intento tras una
señal sonora.
> Si el contacto tiene un único número de teléfono, la
llamada se realiza.
> Si el contacto tiene varios números y si las palabras
clave “domicilio, trabajo, etc.” están registradas, diga
la palabra correspondiente al número que desea llamar.
20

21
General Information
Warranty
Parrot products are warranted during
1 year from the date of purchase for
defects in materials and workmanship,
provided that no deterioration to the
product has been made, and upon
presentation of proof of purchase
(date of purchase, location of sale and
product serial number) to the retailer or
Parrot directly.
Warranty does not cover: upgrading of
the software items of the Parrot pro-
ducts with Bluetooth ® cell phones for
compatibility purpose, data recovery,
deterioration of the external aspect
due to normal use of the product,
any damage caused by accident,
misuse, misapplication, or non-Parrot
products. Parrot is not responsible
for storage, loss or damaged to data
during transit or repair.
Any product wrongfully declared to be
defective will be returned to sender
and inspection, process and carriage
costs will be invoiced to him.
Due to the technical nature of this
product, we advise you to ask your
garage mechanic to take care of the
installation. Parrot shall not be held
responsible of any dysfunction caused
by an installation which does not
follow the instructions provided in this
user guide or an incorrect installation.
Correct disposal of This Product
(Waste Electrical & Electronic Equi-
pment)
(Applicable in the European Union
and other European countries with
separate collection systems).
This marking shown on the product
or its literature, indicates that it
should not be disposed with other
household wastes at the end of its
working life. To prevent possible harm
to the environment or human health
from uncontrolled waste disposal,
please separate this from other types
of wastes and recycle it responsibly
to promote the sustainable reuse of
material resources. Household users
should contact either the retailer where
they purchased this product, or their
local government office, for details
of where and how they can take this
item for environmentally safe recycling.
Business users should contract their
supplier and the terms and conditions
of the purchase contract. This product
should not be mixed with other com-
mercial wastes for disposal.
Modifications
The explanations and specifications
in this guide are given for information
purposes only and may be modified
without prior notice. They are deemed
to be correct at time of going to press.
The utmost care has been taken when
writing this guide,as part of the aim to
provide you with accurate information.
However, Parrot shall not be held
responsible for any consequences
arising from any errors or omissions
in the guide, nor for any damage
or accidental loss of data resulting
directly or indirectly from the use of the
information herein. Parrot reserves the
right to amend or improve the product

22
design or user guide without any
restrictions and without any obligation
to notify users. As part of our ongoing
concern to upgrade and improve our
products, the product that you have
purchased may differ slightly from the
model described in this guide.
If so, a later version of this guide might
be available in electronic format at Par-
rot’s website at www.parrot.com.
FCC Compliance
Statement
This device complies with part 15 of
the FCC rules. Operation is subject to
the following two conditions:
(1). this device may not cause harmful
interference, and
(2). this device must accept any
interference received, including
interference that may cause unde
sired operation.
Note: The manufacturer is not
responsible for any radio or tv
interference caused by unauthorized
modifications to this equipment. Such
modifications could void the user’s
authority to operate the equipment.
Declaration of Conformity
We, Parrot S.A. 174 quai de
Jemmapes, 75010 Paris,
France, declare under our
sole responsibility that our product,
the Parrot CK3100 LCD to which this
declaration relates is in conformity
with appropriate standards EN300328,
EN301489-17, EN 60950 following
the provision of Radio Equipment
and Telecommunication Equipment
directive 1999/5/EC R&TTE.
Identification N. 394 149 496 R.C.S.
PARIS - Parrot S.A.
Copyrights
Copyright © 2007 Parrot. All rights
reserved. The total or even partial
reproduction, transmission or storage
of this guide in any form or by any
process whatsoever (electronic,
mechanical, photocopy, recording or
otherwise) is strictly prohibited without
prior consent from Parrot.
Licences
The Bluetooth ® word mark and logos
are owned by the Bluetooth SIG, Inc.
and any use of such marks by Parrot
S.A. is under license.
Other trademarks and trade names are
those of their respective owners.
Compatibility problems
Some special edition cars can be
released with some differences from
the original model. This could cause
some compatibility problems with the
interfaces.
Our company is not responsible of
compatibility problems caused by new
equipment or devices updated by the
car manufacturer without advise.
Informations générales
Garantie
Les produits Parrot sont garantis,
pièces et main d’œuvre, pendant 1
an à compter de la date d’achat, sauf
altération du produit, et sur présen-
tation d’une preuve d’achat (date et
lieu d’achat n° de série du produit) au

23
revendeur ou à Parrot directement.
La garantie ne couvre pas la mise
à jour des logiciels inclus dans les
produits Parrot avec des téléphones
mobiles Bluetooth ® à des fins de
compatibilité, la récupération de
données, la détérioration extérieure du
produit due à une utilisation normale
du produit, tout dommage causé par
accident, une utilisation anormale ou
non autorisée du produit, un produit
non Parrot. Parrot n’est pas respon-
sable du stockage, de la perte ou
de l’endommagement des données
durant le transport ou la réparation.
Tout produit s’avérant non défectueux
sera retourné à l’expéditeur et les frais
de traitement, de vérification et de
transport lui seront facturés.
En raison de la technicité de ce
produit, nous vous recommandons de
faire effectuer l’installation par votre
garagiste. Parrot ne saurait en aucun
cas être responsable de tout dysfonc-
tionnement dû à une installation non
conforme aux instructions figurant sur
la notice et/ou une installation non
conforme effectuée par vous-même.
Comment recycler ce produit
Déchets d’équipements électriques et
électroniques
Le symbole sur le produit ou sa
documentation indique qu’il ne
doit pas être éliminé en fin de
vie avec les autres déchets ménagers.
L’élimination incontrôlée des déchets
pouvant porter préjudice à l’environne-
ment ou à la santé humaine, veuillez le
séparer des autres types de déchets et
le recycler de façon responsable. Vous
favoriserez ainsi la réutilisation durable
des ressources matérielles.
Les particuliers sont invités à contacter
le distributeur leur ayant vendu le pro-
duit ou à se renseigner auprès de leur
mairie pour savoir où et comment ils
peuvent se débarrasser de ce produit
afin qu’il soit recyclé en respectant
l’environnement. Les entreprises sont
invitées à contacter leurs fournis-
seurs et à consulter les conditions de
leur contrat de vente. Ce produit ne
doit pas être éliminé avec les autres
déchets commerciaux.
Modifications
Les explications et spécifications
contenues dans ce guide utilisateur ne
sont fournies qu’à titre d’information et
peuvent être modifiées sans notifica-
tion préalable. Ces informations sont
correctes au moment de l’impression
et le plus grand soin est apporté lors
de leur rédaction afin de vous fournir
des informations les plus précises
possible.
Cependant, Parrot S.A. ne saurait être
tenu responsable, directement ou indi-
rectement, des éventuels préjudices
ou pertes de données accidentelles
résultant d’une erreur ou omission au
sein du présent document. Parrot S.A.
se réserve le droit d’amender ou amé-
liorer le produit ainsi que son guide
utilisateur sans aucune restriction ou
obligation de prévenir l’utilisateur.
Dans le cadre de l’attention portée
par Parrot S.A. sur l’amélioration de
nos produits, il est possible que le
produit que vous avez acheté diffère

24
légèrement de celui décrit au sein du
présent document. Dans ce cas, vous
pourrez éventuellement trouver une
nouvelle version du guide utilisateur au
format électronique sur le site www.
parrot.com.
Déclaration de conformité
Parrot SA, 174 quai de Jem-
mapes, 75010 Paris, France,
déclare sous son unique
responsabilité que le produit décrit
dans le présent guide utilisateur est en
conformité avec les normes techniques
EN300328, EN301489-17, EN 60950
suivant les dispositions de la directive
R&TTE 1999/5/EC.
Copyright
Copyright © 2007 Parrot.
Tous droits réservés. Toute reproduc-
tion totale ou partielle du contenu de
ce document en vue de sa publication
ou diffusion par quelque moyen et
sous quelque forme que ce soit, même
à titre gratuit, est strictement interdite
sans autorisation écrite préalable de
Parrot.
Marques déposées
Le nom et le logo Bluetooth sont des
marques déposées de Bluetooth ®
SIG, Inc. et toute utilisation de ces
derniers par Parrot S.A. est faite sous
licence.
Toutes les autres marques de commer-
ce et marques déposées mentionnées
dans le présent document sont proté-
gées par Copyright et sont la propriété
de leurs propriétaires respectifs.
Problèmes de compatibilité
Certaines voitures produites en édition
limitée peuvent présenter des différen-
ces par rapport au modèle original, ce
qui peut entraîner certains problèmes
de compatibilité avec cet appareil.
Parrot S.A. n’est pas responsable de
ces éventuels problèmes de compa-
tibilité liés à ces équipements lancés
sans notification par le fabricant.
Garantía
Los productos Parrot benefician de
una garantía de 1 año (piezas y mano
de obra incluidas) a partir de la fecha
de compra, salvo en caso de altera-
ción del producto, y con una prueba
de compra original del producto (fecha
y lugar de compra, número de serie del
producto) presentada al dependiente o
directamente a Parrot.
La garantía no cubre: la actualiza-
ción de los programas incluidos en
los productos Parrot con teléfonos
móviles dotados de la funcionalidad
Bluetooth® con objetivo de compa-
tibilidad, la recuperación de datos, la
deterioración exterior del producto
causada por la utilización cotidiana
del producto, cualquier daño causado
por un accidente, un uso anormal o no
autorizado del producto, un producto
de una marca diferente. Parrot no es
responsable del almacenamiento de
los datos, de sus pérdidas o de daños
Información general

ocurridos durante el transporte o la
reparación.
Cualquier producto que no sería de-
fectuoso se retornará al cliente, y los
gastos de intervención y de transporte
serán a su carga.
Debido a la tecnicidad de este
producto, le recomendamos que
haga efectuar la instalación por su
garajista. Parrot no será responsable
de ninguna disfunción resultante de
una instalación no conforme con las
instrucciones dadas en el manual y/o
una instalación no conforme efectuada
por usted.
Eliminación correcta de este
producto
(material eléctrico y electrónico
de descarte)
La presencia de esta marca
en el producto o en el material
informativo que lo acompaña, indica
que al finalizar su vida útil no deberá
eliminarse junto con otros residuos
domésticos. Para evitar los posibles
daños al medio ambiente o a la salud
humana que representa la eliminación
incontrolada de residuos, separe este
producto de otros tipos de residuos y
recíclelo correctamente para promover
la reutilización sostenible de recursos
materiales.
Los usuarios particulares pueden
contactar con el establecimiento
donde adquirieron el producto, o con
las autoridades locales pertinen-
tes, para informarse sobre cómo y
dónde pueden llevarlo para que sea
sometido a un reciclaje ecológico y
seguro. Los usuarios comerciales
pueden contactar con su proveedor y
consultar las condiciones del contrato
de compra. Este producto no debe eli-
minarse mezclado con otros residuos
comerciales.
Declaración de conformidad
Parrot SA, 174 quai de Jemmapes,
75010 París, Francia, declara bajo su
única responsabilidad, que el producto
descrito en este guía de usuario
está en conformidad con las normas
técnicas EN300328, EN301489-17, EN
60950 según las disposiciones de la
directiva R&TTE 1999/5/EC.
Número de identificación: N.394 149
496 R.C.S. París
Marcas registradas
El nombre y el logotipo Bluetooth son
marcas registradas de Bluetooth ®
SIG, Inc. y toda utilización de estos
últimos por Parrot S.A se hace con
una licencia.
Todas las otras marcas de comercio y
las marcas registradas mencionadas
en este documento están protegidas
por el Copyright y pertenecen a sus
respectivos propietarios.
Copyright
Copyright © 2007 Parrot.
Todos los derechos reservados.
Cualquiera reproducción, que sea total
o parcial, del contenido de este docu-
mento con el objetivo de ser publicada
o difundida por cualquier medio y bajo
cualquiera forma que sea, incluso de
manera gratuita, está prohibida sin la
autorización previa y escrita de Parrot.
25


Hotline
Our hotline is at your disposal from Monday to Friday between 9 am and 6 pm (GMT + 1)
Hot-line@parrot.com
Italy : [+39] 02 59 90 15 97
Spain : [+34] 902 404 202
UK : [+44] (0)870 112 5872
Germany : 0900 1727768
USA : [+1] (877) 9 Parrot (toll free)
China : [+86] (0)21 6460 1944
Hong Kong: [+852] 2736 1169
France : 01 48 03 60 69
Europe : [+33] 1 48 03 60 69 (Spoken languages : French, English, Spanish and German)

FCC ID: RKXCK3100LC
www.parrot.com