PARROT XANTHI6 Navigation System User Manual ation MKi 2
PARROT Navigation System ation MKi 2
PARROT >
Contents
- 1. User manual
- 2. User manual Annex
User manual

Quick start guide
Guide d'utilisation rapide
Guía de utilización rápida
Bedienungsanleitung
Guida all'uso
Gebruikershandleiding
Manual do utilizador

www.parrot.com
Parrot ASTEROID Mini
English
........................................................................................................................13
Français
........................................................................................................................31
Español
........................................................................................................................50
Deutsch
........................................................................................................................70
Italiano
........................................................................................................................91
Dutch
........................................................................................................................111
Português
........................................................................................................................132

4

5
Ecran / Screen / Pantalla / Display / Display / Ecrã / Scherm
Boîtier électronique / Electronic box / Caja electrónica / Elektronikgehäuse / Centralina elettronica / Caixa electrónica /
Elektronicakastje
Télécommande (pile 3 V - CR2032) / Remote control (3 V - CR2032 battery) / Mando a distancia (pila 3 V - CR2032) /
Fernbedienung (Batterie 3 V - CR2032) / Telecomando (Pila 3V – CR2032) / Telecomando (Pilha de 3V – CR2032)
Afstandsbediening (Batterij 3V –
Support de fixation de l’écran / Craddle / Soporte de fijación de la pantalla / Bildschirmhalterung / Supporto di fissaggio
display / Suporte de fixação do ecrã / Schermsteun
Câble ISO / ISO cable / Cable ISO / ISO-Kabel / Cavo ISO / Cabo ISO / ISO-kabel
Câble écran / Screen cable / Cable pantalla / Displaykabel / Cavo display / Cabo do ecrã / Schermkabel
Câble télécommande / Remote control cable / Cable mando a distancia / Fernbedienungkabel / Cavo telecomando/
Cabo do telecomando / Afstandsbedieningkabel
Microphone / Microphone / Micrófono / Mikrofon / Microfono / Microfone / Microfoon
Câble USB / USB cable / Cable USB / USB-Kabel / Cavo USB / Cabo USB / USB-kabel
Rallonge USB-iPod / USB-iPod cable extension / Alargador cable USB-iPod / Verlängerungskabel USB-iPod / Prolunga
USB-iPod / Extensão USB-iPod / Verlengkabel USB-iPod

6
ISO installation

7
Audio system
with amplifier

8

9

10

11

12

13English
Quick start
guide
Content
Before you begin
Installation
Getting started
Phone
Music
Internet
Troubleshooting
General information
p.13
p.14
p.20
p.22
p.23
p.25
p.27
p.29
Before you begin
About this guide
In order to limit our paper consumption
and as part of our environmentally friendly
and responsible approach, Parrot prefers
to put user documents online rather than
print them out. This simplified guide to
the Parrot ASTEROID Mini is therefore
limited to providing you with the main
instructions that will make it easy for you
to use the device. More information can
be found on the support section of our
website, www.parrot.com: the full
manual, FAQs, tutorials, and more.
Note: iPod® and iPhone® (in iPod mode)
will be referred to as an "iPod" in this

14 English
manual.
Software updates
Download the latest update for free (and
consult the update procedure) on the
Parrot ASTEROID Mini support page on
our website www.parrot.com. These
updates will enable you to receive new
features and improve the product’s
compatibility.
Warnings
All functions requiring an increased
attention should only be used while the
vehicle is stationary. Your safety and the
one of the other road users prevails over
phone calls, music and driving assistance
applications. Be responsible: drive
carefully and pay full attention to your
surrounding. Parrot denies any liability
should you choose not to respect this
warning.
Use the Parrot ASTEROID Mini with a
reasonable volume level so that you can
hear all external noises while driving.
The Parrot ASTEROID Mini includes
NdFeB magnets which can damage objects
sensitive to magnetic fields (pacemakers,
credit cards, mechanical clocks…).
Installation
Note: We advise our customers to have the
Parrot ASTEROID Mini fitted by a certified
Parrot installer.
Before you begin
Installing the Parrot ASTEROID Mini is
done by inserting it between the car
stereo and the vehicle.
Note: If your car stereo is not fitted with ISO
connectors, you need to purchase an ISO
adapter cable to simplify the wiring
procedure. Refer to the Vehicle
compatibility section on the Parrot
ASTEROID Mini support page to check
whether an ISO adapter is necessary on your

15English
vehicle.
Start by removing the car stereo from your
vehicle. You may need release keys to do
so.
Refer to your car stereo’s wiring diagram.
Before you install the individual
components, check that the installation
locations have been selected in such a way
that the cable length is sufficient to
connect every element. Once the
installation is complete, make sure that no
cables are pinched or trapped.
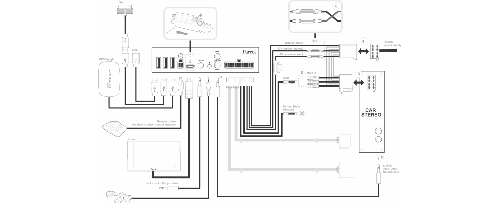
The connection number indications in the
next sections correspond to the
connections represented on the diagrams
p.6 / 7.
Connecting the audio cable
Join the vehicle audio cable to the
connector of the Parrot ASTEROID Mini
(Connections 1A and 2).
If your vehicle is equipped with an
amplifier, use the Front and Rear Line Out
outputs on the electronic box to avoid
saturation problems such as popping in the
speakers, background noise etc. Use one
or two jack cable(s) to connect the Parrot
ASTEROID Mini Line out outputs to your
vehicle audio system (Connection 1B on
the diagram p. 7).
Connecting the power cable
1. Unplug the battery before installing
the power cable.
2. Connect the ISO male connectors of
the Parrot ASTEROID Mini to the car
stereo (Connection 3).
3. Join the vehicle’s power supply cable
to the ISO female connector of the
Parrot ASTEROID Mini (Connection
4).
The red wire of the Parrot ASTEROID
Mini cable must correspond to the
constant +12V supply, the orange wire to
the ignition +12V and the black wire to
ground. Check that the orange wire is not
connected to the constant +12V supply, as

16 English
you could run down the vehicle’s battery.
Note: In order to check the wiring, connect
the screen before placing it on the
dashboard. Refer to the Checking the wiring
section for more information.
On some vehicles, there is no
ignition +12V on the vehicle’s connectors.
You must therefore connect the orange
power supply wire to the fuse box or
another ignition power source.
Connecting the mute cable
The mute function is used to cut the
sound of your car stereo to enable the
sound of the Parrot ASTEROID Mini
(music, phone calls etc.). Mute in 1, mute
in 2 and mute in 3 are only suggested mute
locations : the choice of the mute-in jack
depends on your car stereo’s
configuration. Test and verify the mute on
the vehicle then connect the free yellow
wire on the ISO cable to the audio
system’s corresponding mute-in jack
(connection 5).
Installing the electronic box
Avoid installing the electronic box near
heating or air-conditioning system or on a
spot directly exposed to sunlight.
Make sure the electronic box stays fixed
once it is installed and that it will not move
while you are driving.
Carefully reinstall the car stereo. Do not
force. If you are short of space behind the
car stereo to install the electronic box,
consider installing it in the glove box.
Checking the wiring
To perform the installation check, turn the
ignition on then off once the Parrot
ASTEROID Mini is installed: the message
“Goodbye!” must be displayed.
If it is not the case, it is necessary to
inverse the positions of the red and orange
wires. Indeed, the red wire of the power
cable must be connected to the
permanent 12V, the orange wire to the 12V
ignition and the black wire to the ground.
This can be done simply by reversing both
fuse holders located on the Parrot wiring

17English
(connection 7).
Installing the microphone
The optimum location for the microphone
is in the centre of the vehicles roof near
the rear view mirror. The microphone
ideally needs to be less than 60cm’s from
the users mouth pointing directly towards
them with no obstructions.
Please take care when routing the
microphone cable through the vehicle to
the desired location, we recommend
routing alongside existing manufacture’s
wiring looms securing as you go making
sure the microphone cable is not pinched
or trapped.
Warning: Do not run the microphone cable
in such a way as to obstruct or interfere
with the vehicles operation or cause injury
to its occupants. In particular vehicle safety
device such as airbags and other SRS
systems.
Installing the GPS antenna
Stick the GPS Antenna in an unobstructed
area inside the car.
Athermic windshields and windows with a
built-in antenna can interfere with GPS
reception and reduce the reliability of
information from navigation applications.
The GPS Dongle antenna is
located on the side where
"Parrot ASTEROID GPS" is
written and where the star-
shaped logo is. This logo must
always be directed towards the
sky.
If your vehicle has an athermic windshield,
stick the GPS dongle on the windshield on
the non athermic area. The side where the
star-shaped logo is must be stuck on the
windshield (diagram B p.9).
Note : The non athermic area of the
windshield depends on the model of your
vehicle. It is usually located near the rear
view mirror.

18 English
If your vehicle does not have an athermic
windshield, stick the GPS dongle on the
dashboard. The side where the star-
shaped logo is must be visible (diagram A
p.8).
To make sure the adhesive tape adheres
well :
clean the area with an appropriate
cleaning product before sticking the
support ;
once you have stuck the support on
the dashboard, wait for approximately
2 hours without handling it.
Installing the USB cables
Connect the USB cables to the Parrot
ASTEROID Mini. We recommend you
connect all audio cables to the Parrot
ASTEROID Mini even if you do not plan on
using them. Route the audio cables to a
suitable location in your vehicle such as
the glove box or arm rest compartment. It
may be necessary to drill a hole in your
dashboard to do so. Avoid using USB
extension cables.
Make sure you connect the iPod cable to
its specific USB port. "iPod" is written
above it.
To guarantee an optimal reception quality
we recommend you do not connect your
internet USB key 3G on the Parrot
ASTEROID Mini directly : use the USB
cable to install your device on the
dashboard (or any other open area).
Installing the screen
Warning: Avoid any installation which
could hinder the use of any important
command or hinder the driver's visibility.
Do not install the Parrot ASTEROID Mini in
the airbag deployment area or in a possible
head impact area. Make sure it is not
exposed to the air stream from air vents.
Stick the support on the dashboard
(diagram C p.10).
To make sure the adhesive tape adheres
well :

19English
clean the area with an appropriate
cleaning product before sticking the
support ;
once you have stuck the support on
the dashboard, wait for approximately
2 hours without handling it.
Remember to remove your screen when
leaving the vehicle to avoid tempting any
would-be thieves and to prevent
prolonged exposure to sunlight.
Installing the remote control
Stick the remote control support on your
dashboard. To do so, use the adhesive
tape located under the support.
To make sure the adhesive tape adheres
well :
clean the area with an appropriate
cleaning product before sticking the
support ;
once you have stuck the support on
the dashboard, wait for approximately
2 hours without handling it.
There are two ways to supply power to the
remote control : with a battery or by
connecting it to the electronic box.
To supply power with a battery (diagram D
p.11) :
1. Remove the circular plastic part on
the back of the remote by turning it
clockwise.
2. Insert a 3V CR2032 battery into the
remote control. Make sure the
battery is correctly positioned.
3. Put the circular plastic part back by
turning it counterclockwise.
To connect the remote control to the
electronic box (diagram D p.11) :
1. Remove the circular plastic part on
the back of the remote by turning it
clockwise.
2. Connect the remote control cable
into the battery compartment and
turn it counterclockwise.
3. Connect the remote control cable to
the electronic box, next to the USB
connectors (diagram p.6).

20 English
Getting started
Navigating through the menus
Press the button to access the main
menu.
Browse through the menus by turning the
jogwheel and confirm by pressing the
jogwheel.
Press the button to get back to previous
menu.
Press the button to access the pop-up
menu corresponding to the current
application. The pop-up menu allows you
to change several settings or browse more
easily through the content of your audio
source or phonebook.
Press the button to get to the track list if
a song is currently being played. While
navigating through the menus, press the
SRC button to get to the Now Playing
screen.
Connecting a phone via Bluetooth
Note : Refer to the compatibility page of our
website to check if your phone is
compatible with the Parrot ASTEROID Mini
and to consult the specific pairing
procedures for the most common phones :
www.parrot.com/uk/compatibility.
If you are using the Parrot ASTEROID Mini
with your phone for the very first time, you
must initially pair both devices. Once your
telephone is paired with the Parrot
ASTEROID Mini, the 2 devices will
automatically connect when they are
turned on (as well as
Bluetooth®
features)
and in proximity of each other.
1. From your phone, start a
Bluetooth
peripheral search and select «Parrot
ASTEROID Mini».
2. The pairing procedure depends on
your phone model:
If the phone asks you to enter
the
Bluetooth
PIN code, enter
“0000”.
If the Parrot ASTEROID Mini
and your phone display two
codes, verify that the codes are
identical, then either confirm

21English
or invalidate.
> The Parrot ASTEROID Mini
screen will display “Pairing
successful”.
Note: Depending on the model of your
phone, you may need to authorize the
connection to the Parrot ASTEROID Mini to
allow further automatic connections. Refer
to the user guide of your phone for more
information.
Synchronising the phonebook
With most of the phones supporting
Bluetooth technology, the phonebook is
automatically synchronized in the system’s
memory. Each time you change your
directory, synchronisation will start
automatically the next time the Parrot
ASTEROID Mini and your phone are
connected.
Warning: Only the contacts stored in the
phone memory are synchronized. If your
contacts are stored in your SIM card
memory, transfer them onto your phone
memory.
Note: Depending on the model of your
phone, you may need to authorize the
access to your contacts to the Parrot
ASTEROID Mini. Refer to the user guide of
your phone for more information.
The automatic synchronization is limited
to 5000 contacts (or phone numbers) for
each paired phone.
Phone
Receiving a call
An incoming call is indicated by a ringtone.
The name of the caller is announced if his
number is recorded in the phonebook of
the phone connected to the Parrot
ASTEROID Mini.
To answer the call, press the
button. Press the button to end
the call.
To refuse the call, press the
button.

22 English
Making a call via voice recognition
You can make a call using voice recognition
directly after automatic synchronization.
The Parrot ASTEROID Mini will
automatically recognize the contact you
wish to call.
1. Press the button to launch the
voice recognition feature.
> The Parrot ASTEROID Mini asks
you the name of the contact you want
to call.
2. Say the name of the contact and the
type of number («WORK»,
«MOBILE»...) if there are several
numbers associated to your contact.
> The call is automatically launched if
the voice tag is correctly understood.
If it is not the case, a confirmation
message is asked. Confirm by saying
«YES» or «CALL».
Note: At any time, press the button to
exit voice recognition mode.
Music
Using vocal music search
The voice recognition function allows you
to select the artist / album you want to
hear via voice recognition. This function is
only available if you are using the Parrot
ASTEROID Mini with a USB / SD / iPod
peripheral.
1. Press the
button.
2. Say the name of the artist / album
when asked to do so.
> The list of audio sources connected
to the Parrot ASTEROID Mini and
applications compatible with the
vocal music search function which
contain the artist / album that you
selected will appear.
Note: Check the albums and artists names
in the metadatas of your music files. These
names may be different from the ones
displayed on your music files titles.

23English
iPod
1. Connect your iPod to the Parrot
ASTEROID Mini USB cable with the
USB / iPod extension lead.
2. Press the SRC button until the iPod
source is selected.
3. Select one of the classification
criteria (artist, album, songs, genres,
playlist) and press the jogwheel.
4. Select the track and press the
jogwheel.
Note: To browse more easily through the
content of your iPod, press the button
and select the first letter of your track /
album / artist.
USB storage device
The Parrot ASTEROID Mini is compatible
with the majority of USB keys / MP3 audio
player / external hard drive. There is no
restriction in terms of capacity of USB
keys.
MP3 (mpeg1 layer3), AAC, WAV, OGG
and WMA formats are supported.
1. Connect your USB device to the USB
cable.
2. Press the SRC button until the USB
source is selected.
3. Select one of the classification
criteria (artist, album, songs, genres,
playlist) and press the jogwheel.
4. Select the track and press the
jogwheel.
Note: To browse more easily through the
content of your USB storage device, press
the button and select the first letter of
your track / album / artist.
SD card
You can use the following SD cards (with
adapter if necessary) with the Parrot
ASTEROID Mini : SD, micro SD , mini SD,
SDHC, mini SDHC, micro SDHC. The SD
card capacity must not exceed 32Gb.
MP3 (Mpeg 1 Layer3), AAC, WAV, OGG
and WMA formats are supported.
1. Insert the SD card into the

24 English
appropriate slot located on the right
of the screen, with the contact
surface facing you (diagram E p.12).
2. Press the SRC button until the SD
source is selected.
3. Select one of the classification
criteria (artist, album, songs, genres,
playlist) and press the jogwheel.
4. Select the track and press the
jogwheel.
Note: To browse more easily through the
content of your USB storage device, press
the button and select the first letter of
your track / album / artist.
Audio player connected via Bluetooth
Note: The Parrot ASTEROID Mini allows you
to use the phone and audio streaming
functions from 2 different phones without
having to disconnect one of them.
You can use the Parrot ASTEROID Mini to
listen to songs stored on your mobile
phone or
Bluetooth
audio device. To do so,
your phone / audio device must support
the
Bluetooth
A2DP profile (Advanced
Audio Distribution Profile).
If you are using a
Bluetooth
audio player
for the first time, you have to pair both
devices. If both devices are already paired:
1. Press the SRC button until the
Bluetooth Audio source is selected.
2. Start playback on your
Bluetooth
audio
player.

25English
Internet
Connecting a 3G / 4G key
Note: Refer to the compatibility section of
the Parrot ASTEROID Mini on our website to
get the list of 3G / 4G keys compatible with
the Parrot ASTEROID Mini.
1. Connect a 3G key to the Parrot
ASTEROID Mini using a USB cable.
> A pop-up will appear.
2. Select OK to activate the 3G
connection.
> A Status of 3G connection pop-up
appears, followed by another pop-up
which asks for your PIN code.
3. Enter your PIN code using the
jogwheel, then select OK. Check the
Memorise PIN code option if you
would like your PIN code to be stored
each time you turn on the Parrot
ASTEROID Mini.
Note: You will be able to change this setting
by selecting
Settings > Netw ork > 3G Key
.
4. Select your APN (Access Point
Name) from the suggested list. This
information is available in the
documentation provided with your 3G
key. If your APN is not in the list, you
can add it by selecting Settings >
Network > 3G Key > Configuration >
New access point.
> The message "3G key configured"
appears.
5. Wait approximately 30 seconds until
the connection is established. You
can also press the
button and
browse the menus while the
connection is being established.
Sharing a phone 3G connection via Bluetooth
Note: Refer to the compatibility page of our
website to check if your phone allows 3G
connection sharing via Bluetooth and to
consult the corresponding procedure :
www.parrot.com/uk/compatibility.
If you have a phone that supports the DUN
(Dial-Up Networking) or PAN (Personal

26 English
Area Network)
Bluetooth
profiles, the
Bluetooth
connecting your phone to the
Parrot ASTEROID Mini will allow for
sharing of the phone's 3G connection.
1. Connect your phone to the Parrot
ASTEROID Mini via
Bluetooth
.
2. On the Parrot ASTEROID Mini,
select Settings > Network >
Bluetooth > Configuration.
3. Select your APN (Access Point
Name) from the suggested list, then
check Select .
4. Press the
button and select
Connect.
5. Allow connection sharing on your
phone. This procedure will vary
according to your phone model.
Sharing a phone 3G connection via USB
Note: Refer to the compatibility page of our
website to check if your phone allows 3G
connection sharing via USB and to consult
the corresponding procedure :
www.parrot.com/uk/compatibility.
1. Make sure that your phone’s keypad is
unlocked.
2. Connect the phone to the Parrot
ASTEROID Mini using a USB cable/
micro-USB and the USB extension
cable provided with the Parrot
ASTEROID Mini. This connection
also enables you to recharge your
phone’s battery.
3. Select your APN (Access Point
Name) from the suggested list, then
check the Select option. You can then
modify this setting by selecting
Settings > Mobile Networks settings
> Mobile Access device.
> A pop-up indicating that USB
connection sharing has been activated
will appear.
Using the applications
Several types of applications are available
with the Parrot ASTEROID Mini : music,
geolocation, driver assistance...

27English
All applications may not be available in all
countries. The use of some applications
may need prior subscription.
The Parrot ASTEROID Mini is a
multitasking device: several applications
can run simultaneously. For example, you
can listen to a Webradio station and use a
driver assistance application at the same
time.
For more information about installing and
using the available applications, refer to
the ASTEROID Market web page :
www.parrotasteroid.com.
Troubleshooting
Before you begin
Make sure the “Goodbye” message is
displayed on the Parrot ASTEROID Mini
screen when you turn the ignition off.
Refer to the Checking the wiring section
for more information.
Reset the Parrot ASTEROID Mini. To do
so, select Settings > Advanced settings >
Restore factory settings.
Make sure you have the latest software
update on your Parrot ASTEROID Mini. To
do so, select Settings > About > Device
Version. Compare this number with the
one on the Parrot ASTEROID Mini support
page on our website www.parrot.com.
Problems while using the phone function
Make sure your phone is compatible with
the Parrot ASTEROID Mini. To do so,
refer to the compatibility page on our
website : www.parrot.com/uk/
compatibility.
If your phone is compatible with the
Parrot ASTEROID Mini and if you
already have the latest software update:
1. Delete the pairing on the Parrot
ASTEROID Mini. To do so, tap
Settings > Advanced settings >
Factory settings.
2. On your phone, erase the Parrot

28 English
system from the list of
Bluetooth
peripherals (or reboot your iPhone).
3. Repeat the pairing procedure for the 2
devices.
Problems while using the music function
Reboot your iPod / iPhone before
connecting it to the Parrot ASTEROID
Mini. To reboot your iPhone / iPod:
iPod: press Menu and the centre
button simultaneously until the iPod
reboots.
iPhone: Press the On/Off button and
the Home button simultaneously
until the iPhone reboots. Do not
touch the screen when the message
“Slide to shutdown” appears.
Note: this procedure will not erase any of
your data.
Some problems may occur if the iPod / SD
card / USB device is already connected to
the Parrot ASTEROID Mini before you
turn on the ignition. Connect the iPod / SD
card / USB device once the ignition is
turned on.
For more information
Refer to the Parrot ASTEROID Mini
support page on our website
www.parrot.com.
General information
Warranty
Without prejudice of legal warranty, Parrot
products are warranted during 1 year from
the date of purchase for defects in
materials and workmanship, provided that
no deterioration to the product has been
made, and upon presentation of proof of
purchase (invoice) to the retailer.
Warranty does not cover: upgrading of the
software items of the Parrot products with
Bluetooth cell phones for compatibility
purpose, data recovery, deterioration of
the external aspect due to normal wear of
the product, any damage caused by

29English
accident, misuse, misapplication, or non-
Parrot products. Parrot is not responsible
for storage, loss or damaged to data during
transit or repair. Any product wrongfully
declared to be defective will be returned
to sender and inspection, process and
carriage costs will be invoiced to him.
Modifications
The explanations and specifications in this
guide are given for information purposes
only and may be modified without prior
notice. They are deemed to be correct at
time of going to press. The utmost care
has been taken when writing this guide,as
part of the aim to provide you with
accurate information. However, Parrot
shall not be held responsible for any
consequences arising from any errors or
omissions in the guide, nor for any damage
or accidental loss of data resulting directly
or indirectly from the use of the
information herein. Parrot reserves the
right to amend or improve the product
design or user guide without any
restrictions and without any obligation to
notify users. As part of our ongoing
concern to upgrade and improve our
products, the product that you have
purchased may differ slightly from the
model described in this guide. If so, a later
version of this guide might be available in
electronic format at Parrot’s website at
www.parrot.com.
Correct disposal of This Product (Waste
Electrical & Electronic Equipment)
This marking shown on the product or
its literature, indicates that it should not
be disposed with other household wastes
at the end of its working life. To prevent
possible harm to the environment or
human health from uncontrolled waste
disposal, please separate this from other
types of wastes and recycle it responsibly
to promote the sustainable reuse of
material resources.
Household users should contact either
the retailer where they purchased this
product, or their local government office,
for details of where and how they can take
this item for environmentally safe
recycling. Business users should contact

30 English
their supplier and the terms and
conditions of the purchase contract. This
product should not be mixed with other
commercial wastes for disposal.
Registered Trademarks
Parrot and the Parrot logo are registered
trademarks of PARROT SA.
The Bluetooth word mark and logos are
registered trademarks owned by
Bluetooth SIG, Inc. and any use of such
marks by Parrot S.A. is under license.
Bluetooth QDID : B013841, B013839, [-]
iPod and iPhone are trademarks of Apple
Inc, registered in the US and others
countries
All other trademarks mentioned in this
guide are protected and are the property
of their respective owners.
Identification N. 394 149 496 R.C.S. PARIS
Parrot S.A.

31Français
Guide d'utilisation
rapide
Sommaire
Avant de commencer
Installation
Première utilisation
Téléphone
Musique
Internet
En cas de problème
Informations générales
p.31
p.32
p.38
p.40
p.41
p.44
p.46
p.48
Avant de commencer
A propos de ce guide
Afin de limiter notre consommation de
papier et dans le cadre de notre démarche
aussi responsable et respectueuse que
possible de l’environnement, Parrot
privilégie la mise en ligne des documents
utilisateurs plutôt que leur impression. Ce
guide simplifié du Parrot ASTEROID Mini
se limite donc à vous fournir les
principales instructions qui vous
permettront d’utiliser facilement cet
appareil. Vous trouverez plus
d’informations sur la section Support de
notre site web www.parrot.com : notice
complète, FAQ, didacticiels...

32 Français
Note : Pour une meilleure lisibilité, l’iPod®
et l’iPhone® seront désignés par le terme
"iPod" dans ce manuel.
Avertissements
Les fonctions requérant une attention
prolongée doivent uniquement être
utilisées lorsque le véhicule est à l’arrêt.
Votre sécurité et celle des autres usagers
de la route prime sur les appels
téléphoniques, la musique ou les
applications d'aide à la conduite. Soyez
responsable : conduisez prudemment et
prêtez attention à votre environnement.
Parrot dégage toute responsabilité si vous
choisissez d’ignorer cette mise en garde.
Mise à jour
Téléchargez gratuitement la dernière mise
à jour de votre produit sur notre site web
www.parrot.com section Support. Ces
mises à jour vous permettront de
bénéficier de nouvelles fonctionnalités et
d’améliorer la compatibilité de votre
produit.
Installation
Note: Nous vous recommandons de faire
appel à un professionnel pour cette
installation, notamment à l'un de notre
réseau d'installateurs agréés.
Avant de commencer
L'installation du Parrot ASTEROID Mini
consiste à l'insérer entre l'autoradio et le
véhicule.
Note : Les câbles fournis avec le Parrot
ASTEROID Mini sont équipés de connecteurs
ISO. Si votre autoradio n’est pas équipé de
connecteurs ISO, vous devez vous procurer
un câble adaptateur ISO afin de permettre
le montage. Consultez la section

33Français
Compatibilité véhicules sur la page support
du Parrot ASTEROID Mini pour vérifier la
nécessité d'un câble adaptateur.
Commencez par retirer l’autoradio
d’origine de votre véhicule. Cette
opération peut nécessiter des clés
d’extraction.
Consultez le schéma électrique de votre
autoradio.
Avant de fixer les différents éléments du
Parrot ASTEROID Mini dans l’habitacle,
connectez les différents câbles sur le
boîtier électronique. Avant de fixer
durablement les composants, contrôlez
les longueurs de câbles et vérifiez que les
emplacements soient choisis de sorte que
les longueurs de câbles suffisent pour
relier les pièces détachées les unes aux
autres. Assurez-vous que les câbles du
Parrot ASTEROID Mini ne se retrouvent
pas pliés ou coincés à l’issue de
l’installation.
Les indications "Connexion #" dans les
prochaines sections correspondent aux
connexions représentées sur les schémas
p.6 / 7.
Connecter le câble audio
Reliez les faisceaux audio du véhicule aux
connecteurs du Parrot ASTEROID Mini
(Connexions 1A et 2 sur le schéma p.6).
Si votre véhicule est équipé d’un système
audio avec amplificateur, utilisez les
sorties jack Line Out Front et Line Out
Rear sur le boitier électronique pour
éviter tout problème de saturation
(claquement dans les haut parleurs,
souffle permanent, etc.). Reliez ces
sorties Line Out à votre système audio en
utilisant un ou deux câbles jack pour relier
le Parrot ASTEROID Mini à votre système
audio (Connexion 1B sur le schéma p.7).
Connecter le câble d'alimentation
1. Débranchez la batterie avant
l’installation du câble d’alimentation.
2. Branchez le connecteur ISO mâle du
Parrot ASTEROID Mini à l’autoradio
(connexion 3).

34 Français
3. Reliez les faisceaux alimentation du
véhicule au connecteur ISO femelle du
Parrot ASTEROID Mini (connexion 4).
Le fil rouge du câble doit correspondre
au +12V permanent, le fil orange au 12V
après-contact et le fil noir à la masse.
Vérifiez que votre fil orange n’est pas
connecté au 12V permanent, vous
risqueriez de décharger la batterie du
véhicule.
Note : Afin de procéder à la vérification de
l’installation, connectez d’abord l’écran
sans le placer sur le tableau de bord.
Consultez la section Vérifier l’installation
pour plus d’informations.
Sur certains véhicules, il n’y a pas de +12V
après contact sur les connecteurs du
véhicule. Il est alors nécessaire de
brancher le fil d’alimentation orange sur la
boite à fusible ou sur une autre source
d’alimentation après contact.
Connecter le câble Mute
La fonction Mute permet d’interrompre le
son de votre autoradio pour laisser place
au son du Parrot ASTEROID Mini
(musique, communications etc.). Le choix
de l’entrée Mute (Mute in 1, mute in 2 ou
mute in 3) dépend de la configuration de
votre autoradio. Identifiez l'entrée Mute
puis connectez la au fil jaune libre sur le
câble ISO (connexion 5).
Installer le boitier électronique
Evitez d’installer le boîtier près du
chauffage ou de la climatisation ou à un
endroit exposé au soleil.
Assurez-vous que le boitier reste
immobile après son installation.
Une fois le boitier installé, ne forcez pas
lors de la remise en place de l’autoradio. Si
la place derrière l’autoradio est
insuffisante, envisagez par exemple le
démontage de la boite à gants.
Vérifier l'installation
Allumez puis coupez le contact de votre
véhicule une fois le Parrot ASTEROID
Mini installé : le message « Au revoir »

35Français
doit alors s’afficher à l’écran.
Note : Certains véhicules disposent d’une
temporisation : le Parrot ASTEROID Mini ne
s’éteindra qu’au bout d’un certain temps
après avoir coupé le contact ou retiré la clé,
sans ouvrir ni fermer les portes du véhicule.
Si ce n’est pas le cas, vous devez inverser
les positions des fils rouge et orange. En
effet, le fil rouge du câble d’alimentation
doit être connecté au 12V permanent, le fil
orange au 12V après-contact et le fil noir à
la masse. Cette opération s’effectue
simplement en inversant les deux cosses
situées sur le câblage Parrot (connexion 7)
.
Installer le microphone
Nous vous recommandons de faire glisser
le câble dans la gouttière derrière le joint
de la portière.
Si le câble passe au dessus des pédales,
assurez-vous qu’il est bien fixé.
Avertissement: Ne faites pas passer le câble
du microphone dans les systèmes de
chauffage, de ventilation, de climatisation
ou devant les airbags latéraux.
Assurez-vous que le microphone est
installé le plus près possible de la tête de
l’utilisateur. La distance idéale est de 60
cm. Installez de préférence le microphone
près du rétroviseur intérieur.
Orientez le microphone vers la bouche de
l’utilisateur.
Installation du dongle GPS
Fixez le dongle GPS sur une surface plane,
dans une zone sans obstacle à l'intérieur
de l'habitacle.
Les pare-brises athermiques et les vitres
avec antenne incrustée peuvent interférer
avec la réception GPS et réduire la fiabilité
des informations liées aux applications de
navigation.
L'antenne GPS du dongle se
trouve sur le côté où est écrit
"Parrot ASTEROID GPS" et où
se trouve le logo en forme

36 Français
d'étoile. Ce logo doit toujours
être orienté vers le ciel.
Si votre véhicule dispose d'un pare-brise
athermique, fixez le dongle GPS sur le
pare-brise au niveau de la zone non
athermique. Le côté sur lequel se trouve
le logo en forme d'étoile doit être collé sur
le pare-brise (schéma B p.9).
Note : La zone non athermique du pare-
brise dépend du modèle de votre véhicule.
Elle se trouve généralement au niveau du
rétroviseur.
Si votre véhicule ne dispose pas d'un pare-
brise athermique, fixez le dongle GPS sur
le tableau de bord. Le côté sur lequel se
trouve le logo en forme d'étoile doit être
visible (schéma A p.8).
Pour assurer une bonne fixation du
support :
nettoyez la surface de montage avant
de coller le support ;
après fixation du support, patientez
environ 2 heures sans le manipuler.
Installation des câbles USB
Connectez les câbles USB au Parrot
ASTEROID Mini. Nous vous
recommandons de connecter tous les
câbles du Parrot ASTEROID Mini, même si
vous ne prévoyez pas forcément de les
utiliser. Faites ressortir les connecteurs
correspondants de votre vide poche ou
boîte à gant. Pour cela, il peut être
nécessaire de percer un trou à l’intérieur
de votre tableau de bord. Dans la mesure
du possible, évitez l'utilisation de
rallonges USB de plusieurs mètres.
Le câble USB sur lequel vous connecterez
la rallonge iPod doit impérativement être
connecté au port USB blanc prévu à cet
effet. Vous trouverez l’indication "iPod" au
dessus de celui-ci.
Afin de garantir une qualité de réception
optimale, ne connectez pas votre clé 3G
directement sur le Parrot ASTEROID
Mini : utilisez un câble USB afin de
l'installer sur le tableau de bord (ou toute
autre zone dégagée).

37Français
Installer l'écran
Avertissement : Evitez toute installation
pouvant entraver l’utilisation de
commandes importantes ou pouvant
réduire la visibilité du conducteur.
N’installez pas l'écran là où il pourrait être
propulsé par l’ouverture d’un airbag ou à
proximité d’une bouche d’aération ou d’air
conditionné du véhicule.
Collez le support en plastique sur votre
tableau de bord (schéma C p.10).
Pour assurer une bonne fixation du
support :
nettoyez la surface de montage avant
de coller le support ;
après fixation du support, patientez
environ 2 heures sans le manipuler.
Afin d’éviter les risques de vol et
d’exposition prolongée au soleil, pensez à
retirer votre écran lorsque vous quittez
votre véhicule.
Installer la télécommande
Collez le support de la télécommande sur
votre tableau de bord en utilisant l'adhésif
situé en dessous de celui-ci.
Pour assurer une bonne fixation du
support :
nettoyez la surface de montage avant
de coller le support ;
après fixation du support, patientez
environ 2 heures sans le manipuler.
La télécommande peut être alimentée de
2 manières : avec une pile ou en la
connectant au boitier électronique.
Pour alimenter la télécommande par pile
(schéma D p.11) :
1. Retirez la pièce en plastique
circulaire au dos de la télécommande
en la faisant pivoter dans le sens des
aiguilles d'une montre.
2. Insérez une pile de type 3V CR2032
dans l'emplacement prévu à cet effet.
Assurez-vous que la pile est
correctement orientée.
3. Remettez en place la pièce en
plastique circulaire en la faisant

38 Français
pivoter dans le sens inverse des
aiguilles d'une montre.
Pour connecter la télécommande au
boitier électronique (schéma D p.11) :
1. Retirez la pièce en plastique
circulaire au dos de la télécommande
en la faisant pivoter dans le sens des
aiguilles d'une montre.
2. Connectez le câble au niveau de
l'emplacement prévu pour la pile et
faites-le pivoter dans le sens inverse
des aiguilles d'une montre.
3. Connectez l'autre extrémité du câble
sur le boitier électronique, à côté des
connecteurs USB (schéma p.6).
Première utilisation
Naviguer dans les menus
Appuyez sur la touche pour accéder au
menu principal.
Naviguez dans les menus en tournant la
molette, et validez en appuyant sur la
molette.
Pour revenir au menu précédent, appuyez
sur la touche .
Appuyez sur la touche pour accéder au
menu contextuel, correspondant à
l’application en cours d’utilisation. Le
menu contextuel vous permet notamment
d'avoir accès aux fonctions
supplémentaires de l'application, de
modifier certains réglages, ou de parcourir
plus rapidement le contenu de votre
répertoire ou de votre source audio.
Pendant la lecture d’un fichier musical,
appuyez sur la touche pour revenir au
menu. A l’inverse, lorsque vous naviguez
dans les menus, appuyez sur la touche SRC
pour revenir au lecteur.
Connecter un téléphone via Bluetooth
Note : Consultez la page compatibilité de
notre site web pour vérifier si votre
téléphone est compatible avec le Parrot
ASTEROID Mini et consulter la procédure
d'appairage correspondante :
www.parrot.com/fr/compatibility.
Si c’est la 1ère fois que vous utilisez un

39Français
téléphone avec le Parrot ASTEROID Mini,
vous devez tout d’abord appairer les deux
appareils. Une fois votre téléphone
appairé avec le Parrot ASTEROID Mini, la
connexion entre les 2 appareils sera
automatique dès que les 2 appareils seront
allumés à proximité, avec la fonction
Bluetooth®
activée.
1. Depuis votre téléphone, lancez une
recherche de périphériques
Bluetooth®
puis sélectionnez «Parrot
ASTEROID Mini».
2. La procédure d'appairage dépend
alors du modèle de votre téléphone :
Si le téléphone vous invite à
entrer le code PIN
Bluetooth
,
entrez «0000».
Si le Parrot ASTEROID Mini et
votre téléphone affichent deux
codes, vérifiez si ces codes sont
identiques puis confirmez ou
infirmez.
> L’écran du Parrot ASTEROID Mini
affiche « Appairage réussi».
Note : Sur certains téléphones, vous devrez
autoriser la connexion au Parrot ASTEROID
Mini pour permettre la connexion
automatique. Consultez le guide utilisateur
de votre téléphone pour plus
d'informations.
Synchroniser le répertoire du téléphone
Avec la plupart des téléphones
Bluetooth
,
le répertoire est automatiquement
synchronisé avec la mémoire du système.
Chaque fois que vous modifierez votre
répertoire, la synchronisation se relancera
automatiquement à la connexion suivante.
Avertissement: Seuls les contacts
enregistrés dans la mémoire du téléphone
se synchronisent avec le Parrot ASTEROID
Mini. Si vos contacts sont enregistrés dans
la mémoire de la carte SIM, transférez-les
dans la mémoire du téléphone. Consultez le
guide utilisateur de votre téléphone pour
plus d'informations.
Note : Sur certains téléphones, vous devrez

40 Français
autoriser l'accès du Parrot ASTEROID Mini à
vos contacts pour permettre la
synchronisation. Consultez le guide
utilisateur de votre téléphone pour plus
d'informations.
La synchronisation automatique est
limitée à 5000 contacts (ou numéros de
téléphone) par téléphone appairé.
Téléphone
Recevoir un appel
Un appel entrant est indiqué par une
sonnerie. Le nom du contact sont énoncés
si le numéro de ce contact est enregistré
dans le répertoire du téléphone connecté
au Parrot ASTEROID Mini.
Pour accepter cet appel, appuyez sur
la touche . Appuyez ensuite sur la
touche pour raccrocher.
Pour refuser cet appel, appuyez sur la
touche .
Emettre un appel via reconnaissance vocale
Vous pouvez initier un appel par
reconnaissance vocale directement après
la synchronisation du répertoire de votre
téléphone. Le Parrot ASTEROID Mini
reconnaitra automatiquement le contact
de votre répertoire que vous souhaitez
appeler.
1. Appuyez sur la touche pour initier
le processus de reconnaissance
vocale.
> Le Parrot ASTEROID Mini vous
demande le nom du contact que vous
souhaitez appeler.
2. Prononcez le nom du contact suivi du
type de numéro («BUREAU»,

41Français
«PORTABLE»...) si ce contact
dispose de plusieurs numéros.
> L’appel vers ce contact est
automatiquement initié si la
commande vocale a été bien
comprise.
> Dans le cas contraire, le Parrot
ASTEROID Mini diffuse un message
de confirmation. Confirmez en
prononçant «OUI», «APPELLE» ou
«APPELER».
Note: A tout moment, appuyez sur la
touche pour annuler la procédure
d'appel.
Musique
Utiliser la reconnaissance vocale musicale
La fonction reconnaissance vocale
musicale vous permet de sélectionner via
reconnaissance vocale les artistes ou
albums que vous souhaitez écouter. Cette
fonction est disponible si vous utilisez le
Parrot ASTEROID Mini avec un
périphérique de type iPod / USB / SD, ou si
vous utilisez une application musicale
compatible avec cette fonction.
1. Appuyez sur la touche
sur la
télécommande.
2. Enoncez le nom de l'artiste ou de
l'album que vous souhaitez écouter
lorsque le Parrot ASTEROID Mini
vous y invite.
> La liste des sources audio
connectées au Parrot ASTEROID
Mini et des applications musique
compatibles avec la fonction
reconnaissance vocale contenant
l'artiste / album que vous avez choisi
apparait.
Note : Vérifiez les noms des artistes et
albums dans les tags (métadonnées) de vos
fichiers musicaux. Ceux-ci peuvent être
différents de ceux affichés dans le titre de
votre morceau.

42 Français
Utilisation avec un iPod
1. Connectez votre iPod au câble USB
auquel la rallonge iPod est connectée.
2. Appuyez sur la touche SRC jusqu'à
sélectionner iPod.
3. Sélectionnez un des critères de
classement (artiste, album,
morceaux, playlist) et appuyez sur la
molette.
4. Sélectionnez un morceau et appuyez
sur la molette.
Note : Appuyez sur la touche et
sélectionnez la première lettre de votre
artiste, album ou morceau pour naviguer
plus facilement dans le contenu de votre
iPod.
Utilisation avec une clé USB
Le Parrot ASTEROID Mini est compatible
avec la majorité des clés USB / baladeurs
MP3 / disques dur externes. Il n’existe
aucune restriction au niveau de la capacité
des clés USB.
Les fichiers musicaux sur votre clé USB
peuvent être au format MP3 (mpeg1
layer3), AAC, WAV, OGG ou WMA.
1. Connectez votre périphérique USB
sur le câble USB.
2. Appuyez sur la touche SRC jusqu'à
sélectionner USB.
3. Sélectionnez un des critères de
classement (artiste, album,
morceaux, playlist) et appuyez sur la
molette.
4. Sélectionnez un morceau et appuyez
sur la molette.
Note : Appuyez sur la touche et
sélectionnez la première lettre de votre
artiste, album ou morceau pour naviguer
plus facilement dans le contenu de votre clé
USB.
Utilisation avec une carte SD
Vous pouvez utiliser les cartes SD
suivantes (avec adaptateur si nécessaire)
avec le Parrot ASTEROID Mini : SD, micro

43Français
SD , mini SD, SDHC, mini SDHC, micro
SDHC. La capacité de la carte SD ne doit
pas dépasser 32Go.
Les fichiers musicaux sur votre carte SD
peuvent être au format MP3 (mpeg1
layer3), AAC, WAV, OGG ou WMA.
1. Insérez la carte SD dans
l’emplacement prévu à cet effet, situé
sur le côté droite de l'écran (schéma E
p.12).
2. Appuyez sur la touche SRC jusqu'à
sélectionner SD.
3. Sélectionnez un des critères de
classement (artiste, album,
morceaux, playlist) et appuyez sur la
molette.
4. Sélectionnez un morceau et appuyez
sur la molette.
Note : Appuyez sur la touche et
sélectionnez la première lettre de votre
artiste, album ou morceau pour naviguer
plus facilement dans le contenu de votre
carte SD.
Utilisation avec un lecteur audio Bluetooth
Note : Le Parrot ASTEROID Mini vous permet
d’utiliser la fonction téléphonie et
streaming audio via Bluetooth avec 2
téléphones différents, sans avoir à
déconnecter l’un des 2 appareils.
Vous pouvez utiliser le Parrot ASTEROID
Mini pour écouter des fichiers musicaux
stockés sur un lecteur audio Bluetooth, si
celui-ci supporte le profil A2DP
(Advanced Audio Distribution Profile).
Si vous utilisez le lecteur audio pour la
1ère fois, vous devez tout d’abord
l'appairer au Parrot ASTEROID Mini. Si le
lecteur audio est déjà appairé au Parrot
ASTEROID Mini :
1. Appuyez sur la touche SRC jusqu’à
sélectionner Bluetooth Audio.
2. Lancez la lecture d’un morceau sur
votre lecteur audio.

44 Français
Internet
Connexion avec une clé 3G / 4G
Note : Consultez la section compatibilité du
Parrot ASTEROID Mini sur notre site web
pour afficher la liste des clés 3G / 4G
compatibles avec le Parrot ASTEROID Mini.
1. Connectez une clé 3G au Parrot
ASTEROID Mini par l’intermédiaire
d’un câble USB.
> Un pop-up apparait.
2. Sélectionnez OK pour activer la
connexion 3G.
> Un pop-up Etat de la connexion 3G
apparait, suivie d'une autre pop-up
vous demandant votre code PIN.
3. Entrez votre code PIN en utilisant la
molette puis sélectionnez OK.
Cochez l'option Mémoriser le code
PIN si vous préférez que le code PIN
ne vous soit pas demandé à chaque
redémarrage du Parrot ASTEROID
Mini.
Note: Vous pourrez par la suite modifier ce
réglage en sélectionnant
Paramètres >
Réseau > Clé 3G
.
4. Sélectionnez votre APN (Access
Point Name) dans la liste proposée.
Cette information est disponible dans
la documentation fournie avec votre
clé 3G. Si votre APN ne figure pas
dans la liste, vous pouvez l'ajouter en
sélectionnant Paramètres > Réseau >
Clé 3G > Configuration > Nouveau
point d'accès.
> Le message "Clé 3G configurée"
apparait.
5. Patientez environ 30 secondes
jusqu'à ce que la connexion soit
établie. Vous pouvez également
appuyer sur la touche et naviguer
dans les menus pendant que la
connexion s'établit.
Partage de connexion 3G via Bluetooth
Si vous disposez d’un téléphone
supportant le profil
Bluetooth
DUN (Dial-
Up Networking) ou PAN (Personal Area
Network), la connexion via
Bluetooth
de
votre téléphone au Parrot ASTEROID Mini

45Français
vous permettra de partager la connexion
3G du téléphone.
Note : Consultez la page compatibilité sur
notre site web pour vérifier si votre
téléphone permet le partage de connexion
3G via Bluetooth et consulter la procédure
correspondante : www.parrot.com/fr/
compatibility.
1. Connectez votre téléphone au Parrot
ASTEROID Mini via Bluetooth.
2. Sur le Parrot ASTEROID Mini,
sélectionnez Paramètres > Réseau >
Bluetooth > Configuration.
3. Sélectionnez votre APN (Access
Point Name) dans la liste proposée
puis cochez l'option Sélectionner.
4. Appuyez sur la touche et
sélectionnez Connecter.
5. Autorisez le partage de connexion sur
votre téléphone. Cette procédure
diffère selon le modèle de votre
téléphone.
Partage de connexion 3G via USB
Note : Consultez la page compatibilité sur
notre site web pour vérifier si votre
téléphone permet le partage de connexion
3G via USB et consulter la procédure
correspondante : www.parrot.com/fr/
compatibility.
1. Assurez-vous que le clavier de votre
téléphone est déverrouillé.
2. Connectez le téléphone au Parrot
ASTEROID Mini en utilisant le câble
USB / micro-USB fourni avec votre
téléphone. Vous pouvez également
le connecter en utilisant la rallonge
USB fournie avec le Parrot
ASTEROID Mini. Cette connexion
permet également de recharger la
batterie de votre téléphone.
3. Sélectionnez votre APN (Access
Point Name) dans la liste proposée
puis cochez l’option Sélectionner.
Vous pourrez par la suite modifier ce
réglage en sélectionnant Paramètres
> Réseau > USB.
> Un pop-up indiquant l’activation du
partage de connexion USB apparait.

46 Français
Utiliser les applications
Vous avez la possibilité d'utiliser plusieurs
types d'applications avec le Parrot
ASTEROID Mini : musique,
géolocalisation, aide à la conduite.
Les applications disponibles sont
différentes selon le pays d'utilisation.
Certaines applications peuvent nécessiter
un abonnement.
Le Parrot ASTEROID Mini est
multitâches : plusieurs applications
peuvent être utilisées en même temps.
Vous pouvez par exemple écouter une
Webradio et utiliser une application d'aide
à la conduite en même temps.
Pour plus d'informations sur l'utilisation
des applications disponibles, consultez la
page web de l'ASTEROID Market :
www.parrotasteroid.com.
En cas de problème
Avant de commencer
Assurez-vous que le message “Au revoir”
apparait bien sur l’écran du Parrot
ASTEROID Mini lorsque vous coupez le
contact du véhicule. Consultez la section
Vérifier l’insta llation
pour plus
d’informations.
Réinitialisez l’appareil. Pour cela,
sélectionnez Paramètres > Paramètres
avancés > Réinitialiser.
Vérifiez que vous avez la dernière mise à
jour sur le Parrot ASTEROID Mini. Pour
cela, sélectionnez Paramètres > A propos
> Version. Comparez ce numéro de

47Français
version avec celui indiqué sur la page
support du Parrot ASTEROID Mini sur
notre site web www.parrot.com.
Problème liés à la fonction téléphonie
Consultez la page compatibilité de notre
site web pour vérifier si votre téléphone
est compatible avec le Parrot ASTEROID
Mini.
Si votre téléphone est indiqué compatible,
et si votre Parrot ASTEROID Mini dispose
déjà de la dernière mise à jour, supprimez
l'appairage entre les 2 appareils sur le
Parrot ASTEROID Mini et sur votre
téléphone, redémarrez les 2 appareils puis
réétablissez la connexion entre les 2
appareils.
Problèmes liés à la fonction musique
Réinitialisez votre iPod / iPhone avant de
le reconnecter au Parrot ASTEROID Mini.
Pour réinitialiser un iPod / iPhone (cette
procédure n’effacera aucune donnée):
iPod : appuyer simultanément sur
Menu et sur le bouton central jusqu’à
ce que l’iPod redémarre.
iPhone / iPod touch : appuyer
simultanément sur le bouton On/Off
et le bouton Home jusqu’à ce que
l’iPhone redémarre. Ne touchez pas
l’écran quand le message “Slide to
shutdown“ apparaît.
Certains problèmes peuvent apparaitre si
le périphérique est déjà connecté au
Parrot ASTEROID Mini lorsque vous
mettez le contact. Réessayez en
connectant le périphérique après avoir mis
le contact.
Pour plus d'informations
Consultez la FAQ disponible sur la page
support du Parrot ASTEROID Mini.

48 Français
Informations générales
Garantie
Sans préjudice de la garantie légale, les
produits Parrot sont garantis, pièces et
main d’oeuvre, pendant 1 an à compter de
la date d’achat, sauf altération du produit,
et sur présentation d’une preuve d’achat
(ticket de caisse) au revendeur.
La garantie ne couvre pas la mise à jour des
logiciels inclus dans les produits Parrot
avec des téléphones mobiles
Bluetooth
à
des fins de compatibilité, la récupération
de données, la détérioration extérieure
due à une usure normale du produit, tout
dommage causé par accident, une
utilisation anormale ou non autorisée du
produit, un produit non Parrot. Parrot n’est
pas responsable du stockage, de la perte
ou de l’endommagement des données
durant le transport ou la réparation.
Tout produit s’avérant non défectueux
sera retourné à l’expéditeur et les frais de
traitement, de vérification et de transport
lui seront facturés.
Modifications
Les explications et spécifications
contenues dans ce guide utilisateur ne
sont fournies qu’à titre d’information et
peuvent être modifiées sans notification
préalable. Ces informations sont correctes
au moment de l’impression et le plus grand
soin est apporté lors de leur rédaction afin
de vous fournir des informations les plus
précises possible.
Cependant, Parrot S.A. ne saurait être
tenu responsable, directement ou indi
rectement, des éventuels préjudices ou
pertes de données accidentelles résultant
d’une erreur ou omission au sein du
présent document. Parrot S.A. se réserve
le droit d’amender ou améliorer le produit
ainsi que son guide utilisateur sans aucune
restriction ou obligation de prévenir
l’utilisateur. Dans le cadre de l’attention
portée par Parrot S.A. sur l’amélioration de
nos produits, il est possible que le produit
que vous avez acheté diffère légèrement
de celui décrit au sein du présent

49Français
document. Dans ce cas, vous pourrez
éventuellement trouver une nouvelle
version du guide utilisateur au format
électronique sur le site www.parrot.com.
Comment recycler ce produit - Déchets
d’équipements électriques et
électroniques
Le symbole sur le produit ou sa
documentation indique qu’il ne doit pas
être éliminé en fin de vie avec les autres
déchets ménagers. L’élimination
incontrôlée des déchets pouvant porter
préjudice à l’environnement ou à la santé
humaine, veuillez le séparer des autres
types de déchets et le recycler de façon
responsable. Vous favoriserez ainsi la
réutilisation durable des ressources
matérielles. Les particuliers sont invités à
contacter le distributeur leur ayant vendu
le produit ou à se renseigner auprès de
leur mairie pour savoir où et comment ils
peuvent se débarrasser de ce produit afin
qu’il soit recyclé en respectant
l’environnement. Les entreprises sont
invitées à contacter leurs fournisseurs et à
consulter les conditions de leur contrat de
vente. Ce produit ne doit pas être éliminé
avec les autres déchets commerciaux.
Marques déposées
Parrot, les logos Parrot sont des marques
enregistrées de PARROT SA en France et
dans d’autres pays.
Le nom et le logo Bluetooth sont des
marques déposées de Bluetooth SIG, Inc.
et toute utilisation de ces derniers par
Parrot S.A. est faite sous licence.
iPod et iPhone sont des marques d’Apple,
Inc. déposées aux États-Unis et dans
d’autres pays.
Toutes les autres marques de commerce
et marques déposées mentionnées dans
le présent document sont protégées par
Copyright et sont la propriété de leurs
propriétaires respectifs.

50 Español
Guía de utilización
rápida
Índice
Antes de comenzar
Instalación
Primera utilización
Teléfono
Música
Internet
Si tiene algún
problema
Información general
p.50
p.51
p.57
p.59
p.60
p.63
p.55
p.55
Antes de comenzar
A propósito de este manual
Con el fin de limitar nuestro consumo de
papel y como parte de nuestra actuación lo
más responsable y respetuosa posible con
el medio ambiente, Parrot prefiere poner
en línea los documentos para los usuarios
en lugar de imprimirlos.
Este manual simplificado del Parrot
ASTEROID Mini se limita por tanto a
aportarle las principales instrucciones que
le permitirán utilizar el aparato con
facilidad. Podrá encontrar más información
en la sección Apoyo al cliente de nuestra
página web www.parrot.com: manual

51Español
completo, preguntas frecuentes,
softwares didácticos...
Nota: En este manual, se utiliza el término
"iPod" para denominar tanto a iPod® como
a iPhone®.
Advertencia
Las funciones que requieran una atención
prolongada se deben utilizar únicamente
cuando detenido. Su seguridad y la de las
demás personas que circulan por la
carretera es más importante que las
llamadas telefónicas, la música o que las
instrucciones del GPS. Sea responsable:
conduzca con prudencia y preste atención
a su entorno. Parrot no asumirá ninguna
responsabilidad si usted opta por ignorar
esta advertencia.
Actualización
Descargue gratis la última actualización del
producto en nuestra página web
www.parrot.com, sección Apoyo al
cliente. Las actualizaciones le permitirán
disfrutar de nuevas funciones y mejorar la
compatibilidad del producto.
Instalación
Nota: Le recomendamos que acuda a un
profesional para realizar esta instalación,
especialmente a alguno de nuestra red de
instaladores certificados.
Antes de comenzar
La instalación del Parrot ASTEROID Mini
consiste en su instalación entre la radio y
el vehículo.
Nota: Los cables incluidos con el Parrot
ASTEROID Mini van equipados con
conectores ISO. Si la radio no viniera
equipada con conectores ISO, deberá
comprar un cable adaptador ISO para
facilitar el montaje. Consulte la sección

52 Español
Compatibilidad de vehículos en la página
de soporte del Parrot ASTEROID Mini para
comprobar si necesita un cable adaptador.
Empiece retirando la radio del vehículo. Se
pueden necesitar llaves de extracción para
realizar esta operación.
Consulte el esquema eléctrico de
cableado de la radio del vehículo.
Antes de instalar los distintos elementos
del Parrot ASTEROID Mini, revise la
longitudes de los cables para comprobar
que se han elegido de manera que las
longitudes de los cables sean suficientes
para conectar las distintas piezas entre sí.
Cerciórese de que los cables del Parrot
ASTEROID Mini no quedan doblados o
pinzados tras la instalación.
Las indicaciones "Conexión #" en las
secciones siguientes corresponden a las
conexiones representadas en los
esquemas de la p.6 / 7.
Conexión del cable de audio
Conecte el mazo de cables de audio del
vehículo a los conectores del Parrot
ASTEROID Mini (Conexiones 1A y 2).
Si el vehículo tiene un sistema de audio
con amplificador, utilice las salidas Jack
Line Out Front y Line Out Rear de la caja
electrónica para evitar problemas de
saturación (chasquido en los altavoces,
soplo permanente, etc.). Conecte estas
salidas Line Out a su sistema de audio
utilizando uno o dos cables jack para
conectar el Parrot ASTEROID Mini a su
sistema de audio (Conexión 1B en el
esquema de la p.7).
Conexión del cable de alimentación
1. Desconecte la batería antes de instalar
el cable de alimentación.
2. Conecte el conector ISO macho del
Parrot ASTEROID Mini a la radio
(conexión 3).
3. Conecte el mazo de cables de
alimentación del vehículo al conector
ISO hembra del Parrot ASTEROID Mini
(conexión 4).
El cable rojo del cable debe estar

53Español
conectado a los +12V permanentes, el
cable naranja a los 12V después del
contacto y el cable negro a masa.
Compruebe que el cable naranja esté
conectado a bajo contacto/llave. De lo
contrario, podría descargar la batería del
coche.
Nota: Para proceder a la verificación de la
instalación, conecte primero la pantalla sin
insertarla en el salpicadero. Consulte la
sección Comprobar la instalación para más
información.
Algunos vehículos no tienen toma de +12V
después de contacto en los conectores del
vehículo. En estos casos, se debe conectar
el cable de alimentación naranja a la caja de
fusibles o a otra fuente de alimentación
después de contacto.
Conexión del cable Mute
La función Mute permite interrumpir el
sonido de la radio para dejar paso al sonido
del Parrot ASTEROID Mini (música,
comunicaciones, etc.). La elección de la
entrada Mute (Mute in 1, mute in 2 o mute
in 3) depende de la configuración de la
radio. Localice la entrada Mute y conéctela
al cable amarillo libre en el cable ISO
(conexión 5).
Instalación de la caja electrónica
Evite instalar la caja cerca de la calefacción
o de la climatización o en un lugar
expuesto al sol.
Asegúrese de que la caja queda inmóvil
tras su instalación. Procure dejar espacio
libre alrededor del disipador del producto
para facilitar la evacuación del calor.
Una vez instalada la caja electrónica, no
ejerza fuerza al volver a montar la radio en
su sitio. Si no hay suficiente espacio detrás
de la radio, la alternativa puede ser
desmontar la guantera.
Atención: No toque la centralita mientras
se encuentra en funcionamiento. La
temperatura de la superficie puede ser alta.
Comprobar la instalación
Encienda y corte el contacto del vehículo
una vez que el Parrot ASTEROID Mini esté

54 Español
instalado: el mensaje "Adiós" debe
aparecer en la pantalla.
Si no ocurre esto, deberá invertir las
posiciones del cable rojo y el naranja. El
cable rojo de la alimentación debe estar
conectado a los 12V permanentes, el cable
naranja a los 12V después del contacto y el
cable negro a masa. Esta operación se
realiza fácilmente invirtiendo los dos
terminales del cableado Parrot (conexión
7).
Instalación del micrófono
Se aconseja pasar el cable por la canaleta
que está por detrás de la junta de la
puerta.
Si el cable pasa por encima de los pedales,
asegúrese de que quede bien sujeto.
Advertencia: No pase el cable del micrófono
por los sistemas de calefacción, ventilación
o climatización o por delante de los airbags
laterales.
Asegúrese de que el micrófono quede
colocado lo más cerca posible de la cabeza
del usuario. La distancia ideal es de 60 cm.
Instale el micrófono preferentemente
cerca del retrovisor interior.
Oriente el micrófono hacia la boca del
usuario.
Instalación del dongle GPS
Instale la mochila GPS en una superficie
plana, en una zona libre de obstáculos en
el interior del habitáculo.
Los parabrisas térmicos y las lunas con
antena integrada pueden interferir con la
recepción GPS y reducir la fiabilidad de los
datos relacionados con las aplicaciones de
navegación.
La antena GPS de la mochila se
encuentra del lado en el que se
puede leer "Parrot ASTEROID
GPS" y donde figura el logo en
forma de estrella. Este logo
siempre debe quedar
orientado hacia el cielo.

55Español
Si su vehículo dispone de parabrisas
atérmico, instale la mochila GPS en el
parabrisas, a la altura de la zona no
atérmica. El lado en el que figura el logo en
forma de estrella debe pegarse en el
parabrisas (esquema B p.9).
Nota: La zona no atérmica del parabrisas
puede variar según el modelo de vehículo.
Normalmente suele estar a la altura del
retrovisor.
Si su vehículo no dispone de parabrisas
atérmico, instale la mochila GPS en el
cuadro de mandos. El lado en el que figura
el logo en forma de estrella debe quedar
visible (esquema A p.8).
Para garantizar una buena fijación del
soporte:
limpie la superficie de montaje antes
de pegar el soporte;
tras la fijación del soporte, espere
unas dos horas sin manipularlo.
Installation de los cables USB
Conecte los cables USB al Parrot
ASTEROID Mini. Le recomendamos que
conecte todos los cables del Parrot
ASTEROID Mini, aunque no haya previsto
utilizarlos. Haga salir los conectores
correspondientes de la bandeja o de la
guantera. Para ello, puede ser necesario
hacer un agujero dentro del salpicadero.
Evite utilizar alargadores USB siempre que
sea posible.
Para garantizar una calidad de recepción
óptima, no conecte su pendrive 3G
directamente al Parrot ASTEROID Mini,
utilice un cable USB para instalar el
accesorio en el salpicadero (u otra zona
despejada).
Instalación de la pantalla
Advertencia: Evite realizar una instalación
que pueda obstaculizar el uso de los
mandos importantes o pueda reducir la
visibilidad del conductor. No instale la
pantalla donde pueda ser propulsada por
la apertura de un airbag o cerca de una
boca de aireación o de aire acondicionado
del vehículo.

56 Español
Pegue el soporte de plástico en el cuadro
de mandos (esquema C p.10).
Pour assurer une bonne fixation du
support :
nettoyez la surface de montage avant
de coller le support ;
après fixation du support, patientez
environ 2 heures sans le manipuler.
Para evitar riesgos de robo y de exposición
prolongada al sol, no olvide retirar la
pantalla al abandonar el vehículo.
Instalación del mando a distancia
Pegue el soporte del mando a distancia en
el cuadro de mandos utilizando el adhesivo
situado en la cara inferior del mismo.
Para garantizar una buena fijación del
soporte:
limpie la superficie de montaje antes
de pegar el soporte;
tras la fijación del soporte, espere
unas dos horas sin manipularlo.
El mando a distancia puede funcionar con
dos tipos de alimentación: con una pila o
conectándolo a la caja electrónica.
Para hacer funcionar el mando con pila
(esquema D p.11) :
1. Retire la pieza de plástico circular en
la cara posterior del mando a distancia
girándola en sentido de las agujas de
un reloj.
2. Introduzca una pila de tipo 3V CR2032
en el alojamiento previsto para ello.
Asegúrese de que la pila está
correctamente orientada.
3. Vuelva a colocar la pieza de plástico
circular haciéndola girar en sentido
contrario al de las agujas de un reloj.
Para conectar el mando a distancia a la caja
electrónica (esquema D p.11) :
1. Retire la pieza de plástico circular en
la cara posterior del mando a distancia
girándola en sentido de las agujas de
un reloj.
2. Conecte el cable en la zona prevista
para el alojamiento de la pila y gírelo
en sentido contrario al de las agujas

57Español
de un reloj.
3. Conecte el otro extremo del cable a la
caja electrónica, junto a los
conectores USB (esquema p.6).
Primera utilización
Navegar en los menús
Pulse el botón para acceder al menú
principal.
Navegue en los menús girando la rueda y
valide pulsando el botón central del Parrot.
Para volver al menú anterior, pulse el
botón .
Pulse el botón para acceder al menú de
contexto, correspondiente a la aplicación
que se está utilizando.
Mientras se está leyendo un archivo de
música, pulse el botón para volver al
menú. Al contrario, cuando esté
navegando en los menús, pulse el botón
SRC para volver al lector.
Pulse el botón durante 2 segundos para
visualizar las últimas 6 aplicaciones
utilizadas o en uso actual.
Pulse el botón SRC para seleccionar la
fuente de procedencia de los archivos de
audio.
Conectar un teléfono móvil
Nota: Consulte la página de
compatibilidad de nuestra página web
para verificar si su teléfono es compatible
con el Parrot ASTEROID Mini y consultar el
procedimiento de emparejamiento
correspondiente: www.parrot.com/es/
compatibility.

58 Español
Si es la primera vez que utiliza el teléfono
con el Parrot ASTEROID Mini, primero
deberá emparejar ambos aparatos. Una vez
emparejado el teléfono con el Parrot
ASTEROID Mini, la conexión entre los dos
aparatos será automática en cuanto los dos
aparatos estén encendidos y a proximidad
con la función
Bluetooth
activada.
1. Desde su teléfono, inicie una
búsqueda de periféricos
Bluetooth®
a
continuación, seleccione "Parrot
ASTEROID Mini".
2. El procedimiento de enlace depende
del modelo de teléfono:
- Si el teléfono le solicita el código
PIN
Bluetooth
, introduzca «0000».
- Si el Parrot ASTEROID Mini y el
teléfono muestran dos códigos,
compruebe si los códigos son
idénticos y confirme o invalide.
> La pantalla del Parrot ASTEROID
Mini indicará “teléfono enlazado".
Nota: En algunos teléfonos, deberá
autorizar la conexión al Parrot ASTEROID
Mini para permitir la conexión automática.
Consulte la guía de usuario de su teléfono
para más información.
Sincronizar la agenda del teléfono
Con la mayoría de teléfonos Bluetooth, la
agenda se sincroniza automáticamente en
la memoria del sistema. Cada vez que
modifique su agenda, la sincronización se
reiniciará automáticamente en la siguiente
conexión.
Advertencia: Sólo se sincronizan los
contactos guardados en la memoria del
teléfono. Si los contactos están guardados
en la memoria de la tarjeta SIM, deberá
transferirlos a la memoria del teléfono.
Consulte la guía de usuario de su teléfono
para más información.
Nota: En algunos teléfonos, deberá
autorizar la conexión al Parrot ASTEROID
Mini para permitir la conexión automática.
Consulte la guía de usuario de su teléfono
para más información.
La sincronización automática está limitada
a 5.000 contactos (o números de

59Español
teléfono) por cada teléfono emparejado. Teléfono
Recibir una llamada
La llamada entrante se anuncia con una
melodía. Se anuncia el nombre del
contacto si el número de ese contacto está
guardado en la agenda del teléfono
conectado al Parrot ASTEROID Mini.
Para aceptar la llamada, pulse el
botón del mando a distancia o el
botón verde que aparece en la
pantalla. A continuación, pulse el
botón del mando a distancia o el
botón rojo de la pantalla para finalizar
la llamada.
Para rechazar la llamada, pulse el
botón del mando a distancia o el
botón rojo que aparece en la pantalla.
Hacer una llamada por reconocimiento de voz
Puede hacer una llamada por
reconocimiento de voz directamente
después de sincronizar la agenda del
teléfono. El Parrot ASTEROID Mini
reconocerá automáticamente el contacto
de su agenda al que desea llamar.
1. Pulse el botón para iniciar el
proceso de reconocimiento de voz.
> El Parrot ASTEROID Mini le pedirá
el nombre del contacto al que desea
llamar.
2. Diga el nombre del contacto seguido

60 Español
del tipo de número (“OFICINA”,
“MÓVIL”…) si el contacto tiene
varios números.
> La llamada a ese contacto se hará
automáticamente si la instrucción de
voz ha sido comprendida.
> En caso contrario, el sistema manos
libres emitirá un mensaje de
confirmación. Confirme diciendo
“SÍ”, “LLAMA” o “LLAMAR”.
Nota: En cualquier momento, puede pulsar
el botón del mando a distancia para
anular el procedimiento de llamada.
Música
Utilización del reconocimiento de voz musical
El reconocimiento de voz y la función de
reconocimiento de voz musical le permite
seleccionar los artistas o los álbumes que
desea escuchar. Esta función se encuentra
disponible cuando utiliza el Parrot
ASTEROID Mini con un periférico tipo
iPod/USB/SD, o si utiliza una aplicación
musical compatible con esta función.
1. Pulse el botón
del mando a
distancia.
2. Pronuncie el nombre del artista o del
álbum que desea escuchar cuando el
Parrot ASTEROID Mini se lo indique.
> La lista de fuentes de audio
conectadas al Parrot ASTEROID Mini
y de aplicaciones de música
compatibles con la función de
reconocimiento de voz que contienen
el artista/álbum elegido se muestran
en pantalla.
Nota : Compruebe los nombres de los
artistas y álbumes en las etiquetas
(metadatos) de sus archivos de música. Ésta
puede diferir de lo que se muestra en el
título de la canción.
iPod
1. Coecte el iPod al cable iPod.
2. pulse la tecla SRC hasta seleccionar

61Español
iPod.
3. Seleccione uno de los criterios de
ordenación (artista, álbum, canción,
género, lista de reproducción) y pulse
la rueda de selección.
4. Seleccione la canción y pulse la rueda
de selección.
Nota: Pulse el botón y seleccione la
primera letra de su artista, álbum o
canción para navegar más fácilmente por
el contenido de su iPod.
USB
El Parrot ASTEROID Mini es compatible
con la mayoría de memorias USB/
reproductores de MP3/discos duros
externos.
No existe ninguna restricción de capacidad
de las memorias USB.
Los archivos de música de la memoria USB
pueden estar en formato MP3 (mpeg1
layer3), AAC, WAV, OGG o WMA.
1. Conecte su dispositivo USB al cable
USB.
2. Pulse el botón SRC del mando a
distancia y seleccione USB.
3. Pulse sobre la canción para iniciar la
reproducción.
4. Seleccione uno de los criterios de
ordenación (artista, álbum, canción,
género, lista de reproducción) y pulse
la rueda de selección.
Nota: Pulse el botón y seleccione la
primera letra del artista, álbum o canción
para navegar más fácilmente por el
contenido del periférico USB.
Tarjeta SD
Se pueden utilizar las siguientes tarjetas
SD (con adaptador según los casos) con el
Parrot ASTEROID Mini : SD, micro SD,
mini SD, SDHC, mini SDHC, micro SDHC.
La capacidad de la tarjeta SD no debe
superar los 32 Gb.
Los archivos de música de su tarjeta SD
pueden estar en formato MP3 (mpeg1
layer3), AAC, WAV, OGG o WMA.

62 Español
1. Inserte la tarjeta SD en el alojamiento
previsto para ello situado (esquema E
p.12).
2. Pulse el botón SRC y seleccione SD.
También puede pulsar en Explorar
para navegar por el contenido de su
tarjeta SD.
3. Seleccione uno de los criterios de
ordenación (artista, álbum, canción,
género, lista de reproducción) y pulse
la rueda de selección.
4. Pulse sobre la canción para iniciar la
reproducción.
Nota: Pulse el botón y seleccione la
primera letra del artista, álbum o canción
para navegar más fácilmente por el
contenido de su tarjeta SD.
Utilización con un lector de audio Bluetooth
Nota: El Parrot ASTEROID Mini le permite
utilizar la función de telefonía y flujo de
audio vía Bluetooth con dos teléfonos
distintos, sin tener que desconectar uno de
los dos aparatos.
Puede utilizar el Parrot ASTEROID Mini
para escuchar archivos de música
guardados en un lector de audio Bluetooth
si éste soporta el perfil A2DP (Advanced
Audio Distribution Profile).
Si utiliza el lector de audio por primera
vez, primero deberá vincularlo al Parrot
ASTEROID Mini. Si el lector de audio ya
está acoplado al Parrot ASTEROID Mini:
1. Pulse el botón SRC hasta seleccionar
Bluetooth Audio.
2. Inicie la lectura de una canción en su
lector de audio.

63Español
Internet
Conexión con un dispositivo 3G / 4G
Nota: Consulte la sección de
compatibilidad del Parrot ASTEROID Mini
en nuestra página web para ver la lista de
dispositivos 3G compatibles con el Parrot
ASTEROID Mini.
1. Conecte un dispositivo 3G/4G al
Parrot ASTEROID Mini a través del
cable USB.
>Aparecerá una ventana emergente
(pop-up).
2. Active la conexión 3G seleccionando
OK.
3. Utilice la rueda para introducir su
código PIN y seleccione OK. Marque
la opción Memorizar si prefiere que
no se le pida el código PIN cada vez
que se encienda el Parrot ASTEROID
Mini.
Nota: Más adelante, podrá modificar este
ajuste seleccionando Ajustes > Inalámbrico
y redes > Ajustes de redes móviles.
4. Seleccione su APN (Access Point
Name) en la lista que aparece. Esta
información se encuentra disponible
en la documentación facilitada con su
dispositivo 3G. Si su APN no figura en
la lista, puede añadirlo seleccionando
Parámetros > Red > Dispositivo 3G >
Configuración > Punto de acceso
personalizado > Nuevo punto de
acceso.
> Aparece el mensaje "Dispositivo 3G
configurado".
5. Espere unos 30 segundos mientras se
establece la conexión. También
puede pulsar el botón y navegar por
los menús mientras se establece la
conexión.
Conexión vía Bluetooth
Si su teléfono soporta el perfil
Bluetooth
DUN (Dial-Up Networking) o PAN
(Personal Area Network), la conexión vía
Bluetooth
del teléfono con el Parrot
ASTEROID Mini le permitirá compartir la
conexión 3G del teléfono.

64 Español
Nota: Consulte la sección de
compatibilidad del Parrot ASTEROID Mini
en nuestra página web para ver la lista de
dispositivos 3G compatibles con el Parrot
ASTEROID Mini.
1. Autorice compartir la conexión en su
teléfono. Este procedimiento puede
diferir según el modelo de móvil.
2. Conecte el teléfono al Parrot
ASTEROID Mini vía
Bluetooth
.
3. En el Parrot ASTEROID Mini,
seleccione Parámetros > Red >
Bluetooth > Configuración.
4. Seleccione su APN (Access Point
Name) en la lista que aparece y
marque la opción Seleccionar.
5. Pulse el botón y seleccione
Conectar.
6. Autorice la conexión compartida en
su teléfono. Este procedimiento
puede variar según el modelo de
teléfono.
Compartir una conexión 3G vía USB
Nota: Consulte la página de
compatibilidad en nuestra web para
comprobar si su teléfono permite compartir
la conexión 3G vía USB y consultar el
procedimiento correspondiente:
www.parrot.com/es/compatibility.
1. Asegúrese de que el teclado de su
teléfono está desbloqueado y
después conéctelo al Parrot
ASTEROID Mini utilizando un cable
USB/micro-USB. Esta conexión
también permite recargar la batería
del teléfono.
2. Seleccione su APN (Access Point
Name) en la lista que aparece y
marque la opción Seleccionar. Más
adelante, podrá modificar este ajuste
seleccionando Parámetros > Red >
USB.
> Aparecerá una ventana emergente
(pop-up) indicando la activación de la
conexión compartida vía USB.

65Español
Utilizar las aplicaciones
Puede utilizar varios tipos de aplicaciones
con el Parrot ASTEROID Mini : música,
geolocalización, ayuda a la conducción,
navegación embarcada y puntos de interés
conectados. Las aplicaciones disponibles
son diferentes según el país de utilización.
Algunas aplicaciones pueden necesitar
una suscripción.
El Parrot ASTEROID Mini es multitarea: se
pueden utilizar varias aplicaciones a la vez.
Por ejemplo, puede escuchar una Radio
por internet mientras utiliza una aplicación
de ayuda a la conducción.
Para más información sobre la utilización y
la instalación de las aplicaciones
disponibles, consulte la página web del
soporte del ASTEROID Market :
www.parrotasteroid.com
En caso de problema
Antes de comenzar
Asegúrese de que, al cortar el contacto de
su vehículo, aparece en la pantalla del
Parrot ASTEROID Mini el mensaje
"Adiós". Consulte la sección Comprobar la
instalación para más información.
Reinicie el aparato. Para ello, seleccione
Preferencias > Preferencias Avanzadas >
Configuración Fábrica.
Compruebe que tiene instalada en el
Parrot ASTEROID Mini la última
actualización. Para ello, seleccione
Parámetros > Acerca de > Versión.
Compare este número de versión con el

66 Español
indicado en la página de soporte del Parrot
ASTEROID Mini en nuestra página web
www.parrot.com.
Función de telefonía
Compruebe la compatibilidad del teléfono
con el Parrot ASTEROID Mini. Para ello,
consulte la página de compatibilidad en
nuestra web: www.parrot.com/es/
compatibility.
Si su teléfono aparece como compatible y
si el Parrot ASTEROID Mini ya tiene la
última actualización, elimine el
emparejamiento entre los 2 aparatos en el
Parrot ASTEROID Mini y en su teléfono,
apague y vuelva a encender los 2 aparatos y
restablezca la conexión entre los mismos.
Función música
Reinicie el iPod/iPhone antes de volverlo a
conectar al Parrot ASTEROID Mini. Para
reiniciar un iPod/iPhone (el proceso no
borrará ningún dato):
iPod: pulse simultáneamente el
Menú y el botón central hasta que se
inicie de nuevo el iPod.
iPhone/iPod touch: pulse
simultáneamente el botón On/Off y
el botón Home hasta que el iPhone se
reinicie. No toque la pantalla cuando
aparezca el mensaje "Slide to
shutdown”.
Puede producirse algún problema si el
dispositivo ya está conectado al Parrot
ASTEROID Mini en el momento de poner
el contacto. Pruebe de nuevo conectando
el dispositivo una vez puesto el contacto.
Para más información
Consulte la página de soporte del Parrot
ASTEROID Mini en nuestra página web
www.parrot.com.

67Español
Información general
Garantia
Sin perjudicar la garantía legal, Parrot
garantiza sus productos, piezas y mano de
obra incluidos, por el período de 1 año a
partir de la fecha de compra, salvo en caso
de alteración del producto. Esta fecha de
compra debe estar certificada por una
prueba de compra original del producto
(recibo de caja) presentada al
dependiente. La garantía no cubre: la
actualización de los programas incluidos
en los productos Parrot con teléfonos
móviles dotados de la funcionalidad
Bluetooth® con objetivo de
compatibilidad, la recuperación de datos,
la deterioración exterior causada por el
desgaste cotidiano del producto, cualquier
daño causado por un accidente, un uso
anormal o no autorizado del producto, un
producto de una marca diferente. Parrot
no es responsable del almacenamiento de
los datos, de sus pérdidas o de daños
ocurridos durante el transporte o la
reparación. Cualquier producto que no
estuviese defectuoso se devolverá al
cliente, y los gastos de intervención y de
transporte serán a su cargo.
Modificaciones
Las explicaciones y especificaciones
contenidas en este manual son
meramente informativas y pueden ser
modificadas sin previo aviso. Se
consideran correctas en el momento de
enviar la publicación a imprenta. Este
manual se ha redactado con el máximo
cuidado, con el fin de proporcionarle una
información precisa. Sin embargo, Parrot
no asume responsabilidad alguna por las
consecuencias derivadas de los errores u
omisiones que pueda haber en el manual,
ni por los daños o pérdidas accidentales de
datos que se produzcan como
consecuencia directa o indirecta del uso
de la información aquí contenida. Parrot se
reserva el derecho a modificar o mejorar el
diseño del producto o el manual de usuario
sin restricciones y sin la obligación de
notificárselo a los usuarios. En aras de

68 Español
actualizar y mejorar nuestros productos,
es posible que el producto que usted haya
adquirido sea ligeramente distinto al
modelo que se describe en este manual.
En tal caso, tiene a su disposición una
versión más reciente de este manual en
formato electrónico en la página web de
Parrot: www.parrot.com.
Eliminación correcta de este producto
(material eléctrico y electrónico de
descarte)
La presencia de esta marca en el producto
o en el material informativo que lo
acompaña, indica que al finalizar su vida
útil no deberá eliminarse junto con otros
residuos domésticos. Para evitar los
posibles daños al medio ambiente o a la
salud humana que representa la
eliminación incontrolada de residuos,
separe este producto de otros tipos de
residuos y recíclelo correctamente para
promover la reutilización sostenible de
recursos materiales. Los usuarios
particulares pueden contactar con el
establecimiento donde adquirieron el
producto, o con las autoridades locales
pertinentes, para informarse sobre cómo y
dónde pueden llevarlo para que sea
sometido a un reciclaje ecológico y seguro.
Los usuarios comerciales pueden
contactar con su proveedor y consultar las
condiciones del contrato de compra. Este
producto no debe eliminarse mezclado
con otros residuos comerciales.
Marcas registradas
Parrot y el logotipo Parrot son marcas
registradas de PARROT SA en Francia y en
otros países.
El nombre y el logo
Bluetooth
son marcas
registradas de Bluetooth ® SIG, Inc. y
Parrot S.A. utiliza estos últimos bajo
licencia.
“Made for iPod / iPhone” significa que un
aparato electrónico fue especialmente
diseñado para conectarse a un iPod o un
iPhone, respectivamente, y fue certificado
por un desarrollador con el fin de
satisfacer los resultados estándares de

69Español
Apple. Apple no es responsable del
funcionamiento de este dispositivo o de
su conformidad con las normas de
seguridad y regulatorios.
iPod y iPhone son marcas de Apple, Inc.
registradas en Estados Unidos y en otros
países.
Todas las demás marcas comerciales y
marcas registradas citadas en el presente
documento están protegidas por Copyright
y son propiedad de sus respectivos
propietarios.

70 Deutsch
Bedienungsanleitung
Inhalt
Bevor Sie beginnen
Installation
Erste Nutzung
Telefon
Musik
Internet
Bei Problemen
Allgemeine Hinweise
p.70
p.72
p.78
p.80
p.81
p.83
p.86
p.88
Bevor Sie beginnen
Zu diesem Leitfaden
Wir wollen unseren Papierverbrauch
einschränken und so
verantwortungsbewusst und
umweltfreundlich wie möglich handeln.
Daher zieht Parrot es vor, Dokumente für
die Benutzer im Internet zu
veröffentlichen,anstatt sie auszudrucken.
Diese vereinfachte Anleitung des Parrot
ASTEROID Mini beschränkt sich daher auf
die wichtigsten Anweisungen, damit Sie
dieses Gerät leicht benutzen können.
Weitere Angaben finden Sie im Bereich
Support auf unserer Website
www.parrot.com: Vollständige Anleitung,

71Deutsch
häufige Fragen, Lernsoftware...
Hinweis: Aus Gründen der besseren
Leserlichkeit werden der iPod® und das
iPhone® (im Musikmodus) in dieser
Anleitung als „iPod“ bezeichnet.
Kompatible Telefone oder Tablet-Computer
werden als „Smartphone“ bezeichnet.
Warnhinweise
Funktionen, die Ihre Aufmerksamkeit für
längere Zeit in Anspruch nehmen, dürfen
nur bei stehendem Fahrzeug ausgeführt
werden. Ihre eigene Sicherheit und die der
anderen Verkehrsteilnehmer hat Vorrang
vor Telefonanrufen, Musik oder
Anwendungen zur Fahrhilfe. Seien Sie
verantwortungsvoll: Fahren Sie vorsichtig
und achten Sie auf Ihre Umgebung. Parrot
übernimmt keinerlei Haftung, falls Sie
beschließen, diese Warnung zu
ignorieren.
Nutzen Sie den Parrot ASTEROID Mini in
einer vernünftigen Lautstärke, so dass Sie
jederzeit während der Fahrt auch noch
Außengeräusche wahrnehmen können.
Update der Software
Das letzte Update Ihres Parrot ASTEROID
Mini können Sie kostenlos von unserer
Website www.parrot.com aus dem
Bereich Support herunter laden (und sich
gleichzeitig über das Update-Verfahren
informieren). Dank dieser Updates
können Sie neue Funktionen nutzen und
die Kompatibilität des Parrot ASTEROID
Mini verbessern.
Sie können Aktualisierungen auch
herunterladen wenn das Parrot
ASTEROID Mini mit dem Internet
verbunden ist. Die Verfügbarkeit wird in
der Informationsleiste angezeigt.

72 Deutsch
Installation
Hinweis: Wir empfehlen, sich für die
Installation an einen Fachmann zu wenden,
insbesondere an eine Person aus dem Netz
der zugelassenen Installateure.
Vorbemerkung
Bei der Installation des Parrot ASTEROID
Mini muss das Gerät zwischen dem
Autoradio und dem Fahrzeug
angeschlossen werden.
Hinweis: Die mit dem Parrot ASTEROID Mini
mitgelieferten Kabel sind mit ISO-Steckern
versehen. Sollte Ihr Autoradio über keine
ISO-Stecker verfügen, müssen Sie sich für die
Montage ein ISO-Adapterkabel besorgen.
Schauen Sie auf der Support-Seite unter
"Kompatibilität Fahrzeuge" des Parrot
ASTEROID Mini , um die Notwendigkeit eines
Adapterkabels zu überprüfen.
Entfernen Sie zuerst das Original-
Autoradio aus Ihrem Fahrzeug. Dieser
Vorgang kann die Verwendung von
Ausbauschlüsseln erfordern.
Ziehen Sie den Schaltplan Ihres
Autoradios zu Rate.
Vor dem Befestigen der verschiedenen
Bauteile des Parrot ASTEROID Mini im
Fahrgastraum, schließen Sie die
verschiedenen Kabel an das
Elektronikgehäuse an. Vor dem
endgültigen Anschluss der Bauteile bitte
die Kabellänge kontrollieren und
überprüfen, dass die Einbauorte so
gewählt wurden, dass die Kabellänge zur
Verbindung der Einzelteile untereinander
ausreichend ist. Überprüfen Sie, dass die
Kabel des Parrot ASTEROID Mini nach der
Montage weder geknickt noch gequetscht
werden.
Die Angaben "Verbindung #" in den
nächsten Abschnitten entsprechen den
abgebildeten Verbindungen in der
Abbildung auf S.6 / 7.
Anschluss des Audio-Kabels
Die Audio-Kabelbündel des Fahrzeugs an
die Stecker des Parrot ASTEROID Mini
anschließen (Verbindungen 1A und 2).

73Deutsch
Wenn Ihr Fahrzeug mit einem Audio-
System mit Verstärker ausgestattet ist,
verwenden Sie die Jack Line Out Front
und Line Out Rear-Ausgänge des
Elektronikgehäuses, um
Sättigungsprobleme (Knacken der
Lautsprecher, permanentes Rauschen) zu
vermeiden. Verbinden Sie diese Line Out-
Ausgänge mit Ihrem Audio-System mit
einem oder zwei Jack-Kabeln, um den
Parrot ASTEROID Mini mit Ihrem Audio-
System (Verbindung 1B in der Abbildung
S.7) zu verbinden.
Anschließen des Netzkabels
1. Die Batterie vor der Installation des
Stromkabels abklemmen.
2. Den ISO-Stecker des Parrot
ASTEROID Mini an das Autoradio
anschließen (Verbindung 3).
3. Die Kabelbündel für die
Spannungsversorgung des Fahrzeugs
mit der ISO Buchse des Parrot
ASTEROID Mini verbinden
(Verbindung 4).
Die rote Kabelader muss der +12V-
Dauerstromversorgung, die
orangenfarbige Ader der 12V-Versorgung
über Zündung und die schwarze Ader der
Masse entsprechen. Überprüfen Sie, dass
die orangenfarbige Kabelader nicht an die
12V Dauerstromversorgung angeschlossen
ist. Sonst besteht die Gefahr, die
Fahrzeugbatterie zu entladen.
Hinweis: Zur Überprüfung des Einbaus
zunächst das Display anschließen, ohne es
auf dem Armaturenbrett zu befestigen.
Weitere Angaben enthält der Abschnitt
"Prüfung der Installation".
An bestimmten Fahrzeugen gibt es an den
Steckern des Fahrzeugs keinen +12 V-
Anschluss über Zündung. In diesem Fall
muss die orangenfarbige Ader an den
Sicherungskasten oder an eine andere
Spannungsquelle über Zündung
angeschlossen werden.

74 Deutsch
Anschluss des Mute-Kabels
Mit der Mute-Funktion können Sie den
Ton Ihres Autoradios für den Ton des
Parrot ASTEROID Mini unterbrechen
(Musik, Gespräche usw.). Die Wahl des
Mute-Eingangs (Mute in 1, Mute in 2 oder
Mute in 3) hängt von der Konfiguration
Ihres Autoradios ab. Suchen Sie den
Mute-Eingang und schließen Sie ihn an die
freie gelbe Kabelader des ISO-Kabels an
(Verbindung 5).
Montage des Elektronikgehäuses
Vermeiden Sie es, das Gehäuse neben der
Heizung, der Klimaanlage oder an einem
der Sonne ausgesetzten Ort zu
installieren.
Überprüfen Sie, ob das Gehäuse nach
dem Einbau fest sitzt. Achten Sie darauf,
dass um den Kühlkörper herum genügend
Platz ist, damit die Wärme besser
abgeleitet werden kann.
Bitte vorsichtig den Wiedereinbau des
Autoradios durchführen und nicht
gewaltsam vorgehen. Wenn hinter dem
Autoradio nicht genügend Platz für die
Elektronikbox vorhanden sein sollten,
dann kann auch ein Einbau in das
Handschuhfach in Betracht gezogen
werden.
Prüfung der Anlage
Dazu nach dem Einbau des Parrot
ASTEROID Mini die Zündung des
Fahrzeugs einschalten und anschließend
ausschalten: Die Mitteilung " Auf
Wiedersehen " muss im Display
erscheinen.
Ist das nicht der Fall, müssen die
Anschlüsse der roten und der
orangefarbenen Kabelader vertauscht
werden. Die rote Ader des Stromkabels
muss mit dem 12 V Dauerstrom, die
orangefarbene mit den 12 V über die
Zündung und die schwarze mit der Masse
verbunden werden. Dazu brauchen nur die
beiden Kabelschuhe der Parrot-
Verkabelung vertauscht zu werden

75Deutsch
(Verbindung 7).
Installation des Doppel-Mikrofons
Wir empfehlen, das Kabel entlang der
Vertiefung der Türdichtung zu führen.
Wenn das Kabel oberhalb der Pedalen
verläuft, darauf achten, dass es richtig
befestigt ist.
Hinweis: Das Mikrofonkabel darf nicht in
der Heizungs-, Belüftungs- oder
Klimaanlage oder vor den seitlichen
Airbags verlaufen.
Achten Sie darauf, dass das Mikrofon so
nah wie möglich in der Nähe des Kopfes
des Benutzers installiert ist. Die ideale
Entfernung beträgt 60 cm. Das Mikrofon
wird am Besten in der Nähe des
Rückspiegels im Innenraum angebracht.
Das Mikrofon auf den Mund des
Benutzers ausrichten.
Installation des GPS-Dongle
Befestigen Sie den GPS-Dongle im
Inneren der Fahrgastzelle auf einer
ebenen Oberfläche in einem Bereich ohne
Hindernisse.
Die athermischen Windschutzscheiben
und Fensterscheiben, mit integrierter
Antenne, können mit dem GPS-Empfang
interferieren und die Zuverlässigkeit, der
mit den Navigationsanwendungen
verbundenen Informationen,
beeinträchtigen.
Die GPS-Antenne des
Empfängers befindet sich auf
der Seite, wo "Parrot
ASTEROID GPS" steht und
sich das sternförmige Logo
befindet. Dieses Logo muss
immer zum Himmel zeigen.
Wenn Ihr Fahrzeug eine athermische
Windschutzscheibe hat, befestigen Sie
den GPS-Dongle auf der Höhe des nicht-
athermischen Bereichs an der
Windschutzscheibe. Die Seite, auf der
sich das sternförmige Logo befindet, muss
auf die Windschutzscheibe geklebt
werden (Abbildung B S.9).
Hinweis: Wo sich der nicht-athermische

76 Deutsch
Bereich der Windschutzscheibe befindet,
hängt vom Modell Ihres Fahrzeugs ab. Er
befindet sich im Allgemeinen auf der Höhe
des Rückspiegels.
Wenn Ihr Fahrzeug keine athermische
Windschutzscheibe hat, befestigen Sie
den GPS-Dongle am Armaturenbrett. Die
Seite, auf der sich das sternförmige Logo
befindet, muss sichtbar sein (Abbildung A
S.8).
Für die ordnungsgemäße Befestigung der
Halterung wie folgt vorgehen:
Die Montagefläche vor dem
Aufkleben der Halterung reinigen.
Nach der Befestigung der Halterung
ca. 2 Stunden warten.
Anbrigen die USB-Kabel
Schließen Sie die iPod®- und USB-Kabel
den Parrot ASTEROID Mini an. Wir
empfehlen, alle Kabel des Parrot
ASTEROID Mini anzuschließen, auch
wenn Sie nicht unbedingt planen, sie zu
verwenden. Führen Sie die
entsprechenden Steckverbindungen über
das Ablage- oder Handschuhfach heraus.
Um eine optimale Empfangsqualität zu
gewährleisten, schließen Sie Ihren 3G-
Stick oder GPS-Dongle nicht direkt an den
Parrot ASTEROID Mini an: Verbinden Sie
das Zubehör mit einem USB-Kabel am
Armaturenbrett (oder einer anderen
übersichtlichen Stelle).
Montage des Displays
Achtung: Installieren Sie das Gerät nicht so,
dass die Nutzung wichtiger Befehle oder die
Sicht des Fahrers beeinträchtigt werden.
Installieren Sie das Display nicht dort, wo es
beim Auslösen eines Airbags
weggeschleudert werden könnte, und auch
nicht in der Nähe eines Lüftungsausgangs
des Fahrzeugs.
Kleben Sie die Kunststoffhalterung auf Ihr
Armaturenbrett (Schema C S.10).
Für die ordnungsgemäße Befestigung der
Halterung wie folgt vorgehen:
Die Montagefläche vor dem
Aufkleben der Halterung reinigen.

77Deutsch
Nach der Befestigung der Halterung
ca. 2 Stunden warten.
Um Diebstahl und längerer
Sonnenexposition vorzubeugen,
empfehlen wir, das Display abzunehmen,
wenn Sie das Fahrzeug verlassen.
Installation der Fernbedienung
Kleben Sie die Halterung für die
Fernbedienung mithilfe des auf der
Rückseite der Halterung angebrachten
Klebebands auf Ihr Armaturenbrett.
Pour assurer une bonne fixation du
support :
nettoyez la surface de montage avant
de coller le support ;
après fixation du support, patientez
environ 2 heures sans le manipuler.
Die Fernbedienung kann entweder mit
Batterien betrieben oder mit dem
Elektronikgehäuse verbunden werden.
Batteriebetrieb (Schema D S.11) :
1. Drehen Sie den runden
Kunststoffverschluss auf der
Hinterseite der Fernbedienung im
Uhrzeigersinn, um ihn zu lösen.
2. Legen Sie eine Batterie 3V CR2032 in
das dafür vorgesehene Fach ein.
Vergewissern Sie sich, dass die
Batterie richtig eingelegt ist.
3. Setzen Sie den runden
Kunststoffverschluss wieder an
seinen Platz und drehen Sie ihn gegen
den Uhrzeigersinn, um das
Batteriefach zu verschließen.
Anschluss an das Elektronikgehäuse
(Schema D S.11) :
1. Drehen Sie den runden
Kunststoffverschluss auf der
Hinterseite der Fernbedienung im
Uhrzeigersinn, um ihn zu lösen.
2. Schließen Sie das Kabel im
Batteriefach an und drehen Sie es
gegen den Uhrzeigersinn.
3. Schließen Sie das andere Ende des
Kabels an das Elektronikgehäuse
neben den USB-Anschlüssen an
(Schema S.6).

78 Deutsch
Erste Nutzung
Menü-Navigation
Drücken Sie die Taste , um ins
Hauptmenü zu gelangen.
Drehen Sie zur Menü-Navigation am
Reglerrad und bestätigen Sie durch
Drücken der mittleren Parrot-Taste.
Um zum vorherigen Menü
zurückzukehren, drücken Sie die Taste .
Drücken Sie die Taste , um ins
Kontextmenü zu gelangen (je nach der
gerade benutzten Anwendung).
Drücken Sie während des Abspielens
einer Musikdatei die Taste , um zu Menü
zurückzukehren. Umgekehrt gelangen Sie
bei der Menü-Navigation durch Drücken
der Taste „SOURCE“ zurück zum Abspiel-
Laufwerk.
Drücken Sie 2 Sekunden lang die Taste ,
um die letzten 6 Anwendungen, die Sie
genutzt haben oder nutzen, anzuzeigen.
Drücken Sie die Taste SRC, um die Quelle
Ihrer Audio-Dateien auszuwählen.
Kopplung Ihres Bluetooth-Mobiltelefons
Hinweis: Prüfen Sie auf unserer Website
unter dem Thema „Kompatibilität“, ob Ihr
Telefon mit dem Parrot ASTEROID Mini
kompatibel ist, und beachten Sie die
jeweilige Zuordnungsmethode:
www.parrot.com/de/compatibility.
Wenn Sie zum ersten Mal ein Telefon mit
dem Parrot ASTEROID Mini nutzen, dann
müssen Sie zunächst die beiden Gerät
zuordnen. Wenn Ihr Telefon dem Parrot
ASTEROID Mini zugeordnet ist, dann
erfolgt die Verbindung beider Geräte
automatisch, sobald die beiden Geräte
nicht weit voneinander entfernt
eingeschaltet werden und die
Bluetooth®-
Funktion aktiviert ist.
1. Von Ihrem Telefon aus starten Sie
eine Suche nach
Bluetooth®
Peripheriegeräten und wählen dann
"Parrot ASTEROID Mini" aus.
2. Das Kopplungsverfahren hängt vom
Modell Ihres Telefons ab:

79Deutsch
Wenn Ihr Telefon Sie auffordert,
den Bluetooth-Pincode
einzugeben, geben Sie „0000“
ein.
Wenn der Parrot ASTEROID
Mini und Ihr Telefon zwei Codes
anzeigen, prüfen Sie, ob diese
Codes identisch sind und
bestätigen Sie dies oder brechen
ab.
> Das Display des Parrot
ASTEROID Mini zeigt an:
"Kopplung erfolgreich".
Hinweis: Bei bestimmten Telefonen müssen
Sie die Herstellung der Verbindung mit dem
Parrot ASTEROID Mini für die automatische
Verbindungsherstellung gestatten. Nähere
Informationen entnehmen Sie bitte dem
Benutzerhandbuch Ihres Telefons.
Verwendung des Adressbuchs
Bei den meisten
Bluetooth
-Telefonen
werden die Kontakte im Speicher des
System automatisch synchronisiert. Nach
jeder Änderung Ihres Verzeichnisses wird
die Synchronisation bei der nächsten
Verbindung automatisch neu gestartet.
Achtung: Nur die im Speicher Ihres Telefons
erfassten Kontakte werden synchronisiert.
Wenn Ihre Kontakte im Speicher der SIM-
Karte abgelegt sind, müssen Sie sie in den
Speicher des Telefons transferieren. Nähere
Informationen entnehmen Sie bitte dem
Benutzerhandbuch Ihres Telefons.
Anmerkung: Je nach Modell Ihres
Telefongeräts werden Sie auf dem Telefon
gegebenenfalls aufgefordert, die
Übertragung des Verzeichnisses zu
bestätigen.
Die automatische Synchronisation ist auf
5000 Kontakte (oder Telefonnummern)
pro zugeordnetem Telefon begrenzt.

80 Deutsch
Telefon
Anrufannahme
Ein eingehender Anruf wird durch einen
Klingelton angezeigt. Der Name des
Kontakts wird angesagt, wenn die
Nummer dieses Kontakts in dem mit dem
Parrot ASTEROID Mini verbundenen
Telefonverzeichnis aufgeführt ist.
Wenn Sie den Anruf annehmen
möchten, drücken Sie die Taste.
Wenn Sie den Anruf ablehnen
möchten, drücken Sie die Taste.
Einen Anruf über Spracherkennung tätigen
Sie können einen Anruf direkt nach der
Synchronisation Ihres
Telefonverzeichnisses durch
Spracherkennung initiieren. Der Parrot
ASTEROID Mini erkennt automatisch den
Kontakt Ihres Verzeichnisses, den Sie
anrufen wollen.
1. Drücken Sie die Taste , um die
Spracherkennung zu initiieren.
> Der Parrot ASTEROID Mini fragt Sie
nach dem Namen des Kontakts, den
Sie anrufen wollen.
2. Sagen Sie den Kontaktnamen und
anschließend die Art der Nummer
("BÜRO", "HANDY"...), sofern
diesem Kontakt mehrere Nummern
zugeordnet sind.
> Der Kontakt wird automatisch
angerufen, wenn die
Sprachanweisung richtig verstanden
wurde.
> Ansonsten kommt vom
Freisprechsystem eine
Bestätigsmeldung. Bestätigen Sie mit
"JA", "RUF AN" oder "ANRUFEN".
Hinweis: Durch Drücken der Taste den
Spracherkennungsbetrieb wieder verlassen.

81Deutsch
Musik
Musik-Spracherkennungsfunktion
Mit der Musik-Spracherkennungsfunktion
können Sie über die Spracherkennung
Künstler oder Alben auswählen, die Sie
sich gern anhören möchten. Diese
Funktion ist verfügbar, wenn Sie den
Parrot ASTEROID Mini mit einem
Anschlussgerät vom Typ iPod/USB/SD
verwenden oder wenn Sie eine mit dieser
Funktion kompatible Musikanwendung
nutzen.
1. Drücken Sie die Taste
.
2. Sagen Sie den Namen des Künstlers
oder des Albums, den/das Sie gerne
hören möchten, wenn der Parrot
ASTEROID Mini Sie dazu auffordert.
> Es erscheint die Liste mit den an
den Parrot ASTEROID Mini
angeschlossenen Audioquellen sowie
die mit dem
Spracherkennungsfunktion
kompatiblen Musikanwendungen mit
den ausgewählten Künstler/Album.
Hinweis: Prüfen Sie die Namen der Artisten
und Alben in den Tags (Metadaten) Ihrer
Musikstücke. Die Namen können anders als
der im Titel des Stücks angezeigte sein.
iPod
1. Schließen Sie Ihren iPod an das iPod-
Kabel an.
2. Drücken Sie die Taste SRC und
wählen Sie iPod.
3. Wählen Sie eines der
Klassierungskriterien aus (Artist,
Album, Titel, Typ, Playlist) und
drücken Sie auf das Reglerrad.
4. Wählen Sie den Titel aus und drücken
Sie auf das Reglerrad.
Hinweis: Drücken Sie die Taste und
wählen Sie den ersten Buchstaben Ihres
Künstlers, Albums oder Titels aus, um
leichter durch den Inhalt Ihres iPod zu

82 Deutsch
browsen.
SD-Karte
Folgende SD-Karten (gegebenenfalls mit
Adapter) können Sie mit dem Parrot
ASTEROID Mini nutzen: SD, micro SD,
mini SD, SDHC, mini SDHC, micro SDHC.
Die maximale Speicherkapazität der SD-
Karte beträgt 32 GByte.
Die Musikdateien auf Ihrer SD-Karte
können im Format MP3 (mpeg1 layer3),
AAC, WAV, OGG oder WMA
abgespeichert sein.
1. Setzen Sie die SD-Karte am hierfür
vorgesehenen Platz an der rechten
Seite des Displays ein (Abbildung E
S.12).
2. Drücken Sie die Taste SRC und
wählen Sie SD.
3. Wählen Sie eines der
Klassierungskriterien aus (Artist,
Album, Titel, Typ, Playlist) und
drücken Sie auf das Reglerrad.
4. Drücken Sie auf den Titel, um die
Wiedergabe zu starten.
Hinweis: Drücken Sie die Taste und
wählen Sie den ersten Buchstaben Ihres
Künstlers, Albums oder Titels aus, um
leichter durch den Inhalt Ihrer SD-Karte zu
browsen.
USB-Stick
Der Parrot ASTEROID Mini ist mit den
meisten USB-Sticks/MP3-Playern/
externen Festplatten kompatibel.
Hinsichtlich der Kapazität der USB-Sticks
bestehen keine Beschränkungen. Die
Musikdateien auf Ihrem USB-Stick können
im Format MP3 (mpeg1 layer3), AAC,
WAV, OGG oder WMA abgespeichert
sein.
1. Schließen Sie Ihr USB-
Anschlussgerät an das USB-Kabel an.
2. Drücken Sie die Taste SRC und
wählen Sie USB.
3. Wählen Sie eines der
Klassierungskriterien aus (Artist,

83Deutsch
Album, Titel, Typ, Playlist) und
bestätigen Sie mit dem Reglerrad.
4. Drücken Sie auf den Titel, um die
Wiedergabe zu starten.
Hinweis: Drücken Sie die Taste und
wählen Sie den ersten Buchstaben Ihres
Künstlers, Albums oder Titels aus, um
leichter durch den Inhalt Ihres USB-
Peripheriegeräts zu browsen.
Bluetooth-Audio-Laufwerk
Hinweis: Der Parrot ASTEROID Mini erlaubt
den Gebrauch der Telefoniefunktion und des
Audio-Streaming über Bluetooth mit 2
verschiedenen Telefonen, ohne Abstecken
eines der 2 Geräte.
Sie können den Parrot ASTEROID Mini
zum Wiedergeben von Musikdateien
verwenden, die auf einem
Bluetooth
-
Audio-Laufwerk gespeichert sind, wenn
dieses das Profil A2DP (Advanced Audio
Distribution Profile) unterstützt.
Vor der ersten Verwendung des Audio-
Laufwerks müssen Sie dieses zunächst mit
dem Parrot ASTEROID Mini koppeln.
Wenn das Audio-Laufwerk bereits mit
dem Parrot ASTEROID Mini verkoppelt
ist:
1. Drücken Sie die Taste SRC und
wählen Sie Bluetooth-Audio.
2. Starten Sie die Wiedergabe eines
Titels auf Ihrem Audio-Laufwerk.
Internet
Verbindung mit einem 3G/4G-Stick
Hinweis: Auf unserer Website, unter
Kompatibilität des Parrot ASTEROID Mini,
können Sie die Liste mit den 3G/4G-Sticks
einsehen, die mit dem Parrot ASTEROID Mini
kompatibel sind.
1. Schließen Sie über das USB-Kabel
einen 3G/4G-Stick an das Parrot
ASTEROID Mini an.
> Es erscheint ein Popup-Fenster.
2. Aktiveren Sie die 3G-Verbindung
durch Auswählen OK.
Der Status der 3G-Verbindung wird
angezeigt, gefolgt von einem

84 Deutsch
weiteren Popup-Fenster, in welchem
Sie aufgefordert werden, Ihren PIN-
Code einzugeben.
3. Geben Sie anhand des Einstellrads
Ihren PIN-Code ein, und wählen Sie
anschließend OK. Haken Sie die
Option PIN-Code speichern an, wenn
Sie vermeiden möchten, dass Sie bei
jedem Neustart des Parrot
ASTEROID Mini nach dem PIN-Code
gefragt werden
Hinweis: Sie können diese Einstellung später
ändern, indem Sie Parameter > Wireless und
ohne Netz > Mobiles Datennetz auswählen.
Wählen Sie aus den Anschlussgeräten Ihren
3G/4G-Stick, wählen Sie PIN vergessen,
anschließend Vergessen.
4. Wählen Sie Ihren APN (Access Point
Name) in der angezeigten Liste aus.
Diese Information ist in der mit Ihrem
3G-Stick mitgelieferten
Dokumentation verfügbar. Wenn Ihr
APN nicht in der Liste enthalten ist,
können Sie diesen hinzufügen, indem
Sie Parameter > Netzwerk > 3G-Stick
> Konfiguration > Neuer
Zugangspunkt auswählen.
Es erscheint die Meldung "3G-Stick
konfiguriert".
5. Warten Sie ca. 30 Sekunden, bis die
Verbindung aufgebaut ist. Sie können
ebenfalls die Taste drücken und
während des Aufbaus der Verbindung
in den Menüs blättern.
Anschluss über Bluetooth
Wenn Sie ein Telefon besitzen, welches
das Profil
Bluetooth®
DUN (Dial-Up
Networking) oder PAN (Personal Area
Network) unterstützt, haben Sie anhand
der Verbindung über
Bluetooth
Ihres
Telefons an das Parrot ASTEROID Mini
die Möglichkeit der gemeinsamen
Nutzung einer 3G-Verbindung des
Telefons.
Hinweis: Überprüfen Sie auf unserer
Website, unter Kompatibilität, ob Ihr
Telefon für die gemeinsame Nutzung von
3G-Verbindungen über Bluetooth geeignet
ist und beachten Sie die entsprechende
Vorgehensweise: www.parrot.com/de/
compatibility.

85Deutsch
1. Schließen Sie Ihr Telefon über
Bluetooth
an den Parrot ASTEROID
Mini an.
2. Wählen Sie auf dem Parrot
ASTEROID Mini Präferenzen >
Netzwerk > Bluetooth >
Konfiguration.
3. Wählen Sie Ihren APN (Access Point
Name) in der angezeigten Liste aus.
Auswählen.
4. Drücken Sie die Taste und wählen
Sie Anschließen.
5. Lassen Sie die gemeinsame Nutzung
der Verbindung auf Ihrem Telefon zu.
Dieser Vorgang ist je nach dem
Modell Ihres Telefons
unterschiedlich.
Anschluss über USB
Falls Ihr Telefon die gemeinsame Nutzung
einer 3G-Verbindung über USB
unterstützt, schließen Sie Ihr Telefon mit
einem USB-Kabel/USB-Mikrokabel (nicht
mitgeliefert) an den Parrot ASTEROID
Mini an, um somit die gemeinsame
Nutzung der 3G-Verbindung des Telefons
nutzen zu können.
Hinweis: Überprüfen Sie auf unserer Website
unter Kompatibilität ob Ihr Telefon für die
gemeinsame Nutzung von 3G-
Verbindungen über USB geeignet ist und
beachten Sie die entsprechende
Vorgehensweise: www.parrot.com/de/
compatibility.
1. Überprüfen Sie, dass die Tastatur
Ihres Telefons gesperrt ist und
schließen Sie es mit dem USB-Kabel/
USB-Mikrokabel an den Parrot
ASTEROID Mini an. Diese
Verbindung erlaubt auch den
Austausch der Batterien Ihres
Telefons.
2. Wählen Sie Ihren APN (Access Point
Name) in der angezeigten Liste und
haken Sie die Option Auswählen an.
Sie können diese Einstellung später
ändern, indem Sie Parameter > Netz >
USB wählen.

86 Deutsch
> Ein Popup-Fenster zeigt die
Aktivierung der Funktion
„Persönlicher Hotspot USB“ an.
Hinweis: Nähere Informationen entnehmen
Sie bitte der Bedienerführung Ihres Telefons.
Gebrauch der Anwendungen
Sie können mit dem Parrot ASTEROID
Mini mehrere Anwendungstypen nutzen:
Musik, Geolokalisierung, Fahrhilfe. Die
verfügbaren Anwendungen hängen vom
Land ab, in dem sie angewendet werden.
Für bestimmte Anwendungen ist ein
Abonnement erforderlich.
Der Parrot ASTEROID Mini kann für
mehrere Anwendungen gleichzeitig
genutzt werden. Sie können z. B. ein
Webradio hören und gleichzeitig eine
Anwendung zur Fahrhilfe nutzen.
Weitere Informationen über die Nutzung
der verfügbaren Anwendungen sind der
Website von ASTEROID Market zu
entnehmen: www.parrotasteroid.com.
Bei Problemen
Vorbemerkung
Überprüfen Sie, dass die Mitteilung "Auf
Wiedersehen" richtig auf dem Display des
Parrot ASTEROID Mini angezeigt wird,
wenn Sie die Zündung des Fahrzeugs
ausschalten. Weitere Angaben enthält der
Abschnitt "Prüfung der Installation".
Reinitialisieren Sie das Gerät. Wählen Sie
Einstellungen > erweiterte Einstellungen
> Werkseinstell.
Stellen Sie sicher, dass Sie über die
neueste Aktualisierung des Parrot
ASTEROID Mini verfügen. Wählen Sie
dafür Einstellungen > Allgemeines >

87Deutsch
Version. Vergleichen Sie diese
Versionsnummer mit der Nummer auf der
Supportseite des Parrot ASTEROID Mini
auf unserer Website www.parrot.com.
Sie können Aktualisierungen auch
herunterladen wenn das Parrot
ASTEROID Mini mit dem Internet
verbunden ist. Die Verfügbarkeit wird in
der Informationsleiste angezeigt.
Telefonie-Funktion
Prüfen Sie, ob Ihr Telefon mit dem Parrot
ASTEROID Mini kompatibel ist. Gehen
Sie hierzu auf unsere Website auf
Kompatibilität: www.parrot.com/de/
compatibility.
Wenn Ihr Telefon als kompatibel
angegeben wird und wenn Ihr Parrot
ASTEROID Mini bereits über die letzte
Aktualisierung verfügt, dann löschen Sie
die Zuordnung zwischen den 2 Geräten am
Parrot ASTEROID Mini und an Ihrem
Telefon. Starten Sie die 2 Geräte erneut
und stellen Sie die Verbindung zwischen
den 2 Geräten wieder her.
Musik-Funktion
Reinitialisieren Sie Ihren iPod/Ihr iPhone,
bevor das Gerät wieder mit dem Parrot
ASTEROID Mini verbunden wird.
Vorgehensweise zur Reinitialisierung des
iPod/iPhone (hierdurch werden keine
Daten gelöscht):
iPod: Gleichzeitig auf Menü und die
mittlere Taste drücken, bis der iPod
sich wieder einschaltet.
iPhone/iPod touch: Gleichzeitig die
Taste On/Off und die Taste Home
drücken, bis sich das iPhone wieder
einschaltet. Das Display nicht
berühren, wenn die Meldung „Zum
Ausschalten schieben“ erscheint.
Manche Probleme können entstehen,
wenn das Anschlussgerät beim
Einschalten der Zündung bereits mit dem
Parrot ASTEROID Mini verbunden ist.
Wiederholen Sie den Vorgang und
verbinden Sie dabei das Gerät erst nach
dem Einschalten der Zündung.

88 Deutsch
Weitere Informationen
Weitere Informationen finden Sie auf der
Support-Seite des Parrot ASTEROID Mini
auf unserer Website www.parrot.com.
Allgemeine Hinweise
Garantie
Unbeschadet der gesetzlichen
Gewärleistungsansprüche gilt für die
Produkte von Parrot eine 1-jährige
Garantie ab Kaufdatum, für Mängel im
Material und Verarbeitung, sofern am
Produkt keine Änderungen vorgenommen
werden. Für die Inanspruchnahme der
Garantie ist dem Fachhändler ein
Kaufnachweis (Kassenzettel) vorzulegen.
Die Garantie deckt nicht: die
Aktualisierung der im Lieferumfang der
Parrot Produkte enthaltenen Software-
Programme zu Kompatibilitätszwecken
mit Bluetooth-Mobiltelefonen, noch die
Wiederherstellung von Daten, die
Abnutzung aufgrund eines normalen
Verschleiß der Produkte, die auf einen
durch Unfall oder eine unsachgemäße
bzw. nicht autorisierte Verwendung des
Produkts oder Produkte eines anderen
Herstellers zurückzuführenden Schaden
ab. Parrot haftet keinesfalls für die
Speicherung, den Verlust oder die
Beschädigung von Daten während des
Transports oder im Rahmen von
Reparaturarbeiten. Jedes Produkt, an dem
keine Mängel festzustellen sind, wird an
den Absender zurückgeschickt, wobei die
Kosten für Bearbeitung, Prüfung und
Transport dem Absender in Rechnung
gestellt werden.

89Deutsch
Änderungen
Die in dieser Anleitung enthaltenen
Beschreibungen und technischen
Spezifikationen dienen ausschließlich der
Information und können Änderungen ohne
vorhergehende Ankündigung unterliegen.
Zum Zeitpunkt des Drucks galten die
enthaltenen Angaben als zutreffend. Bei
der Verfassung dieser Anleitung wurde
größte Sorgfalt auf deren Inhalt
angewendet, damit Ihnen möglichst
präzise Informationen bereitgestellt
werden können. Parrot haftet jedoch
weder für Folgen, die sich aus ggf. in
dieser Anleitung enthaltenen Fehlern
oder Unterlassungen ergeben, noch für
Schäden oder den versehentlichen Verlust
von Daten als direkte oder indirekte Folge
der Verwendung der enthaltenen
Informationen. Parrot behält sich das
Recht vor, das Produktdesign oder die
Bedienungsanleitung zu ändern bzw. zu
verbessern, ohne dass diesbezüglich
Beschränkung vorliegen und ohne jede
Verpflichtung, die Benutzer hiervon in
Kenntnis zu setzen. Wir sind stets bemüht
Aktualisierungen und Verbesserungen an
unseren Produkten vorzunehmen. So kann
es sein, dass das Produkt das Sie gekauft
haben, sich leicht unterscheidet vom in
dieser Anleitung beschriebenen Modell.
Sollte das der Fall sein, steht eine neuere
Version dieses Handbuchs in
elektronischer Form auf der Parrot
Website www.parrot.com zur Verfügung.
Korrekte Entsorgung dieses Produkts
(Elektromüll)
Die Kennzeichnung auf dem Produkt bzw.
auf der dazugehörigen Literatur gibt an,
dass es nach seiner Lebensdauer nicht
zusammen mit dem normalen
Haushaltsmüll entsorgt werden darf.
Entsorgen Sie dieses Gerät bitte getrennt
von anderen Abfällen, um der Umwelt
bzw. der menschlichen Gesundheit nicht
durch unkontrollierte Müllbeseitigung zu
schaden. Recyceln Sie das Gerät, um die
nachhaltige Wiederverwertung von
stofflichen Ressourcen zu fördern. Private

90 Deutsch
Nutzer sollten den Händler, bei dem das
Produkt gekauft wurde, oder die
zuständigen Behörden kontaktieren, um in
Erfahrung zu bringen, wie sie das Gerät auf
umweltfreundliche Weise recyceln
können. Gewerbliche Nutzer sollten sich
an Ihren Lieferanten wenden und die
Bedingungen des Verkaufsvertrags
konsultieren. Dieses Produkt darf nicht
zusammen mit anderem Gewerbemüll
entsorgt werden.
Eingetragene Marken
Parrot und die Parrot-Logos sind in
Frankreich und in anderen Ländern
eingetragene Marken der Firma PARROT
SA.
Der Name „Bluetooth“ und das
Bluetooth
-
Logo sind eingetragene Marken der Firma
Bluetooth® SIG, Inc., und jegliche Nutzung
dieses Namens und dieses Logos durch
die Parrot SA erfolgt im Rahmen einer
Lizenz.
iPod, iPhone und Apple sind in den USA
und in anderen Ländern eingetragene
Marken der Firma Apple, Inc.
Google Play ist eine Handelsmarke der
Firma Google, Inc.
Alle anderen Handelsmarken und
eingetragenen Marken, die in diesem
Dokument vorkommen, sind
urheberrechtlich geschützt und das
Eigentum ihrer jeweiligen Eigentümer.

91Italiano
Guida all'uso
Indice
Prima di iniziare
Installazione
Primo utilizzo
Telefono
Musica
Internet
Problemi frequenti
Informazioni generali
p.91
p.92
p.98
p.100
p.101
p.104
p.106
p.108
Prima di iniziare
A proposito di questa guida
Per limitare il nostro consumo di carta e
nell’ambito della nostra azione
responsabile volta alla tutela
dell’ambiente, abbiamo scelto
l’immissione on line dei documenti
destinati agli utenti, che quindi non
saranno più stampati. La presente guida
semplificata del Parrot ASTEROID Mini si
limita quindi a dare le principali istruzioni
che vi consentiranno di utilizzare
facilmente questo apparecchio. Troverete
maggiori informazioni nella sezione
Supporto del nostro sito web
www.parrot.com.

92 Italiano
Nota: In questo manuale, il termine "iPod"
verrà utilizzato per indicare iPod e iPhone.
Avvertenza
Le funzioni che richiedono un'attenzione
prolungata devono essere utilizzate solo a
veicolo fermo. La propria sicurezza e
quella degli altri utenti della strada sono
più importanti delle telefonate, della
musica o delle applicazioni di assistenza
alla guida. Mantenere un comportamento
responsabile: guidare con prudenza e
prestare attenzione al proprio ambiente.
Parrot declina ogni responsabilità nel caso
in cui si decida di ignorare tali avvertenze.
Utilizzare il Parrot ASTEROID Mini con un
livello di volume ragionevole, in maniera
da poter sentire in qualsiasi momento i
rumori esterni durante la guida.
Aggiornamento del software
Scaricate gratuitamente l’ultimo
aggiornamento del Parrot ASTEROID Mini
nel nostro sito web www.parrot.com, alla
sezione Supporto. Questi aggiornamenti vi
permetteranno di utilizzare le nuove
funzionalità e di migliorare la compatibilità
del Parrot ASTEROID Mini.
Installazione
Nota: Per eseguire l'installazione, si
raccomanda di ricorrere ad un
professionista esperto, rivolgendosi in
particolar modo alla nostra rete di
installatori autorizzati.
Prima di iniziare
L'installazione del Parrot ASTEROID Mini
consiste nell'inserirlo tra l'autoradio e il
veicolo.
Nota: I cavi forniti in dotazione con il
Parrot ASTEROID Mini sono provvisti di
connettori ISO. Se l'autoradio non è dotata
di connettori ISO, occorre procurarsi un
cavo adattatore ISO per consentire il

93Italiano
montaggio. Consultare la sezione
Compatibilità veicolo alla pagina di
assistenza di Parrot ASTEROID Mini per
verificare l'eventuale necessità di un cavo
adattatore.
Incominciare rimuovendo l'autoradio
originale dal veicolo. Questa operazione
potrebbe richiedere l'uso di chiavi di
estrazione.
Consultare lo schema elettrico
dell'autoradio.
Prima di fissare i vari elementi del Parrot
ASTEROID Mini nell'abitacolo, collegare i
diversi cavi alla centralina elettronica.
Prima di fissare definitivamente i
componenti, controllare le lunghezze dei
cavi assicurandosi che le varie posizioni
vengano scelte in modo tale che i cavi
siano sufficientemente lunghi da collegare
i vari elementi l'uno all'altro. Accertarsi
che, al termine dell'installazione, i cavi del
Parrot ASTEROID Mini non risultino
piegati o incastrati.
Le indicazioni "Connessione #" nelle
prossime sezioni corrispondono alle
connessioni rappresentate negli schemi a
pag. 6 / 7.
Collegamento del cavo audio
Collegare i fasci di cavi audio del veicolo ai
connettori del Parrot ASTEROID Mini
(connessioni 1A e 2).
Se il veicolo è dotato di un impianto audio
con amplificatore, utilizzare le uscite Jack
Line Out Front e Line Out Rear presenti
sulla centralina elettronica per evitare
problemi di saturazione (colpi negli
altoparlanti, soffio permanente, ecc.).
Collegare le uscite Line Out all'impianto
audio utilizzando uno o due cavi Jack per
collegare il Parrot ASTEROID Mini
all'impianto audio (connessione 1B sullo
schema a pag.7).
Collegamento del cavo di alimentazione
1. Scollegare la batteria prima di installare
il cavo di alimentazione.
2. Collegare il connettore ISO maschio del
Parrot ASTEROID Mini all'autoradio
(connessione 3).

94 Italiano
3. Collegare i fasci di cavi di alimentazione
del veicolo al connettore ISO femmina
del Parrot ASTEROID Mini
(connessione 4).
Il filo rosso del cavo deve corrispondere
al +12V permanente, il filo arancione al 12V
post-contatto e il filo nero alla massa.
Verificare che il filo arancione non sia
collegato al 12V permanente: si
rischierebbe di scaricare la batteria del
veicolo.
Nota: Per procedere alla verifica
dell'installazione, collegare innanzitutto il
display senza sistemarlo sul quadro
comandi. Per maggiori informazioni
consultare la sezione Verifica
dell'installazione.
Su alcuni veicoli il +12V post-contatto non
è presente sui connettori dell'automezzo.
In tal caso, è necessario collegare il filo di
alimentazione arancione alla scatola dei
fusibili o ad un'altra sorgente di
alimentazione post-contatto.
Collegamento del cavo Mute
La funzione Mute permette di
interrompere l'audio dell'autoradio per
lasciare spazio a quello del Parrot
ASTEROID Mini (musica, conversazioni,
ecc.). La scelta dell'ingresso Mute (mute
in 1, mute in 2 o mute in 3) dipende dalla
configurazione dell'autoradio. Individuare
l'ingresso Mute e quindi collegarlo al filo
giallo libero sul cavo ISO (connessione 5).
Installazione della centralina elettronica
Non installare la centralina vicino al
riscaldamento o al climatizzatore né in un
punto esposto al sole.
Dopo l'installazione, assicurarsi che la
centralina sia saldamente fissata. Lasciare
attorno al radiatore dell'apparecchio lo
spazio sufficiente per facilitare la
dispersione del calore.
Installata la centralina, risistemare
l'autoradio senza forzare. Se lo spazio
dietro l'autoradio è insufficiente,
prevedere ad esempio lo smontaggio del
vano portaoggetti.
Attenzione: non toccare la centralina
mentre è in funzione. La temperatura

95Italiano
superficiale potrebbe essere molto alta.
Verifica dell'installazione
Accendere e quindi spegnere il motore del
veicolo dopo avere installato il Parrot
ASTEROID Mini : il messaggio "
Arrivederci " dovrà comparire sul display.
Se il messaggio non appare, invertire le
posizioni dei fili rosso e arancione. In
conclusione, il filo rosso del cavo di
alimentazione deve essere collegato al 12V
permanente, il filo arancione al 12V post-
contatto e il filo nero alla massa. Questa
operazione si effettua semplicemente
invertendo i due capicorda posti sul
cablaggio Parrot (connessione 7).
Installazione del doppio microfono
Si raccomanda di fare scivolare il cavo nella
canalina di scolo dietro la guarnizione della
portiera.
Se il cavo passa sopra i pedali, assicurarsi
che sia saldamente fissato.
Avvertenza: Non fare passare il cavo del
microfono negli impianti di riscaldamento,
ventilazione e climatizzazione o davanti
agli airbag laterali.
Assicurarsi che il microfono sia installato il
più vicino possibile alla testa
dell'utilizzatore. La distanza ideale è di 60
cm. Installare il microfono preferibilmente
accanto al retrovisore interno.
Orientare il microfono verso la bocca
dell'utilizzatore.
Installazione del dongle GPS
Fissare il dongle GPS su una superficie
piana, in una zona priva di ostacoli
all'interno dell'abitacolo.
I parabrezza atermici e i vetri con antenna
integrata possono interferire con la
ricezione GPS e ridurre l'affidabilità delle
informazioni legate alle applicazioni di
navigazione.
L'antenna GPS è situata sul lato
in cui compaiono la dicitura
"Parrot ASTEROID GPS" e il
logo a forma di stella. Questo

96 Italiano
logo deve sempre essere
rivolto verso l'alto.
Se il veicolo possiede un parabrezza
atermico, fissare il dongle GPS sul
parabrezza a livello della zona non
atermica. Il lato su cui compare il logo a
forma di stella deve essere incollato al
parabrezza (schema B a pag.9).
Nota: La zona non atermica del parabrezza
dipende dal modello del veicolo. Questa
zona è solitamente situata a livello del
retrovisore.
Se il veicolo non possiede un parabrezza
atermico, fissare il dongle GPS sul quadro
comandi. Il lato su cui compare il logo a
forma di stella deve essere visibile
(schema A a pag.8).
Per assicurare un corretto fissaggio del
supporto:
pulire la superficie di montaggio
prima di incollare il supporto;
dopo avere fissato il supporto,
attendere circa 2 ore senza
maneggiarlo.
Installazione del cavo USB
Collegare i cavi iPod®, e USB al Parrot
ASTEROID Mini Si consiglia di collegare
tutti i cavi del Parrot ASTEROID Mini
anche se non si prevede necessariamente
di utilizzarli. Far uscir fuori i connettori
corrispondenti dal proprio ripostiglio o
vano portaoggetti. A tale scopo, potrebbe
essere necessario realizzare un foro
all’interno del cruscotto. Nei limiti del
possibile, evitare l’utilizzo di prolunghe
USB.
Per garantire una qualità ottimale della
ricezione, non collegare la propria chiave
3G direttamente sul Parrot ASTEROID
Mini: utilizzate un cavo USB per installare
l’accessorio sul cruscotto (o altra zona
libera).
Installazione del display
Avvertenza: Evitare qualsiasi installazione
che possa intralciare l'uso di comandi
importanti o ridurre la visibilità del

97Italiano
conducente. Non installare il display dove
potrebbe essere scagliato dall'apertura di
un airbag o in prossimità di una bocchetta
di aerazione o dell'aria condizionata del
veicolo.
Incollare il supporto in plastica sul quadro
comandi (schema C a pag.10).
Pour assurer une bonne fixation du
support :
nettoyez la surface de montage avant
de coller le support ;
après fixation du support, patientez
environ 2 heures sans le manipuler.
Per evitare i rischi di furto e di esposizione
prolungata al sole, rimuovere il display
quando si lascia il veicolo incustodito.
Installazione del telecomando
Incollare il supporto del telecomando al
quadro comandi servendosi dell'adesivo
presente nella parte inferiore.
Per assicurare un corretto fissaggio del
supporto:
pulire la superficie di montaggio
prima di incollare il supporto;
dopo avere fissato il supporto,
attendere circa 2 ore senza
maneggiarlo.
Il telecomando può essere alimentato in
due modi: con una pila oppure
collegandolo alla centralina elettronica.
Per alimentare il telecomando con una pila
(schema D a pag.11) :
1. Rimuovere l'elemento tondo in
plastica posto sul retro del
telecomando, facendolo ruotare in
senso orario.
2. Inserire una pila del tipo 3V CR2032
nell'apposito alloggiamento.
Assicurarsi che la pila sia orientata
nella giusta direzione.
3. Riposizionare l'elemento tondo in
plastica, facendolo ruotare in senso
antiorario.
Per collegare il telecomando alla centralina
elettronica (schema D a pag.11) :
1. Rimuovere l'elemento tondo in
plastica posto sul retro del

98 Italiano
telecomando, facendolo ruotare in
senso orario.
2. Collegare il cavo a livello
dell'alloggiamento per la pila e farlo
ruotare in senso antiorario.
3. Collegare l'altra estremità del cavo
alla centralina elettronica, a fianco dei
connettori USB (schema a pag.6).
Primo utilizzo
Navigazione nei menu
Premere il tasto per accedere al menu
principale.
Navigare nei menu girando la rotella e
confermare premendo il tasto centrale
Parrot.
Per ritornare al menu precedente,
premere il tasto .
Premere il tasto per accedere al
menu contestuale, corrispondente
all’applicazione in corso d’uso.
Durante la lettura di un file musicale,
premere il tasto per ritornare al menu.
Inversamente, per tornare al lettore
quando si naviga tra i menu, premere il
tasto SRC.
Tenere premuto il tasto per 2 secondi
per visualizzare le ultime 6 applicazioni
utilizzate o in corso di utilizzo.
Premere il tasto SRC per selezionare la
sorgente dei file audio.
Accoppiare un telefono cellulare
Nota: Consultate la pagina Compatibilità
del nostro sito web per verificare se il
telefono è compatibile con il Parrot
ASTEROID Mini e quindi consultare la
relativa procedura di abbinamento:
www.parrot.com/it/compatibility.

99Italiano
Se è la prima volta che si utilizza un
telefono con il Parrot ASTEROID Mini, è
innanzitutto necessario abbinare i 2
apparecchi. Una volta abbinato il telefono
con il Parrot ASTEROID Mini, la
connessione tra i 2 apparecchi si stabilirà
automaticamente non appena si
troveranno accesi nelle vicinanze e con la
funzione
Bluetooth®
attivata.
1. Dal telefono lanciate una ricerca di
periferiche
Bluetooth®
e quindi
selezionate "Parrot ASTEROID Mini".
2. La procedura di abbinamento dipende
quindi dal modello del telefono:
Se il telefono chiede di inserire il
codice PIN
Bluetooth
, digitare
"0000".
Se Parrot ASTEROID Mini e il
telefono visualizzano due codici,
assicurarsi che siano identici e
quindi confermare o annullare.
> Sul display di Parrot ASTEROID
Mini apparirà il messaggio
"Abbinamento riuscito".
Nota: Su alcuni telefoni, per consentire la
connessione automatica, occorre
autorizzare la connessione a Parrot
ASTEROID Mini. Per maggiori informazioni
consultate la documentazione del telefono.
Sincronizzazione della rubrica telefonica
Con la maggior parte dei telefoni
Bluetooth
, la rubrica viene
automaticamente sincronizzata con la
memoria del sistema. Ogni volta che la
rubrica viene modificata, la
sincronizzazione si riesegue
automaticamente alla connessione
successiva.
Avvertenza: Solo i contatti salvati nella
memoria del telefono si sincronizzano con il
Parrot ASTEROID Mini. Se i contatti sono
salvati nella memoria della scheda SIM, è
necessario trasferirli nella memoria del
telefono. Per maggiori informazioni
consultare la documentazione del telefono.

100 Italiano
Nota: Su alcuni telefoni è necessario
autorizzare l'accesso del Parrot ASTEROID
Mini ai contatti per consentire la
sincronizzazione. Per maggiori
informazioni consultare la documentazione
del telefono.
La sincronizzazione automatica è limitata a
5.000 contatti (o numeri telefonici) per
telefono abbinato.
Telefono
Per ricevere una chiamata
Le chiamate in entrata sono segnalate da
una suoneria. Il nome del contatto è
annunciato se il numero di tale contatto è
registrato nella rubrica del telefono
collegato al Parrot ASTEROID Mini.
Se si intende accettare una chiamata
in entrata, premere il tasto . Per
terminare la chiamata, premere il
tasto .
Se si intende rifiutare una chiamata in
entrata, premere il tasto .
Per effettuare una chiamata
È possibile iniziare una chiamata tramite il
riconoscimento vocale subito dopo la
sincronizzazione della rubrica del
telefono. Il Parrot ASTEROID Mini
riconoscerà automaticamente il contatto
della rubrica che si desidera chiamare.
1. Premere il tasto per iniziare il
processo di riconoscimento vocale.
> Il Parrot ASTEROID Mini chiederà il
nome del contatto che si intende
chiamare.
2. Pronunciare il nome del contatto
seguito dal tipo di numero
("LAVORO", "CELLULARE", ecc.) se
per il contatto sono disponibili diversi

101Italiano
numeri.
> La chiamata di questo contatto inizia
automaticamente se il comando
vocale è stato compreso
correttamente.
> In caso contrario, il kit viva voce
emette un messaggio di richiesta di
conferma. Confermare pronunciando
"SÌ", "CHIAMA" o "CHIAMARE".
Nota: In qualunque momento è possibile
premere il tasto per uscire dalla
modalità di riconoscimento vocale.
Musica
Ricerca musicale ad attivazione vocale
Met de spraakherkenningsfunctie voor
muziek kunt u de artiesten of albums die u
wilt beluisteren, via spraakherkenning
selecteren. Deze functie is beschikbaar als
u de Parrot ASTEROID Mini gebruikt met
een randapparaat zoals iPod / USB / SD, of
als u een muziektoepassing gebruikt die
compatibel is met deze functie.
1. Premere il tasto .
2. Pronunciare il nome dell'artista o
dell'album che si desidera ascoltare
quando il Parrot ASTEROID Mini
invita a farlo.
> Comparirà l'elenco delle sorgenti
audio connesse al Parrot ASTEROID
Mini e delle applicazioni musicali
compatibili con la funzione di
riconoscimento vocale e contenenti
l'artista/l'album prescelto.
Opmerking: Controleer de namen van de
artiesten en albums in de tags (metadata)
van uw muziekbestanden. Ze kunnen
verschillen van de weergave in de titel van
het nummer.
iPod
1. Collegare l'iPod al cavo iPod.
2. Premere il tasto SRC e selezionare
iPod.

102 Italiano
3. Selezionate uno dei criteri di
classifica (artista, album, brani,
genere, playlist) e premete la
manopola.
4. Premere il brano per avviarne la
riproduzione.
Nota: Premete il tasto e selezionate la
prima lettera dell'artista, dell'album o del
brano per spostarvi più facilmente
all'interno del contenuto dell'iPod.
Scheda SD
È possibile utilizzare le seguenti schede
SD (se necessario, con adattatore) con il
Parrot ASTEROID Mini : SD, micro SD,
mini SD, SDHC, mini SDHC, micro SDHC.
La capacità della scheda SD non deve
superare i 32 GB.
I file musicali presenti sulla scheda SD
possono essere in formato MP3 (mpeg1
layer3), AAC, WAV, OGG o WMA.
1. Inserire la scheda SD nell'apposito
slot situato sulla destra del display
(schema E a pag.12).
2. Premere il tasto SRC e selezionare
SD.
3. Selezionate uno dei criteri di
classifica (artista, album, brani,
genere, playlist) e premete la
manopola.
4. Premere il brano per avviarne la
riproduzione.
Nota: Premete il tasto e selezionate la
prima lettera dell'artista, dell'album o del
brano per spostarvi più facilmente
all'interno del contenuto della scheda SD.
Chiavetta USB
Parrot ASTEROID Mini è compatibile con
la maggior parte delle chiavette USB, dei
lettori MP3 e degli hard disk esterni. Non
esiste alcun limite per quanto concerne la
capacità delle chiavette USB.
I file musicali sulla chiavetta USB possono
essere in formato MP3 (mpeg1 layer3) o
WMA.
1. Collegare la periferica USB al cavo
USB.

103Italiano
2. Premere il tasto SRC e selezionare
USB.
3. Selezionate uno dei criteri di
classifica (artista, album, brani,
genere, playlist) e premete la
manopola.
4. Premere il brano per avviarne la
riproduzione.
Nota: Premete il tasto e selezionate la
prima lettera dell'artista, dell'album o del
brano per spostarvi più facilmente
all'interno del contenuto della periferica
USB.
Utilizzo con un lettore audio Bluetooth
Nota: Parrot ASTEROID Mini consente di
utilizzare la funzione telefonia e streaming
audio tramite Bluetooth con 2 telefoni
diversi, senza che sia necessario scollegare
uno dei 2 apparecchi.
È possibile utilizzare Parrot ASTEROID
Mini per ascoltare file musicali archiviati
su un lettore audio Bluetooth se
ques'ultimo supporta il profilo A2DP
(Advanced Audio Distribution Profile).
Se il lettore audio viene utilizzato per la
prima volta, è innanzitutto necessario
abbinarlo al Parrot ASTEROID Mini. Se il
lettore audio è già abbinato al Parrot
ASTEROID Mini :
1. Premere il tasto SRC e selezionare
Audio Bluetooth.
2. Avviare la riproduzione di un brano
sul lettore audio.

104 Italiano
Internet
Connessione con chiavetta 3G/4G
Nota: Consultare la sezione Compatibilità
del Parrot ASTEROID Mini sul nostro sito
web per visualizzare l'elenco delle chiavette
3G/4G compatibili con il Parrot ASTEROID
Mini.
1. Collegare una chiavetta 3G/4G al
Parrot ASTEROID Mini mediante il
cavo USB.
> Apparirà un pop-up.
2. Attivate la connessione 3G
selezionando OK.
> Apparirà il pop-up Stato della
connessione 3G seguito da un altro
pop-up che chiede di inserire il
codice PIN.
3. Inserite il codice PIN utilizzando la
rotella e quindi selezionate OK.
Spuntate l'opzione Memorizza il
codice PIN se preferite che il codice
PIN non vi venga richiesto ad ogni
riavvio di Parrot ASTEROID Mini.
Nota: Questa regolazione può essere
modificata anche in seguito selezionando
Impostazioni > Rete > Chiavetta 3G.
4. Selezionate il vostro APN (Access
Point Name) dall'elenco proposto.
Questa informazione è disponibile
nella documentazione fornita con la
chiavetta 3G. Se l'APN non compare
nell'elenco, è possibile aggiungerlo
selezionando Impostazioni > Rete >
Chiavetta 3G > Configurazione >
Nuovo access point.
> Apparirà il messaggio "Chiavetta 3G
configurata".
5. È necessario attendere circa 30
secondi affinché si stabilisca la
connessione. È anche possibile
premere il tasto e spostarsi nei
menu mentre si stabilisce la
connessione.
Connessione tramite Bluetooth
Se si possiede un telefono che supporta il
profilo
Bluetooth®
DUN (Dial-Up
Networking) o PAN (Personal Area

105Italiano
Network), la connessione tramite
Bluetooth
del telefono al Parrot
ASTEROID Mini consente di condividere
la connessione 3G del telefono stesso.
Nota: Consultare la pagina Compatibilità
sul nostro sito web per verificare se il
telefono consente di condividere la
connessione 3G tramite Bluetooth e quindi
consultare la relativa procedura:
www.parrot.com/it/compatibility.
1. Collegate il telefono a Parrot
ASTEROID Mini mediante
Bluetooth
.
2. Su Parrot ASTEROID Mini
selezionate Preferenze > Rete >
Bluetooth > Configurazione.
3. Selezionate il vostro APN (Access
Point Name) dall'elenco proposto e
quindi spuntate l'opzione
Selezionate.
4. Premete il tasto e selezionate
Connetti.
5. Autorizzate la condivisione della
connessione sul telefono. Questa
procedura può essere diversa a
seconda del modello di telefono.
Connessione tramite USB
Se si possiede un telefono che supporta la
condivisione della connessione 3G tramite
USB, collegare il telefono al Parrot
ASTEROID Mini con un cavo USB/micro-
USB (non fornito) per condividere la
connessione 3G del telefono stesso.
Nota: Consultare la pagina Compatibilità
sul nostro sito web per verificare se il
telefono consente di condividere la
connessione 3G tramite USB e consultare la
relativa procedura: www.parrot.com/it/
compatibility.
1. Accertarsi che la tastiera del telefono
sia sbloccata, quindi collegarlo al
Parrot ASTEROID Mini servendosi di
un cavo USB/micro-USB. Questa
connessione consente anche di
ricaricare la batteria del telefono.
2. Se necessario, selezionare il proprio
APN (Access Point Name)
dall'elenco proposto e quindi

106 Italiano
spuntare l'opzione Seleziona. Questa
impostazione può essere modificata
anche in seguito selezionando
Impostazioni > Rete > USB.
> Apparirà un pop-up che indica
l’attivazione della condivisione della
connessione USB.
Utilizzare le applicazioni
È possibile utilizzare diversi tipi di
applicazioni con il Parrot ASTEROID Mini :
musica, geolocalizzazione, assistenza alla
guida. Le applicazioni disponibili sono
diverse a seconda del paese di utilizzo.
Alcune applicazioni possono richiedere un
abbonamento.
Il Parrot ASTEROID Mini è un sistema
multitasking: possono infatti essere
utilizzate più applicazioni in
contemporanea. Ad esempio, è possibile
ascoltare una Webradio e utilizzare al
tempo stesso un'applicazione di
assistenza alla guida.
Per ulteriori informazioni sull'utilizzo
delle applicazioni disponibili è possibile
consultare la pagina web dell'ASTEROID
Market: www.parrotasteroid.com.
Problemi frequenti
Prima di iniziare
Assicurarsi che il messaggio "Arrivederci"
compaia sul display del Parrot ASTEROID
Mini allo spegnimento del motore del
veicolo. Per maggiori informazioni
consultare la sezione Verifica
dell'installazione.
Resettare l'apparecchio. A tale scopo,
selezionare preferenze > preferenze
avanzate > impost.predef.
Accertarsi di avere installato l'ultimo
aggiornamento disponibile sul Parrot
ASTEROID Mini. A tale scopo,
selezionare Impostazioni > Informazioni

107Italiano
su > Versione. Confrontare questo
numero di versione con quello indicato
nella pagina di assistenza del Parrot
ASTEROID Mini sul nostro sito web
www.parrot.com.
Problemi relativi alla funzione telefonia
Verificare la compatibilità del telefono con
il Parrot ASTEROID Mini. A tale scopo,
consultare la pagina Compatibilità sul
nostro sito web: www.parrot.com/it/
compatibility.
Se il telefono viene indicato come
compatibile e il Parrot ASTEROID Mini
possiede già l'ultimo aggiornamento,
rimuovere l'abbinamento tra i 2 apparecchi
sul Parrot ASTEROID Mini e sul telefono,
riavviarli entrambi e quindi ripristinare la
connessione tra di essi.
Problemi relativi alla funzione musica
Resettare l'iPod/iPhone prima di
riconnetterlo al Parrot ASTEROID Mini.
Per resettare un iPod/iPhone (procedura
che non cancella alcun dato):
iPod: premere contemporaneamente
Menu e il tasto centrale fino a quando
l'iPod non si riavvia.
iPhone/iPod touch: premere
contemporaneamente i tasti
Accendi/Spegni e Home fino a
quando l'iPhone non si riavvia. Non
toccare il display quando appare il
messaggio "Scorrere per spegnere".
Alcuni problemi possono comparire se la
periferica è già connessa al Parrot
ASTEROID Mini quando si accende il
motore. Ripetere la procedura
connettendo la periferica dopo avere
acceso il motore.
Per ulteriori informazioni
Consultare la pagina di assistenza del
Parrot ASTEROID Mini sul nostro sito
web www.parrot.com.

108 Italiano
Informazioni generali
Garanzia
Senza pregiudizio della garanzia legale, i
prodotti Parrot sono garantiti, per
sostituzione pezzi e mano d’opera, per 1
anno a partire dalla data di acquisto, salvo
alterazioni del prodotto, e su
presentazione di una prova di acquisto
(data e luogo di acquisto, numero di serie
del prodotto) al rivenditore. La garanzia
non copre gli aggiornamenti dei software
inclusi nei prodotti Parrot con i telefoni
cellulari Bluetooth® ai fini di compatibilità,
il recupero di dati, il deterioramento
esterno del prodotto dovuto al normale
uso del prodotto stesso, i danni causati
accidentalmente, da un uso anomalo o non
autorizzato del prodotto, un prodotto non
Parrot. Parrot non è responsabile della
memoria, della perdita o del
danneggiamento dei dati durante il
trasporto o la riparazione. Parrot non potrà
in alcun caso essere ritenuta responsabile
per eventuali problemi di funzionamento
dovuti ad un’installazione non conforme a
quanto indicato nelle istruzioni e/o ad
un’installazione non conforme effettuata
dall’utente stesso.
Modifiche
Le spiegazioni e le specifiche riportate
nella presente guida sono solo a scopo
informativo e possono subire modifiche
senza preavviso. Tali informazioni sono da
considerarsi corrette al momento della
pubblicazione. La presente guida è stata
redatta prestando grande attenzione, al
fine di fornire ai clienti informazioni
precise e attendibili. Tuttavia, Parrot non
può essere ritenuta responsabile per
eventuali conseguenze derivanti da
omissioni o errori nella presente guida, né
per eventuali danni o perdite accidentali di
dati causati direttamente o indirettamente
dall’uso delle informazioni ivi contenute.
Parrot si riserva il diritto di modificare/
migliorare il prodotto o la guida per
l’utente senza limitazione alcuna e senza
l’obbligo di notifica agli utenti. Poiché il
costante impegno dell’azienda è volto a

109Italiano
garantire continui aggiornamenti e
miglioramenti, il prodotto acquistato
dall’utente potrebbe risultare
leggermente diverso dal modello descritto
nella presente guida. In tal caso, verificare
la disponibilità di una versione aggiornata
della guida in formato elettronico nel sito
Web di Parrot all’indirizzo
www.parrot.com.
Corretto smaltimento del prodotto
(rifiuti elettrici ed elettronici)
(Applicabile nei Paesi dell’Unione
Europea e in quelli con sistema di raccolta
differenziata) Il marchio riportato sul
prodotto o sulla sua documentazione
indica che il prodotto non deve essere
smaltito con altri rifiuti domestici al
termine del ciclo di vita. Per evitare
eventuali danni all‘ambiente o alla salute
causati dall‘inopportuno smaltimento dei
rifiuti, si invita l‘utente a separare questo
prodotto da altri tipi di rifiuti e di riciclarlo
in maniera responsabile per favorire il
riutilizzo sostenibile delle risorse
materiali. Gli utenti domestici sono
invitati a contattare il rivenditore presso il
quale è stato acquistato il prodotto o
l‘ufficio locale preposto per tutte le
informazioni relative alla raccolta
differenziata e al riciclaggio per questo
tipo di prodotto. Gli utenti aziendali sono
invitati a contattare il proprio fornitore e
verificare i termini e le condizioni del
contratto di acquisto. Questo prodotto
non deve essere smaltito unitamente ad
altri rifiuti commerciali.
Il nome e il logo Bluetooth® sono marchi
depositati di Bluetooth® SIG, Inc. e il loro
utilizzo da parte di Parrot S.A. avviene in
condizioni di licenza.
Parrot e i loghi Parrot sono marchi
registrati di PARROT SA in Francia e in
altri paesi.
“Made for iPod / iPhone” significa che
l’accessorio elettronico è stato
appositamente progettato per collegarsi
all’iPod / iPhone e che è stato certificato
dal produttore come conforme agli

110 Italiano
standard prestazionali di Apple. Apple non
è responsabile del funzionamento del
dispositivo o della sua conformità ai
requisiti di sicurezza.
iPod e iPhone sono marchi di Apple, Inc.
depositati negli Stati Uniti e in altri paesi.
Tutti gli altri marchi citati in questa guida
sono protetti e di proprietà dei rispettivi
titolari.

111Dutch
Gebruikershandleiding
Inhoudsopgave
Voordat u begint
Installatie
Het eerste gebruik
Telefoon
Muziek
Internet
Problemen verhelpen
Algemene informatie
p.111
p.112
p.118
p.120
p.121
p.124
p.126
p.128
Voordat u begint
Over deze gids
Om ons papierverbruik te beperken en in
het kader van onze zo verantwoordelijk
mogelijke aanpak op het gebied van
milieubehoud, geeft Parrot er de voorkeur
aan om documentatie online beschikbaar
te stellen in plaats van deze af te drukken.
Deze vereenvoudigde gids voor de Parrot
ASTEROID Mini geeft u dus slechts de
belangrijkste instructies die u nodig heeft
om dit apparaat makkelijk te gebruiken. U
vindt meer informatie in het onderdeel
Support van onze website
www.parrot.com: complete
documentatie, FAQ…

112 Dutch
Opmerking: Ten behoeve van de
leesbaarheid worden de iPod® en de
iPhone® in deze handleiding aangeduid
met de term "iPhone".
Waarschuwingen
De functies die langere tijd de aandacht
opeisen, mogen alleen gebruikt worden
wanneer de auto stilstaat. Uw veiligheid
en die van de andere weggebruikers is
belangrijker dan telefoongesprekken,
muziek of rijhulpmiddelen. Wees
verantwoordelijk: rijd voorzichtig en let op
uw omgeving. Parrot wijst elke
verantwoordelijkheid af indien u deze
waarschuwing negeert.
Gebruik de Parrot ASTEROID Mini met
een redelijk geluidsvolume. Zo kunt
tijdens het rijden altijd horen wat zich
buiten afspeelt.
Updates
Download gratis de laatste update voor uw
product op onze website www.parrot.com
gedeelte Hulp. Via deze updates
profiteert u van nieuwe functies en een
verbeterde compatibiliteit van uw
product.
Installatie
Opmerking: Wij adviseren om deze
installatie te laten uitvoeren door een
vakman, met name een installateur die is
aangesloten bij ons netwerk van erkende
installateurs.
Voordat u begint
De installatie van de Parrot ASTEROID
Mini bestaat erin het apparaat tussen de
autoradio en het voertuig te plaatsen.
Opmerking: De kabels die worden geleverd
bij de Parrot ASTEROID Mini zijn voorzien
van ISO-aansluitingen. Als uw autoradio
niet is uitgevoerd met ISO-aansluitingen,
moet u een ISO-adapterkabel kopen om de

113Dutch
montage te kunnen uitvoeren. Zie het
gedeelte over voertuigcompatibiliteit op de
hulppagina van de Parrot ASTEROID Mini
om te controleren of u een ISO-
adapterkabel nodig heeft.
Verwijder eerst de originele autoradio uit
uw voertuig. Het kan zijn dat u hiervoor
speciale sleutels nodig heeft.
Raadpleeg het elektrisch schema van uw
autoradio.
Sluit voordat u de verschillende
onderdelen van de Parrot ASTEROID Mini
in de auto vastzet, eerst de verschillende
kabels aan op het elektronicakastje. Wacht
met het definitief vastzetten van de
onderdelen tot u de kabellengtes
gecontroleerd heeft en zeker weet dat de
kabelloop zodanig gekozen is dat de kabels
lang genoeg zijn om de onderdelen op
elkaar aan te sluiten. Overtuig u ervan dat
de kabels van de Parrot ASTEROID Mini na
afloop van de installatie nergens geknikt
zijn of bekneld zitten.
De aanwijzingen "Aansluiting #" in de
volgende paragrafen komen overeen met
de aansluitingen in de afbeeldingen op
pag.6 / 7.
De audiokabel aansluiten
Sluit de audiodraden van het voertuig aan
op de aansluitingen van de Parrot
ASTEROID Mini (Aansluiting 1A en 2).
Als uw voertuig voorzien is van een
audiosysteem met versterker, gebruikt u
de uitgangen Jack Line Out Front en Line
Out Rear op het elektronicakastje om
verzadigingsproblemen (kraken van de
luidsprekers, permanente ruis, enz.) te
vermijden. Sluit deze Line Out-uitgangen
aan op uw audiosysteem met behulp van
een of twee jackkabels om de Parrot
ASTEROID Mini op uw audiosysteem aan
te sluiten (Aansluiting 1B in de figuur op
pag.7).
De voedingskabel aansluiten
1. Ontkoppel de accu voordat u de
voedingskabel aansluit.
2. Sluit de ISO-stekker van de Parrot
ASTEROID Mini aan op de autoradio

114 Dutch
(aansluiting 3).
3. Sluit de voedingskabel van het voertuig
aan op de ISO-stekkerbus van de Parrot
ASTEROID Mini (aansluiting 4).
De rode draad van de kabel moet worden
aangesloten op de +12V continuspanning,
de oranje draad op het 12V
inschakelcontact en de zwarte draad op de
massa. Overtuig u ervan dat de oranje
draad niet is aangesloten op de 12V
continuspanning, omdat u anders het
risico loopt dat de accu van het voertuig
wordt ontladen.
Opmerking: Sluit om de installatie te
controleren eerst het scherm aan zonder dit
op het dashboard te plaatsen. Raadpleeg
het onderdeel "De installatie controleren"
voor meer informatie.
Sommige voertuigen hebben geen +12V
inschakelcontact op de aansluitingen. In
dat geval moet de oranje voedingsdraad
worden aangesloten op de zekeringdoos of
een andere geschikte voedingsbron.
De mutekabel aansluiten
Met de functie Mute kunt u het geluid van
de autoradio onderbreken om naar de
Parrot ASTEROID Mini te luisteren
(muziek, communicatie, enz.). De keuze
voor een van de mute-ingangen (mute in 1,
mute in 2 of mute in 3) hangt af van de
configuratie van uw autoradio. Kies de
juiste mute-ingang en sluit die vervolgens
aan op de vrije gele draad van de ISO-kabel
(aansluiting 5).
Het elektronicakastje installeren
Installeer het elektronicakastje niet in de
buurt van de verwarming of airco, noch op
een plek waar het blootstaat aan de zon.
Zorg ervoor dat het kastje na installatie
onbeweeglijk vast zit. Houd ruimte vrij
rond de radiator van het product om de
warmte te kunnen afvoeren.
Als het kastje eenmaal geïnstalleerd is,
mag het niet meer worden geforceerd
tijdens installatie van de radio. Als de
ruimte achter de autoradio onvoldoende
is, kunt u bijvoorbeeld overwegen het
handschoenenkastje te demonteren.

115Dutch
De installatie controleren
Zet het contact van uw voertuig aan en uit
zodra de Parrot ASTEROID Mini
geïnstalleerd is. Het bericht "Tot ziens"
moet nu op het scherm worden
weergegeven.
Als dat niet zo is, moet u de rode en gele
draad omwisselen. De rode draad van de
voedingskabel moet worden aangesloten
op de 12V continuspanning, de oranje
draad op het 12V inschakelcontact en de
zwarte draad op de massa. Dit doet u door
de twee kabelschoenen op de kabels van
Parrot te verwisselen (aansluiting 7).
Installatie van de dubbele microfoon
Wij raden u aan om het snoer door de goot
achter de afdichting van de deur te leiden.
Als het snoer boven de pedalen langs
loopt, maak het dan goed vast.
Waarschuwing: Leid het microfoonsnoer
niet door het verwarmings-, ventilatie- of
aircosysteem en laat het niet voor de
zijairbags langs lopen.
Installeer de microfoon zo dicht mogelijk
bij het hoofd van de gebruiker. De ideale
afstand is 60 cm. Installeer de microfoon
bij voorkeur dicht bij de
achteruitkijkspiegel.
Richt de microfoon op de mond van de
gebruiker.
Installeren van de gps-dongle
Bevestig de gps-dongle in de auto op een
vlak oppervlak zonder obstakels.
Warmtewerende voorruiten en voorruiten
met geïntegreerde antenne kunnen zorgen
voor storing van de gps-ontvangst,
waardoor de gegevens van
navigatietoepassingen minder
betrouwbaar worden.
De antenne van de gps-dongle
bevindt zich aan de kant van het
sterlogo en de inscriptie
"Parrot ASTEROID GPS". Dit
logo moet altijd naar de lucht

116 Dutch
gericht zijn.
Bevestig de gps-dongle op het niet-
warmtewerende deel van de voorruit als
uw voertuig een warmtewerende voorruit
heeft. De kant met het sterlogo moet op
de voorruit geplakt worden (zie figuur B
pag.9).
Opmerking: De plaats van de niet-
warmtewerende zone op de voorruit
verschilt per automodel. Meestal zit deze
zone bij de achteruitkijkspiegel.
Bevestig de gps-dongle op het dashboard
als uw voertuig geen warmtewerende
voorruit heeft. De kant met het sterlogo
moet zichtbaar zijn (zie figuur A pag.8).
Zorg dat de steun goed vastzit door:
het montageoppervlak te reinigen
voordat u de steun vastlijmt;
wacht na het lijmen van de steun
ongeveer 2 uur voor u de steun
manipuleert.
Installatie van de USB-snoeren
Sluit de iPod®-snoeren, de USB-snoeren
aan op de Parrot ASTEROID Mini. Wij
raden u aan om alle snoeren van de Parrot
ASTEROID Mini aan te sluiten, zelfs als u
niet noodzakelijk van plan bent om ze te
gebruiken. Trek de overeenkomstige
aansluitingen door uw rommelbakje of
handschoenenkastje naar buiten. Mogelijk
moet u daarvoor een gat in uw dashboard
boren. Vermijd indien mogelijk het gebruik
van USB-verlengsnoeren.
Het iPod-snoer moet absoluut op de
daartoe voorziene, witte USB-poort
aangesloten worden. Boven deze poort
staat "iPod".
Voor een optimale kwaliteit van de
ontvangst mag u uw 3Gstick niet
rechtstreeks op de Parrot ASTEROID Mini
aansluiten: gebruik een USB-kabel om het
accessoire op het dashboard (of een
andere vrije zone) te plaatsen.

117Dutch
Het scherm installeren
Waarschuwing: Installeer het scherm
zodanig dat belangrijke
bedieningselementen goed toegankelijk zijn
en het zicht van de bestuurder niet wordt
belemmerd. Installeer het scherm niet op
plaatsen waar het door een geactiveerde
airbag kan worden geraakt, noch in de
buurt van een opening van het ventilatie- of
aircosysteem van het voertuig.
Lijm de plastic steun op het dashboard
(figuur C pag.10).
Zorg dat de steun goed vastzit door:
het montageoppervlak te reinigen
voordat u de steun vastlijmt;
wacht na het lijmen van de steun
ongeveer 2 uur voor u de steun
manipuleert.
Om diefstal en langdurige blootstelling
aan de zon te voorkomen, moet u het
scherm verwijderen als u uw voertuig
verlaat.
De afstandsbediening installeren
Lijm de steun voor de afstandsbediening
op het dashboard met behulp van de
kleefstrip aan de onderkant van de steun.
Pour assurer une bonne fixation du
support :
nettoyez la surface de montage avant
de coller le support ;
après fixation du support, patientez
environ 2 heures sans le manipuler.
De afstandsbediening kan op 2 manieren
van stroom worden voorzien: met een
batterij of via een aansluiting op het
elektronicakastje.
Batterij plaatsen (figuur D pag.11) :
1. Verwijder het ronde plastic deksel
aan de achterkant van de
afstandsbediening door het rechtsom
te draaien.
2. Plaats een batterij van het type 3V
CR2032 in het batterijvak. Controleer
of de batterij in de juiste richting
geplaatst is.
3. Plaats het ronde plastic deksel terug
door het linksom te draaien.

118 Dutch
Afstandsbediening aansluiten op het
elektronicakastje (figuur D pag.11) :
1. Verwijder het ronde plastic deksel
aan de achterkant van de
afstandsbediening door het rechtsom
te draaien.
2. Sluit de kabel aan in het batterijvak en
draai hem linksom.
3. Sluit het andere uiteinde van de kabel
aan op het elektronicakastje, naast de
USB-aansluitingen (figuur pag.6).
Het eerste gebruik
Door de menu's bladeren
Druk op de toets om het hoofdmenu te
openen.
Blader door de menu's door aan de
scrolknop te draaien, en bevestig door op
de middelste Parrot-knop te drukken.
Druk op de toets om terug te keren naar
het vorige menu.
Druk op de toets om het contextmenu
te openen, overeenkomstig de toepassing
die op dat ogenblik gebruikt wordt. Aan de
hand van het contextmenu kunt u met
name bepaalde instellingen wijzigen of
sneller door de inhoud van uw
telefoonboek of uw audiobron bladeren.
Druk tijdens het lezen van een
muziekbestand op de toets , om terug te
keren naar het menu. Als u daarentegen
door de menu's bladert, drukt u op de knop
SRC om terug te keren naar de lezer.
Door het menu van de bronnen bladeren
Druk op de knop SRC, om de bron van uw
audiobestanden te selecteren.
Een telefoon verbinden via Bluetooth
Opmerking: Raadpleeg de
compatibiliteitspagina op onze website om
te controleren of uw telefoon compatibel is
met de Parrot ASTEROID Mini en raadpleeg

119Dutch
de bijbehorende koppelingsprocedure:
www.parrot.com/nl/compatibility.
Als u voor het eerst een telefoon met de
Parrot ASTEROID Mini gebruikt, moet u
de twee apparaten eerst koppelen. Als uw
telefoon met de Parrot ASTEROID Mini
gekoppeld is, worden de 2 apparaten
automatisch met elkaar verbonden
wanneer ze in elkaars nabijheid worden
ingeschakeld, met de functie
Bluetooth®
geactiveerd.
1. Zoek via uw telefoon naar
Bluetooth®
-
apparaten en selecteer vervolgens
"Parrot ASTEROID Mini".
2. De koppelingsprocedure hangt van uw
telefoon af:
Als uw telefoon vraagt om de
pincode voor
Bluetooth
voert u
"0000" in.
Als de Parrot ASTEROID Mini en
uw telefoon allebei een code
weergeven, moet u controleren
of de twee codes gelijk zijn en
een bevestiging of ontkenning
geven.
> Het scherm van de Parrot
ASTEROID Mini toont
"Koppelen gelukt".
Opmerking: Op sommige telefoons moet u
verbinding met de Parrot ASTEROID Mini
toestaan om automatisch verbinding te
kunnen maken. Zie de
gebruikershandleiding van uw telefoon
voor meer informatie.
Het telefoonboek synchroniseren
Bij de meeste
Bluetooth
telefoons worden
de contacten automatisch
gesynchroniseerd met het
systeemgeheugen. Wanneer u uw
contacten wijzigt, worden ze bij de
volgende verbinding automatisch opnieuw
gesynchroniseerd.
Waarschuwing: Alleen de contacten uit het
telefoongeheugen worden
gesynchroniseerd met de Parrot ASTEROID
Mini. Breng uw contacten over naar het
telefoongeheugen als ze zijn opgeslagen op
de simkaart. Raadpleeg de

120 Dutch
gebruikershandleiding van uw telefoon
voor meer informatie.
Opmerking: Op sommige telefoons moet u
de Parrot ASTEROID Mini toegang tot uw
contacten verlenen om de synchronisatie te
kunnen uitvoeren. Zie de
gebruikershandleiding van uw telefoon
voor meer informatie.
De automatische synchronisatie is beperkt
tot 5000 contacten (of
telefoonnummers) per gekoppelde
telefoon.
Telefoon
Een gesprek aannemen
Een inkomend gesprek wordt aangegeven
door een beltoon. De naam van het contact
wordt gemeld als het nummer van het
contact opgeslagen is in de contactenlijst
van de telefoon die is aangesloten op de
Parrot ASTEROID Mini.
Als u dit gesprek wilt aannemen,
drukt u op de toets . Druk
vervolgens op de toets om het
gesprek te beëindigen.
Als u dit gesprek wilt weigeren, drukt
u op de toets .
Bellen via spraakherkenning
Direct na synchronisatie met de
contactenlijst van uw telefoon kunt u
bellen via spraakherkenning. De Parrot
ASTEROID Mini herkent automatisch het
contact uit uw contactenlijst dat u wilt
bellen.
1. Druk op de toets om de
spraakherkenning te starten.
> De Parrot ASTEROID Mini vraagt u
naar de naam van het contact dat u
wilt bellen.
2. Spreek de naam van het contact uit,
gevolgd door het soort nummer
("KANTOOR", "GSM"...) als dat
contact verschillende nummers

121Dutch
heeft.
> Als het gesproken commando goed
begrepen is, wordt automatisch
begonnen met bellen.
> Is dat niet het geval, dan wordt om
bevestiging gevraagd door het
handsfree systeem. Bevestig door
"JA", "BEL" of "BELLEN" TE
ZEGGEN.
Let op: druk op ieder ogenblik op de toets
om de spraakherkenningsmodus te
verlaten.
Muziek
De spraakherkenning voor muziek gebruiken
Met de spraakherkenningsfunctie voor
muziek kunt u de artiesten of albums die u
wilt beluisteren, via spraakherkenning
selecteren. Deze functie is beschikbaar als
u de Parrot ASTEROID Mini gebruikt met
een randapparaat zoals iPod / USB / SD, of
als u een muziektoepassing gebruikt die
compatibel is met deze functie.
1. Druk op de toets .
2. Noem de naam van de artiest of het
album dat u wilt beluisteren wanneer
de Parrot ASTEROID Mini u daarom
vraagt.
> De lijst met audiobronnen van de
Parrot ASTEROID Mini verschijnt,
waarop de muziektoepassingen met
spraakherkenningsfunctie worden
aangegeven die de door u gekozen
artiest of het album kunnen
aanbieden.
Opmerking: Controleer de namen van de
artiesten en albums in de tags (metadata)
van uw muziekbestanden. Ze kunnen
verschillen van de weergave in de titel van
het nummer.
iPod
1. Sluit uw iPod aan op de iPod-kabel.
2. Druk op de toets SRC en selecteer

122 Dutch
iPod.
3. Kies één van de indelingscriteria
(artiest, album, nummers, soort,
playlist) en druk op de scrolknop.
4. Kies het muziekbestand en druk op de
scrolknop.
Let op: druk op de toets en selecteer de
eerste letter van uw artiest, album of
nummer, om gemakkelijker door de inhoud
van uw iPod te bladeren.
SD-kaart
U kunt (indien nodig met adapter) de
volgende SD-kaarten gebruiken met de
Parrot ASTEROID Mini : SD, micro SD ,
mini SD, SDHC, mini SDHC, micro SDHC.
De capaciteit van de SD-kaart mag niet
groter zijn dan 32 GB.
De muziekbestanden op uw SD-kaart
kunnen de indeling MP3 (mpeg1 layer3),
AAC, WAV, OGG of WMA hebben.
1. Steek de SD-kaart in de daartoe
bestemde sleuf aan de rechterkant
van het scherm (figuur E pag.12).
2. Druk op de toets SRC en selecteer
SD.
3. Kiest u één van de indelingscriteria
(artiest, album, nummers, soort,
playlist) en drukt u op de scrolknop.
4. Druk op het nummer om het af te
spelen.
Let op: druk op de toets en selecteer de
eerste letter van uw artiest, album of
nummer, om gemakkelijker door de inhoud
van uw SD-kaart te bladeren.
USB-stick
De Parrot ASTEROID Mini is compatibel
met de meeste USB-sticks, MP3-spelers
en externe harde schijven. U kunt USB-
sticks met elke capaciteit gebruiken.
De muziekbestanden op uw USB-stick

123Dutch
kunnen de indeling MP3 (mpeg1 layer3),
AAC, WAV, OGG of WMA hebben.
1. Sluit uw USB-randapparaat aan op de
USB-kabel.
2. Druk op de toets SRC en selecteer
USB.
3. Kiest u één van de indelingscriteria
(artiest, album, nummers, soort,
playlist) en drukt u op de scrolknop.
4. Druk op het nummer om het af te
spelen.
Let op: druk op de toets en selecteer de
eerste letter van uw artiest, album of
nummer, om gemakkelijker door de inhoud
van uw USB-apparaat te bladeren.
Audiospeler via Bluetooth
Opmerking: Met de Parrot ASTEROID Mini
kunt u telefoneren en audio streamen via
Bluetooth op 2 verschillende telefoons,
zonder dat u een van de twee apparaten
hoeft los te koppelen.
U kunt de Parrot ASTEROID Mini
gebruiken om muziekbestanden te
beluisteren die zijn opgeslagen op een
Bluetooth audiospeler, als de speler het
profiel A2DP (Advanced Audio
Distribution Profile) ondersteunt.
Als u de audiospeler voor het eerst
gebruikt, moet u hem eerst koppelen aan
de Parrot ASTEROID Mini. Als de
audiospeler al gekoppeld is aan de Parrot
ASTEROID Mini :
1. Druk op de toets SRC van de
afstandsbediening (of druk op Muziek
op het scherm) en selecteer Audio
Bluetooth.
2. Speel een nummer af op uw
audiospeler.

124 Dutch
Internet
Verbinding maken met een 3G-stick
Note : Consultez la section compatibilité du
Parrot ASTEROID Mini sur notre site web
pour afficher la liste des clés 3G / 4G
compatibles avec le Parrot ASTEROID Mini.
1. Sluit een 3G-stick aan op de Parrot
ASTEROID Mini met behulp van een
USB-kabel.
> Er verschijnt een pop-upvenster.
2. Selecteer OK om de 3G-verbinding te
activeren.
> Er verschijnt een pop-up met de
status van de 3G-verbinding en
vervolgens een andere pop-up waarin
u uw pincode dient in te vullen.
3. Voer uw pincode in met behulp van de
scrolknop en selecteer vervolgens
OK. Vink de optie 'pincode
onthouden' aan als u niet wilt dat
steeds om de pincode wordt gevraagd
bij elke herstart van de Parrot
ASTEROID Mini.
Opmerking: U kunt deze instelling later
wijzigen via
Instellingen > Netwerk > 3G-
stick
.
4. Selecteer uw APN (Access Point
Name) in de lijst. Deze informatie
staat in de bij uw 3G-stick geleverde
documentatie. Als uw APN niet in de
lijst staat kunt u hem toevoegen via
Instellingen > Netwerk > 3G-stick >
Configuratie > Nieuw toegangspunt.
> Het bericht "3G-stick
geconfigureerd" verschijnt.
5. Het duurt ongeveer 30 seconden om
de verbinding tot stand te brengen. U
kunt ook op de toets drukken en
door de menu's navigeren terwijl de
verbinding tot stand wordt gebracht.
3G-verbinding delen via Bluetooth
Si vous disposez d’un téléphone
supportant le profil
Bluetooth
DUN (Dial-
Up Networking) ou PAN (Personal Area
Network), la connexion via
Bluetooth
de
votre téléphone au Parrot ASTEROID Mini
vous permettra de partager la connexion

125Dutch
3G du téléphone.
Note : Consultez la page compatibilité sur
notre site web pour vérifier si votre
téléphone permet le partage de connexion
3G via Bluetooth et consulter la procédure
correspondante : www.parrot.com/fr/
compatibility.
1. Verbind uw telefoon met de Parrot
ASTEROID Mini via Bluetooth.
2. Op de Parrot ASTEROID
Miniselecteert u Instellingen >
Netwerk > Bluetooth > Configuratie.
3. Selecteer uw APN (Access Point
Name) in de lijst en vink vervolgens
de optie Selecteren aan.
4. Druk op de toets en selecteer
Verbinden.
5. Geef op uw telefoon toestemming
voor het delen van de verbinding.
Deze procedure verschilt per
telefoontype.
3G-verbinding delen via USB
Opmerking: Ga naar de
compatibiliteitspagina op onze website om
te controleren of uw telefoon deling van de
3G-verbinding via USB ondersteunt. Daar
vindt u ook de bijbehorende procedure:
www.parrot.com/fr/compatibility.
1. Zorg dat de toetsen van uw telefoon
ontgrendeld zijn.
2. Verbind de telefoon met de Parrot
ASTEROID Mini via de bij uw
telefoon geleverde USB/micro-USB
kabel. U kunt de telefoon ook
aansluiten met de USB-verlengkabel
die geleverd is bij de Parrot
ASTEROID Mini. Via deze verbinding
kunt u tevens de batterij van uw
telefoon opladen.
3. Selecteer uw APN (Access Point
Name) in de lijst en vink vervolgens
de optie Selecteren aan. U kunt deze
instelling later wijzigen via
Instellingen > Netwerk > USB.
> Er verschijnt een pop-up die
activering van de gedeelde USB-
verbinding aangeeft.

126 Dutch
De toepassingen gebruiken
U kunt meerdere soorten toepassingen
gebruiken met de Parrot ASTEROID Mini :
muziek, geolocatie, rijhulp. De
beschikbare toepassingen verschillen per
land waarin de autoradio gebruikt wordt.
Voor bepaalde toepassingen hebt u
mogelijk een abonnement nodig.
De Parrot ASTEROID Mini kan
multitasken: er kunnen verschillende
toepassingen tegelijk worden gebruikt. U
kunt bijvoorbeeld een webradio
beluisteren en tegelijkertijd een
rijhulptoepassing gebruiken.
Ga voor meer informatie over het gebruik
van de beschikbare toepassingen naar de
webpagina van de ASTEROID Market:
www.parrotasteroid.com.Problemen verhelpen
Voordat u begint
Controleer of het bericht "Tot ziens" op
het scherm van de Parrot ASTEROID Mini
verschijnt wanneer u het contact van het
voertuig uitzet. Raadpleeg het onderdeel
"De installatie controleren" voor meer
informatie.
Reset het apparaat. Hiertoe kiest u
voorkeuren > geavanceerde voorkeuren >
fabrieksinstel.
Controleer of de laatste update
geïnstalleerd is op de Parrot ASTEROID
Mini. Selecteer daartoe Instellingen >
Informatie > Versie. Vergelijk dit

127Dutch
versienummer met het nummer op de
hulppagina van de Parrot ASTEROID Mini
op onze website www.parrot.com.
Opmerking: U kunt de updates voor uw
Parrot ASTEROID Mini ook downloaden als
het apparaat verbonden is met internet. In
de meldingsbalk wordt aangegeven of er
een update beschikbaar is.
Problemen met de telefoonfunctie
Controleer of uw telefoon compatibel is
met de Parrot ASTEROID Mini. Ga
daarvoor naar de compatibiliteitspagina op
onze website: www.parrot.com/nl/
compatibility.
Als aangegeven wordt dat uw telefoon
compatibel is en als uw Parrot ASTEROID
Mini al van de laatste update voorzien is,
maakt u de koppeling tussen de twee
apparaten ongedaan op de Parrot
ASTEROID Mini en uw telefoon, start u
beide apparaten opnieuw op en brengt u
de verbinding tussen de twee apparaten
opnieuw tot stand.
Problemen met de muziekfunctie
Reset uw iPod/iPhone voordat u opnieuw
verbinding maakt met de Parrot
ASTEROID Mini. Een iPod / iPhone
resetten doet u als volgt (met deze
procedure worden geen gegevens gewist):
iPod: druk gelijktijdig op Menu en op
de middelste knop tot de iPod
opnieuw opstart.
iPhone/iPod touch: druk tegelijkertijd
op de knop On/Off en op de knop
Home tot de iPhone opnieuw opstart.
Raak het scherm niet aan, wanneer
het bericht "Zet uit" verschijnt.
Sommige problemen kunnen zich
voordoen als het randapparaat al met de
Parrot ASTEROID Mini is verbonden
wanneer u het aanzet. Probeer het
nogmaals door pas verbinding te maken
nadat u het apparaat heeft aangezet.
Voor meer informatie
Zie de hulppagina van de Parrot
ASTEROID Mini op onze website

128 Dutch
www.parrot.com.Algemene informatie
Garantie
Onverminderd de wettelijke garantie geldt
voor producten van Parrot een garantie van
1 jaar gerekend vanaf de aankoopdatum op
onderdelen en arbeid, behoudens
wijziging van het product en na overlegging
van een aankoopbewijs (kassabon) aan de
verkoper.
De garantie geldt niet voor het bijwerken
van op Parrot-producten geïnstalleerde
software met mobiele telefoons via
Bluetooth
teneinde de compatibiliteit te
verzekeren, het terughalen van gegevens,
uitwendige schade door normale slijtage
van het product, enige schade die toevallig
of door een abnormaal of ongeoorloofd
gebruik van het product is veroorzaakt, een
product dat niet door Parrot geproduceerd
is. Parrot is niet verantwoordelijk voor
opslag, verlies of beschadiging van
gegevens tijdens het transport of de
reparatie.
Producten die niet defect blijken te zijn,
worden aan de afzender teruggezonden.
De kosten voor verwerking, controle en
transport komen voor rekening van de
afzender.
Wijzigingen
De uitleg en de specificaties in deze
gebruikershandleiding worden uitsluitend

129Dutch
gegeven ter informatie en kunnen zonder
voorafgaande kennisgeving worden
gewijzigd. Deze informatie was correct bij
het ter perse gaan en de grootste zorg
werd gewijd aan de samenstelling ervan,
om u zo nauwkeurig mogelijke informatie
te verschaffen.
Parrot S.A. kan echter niet direct of
indirect verantwoordelijk worden
gehouden voor eventuele schade of
toevallig verlies van gegevens
voortvloeiend uit een fout of weglating in
dit document. Parrot S.A. behoudt zich het
recht voor het product of de
gebruikershandleiding te wijzigen of
verbeteren zonder enige beperking en
zonder verplichting om de gebruiker
daarover te informeren. In het kader van
de aandacht die Parrot S.A. schenkt aan de
verbetering van onze producten, kan het
product dat u hebt gekocht enigszins
verschillen van het in dit document
beschreven product. In dat geval kunt u
misschien een nieuwe versie van de
elektronische gebruikershandleiding
vinden op de website www.parrot.com.
Hoe dit product te recycleren - afvoer van
elektrische en elektronische producten
Het symbool op het product of de
documentatie geeft aan dat het product
aan het einde van de levensduur niet
weggegooid mag worden met het gewone
huisvuil. Ongecontroleerde afvoer van
afval kan het milieu of de gezondheid
schaden. Scheid dit afval daarom van
andere afvalsoorten en recycleer het op
verantwoorde wijze. Zo draagt u bij tot
duurzaam hergebruik van grondstoffen.
Particulieren worden verzocht contact op
te nemen met de verkoper die hen het
product verkocht heeft of bij de gemeente
inlichtingen in te winnen over hoe en waar
ze dit product zo kunnen afvoeren dat het
op milieuvriendelijke wijze kan worden
hergebruikt. Bedrijven worden verzocht
contact op te nemen met hun leveranciers
en de voorwaarden in het verkoopcontract
te raadplegen. Het product mag niet
samen met ander commercieel afval

130 Dutch
worden weggegooid.
Gedeponeerde handelsmerken
Parrot en de logo's van Parrot zijn
geregistreerde merken van PARROT SA in
Frankrijk en andere landen.
De naam en het logo van Bluetooth zijn
gedeponeerde handelsmerken van
Bluetooth ® SIG, Inc. en elk gebruik hiervan
door Parrot S.A. gebeurt onder licentie.
Het logo “Made for iPod / iPhone”
betekent dat een elektronisch accessoire
specifiek voor iPod / iPhone, is ontwikkeld
en dat zijn ontwikkelaar voldoet aan de
prestatienormen van Apple. Apple is niet
verantwoordelijk voor het functioneren
van dit systeem of de conformiteit ervan
met de veiligheidsnormen.
iPod en iPhone zijn gedeponeerde
handelsmerken van Apple, Inc. in de
Verenigde Staten en andere landen.
Wi-Fi is een gedeponeerd handelsmerk
van Wi-Fi Alliance.
Alle andere in dit document genoemde
handelsmerken en gedeponeerde
handelsmerken zijn eigendom van hun
respectieve eigenaren en worden
beschermd door auteursrecht.
Copyright
Copyright © 2012 Parrot.
EG-conformiteitsverklaring
Parrot SA, 174 quai de Jemmapes, 75010
Parijs, Frankrijk, verklaart geheel op eigen
verantwoordelijkheid dat het in deze
gebruikershandleiding beschreven
product voldoet aan de technische normen
EN300328 (v1.8.0), EN301489-1/-17
(v2.1.1), EN300220-2 (V2.3.1), EN300440
EN60950-1: 04/2006 / A11: 2009 / A1:
2010 / A2: 2011, EN 60065: 05/2002 / A1:
05/2006 / A11: 2008 / A2: 2010 volgens de
bepalingen van richtlijn R&TTE 1999/5/EC,
evenals aan de eisen van richtlijn EMC
2004/108/CE, richtlijn 2006/95/CE met
betrekking tot laagspanningsapparatuur en
richtlijn 72/245/CEE betreffende door

131Dutch
voertuigen veroorzaakte radiostoring zoals
gewijzigd door richtlijn 2009/19/CE.

132 Português
Manual do
utilizador
Ìndice
Antes de começar
Instalação
Primeira utilização
Telefone
Música
Internet
No caso de
problemas
Informação geral
p.131
p.132
p.138
p.140
p.141
p.144
p.146
p.147
Antes de começar
Acerca deste guia
De modo a limitar o nosso consumo de
papel, e no ambito do nosso procedimento
tambem responsavel e respeitando ao
maximo o ambiente, a Parrot privilegia a
colocacao online dos documentos para os
utilizadores, em vez de os imprimir. Este
guia simplificado do Parrot ASTEROID
Mini limita-se a fornecer-lhe as principais
instrucoes, que lhe irao permitir utilizar
facilmente este aparelho. Encontrara mais
informacoes na seccao Suporte do nosso
website www.parrot.com: Manual
completo, perguntas frequentes, software
didactico…

133Português
Nota: Para uma melhor legibilidade, iPod®
e iPhone® serão designados pelo termo
"iPhone" neste manual.
Avisos
As funções que necessitam de uma
atenção prolongada devem ser utilizadas
apenas quando o veículo está parado. A
sua segurança e a dos outros condutores
está acima das chamadas telefónicas,
música ou aplicações de ajuda à condução.
Seja responsável: Conduza com prudência
e preste atenção ao que o rodeia. A Parrot
recusa qualquer responsabilidade caso
escolha ignorar esta advertência.
Utilize o Parrot ASTEROID Mini com um
nível de volume razoável, de modo a poder
ouvir a qualquer momento os ruídos
exteriores durante a condução.
Actualizações
Descarregue gratuitamente a última
actualização do seu produto no nosso
website www.parrot.com na secção
Suporte. Estas actualizações irão permitir-
lhe beneficiar de novas funcionalidades e
melhorar a compatibilidade do seu
produto.
Instalação
Nota: Recomendamos que contacte um
profissional para proceder a esta
instalação, em especial na nossa rede de
instaladores certificados.
Antes de começar
A instalação do Parrot ASTEROID Mini
consiste em inseri-lo entre o auto-rádio e
o veículo.
Nota: Os cabos fornecidos com o Parrot
ASTEROID Mini vêm equipados com
conectores ISO. Se o seu auto-rádio não vier
equipado com conectores ISO, deve
adquirir um cabo adaptador ISO para
permitir a montagem. Consulte a secção de

134 Português
Compatibilidade dos veículos na página de
suporte do Parrot ASTEROID Mini para
verificar se é necessário um cabo
adaptador.
Comece por retirar o auto-rádio de origem
do seu veículo. Esta operação pode
necessitar de chaves de extracção.
Consulte o esquema eléctrico do seu
auto-rádio.
Antes de fixar os diferentes elementos do
Parrot ASTEROID Mini no habitáculo,
conecte os diferentes cabos na caixa
electrónica. Antes de fixar duravelmente
os componentes, controle os
comprimentos dos cabos e certifique-se
de que os locais destes são escolhidos de
modo a que os comprimentos de cabo são
suficientes para ligar as peças amovíveis
umas às outras. Certifique-se de que os
cabos do Parrot ASTEROID Mini não ficam
dobrados ou torcidos após a instalação.
As indicações "Conexão #" nas próximas
secções correspondem às conexões
representadas nas imagens p.6 / 7.
Conectar o cabo de áudio
Ligue os feixes de áudio do veículo aos
conectores do Parrot ASTEROID Mini
(Conexões 1A e 2).
Se o seu veículo vier equipado com um
sistema de áudio com amplificador, utilize
as saídas Jack Line Out Front e Line Out
Rear na caixa electrónica, para evitar
qualquer problema de saturação (estalido
nos altifalantes, sopro permanente, etc.).
Ligue estas saídas Line Out ao seu sistema
de áudio, utilizando um ou dois cabos jack
para ligar o Parrot ASTEROID Mini ao seu
sistema de áudio (Conexão 1B na imagem
p.7).
Ligar o cabo da alimentação
1. Desligue a bateria antes de instalar o
cabo da alimentação.
2. Ligue o conector ISO macho do Parrot
ASTEROID Mini ao auto-rádio
(conexão 3).
3. Ligue os feixes de alimentação do
veículo ao conector ISO fêmea do Parrot

135Português
ASTEROID Mini (conexão 4).
O fio vermelho do cabo deve corresponder
ao de +12V permanente, o fio cor-de-
laranja ao de +12V pós-contacto e o fio
preto ao de terra. Certifique-se de que o
seu fio cor-de-laranja não está ligado ao de
12V permanente, pois arriscar-se-ia a
descarregar a bateria do veículo.
Nota: De modo a proceder à verificação da
instalação, ligue primeiro o ecrã sem o
colocar no painel de bordo. Consulte a
secção "Verificar instalação" para obter
mais informações.
Em determinados veículos, não existe fio
de +12V pós-ignição nos conectores do
veículo. Depois, é necessário ligar o fio da
alimentação cor-de-laranja na caixa dos
fusíveis ou noutra fonte de alimentação
após o contacto.
Conectar o cabo Mute
A função Mute permite interromper o som
do seu auto-rádio para dar lugar ao som do
Parrot ASTEROID Mini (música,
comunicações, etc.). A escolha da entrada
Mute (Mute in 1, mute in 2 ou mute in 3)
depende da configuração do seu auto-
rádio. Identifique a entrada Mute, depois
conecte-a ao fio amarelo livre no cabo ISO
(conexão 5).
Instalar a caixa electrónica
Evite instalar a caixa perto do aquecimento
ou ar condicionado, ou num local exposto
ao sol.
Certifique-se de que a caixa permanece
imóvel após a instalação. Deixe espaço em
torno do radiador do produto para facilitar
a evacuação do calor.
Quando a caixa estiver instalada, não force
durante a colocação do auto-rádio. Se o
espaço atrás do auto-rádio for
insuficiente, tente, por exemplo, a
desmontagem do porta-luvas.

136 Português
Verificar a instalação
Ligue e depois corte o contacto do seu
automóvel quando tiver o Parrot
ASTEROID Mini instalado: A mensagem
"Adeus" deve aparecer no ecrã.
Se não for o caso, deverá inverter as
posições dos fios vermelho e cor-de-
laranja. Na verdade, o fio vermelho do
cabo da alimentação deverá ser ligado a 12V
permanente, o fio cor-de-laranja a 12V
pós-contacto e o fio preto à terra. Esta
operação é efectuada simplesmente
invertendo os dois terminais que se
encontram nos cabos da Parrot (conexão
7).
Instalação do duplo microfone
Recomendamos que faça deslizar o cabo
pela ranhura atrás da junta da porta.
Se o cabo passar por cima dos pedais,
certifique-se de que fica bem fixado.
Aviso: Não passe o cabo do microfone pelos
sistemas de aquecimento, ventilação ou ar
condicionado, ou à frente dos airbags
laterais.
Certifique-se de que o microfone fica
instalado o mais próximo possível da
cabeça do utilizador. A distância ideal é de
60 cm. Instale, de preferência, o
microfone perto do retrovisor interior.
Oriente o microfone para a boca do
utilizador.
Instalação do dongle GPS
Fixe o dongle GPS sobre uma superfície
plana, numa zona sem obstáculos no
interior do habitáculo.
Os pára-brisas atérmicos e os vidros com
antena incrustada podem interferir com a
recepção do GPS e reduzir a fiabilidade das
informações ligadas às aplicações de
navegação.
A antena GPS do dongle está
no lado onde está indicado
"Parrot ASTEROID GPS" e
onde se encontra o logótipo em
forma de estrela. Este logótipo

137Português
deve ser sempre orientado
para cima.
Se o seu veículo possuir um pára-brisas
atérmico, fixe o dongle GPS no pára-brisas
ao nível da zona não atérmica. O lado onde
está o logótipo em forma de estrela deve
estar colado no pára-brisas (esquema B
pág.9).
Nota: A zona não atérmica do pára-brisas
depende do modelo do seu veículo. Ela
encontra-se habitualmente ao nível do
retrovisor.
Se o seu veículo não possuir um pára-
brisas atérmico, fixe o dongle GPS no
painel de instrumentos. O lado onde está
o logótipo em forma de estrela deve estar
visível (esquema A pàg.8).
Para assegurar uma boa fixação do suporte:
Limpe a superfície de montagem
antes de colar o suporte;
Após a fixação do suporte, espere
cerca de 2 horas sem o manusear.
Instalação do cabo USB
Conecte os cabos do iPod® e USB ao Parrot
ASTEROID Mini. Recomendamos que
conecte todos os cabos do Parrot
ASTEROID Mini, mesmo que ache que
não os vai utilizar. Faça os conectores
correspondentes saírem pelo
compartimento para moedas ou porta-
luvas. Para isso, poderá ser necessário
fazer um buraco no interior do seu painel
de bordo. Na medida do possível, evite a
utilização de extensões USB.
O cabo para iPod deve obrigatoriamente
ser ligado à porta USB branca prevista para
este efeito. Encontrará a indicação iPod na
parte superior desta.
De modo a garantir uma qualidade de
recepção óptima, não conecte a sua pen 3G
directamente no Parrot ASTEROID Mini:
Utilize um cabo USB, de modo a instalar o
acessório no painel de bordo (ou outra
zona afastada).

138 Português
Instalar o ecrã
Aviso: Evite qualquer instalação que possa
impedir a utilização de comandos
importantes ou que possa reduzir a
visibilidade do condutor. Não instale o ecrã
onde possa ser atirado devido à activação
de um airbag ou perto de uma saída de
ventilação ou de ar condicionado do
veículo.
Cole o suporte de plástico no seu painel de
instrumentos (esquema C pág.10).
Pour assurer une bonne fixation du
support :
nettoyez la surface de montage avant
de coller le support ;
après fixation du support, patientez
environ 2 heures sans le manipuler.
De modo a evitar riscos de roubo e de
exposição prolongada ao sol, retire o ecrã
quando sair do veículo.
Instalar o telecomando
Cole o suporte do telecomando no seu
painel de instrumentos utilizando o
adesivo na parte inferior deste.
Para assegurar uma boa fixação do suporte:
Limpe a superfície de montagem
antes de colar o suporte;
Após a fixação do suporte, espere
cerca de 2 horas sem o manusear.
O telecomando pode ser alimentado de 2
modos: com uma pilha ou ligando à caixa
electrónica.
Para alimentar o telecomando com pilha
(esquema D pág.11) :
1. Retire a tampa de plástico circular na
parte traseira do telecomando,
girando-a no sentido dos ponteiros do
relógio.
2. Insira uma pilha do tipo 3V CR2032 no
local previsto para este efeito.
Certifique-se de que a pilha é
colocada correctamente.
3. Volte a colocar a tampa de plástico
circular, girando-a no sentido inverso
ao dos ponteiros do relógio.

139Português
Para ligar o telecomando à caixa
electrónica (esquema D pág.11) :
1. Retire a tampa de plástico circular na
parte traseira do telecomando,
girando-a no sentido dos ponteiros do
relógio.
2. Ligue o cabo no local previsto para a
pilha e gire-o no sentido inverso ao
dos ponteiros do relógio.
3. Ligue a outra extremidade do cabo na
caixa electrónica, ao lado dos
conectores USB (esquema pág.6).
Primeira utilização
Navegar nos menus
Prima o botão para aceder ao menu
principal.
Navegue nos menus rodando o botão
giratório e valide, premindo no botão
central Parrot.
Para voltar ao menu anterior, prima o
botão .
Prima o botão para aceder ao menu
contextual, correspondente à aplicação a
ser utilizada. O menu contextual permite-
lhe modificar certas definições ou
percorrer mais rapidamente o conteúdo do
seu directório ou da sua fonte de áudio.
Durante a reprodução de um ficheiro
musical, prima o botão para voltar ao
menu. Pelo contrário, quando estiver a
navegar nos menus, prima o botão SRC
para voltar ao leitor.
Prima o botão SRC para seleccionar a fonte
dos seus ficheiros de áudio.
Conectar um telemóvel por Bluetooth
Nota: Consulte a página de
compatibilidade do nosso website para
verificar se o seu telemóvel é compatível
com o Parrot ASTEROID Mini e consulte o
processo de emparelhamento
correspondente: www.parrot.com/uk/
compatibility.

140 Português
Se for a 1ª vez que utiliza um telemóvel
com o Parrot ASTEROID Mini, deve
primeiro emparelhar os dois aparelhos.
Quando o telemóvel estiver emparelhado
ao Parrot ASTEROID Mini, a conexão
entre os 2 aparelhos será automática
quando os 2 aparelhos forem ligados perto
um do outro com a função
Bluetooth®
activada.
1. A partir do seu telemóvel, inicie uma
procura de dispositivos
Bluetooth®
Depois seleccione "Parrot ASTEROID
Mini".
2. O processo de emparelhamento
depende então do modelo do seu
telemóvel:
Se o telemóvel o convidar a
inserir o código PIN
Bluetooth
,
insira "0000".
Se o Parrot ASTEROID Mini e o
seu telemóvel apresentarem dois
códigos, verifique se os códigos
são idênticos e depois confirme
ou anule.
> O ecrã do Parrot ASTEROID
Mini apresenta
"Emparelhamento efectuado com
sucesso".
Nota: Nalguns telemóveis, deverá autorizar
a conexão ao Parrot ASTEROID Mini para
permitir a conexão automática. Consulte o
manual de utilizador do seu telemóvel para
mais informações.
Sincronizar o directório do telemóvel
Com a maioria dos telemóveis
Bluetooth
, o
directório é sincronizado
automaticamente com a memória do
sistema. Sempre que modificar o seu
directório, a sincronização é reiniciada
automaticamente na conexão seguinte.
Aviso: Apenas os contactos gravados na
memória do telemóvel são sincronizados.
Se os seus contactos estiverem guardados
na memória do cartão SIM, transfira-os
para a memória do telemóvel. Consulte o
manual de utilizador do seu telemóvel para
mais informações.

141Português
Nota: Nalguns telemóveis, deverá autorizar
o acesso do Parrot ASTEROID Mini aos seus
contactos para permitir a sincronização.
Consulte o manual de utilizador do seu
telemóvel para mais informações.
A sincronização automática está limitada a
5000 contactos (ou números de
telemóvel) por telemóvel emparelhado.
Telefone
Receber uma chamada
Quando receber uma chamada, ouvirá um
toque. O nome do contacto é anunciado se
o número deste contacto fizer parte do
directório do telemóvel ligado ao Parrot
ASTEROID Mini.
Para aceitar esta chamada, prima o
botão . A seguir, prima o botão
para terminar a chamada.
Para recusar esta chamada, prima o
botão .
Fazer uma chamada por reco vocal
Pode iniciar uma chamada por
reconhecimento vocal directamente após
a sincronização do directório do seu
telemóvel. O Parrot ASTEROID Mini irá
reconhecer automaticamente o contacto
do seu directório que deseja contactar.
1. Prima o botão para iniciar o
processo de reconhecimento vocal.
> O Parrot ASTEROID Mini pede-lhe
o nome do contacto que deseja
contactar.
2. Pronuncie o nome do contacto,
seguido do tipo de número
("TRABALHO", "TELEMÓVEL"...) se
este contacto tiver vários números.

142 Português
> A chamada para este contacto é
iniciada automaticamente, caso o
comando de voz seja compreendido
correctamente.
> Caso contrário, o kit mãos-livres
emite uma mensagem de
confirmação. Confirme, pronunciado
"SIM", "CHAMAR" ou
"TELEFONAR".
Nota: A qualquer momento, prima o botão
para cancelar o processo de chamada.
Música
Utilizar o reconhecimento vocal musical
A função de reconhecimento vocal musical
permite-lhe seleccionar através do
reconhecimento vocal os artistas ou
álbuns que desejar escutar. Esta função
está disponível se utilizar o Parrot
ASTEROID Mini com um periférico do
tipo iPod / USB / SD, ou se utilizar uma
aplicação musical compatível com esta
função.
1. Prima o botão
.
2. Diga o nome do artista ou do álbum
que deseja escutar quando Parrot
ASTEROID Mini lho pedir.
> A lista das fontes de áudio
conectadas ao Parrot ASTEROID Mini
e das aplicações musicais compatíveis
com a função de reconhecimento
vocal com o artista/álbum que
escolheu aparece.
Nota: Verifique os nomes dos artistas e
álbuns nas tags (metadados) dos seus
ficheiros musicais. Estes podem ser
diferentes dos apresentados no título da
sua faixa.
iPod
1. Conecte o seu iPod ao cabo do iPod.
2. Prima o botão SRC e seleccione iPod.
3. Prima a faixa para iniciar a sua

143Português
reprodução.
Nota: Prima o botão e seleccione a
primeira letra do seu artista, álbum ou
faixa para navegar mais facilmente no
conteúdo do seu iPod.
Cartão SD
Pode utilizar os seguintes cartões SD (se
necessário) com o Parrot ASTEROID
Mini : SD, micro SD , mini SD, SDHC, mini
SDHC, micro SDHC. A capacidade do
cartão SD não deve ser superior a 32Gb.
Os ficheiros musicais no seu cartão SD
podem estar no formato MP3 (mpeg1
layer3), AAC, WAV, OGG ou WMA.
1. Insira o cartão SD no local previsto
para este efeito, no lado direito do
ecrã (imagem E p.12).
2. Prima o botão SRC e seleccione SD.
3. Seleccione um dos critérios de
classificação (artista, álbum, faixa,
género, playlist) e prima o botão
giratório.
4. Prima a faixa para iniciar a sua
reprodução.
Nota: Prima o botão e seleccione a
primeira letra do seu artista, álbum ou
faixa para navegar mais facilmente no
conteúdo do seu cartão SD.
Pen USB
O Parrot ASTEROID Mini é compatível
com a maioria das pens USB / leitores de
MP3 / discos rígidos externos. Não existe
qualquer restrição ao nível da capacidade
das pens USB.
Os ficheiros musicais na sua pen USB
podem estar no formato MP3 (mpeg1
layer3), AAC, WAV, OGG ou WMA.
1. Conecte o seu periférico USB no cabo
USB.
2. Prima o botão SRC e seleccione USB.
3. Seleccione um dos critérios de
classificação (artista, álbum, faixa,
género, playlist) e prima o botão

144 Português
giratório.
4. Prima a faixa para iniciar a sua
reprodução.
Nota: Prima o botão e seleccione a
primeira letra do seu artista, álbum ou
faixa para navegar mais facilmente no
conteúdo do seu dispositivo USB.
Utilizar com um leitor de áudio Bluetooth
Nota: O Parrot ASTEROID Mini permite-lhe
utilizar a função de telefonia e streaming de
áudio através de Bluetooth com 2
telemóveis diferentes, sem que tenha de
desconectar um dos 2 aparelhos.
Pode utilizar o Parrot ASTEROID Mini para
ouvir ficheiros de música armazenados
num leitor de áudio Bluetooth, se este
suportar o perfil A2DP (Advanced Audio
Distribution Profile).
Se utilizar o leitor de áudio pela 1ª vez,
deve primeiro emparelhá-lo ao Parrot
ASTEROID Mini. Se o leitor de áudio já
estiver emparelhado ao Parrot ASTEROID
Mini :
1. Prima o botão SRC e seleccione Audio
Bluetooth.
2. Inicie a reprodução de uma faixa no
seu leitor de áudio.
Internet
Conexão com uma pen 3G
Note : Consultez la section compatibilité du
Parrot ASTEROID Mini sur notre site web
pour afficher la liste des clés 3G / 4G
compatibles avec le Parrot ASTEROID Mini.
1. Ligue uma pen 3G ao Parrot
ASTEROID Mini através de um cabo
USB.
> Abre-se uma janela pop-up.
2. Seleccione OK para activar a conexão
3G.
> Aparece uma janela pop-up do
estado da conexão 3G, seguida de
outra janela pop-up a pedir-lhe o seu

145Português
código PIN.
3. Insira o seu código PIN utilizando o
botão giratório e seleccione OK.
Escolha a opção Memorizar o código
PIN se preferir que o código PIN não
lhe seja pedido em cada ligação do
Parrot ASTEROID Mini.
Nota: A seguir, poderá modificar esta
definição seleccionando
Parâmetros > Rede
> Pen 3G
.
4. Seleccione o seu APN (Access Point
Name) na lista proposta. Esta
informação está disponível na
documentação fornecida com a sua
pen 3G. Se o seu APN não aparecer na
lista, pode adicioná-la, seleccionando
Parâmetros > Rede > Pen 3G >
Configuração > Novo ponto de
acesso.
> Aparece a mensagem "Pen 3G
configurada".
5. Espere cerca de 30 segundos até que
a conexão seja estabelecida. Também
pode premir o botão e navegar nos
menus enquanto a conexão é
estabelecida.
Partilha da conexão 3G por Bluetooth
Si vous disposez d’un téléphone
supportant le profil
Bluetooth
DUN (Dial-
Up Networking) ou PAN (Personal Area
Network), la connexion via
Bluetooth
de
votre téléphone au Parrot ASTEROID Mini
vous permettra de partager la connexion
3G du téléphone.
Note : Consultez la page compatibilité sur
notre site web pour vérifier si votre
téléphone permet le partage de connexion
3G via Bluetooth et consulter la procédure
correspondante : www.parrot.com/fr/
compatibility.
1. Conecte o seu telemóvel ao Parrot
ASTEROID Mini via Bluetooth.
2. No Parrot ASTEROID Mini,
seleccione Parâmetros > Rede >
Bluetooth > Configuração.
3. Seleccione o seu APN (Access Point
Name) na lista proposta, depois
escolha a opção Seleccionar.

146 Português
4. Prima o botão e seleccione
Conectar.
5. Autorize a partilha de conexão no seu
telemóvel. Este procedimento difere,
de acordo com o modelo do seu
telemóvel.
Partilha da conexão 3G por USB
Nota: Consulte a página da
compatibilidade no nosso website para
verificar se o seu telemóvel permite
partilhar a conexão 3G por USB e consultar
o respectivo procedimento:
www.parrot.com/fr/compatibility.
1. Certifique-se de que o teclado do seu
telemóvel está desbloqueado.
2. Conecte o seu telemóvel ao Parrot
ASTEROID Mini utilizando o cabo
USB/micro USB fornecido com o seu
telemóvel. Também pode conectá-lo
utilizando a extensão USB fornecida
com o Parrot ASTEROID Mini. Esta
conexão permite também recarregar a
bateria do seu telemóvel.
3. Seleccione o seu APN (Access Point
Name) na lista proposta, depois
escolha a opção Seleccionar. A seguir,
poderá modificar esta definição
seleccionando Parâmetros > Rede >
USB.
> Aparece uma janela pop-up a indicar
a activação da partilha de conexão
USB.
Utilizar as aplicações
Pode utilizar vários tipos de aplicações
com o Parrot ASTEROID Mini : Música,
geolocalização, ajuda à condução. As
aplicações disponíveis são diferentes de
acordo com o país de utilização.
Algumas aplicações podem necessitar de
uma subscrição.
O Parrot ASTEROID Mini é multi-tarefas:
Várias aplicações podem ser utilizadas em
simultâneo. Por exemplo, pode escutar
uma Webradio e utilizar uma aplicação de
ajuda à condução em simultâneo.
Para obter mais informações acerca da
utilização das aplicações disponíveis,
consulte a página web do ASTEROID

147Português
Market: www.parrotasteroid.com.No caso de problemas
Antes de começar
Certifique-se de que a mensagem "Adeus"
aparece no ecrã do Parrot ASTEROID Mini
quando cortar o contacto do veículo.
Consulte a secção "Verificar instalação"
para obter mais informações.
Reinicie o aparelho. Para isso, seleccione
Preferências > preferências avançadas >
predefinições.
Verifique se tem a última actualização no
Parrot ASTEROID Mini. Para isso,
seleccione Parâmetros > Acerca > Versão.
Compare este número da versão com
aquele indicado na página de suporte do
Parrot ASTEROID Mini no nosso website
www.parrot.com.
Nota: Também pode descarregar as
actualizações do seu Parrot ASTEROID Mini
quando este estiver ligado à Internet. A
disponibilidade de uma actualização é-lhe
indicada na barra de notificação.
Problemas ligados à função de telefonia
Verifique a compatibilidade do seu
telemóvel com o Parrot ASTEROID Mini.
Para isso, consulte a página da
compatibilidade no nosso website:
www.parrot.com/uk/compatibility.
Se o seu telemóvel for indicado como
compatível, e se o seu Parrot ASTEROID

148 Português
Mini já tiver a última actualização, elimine
o emparelhamento entre os 2 aparelhos no
Parrot ASTEROID Mini e no seu
telemóvel, reinicie os 2 aparelhos e depois
volte a estabelecer a conexão entre os 2
aparelhos.
Problemas ligados à função da música
Reinicie o seu iPod / iPhone antes de
voltar a fazer a ligação ao Parrot
ASTEROID Mini. Para reiniciar um iPod /
iPhone (este procedimento não apagará
quaisquer dados):
iPod: Prima em simultâneo Menu e o
botão central até que o iPod seja
reiniciado.
iPhone / iPod touch: Prima em
simultâneo o botão On/Off e o botão
Home até que o iPhone seja
reiniciado. Não toque no ecrã quando
a mensagem "Faça deslizar para
desligar" aparecer.
Podem aparecer alguns problemas se o
periférico já estiver conectado ao Parrot
ASTEROID Mini quando efectuar o
contacto. Volte a tentar, conectando o
dispositivo após ter efectuado o contacto.
Para obter mais informações
Consulte a página de suporte do Parrot
ASTEROID Mini no nosso website
www.parrot.com.
Informação geral
Garantia
Sem prejuízo da garantia legal, os produtos
da Parrot tem uma garantia para peças e
mão-de-obra de 1 ano a partir da data da
compra, salvo alteração do produto e
mediante prova de compra (talão da caixa)
ao revendedor.
A garantia não abrange a actualização dos
softwares incluídos nos produtos da Parrot
com telemóveis
Bluetooth
para fins de
contabilidade, recuperação de dados,
deterioração exterior devido a um
desgaste anormal do produto, quaisquer
danos causados por acidente, uma
utilização anormal ou não autorizada do

149Português
produto, um produto que não seja da
Parrot. A Parrot não se responsabiliza pelo
armazenamento, perda ou danos dos
dados durante o transporte ou reparação.
Qualquer produto que se prove não
defeituoso será devolvido ao remetente e
as despesas de tratamento, verificação e
de transporte ser-lhe-ão facturadas.
Modificações
As explicações e especificações contidas
neste manual do utilizador apenas são
fornecidas a título informativo e podem
ser modificadas sem aviso prévio. Estas
informações estão correctas aquando da
impressão e foi prestada a maior atenção
aquando da sua redacção para lhe fornecer
informações com a maior precisão
possível.
No entanto, a Parrot S.A. não irá assumir
qualquer responsabilidade, directa ou
indirecta, por prejuízos ou perdas de
dados acidentais resultantes de um erro
ou omissão no presente documento. A
Parrot S.A. reserva-se o direito de alterar
ou melhorar o produto, bem como o
respectivo manual do utilizador, sem
qualquer restrição ou obrigação de avisar o
utilizador. No âmbito da atenção prestada
pela Parrot S.A. para melhorar os nossos
produtos, é possível que o produto que
adquiriu seja ligeiramente diferente do
descrito no presente documento. Neste
caso, poderá eventualmente encontrar
uma nova versão do manual do utilizador
em formato electrónico no website
www.parrot.com.
Como reciclar este produto – Resíduos de
equipamentos eléctricos e electrónicos
O símbolo no produto ou respectiva
documentação indica que não deve ser
eliminado, no termo da sua vida útil, com
os outros resíduos domésticos. Tendo
conta que a eliminação incontrolada dos
resíduos pode prejudicar o ambiente ou a
saúde humana, por favor, separe-o dos
outros tipos de resíduos e recicle-o de
forma responsável. Dessa forma, irá

150 Português
favorecer a reutilização sustentável dos
recursos materiais. Pede-se aos
particulares que contactem o distribuidor
que lhes vendeu o produto ou que se
informem junto da câmara da sua
residência para saberem onde e como
podem eliminar este produto para que seja
reciclado respeitando o ambiente. Pede-
se igualmente às empresas que contactem
os seus fornecedores e consultem as
condições do respectivo contrato de
venda. Este produto não deve ser
eliminado com os restantes resíduos
comerciais.
Marcas registradas
Parrot, os logótipos Parrot são marcas
registradas da PARROT SA em França e
noutros países.
O nome e o logótipo Bluetooth são marcas
registradas da Bluetooth ® SIG, Inc. e
qualquer utilização destas pela Parrot S.A.
é feita sob licença.
O logótipo “Made for iPod / iPhone”
significa que foi desenvolvido um
acessório electrónico especificamente
para o iPod / iPhone e que o seu fabricante
certifica que responde às normas de
desempenho Apple. A Apple não se
responsabiliza pelo funcionamento deste
dispositivo ou pela sua conformidade com
as normas de segurança.
iPod e iPhone são marcas da Apple, Inc.
registradas nos Estados Unidos e noutros
países.
Wi-Fi é uma marca registrada da Wi-Fi
Alliance.
Todas as marcas comerciais e marcas
registradas mencionadas no presente
documento são protegidas por Direitos de
Autor e são propriedade dos seus
respectivos proprietários.
Copyright
Copyright © 2012 Parrot.
Declaração de conformidade para o CE
A Parrot SA, 174 quai de Jemmapes, 75010
Paris, France, declara, sob sua única

151Português
responsabilidade, que o produto descrito
no presente manual do utilizador se
encontra em conformidade com as normas
técnicas EN300328 (v1.8.0), EN301489-
1/-17(v2.1.1), EN300220-2 (V2.3.1),
EN300440 EN60950-1: 04/2006/A11:
2009/A1: 2010/A2: 2011, EN 60065:
05/2002/A1: 05/2006/A11: 2008/A2: 2010
de acordo com as disposições da directiva
R&TTE 1999/5/EC, bem como com as
exigências da directiva EMC 2004/108/CE,
da directiva 2006/95/CE relativa aos
aparelhos de baixa tensão e da directiva
Automóvel 72/245/CEE emendada pela
directiva 2009/19/CE.

152

