Panasonic of North America 8GL-PAN802154 OEM Wireless Network Module User Manual
Panasonic Corporation of North America OEM Wireless Network Module
User manual

                LR/WPAN PAN802154HAR Application Notes 
Doc Number:   Rev A3    1
ZB-01 LR-WPAN Module  
P/N PAN802154____ 
Application Notes  
Rev Author/Editor  Issue Reason  Date  Release 
Approval 
A  Fox / Nguyen  Initial release / Revise  3-22-2005  RBNguyen
A1 Trueman  Revise   3-29-2005  RBNguyen 
A2 Cardenas  Connector Nomenclature Change. 
(Use Rev.A1 for earlier Engineering 
Samples with Rev. 5 or earlier 
artwork) 
7-06-2005 RBNguyen
A3  Cardenas  Add FCC restrictions and mechanical 
drawing 
9-22-05  

                LR/WPAN PAN802154HAR Application Notes 
Doc Number:   Rev A3    2
Table of content 
1    INTRODUCTION …….……………………………………………………………………………  3 
1.1 Regulatory information................................................................................................................................ 3 
1.2 Abbreviations and Acronyms ...................................................................................................................... 3 
2 LR/WPAN PAN802154HAR FEATURES, AND COMPONENT DESCRIPTION ............... 5 
2.1 PAN802154 Image, Component Layout and Block Diagram ................................................................... 6 
2.2 Component and Descriptions....................................................................................................................... 7 
2.2.1 J3: General Purpose Header.................................................................................................................... 7 
2.2.2 J2: Serial Port Header ............................................................................................................................. 7 
2.2.3 J4: Power/GND Header .......................................................................................................................... 9 
2.2.4 J1: BDM Programming header/Debugger .............................................................................................. 9 
2.2.5 SW1: General Purpose Switch.............................................................................................................. 10 
2.2.6 D1: LED ............................................................................................................................................... 10 
2.2.7 U1: MCU .............................................................................................................................................. 10 
2.2.8 U3: RF IC ............................................................................................................................................. 10 
2.3 Mechanical Dimensions.............................................................................................................................. 10 
3 APPLICABLE SW COMPONENTS .................................................................................. 12 
3.1 SW Architecture ......................................................................................................................................... 12 
3.1.1 Different Possible Applications with Available Software Components ............................................... 12 
3.2 Bootloader ................................................................................................................................................... 12 
3.3 Required SW Tools..................................................................................................................................... 13 
3.4 Freescale™ ZigBee Development Platform.............................................................................................. 13 
3.5 Special mapping for the PAN802154 Module in Metrowerks Code Warrior Development Tool. ...... 13 
3.5.1 Compiling with a Z-Stack Project ........................................................................................................ 14 
3.5.2 Compiling without using the Z-Stack................................................................................................... 14 
3.6 Differences between the Panasonic PAN802154 and the Freescale SARD Development Board ......... 15 
3.6.1 Switch................................................................................................................................................... 15 
3.6.2 LED ...................................................................................................................................................... 15 
3.6.3 RS-232 Interface................................................................................................................................... 16 
3.6.4 Editing SARD Header File for the Panasonic Module ......................................................................... 16 
3.7 How to load a SW program into the Panasonic Module ......................................................................... 20 
4 FREQUENTLY ASKED QUESTIONS .............................................................................. 24 
5 REFERENCE DOCUMENTS ............................................................................................ 27 
APPENDIX 1 FCC AND CANADA CERTIFICATIONS.......................................................... 30 
Instruction to the user............................................................................................................................................ 30 
Integration in OEM products: VERY IMPORTANT! ....................................................................................... 30 
APPENDIX 2 ORDERING INFORMATION ............................................................................ 32 

                LR/WPAN PAN802154HAR Application Notes 
Doc Number:   Rev A3    3
1 INTRODUCTION  
The purpose of this document is to present a method for designing products using the Panasonic Low 
Rate / Low Power Wireless Area Network Communication Module Part Number PAN802154HAR00 and 
familiarize engineers with application details.  
A Frequently Asked Questions (FAQ’s) section is also provided for engineering quick references.  
Panasonic ZB-01 LR/WPAN PAN802154HAR Module 
Panasonic’s LR/WPAN PAN802154 Module is a Low Rate / Low Power communication device based 
upon the Freescale™ ZigBee Sensor Application Reference Design (SARD) development platform. It 
operates  in the ISM 2.4 GHz band, and is fully compliant with the IEEE 802.15.4  standard. The 
PAN802154 is ready to be downloaded with Freescale’s 802.15.4 PHY/ MAC layer and  ZigBee protocol 
layer. 
The PAN802154 uses the Freescale’s 802.15.4 transceiver (MC13193), micro controller (GT60)  and is 
licensed to use all released  Freescale ZigBee Protocol stack layer software. Further, the PAN802154  
has an on-board RS-232 interface IC and two on-board printed antennas that are etched on both sides of 
the board for optimum RF sensitivity.  The whole RF section that encompasses U3 and all passive 
components and baluns are shielded to prevent RF leakage and further improve RF performance. 
The PAN802154 is tested to fully comply with current FCC requirements for 2.4 GHz ISM band 
application.  This allows the customer to complete and bring the end product to the market much quicker. 
The application profile or program can be developed with in-house SW staff or with any third-party SW 
development contractor including Panasonic. 
1.1 Regulatory information 
Refer to Appendix A for regulatory information 
FCC ID: Pending 
Canada: Pending 
1.2  Abbreviations and Acronyms 
MCU   Micro-controller Unit 
FAQ    Frequently Asked Questions 
LR/WPAN  Low Rate / Low Power Wireless Personal Area Network. 
Jx    Header Connector Number 
SW1    General Purpose Switch 1 
BDM   Background Debugger Module 

                LR/WPAN PAN802154HAR Application Notes 
Doc Number:   Rev A3    4
SARD   Sensor Application Reference Design 
RFD   Reduced Function Device 
FFD   Full Function Device 
MAC   Media Access Controller 
SMAC    Simple Media Access Controller 
Z-Stack  Freescale ™ ZigBee Protocol Stack 
IEEE    The Institute of Electrical and Electronics Engineers 

                LR/WPAN PAN802154HAR Application Notes 
Doc Number:   Rev A3    5
2  LR/WPAN PAN802154HAR FEATURES, AND COMPONENT 
DESCRIPTION 
PAN802154 Module is designed with all Hardware on board and downloadable SW to be 
configured as a FFD Coordinator / Router or a RFD End Node.  
PAN802154 Features 
•  Fully supports ZigBee™, 802.15.4, or Simple MAC Application  
•  2.4 GHz ISM, ZigBee™  
•  16 Channels, 5MHz channel spacing, Full Spectrum Encode and Decode (IEEE Standard 
802.15.4); up to 250 Kbps bit rate. 
•  RS-232 port; 2 Analog Inputs selectable to 10bit A/D Converter; and up to 8 Digital I/O ports 
on easy to connect header connector 
•  Background Debug Feature 
•  1 Switch and 1 LED for control and monitoring 
•  Output power: 0dBm typical (1mW) 
•  RX Sensitivity: -92dBm typical at 1.0% Packet Error Rate.  
•  Shielded RF Section for improved performance 
•  On board printed antenna or optional connector for external antenna 
• Commercial and Industrial Operating Temperature Range 
•  Power Supply Range: 
2.2VDC to 3.4 VDC without using RS-232 capability 
3.0VDC to 3.4 VDC with using RS-232 capability 
•    DC current: 
RX/TX: 35mA typical 
Doze: 80uA typical 

                LR/WPAN PAN802154HAR Application Notes 
Doc Number:   Rev A3    6
2.1  PAN802154 Image, Component Layout and Block Diagram  
All components are on the front side of the PAN802154. No back- side image is shown here 
Figure 1: Module connector location                            Figure 2: Module picture 
1)  Connectors J1, J2, J3 & J4 straight 2.54" pitch, Contact material Zn 
2)  Substrate Glass Epoxy t=1.2mm 
3)  Push switch and red LED used as application required  
4)  Metal cover to meet FCC rules 
5)  3.17mm holes to use 1/8” screw diameter for mounting using non- conductive spacer 
Figure 3: Block Diagram 
Balun/
LPF
RF+BB
MC13193
32QFP
Balun/
LPF
Flash 60K
RAM 4K
MPU 44QFP
MC9S08GT60CFB
SPI
Standby
16MHz LED1
SW1
RS232C
10 Pins 6 Pins 10 Pins
4 Pins
Voltage
I/O DBM
Serial
Tx
Rx
DC 2.2-3.4V for radio communication
DC 3.0-3.4 for radio communication +RS232 operation

                LR/WPAN PAN802154HAR Application Notes 
Doc Number:   Rev A3    7
2.2 Component and Descriptions 
2.2.1  J3: General Purpose Header 
Header J3 is intended to be used as a general purpose I/O header.  A power and GND pin are also 
provided to allow connection to external components.  
Use Molex P/N 1544-5810 or 10 pins 0.1” standard female connector as mating receptacle. 
Hdr. 
Pin # MCU 
PORT/PIN 
Name 
Function Remarks 
J3-1 PTA7 
J3-2 PTA6 
J3-3 PTA5 
J3-4 PTA4 
J3-5 PTA0 
J3-6 PTA1 
General purpose digital I/O 
J3-1 through J3-4 Can wake MCU  from 
stop 3 or wait mode. They  can detect 
falling/rising edges and low/high levels 
when keyboard interrupt is enabled 
Pins J3-5 and J3-6 can detect falling edges 
or low levels when keyboard interrupt is 
enabled. 
J3-7  VCC  Digital Power Pin  To provide external power to PAN802154 or 
vice versa. 
J3-8 GND  GND   
J3-9 PTB0 
J3-10 PTB1 
Analog input or general 
purpose digital I/O 
Connected to MCU Analog-to-digital 10 bit 
A/D converter, channels 0 and 1 
Table 1: J3 Pin out   
2.2.2  J2: Serial Port Header 
Header J2 is a serial port header for connection to a PC’s serial port.  The header contains an RS-232 
level TX line, an RX line, and GND.  
Use Molex P/N 1544-5810 or 10 pins 0.1” standard female connector as mating receptacle. 
It is important to note that although the MCU and the Transceiver radio can work as low as 2.4 
VDC, proper operation for RS-232 requires VCC to be greater than 3.0 volts DC. 

                LR/WPAN PAN802154HAR Application Notes 
Doc Number:   Rev A3    8
Table 2: J2 Pin out 
Figure 4: Serial interface cable from PAN802154 to Computer RS232 
Hdr. 
Pin # MODEL 
WITH 
RS232 
MODEL 
WITHOUT 
RS232 
RS-232 
PIN NAME 
Function Remarks 
J2-1  NC  PTE0/TXD1  -  Digital port for 
control or serial 
port 
MCU’s Serial Com 
Interface  data transmit 
J2-2  NC  PTE1/RSD1  -  Digital port for 
control or serial 
port 
MCU’s Serial Com 
Interface  data receive 
J2-3 RS232_TX  NC  RS232_TX  Transmit line 
for serial port 
RS-232 level transmit 
signal 
J2-4 NC  NC  -  NC   
J2-5  RS232_RX  NC  RS232_RX  Receive line for 
serial port 
RS-232 level receive 
signal 
J2-6 NC  NC  -  NC   
J2-7  NC  PTC6  -  Digital port for 
control 
Shutdown control for  
RS232 tranceiver 
J2-8 NC  NC  -  NC   
J2-9 GND  GND  GND  Ground   
J2-10 NC  VCC  -  NC   
0.1" pitch female 10 Pin socket connector
ASC10G-ND or ASN10A-ND
RS232-TX
RS232-RX
GND
GND
1
2345
6789
9 pins D-Subminiature female connector
AFS09G-ND or AFL09K-ND
1
2
3
4
5
6
7
8
9
10

                LR/WPAN PAN802154HAR Application Notes 
Doc Number:   Rev A3    9
2.2.3 J4: Power/GND Header 
Header J4 is the power connector for the PAN802154. 
Use Molex P/N 1544-5804 or 4 pins 0.1” (2.54mm) standard female connector as mating receptacle. 
Hdr. 
Pin # PIN NAME 
Function Remark 
J4-1 GND  Ground   
J4-2  VCC  VCC   Module’s Power supply Refer to 
specification for operating voltage 
J4-3 GND  Ground   
J4-4 
AD_REF Analog-to-digital converter 
reference voltage  
All analog signals are measured with 
respect to this reference voltage 
Table 3: J4 Pin out  
2.2.4  J1: BDM Programming header/Debugger 
Header J1 provides the connection for the Flash programmer and software debugger. 
Use Molex P/N 1544-5806 or 6 pins 0.1” (2.54mm) standard female connector as mating receptacle. 
Hdr.  
Pin # PIN NAME 
Function Remarks 
J1-1  PTG0/BKG0  Serial Programming Line or 
General Purpose I/O 
This line controls the loading of new 
program code to the MCU.  Pin has 4.7K 
pull-up.  After code is loaded, acts as digital 
I/O. 
J1-2 GND  Ground   
J1-3 -  N/C   
J1-4  /RESET  Reset to MCU  Active-low reset 
J1-5 -  N/C   
J1-6  VCC  Provides power to BDM 
debugger module 
Table 4: J1 Pin out 

                LR/WPAN PAN802154HAR Application Notes 
Doc Number:   Rev A3    10
2.2.5   SW1: General Purpose Switch 
SW1 is a general-purpose switch that connects to PTA2.  Pressing the switch will pull the signal to GND.  
The internal pull-up for PTA2 must be enabled to use this switch in an application. 
2.2.6  D1: LED  
The LED is connected to PTD0 through a 330-ohm resistor.  Setting the PTD0 pin to an output and 
setting the value high will turn on the LED.  Setting the pin low will turn off the LED. 
2.2.7 U1: MCU 
U4 is the Micro-Controller Unit -- Freescale part number: MC9S08GT60CFB. It has an 8-bit 
microprocessor, 60K byte Flash, 4 K byte RAM, and a 10 bit A/D converter. In addition to its capability to 
process the 802.15.4 PHY/MAC and protocol stack, it still has plenty of processing power left to run 
simple, normal sensor/actuator applications. 
2.2.8 U3: RF IC 
U3 is the radio frequency transceiver –Freescale part number: MC13193. This transceiver together with 
U1 MCU forms a fully compliant IEE 802.15.4 IEEE Standard radio. The whole RF section that 
encompasses U3, all passive components and baluns are shielded to improve overall RF performance. 
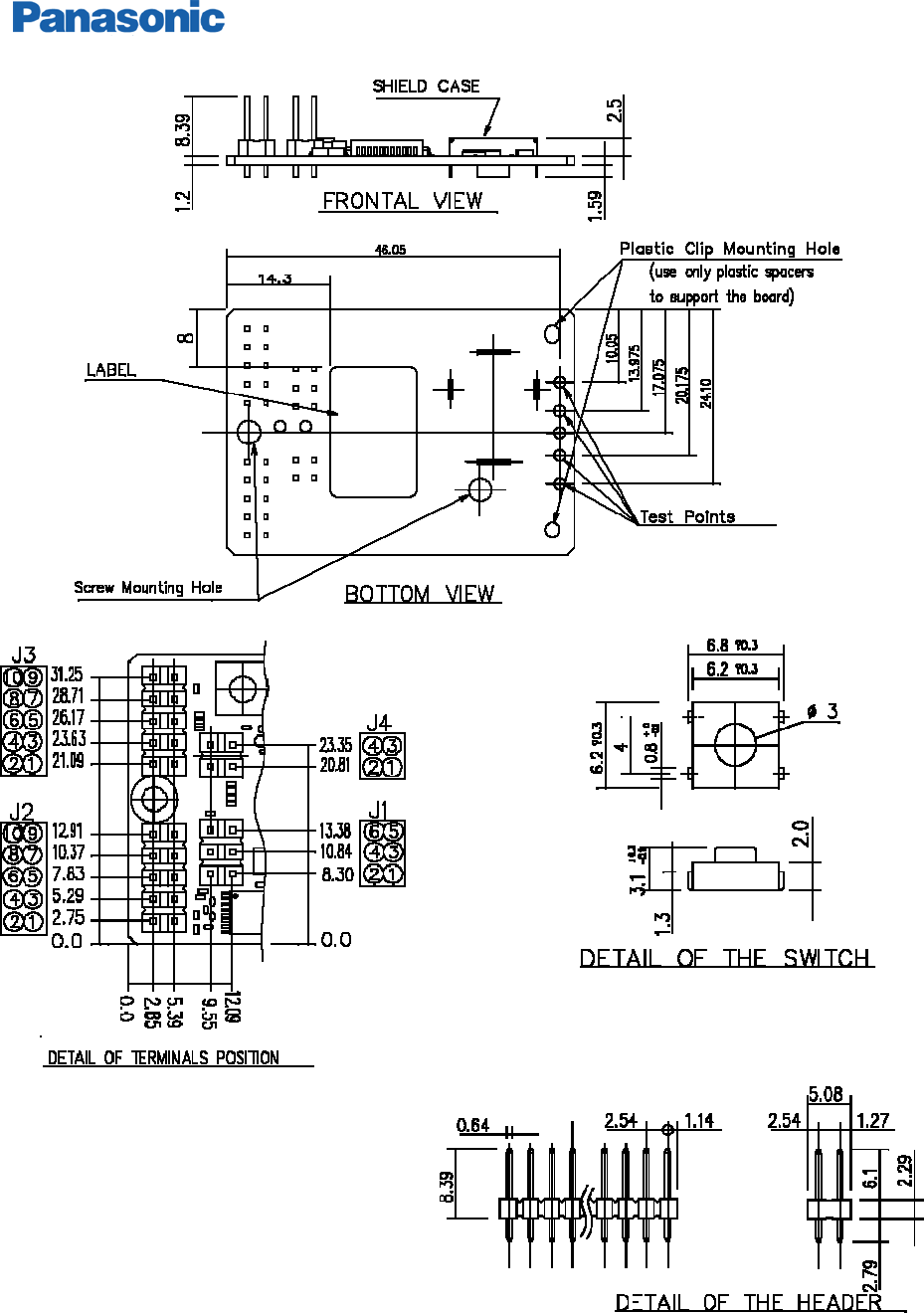
2.3 Mechanical Dimensions 

                LR/WPAN PAN802154HAR Application Notes 
Doc Number:   Rev A3    11
Figure 5: Mechanical drawing 
Mating receptacles for board to board connection 
4 Pin Connector:   Molex P/N 15-44-5804 as mating connector 
6 Pin Connector:   Molex P/N 1544-5806 as mating connector 
10 Pin Connector: Molex P/N 1544-5810 as mating connector 

                LR/WPAN PAN802154HAR Application Notes 
Doc Number:   Rev A3    12
3 APPLICABLE SW COMPONENTS 
3.1  SW Architecture  
Application Program 
Freescale™ ZigBee 
PROTOCOL STACK 
802.15.4 MAC LAYER 
PHY LAYER 
Diagram Three:  PAN802154 SW Architecture 
The bottom 3 layers may be downloaded from Freescale™ ‘s website. Only the Application Program or 
Profile will need to be generated by the system developer. There are many reference code examples 
available from the Freescale™ website. 
Depending on the application, the following Freescale™ SW components may be appropriate: 
a)  Freescale Embedded Bootloader  
b)  802.15.4 PHY/MAC  
c)  ZigBee Protocol Stack  
All of the SW above is downloadable from Freescale website; http://www.freescale.com/ZigBee 
3.1.1  Different Possible Applications with Available Software Components 
The PAN802154 can function with a variety of Freescale-provided software such as:  
a.) SMAC (Simple MAC) 
b.) 802.15.4 MAC 
c.) ZigBee Protocol Stack 
Depending on the desired application complexity, the user may choose one of the above SW 
environments SMAC is the simplest, followed by the 802.15.4 MAC. Using the ZigBee protocol stack on 
top of the 802.15.4 MAC will be the most complex and allows the end product to meet the ZigBee 
Alliance standard.   
The system user may elect to not use the Freescale provided ZigBee protocol stack and develop a 
system application based on the 802.15.4 standard protocol only. This could happen with legacy 
applications that need not be interoperable with the ZigBee community devices. 
For even simpler system, the user can even ignore the 802.15.4 MAC and just use the SMAC (Simple 
MAC), and develop the application program on top of this MAC. 
3.2 Bootloader 
The PAN802154 comes with only the Bootloader loaded.  

                LR/WPAN PAN802154HAR Application Notes 
Doc Number:   Rev A3    13
For engineering samples, please start the SW application development process by erasing all 
contents of the flash (60K bytes) prior to  loading any SW components. 
3.3  Required SW Tools 
You will need the following SW tools to develop an application program/profile. 
1)  Metrowerks Codewarrior Development Studio for HC(S)08 64K C Compiler. Part Number CWS-H08-
C64K-CX.  (http://store.metrowerks.com) 
2)  Freescale™ ZigBee Development tool --- This tool is available from Freescale 
3)  BDM MULTILINK Flash Programming tool ( Software and hardware).  This is available from PEMicro 
in USB or parallel port presentation.  (www.pemicro.com) 
3.4  Freescale™ ZigBee Development Platform 
Freescale™ Semiconductor has created several hardware and software development platforms.  The Z-
Stack and 802.15.4 MAC were created to work with all of these specific hardware platforms. 
If you are already familiar with one of the Freescale™ Development Platforms, using the Panasonic 
Module in your system is very easy as The Panasonic PAN802154 is most closely resembles the SARD. 
3.5  Special mapping for the PAN802154 Module in Metrowerks Code Warrior Development 
Tool. 
Panasonic PAN802154 uses the Freescale GT60 MCU (U1) in conjunction with the MC13193 
Transceiver (U3)  --- the correct MCU part number must be chosen for the specific device function role 
for the compiler to generate the correct object code. 
  There are basically 3 function devices 
a)  End Device – (Reduced Function Device - RFD) 
b)  Router Device – (Full Function Device - FFD) 
c)  Device Coordinator – (Full Function Device - FFD) 
Note that only FFD can communicate with any device. RFD can only communicate with  
FFD, and not with another RFD. 
Metrowerks Code Warrior Development Studio for HC (S) 08 64K Compiler is the compiler. Libraries and 
source code projects provided by Freescale™ are compatible with this compiler.  The compiler may be 
found on the Freescale™’s website at www.freescale.com.  The 64K-compiler upgrade is needed to 
compile the full ZigBee stack.   

                LR/WPAN PAN802154HAR Application Notes 
Doc Number:   Rev A3    14
3.5.1  Compiling with a Z-Stack Project 
For compiling with the Z-Stack, the compile flag TARGET_DIG536_2 needs to be added to the 
Codewarrior project settings.  There are two ways to do this.  If you are working in a Z-Stack project, 
simply select the GT60 DIG536 target in whichever project is to be compiled (see figure 2 below).  
Figure 6: Using pre-defined project setting 
3.5.2  Compiling without using the Z-Stack 
Without using the Z-Stack, one can manually set the project settings compile flag. This is possible by 
clicking on the project setting button in CodeWarrior and selecting ‘Compiler for HC08’.  You can then 
manually add compile flags to the command line arguments (see figure 3 below). Entering ‘ –
DTARGET_DIG536_2’ accomplishes this mapping. 

                LR/WPAN PAN802154HAR Application Notes 
Doc Number:   Rev A3    15
Figure 7: Manually setting compile  
3.6  Differences between the Panasonic PAN802154 and the Freescale SARD Development 
Board 
If the User is already familiar with the Freescale SARD Development Board – then using the PAN802154 
is very easy.  
The Panasonic PAN802154 has a different hardware configuration than the SARD board, improved RF 
performance, one switch versus four; one LED versus four; the RS-232 interface has an additional 
control connection to conserve power. 
3.6.1 Switch 
Setting the target settings to the SARD affects all the pin-outs for the PAN802154.  The SARD board 
layout includes four user switches labeled SW1, SW2, SW3, and SW4. However, the PAN802154 has 
only one and it is labeled SW1.  Nothing needs to be done in software due to this difference in layouts.  
This should be kept in mind when attempting to run Freescale demonstration applications that uses 
these switches.  
The port used is the same for SW1 (PTD0). 
3.6.2 LED 
The SARD board had four LEDs as well, however, only one is used on the PAN802154.  The port used 
for the LED (LED1) is PTD0, which is the same as LED1 on the SARD board.  This should be kept in 
mind when developing software for the PAN802154s. 

                LR/WPAN PAN802154HAR Application Notes 
Doc Number:   Rev A3    16
3.6.3 RS-232 Interface 
The MCU has the capability to connect to two separate serial ports, however, the Panasonic PAN802154 
has only one header for a serial port connection.  This header is connected to SCI1 (serial 
communications interface 1).   
The RS-232 IC used in the PAN802154 allows for a low-power sleep mode.  Control of this sleep mode 
is done through a MCU I/O pin, PTC6.  To force the RS-232 IC into a sleep mode, set pin PTC6 low.  
When the RS-232 IC is in sleep mode, the RS-232 will not operate.  To wake the RS-232 IC up, set 
PTC6 high . 
3.6.4  Editing SARD Header File for the Panasonic Module 
Following sections show how to modify the SARD Header into the Panasonic PAN802154 Header File 
because of the difference in quantity of LEDs, Switches (or Push Buttons) as indicated in paragraphs 
above. 
3.6.4.1  Header File Modification for SMAC applications 
For SMAC applications, the LED and SW definitions are in the application header file.   
To enable these applications to run on the PAN802154, just delete the lines from the header file that 
defines LED2, LED3 and LED4.  Also, delete the lines that indicate PB1, PB2, and PB3 (Note the 
nomenclature difference – Panasonic uses SW; where as the SARD use PB).  Also, be sure not to use 
these definitions in any of the ZigBee applications.  The example given below is from wireless_uart.h, 
which is at SMAC_DIRECTORY\apps\Wireless Uart\Sources directory. 
Example is below. 
#if defined(MC13192SARD) 
 #define LED1  PTDD_PTDD0 
 #define LED1DIR  PTDDD_PTDDD0 
  #define LED2    PTDD_PTDD1   <-- Delete 
  #define LED2DIR    PTDDD_PTDDD1 <-- Delete 
  #define LED3    PTDD_PTDD3   <-- Delete 
  #define LED3DIR    PTDDD_PTDDD3 <-- Delete 
  #define LED4    PTDD_PTDD4   <-- Delete 
  #define LED4DIR    PTDDD_PTDDD4 <-- Delete 
  #define LEDPORT     PTDD          
 #define PB0   PTAD_PTAD2 
  #define PB0PU     PTAPE_PTAPE2  
  #define PB0DIR     PTADD_PTADD2 
  #define PB1     PTAD_PTAD3   <-- Delete 
  #define PB1PU     PTAPE_PTAPE3 <-- Delete 

                LR/WPAN PAN802154HAR Application Notes 
Doc Number:   Rev A3    17
  #define PB1DIR     PTADD_PTADD3 <-- Delete 
  #define PB2     PTAD_PTAD4   <-- Delete 
#define PB2PU     PTAPE_PTAPE4 <-- Delete 
  #define PB2DIR     PTADD_PTADD4 <-- Delete 
  #define PB3     PTAD_PTAD5   <-- Delete 
  #define PB3PU     PTAPE_PTAPE5 <-- Delete 
  #define PB3DIR     PTADD_PTADD5 <-- Delete 
  #define PB0IE     KBI1PE_KBI1PE2 
  #define PB1IE     KBI1PE_KBI1PE3 <-- Delete 
  #define PB2IE     KBI1PE_KBI1PE4 <-- Delete 
  #define PB3IE     KBI1PE_KBI1PE5 <-- Delete 
    #define PRESSED 0 
#endif 
3.6.4.2  Header File Modification for 802.15.4 MAC applications 
For 802.15.4 MAC applications, the Target.h header file needs to be edited in order to remove the 
configuration for the SW2, SW3, SW4 and LED2, LED3, LED4, as well as any Macros that exist for 
Switches and LED’s that do not exist on the PAN802154.  This file is in the 802.15.4 Directory under 
Src/GHDR/Target.h. 
Also, no application should call any LED macros. 
Port A and D Setup 
Original code looks as follows 
#define  mSETUP_PORT_A  PTAPE = 0x3C;\   <-- Change to 0x04 
                        PTADD = 0x00;         
#define  mSETUP_PORT_D  PTDPE = 0x00;\ 
                 PTDDD = (0x01 | 0x02| 0x08 | 0x10); <-- only keep 0x01 
After editing, the code will be as shown below 
#define  mSETUP_PORT_A  PTAPE = 0x04;\ 
                        PTADD = 0x00;         
#define  mSETUP_PORT_D  PTDPE = 0x00;\ 
                        PTDDD = (0x01);   
LED Setup 
Original code looks as follows 
#define LED1_PIN  (1<<0) 
#define LED2_PIN  (1<<1)      <- Delete 

                LR/WPAN PAN802154HAR Application Notes 
Doc Number:   Rev A3    18
#define LED3_PIN  (1<<3)      <- Delete 
#define LED4_PIN  (1<<4)      <- Delete 
#define LED1ON  PTDD &= 0xFE; 
#define LED1OFF PTDD |= 0x01; 
#define LED1TOGGLE PTDD ^= 0x01; 
#define LED2ON  PTDD &= 0xFD;    <- Delete 
#define LED2OFF PTDD |= 0x02;    <- Delete 
#define LED2TOGGLE PTDD ^= 0x02; <- Delete 
#define LED3ON  PTDD &= 0xF7;    <- Delete 
#define LED3OFF PTDD |= 0x08;    <- Delete 
#define LED3TOGGLE PTDD ^= 0x08; <- Delete 
#define LED4ON  PTDD &= 0xEF;    <- Delete 
#define LED4OFF PTDD |= 0x10;    <- Delete 
#define LED4TOGGLE PTDD ^= 0x10; <- Delete 
After editing the header file for the PAN802154, the code will be as follows 
#define LED1_PIN  (1<<0) 
#define LED1OFF  PTDD &= 0xFE; 
#define LED1ON   PTDD |= 0x01; 
#define LED1TOGGLE PTDD ^= 0x01; 
Switch Setup 
Original code 
#define mSWITCH1_MASK 0x04 
#define mSWITCH2_MASK 0x08 <- Delete 
#define mSWITCH3_MASK 0x10 <- Delete 
#define mSWITCH4_MASK 0x20 <- Delete 
#define mSWITCH_MASK 0x3C  <- Change to 0x04 
After Editing for the module 
#define mSWITCH1_MASK 0x04 
#define mSWITCH_MASK 0x04 
3.6.4.3  Header file Modification for Z-Stack Applications 
If compiling for a Z-Stack application, the header file OnBoard.h needs to be edited.  This file is located 
at: 
F8W\FS-1.0-1.0.0-RC2\Z-Stack\ZMain. 
The Z-Stack uses this header file within the application framework, so the LED and SWITCH definitions 
cannot simply be deleted or the project will not build.  Instead, they can just be set to 0 so that no action 
is taken if they attempt to be used. 
It is important to note that the Z-Stack demo applications use the switches for various uses.  But since 
some switches are not available on the PAN802154, these switch Macros must be set to 0 (deleting the 
LED macros will cause the Z-Stack to not compile). 

                LR/WPAN PAN802154HAR Application Notes 
Doc Number:   Rev A3    19
LED Macros 
Original code 
#define LED_NONE 0x00 
#define LED1     0x01 
#define LED2     0x02   <-- Set to 0 
#define LED3     0x04   <-- Set to 0 
#define LED4     0x08   <-- Set to 0 
#define LED_ALL (LED1 | LED2 | LED3 | LED4)  <-- Delete LED2,3,4 
After Editing for the module, the code shall be 
#define LED_NONE 0x00 
#define LED1     0x01     
#define LED2     0x00   
#define LED3     0x00 
#define LED4     0x00 
#define LED_ALL (LED1)   
Switch Macros 
Original code 
#elif defined( GT60_SARD ) || defined ( GT60_EVB ) 
  #define EVAL_SW_MASK 0x3C  <-- Change to 0x04 
  #define EVAL_SW4 0x20 
  #define EVAL_SW3 0x10 
  #define EVAL_SW2 0x08 
  #define EVAL_SW1 0x04 
After editing for the module 
#elif defined( GT60_SARD ) || defined ( GT60_EVB )   
  #define EVAL_SW_MASK 0x04 
  #define EVAL_SW4 0x20 
  #define EVAL_SW3 0x10 
  #define EVAL_SW2 0x08 
  #define EVAL_SW1 0x04 

                LR/WPAN PAN802154HAR Application Notes 
Doc Number:   Rev A3    20
3.7  How to load a SW program into the Panasonic Module   
The following example shows a step-by-step for loading software build for a Z-Stack application to the 
PAN802154. 
1. Open Metrowerks Codewarrior Development Studio for HC(S) 08.  
2. Open one of the example projects in the Z-Stack directory. This example uses the Home lighting 
Controls project.  In Codewarrior IDE, select File->Open.  The location is  
C:\F8W\FS-1.0-1.0.0-RC2\Z-Stack\Projects\HomeLighting\SLC03394\MC13192\Zstack_SLC03394.mcp 
The project will open and your screen will appear as below.   
Figure 8: Z-Stack application 

                LR/WPAN PAN802154HAR Application Notes 
Doc Number:   Rev A3    21
3.  The project needs to be mapped to the correct hardware configuration.  This is accomplished by 
clicking the down-facing arrow and selecting the target as XXX – GT60 DIG536.  This sets up the 
compile options (XXX is Coordinator, Router, or End Device, depending on the application that is to 
be loaded into the PAN802154). 
Figure 9: Mapping the hardware configuration 

                LR/WPAN PAN802154HAR Application Notes 
Doc Number:   Rev A3    22
4. To load the software, connect the BDM-Multilink 6-pin connector to J5 header on the PAN802154.  
Click the green button circled below.  The code will compile and download the program to the Module. 
Figure 10: Loading the application 

                LR/WPAN PAN802154HAR Application Notes 
Doc Number:   Rev A3    23
Page intentionally blank. 

                LR/WPAN PAN802154HAR Application Notes 
Doc Number:   Rev A3    24
4 FREQUENTLY ASKED QUESTIONS 
Q1: What is the LR/WPAN PAN802154HAR00 Panasonic Module? 
A: The PAN802154 is a low rate / low power communication radio module adapting from the Freescale 
SARD platform. It is fully 802.15.4 compatible with a Freescale™ ZigBee Protocol stack. It has 1 Push-
button switch, 1 LED, 1 RS-232 port, general-purpose header with 6 digital I/O and 2 analog inputs for 
A/D conversion (The 2 analog inputs can be used as Digital I/Os). The PAN802154 also has on board 
antenna for cost reduction and meets FCC requirements. 
Q2: Does my end product have to get FCC certification and ZigBee certification if we use the 
Module?      
A: Although the PAN802154 is already tested at Panasonic factory for FCC compliance, the end product 
will need to be certified as an end consumer item. Ditto for the ZigBee compliance for your specific end 
product Application SW.  
Q3:  Does the ZigBee stack come with the PAN802154? What form does it come in and what is 
included? 
A:  Yes. The Freescale ZigBee stack itself is provided in object code form, however, an example for 
application framework and operating system environment is provided in source-code form.  The Stack is 
available for download from the Freescale website.  
Q4: Is there any development tool for using the Z-Stack?  
A: The Z-Stack has development tools that assist in application development and deployment. The Z-
stack tools are available for the following development purposes. 
   a.) Z-Tool for debugs 
   b.) Configurator for embedded application setup and source code generation. 
        c.) Profile-builder for building custom ZigBee profiles 
        d.) Z-Network for providing a graphical representation of a ZigBee Network. 
Q5: Same question as above, but for 802.15.4 MAC 
A:  802.15.4 MAC is separated into a PHY and a MAC layer.  The PHY layer is provided in source-code 
form.  Pre-built libraries are provided for all Freescale’s development platforms. The MAC is provided in 
library form only.  
Q6: Does the PAN802154 correspond to any Freescale Development Platform? 
A: The PAN802154 adapts the Freescale™’s SARD development platform.  The part number for the 
SARD board is DIG536-2, and the design can be found on Freescale’s website.  The PAN802154 
contains only 1 push-button switch and 1 LED, whereas the SARD board has 4 switches and 4 LEDs.  
The PAN802154 has an extra signal goes to the RS-232 chip to enable sleep-mode on the RS-232 chip 
to save power. 

                LR/WPAN PAN802154HAR Application Notes 
Doc Number:   Rev A3    25
Q7: What compiler is used for ZigBee application development? 
A:  Metrowerks CodeWarrior Development Studio for HC (S) 08 64K Compiler is the compiler. Libraries 
and source code projects provided by Freescale™ are compatible with this compiler.  The compiler can 
be found on Freescale’s website at www.freescale.com.  The 64K-compiler upgrade is needed to 
compile the full ZigBee stack.   
Q8: Do the PAN802154s come with any software loaded onto them?  
A: The modules will come loaded with a Bootloader (Engineering samples may contain sample 
applications).  The Bootloader allows software to be downloaded to the PAN802154 through the serial 
port.  A command-line interface to this Bootloader is provided by Freescale™ and available for 
download. 
Q9: Is any special hardware needed to load code to the ZigBee modules?  
A: Loading of software can be done through a standard serial port connected to a PC and Freescale’s 
serial Bootloader application (Freescale’s specific bootloader.s19 file must be downloaded into module’s 
flash before this feature can be used).   File format for this loading is Motorola s-record (S19) files.   If 
more control of software loading and flash erasing is desired; a hardware debugger is available from  
www.pemicro.com.  Part number is BDM-MULTILINK (uses pc’s parallel port) or USB-ML-12 (uses pc’s 
USB port). 
Q10:  What programming language is used for application programming? 
A: Standard C is used to write the embedded applications.  Some assembly can be used for speed-
critical sections of code.   
Q11:  What are the power supply requirements? 
A:  For wireless communication without using the RS-232, the power supply voltage must be between 
2.2 and 3.4 volts DC.  With RS-232 operation, the supply voltage must be between 3 and 3.4 volts DC. 
Q12:  What distance can be expected for wireless communication? 
A:  Line of sight communication between two modules can be as far as 200 meters. With a few stucco 
walls, in a building environment the distance between the two modules could be as good as 30 meters.   
Q13:  Describe the general-purpose I/O header? 
A:  The PAN802154 contains a 10-pin general purpose I/O header.  This header provides up to 8 digital 
I/O.  Two of the digital I/O pins can also be used as analog inputs to the analog-to-digital converter in the 
MCU.  Power and Ground are also provided on this header. 
Q14:  What is the baud rate for the serial port? 
A:  The baud-rate is programmable.   

                LR/WPAN PAN802154HAR Application Notes 
Doc Number:   Rev A3    26
Q15:  What kind of battery life is expected? 
A:  The battery-life for the PAN802154 is entirely dependent on the application.  In applications that only 
require only a few transmissions per hour, batteries may last several years, alternately, in applications 
that require continuous transmissions batteries may only last a few months. 
Q16: How big is the Freescale ZigBee stack? 
A:  Version 1.0 stack size is dependent on the device type.  Below is a simple table for current sizes of 
ZigBee stack + 802.15.4 MAC, including security. More code-size reduction efforts are taking place. 
Coordinator:   54,714 bytes  
Router:    51,705 bytes 
Node:     43,053 bytes 
Note that with this code size, for the GT60 MCU a fair amount of ROM (equals to 60Kbytes minus the 
amount used above for each type) is still available from the Flash to store the application program.  The 
above code size is expected to be substantially smaller in future releases.  
Q17: Can I use the PAN802154 with another protocol stack other than the Freescale ZigBee 
stack?  
A:  Yes. As long as the replaceable stack is compatible with the Freescale provided 802.15.4 PHY / 
MAC; and it is also compiled for the GT60 MCU and MC13193 Transceiver.  
Q18:  Can I use the PAN802154 with the SMAC only for my simple legacy system? 
A:  Yes. For simple legacy application program, you can just use the SMAC only. 

                LR/WPAN PAN802154HAR Application Notes 
Doc Number:   Rev A3    27
5 REFERENCE DOCUMENTS 
Panasonic   LR/WPAN802154HAR00 Specification 
From Freescale  - Documents below are downloadable from Freescale™ website 
http://www.freescale.com/ZigBee 
SMAC 
Doc. Title:  Simple Media Access Controller User's Guide 
Doc. Num:  SMACRM/D 
802.15.4 MAC 
Doc. Title:   802.15.4 MAC/PHY Software Reference Manual 
Doc. Num:   802154MPSRM/D 
Doc. Title:   802.15.4 MAC/PHY Software Users Guide 
Doc. Num:   802154MPSUG/D 
Z-Stack 
High-Level Design 
Doc. Title:   Z-Stack Application Framework (AF) Application Programming Interface 
Doc. Num:   F8W-2003-0010 
Doc. Title:   Z-Stack Application Framework (AF) Application Programming Interface 
Doc. Num:   F8W-2003-0025 
Doc. Title:   Z-Stack Compile Flag Definitions 
Doc. Num:   F8W-2004-0013 
Doc. Title:   Z-Stack Device Object (ZDO) Application Programming Interface 
Doc. Num:   F8W-2004-0025 

                LR/WPAN PAN802154HAR Application Notes 
Doc Number:   Rev A3    28
Doc. Title:   ZigBee Device Object Programmer's Guide 
Doc. Num:   F8W-2004-0008 
Doc. Title:   Z-Stack Network (NWK) Application Programming Interface 
Doc. Num:   F8W-2003-0008 
Doc. Title:   ZigBee Dimmer Load Controller (03395) Device Description Programmer's 
Guide 
Doc. Num:   F8W-2003-0034 
Doc. Title:   ZigBee Dimmer Remote Control (03392) Device Description Programmer's 
Guide 
Doc. Num:   F8W-2003-0033 
Doc. Title:   ZigBee Generic Application Programmer's Guide 
Doc. Num:   F8W-2003-0032 
Doc. Title:   ZigBee Light Sensor Monochromatic (02080) Device Description Programmer's 
Guide 
Doc. Num:   F8W-2003-0029 
Doc. Title:   ZigBee Occupancy Sensor (03393) Device Description Programmer's Guide 
Doc. Num:   F8W-2003-0035 
Doc. Title:   ZigBee Serial Application Programmer's Guide 
Doc. Num:   F8W-2003-0018 
Doc. Title:   ZigBee Switch Load Controller (03394) Device Description Programmer's Guide 
Doc. Num:   F8W-2003-0028 

                LR/WPAN PAN802154HAR Application Notes 
Doc Number:   Rev A3    29
Doc. Title:   ZigBee Switch Remote Control (03391) Device Description Programmer's Guide 
Doc. Num:   F8W-2003-0027 
Integration Test 
Doc. Title:   Z-Stack Integration Test Plan 
Doc. Num:   F8W-2003-0021 
OS Abstraction Layer 
Doc. Title:   Z-Stack OS Abstraction Application Programming Interface 
Doc. Num:   F8W-2003-0002 
Serial Port Interface 
Doc. Title:   Z-Stack/Z-Test Serial Port Interface 
Doc. Num:   F8W-2003-0001 

                LR/WPAN PAN802154HAR Application Notes 
Doc Number:   Rev A3    30
APPENDIX 1 FCC AND CANADA CERTIFICATIONS 
Instruction to the user 
47 C.F.R. Sec. 15.21 
This equipment has been tested and found to comply with the limits for a Class B digital device, 
pursuant to part 15 of the FCC Rules. These limits are designed to provide reasonable protection 
against harmful interference in a residential installation. This equipment generates uses and can 
radiate radio frequency energy and, if not installed and used in accordance with the instructions, may 
cause harmful interference to radio communications. However, there is no guarantee that 
interference will not occur in a particular installation. If this equipment does cause harmful 
interference to radio or television reception, which can be determined by turning the equipment off 
and on, the user is encouraged to try to correct the interference by one or more of the following 
measures: 
• Reorient or relocate the receiving antenna. 
• Increase the separation between the equipment and receiver. 
• Connect the equipment into an outlet on a circuit different from that to which the receiver is 
connected. 
• Consult the dealer or an experienced radio/TV technician for help. 
47 C.F.R. Sec.15.105(b) 
This equipment complies with FCC radiation exposure limits set forth for an uncontrolled 
environment. The antenna(s) used for this equipment must be installed to provide a separation 
distance of at least 8 inches (20cm) from all persons. 
   Integration in OEM products: VERY IMPORTANT!  
The PAN802154 module (ZB-01) has been certified as a transmitter module by the FCC rule 15 and 
Industry Canada. It can be integrated into OEM products without obtaining subsequent and separate 
FCC approvals according to the FCC public notice DA 00-1407 June 26, 2000.  
The OEM must satisfy the following requirements to comply with the FCC regulations: 
1)  The OEM integrator will not use the Panasonic FCC ID or Canada grant code with out a previous 
contract agreement on which the exact application and scope of the final product will be 
declared. 
2)  If the PAN802154 is integrated in another enclosure and the FCC label is not visible, then the 
device into which the module is installed must also display a label such as the Figure11. 

                LR/WPAN PAN802154HAR Application Notes 
Doc Number:   Rev A3    31
This device Contain a transmitter module: PAN802154 HAR00 
IC:  Pending  FCC ID:  Pending 
* The enclosed device complies with Part 15 of the FCC Rules.  Operation is subject to the 
following two conditions: (1) This device may not cause harmful interference, and (2) This device 
must accept any interference received, including interference that may cause undesired operation. 
Figure 11: Label to be attached to the outside of the OEM product 
3)  The users manual should include a statement such as the one in figure 2: 
Figure 12: Caution statement to be included in OEM users manual 
4)  Any modification to this product may violate the rules of Federal Communications Commission 
and make the operation of the product unlawful. If the OEM integrates the module into their final 
product, where the final product utilizes non-approved antennas or is classified as a portable 
device per FCC Section 2.1093, the OEM is responsible for obtaining a separate authorization on 
the final product. 
5)  The module has been designed and tested for battery operation. The OEM is responsible for 
conducted emissions compliance and has to demonstrate that it pass the conducted limits if the 
final product include or make provisions for the use of battery eliminators or AC adapters or if it 
gets power indirectly from AC lines. 
6)  OEM is responsible for the compliance of the FCC regulations for Unintentional radiators section 
15.107 and 15.109 on their final product. 
CAUTION STATEMENT! 
47 C.F.R. Sec. 15.21 
This equipment has been tested and found to comply with the limits for a Class B digital device, pursuant to 
part 15 of the FCC Rules. These limits are designed to provide reasonable protection against harmful 
interference in a residential installation. This equipment generates uses and can radiate radio frequency 
energy and, if not installed and used in accordance with the instructions, may cause harmful interference to 
radio communications. However, there is no guarantee that interference will not occur in a particular 
installation. If this equipment does cause harmful interference to radio or television reception, which can be 
determined by turning the equipment off and on, the user is encouraged to try to correct the interference by 
one or more of the following measures: 
• Reorient or relocate the receiving antenna. 
• Increase the separation between the equipment and receiver. 
• Connect the equipment into an outlet on a circuit different from that to which the receiver is connected. 
• Consult the dealer or an experienced radio/TV technician for help. 

                LR/WPAN PAN802154HAR Application Notes 
Doc Number:   Rev A3    32
APPENDIX 2 ORDERING INFORMATION 
RF module()
example only  
  P    A    N    8    0    2   1   5   4   H   A   R   0   0 
 (1)   (2) (3) (4)
(1) Product Code 
(2) Product Series 
(3) Product Type 
     H: Header Connector 
     A: On Board Antenna 
     R: RS-232C interface 
     0: Commercial Temperature Range; I: Industrial Temperature Range. 
(4) Design version number