Panasonic of North America 927147AHV VCR With DVD Player User Manual PV VS4763
Panasonic Corporation of North America VCR With DVD Player PV VS4763
User Manual

EXHIBIT # :        6             
FCC ID : ACJ927147AHV
OUR REF. : MKES02-F017   
MODEL NO. : PV-D4763           
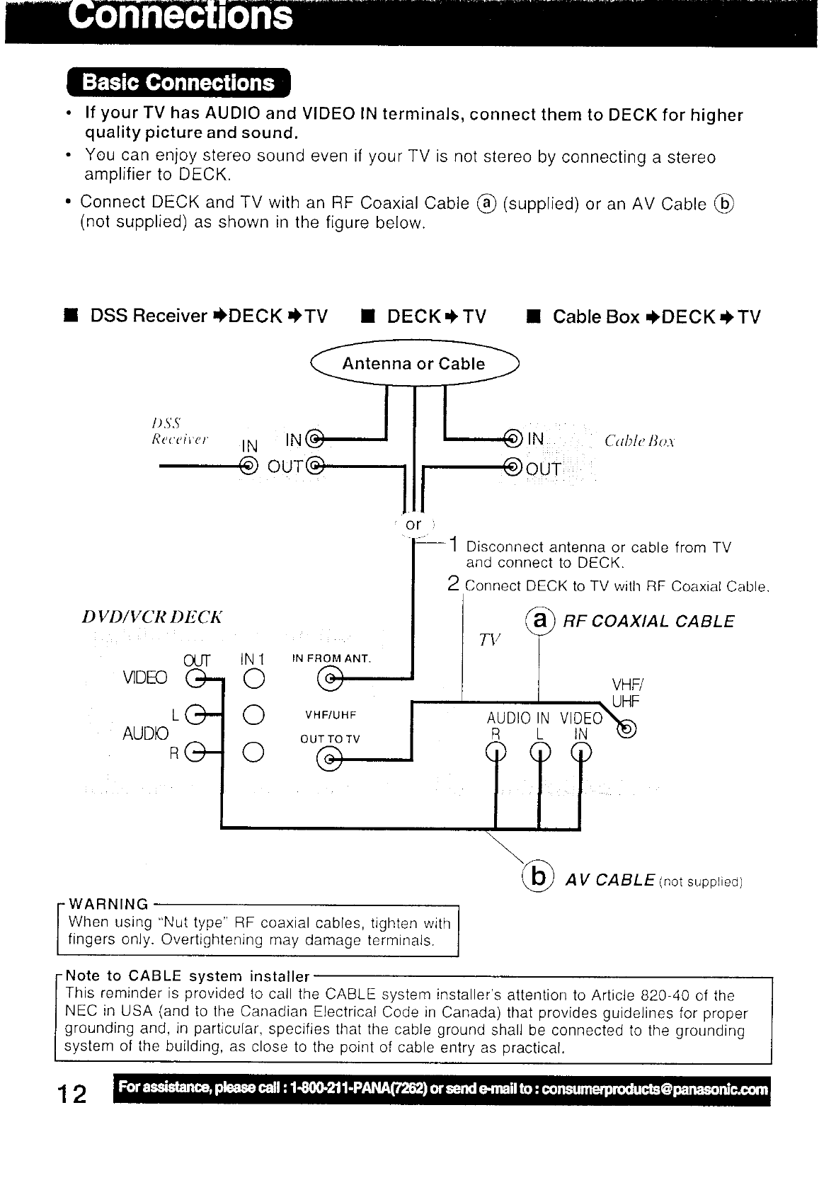
Operating Instructions
(Tentative)









