Panasonic NE 2180 User Manual To The Fc14fe41 6cc1 48c0 8159 3936c88e5cde
User Manual: Panasonic NE-2180 to the manual
Open the PDF directly: View PDF
.
Page Count: 43

©2001 Matsushita Electric Industrial Co., Ltd. All
rights reserved. Unauthorized copying and
distribution is a violation of law.
NE-3280
NE-2180
NE-2180C
Microwave Oven
ORDER NO. MOD0108247C1
E10

1 CONTROL PANEL 4
2 OPERATION PROCEDURE 5
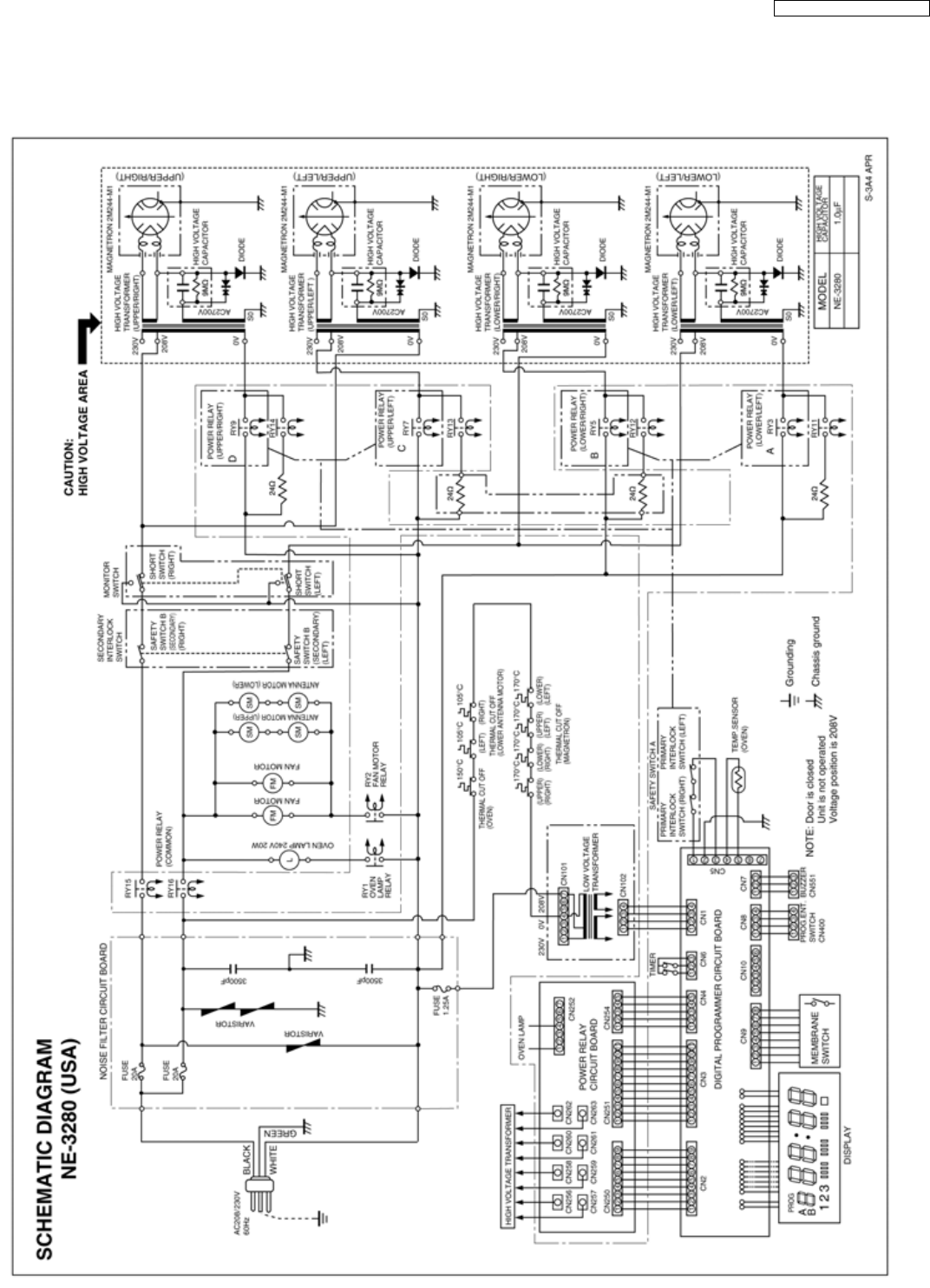
3 SCHEMATIC DIAGRAM NE-3280 (USA) 9
4 WIRING DIAGRAM NE-3280 (USA) 10
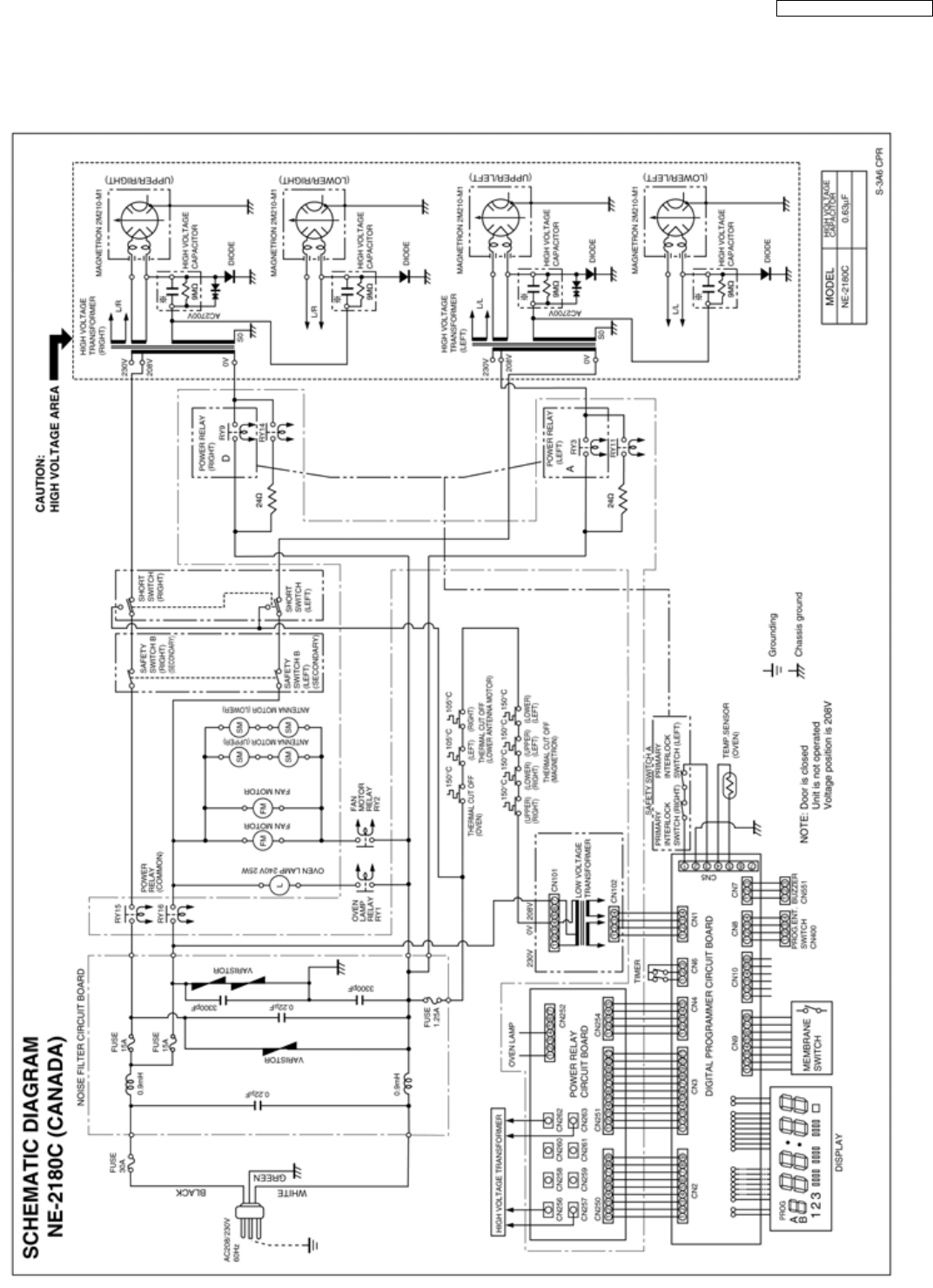
5 SCHEMATIC DIAGRAM NE-2180C (CANADA) 11
6 WIRING DIAGRAM NE-2180C (CANADA) 12
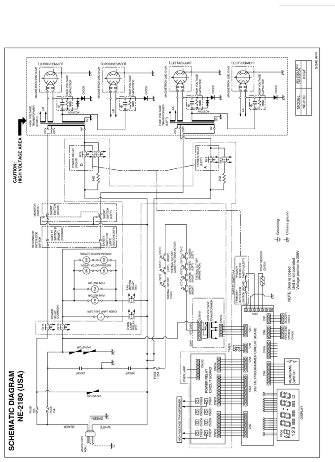
7 SCHEMATIC DIAGRAM NE-2180 (USA) 13
8 WIRING DIAGRAM NE-2180 (USA) 14
9 DESCRIPTION OF OPERATING SEQUENCE 15
10 CAUTIONS TO BE OBSERVED WHEN TROUBLESHOOTING
16
11 DISASSEMBLY AND PARTS REPLACEMENT 17
12 COMPONENT TEST PROCEDURE 21
13 MEASUREMENTS AND ADJUSTMENTS 23
14 PROCEDURE FOR MEASURING RADIATION LEAKAGE 24
15 TROUBLESHOOTING GUIDE 26
16 EXPODED VIEW AND PARTS LIST 28
17 PARTS LIST 30
18 DOOR ASSEMBLE 34
19 ESCUTCHEON BASE ASSEMBLE 35
20 PACKING AND ACCESSORIES 36
CONTENTS
Page Page
2
NE-3280 / NE-2180 / NE-2180C

21 WIRING MATERIAL 37
22 DIGITAL PROGRAMMER CIRCUIT 40
23 DIGITAL PROGRAMMER CIRCUIT 42
3
NE-3280 / NE-2180 / NE-2180C

1 CONTROL PANEL
4
NE-3280 / NE-2180 / NE-2180C

2 OPERATION PROCEDURE
5
NE-3280 / NE-2180 / NE-2180C

6
NE-3280 / NE-2180 / NE-2180C

7
NE-3280 / NE-2180 / NE-2180C

8
NE-3280 / NE-2180 / NE-2180C

3 SCHEMATIC DIAGRAM NE-3280 (USA)
9
NE-3280 / NE-2180 / NE-2180C

4 WIRING DIAGRAM NE-3280 (USA)
NOTE: When replacing, check the lead wire colour as shown.
10
NE-3280 / NE-2180 / NE-2180C

5 SCHEMATIC DIAGRAM NE-2180C (CANADA)
11
NE-3280 / NE-2180 / NE-2180C

6 WIRING DIAGRAM NE-2180C (CANADA)
NOTE: When replacing, check the lead wire colour as shown.
12
NE-3280 / NE-2180 / NE-2180C

7 SCHEMATIC DIAGRAM NE-2180 (USA)
13
NE-3280 / NE-2180 / NE-2180C

8 WIRING DIAGRAM NE-2180 (USA)
NOTE: When replacing, check the lead wire colour as shown.
14
NE-3280 / NE-2180 / NE-2180C

Variable power cooking control
The coil of power relays are energized intermittently by the
digital programmer circuit, when the oven is set at any power
selection except for High power position. The digital
programmer circuit controls the ON-OFF time of the power
relays contacts in order to vary the output power of the
microwave oven. The relation between indications on the
control panel and the output power of the microwave oven is as
9.1. Defrost control
When defrost power and defrosting time is selected and Start
pad is touched:
1. The digital programmer circuit (DPC) divides the total
defrosting time into 8 equal periods, consisting of four
defrosting periods, each followed by a standing period.
(See figure)
2. During defrosting power periods, power relay ON-OFF time
is controlled at Low power mode by DPC.
3. During Standing periods, power relay is always open
shown in table.
NOTE:
ON-OFF time of power relays are changed by digital
programmer circuit when remaining cooking time or
selected cooking time are within 8 minutes at MED,
LOW and Defrost cooking mode.
resulting in no microwave power.
NOTE:
Defrost time selected is converted into seconds by the
DPC but display will show selected time in minutes and
seconds as programmed. The total number of seconds
is divided into 8 time periods. The remainder (seconds
not equally divisible by 8) are added to the last standing
time period.
9 DESCRIPTION OF OPERATING SEQUENCE
15
NE-3280 / NE-2180 / NE-2180C

Unlike many other appliances, the microwave oven is high-
voltage, high-current equipment. Though it is free from danger
in ordinary use, extreme care should be taken during repair.
CAUTION
Servicemen should remove their watches whenever working close to or
replacing the magnetron.
10.1. Check the grounding
Do not operate on a 2-wire extension cord. The microwave
oven is designed to be used when grounded. It is imperative,
therefore, to make sure it is grounded properly before
beginning repair work.
10.2. Warning about the electric
charge in the high voltage
capacitor (
Figure).
For about 30 seconds after the oven is turned off, an electric
charge remains in the high voltage capacitor. When replacing
or checking parts, remove the power plug from the outlet and
short the terminal of the high voltage capacitor (terminal of lead
wire from diode) to chassis ground with and insulated handle
screwdriver or insulated jumper lead wire to discharge.
WARNING
There is high-voltage present, with high-current capabilities in the
circuits of the high voltage winding and filament winding of the high
voltage transformer. It is extremely dangerous to work on or near these
circuits with oven energized.
DO NOT measure the voltage in the high voltage circuit including
filament voltage of magnetron.
WARNING
Never touch any circuit wiring with your hand nor with an insulated tool
during operation.
10.3. When parts must be replaced,
remove the power plug from
the outlet.
10.4. When the 15 Amp. (NE-
2180/NE-2180C) or 20 Amp.
(NE-3280) fuse is blown due to
the operation of interlock
monitor, replace the necessary
components according to the
following table.
10.5. Avoid inserting nails, wire, etc.
through any holes in the unit
during operation.
Never insert a wire, nail or any other metal object through the
lamp holes on the cavity or any other holes or gaps, because
such objects may work as an antenna and cause microwave
leakage.
10 CAUTIONS TO BE OBSERVED WHEN
TROUBLESHOOTING
16
NE-3280 / NE-2180 / NE-2180C

10.6. Confirm after repair
1. After repair or replacement of parts, make sure that the
screws of the oven, etc. are neither loose nor missing.
CAUTION
Servicemen should remove their watches whenever working close to or
replacing the magnetron.
11.1. Magnetrons (Upper and
Lower)
Upper magnetrons (Right and Left)
1. Discharge electric charge remaining on the high voltage
capacitors.
2. Remove the entire rear panel by removing screws as shown
in figure.
3. Disconnect all lead wires from magnetron and thermal
cutout.
4. Remove the 4 screws holding magnetron.
5. Remove 2 screws holding thermal cutout.
6. Remove the mounting bracket from magnetron and install it
on the new magnetron.
Lower magnetrons (Right and Left)
1. Discharge electric charge remaining on the high voltage
capacitors.
2. Remove the entire rear panel by removing screws as shown
in figure.
3. Disconnect all lead wires from magnetron and thermal
cutout.
4. Remove the 4 screws holding magnetron.
5. Remove 2 screws holding thermal cutout.
6. Remove the air guide from magnetron and install it on the
new magnetron.
NOTE:
To prevent microwave leakage, tighten mounting
screws properly making sure there is no gap between
the waveguide and the magnetron.
CAUTION
When connecting 2 filament lead wires to the magnetron terminals, be
sure to connect the lead wires in the correct position. The lead wire
with blue connector should be connected to “FA terminal” and white
one should be connected to “F terminal”. (See Figure)
2. Make sure that all electrical connections are tight before
inserting the plug into the wall outlet.
3. Check for microwave energy leakage. (Refer to procedure
for measuring microwave energy leakage.)
11 DISASSEMBLY AND PARTS REPLACEMENT
17
NE-3280 / NE-2180 / NE-2180C

11.2. Digital programmer circuit
board
1. Remove grounding screw for membrane switch and D.P.C.
ground.
2. Remove 2 screws holding control panel assembly to detach
it from main unit then remove connectors.
3. Remove 2 screws holding the D.P.C. board and remove the
board by freeing catch hooks.
NOTE:
Please use care in handling the power supply P.C.B.
and D.P.C. board to avoid damage.
11.3. Low voltage transformer
and/or power relays
NOTE:
Be sure to ground any static electric charge built up on
your body before handling the DPC.
1. Using solder wick or a desoldering tool and 30W soldering
iron, carefully remove all solder from the terminal pins of the
low voltage transformer and/or power relays.
NOTE:
Do not use a soldering iron or desoldering tool of
more than 30 watts on DPC contacts.
2. With all the terminal pins cleaned and separated from DPC
contacts, remove the defective transformer/power relays
and install new transformer/power relays making sure all
terminal pins are inserted completely. Resolder all terminal
contacts carefully.
11.4. Disassembly of door assembly
1. Detach the door spring ends from right and left door arms.
2. Remove the arm lever right and left by removing 2 screws
each on both sides.
3. Remove the sashes right and left by removing 1 screw each
on both sides.
4. By holding the door assembly, remove the right and left
sides door hinge pins. The door assembly is now free from
the oven.
5. Remove 3 screws holding the door A.
6. Remove the door C by using a flat screwdriver as figure.
7. Remove 4 screws holding door handle.
8. Separate door A and door E.
9. Remove the door arms by removing 1 pin each on both
sides.
18
NE-3280 / NE-2180 / NE-2180C

11.5. Upper antenna (Right and Left)
Upper antenna (Right and Left)
1. Remove 8 plastic clips holding ceiling plate and exhaust
guides by using flat screwdriver or the like.
2. Remove 2 screws holding upper antenna assy by inserting
screwdriver through the opening on the antenna as shown
in figure.
11.6. Lower antenna (Right and
Left)
Lower antenna (Right and Left)
1. To remove the floor shelf, insert a screwdriver through the
openings on the right and left sides of the oven cavity and
carefully lift the floor shelf as shown in figure.
2. Remove 2 screws holding lower antenna assy by inserting
screwdriver through the opening on the antenna as shown
in figure.
19
NE-3280 / NE-2180 / NE-2180C

11.7. Replacement of temperature
sensor (Thermal protector)
1. Cut 2 lead wires at the top of sensor terminals.
2. Remove 2 screws holding temp sensor and replace with
new one.
3. Solder the lead wires securely to the sensor terminals.
11.8. Replacement of antenna
motors (upper and lower)
1. The upper antenna motor may be removed by
disconnecting the lead wire connectors and removing its 2
mounting screws.
2. To remove the lower antenna motor, carefully place the unit
on its left side.
3. Remove the motor cover by removing 2 screws and follow
same procedure as for upper antenna.
CAUTION
There are two types of antenna motors. Therefore please replace with
correct one as showing below.
Upper
Antenna
Motor
PART NO.:
ANE61446030AP
(RATED: 120V)
Lower
Antenna
Motor
PART NO.:
A6144-3280
(RATED: 120V)
11.9. Program, Beep and Program
Lock switches board.
(P.C.Board F assy)
1. Remove air filters.
2. Place the unit on its left side carefully.
3. Peel off panel B.
4. Remove 1 screw holding cover. (Figure)
5. Remove 2 screws holding switch assy.
6. Remove connector and remove 2 screws holding switch
board.
11.10. Voltage selection
(208V→
→→
→230V)
1. Remove 1 screw holding voltage selection connector cover.
2. Plug the connector out from white (208V) socket and plug
the connector into the black (230V) socket.
20
NE-3280 / NE-2180 / NE-2180C

CAUTION
1. High voltage is present at the high voltage terminal of the high
voltage transformer during any cook cycle.
2. It is neither necessary nor advisable to attempt measurement of
the high voltage.
3. Before touching any oven components, or wiring, always unplug
the oven from its power source and discharge the high voltage
capacitor.
12.1. Primary Interlock Switch
(SAFETY SWITCH A),
Secondary Interlock Switch
(SAFETY SWITCH B) and
Power Relay
1. Unplug the power cable.
2. Unplug lead wire connectors to Power Relay (RY2-16) and
verify continuity of the power relay terminals.
3. Unplug lead wire connectors to Primary Interlock Switch
and Secondary Interlock Switch.
4. Test the continuity of switches with the door in both open
and closed positions with ohm meter (low scale). Normal
continuity readings should be as follows.
Door Opened Door Closed
Primary Interelock
Switch Ω(open) 0Ω(close)
Secondary Interlock
Switch Ω(open) 0Ω(close)
Power Relays Ω(open) 0Ω(close)
12.2. Short/Monitor Switch (Both
Right and Left)
Door Opened Door Closed
NO Terminals Ω(open) 0Ω(close)
NC Terminals 0Ω(close) Ω(open)
12.3. High voltage transformer
1. Remove connections from the transformer terminals and
check continuity.
2. Normal (cold) resistance readings should be as follows:
·
Secondary winding Approx. 40Ω— 100Ω
·
Filament winding Approx. 0Ω
·
Primary winding Approx. 0Ω—3Ω
12.4. High voltage capacitor
1. Check continuity of capacitor with meter on highest OHM
scale.
2. A normal capacitor will show continuity for a short time, and
then indicate 9MΩonce the capacitor is charged.
3. A shorted capacitor will show continuous continuity.
4. An open capacitor will show constant 9MΩ.
5. Resistance between each terminal and chassis should be
infinite.
12.5. Magnetron
Continuity checks can only indicate an open filament or a
shorted magnetron. To diagnose for an openfilament or
shorted magnetron.
1. Isolate magnetron from the circuit by disconnecting the
leads.
2. A continuity check across magnetron filament terminals
should indicate one ohm or less.
3. A continuity check between each filament terminal and
magnetron case should read open.
12 COMPONENT TEST PROCEDURE
21
NE-3280 / NE-2180 / NE-2180C

12.6. Diode
1. Isolate the diode from the circuit by disconnecting the leads.
2. With the ohmmeter set on the highest resistance scale,
measure the resistance across the diode terminals.
Reverse the meter leads and again observe the resistance
reading. Meter with 6V, 9V or higher voltage batteries
should be used to check the front-to-back resistance of the
diode, otherwise an infinite resistance may be read in both
directions. A normal diode’s resistance will be infinite in one
direction and several hundred kΩin the other direction.
12.7. Membrane key board
(Membrane switch assembly)
Check continuity between switch terminals, by tapping an
appropriate pad on the key board. The contacts assignment of
the respective pads on the key board is as shown in digital
programmer circuit.
12.8. Protector diode
1. Isolate the protector diode assembly from the circuit by
disconnecting its leads.
2. With the ohmmeter set on the highest resistance scale,
measure the resistance across the protector diode
terminals. Reverse the meter leads and again observe the
resistance reading. A normal protector diode’s resistance
will be infinite in both directions. It is faulty if it shows
continuity in one or both directions.
12.9. Temp sensor (Thermal
protector)
A temp sensor is mounted on exhaust guide. Its purpose is to
automatically shut off the oven in case the cavity overheats for
any reason.
The thermal protector will operate at 257°F (125°C).
The device is connected to the DPC on touch control models.
When the thermal protector exceeds its temperature it will turn
off the power to oven cavity and display will go to reset mode.
The cooking program can be reset after cool-down.
THERMISTOR RESISTANCE VALUE
30K — 120K at 10°C — 30°C (50°F — 86°F)
22
NE-3280 / NE-2180 / NE-2180C

13.1. Adjustment of the secondary
interlock switch (SAFETY
SWITCH B) (Right and Left
side)
1. Switch operation
When the door is slightly opened, the secondary interlock
switch opens the main circuit. The movement of the door
from the closed position to the operation position (shown as
liter) of the switch when it opens the main circuit, must
maintain within following tolerances.
SECONDARY INTERLOCK SEITCH (liter) = 3 mm — 5 mm
(When secondary interlock switch opens the main circuit)
NOTE:
Make sure that primary interlock switch turns off
prior to the secondary interlock switch when the
door is gradually opened.
2. How to adjust secondary interlock switch
Loosen 2 screws which secure the secondary interlock
switch bracket to the bracket of the oven assembly and then
adjust the secondary interlock switch bracket by moving it to
either direction as shown in figure.
13.2. Adjustment of the Short
Switch (MONITOR SWITCH)
(Right and Left side)
1. When the door is slightly opened, the Short Switch opens
the main circuit and closes the contacts for short circuit. The
movement of door from its closed position to open position
at which the Short Switch contacts open the main circuit
(shown as liter) must maintain within 8 mm — 11 mm and
at which the switch contacts close the short circuit should
be 20mm — 35 mm.
2. How to adjust
Loosen the 2 screws holding the short switch to the short
switch bracket, and then adjust the safety switch A by
moving it to either direction as shown in figure.
13 MEASUREMENTS AND ADJUSTMENTS
23
NE-3280 / NE-2180 / NE-2180C

13.3. Adjustment of the primary
interlock switch (SAFETY
SWITCH A) (Right and Left
side)
1. Switch operation
When the door is slightly opened, the contacts of primary
interlock switch opened to give digital programmer circuit
the information that the door is opend. The allowable
movement of the door from the closed position to the
operating position (shown as liter) of the switch when it
opens the circuit, is specified as follows;
PRIMARY INTERLOCK SWITCH (liter) = 1 mm — 3 mm
(When primary interlock switch opens the circuit)
NOTE:
Make sure that primary interlock switch turn off
prior to the secondary interlock switch when the
door is gradually opened.
2. How to adjust primary interlock switch
Loosen 2 screws which secure the primary interlock switch
bracket to the bracket of the oven assembly and then adjust
the primary interlock switch bracket by moving it to either
direction as shown in figure.
13.4. Measurement of microwave
output
The output power of the magnetron can be determined by
performing IEC standard test procedures. However, it is
possible to test the magnetron by following procedure outlined
below.
Necessary equipement:
·
1 litre beaker
·
Glass thermometer
·
Wrist watch or stopwatch
NOTE:
Check the line voltage under load to ensure it meets
specifications. Low voltage condition will cause a
reduction in magnetron output. Temperature readings
and heating time, should be as accurate as possible.
Output power performance test procedure.
1. Fill the beaker with exactly one litre of tap water. Stir the
water using the thermometer and note the temperature.
(Record as T1)
2. Place the beaker in the center of cook plate. Set the oven
for High power and heat for exactly one minute.
3. After completion of the heating cycle, stir the water again
WARNING
Check for radiation leakage after every servicing.
Should the leakage be more than 2 mW/square centimeter
(1mW/square centimeter for Canada) infrorm PASC, PSC, or PCI
immediately. Aftr repairing or replacing any radiation safety device,
keep a written record for future reference, as required by D.H.H.S. and
Health and Welfare Canada regulation. This requirement must be
strictly observed. In addition, the leakage reading must be recorded on
the service repair ticket while in the customer’s home.
with the thermometer and note the temperature. (Record as
T2)
The normal temperature rise (T2 — T1) at High power position
for each models is as shown in following table.
Model Temperature Rise (1 liter — 1
Min.)
NE-3280 Min. 27.4°C
NE-2180
NE-2180C Min 18°C
NOTE:
The U.S.government standard is 5mw/square
centimeter while in the customer’s home. 2mw/square
centimeter stated here is Panasonic’s own voluntary
standard.
14.1. Equipment
·
Electromagnetic radiation monitor
14 PROCEDURE FOR MEASURING RADIATION LEAKAGE
24
NE-3280 / NE-2180 / NE-2180C

·
Glass thermometer 212°F or 100°C
·
600cc glass beaker
14.2. Procedure for measuring
radiation leakage
Note before measuring
1. Do not exceed meter full scale deflection Leakage monitor
should initially be set to the highest scale.
2. To prevent false readings the test probe should be held by
the grip portion of the handle only and moved along the
shaded area shown in Figure right no faster than 1 inch/sec
(2.5cm/sec)
3. Leakage with the outer panel removed less than
5mw/square centimeter
4. Leakage for a fully assembled oven with door normally
closed less than 2mw/square centimeter
5. Leakage for a fully assembled oven [Before the interlock
switch (primary) is interrupted] while pulling the door less
than 2mw/square centimeter
1. Pour 275±15cc (9ozs ±1/2oz) of 20 ± 5°C (68 ± 9°F) water
in a beaker which is graduated to 600cc, and place the
beaker in the center of the oven.
2. Set the radiation monitor to 2450MHz and use it following
the manufactuer’s recommended test procedure to assure
correct results.
3. When measuring the leakage, always use the 2 inch (5cm)
spacer supplied with the probe.
4. Press the start button and with the magnetron oscillating,
measure the leakage by holding the probe perpendicular to
the surface being measured.
1. Measurement with the outer panel removed.
Whenever you replace the magnetron, measure for
radiation leakage before the outer panel is installed and
after all necessary components are replaced or adjusted.
Special care should be taken in measuring around the
magnetron.
WARNING
Avoid contacting any high voltage parts.
2. Measurements with a fully assembled oven.
After all components, including the outer panel are fully
assembled, measure for radiation leakage around the door
periphery, the door viewing window, the exhaust opening
and air inlet openings.
14.3. Record keeping and
notification after measurement
1. After any adjustment or repair to a microwave oven, a
leakage reading must be taken. Record this leakage
reading on the repair ticket even if it is zero.
A copy of this repair ticket and the microwave leakage
reading should be kept by repair facility.
2. Should the radiation leakage be more than 2mw/square
centimeter after determining that all parts are in good
condition, functioning properly, and genuine replacement
parts as listed in this manual have been used, immediately
notify PASC or PSC.
14.4. At least once a year, have the
radiation monitor checked for
calibration by its
manufacturer.
25
NE-3280 / NE-2180 / NE-2180C

15 TROUBLESHOOTING GUIDE
CAUTION
1. Check grounding before checking for trouble.
2. Be careful of the high voltage circuit.
3. Discharge high voltage capacitor.
4. When checking the continuity of the switches or the high voltage transformer, disconnect one lead wire from these parts and then check
continuity with the AC plug removed. To do otherwise may result in a false reading or damage to your meter.
When disconnecting a plastic connector from a terminal, you must hold the plastic connector instead of the lead wire and then disconnect it,
otherwise lead wire may be open or the connector cannot be removed.
5. Be sure to ground any static electric charge built up in your body, before handling the D.P.C.
6. A 208-230V AC is present at the shaded area ( ) of the power supply circuit board (Terminals of power relays and primary circuit of low voltage
transformer). When troubleshooting, be cautious of possible electrical shock hazard.
First of all operate the microwave oven following the correct operating procedures described on pages 4 of this service manual in
order to find the exact cause of any trouble.
NOTE:
If the unit shows faulty symptom as shown below, check the parts listed in possible cause column depending on
failure indication e.g. F81, F82 in the display.
[TROUBLE] Oven does not operate at all or oven does not start cooking. NE-3280
DISPLAY CONDITIONS POSSIBLE CAUSE TIMING OF FAILURE INDICATION
F33 Open temperature
sensor (exhaust) 1. Temperature sensor failure
2. Digital programmer circuit failure
3. Loose connector CN5
It is appeared when failure occured.
F34 Short temperature
sensor (exhaust) 1. Temperature sensor failure
2. Digital programmer circuit failure
It is appeared when failure occured.
F44 1. Shorted membrane switch It is appeared 2 minutes after failure
occured.
F01
(With continuous
beep sounds)
Exhaust temperature
exceeds 120°C 1. Burning food in the oven due to over cook It is appeared when exhaust temperature
exceeds above 120°C.
F03 Input voltage exceed
+ 12.5% 1. Increase in power source voltage It is appeared when the unit is plugged in.
Note that it returns normal operation mode
by tapping the STOP pad.
F04 Input voltage is less
than — 12.5% 1. Decrease in power source voltage It is appeared when the unit is plugged in.
Note that it returns normal operation mode
by tapping the STOP pad.
F05 Memory failure 1. Digital programmer circuit failure
No display 1.25A fuse blown 1. Low-Voltage transformer failure
No display 1.25A fuse is OK 1. Thermal cutout failure
2. Low voltage transformer failure
3. Digital programmer circuit failure
F81 No voltage supply to
high voltage trans.
(lower/left)
1. Relay failure RY-3 (A)
2. Loose connector CN256, CN257
3. Digital programmer circuit failure
It is appeared when failure occured.
F82 No voltage supply to
high voltage trans.
(lower/right)
1. Relay failure RY-5 (B)
2. Loose connector CN258, CN259
3. Digital programmer circuit failure
It is appeared when failure occured.
F83 No voltage supply to
high voltage trans.
(upper/left)
1. Relay failure RY-7 (C)
Loose connector CN260, CN261
2. Digital programmer circuit failure
It is appeared when failure occured.
F84 No voltage supply to
high voltage trans.
(upper/right)
1. Relay failure RY-9 (C)
Loose connector CN262, CN263
2. Digital programmer circuit failure
It is appeared when failure occured.
F86 Shorted contacts of RY-
3 1. Relay failure RY-3 (A)
2. Digital programmer circuit failure
It is appeared when failure occured.
F87 Shorted contacts of RY-
5 1. Relay failure RY-5 (B)
2. Digital programmer circuit failure
It is appeared when failure occured.
F88 Shorted contacts of RY-
7 1. Relay failure RY-7 (C)
2. Digital programmer circuit failure
It is appeared when failure occured.
26
NE-3280 / NE-2180 / NE-2180C

DISPLAY CONDITIONS POSSIBLE CAUSE TIMING OF FAILURE INDICATION
F89 Shorted contacts of RY-
9 1. Relay failure RY-9 (D)
2. Digital programmer circuit failure
It is appeared when failure occured.
[TROUBLE] Oven does not operate at all or oven does not start cooking. NE-2180, NE-2180C
DISPLAY CONDITIONS POSSIBLE CAUSE TIMING OF FAILURE INDICATION
F33 Open temperature
sensor (exhaust) 1. Temperature sensor failure
2. Digital programmer circuit failure
3. Loose connector CN5
It is appeared when failure occured.
F34 Short temperature
sensor (exhaust) 1. Temperature sensor failure
2. Digital programmer circuit failure
It is appeared when failure occured.
F44 1. Shorted membrane switch It is appeared 2 minutes after failure
occured.
F01
(With continuous
beep sounds)
Exhaust temperature
exceeds 120°C 1. Burning food in the oven due to over cook It is appeared when exhaust temperature
exceeds above 120°C.
F03 Input voltage exceed
+ 12.5% 1. Increase in power source voltage It is appeared when the unit is plugged in.
Note that it returns normal operation mode
by tapping the STOP pad.
F04 Input voltage is less
than — 12.5% 1. Decrease in power source voltage It is appeared when the unit is plugged in.
Note that it returns normal operation mode
by tapping the STOP pad.
F05 Memory failure 1. Digital programmer circuit failure
No display 1.25A fuse blown 1. Low-Voltage transformer failure
No display 1.25A fuse is OK 1. Thermal cutout failure
2. Low voltage transformer failure
3. Digital programmer circuit failure
F81 No voltage supply to
high voltage
transformer. (left)
1. Relay failure RY-3 (A)
2. Loose connector CN256, CN257
3. Digital programmer circuit failure
It is appeared when failure occured.
F84 No voltage supply to
high voltage
transformer. (right)
1. Relay failure RY-9 (C)
2. Loose connector CN262, CN257
3. Digital programmer circuit failure
It is appeared when failure occured.
F86 Shorted contacts of RY-
3 1. Relay failure RY-3 (A)
2. Digital programmer circuit failure
It is appeared when failure occured.
F89 Shorted contacts of RY-
9 1. Relay failure RY-9 (D)
2. Digital programmer circuit failure
It is appeared when failure occured.
27
NE-3280 / NE-2180 / NE-2180C

16 EXPODED VIEW AND PARTS LIST
28
NE-3280 / NE-2180 / NE-2180C

29
NE-3280 / NE-2180 / NE-2180C

17 PARTS LIST
NOTE
When ordering replacement part(s), please use part number(s) shown in this parts list.
Do not use description of the part.
Importan safety notice:
Components identified by mark have special characteristics important for safety.
When replacing any of these components, use only manufacturere’s specified parts.
Ref. No. Part No. Part Name & Description Pcs/Set Remarks
1ANE00068U0CP CAUTION LABEL 1NE-2180C
1A00063040AP CAUTION LABEL 1NE-3280,NE-2180
2A00333A40AP FUSE LABEL 1NE-3280,NE-2180
2A00333570CP FUSE LABEL 1NE-2180C
3A010T3030GP SHELF 1
4A02393A80BP CORD LABEL 1NE-3280,NE-2180
5A05243A40AP NAME LABEL 1 NE-3280
5A05243A60AP NAME LABEL 1 NE-2180
5A05243A60CP NAME LABEL 1NE-2180C
6ANE6595P40AP FUSE 2 NE-2180(C)(15A)
6ANE6230P30AP FUSE 2 NE-3280(20A)
7ANE0911000DC CUSHION RUBBER B 1 NE-3280
7ANE0911000DC CUSHION RUBBER B 1 NE-3280
8ANE0911000DF CUSHION RUBBER B 1
9XYD4+EE12F SCREW 19 NE-2180(C)(4X12) (FOR TERMINAL PLATE ANTENNA,
MOTOR COVER,SWITCH HOLDER,DIODE,
CAPACITOR BRACKET,ESCUTCHEON BASE,DPC EARTH)
9XYD4+EE12F SCREW 18 NE-3280(FOR TERMINAL PLATE ANTENNA,
MOTOR COVER ,SWITCH HOLDER,DIODE,
CAPACITOR BRACKET,ESCUTCHEON BASE,DPC EARTH)
9XYD4+EE12F SCREW 19 NE-2180(C)(4X12) (FOR TERMINAL PLATE ANTENNA,
MOTOR COVER,SWITCH HOLDER,DIODE,
CAPACITOR BRACKET,ESCUTCHEON BASE,DPC EARTH)
9XYD4+EE12F SCREW 19 NE-2180(C)(4X12) (FOR TERMINAL PLATE ANTENNA,
MOTOR COVER,SWITCH HOLDER,DIODE,
CAPACITOR BRACKET,ESCUTCHEON BASE,DPC EARTH)
9XYD4+EE12F SCREW 19 NE-2180(C)(4X12) (FOR TERMINAL PLATE ANTENNA,
MOTOR COVER,SWITCH HOLDER,DIODE,
CAPACITOR BRACKET,ESCUTCHEON BASE,DPC EARTH)
9XYD4+EE12F SCREW 19 NE-2180(C)(4X12) (FOR TERMINAL PLATE ANTENNA,
MOTOR COVER,SWITCH HOLDER,DIODE,
CAPACITOR BRACKET,ESCUTCHEON BASE,DPC EARTH)
9XYD4+EE12F SCREW 19 NE-2180(C)(4X12) (FOR TERMINAL PLATE ANTENNA,
MOTOR COVER,SWITCH HOLDER,DIODE,
CAPACITOR BRACKET,ESCUTCHEON BASE,DPC EARTH)
9XYD4+EE12F SCREW 19 NE-2180(C)(4X12) (FOR TERMINAL PLATE ANTENNA,
MOTOR COVER,SWITCH HOLDER,DIODE,
CAPACITOR BRACKET,ESCUTCHEON BASE,DPC EARTH)
9XYD4+EE12F SCREW 19 NE-2180(C)(4X12) (FOR TERMINAL PLATE ANTENNA,
MOTOR COVER,SWITCH HOLDER,DIODE,
CAPACITOR BRACKET,ESCUTCHEON BASE,DPC EARTH)
9XYD4+EE12F SCREW 19 NE-2180(C)(4X12) (FOR TERMINAL PLATE ANTENNA,
MOTOR COVER,SWITCH HOLDER,DIODE,
CAPACITOR BRACKET,ESCUTCHEON BASE,DPC EARTH)
9XYD4+EE12F SCREW 19 NE-2180(C)(4X12) (FOR TERMINAL PLATE ANTENNA,
MOTOR COVER,SWITCH HOLDER,DIODE,
CAPACITOR BRACKET,ESCUTCHEON BASE,DPC EARTH)
10 ANE0911000EG CUSHION RUBBER B 2
11 ANE0911000EH CUSHION RUBBER B 2NE-2180(C)
11 ANE0911000EH CUSHION RUBBER B 4 NE-3280
11 ANE0911000EH CUSHION RUBBER B 2NE-2180(C)
11 ANE0911000EH CUSHION RUBBER B 2NE-2180(C)
12 ANE0911000MG CUSHION RUBBER B 2 NE-3280
12 ANE0911000MG CUSHION RUBBER B 2 NE-3280
13 ANE0917000EB CUSHION RUBBER B 2
13 ANE0917000EB CUSHION RUBBER B 2
13 ANE0917000EB CUSHION RUBBER B 2
13 ANE0917000EB CUSHION RUBBER B 2
14 ANE0921000CG CUSHION RUBBER C 1
15 ANE000Z000AA CUSHION RUBBER C 14
15 ANE000Z000AA CUSHION RUBBER C 14
15 ANE000Z000AA CUSHION RUBBER C 14
15 ANE000Z000AA CUSHION RUBBER C 14
15 ANE000Z000AA CUSHION RUBBER C 14
15 ANE000Z000AA CUSHION RUBBER C 14
15 ANE000Z000AA CUSHION RUBBER C 14
15 ANE000Z000AA CUSHION RUBBER C 14
30
NE-3280 / NE-2180 / NE-2180C

Ref. No. Part No. Part Name & Description Pcs/Set Remarks
15 ANE000Z000AA CUSHION RUBBER C 14
15 ANE000Z000AA CUSHION RUBBER C 14
15 ANE000Z000AA CUSHION RUBBER C 14
15 ANE000Z000AA CUSHION RUBBER C 14
16 ANE0922000JE CUSHION RUBBER C 1
17 ANE000Z000AB CUSHION RUBBER C 2
17 ANE000Z000AB CUSHION RUBBER C 2
17 ANE000Z000AB CUSHION RUBBER C 2
18 ANE0924000AB CUSHION RUBBER C 2
18 ANE0924000AB CUSHION RUBBER C 2
19 A100A3560BP BASE 1 (NOTE)
20 A100Q3560GP BACK PANEL 1
21 A10083030GP RUBBER FOOT 2
21 A10083030GP RUBBER FOOT 2
22 A10093030GP CABINET BODY(U) 1
23 A10133030GP LEFT SIDE SASH 1
24 A10143030GP RIGHT SIDE SASH 1
25 A10203030GP SASH RUBBER B 1 LEFT
26 A10263030GP LAMP COVER 1
27 A10283030GP ANTENNA MOTOR COVER 2
27 A10283030GP ANTENNA MOTOR COVER 2
28 A10503030GP SASH RUBBER A 1RIGHT
29 A10583560GP BACK PANEL COVER A 1
30 A10593560GP BACK PANEL COVER B 1
31 A10943030GP RUBBER FOOT B 2
31 A10943030GP RUBBER FOOT B 2
32 ANE11548U0AP BACK PANEL COVER 1
33 A11743060GP SPACER 1
34 A16163040AP PANEL B(U) 1
35 A200A3A40AP OVEN 1
36 A200P3030GP ROLLER BRACKET A 1RIGHT
37 A200Q3030GP ROLLER BRACKET B 1 LEFT
38 A20103030GP CEILING PLATE B 2
39 A20113030GP CEILING PLATE 1
40 A20193030GP ANTENNA STOPPER 8
40 A20193030GP ANTENNA STOPPER 8
40 A20193030GP ANTENNA STOPPER 8
40 A20193030GP ANTENNA STOPPER 8
40 A20193030GP ANTENNA STOPPER 8
40 A20193030GP ANTENNA STOPPER 8
40 A20193030GP ANTENNA STOPPER 8
40 A20193030GP ANTENNA STOPPER 8
41 A202R3560GP ANTENNA(U) 4
41 A202R3560GP ANTENNA(U) 4
42 A22173030GP BARRIER SHEET A 1
43 A22183030GP BARRIER SHEET B 2 NE-3280
43 A22183030GP BARRIER SHEET B 2 NE-3280
44 A22193030GP BARRIER SHEET C 1NE-2180(C)
44 A22193030GP BARRIER SHEET C 2 NE-3280
45 ANE3008P00RN HINGE PIN 2
45 ANE3008P00RN HINGE PIN 2
46 XWNANE53GV SPACER 1
47 A30203030GP DOOR HOOK A 2
47 A30203030GP DOOR HOOK A 2
48 ANE3033-560 DOOR ROLLER PIN 2
48 ANE3033-560 DOOR ROLLER PIN 2
49 ANE3034-560 DOOR GUIDE ROLLER 2
49 ANE3034-560 DOOR GUIDE ROLLER 2
50 A31123050GP DOOR HOOK B 2 NE-2180(C)
50 A31123030GP DOOR HOOK B 2 NE-3280
51 A31363030GP HOOK SPACER A 2
51 A31363030GP HOOK SPACER A 2
52 ANE3155-610 SPRING 2
52 ANE3155-610 SPRING 2
53 ANE3157-610 PACKING RUBBER 2
53 ANE3157-610 PACKING RUBBER 2
54 A31863A40BP DOOR PANEL 1 NE-3280
54 A31863A60BP DOOR PANEL 1 NE-2180
54 A31863A60CP DOOR PANEL 1NE-2180C
55 A32493030GP DOOR SWITCH LEVER 2
55 A32493030GP DOOR SWITCH LEVER 2
56 A32523030GP DOOR ARM SPACER 2
56 A32523030GP DOOR ARM SPACER 2
57 A33373030GP DOOR ARM LEVER 2
31
NE-3280 / NE-2180 / NE-2180C

Ref. No. Part No. Part Name & Description Pcs/Set Remarks
57 A33373030GP DOOR ARM LEVER 2
58 A400B3040AP AIR FILTER FLAME(U) 2
59 A400C3040AP EXHAUST GUIDE B 1
60 A402N3030GP EXHAUST GUIDE A 1
61 A40253030GP AIR GUIDE A 2
61 A40253030GP AIR GUIDE A 2
62 A40263030GP AIR GUIDE B 1
63 A40313030GP AIR GUIDE C 1
64 A40423040AP AIR GUIDE F 2
64 A40423040AP AIR GUIDE F 2
65 A40473560GP AIR GUIDE E 1
66 A40923030GP FILTER HANDLE 2
66 A40923030GP FILTER HANDLE 2
67 A40963030GP INSULATION SHEET 1
68 ANE42408U0AP FILTER HANDLE B 2
68 ANE42408U0AP FILTER HANDLE B 2
69 A490W3570AP FAN MOTOR A 1 NE-3280
69 A490W3590AP FAN MOTOR A 1NE-2180(C)
70 A490Y3570AP FAN MOTOR B 1 NE-3280
70 A490Y3590AP FAN MOTOR B 1NE-2180(C)
71 ANE50328U0AP MAGNETRON BRACKET 2
71 ANE50328U0AP MAGNETRON BRACKET 2
72 A622A3A40AP H.V.TRANSFORMER 4 NE-3280
72 A622A3A60AP H.V.TRANSFORMER 2NE-2180(C)
72 A622A3A40AP H.V.TRANSFORMER 4 NE-3280
72 A622A3A40AP H.V.TRANSFORMER 4 NE-3280
73 A600E3030GP TERMINAL PLATE 1
73 A600E3030BP TERMINAL PLATE 1
74 A600S3030GP CAPACITOR BRACKET 2NE-2180(C)
74 A600S3A40BP CAPACITOR BRACKET 2 NE-3280
75 A601L4000AP TEMP SENSOR 1
76 A603M3560BP P.C. BOARD B(U) 1 NE-3280
76 A603M3580GP P.C. BOARD B(U) 1NE-2180(C)
77 A603Y3570AP L.V.TRANSFORMER(U) 1
78 A60304080BP INCANDESCENT LAMP 1240V/20W
79 ANE6040-730 OVEN LAMP SHEET 2
80 A61143040AP MOUNTING BRACKET 1
80 A61143040AP MOUNTING BRACKET 1
81 A605Q3030GP PUSH SWITCH 1
82 A605S3030GP PC BOARD H(U) 1
83 2M210-M1GL MAGNETRON 4NE-2180(C)
83 2M244-M1GL MAGNETRON 4 NE-3280
83 2M210-M1GL MAGNETRON 4NE-2180(C)
83 2M210-M1GL MAGNETRON 4NE-2180(C)
84 A60733030GP OVEN LAMP COVER 1
85 A60903050GP H.V.CAPACITOR 4NE-2180(C)(0.63MF,AC2700V)
85 A63903330GP H.V.CAPACITOR 4NE-3280(1.0MF,AC2700V)
86 A61073030GP PARTS BRACKET B 1
87 ANE6142-F60 MICROSWITCH 2NE-2180(C)
V-15G-3C26(SECONDARY INTERLOCK SWITCH)
87 A61423030GP MICROSWITCH 2NE-3280(A20G7-3C108)
SECONDARY LATCH SWITCH
88 A61424L0AG MICROSWITCH 2V-15G-3C26(PRIMARY INTERLOCK SWITCH)
88 A61424L0AG MICROSWITCH 2V-15G-3C26(PRIMARY INTERLOCK SWITCH)
89 A6144-3280 ANTENNA MOTOR 2LOWER(2.5W)
89 A6144-3280 ANTENNA MOTOR 2LOWER(2.5W)
90 A61446030AP ANTENNA MOTOR 2UPPER(2.5W)
91 A61454000AP THERMAL CUTOUT 1 FOR OVEN
92 A61454050AP THERMAL CUTOUT 2FOR ANTENNA MOTOR
92 A61454050AP THERMAL CUTOUT 2FOR ANTENNA MOTOR
93 A61453570CP THERMAL CUTOUT 4FOR MAGNETRON
93 A61453570CP THERMAL CUTOUT 4FOR MAGNETRON
93 A61453570CP THERMAL CUTOUT 4FOR MAGNETRON
93 A61453570CP THERMAL CUTOUT 4FOR MAGNETRON
94 A61524210AA SOCKET 1
95 A61583030GP DOOR SWITCH A 1RIGHT(MONITOR SWITCH)
96 A61583050GP DOOR SWITCH B 1LEFT(MONITOR SWITCH)
97 A61703030GP INSULATION SHEET B 1
98 A6202-3280 DIODE,SI 4 NE-3280
98 A62024000AP DIODE,SI 4NE-2180(C)
99 A62303A60BP FUSE 1 NE-2180C(30A)
100 A6231-F50 FUSE HOLDER 1NE-2180C
101 A62383030GP SPACER 2
101 A62383030GP SPACER 2
32
NE-3280 / NE-2180 / NE-2180C

Ref. No. Part No. Part Name & Description Pcs/Set Remarks
102 XYN5+C8BN SCREW 2NE-3280(5X8)FOR NOISE FILTER
103 A64083040AP WASHER 2
103 A64083040AP WASHER 2
104 A65313030GP SWITCH HOLDER 1
105 ANE64086Q0AP WASHER 1
106 A65513030GP H.V.T.MOUNTING 2
106 A65513030GP H.V.T.MOUNTING 2
107 A65613030GP BUZZER CASE 1
108 A05103040AP CAUTION LABEL 1NE-3280,NE-2180
108 A05103570CP CAUTION LABEL 1NE-2180C
109 A65953170GP FUSE B 1 (1.25A)
110 A66033040AP OVEN LAMP BRACKET 1
111 A66263040AP THERMAL CUTOUT MOUNT 2
112 A692Y3570AP NOISE FILTER(U) 1NE-3280,NE-2180
112 A692Y3570CP NOISE FILTER(U) 1NE-2180C
113 ANE01728U0CP CAUTION LABEL 1
113 ANE01728U0CP CAUTION LABEL 1
114 A83613030GP SWITCH SPACER
115 A900C3A40AP AC CORD W/PLUG(U) 1 NE-3280
115 B900C3570AP AC CORD W/PLUG(U) 1NE-2180(C)
116 XTC4+10FC SCREW 14X10(FOR ESCUTCHEON BASE)
117 XYN4+F18S SCREW 44X18(FOR DOOR HOOK B)
117 XYN4+F18S SCREW 44X18(FOR DOOR HOOK B)
118 XYN4+F12S SCREW 44X12(FOR DOOR SWITCH)
118 XYN4+F12S SCREW 44X12(FOR DOOR SWITCH)
119 ANE9080-730 CLIP(YELLOW) 2NE-2180(C)
119 ANE9080-730 CLIP(YELLOW) 3 NE-3280
119 ANE9080-730 CLIP(YELLOW) 2NE-2180(C)
119 ANE9080-730 CLIP(YELLOW) 2NE-2180(C)
119 ANE9080-730 CLIP(YELLOW) 2NE-2180(C)
120 ANE90828U0AP CLIP(BLACK) 2
120 ANE90828U0AP CLIP(BLACK) 2
121 ANE9082930AP CLIP 8
121 ANE9082930AP CLIP 8
121 ANE9082930AP CLIP 8
121 ANE9082930AP CLIP 8
121 ANE9082930AP CLIP 8
121 ANE9082930AP CLIP 8
122 A98363030GP CASE 1
123 A02433560GP TERMINAL LABEL 1NE-3240,NE-2140
124 XST4+6VS SCREW 84X6(FOR ANTENNA)
124 XST4+6VS SCREW 84X6(FOR ANTENNA)
124 XST4+6VS SCREW 84X6(FOR ANTENNA)
124 XST4+6VS SCREW 84X6(FOR ANTENNA)
124 XST4+6VS SCREW 84X6(FOR ANTENNA)
124 XST4+6VS SCREW 84X6(FOR ANTENNA)
125 XTC4+10BC SCREW 94X10(FOR CABINET BODY LAMP COVER SASH)
125 XTC4+10BC SCREW 94X10(FOR CABINET BODY LAMP COVER SASH)
125 XTC4+10BC SCREW 94X10(FOR CABINET BODY LAMP COVER SASH)
125 XTC4+10BC SCREW 94X10(FOR CABINET BODY LAMP COVER SASH)
125 XTC4+10BC SCREW 94X10(FOR CABINET BODY LAMP COVER SASH)
125 XTC4+10BC SCREW 94X10(FOR CABINET BODY LAMP COVER SASH)
126 XTC4+12BK SCREW 34X12(FOR BASE)
126 XTC4+12BK SCREW 34X12(FOR BASE)
127 XTEANE5+10B SCREW 45X10(FOR ROLLER BRACKET)
127 XTEANE5+10B SCREW 45X10(FOR ROLLER BRACKET)
128 XTWANE4+10RU SCREW 84X10(FOR LOWER MAGNETRON)
128 XTWANE4+10RU SCREW 84X10(FOR LOWER MAGNETRON)
128 XTWANE4+10RU SCREW 84X10(FOR LOWER MAGNETRON)
128 XTWANE4+10RU SCREW 84X10(FOR LOWER MAGNETRON)
129 A608E3560GP P.C. BOARD Q 1 NE-3280
130 ANE0962000ZE CUSHION RUBBER D 2
131 A80163060GP CUSHION SPACER 1
132 ANE0961000ZL CUSHION RUBBER D 2
132 ANE0961000ZL CUSHION RUBBER D 2
133 ANE0963000AS CUSHION RUBBER D 2
134 A10493030GP CUSHION RUBBER 2
134 A10493030GP CUSHION RUBBER 2
135 A18593560GP SHELF SUPPORT 2
136 A91433040AP CLIP A 4 NE-2180(C)
136 A91433040AP CLIP A 4 NE-2180(C)
136 A91433040AP CLIP A 4 NE-2180(C)
137 XNW5EFN NUT 2 FOR SHELF SUPPRT
137 XNW5EFN NUT 2 FOR SHELF SUPPRT
33
NE-3280 / NE-2180 / NE-2180C

Ref. No. Part No. Part Name & Description Pcs/Set Remarks
138 XWG5BV WASHER 2FOR SHELF SUPPRT
138 XWG5BV WASHER 2FOR SHELF SUPPRT
139 A90273A40AP CORD BUSHING 1 NE-3280
139 A90273040AP CORD BUSHING 1NE-2180(C)
140 A90353A40AP CORD BRACKET 1 NE-3280
140 A90353570CP CORD BRACKET 1NE-2180(C)
141 XTT4+8E SCREW 14X8(FOR BACK PANEL COVER)
142 XYEANE5+C16T SCREW 85X16(FOR UPPER MAGNETRON)
142 XYEANE5+C16T SCREW 85X16(FOR UPPER MAGNETRON)
142 XYEANE5+C16T SCREW 85X16(FOR UPPER MAGNETRON)
142 XYEANE5+C16T SCREW 85X16(FOR UPPER MAGNETRON)
143 A30183030GP DOOR KEY A 2
143 A30183030GP DOOR KEY A 2
144 A04115020CQ CSA LABEL 1NE-2180C
NOTE: Please order name label together.
18 DOOR ASSEMBLE
Ref. No. Part No. Part Name & Description Pcs/Set Remarks
D1 A30033030GP DOOR FRAME 1
D2 A30043030GP DOOR ARM 2
D2 A30043030GP DOOR ARM 2
D3 A301A3030GP DOOR A 1 NOTE
D4 A302K3030GP DOOR E(U) 1
D5 ANE3009P00RN DOOR SPRING 2
D5 ANE3009P00RN DOOR SPRING 2
D6 ANE3036P00RN DOOR ARM PIN 2
D6 ANE3036P00RN DOOR ARM PIN 2
D7 A30703030GP HANDLE PIECE A 1
D8 A31343030GP HANDLE PIECE B 1
D9 A31463030GP DOOR SCREEN B 1
D10 A31473030GP HANDLE SHEET C 1
D11 XTC4+10BC SCREW 3 4X10
D11 XTC4+10BC SCREW 3 4X10
D11 XTC4+10BC SCREW 3 4X10
34
NE-3280 / NE-2180 / NE-2180C

Ref. No. Part No. Part Name & Description Pcs/Set Remarks
D12 XYEANE4+C16T SCREW 4 4X16
D12 XYEANE4+C16T SCREW 4 4X16
D13 A30853030GP DOOR C 1
D14 ANE0245X00AP DHHS LABEL 1NE-3280,NE2180
D15 ANE01728U0CP CAUTION LABEL 1
NOTE: Please order DHHS label together.
19 ESCUTCHEON BASE ASSEMBLE
Ref. No. Part No. Part Name & Description Pcs/Set Remarks
E1 A03613560GP TIMER 1
E2 A603L3590GP D.P.CIRCUIT(U) 1RTL(W/COMPONENT)
E3 A63433030GP TIMER BRACKET 1NE-3280,NE-2180
E4 A64793570AP MEMBRANE SWITCH 1
E5 A800D3060GP TIMER KNOB 1
E6 A80013060GP ESCUTCHEON A 1NE-3280,NE-2180
E7 A80023030GP ESCUTCHEON B 1
E8 A80063030GP ESCUTCHEON D 1
E9 A80163030GP ESCUTCHEON SPACER 1
E10 A80343060GP ESCUTCHEON BASE 1NE-3280,NE-2180
E11 A81263060GP SMOKE PANEL 1NE-3280,NE-2180
E12 A82873030GP SPACER A 1NE-3280,NE-2180
E13 A83423060GP CUSHION RUBBER B 1NE-3280,NE-2180
E14 ANE0911000AB CUSHION RUBBER B 1NE-3280,NE-2180
E15 ANE0961000ZE CUSHION RUBBER D 2
E15 ANE0961000ZE CUSHION RUBBER D 2
35
NE-3280 / NE-2180 / NE-2180C

20 PACKING AND ACCESSORIES
Ref. No. Part No. Part Name & Description Pcs/Set Remarks
P1 A00033A40AP INSTRUCTION BOOK 1NE-3280,NE-2180
P1 A00033A60CP INSTRUCTION BOOK 1NE-2180C
P2 A00873040AP MENU CARD 1
P3 A01023570CP PACKING CASE,PAPER 1 NE-3280
P3 A01023590CP PACKING CASE,PAPER 1NE-2180(C)
P4 A01033030GP BOTTOM CASE 1
P5 A01043030GP UPPER FILLER 1
P6 A01053030GP LOWER FILLER 1
P7 A01063040AP VINYL COVER 1
P8 A01073030GP DOOR SHEET 1
P9 A01083030GP TRAY PACKING 1
P10 A01173030GP TRAY PACKING B 1
P11 A012D3050GP SHELF B 1
P12 A04203570AP OPERATING GUIDE 1
P13 HP-601W FASTENER 4
36
NE-3280 / NE-2180 / NE-2180C

21 WIRING MATERIAL
37
NE-3280 / NE-2180 / NE-2180C

Ref. No. Part No. Part Name & Description Pcs/Set Remarks
W1 A030A3A40AP LEAD WIRE HARNESS 1 NE-3280
W1 A030A3A60AP LEAD WIRE HARNESS 1 NE-2180
W1 A030A3590CP LEAD WIRE HARNESS 1NE-2180C
W2 A03603560GP LEAD WIRE 1
W3 A03623A40AP LEAD WIRE 1 NE-3280
38
NE-3280 / NE-2180 / NE-2180C

Ref. No. Part No. Part Name & Description Pcs/Set Remarks
W3 A03623560GP LEAD WIRE 1 NE-2180(C)
W4 A03633560GP LEAD WIRE 1
W5 A604Q3570AP SURGE ABSORBER A 1 NE-2180
W6 A03653560GP LEAD WIRE 1
W7 A03693560GP LEAD WIRE 1
W8 A03703560GP LEAD WIRE 1
W9 A03723A60BP LEAD WIRE 1 NE-2180
W10 A604Q3590AP SURGE ABSORBER B 1 NE-2180
W11 A50966520UP FERRITE CORE 4NE-2180C
W12 A606W3560GP PROTECTOR DIODE B 2 NE-3280
W13 A606V3580GP PROTECTOR DIODE 2NE-2180(C)
W14 A606V3560GP PROTECTOR DIODE 2 NE-3280
Ref. No. Part No. Part Name & Description Pcs/Ser Remarks
REF NO.76 P.C.BOARD B (U)
AEGHPUG3640 1
XYN3+F8S6 1 3X8
2SD2012 1
ERDS2TJ163T 1NE-2180(C)(16KΩ
ΩΩ
Ω,1/4W,5%)
C250 ECA1HHG222E 12200MF/50V
CN250 AEEMMD1FF09W 1 9PIN
CN251 AEEMMD7FF11N 111PIN
CN252 AEEMMD04907W 1 7PIN
CN254 AEEMMD01F05W 1 5PIN
D250,D251
,D252,D25
3,D254,D2
55,D256,D
257,D258,
D259,D260
,D261,D26
2,D263,D2
64,D265,D
267,D269,
D271,D273
MA196-(TA5) DIODE SI 20
IC250,IC2
51,IC252,
IC253
AEICPS2505 IC 4 NE-3280
IC250,IC2
53 AEICPS2505 IC 2 NE-2180(C)
JPR250 ERDS2TJ163T CARBON FILM RESISTOR 1NE-2180(C)(16KΩ
ΩΩ
Ω,1/4W,5%)
JPR250 ERDS2TJ622T CARBON FILM RESISTOR 1NE-3280(6.2KΩ
ΩΩ
Ω,1/4W,5%)
Q251 2SD637-PQRS TRANSISTOR SI 1
R250 ERDS2TJ332T CARBON FILM RESISTOR 1 3.3KΩ
ΩΩ
Ω,1/4W,5%
R251,R252
,R253,R25
4,R255,R2
56,R257,R
258
ERDS1TJ104T CARBON FILM RESISTOR 8 NE-3280
R251,R252
,R257,R25
8
ERDS1TJ104T CARBON FILM RESISTOR 4NE-2180(C)(100KΩ
ΩΩ
Ω,1/2W,5%)
R259,R260 ERF15ZXJ240 RESISTOR 2 24Ω
ΩΩ
Ω,15W,5%
R261 ERDS2TJ684T CARBON FILM RESISTOR 1 680KΩ
ΩΩ
Ω,1/4W,5%
RY1 AEBG5B18P-1 POWER RELAY 1G5B-1-ER18(18V)
RY2,RY3,R
Y9,RY11,R
Y14,RY16
AEG5J1EM18B POWER RELAY 7NE-2180(C)(G5J-1-TP-M-ER18)
RY2,RY3,R
Y5,RY7,RY
9,RY11,RY
12,RY13,R
Y14,RY15,
RY16
AEG5J1EM18B POWER RELAY 11 NE-3280(G5J-1-TP-M-ER18)
REF NO.82 P.C.BOARD H(U)
BZ EFBRL37C20 BUZZER 13.7KHZ
CN551 AEEMMB00703R CONNECTOR 1 3PIN
D551 MA196-(TA5) DIODE,SI 1
Q551 2SD639-PQRS TRANSISTOR SI 1
R551 ERDS2TJ681T CARBON FILM RESISTOR 1 680Ω
ΩΩ
Ω,1/4W,5%
CN551 ERDS2TJ184T CARBON FILM RESISTOR 1 180KΩ
ΩΩ
Ω,1/4W,5%
CN551 ERDS2TJ103T CARBON FILM RESISTOR 1 10KΩ
ΩΩ
Ω,1/4W,5%
REF NO.112 NOISE FILTER (U)
C1 ECQU2A224MNA POLYESTER CAOACITOR 1NE-2180(C)(0.22MF 250V)
C2,C3 ECKMNA472ME CERAMIC CAPACITOR 2NE-2180(0.0047MF 250V)
C2,C3 A6169A20GN CAPACITOR 2NE-3280(0.022MF 250V)
CN1,CN3 A61663560BP TERMINAL BOARD 2 NE-3280
CN9 AEEMMD00703W CONNECTOR 1 3PIN
D1 ERZC10DK621F VARISTOR 1
39
NE-3280 / NE-2180 / NE-2180C

Ref. No. Part No. Part Name & Description Pcs/Ser Remarks
D2,D3 ERZC10DK112R VARISTOR 2
F1,F2 A62316010BP FUSE HOLDER 4
F1,F2 A6116-1740 TERMINAL BOARD 2 NE-3280
F3 A62314000AP FUSE HOLDER 1NE-3280,NE-2180
F3 A62316010BP FUSE HOLDER 4
L1 A621A3570CP FILTER COIL 1NE-2180C
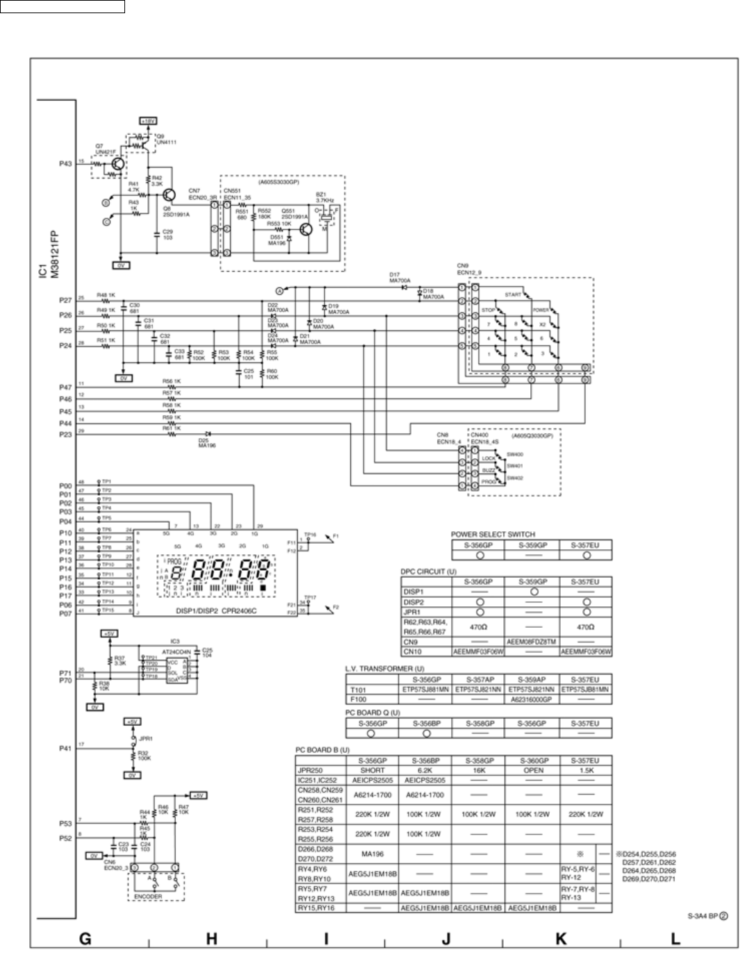
22 DIGITAL PROGRAMMER CIRCUIT
SCHEMATIC DIAGRAM
40
NE-3280 / NE-2180 / NE-2180C

41
NE-3280 / NE-2180 / NE-2180C

23 DIGITAL PROGRAMMER CIRCUIT
PARTS LIST
42
NE-3280 / NE-2180 / NE-2180C

Ref. No. Part No. Description Pcs/set Remarks
C10,12,13,15,16,17
,19,22,26,29 AECF50F104Z CERAMIC CAPACITOR 10 0.1MF/50V
C11 ECA1HM221B ELECTROLYTIC CAPACITOR,AL 1220MF/50V
C14 ECEA1CKA100B ELECTROLYTIC CAPACITOR,AL 110MF/16V
C18 ECEA1HKA2R2B ELECTROLYTIC CAPACITOR,AL 12.2MF/50V
C20,C21,C23,C24,C2
7,C28 ECBT1E103ZF5 CERAMIC CAPACITOR 60.01MF/25V
C25 ECBT1H101KB5 CERAMIC CAPACITOR 10.0001MF/50V
C30,C31,C32,C33 ECBT1H681KB5 CERAMIC CAPACITOR 4680PF
CN1 AEEMMF00F04W CONNECTOR 1 4PIN
CN2 AEEMMD1FF09W CONNECTOR 1 9PIN
CN3 AEEMMD7FF11N CONNECTOR 111PIN
CN4 AEEMMF01F05W CONNECTOR 1 5PIN
CN5 AEEMMD07D07W CONNECTOR 1 7PIN
CN6 AEEMMF00703W CONNECTOR 1 3PIN
CN7 AEEMMF00703R CONNECTOR 1 3PIN RED
CN8 AEEMB04BP0K CONNECTOR 1 4PIN
CN9 AEEM08FDZ0TN CONNECTOR 1
CX1 EFOGC4194T4 RESONATOR 14.19MHZ
D10,D11,D13 AEDNERA1502 DIODE,SI 3 1.0A
D12,D18,D22,D23,D2
4MA700A-(TA) DIODE,SI 5MA700A 0.03A
D14,D15,D16,D17,D1
9,D20,D21,D25 MA196-(TA5) DIODE,SI 8MA196 0.1A
DISP A64563030GP FLUORESCENT TUBE 1CPR2406C
SPACER A82843030GP SPACER CUSHION 2
IC1 AEIC38121472 IC 1 M38121
IC2 AEIC102977AN IC 1 SN102977AN/AN6752
IC3 AEICAT24C04N IC 1 AT24C04N
C4,C5 AEICU2004GR IC 2 A2004G
Q1 2SD2012 TRANSISTOR,SI,2W 1 3MHZ
Q2 2SA720PRTA TRANSISTOR,SI,400MW 1200MHZ
Q3,Q4,Q5,Q6 2SB1321A TRANSISTOR,SI,600MW 4200MHz
Q7 UN421F TRANSISTOR,SI,300MW 2
Q8 2SD1991A TRANSISTOR,SI,400MW 2150MHz
Q9 UN4111-(TA) TRANSISTOR,SI,300MW 1
R10,R11 ERDS2TJ151T CARBON FILM RESISTOR 2 150Ω
ΩΩ
Ω,1/4W,5%
R12,17,20,21,22,24
,25,26,27,38,39,40
,46,47
ERDS2TJ103T CARBON FILM RESISTOR 14 10KΩ
ΩΩ
Ω,1/4W,5%
R13 ERDS2TJ823T CARBON FILM RESISTOR 1 82KΩ
ΩΩ
Ω,1/4W,5%
R14 ERDS2TJ390T CARBON FILM RESISTOR 1 39Ω
ΩΩ
Ω,1/4W,5%
R15,16 ERDS2TJ152T CARBON FILM RESISTOR 2 1.5KΩ
ΩΩ
Ω,1/4W,5%
R18,R68X4 ERDS2TJ222T CARBON FILM RESISTOR 5 2.2KΩ
ΩΩ
Ω,1/4W,5%
R19 ERDS2TJ220T CARBON FILM RESISTOR 1 22Ω
ΩΩ
Ω,1/4W,5%
R23,R28,R29,R33,R3
5,R45,R48,R51,R56,
R57,R58,R59,R61
ERDS2TJ102T CARBON FILM RESISTOR 19 1.0KΩ
ΩΩ
Ω,1/4W,5%
R32,R52,R53,R54,R5
5,R60 ERDS2TJ104T CARBON FILM RESISTOR 6 100KΩ
ΩΩ
Ω,1/4W,5%
R34,R36 ERDS2TJ333T CARBON FILM RESISTOR 2 33KΩ
ΩΩ
Ω,1/4W,5%
R37,R42 ERDS2TJ332T CARBON FILM RESISTOR 2 3.3KΩ
ΩΩ
Ω,1/4W,5%
R41 ERDS2TJ472T CARBON FILM RESISTOR 1 4.7KΩ
ΩΩ
Ω,1/4W,5%
ZD1 AEDZ4R7ES3T1 ZENER DIODE,SI 1RD4.7ES3
ZD2 AEDZ5R6ES2T1 ZENER DIODE,SI 1RD5.6ES2
ZD3 AEDZ24ES3T1 ZENER DIODE,SI 1RD24ES3
43
NE-3280 / NE-2180 / NE-2180C
WP-593 (F)
S-3A4 APR
Printed in Japan